Abstract
The renewable energy is vital for today’s world as in near future the non renewable
sources that we are using are going to get exhausted. The solar vehicle is a step in
saving these non renewable sources of energy. The basic principle of solar car is to
use energy that is stored in a battery during and after charging it from a solar panel.
The charged batteries are used to drive the motor which serves here as an engine and
moves the vehicle in reverse or forward direction. The electrical tapping rheostat is
provided so as to control the motor speed. This avoids excess flow of current when
the vehicle is supposed to be stopped suddenly as it is in normal cars with regards to
fuel. This idea, in future, may help protect our fuels from getting extinguished.
All recent electric vehicles present drive on AC power supplied motor. The setup
requires an inverter set connected to battery through which DC power is converted
to AC power. During this conversion many losses take place and hence the net
output is very less and lasts for shorter duration of time. Although this is cheaper
the setup and maintenance required is much more in AC drive than DC drive. The
vehicle designed is controlled by ELECTRICAL means and not by ELECTRONIC
means
Index Terms— D.C. Motor, Rheostat Control, Lead-acid batteries, Solar panel,
Battery Cycle.
INTRODUCTION
T Energy is one of the most vital needs for human survival on earth. We are dependent on
one form of energy or the other for fulfilling our needs. One such form of energy is the
energy from FOSSIL FUELS. We use energy from these sources for generating electricity,
running automobiles etc. But the main disadvantages of these FOSSIL FUELS are that
they are not environmental friendly and they are exhaustible. To deal with these problems
of FOSSIL FUELS, we need to look at the NON-CONVENTIONAL SOURCES of
energy. With regard to this idea we have designed an Electrical vehicle that runs on solar
energy.
three wheel drive and can be used for shuttle and short distances. As these vehicles form
the future of the automotive industry, we need to concentrate on improving their design
and making them cost effective. This vehicle is an initiative in this direction.
II. BASIC FUNCTIONAL DIAGRAM
Fig. 1 Basic block Diagram Representation of Solar vehicle
The above diagram gives an overview of the working
of solar vehicle. Sun is the main source of energy for
the vehicle. Energy from Sun is captured by the solar
panels and is converted to electrical energy. The electrical energy thus formed is being fed to
the batteries that get charged and is used to run 24 V DC high torques DC series motor. The
shaft of the motor is connected to the rear wheel of the vehicle through chain sprocket. The
batteries are initially fully charged and thereafter they are charged by panels. This helps in
completing the charging- discharging cycle of the batteries, which is very important for
proper working of batteries.
III. BASIC CIRCUIT DIAGRAM
The fig 2 shown below represents the connections of the motor
for forward and backward motion. The connections are made from battery to motor via
switch, controller unit and the solar panel. As stated before, the motor used in this vehicle is
24 V dc series motor. There are four terminals on motor, namely A1, A2, F1, F2, as A1, A2
are the armature terminals and they are internally shorted. All the connections are made
keeping the DPDT switch at the centre. The either connections on DPDT
switch are made for forward direction motion of motor and the next side of DPDT switch is
made for reverse direction of motor. The motor will work as the switch is kept in either of
the directions as per requirements. The A2 is directly taken from battery to the positive side
of DPDT switch and F2 is taken via controller unit to the negative terminal of switch. For the
DPDT the centre.
terminals are given the upper side as positive from battery and the lower as the negative from
battery. The controller unit used here is a high resistance setup box which can withstand up
to the current of 60amps. Now the A1, A2 are the internally shorted terminals of the motor.
Thus either of the one is the main and another one is the dummy. In case of our motor the A1
terminal is dummy and A2 is the main terminal. Thus all connections are made keeping A2
as the main terminal. In the switch the A2 and F1 are the terminals that are responsible for
the reverse motion of motor. All the connections are directly to switch, A2 is given to
positive and F1 given to the negative of switch.
Fig. 2 Circuit diagram for the movement of the vehicle
IV. COMPONENTS USED
Various types of electrical components were used for making the solar powered vehicle.
A list of these components used with their range and the specific quantities that were
required for making the solar vehicle is given in the following table.
TABLE I
LIST OF VARIOUS COMPONENTS USED
Components
Ran
ge Quantity
used
Batteries( heavy 24V 190Ah 2*12V
inverter
batteries)
Solar module 140Wp(Watt Peak) 1
Connecting Mot 10 meters
or
Cables connection:-25Sq.m
m high voltage
cables.
1 meter
Solar module to
charge
controller
unit:-1Sq.mm 1 meter
Char
ge
control
ler to
batte
ry
unit:-
2Sq.mm
Motor High torque
D
C 1
motor
1Hp=746W
Apart from the above listed components the main component that is responsible for speed
control of the motor is the speed control switch. It is defined as follows:-
A. SPEED CONTROL SWITCH
The speed control of the DC motor is the essential part of the vehicle. For controlling speed
of the motor, a switch was designed with 8 tapping, giving different values of resistance at
each tapping, hence limiting the current that flows in the motor. The switch uses pure
Nichrome wire for resistances. It uses a 8 tapping DC switch. The front view of the switch
is as follows:-
Fig. 3. The front view of the speed control unit
The switch has been provided with two terminals; one for the motor connections and the
other for the battery connections. The arrangement of the switch is more or less like a
rheostat. The different tapping act as resistance points. With each increase in the tapping
value the value of resistance decrease, thus at the last tapping the motor will run at the
highest speed as the limiting resistance will be minimum whereas the high torque condition
of the motor will arise when the minimum tapping will be used, since the limiting
resistance will be maximum.
The picture showing the view of the tapings is shown below in fig 4. It can be easily
concluded that two coils are connected in a series to give one taping hence increasing the
resistance.
Fig 4. The upper view if Speed control switch depicting the taping connections
The value of resistance at each taping is given in the table below. This resistance value is
used for controlling the 1 hp motor.
TABLE II
VALUES OF RESISTANCE AT VARIOUS TAPINGS OF THE SWITCH
TERMINAL RESISTANCE
NUMBER
1 435 milli-ohms
2 405 milli-ohms
3 358 milli-ohms
4 290 milli-ohms
5 220 milli-ohms
6 150 milli-ohms
7 076 milli-ohms
8 ZERO
B. SOLAR PANEL DETAILS - 140Wp
The solar panel used in the solar vehicle is of the rating of 140 WP. The main point that
should be kept in mind while making a solar vehicle is the mounting of the solar panel.
The panel should be mounted in such a way that it receives maximum sun rays so that it
gives its maximum efficiency.
For the vehicle designed, we have mounted the solar panel in SOUTH-EAST direction
during the time 6 AM to 11.30 AM. After that the panel is changed to a SOUTH-WEST
direction. We have used the conventional roof- top mounting technique for the solar panel
A 6 feet by 4 feet plywood has been used and mounted on the top of vehicle.
The solar cell used in the vehicle is multi-crystalline. The reason behind using the multi
crystalline cell is that it is more efficient than the mono-crystalline cell and the rate of
conversion of energy is faster in the former. 36 cells are used in the PV module of this
vehicle. The upper frame of this solar module is covered with thick glass to avoid
breakage of the solar panel.
Fig 5. The digrammatic representation of the panel and the panel connections
Design Overview
An overview of the chassis structure is shown in Fig. 1. The motor used in the vehicle is the
D&D ES-3336-48 VDC series wound single shaft, which is placed in the rear end of the
chassis, as shown in Fig.2.The motor is powered by ten 12V lead acid batteries, which are
placed above the motor.
The batteries are connected to the other components of the chassis such as the
speedometer, the temperature gauge, the controllers, and the lights. In order to charge the
batteries, two solar panels are attached to the batteries at a separate station. The system that
is used to control the vehicle is the All Trax programmable DC motor controller, which is
shown in Fig. 3. The controller, powered by the batteries, has inputs for the accelerator pedal
and the batteries and an output to the motor. Its function is to vary the motor power
depending on how hard the acceleration pedal is pressed, which is attached to a
potentiometer.
Fig. 1 Overall view of the budget volt car.
Fig. 2 Rear of the chassis showing the motor.
Fig. 3 All Trax programmable DC motor controller.
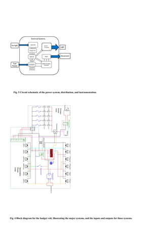
A block diagram for the whole system is shown in Fig. 4. The corresponding circuit
schematic, illustrating the primary and secondary power loops, is shown in Fig. 5. The major
components of the vehicle are the motor, the charging unit, the batteries, the solar cells and
the controller, which are encased in the chassis structure.
The lead acid battery was chosen as the most suitable battery for the vehicle for its light
weight and affordable cost. It is also the safest option. Other design alternatives were nickel
metal hydride and lithium ion batteries; however, both types presented problems for the
safety of the car and were not within the budget. Lithium-Iron batteries were also not chosen
because there is a greater chance they will become overcharged and start a fire.
3.1 Chassis
The original chassis of the car was used. All of the components are mounted on the chassis
whose specifications are shown in Table 1.
3.2 Motor
As with any car, propulsion requires a prime mover, which in this case is the DC motor. The
latter converts the electrical energy provided by the batteries into mechanical torque. The
Motor D&D ES-33 36-48 VDC series wound 7/8” single shaft, shown in Fig. 6, is used. It is
6.7” in diameter and 11.53” long, and weighs approximately 57l bs. It can output from 5 Hp
at 36 V to 7.2 Hp at 48 V and can handle a current of 135-140 A. However, for the design it
was found that there was no need to go heigher then 24 V as preliminiry experimental result
determined that at 16 V the car moved at the target speed.
Fig. 5 Circuit schematic of the power system, distribution, and instrumentation.
Fig. 4 Block diagram for the budget volt, illustrating the major systems, and the inputs and outputs for those systems.
D&D ES-33 36-48VDC motor.
Fig. 7 White Rodgers 586 on budget volt.
Solar Panels and Solar Controller
Solar panels and solar controller serve as the charging station for the car. The two available
models are the MSX120 and the SX80V. Each solar panel model specifications are shown in
Table 3. The Solarex SX-80 photovoltaic module is constructed of 36 polycrystalline silicon
solar cells. The cells can be utilized in configurations directly with DC loads or in an
inverter-equipped system for AC loads [7]. The overall dimensions of the rain-tight structure
are 19.75 in by 57.31 in. Each solar cell is rated at a maximum power output of 80 watts. The
voltage at maximum power is 16.8 V and the current is rated at 4.75 A.
The guaranteed minimum power output is 75 W. The short circuit current is rated at 5.17 A
and the open circuit voltage is rated at 21.0 V. The solar cells are utilized in configuration
with the DC load of the 24 V battery array, which is used to power the motor and the
auxiliary electrical systems in the car. The solar controllers used in this project are the
SunSaver SS-20L-12V and the SS-20L-24V. The solar controller utilizes switching pulse
width modulation to charge batteries.
Batteries
Batteries are portable sources of electrical energy which the DC motor converts to
mechanical. There are many new types of batteries that are suitable for electric vehicle
application. These include lead acid, various types of nickel-based (iron, cadmium, and
metal hydride), lithium-based (polymer and iron), as well as sodium-based (sulfur and metal
chloride) [8-9]. However, at the present time deep cycle lead acid batteries are still the most
commonly used. They have the advantage of being fully recyclable and their cost is
significantly lower. As a result, the use of a standard 12 V lead acid battery was the best
option.
In order to design the power system, it is important to find the power needs of each of the
components. Obviously, the motor uses the majority of the power, but the peripherals such
as lights are also important to take into consideration. Comparing current capacity, weight
and cost, a pack of 10 lead acid batteries (model: CSB-GP-12260 shown in Fig. 7) each with
a weight of 18.6 lbs and a current capacity of 26 Ah. They are connected in five branches
with two batteries in series per branch in order to provide 24 V each. This was done to
reduce the amount of current draw from each battery, since the capacity is only 26 Ah. A is a
total current of 18A is drawn, and the car runs for an hour and a half before it needs to be
recharged.
DC-DC Power Conversion and Instrumentation
A DC-DC converter is necessary in order to power the lights and the other car accessories,
since the latter operate at 12 V whereas the battery pack provides 24 V. The Pyle
PSWNV720 shown in Fig. 8 was chosen due to its ability to sustain a 360 W output, which
low enough so that it does not reduce traction power or range of the car. It has a converse
efficiency of 87%, and has several safety built-in features.
To fully implement a working set of turn signals and hazard lights that blink, the use of the
LM555 timer is essential. Two identical timers were designed and calibrated to have an
output time of 0.808 second and a shut off time of 0.503 second. This was done by using a 2
KΩ and a 3.3 KΩ resistor and a 220 μF capacitor as seen in Fig. 9. The first timer powers
the left front and back turn signals or the right front and back turn signals, depending on how
the switch is pressed.
The second timer powers a relay that turns on and off, which then powers all four lights
based on direct input from the DC-DC converter. This was done to overcome the output
current limitations of the LM555 chip, which was not sufficient to power all four lights at
the same time.
To keep track of the car’s electrical system, a battery meter is added that to monitor the
capacity of the battery pack. The battery manager 3 by BSDesigns, which is shown in Fig. 10
was selected. It determines the remaining battery capacity by way of a DC shunt through
which the load current flows. The meter measures the voltage drop across the shunt and
performs a comparison in order to determine the current being used by the car, and displays
it in Amp-hours.
Safety Considerations
There are numerous safety devices that are integrated into the power system of the car in
order to prevent accidents. Aside from the contactor and dead man’s switch, fuses are placed
in series within each battery branch and connecting the lights on the car.
Battery pack on the rear of the budget volt.
DC-DC converter mounted on the chassis.
V. WORKING OF THE VEHICLE
The solar module mounted on the top of car is used to charge the batteries via charge
controller. A 140 WP solar module is used with output ranging from 24V to 25V at STC.
The batteries are initially fully charged and then they are connected to solar module for
charging. This helps to keep the battery charged always. This is also done as the efficiency
of solar module is only 15%.Thus under this condition the battery gets fully charged again
within 3hrs-3.5hrs. Thus to keep the full sine wave of charging this time lap is made. The
maximum solar radiations are obtained between morning 10am to evening 3:30pm. Hence
the panel is so mounted that maximum output may be obtained. As the supply is given
through DPDT switch the motor takes a high starting current to propel the wheel to move
in forward direction. On start the load on motor is nearly 250kg including the weight of
person driving it. The motor after start acquires the maximum speed of 20kmph to 30kmph.
The batteries get charged always from the solar panel and so it provides the continuous run
for the vehicle. Motor must be started on top most gear so as to get maximum torque and
speed to lift the full load. The speed may be varied later according to the driver’s
requirements. As the speed varies the load current also varies. So the speed variation must
be low to keep battery alive for maximum duration of time. For stopping the motor, the
speed control switch should be brought to minimum gear and then switch should be open;
thereafter the mechanical brakes should be applied. The mechanical brakes can be applied
instantly during emergency but this should be avoided as this could damage the motor and
also produce unnecessary back emf.
The average battery back-up is around four hours. The batteries are continuously charged
by the solar panel but to increase their rate of charging three dynamos each of 24 V can be
connected to the wheels of the vehicle. As the vehicle moves these dynamos will generate
EMF and will charge the batteries. Hence the charging and discharging cycle of the
batteries will be complete.
VI. ADVANTAGES OF THE VEHICLE
The solar vehicles are the future of the automobile industry. They are highly feasible and
can be manufactured with ease. The main advantages of a solar vehicle are that they are
pollution less and are very economical. Since they cause no pollution they are very eco-
friendly and are the only answer to the increasing pollution levels from automobiles in the
present scenario. By harvesting the renewable sources of energy like the solar energy we
are helping in preserving the non-renewable sources of energy. The other main advantages
of the solar vehicle are that they require less maintenance as compared to the conventional
automotives and are very user friendly.
VII. CONCLUSION
The solar vehicle solves many problems related to the environment and is the best
pollution free method. We need to make use of them so that we can reduce our dependence
on fossil fuels. Solar vehicles do have some disadvantages like small speed range, initial
cost is high. Also, the rate of conversion of energy is not satisfactory (only 17%). But
these disadvantages can be easily overcome by conducting further research in this area;
like the problem of solar cells can be solved by using the ultra efficient solar cells that give
about 30-35% efficiency.
As this field of automobiles will be explored the problems will get solved. The solar
automobiles have a huge prospective market and we should start using them in our day to
day life. We have already completed making a solar vehicle prototype as our project and the
vehicle is running successfully on solar power.
The picture of the running vehicle is shown below
Self charging solar car seminar report

Self charging solar car seminar report

  • 3.
    Abstract The renewable energyis vital for today’s world as in near future the non renewable sources that we are using are going to get exhausted. The solar vehicle is a step in saving these non renewable sources of energy. The basic principle of solar car is to use energy that is stored in a battery during and after charging it from a solar panel. The charged batteries are used to drive the motor which serves here as an engine and moves the vehicle in reverse or forward direction. The electrical tapping rheostat is provided so as to control the motor speed. This avoids excess flow of current when the vehicle is supposed to be stopped suddenly as it is in normal cars with regards to fuel. This idea, in future, may help protect our fuels from getting extinguished. All recent electric vehicles present drive on AC power supplied motor. The setup requires an inverter set connected to battery through which DC power is converted to AC power. During this conversion many losses take place and hence the net output is very less and lasts for shorter duration of time. Although this is cheaper the setup and maintenance required is much more in AC drive than DC drive. The vehicle designed is controlled by ELECTRICAL means and not by ELECTRONIC means Index Terms— D.C. Motor, Rheostat Control, Lead-acid batteries, Solar panel, Battery Cycle. INTRODUCTION T Energy is one of the most vital needs for human survival on earth. We are dependent on
  • 4.
    one form ofenergy or the other for fulfilling our needs. One such form of energy is the energy from FOSSIL FUELS. We use energy from these sources for generating electricity, running automobiles etc. But the main disadvantages of these FOSSIL FUELS are that they are not environmental friendly and they are exhaustible. To deal with these problems of FOSSIL FUELS, we need to look at the NON-CONVENTIONAL SOURCES of energy. With regard to this idea we have designed an Electrical vehicle that runs on solar energy. three wheel drive and can be used for shuttle and short distances. As these vehicles form the future of the automotive industry, we need to concentrate on improving their design and making them cost effective. This vehicle is an initiative in this direction. II. BASIC FUNCTIONAL DIAGRAM Fig. 1 Basic block Diagram Representation of Solar vehicle The above diagram gives an overview of the working of solar vehicle. Sun is the main source of energy for the vehicle. Energy from Sun is captured by the solar
  • 5.
    panels and isconverted to electrical energy. The electrical energy thus formed is being fed to the batteries that get charged and is used to run 24 V DC high torques DC series motor. The shaft of the motor is connected to the rear wheel of the vehicle through chain sprocket. The batteries are initially fully charged and thereafter they are charged by panels. This helps in completing the charging- discharging cycle of the batteries, which is very important for proper working of batteries. III. BASIC CIRCUIT DIAGRAM The fig 2 shown below represents the connections of the motor for forward and backward motion. The connections are made from battery to motor via switch, controller unit and the solar panel. As stated before, the motor used in this vehicle is 24 V dc series motor. There are four terminals on motor, namely A1, A2, F1, F2, as A1, A2 are the armature terminals and they are internally shorted. All the connections are made keeping the DPDT switch at the centre. The either connections on DPDT switch are made for forward direction motion of motor and the next side of DPDT switch is made for reverse direction of motor. The motor will work as the switch is kept in either of the directions as per requirements. The A2 is directly taken from battery to the positive side of DPDT switch and F2 is taken via controller unit to the negative terminal of switch. For the DPDT the centre. terminals are given the upper side as positive from battery and the lower as the negative from battery. The controller unit used here is a high resistance setup box which can withstand up to the current of 60amps. Now the A1, A2 are the internally shorted terminals of the motor. Thus either of the one is the main and another one is the dummy. In case of our motor the A1 terminal is dummy and A2 is the main terminal. Thus all connections are made keeping A2 as the main terminal. In the switch the A2 and F1 are the terminals that are responsible for the reverse motion of motor. All the connections are directly to switch, A2 is given to positive and F1 given to the negative of switch.
  • 6.
    Fig. 2 Circuitdiagram for the movement of the vehicle IV. COMPONENTS USED Various types of electrical components were used for making the solar powered vehicle. A list of these components used with their range and the specific quantities that were required for making the solar vehicle is given in the following table. TABLE I LIST OF VARIOUS COMPONENTS USED Components Ran ge Quantity used Batteries( heavy 24V 190Ah 2*12V inverter batteries) Solar module 140Wp(Watt Peak) 1 Connecting Mot 10 meters
  • 7.
    or Cables connection:-25Sq.m m highvoltage cables. 1 meter Solar module to charge controller unit:-1Sq.mm 1 meter Char ge control ler to batte ry unit:- 2Sq.mm Motor High torque D C 1 motor 1Hp=746W Apart from the above listed components the main component that is responsible for speed control of the motor is the speed control switch. It is defined as follows:- A. SPEED CONTROL SWITCH The speed control of the DC motor is the essential part of the vehicle. For controlling speed of the motor, a switch was designed with 8 tapping, giving different values of resistance at each tapping, hence limiting the current that flows in the motor. The switch uses pure Nichrome wire for resistances. It uses a 8 tapping DC switch. The front view of the switch is as follows:-
  • 8.
    Fig. 3. Thefront view of the speed control unit The switch has been provided with two terminals; one for the motor connections and the other for the battery connections. The arrangement of the switch is more or less like a rheostat. The different tapping act as resistance points. With each increase in the tapping value the value of resistance decrease, thus at the last tapping the motor will run at the highest speed as the limiting resistance will be minimum whereas the high torque condition of the motor will arise when the minimum tapping will be used, since the limiting resistance will be maximum. The picture showing the view of the tapings is shown below in fig 4. It can be easily concluded that two coils are connected in a series to give one taping hence increasing the resistance. Fig 4. The upper view if Speed control switch depicting the taping connections
  • 9.
    The value ofresistance at each taping is given in the table below. This resistance value is used for controlling the 1 hp motor. TABLE II VALUES OF RESISTANCE AT VARIOUS TAPINGS OF THE SWITCH TERMINAL RESISTANCE NUMBER 1 435 milli-ohms 2 405 milli-ohms 3 358 milli-ohms 4 290 milli-ohms 5 220 milli-ohms 6 150 milli-ohms 7 076 milli-ohms 8 ZERO B. SOLAR PANEL DETAILS - 140Wp The solar panel used in the solar vehicle is of the rating of 140 WP. The main point that should be kept in mind while making a solar vehicle is the mounting of the solar panel. The panel should be mounted in such a way that it receives maximum sun rays so that it gives its maximum efficiency. For the vehicle designed, we have mounted the solar panel in SOUTH-EAST direction during the time 6 AM to 11.30 AM. After that the panel is changed to a SOUTH-WEST direction. We have used the conventional roof- top mounting technique for the solar panel A 6 feet by 4 feet plywood has been used and mounted on the top of vehicle. The solar cell used in the vehicle is multi-crystalline. The reason behind using the multi crystalline cell is that it is more efficient than the mono-crystalline cell and the rate of conversion of energy is faster in the former. 36 cells are used in the PV module of this vehicle. The upper frame of this solar module is covered with thick glass to avoid breakage of the solar panel. Fig 5. The digrammatic representation of the panel and the panel connections
  • 10.
    Design Overview An overviewof the chassis structure is shown in Fig. 1. The motor used in the vehicle is the D&D ES-3336-48 VDC series wound single shaft, which is placed in the rear end of the chassis, as shown in Fig.2.The motor is powered by ten 12V lead acid batteries, which are placed above the motor. The batteries are connected to the other components of the chassis such as the speedometer, the temperature gauge, the controllers, and the lights. In order to charge the batteries, two solar panels are attached to the batteries at a separate station. The system that is used to control the vehicle is the All Trax programmable DC motor controller, which is shown in Fig. 3. The controller, powered by the batteries, has inputs for the accelerator pedal and the batteries and an output to the motor. Its function is to vary the motor power depending on how hard the acceleration pedal is pressed, which is attached to a potentiometer. Fig. 1 Overall view of the budget volt car. Fig. 2 Rear of the chassis showing the motor.
  • 11.
    Fig. 3 AllTrax programmable DC motor controller. A block diagram for the whole system is shown in Fig. 4. The corresponding circuit schematic, illustrating the primary and secondary power loops, is shown in Fig. 5. The major components of the vehicle are the motor, the charging unit, the batteries, the solar cells and the controller, which are encased in the chassis structure. The lead acid battery was chosen as the most suitable battery for the vehicle for its light weight and affordable cost. It is also the safest option. Other design alternatives were nickel metal hydride and lithium ion batteries; however, both types presented problems for the safety of the car and were not within the budget. Lithium-Iron batteries were also not chosen because there is a greater chance they will become overcharged and start a fire. 3.1 Chassis The original chassis of the car was used. All of the components are mounted on the chassis whose specifications are shown in Table 1. 3.2 Motor As with any car, propulsion requires a prime mover, which in this case is the DC motor. The latter converts the electrical energy provided by the batteries into mechanical torque. The Motor D&D ES-33 36-48 VDC series wound 7/8” single shaft, shown in Fig. 6, is used. It is 6.7” in diameter and 11.53” long, and weighs approximately 57l bs. It can output from 5 Hp at 36 V to 7.2 Hp at 48 V and can handle a current of 135-140 A. However, for the design it was found that there was no need to go heigher then 24 V as preliminiry experimental result determined that at 16 V the car moved at the target speed.
  • 12.
    Fig. 5 Circuitschematic of the power system, distribution, and instrumentation. Fig. 4 Block diagram for the budget volt, illustrating the major systems, and the inputs and outputs for those systems.
  • 13.
  • 14.
    Fig. 7 WhiteRodgers 586 on budget volt. Solar Panels and Solar Controller Solar panels and solar controller serve as the charging station for the car. The two available models are the MSX120 and the SX80V. Each solar panel model specifications are shown in Table 3. The Solarex SX-80 photovoltaic module is constructed of 36 polycrystalline silicon solar cells. The cells can be utilized in configurations directly with DC loads or in an inverter-equipped system for AC loads [7]. The overall dimensions of the rain-tight structure are 19.75 in by 57.31 in. Each solar cell is rated at a maximum power output of 80 watts. The voltage at maximum power is 16.8 V and the current is rated at 4.75 A. The guaranteed minimum power output is 75 W. The short circuit current is rated at 5.17 A and the open circuit voltage is rated at 21.0 V. The solar cells are utilized in configuration with the DC load of the 24 V battery array, which is used to power the motor and the auxiliary electrical systems in the car. The solar controllers used in this project are the SunSaver SS-20L-12V and the SS-20L-24V. The solar controller utilizes switching pulse width modulation to charge batteries. Batteries Batteries are portable sources of electrical energy which the DC motor converts to mechanical. There are many new types of batteries that are suitable for electric vehicle application. These include lead acid, various types of nickel-based (iron, cadmium, and metal hydride), lithium-based (polymer and iron), as well as sodium-based (sulfur and metal chloride) [8-9]. However, at the present time deep cycle lead acid batteries are still the most commonly used. They have the advantage of being fully recyclable and their cost is significantly lower. As a result, the use of a standard 12 V lead acid battery was the best option. In order to design the power system, it is important to find the power needs of each of the components. Obviously, the motor uses the majority of the power, but the peripherals such as lights are also important to take into consideration. Comparing current capacity, weight and cost, a pack of 10 lead acid batteries (model: CSB-GP-12260 shown in Fig. 7) each with a weight of 18.6 lbs and a current capacity of 26 Ah. They are connected in five branches with two batteries in series per branch in order to provide 24 V each. This was done to reduce the amount of current draw from each battery, since the capacity is only 26 Ah. A is a total current of 18A is drawn, and the car runs for an hour and a half before it needs to be
  • 15.
    recharged. DC-DC Power Conversionand Instrumentation A DC-DC converter is necessary in order to power the lights and the other car accessories, since the latter operate at 12 V whereas the battery pack provides 24 V. The Pyle PSWNV720 shown in Fig. 8 was chosen due to its ability to sustain a 360 W output, which low enough so that it does not reduce traction power or range of the car. It has a converse efficiency of 87%, and has several safety built-in features. To fully implement a working set of turn signals and hazard lights that blink, the use of the LM555 timer is essential. Two identical timers were designed and calibrated to have an output time of 0.808 second and a shut off time of 0.503 second. This was done by using a 2 KΩ and a 3.3 KΩ resistor and a 220 μF capacitor as seen in Fig. 9. The first timer powers the left front and back turn signals or the right front and back turn signals, depending on how the switch is pressed. The second timer powers a relay that turns on and off, which then powers all four lights based on direct input from the DC-DC converter. This was done to overcome the output current limitations of the LM555 chip, which was not sufficient to power all four lights at the same time. To keep track of the car’s electrical system, a battery meter is added that to monitor the capacity of the battery pack. The battery manager 3 by BSDesigns, which is shown in Fig. 10 was selected. It determines the remaining battery capacity by way of a DC shunt through which the load current flows. The meter measures the voltage drop across the shunt and performs a comparison in order to determine the current being used by the car, and displays it in Amp-hours. Safety Considerations There are numerous safety devices that are integrated into the power system of the car in order to prevent accidents. Aside from the contactor and dead man’s switch, fuses are placed in series within each battery branch and connecting the lights on the car.
  • 16.
    Battery pack onthe rear of the budget volt. DC-DC converter mounted on the chassis. V. WORKING OF THE VEHICLE The solar module mounted on the top of car is used to charge the batteries via charge controller. A 140 WP solar module is used with output ranging from 24V to 25V at STC. The batteries are initially fully charged and then they are connected to solar module for charging. This helps to keep the battery charged always. This is also done as the efficiency of solar module is only 15%.Thus under this condition the battery gets fully charged again within 3hrs-3.5hrs. Thus to keep the full sine wave of charging this time lap is made. The maximum solar radiations are obtained between morning 10am to evening 3:30pm. Hence the panel is so mounted that maximum output may be obtained. As the supply is given through DPDT switch the motor takes a high starting current to propel the wheel to move in forward direction. On start the load on motor is nearly 250kg including the weight of person driving it. The motor after start acquires the maximum speed of 20kmph to 30kmph. The batteries get charged always from the solar panel and so it provides the continuous run for the vehicle. Motor must be started on top most gear so as to get maximum torque and speed to lift the full load. The speed may be varied later according to the driver’s requirements. As the speed varies the load current also varies. So the speed variation must be low to keep battery alive for maximum duration of time. For stopping the motor, the speed control switch should be brought to minimum gear and then switch should be open; thereafter the mechanical brakes should be applied. The mechanical brakes can be applied instantly during emergency but this should be avoided as this could damage the motor and also produce unnecessary back emf. The average battery back-up is around four hours. The batteries are continuously charged by the solar panel but to increase their rate of charging three dynamos each of 24 V can be connected to the wheels of the vehicle. As the vehicle moves these dynamos will generate EMF and will charge the batteries. Hence the charging and discharging cycle of the batteries will be complete. VI. ADVANTAGES OF THE VEHICLE The solar vehicles are the future of the automobile industry. They are highly feasible and can be manufactured with ease. The main advantages of a solar vehicle are that they are pollution less and are very economical. Since they cause no pollution they are very eco- friendly and are the only answer to the increasing pollution levels from automobiles in the
  • 17.
    present scenario. Byharvesting the renewable sources of energy like the solar energy we are helping in preserving the non-renewable sources of energy. The other main advantages of the solar vehicle are that they require less maintenance as compared to the conventional automotives and are very user friendly. VII. CONCLUSION The solar vehicle solves many problems related to the environment and is the best pollution free method. We need to make use of them so that we can reduce our dependence on fossil fuels. Solar vehicles do have some disadvantages like small speed range, initial cost is high. Also, the rate of conversion of energy is not satisfactory (only 17%). But these disadvantages can be easily overcome by conducting further research in this area; like the problem of solar cells can be solved by using the ultra efficient solar cells that give about 30-35% efficiency. As this field of automobiles will be explored the problems will get solved. The solar automobiles have a huge prospective market and we should start using them in our day to day life. We have already completed making a solar vehicle prototype as our project and the vehicle is running successfully on solar power. The picture of the running vehicle is shown below