A MINI PROJECT ON
TRANSMISSION LINE PROTECTION




            BY:MOHD MOIZUDDIN
            4-2, B.TECH EEE,
            SHADAN COLLEGE OF
            ENGINEERING &
            TECHNOLOGY
Classification of Transmission
                 Lines


0Short Lines    Length < = 80kM

0Medium Lines   Length < = 240kM

0Long Lines     Length > 240kM
Types of faults in the
             transmission system


0Short circuit faults            Frequency
0Phase – Ground faults        85%
0Phase- Phase faults          8%
0Phase – Phase –Ground faults    5%
03 Ph faults                  2%

0Open circuit faults
0Broken conductor
0Open jumper
Protection Scheme
0Protection Scheme for Transmission lines as per CBIP guidelines

• Should have two independent high speed main protection
schemes
• Two stage over voltage protection
• Sensitive IDMT directional E/F relays
• Auto reclose relay suitable for 1 ph/3ph (with deadline
charging and
 synchro check) reclosure.
0Types of main Protections:

• Over Current Protection.

• Differential or Phase Comparison or Unit Protection.

• Distance Protection.
0Requirements of distance protection:

• Shall have min. of three independent zones with directional characteristics.
• Shall be non switched type with separate measurement for both earth faults
 and phase faults
• Capable of 1phase and 3 phase tripping.
• Capable of operation for close up faults and switch on to faults
• Accuracy of better than 5% of reach setting for Zone 1, 10% for Zone-2 &3.
• Shall have variable residual compensation.
• Shall include power swing detection feature for selectively blocking.
• Shall include fuse failure feature to monitor all types of fuse failures and block
 distance protection.
• Max. operating time under given conditions shall be as follows
  1. SIR: 4, Setting: 10Ohms, Fault location : 60% Trip contacts: 4, Fault resistance: 0
    Max.Operating time including trip relays: 45ms
  2. SIR: 15, Setting: 2 Ohms, Fault location : 60% Trip contacts: 4, Fault resistance: 0;
    Max.Operating time including trip relays: 45 ms (3ph fault), 60ms (others)
Over Current Protection

 E        ZS             ZL
               X X                    X   X      X

                           If


                     If = E/(ZS+ZL)

The reach of over current relay is function of Source
Impedance which varies considerably, making it difficult
to get fast and Selective tripping .
Phase Comparison Protection
0   Current Phase comparison type
0   Suitable for operation with PLCC
0   High sensitivity and selectivity for all types of faults
0   Capable of single and three pole tripping.
0   Un effected By:
0        Heavy load transfer
0        Power swings
0        CT saturation
0        CT Phase errors
0
Distance Protection
0Type of distance relays
0Reactance
0 Suitable for short lines
0 Not effected by fault resistance
0 Effected by power swings
0 Non directional
0Impedance
0 Suitable for medium lines
0 Non directional
0 Effected by fault resistance
0Mho
0 Directional
0 Least effected by power swings
0 Less effected by fault resistance
Impedance Relay Characteristics
           X




                  Z3
                 Z2
               Z1             Load
                       R      Area
MHO relay characteristic
The characteristic of a mho impedance element , when plotted
on a R/X diagram, is a circle whose circumference pass through
the origin .
              X




                     Ψ

                                     R
                      Ψ = relay characteristic angle
OFF set MHO characteristic
Under close up faults, when the voltage is near to zero then
MHO will not operate. The mho characteristic can be shifted
towards origin for operation of close up faults. This is know
as OFF set MHO.
        X




              Ψ

                                         R
               Ψ = relay characteristic angle
Lenticular characteristics
The characteristic of lenticular mho will be useful to
provide maximum load transfer condition with
maximum fault resistance coverage.



                                 Z-3

                           Z-2

                     Z-1


                    Ψ
                                       Load      R


       Z-3
                      Ψ = relay characteristic angle
Quadrilateral characteristic
      It is a basically a reactance relay superseded with
      controlled resistive reach.


                               Z-3

                             Z-2

                              Z-1



                   Ψ            Z-1&2



Z-3                 Ψ = relay characteristic angle
Zones of Distance Protection:                        Z3
                                     Z2
                 Z1


        X    X                  X    X                 X   X

                 BASIC SETTING PHILOSOPHY

ZONE –1 : 80 % of protected line
ZONE –2 : 100 % of protected line + 20 % of shortest adj. line
          section or 100% + 50% of transformer impedance
ZONE –3 : 100% of protected line + 100 % of longest adj. line
          or 100 % + 100% of transformer impedance.
ZONE -4 : To cover close up back-up non-directional faults generally
          reverse reach will be provided in relays (10%).
erms associated with distance protectio

 each:
each is the impedance of the tr. line up to which the
stance relay protects the line from the faults.

ver reach

elay measured impedance less than the actual fault
mpedance. i.e effective reach of the relay increases

 nder reach
elay measured impedance is more than actual impedance.
e. Effective reach of the relay decreases
Parallel Compensation
0Necessity of parallel compensation:




For the fault on the parallel line, fault current also fed from healthy line and
0 this current pass through ground. This current changes the mutual
0 inductance and in turn causes relay measuring impedance to increase and
0 is more than actual fault impedance.

This effect will be compensated by connecting neutral current of the line to
0 parallel line.

This compensation will not work, if the parallel line neutral current is more
0 than line neutral current.
ZONE - I CHARACTERISTICS
Should isolate the faulted section instantaneously
Should cover protected circuit &fault resistance with some
margin to take care of errors in measurement
Selective phase tripping for 1ph to ground faults for
auto reclose of the breaker.
Fast operation with secured directional discrimination.
Should be stable in the presence of:
13. Fault resistance, arc resistance and tower footing resistance
14. Power swings
15. Heavily loaded condition
16. In feed condition
17. Errors in CT, CVT and CT saturation
18. Transients in CT & CVT
ZONE-II CHARACTERISTICS
Delayed tripping and non selective phase tripping.
Provide back up protection for part of adjacent line.
Trip the faulty line instantaneously using carrier aided tripping.
Time delay is normally 500ms
        ZONE-III CHARACTERISTICS
This provides back up protection for the adjacent lines or
transformer
Time delay is normally 1500ms
         ZONE –IV CHARACTERISTICS
This provides back up protection for the station faults
 It is normally in the reverse direction
Time delay is normally 1500ms
Distance Schemes:


1 . P . U . R -- Permissive under reach scheme

3. P . O . R -- Permissive Over Reach scheme

3. BLOCKING SCHEME

4. WEAK END FEED
CARRIER SCHEMES - P U R
                         Z2A

              Z1A                Fault


        A                  Z1B
                Z2B
                                            B

                    CARRIER
RELAY                                           RELAY
               CHANNEL
 Trip = Z1 + Z2.CR+Z3.T3+Z2.T2
 CS = Z1
 Under reaching zone sends carrier signal
CARRIER SCHEMES - P O R
                           Z2A

               Z1A                 Fault


         A                   Z1B
                 Z2B
                                           B
RELAY                 CARRIER                  RELAY


Trip = Z1+Z2.CR+ Z2.T2+Z3.T3
CS = Z2
Over reaching zone sends carrier signal
WEAK END FEED
It is a condition which occurs on a line when no current infeed
from the line terminal or when the current infeed is low due
to weak Generation behind protection.

If the fault current infeed is too low to operate the protection
at the week end, the following might occur, depending on
The selected communication scheme.

In permissive schemes or blocking schemes CB at week infeed
end may fail to trip instantaneously, due to no relay operation
in the weak end.

In permissive over reach scheme, if the fault is in Zone 2 from
stronger end, both CBs may fail to trip instantaneously due to
no relay operation in the weak end.
WEAK END FEED LOGIC IN P.O.R

                               Z2A

    Weak            Z1A                Fault
    End

              A                  Z1B
                      Z2B
                                                B
    RELAY                 CARRIER                   RELAY



Fault in Z2A+UV relay + Receipt Fault in Z1B= Trip CB B
Of echo signal etc                  Fault in Z2B=Sends Echo
= Trip breaker A + Send echo signal signal
AUTORECLOSE – PHILOSOPHY

NEED FOR AUTO RECLOSE

3. REDUCING OUTAGE TIME
4. IMPROVED RELIABILITY
5. RESTORATION OF NETWORK STABILITY AND
  SYNCHRONISM

TYPES OF FAULTS

10. TRANSIENT FAULTS
11. SEMI PERMANENT FAULTS
12. PERMANENT FAULTS
TRANSIENT FAULTS -CHARACTERISTIC

Chracterised by disappearnance after Short dead time and are
disapper without any action being taken.
TYPES OF TRANSIENT FAULTS
8. Lightning strokes resulting in fashovers
9. Conductor swinging due to high winds
10. Bird fault
11. Temporary contact with foreign objects like tree etc.

About 85 % of faults on transmission lines are transient in nature
SEMI PERMANENT FAULTS

This type of faults requires more than one De energised
interval before it disappears. Such faults are prevalent on
EHV lines traversing forest.

An example is a tree falling on the line and getting burnt
up by the arc when the line is re energised.

10% of the reclosures are successful with second shot.
However this can cause unnecessary wear on EHV CBs.
Therefore second shot is not recommended for EHV Systems.
DEAD TIME :
The time between the autoreclose scheme being energised
and the operation of the contacts which energise the CB closing
Circuit.
RECLAIM TIME :
The time following a successful closing operation measured
from the instant the A/R relay closing contacts make, which
must elapse before the autoreclose relay will initiate reclosing
sequence in the event of a further fault.
CHOICE OF RECLAIM TIME
The reclaim time must not be set to such a low value that
the intended operating cycle of the breaker is exceeded
when two fault incidents occurs close together.
for example the reclaim time for a air blast circuit breakers
must allow time for air pressure to recover to its normal
value.
CHOICE OF DEAD TIME
Dead time for EHV system lower limit is decided by
de-ionising time, upper limit is decided by transient stability
and synchronism
Power Swing
0Power Swings are disturbances in system due to various reasons
0such as sudden load throw, bad synchronization etc

0Power swings are characterized by slow power flow oscillations,
0resulting in swinging of voltages and currents, resulting in
0operating point movement into distance relay characteristics,
0in turn can cause tripping of distance relays.

0Tripping during power swings is undesirable since no actual fault
0is present and moreover a line outage during power swing may
0cause further deterioration to system stability.

0Detection of power swing will block the distance protection
0Zones 2,3,4. Normally tripping in Zone-I is not blocked even after
detection of power swing.
Power Swing detection

                         X
                                  Z3
                                 Z2                       Power
                                                          swing
                                                          detection
                               Z1                         zones


                                               R



Time taken by fault locus to cross the power swing
detection zones is more than 40-50ms, then it is called
power swing.
Fuse Failure Function
0Asymmetrical measuring voltage failure:


Substantial asymmetry of measured voltage, while the measured
0 currents are in symmetry indicates fuse fail
Asymmetry of voltage detected by 3Uo or U2 > threshold
Symmetry in current detected by 3Io or I2 < threshold
During blocking of distance protection by fuse fail, the distance
0 protection switched to emergency over current function automatically.
0 If the asymmetry in measured current is detected during blocking by FF
0 function, then FF block will released.
Switch on to fault

0This feature provide protection against energisation of the tr.
line with fault or dead short.
0Distance protection will not provide protection in
0this case as voltage is not available for distance measurement.
0It can be activated by TNC switch or CB aux. binary input or
internal detection of current rise.
0It provides instantaneous 3Ph trip and blocks auto reclose.
Stub Protection
     Bus-2
     Bus-1




21




             Ckt-1          Ckt-2

       One and Half Breaker Scheme
DEF Protection

0It provides back up protection for tr. line.
0It provides reliable protection for high resistance earth
faults.
0It uses cross polarized voltage for directional
discrimination.
Local breaker back up protection



0It is the secondary protection

0To provide back up isolation during failure of breaker
to open.
0It opens source to that breaker (i.e other end breakers,
bus bar, etc.)
0It will be triggered by operation of any primary
protection (like distance, DEF, bus bar, etc..)
0It sends direct trip command to other end.
Direct trip Scheme
0   It is required to trip other end breakers without any
0   checking the status at other end during following
0   conditions:

•   Operation of over voltage protection.
•   Operation of bus bar with tie breaker open.
•   Manual tripping of both the breakers (main&Tie)
•   Operation of LBB

On receipt of command through PLCC at other end
breakers will trip directly.
Over Voltage Protection

0It will have 2 stages

0Stage-I:

0Setting: 110%
0Time delay: 5 Sec.


0Stage –II

0Setting: 140%
0Time delay: Instantaneous.
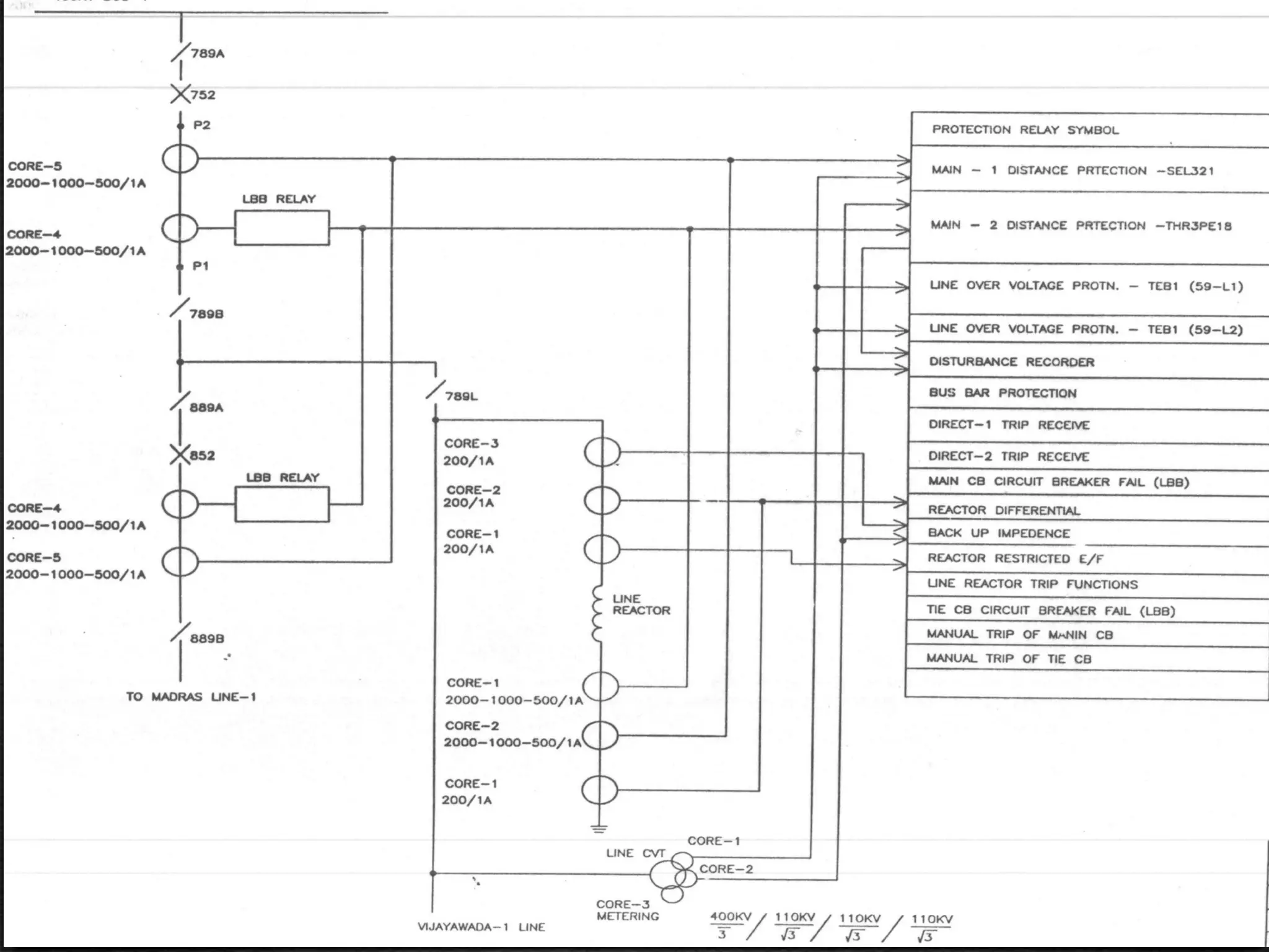
protection of transmission lines[distance relay protection scheme]

protection of transmission lines[distance relay protection scheme]

  • 1.
    A MINI PROJECTON TRANSMISSION LINE PROTECTION BY:MOHD MOIZUDDIN 4-2, B.TECH EEE, SHADAN COLLEGE OF ENGINEERING & TECHNOLOGY
  • 2.
    Classification of Transmission Lines 0Short Lines Length < = 80kM 0Medium Lines Length < = 240kM 0Long Lines Length > 240kM
  • 3.
    Types of faultsin the transmission system 0Short circuit faults Frequency 0Phase – Ground faults 85% 0Phase- Phase faults 8% 0Phase – Phase –Ground faults 5% 03 Ph faults 2% 0Open circuit faults 0Broken conductor 0Open jumper
  • 4.
    Protection Scheme 0Protection Schemefor Transmission lines as per CBIP guidelines • Should have two independent high speed main protection schemes • Two stage over voltage protection • Sensitive IDMT directional E/F relays • Auto reclose relay suitable for 1 ph/3ph (with deadline charging and synchro check) reclosure. 0Types of main Protections: • Over Current Protection. • Differential or Phase Comparison or Unit Protection. • Distance Protection.
  • 5.
    0Requirements of distanceprotection: • Shall have min. of three independent zones with directional characteristics. • Shall be non switched type with separate measurement for both earth faults and phase faults • Capable of 1phase and 3 phase tripping. • Capable of operation for close up faults and switch on to faults • Accuracy of better than 5% of reach setting for Zone 1, 10% for Zone-2 &3. • Shall have variable residual compensation. • Shall include power swing detection feature for selectively blocking. • Shall include fuse failure feature to monitor all types of fuse failures and block distance protection. • Max. operating time under given conditions shall be as follows 1. SIR: 4, Setting: 10Ohms, Fault location : 60% Trip contacts: 4, Fault resistance: 0 Max.Operating time including trip relays: 45ms 2. SIR: 15, Setting: 2 Ohms, Fault location : 60% Trip contacts: 4, Fault resistance: 0; Max.Operating time including trip relays: 45 ms (3ph fault), 60ms (others)
  • 6.
    Over Current Protection E ZS ZL X X X X X If If = E/(ZS+ZL) The reach of over current relay is function of Source Impedance which varies considerably, making it difficult to get fast and Selective tripping .
  • 7.
    Phase Comparison Protection 0 Current Phase comparison type 0 Suitable for operation with PLCC 0 High sensitivity and selectivity for all types of faults 0 Capable of single and three pole tripping. 0 Un effected By: 0 Heavy load transfer 0 Power swings 0 CT saturation 0 CT Phase errors 0
  • 8.
    Distance Protection 0Type ofdistance relays 0Reactance 0 Suitable for short lines 0 Not effected by fault resistance 0 Effected by power swings 0 Non directional 0Impedance 0 Suitable for medium lines 0 Non directional 0 Effected by fault resistance 0Mho 0 Directional 0 Least effected by power swings 0 Less effected by fault resistance
  • 9.
    Impedance Relay Characteristics X Z3 Z2 Z1 Load R Area
  • 10.
    MHO relay characteristic Thecharacteristic of a mho impedance element , when plotted on a R/X diagram, is a circle whose circumference pass through the origin . X Ψ R Ψ = relay characteristic angle
  • 11.
    OFF set MHOcharacteristic Under close up faults, when the voltage is near to zero then MHO will not operate. The mho characteristic can be shifted towards origin for operation of close up faults. This is know as OFF set MHO. X Ψ R Ψ = relay characteristic angle
  • 12.
    Lenticular characteristics The characteristicof lenticular mho will be useful to provide maximum load transfer condition with maximum fault resistance coverage. Z-3 Z-2 Z-1 Ψ Load R Z-3 Ψ = relay characteristic angle
  • 13.
    Quadrilateral characteristic It is a basically a reactance relay superseded with controlled resistive reach. Z-3 Z-2 Z-1 Ψ Z-1&2 Z-3 Ψ = relay characteristic angle
  • 14.
    Zones of DistanceProtection: Z3 Z2 Z1 X X X X X X BASIC SETTING PHILOSOPHY ZONE –1 : 80 % of protected line ZONE –2 : 100 % of protected line + 20 % of shortest adj. line section or 100% + 50% of transformer impedance ZONE –3 : 100% of protected line + 100 % of longest adj. line or 100 % + 100% of transformer impedance. ZONE -4 : To cover close up back-up non-directional faults generally reverse reach will be provided in relays (10%).
  • 15.
    erms associated withdistance protectio each: each is the impedance of the tr. line up to which the stance relay protects the line from the faults. ver reach elay measured impedance less than the actual fault mpedance. i.e effective reach of the relay increases nder reach elay measured impedance is more than actual impedance. e. Effective reach of the relay decreases
  • 17.
    Parallel Compensation 0Necessity ofparallel compensation: For the fault on the parallel line, fault current also fed from healthy line and 0 this current pass through ground. This current changes the mutual 0 inductance and in turn causes relay measuring impedance to increase and 0 is more than actual fault impedance. This effect will be compensated by connecting neutral current of the line to 0 parallel line. This compensation will not work, if the parallel line neutral current is more 0 than line neutral current.
  • 18.
    ZONE - ICHARACTERISTICS Should isolate the faulted section instantaneously Should cover protected circuit &fault resistance with some margin to take care of errors in measurement Selective phase tripping for 1ph to ground faults for auto reclose of the breaker. Fast operation with secured directional discrimination. Should be stable in the presence of: 13. Fault resistance, arc resistance and tower footing resistance 14. Power swings 15. Heavily loaded condition 16. In feed condition 17. Errors in CT, CVT and CT saturation 18. Transients in CT & CVT
  • 19.
    ZONE-II CHARACTERISTICS Delayed trippingand non selective phase tripping. Provide back up protection for part of adjacent line. Trip the faulty line instantaneously using carrier aided tripping. Time delay is normally 500ms ZONE-III CHARACTERISTICS This provides back up protection for the adjacent lines or transformer Time delay is normally 1500ms ZONE –IV CHARACTERISTICS This provides back up protection for the station faults It is normally in the reverse direction Time delay is normally 1500ms
  • 20.
    Distance Schemes: 1 .P . U . R -- Permissive under reach scheme 3. P . O . R -- Permissive Over Reach scheme 3. BLOCKING SCHEME 4. WEAK END FEED
  • 21.
    CARRIER SCHEMES -P U R Z2A Z1A Fault A Z1B Z2B B CARRIER RELAY RELAY CHANNEL Trip = Z1 + Z2.CR+Z3.T3+Z2.T2 CS = Z1 Under reaching zone sends carrier signal
  • 22.
    CARRIER SCHEMES -P O R Z2A Z1A Fault A Z1B Z2B B RELAY CARRIER RELAY Trip = Z1+Z2.CR+ Z2.T2+Z3.T3 CS = Z2 Over reaching zone sends carrier signal
  • 23.
    WEAK END FEED Itis a condition which occurs on a line when no current infeed from the line terminal or when the current infeed is low due to weak Generation behind protection. If the fault current infeed is too low to operate the protection at the week end, the following might occur, depending on The selected communication scheme. In permissive schemes or blocking schemes CB at week infeed end may fail to trip instantaneously, due to no relay operation in the weak end. In permissive over reach scheme, if the fault is in Zone 2 from stronger end, both CBs may fail to trip instantaneously due to no relay operation in the weak end.
  • 24.
    WEAK END FEEDLOGIC IN P.O.R Z2A Weak Z1A Fault End A Z1B Z2B B RELAY CARRIER RELAY Fault in Z2A+UV relay + Receipt Fault in Z1B= Trip CB B Of echo signal etc Fault in Z2B=Sends Echo = Trip breaker A + Send echo signal signal
  • 25.
    AUTORECLOSE – PHILOSOPHY NEEDFOR AUTO RECLOSE 3. REDUCING OUTAGE TIME 4. IMPROVED RELIABILITY 5. RESTORATION OF NETWORK STABILITY AND SYNCHRONISM TYPES OF FAULTS 10. TRANSIENT FAULTS 11. SEMI PERMANENT FAULTS 12. PERMANENT FAULTS
  • 26.
    TRANSIENT FAULTS -CHARACTERISTIC Chracterisedby disappearnance after Short dead time and are disapper without any action being taken. TYPES OF TRANSIENT FAULTS 8. Lightning strokes resulting in fashovers 9. Conductor swinging due to high winds 10. Bird fault 11. Temporary contact with foreign objects like tree etc. About 85 % of faults on transmission lines are transient in nature
  • 27.
    SEMI PERMANENT FAULTS Thistype of faults requires more than one De energised interval before it disappears. Such faults are prevalent on EHV lines traversing forest. An example is a tree falling on the line and getting burnt up by the arc when the line is re energised. 10% of the reclosures are successful with second shot. However this can cause unnecessary wear on EHV CBs. Therefore second shot is not recommended for EHV Systems.
  • 28.
    DEAD TIME : Thetime between the autoreclose scheme being energised and the operation of the contacts which energise the CB closing Circuit. RECLAIM TIME : The time following a successful closing operation measured from the instant the A/R relay closing contacts make, which must elapse before the autoreclose relay will initiate reclosing sequence in the event of a further fault.
  • 29.
    CHOICE OF RECLAIMTIME The reclaim time must not be set to such a low value that the intended operating cycle of the breaker is exceeded when two fault incidents occurs close together. for example the reclaim time for a air blast circuit breakers must allow time for air pressure to recover to its normal value. CHOICE OF DEAD TIME Dead time for EHV system lower limit is decided by de-ionising time, upper limit is decided by transient stability and synchronism
  • 30.
    Power Swing 0Power Swingsare disturbances in system due to various reasons 0such as sudden load throw, bad synchronization etc 0Power swings are characterized by slow power flow oscillations, 0resulting in swinging of voltages and currents, resulting in 0operating point movement into distance relay characteristics, 0in turn can cause tripping of distance relays. 0Tripping during power swings is undesirable since no actual fault 0is present and moreover a line outage during power swing may 0cause further deterioration to system stability. 0Detection of power swing will block the distance protection 0Zones 2,3,4. Normally tripping in Zone-I is not blocked even after detection of power swing.
  • 31.
    Power Swing detection X Z3 Z2 Power swing detection Z1 zones R Time taken by fault locus to cross the power swing detection zones is more than 40-50ms, then it is called power swing.
  • 32.
    Fuse Failure Function 0Asymmetricalmeasuring voltage failure: Substantial asymmetry of measured voltage, while the measured 0 currents are in symmetry indicates fuse fail Asymmetry of voltage detected by 3Uo or U2 > threshold Symmetry in current detected by 3Io or I2 < threshold During blocking of distance protection by fuse fail, the distance 0 protection switched to emergency over current function automatically. 0 If the asymmetry in measured current is detected during blocking by FF 0 function, then FF block will released.
  • 33.
    Switch on tofault 0This feature provide protection against energisation of the tr. line with fault or dead short. 0Distance protection will not provide protection in 0this case as voltage is not available for distance measurement. 0It can be activated by TNC switch or CB aux. binary input or internal detection of current rise. 0It provides instantaneous 3Ph trip and blocks auto reclose.
  • 34.
    Stub Protection Bus-2 Bus-1 21 Ckt-1 Ckt-2 One and Half Breaker Scheme
  • 35.
    DEF Protection 0It providesback up protection for tr. line. 0It provides reliable protection for high resistance earth faults. 0It uses cross polarized voltage for directional discrimination.
  • 36.
    Local breaker backup protection 0It is the secondary protection 0To provide back up isolation during failure of breaker to open. 0It opens source to that breaker (i.e other end breakers, bus bar, etc.) 0It will be triggered by operation of any primary protection (like distance, DEF, bus bar, etc..) 0It sends direct trip command to other end.
  • 37.
    Direct trip Scheme 0 It is required to trip other end breakers without any 0 checking the status at other end during following 0 conditions: • Operation of over voltage protection. • Operation of bus bar with tie breaker open. • Manual tripping of both the breakers (main&Tie) • Operation of LBB On receipt of command through PLCC at other end breakers will trip directly.
  • 38.
    Over Voltage Protection 0Itwill have 2 stages 0Stage-I: 0Setting: 110% 0Time delay: 5 Sec. 0Stage –II 0Setting: 140% 0Time delay: Instantaneous.