GBH Enterprises, Ltd.

Suspensions Processing Guide:
GBHE SPG PEG 309

Other Separations Techniques for
Suspensions

Process Disclaimer
Information contained in this publication or as otherwise supplied to Users is
believed to be accurate and correct at time of going to press, and is given in
good faith, but it is for the User to satisfy itself of the suitability of the Product for
its own particular purpose. GBHE gives no warranty as to the fitness of the
Product for any particular purpose and any implied warranty or condition
(statutory or otherwise) is excluded except to the extent that exclusion is
prevented by law. GBHE accepts no liability for loss, damage or personnel injury
caused or resulting from reliance on this information. Freedom under Patent,
Copyright and Designs cannot be assumed.
Refinery Process Stream Purification Refinery Process Catalysts Troubleshooting Refinery Process Catalyst Start-Up / Shutdown
Activation Reduction In-situ Ex-situ Sulfiding Specializing in Refinery Process Catalyst Performance Evaluation Heat & Mass
Balance Analysis Catalyst Remaining Life Determination Catalyst Deactivation Assessment Catalyst Performance
Characterization Refining & Gas Processing & Petrochemical Industries Catalysts / Process Technology - Hydrogen Catalysts /
Process Technology – Ammonia Catalyst Process Technology - Methanol Catalysts / process Technology – Petrochemicals
Specializing in the Development & Commercialization of New Technology in the Refining & Petrochemical Industries
Web Site: www.GBHEnterprises.com
Process Engineering Guide:

Other Separations Techniques
for Suspensions

CONTENTS

1

1.5
1.6

PRESSURE-DRIVEN MEMBRANE SEPARATION
PROCESSES
INTRODUCTION
MEMBRANES
OPERATION
FACTORS AFFETCING PERFORMANCE
1.4.1 Polarization / Fouling
1.4.2 Pressure
1.4.3 Crossflow
1.4.4 Temperature
1.4.5 Concentration
1.4.6 Membrane Pore Size
1.4.7 Particle Size
1.4.8 Particle Charge
1.4.9 Other Factors
ADVANTAGES / LIMITATIONS
SUMMARY OF SYMBOLS USED

2

ELECTRODIALYSIS

2.1
2.2
2.3
2.4

INTRODUCTION
EQUIPMENT
IMPORTANT PARAMETERSIN ED
EXAMPLES

3

ELECTRODEWATERING AND ELECTRODECANTATION

3.1
3.2
3.3
3.4

INTRODUCTION
PRINCIPLES AND OPERATION
EQUIPMENT AND OPERATING PARAMETERS
EXAMPLES

4

MAGNETIC SEPARATION METHODS

5

REFERENCES

1.1
1.2
1.3
1.4

Refinery Process Stream Purification Refinery Process Catalysts Troubleshooting Refinery Process Catalyst Start-Up / Shutdown
Activation Reduction In-situ Ex-situ Sulfiding Specializing in Refinery Process Catalyst Performance Evaluation Heat & Mass
Balance Analysis Catalyst Remaining Life Determination Catalyst Deactivation Assessment Catalyst Performance
Characterization Refining & Gas Processing & Petrochemical Industries Catalysts / Process Technology - Hydrogen Catalysts /
Process Technology – Ammonia Catalyst Process Technology - Methanol Catalysts / process Technology – Petrochemicals
Specializing in the Development & Commercialization of New Technology in the Refining & Petrochemical Industries
Web Site: www.GBHEnterprises.com
FIGURES

1

APPLICATION RANGES FOR MEMBRANE SEPARATION
TECHNIQUES

2

SIMPLE UF / CMF RIG

3

FLUX VERSUS TIME

4

FLUX VERSUS PRESSURE

5

ELECTRODIALYSIS PROCESS

6

ELECTRODIALYSIS PLANT FOR BATCH PROCESS

7

DEPENDENCE OF MEMBRANE AREA AND ENERGY ON
CURRENT DENSITY

8

DIFFUSION ACROSS THE BOUNDARY LAYER

Refinery Process Stream Purification Refinery Process Catalysts Troubleshooting Refinery Process Catalyst Start-Up / Shutdown
Activation Reduction In-situ Ex-situ Sulfiding Specializing in Refinery Process Catalyst Performance Evaluation Heat & Mass
Balance Analysis Catalyst Remaining Life Determination Catalyst Deactivation Assessment Catalyst Performance
Characterization Refining & Gas Processing & Petrochemical Industries Catalysts / Process Technology - Hydrogen Catalysts /
Process Technology – Ammonia Catalyst Process Technology - Methanol Catalysts / process Technology – Petrochemicals
Specializing in the Development & Commercialization of New Technology in the Refining & Petrochemical Industries
Web Site: www.GBHEnterprises.com
1

PRESSURE-DRIVEN MEMBRANE SEPARATION
PROCESSES

1.1

INTRODUCTION

The term "pressure driven membrane separation processes" covers three closely
related unit operations, namely, Reverse osmosis, Ultrafiltration and Crossflow
Microfiltration. All three use a semipermeable membrane to effect the separation
and a pressure gradient as the driving force, they also use crossflow, feed
pumped at high velocity across the membrane surface, to minimize the
accumulation of rejected molecules/particles on the membrane. The difference
between the techniques lies in the structure of the membranes and the sizes of
the molecules/particles rejected by them. The molecule/particle size ranges for
the application of these techniques are shown in Figure 1.
In reverse osmosis transport through the membrane is by a solution diffusion
mechanism. Particles, inorganic salts and organic molecules with molecular
weights greater than a few hundred are rejected by the membrane. With its
"tight" membranes with inherent low water flux, reverse osmosis has little use in
suspension processing and will not be considered further.
In both ultrafiltration (UF) and crossflow microfiltration (CMF) transport through
the membrane is via pores so separation is on the basis of molecule/particle size.
The pore size can be controlled during manufacture to give a range of
membranes with different separation capabilities. Applications within GBHE for
these techniques include desalting dyestuff suspensions, concentrating polymer
latex and removing (and recovering) toxic materials from effluent streams.
These techniques are mainly used for processing aqueous solutions and
suspensions. However, the development in recent years of membranes and
systems with greater chemical resistance has widened their potential area of
application to many other solvents.

Refinery Process Stream Purification Refinery Process Catalysts Troubleshooting Refinery Process Catalyst Start-Up / Shutdown
Activation Reduction In-situ Ex-situ Sulfiding Specializing in Refinery Process Catalyst Performance Evaluation Heat & Mass
Balance Analysis Catalyst Remaining Life Determination Catalyst Deactivation Assessment Catalyst Performance
Characterization Refining & Gas Processing & Petrochemical Industries Catalysts / Process Technology - Hydrogen Catalysts /
Process Technology – Ammonia Catalyst Process Technology - Methanol Catalysts / process Technology – Petrochemicals
Specializing in the Development & Commercialization of New Technology in the Refining & Petrochemical Industries
Web Site: www.GBHEnterprises.com
1.2

MEMBRANES

One obvious difference between UF and CMF is in the general structure of the
membranes and the range of pore sizes available.
All polymeric UF membranes are of the asymmetric type first developed by Loeb
and Sourirajan in the early Sixties [1]. These membranes are of the order of 100
micron thick. On one surface of the membrane there Is a thin layer (the “active"
layer) about 1 micron thick with small pores. The size of the pores in the active
layer, in the range 10 to 200 Angstrom for commercial UF membranes,
determines the separating capability of the membrane. The rest of the membrane
has larger pores in a spongy structure and acts as a support for the active layer.
The original membranes were cast from cellulose acetate but many current
membranes are made from polymers with greater chemical and temperature
resistance including polyacrylonitrile, polyamide, and polysulfone and
polyvinylidene difluoride. Ceramic UF membranes with a metal oxide layer on a
porous carbon support are also available. These have good chemical and
temperature resistance but are expensive and not widely used at the time of
writing.
UF membranes can be cast in tubular or flat sheet form. In tubular form the
active layer is always on the inner surface. Small diameter (~ 1 mm) membrane
tubes, known as hollow fibers, are self-supporting. Supported tubular membranes
are available up to 25 mm diameter. Several membrane tubes in parallel can be
enclosed in a common permeate shroud to make a commercial UF module. The
smaller diameter tubes give greater membrane area per unit volume of module
but need to be made into shorter modules because of higher pressure drops
along the tubes. With the smallest diameter tubes an in-line coarse filter Is also
advisable to avoid blockage problems when processing suspensions. Supported
flat sheet membranes with associated feed and permeate channels can be built
into stacks. A flat sheet membrane with feed and permeate channels can also be
rolled up ‘Swiss roll” style to make a spiral wound module. These have good
membrane area per unit module volume but the spacer matrix in the feed
channel could cause blockage problems with suspensions.
CMF membranes are thicker than UF membranes, about 1000 micron, and have
a uniform porous structure. This structure is somewhat analogous to sintered
metal. In fact some CMF systems use sintered stainless steel “membranes".
However, polymeric CMF membranes can be made from polyethylene,
polypropylene and polyamide with much higher porosities than sintered metals.
These membranes are available in pore sizes down to 1 micron for metals and
0.1 micron for polymers.
Refinery Process Stream Purification Refinery Process Catalysts Troubleshooting Refinery Process Catalyst Start-Up / Shutdown
Activation Reduction In-situ Ex-situ Sulfiding Specializing in Refinery Process Catalyst Performance Evaluation Heat & Mass
Balance Analysis Catalyst Remaining Life Determination Catalyst Deactivation Assessment Catalyst Performance
Characterization Refining & Gas Processing & Petrochemical Industries Catalysts / Process Technology - Hydrogen Catalysts /
Process Technology – Ammonia Catalyst Process Technology - Methanol Catalysts / process Technology – Petrochemicals
Specializing in the Development & Commercialization of New Technology in the Refining & Petrochemical Industries
Web Site: www.GBHEnterprises.com
These are usually available in self-supporting tubular form in diameters between
1 and 10 mm. As with UF a number of parallel membrane tubes are enclosed in
a common permeate shroud to make a module. The big advantage of CMF
membranes is that they are back flushable. A short pressure pulse can be
applied periodically to reverse the permeate flow. When this happens particles
that have penetrated into the membrane matrix are ejected back into the feed
stream and particle layers that have formed on the membrane surface are
disrupted.
The membrane differences detailed above should not be considered absolute.
Asymmetric membranes can be made with pore sizes in the CMF range.
However these usually have lower surface porosities than equivalent CMF
membranes and cannot be back flushed. UF membranes in the self-supporting
hollow fibre configuration are back flushable, but other UF membranes may be
damaged if this is attempted.

1.3

OPERATION

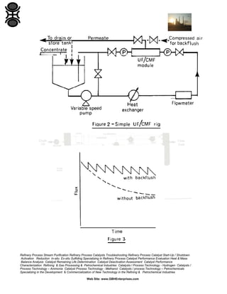
In general the operation of both UF and CMF systems is similar. A simple rig
suitable for feasibility testing or batch operation is shown in Figure 2.
Suspension is pumped from a reservoir through the UF/CMF module and the
concentrated suspension returned to the reservoir. Since crossflow velocities (210 m/s) are much higher than permeate velocities (< 0.01 m/s) many passes are
required to give significant concentration. Module inlet pressures can be up to 10
bar for UF and 5 bar for CMF. System pressure can be controlled by a back
pressure valve at the outlet of the module. The permeate is normally piped to a
storage tank or to drain but can be returned to the reservoir during constant
concentration trials. For back flushing (usually only with CMF modules) the valve
in the permeate line is closed and a compressed air pressure pulse (a few psi
above system pressure) is applied to the permeate in the module shroud for 0.5 10 seconds. For washing applications wash liquid can be added to the reservoir
at a rate equal to the permeate rate.
The Initial target of a feasibility trial is to find out if the required separation can be
achieved by UF/CMF. If successful the effect on flux of variations in pressure,
crossflow, temperature and concentration can then be investigated. If possible a
variety of membranes and module geometries should be tested. Al though some
extrapolation from steady state conditions is possible long term effects can only
really be determined by long term trials.

Refinery Process Stream Purification Refinery Process Catalysts Troubleshooting Refinery Process Catalyst Start-Up / Shutdown
Activation Reduction In-situ Ex-situ Sulfiding Specializing in Refinery Process Catalyst Performance Evaluation Heat & Mass
Balance Analysis Catalyst Remaining Life Determination Catalyst Deactivation Assessment Catalyst Performance
Characterization Refining & Gas Processing & Petrochemical Industries Catalysts / Process Technology - Hydrogen Catalysts /
Process Technology – Ammonia Catalyst Process Technology - Methanol Catalysts / process Technology – Petrochemicals
Specializing in the Development & Commercialization of New Technology in the Refining & Petrochemical Industries
Web Site: www.GBHEnterprises.com
Increasing the flux means a smaller membrane area requirement and a smaller
plant. However, this is often only achieved by increasing energy Input (pumping
or heating). Optimum operating conditions are determined by balancing capital
and operating costs.
UF and CMF plants are designed to be modular. Capacity can be increased by
adding more membrane modules as long as the pumps and pipework can handle
the extra flows involved. A single stage plant (Figure 2) can be operated
batchwise or continuously in a feed and bleed mode. However, for continuous
operation it is usually more efficient to have several stages with the concentrate
from one stage becoming the feed for the next.

1.4

FACTORS AFFETCING PERFORMANCE

The important performance parameter is the rate at which permeate passes
through the membrane, i.e. the flux. In Europe this is normally quoted in liters of
permeate per square meter of membrane per hour (1 m-2 hr-1). Although some of
the parameters that affect flux have been modeled individually, it is not yet
possible to predict the flux that will be obtained when a particular suspension is
processed in a particular membrane module. Factors that influence flux include:
1.4.1 Polarization / Fouling
The flux obtained when an aqueous suspension is treated by UF/CMF is
always lower than the pure water flux, often by an order of magnitude or
more. This flux reduction is due to membrane fouling which can be defined
as the accumulation of deposits on or in the membrane. Fouling occurs
through polarization, bacterial growth on the membrane and various
suspension/membrane interactions. Although polarization reaches
equilibrium rapidly other fouling mechanisms tend to occur, decline with
time. Decline to an uneconomic level may take a few hours or many
months. The fouling rate will depend on suspension characteristics,
membrane characteristics and operating conditions.
Regular back flushing can improve the flux temporarily but an overall
decline with time is still usually observed (Figure 3). Fouling can
sometimes be reduced by pre-treating the suspension. For example, a
change in pH may have a beneficial effect on suspension characteristics.

Refinery Process Stream Purification Refinery Process Catalysts Troubleshooting Refinery Process Catalyst Start-Up / Shutdown
Activation Reduction In-situ Ex-situ Sulfiding Specializing in Refinery Process Catalyst Performance Evaluation Heat & Mass
Balance Analysis Catalyst Remaining Life Determination Catalyst Deactivation Assessment Catalyst Performance
Characterization Refining & Gas Processing & Petrochemical Industries Catalysts / Process Technology - Hydrogen Catalysts /
Process Technology – Ammonia Catalyst Process Technology - Methanol Catalysts / process Technology – Petrochemicals
Specializing in the Development & Commercialization of New Technology in the Refining & Petrochemical Industries
Web Site: www.GBHEnterprises.com
A different membrane material may be less prone to fouling. Altering
operating conditions can also reduce fouling. A reduction in operating
temperature or pressure will reduce Initial flux but overall flux with time
may be improved if fouling is inhibited.
Alternatively, when an uneconomic flux is reached the process can be
stopped and the membranes cleaned. Chemical cleaning is usually the
most effective but larger bore membrane tubes can be cleaned physically
in situ. A recent BIOSEP SAR report deals exclusively with the cleaning of
membranes [8].
In addition to reducing flux fouling may have a secondary effect as the
fouling layer can become the separating medium. Solutes or particles
which pass freely through the membrane may be partially or even totally
rejected by the fouling layer, thus changing the separation.
Polarization occurs when molecules/particles rejected by the membrane
concentrate at the membrane surface. Crossflow will minimize this
concentration but will never entirely eliminate it. Most polarization studies
have investigated the concentration of solutes at the membrane surface.
The solute concentration at the membrane surface quickly increases to a
maximum value when the solute precipitates or forms a thixotropic gel.
Gel formation is analogous to cake formation in conventional filtration. The
gel concentration will depend upon chemical and morphological properties
of the solute and may vary from 10 to 75%. Flux, J, under conditions of gel
polarization is described by the widely accepted Blatt [2] equation:

where Cg and Cb are the suspended solid concentrations in the gel and
the bulk respectively; ks is an empirical constant considered later.
With particulates diffusive back-transport may not be significant and
equation (1) will not apply. Constant pressure particulate filtration without
back-transport can sometimes be described by the well-known cake
filtration equation:

Refinery Process Stream Purification Refinery Process Catalysts Troubleshooting Refinery Process Catalyst Start-Up / Shutdown
Activation Reduction In-situ Ex-situ Sulfiding Specializing in Refinery Process Catalyst Performance Evaluation Heat & Mass
Balance Analysis Catalyst Remaining Life Determination Catalyst Deactivation Assessment Catalyst Performance
Characterization Refining & Gas Processing & Petrochemical Industries Catalysts / Process Technology - Hydrogen Catalysts /
Process Technology – Ammonia Catalyst Process Technology - Methanol Catalysts / process Technology – Petrochemicals
Specializing in the Development & Commercialization of New Technology in the Refining & Petrochemical Industries
Web Site: www.GBHEnterprises.com
(The derivation and interpretation of this equation is reviewed in Section
1.5.2(b)).
Schneider [3] suggests that initial flux decline in CMF can be described by
equation (2). However, as equation (2) infers that all particles convected to
the polarized layer are accumulated it is unlikely to apply in the crossflow
situation.
The Scour Model [4] is based on the analogy between suspension flow
across a filter cake and the motion of a sediment laden stream over a
layer settled sediment. For the UF/CMF of suspensions of the Scour
Model equates convective deposition and scour removal giving:

Although none of the above equations are entirely satisfactory they are
useful in relating flux to other parameters.

1.4.2 Pressure
Flux in UF and CMF can be described by a resistance in series
relationship:

where Rm and Rp are the medium and polarization resistance terms.
Pure water flux is proportional to pressure. With suspensions, increasing
pressure (and flux) tend to increase the polarized layer and hence
resistance. It is possible to reach a limiting flux where further increases in
pressure are matched by increases in Rp (see Figure 4). This is
analogous to the effects of solids compressibility during cake filtration on
the pressure-dependence of filtration rate (Section 3.5).
Many users advise running at low pressures as this has the added
advantage of avoiding fouling due to compaction of the polarized layer.

Refinery Process Stream Purification Refinery Process Catalysts Troubleshooting Refinery Process Catalyst Start-Up / Shutdown
Activation Reduction In-situ Ex-situ Sulfiding Specializing in Refinery Process Catalyst Performance Evaluation Heat & Mass
Balance Analysis Catalyst Remaining Life Determination Catalyst Deactivation Assessment Catalyst Performance
Characterization Refining & Gas Processing & Petrochemical Industries Catalysts / Process Technology - Hydrogen Catalysts /
Process Technology – Ammonia Catalyst Process Technology - Methanol Catalysts / process Technology – Petrochemicals
Specializing in the Development & Commercialization of New Technology in the Refining & Petrochemical Industries
Web Site: www.GBHEnterprises.com
1.4.3 Crossflow
In general, flux can be increased by increasing crossflow velocity. The
Scour Model, equation (3), relates flux and crossflow. With bacterial
suspensions , Fane [4] showed that Initial flux was proportional to U’-0, as
expected. However, long term steady state flux was found to be
proportional to U2.4, This demonstrates the beneficial effect increased
crossflow velocity can have in reducing fouling rate.

1.4.4 Temperature
Flux through porous media can be described by Poiseuille’s Law:

(where the symbols are as defined in Section 1.5.2(b) (I)).
In UF/CMF flux has been shown experimentally to be inversely
proportional to permeate viscosity as predicted by this equation. For
aqueous suspensions increasing temperature will therefore Increase flux.
If increasing temperature also reduces suspension viscosity pumping
costs will be reduced.
In practice it may or may not be economic to heat the suspension but it is
certainly sensible to avoid cooling unless the suspension is thermally
unstable.

1.4.5 Concentration
Equation (1) predicts that flux is proportional to the log of concentration.
This is the generally accepted relationship and has been verified for a
number of suspensions [5].
Equation (3), however, which is probably more general for suspensions,
predicts a log/log relationship between flux and concentration. This has
also been demonstrated experimentally for a number of suspensions
[4].

Refinery Process Stream Purification Refinery Process Catalysts Troubleshooting Refinery Process Catalyst Start-Up / Shutdown
Activation Reduction In-situ Ex-situ Sulfiding Specializing in Refinery Process Catalyst Performance Evaluation Heat & Mass
Balance Analysis Catalyst Remaining Life Determination Catalyst Deactivation Assessment Catalyst Performance
Characterization Refining & Gas Processing & Petrochemical Industries Catalysts / Process Technology - Hydrogen Catalysts /
Process Technology – Ammonia Catalyst Process Technology - Methanol Catalysts / process Technology – Petrochemicals
Specializing in the Development & Commercialization of New Technology in the Refining & Petrochemical Industries
Web Site: www.GBHEnterprises.com
1.4.6 Membrane Pore Size
From equation (5) it can be predicted that increasing pore size leads to a
dramatic increase in pure water flux (see Figure 1). Equation (4) shows
that this effect will be masked when processing suspensions as Rp
increases in relation to Rm. In practice it is normal to use the largest pore
size membrane which will retain the required components of the
suspension.

1.4.7 Particle Size
From filtration theory (see Section 1.5.2) the resistance of polarized solids,
Rp, can be written as:

where m is the mass of solids polarized over area, A,
The specific cake resistance, a, can be related to particle properties via
the Kozeny-Carman equation (Section 1.5.2(b) ):

(ds is the diameter of suspended particles)
Therefore as particle size increases, Rp decreases and flux increases
(from equation (4)). For solids small enough to experience diffusive backtransport equation (1) is more likely to apply.

For dilute solutions the diffusion constant,

Refinery Process Stream Purification Refinery Process Catalysts Troubleshooting Refinery Process Catalyst Start-Up / Shutdown
Activation Reduction In-situ Ex-situ Sulfiding Specializing in Refinery Process Catalyst Performance Evaluation Heat & Mass
Balance Analysis Catalyst Remaining Life Determination Catalyst Deactivation Assessment Catalyst Performance
Characterization Refining & Gas Processing & Petrochemical Industries Catalysts / Process Technology - Hydrogen Catalysts /
Process Technology – Ammonia Catalyst Process Technology - Methanol Catalysts / process Technology – Petrochemicals
Specializing in the Development & Commercialization of New Technology in the Refining & Petrochemical Industries
Web Site: www.GBHEnterprises.com
This predicts that flux decreases as particle size increases.
Fane [6] showed experimentally that as particle size increased from 0.025
micron to 20 micron UF flux passes through a minimum as polarization
control changed from diffusive (decreasing with particle size) to nondiffusive (increasing with particle size). The minima occurred at about 0.1
micron.
Particle size range and shape are also obviously important in determining
polarized layer permeability and flux. Their effect awaits investigation.

1.4.8 Particle Charge
Using monodisperse silica colloids of different zeta potentials, McDonogh
[7] has shown that particle charge has a substantial effect on the
permeability of polarized layers. An increase in zeta potential leads to a
decrease in specific cake resistance (presumably by increasing cake
porosity - see equation (7)). The theory developed breaks down at low
zeta potentials (< 5 mV) where particles in the concentrated zone near the
membrane are highly likely to flocculate before laydown leading to larger
deposited particles and higher fluxes.

1.4.9 Other Factors
Hany other parameters relating to suspensions, membranes and operating
conditions can influence flux and require further investigation. For
example, Fane [4] has shown that particle rigidity and the presence of
macrosolutes are important. Charged membranes have shown some
promise in reducing fouling. Unfortunately, a full understanding of the
important parameters and the ability to predict and optimize flux are still a
long way off.

Refinery Process Stream Purification Refinery Process Catalysts Troubleshooting Refinery Process Catalyst Start-Up / Shutdown
Activation Reduction In-situ Ex-situ Sulfiding Specializing in Refinery Process Catalyst Performance Evaluation Heat & Mass
Balance Analysis Catalyst Remaining Life Determination Catalyst Deactivation Assessment Catalyst Performance
Characterization Refining & Gas Processing & Petrochemical Industries Catalysts / Process Technology - Hydrogen Catalysts /
Process Technology – Ammonia Catalyst Process Technology - Methanol Catalysts / process Technology – Petrochemicals
Specializing in the Development & Commercialization of New Technology in the Refining & Petrochemical Industries
Web Site: www.GBHEnterprises.com
1.5

ADVANTAGES / LIMITATIONS

UF and CMF offer certain advantages over other filtration techniques.
These can be summarized as follows:(i)

They can be used to process suspensions of sub-micron particles
which are difficult or impossible to process by conventional
filtration, whilst avoiding the need to flocculate the system.

(ii)

As membranes with a range of pore sizes are available, dissolved
materials can be removed in the permeate or retained in the
suspension as required.

(iii)

Concentration can be carried out at ambient temperature offering a
significant energy advantage over evaporation techniques. Also,
labile materials can be processed without damage.

(iv)

The high crossflow velocities required make these techniques
particularly suitable for processing shear-thinning suspensions.

(v)

A controlled degree of suspension concentration may be achieved
(but see below).

Unfortunately there are certain limitations to the application of UF and MP:
(i)

Shear sensitive materials can be damaged.

(ii)

Polymer membranes can be damaged by freezing. The upper
temperature limit will be in the range 50-90 0C. pH tolerance may
be as much as 0.5 - 13 at room temperature but decreases
significantly at elevated temperatures. Surprisingly, the module
materials often have less temperature and chemical resistance than
the membranes themselves.

(iii)

Since crossflow is an essential feature of these techniques the
highest achievable solids concentration will be limited by
suspension rheology and module geometry (cf (v) above).

(iv)

The size of pores in the surface of an ideal UF/CMF membrane
would be monodisperse. In reality there is always a range of pore
sizes. Thus the molecule/particle size cut-off for membranes is
never sharp. This means that a molecule/particle size ratio of at
least 10 and preferably 100 is required to achieve good separation.

Refinery Process Stream Purification Refinery Process Catalysts Troubleshooting Refinery Process Catalyst Start-Up / Shutdown
Activation Reduction In-situ Ex-situ Sulfiding Specializing in Refinery Process Catalyst Performance Evaluation Heat & Mass
Balance Analysis Catalyst Remaining Life Determination Catalyst Deactivation Assessment Catalyst Performance
Characterization Refining & Gas Processing & Petrochemical Industries Catalysts / Process Technology - Hydrogen Catalysts /
Process Technology – Ammonia Catalyst Process Technology - Methanol Catalysts / process Technology – Petrochemicals
Specializing in the Development & Commercialization of New Technology in the Refining & Petrochemical Industries
Web Site: www.GBHEnterprises.com
For the future membrane separation is a fast developing area and significant
improvements can be expected in the next few years.
The biggest problem to be overcome is membrane fouling. This is a particular
problem in the biochemical area which offers membrane separation its largest
potential market. A membrane with greatly reduced susceptibility to fouling by
proteins is available but only for small laboratory-scale units. Further
developments in the area of antifouling membranes are anticipated. Relevant
research in this area has already been reviewed in Section 1.5 (see references
[39-44]1 of that section).
Little effort has been directed towards the optimization of module geometry in
terms of energy efficiency. Work is now in progress in this area but optimum
design may turn out to be highly feed dependent.
Membrane manufacturers will probably introduce membranes with greater
chemical resistance, higher fluxes and sharper cut-offs. This should allow UF and
CMF to be used in a wider range of applications.

1.6

SUMMARY OF SYMBOLS USED
A
Cb
Cg
D
dP
ds
J
Kb
Ke
Ks
l
n
N
N
ΔP
Rm
Rp
T
t
U

membrane area
bulk concentration
gel concentration
diffusion coefficient
pore diameter (average)
particle diameter
flux
Boltzmann's constant
Scour coefficient
mass transfer coefficient
pore length (including tortuosity factor)
mass of polarized solids
number of pores per unit area
layer thickness
pressure drop across membrane
membrane resistance
polarized layer resistance
absolute temperature
time
crossflow velocity

Refinery Process Stream Purification Refinery Process Catalysts Troubleshooting Refinery Process Catalyst Start-Up / Shutdown
Activation Reduction In-situ Ex-situ Sulfiding Specializing in Refinery Process Catalyst Performance Evaluation Heat & Mass
Balance Analysis Catalyst Remaining Life Determination Catalyst Deactivation Assessment Catalyst Performance
Characterization Refining & Gas Processing & Petrochemical Industries Catalysts / Process Technology - Hydrogen Catalysts /
Process Technology – Ammonia Catalyst Process Technology - Methanol Catalysts / process Technology – Petrochemicals
Specializing in the Development & Commercialization of New Technology in the Refining & Petrochemical Industries
Web Site: www.GBHEnterprises.com
V
a
ƹ
n
ρ
2

volume of permeate
specific cake resistance
porosity
viscosity of permeate
density

ELECTRODIALYSIS
2.1

INTRODUCTION

Under the influence of an electric field Ions in solution move towards the
electrodes where electrolysis takes place. If, however, membranes permeable
only to cations or anions are placed as barriers in the path of the migrating ions,
such that a series of compartments are formed, then it is possible to trap
electrolyte in some compartments whilst removing it from adjacent compartments
(see Figure 5).
This technique is termed electrodialysis (ED) [9] and was originally developed by
the water treatment industry as a means of purifying brackish supplies. In recent
years ED has been used in the food industry (whey processing), in recovery of
metals from electroplating solutions and in the de-ashing of pharmaceuticals.
Hence chemical processing by electrodialysis involves removing dissolved salts
from slurries or suspensions or from dissolved neutral molecules. The GBHE
Engineering Group has studied the application of ED to problems ranging from
the de-ashlng of catalyst slurries through biological and pharmaceutical materials
to the desalting of dyes. One of the essential criteria for such applications is that
the liquor to be treated should be capable of being pumped through the channels
of the ED stack without causing blockages. This requirement obviously
constrains the viscosity range of the fluid as well as limiting particle size, colloidal
stability and sedimentation characteristics.

Refinery Process Stream Purification Refinery Process Catalysts Troubleshooting Refinery Process Catalyst Start-Up / Shutdown
Activation Reduction In-situ Ex-situ Sulfiding Specializing in Refinery Process Catalyst Performance Evaluation Heat & Mass
Balance Analysis Catalyst Remaining Life Determination Catalyst Deactivation Assessment Catalyst Performance
Characterization Refining & Gas Processing & Petrochemical Industries Catalysts / Process Technology - Hydrogen Catalysts /
Process Technology – Ammonia Catalyst Process Technology - Methanol Catalysts / process Technology – Petrochemicals
Specializing in the Development & Commercialization of New Technology in the Refining & Petrochemical Industries
Web Site: www.GBHEnterprises.com
2.2

EQUIPMENT
(i) Membrane Stack
The membrane stack forms the heart of an electrodialysis unit. It comprises a
number of repeating units or cell pairs (see Figure 5) sandwiched between
electrodes. The electrodes are separated from the main part of the stack by
electrode rinse compartments which carry away the waste products
generated by the electrode reactions. The unit is held together in the manner
of a filter press by metal strong backs.
A cell pair comprises a cation exchange membrane, a spacer, an anion
exchange membrane and a second spacer. The area of the membranes
ranges from a few centimetres square in small laboratory units to ~ 2 meters
square in commercial stacks. The number of cell pairs ranges from one in
small laboratory equipment to several hundred in the large commercial plants.
(ii) Membranes
Permselective ion exchange membranes are chemically very similar to ion
exchange resins. The most common types are based on a crosslinked
polystyrene matrix which has been sulfonated in the case of cation exchange
membranes or chloromethylated and quaternized in the case of anion
exchange membranes. Membranes based on other polymer substrates are
easily available.
In all cases the membranes are swollen by water and counter ions are able to
move freely throughout the matrix. In ionic solutions of less than ~0.2 M, coions are prevented from entering the membrane by Donnan exclusion. For
example, the transport number for cations in a cation exchange membrane is
typically greater than 0.9. (Similarly for anions in anion exchange
membranes.)
Non polar solutes may pass into or through the membrane depending on their
size and molecular weight and on the tightness of the membrane. All
membranes may be expected to block the transport of colloids or proteins.

Refinery Process Stream Purification Refinery Process Catalysts Troubleshooting Refinery Process Catalyst Start-Up / Shutdown
Activation Reduction In-situ Ex-situ Sulfiding Specializing in Refinery Process Catalyst Performance Evaluation Heat & Mass
Balance Analysis Catalyst Remaining Life Determination Catalyst Deactivation Assessment Catalyst Performance
Characterization Refining & Gas Processing & Petrochemical Industries Catalysts / Process Technology - Hydrogen Catalysts /
Process Technology – Ammonia Catalyst Process Technology - Methanol Catalysts / process Technology – Petrochemicals
Specializing in the Development & Commercialization of New Technology in the Refining & Petrochemical Industries
Web Site: www.GBHEnterprises.com
(iii) Spacers
Inter-membrane spacers serve to hold the membranes apart and define the
liquid flow across the membrane surface. Two main types are available.
Tortuous path spacers have been developed by the American company,
Ionics Inc. They consist of a narrow convoluted channel with cross braces.
The combined effect of high linear flow rate and the cross braces promotes
high mass transfer to the membrane surface.
Sheet flow spacers are generally used by Japanese and some European
manufacturers. The linear velocity and pressure drop across the spacer is
much lower than the case of tortuous path spacers. Turbulence and hence
mass transfer are promoted by a plastic mesh set into the spacer. This type of
spacer maximizes the area of membrane available for ion transfer but is more
liable to fouling by suspensions.
(iv) Hydraulics and DC Power Supply
The hydraulic and electrical circuits are schematically shown in Figure 6. The
voltage and current rating of the DC power supply will vary with the size of
membrane stack. Requirements may be estimated by assuming a maximum
potential difference of 2.5 volts per cell pair and a current requirement of 2040 m.A cm-2.
The pumping rates will also depend on stack size, but may be estimated
assuming required linear velocities in each compartment of 5-10 cm
sec-1 for sheet flow spacers and 20-40 cm sec-1 for tortuous path spacers.

2.3

IMPORTANT PARAMETERS IN ED

Electrodialysis is a process which depends on mass transfer at the
membrane surface. Several inter-related factors govern this process; these
are listed in Table 1.

Refinery Process Stream Purification Refinery Process Catalysts Troubleshooting Refinery Process Catalyst Start-Up / Shutdown
Activation Reduction In-situ Ex-situ Sulfiding Specializing in Refinery Process Catalyst Performance Evaluation Heat & Mass
Balance Analysis Catalyst Remaining Life Determination Catalyst Deactivation Assessment Catalyst Performance
Characterization Refining & Gas Processing & Petrochemical Industries Catalysts / Process Technology - Hydrogen Catalysts /
Process Technology – Ammonia Catalyst Process Technology - Methanol Catalysts / process Technology – Petrochemicals
Specializing in the Development & Commercialization of New Technology in the Refining & Petrochemical Industries
Web Site: www.GBHEnterprises.com
Table 1

2.3.1 Energy Demand and Stack Throughput
The area of membrane and the energy required for a particular separation are
interdependent. The cost of the equipment is closely related to the membrane
area while the power cost is proportional to the cell pair voltage.
The optimum cost for any separation can be determined by comparing plots
of energy per unit throughput against current density with plots of membrane
area against current density (Figure 7).
The optimum current density may be obtained from the expression:

Refinery Process Stream Purification Refinery Process Catalysts Troubleshooting Refinery Process Catalyst Start-Up / Shutdown
Activation Reduction In-situ Ex-situ Sulfiding Specializing in Refinery Process Catalyst Performance Evaluation Heat & Mass
Balance Analysis Catalyst Remaining Life Determination Catalyst Deactivation Assessment Catalyst Performance
Characterization Refining & Gas Processing & Petrochemical Industries Catalysts / Process Technology - Hydrogen Catalysts /
Process Technology – Ammonia Catalyst Process Technology - Methanol Catalysts / process Technology – Petrochemicals
Specializing in the Development & Commercialization of New Technology in the Refining & Petrochemical Industries
Web Site: www.GBHEnterprises.com
2.3.2 Current Efficiency
Current or electrical efficiency is the proportion of the total charge passed
used to transport the required ionic species.

Poor current efficiency increases the membrane area required for the
separation and also results in higher energy costs.
Some of the factors influencing current efficiency include leakage currents in
manifolds, polarization at the membrane surface, breakdown of Donnan
exclusion and the presence of competing ions.
2.3.3 Concentration Polarization and Limiting Current Density
Concentration polarization occurs when the flux of Ions to and from the
membrane surface is insufficient to sustain the required current. Similar mass
limiting transport effects are experienced in other membrane processes, in
catalysis and in electrode reactions.
Polarization at the surface of ion exchange membranes arises from the fact
that the transport number of the counter Ion in the membrane is close to unity
whereas it only has approximately half this value in solution.
The flux of a cation through a cation exchange membrane, Jm+, Is given
by
Refinery Process Stream Purification Refinery Process Catalysts Troubleshooting Refinery Process Catalyst Start-Up / Shutdown
Activation Reduction In-situ Ex-situ Sulfiding Specializing in Refinery Process Catalyst Performance Evaluation Heat & Mass
Balance Analysis Catalyst Remaining Life Determination Catalyst Deactivation Assessment Catalyst Performance
Characterization Refining & Gas Processing & Petrochemical Industries Catalysts / Process Technology - Hydrogen Catalysts /
Process Technology – Ammonia Catalyst Process Technology - Methanol Catalysts / process Technology – Petrochemicals
Specializing in the Development & Commercialization of New Technology in the Refining & Petrochemical Industries
Web Site: www.GBHEnterprises.com
Obviously the total flux of the cation arriving at the membrane surface must be
equal to the flux through the membrane. The deficiency is made up by diffusional
flow across a depleted, stagnant boundary layer at the membrane surface.
Figure 8 illustrates this effect.

Clearly, a limiting condition occurs as the current density is increased. At the
limiting condition:

The current density at this point is termed the limiting current density. Any
attempt to increase the current density beyond this point results in concentration
polarization and excessive energy usage.
The onset of limiting conditions is dependent on the conductivity of the
electrolyte, spacer geometry and the velocity of the solution over the membrane
surf ace. To a first approximation the limiting conditions are described by the
expression:
Refinery Process Stream Purification Refinery Process Catalysts Troubleshooting Refinery Process Catalyst Start-Up / Shutdown
Activation Reduction In-situ Ex-situ Sulfiding Specializing in Refinery Process Catalyst Performance Evaluation Heat & Mass
Balance Analysis Catalyst Remaining Life Determination Catalyst Deactivation Assessment Catalyst Performance
Characterization Refining & Gas Processing & Petrochemical Industries Catalysts / Process Technology - Hydrogen Catalysts /
Process Technology – Ammonia Catalyst Process Technology - Methanol Catalysts / process Technology – Petrochemicals
Specializing in the Development & Commercialization of New Technology in the Refining & Petrochemical Industries
Web Site: www.GBHEnterprises.com
If the applied voltage is increased in an attempt to exceed the limiting current
density water splitting will occur. The effect of this process is to cause extremes
of pH at the surface of the membrane and to cause a reduction in current
efficiency. Extremes of pH may damage the membranes as well as affecting pH
sensitive materials in solution.

2.3.4 Water Transport and Non Polar Solute Transfer
Movement of water through the membranes occurs contiguously with ionic
transport. Net water transport is the sum of three processes, namely the
movement of Ionic hydration shells, osmosis due to concentration gradients and
electro-osmosis. The net water transport may not always be in the direction of
current flow.
Non polar materials dissolved in the process liquors may be transported across
the Ion exchange membranes, largely by this water flux. The actual amount of
transfer will depend upon the molecular weight of the solute. Species with
molecular weights greater than the low hundreds are less likely to pass through
the majority of ion exchange membranes, for example soluble dyes and sugars
may be successfully desalted.
Colloidal and suspended materials are unable to pass through the membrane but
may be deposited on the membrane surface causing fouling problems. For this
reason, when attempting to desalt suspensions of low dissolved solids content, it
is important to limit the applied electrical field gradient in order to prevent
electrophoretic membrane fouling. In addition high flow rates are often used to
promote turbulence and good mixing. The electrophoretic effect is put to use in
the technique of electrodecantation which will be separately described.

Refinery Process Stream Purification Refinery Process Catalysts Troubleshooting Refinery Process Catalyst Start-Up / Shutdown
Activation Reduction In-situ Ex-situ Sulfiding Specializing in Refinery Process Catalyst Performance Evaluation Heat & Mass
Balance Analysis Catalyst Remaining Life Determination Catalyst Deactivation Assessment Catalyst Performance
Characterization Refining & Gas Processing & Petrochemical Industries Catalysts / Process Technology - Hydrogen Catalysts /
Process Technology – Ammonia Catalyst Process Technology - Methanol Catalysts / process Technology – Petrochemicals
Specializing in the Development & Commercialization of New Technology in the Refining & Petrochemical Industries
Web Site: www.GBHEnterprises.com
2.4 EXAMPLES
Two applications of electrodialysis in current GBHE process technology are of
interest. An electrodialysis operation was being employed to remove calcium ions
(and traces of HCl) from glucose solution in the Cellulose Hydrolysis
development project of a European Conglomerate. In addition the technique has
been used to desalt dyestuff suspensions [11]. Further details may be found in
the references.

3

ELECTRODEWATERING AND ELECTRODECANTATION

3.1

INTRODUCTION

Both techniques are practical manifestations of the application of electrophoresis
to large scale concentration of sols or suspensions. The two techniques differ
mainly in the configuration of the engineering that effects the electrophoreticallydriven separation. GBHE uses electrodecantation to concentrate PTFE
suspensions while the IEEE has expertise in application of these techniques to a
wide range of separation problems including the concentration of protein and
cellular material.
The main pre-requisite for these methods is a solution of low ionic strength
(typically < low-3 m).

3.2

PRINCIPLES AND OPERATION

An electrodecantation unit (see Figures 1 and 2 of Reference [12]) is basically a
tank with electrodes at either end or a large number of membranes interposed
between and parallel to the electrodes. When the unit is filled with a suspension
and the electric field is applied, charged particles move towards their opposite
poles. When the particles reach a membrane (the membrane acts as a physical
barrier to particles but conducts electricity) they pile up forming a dense layer
which then sediments. At a partner membrane particles are repelled forming a
less dense layer which gravitates to the surface. A flow pattern is established in a
membrane channel analogous to convection current. Thus a dense phase is
formed at the bottom of the unit and clear water at the top.
Both layers are drawn off and the cell volume is maintained by adding
suspension at the vertical midpoint of the tank.
Refinery Process Stream Purification Refinery Process Catalysts Troubleshooting Refinery Process Catalyst Start-Up / Shutdown
Activation Reduction In-situ Ex-situ Sulfiding Specializing in Refinery Process Catalyst Performance Evaluation Heat & Mass
Balance Analysis Catalyst Remaining Life Determination Catalyst Deactivation Assessment Catalyst Performance
Characterization Refining & Gas Processing & Petrochemical Industries Catalysts / Process Technology - Hydrogen Catalysts /
Process Technology – Ammonia Catalyst Process Technology - Methanol Catalysts / process Technology – Petrochemicals
Specializing in the Development & Commercialization of New Technology in the Refining & Petrochemical Industries
Web Site: www.GBHEnterprises.com
Other variations of the technique use moving membranes from which the
deposited material is removed with a doctor blade, or collecting laminae from a
stream flowing between electrodes.

3.3

EQUIPMENT AND OPERATING PARAMETERS

Electrodecantation typically uses GRP or similar tanks of 1-2 m3 capacity. The
membrane is generally cellulose acetate dialysis type sheet placed in the tank in
sheets, held apart by non-conductive rods. The electrodes may be any of the well
known coated types now available.
The range of final solids concentrations that can be handled is very much
controlled by the rheological properties of the slurry and may range from a few
percent for clay up to 60 or 70% for polymer latex.
Typical electrical field strengths lie in the region of 1 to 5 volts cm-1 while the
current density ranges from 1 to 10 mA cm-2.

3.4

EXAMPLES

Electrodewatering using the Dorr-Oliver Electrically-Assisted Vacuum Filtration
(EAVF) rig is currently being employed for PVC latex thickening on a Pilot Scale
at European Company [12]. It has also been considered as an isolation method
for certain fluoropolymer latex suspensions. This latter example illustrates an
important suspension processing strategy. EAVF is a valuable separation
technique for stable, colloidal suspensions where flocculation via addition of
surfactants, flocculants or salts is to be avoided. Thus polymer latex suspensions
whose intended use is for insulating materials are well dewatered by this means.

4 MAGNETIC SEPARATION METHODS
It has not proved possible to provide a contribution on the application of magnetic
methods of solid/liquid separation at this time. Since many of the potential outlets
for such methods are in Biotechnology, a useful introduction to the subject may
be found in the reference [13].

Refinery Process Stream Purification Refinery Process Catalysts Troubleshooting Refinery Process Catalyst Start-Up / Shutdown
Activation Reduction In-situ Ex-situ Sulfiding Specializing in Refinery Process Catalyst Performance Evaluation Heat & Mass
Balance Analysis Catalyst Remaining Life Determination Catalyst Deactivation Assessment Catalyst Performance
Characterization Refining & Gas Processing & Petrochemical Industries Catalysts / Process Technology - Hydrogen Catalysts /
Process Technology – Ammonia Catalyst Process Technology - Methanol Catalysts / process Technology – Petrochemicals
Specializing in the Development & Commercialization of New Technology in the Refining & Petrochemical Industries
Web Site: www.GBHEnterprises.com
Refinery Process Stream Purification Refinery Process Catalysts Troubleshooting Refinery Process Catalyst Start-Up / Shutdown
Activation Reduction In-situ Ex-situ Sulfiding Specializing in Refinery Process Catalyst Performance Evaluation Heat & Mass
Balance Analysis Catalyst Remaining Life Determination Catalyst Deactivation Assessment Catalyst Performance
Characterization Refining & Gas Processing & Petrochemical Industries Catalysts / Process Technology - Hydrogen Catalysts /
Process Technology – Ammonia Catalyst Process Technology - Methanol Catalysts / process Technology – Petrochemicals
Specializing in the Development & Commercialization of New Technology in the Refining & Petrochemical Industries
Web Site: www.GBHEnterprises.com
Refinery Process Stream Purification Refinery Process Catalysts Troubleshooting Refinery Process Catalyst Start-Up / Shutdown
Activation Reduction In-situ Ex-situ Sulfiding Specializing in Refinery Process Catalyst Performance Evaluation Heat & Mass
Balance Analysis Catalyst Remaining Life Determination Catalyst Deactivation Assessment Catalyst Performance
Characterization Refining & Gas Processing & Petrochemical Industries Catalysts / Process Technology - Hydrogen Catalysts /
Process Technology – Ammonia Catalyst Process Technology - Methanol Catalysts / process Technology – Petrochemicals
Specializing in the Development & Commercialization of New Technology in the Refining & Petrochemical Industries
Web Site: www.GBHEnterprises.com
Refinery Process Stream Purification Refinery Process Catalysts Troubleshooting Refinery Process Catalyst Start-Up / Shutdown
Activation Reduction In-situ Ex-situ Sulfiding Specializing in Refinery Process Catalyst Performance Evaluation Heat & Mass
Balance Analysis Catalyst Remaining Life Determination Catalyst Deactivation Assessment Catalyst Performance
Characterization Refining & Gas Processing & Petrochemical Industries Catalysts / Process Technology - Hydrogen Catalysts /
Process Technology – Ammonia Catalyst Process Technology - Methanol Catalysts / process Technology – Petrochemicals
Specializing in the Development & Commercialization of New Technology in the Refining & Petrochemical Industries
Web Site: www.GBHEnterprises.com
Refinery Process Stream Purification Refinery Process Catalysts Troubleshooting Refinery Process Catalyst Start-Up / Shutdown
Activation Reduction In-situ Ex-situ Sulfiding Specializing in Refinery Process Catalyst Performance Evaluation Heat & Mass
Balance Analysis Catalyst Remaining Life Determination Catalyst Deactivation Assessment Catalyst Performance
Characterization Refining & Gas Processing & Petrochemical Industries Catalysts / Process Technology - Hydrogen Catalysts /
Process Technology – Ammonia Catalyst Process Technology - Methanol Catalysts / process Technology – Petrochemicals
Specializing in the Development & Commercialization of New Technology in the Refining & Petrochemical Industries
Web Site: www.GBHEnterprises.com
Refinery Process Stream Purification Refinery Process Catalysts Troubleshooting Refinery Process Catalyst Start-Up / Shutdown
Activation Reduction In-situ Ex-situ Sulfiding Specializing in Refinery Process Catalyst Performance Evaluation Heat & Mass
Balance Analysis Catalyst Remaining Life Determination Catalyst Deactivation Assessment Catalyst Performance
Characterization Refining & Gas Processing & Petrochemical Industries Catalysts / Process Technology - Hydrogen Catalysts /
Process Technology – Ammonia Catalyst Process Technology - Methanol Catalysts / process Technology – Petrochemicals
Specializing in the Development & Commercialization of New Technology in the Refining & Petrochemical Industries
Web Site: www.GBHEnterprises.com
Refinery Process Stream Purification Refinery Process Catalysts Troubleshooting Refinery Process Catalyst Start-Up / Shutdown
Activation Reduction In-situ Ex-situ Sulfiding Specializing in Refinery Process Catalyst Performance Evaluation Heat & Mass
Balance Analysis Catalyst Remaining Life Determination Catalyst Deactivation Assessment Catalyst Performance
Characterization Refining & Gas Processing & Petrochemical Industries Catalysts / Process Technology - Hydrogen Catalysts /
Process Technology – Ammonia Catalyst Process Technology - Methanol Catalysts / process Technology – Petrochemicals
Specializing in the Development & Commercialization of New Technology in the Refining & Petrochemical Industries
Web Site: www.GBHEnterprises.com
Refinery Process Stream Purification Refinery Process Catalysts Troubleshooting Refinery Process Catalyst Start-Up / Shutdown
Activation Reduction In-situ Ex-situ Sulfiding Specializing in Refinery Process Catalyst Performance Evaluation Heat & Mass
Balance Analysis Catalyst Remaining Life Determination Catalyst Deactivation Assessment Catalyst Performance
Characterization Refining & Gas Processing & Petrochemical Industries Catalysts / Process Technology - Hydrogen Catalysts /
Process Technology – Ammonia Catalyst Process Technology - Methanol Catalysts / process Technology – Petrochemicals
Specializing in the Development & Commercialization of New Technology in the Refining & Petrochemical Industries
Web Site: www.GBHEnterprises.com
Refinery Process Stream Purification Refinery Process Catalysts Troubleshooting Refinery Process Catalyst Start-Up / Shutdown
Activation Reduction In-situ Ex-situ Sulfiding Specializing in Refinery Process Catalyst Performance Evaluation Heat & Mass
Balance Analysis Catalyst Remaining Life Determination Catalyst Deactivation Assessment Catalyst Performance
Characterization Refining & Gas Processing & Petrochemical Industries Catalysts / Process Technology - Hydrogen Catalysts /
Process Technology – Ammonia Catalyst Process Technology - Methanol Catalysts / process Technology – Petrochemicals
Specializing in the Development & Commercialization of New Technology in the Refining & Petrochemical Industries
Web Site: www.GBHEnterprises.com

Other Separations Techniques for Suspensions

  • 1.
    GBH Enterprises, Ltd. SuspensionsProcessing Guide: GBHE SPG PEG 309 Other Separations Techniques for Suspensions Process Disclaimer Information contained in this publication or as otherwise supplied to Users is believed to be accurate and correct at time of going to press, and is given in good faith, but it is for the User to satisfy itself of the suitability of the Product for its own particular purpose. GBHE gives no warranty as to the fitness of the Product for any particular purpose and any implied warranty or condition (statutory or otherwise) is excluded except to the extent that exclusion is prevented by law. GBHE accepts no liability for loss, damage or personnel injury caused or resulting from reliance on this information. Freedom under Patent, Copyright and Designs cannot be assumed. Refinery Process Stream Purification Refinery Process Catalysts Troubleshooting Refinery Process Catalyst Start-Up / Shutdown Activation Reduction In-situ Ex-situ Sulfiding Specializing in Refinery Process Catalyst Performance Evaluation Heat & Mass Balance Analysis Catalyst Remaining Life Determination Catalyst Deactivation Assessment Catalyst Performance Characterization Refining & Gas Processing & Petrochemical Industries Catalysts / Process Technology - Hydrogen Catalysts / Process Technology – Ammonia Catalyst Process Technology - Methanol Catalysts / process Technology – Petrochemicals Specializing in the Development & Commercialization of New Technology in the Refining & Petrochemical Industries Web Site: www.GBHEnterprises.com
  • 2.
    Process Engineering Guide: OtherSeparations Techniques for Suspensions CONTENTS 1 1.5 1.6 PRESSURE-DRIVEN MEMBRANE SEPARATION PROCESSES INTRODUCTION MEMBRANES OPERATION FACTORS AFFETCING PERFORMANCE 1.4.1 Polarization / Fouling 1.4.2 Pressure 1.4.3 Crossflow 1.4.4 Temperature 1.4.5 Concentration 1.4.6 Membrane Pore Size 1.4.7 Particle Size 1.4.8 Particle Charge 1.4.9 Other Factors ADVANTAGES / LIMITATIONS SUMMARY OF SYMBOLS USED 2 ELECTRODIALYSIS 2.1 2.2 2.3 2.4 INTRODUCTION EQUIPMENT IMPORTANT PARAMETERSIN ED EXAMPLES 3 ELECTRODEWATERING AND ELECTRODECANTATION 3.1 3.2 3.3 3.4 INTRODUCTION PRINCIPLES AND OPERATION EQUIPMENT AND OPERATING PARAMETERS EXAMPLES 4 MAGNETIC SEPARATION METHODS 5 REFERENCES 1.1 1.2 1.3 1.4 Refinery Process Stream Purification Refinery Process Catalysts Troubleshooting Refinery Process Catalyst Start-Up / Shutdown Activation Reduction In-situ Ex-situ Sulfiding Specializing in Refinery Process Catalyst Performance Evaluation Heat & Mass Balance Analysis Catalyst Remaining Life Determination Catalyst Deactivation Assessment Catalyst Performance Characterization Refining & Gas Processing & Petrochemical Industries Catalysts / Process Technology - Hydrogen Catalysts / Process Technology – Ammonia Catalyst Process Technology - Methanol Catalysts / process Technology – Petrochemicals Specializing in the Development & Commercialization of New Technology in the Refining & Petrochemical Industries Web Site: www.GBHEnterprises.com
  • 3.
    FIGURES 1 APPLICATION RANGES FORMEMBRANE SEPARATION TECHNIQUES 2 SIMPLE UF / CMF RIG 3 FLUX VERSUS TIME 4 FLUX VERSUS PRESSURE 5 ELECTRODIALYSIS PROCESS 6 ELECTRODIALYSIS PLANT FOR BATCH PROCESS 7 DEPENDENCE OF MEMBRANE AREA AND ENERGY ON CURRENT DENSITY 8 DIFFUSION ACROSS THE BOUNDARY LAYER Refinery Process Stream Purification Refinery Process Catalysts Troubleshooting Refinery Process Catalyst Start-Up / Shutdown Activation Reduction In-situ Ex-situ Sulfiding Specializing in Refinery Process Catalyst Performance Evaluation Heat & Mass Balance Analysis Catalyst Remaining Life Determination Catalyst Deactivation Assessment Catalyst Performance Characterization Refining & Gas Processing & Petrochemical Industries Catalysts / Process Technology - Hydrogen Catalysts / Process Technology – Ammonia Catalyst Process Technology - Methanol Catalysts / process Technology – Petrochemicals Specializing in the Development & Commercialization of New Technology in the Refining & Petrochemical Industries Web Site: www.GBHEnterprises.com
  • 4.
    1 PRESSURE-DRIVEN MEMBRANE SEPARATION PROCESSES 1.1 INTRODUCTION Theterm "pressure driven membrane separation processes" covers three closely related unit operations, namely, Reverse osmosis, Ultrafiltration and Crossflow Microfiltration. All three use a semipermeable membrane to effect the separation and a pressure gradient as the driving force, they also use crossflow, feed pumped at high velocity across the membrane surface, to minimize the accumulation of rejected molecules/particles on the membrane. The difference between the techniques lies in the structure of the membranes and the sizes of the molecules/particles rejected by them. The molecule/particle size ranges for the application of these techniques are shown in Figure 1. In reverse osmosis transport through the membrane is by a solution diffusion mechanism. Particles, inorganic salts and organic molecules with molecular weights greater than a few hundred are rejected by the membrane. With its "tight" membranes with inherent low water flux, reverse osmosis has little use in suspension processing and will not be considered further. In both ultrafiltration (UF) and crossflow microfiltration (CMF) transport through the membrane is via pores so separation is on the basis of molecule/particle size. The pore size can be controlled during manufacture to give a range of membranes with different separation capabilities. Applications within GBHE for these techniques include desalting dyestuff suspensions, concentrating polymer latex and removing (and recovering) toxic materials from effluent streams. These techniques are mainly used for processing aqueous solutions and suspensions. However, the development in recent years of membranes and systems with greater chemical resistance has widened their potential area of application to many other solvents. Refinery Process Stream Purification Refinery Process Catalysts Troubleshooting Refinery Process Catalyst Start-Up / Shutdown Activation Reduction In-situ Ex-situ Sulfiding Specializing in Refinery Process Catalyst Performance Evaluation Heat & Mass Balance Analysis Catalyst Remaining Life Determination Catalyst Deactivation Assessment Catalyst Performance Characterization Refining & Gas Processing & Petrochemical Industries Catalysts / Process Technology - Hydrogen Catalysts / Process Technology – Ammonia Catalyst Process Technology - Methanol Catalysts / process Technology – Petrochemicals Specializing in the Development & Commercialization of New Technology in the Refining & Petrochemical Industries Web Site: www.GBHEnterprises.com
  • 5.
    1.2 MEMBRANES One obvious differencebetween UF and CMF is in the general structure of the membranes and the range of pore sizes available. All polymeric UF membranes are of the asymmetric type first developed by Loeb and Sourirajan in the early Sixties [1]. These membranes are of the order of 100 micron thick. On one surface of the membrane there Is a thin layer (the “active" layer) about 1 micron thick with small pores. The size of the pores in the active layer, in the range 10 to 200 Angstrom for commercial UF membranes, determines the separating capability of the membrane. The rest of the membrane has larger pores in a spongy structure and acts as a support for the active layer. The original membranes were cast from cellulose acetate but many current membranes are made from polymers with greater chemical and temperature resistance including polyacrylonitrile, polyamide, and polysulfone and polyvinylidene difluoride. Ceramic UF membranes with a metal oxide layer on a porous carbon support are also available. These have good chemical and temperature resistance but are expensive and not widely used at the time of writing. UF membranes can be cast in tubular or flat sheet form. In tubular form the active layer is always on the inner surface. Small diameter (~ 1 mm) membrane tubes, known as hollow fibers, are self-supporting. Supported tubular membranes are available up to 25 mm diameter. Several membrane tubes in parallel can be enclosed in a common permeate shroud to make a commercial UF module. The smaller diameter tubes give greater membrane area per unit volume of module but need to be made into shorter modules because of higher pressure drops along the tubes. With the smallest diameter tubes an in-line coarse filter Is also advisable to avoid blockage problems when processing suspensions. Supported flat sheet membranes with associated feed and permeate channels can be built into stacks. A flat sheet membrane with feed and permeate channels can also be rolled up ‘Swiss roll” style to make a spiral wound module. These have good membrane area per unit module volume but the spacer matrix in the feed channel could cause blockage problems with suspensions. CMF membranes are thicker than UF membranes, about 1000 micron, and have a uniform porous structure. This structure is somewhat analogous to sintered metal. In fact some CMF systems use sintered stainless steel “membranes". However, polymeric CMF membranes can be made from polyethylene, polypropylene and polyamide with much higher porosities than sintered metals. These membranes are available in pore sizes down to 1 micron for metals and 0.1 micron for polymers. Refinery Process Stream Purification Refinery Process Catalysts Troubleshooting Refinery Process Catalyst Start-Up / Shutdown Activation Reduction In-situ Ex-situ Sulfiding Specializing in Refinery Process Catalyst Performance Evaluation Heat & Mass Balance Analysis Catalyst Remaining Life Determination Catalyst Deactivation Assessment Catalyst Performance Characterization Refining & Gas Processing & Petrochemical Industries Catalysts / Process Technology - Hydrogen Catalysts / Process Technology – Ammonia Catalyst Process Technology - Methanol Catalysts / process Technology – Petrochemicals Specializing in the Development & Commercialization of New Technology in the Refining & Petrochemical Industries Web Site: www.GBHEnterprises.com
  • 6.
    These are usuallyavailable in self-supporting tubular form in diameters between 1 and 10 mm. As with UF a number of parallel membrane tubes are enclosed in a common permeate shroud to make a module. The big advantage of CMF membranes is that they are back flushable. A short pressure pulse can be applied periodically to reverse the permeate flow. When this happens particles that have penetrated into the membrane matrix are ejected back into the feed stream and particle layers that have formed on the membrane surface are disrupted. The membrane differences detailed above should not be considered absolute. Asymmetric membranes can be made with pore sizes in the CMF range. However these usually have lower surface porosities than equivalent CMF membranes and cannot be back flushed. UF membranes in the self-supporting hollow fibre configuration are back flushable, but other UF membranes may be damaged if this is attempted. 1.3 OPERATION In general the operation of both UF and CMF systems is similar. A simple rig suitable for feasibility testing or batch operation is shown in Figure 2. Suspension is pumped from a reservoir through the UF/CMF module and the concentrated suspension returned to the reservoir. Since crossflow velocities (210 m/s) are much higher than permeate velocities (< 0.01 m/s) many passes are required to give significant concentration. Module inlet pressures can be up to 10 bar for UF and 5 bar for CMF. System pressure can be controlled by a back pressure valve at the outlet of the module. The permeate is normally piped to a storage tank or to drain but can be returned to the reservoir during constant concentration trials. For back flushing (usually only with CMF modules) the valve in the permeate line is closed and a compressed air pressure pulse (a few psi above system pressure) is applied to the permeate in the module shroud for 0.5 10 seconds. For washing applications wash liquid can be added to the reservoir at a rate equal to the permeate rate. The Initial target of a feasibility trial is to find out if the required separation can be achieved by UF/CMF. If successful the effect on flux of variations in pressure, crossflow, temperature and concentration can then be investigated. If possible a variety of membranes and module geometries should be tested. Al though some extrapolation from steady state conditions is possible long term effects can only really be determined by long term trials. Refinery Process Stream Purification Refinery Process Catalysts Troubleshooting Refinery Process Catalyst Start-Up / Shutdown Activation Reduction In-situ Ex-situ Sulfiding Specializing in Refinery Process Catalyst Performance Evaluation Heat & Mass Balance Analysis Catalyst Remaining Life Determination Catalyst Deactivation Assessment Catalyst Performance Characterization Refining & Gas Processing & Petrochemical Industries Catalysts / Process Technology - Hydrogen Catalysts / Process Technology – Ammonia Catalyst Process Technology - Methanol Catalysts / process Technology – Petrochemicals Specializing in the Development & Commercialization of New Technology in the Refining & Petrochemical Industries Web Site: www.GBHEnterprises.com
  • 7.
    Increasing the fluxmeans a smaller membrane area requirement and a smaller plant. However, this is often only achieved by increasing energy Input (pumping or heating). Optimum operating conditions are determined by balancing capital and operating costs. UF and CMF plants are designed to be modular. Capacity can be increased by adding more membrane modules as long as the pumps and pipework can handle the extra flows involved. A single stage plant (Figure 2) can be operated batchwise or continuously in a feed and bleed mode. However, for continuous operation it is usually more efficient to have several stages with the concentrate from one stage becoming the feed for the next. 1.4 FACTORS AFFETCING PERFORMANCE The important performance parameter is the rate at which permeate passes through the membrane, i.e. the flux. In Europe this is normally quoted in liters of permeate per square meter of membrane per hour (1 m-2 hr-1). Although some of the parameters that affect flux have been modeled individually, it is not yet possible to predict the flux that will be obtained when a particular suspension is processed in a particular membrane module. Factors that influence flux include: 1.4.1 Polarization / Fouling The flux obtained when an aqueous suspension is treated by UF/CMF is always lower than the pure water flux, often by an order of magnitude or more. This flux reduction is due to membrane fouling which can be defined as the accumulation of deposits on or in the membrane. Fouling occurs through polarization, bacterial growth on the membrane and various suspension/membrane interactions. Although polarization reaches equilibrium rapidly other fouling mechanisms tend to occur, decline with time. Decline to an uneconomic level may take a few hours or many months. The fouling rate will depend on suspension characteristics, membrane characteristics and operating conditions. Regular back flushing can improve the flux temporarily but an overall decline with time is still usually observed (Figure 3). Fouling can sometimes be reduced by pre-treating the suspension. For example, a change in pH may have a beneficial effect on suspension characteristics. Refinery Process Stream Purification Refinery Process Catalysts Troubleshooting Refinery Process Catalyst Start-Up / Shutdown Activation Reduction In-situ Ex-situ Sulfiding Specializing in Refinery Process Catalyst Performance Evaluation Heat & Mass Balance Analysis Catalyst Remaining Life Determination Catalyst Deactivation Assessment Catalyst Performance Characterization Refining & Gas Processing & Petrochemical Industries Catalysts / Process Technology - Hydrogen Catalysts / Process Technology – Ammonia Catalyst Process Technology - Methanol Catalysts / process Technology – Petrochemicals Specializing in the Development & Commercialization of New Technology in the Refining & Petrochemical Industries Web Site: www.GBHEnterprises.com
  • 8.
    A different membranematerial may be less prone to fouling. Altering operating conditions can also reduce fouling. A reduction in operating temperature or pressure will reduce Initial flux but overall flux with time may be improved if fouling is inhibited. Alternatively, when an uneconomic flux is reached the process can be stopped and the membranes cleaned. Chemical cleaning is usually the most effective but larger bore membrane tubes can be cleaned physically in situ. A recent BIOSEP SAR report deals exclusively with the cleaning of membranes [8]. In addition to reducing flux fouling may have a secondary effect as the fouling layer can become the separating medium. Solutes or particles which pass freely through the membrane may be partially or even totally rejected by the fouling layer, thus changing the separation. Polarization occurs when molecules/particles rejected by the membrane concentrate at the membrane surface. Crossflow will minimize this concentration but will never entirely eliminate it. Most polarization studies have investigated the concentration of solutes at the membrane surface. The solute concentration at the membrane surface quickly increases to a maximum value when the solute precipitates or forms a thixotropic gel. Gel formation is analogous to cake formation in conventional filtration. The gel concentration will depend upon chemical and morphological properties of the solute and may vary from 10 to 75%. Flux, J, under conditions of gel polarization is described by the widely accepted Blatt [2] equation: where Cg and Cb are the suspended solid concentrations in the gel and the bulk respectively; ks is an empirical constant considered later. With particulates diffusive back-transport may not be significant and equation (1) will not apply. Constant pressure particulate filtration without back-transport can sometimes be described by the well-known cake filtration equation: Refinery Process Stream Purification Refinery Process Catalysts Troubleshooting Refinery Process Catalyst Start-Up / Shutdown Activation Reduction In-situ Ex-situ Sulfiding Specializing in Refinery Process Catalyst Performance Evaluation Heat & Mass Balance Analysis Catalyst Remaining Life Determination Catalyst Deactivation Assessment Catalyst Performance Characterization Refining & Gas Processing & Petrochemical Industries Catalysts / Process Technology - Hydrogen Catalysts / Process Technology – Ammonia Catalyst Process Technology - Methanol Catalysts / process Technology – Petrochemicals Specializing in the Development & Commercialization of New Technology in the Refining & Petrochemical Industries Web Site: www.GBHEnterprises.com
  • 9.
    (The derivation andinterpretation of this equation is reviewed in Section 1.5.2(b)). Schneider [3] suggests that initial flux decline in CMF can be described by equation (2). However, as equation (2) infers that all particles convected to the polarized layer are accumulated it is unlikely to apply in the crossflow situation. The Scour Model [4] is based on the analogy between suspension flow across a filter cake and the motion of a sediment laden stream over a layer settled sediment. For the UF/CMF of suspensions of the Scour Model equates convective deposition and scour removal giving: Although none of the above equations are entirely satisfactory they are useful in relating flux to other parameters. 1.4.2 Pressure Flux in UF and CMF can be described by a resistance in series relationship: where Rm and Rp are the medium and polarization resistance terms. Pure water flux is proportional to pressure. With suspensions, increasing pressure (and flux) tend to increase the polarized layer and hence resistance. It is possible to reach a limiting flux where further increases in pressure are matched by increases in Rp (see Figure 4). This is analogous to the effects of solids compressibility during cake filtration on the pressure-dependence of filtration rate (Section 3.5). Many users advise running at low pressures as this has the added advantage of avoiding fouling due to compaction of the polarized layer. Refinery Process Stream Purification Refinery Process Catalysts Troubleshooting Refinery Process Catalyst Start-Up / Shutdown Activation Reduction In-situ Ex-situ Sulfiding Specializing in Refinery Process Catalyst Performance Evaluation Heat & Mass Balance Analysis Catalyst Remaining Life Determination Catalyst Deactivation Assessment Catalyst Performance Characterization Refining & Gas Processing & Petrochemical Industries Catalysts / Process Technology - Hydrogen Catalysts / Process Technology – Ammonia Catalyst Process Technology - Methanol Catalysts / process Technology – Petrochemicals Specializing in the Development & Commercialization of New Technology in the Refining & Petrochemical Industries Web Site: www.GBHEnterprises.com
  • 10.
    1.4.3 Crossflow In general,flux can be increased by increasing crossflow velocity. The Scour Model, equation (3), relates flux and crossflow. With bacterial suspensions , Fane [4] showed that Initial flux was proportional to U’-0, as expected. However, long term steady state flux was found to be proportional to U2.4, This demonstrates the beneficial effect increased crossflow velocity can have in reducing fouling rate. 1.4.4 Temperature Flux through porous media can be described by Poiseuille’s Law: (where the symbols are as defined in Section 1.5.2(b) (I)). In UF/CMF flux has been shown experimentally to be inversely proportional to permeate viscosity as predicted by this equation. For aqueous suspensions increasing temperature will therefore Increase flux. If increasing temperature also reduces suspension viscosity pumping costs will be reduced. In practice it may or may not be economic to heat the suspension but it is certainly sensible to avoid cooling unless the suspension is thermally unstable. 1.4.5 Concentration Equation (1) predicts that flux is proportional to the log of concentration. This is the generally accepted relationship and has been verified for a number of suspensions [5]. Equation (3), however, which is probably more general for suspensions, predicts a log/log relationship between flux and concentration. This has also been demonstrated experimentally for a number of suspensions [4]. Refinery Process Stream Purification Refinery Process Catalysts Troubleshooting Refinery Process Catalyst Start-Up / Shutdown Activation Reduction In-situ Ex-situ Sulfiding Specializing in Refinery Process Catalyst Performance Evaluation Heat & Mass Balance Analysis Catalyst Remaining Life Determination Catalyst Deactivation Assessment Catalyst Performance Characterization Refining & Gas Processing & Petrochemical Industries Catalysts / Process Technology - Hydrogen Catalysts / Process Technology – Ammonia Catalyst Process Technology - Methanol Catalysts / process Technology – Petrochemicals Specializing in the Development & Commercialization of New Technology in the Refining & Petrochemical Industries Web Site: www.GBHEnterprises.com
  • 11.
    1.4.6 Membrane PoreSize From equation (5) it can be predicted that increasing pore size leads to a dramatic increase in pure water flux (see Figure 1). Equation (4) shows that this effect will be masked when processing suspensions as Rp increases in relation to Rm. In practice it is normal to use the largest pore size membrane which will retain the required components of the suspension. 1.4.7 Particle Size From filtration theory (see Section 1.5.2) the resistance of polarized solids, Rp, can be written as: where m is the mass of solids polarized over area, A, The specific cake resistance, a, can be related to particle properties via the Kozeny-Carman equation (Section 1.5.2(b) ): (ds is the diameter of suspended particles) Therefore as particle size increases, Rp decreases and flux increases (from equation (4)). For solids small enough to experience diffusive backtransport equation (1) is more likely to apply. For dilute solutions the diffusion constant, Refinery Process Stream Purification Refinery Process Catalysts Troubleshooting Refinery Process Catalyst Start-Up / Shutdown Activation Reduction In-situ Ex-situ Sulfiding Specializing in Refinery Process Catalyst Performance Evaluation Heat & Mass Balance Analysis Catalyst Remaining Life Determination Catalyst Deactivation Assessment Catalyst Performance Characterization Refining & Gas Processing & Petrochemical Industries Catalysts / Process Technology - Hydrogen Catalysts / Process Technology – Ammonia Catalyst Process Technology - Methanol Catalysts / process Technology – Petrochemicals Specializing in the Development & Commercialization of New Technology in the Refining & Petrochemical Industries Web Site: www.GBHEnterprises.com
  • 12.
    This predicts thatflux decreases as particle size increases. Fane [6] showed experimentally that as particle size increased from 0.025 micron to 20 micron UF flux passes through a minimum as polarization control changed from diffusive (decreasing with particle size) to nondiffusive (increasing with particle size). The minima occurred at about 0.1 micron. Particle size range and shape are also obviously important in determining polarized layer permeability and flux. Their effect awaits investigation. 1.4.8 Particle Charge Using monodisperse silica colloids of different zeta potentials, McDonogh [7] has shown that particle charge has a substantial effect on the permeability of polarized layers. An increase in zeta potential leads to a decrease in specific cake resistance (presumably by increasing cake porosity - see equation (7)). The theory developed breaks down at low zeta potentials (< 5 mV) where particles in the concentrated zone near the membrane are highly likely to flocculate before laydown leading to larger deposited particles and higher fluxes. 1.4.9 Other Factors Hany other parameters relating to suspensions, membranes and operating conditions can influence flux and require further investigation. For example, Fane [4] has shown that particle rigidity and the presence of macrosolutes are important. Charged membranes have shown some promise in reducing fouling. Unfortunately, a full understanding of the important parameters and the ability to predict and optimize flux are still a long way off. Refinery Process Stream Purification Refinery Process Catalysts Troubleshooting Refinery Process Catalyst Start-Up / Shutdown Activation Reduction In-situ Ex-situ Sulfiding Specializing in Refinery Process Catalyst Performance Evaluation Heat & Mass Balance Analysis Catalyst Remaining Life Determination Catalyst Deactivation Assessment Catalyst Performance Characterization Refining & Gas Processing & Petrochemical Industries Catalysts / Process Technology - Hydrogen Catalysts / Process Technology – Ammonia Catalyst Process Technology - Methanol Catalysts / process Technology – Petrochemicals Specializing in the Development & Commercialization of New Technology in the Refining & Petrochemical Industries Web Site: www.GBHEnterprises.com
  • 13.
    1.5 ADVANTAGES / LIMITATIONS UFand CMF offer certain advantages over other filtration techniques. These can be summarized as follows:(i) They can be used to process suspensions of sub-micron particles which are difficult or impossible to process by conventional filtration, whilst avoiding the need to flocculate the system. (ii) As membranes with a range of pore sizes are available, dissolved materials can be removed in the permeate or retained in the suspension as required. (iii) Concentration can be carried out at ambient temperature offering a significant energy advantage over evaporation techniques. Also, labile materials can be processed without damage. (iv) The high crossflow velocities required make these techniques particularly suitable for processing shear-thinning suspensions. (v) A controlled degree of suspension concentration may be achieved (but see below). Unfortunately there are certain limitations to the application of UF and MP: (i) Shear sensitive materials can be damaged. (ii) Polymer membranes can be damaged by freezing. The upper temperature limit will be in the range 50-90 0C. pH tolerance may be as much as 0.5 - 13 at room temperature but decreases significantly at elevated temperatures. Surprisingly, the module materials often have less temperature and chemical resistance than the membranes themselves. (iii) Since crossflow is an essential feature of these techniques the highest achievable solids concentration will be limited by suspension rheology and module geometry (cf (v) above). (iv) The size of pores in the surface of an ideal UF/CMF membrane would be monodisperse. In reality there is always a range of pore sizes. Thus the molecule/particle size cut-off for membranes is never sharp. This means that a molecule/particle size ratio of at least 10 and preferably 100 is required to achieve good separation. Refinery Process Stream Purification Refinery Process Catalysts Troubleshooting Refinery Process Catalyst Start-Up / Shutdown Activation Reduction In-situ Ex-situ Sulfiding Specializing in Refinery Process Catalyst Performance Evaluation Heat & Mass Balance Analysis Catalyst Remaining Life Determination Catalyst Deactivation Assessment Catalyst Performance Characterization Refining & Gas Processing & Petrochemical Industries Catalysts / Process Technology - Hydrogen Catalysts / Process Technology – Ammonia Catalyst Process Technology - Methanol Catalysts / process Technology – Petrochemicals Specializing in the Development & Commercialization of New Technology in the Refining & Petrochemical Industries Web Site: www.GBHEnterprises.com
  • 14.
    For the futuremembrane separation is a fast developing area and significant improvements can be expected in the next few years. The biggest problem to be overcome is membrane fouling. This is a particular problem in the biochemical area which offers membrane separation its largest potential market. A membrane with greatly reduced susceptibility to fouling by proteins is available but only for small laboratory-scale units. Further developments in the area of antifouling membranes are anticipated. Relevant research in this area has already been reviewed in Section 1.5 (see references [39-44]1 of that section). Little effort has been directed towards the optimization of module geometry in terms of energy efficiency. Work is now in progress in this area but optimum design may turn out to be highly feed dependent. Membrane manufacturers will probably introduce membranes with greater chemical resistance, higher fluxes and sharper cut-offs. This should allow UF and CMF to be used in a wider range of applications. 1.6 SUMMARY OF SYMBOLS USED A Cb Cg D dP ds J Kb Ke Ks l n N N ΔP Rm Rp T t U membrane area bulk concentration gel concentration diffusion coefficient pore diameter (average) particle diameter flux Boltzmann's constant Scour coefficient mass transfer coefficient pore length (including tortuosity factor) mass of polarized solids number of pores per unit area layer thickness pressure drop across membrane membrane resistance polarized layer resistance absolute temperature time crossflow velocity Refinery Process Stream Purification Refinery Process Catalysts Troubleshooting Refinery Process Catalyst Start-Up / Shutdown Activation Reduction In-situ Ex-situ Sulfiding Specializing in Refinery Process Catalyst Performance Evaluation Heat & Mass Balance Analysis Catalyst Remaining Life Determination Catalyst Deactivation Assessment Catalyst Performance Characterization Refining & Gas Processing & Petrochemical Industries Catalysts / Process Technology - Hydrogen Catalysts / Process Technology – Ammonia Catalyst Process Technology - Methanol Catalysts / process Technology – Petrochemicals Specializing in the Development & Commercialization of New Technology in the Refining & Petrochemical Industries Web Site: www.GBHEnterprises.com
  • 15.
    V a ƹ n ρ 2 volume of permeate specificcake resistance porosity viscosity of permeate density ELECTRODIALYSIS 2.1 INTRODUCTION Under the influence of an electric field Ions in solution move towards the electrodes where electrolysis takes place. If, however, membranes permeable only to cations or anions are placed as barriers in the path of the migrating ions, such that a series of compartments are formed, then it is possible to trap electrolyte in some compartments whilst removing it from adjacent compartments (see Figure 5). This technique is termed electrodialysis (ED) [9] and was originally developed by the water treatment industry as a means of purifying brackish supplies. In recent years ED has been used in the food industry (whey processing), in recovery of metals from electroplating solutions and in the de-ashing of pharmaceuticals. Hence chemical processing by electrodialysis involves removing dissolved salts from slurries or suspensions or from dissolved neutral molecules. The GBHE Engineering Group has studied the application of ED to problems ranging from the de-ashlng of catalyst slurries through biological and pharmaceutical materials to the desalting of dyes. One of the essential criteria for such applications is that the liquor to be treated should be capable of being pumped through the channels of the ED stack without causing blockages. This requirement obviously constrains the viscosity range of the fluid as well as limiting particle size, colloidal stability and sedimentation characteristics. Refinery Process Stream Purification Refinery Process Catalysts Troubleshooting Refinery Process Catalyst Start-Up / Shutdown Activation Reduction In-situ Ex-situ Sulfiding Specializing in Refinery Process Catalyst Performance Evaluation Heat & Mass Balance Analysis Catalyst Remaining Life Determination Catalyst Deactivation Assessment Catalyst Performance Characterization Refining & Gas Processing & Petrochemical Industries Catalysts / Process Technology - Hydrogen Catalysts / Process Technology – Ammonia Catalyst Process Technology - Methanol Catalysts / process Technology – Petrochemicals Specializing in the Development & Commercialization of New Technology in the Refining & Petrochemical Industries Web Site: www.GBHEnterprises.com
  • 16.
    2.2 EQUIPMENT (i) Membrane Stack Themembrane stack forms the heart of an electrodialysis unit. It comprises a number of repeating units or cell pairs (see Figure 5) sandwiched between electrodes. The electrodes are separated from the main part of the stack by electrode rinse compartments which carry away the waste products generated by the electrode reactions. The unit is held together in the manner of a filter press by metal strong backs. A cell pair comprises a cation exchange membrane, a spacer, an anion exchange membrane and a second spacer. The area of the membranes ranges from a few centimetres square in small laboratory units to ~ 2 meters square in commercial stacks. The number of cell pairs ranges from one in small laboratory equipment to several hundred in the large commercial plants. (ii) Membranes Permselective ion exchange membranes are chemically very similar to ion exchange resins. The most common types are based on a crosslinked polystyrene matrix which has been sulfonated in the case of cation exchange membranes or chloromethylated and quaternized in the case of anion exchange membranes. Membranes based on other polymer substrates are easily available. In all cases the membranes are swollen by water and counter ions are able to move freely throughout the matrix. In ionic solutions of less than ~0.2 M, coions are prevented from entering the membrane by Donnan exclusion. For example, the transport number for cations in a cation exchange membrane is typically greater than 0.9. (Similarly for anions in anion exchange membranes.) Non polar solutes may pass into or through the membrane depending on their size and molecular weight and on the tightness of the membrane. All membranes may be expected to block the transport of colloids or proteins. Refinery Process Stream Purification Refinery Process Catalysts Troubleshooting Refinery Process Catalyst Start-Up / Shutdown Activation Reduction In-situ Ex-situ Sulfiding Specializing in Refinery Process Catalyst Performance Evaluation Heat & Mass Balance Analysis Catalyst Remaining Life Determination Catalyst Deactivation Assessment Catalyst Performance Characterization Refining & Gas Processing & Petrochemical Industries Catalysts / Process Technology - Hydrogen Catalysts / Process Technology – Ammonia Catalyst Process Technology - Methanol Catalysts / process Technology – Petrochemicals Specializing in the Development & Commercialization of New Technology in the Refining & Petrochemical Industries Web Site: www.GBHEnterprises.com
  • 17.
    (iii) Spacers Inter-membrane spacersserve to hold the membranes apart and define the liquid flow across the membrane surface. Two main types are available. Tortuous path spacers have been developed by the American company, Ionics Inc. They consist of a narrow convoluted channel with cross braces. The combined effect of high linear flow rate and the cross braces promotes high mass transfer to the membrane surface. Sheet flow spacers are generally used by Japanese and some European manufacturers. The linear velocity and pressure drop across the spacer is much lower than the case of tortuous path spacers. Turbulence and hence mass transfer are promoted by a plastic mesh set into the spacer. This type of spacer maximizes the area of membrane available for ion transfer but is more liable to fouling by suspensions. (iv) Hydraulics and DC Power Supply The hydraulic and electrical circuits are schematically shown in Figure 6. The voltage and current rating of the DC power supply will vary with the size of membrane stack. Requirements may be estimated by assuming a maximum potential difference of 2.5 volts per cell pair and a current requirement of 2040 m.A cm-2. The pumping rates will also depend on stack size, but may be estimated assuming required linear velocities in each compartment of 5-10 cm sec-1 for sheet flow spacers and 20-40 cm sec-1 for tortuous path spacers. 2.3 IMPORTANT PARAMETERS IN ED Electrodialysis is a process which depends on mass transfer at the membrane surface. Several inter-related factors govern this process; these are listed in Table 1. Refinery Process Stream Purification Refinery Process Catalysts Troubleshooting Refinery Process Catalyst Start-Up / Shutdown Activation Reduction In-situ Ex-situ Sulfiding Specializing in Refinery Process Catalyst Performance Evaluation Heat & Mass Balance Analysis Catalyst Remaining Life Determination Catalyst Deactivation Assessment Catalyst Performance Characterization Refining & Gas Processing & Petrochemical Industries Catalysts / Process Technology - Hydrogen Catalysts / Process Technology – Ammonia Catalyst Process Technology - Methanol Catalysts / process Technology – Petrochemicals Specializing in the Development & Commercialization of New Technology in the Refining & Petrochemical Industries Web Site: www.GBHEnterprises.com
  • 18.
    Table 1 2.3.1 EnergyDemand and Stack Throughput The area of membrane and the energy required for a particular separation are interdependent. The cost of the equipment is closely related to the membrane area while the power cost is proportional to the cell pair voltage. The optimum cost for any separation can be determined by comparing plots of energy per unit throughput against current density with plots of membrane area against current density (Figure 7). The optimum current density may be obtained from the expression: Refinery Process Stream Purification Refinery Process Catalysts Troubleshooting Refinery Process Catalyst Start-Up / Shutdown Activation Reduction In-situ Ex-situ Sulfiding Specializing in Refinery Process Catalyst Performance Evaluation Heat & Mass Balance Analysis Catalyst Remaining Life Determination Catalyst Deactivation Assessment Catalyst Performance Characterization Refining & Gas Processing & Petrochemical Industries Catalysts / Process Technology - Hydrogen Catalysts / Process Technology – Ammonia Catalyst Process Technology - Methanol Catalysts / process Technology – Petrochemicals Specializing in the Development & Commercialization of New Technology in the Refining & Petrochemical Industries Web Site: www.GBHEnterprises.com
  • 19.
    2.3.2 Current Efficiency Currentor electrical efficiency is the proportion of the total charge passed used to transport the required ionic species. Poor current efficiency increases the membrane area required for the separation and also results in higher energy costs. Some of the factors influencing current efficiency include leakage currents in manifolds, polarization at the membrane surface, breakdown of Donnan exclusion and the presence of competing ions. 2.3.3 Concentration Polarization and Limiting Current Density Concentration polarization occurs when the flux of Ions to and from the membrane surface is insufficient to sustain the required current. Similar mass limiting transport effects are experienced in other membrane processes, in catalysis and in electrode reactions. Polarization at the surface of ion exchange membranes arises from the fact that the transport number of the counter Ion in the membrane is close to unity whereas it only has approximately half this value in solution. The flux of a cation through a cation exchange membrane, Jm+, Is given by Refinery Process Stream Purification Refinery Process Catalysts Troubleshooting Refinery Process Catalyst Start-Up / Shutdown Activation Reduction In-situ Ex-situ Sulfiding Specializing in Refinery Process Catalyst Performance Evaluation Heat & Mass Balance Analysis Catalyst Remaining Life Determination Catalyst Deactivation Assessment Catalyst Performance Characterization Refining & Gas Processing & Petrochemical Industries Catalysts / Process Technology - Hydrogen Catalysts / Process Technology – Ammonia Catalyst Process Technology - Methanol Catalysts / process Technology – Petrochemicals Specializing in the Development & Commercialization of New Technology in the Refining & Petrochemical Industries Web Site: www.GBHEnterprises.com
  • 20.
    Obviously the totalflux of the cation arriving at the membrane surface must be equal to the flux through the membrane. The deficiency is made up by diffusional flow across a depleted, stagnant boundary layer at the membrane surface. Figure 8 illustrates this effect. Clearly, a limiting condition occurs as the current density is increased. At the limiting condition: The current density at this point is termed the limiting current density. Any attempt to increase the current density beyond this point results in concentration polarization and excessive energy usage. The onset of limiting conditions is dependent on the conductivity of the electrolyte, spacer geometry and the velocity of the solution over the membrane surf ace. To a first approximation the limiting conditions are described by the expression: Refinery Process Stream Purification Refinery Process Catalysts Troubleshooting Refinery Process Catalyst Start-Up / Shutdown Activation Reduction In-situ Ex-situ Sulfiding Specializing in Refinery Process Catalyst Performance Evaluation Heat & Mass Balance Analysis Catalyst Remaining Life Determination Catalyst Deactivation Assessment Catalyst Performance Characterization Refining & Gas Processing & Petrochemical Industries Catalysts / Process Technology - Hydrogen Catalysts / Process Technology – Ammonia Catalyst Process Technology - Methanol Catalysts / process Technology – Petrochemicals Specializing in the Development & Commercialization of New Technology in the Refining & Petrochemical Industries Web Site: www.GBHEnterprises.com
  • 21.
    If the appliedvoltage is increased in an attempt to exceed the limiting current density water splitting will occur. The effect of this process is to cause extremes of pH at the surface of the membrane and to cause a reduction in current efficiency. Extremes of pH may damage the membranes as well as affecting pH sensitive materials in solution. 2.3.4 Water Transport and Non Polar Solute Transfer Movement of water through the membranes occurs contiguously with ionic transport. Net water transport is the sum of three processes, namely the movement of Ionic hydration shells, osmosis due to concentration gradients and electro-osmosis. The net water transport may not always be in the direction of current flow. Non polar materials dissolved in the process liquors may be transported across the Ion exchange membranes, largely by this water flux. The actual amount of transfer will depend upon the molecular weight of the solute. Species with molecular weights greater than the low hundreds are less likely to pass through the majority of ion exchange membranes, for example soluble dyes and sugars may be successfully desalted. Colloidal and suspended materials are unable to pass through the membrane but may be deposited on the membrane surface causing fouling problems. For this reason, when attempting to desalt suspensions of low dissolved solids content, it is important to limit the applied electrical field gradient in order to prevent electrophoretic membrane fouling. In addition high flow rates are often used to promote turbulence and good mixing. The electrophoretic effect is put to use in the technique of electrodecantation which will be separately described. Refinery Process Stream Purification Refinery Process Catalysts Troubleshooting Refinery Process Catalyst Start-Up / Shutdown Activation Reduction In-situ Ex-situ Sulfiding Specializing in Refinery Process Catalyst Performance Evaluation Heat & Mass Balance Analysis Catalyst Remaining Life Determination Catalyst Deactivation Assessment Catalyst Performance Characterization Refining & Gas Processing & Petrochemical Industries Catalysts / Process Technology - Hydrogen Catalysts / Process Technology – Ammonia Catalyst Process Technology - Methanol Catalysts / process Technology – Petrochemicals Specializing in the Development & Commercialization of New Technology in the Refining & Petrochemical Industries Web Site: www.GBHEnterprises.com
  • 22.
    2.4 EXAMPLES Two applicationsof electrodialysis in current GBHE process technology are of interest. An electrodialysis operation was being employed to remove calcium ions (and traces of HCl) from glucose solution in the Cellulose Hydrolysis development project of a European Conglomerate. In addition the technique has been used to desalt dyestuff suspensions [11]. Further details may be found in the references. 3 ELECTRODEWATERING AND ELECTRODECANTATION 3.1 INTRODUCTION Both techniques are practical manifestations of the application of electrophoresis to large scale concentration of sols or suspensions. The two techniques differ mainly in the configuration of the engineering that effects the electrophoreticallydriven separation. GBHE uses electrodecantation to concentrate PTFE suspensions while the IEEE has expertise in application of these techniques to a wide range of separation problems including the concentration of protein and cellular material. The main pre-requisite for these methods is a solution of low ionic strength (typically < low-3 m). 3.2 PRINCIPLES AND OPERATION An electrodecantation unit (see Figures 1 and 2 of Reference [12]) is basically a tank with electrodes at either end or a large number of membranes interposed between and parallel to the electrodes. When the unit is filled with a suspension and the electric field is applied, charged particles move towards their opposite poles. When the particles reach a membrane (the membrane acts as a physical barrier to particles but conducts electricity) they pile up forming a dense layer which then sediments. At a partner membrane particles are repelled forming a less dense layer which gravitates to the surface. A flow pattern is established in a membrane channel analogous to convection current. Thus a dense phase is formed at the bottom of the unit and clear water at the top. Both layers are drawn off and the cell volume is maintained by adding suspension at the vertical midpoint of the tank. Refinery Process Stream Purification Refinery Process Catalysts Troubleshooting Refinery Process Catalyst Start-Up / Shutdown Activation Reduction In-situ Ex-situ Sulfiding Specializing in Refinery Process Catalyst Performance Evaluation Heat & Mass Balance Analysis Catalyst Remaining Life Determination Catalyst Deactivation Assessment Catalyst Performance Characterization Refining & Gas Processing & Petrochemical Industries Catalysts / Process Technology - Hydrogen Catalysts / Process Technology – Ammonia Catalyst Process Technology - Methanol Catalysts / process Technology – Petrochemicals Specializing in the Development & Commercialization of New Technology in the Refining & Petrochemical Industries Web Site: www.GBHEnterprises.com
  • 23.
    Other variations ofthe technique use moving membranes from which the deposited material is removed with a doctor blade, or collecting laminae from a stream flowing between electrodes. 3.3 EQUIPMENT AND OPERATING PARAMETERS Electrodecantation typically uses GRP or similar tanks of 1-2 m3 capacity. The membrane is generally cellulose acetate dialysis type sheet placed in the tank in sheets, held apart by non-conductive rods. The electrodes may be any of the well known coated types now available. The range of final solids concentrations that can be handled is very much controlled by the rheological properties of the slurry and may range from a few percent for clay up to 60 or 70% for polymer latex. Typical electrical field strengths lie in the region of 1 to 5 volts cm-1 while the current density ranges from 1 to 10 mA cm-2. 3.4 EXAMPLES Electrodewatering using the Dorr-Oliver Electrically-Assisted Vacuum Filtration (EAVF) rig is currently being employed for PVC latex thickening on a Pilot Scale at European Company [12]. It has also been considered as an isolation method for certain fluoropolymer latex suspensions. This latter example illustrates an important suspension processing strategy. EAVF is a valuable separation technique for stable, colloidal suspensions where flocculation via addition of surfactants, flocculants or salts is to be avoided. Thus polymer latex suspensions whose intended use is for insulating materials are well dewatered by this means. 4 MAGNETIC SEPARATION METHODS It has not proved possible to provide a contribution on the application of magnetic methods of solid/liquid separation at this time. Since many of the potential outlets for such methods are in Biotechnology, a useful introduction to the subject may be found in the reference [13]. Refinery Process Stream Purification Refinery Process Catalysts Troubleshooting Refinery Process Catalyst Start-Up / Shutdown Activation Reduction In-situ Ex-situ Sulfiding Specializing in Refinery Process Catalyst Performance Evaluation Heat & Mass Balance Analysis Catalyst Remaining Life Determination Catalyst Deactivation Assessment Catalyst Performance Characterization Refining & Gas Processing & Petrochemical Industries Catalysts / Process Technology - Hydrogen Catalysts / Process Technology – Ammonia Catalyst Process Technology - Methanol Catalysts / process Technology – Petrochemicals Specializing in the Development & Commercialization of New Technology in the Refining & Petrochemical Industries Web Site: www.GBHEnterprises.com
  • 24.
    Refinery Process StreamPurification Refinery Process Catalysts Troubleshooting Refinery Process Catalyst Start-Up / Shutdown Activation Reduction In-situ Ex-situ Sulfiding Specializing in Refinery Process Catalyst Performance Evaluation Heat & Mass Balance Analysis Catalyst Remaining Life Determination Catalyst Deactivation Assessment Catalyst Performance Characterization Refining & Gas Processing & Petrochemical Industries Catalysts / Process Technology - Hydrogen Catalysts / Process Technology – Ammonia Catalyst Process Technology - Methanol Catalysts / process Technology – Petrochemicals Specializing in the Development & Commercialization of New Technology in the Refining & Petrochemical Industries Web Site: www.GBHEnterprises.com
  • 25.
    Refinery Process StreamPurification Refinery Process Catalysts Troubleshooting Refinery Process Catalyst Start-Up / Shutdown Activation Reduction In-situ Ex-situ Sulfiding Specializing in Refinery Process Catalyst Performance Evaluation Heat & Mass Balance Analysis Catalyst Remaining Life Determination Catalyst Deactivation Assessment Catalyst Performance Characterization Refining & Gas Processing & Petrochemical Industries Catalysts / Process Technology - Hydrogen Catalysts / Process Technology – Ammonia Catalyst Process Technology - Methanol Catalysts / process Technology – Petrochemicals Specializing in the Development & Commercialization of New Technology in the Refining & Petrochemical Industries Web Site: www.GBHEnterprises.com
  • 26.
    Refinery Process StreamPurification Refinery Process Catalysts Troubleshooting Refinery Process Catalyst Start-Up / Shutdown Activation Reduction In-situ Ex-situ Sulfiding Specializing in Refinery Process Catalyst Performance Evaluation Heat & Mass Balance Analysis Catalyst Remaining Life Determination Catalyst Deactivation Assessment Catalyst Performance Characterization Refining & Gas Processing & Petrochemical Industries Catalysts / Process Technology - Hydrogen Catalysts / Process Technology – Ammonia Catalyst Process Technology - Methanol Catalysts / process Technology – Petrochemicals Specializing in the Development & Commercialization of New Technology in the Refining & Petrochemical Industries Web Site: www.GBHEnterprises.com
  • 27.
    Refinery Process StreamPurification Refinery Process Catalysts Troubleshooting Refinery Process Catalyst Start-Up / Shutdown Activation Reduction In-situ Ex-situ Sulfiding Specializing in Refinery Process Catalyst Performance Evaluation Heat & Mass Balance Analysis Catalyst Remaining Life Determination Catalyst Deactivation Assessment Catalyst Performance Characterization Refining & Gas Processing & Petrochemical Industries Catalysts / Process Technology - Hydrogen Catalysts / Process Technology – Ammonia Catalyst Process Technology - Methanol Catalysts / process Technology – Petrochemicals Specializing in the Development & Commercialization of New Technology in the Refining & Petrochemical Industries Web Site: www.GBHEnterprises.com
  • 28.
    Refinery Process StreamPurification Refinery Process Catalysts Troubleshooting Refinery Process Catalyst Start-Up / Shutdown Activation Reduction In-situ Ex-situ Sulfiding Specializing in Refinery Process Catalyst Performance Evaluation Heat & Mass Balance Analysis Catalyst Remaining Life Determination Catalyst Deactivation Assessment Catalyst Performance Characterization Refining & Gas Processing & Petrochemical Industries Catalysts / Process Technology - Hydrogen Catalysts / Process Technology – Ammonia Catalyst Process Technology - Methanol Catalysts / process Technology – Petrochemicals Specializing in the Development & Commercialization of New Technology in the Refining & Petrochemical Industries Web Site: www.GBHEnterprises.com
  • 29.
    Refinery Process StreamPurification Refinery Process Catalysts Troubleshooting Refinery Process Catalyst Start-Up / Shutdown Activation Reduction In-situ Ex-situ Sulfiding Specializing in Refinery Process Catalyst Performance Evaluation Heat & Mass Balance Analysis Catalyst Remaining Life Determination Catalyst Deactivation Assessment Catalyst Performance Characterization Refining & Gas Processing & Petrochemical Industries Catalysts / Process Technology - Hydrogen Catalysts / Process Technology – Ammonia Catalyst Process Technology - Methanol Catalysts / process Technology – Petrochemicals Specializing in the Development & Commercialization of New Technology in the Refining & Petrochemical Industries Web Site: www.GBHEnterprises.com
  • 30.
    Refinery Process StreamPurification Refinery Process Catalysts Troubleshooting Refinery Process Catalyst Start-Up / Shutdown Activation Reduction In-situ Ex-situ Sulfiding Specializing in Refinery Process Catalyst Performance Evaluation Heat & Mass Balance Analysis Catalyst Remaining Life Determination Catalyst Deactivation Assessment Catalyst Performance Characterization Refining & Gas Processing & Petrochemical Industries Catalysts / Process Technology - Hydrogen Catalysts / Process Technology – Ammonia Catalyst Process Technology - Methanol Catalysts / process Technology – Petrochemicals Specializing in the Development & Commercialization of New Technology in the Refining & Petrochemical Industries Web Site: www.GBHEnterprises.com
  • 31.
    Refinery Process StreamPurification Refinery Process Catalysts Troubleshooting Refinery Process Catalyst Start-Up / Shutdown Activation Reduction In-situ Ex-situ Sulfiding Specializing in Refinery Process Catalyst Performance Evaluation Heat & Mass Balance Analysis Catalyst Remaining Life Determination Catalyst Deactivation Assessment Catalyst Performance Characterization Refining & Gas Processing & Petrochemical Industries Catalysts / Process Technology - Hydrogen Catalysts / Process Technology – Ammonia Catalyst Process Technology - Methanol Catalysts / process Technology – Petrochemicals Specializing in the Development & Commercialization of New Technology in the Refining & Petrochemical Industries Web Site: www.GBHEnterprises.com