MONITORING, PROTECTION &
CONTROL MODULE FOR A RADAR
       TRANSMITTER

                                        BY
            ABHISHEK SUTRAVE (1RN05EC004)
            AMOGHA VARSHA B.S (1RN05EC012)
            KEERTHI D.H       (1RN05EC041)
INTRODUCTION
• A TWT based Radar Transmitter would
  have three major sub-systems
1)High Voltage High Power supply
2)Grid Modulator or Pulser
3)Monitoring, Protection & Control unit
  (MPC)
• Our project focuses on a part of the MPC
  unit of the entire system.
TWT transmitter




kollector,   heizung,    eingang,   ausgang
collector,   heating,   input,      output
Need/OBJECTIVE
1) The circuits which generally operate from 5V to 15V, are
   under heavy EMI and high current transients similar to lighting
   environment.
2) For monitoring the floating parameters, samples of values are
   to be brought to the ground reference.
3) The ground referenced control unit is conceived in two parts.
• First a dedicated set of latching voltage comparators capture
   any parameters crossing the threshold limit. The faults are
   categorized as A,B,C & D based on the severity. Appropriate
   action is initiated to protect the transmitting tube.
• Secondly, a microcontroller carries out the switching ON/OFF
   sequencing, A/D conversion of analog voltage and current
   values and status bit reading.
7) The outputs from the microcontroller are displayed through a 2
   line 16 character LCD panel.
DESIGN GOALS
• To monitor the transmitter parameters which
  cause TYPE A fault.
• To sequence the safe switching ON and
  switching OFF.
• To protect the highly expensive TWT and
  various other electronic devices from damage
  in the event of erroneous conditions.
• To capture and display the parameters, error
  messages in the LCD.
How design will be made
• A set of latching comparators to capture
  and register the occurrence of error.
• A micro controller to do the sequencing
  ON/OFF, carry out the A/D conversion of
  analog parameters, and display the states
  on an LCD display panel.
• Proper setting of threshold limits to
  obtain noise immunity.
BDO OF THE ENTIRE SYSTEM
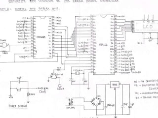
HARDWARE DESCRIPTION
Hardware part consists of
• Monitoring Unit
 Comparator module
• Control and Display Unit
Microcontroller, ADC, LCD
Comparator Card Circuit
• COMPARATOR CARD
 Scaled down voltage and current values of the
  transmitter parameter, are taken as I/P to the
  comparator card.
 In our project we are considering only the parameters
  causing TYPE A fault.
 Its basic function is to compare the I/P with the
  reference value and make the corresponding LED
  glow upon threshold exceed.
 OPAMP’s LM324 is used for Amplification/Gain,
  LM139 as a Voltage Comparator and ULN2001A as
  a driver.
• Microcontroller:
 P89V51RD2 is a Microcontroller from Philips. The
  microcontroller is used to interact between various
  other components.
 It is programmed to accept the data from the ADC
  and the comparator card, compare the values received
  with the default threshold values, and output the
  result to LCD, and accordingly switch on the buzzer
  and the relay switch.
 The entire operation of the circuit is controlled by the
  software embedded in the microcontroller.
P89V51RD2 FEATURES
• 80C51 Central Processing Unit
• 5 V Operating voltage from 0 to 40 MHz
• 64 kB of on-chip Flash program memory with ISP
  (In-System Programming) and
• SPI (Serial Peripheral Interface) and enhanced
  UART
• Four 8-bit I/O ports with three high-current Port
  1 pins (16 mA each)
• Three 16-bit timers/counters
• Programmable Watchdog timer (WDT)
• Analog to digital Converter:
 The ADC 0809 is an analog to digital converter. It
  accepts the analog I/P values from the comparator
  card and gives an 8 bit binary O/P value, which is
  given to the microcontroller.
 It is is a 8-channel multiplexer which uses successive
  approximation as the conversion technique.
 For the scale of 0-5 V, the step size is 19.53mV for
  full scale output. The input analog voltage is divided
  by the step size to give a digital output.
FEATURES OF ADC

• Easy interface to all microcontrollers.
• No zero or full-scale adjust required.
• 8-channel multiplexer with address logic.
• 0V to 5V input range with single 5V
  power supply.
• 28-pin molded chip carrier package.
LCD:
The 16*2 LCD is used to display real-time
comparator card I/P values and occasionally
the error values if present.
Serial Port Interface: RS 232
RELAY:
• A relay is an electrical switch that opens and closes
  under the control of another electrical circuit.
• The switch is operated by an electromagnet to open or
  close one or many sets of contacts.
• Since a relay is able to control an output circuit of
  higher power than the input circuit, it can be
  considered to be, in a broad sense, a form of an
  electrical amplifier.
• Different switching conditions
• 1.Normally-Open (NO): contacts connect the circuit
  when the relay is activated; the circuit is disconnected
  when the relay is inactive. It is also called a FORM A
  contact or “make” contact.
2.Normally - Closed (NC): contacts disconnect the circuit
when the relay is activated ; the circuit is connected when
relay is inactive. It is also called “Form B” contact or” break”
contact
3.Change-over or double-throw: contacts control two
circuits; one normally open contact and one normally closed
contact with a common terminal. It is also called a Form C
“transfer “ contact.



                           Sugar cube Relay
PROGRAMMING
 FLOW CHART
FLOW CHART representing the
   working of the system
FLOW CHART FOR LCD INTIALIZATION
FLOW CHART FOR ADC INTIALIZATION
FLOW CHART FOR ISR
SOFTWARE OVERVIEW

In our project, the assembly code is
 compiled, built and converted to
 hexadecimal code by the KEIL MICRO
 VISION V.2 software.
The hex file is then fused/burnt onto the
 microcontroller using FLASH MAGIC
 software through the RS232 pin of the
 MAX232 driver.
LIMITATONS
Only 4 values can be Monitored,
 Protected & Controlled.
All the ports of the microcontroller
 are used and hence other I/P or O/P
 bits cannot be used.
ENHANCEMENTS
In this project we are checking only 4 I/P
 values of TYPE A faults, where as there are 28
 values in all which are categorized into faults
 A,B & C.
 Clearly there is a large scope for increase in
 the I/P values to be Monitored, Protected &
 Controlled.
A larger LCD can be used to display the values
 required simultaneously.
A Programmable peripheral interface(8255)
 can be used to enhance the ports of 8051.
APPLICATION
 MPC of various Large Scale
  Systems
 Surveillance system
 Guidance/fire control
  system
 Air traffic Control system
 Airborne Interception
  system
 Missile Control systems
 TV & Radio Broadcasting
  system
 Weather Station
CONCLUSION
• The Protection of any large scale
  machines would be of utmost
  importance for any company.
• With a Protection module as simple and
  less expensive as this, any company can
  implement this on their system with a
  fewer modifications for extended ability.
MPC of TWT based Transmitter

MPC of TWT based Transmitter

  • 1.
    MONITORING, PROTECTION & CONTROLMODULE FOR A RADAR TRANSMITTER BY ABHISHEK SUTRAVE (1RN05EC004) AMOGHA VARSHA B.S (1RN05EC012) KEERTHI D.H (1RN05EC041)
  • 2.
    INTRODUCTION • A TWTbased Radar Transmitter would have three major sub-systems 1)High Voltage High Power supply 2)Grid Modulator or Pulser 3)Monitoring, Protection & Control unit (MPC) • Our project focuses on a part of the MPC unit of the entire system.
  • 3.
    TWT transmitter kollector, heizung, eingang, ausgang collector, heating, input, output
  • 5.
    Need/OBJECTIVE 1) The circuitswhich generally operate from 5V to 15V, are under heavy EMI and high current transients similar to lighting environment. 2) For monitoring the floating parameters, samples of values are to be brought to the ground reference. 3) The ground referenced control unit is conceived in two parts. • First a dedicated set of latching voltage comparators capture any parameters crossing the threshold limit. The faults are categorized as A,B,C & D based on the severity. Appropriate action is initiated to protect the transmitting tube. • Secondly, a microcontroller carries out the switching ON/OFF sequencing, A/D conversion of analog voltage and current values and status bit reading. 7) The outputs from the microcontroller are displayed through a 2 line 16 character LCD panel.
  • 6.
    DESIGN GOALS • Tomonitor the transmitter parameters which cause TYPE A fault. • To sequence the safe switching ON and switching OFF. • To protect the highly expensive TWT and various other electronic devices from damage in the event of erroneous conditions. • To capture and display the parameters, error messages in the LCD.
  • 7.
    How design willbe made • A set of latching comparators to capture and register the occurrence of error. • A micro controller to do the sequencing ON/OFF, carry out the A/D conversion of analog parameters, and display the states on an LCD display panel. • Proper setting of threshold limits to obtain noise immunity.
  • 8.
    BDO OF THEENTIRE SYSTEM
  • 9.
    HARDWARE DESCRIPTION Hardware partconsists of • Monitoring Unit  Comparator module • Control and Display Unit Microcontroller, ADC, LCD
  • 10.
  • 11.
    • COMPARATOR CARD Scaled down voltage and current values of the transmitter parameter, are taken as I/P to the comparator card.  In our project we are considering only the parameters causing TYPE A fault.  Its basic function is to compare the I/P with the reference value and make the corresponding LED glow upon threshold exceed.  OPAMP’s LM324 is used for Amplification/Gain, LM139 as a Voltage Comparator and ULN2001A as a driver.
  • 13.
    • Microcontroller:  P89V51RD2is a Microcontroller from Philips. The microcontroller is used to interact between various other components.  It is programmed to accept the data from the ADC and the comparator card, compare the values received with the default threshold values, and output the result to LCD, and accordingly switch on the buzzer and the relay switch.  The entire operation of the circuit is controlled by the software embedded in the microcontroller.
  • 14.
    P89V51RD2 FEATURES • 80C51Central Processing Unit • 5 V Operating voltage from 0 to 40 MHz • 64 kB of on-chip Flash program memory with ISP (In-System Programming) and • SPI (Serial Peripheral Interface) and enhanced UART • Four 8-bit I/O ports with three high-current Port 1 pins (16 mA each) • Three 16-bit timers/counters • Programmable Watchdog timer (WDT)
  • 15.
    • Analog todigital Converter:  The ADC 0809 is an analog to digital converter. It accepts the analog I/P values from the comparator card and gives an 8 bit binary O/P value, which is given to the microcontroller.  It is is a 8-channel multiplexer which uses successive approximation as the conversion technique.  For the scale of 0-5 V, the step size is 19.53mV for full scale output. The input analog voltage is divided by the step size to give a digital output.
  • 16.
    FEATURES OF ADC •Easy interface to all microcontrollers. • No zero or full-scale adjust required. • 8-channel multiplexer with address logic. • 0V to 5V input range with single 5V power supply. • 28-pin molded chip carrier package.
  • 17.
    LCD: The 16*2 LCDis used to display real-time comparator card I/P values and occasionally the error values if present.
  • 18.
  • 19.
    RELAY: • A relayis an electrical switch that opens and closes under the control of another electrical circuit. • The switch is operated by an electromagnet to open or close one or many sets of contacts. • Since a relay is able to control an output circuit of higher power than the input circuit, it can be considered to be, in a broad sense, a form of an electrical amplifier. • Different switching conditions • 1.Normally-Open (NO): contacts connect the circuit when the relay is activated; the circuit is disconnected when the relay is inactive. It is also called a FORM A contact or “make” contact.
  • 21.
    2.Normally - Closed(NC): contacts disconnect the circuit when the relay is activated ; the circuit is connected when relay is inactive. It is also called “Form B” contact or” break” contact 3.Change-over or double-throw: contacts control two circuits; one normally open contact and one normally closed contact with a common terminal. It is also called a Form C “transfer “ contact. Sugar cube Relay
  • 22.
  • 23.
    FLOW CHART representingthe working of the system
  • 24.
    FLOW CHART FORLCD INTIALIZATION
  • 26.
    FLOW CHART FORADC INTIALIZATION
  • 27.
  • 28.
    SOFTWARE OVERVIEW In ourproject, the assembly code is compiled, built and converted to hexadecimal code by the KEIL MICRO VISION V.2 software. The hex file is then fused/burnt onto the microcontroller using FLASH MAGIC software through the RS232 pin of the MAX232 driver.
  • 31.
    LIMITATONS Only 4 valuescan be Monitored, Protected & Controlled. All the ports of the microcontroller are used and hence other I/P or O/P bits cannot be used.
  • 32.
    ENHANCEMENTS In this projectwe are checking only 4 I/P values of TYPE A faults, where as there are 28 values in all which are categorized into faults A,B & C.  Clearly there is a large scope for increase in the I/P values to be Monitored, Protected & Controlled. A larger LCD can be used to display the values required simultaneously. A Programmable peripheral interface(8255) can be used to enhance the ports of 8051.
  • 33.
    APPLICATION  MPC ofvarious Large Scale Systems  Surveillance system  Guidance/fire control system  Air traffic Control system  Airborne Interception system  Missile Control systems  TV & Radio Broadcasting system  Weather Station
  • 35.
    CONCLUSION • The Protectionof any large scale machines would be of utmost importance for any company. • With a Protection module as simple and less expensive as this, any company can implement this on their system with a fewer modifications for extended ability.