Feed System
Feed System
Runner Design
Balanced Runner Layout
Gates
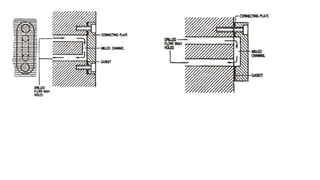
Positioning Of Gates
Positioning Of Gate for Pen Cap
Positioning Of Gate for thin walled block type moulding
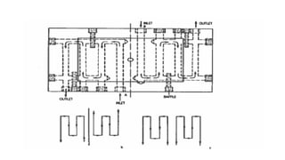
 For rectangular moulding ideal gate position does not exist. Most
of the time central gating is preferred as shown in fig (a).
 This causes problem for thin wall rectangular moulding
particularly if material used can exhibit differential shrinkage.
 If for solid rectangular moulding center gating is preferred as
shown in fig (a), the material velocity forms jet and quickly sets
off reaching cooled mould wall. More material will enters and
flows around the jet forming flow marks on the moulding.
 This kind of problem can be overcome by using the overlap
gating on moulding. In this type of gating the material coming
from the gate forcefully impinge on opposite face of moulding
causing smooth advancement of material in the impression
minimizing the jetting effect.
Balanced gating
10 Cavity layout
 It is often necessary to balanced the gate for multi-impression
mould.
 This method is adopted when preferred balance runner system
cannot be used.
 Balanced gating means to cause the restriction of flow of material
for impression which is nearer to sprue and this restrictions are
gradually decreasing towards the cavity which is at far from sprue.
 The restrictions can be imparted in two ways by i) by varying the
land length and ii) by varying the cross-sectional area of the gate.
Types of Gates
Sprue Gate
Sprue Gate
Rectangular Edge Type Gate
Overlap Gate
Fan Gate
Tab Gate
Diaphragm Gate
Disc or Diaphragm Gate
Ring Gate
Film Gate
• This gate must be consider as a long rectangular-type
edge gate and it is used for large thin walled components.
• The gate normally extends across the complete width of
the moulding.
• The gate is similar in principle to the diaphragm and ring
gate.
• The depth of gate is less than for corresponding
rectangular gate.
• This type of gate is also called as flash gate.
• This type of gate is very thin as compared to other gate.
• The recommended dimensions are approximately
0.2mm to 0.6mm in thick and land length 0.5mm to
1.0mm long.
• This type of gate is used for thin flat moulding made from
semicrystalline material.
Pin Gate
• This is a circular gate used for feeding into the
base of components and because it is relatively
small in diameter.
• This type of gate is used for certain type of
moulding.
• This type of gate is used for multipoint feeding.
• The typical gate section is shown and this is for
typical three plate mould .
• This type of gate is also called as flash gate.
• The gate is essentially a circular orifice which
connects the secondary sprue to the impression.
• The pin gate is also called as pin point gate and is
only feasible with three plate mould.
Subsurface Gate
Gate Type Runner Type Degating method Shear rate
Sprue Cold Manual Moderate
Pin point Cold Automatic High
Edge Cold Manual Moderate
Tab Cold Manual Moderate
Flash/diaphragm Cold Manual Moderate
Fan Cold Manual Low
Tunnel/submarine/
subsurface
Cold Manual High
Gate Types and Properties
EJECTION SYSTEM
• Thermoplastics material
contracts on core when
subjected to cooling due to
shrinkage. This shrinkage
makes the mold difficult to
remove.
• It is therefore necessary to
provide some means so
that the moulding product
can positively ejected from
core.
• Ejector system in the mould
consisting of i) ejector grid
ii) ejector plate assembly iii)
the method of ejection
Ejector Plate Assembly
In Line Ejector Grid
• This consist of two rectangular support blocks
mounted on back plate.
• The ejector plate assembly, shown in chain
dotted lines, is accommodated in the parallel
space between the support blocks.
• A cross-section through the ejector grid is shown
in fig.
• The position of the mould plate is also indicated
in chain-dotted lines.
• The in line grid design is quite suitable for small
type mould.
• But for large support block, a mould plate will be
distorted by injection force as shown in fig (a).
• To avoid the necessity of incorporating thick and
therefore heavy mould extra support block are
often added in the central region of the mould as
shown in fig (b).
Frame Type Ejector grid
• Some frame type ejector grid are illustrated in
fig.
• The most common type of ejector grid is
rectangular frame type ejector grid.
• Frame type ejector grid is popular among
mould designer because of fallowing reasons.
• i) it is simple and cheap to manufacture. ii) It
provides good support to the mould plate on a
small mould. iii) It allows the use of
conventional ejector plate assembly iv) the
ejector plate assembly is completely closed.
• When outside shape of mould is circular then it
is desirable to design the ejector grid
according to mould shape.
• For this reason a typical circular frame type of
ejector grid is developed as shown in fig.
Circular Support Pillar
• In this design circular support pillar are used to
support the mould only.
• This system is used for large mould when it is felt
that no extra support would be gain by including
rectangular block as well.
• The design simply consist of a number of circular
support pillars.
• The grid is attached to the mould plate by socket
headed screw.
• The ejector plate assembly is that part of the mould to
which ejection element is attached.
• The assembly is placed in a pocket formed by ejector grid
directly behind the mould plate.
• The assembly consisting of an ejector plate, a retaining
plate and ejector rod.
• One end of ejector plate is threaded and it is screwed into
the ejector plate.
• The ejector functions not only as an actuating rod but
also as a method of guiding the assembly. The ejector rod
is passes through an ejector rod bush fitted in the back
plate of the mould.
Actuation of Ejector Plate Assembly
Ejector Plate
Ejector Retainer Plate
Ejector Rod Assembly
Ejector Plate Return system (Push Back Pin)
Stop Pins
Ejection Techniques
Ejector Elements
Pin Ejection System
Stepped Ejector Pin
D Shaped Ejector Pin
Mouldings Which can be Ejected by Sleeve Ejector
Sleeve Ejector Pin
Stepped Sleeve Ejector
Blade type Ejection
Valve Ejection
Stripper Bar Ejection
Stripper Plate Ejection System
Stripper Ring Ejection
Cooling Of Mould
Cooling Integer type Cavity Plate
Cooling Plate assembly
Cooling Integer type Core
Baffled Straight Hole System
Stepped Cooling Circuit
Cooling Bolster Plate
BOLSTER COOLING Z-CIRCUIT BOLSTER COOLING RECTANGULAR-
CIRCUIT
Cooling Cavity Inserts
Cooling Cavity Inserts
Shallow Core Insert (Core Insert)
Injection Mould Unit-II.pptx
Injection Mould Unit-II.pptx
Injection Mould Unit-II.pptx
Injection Mould Unit-II.pptx

Injection Mould Unit-II.pptx

  • 1.
  • 2.
  • 8.
  • 13.
  • 16.
  • 18.
  • 19.
  • 20.
    Positioning Of Gatefor thin walled block type moulding  For rectangular moulding ideal gate position does not exist. Most of the time central gating is preferred as shown in fig (a).  This causes problem for thin wall rectangular moulding particularly if material used can exhibit differential shrinkage.  If for solid rectangular moulding center gating is preferred as shown in fig (a), the material velocity forms jet and quickly sets off reaching cooled mould wall. More material will enters and flows around the jet forming flow marks on the moulding.  This kind of problem can be overcome by using the overlap gating on moulding. In this type of gating the material coming from the gate forcefully impinge on opposite face of moulding causing smooth advancement of material in the impression minimizing the jetting effect.
  • 21.
    Balanced gating 10 Cavitylayout  It is often necessary to balanced the gate for multi-impression mould.  This method is adopted when preferred balance runner system cannot be used.  Balanced gating means to cause the restriction of flow of material for impression which is nearer to sprue and this restrictions are gradually decreasing towards the cavity which is at far from sprue.  The restrictions can be imparted in two ways by i) by varying the land length and ii) by varying the cross-sectional area of the gate.
  • 22.
  • 23.
  • 24.
  • 26.
  • 28.
  • 30.
  • 31.
  • 32.
  • 33.
  • 34.
    Film Gate • Thisgate must be consider as a long rectangular-type edge gate and it is used for large thin walled components. • The gate normally extends across the complete width of the moulding. • The gate is similar in principle to the diaphragm and ring gate. • The depth of gate is less than for corresponding rectangular gate. • This type of gate is also called as flash gate. • This type of gate is very thin as compared to other gate. • The recommended dimensions are approximately 0.2mm to 0.6mm in thick and land length 0.5mm to 1.0mm long. • This type of gate is used for thin flat moulding made from semicrystalline material.
  • 36.
    Pin Gate • Thisis a circular gate used for feeding into the base of components and because it is relatively small in diameter. • This type of gate is used for certain type of moulding. • This type of gate is used for multipoint feeding. • The typical gate section is shown and this is for typical three plate mould . • This type of gate is also called as flash gate. • The gate is essentially a circular orifice which connects the secondary sprue to the impression. • The pin gate is also called as pin point gate and is only feasible with three plate mould.
  • 37.
  • 40.
    Gate Type RunnerType Degating method Shear rate Sprue Cold Manual Moderate Pin point Cold Automatic High Edge Cold Manual Moderate Tab Cold Manual Moderate Flash/diaphragm Cold Manual Moderate Fan Cold Manual Low Tunnel/submarine/ subsurface Cold Manual High Gate Types and Properties
  • 41.
    EJECTION SYSTEM • Thermoplasticsmaterial contracts on core when subjected to cooling due to shrinkage. This shrinkage makes the mold difficult to remove. • It is therefore necessary to provide some means so that the moulding product can positively ejected from core. • Ejector system in the mould consisting of i) ejector grid ii) ejector plate assembly iii) the method of ejection
  • 44.
  • 45.
    In Line EjectorGrid • This consist of two rectangular support blocks mounted on back plate. • The ejector plate assembly, shown in chain dotted lines, is accommodated in the parallel space between the support blocks. • A cross-section through the ejector grid is shown in fig. • The position of the mould plate is also indicated in chain-dotted lines.
  • 46.
    • The inline grid design is quite suitable for small type mould. • But for large support block, a mould plate will be distorted by injection force as shown in fig (a). • To avoid the necessity of incorporating thick and therefore heavy mould extra support block are often added in the central region of the mould as shown in fig (b).
  • 47.
    Frame Type Ejectorgrid • Some frame type ejector grid are illustrated in fig. • The most common type of ejector grid is rectangular frame type ejector grid. • Frame type ejector grid is popular among mould designer because of fallowing reasons. • i) it is simple and cheap to manufacture. ii) It provides good support to the mould plate on a small mould. iii) It allows the use of conventional ejector plate assembly iv) the ejector plate assembly is completely closed. • When outside shape of mould is circular then it is desirable to design the ejector grid according to mould shape. • For this reason a typical circular frame type of ejector grid is developed as shown in fig.
  • 48.
    Circular Support Pillar •In this design circular support pillar are used to support the mould only. • This system is used for large mould when it is felt that no extra support would be gain by including rectangular block as well. • The design simply consist of a number of circular support pillars. • The grid is attached to the mould plate by socket headed screw.
  • 49.
    • The ejectorplate assembly is that part of the mould to which ejection element is attached. • The assembly is placed in a pocket formed by ejector grid directly behind the mould plate. • The assembly consisting of an ejector plate, a retaining plate and ejector rod. • One end of ejector plate is threaded and it is screwed into the ejector plate. • The ejector functions not only as an actuating rod but also as a method of guiding the assembly. The ejector rod is passes through an ejector rod bush fitted in the back plate of the mould.
  • 50.
    Actuation of EjectorPlate Assembly
  • 52.
  • 53.
  • 54.
  • 56.
    Ejector Plate Returnsystem (Push Back Pin)
  • 57.
  • 58.
  • 61.
  • 62.
  • 67.
  • 68.
  • 69.
    Mouldings Which canbe Ejected by Sleeve Ejector
  • 70.
  • 71.
  • 72.
  • 73.
  • 74.
  • 76.
  • 78.
  • 85.
  • 87.
  • 90.
  • 91.
  • 92.
  • 93.
  • 95.
    Cooling Bolster Plate BOLSTERCOOLING Z-CIRCUIT BOLSTER COOLING RECTANGULAR- CIRCUIT
  • 96.
  • 97.
  • 99.
    Shallow Core Insert(Core Insert)