ASOCIATION OF CONSULTING CIVIL
ENGINEERS (I)
STRUCTURAL ENGINEERING SERIES
FOUNDATIONS
SATISH RAIPURE
1
CONTENTS OF THE PRESENTATION
1. About Structural Design
2. Importance Of Geotechnical Investigation
3. Types Of Foundations & Its Selection
4. Reinforcement Detailing
5. Do’s N Don’ts
ABOUT STRUCTURAL DESIGN
3
WHAT IS STRUCTURAL DESIGN?
Manner in which
the load bearing (structural) members of a
physical framework support each other in sharing the
load (stress).
A STRUCTURE TO A BUILDING IS SAME AS
SKELETON TO A HUMAN BEING
FOUNDATION IS VERY IMP PART OF ANY
STRUCTURE
4
LOAD PATH
5
REQUIREMENTS FOR FOUNDATION DESIGN
1. Analysis Of The Structure
2. Load Combinations
3. Critical Reactions On Columns – Vertical,
Horizontal & Moments
4. Soil Investigation Report
5. Location Of The Site
6
LOAD COMBINATIONS FOR
MULTISTORIED BUILDING
NUMBER OF LOAD COMBINATIONS –
LOAD COMB 6 1.0(DL+LL)
LOAD COMB 7 1.5(DL+LL)
LOAD COMB 8 1.2(DL+LL+EQX)
LOAD COMB 9 1.2(DL+LL-EQX)
LOAD COMB 10 1.2(DL+LL+EQZ)
LOAD COMB 11 1.2(DL+LL-EQZ)
LOAD COMB 12 1.5(DL+EQX)
LOAD COMB 13 1.5(DL-EQX)
LOAD COMB 14 1.5(DL+EQZ)
LOAD COMB 15 1.5(DL-EQZ)
LOAD COMB 16 0.9(DL)+1.5(EQX)
LOAD COMB 17 0.9(DL)-1.5(EQX)
LOAD COMB 18 0.9(DL)+1.5(EQZ)
LOAD COMB 19 0.9(DL)-1.5(EQZ)
LOAD COMB 20 (DL + LL)
7
DESIGN METHODS
1. WORKING STRESS METHOD
2. ULTIMATE LOAD THEORY
3. LIMIT STATE METHOD
8
FOUNDATIONS – IMP POINTS
• Strength Of Any Structure Lies In Its Foundation
• It Must Rest On Firm Base
• It Must Safely Support & Transfer All Types
Loading & Their Combination
• It Must Be Strong Enough To Minimize Differential
Settlement
• Soil is not like concrete
• Soil has the most wide range of characteristics
9
FOUNDATIONS – IMP POINTS
• It Should Resists Any Chemical Attack
• Depth Of Excavation Should Be Such That It
Should Be Sufficient To Overcome The Detrimental
Soil Movements
• It Should Have Sufficient FOS Against Over
Turning & Sliding
• It Must Be Feasible, Both Technically &
Economically And Should be Practical Enough To
Build Without Adverse Effect On Surrounding
Structures.
10
FOUNDATIONS – IMP POINTS
• AVOID ECCENTRIC FOOTINGS, USE COMBINED
FOOTINGS.
• BE CAREFUL ABOUT CENTER LINES OF THE
COLUMNS, SPECIALLY IN PEB STRUCTURES
• AVOID CONCRETING IN WATER FILLED PITS.
11
COLUMN CENTER LINE 12
13
CENTER LINE FOR PEB STRUCTURE
CENTER LINE FOR PEB STRUCTURE
14
IMPORTANCE OF GEOTECHNICAL
INVESTIGATION
15
Bearing Capacity
• Bearing Capacity : Capacity of soil / rock to
withstand load without shear failure and within
limited settlements.
• Max. Settlement allowed as per IS are :
• Isolated footings – 50 mm to 75 mm
• Raft – 75 mm to 100 mm
• Piles – 12 mm
• Differential settlement – L / 300
• Where L = span between adjacent footings
WHY SOIL INVESTIGATION?
n
Which Foundation Can Be Rest.
• Excavation methodology
17
DEATILED INVESTIGATION IS DONE WITH THE
HELP OF –
1. Open Trial Pits
2. Bores
3. Field Tests Sampling – Un-Disturbed, Disturbed
4. Laboratory Tests
18
Open trial pits
• Depth In General 3 To 4 M
• Useful For Sampling Disturbed & Undisturbed,
Density Measurements, SPT, Permeability,
Deciding Foundation Depth.
• Advantages- Visual Observation, Large Quantity
Of Sampling At One Level, Better Insight Of
Stratification As Compared To Bore Logs Etc.
Bore drilling
• Purpose of drilling to
• Confirm Continuity of stratum in influence
zone
• Collection of UDS/DS samples
• Conduction of SPT test
• Permeability Tests
• Collection of rock cores
• Types
• Augur boring
• Rotary drilling
• Percussion drilling
Approximate Tests at Site –
1. Pencil Test – Plasticity Test, To Determine
Cohesiveness
2. Thumb Penetration Test
3. Pocket Penetrometer Test
21
Classification of Soil As Per
Occupational Safety & Health Administration [OSHA]
• Type A Soil – Include Clay, Silty Clay, Sandy Clay,
And Clay Loam, Most Stable, Cohesive, High
Unconfined Compressive Strength
• Type B Soil – Include Angular Gravel, Silt, Silt
Loam, And Soils That Are Fissured, Medium
Unconfined Compressive Strength
• Type C Soil – Include Gravel And Sand, Granular,
Least Stable, Low Unconfined Compressive
Strength
22
23
TYPES OF FOUNDATION
24
TYPES OF FOUNDATION 25
TYPES OF FOUNDATION
• Deep foundations –
- End Bearing Piles
- Well foundation
• Shallow foundations –
- Wall type or Load Bearing
- Friction Piles – Single or Double Under-Reamed
- Spread or Isolated – Trapezoidal, Box, Stepped
- Strip Footing
- Combined Footing
- Mat or Raft Footing
26
FACTORS AFFECTING TYPE OF FOUNDATION
• Type Of Soil – Black Cotton, Yellow Soil, Murum,
Hard Murum, Soft Rock, Hard Rock
• Bearing Capacity Of Soil
• Level Of Strata, Ground Water Level
• Type Of Structure
27
Isolated or Combined [Open] Footings
• Used for most buildings where the loads are light
and / or there are strong soil at shallow depth.
• These footing deliver the load directly to the
supporting soils.
• Area of footing is = Load / SBC
• Generally suitable for low rise buildings (1-5 floors)
• Requires firm soil conditions that are capable of
supporting the building on the area of the spread
footings.
• For foundation subjected to seismic or wind load
combination, stresses in steel & concrete can be
increased by 33.3% as per the code.
• Footings are designed for shear at D & D/2 dts
from face of the column.
• Footings are designed for positive pressures only,
no tension is allowed
• These are most widely used because they are
most economical
Open Footings
2m
2m
3
m
Influence
zone
Open Footings
WALL OR LOAD BEARING FOUNDATION 32
WALL OR LOAD BEARING FOUNDATION 33
ISOLATED BOX TYPE FOOTING 34
COMBINED FOOTING 35
STRAP BEAM FOOTING 36
Raft foundation
Mat or Raft foundation is a large slab supporting a
number of columns under the entire structure or a
large part of the structure to lower the contact
pressure compared to spread footing.
It is recommended for the following purposes.
 When the Bearing capacity of soil is very low
 Column spacing of the structure is so close
that individual footings would overlap
 It is generally used for large loads.
• It can cope with mixed or poor ground
condition.
• It reduces differential settlement.
MAT OR RAFT FOUNDATION 39
SLAB & BEAM TYPE RAFT FOUNDATION 40
Deep Foundation
• Huge vertical load with respect to soil capacity.
• Very weak soil or problematic soil.
• Huge lateral loads e.g. Tower, chimney.
• Scour depth criteria e.g. bridge piers
• For fills having very large depth.
• Urban areas for future large and huge
construction near the existing buildings.
Deep Foundation - Piles
For soils that are compressive with heavy loads,
where deep soils can not take the building load and
where soil / rock strata of better capacity if found
deep below.
There are two types of piles.
• Friction Piles
• End Bearing Piles
• The bearing capacity of the piles depends on the
structural strength of the pile itself or the strength
of the soil, whichever is less.
DEEP FOUNDATION – PILES
• Number of Piles required depends on Safe Pile
Load, Vertical & Horizontal
• Spacing Between Two Piles –
- 2.5 x Dia Of Pile For End Bearing Piles
- 3.0 x Dia Of Pile For Friction Piles.
• Pile Caps Are Designed For Compressive Load
Cases Only, i.e. No Tension Is Allowed In Piles.
43
End Bearing Piles
 load transferred to greater depths on sound rock –
Loads are high & good stratum is not available at
shallow depths.
Weathered
Rock
Soil
Rock – for sound basalt
SBC = 300 tons to
1000 tons/sq.m
TYPICAL DETAILS OF UNDER-REAMED PILE
45
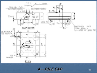
2 – PILE CAP 46
THREE PILES CAP
47
4 – PILE CAP 48
49
DYNAMIC PILE LOAD TESTING 50
WELL FOUNDATION 51
HYBRID FOUNDATION – RAFT + PILES 52
HYBRID FOUNDATION – RAFT + PILES 53
REINFORCEMENT DETAILING
54
REINFORCEMENT DETAILING
IMPORTANCE OF DETAILING –
1. It’s a link between planning & execution. Very
essential for proper execution of the structures.
2. For the safety of the structures.
3. Collapse of the structures can be avoided.
4. IS codes – IS:456, IS:1786, IS:13920 & SP – 34.
55
DO’s & DON’Ts FOR DETAILING –
1. Prepare the drawings properly & Accurately.
2. If possible label each & every bar. Show the shape
of bar at critical locations.
3. Indicate cover, Ldc & Ldt at imp locations.
4. Try to use minimum types of bars.
5. Grade of steel & its make shall be clearly
mentioned. Don’t use different types of grades &
various types of reinf. Bars at one site.
6. Reinf. Left for future expansion shall be properly
protected.
56
POINTS TO REMEMBER
1. Mini. Reinf. - 0.12% Of Cross Sectional Area
2. Use Lower Dia Bar With Mini 100 Mm C/C Spacing
3. Cover – 50 Mm All Around
4. Avoid Over Laps.
57
5. Depth Of Footing Should Satisfy ‘Ldc & Ldt’ Criteria.
6. Dowels, Spacer bars, Chairs, etc. shall be clearly
mentioned & shown on the drawing.
58
Ldc & Ldt
ISOLATED FOOTINGS
REINFORCEMENT IN FOOTING 59
60
ISOLATED FOOTING
COMBINED FOOTING – STRAP BEAM
REINFORCEMENT DETAILING IN COMBINED FOOTING
REINFORCEMENT DETAILS FOR COMBINED
FOOTING
62
REINFORCEMENT DETAILING
REINFORCEMENT DETAILING IN ECCENTRIC FOOTING 63
64
SLAB n BEAM TYPE RAFT FOUNDATION
REINFORCEMENT DETAILING OF PILE FOUNDATION
65
END BEARING PILES 66
RAFT OT MATT FOUNDATION 67
RAFT OT MATT FOUNDATION 68
RAFT OT MATT FOUNDATION 69
PROBLEMS IN DEEP
EXCAVATIONS
70
Problems in Deep Foundation
Construction
• Deep excavation in soils .
• Stability of cuts.
• Cost of supporting system
• Dewatering
• Safety of Adjacent buildings.
• Side support of foundation
• Vibration , (piles by chiseling)
• Excavation of rock by jack hammers.
• Lowering of water table causes settlements.
• Uplift pressure : Rock anchors
SOIL
NAILING
3/25/2021 72
SOLDIERS &
TIE -BACKS
73
74
SHORING FOR DEEP FOUNDATIONS
SHEET PILES
75
PILE WALL
76
77
PILE WALL / SHORE PILING FOR DEEP FOUNDATIONS
78
PILE FOUNDATIONS WITH BASEMENT FLOOR SLAB
DONT’S
79
DONT’S
EXCAVATION 80
DONT’S
FOOTINGS 81
DONT’S
82
83
DONT’S
84
DONT’S
85
DONT’S
86
DISASTER IN WAITING
3/25/2021
LAD COLLEGE OF
ARCHITECTURE 2016 87
WHAT TO DO WITH SUCH PEOPLE??
ALL CIVIL ENGINEERS SHOULD HAVE
• POSITIVE ATTITUDE
• SKILLS
• KNOWLEDGE
• INTEGRITY
• PASSION
THIS WILL BE OUR REAL SERVICE TO THE NATION
& TRIBUTE TO BHARAT RATNA SIR
MOKASHGUNDAM VISVESVARAYA
88
SPECIAL THANKS TO –
Dr. Ajit Sabnis Sir
&
Dr. Sudhanva Shingarey
89
THANK YOU ALL
sraipure@gmail.com, 98224 65948
FOR A CIVIL ENGINEER
THERE IS NO SUCH THING CALLED AS
A LITTLE MISTAKE….
90

Foundation Types

  • 1.
    ASOCIATION OF CONSULTINGCIVIL ENGINEERS (I) STRUCTURAL ENGINEERING SERIES FOUNDATIONS SATISH RAIPURE 1
  • 2.
    CONTENTS OF THEPRESENTATION 1. About Structural Design 2. Importance Of Geotechnical Investigation 3. Types Of Foundations & Its Selection 4. Reinforcement Detailing 5. Do’s N Don’ts
  • 3.
  • 4.
    WHAT IS STRUCTURALDESIGN? Manner in which the load bearing (structural) members of a physical framework support each other in sharing the load (stress). A STRUCTURE TO A BUILDING IS SAME AS SKELETON TO A HUMAN BEING FOUNDATION IS VERY IMP PART OF ANY STRUCTURE 4
  • 5.
  • 6.
    REQUIREMENTS FOR FOUNDATIONDESIGN 1. Analysis Of The Structure 2. Load Combinations 3. Critical Reactions On Columns – Vertical, Horizontal & Moments 4. Soil Investigation Report 5. Location Of The Site 6
  • 7.
    LOAD COMBINATIONS FOR MULTISTORIEDBUILDING NUMBER OF LOAD COMBINATIONS – LOAD COMB 6 1.0(DL+LL) LOAD COMB 7 1.5(DL+LL) LOAD COMB 8 1.2(DL+LL+EQX) LOAD COMB 9 1.2(DL+LL-EQX) LOAD COMB 10 1.2(DL+LL+EQZ) LOAD COMB 11 1.2(DL+LL-EQZ) LOAD COMB 12 1.5(DL+EQX) LOAD COMB 13 1.5(DL-EQX) LOAD COMB 14 1.5(DL+EQZ) LOAD COMB 15 1.5(DL-EQZ) LOAD COMB 16 0.9(DL)+1.5(EQX) LOAD COMB 17 0.9(DL)-1.5(EQX) LOAD COMB 18 0.9(DL)+1.5(EQZ) LOAD COMB 19 0.9(DL)-1.5(EQZ) LOAD COMB 20 (DL + LL) 7
  • 8.
    DESIGN METHODS 1. WORKINGSTRESS METHOD 2. ULTIMATE LOAD THEORY 3. LIMIT STATE METHOD 8
  • 9.
    FOUNDATIONS – IMPPOINTS • Strength Of Any Structure Lies In Its Foundation • It Must Rest On Firm Base • It Must Safely Support & Transfer All Types Loading & Their Combination • It Must Be Strong Enough To Minimize Differential Settlement • Soil is not like concrete • Soil has the most wide range of characteristics 9
  • 10.
    FOUNDATIONS – IMPPOINTS • It Should Resists Any Chemical Attack • Depth Of Excavation Should Be Such That It Should Be Sufficient To Overcome The Detrimental Soil Movements • It Should Have Sufficient FOS Against Over Turning & Sliding • It Must Be Feasible, Both Technically & Economically And Should be Practical Enough To Build Without Adverse Effect On Surrounding Structures. 10
  • 11.
    FOUNDATIONS – IMPPOINTS • AVOID ECCENTRIC FOOTINGS, USE COMBINED FOOTINGS. • BE CAREFUL ABOUT CENTER LINES OF THE COLUMNS, SPECIALLY IN PEB STRUCTURES • AVOID CONCRETING IN WATER FILLED PITS. 11
  • 12.
  • 13.
    13 CENTER LINE FORPEB STRUCTURE
  • 14.
    CENTER LINE FORPEB STRUCTURE 14
  • 15.
  • 16.
    Bearing Capacity • BearingCapacity : Capacity of soil / rock to withstand load without shear failure and within limited settlements. • Max. Settlement allowed as per IS are : • Isolated footings – 50 mm to 75 mm • Raft – 75 mm to 100 mm • Piles – 12 mm • Differential settlement – L / 300 • Where L = span between adjacent footings
  • 17.
    WHY SOIL INVESTIGATION? n WhichFoundation Can Be Rest. • Excavation methodology 17
  • 18.
    DEATILED INVESTIGATION ISDONE WITH THE HELP OF – 1. Open Trial Pits 2. Bores 3. Field Tests Sampling – Un-Disturbed, Disturbed 4. Laboratory Tests 18
  • 19.
    Open trial pits •Depth In General 3 To 4 M • Useful For Sampling Disturbed & Undisturbed, Density Measurements, SPT, Permeability, Deciding Foundation Depth. • Advantages- Visual Observation, Large Quantity Of Sampling At One Level, Better Insight Of Stratification As Compared To Bore Logs Etc.
  • 20.
    Bore drilling • Purposeof drilling to • Confirm Continuity of stratum in influence zone • Collection of UDS/DS samples • Conduction of SPT test • Permeability Tests • Collection of rock cores • Types • Augur boring • Rotary drilling • Percussion drilling
  • 21.
    Approximate Tests atSite – 1. Pencil Test – Plasticity Test, To Determine Cohesiveness 2. Thumb Penetration Test 3. Pocket Penetrometer Test 21
  • 22.
    Classification of SoilAs Per Occupational Safety & Health Administration [OSHA] • Type A Soil – Include Clay, Silty Clay, Sandy Clay, And Clay Loam, Most Stable, Cohesive, High Unconfined Compressive Strength • Type B Soil – Include Angular Gravel, Silt, Silt Loam, And Soils That Are Fissured, Medium Unconfined Compressive Strength • Type C Soil – Include Gravel And Sand, Granular, Least Stable, Low Unconfined Compressive Strength 22
  • 23.
  • 24.
  • 25.
  • 26.
    TYPES OF FOUNDATION •Deep foundations – - End Bearing Piles - Well foundation • Shallow foundations – - Wall type or Load Bearing - Friction Piles – Single or Double Under-Reamed - Spread or Isolated – Trapezoidal, Box, Stepped - Strip Footing - Combined Footing - Mat or Raft Footing 26
  • 27.
    FACTORS AFFECTING TYPEOF FOUNDATION • Type Of Soil – Black Cotton, Yellow Soil, Murum, Hard Murum, Soft Rock, Hard Rock • Bearing Capacity Of Soil • Level Of Strata, Ground Water Level • Type Of Structure 27
  • 28.
    Isolated or Combined[Open] Footings • Used for most buildings where the loads are light and / or there are strong soil at shallow depth. • These footing deliver the load directly to the supporting soils. • Area of footing is = Load / SBC • Generally suitable for low rise buildings (1-5 floors) • Requires firm soil conditions that are capable of supporting the building on the area of the spread footings.
  • 29.
    • For foundationsubjected to seismic or wind load combination, stresses in steel & concrete can be increased by 33.3% as per the code. • Footings are designed for shear at D & D/2 dts from face of the column. • Footings are designed for positive pressures only, no tension is allowed • These are most widely used because they are most economical
  • 30.
  • 31.
  • 32.
    WALL OR LOADBEARING FOUNDATION 32
  • 33.
    WALL OR LOADBEARING FOUNDATION 33
  • 34.
  • 35.
  • 36.
  • 37.
    Raft foundation Mat orRaft foundation is a large slab supporting a number of columns under the entire structure or a large part of the structure to lower the contact pressure compared to spread footing. It is recommended for the following purposes.  When the Bearing capacity of soil is very low  Column spacing of the structure is so close that individual footings would overlap  It is generally used for large loads.
  • 38.
    • It cancope with mixed or poor ground condition. • It reduces differential settlement.
  • 39.
    MAT OR RAFTFOUNDATION 39
  • 40.
    SLAB & BEAMTYPE RAFT FOUNDATION 40
  • 41.
    Deep Foundation • Hugevertical load with respect to soil capacity. • Very weak soil or problematic soil. • Huge lateral loads e.g. Tower, chimney. • Scour depth criteria e.g. bridge piers • For fills having very large depth. • Urban areas for future large and huge construction near the existing buildings.
  • 42.
    Deep Foundation -Piles For soils that are compressive with heavy loads, where deep soils can not take the building load and where soil / rock strata of better capacity if found deep below. There are two types of piles. • Friction Piles • End Bearing Piles • The bearing capacity of the piles depends on the structural strength of the pile itself or the strength of the soil, whichever is less.
  • 43.
    DEEP FOUNDATION –PILES • Number of Piles required depends on Safe Pile Load, Vertical & Horizontal • Spacing Between Two Piles – - 2.5 x Dia Of Pile For End Bearing Piles - 3.0 x Dia Of Pile For Friction Piles. • Pile Caps Are Designed For Compressive Load Cases Only, i.e. No Tension Is Allowed In Piles. 43
  • 44.
    End Bearing Piles load transferred to greater depths on sound rock – Loads are high & good stratum is not available at shallow depths. Weathered Rock Soil Rock – for sound basalt SBC = 300 tons to 1000 tons/sq.m
  • 45.
    TYPICAL DETAILS OFUNDER-REAMED PILE 45
  • 46.
    2 – PILECAP 46
  • 47.
  • 48.
    4 – PILECAP 48
  • 49.
  • 50.
  • 51.
  • 52.
    HYBRID FOUNDATION –RAFT + PILES 52
  • 53.
    HYBRID FOUNDATION –RAFT + PILES 53
  • 54.
  • 55.
    REINFORCEMENT DETAILING IMPORTANCE OFDETAILING – 1. It’s a link between planning & execution. Very essential for proper execution of the structures. 2. For the safety of the structures. 3. Collapse of the structures can be avoided. 4. IS codes – IS:456, IS:1786, IS:13920 & SP – 34. 55
  • 56.
    DO’s & DON’TsFOR DETAILING – 1. Prepare the drawings properly & Accurately. 2. If possible label each & every bar. Show the shape of bar at critical locations. 3. Indicate cover, Ldc & Ldt at imp locations. 4. Try to use minimum types of bars. 5. Grade of steel & its make shall be clearly mentioned. Don’t use different types of grades & various types of reinf. Bars at one site. 6. Reinf. Left for future expansion shall be properly protected. 56
  • 57.
    POINTS TO REMEMBER 1.Mini. Reinf. - 0.12% Of Cross Sectional Area 2. Use Lower Dia Bar With Mini 100 Mm C/C Spacing 3. Cover – 50 Mm All Around 4. Avoid Over Laps. 57 5. Depth Of Footing Should Satisfy ‘Ldc & Ldt’ Criteria. 6. Dowels, Spacer bars, Chairs, etc. shall be clearly mentioned & shown on the drawing.
  • 58.
  • 59.
  • 60.
  • 61.
    COMBINED FOOTING –STRAP BEAM REINFORCEMENT DETAILING IN COMBINED FOOTING
  • 62.
    REINFORCEMENT DETAILS FORCOMBINED FOOTING 62
  • 63.
  • 64.
    64 SLAB n BEAMTYPE RAFT FOUNDATION
  • 65.
    REINFORCEMENT DETAILING OFPILE FOUNDATION 65
  • 66.
  • 67.
    RAFT OT MATTFOUNDATION 67
  • 68.
    RAFT OT MATTFOUNDATION 68
  • 69.
    RAFT OT MATTFOUNDATION 69
  • 70.
  • 71.
    Problems in DeepFoundation Construction • Deep excavation in soils . • Stability of cuts. • Cost of supporting system • Dewatering • Safety of Adjacent buildings. • Side support of foundation • Vibration , (piles by chiseling) • Excavation of rock by jack hammers. • Lowering of water table causes settlements. • Uplift pressure : Rock anchors
  • 72.
  • 73.
  • 74.
  • 75.
  • 76.
  • 77.
    77 PILE WALL /SHORE PILING FOR DEEP FOUNDATIONS
  • 78.
    78 PILE FOUNDATIONS WITHBASEMENT FLOOR SLAB
  • 79.
  • 80.
  • 81.
  • 82.
  • 83.
  • 84.
  • 85.
  • 86.
  • 87.
    3/25/2021 LAD COLLEGE OF ARCHITECTURE2016 87 WHAT TO DO WITH SUCH PEOPLE??
  • 88.
    ALL CIVIL ENGINEERSSHOULD HAVE • POSITIVE ATTITUDE • SKILLS • KNOWLEDGE • INTEGRITY • PASSION THIS WILL BE OUR REAL SERVICE TO THE NATION & TRIBUTE TO BHARAT RATNA SIR MOKASHGUNDAM VISVESVARAYA 88
  • 89.
    SPECIAL THANKS TO– Dr. Ajit Sabnis Sir & Dr. Sudhanva Shingarey 89
  • 90.
    THANK YOU ALL sraipure@gmail.com,98224 65948 FOR A CIVIL ENGINEER THERE IS NO SUCH THING CALLED AS A LITTLE MISTAKE…. 90

Editor's Notes

  • #38 Normally structures on marshy land, soft clay and land that are made up of sanitary land fill or other materials (like debris, unconsolidated soil and solid waste etc. where differential settlement is suspected)-require raft foundation. Raft foundations are preferred in the soil that are suspected to subsidence like change in ground water level due to climatic change specially in case expansive soil or foundation in mining area. Can be used for buildings that are 10-20 stories tall where it provides resistance against overturning. Can be used where soil requires such a large bearing area and the footing might be spread to the extant that it becomes more economical to pour one large slab (thick)