Deodorisation
Sadanand Patel
HBTI-K
Layout of
Presentation
 Refining (Physical/Chemical)
 What is Deodorization?
 Effect of Deodorization
 Chemistry of Odour
 Sources of Odour
 Principles
 Laws
 Process Variables
 Process Steps
 Operation(Batch, Semi-continuous and Continuous)
 Equipment
 Effect of Deodorization on Oil Quality
 Losses
 Newer Developments
 Utilities Consumption
 Deodoriser safety
Crude Oïl
Water degumming
Alkali Neutralisation
Deodorization
Refined Oil
Soapstock
Spent
bleaching earth
Deodorizer Distillate
Mechanical Pressing
OILSEEDS
Oil Extraction
Solvent Extraction
WDG Oil
Acid degumming
Bleaching
Physical deacidification
Deodorization
Acid Gums
Deoiled Meal
Gums LECITHIN
Chemical Physical
Refining
(Physical/Chemical)
Bleaching
 This is usually the last stage of the refining process of edible oils
 Today, the process is still commonly named ‘deodorisation’, but the
objectives have become much broader than just the removal of off-
flavours.
 Quality defining process in the refining of oils to eliminate the FFA
and odoriferous substances.
What is
Deodorization?
 High Temperature, High Vacuum, Live Steam Distillation Process
 Distillation is a physical and not a chemical process and does not
change the molecular structure of the components
Stripping of volatile components such as:
 FFA (in the case of physical
refining),
 contaminants (pesticides, light
PAH etc.)
Actual deodorisation by removal of
different off-flavours
Thermal destruction of pigments (so-
called heat bleaching)
Its
Effects
Desirable
Some unwanted side-reactions
 cis-trans-isomerization,
 polymerization,
 conjugation, and so on
Removal of valuable minor components
 tocopherols,
 sterols etc.
Undesirable
If the oil is not properly pretreated,
the oil can become darker during
deodorization. This phenomenon is
also known as ‘‘color fixation’’
Chemistry of
Odour
Fats & Oils
Primary
Oxidation
Products
Secondary
Oxidation
Products
Tertiary
Oxidation
Products
Factors Decomposition
Oxidation
Hydroperoxides
Aldehydes,
Ketones, Diene
and triene
Acids, Epoxides,
Dimers, Oxirane
rings
 Most vegetable oil retains characteristics
undesirable flavors & odors that obtain during
processing.
 Peroxides (primary oxidation products),
Hydrocarbons, Aldehydes, Ketones (secondary
oxidation products), Tocopherols, Sterols, FFA
are the main odoriferous and volatile
compounds need to remove.
 As a total, odoriferous components generally add
up to not more than 200 ppm.
 Bleaching imparts “Earthy” flavors whereas
hydrogenation adds on odor and flavors that can
be described as undesirable.
Sources of
Odour
Underlying
Principle
Difference in volatilities
Aldehyde/Ketone > FFAs > Squalene >
Tocopherols > Sterols > Sterols esters >
TAGs
The degree of separation of a simple
binary mixture is expressed in terms of the
relative volatility of the two components.
The theoretical separation ratio,α, is
defined as
The vapour pressure for a given
constituent is a function of the
temperature and increases with
increasing temperature (Clausius-
Clapeyron's equation)
Dalton's Law
describes the vapour
pressure of a mixture
as the sum of the
partial pressures of
its single
components
The partial pressure
of the single
components can be
calculated following
Raoult's law:
Whitman’s two film
theory:
At any instant the rate of
transfer of volatile
components from the oil
into the steam bubble is
proportional to the
difference in pressure
inside the bubble and
actual pressure in the
vessel and interfacial
area of the steam bubble.
Laws
Process
Variables
Temperature
Pressure
Time
Stripping
Steam
• Temperature has its influence on deodorization because the vapour pressure is
directly proportional to it.
• T α Rate of removal of Volatile Substances
• An increase of nx17K decreases deodorization time by the factor 2n
• Increase in temperature also means that stripping steam can be reduced. This is
important in reducing entrainment losses
• Short chain fatty acid deodorized at low temp and hydrogenated oil deodorized at
higher temp because of higher FFA content and distinctive odor it imparts.
• Heat Bleach Effect is higher at higher temperature:
Deodorization
Temperature
Higher Temperature is avoided because:
 Insufficient thermal stability of oils
 Economy of the process (high energy
consumption)
• If the pressure is decreased, the temperature required
also decreases because a lower vapour pressure is then
sufficient to ensure evaporation.
• Reduced pressure helps to protect the oil from oxidation
because oxygen from the air is reduced almost to zero.
• The amount of distillation steam required is also directly
proportional to the pressure. If the pressure is halved
steam consumption also halves.
Deodorization
Pressure
Higher P means more steam. More steam
means more possibility for entrainment.
And more stripping steam will increase
hydrolysis. This will increase oil losses
and lower quality
• The time necessary to separate a certain amount of undesired
components from the oil depends mainly on the speed with which
the necessary amount of stripping steam can be introduced
• Deodorization time also increases with the height of the oil in the
deodorizer, i.e., with the thickness of the oil layer that the stripping
stream has to penetrate.
• Because all side reactions are also time dependent, deodorization
time is kept as low as possible. In Europe, longer deodorization time
and lower temperatures are preferred. In the U.S., the reverse is true
Deodorization
Time
• External pressure of the gas adds to the Vapour pressure of volatiles in deodorizer and
speed up their removal.
• Stripping agents with the lowest possible molecular weights are selected. In most
cases, steam is the best solution, but sometimes nitrogen is preferred.
• Since the surface area of the oil is increased by bubble formation, the mass transfer
and consequently the distillation rate is increased.
• The height of the oil in the vessel also influences the consumption of steam because the
steam has to work against the hydrostatic pressure to be able to penetrate the oil
before being sucked off or distilling off from its surface.
Stripping Gas
A Carrier to the Undesired Components
where S is the total moles of steam, V, is the initial molar concentration of the volatile
component in the oil, and V, is the final molar concentration of the volatile component in the
oil. When the initial FFA content is low, as in the case of a classical deodorization, (Va- Vo)
becomes so small that the equation can be simplified as follows:
The amount of gas required for deodorization is directly proportional to the amount of oil
and the absolute pressure in the deodorizer and inversely proportional to the vapour
pressure of the pure volatile component at the process temperature and the overall
vaporization efficiency E.
On the surface of the steam bubbles, the oil/steam contact must be maximized; there the
sparge gas has its lowest specific volume, equivalent to the highest relative surface area.
Athanassiadis (1991) postulated that 300,000 m3 was a minimum contact area of oil/steam
for every kilogram of gas injected to ensure good deodorization efficiency.
Process
Optimization
To achieve a proper deodorization, an optimal deodorizing temperature, operating pressure,
and amount of stripping gas are required. These are determined not only by the type and state
of the oil (chemically or physically refined), but also by the deodorizer design.
Today, most deodorizers used in the refining of soft oils operate at temperatures between
230 and 26OoC, a pressure of 3 mbar or even lower, with a stripping steam consumption of
~10 kg/ton of processed oil.
Refining chemical physical
Temperature 230 – 250 °C 240 – 265 °C
Pressure 3 mbar 2 mbar
Sparge steam 5 – 15 kg/t 7 – 20 kg/t
Time 45 – 90 min 45 – 90 min
Final FFA 0.03 % 0.05 %
Trans-increase 0.5 – 1.5 % 0.7 – 2 %
Tocopherol retention 70 – 90 % 60 – 80 %
Source@alfalaval
Unit operations of
deodorization &
Processing Steps
Degassing
Heating Up
Deodorization
Cooling
Polishing
Bleached Oil
Deodorized Oil
 Deaeration
 Heating
 Stripping
 Thermal action
 Cooling
 Polishing
 To avoid excessive oxidation and hence risk of polymerization.
 Soft oils dissolve readily between 4 and 10% of their own volume of air and other
gases at ordinary temperature.
 Solubility increase with increasing in temperature. The relation between solubility
(S) and temperature (t) can be expressed as:
De-aeration
with S (%, v/v), at normal
pressure and t in °Celsius
The bleached oil is sprayed into a tank under reduced pressure. The lower the pressure applied,
the lower the residual oxygen in the oil. Usually the oil is heated to at least 80°C and sprayed
into a tank, which is kept at a pressure of 40 mbar. Some refiners even use the low pressure of
the deodorizer or add some sparge steam in the spraying tank to improve deaeration.
Heating of the oil is usually accomplished in two stages.
 First stage,
Oil is heated counter-currently in an oil-oil heat exchanger (economizer), with the finished
oil leaving the deodorizer.
 Second stage,
Oil is heated under reduced pressure to deodorizing temperature with a high temperature
source such as high pressure steam, heat transfer fluids. Saturated steam of -50 bar is
required to heat the oil to 240-260°C.
Heating
(Heating energy required
for a deodorizing system)
where O is the amount of oil (kg), T1 and T2 are the incoming
and final temperature of the oil (°C), C is the average specific
heat capacity of vegetable oils [typically 2.2-2.4 kJ/(kg. °C)], fL is
the heat loss factor from radiation typically 1.05-1.15) and fR, is
the heat recovery factor [ 1 - (%heat recovery/100)].
Stripping
It is Conducted at a temperature between 230 and 260 oC, at a pressure between 2 and 4
mbar and under injection of 0.5-2% sparging steam. From a thermodynamic point of view,
the stripping agent takes over the part of the total pressure equal to its partial pressure. As
a consequence, the vapour-liquid equilibrium is reached at a lower molar fraction, xi,
resulting in the removal of significantly more volatile substances only.
 Nitrogen
- inert and non-condensable gas
- lower losses (no hydrolysis) and higher distillate quality
- more powerful vacuum system required
- profitability is very uncertain
 Steam (Superheated)
- most ‘evident’ choice
- Boost up the vacuum when condensed
- But support hydrolysis
The sparge gas is introduced into the oil through special steam distributors. These can be
sparge coils with very fine holes (between 0.5 and 2.5 mm) or even sintered metal pipes
The oil is then held in a retention section
for a certain amount of time for thermal
treatment – known as heat bleaching –
that deals with undesirable pigments and
ensures the stability of the final product.
The length of time the oil is kept in the
retention section depends heavily on the
desired product specifications
Thermal action
Finally the oil is cooled in two stages.
First in the economizer, and then to the
specified final temperature. It then
undergoes polish filtration and is
transferred to subsequent processes,
storage or packaging
Cooling
Oil polishing is done to remove any fine
particles of soaps , metallic salts rusts , filler
aids, polymerized oil or other solid
impurities. Horizontal plate filters have long
been used as polishing filters of choice for
deodorization.
Oil Polishing
Batch Processing
Processing
Options
Semi-Continuous Processing
Continuous Processing
- Vertical Deodorizer
- Horizontal Deodorizer
• Thin Film Technology
• Packed Column Technology
• Dual Temperature Technology
Batch
Process Batch deodorization is especially suitable for small
capacities (<50 ton /day) .
 Batch deodorizers mainly consist of welded
vertical cylindrical vessel with dished or conical
head and made up of 304 stainless steel to avoid
deleterious catalytic activity of Cu & Fe
 Vessel diameter are chosen to the depth of 8 to 10
feet of oil and a similar amount of word space above
to avoid entrainment loss.
 Steam is injected into the bottom of the vessel
 Include a device to measure temperature and a
pressure gauge to indicate low pressure within
deodorizer.
 In principle, semi-
continuous deodorization
is an automatically
controlled batch-wise
process.
 Used when frequent
feedstock changes of oil
sensitive to cross
contamination.
 Steam produced in the
bottom deodorized oil-
cooling section is sent in a
closed thermo siphon loop
to the top bleached oil
heating section to heat the
incoming oil.
 Main advantage is shorter
hold up time , and
disadvantage is less heat
recovery than the
continuous process.
Semi-Continuous
Processing
Horizontal deodorizer
Continuous
Processing
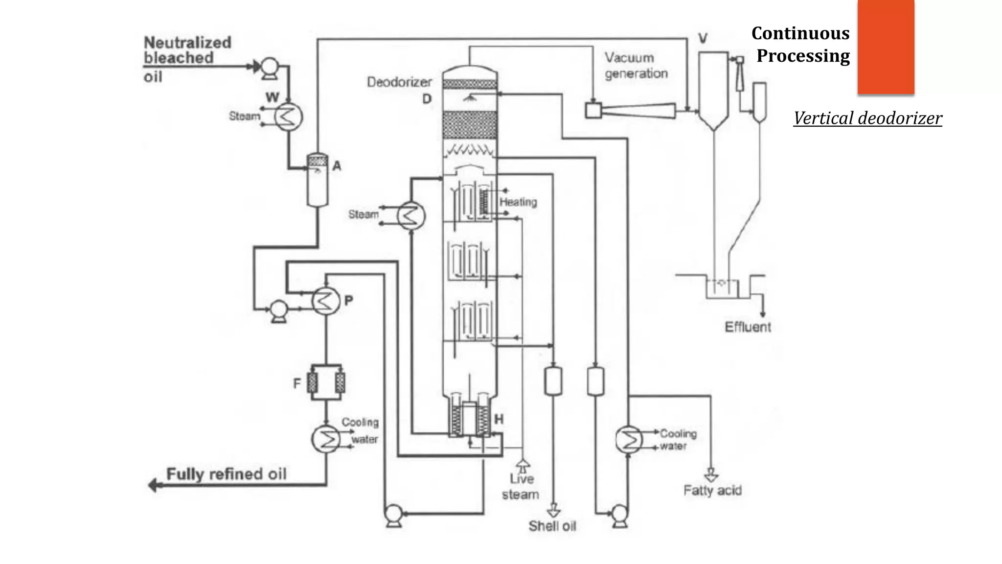
Vertical deodorizer
Continuous
Processing
Vacuum system
Steam
Cooling water
To hot well
Demister
Scrubber
Steam
VHE Final
Heater
Deaerator
Steam
Acid oil
Cooling
water
Citric acid
Steam
Steam
Steam
Polishing
filters
Economizer
Heater
Inlet
filters
Cooler
Cooling
waterHigh pressure
steam boiler
Oil in Oil out
SoftColumn
column
Packed column technology
(Alfalaval Soft column)
Packed column technology
(Crown Works, MaxEfficiency
Deodorizing System)
Continuous
Processing
Equipment
 Scrubber
• Single Scrubber
• Double Scrubber
 Stripping Column
• Horizontal Column
• Vertical Column
 Vacuum System
• Ejector Booster
• Ice Condensation
This highly efficient, structured packed column is
designed to condense and recover free fatty acids
(FFA) and other volatiles from the deodorization
process and to prevent carryover of these
materials to the vacuum system
Scrubber
• Composition of vapor phase
 Volatile components (FFA, odor components)
 Stripping steam
 Non condensable gases (air….)
• The volatile substances are condensed by creating an
intimate contact between the vapor and fatty acid
distillate circulating in the scrubber.
• The distillate which is circulated is at its lower possible
temperature (just above its melting point).
Stripping
Column
The pre-treated and heated oil flows either by gravity or under pressure from the final
heater to the distributor on the top of the column. The distributor spreads the oil evenly
over the cross-section of the column. This oil then trickles down the structured packing,
flowing as a thin layer on this extended surface until it reaches the bottom of the column.
It then continues to the next process step. The counter current flow of the steam is
achieved via a steam distributor installed in the bottom of the column or from another
source. The oil in the column meets the stripping steam in a counter current flow.
The column is under vacuum, so exposing the oil to the vacuum at a high temperature
removes volatile substances and the steam carries them out to the vacuum outlet at the
top of the column. The height of the column is a function of the number of desired
distillation steps.
Horizontal
Column
Vertical
Column
Effect of Deodorization
on Quality of Oil
Losses by evaporation
 FFA are among the most easily
evaporated materials in fats and oils.
Normally reduced to below 0.03%
by deodorization.
 Sterols, tocopherols and other
unsaponifiable matter may make up
a large portion of the fatty matter
are distilled from the oil.
 Mono- and diglycerides which have
been produced during refining, as
they have a lower molecular weight.
Losses by entrainment
 Deodoriser distillate always contains
a certain amount of ‘neutral oil’
which has been mechanically
entrained from the oil.
 Mechanical entrainment (carryover)
of oil by stripping steam is the main
unwanted loss in deodorization.
Losses in
Deodorization
Newer
Developments
Thin Film
Technology
 The first plant for large scale (250 MT/d) thin film seed oil deodorization was
started in 1996.
 It had been known for some time that thin-film stripping theoretically had
considerable advantages over tray stripping. Because the steam passes over a very
thin oil film in a true counter-current operation, the contact between steam and oil
is optimized.
 The surface area of the oil can be further increased by a special design of the
packed column. Other means to enhance mass transfer are eddy currents caused
by wall heat transfer in the falling film design or centrifugal action if rotating disks
are used.
 However, there are still some major drawbacks,
• Increased trans fatty acid level.
• Removal of antioxidants and vitamins as a result of the very high effectiveness
of the operation.
• Heat bleaching effect may be reduced
 These deodorisers operate at two different temperatures in order to
reach the best compromise between-
• required residence time for actual deodorisation (longer time
at lower temperature) and
• heat bleaching and stripping of volatile components (shorter
time at higher temperature).
 The dual-temperature concept has been successfully introduced on
an industrial scale. Both the low/high temperature and the
high/low temperature concept can be applied.
Dual Temperature
Technology
 With such systems, the stripping steam
is condensed on surface condensers
operating alternately at very low
temperature (−30 ◦C).
 The efficient sublimation of steam and
other volatile matter will give a very low
pressure in the deodoriser (<1.5 mbar)
and will strongly reduce odour emission.
 Dry–ice condensing systems strongly
reduce the motive steam consumption
but require extra electrical energy.
 Commercially available systems consist
of two or more freeze condensers with
horizontally or vertically orientated
straight tubes, a refrigeration plant for
the generation of the cold refrigerant
evaporated in the tubes and a vessel for
the defrosting and cleaning of the tubes
after a certain period of freezing.
Ice Condensation
Vacuum System
Deodoriser distillate contains neutral oil. This refining
loss can be reduced by integration of a so-called ‘neutral
oil recovery system’ (NORES) in the first part of the
scrubber section. The purpose of this system is to recover
the mechanical entrained neutral oil from the vapour
phase before the volatile matter (FFA, tocopherols, sterols,
 The vapour phase leaving the deodoriser is first
partially condensed at a higher temperature, giving a so
called ‘hot distillate’ in which the least volatile
components (e.g. tocopherols and sterols) are
concentrated.
 Complete condensation of the remaining, more volatile
substances (mainly FFA) is then achieved in the second
so-called ‘cold scrubber’, giving an FFA-rich ‘cold
distillate’.
 Provided that the condensation temperatures of the hot
and cold scrubbers are properly set, this concept gives a
very good separation between the FFA and tocopherols.
Combining NORES with a double scrubber in the
physical refining of soybean oil (for which processors
seem to have a growing preference) gives a ‘hot
distillate’ with 21.2% tocopherols
Dual Scrubbing
System
Electric Power:
2 - 4 kWh depending on plant size
Add about 2.5 kWh for ice condensation
Steam(4 bar)
Steam (10 bar)
10-15kg Stripping Purpose
60 kg (with surface condensers)
20 kg with ice condensation
Heating Energy 105,000 kJ + 3,500 kJ/% FFA
Cooling Water (30⁰C)
9 m3 at ΔT 6⁰C
4 m3 at ΔT 6 T⁰C with ice condensation
Citric Acid: 0.05 kg (optional as synergist)
Utilities
Consumption
Deodoriser
safety
The deodoriser is operated at the highest temperature of the refining plant. The oil is
kept under non-combustible conditions, due to the absence of air in the deodoriser. A
fire hazard is possible when air is entrained in the deodoriser at high temperature.
The following preventative measures should be used to avoid this situation:
 Properly maintained equipment, to avoid air leaks. Trained personnel, to identify
air leaks and react to starting fires.
 Well-established procedures for start-up, shutdown and maintenance.
 The high-pressure boiler develops up to 90 bar pressure. Its condition and safety
system integrity must be periodically checked.

Deodorization- Important Unit operation in Oil Processing

  • 1.
  • 2.
    Layout of Presentation  Refining(Physical/Chemical)  What is Deodorization?  Effect of Deodorization  Chemistry of Odour  Sources of Odour  Principles  Laws  Process Variables  Process Steps  Operation(Batch, Semi-continuous and Continuous)  Equipment  Effect of Deodorization on Oil Quality  Losses  Newer Developments  Utilities Consumption  Deodoriser safety
  • 3.
    Crude Oïl Water degumming AlkaliNeutralisation Deodorization Refined Oil Soapstock Spent bleaching earth Deodorizer Distillate Mechanical Pressing OILSEEDS Oil Extraction Solvent Extraction WDG Oil Acid degumming Bleaching Physical deacidification Deodorization Acid Gums Deoiled Meal Gums LECITHIN Chemical Physical Refining (Physical/Chemical) Bleaching
  • 4.
     This isusually the last stage of the refining process of edible oils  Today, the process is still commonly named ‘deodorisation’, but the objectives have become much broader than just the removal of off- flavours.  Quality defining process in the refining of oils to eliminate the FFA and odoriferous substances. What is Deodorization?  High Temperature, High Vacuum, Live Steam Distillation Process  Distillation is a physical and not a chemical process and does not change the molecular structure of the components
  • 5.
    Stripping of volatilecomponents such as:  FFA (in the case of physical refining),  contaminants (pesticides, light PAH etc.) Actual deodorisation by removal of different off-flavours Thermal destruction of pigments (so- called heat bleaching) Its Effects Desirable Some unwanted side-reactions  cis-trans-isomerization,  polymerization,  conjugation, and so on Removal of valuable minor components  tocopherols,  sterols etc. Undesirable If the oil is not properly pretreated, the oil can become darker during deodorization. This phenomenon is also known as ‘‘color fixation’’
  • 6.
    Chemistry of Odour Fats &Oils Primary Oxidation Products Secondary Oxidation Products Tertiary Oxidation Products Factors Decomposition Oxidation Hydroperoxides Aldehydes, Ketones, Diene and triene Acids, Epoxides, Dimers, Oxirane rings
  • 7.
     Most vegetableoil retains characteristics undesirable flavors & odors that obtain during processing.  Peroxides (primary oxidation products), Hydrocarbons, Aldehydes, Ketones (secondary oxidation products), Tocopherols, Sterols, FFA are the main odoriferous and volatile compounds need to remove.  As a total, odoriferous components generally add up to not more than 200 ppm.  Bleaching imparts “Earthy” flavors whereas hydrogenation adds on odor and flavors that can be described as undesirable. Sources of Odour
  • 8.
    Underlying Principle Difference in volatilities Aldehyde/Ketone> FFAs > Squalene > Tocopherols > Sterols > Sterols esters > TAGs The degree of separation of a simple binary mixture is expressed in terms of the relative volatility of the two components. The theoretical separation ratio,α, is defined as
  • 9.
    The vapour pressurefor a given constituent is a function of the temperature and increases with increasing temperature (Clausius- Clapeyron's equation)
  • 10.
    Dalton's Law describes thevapour pressure of a mixture as the sum of the partial pressures of its single components The partial pressure of the single components can be calculated following Raoult's law: Whitman’s two film theory: At any instant the rate of transfer of volatile components from the oil into the steam bubble is proportional to the difference in pressure inside the bubble and actual pressure in the vessel and interfacial area of the steam bubble. Laws
  • 11.
  • 12.
    • Temperature hasits influence on deodorization because the vapour pressure is directly proportional to it. • T α Rate of removal of Volatile Substances • An increase of nx17K decreases deodorization time by the factor 2n • Increase in temperature also means that stripping steam can be reduced. This is important in reducing entrainment losses • Short chain fatty acid deodorized at low temp and hydrogenated oil deodorized at higher temp because of higher FFA content and distinctive odor it imparts. • Heat Bleach Effect is higher at higher temperature: Deodorization Temperature
  • 13.
    Higher Temperature isavoided because:  Insufficient thermal stability of oils  Economy of the process (high energy consumption)
  • 14.
    • If thepressure is decreased, the temperature required also decreases because a lower vapour pressure is then sufficient to ensure evaporation. • Reduced pressure helps to protect the oil from oxidation because oxygen from the air is reduced almost to zero. • The amount of distillation steam required is also directly proportional to the pressure. If the pressure is halved steam consumption also halves. Deodorization Pressure
  • 15.
    Higher P meansmore steam. More steam means more possibility for entrainment. And more stripping steam will increase hydrolysis. This will increase oil losses and lower quality
  • 17.
    • The timenecessary to separate a certain amount of undesired components from the oil depends mainly on the speed with which the necessary amount of stripping steam can be introduced • Deodorization time also increases with the height of the oil in the deodorizer, i.e., with the thickness of the oil layer that the stripping stream has to penetrate. • Because all side reactions are also time dependent, deodorization time is kept as low as possible. In Europe, longer deodorization time and lower temperatures are preferred. In the U.S., the reverse is true Deodorization Time
  • 18.
    • External pressureof the gas adds to the Vapour pressure of volatiles in deodorizer and speed up their removal. • Stripping agents with the lowest possible molecular weights are selected. In most cases, steam is the best solution, but sometimes nitrogen is preferred. • Since the surface area of the oil is increased by bubble formation, the mass transfer and consequently the distillation rate is increased. • The height of the oil in the vessel also influences the consumption of steam because the steam has to work against the hydrostatic pressure to be able to penetrate the oil before being sucked off or distilling off from its surface. Stripping Gas A Carrier to the Undesired Components
  • 19.
    where S isthe total moles of steam, V, is the initial molar concentration of the volatile component in the oil, and V, is the final molar concentration of the volatile component in the oil. When the initial FFA content is low, as in the case of a classical deodorization, (Va- Vo) becomes so small that the equation can be simplified as follows: The amount of gas required for deodorization is directly proportional to the amount of oil and the absolute pressure in the deodorizer and inversely proportional to the vapour pressure of the pure volatile component at the process temperature and the overall vaporization efficiency E.
  • 20.
    On the surfaceof the steam bubbles, the oil/steam contact must be maximized; there the sparge gas has its lowest specific volume, equivalent to the highest relative surface area. Athanassiadis (1991) postulated that 300,000 m3 was a minimum contact area of oil/steam for every kilogram of gas injected to ensure good deodorization efficiency.
  • 21.
    Process Optimization To achieve aproper deodorization, an optimal deodorizing temperature, operating pressure, and amount of stripping gas are required. These are determined not only by the type and state of the oil (chemically or physically refined), but also by the deodorizer design. Today, most deodorizers used in the refining of soft oils operate at temperatures between 230 and 26OoC, a pressure of 3 mbar or even lower, with a stripping steam consumption of ~10 kg/ton of processed oil.
  • 24.
    Refining chemical physical Temperature230 – 250 °C 240 – 265 °C Pressure 3 mbar 2 mbar Sparge steam 5 – 15 kg/t 7 – 20 kg/t Time 45 – 90 min 45 – 90 min Final FFA 0.03 % 0.05 % Trans-increase 0.5 – 1.5 % 0.7 – 2 % Tocopherol retention 70 – 90 % 60 – 80 % Source@alfalaval
  • 25.
    Unit operations of deodorization& Processing Steps Degassing Heating Up Deodorization Cooling Polishing Bleached Oil Deodorized Oil  Deaeration  Heating  Stripping  Thermal action  Cooling  Polishing
  • 26.
     To avoidexcessive oxidation and hence risk of polymerization.  Soft oils dissolve readily between 4 and 10% of their own volume of air and other gases at ordinary temperature.  Solubility increase with increasing in temperature. The relation between solubility (S) and temperature (t) can be expressed as: De-aeration with S (%, v/v), at normal pressure and t in °Celsius The bleached oil is sprayed into a tank under reduced pressure. The lower the pressure applied, the lower the residual oxygen in the oil. Usually the oil is heated to at least 80°C and sprayed into a tank, which is kept at a pressure of 40 mbar. Some refiners even use the low pressure of the deodorizer or add some sparge steam in the spraying tank to improve deaeration.
  • 27.
    Heating of theoil is usually accomplished in two stages.  First stage, Oil is heated counter-currently in an oil-oil heat exchanger (economizer), with the finished oil leaving the deodorizer.  Second stage, Oil is heated under reduced pressure to deodorizing temperature with a high temperature source such as high pressure steam, heat transfer fluids. Saturated steam of -50 bar is required to heat the oil to 240-260°C. Heating (Heating energy required for a deodorizing system) where O is the amount of oil (kg), T1 and T2 are the incoming and final temperature of the oil (°C), C is the average specific heat capacity of vegetable oils [typically 2.2-2.4 kJ/(kg. °C)], fL is the heat loss factor from radiation typically 1.05-1.15) and fR, is the heat recovery factor [ 1 - (%heat recovery/100)].
  • 28.
    Stripping It is Conductedat a temperature between 230 and 260 oC, at a pressure between 2 and 4 mbar and under injection of 0.5-2% sparging steam. From a thermodynamic point of view, the stripping agent takes over the part of the total pressure equal to its partial pressure. As a consequence, the vapour-liquid equilibrium is reached at a lower molar fraction, xi, resulting in the removal of significantly more volatile substances only.  Nitrogen - inert and non-condensable gas - lower losses (no hydrolysis) and higher distillate quality - more powerful vacuum system required - profitability is very uncertain  Steam (Superheated) - most ‘evident’ choice - Boost up the vacuum when condensed - But support hydrolysis The sparge gas is introduced into the oil through special steam distributors. These can be sparge coils with very fine holes (between 0.5 and 2.5 mm) or even sintered metal pipes
  • 29.
    The oil isthen held in a retention section for a certain amount of time for thermal treatment – known as heat bleaching – that deals with undesirable pigments and ensures the stability of the final product. The length of time the oil is kept in the retention section depends heavily on the desired product specifications Thermal action Finally the oil is cooled in two stages. First in the economizer, and then to the specified final temperature. It then undergoes polish filtration and is transferred to subsequent processes, storage or packaging Cooling Oil polishing is done to remove any fine particles of soaps , metallic salts rusts , filler aids, polymerized oil or other solid impurities. Horizontal plate filters have long been used as polishing filters of choice for deodorization. Oil Polishing
  • 30.
    Batch Processing Processing Options Semi-Continuous Processing ContinuousProcessing - Vertical Deodorizer - Horizontal Deodorizer • Thin Film Technology • Packed Column Technology • Dual Temperature Technology
  • 31.
    Batch Process Batch deodorizationis especially suitable for small capacities (<50 ton /day) .  Batch deodorizers mainly consist of welded vertical cylindrical vessel with dished or conical head and made up of 304 stainless steel to avoid deleterious catalytic activity of Cu & Fe  Vessel diameter are chosen to the depth of 8 to 10 feet of oil and a similar amount of word space above to avoid entrainment loss.  Steam is injected into the bottom of the vessel  Include a device to measure temperature and a pressure gauge to indicate low pressure within deodorizer.
  • 32.
     In principle,semi- continuous deodorization is an automatically controlled batch-wise process.  Used when frequent feedstock changes of oil sensitive to cross contamination.  Steam produced in the bottom deodorized oil- cooling section is sent in a closed thermo siphon loop to the top bleached oil heating section to heat the incoming oil.  Main advantage is shorter hold up time , and disadvantage is less heat recovery than the continuous process. Semi-Continuous Processing
  • 33.
  • 34.
  • 35.
    Vacuum system Steam Cooling water Tohot well Demister Scrubber Steam VHE Final Heater Deaerator Steam Acid oil Cooling water Citric acid Steam Steam Steam Polishing filters Economizer Heater Inlet filters Cooler Cooling waterHigh pressure steam boiler Oil in Oil out SoftColumn column Packed column technology (Alfalaval Soft column)
  • 36.
    Packed column technology (CrownWorks, MaxEfficiency Deodorizing System) Continuous Processing
  • 37.
    Equipment  Scrubber • SingleScrubber • Double Scrubber  Stripping Column • Horizontal Column • Vertical Column  Vacuum System • Ejector Booster • Ice Condensation
  • 38.
    This highly efficient,structured packed column is designed to condense and recover free fatty acids (FFA) and other volatiles from the deodorization process and to prevent carryover of these materials to the vacuum system Scrubber • Composition of vapor phase  Volatile components (FFA, odor components)  Stripping steam  Non condensable gases (air….) • The volatile substances are condensed by creating an intimate contact between the vapor and fatty acid distillate circulating in the scrubber. • The distillate which is circulated is at its lower possible temperature (just above its melting point).
  • 39.
    Stripping Column The pre-treated andheated oil flows either by gravity or under pressure from the final heater to the distributor on the top of the column. The distributor spreads the oil evenly over the cross-section of the column. This oil then trickles down the structured packing, flowing as a thin layer on this extended surface until it reaches the bottom of the column. It then continues to the next process step. The counter current flow of the steam is achieved via a steam distributor installed in the bottom of the column or from another source. The oil in the column meets the stripping steam in a counter current flow. The column is under vacuum, so exposing the oil to the vacuum at a high temperature removes volatile substances and the steam carries them out to the vacuum outlet at the top of the column. The height of the column is a function of the number of desired distillation steps.
  • 42.
  • 43.
  • 44.
  • 46.
    Losses by evaporation FFA are among the most easily evaporated materials in fats and oils. Normally reduced to below 0.03% by deodorization.  Sterols, tocopherols and other unsaponifiable matter may make up a large portion of the fatty matter are distilled from the oil.  Mono- and diglycerides which have been produced during refining, as they have a lower molecular weight. Losses by entrainment  Deodoriser distillate always contains a certain amount of ‘neutral oil’ which has been mechanically entrained from the oil.  Mechanical entrainment (carryover) of oil by stripping steam is the main unwanted loss in deodorization. Losses in Deodorization
  • 47.
  • 48.
    Thin Film Technology  Thefirst plant for large scale (250 MT/d) thin film seed oil deodorization was started in 1996.  It had been known for some time that thin-film stripping theoretically had considerable advantages over tray stripping. Because the steam passes over a very thin oil film in a true counter-current operation, the contact between steam and oil is optimized.  The surface area of the oil can be further increased by a special design of the packed column. Other means to enhance mass transfer are eddy currents caused by wall heat transfer in the falling film design or centrifugal action if rotating disks are used.  However, there are still some major drawbacks, • Increased trans fatty acid level. • Removal of antioxidants and vitamins as a result of the very high effectiveness of the operation. • Heat bleaching effect may be reduced
  • 49.
     These deodorisersoperate at two different temperatures in order to reach the best compromise between- • required residence time for actual deodorisation (longer time at lower temperature) and • heat bleaching and stripping of volatile components (shorter time at higher temperature).  The dual-temperature concept has been successfully introduced on an industrial scale. Both the low/high temperature and the high/low temperature concept can be applied. Dual Temperature Technology
  • 50.
     With suchsystems, the stripping steam is condensed on surface condensers operating alternately at very low temperature (−30 ◦C).  The efficient sublimation of steam and other volatile matter will give a very low pressure in the deodoriser (<1.5 mbar) and will strongly reduce odour emission.  Dry–ice condensing systems strongly reduce the motive steam consumption but require extra electrical energy.  Commercially available systems consist of two or more freeze condensers with horizontally or vertically orientated straight tubes, a refrigeration plant for the generation of the cold refrigerant evaporated in the tubes and a vessel for the defrosting and cleaning of the tubes after a certain period of freezing. Ice Condensation Vacuum System
  • 51.
    Deodoriser distillate containsneutral oil. This refining loss can be reduced by integration of a so-called ‘neutral oil recovery system’ (NORES) in the first part of the scrubber section. The purpose of this system is to recover the mechanical entrained neutral oil from the vapour phase before the volatile matter (FFA, tocopherols, sterols,  The vapour phase leaving the deodoriser is first partially condensed at a higher temperature, giving a so called ‘hot distillate’ in which the least volatile components (e.g. tocopherols and sterols) are concentrated.  Complete condensation of the remaining, more volatile substances (mainly FFA) is then achieved in the second so-called ‘cold scrubber’, giving an FFA-rich ‘cold distillate’.  Provided that the condensation temperatures of the hot and cold scrubbers are properly set, this concept gives a very good separation between the FFA and tocopherols. Combining NORES with a double scrubber in the physical refining of soybean oil (for which processors seem to have a growing preference) gives a ‘hot distillate’ with 21.2% tocopherols Dual Scrubbing System
  • 52.
    Electric Power: 2 -4 kWh depending on plant size Add about 2.5 kWh for ice condensation Steam(4 bar) Steam (10 bar) 10-15kg Stripping Purpose 60 kg (with surface condensers) 20 kg with ice condensation Heating Energy 105,000 kJ + 3,500 kJ/% FFA Cooling Water (30⁰C) 9 m3 at ΔT 6⁰C 4 m3 at ΔT 6 T⁰C with ice condensation Citric Acid: 0.05 kg (optional as synergist) Utilities Consumption
  • 55.
    Deodoriser safety The deodoriser isoperated at the highest temperature of the refining plant. The oil is kept under non-combustible conditions, due to the absence of air in the deodoriser. A fire hazard is possible when air is entrained in the deodoriser at high temperature. The following preventative measures should be used to avoid this situation:  Properly maintained equipment, to avoid air leaks. Trained personnel, to identify air leaks and react to starting fires.  Well-established procedures for start-up, shutdown and maintenance.  The high-pressure boiler develops up to 90 bar pressure. Its condition and safety system integrity must be periodically checked.