DECODER
Disusun Oleh
 INDIRA ANGGIT WAHYADI
 MUAMMAR HAFIDZ
 RADITYA SATRIA GANTARA
 SITTI SOLEHA IKRIMA
INSTRUMENTASI-1
KELOMPOK 1
PENJELASAN SINGKAT
Pengertian decoder adalah alat yang di gunakan untuk dapat
mengembalikan proses encoding sehingga kita dapat melihat
atau menerima informasi aslinya.
KONSEP
DASAR
KONSEP DASAR
Sebuah Decoder adalah rangkaian logika
yang menerima input-input biner dan mengaktifkan
salah satu output-nya sesuai dengan urutan biner
input-nya. Rangkaian dekoder mempunyai sifat
yang berkebalikan dengan enkoder yaitu merubah
kode biner menjadi sinyal diskrit.
Fungsi Decoder adalah untuk memudahkan kita dalam
menyalakan seven segmen. Itu lah sebabnya kita
menggunakan decoder agar dapat dengan cepat
menyalakan seven segmen. Output dari decoder
maksimum adalah 2n. Jadi dapat kita bentuk n-to-2n
decoder. Jika kita ingin merangkaian decoder dapat kita
buat dengan 3-to-8 decoder menggunakan 2-to-4
decoder. Sehingga kita dapat membuat 4-to-16 decoder
dengan menggunakan dua buah 3-to-8 decoder.
JENIS – JENIS DECODER DAN IC YANG
DIGUNAKAN
Beberapa rangkaian Decoder yang sering dijumpai adalah
decoder 3x8 ( 3 bit input dan 8 output line),
decoder BCD to Decimal (4 bit input dan 10 output line),
decoder BCD to 7 Segment (4 bit input dan 7 output line).
Khusus untuk BCD to decimal mempunyai prinsip kerja yang berbeda
dengan decoder-decoder yang lain, di mana kombinasi dari setiap
inputnya dapat mengaktifkan beberapa output line-nya (bukan salah
satu line).
Tabel Logika Decoder 3 TO 8
Decoder 3 to 8
Rangkaian Decoder TIPE 3 TO 8
Tabel Logika
Decorder BCD
to Desimal
Masukan Keluaran
w x y z D0 D1 D2 D3 D4 D5 D6 D7 D8 D9
0 0 0 0 1 0 0 0 0 0 0 0 0 0
0 0 0 1 0 1 0 0 0 0 0 0 0 0
0 0 1 0 0 0 1 0 0 0 0 0 0 0
0 0 1 1 0 0 0 1 0 0 0 0 0 0
0 1 0 0 0 0 0 0 1 0 0 0 0 0
0 1 0 1 0 0 0 0 0 1 0 0 0 0
0 1 1 0 0 0 0 0 0 0 1 0 0 0
0 1 1 1 0 0 0 0 0 0 0 1 0 0
1 0 0 0 0 0 0 0 0 0 0 0 1 0
1 0 0 1 0 0 0 0 0 0 0 0 0 1
1 0 1 0 0 0 1 0 0 0 0 0 1 0
1 0 1 1 0 0 0 1 0 0 0 0 0 1
1 1 0 0 0 0 0 0 1 0 0 0 1 0
1 1 0 1 0 0 0 0 0 1 0 0 0 1
1 1 1 0 0 0 0 0 0 0 1 0 1 0
1 1 1 1 0 0 0 0 0 0 0 1 0 1
D0 =w’x’y’z’
D1 =w’x’y’z
D2 =X’YZ’
D3 =X’YZ
D4 =XY’’Z
D5 =XY’Z
D6 =XYZ’
D7 =XYZ
D8 =WZ’
D9 =WZ
W
X
Y
Z
BCD TO 7 SEGMENT Display
KOMPONEN IC
Salah satu jenis IC decoder yang umum di pakai adalah IC
74138, karena IC ini mempunyai 3 input biner dan 8 output line, di
mana nilai output adalah 1 untuk salah satu dari ke 8 jenis
kombinasi inputnya.
Pengertian decoder dapat di bentuk dari susunan gerbang
logika dasar atau menggunakan IC yang banyak jual di pasaran,
seperti decoder 74LS48, 74LS154, 74LS138, 74LS155 dan sebagainya.
Dengan menggunakan IC, kita dapat merancang sebuah decoder
dengan jumlah bit dan keluaran yang di inginkan. Contohnya adalah
dengan merancang sebuah decoder 32 saluran keluar dengan IC
decoder 8 saluran keluaran.
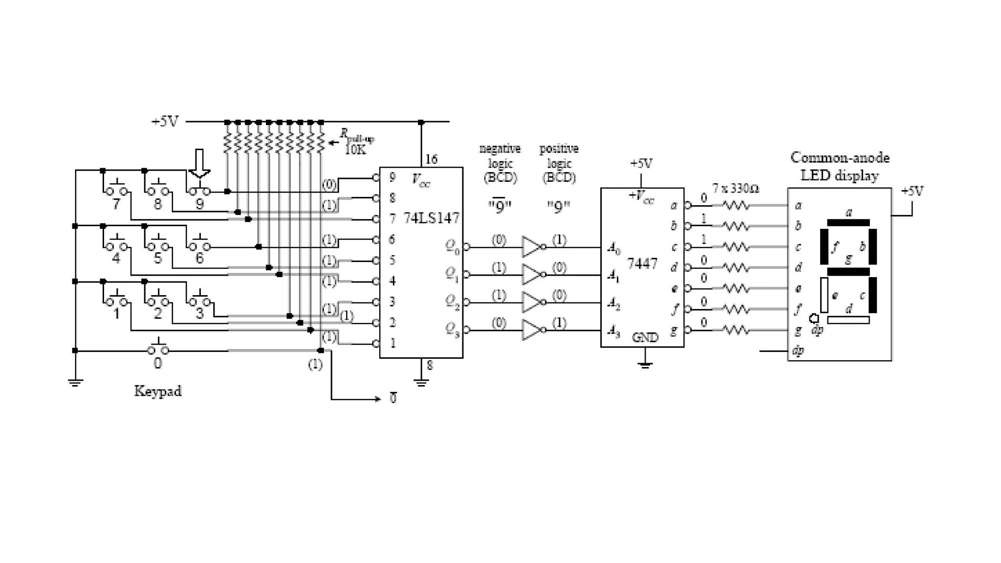
 IC Decoder 74LS47
Salah satu cara untuk menghasilkan input pada seven segment display yaitu
dengan menggunakan IC decoder. IC decoder membutuhkan empat input sebagai
angka berbasis heksadesimal yang dinyatakan dalam biner, kemudian sinyal-sinyal
masukan tersebut akan“diterjemahkan” decoder ke dalam sinyal-sinyal pengendali
seven segment display. Sinyal-sinyal pengendali berisi tujuh sinyal yang setiap
sinyalnya mengatur aktif-tidaknya setiap LED. IC ini mengubah data BCD sehingga
dapat ditampilkan ke seven segment. BCD adalah data digital terdiri dari empat digit
dan nilai desimalnya antara 0-9 sedangkan nilai di atas 9 digunakan sebagai tanda
atau indicator lainnya.
IC Decoder 74LS47
Ic ini berfungsi untuk mengolah nilai inputan biner yang dihasilkan oleh ic 74ls73
menjadi output decimal yang akan ditampilkan kedalam display seven segmen.
Output pada ic ini ketika output bernilai 6 maka pada display seven segmen akan
tampil seperti huruf “b” dan ketika output bernilai 9 maka tampilan pada seven segmen akan
seperti huruf “q”. Hal ini dikarenakan sipembuat merancang ic 74ls47 ini demikian.
Berikut adalah output yang akan ditampilakn ic 74ls47 pada
seven segmen.
KONFIGURASI
IC
• Konfigurasi Pin IC Dekoder BCD Ke Seven Segmen 7447 Dan 7448
1. Jalur input data BCD, pin input ini terdiri dari 4 line input yang mewakili 4 bit data BCD dengan
sebutan jalur input A, B, C dan D.
2. Jalur ouput 7 segmen, pin output ini berfungsi untuk mendistribusikan data pengkodean ke
penampil 7 segmen. Pin output dekoder BCD ke 7 segmen ini ada 7 pin yang masing-masing diberi
nama a, b, c, d, e, f dan g.
• 3. Jalur LT (Lamp Test) yang berfunsi untuk menyalakan semua led pada penampil 7 segmen, jalur
LT akan aktif pad saat diberikan logika LOW pad jalut LT tersebut.
4. Jalur RBI (Riple Blanking Input) yang berfungsi untuk menahan sinyal input (disable input), jalur
RBI akan aktif bila diberikan logika LOW.
• 5. Jalur RBO (Riple blanking Output) yang berfungsi untuk menahan data output ke penampil 7
segmen (disable output), jalur RBO ini akan aktif pada sat diberikan logika LOW.
Dekoder BCD ke 7 Segmen digunakan untuk mengubah masukan yang berupa sandi
Binary Coded Decimal (BCD) menjadi sandi yang sesuai dengan format 7 segmen. Decoder
74248 mempunyai empat buah data masukan, masing-masing A, B, C, dan D tujuh buah
keluaran yaitu : a, b, c, d, e, f dan beberapa kaki untuk kendali yaitu LT, RB In (RBI), RB Out
(RBO). Konfigurasi kaki IC 74LS248 ditunjukan pada gambar berikut.
Dalam aplikasi decoder, ketiga jalur kontrol (LT, RBI dan RBO) harus diberikan logika
HIGH dengan tujuan data input BCD dapat masuk dan penampil 7 segmen dapat menerima
data tampilan sesuai data BCD yang diberikan pada jalur input.
 Fungsi Setiap Kaki Pada Dekoder 74LS248 :
 Kaki A0 – A3 berfungsi sebagai jalur masukan data BCD 4 bit.
 Kaki RBI berfungsi sebagai masukan kontrol Riple Blanking Input.
 Kaki LT berfungsi sebagai masukan kontrol Lamp Test.
 Kaki BI/RBO berfungsi sebagai masukan kontrol Blanking Input atau Riple
Blanking Output.
 Kaki a – g berfungsi sebagai keluaran untuk penampil 7 segmen common
anode
Konfigurasi Pin Dekoder BCD ke 7 Segmen 74LS248
Untuk mengoperasikan dekoder 74LS248 agar keluaran
a – g menghasilkan tampilan desimal dari data BCD pada masukan A0 –
A3 maka kaki LT dan BI/RBO diberi logika tinggi kemudian data BCD
diberikan pada kaki-kaki A0 – A3. Fasilitas LT (Lamp Test digunakan
untuk mengetes kondisi penampil 7 segmen. Fasilitas BI/RBO berfunsi
untuk meniadakan data masukan dan memberikan tampilan blank pada
penampil 7 segmen.Tabel kebenaran dekoder 74LS248 ditunjukan pada
tabel berikut.
Karakter Tampilan Dekoder 74LS248 Pada Penampil 7 Segmen
Tabel Kebenaran IC 74LS248
APLIKASI DECODER
Aplikasi Utama Decoder
Aplikasi utama decoder adalah pengalamatan, dimana n bit masukan In
diinterpretasikan sebagai sebuah alamat yang digunakan untuk memilih satu
jalur dari jalur keluaran. Aplikasi lain adalah member rute data dari sebuah
sumber ke beberapa tujuan.
Dekoder = alat pemecah & penerima kode atau system/program untuk dapat
menampilkan hasil olahannya kepada operator yang terkode dalam bahasa mesin logic
switching
Contoh alat pembaca sandi password data kartu kredit, atau pemaecah data yang
diacak untuk dapat diterima dalam sistim pancaran gelombang mikro data audio visual digital
pada tv berbayar.
Aplikasi dekoder atau program dekoder, pada umumnya dapat diaplikasikan untuk
menggantikan kode alamat atau pensandian suatu bahasa program yang pada dasarnya
adalah basis dari komputer, karena komputer adalah hub antara hardwere - softwere -
dengan operator/pengguna , dalam hal ini softwere adalah dekoder bahasa mesin switching
logika antara komputer dgn operator.
Pada mapping memory, dekoder yang digunakan adalah Dekoder alamat, di mana Dekoder
alamat ini pada dasarnya adalah sebuah rangkaian kombinatorial gerbang logika yang memberikan
sinyal keluaran aktif saat nilai yang ada dalam bus alamat bersesuaian denganalamat yang telah
ditetapkan untuk komponen tersebut. Hal ini dapat dilakukan dengan memasang dekoder alamat
pada setiap komponen yang terhubung dengan bus alamat, dengan jalur-jalur pada bus alamat dan
sebagian jalur pada bus kendali digunakan sebagaimasukan dekoder alamat, dan sebagian jalur pada
bus kendali langsung terhubung ke komponen port atau memori (di antaranya adalah RD dan WR),
Keluaran dekoder alamat dihubungkan dengan pin yang digunakan untuk mengaktifkan komponen,
misalnya : CS (chip select), CE (chip enable), atau G (gate).

Decoder kelompok 1

  • 1.
  • 2.
    Disusun Oleh  INDIRAANGGIT WAHYADI  MUAMMAR HAFIDZ  RADITYA SATRIA GANTARA  SITTI SOLEHA IKRIMA INSTRUMENTASI-1 KELOMPOK 1
  • 3.
    PENJELASAN SINGKAT Pengertian decoderadalah alat yang di gunakan untuk dapat mengembalikan proses encoding sehingga kita dapat melihat atau menerima informasi aslinya.
  • 4.
  • 5.
    KONSEP DASAR Sebuah Decoderadalah rangkaian logika yang menerima input-input biner dan mengaktifkan salah satu output-nya sesuai dengan urutan biner input-nya. Rangkaian dekoder mempunyai sifat yang berkebalikan dengan enkoder yaitu merubah kode biner menjadi sinyal diskrit.
  • 6.
    Fungsi Decoder adalahuntuk memudahkan kita dalam menyalakan seven segmen. Itu lah sebabnya kita menggunakan decoder agar dapat dengan cepat menyalakan seven segmen. Output dari decoder maksimum adalah 2n. Jadi dapat kita bentuk n-to-2n decoder. Jika kita ingin merangkaian decoder dapat kita buat dengan 3-to-8 decoder menggunakan 2-to-4 decoder. Sehingga kita dapat membuat 4-to-16 decoder dengan menggunakan dua buah 3-to-8 decoder.
  • 7.
    JENIS – JENISDECODER DAN IC YANG DIGUNAKAN Beberapa rangkaian Decoder yang sering dijumpai adalah decoder 3x8 ( 3 bit input dan 8 output line), decoder BCD to Decimal (4 bit input dan 10 output line), decoder BCD to 7 Segment (4 bit input dan 7 output line). Khusus untuk BCD to decimal mempunyai prinsip kerja yang berbeda dengan decoder-decoder yang lain, di mana kombinasi dari setiap inputnya dapat mengaktifkan beberapa output line-nya (bukan salah satu line).
  • 8.
    Tabel Logika Decoder3 TO 8 Decoder 3 to 8
  • 9.
  • 10.
    Tabel Logika Decorder BCD toDesimal Masukan Keluaran w x y z D0 D1 D2 D3 D4 D5 D6 D7 D8 D9 0 0 0 0 1 0 0 0 0 0 0 0 0 0 0 0 0 1 0 1 0 0 0 0 0 0 0 0 0 0 1 0 0 0 1 0 0 0 0 0 0 0 0 0 1 1 0 0 0 1 0 0 0 0 0 0 0 1 0 0 0 0 0 0 1 0 0 0 0 0 0 1 0 1 0 0 0 0 0 1 0 0 0 0 0 1 1 0 0 0 0 0 0 0 1 0 0 0 0 1 1 1 0 0 0 0 0 0 0 1 0 0 1 0 0 0 0 0 0 0 0 0 0 0 1 0 1 0 0 1 0 0 0 0 0 0 0 0 0 1 1 0 1 0 0 0 1 0 0 0 0 0 1 0 1 0 1 1 0 0 0 1 0 0 0 0 0 1 1 1 0 0 0 0 0 0 1 0 0 0 1 0 1 1 0 1 0 0 0 0 0 1 0 0 0 1 1 1 1 0 0 0 0 0 0 0 1 0 1 0 1 1 1 1 0 0 0 0 0 0 0 1 0 1
  • 11.
    D0 =w’x’y’z’ D1 =w’x’y’z D2=X’YZ’ D3 =X’YZ D4 =XY’’Z D5 =XY’Z D6 =XYZ’ D7 =XYZ D8 =WZ’ D9 =WZ W X Y Z
  • 12.
    BCD TO 7SEGMENT Display
  • 14.
    KOMPONEN IC Salah satujenis IC decoder yang umum di pakai adalah IC 74138, karena IC ini mempunyai 3 input biner dan 8 output line, di mana nilai output adalah 1 untuk salah satu dari ke 8 jenis kombinasi inputnya. Pengertian decoder dapat di bentuk dari susunan gerbang logika dasar atau menggunakan IC yang banyak jual di pasaran, seperti decoder 74LS48, 74LS154, 74LS138, 74LS155 dan sebagainya. Dengan menggunakan IC, kita dapat merancang sebuah decoder dengan jumlah bit dan keluaran yang di inginkan. Contohnya adalah dengan merancang sebuah decoder 32 saluran keluar dengan IC decoder 8 saluran keluaran.
  • 15.
     IC Decoder74LS47 Salah satu cara untuk menghasilkan input pada seven segment display yaitu dengan menggunakan IC decoder. IC decoder membutuhkan empat input sebagai angka berbasis heksadesimal yang dinyatakan dalam biner, kemudian sinyal-sinyal masukan tersebut akan“diterjemahkan” decoder ke dalam sinyal-sinyal pengendali seven segment display. Sinyal-sinyal pengendali berisi tujuh sinyal yang setiap sinyalnya mengatur aktif-tidaknya setiap LED. IC ini mengubah data BCD sehingga dapat ditampilkan ke seven segment. BCD adalah data digital terdiri dari empat digit dan nilai desimalnya antara 0-9 sedangkan nilai di atas 9 digunakan sebagai tanda atau indicator lainnya.
  • 16.
    IC Decoder 74LS47 Icini berfungsi untuk mengolah nilai inputan biner yang dihasilkan oleh ic 74ls73 menjadi output decimal yang akan ditampilkan kedalam display seven segmen. Output pada ic ini ketika output bernilai 6 maka pada display seven segmen akan tampil seperti huruf “b” dan ketika output bernilai 9 maka tampilan pada seven segmen akan seperti huruf “q”. Hal ini dikarenakan sipembuat merancang ic 74ls47 ini demikian.
  • 17.
    Berikut adalah outputyang akan ditampilakn ic 74ls47 pada seven segmen.
  • 18.
    KONFIGURASI IC • Konfigurasi PinIC Dekoder BCD Ke Seven Segmen 7447 Dan 7448 1. Jalur input data BCD, pin input ini terdiri dari 4 line input yang mewakili 4 bit data BCD dengan sebutan jalur input A, B, C dan D. 2. Jalur ouput 7 segmen, pin output ini berfungsi untuk mendistribusikan data pengkodean ke penampil 7 segmen. Pin output dekoder BCD ke 7 segmen ini ada 7 pin yang masing-masing diberi nama a, b, c, d, e, f dan g. • 3. Jalur LT (Lamp Test) yang berfunsi untuk menyalakan semua led pada penampil 7 segmen, jalur LT akan aktif pad saat diberikan logika LOW pad jalut LT tersebut. 4. Jalur RBI (Riple Blanking Input) yang berfungsi untuk menahan sinyal input (disable input), jalur RBI akan aktif bila diberikan logika LOW. • 5. Jalur RBO (Riple blanking Output) yang berfungsi untuk menahan data output ke penampil 7 segmen (disable output), jalur RBO ini akan aktif pada sat diberikan logika LOW.
  • 19.
    Dekoder BCD ke7 Segmen digunakan untuk mengubah masukan yang berupa sandi Binary Coded Decimal (BCD) menjadi sandi yang sesuai dengan format 7 segmen. Decoder 74248 mempunyai empat buah data masukan, masing-masing A, B, C, dan D tujuh buah keluaran yaitu : a, b, c, d, e, f dan beberapa kaki untuk kendali yaitu LT, RB In (RBI), RB Out (RBO). Konfigurasi kaki IC 74LS248 ditunjukan pada gambar berikut. Dalam aplikasi decoder, ketiga jalur kontrol (LT, RBI dan RBO) harus diberikan logika HIGH dengan tujuan data input BCD dapat masuk dan penampil 7 segmen dapat menerima data tampilan sesuai data BCD yang diberikan pada jalur input.
  • 20.
     Fungsi SetiapKaki Pada Dekoder 74LS248 :  Kaki A0 – A3 berfungsi sebagai jalur masukan data BCD 4 bit.  Kaki RBI berfungsi sebagai masukan kontrol Riple Blanking Input.  Kaki LT berfungsi sebagai masukan kontrol Lamp Test.  Kaki BI/RBO berfungsi sebagai masukan kontrol Blanking Input atau Riple Blanking Output.  Kaki a – g berfungsi sebagai keluaran untuk penampil 7 segmen common anode Konfigurasi Pin Dekoder BCD ke 7 Segmen 74LS248
  • 21.
    Untuk mengoperasikan dekoder74LS248 agar keluaran a – g menghasilkan tampilan desimal dari data BCD pada masukan A0 – A3 maka kaki LT dan BI/RBO diberi logika tinggi kemudian data BCD diberikan pada kaki-kaki A0 – A3. Fasilitas LT (Lamp Test digunakan untuk mengetes kondisi penampil 7 segmen. Fasilitas BI/RBO berfunsi untuk meniadakan data masukan dan memberikan tampilan blank pada penampil 7 segmen.Tabel kebenaran dekoder 74LS248 ditunjukan pada tabel berikut.
  • 22.
    Karakter Tampilan Dekoder74LS248 Pada Penampil 7 Segmen Tabel Kebenaran IC 74LS248
  • 23.
    APLIKASI DECODER Aplikasi UtamaDecoder Aplikasi utama decoder adalah pengalamatan, dimana n bit masukan In diinterpretasikan sebagai sebuah alamat yang digunakan untuk memilih satu jalur dari jalur keluaran. Aplikasi lain adalah member rute data dari sebuah sumber ke beberapa tujuan.
  • 24.
    Dekoder = alatpemecah & penerima kode atau system/program untuk dapat menampilkan hasil olahannya kepada operator yang terkode dalam bahasa mesin logic switching Contoh alat pembaca sandi password data kartu kredit, atau pemaecah data yang diacak untuk dapat diterima dalam sistim pancaran gelombang mikro data audio visual digital pada tv berbayar. Aplikasi dekoder atau program dekoder, pada umumnya dapat diaplikasikan untuk menggantikan kode alamat atau pensandian suatu bahasa program yang pada dasarnya adalah basis dari komputer, karena komputer adalah hub antara hardwere - softwere - dengan operator/pengguna , dalam hal ini softwere adalah dekoder bahasa mesin switching logika antara komputer dgn operator.
  • 25.
    Pada mapping memory,dekoder yang digunakan adalah Dekoder alamat, di mana Dekoder alamat ini pada dasarnya adalah sebuah rangkaian kombinatorial gerbang logika yang memberikan sinyal keluaran aktif saat nilai yang ada dalam bus alamat bersesuaian denganalamat yang telah ditetapkan untuk komponen tersebut. Hal ini dapat dilakukan dengan memasang dekoder alamat pada setiap komponen yang terhubung dengan bus alamat, dengan jalur-jalur pada bus alamat dan sebagian jalur pada bus kendali digunakan sebagaimasukan dekoder alamat, dan sebagian jalur pada bus kendali langsung terhubung ke komponen port atau memori (di antaranya adalah RD dan WR), Keluaran dekoder alamat dihubungkan dengan pin yang digunakan untuk mengaktifkan komponen, misalnya : CS (chip select), CE (chip enable), atau G (gate).