ENCODER DAN DECODER
Disusun Oleh:
Kelompok 6
Dandy Arta Nugraha (2201010044)
I Made Putra Sedana (2201010050)
I.B. Made Raditia N. G (2201010058)
Maria Y F Dhiu Ria (2201010059)
SISTEM INFORMASI
STMIK PIMAKARA
2022
KATA PENGANTAR
Puji Syukur Kami Panjatkan Kehadirat Tuhan Yang Maha
Esa karena berkatnya lah tugas makalah yang berjudul
“Encoder dan Decoder” ini dapat diselesaikan dengan baik
dan tepat waktu. Terima kasih Kami ucapkan pada guru
pembimbing kami Ibu A A Istri Ita Paramitha,
S.Pd.,M.Kom. beserta seluruh pihak yang telah membantu
terselesaikannya tugas ini.
Tugas ini dibuat semata-mata untuk memenuhi indikator
penilaian mata kuliah Pengantar Sistem Digital(PSD) serta
menambah ilmu pengetahuan dan wawasan Kita
mengenai cara kerja Encoder dan Decoder bagi pembaca
dan juga penulis.
Sebagaimana pepatah mengatakan " Tak ada gading yang
tak retak." Kami sangat menyadari dalam pembuatan
tugas ini masih terdapat banyak sekali kesalahan, untuk
itu kritik dan saran yang membangun sangat Kami
harapkan. Semoga tugas ini dapat bermanfaat bagi
khalayak yang membacanya.
DAFTAR ISI
KATA PENGANTAR.............................................................. 2
DAFTAR ISI.......................................................................... 3
BAB I PENDAHULUAN......................................................... 4
1.1 Latar Belakang ................................................ 4
1.2 Rumusan Masalah .......................................... 5
1.3 Tujuan Pembahasan ....................................... 5
BAB II PEMBAHASAN.......................................................... 6
2.1 Encoder dan Decoder..................................... 6
2.2 Fungsi Encoder dan Decoder.......................... 8
2.3 Cara kerja Encoder dan Decoder.................... 9
BAB III PENUTUP............................................................. 166
3.1 Kesimpulan................................................. 166
DAFTAR PUSTAKA........................................................... 177
BAB I PENDAHULUAN
1.1 Latar Belakang
Dalam lingkungan teknologi modern,
transmisi, penyimpanan, dan interpretasi
informasi memainkan peran kunci dalam
pengoperasian semua sistem berbasis
elektronik, baik itu perangkat digital atau
perangkat analog atau sistem komputer atau
sistem perangkat lunak. Dalam pengertian
umum, encoder adalah komponen dalam
sistem yang mengubah (atau kode informasi
dari satu bentuk ke bentuk lainnya. Decoder
adalah komponen yang menghormati proses;
yaitu, mengubah informasi kembali ke bentuk
sebelumnya atau aslinya. Untuk memahami hal
tersebut diperlukan pemahaman mengenai
elektronika dan kali ini kami ingin memberikan
penjelasan tentang Encoder dan Decoder.
1.2 Rumusan Masalah
1. Apa itu Encoder dan Decoder
2. Fungsi Encoder dan Decoder
3. Cara kerja Encoder dan Decoder
1.3 Tujuan Pembahasan
1. Untuk mengetahui apa itu Encoder dan
Decoder
2. Untuk mengetahui fungsi dari Encoder dan
Decoder
3. Untuk mengetahui cara kerja dari Encoder
dan Decoder
BAB II PEMBAHASAN
2.1 Encoder dan Decoder
Encode ialah proses mengamankan suatu informasi
dengan membuat informasi tersebut tidak dapat dibaca
tanpa bantuan pengetahuan khusus. Dikarenakan encode
telah digunakan untuk mengamankan komunikasi di
berbagai negara, hanya organisasi-organisasi tertentu dan
individu yang memiliki kepentingan yang sangat mendesak
akan kerahasiaan yang menggunakan proses encode. Di
pertengahan tahun 1970-an, dimanfaatkan untuk
pengamanan oleh sekretariat agen pemerintah Amerika
Serikat pada domain publik, dan saat ini proses encode
telah digunakan pada sistem secara luas, seperti Internet
e-commerce, jaringan Telepon bergerak dan ATM pada
bank. Encoding adalah proses menempatkan urutan
karakter tertentu (huruf, angka, tanda baca, dan simbol
tertentu) ke dalam format khusus untuk transmisi yang
efisien atau penyimpanan. Sebuah encoder mengambil
data yang masuk bersamaan dengan beberapa metadata
(seperti signal yang yang mengindikasikan apakah data
mewakili data yang sesungguhnya atau control character)
dan menghasilkan sebuah nilai yang sudah ter-encode.
Sedangkan Decoder merupakan sebuah alat yang
dimanfaatkan untuk mengembalikan sebuah proses
decoding sehingga membuat kita bisa menerima informasi
yang asli. Decoder juga bisa didefinisikan sebagia
serangkaian logika yang berguna untuk menerima
masukan atau input biner dan kemudian mengaktifkan
salah satu output dengan berdasarkan ukuran pada biner
tersebut. Decoding adalah proses yang berlawanan dari
Encoding, konversi dari format yang disandikan kembali ke
urutan asli dari karakter. Encoding dan decoding
digunakan dalam komunikasi data, jaringan dan
penyimpanan. Istilah encoding dan decoding sering
digunakan dalam referensi untuk proses analog ke digital
konversi dan digital ke analog konversi. Dalam pengertian
ini dapat diterapkan pada segala bentuk data, termasuk
teks, gambar, audio, video, multimedia, dan lain-lain.
2.2 Fungsi Encoder dan Decoder
Encoder berfungsi sebagai rangkaian untuk
mengkodekan/mengubah data masukan mejadi data
bilangan biner dengan format tertentu pada keluaranya.
Encoder dalam rangkaian digital adalah rangkaian
kombinasi gerbang digital yang memiliki masukan banyak
dan memiliki keluaran sedikit dalam format bilangan
biner. Encoder akan mengkodekan setiap jalur input yang
aktif menjadi kode bilangan biner. Contoh encoder
seperti, encoder desimal to BCD yang berarti rangkaian
digital yang berfungsi untuk mengkodekan masukan
dengan jumlah masukan desimal (0-9) menjadi keluaran
kode bilangan biner 4 bit BCD (Binary Coded Decimal),
atau 8 to 3 encoder yang berarti rangkaian encoder oktal
pada masukanya menjadi kode biner (3 bit BCD) pada
keluaranya.
Sedangkan Decoder merupakan rangkaian yang
berfungsi mengkodekan/mengubah ulang data bilangan-
bilangan biner pada masukanya menjadi data asli pada
outputnya. Fungsi rangkaian decoder merupakan
kebalikan dari fungsi rangkaian encoder. Contoh decoder
seperti, decoder 2 to 4, decoder BCD ke desimal atau
decoder 4 to 10 yang berarti rangkaian digital yang
berfungsi untuk menafsirkan kode-kode BCD (Binary
Coded Decimal) pada masukanya dan menjadi bilangan
desimal (0-9) pada keluaranya.
2.3 Cara kerja Encoder dan Decoder
Encoder berfungsi sebagai rangkaian untuk
mengkodekan/mengubah data masukan mejadi data
bilangan biner dengan format tertentu pada keluaranya.
Encoder dalam rangkaian digital adalah rangkaian
kombinasi gerbang digital yang memiliki masukan banyak
dan memiliki keluaran sedikit dalam format bilangan
biner. Encoder akan mengkodekan setiap jalur input yang
aktif menjadi kode bilangan biner. Contoh encoder
seperti, encoder desimal to BCD yang berarti rangkaian
digital yang berfungsi untuk mengkodekan masukan
dengan jumlah masukan desimal (0-9) menjadi keluaran
kode bilangan biner 4 bit BCD (Binary Coded Decimal),
atau 8 to 3 encoder yang berarti rangkaian encoder oktal
pada masukanya menjadi kode biner (3 bit BCD) pada
keluaranya.
Dilihat dari masukan dan keluaran dari sebuah encoder 8
to 3, dapat dibuat tabel kebenaran seperti tabel 12
dibawah ini :
Berdasarkan tabel kebenaranya, didapat persamaan
sebagai berikut : A = 1+3+5+7 B = 2+3+6+7 C = 4+5+6+7
Atas dasar persamaan keluaran dari encoder 8 to 3 dapat
realisasikan rangkaian digitalnya sebagai berikut :
Decoder merupakan rangkaian yang berfungsi
mengkodekan/mengubah ulang data bilangan-bilangan
biner pada masukanya menjadi data asli pada outputnya.
Fungsi rangkaian decoder merupakan kebalikan dari fungsi
rangkaian encoder. Contoh decoder seperti, decoder 2 to
4, decoder BCD ke desimal atau decoder 4 to 10 yang
berarti rangkaian digital yang berfungsi untuk menafsirkan
kode-kode BCD (Binary Coded Decimal) pada masukanya
dan menjadi bilangan desimal (0-9) pada keluaranya.
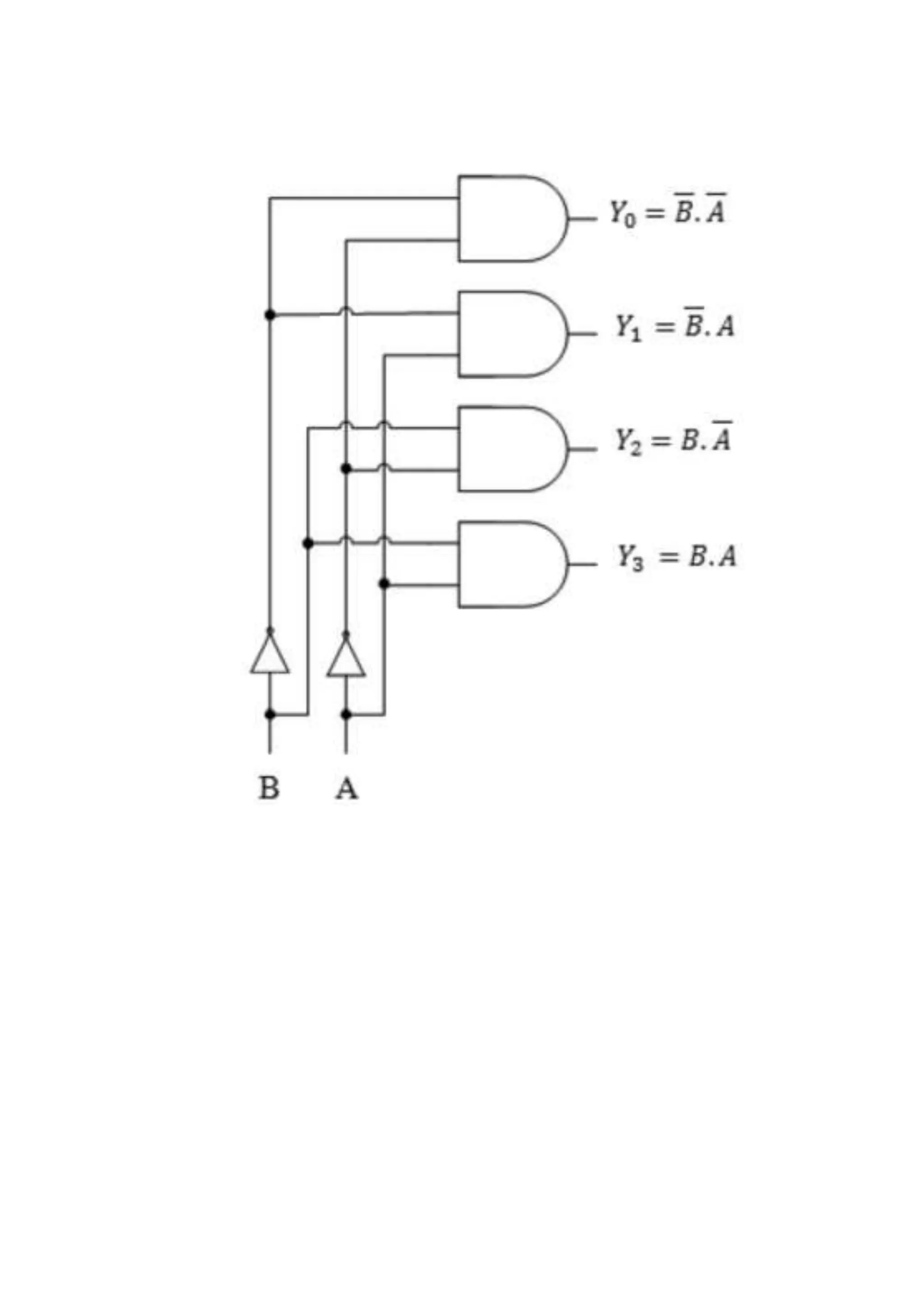
Dilihat dari masukan dan keluaran dari sebuah decoderr 2
to 4, dapat dibuat tabel kebenaran seperti tabel 13
dibawah ini :
Berdasarkan tabel kebenaran pada tabel 13, pada baris ke-
1 terlihat keluaran 𝑌0: = 1 dan keluaran lainya 0, jika
masukanya adalah 00 (B = 0 dan A = 0). Hal seperti ini
decoder menafsirkan kode 00 biner sebagai 0 desimal.
Demikian pula pada baris ke-2, masukanya adalah 01 (B =
0 dan A = 1), nilai keluaran yang memiliki nilai 1 adalah 𝑌1
(𝑌1 = 1) berarti decoder menafsirkan kode 01 biner
sebagai 1 desimal. Selanjutnya baris ke-3, masukanya
adalah 10 (B = 1 dan A = 0), nilai keluaran yang memiliki
nilai 1 adalah 𝑌2 (𝑌2 = 1) berarti decoder menafsirkan kode
10 biner sebagai 2 desimal. Untuk masukan berupa kode
biner 11 nilai keluaran 1 dimiliki oleh 𝑌3 (𝑌3 = 1). Hal
seperti ini decoder menafsirkan kode 11 biner sebagai 3
desimal. Dari uraian diatas didapat persamaan keluaran
dari rangkaian decoder 2 to 4 adalah sebagai berikut :
BAB III PENUTUP
3.1 Kesimpulan
Encoding dan decoding adalah bagian penting dari
proses komunikasi. Tanpa kedua proses ini, informasi
tidak dapat disimpan dan dikirim secara efisien, dan kita
juga tidak bisa mengerti informasi yang disampaikan
dengan mudah.
Encoding adalah suatu tindakan mengalihkan informasi
menjadi bentuk yang lebih mudah disimpan, sedangkan
decoding adalah proses menerjemahkan data yang
dirubah bentuknya menjadi informasi yang lebih jelas dan
bisa lebih mudah dimengerti. Perbedaan encoding dan
decoding yaitu pada tujuannya, media yang digunakan,
input/output, serta tingkat kerumitannya.
DAFTAR PUSTAKA
Anderias Eko Wijaya., and Deni Rahmat G. 2012.
‘EMBUATAN APLIKASI ENCODE DAN DECODE
BERBASIS WEB MENGGUNAKAN ALGORITMA BASE64
UNTUK KONFIRMASI PENGIRIMAN PIN’. Jurnal
Teknologi Informasi dan Komunikasi STMIK Subang:
1–15.
Hariyadi, S.Kom, M.Kom. 2017. ‘DIGITAL TRAINER
LABORATORIUM TEKNIK ELEKTRO FT -UMSB’. Vol. XI
Jilid 1 No.75 April 2017.
Nurbaya Ambo, Sitti, and Sugiartowo. 2018. ‘SIMULASI
RANGKAIAN KOMBINASIONAL SEBAGAI MEDIA
PEMBELAJARAN SISTEM DIGITAL PADA FAKULTAS
TEKNIK UNIVERSITAS MUHAMMADIYAH JAKARTA’.
jurnal.umj.ac.id/index.php/semnastek 17.
Setiawan, Agustinus Eko, and Alfredo Pasaribu. 2020.
‘Penerapan Steganografi Pada Citra Digital
Menggunakan Metode Least Significant Bit (LSB)
Kombinasi RC4 Berbasis Mobile Android’. Aisyah
Journal of Informatics and Electrical
EngineeringUniversitas Aisyah Pringsewu 2(1).
http://jti.aisyahuniversity.ac.id/index.php/AJIEE.
Sugiartowo, and Sitti, Ambo Nurbaya. 2018. 4 JURNAL
INFORMATIKA UPGRIS IMPLEMENTASI SIMULASI
MEDIA PEMBELAJARAN RANGKAIAN
KOMBINASIONAL BERBASIS KOLABURASI
MULTIMEDIA SIMULATOR DAN PEMROGRAMAN
DELPHI. Jakarta.

ENCODER DAN DECODER.docx

  • 1.
    ENCODER DAN DECODER DisusunOleh: Kelompok 6 Dandy Arta Nugraha (2201010044) I Made Putra Sedana (2201010050) I.B. Made Raditia N. G (2201010058) Maria Y F Dhiu Ria (2201010059) SISTEM INFORMASI STMIK PIMAKARA 2022
  • 2.
    KATA PENGANTAR Puji SyukurKami Panjatkan Kehadirat Tuhan Yang Maha Esa karena berkatnya lah tugas makalah yang berjudul “Encoder dan Decoder” ini dapat diselesaikan dengan baik dan tepat waktu. Terima kasih Kami ucapkan pada guru pembimbing kami Ibu A A Istri Ita Paramitha, S.Pd.,M.Kom. beserta seluruh pihak yang telah membantu terselesaikannya tugas ini. Tugas ini dibuat semata-mata untuk memenuhi indikator penilaian mata kuliah Pengantar Sistem Digital(PSD) serta menambah ilmu pengetahuan dan wawasan Kita mengenai cara kerja Encoder dan Decoder bagi pembaca dan juga penulis. Sebagaimana pepatah mengatakan " Tak ada gading yang tak retak." Kami sangat menyadari dalam pembuatan tugas ini masih terdapat banyak sekali kesalahan, untuk itu kritik dan saran yang membangun sangat Kami
  • 3.
    harapkan. Semoga tugasini dapat bermanfaat bagi khalayak yang membacanya. DAFTAR ISI KATA PENGANTAR.............................................................. 2 DAFTAR ISI.......................................................................... 3 BAB I PENDAHULUAN......................................................... 4 1.1 Latar Belakang ................................................ 4 1.2 Rumusan Masalah .......................................... 5 1.3 Tujuan Pembahasan ....................................... 5 BAB II PEMBAHASAN.......................................................... 6 2.1 Encoder dan Decoder..................................... 6 2.2 Fungsi Encoder dan Decoder.......................... 8 2.3 Cara kerja Encoder dan Decoder.................... 9 BAB III PENUTUP............................................................. 166 3.1 Kesimpulan................................................. 166 DAFTAR PUSTAKA........................................................... 177
  • 4.
    BAB I PENDAHULUAN 1.1Latar Belakang Dalam lingkungan teknologi modern, transmisi, penyimpanan, dan interpretasi informasi memainkan peran kunci dalam pengoperasian semua sistem berbasis elektronik, baik itu perangkat digital atau perangkat analog atau sistem komputer atau sistem perangkat lunak. Dalam pengertian umum, encoder adalah komponen dalam sistem yang mengubah (atau kode informasi dari satu bentuk ke bentuk lainnya. Decoder adalah komponen yang menghormati proses; yaitu, mengubah informasi kembali ke bentuk sebelumnya atau aslinya. Untuk memahami hal tersebut diperlukan pemahaman mengenai
  • 5.
    elektronika dan kaliini kami ingin memberikan penjelasan tentang Encoder dan Decoder. 1.2 Rumusan Masalah 1. Apa itu Encoder dan Decoder 2. Fungsi Encoder dan Decoder 3. Cara kerja Encoder dan Decoder 1.3 Tujuan Pembahasan 1. Untuk mengetahui apa itu Encoder dan Decoder 2. Untuk mengetahui fungsi dari Encoder dan Decoder 3. Untuk mengetahui cara kerja dari Encoder dan Decoder
  • 6.
    BAB II PEMBAHASAN 2.1Encoder dan Decoder Encode ialah proses mengamankan suatu informasi dengan membuat informasi tersebut tidak dapat dibaca tanpa bantuan pengetahuan khusus. Dikarenakan encode telah digunakan untuk mengamankan komunikasi di berbagai negara, hanya organisasi-organisasi tertentu dan individu yang memiliki kepentingan yang sangat mendesak akan kerahasiaan yang menggunakan proses encode. Di pertengahan tahun 1970-an, dimanfaatkan untuk pengamanan oleh sekretariat agen pemerintah Amerika Serikat pada domain publik, dan saat ini proses encode telah digunakan pada sistem secara luas, seperti Internet e-commerce, jaringan Telepon bergerak dan ATM pada bank. Encoding adalah proses menempatkan urutan karakter tertentu (huruf, angka, tanda baca, dan simbol tertentu) ke dalam format khusus untuk transmisi yang
  • 7.
    efisien atau penyimpanan.Sebuah encoder mengambil data yang masuk bersamaan dengan beberapa metadata (seperti signal yang yang mengindikasikan apakah data mewakili data yang sesungguhnya atau control character) dan menghasilkan sebuah nilai yang sudah ter-encode. Sedangkan Decoder merupakan sebuah alat yang dimanfaatkan untuk mengembalikan sebuah proses decoding sehingga membuat kita bisa menerima informasi yang asli. Decoder juga bisa didefinisikan sebagia serangkaian logika yang berguna untuk menerima masukan atau input biner dan kemudian mengaktifkan salah satu output dengan berdasarkan ukuran pada biner tersebut. Decoding adalah proses yang berlawanan dari Encoding, konversi dari format yang disandikan kembali ke urutan asli dari karakter. Encoding dan decoding digunakan dalam komunikasi data, jaringan dan penyimpanan. Istilah encoding dan decoding sering digunakan dalam referensi untuk proses analog ke digital konversi dan digital ke analog konversi. Dalam pengertian ini dapat diterapkan pada segala bentuk data, termasuk teks, gambar, audio, video, multimedia, dan lain-lain.
  • 8.
    2.2 Fungsi Encoderdan Decoder Encoder berfungsi sebagai rangkaian untuk mengkodekan/mengubah data masukan mejadi data bilangan biner dengan format tertentu pada keluaranya. Encoder dalam rangkaian digital adalah rangkaian kombinasi gerbang digital yang memiliki masukan banyak dan memiliki keluaran sedikit dalam format bilangan biner. Encoder akan mengkodekan setiap jalur input yang aktif menjadi kode bilangan biner. Contoh encoder seperti, encoder desimal to BCD yang berarti rangkaian digital yang berfungsi untuk mengkodekan masukan dengan jumlah masukan desimal (0-9) menjadi keluaran kode bilangan biner 4 bit BCD (Binary Coded Decimal), atau 8 to 3 encoder yang berarti rangkaian encoder oktal pada masukanya menjadi kode biner (3 bit BCD) pada keluaranya. Sedangkan Decoder merupakan rangkaian yang berfungsi mengkodekan/mengubah ulang data bilangan- bilangan biner pada masukanya menjadi data asli pada outputnya. Fungsi rangkaian decoder merupakan
  • 9.
    kebalikan dari fungsirangkaian encoder. Contoh decoder seperti, decoder 2 to 4, decoder BCD ke desimal atau decoder 4 to 10 yang berarti rangkaian digital yang berfungsi untuk menafsirkan kode-kode BCD (Binary Coded Decimal) pada masukanya dan menjadi bilangan desimal (0-9) pada keluaranya. 2.3 Cara kerja Encoder dan Decoder Encoder berfungsi sebagai rangkaian untuk mengkodekan/mengubah data masukan mejadi data bilangan biner dengan format tertentu pada keluaranya. Encoder dalam rangkaian digital adalah rangkaian kombinasi gerbang digital yang memiliki masukan banyak dan memiliki keluaran sedikit dalam format bilangan biner. Encoder akan mengkodekan setiap jalur input yang aktif menjadi kode bilangan biner. Contoh encoder seperti, encoder desimal to BCD yang berarti rangkaian digital yang berfungsi untuk mengkodekan masukan dengan jumlah masukan desimal (0-9) menjadi keluaran kode bilangan biner 4 bit BCD (Binary Coded Decimal), atau 8 to 3 encoder yang berarti rangkaian encoder oktal
  • 10.
    pada masukanya menjadikode biner (3 bit BCD) pada keluaranya. Dilihat dari masukan dan keluaran dari sebuah encoder 8 to 3, dapat dibuat tabel kebenaran seperti tabel 12 dibawah ini :
  • 11.
    Berdasarkan tabel kebenaranya,didapat persamaan sebagai berikut : A = 1+3+5+7 B = 2+3+6+7 C = 4+5+6+7 Atas dasar persamaan keluaran dari encoder 8 to 3 dapat realisasikan rangkaian digitalnya sebagai berikut :
  • 12.
    Decoder merupakan rangkaianyang berfungsi mengkodekan/mengubah ulang data bilangan-bilangan biner pada masukanya menjadi data asli pada outputnya. Fungsi rangkaian decoder merupakan kebalikan dari fungsi rangkaian encoder. Contoh decoder seperti, decoder 2 to 4, decoder BCD ke desimal atau decoder 4 to 10 yang berarti rangkaian digital yang berfungsi untuk menafsirkan kode-kode BCD (Binary Coded Decimal) pada masukanya dan menjadi bilangan desimal (0-9) pada keluaranya.
  • 13.
    Dilihat dari masukandan keluaran dari sebuah decoderr 2 to 4, dapat dibuat tabel kebenaran seperti tabel 13 dibawah ini : Berdasarkan tabel kebenaran pada tabel 13, pada baris ke- 1 terlihat keluaran 𝑌0: = 1 dan keluaran lainya 0, jika masukanya adalah 00 (B = 0 dan A = 0). Hal seperti ini decoder menafsirkan kode 00 biner sebagai 0 desimal.
  • 14.
    Demikian pula padabaris ke-2, masukanya adalah 01 (B = 0 dan A = 1), nilai keluaran yang memiliki nilai 1 adalah 𝑌1 (𝑌1 = 1) berarti decoder menafsirkan kode 01 biner sebagai 1 desimal. Selanjutnya baris ke-3, masukanya adalah 10 (B = 1 dan A = 0), nilai keluaran yang memiliki nilai 1 adalah 𝑌2 (𝑌2 = 1) berarti decoder menafsirkan kode 10 biner sebagai 2 desimal. Untuk masukan berupa kode biner 11 nilai keluaran 1 dimiliki oleh 𝑌3 (𝑌3 = 1). Hal seperti ini decoder menafsirkan kode 11 biner sebagai 3 desimal. Dari uraian diatas didapat persamaan keluaran dari rangkaian decoder 2 to 4 adalah sebagai berikut :
  • 16.
    BAB III PENUTUP 3.1Kesimpulan Encoding dan decoding adalah bagian penting dari proses komunikasi. Tanpa kedua proses ini, informasi tidak dapat disimpan dan dikirim secara efisien, dan kita juga tidak bisa mengerti informasi yang disampaikan dengan mudah. Encoding adalah suatu tindakan mengalihkan informasi menjadi bentuk yang lebih mudah disimpan, sedangkan decoding adalah proses menerjemahkan data yang dirubah bentuknya menjadi informasi yang lebih jelas dan bisa lebih mudah dimengerti. Perbedaan encoding dan decoding yaitu pada tujuannya, media yang digunakan, input/output, serta tingkat kerumitannya.
  • 17.
    DAFTAR PUSTAKA Anderias EkoWijaya., and Deni Rahmat G. 2012. ‘EMBUATAN APLIKASI ENCODE DAN DECODE BERBASIS WEB MENGGUNAKAN ALGORITMA BASE64 UNTUK KONFIRMASI PENGIRIMAN PIN’. Jurnal Teknologi Informasi dan Komunikasi STMIK Subang: 1–15. Hariyadi, S.Kom, M.Kom. 2017. ‘DIGITAL TRAINER LABORATORIUM TEKNIK ELEKTRO FT -UMSB’. Vol. XI Jilid 1 No.75 April 2017. Nurbaya Ambo, Sitti, and Sugiartowo. 2018. ‘SIMULASI RANGKAIAN KOMBINASIONAL SEBAGAI MEDIA PEMBELAJARAN SISTEM DIGITAL PADA FAKULTAS TEKNIK UNIVERSITAS MUHAMMADIYAH JAKARTA’. jurnal.umj.ac.id/index.php/semnastek 17. Setiawan, Agustinus Eko, and Alfredo Pasaribu. 2020. ‘Penerapan Steganografi Pada Citra Digital Menggunakan Metode Least Significant Bit (LSB) Kombinasi RC4 Berbasis Mobile Android’. Aisyah Journal of Informatics and Electrical EngineeringUniversitas Aisyah Pringsewu 2(1). http://jti.aisyahuniversity.ac.id/index.php/AJIEE. Sugiartowo, and Sitti, Ambo Nurbaya. 2018. 4 JURNAL INFORMATIKA UPGRIS IMPLEMENTASI SIMULASI MEDIA PEMBELAJARAN RANGKAIAN KOMBINASIONAL BERBASIS KOLABURASI
  • 18.
    MULTIMEDIA SIMULATOR DANPEMROGRAMAN DELPHI. Jakarta.