PROJECT
                          Generator control



                             International team:



Esta obra está bajo una licencia de Creative Commons.
TABLE OF CONTENTS
I.GENERAL DESCRIPTION……………………………………………….. 3

II.GENERAL IDEA OF THE PROJECT…………………………………....4

III.GENERAL SCHEMA OF THE CONNECTIONS…………………….. 5

IV.PROBLEMS TO SOLVE………………………………………………….7

V.THEORETICAL INTRODUCTION…………………………………….. 7

VI.DC MOTOR- GENERATOR (MEASUREMENT)…………………... 14

VII.POWER ELECTRONICS SUPPLY: H- BRIDGE ELECTRONIC
CIRCUIT…………………………………………………………………….. 25

VIII.HEX BUFFER (NON- INVERTING) CD 4010C…………………… 34

IX.DC- DC CONVERTER…………………………………………………. 36

X.SERVOMOTOR- MAXON DC MOTOR………………………………. 38

XI.MICROCONTROLLER………………………………………………... 40

XII.TRANSDUCER………………………………………………………… 50

XIII.LabVIEW- CONTROL APPLICATION……………………………. 56

XIV.SUMMARY…………………………………………………………….. 64

XV.BIBLIOGRAPHY……………………….. ……………………………. .65




                        2
I.     GENERAL DESCRIPTION
         This project consists of control and supervision of generators. The generator, we have, shall
drive in ”Stand-alone”, together with a ”Rigid grid” or together with a “twin generator”. The
generator is mechanical connected to a compound motor. The compound motor is the primary drive
force. The generated voltage frequency controls from the velocity of the DC-motor, while the
amplitude of the tension is controlled from the magnetic voltage.
         The controller gets the power supply scald from a 3-phase transformer. This AC shall be
rectified to a DC voltage. This gives power supply to the DC-servomotors. The electronic circuits are
controlled by a microcontroller.

The Data part includes:

         Design, analysis and modelling of the DC-servomotor drive and SCADA

The electrical power includes:

         Analysis, modelling and test of DC- motor and synchrony generator, transformer and power
         grid.

Steps of paralleling the synchronous generator to the grid (prime mover – DC
motor):

On the output has to be 400V, 50Hz.

To control voltage, frequency and power we can adjust by changing:



        armature voltage of DC motor
        field current of DC motor
        field current of synchronous generator




    1) Switch on DC power supply
    2) Apply DC power supply to DC motor
    3) Adjust armature voltage of DC motor
    4) Adjust field current of synchronous generator until on the output will be 400V
    5) Check lamps brightness (the phase sequence is correct the lamps will have the same
       brightness)
    6) Adjust the speed to 50Hz (by changing the field current of DC motor) unless synchroscope
       would show that the speed is “too fast” or “too slow”
    7) Synchronization – switch on to the grid
    8) Power control – change the field current of synchronous generator




                                                  3
II.   GENERAL IDEA OF THE PROJECT


                            DSP
                         DEBBUGER




                                                          LAB VIEW




                                                                     SOFTWARE

                    SERIAL
                     BUS

                                                                        NI- USB 6008
                                                                        CONVERTER




                                                DATA
                                              ACQUISITON
                                                                         TRANSDUCER
    ADMC401
MICROCONTROLLER


                        PWM
                       SIGNAL


                                                      DIGITAL
                                                        AND
                  ELECTRONICS                         ANALOG
                                                      TESTERS


                                                                           REAL
                      H
                                                                          VALUES
                    BRIDGE




                                          MACHINES
                                                                         GRID




                   SERVOMOTORS
                                    DC MOTOR- GENERATOR




                                    4
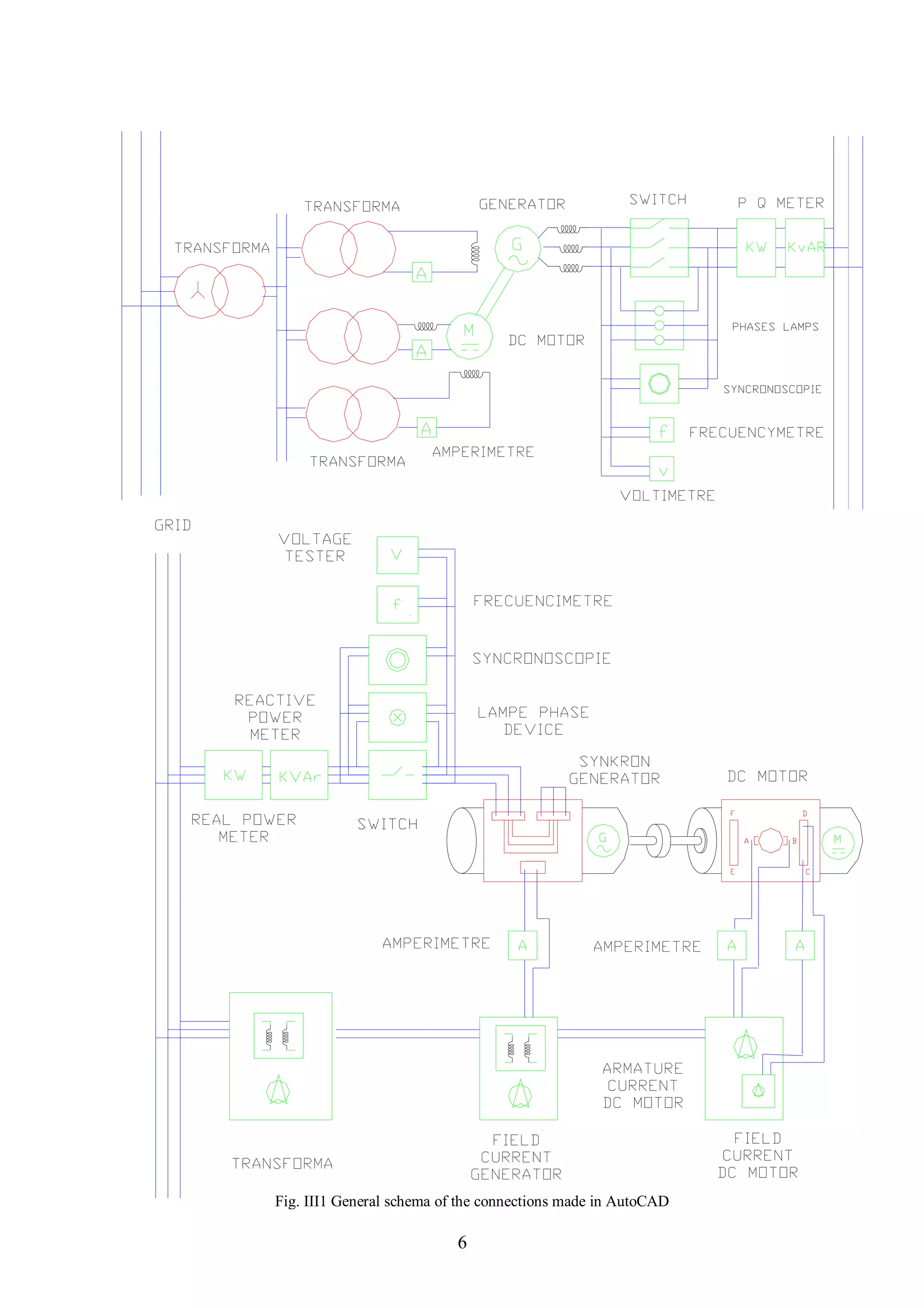
III. GENERAL SCHEMA OF THE CONNECTIONS




                   5
Fig. III1 General schema of the connections made in AutoCAD

                           6
IV. PROBLEMS TO SOLVE

        POWER ELECTRONICS SUPPLY: H- BRIDGE
        DC- DC CONVERTER
        HEX BUFFER (NON- INVERTING) CD 4010C
        MICROCONTROLLER ADMC 401
        SERVOMOTOR- MAXON DC MOTOR
        MEASUREMENT
        NI- USB 6008 A/D CONVERTER
        TRANSDUCERS: TAS 331-DG, TAS 311-DG, MIQ96, MTR-1
        LAB VIEW: FRONT PANEL AND BLOCK DIAGRAM

      V.      THEORETICAL INTRODUCTION

    1. Synchronous generators principles




                                      Fig. V1 Synchronous generator

        A synchronous generator rotates with the constant speed in the steady state;
        It is a doubly excited machine (the rotor poles (field windings) are excited by the dc current,
        the stator (armature) windings are connected to the ac supply);
        When the field current (excitation current) flows through the rotor field winding, it establishes
        a sinusoidally distributed flux in the air gap. If the rotor is now rotated by the prime mover (dc
        motor), a revolving field is producing in the air gap (excitation field). The rotating flux so
        produced will change the flux linkage of the armature windings and will induce voltages in the
        stator windings (excitation voltages).
        The rotor speed and frequency of the induced voltage are related by:

                                                       120  f
                                                  n
                                                         p
, where n – rotor speed in rpm, p – number of poles.

        The excitation voltage ( E f ) is proportional to the speed ( f ), excitation flux (  ), the latter
        in turn ( N ) depends on the excitation current ( I f ):
                                          E f  4,44  f    N  K w


                                                      7
, where K w – winding factor
       The variation of the excitation voltage with the field current is shown in figure 2.
With increasing the field current I f , flux  does not increase linearly with I f , because of the
saturation of the magnetic circuit.




                           Fig. V2 The magnetization characteristic of the synchronous machine


        The equivalent model of the synchronous generator:




                          Fig. V3 The equivalent model of the synchronous generator (OCC)

                                             E f  I a  jX ar  E ar

, where I f – field current, I a – current in the stator, f – flux in the air gap, E f – voltage by f ,
Ear – armature reaction voltage, X ar - reactance of armature reaction or magnetizing reactance.

        Power (P, Q) and torque (T):




                                      Fig. V4 Equivalent circuit per phase




                                                        8
, where: Vt – terminal voltage, X s  X ar  X al , ( X s – synchronous reactance, R a – stator winding
resistance, X al - leakage reactance), Z s  Ra  jX s ( Z s – synchronous impedance)
                                                  3Vt E f
                                          P3                 sin 
                                                     Xs
                                                                       2
                                          3 Vt E f              3 Vt
                                  Q3               cos                 VAR
                                             Xs                  Xs
                                                       P3
                                                  T
                                                        syn
 – power or torque angle




                                     Fig. V5 Power and torque characteristics

    2. The infinite bus

        The transmission of power is normally at high voltage levels (hundreds of kilovolts) to
        achieve higher efficiency;
        A transformer is used to step up the voltage to the infinite bus;
        The synchronous generator and infinite bus must have the same:
              Voltage
              Frequency
              Phase
              Phase sequence
        These conditions can be checked by synchroscope (running too fast or too slow – frequency of
        the incoming machine is higher or lower than that of the infinite bus) and synchronizing lamps
        (if the phase sequence is correct the lamps will have the same brightness, if not – the lamps
        will brighten and darken in step);




     Fig. V6 Diagram of paralleling a synchronous generator with the infinite bus using synchronizing lamps
                                                       9
3. DC motors principles

       The armature winding is placed on the rotor and field windings are placed on the stator.
       The voltage induced in the armature winding is alternating.
       A mechanical commutator and a brush assembly function as rectifier or inverter, making the
       armature terminal voltage unidirectional.
       DC motors can provide a wide range of accurate speed and torque control.
       Speed control in a dc machine can be achieved by following methods:
           1) Armature voltage control (smooth variation of speed control, armature circuit resistance
           Ra and field current If remain constant, armature terminal voltage Vt is varied to change
           the speed, as Vt increases – the speed increases linearly);
           2) Field control (armature circuit resistance Ra and armature terminal voltage Vt remain
           constant, field current If is varied to change the speed, the speed varies inversely with the
           field current);
           3) Armature resistance control (charging resistance of the armature circuit with fixed other
           parameters);
       The common method of control is the use of a separately excited dc motor with constant field
       excitation. The speed is controlled by changing the voltage applied to the motor terminals.




                                     Fig. V7 Separately excited dc motor

       The voltage (Vt), armature current (Ia), speed (ωm) and torque (T) are related as follows
       (separately excited dc motor):
                                    E a  K a    m  Vt  I a  Ra
                                            T  Ka    Ia
                                                  V  I a  Ra
                                          m  t
                                                     Ka 
                                              Vt          Ra
                                     m                         T
                                           K a   ( K a  ) 2
, where: E a – armature induced voltage,  – magnetic flux, K a – armature constant




                                      Fig. V8 Torque- speed characteristics

                                                  10
4. The DC motor speed controller
          The purpose of a motor speed controller is to drive a motor at the demanded speed. The
controller may or may not actually measure the speed of the motor. If the controller measures the
speed of the motor, it is called a Feedback Speed Controller or Closed Loop Speed Controller, if not it
is called an Open Loop Speed Controller. Feedback speed control is better, but more complicated.
          The speed of a DC motor is directly proportional to the supply voltage, so e.g. if we reduce the
supply voltage from 12 Volts to 5 Volts, the motor will run more slowly.
The speed controller works by varying the DC voltage sent to the motor. It could do this by simply
adjusting the value of the voltage sent to the motor, but this is quite inefficient. A better way is to
switch the motor's supply on and off very quickly. If the switching is fast enough, the motor doesn't
notice it, it only notices the average effect. The motor won’t have time to change speed much, so the
speed will be quite steady. This is the principle of switch mode speed control (PWM – Pulse Width
Modulation). In our project we used onboard microcontroller which has PWM outputs.
          As the amount of time that the voltage is on increases compared with the amount of time that
it is off, the average speed of the motor increases.
          This on-off switching is performed by power MOSFETs (that the H-Bridge contains). A
MOSFET (Metal-Oxide-Semiconductor Field Effect Transistor) is a device that can turn very large
currents on and off under the control of a low signal level voltage.

    5. PWM- pulse width modulation
      Pulse width modulation (PWM) is a technique in which a series of digital pulses is used to
control an analog circuit. The length and frequency of these pulses determines the total power
delivered to the circuit. PWM signals are most commonly used to control DC motors.
       The digital pulse train that makes up a PWM signal has a fixed frequency and varies the pulse
width to alter the average power of the signal. The ratio of the pulse width to the period is referred to
as the duty cycle of the signal.




                                Fig. V9 PWM signals of varying duty cycles




                                  Fig. V10 Definition of a general square wave

                                                   11
PWM uses square wave whose duty cycle is modulated resulting in the variation of the average
value of the waveform. If we consider a square waveform f(t) with a low value y min , a high value ymax
                       t on
and a duty cycle D         (figure V10), the average value of the waveform is given as:
                        T

                                                              T
                                                           1
                                                      y
                                                           T    f (t )dt
                                                               0


      As f(t) is a square wave, its value is y max for 0  t  D  T and y min for D  T  t  T .

      The above expression then becomes:

                 DT            T
             1                               D  T  y max  T  (1  D)  y min
         y     (  y max dt   y min dt )                                       D  y max  (1  D )  y min
              T 0             DT
                                                              T

        This expression can be simplified by assuming y min  0 ,
                                                  
                                                  y  D  y max
                                                                                 
From this equation, it is obvious that the average value of the signal y is directly depended on the
duty cycle D.
        To generate PWM signal we need sawtooth or triangle waveform and a comparator. When the
value of the reference signal – sine wave is more than the modulation waveform, the PWM signal is in
the high state, otherwise it is in the low state (fig. V11).




                                  Fig. V11 Principle of the PWM signal generating

      Sigma – Delta modulation: the output signal is subtracted from a reference signal to form an
error signal. This error is integrated, and when the integral of the error exceed the limits, the output
changes state.




                                                          12
Fig. V12 Principle of the sigma- delta PWM

       Microcontrollers are the digital circuits that can generate PWM signals to control an electrical
motor. They normally use a counter that increments periodically (it is connected directly or indirectly
to the clock of the circuit) and is reset at the end of every period of the PWM. When the counter value
is more than the reference value, the PWM output changes state from high to low.

  Important facts:

  1)    To increase speed you increase pulse width, so you increase motor voltage.
  2)    Frequencies between 20 Hz and 18 kHz may produce audible screaming from the speed
        controller and motors.
  3)    RF interference emitted by the circuit will be worse the higher the switching frequency is.
  4)    Each switching on and off of the speed controller MOSFETs results in a little power loss.
        Therefore the greater the time spent switching compared with the static on and off times, the
        greater will be the resulting switching loss in the MOSFETs.
  5)    The higher the switching frequency, the more stable is the current waveform in the motors.
        This waveform will be a spiky switching waveform at low frequencies, but at high frequencies
        the inductance of the motor will smooth this out to an average DC current level proportional to
        the PWM demand. This spikyness will cause greater power loss in the resistances of the wires,
        MOSFETs, and motor windings than a steady DC current waveform.




                                                  13
VI. DC MOTOR- GENERATOR (MEASUREMENT)
       Measurements for finding the relations between the active, reactive, apparent power and DC
motor and synchronous generator currents




                         DC MOTOR                        SYNCHRONOUS GENERATOR

        Fig. VI1 DC motor as prime mover for the synchronous generator (synchronous generator as
                                    mechanical load for DC motor)


       EQUATIONS

                    DC MOTOR                               SYNCRONOUS GENERATOR
                 V1  I arm1  Z1  Ef1                            Ef 2  I arm 2  Z 2  V2

              P1  3  I arm1  V1  cos                        P2  3  I arm 2  V2  cos

                        120  f1
                     n
                            2p
                  Ef1  n  K E   p1                             P  K p  f1  50 Hz 

                      V1      Z I                                Q  K Q V1  400V 
             n               1 arm1
                   K E   p1 K E   p1
                     p1  K  I arm1

                    V1          Z I
            n                  1 arm1
                 K1  I field 1 K1  I field 1


       USING THE EQUATIONS TO SOLVE                             CURRENTS FROM P AND Q
       VALUES

    The way the system gets this final relations between currents and P and Q using the
     expressions shown below:




                                                  14
120  f1                                            P1
                                                    n                                       I arm11 
           P  K p  f1  50 Hz                              2p                                         3  V1  cos 
 P                                         f                                       n                                        Iarm DC MOT
                                                                                             Ef1  f I arm1 

                                                                                               V1          Z I
                                                                                       n                  1 arm1
                                                                                            K1  I field 1 K1  I field 1
                                                                                                                            Ifield DC MOT



           Q  K Q V1  400V                         Ef 2  I arm 2  Z 2  V2                   Ef 2  f I arm 2 
 Q                                         VG                                          EfG                                   Ifield GEN
                                                          S  3 V  I
                           Fig. VI2 Relations between currents of motor, generator and powers


       Those expressions should be checked in real world by doing tests of dc motor and
synchronous generator. We then will get the constant relations found in the equations.

        OPEN AND SHORT CIRCUIT TESTS OF SYNCHRONOUS GENERATOR

     a) Open – circuit test (terminals are open, no load) – terminal voltage is measured
        Ef (V2 -fig. VI1), field current is varied If (If2 – fig. VI1)




                                                Fig. VI3 Circuit for this type of test


Values that we measured in the laboratory:
      I field (A)        0          0,01        0,02              0,032                0,045                  0,053          0,064
      Ef (V)           2,32         9,88        16,6              28,52                41,1                   45,3           53,7
                                                 Ef (V) /         3        - per phase
      Ef (V)           1,34         5,7         9,58              16,45                23,71                  26,14          30,98


         0,081                0,092                     0,1                    0,114                     0,123              0,136
         67,7                 77,3                     84,7                    97,4                       110               116,7
                                                        Ef (V) /              3
         39,06                 44,6                 48,80                     56,19                      63,46              67,33




                                                                      15
Fig. VI4 Open- circuit test


    b) Short – circuit test (terminals are shorted) field current is varied If, armature
       current is measured Iarm




                                         Fig. VI5 Circuit for this test

Values that we measured in the laboratory:

    I field (A)     0   0,012 0,021 0,034            0,052 0,075 0,094 0,103 0,126        0,136
    I arm (A)     0,01 0,037 0,091 0,143             0,209 0,299 0,365 0,427 0,490        0,531
                    Error measured: I arm m =        I arm m – I arm m (I field (0))
    I arm (A)       0   0,027 0,081 0,133            0,199 0,289 0,355 0,417 0,480        0,521




                                             Fig. VI6 Short- circuit test

        IMPEDANCE

We obtain the impedance of the synchronous generator from the figures mentioned before:

y  4,9536  x     Ef  4,9536  Ifield (V)                   (fig VI4)

y  0,0491  x     Iarm  0,0491  Ifield (A)               (fig VI6)

                                          Ef   4,9536
                                  Zs        =         100,88
                                         Iarm 0,0491

R measured = 2,4 Ω


                                                     16
Xs  ( Zs) 2  ( R) 2  (100,88) 2  (2,4) 2  100,85 H




          Fig. VI7 Impedance Zs, Terminal voltage Ef, amature current Iarm as function of field current


        TESTING RELATIONS CURRENTS – SPEED OF DC MOTOR (in laboratory)

     TEST 1.

     VT [V]      IA [A]     N [rpm]          Ωm            kg      Pout [W]        Vload       M [N*m]
                                           [rad/s]                                  [V]
  0             0,0         0            0,000            0,000   0,000          0,000        0,000
  20            0,5         160          1,005            0,300   1,480          0,012        1,473
  40            1,0         314          1,973            0,450   4,360          0,037        2,210
  60            1,5         483          3,035            0,600   8,941          0,053        2,946
  80            2,0         633          3,977            0,750   14,647         1,500        3,683
  100           2,8         807          5,071            0,850   21,166         20,000       4,174
  120           3,5         695          6,063            1,000   29,769         40,000       4,910
  140           4,0         1127         7,081            1,150   39,986         75,000       5,647
  160           4,8         1300         8,168            1,300   52,136         86,000       6,383
  180           5,5         1463         9,192            1,450   65,447         97,500       7,120
  200           6,0         1625         10,210           1,600   80,210         108,000      7,856

     TEST 2.

     I arm DC         I field DC     V arm DC           V field DC        Speed n           V dc supply
     [A]              [A]            [V]                [V]               [rpm]             [V]
     2,44             0,13           16,3               25,97             340               30
     2,05             0,16           25,3               32                543               37
     1,86             0,189          30,8               35,9              600               42
     1,33             0,29           59,2               57,8              835               66
     1,15             0,39           81                 79,5              902               87
     1,07             0,508          106                97,5              988               112,6
     1,06             0,62           131,4              119,1             1082              137,6
     1,06             0,75           160                144               1217              166
     1,07             0,85           185                165,7             1335              191,3
     1,12             0,98           211,4              189,8             1463              218
     1,14             1,06           230                206,2             1554              237
     1,17             1,13           247,8              221,8             1638              254,8
     1,21             1,227          268,8              240,6             1737              276,6


                                                     17
Fig. VI8 DC motor speed dependence on the armature current

        In this graphic we can see that the speed increases with increasing of the armature current. The
equation we can deduce is:




                           Fig. VI9 DC motor speed dependence on the field current

        In this graphic we can see how field current influences on the speed are highly change by the
currents. The equation we can deduce is:




        TESTING ARMATURE CURRENT INFLUENCE OF DC MOTOR ON REAL,
        REACTIVE AND APPARENT POWER OF GRID
Measured values:
   GEN         DC MOTOR                         GRID                   DC M           GEN      Dc sup
   I field    I arm  I field        P [W]      Q[VAR] S [VA]            Varm         V field   V field
     [A]        [A]    [A]                                               [V]           [V]       [V]
  0,976      3,26   0,406           46         191,64       199,3      163           120       147
  0,969      3,478  0,405           64         195          184        180           120       147
  0,961      3,959  0,403           123        152          198        136,5         120       147
  0,958      4,09   0,402           137        153          203        136           118       147
  0,932      5,31   0,395           308        68,52        320        135           117       147
  0,930      6,3    0,391           441        138          469        136           118       147
  0,924      6,77   0,389           473        134,75       500        135           112       147
  0,895      9,49   0,377           796,2      316,30       877,2      135           111       147
  0,894      9,63   0,377           800        315          857        135           116       147


                                                   18
Fig. VI10 Powers dependence on the armature current (DC motor)

         In this graphic we can see that P, Q and S are highly depend on the DC motor armature
current. The equations we can deduce are:




                                Fig. VI11 Currents dependence on real power

        In this graphic we can see that only armature current of dc motor changes with real power. The
equation we can deduce is:




        TESTING FIELD CURRENT INFLUENCE OF SYNCHRONOUS
        GENERATOR ON REAL, REACTIVE POWER, ARMATURE AND FIELD
        CURRENTS OF DC MOTOR
Measured values:
          GEN         DC MOTOR                       GRID                     DC M      GEN
          I field    I arm  I field       P [W]         Q       S [VA]        V arm    V field
            [A]        [A]    [A]                    [VAR]                      [V]      [V]
         0,945      7,05   0,387         504         71         506           134      120
         0,975      7,08   0,387         495         167        518           134      120
         0,998      7,13   0,387         491         244        550           134      122
         1,054      7,07   0,386         494         439        661           134      130
         1,098      7,08   0,385         486         612        785           134      140
         1,13       7,16   0,388         490         739        893           134      143


                                                  19
Fig. VI12 Powers dependence on the field current (synchronous generator)

       In this graphic we can see how P,Q, S depend on the generator field current. The equations we
can deduce are:




                                     Fig. VI13 Currents dependence on real power

       In this graphic we conclude that there are no changes in the DC Motor currents when the
Generator field current is changed.

       TESTING FIELD CURRENT INFLUENCE OF DC MOTOR ON REAL,
       REACTIVE POWER, ARMATURE AND FIELD CURRENTS OF DC MOTOR
       AND SYNCHRONOUS GENERATOR

Measured values:
         GEN            DC MOTOR                        GRID                   DC M            GEN
         I field       I arm  I field        P [W]        Q         S [VA]     V arm          V field
           [A]           [A]    [A]                     [VAR]                    [V]            [V]
        1,16          3,54   0,42            74         904         909        138            150
        1,158         4,4    0,398           162        887         903        134            140
        1,14          5,2    0,378           254        829         865        131            150
        1,13          6,17   0,358           353        751         824        127            150
        1,11          7,06   0,342           427        694         818        124            150
        1,10          7,8    0,32            487        647         803        121            150
        1,09          8,7    0,31            555        569         790        118            150


                                                     20
Fig. VI14 Powers dependence on the field current (DC motor)

       In this graphic we can see how P,Q, S depend on the DC motor field current. The equations
we can deduce are:




                                   Fig. VI15 Currents dependence on real power


        In this graphic we can see that only armature current of dc motor changes with real power. The
equation we can deduce is:




        AFTER THE TESTS WE TRY TO FIND THE REAL RELATIONS

                                                   120  f1                             P1
                                              n                     I arm11 
          P  K p  f1  50 Hz                      2p                          3  V1  cos 
 P                                   f                         n                                        Iarm DC MOT
                                                                        Ef1  f I arm1 

                                                                           V1          Z I
                                                                   n                  1 arm1
                                                                        K1  I field 1 K1  I field 1
                                                                                                        Ifield DC MOT


                                                          21
Q  K Q V1  400V             Ef 2  I arm 2  Z 2  V2              Ef 2  f I arm 2 
 Q                                  VG                                   EfG                              Ifield GEN
                                                 S  3 V  I



         RELATION BETWEEN P AND CURRENTS

As is shown in the fig. VI4:

E f  f ( I fieldGEN )              E f  495,36  I fieldGEN


Z GEN  100,88                      495,36  I fieldGEN  I armGEN  Z GEN  VGEN

495,36  I fieldGEN  I armGEN  100,88  VGEN                       VGEN  495,36  I fieldGEN  I armGEN 100,88

                 S
I armGEN 
               3  400


As is shown in the figure:

                                                            81, 343  I fieldGEN  367, 47
SGEN  81, 343  I fieldGEN                  I armGEN 
                                                                          3  400

I armGEN  0,1174  I fieldGEN  53,506

VGEN  495,36  I fieldGEN  11,84  I fieldGEN  53,5V

QGEN  K (VGEN  400V )

QGEN  K (495,36  I fieldGEN  11,84  I fieldGEN  53, 5V  400V )

QGEN  K (485,51  I fieldGEN  453,506V )

As is shown in the Plot n:

QGEN  139,144  I fieldGEN  108,33                     K Q  0, 2865




                                                           22
EQUATIONS AFTER OPERATIONS WITH TEST VALUES

                                                    120  f1                                       P1
                                               n                               I arm11 
             P  K p  f1  50 Hz                    2p                                    3  V1  cos 
 P                                    f                              n                                          Iarm DC MOT
                                                                                Ef1  f I arm1 

                                                                                   V1          Z I
                                                                           n                  1 arm1
                                                                                K1  I field 1 K1  I field 1
                                                                                                                Ifield DC MOT

         CONCLUSION

                                                                                                P1
                                                                             I arm11 
             P  K p  f1  50 Hz                                                       3  V1  cos 
 P                                    f                              n                                          Iarm DC MOT
                                                                                Ef1  f I arm1 

                                                                                   V1          Z I
                                                                           n                  1 arm1
                                                                                K1  I field 1 K1  I field 1
                                                                                                                Ifield DC MOT


         RELATION BETWEEN Q AND CURRENTS

As is shown in the Plot n:

E f  f ( I fieldGEN )                E f  495,36  I fieldGEN

As is shown in the Plot n

Z GEN  100,88                        495,36  I fieldGEN  I armGEN  Z GEN  VGEN

495,36  I fieldGEN  I armGEN  100,88  VGEN                       VGEN  495,36  I fieldGEN  I armGEN 100,88

                 S
I armGEN 
               3  400

As is shown in the Plot n:

                                                               81, 343  I fieldGEN  367, 47
SGEN  81, 343  I fieldGEN                    I armGEN 
                                                                           3  400

I armGEN  0,1174  I fieldGEN  53,506

VGEN  495,36  I fieldGEN  11,84  I fieldGEN  53,5V


                                                            23
QGEN  K (VGEN  400V )

QGEN  K (495,36  I fieldGEN  11,84  I fieldGEN  53, 5V  400V )

QGEN  K (485,51  I fieldGEN  453,506V )

As is shown in the Plot n:

QGEN  139,144  I fieldGEN  108,33                       K Q  0, 2865


        EQUATIONS AFTER OPERATIONS WITH TEST VALUES

                                                  S  3 V  I
          Q  K Q V1  400V                  Ef 2  I arm 2  Z 2  V2                Ef 2  f I arm 2 
 Q                                  VG                                            EfG                               Ifield GEN
      QGEN  0, 2865(VGEN  400V )       E f  11,84  I fieldGEN 53, 5V  VGEN         E f  495,36  I fieldGEN



        CONCLUSION


 Q                          QGEN  139,144  I fieldGEN  C (c  f ( P ))
                                                                                                                    Ifield GEN




                                                             24
VII. POWER ELECTRONICS SUPPLY: H- BRIDGE
         ELECTRONIC CIRCUIT

A) GENERAL FIGURE:




                         Fig. VII1Scheme of H- bridge

B) TRUTH TABLE:

       V6                        V5                        Result
       0                          0                         stop
       0                          1                       reverse
       1                          0                       forward
       1                          1                     not allowed


0       logic LOW, 0V
1       logic HIGH, 5V




                                  25
C) OPERATING PRINCIPLES:
       Forward mode:

   V6  1 -> Vce (Q 2)  0V saturated -> I c (Q 2)  I c max -> V gs (M 2)  12V ->
   Vds ( M 2)  0V saturated -> I d ( M 2)  I d max -> Vd ( M 2)  12V -> V5  0V ->
   Vce (Q1)  12V clogged -> I c (Q 2)  0 A -> V gs (M 3)  0V -> Vds ( M 3)  12V clogged ->
   I d ( M 3)  0 A -> V gs (M 4)  11V from voltage divider -> Vds ( M 4)  0V saturated ->
   Vd ( M 4)  0V -> V gs (M 1)  0V -> I d ( M 1)  0 A -> Vds ( M 1)  12V clogged, DC motor
   rotates in forward direction

       Reverse mode:

   V6  0 -> Vce (Q 2)  12V clogged-> I c (Q 2)  0 A -> V gs (M 2)  0V ->
   Vds ( M 2)  12V clogged -> I d ( M 2)  0 A -> Vd ( M 2)  0V -> V5  1V ->
   Vce (Q1)  0V saturated -> I c (Q 2)  I c max -> V gs (M 3)  12V -> Vds ( M 3)  0V saturated ->
   I d ( M 3)  I d max -> V gs (M 4)  0V -> Vds ( M 4)  12V clogged -> Vd ( M 4)  12V ->
   V gs ( M 1)  11V from voltage divider -> I d ( M 1)  I d max -> Vds ( M 1)  0V saturated, DC motor
   rotates in reverse direction

       Stop mode:

   V6  0 -> Vce (Q 2)  12V clogged-> I c (Q 2)  0 A -> V gs (M 2)  0V ->
   Vds ( M 2)  12V clogged -> I d ( M 2)  0 A -> Vd ( M 2)  0V -> V5  0V ->
   Vce (Q1)  12V clogged -> I c (Q 2)  0 A -> Vds ( M 3)  12V clogged -> I d ( M 3)  0 A ->
   Vd ( M 3)  0V M4 and M3 unpolarizated, DC motor doesn’t rotate

       Not allowed mode:

   V6  1 -> Vce (Q 2)  0V saturated -> I c (Q 2)  I c max -> V gs (M 2)  12V ->
   Vds ( M 2)  0V saturated -> I d ( M 2)  I d max -> Vd ( M 2)  12V -> V5  1V ->
   Vce (Q1)  0V saturated -> I c (Q 2)  I c max -> V gs (M 3)  12V -> Vds ( M 3)  0V saturated ->
   I d ( M 3)  I d max -> Vd ( M 3)  12V

So Transistors M1, M4 are also saturated which shorts power supply!!! Not recommended.




                                                  26
D) CHARACTERISTIC SIGNALS:

    FORWARD AND REVERSE MODE

-   control voltage signals




-   dc motors voltage and current




                                    27
STOP MODE

-   control voltage signals




-   DC motor’s voltage and current




                                     28
NOT ALLOWED MODE

-   control voltage signals




-   DC motor’s voltage and current




                                     29
E) CHOSEN INTEGRATED CIRCUIT:
         To build power electronic supply which drives each DC servomotor we have chosen IC type
L298. The l298 id is an integrated monolithic circuit. It is a high voltage, high current dual full- bridge
driver designed to accept standard TTL logic levels and drive inductive loads such as relays,
solenoids, dc and stepping motors. Two enable inputs are provided to enable or disable the device
independently of the inputs signals. The emitters of the lower transistors of each bridge are connected
together and the corresponding external terminal can be used for the connection of an external sensing
resistor. An additional supply input is provided so that the logic works at the lower voltage. The block
diagram of this circuit is as following:




                                              Fig. VII2 Block diagram



        THE TRUTH TABLE OF THIS IC AS FOLLWING:

                              Inputs                                              Function
                                              C=H; D=L                             Forward
             Ven=H                            C=L; D=H                             Reverse
                                                C=D                            Fast Motor Stop
             Ven=L                            C=X; D=X                    Free Running Motor Stop




                                                    30
PIN FUNCTIONS OF THIS IC ARE AS FOLLOWING (refer to the
block diagram):

MW. 15         Name                                     Function
                                    Between this pin and ground is connected the
  1; 15   Sense A; Sense B
                                   sense resistor to control the current of the load
                                      Outputs of the Bridge A; the current that
  2; 3       Out 1; Out 2            flows through the load connected between
                                         these two pins is monitored at pin 1
                                    Supply Voltage for the Power Output Stages.
   4             Vs                  A non- inductive 100nF capacitor must be
                                       connected between this pin and ground
  5; 7     Input 1; Input 2           TTL Compatible Inputs of the Bridge A
                                     TTL Compatible Enable Input; the L state
  6; 11   Enable A; Enable B         disables the bridge A (enable A) and/or the
                                                 bridge B (enable B)
   8            GND                                     Ground
                                       Supply Voltage for the Logic Blocks. A
   9            VSS                 100nF capacitor must be connected between
                                                 this pin and ground
 10; 12    Input 3; Input 4            TTL Compatible Inputs of the Bridge B
                                      Outputs of the Bridge B. The current that
 13; 14      Out 3; Out 4            flows through the load connected between
                                        these two pins is monitored at pin 15
    -           N. C.                               Not Connected



PIN CONNECTIONS (top view):




                            Fig. VII3 Pin connections




                                      31
TYPICAL ELECTRICAL PARAMETERS OF THIS IC:




       F)      PRACTICAL APPLICATION:

        We are able to use one piece of IC L298 to drive two servomotors. According to general ideas
of our project we have to control three servomotors. That is why we use 2 pieces of L298. On the
following scheme we present practical circuit with all necessary external elements. The scheme shows
application for only one DC servomotor, because the rest is exactly the same. As an external power
supply we use standard adjustable laboratory DC supply.




                                   Fig. VII4 Scheme of practical circuit

                                                  32
Description:

    -   the levels of control voltage signals are: L=0V, H=5V
    -   diodes D1, D2, D3, D4– reduce current spikes from motor switching, we use typical
        Schottky’s diodes type: 1N5819 40V- peak repetitive reverse voltage, 25A non-
        repetitive peak surge current
    -   capacitors which bypass power supply: C=100nF
    -   the value of Vs should respect total voltage drop on internal transistors and output
        current. Our servomotor operates at 12V and 60mA. So lets take maximum voltage
        drop as 1V, so Vs~13V, Vss=5V
    -   we don’t use sensing output
    -   to enable circuit Enable input is H
    -   each unused input called NC is connected to GND
    -   each unused output is connected to GND through 10MΩ resistor
    -   control voltage wire connections are as short as possible to avoid parasite induction

        G)     H- BRIDGE’S TEST:




                                         Fig. VII5 H- Bridghe’s tests

        Tests confirmed that H- Bridge was a good idea to use in our project to control the motor. In
the pictures above we can see two situations: when the motor is turning in right way- green diode
shows that and when the motor is turning in opposite way- red diode.



                                                 33
VIII. HEX BUFFER (NON- INVERTING) CD 4010C

         In our project we used the buffer in front of the H – bridge, because higher current
productivity was needed to drive bridge properly (on the inputs of circuit L298 are placed bipolar
transistors that demand certain level of gate current, microprocessor can’t provide enough current to
activate H- Bridge). As the buffer we used CMOS 4010 integrated circuit.

        General Description

    The CD 4010 C hex buffer is monolithic complementary MOS integrated circuit. The N- and P-
channel enhancement mode transistors provide a symmetrical circuit with output swings essentially
equal to the supply voltage. This results in high noise immunity over a wide supply voltage range. No
DC power other than that caused by leakage current is consumed during static conditions. The gates
may be used as hex buffers, CMOS to DTL or TTL interface or as CMOS current drivers. Conversion
ranges are from 3V to 15V providing Vcc ≤ Vdd. The device also has buffered outputs which improve
transfer characteristics by providing very high gain.

        Features

               Wide supply voltage range: 3V to 15V
               Low power typ.100nW
               High noise immunity
               High current sinking capability: min 8mA at V0=0,5V and Vdd=10V

        Applications

               Industrial control
               Automotive
               Data terminals
               Medical electronics
               Remote metering
               Computers
               Alarm systems
               Instrumentation




                           Fig. VIII1 Connection and schematic diagrams




                                                 34
Fig. VIII2 Typical application

Absolute maximum ratings (limits beyond which damage to the device may occur):

      Voltage at any pin Vss –0,3V to Vss +15,5V
      Operating temperature range -45°C to +85°C
      Power dissipation (Pd)
      Dual- In- Line 700mW
      Small Outline 500mW
      Lead temperature Tl (soldering, 10s) 260°C
      Operating Range (Vdd) Vss +3V to Vss +15V




                                        35
IX. DC- DC CONVERTER
                DC - DC converter allows us regulate dc power supply of the servomotors. This circuit
        provides greater output current than the input current that we need to drive the servomotors.

                  VCC



                 Q1     Q2     Q3   high power and high current
control signal                      gain transistors




                                         L1


                                                           M
                                                  C1           S1
                                    D1




                                          Fig. IX1 DC- DC Converter (S1 => DC motor)

                We used DC- DC converter to increase the output current coming from H- Bridge using high
        power transistors. So now we are able to use the power supply to provide the current for servomotors.
        This system can operate with very small input currents, so we can regulate heat on the H-bridge by
        regulating the current on output. Transistors will do all the work in that system.

                 To minimize the ripple on output we can use a low- pass filter. The only thing we have to do is
        to assume the minimum frequency of the signal applied to input to control the servo motors. Our goal
        is to build a filter that has a low resonance frequency lower than the minimum frequency that we can
        generate from the microcontroller.

                We used C = 470µF , L = 28,8µH for filter circuit in our test experiment. The test has shown
        that we can easily drive a motor that needs 1,6A of the starting current. We can control also the speed
        of motor changing the duty cycle of the input signal (the test signal was a square signal with Vpp=5V
        and Voffset=5V to be able to use transistor correctly).
                Another possibility was to use DC- DC converter alone to control DC servomotors by
        changing the duty cycle with microcontroller, but using an H- Bridge makes it easier to work with
        servomotors and control the generator.

                 Driving motor in both two ways

                We encountered a small problem in this type of controlling. The problem was to drive the
        motor in both ways forward and backward. We overcame this problem with something like a dual DC-
        DC converter (figure VIII2). Both DC- DC converters should be driven by two independent voltage
        otherwise ground will be a big problem that will cause a fatal error in circuit by equalizing both plus
        and minus nodes of servomotor and stopping the motor.




                                                          36
control signal
                                         high power and high current                      Q4     Q5         Q6
                   Q1     Q2      Q3                                                                                 U1
control signal                           gain transistors




                                                                                   V2

 V1                                                              D1
                                                L1




                                                                               M
                                                          C1                       S1

                                                                                          D2           L2



                                                 Fig. IX2 Dual DC- DC Converter

                 This system will make possible to drive also bigger motors by such low current electronic
      devices.

                 Example of calculating the minimum value of circuit inductance:

      Vd  5V , V0  12V assuming e.g. fs = 20kHz, I0 = 1A, C = 470µF and the ideal circuit components

                                                     V0 12            1
                                                            2,4V 
                                                     Vd   5          1 D

                                                           D  0,58  0,6

                                                                  1
                                                          Ts         50s
                                                                  fs
                                             TsV0
                                         I0       D (1  D) 2 (Boundary mode)
                                              2L
                                                  TV
                                           Lmin  s 0  D (1  D) 2  28,8H
                                                  2 I 0b

                               THE FORMULA FOR RESONANCE FREQUENCY

                                           1                               1
                               f res                                                     1,37 kHz
                                         2 LC           2 28,8  10  6  470  10 6

              In the experiment we calculated the resonance frequency to build the filter. That frequency
      should be lower than possible applied frequency range to the input of dc-dc converter.




                                                                      37
X.      SERVOMOTOR- MAXON DC MOTOR
       Knowledge about basic servomotor features allows us design electronic device properly
(H–Bridge and DC- DC converter as well).




                                         Fig. X1 Maxon DC motor




                                         Fig. X2 Operating ranges

, whre n– speed, M– torque, I– current




                                           Fig. X3 Short term operation

                                                     38
, where:

ON- Motor in operation
OFF- Motor inoperative
Î- max. peak current
Ipermiss.- max. permissible continuous current
Ton- ON time
T- cycle time ton + toff
D- Duty cykle in percent

           Important parameters of the motor:

          power rating (reccomended uotput power range) P [W]
          nominal voltage U [V]
          no load speed n0 [rpm] (motor turns at nominal voltage without speed, speed is proportional to
           applied voltage)
          starting torque M [mNm]
          speed / torque gradient Δn / ΔM [rpm/mNm] (calculating at 25°C winding temperature)
          no load current I0 [mA] – (depends on brush and gearing friction)
          starting current Ia [mA] - proportional to starting torque
          terminal resistance R [Ω] (at 25°C, determines starting current)
          maximum permissible speed nmax [rpm]
          maximum permissible continuous current Ipermiss [mA] (operating motor continuosly at
           25°C)
          max permissible continuous torque Mperm [mNm]
          max output power Pmax [mW] (at 25°C rotor temperature)
          max efficiency η [%] (the higher efficiency - nearer to no load speed)
          torque constant Km [mNm/A]
          speed constant Kn [rpm/V]
          mechanical time constant τm [ms] (the time required the motor to accelerate from standstill to
           63% of its no load speed, after 4τ rotor will reach 99% of no load speed)
          moment of interia Jr [gcm2]
          terminal inductance L [mH] (measured at 1kHz, sinusoidal.)
          thermal resistance Rth [K/W] (from housing to ambient air)




                                       Fig. X4 Motor parameters

                                                    39
XI. MICROCONTROLLER
        The ADMC401 processor board is intended as a compact, highly integrated evaluation and
software development platform for the ADMC401 controller. The processor board permits access
through a UART connection to the Motion Control Debugger software that operates under Windows.
The Motion Control Debugger is used to download executable code, examine the contents of registers,
program memory and data memory, run executable modules, set breakpoints and enable single- step
operation.

         In our project we have 3 electronic bridges. Each of them needs two PWM signals so
eventually the project requires using six PWM signals. The ADMC401 Analog devices equipment has
this possibility.
         In this part of our report we are wondering about performance of the microcontroller and also
trying to find out suitable source code.

        Power supply requirements

   The ADMS401 processor board contains a 4- way terminal block for connection of external power
supplies. For correct operation, the following supplies were required:

               +5V ± 5%, 300 mA (VDD)
               +5V ± 5%, 30 mA (+AVDD)
               -5V ± 5%, 30 mA (-AVDD)
               Ground

        The VDD supply powers the digital logic circuits of the processor board, including the
ADMC401 controller. In addition, it is used as the analog voltage supply of the ADMC401 and as the
input to the dc- dc converter that provides the isolated supply for the UART interface. The processor
board is laid out with separate analog and digital ground planes that are connected by a link (JP2)
close to the power supply terminal block for noise immunity. This link should not be removed. An
LED on the processor board indicated correct connection of the VDD supply. The +AVDD and
–AVDD supplies power the operational amplifiers used in the analog interface section. These
amplifiers correctly offset the analog inputs to the board for interface to the ADC inputs of the
ADMC401. Appropriate decoupling capacitors are provided on the processor board for all three power
supply inputs (VDD, +AVDD and –AVDD) to reduce noise coupling from the external power
supplies. However, for best performance, well- regulated external power supplies and correct wiring
are recommended.




                       Fig. XI1 Power supply connector of ADMC401 processor board




                                                 40
A) THE SINGLE UPDATE MODE AND DOUBLE UPDATE MODE
         The PWM generation Unit of ADMC401 can be programmed to operate in two distinct
operating modes: single update mode or double update mode. We will be using the second one,
because it gives for us more capabilities. This mode is enabled by setting bit 6 of the MODECTRL
register. The performance and capability of double update mode are as a following:

        The switching period is controlled by the PWMTM register according to:

                                         Ts = 2*PWMTM * tck

, where tck is the DSP clock rate (38.5 ns at a 26 MHz CLKOUT rate)

        The moments of interrupt are given by the PWMSYNC signal. It is produced by the internal
        PWM Generation Unit every:
                                     Tsync = PWMTM * tck

The width of PWMSYNC pulse is still controlled by the PWMSYNCWT register. As we can see,
moments of interrupts appear twice per switching period. After that microprocessor reads new duty
cycles values from suitable registers. PWMSYNC interrupt is generated within the ADMC401 by the
rising edge of signal. The PWMSYNC pulse is produced on the dedicated PWMSYNC pin.

         New duty cycle’s values can be written to the PWMCHA, PWMCHB, PWMCHC registers
twice per switching period. This means that different values can be used to control both the rising edge
and falling edge of each PWM signal.

       In addition, it is also possible to update all other registers of the PWM (PWMTM, PWMDT,
PWMPD, PMWSEG, PWMGATE, and PWMSYNCWT) at a rate of twice that of the switching
frequency. If these registers are not updated, the same value is applied continuously.

        The bit 3 of SYSSTAT register (0 or 1) indicates half of duty cycles. When this bit is cleared,
the timer decrements each DSP clock period (tck) until it reaches zero. When we set this bit, the timer
is incrementing and the SYSSTAT signal is generated.

        The duty cycle’ values can be also programmed by using of PWMDT register. DT means dead
time and it indicates shift between edges of two PWM signals. DT switches edges away from the
desired point by an equal amount.

         PWMTRIP allows shutting down the microcontroller immediately. It is possible when we
change 1 to 0. At this moment also the PWMSYNC pulses are switched off. The bit 1 of SYSSTAT
register contains information about configuration of PWMTRIP.

        Using of double update mode ensures some advantages:

        It produces lower harmonic distortion than symmetrical pattern in single update mode. In other
words, our signals on the outputs are more similar in theoretical meaning.

        The symmetrical PWM schemes can be also shown to produce small frequency distortions at
multiples of the fundamental output frequency. With the asymmetrical switching frequency schemes
(produced using double update mode) can be shown that no such harmonic can be produced.

        It is also possible to update the applied voltage to the motor twice as fast as with single update
mode.




                                                   41
Disadvantage of using the double update mode:

        The only disadvantage in double update mode is that the complete control law must be
computed within half a switching period. However, the power of the DSP core of the ADMC401
provides sufficiently fast and efficient processing that the computational burden of double update
mode can be handled adequately.

    In case of double update mode it is possible to calculate ton and duty cycles value.




                                       Fig. XI2 Switching periods

    1. The on-times can be expressed as:

  TAH  ( PWMCHA1  PWMCHA 2  PWMDT1  PWMDT 2 )  tCK
  TAL  ( PWMTM 1  PWMTM 2  PWMCHA1  WPMCHA 2  PWMDT1  PWMDT 2 )  tCK
    2. Duty-cycle can be expressed as:

             TAH PWMCHA1  PWMCHA 2  PWMDT1  PWMDT 2
    d AH       
             TS           PWMTM 1  PWMTM 2
             TAL PWMTM 1  PWMTM 2  PWMCHA1  WPMCHA 2  PWMDT1  PWMDT 2
    d AL       
             TS                      PWMTM 1  PWMTM 2

         Regardless of operation mode selection each of the six PWM outputs signals can be enabled or
disabled by separate output enable bits of the PWMSEG register. It is also possible by using
PWMPOL pin. It can be used to select the polarity of the PWM signals so either active high or active
low PWM patterns can be produced by the ADMC401.
         The operation during start-up will be somewhat different depending on whether or not the
PWMTM register is the first PWM register that is written. If the PWMTM register is written first (we
will use this option), the PWM timer begin incrementing from zero to the PWMTM values. This
actually corresponds to second half cycle of the PWM. During this time, the PWM unit is in the
disable state and all six PWM outputs are OFF. Provided the PWMCHA, PWMCHB and PWMCHC
registers have all been written to at the time the PWM-timer reaches the PWMTM value, the first
internal load signal will then be generated when the PWM timer reaches the PWMTM value. At this
point the PWM generation unit enters the normal state and the new values are latched into the
PWMCHA, PWMCHB and PWMCHC registers. However the PWMSYNC pulse is generated at this


                                                   42
first load signal. The values written to the PWMCHA, PWMCHB and PWMCHC registers (in
conjunction with the other PWM registers such as PWMDT, PWMPD, PWMSEG, PWMGATE
registers) define the outputs during next half cycle (in double update mode). The appearance of the
first PWMSYNC pulse (and associated interrupt) will occur at the end of the first half cycle of PWM
when the PWMTM reaches zero. The second PWMSYNC pulse will occur at the second cycle of
PWM when the PWMTM reaches zero. This situation will be repeating cyclically.

    B) GENERAL RELATIONS AMONG DIFFERENT FILES, WHICH
       DOUBLE UPDATE PROGRAM CONSIST OF
         main.dsp => this file is the actual implementation of the application. Therefore it contains at
least the starting point of the program. It must be located in the current working directory. This file
refers to set of header files (*.h). It contains initialisation functions and code which is intended to
demonstrate the use of particular set of library routines.

        main.h => this file contains definition of specific system constant and system parameters,
configuration constants. All these constants are used by library routines. This file refers to header files
with general ADMC401 constants and some of macro definitions.

        ADMC401.h => this file includes important ADMC401 constants with addresses assigned to
this constant.

        macro.h => it contains definitions of some macros for commonly needed tasks.

         PWM401.h => it is the part of implementation of PWM401 routine program. There are macros
definitions, variable definition which can be used by each module that refers to this file.

         PWM401.dsp => the purpose of this code file is the implementation of subroutines and
definitions log global and local variables.



                                   Tree of the above structure:


                                               Main.dsp



                                                                        PWM401.h
                        main.h


                                                                        PWM401.h


  macro.h                     ADMD401.h



                                                                subroutines:PWM_INIT



                               Fig. XI3 Structure of the double update program


                                                    43
Also provided are some other files which are either necessary to assembler/linker [architecture
files (ADMCxxx.ach, ADMCxxx.sys) register definition (ADMCxxx.h)] or useful for code
development [general purpose macros (macro.h), definition of routines included in the ROM of the
device (romutil.h) ,where applicable].

        Compilation process

        The batch file that compiles and links the application is called make.bat. It must be located in
the current working directory. In order to work correctly, the path of the Root_Directory is expected as
the input parameter.
        Every code files is then assembled and linked. If no errors are found, the ADMCxxx
executable file main.exe is created and short informs of correct compilation. Firstly, the user`s code is
assembled with to a call to ams21.The second task is to compile all the library routines and packing
them into a 21xx library file. If the available program memory allows for it, this section may be
unchanged. If due to memory constraints unused library routines need to be excluded, the user may
remove them by simply removing the corresponding library file in the statement invoking. At last the
assembled object files are linked by the statement invoking LD21. Every user file must be listed in the
following line, where FILENAMEx is the name of the object file (without extension, i.e. MAIN) to be
linked .The library is linked automatically with the– user switch.

    C) PWMCH values calculation to update duty cycles
        Each of generated PWM signals has its own duty cycle. It can be updated using following
macro. The resultant values are computed as an actual value of PWMTM register multiplied by
desired duty cycle for each channel (expressed as hexadecimal variables set from external software i.e.
Lab View through SPORT- serial port). These hexadecimal variables we declare as circular data
buffers which will be explained in the next paragraph. In the end the resultant values are converted
into PWMCHA, PWMCHC and PWMCHC registers.

        The general formula of this macro is as following:




PWMT initial value is defined in admc401.h file:
.CONST PWMTM = 0x2008;                {PWM timer register}

    D) Data Buffer declaration
         We will declare data buffer as 3– element length circular buffer, each word is written down on
10 bits (in binary notation). Circular buffer can be located in certain boundaries in memory. It has to
start at a base address which is multiplied of 2n, where n is number of bits required to represent the
buffer length in binary notation. The “n” has to satisfy following formula:

                                             2 21  L  2 n

, where L is the length of the buffer

        So in our case L=3, in binary 3=>11 so we have got n=2 bits. We round upward the L value to
the closest power of 2, that’s why base address will be assigned by linker as a*22=4a for example it



                                                   44
will be 8. The 2 least significant bits will be set as 0 (because length of buffer in binary is presented on
2 bits)
                                        Base address=XXXXXX00

And whole buffer address can be presented as:

                                     XXXXXX00 – first element (base)
                                       XXXXXX01 – second element
                                       XXXXXX10 – third element

Next address inside buffer – calculation principle

The way how the next address is derived can be stated as follows:

                                   Next address=(I+M-B)Modulo(L)+B
, where:

          I -> current address
          M -> modify value (signed)
          B -> base address
          L -> buffer length
          M+I -> modified address
          Modulo division returns a change from division

In our case at the beginning was: I0=8, B=8, M0=1, L0=3, then:

(I0+M0-B)Modulo(L0)+B=(8+1-8)mod(3)+8=1+8=9; now I0=9 =>
(9+1-8)mod(3)+8=2+8=10;
(10+1-8)mod(3)+8=0+8=8;
(8+1-8)mod(3)+8=9;
…………..

This generates following address sequence for the elements in our data buffer:
(8,9,10,8,9,10,8,9,10,8…….and so on)


           Final declaration of our buffer can be stated as following:

                                       .VAR/DM/RAM/CIRC dt[3];
                                             .GLOBAL dt;

                     L0=%dt; {length of circular buffer is assigned to L0 register}
                      I0=^dt; {start address of buffer is loaded into I0 register}
                     M0=1; {reading buffer by increment location of 1 each time}

, where L0, I0, M0 are DAG index registers; L – buffer length register used to read and wraparound
the buffer; I – index register indicates memory location; M – increment register.

These registers are used to access buffer in code.

        To make buffer possible to invoke from main.dsp program we have to add special “GLOBAL”
directive below the main declaration and also define it as “EXTERNAL” in main.dsp.
        Now we are able to declare our “dt” buffer as a global variable in PWM401.h file. Part of
resultant listing from this file is:



                                                      45
Fig. XI4 Fragment of the microcontroller’s


   E) SPORT usage
        We use SPORT serial port as our data input from external Lab View software. ADMC401 has
two synchronous serial port called SPORT0 and SPORT1. We choose one of them to transfer data
from the outside: SPORT1.

Each SPORT has a five-pin interface:

       SCLK – serial clock
       RFS – receive frame synchronization
       TFS – transmit frame synchronization
       DR – serial data receive
       DT – serial data transmit

    SPORT can receive and transmit data simultaneously (DR, DT), the bits are synchronous to the
serial clock SCLK usually generated internally by processor. Frame synchronization signals RFS and
TFS are used to indicate the beginning of a serial data word or stream of serial words.

Additional important feature of SPORT:

         support serial data word of length from 3 to 16 bits
         using DAG registers- SPORT can automatically receive and transmit an entire circular buffer
with rate one word per cycle, this transfer is automatic and does not need additional programming

       To configure SPORT we have to set proper bits and field values in its configuration registers
which are memory mapped. Following the most important control registers are distinguished:



                                                  46
0x3FF6 – control register of multichannel mode, serial clock, frame synchronization,
        companding mode, serial word length
         0x3FF5 –data transfer frequency determination
         0x3FF4 – frame synchronization frequency of receiving
         0x3FF3 – autobuffering control register

Furthermore each SPORT has receive registers RX0, RX1 and transmit registers TX0, TX1 which are
not memory mapped, but are identified by assembler mnemonics.

         To initialize SPORT configuration we choose direct method which simply assign immediate
data to proper register. For example:

        AX0=0x6B27; {the contents of AX0 are written to the register of address 0x3FF2}
        DM(0x3FF2)=AX0

a) SPORT1 enable, Boot Wait States and Program Memory States enable
To enable we set bits number 12, 4 3, 2, 1, 0 of register 0x3FFF.

b) SPORT1 serial clock enable
To enable internal SCLK clock signal for SPORT1 we set 14-th bit of register 0x3FF6. Frame sync
signal needs to have frequency of 60 kHz. That is because changes in CHA, CHB and CHC registers
are made according to PWMSYNC signal twice per PWM period with freq of 20 kHz. Hence SPORT
has to read out all three data words from Lab View until PWMSYNC interrupt occur. To adjust frame
sync signal freq we modify the value of RFSDIV modulus which can be calculated as:

                                  RFSDIV=(SCLK freq/ RFS freq) – 1

Then, we have: SCLK freq=2.048 MHz, RFS freq=60 kHz=0.06 MHz => RFSDIV=34-1=33,
We put value “33” in decimal into register 0x3FF4;

c) Choice of serial word length for SPORT1
To set the number of bits of serial word as 10- bit we modify the value of SLEN field in 0x3FF6
control register. SERIAL WORD LENGTH=SLEN+ 1 and SLEN=9 (1001 in binary) => SWL=10 bit.
SLEN value is written binary on 4 least significant bits in 0x3FF6 register.

d) Enable frame synchronization for receiving mode
We set 13-th bit of register 0x3FF6 to enable RFS data synchronization.

e) Setting frame synchronization signal for receiving mode
We set 8-th bit as 0 in register 0x3FF6 to enable IRFS - externally generated frame sync signal. Now
the external data software (Lab View) controls the data transmission and reception. The SPORT1 will
wait for receiving frame sync before receiving data.

f) Enable the normal framing mode
We set 12- bit as 0 in 0x3FF6 register to enable normal framing mode for receiving data. If frame sync
signal is detected at the falling edge of SCLK clock signal, on the next falling edge of SCLK signal
data is latched on and entire word is captured. After that the next detection of frame signal is made.

h) Choice of frame sync signal polarity
We set 6-th bit as 0 in register 0x3FF6 so that frame sync signal is active high.

i) Data µ- law data companding
This is the process of logarithmically encoding and decoding data to minimize the number of bits that
must be sent. We set bits number 5 as 1 and bit number 4 as 0 in 0x3FF6 register.


                                                   47
j) Multichannel mode disables 15-th bit of 0x3FF6 register as 0.

k) Disable the transmit frame sync required and width by setting bits number 11, 10 as 0 in
register 0x3FF6.

l) Disable internal transmit frame sync by setting 7-th bit of 0x3FF6 register as 0.

{SPORT1 initialization code}

AX0=33;
DM(0x3FF4)=AX0; {frame sync divide modulus =33, frame sync signal frequency of 60kHz}

AX0=2;
DM(0x3FF5)=AX0; { SCLK clock frequency set as 2.048MHz}

AX0=0x6129; {in binary notation 0110000100101001}

DM(0x3FF6)=AX0; {internal SCLK clock, 10 – bit of word length, frame synchronization at start of
every data word, internal IRFS signal, normal framing mode, frame sync signal active high, mu – law
10-bit data compounding}

IFC=0x1E; {clears any extraneous SPORT interrupts}
INCTL=0; {interrupts nesting disabled}

AX0=0x101F; {in binary notation 0001000000011111}
DM(0x3FF)=AX0 {SPORT1 enabled, Bwait and Pwait enabled}

IMASK=0x1E; {SPORT1 interrupts are enabled)


This SPORT1 initialization we locate in main.dsp file.

    F) FINAL PROGRAM
        After circular buffer declaration and SPORT initialization we are able to assign data received
through SPORT to declared buffer and use it in our macro, which calculates values for PWMCHA,
PWMCHB and PWMCHC registers. It can be done simply using RX0 register of SPORT1. Despite of
the highest priority of IRQ2 interrupts which are used by PWSYNC_ISR routine, we are able to
acquire and transfer to buffer all three data words through SPORT1 until IRQ2 interrupt occurs
because of adjusted frame sync signal frequency (it was described in previous paragraph) and resultant
SPORT interrupts.

Startup:

        PWM_Init(PWMSYNC_ISR, PWMTRIP_ISR);
        Set_Bit_DM(MODECTRL, 6);           {Sets into Double Update Mode}

        IFC = 0x80;                                      {Clears any pending IRQ2 inter.}
        ay0 = 0x200;                                     {unmask irq2 interrupts.}
        ar = IMASK;
        ar = ar or ay0;
        IMASK = ar;                                      {IRQ2 ints fully enabled here}




                                                 48
Main:                                                   {Waits for interrupt to occur}
        jump Main;

        rts;


AY0=RX0;                                       {content of RX0 register is transferred to AY0}

DM(I0,M0)=AY0; {loads AY0 value to current location in “dt” global buffer, it is described by
               current values of I0 and M0 registers}
rti;           {goes back to main program and waist for next SPORT interrupt}

{PWM Interrupts Service Routine}

PWMSYNC_ISR:
    Test_Bit_DM(SYSSTAT, 3);
    if_Set_Jump(Second_Halve);

      PWM_update_DutyCycles(DM(I0,M0),DM(I0+1,M0),DM(I0+2,M0));
              rti;
Second_Halve:
              PWM_update_DutyCycles(DM(I0,M0),DM(I0+1,M0),DM(I0+2,M0));
              rti;


   G) MICROPROCESSOR’S CONFIGURATION AND TESTS




                                     Fig. XI5 Microprocessor’s tests


        Tests went well. We were able to check program, connections, possibilities and finally send
our code to microprocessor.


                                                 49
XII. TRANSDUCER
        To control the proper working of our machinery we need to check the output values as they
come. The best solution is to use some kind of transducer which will be take values and then send to
the external device, in our case to LabVIEW via NI- USB 6008 converter.
        We could use a few different models of transducer, but finally we used two DEIF transducers
from Danish company.

       A transducer is an electronic device that converts energy from one form to another.

       Used transducers:

         The TAS- 331DG is a micro- controller based AC- transducer with 1 analog output for
measurement of power or reactive power on an AC- network. This transducer can be delivered pre-
configured to the desired measuring value and range or it can be delivered un- configured for customer
configuration through the PC- interface. The PC- configuration makes free adjustment of the full input
range and output range possible without any mechanical settings or adjustments inside the transducer.
TAS- 331DG can be configured as a normal linear transducer or with up to three slopes giving the
possibility for a higher resolution in one or two ranges of the measurement.

       TAS- 311DG is a micro- controller based AC- transducer with 1 analog output for
measurement of RMS- voltages, RMS- current, phase angle or frequency on an AC- network.

Because we wanted to use National Instrument device NI- USB 6008 converter we had to choose
some kind of transducers which have on the output analog voltage range.




                             Fig. XII1 Transducers: TAS- 311DG, TAS- 331DG




                                                 50
Fig. XII2 Equipment in the laboratory. MIQ96 (upper) and TAS- 331DG (lower)

Connections diagrams:




                    Fig. XII3 Connection diagram of TAS- 331DG




                                        51
Fig. XII4 Connections diagrams of TAS- 311DG

Thanks to these two transducers we are able to measure active/reactive power from the TAS- 331DG
and RMS voltage/frequency from the TAS- 311DG. Unfortunately we could not measure all these four
parameters in the same time. It is a huge difficulty. Better solution will be using MTR-1:




                                     Fig. XII5 MTR- 1 multi- line transducer

        The MTR-1 multi transducer is a microprocessor- based measuring unit providing
measurement of all electrical values on a single phase or 3- phase network, showing the measurements
on the built- in display and transmitting these also as the 3 analog outputs. This transducer can replace
several transducers in all electrical measuring applications, and can be applied both as a normal
transducer, where the analog output is connected to a local control system, and as a remote value



                                                   52
reading unit, where all measured values are transmitted to the remote control via the serial interface
(RS-232).
        Each of the 3 analog outputs can be programmed to represent any of the possible
measurements, and the output signal can be programmed to the required scaling and type.




                            Fig. XII6 Principle diagram of connecting MTR- 1




                        Fig. XII7 Connection of 2W4, 3- phase network, 4- wire unbalanced




                                         Fig. XII8 Terminal overview

        Efficiency is an important consideration in any transducer. Transducer efficiency is defined as
the ratio of the power output in the desired form to the total power input. Mathematically, if P
represents the total power input and Q represents the power output in the desired form, then the
efficiency E, as a ratio between 0 and 1, is given by:



                                                   53
E = Q/P

If E% represents the efficiency as a percentage, then:

                                              E% = 100Q/P

       No transducer is 100-percent efficient; some power is always lost in the conversion process.
Usually this loss is manifested in the form of heat. Some antennas approach 100-percent efficiency.

        MTR- 1 is based on a modern digital signal processing platform, where all current and voltage
signals are digitally sampled and all measured values are calculated from the sampled signals. This
ensured a very accurate measuring system, which also measures harmonics in voltage, current and
power. MTR- 1 will measure up to 500 Hz (10th harmonic of a 50 Hz system). From 500 Hz to 2600
Hz (52nd harmonic of a 50 Hz system) MTR- 1 will measure the harmonics in the signal with slightly
reduced accuracy.

        The digital measuring principle will also give a faster response compare to conventional
analog systems. All measuring signals will be updated for every period 20 ms@50 Hz.

        All voltages and currents are calculated as true RMS values by the formula:

                                                   N                     N
                                                           2                    2
                                                  u
                                                   n 1
                                                           n             i
                                                                         n 1
                                                                                n
                                       U RMS                  I RMS 
                                                       N                   N

, where u n and in are the sampled values and N is the number of samples during one period of the
input signal

        In the same way the active power P is defined as:

                                                   N
                                                       u n  in
                                             P
                                                  n 1    N

, where N is the number of samples during the latest period of the voltage input signal

        Unfortunately, we could not use this kind of transducer because on the analog output we can
get only values expressed in current. It could be perfect solution (MTR-1 sends even 3 analog
parameters), but we would need something instead of NI USB- 6008 to convert data. NI can only read
voltage on the input. We have to know that this kind of equipment is only a basic solution.
Possibilities of this box are limited.

       In many modern applications we get values expressed in current than in voltage. We usually
can choose the range of working from 0 to 20 or from 4 to 20. The last choice is more desirable
because when we have 0 on the screen we could not be sure if it means that it is measured zero or
maybe there is some problem with equipment which was not connected properly.

        Connections diagrams:

Another better solution could be mentioned MIQ96 and serial communication, but we were not able to
use that because of the problem with cable which could not work with RS-485 protocol.



                                                   54
DEIF’s SOFTWARE
       By using DEIF’s software we were able to program analog outputs to get proper data. Output
range was programmed from 0 to10V.




                            Fig. XII9 Software to get data from transducer




                                                 55
XIII. LabVIEW- CONTROL APPLICATION
        Like www.ni.com says: “For 20 years, engineers and scientists have been using National
Instruments LabVIEW, a powerful graphical development environment, for signal acquisition,
measurement analysis, and data presentation. LabVIEW also provides the flexibility of a programming
language without the complexity of traditional development tools”. That is way we also decided to use
this wealthy tool to get to know how in the real life that such of work with LabVIEW looks like. How
exactly this tool is powerful? Trying to learn how to think in imaginatively way to present our ideas on
the screen in the form of code of LabVIEW. To bring closer to subject matter which automation in
industry is.

         On the beginning we started to think, what the purposes are, what exactly our program should
do, what we want to measure, how our front panel should looks like. But the most important thing was
to start with that maybe on the beginning difficult program. We think that we managed to take steps to
our preconditions.

        Lab view is combination of two integrated “files”: front panel which consist of controls and
indicators, which are the interactive input and output terminals of the VI, respectively. Controls are
knobs, push buttons, dials, and other input mechanisms. Indicators are graphs, LEDs, and other output
displays. Controls simulate instrument input mechanisms and supply data to the block diagram of the
VI. Indicators simulate instrument output mechanisms and display data the block diagram acquires or
generates. The second “file” is block diagram. After when we build the front panel, we add code using
graphical representations of functions to control the front panel objects. The block diagram contains
this graphical source code, also known as G code or block diagram code. Front panel objects appear as
terminals on the block diagram.




                                    Fig. XIII1 Front panel and block diagram




                                                  56
FRONT PANEL




                                          Fig. XIII2 Front panel


        The first task was to design front panel which will be transparent and easy to work with it. We
placed Vertical Toggle Switch to stop measurement in accurate moment. Below we have three meters
which will be measure for us Voltage, Real power and Reactive power. We add also one gauge to
check frequency. Adding Numeric Indicator we can observe exact value which have significant role in
our project, because unless we obtain 50Hz, we would not work in synchronism.




                                                  57
BLOCK DIAGRAM




  Fig. XIII3 Block diagram
        58
To explain what the code means would not be so easy. Let is start from the block DAQ Assistant. This
block represents equipment from National Instruments NI USB-6008.




                                          Fig. XIII4 NI USB-6008

        This instrument provides basic data acquisition functionality for applications such as simple data
logging, portable measurements, and academic lab experiments. It is affordable for student use, but
powerful enough for more sophisticated measurement applications. It included ready-to-run data logger
software to begin taking basic measurements, or program it using LabVIEW or C and the included NI-
DAQmx Base measurement services software for a custom measurement system.



       The most significant features:

        12 or 14-bit input resolution, at up to 48kS/s
        Built- in, removable connectors for easier and more cost- effective connectivity
        2 true DAC analog outputs for accurate output signals
        12 digital I/O lines (TTL/LVTTL/CMOS)
        32- bit event counter



         We used four analog inputs from mentioned equipment (ai0, ai1, ai2, ai3). Where, in all of them
we measure voltage. It could be puzzling how we could measure e.g. power in Volts. The answer is easy;
our pre-equipment (transducer from Danish company- DEIF) measures values in real units and converts
into Volts. The range is changed as well. Analog inputs of NI USB- 6008 have own durability (20V). We
could not increase this level, because we can burn out converter. Fortunately LabVIEW has built-in
transfer function, so even if we take Volts we can observe all measurement in real values and units.




                                                   59
Fig. XIII5 Converting data from Volts into Watts in appropriate scale

         Next blocks which were used after DAQ assistant blocks were Collector and Statistics. Task of
Collector is to collect input signals and returns the most recent data, up to the specified maximum number
of samples per channel. When we call this Express VI repeatedly and the Express VI reaches the
maximum number of samples per channel, the Express VI discards the oldest data and adds the newest
data to the collected samples. For example if we established to collect thousand samples in means that the
next block will calculate arithmetic mean from this thousand values and give the final result. This method
can protect against spikes or unstable values.




                                  Fig. XIII6 Collector and Statistics blocks

       Thanks to block Write LabVIEW Measurement File Express VI we can store the data acquired
from DAQ device, but this data after mathematical processing. It can help us to check how the values
were changing during the measurement.




                                  Fig. XIII7 Write to measurement file block




                                                     60
When is the problem with acquiring data from DAQ device or the Vertical Toggle Switch was
switched, the structure below will stop everything, protecting against having incomplete data if one or
two devices do not work properly or simply if we want to interrupt our measurement.




                      Fig. XIII8 Unbundle by name, compound arithmetic- or, loop condition- stop.
        Another structure which was used in our block diagram is compare structure. It is really helpful if
we want to decide what the program should do when the measured value is higher or lower than the
desirable value.




                        Fig. XIII9 Compare structure with Case Structure. Analog solution

        Our second idea was to use DAQ assistant which will be sending value to the analog output
depending on the ending conditions. If the output voltage would be lower than 400V DAQ assistant
would take value from the ground 0V output and send this value on the analog output 1, while if the value
was higher, device would send 5V from the stable output to analog output 2 and additionally would send
some beep noise to warn against to high value. Unfortunately this kind of solution is not right because to
control machine we need smooth range from 0 to 5V, not only this to extreme values. Using NI USB-
6008 we are not able to be up to this.




                          Fig. XIII10Linking inputs with outputs to solve the problem
                                                     61
If we are not able to send analog values we decided to send digital values, but this time not to use NI-
USB 6008 converter, because it has only 12- bits digital output.

       Our new idea was to use NI- USB only to observe behavior of the machine and use
microcontroller’s D/A converter to send hexadecimal values which will be changing the duty cycle in
PWM signal.

       We came back to our first idea with using RS-232 protocol and serial interface to exchange data
between computer and microcontroller. In datasheets is written:




Solution is showed in the pictures below:




       Fig. XIII11 Compare structure with Case Structure. Way to increase the duty cycle. Digital solution




         Fig. XIII12 Compare structure with Case Structure. Way to decrease the duty cycle. Digital




                                                       62
Idea is easy. We use serial port to exchange information. Depending if the value is lower or
higher than 400V Case Structure will execute appropriate step:

   a) VISA Configure Serial Port initializes the serial port specified by VISA resource name to the
      specified settings.
   b) VISA Read reads the specified number of bytes from the interface specified by VISA resource
      name and returns the data in read buffer.
   c) Hexadecimal String to Number Interprets the characters 0 through 9, A through F, and a through f
      in string starting at offset as a hex integer and returns it in number.
   d) Depending if we increase or decrease duty cycle appropriate mathematical calculation is
      executed. 32 is hexadecimal value is our step, everything depends how fast we want to increase or
      decrease the speed of the machine to obtain synchronism.
   e) U32 converts a number to a 32-bit unsigned integer in the range 0 to 232–1
   f) In Range and Coerce block determines whether a 32-bit unsigned integer falls within a range
      specified by the upper limit and lower limit inputs (0000, 7FFF). In every applications
      programmer have to predict and guarantee correctness of work.
   g) Number to Hexadecimal String converts number to a string hexadecimal digits
   h) VISA Write writes the data from write buffer to the interface specified by VISA resource name.
   i) VISA Close block closes a device session specified bye VISA resource name. That block let to
      use this port by the other applications when it is not used.

Now, in this way we are able to work in smooth range 0- 5V (0000 determines 0V, 7FFF determines 5V)
with using digital values and microcontroller’s C/A converter.

Our idea was shown by comparing output voltage, but we can use powers or frequency as well. We have
a few possibilities.

To the final block diagram (program) we can add some waveform graphs to observe relationships
between values in specific situation.




                                                 63
XIV. SUMMARY
          First of all we want to thank all professors for enable for us to use all laboratories’ tools, devices,
kits, integrated circuits and components.

       Our final report of the project contains in majority practical solution of commissioned task.
Unfortunately, when we solved all particular parts of the integrity, we could not test the system entirely.
Although we suppose that everything should work properly, because each block was tested in detail.

        In our opinion we used all available stuff exhaustively.

        We learned a lot during this semester and especially during the project course. It improved our
practical skills. We must admit that it was the first time that we could to set ourselves against the
problem, which is used in real life. It helped for us to be more creative to be the real engineers.




                                                       64
XV. BIBLIOGRAPHY
    Principles of electric Machines and Power Electronics, 2nd ed., John Wiley & Sons, 1997
    Electronics Control of DC motors and AC motors, T. Wildi
    DC- DC Switch mode converters, Mohan, Undeland, Robbins
    http://homepages.which.net
    http://en.wikipedia.org
    http://www.windpower.org/en/tour/wtrb/syncgen
    Datasheets of integrated circuits, servomotor, transducers




                                            65

Control And Programingof Synchronous Generator

  • 1.
    PROJECT Generator control International team: Esta obra está bajo una licencia de Creative Commons.
  • 2.
    TABLE OF CONTENTS I.GENERALDESCRIPTION……………………………………………….. 3 II.GENERAL IDEA OF THE PROJECT…………………………………....4 III.GENERAL SCHEMA OF THE CONNECTIONS…………………….. 5 IV.PROBLEMS TO SOLVE………………………………………………….7 V.THEORETICAL INTRODUCTION…………………………………….. 7 VI.DC MOTOR- GENERATOR (MEASUREMENT)…………………... 14 VII.POWER ELECTRONICS SUPPLY: H- BRIDGE ELECTRONIC CIRCUIT…………………………………………………………………….. 25 VIII.HEX BUFFER (NON- INVERTING) CD 4010C…………………… 34 IX.DC- DC CONVERTER…………………………………………………. 36 X.SERVOMOTOR- MAXON DC MOTOR………………………………. 38 XI.MICROCONTROLLER………………………………………………... 40 XII.TRANSDUCER………………………………………………………… 50 XIII.LabVIEW- CONTROL APPLICATION……………………………. 56 XIV.SUMMARY…………………………………………………………….. 64 XV.BIBLIOGRAPHY……………………….. ……………………………. .65 2
  • 3.
    I. GENERAL DESCRIPTION This project consists of control and supervision of generators. The generator, we have, shall drive in ”Stand-alone”, together with a ”Rigid grid” or together with a “twin generator”. The generator is mechanical connected to a compound motor. The compound motor is the primary drive force. The generated voltage frequency controls from the velocity of the DC-motor, while the amplitude of the tension is controlled from the magnetic voltage. The controller gets the power supply scald from a 3-phase transformer. This AC shall be rectified to a DC voltage. This gives power supply to the DC-servomotors. The electronic circuits are controlled by a microcontroller. The Data part includes: Design, analysis and modelling of the DC-servomotor drive and SCADA The electrical power includes: Analysis, modelling and test of DC- motor and synchrony generator, transformer and power grid. Steps of paralleling the synchronous generator to the grid (prime mover – DC motor): On the output has to be 400V, 50Hz. To control voltage, frequency and power we can adjust by changing:  armature voltage of DC motor  field current of DC motor  field current of synchronous generator 1) Switch on DC power supply 2) Apply DC power supply to DC motor 3) Adjust armature voltage of DC motor 4) Adjust field current of synchronous generator until on the output will be 400V 5) Check lamps brightness (the phase sequence is correct the lamps will have the same brightness) 6) Adjust the speed to 50Hz (by changing the field current of DC motor) unless synchroscope would show that the speed is “too fast” or “too slow” 7) Synchronization – switch on to the grid 8) Power control – change the field current of synchronous generator 3
  • 4.
    II. GENERAL IDEA OF THE PROJECT DSP DEBBUGER LAB VIEW SOFTWARE SERIAL BUS NI- USB 6008 CONVERTER DATA ACQUISITON TRANSDUCER ADMC401 MICROCONTROLLER PWM SIGNAL DIGITAL AND ELECTRONICS ANALOG TESTERS REAL H VALUES BRIDGE MACHINES GRID SERVOMOTORS DC MOTOR- GENERATOR 4
  • 5.
    III. GENERAL SCHEMAOF THE CONNECTIONS 5
  • 6.
    Fig. III1 Generalschema of the connections made in AutoCAD 6
  • 7.
    IV. PROBLEMS TOSOLVE POWER ELECTRONICS SUPPLY: H- BRIDGE DC- DC CONVERTER HEX BUFFER (NON- INVERTING) CD 4010C MICROCONTROLLER ADMC 401 SERVOMOTOR- MAXON DC MOTOR MEASUREMENT NI- USB 6008 A/D CONVERTER TRANSDUCERS: TAS 331-DG, TAS 311-DG, MIQ96, MTR-1 LAB VIEW: FRONT PANEL AND BLOCK DIAGRAM V. THEORETICAL INTRODUCTION 1. Synchronous generators principles Fig. V1 Synchronous generator A synchronous generator rotates with the constant speed in the steady state; It is a doubly excited machine (the rotor poles (field windings) are excited by the dc current, the stator (armature) windings are connected to the ac supply); When the field current (excitation current) flows through the rotor field winding, it establishes a sinusoidally distributed flux in the air gap. If the rotor is now rotated by the prime mover (dc motor), a revolving field is producing in the air gap (excitation field). The rotating flux so produced will change the flux linkage of the armature windings and will induce voltages in the stator windings (excitation voltages). The rotor speed and frequency of the induced voltage are related by: 120  f n p , where n – rotor speed in rpm, p – number of poles. The excitation voltage ( E f ) is proportional to the speed ( f ), excitation flux (  ), the latter in turn ( N ) depends on the excitation current ( I f ): E f  4,44  f    N  K w 7
  • 8.
    , where Kw – winding factor The variation of the excitation voltage with the field current is shown in figure 2. With increasing the field current I f , flux  does not increase linearly with I f , because of the saturation of the magnetic circuit. Fig. V2 The magnetization characteristic of the synchronous machine The equivalent model of the synchronous generator: Fig. V3 The equivalent model of the synchronous generator (OCC) E f  I a  jX ar  E ar , where I f – field current, I a – current in the stator, f – flux in the air gap, E f – voltage by f , Ear – armature reaction voltage, X ar - reactance of armature reaction or magnetizing reactance. Power (P, Q) and torque (T): Fig. V4 Equivalent circuit per phase 8
  • 9.
    , where: Vt– terminal voltage, X s  X ar  X al , ( X s – synchronous reactance, R a – stator winding resistance, X al - leakage reactance), Z s  Ra  jX s ( Z s – synchronous impedance) 3Vt E f P3  sin  Xs 2 3 Vt E f 3 Vt Q3  cos   VAR Xs Xs P3 T  syn  – power or torque angle Fig. V5 Power and torque characteristics 2. The infinite bus The transmission of power is normally at high voltage levels (hundreds of kilovolts) to achieve higher efficiency; A transformer is used to step up the voltage to the infinite bus; The synchronous generator and infinite bus must have the same:  Voltage  Frequency  Phase  Phase sequence These conditions can be checked by synchroscope (running too fast or too slow – frequency of the incoming machine is higher or lower than that of the infinite bus) and synchronizing lamps (if the phase sequence is correct the lamps will have the same brightness, if not – the lamps will brighten and darken in step); Fig. V6 Diagram of paralleling a synchronous generator with the infinite bus using synchronizing lamps 9
  • 10.
    3. DC motorsprinciples The armature winding is placed on the rotor and field windings are placed on the stator. The voltage induced in the armature winding is alternating. A mechanical commutator and a brush assembly function as rectifier or inverter, making the armature terminal voltage unidirectional. DC motors can provide a wide range of accurate speed and torque control. Speed control in a dc machine can be achieved by following methods: 1) Armature voltage control (smooth variation of speed control, armature circuit resistance Ra and field current If remain constant, armature terminal voltage Vt is varied to change the speed, as Vt increases – the speed increases linearly); 2) Field control (armature circuit resistance Ra and armature terminal voltage Vt remain constant, field current If is varied to change the speed, the speed varies inversely with the field current); 3) Armature resistance control (charging resistance of the armature circuit with fixed other parameters); The common method of control is the use of a separately excited dc motor with constant field excitation. The speed is controlled by changing the voltage applied to the motor terminals. Fig. V7 Separately excited dc motor The voltage (Vt), armature current (Ia), speed (ωm) and torque (T) are related as follows (separately excited dc motor): E a  K a    m  Vt  I a  Ra T  Ka    Ia V  I a  Ra m  t Ka  Vt Ra m   T K a   ( K a  ) 2 , where: E a – armature induced voltage,  – magnetic flux, K a – armature constant Fig. V8 Torque- speed characteristics 10
  • 11.
    4. The DCmotor speed controller The purpose of a motor speed controller is to drive a motor at the demanded speed. The controller may or may not actually measure the speed of the motor. If the controller measures the speed of the motor, it is called a Feedback Speed Controller or Closed Loop Speed Controller, if not it is called an Open Loop Speed Controller. Feedback speed control is better, but more complicated. The speed of a DC motor is directly proportional to the supply voltage, so e.g. if we reduce the supply voltage from 12 Volts to 5 Volts, the motor will run more slowly. The speed controller works by varying the DC voltage sent to the motor. It could do this by simply adjusting the value of the voltage sent to the motor, but this is quite inefficient. A better way is to switch the motor's supply on and off very quickly. If the switching is fast enough, the motor doesn't notice it, it only notices the average effect. The motor won’t have time to change speed much, so the speed will be quite steady. This is the principle of switch mode speed control (PWM – Pulse Width Modulation). In our project we used onboard microcontroller which has PWM outputs. As the amount of time that the voltage is on increases compared with the amount of time that it is off, the average speed of the motor increases. This on-off switching is performed by power MOSFETs (that the H-Bridge contains). A MOSFET (Metal-Oxide-Semiconductor Field Effect Transistor) is a device that can turn very large currents on and off under the control of a low signal level voltage. 5. PWM- pulse width modulation Pulse width modulation (PWM) is a technique in which a series of digital pulses is used to control an analog circuit. The length and frequency of these pulses determines the total power delivered to the circuit. PWM signals are most commonly used to control DC motors. The digital pulse train that makes up a PWM signal has a fixed frequency and varies the pulse width to alter the average power of the signal. The ratio of the pulse width to the period is referred to as the duty cycle of the signal. Fig. V9 PWM signals of varying duty cycles Fig. V10 Definition of a general square wave 11
  • 12.
    PWM uses squarewave whose duty cycle is modulated resulting in the variation of the average value of the waveform. If we consider a square waveform f(t) with a low value y min , a high value ymax t on and a duty cycle D  (figure V10), the average value of the waveform is given as: T  T 1 y T  f (t )dt 0 As f(t) is a square wave, its value is y max for 0  t  D  T and y min for D  T  t  T . The above expression then becomes: DT T  1 D  T  y max  T  (1  D)  y min y (  y max dt   y min dt )   D  y max  (1  D )  y min T 0 DT T This expression can be simplified by assuming y min  0 ,  y  D  y max  From this equation, it is obvious that the average value of the signal y is directly depended on the duty cycle D. To generate PWM signal we need sawtooth or triangle waveform and a comparator. When the value of the reference signal – sine wave is more than the modulation waveform, the PWM signal is in the high state, otherwise it is in the low state (fig. V11). Fig. V11 Principle of the PWM signal generating Sigma – Delta modulation: the output signal is subtracted from a reference signal to form an error signal. This error is integrated, and when the integral of the error exceed the limits, the output changes state. 12
  • 13.
    Fig. V12 Principleof the sigma- delta PWM Microcontrollers are the digital circuits that can generate PWM signals to control an electrical motor. They normally use a counter that increments periodically (it is connected directly or indirectly to the clock of the circuit) and is reset at the end of every period of the PWM. When the counter value is more than the reference value, the PWM output changes state from high to low. Important facts: 1) To increase speed you increase pulse width, so you increase motor voltage. 2) Frequencies between 20 Hz and 18 kHz may produce audible screaming from the speed controller and motors. 3) RF interference emitted by the circuit will be worse the higher the switching frequency is. 4) Each switching on and off of the speed controller MOSFETs results in a little power loss. Therefore the greater the time spent switching compared with the static on and off times, the greater will be the resulting switching loss in the MOSFETs. 5) The higher the switching frequency, the more stable is the current waveform in the motors. This waveform will be a spiky switching waveform at low frequencies, but at high frequencies the inductance of the motor will smooth this out to an average DC current level proportional to the PWM demand. This spikyness will cause greater power loss in the resistances of the wires, MOSFETs, and motor windings than a steady DC current waveform. 13
  • 14.
    VI. DC MOTOR-GENERATOR (MEASUREMENT) Measurements for finding the relations between the active, reactive, apparent power and DC motor and synchronous generator currents DC MOTOR SYNCHRONOUS GENERATOR Fig. VI1 DC motor as prime mover for the synchronous generator (synchronous generator as mechanical load for DC motor) EQUATIONS DC MOTOR SYNCRONOUS GENERATOR V1  I arm1  Z1  Ef1 Ef 2  I arm 2  Z 2  V2 P1  3  I arm1  V1  cos  P2  3  I arm 2  V2  cos 120  f1 n 2p Ef1  n  K E   p1 P  K p  f1  50 Hz  V1 Z I Q  K Q V1  400V  n  1 arm1 K E   p1 K E   p1  p1  K  I arm1 V1 Z I n  1 arm1 K1  I field 1 K1  I field 1 USING THE EQUATIONS TO SOLVE CURRENTS FROM P AND Q VALUES  The way the system gets this final relations between currents and P and Q using the expressions shown below: 14
  • 15.
    120  f1 P1 n I arm11  P  K p  f1  50 Hz  2p 3  V1  cos  P f n Iarm DC MOT Ef1  f I arm1  V1 Z I n  1 arm1 K1  I field 1 K1  I field 1 Ifield DC MOT Q  K Q V1  400V  Ef 2  I arm 2  Z 2  V2 Ef 2  f I arm 2  Q VG EfG Ifield GEN S  3 V  I Fig. VI2 Relations between currents of motor, generator and powers Those expressions should be checked in real world by doing tests of dc motor and synchronous generator. We then will get the constant relations found in the equations. OPEN AND SHORT CIRCUIT TESTS OF SYNCHRONOUS GENERATOR a) Open – circuit test (terminals are open, no load) – terminal voltage is measured Ef (V2 -fig. VI1), field current is varied If (If2 – fig. VI1) Fig. VI3 Circuit for this type of test Values that we measured in the laboratory: I field (A) 0 0,01 0,02 0,032 0,045 0,053 0,064 Ef (V) 2,32 9,88 16,6 28,52 41,1 45,3 53,7 Ef (V) / 3 - per phase Ef (V) 1,34 5,7 9,58 16,45 23,71 26,14 30,98 0,081 0,092 0,1 0,114 0,123 0,136 67,7 77,3 84,7 97,4 110 116,7 Ef (V) / 3 39,06 44,6 48,80 56,19 63,46 67,33 15
  • 16.
    Fig. VI4 Open-circuit test b) Short – circuit test (terminals are shorted) field current is varied If, armature current is measured Iarm Fig. VI5 Circuit for this test Values that we measured in the laboratory: I field (A) 0 0,012 0,021 0,034 0,052 0,075 0,094 0,103 0,126 0,136 I arm (A) 0,01 0,037 0,091 0,143 0,209 0,299 0,365 0,427 0,490 0,531 Error measured: I arm m = I arm m – I arm m (I field (0)) I arm (A) 0 0,027 0,081 0,133 0,199 0,289 0,355 0,417 0,480 0,521 Fig. VI6 Short- circuit test IMPEDANCE We obtain the impedance of the synchronous generator from the figures mentioned before: y  4,9536  x Ef  4,9536  Ifield (V) (fig VI4) y  0,0491  x Iarm  0,0491  Ifield (A) (fig VI6) Ef 4,9536 Zs  =  100,88 Iarm 0,0491 R measured = 2,4 Ω 16
  • 17.
    Xs  (Zs) 2  ( R) 2  (100,88) 2  (2,4) 2  100,85 H Fig. VI7 Impedance Zs, Terminal voltage Ef, amature current Iarm as function of field current TESTING RELATIONS CURRENTS – SPEED OF DC MOTOR (in laboratory)  TEST 1. VT [V] IA [A] N [rpm] Ωm kg Pout [W] Vload M [N*m] [rad/s] [V] 0 0,0 0 0,000 0,000 0,000 0,000 0,000 20 0,5 160 1,005 0,300 1,480 0,012 1,473 40 1,0 314 1,973 0,450 4,360 0,037 2,210 60 1,5 483 3,035 0,600 8,941 0,053 2,946 80 2,0 633 3,977 0,750 14,647 1,500 3,683 100 2,8 807 5,071 0,850 21,166 20,000 4,174 120 3,5 695 6,063 1,000 29,769 40,000 4,910 140 4,0 1127 7,081 1,150 39,986 75,000 5,647 160 4,8 1300 8,168 1,300 52,136 86,000 6,383 180 5,5 1463 9,192 1,450 65,447 97,500 7,120 200 6,0 1625 10,210 1,600 80,210 108,000 7,856  TEST 2. I arm DC I field DC V arm DC V field DC Speed n V dc supply [A] [A] [V] [V] [rpm] [V] 2,44 0,13 16,3 25,97 340 30 2,05 0,16 25,3 32 543 37 1,86 0,189 30,8 35,9 600 42 1,33 0,29 59,2 57,8 835 66 1,15 0,39 81 79,5 902 87 1,07 0,508 106 97,5 988 112,6 1,06 0,62 131,4 119,1 1082 137,6 1,06 0,75 160 144 1217 166 1,07 0,85 185 165,7 1335 191,3 1,12 0,98 211,4 189,8 1463 218 1,14 1,06 230 206,2 1554 237 1,17 1,13 247,8 221,8 1638 254,8 1,21 1,227 268,8 240,6 1737 276,6 17
  • 18.
    Fig. VI8 DCmotor speed dependence on the armature current In this graphic we can see that the speed increases with increasing of the armature current. The equation we can deduce is: Fig. VI9 DC motor speed dependence on the field current In this graphic we can see how field current influences on the speed are highly change by the currents. The equation we can deduce is: TESTING ARMATURE CURRENT INFLUENCE OF DC MOTOR ON REAL, REACTIVE AND APPARENT POWER OF GRID Measured values: GEN DC MOTOR GRID DC M GEN Dc sup I field I arm I field P [W] Q[VAR] S [VA] Varm V field V field [A] [A] [A] [V] [V] [V] 0,976 3,26 0,406 46 191,64 199,3 163 120 147 0,969 3,478 0,405 64 195 184 180 120 147 0,961 3,959 0,403 123 152 198 136,5 120 147 0,958 4,09 0,402 137 153 203 136 118 147 0,932 5,31 0,395 308 68,52 320 135 117 147 0,930 6,3 0,391 441 138 469 136 118 147 0,924 6,77 0,389 473 134,75 500 135 112 147 0,895 9,49 0,377 796,2 316,30 877,2 135 111 147 0,894 9,63 0,377 800 315 857 135 116 147 18
  • 19.
    Fig. VI10 Powersdependence on the armature current (DC motor) In this graphic we can see that P, Q and S are highly depend on the DC motor armature current. The equations we can deduce are: Fig. VI11 Currents dependence on real power In this graphic we can see that only armature current of dc motor changes with real power. The equation we can deduce is: TESTING FIELD CURRENT INFLUENCE OF SYNCHRONOUS GENERATOR ON REAL, REACTIVE POWER, ARMATURE AND FIELD CURRENTS OF DC MOTOR Measured values: GEN DC MOTOR GRID DC M GEN I field I arm I field P [W] Q S [VA] V arm V field [A] [A] [A] [VAR] [V] [V] 0,945 7,05 0,387 504 71 506 134 120 0,975 7,08 0,387 495 167 518 134 120 0,998 7,13 0,387 491 244 550 134 122 1,054 7,07 0,386 494 439 661 134 130 1,098 7,08 0,385 486 612 785 134 140 1,13 7,16 0,388 490 739 893 134 143 19
  • 20.
    Fig. VI12 Powersdependence on the field current (synchronous generator) In this graphic we can see how P,Q, S depend on the generator field current. The equations we can deduce are: Fig. VI13 Currents dependence on real power In this graphic we conclude that there are no changes in the DC Motor currents when the Generator field current is changed. TESTING FIELD CURRENT INFLUENCE OF DC MOTOR ON REAL, REACTIVE POWER, ARMATURE AND FIELD CURRENTS OF DC MOTOR AND SYNCHRONOUS GENERATOR Measured values: GEN DC MOTOR GRID DC M GEN I field I arm I field P [W] Q S [VA] V arm V field [A] [A] [A] [VAR] [V] [V] 1,16 3,54 0,42 74 904 909 138 150 1,158 4,4 0,398 162 887 903 134 140 1,14 5,2 0,378 254 829 865 131 150 1,13 6,17 0,358 353 751 824 127 150 1,11 7,06 0,342 427 694 818 124 150 1,10 7,8 0,32 487 647 803 121 150 1,09 8,7 0,31 555 569 790 118 150 20
  • 21.
    Fig. VI14 Powersdependence on the field current (DC motor) In this graphic we can see how P,Q, S depend on the DC motor field current. The equations we can deduce are: Fig. VI15 Currents dependence on real power In this graphic we can see that only armature current of dc motor changes with real power. The equation we can deduce is: AFTER THE TESTS WE TRY TO FIND THE REAL RELATIONS 120  f1 P1 n I arm11  P  K p  f1  50 Hz  2p 3  V1  cos  P f n Iarm DC MOT Ef1  f I arm1  V1 Z I n  1 arm1 K1  I field 1 K1  I field 1 Ifield DC MOT 21
  • 22.
    Q  KQ V1  400V  Ef 2  I arm 2  Z 2  V2 Ef 2  f I arm 2  Q VG EfG Ifield GEN S  3 V  I RELATION BETWEEN P AND CURRENTS As is shown in the fig. VI4: E f  f ( I fieldGEN ) E f  495,36  I fieldGEN Z GEN  100,88 495,36  I fieldGEN  I armGEN  Z GEN  VGEN 495,36  I fieldGEN  I armGEN  100,88  VGEN VGEN  495,36  I fieldGEN  I armGEN 100,88 S I armGEN  3  400 As is shown in the figure: 81, 343  I fieldGEN  367, 47 SGEN  81, 343  I fieldGEN I armGEN  3  400 I armGEN  0,1174  I fieldGEN  53,506 VGEN  495,36  I fieldGEN  11,84  I fieldGEN  53,5V QGEN  K (VGEN  400V ) QGEN  K (495,36  I fieldGEN  11,84  I fieldGEN  53, 5V  400V ) QGEN  K (485,51  I fieldGEN  453,506V ) As is shown in the Plot n: QGEN  139,144  I fieldGEN  108,33 K Q  0, 2865 22
  • 23.
    EQUATIONS AFTER OPERATIONSWITH TEST VALUES 120  f1 P1 n I arm11  P  K p  f1  50 Hz  2p 3  V1  cos  P f n Iarm DC MOT Ef1  f I arm1  V1 Z I n  1 arm1 K1  I field 1 K1  I field 1 Ifield DC MOT CONCLUSION P1 I arm11  P  K p  f1  50 Hz  3  V1  cos  P f n Iarm DC MOT Ef1  f I arm1  V1 Z I n  1 arm1 K1  I field 1 K1  I field 1 Ifield DC MOT RELATION BETWEEN Q AND CURRENTS As is shown in the Plot n: E f  f ( I fieldGEN ) E f  495,36  I fieldGEN As is shown in the Plot n Z GEN  100,88 495,36  I fieldGEN  I armGEN  Z GEN  VGEN 495,36  I fieldGEN  I armGEN  100,88  VGEN VGEN  495,36  I fieldGEN  I armGEN 100,88 S I armGEN  3  400 As is shown in the Plot n: 81, 343  I fieldGEN  367, 47 SGEN  81, 343  I fieldGEN I armGEN  3  400 I armGEN  0,1174  I fieldGEN  53,506 VGEN  495,36  I fieldGEN  11,84  I fieldGEN  53,5V 23
  • 24.
    QGEN  K(VGEN  400V ) QGEN  K (495,36  I fieldGEN  11,84  I fieldGEN  53, 5V  400V ) QGEN  K (485,51  I fieldGEN  453,506V ) As is shown in the Plot n: QGEN  139,144  I fieldGEN  108,33 K Q  0, 2865 EQUATIONS AFTER OPERATIONS WITH TEST VALUES S  3 V  I Q  K Q V1  400V  Ef 2  I arm 2  Z 2  V2 Ef 2  f I arm 2  Q VG EfG Ifield GEN QGEN  0, 2865(VGEN  400V ) E f  11,84  I fieldGEN 53, 5V  VGEN E f  495,36  I fieldGEN CONCLUSION Q QGEN  139,144  I fieldGEN  C (c  f ( P )) Ifield GEN 24
  • 25.
    VII. POWER ELECTRONICSSUPPLY: H- BRIDGE ELECTRONIC CIRCUIT A) GENERAL FIGURE: Fig. VII1Scheme of H- bridge B) TRUTH TABLE: V6 V5 Result 0 0 stop 0 1 reverse 1 0 forward 1 1 not allowed 0 logic LOW, 0V 1 logic HIGH, 5V 25
  • 26.
    C) OPERATING PRINCIPLES: Forward mode: V6  1 -> Vce (Q 2)  0V saturated -> I c (Q 2)  I c max -> V gs (M 2)  12V -> Vds ( M 2)  0V saturated -> I d ( M 2)  I d max -> Vd ( M 2)  12V -> V5  0V -> Vce (Q1)  12V clogged -> I c (Q 2)  0 A -> V gs (M 3)  0V -> Vds ( M 3)  12V clogged -> I d ( M 3)  0 A -> V gs (M 4)  11V from voltage divider -> Vds ( M 4)  0V saturated -> Vd ( M 4)  0V -> V gs (M 1)  0V -> I d ( M 1)  0 A -> Vds ( M 1)  12V clogged, DC motor rotates in forward direction Reverse mode: V6  0 -> Vce (Q 2)  12V clogged-> I c (Q 2)  0 A -> V gs (M 2)  0V -> Vds ( M 2)  12V clogged -> I d ( M 2)  0 A -> Vd ( M 2)  0V -> V5  1V -> Vce (Q1)  0V saturated -> I c (Q 2)  I c max -> V gs (M 3)  12V -> Vds ( M 3)  0V saturated -> I d ( M 3)  I d max -> V gs (M 4)  0V -> Vds ( M 4)  12V clogged -> Vd ( M 4)  12V -> V gs ( M 1)  11V from voltage divider -> I d ( M 1)  I d max -> Vds ( M 1)  0V saturated, DC motor rotates in reverse direction Stop mode: V6  0 -> Vce (Q 2)  12V clogged-> I c (Q 2)  0 A -> V gs (M 2)  0V -> Vds ( M 2)  12V clogged -> I d ( M 2)  0 A -> Vd ( M 2)  0V -> V5  0V -> Vce (Q1)  12V clogged -> I c (Q 2)  0 A -> Vds ( M 3)  12V clogged -> I d ( M 3)  0 A -> Vd ( M 3)  0V M4 and M3 unpolarizated, DC motor doesn’t rotate Not allowed mode: V6  1 -> Vce (Q 2)  0V saturated -> I c (Q 2)  I c max -> V gs (M 2)  12V -> Vds ( M 2)  0V saturated -> I d ( M 2)  I d max -> Vd ( M 2)  12V -> V5  1V -> Vce (Q1)  0V saturated -> I c (Q 2)  I c max -> V gs (M 3)  12V -> Vds ( M 3)  0V saturated -> I d ( M 3)  I d max -> Vd ( M 3)  12V So Transistors M1, M4 are also saturated which shorts power supply!!! Not recommended. 26
  • 27.
    D) CHARACTERISTIC SIGNALS: FORWARD AND REVERSE MODE - control voltage signals - dc motors voltage and current 27
  • 28.
    STOP MODE - control voltage signals - DC motor’s voltage and current 28
  • 29.
    NOT ALLOWED MODE - control voltage signals - DC motor’s voltage and current 29
  • 30.
    E) CHOSEN INTEGRATEDCIRCUIT: To build power electronic supply which drives each DC servomotor we have chosen IC type L298. The l298 id is an integrated monolithic circuit. It is a high voltage, high current dual full- bridge driver designed to accept standard TTL logic levels and drive inductive loads such as relays, solenoids, dc and stepping motors. Two enable inputs are provided to enable or disable the device independently of the inputs signals. The emitters of the lower transistors of each bridge are connected together and the corresponding external terminal can be used for the connection of an external sensing resistor. An additional supply input is provided so that the logic works at the lower voltage. The block diagram of this circuit is as following: Fig. VII2 Block diagram THE TRUTH TABLE OF THIS IC AS FOLLWING: Inputs Function C=H; D=L Forward Ven=H C=L; D=H Reverse C=D Fast Motor Stop Ven=L C=X; D=X Free Running Motor Stop 30
  • 31.
    PIN FUNCTIONS OFTHIS IC ARE AS FOLLOWING (refer to the block diagram): MW. 15 Name Function Between this pin and ground is connected the 1; 15 Sense A; Sense B sense resistor to control the current of the load Outputs of the Bridge A; the current that 2; 3 Out 1; Out 2 flows through the load connected between these two pins is monitored at pin 1 Supply Voltage for the Power Output Stages. 4 Vs A non- inductive 100nF capacitor must be connected between this pin and ground 5; 7 Input 1; Input 2 TTL Compatible Inputs of the Bridge A TTL Compatible Enable Input; the L state 6; 11 Enable A; Enable B disables the bridge A (enable A) and/or the bridge B (enable B) 8 GND Ground Supply Voltage for the Logic Blocks. A 9 VSS 100nF capacitor must be connected between this pin and ground 10; 12 Input 3; Input 4 TTL Compatible Inputs of the Bridge B Outputs of the Bridge B. The current that 13; 14 Out 3; Out 4 flows through the load connected between these two pins is monitored at pin 15 - N. C. Not Connected PIN CONNECTIONS (top view): Fig. VII3 Pin connections 31
  • 32.
    TYPICAL ELECTRICAL PARAMETERSOF THIS IC: F) PRACTICAL APPLICATION: We are able to use one piece of IC L298 to drive two servomotors. According to general ideas of our project we have to control three servomotors. That is why we use 2 pieces of L298. On the following scheme we present practical circuit with all necessary external elements. The scheme shows application for only one DC servomotor, because the rest is exactly the same. As an external power supply we use standard adjustable laboratory DC supply. Fig. VII4 Scheme of practical circuit 32
  • 33.
    Description: - the levels of control voltage signals are: L=0V, H=5V - diodes D1, D2, D3, D4– reduce current spikes from motor switching, we use typical Schottky’s diodes type: 1N5819 40V- peak repetitive reverse voltage, 25A non- repetitive peak surge current - capacitors which bypass power supply: C=100nF - the value of Vs should respect total voltage drop on internal transistors and output current. Our servomotor operates at 12V and 60mA. So lets take maximum voltage drop as 1V, so Vs~13V, Vss=5V - we don’t use sensing output - to enable circuit Enable input is H - each unused input called NC is connected to GND - each unused output is connected to GND through 10MΩ resistor - control voltage wire connections are as short as possible to avoid parasite induction G) H- BRIDGE’S TEST: Fig. VII5 H- Bridghe’s tests Tests confirmed that H- Bridge was a good idea to use in our project to control the motor. In the pictures above we can see two situations: when the motor is turning in right way- green diode shows that and when the motor is turning in opposite way- red diode. 33
  • 34.
    VIII. HEX BUFFER(NON- INVERTING) CD 4010C In our project we used the buffer in front of the H – bridge, because higher current productivity was needed to drive bridge properly (on the inputs of circuit L298 are placed bipolar transistors that demand certain level of gate current, microprocessor can’t provide enough current to activate H- Bridge). As the buffer we used CMOS 4010 integrated circuit. General Description The CD 4010 C hex buffer is monolithic complementary MOS integrated circuit. The N- and P- channel enhancement mode transistors provide a symmetrical circuit with output swings essentially equal to the supply voltage. This results in high noise immunity over a wide supply voltage range. No DC power other than that caused by leakage current is consumed during static conditions. The gates may be used as hex buffers, CMOS to DTL or TTL interface or as CMOS current drivers. Conversion ranges are from 3V to 15V providing Vcc ≤ Vdd. The device also has buffered outputs which improve transfer characteristics by providing very high gain. Features  Wide supply voltage range: 3V to 15V  Low power typ.100nW  High noise immunity  High current sinking capability: min 8mA at V0=0,5V and Vdd=10V Applications  Industrial control  Automotive  Data terminals  Medical electronics  Remote metering  Computers  Alarm systems  Instrumentation Fig. VIII1 Connection and schematic diagrams 34
  • 35.
    Fig. VIII2 Typicalapplication Absolute maximum ratings (limits beyond which damage to the device may occur):  Voltage at any pin Vss –0,3V to Vss +15,5V  Operating temperature range -45°C to +85°C  Power dissipation (Pd)  Dual- In- Line 700mW  Small Outline 500mW  Lead temperature Tl (soldering, 10s) 260°C  Operating Range (Vdd) Vss +3V to Vss +15V 35
  • 36.
    IX. DC- DCCONVERTER DC - DC converter allows us regulate dc power supply of the servomotors. This circuit provides greater output current than the input current that we need to drive the servomotors. VCC Q1 Q2 Q3 high power and high current control signal gain transistors L1 M C1 S1 D1 Fig. IX1 DC- DC Converter (S1 => DC motor) We used DC- DC converter to increase the output current coming from H- Bridge using high power transistors. So now we are able to use the power supply to provide the current for servomotors. This system can operate with very small input currents, so we can regulate heat on the H-bridge by regulating the current on output. Transistors will do all the work in that system. To minimize the ripple on output we can use a low- pass filter. The only thing we have to do is to assume the minimum frequency of the signal applied to input to control the servo motors. Our goal is to build a filter that has a low resonance frequency lower than the minimum frequency that we can generate from the microcontroller. We used C = 470µF , L = 28,8µH for filter circuit in our test experiment. The test has shown that we can easily drive a motor that needs 1,6A of the starting current. We can control also the speed of motor changing the duty cycle of the input signal (the test signal was a square signal with Vpp=5V and Voffset=5V to be able to use transistor correctly). Another possibility was to use DC- DC converter alone to control DC servomotors by changing the duty cycle with microcontroller, but using an H- Bridge makes it easier to work with servomotors and control the generator. Driving motor in both two ways We encountered a small problem in this type of controlling. The problem was to drive the motor in both ways forward and backward. We overcame this problem with something like a dual DC- DC converter (figure VIII2). Both DC- DC converters should be driven by two independent voltage otherwise ground will be a big problem that will cause a fatal error in circuit by equalizing both plus and minus nodes of servomotor and stopping the motor. 36
  • 37.
    control signal high power and high current Q4 Q5 Q6 Q1 Q2 Q3 U1 control signal gain transistors V2 V1 D1 L1 M C1 S1 D2 L2 Fig. IX2 Dual DC- DC Converter This system will make possible to drive also bigger motors by such low current electronic devices. Example of calculating the minimum value of circuit inductance: Vd  5V , V0  12V assuming e.g. fs = 20kHz, I0 = 1A, C = 470µF and the ideal circuit components V0 12 1   2,4V  Vd 5 1 D D  0,58  0,6 1 Ts   50s fs TsV0 I0   D (1  D) 2 (Boundary mode) 2L TV Lmin  s 0  D (1  D) 2  28,8H 2 I 0b THE FORMULA FOR RESONANCE FREQUENCY 1 1 f res    1,37 kHz 2 LC 2 28,8  10  6  470  10 6 In the experiment we calculated the resonance frequency to build the filter. That frequency should be lower than possible applied frequency range to the input of dc-dc converter. 37
  • 38.
    X. SERVOMOTOR- MAXON DC MOTOR Knowledge about basic servomotor features allows us design electronic device properly (H–Bridge and DC- DC converter as well). Fig. X1 Maxon DC motor Fig. X2 Operating ranges , whre n– speed, M– torque, I– current Fig. X3 Short term operation 38
  • 39.
    , where: ON- Motorin operation OFF- Motor inoperative Î- max. peak current Ipermiss.- max. permissible continuous current Ton- ON time T- cycle time ton + toff D- Duty cykle in percent Important parameters of the motor:  power rating (reccomended uotput power range) P [W]  nominal voltage U [V]  no load speed n0 [rpm] (motor turns at nominal voltage without speed, speed is proportional to applied voltage)  starting torque M [mNm]  speed / torque gradient Δn / ΔM [rpm/mNm] (calculating at 25°C winding temperature)  no load current I0 [mA] – (depends on brush and gearing friction)  starting current Ia [mA] - proportional to starting torque  terminal resistance R [Ω] (at 25°C, determines starting current)  maximum permissible speed nmax [rpm]  maximum permissible continuous current Ipermiss [mA] (operating motor continuosly at 25°C)  max permissible continuous torque Mperm [mNm]  max output power Pmax [mW] (at 25°C rotor temperature)  max efficiency η [%] (the higher efficiency - nearer to no load speed)  torque constant Km [mNm/A]  speed constant Kn [rpm/V]  mechanical time constant τm [ms] (the time required the motor to accelerate from standstill to 63% of its no load speed, after 4τ rotor will reach 99% of no load speed)  moment of interia Jr [gcm2]  terminal inductance L [mH] (measured at 1kHz, sinusoidal.)  thermal resistance Rth [K/W] (from housing to ambient air) Fig. X4 Motor parameters 39
  • 40.
    XI. MICROCONTROLLER The ADMC401 processor board is intended as a compact, highly integrated evaluation and software development platform for the ADMC401 controller. The processor board permits access through a UART connection to the Motion Control Debugger software that operates under Windows. The Motion Control Debugger is used to download executable code, examine the contents of registers, program memory and data memory, run executable modules, set breakpoints and enable single- step operation. In our project we have 3 electronic bridges. Each of them needs two PWM signals so eventually the project requires using six PWM signals. The ADMC401 Analog devices equipment has this possibility. In this part of our report we are wondering about performance of the microcontroller and also trying to find out suitable source code. Power supply requirements The ADMS401 processor board contains a 4- way terminal block for connection of external power supplies. For correct operation, the following supplies were required:  +5V ± 5%, 300 mA (VDD)  +5V ± 5%, 30 mA (+AVDD)  -5V ± 5%, 30 mA (-AVDD)  Ground The VDD supply powers the digital logic circuits of the processor board, including the ADMC401 controller. In addition, it is used as the analog voltage supply of the ADMC401 and as the input to the dc- dc converter that provides the isolated supply for the UART interface. The processor board is laid out with separate analog and digital ground planes that are connected by a link (JP2) close to the power supply terminal block for noise immunity. This link should not be removed. An LED on the processor board indicated correct connection of the VDD supply. The +AVDD and –AVDD supplies power the operational amplifiers used in the analog interface section. These amplifiers correctly offset the analog inputs to the board for interface to the ADC inputs of the ADMC401. Appropriate decoupling capacitors are provided on the processor board for all three power supply inputs (VDD, +AVDD and –AVDD) to reduce noise coupling from the external power supplies. However, for best performance, well- regulated external power supplies and correct wiring are recommended. Fig. XI1 Power supply connector of ADMC401 processor board 40
  • 41.
    A) THE SINGLEUPDATE MODE AND DOUBLE UPDATE MODE The PWM generation Unit of ADMC401 can be programmed to operate in two distinct operating modes: single update mode or double update mode. We will be using the second one, because it gives for us more capabilities. This mode is enabled by setting bit 6 of the MODECTRL register. The performance and capability of double update mode are as a following: The switching period is controlled by the PWMTM register according to: Ts = 2*PWMTM * tck , where tck is the DSP clock rate (38.5 ns at a 26 MHz CLKOUT rate) The moments of interrupt are given by the PWMSYNC signal. It is produced by the internal PWM Generation Unit every: Tsync = PWMTM * tck The width of PWMSYNC pulse is still controlled by the PWMSYNCWT register. As we can see, moments of interrupts appear twice per switching period. After that microprocessor reads new duty cycles values from suitable registers. PWMSYNC interrupt is generated within the ADMC401 by the rising edge of signal. The PWMSYNC pulse is produced on the dedicated PWMSYNC pin. New duty cycle’s values can be written to the PWMCHA, PWMCHB, PWMCHC registers twice per switching period. This means that different values can be used to control both the rising edge and falling edge of each PWM signal. In addition, it is also possible to update all other registers of the PWM (PWMTM, PWMDT, PWMPD, PMWSEG, PWMGATE, and PWMSYNCWT) at a rate of twice that of the switching frequency. If these registers are not updated, the same value is applied continuously. The bit 3 of SYSSTAT register (0 or 1) indicates half of duty cycles. When this bit is cleared, the timer decrements each DSP clock period (tck) until it reaches zero. When we set this bit, the timer is incrementing and the SYSSTAT signal is generated. The duty cycle’ values can be also programmed by using of PWMDT register. DT means dead time and it indicates shift between edges of two PWM signals. DT switches edges away from the desired point by an equal amount. PWMTRIP allows shutting down the microcontroller immediately. It is possible when we change 1 to 0. At this moment also the PWMSYNC pulses are switched off. The bit 1 of SYSSTAT register contains information about configuration of PWMTRIP. Using of double update mode ensures some advantages: It produces lower harmonic distortion than symmetrical pattern in single update mode. In other words, our signals on the outputs are more similar in theoretical meaning. The symmetrical PWM schemes can be also shown to produce small frequency distortions at multiples of the fundamental output frequency. With the asymmetrical switching frequency schemes (produced using double update mode) can be shown that no such harmonic can be produced. It is also possible to update the applied voltage to the motor twice as fast as with single update mode. 41
  • 42.
    Disadvantage of usingthe double update mode: The only disadvantage in double update mode is that the complete control law must be computed within half a switching period. However, the power of the DSP core of the ADMC401 provides sufficiently fast and efficient processing that the computational burden of double update mode can be handled adequately. In case of double update mode it is possible to calculate ton and duty cycles value. Fig. XI2 Switching periods 1. The on-times can be expressed as: TAH  ( PWMCHA1  PWMCHA 2  PWMDT1  PWMDT 2 )  tCK TAL  ( PWMTM 1  PWMTM 2  PWMCHA1  WPMCHA 2  PWMDT1  PWMDT 2 )  tCK 2. Duty-cycle can be expressed as: TAH PWMCHA1  PWMCHA 2  PWMDT1  PWMDT 2 d AH   TS PWMTM 1  PWMTM 2 TAL PWMTM 1  PWMTM 2  PWMCHA1  WPMCHA 2  PWMDT1  PWMDT 2 d AL   TS PWMTM 1  PWMTM 2 Regardless of operation mode selection each of the six PWM outputs signals can be enabled or disabled by separate output enable bits of the PWMSEG register. It is also possible by using PWMPOL pin. It can be used to select the polarity of the PWM signals so either active high or active low PWM patterns can be produced by the ADMC401. The operation during start-up will be somewhat different depending on whether or not the PWMTM register is the first PWM register that is written. If the PWMTM register is written first (we will use this option), the PWM timer begin incrementing from zero to the PWMTM values. This actually corresponds to second half cycle of the PWM. During this time, the PWM unit is in the disable state and all six PWM outputs are OFF. Provided the PWMCHA, PWMCHB and PWMCHC registers have all been written to at the time the PWM-timer reaches the PWMTM value, the first internal load signal will then be generated when the PWM timer reaches the PWMTM value. At this point the PWM generation unit enters the normal state and the new values are latched into the PWMCHA, PWMCHB and PWMCHC registers. However the PWMSYNC pulse is generated at this 42
  • 43.
    first load signal.The values written to the PWMCHA, PWMCHB and PWMCHC registers (in conjunction with the other PWM registers such as PWMDT, PWMPD, PWMSEG, PWMGATE registers) define the outputs during next half cycle (in double update mode). The appearance of the first PWMSYNC pulse (and associated interrupt) will occur at the end of the first half cycle of PWM when the PWMTM reaches zero. The second PWMSYNC pulse will occur at the second cycle of PWM when the PWMTM reaches zero. This situation will be repeating cyclically. B) GENERAL RELATIONS AMONG DIFFERENT FILES, WHICH DOUBLE UPDATE PROGRAM CONSIST OF main.dsp => this file is the actual implementation of the application. Therefore it contains at least the starting point of the program. It must be located in the current working directory. This file refers to set of header files (*.h). It contains initialisation functions and code which is intended to demonstrate the use of particular set of library routines. main.h => this file contains definition of specific system constant and system parameters, configuration constants. All these constants are used by library routines. This file refers to header files with general ADMC401 constants and some of macro definitions. ADMC401.h => this file includes important ADMC401 constants with addresses assigned to this constant. macro.h => it contains definitions of some macros for commonly needed tasks. PWM401.h => it is the part of implementation of PWM401 routine program. There are macros definitions, variable definition which can be used by each module that refers to this file. PWM401.dsp => the purpose of this code file is the implementation of subroutines and definitions log global and local variables. Tree of the above structure: Main.dsp PWM401.h main.h PWM401.h macro.h ADMD401.h subroutines:PWM_INIT Fig. XI3 Structure of the double update program 43
  • 44.
    Also provided aresome other files which are either necessary to assembler/linker [architecture files (ADMCxxx.ach, ADMCxxx.sys) register definition (ADMCxxx.h)] or useful for code development [general purpose macros (macro.h), definition of routines included in the ROM of the device (romutil.h) ,where applicable]. Compilation process The batch file that compiles and links the application is called make.bat. It must be located in the current working directory. In order to work correctly, the path of the Root_Directory is expected as the input parameter. Every code files is then assembled and linked. If no errors are found, the ADMCxxx executable file main.exe is created and short informs of correct compilation. Firstly, the user`s code is assembled with to a call to ams21.The second task is to compile all the library routines and packing them into a 21xx library file. If the available program memory allows for it, this section may be unchanged. If due to memory constraints unused library routines need to be excluded, the user may remove them by simply removing the corresponding library file in the statement invoking. At last the assembled object files are linked by the statement invoking LD21. Every user file must be listed in the following line, where FILENAMEx is the name of the object file (without extension, i.e. MAIN) to be linked .The library is linked automatically with the– user switch. C) PWMCH values calculation to update duty cycles Each of generated PWM signals has its own duty cycle. It can be updated using following macro. The resultant values are computed as an actual value of PWMTM register multiplied by desired duty cycle for each channel (expressed as hexadecimal variables set from external software i.e. Lab View through SPORT- serial port). These hexadecimal variables we declare as circular data buffers which will be explained in the next paragraph. In the end the resultant values are converted into PWMCHA, PWMCHC and PWMCHC registers. The general formula of this macro is as following: PWMT initial value is defined in admc401.h file: .CONST PWMTM = 0x2008; {PWM timer register} D) Data Buffer declaration We will declare data buffer as 3– element length circular buffer, each word is written down on 10 bits (in binary notation). Circular buffer can be located in certain boundaries in memory. It has to start at a base address which is multiplied of 2n, where n is number of bits required to represent the buffer length in binary notation. The “n” has to satisfy following formula: 2 21  L  2 n , where L is the length of the buffer So in our case L=3, in binary 3=>11 so we have got n=2 bits. We round upward the L value to the closest power of 2, that’s why base address will be assigned by linker as a*22=4a for example it 44
  • 45.
    will be 8.The 2 least significant bits will be set as 0 (because length of buffer in binary is presented on 2 bits) Base address=XXXXXX00 And whole buffer address can be presented as: XXXXXX00 – first element (base) XXXXXX01 – second element XXXXXX10 – third element Next address inside buffer – calculation principle The way how the next address is derived can be stated as follows: Next address=(I+M-B)Modulo(L)+B , where:  I -> current address  M -> modify value (signed)  B -> base address  L -> buffer length  M+I -> modified address  Modulo division returns a change from division In our case at the beginning was: I0=8, B=8, M0=1, L0=3, then: (I0+M0-B)Modulo(L0)+B=(8+1-8)mod(3)+8=1+8=9; now I0=9 => (9+1-8)mod(3)+8=2+8=10; (10+1-8)mod(3)+8=0+8=8; (8+1-8)mod(3)+8=9; ………….. This generates following address sequence for the elements in our data buffer: (8,9,10,8,9,10,8,9,10,8…….and so on) Final declaration of our buffer can be stated as following: .VAR/DM/RAM/CIRC dt[3]; .GLOBAL dt; L0=%dt; {length of circular buffer is assigned to L0 register} I0=^dt; {start address of buffer is loaded into I0 register} M0=1; {reading buffer by increment location of 1 each time} , where L0, I0, M0 are DAG index registers; L – buffer length register used to read and wraparound the buffer; I – index register indicates memory location; M – increment register. These registers are used to access buffer in code. To make buffer possible to invoke from main.dsp program we have to add special “GLOBAL” directive below the main declaration and also define it as “EXTERNAL” in main.dsp. Now we are able to declare our “dt” buffer as a global variable in PWM401.h file. Part of resultant listing from this file is: 45
  • 46.
    Fig. XI4 Fragmentof the microcontroller’s E) SPORT usage We use SPORT serial port as our data input from external Lab View software. ADMC401 has two synchronous serial port called SPORT0 and SPORT1. We choose one of them to transfer data from the outside: SPORT1. Each SPORT has a five-pin interface: SCLK – serial clock RFS – receive frame synchronization TFS – transmit frame synchronization DR – serial data receive DT – serial data transmit SPORT can receive and transmit data simultaneously (DR, DT), the bits are synchronous to the serial clock SCLK usually generated internally by processor. Frame synchronization signals RFS and TFS are used to indicate the beginning of a serial data word or stream of serial words. Additional important feature of SPORT: support serial data word of length from 3 to 16 bits using DAG registers- SPORT can automatically receive and transmit an entire circular buffer with rate one word per cycle, this transfer is automatic and does not need additional programming To configure SPORT we have to set proper bits and field values in its configuration registers which are memory mapped. Following the most important control registers are distinguished: 46
  • 47.
    0x3FF6 – controlregister of multichannel mode, serial clock, frame synchronization, companding mode, serial word length 0x3FF5 –data transfer frequency determination 0x3FF4 – frame synchronization frequency of receiving 0x3FF3 – autobuffering control register Furthermore each SPORT has receive registers RX0, RX1 and transmit registers TX0, TX1 which are not memory mapped, but are identified by assembler mnemonics. To initialize SPORT configuration we choose direct method which simply assign immediate data to proper register. For example: AX0=0x6B27; {the contents of AX0 are written to the register of address 0x3FF2} DM(0x3FF2)=AX0 a) SPORT1 enable, Boot Wait States and Program Memory States enable To enable we set bits number 12, 4 3, 2, 1, 0 of register 0x3FFF. b) SPORT1 serial clock enable To enable internal SCLK clock signal for SPORT1 we set 14-th bit of register 0x3FF6. Frame sync signal needs to have frequency of 60 kHz. That is because changes in CHA, CHB and CHC registers are made according to PWMSYNC signal twice per PWM period with freq of 20 kHz. Hence SPORT has to read out all three data words from Lab View until PWMSYNC interrupt occur. To adjust frame sync signal freq we modify the value of RFSDIV modulus which can be calculated as: RFSDIV=(SCLK freq/ RFS freq) – 1 Then, we have: SCLK freq=2.048 MHz, RFS freq=60 kHz=0.06 MHz => RFSDIV=34-1=33, We put value “33” in decimal into register 0x3FF4; c) Choice of serial word length for SPORT1 To set the number of bits of serial word as 10- bit we modify the value of SLEN field in 0x3FF6 control register. SERIAL WORD LENGTH=SLEN+ 1 and SLEN=9 (1001 in binary) => SWL=10 bit. SLEN value is written binary on 4 least significant bits in 0x3FF6 register. d) Enable frame synchronization for receiving mode We set 13-th bit of register 0x3FF6 to enable RFS data synchronization. e) Setting frame synchronization signal for receiving mode We set 8-th bit as 0 in register 0x3FF6 to enable IRFS - externally generated frame sync signal. Now the external data software (Lab View) controls the data transmission and reception. The SPORT1 will wait for receiving frame sync before receiving data. f) Enable the normal framing mode We set 12- bit as 0 in 0x3FF6 register to enable normal framing mode for receiving data. If frame sync signal is detected at the falling edge of SCLK clock signal, on the next falling edge of SCLK signal data is latched on and entire word is captured. After that the next detection of frame signal is made. h) Choice of frame sync signal polarity We set 6-th bit as 0 in register 0x3FF6 so that frame sync signal is active high. i) Data µ- law data companding This is the process of logarithmically encoding and decoding data to minimize the number of bits that must be sent. We set bits number 5 as 1 and bit number 4 as 0 in 0x3FF6 register. 47
  • 48.
    j) Multichannel modedisables 15-th bit of 0x3FF6 register as 0. k) Disable the transmit frame sync required and width by setting bits number 11, 10 as 0 in register 0x3FF6. l) Disable internal transmit frame sync by setting 7-th bit of 0x3FF6 register as 0. {SPORT1 initialization code} AX0=33; DM(0x3FF4)=AX0; {frame sync divide modulus =33, frame sync signal frequency of 60kHz} AX0=2; DM(0x3FF5)=AX0; { SCLK clock frequency set as 2.048MHz} AX0=0x6129; {in binary notation 0110000100101001} DM(0x3FF6)=AX0; {internal SCLK clock, 10 – bit of word length, frame synchronization at start of every data word, internal IRFS signal, normal framing mode, frame sync signal active high, mu – law 10-bit data compounding} IFC=0x1E; {clears any extraneous SPORT interrupts} INCTL=0; {interrupts nesting disabled} AX0=0x101F; {in binary notation 0001000000011111} DM(0x3FF)=AX0 {SPORT1 enabled, Bwait and Pwait enabled} IMASK=0x1E; {SPORT1 interrupts are enabled) This SPORT1 initialization we locate in main.dsp file. F) FINAL PROGRAM After circular buffer declaration and SPORT initialization we are able to assign data received through SPORT to declared buffer and use it in our macro, which calculates values for PWMCHA, PWMCHB and PWMCHC registers. It can be done simply using RX0 register of SPORT1. Despite of the highest priority of IRQ2 interrupts which are used by PWSYNC_ISR routine, we are able to acquire and transfer to buffer all three data words through SPORT1 until IRQ2 interrupt occurs because of adjusted frame sync signal frequency (it was described in previous paragraph) and resultant SPORT interrupts. Startup: PWM_Init(PWMSYNC_ISR, PWMTRIP_ISR); Set_Bit_DM(MODECTRL, 6); {Sets into Double Update Mode} IFC = 0x80; {Clears any pending IRQ2 inter.} ay0 = 0x200; {unmask irq2 interrupts.} ar = IMASK; ar = ar or ay0; IMASK = ar; {IRQ2 ints fully enabled here} 48
  • 49.
    Main: {Waits for interrupt to occur} jump Main; rts; AY0=RX0; {content of RX0 register is transferred to AY0} DM(I0,M0)=AY0; {loads AY0 value to current location in “dt” global buffer, it is described by current values of I0 and M0 registers} rti; {goes back to main program and waist for next SPORT interrupt} {PWM Interrupts Service Routine} PWMSYNC_ISR: Test_Bit_DM(SYSSTAT, 3); if_Set_Jump(Second_Halve); PWM_update_DutyCycles(DM(I0,M0),DM(I0+1,M0),DM(I0+2,M0)); rti; Second_Halve: PWM_update_DutyCycles(DM(I0,M0),DM(I0+1,M0),DM(I0+2,M0)); rti; G) MICROPROCESSOR’S CONFIGURATION AND TESTS Fig. XI5 Microprocessor’s tests Tests went well. We were able to check program, connections, possibilities and finally send our code to microprocessor. 49
  • 50.
    XII. TRANSDUCER To control the proper working of our machinery we need to check the output values as they come. The best solution is to use some kind of transducer which will be take values and then send to the external device, in our case to LabVIEW via NI- USB 6008 converter. We could use a few different models of transducer, but finally we used two DEIF transducers from Danish company. A transducer is an electronic device that converts energy from one form to another. Used transducers: The TAS- 331DG is a micro- controller based AC- transducer with 1 analog output for measurement of power or reactive power on an AC- network. This transducer can be delivered pre- configured to the desired measuring value and range or it can be delivered un- configured for customer configuration through the PC- interface. The PC- configuration makes free adjustment of the full input range and output range possible without any mechanical settings or adjustments inside the transducer. TAS- 331DG can be configured as a normal linear transducer or with up to three slopes giving the possibility for a higher resolution in one or two ranges of the measurement. TAS- 311DG is a micro- controller based AC- transducer with 1 analog output for measurement of RMS- voltages, RMS- current, phase angle or frequency on an AC- network. Because we wanted to use National Instrument device NI- USB 6008 converter we had to choose some kind of transducers which have on the output analog voltage range. Fig. XII1 Transducers: TAS- 311DG, TAS- 331DG 50
  • 51.
    Fig. XII2 Equipmentin the laboratory. MIQ96 (upper) and TAS- 331DG (lower) Connections diagrams: Fig. XII3 Connection diagram of TAS- 331DG 51
  • 52.
    Fig. XII4 Connectionsdiagrams of TAS- 311DG Thanks to these two transducers we are able to measure active/reactive power from the TAS- 331DG and RMS voltage/frequency from the TAS- 311DG. Unfortunately we could not measure all these four parameters in the same time. It is a huge difficulty. Better solution will be using MTR-1: Fig. XII5 MTR- 1 multi- line transducer The MTR-1 multi transducer is a microprocessor- based measuring unit providing measurement of all electrical values on a single phase or 3- phase network, showing the measurements on the built- in display and transmitting these also as the 3 analog outputs. This transducer can replace several transducers in all electrical measuring applications, and can be applied both as a normal transducer, where the analog output is connected to a local control system, and as a remote value 52
  • 53.
    reading unit, whereall measured values are transmitted to the remote control via the serial interface (RS-232). Each of the 3 analog outputs can be programmed to represent any of the possible measurements, and the output signal can be programmed to the required scaling and type. Fig. XII6 Principle diagram of connecting MTR- 1 Fig. XII7 Connection of 2W4, 3- phase network, 4- wire unbalanced Fig. XII8 Terminal overview Efficiency is an important consideration in any transducer. Transducer efficiency is defined as the ratio of the power output in the desired form to the total power input. Mathematically, if P represents the total power input and Q represents the power output in the desired form, then the efficiency E, as a ratio between 0 and 1, is given by: 53
  • 54.
    E = Q/P IfE% represents the efficiency as a percentage, then: E% = 100Q/P No transducer is 100-percent efficient; some power is always lost in the conversion process. Usually this loss is manifested in the form of heat. Some antennas approach 100-percent efficiency. MTR- 1 is based on a modern digital signal processing platform, where all current and voltage signals are digitally sampled and all measured values are calculated from the sampled signals. This ensured a very accurate measuring system, which also measures harmonics in voltage, current and power. MTR- 1 will measure up to 500 Hz (10th harmonic of a 50 Hz system). From 500 Hz to 2600 Hz (52nd harmonic of a 50 Hz system) MTR- 1 will measure the harmonics in the signal with slightly reduced accuracy. The digital measuring principle will also give a faster response compare to conventional analog systems. All measuring signals will be updated for every period 20 ms@50 Hz. All voltages and currents are calculated as true RMS values by the formula: N N 2 2 u n 1 n i n 1 n U RMS  I RMS  N N , where u n and in are the sampled values and N is the number of samples during one period of the input signal In the same way the active power P is defined as: N u n  in P n 1 N , where N is the number of samples during the latest period of the voltage input signal Unfortunately, we could not use this kind of transducer because on the analog output we can get only values expressed in current. It could be perfect solution (MTR-1 sends even 3 analog parameters), but we would need something instead of NI USB- 6008 to convert data. NI can only read voltage on the input. We have to know that this kind of equipment is only a basic solution. Possibilities of this box are limited. In many modern applications we get values expressed in current than in voltage. We usually can choose the range of working from 0 to 20 or from 4 to 20. The last choice is more desirable because when we have 0 on the screen we could not be sure if it means that it is measured zero or maybe there is some problem with equipment which was not connected properly. Connections diagrams: Another better solution could be mentioned MIQ96 and serial communication, but we were not able to use that because of the problem with cable which could not work with RS-485 protocol. 54
  • 55.
    DEIF’s SOFTWARE By using DEIF’s software we were able to program analog outputs to get proper data. Output range was programmed from 0 to10V. Fig. XII9 Software to get data from transducer 55
  • 56.
    XIII. LabVIEW- CONTROLAPPLICATION Like www.ni.com says: “For 20 years, engineers and scientists have been using National Instruments LabVIEW, a powerful graphical development environment, for signal acquisition, measurement analysis, and data presentation. LabVIEW also provides the flexibility of a programming language without the complexity of traditional development tools”. That is way we also decided to use this wealthy tool to get to know how in the real life that such of work with LabVIEW looks like. How exactly this tool is powerful? Trying to learn how to think in imaginatively way to present our ideas on the screen in the form of code of LabVIEW. To bring closer to subject matter which automation in industry is. On the beginning we started to think, what the purposes are, what exactly our program should do, what we want to measure, how our front panel should looks like. But the most important thing was to start with that maybe on the beginning difficult program. We think that we managed to take steps to our preconditions. Lab view is combination of two integrated “files”: front panel which consist of controls and indicators, which are the interactive input and output terminals of the VI, respectively. Controls are knobs, push buttons, dials, and other input mechanisms. Indicators are graphs, LEDs, and other output displays. Controls simulate instrument input mechanisms and supply data to the block diagram of the VI. Indicators simulate instrument output mechanisms and display data the block diagram acquires or generates. The second “file” is block diagram. After when we build the front panel, we add code using graphical representations of functions to control the front panel objects. The block diagram contains this graphical source code, also known as G code or block diagram code. Front panel objects appear as terminals on the block diagram. Fig. XIII1 Front panel and block diagram 56
  • 57.
    FRONT PANEL Fig. XIII2 Front panel The first task was to design front panel which will be transparent and easy to work with it. We placed Vertical Toggle Switch to stop measurement in accurate moment. Below we have three meters which will be measure for us Voltage, Real power and Reactive power. We add also one gauge to check frequency. Adding Numeric Indicator we can observe exact value which have significant role in our project, because unless we obtain 50Hz, we would not work in synchronism. 57
  • 58.
    BLOCK DIAGRAM Fig. XIII3 Block diagram 58
  • 59.
    To explain whatthe code means would not be so easy. Let is start from the block DAQ Assistant. This block represents equipment from National Instruments NI USB-6008. Fig. XIII4 NI USB-6008 This instrument provides basic data acquisition functionality for applications such as simple data logging, portable measurements, and academic lab experiments. It is affordable for student use, but powerful enough for more sophisticated measurement applications. It included ready-to-run data logger software to begin taking basic measurements, or program it using LabVIEW or C and the included NI- DAQmx Base measurement services software for a custom measurement system. The most significant features: 12 or 14-bit input resolution, at up to 48kS/s Built- in, removable connectors for easier and more cost- effective connectivity 2 true DAC analog outputs for accurate output signals 12 digital I/O lines (TTL/LVTTL/CMOS) 32- bit event counter We used four analog inputs from mentioned equipment (ai0, ai1, ai2, ai3). Where, in all of them we measure voltage. It could be puzzling how we could measure e.g. power in Volts. The answer is easy; our pre-equipment (transducer from Danish company- DEIF) measures values in real units and converts into Volts. The range is changed as well. Analog inputs of NI USB- 6008 have own durability (20V). We could not increase this level, because we can burn out converter. Fortunately LabVIEW has built-in transfer function, so even if we take Volts we can observe all measurement in real values and units. 59
  • 60.
    Fig. XIII5 Convertingdata from Volts into Watts in appropriate scale Next blocks which were used after DAQ assistant blocks were Collector and Statistics. Task of Collector is to collect input signals and returns the most recent data, up to the specified maximum number of samples per channel. When we call this Express VI repeatedly and the Express VI reaches the maximum number of samples per channel, the Express VI discards the oldest data and adds the newest data to the collected samples. For example if we established to collect thousand samples in means that the next block will calculate arithmetic mean from this thousand values and give the final result. This method can protect against spikes or unstable values. Fig. XIII6 Collector and Statistics blocks Thanks to block Write LabVIEW Measurement File Express VI we can store the data acquired from DAQ device, but this data after mathematical processing. It can help us to check how the values were changing during the measurement. Fig. XIII7 Write to measurement file block 60
  • 61.
    When is theproblem with acquiring data from DAQ device or the Vertical Toggle Switch was switched, the structure below will stop everything, protecting against having incomplete data if one or two devices do not work properly or simply if we want to interrupt our measurement. Fig. XIII8 Unbundle by name, compound arithmetic- or, loop condition- stop. Another structure which was used in our block diagram is compare structure. It is really helpful if we want to decide what the program should do when the measured value is higher or lower than the desirable value. Fig. XIII9 Compare structure with Case Structure. Analog solution Our second idea was to use DAQ assistant which will be sending value to the analog output depending on the ending conditions. If the output voltage would be lower than 400V DAQ assistant would take value from the ground 0V output and send this value on the analog output 1, while if the value was higher, device would send 5V from the stable output to analog output 2 and additionally would send some beep noise to warn against to high value. Unfortunately this kind of solution is not right because to control machine we need smooth range from 0 to 5V, not only this to extreme values. Using NI USB- 6008 we are not able to be up to this. Fig. XIII10Linking inputs with outputs to solve the problem 61
  • 62.
    If we arenot able to send analog values we decided to send digital values, but this time not to use NI- USB 6008 converter, because it has only 12- bits digital output. Our new idea was to use NI- USB only to observe behavior of the machine and use microcontroller’s D/A converter to send hexadecimal values which will be changing the duty cycle in PWM signal. We came back to our first idea with using RS-232 protocol and serial interface to exchange data between computer and microcontroller. In datasheets is written: Solution is showed in the pictures below: Fig. XIII11 Compare structure with Case Structure. Way to increase the duty cycle. Digital solution Fig. XIII12 Compare structure with Case Structure. Way to decrease the duty cycle. Digital 62
  • 63.
    Idea is easy.We use serial port to exchange information. Depending if the value is lower or higher than 400V Case Structure will execute appropriate step: a) VISA Configure Serial Port initializes the serial port specified by VISA resource name to the specified settings. b) VISA Read reads the specified number of bytes from the interface specified by VISA resource name and returns the data in read buffer. c) Hexadecimal String to Number Interprets the characters 0 through 9, A through F, and a through f in string starting at offset as a hex integer and returns it in number. d) Depending if we increase or decrease duty cycle appropriate mathematical calculation is executed. 32 is hexadecimal value is our step, everything depends how fast we want to increase or decrease the speed of the machine to obtain synchronism. e) U32 converts a number to a 32-bit unsigned integer in the range 0 to 232–1 f) In Range and Coerce block determines whether a 32-bit unsigned integer falls within a range specified by the upper limit and lower limit inputs (0000, 7FFF). In every applications programmer have to predict and guarantee correctness of work. g) Number to Hexadecimal String converts number to a string hexadecimal digits h) VISA Write writes the data from write buffer to the interface specified by VISA resource name. i) VISA Close block closes a device session specified bye VISA resource name. That block let to use this port by the other applications when it is not used. Now, in this way we are able to work in smooth range 0- 5V (0000 determines 0V, 7FFF determines 5V) with using digital values and microcontroller’s C/A converter. Our idea was shown by comparing output voltage, but we can use powers or frequency as well. We have a few possibilities. To the final block diagram (program) we can add some waveform graphs to observe relationships between values in specific situation. 63
  • 64.
    XIV. SUMMARY First of all we want to thank all professors for enable for us to use all laboratories’ tools, devices, kits, integrated circuits and components. Our final report of the project contains in majority practical solution of commissioned task. Unfortunately, when we solved all particular parts of the integrity, we could not test the system entirely. Although we suppose that everything should work properly, because each block was tested in detail. In our opinion we used all available stuff exhaustively. We learned a lot during this semester and especially during the project course. It improved our practical skills. We must admit that it was the first time that we could to set ourselves against the problem, which is used in real life. It helped for us to be more creative to be the real engineers. 64
  • 65.
    XV. BIBLIOGRAPHY  Principles of electric Machines and Power Electronics, 2nd ed., John Wiley & Sons, 1997  Electronics Control of DC motors and AC motors, T. Wildi  DC- DC Switch mode converters, Mohan, Undeland, Robbins  http://homepages.which.net  http://en.wikipedia.org  http://www.windpower.org/en/tour/wtrb/syncgen  Datasheets of integrated circuits, servomotor, transducers 65