GROUP MEMBERS STUDENT ID
CHONG YI HUI 324404
CRYSTAL CHIA 323964
KESHNI DEVI SOBARUN 323062
LEEMUL DEV NATHOO 326878
MUHAMMAD MIRZA QAYYUM 324031
YEW WING KEE 323555
SCHOOL OF ARCHITECTURE, BUILDING & DESIGN
BUILDING TECHNOLOGY 1
BLD 61403
INDUSTRIALIZED BUILDING SYSTEM
TUTOR: MR. MOHAMED RIZAL


CONTENTS
1.0 INTRODUCTION
ACKNOWLEDGEMENT
OBJECTIVE
2.0 PROPOSED IBS SYSTEM
PRECAST CONCRETE
STEEL
3.0 PRECEDENT STUDIES
TAMAN HULU LANGAT JAYA
HIGH END BOUTIQUE BANGALOW AT BUKIT DAMANSARA, KL
4.0 BUILDING COMPONENTS
PRECAST CONCRETE PILED FOUNDATION
PRECAST CONCRETE COLUMNS
PRECAST CONCRETE PRECAST BEAM
SOLID SLAB PRECAST
PRECAST REINFORCED CONCRETE WALL SYSTEM
PRECAST STAIRS
PREFABRICATED STEEL ROOF FRAME
5.0 JOINING METHODS
COLUMN TO FOUNDATION
COLUMN TO COLUMN
COLUMN TO BEAM
4
5
5
6
7
7
8
9
9
10
11
11
12
13
14
16
17
18
19
19
20
2

 SLAB TO BEAM
SLAB TO WALL
TRUSSES TO ROOF BEAM
STAIRS CONNECTION
6.0 CONSTRUCTION PROCEDURE
7.0 DRAWINGS
8.0 SCHEDULE
9.0 IBS SCORE
10.0 REFERENCES
20
20
20
21
22
26
43
46
51
3


1.0 INTRODUCTION
4

 ACKNOWLEDGEMENT
Multiple parties are credited for the completion of this project. It is thanks to Mr Rizal for providing us with the
neccessary information through his lectures that we were able to understand the fundamentals of the Industrialized
Building System (IBS), as well as answering some of our questions through tutorials. Also credited for our project
completion is Mr Edwin Chan, who generously shared to us his experience as a professional architect revolving IBS as
well as giving us tips outside of tutorial hours. Coordinated teamwork and encouragement between the group
members are also crucial to the completion of the project.
OBJECTIVE
The main objective of this project is to develop our understanding towards the various Industrialized Building System
(IBS) construction methods by designing a three-storey apatment building. We are also expected to apply the
appropriate IBS construction method in the production of a model for an apartment building. Also through model
making we are able to get a comprehensive understanding on the details of joints. Lastly, we were able to foster good
communication skills among group members through proper delegation of works and production of deliverables.
5


2.0 PROPOSED IBS SYSTEM
6

 PRECAST SYSTEM
The three-storey apartment comprises of the precast system, Precast method is the most common IBS method in
Malaysia. The system is further split into two types, the concrete precast system, the primary system for most of the
structure comprising of the foundation, external and internal walls, flooring, columns & beams and staircase. Another
precast system would be the steel precast system, exclusively used for the structure of the roof trusses.
PRECAST CONCRETE
Precast concrete is a construction product produced by casting concrete in reusable mould or form which is then
cured in a controlled environment, transported to the construction site a lifted to be set into place. A fully precast
building is constructed by using various prefabricated elements required in the building structure.
ADVANTAGES DISADVANTAGES
Quality and strength assured since produced in a controlled factory conditions Difficult to produce non-regular organic shapes
Quality is easily monitored Reuires transportation to site that may be costly
Material for production is cheap since material can be bought in bulk Some components are heavy and cranes are required to install
Same result in any weather conditions so appropriate mixes are achieved Future renovation works would be nearly impossible
No setting time and immediate installation can take place
Modularity of components is achieved very quickly
Less labour required
7
PREFABRICATED STEEL FRAMING
This system is commonly used with precast concrete slabs and is used extensively in fast-track construction of
skyscrapers and construction of large factories and exhibition halls that require wide areas. Apart from that, it is
extensively used for light steel trusses consisting of cost-effective profiled cold-formed channels and steel portal
frame system as alternatives to the heavier traditional hot-rolled sections.


3.0 PRECEDENT STUDIES
8


9
PRECEDENT STUDY (IBS BUILT HOME)
• Only a handful of developers in Malaysia utilise IBS in constructing their properties. However, it has been proven that
quality homes can be reasonably priced with the use of IBS, even offering a wide range of facilities.
• IBS FOCUS CONSTRUCTION is one such company, which carries out the construction work and renovating the
building, houses with IBS Technology which is recognised by CIDM and SIRIM
PROJECT PHOTOS
TAMAN HULU LANGAT JAYA
HIGH END BOUTIQUE BUNGALOW BUKIT DAMANSARA, KL
ADVANTAGES
Speed up construction process
Saves cost in building materials
Requires less manpower
Environmentally-friendly
Smooth surface finishes


4.0 BUILDING COMPONENTS
10

 PRECAST CONCRETE PILED FOUNDATION
A uniform support along the full length of the wall is provided by adopting piles at a closer spacing with a first storey
capping beam. Within the precast concrete wall, there are zones designated as load bearing and non-load bearing.The
piles are located only below the load bearing zones.The first storey beam is used to disperse the pile support along the
wall, but is not designed as a capping beam. The piles are preferably provided in groups of two or more, located on
each side of the wall centerline. If single piles are necessary, first storey beams are required in the transverse direction
to accommodate possible moving effects.
PRECAST CONCRETE COLUMNS
Precast concrete columns are modular in design in order to be made into different heights. Widths are 12”,18” and 24”.
The columns provide support for the beam and slab elements. Since these elements carry the main axial loads with
little bending force, they may be conventionally reinforced without prestressing.The column is multi storey corbel
column.
11


12
ADVANTAGES DISADVANTAGES
More economical than conventional cast in-situ Very heavy members
Precast column ensures fast installation Very small margin for error
Less labour required Connections may be difficult
Inherent fire rating- precast concrete inherent properties offer increased
protection against fire
Somewhat limited building design flexibility
Superior loading Joints between panels are often expensive and complicated
Construction is not affected by site weather and conditions Skilled workmanship required in the application of the panel on site
High quality and uniform finish for columns Cranes are required to lift columns
REINFORCED CONCRETE PRECAST BEAM SYSTEM
The cross-sections of a precast concrete beam will depend on its location within a structure, its purpose and how it is
connected to other members. The simplest will be rectangular, probably with reinforcement links projecting out of the
top around which in situ concrete can be cast.Alternatively, beams may have projections, on one or both sides to
support secondary members, such as floor slabs or staircases, or to carry brickwork or cladding. The beams will be
provided with recesses at the ends, that fit over corbels or steel sections projecting from the columns. The beams
consist of reinforcement   bars and welded wire meshes within the elements to provide the tensile strength and
resistance against cracks
FABRICATION PROCESS
DemouldingCuringConcreting


SOLID SLAB PRECAST SYSTEM
A solid slab has two ways that help it stay stable, they are bearing walls and
beams. Bearing Walls are the least expensive for slabs that are of short spans
and light loads. It is popular for apartment buildings and hotels, basically uniform
and regular size spacing.
Dimensions
•It can span up to 22’ (6.70m)
•Width optimum: 8”-12”
•Span/depth ratio: 1/40
•Min. produced depth: 3” (0.08m)
•Max. produced depth: 6” (0.15m)
When the depth of a solid slab increases past a point that is standard the extra
weight is spread against the spanning member.
13
ADVANTAGES DISADVANTAGES
Saving in cost, materials & time Breakage might happen when installing
Less labour required Difficulties in connecting joints
Efficient installation Component need to be placed strictly
align with each other or other members
may be affected
Possibility of reusing members Skilled labour and supervision is
required
Component quality is consistent
ADVANTAGES
Speed up construction process
Absence in scaffolding
Large variety of type
Large span capacity
Economical considerate
Minimize noise from upper level

 PRECAST REINFORCED CONCRETE WALL SYSTEM
Precast concrete wall panels consists of steel-reinforced concrete ribs that runs vertically and horizontally in the
panels. Precast concrete panels can either be pre-stressed or conventionally reinforced, are commonly used as load
bearing wall panels in many types of low-rise and high-rise buildings. Solid panels normally range from 90 to 250 mm
in thickness and it can cover one or two stories in height. Panels are precast and cured in a controlled factory
environment in order to avoid weather delays. A typical foundation can be erected in four to five hours, without the
need to place concrete on site for the foundation. Therefore the foundation can be installed in any climate zone in a
sixth of the normal time required.
CHARACTERISTICS
Density - 800 to 1400 kg/m3
STC      - 45
Thermal Resistance (R-Value)      - 30 degree Celsius/inch
Absorption by volume, max           - < 1.8%
Thermal Conductivity(k-Factor)   - 23 degree Celsius(hr)
Wall Compressive strength          - 0.23N/mm2
14

 ADVANTAGES DISADVANTAGES
Quality and strength assured since produced in a controlled factory conditions Difficult to produce non-regular organic shapes
Quality is easily monitored Reuires transportation to site that may be costly
Material for production is cheap since material can be bought in bulk Some components are heavy and cranes are required to install
Same result in any weather conditions so appropriate mixes are achieved Future renovation works would be nearly impossible
No setting time and immediate installation can take place
Modularity of components is achieved very quickly
Less labour required
15


16
PRECAST STAIRCASE
To speed up site production, stair flights can be of precast instead of cast in-situ concrete. Precasting stairs produces
better surface finishes, avoids the inherent problems of casting complicated inclined sections on site and provides
rapid access to successive floors. They are particularly cost effective when the design of the building requires a
reasonable amount of repetition.
Normally two flights of stairs will be used at each storey; the half landing will be cast integrally with the stair units or
may also be a separate slab, depending on the configuration of the supporting frame. The specifications of the soffits
and sides of the units are important to have a finish suitable for direct painting.
As an alternative to stair flights, separate tread units may be precast and joined to form a complete staircase (e.g. a
spiral staircase).


17
PREFABRICATED STEEL FRAME ROOF TRUSS
Our apartment utilizes prefabricated steel framed roof truss. This kind of roof truss is very flexible as it works with any
design. The roof truss has webs that run at an angle between top and bottom chords meant to strengthen the
structure. It is a cold-formed steel truss.
ADVANTAGES DISADVANTAGES
Lasts longer than timber truss Requires skilled labour on the installation
Requires very little maintenance More expensive than timber trusses
Do not require chemical treatments to maintain the frame Faces the risk of rusting
Not subjected to insect infestations Not energy efficient
Light weight
Easy and quick installation on site
Can be recycled easily


5.0 JOINING METHODS
18

 COLUMN TO FOUNDATION
In situ foundation houses cast in starter bars which the precast column is later lowered onto and grouted to provide
continuity
COLUMN TO COLUMN
Metal bearing plates and embedded anchor bolts are cast into the end of the columns. After the columns are
mechanically joined connection is grouted to provide full bearing between elements and protect the metal component
from fire and corrosion.
19
BEFORE ASSEMBLY ASSEMBLED GROUTED
Shims
The entire joints are dry
packed with grout after
alignment

 COLUMN TO BEAM
Beams are set on bearing pads on the columns
carbels. Steel angles are welded to metal plates
cast into the beam and columns and the joints
in grouted solid.
20
SLAB TO BEAM
Precast slabs are set on bearing pads on precast
beam. Steel reinforcing bars are inserted into
the slabs keyways to span the joints. The joints
is grouted solid.
SLAB TO WALL
Wall is placed on the ground floor slab.
Prefabricated notch on the ground floor wall is
designed to accommodate slab for first floor. Floor
slab is rested on the notch. First floor wall is then
placed on top of ground floor wall.
TRUSSES TO ROOF BEAM
Two metal steel plates holds the prefabricated steel
truss and held together by two-sided bolts. Weld
plates are casted onto the concrete roof beam with
accurate placement and is welded. The anchor bolt
further secures the position of the truss.


LANDING TO WALL CONNECTION
The landing slab sits on a Rolled
Steel Angle (RSA) that is bolted to the
wall. A structural shim packer is
placed between the RSA and landing
slab, which serves to level the
landing slab before commitment.
STAIRS CONNECTION
STAIRS TO FLOOR SLAB CONNECTION
The stairs sits on a structural shim
packer which sits on the ledge casted
into the floor slab. A hole is then bored
through the step of the stairs and the
shim packer and stops when it reaches
into the slab. A metal dowel piece is then
inserted into the hole and sealed by
grout. The connection between the
staircase and the slab is of a typical
notch joint as seen in typical recast
stairs.
With the usage of straight flight
stairs, the precast stairs does not
have any integral landing connected
at the factory.
21


6.0 CONSTRUCTION PROCEDURE
22


23
Prefabricated pad foundation is placed on top of
excavated terrain with installation of padfooting
columns with corbels.
Rectangular section beams are placed on top of
the corbels of columns accordingly.
Columns with single storey corbels are placed on
top of pad-footing. Precast walls are installed on top
of the beams and floor slabs of the ground floor.
Solid precast slabs are then placed on top of the
rectangular beams. For the ground floor, cranes
may not be needed for installation.
1 2
43


24
Step 4 is repeated for the first floor of the
apartment.
Second floor columns connect to the first floor
columns with corbels.
The roof beams are then installed on top of the
walls of the second floor.
Step 4 is repeated again.
5 6
87


25
The roof slab is placed to top off the structure
before installation of the roof structure.
The roof trusses are then installed on to the
beams of the upper floor. Along with that are the
installation of rafters.
The roof shingles are installed on
top of the truss and rafters, along
with the installation of doors and
windows.
9 10
11


7.0 DRAWINGS
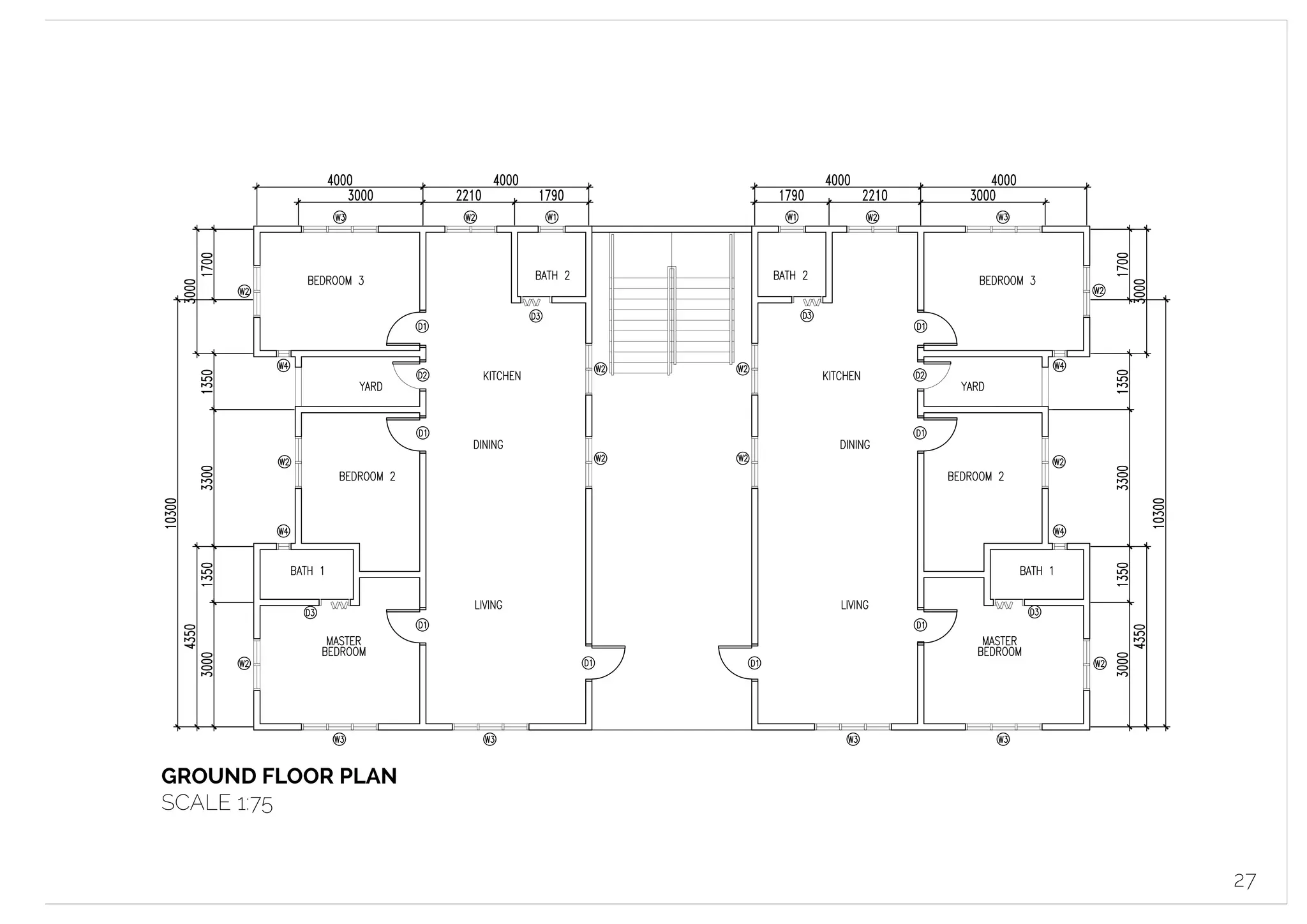
26


GROUND FLOOR PLAN
SCALE 1:75
27


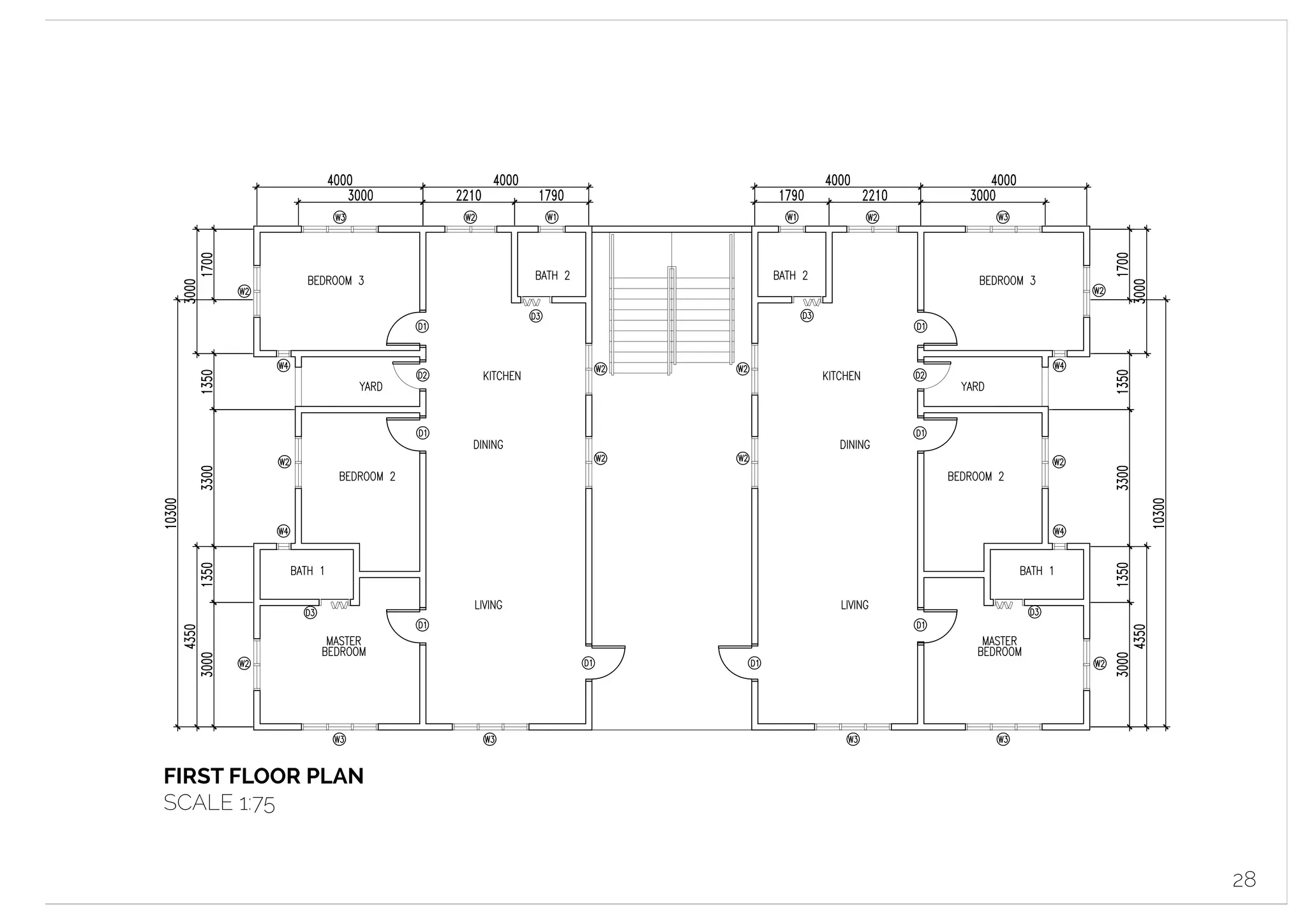
FIRST FLOOR PLAN
SCALE 1:75
28


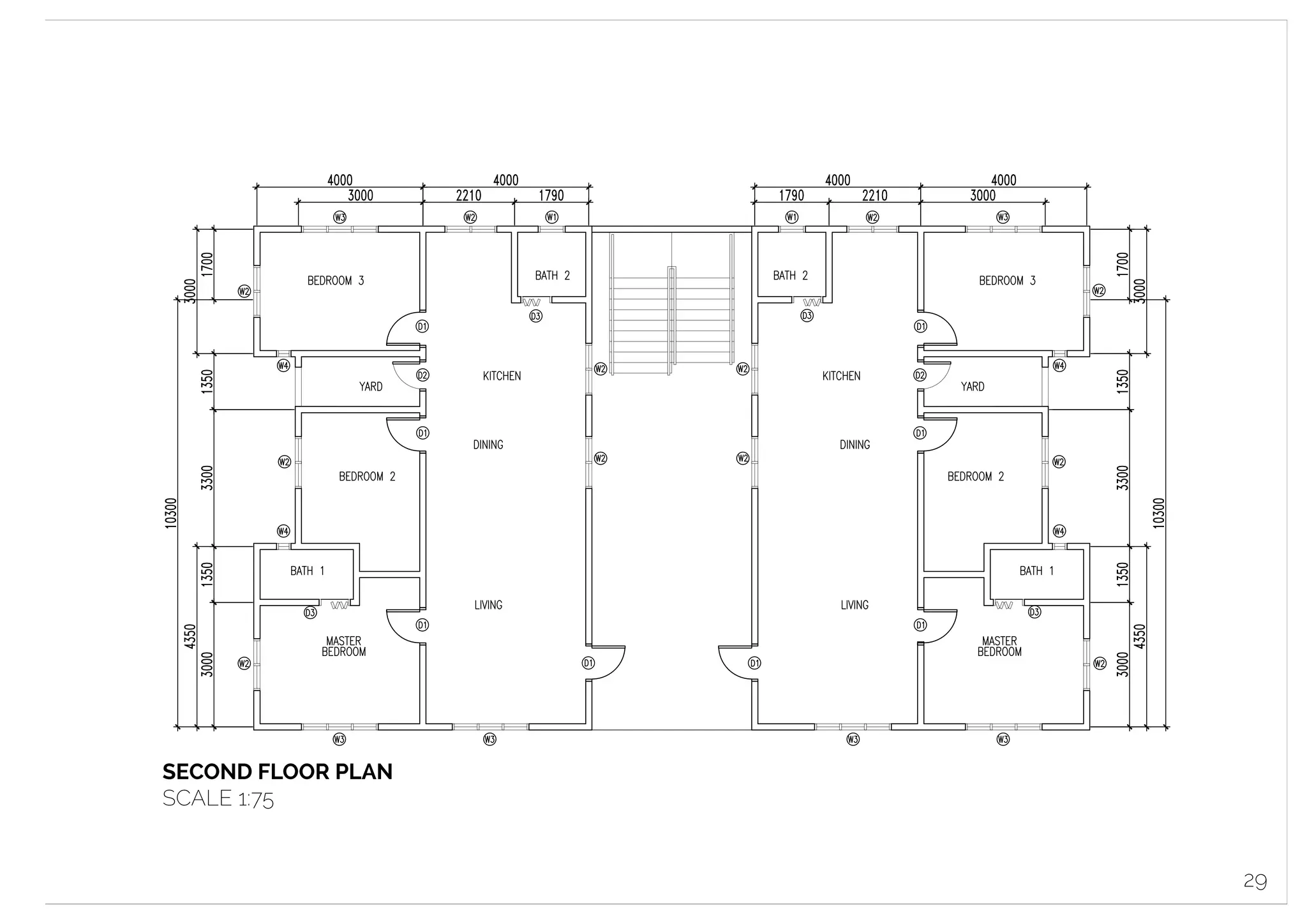
SECOND FLOOR PLAN
SCALE 1:75
29


ROOF PLAN
SCALE 1:75
30


FOUNDATION PLAN
SCALE 1:75
31


FIRST FLOOR STRUCTURAL PLAN
SCALE 1:75
32


SECOND FLOOR STRUCTURAL PLAN
SCALE 1:75
33


ROOF BEAMS
SCALE 1:75
34


ROOF TRUSSES
SCALE 1:75
35


FRONT ELEVATION
SCALE 1:75
36


BACK ELEVATION
SCALE 1:75
37


RIGHT ELEVATION
SCALE 1:75
38


LEFT ELEVATION
SCALE 1:75
39


SECTION A-A’
SCALE 1:75
40


SECTION B-B’
SCALE 1:75
41


AXONOMETRIC
SCALE1:250
42


8.0 SCHEDULE
43


44
DOOR 1 DOOR 2 DOOR 3
Name : Wooden Framed Door
Dimension : ( L x W x H ) : 900mm x 50mm x 2100mm
Quantity : 24
Specification : Preferred size door according to MS
1064 Part 4:2001
Name : Wooden Framed Door
Dimension : ( L x W x H ) : 900mm x 50mm x 2100mm
Quantity : 24
Specification : Preferred size door according to MS 1064
Part 4:2001
Name : Wooden Framed Door
Dimension : ( L x W x H ) : 750mm x 50mm x 2100mm
Quantity : 6
Specification : Not preferred size door according to MS 1064 Part 4:2001
Name : Wooden Framed Door
Dimension : ( L x W x H ) : 750mm x 50mm x 2100mm
Quantity : 6
Specification : Not preferred size door according to MS 1064
Part 4:2001
Name : Wooden Framed Door
Dimension : ( L x W x H ) : 750mm x 50mm x 2100mm
Quantity : 6
Specification : Not preferred size door according to MS
1064 Part 4:2001
Name : Aluminium Folding Door
Dimension : ( L x W x H ) : 750mm x 50mm x 2100mm
Quantity : 12
Specification : Not preferred size door according to MS
1064 Part 4:2001


45
WINDOW1 WINDOW2 WINDOW3 WINDOW4
Name : Aluminium single panel window
Dimension : ( L x W x H ) : 600mm x 75mm x 1200mm
Quantity : 6
Specification : Preferred size window according to MS
1064 Part 5:2001
Name : Aluminium Double Panel Window
Dimension : ( L x W x H ) : 1200mm x 50mm x 1200mm
Quantity : 36
Specification : Preferred size window according to MS
1064 Part 5:2001
Name : Aluminium Triple Panel WIndow
Dimension : ( L x W x H ) : 1800mm x 50mm x 2100mm
Quantity : 18
Specification : Preferred size window according to MS
1064 Part 5:2001
Name : Aluminium Window
Dimension : ( L x W x H ) :300mm x 50mm x 600mm
Quantity 12
Specification : Preferred size window according to MS
1064 Part 5:2001


9.0 IBS SCORE
46
PART 1: STRUCTURAL ELEMENTS
PART 2: WALL SYSTEMS

ELEMENT AREA (m2) IBS FACTOR COVERAGE IBS SCORE
Precast beams + precast columns + slab of first
floor (concrete)
93.1 1.0 93.1/372.4 12.5
Precast beams + precast columns + slab of
seconf floor (concrete)
93.1 1.0 93.1/372.4 12.5
Precast beams + precast columns + no floor 93.1 1.0 93.1/372.4 12.5
Roof truss using prefab metal 93.1 1.0 93.1/372.4 12.5
PART 1 TOTAL 372.4 50
47
ELEMENT LENGTH (m) IBS FACTOR COVERAGE IBS SCORE
Precast beams + precast columns + slab of first
floor (concrete)
67.7 1.0 67.7/144.4 9.36
Precast beams + precast columns + slab of
seconf floor (concrete)
76.7 1.0 76.7/144.4 10.62
PART 2 TOTAL 144.4 19.98
PART 3: OTHER SIMPLIFIED CONSTRUCTION SOLUTIONS COMPLIES TO MS1064

48
ELEMENT COVERAGE IBS SCORE
Beams 100% 4
Columns 100% 4
Walls 100% 4
Doors 80% 4
Windows 100% 4
Vertical repitition of structure 100% 2
PART 3 TOTAL 22
TOTAL IBS SCORE 91.98
PART 3: OTHER SIMPLIFIED CONSTRUCTION SOLUTIONS COMPLIES TO MS1064

49
SIZE (mm) AMOUNT PREFFERED DIMENSION % COMPLYING
30Ox300 25 /
150x300 24 /
TOTAL 49/49 x 100 = 100%
BEAMS
COLUMN
SIZE (mm) AMOUNT PREFFERED DIMENSION % COMPLYING
300x300 22 /
150x150 6 /
TOTAL 28/28 x 100 = 100%
DOOR
SIZE (mm) AMOUNT PREFFERED DIMENSION % COMPLYING
800x1200 8 /
700x2100 2 X
TOTAL 8/10 x 100 = 80%
PART 3: OTHER SIMPLIFIED CONSTRUCTION SOLUTIONS COMPLIES TO MS1064

50
SIZE (mm) AMOUNT PREFFERED DIMENSION % COMPLYING
300 25 /
150 24 /
TOTAL 49 49/49 x 100 = 100%
SIZE (mm) AMOUNT PREFFERED DIMENSION % COMPLYING
1200x600 8 /
1800x600 6 /
TOTAL 14 14/14 x 100 = 100%
WALL
WINDOW
REFERENCES
C. (n.d.). Technical Images. Retrieved from http://www.creaghconcrete.co.uk/precast-stairs-and-landings/technical-
images.html?p=270
Concrete Connections for Cold Formed Steel Trusses. (n.d.). Retrieved from http://blog.aegismetalframing.com/
2013/05/concrete-connections-for-cold-formed-steel-trusses/
O'Malley, O. (2017, August 28). Precast concrete : Main advantages and disadvantages. Retrieved from https://
www.lorecentral.org/2017/08/precast-concrete-main-advantages-disadvantages.html
Steel frame member durability. (n.d.). Retrieved from http://mychina.biz/sh/index.php/en/90-tech-en/215-roof
Taman Hulu Langat Jaya. (2016, June 03). Retrieved from https://ibsfocus.my/taman-hulu-langat-jaya/
https://www.bca.gov.sg/Professionals/IQUAS/others/precastinstallation.pdf
https://www.bca.gov.sg/publications/BuildabilitySeries/others/bsl_cp3.pdf
https://www.bca.gov.sg/Professionals/IQUAS/others/precastfabrication.pdf
51

Building technology report

  • 1.
    
 GROUP MEMBERS STUDENTID CHONG YI HUI 324404 CRYSTAL CHIA 323964 KESHNI DEVI SOBARUN 323062 LEEMUL DEV NATHOO 326878 MUHAMMAD MIRZA QAYYUM 324031 YEW WING KEE 323555 SCHOOL OF ARCHITECTURE, BUILDING & DESIGN BUILDING TECHNOLOGY 1 BLD 61403 INDUSTRIALIZED BUILDING SYSTEM TUTOR: MR. MOHAMED RIZAL
  • 2.
    
 CONTENTS 1.0 INTRODUCTION ACKNOWLEDGEMENT OBJECTIVE 2.0 PROPOSEDIBS SYSTEM PRECAST CONCRETE STEEL 3.0 PRECEDENT STUDIES TAMAN HULU LANGAT JAYA HIGH END BOUTIQUE BANGALOW AT BUKIT DAMANSARA, KL 4.0 BUILDING COMPONENTS PRECAST CONCRETE PILED FOUNDATION PRECAST CONCRETE COLUMNS PRECAST CONCRETE PRECAST BEAM SOLID SLAB PRECAST PRECAST REINFORCED CONCRETE WALL SYSTEM PRECAST STAIRS PREFABRICATED STEEL ROOF FRAME 5.0 JOINING METHODS COLUMN TO FOUNDATION COLUMN TO COLUMN COLUMN TO BEAM 4 5 5 6 7 7 8 9 9 10 11 11 12 13 14 16 17 18 19 19 20 2
  • 3.
    
 SLAB TOBEAM SLAB TO WALL TRUSSES TO ROOF BEAM STAIRS CONNECTION 6.0 CONSTRUCTION PROCEDURE 7.0 DRAWINGS 8.0 SCHEDULE 9.0 IBS SCORE 10.0 REFERENCES 20 20 20 21 22 26 43 46 51 3
  • 4.
  • 5.
    
 ACKNOWLEDGEMENT Multiple partiesare credited for the completion of this project. It is thanks to Mr Rizal for providing us with the neccessary information through his lectures that we were able to understand the fundamentals of the Industrialized Building System (IBS), as well as answering some of our questions through tutorials. Also credited for our project completion is Mr Edwin Chan, who generously shared to us his experience as a professional architect revolving IBS as well as giving us tips outside of tutorial hours. Coordinated teamwork and encouragement between the group members are also crucial to the completion of the project. OBJECTIVE The main objective of this project is to develop our understanding towards the various Industrialized Building System (IBS) construction methods by designing a three-storey apatment building. We are also expected to apply the appropriate IBS construction method in the production of a model for an apartment building. Also through model making we are able to get a comprehensive understanding on the details of joints. Lastly, we were able to foster good communication skills among group members through proper delegation of works and production of deliverables. 5
  • 6.
  • 7.
    
 PRECAST SYSTEM Thethree-storey apartment comprises of the precast system, Precast method is the most common IBS method in Malaysia. The system is further split into two types, the concrete precast system, the primary system for most of the structure comprising of the foundation, external and internal walls, flooring, columns & beams and staircase. Another precast system would be the steel precast system, exclusively used for the structure of the roof trusses. PRECAST CONCRETE Precast concrete is a construction product produced by casting concrete in reusable mould or form which is then cured in a controlled environment, transported to the construction site a lifted to be set into place. A fully precast building is constructed by using various prefabricated elements required in the building structure. ADVANTAGES DISADVANTAGES Quality and strength assured since produced in a controlled factory conditions Difficult to produce non-regular organic shapes Quality is easily monitored Reuires transportation to site that may be costly Material for production is cheap since material can be bought in bulk Some components are heavy and cranes are required to install Same result in any weather conditions so appropriate mixes are achieved Future renovation works would be nearly impossible No setting time and immediate installation can take place Modularity of components is achieved very quickly Less labour required 7 PREFABRICATED STEEL FRAMING This system is commonly used with precast concrete slabs and is used extensively in fast-track construction of skyscrapers and construction of large factories and exhibition halls that require wide areas. Apart from that, it is extensively used for light steel trusses consisting of cost-effective profiled cold-formed channels and steel portal frame system as alternatives to the heavier traditional hot-rolled sections.
  • 8.
  • 9.
    
 9 PRECEDENT STUDY (IBSBUILT HOME) • Only a handful of developers in Malaysia utilise IBS in constructing their properties. However, it has been proven that quality homes can be reasonably priced with the use of IBS, even offering a wide range of facilities. • IBS FOCUS CONSTRUCTION is one such company, which carries out the construction work and renovating the building, houses with IBS Technology which is recognised by CIDM and SIRIM PROJECT PHOTOS TAMAN HULU LANGAT JAYA HIGH END BOUTIQUE BUNGALOW BUKIT DAMANSARA, KL ADVANTAGES Speed up construction process Saves cost in building materials Requires less manpower Environmentally-friendly Smooth surface finishes
  • 10.
  • 11.
    
 PRECAST CONCRETEPILED FOUNDATION A uniform support along the full length of the wall is provided by adopting piles at a closer spacing with a first storey capping beam. Within the precast concrete wall, there are zones designated as load bearing and non-load bearing.The piles are located only below the load bearing zones.The first storey beam is used to disperse the pile support along the wall, but is not designed as a capping beam. The piles are preferably provided in groups of two or more, located on each side of the wall centerline. If single piles are necessary, first storey beams are required in the transverse direction to accommodate possible moving effects. PRECAST CONCRETE COLUMNS Precast concrete columns are modular in design in order to be made into different heights. Widths are 12”,18” and 24”. The columns provide support for the beam and slab elements. Since these elements carry the main axial loads with little bending force, they may be conventionally reinforced without prestressing.The column is multi storey corbel column. 11
  • 12.
    
 12 ADVANTAGES DISADVANTAGES More economicalthan conventional cast in-situ Very heavy members Precast column ensures fast installation Very small margin for error Less labour required Connections may be difficult Inherent fire rating- precast concrete inherent properties offer increased protection against fire Somewhat limited building design flexibility Superior loading Joints between panels are often expensive and complicated Construction is not affected by site weather and conditions Skilled workmanship required in the application of the panel on site High quality and uniform finish for columns Cranes are required to lift columns REINFORCED CONCRETE PRECAST BEAM SYSTEM The cross-sections of a precast concrete beam will depend on its location within a structure, its purpose and how it is connected to other members. The simplest will be rectangular, probably with reinforcement links projecting out of the top around which in situ concrete can be cast.Alternatively, beams may have projections, on one or both sides to support secondary members, such as floor slabs or staircases, or to carry brickwork or cladding. The beams will be provided with recesses at the ends, that fit over corbels or steel sections projecting from the columns. The beams consist of reinforcement   bars and welded wire meshes within the elements to provide the tensile strength and resistance against cracks FABRICATION PROCESS DemouldingCuringConcreting
  • 13.
    
 SOLID SLAB PRECASTSYSTEM A solid slab has two ways that help it stay stable, they are bearing walls and beams. Bearing Walls are the least expensive for slabs that are of short spans and light loads. It is popular for apartment buildings and hotels, basically uniform and regular size spacing. Dimensions •It can span up to 22’ (6.70m) •Width optimum: 8”-12” •Span/depth ratio: 1/40 •Min. produced depth: 3” (0.08m) •Max. produced depth: 6” (0.15m) When the depth of a solid slab increases past a point that is standard the extra weight is spread against the spanning member. 13 ADVANTAGES DISADVANTAGES Saving in cost, materials & time Breakage might happen when installing Less labour required Difficulties in connecting joints Efficient installation Component need to be placed strictly align with each other or other members may be affected Possibility of reusing members Skilled labour and supervision is required Component quality is consistent ADVANTAGES Speed up construction process Absence in scaffolding Large variety of type Large span capacity Economical considerate Minimize noise from upper level
  • 14.
    
 PRECAST REINFORCEDCONCRETE WALL SYSTEM Precast concrete wall panels consists of steel-reinforced concrete ribs that runs vertically and horizontally in the panels. Precast concrete panels can either be pre-stressed or conventionally reinforced, are commonly used as load bearing wall panels in many types of low-rise and high-rise buildings. Solid panels normally range from 90 to 250 mm in thickness and it can cover one or two stories in height. Panels are precast and cured in a controlled factory environment in order to avoid weather delays. A typical foundation can be erected in four to five hours, without the need to place concrete on site for the foundation. Therefore the foundation can be installed in any climate zone in a sixth of the normal time required. CHARACTERISTICS Density - 800 to 1400 kg/m3 STC      - 45 Thermal Resistance (R-Value)      - 30 degree Celsius/inch Absorption by volume, max           - < 1.8% Thermal Conductivity(k-Factor)   - 23 degree Celsius(hr) Wall Compressive strength          - 0.23N/mm2 14
  • 15.
    
 ADVANTAGES DISADVANTAGES Qualityand strength assured since produced in a controlled factory conditions Difficult to produce non-regular organic shapes Quality is easily monitored Reuires transportation to site that may be costly Material for production is cheap since material can be bought in bulk Some components are heavy and cranes are required to install Same result in any weather conditions so appropriate mixes are achieved Future renovation works would be nearly impossible No setting time and immediate installation can take place Modularity of components is achieved very quickly Less labour required 15
  • 16.
    
 16 PRECAST STAIRCASE To speedup site production, stair flights can be of precast instead of cast in-situ concrete. Precasting stairs produces better surface finishes, avoids the inherent problems of casting complicated inclined sections on site and provides rapid access to successive floors. They are particularly cost effective when the design of the building requires a reasonable amount of repetition. Normally two flights of stairs will be used at each storey; the half landing will be cast integrally with the stair units or may also be a separate slab, depending on the configuration of the supporting frame. The specifications of the soffits and sides of the units are important to have a finish suitable for direct painting. As an alternative to stair flights, separate tread units may be precast and joined to form a complete staircase (e.g. a spiral staircase).
  • 17.
    
 17 PREFABRICATED STEEL FRAMEROOF TRUSS Our apartment utilizes prefabricated steel framed roof truss. This kind of roof truss is very flexible as it works with any design. The roof truss has webs that run at an angle between top and bottom chords meant to strengthen the structure. It is a cold-formed steel truss. ADVANTAGES DISADVANTAGES Lasts longer than timber truss Requires skilled labour on the installation Requires very little maintenance More expensive than timber trusses Do not require chemical treatments to maintain the frame Faces the risk of rusting Not subjected to insect infestations Not energy efficient Light weight Easy and quick installation on site Can be recycled easily
  • 18.
  • 19.
    
 COLUMN TOFOUNDATION In situ foundation houses cast in starter bars which the precast column is later lowered onto and grouted to provide continuity COLUMN TO COLUMN Metal bearing plates and embedded anchor bolts are cast into the end of the columns. After the columns are mechanically joined connection is grouted to provide full bearing between elements and protect the metal component from fire and corrosion. 19 BEFORE ASSEMBLY ASSEMBLED GROUTED Shims The entire joints are dry packed with grout after alignment
  • 20.
    
 COLUMN TOBEAM Beams are set on bearing pads on the columns carbels. Steel angles are welded to metal plates cast into the beam and columns and the joints in grouted solid. 20 SLAB TO BEAM Precast slabs are set on bearing pads on precast beam. Steel reinforcing bars are inserted into the slabs keyways to span the joints. The joints is grouted solid. SLAB TO WALL Wall is placed on the ground floor slab. Prefabricated notch on the ground floor wall is designed to accommodate slab for first floor. Floor slab is rested on the notch. First floor wall is then placed on top of ground floor wall. TRUSSES TO ROOF BEAM Two metal steel plates holds the prefabricated steel truss and held together by two-sided bolts. Weld plates are casted onto the concrete roof beam with accurate placement and is welded. The anchor bolt further secures the position of the truss.
  • 21.
    
 LANDING TO WALLCONNECTION The landing slab sits on a Rolled Steel Angle (RSA) that is bolted to the wall. A structural shim packer is placed between the RSA and landing slab, which serves to level the landing slab before commitment. STAIRS CONNECTION STAIRS TO FLOOR SLAB CONNECTION The stairs sits on a structural shim packer which sits on the ledge casted into the floor slab. A hole is then bored through the step of the stairs and the shim packer and stops when it reaches into the slab. A metal dowel piece is then inserted into the hole and sealed by grout. The connection between the staircase and the slab is of a typical notch joint as seen in typical recast stairs. With the usage of straight flight stairs, the precast stairs does not have any integral landing connected at the factory. 21
  • 22.
  • 23.
    
 23 Prefabricated pad foundationis placed on top of excavated terrain with installation of padfooting columns with corbels. Rectangular section beams are placed on top of the corbels of columns accordingly. Columns with single storey corbels are placed on top of pad-footing. Precast walls are installed on top of the beams and floor slabs of the ground floor. Solid precast slabs are then placed on top of the rectangular beams. For the ground floor, cranes may not be needed for installation. 1 2 43
  • 24.
    
 24 Step 4 isrepeated for the first floor of the apartment. Second floor columns connect to the first floor columns with corbels. The roof beams are then installed on top of the walls of the second floor. Step 4 is repeated again. 5 6 87
  • 25.
    
 25 The roof slabis placed to top off the structure before installation of the roof structure. The roof trusses are then installed on to the beams of the upper floor. Along with that are the installation of rafters. The roof shingles are installed on top of the truss and rafters, along with the installation of doors and windows. 9 10 11
  • 26.
  • 27.
  • 28.
  • 29.
  • 30.
  • 31.
  • 32.
    
 FIRST FLOOR STRUCTURALPLAN SCALE 1:75 32
  • 33.
    
 SECOND FLOOR STRUCTURALPLAN SCALE 1:75 33
  • 34.
  • 35.
  • 36.
  • 37.
  • 38.
  • 39.
  • 40.
  • 41.
  • 42.
  • 43.
  • 44.
    
 44 DOOR 1 DOOR2 DOOR 3 Name : Wooden Framed Door Dimension : ( L x W x H ) : 900mm x 50mm x 2100mm Quantity : 24 Specification : Preferred size door according to MS 1064 Part 4:2001 Name : Wooden Framed Door Dimension : ( L x W x H ) : 900mm x 50mm x 2100mm Quantity : 24 Specification : Preferred size door according to MS 1064 Part 4:2001 Name : Wooden Framed Door Dimension : ( L x W x H ) : 750mm x 50mm x 2100mm Quantity : 6 Specification : Not preferred size door according to MS 1064 Part 4:2001 Name : Wooden Framed Door Dimension : ( L x W x H ) : 750mm x 50mm x 2100mm Quantity : 6 Specification : Not preferred size door according to MS 1064 Part 4:2001 Name : Wooden Framed Door Dimension : ( L x W x H ) : 750mm x 50mm x 2100mm Quantity : 6 Specification : Not preferred size door according to MS 1064 Part 4:2001 Name : Aluminium Folding Door Dimension : ( L x W x H ) : 750mm x 50mm x 2100mm Quantity : 12 Specification : Not preferred size door according to MS 1064 Part 4:2001
  • 45.
    
 45 WINDOW1 WINDOW2 WINDOW3WINDOW4 Name : Aluminium single panel window Dimension : ( L x W x H ) : 600mm x 75mm x 1200mm Quantity : 6 Specification : Preferred size window according to MS 1064 Part 5:2001 Name : Aluminium Double Panel Window Dimension : ( L x W x H ) : 1200mm x 50mm x 1200mm Quantity : 36 Specification : Preferred size window according to MS 1064 Part 5:2001 Name : Aluminium Triple Panel WIndow Dimension : ( L x W x H ) : 1800mm x 50mm x 2100mm Quantity : 18 Specification : Preferred size window according to MS 1064 Part 5:2001 Name : Aluminium Window Dimension : ( L x W x H ) :300mm x 50mm x 600mm Quantity 12 Specification : Preferred size window according to MS 1064 Part 5:2001
  • 46.
  • 47.
    PART 1: STRUCTURALELEMENTS PART 2: WALL SYSTEMS
 ELEMENT AREA (m2) IBS FACTOR COVERAGE IBS SCORE Precast beams + precast columns + slab of first floor (concrete) 93.1 1.0 93.1/372.4 12.5 Precast beams + precast columns + slab of seconf floor (concrete) 93.1 1.0 93.1/372.4 12.5 Precast beams + precast columns + no floor 93.1 1.0 93.1/372.4 12.5 Roof truss using prefab metal 93.1 1.0 93.1/372.4 12.5 PART 1 TOTAL 372.4 50 47 ELEMENT LENGTH (m) IBS FACTOR COVERAGE IBS SCORE Precast beams + precast columns + slab of first floor (concrete) 67.7 1.0 67.7/144.4 9.36 Precast beams + precast columns + slab of seconf floor (concrete) 76.7 1.0 76.7/144.4 10.62 PART 2 TOTAL 144.4 19.98
  • 48.
    PART 3: OTHERSIMPLIFIED CONSTRUCTION SOLUTIONS COMPLIES TO MS1064
 48 ELEMENT COVERAGE IBS SCORE Beams 100% 4 Columns 100% 4 Walls 100% 4 Doors 80% 4 Windows 100% 4 Vertical repitition of structure 100% 2 PART 3 TOTAL 22 TOTAL IBS SCORE 91.98
  • 49.
    PART 3: OTHERSIMPLIFIED CONSTRUCTION SOLUTIONS COMPLIES TO MS1064
 49 SIZE (mm) AMOUNT PREFFERED DIMENSION % COMPLYING 30Ox300 25 / 150x300 24 / TOTAL 49/49 x 100 = 100% BEAMS COLUMN SIZE (mm) AMOUNT PREFFERED DIMENSION % COMPLYING 300x300 22 / 150x150 6 / TOTAL 28/28 x 100 = 100% DOOR SIZE (mm) AMOUNT PREFFERED DIMENSION % COMPLYING 800x1200 8 / 700x2100 2 X TOTAL 8/10 x 100 = 80%
  • 50.
    PART 3: OTHERSIMPLIFIED CONSTRUCTION SOLUTIONS COMPLIES TO MS1064
 50 SIZE (mm) AMOUNT PREFFERED DIMENSION % COMPLYING 300 25 / 150 24 / TOTAL 49 49/49 x 100 = 100% SIZE (mm) AMOUNT PREFFERED DIMENSION % COMPLYING 1200x600 8 / 1800x600 6 / TOTAL 14 14/14 x 100 = 100% WALL WINDOW
  • 51.
    REFERENCES C. (n.d.). TechnicalImages. Retrieved from http://www.creaghconcrete.co.uk/precast-stairs-and-landings/technical- images.html?p=270 Concrete Connections for Cold Formed Steel Trusses. (n.d.). Retrieved from http://blog.aegismetalframing.com/ 2013/05/concrete-connections-for-cold-formed-steel-trusses/ O'Malley, O. (2017, August 28). Precast concrete : Main advantages and disadvantages. Retrieved from https:// www.lorecentral.org/2017/08/precast-concrete-main-advantages-disadvantages.html Steel frame member durability. (n.d.). Retrieved from http://mychina.biz/sh/index.php/en/90-tech-en/215-roof Taman Hulu Langat Jaya. (2016, June 03). Retrieved from https://ibsfocus.my/taman-hulu-langat-jaya/ https://www.bca.gov.sg/Professionals/IQUAS/others/precastinstallation.pdf https://www.bca.gov.sg/publications/BuildabilitySeries/others/bsl_cp3.pdf https://www.bca.gov.sg/Professionals/IQUAS/others/precastfabrication.pdf 51