Deddy Susilo, S.T.
61546
Fakultas Teknik Elektro dan Komputer
Universitas Kristen Satya Wacana
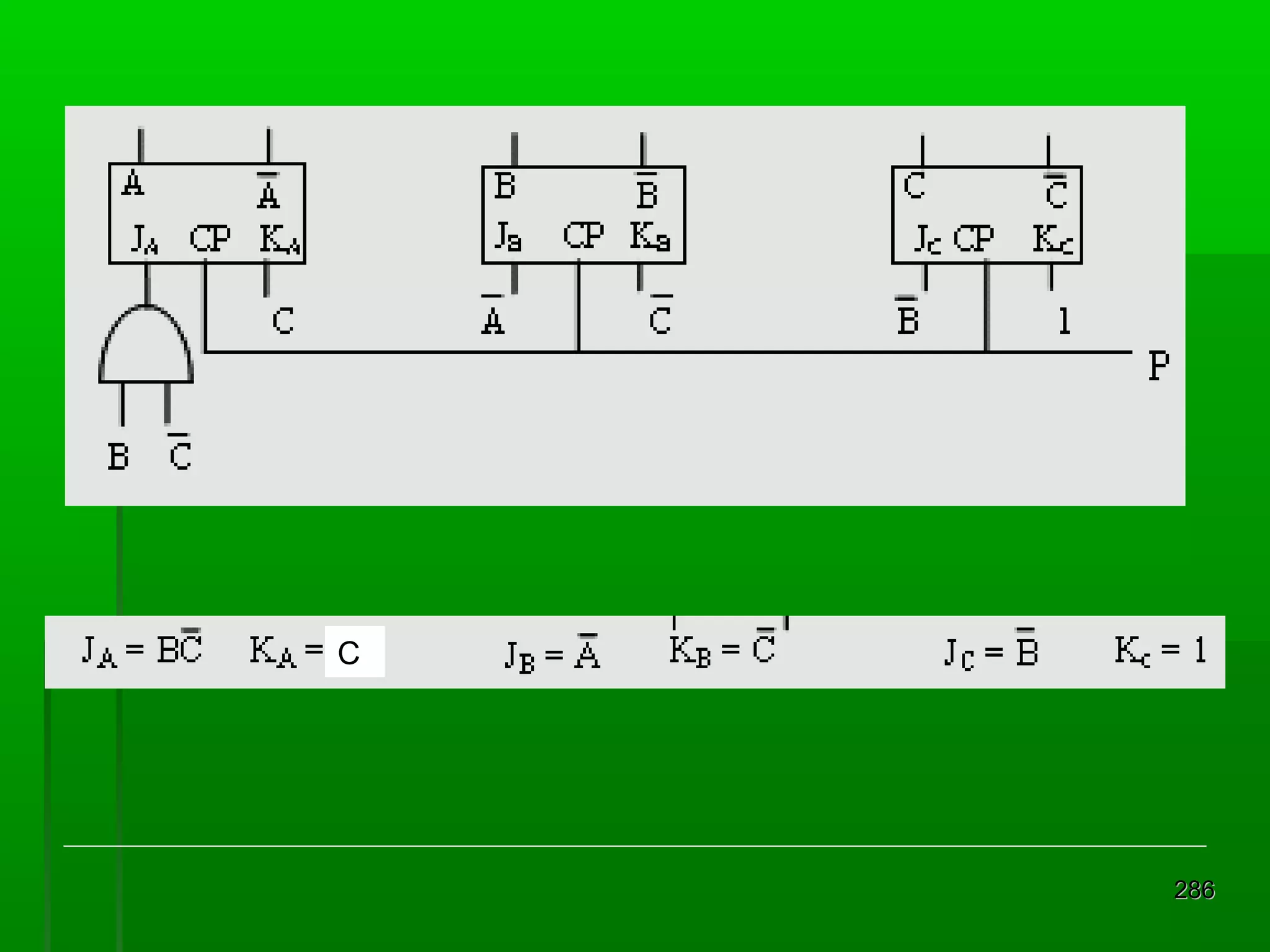
Salatiga
BASIC DIGITAL
INTRODUCTION
LECTURE 1
Deskripsi
 Mata

kuliah dasar bagi program studi
Teknik Elektro konsentrasi Teknik
Elektronika dan Teknik Telekomunikasi
dan Sistem Komputer.
 Menguraikan penurunan dan
penyederhanaan fungsi logika digital
sampai kepada perancangan sistem
digital baik kombinasional maupun
sekuensial
3
 Prasyarat

: Elektronika 1
 Menunjang beberapa mata kuliah lanjut
- Mikroprosesor, AOK, Sistem Digital,
Praktikum Digital, Mikrokontroler dan PLC,
Dasar Sistem Telekomunikasi, Kinerja
Sistem Telekomunikasi, Embedded, ALD,
dlsb. (Hampir semua matakuliah di TE dan
SISKOM)
4
Bahan Bacaan






1. Roth, Jr, Charles H.,: "Fundamentals of Logic Design",
West publishing Com-pany, St.Paul, 6th Ed., 2010.
2. Mano, M. Moris,: "Digital Logic and Computer
Design", Prentice Hall, Inc., Englewood Cliffs, NJ, 1979.
3. Kline, Raymond M.,"Structured Digital Design
including MSI/LSI Compo-nents and Microprocessors",
Prentice Hall, Inc., Englewood Cliffs, NJ, 1983.
4. Bartee, Thomas C.,: "Digital Computer
Fundamentals", McGraw-Hill Kogakusha, Ltd.,Tokyo, 4th
Ed.,1977.

5
Transistor Bipolar

6
Lambang Transistor
Hukum arus Kirchoff:
IE = IB + IC
IC
IB

IB << IC
IB jauh lebih kecil drpd IC

NPN
IE

BETA

βdc = IC/IB gain arus
Tr daya rendah (<1W) 100-300
Tr daya tinggi (>1W) 20-100

ALPHA

αdc = IC/IE
Untuk transistor daya rendah
biasanya >0,99
Transistor daya tinggi >0,95
7
FIXED BIAS

RC
RB1

RC

RBB
+ VCC

+ VCC



+ VBB
RB2

VBB = RB2 / (RB1 + RB2)

Pers. Input = VBB = IB.RBB + VBE

RBB = RB1 // RB2

Pers.output= VCC = IC.RC + VCE

8
SELF BIAS

RC

Pers. Input = VCC = IC.RC + IB.RB + VBE
Pers.output= VCC = IC.RC + VCE

RB
+ VCC

9
Daerah Ekstrim Transistor

IC

Saturasi
VCE = 0
IC maks
Da
era
h

Penguatan tegangan
dan arus (amplifier)

ak
tif

Cut-off
VCE~sumber
IC = 0

0

VCE

Penyaklaran (komputer dan digital)
10
Bias Basis
Pengertian : sisi common atau ground pada tiap sumber
tegangan dihubungkan dengan emiter.
IB = (VBB-VBE) : RB
-

RB
+

+ VBB

+
-

IB

IC

VCE
+
VBE
-

RC

+

+ VCC

IE

11
RC
2k
RB
1M

RC1
2k

+ VCC
10V

R1
1M

+ VBB
10V

+ VCC
10V

βdc = 300. Hitung IB,IC,VCE,PD!
IB = (10-0,7):1M = 9,3uA
IC = βdc .IB = 2,79mA
VCE = VCC - IC.RC = 10-(2,79mA)(2kΩ) = 4,42V
PD (Daya KemasanTransistor) = VCE . IC = 12,3mW

12
V1
15V
+V

Jika HFE = 100 maka arus IB sekitar 14,3uA
RC
3k

IB

IC

RB
1000k
Q1
2N2222

(jika terjadi perubahan suhu dan penggantian
transistor maka IB akan tetap untuk semua
kondisi operasi (bias basis)
IC = 100 . 14,3uA = 1,43mA
VCE = VCC-IC.RC = 15-(1,43mA)(3kΩ) = 10,7 V
IC(mA)

Tr saturasi

5
4
3
2
1
0

IC = 1,43mA
Tr cut-off
13

`10,7V

15V

VCE
Dasar Penyaklaran Transistor
Untuk membuat Transistor langsung bekerja pada daerah
ekstrim yaitu saturasi dan cut-off untuk keperluan
penyaklaran dikenal dengan nama HARD SATURATION
Perancang akan mengasumsikan transistor dapat bekerja
dengan hanya penguatan arus 10 kali atau IC : IB = 10:1
Misal rangkaian di bawah ini :
IC

V1
10V
+V

10mA

Untuk semua kondisi operasi
transistor akan dapat menjadi
saturasi

RC
1k
S1
+ V2
10V

RB
10k

HFE=50
Q1
2N2222

0

10V

VCE

14
BASIC DIGITAL
NUMBER SYSTEM
LECTURE 2
 positional

Sistem Bilangan

value system : sistem nilai
berdasarkan letak/posisi

an-1 = angka yang paling kiri,
R = Angka dasar dari pada sistem bilangan
n = cacah angka yang menunjukan bilangan bulat
m = cacah angka yang menunjukkan bilangan pecahan

 Sistem

Bilangan Puluhan :

16
Biner, Oktal , Hexadesimal
 Biner

: hanya dua macam simbol angka, yaitu
”0” dan ”1”
 R=2
 Oktal : 8 simbol angka, 0, 1, 2, 3, 4, 5, 6, 7
 R=8
 Hexadesimal : 16 simbol angka, yaitu 0, 1, 2, 3,
4, 5, 6, 7, 8, 9, A, B, C, D, E, F. Huruf-huruf A, B,
C, D, C dan F secara berturut-turut bernilai 10,
11, 12, 13, 14, 15
R=16
17
Biner, Oktal, Hexadesimal [2]
 Biner

: 101,01 =
(5,25)
2

10

 Oktal

:

Hexadesimal :

18
Konversi
 Desimal

– Biner

118 : 2 = 59 sisa 0
7 : 2 = 3 sisa 1
59 : 2 = 29 sisa 1
3 : 2 = 1 sisa 1
29 :2 = 14 sisa 1
1 : 2 = 0 sisa 1
14 : 2 = 7 sisa 0
0 : 2 = 0 sisa 0
(118)10 = (01110110)2
0.8125 x 2 = 1,625
0,625 x 2 = 1,250
0,250 x 2 = 0,500
(0.8125)10 = (0,11010 )2

0,500 x 2 = 1,000
0,000 x 2 = 0,000

19
Konversi [2]
 Biner

– Oktal
bilangan biner dikelompokkan atas 3 bit
1 011 001 111 = (1) (3) (1) (7) 8
 Biner

– Hexadesimal
bilangan biner dikelompokkan atas 4 bit
10 1100 1111 = (2) (C) (F)
16

20
Komplemen
 Komplemen

R dari bilangan N

 Komplemen

R-1 dari bilangan N

R = Basis
N = Bilangan

n = digt bil.bulat
m = digit bil. Pecahan

Komplemen R dapat diperoleh dengan menambahkan 1
ke angka paling kanan dalam komplemen R-1
21
Pengurangan Komplemen R
 100100

- 100010 = 100100 + 011110
Komplemen R dari 100010 = 011110
Ada carry : positif
end carry dibuang.
 100100 - 101100 = 100100 + 010100
Komplemen R dari 101100 = 010100
Tidak ada carry : Negatif
Komplemen R kan hasil

-

(001000)
22
Pengurangan Komplemen R-1
 100100

- 100010 = 100100 + 011101
Komplemen R-1 dari 100010 = 011101
Ada carry : positif
end carry ditambahkan.
 100100 - 101100 = 100010 + 010011
Komplemen R-1 dari 101100 = 010011
Tidak ada carry : Negatif
Komplemenkan R-1 hasil

- (001000)
23
KOMPLEMEN 1
 Komplemen

1 bagi suatu bilangan biner
 bilangan yang terjadi jika ada
perubahan bit dari 0 menjadi 1 dan dari 1
menjadi 0
 Contoh : 1010 komplemen 1 nya 0101

1110

0001

0011

1100
24
KOMPLEMEN 2
 Pada

bilangan biner terjadi bila kita
menambahkan 1 kepada komplemen 1
 Komplemen 2 = komplemen 1 + 1
 1110

 0001 + 1 = 0010
 0001 
1110 + 1 = 1111
 10110  01001 + 1 = 01010
25
 Misal

PENGURANGAN
KOMPLEMEN 1

: mengurangkan 101 dari 111

 Bentuk

komplemen 1 bagi 101  010
 Tambahkan 010 dengan 111  1001
 Ada carry 1, tambahkan pada LSB (bawaan putaran
ujung / end-around carry)

111

+010 (komplemen 1 dari 101) -5= -101

1001

001

+1

010
26
 Misal







13
-10
3

PENGURANGAN
KOMPLEMEN 1

: mengurangkan 1010 dari 1101
1101
-1010
0011

1101
+0101 (komp 1 dr 1010)
10010
0010
+1
0011

27
 contoh






PENGURANGAN
KOMPLEMEN 1
-2
-5
-7

1101 (komp 1 dari 0010)
1010 + (komp 1 dari 0101)
10111
+1
1000

28
 Contoh



7
-5

PENGURANGAN
KOMPLEMEN 2
komp 2

111
-101

111
+011 (komp 2 dari 101)

2
010
1010
 Abaikan bit MSB sehingga jadi 010





29
 Contoh

13
 -10


PENGURANGAN
KOMPLEMEN 2
komp 2

1101
-1010

1101
+0110 (komp 2 dari 1010)

3
0011
10011
 Abaikan bit MSB sehingga jadi 0011
 Sebagian besar komputer digital
menggunakan komplemen 2. Keuntungan
mengurangi perangkat keras sehingga hanya
perlu penambah



30
PENGKODEAN
LECTURE 3
Penyajian Data

32
PENGKODEAN BINER
 8-4-2-1

BCD (Binary Coded Decimal)
 Termasuk weighted code (posisi=bobot)
 Cara pengubahan : masing2 digit diubah
ke biner
 Contoh:
 Desimalbiner

9
3
7 , 2
5

1001 0011 0111 0011 0101
 Biner  desimal 0101 = 8.0+4.1+2.0+1.1=5
33
PENGKODEAN BINER
 6-3-1-1

BCD (Binary Coded Decimal)
 Termasuk weighted code
 Cara pengubahan : masing2 digit diubah
ke biner
 Contoh:
 Desimalbiner

9
3
7 , 2
5

1100 0100 1001 0011 0111
 Biner  desimal 1011 = 6.1+3.0+1.1+1.1=8
34
PENGKODEAN BINER
 2-4-2-1

BCD (Binary Coded Decimal)
 Termasuk weighted code
 Cara pengubahan : masing2 digit diubah
ke biner
 Contoh:
 Desimalbiner

9
3
7 , 2
5

1111 0011 0111 0010 0101
 Biner  desimal 0110 = 2.0+4.1+2.1+1.0=6
35
PENGKODEAN BINER
 Bit

Paritas
 Paritas ganjil dan genap
 Paritas genap = menambahkan sebuah
bit tambahan kepada sekelompok bit
untuk menghasilkan banyaknya 1 yang
genap
 Paritas ganjil = bit paritas tambahan
membuat banyaknya 1 menjadi ganjil
36
PENGKODEAN BINER
Paritas genap
Sandi 8-4-2-1
0000
0001
0010
0011
0100
0101
0110
0111
1000
1001


Bit Tambahan
0
1
1
0
1
0
0
1
1
0
37
PENGKODEAN BINER
Paritas ganjil
Sandi 8-4-2-1
0000
0001
0010
0011
0100
0101
0110
0111
1000
1001


Bit Tambahan
1
0
0
1
0
1
1
0
0
1
38
PENGKODEAN BINER
 Kedua

paritas ini lazim digunakan
 Tidak ada argumen lebih kuat untuk
memakai salah satu paritas
 Penggunaan bit paritas untuk mendeteksi
kesalahan berdasarkan asumsi yang berlaku
di digital :
 Kemungkinan

kesalahan sangat kecil, hampir
dapat dipastikan kesalahan 1bit, 2 bit atau
lebih secara tak disengaja adalah sangat kecil
kecuali terjadi gangguan total.
39
PENGKODEAN BINER
2

out of 5
 Termasuk nonweighted code
 Dalam 5 bit kombinasi kode yang benar
terdapat 2 bit yang bernilai 1
 Berguna untuk mendeteksi kesalahan
 0 desimal = 00011, 1d=00101, 2d=00110,
01001, 01010, 01100, 10001, 10010,
10100, 11000
40
PENGKODEAN BINER
 Berguna

di bidang telepon dan
komunikasi
 Memiliki paritas genap, juga tepat
memiliki 2 buah 1 tiap kode

41
PENGKODEAN BINER
 Sandi

Ekses-3
 Termasuk weighted code
 Sandi Ekses-3 = BCD 8-4-2-1 + 3

42
PENGKODEAN BINER
Sandi Ekses-3
Sandi BCD 8-4-2-1
0000
0001
0010
0011
0100
0101
0110
0111
1000
1001


Sandi Ekses-3
0011
0100
0101
0110
0111
1000
1001
1010
1011
1100
43
PENGKODEAN BINER
 Penambahan

Sandi Ekses-3
Akan terjadi kesulitan jika kita mau
menjumlahkan BCD 8421 yang jumlah
desimalnya melebihi 9.
Bilamana kita menambahkan dua buah angka
desimal yang jumlahnya adalah 9 atau
kurang, dihasilkan sebuah bilangan ekses-6.
Untuk mengembalikan ke ekses-3, kita
kurangkan 3
44
PENGKODEAN BINER
2

+5

2
+5

0101 ekivalen ekses-3 bagi 2
+1000 ekivalen ekses-3 bagi 5
1101 ekivalen ekses-6 bagi 7
-0011 kurangkan 3
1010 ekivalen ekses-3 bagi 7
45
PENGKODEAN BINER
 43

+ 36

43 0111 0110 ekivalen ekses-3 bagi 43
+36 +0110 1001 ekivalen ekses-3 bagi 36
79 1101 1111 ekivalen ekses-6 bagi 79
-0011 -0011 kurangkan 3
1010 1100 ekivalen ekses-3 bagi 79
Note: tidak ada carry dr 2 kelompok
46
PENGKODEAN BINER
 29

+ 39

29 0101 1100 ekivalen ekses-3 bagi 29
+39 +0110 1100 ekivalen ekses-3 bagi 39
68 1100 1000 hasil pertama
-0011+0011 kurangkan 3
1001 1011 ekses-3 bagi 68
Note: ada carry
47
PENGKODEAN
LECTURE 4
PENGKODEAN BINER
 Sandi

Gray
 Non-weighted code
 Tidak sesuai bagi operasi aritmatika
tapi sangat berguna bagi piranti
masukan/keluaran, pengubah analog
to digital, dll

49
PENGKODEAN BINER
Sandi Gray
Desimal Sandi Biner
0
0000
1
0001
2
0010
3
0011
4
0100
5
0101
6
0110
7
0111
8
1000


Sandi Gray
0000
0001
0011
0010
0110
0111
0101
0100
1100
50
PENGKODEAN BINER
 Sandi

Gray
Desimal Sandi Biner
9
1001
10
1010
11
1011
12
1100
13
1101
14
1110
15
1111

Sandi Gray
1101
1111
1110
1010
1011
1001
1000
51
PENGKODEAN BINER
 Biner

ke Sandi Gray
 Langkah pertama :
 Angka

Gray pertama sama dengan angka
biner pertama. Ulangilah angka pertama.
 1100
Biner


1

Gray

52
PENGKODEAN BINER
 Biner

ke Sandi Gray
 Langkah kedua :
 Tambahkan

bit pertama pada biner,
abaikan setiap carry.Jumlahnya
merupakan angka Gray berikutnya



1100

Biner



10

Gray
53
PENGKODEAN BINER
 Biner

ke Sandi Gray
 Langkah ketiga :
 Tambahkan

bit kedua pada biner, abaikan
setiap carry.Jumlahnya merupakan angka
Gray berikutnya



1100

Biner



101

Gray
54
PENGKODEAN BINER
 Biner

ke Sandi Gray
 Langkah keempat :
 Tambahkan

bit kedua pada biner, abaikan
setiap carry.Jumlahnya merupakan angka
Gray berikutnya



1100

Biner



1010

Gray
55
PENGKODEAN BINER
 Biner

ke Sandi Gray



110100110

Biner



1

Gray

56
PENGKODEAN BINER
 Biner

ke Sandi Gray



110100110

Biner



10

Gray

57
PENGKODEAN BINER
 Biner

ke Sandi Gray



110100110

Biner



101110101

Gray

58
PENGKODEAN BINER
 Gray

ke Biner

 Langkah

pertama: Ulangilah angka paling
berbobot (MSB)
 101110101
Gray


1

Biner

59
PENGKODEAN BINER
 Gray

ke Biner

 Langkah

kedua: tambahkan secara
diagonal untuk dpt biner berikutnya
 101110101
Gray



11
note : 1 + 0 = 1

Biner

60
PENGKODEAN BINER
 Gray

ke Biner

 Langkah

ketiga: lanjutkan dgn menambah
secara diagonal untuk selanjutnya
 101110101
Gray



110100110
note : 1 + 1 = 0

Biner

61
PENGKODEAN BINER
 ASCII

(American Standard Code
Information Interchange)

62
PENGKODEAN BINER
 ASCII

(American Standard Code
Information Interchange)

63
GERBANG LOGIKA
LECTURE 5
GERBANG LOGIKA
2

nilai ekstrim
 Benar atau salah
 Baik atau buruk
 Ya atau tidak
 Aristoteles

= menyusun metode2 secara
tepat untuk memperoleh kebenaran,
dengan diberikan seperangkat asumsi2
yang benar.
65
GERBANG LOGIKA







De Morgan hampir dapat menemukan hubungan anatara
logika dan matematika
Boole (1854) merangkum segala sesuatunya
Boole membuktikan bahwa logika biner atau bernilai 2
berlaku bagi huruf2 dan lambang2 sebagai pengganti
kata2.
Aljabar boole kesederhanaan, kecepatan dan ketelitian.
Aljabar boole tidak mempunyaio dampak terhadap
elektronika digital sampai hampir 1 abad berikut (1938)
 Shannon menerapkan aljabar ini pada rangkaian
switching telepon. Saklar  piranti biner (hidup atau
mati)

66
GERBANG LOGIKA
 Shannon

mampu menganalisa n
merancang rangkaian switching yang
rumit dengan aljabar boole

67
GERBANG LOGIKA
 GERBANG

OR
 Rangkaian logika dengan satu keluaran
dan satu atau beberapa masukan

68
GERBANG LOGIKA
D1
DIODE
+ VA
D2
DIODE

Y / OUT
R

+ VB
SHORT
D6
DIODE

OPEN
D4
DIODE
SHORT
D3
DIODE

+ VA2
1V
Y / OUT

Y / OUT
R2

R1
+ VB1
1V

SHORT
D5
DIODE

+ VB2
1V

69
GERBANG LOGIKA
U1A
B=0  Y=0
 A=0, B=1  Y=1
 A=1, B=0  Y=1
 A=1, B=1  Y=1
 Gerbang OR = gerbang salah satu-atau
semua (keluaran terjadi apabila salah satu
atau semua masukan bernilai 1)
 A=0,

70
Gerbang Dasar
 OR

:

- OR

Z = A+B

animas
i

71
GERBANG LOGIKA
 GERBANG AND
 Rangkaian

logika dengan satu keluaran
dan satu atau beberapa masukan

72
GERBANG LOGIKA
D12
DIODE
+ VA3
D11
DIODE

+ V
1V
R3
1k
Y / OUT

+ VB5
D9
DIODE
SHORT
D10
DIODE
OPEN

+ VB4
1V

OPEN
D7
DIODE

+ V1
1V
R4
1k

+ VA1
1V

Y / OUT

D8
DIODE
OPEN

+ V2
1V
R5
1k
Y / OUT

+ VB3
1V

73
GERBANG LOGIKA
 A=0,

B=0  Y=0
U2A
 A=0, B=1  Y=0
 A=1, B=0  Y=0
 A=1, B=1  Y=1
 Gerbang AND = gerbang semua-atau tak
ada (keluaran terjadi apabila semua
masukan bernilai 1)
74
Gerbang Dasar
 AND

:

- AND

Z = A.B = AB

animasi
75
GERBANG LOGIKA
 GERBANG

NOT
V3
+V
R6

U3A

R7
X / IN

 Masukan

Q1

berkebalikan dengan keluaran
76
Gerbang Dasar

- NOT

 penyangkalan

dengan kata-kata "tidak" (NOT)
1`= 0 dan 0` = 1

77
Gerbang Tambahan
 NOR

: Z = (A + B)`

NAND : Z = (A B)`

78
Gerbang Tambahan
 EXOR

:

animasi
79
TEOREMA BOOLE
LECTURE 6
PENAMBAHAN OR
74LS32

IN A

OUT

IN B

y

=A+B
 A = 0, B = 0
 A = 0, B = 1
 A = 1, B = 0
 A = 1, B = 1






y=0+0=0
y=0+1=1
y=1+0=1
y=1+1=1
81
PENAMBAHAN OR
 Ketiga

makna :
1 + 1 = 2

 1 + 1 = 10 
1 + 1 = 1


penambahan desimal
penambahan biner
penambahan OR

82
PERKALIAN AND
74LS08

IN A

OUT

IN B
y

=A.B
 A = 0, B = 0
 A = 0, B = 1
 A = 1, B = 0
 A = 1, B = 1






y=0.0=0
y=0.1=0
y=1.0=0
y=1.1=1
83
PERSAMAAN BOOLE
A

74LS08

74LS32

B

Y

C

y

= A.B + C
 A = 0, B = 1, C = 1
 y = 0.1 + 1 = 0 + 1 = 1
 A = 1, B = 0, C = 0
 y = 1.0 + 0 = 0 + 0 = 0
84
PERSAMAAN BOOLE
74LS08

A
B

74LS08

74LS08
Y

C

D

 Tiga

buah gerbang AND 2 masukan
tergandeng membentuk persamaan Boole
 y = A.B.C.D

85
PERSAMAAN BOOLE
A

74LS04 74LS32
Y

B











OR 2 masukan , salah satu masukannya A maka:
y=A+B
A = 0, B = 0
y=1+0=1
A = 0, B = 1
y=1+1=1
A = 1, B = 0
y=0+0=0
A = 1, B = 1
y=0+1=1
86
TEOREMA DE MORGAN
 De

Morgan adalah seorang logikawan dan
matematikawan besar, dan juga sahabat
Boole.
 Logika paling penting dari De Morgan :
 A + B = A.B
…..persamaan 1
 A.B = A + B
…..persamaan 2
 Persamaan pertama menyatakan
komplemen suatu jumlah sama dengan
hasilkalimasing-masing komplemen.
 Persamaan kedua menyatakan komplemen
suatu hasilkali sama dengan jumlah
masing-masing komplemen.
87
TEOREMA DE MORGAN
 Bukti

Teorema Pertama

A +

B = A.B
 HAL 1 A = 0 dan B = 0
 KIRI A + B = 0 + 0 = 0 = 1
 KANAN A . B = 0 . 0 = 1.1 = 1
 Dst….
88
TEOREMA DE MORGAN
 Bukti

Teorema
Pertama
menghasilkan

A

B

A+B A.B

0

0

1

1

0

1

0

0

1

0

0

0

1

1

0

0
89
TEOREMA DE MORGAN
 Bukti

Teorema Kedua
menghasilkan

A

B

A.B A+B

0

0

1

1

0

1

1

1

1

0

1

1

1

1

0

0
90
HUKUM dan TEOREMA pada ALJABAR
BOOLE








Dalam menyederhanakan suatu ekspresi Boole yang
rumit, kita mengubah rangkaian digital yang rumit
menjadi rangkaian yang lebih sederhana.
y = A.B.C + A.B.C + A.B.C
Jika kita mau membuat dalam bentuk gerbang maka kita
butuhkan:
Sebuah gerbang OR 3 masukan untuk menambahkan
A.B.C, A.B.C, A.B.C
Tiga buah gerbang AND 3 masukan untuk menghasilkan
A.B.C, A.B.C, A.B.C
Dua buah gerbang NOT untuk menghasilkan B dan C
91
HUKUM dan TEOREMA pada ALJABAR
BOOLE
74LS11
A

B
74LS04

74LS11

U5A
Y

C
74LS11
74LS04

92
Teorema Dasar Boole

93
Teorema Tambahan Boole

94
PENYEDERHANAAN
RANGKAIAN LOGIKA
LECTURE 7
PENYEDERHANAAN
y

= AC + ABC
 y diperoleh dengan cara:
 1. MengANDkan A dan C
 2. MengANDkan A, B, dan C
 3. MengORkan AC dan ABC
y= AC + ABC = AC(1+B) = AC
96
PENYEDERHANAAN
A

74LS08

C

74LS32
74LS11

Y

B

A

74LS08

C

Y

y= AC + ABC = AC(1+B) = AC
97
HUKUM dan TEOREMA pada ALJABAR
BOOLE
• y = A.B.C + A.B.C + A.B.C
•

= A.C(B+B)

+ A.B.C

•

= A.C

+ A.B.C

•

= A.(C + B.C)

•

= A.(C + B)

...berdasar pers 20

98
GERBANG NAND TTL
 Gerbang

A

NAND TTL
B

V1
5V
+V

Y

0

0

1

0

1

1

R2
1k6

1

0

1

1

1

Q4
NPN

R1
3k6

Q2
NPN

X

R3
115

Q1
NPN

D1
DIODE
Y
Q3
NPN

0

R4
1k

99
GERBANG NAND TTL
 Gerbang

NAND TTL
 Kolektor terbuka
 Perlu diberi tahanan
pengangkat

V1
5V
+V

R2
1k6
R1
3k6

Q2
NPN

X
Q1
NPN

Y
Q3
NPN

R4
1k

100
GERBANG NAND TTL
 Gerbang

NAND TTL
 Kolektor terbuka
 (open collector)
 Perlu diberi tahanan
pengangkat
 Gerbang tak akan
bekerja sebagaimana
mestinya jika tanpa R
pull up eksternal

V2
5V
+V

R3
TAHANAN PENGANGKAT
Y
Q4
NPN

101
GERBANG NAND TTL
 Q4

masih
melaksanakan
penurunan aktif pada
saat jenuh (saturasi)
 Pada saat cut-off
tidak ada transistor
atas yang menaikkan
tegangan keluaran

V2
5V
+V

R3
TAHANAN PENGANGKAT
Y
Q4
NPN

102
GERBANG NAND TTL






Arus mengalir melalui
kapasitas bocor atau
kapasitas beban saat Q4
cut-off
Mengisi muatan melalui
tahanan pengangkat
yang besarnya ribuan
ohm sehingga
membutuhkan waktu
yang cukup lama.
Kerugian open colector
dibanding totempole

V2
5V
+V

R3
TAHANAN PENGANGKAT
Y
Q4
NPN

103
AND-Tergabung (Wire-AND)
V2
5V
+V

 Keluaran

open collector dapat
digabungkan menjadi satu dan
dihubungkan dengan sebuah
tahanan pengangkat gabungan.
 Meniadakan kebutuhan Gerbang
AND penggabung

R3
TAHANAN PENGANGKAT
Y
Q4
NPN

104
AND-Tergabung (Wire-AND)
 Gambar

ini
memperlihatkan
keluaran 2 buah
gerbang NAND
dihubungkan ke
sebuah tahanan
pengangkat gabungan
 Masing2 transistor
keluaran terhubung ke
tahanan pengangkat

V3
5V
+V

A
B
C
D
E
F

NAND OC
7412
OUT
NAND OC
7412

105
AND-Tergabung (Wire-AND)
 Bila

salah satu atau
semua transistor jenuh
(keadaan rendah),
tegangan keluaran
diturunkan ke nilai
A
rendah.
B
 Satu2nya cara supaya C
keluaran memperoleh
keluaran tinggi adalah D
E
pada saat semua
F
transistor cut-off

V3
5V
+V

NAND OC
7412
OUT
NAND OC
7412

106
AND-Tergabung (Wire-AND)
 Penggabungan

ini
menghasilkan fungsi
AND  ANDtergabung (wire-AND)
maka keluaran dari
gambar disamping
adalah :
 Y= ABC . DEF

V3
5V
+V

A
B
C
D
E
F

NAND OC
7412
OUT
NAND OC
7412

107
AND-Tergabung (Wire-AND)
 Penggunaan

wire-AND
sangat penting dalam
sistem digital bus
terorganisasi
 OR-Tergabung (wire-OR)
 Y=ABC . DEF
 Berdasar teorema pertama
De Morgan
 Y= ABC + DEF
 OR-tergabung (wire-OR)

V3
5V
+V

A
B
C
D
E
F

NAND OC
7412
OUT
NAND OC
7412

108
DUALITAS TEOREMA ALJABAR
BOOLE
 A+B=B+A

 AB=BA

 A+(B+C)=(A+B)+C

 A(BC)=(AB)C

 A(B+C)=AB+AC

 A+BC=(A+B)(A+C)

 A+0=A

 A.1=A

 A+1=1

 A.0=0

 A+A=A

 A.A=A

 A+A=1

 A.A=0

 A=A

 A=A

 A+B=A.B

 A+B=A+B

 A+AB=A

 A(A+B)=A

 A+AB=A+B

 A(A+B)=A+B
109
PENJELASAN RUMPUNRUMPUN LOGIKA DAN
KARAKTERISTIK
ELEKTRIKNYA
LECTURE 8
TEKNIK DIGITAL
Designing with TTL Integrated Circuits
Texas Instruments Inc.
McGraw Hill International

TTL Data Book
Fairchild Semiconductor

CMOS Data Book
Fairchild Semiconductor

111
I. Pendahuluan
Implementasi sistem digital dapat menggunakan :
•Mikroprosesor (Embedded System)
•Diskrit (Hardwired)
Dasar Pertimbangan :
•Kecepatan proses
•Perobahan (perilaku) rangkaian
•Lama waktu perancangan

112
Mikroprosesor
Kecepatan proses lebih lambat karena perintah-perintah
dilaksanakan satu persatu. Perilaku rangkaian lebih
mudah untuk diubah karena hanya perlu mengubah
program. Waktu perancangan relatip lebih lama
karena harus merancang perangkat keras dan perangkat
lunak.
Pilihan :
1. Mikroprosesor
2. Mikrokontroler
Dasar pertimbangan :
• Jumlah I/O
• Kapasitas memori
• Ukuran fisik perangkat
113
Diskrit
Kecepatan proses lebih cepat karena data dapat diproses secara
serempak. Perilaku rangkaian lebih sulit untuk diubah karena harus
mengubah rangkaian. Waktu perancangan relatip lebih singkat karena
hanya perlu merancang perangkat keras.
Pilihan :
1. TTL
2. CMOS
3. DTL
4. RTL
5. ECL
6. I2L
Dasar pertimbangan :
• Disipasi daya (power dissipation)
• Waktu tunda (delay time)
• Kekebalan derau (noise immunity)
114
2. Rumpun-rumpun Logika
Ditinjau
dari
rangkaian
elektronika
yang
membentuknya maka gerbang-gerbang logika dapat
dikelompokkan menjadi beberapa kelompok, antara lain
ialah :
1.RTL (Resistor Transistor Logic)
2.DTL (Diode Transistor Logic)
3.TTL (Transistor Transistor Logic)
4.CTL (Complementary Transistor Logic)
5.ECL Emitter Coupled Logic)
6.MOS (Metal Oxide Semiconductor)
7.CMOS (Complementary Metal Oxide
Semiconductor)
8.I2L (Integrated Injection Logic)
115
Perbedaan umumnya terletak pada :
1. Aras tegangan logika (logic level voltage)
2. Tegangan ambang (threshold voltage)
3. Waktu tunda (delay time)
4. Disipasi daya (power dissipation)
5. Batas derau (noise margin)
6. Suhu kerja (Operating temperature)
7. Fan in dan fan out
Aras tegangan logika adalah besarnya tegangan untuk
nilai logika 1 dan logika 0.
Tegangan ambang adalah peralihan tegangan dari logika 0
ke logika 1 dan sebaliknya.
Waktu tunda adalah selisih waktu antara perubahan pada
masukan dengan berubahnya keluaran.
116
Disipasi daya adalah besarnya daya yang diserap bila
bekerja dengan duty cycle sebesar 50% pada frekuensi
tertentu.
Batas derau adalah simpangan tegangan maksimum yang
dapat diterima tanpa mengubah keadaan (state).
Suhu kerja adalah kisar suhu dimana perangkat masih
dapat bekerja dengan baik.
Fan in adalah satuan (unit) masukan dan fan out adalah
satuan keluaran dari gerbang standar.

117
Transistor sebagai sakelar
V

R

C

CC

IC
V

R
Vin

C

B

IB

IE

Gambar 1.1. Rangkaian dasar transistor sebagai sakelar

118
Dalam pengunaannya sebagai sakelar, transistor dioperasikan hanya
pada dua keadaan, yaitu menyumbat (cutoff) dan jenuh (saturate).
Besarnya tegangan dan arus kolektor adalah :
VC = VCC – IC.RC
IC = β.IB
Dalam keadaan menyumbat :
IC = 0
VC = VCC
Agar
IC = 0 maka IB harus = 0.
Dalam keadaan jenuh :
VC = 0
IC.RC = VCC
atau
IC = VCC / RC
Agar
IC = VCC / RC maka IB harus ≥ (VCC / RC) / β
atau IB(min) = (VCC / RC) / β
Maka besarnya VC dapat diatur dari 0 hingga VCC dengan mengatur
IB. Pada rangkaian logika, rangkaian ini dapat digunakan sebagai
gerbang NOT.
119
RESISTOR TRANSISTOR LOGIC
Rangkaian NOR
Rangkaian ini terdiri dari transistor bipolar dan tahanan.
V

CC

R

C

Z
R
A

B

I CA
Q

A

I CB

R
Q

B

B

B

Gambar 1.2. Rangkaian NOR rumpun RTL
Keluaran Z hanya bisa tinggi jika dan hanya jika masukan A dan B
keduanya rendah sehingga kedua transistor menyumbat. Jika salah
satu masukan tinggi maka transistor yang bersangkutan akan jenuh
sehingga tegangan keluaran Z menjadi = 0.
120
Rangkaian NAND

V

CC

R

C

Z
R
A

R
B

B

B

Q

A

Q

B

Gambar 1.3. Rangkaian NAND rumpun RTL
Keluaran Z akan = 0 jika masukan A dan B keduanya tinggi,
sehingga transistor A dan B keduanya jenuh. Jika salah satu atau
kedua masukan rendah maka salah satu atau kedua transistor akan
menyumbat sehingga keluaran akan menjadi tinggi.
121
DIODE TRANSISTOR LOGIC (DTL)
Rangkaian NAND
V
R1

D1
X

I1

A

D3

R

I2

D4

IB

B

C

X

IC

Q

CC

Z

Y

Z

0
0

0
1

1
1

1
1

0
1

1
0

D2
Y

I3

R2

-V

IE

BB

Gambar 1.4. Rangkaian NAND rumpun DTL
Jika masukan X dan Y keduanya tinggi maka dioda D1 dan D2 akan
menyumbat sehingga IB ≅ I2 = I1 akan membuat transistor menjadi
jenuh. Jika masukan X dan Y salah satu atau keduanya rendah maka
I2 = 0 sehingga IB = 0 dan transistor akan menyumbat.
Akibatnya keluaran Z akan rendah.

122
Rangkaian NOR
V

R

D1
X
D2
Y

A

I1

CC

IC

C

Z

IB

B

Q

X
0
0
1
1

Y
0
1
0
1

Z
1
0
0
0

R1
R2

I2
-V

IE

BB

Gambar 1.5. Rangkaian NOR rumpun DTL
Jika salah satu atau kedua masukan tinggi maka transistor akan jenuh
karena mendapat arus basis dari R1. Akibatnya keluaran Z menjadi
rendah. Sebaliknya jika kedua masukan rendah maka transistor akan
menyumbat karena mendapat IB = 0.
123
Emitter Coupled Logic (ECL)
V

RC1

RC2

V

CC1

CC2

R1
Q3
Q2
Q1

A

QA

QB

C
D

D1

QR

D2
B
RA

RB

RE

R3

R2
-V

Masukan Dif erensial

Rangkaian
bias

EE

Keluaran pengikut
emiter

Gambar 1.10. Rangkaian ECL
ECL (Emitter Coupled Logic) adalah yang paling cepat dari semua
piranti logika.
Hal ini dimungkinkan dengan mengoperasikan
pirantinya diluar daerah jenuh dengan simpangan tegangan yang kecil.
124
Transistor Transistor Logic (TTL)
Rumpun ini menggunakan transistor bipolar sebagai piranti aktipnya.
Bagian masukan umumnya menggunakan transistor dengan emiter
ganda, seperti diperlihatkan pada Gambar 1.6.
V
I B1

R1

I C2

R

C

Z

Q1
X
Y

CC

Q2
I C1 = I

B2

Gambar 1.6. Rangkaian dasar TTL
Transistor ini dapat dianggap sebagai transistor dengan emiter tunggal
yang dilengkapi dengan sejumlah dioda pada emiternya.
Rangkaian keluaran TTL terdiri dari :
•Totem-pole
•Kolektor terbuka

125
Keluaran Totem-pole
V
R1

R2
V

I B1

C2

I C2

CC

R4
=V

B4

Q4

I B4

Q1
X
Y

Q2
I C1 = I

V

B2

R3

Z
E2

=V

B3

Q3

I B3

Gambar 1.7. Rangkaian TTL dengan keluaran Totem-pole
Disebut Totem-pole karena menggunakan dua transistor yang
ditumpuk pada bagian keluarannya seperti diperlihatkan pada
Gambar 1.7.
126
Q4 berfungsi sebagai penguat common collector dan Q3 berfungsi
sebagai penguat common emitter. Q2 berfungsi sebagai penggerak
yang menghasilkan sinyal komplemen sehingga Q3 dan Q4 akan
menghantar secara bergantian.
Jika salah satu atau kedua masukan rendah maka Q2 tidak menghantar
sehingga kolektornya akan tinggi sedangkan emiternya rendah.
Akibatnya Q4 menghantar sedangkan Q3 menyumbat sehingga
keluaran Z akan tinggi.
Sebalikya jika kedua masukan tinggi maka Q2 akan menghantar
sehingga sebagian arus emiternya akan menjadi I B3 sehingga Q3 akan
menghantar.
Jika Q2 jenuh VC2 = VB4 ≈ VE2 sehingga Q4 akan
menyumbat dan keluaran Z akan rendah.

127
Keluaran Kolektor terbuka
Rangkaian ini dapat dilihat pada Gambar 1.8.
V
R1

R2

I B1

I C2
Q1

I C3

X
Y

CC

Q2
I C1 = I

V

B2

R3

Z
E2

=V

B3

Q3

I B3

Gambar 1.8. Rangkaian TTL dengan keluaran kolektor terbuka
Karena menggunakan keluaran dengan kolektor terbuka maka jelas
keluaran ini hanya mampu untuk menyedot arus (sink). Agar mampu
untuk mensuplai arus, dibutuhkan pull up resistor.
128
Keluaran rangkaian ini umumnya digunakan sebagai switch atau
driver. Contoh penggunaan ialah sebagai driver untuk LED.
Rangkaian ini mempunyai kekurangan, yaitu kelambatan perubahan
keluaran dari logika 0 ke logika 1 yang disebabkan oleh integrator
yang terbentuk oleh tahanan kolektor (eksternal) dengan kapasitansi
beban.
Vcc

RC

IC

LED
IB

Q

RB
IE

129
Keluaran Tri-state
V
R1

R4

R2

CONTROL

CC

Q5
Q4
Q2

Z

Q1
X
Y

Q3
R3

R5

Gambar 1.9. Rangkaian TTL dengan keluaran tri-state
Bila control berlogika 1 maka keluaran akan berfungsi sebagai
rangkaian totem-pole tetapi jika control berlogika rendah maka
seluruh transistor akan menyumbat sehingga keluaran memiliki
impedansi yang sangat besar.
130
Istilah-istilah penting :
Arus
ICC
:Arus catuan rata-rata
ICCH
:Arus catuan pada saat keluaran tinggi
ICCL
:Arus catuan pada saat keluaran rendah
IIH
: Arus masukan logika tinggi
IIL
: Arus masukan logika rendah
IOH
: Arus keluaran logika tinggi
IOL
: Arus keluaran logika tinggi
Tegangan
VCC
: Tegangan catuan
VIH
: Tegangan masukan logika tinggi
VIH(Min) : Tegangan masukan logika tinggi minimum
VIL
: Tegangan masukan logika rendah
VIL(Max) : Tegangan masukan logika rendah maksimum
131
VOL
: Tegangan keluaran logika rendah
VOH
: Tegangan keluaran logika tinggi
VOL(Max) : Tegangan keluaran logika rendah maksimum
VOH(Min) : Tegangan keluaran logika tinggi minimum
AC Switching Parameters
fmax
: frekuensi maksimum
tPLH
: Tundaan peralihan rendah ke tinggi
tPHL
: Tundaan peralihan tinggi ke rendah
tW
: lebar pulsa
th
: waktu hold
ts
: waktu set-up
Spesifikasi Umum TTL
Tegangan Catuan (VCC)
: 5 VDC ± 5%
Tegangan keluaran logika 0 (VOL) : 0,2 V
Tegangan keluaran logika 1 (VOH) : 3,0 V
Kekebalan derau
: 1,0 V
132
Characteristic
Series

Output
State
Logical 1

54 / 74
Logical 0
Logical 1
54H / 74H
Logical 0
Logical 1
54L/74L
Logical 0

Standard Totem-pole
or Darlington output
Iload = – 400uA
VOH = 2.4V min
Isink = 16mA
VOL = 0,4V max
Iload = – 500uA
VOH = 2.4V min
Isink = 20mA
VOL = 0,4V max
Iload = – 100uA
VOH = 2.4V min
Isink = 2mA
VOL = 0,4V max

Each standard
input emitter
IIH = 40uA max
at Vin = 2,4V
IIL = –1.6mA max
at Vin = 0.4V
IIH = 50uA max
at Vin = 2,4V
IIL = – 2 mA max
at Vin = 0.4V
IIH = 10uA max
at Vin = 2,4V
IIL = – 0.18 mA max
at Vin = 0.4V
133
Spesifikasi 7400 Quad 2-input NAND Gate
7400
Fan-In
: 1.0
V
14
13
12
11
Fan-out
: 10.0
ICCH
: 8 mA
ICCL
: 22 mA
tPLH
: 22 nS
1
2
3
4
TPHL : 15 nS
CC

Spesifikasi 7402 Quad 2-input NOR Gate
Fan-In
: 1.0
V
Fan-out
: 10.0
14
13
12
ICCH
: 16 mA
ICCL
: 27 mA
tPLH
: 15 nS
1
2
3
TPHL : 15 nS

10

7

8

5

6

7
GND

7402

CC

11

10

7

8

4

5

6

7
GND

134
Dari data diatas dpat dilihat bahwa satu gerbang NAND dapat mendrive sampai 10 gerbang NAND atau NOR maksimum.
1

2

10

135
Tundaan Propagasi (Propagation Delay)

V

V

IN

t PHL

V

t PLH

t PLH

V

OUT

Fungsi Membalik

IN

t PHL

OUT

Fungsi Tak Membalik

136
SUM OF PRODUCT,
PRODUCT OF SUM DAN
RANGKAIAN ARITMATIKA
LECTURE 9
Bentuk SOP dan POS
 1.

SOP (Sum Of Product)
-bentuk pernyataan dikatakan SOP bila
semua perkalian yang ada merupakan
perkalian variabel tunggal.
-mudah dikenali karena pernyataan tesb
terdiri atas suku2 penjumlahan dari
perkalian.
-untuk mendapatkan bentuk SOP,
gunakan hukum kedua distributif.
138
Bentuk SOP dan POS
 Contoh

:

 AC’ +

B’DE + AB’E
 AB’D + BEFG + H
 (A+B)C’D + E’F  bukan SOP
- bentuk SOP selalu dapat direalisasikan
langsung dengan satu atau lebih gerbang OR
pada keluarannya.
139
Bentuk SOP dan POS
 2.

POS (Product of Sum)

-bentuk pernyataan dikatakan memiliki bentuk
POS bila semua penjumlahan merupakan
penjumlahan variabel tunggal.
-mudah dikenali karena pernyataan tersebut
terdiri dari suku2 perkalian dari penjumlahan

140
Bentuk SOP dan POS
 Contoh

:

 (A+B’)(C’+D+E)(A’+C+E)
 (A+B’)(C+D’+E)F
 ABC’(D+E’)
 (A+B’)(C+D’)+EF

 bukan POS
- bentuk POS selalu dapat direalisasikan
langsung dengan satu atau lebih gerbang
AND pada keluarannya.
141
Gerbang Logika Yang Lain
 NOR

(not OR)
A

74LS02
Z

B

 Notasi


Z=(A+B)’
Z=(A+B)

A

B

Z

0

0

1

0

1

0

1

0

0

1

1

0
142
Gerbang Logika Yang Lain
 EXOR

(exclusive OR)

 Notasi

Z=A’B’+AB
Z=A + B



74LS86

A

Z

B

A

B

Z

0

0

0

0

1

1

1

0

1

1

1

0
143
Gerbang Logika Yang Lain
 EXNOR

(exclusive not

OR)

74LS266

A

Z

B

A
 Notasi


Z=A’B’+AB
Z=A + B

B

Z

0

0

1

0

1

0

1

0

0

1

1

1
144
Gerbang Logika Yang Lain
 EXNOR

(exclusive not

OR)

74LS266

A

Z

B

A
 Notasi


Z=A’B’+AB
Z=A + B

B

Z

0

0

1

0

1

0

1

0

0

1

1

1
145
Rangkaian Aritmatika
 Elektronika

digital sangat mengasyikkan ,
memungkinkan kita membangun rangkaian2
yang menyamai sebagian proses pikiran kita.
 Dengan menggabungkan AND, OR, NOT
menurut cara yang sesuai, kita dapat
membangun rangkaian yang melakukan
penambahan dan pengurangan.
 Bekerja secara elektroniskerja sangat
cepatbeberapa mikrodetik.
146
Rangkaian Aritmatika
 Tujuan

Bab Ini :
 1. Menyusun tabel kebenaran gerbang
OR-ekslusif, penambah paro dan
penambah penuh.
 2. Menjelaskan bagaimana bilangan2
biner dapat ditambahkan dalam sebuah
penambah biner jajar.

147
Rangkaian Aritmatika
 Dasar

penambah  gerbang XOR dan

XNOR
 Z=AB’+A’B
 Keluaran

terjadi 1 bila A atau B adalah 1,
namun tidak kedua-duanya (mempunyai
keluaran 1 hanya bila masukannya
berbeda, keluaran 0 jika masukan2nya
sama)
148
Rangkaian Aritmatika
74LS04

A
B

A

74LS86

74LS08

74LS32
Z

Z

74LS08
74LS04
B

 Rangkaian

setara XOR dapat
digambarkan dengan 2 buah NOT, 2 buah
AND dan 1 buah OR
149
Penambahan Mod-2
A

A
B

Z

Z

0

74LS86

B
0

0

0

1

1

1

0

1

1

1

0
150
Penambahan Mod-2
74LS86

B

Z

B

Z

0

0

0

0

1

1

1

0

1

1

A

A

1

0

•Gerbang EXOR atau XOR memberikan kepada
kita sebuah fungsi baru untuk dipergunakan. Kita
akan menggunakan lambang (+) untuk
menyatakan fungsi ini.  Z = A + B

151
Gerbang XNOR
 EXNOR

OR)

 Notasi


(exclusive not

Z=A’B’+AB
Z=A + B

A
B

A

74LS266
Z

B

74LS86

74LS04
Z

 Gerbang

XOR diikuti
sebuah inverter
152
Gerbang XNOR
D

C

B

74LS86

74LS86

74LS86

Z

disamping
menunjukkan sebuah
pemeriksa paritas bagi
bilangan 4 bit.
 Z=0 untuk paritas genap
 Z=1 untuk paritas ganjil

A

 Gambar

153
Pengecek Paritas

74LS86

D

C

B

A

1 1 1 0

D

C

B

74LS86

74LS86

74LS86

74LS86

Z

74LS86

0genap

 Gambar

disamping
menunjukkan sebuah
pemeriksa paritas
bagi bilangan 4 bit.
 Z=0 untuk paritas
genap
 Z=1 untuk paritas
ganjil

Z

A

1 0 0 1

1ganjil
154
Konverter Biner  Gray

Z3

Z4

Z5

Z6

74LS86

Z2

74LS86

Z1

74LS86

0

F

1

E

C
74LS86

74LS86

1

D

0

B

0

A

1

1

1

0

1

0

1

155
74LS86

D2

C2

B2

A2

D1
74LS86

74LS86

74LS21

Z

74LS86

C1

B1

A1

Pembanding Dua Bilangan
Biner 4 Bit

156
F

E

D

C

B

A

Inverter Terkendali (controlled)

invert

INV (‘0’) = 110001

74LS86

Z6

74LS86

Z4

Z3

Z2

Z1

ABCDEF=110001

74LS86

Z5

74LS86

74LS86

74LS86

INV (‘1’) = 001110
(one’s complement)
157
Penambah Paro (Half Adder)
• Penambah Paro menambahkan 2 angka biner
pada suatu saat.
74LS08

A

Bawaan

= AB

B
74LS86
Jumlah

=A+B

Keluaran gerbang XOR merupakan jumlah dan
keluaran gerbang AND merupakan bawaan (carry)
158
Penambah Paro (Half Adder)
A=0, B=0
Jumlah = A + B = 0 + 0 = 0
Bawaan = AB = 0 . 0 = 0
A=0, B=1
Jumlah = A + B = 0 + 1 = 1
Bawaan = AB = 0 . 1 = 0

74LS08

A

Bawaan

= AB

Jumlah

=A+B

B
74LS86

A=1, B=0
Jumlah = A + B = 1 + 0 = 1
Bawaan = AB = 1 . 0 = 0
A=1, B=0
Jumlah = A + B = 1 + 1 = 0
Bawaan = AB = 1 . 1 = 1

159
HALF ADDER
A

B

Jumlah

Bawaan

0

0

0

0

0

1

1

0

1

0

1

0

1

1

0

1
160
PENAMBAH PENUH
(FULL ADDER)
 Dalam

menambahkan 2 bilangan biner,
mungkin ada bawaan dari satu kolom ke
kolom berikutnya. Contoh:
111
 +101
 1100
Dalam kolom paling ringan (least significant)
1 + 1 = 0 dengan carry 1


161
PENAMBAH PENUH (FULL
ADDER)
Dalam kolom berikutnya, harus menambahkan
3 angka akibat adanya carry
1 + 0 + 1 = 0 dengan carry 1
Dalam kolom terakhir harus menambahkan 3
angka akibat adanya carry lagi
1 + 1 + 1 = 1 dengan carry 1
Untuk menambahkan bilangan2 biner secara
elektronis, dibutuhkan suatu rangkaian yang
dapat menangani 3 angka sekaligus.
162
PENAMBAH PENUH (FULL
ADDER)
 Dengan

menghubungkan 2 buah HALF
ADDER dan sebuah gerbang OR maka
didapat FULL ADDER, dapat
menambahkan tiga angka biner pada
suatu saat.
A
B
C

HA

74LS32

HA

Carry
Jumlah

163
PENAMBAH PENUH (FULL
ADDER)
A
B
C

A
B
C

A
B
C

1
1
0
1
1
1
0
1
0

HA
HA

HA

Carry=1
0

HA

Carry=1
0

HA

Carry=0
1

HA

74LS32

Carry=0
0

Jumlah=
0
74LS32

Carry=0
1

Carry=1
Jumlah=
1

74LS32

Carry=0
1

Carry=1

Carry=0
Jumlah=
1

164
A
0
0
0
0
1
1
1
1

PENAMBAH PENUH
(FULL ADDER)
B
0
0
1
1
0
0
1
1

C
0
1
0
1
0
1
0
1

JUMLAH

0
1
1
0
1
0
0
1

CARRY
0
0
0
1
0
1
1
1
165
PENGURANG PARO
(HALF SUBTRACTOR)

Pada pengurangan biner :
0 – 0 = 0 borrow 0

A

B

Selisih

0 – 1 = 1 borrow 1

0

0

0

0

1 – 0 = 1 borrow 0

0

1

1

1

1

0

1

0

1

1

0

0

1 – 1 = 0 borrow 0

Borrow

166
PENGURANG PARO
(HALF SUBTRACTOR)

Keluaran selisih adalah 0 jika masukan A dan B
sama, 1 jika berbeda  XOR gate
Keluaran pinjaman (borrow) bernilai 1 jika A=0
dan B=1  mengANDkan A dan B
74LS86

A

Selisih=

B

A+B

74LS08
74LS04

Borrow

= AB
167
PENGURANG PENUH
(FULL SUBTRACTOR)

Pengurang paro hanya menangani 2 bit biner
pada suatu saat dan hanya dapat digunakan
pada kolom paling ringan (least significant).
Untuk menangani kolom yang lebih tinggi
digunakan pengurang penuh menggunakan 2
buah pengurang paro dan sebuah OR.
A
B

Input Borrow

HS

Borrow

HS

74LS32

Borrow

Borrow
Selisih

168
PENYAJIAN FUNGSI
BOOLE DAN
KARNAUGH MAP
LECTURE 10
Penyajian Fungsi Boole
suku­min (singkatan dari "suku minimum"
minterm, minimum term)
 Sum Of Product, nilai 1


sukumax (singkatan dari "suku maksimum"
maxterm, maximum term)
 Product of sum, nilai 0


170
contoh

171
Fungsi Tidak Lengkap
‘d’ (dont care), dapat dianggap 1 ataupun 0
tergantung pertimbangan desain
 Contoh : y = Σ m (0,3,7) + Σ d (1,6)


A
0
0
0
0
1
1
1

B
0
0
1
1
0
0
1

C
0
1
0
1
0
1
0

y
1
x
0
1
0
0
x

1

1

1

1

172
Peta Karnaugh
 Digunakan

untuk menyederhanakan
fungsi boolean
 Dengan cara memetakan tabel kebenaran
dalam kotak-kotak segi empat yang
jumlahnya tergantung dari jumlah peubah
(variabel) masukan
 Penyederhanaan untuk setiap “1” yang
bertetanggaan 2,4,8,16… menjadi suku
minterm yang sederhana
173
Peta Karnaugh 2 Peubah
 Contoh

:

174
Peta Karnaugh 3 Peubah
 Peletakan

posisi suku minterm

175
Peta Karnaugh 3 Peubah
 Contoh

: f = Σ m (0,1,2,4,6)

176
Peta Karnaugh 4 Peubah
 Peletakan

posisi suku minterm

177
Peta Karnaugh 4 Peubah
 Contoh

: f = Σ m (0,2,8,10,12,14 )

178
PETA KARNAUGH
5 DAN 6 PEUBAH
LECTURE 11
Peta Karnaugh 5 Peubah
 Peletakan

posisi suku minterm

180
Peta Karnaugh 5 Peubah

 Contoh

: f = Σ m (0,7,8,15,16,23,24 )

181
Peta Karnaugh 6 Peubah
 Peletakan

posisi suku minterm

182


Peta Karnaugh 6 Peubah

Contoh

:

f = Σ m (0,4,10,11,18,21,22,23,26,27,29,30,31,32,36,50,
53,54,55,58,61,62,63)

183
Peta Karnaugh Sukumax
 Dengan

cara memetakan tabel kebenaran
dalam kotak-kotak segi empat yang
jumlahnya tergantung dari jumlah peubah
(variabel) masukan
 Penyederhanaan untuk setiap “0” yang
bertetanggaan 2,4,8,16… menjadi suku
maxterm yang sederhana.

184
Peta Karnaugh Sukumax
 Contoh

: g = π M(1,3,4,5,6,7,9,11,13,15)

185
Penilikan kesamaan
 Peta

Karnaugh
dapat digunakan
untuk menilik
kesamaan dua
buah fungsi
boolean
 Contoh :
Buktikan
kesamaan



Dapat dilihat kedua fungsi
memiliki peta karnaugh yang
sama.
186
CONTOH PEMAKAIAN
KARNAUGH MAP
LECTURE 12
Pengubah Kode:
BCD-ke-XS3
Desimal

BCD
ABCD

XS-3
PQRS

0

0000

0011

1

0001

0100

2

0010

0101

3

0011

0110

4

0100

0111

5

0101

1000

6

0110

1001

7

0111

1010

8

1000

1011

9

1001

1100
188
Peta pengubah kode BCD-ke-XS3
cd

ab

00

01

10

x

00

11

1

ab 00

01

11

00

1

x

cd

10

01

1

x

1

01

1

x

1

11

1

x

x

11

1

x

x

10

1

x

x

10

1

x

x

P = a + bc + bd
cd

ab

00

00

01

11

10

1

1

x

1

01
11
10

Q = bc + bd + bcd

x
1

1

cd

ab

00

00

01

11

10

1

1

x

1

01

x
X

x

x

x

x

x

11

x

x

10

R = cd +cd

1

1

R=d

189
Pengubah Kode: BCD-ke-LED 7segmen
Desimal

a
b

f
g

c

e
d

(a)

0
1
2
3
4
5
6
7
8
9
10,11
12,13, 14,15

BCD

ABCD
00 0 0
00 0 1
00 1 0
00 1 1
01 0 0
01 0 1
01 1 0
01 1 1
10 0 0
10 0 1
10 1 x
11 x x

LED 7-segmen

a
1
0
1
1
0
1
0
1
1
1
0
0

b
1
1
1
1
1
0
0
1
1
1
0
0

c
1
1
0
1
1
1
1
1
1
1
0
0

d
1
0
1
1
0
1
1
0
1
0
0
0

e
1
0
1
0
0
0
1
0
1
0
0
0

f
1
0
0
0
1
1
1
0
1
1
0
0

g
0
0
1
1
1
1
1
0
1
1
0
0

(b)
190
Pengubah BCD-ke-LED 7 segmen
AB
CD 00

00

01

1

11

10

1
1
1

10

1
2

1

9

10

1

1

b

01

11

1

AB
CD
00

10
d

6

11

1

1

10

00

5

1

2

1

e

c

AB
CD 00

01

6

8

01

1

7

1

11
1

1

1

01

1

10

00

1

1

11

AB
CD 00

1

01

9

11

2

1
4

5

00

01

1

1

1

1

1

a
AB
CD 00

1
1

1

1

3

AB
CD

1

1

1

3

AB
CD

1

01
11

5

1

8

01

11

1

1

1

1

11
10
7

10

2

1
f

10

00

1

1

01

1

1

11

1

6

1

10

2

1

g

191

9
Pengubah BCD-ke-LED 7 segmen
a( A, B, C , D) = 1 + 2 + 5 + 9
= ABD + A B C + B C D + A B C
b( A, B, C , D) = 2 + 3 + 4 + A B
= A B C + AC D + AC D + A B
c( A, B, C , D) = 2 + 3 + 7 + A D
= A B C + AC D + A B D + A D
d ( A, B, C , D) = 5 + 6 + 9 + A B C D
= B C D + AC D + A B C + A B C D
e( A, B, C , D) = 5 + 6
= B C D + AC D
f ( A, B, C , D) = 2 + 5 + 7 + 8
= ABC + BC D + AB D + ABC
g ( A, B, C , D) = 2 + 6 + 8 + 9
= A B C + AC D + A B C + A B C
192
A
B
D

1 = ABD

A
B
C
A
C
D
A
C
D

2 = ABC

B
C
D

5 =BCD

A
C
D

6 =ACD

A
B
D

7 =ABD

A
B
C

8 =ABC

A
B
C

9 = ABC

a

b
3 =ACD

A
B

4 =ACD

A
D

c

d
A
B
C
D

Pengubah BCD-keLED 7 segmen
e

f

g

193
PENYEDERHANAAN DENGAN
MENGGUNAKAN QUINNE
MCCLUSKY
LECTURE 13
Metode Quine-McCluskey
 Metode

Peta Karnaugh tidak efektif untuk jumlah
peubah > 6 (ukuran peta semakin besar).
 Metode peta Karnaugh lebih sulit diprogram
dengan komputer karena diperlukan
pengamatan visual untuk mengidentifikasi
minterm-minterm yang akan dikelompokkan.
 Metode alternatif adalah metode QuineMcCluskey . Metode ini mudah diprogram.

195
Metode Quine-McCluskey (Tabular)
 Proses

dua langkah:

 Menentukan

prime implicants
 Menentukan minimal cover
 Semua

proses dilakukan dengan menggunakan

tabel
 Implicant yang berdekatan digabung, sebagai
contoh:
0100 & 1100 menghasilkan -100
-100 & -101 menghasilkan -10-

196
Contoh: ƒ(A,B,C,D) =
Σ(0,4,5,6,7,8,9,10,13,15)
Implication Table (untuk menentukan prime implicant)
Des Biner

Tabel1

0
4
5
6
7
8
9
10
13
15

0000  

0000
0100
0101
0110
0111
1000
1001
1010
1101
1111

0100 
1000 
0101 
0110

1001 
1010

0111
1101 

1111



Tabel2
0-00
-000

*
*

01001-0
10010-0



*
*

01-1
-101
0111-01




*

-111
11-1

Tabel3




01--

*

-1-1

*

197
Coverage Table (untuk mencari minimal cover)

0,4(0-00)

0 4
X X

0,8(-000)

X

5

6

7

8

9

X

8,10(10-0)

X

X
X
X

9,13(1-01)

5,7,13,15(-1-1)

13 15

X

8,9(100-)

4,5,6,7(01--)

10

X

X X

X

X

X

X

       

X

X





ƒ(A,B,C,D) = A’B + BD + AB’D’ + AC’D + B’C’D’
198
Contoh: G(A,B,C,D) =
Σ(4,5,6,8,9,10,13)

d(A,B,C,D = Σ d(0,7,15)
Implication Table (untuk menentukan prime implicant)
Des

Biner

Tabel1

Tabel2

0
4
5
6
7
8
9
10
13
15

0000
0100
0101
0110
0111
1000
1001
1010
1101
1111

0000  

0-00
-000

*
*

01001-0
10010-0



*
*

01-1
-101
0111-01




*

-111
11-1

Tabel3




0100 
1000 
0101 
0110
1001 

1010

0111
1101 

1111


01--

*

-1-1

*

199
Coverage Table (untuk mencari minimal cover)

4 5
X

0,4(0-00)

6

8

0,8(-000)

X

8,10(10-0)

X

10 13

X

8,9(100-)

9

X
X
X

9,13(1-01)
4,5,6,7(01--)
5,7,13,15(-1-1)

X X
X

X

X
X

      

ƒ(A,B,C,D) = A’B + AB’D’ + AC’D
200
Contoh 7.46
Sederhanakan fungsi Boolean f(w, x, y, z) = Σ (0, 1, 2, 8, 10, 11, 14, 15).
Penyelesaian:
(i) Langkah 1 sampai 5:
(a)
term w x y z
0

0000√

1
2
8

0001√
0010√
1000√

10

(b)
term

wx y z

term

wx y z

0,1
0,2
0,8

0 00 00- 0√
- 000√

0,2,8,10
0,8,2,10

- 0- 0
- 0- 0

10,11,14,15
10,14,11,15

1- 11- 1-

1010√

11
14
15

1011√
1110√
1111√

(c)

2,10
8,10

- 010√
10- 0√

10,11
10,14

101- √
1- 10√

11,15
14,15

1- 11√
111- √
201
(i) Langkah 6 dan 7:
minterm
Bentuk prima
√
√
√

0

1

0,1
0,2,8,10
10,11,14,15

×
×

×

√

*
√

2

8

10 11 14 15

×

×

×
×

×

×

*
√

*
√

√

*
√

* *
√ √

×

Bentuk prima yang terpilih adalah:
0,1
0, 2, 8, 10
10, 11, 14, 15

yang bersesuaian dengan term w’x’y
yang bersesuaian dengan term x’z’
yang bersesuaian dengan term wy

Semua bentuk prima di atas sudah mencakup semua minterm dari fungsi Boolean semula. Dengan
demikian, fungsi Boolean hasil penyederhanaan adalah f(w, x, y, z) = w’x’y’ + x’z’ + wy.
202
Contoh 7.47
Sederhanakan fungsi Boolean f(w, x, y, z) = Σ (1,4,6,7,8,9,10,11,15)
Penyelesaian:
(i) Langkah 1 sampai 5:
(a)
term w x y z
1
4
8

0001√
0100√
1000√

6
9
10

0110√
1001√
1010√

7
11

0111√
1011√

15

(b)

(c)

term

wx y z

term

wx y z

1,9
4,6
8,9
8,10

0
1
1

8,9,10,11 1 0 - 8,10,9,11 1 0 - -

6,7
9,11
10,1 1

01110- 1√
101- √

7,15
11,15

- 111
1- 11

1111√

0
1
0
0

0
0
-

1
0
- √
0√

203
(i) Langkah 6 dan 7
minterm
Bentuk prima
√
√

√

1

1,9
4,6
6,7
7,15
11,15
8,9,10,11

×

4
×

6
×
×

7

8

*
√

√

10 11 15

×
×
×
×

*
√

9

*
√

×

×

×
×

√

*
√

×
×

√

Sampai tahap ini, masih ada dua minterm yang belum tercakup dalam bentuk prima terpilih, yaitu 7 dan 15.
Bentuk prima yang tersisa (tidak terpilih) adalah (6,7), (7,15), dan (11, 15). Dari ketiga kandidat ini, kita
pilih bentuk prima (7,15) karena bentuk prima ini mencakup minterm 7 dan 15 sekaligus.
204
minterm
Bentuk prima
√
√
√
√

1

1,9
4,6
6,7
7,15
11,15
8,9,10,11

×

4
×

6
×
×

7

8

*
√

√

10 11 15

×
×
×
×

*
√

9

√

*
√

×

×

×
×

√

*
√

√

×
×

√

Sekarang, semua minterm sudah tercakup dalam bentuk prima terpilih. Bentuk prima yang terpilih adalah:
1,9
4,6
7,15
8,9,10,11

yang bersesuaian dengan term
yang bersesuaian dengan term
yang bersesuaian dengan term
yang bersesuaian dengan term

x’y’z
w’xz’
xyz
wx’

Dengan demikian, fungsi Boolean hasil penyederhanaan adalah f(w, x, y, z) = x’y’z + w’xz’ + xyz + wx’.
205
MULTIPLEKSER DAN
DEMULTIPLEKSER
SERTA PEWAKTU 555
LECTURE 14
MULTIPLEXER
A
0
0
0
0

B
0
0
0
0

Memilih 1 dari 2n masukan

Z
I0
I1
I2
I3

I0

2n −1
Z = ∑ mi I i
i=0
= m 0 I 0 + m1 I 1 + m 2 I 2 + m3 I 3 untuk n = 2
= A B I 0 + A B I1 + A B I 2 + A B I 3

I1

I0
I1
I2
I3

MUX
4-ke-1
A B

Z

I2

Z

I3
A
B

00
01
10
11
207
Contoh aplikasi Multiplexer (MUX)
Merealisasikan fungsi Z dengan tabel kebenaran
berikut ini dengan menggunakan MUX 4x1.
a bc

Z

0
0
0
0
0
0
0
0

1
1
0
1
1
1
0
1

0
0
0
0
0
0
0
0

0
0
0
0
0
0
0
0

MUX
4-ke-1
a

b

Z = ab +abc +a bc

Z

MUX

Z

4-ke-1
a

b

Z =bc +abc +abc

208
Decoder = demultiplexer
(binary-to-decimal decoder)

Mengaktifkan salah satu dan hanya salah satu dari keluaran,
keluaran ke n, n= nomor sukumin yang dibentuk masukan
pemilih.
Inverting
: keluaran aktif = 0 : zi = mi
Non-inverting : keluaran aktif = 1 : zi = mi
Contoh: dekoder keluaran dibalik 3 x 8 dengan pemilih A, B, dan C.

A
B
C

Z0
Z1
Z2
Z3
Z4
Z5
Z6
Z7

A
0
0
0
0
1
1
1
1

B
0
0
1
1
0
0
1
1

C
0
1
0
1
0
1
0
1

Z0 Z 1 Z 2 Z 3 Z 4 Z 5 Z 6 Z 7
0 1 1 1 1 1 1 1
1 0 1 1 1 1 1 1
1 1 0 1 1 1 1 1
1 1 1 0 1 1 1 1
1 1 1 1 0 1 1 1
1 1 1 1 1 0 1 1
1 1 1 1 1 1 0 1
1 1 1 1 1 1 1 0
209
ROM (Read Only Memory)
Merealisasikan fungsi keluaran ganda dengan masukan ganda
(MIMO)
Masukan= dekoder Keluaran= matriks OR

Fk= Σmi

m0 = a b c
m1 = a b c
A
l
a a
m b
a
t
c

m2 = a b c

Decoder
3x8

m3 = a b c
m4 = a b c
m5 = a b c
m6 = a b c
m7 = a b c

Kata Data f3

f2

f1

f0

210
Simbol ROM disederhanakan

a
b
c

m0
m1
Decoder m
2
3x8
m3
m4
m5
m6
m7

f3

f2

f1

f0

(b)

211
PLA (Programmed Logic Array) dan PAL
(Programmable Array Logic)

Perbedaan PLA dan ROM pada masukan
PLA: Masukannya matriks AND, hanya
sukumin yang dibutuhkan yang
direalisasikan
ROM: Masukannya Dekoder, semua sukumin
direalisasikan

212
Realisasi PLA

a
b
c

a
b
c
ab

ac

b

bc

ac

f3 = a b + a c

f2 = b + a c

f1 = a b + b c

f 0 = ac + b

213
PAL
Perbedaan PAL dan PLA pada keluarannya:
PLA: matriks OR keluaran dapat diprogram
PLA: matriks OR terhubung tetap (tak dapat
diprogram)
PLA dan PAL: matriks AND masukannya
dapat diprogram

214
Realisasi PAL
a
b
c

a
b
c

f3 = a b + a c
f2 = b + a c

f1 = a b + b c
f 0 = ac + b

215
Terdiri dari :
1. 2 buah
pembanding
tegangan
2. Flip-flop
3. Untai pembuang
muatan
1. Catu negatif
2. Sulut (trigger)
3. Keluaran output)
4. Reset
5. Control
6. Ambang (threshold)
7. Pengosongan
(discharge)
8. Catu positif
Pembanding 1
membandngkan
tegangan 2/3 Vcc
dengan tegangan
masukan pada pin
ambang.
Pembanding 2
membandingkan
tegangan 1/3 Vcc
dengan tegangan
masukan pada pin
sulut.
Flip flop akan
bernilai sesuai
denganperubahan
nilai transisi
falling edge dari
rst dan set. Jika
pin rst merasakan
transisi dr
highlow maka
Q bernilai low (‘0’)
dan /Q bernilai
high (‘1’)
Jika pin set
merasakan
transisi dr
highlow maka
Q bernilai high
(‘1’) dan /Q
bernilai low (‘0’)
Pin Q adalah
keluaran pada pin
no.3 IC 555
Keluaran /Q
menggerakkan
transistor
pembuang
muatan kapasitor
yang akan
dipasang.  jika
bernilai tinggi (‘1’)
222
Astable and Monostable
Multivibr ator s

 What are they good for?
 Astable: clock, timing signal
 Monostable: a clean pulse of the correct
height and duration for digital system

223
555 Timer

 The frequency is then given by
1
1 .4 4
f =
=
0 .6 9 3 ( R 1 + 2 ⋅ R 2 ) C 1 ( R 1 + 2 ⋅ R 2 ) C 1

224
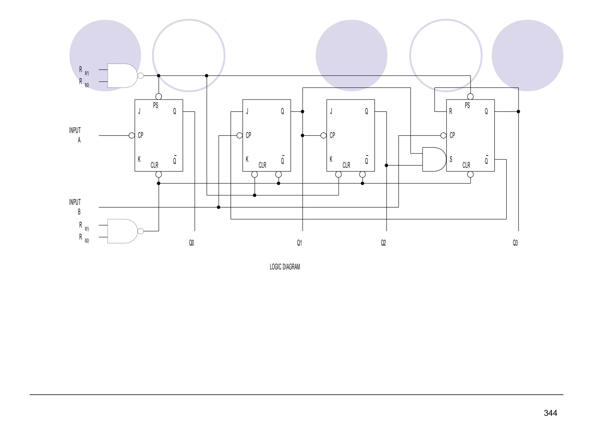
FLIP - FLOP
LECTURE 15
FLIP FLOP
 Berupa rangkaian elektronika digital yang
mendasari banyak aplikasi, seperti memori,
mikroprosesor, ALU, latch dan buffer, dll.
 Mempunyai 2 kondisi stabil (Q=1 dan Q=0)
 Disebut sebagai multivibrator bistabil
 Mampu menyimpan 1 bit memori

226
Klasifikasi
Rangkaian digital:
R. kombinasi: output hanya fungsi input
R. Berurut : output fungsi input sesaat dan output
(sekuensial)
(jadi juga masukan) sebelumnya
→ ada ingatan, memori
• sinkron : perubahan terjadi bersamaan pada
waktu ditentukan → ada detak
• asinkron: perubahan terjadi sembarang waktu

227
FLIP-FLOP
oDasar dari rangk berurut
oDisusun dari r. kombinasi dengan umpan balik
→ ada tundaan waktu (time delay)
→ tundaan waktu ada pada setiap gerbang
oRangkaian yang mempunyai 2 keluaran saling
komplemen (satu komplemen dari yang lain), masukan
boleh 1, boleh 2
oAda 4 bentuk dasar flip-flop:
Flip-flop RS (urut abjad singkatan Set Reset)
Flip-flop JK
Flip-flop T (Toggle)
228
Flip-flop D (Delay atau Data)
LATCH
 Flip-flop sederhana
 Terdiri dari 2 NAND gates

229
FLIP FLOP DASAR
(LATCH)

230
SIMULASI LATCH

231
SIMULASI LATCH

232
SIMULASI LATCH

233
SIMULASI LATCH

234
SIMULASI LATCH

235
SET-RESET FLIP – FLOP /
S-R
FLIP-FLOP
 Pengembangan dari latch
 Dapat diatur untuk mendapatkan nilai
output (Q) tertentu

236
SET-RESET FLIP – FLOP /
S-R
FLIP-FLOP

237
SET-RESET FLIP – FLOP /
S-R
FLIP-FLOP

238
SIMULASI
S-R FLIP – FLOP

239
SIMULASI
S-R FLIP – FLOP

240
SIMULASI
S-R FLIP – FLOP

241
SIMULASI
S-R FLIP – FLOP

242
TRUTH TABLE
S-R FLIP – FLOP

243
FLIP – FLOP S-R
TERDETAK / CLOCKED S-R
FLIP-FLOP
 Digunakan ketika flip-flop dipasang secara
sinkron dengan unit lain sesuai dengan
pulsa detak (clock pulse)
 Keadaan stabil hanya akan berubah jika
terdapat pulsa detak (gerbang clock = 1)

244
FLIP – FLOP S-R
TERDETAK / CLOCKED S-R
FLIP-FLOP

245
TRUTH TABLE
FLIP – FLOP S-R
TERDETAK / CLOCKED S-R
FLIP-FLOP

246
TOGGLE FLIP – FLOP /
T FLIP-FLOP
 Punya satu masukan T (toggle)
 Output pada setiap pulsa masukan
berubah

247
TOGGLE FLIP – FLOP /
T FLIP-FLOP

248
TRUTH TABLE
TOGGLE FLIP – FLOP /
T FLIP-FLOP

249
DELAY
D FLIP

FLIP – FLOP /
– FLOP

 Modifikasi S-R flip-flop
 Keadaan D = 1 (set), D = 0 (reset)
 Kondisi S = R = 0 dan S = R = 1 tidak ada
karena ada NOT gate di R, sehingga R dan
S berkomplemen

250
Flip-flop D (Delay)




D

Digunakan untuk memori
Hanya 1 masukan data
Keluaran mengikuti masukan selama CK aktif:
Q+= D
Q

D

Q

>CK Q

Q

CK

D Q Q+
0 0 0
0 1 0
1 0 1
1 1

1

251
DELAY
D FLIP

FLIP – FLOP /
– FLOP

252
DELAY
D FLIP

FLIP – FLOP /
– FLOP

253
FLIP - FLOP
LECTURE 16
JK FLIP – FLOP

255
JK FLIP – FLOP
 Flip-flop JK yang diberi nama berdasarkan
nama masukannya, yaitu J dan K.
 Flip-flop ini mengatasi kelemahan flip-flop RS,
yang tidak mengizinkan pem-berian masukan
R=S= 1, dengan meng-AND-kan masukan dari
luar dengan keluaran seperti dilakukan pada
flip-flop T

256
JK FLIP – FLOP
 Flip-flop JK yang diberi nama berdasarkan
nama masukannya, yaitu J dan K.
 Flip-flop ini mengatasi kelemahan flip-flop RS,
yang tidak mengizinkan pem-berian masukan
R=S= 1, dengan meng-AND-kan masukan dari
luar dengan keluaran seperti dilakukan pada
flip-flop T

257
JK FLIP – FLOP

258
JK FLIP – FLOP

 masukan J dan K berfungsi tepat sama dengan masukan S
dan R pada flip-flop RS kecuali untuk J=K=1.
 Kalau pada RSFF masukan R=S=1 terlarang, maka pada
JKFF, masukan J=K=1 akan membuat JKFF berfungsi
seperti TFF.
 Dari tabel keadaan-berikut yang ditunjukkan pada Gambar
6.7, dapat diperoleh bahwa persamaan keadaan-berikut,
disebut juga persamaan karakteristik daripada JKFF, yaitu:
259

Q+ = Q /K+ /Q J
JK FLIP – FLOP

260
JK FLIP – FLOP
 keadaan flip-flop akan berubah untuk setiap perubahan
masukan J dan K.
 Ini berarti bahwa flip-flop JK ini bekerja tak serempak.
 Untuk memperoleh flip-flop JK yang dapat bekerja
serempak dengan rangkaian lain perlu ditambahkan
kelengkapan untuk penabuhan (clocking).
 Ini dapat dilakukan dengan meng-AND-kan pulsa CP
(clock Pulse) dengan masukan K dan J
 Perlu dicatat bahwa untuk flip-flop yang peka terhadap
perubahan pulsa negatif, pada masukan CP diberikan
lingkaran kecil seperti pada NOR dan NAND.

261
Flip-flop JK IndukBudak
 JKFF induk-budak (Master-Slave JK flip-flop)

disusun dari dua flip-flop RS
 Yang satu bertindak sebagai induk/tuan lainnya
sebagai budak/pengikut yang mengikuti
keadaan keluaran flip-flop induk sesaat
sesudah berlalunya perubahan keluaran itu.
 Perbedaan waktu perubahan keadaan induk
dan budak ini terjadi karena adanya inverter
antara pulsa penabuh untuk FF induk dan
masukan FF budak

262
Flip-flop JK IndukBudak

 Bila pulsa penabuh FF induk berkeadaan 1, maka
keluarannya akan berubah menurut keadaan masukan
J dan K pada saat itu, sesuai dengan tabel.
 Tetapi, karena adanya inverter pada masukan flip-flop
budak, maka masukan S dan R flip-flop budak itu akan
tetap 0 dan keluarannya tidak mengalami perubahan.
 Tetapi pada saat penabuh induk kembali 0, yang berarti keluaran inverter menjadi 1, maka keluaran budak
berubah menurut keadaan keluaran induk saat itu,
yaitu keadaannya sesudah ditabuh.
263
Flip-flop JK IndukBudak

 Perhatikan bahwa bila penabuh berkeadaan 0 (CP= 0,
dan CP= 1), maka gerbang-gerbang AND pada
masukan budak menjadi aktif dan keluaran Q akan
mengikuti keadaan P karena hanya ada dua
kemungkinan kombinasi RS untuk budak, yaitu RS= 10
atau RS= 01.
 Bila P= 1 maka RS= 01 dan Q menjadi 1 sedangkan
bila P= 0, maka RS= 10 dan Q menjadi 0.
264
Flip-flop JK IndukBudak

 Dengan susunan ini, dapat dijamin bahwa persamaan
flip-flop Q+ = Q /K + /Q J akan tetap dipenuhi sejauh
keadaan J dan K hanya berubah di antara dua pulsa
penabuh positif (selagi CP= 1).
 Bila J dan/atau K berubah selagi CP= 0, maka apa
yang dipindahkan ke flip-flop budak adalah keadaan P
akibat perubahan terakhir sebelum CP berubah
menjadi 0.
265
Pembentukan Flip-flop
dari Flip-flop lain

 Dalam prakteknya, ada kalanya perlu merealisasikan
flip-flop tertentu dengan flip-flop yang tersedia
 misalnya flip-flop yang dibutuhkan tidak tersedia atau
dari serpih (chip) flip-flop yang digunakan masih ada
sisa flip-flop dari jenis lain yang belum termanfaatkan.
266
Pembentukan Flip-flop
dari Flip-flop lain

 Sebagaimana diuraikan di depan, flip-flop D dapat
dibangun dari flip-flop JK dengan memberikan
komplemen J sebagai masukan bagi K
 Begitu juga flip-flop T dapat dibentuk dari flip-flop JK
dengan mengga-bungkan masukan J dan K sebagai
masukan T
 Perhatikan bahwa bila T=0 akan membuat J=K=0
sehingga keadaan flip-flop tidak berubah. Tetapi bila
T=1, J=K=1 akan membuat flip-flop beroperasi se-cara
toggle.
267
268
PENCACAH
(COUNTER)
LECTURE 17
Pencacah Reguler

Tabel 7.1. Tabel keadaan pencacah biner berurutan.
A
0
0
0
0
0
0
0
0
1
1
1
1
1
1
1
1

B
0
0
0
0
1
1
1
1
0
0
0
0
1
1
1
1

C
0
0
1
1
0
0
1
1
0
0
1
1
0
0
1
1

D A+ B+ C+ D+
0
0 0 0 1
1
0 0 1 0
0
0 0 1 1
1
0 1 0 0
0
0 1 0 1
1
0 1 1 0
0
0 1 1 1
1
1 0 0 0
0
1 0 0 1
1
1 0 1 0
0
1 0 1 1
1
1 1 0 0
0
1 1 0 1
1
1 1 1 0
0
1 1 1 1
1
0 0 0 0
(a)
Pencacah naik

A
0
0
0
0
0
0
0
0
1
1
1
1
1
1
1
1

B
0
0
0
0
1
1
1
1
0
0
0
0
1
1
1
1

C
0
0
1
1
0
0
1
1
0
0
1
1
0
0
1
1

D
0
1
0
1
0
1
0
1
0
1
0
1
0
1
0
1

A+ B+ C+ D+
1 1 1 1
0 0 0 0
0 0 0 1
0 0 1 0
0 0 1 1
0 1 0 0
0 1 0 1
0 1 1 0
0 1 1 1
1 0 0 0
1 0 0 1
1 0 1 0
1 0 1 1
1 1 0 0
1 1 0 1
1 1 1 0
(b )
Pencacah turun

270
271
Pencacah dengan flipflop T
AB
C

Pencacah Naik.
A
0
0
0
0
1
1
1
1

B
0
0
1
1
0
0
1
1

C
0
1
0
1
0
1
0
1

A B C
0 0 1
0 1 0
0 1 1
1 0 0
1 0 1
1 1 0
1 1 1
0 0 0
+

+

+

00

0
1

TA TB TC
0 0 1
0 1 1
0 0 1
1 1 1
0 0 1
0 1 1
0 0 1
1 1 1

AB
C
00
0
1

1

01

11

10

1
1
TA= BC
01

11

10

1
1
TB= C

TC= 1

1

Tb

272
Pencacah dengan flip-flop T
Pencacah Turun.
A
0
0
0
0
1
1
1
1

B
0
0
1
1
0
0
1
1

C
0
1
0
1
0
1
0
1

A+ B+ C+
1 1 1
0 0 0
0 0 1
0 1 0
0 1 1
1 0 0
1 0 1
1 1 0

TA TB TC
1 1 1
0 0 1
0 1 1
0 0 1
1 1 1
0 0 1
0 1 1
0 0 1

AB

C

00
0

01

11

1

10
1

1
TA= BC

AB
C

TC= 1

00
0

01

11

10

1

1

1

1

1
TB= C

273
Pencacah dengan flip-flop T
Pencacah Naik-Turun
Up/Dn= M
M= 0
M= 1

Down
Up

274
PENCACAH
IRREGULER
LECTURE 18
Pencacah tak beraturan

276
P
A
0

0

0

1

1

0

0

1

1

0

0

0

0

1

0

0

1

0

B
C
TA
TB
TC

277
P
A
0

0

0

1

1

0

0

1

1

0

0

0

0

1

0

0

1

0

B
C
TA
TB
TC

278
P
A
0

0

0

1

1

0

0

1

1

0

0

0

0

1

0

0

1

0

B
C
TA
TB
TC

279
P
A
0

0

0

1

1

0

0

1

1

0

0

0

0

1

0

0

1

0

B
C
TA
TB
TC

280
P
A
0

0

0

1

1

0

0

1

1

0

0

0

0

1

0

0

1

0

B
C
TA
TB
TC

281
P
A
0

0

0

1

1

0

0

1

1

0

0

0

0

1

0

0

1

0

B
C
TA
TB
TC

282
P
A
0

0

0

1

1

0

0

1

1

0

0

0

0

1

0

0

1

0

B
C
TA
TB
TC

283
Pencacah dengan flipflop JK
Peta Keadaan Berikut
A B C A+B+C+ JA KA JB KB JC KC
000 0 1 1 0 x 1 x 1 x
001 - - x x x x x x
010 1 0 0 1 x x 1 0 x
011
0 1 0 0 x x
1 1 x
0
100 1 0 1
x0 0 x 1
101 0 0 0 x 1 0 x x 1
110 - - x x x x x x
111 - - x x x x x x

Q Q+ J
0 0
0 1
1 0
0
x 1

K
0 x
1 x
x 1

x

284
Peta-K Pencacah dengan
A
JK 1 0 1 BC A 0 1 0 1 BCA 0 1 0 1
BC 0
00
01 x
11
10 1
x x

x
x
x
x
x

x
x 1
x x
x x

JA

KA

JA = BC

KA= C

00 1
01 x
11 x x
10 x
JB
JB = A

x
x

x
x
x

x
KB
KB = C

00
01
11
1

1
x
x
x

1
x
x

JC
JC = B

x x
x 1
1 x
10
KC
KC = 1

285
C

286
Peta-K Pencacah dengan
ff D
AB
C 00

AB
01 11

10

C

AB
00 01 11 10

C

00 01 11

10

0

0

1

x

1

0

1

0

x

0

0

1

0

x

1

1

x

0

x

0

1

x

1

x

0

1

x

0

x

0

A+
DA= AC + BC

B+
DB= A B + AC

C+
DC = B C

287
B

288
Pencacah dalam Rangkaian
Ter padu
Input
Input
Q
Q
GND Q
Q
A
14

A

13

D

C

12

10

11

QA QD
>A
R0(1)
R0(2)
R0(1)

B

9

B
8

QC QB

R0(1) R0(2) QD QC QB QA
H
H
L L L
L
L
x
Count
x
L
Count

B<

R0(2)

1
R0(1)

3

2
R0(2)

NC

5

4
VCC

NC

6
NC

7

NC

J

>CK

K

J

>CK

K

J

>CK

K

J

>CK

K

Q

Q

Q

Q

289
290
LATCH (PENAHAN)
LECTURE 19
Definisi Latch
(Penahan)
 Sekumpulan sel biner yang dipakai untuk
menyimpan informasi yang disajikan
dalam bentuk kode biner
 Dilakukan melalui penyetelan keadaan
kumpulan flip-flop dalam register secara
serentak sebagai satu kesatuan.
1 Flip flop = 1 bit
Register 8 bit = data 0 s.d 255 desimal
292
Re gister Penahan
(Hold Re gister)
 Data yang diberikan pada masukan
disimpan dan ditahan di dalam register.
Setelah penahanan terjadi, keadaan
keluaran register tidak akan berubah
walaupun masukannya berubah,
berfungsi sebagai penyangga (buffer).
 tdd 2 jenis : transparan (transparent)
dan terpicu (triggered).
 biasanya dipakai flip-flop D
293
Re gister Penahan
 Transparent
 perubahan keluaran terjadi pada saat
penabuh level high
 pemalangan terjadi pada saat detak
pada level low

294
Re gister Penahan
 Triggered
 perubahan keluaran terjadi pada saat
detak berubah dari level high ke level low
 penahanan terjadi saat detak level low

295
Re gister Penahan
 Contoh time line :
CP = clock pulse,
D = input flip flop D
QG = Keluaran Register penahan transparent
QT = Keluaran Register penahan triggered

296
Re gister Penahan
IC 74LS373

297
Re gister Geser Seri
 Kegunaan : komunikasi data serial – paralel,
algoritma perkalian biner
 Geser kanan:
Sebelum penggeseran:
Geser 1 x :
Geser 2 x :
 Geser kiri:
Sebelum penggeseran:
Geser 1 x :
Geser 2 x :

1001 1010
0100 1101
0010 0110
1001 1010
0011 0100
0110 1000

298
Re gister Geser Seri [2]
 Realisasi : keluaran satu flip-flop
diberikan kepada masukan flip-flop
berikutnya dalam urutan penggeseran
 Contoh dengan flip-flop JK 4 bit register
geser:

masukan K = J  flip flop D
 Din = masukan luar untuk mengganti bit
ujung

299
Re gister Geser Seri [3]

 Rangkaian Logika (atas), bidirectional (bawah)

300
Re gister Geser Par alel
 Kegunaan : komunikasi data paralel 1 word = 8
bit
 Modifikasi register geser seri
 masing-masing flip-flop : 3 masukan
- keluaran flip-flop di kiri (geser kanan)
- keluaran flip-flop di kanan (geser kiri)
- masukan paralel dari luar
 Modus Operasi :
301
Re gister Geser Par alel
[2]
 Realisasi dengan Flip Flop RS

302
Re gister Geser Par alel
 Rangkaian Logika

303
304
STATE MACHINE
LECTURE 20
Pendahuluan
 Keluaran

rangkaian berurut (sekuensial)
pada suatu saat juga ditentukan oleh
keadaan keluarannya pada saat
sebelumnya
 Kalau tabel kebenaran rangkaian
kombinasi terdiri atas kombinasi masukan
dan keluaran saja
 Tabel kebenaran rangkaian sekuensial
tersusun atas masukan, keadaan
sekarang, dan keadaan berikutnya.

306
Pendahuluan
 Karena

tabel kebenaran rangkaian
sekuensial lebih bertitik berat pada
keadaan maka tabel kebenaran itu
disebut Tabel Keadaan (State Table)

307
Pendahuluan
 Dalam

pembahasan keadaan rangkaian
sekuensial harus dibedakan antara
keadaan rangkaian secara keseluruhan
dan keadaan elemen-elemen pengingat
dalam rangkaian itu.

308
Pendahuluan
Keadaan masing-masing elemen pengingat
dalam rangkaian sekuensial adalah:
 keluaran
elemen bersangkutan dan
disebut "keadaan internal"
 keadaan

rangkaian secara keseluruhan
merupakan gabungan dari pada keadaan
semua elemen pengingatnya (keadaan
internal).
309
Pendahuluan
 Keluaran

rangkaian sekuensial pada
umumnya merupakan kombinasi dari pada
keadaan internal yang diperoleh melalui
rangkaian kombinasi.

310
Pendahuluan
 Dipandang

dari pengaruh masukan luar
terhadap keluarannya, rangkaian berurut
dibedakan atas 2 macam, yaitu:
- rangkaian (mesin) Mealy dan
- rangkaian (mesin) Moore.

311
rangkaian Moore  keluaran hanya
tergantung atas keadaan internal, tanpa
dipengaruhi
secara
langsung
oleh
masukan luar.
 Dalam hal ini, masukan luar hanya
mempengaruhi
keluaran
melalui
perubahan keadaan internal


312
 rangkaian

Mealy  keluaran merupakan
kombinasi dari keadaan internal dan
masukan luar secara eksplisit

313
Analisis Rangkaian Mealy
 Contoh

rangkaian

 Penyederhanaan

rangkaian
314
Analisis Rangkaian Mealy [2]


Persamaan Keadaan


315
Analisis Rangkaian Mealy [3]


Tabel Keadaan
dari persamaan keadaan, dapat dibuat sebuah
tabel keadaan dengan masing-masing input 0
dan 1 untuk keluaran berikutnya dan keluaran
rangkaian

316
Analisis Rangkaian Mealy [4]

317
Analisis Rangkaian Mealy [5]


Diagram Keadaan
di dalam lingkaran : keadaan/state flip flop
di luar lingkaran : input/output rangkaian

318
Analisis Rangkaian Moore
 Contoh

rangkaian disederhanakan

319
Analisis Rangkaian Moore [2]


Persamaan Keadaan


320
Analisis Rangkaian Moore [3]


Tabel Keadaan
dari persamaan keadaan, dibuat sebuah tabel
keadaan dengan masing-masing input 0 dan 1
untuk keluaran berikutnya. Sedangkan keluaran
rangkaian hanya bergantung pada
keadaan/state flip flop sekarang

321
Analisis Rangkaian Moore [3]

322
Analisis Rangkaian Moore [4]


Diagram Keadaan
di dalam lingkaran :
keadaan(state)flip flop / output rangkaian
di luar lingkaran : input

323
SOAL LATIHAN
 1.

Gambarkanlah diagram waktu yang
keadaan flip-flop A, B, dan keluaran Z
pada mesin Mealy yang ditunjukkan oleh
Gambar 9.4 di depan jika keadaan awal
adalah AB= 00 dan sinyal masukan x
berubah menurut urutan:
 x = 1, 0, 0, 1, 0, 1, 1, 0, 1, 0.

324
 flip-flop

A, B, dan
keluaran Z pada
mesin Mealy jika
keadaan awal
adalah AB= 00
dan sinyal
masukan x
berubah menurut
urutan:
 x = 1, 0, 0, 1, 0,
1, 1, 0, 1, 0.
Catatan: Perubahan keadaan dan keluaran diandaikan
terjadi pada saat perubahan naik pulsa penabuh P

325
x = 1, 0, 0, 1, 0, 1, 1, 0, 1, 0.

Catatan: Perubahan keadaan dan keluaran diandaikan
terjadi pada saat perubahan naik pulsa penabuh P

326
SOAL LATIHAN
 Analisislah

rangkaian berikut untuk
mengetahui apa fungsi yang
dilakukannya

327
SOAL LATIHAN

328
329
330


Perhatikan bahwa jika rangkaian ini mulai dari keadaan
00, keadaan dalam urutan 00-01-10 tanpa tergantung
dari keadaan masukan, 0 atau 1, dan akan tetap di 10
selama masukan 0 dan akan berubah keadaan ke 00
jika ada masukan x=1. Tetapi jika keadaan awal mulai
dari 11, akan berubah keadaan ke 00 atau ke 11
331
tergantung dari masukan x=0 atau 1.
SOAL LATIHAN
 Tentukanlah

persamaan keadaanberikut dan persamaan keluaran
rangkaian berikut ini, dan susun tabel
keadaannya.

332
333
334
335
SOAL LATIHAN
 Buatlah

tabel keadaan dan diagram
keadaan rangkaian berikut ini

336
337
338
339
LAMPIRAN
CONTOH IC
TTL DAN CMOS
LECTURE 21
7473 Dual JK Flipflop
7473

GND
14

13

12

11

10

7

8

J
CP

1

CLR

2

14
Q

K
Q

K

3

4
V

CC

PINOUT

1

CLR
_
Q

5

J
CP

3

_
Q

K

Q

12

7

J

8

CP

10

K

Q

5

_
Q

6

CP
J

6

CLR

_
Q

13

CLR

7
2

7
LOGIC SYMBOL

Terdiri dari dua buah JK flipflop yang independen. Masing-masing
dilengkapi dengan masukan CLR (clear) untuk me-reset flipflop
terlepas dari nilai masukan Cp, J dan K.

341
7490 BCD Counter
Q0
14

13

12

11

10

7

NC

Q0

Q3

GND

Q1

Q2

Q3

8

IN-A

Q1

Q2

7490
IN-B
1

R

0(1)

2

R

0(2)

NC

3

4
PINOUT

IN-A
V

CC

5

R

9(1)

6

R

Mod-2

Mod-5

9(2)

7

IN-B
LOGIC SYMBOL

Terdiri dari dua buah pencacah (counter). Pencacah pertama adalah
pencacah modulus-2 sedangkan pencacah kedua adalah pencacah
modulus-5.
Jika Q0 dihubungkan ke IN-B dan dipicu dari IN-A maka pencacah
akan berfungsi sebagai pencacah BCD.
Jika Q3 dihubungkan ke IN-A dan dipicu dari IN-B maka pencacah
akan berfungsi sebagai pembagi-10 yang simetri.
342
1

2

3

4

5

6

7

8

9

0

1

2

7

8

9

0

1

2

CP
Q0
Q1
Q2
Q3
TIMING DIAGRAM PENCACAH BCD

1

2

3

4

5

6

CP
Q1
Q2
Q3
Q0
TIMING DIAGRAM PEMBAGI-10
343
R

9(1)

R

9(2)

J
INPUT
A

PS

Q

J

CP
K

Q

J

CP

CLR

_
Q

K

Q

R

CP

CLR

_
Q

K

PS

Q

CP

CLR

_
Q

S

CLR

_
Q

INPUT
B
R
R

0(1)
0(2)

Q0

Q1

Q2

Q3

LOGIC DIAGRAM

344
MOS dan CMOS

D

D

D

D

G

G

G

G
S

S
N -Channel

S

S
P -Channel

Gambar 1.11. Simbol MOSFET
Berbeda dengan TTL, rumpun ini menggunakan transistor jenis
MOSFET (Metal Oxide Semiconductor Field Effect Transistor)
sebagai piranti aktipnya. MOSFET ini terdiri dari N-Channel dan PChannel.
Karena menggunakan efek medan maka impedansi masukan dari
transistor ini sangat besar. Oleh karena itu transistor ini sangat peka
terhadap muatan listrik statis.
345
MOSFET

I IN

R
V

IN

R

OUT

IN

Gambar 1.12. Rangkaian ekivalen MOSFET
Untuk sebarang nilai RIN maka besarnya tegangan masukan VIN adalah
VIN = IIN x RIN
Jika
RIN = ∞ maka
VIN = IIN x ∞
=∞
Tegangan masukan yang terlalu besar akan merusak isolasi gate dari
transistor. Oleh karena itu rangkaian masukan dari transistor ini harus
diproteksi.
346
Proteksi Masukan
V
D1

Q1

R
A

_
Z=A

G
D2

DD

Q2

Untuk memproteksi masukan
gerbang dari tegangan lebih yang
disebabkan oleh lucutan muatan
statis, digunakan rangkaian
proteksi yang umumnya terdiri
dari tahanan sebagai pembatas
arus dan dioda sebagai pembatas
tegangan.

Dioda D1 dan D2 berfungsi sebagai clamping dioda. Jika tegangan
masukan > VDD maka D1 akan menghantar sehingga tegangan G akan
dibatasi sebesar VDD + VF.
Jika tegangan masukan < GND maka D2 akan mengahntar sehingga
tegangan G akan dibatasi sebesar –0,7V.
347
Contoh-contoh Rangkaian dengan MOSFET
V

V

DD

Q2

Q4
Y

A

Q1

(a) Gerbang NOT

DD

Q1
A

Q2
B

Q3

Y

C

(b) Gerbang NOR

Pada gambar (a) transistor Q2 berfungsi sebagai sumber arus konstan
(pengganti tahanan. Besarnya tegangan Y ditentukan oleh
konduktansi transistor Q1.
Pada gambar (b) transistor Q4 yang berfungsi sebagai sumber arus
konstan. Tegangan Y akan tinggi jika Q1, Q2 dan Q3 tidak
menghantar.
348
Contoh-contoh rangkaian dengan CMOS
V
V
Q1

A

DD

A

DD

Q2
__
Z = AB

S
D

Q2

V

Q1

Q2

B
A

DD

_
Z =A

Q3

B

Q3

____
Z =A+B

Q1

D
Q4

Q4

S

(a) NOT

(b) NOR

(c) NAND

Disini digunakan transistor komplemen. Pada gambar (a) transistor
Q1 adalah jenis PMOS sedangkan transistor Q2 adalah jenis NMOS.
Jika tegangan A rendah maka Q1 menghantar dan Q2 menyumbat
sehingga tegangan Z akan tinggi.
Sebaliknya jika tegangan A tinggi maka Q1 menghantar dan Q2
menyumbat sehingga tegangan Z akan rendah.
349
Spesifikasi Standard
Rating Maksimum Absolut
Supply DC
VDD
Tegangan masukan
VIN
Arus masukan DC
IIN
Temperatur penyimpanan TS

-0,5V sampai +18VDC
-0,5V sampai VDD + 0,5VDC
±10 mADC
-65 sampai 1500C

Kondisi Operasi Yang Dianjurkan
Supply DC
VDD
+3V sampai +15VDC
Temperatur kerja
TA
Versi Militer
-55 sampai +1250C
Versi Komersial
-40 sampai +850C

350
Delay Propagasi dan Delay Transien
t TLH
90%
V

50%

IN

10%
t PHL

t PLH
90%

V

50%

OUT

10%
t THL

Fungsi Membalik

351
Buffered dan Nonbuffered
CMOS terdiri dari dua jenis, yaitu :
•Buffered
•Nonbuffered
Jenis Buffered dilengkapi dengan penguat pada bagian keluarannya
untuk meningkatkan kemampuannya

352
353
Perbandingan CMOS dengan keluarga lain

354
Pengaruh Beban Kapasitip terhadap Delay Propagasi

355
Pengaruh Tegangan catu pada delay propagasi

356
4001 dan 4002

357
CD4007 Dual Complementary Pair plus Inverter

358
359
4013 Dual D Flip-flop

360
4016 Quad Bilateral Switch
Setiap kemasan mengandung empat buah analog switch. Harus dijaga
agar tegangan masukan selalu berkisar antara V DD dan GND.

361
4017

362
4020 14 Stage Binary Counter

363
4026 Dual JK Flip-flop

364
4029 Synchronous Up/Down Counter

365
366
367
368
4510 Presettable Up/Down
Decade Counter

369
4511 BCD to 7-segment latch/decoder/driver

370
371
4518 Dual BCD Counter

372
LAMPIRAN
INTERFACE
LECTURE 22
Interface TTL dengan CMOS
TTL ke CMOS
Karena impedansi masukan CMOS sangat besar maka
keluaran TTL dapat dihubungkan langsung ke masukan
CMOS jika tegangan catuan sama (5VDC).
TTL
CMOS
TTL

Tegangan catu sama

374
Jika gerbang CMOS menggunakan tegangan catu yang
lebih rendah maka diperlukan rangkaian interface guna
menurunkan tegangan keluaran dari TTL.
V

CC

C1

= +5V

V

DD

=+3V

R1
TTL
R2

V

CC

>V

CMOS

DD

R1 dan R2 berfungsi untuk membagi tegangan keluaran
TTL agar berkisar antara 0 hingga 3VDC. C1 berfungsi
untuk mengkompensasi kapasitansi masukan CMOS.
375
Jika CMOS menggunakan tegangan catu yang lebih tinggi
maka diperlukan buffer.
+15V
R3

+5V
Q1
R1

CMOS

TTL
R2

Transistor Q1 berfungsi sebagai penguat membalik.
Tegangan keluaran tinggi/rendah dari TTL akan memberi
arus bias pada Q1 sehingga jenuh/menyumbat. Kisar
tegangan kolektor adalah 0V hingga 15V.
376
CMOS ke TTL
Membutuhkan buffer atau level translator yang disediakan
khusus untuk itu , yaitu 4104, 4049 (membalik) dan 4050
(tak membalik).

377
Masing-masing gerbang dapat men-drive hingga 2 gerbang
TTL standard.
Transistor bipolar juga dapat digunakan sebagai interface
CMOS ke TTL.
+5V
R3

+15V
Q1
R1

TTL

CMOS
R2

Perlu diperhatikan bahwa transistor berfungsi sebagai
inverter.
378
Tahapan perancangan
Perancangan selalu diawali dengan penentuan spesifikasi dari
rangkaian yang akan dibuat. Pada spesifikasi ini dinyatakan sifat-sifat
atau perilaku dari rangkaian tersebut. Perilaku ini dinyatakan dengan
kalimat yang menguraikan sifat-sifat dari rangkaian.
Contoh 1 : Rangkaian yang akan dibuat memiliki tiga buah tombol
tekan sebagai masukan dan tiga buah lampu sebagai keluaran.

Lampu-X dapat menyala hanya jika tombol-A ditekan dan lampu-Y
serta lampu-Z tidak menyala.
Lampu-Y dapat menyala hanya jika tombol-B ditekan dan lampu-X
serta lampu-Z tidak menyala.
Lampu-Z dapat menyala hanya jika tombol-C ditekan dan lampu-X
serta lampu-Y tidak menyala.
379
Dari uraian diatas diketahui bahwa rangkaian memiliki tiga masukan
dan tiga keluaran sehingga diagram baloknya dapat digambarkan..
A

X

B

Y

C

Z
DIAGRAM BALOK

Dari uraian diatas juga dapat ditentukan persamaan untuk setiap
lampu, yaitu :
X = A.Y.Z
Y = B.X.Z
Z = C.X.Y
Persamaan ini sudah sederhana sehingga tidak perlu disederhanakan
lagi.
380
Dari persamaan keluaran diatas maka rangkaian yang diminta dapat
digambarkan.
A
Y

X

Z
B
X

Y

Z
C
X

Z

Y

381
Implementasi dengan gerbang TTL
Masukan TTL akan berlogika-1 jika dibiarkan terbuka. Jika
menggunakan switch tekan sebagai masukan maka sebaiknya switch
menghubungkan masukan ke ground.
V
R

TTL

PB
SW

V

CC

PB
SW

CC

TTL

R

(a)

(b)

Pada gambar (a) penekanan switch akan memberi masukan rendah
sehingga menghasilkan keluaran logika-1.
Pada gambar (b) jika nilai R terlalu besar maka nilai masukan selalu
tinggi sehingga penekanan switch tidak memberi perubahan keluaran.
382
Agar dapat menyalakan lampu atau LED maka keluaran TTL perlu
disangga dengan transistor.
V

CC

X

R1

Q

IB

IC

R2

Nilai R1, R2 dan hFE dari transistor Q harus diperhitungkan agar
dengan IB yang dihasilkan, transistor dapat menjadi jenuh.
IB ≥ IC / hFE

383
Rangkaian lengkap
V

V

CC

CC

X

R1
Q1
A

Y

X

R4

Z

R7

Y

R2
Q2
B

X

Y

R5

Z

R8

Z

R3
Q3
C

X
Y

Z

R6
R9

384
Contoh 2 : Rangkaian yang akan dibuat harus dapat menstart dan men-stop suatu pompa air dimana pompa akan
start jika isi tangki kurang dari 30% dan akan stop jika isi
tangki sudah mencapai 90%.
Dari uraian diketahui bahwa rangkaian mempunyai dua
masukan, yaitu masukan 30% dan masukan 90%.
Diketahui juga bahwa rangkaian mempunyai satu keluaran
untuk men-start / stop pompa.
P

P

P

A
90%

A
90%

B
30%

START

A
90%

B
30%

B
30%

STOP

385
PENGOSONGAN

PENGISIAN

A
A
P
B

B
P

DIAGRAM BALOK

t
TIMING DIAGRAM

Pada proses pengosongan, pompa belum akan start pada saat A = 0
dan B = 1, tetapi baru akan start jika A = B = 0.
Pada proses pengisian, pompa akan terus berjalan pada saat A = 0 dan
B = 1 dan baru akan berhenti jika A = B = 1.
Oleh karena itu diperlukan suatu cara agar pompa tetap jalan pada
proses pengisian saat A = 0 dan B = 1. Untuk ini dapat digunakan
flipflop jenis RS.

386
Flipflop akan di-set jika A = B = 0 dan akan di-reset jika A = B = 1.
Jika menggunakan flipflop dengan gerbang NOR, maka logika yang
dibutuhkan untuk masukan R dan S adalah logika-1. Maka persamaan
masukan untuk R dan S adalah :

S = A.B = A + B
R = A.B

A
0
0
1
1

B
0
1
0
1

S
1
0
0
0

R
0
0
0
1

A
B

R
P

S

A
B

R
P

S

387
Jika menggunakan flipflop dengan gerbang NAND, maka logika yang
dibutuhkan untuk masukan R dan S adalah logika-0. Maka persamaan
masukan untuk R dan S adalah :
S = A.B = A + B
S=A+B
R = A.B
R = A.B

A
0
0
1
1

B
0
1
0
1

S
0
1
1
1

R
1
1
1
0

A
B

S
P

R

388
Peraga 7-segmen

Peraga 7-segmen berfungsi untuk menampilkan angka 0 sampai 9.
Segmen-segmen diberi label : a, b, c, d, e, f dan g.
a
f

g

e

b
c

d

Dengan menyalakan segmen tertentu maka dapat ditampilkan karakter
0 sampai dengan karakter 9.

Peraga umumnya menggunakan LED (Light Emitting Diode) atau
LCD (Liquid Crystal Display). Peraga LED terdiri dari :
1. Common Anode
2. Common Cathode
389
a

b

c

d

e

f

g

Common
Anode

a

b

c

d

e

f

g

Common
Cathode

Pada jenis Common Anode diperlukan driver dengan keluaran aktip
rendah (misalnya SN-7447) sedangkan pada jenis Common Cathode
diperlukan driver dengan keluaran aktip tinggi (misalnya SN-7448).

390
Common Anode
V
a

b

R1

Ia

Q1

c

R2

Ib

Q2

d

R3

Ic

e

R4

Id

Q3

Q4

f

R5

Ie

Q5

CC

g

R6

If

Q6

R7

Ig

Q7

Driv er

Driver menggunakan transistor NPN sebagai switch untuk menyalakan
setiap segmen.
Tahanan R1 sampai R7 berfungsi untuk membatasi arus setiap segmen.
Besarnya arus segmen adalah (VCC – VF – VCE(SAT) ) / R dimana :
VF : tegangan jatuh pada LED
VCE(SAT) : VCE saturasi dari transistor
391
Driv er
V
Q1

R1

a

Q2

Ia

R2

b

Q3

Ib

R3

c

Q4

Ic

R4

d

Q5

Id

R5

e

Q6

Ie

R6

f

CC

Q7

If

R7

Ig

g

Common Cathode

Driver menggunakan transistor PNP sebagai switch untuk menyalakan
setiap segmen.
Driver umumnya dilengkapi dengan dekoder BCD ke 7-segmen
sehingga dapat menampilkan keluaran pancacah BCD.

392
Tabel kebenaran SN-7447

393
Pencacah Decimal 1-digit
V

CC

14

13

12

11

10

7

8

IN-A

NC

Q0

Q3

GND

Q1

Q2

V

R

R

7490
IN-B
1

a

b

c

d

e

f

R

2

Q

Q

B

C

Q

B

Q

IN-A

A

IN
R

9(2)

R

5

9(1)

6

9(2)

7

Q1

Q2

Q3

A

0(1)

R

Mod-2

Mod-5

B

SN-7490
9(1)

CC

A

IN

R

4

Q0

C

D

NC

PINOUT

g

SN-7447
D

R

0(2)

3

0(1)

Clock
IN-B

0(2)

LOGIC SYMBOL

Reset

394
Dengan menghubungkan QA ke INB maka SN-7490 akan menjadi
pencacah BCD. Keluaran dari pencacah di-dekode oleh SN-7447
mejadi format 7-segmen dan diteruskan ke peraga LED 7-segmen
common anode. Arus segmen dibatasi oleh tahanan yang terpasang
seri dengan LED.
Peralihan logika-1 ke logika-0 pada IN A akan mengakibatkan
pencacah mencacah sehingga isinya bertambah satu. Pada pulsa
kesepuluh isi pencacah akan kembali menjadi nol.
Logika-1 pada masukan R0(1) dan R0(2) akan me-reset pencacah
sehingga isinya menjadi nol.
Agar tidak berfungsi maka masukan R9(1) dan R9(2) dihubungkan ke
ground sehingga selalu berlogika-0.

395
Pencacah Decimal 3-digit
V

a

b

c

V

CC

d

e

f

g

a

b

SN-7447
D

Q

Q

B

C

Q

A

B

Q

D

SN-7490
IN
9(1)

R

9(2)

R

0(1)

R

Q

A

IN

R

d

e

f

g

a

b

SN-7447

C

D

c

V

CC

0(2)

Q

B

C

Q

A

B

Q

D

SN-7490
IN

A

R

9(1)

R

9(2)

R

0(1)

R

Q

A

IN

B

d

e

f

g

SN-7447

C

D

c

CC

0(2)

C

D

Q

B

C

Q

A

B

Q

A

IN

B

IN

B

A

SN-7490

A

R

9(1)

R

9(2)

R

0(1)

R

Clock

0(2)

Reset

396
Pulsa clock diberikan pada pencacah satuan (paling kanan). Pada
pulsa clock ke-10, keluaran QD akan turun sehingga memicu pencacah
puluhan sehingga isinya bertambah satu. Demikian pula pada pulsa
clock ke-20, ke-30 sampai ke-90.
Pada pulsa clock ke-100, isi pencacah puluhan akan kembali menjadi
nol sehingga keluaran QD akan turun dan memicu pencacah ratusan
sehingga isi pencacah ini bertambah satu. Demikian pula pada pulsa
ke-200, ke-300 sampai dengan ke-900.
Pada pulsa clock ke-1000, Isi semua pencacah akan kembali nol. Jika
ada pencacah ke-4 (puluhan ribu) maka isi pencacah ini akan
bertambah satu.
Karena pemicuan terjadi beruntun maka pencacah ini termasuk jenis
pencacah tak serempak dan disebut sebagai Ripple Carry Counter.

397
Jam Digital

Jam digital sebenarnya adalah pencacah yang mendapat satu pulsa per
detik (jam 6-digit) atau satu pulsa per menit (jam 4-digit).
Pada jam 6-digit format tampilan adalah JJ:MM:DD, dimana :
JJ adalah jam, MM adalah menit dan DD adalah detik. Pencacah detik
adalah pencacah modulus-10 karena menghitung dari 0 sampai dengan
9 sedangkan pencacah puluhan detik adalah pencacah modulus-6
karena menghitung dari 0 sampai dengan 5. Dengan demikian maka
tampilan terbesar detik adalah 59.
Pencacah untuk menit juga terdiri dari pencacah modulus-10 untuk
menit dan pencacah modulus-5 untuk puluhan detik. Dengan demikian
maka tampilan terbesar menit juga 59.
Untuk pencacah jam harus digunakan pencacah modulus 24 karena
kedua digit dari jam harus dapat menghitung dari 0 sampai dengan 23,
untuk mode 24 jam.
Untuk mode 12 jam diperlukan teknik khusus karena pencacah harus
dapat menghitung dari 1 sampai 12 dan kembali ke 1.
398
Jam
Puluhan

a

b

c

Jam
Satuan

d

e

f

g

a

b

Decoder/
Driver
D

C

c

Menit
Puluhan

d

e

f

g

a

b

Decoder/
Driver
B

Q

A

B

Q

D

A

Q

MOD-24

C

D

Q

d

e

f

g

a

b

Decoder/
Driver
B

C

c

Menit
Satuan

Q

A

B

Q
CP

D

A

Q

C

D

Q

MOD-6

d

e

f

g

a

b

Decoder/
Driver
B

C

c

Detik
Puluhan

Q

A

B

Q

D

A

CP

Q

C

D

Q

MOD-10

d

e

f

g

a

b

Decoder/
Driver
B

C

c

Detik
Satuan

Q

A

B

Q

D

A

CP

Q

C

D

Q

B

C

MOD-6

c

d

e

f

g

Decoder/
Driver

Q

A

B

Q

D

A

CP

Q

C

D

Q

B

C

MOD-10

Q

A

B

Q

A

CP

OSCILLATOR
1 Hz

399
Jam
Puluhan

a

b

c

d

Jam
Satuan

e

f

g

a

b

Decoder/
Driver
D

C

c

d

Menit
Puluhan

e

f

g

a

b

Decoder/
Driver
B

Q

A

B

Q

D

A

Q

MOD-24

C

D

Q

d

e

f

g

a

b

Decoder/
Driver
B

C

c

Menit
Satuan

Q

A

B

Q
CP

D

A

Q

C

D

Q

B

C

MOD-6

c

d

e

f

g

Decoder/
Driver

Q

A

B

Q

D

A

CP

OSCILLATOR
1 Hz

Q

C

D

Q

B

C

Q

MOD-10

A

B

Q

A

CP

: 60

400
Pencacah Modulus-24

Q

D

Q

C

Q

B

Q

PULUHAN

A

CP
R

0(1)

R

0(2)

Q

D

Q

C

Q

B

Q

SATUAN

A

CP
R

0(1)

R

0(2)

Pada pulsa clock ke-24, keluaran QC dari pencacah satuan dan
keluaran QB dan pencacah puluhan akan tinggi sehingga keluaran dari
gerbang AND akan tinggi sehingga me-reset kedua pencacah. Dengan
demikian maka pencacah hanya dapat mencacah dari 0 sampai 23 dan
kembali ke 0.

401
Jam digital dengan mode 12 jam

Pada dasarnya sama dengan jam digital mode 24 jam. Perbedaan
hanya terletak pada pencacah jam yang menghitung dari 1 sampai
dengan 12.
Pencacah ini harus terdiri dari dua bagian. Bagian pertama yang
mencacah satuan merupakan pencacah BCD, karena harus dapat
menghitung dari 0 sampai dengan 9 dan harus dapat dapat di-preset ke
1 pada pulsa ke-13.
Bagian kedua pencacah modulus-2 karena harus dapat menghitung
sampai dengan 1. Untuk ini dapat digunakan sebuah flipflop.

402
Pencacah modulus-13 yang dapat dipreset ke 1

Q
CLR

J
CP

Q

D

LD
K

D

Q

C

Q

B

MOD-10
D

D

C

Q

A

CP
D

B

D

A

V

CC

Pada pulsa clock ke-13, semua masukan gerbang AND akan tinggi
sehingga keluarannya tinggi dan me-reset flipflop JK dan mem-preset
pencacah Mod-10 ke nilai awal 1.

403

Materi undig

  • 1.
    Deddy Susilo, S.T. 61546 FakultasTeknik Elektro dan Komputer Universitas Kristen Satya Wacana Salatiga
  • 2.
  • 3.
    Deskripsi  Mata kuliah dasarbagi program studi Teknik Elektro konsentrasi Teknik Elektronika dan Teknik Telekomunikasi dan Sistem Komputer.  Menguraikan penurunan dan penyederhanaan fungsi logika digital sampai kepada perancangan sistem digital baik kombinasional maupun sekuensial 3
  • 4.
     Prasyarat : Elektronika1  Menunjang beberapa mata kuliah lanjut - Mikroprosesor, AOK, Sistem Digital, Praktikum Digital, Mikrokontroler dan PLC, Dasar Sistem Telekomunikasi, Kinerja Sistem Telekomunikasi, Embedded, ALD, dlsb. (Hampir semua matakuliah di TE dan SISKOM) 4
  • 5.
    Bahan Bacaan     1. Roth,Jr, Charles H.,: "Fundamentals of Logic Design", West publishing Com-pany, St.Paul, 6th Ed., 2010. 2. Mano, M. Moris,: "Digital Logic and Computer Design", Prentice Hall, Inc., Englewood Cliffs, NJ, 1979. 3. Kline, Raymond M.,"Structured Digital Design including MSI/LSI Compo-nents and Microprocessors", Prentice Hall, Inc., Englewood Cliffs, NJ, 1983. 4. Bartee, Thomas C.,: "Digital Computer Fundamentals", McGraw-Hill Kogakusha, Ltd.,Tokyo, 4th Ed.,1977. 5
  • 6.
  • 7.
    Lambang Transistor Hukum arusKirchoff: IE = IB + IC IC IB IB << IC IB jauh lebih kecil drpd IC NPN IE BETA βdc = IC/IB gain arus Tr daya rendah (<1W) 100-300 Tr daya tinggi (>1W) 20-100 ALPHA αdc = IC/IE Untuk transistor daya rendah biasanya >0,99 Transistor daya tinggi >0,95 7
  • 8.
    FIXED BIAS RC RB1 RC RBB + VCC +VCC  + VBB RB2 VBB = RB2 / (RB1 + RB2) Pers. Input = VBB = IB.RBB + VBE RBB = RB1 // RB2 Pers.output= VCC = IC.RC + VCE 8
  • 9.
    SELF BIAS RC Pers. Input= VCC = IC.RC + IB.RB + VBE Pers.output= VCC = IC.RC + VCE RB + VCC 9
  • 10.
    Daerah Ekstrim Transistor IC Saturasi VCE= 0 IC maks Da era h Penguatan tegangan dan arus (amplifier) ak tif Cut-off VCE~sumber IC = 0 0 VCE Penyaklaran (komputer dan digital) 10
  • 11.
    Bias Basis Pengertian :sisi common atau ground pada tiap sumber tegangan dihubungkan dengan emiter. IB = (VBB-VBE) : RB - RB + + VBB + - IB IC VCE + VBE - RC + + VCC IE 11
  • 12.
    RC 2k RB 1M RC1 2k + VCC 10V R1 1M + VBB 10V +VCC 10V βdc = 300. Hitung IB,IC,VCE,PD! IB = (10-0,7):1M = 9,3uA IC = βdc .IB = 2,79mA VCE = VCC - IC.RC = 10-(2,79mA)(2kΩ) = 4,42V PD (Daya KemasanTransistor) = VCE . IC = 12,3mW 12
  • 13.
    V1 15V +V Jika HFE =100 maka arus IB sekitar 14,3uA RC 3k IB IC RB 1000k Q1 2N2222 (jika terjadi perubahan suhu dan penggantian transistor maka IB akan tetap untuk semua kondisi operasi (bias basis) IC = 100 . 14,3uA = 1,43mA VCE = VCC-IC.RC = 15-(1,43mA)(3kΩ) = 10,7 V IC(mA) Tr saturasi 5 4 3 2 1 0 IC = 1,43mA Tr cut-off 13 `10,7V 15V VCE
  • 14.
    Dasar Penyaklaran Transistor Untukmembuat Transistor langsung bekerja pada daerah ekstrim yaitu saturasi dan cut-off untuk keperluan penyaklaran dikenal dengan nama HARD SATURATION Perancang akan mengasumsikan transistor dapat bekerja dengan hanya penguatan arus 10 kali atau IC : IB = 10:1 Misal rangkaian di bawah ini : IC V1 10V +V 10mA Untuk semua kondisi operasi transistor akan dapat menjadi saturasi RC 1k S1 + V2 10V RB 10k HFE=50 Q1 2N2222 0 10V VCE 14
  • 15.
  • 16.
     positional Sistem Bilangan valuesystem : sistem nilai berdasarkan letak/posisi an-1 = angka yang paling kiri, R = Angka dasar dari pada sistem bilangan n = cacah angka yang menunjukan bilangan bulat m = cacah angka yang menunjukkan bilangan pecahan  Sistem Bilangan Puluhan : 16
  • 17.
    Biner, Oktal ,Hexadesimal  Biner : hanya dua macam simbol angka, yaitu ”0” dan ”1”  R=2  Oktal : 8 simbol angka, 0, 1, 2, 3, 4, 5, 6, 7  R=8  Hexadesimal : 16 simbol angka, yaitu 0, 1, 2, 3, 4, 5, 6, 7, 8, 9, A, B, C, D, E, F. Huruf-huruf A, B, C, D, C dan F secara berturut-turut bernilai 10, 11, 12, 13, 14, 15 R=16 17
  • 18.
    Biner, Oktal, Hexadesimal[2]  Biner : 101,01 = (5,25) 2 10  Oktal : Hexadesimal : 18
  • 19.
    Konversi  Desimal – Biner 118: 2 = 59 sisa 0 7 : 2 = 3 sisa 1 59 : 2 = 29 sisa 1 3 : 2 = 1 sisa 1 29 :2 = 14 sisa 1 1 : 2 = 0 sisa 1 14 : 2 = 7 sisa 0 0 : 2 = 0 sisa 0 (118)10 = (01110110)2 0.8125 x 2 = 1,625 0,625 x 2 = 1,250 0,250 x 2 = 0,500 (0.8125)10 = (0,11010 )2 0,500 x 2 = 1,000 0,000 x 2 = 0,000 19
  • 20.
    Konversi [2]  Biner –Oktal bilangan biner dikelompokkan atas 3 bit 1 011 001 111 = (1) (3) (1) (7) 8  Biner – Hexadesimal bilangan biner dikelompokkan atas 4 bit 10 1100 1111 = (2) (C) (F) 16 20
  • 21.
    Komplemen  Komplemen R daribilangan N  Komplemen R-1 dari bilangan N R = Basis N = Bilangan n = digt bil.bulat m = digit bil. Pecahan Komplemen R dapat diperoleh dengan menambahkan 1 ke angka paling kanan dalam komplemen R-1 21
  • 22.
    Pengurangan Komplemen R 100100 - 100010 = 100100 + 011110 Komplemen R dari 100010 = 011110 Ada carry : positif end carry dibuang.  100100 - 101100 = 100100 + 010100 Komplemen R dari 101100 = 010100 Tidak ada carry : Negatif Komplemen R kan hasil - (001000) 22
  • 23.
    Pengurangan Komplemen R-1 100100 - 100010 = 100100 + 011101 Komplemen R-1 dari 100010 = 011101 Ada carry : positif end carry ditambahkan.  100100 - 101100 = 100010 + 010011 Komplemen R-1 dari 101100 = 010011 Tidak ada carry : Negatif Komplemenkan R-1 hasil - (001000) 23
  • 24.
    KOMPLEMEN 1  Komplemen 1bagi suatu bilangan biner  bilangan yang terjadi jika ada perubahan bit dari 0 menjadi 1 dan dari 1 menjadi 0  Contoh : 1010 komplemen 1 nya 0101  1110  0001  0011  1100 24
  • 25.
    KOMPLEMEN 2  Pada bilanganbiner terjadi bila kita menambahkan 1 kepada komplemen 1  Komplemen 2 = komplemen 1 + 1  1110  0001 + 1 = 0010  0001  1110 + 1 = 1111  10110  01001 + 1 = 01010 25
  • 26.
     Misal PENGURANGAN KOMPLEMEN 1 :mengurangkan 101 dari 111  Bentuk komplemen 1 bagi 101  010  Tambahkan 010 dengan 111  1001  Ada carry 1, tambahkan pada LSB (bawaan putaran ujung / end-around carry)  111  +010 (komplemen 1 dari 101) -5= -101  1001  001  +1  010 26
  • 27.
     Misal       13 -10 3 PENGURANGAN KOMPLEMEN 1 :mengurangkan 1010 dari 1101 1101 -1010 0011 1101 +0101 (komp 1 dr 1010) 10010 0010 +1 0011 27
  • 28.
     contoh      PENGURANGAN KOMPLEMEN 1 -2 -5 -7 1101(komp 1 dari 0010) 1010 + (komp 1 dari 0101) 10111 +1 1000 28
  • 29.
     Contoh   7 -5 PENGURANGAN KOMPLEMEN 2 komp2 111 -101 111 +011 (komp 2 dari 101) 2 010 1010  Abaikan bit MSB sehingga jadi 010    29
  • 30.
     Contoh 13  -10  PENGURANGAN KOMPLEMEN2 komp 2 1101 -1010 1101 +0110 (komp 2 dari 1010) 3 0011 10011  Abaikan bit MSB sehingga jadi 0011  Sebagian besar komputer digital menggunakan komplemen 2. Keuntungan mengurangi perangkat keras sehingga hanya perlu penambah   30
  • 31.
  • 32.
  • 33.
    PENGKODEAN BINER  8-4-2-1 BCD(Binary Coded Decimal)  Termasuk weighted code (posisi=bobot)  Cara pengubahan : masing2 digit diubah ke biner  Contoh:  Desimalbiner 9 3 7 , 2 5  1001 0011 0111 0011 0101  Biner  desimal 0101 = 8.0+4.1+2.0+1.1=5 33
  • 34.
    PENGKODEAN BINER  6-3-1-1 BCD(Binary Coded Decimal)  Termasuk weighted code  Cara pengubahan : masing2 digit diubah ke biner  Contoh:  Desimalbiner 9 3 7 , 2 5  1100 0100 1001 0011 0111  Biner  desimal 1011 = 6.1+3.0+1.1+1.1=8 34
  • 35.
    PENGKODEAN BINER  2-4-2-1 BCD(Binary Coded Decimal)  Termasuk weighted code  Cara pengubahan : masing2 digit diubah ke biner  Contoh:  Desimalbiner 9 3 7 , 2 5  1111 0011 0111 0010 0101  Biner  desimal 0110 = 2.0+4.1+2.1+1.0=6 35
  • 36.
    PENGKODEAN BINER  Bit Paritas Paritas ganjil dan genap  Paritas genap = menambahkan sebuah bit tambahan kepada sekelompok bit untuk menghasilkan banyaknya 1 yang genap  Paritas ganjil = bit paritas tambahan membuat banyaknya 1 menjadi ganjil 36
  • 37.
    PENGKODEAN BINER Paritas genap Sandi8-4-2-1 0000 0001 0010 0011 0100 0101 0110 0111 1000 1001  Bit Tambahan 0 1 1 0 1 0 0 1 1 0 37
  • 38.
    PENGKODEAN BINER Paritas ganjil Sandi8-4-2-1 0000 0001 0010 0011 0100 0101 0110 0111 1000 1001  Bit Tambahan 1 0 0 1 0 1 1 0 0 1 38
  • 39.
    PENGKODEAN BINER  Kedua paritasini lazim digunakan  Tidak ada argumen lebih kuat untuk memakai salah satu paritas  Penggunaan bit paritas untuk mendeteksi kesalahan berdasarkan asumsi yang berlaku di digital :  Kemungkinan kesalahan sangat kecil, hampir dapat dipastikan kesalahan 1bit, 2 bit atau lebih secara tak disengaja adalah sangat kecil kecuali terjadi gangguan total. 39
  • 40.
    PENGKODEAN BINER 2 out of5  Termasuk nonweighted code  Dalam 5 bit kombinasi kode yang benar terdapat 2 bit yang bernilai 1  Berguna untuk mendeteksi kesalahan  0 desimal = 00011, 1d=00101, 2d=00110, 01001, 01010, 01100, 10001, 10010, 10100, 11000 40
  • 41.
    PENGKODEAN BINER  Berguna dibidang telepon dan komunikasi  Memiliki paritas genap, juga tepat memiliki 2 buah 1 tiap kode 41
  • 42.
    PENGKODEAN BINER  Sandi Ekses-3 Termasuk weighted code  Sandi Ekses-3 = BCD 8-4-2-1 + 3 42
  • 43.
    PENGKODEAN BINER Sandi Ekses-3 SandiBCD 8-4-2-1 0000 0001 0010 0011 0100 0101 0110 0111 1000 1001  Sandi Ekses-3 0011 0100 0101 0110 0111 1000 1001 1010 1011 1100 43
  • 44.
    PENGKODEAN BINER  Penambahan SandiEkses-3 Akan terjadi kesulitan jika kita mau menjumlahkan BCD 8421 yang jumlah desimalnya melebihi 9. Bilamana kita menambahkan dua buah angka desimal yang jumlahnya adalah 9 atau kurang, dihasilkan sebuah bilangan ekses-6. Untuk mengembalikan ke ekses-3, kita kurangkan 3 44
  • 45.
    PENGKODEAN BINER 2 +5 2 +5 0101 ekivalenekses-3 bagi 2 +1000 ekivalen ekses-3 bagi 5 1101 ekivalen ekses-6 bagi 7 -0011 kurangkan 3 1010 ekivalen ekses-3 bagi 7 45
  • 46.
    PENGKODEAN BINER  43 +36 43 0111 0110 ekivalen ekses-3 bagi 43 +36 +0110 1001 ekivalen ekses-3 bagi 36 79 1101 1111 ekivalen ekses-6 bagi 79 -0011 -0011 kurangkan 3 1010 1100 ekivalen ekses-3 bagi 79 Note: tidak ada carry dr 2 kelompok 46
  • 47.
    PENGKODEAN BINER  29 +39 29 0101 1100 ekivalen ekses-3 bagi 29 +39 +0110 1100 ekivalen ekses-3 bagi 39 68 1100 1000 hasil pertama -0011+0011 kurangkan 3 1001 1011 ekses-3 bagi 68 Note: ada carry 47
  • 48.
  • 49.
    PENGKODEAN BINER  Sandi Gray Non-weighted code  Tidak sesuai bagi operasi aritmatika tapi sangat berguna bagi piranti masukan/keluaran, pengubah analog to digital, dll 49
  • 50.
    PENGKODEAN BINER Sandi Gray DesimalSandi Biner 0 0000 1 0001 2 0010 3 0011 4 0100 5 0101 6 0110 7 0111 8 1000  Sandi Gray 0000 0001 0011 0010 0110 0111 0101 0100 1100 50
  • 51.
    PENGKODEAN BINER  Sandi Gray DesimalSandi Biner 9 1001 10 1010 11 1011 12 1100 13 1101 14 1110 15 1111 Sandi Gray 1101 1111 1110 1010 1011 1001 1000 51
  • 52.
    PENGKODEAN BINER  Biner keSandi Gray  Langkah pertama :  Angka Gray pertama sama dengan angka biner pertama. Ulangilah angka pertama.  1100 Biner  1 Gray 52
  • 53.
    PENGKODEAN BINER  Biner keSandi Gray  Langkah kedua :  Tambahkan bit pertama pada biner, abaikan setiap carry.Jumlahnya merupakan angka Gray berikutnya  1100 Biner  10 Gray 53
  • 54.
    PENGKODEAN BINER  Biner keSandi Gray  Langkah ketiga :  Tambahkan bit kedua pada biner, abaikan setiap carry.Jumlahnya merupakan angka Gray berikutnya  1100 Biner  101 Gray 54
  • 55.
    PENGKODEAN BINER  Biner keSandi Gray  Langkah keempat :  Tambahkan bit kedua pada biner, abaikan setiap carry.Jumlahnya merupakan angka Gray berikutnya  1100 Biner  1010 Gray 55
  • 56.
    PENGKODEAN BINER  Biner keSandi Gray  110100110 Biner  1 Gray 56
  • 57.
    PENGKODEAN BINER  Biner keSandi Gray  110100110 Biner  10 Gray 57
  • 58.
    PENGKODEAN BINER  Biner keSandi Gray  110100110 Biner  101110101 Gray 58
  • 59.
    PENGKODEAN BINER  Gray keBiner  Langkah pertama: Ulangilah angka paling berbobot (MSB)  101110101 Gray  1 Biner 59
  • 60.
    PENGKODEAN BINER  Gray keBiner  Langkah kedua: tambahkan secara diagonal untuk dpt biner berikutnya  101110101 Gray   11 note : 1 + 0 = 1 Biner 60
  • 61.
    PENGKODEAN BINER  Gray keBiner  Langkah ketiga: lanjutkan dgn menambah secara diagonal untuk selanjutnya  101110101 Gray   110100110 note : 1 + 1 = 0 Biner 61
  • 62.
    PENGKODEAN BINER  ASCII (AmericanStandard Code Information Interchange) 62
  • 63.
    PENGKODEAN BINER  ASCII (AmericanStandard Code Information Interchange) 63
  • 64.
  • 65.
    GERBANG LOGIKA 2 nilai ekstrim Benar atau salah  Baik atau buruk  Ya atau tidak  Aristoteles = menyusun metode2 secara tepat untuk memperoleh kebenaran, dengan diberikan seperangkat asumsi2 yang benar. 65
  • 66.
    GERBANG LOGIKA      De Morganhampir dapat menemukan hubungan anatara logika dan matematika Boole (1854) merangkum segala sesuatunya Boole membuktikan bahwa logika biner atau bernilai 2 berlaku bagi huruf2 dan lambang2 sebagai pengganti kata2. Aljabar boole kesederhanaan, kecepatan dan ketelitian. Aljabar boole tidak mempunyaio dampak terhadap elektronika digital sampai hampir 1 abad berikut (1938)  Shannon menerapkan aljabar ini pada rangkaian switching telepon. Saklar  piranti biner (hidup atau mati) 66
  • 67.
    GERBANG LOGIKA  Shannon mampumenganalisa n merancang rangkaian switching yang rumit dengan aljabar boole 67
  • 68.
    GERBANG LOGIKA  GERBANG OR Rangkaian logika dengan satu keluaran dan satu atau beberapa masukan 68
  • 69.
    GERBANG LOGIKA D1 DIODE + VA D2 DIODE Y/ OUT R + VB SHORT D6 DIODE OPEN D4 DIODE SHORT D3 DIODE + VA2 1V Y / OUT Y / OUT R2 R1 + VB1 1V SHORT D5 DIODE + VB2 1V 69
  • 70.
    GERBANG LOGIKA U1A B=0 Y=0  A=0, B=1  Y=1  A=1, B=0  Y=1  A=1, B=1  Y=1  Gerbang OR = gerbang salah satu-atau semua (keluaran terjadi apabila salah satu atau semua masukan bernilai 1)  A=0, 70
  • 71.
    Gerbang Dasar  OR : -OR Z = A+B animas i 71
  • 72.
    GERBANG LOGIKA  GERBANGAND  Rangkaian logika dengan satu keluaran dan satu atau beberapa masukan 72
  • 73.
    GERBANG LOGIKA D12 DIODE + VA3 D11 DIODE +V 1V R3 1k Y / OUT + VB5 D9 DIODE SHORT D10 DIODE OPEN + VB4 1V OPEN D7 DIODE + V1 1V R4 1k + VA1 1V Y / OUT D8 DIODE OPEN + V2 1V R5 1k Y / OUT + VB3 1V 73
  • 74.
    GERBANG LOGIKA  A=0, B=0 Y=0 U2A  A=0, B=1  Y=0  A=1, B=0  Y=0  A=1, B=1  Y=1  Gerbang AND = gerbang semua-atau tak ada (keluaran terjadi apabila semua masukan bernilai 1) 74
  • 75.
    Gerbang Dasar  AND : -AND Z = A.B = AB animasi 75
  • 76.
    GERBANG LOGIKA  GERBANG NOT V3 +V R6 U3A R7 X/ IN  Masukan Q1 berkebalikan dengan keluaran 76
  • 77.
    Gerbang Dasar - NOT penyangkalan dengan kata-kata "tidak" (NOT) 1`= 0 dan 0` = 1 77
  • 78.
    Gerbang Tambahan  NOR :Z = (A + B)` NAND : Z = (A B)` 78
  • 79.
  • 80.
  • 81.
    PENAMBAHAN OR 74LS32 IN A OUT INB y =A+B  A = 0, B = 0  A = 0, B = 1  A = 1, B = 0  A = 1, B = 1     y=0+0=0 y=0+1=1 y=1+0=1 y=1+1=1 81
  • 82.
    PENAMBAHAN OR  Ketiga makna: 1 + 1 = 2   1 + 1 = 10  1 + 1 = 1  penambahan desimal penambahan biner penambahan OR 82
  • 83.
    PERKALIAN AND 74LS08 IN A OUT INB y =A.B  A = 0, B = 0  A = 0, B = 1  A = 1, B = 0  A = 1, B = 1     y=0.0=0 y=0.1=0 y=1.0=0 y=1.1=1 83
  • 84.
    PERSAMAAN BOOLE A 74LS08 74LS32 B Y C y = A.B+ C  A = 0, B = 1, C = 1  y = 0.1 + 1 = 0 + 1 = 1  A = 1, B = 0, C = 0  y = 1.0 + 0 = 0 + 0 = 0 84
  • 85.
    PERSAMAAN BOOLE 74LS08 A B 74LS08 74LS08 Y C D  Tiga buahgerbang AND 2 masukan tergandeng membentuk persamaan Boole  y = A.B.C.D 85
  • 86.
    PERSAMAAN BOOLE A 74LS04 74LS32 Y B           OR2 masukan , salah satu masukannya A maka: y=A+B A = 0, B = 0 y=1+0=1 A = 0, B = 1 y=1+1=1 A = 1, B = 0 y=0+0=0 A = 1, B = 1 y=0+1=1 86
  • 87.
    TEOREMA DE MORGAN De Morgan adalah seorang logikawan dan matematikawan besar, dan juga sahabat Boole.  Logika paling penting dari De Morgan :  A + B = A.B …..persamaan 1  A.B = A + B …..persamaan 2  Persamaan pertama menyatakan komplemen suatu jumlah sama dengan hasilkalimasing-masing komplemen.  Persamaan kedua menyatakan komplemen suatu hasilkali sama dengan jumlah masing-masing komplemen. 87
  • 88.
    TEOREMA DE MORGAN Bukti Teorema Pertama A + B = A.B  HAL 1 A = 0 dan B = 0  KIRI A + B = 0 + 0 = 0 = 1  KANAN A . B = 0 . 0 = 1.1 = 1  Dst…. 88
  • 89.
    TEOREMA DE MORGAN Bukti Teorema Pertama menghasilkan A B A+B A.B 0 0 1 1 0 1 0 0 1 0 0 0 1 1 0 0 89
  • 90.
    TEOREMA DE MORGAN Bukti Teorema Kedua menghasilkan A B A.B A+B 0 0 1 1 0 1 1 1 1 0 1 1 1 1 0 0 90
  • 91.
    HUKUM dan TEOREMApada ALJABAR BOOLE       Dalam menyederhanakan suatu ekspresi Boole yang rumit, kita mengubah rangkaian digital yang rumit menjadi rangkaian yang lebih sederhana. y = A.B.C + A.B.C + A.B.C Jika kita mau membuat dalam bentuk gerbang maka kita butuhkan: Sebuah gerbang OR 3 masukan untuk menambahkan A.B.C, A.B.C, A.B.C Tiga buah gerbang AND 3 masukan untuk menghasilkan A.B.C, A.B.C, A.B.C Dua buah gerbang NOT untuk menghasilkan B dan C 91
  • 92.
    HUKUM dan TEOREMApada ALJABAR BOOLE 74LS11 A B 74LS04 74LS11 U5A Y C 74LS11 74LS04 92
  • 93.
  • 94.
  • 95.
  • 96.
    PENYEDERHANAAN y = AC +ABC  y diperoleh dengan cara:  1. MengANDkan A dan C  2. MengANDkan A, B, dan C  3. MengORkan AC dan ABC y= AC + ABC = AC(1+B) = AC 96
  • 97.
  • 98.
    HUKUM dan TEOREMApada ALJABAR BOOLE • y = A.B.C + A.B.C + A.B.C • = A.C(B+B) + A.B.C • = A.C + A.B.C • = A.(C + B.C) • = A.(C + B) ...berdasar pers 20 98
  • 99.
    GERBANG NAND TTL Gerbang A NAND TTL B V1 5V +V Y 0 0 1 0 1 1 R2 1k6 1 0 1 1 1 Q4 NPN R1 3k6 Q2 NPN X R3 115 Q1 NPN D1 DIODE Y Q3 NPN 0 R4 1k 99
  • 100.
    GERBANG NAND TTL Gerbang NAND TTL  Kolektor terbuka  Perlu diberi tahanan pengangkat V1 5V +V R2 1k6 R1 3k6 Q2 NPN X Q1 NPN Y Q3 NPN R4 1k 100
  • 101.
    GERBANG NAND TTL Gerbang NAND TTL  Kolektor terbuka  (open collector)  Perlu diberi tahanan pengangkat  Gerbang tak akan bekerja sebagaimana mestinya jika tanpa R pull up eksternal V2 5V +V R3 TAHANAN PENGANGKAT Y Q4 NPN 101
  • 102.
    GERBANG NAND TTL Q4 masih melaksanakan penurunan aktif pada saat jenuh (saturasi)  Pada saat cut-off tidak ada transistor atas yang menaikkan tegangan keluaran V2 5V +V R3 TAHANAN PENGANGKAT Y Q4 NPN 102
  • 103.
    GERBANG NAND TTL    Arusmengalir melalui kapasitas bocor atau kapasitas beban saat Q4 cut-off Mengisi muatan melalui tahanan pengangkat yang besarnya ribuan ohm sehingga membutuhkan waktu yang cukup lama. Kerugian open colector dibanding totempole V2 5V +V R3 TAHANAN PENGANGKAT Y Q4 NPN 103
  • 104.
    AND-Tergabung (Wire-AND) V2 5V +V  Keluaran opencollector dapat digabungkan menjadi satu dan dihubungkan dengan sebuah tahanan pengangkat gabungan.  Meniadakan kebutuhan Gerbang AND penggabung R3 TAHANAN PENGANGKAT Y Q4 NPN 104
  • 105.
    AND-Tergabung (Wire-AND)  Gambar ini memperlihatkan keluaran2 buah gerbang NAND dihubungkan ke sebuah tahanan pengangkat gabungan  Masing2 transistor keluaran terhubung ke tahanan pengangkat V3 5V +V A B C D E F NAND OC 7412 OUT NAND OC 7412 105
  • 106.
    AND-Tergabung (Wire-AND)  Bila salahsatu atau semua transistor jenuh (keadaan rendah), tegangan keluaran diturunkan ke nilai A rendah. B  Satu2nya cara supaya C keluaran memperoleh keluaran tinggi adalah D E pada saat semua F transistor cut-off V3 5V +V NAND OC 7412 OUT NAND OC 7412 106
  • 107.
    AND-Tergabung (Wire-AND)  Penggabungan ini menghasilkanfungsi AND  ANDtergabung (wire-AND) maka keluaran dari gambar disamping adalah :  Y= ABC . DEF V3 5V +V A B C D E F NAND OC 7412 OUT NAND OC 7412 107
  • 108.
    AND-Tergabung (Wire-AND)  Penggunaan wire-AND sangatpenting dalam sistem digital bus terorganisasi  OR-Tergabung (wire-OR)  Y=ABC . DEF  Berdasar teorema pertama De Morgan  Y= ABC + DEF  OR-tergabung (wire-OR) V3 5V +V A B C D E F NAND OC 7412 OUT NAND OC 7412 108
  • 109.
    DUALITAS TEOREMA ALJABAR BOOLE A+B=B+A  AB=BA  A+(B+C)=(A+B)+C  A(BC)=(AB)C  A(B+C)=AB+AC  A+BC=(A+B)(A+C)  A+0=A  A.1=A  A+1=1  A.0=0  A+A=A  A.A=A  A+A=1  A.A=0  A=A  A=A  A+B=A.B  A+B=A+B  A+AB=A  A(A+B)=A  A+AB=A+B  A(A+B)=A+B 109
  • 110.
    PENJELASAN RUMPUNRUMPUN LOGIKADAN KARAKTERISTIK ELEKTRIKNYA LECTURE 8
  • 111.
    TEKNIK DIGITAL Designing withTTL Integrated Circuits Texas Instruments Inc. McGraw Hill International TTL Data Book Fairchild Semiconductor CMOS Data Book Fairchild Semiconductor 111
  • 112.
    I. Pendahuluan Implementasi sistemdigital dapat menggunakan : •Mikroprosesor (Embedded System) •Diskrit (Hardwired) Dasar Pertimbangan : •Kecepatan proses •Perobahan (perilaku) rangkaian •Lama waktu perancangan 112
  • 113.
    Mikroprosesor Kecepatan proses lebihlambat karena perintah-perintah dilaksanakan satu persatu. Perilaku rangkaian lebih mudah untuk diubah karena hanya perlu mengubah program. Waktu perancangan relatip lebih lama karena harus merancang perangkat keras dan perangkat lunak. Pilihan : 1. Mikroprosesor 2. Mikrokontroler Dasar pertimbangan : • Jumlah I/O • Kapasitas memori • Ukuran fisik perangkat 113
  • 114.
    Diskrit Kecepatan proses lebihcepat karena data dapat diproses secara serempak. Perilaku rangkaian lebih sulit untuk diubah karena harus mengubah rangkaian. Waktu perancangan relatip lebih singkat karena hanya perlu merancang perangkat keras. Pilihan : 1. TTL 2. CMOS 3. DTL 4. RTL 5. ECL 6. I2L Dasar pertimbangan : • Disipasi daya (power dissipation) • Waktu tunda (delay time) • Kekebalan derau (noise immunity) 114
  • 115.
    2. Rumpun-rumpun Logika Ditinjau dari rangkaian elektronika yang membentuknyamaka gerbang-gerbang logika dapat dikelompokkan menjadi beberapa kelompok, antara lain ialah : 1.RTL (Resistor Transistor Logic) 2.DTL (Diode Transistor Logic) 3.TTL (Transistor Transistor Logic) 4.CTL (Complementary Transistor Logic) 5.ECL Emitter Coupled Logic) 6.MOS (Metal Oxide Semiconductor) 7.CMOS (Complementary Metal Oxide Semiconductor) 8.I2L (Integrated Injection Logic) 115
  • 116.
    Perbedaan umumnya terletakpada : 1. Aras tegangan logika (logic level voltage) 2. Tegangan ambang (threshold voltage) 3. Waktu tunda (delay time) 4. Disipasi daya (power dissipation) 5. Batas derau (noise margin) 6. Suhu kerja (Operating temperature) 7. Fan in dan fan out Aras tegangan logika adalah besarnya tegangan untuk nilai logika 1 dan logika 0. Tegangan ambang adalah peralihan tegangan dari logika 0 ke logika 1 dan sebaliknya. Waktu tunda adalah selisih waktu antara perubahan pada masukan dengan berubahnya keluaran. 116
  • 117.
    Disipasi daya adalahbesarnya daya yang diserap bila bekerja dengan duty cycle sebesar 50% pada frekuensi tertentu. Batas derau adalah simpangan tegangan maksimum yang dapat diterima tanpa mengubah keadaan (state). Suhu kerja adalah kisar suhu dimana perangkat masih dapat bekerja dengan baik. Fan in adalah satuan (unit) masukan dan fan out adalah satuan keluaran dari gerbang standar. 117
  • 118.
    Transistor sebagai sakelar V R C CC IC V R Vin C B IB IE Gambar1.1. Rangkaian dasar transistor sebagai sakelar 118
  • 119.
    Dalam pengunaannya sebagaisakelar, transistor dioperasikan hanya pada dua keadaan, yaitu menyumbat (cutoff) dan jenuh (saturate). Besarnya tegangan dan arus kolektor adalah : VC = VCC – IC.RC IC = β.IB Dalam keadaan menyumbat : IC = 0 VC = VCC Agar IC = 0 maka IB harus = 0. Dalam keadaan jenuh : VC = 0 IC.RC = VCC atau IC = VCC / RC Agar IC = VCC / RC maka IB harus ≥ (VCC / RC) / β atau IB(min) = (VCC / RC) / β Maka besarnya VC dapat diatur dari 0 hingga VCC dengan mengatur IB. Pada rangkaian logika, rangkaian ini dapat digunakan sebagai gerbang NOT. 119
  • 120.
    RESISTOR TRANSISTOR LOGIC RangkaianNOR Rangkaian ini terdiri dari transistor bipolar dan tahanan. V CC R C Z R A B I CA Q A I CB R Q B B B Gambar 1.2. Rangkaian NOR rumpun RTL Keluaran Z hanya bisa tinggi jika dan hanya jika masukan A dan B keduanya rendah sehingga kedua transistor menyumbat. Jika salah satu masukan tinggi maka transistor yang bersangkutan akan jenuh sehingga tegangan keluaran Z menjadi = 0. 120
  • 121.
    Rangkaian NAND V CC R C Z R A R B B B Q A Q B Gambar 1.3.Rangkaian NAND rumpun RTL Keluaran Z akan = 0 jika masukan A dan B keduanya tinggi, sehingga transistor A dan B keduanya jenuh. Jika salah satu atau kedua masukan rendah maka salah satu atau kedua transistor akan menyumbat sehingga keluaran akan menjadi tinggi. 121
  • 122.
    DIODE TRANSISTOR LOGIC(DTL) Rangkaian NAND V R1 D1 X I1 A D3 R I2 D4 IB B C X IC Q CC Z Y Z 0 0 0 1 1 1 1 1 0 1 1 0 D2 Y I3 R2 -V IE BB Gambar 1.4. Rangkaian NAND rumpun DTL Jika masukan X dan Y keduanya tinggi maka dioda D1 dan D2 akan menyumbat sehingga IB ≅ I2 = I1 akan membuat transistor menjadi jenuh. Jika masukan X dan Y salah satu atau keduanya rendah maka I2 = 0 sehingga IB = 0 dan transistor akan menyumbat. Akibatnya keluaran Z akan rendah. 122
  • 123.
    Rangkaian NOR V R D1 X D2 Y A I1 CC IC C Z IB B Q X 0 0 1 1 Y 0 1 0 1 Z 1 0 0 0 R1 R2 I2 -V IE BB Gambar 1.5.Rangkaian NOR rumpun DTL Jika salah satu atau kedua masukan tinggi maka transistor akan jenuh karena mendapat arus basis dari R1. Akibatnya keluaran Z menjadi rendah. Sebaliknya jika kedua masukan rendah maka transistor akan menyumbat karena mendapat IB = 0. 123
  • 124.
    Emitter Coupled Logic(ECL) V RC1 RC2 V CC1 CC2 R1 Q3 Q2 Q1 A QA QB C D D1 QR D2 B RA RB RE R3 R2 -V Masukan Dif erensial Rangkaian bias EE Keluaran pengikut emiter Gambar 1.10. Rangkaian ECL ECL (Emitter Coupled Logic) adalah yang paling cepat dari semua piranti logika. Hal ini dimungkinkan dengan mengoperasikan pirantinya diluar daerah jenuh dengan simpangan tegangan yang kecil. 124
  • 125.
    Transistor Transistor Logic(TTL) Rumpun ini menggunakan transistor bipolar sebagai piranti aktipnya. Bagian masukan umumnya menggunakan transistor dengan emiter ganda, seperti diperlihatkan pada Gambar 1.6. V I B1 R1 I C2 R C Z Q1 X Y CC Q2 I C1 = I B2 Gambar 1.6. Rangkaian dasar TTL Transistor ini dapat dianggap sebagai transistor dengan emiter tunggal yang dilengkapi dengan sejumlah dioda pada emiternya. Rangkaian keluaran TTL terdiri dari : •Totem-pole •Kolektor terbuka 125
  • 126.
    Keluaran Totem-pole V R1 R2 V I B1 C2 IC2 CC R4 =V B4 Q4 I B4 Q1 X Y Q2 I C1 = I V B2 R3 Z E2 =V B3 Q3 I B3 Gambar 1.7. Rangkaian TTL dengan keluaran Totem-pole Disebut Totem-pole karena menggunakan dua transistor yang ditumpuk pada bagian keluarannya seperti diperlihatkan pada Gambar 1.7. 126
  • 127.
    Q4 berfungsi sebagaipenguat common collector dan Q3 berfungsi sebagai penguat common emitter. Q2 berfungsi sebagai penggerak yang menghasilkan sinyal komplemen sehingga Q3 dan Q4 akan menghantar secara bergantian. Jika salah satu atau kedua masukan rendah maka Q2 tidak menghantar sehingga kolektornya akan tinggi sedangkan emiternya rendah. Akibatnya Q4 menghantar sedangkan Q3 menyumbat sehingga keluaran Z akan tinggi. Sebalikya jika kedua masukan tinggi maka Q2 akan menghantar sehingga sebagian arus emiternya akan menjadi I B3 sehingga Q3 akan menghantar. Jika Q2 jenuh VC2 = VB4 ≈ VE2 sehingga Q4 akan menyumbat dan keluaran Z akan rendah. 127
  • 128.
    Keluaran Kolektor terbuka Rangkaianini dapat dilihat pada Gambar 1.8. V R1 R2 I B1 I C2 Q1 I C3 X Y CC Q2 I C1 = I V B2 R3 Z E2 =V B3 Q3 I B3 Gambar 1.8. Rangkaian TTL dengan keluaran kolektor terbuka Karena menggunakan keluaran dengan kolektor terbuka maka jelas keluaran ini hanya mampu untuk menyedot arus (sink). Agar mampu untuk mensuplai arus, dibutuhkan pull up resistor. 128
  • 129.
    Keluaran rangkaian iniumumnya digunakan sebagai switch atau driver. Contoh penggunaan ialah sebagai driver untuk LED. Rangkaian ini mempunyai kekurangan, yaitu kelambatan perubahan keluaran dari logika 0 ke logika 1 yang disebabkan oleh integrator yang terbentuk oleh tahanan kolektor (eksternal) dengan kapasitansi beban. Vcc RC IC LED IB Q RB IE 129
  • 130.
    Keluaran Tri-state V R1 R4 R2 CONTROL CC Q5 Q4 Q2 Z Q1 X Y Q3 R3 R5 Gambar 1.9.Rangkaian TTL dengan keluaran tri-state Bila control berlogika 1 maka keluaran akan berfungsi sebagai rangkaian totem-pole tetapi jika control berlogika rendah maka seluruh transistor akan menyumbat sehingga keluaran memiliki impedansi yang sangat besar. 130
  • 131.
    Istilah-istilah penting : Arus ICC :Aruscatuan rata-rata ICCH :Arus catuan pada saat keluaran tinggi ICCL :Arus catuan pada saat keluaran rendah IIH : Arus masukan logika tinggi IIL : Arus masukan logika rendah IOH : Arus keluaran logika tinggi IOL : Arus keluaran logika tinggi Tegangan VCC : Tegangan catuan VIH : Tegangan masukan logika tinggi VIH(Min) : Tegangan masukan logika tinggi minimum VIL : Tegangan masukan logika rendah VIL(Max) : Tegangan masukan logika rendah maksimum 131
  • 132.
    VOL : Tegangan keluaranlogika rendah VOH : Tegangan keluaran logika tinggi VOL(Max) : Tegangan keluaran logika rendah maksimum VOH(Min) : Tegangan keluaran logika tinggi minimum AC Switching Parameters fmax : frekuensi maksimum tPLH : Tundaan peralihan rendah ke tinggi tPHL : Tundaan peralihan tinggi ke rendah tW : lebar pulsa th : waktu hold ts : waktu set-up Spesifikasi Umum TTL Tegangan Catuan (VCC) : 5 VDC ± 5% Tegangan keluaran logika 0 (VOL) : 0,2 V Tegangan keluaran logika 1 (VOH) : 3,0 V Kekebalan derau : 1,0 V 132
  • 133.
    Characteristic Series Output State Logical 1 54 /74 Logical 0 Logical 1 54H / 74H Logical 0 Logical 1 54L/74L Logical 0 Standard Totem-pole or Darlington output Iload = – 400uA VOH = 2.4V min Isink = 16mA VOL = 0,4V max Iload = – 500uA VOH = 2.4V min Isink = 20mA VOL = 0,4V max Iload = – 100uA VOH = 2.4V min Isink = 2mA VOL = 0,4V max Each standard input emitter IIH = 40uA max at Vin = 2,4V IIL = –1.6mA max at Vin = 0.4V IIH = 50uA max at Vin = 2,4V IIL = – 2 mA max at Vin = 0.4V IIH = 10uA max at Vin = 2,4V IIL = – 0.18 mA max at Vin = 0.4V 133
  • 134.
    Spesifikasi 7400 Quad2-input NAND Gate 7400 Fan-In : 1.0 V 14 13 12 11 Fan-out : 10.0 ICCH : 8 mA ICCL : 22 mA tPLH : 22 nS 1 2 3 4 TPHL : 15 nS CC Spesifikasi 7402 Quad 2-input NOR Gate Fan-In : 1.0 V Fan-out : 10.0 14 13 12 ICCH : 16 mA ICCL : 27 mA tPLH : 15 nS 1 2 3 TPHL : 15 nS 10 7 8 5 6 7 GND 7402 CC 11 10 7 8 4 5 6 7 GND 134
  • 135.
    Dari data diatasdpat dilihat bahwa satu gerbang NAND dapat mendrive sampai 10 gerbang NAND atau NOR maksimum. 1 2 10 135
  • 136.
    Tundaan Propagasi (PropagationDelay) V V IN t PHL V t PLH t PLH V OUT Fungsi Membalik IN t PHL OUT Fungsi Tak Membalik 136
  • 137.
    SUM OF PRODUCT, PRODUCTOF SUM DAN RANGKAIAN ARITMATIKA LECTURE 9
  • 138.
    Bentuk SOP danPOS  1. SOP (Sum Of Product) -bentuk pernyataan dikatakan SOP bila semua perkalian yang ada merupakan perkalian variabel tunggal. -mudah dikenali karena pernyataan tesb terdiri atas suku2 penjumlahan dari perkalian. -untuk mendapatkan bentuk SOP, gunakan hukum kedua distributif. 138
  • 139.
    Bentuk SOP danPOS  Contoh :  AC’ + B’DE + AB’E  AB’D + BEFG + H  (A+B)C’D + E’F  bukan SOP - bentuk SOP selalu dapat direalisasikan langsung dengan satu atau lebih gerbang OR pada keluarannya. 139
  • 140.
    Bentuk SOP danPOS  2. POS (Product of Sum) -bentuk pernyataan dikatakan memiliki bentuk POS bila semua penjumlahan merupakan penjumlahan variabel tunggal. -mudah dikenali karena pernyataan tersebut terdiri dari suku2 perkalian dari penjumlahan 140
  • 141.
    Bentuk SOP danPOS  Contoh :  (A+B’)(C’+D+E)(A’+C+E)  (A+B’)(C+D’+E)F  ABC’(D+E’)  (A+B’)(C+D’)+EF  bukan POS - bentuk POS selalu dapat direalisasikan langsung dengan satu atau lebih gerbang AND pada keluarannya. 141
  • 142.
    Gerbang Logika YangLain  NOR (not OR) A 74LS02 Z B  Notasi  Z=(A+B)’ Z=(A+B) A B Z 0 0 1 0 1 0 1 0 0 1 1 0 142
  • 143.
    Gerbang Logika YangLain  EXOR (exclusive OR)  Notasi Z=A’B’+AB Z=A + B  74LS86 A Z B A B Z 0 0 0 0 1 1 1 0 1 1 1 0 143
  • 144.
    Gerbang Logika YangLain  EXNOR (exclusive not OR) 74LS266 A Z B A  Notasi  Z=A’B’+AB Z=A + B B Z 0 0 1 0 1 0 1 0 0 1 1 1 144
  • 145.
    Gerbang Logika YangLain  EXNOR (exclusive not OR) 74LS266 A Z B A  Notasi  Z=A’B’+AB Z=A + B B Z 0 0 1 0 1 0 1 0 0 1 1 1 145
  • 146.
    Rangkaian Aritmatika  Elektronika digitalsangat mengasyikkan , memungkinkan kita membangun rangkaian2 yang menyamai sebagian proses pikiran kita.  Dengan menggabungkan AND, OR, NOT menurut cara yang sesuai, kita dapat membangun rangkaian yang melakukan penambahan dan pengurangan.  Bekerja secara elektroniskerja sangat cepatbeberapa mikrodetik. 146
  • 147.
    Rangkaian Aritmatika  Tujuan BabIni :  1. Menyusun tabel kebenaran gerbang OR-ekslusif, penambah paro dan penambah penuh.  2. Menjelaskan bagaimana bilangan2 biner dapat ditambahkan dalam sebuah penambah biner jajar. 147
  • 148.
    Rangkaian Aritmatika  Dasar penambah gerbang XOR dan XNOR  Z=AB’+A’B  Keluaran terjadi 1 bila A atau B adalah 1, namun tidak kedua-duanya (mempunyai keluaran 1 hanya bila masukannya berbeda, keluaran 0 jika masukan2nya sama) 148
  • 149.
    Rangkaian Aritmatika 74LS04 A B A 74LS86 74LS08 74LS32 Z Z 74LS08 74LS04 B  Rangkaian setaraXOR dapat digambarkan dengan 2 buah NOT, 2 buah AND dan 1 buah OR 149
  • 150.
  • 151.
    Penambahan Mod-2 74LS86 B Z B Z 0 0 0 0 1 1 1 0 1 1 A A 1 0 •Gerbang EXORatau XOR memberikan kepada kita sebuah fungsi baru untuk dipergunakan. Kita akan menggunakan lambang (+) untuk menyatakan fungsi ini.  Z = A + B 151
  • 152.
    Gerbang XNOR  EXNOR OR) Notasi  (exclusive not Z=A’B’+AB Z=A + B A B A 74LS266 Z B 74LS86 74LS04 Z  Gerbang XOR diikuti sebuah inverter 152
  • 153.
    Gerbang XNOR D C B 74LS86 74LS86 74LS86 Z disamping menunjukkan sebuah pemeriksaparitas bagi bilangan 4 bit.  Z=0 untuk paritas genap  Z=1 untuk paritas ganjil A  Gambar 153
  • 154.
    Pengecek Paritas 74LS86 D C B A 1 11 0 D C B 74LS86 74LS86 74LS86 74LS86 Z 74LS86 0genap  Gambar disamping menunjukkan sebuah pemeriksa paritas bagi bilangan 4 bit.  Z=0 untuk paritas genap  Z=1 untuk paritas ganjil Z A 1 0 0 1 1ganjil 154
  • 155.
    Konverter Biner Gray Z3 Z4 Z5 Z6 74LS86 Z2 74LS86 Z1 74LS86 0 F 1 E C 74LS86 74LS86 1 D 0 B 0 A 1 1 1 0 1 0 1 155
  • 156.
  • 157.
    F E D C B A Inverter Terkendali (controlled) invert INV(‘0’) = 110001 74LS86 Z6 74LS86 Z4 Z3 Z2 Z1 ABCDEF=110001 74LS86 Z5 74LS86 74LS86 74LS86 INV (‘1’) = 001110 (one’s complement) 157
  • 158.
    Penambah Paro (HalfAdder) • Penambah Paro menambahkan 2 angka biner pada suatu saat. 74LS08 A Bawaan = AB B 74LS86 Jumlah =A+B Keluaran gerbang XOR merupakan jumlah dan keluaran gerbang AND merupakan bawaan (carry) 158
  • 159.
    Penambah Paro (HalfAdder) A=0, B=0 Jumlah = A + B = 0 + 0 = 0 Bawaan = AB = 0 . 0 = 0 A=0, B=1 Jumlah = A + B = 0 + 1 = 1 Bawaan = AB = 0 . 1 = 0 74LS08 A Bawaan = AB Jumlah =A+B B 74LS86 A=1, B=0 Jumlah = A + B = 1 + 0 = 1 Bawaan = AB = 1 . 0 = 0 A=1, B=0 Jumlah = A + B = 1 + 1 = 0 Bawaan = AB = 1 . 1 = 1 159
  • 160.
  • 161.
    PENAMBAH PENUH (FULL ADDER) Dalam menambahkan 2 bilangan biner, mungkin ada bawaan dari satu kolom ke kolom berikutnya. Contoh: 111  +101  1100 Dalam kolom paling ringan (least significant) 1 + 1 = 0 dengan carry 1  161
  • 162.
    PENAMBAH PENUH (FULL ADDER) Dalamkolom berikutnya, harus menambahkan 3 angka akibat adanya carry 1 + 0 + 1 = 0 dengan carry 1 Dalam kolom terakhir harus menambahkan 3 angka akibat adanya carry lagi 1 + 1 + 1 = 1 dengan carry 1 Untuk menambahkan bilangan2 biner secara elektronis, dibutuhkan suatu rangkaian yang dapat menangani 3 angka sekaligus. 162
  • 163.
    PENAMBAH PENUH (FULL ADDER) Dengan menghubungkan 2 buah HALF ADDER dan sebuah gerbang OR maka didapat FULL ADDER, dapat menambahkan tiga angka biner pada suatu saat. A B C HA 74LS32 HA Carry Jumlah 163
  • 164.
  • 165.
  • 166.
    PENGURANG PARO (HALF SUBTRACTOR) Padapengurangan biner : 0 – 0 = 0 borrow 0 A B Selisih 0 – 1 = 1 borrow 1 0 0 0 0 1 – 0 = 1 borrow 0 0 1 1 1 1 0 1 0 1 1 0 0 1 – 1 = 0 borrow 0 Borrow 166
  • 167.
    PENGURANG PARO (HALF SUBTRACTOR) Keluaranselisih adalah 0 jika masukan A dan B sama, 1 jika berbeda  XOR gate Keluaran pinjaman (borrow) bernilai 1 jika A=0 dan B=1  mengANDkan A dan B 74LS86 A Selisih= B A+B 74LS08 74LS04 Borrow = AB 167
  • 168.
    PENGURANG PENUH (FULL SUBTRACTOR) Pengurangparo hanya menangani 2 bit biner pada suatu saat dan hanya dapat digunakan pada kolom paling ringan (least significant). Untuk menangani kolom yang lebih tinggi digunakan pengurang penuh menggunakan 2 buah pengurang paro dan sebuah OR. A B Input Borrow HS Borrow HS 74LS32 Borrow Borrow Selisih 168
  • 169.
  • 170.
    Penyajian Fungsi Boole suku­min(singkatan dari "suku minimum" minterm, minimum term)  Sum Of Product, nilai 1  sukumax (singkatan dari "suku maksimum" maxterm, maximum term)  Product of sum, nilai 0  170
  • 171.
  • 172.
    Fungsi Tidak Lengkap ‘d’(dont care), dapat dianggap 1 ataupun 0 tergantung pertimbangan desain  Contoh : y = Σ m (0,3,7) + Σ d (1,6)  A 0 0 0 0 1 1 1 B 0 0 1 1 0 0 1 C 0 1 0 1 0 1 0 y 1 x 0 1 0 0 x 1 1 1 1 172
  • 173.
    Peta Karnaugh  Digunakan untukmenyederhanakan fungsi boolean  Dengan cara memetakan tabel kebenaran dalam kotak-kotak segi empat yang jumlahnya tergantung dari jumlah peubah (variabel) masukan  Penyederhanaan untuk setiap “1” yang bertetanggaan 2,4,8,16… menjadi suku minterm yang sederhana 173
  • 174.
    Peta Karnaugh 2Peubah  Contoh : 174
  • 175.
    Peta Karnaugh 3Peubah  Peletakan posisi suku minterm 175
  • 176.
    Peta Karnaugh 3Peubah  Contoh : f = Σ m (0,1,2,4,6) 176
  • 177.
    Peta Karnaugh 4Peubah  Peletakan posisi suku minterm 177
  • 178.
    Peta Karnaugh 4Peubah  Contoh : f = Σ m (0,2,8,10,12,14 ) 178
  • 179.
    PETA KARNAUGH 5 DAN6 PEUBAH LECTURE 11
  • 180.
    Peta Karnaugh 5Peubah  Peletakan posisi suku minterm 180
  • 181.
    Peta Karnaugh 5Peubah  Contoh : f = Σ m (0,7,8,15,16,23,24 ) 181
  • 182.
    Peta Karnaugh 6Peubah  Peletakan posisi suku minterm 182
  • 183.
     Peta Karnaugh 6Peubah Contoh : f = Σ m (0,4,10,11,18,21,22,23,26,27,29,30,31,32,36,50, 53,54,55,58,61,62,63) 183
  • 184.
    Peta Karnaugh Sukumax Dengan cara memetakan tabel kebenaran dalam kotak-kotak segi empat yang jumlahnya tergantung dari jumlah peubah (variabel) masukan  Penyederhanaan untuk setiap “0” yang bertetanggaan 2,4,8,16… menjadi suku maxterm yang sederhana. 184
  • 185.
    Peta Karnaugh Sukumax Contoh : g = π M(1,3,4,5,6,7,9,11,13,15) 185
  • 186.
    Penilikan kesamaan  Peta Karnaugh dapatdigunakan untuk menilik kesamaan dua buah fungsi boolean  Contoh : Buktikan kesamaan  Dapat dilihat kedua fungsi memiliki peta karnaugh yang sama. 186
  • 187.
  • 188.
  • 189.
    Peta pengubah kodeBCD-ke-XS3 cd ab 00 01 10 x 00 11 1 ab 00 01 11 00 1 x cd 10 01 1 x 1 01 1 x 1 11 1 x x 11 1 x x 10 1 x x 10 1 x x P = a + bc + bd cd ab 00 00 01 11 10 1 1 x 1 01 11 10 Q = bc + bd + bcd x 1 1 cd ab 00 00 01 11 10 1 1 x 1 01 x X x x x x x 11 x x 10 R = cd +cd 1 1 R=d 189
  • 190.
    Pengubah Kode: BCD-ke-LED7segmen Desimal a b f g c e d (a) 0 1 2 3 4 5 6 7 8 9 10,11 12,13, 14,15 BCD ABCD 00 0 0 00 0 1 00 1 0 00 1 1 01 0 0 01 0 1 01 1 0 01 1 1 10 0 0 10 0 1 10 1 x 11 x x LED 7-segmen a 1 0 1 1 0 1 0 1 1 1 0 0 b 1 1 1 1 1 0 0 1 1 1 0 0 c 1 1 0 1 1 1 1 1 1 1 0 0 d 1 0 1 1 0 1 1 0 1 0 0 0 e 1 0 1 0 0 0 1 0 1 0 0 0 f 1 0 0 0 1 1 1 0 1 1 0 0 g 0 0 1 1 1 1 1 0 1 1 0 0 (b) 190
  • 191.
    Pengubah BCD-ke-LED 7segmen AB CD 00 00 01 1 11 10 1 1 1 10 1 2 1 9 10 1 1 b 01 11 1 AB CD 00 10 d 6 11 1 1 10 00 5 1 2 1 e c AB CD 00 01 6 8 01 1 7 1 11 1 1 1 01 1 10 00 1 1 11 AB CD 00 1 01 9 11 2 1 4 5 00 01 1 1 1 1 1 a AB CD 00 1 1 1 1 3 AB CD 1 1 1 3 AB CD 1 01 11 5 1 8 01 11 1 1 1 1 11 10 7 10 2 1 f 10 00 1 1 01 1 1 11 1 6 1 10 2 1 g 191 9
  • 192.
    Pengubah BCD-ke-LED 7segmen a( A, B, C , D) = 1 + 2 + 5 + 9 = ABD + A B C + B C D + A B C b( A, B, C , D) = 2 + 3 + 4 + A B = A B C + AC D + AC D + A B c( A, B, C , D) = 2 + 3 + 7 + A D = A B C + AC D + A B D + A D d ( A, B, C , D) = 5 + 6 + 9 + A B C D = B C D + AC D + A B C + A B C D e( A, B, C , D) = 5 + 6 = B C D + AC D f ( A, B, C , D) = 2 + 5 + 7 + 8 = ABC + BC D + AB D + ABC g ( A, B, C , D) = 2 + 6 + 8 + 9 = A B C + AC D + A B C + A B C 192
  • 193.
    A B D 1 = ABD A B C A C D A C D 2= ABC B C D 5 =BCD A C D 6 =ACD A B D 7 =ABD A B C 8 =ABC A B C 9 = ABC a b 3 =ACD A B 4 =ACD A D c d A B C D Pengubah BCD-keLED 7 segmen e f g 193
  • 194.
  • 195.
    Metode Quine-McCluskey  Metode PetaKarnaugh tidak efektif untuk jumlah peubah > 6 (ukuran peta semakin besar).  Metode peta Karnaugh lebih sulit diprogram dengan komputer karena diperlukan pengamatan visual untuk mengidentifikasi minterm-minterm yang akan dikelompokkan.  Metode alternatif adalah metode QuineMcCluskey . Metode ini mudah diprogram. 195
  • 196.
    Metode Quine-McCluskey (Tabular) Proses dua langkah:  Menentukan prime implicants  Menentukan minimal cover  Semua proses dilakukan dengan menggunakan tabel  Implicant yang berdekatan digabung, sebagai contoh: 0100 & 1100 menghasilkan -100 -100 & -101 menghasilkan -10- 196
  • 197.
    Contoh: ƒ(A,B,C,D) = Σ(0,4,5,6,7,8,9,10,13,15) ImplicationTable (untuk menentukan prime implicant) Des Biner Tabel1 0 4 5 6 7 8 9 10 13 15 0000   0000 0100 0101 0110 0111 1000 1001 1010 1101 1111 0100  1000  0101  0110  1001  1010  0111 1101   1111  Tabel2 0-00 -000 * * 01001-0 10010-0   * * 01-1 -101 0111-01    * -111 11-1 Tabel3   01-- * -1-1 * 197
  • 198.
    Coverage Table (untukmencari minimal cover) 0,4(0-00) 0 4 X X 0,8(-000) X 5 6 7 8 9 X 8,10(10-0) X X X X 9,13(1-01) 5,7,13,15(-1-1) 13 15 X 8,9(100-) 4,5,6,7(01--) 10 X X X X X X X         X X   ƒ(A,B,C,D) = A’B + BD + AB’D’ + AC’D + B’C’D’ 198
  • 199.
    Contoh: G(A,B,C,D) = Σ(4,5,6,8,9,10,13) d(A,B,C,D= Σ d(0,7,15) Implication Table (untuk menentukan prime implicant) Des Biner Tabel1 Tabel2 0 4 5 6 7 8 9 10 13 15 0000 0100 0101 0110 0111 1000 1001 1010 1101 1111 0000   0-00 -000 * * 01001-0 10010-0   * * 01-1 -101 0111-01    * -111 11-1 Tabel3   0100  1000  0101  0110 1001   1010  0111 1101   1111  01-- * -1-1 * 199
  • 200.
    Coverage Table (untukmencari minimal cover) 4 5 X 0,4(0-00) 6 8 0,8(-000) X 8,10(10-0) X 10 13 X 8,9(100-) 9 X X X 9,13(1-01) 4,5,6,7(01--) 5,7,13,15(-1-1) X X X X X X        ƒ(A,B,C,D) = A’B + AB’D’ + AC’D 200
  • 201.
    Contoh 7.46 Sederhanakan fungsiBoolean f(w, x, y, z) = Σ (0, 1, 2, 8, 10, 11, 14, 15). Penyelesaian: (i) Langkah 1 sampai 5: (a) term w x y z 0 0000√ 1 2 8 0001√ 0010√ 1000√ 10 (b) term wx y z term wx y z 0,1 0,2 0,8 0 00 00- 0√ - 000√ 0,2,8,10 0,8,2,10 - 0- 0 - 0- 0 10,11,14,15 10,14,11,15 1- 11- 1- 1010√ 11 14 15 1011√ 1110√ 1111√ (c) 2,10 8,10 - 010√ 10- 0√ 10,11 10,14 101- √ 1- 10√ 11,15 14,15 1- 11√ 111- √ 201
  • 202.
    (i) Langkah 6dan 7: minterm Bentuk prima √ √ √ 0 1 0,1 0,2,8,10 10,11,14,15 × × × √ * √ 2 8 10 11 14 15 × × × × × × * √ * √ √ * √ * * √ √ × Bentuk prima yang terpilih adalah: 0,1 0, 2, 8, 10 10, 11, 14, 15 yang bersesuaian dengan term w’x’y yang bersesuaian dengan term x’z’ yang bersesuaian dengan term wy Semua bentuk prima di atas sudah mencakup semua minterm dari fungsi Boolean semula. Dengan demikian, fungsi Boolean hasil penyederhanaan adalah f(w, x, y, z) = w’x’y’ + x’z’ + wy. 202
  • 203.
    Contoh 7.47 Sederhanakan fungsiBoolean f(w, x, y, z) = Σ (1,4,6,7,8,9,10,11,15) Penyelesaian: (i) Langkah 1 sampai 5: (a) term w x y z 1 4 8 0001√ 0100√ 1000√ 6 9 10 0110√ 1001√ 1010√ 7 11 0111√ 1011√ 15 (b) (c) term wx y z term wx y z 1,9 4,6 8,9 8,10 0 1 1 8,9,10,11 1 0 - 8,10,9,11 1 0 - - 6,7 9,11 10,1 1 01110- 1√ 101- √ 7,15 11,15 - 111 1- 11 1111√ 0 1 0 0 0 0 - 1 0 - √ 0√ 203
  • 204.
    (i) Langkah 6dan 7 minterm Bentuk prima √ √ √ 1 1,9 4,6 6,7 7,15 11,15 8,9,10,11 × 4 × 6 × × 7 8 * √ √ 10 11 15 × × × × * √ 9 * √ × × × × √ * √ × × √ Sampai tahap ini, masih ada dua minterm yang belum tercakup dalam bentuk prima terpilih, yaitu 7 dan 15. Bentuk prima yang tersisa (tidak terpilih) adalah (6,7), (7,15), dan (11, 15). Dari ketiga kandidat ini, kita pilih bentuk prima (7,15) karena bentuk prima ini mencakup minterm 7 dan 15 sekaligus. 204
  • 205.
    minterm Bentuk prima √ √ √ √ 1 1,9 4,6 6,7 7,15 11,15 8,9,10,11 × 4 × 6 × × 7 8 * √ √ 10 1115 × × × × * √ 9 √ * √ × × × × √ * √ √ × × √ Sekarang, semua minterm sudah tercakup dalam bentuk prima terpilih. Bentuk prima yang terpilih adalah: 1,9 4,6 7,15 8,9,10,11 yang bersesuaian dengan term yang bersesuaian dengan term yang bersesuaian dengan term yang bersesuaian dengan term x’y’z w’xz’ xyz wx’ Dengan demikian, fungsi Boolean hasil penyederhanaan adalah f(w, x, y, z) = x’y’z + w’xz’ + xyz + wx’. 205
  • 206.
  • 207.
    MULTIPLEXER A 0 0 0 0 B 0 0 0 0 Memilih 1 dari2n masukan Z I0 I1 I2 I3 I0 2n −1 Z = ∑ mi I i i=0 = m 0 I 0 + m1 I 1 + m 2 I 2 + m3 I 3 untuk n = 2 = A B I 0 + A B I1 + A B I 2 + A B I 3 I1 I0 I1 I2 I3 MUX 4-ke-1 A B Z I2 Z I3 A B 00 01 10 11 207
  • 208.
    Contoh aplikasi Multiplexer(MUX) Merealisasikan fungsi Z dengan tabel kebenaran berikut ini dengan menggunakan MUX 4x1. a bc Z 0 0 0 0 0 0 0 0 1 1 0 1 1 1 0 1 0 0 0 0 0 0 0 0 0 0 0 0 0 0 0 0 MUX 4-ke-1 a b Z = ab +abc +a bc Z MUX Z 4-ke-1 a b Z =bc +abc +abc 208
  • 209.
    Decoder = demultiplexer (binary-to-decimaldecoder) Mengaktifkan salah satu dan hanya salah satu dari keluaran, keluaran ke n, n= nomor sukumin yang dibentuk masukan pemilih. Inverting : keluaran aktif = 0 : zi = mi Non-inverting : keluaran aktif = 1 : zi = mi Contoh: dekoder keluaran dibalik 3 x 8 dengan pemilih A, B, dan C. A B C Z0 Z1 Z2 Z3 Z4 Z5 Z6 Z7 A 0 0 0 0 1 1 1 1 B 0 0 1 1 0 0 1 1 C 0 1 0 1 0 1 0 1 Z0 Z 1 Z 2 Z 3 Z 4 Z 5 Z 6 Z 7 0 1 1 1 1 1 1 1 1 0 1 1 1 1 1 1 1 1 0 1 1 1 1 1 1 1 1 0 1 1 1 1 1 1 1 1 0 1 1 1 1 1 1 1 1 0 1 1 1 1 1 1 1 1 0 1 1 1 1 1 1 1 1 0 209
  • 210.
    ROM (Read OnlyMemory) Merealisasikan fungsi keluaran ganda dengan masukan ganda (MIMO) Masukan= dekoder Keluaran= matriks OR Fk= Σmi m0 = a b c m1 = a b c A l a a m b a t c m2 = a b c Decoder 3x8 m3 = a b c m4 = a b c m5 = a b c m6 = a b c m7 = a b c Kata Data f3 f2 f1 f0 210
  • 211.
    Simbol ROM disederhanakan a b c m0 m1 Decoderm 2 3x8 m3 m4 m5 m6 m7 f3 f2 f1 f0 (b) 211
  • 212.
    PLA (Programmed LogicArray) dan PAL (Programmable Array Logic) Perbedaan PLA dan ROM pada masukan PLA: Masukannya matriks AND, hanya sukumin yang dibutuhkan yang direalisasikan ROM: Masukannya Dekoder, semua sukumin direalisasikan 212
  • 213.
    Realisasi PLA a b c a b c ab ac b bc ac f3 =a b + a c f2 = b + a c f1 = a b + b c f 0 = ac + b 213
  • 214.
    PAL Perbedaan PAL danPLA pada keluarannya: PLA: matriks OR keluaran dapat diprogram PLA: matriks OR terhubung tetap (tak dapat diprogram) PLA dan PAL: matriks AND masukannya dapat diprogram 214
  • 215.
    Realisasi PAL a b c a b c f3 =a b + a c f2 = b + a c f1 = a b + b c f 0 = ac + b 215
  • 216.
    Terdiri dari : 1.2 buah pembanding tegangan 2. Flip-flop 3. Untai pembuang muatan
  • 217.
    1. Catu negatif 2.Sulut (trigger) 3. Keluaran output) 4. Reset 5. Control 6. Ambang (threshold) 7. Pengosongan (discharge) 8. Catu positif
  • 218.
    Pembanding 1 membandngkan tegangan 2/3Vcc dengan tegangan masukan pada pin ambang. Pembanding 2 membandingkan tegangan 1/3 Vcc dengan tegangan masukan pada pin sulut.
  • 219.
    Flip flop akan bernilaisesuai denganperubahan nilai transisi falling edge dari rst dan set. Jika pin rst merasakan transisi dr highlow maka Q bernilai low (‘0’) dan /Q bernilai high (‘1’)
  • 220.
    Jika pin set merasakan transisidr highlow maka Q bernilai high (‘1’) dan /Q bernilai low (‘0’)
  • 221.
    Pin Q adalah keluaranpada pin no.3 IC 555 Keluaran /Q menggerakkan transistor pembuang muatan kapasitor yang akan dipasang.  jika bernilai tinggi (‘1’)
  • 222.
  • 223.
    Astable and Monostable Multivibrator s  What are they good for?  Astable: clock, timing signal  Monostable: a clean pulse of the correct height and duration for digital system 223
  • 224.
    555 Timer  Thefrequency is then given by 1 1 .4 4 f = = 0 .6 9 3 ( R 1 + 2 ⋅ R 2 ) C 1 ( R 1 + 2 ⋅ R 2 ) C 1 224
  • 225.
  • 226.
    FLIP FLOP  Beruparangkaian elektronika digital yang mendasari banyak aplikasi, seperti memori, mikroprosesor, ALU, latch dan buffer, dll.  Mempunyai 2 kondisi stabil (Q=1 dan Q=0)  Disebut sebagai multivibrator bistabil  Mampu menyimpan 1 bit memori 226
  • 227.
    Klasifikasi Rangkaian digital: R. kombinasi:output hanya fungsi input R. Berurut : output fungsi input sesaat dan output (sekuensial) (jadi juga masukan) sebelumnya → ada ingatan, memori • sinkron : perubahan terjadi bersamaan pada waktu ditentukan → ada detak • asinkron: perubahan terjadi sembarang waktu 227
  • 228.
    FLIP-FLOP oDasar dari rangkberurut oDisusun dari r. kombinasi dengan umpan balik → ada tundaan waktu (time delay) → tundaan waktu ada pada setiap gerbang oRangkaian yang mempunyai 2 keluaran saling komplemen (satu komplemen dari yang lain), masukan boleh 1, boleh 2 oAda 4 bentuk dasar flip-flop: Flip-flop RS (urut abjad singkatan Set Reset) Flip-flop JK Flip-flop T (Toggle) 228 Flip-flop D (Delay atau Data)
  • 229.
    LATCH  Flip-flop sederhana Terdiri dari 2 NAND gates 229
  • 230.
  • 231.
  • 232.
  • 233.
  • 234.
  • 235.
  • 236.
    SET-RESET FLIP –FLOP / S-R FLIP-FLOP  Pengembangan dari latch  Dapat diatur untuk mendapatkan nilai output (Q) tertentu 236
  • 237.
    SET-RESET FLIP –FLOP / S-R FLIP-FLOP 237
  • 238.
    SET-RESET FLIP –FLOP / S-R FLIP-FLOP 238
  • 239.
  • 240.
  • 241.
  • 242.
  • 243.
  • 244.
    FLIP – FLOPS-R TERDETAK / CLOCKED S-R FLIP-FLOP  Digunakan ketika flip-flop dipasang secara sinkron dengan unit lain sesuai dengan pulsa detak (clock pulse)  Keadaan stabil hanya akan berubah jika terdapat pulsa detak (gerbang clock = 1) 244
  • 245.
    FLIP – FLOPS-R TERDETAK / CLOCKED S-R FLIP-FLOP 245
  • 246.
    TRUTH TABLE FLIP –FLOP S-R TERDETAK / CLOCKED S-R FLIP-FLOP 246
  • 247.
    TOGGLE FLIP –FLOP / T FLIP-FLOP  Punya satu masukan T (toggle)  Output pada setiap pulsa masukan berubah 247
  • 248.
    TOGGLE FLIP –FLOP / T FLIP-FLOP 248
  • 249.
    TRUTH TABLE TOGGLE FLIP– FLOP / T FLIP-FLOP 249
  • 250.
    DELAY D FLIP FLIP –FLOP / – FLOP  Modifikasi S-R flip-flop  Keadaan D = 1 (set), D = 0 (reset)  Kondisi S = R = 0 dan S = R = 1 tidak ada karena ada NOT gate di R, sehingga R dan S berkomplemen 250
  • 251.
    Flip-flop D (Delay)    D Digunakanuntuk memori Hanya 1 masukan data Keluaran mengikuti masukan selama CK aktif: Q+= D Q D Q >CK Q Q CK D Q Q+ 0 0 0 0 1 0 1 0 1 1 1 1 251
  • 252.
    DELAY D FLIP FLIP –FLOP / – FLOP 252
  • 253.
    DELAY D FLIP FLIP –FLOP / – FLOP 253
  • 254.
  • 255.
    JK FLIP –FLOP 255
  • 256.
    JK FLIP –FLOP  Flip-flop JK yang diberi nama berdasarkan nama masukannya, yaitu J dan K.  Flip-flop ini mengatasi kelemahan flip-flop RS, yang tidak mengizinkan pem-berian masukan R=S= 1, dengan meng-AND-kan masukan dari luar dengan keluaran seperti dilakukan pada flip-flop T 256
  • 257.
    JK FLIP –FLOP  Flip-flop JK yang diberi nama berdasarkan nama masukannya, yaitu J dan K.  Flip-flop ini mengatasi kelemahan flip-flop RS, yang tidak mengizinkan pem-berian masukan R=S= 1, dengan meng-AND-kan masukan dari luar dengan keluaran seperti dilakukan pada flip-flop T 257
  • 258.
    JK FLIP –FLOP 258
  • 259.
    JK FLIP –FLOP  masukan J dan K berfungsi tepat sama dengan masukan S dan R pada flip-flop RS kecuali untuk J=K=1.  Kalau pada RSFF masukan R=S=1 terlarang, maka pada JKFF, masukan J=K=1 akan membuat JKFF berfungsi seperti TFF.  Dari tabel keadaan-berikut yang ditunjukkan pada Gambar 6.7, dapat diperoleh bahwa persamaan keadaan-berikut, disebut juga persamaan karakteristik daripada JKFF, yaitu: 259  Q+ = Q /K+ /Q J
  • 260.
    JK FLIP –FLOP 260
  • 261.
    JK FLIP –FLOP  keadaan flip-flop akan berubah untuk setiap perubahan masukan J dan K.  Ini berarti bahwa flip-flop JK ini bekerja tak serempak.  Untuk memperoleh flip-flop JK yang dapat bekerja serempak dengan rangkaian lain perlu ditambahkan kelengkapan untuk penabuhan (clocking).  Ini dapat dilakukan dengan meng-AND-kan pulsa CP (clock Pulse) dengan masukan K dan J  Perlu dicatat bahwa untuk flip-flop yang peka terhadap perubahan pulsa negatif, pada masukan CP diberikan lingkaran kecil seperti pada NOR dan NAND. 261
  • 262.
    Flip-flop JK IndukBudak JKFF induk-budak (Master-Slave JK flip-flop) disusun dari dua flip-flop RS  Yang satu bertindak sebagai induk/tuan lainnya sebagai budak/pengikut yang mengikuti keadaan keluaran flip-flop induk sesaat sesudah berlalunya perubahan keluaran itu.  Perbedaan waktu perubahan keadaan induk dan budak ini terjadi karena adanya inverter antara pulsa penabuh untuk FF induk dan masukan FF budak 262
  • 263.
    Flip-flop JK IndukBudak Bila pulsa penabuh FF induk berkeadaan 1, maka keluarannya akan berubah menurut keadaan masukan J dan K pada saat itu, sesuai dengan tabel.  Tetapi, karena adanya inverter pada masukan flip-flop budak, maka masukan S dan R flip-flop budak itu akan tetap 0 dan keluarannya tidak mengalami perubahan.  Tetapi pada saat penabuh induk kembali 0, yang berarti keluaran inverter menjadi 1, maka keluaran budak berubah menurut keadaan keluaran induk saat itu, yaitu keadaannya sesudah ditabuh. 263
  • 264.
    Flip-flop JK IndukBudak Perhatikan bahwa bila penabuh berkeadaan 0 (CP= 0, dan CP= 1), maka gerbang-gerbang AND pada masukan budak menjadi aktif dan keluaran Q akan mengikuti keadaan P karena hanya ada dua kemungkinan kombinasi RS untuk budak, yaitu RS= 10 atau RS= 01.  Bila P= 1 maka RS= 01 dan Q menjadi 1 sedangkan bila P= 0, maka RS= 10 dan Q menjadi 0. 264
  • 265.
    Flip-flop JK IndukBudak Dengan susunan ini, dapat dijamin bahwa persamaan flip-flop Q+ = Q /K + /Q J akan tetap dipenuhi sejauh keadaan J dan K hanya berubah di antara dua pulsa penabuh positif (selagi CP= 1).  Bila J dan/atau K berubah selagi CP= 0, maka apa yang dipindahkan ke flip-flop budak adalah keadaan P akibat perubahan terakhir sebelum CP berubah menjadi 0. 265
  • 266.
    Pembentukan Flip-flop dari Flip-floplain  Dalam prakteknya, ada kalanya perlu merealisasikan flip-flop tertentu dengan flip-flop yang tersedia  misalnya flip-flop yang dibutuhkan tidak tersedia atau dari serpih (chip) flip-flop yang digunakan masih ada sisa flip-flop dari jenis lain yang belum termanfaatkan. 266
  • 267.
    Pembentukan Flip-flop dari Flip-floplain  Sebagaimana diuraikan di depan, flip-flop D dapat dibangun dari flip-flop JK dengan memberikan komplemen J sebagai masukan bagi K  Begitu juga flip-flop T dapat dibentuk dari flip-flop JK dengan mengga-bungkan masukan J dan K sebagai masukan T  Perhatikan bahwa bila T=0 akan membuat J=K=0 sehingga keadaan flip-flop tidak berubah. Tetapi bila T=1, J=K=1 akan membuat flip-flop beroperasi se-cara toggle. 267
  • 268.
  • 269.
  • 270.
    Pencacah Reguler Tabel 7.1.Tabel keadaan pencacah biner berurutan. A 0 0 0 0 0 0 0 0 1 1 1 1 1 1 1 1 B 0 0 0 0 1 1 1 1 0 0 0 0 1 1 1 1 C 0 0 1 1 0 0 1 1 0 0 1 1 0 0 1 1 D A+ B+ C+ D+ 0 0 0 0 1 1 0 0 1 0 0 0 0 1 1 1 0 1 0 0 0 0 1 0 1 1 0 1 1 0 0 0 1 1 1 1 1 0 0 0 0 1 0 0 1 1 1 0 1 0 0 1 0 1 1 1 1 1 0 0 0 1 1 0 1 1 1 1 1 0 0 1 1 1 1 1 0 0 0 0 (a) Pencacah naik A 0 0 0 0 0 0 0 0 1 1 1 1 1 1 1 1 B 0 0 0 0 1 1 1 1 0 0 0 0 1 1 1 1 C 0 0 1 1 0 0 1 1 0 0 1 1 0 0 1 1 D 0 1 0 1 0 1 0 1 0 1 0 1 0 1 0 1 A+ B+ C+ D+ 1 1 1 1 0 0 0 0 0 0 0 1 0 0 1 0 0 0 1 1 0 1 0 0 0 1 0 1 0 1 1 0 0 1 1 1 1 0 0 0 1 0 0 1 1 0 1 0 1 0 1 1 1 1 0 0 1 1 0 1 1 1 1 0 (b ) Pencacah turun 270
  • 271.
  • 272.
    Pencacah dengan flipflopT AB C Pencacah Naik. A 0 0 0 0 1 1 1 1 B 0 0 1 1 0 0 1 1 C 0 1 0 1 0 1 0 1 A B C 0 0 1 0 1 0 0 1 1 1 0 0 1 0 1 1 1 0 1 1 1 0 0 0 + + + 00 0 1 TA TB TC 0 0 1 0 1 1 0 0 1 1 1 1 0 0 1 0 1 1 0 0 1 1 1 1 AB C 00 0 1 1 01 11 10 1 1 TA= BC 01 11 10 1 1 TB= C TC= 1 1 Tb 272
  • 273.
    Pencacah dengan flip-flopT Pencacah Turun. A 0 0 0 0 1 1 1 1 B 0 0 1 1 0 0 1 1 C 0 1 0 1 0 1 0 1 A+ B+ C+ 1 1 1 0 0 0 0 0 1 0 1 0 0 1 1 1 0 0 1 0 1 1 1 0 TA TB TC 1 1 1 0 0 1 0 1 1 0 0 1 1 1 1 0 0 1 0 1 1 0 0 1 AB C 00 0 01 11 1 10 1 1 TA= BC AB C TC= 1 00 0 01 11 10 1 1 1 1 1 TB= C 273
  • 274.
    Pencacah dengan flip-flopT Pencacah Naik-Turun Up/Dn= M M= 0 M= 1 Down Up 274
  • 275.
  • 276.
  • 277.
  • 278.
  • 279.
  • 280.
  • 281.
  • 282.
  • 283.
  • 284.
    Pencacah dengan flipflopJK Peta Keadaan Berikut A B C A+B+C+ JA KA JB KB JC KC 000 0 1 1 0 x 1 x 1 x 001 - - x x x x x x 010 1 0 0 1 x x 1 0 x 011 0 1 0 0 x x 1 1 x 0 100 1 0 1 x0 0 x 1 101 0 0 0 x 1 0 x x 1 110 - - x x x x x x 111 - - x x x x x x Q Q+ J 0 0 0 1 1 0 0 x 1 K 0 x 1 x x 1 x 284
  • 285.
    Peta-K Pencacah dengan A JK1 0 1 BC A 0 1 0 1 BCA 0 1 0 1 BC 0 00 01 x 11 10 1 x x x x x x x x x 1 x x x x JA KA JA = BC KA= C 00 1 01 x 11 x x 10 x JB JB = A x x x x x x KB KB = C 00 01 11 1 1 x x x 1 x x JC JC = B x x x 1 1 x 10 KC KC = 1 285
  • 286.
  • 287.
    Peta-K Pencacah dengan ffD AB C 00 AB 01 11 10 C AB 00 01 11 10 C 00 01 11 10 0 0 1 x 1 0 1 0 x 0 0 1 0 x 1 1 x 0 x 0 1 x 1 x 0 1 x 0 x 0 A+ DA= AC + BC B+ DB= A B + AC C+ DC = B C 287
  • 288.
  • 289.
    Pencacah dalam Rangkaian Terpadu Input Input Q Q GND Q Q A 14 A 13 D C 12 10 11 QA QD >A R0(1) R0(2) R0(1) B 9 B 8 QC QB R0(1) R0(2) QD QC QB QA H H L L L L L x Count x L Count B< R0(2) 1 R0(1) 3 2 R0(2) NC 5 4 VCC NC 6 NC 7 NC J >CK K J >CK K J >CK K J >CK K Q Q Q Q 289
  • 290.
  • 291.
  • 292.
    Definisi Latch (Penahan)  Sekumpulansel biner yang dipakai untuk menyimpan informasi yang disajikan dalam bentuk kode biner  Dilakukan melalui penyetelan keadaan kumpulan flip-flop dalam register secara serentak sebagai satu kesatuan. 1 Flip flop = 1 bit Register 8 bit = data 0 s.d 255 desimal 292
  • 293.
    Re gister Penahan (HoldRe gister)  Data yang diberikan pada masukan disimpan dan ditahan di dalam register. Setelah penahanan terjadi, keadaan keluaran register tidak akan berubah walaupun masukannya berubah, berfungsi sebagai penyangga (buffer).  tdd 2 jenis : transparan (transparent) dan terpicu (triggered).  biasanya dipakai flip-flop D 293
  • 294.
    Re gister Penahan Transparent  perubahan keluaran terjadi pada saat penabuh level high  pemalangan terjadi pada saat detak pada level low 294
  • 295.
    Re gister Penahan Triggered  perubahan keluaran terjadi pada saat detak berubah dari level high ke level low  penahanan terjadi saat detak level low 295
  • 296.
    Re gister Penahan Contoh time line : CP = clock pulse, D = input flip flop D QG = Keluaran Register penahan transparent QT = Keluaran Register penahan triggered 296
  • 297.
  • 298.
    Re gister GeserSeri  Kegunaan : komunikasi data serial – paralel, algoritma perkalian biner  Geser kanan: Sebelum penggeseran: Geser 1 x : Geser 2 x :  Geser kiri: Sebelum penggeseran: Geser 1 x : Geser 2 x : 1001 1010 0100 1101 0010 0110 1001 1010 0011 0100 0110 1000 298
  • 299.
    Re gister GeserSeri [2]  Realisasi : keluaran satu flip-flop diberikan kepada masukan flip-flop berikutnya dalam urutan penggeseran  Contoh dengan flip-flop JK 4 bit register geser: masukan K = J  flip flop D  Din = masukan luar untuk mengganti bit ujung 299
  • 300.
    Re gister GeserSeri [3]  Rangkaian Logika (atas), bidirectional (bawah) 300
  • 301.
    Re gister GeserPar alel  Kegunaan : komunikasi data paralel 1 word = 8 bit  Modifikasi register geser seri  masing-masing flip-flop : 3 masukan - keluaran flip-flop di kiri (geser kanan) - keluaran flip-flop di kanan (geser kiri) - masukan paralel dari luar  Modus Operasi : 301
  • 302.
    Re gister GeserPar alel [2]  Realisasi dengan Flip Flop RS 302
  • 303.
    Re gister GeserPar alel  Rangkaian Logika 303
  • 304.
  • 305.
  • 306.
    Pendahuluan  Keluaran rangkaian berurut(sekuensial) pada suatu saat juga ditentukan oleh keadaan keluarannya pada saat sebelumnya  Kalau tabel kebenaran rangkaian kombinasi terdiri atas kombinasi masukan dan keluaran saja  Tabel kebenaran rangkaian sekuensial tersusun atas masukan, keadaan sekarang, dan keadaan berikutnya. 306
  • 307.
    Pendahuluan  Karena tabel kebenaranrangkaian sekuensial lebih bertitik berat pada keadaan maka tabel kebenaran itu disebut Tabel Keadaan (State Table) 307
  • 308.
    Pendahuluan  Dalam pembahasan keadaanrangkaian sekuensial harus dibedakan antara keadaan rangkaian secara keseluruhan dan keadaan elemen-elemen pengingat dalam rangkaian itu. 308
  • 309.
    Pendahuluan Keadaan masing-masing elemenpengingat dalam rangkaian sekuensial adalah:  keluaran elemen bersangkutan dan disebut "keadaan internal"  keadaan rangkaian secara keseluruhan merupakan gabungan dari pada keadaan semua elemen pengingatnya (keadaan internal). 309
  • 310.
    Pendahuluan  Keluaran rangkaian sekuensialpada umumnya merupakan kombinasi dari pada keadaan internal yang diperoleh melalui rangkaian kombinasi. 310
  • 311.
    Pendahuluan  Dipandang dari pengaruhmasukan luar terhadap keluarannya, rangkaian berurut dibedakan atas 2 macam, yaitu: - rangkaian (mesin) Mealy dan - rangkaian (mesin) Moore. 311
  • 312.
    rangkaian Moore keluaran hanya tergantung atas keadaan internal, tanpa dipengaruhi secara langsung oleh masukan luar.  Dalam hal ini, masukan luar hanya mempengaruhi keluaran melalui perubahan keadaan internal  312
  • 313.
     rangkaian Mealy keluaran merupakan kombinasi dari keadaan internal dan masukan luar secara eksplisit 313
  • 314.
    Analisis Rangkaian Mealy Contoh rangkaian  Penyederhanaan rangkaian 314
  • 315.
    Analisis Rangkaian Mealy[2]  Persamaan Keadaan  315
  • 316.
    Analisis Rangkaian Mealy[3]  Tabel Keadaan dari persamaan keadaan, dapat dibuat sebuah tabel keadaan dengan masing-masing input 0 dan 1 untuk keluaran berikutnya dan keluaran rangkaian 316
  • 317.
  • 318.
    Analisis Rangkaian Mealy[5]  Diagram Keadaan di dalam lingkaran : keadaan/state flip flop di luar lingkaran : input/output rangkaian 318
  • 319.
    Analisis Rangkaian Moore Contoh rangkaian disederhanakan 319
  • 320.
    Analisis Rangkaian Moore[2]  Persamaan Keadaan  320
  • 321.
    Analisis Rangkaian Moore[3]  Tabel Keadaan dari persamaan keadaan, dibuat sebuah tabel keadaan dengan masing-masing input 0 dan 1 untuk keluaran berikutnya. Sedangkan keluaran rangkaian hanya bergantung pada keadaan/state flip flop sekarang 321
  • 322.
  • 323.
    Analisis Rangkaian Moore[4]  Diagram Keadaan di dalam lingkaran : keadaan(state)flip flop / output rangkaian di luar lingkaran : input 323
  • 324.
    SOAL LATIHAN  1. Gambarkanlahdiagram waktu yang keadaan flip-flop A, B, dan keluaran Z pada mesin Mealy yang ditunjukkan oleh Gambar 9.4 di depan jika keadaan awal adalah AB= 00 dan sinyal masukan x berubah menurut urutan:  x = 1, 0, 0, 1, 0, 1, 1, 0, 1, 0. 324
  • 325.
     flip-flop A, B,dan keluaran Z pada mesin Mealy jika keadaan awal adalah AB= 00 dan sinyal masukan x berubah menurut urutan:  x = 1, 0, 0, 1, 0, 1, 1, 0, 1, 0. Catatan: Perubahan keadaan dan keluaran diandaikan terjadi pada saat perubahan naik pulsa penabuh P 325
  • 326.
    x = 1,0, 0, 1, 0, 1, 1, 0, 1, 0. Catatan: Perubahan keadaan dan keluaran diandaikan terjadi pada saat perubahan naik pulsa penabuh P 326
  • 327.
    SOAL LATIHAN  Analisislah rangkaianberikut untuk mengetahui apa fungsi yang dilakukannya 327
  • 328.
  • 329.
  • 330.
  • 331.
     Perhatikan bahwa jikarangkaian ini mulai dari keadaan 00, keadaan dalam urutan 00-01-10 tanpa tergantung dari keadaan masukan, 0 atau 1, dan akan tetap di 10 selama masukan 0 dan akan berubah keadaan ke 00 jika ada masukan x=1. Tetapi jika keadaan awal mulai dari 11, akan berubah keadaan ke 00 atau ke 11 331 tergantung dari masukan x=0 atau 1.
  • 332.
    SOAL LATIHAN  Tentukanlah persamaankeadaanberikut dan persamaan keluaran rangkaian berikut ini, dan susun tabel keadaannya. 332
  • 333.
  • 334.
  • 335.
  • 336.
    SOAL LATIHAN  Buatlah tabelkeadaan dan diagram keadaan rangkaian berikut ini 336
  • 337.
  • 338.
  • 339.
  • 340.
  • 341.
    7473 Dual JKFlipflop 7473 GND 14 13 12 11 10 7 8 J CP 1 CLR 2 14 Q K Q K 3 4 V CC PINOUT 1 CLR _ Q 5 J CP 3 _ Q K Q 12 7 J 8 CP 10 K Q 5 _ Q 6 CP J 6 CLR _ Q 13 CLR 7 2 7 LOGIC SYMBOL Terdiri dari dua buah JK flipflop yang independen. Masing-masing dilengkapi dengan masukan CLR (clear) untuk me-reset flipflop terlepas dari nilai masukan Cp, J dan K. 341
  • 342.
    7490 BCD Counter Q0 14 13 12 11 10 7 NC Q0 Q3 GND Q1 Q2 Q3 8 IN-A Q1 Q2 7490 IN-B 1 R 0(1) 2 R 0(2) NC 3 4 PINOUT IN-A V CC 5 R 9(1) 6 R Mod-2 Mod-5 9(2) 7 IN-B LOGICSYMBOL Terdiri dari dua buah pencacah (counter). Pencacah pertama adalah pencacah modulus-2 sedangkan pencacah kedua adalah pencacah modulus-5. Jika Q0 dihubungkan ke IN-B dan dipicu dari IN-A maka pencacah akan berfungsi sebagai pencacah BCD. Jika Q3 dihubungkan ke IN-A dan dipicu dari IN-B maka pencacah akan berfungsi sebagai pembagi-10 yang simetri. 342
  • 343.
    1 2 3 4 5 6 7 8 9 0 1 2 7 8 9 0 1 2 CP Q0 Q1 Q2 Q3 TIMING DIAGRAM PENCACAHBCD 1 2 3 4 5 6 CP Q1 Q2 Q3 Q0 TIMING DIAGRAM PEMBAGI-10 343
  • 344.
  • 345.
    MOS dan CMOS D D D D G G G G S S N-Channel S S P -Channel Gambar 1.11. Simbol MOSFET Berbeda dengan TTL, rumpun ini menggunakan transistor jenis MOSFET (Metal Oxide Semiconductor Field Effect Transistor) sebagai piranti aktipnya. MOSFET ini terdiri dari N-Channel dan PChannel. Karena menggunakan efek medan maka impedansi masukan dari transistor ini sangat besar. Oleh karena itu transistor ini sangat peka terhadap muatan listrik statis. 345
  • 346.
    MOSFET I IN R V IN R OUT IN Gambar 1.12.Rangkaian ekivalen MOSFET Untuk sebarang nilai RIN maka besarnya tegangan masukan VIN adalah VIN = IIN x RIN Jika RIN = ∞ maka VIN = IIN x ∞ =∞ Tegangan masukan yang terlalu besar akan merusak isolasi gate dari transistor. Oleh karena itu rangkaian masukan dari transistor ini harus diproteksi. 346
  • 347.
    Proteksi Masukan V D1 Q1 R A _ Z=A G D2 DD Q2 Untuk memproteksimasukan gerbang dari tegangan lebih yang disebabkan oleh lucutan muatan statis, digunakan rangkaian proteksi yang umumnya terdiri dari tahanan sebagai pembatas arus dan dioda sebagai pembatas tegangan. Dioda D1 dan D2 berfungsi sebagai clamping dioda. Jika tegangan masukan > VDD maka D1 akan menghantar sehingga tegangan G akan dibatasi sebesar VDD + VF. Jika tegangan masukan < GND maka D2 akan mengahntar sehingga tegangan G akan dibatasi sebesar –0,7V. 347
  • 348.
    Contoh-contoh Rangkaian denganMOSFET V V DD Q2 Q4 Y A Q1 (a) Gerbang NOT DD Q1 A Q2 B Q3 Y C (b) Gerbang NOR Pada gambar (a) transistor Q2 berfungsi sebagai sumber arus konstan (pengganti tahanan. Besarnya tegangan Y ditentukan oleh konduktansi transistor Q1. Pada gambar (b) transistor Q4 yang berfungsi sebagai sumber arus konstan. Tegangan Y akan tinggi jika Q1, Q2 dan Q3 tidak menghantar. 348
  • 349.
    Contoh-contoh rangkaian denganCMOS V V Q1 A DD A DD Q2 __ Z = AB S D Q2 V Q1 Q2 B A DD _ Z =A Q3 B Q3 ____ Z =A+B Q1 D Q4 Q4 S (a) NOT (b) NOR (c) NAND Disini digunakan transistor komplemen. Pada gambar (a) transistor Q1 adalah jenis PMOS sedangkan transistor Q2 adalah jenis NMOS. Jika tegangan A rendah maka Q1 menghantar dan Q2 menyumbat sehingga tegangan Z akan tinggi. Sebaliknya jika tegangan A tinggi maka Q1 menghantar dan Q2 menyumbat sehingga tegangan Z akan rendah. 349
  • 350.
    Spesifikasi Standard Rating MaksimumAbsolut Supply DC VDD Tegangan masukan VIN Arus masukan DC IIN Temperatur penyimpanan TS -0,5V sampai +18VDC -0,5V sampai VDD + 0,5VDC ±10 mADC -65 sampai 1500C Kondisi Operasi Yang Dianjurkan Supply DC VDD +3V sampai +15VDC Temperatur kerja TA Versi Militer -55 sampai +1250C Versi Komersial -40 sampai +850C 350
  • 351.
    Delay Propagasi danDelay Transien t TLH 90% V 50% IN 10% t PHL t PLH 90% V 50% OUT 10% t THL Fungsi Membalik 351
  • 352.
    Buffered dan Nonbuffered CMOSterdiri dari dua jenis, yaitu : •Buffered •Nonbuffered Jenis Buffered dilengkapi dengan penguat pada bagian keluarannya untuk meningkatkan kemampuannya 352
  • 353.
  • 354.
    Perbandingan CMOS dengankeluarga lain 354
  • 355.
    Pengaruh Beban Kapasitipterhadap Delay Propagasi 355
  • 356.
    Pengaruh Tegangan catupada delay propagasi 356
  • 357.
  • 358.
    CD4007 Dual ComplementaryPair plus Inverter 358
  • 359.
  • 360.
    4013 Dual DFlip-flop 360
  • 361.
    4016 Quad BilateralSwitch Setiap kemasan mengandung empat buah analog switch. Harus dijaga agar tegangan masukan selalu berkisar antara V DD dan GND. 361
  • 362.
  • 363.
    4020 14 StageBinary Counter 363
  • 364.
    4026 Dual JKFlip-flop 364
  • 365.
  • 366.
  • 367.
  • 368.
  • 369.
  • 370.
    4511 BCD to7-segment latch/decoder/driver 370
  • 371.
  • 372.
    4518 Dual BCDCounter 372
  • 373.
  • 374.
    Interface TTL denganCMOS TTL ke CMOS Karena impedansi masukan CMOS sangat besar maka keluaran TTL dapat dihubungkan langsung ke masukan CMOS jika tegangan catuan sama (5VDC). TTL CMOS TTL Tegangan catu sama 374
  • 375.
    Jika gerbang CMOSmenggunakan tegangan catu yang lebih rendah maka diperlukan rangkaian interface guna menurunkan tegangan keluaran dari TTL. V CC C1 = +5V V DD =+3V R1 TTL R2 V CC >V CMOS DD R1 dan R2 berfungsi untuk membagi tegangan keluaran TTL agar berkisar antara 0 hingga 3VDC. C1 berfungsi untuk mengkompensasi kapasitansi masukan CMOS. 375
  • 376.
    Jika CMOS menggunakantegangan catu yang lebih tinggi maka diperlukan buffer. +15V R3 +5V Q1 R1 CMOS TTL R2 Transistor Q1 berfungsi sebagai penguat membalik. Tegangan keluaran tinggi/rendah dari TTL akan memberi arus bias pada Q1 sehingga jenuh/menyumbat. Kisar tegangan kolektor adalah 0V hingga 15V. 376
  • 377.
    CMOS ke TTL Membutuhkanbuffer atau level translator yang disediakan khusus untuk itu , yaitu 4104, 4049 (membalik) dan 4050 (tak membalik). 377
  • 378.
    Masing-masing gerbang dapatmen-drive hingga 2 gerbang TTL standard. Transistor bipolar juga dapat digunakan sebagai interface CMOS ke TTL. +5V R3 +15V Q1 R1 TTL CMOS R2 Perlu diperhatikan bahwa transistor berfungsi sebagai inverter. 378
  • 379.
    Tahapan perancangan Perancangan selaludiawali dengan penentuan spesifikasi dari rangkaian yang akan dibuat. Pada spesifikasi ini dinyatakan sifat-sifat atau perilaku dari rangkaian tersebut. Perilaku ini dinyatakan dengan kalimat yang menguraikan sifat-sifat dari rangkaian. Contoh 1 : Rangkaian yang akan dibuat memiliki tiga buah tombol tekan sebagai masukan dan tiga buah lampu sebagai keluaran. Lampu-X dapat menyala hanya jika tombol-A ditekan dan lampu-Y serta lampu-Z tidak menyala. Lampu-Y dapat menyala hanya jika tombol-B ditekan dan lampu-X serta lampu-Z tidak menyala. Lampu-Z dapat menyala hanya jika tombol-C ditekan dan lampu-X serta lampu-Y tidak menyala. 379
  • 380.
    Dari uraian diatasdiketahui bahwa rangkaian memiliki tiga masukan dan tiga keluaran sehingga diagram baloknya dapat digambarkan.. A X B Y C Z DIAGRAM BALOK Dari uraian diatas juga dapat ditentukan persamaan untuk setiap lampu, yaitu : X = A.Y.Z Y = B.X.Z Z = C.X.Y Persamaan ini sudah sederhana sehingga tidak perlu disederhanakan lagi. 380
  • 381.
    Dari persamaan keluarandiatas maka rangkaian yang diminta dapat digambarkan. A Y X Z B X Y Z C X Z Y 381
  • 382.
    Implementasi dengan gerbangTTL Masukan TTL akan berlogika-1 jika dibiarkan terbuka. Jika menggunakan switch tekan sebagai masukan maka sebaiknya switch menghubungkan masukan ke ground. V R TTL PB SW V CC PB SW CC TTL R (a) (b) Pada gambar (a) penekanan switch akan memberi masukan rendah sehingga menghasilkan keluaran logika-1. Pada gambar (b) jika nilai R terlalu besar maka nilai masukan selalu tinggi sehingga penekanan switch tidak memberi perubahan keluaran. 382
  • 383.
    Agar dapat menyalakanlampu atau LED maka keluaran TTL perlu disangga dengan transistor. V CC X R1 Q IB IC R2 Nilai R1, R2 dan hFE dari transistor Q harus diperhitungkan agar dengan IB yang dihasilkan, transistor dapat menjadi jenuh. IB ≥ IC / hFE 383
  • 384.
  • 385.
    Contoh 2 :Rangkaian yang akan dibuat harus dapat menstart dan men-stop suatu pompa air dimana pompa akan start jika isi tangki kurang dari 30% dan akan stop jika isi tangki sudah mencapai 90%. Dari uraian diketahui bahwa rangkaian mempunyai dua masukan, yaitu masukan 30% dan masukan 90%. Diketahui juga bahwa rangkaian mempunyai satu keluaran untuk men-start / stop pompa. P P P A 90% A 90% B 30% START A 90% B 30% B 30% STOP 385
  • 386.
    PENGOSONGAN PENGISIAN A A P B B P DIAGRAM BALOK t TIMING DIAGRAM Padaproses pengosongan, pompa belum akan start pada saat A = 0 dan B = 1, tetapi baru akan start jika A = B = 0. Pada proses pengisian, pompa akan terus berjalan pada saat A = 0 dan B = 1 dan baru akan berhenti jika A = B = 1. Oleh karena itu diperlukan suatu cara agar pompa tetap jalan pada proses pengisian saat A = 0 dan B = 1. Untuk ini dapat digunakan flipflop jenis RS. 386
  • 387.
    Flipflop akan di-setjika A = B = 0 dan akan di-reset jika A = B = 1. Jika menggunakan flipflop dengan gerbang NOR, maka logika yang dibutuhkan untuk masukan R dan S adalah logika-1. Maka persamaan masukan untuk R dan S adalah : S = A.B = A + B R = A.B A 0 0 1 1 B 0 1 0 1 S 1 0 0 0 R 0 0 0 1 A B R P S A B R P S 387
  • 388.
    Jika menggunakan flipflopdengan gerbang NAND, maka logika yang dibutuhkan untuk masukan R dan S adalah logika-0. Maka persamaan masukan untuk R dan S adalah : S = A.B = A + B S=A+B R = A.B R = A.B A 0 0 1 1 B 0 1 0 1 S 0 1 1 1 R 1 1 1 0 A B S P R 388
  • 389.
    Peraga 7-segmen Peraga 7-segmenberfungsi untuk menampilkan angka 0 sampai 9. Segmen-segmen diberi label : a, b, c, d, e, f dan g. a f g e b c d Dengan menyalakan segmen tertentu maka dapat ditampilkan karakter 0 sampai dengan karakter 9. Peraga umumnya menggunakan LED (Light Emitting Diode) atau LCD (Liquid Crystal Display). Peraga LED terdiri dari : 1. Common Anode 2. Common Cathode 389
  • 390.
    a b c d e f g Common Anode a b c d e f g Common Cathode Pada jenis CommonAnode diperlukan driver dengan keluaran aktip rendah (misalnya SN-7447) sedangkan pada jenis Common Cathode diperlukan driver dengan keluaran aktip tinggi (misalnya SN-7448). 390
  • 391.
    Common Anode V a b R1 Ia Q1 c R2 Ib Q2 d R3 Ic e R4 Id Q3 Q4 f R5 Ie Q5 CC g R6 If Q6 R7 Ig Q7 Driv er Drivermenggunakan transistor NPN sebagai switch untuk menyalakan setiap segmen. Tahanan R1 sampai R7 berfungsi untuk membatasi arus setiap segmen. Besarnya arus segmen adalah (VCC – VF – VCE(SAT) ) / R dimana : VF : tegangan jatuh pada LED VCE(SAT) : VCE saturasi dari transistor 391
  • 392.
    Driv er V Q1 R1 a Q2 Ia R2 b Q3 Ib R3 c Q4 Ic R4 d Q5 Id R5 e Q6 Ie R6 f CC Q7 If R7 Ig g Common Cathode Drivermenggunakan transistor PNP sebagai switch untuk menyalakan setiap segmen. Driver umumnya dilengkapi dengan dekoder BCD ke 7-segmen sehingga dapat menampilkan keluaran pancacah BCD. 392
  • 393.
  • 394.
  • 395.
    Dengan menghubungkan QAke INB maka SN-7490 akan menjadi pencacah BCD. Keluaran dari pencacah di-dekode oleh SN-7447 mejadi format 7-segmen dan diteruskan ke peraga LED 7-segmen common anode. Arus segmen dibatasi oleh tahanan yang terpasang seri dengan LED. Peralihan logika-1 ke logika-0 pada IN A akan mengakibatkan pencacah mencacah sehingga isinya bertambah satu. Pada pulsa kesepuluh isi pencacah akan kembali menjadi nol. Logika-1 pada masukan R0(1) dan R0(2) akan me-reset pencacah sehingga isinya menjadi nol. Agar tidak berfungsi maka masukan R9(1) dan R9(2) dihubungkan ke ground sehingga selalu berlogika-0. 395
  • 396.
  • 397.
    Pulsa clock diberikanpada pencacah satuan (paling kanan). Pada pulsa clock ke-10, keluaran QD akan turun sehingga memicu pencacah puluhan sehingga isinya bertambah satu. Demikian pula pada pulsa clock ke-20, ke-30 sampai ke-90. Pada pulsa clock ke-100, isi pencacah puluhan akan kembali menjadi nol sehingga keluaran QD akan turun dan memicu pencacah ratusan sehingga isi pencacah ini bertambah satu. Demikian pula pada pulsa ke-200, ke-300 sampai dengan ke-900. Pada pulsa clock ke-1000, Isi semua pencacah akan kembali nol. Jika ada pencacah ke-4 (puluhan ribu) maka isi pencacah ini akan bertambah satu. Karena pemicuan terjadi beruntun maka pencacah ini termasuk jenis pencacah tak serempak dan disebut sebagai Ripple Carry Counter. 397
  • 398.
    Jam Digital Jam digitalsebenarnya adalah pencacah yang mendapat satu pulsa per detik (jam 6-digit) atau satu pulsa per menit (jam 4-digit). Pada jam 6-digit format tampilan adalah JJ:MM:DD, dimana : JJ adalah jam, MM adalah menit dan DD adalah detik. Pencacah detik adalah pencacah modulus-10 karena menghitung dari 0 sampai dengan 9 sedangkan pencacah puluhan detik adalah pencacah modulus-6 karena menghitung dari 0 sampai dengan 5. Dengan demikian maka tampilan terbesar detik adalah 59. Pencacah untuk menit juga terdiri dari pencacah modulus-10 untuk menit dan pencacah modulus-5 untuk puluhan detik. Dengan demikian maka tampilan terbesar menit juga 59. Untuk pencacah jam harus digunakan pencacah modulus 24 karena kedua digit dari jam harus dapat menghitung dari 0 sampai dengan 23, untuk mode 24 jam. Untuk mode 12 jam diperlukan teknik khusus karena pencacah harus dapat menghitung dari 1 sampai 12 dan kembali ke 1. 398
  • 399.
  • 400.
  • 401.
    Pencacah Modulus-24 Q D Q C Q B Q PULUHAN A CP R 0(1) R 0(2) Q D Q C Q B Q SATUAN A CP R 0(1) R 0(2) Pada pulsaclock ke-24, keluaran QC dari pencacah satuan dan keluaran QB dan pencacah puluhan akan tinggi sehingga keluaran dari gerbang AND akan tinggi sehingga me-reset kedua pencacah. Dengan demikian maka pencacah hanya dapat mencacah dari 0 sampai 23 dan kembali ke 0. 401
  • 402.
    Jam digital denganmode 12 jam Pada dasarnya sama dengan jam digital mode 24 jam. Perbedaan hanya terletak pada pencacah jam yang menghitung dari 1 sampai dengan 12. Pencacah ini harus terdiri dari dua bagian. Bagian pertama yang mencacah satuan merupakan pencacah BCD, karena harus dapat menghitung dari 0 sampai dengan 9 dan harus dapat dapat di-preset ke 1 pada pulsa ke-13. Bagian kedua pencacah modulus-2 karena harus dapat menghitung sampai dengan 1. Untuk ini dapat digunakan sebuah flipflop. 402
  • 403.
    Pencacah modulus-13 yangdapat dipreset ke 1 Q CLR J CP Q D LD K D Q C Q B MOD-10 D D C Q A CP D B D A V CC Pada pulsa clock ke-13, semua masukan gerbang AND akan tinggi sehingga keluarannya tinggi dan me-reset flipflop JK dan mem-preset pencacah Mod-10 ke nilai awal 1. 403