AVR MICROCONTROLLER
ATMEL CORPORATION
INTRODUCTION
 Atmel Corporation is a leading
manufacturer of integrated circuits
 Atmel’s AVR RISC microcontroller
series
 RISC processor with a Harvard
architecture
 Harvard architecture
◦ refers to the fact that the CPU has a
program memory and a separate data
Families of AVR
Microcontroller
 8-bit AVR Microcontroller
◦ ATmega168 (DIP-28)
◦ ATmega328 (DIP-28)
◦ ATmega1280 (TQFP-100)
◦ ATmega16 (DIP-40)
◦ ATmega32 (DIP-40)
ATmega16 Microcontroller
 Advanced RISC Architecture
 16KB Flash Memory
 512 Byte EEPROM
 1KB RAM
 3 Timers, 8 Channel & 10 Bit ADC
 32 Input/Outputs
 Power ON Reset
 Programmable Brownout
Detection
 Internal RC Oscillator
 Programmable Watchdog Timer
with Separate On-chip Oscillator
ATmega16
Pin Diagram of ATmega16
BOOTLOADER CIRCUIT
INTERFACING
 LED
 LCD
 RELAY BUZZER
 DC MOTOR
LED
LED
#include<avr/io.h> // Headerfile for AVR
#include<util/delay.h> // Headerfile for delay
function
int main(void)
{
DDRC=0xff; // Set port C as output
while(1)
{
PORTC=0xff; // c= 11111111
_delay_ms(1000);
PORTC=0x00; // c=00000000
_delay_ms(1000);
}
}
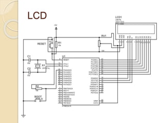
LCD
CODE FOR LCD
RELAY BUZZER
RELAY BUZZER
#include<avr/io.h>
#include<util/delay.h>
int main(void)
{
DDRC=0x81;
while(1)
{
PORTA=0x00;
_delay_ms(100);
PORTA=0xff;
_delay_ms(100);
}
}
DC MOTOR
 Interfacing of DC Motor using L293D
 L293D is a motor Driver IC
 In-built two H-Bridge circuits
 Available in DIP-16
DC MOTOR
SIMULATION
DC MOTOR
#include<avr/io.h>
#include<util/delay.h>
int main(void)
{
DDRC=0xff;
while(1)
{
PORTC=0x7e;
_delay_ms(1000);
PORTC=0xbd;
_delay_ms(1000);
}
}
AVR STUDIO 4
 An Integrated Development Environment (IDE) for
writing and debugging AVR applications
ARM MICROCONTROLLER
APPLE, ALCATEL, INTEL, MARVELL, TEXAS
INSTRUMENTS…
the past of ARM………….
 ACORN Computers
 Successful platform BBC Micro
 Sophie Wilson (ACORN Computers) develop
instruction set & simulate on BBC
 Work started in 1983
 ARM1 with VLSI Technology were introduced in
1985
 ARM2, upgraded version of ARM1 in 1987
 Won “Queens Award of Technology” in 1992
 APPLE + ACORN  ARM6
ARM7
 Introduced in 1994
 Today, more than 10 million ARM7 powered
devices in market
 LPC2148 is an ARM Microcontroller
 Fabricated by Philips
 32bit Microprocessor
 RISC Architecture
 Suitable for industrial control and medical
systems
 Pipeline techniques can be employed
LPC2148 FEATURES
 32Bit Microcontroller in tinyLQPF64
Package
 40kB RAM & 512kB Flash
 2kB RAM for USB 2.0
 ISP/IAP via on-chip boot-loader circuit
 10 bit, 14 Channel ADC
◦ Conversion time< 2.44μs per channel
 10 bit DAC
 Low power RTC, BOD
 45 of 5V tolerant fast GPIO
 Voltage range 3.0V to 3.6V
Working with LPC2148
SIMULATION
LED interfacing program
#include<LPC214x.H
>
#define led1 (1<<0)
#define led2 (1<<1)
#define led_dir
IO0DIR
void delay(int time)
{
int i,j;
for(i=0;i<time;i++)
for(j=0;j<1000;j++);
}
int main(void)
{
led_dir=led1|led2;
while(1)
{
IO0SET|=led1|led2 ;
delay(500);
IO0CLR|=led1|led2;
delay(500);
}
}
KEIL μVISION4
 KEIL was founded in 1982 by Günter and
Reinhard Keil
 In October 2005, Keil (Keil Elektronik GmbH in
Munich, Germany, and Keil Software, Inc. in
Plano, Texas) was acquired by ARM.
 IDE for ARM Microcontroller
 Cross Compiler
CONCLUSION
 “Anyone can cook”, it is the slogan of the movie
RATATOUILLE
 like that
“Anyone can Program”
 the objective of my report is to make it clear that anyone
can prototype and easily work with the microcontroller.

Avr and arm

Editor's Notes

  • #4 100-lead, Thin (1.0mm) Plastic Gull Wing Quad Flat Package (TQFP)
  • #25 Acquire - obtain