AUTOMATIC FLOOR
CLEANER
A Project Report
Submitted by:
NADIMINTI SAROJA KUMAR (1201210503)
DIGVIJAY KUMAR (1201210537)
SURAVI MAHANTA (1201210485)
In partial fulfilment for the award of the Degree
Of
BACHELOR OF TECHNOLOGY
IN
ELECTRICAL and ELECTRONICS ENGINEERING
Under the esteemed guidance of
Mr. MANOJ KUMAR SWAIN
Asst. Prof. (EEE)
AT
DEPARTMENT OF ELECTRICAL ENGINEERING
GANDHI INSTITUTE OF ENGINEERING AND
TECHNOLOGY GUNUPUR – 765022
2012-2016
i
DECLARATION
We hereby declare that the project entitled “AUTOMATIC FLOOR
CLEANER” submitted for the B.Tech. Degree is my original work and the
project has not formed the basis for the award of any degree, associate-
ship, fellowship or any other similar titles.
Signature of the Students:
1.
2.
3.
Place:
Date:
ii
Gandhi Institute of
Engineering & Technology
GUNUPUR – 765 022, Dist: Rayagada (Orissa), India
(Approved by AICTE, Govt. of Orissa and Affiliated to
BijuPatnaikUniversity of Technology)
: 06857 – 250172(Office), 251156(Principal),
250232(Fax),
e-mail: gandhi_giet@yahoo.com visit us at
www.giet.org
DEPARTMENT OF ELECTRICAL & ELECTRONICS ENGINEERING
CERTIFICATE
ISO
9001:2000
Certified
Institute
This is to certify that the project work entitled “AUTOMATIC FLOOR
CLEANER”is the bonafidework carried out by NADIMINTI SAROJA KUMAR
(1201210503), DIGVIJAY KUMAR(1201210537), SURAVI
MAHANTA(1201210485) students of BACHELOR OF TECHNOLOGY, GANDHI
INSTITUTE OF ENGINEERING AND TECHNOLOGY during the academic
year 2012-16 in partial fulfilment of the requirements for the award of the Degree
of BACHELOR OF TECHNOLOGY in ELECTRICAL ENGINEERING.
Mr. Manoj Kumar Swain Mr. Rati Ranjan Sabat
Asst. Prof. (EEE) HOD (EEE )
ACKNOWLEDGEMENTS
It is a great pleasure and privilege to express my profound sense of
gratitude to our esteemed guide Mr. Manoj Kumar Swain, Prof.(EEE), who
helped & coordinated us in completion of the project .I also sincerely thank to
Mr. Venketeswar Rao, Prof. &Asst HOD(EE) & thereby my special thanks to
Mr. Rati Ranjan Sabat Prof.& HOD(EEE) and all the teachers for their
suggestions, motivation and support during the project work and keen personal
interest throughout the progress of my project work.
I express my thanks to all my friends, my family for their timely,
suggestions and encouragements.
NADIMINTI SAROJA KUMAR
DIGVIJAY KUMAR
SURAVI MAHANTA
iii
5
ABSTRAT
Manual work is taken over the robot technology and many of the related robot appliances
are being used extensively also. Here represents the technology that proposed the working of
robot for Floor cleaning. This floor cleaner robot can work in any of two modes i.e.
“Automatic and Manual”. All hardware and software operations are controlled by ATMEGA8
microcontroller. This robot can perform sweeping and mopping task. RF modules have been
used for wireless communication between remote (manual mode) and robot and having range
50m. This robot is incorporated with IR sensor for obstacle detection and automatic water
sprayer pump. Three motors are used, one for cleaning, two for wheels. Dual relay circuit used
to drive the motors one for water pump and another for cleaner. In previous work, there was no
automatic water sprayer used and works only in automatic mode. In the automatic mode robot
control all the operations itself and change the lane in case of hurdle detection and moves
back.. The moving circuitry is connected with a dc supply through a charger circuit and the
cleaning motor is supplied by a 18V battery.
6
TABLE OF CONTENTS
CHAPTER NO. TITLE PAGENO.
ABSTRACT 5
LIST OF FIGURES 7
1 INTRODUCTION 8
2 HISTORY 9
3 Introductions to AVR Series
(ATmega8) microcontroller
10
3.1 OVERVIEW 10
3.2 FEATURES 10
3.3 P I N D E S C R I P T I O N 10
3.4 BLOCK DIAGRAM 11
4 Block Description of Development
Board Connected
12
5 Introductions to Motors 14
5.1 HOW DOES A MOTOR WORKS 15
5.2 C L A S S I F I C A T I O N O F M O T O R 17
19
5.2.1 Brush DC motors (BDC).
1. Brushless DC motors (BLDC).
20
5.2.2 Brush Less DC motors (BLDC) 21
5.3.1 ADVANTAGES OF DC MOTOR 23
5.3.2 DISADVANTAGES OF DC MOTOR 24
26
6.1 EMBEDDED C’ 28
6.2 WRITING SOME PROGRAMS ON C’
29
7 APPLICATIONS 30
8 ADVANTAGES 36
9 FURTHER MODIFICATIONS 37
10 CONCLUSION 38
7
LIST OF FIGURES
1. PIN DESCRIPTION DIAGRAM OF ATMEGA8
2. TIMING DIAGRAMS
3. BLOCK DIAGRAM
4. BLOCK DESCRIPTION OF DEVELOPMENT BOARD
5. WORKING PICTURE OF A MOTOR
6. COMMUTATOR
7. BRUSHED DC MOTOR CONSTRUCTION
8. ROTOR ARMATURE
9. SEGMENTS AND BRUSHES
10. AVR BOOTING PROCEDURE PICTURES
11. LED CONNECTION TO CIRCUIT
12. LATEST ADVANCE TECHNOLOGY DEVICES PICTURES
1. INTRODUCTION
Robot is an electromechanical machine and used for various purposes in industrial and
domestic applications. Robot appliances are entering in the consumer market, since the
introduction of iRobots. Many related appliances from various companies have been followed.
Initially the main focus was on having a cleaning device. As the time pass on many
improvements were made and more efficient appliances were developed. In early, 2010 a new
automatic floor cleaner robot “Mint” was developed by Jen Steffen. Detachable clothes were
attached for sweeping and mopping purposes. For tracking mint used the GPS-like indoor
localization system. In this research work a floor cleaner robot based on ATMEGA8 have been
developed. This cleaner robot is an electric home appliance, which works in two modes as per
the user convenience “Automatic and Manual”. Unlike other floor cleaner robots this is not a
vacuum cleaner robot; it performs sweeping and mopping operation. Detachable mop is used for
mopping. It works on 12V supply. In the automatic mode, robot performs all operations itself.
Firstly robot starts it moves forward and perform cleaning action. For obstacle detection and to
avoid hurdle IR sensors have been used. If any hurdle detected then robot change the lane
automatically, had made the burden of house core light and but the operational labor of a
vacuum cleaner had been so severe. In this paper the RFID tags are used to sense the obstacle
and propose the new disposition algorithm to have RFID tags installed on the floor and objects
indoor. It needs to also have an intelligent interaction function for the human-friendly
communication. RFID tags are installed to detect the obstacles which is costly and complex.
This paper presents a floor cleaning robot equipped with Swedish wheels. It can be used in
crowded places such as houses, train station, airport etc.The robot can perform its work in
autonomous mode. Moreover the robot can pivot around without turning, can avoid obstacles
and is provided with automatic power management ability and meanwhile, the kinematics for its
control and controlling methods are studied and demonstrated. This new structure, smooth
locomotion capability and high working efficiency are verified by experimentation. Vacuum
cleaning can be done by this robot and ultrasonic detections sensors are used for obstacle
detection.
Most cleaning machines use a vacuum as the principle cleaning device, but in our case, the
cleaning device has been adapted from a commercially available electric broom, because the
aim of our project is to focus on the cleaning of surface. Depending on the surface type, the
roller brush can be very effective because it cleans by friction and the rotation itself also
generates a suction airflow that avoids dust generation. Moreover, its design is very simple and
cheap, having only two parts: a rotating brush and moving circuitry. Therefore, the proposed
design includes the original cleaning elements. This demonstration prototype was built in
aluminum for rapid prototyping but plastic materials are planned for more advanced prototypes.
Finally, the cleaning brush can be changed manually removing the brush.
37
2.HISTORY
Cleaning the floor, especially in the kitchen, is one of life's annoying little chores that must be
performed on a regular basis in order to avoid a buildup of debris. The standard method for floor
cleaning relies on sweeping the floor and thereafter running a damp cloth or a mop across the
swept floor. While tried and true, this method is time consuming and labor-intensive which result
in “scheduled” floor cleanings being skipped for other less onerous tasks or even for a beer and a
movie depending on the circumstances.
In order to overcome the time and labor intensity associated with floor cleaning, automated floor
cleaning systems have been proposed. Such systems generally fall into one of two broad
categories. The first type of such system relies on various sensors and artificial intelligence in order
to systematically move the floor cleaner across the floor. The sensors detect objects and other
obstructions and the artificial intelligence system determines the course of action of the device with
respect to the object or obstruction. Advanced devices rely on neural networks or other learning
algorithms in order to understand the topography of the floor for future cleanings of the floor.
The other major type of floor cleaning system uses some form of input device so that the user can
program the system in order to teach the device the various perimeters of the floor as well as any
fixed obstructions so that once so programmed, the floor cleaner will be able to traverse the floor
properly.
While each of the above two types of automatic floor systems work with varying degrees of speed
and efficiency, depending on the particular model, such systems tend to be very complex in design
and construction, making such systems uneconomical for all but a few. Additionally, the
programmable model tends to be unduly difficult to set up and maintain.
Therefore, there exists a need in the art for an automatic floor cleaning system that addresses the
above-mentioned concerns found in the prior art. The floor cleaning system must be relatively
simple in design and construction and must be easy to setup and operate. Ideally, the floor cleaning
system will be compact and lightweight and will be easy to clean.
2.1 SUMMARY OF THE INVENTION
The automatic floor cleaner of the present invention addresses the aforementioned needs in the art.
The automatic floor cleaner is relatively simple in design and construction. The cleaner is very
easy to setup and operate requiring either no or at best nominal programming of the device. The
automatic floor cleaner is compact and lightweight and is easy to clean at regular intervals.
37
The automatic floor cleaner of the present invention is comprised of a body member having an
extension extending therefrom. A cleaning implement is attached to or otherwise encompasses the
extension. At least one ball wheel is attached to the body member while a motor is disposed within
the body member. An appropriate electrical source electrically connects to the motor for operating
the motor. A driven wheel is swivelly attached to the body member and is operatively attached to
the motor and is a standard change-of-direction architecture (often referred to as Bump-and-Go
architecture) such that when the body member is traveling in a given direction and encounters an
obstacle, the driven wheel swivels and changes the traveling direction of the body member. A clip
may be attached to the extension for securing the cleaning implement to the extension. A switch is
electrically disposed between the electrical source and the motor and is operable between an on
position establishing electrical communication between the electrical source and the motor and an
off position disrupting electrical communication between the electrical source and the motor. A
timer is electrically disposed between the switch and the electrical source for turning the switch to
the off position after the expiration of a predetermined length of time, which length of time may be
programmable. A sensor, which may be either electronic (ultrasonic transceiver, etc.), or
mechanical, such as a drop latch, is attached to the body member and is electrically connected to
the motor such that when the sensor senses an obstruction, the driven wheel swivels and changes
the traveling direction of the body member. The cleaning implement has either static cling
properties or is a wet cloth, and is made from an appropriate material such as cloth or paper.
3. Introductions to AVR Series (ATmega8) microcontroller
3.1. Overview
The ATmega8 is a low-power CMOS 8-bit microcontroller based on the AVR enhanced RISC
architecture. By executing powerful instructions in a single clock cycle, the ATmega8 achieves
throughputs approaching 1 MIPS per MHz allowing the designer to optimize power consumption
versus processing speed.
3.2 Features
• High-performance, Low-power AVR® 8-bit Microcontroller
• Advanced RISC Architecture
– 130 Powerful Instructions – Most Single-clock Cycle Execution
– 32 x 8 General Purpose Working Registers
– Fully Static Operation
37
– Up to 16 MIPS Throughput at 16 MHz
– On-chip 2-cycle Multiplier
• High Endurance Non-volatile Memory segments
– 8K Bytes of In-System Self-programmable Flash program memory
– 512 Bytes EEPROM
– 1K Byte Internal SRAM
– Write/Erase Cycles: 10,000 Flash/100,000 EEPROM
– Data retention: 20 years at 85°C/100 years at 25°C(1)
– Optional Boot Code Section with Independent Lock Bits
In-System Programming by On-chip Boot Program
True Read-While-Write Operation
– Programming Lock for Software Security
• Peripheral Features
– Two 8-bit Timer/Counters with Separate Prescaler, one Compare Mode
– One 16-bit Timer/Counter with Separate Prescaler, Compare Mode, and Capture
Mode
– Real Time Counter with Separate Oscillator
– Three PWM Channels
– 8-channel ADC in TQFP and QFN/MLF package
Eight Channels 10-bit Accuracy
– 6-channel ADC in PDIP package
Six Channels 10-bit Accuracy
– Byte-oriented Two-wire Serial Interface
– Programmable Serial USART
– Master/Slave SPI Serial Interface
– Programmable Watchdog Timer with Separate On-chip Oscillator
– On-chip Analog Comparator
• Special Microcontroller Features
– Power-on Reset and Programmable Brown-out Detection
– Internal Calibrated RC Oscillator
– External and Internal Interrupt Sources
– Five Sleep Modes: Idle, ADC Noise Reduction, Power-save, Power-down, and
Standby
• I/O and Packages
– 23 Programmable I/O Lines
– 28-lead PDIP, 32-lead TQFP, and 32-pad QFN/MLF
• Operating Voltages
– 2.7 - 5.5V (ATmega8L)
– 4.5 - 5.5V (ATmega8)
• Speed Grades
– 0 - 8 MHz (ATmega8L)
37
– 0 - 16 MHz (ATmega8)
• Power Consumption at 4 Mhz, 3V, 25°C
– Active: 3.6 mA
– Idle Mode: 1.0 mA
– Power-down Mode: 0.5 μA
37
3.3 Pin Descriptions
Fig-3
37
Port B (PB7-PB0): Port B is an 8-bit bi-directional I/O port with internal pull-up resistors. The
Port B output buffers have symmetrical drive characteristics with both high sink and source
capability. As inputs, Port B pins that are externally pulled low will source current if the pull-up
resistors are activated. The Port B pins are tri-stated when a reset condition becomes active, even if
the clock is not running. Port B also serves the functions of various special features of the
ATmega8. Port C (PC7-PC0): Port C is an 8-bit bi-directional I/O port with internal pull-up
resistors. The Port C output buffers have symmetrical drive characteristics with both high sink and
source capability. As inputs, Port C pins that are externally pulled low will source current if the
pull-up resistors are activated. The Port C pins are tri-stated when a reset condition becomes active,
even if the clock is not running. If the JTAG interface is enabled, the pull-up resistors on pins PC5
(TDI), PC3 (TMS) and PC2 (TCK) will be activated even if a reset occurs. Port D (PD7-PD0):
Port D is an 8-bit bi-directional I/O port with internal pull-up resistors. The Port D output buffers
have symmetrical drive characteristics with both high sink and source capability. As inputs, Port D
pins that are externally pulled low will source current if the pull-up resistors are activated. The Port
D pins are tri-stated when a reset condition becomes active, even if the clock is not running. Port D
also serves the functions of various special features of the ATmega8. RESET: Reset Input. A low
level on this pin for longer than the minimum pulse Length will generate a reset, even if the clock
is not running. Shorter pulses are not guaranteed to generate a reset. XTAL1: Input to the inverting
Oscillator amplifier and input to the internal clock operating circuit. XTAL2: Output from the
inverting Oscillator amplifier. AVCC: AVCC is the supply voltage pin for Port A and the A/D
Converter. It should be externally connected to VCC, even if the ADC is not used. If the ADC is
used, it should be connected to VCC through a low-pass filter. AREF: AREF is the analog
reference.
VCC Digital supply voltage.
Port B is an 8-bit bi-directional I/O port with internal pull-up resistors (selected for each bit). The
Port B output buffers have symmetrical drive characteristics with both high sink and source
capability. As inputs, Port B pins that are externally pulled low will source current if the pull-up
resistors are activated. The Port B pins are tri-stated when a reset condition becomes active,
even if the clock is not running.
Depending on the clock selection fuse settings, PB6 can be used as input to the inverting Oscillator
amplifier and input to the internal clock operating circuit.
Depending on the clock selection fuse settings, PB7 can be used as output from the inverting
Oscillator amplifier.
If the Internal Calibrated RC Oscillator is used as chip clock source, PB7..6 is used as TOSC2..1
input for the Asynchronous Timer/Counter2 if the AS2 bit in ASSR is set.
The various special features of Port B are elaborated in “Alternate Functions of Port B” on page
58 and “System Clock and Clock Options” on page 25.
Port C (PC5..PC0) Port C is an 7-bit bi-directional I/O port with internal pull-up resistors
(selected for each bit). The
Port C output buffers have symmetrical drive characteristics with both high sink and source
37
capability. As inputs, Port C pins that are externally pulled low will source current if the pull-up
resistors are activated. The Port C pins are tri-stated when a reset condition becomes active,
even if the clock is not running.
PC6/RESET If the RSTDISBL Fuse is programmed, PC6 is used as an I/O pin. Note that the
electrical characteristics
of PC6 differ from those of the other pins of Port C.
If the RSTDISBL Fuse is unprogrammed, PC6 is used as a Reset input. A low level on this pin
for longer than the minimum pulse length will generate a Reset, even if the clock is not running.
The minimum pulse length is given. Shorter pulses are not guaranteed to
generate a Reset.
The various special features of Port C are elaborated.
Port D (PD7..PD0) Port D is an 8-bit bi-directional I/O port with internal pull-up resistors
(selected for each bit). The
Port D output buffers have symmetrical drive characteristics with both high sink and source
capability. As inputs, Port D pins that are externally pulled low will source current if the pull-up
resistors are activated. The Port D pins are tri-stated when a reset condition becomes active,
even if the clock is not running.
Port D also serves the functions of various special features of the ATmega8 as listed.
RESET Reset input. A low level on this pin for longer than the minimum pulse length will
generate a
reset, even if the clock is not running. The minimum pulse length is given. Shorter pulses are not
guaranteed to generate a reset.
The X-register, Yregister
and Z-register
The registers R26..R31 have some added functions to their general purpose usage. These registers
are 16-bit address pointers for indirect addressing of the Data Space. The three indirect
address registers X, Y and Z are defined as described in Figure 4.
Figure 4. The X-, Y- and Z-Registers
Stack Pointer The Stack is mainly used for storing temporary data, for storing local variables and
for storing
return addresses after interrupts and subroutine calls. The Stack Pointer Register always points
37
to the top of the Stack. Note that the Stack is implemented as growing from higher memory
locations
to lower memory locations. This implies that a Stack PUSH command decreases the Stack
Pointer.
The Stack Pointer points to the data SRAM Stack area where the Subroutine and Interrupt
Stacks are located. This Stack space in the data SRAM must be defined by the program before
any subroutine calls are executed or interrupts are enabled. The Stack Pointer must be set to
point above 0x60. The Stack Pointer is decremented by one when data is pushed onto the Stack
with the PUSH instruction, and it is decremented by two when the return address is pushed onto
the Stack with subroutine call or interrupt. The Stack Pointer is incremented by one when data is
popped from the Stack with the POP instruction, and it is incremented by two when address is
popped from the Stack with return from subroutine RET or return from interrupt RETI.
The AVR Stack Pointer is implemented as two 8-bit registers in the I/O space. The number of
bits actually used is implementation dependent. Note that the data space in some implementations
of the AVR architecture is so small that only SPL is needed. In this case, the SPH Register
will not be present.
Figure 5 shows the parallel instruction fetches and instruction executions enabled by the Harvard
architecture and the fast-access Register File concept. This is the basic pipelining concept
to obtain up to 1 MIPS per MHz with the corresponding unique results for functions per cost,
functions per clocks, and functions per power-unit.
Figure 6 shows the internal timing concept for the Register File. In a single clock cycle an ALU
operation using two register operands is executed, and the result is stored back to the destination
register.
37
ATmega8(L)
AVCC AVCC is the supply voltage pin for the A/D Converter, Port C (3..0), and ADC (7..6). It
should be
externally connected to VCC, even if the ADC is not used. If the ADC is used, it should be
connected
to VCC through a low-pass filter. Note that Port C (5..4) use digital supply voltage, VCC.
AREF AREF is the analog reference pin for the A/D Converter.
ADC7..6 (TQFP and
QFN/MLF Package
Only)
In the TQFP and QFN/MLF package, ADC7..6 serve as analog inputs to the A/D converter.
37
These pins are powered from the analog supply and serve as 10-bit ADC channels.
The ATmega8 is a low-power CMOS 8-bit microcontroller based on the AVR RISC architecture.
By executing powerful instructions in a single clock cycle, the ATmega8 achieves throughputs
approaching 1 MIPS per MHz, allowing the system designer to optimize power consumption
versus
processing speed.
37
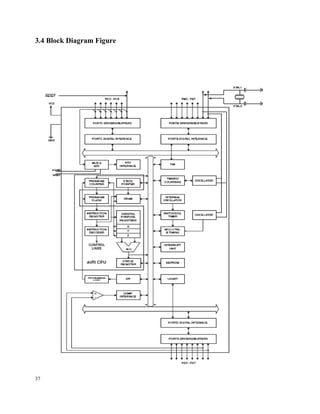
3.4 Block Diagram Figure
37
Figture-3.4
37
4. Block Description of Development Board Connected
Fig-4
37
5. Introductions to Motor Driver
Fig-5
5.1 How does a motor work?
Let's consider a permanent magnet brushed motor. The piece connected to the ground is called
the stator and the piece connected to the output shaft is called the rotor. The inputs of the motor
are connected to 2 wires and by applying a voltage across them, the motor turns.
The torque of a motor is generated by a current carrying conductor in a magnetic field. The right
hand rule states that if you point your right hand fingers along the direction of current, I, and curl
them towards the direction of the magnetic flux, B, the direction of force is along the thumb.
37
Fig-5.1
Now, imagine a loop of wire with some resistance is inserted between the two permanent magnets.
The following diagrams show how the motor turns:
37
Diagram showing how the motor works
Relationship between the Torque and
magnet.
Fig-5.2
You might be able to notice that the direction of rotation is changing every half cycle. To keep it
rotating in the same direction, we have to switch the current direction. The process of switching
current is called commutation. To switch the direction of curent, we have to
use brushes and commutators. Commutation can also be done electronically (Brushless motors)
and a brushless motor usually has a longer life. The following diagram shows how brushes and
commutators work.
37
Fig-5.3
We could also have several commutators and loops. The total torque generated is the sum of all the
torques from each of the loops added.
37
So, the torque is proportional to the current through the windings,
T = kI where T is the torque, I is the current, and k is a constant
The wire coils have both a resistance, R, and an inductance, L. When the motor is turning, the
current is switching, causing a voltage,
V = L dI/dt
This voltage is known as the back-emf(electromotive force), e.
If the angular velocuty of the motor is w, then e = kw (like a generator)
This voltage, e, is working against the voltage we apply across the terminals, and so,
(V- kw) = IR where I = T/R
which implies (V-kw) = (T/k) R
The maximum or stall torque is the torque at which w = 0 or T = kV/R, and
The stall or starting current, I = V/R
The no load speed, w = V/k, is the maximum speed the motor can run. Given a constant voltage,
the motor will settle at a constant speed, just like a terminal velocity.
If we plot w = V/k - (T/k^2)R, we can get the speed-torque curve:
Units
37
Here are the different units for the torque, current and voltage
Torque: oz.in., Nm (=kgm/s^2*m), kgfm(=9.8 times Nm), gfcm, mNm, etc.
Current: Amperes(Amps), mA
Voltage: Volts
mechanical power = T*w(Nm/sec) = 1 watt
electrical power = VI = 1 volt * amp = 1watt
5.2 Classification or Types of Motor
The primary classification of motor or types of motor can be tabulated as shown below,
The DC motors are divided mainly to:
2. Brush DC motors (BDC).
3. Brushless DC motors (BLDC).
5.2.1. A Brush DC motors
37
Brush DC motors
Fig-5.2.1
A brushed DC motor (BDC) is an internally commutated electric motor designed to be run from a
direct current power source.
Applications:
Brushed DC motors are widely used in applications ranging from toys to push-button adjustable
car seats.
Advantages:
Brushed DC (BDC) motors are inexpensive, easy to drive, and are readily available in all sizes and
shapes
Construction:
37
Brushed DC motor Construction
Fig-5.2.2
All BDC motors are made of the same basic components: a stator, rotor, brushes and a
commutator.
1- Stator
The stator generates a stationary magnetic field that surrounds the rotor. This field is generated by
either permanent magnets or electromagnetic windings.
2- Rotor
37
Rotor (Armature)
Fig-5.2.3
The rotor, also called the armature, is made up of one or more windings. When these windings are
energized they produce a magnetic field. The magnetic poles of this rotor field will be attracted to
the opposite poles generated by the stator, causing the rotor to turn. As the motor turns, the
windings are constantly being energized in a different sequence so that the magnetic poles
generated by the rotor do not overrun the poles generated in the stator. This switching of the field
in the rotor windings is called commutation.
3- Brushes and Commutator
37
Commutator Example
Fig-5.2.4
37
Segments and Brushes
Fig-5.2.5
Unlike other electric motor types (i.e., brushless DC, AC induction), BDC motors do not require a
controller to switch current in the motor windings. Instead, the commutation of the windings of a
BDC motor is done mechanically. A segmented copper sleeve, called a commutator, resides on the
axle of a BDC motor. As the motor turns, carbon brushes (ride on the side of the commutator to
provide supply voltage to the motor) slide over the commutator, coming in contact with different
segments of the commutator. The segments are attached to different rotor windings, therefore, a
dynamic magnetic field is generated inside the motor when a voltage is applied across the brushes
of the motor. It is important to note that the brushes and commutator are the parts of a BDC motor
that are most prone to wear because they are sliding past each other.
How the Commutator Works:
37
How the Commutator Works
Fig-5.2.6
As the rotor turns, the commutator terminals also turn and continuously reverse polarity of the
current it gets from the stationary brushes attached to the battery.
5.3.1 Advantages of DC motors:
1. It is easy to control their speed in a wide range; their torque-speed characteristic
has, historically, been easier to tailor than that of all AC motor categories. This is why most
traction and servo motors have been DC machines. For example, motors for driving rail
vehicles were, until recently, exclusively DC machines.
2. Their reduced overall dimensions permit a considerable space saving which let the
manufacturer of the machines or of plants not to be conditioned by the exaggerated
dimensions of circular motors.
5.3.2 Disadvantages of DC motors
1. Since they need brushes to connect the rotor winding. Brush wear occurs, and it
increases dramatically in low‐pressure environment. So they cannot be used in artificial
hearts. If used on aircraft, the brushes would need replacement after one hour of operation.
2. Sparks from the brushes may cause explosion if the environment contains explosive
materials.
3. RF noise from the brushes may interfere with nearby TV sets, or electronic devices,
Etc.
4. DC motors are also expensive relative to AC motors.
37
37
Fig-5.3
6.1EMBEDDED C:-
/*****************************your first AVR project***************************/
#include<avr/io.h> int main(void) { //This program doesn’t do anything. } /***********end of the
program*************/
37
37
Write down the above code to your AVR studio Text Editor. See Screen shot of the same below.
37
37
37
37
6.2. Study of some C program using Loops and variables
7. APPLICATIONS
• Automatic machines and devices are used for any
floor cleaning.
• Combined sweeper and scrubber is used for
cleaning of high quality glasses.
• For the application of foam on the textile.
• It is used in railway to clean the surface of train and
also the platform.
8. ADVANTAGES
• Time saving as it is operated by a machine automatically.
• It avoids human effort as all the works will be done automatically.
• It saves money as there is no material is used which needs to be changed.
• It can be applicable for virtual walls which is very difficult for a worker to do the
work.
• It can clean our home when we are away from home.
• It is able to clean under furniture and bed.
37
9. FUTURE MODIFICATIONS
A robot cleaner has to suck up the dirt, obviously—and most importantly. But it also needs to be
smart. It needs to navigate around the shoes you've strewn about, your couch, and not fall down stairs.
It needs to be able to find its way back home without knocking things over. It needs to not get stuck. It
needs to be precise enough to get into those deep, grimy edges under your kitchen counter.
Surprisingly, it works at getting dirt off the floor. Granted, it's in the most inelegant way—just
dragging it along into one big snowballing dirt mound—but at the end of the cleaning cycle, my floors
were clean. But what then? Getting the crap off the cleaning cloth is a chore—no amount of slapping
and scraping into the trash would bring it back to its original freshness. So I have to do laundry
between sweeping cycles? No thank you.
37
37
10. CONCLUSION
Hereby we come to an end of or project “automatic floor cleaner”. Thus in our
project we have designed the Automatic floor cleaning machine with the helpof A.C Motor and
belt transmission. The machine is designed in order to enable easy operationand to reduce the
effort of human beings. Even chidren and aged people can handle this machine,no critical
operations is needed in this machine. The ultimate need of this project is satisfied andwith the
help of this machine we can clean the floor easily.
37
15. REFERENCE
i. scholar.google.co.in
ii. https://www.google.com/patents/US20140373302
iii. http://www.medicaljobsireland.ie/tag/hospital-hygiene-audit-results/4.
iv. http://www.hmi.ie/Documents/february_2009/cover_story_hygiene_report
%20hm_Feb_09_p12.pdf5.
v. http://www.mrsainfection.org/mrsa-in-ireland.php6.
vi. http://www.wsh.nhs.uk/InfectionControl/MRSA.htmChen & Schelin:
37
afc-1
afc-1

afc-1

  • 1.
    AUTOMATIC FLOOR CLEANER A ProjectReport Submitted by: NADIMINTI SAROJA KUMAR (1201210503) DIGVIJAY KUMAR (1201210537) SURAVI MAHANTA (1201210485) In partial fulfilment for the award of the Degree Of BACHELOR OF TECHNOLOGY IN ELECTRICAL and ELECTRONICS ENGINEERING Under the esteemed guidance of Mr. MANOJ KUMAR SWAIN Asst. Prof. (EEE) AT DEPARTMENT OF ELECTRICAL ENGINEERING GANDHI INSTITUTE OF ENGINEERING AND TECHNOLOGY GUNUPUR – 765022 2012-2016
  • 2.
    i DECLARATION We hereby declarethat the project entitled “AUTOMATIC FLOOR CLEANER” submitted for the B.Tech. Degree is my original work and the project has not formed the basis for the award of any degree, associate- ship, fellowship or any other similar titles. Signature of the Students: 1. 2. 3. Place: Date:
  • 3.
    ii Gandhi Institute of Engineering& Technology GUNUPUR – 765 022, Dist: Rayagada (Orissa), India (Approved by AICTE, Govt. of Orissa and Affiliated to BijuPatnaikUniversity of Technology) : 06857 – 250172(Office), 251156(Principal), 250232(Fax), e-mail: gandhi_giet@yahoo.com visit us at www.giet.org DEPARTMENT OF ELECTRICAL & ELECTRONICS ENGINEERING CERTIFICATE ISO 9001:2000 Certified Institute This is to certify that the project work entitled “AUTOMATIC FLOOR CLEANER”is the bonafidework carried out by NADIMINTI SAROJA KUMAR (1201210503), DIGVIJAY KUMAR(1201210537), SURAVI MAHANTA(1201210485) students of BACHELOR OF TECHNOLOGY, GANDHI INSTITUTE OF ENGINEERING AND TECHNOLOGY during the academic year 2012-16 in partial fulfilment of the requirements for the award of the Degree of BACHELOR OF TECHNOLOGY in ELECTRICAL ENGINEERING. Mr. Manoj Kumar Swain Mr. Rati Ranjan Sabat Asst. Prof. (EEE) HOD (EEE )
  • 4.
    ACKNOWLEDGEMENTS It is agreat pleasure and privilege to express my profound sense of gratitude to our esteemed guide Mr. Manoj Kumar Swain, Prof.(EEE), who helped & coordinated us in completion of the project .I also sincerely thank to Mr. Venketeswar Rao, Prof. &Asst HOD(EE) & thereby my special thanks to Mr. Rati Ranjan Sabat Prof.& HOD(EEE) and all the teachers for their suggestions, motivation and support during the project work and keen personal interest throughout the progress of my project work. I express my thanks to all my friends, my family for their timely, suggestions and encouragements. NADIMINTI SAROJA KUMAR DIGVIJAY KUMAR SURAVI MAHANTA iii
  • 5.
    5 ABSTRAT Manual work istaken over the robot technology and many of the related robot appliances are being used extensively also. Here represents the technology that proposed the working of robot for Floor cleaning. This floor cleaner robot can work in any of two modes i.e. “Automatic and Manual”. All hardware and software operations are controlled by ATMEGA8 microcontroller. This robot can perform sweeping and mopping task. RF modules have been used for wireless communication between remote (manual mode) and robot and having range 50m. This robot is incorporated with IR sensor for obstacle detection and automatic water sprayer pump. Three motors are used, one for cleaning, two for wheels. Dual relay circuit used to drive the motors one for water pump and another for cleaner. In previous work, there was no automatic water sprayer used and works only in automatic mode. In the automatic mode robot control all the operations itself and change the lane in case of hurdle detection and moves back.. The moving circuitry is connected with a dc supply through a charger circuit and the cleaning motor is supplied by a 18V battery.
  • 6.
    6 TABLE OF CONTENTS CHAPTERNO. TITLE PAGENO. ABSTRACT 5 LIST OF FIGURES 7 1 INTRODUCTION 8 2 HISTORY 9 3 Introductions to AVR Series (ATmega8) microcontroller 10 3.1 OVERVIEW 10 3.2 FEATURES 10 3.3 P I N D E S C R I P T I O N 10 3.4 BLOCK DIAGRAM 11 4 Block Description of Development Board Connected 12 5 Introductions to Motors 14 5.1 HOW DOES A MOTOR WORKS 15 5.2 C L A S S I F I C A T I O N O F M O T O R 17 19 5.2.1 Brush DC motors (BDC). 1. Brushless DC motors (BLDC). 20 5.2.2 Brush Less DC motors (BLDC) 21 5.3.1 ADVANTAGES OF DC MOTOR 23 5.3.2 DISADVANTAGES OF DC MOTOR 24 26 6.1 EMBEDDED C’ 28 6.2 WRITING SOME PROGRAMS ON C’ 29 7 APPLICATIONS 30 8 ADVANTAGES 36 9 FURTHER MODIFICATIONS 37 10 CONCLUSION 38
  • 7.
    7 LIST OF FIGURES 1.PIN DESCRIPTION DIAGRAM OF ATMEGA8 2. TIMING DIAGRAMS 3. BLOCK DIAGRAM 4. BLOCK DESCRIPTION OF DEVELOPMENT BOARD 5. WORKING PICTURE OF A MOTOR 6. COMMUTATOR 7. BRUSHED DC MOTOR CONSTRUCTION 8. ROTOR ARMATURE 9. SEGMENTS AND BRUSHES 10. AVR BOOTING PROCEDURE PICTURES 11. LED CONNECTION TO CIRCUIT 12. LATEST ADVANCE TECHNOLOGY DEVICES PICTURES
  • 8.
    1. INTRODUCTION Robot isan electromechanical machine and used for various purposes in industrial and domestic applications. Robot appliances are entering in the consumer market, since the introduction of iRobots. Many related appliances from various companies have been followed. Initially the main focus was on having a cleaning device. As the time pass on many improvements were made and more efficient appliances were developed. In early, 2010 a new automatic floor cleaner robot “Mint” was developed by Jen Steffen. Detachable clothes were attached for sweeping and mopping purposes. For tracking mint used the GPS-like indoor localization system. In this research work a floor cleaner robot based on ATMEGA8 have been developed. This cleaner robot is an electric home appliance, which works in two modes as per the user convenience “Automatic and Manual”. Unlike other floor cleaner robots this is not a vacuum cleaner robot; it performs sweeping and mopping operation. Detachable mop is used for mopping. It works on 12V supply. In the automatic mode, robot performs all operations itself. Firstly robot starts it moves forward and perform cleaning action. For obstacle detection and to avoid hurdle IR sensors have been used. If any hurdle detected then robot change the lane automatically, had made the burden of house core light and but the operational labor of a vacuum cleaner had been so severe. In this paper the RFID tags are used to sense the obstacle and propose the new disposition algorithm to have RFID tags installed on the floor and objects indoor. It needs to also have an intelligent interaction function for the human-friendly communication. RFID tags are installed to detect the obstacles which is costly and complex. This paper presents a floor cleaning robot equipped with Swedish wheels. It can be used in crowded places such as houses, train station, airport etc.The robot can perform its work in autonomous mode. Moreover the robot can pivot around without turning, can avoid obstacles and is provided with automatic power management ability and meanwhile, the kinematics for its control and controlling methods are studied and demonstrated. This new structure, smooth locomotion capability and high working efficiency are verified by experimentation. Vacuum cleaning can be done by this robot and ultrasonic detections sensors are used for obstacle detection. Most cleaning machines use a vacuum as the principle cleaning device, but in our case, the cleaning device has been adapted from a commercially available electric broom, because the aim of our project is to focus on the cleaning of surface. Depending on the surface type, the roller brush can be very effective because it cleans by friction and the rotation itself also generates a suction airflow that avoids dust generation. Moreover, its design is very simple and cheap, having only two parts: a rotating brush and moving circuitry. Therefore, the proposed design includes the original cleaning elements. This demonstration prototype was built in aluminum for rapid prototyping but plastic materials are planned for more advanced prototypes. Finally, the cleaning brush can be changed manually removing the brush. 37
  • 9.
    2.HISTORY Cleaning the floor,especially in the kitchen, is one of life's annoying little chores that must be performed on a regular basis in order to avoid a buildup of debris. The standard method for floor cleaning relies on sweeping the floor and thereafter running a damp cloth or a mop across the swept floor. While tried and true, this method is time consuming and labor-intensive which result in “scheduled” floor cleanings being skipped for other less onerous tasks or even for a beer and a movie depending on the circumstances. In order to overcome the time and labor intensity associated with floor cleaning, automated floor cleaning systems have been proposed. Such systems generally fall into one of two broad categories. The first type of such system relies on various sensors and artificial intelligence in order to systematically move the floor cleaner across the floor. The sensors detect objects and other obstructions and the artificial intelligence system determines the course of action of the device with respect to the object or obstruction. Advanced devices rely on neural networks or other learning algorithms in order to understand the topography of the floor for future cleanings of the floor. The other major type of floor cleaning system uses some form of input device so that the user can program the system in order to teach the device the various perimeters of the floor as well as any fixed obstructions so that once so programmed, the floor cleaner will be able to traverse the floor properly. While each of the above two types of automatic floor systems work with varying degrees of speed and efficiency, depending on the particular model, such systems tend to be very complex in design and construction, making such systems uneconomical for all but a few. Additionally, the programmable model tends to be unduly difficult to set up and maintain. Therefore, there exists a need in the art for an automatic floor cleaning system that addresses the above-mentioned concerns found in the prior art. The floor cleaning system must be relatively simple in design and construction and must be easy to setup and operate. Ideally, the floor cleaning system will be compact and lightweight and will be easy to clean. 2.1 SUMMARY OF THE INVENTION The automatic floor cleaner of the present invention addresses the aforementioned needs in the art. The automatic floor cleaner is relatively simple in design and construction. The cleaner is very easy to setup and operate requiring either no or at best nominal programming of the device. The automatic floor cleaner is compact and lightweight and is easy to clean at regular intervals. 37
  • 10.
    The automatic floorcleaner of the present invention is comprised of a body member having an extension extending therefrom. A cleaning implement is attached to or otherwise encompasses the extension. At least one ball wheel is attached to the body member while a motor is disposed within the body member. An appropriate electrical source electrically connects to the motor for operating the motor. A driven wheel is swivelly attached to the body member and is operatively attached to the motor and is a standard change-of-direction architecture (often referred to as Bump-and-Go architecture) such that when the body member is traveling in a given direction and encounters an obstacle, the driven wheel swivels and changes the traveling direction of the body member. A clip may be attached to the extension for securing the cleaning implement to the extension. A switch is electrically disposed between the electrical source and the motor and is operable between an on position establishing electrical communication between the electrical source and the motor and an off position disrupting electrical communication between the electrical source and the motor. A timer is electrically disposed between the switch and the electrical source for turning the switch to the off position after the expiration of a predetermined length of time, which length of time may be programmable. A sensor, which may be either electronic (ultrasonic transceiver, etc.), or mechanical, such as a drop latch, is attached to the body member and is electrically connected to the motor such that when the sensor senses an obstruction, the driven wheel swivels and changes the traveling direction of the body member. The cleaning implement has either static cling properties or is a wet cloth, and is made from an appropriate material such as cloth or paper. 3. Introductions to AVR Series (ATmega8) microcontroller 3.1. Overview The ATmega8 is a low-power CMOS 8-bit microcontroller based on the AVR enhanced RISC architecture. By executing powerful instructions in a single clock cycle, the ATmega8 achieves throughputs approaching 1 MIPS per MHz allowing the designer to optimize power consumption versus processing speed. 3.2 Features • High-performance, Low-power AVR® 8-bit Microcontroller • Advanced RISC Architecture – 130 Powerful Instructions – Most Single-clock Cycle Execution – 32 x 8 General Purpose Working Registers – Fully Static Operation 37
  • 11.
    – Up to16 MIPS Throughput at 16 MHz – On-chip 2-cycle Multiplier • High Endurance Non-volatile Memory segments – 8K Bytes of In-System Self-programmable Flash program memory – 512 Bytes EEPROM – 1K Byte Internal SRAM – Write/Erase Cycles: 10,000 Flash/100,000 EEPROM – Data retention: 20 years at 85°C/100 years at 25°C(1) – Optional Boot Code Section with Independent Lock Bits In-System Programming by On-chip Boot Program True Read-While-Write Operation – Programming Lock for Software Security • Peripheral Features – Two 8-bit Timer/Counters with Separate Prescaler, one Compare Mode – One 16-bit Timer/Counter with Separate Prescaler, Compare Mode, and Capture Mode – Real Time Counter with Separate Oscillator – Three PWM Channels – 8-channel ADC in TQFP and QFN/MLF package Eight Channels 10-bit Accuracy – 6-channel ADC in PDIP package Six Channels 10-bit Accuracy – Byte-oriented Two-wire Serial Interface – Programmable Serial USART – Master/Slave SPI Serial Interface – Programmable Watchdog Timer with Separate On-chip Oscillator – On-chip Analog Comparator • Special Microcontroller Features – Power-on Reset and Programmable Brown-out Detection – Internal Calibrated RC Oscillator – External and Internal Interrupt Sources – Five Sleep Modes: Idle, ADC Noise Reduction, Power-save, Power-down, and Standby • I/O and Packages – 23 Programmable I/O Lines – 28-lead PDIP, 32-lead TQFP, and 32-pad QFN/MLF • Operating Voltages – 2.7 - 5.5V (ATmega8L) – 4.5 - 5.5V (ATmega8) • Speed Grades – 0 - 8 MHz (ATmega8L) 37
  • 12.
    – 0 -16 MHz (ATmega8) • Power Consumption at 4 Mhz, 3V, 25°C – Active: 3.6 mA – Idle Mode: 1.0 mA – Power-down Mode: 0.5 μA 37
  • 13.
  • 14.
    Port B (PB7-PB0):Port B is an 8-bit bi-directional I/O port with internal pull-up resistors. The Port B output buffers have symmetrical drive characteristics with both high sink and source capability. As inputs, Port B pins that are externally pulled low will source current if the pull-up resistors are activated. The Port B pins are tri-stated when a reset condition becomes active, even if the clock is not running. Port B also serves the functions of various special features of the ATmega8. Port C (PC7-PC0): Port C is an 8-bit bi-directional I/O port with internal pull-up resistors. The Port C output buffers have symmetrical drive characteristics with both high sink and source capability. As inputs, Port C pins that are externally pulled low will source current if the pull-up resistors are activated. The Port C pins are tri-stated when a reset condition becomes active, even if the clock is not running. If the JTAG interface is enabled, the pull-up resistors on pins PC5 (TDI), PC3 (TMS) and PC2 (TCK) will be activated even if a reset occurs. Port D (PD7-PD0): Port D is an 8-bit bi-directional I/O port with internal pull-up resistors. The Port D output buffers have symmetrical drive characteristics with both high sink and source capability. As inputs, Port D pins that are externally pulled low will source current if the pull-up resistors are activated. The Port D pins are tri-stated when a reset condition becomes active, even if the clock is not running. Port D also serves the functions of various special features of the ATmega8. RESET: Reset Input. A low level on this pin for longer than the minimum pulse Length will generate a reset, even if the clock is not running. Shorter pulses are not guaranteed to generate a reset. XTAL1: Input to the inverting Oscillator amplifier and input to the internal clock operating circuit. XTAL2: Output from the inverting Oscillator amplifier. AVCC: AVCC is the supply voltage pin for Port A and the A/D Converter. It should be externally connected to VCC, even if the ADC is not used. If the ADC is used, it should be connected to VCC through a low-pass filter. AREF: AREF is the analog reference. VCC Digital supply voltage. Port B is an 8-bit bi-directional I/O port with internal pull-up resistors (selected for each bit). The Port B output buffers have symmetrical drive characteristics with both high sink and source capability. As inputs, Port B pins that are externally pulled low will source current if the pull-up resistors are activated. The Port B pins are tri-stated when a reset condition becomes active, even if the clock is not running. Depending on the clock selection fuse settings, PB6 can be used as input to the inverting Oscillator amplifier and input to the internal clock operating circuit. Depending on the clock selection fuse settings, PB7 can be used as output from the inverting Oscillator amplifier. If the Internal Calibrated RC Oscillator is used as chip clock source, PB7..6 is used as TOSC2..1 input for the Asynchronous Timer/Counter2 if the AS2 bit in ASSR is set. The various special features of Port B are elaborated in “Alternate Functions of Port B” on page 58 and “System Clock and Clock Options” on page 25. Port C (PC5..PC0) Port C is an 7-bit bi-directional I/O port with internal pull-up resistors (selected for each bit). The Port C output buffers have symmetrical drive characteristics with both high sink and source 37
  • 15.
    capability. As inputs,Port C pins that are externally pulled low will source current if the pull-up resistors are activated. The Port C pins are tri-stated when a reset condition becomes active, even if the clock is not running. PC6/RESET If the RSTDISBL Fuse is programmed, PC6 is used as an I/O pin. Note that the electrical characteristics of PC6 differ from those of the other pins of Port C. If the RSTDISBL Fuse is unprogrammed, PC6 is used as a Reset input. A low level on this pin for longer than the minimum pulse length will generate a Reset, even if the clock is not running. The minimum pulse length is given. Shorter pulses are not guaranteed to generate a Reset. The various special features of Port C are elaborated. Port D (PD7..PD0) Port D is an 8-bit bi-directional I/O port with internal pull-up resistors (selected for each bit). The Port D output buffers have symmetrical drive characteristics with both high sink and source capability. As inputs, Port D pins that are externally pulled low will source current if the pull-up resistors are activated. The Port D pins are tri-stated when a reset condition becomes active, even if the clock is not running. Port D also serves the functions of various special features of the ATmega8 as listed. RESET Reset input. A low level on this pin for longer than the minimum pulse length will generate a reset, even if the clock is not running. The minimum pulse length is given. Shorter pulses are not guaranteed to generate a reset. The X-register, Yregister and Z-register The registers R26..R31 have some added functions to their general purpose usage. These registers are 16-bit address pointers for indirect addressing of the Data Space. The three indirect address registers X, Y and Z are defined as described in Figure 4. Figure 4. The X-, Y- and Z-Registers Stack Pointer The Stack is mainly used for storing temporary data, for storing local variables and for storing return addresses after interrupts and subroutine calls. The Stack Pointer Register always points 37
  • 16.
    to the topof the Stack. Note that the Stack is implemented as growing from higher memory locations to lower memory locations. This implies that a Stack PUSH command decreases the Stack Pointer. The Stack Pointer points to the data SRAM Stack area where the Subroutine and Interrupt Stacks are located. This Stack space in the data SRAM must be defined by the program before any subroutine calls are executed or interrupts are enabled. The Stack Pointer must be set to point above 0x60. The Stack Pointer is decremented by one when data is pushed onto the Stack with the PUSH instruction, and it is decremented by two when the return address is pushed onto the Stack with subroutine call or interrupt. The Stack Pointer is incremented by one when data is popped from the Stack with the POP instruction, and it is incremented by two when address is popped from the Stack with return from subroutine RET or return from interrupt RETI. The AVR Stack Pointer is implemented as two 8-bit registers in the I/O space. The number of bits actually used is implementation dependent. Note that the data space in some implementations of the AVR architecture is so small that only SPL is needed. In this case, the SPH Register will not be present. Figure 5 shows the parallel instruction fetches and instruction executions enabled by the Harvard architecture and the fast-access Register File concept. This is the basic pipelining concept to obtain up to 1 MIPS per MHz with the corresponding unique results for functions per cost, functions per clocks, and functions per power-unit. Figure 6 shows the internal timing concept for the Register File. In a single clock cycle an ALU operation using two register operands is executed, and the result is stored back to the destination register. 37
  • 17.
    ATmega8(L) AVCC AVCC isthe supply voltage pin for the A/D Converter, Port C (3..0), and ADC (7..6). It should be externally connected to VCC, even if the ADC is not used. If the ADC is used, it should be connected to VCC through a low-pass filter. Note that Port C (5..4) use digital supply voltage, VCC. AREF AREF is the analog reference pin for the A/D Converter. ADC7..6 (TQFP and QFN/MLF Package Only) In the TQFP and QFN/MLF package, ADC7..6 serve as analog inputs to the A/D converter. 37
  • 18.
    These pins arepowered from the analog supply and serve as 10-bit ADC channels. The ATmega8 is a low-power CMOS 8-bit microcontroller based on the AVR RISC architecture. By executing powerful instructions in a single clock cycle, the ATmega8 achieves throughputs approaching 1 MIPS per MHz, allowing the system designer to optimize power consumption versus processing speed. 37
  • 19.
  • 20.
  • 21.
    4. Block Descriptionof Development Board Connected Fig-4 37
  • 22.
    5. Introductions toMotor Driver Fig-5 5.1 How does a motor work? Let's consider a permanent magnet brushed motor. The piece connected to the ground is called the stator and the piece connected to the output shaft is called the rotor. The inputs of the motor are connected to 2 wires and by applying a voltage across them, the motor turns. The torque of a motor is generated by a current carrying conductor in a magnetic field. The right hand rule states that if you point your right hand fingers along the direction of current, I, and curl them towards the direction of the magnetic flux, B, the direction of force is along the thumb. 37
  • 23.
    Fig-5.1 Now, imagine aloop of wire with some resistance is inserted between the two permanent magnets. The following diagrams show how the motor turns: 37
  • 24.
    Diagram showing howthe motor works Relationship between the Torque and magnet. Fig-5.2 You might be able to notice that the direction of rotation is changing every half cycle. To keep it rotating in the same direction, we have to switch the current direction. The process of switching current is called commutation. To switch the direction of curent, we have to use brushes and commutators. Commutation can also be done electronically (Brushless motors) and a brushless motor usually has a longer life. The following diagram shows how brushes and commutators work. 37
  • 25.
    Fig-5.3 We could alsohave several commutators and loops. The total torque generated is the sum of all the torques from each of the loops added. 37
  • 26.
    So, the torqueis proportional to the current through the windings, T = kI where T is the torque, I is the current, and k is a constant The wire coils have both a resistance, R, and an inductance, L. When the motor is turning, the current is switching, causing a voltage, V = L dI/dt This voltage is known as the back-emf(electromotive force), e. If the angular velocuty of the motor is w, then e = kw (like a generator) This voltage, e, is working against the voltage we apply across the terminals, and so, (V- kw) = IR where I = T/R which implies (V-kw) = (T/k) R The maximum or stall torque is the torque at which w = 0 or T = kV/R, and The stall or starting current, I = V/R The no load speed, w = V/k, is the maximum speed the motor can run. Given a constant voltage, the motor will settle at a constant speed, just like a terminal velocity. If we plot w = V/k - (T/k^2)R, we can get the speed-torque curve: Units 37
  • 27.
    Here are thedifferent units for the torque, current and voltage Torque: oz.in., Nm (=kgm/s^2*m), kgfm(=9.8 times Nm), gfcm, mNm, etc. Current: Amperes(Amps), mA Voltage: Volts mechanical power = T*w(Nm/sec) = 1 watt electrical power = VI = 1 volt * amp = 1watt 5.2 Classification or Types of Motor The primary classification of motor or types of motor can be tabulated as shown below, The DC motors are divided mainly to: 2. Brush DC motors (BDC). 3. Brushless DC motors (BLDC). 5.2.1. A Brush DC motors 37
  • 28.
    Brush DC motors Fig-5.2.1 Abrushed DC motor (BDC) is an internally commutated electric motor designed to be run from a direct current power source. Applications: Brushed DC motors are widely used in applications ranging from toys to push-button adjustable car seats. Advantages: Brushed DC (BDC) motors are inexpensive, easy to drive, and are readily available in all sizes and shapes Construction: 37
  • 29.
    Brushed DC motorConstruction Fig-5.2.2 All BDC motors are made of the same basic components: a stator, rotor, brushes and a commutator. 1- Stator The stator generates a stationary magnetic field that surrounds the rotor. This field is generated by either permanent magnets or electromagnetic windings. 2- Rotor 37
  • 30.
    Rotor (Armature) Fig-5.2.3 The rotor,also called the armature, is made up of one or more windings. When these windings are energized they produce a magnetic field. The magnetic poles of this rotor field will be attracted to the opposite poles generated by the stator, causing the rotor to turn. As the motor turns, the windings are constantly being energized in a different sequence so that the magnetic poles generated by the rotor do not overrun the poles generated in the stator. This switching of the field in the rotor windings is called commutation. 3- Brushes and Commutator 37
  • 31.
  • 32.
    Segments and Brushes Fig-5.2.5 Unlikeother electric motor types (i.e., brushless DC, AC induction), BDC motors do not require a controller to switch current in the motor windings. Instead, the commutation of the windings of a BDC motor is done mechanically. A segmented copper sleeve, called a commutator, resides on the axle of a BDC motor. As the motor turns, carbon brushes (ride on the side of the commutator to provide supply voltage to the motor) slide over the commutator, coming in contact with different segments of the commutator. The segments are attached to different rotor windings, therefore, a dynamic magnetic field is generated inside the motor when a voltage is applied across the brushes of the motor. It is important to note that the brushes and commutator are the parts of a BDC motor that are most prone to wear because they are sliding past each other. How the Commutator Works: 37
  • 33.
    How the CommutatorWorks Fig-5.2.6 As the rotor turns, the commutator terminals also turn and continuously reverse polarity of the current it gets from the stationary brushes attached to the battery. 5.3.1 Advantages of DC motors: 1. It is easy to control their speed in a wide range; their torque-speed characteristic has, historically, been easier to tailor than that of all AC motor categories. This is why most traction and servo motors have been DC machines. For example, motors for driving rail vehicles were, until recently, exclusively DC machines. 2. Their reduced overall dimensions permit a considerable space saving which let the manufacturer of the machines or of plants not to be conditioned by the exaggerated dimensions of circular motors. 5.3.2 Disadvantages of DC motors 1. Since they need brushes to connect the rotor winding. Brush wear occurs, and it increases dramatically in low‐pressure environment. So they cannot be used in artificial hearts. If used on aircraft, the brushes would need replacement after one hour of operation. 2. Sparks from the brushes may cause explosion if the environment contains explosive materials. 3. RF noise from the brushes may interfere with nearby TV sets, or electronic devices, Etc. 4. DC motors are also expensive relative to AC motors. 37
  • 34.
  • 35.
    Fig-5.3 6.1EMBEDDED C:- /*****************************your firstAVR project***************************/ #include<avr/io.h> int main(void) { //This program doesn’t do anything. } /***********end of the program*************/ 37
  • 36.
  • 37.
    Write down theabove code to your AVR studio Text Editor. See Screen shot of the same below. 37
  • 38.
  • 39.
  • 40.
  • 41.
    6.2. Study ofsome C program using Loops and variables 7. APPLICATIONS • Automatic machines and devices are used for any floor cleaning. • Combined sweeper and scrubber is used for cleaning of high quality glasses. • For the application of foam on the textile. • It is used in railway to clean the surface of train and also the platform. 8. ADVANTAGES • Time saving as it is operated by a machine automatically. • It avoids human effort as all the works will be done automatically. • It saves money as there is no material is used which needs to be changed. • It can be applicable for virtual walls which is very difficult for a worker to do the work. • It can clean our home when we are away from home. • It is able to clean under furniture and bed. 37
  • 42.
    9. FUTURE MODIFICATIONS Arobot cleaner has to suck up the dirt, obviously—and most importantly. But it also needs to be smart. It needs to navigate around the shoes you've strewn about, your couch, and not fall down stairs. It needs to be able to find its way back home without knocking things over. It needs to not get stuck. It needs to be precise enough to get into those deep, grimy edges under your kitchen counter. Surprisingly, it works at getting dirt off the floor. Granted, it's in the most inelegant way—just dragging it along into one big snowballing dirt mound—but at the end of the cleaning cycle, my floors were clean. But what then? Getting the crap off the cleaning cloth is a chore—no amount of slapping and scraping into the trash would bring it back to its original freshness. So I have to do laundry between sweeping cycles? No thank you. 37
  • 43.
  • 44.
    10. CONCLUSION Hereby wecome to an end of or project “automatic floor cleaner”. Thus in our project we have designed the Automatic floor cleaning machine with the helpof A.C Motor and belt transmission. The machine is designed in order to enable easy operationand to reduce the effort of human beings. Even chidren and aged people can handle this machine,no critical operations is needed in this machine. The ultimate need of this project is satisfied andwith the help of this machine we can clean the floor easily. 37
  • 45.
    15. REFERENCE i. scholar.google.co.in ii.https://www.google.com/patents/US20140373302 iii. http://www.medicaljobsireland.ie/tag/hospital-hygiene-audit-results/4. iv. http://www.hmi.ie/Documents/february_2009/cover_story_hygiene_report %20hm_Feb_09_p12.pdf5. v. http://www.mrsainfection.org/mrsa-in-ireland.php6. vi. http://www.wsh.nhs.uk/InfectionControl/MRSA.htmChen & Schelin: 37