ROBO INDIA | Energy Meter monitoring online using wireless Transmission
Page 1
PROJECT REPORT ON
Energy Meter monitoring online using wireless
transmission
ROBO INDIA | Energy Meter monitoring online using wireless Transmission
Page 2
Chapter 1
Introduction
Wireless communication is the transfer of information between two or more points that
are not connected by an electrical conductor.
Here in our project we have used GSM for the wireless communication.
GSM (Global System for Mobile Communications, originally Groupe Spécial Mobile), is a
standard developed by the European Telecommunications Standards Institute (ETSI) to
describe protocols for second generation (2G) digital cellular networks used by mobile
phones. It is the de facto global standard for mobile communications with over 90%
market share, and is available in over 219 countries and territories.
ROBO INDIA | Energy Meter monitoring online using wireless Transmission
Page 3
The GSM standard was developed as a replacement for first generation (1G) analog
cellular networks, and originally described a digital, circuit-switched network optimized
for full duplex voice telephony. This was expanded over time to include data
communications, first by circuit-switched transport, then packet data transport via
GPRS (General Packet Radio Services) and EDGE (Enhanced Data rates for GSM
Evolution or EGPRS).
Subsequently, the 3GPP developed third generation (3G) UMTS standards followed by
fourth generation (4G) LTE Advanced standards, which are not part of the ETSI GSM
standard.
"GSM" is a trademark owned by the GSM Association. It may also refer to the initially
most common voice codec used, Full Rate.
In 1981, work began to develop a European standard for digital cellular voice telephony
when the European Conference of Postal and Telecommunications Administrations
(CEPT) created the Groupe Spécial Mobile committee and later provided a permanent
technical support group based in Paris. Five years later, in 1987, 15 representatives
from 13 European countries signed a memorandum of understanding in Copenhagen to
develop and deploy a common cellular telephone system across Europe, and EU rules
were passed to make GSM a mandatory standard. The decision to develop a continental
standard eventually resulted in a unified, open, standard-based network which was
larger than that in the United States. In 1989, the Groupe Spécial Mobile committee was
transferred from CEPT to the European Telecommunications Standards Institute (ETSI).
In 1987 Europe produced the very first agreed GSM Technical Specification in February.
Ministers from the four big EU countries cemented their political support for GSM with
the Bonn Declaration on Global Information Networks in May and the GSM MoU was
tabled for signature in September. The MoU drew-in mobile operators from across
Europe to pledge to invest in new GSM networks to an ambitious common date. It got
GSM up and running fast.
In this short 37-week period the whole of Europe (countries and industries) had been
brought behind GSM in a rare unity and speed guided by four public officials Armin
Silberhorn (Germany), Stephen Temple (UK), Philippe Dupuis (France), and Renzo Failli
ROBO INDIA | Energy Meter monitoring online using wireless Transmission
Page 4
(Italy).[8] In 1989 the Groupe Spécial Mobile committee was transferred from CEPT to
the European Telecommunications Standards Institute (ETSI).
In parallel, France and Germany signed a joint development agreement in 1984 and
were joined by Italy and the UK in 1986. In 1986 the European Commission proposed
reserving the 900 MHz spectrum band for GSM.
Phase I of the GSM specifications were published in 1990. The world's first GSM call was
made by the former Finnish prime minister Harri Holkeri to Kaarina Suonio (mayor in
city of Tampere) on July 1, 1991, on a network built by Telenokia and Siemens and
operated by Radiolinja.[9] The following year in 1992, the first short messaging service
(SMS or "text message") message was sent and Vodafone UK and Telecom Finland
signed the first international roaming agreement.
Work began in 1991 to expand the GSM standard to the 1800 MHz frequency band and
the first 1800 MHz network became operational in the UK by 1993. Also that year,
Telecom Australia became the first network operator to deploy a GSM network outside
Europe and the first practical hand-held GSM mobile phone became available.
In 1995, fax, data and SMS messaging services were launched commercially, the first
1900 MHz GSM network became operational in the United States and GSM subscribers
worldwide exceeded 10 million. Also this year, the GSM Association was formed. Pre-
paid GSM SIM cards were launched in 1996 and worldwide GSM subscribers passed 100
million in 1998.
In 2000, the first commercial GPRS services were launched and the first GPRS
compatible handsets became available for sale. In 2001 the first UMTS (W-CDMA)
network was launched, a 3G technology that is not part of GSM. Worldwide GSM
subscribers exceeded 500 million. In 2002 the first Multimedia Messaging Service
(MMS) were introduced and the first GSM network in the 800 MHz frequency band
became operational. EDGE services first became operational in a network in 2003 and
the number of worldwide GSM subscribers exceeded 1 billion in 2004.
By 2005, GSM networks accounted for more than 75% of the worldwide cellular
network market, serving 1.5 billion subscribers. In 2005 the first HSDPA capable
network also became operational. The first HSUPA network was launched in 2007.
ROBO INDIA | Energy Meter monitoring online using wireless Transmission
Page 5
High-Speed Packet Access (HSPA) and its uplink and downlink versions are 3G
technologies, not part of GSM. Worldwide GSM subscribers exceeded two billion in
2008.
The GSM Association estimated in 2010 that technologies defined in the GSM standard
serve 80% of the global mobile market, encompassing more than 5 billion people across
more than 212 countries and territories, making GSM the most ubiquitous of the many
standards for cellular networks.
It is important to note that GSM is a second-generation (2G) standard employing Time-
Division Multiple-Access (TDMA) spectrum-sharing, issued by the European
Telecommunications Standards Institute (ETSI). The GSM standard does not include the
3G UMTS CDMA-based technology nor the 4G LTE OFDMA-based technology standards
issued by the 3GPP.
Macau planned to phase out its 2G GSM networks as of June 4, 2015, making it the first
region to decommission a GSM network.
ROBO INDIA | Energy Meter monitoring online using wireless Transmission
Page 6
Chapter 2
Objective
This project reads reading from an energy meter, displays that reading on the LCD
panel. Then it upload these reading on internet via http request. These readings are
easily accessible using a URL . Apart from monitoring it also record data, that too is
online accessible.
The objective of the project is to make the data available through the globe. Different
hardware and software have been used in this project. All these hardware and software
works in a coordination. For making HTTP request and response, online webserver is
used. The server is Linux server. For recording data we have use PHP My Admin data
base management system.
ROBO INDIA | Energy Meter monitoring online using wireless Transmission
Page 7
Chapter 3
Methodology
The following block diagram explains working of the system, later we shall discuss all of
the components of the diagram.
Fig.2 | Block diagram
ROBO INDIA | Energy Meter monitoring online using wireless Transmission
Page 8
Chapter 4
Programming of hardware controller
This chapter elaborate the programming of hardware controller.
4.1 Introduction to embedded C
Our project is made using embedded programming. The programming language
required for construction of the project is Embedded C. Here in this chapter we will see
the programming of the project and interfacing with the compiler. Before moving ahead
have a look on embedded system.
An embedded system is a computer system with a dedicated function within a larger
mechanical or electrical system, often with real-time computing constraints.It is
embedded as part of a complete device often including hardware and mechanical parts.
By contrast, a general-purpose computer, such as a personal computer (PC), is designed
ROBO INDIA | Energy Meter monitoring online using wireless Transmission
Page 9
to be flexible and to meet a wide range of end-user needs. Embedded systems control
many devices in common use today.
Modern embedded systems are often based on microcontrollers (i.e CPUs with
integrated memory and/or peripheral interfaces) but ordinary microprocessors (using
external chips for memory and peripheral interface circuits) are also still common,
especially in more complex systems. In either case, the processor(s) used may be types
ranging from rather general purpose to very specialised in certain class of
computations, or even custom designed for the application at hand. A common standard
class of dedicated processors is the digital signal processor (DSP).
The key characteristic, however, is being dedicated to handle a particular task. Since the
embedded system is dedicated to specific tasks, design engineers can optimize it to
reduce the size and cost of the product and increase the reliability and performance.
Some embedded systems are mass-produced, benefiting from economies of scale.
Physically, embedded systems range from portable devices such as digital watches and
MP3 players, to large stationary installations like traffic lights, factory controllers, and
largely complex systems like hybrid vehicles, MRI, and avionics. Complexity varies from
low, with a single microcontroller chip, to very high with multiple units, peripherals and
networks mounted inside a large chassis or enclosure.
Embedded systems are commonly found in consumer, cooking, industrial, automotive,
medical, commercial and military applications.
Telecommunications systems employ numerous embedded systems from telephone
switches for the network to cell phones at the end-user. Computer networking uses
dedicated routers and network bridges to route data.
Consumer electronics include personal digital assistants (PDAs), mp3 players, mobile
phones, videogame consoles, digital cameras, DVD players, GPS receivers, and printers.
Household appliances, such as microwave ovens, washing machines and dishwashers,
include embedded systems to provide flexibility, efficiency and features. Advanced
HVAC systems use networked thermostats to more accurately and efficiently control
temperature that can change by time of day and season. Home automation uses wired-
ROBO INDIA | Energy Meter monitoring online using wireless Transmission
Page
10
and wireless-networking that can be used to control lights, climate, security,
audio/visual, surveillance, etc., all of which use embedded devices for sensing and
controlling.
Transportation systems from flight to automobiles increasingly use embedded systems.
New airplanes contain advanced avionics such as inertial guidance systems and GPS
receivers that also have considerable safety requirements. Various electric motors —
brushless DC motors, induction motors and DC motors — use electric/electronic motor
controllers. Automobiles, electric vehicles, and hybrid vehicles increasingly use
embedded systems to maximize efficiency and reduce pollution. Other automotive
safety systems include anti-lock braking system (ABS), Electronic Stability Control
(ESC/ESP), traction control (TCS) and automatic four-wheel drive.
Medical equipment uses embedded systems for vital signs monitoring, electronic
stethoscopes for amplifying sounds, and various medical imaging (PET, SPECT, CT, MRI)
for non-invasive internal inspections. Embedded systems within medical equipment are
often powered by industrial computers. Embedded systems are used in transportation,
fire safety, safety and security, medical applications and life critical systems, as these
systems can be isolated from hacking and thus, be more reliable.[citation needed] For
fire safety, the systems can be designed to have greater ability to handle higher
temperatures and continue to operate. In dealing with security, the embedded systems
can be self-sufficient and be able to deal with cut electrical and communication systems.
A new class of miniature wireless devices called motes are quickly gaining popularity as
the field of wireless sensor networking is increasing. Wireless sensor networking, WSN,
makes use of miniaturization made possible by advanced IC design to couple full
wireless subsystems to sophisticated sensors, enabling people and companies to
measure a myriad of things in the physical world and act on this information through IT
monitoring and control systems. These motes are completely self-contained, and will
typically run off a battery source for years before the batteries need to be changed or
charged.
Embedded Wi-Fi modules provide a simple means of wirelessly enabling any device
which communicates via a serial port.
ROBO INDIA | Energy Meter monitoring online using wireless Transmission
Page
11
4.2 The compiler
Atmel® Studio 6 is the integrated development platform (IDP) for developing and
debugging Atmel ARM® Cortex®-M and Atmel AVR® microcontroller (MCU) based
applications. The Atmel Studio 6 IDP gives you a seamless and easy-to-use environment
to write, build and debug your applications written in C/C++ or assembly code.
Atmel Studio 6 is free of charge and is integrated with the Atmel Software Framework
(ASF)—a large library of free source code with 1,600 ARM and AVR project examples.
ASF strengthens the IDP by providing, in the same environment, access to ready-to-use
code that minimizes much of the low-level design required for projects. Use the IDP for
our wide variety of AVR and ARM Cortex-M processor-based MCUs, including our
broadened portfolio of Atmel SAM3 ARM Cortex-M3 and M4 Flash devices.
With the introduction of Atmel Gallery and Atmel Spaces, Atmel Studio 6 further
simplifies embedded MCU designs to reduce development time and cost. Atmel Gallery
is an online apps store for development tools and embedded software. Atmel Spaces is a
cloud-based collaborative development workspace allowing you to host software and
hardware projects targeting Atmel MCUs.
In summary, standard integrated development environments (IDEs) are suited for
creating new software for an MCU project. By contrast, the Atmel Studio 6 IDP also:
Facilitates reuse of existing software and, by doing so, enables design differentiation.
Supports the product development process with easy access to integrated tools and
software extensions through Atmel Gallery. Reduces time to market by providing
advanced features, an extensible software eco-system, and powerful debug integration.
fig | Atmel Studio
ROBO INDIA | Energy Meter monitoring online using wireless Transmission
Page
12
Chapter 5
The parts & Interfacing
Following are the parts of the project.
5.1. Energy Meter
An electricity meter or energy meter is a device that measures the amount of electric
energy consumed by a residence, business, or an electrically powered device.
Electricity meters are typically calibrated in billing units, the most common one being
the kilowatt hour [kWh]. Periodic readings of electricity meters establishes billing
cycles and energy used during a cycle.
In settings when energy savings during certain periods are desired, meters may
measure demand, the maximum use of power in some interval. "Time of day" metering
allows electric rates to be changed during a day, to record usage during peak high-cost
ROBO INDIA | Energy Meter monitoring online using wireless Transmission
Page
13
periods and off-peak, lower-cost, periods. Also, in some areas meters have relays for
demand response load shedding during peak load periods.
As commercial use of electric energy spread in the 1880s, it became increasingly
important that an electric energy meter, similar to the then existing gas meters, was
required to properly bill customers for the cost of energy, instead of billing for a fixed
number of lamps per month. Many experimental types of meter were developed. Edison
at first worked on a DC electromechanical meter with a direct reading register, but
instead developed an electrochemical metering system, which used an electrolytic cell
to totalise current consumption. At periodic intervals the plates were removed,
weighed, and the customer billed. The electrochemical meter was labor-intensive to
read and not well received by customers.
An early type of electrochemical meter used in the United Kingdom was the 'Reason'
meter. This consisted of a vertically mounted glass structure with a mercury reservoir
at the top of the meter. As current was drawn from the supply, electrochemical action
transferred the mercury to the bottom of the column. Like all other DC meters, it
recorded ampere-hours. Once the mercury pool was exhausted, the meter became an
open circuit. It was therefore necessary for the consumer to pay for a further supply of
electricity, whereupon, the supplier's agent would unlock the meter from its mounting
and invert it restoring the mercury to the reservoir and the supply.
In 1885 Ferranti offered a mercury motor meter with a register similar to gas meters;
this had the advantage that the consumer could easily read the meter and verify
consumption. The first accurate, recording electricity consumption meter was a DC
meter by Dr Hermann Aron, who patented it in 1883. Hugo Hirst of the British General
Electric Company introduced it commercially into Great Britain from 1888.[3] Unlike
their AC counterparts, DC meters did not measure energy. Instead they measured
charge in ampere-hours. Since the voltage of the supply should remain substantially
constant, the reading of the meter was proportional to actual energy consumed. For
example: if a meter recorded that 100 ampere-hours had been consumed on a 200 volt
supply, then 20 kilowatt-hours of energy had been supplied. Aron's meter recorded the
total charge used over time, and showed it on a series of clock dials.
ROBO INDIA | Energy Meter monitoring online using wireless Transmission
Page
14
The first specimen of the AC kilowatt-hour meter produced on the basis of Hungarian
Ottó Bláthy's patent and named after him was presented by the Ganz Works at the
Frankfurt Fair in the autumn of 1889, and the first induction kilowatt-hour meter was
already marketed by the factory at the end of the same year. These were the first
alternating-current watt-hour meters, known by the name of Bláthy-meters. The AC
kilowatt hour meters used at present operate on the same principle as Bláthy's original
invention. Also around 1889, Elihu Thomson of the American General Electric company
developed a recording watt meter (watt-hour meter) based on an ironless commutator
motor. This meter overcame the disadvantages of the electrochemical type and could
operate on either alternating or direct current.
In 1894 Oliver Shallenberger of the Westinghouse Electric Corporation applied the
induction principle previously used only in AC ampere-hour meters to produce a watt-
hour meter of the modern electromechanical form, using an induction disk whose
rotational speed was made proportional to the power in the circuit. The Bláthy meter
was similar to Shallenberger and Thomson meter in that they are two-phase motor
meter. Although the induction meter would only work on alternating current, it
eliminated the delicate and troublesome commutator of the Thomson design.
Shallenberger fell ill and was unable to refine his initial large and heavy design,
although he did also develop a polyphase version.
5.2 Energy Meter Reading
The most common unit of measurement on the electricity meter is the kilowatt hour
[kWh], which is equal to the amount of energy used by a load of one kilowatt over a
period of one hour, or 3,600,000 joules. Some electricity companies use the SI
megajoule instead.
Demand is normally measured in watts, but averaged over a period, most often a
quarter or half hour.
Reactive power is measured in "thousands of volt-ampere reactive-hours", (kvarh). By
convention, a "lagging" or inductive load, such as a motor, will have positive reactive
power. A "leading", or capacitive load, will have negative reactive power.
ROBO INDIA | Energy Meter monitoring online using wireless Transmission
Page
15
Volt-amperes measures all power passed through a distribution network, including
reactive and actual. This is equal to the product of root-mean-square volts and amperes.
Distortion of the electric current by loads is measured in several ways. Power factor is
the ratio of resistive (or real power) to volt-amperes. A capacitive load has a leading
power factor, and an inductive load has a lagging power factor. A purely resistive load
(such as a filament lamp, heater or kettle) exhibits a power factor of 1. Current
harmonics are a measure of distortion of the wave form. For example, electronic loads
such as computer power supplies draw their current at the voltage peak to fill their
internal storage elements. This can lead to a significant voltage drop near the supply
voltage peak which shows as a flattening of the voltage waveform. This flattening causes
odd harmonics which are not permissible if they exceed specific limits, as they are not
only wasteful, but may interfere with the operation of other equipment. Harmonic
emissions are mandated by law in EU and other countries to fall within specified limits.
5.3 Electro Mechanical Meter
The most common type of electricity meter is the electromechanical induction watt-
hour meter.
The electromechanical induction meter operates by counting the revolutions of a non-
magnetic, but electrically conductive, metal disc which is made to rotate at a speed
proportional to the power passing through the meter. The number of revolutions is thus
proportional to the energy usage. The voltage coil consumes a small and relatively
constant amount of power, typically around 2 watts which is not registered on the
meter. The current coil similarly consumes a small amount of power in proportion to
the square of the current flowing through it, typically up to a couple of watts at full load,
which is registered on the meter.
ROBO INDIA | Energy Meter monitoring online using wireless Transmission
Page
16
Fig | Enegy Meter
The disc is acted upon by two sets of coils, which form, in effect, a two phase induction
motor. One coil is connected in such a way that it produces a magnetic flux in
proportion to the voltage and the other produces a magnetic flux in proportion to the
current. The field of the voltage coil is delayed by 90 degrees, due to the coil's inductive
nature, and calibrated using a lag coil. This produces eddy currents in the disc and the
effect is such that a force is exerted on the disc in proportion to the product of the
instantaneous current, voltage and phase angle (power factor) between them. A
permanent magnet exerts an opposing force proportional to the speed of rotation of the
disc. The equilibrium between these two opposing forces results in the disc rotating at a
speed proportional to the power or rate of energy usage. The disc drives a register
ROBO INDIA | Energy Meter monitoring online using wireless Transmission
Page
17
mechanism which counts revolutions, much like the odometer in a car, in order to
render a measurement of the total energy used.
The type of meter described above is used on a single-phase AC supply. Different phase
configurations use additional voltage and current coils.
Three-phase electromechanical induction meter, metering 100 A 240/415 V supply.
Horizontal aluminum rotor disc is visible in center of meter
The disc is supported by a spindle which has a worm gear which drives the register. The
register is a series of dials which record the amount of energy used. The dials may be of
the cyclometer type, an odometer-like display that is easy to read where for each dial a
single digit is shown through a window in the face of the meter, or of the pointer type
where a pointer indicates each digit. With the dial pointer type, adjacent pointers
generally rotate in opposite directions due to the gearing mechanism.
The amount of energy represented by one revolution of the disc is denoted by the
symbol Kh which is given in units of watt-hours per revolution. The value 7.2 is
commonly seen. Using the value of Kh one can determine their power consumption at
any given time by timing the disc with a stopwatch.
P = {{3600 cdot Kh } over t}.
Where:
t = time in seconds taken by the disc to complete one revolution,
P = power in watts.
For example, if Kh = 7.2 as above, and one revolution took place in 14.4 seconds, the
power is 1800 watts. This method can be used to determine the power consumption of
household devices by switching them on one by one.
Most domestic electricity meters must be read manually, whether by a representative of
the power company or by the customer. Where the customer reads the meter, the
ROBO INDIA | Energy Meter monitoring online using wireless Transmission
Page
18
reading may be supplied to the power company by telephone, post or over the internet.
The electricity company will normally require a visit by a company representative at
least annually in order to verify customer-supplied readings and to make a basic safety
check of the meter.
In an induction type meter, creep is a phenomenon that can adversely affect accuracy,
that occurs when the meter disc rotates continuously with potential applied and the
load terminals open circuited. A test for error due to creep is called a creep test.
5.4 Electronic Meters
Electronic meters display the energy used on an LCD or LED display, and some can also
transmit readings to remote places. In addition to measuring energy used, electronic
meters can also record other parameters of the load and supply such as instantaneous
and maximum rate of usage demands, voltages, power factor and reactive power used
etc. They can also support time-of-day billing, for example, recording the amount of
energy used during on-peak and off-peak hours.
Solid-state design: Solid state electricity meter used in a home in the Netherlands. Basic
block diagram of an electronic energy meter As in the block diagram, the meter has a
power supply, a metering engine, a processing and communication engine (i.e. a
microcontroller), and other add-on modules such as RTC, LCD display, communication
ports/modules and so on. The metering engine is given the voltage and current inputs
and has a voltage reference, samplers and quantisers followed by an ADC section to
yield the digitised equivalents of all the inputs. These inputs are then processed using a
digital signal processor to calculate the various metering parameters such as powers,
energies etc.
The largest source of long-term errors in the meter is drift in the preamp, followed by
the precision of the voltage reference. Both of these vary with temperature as well, and
vary wildly because most meters are outdoors. Characterising and compensating for
these is a major part of meter design.
ROBO INDIA | Energy Meter monitoring online using wireless Transmission
Page
19
The processing and communication section has the responsibility of calculating the
various derived quantities from the digital values generated by the metering engine.
This also has the responsibility of communication using various protocols and interface
with other addon modules connected as slaves to it.
RTC and other add-on modules are attached as slaves to the processing and
communication section for various input/output functions. On a modern meter most if
not all of this will be implemented inside the microprocessor, such as the real time clock
(RTC), LCD controller, temperature sensor, memory and analog to digital converters.
5.3 The controller
Robotic arm controller comprises several electronic components. Here we will discuss
the important parts of the circuit.
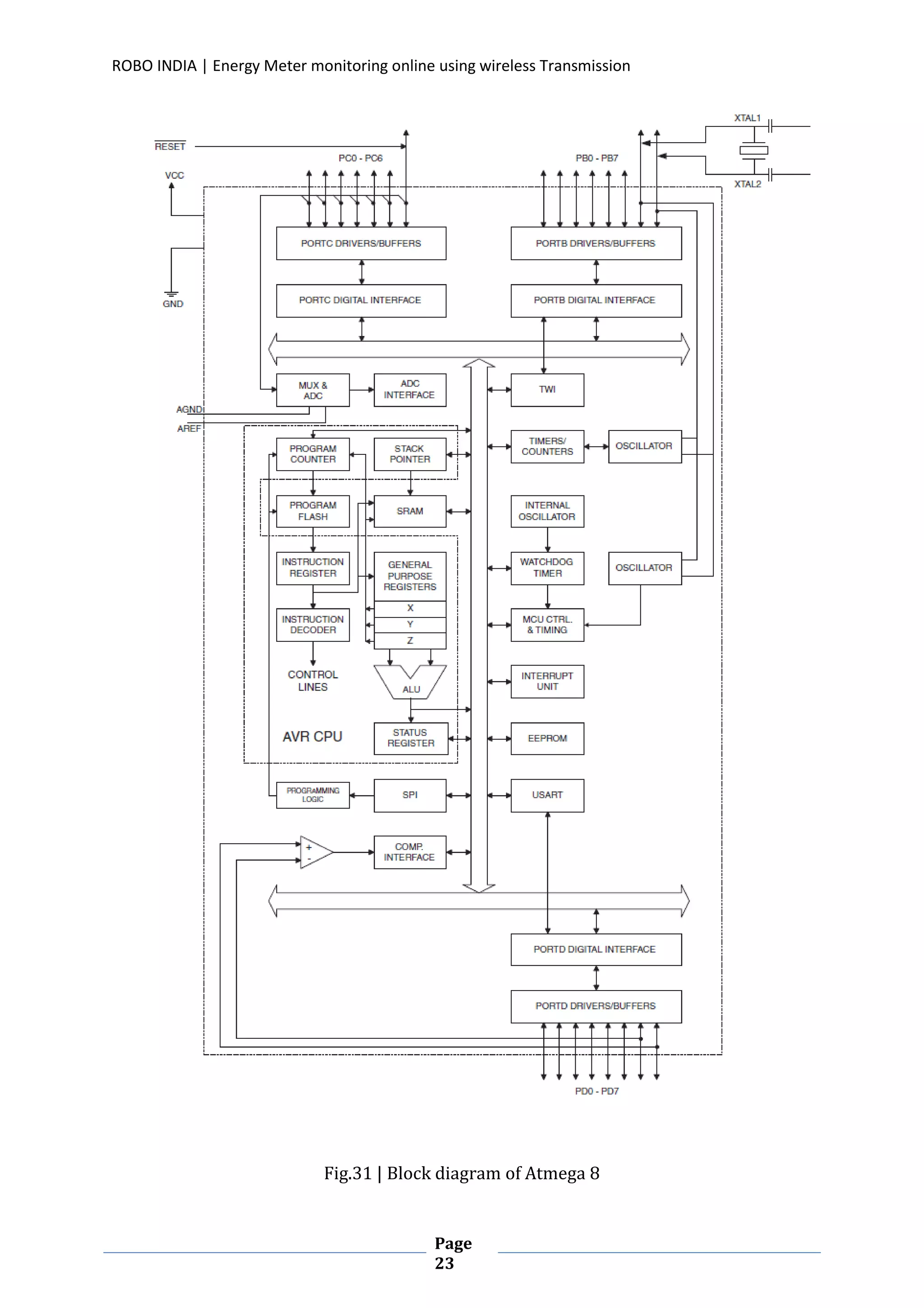
5.3.1 The microcontroller (Atmega 8)
The ATmega16 is a low-power CMOS 8-bit microcontroller based on the AVR enhanced
RISC architecture. By executing powerful instructions in a single clock cycle, the
ATmega16 achieves throughputs approaching 1 MIPS per MHz allowing the system
designer to optimize power consumption versus processing speed.
ROBO INDIA | Energy Meter monitoring online using wireless Transmission
Page
20
Fig.| Atmega 16 Pinout diagram. | PDIP package
ROBO INDIA | Energy Meter monitoring online using wireless Transmission
Page
21
Fig.| Atmega 16 Pinout diagram. | TQFP package
ROBO INDIA | Energy Meter monitoring online using wireless Transmission
Page
22
Fig.| Atmega 16 Pinout diagram. | MLF package
ROBO INDIA | Energy Meter monitoring online using wireless Transmission
Page
23
Fig.31 | Block diagram of Atmega 8
ROBO INDIA | Energy Meter monitoring online using wireless Transmission
Page
24
The AVR core combines a rich instruction set with 32 general purpose working
registers. All the 32 registers are directly connected to the Arithmetic Logic Unit (ALU),
allowing two independent registers to be accessed in one single instruction executed in
one clock cycle. The resulting architecture is more code efficient while achieving
throughputs up to ten times faster than conventional CISC microcontrollers. The
ATmega16 provides the following features: 16K bytes of In-System Programmable Flash
Program memory with Read-While-Write capabilities, 512 bytes EEPROM, 1K byte
SRAM, 32 general purpose I/O lines, 32 general purpose working registers, a JTAG
interface for Boundary scan, On-chip Debugging support and programming, three
flexible Timer/Counters with compare modes, Internal and External Interrupts, a serial
programmable USART, a byte oriented Two-wire Serial Interface, an 8-channel, 10-bit
ADC with optional differential input stage with programmable gain (TQFP package
only), a programmable Watchdog Timer with Internal Oscillator, an SPI serial port, and
six software selectable power saving modes. The Idle mode stops the CPU while
allowing the USART, Two-wire interface, A/D Converter, SRAM, Timer/Counters, SPI
port, and interrupt system to continue functioning. The Power-down mode saves the
register contents but freezes the Oscillator, disabling all other chip functions until the
next External Interrupt or Hardware Reset. In Power-save mode, the Asynchronous
Timer continues to run, allowing the user to maintain a timer base while the rest of the
device is sleeping. The ADC Noise Reduction mode stops the CPU and all I/O modules
except Asynchronous Timer and ADC, to minimize switching noise during ADC
conversions. In Standby mode, the crystal/resonator Oscillator is running while the rest
of the device is sleeping. This allows very fast start-up combined with low-power
consumption. In Extended Standby mode, both the main Oscillator and the
Asynchronous Timer continue to run. The device is manufactured using Atmel’s high
density non-volatile memory technology. The On chip ISP Flash allows the program
memory to be reprogrammed in-system through an SPI serial interface, by a
conventional non-volatile memory programmer, or by an On-chip Boot program
running on the AVR core. The boot program can use any interface to download the
application program in the Application Flash memory. Software in the Boot Flash
section will continue to run while the Application Flash section is updated, providing
true Re ad-While-Write operation. By combining an 8-bit RISC CPU with In-System Self-
Programmable Flash on a monolithic chip, the Atmel ATmega16 is a powerful
ROBO INDIA | Energy Meter monitoring online using wireless Transmission
Page
25
microcontroller that provides a highly-flexible and cost-effective solution to many
embedded control applications. The ATmega16 AVR is supported with a full suite of
program and system development tools including: C compilers, macro assemblers,
program debugger/simulators, in-circuit emulators, and evaluation kits.
5.3.1.1 Pin Description of ATmega 16.
 VCC: Digital supply voltage.
 GND: Ground.
 Port A (PA7..PA0): Port A serves as the analog inputs to the A/D
Converter. Port A also serves as an 8-bit bi-directional I/O port, if the A/D
Converter is not used. Port pins can provide internal pull-up resistors
(selected for each bit). The Port A output buffers have symmetrical drive
characteristics with both high sink and source capability. When pins PA0
to PA7 are used as inputs and are externally pulled low, they will source
current if the internal pull-up resistors are activated. The Port A pins are
tri-stated when a reset condition becomes active, even if the clock is not
running.
 Port B (PB7..PB0): Port B is an 8-bit bi-directional I/O port with internal
pull-up resistors (selected for each bit). The Port B output buffers have
symmetrical drive characteristics with both high sink and source
capability. As inputs, Port B pins that are externally pulled low will source
current if the pull-up resistors are activated. The Port B pins are tri-stated
when a reset condition becomes active, even if the clock is not running.
 Port C (PC7..PC0): Port C is an 8-bit bi-directional I/O port with internal
pull-up resistors (selected for each bit). The Port C output buffers have
symmetrical drive characteristics with both high sink and source
capability. As inputs, Port C pins that are externally pulled low will source
current if the pull-up resistors are activated. The Port C pins are tri-stated
when a reset condition becomes active, even if the clock is not running. If
the JTAG interface is enabled, the pull-up resistors on pins PC5(TDI),
PC3(TMS) and PC2(TCK) will be activated even if a reset occurs.
ROBO INDIA | Energy Meter monitoring online using wireless Transmission
Page
26
 Port D (PD7..PD0): Port D is an 8-bit bi-directional I/O port with internal
pull-up resistors (selected for each bit). The Port D output buffers have
symmetrical drive characteristics with both high sink and source
capability. As inputs, Port D pins that are externally pulled low will source
current if the pull-up resistors are activated. The Port D pins are tri-stated
when a reset condition becomes active, even if the clock is not running.
 RESET: Reset Input. A low level on this pin for longer than the minimum
pulse length will generate a reset, even if the clock is not running.
 XTAL1: Input to the inverting Oscillator amplifier and input to the
internal clock operating circuit.
 XTAL2: Output from the inverting Oscillator amplifier.
 AVCC: AVCC is the supply voltage pin for Port A and the A/D Converter. It
should be externally connected to VCC, even if the ADC is not used. If the
ADC is used, it should be connected to VCC through a low-pass filter.
 AREF: AREF is the analog reference pin for the A/D Converter.
5.3 Serial Communication:
Serial communication is a way enables different equipments to communicate with their
outside world. It is called serial because the data bits will be sent in a serial way over a
single line.
A personal computer has a serial port known as communication port or COM Port used
to connect a modem for example or any other device, there could be more than one COM
Port in a PC.
Serial ports are controlled by a special chip called UART (Universal Asynchronous
Receiver Transmitter). Different applications use different pins on the serial port and
this basically depend of the functions required. If we need to connect our PC for
example to some other device by serial port, then we have to read instruction manual
for that device to know how the pins on both sides must be connected and the setting
required.
ROBO INDIA | Energy Meter monitoring online using wireless Transmission
Page
27
5.3.1 Advantages of Serial Communication
Serial communication has some advantages over the parallel communication. One of the
advantages is transmission distance, serial link can send data to a remote device more
far then parallel link. Also the cable connection of serial link is simpler then parallel link
and uses less number of wires.
Serial link is used also for Infrared communication, now many devices such as laptops &
printers can communicate via inferred link.
5.3.2 Communication methods
There are two methods for serial communication, Synchronous & Asynchronous.
5.3.2.1 Synchronous serial communication:
In Synchronous serial communication the receiver must know when to “read” the next
bit coming from the sender, this can be achieved by sharing a clock between sender and
receiver.
In most forms of serial Synchronous communication, if there is no data available at a
given time to transmit, a fill character will be sent instead so that data is always being
transmitted. Synchronous communication is usually more efficient because only data
bits are transmitted between sender and receiver, however it will be more costly
because extra wiring and control circuits are required to share a clock signal between
the sender and receiver.
5.3.2.2 Asynchronous serial communication:
Asynchronous transmission allows data to be transmitted without the sender having to
send a clock signal to the receiver. Instead, special bits will be added to each word in
order to synchronize the sending and receiving of the data.
When a word is given to the UART for Asynchronous transmissions, a bit called the
“Start Bit” is added to the beginning of each word that is to be transmitted. The Start Bit
ROBO INDIA | Energy Meter monitoring online using wireless Transmission
Page
28
is used to alert the receiver that a word of data is about to be sent, and to force the clock
in the receiver into synchronization with the clock in the transmitter.
Fig.32 | Example of serial data transmission
After the Start Bit, the individual bits of the word of data are sent, each bit in the word is
transmitted for exactly the same amount of time as all of the other bits
When the entire data word has been sent, the transmitter may add a Parity Bit that the
transmitter generates. The Parity Bit may be used by the receiver to perform simple
error checking. Then at least one Stop Bit is sent by the transmitter.
If the Stop Bit does not appear when it is supposed to, the UART considers the entire
word to be garbled and will report a Framing Error.
5.4 GSM Modem
Fig | GSM Modem
ROBO INDIA | Energy Meter monitoring online using wireless Transmission
Page
29
SIMCom Wireless Solutions is a subsidiary of SIM Technology Group Ltd (stock code:
2000. H.K). It is a fast growing[citation needed] wireless M2M company, designing and
offering a variety of wireless modules based on GSM/GPRS/EDGE, WCDMA/HSDPA and
TD-SCDMA technical platforms
By partnering with third parties, SIMCom Wireless provides customized design
solutions in M2M, WLL, Mobile Computing, GPS and other applications. SIMCom
Wireless also provides ODM services for customers.
According to ABI Insight report, SIMCom Cellular Module was number two provider of
wireless modules worldwide in 2008 with 20% acquisition of global market share in
2009 the launched SIM 900.
5.5 Server site application
http://scl.fabroll.com this is the URL that is needed to be accessed. This URL tell about
the last reading and the last time when the data was recorded. Below mentioned image
is the glimpse of the server page.
Fig | The web application
ROBO INDIA | Energy Meter monitoring online using wireless Transmission
Page
30
Chapter 7
References
1. Atmega 16 data sheet.
2. USB to serial data sheet.
3. Energy meter manuals
4. Serial communication manuals of AVR
5. GSM Modem manual
6. AT commands manual
ROBO INDIA | Energy Meter monitoring online using wireless Transmission
Page
31
Appendix 1
The codding
/*
* Source code.c
*
* Created: 19/Mar/2014 15:48:10
* Author: acer
*/
#include <avr/io.h>
ROBO INDIA | Energy Meter monitoring online using wireless Transmission
Page
32
#include <util/delay.h>
#include "lcd.h"
uint16_t E_data;
char digits[2];
/*Macros definition*/
#define BIT(x) (1 << (x)) //Set a particular bit mask
#define CHECKBIT(x,b) x&b //Checks bit status
#define SETBIT(x,b) x|=b; //Sets the particular bit
#define CLEARBIT(x,b) x&=~b; //Sets the particular bit
#define TOGGLEBIT(x,b) x^=b; //Toggles the particular bit
void EEPROM_write(unsigned int uiAddress, unsigned char ucData);
unsigned char EEPROM_read(unsigned int uiAddress);
save_EEPROM(unsigned int add,unsigned int data);
read_EEPROM(unsigned int add);
void USART_SEND_INT(int data);
void USART_SEND_DEC(int num);
void USARTInit(uint16_t ubrr_value)
ROBO INDIA | Energy Meter monitoring online using wireless Transmission
Page
33
{
UBRRL = ubrr_value;
UBRRH = (ubrr_value>>8);
UCSRC=(1<<URSEL)|(3<<UCSZ0);
UCSRB=(1<<RXEN)|(1<<TXEN);
}
char USARTReadChar()//For reading a single character
{
while(!(UCSRA & (1<<RXC)))
{
//Do nothing
}
return UDR;
ROBO INDIA | Energy Meter monitoring online using wireless Transmission
Page
34
}
void USARTWriteChar(char data)//For writing a single character
{
while(!(UCSRA & (1<<UDRE)))
{
//Do nothing
}
UDR=data;
}
void USARTWriteString(char* StringPtr)//For writing a string
{
while(*StringPtr != 0x00)
{ //Here we check if there is still more chars to send, this is done
checking the actual char and see if it is different from the null char
USARTWriteChar(*StringPtr); //Using the simple send function we send
one char at a time
StringPtr++;
} //We increment the pointer so we can read the next char
ROBO INDIA | Energy Meter monitoring online using wireless Transmission
Page
35
}
void SIM900Init(void)
{
char command[60];
char ret;
sprintf(command, "AT+SAPBR=3,1,"APN","airtelgprs.com"");
USARTWriteString(command);
USARTWriteChar(13);
USARTWriteChar(10);
LCDWriteStringXY (0,0, "Setting up GPRS.");
_delay_ms(1000);
LCDClear();
for(int i = 0; i<2; i++)
{
ret = USARTReadChar();
if (ret == 13)
{
//i--;
}
else if (ret ==10)
ROBO INDIA | Energy Meter monitoring online using wireless Transmission
Page
36
{
//i--;
}
else
{
LCDGotoXY(i,0);
LCDData(ret);
}
}
_delay_ms(1000);
sprintf(command, "AT+SAPBR=1,1");
USARTWriteString(command);
USARTWriteChar(13);
USARTWriteChar(10);
LCDClear();
LCDWriteStringXY(0,0, "Setting APN");
_delay_ms(1000);
LCDClear();
for(int i = 0; i<2; i++)
{
ret = USARTReadChar();
if (ret == 13)
ROBO INDIA | Energy Meter monitoring online using wireless Transmission
Page
37
{
//i--;
}
else if (ret ==10)
{
//i--;
}
else
{
LCDGotoXY(i,0);
LCDData(ret);
}
}
_delay_ms(1000);
sprintf(command, "AT+CREG?");
USARTWriteString(command);
USARTWriteChar(13);
USARTWriteChar(10);
LCDClear();
LCDWriteStringXY(0,0, "Checking registration status");
_delay_ms(1000);
ROBO INDIA | Energy Meter monitoring online using wireless Transmission
Page
38
LCDClear();
for(int i = 0; i<2; i++)
{
ret = USARTReadChar();
if (ret == 13)
{
//i--;
}
else if (ret ==10)
{
//i--;
}
else
{
LCDGotoXY(i,0);
LCDData(ret);
}
}
_delay_ms(1000);
sprintf(command, "AT+SAPBR=2,1");
ROBO INDIA | Energy Meter monitoring online using wireless Transmission
Page
39
USARTWriteString(command);
USARTWriteChar(13);
USARTWriteChar(10);
LCDClear();
LCDWriteStringXY(0,0,"Querying bearer 1");
_delay_ms(1000);
LCDClear();
for(int i = 0; i<2; i++)
{
ret = USARTReadChar();
if (ret == 13)
{
//i--;
}
else if (ret ==10)
{
//i--;
}
else
{
LCDGotoXY(i,0);
LCDData(ret);
ROBO INDIA | Energy Meter monitoring online using wireless Transmission
Page
40
}
}
_delay_ms(1000);
sprintf(command, "AT+HTTPINIT");
USARTWriteString(command);
USARTWriteChar(13);
USARTWriteChar(10);
LCDClear();
LCDWriteStringXY(0,0,"Intializing HHTP");
_delay_ms(1000);
LCDClear();
for(int i = 0; i<2; i++)
{
ret = USARTReadChar();
if (ret == 13)
{
//i--;
}
else if (ret ==10)
{
//i--;
}
ROBO INDIA | Energy Meter monitoring online using wireless Transmission
Page
41
else
{
LCDGotoXY(i,0);
LCDData(ret);
}
}
_delay_ms(1000);
}
void http_send(int main_, int dec_)
{
LCDClear();
char ret;
char command[100];
sprintf(command,
"AT+HTTPPARA="URL","http://efyjaipur.com/shree_cement/load_pecrc.php?main=
%d&dec=%d"", main_, dec_);
USARTWriteString(command);
USARTWriteChar(13);
USARTWriteChar(10);
LCDWriteStringXY(0,0, "Sending data to URL");
LCDWriteStringXY(0,1, "Reading");
LCDWriteStringXY(11,1, ".");
LCDWriteIntXY(8,1, main_,3);
LCDWriteIntXY(12,1, dec_,2);
_delay_ms(1000);
for(int i = 0; i<2; i++)
ROBO INDIA | Energy Meter monitoring online using wireless Transmission
Page
42
{
ret = USARTReadChar();
if (ret == 13)
{
//i--;
}
else if (ret ==10)
{
//i--;
}
else
{
//LCDGotoXY(i,0);
//LCDData(ret);
}
}
_delay_ms(1000);
LCDClear();
sprintf(command, "AT+HTTPPARA="CID",1");
USARTWriteString(command);
USARTWriteChar(13);
ROBO INDIA | Energy Meter monitoring online using wireless Transmission
Page
43
USARTWriteChar(10);
LCDWriteStringXY(0,0, "Sending HTTP Parameters");
LCDWriteStringXY(0,1, "Reading");
LCDWriteStringXY(11,1, ".");
LCDWriteIntXY(8,1, main_,3);
LCDWriteIntXY(12,1, dec_,2);
_delay_ms(1000);
LCDClear();
for(int i = 0; i<2; i++)
{
ret = USARTReadChar();
if (ret == 13)
{
//i--;
}
else if (ret ==10)
{
//i--;
}
else
{
LCDGotoXY(i,0);
ROBO INDIA | Energy Meter monitoring online using wireless Transmission
Page
44
LCDData(ret);
}
}
sprintf(command, "AT+HTTPACTION=0");
USARTWriteString(command);
USARTWriteChar(13);
USARTWriteChar(10);
LCDWriteStringXY(0,0, "Sending HTTP Action");
LCDWriteStringXY(0,1, "Reading");
LCDWriteStringXY(11,1, ".");
LCDWriteIntXY(8,1, main_,3);
LCDWriteIntXY(12,1, dec_,2);
_delay_ms(1000);
LCDClear();
for(int i = 0; i<2; i++)
{
ret = USARTReadChar();
if (ret == 13)
{
//i--;
}
else if (ret ==10)
{
//i--;
ROBO INDIA | Energy Meter monitoring online using wireless Transmission
Page
45
}
else
{
LCDGotoXY(i,0);
LCDData(ret);
}
}
sprintf(command, "AT+HTTPREAD");
USARTWriteString(command);
USARTWriteChar(13);
USARTWriteChar(10);
LCDWriteStringXY(0,0, "Reading HTTP");
LCDWriteStringXY(0,1, "Reading");
LCDWriteStringXY(11,1, ".");
LCDWriteIntXY(8,1, main_,3);
LCDWriteIntXY(12,1, dec_,2);
_delay_ms(1000);
LCDClear();
for(int i = 0; i<2; i++)
{
ret = USARTReadChar();
if (ret == 13)
{
//i--;
ROBO INDIA | Energy Meter monitoring online using wireless Transmission
Page
46
}
else if (ret ==10)
{
//i--;
}
else
{
LCDGotoXY(i,0);
LCDData(ret);
}
}
}
int main(void)
{
int unit_main;
char unit_decimal;
char check=0;
InitLCD(LS_BLINK);
ROBO INDIA | Energy Meter monitoring online using wireless Transmission
Page
47
USARTInit(103);
SIM900Init();
LCDClear();
LCDWriteStringXY(0,0," ONLINE E Meter ");
LCDWriteStringXY(0,1," MONITORING ");
_delay_ms(1000);
SETBIT(DDRC,BIT(5));
CLEARBIT(DDRC,BIT(4));
SETBIT(PORTC,BIT(4));
LCDClear();
/**********************************/
//First Time Initialisation to erase memory block//
//keep the fuse EF C1 to avoid erasing memory block//
//save_EEPROM(20,0);
//EEPROM_write(30,0);
//EEPROM_write(40,0);
/*********************************/
int i = EEPROM_read(40);
unit_decimal = EEPROM_read(30);
unit_main = read_EEPROM(20);
LCDWriteStringXY(4,1,".");
ROBO INDIA | Energy Meter monitoring online using wireless Transmission
Page
48
while(1)
{
//TODO:: Please write your application code
if( (PINC&(1<<4)) == 0 )
{
//LCDWriteStringXY(0,1,"if loop");
SETBIT(PORTC,BIT(5));
_delay_ms(200);
CLEARBIT(PORTC,BIT(5));
i++;
LCDWriteIntXY(0,0,i,3);
EEPROM_write(40,i);
check=1;
}
if(i==32)
{
i=0;
unit_decimal ++;
EEPROM_write(30,unit_decimal);
}
if (unit_decimal == 100)
{
ROBO INDIA | Energy Meter monitoring online using wireless Transmission
Page
49
unit_decimal = 0;
unit_main ++;
save_EEPROM(20,unit_main);
}
//LCDWriteIntXY(0,1,unit_main,4);
//LCDWriteIntXY(5,1,unit_decimal,2);
http_send(unit_main, unit_decimal);
_delay_ms(10000);
// else
// {
// LCDWriteStringXY(0,1,"else loop");
// }
}
}
ROBO INDIA | Energy Meter monitoring online using wireless Transmission
Page
50
save_EEPROM(unsigned int add,unsigned int data)
{
uint16_t data_l,data_h,data_f;
data_f = data;
data_l = data_f & 0x00FF;
data_h = data_f >> 8;
EEPROM_write(add,data_h);
add++;
EEPROM_write(add,data_l);
}
read_EEPROM(unsigned int add)
{
//use E_data to store the full value
uint16_t data_l,data_h;
data_h = EEPROM_read(add);
add++;
ROBO INDIA | Energy Meter monitoring online using wireless Transmission
Page
51
data_l = EEPROM_read(add);
E_data = ((data_h<<8)|data_l);
return E_data;
}
void EEPROM_write(unsigned int uiAddress, unsigned char ucData)
{
// sei();
/* Wait for completion of previous write */
while(EECR & (1<<EEWE))
;
/* Set up address and data registers */
EEAR = uiAddress;
EEDR = ucData;
/* Write logical one to EEMWE */
EECR |= (1<<EEMWE);
/* Start eeprom write by setting EEWE */
EECR |= (1<<EEWE);
// sei();
}
ROBO INDIA | Energy Meter monitoring online using wireless Transmission
Page
52
unsigned char EEPROM_read(unsigned int uiAddress)
{
//CLEARBIT(SREG,BIT(7));
/* Wait for completion of previous write */
while(EECR & (1<<EEWE))
;
/* Set up address register */
EEAR = uiAddress;
/* Start eeprom read by writing EERE */
EECR |= (1<<EERE);
/* Return data from data register */
return EEDR;
//SETBIT(SREG,BIT(7));
}

A project report on energy meter monitoring online using wireless transmission GSM modem

  • 1.
    ROBO INDIA |Energy Meter monitoring online using wireless Transmission Page 1 PROJECT REPORT ON Energy Meter monitoring online using wireless transmission
  • 2.
    ROBO INDIA |Energy Meter monitoring online using wireless Transmission Page 2 Chapter 1 Introduction Wireless communication is the transfer of information between two or more points that are not connected by an electrical conductor. Here in our project we have used GSM for the wireless communication. GSM (Global System for Mobile Communications, originally Groupe Spécial Mobile), is a standard developed by the European Telecommunications Standards Institute (ETSI) to describe protocols for second generation (2G) digital cellular networks used by mobile phones. It is the de facto global standard for mobile communications with over 90% market share, and is available in over 219 countries and territories.
  • 3.
    ROBO INDIA |Energy Meter monitoring online using wireless Transmission Page 3 The GSM standard was developed as a replacement for first generation (1G) analog cellular networks, and originally described a digital, circuit-switched network optimized for full duplex voice telephony. This was expanded over time to include data communications, first by circuit-switched transport, then packet data transport via GPRS (General Packet Radio Services) and EDGE (Enhanced Data rates for GSM Evolution or EGPRS). Subsequently, the 3GPP developed third generation (3G) UMTS standards followed by fourth generation (4G) LTE Advanced standards, which are not part of the ETSI GSM standard. "GSM" is a trademark owned by the GSM Association. It may also refer to the initially most common voice codec used, Full Rate. In 1981, work began to develop a European standard for digital cellular voice telephony when the European Conference of Postal and Telecommunications Administrations (CEPT) created the Groupe Spécial Mobile committee and later provided a permanent technical support group based in Paris. Five years later, in 1987, 15 representatives from 13 European countries signed a memorandum of understanding in Copenhagen to develop and deploy a common cellular telephone system across Europe, and EU rules were passed to make GSM a mandatory standard. The decision to develop a continental standard eventually resulted in a unified, open, standard-based network which was larger than that in the United States. In 1989, the Groupe Spécial Mobile committee was transferred from CEPT to the European Telecommunications Standards Institute (ETSI). In 1987 Europe produced the very first agreed GSM Technical Specification in February. Ministers from the four big EU countries cemented their political support for GSM with the Bonn Declaration on Global Information Networks in May and the GSM MoU was tabled for signature in September. The MoU drew-in mobile operators from across Europe to pledge to invest in new GSM networks to an ambitious common date. It got GSM up and running fast. In this short 37-week period the whole of Europe (countries and industries) had been brought behind GSM in a rare unity and speed guided by four public officials Armin Silberhorn (Germany), Stephen Temple (UK), Philippe Dupuis (France), and Renzo Failli
  • 4.
    ROBO INDIA |Energy Meter monitoring online using wireless Transmission Page 4 (Italy).[8] In 1989 the Groupe Spécial Mobile committee was transferred from CEPT to the European Telecommunications Standards Institute (ETSI). In parallel, France and Germany signed a joint development agreement in 1984 and were joined by Italy and the UK in 1986. In 1986 the European Commission proposed reserving the 900 MHz spectrum band for GSM. Phase I of the GSM specifications were published in 1990. The world's first GSM call was made by the former Finnish prime minister Harri Holkeri to Kaarina Suonio (mayor in city of Tampere) on July 1, 1991, on a network built by Telenokia and Siemens and operated by Radiolinja.[9] The following year in 1992, the first short messaging service (SMS or "text message") message was sent and Vodafone UK and Telecom Finland signed the first international roaming agreement. Work began in 1991 to expand the GSM standard to the 1800 MHz frequency band and the first 1800 MHz network became operational in the UK by 1993. Also that year, Telecom Australia became the first network operator to deploy a GSM network outside Europe and the first practical hand-held GSM mobile phone became available. In 1995, fax, data and SMS messaging services were launched commercially, the first 1900 MHz GSM network became operational in the United States and GSM subscribers worldwide exceeded 10 million. Also this year, the GSM Association was formed. Pre- paid GSM SIM cards were launched in 1996 and worldwide GSM subscribers passed 100 million in 1998. In 2000, the first commercial GPRS services were launched and the first GPRS compatible handsets became available for sale. In 2001 the first UMTS (W-CDMA) network was launched, a 3G technology that is not part of GSM. Worldwide GSM subscribers exceeded 500 million. In 2002 the first Multimedia Messaging Service (MMS) were introduced and the first GSM network in the 800 MHz frequency band became operational. EDGE services first became operational in a network in 2003 and the number of worldwide GSM subscribers exceeded 1 billion in 2004. By 2005, GSM networks accounted for more than 75% of the worldwide cellular network market, serving 1.5 billion subscribers. In 2005 the first HSDPA capable network also became operational. The first HSUPA network was launched in 2007.
  • 5.
    ROBO INDIA |Energy Meter monitoring online using wireless Transmission Page 5 High-Speed Packet Access (HSPA) and its uplink and downlink versions are 3G technologies, not part of GSM. Worldwide GSM subscribers exceeded two billion in 2008. The GSM Association estimated in 2010 that technologies defined in the GSM standard serve 80% of the global mobile market, encompassing more than 5 billion people across more than 212 countries and territories, making GSM the most ubiquitous of the many standards for cellular networks. It is important to note that GSM is a second-generation (2G) standard employing Time- Division Multiple-Access (TDMA) spectrum-sharing, issued by the European Telecommunications Standards Institute (ETSI). The GSM standard does not include the 3G UMTS CDMA-based technology nor the 4G LTE OFDMA-based technology standards issued by the 3GPP. Macau planned to phase out its 2G GSM networks as of June 4, 2015, making it the first region to decommission a GSM network.
  • 6.
    ROBO INDIA |Energy Meter monitoring online using wireless Transmission Page 6 Chapter 2 Objective This project reads reading from an energy meter, displays that reading on the LCD panel. Then it upload these reading on internet via http request. These readings are easily accessible using a URL . Apart from monitoring it also record data, that too is online accessible. The objective of the project is to make the data available through the globe. Different hardware and software have been used in this project. All these hardware and software works in a coordination. For making HTTP request and response, online webserver is used. The server is Linux server. For recording data we have use PHP My Admin data base management system.
  • 7.
    ROBO INDIA |Energy Meter monitoring online using wireless Transmission Page 7 Chapter 3 Methodology The following block diagram explains working of the system, later we shall discuss all of the components of the diagram. Fig.2 | Block diagram
  • 8.
    ROBO INDIA |Energy Meter monitoring online using wireless Transmission Page 8 Chapter 4 Programming of hardware controller This chapter elaborate the programming of hardware controller. 4.1 Introduction to embedded C Our project is made using embedded programming. The programming language required for construction of the project is Embedded C. Here in this chapter we will see the programming of the project and interfacing with the compiler. Before moving ahead have a look on embedded system. An embedded system is a computer system with a dedicated function within a larger mechanical or electrical system, often with real-time computing constraints.It is embedded as part of a complete device often including hardware and mechanical parts. By contrast, a general-purpose computer, such as a personal computer (PC), is designed
  • 9.
    ROBO INDIA |Energy Meter monitoring online using wireless Transmission Page 9 to be flexible and to meet a wide range of end-user needs. Embedded systems control many devices in common use today. Modern embedded systems are often based on microcontrollers (i.e CPUs with integrated memory and/or peripheral interfaces) but ordinary microprocessors (using external chips for memory and peripheral interface circuits) are also still common, especially in more complex systems. In either case, the processor(s) used may be types ranging from rather general purpose to very specialised in certain class of computations, or even custom designed for the application at hand. A common standard class of dedicated processors is the digital signal processor (DSP). The key characteristic, however, is being dedicated to handle a particular task. Since the embedded system is dedicated to specific tasks, design engineers can optimize it to reduce the size and cost of the product and increase the reliability and performance. Some embedded systems are mass-produced, benefiting from economies of scale. Physically, embedded systems range from portable devices such as digital watches and MP3 players, to large stationary installations like traffic lights, factory controllers, and largely complex systems like hybrid vehicles, MRI, and avionics. Complexity varies from low, with a single microcontroller chip, to very high with multiple units, peripherals and networks mounted inside a large chassis or enclosure. Embedded systems are commonly found in consumer, cooking, industrial, automotive, medical, commercial and military applications. Telecommunications systems employ numerous embedded systems from telephone switches for the network to cell phones at the end-user. Computer networking uses dedicated routers and network bridges to route data. Consumer electronics include personal digital assistants (PDAs), mp3 players, mobile phones, videogame consoles, digital cameras, DVD players, GPS receivers, and printers. Household appliances, such as microwave ovens, washing machines and dishwashers, include embedded systems to provide flexibility, efficiency and features. Advanced HVAC systems use networked thermostats to more accurately and efficiently control temperature that can change by time of day and season. Home automation uses wired-
  • 10.
    ROBO INDIA |Energy Meter monitoring online using wireless Transmission Page 10 and wireless-networking that can be used to control lights, climate, security, audio/visual, surveillance, etc., all of which use embedded devices for sensing and controlling. Transportation systems from flight to automobiles increasingly use embedded systems. New airplanes contain advanced avionics such as inertial guidance systems and GPS receivers that also have considerable safety requirements. Various electric motors — brushless DC motors, induction motors and DC motors — use electric/electronic motor controllers. Automobiles, electric vehicles, and hybrid vehicles increasingly use embedded systems to maximize efficiency and reduce pollution. Other automotive safety systems include anti-lock braking system (ABS), Electronic Stability Control (ESC/ESP), traction control (TCS) and automatic four-wheel drive. Medical equipment uses embedded systems for vital signs monitoring, electronic stethoscopes for amplifying sounds, and various medical imaging (PET, SPECT, CT, MRI) for non-invasive internal inspections. Embedded systems within medical equipment are often powered by industrial computers. Embedded systems are used in transportation, fire safety, safety and security, medical applications and life critical systems, as these systems can be isolated from hacking and thus, be more reliable.[citation needed] For fire safety, the systems can be designed to have greater ability to handle higher temperatures and continue to operate. In dealing with security, the embedded systems can be self-sufficient and be able to deal with cut electrical and communication systems. A new class of miniature wireless devices called motes are quickly gaining popularity as the field of wireless sensor networking is increasing. Wireless sensor networking, WSN, makes use of miniaturization made possible by advanced IC design to couple full wireless subsystems to sophisticated sensors, enabling people and companies to measure a myriad of things in the physical world and act on this information through IT monitoring and control systems. These motes are completely self-contained, and will typically run off a battery source for years before the batteries need to be changed or charged. Embedded Wi-Fi modules provide a simple means of wirelessly enabling any device which communicates via a serial port.
  • 11.
    ROBO INDIA |Energy Meter monitoring online using wireless Transmission Page 11 4.2 The compiler Atmel® Studio 6 is the integrated development platform (IDP) for developing and debugging Atmel ARM® Cortex®-M and Atmel AVR® microcontroller (MCU) based applications. The Atmel Studio 6 IDP gives you a seamless and easy-to-use environment to write, build and debug your applications written in C/C++ or assembly code. Atmel Studio 6 is free of charge and is integrated with the Atmel Software Framework (ASF)—a large library of free source code with 1,600 ARM and AVR project examples. ASF strengthens the IDP by providing, in the same environment, access to ready-to-use code that minimizes much of the low-level design required for projects. Use the IDP for our wide variety of AVR and ARM Cortex-M processor-based MCUs, including our broadened portfolio of Atmel SAM3 ARM Cortex-M3 and M4 Flash devices. With the introduction of Atmel Gallery and Atmel Spaces, Atmel Studio 6 further simplifies embedded MCU designs to reduce development time and cost. Atmel Gallery is an online apps store for development tools and embedded software. Atmel Spaces is a cloud-based collaborative development workspace allowing you to host software and hardware projects targeting Atmel MCUs. In summary, standard integrated development environments (IDEs) are suited for creating new software for an MCU project. By contrast, the Atmel Studio 6 IDP also: Facilitates reuse of existing software and, by doing so, enables design differentiation. Supports the product development process with easy access to integrated tools and software extensions through Atmel Gallery. Reduces time to market by providing advanced features, an extensible software eco-system, and powerful debug integration. fig | Atmel Studio
  • 12.
    ROBO INDIA |Energy Meter monitoring online using wireless Transmission Page 12 Chapter 5 The parts & Interfacing Following are the parts of the project. 5.1. Energy Meter An electricity meter or energy meter is a device that measures the amount of electric energy consumed by a residence, business, or an electrically powered device. Electricity meters are typically calibrated in billing units, the most common one being the kilowatt hour [kWh]. Periodic readings of electricity meters establishes billing cycles and energy used during a cycle. In settings when energy savings during certain periods are desired, meters may measure demand, the maximum use of power in some interval. "Time of day" metering allows electric rates to be changed during a day, to record usage during peak high-cost
  • 13.
    ROBO INDIA |Energy Meter monitoring online using wireless Transmission Page 13 periods and off-peak, lower-cost, periods. Also, in some areas meters have relays for demand response load shedding during peak load periods. As commercial use of electric energy spread in the 1880s, it became increasingly important that an electric energy meter, similar to the then existing gas meters, was required to properly bill customers for the cost of energy, instead of billing for a fixed number of lamps per month. Many experimental types of meter were developed. Edison at first worked on a DC electromechanical meter with a direct reading register, but instead developed an electrochemical metering system, which used an electrolytic cell to totalise current consumption. At periodic intervals the plates were removed, weighed, and the customer billed. The electrochemical meter was labor-intensive to read and not well received by customers. An early type of electrochemical meter used in the United Kingdom was the 'Reason' meter. This consisted of a vertically mounted glass structure with a mercury reservoir at the top of the meter. As current was drawn from the supply, electrochemical action transferred the mercury to the bottom of the column. Like all other DC meters, it recorded ampere-hours. Once the mercury pool was exhausted, the meter became an open circuit. It was therefore necessary for the consumer to pay for a further supply of electricity, whereupon, the supplier's agent would unlock the meter from its mounting and invert it restoring the mercury to the reservoir and the supply. In 1885 Ferranti offered a mercury motor meter with a register similar to gas meters; this had the advantage that the consumer could easily read the meter and verify consumption. The first accurate, recording electricity consumption meter was a DC meter by Dr Hermann Aron, who patented it in 1883. Hugo Hirst of the British General Electric Company introduced it commercially into Great Britain from 1888.[3] Unlike their AC counterparts, DC meters did not measure energy. Instead they measured charge in ampere-hours. Since the voltage of the supply should remain substantially constant, the reading of the meter was proportional to actual energy consumed. For example: if a meter recorded that 100 ampere-hours had been consumed on a 200 volt supply, then 20 kilowatt-hours of energy had been supplied. Aron's meter recorded the total charge used over time, and showed it on a series of clock dials.
  • 14.
    ROBO INDIA |Energy Meter monitoring online using wireless Transmission Page 14 The first specimen of the AC kilowatt-hour meter produced on the basis of Hungarian Ottó Bláthy's patent and named after him was presented by the Ganz Works at the Frankfurt Fair in the autumn of 1889, and the first induction kilowatt-hour meter was already marketed by the factory at the end of the same year. These were the first alternating-current watt-hour meters, known by the name of Bláthy-meters. The AC kilowatt hour meters used at present operate on the same principle as Bláthy's original invention. Also around 1889, Elihu Thomson of the American General Electric company developed a recording watt meter (watt-hour meter) based on an ironless commutator motor. This meter overcame the disadvantages of the electrochemical type and could operate on either alternating or direct current. In 1894 Oliver Shallenberger of the Westinghouse Electric Corporation applied the induction principle previously used only in AC ampere-hour meters to produce a watt- hour meter of the modern electromechanical form, using an induction disk whose rotational speed was made proportional to the power in the circuit. The Bláthy meter was similar to Shallenberger and Thomson meter in that they are two-phase motor meter. Although the induction meter would only work on alternating current, it eliminated the delicate and troublesome commutator of the Thomson design. Shallenberger fell ill and was unable to refine his initial large and heavy design, although he did also develop a polyphase version. 5.2 Energy Meter Reading The most common unit of measurement on the electricity meter is the kilowatt hour [kWh], which is equal to the amount of energy used by a load of one kilowatt over a period of one hour, or 3,600,000 joules. Some electricity companies use the SI megajoule instead. Demand is normally measured in watts, but averaged over a period, most often a quarter or half hour. Reactive power is measured in "thousands of volt-ampere reactive-hours", (kvarh). By convention, a "lagging" or inductive load, such as a motor, will have positive reactive power. A "leading", or capacitive load, will have negative reactive power.
  • 15.
    ROBO INDIA |Energy Meter monitoring online using wireless Transmission Page 15 Volt-amperes measures all power passed through a distribution network, including reactive and actual. This is equal to the product of root-mean-square volts and amperes. Distortion of the electric current by loads is measured in several ways. Power factor is the ratio of resistive (or real power) to volt-amperes. A capacitive load has a leading power factor, and an inductive load has a lagging power factor. A purely resistive load (such as a filament lamp, heater or kettle) exhibits a power factor of 1. Current harmonics are a measure of distortion of the wave form. For example, electronic loads such as computer power supplies draw their current at the voltage peak to fill their internal storage elements. This can lead to a significant voltage drop near the supply voltage peak which shows as a flattening of the voltage waveform. This flattening causes odd harmonics which are not permissible if they exceed specific limits, as they are not only wasteful, but may interfere with the operation of other equipment. Harmonic emissions are mandated by law in EU and other countries to fall within specified limits. 5.3 Electro Mechanical Meter The most common type of electricity meter is the electromechanical induction watt- hour meter. The electromechanical induction meter operates by counting the revolutions of a non- magnetic, but electrically conductive, metal disc which is made to rotate at a speed proportional to the power passing through the meter. The number of revolutions is thus proportional to the energy usage. The voltage coil consumes a small and relatively constant amount of power, typically around 2 watts which is not registered on the meter. The current coil similarly consumes a small amount of power in proportion to the square of the current flowing through it, typically up to a couple of watts at full load, which is registered on the meter.
  • 16.
    ROBO INDIA |Energy Meter monitoring online using wireless Transmission Page 16 Fig | Enegy Meter The disc is acted upon by two sets of coils, which form, in effect, a two phase induction motor. One coil is connected in such a way that it produces a magnetic flux in proportion to the voltage and the other produces a magnetic flux in proportion to the current. The field of the voltage coil is delayed by 90 degrees, due to the coil's inductive nature, and calibrated using a lag coil. This produces eddy currents in the disc and the effect is such that a force is exerted on the disc in proportion to the product of the instantaneous current, voltage and phase angle (power factor) between them. A permanent magnet exerts an opposing force proportional to the speed of rotation of the disc. The equilibrium between these two opposing forces results in the disc rotating at a speed proportional to the power or rate of energy usage. The disc drives a register
  • 17.
    ROBO INDIA |Energy Meter monitoring online using wireless Transmission Page 17 mechanism which counts revolutions, much like the odometer in a car, in order to render a measurement of the total energy used. The type of meter described above is used on a single-phase AC supply. Different phase configurations use additional voltage and current coils. Three-phase electromechanical induction meter, metering 100 A 240/415 V supply. Horizontal aluminum rotor disc is visible in center of meter The disc is supported by a spindle which has a worm gear which drives the register. The register is a series of dials which record the amount of energy used. The dials may be of the cyclometer type, an odometer-like display that is easy to read where for each dial a single digit is shown through a window in the face of the meter, or of the pointer type where a pointer indicates each digit. With the dial pointer type, adjacent pointers generally rotate in opposite directions due to the gearing mechanism. The amount of energy represented by one revolution of the disc is denoted by the symbol Kh which is given in units of watt-hours per revolution. The value 7.2 is commonly seen. Using the value of Kh one can determine their power consumption at any given time by timing the disc with a stopwatch. P = {{3600 cdot Kh } over t}. Where: t = time in seconds taken by the disc to complete one revolution, P = power in watts. For example, if Kh = 7.2 as above, and one revolution took place in 14.4 seconds, the power is 1800 watts. This method can be used to determine the power consumption of household devices by switching them on one by one. Most domestic electricity meters must be read manually, whether by a representative of the power company or by the customer. Where the customer reads the meter, the
  • 18.
    ROBO INDIA |Energy Meter monitoring online using wireless Transmission Page 18 reading may be supplied to the power company by telephone, post or over the internet. The electricity company will normally require a visit by a company representative at least annually in order to verify customer-supplied readings and to make a basic safety check of the meter. In an induction type meter, creep is a phenomenon that can adversely affect accuracy, that occurs when the meter disc rotates continuously with potential applied and the load terminals open circuited. A test for error due to creep is called a creep test. 5.4 Electronic Meters Electronic meters display the energy used on an LCD or LED display, and some can also transmit readings to remote places. In addition to measuring energy used, electronic meters can also record other parameters of the load and supply such as instantaneous and maximum rate of usage demands, voltages, power factor and reactive power used etc. They can also support time-of-day billing, for example, recording the amount of energy used during on-peak and off-peak hours. Solid-state design: Solid state electricity meter used in a home in the Netherlands. Basic block diagram of an electronic energy meter As in the block diagram, the meter has a power supply, a metering engine, a processing and communication engine (i.e. a microcontroller), and other add-on modules such as RTC, LCD display, communication ports/modules and so on. The metering engine is given the voltage and current inputs and has a voltage reference, samplers and quantisers followed by an ADC section to yield the digitised equivalents of all the inputs. These inputs are then processed using a digital signal processor to calculate the various metering parameters such as powers, energies etc. The largest source of long-term errors in the meter is drift in the preamp, followed by the precision of the voltage reference. Both of these vary with temperature as well, and vary wildly because most meters are outdoors. Characterising and compensating for these is a major part of meter design.
  • 19.
    ROBO INDIA |Energy Meter monitoring online using wireless Transmission Page 19 The processing and communication section has the responsibility of calculating the various derived quantities from the digital values generated by the metering engine. This also has the responsibility of communication using various protocols and interface with other addon modules connected as slaves to it. RTC and other add-on modules are attached as slaves to the processing and communication section for various input/output functions. On a modern meter most if not all of this will be implemented inside the microprocessor, such as the real time clock (RTC), LCD controller, temperature sensor, memory and analog to digital converters. 5.3 The controller Robotic arm controller comprises several electronic components. Here we will discuss the important parts of the circuit. 5.3.1 The microcontroller (Atmega 8) The ATmega16 is a low-power CMOS 8-bit microcontroller based on the AVR enhanced RISC architecture. By executing powerful instructions in a single clock cycle, the ATmega16 achieves throughputs approaching 1 MIPS per MHz allowing the system designer to optimize power consumption versus processing speed.
  • 20.
    ROBO INDIA |Energy Meter monitoring online using wireless Transmission Page 20 Fig.| Atmega 16 Pinout diagram. | PDIP package
  • 21.
    ROBO INDIA |Energy Meter monitoring online using wireless Transmission Page 21 Fig.| Atmega 16 Pinout diagram. | TQFP package
  • 22.
    ROBO INDIA |Energy Meter monitoring online using wireless Transmission Page 22 Fig.| Atmega 16 Pinout diagram. | MLF package
  • 23.
    ROBO INDIA |Energy Meter monitoring online using wireless Transmission Page 23 Fig.31 | Block diagram of Atmega 8
  • 24.
    ROBO INDIA |Energy Meter monitoring online using wireless Transmission Page 24 The AVR core combines a rich instruction set with 32 general purpose working registers. All the 32 registers are directly connected to the Arithmetic Logic Unit (ALU), allowing two independent registers to be accessed in one single instruction executed in one clock cycle. The resulting architecture is more code efficient while achieving throughputs up to ten times faster than conventional CISC microcontrollers. The ATmega16 provides the following features: 16K bytes of In-System Programmable Flash Program memory with Read-While-Write capabilities, 512 bytes EEPROM, 1K byte SRAM, 32 general purpose I/O lines, 32 general purpose working registers, a JTAG interface for Boundary scan, On-chip Debugging support and programming, three flexible Timer/Counters with compare modes, Internal and External Interrupts, a serial programmable USART, a byte oriented Two-wire Serial Interface, an 8-channel, 10-bit ADC with optional differential input stage with programmable gain (TQFP package only), a programmable Watchdog Timer with Internal Oscillator, an SPI serial port, and six software selectable power saving modes. The Idle mode stops the CPU while allowing the USART, Two-wire interface, A/D Converter, SRAM, Timer/Counters, SPI port, and interrupt system to continue functioning. The Power-down mode saves the register contents but freezes the Oscillator, disabling all other chip functions until the next External Interrupt or Hardware Reset. In Power-save mode, the Asynchronous Timer continues to run, allowing the user to maintain a timer base while the rest of the device is sleeping. The ADC Noise Reduction mode stops the CPU and all I/O modules except Asynchronous Timer and ADC, to minimize switching noise during ADC conversions. In Standby mode, the crystal/resonator Oscillator is running while the rest of the device is sleeping. This allows very fast start-up combined with low-power consumption. In Extended Standby mode, both the main Oscillator and the Asynchronous Timer continue to run. The device is manufactured using Atmel’s high density non-volatile memory technology. The On chip ISP Flash allows the program memory to be reprogrammed in-system through an SPI serial interface, by a conventional non-volatile memory programmer, or by an On-chip Boot program running on the AVR core. The boot program can use any interface to download the application program in the Application Flash memory. Software in the Boot Flash section will continue to run while the Application Flash section is updated, providing true Re ad-While-Write operation. By combining an 8-bit RISC CPU with In-System Self- Programmable Flash on a monolithic chip, the Atmel ATmega16 is a powerful
  • 25.
    ROBO INDIA |Energy Meter monitoring online using wireless Transmission Page 25 microcontroller that provides a highly-flexible and cost-effective solution to many embedded control applications. The ATmega16 AVR is supported with a full suite of program and system development tools including: C compilers, macro assemblers, program debugger/simulators, in-circuit emulators, and evaluation kits. 5.3.1.1 Pin Description of ATmega 16.  VCC: Digital supply voltage.  GND: Ground.  Port A (PA7..PA0): Port A serves as the analog inputs to the A/D Converter. Port A also serves as an 8-bit bi-directional I/O port, if the A/D Converter is not used. Port pins can provide internal pull-up resistors (selected for each bit). The Port A output buffers have symmetrical drive characteristics with both high sink and source capability. When pins PA0 to PA7 are used as inputs and are externally pulled low, they will source current if the internal pull-up resistors are activated. The Port A pins are tri-stated when a reset condition becomes active, even if the clock is not running.  Port B (PB7..PB0): Port B is an 8-bit bi-directional I/O port with internal pull-up resistors (selected for each bit). The Port B output buffers have symmetrical drive characteristics with both high sink and source capability. As inputs, Port B pins that are externally pulled low will source current if the pull-up resistors are activated. The Port B pins are tri-stated when a reset condition becomes active, even if the clock is not running.  Port C (PC7..PC0): Port C is an 8-bit bi-directional I/O port with internal pull-up resistors (selected for each bit). The Port C output buffers have symmetrical drive characteristics with both high sink and source capability. As inputs, Port C pins that are externally pulled low will source current if the pull-up resistors are activated. The Port C pins are tri-stated when a reset condition becomes active, even if the clock is not running. If the JTAG interface is enabled, the pull-up resistors on pins PC5(TDI), PC3(TMS) and PC2(TCK) will be activated even if a reset occurs.
  • 26.
    ROBO INDIA |Energy Meter monitoring online using wireless Transmission Page 26  Port D (PD7..PD0): Port D is an 8-bit bi-directional I/O port with internal pull-up resistors (selected for each bit). The Port D output buffers have symmetrical drive characteristics with both high sink and source capability. As inputs, Port D pins that are externally pulled low will source current if the pull-up resistors are activated. The Port D pins are tri-stated when a reset condition becomes active, even if the clock is not running.  RESET: Reset Input. A low level on this pin for longer than the minimum pulse length will generate a reset, even if the clock is not running.  XTAL1: Input to the inverting Oscillator amplifier and input to the internal clock operating circuit.  XTAL2: Output from the inverting Oscillator amplifier.  AVCC: AVCC is the supply voltage pin for Port A and the A/D Converter. It should be externally connected to VCC, even if the ADC is not used. If the ADC is used, it should be connected to VCC through a low-pass filter.  AREF: AREF is the analog reference pin for the A/D Converter. 5.3 Serial Communication: Serial communication is a way enables different equipments to communicate with their outside world. It is called serial because the data bits will be sent in a serial way over a single line. A personal computer has a serial port known as communication port or COM Port used to connect a modem for example or any other device, there could be more than one COM Port in a PC. Serial ports are controlled by a special chip called UART (Universal Asynchronous Receiver Transmitter). Different applications use different pins on the serial port and this basically depend of the functions required. If we need to connect our PC for example to some other device by serial port, then we have to read instruction manual for that device to know how the pins on both sides must be connected and the setting required.
  • 27.
    ROBO INDIA |Energy Meter monitoring online using wireless Transmission Page 27 5.3.1 Advantages of Serial Communication Serial communication has some advantages over the parallel communication. One of the advantages is transmission distance, serial link can send data to a remote device more far then parallel link. Also the cable connection of serial link is simpler then parallel link and uses less number of wires. Serial link is used also for Infrared communication, now many devices such as laptops & printers can communicate via inferred link. 5.3.2 Communication methods There are two methods for serial communication, Synchronous & Asynchronous. 5.3.2.1 Synchronous serial communication: In Synchronous serial communication the receiver must know when to “read” the next bit coming from the sender, this can be achieved by sharing a clock between sender and receiver. In most forms of serial Synchronous communication, if there is no data available at a given time to transmit, a fill character will be sent instead so that data is always being transmitted. Synchronous communication is usually more efficient because only data bits are transmitted between sender and receiver, however it will be more costly because extra wiring and control circuits are required to share a clock signal between the sender and receiver. 5.3.2.2 Asynchronous serial communication: Asynchronous transmission allows data to be transmitted without the sender having to send a clock signal to the receiver. Instead, special bits will be added to each word in order to synchronize the sending and receiving of the data. When a word is given to the UART for Asynchronous transmissions, a bit called the “Start Bit” is added to the beginning of each word that is to be transmitted. The Start Bit
  • 28.
    ROBO INDIA |Energy Meter monitoring online using wireless Transmission Page 28 is used to alert the receiver that a word of data is about to be sent, and to force the clock in the receiver into synchronization with the clock in the transmitter. Fig.32 | Example of serial data transmission After the Start Bit, the individual bits of the word of data are sent, each bit in the word is transmitted for exactly the same amount of time as all of the other bits When the entire data word has been sent, the transmitter may add a Parity Bit that the transmitter generates. The Parity Bit may be used by the receiver to perform simple error checking. Then at least one Stop Bit is sent by the transmitter. If the Stop Bit does not appear when it is supposed to, the UART considers the entire word to be garbled and will report a Framing Error. 5.4 GSM Modem Fig | GSM Modem
  • 29.
    ROBO INDIA |Energy Meter monitoring online using wireless Transmission Page 29 SIMCom Wireless Solutions is a subsidiary of SIM Technology Group Ltd (stock code: 2000. H.K). It is a fast growing[citation needed] wireless M2M company, designing and offering a variety of wireless modules based on GSM/GPRS/EDGE, WCDMA/HSDPA and TD-SCDMA technical platforms By partnering with third parties, SIMCom Wireless provides customized design solutions in M2M, WLL, Mobile Computing, GPS and other applications. SIMCom Wireless also provides ODM services for customers. According to ABI Insight report, SIMCom Cellular Module was number two provider of wireless modules worldwide in 2008 with 20% acquisition of global market share in 2009 the launched SIM 900. 5.5 Server site application http://scl.fabroll.com this is the URL that is needed to be accessed. This URL tell about the last reading and the last time when the data was recorded. Below mentioned image is the glimpse of the server page. Fig | The web application
  • 30.
    ROBO INDIA |Energy Meter monitoring online using wireless Transmission Page 30 Chapter 7 References 1. Atmega 16 data sheet. 2. USB to serial data sheet. 3. Energy meter manuals 4. Serial communication manuals of AVR 5. GSM Modem manual 6. AT commands manual
  • 31.
    ROBO INDIA |Energy Meter monitoring online using wireless Transmission Page 31 Appendix 1 The codding /* * Source code.c * * Created: 19/Mar/2014 15:48:10 * Author: acer */ #include <avr/io.h>
  • 32.
    ROBO INDIA |Energy Meter monitoring online using wireless Transmission Page 32 #include <util/delay.h> #include "lcd.h" uint16_t E_data; char digits[2]; /*Macros definition*/ #define BIT(x) (1 << (x)) //Set a particular bit mask #define CHECKBIT(x,b) x&b //Checks bit status #define SETBIT(x,b) x|=b; //Sets the particular bit #define CLEARBIT(x,b) x&=~b; //Sets the particular bit #define TOGGLEBIT(x,b) x^=b; //Toggles the particular bit void EEPROM_write(unsigned int uiAddress, unsigned char ucData); unsigned char EEPROM_read(unsigned int uiAddress); save_EEPROM(unsigned int add,unsigned int data); read_EEPROM(unsigned int add); void USART_SEND_INT(int data); void USART_SEND_DEC(int num); void USARTInit(uint16_t ubrr_value)
  • 33.
    ROBO INDIA |Energy Meter monitoring online using wireless Transmission Page 33 { UBRRL = ubrr_value; UBRRH = (ubrr_value>>8); UCSRC=(1<<URSEL)|(3<<UCSZ0); UCSRB=(1<<RXEN)|(1<<TXEN); } char USARTReadChar()//For reading a single character { while(!(UCSRA & (1<<RXC))) { //Do nothing } return UDR;
  • 34.
    ROBO INDIA |Energy Meter monitoring online using wireless Transmission Page 34 } void USARTWriteChar(char data)//For writing a single character { while(!(UCSRA & (1<<UDRE))) { //Do nothing } UDR=data; } void USARTWriteString(char* StringPtr)//For writing a string { while(*StringPtr != 0x00) { //Here we check if there is still more chars to send, this is done checking the actual char and see if it is different from the null char USARTWriteChar(*StringPtr); //Using the simple send function we send one char at a time StringPtr++; } //We increment the pointer so we can read the next char
  • 35.
    ROBO INDIA |Energy Meter monitoring online using wireless Transmission Page 35 } void SIM900Init(void) { char command[60]; char ret; sprintf(command, "AT+SAPBR=3,1,"APN","airtelgprs.com""); USARTWriteString(command); USARTWriteChar(13); USARTWriteChar(10); LCDWriteStringXY (0,0, "Setting up GPRS."); _delay_ms(1000); LCDClear(); for(int i = 0; i<2; i++) { ret = USARTReadChar(); if (ret == 13) { //i--; } else if (ret ==10)
  • 36.
    ROBO INDIA |Energy Meter monitoring online using wireless Transmission Page 36 { //i--; } else { LCDGotoXY(i,0); LCDData(ret); } } _delay_ms(1000); sprintf(command, "AT+SAPBR=1,1"); USARTWriteString(command); USARTWriteChar(13); USARTWriteChar(10); LCDClear(); LCDWriteStringXY(0,0, "Setting APN"); _delay_ms(1000); LCDClear(); for(int i = 0; i<2; i++) { ret = USARTReadChar(); if (ret == 13)
  • 37.
    ROBO INDIA |Energy Meter monitoring online using wireless Transmission Page 37 { //i--; } else if (ret ==10) { //i--; } else { LCDGotoXY(i,0); LCDData(ret); } } _delay_ms(1000); sprintf(command, "AT+CREG?"); USARTWriteString(command); USARTWriteChar(13); USARTWriteChar(10); LCDClear(); LCDWriteStringXY(0,0, "Checking registration status"); _delay_ms(1000);
  • 38.
    ROBO INDIA |Energy Meter monitoring online using wireless Transmission Page 38 LCDClear(); for(int i = 0; i<2; i++) { ret = USARTReadChar(); if (ret == 13) { //i--; } else if (ret ==10) { //i--; } else { LCDGotoXY(i,0); LCDData(ret); } } _delay_ms(1000); sprintf(command, "AT+SAPBR=2,1");
  • 39.
    ROBO INDIA |Energy Meter monitoring online using wireless Transmission Page 39 USARTWriteString(command); USARTWriteChar(13); USARTWriteChar(10); LCDClear(); LCDWriteStringXY(0,0,"Querying bearer 1"); _delay_ms(1000); LCDClear(); for(int i = 0; i<2; i++) { ret = USARTReadChar(); if (ret == 13) { //i--; } else if (ret ==10) { //i--; } else { LCDGotoXY(i,0); LCDData(ret);
  • 40.
    ROBO INDIA |Energy Meter monitoring online using wireless Transmission Page 40 } } _delay_ms(1000); sprintf(command, "AT+HTTPINIT"); USARTWriteString(command); USARTWriteChar(13); USARTWriteChar(10); LCDClear(); LCDWriteStringXY(0,0,"Intializing HHTP"); _delay_ms(1000); LCDClear(); for(int i = 0; i<2; i++) { ret = USARTReadChar(); if (ret == 13) { //i--; } else if (ret ==10) { //i--; }
  • 41.
    ROBO INDIA |Energy Meter monitoring online using wireless Transmission Page 41 else { LCDGotoXY(i,0); LCDData(ret); } } _delay_ms(1000); } void http_send(int main_, int dec_) { LCDClear(); char ret; char command[100]; sprintf(command, "AT+HTTPPARA="URL","http://efyjaipur.com/shree_cement/load_pecrc.php?main= %d&dec=%d"", main_, dec_); USARTWriteString(command); USARTWriteChar(13); USARTWriteChar(10); LCDWriteStringXY(0,0, "Sending data to URL"); LCDWriteStringXY(0,1, "Reading"); LCDWriteStringXY(11,1, "."); LCDWriteIntXY(8,1, main_,3); LCDWriteIntXY(12,1, dec_,2); _delay_ms(1000); for(int i = 0; i<2; i++)
  • 42.
    ROBO INDIA |Energy Meter monitoring online using wireless Transmission Page 42 { ret = USARTReadChar(); if (ret == 13) { //i--; } else if (ret ==10) { //i--; } else { //LCDGotoXY(i,0); //LCDData(ret); } } _delay_ms(1000); LCDClear(); sprintf(command, "AT+HTTPPARA="CID",1"); USARTWriteString(command); USARTWriteChar(13);
  • 43.
    ROBO INDIA |Energy Meter monitoring online using wireless Transmission Page 43 USARTWriteChar(10); LCDWriteStringXY(0,0, "Sending HTTP Parameters"); LCDWriteStringXY(0,1, "Reading"); LCDWriteStringXY(11,1, "."); LCDWriteIntXY(8,1, main_,3); LCDWriteIntXY(12,1, dec_,2); _delay_ms(1000); LCDClear(); for(int i = 0; i<2; i++) { ret = USARTReadChar(); if (ret == 13) { //i--; } else if (ret ==10) { //i--; } else { LCDGotoXY(i,0);
  • 44.
    ROBO INDIA |Energy Meter monitoring online using wireless Transmission Page 44 LCDData(ret); } } sprintf(command, "AT+HTTPACTION=0"); USARTWriteString(command); USARTWriteChar(13); USARTWriteChar(10); LCDWriteStringXY(0,0, "Sending HTTP Action"); LCDWriteStringXY(0,1, "Reading"); LCDWriteStringXY(11,1, "."); LCDWriteIntXY(8,1, main_,3); LCDWriteIntXY(12,1, dec_,2); _delay_ms(1000); LCDClear(); for(int i = 0; i<2; i++) { ret = USARTReadChar(); if (ret == 13) { //i--; } else if (ret ==10) { //i--;
  • 45.
    ROBO INDIA |Energy Meter monitoring online using wireless Transmission Page 45 } else { LCDGotoXY(i,0); LCDData(ret); } } sprintf(command, "AT+HTTPREAD"); USARTWriteString(command); USARTWriteChar(13); USARTWriteChar(10); LCDWriteStringXY(0,0, "Reading HTTP"); LCDWriteStringXY(0,1, "Reading"); LCDWriteStringXY(11,1, "."); LCDWriteIntXY(8,1, main_,3); LCDWriteIntXY(12,1, dec_,2); _delay_ms(1000); LCDClear(); for(int i = 0; i<2; i++) { ret = USARTReadChar(); if (ret == 13) { //i--;
  • 46.
    ROBO INDIA |Energy Meter monitoring online using wireless Transmission Page 46 } else if (ret ==10) { //i--; } else { LCDGotoXY(i,0); LCDData(ret); } } } int main(void) { int unit_main; char unit_decimal; char check=0; InitLCD(LS_BLINK);
  • 47.
    ROBO INDIA |Energy Meter monitoring online using wireless Transmission Page 47 USARTInit(103); SIM900Init(); LCDClear(); LCDWriteStringXY(0,0," ONLINE E Meter "); LCDWriteStringXY(0,1," MONITORING "); _delay_ms(1000); SETBIT(DDRC,BIT(5)); CLEARBIT(DDRC,BIT(4)); SETBIT(PORTC,BIT(4)); LCDClear(); /**********************************/ //First Time Initialisation to erase memory block// //keep the fuse EF C1 to avoid erasing memory block// //save_EEPROM(20,0); //EEPROM_write(30,0); //EEPROM_write(40,0); /*********************************/ int i = EEPROM_read(40); unit_decimal = EEPROM_read(30); unit_main = read_EEPROM(20); LCDWriteStringXY(4,1,".");
  • 48.
    ROBO INDIA |Energy Meter monitoring online using wireless Transmission Page 48 while(1) { //TODO:: Please write your application code if( (PINC&(1<<4)) == 0 ) { //LCDWriteStringXY(0,1,"if loop"); SETBIT(PORTC,BIT(5)); _delay_ms(200); CLEARBIT(PORTC,BIT(5)); i++; LCDWriteIntXY(0,0,i,3); EEPROM_write(40,i); check=1; } if(i==32) { i=0; unit_decimal ++; EEPROM_write(30,unit_decimal); } if (unit_decimal == 100) {
  • 49.
    ROBO INDIA |Energy Meter monitoring online using wireless Transmission Page 49 unit_decimal = 0; unit_main ++; save_EEPROM(20,unit_main); } //LCDWriteIntXY(0,1,unit_main,4); //LCDWriteIntXY(5,1,unit_decimal,2); http_send(unit_main, unit_decimal); _delay_ms(10000); // else // { // LCDWriteStringXY(0,1,"else loop"); // } } }
  • 50.
    ROBO INDIA |Energy Meter monitoring online using wireless Transmission Page 50 save_EEPROM(unsigned int add,unsigned int data) { uint16_t data_l,data_h,data_f; data_f = data; data_l = data_f & 0x00FF; data_h = data_f >> 8; EEPROM_write(add,data_h); add++; EEPROM_write(add,data_l); } read_EEPROM(unsigned int add) { //use E_data to store the full value uint16_t data_l,data_h; data_h = EEPROM_read(add); add++;
  • 51.
    ROBO INDIA |Energy Meter monitoring online using wireless Transmission Page 51 data_l = EEPROM_read(add); E_data = ((data_h<<8)|data_l); return E_data; } void EEPROM_write(unsigned int uiAddress, unsigned char ucData) { // sei(); /* Wait for completion of previous write */ while(EECR & (1<<EEWE)) ; /* Set up address and data registers */ EEAR = uiAddress; EEDR = ucData; /* Write logical one to EEMWE */ EECR |= (1<<EEMWE); /* Start eeprom write by setting EEWE */ EECR |= (1<<EEWE); // sei(); }
  • 52.
    ROBO INDIA |Energy Meter monitoring online using wireless Transmission Page 52 unsigned char EEPROM_read(unsigned int uiAddress) { //CLEARBIT(SREG,BIT(7)); /* Wait for completion of previous write */ while(EECR & (1<<EEWE)) ; /* Set up address register */ EEAR = uiAddress; /* Start eeprom read by writing EERE */ EECR |= (1<<EERE); /* Return data from data register */ return EEDR; //SETBIT(SREG,BIT(7)); }