Prepaid energy meter using gsm

CHAPTER-1

INTRODUCTION
1.1 Introduction on our project:
The Electrical metering instrument technology has come a long way from what it was
more than 100 years ago. From the original bulky meters with heavy magnets and coils, there
have been many innovations that have resulted in size & weight reduction in addition to
improvement in features and specifications. Resolution and accuracy of the meter have seen
substantial improvements over the years. Introduction of the digital meter in the later part
of last century has completely changed the way Electrical parameters are measured. Starting
with Voltmeters & Ammeters, the digital meter has conquered the entire spectrum of
measuring instruments due to their advantages like ease of reading, better resolution
and rugged construction. Of particular significance is the introduction of the Electronic Energy
Meter in the mid eighties. Now a days, the energy consumption and energy distribution has
became a big subject for discussion because of huge difference in energy production and
consumption. In this regard, energy consumers are facing so many problems due to the
frequent power failures; another important reason for power cuts is due to the un-limited
energy consumption of rich people. In this aspect, to minimize the power cuts and to distribute
the energy equally to all areas, some restriction should have over the power consumption of
each and every energy consumer, and according to that the Government should implement a
policy, by introducing Autonomous Energy Meters everywhere in domestic sector. Hence, the
need has come to think on this line and a solution has to be emerged out.
Electrical Metering Instrument Technology
Today the metering instrument technology grown up significantly, such that the
Consumed energy can be calculated mathematically, displayed, data can be stored, data can
be transmitted, etc. Presently the microcontrollers are playing major role in metering
instrument technology. The present project work is designed to collect the consumed energy
data of a particular energy consumer through wireless communication system (without going to
consumer house), the system can be called as automatic meter reading (AMR) system.
The Automatic Meter reading system is intended to remotely collect the meter readings of a
locality using a communication system, without persons physically going and reading the
meters visually.
Dept of EEE SRTIST

1
Prepaid energy meter using gsm

Details About Electronic Energy Meter
The following are the advantages of electronic energy meter:
Accuracy
While electromechanical meters are normally available with Class 2accuracy,
Electronic meters of Class 1 accuracy are very common.
Low Current Performance
Most of the electromechanical meters tend to run slow after a few years and stop
recording at low loads typically below 40% of their basic current. This is due to increased
friction at their bearings. This results in large losses in revenue since most of the residential
consumers will be running at very low loads for almost 20 hours in a day. Electronic meters
record consistently and accurately even at 5% of their basic current. Also they are guaranteed
to start recording energy at0.4% of their basic current.
Low Voltage Performance
Most of the mechanical meters become inaccurate at voltages below75% of rated
voltage whereas electronic meters record accurately even at 50% of rated voltage. This is a
major advantage where low voltage problem is very common.
Installation
The mechanical meter is very sensitive to the position in which it is installed. If it is
not mounted vertically, it will run slow, resulting in revenue loss. Electronic meters are not
sensitive
Tamper
The mechanical meters can be tampered very easily even without disturbing the
Wiring either by using an external magnet or by inserting a thin film into the meter to touch the
rotating disc. In addition to these methods, in the case of a single-phase meter, there are more
than 20 conditions of external wiring that can make the meter record less. In the case of 3
Phase meter, external wiring can be manipulated in 4 ways to make it slow. Hence, any of
these methods cannot tamper electronic meters. Moreover they can detect the tampering of
meter by using LED.
Dept of EEE SRTIST

2
Prepaid energy meter using gsm

New Features
Electronic meters provide many new features like prepaid metering and remote
Metering that can improve the efficiency of the utility.
Remote Metering of Energy Meters
The introduction of electronic energy meters for electrical energy metering has
resulted in various improvements in the operations of utilities apart from the increase
in revenue due to better recording of energy consumption. One such additional benefit is the
possibility of reading the meters automatically using meter-reading instruments even without
going near the meter. Meter reading instruments (MRI) are intelligent devices with built
in memory and keyboard. The meter reader can download the energy consumption and related
information from the electronic meter into the meter reading instrument either by connecting
the MRI physically to the meter using their communication ports or by communicating with
the meter from a distance using Radio Frequency (RF) communication media. RF
communication method is similar to a cordless telephone, which is quite common these days.
The meter and the MRI are provided with an antenna. When the meter reader presses a button
on the MRI, it communicates with the meter through RF and asks for all the data that are
preset. The meter responds with all relevant data like meter identification number, cumulative
energy consumed till that time etc. After reading many meters like that in one MRI, the meter
reader can go to the office and transfer all these data into a computer, which will have all these
data for the previous billing period. Using these two data, the computer calculates the
consumption for the current billing period and prepares the bill for each consumer.
The use of RF communication enables the utility to install the meters on top of the
electric pole out of reach of the consumers thereby eliminating chances of tamper of the meter.
Frequencies in the range of 400 MHz to 900communication can be achieved using low power
transmitters at reasonable costs. Power line carrier communication is another method of remote
metering. In this method, the meter data is transferred to an MRI or computer by using the
power line itself as the medium of transmission. This solution is generally cheaper than RF but
needs good quality power lines to avoid loss of data. This method is more attractive for limited
distance communication. Third medium of communication possible is telephone line. This is
viable only for industrial meters like the Trivector meter because of the cost of Modems
required and the need for a telephone line, which may not be available in every house. This
medium has the advantage of unlimited distance range. Remote metering is typically not a
Dept of EEE SRTIST

3
Prepaid energy meter using gsm

default option, but something provided for selected customers. The preferred customer base
may include suspicious clients or those located very close to others, such as in a high-rise
building. In the latter case, tens or hundreds of meters may use RF to send billing data to a
common collector unit, which then decodes the data with microcontrollers or computers.
PREPAYMENT METERING
Yet another advantage of the electronic meter is the possibility of introducing Prepaid
metering system. Prepaid metering system is the one in which the consumer pays money
in advance to the utility and then feeds this information into his meter. The meter then updates
the credit available to the consumer and starts deducting his consumption from available credit.
Once the credit reaches a minimum specified value, meter raises an alarm. If the credit
is completely exhausted, the meter switches off the loads of the consumer.
Main advantage of this system is that the utility can eliminate meter readers. Another
benefit is that they get paid in advance. The consumer benefits due to elimination of penalty for
late payment. Also it enables him to plan his electricity bill expenses in a better manner. Due to
the intelligence built in into the electronic meters, introduction of prepaid metering becomes
much easier than in the case of electromechanical meters.
Prepaid Energy Metering
Energy meters, the only direct revenue interface between utilities and the consumers,
have undergone several advancements in the last decade. The conventional electro-mechanical
meters are being replaced with electronic meters to improve accuracy in meter reading.
Asian countries are currently looking to introduce prepaid electricity meters across their
distribution network, buoyed up by the success of this novel methodology in South Africa. The
existing inherent problems with the post-paid system and privatization of state held power
distribution companies are the major driving factors for this market in Asia.
Over 40 countries have implemented prepaid meters in their markets In United
Kingdom the system, has been in use for well over 70 years with about3.5 million consumers.
The prepaid program in South Africa was started in 1992 since then they have installed over 6
million meters. Other African counties such as Sudan, Madagascar are following the South
African success. The concept has found ground in Argentina and New Zealand with few
thousands of installations. The prepaid meters in the market today are coming up with smart
cards to hold information on units consumed or equivalent money value. When the card is
Dept of EEE SRTIST

4
Prepaid energy meter using gsm

inserted, the energy meter reads it, connects the supply to the consumer loads, and debits the
value. The meters are equipped with light emitting diodes (LED) to inform consumers when 75
percent of the credit energy has been consumed. The consumer then recharges the prepaid card
from a sales terminal or distribution point, and during this process any changes in the tariff can
also be loaded in the smart card.
1.2 THESIS:
The thesis explains the implementation of prepaid energy meter with tariff indicator
.The organization of thesis is explained here.
Chapter1: Introduction about prepaid energy meter. It gives over all information about prepaid
energy meter
Chapter2: presents the hard ware description. where all components which are used in project
are briefly described.
Chapter3: presents about block diagram &circuit diagram.
Chapter4: presents the benefits of prepaid energy meter.
Chapter5: presents the advantages of prepaid energy meter.
Chapter6: it consists of brief note on software and program used in our project
Chapter7: It gives the future scope and conclusion.

Dept of EEE SRTIST

5
Prepaid energy meter using gsm

CHAPTER-2

HARDWARE DESCRIPTION
COMPONENTS USED IN OUR PROJECT ARE AS FOLLOWS:
2.1 Power Supply:
Power supply is a reference to a source of electrical power. A device or system that
supplies electrical or other types of energy to an output load or group of loads is called a power
supply unit or PSU. The term is most commonly applied to electrical energy supplies, less
often to mechanical ones, and rarely to others
This power supply section is required to convert AC signal to DC signal and also to
reduce the amplitude of the signal. The available voltage signal from the mains is 230V/50Hz
which is an AC voltage, but the required is DC voltage(no frequency) with the amplitude of
+5V and +12V for various applications.
In this section we have Transformer, Bridge rectifier, are connected serially and
voltage regulators for +5V and +12V (7805 and 7812) via a capacitor (1000µF) in parallel are
connected parallel as shown in the circuit diagram below. Each voltage regulator output is
again is connected to the capacitors of values (100µF, 10µF, 1 µF, 0.1 µF) are connected
parallel through which the corresponding output(+5V or +12V) are taken into consideration.

Dept of EEE SRTIST

6
Prepaid energy meter using gsm

Circuit Explanation
2.1.1 Transformer
A transformer is a device that transfers electrical energy from one circuit to another
through inductively coupled electrical conductors. A changing current in the first circuit (the
primary) creates a changing magnetic field; in turn, this magnetic field induces a changing
voltage in the second circuit (the secondary). By adding a load to the secondary circuit, one can
make current flow in the transformer, thus transferring energy from one circuit to the other.
The secondary induced voltage VS, of an ideal transformer, is scaled from the primary
VP by a factor equal to the ratio of the number of turns of wire in their respective windings:

Basic principle
The transformer is based on two principles: firstly, that an electric current can
produce a magnetic field (electromagnetism) and secondly that a changing magnetic field
within a coil of wire induces a voltage across the ends of the coil (electromagnetic induction).
By changing the current in the primary coil, it changes the strength of its magnetic field; since
the changing magnetic field extends into the secondary coil, a voltage is induced across the
secondary.

A simplified transformer design is shown below. A current passing through

the primary coil creates a magnetic field. The primary and secondary coils are wrapped around
a core of very high magnetic permeability, such as iron; this ensures that most of the magnetic
field lines produced by the primary current are within the iron and pass through the secondary
coil as well as the primary coil.

Dept of EEE SRTIST

7
Prepaid energy meter using gsm

An ideal step-down transformer showing magnetic flux in the core
Induction law
The voltage induced across the secondary coil may be calculated from Faraday's law
of induction, which states that:

Where VS is the instantaneous voltage, NS is the number of turns in the secondary coil
and Φ equals the magnetic flux through one turn of the coil. If the turns of the coil are oriented
perpendicular to the magnetic field lines, the flux is the product of the magnetic field strength
B and the area A through which it cuts. The area is constant, being equal to the cross-sectional
area of the transformer core, whereas the magnetic field varies with time according to the
excitation of the primary. Since the same magnetic flux passes through both the primary and
secondary coils in an ideal transformer, the instantaneous voltage across the primary winding
equals

Dept of EEE SRTIST

8
Prepaid energy meter using gsm

Taking the ratio of the two equations for VS and VP gives the basic equation for
stepping up or stepping down the voltage

Ideal power equation
If the secondary coil is attached to a load that allows current to flow, electrical power
is transmitted from the primary circuit to the secondary circuit. Ideally, the transformer is
perfectly efficient; all the incoming energy is transformed from the primary circuit to the
magnetic field and into the secondary circuit. If this condition is met, the incoming electric
power must equal the outgoing power.
Pincoming = IPVP = Poutgoing = ISVS
giving the ideal transformer equation

Pin-coming = IPVP = Pout-going = ISVS
giving the ideal transformer equation

Dept of EEE SRTIST

9
Prepaid energy meter using gsm

If the voltage is increased (stepped up) (VS > VP), then the current is decreased
(stepped down) (IS < IP) by the same factor. Transformers are efficient so this formula is a
reasonable approximation.
If the voltage is increased (stepped up) (VS > VP), then the current is decreased
(stepped down) (IS < IP) by the same factor. Transformers are efficient so this formula is a
reasonable approximation.
The impedance in one circuit is transformed by the square of the turns ratio. For
example, if an impedance ZS is attached across the terminals of the secondary coil, it appears to
the primary circuit to have an impedance of

This relationship is reciprocal, so that the impedance ZP of the primary circuit appears
to the secondary to be

Detailed operation:
The simplified description above neglects several practical factors, in particular the
primary current required to establish a magnetic field in the core, and the contribution to the
field due to current in the secondary circuit.
Models of an ideal transformer typically assume a core of negligible reluctance with
two windings of zero resistance. When a voltage is applied to the primary winding, a small
current flows, driving flux around the magnetic circuit of the core . The current required to
create the flux is termed the magnetizing current; since the ideal core has been assumed to have
near-zero reluctance, the magnetizing current is negligible, although still required to create the
magnetic field.
The changing magnetic field induces an electromotive force (EMF) across each
winding. Since the ideal windings have no impedance, they have no associated voltage drop,
and so the voltages VP and VS measured at the terminals of the transformer, are equal to the
Dept of EEE SRTIST

10
Prepaid energy meter using gsm

corresponding EMFs. The primary EMF, acting as it does in opposition to the primary voltage,
is sometimes termed the "back EMF". This is due to Lenz's law which states that the induction
of EMF would always be such that it will oppose development of any such change in magnetic
field.
2.1.2 Bridge Rectifier
A diode bridge or bridge rectifier is an arrangement of four diodes in a bridge
configuration that provides the same polarity of output voltage for any polarity of input
voltage. When used in its most common application, for conversion of alternating current (AC)
input into direct current (DC) output, it is known as a bridge rectifier. A bridge rectifier
provides full-wave rectification from a two-wire AC input, resulting in lower cost and weight
as compared to a center-tapped transformer design, but has two diode drops rather than one,
thus exhibiting reduced efficiency over a center-tapped design for the same output
voltage.
Basic Operation
When the input connected at the left corner of the diamond is positive with respect to
the one connected at the right hand corner, current flows to the right along the upper colored
path to the output, and returns to the input supply via the lower one.

When the right hand corner is positive relative to the left hand corner, current flows
along the upper colored path and returns to the supply via the lower colored path.

Dept of EEE SRTIST

11
Prepaid energy meter using gsm

In each case, the upper right output remains positive with respect to the lower right
one. Since this is true whether the input is AC or DC, this circuit not only produces DC power
when supplied with AC power: it also can provide what is sometimes called "reverse polarity
protection". That is, it permits normal functioning when batteries are installed backwards or
DC input-power supply wiring "has its wires crossed" (and protects the circuitry it powers
against damage that might occur without this circuit in place).
Prior to availability of integrated electronics, such a bridge rectifier was always
constructed from discrete components. Since about 1950, a single four-terminal component
containing the four diodes connected in the bridge configuration became a standard
commercial component and is now available with various voltage and current ratings.

Dept of EEE SRTIST

12
Prepaid energy meter using gsm

Output smoothing (Using Capacitor):
For many applications, especially with single phase AC where the full-wave bridge
serves to convert an AC input into a DC output, the addition of a capacitor may be important
because the bridge alone supplies an output voltage of fixed polarity but pulsating magnitude
(see diagram above).

The function of this capacitor, known as a reservoir capacitor (aka smoothing
capacitor) is to lessen the variation in (or 'smooth') the rectified AC output voltage waveform
from the bridge. One explanation of 'smoothing' is that the capacitor provides a low impedance
path to the AC component of the output, reducing the AC voltage across, and AC current
through, the resistive load. In less technical terms, any drop in the output voltage and current of
the bridge tends to be cancelled by loss of charge in the capacitor.
This charge flows out as additional current through the load. Thus the change of load
current and voltage is reduced relative to what would occur without the capacitor. Increases of
voltage correspondingly store excess charge in the capacitor, thus moderating the change in
output voltage / current. Also see rectifier output smoothing.
The simplified circuit shown has a well deserved reputation for being dangerous, because, in
some applications, the capacitor can retain a lethal charge after the AC power source is
removed. If supplying a dangerous voltage, a practical circuit should include a reliable way to
Dept of EEE SRTIST

13
Prepaid energy meter using gsm

safely discharge the capacitor. If the normal load can not be guaranteed to perform this
function, perhaps because it can be disconnected, the circuit should include a bleeder resistor
connected as close as practical across the capacitor. This resistor should consume a current
large enough to discharge the capacitor in a reasonable time, but small enough to avoid
unnecessary power waste.
Because a bleeder sets a minimum current drain, the regulation of the circuit, defined
as percentage voltage change from minimum to maximum load, is improved. However in many
cases the improvement is of insignificant magnitude.
The capacitor and the load resistance have a typical time constant τ = RC where C
and R are the capacitance and load resistance respectively. As long as the load resistor is large
enough so that this time constant is much longer than the time of one ripple cycle, the above
configuration will produce a smoothed DC voltage across the load.
In some designs, a series resistor at the load side of the capacitor is added. The
smoothing can then be improved by adding additional stages of capacitor–resistor pairs, often
done only for sub-supplies to critical high-gain circuits that tend to be sensitive to supply
voltage noise.
The idealized waveforms shown above are seen for both voltage and current when the
load on the bridge is resistive. When the load includes a smoothing capacitor, both the voltage
and the current waveforms will be greatly changed. While the voltage is smoothed, as
described above, current will flow through the bridge only during the time when the input
voltage is greater than the capacitor voltage. For example, if the load draws an average current
of n Amps, and the diodes conduct for 10% of the time, the average diode current during
conduction must be 10n Amps. This non-sinusoidal current leads to harmonic distortion and a
poor power factor in the AC supply.
In a practical circuit, when a capacitor is directly connected to the output of a bridge,
the bridge diodes must be sized to withstand the current surge that occurs when the power is
turned on at the peak of the AC voltage and the capacitor is fully discharged. Sometimes a
small series resistor is included before the capacitor to limit this current, though in most
applications the power supply transformer's resistance is already sufficient.

Dept of EEE SRTIST

14
Prepaid energy meter using gsm

Output can also be smoothed using a choke and second capacitor. The choke tends to
keep the current (rather than the voltage) more constant. Due to the relatively high cost of an
effective choke compared to a resistor and capacitor this is not employed in modern equipment.
Some early console radios created the speaker's constant field with the current from
the high voltage ("B +") power supply, which was then routed to the consuming circuits,
(permanent magnets were considered too weak for good performance) to create the speaker's
constant magnetic field. The speaker field coil thus performed 2 jobs in one: it acted as a
choke, filtering the power supply, and it produced the magnetic field to operate the speaker.
2.1.3 Voltage Regulator
A voltage regulator is an electrical regulator designed to automatically maintain a
constant voltage level.
The 78xx (also sometimes known as LM78xx) series of devices is a family of selfcontained fixed linear voltage regulator integrated circuits. The 78xx family is a very popular
choice for many electronic circuits which require a regulated power supply, due to their ease of
use and relative cheapness. When specifying individual ICs within this family, the xx is
replaced with a two-digit number, which indicates the output voltage the particular device is
designed to provide (for example, the 7805 has a 5 volt output, while the 7812 produces 12
volts). The 78xx line is positive voltage regulators, meaning that they are designed to produce a
voltage that is positive relative to a common ground. There is a related line of 79xx devices
which are complementary negative voltage regulators. 78xx and 79xx ICs can be used in
combination to provide both positive and negative supply voltages in the same circuit, if
necessary.
78xx ICs have three terminals and are most commonly found in the TO220 form
factor, although smaller surface-mount and larger TrO3 packages are also available from some
manufacturers. These devices typically support an input voltage which can be anywhere from a
couple of volts over the intended output voltage, up to a maximum of 35 or 40 volts, and can
typically provide up to around 1 or 1.5 amps of current (though smaller or larger packages may
have a lower or higher current rating).

Dept of EEE SRTIST

15
Prepaid energy meter using gsm

2.2 MICRO CONTROLLERS:
The 8052 microcontroller is the 8051's "big brother." It is a slightly more powerful
microcontroller, sporting a number of additional features which the developer may make use
of:
256 bytes of Internal RAM (compared to 128 in the standard 8051) and it is having 8k bytes
of ROM.
A third 16-bit timer, capable of a number of new operation modes and 16-bit reloads.
Additional SFRs to support the functionality offered by the third timer.
AT89S52:
Features:
• Compatible with MCS-51 Products
• 8K Bytes of In-System Programmable (ISP) Flash Memory
– Endurance: 1000 Write/Erase Cycles
• 4.0V to 5.5V Operating Range
• Fully Static Operation: 0 Hz to 33 MHz

Dept of EEE SRTIST

16
Prepaid energy meter using gsm

• Three-level Program Memory Lock
• 256K Internal RAM
• 32 Programmable I/O Lines
• 3 16-bit Timer/Counters
• Eight Interrupt Sources
• Full Duplex UART Serial Channel
• Low-power Idle and Power-down Modes
• Interrupt Recovery from Power-down Mode
• Watchdog Timer
• Dual Data Pointer
• Power-off Flag
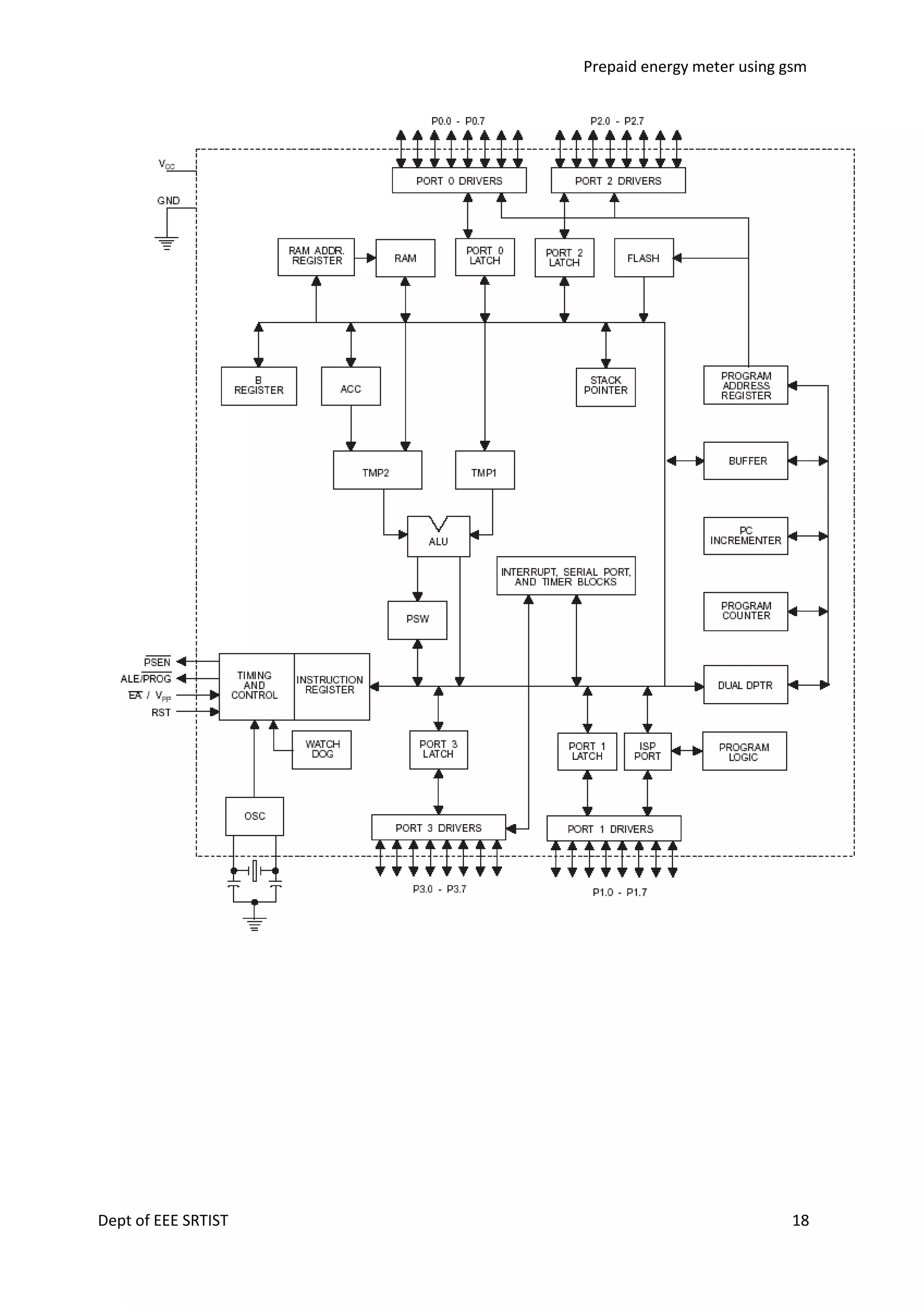
Description of microcontroller 89s52:
The AT89S52 is a low-power, high-performance CMOS 8-bit micro controller with
8Kbytes of in-system programmable Flash memory. The device is manufactured
Using Atmel‘s high-density nonvolatile memory technology and is compatible with the
industry-standard 80C51 micro controller. The on-chip Flash allows the program memory to be
reprogrammed in-system or by a conventional nonvolatile memory programmer. By combining
a versatile 8-bit CPU with in-system programmable flash one monolithic chip; the Atmel
AT89S52 is a powerful micro controller, which provides a highly flexible and cost-effective
solution to many embedded control applications.

Dept of EEE SRTIST

17
Prepaid energy meter using gsm

Dept of EEE SRTIST

18
Prepaid energy meter using gsm

The AT89S52 provides the following standard features: 8K bytes of Flash, 256 bytes
of RAM, 32 I/O lines, Watchdog timer, two data pointers, three 16-bit timer/counters, full
duplex serial port, on-chip oscillator, and clock circuitry. In addition, the AT89S52 is designed
with static logic for peration down to zero frequency and supports two software selectable
power saving modes. The Idle Mode stops the CPU while allowing the RAM timer/counters,
serial port, and interrupt system to continue functioning. The Power-down mode saves the
RAM contents but freezes the oscillator, disabling all other chip functions until the next
interrupt Or hardware reset.

Dept of EEE SRTIST

19
Prepaid energy meter using gsm

PIN DESCRIPTION OF MICROCONTROLLER 89S52
VCC: Supply voltage.
GND: Ground.
Port 0: Port 0 is an 8-bit open drain bi-directional I/O port. As an output port, each pin can
sink eight TTL inputs. When 1s are written to port 0 pins, the pins can be used as high
impedance inputs. Port 0 can also be configured to be the multiplexed low order address/data
bus during accesses to external program and data memory. In this mode, P0 has internal pullups. Port 0 also receives the code bytes during Flash programming and outputs the code bytes
during program verification. External pull-ups are required during program verification
Port 1: Port 1 is an 8-bit bi-directional I/O port with internal pull-ups. The Port 1 Output
buffers can sink/source four TTL inputs. When 1s are written to Port 1 pins, they are pulled
high by the internal pull-ups and can be used as inputs. In addition, P1.0 and P1.1 can be
configured to be the timer/counter 2 external count input (P1.0/T2) and the timer/counter 2
trigger input P1.1/T2EX), respectively, as shown in the following table. Port 1 also receives the
low-order address bytes during Flash programming and verification.

Port 2: Port 2 is an 8-bit bi-directional I/O port with internal pull-ups. The Port 2 output
buffers can sink/source four TTL inputs. When 1s are written to Port 2 pins, they are pulled
high by the internal pull-ups and can be used as inputs. Port 2 emits the high-order address byte
during fetches from external program memory and during accesses to external data memory
that use 16-bit addresses (MOVX @DPTR). In this application, Port 2 uses strong internal
pull-ups when emitting 1s. During accesses to external data memory that use 8-bit addresses
Dept of EEE SRTIST

20
Prepaid energy meter using gsm

(MOVX @ RI), Port 2emits the contents of the P2 Special Function Register. Port 2 also
receives the high-order address bits and some control signals during Flash programming and
verification.
Port 3: Port 3 is an 8-bit bi-directional I/O port with internal pull-ups. The Port 3 output
buffers can sink/source four TTL inputs. When 1s are written to Port 3 pins, they are pulled
high by the internal pull-ups and can be used as inputs. As inputs, Port 3 pins that are
externally being pulled low will source current (IIL) because of the pull-ups. Port 3 also serves
the functions of various special features of the AT89S52, as shown in the following table.
Port 3 also receives some control signals for Flash programming
And verification.

RST: Reset input. A high on this pin for two machine cycles while the oscillator is running
resets the device.
ALE/PROG: Address Latch Enable (ALE) is an output pulse for latching the low byte of the
address during accesses to external memory. This pin is also the program pulse input (PROG)
during Flash programming. In normal operation, ALE is emitted at a constant rate of1/6 the
oscillator frequency and may be used for external timing or clocking purposes. Note, however,
that one ALE pulse is skipped during each access to external data Memory. If desired, ALE
operation can be disabled by setting bit 0 of SFR location 8EH. With the bit set, ALE is active
only during a MOVX or MOVC instruction. Otherwise, the pin is weakly pulled high. Setting
the ALE-disable bit has no effect if the micro controller is in external execution mode.

Dept of EEE SRTIST

21
Prepaid energy meter using gsm

PSEN: Program Store Enable (PSEN) is the read strobe to external program memory. When
the AT89S52 is executing code from external program memory, PSEN is activated twice each
machine cycle, except that two PSEN activations are skipped during each access to external
data memory.
EA/VPP: External Access Enable. EA must be strapped to GND in order to enable the device
to fetch code from external program memory locations starting at 0000H up to FFFFH. Note,
however, that if lock bit 1 is programmed, EA will be internally latched on reset. A should be
strapped to VCC for internal program executions. This pin also receives the 12voltProgramming enables voltage (VPP) during Flash programming.
XTAL1: Input to the inverting oscillator amplifier and input to the internal clock operating
circuit.
XTAL2: Output from the inverting oscillator amplifier.
Oscillator Characteristics: XTAL1 and XTAL2 are the input and output, respectively, of an
inverting amplifier that can be configured for use as an on-chip oscillator, as shown in Figure
1. Either a quartz crystal or ceramic resonator may be used. To drive the device from an
External clock source, XTAL2 should be left unconnected while XTAL1 is driven,
as shown in Figure 2.

Oscillator Connections

Dept of EEE SRTIST

22
Prepaid energy meter using gsm

Special Function Register (SFR) Memory: - Special Function Registers (SFR s) are areas of
memory that control specific functionality of the 8051 processor. For example, four SFRs
permit access to the 8051‘s 32 input/output lines. Another SFR allows the user to set the serial
baud rate, control and access timers, and configure the 8051‘s interrupt system.
The Accumulator: The Accumulator, as its name suggests is used as a general register to
accumulate the results of a large number of instructions. It can hold 8-bit (1-byte) value and is
the most versatile register.
The “R” registers: The ―R‖ registers are a set of eight registers that are named R0, R1. Etc up
to R7. These registers are used as auxiliary registers in many operations.
The “B” registers: The ―B‖ register is very similar to the accumulator in the sense that it may
hold an 8-bit (1-byte) value. Two only uses the ―B‖ register 8051 instructions: MUL AB and
DIV AB.
The Data Pointer: The Data pointer (DPTR) is the 8051‘s only user accessible 16-bit (2Bytes)
register. The accumulator, ―R‖ registers are all 1-Byte values. DPTR, as the name suggests, is
used to point to data. It is used by a number of commands, which allow the 8051 to access
external memory.
THE PROGRAM COUNTER AND STACK POINTER:
The program counter (PC) is a 2-byte address, which tells the 8051 where the next
instruction to execute is found in memory. The stack pointer like all registers except DPTR and
PC may hold an 8-bit (1-Byte) value
ADDRESSING MODES:
An ―addressing mode‖ refers that you are addressing a given memory location. In
summary, the addressing modes are as follows, with an example of each:
Each of these addressing modes provides important flexibility.
Immediate Addressing

MOV A, #20 H

Direct

Addressing

MOV A, 30 H

Indirect

Addressing

MOV A, @R0

Dept of EEE SRTIST

23
Prepaid energy meter using gsm

Indexed

Addressing

a. External Direct

MOVX A, @DPTR

b. Code In direct

MOVC A, @A+DPTR

Immediate Addressing:
Immediate addressing is so named because the value to be stored in memory
immediately follows the operation code in memory. That is to say, the instruction itself dictates
what value will be stored in memory. For example, the instruction:
MOV A, #20H:
This instruction uses immediate Addressing because the accumulator will be loaded
with the value that immediately follows in this case 20(hexadecimal). Immediate addressing is
very fast since the value to be loaded is included in the instruction. However, since the value to
be loaded is fixed at compile-time it is not very flexible.
Direct Addressing:
Direct addressing is so named because the value to be stored in memory is obtained
by directly retrieving it from another memory location.
For example:
MOV A, 30h
This instruction will read the data out of internal RAM address 30(hexadecimal) and
store it in the Accumulator. Direct addressing is generally fast since, although the value to be
loaded isn‘t included in the instruction, it is quickly accessible since it is stored in the 8051‘s
internal RAM. It is also much more flexible than Immediate Addressing since the value to be
loaded is whatever is found at the given address which may variable.
Also it is important to note that when using direct addressing any instruction that refers
to an address between 00h and 7Fh is referring to the SFR control registers that control the
8051 micro controller itself.

Dept of EEE SRTIST

24
Prepaid energy meter using gsm

Indirect Addressing:
Indirect addressing is a very powerful addressing mode, which in many cases
provides an exceptional level of flexibility. Indirect addressing is also the only way to access
the extra 128 bytes of internal RAM found on the 8052. Indirect addressing appears as follows:
MOV A, @R0:
This instruction causes the 8051 to analyze Special Function Register (SFR)
Memory:
Special Function Registers (SFRs) are areas of memory that control specific functionality of
the 8051 processor. For example, four SFRs permit access to the 8051‘s 32 input/output lines.
Another SFR allows the user to set the serial baud rate, control and access timers, and
configure the 8051‘s interrupt system.
2. 3 SINGLE PHASE ENERGY METER:
An electric meter or energy meter is a device that measures the amount of electrical
energy supplied to or produced by a residence, business or machine. The most common type is
a kilowatt hour meter. When used in electricity retailing, the utilities record the values
measured by these meters to generate an invoice for the electricity. They may also record other
variables including the time when the electricity was used. Modern electricity meters operate
by continuously measuring the instantaneous voltage (volts) and current (amperes) and finding
the product of these to give instantaneous electrical power (watts) which is then integrated
against time to give energy used (joules, kilowatt-hours etc). The meters fall into two basic
categories, electromechanical and electronic.
Electromechanical meters
The most common type of electricity meter is the Thomson or electromechanical
induction watt-hour meter, invented by Elihu Thomson in1888.
Technology
The electromechanical induction meter operates by counting the revolutions of an
aluminum disc which is made to rotate at a speed proportional to the power. The number
of revolutions is thus proportional to the energy usage. It consumes a small amount of power,
typically around 2 watts. The metallic disc is acted upon by two coils. One coil is connected in
Dept of EEE SRTIST

25
Prepaid energy meter using gsm

such a way that it produces a magnetic flux in proportion to the voltage and the other produces
a magnetic flux in proportion to the current. The field of the voltage coil is delayed by 90
degrees using a lag coil. [1]This produces eddy currents in the disc and the effect is such that a
force is exerted on the disc in proportion to the product of the instantaneous current and
voltage. A permanent magnet exerts an opposing force proportional to the speed of rotation of
the disc - this acts as a brake which causes the disc to stop spinning when power stops being
drawn rather than allowing it to spin faster and faster. This causes the disc to rotate at a speed
proportional to the power being used. The type of meter described above is used on a singlephase AC supply. Different phase configurations use additional voltage and current coils.
Reading
The aluminum disc is supported by a spindle which has a worm gear which drives the
register. The register is a series of dials which record the amount of energy used. The dials may
be of the cyclometer type, an odometer-like display that is easy to read where for each dial a
single digit is shown through a window in the face of the meter, or of the pointer type where a
pointer indicates each digit. It should be noted that with the dial pointer type, adjacent pointers
generally rotate in opposite directions due to the gearing mechanism. The amount of energy
represented by one revolution of the disc is denoted by the symbol ‗Kh‘ which is given in units
of watt-hours per revolution.

Single phase energy meter
Dept of EEE SRTIST

26
Prepaid energy meter using gsm

The value 7.2 is commonly seen. Using the value of Kh, one can determine their
power consumption at any given time by timing the disc with a stopwatch. If the time in
seconds taken by the disc to complete one revolution ist , then the power in watts is. For
example, if Kh = 7.2, as above, and one revolution took place in 14.4 seconds, the power is
1800 watts. This method can be used to determine the power value 7.2 is commonly seen.
Using the value of Kh, one can determine their power consumption at any given time by timing
the disc with a stopwatch. If the time in seconds taken by the disc to complete one revolution
is‘t , then the power in watts is. For example, if Kh= 7.2, as above, and one revolution took
place in 14.4 seconds, the power is 1800 watts. This method can be used to determine the
power consumption of household devices by switching them on one by one.
Most domestic electricity meters must be read manually, whether by are presentative
of the power company or by the customer. Where the customer reads the meter, the reading
may be supplied to the power company by telephone, post or over the internet. The electricity
company will normally require a visit by a company representative at least annually in order to
verify customer-supplied readings and to make a basic safety check of the meter.
Accuracy
In an induction type meter, creep is a phenomenon that can adversely affect accuracy,
that occurs when the meter disc rotates continuously with potential applied and the load
terminals open circuited. A test for error due to creep is called a creep test.
2.4 LCD (Liquid Cristal Display)
Introduction:

Dept of EEE SRTIST

27
Prepaid energy meter using gsm

A liquid crystal display (LCD) is a thin, flat display device made up of any number of
color or monochrome pixels arrayed in front of a light source or reflector. Each pixel consists
of a column of liquid crystal molecules suspended between two transparent electrodes, and two
polarizing filters, the axes of polarity of which are perpendicular to each other. Without the
liquid crystals between them, light passing through one would be blocked by the other. The
liquid crystal twists the polarization of light entering one filter to allow it to pass through the
other.
A program must interact with the outside world using input and output devices that
communicate directly with a human being. One of the most common devices attached to an
controller is an LCD display. Some of the most common LCDs connected to the controllers are
16X1, 16x2 and 20x2 displays. This means 16 characters per line by 1 line 16 characters per
line by 2 lines and 20 characters per line by 2 lines, respectively.
Many microcontroller devices use 'smart LCD' displays to output visual information.
LCD displays designed around LCD NT-C1611 module, are inexpensive, easy to use, and it is
even possible to produce a readout using the 5X7 dots plus cursor of the display. They have a
standard ASCII set of characters and mathematical symbols. For an 8-bit data bus, the display
requires a +5V supply plus 10 I/O lines (RS RW D7 D6 D5 D4 D3 D2 D1 D0). For a 4-bit
data bus it only requires the supply lines plus 6 extra lines(RS RW D7 D6 D5 D4). When the
LCD display is not enabled, data lines are tri-state and they do not interfere with the operation
of the microcontroller.
Features:
(1) Interface with either 4-bit or 8-bit microprocessor.
(2) Display data RAM
(3) 80x8 bits (80 characters).
(4) Character generator ROM
(5). 160 different 57 dot-matrix character patterns.
(6). Character generator RAM
(7) 8 different user programmed 5 7 dot matrix patterns.
-

Dept of EEE SRTIST

28
Prepaid energy meter using gsm

(8).Display data RAM and character generator RAM may be
Accessed by the

microprocessor.

(9) Numerous instructions
(10) .Clear Display, Cursor Home, Display ON/OFF, Cursor ON/OFF,
Blink Character, Cursor Shift, Display Shift.
(11). Built-in reset circuit is
(12). Built-in

triggered

at power

ON.

oscillator.

Data can be placed at any location on the LCD. For 16×1 LCD, the address locations
are:

Fig : Address locations for a 1x16 line LCD
Shapes and sizes:

Dept of EEE SRTIST

29
Prepaid energy meter using gsm

Even limited to character based modules, there is still a wide variety of shapes and
sizes available. Line lengths of 8,16,20,24,32 and 40 characters are all standard, in one, two
and four line versions.
Several different LC technologies exists. ―supertwist‖ types, for example, offer
Improved contrast and viewing angle over the older ―twisted nematic‖ types. Some modules
are available with back lighting, so so that they can be viewed in dimly-lit conditions. The
back lighting may be either ―electro-luminescent‖, requiring a high voltage inverter circuit, or
simple LED illumination.
ELECTRICAL BLOCK DIAGRAM:

Dept of EEE SRTIST

30
Prepaid energy meter using gsm

Power supply for lcd driving:

PIN DESCRIPTION:
Most LCDs with 1 controller has 14 Pins and LCDs with 2 controller has 16 Pins (two
pins are extra in both for back-light LED connections).

Fig: pin diagram of 1x16 lines lcd

Dept of EEE SRTIST

31
Prepaid energy meter using gsm

CONTROL LINES:
EN:
Line is called "Enable." This control line is used to tell the LCD that you are sending it data. To
send data to the LCD, your program should make sure this line is low (0) and then set the other
two control lines and/or put data on the data bus. When the other lines are completely ready,
bring EN high (1) and wait for the minimum amount of time required by the LCD datasheet
(this varies from LCD to LCD), and end by bringing it low (0) again.
RS:
Line is the "Register Select" line. When RS is low (0), the data is to be treated as a command or
special instruction (such as clear screen, position cursor, etc.). When RS is high (1), the data
being sent is text data which sould be displayed on the screen. For example, to display the letter
"T" on the screen you would set RS high.
RW:
Line is the "Read/Write" control line. When RW is low (0), the information on the data bus is
being written to the LCD. When RW is high (1), the program is effectively querying (or
reading) the LCD. Only one instruction ("Get LCD status") is a read command. All others are
write commands, so RW will almost always be low.
Dept of EEE SRTIST

32
Prepaid energy meter using gsm

Finally, the data bus consists of 4 or 8 lines (depending on the mode of operation
selected by the user). In the case of an 8-bit data bus, the lines are referred to as DB0, DB1,
DB2, DB3, DB4, DB5, DB6, and DB7.
Logic status on control lines:
• E - 0 Access to LCD disabled
- 1 Access to LCD enabled
• R/W - 0 Writing data to LCD
- 1 Reading data from LCD
• RS - 0 Instructions
-

1 Character

Writing data to the LCD:
1) Set R/W bit to low
2) Set RS bit to logic 0 or 1 (instruction or character)
3) Set data to data lines (if it is writing)
4) Set E line to high
5) Set E line to low
Read data from data lines (if it is reading)on LCD:
1) Set R/W bit to high
2) Set RS bit to logic 0 or 1 (instruction or character)
3) Set data to data lines (if it is writing)
4) Set E line to high
5) Set E line to low
Dept of EEE SRTIST

33
Prepaid energy meter using gsm

Entering Text:
First, a little tip: it is manually a lot easier to enter characters and commands in
hexadecimal rather than binary (although, of course, you will need to translate commands from
binary couple of sub-miniature hexadecimal rotary switches is a simple matter, although a little
bit into hex so that you know which bits you are setting). Replacing the d.i.l. switch pack with a
of re-wiring is necessary.
The switches must be the type where On = 0, so that when they are turned to the zero
position, all four outputs are shorted to the common pin, and in position ―F‖, all four outputs are
open circuit.
All the available characters that are built into the module are shown in Table 3.
Studying the table, you will see that codes associated with the characters are quoted in binary
and hexadecimal, most significant bits (―left-hand‖ four bits) across the top, and least significant
bits (―right-hand‖ four bits) down the left.
Most of the characters conform to the ASCII standard, although the Japanese and
Greek characters (and a few other things) are obvious exceptions. Since these intelligent
modules were designed in the ―Land of the Rising Sun,‖ it seems only fair that their Katakana
phonetic symbols should also be incorporated. The more extensive Kanji character set, which
the Japanese share with the Chinese, consisting of several thousand different characters, is not
included!
Using the switches, of whatever type, and referring to Table 3, enter a few characters
onto the display, both letters and numbers. The RS switch (S10) must be ―up‖ (logic 1) when
sending the characters, and switch E (S9) must be pressed for each of them. Thus the operational
order is: set RS high, enter character, trigger E, leave RS high, enter another character, trigger E,
and so on.
The first 16 codes in Table 3, 00000000 to 00001111, ($00 to $0F) refer to the
CGRAM. This is the Character Generator RAM (random access memory), which can be used to
hold user-defined graphics characters. This is where these modules really start to show their
potential, offering such capabilities as bar graphs, flashing symbols, even animated characters.
Before the user-defined characters are set up, these codes will just bring up strange looking
symbols.

Dept of EEE SRTIST

34
Prepaid energy meter using gsm

Dept of EEE SRTIST

35
Prepaid energy meter using gsm

Initialization by Instructions:

Dept of EEE SRTIST

36
Prepaid energy meter using gsm

2.5 LED(LIGHT EMITTING DIODE)
Introduction:
A light-emitting diode (LED) is a semiconductor diode that emits light when an
electrical current is applied in the forward direction of the device, as in the simple LED circuit.
The effect is a form of electroluminescence. where incoherent and narrow-spectrum light is
emitted from the p-n junction..
LEDs are widely used as indicator lights on electronic devices and increasingly in
higher power applications such as flashlights and area lighting. An LED is usually a small area
(less than 1 mm2) light source, often with optics added to the chip to shape its radiation pattern
and assist in reflection

.

The color of the emitted light depends on the composition and

condition of the semi conducting material used, and can be infrared, visible, or ultraviolet.
Besides lighting, interesting applications include using UV-LEDs for sterilization of water and
disinfection of devices , and as a grow light to enhance photosynthesis in plants.
Basic principle:
Like a normal diode, the LED consists of a chip of semi conducting material
impregnated, or doped, with impurities to create a p-n junction. As in other diodes, current
flows easily from the p-side, or anode, to the n-side, or cathode, but not in the reverse direction.
Charge-carriers electrons and holes flow into the junction from electrodes with different
voltages. When an electron meets a hole, it falls into a lower energy level, and releases energy
in the form of a photon.
The wavelength of the light emitted, and therefore its color, depends on the band gap
energy of the materials forming the p-n junction. In silicon or germanium diodes, the electrons
and holes recombine by a non-radiative transition which produces no optical emission, because
these are indirect band gap materials. The materials used for the LED have a direct band gap
with energies corresponding to near-infrared, visible or near-ultraviolet light. LED
development began with infrared and red devices made with gallium arsenide. Advances in
materials science have made possible the production of devices with ever-shorter wavelengths,
producing light in a variety of colors. LEDs are usually built on an n-type substrate, with an
electrode attached to the p-type layer deposited on its surface. P-type substrates, while less

Dept of EEE SRTIST

37
Prepaid energy meter using gsm

common, occur as well. Many commercial LEDs, especially GaN/InGaN, also use sapphire
substrate.

LED Display types:
Bar graph
Seven segment
Star burst
Dot matrix
Basic LED types:
Miniature LEDs

Dept of EEE SRTIST

38
Prepaid energy meter using gsm

Different sized LEDs. 8 mm, 5mm and 3 mm
These are mostly single-die LEDs used as indicators, and they come in various-size packages:
surface mount
2 mm
3 mm (T1)
5 mm (T1³⁄₄)
10 mm
Other sizes are also available, but less common.
Common package shapes:
Round, dome top
Round, flat top
Rectangular, flat top (often seen in LED bar-graph displays)
Triangular or square, flat top
The encapsulation may also be clear or semi opaque to improve contrast and viewing angle.
There are three main categories of miniature single die LEDs:
Low current — typically rated for 2 mA at around 2 V (approximately 4 mW consumption).
Standard — 20 mA LEDs at around 2 V (approximately 40 mW) for red, orange, yellow &
green, and 20 mA at 4–5 V (approximately 100 mW) for blue, violet and white.
Ultra-high output — 20 mA at approximately 2 V or 4–5 V, designed for viewing in direct
sunlight.
Five- and twelve-volt LEDs
These are miniature LEDs incorporating a series resistor, and may be connected directly to a 5
V or 12 V supply.
Dept of EEE SRTIST

39
Prepaid energy meter using gsm

Applications:
Automotive applications with LEDS
Instrument

Panels & Switches, Courtesy Lighting, CHMSL, Rear Stop/Turn/Tai, Retrofits,

New Turn/Tail/Marker Lights.
Consumer electronics & general indication
Household

appliances, VCR/ DVD/ Stereo/Audio/Video devices,

Toys/Games

Instrumentation, Security Equipment, Switches.
Illumination with LEDs
Architectural Lighting, Signage (Channel Letters), Machine Vision, Retail Displays,
Emergency Lighting (Exit Signs), Neon and bulb Replacement, Flashlights, Accent Lighting Pathways, Marker Lights.
Sign applications with LEDs
Full

Color Video, Monochrome Message Boards, Traffic/VMS, Transportation – Passenger

Information.
Signal application with LEDs
Traffic, Rail, Aviation, Tower Lights, Runway Lights, Emergency/Police Vehicle Lighting.
Mobile applications with LEDs
Mobile Phone, PDA's, Digital Cameras, Lap Tops, General Backlighting.
Photo sensor applications with LEDs
Medical Instrumentation, Bar Code Readers, Color & Money Sensors, Encoders, Optical
Switches, Fiber Optic Communication.

Dept of EEE SRTIST

40
Prepaid energy meter using gsm

2.6 GSM (Global System for Mobile communications)
Introduction:
GSM (Global System for Mobile communications) is a cellular network, which means
that mobile phones connect to it by searching for cells in the immediate vicinity. GSM
networks operate in four different frequency ranges. Most GSM networks operate in the 900
MHz or 1800 MHz bands. Some countries in the Americas use the 850 MHz and 1900 MHz
bands because the 900 and 1800 MHz frequency bands were already allocated.
The rarer 400 and 450 MHz frequency bands are assigned in some countries, where
these frequencies were previously used for first-generation systems.
GSM-900 uses 890–915 MHz to send information from the mobile station to the base
station (uplink) and 935–960 MHz for the other direction (downlink), providing 124 RF
channels (channel numbers 1 to 124) spaced at 200 kHz. Duplex spacing of 45 MHz is used. In
some countries the GSM-900 band has been extended to cover a larger frequency range. This
'extended GSM', E-GSM, uses 880–915 MHz (uplink) and 925–960 MHz (downlink), adding
50 channels (channel numbers 975 to 1023 and 0) to the original GSM-900 band. Time division
multiplexing is used to allow eight full-rate or sixteen half-rate speech channels per radio
frequency channel. There are eight radio timeslots (giving eight burst periods) grouped into
what is called a TDMA frame. Half rate channels use alternate frames in the same timeslot. The
channel data rate is 270.833 kbit/s, and the frame duration is 4.615 ms.
GSM Advantages:
GSM also pioneered a low-cost, to the network carrier, alternative to voice calls, the
Short t message service (SMS, also called "text messaging"), which is now supported on other
mobile standards as well. Another advantage is that the standard includes one worldwide
Emergency telephone number, 112. This makes it easier for international travelers to connect to
emergency services without knowing the local emergency number.

Dept of EEE SRTIST

41
Prepaid energy meter using gsm

The GSM Network:
GSM provides recommendations, not requirements. The GSM specifications define
the functions and interface requirements in detail but do not address the hardware. The GSM
network is divided into three major systems: the switching system (SS), the base station system
(BSS), and the operation and support system (OSS).

The Switching System:
The switching system (SS) is responsible for performing call processing and
subscriber-related functions. The switching system includes the following functional units.
Home location register (HLR): The HLR is a database used for storage and management of
subscriptions. The HLR is considered the most important database, as it stores permanent data
about subscribers, including a subscriber's service profile, location information, and activity
status. When an individual buys a subscription from one of the PCS operators, he or she is
registered in the HLR of that operator.

Dept of EEE SRTIST

42
Prepaid energy meter using gsm

Mobile services switching center (MSC): The MSC performs the telephony switching
functions of the system. It controls calls to and from other telephone and data systems. It also
performs such functions as toll ticketing, network interfacing, common channel signaling, and
others.
Visitor location register (VLR): The VLR is a database that contains temporary information
about subscribers that is needed by the MSC in order to service visiting subscribers. The VLR
is always integrated with the MSC. When a mobile station roams into a new MSC area, the
VLR connected to that MSC will request data about the mobile station from the HLR. Later, if
the mobile station makes a call, the VLR will have the information needed for call setup
without having to interrogate the HLR each time.
Authentication center (AUC): A unit called the AUC provides authentication and
encryption parameters that verify the user's identity and ensure the confidentiality of each call.
The AUC protects network operators from different types of fraud found in today's cellular
world.
Equipment identity register (EIR): The EIR is a database that contains information about
the identity of mobile equipment that prevents calls from stolen, unauthorized, or defective
mobile stations. The AUC and EIR are implemented as stand-alone nodes or as a combined
AUC/EIR node.
The Base Station System (BSS):
All radio-related functions are performed in the BSS, which consists of base station
controllers (BSCs) and the base transceiver stations (BTSs).
BSC: The BSC provides all the control functions and physical links between the MSC and
BTS. It is a high-capacity switch that provides functions such as handover, cell configuration
data, and control of radio frequency (RF) power levels in base transceiver stations. A number
of BSCs are served by an MSC.
BTS: The BTS handles the radio interface to the mobile station. The BTS is the radio
equipment (transceivers and antennas) needed to service each cell in the network. A group of
BTSs are controlled by a BSC.

Dept of EEE SRTIST

43
Prepaid energy meter using gsm

The Operation and Support System
The operations and maintenance center (OMC) is connected to all equipment in the
switching system and to the BSC. The implementation of OMC is called the operation and
support system (OSS). The OSS is the functional entity from which the network operator
monitors and controls the system. The purpose of OSS is to offer the customer cost-effective
support for centralized, regional and local operational and maintenance activities that are
required for a GSM network. An important function of OSS is to provide a network overview
and support the maintenance activities of different operation and maintenance organizations.
GSM Network Areas:
The GSM network is made up of geographic areas. As shown in bellow figure, these
areas include cells, location areas (LAs), MSC/VLR service areas, and public land mobile
network (PLMN) areas.

Location Areas:
The cell is the area given radio coverage by one base transceiver station. The GSM
network identifies each cell via the cell global identity (CGI) number assigned to each cell. The
location area is a group of cells. It is the area in which the subscriber is paged. Each LA is
served by one or more base station controllers, yet only by a single MSC Each LA is assigned a
location area identity (LAI) number.

Dept of EEE SRTIST

44
Prepaid energy meter using gsm

MSC/VLR service areas:
An MSC/VLR service area represents the part of the GSM network that is covered by
one MSC and which is reachable, as it is registered in the VLR of the MSC.
PLMN service areas:
The PLMN service area is an area served by one network operator.
GSM Specifications:
Specifications for different personal communication services (PCS) systems vary
among the different PCS networks. Listed below is a description of the specifications and
characteristics for GSM.
Frequency band: The frequency range specified for GSM is 1,850 to 1,990 MHz (mobile
station to base station).
Duplex distance: The duplex distance is 80 MHz. Duplex distance is the distance between
the uplink and downlink frequencies. A channel has two frequencies, 80 MHz apart.
Channel separation: The separation between adjacent carrier frequencies. In GSM, this is
200 kHz.
Modulation: Modulation is the process of sending a signal by changing the characteristics of
a carrier frequency. This is done in GSM via Gaussian minimum shift keying (GMSK).
Transmission rate: GSM is a digital system with an over-the-air bit rate of 270 kbps.
Access method: GSM utilizes the time division multiple access (TDMA) concept. TDMA is
a technique in which several different calls may share the same carrier. Each call is assigned a
particular time slot.
Speech coder: GSM uses linear predictive coding (LPC). The purpose of LPC is to reduce
the bit rate. The LPC provides parameters for a filter that mimics the vocal tract. The signal
passes through this filter, leaving behind a residual signal. Speech is encoded at 13 kbps. .

Dept of EEE SRTIST

45
Prepaid energy meter using gsm

Main AT commands:
"AT command set for GSM Mobile Equipment‖ describes the Main AT commands to
communicate via a serial interface with the GSM subsystem of the phone.
AT commands are instructions used to control a modem. AT is the abbreviation of
Attention. Every command line starts with "AT" or "at". That's why modem commands are
called AT commands. Many of the commands that are used to control wired dial-up modems,
such as ATD (Dial), ATA (Answer), ATH (Hook control) and ATO (Return to online data
state), are also supported by GSM/GPRS modems and mobile phones. Besides this common
AT command set, GSM/GPRS modems and mobile phones support an AT command set that is
specific to the GSM technology, which includes SMS-related commands like AT+CMGS
(Send SMS message), AT+CMSS (Send SMS message from storage), AT+CMGL (List SMS
messages) and AT+CMGR (Read SMS messages).
Note that the starting "AT" is the prefix that informs the modem about the start of a
command line. It is not part of the AT command name. For example, D is the actual AT
command name in ATD and +CMGS is the actual AT command name in AT+CMGS.
However, some books and web sites use them interchangeably as the name of an AT command.
Here are some of the tasks that can be done using AT commands with a GSM/GPRS
modem or mobile phone:
Get basic information about the mobile phone or GSM/GPRS modem. For example, name of
manufacturer (AT+CGMI), model number (AT+CGMM), IMEI number (International Mobile
Equipment Identity) (AT+CGSN) and software version (AT+CGMR).
Get basic information about the subscriber. For example, MSISDN (AT+CNUM) and IMSI
number (International Mobile Subscriber Identity) (AT+CIMI).
Get the current status of the mobile phone or GSM/GPRS modem. For example, mobile
phone activity status (AT+CPAS), mobile network registration status (AT+CREG), radio signal
strength (AT+CSQ), battery charge level and battery charging status (AT+CBC).
Establish a data connection or voice connection to a remote modem (ATD, ATA, etc).
Send and receive fax (ATD, ATA, AT+F*).
Dept of EEE SRTIST

46
Prepaid energy meter using gsm

Send (AT+CMGS, AT+CMSS), read (AT+CMGR, AT+CMGL), write (AT+CMGW) or
delete (AT+CMGD) SMS messages and obtain notifications of newly received SMS messages
(AT+CNMI).
Read (AT+CPBR), write (AT+CPBW) or search (AT+CPBF) phonebook entries.
Perform security-related tasks, such as opening or closing facility locks (AT+CLCK),
checking whether a facility is locked (AT+CLCK) and changing passwords (AT+CPWD).
(Facility lock examples: SIM lock [a password must be given to the SIM card every time the
mobile phone is switched on] and PH-SIM lock [a certain SIM card is associated with the
mobile phone. To use other SIM cards with the mobile phone, a password must be entered.])
Control the presentation of result codes / error messages of AT commands. For example, you
can control whether to enable certain error messages (AT+CMEE) and whether error messages
should be displayed in numeric format or verbose format (AT+CMEE=1 or AT+CMEE=2).
Get or change the configurations of the mobile phone or GSM/GPRS modem. For example,
change the GSM network (AT+COPS), bearer service type (AT+CBST), radio link protocol
parameters (AT+CRLP), SMS center address (AT+CSCA) and storage of SMS messages
(AT+CPMS).
Save and restore configurations of the mobile phone or GSM/GPRS modem. For example,
save (AT+CSAS) and restore (AT+CRES) settings related to SMS messaging such as the SMS
center address.

2.7 RELAYS
Introduction:
A relay is an electrical switch that opens and closes under the control of another
electrical circuit. In the original form, the switch is operated by an electromagnet to open or
close one or many sets of contacts. A relay is able to control an output circuit of higher power
than the input circuit, it can be considered to be, in a broad sense, a form of an electrical
amplifier.

Dept of EEE SRTIST

47
Prepaid energy meter using gsm

Relays are usuallly SPDT (single pole double through switch)or DPDT (double pole
double through switch) but they can have many more sets of switch contacts, for example
relays with 4 sets of changeover contacts are readily available.

Basic operation of a relay:
An electric current through a conductor will produce a magnetic field at right angles
to the direction of electron flow. If that conductor is wrapped into a coil shape, the magnetic
field produced will be oriented along the length of the coil. The greater the current, the greater
the strength of the magnetic field, all other factors being equal.

Dept of EEE SRTIST

48
Prepaid energy meter using gsm

Inductors react against changes in current because of the energy stored in this
magnetic field. When we construct a transformer from two inductor coils around a common
iron core, we use this field to transfer energy from one coil to the other. However, there are
simpler and more direct uses for electromagnetic fields than the applications we've seen with
inductors and transformers. The magnetic field produced by a coil of current-carrying wire can
be used to exert a mechanical force on any magnetic object, just as we can use a permanent
magnet to attract magnetic objects, except that this magnet (formed by the coil) can be turned
on or off by switching the current on or off through the coil.
If we place a magnetic object near such a coil for the purpose of making that object
move when we energize the coil with electric current, we have what is called a solenoid. The
movable magnetic object is called an armature, and most armatures can be moved with either
direct current (DC) or alternating current (AC) energizing the coil. The polarity of the magnetic
field is irrelevant for the purpose of attracting an iron armature. Solenoids can be used to
electrically open door latches, open or shut valves, move robotic limbs, and even actuate
electric switch mechanisms and is used to actuate a set of switch contacts
Applications:
To control a high-voltage circuit with a low-voltage signal, as in some types of modems or
audio amplifiers,
To control a high-current circuit with a low-current signal, as in the starter solenoid of an
automobile,
To detect and isolate faults on transmission and distribution lines by opening and closing
circuit breakers (protection relays),
Dept of EEE SRTIST

49
Prepaid energy meter using gsm

To isolate the controlling circuit from the controlled circuit when the two are at different
potentials, for example when controlling a mains-powered device from a low-voltage switch.
The latter is often applied to control office lighting as the low voltage wires are easily installed
in partitions, which may be often moved as needs change. They may also be controlled by
room occupancy detectors in an effort to conserve energy,
To perform logic functions. For example, the boolean AND function is realised by
connecting NO relay contacts in series, the OR function by connecting NO contacts in parallel.
The change-over or Form C contacts perform the XOR (exclusive or) function. Similar
functions for NAND and NOR are accomplished using NC contacts. The Ladder programming
language is often used for designing relay logic networks.
o

Early computing. Before vacuum tubes and transistors, relays were used as logical elements

in digital computers. See ARRA (computer), Harvard Mark II, Zuse Z2, and Zuse Z3.

Dept of EEE SRTIST

50
Prepaid energy meter using gsm

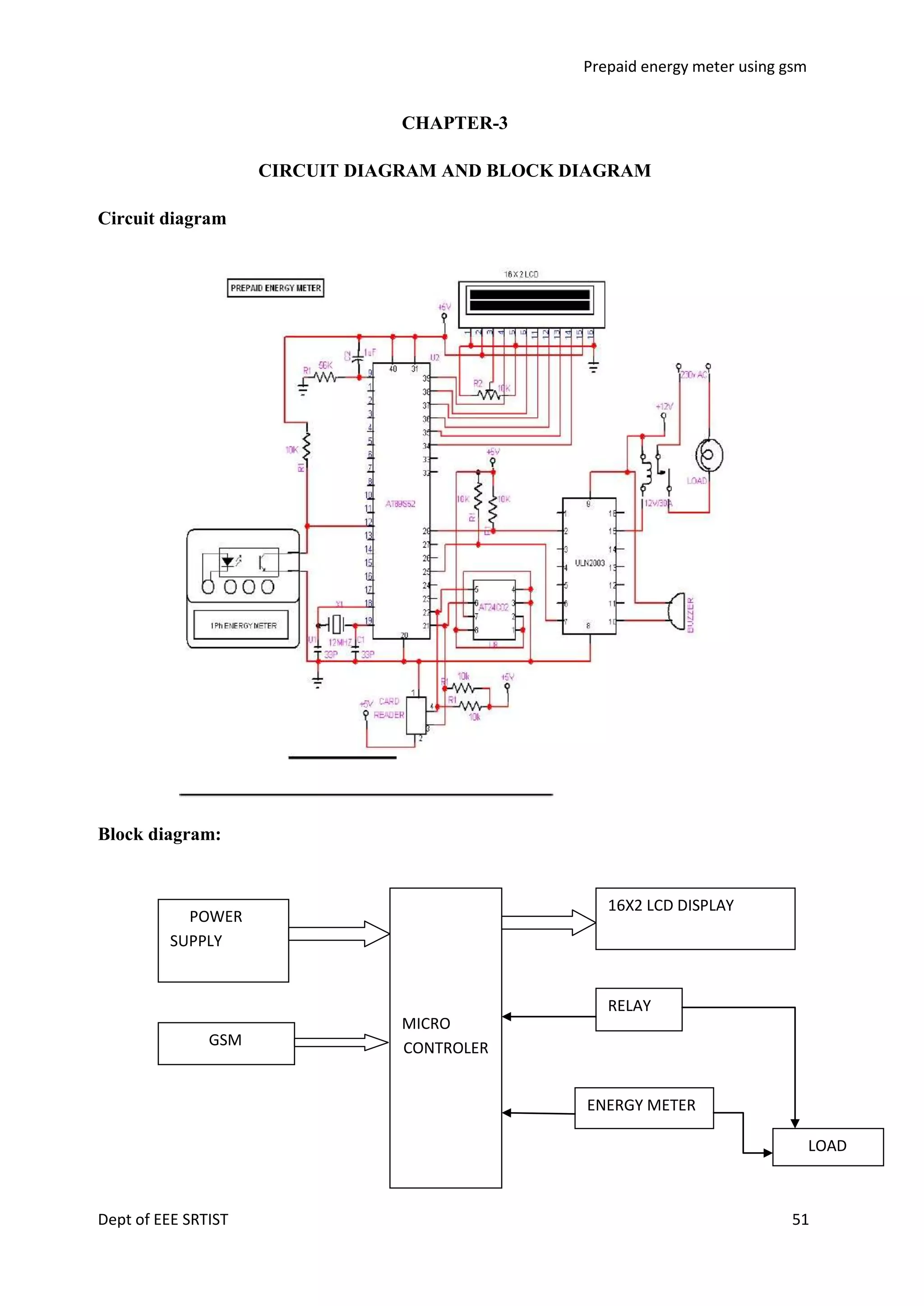
CHAPTER-3
CIRCUIT DIAGRAM AND BLOCK DIAGRAM
Circuit diagram

Block diagram:

16X2 LCD DISPLAY

POWER
SUPPLY

RELAY
GSM

MICRO
CONTROLER
ENERGY METER
LOAD

Dept of EEE SRTIST

51
Prepaid energy meter using gsm

CHAPTER-4
BENEFITS OF PREPAID ENERGY METER
Improved operational efficiencies:
The prepaid meters are likely to cut the cost of meter reading as no meter readers are
required. In addition, they eliminate administrative hassles associated with disconnection and
reconnection. Besides, going by South Africa‘s experience, prepaid meters could help control
appropriation of electricity in a better way than conventional meters.
Benefits of
Reduced financial risks: Since the payment is up-front

reduces the financial risk by

improving the cash flows and necessitates an improved revenue management system.
Better customer service: The system eliminates billing delay, removes cost involved in
disconnection/reconnection, enables controlled use of energy, and helps customers to save
money through better energy management.
Market Drivers
Power sector reforms:
The upcoming competitive and customer focused deregulated power distribution
market will force the market participants to make the existing metering and billing
process more competent. This is likely to drive the prepaid market.
Increasing non-technical losses:
Metering errors, tampering with meters leading to low registration and calibration
related frauds are some of the key components of non-technical losses. India reports greater
than 10 percent of non-technical losses. It has been reported that prepaid meters control nontechnical losses better than conventional ones
Opportunities in the emerging electrifying markets:
Most of the Asian countries do not have 100 percent electrification; hence new
markets are being created by the increasing generating capacity. Prepaid systems can be more
easily introduced in such new markets rather than the existing ones.
Dept of EEE SRTIST

52
Prepaid energy meter using gsm

4.1 Market Restraints
Consumer behavior:
Consumers have not had any major problems with the existing post-paid system, and
hence it is likely to be difficult to convince them to change over to prepaid system.
Consumers might not appreciate the concept of "pay and use" as far as electricity is concerned
because it might be perceived as an instrument to control common man‗s life style.
Initial investment:
Utilities might be discouraged by the huge initial investment, which includes the cost
of instrument, marketing campaign, establishing distribution channel, and other management
costs.
Rapid technology changes:
The rapid technology changes happening in the metering market are expected to delay
the decision to go for prepaid system.
Uncertainty over the success:
Prepaid system is not as proven a concept in all the markets as South Africa; hence
there is bound to be uncertainty over its success, if implemented. The success of the system
depends on the commitment by utilized for this they need to get convinced on the real benefits
of prepaid meters

4.2 Recent Initiatives
The Sabah Electricity Sdn Bhd (SESB), Malaysia, has awarded a contract to a local
manufacturer to supply 1,080 prepaid meters
Countries such as Thailand, Bangladesh, Singapore, and Iran have been showing
increased interest in adopting prepaid system
In India, the State of West Bengal has decided to introduce the smart card operated
prepaid energy meters in remote islands of Sunder bans. In Mumbai, pre-paid power is
provided by the Brihanmumbai Electricity Supply and Transport (BEST)Undertaking. Tata
Power plans to introduce pre-paid electricity in Delhi.

Dept of EEE SRTIST

53
Prepaid energy meter using gsm

CHAPTER-5
ADVANTAGES OF PREPAID ENERGY METER
ADVANTAGES
Improved operational efficiencies:
The prepaid meters are likely to cut the cost of meter reading as no meter readers are
required. In addition, they eliminate administrative hassles associated with disconnection and
reconnection. Besides, going by South Africa‘s experience, prepaid meters could help control
appropriation of electricity in a better way than conventional meters.
Reduced financial risks:
Since the payment is up-front, it reduces the financial risk by improving the cash flows and
necessitates an improved revenue management system.
Better customer service:
The system eliminates billing delay, removes cost involved in disconnection/reconnection,
enables controlled use of energy, and helps customers to save money through better energy
management

Dept of EEE SRTIST

54
Prepaid energy meter using gsm

CHAPTER-6

FUTURE SCOPE&CONCLUSION
FUTURE SCOPE:
In the present time of 21st century we have no space for errors or faults either in any technical
system or in general applications. Prepaid energy meter is an advantages concept for the
further. It‘s facilitates the exemption from electricity bills. Electricity coupons will be available
at nearby shops. The word prepaid means ―pay before use‖ one of the advantageous feature of
this concept prepaid energy meter is used to prepaid the ongoing supply of electricity to homes,
offices etc.
CONCLUSION:
The monopolistic power distribution market in asia is gradually transforming into a
competitive marketplace. Differentiation in service is going to be the key competitive factor to
the improve market share in the deregulated power markets prepaid meters with their
advantages over conventional ones are likely to help power distributors to differentiate and
offer value –added services to consumers. Encourage consumers to opt for prepaid meters on a
voluntary basis and offering tariff or non-tariff incentives to those consumers who prepaid their
power changes would help the utilities to implement this system

Dept of EEE SRTIST

55
Prepaid energy meter using gsm

Bibliography:
References on the Web:
www.national.com
www.atmel.com
www.microsoftsearch.com
www.geocities.com
www.microchip.com

Dept of EEE SRTIST

56

document of prepaid energy meter using gsm

  • 1.
    Prepaid energy meterusing gsm CHAPTER-1 INTRODUCTION 1.1 Introduction on our project: The Electrical metering instrument technology has come a long way from what it was more than 100 years ago. From the original bulky meters with heavy magnets and coils, there have been many innovations that have resulted in size & weight reduction in addition to improvement in features and specifications. Resolution and accuracy of the meter have seen substantial improvements over the years. Introduction of the digital meter in the later part of last century has completely changed the way Electrical parameters are measured. Starting with Voltmeters & Ammeters, the digital meter has conquered the entire spectrum of measuring instruments due to their advantages like ease of reading, better resolution and rugged construction. Of particular significance is the introduction of the Electronic Energy Meter in the mid eighties. Now a days, the energy consumption and energy distribution has became a big subject for discussion because of huge difference in energy production and consumption. In this regard, energy consumers are facing so many problems due to the frequent power failures; another important reason for power cuts is due to the un-limited energy consumption of rich people. In this aspect, to minimize the power cuts and to distribute the energy equally to all areas, some restriction should have over the power consumption of each and every energy consumer, and according to that the Government should implement a policy, by introducing Autonomous Energy Meters everywhere in domestic sector. Hence, the need has come to think on this line and a solution has to be emerged out. Electrical Metering Instrument Technology Today the metering instrument technology grown up significantly, such that the Consumed energy can be calculated mathematically, displayed, data can be stored, data can be transmitted, etc. Presently the microcontrollers are playing major role in metering instrument technology. The present project work is designed to collect the consumed energy data of a particular energy consumer through wireless communication system (without going to consumer house), the system can be called as automatic meter reading (AMR) system. The Automatic Meter reading system is intended to remotely collect the meter readings of a locality using a communication system, without persons physically going and reading the meters visually. Dept of EEE SRTIST 1
  • 2.
    Prepaid energy meterusing gsm Details About Electronic Energy Meter The following are the advantages of electronic energy meter: Accuracy While electromechanical meters are normally available with Class 2accuracy, Electronic meters of Class 1 accuracy are very common. Low Current Performance Most of the electromechanical meters tend to run slow after a few years and stop recording at low loads typically below 40% of their basic current. This is due to increased friction at their bearings. This results in large losses in revenue since most of the residential consumers will be running at very low loads for almost 20 hours in a day. Electronic meters record consistently and accurately even at 5% of their basic current. Also they are guaranteed to start recording energy at0.4% of their basic current. Low Voltage Performance Most of the mechanical meters become inaccurate at voltages below75% of rated voltage whereas electronic meters record accurately even at 50% of rated voltage. This is a major advantage where low voltage problem is very common. Installation The mechanical meter is very sensitive to the position in which it is installed. If it is not mounted vertically, it will run slow, resulting in revenue loss. Electronic meters are not sensitive Tamper The mechanical meters can be tampered very easily even without disturbing the Wiring either by using an external magnet or by inserting a thin film into the meter to touch the rotating disc. In addition to these methods, in the case of a single-phase meter, there are more than 20 conditions of external wiring that can make the meter record less. In the case of 3 Phase meter, external wiring can be manipulated in 4 ways to make it slow. Hence, any of these methods cannot tamper electronic meters. Moreover they can detect the tampering of meter by using LED. Dept of EEE SRTIST 2
  • 3.
    Prepaid energy meterusing gsm New Features Electronic meters provide many new features like prepaid metering and remote Metering that can improve the efficiency of the utility. Remote Metering of Energy Meters The introduction of electronic energy meters for electrical energy metering has resulted in various improvements in the operations of utilities apart from the increase in revenue due to better recording of energy consumption. One such additional benefit is the possibility of reading the meters automatically using meter-reading instruments even without going near the meter. Meter reading instruments (MRI) are intelligent devices with built in memory and keyboard. The meter reader can download the energy consumption and related information from the electronic meter into the meter reading instrument either by connecting the MRI physically to the meter using their communication ports or by communicating with the meter from a distance using Radio Frequency (RF) communication media. RF communication method is similar to a cordless telephone, which is quite common these days. The meter and the MRI are provided with an antenna. When the meter reader presses a button on the MRI, it communicates with the meter through RF and asks for all the data that are preset. The meter responds with all relevant data like meter identification number, cumulative energy consumed till that time etc. After reading many meters like that in one MRI, the meter reader can go to the office and transfer all these data into a computer, which will have all these data for the previous billing period. Using these two data, the computer calculates the consumption for the current billing period and prepares the bill for each consumer. The use of RF communication enables the utility to install the meters on top of the electric pole out of reach of the consumers thereby eliminating chances of tamper of the meter. Frequencies in the range of 400 MHz to 900communication can be achieved using low power transmitters at reasonable costs. Power line carrier communication is another method of remote metering. In this method, the meter data is transferred to an MRI or computer by using the power line itself as the medium of transmission. This solution is generally cheaper than RF but needs good quality power lines to avoid loss of data. This method is more attractive for limited distance communication. Third medium of communication possible is telephone line. This is viable only for industrial meters like the Trivector meter because of the cost of Modems required and the need for a telephone line, which may not be available in every house. This medium has the advantage of unlimited distance range. Remote metering is typically not a Dept of EEE SRTIST 3
  • 4.
    Prepaid energy meterusing gsm default option, but something provided for selected customers. The preferred customer base may include suspicious clients or those located very close to others, such as in a high-rise building. In the latter case, tens or hundreds of meters may use RF to send billing data to a common collector unit, which then decodes the data with microcontrollers or computers. PREPAYMENT METERING Yet another advantage of the electronic meter is the possibility of introducing Prepaid metering system. Prepaid metering system is the one in which the consumer pays money in advance to the utility and then feeds this information into his meter. The meter then updates the credit available to the consumer and starts deducting his consumption from available credit. Once the credit reaches a minimum specified value, meter raises an alarm. If the credit is completely exhausted, the meter switches off the loads of the consumer. Main advantage of this system is that the utility can eliminate meter readers. Another benefit is that they get paid in advance. The consumer benefits due to elimination of penalty for late payment. Also it enables him to plan his electricity bill expenses in a better manner. Due to the intelligence built in into the electronic meters, introduction of prepaid metering becomes much easier than in the case of electromechanical meters. Prepaid Energy Metering Energy meters, the only direct revenue interface between utilities and the consumers, have undergone several advancements in the last decade. The conventional electro-mechanical meters are being replaced with electronic meters to improve accuracy in meter reading. Asian countries are currently looking to introduce prepaid electricity meters across their distribution network, buoyed up by the success of this novel methodology in South Africa. The existing inherent problems with the post-paid system and privatization of state held power distribution companies are the major driving factors for this market in Asia. Over 40 countries have implemented prepaid meters in their markets In United Kingdom the system, has been in use for well over 70 years with about3.5 million consumers. The prepaid program in South Africa was started in 1992 since then they have installed over 6 million meters. Other African counties such as Sudan, Madagascar are following the South African success. The concept has found ground in Argentina and New Zealand with few thousands of installations. The prepaid meters in the market today are coming up with smart cards to hold information on units consumed or equivalent money value. When the card is Dept of EEE SRTIST 4
  • 5.
    Prepaid energy meterusing gsm inserted, the energy meter reads it, connects the supply to the consumer loads, and debits the value. The meters are equipped with light emitting diodes (LED) to inform consumers when 75 percent of the credit energy has been consumed. The consumer then recharges the prepaid card from a sales terminal or distribution point, and during this process any changes in the tariff can also be loaded in the smart card. 1.2 THESIS: The thesis explains the implementation of prepaid energy meter with tariff indicator .The organization of thesis is explained here. Chapter1: Introduction about prepaid energy meter. It gives over all information about prepaid energy meter Chapter2: presents the hard ware description. where all components which are used in project are briefly described. Chapter3: presents about block diagram &circuit diagram. Chapter4: presents the benefits of prepaid energy meter. Chapter5: presents the advantages of prepaid energy meter. Chapter6: it consists of brief note on software and program used in our project Chapter7: It gives the future scope and conclusion. Dept of EEE SRTIST 5
  • 6.
    Prepaid energy meterusing gsm CHAPTER-2 HARDWARE DESCRIPTION COMPONENTS USED IN OUR PROJECT ARE AS FOLLOWS: 2.1 Power Supply: Power supply is a reference to a source of electrical power. A device or system that supplies electrical or other types of energy to an output load or group of loads is called a power supply unit or PSU. The term is most commonly applied to electrical energy supplies, less often to mechanical ones, and rarely to others This power supply section is required to convert AC signal to DC signal and also to reduce the amplitude of the signal. The available voltage signal from the mains is 230V/50Hz which is an AC voltage, but the required is DC voltage(no frequency) with the amplitude of +5V and +12V for various applications. In this section we have Transformer, Bridge rectifier, are connected serially and voltage regulators for +5V and +12V (7805 and 7812) via a capacitor (1000µF) in parallel are connected parallel as shown in the circuit diagram below. Each voltage regulator output is again is connected to the capacitors of values (100µF, 10µF, 1 µF, 0.1 µF) are connected parallel through which the corresponding output(+5V or +12V) are taken into consideration. Dept of EEE SRTIST 6
  • 7.
    Prepaid energy meterusing gsm Circuit Explanation 2.1.1 Transformer A transformer is a device that transfers electrical energy from one circuit to another through inductively coupled electrical conductors. A changing current in the first circuit (the primary) creates a changing magnetic field; in turn, this magnetic field induces a changing voltage in the second circuit (the secondary). By adding a load to the secondary circuit, one can make current flow in the transformer, thus transferring energy from one circuit to the other. The secondary induced voltage VS, of an ideal transformer, is scaled from the primary VP by a factor equal to the ratio of the number of turns of wire in their respective windings: Basic principle The transformer is based on two principles: firstly, that an electric current can produce a magnetic field (electromagnetism) and secondly that a changing magnetic field within a coil of wire induces a voltage across the ends of the coil (electromagnetic induction). By changing the current in the primary coil, it changes the strength of its magnetic field; since the changing magnetic field extends into the secondary coil, a voltage is induced across the secondary. A simplified transformer design is shown below. A current passing through the primary coil creates a magnetic field. The primary and secondary coils are wrapped around a core of very high magnetic permeability, such as iron; this ensures that most of the magnetic field lines produced by the primary current are within the iron and pass through the secondary coil as well as the primary coil. Dept of EEE SRTIST 7
  • 8.
    Prepaid energy meterusing gsm An ideal step-down transformer showing magnetic flux in the core Induction law The voltage induced across the secondary coil may be calculated from Faraday's law of induction, which states that: Where VS is the instantaneous voltage, NS is the number of turns in the secondary coil and Φ equals the magnetic flux through one turn of the coil. If the turns of the coil are oriented perpendicular to the magnetic field lines, the flux is the product of the magnetic field strength B and the area A through which it cuts. The area is constant, being equal to the cross-sectional area of the transformer core, whereas the magnetic field varies with time according to the excitation of the primary. Since the same magnetic flux passes through both the primary and secondary coils in an ideal transformer, the instantaneous voltage across the primary winding equals Dept of EEE SRTIST 8
  • 9.
    Prepaid energy meterusing gsm Taking the ratio of the two equations for VS and VP gives the basic equation for stepping up or stepping down the voltage Ideal power equation If the secondary coil is attached to a load that allows current to flow, electrical power is transmitted from the primary circuit to the secondary circuit. Ideally, the transformer is perfectly efficient; all the incoming energy is transformed from the primary circuit to the magnetic field and into the secondary circuit. If this condition is met, the incoming electric power must equal the outgoing power. Pincoming = IPVP = Poutgoing = ISVS giving the ideal transformer equation Pin-coming = IPVP = Pout-going = ISVS giving the ideal transformer equation Dept of EEE SRTIST 9
  • 10.
    Prepaid energy meterusing gsm If the voltage is increased (stepped up) (VS > VP), then the current is decreased (stepped down) (IS < IP) by the same factor. Transformers are efficient so this formula is a reasonable approximation. If the voltage is increased (stepped up) (VS > VP), then the current is decreased (stepped down) (IS < IP) by the same factor. Transformers are efficient so this formula is a reasonable approximation. The impedance in one circuit is transformed by the square of the turns ratio. For example, if an impedance ZS is attached across the terminals of the secondary coil, it appears to the primary circuit to have an impedance of This relationship is reciprocal, so that the impedance ZP of the primary circuit appears to the secondary to be Detailed operation: The simplified description above neglects several practical factors, in particular the primary current required to establish a magnetic field in the core, and the contribution to the field due to current in the secondary circuit. Models of an ideal transformer typically assume a core of negligible reluctance with two windings of zero resistance. When a voltage is applied to the primary winding, a small current flows, driving flux around the magnetic circuit of the core . The current required to create the flux is termed the magnetizing current; since the ideal core has been assumed to have near-zero reluctance, the magnetizing current is negligible, although still required to create the magnetic field. The changing magnetic field induces an electromotive force (EMF) across each winding. Since the ideal windings have no impedance, they have no associated voltage drop, and so the voltages VP and VS measured at the terminals of the transformer, are equal to the Dept of EEE SRTIST 10
  • 11.
    Prepaid energy meterusing gsm corresponding EMFs. The primary EMF, acting as it does in opposition to the primary voltage, is sometimes termed the "back EMF". This is due to Lenz's law which states that the induction of EMF would always be such that it will oppose development of any such change in magnetic field. 2.1.2 Bridge Rectifier A diode bridge or bridge rectifier is an arrangement of four diodes in a bridge configuration that provides the same polarity of output voltage for any polarity of input voltage. When used in its most common application, for conversion of alternating current (AC) input into direct current (DC) output, it is known as a bridge rectifier. A bridge rectifier provides full-wave rectification from a two-wire AC input, resulting in lower cost and weight as compared to a center-tapped transformer design, but has two diode drops rather than one, thus exhibiting reduced efficiency over a center-tapped design for the same output voltage. Basic Operation When the input connected at the left corner of the diamond is positive with respect to the one connected at the right hand corner, current flows to the right along the upper colored path to the output, and returns to the input supply via the lower one. When the right hand corner is positive relative to the left hand corner, current flows along the upper colored path and returns to the supply via the lower colored path. Dept of EEE SRTIST 11
  • 12.
    Prepaid energy meterusing gsm In each case, the upper right output remains positive with respect to the lower right one. Since this is true whether the input is AC or DC, this circuit not only produces DC power when supplied with AC power: it also can provide what is sometimes called "reverse polarity protection". That is, it permits normal functioning when batteries are installed backwards or DC input-power supply wiring "has its wires crossed" (and protects the circuitry it powers against damage that might occur without this circuit in place). Prior to availability of integrated electronics, such a bridge rectifier was always constructed from discrete components. Since about 1950, a single four-terminal component containing the four diodes connected in the bridge configuration became a standard commercial component and is now available with various voltage and current ratings. Dept of EEE SRTIST 12
  • 13.
    Prepaid energy meterusing gsm Output smoothing (Using Capacitor): For many applications, especially with single phase AC where the full-wave bridge serves to convert an AC input into a DC output, the addition of a capacitor may be important because the bridge alone supplies an output voltage of fixed polarity but pulsating magnitude (see diagram above). The function of this capacitor, known as a reservoir capacitor (aka smoothing capacitor) is to lessen the variation in (or 'smooth') the rectified AC output voltage waveform from the bridge. One explanation of 'smoothing' is that the capacitor provides a low impedance path to the AC component of the output, reducing the AC voltage across, and AC current through, the resistive load. In less technical terms, any drop in the output voltage and current of the bridge tends to be cancelled by loss of charge in the capacitor. This charge flows out as additional current through the load. Thus the change of load current and voltage is reduced relative to what would occur without the capacitor. Increases of voltage correspondingly store excess charge in the capacitor, thus moderating the change in output voltage / current. Also see rectifier output smoothing. The simplified circuit shown has a well deserved reputation for being dangerous, because, in some applications, the capacitor can retain a lethal charge after the AC power source is removed. If supplying a dangerous voltage, a practical circuit should include a reliable way to Dept of EEE SRTIST 13
  • 14.
    Prepaid energy meterusing gsm safely discharge the capacitor. If the normal load can not be guaranteed to perform this function, perhaps because it can be disconnected, the circuit should include a bleeder resistor connected as close as practical across the capacitor. This resistor should consume a current large enough to discharge the capacitor in a reasonable time, but small enough to avoid unnecessary power waste. Because a bleeder sets a minimum current drain, the regulation of the circuit, defined as percentage voltage change from minimum to maximum load, is improved. However in many cases the improvement is of insignificant magnitude. The capacitor and the load resistance have a typical time constant τ = RC where C and R are the capacitance and load resistance respectively. As long as the load resistor is large enough so that this time constant is much longer than the time of one ripple cycle, the above configuration will produce a smoothed DC voltage across the load. In some designs, a series resistor at the load side of the capacitor is added. The smoothing can then be improved by adding additional stages of capacitor–resistor pairs, often done only for sub-supplies to critical high-gain circuits that tend to be sensitive to supply voltage noise. The idealized waveforms shown above are seen for both voltage and current when the load on the bridge is resistive. When the load includes a smoothing capacitor, both the voltage and the current waveforms will be greatly changed. While the voltage is smoothed, as described above, current will flow through the bridge only during the time when the input voltage is greater than the capacitor voltage. For example, if the load draws an average current of n Amps, and the diodes conduct for 10% of the time, the average diode current during conduction must be 10n Amps. This non-sinusoidal current leads to harmonic distortion and a poor power factor in the AC supply. In a practical circuit, when a capacitor is directly connected to the output of a bridge, the bridge diodes must be sized to withstand the current surge that occurs when the power is turned on at the peak of the AC voltage and the capacitor is fully discharged. Sometimes a small series resistor is included before the capacitor to limit this current, though in most applications the power supply transformer's resistance is already sufficient. Dept of EEE SRTIST 14
  • 15.
    Prepaid energy meterusing gsm Output can also be smoothed using a choke and second capacitor. The choke tends to keep the current (rather than the voltage) more constant. Due to the relatively high cost of an effective choke compared to a resistor and capacitor this is not employed in modern equipment. Some early console radios created the speaker's constant field with the current from the high voltage ("B +") power supply, which was then routed to the consuming circuits, (permanent magnets were considered too weak for good performance) to create the speaker's constant magnetic field. The speaker field coil thus performed 2 jobs in one: it acted as a choke, filtering the power supply, and it produced the magnetic field to operate the speaker. 2.1.3 Voltage Regulator A voltage regulator is an electrical regulator designed to automatically maintain a constant voltage level. The 78xx (also sometimes known as LM78xx) series of devices is a family of selfcontained fixed linear voltage regulator integrated circuits. The 78xx family is a very popular choice for many electronic circuits which require a regulated power supply, due to their ease of use and relative cheapness. When specifying individual ICs within this family, the xx is replaced with a two-digit number, which indicates the output voltage the particular device is designed to provide (for example, the 7805 has a 5 volt output, while the 7812 produces 12 volts). The 78xx line is positive voltage regulators, meaning that they are designed to produce a voltage that is positive relative to a common ground. There is a related line of 79xx devices which are complementary negative voltage regulators. 78xx and 79xx ICs can be used in combination to provide both positive and negative supply voltages in the same circuit, if necessary. 78xx ICs have three terminals and are most commonly found in the TO220 form factor, although smaller surface-mount and larger TrO3 packages are also available from some manufacturers. These devices typically support an input voltage which can be anywhere from a couple of volts over the intended output voltage, up to a maximum of 35 or 40 volts, and can typically provide up to around 1 or 1.5 amps of current (though smaller or larger packages may have a lower or higher current rating). Dept of EEE SRTIST 15
  • 16.
    Prepaid energy meterusing gsm 2.2 MICRO CONTROLLERS: The 8052 microcontroller is the 8051's "big brother." It is a slightly more powerful microcontroller, sporting a number of additional features which the developer may make use of: 256 bytes of Internal RAM (compared to 128 in the standard 8051) and it is having 8k bytes of ROM. A third 16-bit timer, capable of a number of new operation modes and 16-bit reloads. Additional SFRs to support the functionality offered by the third timer. AT89S52: Features: • Compatible with MCS-51 Products • 8K Bytes of In-System Programmable (ISP) Flash Memory – Endurance: 1000 Write/Erase Cycles • 4.0V to 5.5V Operating Range • Fully Static Operation: 0 Hz to 33 MHz Dept of EEE SRTIST 16
  • 17.
    Prepaid energy meterusing gsm • Three-level Program Memory Lock • 256K Internal RAM • 32 Programmable I/O Lines • 3 16-bit Timer/Counters • Eight Interrupt Sources • Full Duplex UART Serial Channel • Low-power Idle and Power-down Modes • Interrupt Recovery from Power-down Mode • Watchdog Timer • Dual Data Pointer • Power-off Flag Description of microcontroller 89s52: The AT89S52 is a low-power, high-performance CMOS 8-bit micro controller with 8Kbytes of in-system programmable Flash memory. The device is manufactured Using Atmel‘s high-density nonvolatile memory technology and is compatible with the industry-standard 80C51 micro controller. The on-chip Flash allows the program memory to be reprogrammed in-system or by a conventional nonvolatile memory programmer. By combining a versatile 8-bit CPU with in-system programmable flash one monolithic chip; the Atmel AT89S52 is a powerful micro controller, which provides a highly flexible and cost-effective solution to many embedded control applications. Dept of EEE SRTIST 17
  • 18.
    Prepaid energy meterusing gsm Dept of EEE SRTIST 18
  • 19.
    Prepaid energy meterusing gsm The AT89S52 provides the following standard features: 8K bytes of Flash, 256 bytes of RAM, 32 I/O lines, Watchdog timer, two data pointers, three 16-bit timer/counters, full duplex serial port, on-chip oscillator, and clock circuitry. In addition, the AT89S52 is designed with static logic for peration down to zero frequency and supports two software selectable power saving modes. The Idle Mode stops the CPU while allowing the RAM timer/counters, serial port, and interrupt system to continue functioning. The Power-down mode saves the RAM contents but freezes the oscillator, disabling all other chip functions until the next interrupt Or hardware reset. Dept of EEE SRTIST 19
  • 20.
    Prepaid energy meterusing gsm PIN DESCRIPTION OF MICROCONTROLLER 89S52 VCC: Supply voltage. GND: Ground. Port 0: Port 0 is an 8-bit open drain bi-directional I/O port. As an output port, each pin can sink eight TTL inputs. When 1s are written to port 0 pins, the pins can be used as high impedance inputs. Port 0 can also be configured to be the multiplexed low order address/data bus during accesses to external program and data memory. In this mode, P0 has internal pullups. Port 0 also receives the code bytes during Flash programming and outputs the code bytes during program verification. External pull-ups are required during program verification Port 1: Port 1 is an 8-bit bi-directional I/O port with internal pull-ups. The Port 1 Output buffers can sink/source four TTL inputs. When 1s are written to Port 1 pins, they are pulled high by the internal pull-ups and can be used as inputs. In addition, P1.0 and P1.1 can be configured to be the timer/counter 2 external count input (P1.0/T2) and the timer/counter 2 trigger input P1.1/T2EX), respectively, as shown in the following table. Port 1 also receives the low-order address bytes during Flash programming and verification. Port 2: Port 2 is an 8-bit bi-directional I/O port with internal pull-ups. The Port 2 output buffers can sink/source four TTL inputs. When 1s are written to Port 2 pins, they are pulled high by the internal pull-ups and can be used as inputs. Port 2 emits the high-order address byte during fetches from external program memory and during accesses to external data memory that use 16-bit addresses (MOVX @DPTR). In this application, Port 2 uses strong internal pull-ups when emitting 1s. During accesses to external data memory that use 8-bit addresses Dept of EEE SRTIST 20
  • 21.
    Prepaid energy meterusing gsm (MOVX @ RI), Port 2emits the contents of the P2 Special Function Register. Port 2 also receives the high-order address bits and some control signals during Flash programming and verification. Port 3: Port 3 is an 8-bit bi-directional I/O port with internal pull-ups. The Port 3 output buffers can sink/source four TTL inputs. When 1s are written to Port 3 pins, they are pulled high by the internal pull-ups and can be used as inputs. As inputs, Port 3 pins that are externally being pulled low will source current (IIL) because of the pull-ups. Port 3 also serves the functions of various special features of the AT89S52, as shown in the following table. Port 3 also receives some control signals for Flash programming And verification. RST: Reset input. A high on this pin for two machine cycles while the oscillator is running resets the device. ALE/PROG: Address Latch Enable (ALE) is an output pulse for latching the low byte of the address during accesses to external memory. This pin is also the program pulse input (PROG) during Flash programming. In normal operation, ALE is emitted at a constant rate of1/6 the oscillator frequency and may be used for external timing or clocking purposes. Note, however, that one ALE pulse is skipped during each access to external data Memory. If desired, ALE operation can be disabled by setting bit 0 of SFR location 8EH. With the bit set, ALE is active only during a MOVX or MOVC instruction. Otherwise, the pin is weakly pulled high. Setting the ALE-disable bit has no effect if the micro controller is in external execution mode. Dept of EEE SRTIST 21
  • 22.
    Prepaid energy meterusing gsm PSEN: Program Store Enable (PSEN) is the read strobe to external program memory. When the AT89S52 is executing code from external program memory, PSEN is activated twice each machine cycle, except that two PSEN activations are skipped during each access to external data memory. EA/VPP: External Access Enable. EA must be strapped to GND in order to enable the device to fetch code from external program memory locations starting at 0000H up to FFFFH. Note, however, that if lock bit 1 is programmed, EA will be internally latched on reset. A should be strapped to VCC for internal program executions. This pin also receives the 12voltProgramming enables voltage (VPP) during Flash programming. XTAL1: Input to the inverting oscillator amplifier and input to the internal clock operating circuit. XTAL2: Output from the inverting oscillator amplifier. Oscillator Characteristics: XTAL1 and XTAL2 are the input and output, respectively, of an inverting amplifier that can be configured for use as an on-chip oscillator, as shown in Figure 1. Either a quartz crystal or ceramic resonator may be used. To drive the device from an External clock source, XTAL2 should be left unconnected while XTAL1 is driven, as shown in Figure 2. Oscillator Connections Dept of EEE SRTIST 22
  • 23.
    Prepaid energy meterusing gsm Special Function Register (SFR) Memory: - Special Function Registers (SFR s) are areas of memory that control specific functionality of the 8051 processor. For example, four SFRs permit access to the 8051‘s 32 input/output lines. Another SFR allows the user to set the serial baud rate, control and access timers, and configure the 8051‘s interrupt system. The Accumulator: The Accumulator, as its name suggests is used as a general register to accumulate the results of a large number of instructions. It can hold 8-bit (1-byte) value and is the most versatile register. The “R” registers: The ―R‖ registers are a set of eight registers that are named R0, R1. Etc up to R7. These registers are used as auxiliary registers in many operations. The “B” registers: The ―B‖ register is very similar to the accumulator in the sense that it may hold an 8-bit (1-byte) value. Two only uses the ―B‖ register 8051 instructions: MUL AB and DIV AB. The Data Pointer: The Data pointer (DPTR) is the 8051‘s only user accessible 16-bit (2Bytes) register. The accumulator, ―R‖ registers are all 1-Byte values. DPTR, as the name suggests, is used to point to data. It is used by a number of commands, which allow the 8051 to access external memory. THE PROGRAM COUNTER AND STACK POINTER: The program counter (PC) is a 2-byte address, which tells the 8051 where the next instruction to execute is found in memory. The stack pointer like all registers except DPTR and PC may hold an 8-bit (1-Byte) value ADDRESSING MODES: An ―addressing mode‖ refers that you are addressing a given memory location. In summary, the addressing modes are as follows, with an example of each: Each of these addressing modes provides important flexibility. Immediate Addressing MOV A, #20 H Direct Addressing MOV A, 30 H Indirect Addressing MOV A, @R0 Dept of EEE SRTIST 23
  • 24.
    Prepaid energy meterusing gsm Indexed Addressing a. External Direct MOVX A, @DPTR b. Code In direct MOVC A, @A+DPTR Immediate Addressing: Immediate addressing is so named because the value to be stored in memory immediately follows the operation code in memory. That is to say, the instruction itself dictates what value will be stored in memory. For example, the instruction: MOV A, #20H: This instruction uses immediate Addressing because the accumulator will be loaded with the value that immediately follows in this case 20(hexadecimal). Immediate addressing is very fast since the value to be loaded is included in the instruction. However, since the value to be loaded is fixed at compile-time it is not very flexible. Direct Addressing: Direct addressing is so named because the value to be stored in memory is obtained by directly retrieving it from another memory location. For example: MOV A, 30h This instruction will read the data out of internal RAM address 30(hexadecimal) and store it in the Accumulator. Direct addressing is generally fast since, although the value to be loaded isn‘t included in the instruction, it is quickly accessible since it is stored in the 8051‘s internal RAM. It is also much more flexible than Immediate Addressing since the value to be loaded is whatever is found at the given address which may variable. Also it is important to note that when using direct addressing any instruction that refers to an address between 00h and 7Fh is referring to the SFR control registers that control the 8051 micro controller itself. Dept of EEE SRTIST 24
  • 25.
    Prepaid energy meterusing gsm Indirect Addressing: Indirect addressing is a very powerful addressing mode, which in many cases provides an exceptional level of flexibility. Indirect addressing is also the only way to access the extra 128 bytes of internal RAM found on the 8052. Indirect addressing appears as follows: MOV A, @R0: This instruction causes the 8051 to analyze Special Function Register (SFR) Memory: Special Function Registers (SFRs) are areas of memory that control specific functionality of the 8051 processor. For example, four SFRs permit access to the 8051‘s 32 input/output lines. Another SFR allows the user to set the serial baud rate, control and access timers, and configure the 8051‘s interrupt system. 2. 3 SINGLE PHASE ENERGY METER: An electric meter or energy meter is a device that measures the amount of electrical energy supplied to or produced by a residence, business or machine. The most common type is a kilowatt hour meter. When used in electricity retailing, the utilities record the values measured by these meters to generate an invoice for the electricity. They may also record other variables including the time when the electricity was used. Modern electricity meters operate by continuously measuring the instantaneous voltage (volts) and current (amperes) and finding the product of these to give instantaneous electrical power (watts) which is then integrated against time to give energy used (joules, kilowatt-hours etc). The meters fall into two basic categories, electromechanical and electronic. Electromechanical meters The most common type of electricity meter is the Thomson or electromechanical induction watt-hour meter, invented by Elihu Thomson in1888. Technology The electromechanical induction meter operates by counting the revolutions of an aluminum disc which is made to rotate at a speed proportional to the power. The number of revolutions is thus proportional to the energy usage. It consumes a small amount of power, typically around 2 watts. The metallic disc is acted upon by two coils. One coil is connected in Dept of EEE SRTIST 25
  • 26.
    Prepaid energy meterusing gsm such a way that it produces a magnetic flux in proportion to the voltage and the other produces a magnetic flux in proportion to the current. The field of the voltage coil is delayed by 90 degrees using a lag coil. [1]This produces eddy currents in the disc and the effect is such that a force is exerted on the disc in proportion to the product of the instantaneous current and voltage. A permanent magnet exerts an opposing force proportional to the speed of rotation of the disc - this acts as a brake which causes the disc to stop spinning when power stops being drawn rather than allowing it to spin faster and faster. This causes the disc to rotate at a speed proportional to the power being used. The type of meter described above is used on a singlephase AC supply. Different phase configurations use additional voltage and current coils. Reading The aluminum disc is supported by a spindle which has a worm gear which drives the register. The register is a series of dials which record the amount of energy used. The dials may be of the cyclometer type, an odometer-like display that is easy to read where for each dial a single digit is shown through a window in the face of the meter, or of the pointer type where a pointer indicates each digit. It should be noted that with the dial pointer type, adjacent pointers generally rotate in opposite directions due to the gearing mechanism. The amount of energy represented by one revolution of the disc is denoted by the symbol ‗Kh‘ which is given in units of watt-hours per revolution. Single phase energy meter Dept of EEE SRTIST 26
  • 27.
    Prepaid energy meterusing gsm The value 7.2 is commonly seen. Using the value of Kh, one can determine their power consumption at any given time by timing the disc with a stopwatch. If the time in seconds taken by the disc to complete one revolution ist , then the power in watts is. For example, if Kh = 7.2, as above, and one revolution took place in 14.4 seconds, the power is 1800 watts. This method can be used to determine the power value 7.2 is commonly seen. Using the value of Kh, one can determine their power consumption at any given time by timing the disc with a stopwatch. If the time in seconds taken by the disc to complete one revolution is‘t , then the power in watts is. For example, if Kh= 7.2, as above, and one revolution took place in 14.4 seconds, the power is 1800 watts. This method can be used to determine the power consumption of household devices by switching them on one by one. Most domestic electricity meters must be read manually, whether by are presentative of the power company or by the customer. Where the customer reads the meter, the reading may be supplied to the power company by telephone, post or over the internet. The electricity company will normally require a visit by a company representative at least annually in order to verify customer-supplied readings and to make a basic safety check of the meter. Accuracy In an induction type meter, creep is a phenomenon that can adversely affect accuracy, that occurs when the meter disc rotates continuously with potential applied and the load terminals open circuited. A test for error due to creep is called a creep test. 2.4 LCD (Liquid Cristal Display) Introduction: Dept of EEE SRTIST 27
  • 28.
    Prepaid energy meterusing gsm A liquid crystal display (LCD) is a thin, flat display device made up of any number of color or monochrome pixels arrayed in front of a light source or reflector. Each pixel consists of a column of liquid crystal molecules suspended between two transparent electrodes, and two polarizing filters, the axes of polarity of which are perpendicular to each other. Without the liquid crystals between them, light passing through one would be blocked by the other. The liquid crystal twists the polarization of light entering one filter to allow it to pass through the other. A program must interact with the outside world using input and output devices that communicate directly with a human being. One of the most common devices attached to an controller is an LCD display. Some of the most common LCDs connected to the controllers are 16X1, 16x2 and 20x2 displays. This means 16 characters per line by 1 line 16 characters per line by 2 lines and 20 characters per line by 2 lines, respectively. Many microcontroller devices use 'smart LCD' displays to output visual information. LCD displays designed around LCD NT-C1611 module, are inexpensive, easy to use, and it is even possible to produce a readout using the 5X7 dots plus cursor of the display. They have a standard ASCII set of characters and mathematical symbols. For an 8-bit data bus, the display requires a +5V supply plus 10 I/O lines (RS RW D7 D6 D5 D4 D3 D2 D1 D0). For a 4-bit data bus it only requires the supply lines plus 6 extra lines(RS RW D7 D6 D5 D4). When the LCD display is not enabled, data lines are tri-state and they do not interfere with the operation of the microcontroller. Features: (1) Interface with either 4-bit or 8-bit microprocessor. (2) Display data RAM (3) 80x8 bits (80 characters). (4) Character generator ROM (5). 160 different 57 dot-matrix character patterns. (6). Character generator RAM (7) 8 different user programmed 5 7 dot matrix patterns. - Dept of EEE SRTIST 28
  • 29.
    Prepaid energy meterusing gsm (8).Display data RAM and character generator RAM may be Accessed by the microprocessor. (9) Numerous instructions (10) .Clear Display, Cursor Home, Display ON/OFF, Cursor ON/OFF, Blink Character, Cursor Shift, Display Shift. (11). Built-in reset circuit is (12). Built-in triggered at power ON. oscillator. Data can be placed at any location on the LCD. For 16×1 LCD, the address locations are: Fig : Address locations for a 1x16 line LCD Shapes and sizes: Dept of EEE SRTIST 29
  • 30.
    Prepaid energy meterusing gsm Even limited to character based modules, there is still a wide variety of shapes and sizes available. Line lengths of 8,16,20,24,32 and 40 characters are all standard, in one, two and four line versions. Several different LC technologies exists. ―supertwist‖ types, for example, offer Improved contrast and viewing angle over the older ―twisted nematic‖ types. Some modules are available with back lighting, so so that they can be viewed in dimly-lit conditions. The back lighting may be either ―electro-luminescent‖, requiring a high voltage inverter circuit, or simple LED illumination. ELECTRICAL BLOCK DIAGRAM: Dept of EEE SRTIST 30
  • 31.
    Prepaid energy meterusing gsm Power supply for lcd driving: PIN DESCRIPTION: Most LCDs with 1 controller has 14 Pins and LCDs with 2 controller has 16 Pins (two pins are extra in both for back-light LED connections). Fig: pin diagram of 1x16 lines lcd Dept of EEE SRTIST 31
  • 32.
    Prepaid energy meterusing gsm CONTROL LINES: EN: Line is called "Enable." This control line is used to tell the LCD that you are sending it data. To send data to the LCD, your program should make sure this line is low (0) and then set the other two control lines and/or put data on the data bus. When the other lines are completely ready, bring EN high (1) and wait for the minimum amount of time required by the LCD datasheet (this varies from LCD to LCD), and end by bringing it low (0) again. RS: Line is the "Register Select" line. When RS is low (0), the data is to be treated as a command or special instruction (such as clear screen, position cursor, etc.). When RS is high (1), the data being sent is text data which sould be displayed on the screen. For example, to display the letter "T" on the screen you would set RS high. RW: Line is the "Read/Write" control line. When RW is low (0), the information on the data bus is being written to the LCD. When RW is high (1), the program is effectively querying (or reading) the LCD. Only one instruction ("Get LCD status") is a read command. All others are write commands, so RW will almost always be low. Dept of EEE SRTIST 32
  • 33.
    Prepaid energy meterusing gsm Finally, the data bus consists of 4 or 8 lines (depending on the mode of operation selected by the user). In the case of an 8-bit data bus, the lines are referred to as DB0, DB1, DB2, DB3, DB4, DB5, DB6, and DB7. Logic status on control lines: • E - 0 Access to LCD disabled - 1 Access to LCD enabled • R/W - 0 Writing data to LCD - 1 Reading data from LCD • RS - 0 Instructions - 1 Character Writing data to the LCD: 1) Set R/W bit to low 2) Set RS bit to logic 0 or 1 (instruction or character) 3) Set data to data lines (if it is writing) 4) Set E line to high 5) Set E line to low Read data from data lines (if it is reading)on LCD: 1) Set R/W bit to high 2) Set RS bit to logic 0 or 1 (instruction or character) 3) Set data to data lines (if it is writing) 4) Set E line to high 5) Set E line to low Dept of EEE SRTIST 33
  • 34.
    Prepaid energy meterusing gsm Entering Text: First, a little tip: it is manually a lot easier to enter characters and commands in hexadecimal rather than binary (although, of course, you will need to translate commands from binary couple of sub-miniature hexadecimal rotary switches is a simple matter, although a little bit into hex so that you know which bits you are setting). Replacing the d.i.l. switch pack with a of re-wiring is necessary. The switches must be the type where On = 0, so that when they are turned to the zero position, all four outputs are shorted to the common pin, and in position ―F‖, all four outputs are open circuit. All the available characters that are built into the module are shown in Table 3. Studying the table, you will see that codes associated with the characters are quoted in binary and hexadecimal, most significant bits (―left-hand‖ four bits) across the top, and least significant bits (―right-hand‖ four bits) down the left. Most of the characters conform to the ASCII standard, although the Japanese and Greek characters (and a few other things) are obvious exceptions. Since these intelligent modules were designed in the ―Land of the Rising Sun,‖ it seems only fair that their Katakana phonetic symbols should also be incorporated. The more extensive Kanji character set, which the Japanese share with the Chinese, consisting of several thousand different characters, is not included! Using the switches, of whatever type, and referring to Table 3, enter a few characters onto the display, both letters and numbers. The RS switch (S10) must be ―up‖ (logic 1) when sending the characters, and switch E (S9) must be pressed for each of them. Thus the operational order is: set RS high, enter character, trigger E, leave RS high, enter another character, trigger E, and so on. The first 16 codes in Table 3, 00000000 to 00001111, ($00 to $0F) refer to the CGRAM. This is the Character Generator RAM (random access memory), which can be used to hold user-defined graphics characters. This is where these modules really start to show their potential, offering such capabilities as bar graphs, flashing symbols, even animated characters. Before the user-defined characters are set up, these codes will just bring up strange looking symbols. Dept of EEE SRTIST 34
  • 35.
    Prepaid energy meterusing gsm Dept of EEE SRTIST 35
  • 36.
    Prepaid energy meterusing gsm Initialization by Instructions: Dept of EEE SRTIST 36
  • 37.
    Prepaid energy meterusing gsm 2.5 LED(LIGHT EMITTING DIODE) Introduction: A light-emitting diode (LED) is a semiconductor diode that emits light when an electrical current is applied in the forward direction of the device, as in the simple LED circuit. The effect is a form of electroluminescence. where incoherent and narrow-spectrum light is emitted from the p-n junction.. LEDs are widely used as indicator lights on electronic devices and increasingly in higher power applications such as flashlights and area lighting. An LED is usually a small area (less than 1 mm2) light source, often with optics added to the chip to shape its radiation pattern and assist in reflection . The color of the emitted light depends on the composition and condition of the semi conducting material used, and can be infrared, visible, or ultraviolet. Besides lighting, interesting applications include using UV-LEDs for sterilization of water and disinfection of devices , and as a grow light to enhance photosynthesis in plants. Basic principle: Like a normal diode, the LED consists of a chip of semi conducting material impregnated, or doped, with impurities to create a p-n junction. As in other diodes, current flows easily from the p-side, or anode, to the n-side, or cathode, but not in the reverse direction. Charge-carriers electrons and holes flow into the junction from electrodes with different voltages. When an electron meets a hole, it falls into a lower energy level, and releases energy in the form of a photon. The wavelength of the light emitted, and therefore its color, depends on the band gap energy of the materials forming the p-n junction. In silicon or germanium diodes, the electrons and holes recombine by a non-radiative transition which produces no optical emission, because these are indirect band gap materials. The materials used for the LED have a direct band gap with energies corresponding to near-infrared, visible or near-ultraviolet light. LED development began with infrared and red devices made with gallium arsenide. Advances in materials science have made possible the production of devices with ever-shorter wavelengths, producing light in a variety of colors. LEDs are usually built on an n-type substrate, with an electrode attached to the p-type layer deposited on its surface. P-type substrates, while less Dept of EEE SRTIST 37
  • 38.
    Prepaid energy meterusing gsm common, occur as well. Many commercial LEDs, especially GaN/InGaN, also use sapphire substrate. LED Display types: Bar graph Seven segment Star burst Dot matrix Basic LED types: Miniature LEDs Dept of EEE SRTIST 38
  • 39.
    Prepaid energy meterusing gsm Different sized LEDs. 8 mm, 5mm and 3 mm These are mostly single-die LEDs used as indicators, and they come in various-size packages: surface mount 2 mm 3 mm (T1) 5 mm (T1³⁄₄) 10 mm Other sizes are also available, but less common. Common package shapes: Round, dome top Round, flat top Rectangular, flat top (often seen in LED bar-graph displays) Triangular or square, flat top The encapsulation may also be clear or semi opaque to improve contrast and viewing angle. There are three main categories of miniature single die LEDs: Low current — typically rated for 2 mA at around 2 V (approximately 4 mW consumption). Standard — 20 mA LEDs at around 2 V (approximately 40 mW) for red, orange, yellow & green, and 20 mA at 4–5 V (approximately 100 mW) for blue, violet and white. Ultra-high output — 20 mA at approximately 2 V or 4–5 V, designed for viewing in direct sunlight. Five- and twelve-volt LEDs These are miniature LEDs incorporating a series resistor, and may be connected directly to a 5 V or 12 V supply. Dept of EEE SRTIST 39
  • 40.
    Prepaid energy meterusing gsm Applications: Automotive applications with LEDS Instrument Panels & Switches, Courtesy Lighting, CHMSL, Rear Stop/Turn/Tai, Retrofits, New Turn/Tail/Marker Lights. Consumer electronics & general indication Household appliances, VCR/ DVD/ Stereo/Audio/Video devices, Toys/Games Instrumentation, Security Equipment, Switches. Illumination with LEDs Architectural Lighting, Signage (Channel Letters), Machine Vision, Retail Displays, Emergency Lighting (Exit Signs), Neon and bulb Replacement, Flashlights, Accent Lighting Pathways, Marker Lights. Sign applications with LEDs Full Color Video, Monochrome Message Boards, Traffic/VMS, Transportation – Passenger Information. Signal application with LEDs Traffic, Rail, Aviation, Tower Lights, Runway Lights, Emergency/Police Vehicle Lighting. Mobile applications with LEDs Mobile Phone, PDA's, Digital Cameras, Lap Tops, General Backlighting. Photo sensor applications with LEDs Medical Instrumentation, Bar Code Readers, Color & Money Sensors, Encoders, Optical Switches, Fiber Optic Communication. Dept of EEE SRTIST 40
  • 41.
    Prepaid energy meterusing gsm 2.6 GSM (Global System for Mobile communications) Introduction: GSM (Global System for Mobile communications) is a cellular network, which means that mobile phones connect to it by searching for cells in the immediate vicinity. GSM networks operate in four different frequency ranges. Most GSM networks operate in the 900 MHz or 1800 MHz bands. Some countries in the Americas use the 850 MHz and 1900 MHz bands because the 900 and 1800 MHz frequency bands were already allocated. The rarer 400 and 450 MHz frequency bands are assigned in some countries, where these frequencies were previously used for first-generation systems. GSM-900 uses 890–915 MHz to send information from the mobile station to the base station (uplink) and 935–960 MHz for the other direction (downlink), providing 124 RF channels (channel numbers 1 to 124) spaced at 200 kHz. Duplex spacing of 45 MHz is used. In some countries the GSM-900 band has been extended to cover a larger frequency range. This 'extended GSM', E-GSM, uses 880–915 MHz (uplink) and 925–960 MHz (downlink), adding 50 channels (channel numbers 975 to 1023 and 0) to the original GSM-900 band. Time division multiplexing is used to allow eight full-rate or sixteen half-rate speech channels per radio frequency channel. There are eight radio timeslots (giving eight burst periods) grouped into what is called a TDMA frame. Half rate channels use alternate frames in the same timeslot. The channel data rate is 270.833 kbit/s, and the frame duration is 4.615 ms. GSM Advantages: GSM also pioneered a low-cost, to the network carrier, alternative to voice calls, the Short t message service (SMS, also called "text messaging"), which is now supported on other mobile standards as well. Another advantage is that the standard includes one worldwide Emergency telephone number, 112. This makes it easier for international travelers to connect to emergency services without knowing the local emergency number. Dept of EEE SRTIST 41
  • 42.
    Prepaid energy meterusing gsm The GSM Network: GSM provides recommendations, not requirements. The GSM specifications define the functions and interface requirements in detail but do not address the hardware. The GSM network is divided into three major systems: the switching system (SS), the base station system (BSS), and the operation and support system (OSS). The Switching System: The switching system (SS) is responsible for performing call processing and subscriber-related functions. The switching system includes the following functional units. Home location register (HLR): The HLR is a database used for storage and management of subscriptions. The HLR is considered the most important database, as it stores permanent data about subscribers, including a subscriber's service profile, location information, and activity status. When an individual buys a subscription from one of the PCS operators, he or she is registered in the HLR of that operator. Dept of EEE SRTIST 42
  • 43.
    Prepaid energy meterusing gsm Mobile services switching center (MSC): The MSC performs the telephony switching functions of the system. It controls calls to and from other telephone and data systems. It also performs such functions as toll ticketing, network interfacing, common channel signaling, and others. Visitor location register (VLR): The VLR is a database that contains temporary information about subscribers that is needed by the MSC in order to service visiting subscribers. The VLR is always integrated with the MSC. When a mobile station roams into a new MSC area, the VLR connected to that MSC will request data about the mobile station from the HLR. Later, if the mobile station makes a call, the VLR will have the information needed for call setup without having to interrogate the HLR each time. Authentication center (AUC): A unit called the AUC provides authentication and encryption parameters that verify the user's identity and ensure the confidentiality of each call. The AUC protects network operators from different types of fraud found in today's cellular world. Equipment identity register (EIR): The EIR is a database that contains information about the identity of mobile equipment that prevents calls from stolen, unauthorized, or defective mobile stations. The AUC and EIR are implemented as stand-alone nodes or as a combined AUC/EIR node. The Base Station System (BSS): All radio-related functions are performed in the BSS, which consists of base station controllers (BSCs) and the base transceiver stations (BTSs). BSC: The BSC provides all the control functions and physical links between the MSC and BTS. It is a high-capacity switch that provides functions such as handover, cell configuration data, and control of radio frequency (RF) power levels in base transceiver stations. A number of BSCs are served by an MSC. BTS: The BTS handles the radio interface to the mobile station. The BTS is the radio equipment (transceivers and antennas) needed to service each cell in the network. A group of BTSs are controlled by a BSC. Dept of EEE SRTIST 43
  • 44.
    Prepaid energy meterusing gsm The Operation and Support System The operations and maintenance center (OMC) is connected to all equipment in the switching system and to the BSC. The implementation of OMC is called the operation and support system (OSS). The OSS is the functional entity from which the network operator monitors and controls the system. The purpose of OSS is to offer the customer cost-effective support for centralized, regional and local operational and maintenance activities that are required for a GSM network. An important function of OSS is to provide a network overview and support the maintenance activities of different operation and maintenance organizations. GSM Network Areas: The GSM network is made up of geographic areas. As shown in bellow figure, these areas include cells, location areas (LAs), MSC/VLR service areas, and public land mobile network (PLMN) areas. Location Areas: The cell is the area given radio coverage by one base transceiver station. The GSM network identifies each cell via the cell global identity (CGI) number assigned to each cell. The location area is a group of cells. It is the area in which the subscriber is paged. Each LA is served by one or more base station controllers, yet only by a single MSC Each LA is assigned a location area identity (LAI) number. Dept of EEE SRTIST 44
  • 45.
    Prepaid energy meterusing gsm MSC/VLR service areas: An MSC/VLR service area represents the part of the GSM network that is covered by one MSC and which is reachable, as it is registered in the VLR of the MSC. PLMN service areas: The PLMN service area is an area served by one network operator. GSM Specifications: Specifications for different personal communication services (PCS) systems vary among the different PCS networks. Listed below is a description of the specifications and characteristics for GSM. Frequency band: The frequency range specified for GSM is 1,850 to 1,990 MHz (mobile station to base station). Duplex distance: The duplex distance is 80 MHz. Duplex distance is the distance between the uplink and downlink frequencies. A channel has two frequencies, 80 MHz apart. Channel separation: The separation between adjacent carrier frequencies. In GSM, this is 200 kHz. Modulation: Modulation is the process of sending a signal by changing the characteristics of a carrier frequency. This is done in GSM via Gaussian minimum shift keying (GMSK). Transmission rate: GSM is a digital system with an over-the-air bit rate of 270 kbps. Access method: GSM utilizes the time division multiple access (TDMA) concept. TDMA is a technique in which several different calls may share the same carrier. Each call is assigned a particular time slot. Speech coder: GSM uses linear predictive coding (LPC). The purpose of LPC is to reduce the bit rate. The LPC provides parameters for a filter that mimics the vocal tract. The signal passes through this filter, leaving behind a residual signal. Speech is encoded at 13 kbps. . Dept of EEE SRTIST 45
  • 46.
    Prepaid energy meterusing gsm Main AT commands: "AT command set for GSM Mobile Equipment‖ describes the Main AT commands to communicate via a serial interface with the GSM subsystem of the phone. AT commands are instructions used to control a modem. AT is the abbreviation of Attention. Every command line starts with "AT" or "at". That's why modem commands are called AT commands. Many of the commands that are used to control wired dial-up modems, such as ATD (Dial), ATA (Answer), ATH (Hook control) and ATO (Return to online data state), are also supported by GSM/GPRS modems and mobile phones. Besides this common AT command set, GSM/GPRS modems and mobile phones support an AT command set that is specific to the GSM technology, which includes SMS-related commands like AT+CMGS (Send SMS message), AT+CMSS (Send SMS message from storage), AT+CMGL (List SMS messages) and AT+CMGR (Read SMS messages). Note that the starting "AT" is the prefix that informs the modem about the start of a command line. It is not part of the AT command name. For example, D is the actual AT command name in ATD and +CMGS is the actual AT command name in AT+CMGS. However, some books and web sites use them interchangeably as the name of an AT command. Here are some of the tasks that can be done using AT commands with a GSM/GPRS modem or mobile phone: Get basic information about the mobile phone or GSM/GPRS modem. For example, name of manufacturer (AT+CGMI), model number (AT+CGMM), IMEI number (International Mobile Equipment Identity) (AT+CGSN) and software version (AT+CGMR). Get basic information about the subscriber. For example, MSISDN (AT+CNUM) and IMSI number (International Mobile Subscriber Identity) (AT+CIMI). Get the current status of the mobile phone or GSM/GPRS modem. For example, mobile phone activity status (AT+CPAS), mobile network registration status (AT+CREG), radio signal strength (AT+CSQ), battery charge level and battery charging status (AT+CBC). Establish a data connection or voice connection to a remote modem (ATD, ATA, etc). Send and receive fax (ATD, ATA, AT+F*). Dept of EEE SRTIST 46
  • 47.
    Prepaid energy meterusing gsm Send (AT+CMGS, AT+CMSS), read (AT+CMGR, AT+CMGL), write (AT+CMGW) or delete (AT+CMGD) SMS messages and obtain notifications of newly received SMS messages (AT+CNMI). Read (AT+CPBR), write (AT+CPBW) or search (AT+CPBF) phonebook entries. Perform security-related tasks, such as opening or closing facility locks (AT+CLCK), checking whether a facility is locked (AT+CLCK) and changing passwords (AT+CPWD). (Facility lock examples: SIM lock [a password must be given to the SIM card every time the mobile phone is switched on] and PH-SIM lock [a certain SIM card is associated with the mobile phone. To use other SIM cards with the mobile phone, a password must be entered.]) Control the presentation of result codes / error messages of AT commands. For example, you can control whether to enable certain error messages (AT+CMEE) and whether error messages should be displayed in numeric format or verbose format (AT+CMEE=1 or AT+CMEE=2). Get or change the configurations of the mobile phone or GSM/GPRS modem. For example, change the GSM network (AT+COPS), bearer service type (AT+CBST), radio link protocol parameters (AT+CRLP), SMS center address (AT+CSCA) and storage of SMS messages (AT+CPMS). Save and restore configurations of the mobile phone or GSM/GPRS modem. For example, save (AT+CSAS) and restore (AT+CRES) settings related to SMS messaging such as the SMS center address. 2.7 RELAYS Introduction: A relay is an electrical switch that opens and closes under the control of another electrical circuit. In the original form, the switch is operated by an electromagnet to open or close one or many sets of contacts. A relay is able to control an output circuit of higher power than the input circuit, it can be considered to be, in a broad sense, a form of an electrical amplifier. Dept of EEE SRTIST 47
  • 48.
    Prepaid energy meterusing gsm Relays are usuallly SPDT (single pole double through switch)or DPDT (double pole double through switch) but they can have many more sets of switch contacts, for example relays with 4 sets of changeover contacts are readily available. Basic operation of a relay: An electric current through a conductor will produce a magnetic field at right angles to the direction of electron flow. If that conductor is wrapped into a coil shape, the magnetic field produced will be oriented along the length of the coil. The greater the current, the greater the strength of the magnetic field, all other factors being equal. Dept of EEE SRTIST 48
  • 49.
    Prepaid energy meterusing gsm Inductors react against changes in current because of the energy stored in this magnetic field. When we construct a transformer from two inductor coils around a common iron core, we use this field to transfer energy from one coil to the other. However, there are simpler and more direct uses for electromagnetic fields than the applications we've seen with inductors and transformers. The magnetic field produced by a coil of current-carrying wire can be used to exert a mechanical force on any magnetic object, just as we can use a permanent magnet to attract magnetic objects, except that this magnet (formed by the coil) can be turned on or off by switching the current on or off through the coil. If we place a magnetic object near such a coil for the purpose of making that object move when we energize the coil with electric current, we have what is called a solenoid. The movable magnetic object is called an armature, and most armatures can be moved with either direct current (DC) or alternating current (AC) energizing the coil. The polarity of the magnetic field is irrelevant for the purpose of attracting an iron armature. Solenoids can be used to electrically open door latches, open or shut valves, move robotic limbs, and even actuate electric switch mechanisms and is used to actuate a set of switch contacts Applications: To control a high-voltage circuit with a low-voltage signal, as in some types of modems or audio amplifiers, To control a high-current circuit with a low-current signal, as in the starter solenoid of an automobile, To detect and isolate faults on transmission and distribution lines by opening and closing circuit breakers (protection relays), Dept of EEE SRTIST 49
  • 50.
    Prepaid energy meterusing gsm To isolate the controlling circuit from the controlled circuit when the two are at different potentials, for example when controlling a mains-powered device from a low-voltage switch. The latter is often applied to control office lighting as the low voltage wires are easily installed in partitions, which may be often moved as needs change. They may also be controlled by room occupancy detectors in an effort to conserve energy, To perform logic functions. For example, the boolean AND function is realised by connecting NO relay contacts in series, the OR function by connecting NO contacts in parallel. The change-over or Form C contacts perform the XOR (exclusive or) function. Similar functions for NAND and NOR are accomplished using NC contacts. The Ladder programming language is often used for designing relay logic networks. o Early computing. Before vacuum tubes and transistors, relays were used as logical elements in digital computers. See ARRA (computer), Harvard Mark II, Zuse Z2, and Zuse Z3. Dept of EEE SRTIST 50
  • 51.
    Prepaid energy meterusing gsm CHAPTER-3 CIRCUIT DIAGRAM AND BLOCK DIAGRAM Circuit diagram Block diagram: 16X2 LCD DISPLAY POWER SUPPLY RELAY GSM MICRO CONTROLER ENERGY METER LOAD Dept of EEE SRTIST 51
  • 52.
    Prepaid energy meterusing gsm CHAPTER-4 BENEFITS OF PREPAID ENERGY METER Improved operational efficiencies: The prepaid meters are likely to cut the cost of meter reading as no meter readers are required. In addition, they eliminate administrative hassles associated with disconnection and reconnection. Besides, going by South Africa‘s experience, prepaid meters could help control appropriation of electricity in a better way than conventional meters. Benefits of Reduced financial risks: Since the payment is up-front reduces the financial risk by improving the cash flows and necessitates an improved revenue management system. Better customer service: The system eliminates billing delay, removes cost involved in disconnection/reconnection, enables controlled use of energy, and helps customers to save money through better energy management. Market Drivers Power sector reforms: The upcoming competitive and customer focused deregulated power distribution market will force the market participants to make the existing metering and billing process more competent. This is likely to drive the prepaid market. Increasing non-technical losses: Metering errors, tampering with meters leading to low registration and calibration related frauds are some of the key components of non-technical losses. India reports greater than 10 percent of non-technical losses. It has been reported that prepaid meters control nontechnical losses better than conventional ones Opportunities in the emerging electrifying markets: Most of the Asian countries do not have 100 percent electrification; hence new markets are being created by the increasing generating capacity. Prepaid systems can be more easily introduced in such new markets rather than the existing ones. Dept of EEE SRTIST 52
  • 53.
    Prepaid energy meterusing gsm 4.1 Market Restraints Consumer behavior: Consumers have not had any major problems with the existing post-paid system, and hence it is likely to be difficult to convince them to change over to prepaid system. Consumers might not appreciate the concept of "pay and use" as far as electricity is concerned because it might be perceived as an instrument to control common man‗s life style. Initial investment: Utilities might be discouraged by the huge initial investment, which includes the cost of instrument, marketing campaign, establishing distribution channel, and other management costs. Rapid technology changes: The rapid technology changes happening in the metering market are expected to delay the decision to go for prepaid system. Uncertainty over the success: Prepaid system is not as proven a concept in all the markets as South Africa; hence there is bound to be uncertainty over its success, if implemented. The success of the system depends on the commitment by utilized for this they need to get convinced on the real benefits of prepaid meters 4.2 Recent Initiatives The Sabah Electricity Sdn Bhd (SESB), Malaysia, has awarded a contract to a local manufacturer to supply 1,080 prepaid meters Countries such as Thailand, Bangladesh, Singapore, and Iran have been showing increased interest in adopting prepaid system In India, the State of West Bengal has decided to introduce the smart card operated prepaid energy meters in remote islands of Sunder bans. In Mumbai, pre-paid power is provided by the Brihanmumbai Electricity Supply and Transport (BEST)Undertaking. Tata Power plans to introduce pre-paid electricity in Delhi. Dept of EEE SRTIST 53
  • 54.
    Prepaid energy meterusing gsm CHAPTER-5 ADVANTAGES OF PREPAID ENERGY METER ADVANTAGES Improved operational efficiencies: The prepaid meters are likely to cut the cost of meter reading as no meter readers are required. In addition, they eliminate administrative hassles associated with disconnection and reconnection. Besides, going by South Africa‘s experience, prepaid meters could help control appropriation of electricity in a better way than conventional meters. Reduced financial risks: Since the payment is up-front, it reduces the financial risk by improving the cash flows and necessitates an improved revenue management system. Better customer service: The system eliminates billing delay, removes cost involved in disconnection/reconnection, enables controlled use of energy, and helps customers to save money through better energy management Dept of EEE SRTIST 54
  • 55.
    Prepaid energy meterusing gsm CHAPTER-6 FUTURE SCOPE&CONCLUSION FUTURE SCOPE: In the present time of 21st century we have no space for errors or faults either in any technical system or in general applications. Prepaid energy meter is an advantages concept for the further. It‘s facilitates the exemption from electricity bills. Electricity coupons will be available at nearby shops. The word prepaid means ―pay before use‖ one of the advantageous feature of this concept prepaid energy meter is used to prepaid the ongoing supply of electricity to homes, offices etc. CONCLUSION: The monopolistic power distribution market in asia is gradually transforming into a competitive marketplace. Differentiation in service is going to be the key competitive factor to the improve market share in the deregulated power markets prepaid meters with their advantages over conventional ones are likely to help power distributors to differentiate and offer value –added services to consumers. Encourage consumers to opt for prepaid meters on a voluntary basis and offering tariff or non-tariff incentives to those consumers who prepaid their power changes would help the utilities to implement this system Dept of EEE SRTIST 55
  • 56.
    Prepaid energy meterusing gsm Bibliography: References on the Web: www.national.com www.atmel.com www.microsoftsearch.com www.geocities.com www.microchip.com Dept of EEE SRTIST 56