 Laplace Transform
1. Definition
Chapter 4 Modelling and Analysis for Process
Control
2. Input signals
(c) A unit impulse function (Dirac delta function)
* Properties of the Laplace transform
1. Linearity
2. Differentiation theorem
Zero initial values
Proof:
3. Integration theorem
4. Translation theorem
Proof:
5. Final value theorem
6. Initial value theorem
7. Complex translation theorem
8. Complex differentiation theorem
Example 4.1
Solution:
Example 4.2
(S1)
(S2)
* Laplace transform procedure for differential equations
Steps:
Exercises: a second-order differential equation
(1) Laplace transform
Algebraic rearrangement
(2) Transfer function
Zero initials
(3) Laplace Inversion
Where
s
s
X
1
)
( 
Inversion method: Partial fractions expansion (pp.931)
(i) Fraction of denominator
and
(ii) Partial fractions
where
(iii) Inversion
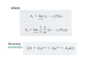
* Repeated roots
If r1=r2, the expansion is carried out as
where
Inversion
* Repeated roots for m times
If the expansion is carried out as
and
and A3=2 as (a) case.
The step response:
Example 4.3
(S1)
(S3) Find coefficients
s=0
Inversion
Example 4.4
(S1) Laplace transformation
(S2) Find coefficients
s=0
s=1-j
s=-1+j
(S3) Inversion
and using the identity
Time delays:
Consider Y(s)=Y1(s)e-st0 and
Example:
Input function f(t)
* Input-Output model and Transfer Function
Ex.4.5 Adiabatic thermal process example
S1. Energy balance
S2. Under steady-state initial conditions
and define deviation variable
S3. Standard form
where
S4. Transfer function (Laplace form)
@ Step change ( )
s
M
s
i /
)
( 

* Non-adiabatic thermal process example
S1. model
S2. Under deviation variables, the standard form
where
S3. Laplace form
@ Transfer functions
Ex. 4.6 Thermal process with transportation delay
@ Dead time
@ Transfer functions
※ Transfer function (G(s))
Note: The transfer function defines the steady-state and
dynamic characteristic, or total response, of a system
described by a linear differential equation.
*Important properties of G(s)
1. Physical systems,
2. Transforms of the derivation of input and output
variables
3. Steady state responses
m
n 
* Steady-state gain ( )
Ex. Consider two isothermal CSTRs in series
0
( ) s
G s 
Ans.:
(1) Steady-state gain:
(2) Final value of the reactant concentration in the
second reactor:
0
( ) p
s
G s K


※ Block diagrams
@ Block diagram for
1
1
)
(
)
(




s
s
s
i 
Example 4.7 Block diagram for
* Rules for block diagram
Example 4.8 Determine the transfer functions
Solution:
◎
◎
Example 3-4.3 Determine the transfer functions
=?
@ Reduced block
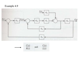
Example 4.9
=?
◎ Answer
◎ Design steps for transfer function
@ Review of complex number
c=a+ib
Polar notations
※ Frequency response
◎ Experimental determination of frequency response
S1. Process (valve, model, sensor/transmitter)
S2. Input signal
S3. Output response
where
P1. Amplitude of output signal
P2. Output signal ‘lags’ the input signal by θ.
P3. Amplitude ratio (AR): AR=Y0/X0
P4. Magnitude ratio (MR): MR=AR/K
P5. Phase angle (θ): if θ is negative, it is a lag angle.
Ex.4.7 A first-order transfer function G(s)=K/(τs+1)
* Consider a form of
If the input is set as
Then the output
*Through inverse Laplace transformation, the output
response is reduced as
P1.
P2. (p.69)
Ex.4.8 Consider a first-order system
S1.
S2. Amplitude ratio and phase angle
Ex.4.9 Consider a second-order system
S1. s=iω to decide amplitude ratio
#
S2. Phase angle
#
Ex.4.10 Consider a first-order lead transfer function
G(s)=K(1+τs)
Ex.4 Consider a pure dead time transfer function
G(s) =e-t0s
Ex.5 Consider an integrator
G(s)=1/s
G(i)=-(1/ )i
* Expression of AR and θ for general OLTF
※ Bode plot
•A common graphical representation of AR (MR) and θ functions.
•Bode plot consists: (1) log AR or (log MR) vs. log ω
(2) θ vs. log ω
* (3) 20 log AR (db) vs. log ω
2
k
Ex. 5 Consider a first-order lag by Ex. 1
To show Bode plot.
S1. MR1 as ω 0
S2. As ω 
#
* Types of Bode plots
(a) Gain element
(b) First-order lag
(c) Dead time
(d) Second-order lag
(e) First-order lead
(f) Integrator
* Process control for a chemical reactor
Homework 2#
(1) Q4.6
(2) Q4.10
(3) Q4.16
(4) Q4.18 (※Difficulty)

3330716.ppt