S.DHARANI KUMAR
Asst.professor
Department of Mechanical
Engineering
Sri Eshwar college of Engineering
,Coimbatore.
UNIT-2
JIGS AND FIXTURES
• Jig body
• Jig feet
• Drill bush
• Jig plate
• Locators
• Clamps
ELEMENTS OF A JIG
ELEMENTS OF A JIG
Types of jigs
• Boring Jig
• Drill Jig
• Template Jig
• Plate Jig
• Sandwich Jig
• Latch or Leaf Jig
• Channel Jig
• Box Jig
• Post jigs or Angle plate Jig
• Angular post Jig
• Turnover jig or Table type Jig
• Pot Jig
• Solid Jig
• Trunnion Jig
• Indexing Jig
• Universal Jig
• Pump Jig
• Multi Station Jig
Boring Jig
Drill Jigs
Template Jigs
Plate Jigs
Sandwich Jigs
Latch or Leaf Jigs
Channel Jigs
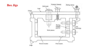
Box Jigs
Post Jigs
• Vertical position of Post
• Horizontal position of Post
Vertical position of post
Horizontal position of Post
Angular Post Jigs
Turnover Jigs or Table Type Jigs
Pot Jigs
Solid Jigs
Trunnion Jigs
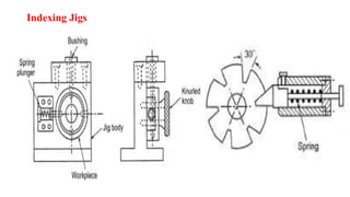
Indexing Jigs
Pump Jigs
Multi- station Jigs
Automatic Drill Jigs
 Mechanical
 Pneumatic or Air operated
 Hydraulic operated
Rack and Pinion Operated Drill Jigs
Air Operated Drill Jigs
TYPES OF FIXTURES
• Plate Fixtures
• Angle Plate Fixtures
• Vice –jaw Fixture's
• Multi station fixtures
• Profiling Fixtures
Plate Fixtures
• Fixture is made from a flat plate that has variety of clamps and locates to
hold and locate the part .
• Simplicity of this fixtures makes it useful for most machinery operations .
• Plate fixtures are designed to machine larger, heavier parts than vise-held
fixtures.
PLATE FIXTURE
Designing a plate fixture
1. The part is rough casting approximately.
2. The approximate wall thickness .
3. The part has no prior machining.
4. The material is cast aluminum.
5. The operation required is to gang milling the surface.
6. The fixture is for production run.
7. The blank is received in it cast condition .
Designing an angle plate fixture
1. The part is rough casting approximately.
2. The part has a machined base with four 10 mm holes.
3. The material is specified is a cast brass.
4. The fixture is for production run.
5. The operation required is boring.
6. The part received for this operation has been milled and drilled on the
bottom surface.
7. The part has a cored hole of 20 mm diameter approximately .
Vice-jaw fixtures
TYPES OF FIXTURE BASED MACHINE AND
OPEARATION
• Turning Fixture
• Milling Fixture
• Boring Fixture
• Broaching Fixture
• Grinding Fixture
• Assembly Fixture
• Inspection Fixture
• Welding Fixture
• Modular Fixture systems
• Quick change Fixtures
LATHE OR TURNING FIXTURE
• Faceplate Turning Fixture
• Built Up Turning Fixture
Faceplate Turning Fixture
Built Up Turning Fixture
MILLING FIXTURE
• Plain Milling Fixture
• Line Milling Fixture
• Gang Milling Fixture
• Key-way Milling Fixture
• Indexing milling fixture
Plain Milling Fixture
Line Milling Fixture
Gang Milling Fixture
Key-way Milling Fixture
IndexingMilling Fixture
BORING FIXTURE
• Stub bar Boring
• Single - Piloted bar Boring
• Double - Piloted bar Boring
Single - Piloted bar Boring
Double - Piloted bar Boring
BROACHING FIXTURE
• Key-way Broaching Fixture
• External Surface Broaching Fixture
Key-way Broaching Fixture
External Surface Broaching Fixture
SHAPING FIXTURE
• Internal Keyway Cutting Fixture
• Slot or External keyway Cutting Fixture
Internal Keyway Cutting Fixture
Slot or External keyway Cutting Fixture
PLANING FIXTURES
WELDING FIXTURE
• Tack Welding Fixture
• Butt Welding Fixture
• Wing Nut Welding Fixture
• Angle Frame Welding Fixture
Butt Welding Fixture
Wing Nut Welding Fixture
Angle Frame Welding Fixture
INSPECTION FIXTURE
INSPECTION FIXTURE-non dial type
GRINDING FIXTURE
• Cylindrical Grinding Fixture
1. Taper mandrel
2. Straight mandrel
3. Combined taper and straight mandrel
• Surface Grinding Fixture
1. Magnetic chuck
2. Angle plate fixtuers
Cylindrical Grinding Fixture
1.Taper mandrel
2.Combined taper and straight mandrel
Surface Grinding Fixture
1.Magnetic chuck
2.Vaccum chuck
MODULAR FIXTURING SYSTEMS
• Sub - Plate System
• T - Slot System
• Dowel Pin System
Sub - Plate System
T - Slot System
Dowel Pin System
MODULAR FIXTURING-hinge-rise clamp
MODULAR FIXTURING-up –thrust clamp
MODULAR FIXTURING-screw edge clamp
MODULAR FIXTURING-pivoting edge clamp
MODULAR FIXTURING-cam edge clamp
MODULAR FIXTURING-ball element clamp
QUICK CHANGING FIXTURE
ASSEMBLY FIXTURE
• Universal fixtures
• Special purpose fixtures
UNIVERSAL FIXTURE
Special purpose fixtures

Uint 2 jigs and fixtures