Study of machine tools – Lathe
machine, Drilling machine and
grinding machine
BY- Prof. Sonam.M. Gujrathi
Sanjivani college of Engineering
Department of Mechanical Engineering,
Kopargaon
• Def – Machine Tool
the machines used for carrying out metal
cutting processes (removing material in the
form of chips) and surface finishing process
(good surface finish to the already machined
work piece, with the negligible removal of the
material).
CLASSIFICATION OF MACHINE TOOLS
1) According to the desired purpose
Machines which are used to perform only some specified operation
a. single purpose machine tool
b. multi purpose machine tool
c. special purpose machine tool
2) According to the size of chip removed
a. larger sized chips
1. lathe machine
2. drilling machine
3. milling machine
4. shaping machine etc
b. small sized chips
1. grinding machine
2. lapping machine
3. honing machine
4. polishing machine
LATHE MACHINE
• A lathe is a machine tool which rotates the workpiece on
its axis to perform various operations such
as cutting, sanding, knurling, drilling, or
deformation, facing, turning, with tools that are applied to the
workpiece to create an object which has symmetry about an axis
of rotation.
• Examples of objects that can be produced on a lathe
include candlestick holders, gun barrels, cue
sticks, table legs, bowls, baseball bats, musical instruments
(especially woodwind instruments), crankshafts, and camshafts.
• Bed: Usually made of cast iron. Provides a heavy rigid
frame on which all the main components are mounted.
• Headstock: contains gear box , mounted in a fixed
position on the inner ways, usually at the left end.
Using a chuck, it rotates the work.
• Gearbox: inside the headstock, providing multiple
speeds with a geometric ratio by moving levers.
• Tailstock: Fits on the inner ways of the bed and can
slide towards any position the headstock to fit the
length of the work piece. An optional taper turning
attachment would be mounted to it.
• Carriage: Moves on the outer ways. Used for
mounting and moving most the cutting tools.
• Feed Mechanism: the movement of the tool
relative to the work piece is known as feed.
Lathe tool can have longitudinal, cross and
angular feed. Function of feed mechanism is to
transmit the motion from headstock spindle to
the carriage by using various units.
• Lead Screw (thread cutting mechanism): is a
long threaded shaft which is used as a master
screw and it is brought into operation only
when threads have to be cut. In other time, it is
disengaged from the gear box and remains
stationary.
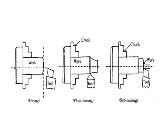
LATHE MACHINE
OPERATION
PLAIN TURNING
STEP TURNING
FACING
• In rough turning high rate of feed and heavy
depth of cut are given to remove the excess
material in a minimum time. Avg depth of cut is
from 2 – 5 mm and feed rate is 0.3 – 1.5 mm per
revolution. Spindle speed will be low.
• In finish turning smooth surface finish is
produced. Spindle speed should be high & feed
rate & depth of cut should be very small. Depth
of cut varies from 0.5 – 1 mm & feed rate varies
from 0.1 – 0.3 mm per revolution.
ECCENTRIC TURNING
Drilling
Reaming
• A reamer enters the workpiece axially through
the end and enlarges an existing hole to the
diameter of the tool. Reaming removes a
minimal amount of material. It is finishing
operation.
TAPER TURNING
knurling
• Knurling allows hands or fingers to get a better grip on the
knurled object than would be provided by the originally
smooth metal surface. Occasionally, the knurled pattern is a
series of straight ridges or a helix of "straight" ridges rather
than the more-usual criss-cross pattern.
BORING
THREAD CUTTING
PARTING OFF
• parting tool is fed perpendicular to the axis of the
work piece. a square groove is made and depended
further till parting takes place.
CHAMFERING
• It is an operation of beveling the extreme end
of workpiece.
• Chamfering is done to remove burrs, to
protect end of the work piece from being
damaged and to have better appearance.
GROOVING
• It is an operation through which a groove of approximately same
width is produced on the job as that of the cutting edge of the
tool.
FORMING
• Some components having neither cylindrical nor
tapered surfaces are said to have shaped or
formed surfaces.
Drilling Machine
• Drilling is an operation through which holes are
produced in a solid material by using a revolving
tool which is called as drill.
• Basic elements of drilling machine are –
base
column
work table
drill head
spindle drive
Types of drilling machine
• Portable drilling machine
it is very small, compact and self contained unit
carrying a small electric motor inside it.
Sensitive or bench drilling machine
• This type of drilling machine is designed for drilling
small holes at high speed in light work pieces.
Sensitive drilling machine
• Simplest type
• Used for light duty work for drilling the hole
upto 12.5mm dia.
Sensitive drilling machine
Upright or pillar drilling machine
• Similar to sensitive but is larger and heavier than
sensitive drilling machine
• Used for handling medium sized work pieces.
• Table of the machine has different types of
adjustment
Radial drilling machine
• Radial drilling machine is designed for drilling
medium to large and heavy workpieces.
Drilling machine operation
• Drilling
• Reaming
• Boring
• Counter boring
the operation which is used for enlarging only limited
portion of the hole is called as counter boring and tool
used for this purpose is called as counterbore.
• Counter sinking
countersinking operation is used for enlarging the
end of a hole and to give it a conical shape for a
short distance.
• Spot facing
it is the operation of smoothing and squaring
the surface around a hole for the seat of a nut
or the head of a screw
• Tapping
tapping is an operation of cutting internal threads by
using a cutting tool called as tap.
• Trepanning
when large diameter holes are required in a sheet
metal, then trepanning operation is carried out.
GRINDING MACHINE
• Grinding is a process of removing the material by the
abrasive action of a revolving wheel on the surface of
workpiece.
• During the grinding process, material is removed in
the form of chips.
Working principal
• Surface grinders cylindrical grinders
Types of grinding machine
• Rough or non precision grinding machine
main purpose is to remove more material than that can be removed by other
grinder
Types- 1. bench or floor grinding
2. portable grinding
3. swing frame grinding
4. belt grinders
• Fine or precision grinders
removes a small amount of material and finish the workpiece to very accurate
dimensions
Types- 1. cylindrical grinders
2. centreless grinders
3. surface grinders
4. internal grinders
5. special grinders
Cylindrical grinding machine
• w/p is rigidly held betn two centres, chuck or in a suitable
holding fixture.
• If w/p is longer wheel is traversed past the w/p.
• Traversing of wheel is done either hydraulically,
mechanically or manually.
Centreless grinding
• w/p is held between grinding wheel, regulating
wheel and work rest table.
Surface grinding machine
• Surface grinders are used to machine flat,
irregular, regular or tapered surfaces.
• As per the table movement and position of
spindle, the surface grinders are classified as-
1. reciprocating table
a. horizontal spindle
b. vertical spindle
2. rotary table
a. horizontal spindle
b. vertical spindle
Horizontal spindle
• When object are of rect. c/s reciprocating type
surface grinders are more suitable in which
w/p is mounted on magnetic chuck/table.
• When object are of circular type rotary surface
grinders are used.
Vertical spindle reciprocating table
surface grinders
Rotary table type surface grinders
Internal grinding machine
THANK YOU

Study of machine tools – lathe machine,

  • 1.
    Study of machinetools – Lathe machine, Drilling machine and grinding machine BY- Prof. Sonam.M. Gujrathi Sanjivani college of Engineering Department of Mechanical Engineering, Kopargaon
  • 2.
    • Def –Machine Tool the machines used for carrying out metal cutting processes (removing material in the form of chips) and surface finishing process (good surface finish to the already machined work piece, with the negligible removal of the material).
  • 3.
    CLASSIFICATION OF MACHINETOOLS 1) According to the desired purpose Machines which are used to perform only some specified operation a. single purpose machine tool b. multi purpose machine tool c. special purpose machine tool 2) According to the size of chip removed a. larger sized chips 1. lathe machine 2. drilling machine 3. milling machine 4. shaping machine etc b. small sized chips 1. grinding machine 2. lapping machine 3. honing machine 4. polishing machine
  • 4.
    LATHE MACHINE • Alathe is a machine tool which rotates the workpiece on its axis to perform various operations such as cutting, sanding, knurling, drilling, or deformation, facing, turning, with tools that are applied to the workpiece to create an object which has symmetry about an axis of rotation. • Examples of objects that can be produced on a lathe include candlestick holders, gun barrels, cue sticks, table legs, bowls, baseball bats, musical instruments (especially woodwind instruments), crankshafts, and camshafts.
  • 6.
    • Bed: Usuallymade of cast iron. Provides a heavy rigid frame on which all the main components are mounted. • Headstock: contains gear box , mounted in a fixed position on the inner ways, usually at the left end. Using a chuck, it rotates the work. • Gearbox: inside the headstock, providing multiple speeds with a geometric ratio by moving levers. • Tailstock: Fits on the inner ways of the bed and can slide towards any position the headstock to fit the length of the work piece. An optional taper turning attachment would be mounted to it. • Carriage: Moves on the outer ways. Used for mounting and moving most the cutting tools.
  • 7.
    • Feed Mechanism:the movement of the tool relative to the work piece is known as feed. Lathe tool can have longitudinal, cross and angular feed. Function of feed mechanism is to transmit the motion from headstock spindle to the carriage by using various units. • Lead Screw (thread cutting mechanism): is a long threaded shaft which is used as a master screw and it is brought into operation only when threads have to be cut. In other time, it is disengaged from the gear box and remains stationary.
  • 8.
  • 10.
  • 11.
  • 12.
  • 13.
    • In roughturning high rate of feed and heavy depth of cut are given to remove the excess material in a minimum time. Avg depth of cut is from 2 – 5 mm and feed rate is 0.3 – 1.5 mm per revolution. Spindle speed will be low. • In finish turning smooth surface finish is produced. Spindle speed should be high & feed rate & depth of cut should be very small. Depth of cut varies from 0.5 – 1 mm & feed rate varies from 0.1 – 0.3 mm per revolution.
  • 14.
  • 15.
  • 16.
    Reaming • A reamerenters the workpiece axially through the end and enlarges an existing hole to the diameter of the tool. Reaming removes a minimal amount of material. It is finishing operation.
  • 19.
  • 20.
    knurling • Knurling allowshands or fingers to get a better grip on the knurled object than would be provided by the originally smooth metal surface. Occasionally, the knurled pattern is a series of straight ridges or a helix of "straight" ridges rather than the more-usual criss-cross pattern.
  • 22.
  • 23.
  • 24.
    PARTING OFF • partingtool is fed perpendicular to the axis of the work piece. a square groove is made and depended further till parting takes place.
  • 25.
    CHAMFERING • It isan operation of beveling the extreme end of workpiece. • Chamfering is done to remove burrs, to protect end of the work piece from being damaged and to have better appearance.
  • 27.
    GROOVING • It isan operation through which a groove of approximately same width is produced on the job as that of the cutting edge of the tool.
  • 28.
    FORMING • Some componentshaving neither cylindrical nor tapered surfaces are said to have shaped or formed surfaces.
  • 29.
    Drilling Machine • Drillingis an operation through which holes are produced in a solid material by using a revolving tool which is called as drill. • Basic elements of drilling machine are – base column work table drill head spindle drive
  • 30.
    Types of drillingmachine • Portable drilling machine it is very small, compact and self contained unit carrying a small electric motor inside it.
  • 31.
    Sensitive or benchdrilling machine • This type of drilling machine is designed for drilling small holes at high speed in light work pieces.
  • 32.
    Sensitive drilling machine •Simplest type • Used for light duty work for drilling the hole upto 12.5mm dia.
  • 33.
  • 34.
    Upright or pillardrilling machine • Similar to sensitive but is larger and heavier than sensitive drilling machine • Used for handling medium sized work pieces. • Table of the machine has different types of adjustment
  • 36.
    Radial drilling machine •Radial drilling machine is designed for drilling medium to large and heavy workpieces.
  • 38.
    Drilling machine operation •Drilling • Reaming • Boring • Counter boring the operation which is used for enlarging only limited portion of the hole is called as counter boring and tool used for this purpose is called as counterbore.
  • 39.
    • Counter sinking countersinkingoperation is used for enlarging the end of a hole and to give it a conical shape for a short distance.
  • 40.
    • Spot facing itis the operation of smoothing and squaring the surface around a hole for the seat of a nut or the head of a screw
  • 41.
    • Tapping tapping isan operation of cutting internal threads by using a cutting tool called as tap.
  • 42.
    • Trepanning when largediameter holes are required in a sheet metal, then trepanning operation is carried out.
  • 43.
  • 44.
    • Grinding isa process of removing the material by the abrasive action of a revolving wheel on the surface of workpiece. • During the grinding process, material is removed in the form of chips.
  • 45.
    Working principal • Surfacegrinders cylindrical grinders
  • 46.
    Types of grindingmachine • Rough or non precision grinding machine main purpose is to remove more material than that can be removed by other grinder Types- 1. bench or floor grinding 2. portable grinding 3. swing frame grinding 4. belt grinders • Fine or precision grinders removes a small amount of material and finish the workpiece to very accurate dimensions Types- 1. cylindrical grinders 2. centreless grinders 3. surface grinders 4. internal grinders 5. special grinders
  • 47.
    Cylindrical grinding machine •w/p is rigidly held betn two centres, chuck or in a suitable holding fixture. • If w/p is longer wheel is traversed past the w/p. • Traversing of wheel is done either hydraulically, mechanically or manually.
  • 48.
    Centreless grinding • w/pis held between grinding wheel, regulating wheel and work rest table.
  • 49.
    Surface grinding machine •Surface grinders are used to machine flat, irregular, regular or tapered surfaces. • As per the table movement and position of spindle, the surface grinders are classified as- 1. reciprocating table a. horizontal spindle b. vertical spindle 2. rotary table a. horizontal spindle b. vertical spindle
  • 50.
  • 51.
    • When objectare of rect. c/s reciprocating type surface grinders are more suitable in which w/p is mounted on magnetic chuck/table. • When object are of circular type rotary surface grinders are used.
  • 52.
    Vertical spindle reciprocatingtable surface grinders
  • 53.
    Rotary table typesurface grinders
  • 54.
  • 55.