Reciprocating Compressors
By: Nasir Hussain
Process Operations Engineer
Refinery, Pakistan
Contents
1. Norms of the session
2. Introduction
3. Chemistry of Compression
4. Types of Compressors
5. Applications of Compressors
6. Compressor selection
7. Working Principle of R.P Compressor
8. Parts of RP Compressor
9. Sealing system of Reciprocating Compressor
10. Capacity control of compressors
Contents
1. Lubrication and Cooling of the Compressor
2. Controlling of the R.P Compressor
3. Tripping Securities of R.P Compressor
4. Troubleshooting of R.P Compressor
5. Performance monitoring of the compressor
6. Start up, Shutdown and Normal operation
7. Maintenance Hand over
• PARCO Refinery Compressors
Norms During The Session
• Be an attentive listener
• Limit side conversations
• Be open to new ideas
• Ask questions and share ideas
• Keep cell phones on silent
• Be on time
• Respect each other, yourselves and the
trainer
Introduction
• This training is designed for the plant operations
staff about the working, construction,
troubleshooting, monitoring, start up, shut down
and maintenance handing over of the
reciprocating compressor.
• In addition safety aspects and some important
terms related to R.P compressor are also
mentioned.
• At the end of the session test will be conducted
about the topic.
Introduction
• The purpose of compressors is to move air and other
gases from place to place. Gases, unlike liquids, are
compressible and require compression devices, which
although similar to pumps, operate on somewhat
different principle's. Compressors, blowers, and fans are
such compression devices.
• Compressors. Move air or gas in higher differential
pressure ranges from 35 psi to as high as 65,000 psi in
extreme cases.
• Blowers. Move large volumes of air or gas at pressures
up to 50 pounds per square inch.
• Fans. Move air or gas at a sufficient pressure to
overcome static forces. Discharge pressures range from
a few inches of water to about 1 pound per square inch.
What is a Compressor?
Compressors are mechanical devices that
compresses gases and transfers from one
place to other. It is widely used in
industries and has various applications.
Basic Gas Laws
By definition, a gas is a fluid having neither
independent shape nor form, which tends to
expand indefinitely.
• The First Law of Thermodynamics: This law
states that energy cannot be created or
destroyed during a process, such as
compression and delivery of a gas. In other
words, whenever a quantity of one kind of
energy disappears, an exactly equivalent total of
other kinds of energy must be produced.
Basic Gas Laws
• The Second Law of Thermodynamics: energy
which exists at various levels is available for
use only if it can move from a higher to a lower
level.
• Boyle's Law: States that at a constant
temperature, the volume of an ideal gas
decreases with an increase in pressure.
• For example, if a given amount of gas is
compressed at a constant temperature to half its
volume, its pressure will be doubled.
V/P=Const,V2/V1 = PI/P2 or P2V2 = PIVI =
constant
Basic Gas Laws
• Charles' Law: States that at constant pressure,
the volume of an ideal gas will increase as the
temperature increases.
• If heat is applied to a gas it will expand, and the
pressure will remain the same. This law
assumes the absence of friction or the presence
of an applied force.
• V2/V1=T2/T1= Constant
Basic Gas Laws
Avogadro's Law: For a given mass of an ideal
gas, the volume and amount (moles) of the gas
are directly proportional if the temperature and
pressure are constant.
Amonton's Law: states that at constant volume,
the pressure of an ideal gas will increase as the
temperature increases.
P2/P1= kT2/T1
Basic Gas Laws
• Ideal or Perfect Gas Laws: An ideal or perfect gas
is one to which the laws of Boyle, Charles, and
Amonton apply. Such perfect gases do not really
exist, but these three laws of thermodynamics can
be used if corrected by compressibility factors
based on experimental data. PV=nRT
METHODS OF COMPRESSION
1. Trap consecutive quantities of gas in some type of
enclosure, reduce the volume (thus increasing the
pressure), then push the compressed gas out of the
enclosure. (PD Compressors)
2. Compress the gas by the mechanical action of rapidly
rotating impellers or bladed rotors that impart velocity and
pressure to the flowing gas. (Velocity is further converted
into pressure in stationary diffusers or blades.) (CF/Axial or
Dynamic)
4. Entrain the gas in a high velocity jet of the same or another
gas (usually, but not necessarily, steam) and convert the
high velocity of the mixture into pressure in a diffuser.
Ejectors.
What are its various types?
What are dynamic compressors?
• Dynamic compressors impart velocity energy to
continuously flowing air or gas by means of impellers
rotating at very high speeds.
• The velocity energy is changed into pressure energy both
by the impellers and the discharge volutes or diffusers
• The dynamic compressor is continuous flow compressor.
• There are two types of dynamic compressors
Centrifugal Compressor
Axial Flow Compressor
Dynamic Action
By dynamic action imparting
velocity to the gas. This
velocity is then converted
into pressure. Flow rate and
pressure ratio both vary as a
function of speed, but only
within a very limited range
and then only with properly
designed control systems.
Figure 1-4 shows the basic
idea.
Centrifugal Compressor
• Achieves compression by applying inertial forces to the
gas by means of rotating impellers.
• It is multiple stage ; each stage consists of an impeller
as the rotating element and the stationary element, i.e.
diffuser
• Fluid flow enters the impeller axially and discharged
radialy.
• The gas next flows through a circular chamber (diffuser),
where it loses velocity and increases pressure
Axial flow compressor
• Working fluid principally flows parallel to the axis
of rotation.
• The energy level of air or gas flowing through it
is increased by the action of the rotor blades
which exert a torque on the fluid.
• Have the benefits of high efficiency and
large mass flow rate
• Require several rows of airfoils to achieve large
pressure rises making them complex and
expensive
Axial Flow Compressor
Positive Displacement Type Compressors
A positive displacement compressor first
traps a volume of gas in a cylinder, then
the gas is displaced into a smaller volume.
The greater the reduction in volume, the
greater the increase in pressure. A
compressor that operates by volumetric
displacement is called a “positive
displacement compressors”.
Rotary Compressors
Rotary Compressors move gases by rotating a
set of screws, lobes, or vanes. As these screws,
lobes, or vanes rotate, gas is drawn into the
compressor by negative pressure on one side
and forced out of the compressor (discharged)
through positive pressure on the other.
Compressor Selection
Advantages and Disadvantages of dynamic
compressors
Advantages Disadvantages
Dynamic
Compressors
Centrifugal •Wide operating range
•High reliability
•Low Maintenance
•Instability at reduced flow
•Sensitive to gas composition
change
Axial •High Capacity for given
size
•High efficiency
•Heavy duty
•Low maintenance
•Low Compression ratios
•Limited turndown
Advantages and disadvantages of positive
displacement type compressor
Advantages Disadvantages
Positive displacement
compressor
Reciprocating •Wide pressure ratios
•High efficiency
•Heavy foundation required
•Flow pulsation
•High maintenance
Diaphragm •Very high pressure
•Low flow
•No moving seal
•Limited capacity range
•Periodic replacement of
diaphragm
Screw •Wide application
•High efficiency
•High pressure ratio
•Expensive
•Unsuitable for corrosive or
dirty gases
Reciprocating Compressor
• The reciprocating (forward and backward)
motion of a piston in a cylinder sucks and
discharges gas alternatively. The main
advantages of the reciprocating compressor are
that;
• It can achieve high pressure ratios (but at
comparatively low mass flow rates) and is
relatively cheap.
• The cylinder valves control the flow of gas
through the cylinder; these valves act as check
valves.
Cycle Events (P-V Diagram)
• In a re
PV-Diagram
• Distance from A to C represents the full
length of the piston stroke. But actual
intake starts from B to C.
PV-Diagram
Position1(Compression):This is the start of the
compression stroke. The cylinder has a full
charge of gas at suction pressure. As the piston
moves towards Position 2, the gas is
compressed along line 1-2.
Position 2 (Discharge) :At this point, the
pressure in the cylinder has become greater
than the pressure in the discharge line, causing
the discharge valve to open, and allowing the
original charge of gas, which is now at discharge
pressure, to be moved into the discharge line
Position 1,2
PV-Diagram
• Position 3(Expansion): Here, the piston has completed
its discharge stroke and as soon as it starts its return
stroke, the pressure in the cylinder drops, closing the
discharge valve. Notice the volume of gas that is trapped
between the end of the piston and the end of the
cylinder. This is known as the clearance volume. Note
that this volume of gas expands along line 3-4 as the
piston moves back toward Position 4.
• Position 4(Suction): At this position, the pressure within
the cylinder has dropped below the suction pressure,
causing the suction valve to open and allowing a new
charge of gas to be taken into the cylinder; as the piston
returns to point 1, the start of the compression stroke.
PV-Diagram Position-3
Reciprocating Compressor
• There are two types of reciprocating
compressor
• Single – Acting compressor
– It is a compressor that has one discharge
per revolution of crankshaft.
• Double – Acting Compressor
– It is a compressor that completes two
discharge strokes per revolutions of
crankshaft. Most heavy-duty compressors
are double acting..
Compressor Types
• Single stage compressors
• Multistage Compressors
Single & Multistage Compressor
• When suction and discharge is from only
one cylinder , then it is single stage
compressor. It can be double or single
acting cylinder.
• When suction and discharge is from more
than one cylinders connected in series,
then it is called a Multistage compressor.
Multistage Compression
• To avoid unacceptable reductions in
compressor capacity (RPM and volumetric
efficiency) and to minimize power input with
high compression ratios, multistaging with
inter-cooling is used. The number of stages will
normally be between two and up to 10.
• Each stage may be treated as a separate
compressor, however, with multistaging, all will
normally rotate at the same speed. The
volumetric efficiency of the compressor as a
whole is determined by the first stage.
Multistage Compression
Different Parts Of Reciprocating Compressor
Various parts of compressor;
• Cylinder & liner
• Piston
• Piston rod
• Piston rod packing
• Piston rings
• Valves
Parts of Reciprocating Compressor
Parts of Reciprocating Compressor
Reciprocating Compressor
Cylinder & Liner
Piston reciprocates inside a cylinder. To provide for
reduced reconditioning cost, the cylinder may be
fitted with a liner or sleeve. A cylinder or liner
usually wears at the points where the piston rings
rub against it. Because of the weight of the piston,
wear is usually greater at the bottom of a horizontal
cylinder. A cylinder liner is usually counter bored
near the ends of the outer ring travel i.e. counter
bores are made just ahead of the points where the
end piston rings stop and reverse direction.
Shoulders may form in the liner where the ring’s
travel stops unless counter bores are provided.
Cylinder & Liner
Liners are usually pressed or shrunk into a place so
that they don’t slip and produce knocking. Misalign,
blocked or plugged oil inlet will stop lubrication and
may damage the liner or piston.
Piston
• For low speed compressors (upto 330 rpm)
and medium speed compressors (330-600
rpm), pistons are usually made of cast iron.
• Upto 7” diameter cast iron pistons are made
of solids. Those of more than 7” diameters
are usually hollow, to reduce cost and
weight.
• Carbon pistons are sometimes used for
compressing oxygen and other gases that
must be kept free of lubricant.
Piston
• Many over 9”inches diameter pistons are made
of Aluminum. Both hollow and Aluminum pistons
are designed to reduce the weight of the piston.
• As the compressor reaches operating
temperature, the piston and rod expand more
than liner/cylinder does. In order to prevent
seizure adequate clearance should be
provided, at the same time clearance must be
close enough to permit adequate support of
piston rings. Similarly end clearance is also
important.
• A cold piston is usually installed with one
third of its end clearance on the crank end
and two third of its end clearance on the head
end.
Piston
Generally, the piston rod is fastened to
the piston by means of special nut that is
prevented from unscrewing. The surface
of the rod has suitable degree of finish
designed to minimize wear on the
sealing areas as much as possible. The
piston is provided with grooves for piston
rings and rider rings.
PISTON ROD
PISTON ROD
Piston Rod Packing
Piston rod packing
• The packings are made in segments, which are
held together against the piston rod by garter
springs.
• The Breakers or B-rings are cut radialy and seal
nearest the pressure. While T-rings are cut
tangentially and seal against the cup.
• These may be made of fiber, plastic or metal .
Carbon or Teflon material can be used when
packing must be operate without lubrication.
es.
Piston Rod Packing
• The gas leaking from the packing must
be vented to safe atmosphere. A rising
temperature of the vent line shows the
leakage intensity. The amount of heat
produce in the packing is removed by
flowing water or coolant. The packings
has connections for cooling water,
lubricating oil, and a vent.
Rod Packing
Various styles of packing rings
Piston rod packing
Oil Removal/Wiping
Oil Removal Wiper
Piston Rings
• Piston rings provide a seal that prevents or
minimizes leakage through piston and liner.
They are made of material that wears more
rapidly than the cylinder or liner. There is a
lubrication system for these rings. The rings
spread the oil over the length of the stroke.
Without sufficient lubrication, piston rings and
cylinder walls can wear out quickly and permit
excessive leakage around the piston.
Piston Rings
• Metal piston rings are made either in one piece,
with a gap or in several segments. Gaps in the
rings allow them to move out or expand as the
compressor reaches operating temperature.
Rings of heavy piston are sometimes given
bronze, Babbitt or Teflon expanders or riders.
Lubrication is a must for metallic rings. Teflon
rings with Teflon rider bands are sometimes
used to support the piston when the gas do not
permit use of a lubricant.
Piston Rings
Crosshead
• Crosshead fastens piston rod to the connecting rod.
The sliding surfaces of crosshead are coated with
antifriction metal i.e. babbited shoes. These are of
interchangeable type. That permits it to slide back
and forth within the crosshead guides. The shoes
have channels for the distribution of lube oil. The
lubrication is obtained under pressure; it comes out
from the two guides of the crosshead slide body.
• Connection between connecting rod and crosshead
is realized by means of a gudgeon pin. The piston
rod is connected to the crosshead by nut
arrangement, tightened by means of hydraulic
device.
Crosshead
Head
• The ends of cylinder are equipped with
removable heads, these heads may contain
water/liquid jacket for cooling. One end is called
head-end head and other crank-end head. The
crank-end contains packing (a set of metallic
packing rings) to prevent gas leakage around
piston rod.
Compressor valves
• These are also very important part of the
compressor, these work as NRVS. A worn
or damage valve allows gas to leak or slip.
The sudden chilling effect of cold fluid or
hot fluid can break a valve plate. The gas
should be free of liquid, dirt and any other
material can foul or damage the valve.
These are installed with thru bolts, lock
screws or jack bolts to hold the valve
assembly.
Plate Valve
• Heavy-duty compressors use a form of plate valve. The
part that closes against a valve seat is a flat metal
plate. The plates are held tightly against the seat by a
set of springs.
Plate Valve
• To open the valve, the gas that is used to
list the plate must overcome the pressure
of the gas behind the plate and the light
tension of the springs.
Channel Valve
• These valves use channel shaped plates instead of
flat plates. Above each channel is a bowed, steel
tension spring. Spring pushes from the stop plate and
channels cover the slots in the valve seat.
Poppet Valve
• These are shaped like
the valves in an
automobile engine.
These are separate,
round poppets to seat
against holes in the
valve seats. Poppets are
made of low friction
material (e.g. Bakelite),
they provide a low-
pressure drop and are
often used when ratios
of compression are low
and also for high flow
rates.
Valves
• The valves are of automatic type. They open due to
the effect of the differential pressure between
cylinder and the suction or discharge chambers, and
close due to the force of springs acting on the plates
plus the differential pressure across the valves.
Major Components of Valves
• Seat
– The main body of valve that withstands the
differential pressure when the valve is closed
Major Components of Valves contd.
• Counter seat
– The valve component that limits the lift and
contains the springs
• Rings
– The element that withstands the differential
pressure, ensuring gas seal
• Spring
– The element that acts on the rings, causing valve
closing
• Shim
– The element that determines the valve lift.
• Stud bolt, nut & pin
– These elements fasten all the components
together.
Crank Case
• Crank case supports the crankshaft. All
bearing supports are bored under setup
condition to ensure perfect alignment.
Crankcase is provided with easy removable
covers on the top for inspection and
maintenance. The bottom of the crankcase
serves as the oil reservoir. A main pump for
lubrication of the crank mechanism is placed
on the shield mounted on the side opposite
the coupling and is driven by compressor.
• Main Bearings
• The main
bearings are built
in two halves,
made of steel,
with inner
coating of
antifriction metal.
The crankshaft is built in a single piece. On the inside of
the shaft are holes for passage and distribution of lube oil.
Crankshaft
Crankshaft
Connecting Rods
Connecting Rods
• The RC have maximum rod or frame load
that us t not be exceeded. The rod load is
the maximum force that the compressor
can safely handled.
• Rapid wear of rod mat be because of;
• Unsufficient lubrication
• Using rods that are not hard enough
• Allowing rods to operate out of round
Connecting Rod
Connecting Rods
Lubrication Systems
• Lubricants reduce friction and therefore wear between
moving compressor parts. It also has the cooling
function and carries the heat away by lube oil.
• Generally, two types of systems are uses to lubricate the
positive displacement compressors.
• SPLASH SYSTEM: It is used in older machines. A
supply is maintained in the crankcase. Oil is splashed up
by the rotation of the crank and the counter weight into
the collecting ring. Centrifugal force throws the oil
outward through an oil passage to the crank pin.
Splash Lubrication
Forced Feed System
• Oil is pumped under pressure to the required
parts. Following are the main parts of system:
• STRAINER: Oil from the crankcase first passes through
a coarse strainer. The strainer is removable so that chips
or broken off pieces can be cleaned out of the strainer.
Forced Feed System
Bypass Relief Valve
• The compressor will be completely damaged if the oil
flow is appreciably reduced or stopped by a plugged
filter. In order to prevent this damage, forced feed
system is fitted with a bypass relief valve, a low-
pressure alarm and bypass shutdown.
• If this filter becomes plugged, inlet pressure to the
filter increases. If the inlet pressure exceeds spring
pressure, the bypass valve opens allowing oil to return
to the crankcase. Oil pressure in the system falls, the
low-pressure alarm causes the compressor to
shutdown.
To keep bearings lubricated,
oil is supplied under
pressure to the bearings.
The lubrication system
keeps a supply of cool and
clean oil flowing to the
system. A sufficient quantity
of oil is stored in a reservoir.
Oil Circulation System
Oil Cooler
• Oil flows from the pump to cooler. The oil in the
cooler flows through the tubes. The cooling water
on the shell side absorbs heat from the oil.
Generally, oil temperature is kept between 40 –
50°C. Oil cooler than 40°C can lead to
condensation of water inside the crank case.
Moisture can promote sludging of oil. Temperature
of oil higher than 50 C can decrease strength of
bearing materials (Babbitt), that can lead to
premature failure.
• In order to maintain the desired temperature range,
the oil system has a bypass valve upstream the
cooler that is controlled by a thermostat.
Mechanical Lubricator
• It is used to lubricate packings and
cylinders. It is equipped with small plunger
pumps as per requirement. It is normally,
driven by the prime mover but can be
driven by a separate motor.
• The oil is pumped through a slight glass
and on through tubing and check valves
located at the lubrication points.
Mechanical Lubricator
• Points of lubrication of ML are normally,
packing stuffing box and cylinders pistons.
• The lines are provided with check valves
to avoid back flow of gas.
• Before the prime mover is started the
c=lubricator can be operated by hand
crack.
Lubricated Piston/Packing
Capacity Control Methods
There are two main reasons why compressor
capacity regulation is used.
1.The most prevalent reason is to adjust the
suction flow to match the process demand.
2.The second reason is to save energy
3. As a rule, capacity control is determined by the
compressor discharge pressure.
4. Compressor capacity-control methods are
utilized to maintain a required delivery under
variable process conditions
Capacity Control Methods
• Bypass recycling
• Unloader valves
• Clearance pockets
• Stepless valves
• Variable-speed drives.
Capacity Control Methods
• The method is the oldest in controlling
outlet capacity, which is used in all types
of compressors for turndown capacity
between 100% and zero.
• Capacity control by means of an overall
bypass can be applied without limitations
to all compressors; it provides the recycled
gas entering the suction line close to the
normal suction temperature. This
arrangement is normally employed for
starting and shutdown purposes. It covers
Capacity Control Methods
• Constant-speed step control: Capacity
variation is achieved by unloading one or
more cylinder ends. The most common
schemes are three- and five-step
unloading. More steps saves more
horsepower because they more closely
match compressor output to demand.
Capacity Control Methods
• In five-step unloading, a clearance pocket is
used in addition to cylinder suction valve control
(Figure 2). The capacity increments are 100%,
75%, 50%, 25% or 0%. At 100%, both cylinder
suction valves and the clearance pocket are
closed. At 75%, only the clearance pocket is
open. At 50%, only one cylinder suction valve is
open during the discharge stroke. At 25%, one-
cylinder suction valve and the clearance pocket
are open. At 0%, both cylinder suction valves
are opened during the discharge stroke.
Five-step unloading
A combination of suction and clearance valve control on a two-cylinder
compressor allows efficient compression at 100%, 75%, 50%, 25% or
0%, but in between, excessive gas has to be recycled, resulting in energy
losses.
R.P.C Monitoring
Basic Safety Rules for R.C
• During the operation and maintenance of compressors, safety
must never be compromised. All basic common sense rules must
be strictly observe~ to prevent serious accidents.
1. Prior to operation or maintenance of the compressor, operating
and maintenance personnel must be thoroughly familiar with
plant procedures, as well as the compressor manufacturer's
procedures.
2. Operators and maintenance personnel must familiarize
themselves with the compressor controls and starting equipment.
3. Before starting, all protective guards should be in place and clear
of
4. moving parts.
5. The compressor should never be left unattended until all controls
and safety devices are operating properly.
6. Practice all safety rules at all times.
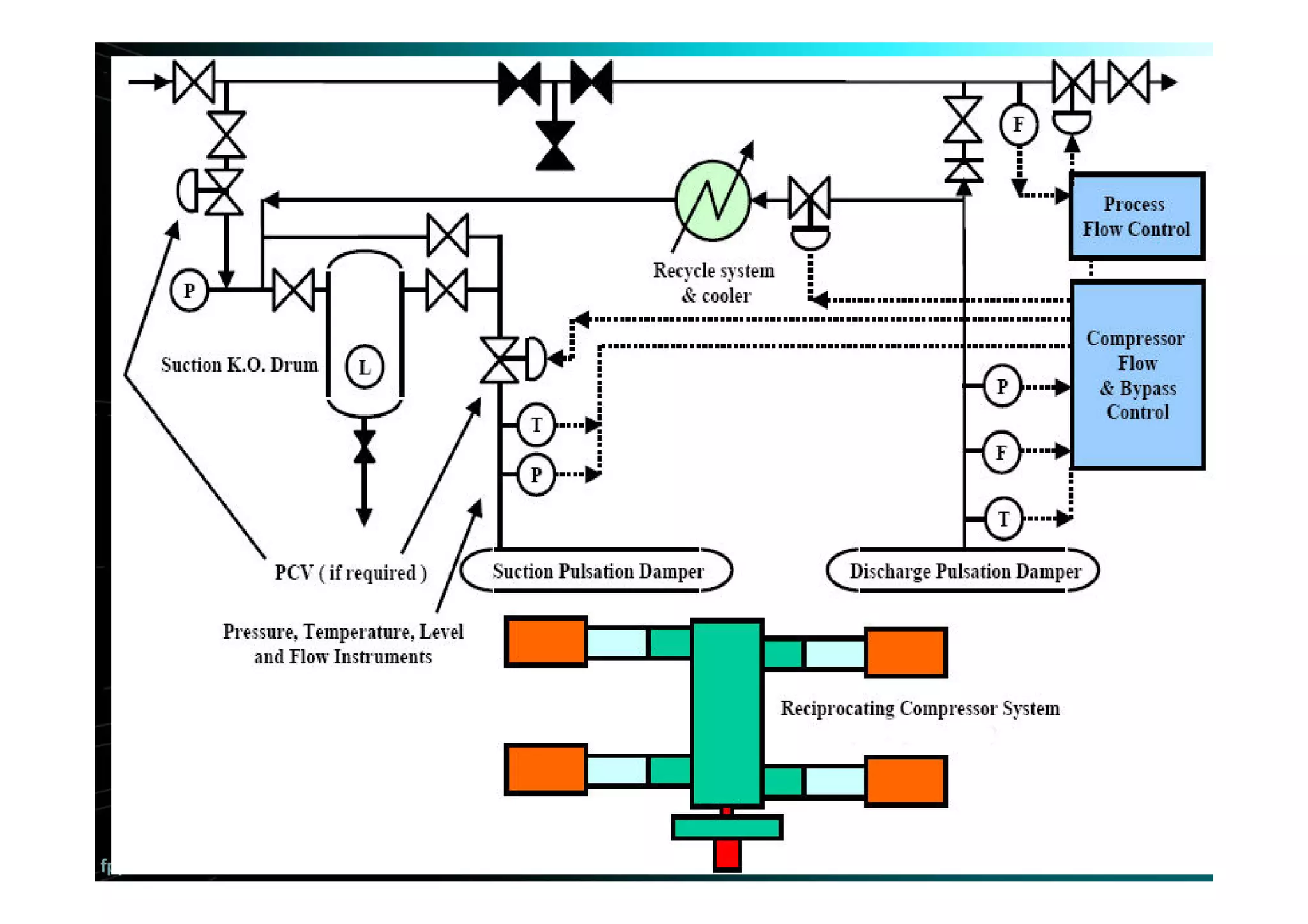
Safety Aspects of Reciprocating Compressor
• Discharge Vent: Since Reciprocating compressors are constant
volume compressors they keep on delivering the gas at the
discharge. Therefore it is necessary to provide the vent in the
discharge to avoid over pressurization and other impacts.
• Inter stage Relief Valves: Relief valves in inter stage separators
are to be installed to prevent over pressurization due to Valve plate
failures and inter cooler fouling.
• Motor Protections: Excitation of Torsional critical speed in
reciprocating compressors does not allow variable speed
operations. Torsional critical speed is associated with angular or
torsional deflection. Therefore in most of the cases driver is electric
motor. Normal motor protections like Over Current, Under Voltage,
Under Frequency trips are to be incorporated and executed with the
help of relays.
Safety Aspects of Reciprocating Compressor
Lock out/Tag out: is important that the compressor
be locked out before any maintenance work is
performed to prevent accidental starting.
Housekeeping: Spilled oil is a common problem around
many compressors. It can be found as you walk (or slip)
in the doorway, on the floor around the compressor
engine block and on the working platform at the
compressor.
Noise: Compressor halls are considered to be the most
noisy area of the plant. So always use ear protectors.
Safety Aspects of Reciprocating Compressor
• Insulation : Thermal insulation has to be provided in the
suction and discharge pipelines depending on the
temperature. Cold insulation in Refrigeration systems
protect the pipelines from corrosion and heat ingression
into the system. Discharge pipelines contain gas at high
temperature which is prone to cause burns and has to be
properly insulated.
• Packing Gas Vent : Packing gas vent to safe
atmosphere has to be provided to avoid gas
contamination with oil in crankcase and Fugitive
emission.
• Sliding/Moving Parts: Like flywheel, couplings and other
sliding/moving parts must be covered with proper
guards.
Trippings of Reciprocating Compressor
• High Suction Temperature: Due to cooling water failure to inter
coolers, valve passing problems, Fouling and Leak in inter coolers
suction temperature of the gas will rise. Reciprocating compressor trip
is provided for High suction temperature as this will result in damage
of the compressor parts.
• Low Suction Pressure Trip: In reciprocating compressor handling
Hazardous flammable gases like Hydrogen, trip has been provided
for low suction pressure. This is to avoid the atmospheric air
ingression into the system through leaky flanges or valves which may
cause explosion/fire in the discharge of the compressor where the
temperature is high. In air compressors this trip is normally not
necessary as it takes air from atmosphere.
• High Discharge Temperature: High discharge temperature causes
polymerization in some applications (like in Polyethylene) which will
plug the flow and causes rupture in pipelines. In air compressors
ignition of oil will take place at High discharge temperatures.
Trippings of Reciprocating Compressor
• High Discharge Pressure : High discharge pressure in
Reciprocating compressor may result in damage to pipes and
machinery. It may also cause personal injury. Reasons for High
discharge pressure include control valve malfunctions in
consumption or in vent side, valve plate failures due to accumulation
of foreign materials etc.
• High Separator Level: Liquids are incompressible fluids which
occupies space inside the compressor which reduces the mass flow
rate of the compressor. Liquid slugging causes stresses which
damages compressor rods, piston, crank shaft etc. Therefore trip of
the unit has to be provided for High levels in separators in all stages.
• High Bearing temperature or High Lube oil Temperature : At
High temperatures Lube oil will get deteriorated and increase in
viscosity does not form oil film. This results in poor lubrication and
causes failure of bearings. So trip for High Lube Oil/ Bearing
temperature is provided. connecting
Trippings of Reciprocating Compressor
• High Vibration : Reciprocating compressors produce pulsations due
to intermittent flow. Double acting machines and Pulsation
dampeners will reduce the impact due to pulsation. During prolonged
operation vibration of the equipment is prone to go high due to
damage in internals, change in operating conditions etc. Therefore
trip is provided for High Vibration in the reciprocating compressor.
• Low Lube Oil Pressure : Adequate Lubrication is necessary for
compressor moving parts. Therefore trip of the reciprocating
compressor is provided for low lube oil pressure. Starting Interlock
bypass timer is provided to bypass the trip during initial startup of the
compressor. This time delay will allow the compressor to develop
enough lube oil pressure during start of the machine. During normal
operation the compressor trips as soon as low pressure is detected.
• Cooling Water Failure : Cooling water is supplied to Inter coolers,
Lube oil Coolers and Jacketing water coolers. Upsets in water flow
will result in any one of the trips discussed here. Any way cooling
water failure trip is also provided.
• Pre-start-up checks
1. The compressor is unloaded.
2. All the maintenance work is complete.
3. The lube oil system must be cleaned.
4. The compressor suction line and the suction
snubbers should be acidized.
5. Check process, vent and drain valves are
closed.
6. All PSVS, trips and alarms must be checked
and be operational.
7. The Lubricator and crankcase must be filled.
8. A cold alignment check must be made.
9. After the machine has been run, a hot
check must be made.
Pre-Start up
11. Start steam to the stream tracing of suction
and discharge lines.
12. Check all lines are de-blinded.
13. Establish lube oil and cooling system on
circulation.
14. Take inter-stage coolers in service.
15. Drain suction lines and vessel for any liquid.
16.If driver has separate lube oil system then take
it in service.
17. All moving parts have guards.
18. All drains, purges and vents must be closed.
19. All valves in the suction and discharge circuit
should be open.
.
8-
Start-up procedure
1- Ensure all maintenance jobs has been
completed and work permit returned.
2- Set the Capacity Control to 0% load.
3- Purge the compressor suction and
discharge piping with nitrogen.
4. Drain the suction lines and snubbers of any
liquid.
.
4- Start cooling water flow to the compressor
cylinder jackets or check cylinder jacket
water level.
5- Carry out barring for one complete
revolution. This will ensure free movement
of compressor parts.
6- After nitrogen purging, introduce process
gas to the compressor by cracking open the
suction block valve.
7- After partially pressuring the compressor
with process gas, depressurize suction and
discharge lines.
8- Gradually open the compressor suction
valve to pressure up the machine to line
pressure.
.
9- Confirm all suction and discharge valves
have been opened fully.
10- Check the compressor’s lubricating oil level
in the crank case or reservoir.
11-Start the compressor auxiliary lube oil pump.
Check temperatures, pressures, flows, and
levels as required.
12- Start the compressor and check the oil
pressure.
13- Stop auxiliary lube oil pump.
14- Let the compressor idle for a few minutes,
then Load the machine by adjusting
Capacity Control as per requirement.
Shutdown procedure
1- Unload the compressor by capacity
control.
2- At 0% Capacity, switch off the main
driver.
3- Confirm Auxiliary Lube Oil pump has
been Auto Cut-in.
4. Continue cooling system.
5.
MCR Reciprocating Compressors
• Reciprocating Compressors
• Net Gas Compressor at CDU ( 100-C1 A ).
• NHT Recycle Compressor. ( 200-C1A/B ).
• Net Gas Compressor ( 300-C2A/B ).
• Recycle Gas Compressor at DHDS (1010-
C1A/B)
Problems & Troubleshooting
Trouble Possible
Cause
Remedy
Excessive
noise or
abnormal
noise.
• Misalignment
and
looseness.
• Restore correct tightening of flywheel
• Check support bearings.
• Correct alignment.
• Perform correct tightening of
foundation.
• Excessive
press
pulsation.
• Restore compressor design operating
conditions.
• Excessive
entrainment
of
condensate
• Restore the minimum condensate level
in knock out drum.
• Increase frequency of drawing clean
separators.
• Add drain valves at points where liquid
accumulates.
• Incorrect
assembly
• Repeat assembly, following the correct
order.
• Loosening of
cylinder
valves
• Restore their fastening.
• Correct position of the valves.
• Restore the surfaces on which the valve
rests.
Problems & Troubleshooting contd.
Trouble Possible Causes Remedy
Abnormal
temperature
gas
discharge
• Insufficient
cooling
• Increase cooling fluid rate.
• Clean the cooling system.
• Utilize a fluid that gives lower
deposits.
• Leakage of gas
from gaskets
• Apply adequate tightening torque.
• Replace damaged gaskets.
• Restore sealing surface.
Gas flow rate
not at
required
value.
• Inadequate
piston ring seal.
• Restore clearances between piston
rings and their grooves.
• Replace worn out rings.
• Excessive
leakage of gas
from packing.
• Correctly install packing seal.
• Restore proper clearance.
• Restore / replace piston rod.
Problems & Troubleshooting
contd.
Trouble Possible Causes Remedy
Abnormal
temperature
gas
discharge
• Insufficient
cooling
• Increase cooling fluid rate.
• Clean the cooling system.
• Utilize a fluid that gives lower
deposits.
• Leakage of gas
from gaskets
• Apply adequate tightening torque.
• Replace damaged gaskets.
• Restore sealing surface.
Gas flow rate
not at
required
value.
• Inadequate
piston ring seal.
• Restore clearances between piston
rings and their grooves.
• Replace worn out rings.
• Excessive
leakage of gas
from packing.
• Correctly install packing seal.
• Restore proper clearance.
• Restore / replace piston rod.
Important Terms
• Compression ratio
• Swept volume
• Gauge pressure
• Absolute pressure
• Displacement of compressor
• Actual capacity
• Volumetric Efficiency
• Mechanical Efficiency
• Overall efficiency
• Isothermal Compression
• Adiabatic Compression
• Polytrophic Compression
• Brake horse power
• Gauge pressure is pressure in PSI above local
atmospheric pressure
• Absolute pressure is the summation of Gauge
pressure and Atmospheric pressure
• The volume swept through the first stage of
compressor and expressed in ft3/min
• Actual capacity is the capacity of a compressor
at intake conditions and expressed in terms of
ICFM (Intake cubic feet/min) or ACFM (Actual
cubic feet per minute)
Important Terms
Important Terms
• Volumetric Efficiency is the ratio of the
actual capacity of the compressor to the
compressor displacement and is
expressed in percentage
• Compression efficiency is the ratio of the
theoretical horsepower to the actual
indicated horsepower to the actual
horsepower required to compress a
definite volume of the gas.
Important Terms
• Mechanical Efficiency is the the ratio of the
indicated horsepower in compressing
cylinders to the brake horsepower
delivered to the shaft it is expressed in
percentage.
• Compression ratio is the ratio of absolute
discharge pressure to the absolute suction
pressure.
Important Terms
• Piston displacement is the net volume displaced
by the piston at rated compressor speed. On
double acting cylinders , It is the both head end
and crank end of the stroke. Expresses as cubic
feet per minute.
• Frame load is the amount of load or force on the
compressor frame and running gears
(connecting rod, bolts, cross head, cross head
pin, piston rod, connecting rod bearings and
crankshaft) expressed in pounds.
Important Terms
Important Terms
Important Terms
or
Important Terms
• of the
Important Terms
• Rod drop is the indication of the vertical
piston movement inside the cylinder,
calculated from the measurement of piston rod
movement at the pressure packing case.
Purpose of this measurement is that when rider
bands , worn out then this make the unit safe
shut down.
Volumetric Losses
• Clearance lose
• Valves
• Piston Ring Leakage
• Valve slip
• Effects of multistage
• Losses through seals
The End

Reciprocating Compressor

  • 2.
    Reciprocating Compressors By: NasirHussain Process Operations Engineer Refinery, Pakistan
  • 3.
    Contents 1. Norms ofthe session 2. Introduction 3. Chemistry of Compression 4. Types of Compressors 5. Applications of Compressors 6. Compressor selection 7. Working Principle of R.P Compressor 8. Parts of RP Compressor 9. Sealing system of Reciprocating Compressor 10. Capacity control of compressors
  • 4.
    Contents 1. Lubrication andCooling of the Compressor 2. Controlling of the R.P Compressor 3. Tripping Securities of R.P Compressor 4. Troubleshooting of R.P Compressor 5. Performance monitoring of the compressor 6. Start up, Shutdown and Normal operation 7. Maintenance Hand over • PARCO Refinery Compressors
  • 5.
    Norms During TheSession • Be an attentive listener • Limit side conversations • Be open to new ideas • Ask questions and share ideas • Keep cell phones on silent • Be on time • Respect each other, yourselves and the trainer
  • 6.
    Introduction • This trainingis designed for the plant operations staff about the working, construction, troubleshooting, monitoring, start up, shut down and maintenance handing over of the reciprocating compressor. • In addition safety aspects and some important terms related to R.P compressor are also mentioned. • At the end of the session test will be conducted about the topic.
  • 7.
    Introduction • The purposeof compressors is to move air and other gases from place to place. Gases, unlike liquids, are compressible and require compression devices, which although similar to pumps, operate on somewhat different principle's. Compressors, blowers, and fans are such compression devices. • Compressors. Move air or gas in higher differential pressure ranges from 35 psi to as high as 65,000 psi in extreme cases. • Blowers. Move large volumes of air or gas at pressures up to 50 pounds per square inch. • Fans. Move air or gas at a sufficient pressure to overcome static forces. Discharge pressures range from a few inches of water to about 1 pound per square inch.
  • 8.
    What is aCompressor? Compressors are mechanical devices that compresses gases and transfers from one place to other. It is widely used in industries and has various applications.
  • 9.
    Basic Gas Laws Bydefinition, a gas is a fluid having neither independent shape nor form, which tends to expand indefinitely. • The First Law of Thermodynamics: This law states that energy cannot be created or destroyed during a process, such as compression and delivery of a gas. In other words, whenever a quantity of one kind of energy disappears, an exactly equivalent total of other kinds of energy must be produced.
  • 10.
    Basic Gas Laws •The Second Law of Thermodynamics: energy which exists at various levels is available for use only if it can move from a higher to a lower level. • Boyle's Law: States that at a constant temperature, the volume of an ideal gas decreases with an increase in pressure. • For example, if a given amount of gas is compressed at a constant temperature to half its volume, its pressure will be doubled. V/P=Const,V2/V1 = PI/P2 or P2V2 = PIVI = constant
  • 11.
    Basic Gas Laws •Charles' Law: States that at constant pressure, the volume of an ideal gas will increase as the temperature increases. • If heat is applied to a gas it will expand, and the pressure will remain the same. This law assumes the absence of friction or the presence of an applied force. • V2/V1=T2/T1= Constant
  • 12.
    Basic Gas Laws Avogadro'sLaw: For a given mass of an ideal gas, the volume and amount (moles) of the gas are directly proportional if the temperature and pressure are constant. Amonton's Law: states that at constant volume, the pressure of an ideal gas will increase as the temperature increases. P2/P1= kT2/T1
  • 13.
    Basic Gas Laws •Ideal or Perfect Gas Laws: An ideal or perfect gas is one to which the laws of Boyle, Charles, and Amonton apply. Such perfect gases do not really exist, but these three laws of thermodynamics can be used if corrected by compressibility factors based on experimental data. PV=nRT
  • 14.
    METHODS OF COMPRESSION 1.Trap consecutive quantities of gas in some type of enclosure, reduce the volume (thus increasing the pressure), then push the compressed gas out of the enclosure. (PD Compressors) 2. Compress the gas by the mechanical action of rapidly rotating impellers or bladed rotors that impart velocity and pressure to the flowing gas. (Velocity is further converted into pressure in stationary diffusers or blades.) (CF/Axial or Dynamic) 4. Entrain the gas in a high velocity jet of the same or another gas (usually, but not necessarily, steam) and convert the high velocity of the mixture into pressure in a diffuser. Ejectors.
  • 15.
    What are itsvarious types?
  • 16.
    What are dynamiccompressors? • Dynamic compressors impart velocity energy to continuously flowing air or gas by means of impellers rotating at very high speeds. • The velocity energy is changed into pressure energy both by the impellers and the discharge volutes or diffusers • The dynamic compressor is continuous flow compressor. • There are two types of dynamic compressors Centrifugal Compressor Axial Flow Compressor
  • 17.
    Dynamic Action By dynamicaction imparting velocity to the gas. This velocity is then converted into pressure. Flow rate and pressure ratio both vary as a function of speed, but only within a very limited range and then only with properly designed control systems. Figure 1-4 shows the basic idea.
  • 18.
    Centrifugal Compressor • Achievescompression by applying inertial forces to the gas by means of rotating impellers. • It is multiple stage ; each stage consists of an impeller as the rotating element and the stationary element, i.e. diffuser • Fluid flow enters the impeller axially and discharged radialy. • The gas next flows through a circular chamber (diffuser), where it loses velocity and increases pressure
  • 19.
    Axial flow compressor •Working fluid principally flows parallel to the axis of rotation. • The energy level of air or gas flowing through it is increased by the action of the rotor blades which exert a torque on the fluid. • Have the benefits of high efficiency and large mass flow rate • Require several rows of airfoils to achieve large pressure rises making them complex and expensive
  • 20.
  • 21.
    Positive Displacement TypeCompressors A positive displacement compressor first traps a volume of gas in a cylinder, then the gas is displaced into a smaller volume. The greater the reduction in volume, the greater the increase in pressure. A compressor that operates by volumetric displacement is called a “positive displacement compressors”.
  • 22.
    Rotary Compressors Rotary Compressorsmove gases by rotating a set of screws, lobes, or vanes. As these screws, lobes, or vanes rotate, gas is drawn into the compressor by negative pressure on one side and forced out of the compressor (discharged) through positive pressure on the other.
  • 23.
  • 24.
    Advantages and Disadvantagesof dynamic compressors Advantages Disadvantages Dynamic Compressors Centrifugal •Wide operating range •High reliability •Low Maintenance •Instability at reduced flow •Sensitive to gas composition change Axial •High Capacity for given size •High efficiency •Heavy duty •Low maintenance •Low Compression ratios •Limited turndown
  • 25.
    Advantages and disadvantagesof positive displacement type compressor Advantages Disadvantages Positive displacement compressor Reciprocating •Wide pressure ratios •High efficiency •Heavy foundation required •Flow pulsation •High maintenance Diaphragm •Very high pressure •Low flow •No moving seal •Limited capacity range •Periodic replacement of diaphragm Screw •Wide application •High efficiency •High pressure ratio •Expensive •Unsuitable for corrosive or dirty gases
  • 26.
    Reciprocating Compressor • Thereciprocating (forward and backward) motion of a piston in a cylinder sucks and discharges gas alternatively. The main advantages of the reciprocating compressor are that; • It can achieve high pressure ratios (but at comparatively low mass flow rates) and is relatively cheap. • The cylinder valves control the flow of gas through the cylinder; these valves act as check valves.
  • 28.
    Cycle Events (P-VDiagram) • In a re
  • 29.
    PV-Diagram • Distance fromA to C represents the full length of the piston stroke. But actual intake starts from B to C.
  • 30.
    PV-Diagram Position1(Compression):This is thestart of the compression stroke. The cylinder has a full charge of gas at suction pressure. As the piston moves towards Position 2, the gas is compressed along line 1-2. Position 2 (Discharge) :At this point, the pressure in the cylinder has become greater than the pressure in the discharge line, causing the discharge valve to open, and allowing the original charge of gas, which is now at discharge pressure, to be moved into the discharge line
  • 31.
  • 32.
    PV-Diagram • Position 3(Expansion):Here, the piston has completed its discharge stroke and as soon as it starts its return stroke, the pressure in the cylinder drops, closing the discharge valve. Notice the volume of gas that is trapped between the end of the piston and the end of the cylinder. This is known as the clearance volume. Note that this volume of gas expands along line 3-4 as the piston moves back toward Position 4. • Position 4(Suction): At this position, the pressure within the cylinder has dropped below the suction pressure, causing the suction valve to open and allowing a new charge of gas to be taken into the cylinder; as the piston returns to point 1, the start of the compression stroke.
  • 33.
  • 34.
    Reciprocating Compressor • Thereare two types of reciprocating compressor • Single – Acting compressor – It is a compressor that has one discharge per revolution of crankshaft. • Double – Acting Compressor – It is a compressor that completes two discharge strokes per revolutions of crankshaft. Most heavy-duty compressors are double acting..
  • 35.
    Compressor Types • Singlestage compressors • Multistage Compressors
  • 36.
    Single & MultistageCompressor • When suction and discharge is from only one cylinder , then it is single stage compressor. It can be double or single acting cylinder. • When suction and discharge is from more than one cylinders connected in series, then it is called a Multistage compressor.
  • 37.
    Multistage Compression • Toavoid unacceptable reductions in compressor capacity (RPM and volumetric efficiency) and to minimize power input with high compression ratios, multistaging with inter-cooling is used. The number of stages will normally be between two and up to 10. • Each stage may be treated as a separate compressor, however, with multistaging, all will normally rotate at the same speed. The volumetric efficiency of the compressor as a whole is determined by the first stage.
  • 38.
  • 40.
    Different Parts OfReciprocating Compressor Various parts of compressor; • Cylinder & liner • Piston • Piston rod • Piston rod packing • Piston rings • Valves
  • 41.
  • 42.
  • 43.
  • 44.
    Cylinder & Liner Pistonreciprocates inside a cylinder. To provide for reduced reconditioning cost, the cylinder may be fitted with a liner or sleeve. A cylinder or liner usually wears at the points where the piston rings rub against it. Because of the weight of the piston, wear is usually greater at the bottom of a horizontal cylinder. A cylinder liner is usually counter bored near the ends of the outer ring travel i.e. counter bores are made just ahead of the points where the end piston rings stop and reverse direction. Shoulders may form in the liner where the ring’s travel stops unless counter bores are provided.
  • 45.
    Cylinder & Liner Linersare usually pressed or shrunk into a place so that they don’t slip and produce knocking. Misalign, blocked or plugged oil inlet will stop lubrication and may damage the liner or piston.
  • 46.
    Piston • For lowspeed compressors (upto 330 rpm) and medium speed compressors (330-600 rpm), pistons are usually made of cast iron. • Upto 7” diameter cast iron pistons are made of solids. Those of more than 7” diameters are usually hollow, to reduce cost and weight. • Carbon pistons are sometimes used for compressing oxygen and other gases that must be kept free of lubricant.
  • 47.
    Piston • Many over9”inches diameter pistons are made of Aluminum. Both hollow and Aluminum pistons are designed to reduce the weight of the piston.
  • 48.
    • As thecompressor reaches operating temperature, the piston and rod expand more than liner/cylinder does. In order to prevent seizure adequate clearance should be provided, at the same time clearance must be close enough to permit adequate support of piston rings. Similarly end clearance is also important. • A cold piston is usually installed with one third of its end clearance on the crank end and two third of its end clearance on the head end. Piston
  • 49.
    Generally, the pistonrod is fastened to the piston by means of special nut that is prevented from unscrewing. The surface of the rod has suitable degree of finish designed to minimize wear on the sealing areas as much as possible. The piston is provided with grooves for piston rings and rider rings. PISTON ROD
  • 50.
  • 51.
  • 52.
    Piston rod packing •The packings are made in segments, which are held together against the piston rod by garter springs. • The Breakers or B-rings are cut radialy and seal nearest the pressure. While T-rings are cut tangentially and seal against the cup. • These may be made of fiber, plastic or metal . Carbon or Teflon material can be used when packing must be operate without lubrication.
  • 53.
  • 54.
    Piston Rod Packing •The gas leaking from the packing must be vented to safe atmosphere. A rising temperature of the vent line shows the leakage intensity. The amount of heat produce in the packing is removed by flowing water or coolant. The packings has connections for cooling water, lubricating oil, and a vent.
  • 56.
  • 57.
    Various styles ofpacking rings
  • 58.
  • 59.
  • 60.
  • 61.
    Piston Rings • Pistonrings provide a seal that prevents or minimizes leakage through piston and liner. They are made of material that wears more rapidly than the cylinder or liner. There is a lubrication system for these rings. The rings spread the oil over the length of the stroke. Without sufficient lubrication, piston rings and cylinder walls can wear out quickly and permit excessive leakage around the piston.
  • 62.
    Piston Rings • Metalpiston rings are made either in one piece, with a gap or in several segments. Gaps in the rings allow them to move out or expand as the compressor reaches operating temperature. Rings of heavy piston are sometimes given bronze, Babbitt or Teflon expanders or riders. Lubrication is a must for metallic rings. Teflon rings with Teflon rider bands are sometimes used to support the piston when the gas do not permit use of a lubricant.
  • 63.
  • 64.
    Crosshead • Crosshead fastenspiston rod to the connecting rod. The sliding surfaces of crosshead are coated with antifriction metal i.e. babbited shoes. These are of interchangeable type. That permits it to slide back and forth within the crosshead guides. The shoes have channels for the distribution of lube oil. The lubrication is obtained under pressure; it comes out from the two guides of the crosshead slide body. • Connection between connecting rod and crosshead is realized by means of a gudgeon pin. The piston rod is connected to the crosshead by nut arrangement, tightened by means of hydraulic device.
  • 65.
  • 66.
    Head • The endsof cylinder are equipped with removable heads, these heads may contain water/liquid jacket for cooling. One end is called head-end head and other crank-end head. The crank-end contains packing (a set of metallic packing rings) to prevent gas leakage around piston rod.
  • 67.
    Compressor valves • Theseare also very important part of the compressor, these work as NRVS. A worn or damage valve allows gas to leak or slip. The sudden chilling effect of cold fluid or hot fluid can break a valve plate. The gas should be free of liquid, dirt and any other material can foul or damage the valve. These are installed with thru bolts, lock screws or jack bolts to hold the valve assembly.
  • 68.
    Plate Valve • Heavy-dutycompressors use a form of plate valve. The part that closes against a valve seat is a flat metal plate. The plates are held tightly against the seat by a set of springs.
  • 69.
    Plate Valve • Toopen the valve, the gas that is used to list the plate must overcome the pressure of the gas behind the plate and the light tension of the springs.
  • 70.
    Channel Valve • Thesevalves use channel shaped plates instead of flat plates. Above each channel is a bowed, steel tension spring. Spring pushes from the stop plate and channels cover the slots in the valve seat.
  • 71.
    Poppet Valve • Theseare shaped like the valves in an automobile engine. These are separate, round poppets to seat against holes in the valve seats. Poppets are made of low friction material (e.g. Bakelite), they provide a low- pressure drop and are often used when ratios of compression are low and also for high flow rates.
  • 72.
    Valves • The valvesare of automatic type. They open due to the effect of the differential pressure between cylinder and the suction or discharge chambers, and close due to the force of springs acting on the plates plus the differential pressure across the valves.
  • 73.
    Major Components ofValves • Seat – The main body of valve that withstands the differential pressure when the valve is closed
  • 74.
    Major Components ofValves contd. • Counter seat – The valve component that limits the lift and contains the springs • Rings – The element that withstands the differential pressure, ensuring gas seal • Spring – The element that acts on the rings, causing valve closing • Shim – The element that determines the valve lift. • Stud bolt, nut & pin – These elements fasten all the components together.
  • 75.
    Crank Case • Crankcase supports the crankshaft. All bearing supports are bored under setup condition to ensure perfect alignment. Crankcase is provided with easy removable covers on the top for inspection and maintenance. The bottom of the crankcase serves as the oil reservoir. A main pump for lubrication of the crank mechanism is placed on the shield mounted on the side opposite the coupling and is driven by compressor.
  • 76.
    • Main Bearings •The main bearings are built in two halves, made of steel, with inner coating of antifriction metal. The crankshaft is built in a single piece. On the inside of the shaft are holes for passage and distribution of lube oil. Crankshaft
  • 77.
  • 78.
  • 79.
    Connecting Rods • TheRC have maximum rod or frame load that us t not be exceeded. The rod load is the maximum force that the compressor can safely handled. • Rapid wear of rod mat be because of; • Unsufficient lubrication • Using rods that are not hard enough • Allowing rods to operate out of round
  • 80.
  • 81.
  • 82.
    Lubrication Systems • Lubricantsreduce friction and therefore wear between moving compressor parts. It also has the cooling function and carries the heat away by lube oil. • Generally, two types of systems are uses to lubricate the positive displacement compressors. • SPLASH SYSTEM: It is used in older machines. A supply is maintained in the crankcase. Oil is splashed up by the rotation of the crank and the counter weight into the collecting ring. Centrifugal force throws the oil outward through an oil passage to the crank pin.
  • 83.
  • 84.
    Forced Feed System •Oil is pumped under pressure to the required parts. Following are the main parts of system: • STRAINER: Oil from the crankcase first passes through a coarse strainer. The strainer is removable so that chips or broken off pieces can be cleaned out of the strainer.
  • 85.
  • 86.
    Bypass Relief Valve •The compressor will be completely damaged if the oil flow is appreciably reduced or stopped by a plugged filter. In order to prevent this damage, forced feed system is fitted with a bypass relief valve, a low- pressure alarm and bypass shutdown. • If this filter becomes plugged, inlet pressure to the filter increases. If the inlet pressure exceeds spring pressure, the bypass valve opens allowing oil to return to the crankcase. Oil pressure in the system falls, the low-pressure alarm causes the compressor to shutdown.
  • 87.
    To keep bearingslubricated, oil is supplied under pressure to the bearings. The lubrication system keeps a supply of cool and clean oil flowing to the system. A sufficient quantity of oil is stored in a reservoir. Oil Circulation System
  • 88.
    Oil Cooler • Oilflows from the pump to cooler. The oil in the cooler flows through the tubes. The cooling water on the shell side absorbs heat from the oil. Generally, oil temperature is kept between 40 – 50°C. Oil cooler than 40°C can lead to condensation of water inside the crank case. Moisture can promote sludging of oil. Temperature of oil higher than 50 C can decrease strength of bearing materials (Babbitt), that can lead to premature failure. • In order to maintain the desired temperature range, the oil system has a bypass valve upstream the cooler that is controlled by a thermostat.
  • 89.
    Mechanical Lubricator • Itis used to lubricate packings and cylinders. It is equipped with small plunger pumps as per requirement. It is normally, driven by the prime mover but can be driven by a separate motor. • The oil is pumped through a slight glass and on through tubing and check valves located at the lubrication points.
  • 90.
    Mechanical Lubricator • Pointsof lubrication of ML are normally, packing stuffing box and cylinders pistons. • The lines are provided with check valves to avoid back flow of gas. • Before the prime mover is started the c=lubricator can be operated by hand crack.
  • 91.
  • 92.
    Capacity Control Methods Thereare two main reasons why compressor capacity regulation is used. 1.The most prevalent reason is to adjust the suction flow to match the process demand. 2.The second reason is to save energy 3. As a rule, capacity control is determined by the compressor discharge pressure. 4. Compressor capacity-control methods are utilized to maintain a required delivery under variable process conditions
  • 93.
    Capacity Control Methods •Bypass recycling • Unloader valves • Clearance pockets • Stepless valves • Variable-speed drives.
  • 94.
    Capacity Control Methods •The method is the oldest in controlling outlet capacity, which is used in all types of compressors for turndown capacity between 100% and zero. • Capacity control by means of an overall bypass can be applied without limitations to all compressors; it provides the recycled gas entering the suction line close to the normal suction temperature. This arrangement is normally employed for starting and shutdown purposes. It covers
  • 96.
    Capacity Control Methods •Constant-speed step control: Capacity variation is achieved by unloading one or more cylinder ends. The most common schemes are three- and five-step unloading. More steps saves more horsepower because they more closely match compressor output to demand.
  • 97.
    Capacity Control Methods •In five-step unloading, a clearance pocket is used in addition to cylinder suction valve control (Figure 2). The capacity increments are 100%, 75%, 50%, 25% or 0%. At 100%, both cylinder suction valves and the clearance pocket are closed. At 75%, only the clearance pocket is open. At 50%, only one cylinder suction valve is open during the discharge stroke. At 25%, one- cylinder suction valve and the clearance pocket are open. At 0%, both cylinder suction valves are opened during the discharge stroke.
  • 98.
    Five-step unloading A combinationof suction and clearance valve control on a two-cylinder compressor allows efficient compression at 100%, 75%, 50%, 25% or 0%, but in between, excessive gas has to be recycled, resulting in energy losses.
  • 99.
  • 100.
    Basic Safety Rulesfor R.C • During the operation and maintenance of compressors, safety must never be compromised. All basic common sense rules must be strictly observe~ to prevent serious accidents. 1. Prior to operation or maintenance of the compressor, operating and maintenance personnel must be thoroughly familiar with plant procedures, as well as the compressor manufacturer's procedures. 2. Operators and maintenance personnel must familiarize themselves with the compressor controls and starting equipment. 3. Before starting, all protective guards should be in place and clear of 4. moving parts. 5. The compressor should never be left unattended until all controls and safety devices are operating properly. 6. Practice all safety rules at all times.
  • 101.
    Safety Aspects ofReciprocating Compressor • Discharge Vent: Since Reciprocating compressors are constant volume compressors they keep on delivering the gas at the discharge. Therefore it is necessary to provide the vent in the discharge to avoid over pressurization and other impacts. • Inter stage Relief Valves: Relief valves in inter stage separators are to be installed to prevent over pressurization due to Valve plate failures and inter cooler fouling. • Motor Protections: Excitation of Torsional critical speed in reciprocating compressors does not allow variable speed operations. Torsional critical speed is associated with angular or torsional deflection. Therefore in most of the cases driver is electric motor. Normal motor protections like Over Current, Under Voltage, Under Frequency trips are to be incorporated and executed with the help of relays.
  • 102.
    Safety Aspects ofReciprocating Compressor Lock out/Tag out: is important that the compressor be locked out before any maintenance work is performed to prevent accidental starting. Housekeeping: Spilled oil is a common problem around many compressors. It can be found as you walk (or slip) in the doorway, on the floor around the compressor engine block and on the working platform at the compressor. Noise: Compressor halls are considered to be the most noisy area of the plant. So always use ear protectors.
  • 103.
    Safety Aspects ofReciprocating Compressor • Insulation : Thermal insulation has to be provided in the suction and discharge pipelines depending on the temperature. Cold insulation in Refrigeration systems protect the pipelines from corrosion and heat ingression into the system. Discharge pipelines contain gas at high temperature which is prone to cause burns and has to be properly insulated. • Packing Gas Vent : Packing gas vent to safe atmosphere has to be provided to avoid gas contamination with oil in crankcase and Fugitive emission. • Sliding/Moving Parts: Like flywheel, couplings and other sliding/moving parts must be covered with proper guards.
  • 104.
    Trippings of ReciprocatingCompressor • High Suction Temperature: Due to cooling water failure to inter coolers, valve passing problems, Fouling and Leak in inter coolers suction temperature of the gas will rise. Reciprocating compressor trip is provided for High suction temperature as this will result in damage of the compressor parts. • Low Suction Pressure Trip: In reciprocating compressor handling Hazardous flammable gases like Hydrogen, trip has been provided for low suction pressure. This is to avoid the atmospheric air ingression into the system through leaky flanges or valves which may cause explosion/fire in the discharge of the compressor where the temperature is high. In air compressors this trip is normally not necessary as it takes air from atmosphere. • High Discharge Temperature: High discharge temperature causes polymerization in some applications (like in Polyethylene) which will plug the flow and causes rupture in pipelines. In air compressors ignition of oil will take place at High discharge temperatures.
  • 105.
    Trippings of ReciprocatingCompressor • High Discharge Pressure : High discharge pressure in Reciprocating compressor may result in damage to pipes and machinery. It may also cause personal injury. Reasons for High discharge pressure include control valve malfunctions in consumption or in vent side, valve plate failures due to accumulation of foreign materials etc. • High Separator Level: Liquids are incompressible fluids which occupies space inside the compressor which reduces the mass flow rate of the compressor. Liquid slugging causes stresses which damages compressor rods, piston, crank shaft etc. Therefore trip of the unit has to be provided for High levels in separators in all stages. • High Bearing temperature or High Lube oil Temperature : At High temperatures Lube oil will get deteriorated and increase in viscosity does not form oil film. This results in poor lubrication and causes failure of bearings. So trip for High Lube Oil/ Bearing temperature is provided. connecting
  • 106.
    Trippings of ReciprocatingCompressor • High Vibration : Reciprocating compressors produce pulsations due to intermittent flow. Double acting machines and Pulsation dampeners will reduce the impact due to pulsation. During prolonged operation vibration of the equipment is prone to go high due to damage in internals, change in operating conditions etc. Therefore trip is provided for High Vibration in the reciprocating compressor. • Low Lube Oil Pressure : Adequate Lubrication is necessary for compressor moving parts. Therefore trip of the reciprocating compressor is provided for low lube oil pressure. Starting Interlock bypass timer is provided to bypass the trip during initial startup of the compressor. This time delay will allow the compressor to develop enough lube oil pressure during start of the machine. During normal operation the compressor trips as soon as low pressure is detected. • Cooling Water Failure : Cooling water is supplied to Inter coolers, Lube oil Coolers and Jacketing water coolers. Upsets in water flow will result in any one of the trips discussed here. Any way cooling water failure trip is also provided.
  • 107.
    • Pre-start-up checks 1.The compressor is unloaded. 2. All the maintenance work is complete. 3. The lube oil system must be cleaned. 4. The compressor suction line and the suction snubbers should be acidized. 5. Check process, vent and drain valves are closed. 6. All PSVS, trips and alarms must be checked and be operational. 7. The Lubricator and crankcase must be filled. 8. A cold alignment check must be made. 9. After the machine has been run, a hot check must be made.
  • 108.
    Pre-Start up 11. Startsteam to the stream tracing of suction and discharge lines. 12. Check all lines are de-blinded. 13. Establish lube oil and cooling system on circulation. 14. Take inter-stage coolers in service. 15. Drain suction lines and vessel for any liquid. 16.If driver has separate lube oil system then take it in service. 17. All moving parts have guards. 18. All drains, purges and vents must be closed. 19. All valves in the suction and discharge circuit should be open.
  • 109.
    . 8- Start-up procedure 1- Ensureall maintenance jobs has been completed and work permit returned. 2- Set the Capacity Control to 0% load. 3- Purge the compressor suction and discharge piping with nitrogen. 4. Drain the suction lines and snubbers of any liquid.
  • 110.
    . 4- Start coolingwater flow to the compressor cylinder jackets or check cylinder jacket water level. 5- Carry out barring for one complete revolution. This will ensure free movement of compressor parts. 6- After nitrogen purging, introduce process gas to the compressor by cracking open the suction block valve. 7- After partially pressuring the compressor with process gas, depressurize suction and discharge lines. 8- Gradually open the compressor suction valve to pressure up the machine to line pressure.
  • 111.
    . 9- Confirm allsuction and discharge valves have been opened fully. 10- Check the compressor’s lubricating oil level in the crank case or reservoir. 11-Start the compressor auxiliary lube oil pump. Check temperatures, pressures, flows, and levels as required. 12- Start the compressor and check the oil pressure. 13- Stop auxiliary lube oil pump. 14- Let the compressor idle for a few minutes, then Load the machine by adjusting Capacity Control as per requirement.
  • 112.
    Shutdown procedure 1- Unloadthe compressor by capacity control. 2- At 0% Capacity, switch off the main driver. 3- Confirm Auxiliary Lube Oil pump has been Auto Cut-in. 4. Continue cooling system. 5.
  • 113.
    MCR Reciprocating Compressors •Reciprocating Compressors • Net Gas Compressor at CDU ( 100-C1 A ). • NHT Recycle Compressor. ( 200-C1A/B ). • Net Gas Compressor ( 300-C2A/B ). • Recycle Gas Compressor at DHDS (1010- C1A/B)
  • 114.
    Problems & Troubleshooting TroublePossible Cause Remedy Excessive noise or abnormal noise. • Misalignment and looseness. • Restore correct tightening of flywheel • Check support bearings. • Correct alignment. • Perform correct tightening of foundation. • Excessive press pulsation. • Restore compressor design operating conditions. • Excessive entrainment of condensate • Restore the minimum condensate level in knock out drum. • Increase frequency of drawing clean separators. • Add drain valves at points where liquid accumulates. • Incorrect assembly • Repeat assembly, following the correct order. • Loosening of cylinder valves • Restore their fastening. • Correct position of the valves. • Restore the surfaces on which the valve rests.
  • 115.
    Problems & Troubleshootingcontd. Trouble Possible Causes Remedy Abnormal temperature gas discharge • Insufficient cooling • Increase cooling fluid rate. • Clean the cooling system. • Utilize a fluid that gives lower deposits. • Leakage of gas from gaskets • Apply adequate tightening torque. • Replace damaged gaskets. • Restore sealing surface. Gas flow rate not at required value. • Inadequate piston ring seal. • Restore clearances between piston rings and their grooves. • Replace worn out rings. • Excessive leakage of gas from packing. • Correctly install packing seal. • Restore proper clearance. • Restore / replace piston rod.
  • 116.
    Problems & Troubleshooting contd. TroublePossible Causes Remedy Abnormal temperature gas discharge • Insufficient cooling • Increase cooling fluid rate. • Clean the cooling system. • Utilize a fluid that gives lower deposits. • Leakage of gas from gaskets • Apply adequate tightening torque. • Replace damaged gaskets. • Restore sealing surface. Gas flow rate not at required value. • Inadequate piston ring seal. • Restore clearances between piston rings and their grooves. • Replace worn out rings. • Excessive leakage of gas from packing. • Correctly install packing seal. • Restore proper clearance. • Restore / replace piston rod.
  • 117.
    Important Terms • Compressionratio • Swept volume • Gauge pressure • Absolute pressure • Displacement of compressor • Actual capacity • Volumetric Efficiency • Mechanical Efficiency • Overall efficiency • Isothermal Compression • Adiabatic Compression • Polytrophic Compression • Brake horse power
  • 118.
    • Gauge pressureis pressure in PSI above local atmospheric pressure • Absolute pressure is the summation of Gauge pressure and Atmospheric pressure • The volume swept through the first stage of compressor and expressed in ft3/min • Actual capacity is the capacity of a compressor at intake conditions and expressed in terms of ICFM (Intake cubic feet/min) or ACFM (Actual cubic feet per minute) Important Terms
  • 119.
    Important Terms • VolumetricEfficiency is the ratio of the actual capacity of the compressor to the compressor displacement and is expressed in percentage • Compression efficiency is the ratio of the theoretical horsepower to the actual indicated horsepower to the actual horsepower required to compress a definite volume of the gas.
  • 120.
    Important Terms • MechanicalEfficiency is the the ratio of the indicated horsepower in compressing cylinders to the brake horsepower delivered to the shaft it is expressed in percentage. • Compression ratio is the ratio of absolute discharge pressure to the absolute suction pressure.
  • 121.
    Important Terms • Pistondisplacement is the net volume displaced by the piston at rated compressor speed. On double acting cylinders , It is the both head end and crank end of the stroke. Expresses as cubic feet per minute. • Frame load is the amount of load or force on the compressor frame and running gears (connecting rod, bolts, cross head, cross head pin, piston rod, connecting rod bearings and crankshaft) expressed in pounds.
  • 122.
  • 123.
  • 124.
  • 125.
  • 126.
    Important Terms • Roddrop is the indication of the vertical piston movement inside the cylinder, calculated from the measurement of piston rod movement at the pressure packing case. Purpose of this measurement is that when rider bands , worn out then this make the unit safe shut down.
  • 127.
    Volumetric Losses • Clearancelose • Valves • Piston Ring Leakage • Valve slip • Effects of multistage • Losses through seals
  • 128.