PROBLEMS ON BLOCK DIAGRAM
REDUCTION TECHNIQUES
Example-8: For the system represented by the following
block diagram determine:
1. Open loop transfer function
2. Feed Forward Transfer function
3. control ratio
4. feedback ratio
5. error ratio
6. closed loop transfer function
7. characteristic equation
8. closed loop poles and zeros if K=10.
EXAMPLE-8: CONTINUE
 First we will reduce the given block diagram to canonical
form
1

s
K
EXAMPLE-8: CONTINUE
1

s
K
s
s
K
s
K
GH
G
1
1
1
1





EXAMPLE-8: CONTINUE
1. Open loop transfer function
2. Feed Forward Transfer function
3. control ratio
4. feedback ratio
5. error ratio
6. closed loop transfer function
7. characteristic equation
8. closed loop poles and zeros if K=10.
)
(
)
(
)
(
)
(
s
H
s
G
s
E
s
B

)
(
)
(
)
(
s
G
s
E
s
C

)
(
)
(
)
(
)
(
)
(
s
H
s
G
s
G
s
R
s
C


1
)
(
)
(
)
(
)
(
)
(
)
(
s
H
s
G
s
H
s
G
s
R
s
B


1
)
(
)
(
)
(
)
(
s
H
s
G
s
R
s
E


1
1
)
(
)
(
)
(
)
(
)
(
s
H
s
G
s
G
s
R
s
C


1
0
1 
 )
(
)
( s
H
s
G
)
(s
G
)
(s
H
 Example-9: For the system represented by the following
block diagram determine:
1. Open loop transfer function
2. Feed Forward Transfer function
3. control ratio
4. feedback ratio
5. error ratio
6. closed loop transfer function
7. characteristic equation
8. closed loop poles and zeros if K=100.
EXAMPLE-10: REDUCE THE SYSTEM TO A SINGLE
TRANSFER FUNCTION.
EXAMPLE-10: CONTINUE.
EXAMPLE-10: CONTINUE.
EXAMPLE-11: SIMPLIFY THE BLOCK DIAGRAM THEN
OBTAIN THE CLOSE-LOOP TRANSFER FUNCTION
C(S)/R(S).
EXAMPLE-11: CONTINUE.
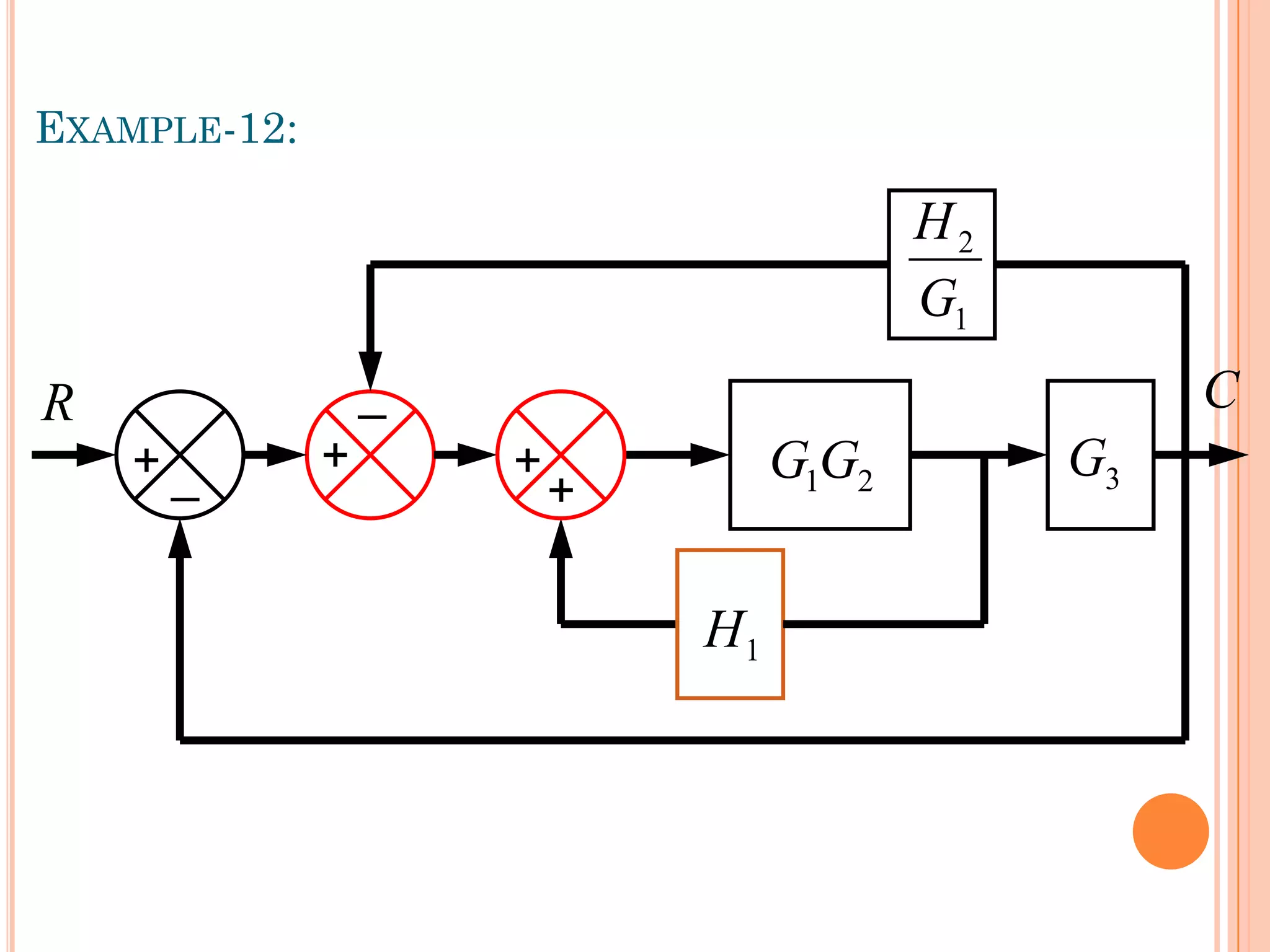
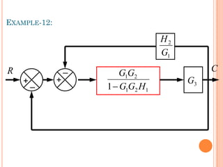
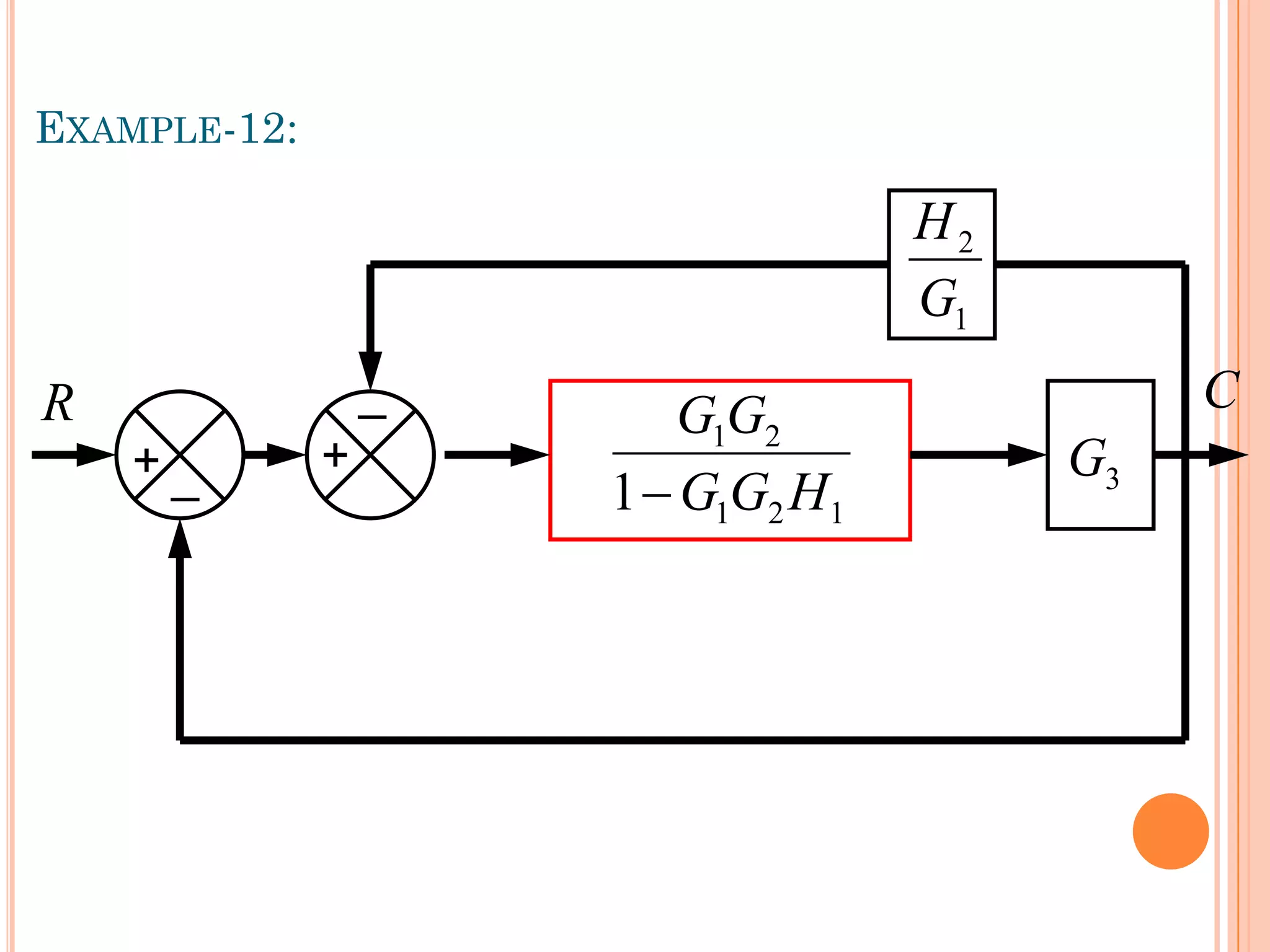
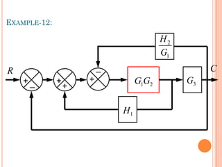
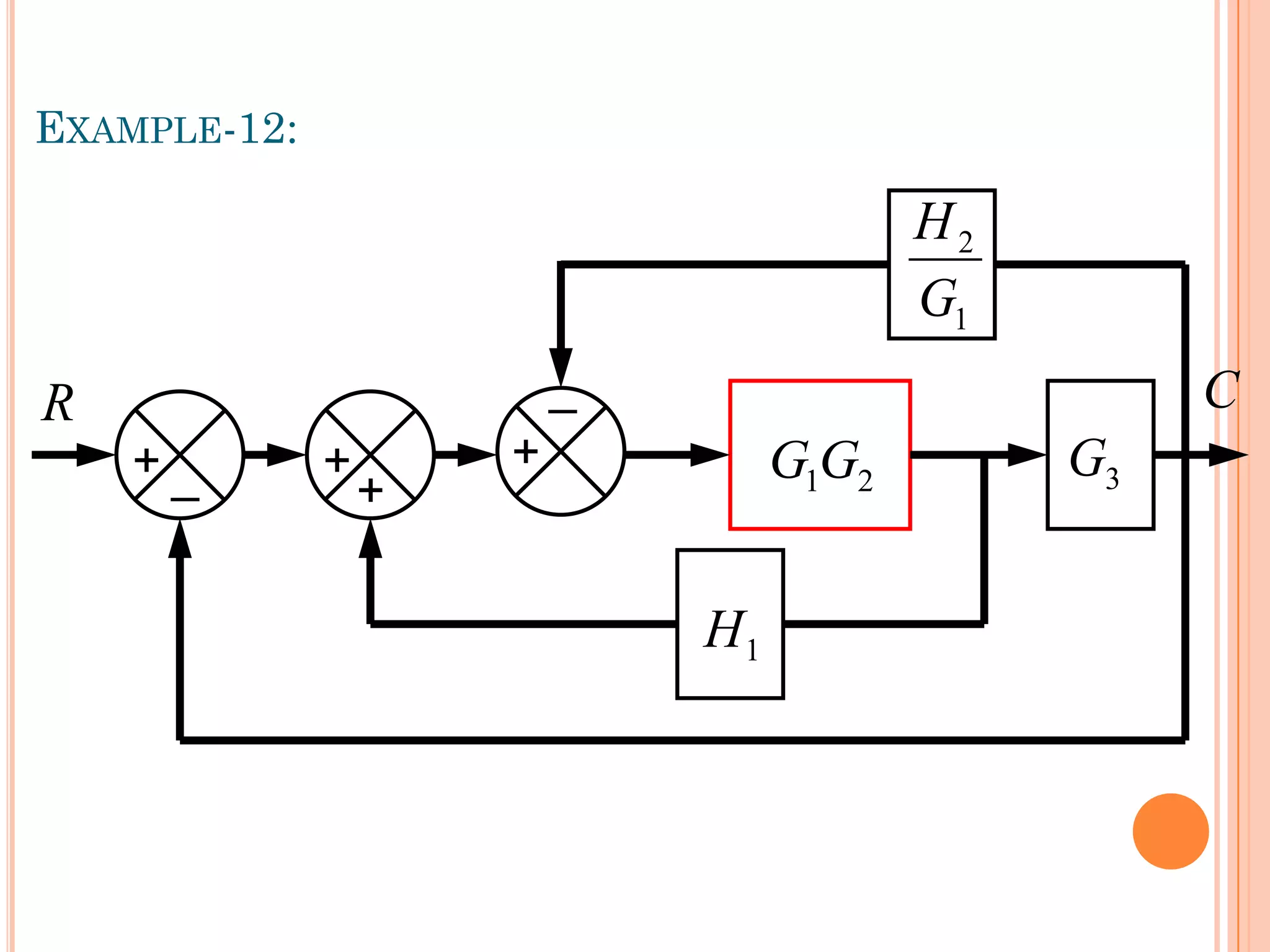
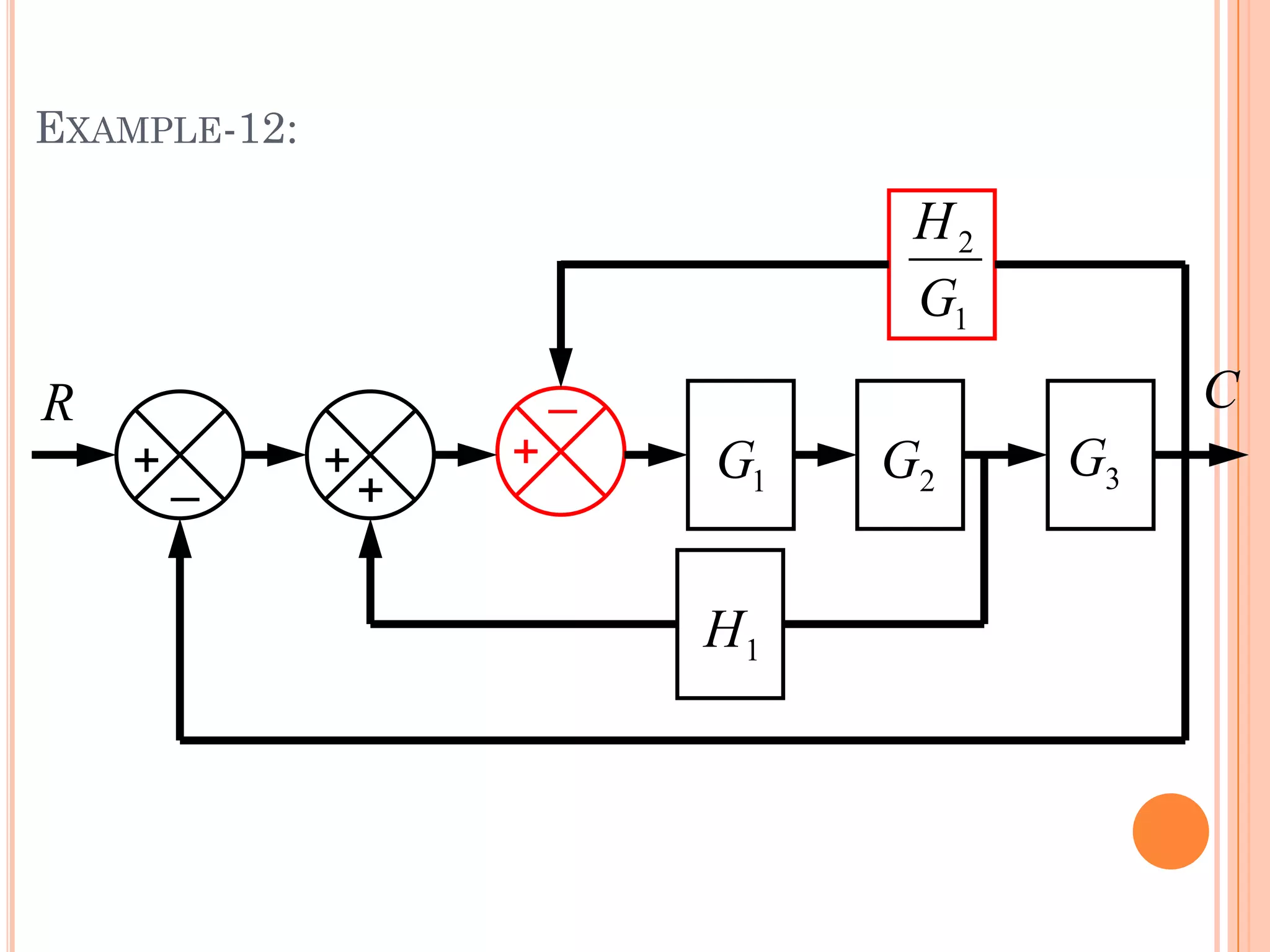
EXAMPLE-12: REDUCE THE BLOCK DIAGRAM.
R
_
+
_
+
1
G 2
G 3
G
1
H
2
H
+
+
C
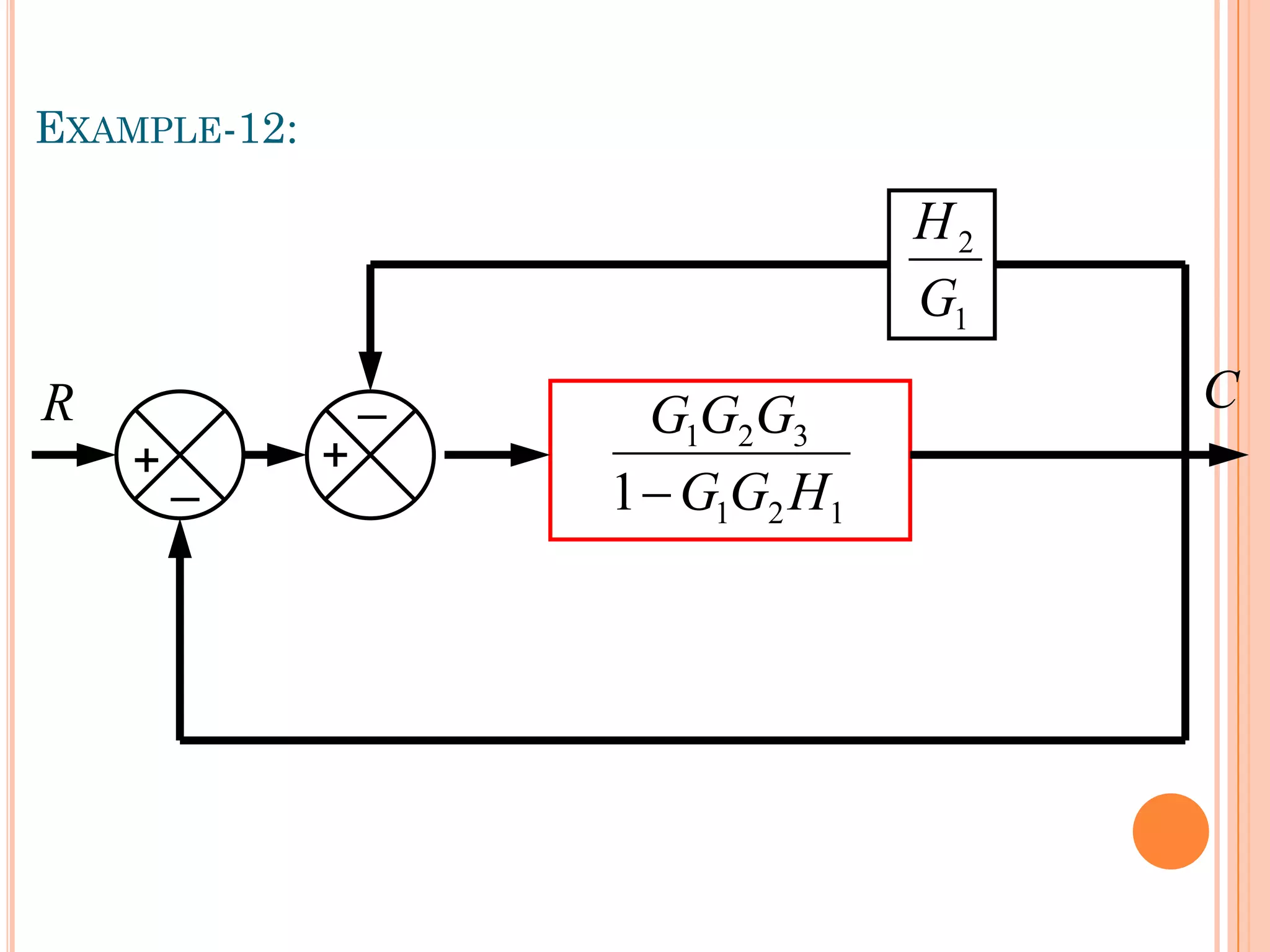
EXAMPLE-12:
R
_
+
_
+ 1
G 2
G 3
G
1
H
1
2
G
H
+
+
C
EXAMPLE-12:
R
_
+
_
+ 2
1G
G 3
G
1
H
1
2
G
H
+
+
C
EXAMPLE-12:
R
_
+
_
+ 2
1G
G 3
G
1
H
1
2
G
H
+
+
C
EXAMPLE-12:
R
_
+
_
+
1
2
1
2
1
1 H
G
G
G
G
 3
G
1
2
G
H
C
EXAMPLE-12:
R
_
+
_
+
1
2
1
3
2
1
1 H
G
G
G
G
G

1
2
G
H
C
EXAMPLE-12:
R
_
+
2
3
2
1
2
1
3
2
1
1 H
G
G
H
G
G
G
G
G


C
EXAMPLE-12:
R
3
2
1
2
3
2
1
2
1
3
2
1
1 G
G
G
H
G
G
H
G
G
G
G
G



C

Problems-On-Block-Diagram-Reduction