Block Diagram Reduction
Techniques
Prepared by,
A.Parimala Gandhi,
AP(SS)/ECE Department,
KIT/CBE
CONTROL SYSTEM ENGINEERING
Block diagram
Transfer Function: Ratio between transformation of output to the
transformation of input when all the initial conditions are zero.
A Block diagram is basically modelling of any simple or
complex system.
It Consists of multiple Blocks connected together to represent a system to explain
how it is functioning
)
(s
R
2
G 3
G
1
G
4
G
1
H
2
H
)
(s
Y
)
(s
G
)
(s
C
)
(s
R
G(s)=C(s)/R(s)
Simple system:
Complex System:
• It is normally required to reduce multiple blocks
into single block or for convenient understanding it
may sometimes required to rearrange the blocks
from its original order.
• For the calculation of Transfer function its required
to be reduced.
Need for block diagram reduction
Block Diagram Reduction techniques
2
G
1
G 2
1G
G
2. Moving a summing point behind a block
G G
G
1
G
2
G
2
1 G
G +
1. Combining blocks which are in cascade or in parallel
5. Moving a pickoff point ahead of a block
G G
G G
G
1
G
3. Moving a summing point ahead of a block
G G
G
1
4. Moving a pickoff point behind a block
6. Eliminating a feedback loop
G
H
GH
G

1
7. Swapping with two adjacent summing points
A B A
B
G
1
=
H
G
G

1
Example 1
Find the transfer function of the following
block diagrams
2
G 3
G
1
G
4
G
1
H
2
H
)
(s
Y
)
(s
R
(a)
1. Apply the rule that Moving pickoff/takeoff point ahead of block
2. Eliminate loop I & simplify as
3
2
4 G
G
G +
B
1
G
2
H
)
(s
Y
4
G
2
G
1
H
A
B
3
G
2
G
)
(s
R
I
Solution:
2
G
3. Moving pickoff point B behind block 3
2
4 G
G
G +
1
G
B
)
(s
R
2
1G
H 2
H
)
(s
Y
)
/(
1 3
2
4 G
G
G +
II
1
G
B
)
(s
R C
3
2
4 G
G
G +
2
H
)
(s
Y
2
1G
H
4
G
2
G A
3
G 3
2
4 G
G
G +
4. Eliminate loop III
)
(s
R
)
(
1
)
(
3
2
4
2
1
2
1
3
2
4
1
G
G
G
H
H
G
G
G
G
G
G
+
+
+
+ )
(s
Y
)
(
)
(
1
)
(
)
(
)
(
)
(
3
2
4
1
3
2
4
2
1
2
1
3
2
4
1
G
G
G
G
G
G
G
H
H
G
G
G
G
G
G
s
R
s
Y
s
T
+
+
+
+
+
+
=
=
)
(s
R
1
G
C
3
2
4
1
2
G
G
G
H
G
+
)
(s
Y
3
2
4 G
G
G +
2
H
C
)
(
1 3
2
4
2
3
2
4
G
G
G
H
G
G
G
+
+
+
Using rule 6
2
G
1
G
1
H 2
H
)
(s
R )
(s
Y
3
H
(b)
Solution:
1. Eliminate loop I
2. Moving pickoff point A behind block
2
2
2
1 H
G
G
+
1
G
1
H
)
(s
R )
(s
Y
3
H
B
A
2
2
2
1 H
G
G
+
2
2
2
1
G
H
G
+
1
G
1
H
)
(s
R )
(s
Y
3
H
2
G
2
H
B
A
II
I
2
2
2
1 H
G
G
+
Not a feedback loop
)
1
(
2
2
2
1
3
G
H
G
H
H
+
+
3. Eliminate loop II
)
(s
R )
(s
Y
2
2
2
1
1 H
G
G
G
+
2
2
2
1
3
)
1
(
G
H
G
H
H
+
+
2
1
2
1
1
1
3
2
1
2
2
2
1
1
)
(
)
(
)
(
H
H
G
G
H
G
H
G
G
H
G
G
G
s
R
s
Y
s
T
+
+
+
+
=
=
Using rule 6
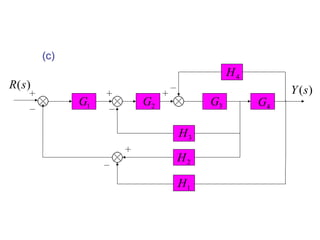
2
G 4
G
1
G
4
H
2
H
3
H
)
(s
Y
)
(s
R
3
G
1
H
(c)
Solution:
2
G 4
G
1
G
4
H
)
(s
Y
3
G
1
H
2
H
)
(s
R
A B
3
H
4
1
G
4
1
G
I
1. Moving pickoff point A behind block 4
G
4
3
G
H
4
2
G
H
Solution:
2
G 4
G
1
G
4
H
)
(s
Y
3
G
1
H
2
H
)
(s
R
A B
3
H
4
1
G
4
1
G
I
1. Moving pickoff point A behind block 4
G
4
3
G
H
4
2
G
H
Solution:
2
G
1
G
4
H
)
(s
Y
4
3G
G
1
H
2
H
)
(s
R
B
3
H
4
1
G
4
1
G
I
1. Moving pickoff point A behind block 4
G
4
3
G
H
4
2
G
H
Solution:
2
G
1
G
)
(s
Y
1
H
2
H
)
(s
R
B
3
H
4
1
G
4
1
G
I
1. Moving pickoff point A behind block 4
G
4
3
G
H
4
2
G
H
2
4
4
3
4
3
1 H
G
G
G
G
+
2. Eliminate loop I and Simplify
II
III
4
4
3
4
3
2
1 H
G
G
G
G
G
+
1
G
)
(s
Y
1
H
B
4
2
G
H
)
(s
R
4
3
G
H
II
3
3
2
4
4
3
4
3
2
1 H
G
G
H
G
G
G
G
G
+
+
III
4
1
4
2
G
H
G
H −
Not feedback
feedback
)
(s
R )
(s
Y
4
1
4
2
G
H
G
H −
3
3
2
4
4
3
4
3
2
1
1 H
G
G
H
G
G
G
G
G
G
+
+
3. Eliminate loop II & III
1
4
3
2
1
2
3
2
1
4
4
3
3
3
2
4
3
2
1
1
)
(
)
(
)
(
H
G
G
G
G
H
G
G
G
H
G
G
H
G
G
G
G
G
G
s
R
s
Y
s
T
−
+
+
+
=
=
Using rule 6
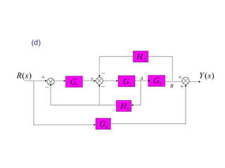
3
G
1
G
1
H
2
H
)
(s
R )
(s
Y
4
G
2
G A
B
(d)
Solution:
1. Moving pickoff point A behind block 3
G
I
1
H
3
1
G
)
(s
Y
1
G
1
H
2
H
)
(s
R
4
G
2
G
A B
3
1
G
3
G
2. Eliminate loop I & Simplify
3
G
1
H
2
G B
3
1
G
2
H
3
2G
G B
2
3
1
H
G
H
+
1
G
)
(s
R )
(s
Y
4
G
3
1
G
H
2
3
2
1
2
3
2
1 H
G
G
H
G
G
G
+
+
II
)
(s
R )
(s
Y
1
2
1
2
3
2
1
2
3
2
1
1 H
G
G
H
G
G
H
G
G
G
G
+
+
+
3. Eliminate loop II
1
2
1
2
3
2
1
2
3
2
1
4
1
)
(
)
(
)
(
H
G
G
H
G
G
H
G
G
G
G
G
s
R
s
Y
s
T
+
+
+
+
=
=
4
G
End

blockdiagramreductiontechniques-170127131435.pdf