PROJECT THEME
I. Introduction
II. Background survey
III. Theoretical proof of ac-dc combine transmission
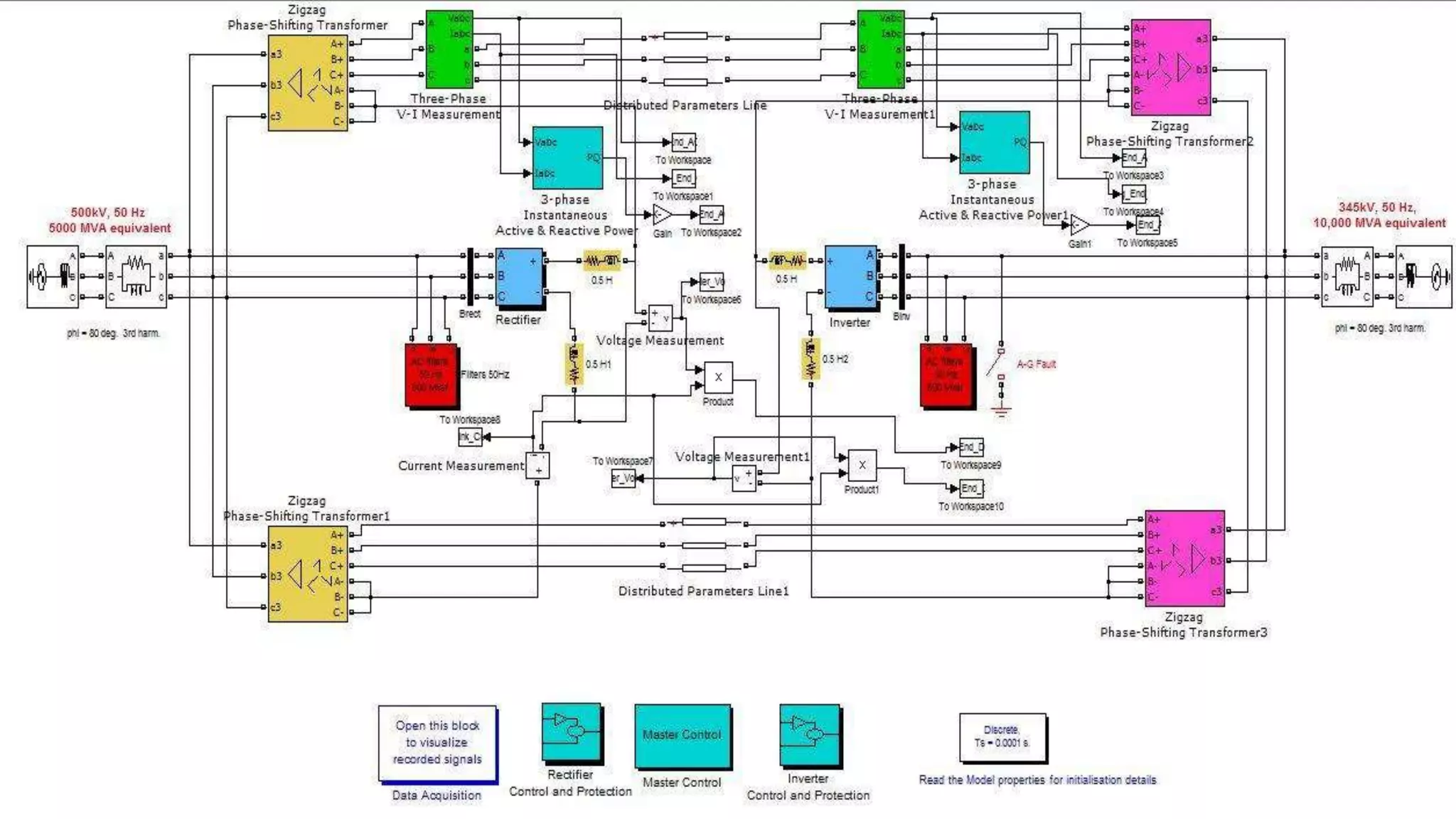
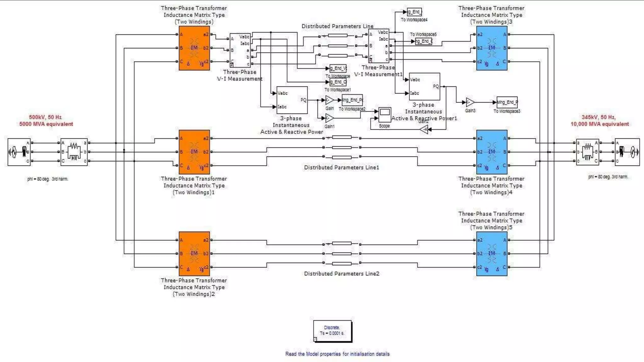
IV. Matlab simulation of ac-dc combine transmission
V. Response of ehv ac transmission
VI. Response of ac-dc combine transmission
VII. Case of study
VIII. Economical proof of ac-dc combine transmission
IX. Advantages & Limitation of ac-dc combine transmission
X. Conclusion
1. INTRODUCTION
1). EHV AC Transmission
2). HVDC Transmission
3). AC-DC Combine Transmission
a). AC-DC 3-phase Single Line Transmission
b). AC-DC 3-phase Double Line Transmission
CONDITION OF TRANSMISSION
[1] VMAX = √𝟐Vph = Vd + √𝟐Va
[2]VLL MAX = √𝟔Va
[3] Vd= Vph/√𝟐
[4] Va = Vph/ 2
2.
MATLAB SIMULATION
3.
CASE OF STUDY
AC Line: Twin Moose ACSR Bundled Conductor, 400kV, 50Hz, 320km
Line Parameters:
Resistance per unit length: 0.01273 Ω/km
Inductance per unit length: 0.9337 mH/km
Capacitance per unit length: 12.74 nF/km
PURE AC TRANSMISSION SYSTEM:
Sending End Voltage (VS) =400 kV
Receiving End Voltage (VR) = 392.6 kV
Sending End Power (PS) = 881 MW
Receiving End Power (PR) = 750 MW
Sending End Current (IS) = =952.5 A
Receiving End Current (IR) = 1004 A
X (Total Reactance per phase per circuit) =0.9337×10-3×320×314 = 93.82 Ω
𝛿 (power angle) =31.76
total power transmitted = 3×881 MW = 2643 MW
Total Power received = 3×750 MW = 2250 MW
Total Transmission Loss = 2643 MW – 2250 MW = 393 MW
SIMULTANEOUS AC-DC POWER TRANSMISSION SYSTEM:
Sending End AC Voltage (VS) = 400 kv
Receiving End AC Voltage (VR) = 392.6 kV
AC Current (Iac) = 2.341 kA
Sending End AC Power (PS) = 1600 MW
Receiving End AC Power (PR) = 1100 MW
Total Reactance per phase per circuit (X) = 93.82 Ω
Rectifier Voltage (Vdr) = 440 kV
Inverter Voltage (Vdi) = 300 kV
DC Link Current (Id) = 1.74 kA
Sending End DC Power = 765.6 MW
Receiving End DC Power = 522 MW
= 70°
Total Power Transmitted = 2×1600 + 765.6 = 3965.6 MW
Total Power Received = 2722 MW
Transmission Loss = 3965.6 MW – 2722 MW= 1243.6MW
Now, dc voltage across one winding = 440/2 = 220 kV.
Induced voltage across secondary winding of transformer = 200 kV
Vdo = 220 kV
So, power factor of the rectifier (cosθr) = 220/271 = 0.812
Similarly for inverter
Vdoi = 271 kV
Vdo = 150 kV
Power factor of the inverter (cosθi) = 150/271 = 0.5535
So, reactive power drawn by the rectifier = 765.6 tanθr = 550.3 MVAR
Reactive power drawn by the inverter = 522 tanθi = 785.45 MVAR
Power Up gradation =
Power transformer in composite AC – DC transmissions - power transmitted in pure transmission /
power transmitted in pure transmission
= [ 2722 – 2250 / 2250 ] Χ 100
= 21 %
4.
ECONOMY
ECONOMY OF THE SYSTEM
[1] ECONOMY OF SYSTEM BASED ON COMPARISON
[2] ECONOMY OF SYSTEM BASED ON STRUCTURE
FOR DOUBLE CIRCUIT EHV LINE
Base cost of 500 KV double circuit transmission line Rs. 1,78,020,000
Line Multiplier :
(1) Conductor
ACSR (1.0) √ ACSS (1.08) TLS (3.60)
(1) Tower Structure:
Lattice (1.0) √ Tabular Steel (1.50)
(1) Transmission Length:
Up to 4.82 Km (1.50) 4.82 Km to 16.093 Km (1.20) Above 16.093 Km (1.0) √
Total transmission line cost = [ (base transmission cost)*(conductor multiplier)*(structure multiplier) *(1.6093)*(no of kilometer) ]
Total transmission line cost Rs. 5.696641010
SUB-STATION CAPITAL COST
Base cost of Sub-Station (500 KV) Rs. 148,320,000
LINE & TRANSFORMER POSITION COST & MULTIPLIER (500 KV)
Cost multiplier : Breaker & half multiplier (1.50) Ring bus multiplier (1.0) √
Cost per line / transformer position Rs. 173,040,000
Transformer cost (Rs. per MVA)
230 / 500 KV Transformer – Rs. 660,000 115 / 500 KV Transformer – Rs. 600,000 √
Transformer cost (Rs. Per MVA) Rs. 600,000
REACTIVE COMPONENTS COST PER MVAR
Shunt reactor Rs. 1,200,000
Series reactor Rs. 600,000
SVC capital cost Rs. 5,100,000
Total substation cost = [ (sub-station base cost)+(line per transformer position base cost)*(no. of line per transformer position)*(CRB or BAAH
multiplier)+(transformer cost per MVA)*(transformer MVA rating)+(SVC cost per MVAR)*(require MVARs)+(series capacitor cost per
MVAR)*(require MVARs)+(shunt reactor cost per MVAR)*(require MVARs) ]
Total substation cost Rs. 839,052,000 x 2 = 1,678,104,000
TOTAL COST
HVDC TRANSMISSION LINE
500 KV HVDC bidirectional pole line (per Km) Rs. 89,040,000
TOTAL COST OF TRANSMISSION LINE
Total cost of transmission line Rs. 2.84928X1010
SUB-STATION CAPITAL COST
Converter terminal (include DC switching
station equipment)
Rs. 3,850,000,000
Reactive support (synchronous
condensers, SVCs, etc)
Rs. 2,100,000,000
AC switch yard Rs. 280,000,000
COST OF SUB-STATION
Cost of sub-station Rs. 6,230,000,000 x 2 = 1.246 x 1010
TOTAL COST
Total cost Rs. 3.47228 x 1010
COMBINE HVDC-HVAC
SUB-STATION COST
Sub-Station cost Rs. 6,230,000,000 x 2 = 1.246 x 1010
COST OF ZIG-ZAG TRANSFORMER (125)
Cost of zig-zag transformer per MVA (Rs. Per MVA) Rs. 78,000
Cost of 4 zig-zag transformer (Rs. Per MVA) Rs. 78,000 x 4 = 312,000
Total cost of four zig-zag transformer Rs. 390,000,000
TOTAL COST
Total cost Rs. 1.285 x 1010
5.
CONCLUSION
ADVANTAGES OF SYSTEM
(1) The feasibility to convert ac transmission line to a composite ac–dc line has been demonstrated.
(2) For the particular system studied, there is substantial increase (about 21.45%) in the load ability of the
line.
(3) The line is loaded to its thermal limit with the superimposed dc current.
(4) The dc power flow does not impose any stability problem.
(5) Dc current regulator may modulate ac power flow.
(6) There is no need for any modification in the size of conductors, insulator strings, and towers structure of
the original line.
(7) The optimum values of ac and dc voltage components of the converted composite line are ½ and 1/√2
times the ac voltage before conversion, respectively.
LIMITATION
(1) There Is Certain Limit Of Power Upgrading Of Transmission Line, So We Can Not Apply This Basic
Scheme Where New Unit Has More Power Capacity Then Limit Of Power Upgrading Of Transmission Line.
(2) The Combine HVDC-HVAC Transmission Line Is Very Complicated.
(3) There Is Necessity Of Double Circuit Long Extra High Voltage AC Transmission Line In Running Power
Generating Station.
(4) We Cannot Transfer The Power By This Basic Scheme Where Double Circuit EHV Line Not Going From
The Power Generating Station.
APPLICATION
(1) ADDITION OF GENERATION UNIT
(2) SOLAR GENERATION UNIT
CONCLUSION
For the particular system under study, the power up gradation of the line is observed to be twenty one
percent with the simultaneous ac-dc power flow. Maximum power up gradation is obtained at a
transmission angle of 60º. The line is loaded to its thermal limit with the superimposed dc current. The dc
power flows independent of the ac power in the transmission line.
REFERENCES
PAPERS:-
[1] “Upgradation Of Power Flow In EHV AC Transmission” International Journal Of Scientific Engineering And
Technology By K.K.Vasishta Kumar, K.Sathish Kumar.
[2] “Power Upgrading Of Transmission Line By Combining AC-DC Transmission”, Swarnandhra College Of Engineering
Technology Narsapur By Jarupula Somlal.
[3] “Power System Stability Enhancement By Simultaneous AC-DC Power Transmission” International Journal Of
Advanced Research In Electrical, Electronics And Instrumentation Engineering Vol. 2, Issue 5, May 2013 By Abhishek
Chaturvedi, V. K. Tripathi, T Vijay Muni, Neeraj Singh.
[4] “Power Tapping Of Upgrade Transmission Line By Using Composite Ac-dc Power Transmission Lines”
International Journal Of Engineering Research And Development By CH.Veeraiah, Y.Rambabu, V.K.R.Mohan Rao.
BOOKS:-
[1] D P Kothari And I J Nagrath “MODERN POWER SYSTEM ANALYSIS” FNAE Fnasc,
Fellow-ieee Director General, Raisoni Group Of Institutions, Nagpur.
[2] Tim Mason- Project Manager, Trevor Curry And Dan Wilson, “CAPITAL COSTS FOR
TRANSMISSION AND SUBSTATION” Western Electricity Coordinating Council.
[3] Roberto Rudervall, J.P. Charpentier And Raghuveer Sharma, “HIGH VOLTAGE DIRECT
CURRENT (HVDC)TRANSMISSION SYSTEMS” Technology Review Paper, Presented At Energy
Week 2000, Washington, D.C, USA, March 7-8, 2000.
THANK YOU

Power upgrading of transmission line by combining ac dc transmission

  • 2.
    PROJECT THEME I. Introduction II.Background survey III. Theoretical proof of ac-dc combine transmission IV. Matlab simulation of ac-dc combine transmission V. Response of ehv ac transmission VI. Response of ac-dc combine transmission VII. Case of study VIII. Economical proof of ac-dc combine transmission IX. Advantages & Limitation of ac-dc combine transmission X. Conclusion
  • 3.
  • 4.
    1). EHV ACTransmission 2). HVDC Transmission 3). AC-DC Combine Transmission a). AC-DC 3-phase Single Line Transmission b). AC-DC 3-phase Double Line Transmission
  • 6.
    CONDITION OF TRANSMISSION [1]VMAX = √𝟐Vph = Vd + √𝟐Va [2]VLL MAX = √𝟔Va [3] Vd= Vph/√𝟐 [4] Va = Vph/ 2
  • 7.
  • 13.
  • 14.
    AC Line: TwinMoose ACSR Bundled Conductor, 400kV, 50Hz, 320km Line Parameters: Resistance per unit length: 0.01273 Ω/km Inductance per unit length: 0.9337 mH/km Capacitance per unit length: 12.74 nF/km PURE AC TRANSMISSION SYSTEM: Sending End Voltage (VS) =400 kV Receiving End Voltage (VR) = 392.6 kV Sending End Power (PS) = 881 MW Receiving End Power (PR) = 750 MW Sending End Current (IS) = =952.5 A Receiving End Current (IR) = 1004 A X (Total Reactance per phase per circuit) =0.9337×10-3×320×314 = 93.82 Ω 𝛿 (power angle) =31.76 total power transmitted = 3×881 MW = 2643 MW Total Power received = 3×750 MW = 2250 MW Total Transmission Loss = 2643 MW – 2250 MW = 393 MW
  • 15.
    SIMULTANEOUS AC-DC POWERTRANSMISSION SYSTEM: Sending End AC Voltage (VS) = 400 kv Receiving End AC Voltage (VR) = 392.6 kV AC Current (Iac) = 2.341 kA Sending End AC Power (PS) = 1600 MW Receiving End AC Power (PR) = 1100 MW Total Reactance per phase per circuit (X) = 93.82 Ω Rectifier Voltage (Vdr) = 440 kV Inverter Voltage (Vdi) = 300 kV DC Link Current (Id) = 1.74 kA Sending End DC Power = 765.6 MW Receiving End DC Power = 522 MW = 70° Total Power Transmitted = 2×1600 + 765.6 = 3965.6 MW Total Power Received = 2722 MW Transmission Loss = 3965.6 MW – 2722 MW= 1243.6MW Now, dc voltage across one winding = 440/2 = 220 kV. Induced voltage across secondary winding of transformer = 200 kV Vdo = 220 kV
  • 16.
    So, power factorof the rectifier (cosθr) = 220/271 = 0.812 Similarly for inverter Vdoi = 271 kV Vdo = 150 kV Power factor of the inverter (cosθi) = 150/271 = 0.5535 So, reactive power drawn by the rectifier = 765.6 tanθr = 550.3 MVAR Reactive power drawn by the inverter = 522 tanθi = 785.45 MVAR Power Up gradation = Power transformer in composite AC – DC transmissions - power transmitted in pure transmission / power transmitted in pure transmission = [ 2722 – 2250 / 2250 ] Χ 100 = 21 %
  • 17.
  • 18.
    ECONOMY OF THESYSTEM [1] ECONOMY OF SYSTEM BASED ON COMPARISON [2] ECONOMY OF SYSTEM BASED ON STRUCTURE
  • 19.
    FOR DOUBLE CIRCUITEHV LINE Base cost of 500 KV double circuit transmission line Rs. 1,78,020,000 Line Multiplier : (1) Conductor ACSR (1.0) √ ACSS (1.08) TLS (3.60) (1) Tower Structure: Lattice (1.0) √ Tabular Steel (1.50) (1) Transmission Length: Up to 4.82 Km (1.50) 4.82 Km to 16.093 Km (1.20) Above 16.093 Km (1.0) √ Total transmission line cost = [ (base transmission cost)*(conductor multiplier)*(structure multiplier) *(1.6093)*(no of kilometer) ] Total transmission line cost Rs. 5.696641010 SUB-STATION CAPITAL COST Base cost of Sub-Station (500 KV) Rs. 148,320,000 LINE & TRANSFORMER POSITION COST & MULTIPLIER (500 KV) Cost multiplier : Breaker & half multiplier (1.50) Ring bus multiplier (1.0) √ Cost per line / transformer position Rs. 173,040,000 Transformer cost (Rs. per MVA) 230 / 500 KV Transformer – Rs. 660,000 115 / 500 KV Transformer – Rs. 600,000 √ Transformer cost (Rs. Per MVA) Rs. 600,000 REACTIVE COMPONENTS COST PER MVAR Shunt reactor Rs. 1,200,000 Series reactor Rs. 600,000 SVC capital cost Rs. 5,100,000 Total substation cost = [ (sub-station base cost)+(line per transformer position base cost)*(no. of line per transformer position)*(CRB or BAAH multiplier)+(transformer cost per MVA)*(transformer MVA rating)+(SVC cost per MVAR)*(require MVARs)+(series capacitor cost per MVAR)*(require MVARs)+(shunt reactor cost per MVAR)*(require MVARs) ] Total substation cost Rs. 839,052,000 x 2 = 1,678,104,000 TOTAL COST
  • 20.
    HVDC TRANSMISSION LINE 500KV HVDC bidirectional pole line (per Km) Rs. 89,040,000 TOTAL COST OF TRANSMISSION LINE Total cost of transmission line Rs. 2.84928X1010 SUB-STATION CAPITAL COST Converter terminal (include DC switching station equipment) Rs. 3,850,000,000 Reactive support (synchronous condensers, SVCs, etc) Rs. 2,100,000,000 AC switch yard Rs. 280,000,000 COST OF SUB-STATION Cost of sub-station Rs. 6,230,000,000 x 2 = 1.246 x 1010 TOTAL COST Total cost Rs. 3.47228 x 1010
  • 21.
    COMBINE HVDC-HVAC SUB-STATION COST Sub-Stationcost Rs. 6,230,000,000 x 2 = 1.246 x 1010 COST OF ZIG-ZAG TRANSFORMER (125) Cost of zig-zag transformer per MVA (Rs. Per MVA) Rs. 78,000 Cost of 4 zig-zag transformer (Rs. Per MVA) Rs. 78,000 x 4 = 312,000 Total cost of four zig-zag transformer Rs. 390,000,000 TOTAL COST Total cost Rs. 1.285 x 1010
  • 22.
  • 23.
    ADVANTAGES OF SYSTEM (1)The feasibility to convert ac transmission line to a composite ac–dc line has been demonstrated. (2) For the particular system studied, there is substantial increase (about 21.45%) in the load ability of the line. (3) The line is loaded to its thermal limit with the superimposed dc current. (4) The dc power flow does not impose any stability problem. (5) Dc current regulator may modulate ac power flow. (6) There is no need for any modification in the size of conductors, insulator strings, and towers structure of the original line. (7) The optimum values of ac and dc voltage components of the converted composite line are ½ and 1/√2 times the ac voltage before conversion, respectively.
  • 24.
    LIMITATION (1) There IsCertain Limit Of Power Upgrading Of Transmission Line, So We Can Not Apply This Basic Scheme Where New Unit Has More Power Capacity Then Limit Of Power Upgrading Of Transmission Line. (2) The Combine HVDC-HVAC Transmission Line Is Very Complicated. (3) There Is Necessity Of Double Circuit Long Extra High Voltage AC Transmission Line In Running Power Generating Station. (4) We Cannot Transfer The Power By This Basic Scheme Where Double Circuit EHV Line Not Going From The Power Generating Station.
  • 25.
    APPLICATION (1) ADDITION OFGENERATION UNIT (2) SOLAR GENERATION UNIT
  • 27.
    CONCLUSION For the particularsystem under study, the power up gradation of the line is observed to be twenty one percent with the simultaneous ac-dc power flow. Maximum power up gradation is obtained at a transmission angle of 60º. The line is loaded to its thermal limit with the superimposed dc current. The dc power flows independent of the ac power in the transmission line.
  • 28.
    REFERENCES PAPERS:- [1] “Upgradation OfPower Flow In EHV AC Transmission” International Journal Of Scientific Engineering And Technology By K.K.Vasishta Kumar, K.Sathish Kumar. [2] “Power Upgrading Of Transmission Line By Combining AC-DC Transmission”, Swarnandhra College Of Engineering Technology Narsapur By Jarupula Somlal. [3] “Power System Stability Enhancement By Simultaneous AC-DC Power Transmission” International Journal Of Advanced Research In Electrical, Electronics And Instrumentation Engineering Vol. 2, Issue 5, May 2013 By Abhishek Chaturvedi, V. K. Tripathi, T Vijay Muni, Neeraj Singh. [4] “Power Tapping Of Upgrade Transmission Line By Using Composite Ac-dc Power Transmission Lines” International Journal Of Engineering Research And Development By CH.Veeraiah, Y.Rambabu, V.K.R.Mohan Rao.
  • 29.
    BOOKS:- [1] D PKothari And I J Nagrath “MODERN POWER SYSTEM ANALYSIS” FNAE Fnasc, Fellow-ieee Director General, Raisoni Group Of Institutions, Nagpur. [2] Tim Mason- Project Manager, Trevor Curry And Dan Wilson, “CAPITAL COSTS FOR TRANSMISSION AND SUBSTATION” Western Electricity Coordinating Council. [3] Roberto Rudervall, J.P. Charpentier And Raghuveer Sharma, “HIGH VOLTAGE DIRECT CURRENT (HVDC)TRANSMISSION SYSTEMS” Technology Review Paper, Presented At Energy Week 2000, Washington, D.C, USA, March 7-8, 2000.
  • 30.