Pick and place robot BATCH-5Pick and place robot
BATCH – 5
Automatic Pick and
place robot
1
Pick and place robot BATCH-5Pick and place robot BATCH-5
Team members
M.HARI KRISHNA V.SANTHOSH KUMAR V.SHIVA SHANKAR
VTC1514014 VTC1514039 VTC1514045
2
Pick and place robot BATCH-5Pick and place robot BATCH-5
3.Objectives
General objective
 To pick objects from one box and to place in
another box with help of linear guide ways .
Academic objective
 We have learning from embedded, electronics
and robotics are the base of our project
3
Pick and place robot BATCH-5Pick and place robot BATCH-5
4.Why this project is
selected?
 To reduce human effort in industries
 To make a manual to automation
 To increase a Productivity
 To increase a cycle time
4
Pick and place robot BATCH-5Pick and place robot BATCH-5
5.Present system
 In a present system human carrying a objects from
one place to another place.
Objects
picking
Objects
placing
Objects
placing
Objects
placing
Human 2
Objects
picking
Objects
picking
Human 1 Human 3
5
Pick and place robot BATCH-5Pick and place robot BATCH-5
6.Improvements
 Efforts of human is more
 Less productivity
 Human can injured while carrying objects &
Objects can be damaged
 Consume more time pick and place materials due
to the laziness of human
6
Pick and place robot BATCH-5Pick and place robot BATCH-5
7.Proposed system
Objects picking
Objects placing
Objects placing
Objects placing
Robotic arm
Objects picking
Objects picking
Linear guide ways
7
Pick and place robot BATCH-5Pick and place robot
8.Analysis
 Production
 Quality
 Cost
 Delivery
 Safety
 Moral
PQCDSM
8
Pick and place robot BATCH-5Pick and place robot BATCH-5
Production
 Robotic movements are regulated, so the results
are always the same.
PQCDSM-
Product quality Cycle time
Production
rate will be
high
9
8.1
Pick and place robot BATCH-5Pick and place robot BATCH-5
Quality
• Improved quality and reliability
• The applications performed by the pick and place
robot precision and high repeatability at every
time
PQCDSM -
10
8.2
Pick and place robot BATCH-5Pick and place robot BATCH-5
PQCDSM -
Expense: The initial investment to integrated
automated robotics into your business is
significant.
Cost
11
8.3
Pick and place robot BATCH-5Pick and place robot 12
PQCDSM - Cost8.3
Pick and place robot BATCH-5Pick and place robot 13
PQCDSM - Cost8.3
s.no Component Quality Price
1 Gripper 1 1400
2 Gear Dc motor 3 640
3 Gear dc motor 1 480
4 Lead screw 1 1500
5 Ball bearing 2 60
6 Relay kit 1 540
7 PIC IC 1 150
8 PIC control board 1 250
9 Transformer 2 150
10 Connecting wires required 100
11 IR sensor 6 420
12 Frame & mild steel Required 700
13 Driver IC 1 300
14 Gears required 800
15 Cardboard required 150
16 SMPS - 750
Total
=8100/-
Pick and place robot BATCH-5Pick and place robot BATCH-5
DeliveryPQCDSM -
MANUAL PICK OBJECT FORM
METAL DORPING AND
PLACEING IN
DESTINATION AREA
1MINUTE =20 OBJECTS
CAN PICK AND PLACE
1HOUR = 1200
8 HOURS=9.6K
& 8 K(WITH BREAK)
3 labor were used work
LABOUR
CHARGES
FOR 1 DAY=250*3=750
PER MONTH =7.5K*3=22.5k
PER ANNUM =90k=270k
USING PICK AND PLACE
ROBOT
PICK OBJECT FORM lead
screw IN
1MINUTE =35 OBJECTS CAN
PICK AND PLACE
1HOUR = 2100
8 HOURS=16.8K
7200 METAL OBJECTS
PROFIT FOR A DAY
21000 PROFIT FOR MONTH
INVESTEMENT OF PORDUCT IS =7K
MAINTANCE CHARGES =2K
TOTAL INVESTMENT =9K
TYPES PPM VALUE OF PRODUCT
14
8.4
Pick and place robot BATCH-5Pick and place robot BATCH-5
PQCDSM -
• They are labor-intensive, repetitive, and
monotonous.
• Pick and place robots are unaffected by the
stresses of the application.
• They are able to work without taking breaks or
making mistakes
Safety
15
8.5
Pick and place robot BATCH-5Pick and place robot BATCH-5
Moral
• Every problem there will be a solution .
• Safety of human is increased when technology is
increased
PQCDSM-
16
8.6
Pick and place robot BATCH-5Pick and place robot BATCH-5
9.Advantages
• Reducing man power
• Fast production
• Time management
• Reducing damages for objects
17
Pick and place robot BATCH-5Pick and place robot BATCH-5
Power
supply
Motor
drive
Dc
motor
Rotary
to
linear
Robot arm
base
LINEAR GUDIE WAY
Power
supply
Motor
drive
Servo
motor
4 axis arm
controlling
Gripper
ROBOT ARM
Power
supply
PIC IC programs output
CONTROLER
FEED BACK
Destination area
MODULE 1 MODULE
2
10.Block diagram
18
Pick and place robot BATCH-5Pick and place robot
10.1 Lead screw
A lead screw also known as a power screw or
translation screw, is a screw used ... They are not
typically used to carry high power, but more for
intermittent use in low power actuator and
positioner mechanisms.
19
Pick and place robot BATCH-5Pick and place robot
10.2 Ball bearing
A bearing in which the parts are separated by a
ring of small freely rotating metal balls which
reduce friction. A metal ball used in a ball bearing.
20
Pick and place robot BATCH-5Pick and place robot
10.3 Gripper (ROBOT ARM)
A robot gripper is a type of end of arm tooling
(EOAT) that is used to pick up items and can be
customized for your application
21
Pick and place robot BATCH-5Pick and place robot
10.4 Manipulator
The mechanical joints used to construct
the robotic arm manipulator consist of five principal
types.
Two of the joints are linear, in which the relative
motion between adjacent links is non-rotational, and
three are rotary types, in which the relative motion
involves rotation between links.
22
Pick and place robot BATCH-5Pick and place robot
10.5 Power supply
We have step down voltage into
• 5v-PIC IC
• 12v-Relay kit,robot arm
• 24v-lead screw moment
23
Pick and place robot BATCH-5Pick and place robot
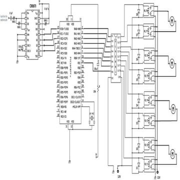
11.Circuit diagram
24
Pick and place robot BATCH-5Pick and place robot
11.1 Working
 The given 230v is converted to 24v,12v,5v with
help of step down transformer for relay kit to
actuate(12v),PIC IC(5v) and lead screw
motor(24v).
 When the given three IR sensor output is given to
the input of PIC IC.
 The output of PIC IC is given to the input of relay
kit.
25
Pick and place robot BATCH-5Pick and place robot
11.2 Working (contd)…
 Mainly we give the separate 12v for motor driver
IC.
 Whenever any object is placed near to the IR
sensor it will detects and send feedback to the
PIC IC
 According to the function of program the output
will send to the relay kit to actuate the motors
with help of driver IC.
26
Pick and place robot BATCH-5Pick and place robot
12.Interconnection diagram
27
Pick and place robot BATCH-5Pick and place robot
13.1.Hardware
Pro-e design
28
Pick and place robot BATCH-5Pick and place robot
13.2 PAPER MODULE
29
Pick and place robot BATCH-5Pick and place robot
14.MAKING
30
Pick and place robot BATCH-5Pick and place robot
15.Difficulties
• We have face some problem in lead screw
moment because we think stepper motor for an
lead screw. After program the stepper motor the
angle of rotation we will be slow.
31
Pick and place robot BATCH-5Pick and place robot
Difficulties(Contd)…
We have some problem in manipulator design
32
Pick and place robot BATCH-5Pick and place robot
16.Alternatives
We have replaced stepper motor into dc motor
33
Pick and place robot BATCH-5Pick and place robot
Alternative(Contd)…
We have replaced spur gear into worm gear.
34
Pick and place robot BATCH-5Pick and place robot
17.Final project image
35
Pick and place robot BATCH-5Pick and place robot
18.Working video
36
Pick and place robot BATCH-5Pick and place robot
19.Learnings
37
S.NO MECHANICAL ELECTRICAL
1 WELDING PIC INTERFACE
2 MECHANICAL DESIGN PROGAM
3 HOW TO AVOID THE FRICTION RELAY CONNECTION
4 GEAR MECHANISM SIMULATION
5 Manipulator design RELAY PCB CIRCUIT
DESIGN
6 GRIPPER DESIGN POWER SUPPLY DESIGN
7 TORQUE CALCULATION IR DESIGN RANGE
Pick and place robot BATCH-5Pick and place robot BATCH-5
THANK YOU
38
Pick and place robot BATCH-5Pick and place robot
Any queries
1. Batch no
2. Team members
3. Objectives
4. Why project is selected?
5. Present system
6. Improvements
7. Proposed system
8. Analysis – PQCDSM
9. Advantages
10.Block diagram
11.Circuit diagram
12. Inter connection diagram
13. Hardware
14. Making
15. Difficulties
16. Alternatives
17. Final project image
18. Working video
19. Thank you
20. Query
39

Pick and place robot ppt

  • 1.
    Pick and placerobot BATCH-5Pick and place robot BATCH – 5 Automatic Pick and place robot 1
  • 2.
    Pick and placerobot BATCH-5Pick and place robot BATCH-5 Team members M.HARI KRISHNA V.SANTHOSH KUMAR V.SHIVA SHANKAR VTC1514014 VTC1514039 VTC1514045 2
  • 3.
    Pick and placerobot BATCH-5Pick and place robot BATCH-5 3.Objectives General objective  To pick objects from one box and to place in another box with help of linear guide ways . Academic objective  We have learning from embedded, electronics and robotics are the base of our project 3
  • 4.
    Pick and placerobot BATCH-5Pick and place robot BATCH-5 4.Why this project is selected?  To reduce human effort in industries  To make a manual to automation  To increase a Productivity  To increase a cycle time 4
  • 5.
    Pick and placerobot BATCH-5Pick and place robot BATCH-5 5.Present system  In a present system human carrying a objects from one place to another place. Objects picking Objects placing Objects placing Objects placing Human 2 Objects picking Objects picking Human 1 Human 3 5
  • 6.
    Pick and placerobot BATCH-5Pick and place robot BATCH-5 6.Improvements  Efforts of human is more  Less productivity  Human can injured while carrying objects & Objects can be damaged  Consume more time pick and place materials due to the laziness of human 6
  • 7.
    Pick and placerobot BATCH-5Pick and place robot BATCH-5 7.Proposed system Objects picking Objects placing Objects placing Objects placing Robotic arm Objects picking Objects picking Linear guide ways 7
  • 8.
    Pick and placerobot BATCH-5Pick and place robot 8.Analysis  Production  Quality  Cost  Delivery  Safety  Moral PQCDSM 8
  • 9.
    Pick and placerobot BATCH-5Pick and place robot BATCH-5 Production  Robotic movements are regulated, so the results are always the same. PQCDSM- Product quality Cycle time Production rate will be high 9 8.1
  • 10.
    Pick and placerobot BATCH-5Pick and place robot BATCH-5 Quality • Improved quality and reliability • The applications performed by the pick and place robot precision and high repeatability at every time PQCDSM - 10 8.2
  • 11.
    Pick and placerobot BATCH-5Pick and place robot BATCH-5 PQCDSM - Expense: The initial investment to integrated automated robotics into your business is significant. Cost 11 8.3
  • 12.
    Pick and placerobot BATCH-5Pick and place robot 12 PQCDSM - Cost8.3
  • 13.
    Pick and placerobot BATCH-5Pick and place robot 13 PQCDSM - Cost8.3 s.no Component Quality Price 1 Gripper 1 1400 2 Gear Dc motor 3 640 3 Gear dc motor 1 480 4 Lead screw 1 1500 5 Ball bearing 2 60 6 Relay kit 1 540 7 PIC IC 1 150 8 PIC control board 1 250 9 Transformer 2 150 10 Connecting wires required 100 11 IR sensor 6 420 12 Frame & mild steel Required 700 13 Driver IC 1 300 14 Gears required 800 15 Cardboard required 150 16 SMPS - 750 Total =8100/-
  • 14.
    Pick and placerobot BATCH-5Pick and place robot BATCH-5 DeliveryPQCDSM - MANUAL PICK OBJECT FORM METAL DORPING AND PLACEING IN DESTINATION AREA 1MINUTE =20 OBJECTS CAN PICK AND PLACE 1HOUR = 1200 8 HOURS=9.6K & 8 K(WITH BREAK) 3 labor were used work LABOUR CHARGES FOR 1 DAY=250*3=750 PER MONTH =7.5K*3=22.5k PER ANNUM =90k=270k USING PICK AND PLACE ROBOT PICK OBJECT FORM lead screw IN 1MINUTE =35 OBJECTS CAN PICK AND PLACE 1HOUR = 2100 8 HOURS=16.8K 7200 METAL OBJECTS PROFIT FOR A DAY 21000 PROFIT FOR MONTH INVESTEMENT OF PORDUCT IS =7K MAINTANCE CHARGES =2K TOTAL INVESTMENT =9K TYPES PPM VALUE OF PRODUCT 14 8.4
  • 15.
    Pick and placerobot BATCH-5Pick and place robot BATCH-5 PQCDSM - • They are labor-intensive, repetitive, and monotonous. • Pick and place robots are unaffected by the stresses of the application. • They are able to work without taking breaks or making mistakes Safety 15 8.5
  • 16.
    Pick and placerobot BATCH-5Pick and place robot BATCH-5 Moral • Every problem there will be a solution . • Safety of human is increased when technology is increased PQCDSM- 16 8.6
  • 17.
    Pick and placerobot BATCH-5Pick and place robot BATCH-5 9.Advantages • Reducing man power • Fast production • Time management • Reducing damages for objects 17
  • 18.
    Pick and placerobot BATCH-5Pick and place robot BATCH-5 Power supply Motor drive Dc motor Rotary to linear Robot arm base LINEAR GUDIE WAY Power supply Motor drive Servo motor 4 axis arm controlling Gripper ROBOT ARM Power supply PIC IC programs output CONTROLER FEED BACK Destination area MODULE 1 MODULE 2 10.Block diagram 18
  • 19.
    Pick and placerobot BATCH-5Pick and place robot 10.1 Lead screw A lead screw also known as a power screw or translation screw, is a screw used ... They are not typically used to carry high power, but more for intermittent use in low power actuator and positioner mechanisms. 19
  • 20.
    Pick and placerobot BATCH-5Pick and place robot 10.2 Ball bearing A bearing in which the parts are separated by a ring of small freely rotating metal balls which reduce friction. A metal ball used in a ball bearing. 20
  • 21.
    Pick and placerobot BATCH-5Pick and place robot 10.3 Gripper (ROBOT ARM) A robot gripper is a type of end of arm tooling (EOAT) that is used to pick up items and can be customized for your application 21
  • 22.
    Pick and placerobot BATCH-5Pick and place robot 10.4 Manipulator The mechanical joints used to construct the robotic arm manipulator consist of five principal types. Two of the joints are linear, in which the relative motion between adjacent links is non-rotational, and three are rotary types, in which the relative motion involves rotation between links. 22
  • 23.
    Pick and placerobot BATCH-5Pick and place robot 10.5 Power supply We have step down voltage into • 5v-PIC IC • 12v-Relay kit,robot arm • 24v-lead screw moment 23
  • 24.
    Pick and placerobot BATCH-5Pick and place robot 11.Circuit diagram 24
  • 25.
    Pick and placerobot BATCH-5Pick and place robot 11.1 Working  The given 230v is converted to 24v,12v,5v with help of step down transformer for relay kit to actuate(12v),PIC IC(5v) and lead screw motor(24v).  When the given three IR sensor output is given to the input of PIC IC.  The output of PIC IC is given to the input of relay kit. 25
  • 26.
    Pick and placerobot BATCH-5Pick and place robot 11.2 Working (contd)…  Mainly we give the separate 12v for motor driver IC.  Whenever any object is placed near to the IR sensor it will detects and send feedback to the PIC IC  According to the function of program the output will send to the relay kit to actuate the motors with help of driver IC. 26
  • 27.
    Pick and placerobot BATCH-5Pick and place robot 12.Interconnection diagram 27
  • 28.
    Pick and placerobot BATCH-5Pick and place robot 13.1.Hardware Pro-e design 28
  • 29.
    Pick and placerobot BATCH-5Pick and place robot 13.2 PAPER MODULE 29
  • 30.
    Pick and placerobot BATCH-5Pick and place robot 14.MAKING 30
  • 31.
    Pick and placerobot BATCH-5Pick and place robot 15.Difficulties • We have face some problem in lead screw moment because we think stepper motor for an lead screw. After program the stepper motor the angle of rotation we will be slow. 31
  • 32.
    Pick and placerobot BATCH-5Pick and place robot Difficulties(Contd)… We have some problem in manipulator design 32
  • 33.
    Pick and placerobot BATCH-5Pick and place robot 16.Alternatives We have replaced stepper motor into dc motor 33
  • 34.
    Pick and placerobot BATCH-5Pick and place robot Alternative(Contd)… We have replaced spur gear into worm gear. 34
  • 35.
    Pick and placerobot BATCH-5Pick and place robot 17.Final project image 35
  • 36.
    Pick and placerobot BATCH-5Pick and place robot 18.Working video 36
  • 37.
    Pick and placerobot BATCH-5Pick and place robot 19.Learnings 37 S.NO MECHANICAL ELECTRICAL 1 WELDING PIC INTERFACE 2 MECHANICAL DESIGN PROGAM 3 HOW TO AVOID THE FRICTION RELAY CONNECTION 4 GEAR MECHANISM SIMULATION 5 Manipulator design RELAY PCB CIRCUIT DESIGN 6 GRIPPER DESIGN POWER SUPPLY DESIGN 7 TORQUE CALCULATION IR DESIGN RANGE
  • 38.
    Pick and placerobot BATCH-5Pick and place robot BATCH-5 THANK YOU 38
  • 39.
    Pick and placerobot BATCH-5Pick and place robot Any queries 1. Batch no 2. Team members 3. Objectives 4. Why project is selected? 5. Present system 6. Improvements 7. Proposed system 8. Analysis – PQCDSM 9. Advantages 10.Block diagram 11.Circuit diagram 12. Inter connection diagram 13. Hardware 14. Making 15. Difficulties 16. Alternatives 17. Final project image 18. Working video 19. Thank you 20. Query 39