Your Company Name
This drawing is submitted only for confidential use. It may not be copied, printed
or submitted to third parties without prior permission of Your Company Name
TITLE
ELECTRICAL CABINET DRAWINGS
REV DATE MODIFICATION DRAWN CHECKED
A
B
C
D
10.05.15 DRAWINGS BUILT Author Name USER
DRG NO.
DWG/2013/01/REV1
CUSTOMER
Your Customer Name
SHEET
1
15
REV
A
System : 3 Phase 4 Wire
Supply Frequency : 50Hz
Panel Name : Panel No. 1
Panel Type : Motor Control Center
Incomer Amps : 500A
Power Line Voltage : 415V
Control Voltage : 240V
30 60 90
29 59 89
28 58 88
27 57 87
26 56 86
25 55 85
24 54 84
23 53 83
22 52 82
21 51 81
20 50 80
19 49 79
18 48 78
17 47 77
16 46 76
15 45 75
14 44 74
13 43 73
12 42 72
11 41 71
10 40 70
9 39 69
8 38 68
7 37 67
6 36 66
5 35 65
4 34 64
3 33 63
2 32 62
1 31 61
S.No. S.No. S.No.Sheet Title Sheet Title Sheet TitleRevision Revision Revision
Cabinet System Details
List of Drawings
Control Elements Detail
Single Line Diagram
Incomer #1 Metering
Feeder No. 1, 5KW DOL
Feeder No. 2, 7KW DOL
Feeder No. 3, 11KW S/D
Feeder No. 4, 15KW S/D
Feeder No. 5, 63A FDR.
Feeder No. 6, 63A FDR.
Termination Dwg
General Arrangement - External
General Arrangement - Internal
Bill of Quantity
Your Company Name
This drawing is submitted only for confidential use. It may not be copied, printed
or submitted to third parties without prior permission of Your Company Name
TITLE
LIST OF ALL DRAWINGS
REV DATE MODIFICATION DRAWN CHECKED
A
B
C
D
10.05.15 DRAWINGS BUILT Author Name USER
DRG NO.
DWG/2013/01/REV1
CUSTOMER
Your Customer Name
SHEET
2
15
REV
A
Your Company Name
This drawing is submitted only for confidential use. It may not be copied, printed
or submitted to third parties without prior permission of Your Company Name
TITLE
ELEMENTS SYMBOLS
REV DATE MODIFICATION DRAWN CHECKED
A
B
C
D
10.05.15 DRAWINGS BUILT Author Name USER
DRG NO.
DWG/2013/01/REV1
CUSTOMER
Your Customer Name
SHEET
3
15
REV
A
Contactor
NO Contact
Contactor
NC Contact
Contactor
Coil
Wire/Cable
Termination
Power/Control
Earth
Push Button
NO Contact
Push Button
NC Contact
Indicating Light
ON: Green, Trip: Red
Fwd: Green, Rev: Blue
Current
Transformer
Control
Transformer
Timer On-Delay
NO Contact
Timer On-Delay
NC Contact
Timer
Coil
10
Selector Switch
NO Contact
Thermostat
NC Contact
Neutral Link
MCB/MCCB/ACB
Single Line Dwg
Switch Fuse Unit
Single Line Dwg
MPCB
Single Line Dwg
Contactor
Single Line Dwg
A
Meters
I>> I>> I>>
MCCB/ACB
SFU
I>> I>> I>>
MPCB
MCB TP
Power Contactor
Overload Relay
X1
1 2 3
M
Motor
Capacitor
Single Line Dwg
Heater
Single Line Dwg
Sheet Number Reference: XX/YY
XX: Sheet No, YY: Column No.
Ferrul Number Reference: XXYY
XX: Sheet No, YY: Ferrul Number
Your Company Name
This drawing is submitted only for confidential use. It may not be copied, printed
or submitted to third parties without prior permission of Your Company Name
TITLE
SINGLE LINE DIAGRAM
REV DATE MODIFICATION DRAWN CHECKED
A
B
C
D
10.05.15 DRAWINGS BUILT Author Name USER
DRG NO.
DWG/2013/01/REV1
CUSTOMER
Your Customer Name
SHEET
4
15
REV
A
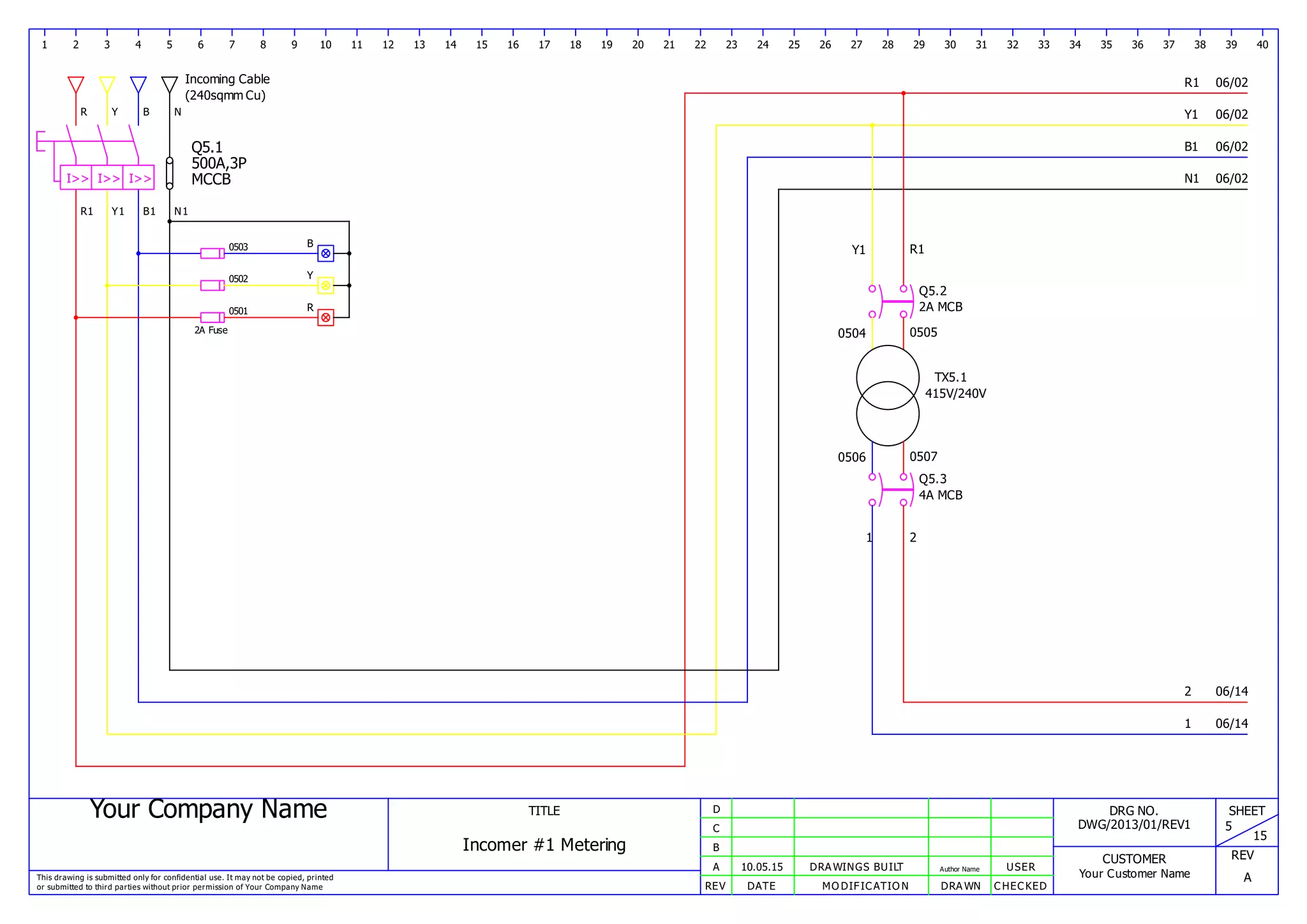
Incoming Cable
(240sqmm Cu)
500A,3P
MCCB
20A
3P MCB
4sqmm Cu
Cable
Cont.
AC3,9A
OL
6-10A
M1
5KW
5KW DOL for
Feeder No. 1
32A
3P MCB
6sqmm Cu
Cable
Cont.
AC3,18A
OL
9-15A
M2
7KW
7KW DOL for
Feeder No. 2
40A 3P
MCCB
6sqmm Cu
Cable
Cont.
AC3,18A
OL
9-15A
M3
11KW
11KW Star-Delta for
Feeder No. 3
A 60/5A
63A 3P
MCCB
6sqmm Cu
Cable
Cont.
AC3,18A
OL
9-15A
M4
15KW
15KW Star-Delta for
Feeder No. 4
A 60/5A
63A
3P MCB
35sqmm Cu
Cable
F1
63A Feeder for
Feeder No. 5
63A
3P MCB
35sqmm Cu
Cable
F2
63A Feeder for
Feeder No. 6
Your Company Name
This drawing is submitted only for confidential use. It may not be copied, printed
or submitted to third parties without prior permission of Your Company Name
TITLE
Incomer #1 Metering
REV DATE MODIFICATION DRAWN CHECKED
A
B
C
D
10.05.15 DRAWINGS BUILT Author Name USER
DRG NO.
DWG/2013/01/REV1
CUSTOMER
Your Customer Name
SHEET
5
15
REV
A
1 2 3 4 5 6 7 8 9 10 11 12 13 14 15 16 17 18 19 20 21 22 23 24 25 26 27 28 29 30 31 32 33 34 35 36 37 38 39 40
Incoming Cable
(240sqmm Cu)
R
R1
Y
Y1
B
B1
R1
Y1
B1
N
N1
N1I>> I>> I>>
Q5.1
500A,3P
MCCB
2A Fuse
0501
0502
0503
R
Y
B
Y1 R1
Q5.2
2A MCB
0504 0505
TX5.1
415V/240V
0506 0507
1 2
Q5.3
4A MCB
1
2
06/02
06/02
06/02
06/02
06/14
06/14
Your Company Name
This drawing is submitted only for confidential use. It may not be copied, printed
or submitted to third parties without prior permission of Your Company Name
TITLE
5KW DOL for Feeder No. 1
REV DATE MODIFICATION DRAWN CHECKED
A
B
C
D
10.05.15 DRAWINGS BUILT Author Name USER
DRG NO.
DWG/2013/01/REV1
CUSTOMER
Your Customer Name
SHEET
6
15
REV
A
1 2 3 4 5 6 7 8 9 10 11 12 13 14 15 16 17 18 19 20 21 22 23 24 25 26 27 28 29 30 31 32 33 34 35 36 37 38 39 40
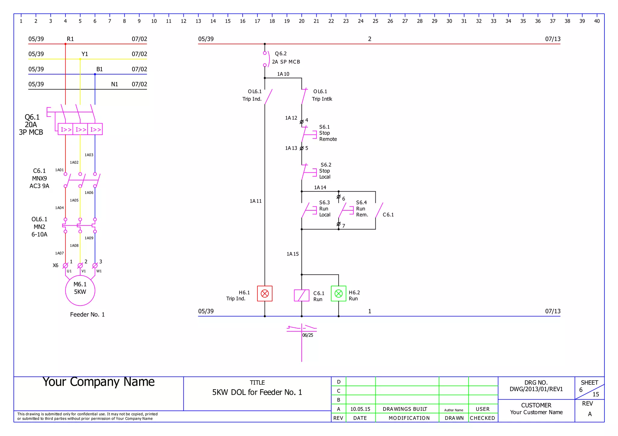
05/39 R1
05/39 Y1
05/39 B1
07/02
07/02
07/02
07/0205/39 N1
05/39
05/39
2
1
07/13
07/13
Q6.1
I>> I>> I>>
20A
3P MCB
1A01
1A02
1A03
C6.1
MNX9
AC3 9A
1A04
1A05
1A06
1A07
1A08
1A09
OL6.1
MN2
6-10A
X6
1 2 3
M6.1
5KW
U1 V1 W1
Feeder No. 1
Q6.2
2A SP MCB
1A10
OL6.1
Trip Ind.
1A11
H6.1
Trip Ind.
H6.2
Run Run
Run Run
OL6.1
Trip Intlk
1A12 4
S6.1
Stop
Remote
1A13 5
S6.2
Stop
Local
1A14
6
7
S6.3
Local
1A15
S6.4
Rem.
06/25
C6.1
C6.1
Your Company Name
This drawing is submitted only for confidential use. It may not be copied, printed
or submitted to third parties without prior permission of Your Company Name
TITLE
7KW DOL for Feeder No. 2
REV DATE MODIFICATION DRAWN CHECKED
A
B
C
D
10.05.15 DRAWINGS BUILT Author Name USER
DRG NO.
DWG/2013/01/REV1
CUSTOMER
Your Customer Name
SHEET
7
15
REV
A
1 2 3 4 5 6 7 8 9 10 11 12 13 14 15 16 17 18 19 20 21 22 23 24 25 26 27 28 29 30 31 32 33 34 35 36 37 38 39 40
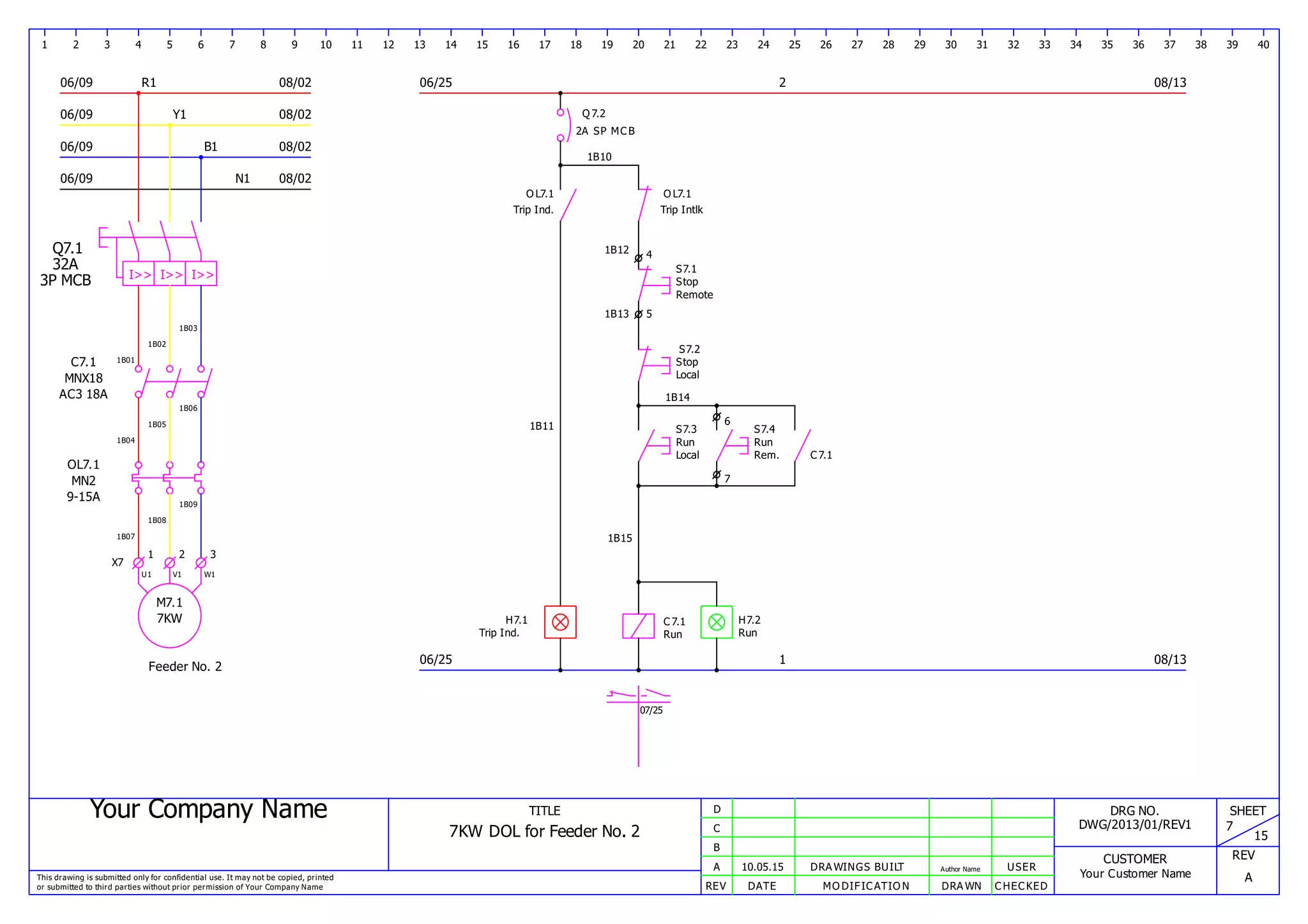
06/09 R1
06/09 Y1
06/09 B1
08/02
08/02
08/02
08/0206/09 N1
06/25
06/25
2
1
08/13
08/13
Q7.1
I>> I>> I>>
32A
3P MCB
1B01
1B02
1B03
C7.1
MNX18
AC3 18A
1B04
1B05
1B06
1B07
1B08
1B09
OL7.1
MN2
9-15A
X7
1 2 3
M7.1
7KW
U1 V1 W1
Feeder No. 2
Q7.2
2A SP MCB
1B10
OL7.1
Trip Ind.
1B11
H7.1
Trip Ind.
H7.2
Run Run
Run Run
OL7.1
Trip Intlk
1B12 4
S7.1
Stop
Remote
1B13 5
S7.2
Stop
Local
1B14
6
7
S7.3
Local
1B15
S7.4
Rem.
07/25
C7.1
C7.1
Your Company Name
This drawing is submitted only for confidential use. It may not be copied, printed
or submitted to third parties without prior permission of Your Company Name
TITLE
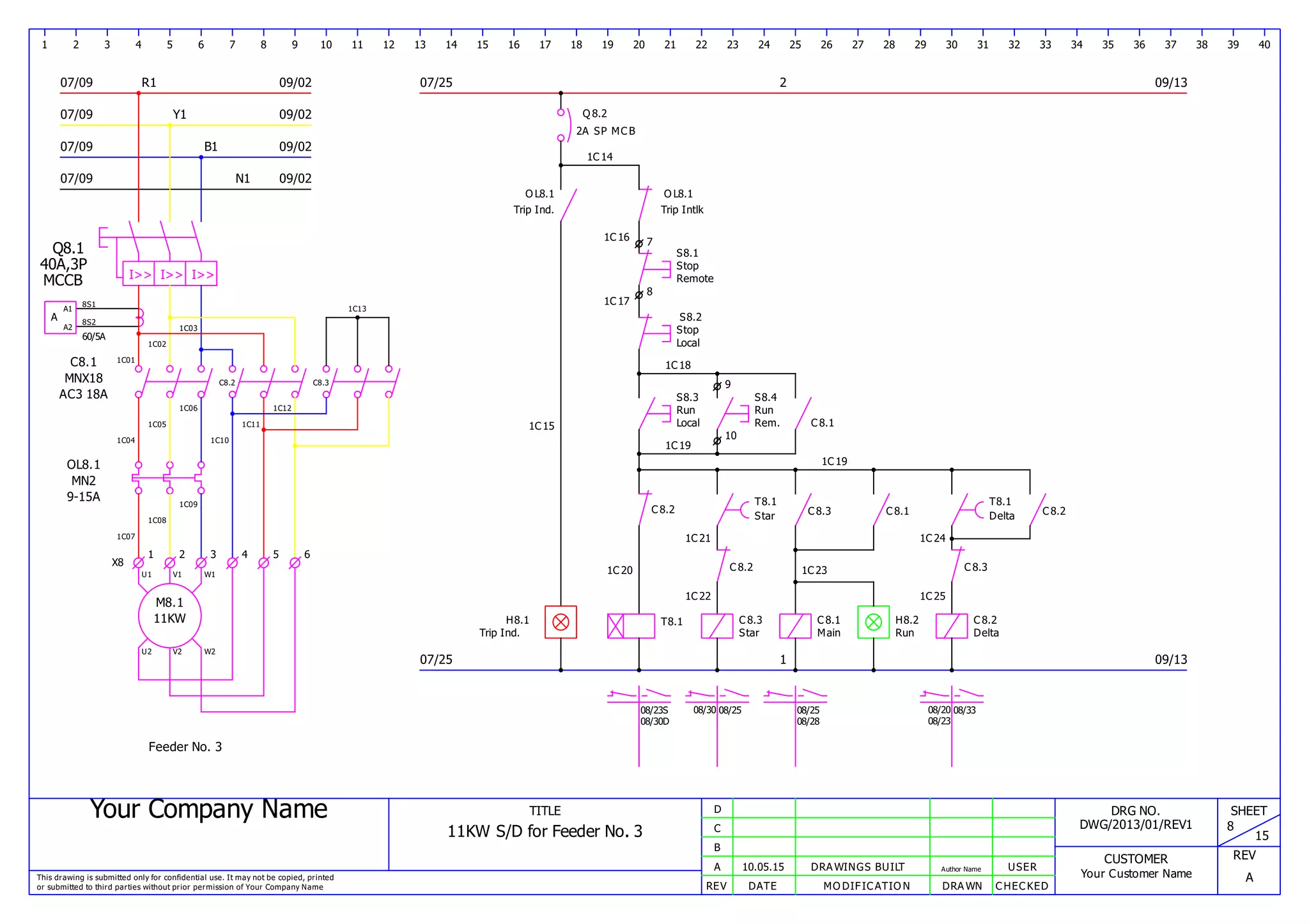
11KW S/D for Feeder No. 3
REV DATE MODIFICATION DRAWN CHECKED
A
B
C
D
10.05.15 DRAWINGS BUILT Author Name USER
DRG NO.
DWG/2013/01/REV1
CUSTOMER
Your Customer Name
SHEET
8
15
REV
A
1 2 3 4 5 6 7 8 9 10 11 12 13 14 15 16 17 18 19 20 21 22 23 24 25 26 27 28 29 30 31 32 33 34 35 36 37 38 39 40
07/09 R1
07/09 Y1
07/09 B1
09/02
09/02
09/02
09/0207/09 N1
07/25
07/25
2
1
09/13
09/13
Q8.1
I>> I>> I>>
40A,3P
MCCB
1C01
1C02
1C03
A
A1
A2
8S1
8S2
60/5A
C8.1
MNX18
AC3 18A
1C04
1C05
1C06
1C07
1C08
1C09
OL8.1
MN2
9-15A
C8.2
1C10
1C11
1C12
C8.3
1C13
X8
1 2 3 4 5 6
M8.1
11KW
U1 V1 W1
U2 V2 W2
Feeder No. 3
Q8.2
2A SP MCB
1C14
OL8.1
Trip Ind.
1C15
H8.1
Trip Ind.
OL8.1
Trip Intlk
1C16 7
8
S8.1
Stop
Remote
1C17
S8.2
Stop
Local
1C18
9
10
S8.3
Run
Local
1C19
1C19
S8.4
Run
Rem.
08/25
C8.1
08/20
C8.2
1C20
T8.1
08/23S
T8.1
Star
1C21
08/23
C8.2
1C22
C8.3
Star
08/25
C8.3
08/28
C8.1
1C23
C8.1
Main
H8.2
Run
08/30D
T8.1
Delta
1C24
08/30
C8.3
1C25
C8.2
Delta
08/33
C8.2
Your Company Name
This drawing is submitted only for confidential use. It may not be copied, printed
or submitted to third parties without prior permission of Your Company Name
TITLE
15KW S/D for Feeder No. 4
REV DATE MODIFICATION DRAWN CHECKED
A
B
C
D
10.05.15 DRAWINGS BUILT Author Name USER
DRG NO.
DWG/2013/01/REV1
CUSTOMER
Your Customer Name
SHEET
9
15
REV
A
1 2 3 4 5 6 7 8 9 10 11 12 13 14 15 16 17 18 19 20 21 22 23 24 25 26 27 28 29 30 31 32 33 34 35 36 37 38 39 40
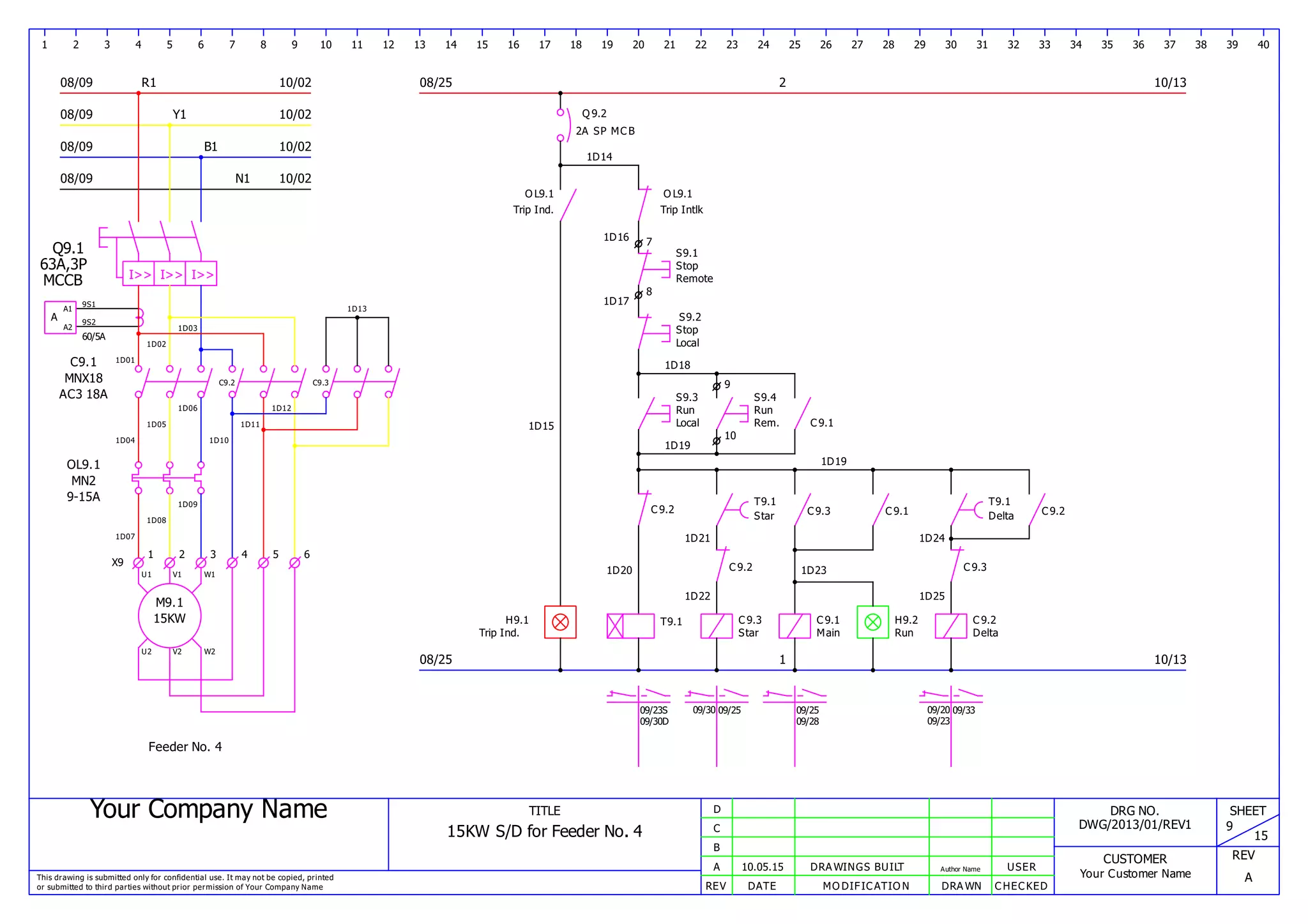
08/09 R1
08/09 Y1
08/09 B1
10/02
10/02
10/02
10/0208/09 N1
08/25
08/25
2
1
10/13
10/13
Q9.1
I>> I>> I>>
63A,3P
MCCB
1D01
1D02
1D03
A
A1
A2
9S1
9S2
60/5A
C9.1
MNX18
AC3 18A
1D04
1D05
1D06
1D07
1D08
1D09
OL9.1
MN2
9-15A
C9.2
1D10
1D11
1D12
C9.3
1D13
X9
1 2 3 4 5 6
M9.1
15KW
U1 V1 W1
U2 V2 W2
Feeder No. 4
Q9.2
2A SP MCB
1D14
OL9.1
Trip Ind.
1D15
H9.1
Trip Ind.
OL9.1
Trip Intlk
1D16 7
8
S9.1
Stop
Remote
1D17
S9.2
Stop
Local
1D18
9
10
S9.3
Run
Local
1D19
1D19
S9.4
Run
Rem.
09/25
C9.1
09/20
C9.2
1D20
T9.1
09/23S
T9.1
Star
1D21
09/23
C9.2
1D22
C9.3
Star
09/25
C9.3
09/28
C9.1
1D23
C9.1
Main
H9.2
Run
09/30D
T9.1
Delta
1D24
09/30
C9.3
1D25
C9.2
Delta
09/33
C9.2
Your Company Name
This drawing is submitted only for confidential use. It may not be copied, printed
or submitted to third parties without prior permission of Your Company Name
TITLE
Feeder No. 5
REV DATE MODIFICATION DRAWN CHECKED
A
B
C
D
10.05.15 DRAWINGS BUILT Author Name USER
DRG NO.
DWG/2013/01/REV1
CUSTOMER
Your Customer Name
SHEET
10
15
REV
A
1 2 3 4 5 6 7 8 9 10 11 12 13 14 15 16 17 18 19 20 21 22 23 24 25 26 27 28 29 30 31 32 33 34 35 36 37 38 39 40
09/09 R1
09/09 Y1
09/09 B1
11/02
11/02
11/02
11/0209/09 N1
09/25
09/25
2
1
11/13
11/13
Q10.1
I>> I>> I>>
63A
3P MCB
1E01
1E02
1E03
1E04
To Feeder No. 5
63A
X10 1 2 3 4
Your Company Name
This drawing is submitted only for confidential use. It may not be copied, printed
or submitted to third parties without prior permission of Your Company Name
TITLE
Feeder No. 6
REV DATE MODIFICATION DRAWN CHECKED
A
B
C
D
10.05.15 DRAWINGS BUILT Author Name USER
DRG NO.
DWG/2013/01/REV1
CUSTOMER
Your Customer Name
SHEET
11
15
REV
A
1 2 3 4 5 6 7 8 9 10 11 12 13 14 15 16 17 18 19 20 21 22 23 24 25 26 27 28 29 30 31 32 33 34 35 36 37 38 39 40
10/09 R1
10/09 Y1
10/09 B1
10/09 N1
10/25
10/25
2
1
Q11.1
I>> I>> I>>
63A
3P MCB
1F01
1F02
1F03
1F04
To Feeder No. 6
63A
X11 1 2 3 4
Your Company Name
This drawing is submitted only for confidential use. It may not be copied, printed
or submitted to third parties without prior permission of Your Company Name
TITLE
TERMINATION DIAGRAM PART 1/1
REV DATE MODIFICATION DRAWN CHECKED
A
B
C
D
10.05.15 DRAWINGS BUILT Author Name USER
DRG NO.
DWG/2013/01/REV1
CUSTOMER
Your Customer Name
SHEET
12
15
REV
A
X6 1
1A07
2
1A08
3
1A09
4
1A12
5
1A13
6
1A14
7
1A15
X7 1
1B07
2
1B08
3
1B09
4
1B12
5
1B13
6
1B14
7
1B15
X8 1
1C07
2
1C08
3
1C09
4
1C10
5
1C11
6
1C12
7
1C16
8
1C17
9
1C18
10
1C19
X9 1
1D07
2
1D08
3
1D09
4
1D10
5
1D11
6
1D12
7
1D16
8
1D17
9
1D18
10
1D19
X10 1
1E01
2
1E02
3
1E03
4
1E04
X11 1
1F01
2
1F02
3
1F03
4
1F04
Your Company Name
This drawing is submitted only for confidential use. It may not be copied, printed
or submitted to third parties without prior permission of Your Company Name
TITLE
GENERAL ARRANGEMENT - EXTERNAL
REV DATE MODIFICATION DRAWN CHECKED
A
B
C
D
10.05.15 DRAWINGS BUILT Author Name USER
DRG NO.
DWG/2013/01/REV1
CUSTOMER
Your Customer Name
SHEET
13
15
REV
A
1800
1700
400
1775
75
E
300
Cable
Alley
500
650
1F1 YR B
Incomer No. 1
500A 3P MCCB
275
1F2(1C)
ON OFF TRIP
A
Feeder No. 3, 11KW S/D
with 40A 3P MCCB
275
1F3(1D)
ON OFF TRIP
A
Feeder No. 4, 15KW S/D
with 63A 3P MCCB
275
1F4(1A)
ON OFF TRIP
Feeder No. 1, 5KW DOL
with 20A 3P MCB
225
1F5(1E)
Feeder No. 5, 63A FDR.
with 63A 3P MCB
300
Bus Bar
Chamber
400
275
2F1(1B)
ON OFF TRIP
Feeder No. 2, 7KW DOL
with 32A 3P MCB
225
2F2(1F)
Feeder No. 6, 63A FDR.
with 63A 3P MCB
275
2F3
Space Only
275
2F4
Space Only
275
2F5
Space Only
375
2F6
Space Only
300
Cable
Alley
Your Company Name
This drawing is submitted only for confidential use. It may not be copied, printed
or submitted to third parties without prior permission of Your Company Name
TITLE
GENERAL ARRANGEMENT - INTERNAL
REV DATE MODIFICATION DRAWN CHECKED
A
B
C
D
10.05.15 DRAWINGS BUILT Author Name USER
DRG NO.
DWG/2013/01/REV1
CUSTOMER
Your Customer Name
SHEET
14
15
REV
A
Panel Depth
400mm
All Dim. in mm
1800
1700
75
300
Cable
Alley
500
650
Q5.1
275
OL8. 1
C8.3 C8.2 C8.1
Q8.1
275
OL9. 1
C9.3 C9.2 C9.1
Q9.1
275
OL6. 1
C6.1
Q6.1
225 Q10.1
300
Bus Bar
Chamber
400
275
OL7. 1
C7.1
Q7.1
225 Q11.1
275
275
275
375
300
Cable
Alley
Your Company Name
This drawing is submitted only for confidential use. It may not be copied, printed
or submitted to third parties without prior permission of Your Company Name
TITLE
BILL OF QUANTITY
REV DATE MODIFICATION DRAWN CHECKED
A
B
C
D
10.05.15 DRAWINGS BUILT Author Name USER
DRG NO.
DWG/2013/01/REV1
CUSTOMER
Your Customer Name
SHEET
15
15
REV
A
30 60 90
29 59 89
28 58 88
27 57 87
26 56 86
25 55 85
24 54 84
23 53 83
22 52 82
21 51 81
20 50 80
19 49 79
18 48 78
17 47 77
16 46 76
15 45 75
14 44 74
13 43 73
12 42 72
11 41 71
10 40 70
9 39 69
8 38 68
7 37 67
6 36 66
5 35 65
4 34 64
3 33 63
2 32 62
1 31 61
S.No. S.No. S.No.Item Description Item Description Item DescriptionMake Make MakeQty Qty Qty
MCCB , 500A 3P L&T 1 No
MCCB , 63A 3P L&T 1 No
MCB , 63A 3P L&T 2Nos
MCCB , 40A 3P L&T 1 No
MCB , 32A 3P L&T 1 No
MCB , 20A 3P L&T 1 No
MCB, 2A DP L&T 1 No
MCB, 4A DP L&T 1 No
MCB, 2A SP L&T 4Nos
Contactor 18A, MNX18 L&T 7Nos
Contactor 9A, MNX9 L&T 1 No
Star Delta Timer L&T 2Nos
Neutral Link Reputed 3Nos
O/L MN2, 9-15A L&T 3Nos
O/L MN2, 6-10A L&T 1 No
CT 60/5A Conzerv 2Nos
Ammeter Conzerv 2Nos
Fuse with Fuse Base 2A L&T 3Nos
Control TX 415/240V Reputed 1 No
Ind Light Red, 240VAC Teknik 5Nos
Ind Light Yellow, 240VAC Teknik 1 No
Ind Light Blue, 240VAC Teknik 1 No
Lum. P.B. (Green) with 1NO Teknik 4Nos
Stand. P.B. (Red) with 1NC Teknik 4Nos

MCC PANEL WIRING, GA and BOM Sample

  • 1.
    Your Company Name Thisdrawing is submitted only for confidential use. It may not be copied, printed or submitted to third parties without prior permission of Your Company Name TITLE ELECTRICAL CABINET DRAWINGS REV DATE MODIFICATION DRAWN CHECKED A B C D 10.05.15 DRAWINGS BUILT Author Name USER DRG NO. DWG/2013/01/REV1 CUSTOMER Your Customer Name SHEET 1 15 REV A System : 3 Phase 4 Wire Supply Frequency : 50Hz Panel Name : Panel No. 1 Panel Type : Motor Control Center Incomer Amps : 500A Power Line Voltage : 415V Control Voltage : 240V
  • 2.
    30 60 90 2959 89 28 58 88 27 57 87 26 56 86 25 55 85 24 54 84 23 53 83 22 52 82 21 51 81 20 50 80 19 49 79 18 48 78 17 47 77 16 46 76 15 45 75 14 44 74 13 43 73 12 42 72 11 41 71 10 40 70 9 39 69 8 38 68 7 37 67 6 36 66 5 35 65 4 34 64 3 33 63 2 32 62 1 31 61 S.No. S.No. S.No.Sheet Title Sheet Title Sheet TitleRevision Revision Revision Cabinet System Details List of Drawings Control Elements Detail Single Line Diagram Incomer #1 Metering Feeder No. 1, 5KW DOL Feeder No. 2, 7KW DOL Feeder No. 3, 11KW S/D Feeder No. 4, 15KW S/D Feeder No. 5, 63A FDR. Feeder No. 6, 63A FDR. Termination Dwg General Arrangement - External General Arrangement - Internal Bill of Quantity Your Company Name This drawing is submitted only for confidential use. It may not be copied, printed or submitted to third parties without prior permission of Your Company Name TITLE LIST OF ALL DRAWINGS REV DATE MODIFICATION DRAWN CHECKED A B C D 10.05.15 DRAWINGS BUILT Author Name USER DRG NO. DWG/2013/01/REV1 CUSTOMER Your Customer Name SHEET 2 15 REV A
  • 3.
    Your Company Name Thisdrawing is submitted only for confidential use. It may not be copied, printed or submitted to third parties without prior permission of Your Company Name TITLE ELEMENTS SYMBOLS REV DATE MODIFICATION DRAWN CHECKED A B C D 10.05.15 DRAWINGS BUILT Author Name USER DRG NO. DWG/2013/01/REV1 CUSTOMER Your Customer Name SHEET 3 15 REV A Contactor NO Contact Contactor NC Contact Contactor Coil Wire/Cable Termination Power/Control Earth Push Button NO Contact Push Button NC Contact Indicating Light ON: Green, Trip: Red Fwd: Green, Rev: Blue Current Transformer Control Transformer Timer On-Delay NO Contact Timer On-Delay NC Contact Timer Coil 10 Selector Switch NO Contact Thermostat NC Contact Neutral Link MCB/MCCB/ACB Single Line Dwg Switch Fuse Unit Single Line Dwg MPCB Single Line Dwg Contactor Single Line Dwg A Meters I>> I>> I>> MCCB/ACB SFU I>> I>> I>> MPCB MCB TP Power Contactor Overload Relay X1 1 2 3 M Motor Capacitor Single Line Dwg Heater Single Line Dwg Sheet Number Reference: XX/YY XX: Sheet No, YY: Column No. Ferrul Number Reference: XXYY XX: Sheet No, YY: Ferrul Number
  • 4.
    Your Company Name Thisdrawing is submitted only for confidential use. It may not be copied, printed or submitted to third parties without prior permission of Your Company Name TITLE SINGLE LINE DIAGRAM REV DATE MODIFICATION DRAWN CHECKED A B C D 10.05.15 DRAWINGS BUILT Author Name USER DRG NO. DWG/2013/01/REV1 CUSTOMER Your Customer Name SHEET 4 15 REV A Incoming Cable (240sqmm Cu) 500A,3P MCCB 20A 3P MCB 4sqmm Cu Cable Cont. AC3,9A OL 6-10A M1 5KW 5KW DOL for Feeder No. 1 32A 3P MCB 6sqmm Cu Cable Cont. AC3,18A OL 9-15A M2 7KW 7KW DOL for Feeder No. 2 40A 3P MCCB 6sqmm Cu Cable Cont. AC3,18A OL 9-15A M3 11KW 11KW Star-Delta for Feeder No. 3 A 60/5A 63A 3P MCCB 6sqmm Cu Cable Cont. AC3,18A OL 9-15A M4 15KW 15KW Star-Delta for Feeder No. 4 A 60/5A 63A 3P MCB 35sqmm Cu Cable F1 63A Feeder for Feeder No. 5 63A 3P MCB 35sqmm Cu Cable F2 63A Feeder for Feeder No. 6
  • 5.
    Your Company Name Thisdrawing is submitted only for confidential use. It may not be copied, printed or submitted to third parties without prior permission of Your Company Name TITLE Incomer #1 Metering REV DATE MODIFICATION DRAWN CHECKED A B C D 10.05.15 DRAWINGS BUILT Author Name USER DRG NO. DWG/2013/01/REV1 CUSTOMER Your Customer Name SHEET 5 15 REV A 1 2 3 4 5 6 7 8 9 10 11 12 13 14 15 16 17 18 19 20 21 22 23 24 25 26 27 28 29 30 31 32 33 34 35 36 37 38 39 40 Incoming Cable (240sqmm Cu) R R1 Y Y1 B B1 R1 Y1 B1 N N1 N1I>> I>> I>> Q5.1 500A,3P MCCB 2A Fuse 0501 0502 0503 R Y B Y1 R1 Q5.2 2A MCB 0504 0505 TX5.1 415V/240V 0506 0507 1 2 Q5.3 4A MCB 1 2 06/02 06/02 06/02 06/02 06/14 06/14
  • 6.
    Your Company Name Thisdrawing is submitted only for confidential use. It may not be copied, printed or submitted to third parties without prior permission of Your Company Name TITLE 5KW DOL for Feeder No. 1 REV DATE MODIFICATION DRAWN CHECKED A B C D 10.05.15 DRAWINGS BUILT Author Name USER DRG NO. DWG/2013/01/REV1 CUSTOMER Your Customer Name SHEET 6 15 REV A 1 2 3 4 5 6 7 8 9 10 11 12 13 14 15 16 17 18 19 20 21 22 23 24 25 26 27 28 29 30 31 32 33 34 35 36 37 38 39 40 05/39 R1 05/39 Y1 05/39 B1 07/02 07/02 07/02 07/0205/39 N1 05/39 05/39 2 1 07/13 07/13 Q6.1 I>> I>> I>> 20A 3P MCB 1A01 1A02 1A03 C6.1 MNX9 AC3 9A 1A04 1A05 1A06 1A07 1A08 1A09 OL6.1 MN2 6-10A X6 1 2 3 M6.1 5KW U1 V1 W1 Feeder No. 1 Q6.2 2A SP MCB 1A10 OL6.1 Trip Ind. 1A11 H6.1 Trip Ind. H6.2 Run Run Run Run OL6.1 Trip Intlk 1A12 4 S6.1 Stop Remote 1A13 5 S6.2 Stop Local 1A14 6 7 S6.3 Local 1A15 S6.4 Rem. 06/25 C6.1 C6.1
  • 7.
    Your Company Name Thisdrawing is submitted only for confidential use. It may not be copied, printed or submitted to third parties without prior permission of Your Company Name TITLE 7KW DOL for Feeder No. 2 REV DATE MODIFICATION DRAWN CHECKED A B C D 10.05.15 DRAWINGS BUILT Author Name USER DRG NO. DWG/2013/01/REV1 CUSTOMER Your Customer Name SHEET 7 15 REV A 1 2 3 4 5 6 7 8 9 10 11 12 13 14 15 16 17 18 19 20 21 22 23 24 25 26 27 28 29 30 31 32 33 34 35 36 37 38 39 40 06/09 R1 06/09 Y1 06/09 B1 08/02 08/02 08/02 08/0206/09 N1 06/25 06/25 2 1 08/13 08/13 Q7.1 I>> I>> I>> 32A 3P MCB 1B01 1B02 1B03 C7.1 MNX18 AC3 18A 1B04 1B05 1B06 1B07 1B08 1B09 OL7.1 MN2 9-15A X7 1 2 3 M7.1 7KW U1 V1 W1 Feeder No. 2 Q7.2 2A SP MCB 1B10 OL7.1 Trip Ind. 1B11 H7.1 Trip Ind. H7.2 Run Run Run Run OL7.1 Trip Intlk 1B12 4 S7.1 Stop Remote 1B13 5 S7.2 Stop Local 1B14 6 7 S7.3 Local 1B15 S7.4 Rem. 07/25 C7.1 C7.1
  • 8.
    Your Company Name Thisdrawing is submitted only for confidential use. It may not be copied, printed or submitted to third parties without prior permission of Your Company Name TITLE 11KW S/D for Feeder No. 3 REV DATE MODIFICATION DRAWN CHECKED A B C D 10.05.15 DRAWINGS BUILT Author Name USER DRG NO. DWG/2013/01/REV1 CUSTOMER Your Customer Name SHEET 8 15 REV A 1 2 3 4 5 6 7 8 9 10 11 12 13 14 15 16 17 18 19 20 21 22 23 24 25 26 27 28 29 30 31 32 33 34 35 36 37 38 39 40 07/09 R1 07/09 Y1 07/09 B1 09/02 09/02 09/02 09/0207/09 N1 07/25 07/25 2 1 09/13 09/13 Q8.1 I>> I>> I>> 40A,3P MCCB 1C01 1C02 1C03 A A1 A2 8S1 8S2 60/5A C8.1 MNX18 AC3 18A 1C04 1C05 1C06 1C07 1C08 1C09 OL8.1 MN2 9-15A C8.2 1C10 1C11 1C12 C8.3 1C13 X8 1 2 3 4 5 6 M8.1 11KW U1 V1 W1 U2 V2 W2 Feeder No. 3 Q8.2 2A SP MCB 1C14 OL8.1 Trip Ind. 1C15 H8.1 Trip Ind. OL8.1 Trip Intlk 1C16 7 8 S8.1 Stop Remote 1C17 S8.2 Stop Local 1C18 9 10 S8.3 Run Local 1C19 1C19 S8.4 Run Rem. 08/25 C8.1 08/20 C8.2 1C20 T8.1 08/23S T8.1 Star 1C21 08/23 C8.2 1C22 C8.3 Star 08/25 C8.3 08/28 C8.1 1C23 C8.1 Main H8.2 Run 08/30D T8.1 Delta 1C24 08/30 C8.3 1C25 C8.2 Delta 08/33 C8.2
  • 9.
    Your Company Name Thisdrawing is submitted only for confidential use. It may not be copied, printed or submitted to third parties without prior permission of Your Company Name TITLE 15KW S/D for Feeder No. 4 REV DATE MODIFICATION DRAWN CHECKED A B C D 10.05.15 DRAWINGS BUILT Author Name USER DRG NO. DWG/2013/01/REV1 CUSTOMER Your Customer Name SHEET 9 15 REV A 1 2 3 4 5 6 7 8 9 10 11 12 13 14 15 16 17 18 19 20 21 22 23 24 25 26 27 28 29 30 31 32 33 34 35 36 37 38 39 40 08/09 R1 08/09 Y1 08/09 B1 10/02 10/02 10/02 10/0208/09 N1 08/25 08/25 2 1 10/13 10/13 Q9.1 I>> I>> I>> 63A,3P MCCB 1D01 1D02 1D03 A A1 A2 9S1 9S2 60/5A C9.1 MNX18 AC3 18A 1D04 1D05 1D06 1D07 1D08 1D09 OL9.1 MN2 9-15A C9.2 1D10 1D11 1D12 C9.3 1D13 X9 1 2 3 4 5 6 M9.1 15KW U1 V1 W1 U2 V2 W2 Feeder No. 4 Q9.2 2A SP MCB 1D14 OL9.1 Trip Ind. 1D15 H9.1 Trip Ind. OL9.1 Trip Intlk 1D16 7 8 S9.1 Stop Remote 1D17 S9.2 Stop Local 1D18 9 10 S9.3 Run Local 1D19 1D19 S9.4 Run Rem. 09/25 C9.1 09/20 C9.2 1D20 T9.1 09/23S T9.1 Star 1D21 09/23 C9.2 1D22 C9.3 Star 09/25 C9.3 09/28 C9.1 1D23 C9.1 Main H9.2 Run 09/30D T9.1 Delta 1D24 09/30 C9.3 1D25 C9.2 Delta 09/33 C9.2
  • 10.
    Your Company Name Thisdrawing is submitted only for confidential use. It may not be copied, printed or submitted to third parties without prior permission of Your Company Name TITLE Feeder No. 5 REV DATE MODIFICATION DRAWN CHECKED A B C D 10.05.15 DRAWINGS BUILT Author Name USER DRG NO. DWG/2013/01/REV1 CUSTOMER Your Customer Name SHEET 10 15 REV A 1 2 3 4 5 6 7 8 9 10 11 12 13 14 15 16 17 18 19 20 21 22 23 24 25 26 27 28 29 30 31 32 33 34 35 36 37 38 39 40 09/09 R1 09/09 Y1 09/09 B1 11/02 11/02 11/02 11/0209/09 N1 09/25 09/25 2 1 11/13 11/13 Q10.1 I>> I>> I>> 63A 3P MCB 1E01 1E02 1E03 1E04 To Feeder No. 5 63A X10 1 2 3 4
  • 11.
    Your Company Name Thisdrawing is submitted only for confidential use. It may not be copied, printed or submitted to third parties without prior permission of Your Company Name TITLE Feeder No. 6 REV DATE MODIFICATION DRAWN CHECKED A B C D 10.05.15 DRAWINGS BUILT Author Name USER DRG NO. DWG/2013/01/REV1 CUSTOMER Your Customer Name SHEET 11 15 REV A 1 2 3 4 5 6 7 8 9 10 11 12 13 14 15 16 17 18 19 20 21 22 23 24 25 26 27 28 29 30 31 32 33 34 35 36 37 38 39 40 10/09 R1 10/09 Y1 10/09 B1 10/09 N1 10/25 10/25 2 1 Q11.1 I>> I>> I>> 63A 3P MCB 1F01 1F02 1F03 1F04 To Feeder No. 6 63A X11 1 2 3 4
  • 12.
    Your Company Name Thisdrawing is submitted only for confidential use. It may not be copied, printed or submitted to third parties without prior permission of Your Company Name TITLE TERMINATION DIAGRAM PART 1/1 REV DATE MODIFICATION DRAWN CHECKED A B C D 10.05.15 DRAWINGS BUILT Author Name USER DRG NO. DWG/2013/01/REV1 CUSTOMER Your Customer Name SHEET 12 15 REV A X6 1 1A07 2 1A08 3 1A09 4 1A12 5 1A13 6 1A14 7 1A15 X7 1 1B07 2 1B08 3 1B09 4 1B12 5 1B13 6 1B14 7 1B15 X8 1 1C07 2 1C08 3 1C09 4 1C10 5 1C11 6 1C12 7 1C16 8 1C17 9 1C18 10 1C19 X9 1 1D07 2 1D08 3 1D09 4 1D10 5 1D11 6 1D12 7 1D16 8 1D17 9 1D18 10 1D19 X10 1 1E01 2 1E02 3 1E03 4 1E04 X11 1 1F01 2 1F02 3 1F03 4 1F04
  • 13.
    Your Company Name Thisdrawing is submitted only for confidential use. It may not be copied, printed or submitted to third parties without prior permission of Your Company Name TITLE GENERAL ARRANGEMENT - EXTERNAL REV DATE MODIFICATION DRAWN CHECKED A B C D 10.05.15 DRAWINGS BUILT Author Name USER DRG NO. DWG/2013/01/REV1 CUSTOMER Your Customer Name SHEET 13 15 REV A 1800 1700 400 1775 75 E 300 Cable Alley 500 650 1F1 YR B Incomer No. 1 500A 3P MCCB 275 1F2(1C) ON OFF TRIP A Feeder No. 3, 11KW S/D with 40A 3P MCCB 275 1F3(1D) ON OFF TRIP A Feeder No. 4, 15KW S/D with 63A 3P MCCB 275 1F4(1A) ON OFF TRIP Feeder No. 1, 5KW DOL with 20A 3P MCB 225 1F5(1E) Feeder No. 5, 63A FDR. with 63A 3P MCB 300 Bus Bar Chamber 400 275 2F1(1B) ON OFF TRIP Feeder No. 2, 7KW DOL with 32A 3P MCB 225 2F2(1F) Feeder No. 6, 63A FDR. with 63A 3P MCB 275 2F3 Space Only 275 2F4 Space Only 275 2F5 Space Only 375 2F6 Space Only 300 Cable Alley
  • 14.
    Your Company Name Thisdrawing is submitted only for confidential use. It may not be copied, printed or submitted to third parties without prior permission of Your Company Name TITLE GENERAL ARRANGEMENT - INTERNAL REV DATE MODIFICATION DRAWN CHECKED A B C D 10.05.15 DRAWINGS BUILT Author Name USER DRG NO. DWG/2013/01/REV1 CUSTOMER Your Customer Name SHEET 14 15 REV A Panel Depth 400mm All Dim. in mm 1800 1700 75 300 Cable Alley 500 650 Q5.1 275 OL8. 1 C8.3 C8.2 C8.1 Q8.1 275 OL9. 1 C9.3 C9.2 C9.1 Q9.1 275 OL6. 1 C6.1 Q6.1 225 Q10.1 300 Bus Bar Chamber 400 275 OL7. 1 C7.1 Q7.1 225 Q11.1 275 275 275 375 300 Cable Alley
  • 15.
    Your Company Name Thisdrawing is submitted only for confidential use. It may not be copied, printed or submitted to third parties without prior permission of Your Company Name TITLE BILL OF QUANTITY REV DATE MODIFICATION DRAWN CHECKED A B C D 10.05.15 DRAWINGS BUILT Author Name USER DRG NO. DWG/2013/01/REV1 CUSTOMER Your Customer Name SHEET 15 15 REV A 30 60 90 29 59 89 28 58 88 27 57 87 26 56 86 25 55 85 24 54 84 23 53 83 22 52 82 21 51 81 20 50 80 19 49 79 18 48 78 17 47 77 16 46 76 15 45 75 14 44 74 13 43 73 12 42 72 11 41 71 10 40 70 9 39 69 8 38 68 7 37 67 6 36 66 5 35 65 4 34 64 3 33 63 2 32 62 1 31 61 S.No. S.No. S.No.Item Description Item Description Item DescriptionMake Make MakeQty Qty Qty MCCB , 500A 3P L&T 1 No MCCB , 63A 3P L&T 1 No MCB , 63A 3P L&T 2Nos MCCB , 40A 3P L&T 1 No MCB , 32A 3P L&T 1 No MCB , 20A 3P L&T 1 No MCB, 2A DP L&T 1 No MCB, 4A DP L&T 1 No MCB, 2A SP L&T 4Nos Contactor 18A, MNX18 L&T 7Nos Contactor 9A, MNX9 L&T 1 No Star Delta Timer L&T 2Nos Neutral Link Reputed 3Nos O/L MN2, 9-15A L&T 3Nos O/L MN2, 6-10A L&T 1 No CT 60/5A Conzerv 2Nos Ammeter Conzerv 2Nos Fuse with Fuse Base 2A L&T 3Nos Control TX 415/240V Reputed 1 No Ind Light Red, 240VAC Teknik 5Nos Ind Light Yellow, 240VAC Teknik 1 No Ind Light Blue, 240VAC Teknik 1 No Lum. P.B. (Green) with 1NO Teknik 4Nos Stand. P.B. (Red) with 1NC Teknik 4Nos