SOLID OXIDE FUEL CELL:
DESIGN IMPROVEMENTS OF THE ELECTROSTATIC SPRAY
DEPOSITION SYSTEM AND CELL TEST STATION
DEVELOPMENT
BY
ARTURO VEIGA LÓPEZ
Submitted in partial fulfillment of the
requirements for the degree of
Master in Mechanical and Aerospace Engineering
in the Graduate College of the
Illinois Institute of Technology
Chicago, Illinois
October 2013
Master Project. Arturo Veiga López 2
Acknowledgements
Foremost, I would like to express my sincere gratitude to my advisor Prof. Philip Nash
for the continuous support during my stay in the Illinois Institute of Technology and
for giving me this opportunity; for his patience, motivation, and knowledge. His
guidance has helped me during my research. I would also like to thank Prof. Robert
Selman for his encouragement, insightful comments, and hard questions.
I thank my fellow labmate Quanzhi He, I am grateful to for his support and guidance in
the laboratory. I also would like to thank Russ Janota for his assistance throughout my
experiments.
Last, but not least, I would like to thank my sister Almudena for all her help and advice
during these years, for her support and encouragement, without you this wouldn´t be
possible. And also to my brother in law Carlos for his continuous encouragement.
My parents, Encarnación and Alfonso, receive my deepest gratitude and love for their
dedication and the many years of support during my undergraduate and college
studies that provided the foundation for this work.
Master Project. Arturo Veiga López 3
Table of contents
Acknowledgement………………………………………………………………………………………………. 2
List of figures………………………………………………………………………………………………………. 5
List of symbols…………………………………………………………………………………………………..... 8
Abstract……………………………………………………………………………………………………………… 10
Chapter
1. Introduction and background…………………………………………………………………11
1.1. Introduction……………………………………………………………………………..11
1.1.1. Planning and work breakdown structure (WBS)………….. 12
1.1.2. Cost analysis………………………………………………………………..14
1.2. General overview and background………………………...…………………. 17
1.2.1. Principles of SOFC………………………………………………………..17
1.2.2. Fuel Cell Performance ………………………………………..………..20
2. Development of a SOFC electrolyte with ESD technique…………………..…........25
2.1. Introduction and objectives……………………………………………………… 25
2.2. Development of an enhanced spray system……………………………......28
2.2.1. Spray stability…………………..…………………..………………………….…….29
2.2.1.1. Design requirements……………………………………………..…. 29
2.2.1.2. Experiment methodology…………………………………………. 32
2.2.1.3. Experiment results………………….……………..………………….34
2.2.2. Increasing the powder concentration of the suspension ………….39
2.2.2.1. Electrostatic stabilization.…………………..……………………..42
2.2.2.2. Steric stabilization…………………..………………………………...42
Master Project. Arturo Veiga López 4
3. SOFC Design, operation and results…………………………………..…………………….44
3.1. Design of the SOFC test station…………………..………………………….......44
3.1.1. Principles of design of the SOFC test station………………….44
3.1.2. Parts of the SOFC test station…………………..……………..…….45
3.2. Preparation of the experiment ……………………………………………….....54
3.2.1. Assembly process of the fuel cell …………………..…………......54
3.2.2. Experimental AC impedance procedure ……………..………...58
3.3 Results …………..…………………………..…………………………..……………..…..61
3.3.1. Open circuit potential …………..…………………………..…...…….61
3.3.2. Voltage and current curve (i-V) ……………..…………….……… 62
3.3.3. Electrochemical impedance spectroscopy ……………..……..65
4. Conclusion ..……………..………………………..………………………..…………………………68
References ……………..………………………..…………………………..…………………………………..….70
Master Project. Arturo Veiga López 5
List of figures
Figure 1.1. Work Breakdown Structure of the project (WBS).
Figure 1.2. Gant Chart of the project.
Figure 1.3. Schematic of a SOFC.
Figure 1.4. i-V curve with Tafel fitting .
Figure 1.5. Application of a voltage perturbation creates a current response
maintaining the linearity.
Figure 1.6. Physical sketch, equivalent circuit and Nyquist plot of an interface.
Figure 1.7. Physical sketch, equivalent circuit and Nyquist plot of an entire fuel cell.
Figure 2.1. Schematic of Sketch of the Electrostatic Spray Deposition technique.
Figure 2.2. Schematic of Coulomb force between two particles. Particles with the same
charge repel each other.
Figure 2.3. Electrostatic Spray Deposition System developed by He, 2013. Syringe and
pump (top left are connected to the nuzzle (top right). Note detail of heated substrate
(top right).
Figure 2.4. Improved spray system.
Figure 2.5. Types of spray based on distance to voltage combinations. Flow rate and
temperature used were 1ml/h and 230C, respectively. Note that four modes of spray
can be achieved: sputtering, squirt, cone jet, and dripping. Refer to text for an in depth
explanation of each mode.
Figure 2.6. Left: Cone Jet Spray: Ideal spray mode. Uniform spray guarantees best
results. Right: Cone Jet Spray deposition result. Note uniformity of deposit.
Figure 2.7. Different samples of YSZ sprayed onto a silicon substrate.
Figure 2.8. SEM micrograph of the sample obtained with a spray time of 30 min using
original spray system.
Figure 2.9. SEM micrograph of the sample obtained with a spray time of 30 min using
new spray system without vacuum.
Figure 2.10. SEM micrograph of the sample obtained with a spray time of 1 hour using
new spray system without vacuum.
Master Project. Arturo Veiga López 6
Figure 2.11. SEM micrograph of the sample obtained with a spray time of 14 hours
using new spray system without vacuum.
Figure 2.12. SEM micrograph of the sample obtained with a spray time of 14 hours
using new spray system without vacuum.
Figure 2.13. SEM micrograph of the sample obtained with a spray time of 17 hours
using new spray system without vacuum.
Figure 2.14. Schematic of forces that a particle is subjected to when in a fluid.
Gravitational and drag forces are opposite.
Figure 2.15. Schematic representation of potentials involved in a particle (surface
charge , Stern potential and Zeta potential).
Figure 2.16. Schematic representation of electrostatic stabilization.
Figure 2.17. Schematic representation of steric stabilization.
Figure 3.1. Schematic sketch the Solid Oxide Fuel Cell (SOFC) system and its parts.
Figure 3.2. Schematic of the hot temperature gas system.
Figure 3.3. Zirconia tube.
Figure 3.4. Anode-supported fuel cell characteristics model ASC-2.0.
Figure 3.5. Schematic of the assembly of the fuel cell.
Figure 3.6. SEM of silver wire in contact with Aremco Cement at 800C.
Figure 3.7. Composition of the surface of the Ag in contact with Aremco Cement at
800C.
Figure 3.8. SEM of silver wire near Aremco Cement at 800C.
Figure 3.9. Composition of the surface of the Ag near Aremco Cement at 800C.
Figure 3.10. Image of the Zirconia and inconel tubes with the furnace open.
Figure 3.11. Detailed view of the silver mesh impregnated with the ink and connected
to the wire.
Figure 3.12. Detailed view of the cathode side of the fuel cell mounted in the Zirconia
tube.
Figure 2.13. Final placement of the fuel cell before the test.
Figure 3.14. Curing curves for a layer of cement
Figure 3.15. Schematic of the two electrode connection diagram.
Master Project. Arturo Veiga López 7
Figure 3.16. Open circuit potential curve. At 800C and 97% H2 and 3% H2O.
Figure 3.17. i-V curve. At 800C and 97% H2 and 3% H2O.
Figure 3.18. Power density curve. At 800C and 97% H2 and 3% H2O.
Figure 3.19. Fuel cell performance curves. Fuel Cell Materials data sheet for model
ASC-2.0.
Figure 3.20. Results AC impedance spectrocopy. At 800C and 97% H2 and 3% H2O.
Figure 3.21. Equivalent circuit of the fuel cell.
Figure 3.22. Experimental results (red); Fitting results (green).
Master Project. Arturo Veiga López 8
List of symbols
ASI Specific Area Impedance
C Capacitance
Ethermo Thermodynamically predicted voltage of fuel cell.
EIS Electrochemical Impedance Spectroscopy
ESD Electrostatic Spray Deposition
Fd Drag force
Fg Gravity force
FC Fuel Cell
FRA Frequency Response Analyzer
g gravity
i-V Current-Voltage
OPC Open Circuit Potential
R Radious of the particle
R Resistance
Rf Faradic Resistance
RΩ Ohmic Resistance
SEM Scanning Electron Microscope
SOFC Solid Oxide Fuel Cell
V Settling velocity
V Voltage
Vp Volume of the particle
WBS Work Breakdown Structure
YSZ Yttria-stabilized Zirconia
Z Impedance
Zreal Real part of the Impedance
Zimag Imaginary part of the impedance
act Activation losses due to reaction kinetics.
ohmic Ohmic losses from ionic and electronic losses.
conc Concentration losses due to mass transport.
Master Project. Arturo Veiga López 9
µ Dynamic viscosity
ρf Fluid density
ρp Particle density
ω Frequency
Master Project. Arturo Veiga López 10
1. Abstract
The current project work focuses on the principles of fuel cells and the parameters
that measure the performance of a solid oxide fuel cell. The first two aims of the study
were to enhance the efficiency of the Electrostatic Spray Deposition (ESD) spray by
improving the spray stability. This can be achieved by increasing a more
homogeneous supply of particle by the ESD spray. Two main factors were studied; the
settling of the particles and the tendency of the particles to stick to the container
walls. The finished system was tested spraying layers of YSZ up to 14 hours and 70
microns of thickness. From our results we can conclude that this system is
appropriate to produce a stable spray system for YSZ and that the desired thickness
can be obtained varying the deposition time. The third aim of the study was to assess
the performance of a solid oxide fuel cell in order to improve its efficiency. For that, a
solid oxide fuel cell test station was designed and manufactured and the performance
of a commercially available fuel cell was evaluated. In conclusion, the fuel cell testing
system was validated and showed a fairly good approximation to the values provided
by the manufacturer, validating the functionality of the test station. Additional
improvements and research are warranted to achieve a fully reproducible and
commercially available solid oxide fuel cell.
Master Project. Arturo Veiga López 11
1. Introduction and background
1.1. Introduction
This project was part of the research focus of Professor Philip Nash and in collaboration with
Professor J. Robert Selman in the field of Solid Oxide Fuel Cells. The ultimate goal is to build a
Fuel Cell using the Electrostatic Spray Deposition technique in one step. The objective is to
achieve a sensible more efficient Fuel Cell in terms of electricity produced per unit of fuel, but
also developing a simple, low cost and scalable manufacturing process.
This research first started 2011 with the Master’s student Quanzhi He and I continued on the
project starting in September of 2012 as part of my research training during my Master in
Mechanical and Aerospace Engineering.
From my perspective this was a great opportunity to learn a new technology. The challenges
of this project were beyond the simply material science knowledge. This project combines
disciplines such as electrochemistry, material science, and fluid dynamics with nanoparticles.
This was a broad field that allowed to broaden my knowledge and challenged me every day.
Because most of the equipment used was design and build with the help of the faculty of the
Mechanical, Materials and Aerospace Engineering department, it also gave me the opportunity
of being part of designing and prototyping the equipment that will be used to perform those
tests and that will be used in the future by future colleagues.
Master Project. Arturo Veiga López 12
1.1.1. Planning and work breakdown structure (WBS)
This project was developed from September 2012 to October 2013 and was subjected to
changes of scope due to time and resource constraints, or due to unplanned challenges and
pitfalls along the process.
The following diagram shows the work breakdown structure of the project. In brief, the
structure has three components: The study of the Electrochemical Impedance Spectroscopy
(EIS) which is the technique that will be used for test the performance of a SOFC. The
Electrostatic Spray Deposition that is the technique used to build the SOFC and here a new
system was design build and tested. And the SOFC test station which is the system that checks
the performance of the SOFC, and here includes the design, build and test with a commercial
fuel cell.
3. SOFC2. ESD1. Study EIS
WBS
1.1. Principles
1.2. Test
with batteries
3.1. Design
Test station
3.2. Build
Test station
2.2. Build
New ESD system
2.3. Spray
YSZ
2.1. Design
New ESD system
3.3 Test
Commercial FC
Figure 1.1. Work Breakdown Structure of the project (WBS).
Master Project. Arturo Veiga López 13
A simplified Gant chart is showed in the figure 1.2. in order to give a basic time frame of the project and the activities executed during the
project.
Work breakdown
structure
2012 2013
9 10 11 12 1 2 3 4 5 6 7 8 9
EIS
Study principles FC
Study EIS technique
Battery tests
Equivalent circuit
Test
Station
Design
Build
Sealing Tests
Leakage repair
Improve system
ESD
Learn technique
Prototyping
Design final
Build final design
Repair Voltage control
Spray new system
SOFC
Test
Build test station
OCP
I-V
EIS
Write thesis
Figure 1.2. Gant Chart of the project.
Master Project. Arturo Veiga López 14
1.1.2. Cost analysis
The current project has been fully funded by Professor Philip Nash, and my advisor during
this project.
Although a detailed breakdown of all the costs involved in this project has not been
conducted, we have estimated that the total cost of the project is ~ $100,000. However, many
items are difficult to estimate, such as work hours, specialists consultation, amortization of
high specialized-equipment, software used, maintenance and hours of labor to build the
prototypes.
Only a fraction of the real cost of the project is shown here (see Tables 1.1 and 1.2), namely
the materials needed to build a test for a Solid Oxide Fuel Cell (SOFC) station and the
improved in the existing Electrostatic Spray Deposition (EDS) system. It important to consider
that also these materials are part of the ones used in other projects, specially the equipment
like the inductance oven and heaters for the SOFC test station. In the EDS system the High
Voltage power supply, syringe pump, and substrate heater were reused from other research
projects.
The following itemized list of materials is only to be used as a guide for the total cost of the
materials to facilitate a better understanding of the whole project.
Master Project. Arturo Veiga López 15
Table 1.1. New EDS system materials.
Line Quantity Product Unit Price Total Price
1 1 8486K545 Optically Clear Cast Acrylic Tube, 2-1/2" OD X 2" ID, 1' Length 34.94 34.94
2 10 9685T3 High-Pressure White Nylon Tubing, .15" ID, 1/4" OD, .05" Wall Thickness 0.85 8.5
3 3 5012K38 Acetal Quick-Disconnect Coupling, Socket, 1/8 Coupling, for 1/8" Tube ID 6.91 20.73
4 3 5012K46 Acetal Quick-Disconnect Coupling, Plug, 1/8 Coupling, 1/8" Male NPT 7.01 21.03
5 1 51525K221 Plastic Quick-Turn (Luer Lock) Coupling, Nylon, Male X Male Thread, 1/4" 5.25 5.25
6 2 2930T63 Type 316 Stainless Steel Wire Cloth Disc, 100 X 100 Mesh, 2-9/16" 6.45 12.9
7 1 9319T183 Super-Corrosion-Resistant 316 Stainless Steel, 100X100 Mesh 8.59 8.59
8 10 8359K14 High-Strength Clear Nylon Tubing, .190" ID, 1/4" OD, .030" Wall Thickness 0.36 3.6
9 1 8560K358 Optically Clear Cast Acrylic Sheet, 1/4" Thick, 6" X 6" 5.49 5.49
10 2 5392K11 Rigid White Polypropylene Tubing, 1/8" ID, 1/4" OD, 1/16" Wall Thickness 0.48 0.96
11 2 53945K111 Hard-Wall Rigid Clear PVC Tubing, .170" ID, 1/4" OD, .04" Wall Thickness 0.84 1.68
12 1 1901K11 Chemical-Resistant PVDF Tube Fitting, 90 Degree Elbow for 1/4" Tube OD 4.5 4.5
13 1 51055K984 White Acetal Instant Tube Fitting, 90 Degree Elbow for 1/4" Tube OD 2.73 2.73
14 1 8560K275 Optically Clear Cast Acrylic Sheet, 1/8" Thick, 6" X 12" 5.07 5.07
15 1 8547K62 Tube Made of Teflon(R) PTFE, 1/2" OD X 5/16" ID, 1' Length 7.89 7.89
16 3 5128A62 Low-Profile Hold-Down Toggle Clamp, Standard, Steel 8.58 25.74
17 1 8486K555 Optically Clear Cast Acrylic Tube, 3" OD X 2-1/2" ID, 1' Length 35.73 35.73
18 2 5678K111 Magnetic Stirring Bar, Ocatagonal, 1/2" Length, 5/16" OD 3.96 7.92
19 2 5678K112 Magnetic Stirring Bar, Octagonal, 5/8" Length, 5/16" OD 4.41 8.82
20 5 52705K31 Ultra-Clear PFA Tubing, 1/16" ID, 1/8" OD, 1/32" Wall Thickness, Clear 1.52 7.6
21 1 91772A165 18-8 Stainless Steel Pan Head Phillips Machine Screw, 6-32 Thread 6.66 6.66
22 1 9545K27 Push-in Tapered Round Rubber Plug, Through Hole 8.33 8.33
23 1 9545K18 Push-in Tapered Round Rubber Plug, Solid, Size 6, Fits 1-1/4" 15.91 15.91
260.57TOTAL
New ESD System
Master Project. Arturo Veiga López 16
Table 1.2. SOFC test station materials.
Line Quantity Product Description Unit Price Total Price
1 1 4757K61 Miniature PVC Ball Valve Diverting, 3-Port, Push-to-Connect 20.61$ 20.61$
2 50 5195T64 Water-Resistant Clear Polyurethane Tubing 3/16" 0.39$ 19.50$
3 1 89495K151 Stainless Steel Round Tube Type 304, 3" OD, 2-1/2" 90.05$ 90.05$
4 2 5182K256 Type 316 SS Yor-Lok Tube Fitting Adapter for 1/4" Tube NPT 19.23$ 38.46$
5 2 50775K403 Tube Support for 1/4" Tube ID Durable Nylon Compression Tube Fitting 6.09$ 12.18$
6 1 6811A22 Super-High Temperature Wrap for Wire and Cable Protection 5.16$ 5.16$
7 30 5195T64 Water-Resistant Clear Polyurethane Tubing 3/16" ID, 1/4" OD 0.39$ 11.70$
8 1 89495K151 Stainless Steel Round Tube Type 304, 3" OD, 2-1/2" 90.05$ 90.05$
9 1 50775K403 Tube Support for 1/4" Tube OD Durable Nylon Compression Tube Fitting 6.09$ 6.09$
10 1 4093T21 Diverting 3-Port Brass Ball Valve Any-Direction, 1/4" NPT Female 41.64$ 41.64$
11 1 92001A291 18-8 Stainless Steel Wing Nut 8-32 Thread Size, 29/32" Wing Spread 6.58$ 6.58$
12 1 92141A011 18-8 SS General Purpose Flat Washer NO. 10 Screw Size, 7/16" OD 2.33$ 2.33$
13 2 47065T142 Std Zinc-Plated STL End-Feed Fastener, for 1" Aluminum Inch T-Slotted 2.30$ 4.60$
14 1 87175K93 NON-Porous High Alumina Ceramic Tube 4 Bore, .188" OD 27.88$ 27.88$
15 1 5182K269 Type 316 SS Yor-Lok Tube Fitting Adapter for 1/2" NPT Female Pipe 20.04$ 20.04$
16 1 87175K91 NON-Porous High Alumina Ceramic Tube 4 Bore, .188" OD 20.91$ 20.91$
17 1 92001A291 18-8 Stainless Steel Wing Nut 8-32 Thread Size, 29/32" Wing Spread 6.58$ 6.58$
18 1 92141A011 18-8 SS General Purpose Flat Washer NO. 10 Screw Size, 7/16" OD 2.33$ 2.33$
19 2 47065T142 Std Zinc-Plated STL End-Feed Fastener, for 1" Aluminum Inch T-Slotted 2.30$ 4.60$
20 1 5182K269 Type 316 SS Yor-Lok Tube Fitting Adapter for 1/2" Tube OD X 1/4" NPT 20.04$ 20.04$
21 1 9922K121 Corrosion-Resistant Steel Tubing 1/4" OD, .18" ID 18.97$ 18.97$
22 3 5182K577 Type 316 SS Yor-Lok Tube Fitting Front and back Sleeve for 1/2" Tube OD 4.50$ 13.50$
24 3 5182K557 Type 316 SS Yor-Lok Tube Fitting Nut for 1/2" Tube OD 5.25$ 15.75$
25 1 5182K129 Type 316 SS Yor-Lok Tube Fitting Adapter for 1/2" NPT Male Pipe 16.32$ 16.32$
26 1 5182K269 Type 316 SS Yor-Lok Tube Fitting Adapter for 1/2" NPT Female Pipe 20.04$ 20.04$
27 2 47065T206 Aluminum Inch T-Slotted Framing System Single Horiz Tube Holder 36.12$ 72.24$
28 1 47065T101 Aluminum Inch T-Slotted Framing System Four-Slot Single 14.20$ 14.20$
29 8 47065T223 Aluminum Inch T-Slotted Framing System 90 Degree Bracket 3.98$ 31.84$
30 1 9657K302 Steel Compression Spring Zinc-Pltd Music Wire, 1.00" L,.300" OD 9.80$ 9.80$
31 1 91792A209 18-8 SS Pan Head Slotted Machine Screw 8-32 Thread, 3" Length 7.01$ 7.01$
32 1 9435K43 302 SS Precision Compression Spring 1.0" Length, .24" OD, 5.02$ 5.02$
33 1 9246K11 Multipurpose Aluminum (Alloy 6061) 1/4" Thick, 8" X 8" 17.38$ 17.38$
34 1 8746K541 NON-Porous High-Alumina Ceramic Tube .875" OD, 5/8" ID, 12" Length 67.60$ 67.60$
35 1 8746K542 NON-Porous High-Alumina Ceramic Tube .875" OD, 5/8" ID, 24" Length 122.90$ 122.90$
36 1 9396K104 Silicone O-Ring AS568A Dash Number 020, Packs of 25 5.27$ 5.27$
37 4 3854T81 Clear Plastic Petri Dish with Cover, 3-1/2" Diameter, 5/8" Height 6.62$ 26.48$
38 1 5943K232 Cleaned and Bagged Yor-Lok SS Tube Fitting Branch Tee for 1/2" NPT 56.42$ 56.42$
39 3 5182K755 Type 316 SS Yor-Lok Tube Fitting Tube Stem Reducing Cplg for 1/2" 13.33$ 39.99$
40 5 5182K574 Type 316 SS Yor-Lok Tube Fitting Front & Back Sleeve for 1/4" Tube OD 2.56$ 12.80$
42 1 5182K242 Type 316 SS Yor-Lok Tube Fitting Reducing Coupling for 1/4" 15.90$ 15.90$
43 6 2572K26 Load-Rated Bumper Polyurethane, Med-Hard, 1/4" 7.94$ 47.64$
44 3 5182K577 Type 316 SS Yor-Lok Tube Fitting Front & Back Sleeve for 1/2" Tube OD 4.50$ 13.50$
46 3 5182K557 Type 316 SS Yor-Lok Tube Fitting Nut for 1/2" Tube OD 5.25$ 15.75$
47 1 5182K129 Type 316 SS Yor-Lok Tube Fitting Adapter for 1/2" NPT Male Pipe 16.32$ 16.32$
48 1 5182K269 Type 316 SS Yor-Lok Tube Fitting Adapter for 1/2" NPT Female Pipe 20.04$ 20.04$
49 1 SSR330DC10 Solid State Relay 21.00$ 21.00$
50 3 TJ50 Thermocuple TJ50-CAIN-14U-6-SB-OSTW-M 51.25$ 153.75$
51 1 TJ70 Thermocouple TJ70-CAIN-116U-30-SB-OSTW-M 51.45$ 51.45$
52 1 TJ50 Thermocouple TJ50-CAIN-116U-12-SB-OSTW-M 43.25$ 43.25$
53 1 INC-12-30OPEN Miniature protection tube INC-12-30OPEN 28.70$ 28.70$
54 1 AG-M40-100 Silver mesh 205.00$ 205.00$
55 1 Ag-I Silver ink 95.00$ 95.00$
56 1 ASC-2.0 Anode supported fuel cell 155.00$ 155.00$
57 1 C-885 Zr-based Cement - Ceramabond 885 93.00$ 93.00$
2,000.16$TOTAL
Test Station
Master Project. Arturo Veiga López 17
1.2. General overview and background
1.2.1. Principles of SOFC
A Fuel Cell is a device that transforms the chemical energy of a fuel into electric
current through an electrochemical process. It was first discovered in 1839 by Sir
William Grove.
The focus of this project is the Solid Oxide Fuel Cell (SOFC, see figure 1.3. for details),
one of many types of fuel cells. This fuel cell is in solid state in its operation and it is
made with special ceramics with key characteristics that will be covered in the
current chapter.
All fuel cells have 3 main parts: an anode, a cathode and the electrolyte, which is the
layer in between. Both anode and cathode have to be electric conductors in contrast
with the electrolyte that should be an insulator. The electrolyte is made by a material
that allows the anions of Oxygen (O2-) to go through, but at the same time, forces the
electrons to circulate through the electric circuit producing a current that powers it.
Master Project. Arturo Veiga López 18
Figure 1.3. Schematic of a SOFC.
The electrolyte used for the SOFC is made of 8mol% Yttria-stabilized Zirconia
(Y2O3 Fully Stabilized ZrO2), which is the most common electrolyte material in SOFC.
The electrolyte main requirement is that it has to conduct the Oxygen anions and at
the same time it has to be an electrical insulator. The ionic movement occurs through
the crystal lattice. This phenomenon is thermally activated so it has to be heated to a
temperature of 800 C. This is the biggest challenge in this type of Fuel Cell and most
of the research is focused in attempting to lower this temperature by making several
layers between the anode/cathode and the electrolyte, using other materials, or like in
this research project, lowering the electrolyte thickness.
Fuel = H2
H2O
Air = O2
Anode Cathode
Electrolyte
O2-
e-
e-
Master Project. Arturo Veiga López 19
The anode is made of Nickel Ytttria-stabilized Zirconia (Ni/YSZ). Here is where the
fuel is oxidized to produce H2O. The main characteristics of a good anode are:
Good Hydrogen catalyst
Large specific area, commonly is a porous material
Good electronic conductor
The reaction that takes place in the anode is:
The cathode is made of Lanthanum Strontium Manganite (LSM). Here is where the
Oxygen molecule breaks down and the result atoms are ionized. The main
characteristics of a good anode are:
Good Oxygen catalyst
Large specific area normally is a porous material
Good electronic conductor
The reaction that takes place in the cathode is:
Both anode and cathode reactions combine lead us to the overall reaction:
There are also other requirements for all of these 3 materials like thermal stability,
same expansion coefficient, chemical compatibility but that goes further out of the
scope of this introductory chapter.
The main advantages of this type of fuel cell is its great efficiency, theoretically up to
60%, and that it can be a good candidate for a combined heat and power application
that could increase it further.
Master Project. Arturo Veiga López 20
1.2.2. Fuel Cell Performance
The performance of a fuel cell is measured by identifying and calculating the losses
that lowers the potential from the thermodynamic ideal case. One of the objectives of
to test the fuel cell and for that a test station needs to be built.
General losses
In a fuel cell there are several losses that lower its thermodynamic potential.
  
Where:
V: Operating voltage.
Ethermo: Thermodynamically predicted voltage of fuel cell.
act: Activation losses due to reaction kinetics.
ohmic: Ohmic losses from ionic and electronic losses.
conc: Concentration losses due to mass transport.
For measuring the performance of a fuel cell basically 2 tests are needed: The i-V
curve and the Electrochemical Impedance Spectroscopy (EIS).
The current voltage curve (i-V)
The i-V curve is a curve that shows the potential at different current densities. From
the curve itself the losses can not be determined, but using the Tafel equation it can be
identified the activation loss and the Ohmic and concentration loss (see Figure 1.4).
Master Project. Arturo Veiga López 21
Activation loss
Ohmic +
concentration loss
Voltage
Current density
i-V curve
Tafel fitting
Figure 1.4. i-V curve with Tafel fitting .
Electrochemical Impedance Spectroscopy.
The other test that helps us to evaluate the performance of the Fuel Cell is the
Electrochemical Impedance Spectroscopy (EIS). This technique allows us to
differentiate the majority of sources of loss in a Fuel Cell.
The EIS principles are based on measuring the impedance of the Fuel Cell when a
small AC voltage perturbation superposes to the DC voltage of the polarization applied
to the cell.
This perturbation needs to be small enough for the i-V curve to be pseudolinear, but
large enough to yield a current response that can be measured (see Figure 1.5.).
Master Project. Arturo Veiga López 22
Voltage
Current density
Voltage
perturbation
Creates current
response
Pseudolinear
portion of i-V curve
Figure 1.5. Application of a voltage perturbation creates a current response
maintaining the linearity.
The impedance measured with this technique and at different frequencies is plotted in
a Nyquist diagram like in the bottom of the figure 1.6.
An electrochemical reaction can be represented by a resistor and a capacitor in
parallel. The resistor reflects the Faradic resistance, while the capacitor reflects the
capacitive nature of the interface due to the charge separation between 2 layers.
Master Project. Arturo Veiga López 23
C1
CathodeElectrolyte
↓ ω
-Zimag
Zreal
Rf,1
Rf,1
Figure 1.6. Physical sketch, equivalent circuit and Nyquist plot of an interface.
As shown in figure 1.6., the diameter of the circle reflects the resistance. The
capacitance can be calculated from the following equation:
In an equivalent circuit of a fuel cell there are 2 interfaces, anode-electrolyte and cathode
electrolyte and an Ohmic resistance that is mainly due to the resistance that the anions have
to go through the electrolyte. This equivalent circuit is shown in the figure 1.7.
Master Project. Arturo Veiga López 24
RΩ
-Zimag
Zreal
RΩ Rf,2Rf,1
C1 C2
Anode CathodeElectrolyte
Rf,1
Rf,2
Rf,2
Figure 1.7. Physical sketch, equivalent circuit and Nyquist plot of an entire fuel cell.
Master Project. Arturo Veiga López 25
2. Development of a SOFC electrolyte with ESD technique
2.1. Introduction and Objectives
The current section will briefly describe the rationale behind the selection of the
Electrostatic Spray Deposition (ESD) technique to build a Solid Oxide Fuel Cell and the
basic concepts of this methodology.
Based on the results of the Thesis called “Electrostatic spray deposition of Solid Oxide
Fuel Cell electrolyte” [He, 2013] it is feasible to achieve a 100% dense YSZ layer using
the ESD technique. Moreover, the control of the porosity of the sprayed layer with
other materials provides with the opportunity to build an anode and cathode with the
same technique, which should be porous to maximize the surface in contact with the
gases in the fuel cell. However, this is not without challenges. We will cover those
challenges and how to overcome them in the following sections.
The overall objective of these experiments is to advance the knowledge of the
properties of the sprayed layer and to face the challenges in long-time sprays and
other materials. The ultimate goal of this research is the development of a complete
fuel cell with the solely use of the ESD technique in several steps of spray and sinter
the several layers of a fuel cell.
ESD is essentially a coating technique that uses a liquid to create a suspension where
nanoparticles of the material which we want to coat our surface with are dissolved
into (see Figure 2.1. for details).
Master Project. Arturo Veiga López 26
Figure 2.1. Schematic of Sketch of the Electrostatic Spray Deposition technique.
An ESD system consists of a suspension system with a syringe pump and a nozzle, a
high voltage generator, and a heated substrate. The suspension is sprayed onto a
substrate using a high electric field (8 kV – 13 kV) between the nuzzle (where the
suspension is pumped) and the substrate. The substrate is heated to a certain
temperature that helps evaporate the excess of liquid in the flight time of those drops.
Flight time refers to the time that elapses between the time that the suspension leaves
the heated surface and that it reaches the nuzzle. The remaining of the liquid
evaporates in contact with the substrate allowing a slight movement of the particles in
the substrate. This helps to achieve a more uniform layer.
The electric field charge the drops when they go through the nuzzle (that drives the
particles to stick to the substrate), but also this charge is responsible for the Columbus
Film
Drops
Flow:1ml/h
Voltage
8-13 kV
Nuzzle
Heatedsubstrate
Master Project. Arturo Veiga López 27
force that prevents agglomeration between them. As a result they form a uniform
layer (see Figure 2.2.).
Figure 2.2. Schematic of Coulomb force between two particles. Particles with the same
charge repel each other.
The system developed by He, 2013 is shown on Figure 2.3. This system requires a
series of improvements to enhance robustness and reproducibility of the
methodology, which will be the focus of this work.
The main advantage of this technique is that it not only provides with the opportunity
to create a thin film (as thin as 1 µm), but that it also allows with a high control over
the porosity of the layer. Other advantages include the low equipment cost and the
easy scalability for manufacturing. Overall, this technique is highly competitive over
others, such as physical vapor deposition, screen printing, or slurry coating.
+
+
+
+
+
+
+
+
+
+
+
+
+
+
+
+
Drop
YSZ particles
Master Project. Arturo Veiga López 28
Figure 2.3. Electrostatic Spray Deposition System developed by He, 2013. Syringe and
pump (top left are connected to the nuzzle (top right). Note detail of heated substrate
(top right).
2.2. Development of an enhanced spray system
The former system developed by He, 2013 although innovative, lacked of the
repeatability and robustness required. One of the main challenges with this system is
that the ESD technique is very slow, which in turns leads to a high variability of the
final outcome. The amount of suspension sprayed is about 1 ml per hour, with an
average of 3 µm per hour. Assuming the final anode thickness should be over 100
microns, this speed of growth to generate the layer is too slow and requires a very
long spraying phase (up to 30 hours).
Nuzzle Heatedsubstrate
Syringe +
pump
Master Project. Arturo Veiga López 29
Maintaining the spray constant and stable for this amount of time is quite difficult due
to the sensitivity of the technique. Note that any change on the suspension or the
ambient conditions can change the spray behavior. Therefore, it is essential to 1)
achieve complete spray stability (described in section 2.2.1.) and 2) reduce the spray
time (described in section 2.2.2.).
To achieve complete spray stability, a new design and improvements to the system
have been implemented.
To reduce the spray time, the flow rate and/or the powder concentration in the
suspension need to be evaluated. These improvements are studied in detail in this
chapter.
2.2.1. Spray stability
2.2.1.1. Design requirements
To achieve a complete spray stability and repeatability we identified the underlying
causes that may affect the spray behavior. It was determined by experimental
observation that the main problem for having a stable spray was the supply to the
spray with a constant concentration of particles. Two critical factors of the design
were responsible for the heterogeneous supply of particles, namely the settling of the
particles and the tendency of the particles to stick to the container walls. These will be
covered in the next sections.
Settling of the particles
Settling refers to the process by which particles settle on the bottom of a liquid and
form a sediment. The main problem is the settling of particles due to the different
density between the YSZ nanopowders and the liquid where those particles are
Master Project. Arturo Veiga López 30
dissolved. Later in this chapter we will study if it is possible to modify the suspension
itself to prevent this settling phenomenon. In this section, we will discuss how to
minimize this effect by solely improving the design.
We also observed that the particles have a tendency to stick to the walls of the tubes.
The solution proposed and tested is to incorporate a reservoir as close to the nuzzle as
possible. This will allow to have the highest amount of suspension next to the nuzzle.
We also implemented a magnetic stirring system in it so we can stir the suspension at
the same time that spraying is occurring. This will minimize the tendency of the
particles to stick to the container walls by increasing the ratio volume/area and
assuring that the suspension sprayed is not in contact with any tubes before is being
sprayed. This solution was tested through different prototypes before the
implementation into the final design.
The magnetic stirring system has to be capable to operate at a very low speed (~ 90
rpm). To achieve this speed, the voltage and frequency regulator has to be connected
in series with a dimmer that “cuts” part of the AC current in each cycle. This was a fast
and very cost effective solution to lower the speed of the stirring motor.
Another possible approach could be the implementation of an ultrasound system that
constantly induces a vibration on the particles that theoretically prevents the
agglomeration that causes the settling. This could be a solution not only for the
reservoir, but also for the syringe and the remaining tubes. It was not incorporated in
this design because of its complexity, but it is a solution worth exploring in future
design improvements.
Vacuum
A vacuum can be created during the spray phase and that can affect the stability when
spraying occurs during a long period of time. To solve this problem, a tube open to the
air was attached in the top part of the container.
Master Project. Arturo Veiga López 31
With this tube we cannot apply a pressure to the system so the flow rate will be only
imposed by the electric field and not by the syringe. That also poses the following
challenge; to maintain the suspension level by guessing the flow rate sprayed. Because
of this phenomena and the poor results obtained trying to prevent this vacuum, this
system was not implemented.
Electric field
Another problem that directly affects the spray stability is the uniformity of the
electric field. The electric field is the driving force of the spray; any distortion of the
electric field affects directly shape of the spray. This represents a complex challenge,
because the electric permittivity is directed affected by the concentration,
distribution, and nature of the particles sprayed. In the original design [He, 2013], a
plastic disk was placed in the middle of the nuzzle. This disk allows to concentrate the
electric field in the upper part of the nuzzle, that is a perfect cylinder, blocking the rest
of the possible electric field of the rest of the nuzzle.
To improve this approach a grounded Faraday cage was built to ensure the electric
field, that comes from any other part that is not the last 0.5 inches of the nuzzle, is
cancelled.
All of the above descried systems were designed and built specifically for this project
(see improved design in Figure 2.4.). They were made as compact as possible and met
the requirements and needs of material compatibility. The system adapted the design
of the original design [He, 2013] in terms of the chamber, the positioning, and the
heating system. The design was developed using the software PRO-E a CAD software.
Master Project. Arturo Veiga López 32
Figure 2.4. Improved spray system.
2.2.1.2. Experiment methodology
Several experiments were made to spray a YSZ layer with different thicknesses. The
results were observed in the SEM to evaluate the microstructure of the deposited
layer. The parameters controlled during the experiment were: voltage, distance, flow
rate, and temperature of the substrate.
To get a stable spray, and based on previous experiments, the flow rate was set to 1
ml/h. The temperature is a critical parameter to achieve a completely dense layer and
it was set at 250 C.
Master Project. Arturo Veiga López 33
To achieve a good spray shape, the combination of distance and voltage is essential.
This spray mode is called cone-jet and it is the operation mode that allows to have a
perfect and uniform layer. To determine these parameters it is needed to calibrate
using different distances and voltages. Figure 2.5. represents the relationship between
these two parameters and the type of spray that will provide with.
Figure 2.5. Types of spray based on distance to voltage combinations. Flow rate and
temperature used were 1 ml/h and 230C, respectively. Note that four modes of spray
can be achieved: sputtering, squirt, cone jet, and dripping. Refer to text for an in depth
explanation of each mode.
Four modes of spray can be achieved based on the distance to voltage relationship:
1) Sputtering: This mode occurs when the voltage is very high in relationship to
the distance. In this case, multiple sprays come out of the nuzzle and cannot be
easily controlled.
2) Squirt: This mode produces a single spray, but it is not uniform. The center of
the spray has more drops, that cause a little hill in the middle of the deposited
layer.
Master Project. Arturo Veiga López 34
3) Cone Jet: This is the ideal mode of spray; it is completely uniform and best
results are achieved when formed (Figure 2.6.).
4) Dripping: In this mode, the voltage is too low for the selected distance and
instead of having a continuous spray, only drops are formed.
Figure 2.6. Left: Cone Jet Spray: Ideal spray mode. Uniform spray guarantees best
results. Right: Cone Jet Spray deposition result. Note uniformity of deposit.
2.2.3. Experiment results
A series of experiments were conducted to test the spray stability. SEM technique was
used to compare results with the previous system and to achieve sprays for up to 17
hours and evaluate its microstructure.
In Figure 2.7. different YSZ samples sprayed onto a silicon substrate are shown. The
different of color within each half of each sample is due to the fact that a more obscure
side was sintered.
Master Project. Arturo Veiga López 35
Figure 2.7. Different samples of YSZ sprayed onto a silicon substrate.
To evaluate the results in terms of density and uniformity after the sinterization, the
samples obtained were compared to the original system [He, 2013]. Figure 2.8. shows
a SEM micrograph obtained after the use of the original system. Some pores are
evident, but most of them will disappear with the sinter process.
Master Project. Arturo Veiga López 36
Figure 2.8. SEM micrograph of the sample obtained with a spray time of 30 min using
original spray system.
The new spray system without the vacuum was tested using the following conditions:
 Flow rate: 1 ml/h
 Concentration of YSZ in the suspension: 1 wt %
 Solvent of the suspension: Butyl Carbitol
 Temperature of the substrate 230 C
 The voltage and distance were adjusted to achieve the best possible Cone Jet
Figure 2.9. SEM micrograph of the sample obtained with a spray time of 30 min using
new spray system without vacuum.
Master Project. Arturo Veiga López 37
Figure 2.10. SEM micrograph of the sample obtained with a spray time of 1 hour using
new spray system without vacuum.
Thickness of the layer is proportional to the time (thicker in 1 hour vs. 30 min
exposure) as the rest of parameters remain constant. We can notice that there is still
some porosity, but it has improved compared to the original system design. Longer
exposure times, up to 17 hours were tested (see Figures 2.11. and 2.12.).
Figure 2.11. SEM micrograph of the sample obtained with a spray time of 14 hours
using new spray system without vacuum.
Master Project. Arturo Veiga López 38
Figure 2.12. SEM micrograph of the sample obtained with a spray time of 14 hours
using new spray system without vacuum.
As seen in the micrographs after 14 of exposure (Figures 2.11. and 2.12.)one can
obtain a layer of up to 69 microns and with good properties. The cracks along the
surface are caused by the cutting process, since the layer is too thick to have a perfect
cross section.
The above described experiments were performed without the vacuum tube that will
theoretically allow the achievement of a more stable spray. The type of spray achieved
is slightly of squirt mode, as shown in Figure 2.13., the center has more particles
sprayed than on the sides.
Master Project. Arturo Veiga López 39
Figure 2.13. SEM micrograph of the sample obtained with a spray time of 17 hours
using new spray system without vacuum.
We can conclude that this system is appropriate to produce a stable spray system for
YSZ and to achieve the desired thickness varying the deposition time.
2.2.2. Increasing the powder concentration of the suspension
As mentioned earlier, reducing the spray time is critical to achieve a complete stable
spray. Changes in the composition of the actual suspension will allow to produce a
thicker layer in less time.
In order to limit the particle settling it is needed to understand the principles that
regulate the particles settling. A particle suspended in a fluid is subjected to two
applied forces, gravity and drag. The drag force is a function of the particle velocity, so
when the gravity accelerates the particle, its velocity increases until both forces are
equal. This is called the terminal velocity. The terminal velocity is affected by
numerous parameters like the shape, size of the particles, the density, and viscosity of
the fluid.
Figure 2.14. Schematic of forces that a particle is subjected to when in a fluid.
Gravitational and drag forces are opposite.
Master Project. Arturo Veiga López 40
We assume that there is a smooth spherical particle in a fluid, hence no interferences
among particles. Based on the Reynolds number we can have 3 different scenarios:
 Stokes drag
 Newtonian drag
 Transitional drag
In this case, and due to the small particles involved, the Reynolds number is very
small. This indicates that the main dragging force is due to the viscous forces.
Applied force (gravity)
Where:
ρp : Particle density
ρf : Fluid density
g: gravity
Vp: Volume of the particle
Drag force
Where:
µ: dynamic viscosity of the fluid (6 Pa*s)
R: radius of the particle (20 nm)
v: settling velocity
Then:
ρ
For our suspension, the velocity is 2.7∙10-3 mm/h which is equivalent to ~ 1 mm/year.
Theoretically, with this particle size (20 nm), the suspension should remain stable for
years. But, experimentally, it is observed that the suspension settles within hours.
Master Project. Arturo Veiga López 41
That observation leads to the assumption that the particles agglomerate to produce
much bigger particles in the order of magnitude of 10 microns.
Also, another phenomenon that was observed is that with the time, even if we agitate
the suspension every hour the velocity of settling is higher. That means that the
particles are agglomerating and even after an agitation process they still remain
together, making the settling faster. Two methods are available to avoid the
agglomeration phenomenon, electrostatic stabilization and steric stabilization.
Before explaining those two methods, it is important to review that particles may
carry electrical charges in their surfaces, which in this case is the main factor of
agglomeration (electric charge). There are three types of potential involved in a
particle (surface charge, Stern potential and Zeta potential), and each of them is
predominant in a specific region around the particle. We will focus on the Zeta
potential, which is the one that drives the agglomeration of small particles. Zeta
potential is defined as the potential difference between the dispersion medium and
the stationary layer of fluid near a single particle.
Figure 2.15. Schematic representation of potentials involved in a particle (surface
charge, Stern potential, and Zeta potential).
Master Project. Arturo Veiga López 42
2.2.2.1. Electrostatic stabilization
This method is based in changing the zeta potential of the suspension. If the zeta
potential is greater than +30 mV or smaller than -30 mV, the agglomeration is
avoided. It is important to remember that the settling time for nanoparticles is in the
range of years. To change the zeta potential, the most common method is to change
the pH of the suspension to increase or decrease the zeta potential of the particle in
the medium.
This method works better in mediums that have a high electric dielectric constant.
The solvent used to spray YSZ is Diethylene Glycol Monomethyl and has a dielectric
constant of 10.15, which makes it not very suitable, but possible.
Figure 2.16. Schematic representation of electrostatic stabilization.
2.2.2.2. Steric stabilization
Another approach is to use a polymer chain that sticks to the surface of the particles
using the electric charge of the particles. The chains of the polymer interact among
them before the particles are close enough to be attracted by electrostatic forces. It is
Master Project. Arturo Veiga López 43
required that the medium may be a good solvent for the polymer chain. In addition,
the charge of these polymers has to be opposite to the zeta potential of the particles.
Figure 2.17. Schematic representation of steric stabilization.
In order to use these methods the zeta potential of the particles used in the medium
needs to be determined experimentally. The equipment required to determined the
zeta potential of these particles is highly specialized and currently will not represent a
cost-effective measure to implement.
Theoretically, the improvement on the amount of particles is limited by the viscosity,
from the suspension point of view, apart other factors that should be tested
experimentally like the stability of the spray, which can be up to 30 % of volume of
powders. That allows to work with 70 wt % of powders in a stable suspension, which
is 70 times higher than the actual powder concentration.
There are other factors involved that have the potential to reduce the powder
concentration. It is likely that the spray system cannot operate with such amount of
powder concentration, but the current limitation factor (the suspension) will not be a
problem in the future, so there is potential for improvement by increasing the powder
concentration. This means that this technique can be accelerated to achieve same
thickness in a fraction of the time required.
Master Project. Arturo Veiga López 44
3. SOFC Design, operation and results
3.1. Design of the SOFC test station
In order to assess the performance of a Solid Oxide Fuel Cell (SOFC), a test station was
built. This chapter is going to focus on the design and manufacture of the test station
and on the evaluation of the performance of the fuel cell.
3.1.1. Principles of design of the SOFC test station
The fuel cell design is based on a traditional test equipment for SOFC button cells
using a cylindrical induction furnace to achieve the operation temperature using a
Zirconia tube as support for the SOFC. Some critical factors were to be taken into
account to design this test station:
 Working temperature: 800 C.
 Fragility of the materials used to build the SOFC and the SOFC per se.
 Minimize the difference among the expansion coefficients of the materials used.
 Achieve a 100 % seal system due to the nature of the gases and temperatures
involved.
 Minimize the electric interferences from the furnace.
Among these factors, the high temperature (~ 800 C) is the most important design
factor to take into account.
The fuel cell (see Figure 3.1. for detailed design) has to not only provide with both fuel
and air in the necessary conditions, but has also to control the temperature of system,
collect the current and voltage, and process them.
Master Project. Arturo Veiga López 45
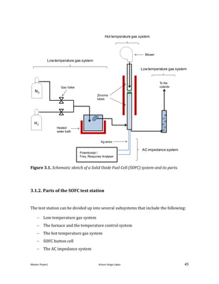
Figure 3.1. Schematic sketch of a Solid Oxide Fuel Cell (SOFC) system and its parts.
3.1.2. Parts of the SOFC test station
The test station can be divided up into several subsystems that include the following:
 Low temperature gas system
 The furnace and the temperature control system
 The hot temperature gas system
 SOFC button cell
 The AC impedance system
Gas Valve
N2
H2
Heated
water bath
To the
outside
Lowtemperature gas system
Hot temperature gas system
Lowtemperature gas system
Blower
AC impedance system
Potentiostat /
Freq. Response Analyser
Ag wires
Zirconia
tubes
Master Project. Arturo Veiga López 46
 Electrical insulator
 Sealing
Low temperature gas system
This system includes the bottles of Hydrogen and Nitrogen and runs up to the
entrance of the Zirconia tube system. The gas control system (Diavac 885, Leybold)
has the flow meters and valves to adjust the flow of the gas to perform the test.
The incoming gas is bubbled into a 500 ml flask with three openings, two for the gas
and one for the thermocouple that will register its temperature. This flask
incorporates a heater (Omega LHM0500) that allows to increase the humidity of the
gas, until the saturation point at any given temperature. This is especially important
because the level of humidity of the gas (saturated of water) depends on the
temperature of the gas. The heater is controlled by the same system as the furnace. It
is important to keep the distance between the flask and the entrance of the Zirconia
tube as short as possible, in order to prevent condensation in the tube. Otherwise, the
gas may be less humid than what it should be.
Once the gases pass through the hot gas system, the exhausted gases are bubbled
through another device, which induces a little over pressure into the system. Its
function is to check the presence of leakages throughout the experiment and to
provide with a steady flow along the process. Finally, the gases are safely extracted to
the exterior of the building.
The furnace and the temperature control system
The furnace is based on a cylindrical furnace (ATS series 3210) with a maximum
output of 4,010 W and a series of three thermocouples (model Omega TJ50)
connected to a digital controller (model Omega Multizone controller), that allows to
control and maintain the needed temperature in the furnace.
Master Project. Arturo Veiga López 47
The hot temperature gas system
The hot temperature gas system (see Figure 3.2.) is made of two Zirconia tubes (see
Figure 3.3.) and one inconel tube that is placed inside one of the Zirconia tubes and
the connection system required to connect all three tubes to the low temperature gas
system.
Figure 3.2. Schematic of the hot temperature gas system.
Air
H2 N2
H2O
N2
H2O
N2
Oven
Ag wires
To potentiostat
Inconel tube
Stainless
steel tube
Alumina tube
Alumina tube
Inconel tube
Master Project. Arturo Veiga López 48
Figure 3.3. Zirconia tube.
The gases go through the inconel tube that ends in the fuel cell where the gases react
with the SOFC. The products of this reaction go through the space in between the
Zirconia and the inconel tube. Knowing the temperature close to the fuel cell is critical,
because is this will be the operating temperature, which drives the ion mobility
through the YSZ. To measure the temperature, a thermocouple TJ70-CAIN was placed
inside the Zirconia tube and as close as possible to the fuel cell.
The structure to hold the Zirconia tube was made using an extrusion aluminum frame,
commonly used in this type of constructions because of its great flexibility and
robustness.
Master Project. Arturo Veiga López 49
SOFC button cell
The button cell used is the model ASC-2.0, an anode supported cell supplied by fuel
cell materials with the Ni-YSZ/YSZ/LSM structure (20 mm of diameter). Other details
of the cell are the following: a 10 μm thick YSZ electrolyte, LSM as cathode with a
thickness of 50μm and NiO-YSZ anode with 220-260μm of thickness (see Figure 3.4.
for details). Both anode and cathode are porous to increase the reactive area surface
with the gases. This type of fuel cell requires a reduction of the anode before use.
Specifics of the assembly of the button fuel cell are shown in Figure 3.5.
Figure 3.4. Anode-supported fuel cell characteristics model ASC-2.0.
Cathode
Electrolyte
Anode
Master Project. Arturo Veiga López 50
Figure 3.5. Schematic of the assembly of the fuel cell.
The AC impedance system
The system used to analyze the AC impedance data is the PARSTAT 4000, Princeton
Applied Research, a potentiostat / galvanostat coupled with a frequency response
analyzer (FRA) contained in a single unit. The impedance system is connected and
controlled a computer using the VersaStudio electrochemistry software that allows
the design of the experiments and the analysis of the data obtained. Silver mesh and
wires (silver wire diameter: 0.25 mm) are used to the transport of the voltage and
current to be analyzed. Note that when using this of equipment at these temperatures,
platinum is the ideal element of choice because it has a melting point much higher
than the silver (Ag: 961 C vs. Pt: 963 C).
To test the integrity of the silver under experimental conditions, an experiment was
conducted to determine if degradation in the silver may affect the results. The
integrity of the silver wire was evaluated by analyzing the structure and composition
of the silver wire (see Figures 3.6. to 3.9).
Ag wires
Cement
Cathode
Ag mesh
(current collector)
Master Project. Arturo Veiga López 51
Figure 3.6. SEM of silver wire in contact with Aremco Cement at 800C.
Figure 3.7. Composition of the surface of the Ag in contact with Aremco Cement at
800C.
Master Project. Arturo Veiga López 52
Figure 3.8. SEM of silver wire near Aremco Cement at 800C.
Figure 3.9. Composition of the surface of the silver near Aremco Cement at 800C.
During this experiment it was noticed that the phosphorous included in the cement
forms a layer of Ag3PO4 in the surface (see Figure 3.6.), which makes the silver wire
more brittle. After 5 hours, the conductivity of the silver wires starts to be affected. To
minimize the silver wire degradation, as well as to decrease the ohmic resistance and
make a better electrical connection with the potentiostat, a thicker silver wire was
selected (new diameter: 0.25 mm).
Master Project. Arturo Veiga López 53
Electrical insulator
To achieve the best measurement of the impedance and other electrical signals the
fuel cell and the silver wires have to be fully isolated from the noise coming from the
induction furnace. A 316 stainless steel alloy tube was used to protect the fuel cell. An
inconel tube was used to protect the silver wires that collect the current and that are
connected to the potentiostat.
Sealing
The most important part of the cell assembly is the sealing between the test station
and the fuel cell, and it is not without challenges. If the system is not completely
sealed, it can result in complications such as loss of voltage, hot spots, and also
explosions. If the leakage is large enough, the hydrogen can be in contact with the
oxygen present in the air, which in a certain range of composition can lead to an
explosion. Appropriate safety measures were taken when conducting the
experiments.
Requirements to achieve the best sealing possible:
 Gas tightness
 Same thermal expansion between fuel cell and Zirconia tube
 Chemical stability and low partial pressure at high temperatures
To match the thermal expansion of the materials involved a Zirconia-based cement
needs to be used, discarding other cements based on conventional glass-ceramic
materials or glass. Another potential solution may be the use of a gold ring. Applying
pressure to this gold ring at high temperatures, the gold will deform itself and seal the
system. This solution was rejected due to manufacture precision issues during the
cutting of the tubes and the higher cost involved, although the main advantage is the
easy and fast replacement of the cell.
Master Project. Arturo Veiga López 54
A Zirconia-based cement (Ceramabond 885) provided by Aremco was used. The main
problem encountered in this sealant is that it forms a porous layer. The easy diffusion
of H2 through the layer requires to apply several layers (up to 4) and to cure them
successively to achieve a good sealing and prevent any H2 leakage.
3.2. Preparation of the experiment
3.2.1 Assembly process of the fuel cell
The assembly of this cell is a critical step in the fuel cell testing and in order to achieve
a good result is crucial to have a perfect assembly of the system. The literature is
scarce regarding fuel cell assembly. This methodology used was based on the results
of the Thesis called “Characterization of porous SOFC Electrodes” [Hslao, 1996] and
was specifically adapted and improved for this design.
To make the process easier and time effective when it comes to test more than one
cell, 1 inch of the Zirconia tube was cut to mount the fuel cell. Then, the other side was
pasted with the same cement to the Zirconia tube. This also allows to have more space
to take the silver wire connected to the anode outside of the system. After that,
another collector is placed in the cathode side and pasted with the silver ink.
Master Project. Arturo Veiga López 55
Figure 3.10. Image of the Zirconia and inconel tubes with the furnace open.
The current collector is a silver mesh (AG-M40-100) that was cut to fit the shape of
the anode and the cathode. In order to mount the collector in the cathode side, the
anode should not be touched, because that can give us a deviation from the theoretical
potential. Two silver wires of 0.35 mm provided by Goodfellow are responsible for the
conduction of the current and voltage to the potentiostat.
In order to achieve a perfect contact between the collector, the anode, and the
cathode, silver ink (AG-i) is applied. This will keep the mesh in the same place
throughout the experiment. To cure the silver ink it should be fired up to 800 C for 1
hour.
Master Project. Arturo Veiga López 56
Figure 3.11. Detailed view of the silver mesh impregnated with the ink and connected to
the wire.
Although silver is not the most suitable material to be used as a collector, because of
the high temperatures reached during the experiment, silver was used due to the
better cost compared to platinum. Using silver allows 5 hours of tests at 800 C, time
after which, the silver starts a degradation process.
Figure 3.12. Detailed view of the cathode side of the fuel cell mounted in the Zirconia
tube.
Master Project. Arturo Veiga López 57
Figure 2.13. Final placement of the fuel cell before the test.
In order to increase the temperature of the cell it is extremely important in every
stage not to increase or decrease the temperature more than 1 C/min to prevent
cracks due to the thermal expansion and to allow the cement to expel the gases
produced in the cure process of the cement.
After applying the silver ink to stick the current collectors in the anode and cathode a
thin layer of cement is applied and the following temperature cycle was followed: 2
hours at room temperature, 2 hours at 93 C, 2 hours at 260 C, and 2 hours at 370 C,
and then the temperature was reduced to 20 C. Four layers should be applied and
cured one after another checking that there are no visible cracks after each curing
step.
Master Project. Arturo Veiga López 58
Figure 3.14. Curing curves for a layer of cement.
Thereafter, the silver ink is fired according to the manufacturer by increasing the
temperature up to 800 C for one hour. A sealing test is performed to check that there
is no leakage; a mixture of 5% H2 and 95% N2 is pumped through the system and some
overpressure is added to the system bubbling the exhausted gas. Then, with an
hydrogen detector, the entire system is inspected for possible leaks.
3.2.2. Experimental AC impedance procedure
To prepare the fuel cell, the manufacturer does not provide with sufficient
information and different research groups use their own procedure to make the set-
up. Three main aspects need to be taken into account:
1) The leakage is detected by comparison of the open circuit potential with the
theoretic obtained in the Nerst equation for the reaction:
0
50
100
150
200
250
300
350
400
450
0 1 2 3 4 5 6 7 8 9 10 11 12 13 14 15 16 17 18 19
Temperature(C)
Time (h)
Cement cure heat treatment
Real
temperature
Theroretic
temperature
(1°C/min)
Master Project. Arturo Veiga López 59
Where:
E - The electromotive force (or reversible open circuit voltage), V
E0 - the EMF at standard pressure, V
R - The universal gas constant, 8.314 JK-1mol-1
F - Faraday constant, 96485 Coulombs
Pi - partial pressure, bar
which in our conditions of gas compositions and temperature (800C, 97% H2
3% H2O, Air) has a value of 1.10 V.
If the voltage is out of the ± 5 %, another layer of cement is recommended. Also,
if the OCP is less than the one predicted, this can be indicative that the
electrolyte layer is not continuous or that it is broken.
2) Anode reduction
Anode reduction is achieved by a mixture of 10% of Hydrogen and 90%
Nitrogen starting at 400 C. According to Xiao (2006), the complete reduction
of the anode will be achieved at 500 C.
3) Conditioning
New fabricated button cells are not in a full equilibrated state and they need a
conditioning; normally the time needed to reduce the anode is enough for
achieving thermal and electrochemical stability.
After having the silver and the cement cured, the procedure starts at room
temperature.
1) The temperature is increased until 400 C with a ramp of 1 C/min without gas
supply.
Master Project. Arturo Veiga López 60
2) When 400 C is reached 10 cc/min of N2 is pumped in for about 10 min to
ensure there is no O2 inside the system
3) Then, the anode is reduced according to the above-mentioned description
between the temperatures of 400 and 600 C. Gas supply is stopped after 600
C are reached.
4) At 750 C the gas supply switches to 90% N2, 10% H2 monitoring the open
circuit voltage. When it is close to the theoretical, the gas mixture is changed to
humidified Hydrogen (97% H2 , 3% H2O). Under our experimental conditions, 3
hours were needed to reach an open circuit potential close enough to the
theoretical (1.10 V).
Throughout the process, the temperature of the furnace needs to be monitored and
remain stable; that is, it should not be a difference of more than 5 C between the
highest and the lowest temperature inside it.
Master Project. Arturo Veiga López 61
3.3. Results
A two electrodes configuration is used for testing the fuel cell according to the
instructions manual of the PARSTAT 4000 unit.
Figure 3.15. Schematic of the two electrode connection diagram.
In order to test the performance of the SOFC, three electrochemical tests are
performed: open circuit potential, current voltage test, and AC impedance test.
3.3.1 Open circuit potential (OCP)
The OCP of the tested cell was in a range between 1.03 V and 1.12 V, which is close to
the theoretical predicted by the Nest equation: 1.10 V at 800 C. This means that a
good seal is accomplished and that there are no electrical leaks during the tests. It also
ensures the proper operation of the cell.
In Figure 3.16. the OPC trajectory of the fuel cell at 800 C and gas composition of 97%
H2 and 3% H2O are shown.
• WE: Working electrode
• CE: Counter electrode
• SE: Sense electrode
• RE: Reference electrode
Master Project. Arturo Veiga López 62
Figure 3.16. Open circuit potential curve at 800C and 97% H2 and 3% H2O.
Before each test, the OCP was checked to verify the integrity of the system. After 7
hours of testing at 800 C, the OCP revealed a drastic drop in the open circuit
potential. After cooling down the test station and examination the fuel cell, it was
observed that the silver mesh that works as current collector was displaced. It is likely
that the silver ink degraded and stopped sticking together the silver mesh and the
anode, due to the long sustained high temperature. The silver ink is recommended for
temperatures under 600 C. In this project, due to the extremely high cost of Platinum,
silver ink mesh and cables were used.
3.3.2. Current voltage curve (i-V)
The voltage and current curve is the main instrument to evaluate the performance of
the fuel cell, maintaining constant the fuel and the temperature. In order to calculate
the current density, the current is divided by the area of the fuel cell in contact with
the gas and the collector resulting in an area of 1.6 cm2.
1
1.02
1.04
1.06
1.08
1.1
1.12
1.14
1.16
1.18
1.2
0 5 10 15 20
E(Volt)
Time (minutes)
Open Circuit Potential
Master Project. Arturo Veiga López 63
The measurements were performed every 100 mA cm-2 except from the first 250mA
cm-2 that were measured every 50mA cm-2 to be more accurate. Between each
measure, a relaxation time of 10 min was allowed to achieve a steady state condition.
The measures were performed until the current upper limit was fixed; this happened
when the voltage reached 0.2 V. Another important benchmark of the performance of
the fuel cell using this test is the so called specific area impedance (ASI). ASI is
measured in the middle of the curve and a value of 0.5 Ω or less is accepted as a good
performance of the fuel cell. In our case the ASI achieved was 0.34 Ω.
In Figure 3.17., the i-V curve of the fuel cell at 800 C and fuel composition of 97%H2
and 3%H2O is shown. The curve does not display appreciable hysteresis.
Figure 3.17. i-V curve at 800C and 97% H2 and 3% H2O.
Figure 3.18. shows the power density; the maximum achieved was 0.6 W/cm2 at 1.12
A/cm2.
0
0.2
0.4
0.6
0.8
1
1.2
0 0.25 0.5 0.75 1 1.25 1.5 1.75 2
Voltage(V)
Current (A/cm2)
i-V
Master Project. Arturo Veiga López 64
Figure 3.18. Power density curve at 800C and 97% H2 and 3% H2O.
The performance measured by the manufacturer at different temperatures is shown
in Figure 3.19. In comparison with the manufacturer’s material datasheet, our results
are slightly smaller, which may be due to the precision of our system. Also, it is
important to remark, the high sensibility of the temperature, as we can observe in the
graph.
0
0.1
0.2
0.3
0.4
0.5
0.6
0.7
0 0.5 1 1.5 2 2.5
Powerdensity(W/cm2)
Current (A/cm2)
Power density
Master Project. Arturo Veiga López 65
Figure 3.19. Fuel cell performance curves. Fuel Cell Materials data sheet for model ASC-
2.0.
3.3.3. Electrochemical impedance spectroscopy
As mentioned in Chapter 1, the AC impedance technique allows us to compare the
different resistances of the fuel cell associated to different phenomena occurring in
the fuel cell, as well as to compare different conditions of the fuel cell to understand
better its behavior.
To perform the AC impedance spectroscopy test, it is required to superimpose an AC
sine wave on the DC potential. One of the key parameters of this technique is the
amplitude of the AC sine wave. Unfortunately, the only option to choose the correct
amplitude is with trial an error. Too large of an amplitude will invalidate the linearity
of the response, which the impedance theory is based on. Too small of an amplitude
Master Project. Arturo Veiga López 66
will not create a sufficient strong signal to be analyzed. The values used of this
amplitude are about 5 mV. The frequency range applied is from 1 MHz to 0.5 Hz
In Figure 3.20., the real part of the impedance versus the imaginary part (note that is
minus the imaginary) has been plotted.
Figure 3.20. Results AC impedance spectrocopy. At 800C and 97% H2 and 3% H2O.
With a ZSimDemo3.2 software, a study of the equivalent circuit was made. This fuel
cell fits the equivalent circuit with the following parameters. From them we can say
that the Ohmic resistance is 0.126 Ω and the kinetic resistance is 0.677 Ω.
Ohmic resistance: RΩ = 0.126 Ω
High frequency resistance Rf1 = 0. 62 Ω
High frequency capacitor C1= 0.124 F
Low frequency resistance Rf2 = 0.057 Ω
Low frequency capacitor C2= 0.015 F
0.00
0.05
0.10
0.15
0.20
0.25
0.30
0.35
0.40
0.45
0.00 0.10 0.20 0.30 0.40 0.50 0.60 0.70 0.80 0.90 1.00
-Im(Z),Ω
Re(Z), Ω
Impedance spectra
Master Project. Arturo Veiga López 67
RΩ Rf,2Rf,1
C1 C2
Figure 3.21. Equivalent circuit of the fuel cell.
Figure 3.22. shows the alignment between the experimental results and the ones
resulting from the equivalent circuit.
Figure 3.22. Experimental results (red); Fitting results (green).
Other gas composition tests were planned to be assayed, but the silver degradation
prevented further testing.
In conclusion, the fuel cell testing system was validated and showed a fairly good
approximation to the values provided by the manufacturer, assuring that the test
station works correctly.
Master Project. Arturo Veiga López 68
4. Conclusions
The current research work focuses on the principles of fuel cells and specifically, the
parameters that measure the performance of a solid oxide fuel cell.
A rigorous study has been developed to improve the original Electrostatic Spray
Deposition (ESD) spray system, a new technology to develop a efficient solid oxide
fuel cell. This original EDS spray system was developed in the Thesis: “Electrostatic
spray deposition of Solid Oxide Fuel Cell electrolyte” [He, 2013]. The improvements
developed in the current project focused on enhancing the efficiency of the EDS spray
by achieving a better spray stability.
To increase the stability, and in turn the efficiency of the EDS spray, a more
homogeneous supply of particles is required. This is controlled by two main factors:
the settling of the particles and the tendency of the particles to stick to the container
walls. Several experiments were specifically designed to test these two aspects and
included improvements of the original design that targeted the following aspects:
- Include a reservoir under the nuzzle.
- Avoid the vacuum produced during the spray.
- Create a more uniform electric field.
Several prototypes described in Chapter 2 were developed to test the results of the
above-mentioned aspects. The finished system was tested spraying layers of YSZ up to
14 hours and 70 microns of thickness and we can conclude that this system is
appropriate to produce a stable spray system for YSZ and that the desired thickness
can be obtained varying the deposition time.
Because reducing the spray time is critical to achieve a complete stable spray, a
theoretical analysis was developed to increase the percentage of particles in the
suspension.
Master Project. Arturo Veiga López 69
This step is a major hurdle of the design of the EDS spray technology. This project has
only started to assess one of the main problems of this technique. The achievement of
faster deposition rates are still required to develop a future commercial method to
build solid oxide fuel cells.
On the other hand, assessing the performance of a solid oxide fuel cell is required to
improve its efficiency. The second part of this project focused on the design and
manufacture of a solid oxide fuel cell test station and on the evaluation of the
performance of a commercially available fuel cell. The test station was designed and
built focusing on simplicity and robustness.
The designed fuel cell test station was tested with a commercial fuel cell to evaluate its
proper operation and accuracy. Results from these tests were compared to the
specifications provided by the manufacturer. In conclusion, the fuel cell testing system
was validated and showed a fairly good approximation to the values provided by the
manufacturer, validating the functionality of the test station.
As mentioned above, the improvements implemented in the development of a solid
oxide fuel cells, especially the composition of the suspension, are only the tip of the
iceberg of a very complex engineering problem and leave open many unsolved
technical difficulties.
In order to achieve a fully functional and reproducible fuel cell with EDS technique it
will be necessary not only to successfully spray the anode and cathode, but also to find
a solution to support mechanically the fuel cell during the operation time. Future
research is required to target these unsolved questions.
Master Project. Arturo Veiga López 70
References
[He, 2013] He, Quanzhi. “Electrostatic Spray Deposition of Solid Oxide Fuel Cell
Electrolyte”. Thesis. Illinois Institute of Technology, 2013.
[Hslao, 1996] Hsiao, Yin-Chang. “Characterization of Porous SOFC Electrodes”. Thesis.
Illinois Institute of Technology, 1996.
O'Hayre, Ryan, Suk-Won Cha, Withey Colella, and Fritz B. Prinz. Fuel Cell Fundamentals.
Hoboken, NJ: John Wiley & Sons, 2006.
Varma, Ravi, and Robert Selman, eds. Techniques for Characterization of Electodes and
Electrochemical Processes.: Willey Interscience, 1991. The Electrochemical Society.
Nakajima, Hironori. "Electrochemical Impedance Spectroscopy Study of the Mass
Transfer in an Anode-Supported Microtubular Solid Oxide Fuel Cell." Mass Transfer -
Advanced Aspects. N.p.: Intech, 2011. 285-304.
Nomura, Hiroshi, Sandeep Parekh, Robert Selman, and Said Al-Hallaj. "Fabrication of
YSZ Electrolyte Using Electrostatic Spray Deposition (ESD):I – a Comprehensive
Parametric Study." Journal of Applied Electrochemistry (2005): 61-67.
Nomura, Hiroshi, Sandeep Parekh, Robert Selman, and Said Al-Hallaj. "Fabrication of
YSZ Electrolyte for Intermediate Temperature Solid Oxide Fuel Cell Using Electrostatic
Spray Deposition: II – Cell Performance." Journal of Applied Electrochemistry(2005):
1121-126.
Xiao, Haiming, and Thomas Reitz. "Anode-Supported Solid Oxide Fuel Cells with Thin
Film Electrolyte for Operation at Reduced Temperatures." ECS Transactions (2006).
Master Project. Arturo Veiga López 71
Muccillo, R., E.N.S. Muccillo, F.C. Fonseca, Y.V. França, T.C. Porfirio, D.Z De Florio, M.A.C.
Berton, and C.M. Garcia. "Development and Testing of Anode-supported Solid Oxide
Fuel Cells with Slurry-coated Electrolyte and Cathode." Journal of Power
Sources (2006): 455-60.
Minh, Nguyen Q. "Ceramic Fuel Cells." Journal of the American Ceramic Society 76, no. 3
(2005): 563-88.
Barsoukov, Evgenij, and J. Ross Macdonald. Impedance Spectroscopy: Theory,
Experiment, and Applications. Hoboken, NJ: Wiley-Interscience, 2005.
Bard, Allen J., and Larry R. Faulkner. Electrochemical Methods: Fundamentals and
Applications. New York: Wiley, 1980.
Yuan, Xiao-Zi. Electrochemical Impedance Spectroscopy in PEM Fuel Cells:
Fundamentals and Applications. London: Springer, 2010.

Master Thesis SOFC

  • 1.
    SOLID OXIDE FUELCELL: DESIGN IMPROVEMENTS OF THE ELECTROSTATIC SPRAY DEPOSITION SYSTEM AND CELL TEST STATION DEVELOPMENT BY ARTURO VEIGA LÓPEZ Submitted in partial fulfillment of the requirements for the degree of Master in Mechanical and Aerospace Engineering in the Graduate College of the Illinois Institute of Technology Chicago, Illinois October 2013
  • 2.
    Master Project. ArturoVeiga López 2 Acknowledgements Foremost, I would like to express my sincere gratitude to my advisor Prof. Philip Nash for the continuous support during my stay in the Illinois Institute of Technology and for giving me this opportunity; for his patience, motivation, and knowledge. His guidance has helped me during my research. I would also like to thank Prof. Robert Selman for his encouragement, insightful comments, and hard questions. I thank my fellow labmate Quanzhi He, I am grateful to for his support and guidance in the laboratory. I also would like to thank Russ Janota for his assistance throughout my experiments. Last, but not least, I would like to thank my sister Almudena for all her help and advice during these years, for her support and encouragement, without you this wouldn´t be possible. And also to my brother in law Carlos for his continuous encouragement. My parents, Encarnación and Alfonso, receive my deepest gratitude and love for their dedication and the many years of support during my undergraduate and college studies that provided the foundation for this work.
  • 3.
    Master Project. ArturoVeiga López 3 Table of contents Acknowledgement………………………………………………………………………………………………. 2 List of figures………………………………………………………………………………………………………. 5 List of symbols…………………………………………………………………………………………………..... 8 Abstract……………………………………………………………………………………………………………… 10 Chapter 1. Introduction and background…………………………………………………………………11 1.1. Introduction……………………………………………………………………………..11 1.1.1. Planning and work breakdown structure (WBS)………….. 12 1.1.2. Cost analysis………………………………………………………………..14 1.2. General overview and background………………………...…………………. 17 1.2.1. Principles of SOFC………………………………………………………..17 1.2.2. Fuel Cell Performance ………………………………………..………..20 2. Development of a SOFC electrolyte with ESD technique…………………..…........25 2.1. Introduction and objectives……………………………………………………… 25 2.2. Development of an enhanced spray system……………………………......28 2.2.1. Spray stability…………………..…………………..………………………….…….29 2.2.1.1. Design requirements……………………………………………..…. 29 2.2.1.2. Experiment methodology…………………………………………. 32 2.2.1.3. Experiment results………………….……………..………………….34 2.2.2. Increasing the powder concentration of the suspension ………….39 2.2.2.1. Electrostatic stabilization.…………………..……………………..42 2.2.2.2. Steric stabilization…………………..………………………………...42
  • 4.
    Master Project. ArturoVeiga López 4 3. SOFC Design, operation and results…………………………………..…………………….44 3.1. Design of the SOFC test station…………………..………………………….......44 3.1.1. Principles of design of the SOFC test station………………….44 3.1.2. Parts of the SOFC test station…………………..……………..…….45 3.2. Preparation of the experiment ……………………………………………….....54 3.2.1. Assembly process of the fuel cell …………………..…………......54 3.2.2. Experimental AC impedance procedure ……………..………...58 3.3 Results …………..…………………………..…………………………..……………..…..61 3.3.1. Open circuit potential …………..…………………………..…...…….61 3.3.2. Voltage and current curve (i-V) ……………..…………….……… 62 3.3.3. Electrochemical impedance spectroscopy ……………..……..65 4. Conclusion ..……………..………………………..………………………..…………………………68 References ……………..………………………..…………………………..…………………………………..….70
  • 5.
    Master Project. ArturoVeiga López 5 List of figures Figure 1.1. Work Breakdown Structure of the project (WBS). Figure 1.2. Gant Chart of the project. Figure 1.3. Schematic of a SOFC. Figure 1.4. i-V curve with Tafel fitting . Figure 1.5. Application of a voltage perturbation creates a current response maintaining the linearity. Figure 1.6. Physical sketch, equivalent circuit and Nyquist plot of an interface. Figure 1.7. Physical sketch, equivalent circuit and Nyquist plot of an entire fuel cell. Figure 2.1. Schematic of Sketch of the Electrostatic Spray Deposition technique. Figure 2.2. Schematic of Coulomb force between two particles. Particles with the same charge repel each other. Figure 2.3. Electrostatic Spray Deposition System developed by He, 2013. Syringe and pump (top left are connected to the nuzzle (top right). Note detail of heated substrate (top right). Figure 2.4. Improved spray system. Figure 2.5. Types of spray based on distance to voltage combinations. Flow rate and temperature used were 1ml/h and 230C, respectively. Note that four modes of spray can be achieved: sputtering, squirt, cone jet, and dripping. Refer to text for an in depth explanation of each mode. Figure 2.6. Left: Cone Jet Spray: Ideal spray mode. Uniform spray guarantees best results. Right: Cone Jet Spray deposition result. Note uniformity of deposit. Figure 2.7. Different samples of YSZ sprayed onto a silicon substrate. Figure 2.8. SEM micrograph of the sample obtained with a spray time of 30 min using original spray system. Figure 2.9. SEM micrograph of the sample obtained with a spray time of 30 min using new spray system without vacuum. Figure 2.10. SEM micrograph of the sample obtained with a spray time of 1 hour using new spray system without vacuum.
  • 6.
    Master Project. ArturoVeiga López 6 Figure 2.11. SEM micrograph of the sample obtained with a spray time of 14 hours using new spray system without vacuum. Figure 2.12. SEM micrograph of the sample obtained with a spray time of 14 hours using new spray system without vacuum. Figure 2.13. SEM micrograph of the sample obtained with a spray time of 17 hours using new spray system without vacuum. Figure 2.14. Schematic of forces that a particle is subjected to when in a fluid. Gravitational and drag forces are opposite. Figure 2.15. Schematic representation of potentials involved in a particle (surface charge , Stern potential and Zeta potential). Figure 2.16. Schematic representation of electrostatic stabilization. Figure 2.17. Schematic representation of steric stabilization. Figure 3.1. Schematic sketch the Solid Oxide Fuel Cell (SOFC) system and its parts. Figure 3.2. Schematic of the hot temperature gas system. Figure 3.3. Zirconia tube. Figure 3.4. Anode-supported fuel cell characteristics model ASC-2.0. Figure 3.5. Schematic of the assembly of the fuel cell. Figure 3.6. SEM of silver wire in contact with Aremco Cement at 800C. Figure 3.7. Composition of the surface of the Ag in contact with Aremco Cement at 800C. Figure 3.8. SEM of silver wire near Aremco Cement at 800C. Figure 3.9. Composition of the surface of the Ag near Aremco Cement at 800C. Figure 3.10. Image of the Zirconia and inconel tubes with the furnace open. Figure 3.11. Detailed view of the silver mesh impregnated with the ink and connected to the wire. Figure 3.12. Detailed view of the cathode side of the fuel cell mounted in the Zirconia tube. Figure 2.13. Final placement of the fuel cell before the test. Figure 3.14. Curing curves for a layer of cement Figure 3.15. Schematic of the two electrode connection diagram.
  • 7.
    Master Project. ArturoVeiga López 7 Figure 3.16. Open circuit potential curve. At 800C and 97% H2 and 3% H2O. Figure 3.17. i-V curve. At 800C and 97% H2 and 3% H2O. Figure 3.18. Power density curve. At 800C and 97% H2 and 3% H2O. Figure 3.19. Fuel cell performance curves. Fuel Cell Materials data sheet for model ASC-2.0. Figure 3.20. Results AC impedance spectrocopy. At 800C and 97% H2 and 3% H2O. Figure 3.21. Equivalent circuit of the fuel cell. Figure 3.22. Experimental results (red); Fitting results (green).
  • 8.
    Master Project. ArturoVeiga López 8 List of symbols ASI Specific Area Impedance C Capacitance Ethermo Thermodynamically predicted voltage of fuel cell. EIS Electrochemical Impedance Spectroscopy ESD Electrostatic Spray Deposition Fd Drag force Fg Gravity force FC Fuel Cell FRA Frequency Response Analyzer g gravity i-V Current-Voltage OPC Open Circuit Potential R Radious of the particle R Resistance Rf Faradic Resistance RΩ Ohmic Resistance SEM Scanning Electron Microscope SOFC Solid Oxide Fuel Cell V Settling velocity V Voltage Vp Volume of the particle WBS Work Breakdown Structure YSZ Yttria-stabilized Zirconia Z Impedance Zreal Real part of the Impedance Zimag Imaginary part of the impedance act Activation losses due to reaction kinetics. ohmic Ohmic losses from ionic and electronic losses. conc Concentration losses due to mass transport.
  • 9.
    Master Project. ArturoVeiga López 9 µ Dynamic viscosity ρf Fluid density ρp Particle density ω Frequency
  • 10.
    Master Project. ArturoVeiga López 10 1. Abstract The current project work focuses on the principles of fuel cells and the parameters that measure the performance of a solid oxide fuel cell. The first two aims of the study were to enhance the efficiency of the Electrostatic Spray Deposition (ESD) spray by improving the spray stability. This can be achieved by increasing a more homogeneous supply of particle by the ESD spray. Two main factors were studied; the settling of the particles and the tendency of the particles to stick to the container walls. The finished system was tested spraying layers of YSZ up to 14 hours and 70 microns of thickness. From our results we can conclude that this system is appropriate to produce a stable spray system for YSZ and that the desired thickness can be obtained varying the deposition time. The third aim of the study was to assess the performance of a solid oxide fuel cell in order to improve its efficiency. For that, a solid oxide fuel cell test station was designed and manufactured and the performance of a commercially available fuel cell was evaluated. In conclusion, the fuel cell testing system was validated and showed a fairly good approximation to the values provided by the manufacturer, validating the functionality of the test station. Additional improvements and research are warranted to achieve a fully reproducible and commercially available solid oxide fuel cell.
  • 11.
    Master Project. ArturoVeiga López 11 1. Introduction and background 1.1. Introduction This project was part of the research focus of Professor Philip Nash and in collaboration with Professor J. Robert Selman in the field of Solid Oxide Fuel Cells. The ultimate goal is to build a Fuel Cell using the Electrostatic Spray Deposition technique in one step. The objective is to achieve a sensible more efficient Fuel Cell in terms of electricity produced per unit of fuel, but also developing a simple, low cost and scalable manufacturing process. This research first started 2011 with the Master’s student Quanzhi He and I continued on the project starting in September of 2012 as part of my research training during my Master in Mechanical and Aerospace Engineering. From my perspective this was a great opportunity to learn a new technology. The challenges of this project were beyond the simply material science knowledge. This project combines disciplines such as electrochemistry, material science, and fluid dynamics with nanoparticles. This was a broad field that allowed to broaden my knowledge and challenged me every day. Because most of the equipment used was design and build with the help of the faculty of the Mechanical, Materials and Aerospace Engineering department, it also gave me the opportunity of being part of designing and prototyping the equipment that will be used to perform those tests and that will be used in the future by future colleagues.
  • 12.
    Master Project. ArturoVeiga López 12 1.1.1. Planning and work breakdown structure (WBS) This project was developed from September 2012 to October 2013 and was subjected to changes of scope due to time and resource constraints, or due to unplanned challenges and pitfalls along the process. The following diagram shows the work breakdown structure of the project. In brief, the structure has three components: The study of the Electrochemical Impedance Spectroscopy (EIS) which is the technique that will be used for test the performance of a SOFC. The Electrostatic Spray Deposition that is the technique used to build the SOFC and here a new system was design build and tested. And the SOFC test station which is the system that checks the performance of the SOFC, and here includes the design, build and test with a commercial fuel cell. 3. SOFC2. ESD1. Study EIS WBS 1.1. Principles 1.2. Test with batteries 3.1. Design Test station 3.2. Build Test station 2.2. Build New ESD system 2.3. Spray YSZ 2.1. Design New ESD system 3.3 Test Commercial FC Figure 1.1. Work Breakdown Structure of the project (WBS).
  • 13.
    Master Project. ArturoVeiga López 13 A simplified Gant chart is showed in the figure 1.2. in order to give a basic time frame of the project and the activities executed during the project. Work breakdown structure 2012 2013 9 10 11 12 1 2 3 4 5 6 7 8 9 EIS Study principles FC Study EIS technique Battery tests Equivalent circuit Test Station Design Build Sealing Tests Leakage repair Improve system ESD Learn technique Prototyping Design final Build final design Repair Voltage control Spray new system SOFC Test Build test station OCP I-V EIS Write thesis Figure 1.2. Gant Chart of the project.
  • 14.
    Master Project. ArturoVeiga López 14 1.1.2. Cost analysis The current project has been fully funded by Professor Philip Nash, and my advisor during this project. Although a detailed breakdown of all the costs involved in this project has not been conducted, we have estimated that the total cost of the project is ~ $100,000. However, many items are difficult to estimate, such as work hours, specialists consultation, amortization of high specialized-equipment, software used, maintenance and hours of labor to build the prototypes. Only a fraction of the real cost of the project is shown here (see Tables 1.1 and 1.2), namely the materials needed to build a test for a Solid Oxide Fuel Cell (SOFC) station and the improved in the existing Electrostatic Spray Deposition (EDS) system. It important to consider that also these materials are part of the ones used in other projects, specially the equipment like the inductance oven and heaters for the SOFC test station. In the EDS system the High Voltage power supply, syringe pump, and substrate heater were reused from other research projects. The following itemized list of materials is only to be used as a guide for the total cost of the materials to facilitate a better understanding of the whole project.
  • 15.
    Master Project. ArturoVeiga López 15 Table 1.1. New EDS system materials. Line Quantity Product Unit Price Total Price 1 1 8486K545 Optically Clear Cast Acrylic Tube, 2-1/2" OD X 2" ID, 1' Length 34.94 34.94 2 10 9685T3 High-Pressure White Nylon Tubing, .15" ID, 1/4" OD, .05" Wall Thickness 0.85 8.5 3 3 5012K38 Acetal Quick-Disconnect Coupling, Socket, 1/8 Coupling, for 1/8" Tube ID 6.91 20.73 4 3 5012K46 Acetal Quick-Disconnect Coupling, Plug, 1/8 Coupling, 1/8" Male NPT 7.01 21.03 5 1 51525K221 Plastic Quick-Turn (Luer Lock) Coupling, Nylon, Male X Male Thread, 1/4" 5.25 5.25 6 2 2930T63 Type 316 Stainless Steel Wire Cloth Disc, 100 X 100 Mesh, 2-9/16" 6.45 12.9 7 1 9319T183 Super-Corrosion-Resistant 316 Stainless Steel, 100X100 Mesh 8.59 8.59 8 10 8359K14 High-Strength Clear Nylon Tubing, .190" ID, 1/4" OD, .030" Wall Thickness 0.36 3.6 9 1 8560K358 Optically Clear Cast Acrylic Sheet, 1/4" Thick, 6" X 6" 5.49 5.49 10 2 5392K11 Rigid White Polypropylene Tubing, 1/8" ID, 1/4" OD, 1/16" Wall Thickness 0.48 0.96 11 2 53945K111 Hard-Wall Rigid Clear PVC Tubing, .170" ID, 1/4" OD, .04" Wall Thickness 0.84 1.68 12 1 1901K11 Chemical-Resistant PVDF Tube Fitting, 90 Degree Elbow for 1/4" Tube OD 4.5 4.5 13 1 51055K984 White Acetal Instant Tube Fitting, 90 Degree Elbow for 1/4" Tube OD 2.73 2.73 14 1 8560K275 Optically Clear Cast Acrylic Sheet, 1/8" Thick, 6" X 12" 5.07 5.07 15 1 8547K62 Tube Made of Teflon(R) PTFE, 1/2" OD X 5/16" ID, 1' Length 7.89 7.89 16 3 5128A62 Low-Profile Hold-Down Toggle Clamp, Standard, Steel 8.58 25.74 17 1 8486K555 Optically Clear Cast Acrylic Tube, 3" OD X 2-1/2" ID, 1' Length 35.73 35.73 18 2 5678K111 Magnetic Stirring Bar, Ocatagonal, 1/2" Length, 5/16" OD 3.96 7.92 19 2 5678K112 Magnetic Stirring Bar, Octagonal, 5/8" Length, 5/16" OD 4.41 8.82 20 5 52705K31 Ultra-Clear PFA Tubing, 1/16" ID, 1/8" OD, 1/32" Wall Thickness, Clear 1.52 7.6 21 1 91772A165 18-8 Stainless Steel Pan Head Phillips Machine Screw, 6-32 Thread 6.66 6.66 22 1 9545K27 Push-in Tapered Round Rubber Plug, Through Hole 8.33 8.33 23 1 9545K18 Push-in Tapered Round Rubber Plug, Solid, Size 6, Fits 1-1/4" 15.91 15.91 260.57TOTAL New ESD System
  • 16.
    Master Project. ArturoVeiga López 16 Table 1.2. SOFC test station materials. Line Quantity Product Description Unit Price Total Price 1 1 4757K61 Miniature PVC Ball Valve Diverting, 3-Port, Push-to-Connect 20.61$ 20.61$ 2 50 5195T64 Water-Resistant Clear Polyurethane Tubing 3/16" 0.39$ 19.50$ 3 1 89495K151 Stainless Steel Round Tube Type 304, 3" OD, 2-1/2" 90.05$ 90.05$ 4 2 5182K256 Type 316 SS Yor-Lok Tube Fitting Adapter for 1/4" Tube NPT 19.23$ 38.46$ 5 2 50775K403 Tube Support for 1/4" Tube ID Durable Nylon Compression Tube Fitting 6.09$ 12.18$ 6 1 6811A22 Super-High Temperature Wrap for Wire and Cable Protection 5.16$ 5.16$ 7 30 5195T64 Water-Resistant Clear Polyurethane Tubing 3/16" ID, 1/4" OD 0.39$ 11.70$ 8 1 89495K151 Stainless Steel Round Tube Type 304, 3" OD, 2-1/2" 90.05$ 90.05$ 9 1 50775K403 Tube Support for 1/4" Tube OD Durable Nylon Compression Tube Fitting 6.09$ 6.09$ 10 1 4093T21 Diverting 3-Port Brass Ball Valve Any-Direction, 1/4" NPT Female 41.64$ 41.64$ 11 1 92001A291 18-8 Stainless Steel Wing Nut 8-32 Thread Size, 29/32" Wing Spread 6.58$ 6.58$ 12 1 92141A011 18-8 SS General Purpose Flat Washer NO. 10 Screw Size, 7/16" OD 2.33$ 2.33$ 13 2 47065T142 Std Zinc-Plated STL End-Feed Fastener, for 1" Aluminum Inch T-Slotted 2.30$ 4.60$ 14 1 87175K93 NON-Porous High Alumina Ceramic Tube 4 Bore, .188" OD 27.88$ 27.88$ 15 1 5182K269 Type 316 SS Yor-Lok Tube Fitting Adapter for 1/2" NPT Female Pipe 20.04$ 20.04$ 16 1 87175K91 NON-Porous High Alumina Ceramic Tube 4 Bore, .188" OD 20.91$ 20.91$ 17 1 92001A291 18-8 Stainless Steel Wing Nut 8-32 Thread Size, 29/32" Wing Spread 6.58$ 6.58$ 18 1 92141A011 18-8 SS General Purpose Flat Washer NO. 10 Screw Size, 7/16" OD 2.33$ 2.33$ 19 2 47065T142 Std Zinc-Plated STL End-Feed Fastener, for 1" Aluminum Inch T-Slotted 2.30$ 4.60$ 20 1 5182K269 Type 316 SS Yor-Lok Tube Fitting Adapter for 1/2" Tube OD X 1/4" NPT 20.04$ 20.04$ 21 1 9922K121 Corrosion-Resistant Steel Tubing 1/4" OD, .18" ID 18.97$ 18.97$ 22 3 5182K577 Type 316 SS Yor-Lok Tube Fitting Front and back Sleeve for 1/2" Tube OD 4.50$ 13.50$ 24 3 5182K557 Type 316 SS Yor-Lok Tube Fitting Nut for 1/2" Tube OD 5.25$ 15.75$ 25 1 5182K129 Type 316 SS Yor-Lok Tube Fitting Adapter for 1/2" NPT Male Pipe 16.32$ 16.32$ 26 1 5182K269 Type 316 SS Yor-Lok Tube Fitting Adapter for 1/2" NPT Female Pipe 20.04$ 20.04$ 27 2 47065T206 Aluminum Inch T-Slotted Framing System Single Horiz Tube Holder 36.12$ 72.24$ 28 1 47065T101 Aluminum Inch T-Slotted Framing System Four-Slot Single 14.20$ 14.20$ 29 8 47065T223 Aluminum Inch T-Slotted Framing System 90 Degree Bracket 3.98$ 31.84$ 30 1 9657K302 Steel Compression Spring Zinc-Pltd Music Wire, 1.00" L,.300" OD 9.80$ 9.80$ 31 1 91792A209 18-8 SS Pan Head Slotted Machine Screw 8-32 Thread, 3" Length 7.01$ 7.01$ 32 1 9435K43 302 SS Precision Compression Spring 1.0" Length, .24" OD, 5.02$ 5.02$ 33 1 9246K11 Multipurpose Aluminum (Alloy 6061) 1/4" Thick, 8" X 8" 17.38$ 17.38$ 34 1 8746K541 NON-Porous High-Alumina Ceramic Tube .875" OD, 5/8" ID, 12" Length 67.60$ 67.60$ 35 1 8746K542 NON-Porous High-Alumina Ceramic Tube .875" OD, 5/8" ID, 24" Length 122.90$ 122.90$ 36 1 9396K104 Silicone O-Ring AS568A Dash Number 020, Packs of 25 5.27$ 5.27$ 37 4 3854T81 Clear Plastic Petri Dish with Cover, 3-1/2" Diameter, 5/8" Height 6.62$ 26.48$ 38 1 5943K232 Cleaned and Bagged Yor-Lok SS Tube Fitting Branch Tee for 1/2" NPT 56.42$ 56.42$ 39 3 5182K755 Type 316 SS Yor-Lok Tube Fitting Tube Stem Reducing Cplg for 1/2" 13.33$ 39.99$ 40 5 5182K574 Type 316 SS Yor-Lok Tube Fitting Front & Back Sleeve for 1/4" Tube OD 2.56$ 12.80$ 42 1 5182K242 Type 316 SS Yor-Lok Tube Fitting Reducing Coupling for 1/4" 15.90$ 15.90$ 43 6 2572K26 Load-Rated Bumper Polyurethane, Med-Hard, 1/4" 7.94$ 47.64$ 44 3 5182K577 Type 316 SS Yor-Lok Tube Fitting Front & Back Sleeve for 1/2" Tube OD 4.50$ 13.50$ 46 3 5182K557 Type 316 SS Yor-Lok Tube Fitting Nut for 1/2" Tube OD 5.25$ 15.75$ 47 1 5182K129 Type 316 SS Yor-Lok Tube Fitting Adapter for 1/2" NPT Male Pipe 16.32$ 16.32$ 48 1 5182K269 Type 316 SS Yor-Lok Tube Fitting Adapter for 1/2" NPT Female Pipe 20.04$ 20.04$ 49 1 SSR330DC10 Solid State Relay 21.00$ 21.00$ 50 3 TJ50 Thermocuple TJ50-CAIN-14U-6-SB-OSTW-M 51.25$ 153.75$ 51 1 TJ70 Thermocouple TJ70-CAIN-116U-30-SB-OSTW-M 51.45$ 51.45$ 52 1 TJ50 Thermocouple TJ50-CAIN-116U-12-SB-OSTW-M 43.25$ 43.25$ 53 1 INC-12-30OPEN Miniature protection tube INC-12-30OPEN 28.70$ 28.70$ 54 1 AG-M40-100 Silver mesh 205.00$ 205.00$ 55 1 Ag-I Silver ink 95.00$ 95.00$ 56 1 ASC-2.0 Anode supported fuel cell 155.00$ 155.00$ 57 1 C-885 Zr-based Cement - Ceramabond 885 93.00$ 93.00$ 2,000.16$TOTAL Test Station
  • 17.
    Master Project. ArturoVeiga López 17 1.2. General overview and background 1.2.1. Principles of SOFC A Fuel Cell is a device that transforms the chemical energy of a fuel into electric current through an electrochemical process. It was first discovered in 1839 by Sir William Grove. The focus of this project is the Solid Oxide Fuel Cell (SOFC, see figure 1.3. for details), one of many types of fuel cells. This fuel cell is in solid state in its operation and it is made with special ceramics with key characteristics that will be covered in the current chapter. All fuel cells have 3 main parts: an anode, a cathode and the electrolyte, which is the layer in between. Both anode and cathode have to be electric conductors in contrast with the electrolyte that should be an insulator. The electrolyte is made by a material that allows the anions of Oxygen (O2-) to go through, but at the same time, forces the electrons to circulate through the electric circuit producing a current that powers it.
  • 18.
    Master Project. ArturoVeiga López 18 Figure 1.3. Schematic of a SOFC. The electrolyte used for the SOFC is made of 8mol% Yttria-stabilized Zirconia (Y2O3 Fully Stabilized ZrO2), which is the most common electrolyte material in SOFC. The electrolyte main requirement is that it has to conduct the Oxygen anions and at the same time it has to be an electrical insulator. The ionic movement occurs through the crystal lattice. This phenomenon is thermally activated so it has to be heated to a temperature of 800 C. This is the biggest challenge in this type of Fuel Cell and most of the research is focused in attempting to lower this temperature by making several layers between the anode/cathode and the electrolyte, using other materials, or like in this research project, lowering the electrolyte thickness. Fuel = H2 H2O Air = O2 Anode Cathode Electrolyte O2- e- e-
  • 19.
    Master Project. ArturoVeiga López 19 The anode is made of Nickel Ytttria-stabilized Zirconia (Ni/YSZ). Here is where the fuel is oxidized to produce H2O. The main characteristics of a good anode are: Good Hydrogen catalyst Large specific area, commonly is a porous material Good electronic conductor The reaction that takes place in the anode is: The cathode is made of Lanthanum Strontium Manganite (LSM). Here is where the Oxygen molecule breaks down and the result atoms are ionized. The main characteristics of a good anode are: Good Oxygen catalyst Large specific area normally is a porous material Good electronic conductor The reaction that takes place in the cathode is: Both anode and cathode reactions combine lead us to the overall reaction: There are also other requirements for all of these 3 materials like thermal stability, same expansion coefficient, chemical compatibility but that goes further out of the scope of this introductory chapter. The main advantages of this type of fuel cell is its great efficiency, theoretically up to 60%, and that it can be a good candidate for a combined heat and power application that could increase it further.
  • 20.
    Master Project. ArturoVeiga López 20 1.2.2. Fuel Cell Performance The performance of a fuel cell is measured by identifying and calculating the losses that lowers the potential from the thermodynamic ideal case. One of the objectives of to test the fuel cell and for that a test station needs to be built. General losses In a fuel cell there are several losses that lower its thermodynamic potential.    Where: V: Operating voltage. Ethermo: Thermodynamically predicted voltage of fuel cell. act: Activation losses due to reaction kinetics. ohmic: Ohmic losses from ionic and electronic losses. conc: Concentration losses due to mass transport. For measuring the performance of a fuel cell basically 2 tests are needed: The i-V curve and the Electrochemical Impedance Spectroscopy (EIS). The current voltage curve (i-V) The i-V curve is a curve that shows the potential at different current densities. From the curve itself the losses can not be determined, but using the Tafel equation it can be identified the activation loss and the Ohmic and concentration loss (see Figure 1.4).
  • 21.
    Master Project. ArturoVeiga López 21 Activation loss Ohmic + concentration loss Voltage Current density i-V curve Tafel fitting Figure 1.4. i-V curve with Tafel fitting . Electrochemical Impedance Spectroscopy. The other test that helps us to evaluate the performance of the Fuel Cell is the Electrochemical Impedance Spectroscopy (EIS). This technique allows us to differentiate the majority of sources of loss in a Fuel Cell. The EIS principles are based on measuring the impedance of the Fuel Cell when a small AC voltage perturbation superposes to the DC voltage of the polarization applied to the cell. This perturbation needs to be small enough for the i-V curve to be pseudolinear, but large enough to yield a current response that can be measured (see Figure 1.5.).
  • 22.
    Master Project. ArturoVeiga López 22 Voltage Current density Voltage perturbation Creates current response Pseudolinear portion of i-V curve Figure 1.5. Application of a voltage perturbation creates a current response maintaining the linearity. The impedance measured with this technique and at different frequencies is plotted in a Nyquist diagram like in the bottom of the figure 1.6. An electrochemical reaction can be represented by a resistor and a capacitor in parallel. The resistor reflects the Faradic resistance, while the capacitor reflects the capacitive nature of the interface due to the charge separation between 2 layers.
  • 23.
    Master Project. ArturoVeiga López 23 C1 CathodeElectrolyte ↓ ω -Zimag Zreal Rf,1 Rf,1 Figure 1.6. Physical sketch, equivalent circuit and Nyquist plot of an interface. As shown in figure 1.6., the diameter of the circle reflects the resistance. The capacitance can be calculated from the following equation: In an equivalent circuit of a fuel cell there are 2 interfaces, anode-electrolyte and cathode electrolyte and an Ohmic resistance that is mainly due to the resistance that the anions have to go through the electrolyte. This equivalent circuit is shown in the figure 1.7.
  • 24.
    Master Project. ArturoVeiga López 24 RΩ -Zimag Zreal RΩ Rf,2Rf,1 C1 C2 Anode CathodeElectrolyte Rf,1 Rf,2 Rf,2 Figure 1.7. Physical sketch, equivalent circuit and Nyquist plot of an entire fuel cell.
  • 25.
    Master Project. ArturoVeiga López 25 2. Development of a SOFC electrolyte with ESD technique 2.1. Introduction and Objectives The current section will briefly describe the rationale behind the selection of the Electrostatic Spray Deposition (ESD) technique to build a Solid Oxide Fuel Cell and the basic concepts of this methodology. Based on the results of the Thesis called “Electrostatic spray deposition of Solid Oxide Fuel Cell electrolyte” [He, 2013] it is feasible to achieve a 100% dense YSZ layer using the ESD technique. Moreover, the control of the porosity of the sprayed layer with other materials provides with the opportunity to build an anode and cathode with the same technique, which should be porous to maximize the surface in contact with the gases in the fuel cell. However, this is not without challenges. We will cover those challenges and how to overcome them in the following sections. The overall objective of these experiments is to advance the knowledge of the properties of the sprayed layer and to face the challenges in long-time sprays and other materials. The ultimate goal of this research is the development of a complete fuel cell with the solely use of the ESD technique in several steps of spray and sinter the several layers of a fuel cell. ESD is essentially a coating technique that uses a liquid to create a suspension where nanoparticles of the material which we want to coat our surface with are dissolved into (see Figure 2.1. for details).
  • 26.
    Master Project. ArturoVeiga López 26 Figure 2.1. Schematic of Sketch of the Electrostatic Spray Deposition technique. An ESD system consists of a suspension system with a syringe pump and a nozzle, a high voltage generator, and a heated substrate. The suspension is sprayed onto a substrate using a high electric field (8 kV – 13 kV) between the nuzzle (where the suspension is pumped) and the substrate. The substrate is heated to a certain temperature that helps evaporate the excess of liquid in the flight time of those drops. Flight time refers to the time that elapses between the time that the suspension leaves the heated surface and that it reaches the nuzzle. The remaining of the liquid evaporates in contact with the substrate allowing a slight movement of the particles in the substrate. This helps to achieve a more uniform layer. The electric field charge the drops when they go through the nuzzle (that drives the particles to stick to the substrate), but also this charge is responsible for the Columbus Film Drops Flow:1ml/h Voltage 8-13 kV Nuzzle Heatedsubstrate
  • 27.
    Master Project. ArturoVeiga López 27 force that prevents agglomeration between them. As a result they form a uniform layer (see Figure 2.2.). Figure 2.2. Schematic of Coulomb force between two particles. Particles with the same charge repel each other. The system developed by He, 2013 is shown on Figure 2.3. This system requires a series of improvements to enhance robustness and reproducibility of the methodology, which will be the focus of this work. The main advantage of this technique is that it not only provides with the opportunity to create a thin film (as thin as 1 µm), but that it also allows with a high control over the porosity of the layer. Other advantages include the low equipment cost and the easy scalability for manufacturing. Overall, this technique is highly competitive over others, such as physical vapor deposition, screen printing, or slurry coating. + + + + + + + + + + + + + + + + Drop YSZ particles
  • 28.
    Master Project. ArturoVeiga López 28 Figure 2.3. Electrostatic Spray Deposition System developed by He, 2013. Syringe and pump (top left are connected to the nuzzle (top right). Note detail of heated substrate (top right). 2.2. Development of an enhanced spray system The former system developed by He, 2013 although innovative, lacked of the repeatability and robustness required. One of the main challenges with this system is that the ESD technique is very slow, which in turns leads to a high variability of the final outcome. The amount of suspension sprayed is about 1 ml per hour, with an average of 3 µm per hour. Assuming the final anode thickness should be over 100 microns, this speed of growth to generate the layer is too slow and requires a very long spraying phase (up to 30 hours). Nuzzle Heatedsubstrate Syringe + pump
  • 29.
    Master Project. ArturoVeiga López 29 Maintaining the spray constant and stable for this amount of time is quite difficult due to the sensitivity of the technique. Note that any change on the suspension or the ambient conditions can change the spray behavior. Therefore, it is essential to 1) achieve complete spray stability (described in section 2.2.1.) and 2) reduce the spray time (described in section 2.2.2.). To achieve complete spray stability, a new design and improvements to the system have been implemented. To reduce the spray time, the flow rate and/or the powder concentration in the suspension need to be evaluated. These improvements are studied in detail in this chapter. 2.2.1. Spray stability 2.2.1.1. Design requirements To achieve a complete spray stability and repeatability we identified the underlying causes that may affect the spray behavior. It was determined by experimental observation that the main problem for having a stable spray was the supply to the spray with a constant concentration of particles. Two critical factors of the design were responsible for the heterogeneous supply of particles, namely the settling of the particles and the tendency of the particles to stick to the container walls. These will be covered in the next sections. Settling of the particles Settling refers to the process by which particles settle on the bottom of a liquid and form a sediment. The main problem is the settling of particles due to the different density between the YSZ nanopowders and the liquid where those particles are
  • 30.
    Master Project. ArturoVeiga López 30 dissolved. Later in this chapter we will study if it is possible to modify the suspension itself to prevent this settling phenomenon. In this section, we will discuss how to minimize this effect by solely improving the design. We also observed that the particles have a tendency to stick to the walls of the tubes. The solution proposed and tested is to incorporate a reservoir as close to the nuzzle as possible. This will allow to have the highest amount of suspension next to the nuzzle. We also implemented a magnetic stirring system in it so we can stir the suspension at the same time that spraying is occurring. This will minimize the tendency of the particles to stick to the container walls by increasing the ratio volume/area and assuring that the suspension sprayed is not in contact with any tubes before is being sprayed. This solution was tested through different prototypes before the implementation into the final design. The magnetic stirring system has to be capable to operate at a very low speed (~ 90 rpm). To achieve this speed, the voltage and frequency regulator has to be connected in series with a dimmer that “cuts” part of the AC current in each cycle. This was a fast and very cost effective solution to lower the speed of the stirring motor. Another possible approach could be the implementation of an ultrasound system that constantly induces a vibration on the particles that theoretically prevents the agglomeration that causes the settling. This could be a solution not only for the reservoir, but also for the syringe and the remaining tubes. It was not incorporated in this design because of its complexity, but it is a solution worth exploring in future design improvements. Vacuum A vacuum can be created during the spray phase and that can affect the stability when spraying occurs during a long period of time. To solve this problem, a tube open to the air was attached in the top part of the container.
  • 31.
    Master Project. ArturoVeiga López 31 With this tube we cannot apply a pressure to the system so the flow rate will be only imposed by the electric field and not by the syringe. That also poses the following challenge; to maintain the suspension level by guessing the flow rate sprayed. Because of this phenomena and the poor results obtained trying to prevent this vacuum, this system was not implemented. Electric field Another problem that directly affects the spray stability is the uniformity of the electric field. The electric field is the driving force of the spray; any distortion of the electric field affects directly shape of the spray. This represents a complex challenge, because the electric permittivity is directed affected by the concentration, distribution, and nature of the particles sprayed. In the original design [He, 2013], a plastic disk was placed in the middle of the nuzzle. This disk allows to concentrate the electric field in the upper part of the nuzzle, that is a perfect cylinder, blocking the rest of the possible electric field of the rest of the nuzzle. To improve this approach a grounded Faraday cage was built to ensure the electric field, that comes from any other part that is not the last 0.5 inches of the nuzzle, is cancelled. All of the above descried systems were designed and built specifically for this project (see improved design in Figure 2.4.). They were made as compact as possible and met the requirements and needs of material compatibility. The system adapted the design of the original design [He, 2013] in terms of the chamber, the positioning, and the heating system. The design was developed using the software PRO-E a CAD software.
  • 32.
    Master Project. ArturoVeiga López 32 Figure 2.4. Improved spray system. 2.2.1.2. Experiment methodology Several experiments were made to spray a YSZ layer with different thicknesses. The results were observed in the SEM to evaluate the microstructure of the deposited layer. The parameters controlled during the experiment were: voltage, distance, flow rate, and temperature of the substrate. To get a stable spray, and based on previous experiments, the flow rate was set to 1 ml/h. The temperature is a critical parameter to achieve a completely dense layer and it was set at 250 C.
  • 33.
    Master Project. ArturoVeiga López 33 To achieve a good spray shape, the combination of distance and voltage is essential. This spray mode is called cone-jet and it is the operation mode that allows to have a perfect and uniform layer. To determine these parameters it is needed to calibrate using different distances and voltages. Figure 2.5. represents the relationship between these two parameters and the type of spray that will provide with. Figure 2.5. Types of spray based on distance to voltage combinations. Flow rate and temperature used were 1 ml/h and 230C, respectively. Note that four modes of spray can be achieved: sputtering, squirt, cone jet, and dripping. Refer to text for an in depth explanation of each mode. Four modes of spray can be achieved based on the distance to voltage relationship: 1) Sputtering: This mode occurs when the voltage is very high in relationship to the distance. In this case, multiple sprays come out of the nuzzle and cannot be easily controlled. 2) Squirt: This mode produces a single spray, but it is not uniform. The center of the spray has more drops, that cause a little hill in the middle of the deposited layer.
  • 34.
    Master Project. ArturoVeiga López 34 3) Cone Jet: This is the ideal mode of spray; it is completely uniform and best results are achieved when formed (Figure 2.6.). 4) Dripping: In this mode, the voltage is too low for the selected distance and instead of having a continuous spray, only drops are formed. Figure 2.6. Left: Cone Jet Spray: Ideal spray mode. Uniform spray guarantees best results. Right: Cone Jet Spray deposition result. Note uniformity of deposit. 2.2.3. Experiment results A series of experiments were conducted to test the spray stability. SEM technique was used to compare results with the previous system and to achieve sprays for up to 17 hours and evaluate its microstructure. In Figure 2.7. different YSZ samples sprayed onto a silicon substrate are shown. The different of color within each half of each sample is due to the fact that a more obscure side was sintered.
  • 35.
    Master Project. ArturoVeiga López 35 Figure 2.7. Different samples of YSZ sprayed onto a silicon substrate. To evaluate the results in terms of density and uniformity after the sinterization, the samples obtained were compared to the original system [He, 2013]. Figure 2.8. shows a SEM micrograph obtained after the use of the original system. Some pores are evident, but most of them will disappear with the sinter process.
  • 36.
    Master Project. ArturoVeiga López 36 Figure 2.8. SEM micrograph of the sample obtained with a spray time of 30 min using original spray system. The new spray system without the vacuum was tested using the following conditions:  Flow rate: 1 ml/h  Concentration of YSZ in the suspension: 1 wt %  Solvent of the suspension: Butyl Carbitol  Temperature of the substrate 230 C  The voltage and distance were adjusted to achieve the best possible Cone Jet Figure 2.9. SEM micrograph of the sample obtained with a spray time of 30 min using new spray system without vacuum.
  • 37.
    Master Project. ArturoVeiga López 37 Figure 2.10. SEM micrograph of the sample obtained with a spray time of 1 hour using new spray system without vacuum. Thickness of the layer is proportional to the time (thicker in 1 hour vs. 30 min exposure) as the rest of parameters remain constant. We can notice that there is still some porosity, but it has improved compared to the original system design. Longer exposure times, up to 17 hours were tested (see Figures 2.11. and 2.12.). Figure 2.11. SEM micrograph of the sample obtained with a spray time of 14 hours using new spray system without vacuum.
  • 38.
    Master Project. ArturoVeiga López 38 Figure 2.12. SEM micrograph of the sample obtained with a spray time of 14 hours using new spray system without vacuum. As seen in the micrographs after 14 of exposure (Figures 2.11. and 2.12.)one can obtain a layer of up to 69 microns and with good properties. The cracks along the surface are caused by the cutting process, since the layer is too thick to have a perfect cross section. The above described experiments were performed without the vacuum tube that will theoretically allow the achievement of a more stable spray. The type of spray achieved is slightly of squirt mode, as shown in Figure 2.13., the center has more particles sprayed than on the sides.
  • 39.
    Master Project. ArturoVeiga López 39 Figure 2.13. SEM micrograph of the sample obtained with a spray time of 17 hours using new spray system without vacuum. We can conclude that this system is appropriate to produce a stable spray system for YSZ and to achieve the desired thickness varying the deposition time. 2.2.2. Increasing the powder concentration of the suspension As mentioned earlier, reducing the spray time is critical to achieve a complete stable spray. Changes in the composition of the actual suspension will allow to produce a thicker layer in less time. In order to limit the particle settling it is needed to understand the principles that regulate the particles settling. A particle suspended in a fluid is subjected to two applied forces, gravity and drag. The drag force is a function of the particle velocity, so when the gravity accelerates the particle, its velocity increases until both forces are equal. This is called the terminal velocity. The terminal velocity is affected by numerous parameters like the shape, size of the particles, the density, and viscosity of the fluid. Figure 2.14. Schematic of forces that a particle is subjected to when in a fluid. Gravitational and drag forces are opposite.
  • 40.
    Master Project. ArturoVeiga López 40 We assume that there is a smooth spherical particle in a fluid, hence no interferences among particles. Based on the Reynolds number we can have 3 different scenarios:  Stokes drag  Newtonian drag  Transitional drag In this case, and due to the small particles involved, the Reynolds number is very small. This indicates that the main dragging force is due to the viscous forces. Applied force (gravity) Where: ρp : Particle density ρf : Fluid density g: gravity Vp: Volume of the particle Drag force Where: µ: dynamic viscosity of the fluid (6 Pa*s) R: radius of the particle (20 nm) v: settling velocity Then: ρ For our suspension, the velocity is 2.7∙10-3 mm/h which is equivalent to ~ 1 mm/year. Theoretically, with this particle size (20 nm), the suspension should remain stable for years. But, experimentally, it is observed that the suspension settles within hours.
  • 41.
    Master Project. ArturoVeiga López 41 That observation leads to the assumption that the particles agglomerate to produce much bigger particles in the order of magnitude of 10 microns. Also, another phenomenon that was observed is that with the time, even if we agitate the suspension every hour the velocity of settling is higher. That means that the particles are agglomerating and even after an agitation process they still remain together, making the settling faster. Two methods are available to avoid the agglomeration phenomenon, electrostatic stabilization and steric stabilization. Before explaining those two methods, it is important to review that particles may carry electrical charges in their surfaces, which in this case is the main factor of agglomeration (electric charge). There are three types of potential involved in a particle (surface charge, Stern potential and Zeta potential), and each of them is predominant in a specific region around the particle. We will focus on the Zeta potential, which is the one that drives the agglomeration of small particles. Zeta potential is defined as the potential difference between the dispersion medium and the stationary layer of fluid near a single particle. Figure 2.15. Schematic representation of potentials involved in a particle (surface charge, Stern potential, and Zeta potential).
  • 42.
    Master Project. ArturoVeiga López 42 2.2.2.1. Electrostatic stabilization This method is based in changing the zeta potential of the suspension. If the zeta potential is greater than +30 mV or smaller than -30 mV, the agglomeration is avoided. It is important to remember that the settling time for nanoparticles is in the range of years. To change the zeta potential, the most common method is to change the pH of the suspension to increase or decrease the zeta potential of the particle in the medium. This method works better in mediums that have a high electric dielectric constant. The solvent used to spray YSZ is Diethylene Glycol Monomethyl and has a dielectric constant of 10.15, which makes it not very suitable, but possible. Figure 2.16. Schematic representation of electrostatic stabilization. 2.2.2.2. Steric stabilization Another approach is to use a polymer chain that sticks to the surface of the particles using the electric charge of the particles. The chains of the polymer interact among them before the particles are close enough to be attracted by electrostatic forces. It is
  • 43.
    Master Project. ArturoVeiga López 43 required that the medium may be a good solvent for the polymer chain. In addition, the charge of these polymers has to be opposite to the zeta potential of the particles. Figure 2.17. Schematic representation of steric stabilization. In order to use these methods the zeta potential of the particles used in the medium needs to be determined experimentally. The equipment required to determined the zeta potential of these particles is highly specialized and currently will not represent a cost-effective measure to implement. Theoretically, the improvement on the amount of particles is limited by the viscosity, from the suspension point of view, apart other factors that should be tested experimentally like the stability of the spray, which can be up to 30 % of volume of powders. That allows to work with 70 wt % of powders in a stable suspension, which is 70 times higher than the actual powder concentration. There are other factors involved that have the potential to reduce the powder concentration. It is likely that the spray system cannot operate with such amount of powder concentration, but the current limitation factor (the suspension) will not be a problem in the future, so there is potential for improvement by increasing the powder concentration. This means that this technique can be accelerated to achieve same thickness in a fraction of the time required.
  • 44.
    Master Project. ArturoVeiga López 44 3. SOFC Design, operation and results 3.1. Design of the SOFC test station In order to assess the performance of a Solid Oxide Fuel Cell (SOFC), a test station was built. This chapter is going to focus on the design and manufacture of the test station and on the evaluation of the performance of the fuel cell. 3.1.1. Principles of design of the SOFC test station The fuel cell design is based on a traditional test equipment for SOFC button cells using a cylindrical induction furnace to achieve the operation temperature using a Zirconia tube as support for the SOFC. Some critical factors were to be taken into account to design this test station:  Working temperature: 800 C.  Fragility of the materials used to build the SOFC and the SOFC per se.  Minimize the difference among the expansion coefficients of the materials used.  Achieve a 100 % seal system due to the nature of the gases and temperatures involved.  Minimize the electric interferences from the furnace. Among these factors, the high temperature (~ 800 C) is the most important design factor to take into account. The fuel cell (see Figure 3.1. for detailed design) has to not only provide with both fuel and air in the necessary conditions, but has also to control the temperature of system, collect the current and voltage, and process them.
  • 45.
    Master Project. ArturoVeiga López 45 Figure 3.1. Schematic sketch of a Solid Oxide Fuel Cell (SOFC) system and its parts. 3.1.2. Parts of the SOFC test station The test station can be divided up into several subsystems that include the following:  Low temperature gas system  The furnace and the temperature control system  The hot temperature gas system  SOFC button cell  The AC impedance system Gas Valve N2 H2 Heated water bath To the outside Lowtemperature gas system Hot temperature gas system Lowtemperature gas system Blower AC impedance system Potentiostat / Freq. Response Analyser Ag wires Zirconia tubes
  • 46.
    Master Project. ArturoVeiga López 46  Electrical insulator  Sealing Low temperature gas system This system includes the bottles of Hydrogen and Nitrogen and runs up to the entrance of the Zirconia tube system. The gas control system (Diavac 885, Leybold) has the flow meters and valves to adjust the flow of the gas to perform the test. The incoming gas is bubbled into a 500 ml flask with three openings, two for the gas and one for the thermocouple that will register its temperature. This flask incorporates a heater (Omega LHM0500) that allows to increase the humidity of the gas, until the saturation point at any given temperature. This is especially important because the level of humidity of the gas (saturated of water) depends on the temperature of the gas. The heater is controlled by the same system as the furnace. It is important to keep the distance between the flask and the entrance of the Zirconia tube as short as possible, in order to prevent condensation in the tube. Otherwise, the gas may be less humid than what it should be. Once the gases pass through the hot gas system, the exhausted gases are bubbled through another device, which induces a little over pressure into the system. Its function is to check the presence of leakages throughout the experiment and to provide with a steady flow along the process. Finally, the gases are safely extracted to the exterior of the building. The furnace and the temperature control system The furnace is based on a cylindrical furnace (ATS series 3210) with a maximum output of 4,010 W and a series of three thermocouples (model Omega TJ50) connected to a digital controller (model Omega Multizone controller), that allows to control and maintain the needed temperature in the furnace.
  • 47.
    Master Project. ArturoVeiga López 47 The hot temperature gas system The hot temperature gas system (see Figure 3.2.) is made of two Zirconia tubes (see Figure 3.3.) and one inconel tube that is placed inside one of the Zirconia tubes and the connection system required to connect all three tubes to the low temperature gas system. Figure 3.2. Schematic of the hot temperature gas system. Air H2 N2 H2O N2 H2O N2 Oven Ag wires To potentiostat Inconel tube Stainless steel tube Alumina tube Alumina tube Inconel tube
  • 48.
    Master Project. ArturoVeiga López 48 Figure 3.3. Zirconia tube. The gases go through the inconel tube that ends in the fuel cell where the gases react with the SOFC. The products of this reaction go through the space in between the Zirconia and the inconel tube. Knowing the temperature close to the fuel cell is critical, because is this will be the operating temperature, which drives the ion mobility through the YSZ. To measure the temperature, a thermocouple TJ70-CAIN was placed inside the Zirconia tube and as close as possible to the fuel cell. The structure to hold the Zirconia tube was made using an extrusion aluminum frame, commonly used in this type of constructions because of its great flexibility and robustness.
  • 49.
    Master Project. ArturoVeiga López 49 SOFC button cell The button cell used is the model ASC-2.0, an anode supported cell supplied by fuel cell materials with the Ni-YSZ/YSZ/LSM structure (20 mm of diameter). Other details of the cell are the following: a 10 μm thick YSZ electrolyte, LSM as cathode with a thickness of 50μm and NiO-YSZ anode with 220-260μm of thickness (see Figure 3.4. for details). Both anode and cathode are porous to increase the reactive area surface with the gases. This type of fuel cell requires a reduction of the anode before use. Specifics of the assembly of the button fuel cell are shown in Figure 3.5. Figure 3.4. Anode-supported fuel cell characteristics model ASC-2.0. Cathode Electrolyte Anode
  • 50.
    Master Project. ArturoVeiga López 50 Figure 3.5. Schematic of the assembly of the fuel cell. The AC impedance system The system used to analyze the AC impedance data is the PARSTAT 4000, Princeton Applied Research, a potentiostat / galvanostat coupled with a frequency response analyzer (FRA) contained in a single unit. The impedance system is connected and controlled a computer using the VersaStudio electrochemistry software that allows the design of the experiments and the analysis of the data obtained. Silver mesh and wires (silver wire diameter: 0.25 mm) are used to the transport of the voltage and current to be analyzed. Note that when using this of equipment at these temperatures, platinum is the ideal element of choice because it has a melting point much higher than the silver (Ag: 961 C vs. Pt: 963 C). To test the integrity of the silver under experimental conditions, an experiment was conducted to determine if degradation in the silver may affect the results. The integrity of the silver wire was evaluated by analyzing the structure and composition of the silver wire (see Figures 3.6. to 3.9). Ag wires Cement Cathode Ag mesh (current collector)
  • 51.
    Master Project. ArturoVeiga López 51 Figure 3.6. SEM of silver wire in contact with Aremco Cement at 800C. Figure 3.7. Composition of the surface of the Ag in contact with Aremco Cement at 800C.
  • 52.
    Master Project. ArturoVeiga López 52 Figure 3.8. SEM of silver wire near Aremco Cement at 800C. Figure 3.9. Composition of the surface of the silver near Aremco Cement at 800C. During this experiment it was noticed that the phosphorous included in the cement forms a layer of Ag3PO4 in the surface (see Figure 3.6.), which makes the silver wire more brittle. After 5 hours, the conductivity of the silver wires starts to be affected. To minimize the silver wire degradation, as well as to decrease the ohmic resistance and make a better electrical connection with the potentiostat, a thicker silver wire was selected (new diameter: 0.25 mm).
  • 53.
    Master Project. ArturoVeiga López 53 Electrical insulator To achieve the best measurement of the impedance and other electrical signals the fuel cell and the silver wires have to be fully isolated from the noise coming from the induction furnace. A 316 stainless steel alloy tube was used to protect the fuel cell. An inconel tube was used to protect the silver wires that collect the current and that are connected to the potentiostat. Sealing The most important part of the cell assembly is the sealing between the test station and the fuel cell, and it is not without challenges. If the system is not completely sealed, it can result in complications such as loss of voltage, hot spots, and also explosions. If the leakage is large enough, the hydrogen can be in contact with the oxygen present in the air, which in a certain range of composition can lead to an explosion. Appropriate safety measures were taken when conducting the experiments. Requirements to achieve the best sealing possible:  Gas tightness  Same thermal expansion between fuel cell and Zirconia tube  Chemical stability and low partial pressure at high temperatures To match the thermal expansion of the materials involved a Zirconia-based cement needs to be used, discarding other cements based on conventional glass-ceramic materials or glass. Another potential solution may be the use of a gold ring. Applying pressure to this gold ring at high temperatures, the gold will deform itself and seal the system. This solution was rejected due to manufacture precision issues during the cutting of the tubes and the higher cost involved, although the main advantage is the easy and fast replacement of the cell.
  • 54.
    Master Project. ArturoVeiga López 54 A Zirconia-based cement (Ceramabond 885) provided by Aremco was used. The main problem encountered in this sealant is that it forms a porous layer. The easy diffusion of H2 through the layer requires to apply several layers (up to 4) and to cure them successively to achieve a good sealing and prevent any H2 leakage. 3.2. Preparation of the experiment 3.2.1 Assembly process of the fuel cell The assembly of this cell is a critical step in the fuel cell testing and in order to achieve a good result is crucial to have a perfect assembly of the system. The literature is scarce regarding fuel cell assembly. This methodology used was based on the results of the Thesis called “Characterization of porous SOFC Electrodes” [Hslao, 1996] and was specifically adapted and improved for this design. To make the process easier and time effective when it comes to test more than one cell, 1 inch of the Zirconia tube was cut to mount the fuel cell. Then, the other side was pasted with the same cement to the Zirconia tube. This also allows to have more space to take the silver wire connected to the anode outside of the system. After that, another collector is placed in the cathode side and pasted with the silver ink.
  • 55.
    Master Project. ArturoVeiga López 55 Figure 3.10. Image of the Zirconia and inconel tubes with the furnace open. The current collector is a silver mesh (AG-M40-100) that was cut to fit the shape of the anode and the cathode. In order to mount the collector in the cathode side, the anode should not be touched, because that can give us a deviation from the theoretical potential. Two silver wires of 0.35 mm provided by Goodfellow are responsible for the conduction of the current and voltage to the potentiostat. In order to achieve a perfect contact between the collector, the anode, and the cathode, silver ink (AG-i) is applied. This will keep the mesh in the same place throughout the experiment. To cure the silver ink it should be fired up to 800 C for 1 hour.
  • 56.
    Master Project. ArturoVeiga López 56 Figure 3.11. Detailed view of the silver mesh impregnated with the ink and connected to the wire. Although silver is not the most suitable material to be used as a collector, because of the high temperatures reached during the experiment, silver was used due to the better cost compared to platinum. Using silver allows 5 hours of tests at 800 C, time after which, the silver starts a degradation process. Figure 3.12. Detailed view of the cathode side of the fuel cell mounted in the Zirconia tube.
  • 57.
    Master Project. ArturoVeiga López 57 Figure 2.13. Final placement of the fuel cell before the test. In order to increase the temperature of the cell it is extremely important in every stage not to increase or decrease the temperature more than 1 C/min to prevent cracks due to the thermal expansion and to allow the cement to expel the gases produced in the cure process of the cement. After applying the silver ink to stick the current collectors in the anode and cathode a thin layer of cement is applied and the following temperature cycle was followed: 2 hours at room temperature, 2 hours at 93 C, 2 hours at 260 C, and 2 hours at 370 C, and then the temperature was reduced to 20 C. Four layers should be applied and cured one after another checking that there are no visible cracks after each curing step.
  • 58.
    Master Project. ArturoVeiga López 58 Figure 3.14. Curing curves for a layer of cement. Thereafter, the silver ink is fired according to the manufacturer by increasing the temperature up to 800 C for one hour. A sealing test is performed to check that there is no leakage; a mixture of 5% H2 and 95% N2 is pumped through the system and some overpressure is added to the system bubbling the exhausted gas. Then, with an hydrogen detector, the entire system is inspected for possible leaks. 3.2.2. Experimental AC impedance procedure To prepare the fuel cell, the manufacturer does not provide with sufficient information and different research groups use their own procedure to make the set- up. Three main aspects need to be taken into account: 1) The leakage is detected by comparison of the open circuit potential with the theoretic obtained in the Nerst equation for the reaction: 0 50 100 150 200 250 300 350 400 450 0 1 2 3 4 5 6 7 8 9 10 11 12 13 14 15 16 17 18 19 Temperature(C) Time (h) Cement cure heat treatment Real temperature Theroretic temperature (1°C/min)
  • 59.
    Master Project. ArturoVeiga López 59 Where: E - The electromotive force (or reversible open circuit voltage), V E0 - the EMF at standard pressure, V R - The universal gas constant, 8.314 JK-1mol-1 F - Faraday constant, 96485 Coulombs Pi - partial pressure, bar which in our conditions of gas compositions and temperature (800C, 97% H2 3% H2O, Air) has a value of 1.10 V. If the voltage is out of the ± 5 %, another layer of cement is recommended. Also, if the OCP is less than the one predicted, this can be indicative that the electrolyte layer is not continuous or that it is broken. 2) Anode reduction Anode reduction is achieved by a mixture of 10% of Hydrogen and 90% Nitrogen starting at 400 C. According to Xiao (2006), the complete reduction of the anode will be achieved at 500 C. 3) Conditioning New fabricated button cells are not in a full equilibrated state and they need a conditioning; normally the time needed to reduce the anode is enough for achieving thermal and electrochemical stability. After having the silver and the cement cured, the procedure starts at room temperature. 1) The temperature is increased until 400 C with a ramp of 1 C/min without gas supply.
  • 60.
    Master Project. ArturoVeiga López 60 2) When 400 C is reached 10 cc/min of N2 is pumped in for about 10 min to ensure there is no O2 inside the system 3) Then, the anode is reduced according to the above-mentioned description between the temperatures of 400 and 600 C. Gas supply is stopped after 600 C are reached. 4) At 750 C the gas supply switches to 90% N2, 10% H2 monitoring the open circuit voltage. When it is close to the theoretical, the gas mixture is changed to humidified Hydrogen (97% H2 , 3% H2O). Under our experimental conditions, 3 hours were needed to reach an open circuit potential close enough to the theoretical (1.10 V). Throughout the process, the temperature of the furnace needs to be monitored and remain stable; that is, it should not be a difference of more than 5 C between the highest and the lowest temperature inside it.
  • 61.
    Master Project. ArturoVeiga López 61 3.3. Results A two electrodes configuration is used for testing the fuel cell according to the instructions manual of the PARSTAT 4000 unit. Figure 3.15. Schematic of the two electrode connection diagram. In order to test the performance of the SOFC, three electrochemical tests are performed: open circuit potential, current voltage test, and AC impedance test. 3.3.1 Open circuit potential (OCP) The OCP of the tested cell was in a range between 1.03 V and 1.12 V, which is close to the theoretical predicted by the Nest equation: 1.10 V at 800 C. This means that a good seal is accomplished and that there are no electrical leaks during the tests. It also ensures the proper operation of the cell. In Figure 3.16. the OPC trajectory of the fuel cell at 800 C and gas composition of 97% H2 and 3% H2O are shown. • WE: Working electrode • CE: Counter electrode • SE: Sense electrode • RE: Reference electrode
  • 62.
    Master Project. ArturoVeiga López 62 Figure 3.16. Open circuit potential curve at 800C and 97% H2 and 3% H2O. Before each test, the OCP was checked to verify the integrity of the system. After 7 hours of testing at 800 C, the OCP revealed a drastic drop in the open circuit potential. After cooling down the test station and examination the fuel cell, it was observed that the silver mesh that works as current collector was displaced. It is likely that the silver ink degraded and stopped sticking together the silver mesh and the anode, due to the long sustained high temperature. The silver ink is recommended for temperatures under 600 C. In this project, due to the extremely high cost of Platinum, silver ink mesh and cables were used. 3.3.2. Current voltage curve (i-V) The voltage and current curve is the main instrument to evaluate the performance of the fuel cell, maintaining constant the fuel and the temperature. In order to calculate the current density, the current is divided by the area of the fuel cell in contact with the gas and the collector resulting in an area of 1.6 cm2. 1 1.02 1.04 1.06 1.08 1.1 1.12 1.14 1.16 1.18 1.2 0 5 10 15 20 E(Volt) Time (minutes) Open Circuit Potential
  • 63.
    Master Project. ArturoVeiga López 63 The measurements were performed every 100 mA cm-2 except from the first 250mA cm-2 that were measured every 50mA cm-2 to be more accurate. Between each measure, a relaxation time of 10 min was allowed to achieve a steady state condition. The measures were performed until the current upper limit was fixed; this happened when the voltage reached 0.2 V. Another important benchmark of the performance of the fuel cell using this test is the so called specific area impedance (ASI). ASI is measured in the middle of the curve and a value of 0.5 Ω or less is accepted as a good performance of the fuel cell. In our case the ASI achieved was 0.34 Ω. In Figure 3.17., the i-V curve of the fuel cell at 800 C and fuel composition of 97%H2 and 3%H2O is shown. The curve does not display appreciable hysteresis. Figure 3.17. i-V curve at 800C and 97% H2 and 3% H2O. Figure 3.18. shows the power density; the maximum achieved was 0.6 W/cm2 at 1.12 A/cm2. 0 0.2 0.4 0.6 0.8 1 1.2 0 0.25 0.5 0.75 1 1.25 1.5 1.75 2 Voltage(V) Current (A/cm2) i-V
  • 64.
    Master Project. ArturoVeiga López 64 Figure 3.18. Power density curve at 800C and 97% H2 and 3% H2O. The performance measured by the manufacturer at different temperatures is shown in Figure 3.19. In comparison with the manufacturer’s material datasheet, our results are slightly smaller, which may be due to the precision of our system. Also, it is important to remark, the high sensibility of the temperature, as we can observe in the graph. 0 0.1 0.2 0.3 0.4 0.5 0.6 0.7 0 0.5 1 1.5 2 2.5 Powerdensity(W/cm2) Current (A/cm2) Power density
  • 65.
    Master Project. ArturoVeiga López 65 Figure 3.19. Fuel cell performance curves. Fuel Cell Materials data sheet for model ASC- 2.0. 3.3.3. Electrochemical impedance spectroscopy As mentioned in Chapter 1, the AC impedance technique allows us to compare the different resistances of the fuel cell associated to different phenomena occurring in the fuel cell, as well as to compare different conditions of the fuel cell to understand better its behavior. To perform the AC impedance spectroscopy test, it is required to superimpose an AC sine wave on the DC potential. One of the key parameters of this technique is the amplitude of the AC sine wave. Unfortunately, the only option to choose the correct amplitude is with trial an error. Too large of an amplitude will invalidate the linearity of the response, which the impedance theory is based on. Too small of an amplitude
  • 66.
    Master Project. ArturoVeiga López 66 will not create a sufficient strong signal to be analyzed. The values used of this amplitude are about 5 mV. The frequency range applied is from 1 MHz to 0.5 Hz In Figure 3.20., the real part of the impedance versus the imaginary part (note that is minus the imaginary) has been plotted. Figure 3.20. Results AC impedance spectrocopy. At 800C and 97% H2 and 3% H2O. With a ZSimDemo3.2 software, a study of the equivalent circuit was made. This fuel cell fits the equivalent circuit with the following parameters. From them we can say that the Ohmic resistance is 0.126 Ω and the kinetic resistance is 0.677 Ω. Ohmic resistance: RΩ = 0.126 Ω High frequency resistance Rf1 = 0. 62 Ω High frequency capacitor C1= 0.124 F Low frequency resistance Rf2 = 0.057 Ω Low frequency capacitor C2= 0.015 F 0.00 0.05 0.10 0.15 0.20 0.25 0.30 0.35 0.40 0.45 0.00 0.10 0.20 0.30 0.40 0.50 0.60 0.70 0.80 0.90 1.00 -Im(Z),Ω Re(Z), Ω Impedance spectra
  • 67.
    Master Project. ArturoVeiga López 67 RΩ Rf,2Rf,1 C1 C2 Figure 3.21. Equivalent circuit of the fuel cell. Figure 3.22. shows the alignment between the experimental results and the ones resulting from the equivalent circuit. Figure 3.22. Experimental results (red); Fitting results (green). Other gas composition tests were planned to be assayed, but the silver degradation prevented further testing. In conclusion, the fuel cell testing system was validated and showed a fairly good approximation to the values provided by the manufacturer, assuring that the test station works correctly.
  • 68.
    Master Project. ArturoVeiga López 68 4. Conclusions The current research work focuses on the principles of fuel cells and specifically, the parameters that measure the performance of a solid oxide fuel cell. A rigorous study has been developed to improve the original Electrostatic Spray Deposition (ESD) spray system, a new technology to develop a efficient solid oxide fuel cell. This original EDS spray system was developed in the Thesis: “Electrostatic spray deposition of Solid Oxide Fuel Cell electrolyte” [He, 2013]. The improvements developed in the current project focused on enhancing the efficiency of the EDS spray by achieving a better spray stability. To increase the stability, and in turn the efficiency of the EDS spray, a more homogeneous supply of particles is required. This is controlled by two main factors: the settling of the particles and the tendency of the particles to stick to the container walls. Several experiments were specifically designed to test these two aspects and included improvements of the original design that targeted the following aspects: - Include a reservoir under the nuzzle. - Avoid the vacuum produced during the spray. - Create a more uniform electric field. Several prototypes described in Chapter 2 were developed to test the results of the above-mentioned aspects. The finished system was tested spraying layers of YSZ up to 14 hours and 70 microns of thickness and we can conclude that this system is appropriate to produce a stable spray system for YSZ and that the desired thickness can be obtained varying the deposition time. Because reducing the spray time is critical to achieve a complete stable spray, a theoretical analysis was developed to increase the percentage of particles in the suspension.
  • 69.
    Master Project. ArturoVeiga López 69 This step is a major hurdle of the design of the EDS spray technology. This project has only started to assess one of the main problems of this technique. The achievement of faster deposition rates are still required to develop a future commercial method to build solid oxide fuel cells. On the other hand, assessing the performance of a solid oxide fuel cell is required to improve its efficiency. The second part of this project focused on the design and manufacture of a solid oxide fuel cell test station and on the evaluation of the performance of a commercially available fuel cell. The test station was designed and built focusing on simplicity and robustness. The designed fuel cell test station was tested with a commercial fuel cell to evaluate its proper operation and accuracy. Results from these tests were compared to the specifications provided by the manufacturer. In conclusion, the fuel cell testing system was validated and showed a fairly good approximation to the values provided by the manufacturer, validating the functionality of the test station. As mentioned above, the improvements implemented in the development of a solid oxide fuel cells, especially the composition of the suspension, are only the tip of the iceberg of a very complex engineering problem and leave open many unsolved technical difficulties. In order to achieve a fully functional and reproducible fuel cell with EDS technique it will be necessary not only to successfully spray the anode and cathode, but also to find a solution to support mechanically the fuel cell during the operation time. Future research is required to target these unsolved questions.
  • 70.
    Master Project. ArturoVeiga López 70 References [He, 2013] He, Quanzhi. “Electrostatic Spray Deposition of Solid Oxide Fuel Cell Electrolyte”. Thesis. Illinois Institute of Technology, 2013. [Hslao, 1996] Hsiao, Yin-Chang. “Characterization of Porous SOFC Electrodes”. Thesis. Illinois Institute of Technology, 1996. O'Hayre, Ryan, Suk-Won Cha, Withey Colella, and Fritz B. Prinz. Fuel Cell Fundamentals. Hoboken, NJ: John Wiley & Sons, 2006. Varma, Ravi, and Robert Selman, eds. Techniques for Characterization of Electodes and Electrochemical Processes.: Willey Interscience, 1991. The Electrochemical Society. Nakajima, Hironori. "Electrochemical Impedance Spectroscopy Study of the Mass Transfer in an Anode-Supported Microtubular Solid Oxide Fuel Cell." Mass Transfer - Advanced Aspects. N.p.: Intech, 2011. 285-304. Nomura, Hiroshi, Sandeep Parekh, Robert Selman, and Said Al-Hallaj. "Fabrication of YSZ Electrolyte Using Electrostatic Spray Deposition (ESD):I – a Comprehensive Parametric Study." Journal of Applied Electrochemistry (2005): 61-67. Nomura, Hiroshi, Sandeep Parekh, Robert Selman, and Said Al-Hallaj. "Fabrication of YSZ Electrolyte for Intermediate Temperature Solid Oxide Fuel Cell Using Electrostatic Spray Deposition: II – Cell Performance." Journal of Applied Electrochemistry(2005): 1121-126. Xiao, Haiming, and Thomas Reitz. "Anode-Supported Solid Oxide Fuel Cells with Thin Film Electrolyte for Operation at Reduced Temperatures." ECS Transactions (2006).
  • 71.
    Master Project. ArturoVeiga López 71 Muccillo, R., E.N.S. Muccillo, F.C. Fonseca, Y.V. França, T.C. Porfirio, D.Z De Florio, M.A.C. Berton, and C.M. Garcia. "Development and Testing of Anode-supported Solid Oxide Fuel Cells with Slurry-coated Electrolyte and Cathode." Journal of Power Sources (2006): 455-60. Minh, Nguyen Q. "Ceramic Fuel Cells." Journal of the American Ceramic Society 76, no. 3 (2005): 563-88. Barsoukov, Evgenij, and J. Ross Macdonald. Impedance Spectroscopy: Theory, Experiment, and Applications. Hoboken, NJ: Wiley-Interscience, 2005. Bard, Allen J., and Larry R. Faulkner. Electrochemical Methods: Fundamentals and Applications. New York: Wiley, 1980. Yuan, Xiao-Zi. Electrochemical Impedance Spectroscopy in PEM Fuel Cells: Fundamentals and Applications. London: Springer, 2010.