0
FACULTY OF ENGINEERING AND BUILD ENVIRONMENT
DEPARTMENT OF MECHANICAL AND MATERIAL ENGINEERING
KKKP 3214 CAD/CAM
LAB REPORT
T8- Autodesk Inventor and T9- MasterCam V8
( Tiltle : Key Chain - Scout Logo )
Name : CHAN KIEN HO
Matric No. : A125070
Department : JKMB/3
Group : 2P
Experiment Date : 18 August 2010
Due Date : 4 October 2010
Demostrator : En Yusri Bin Marzuki
Lecturer : Prof. Dr. Che Hassan
1
1.0 INTRODUCTION
Students will be exploded to the utilization of CAD/CAM software during the
laboratory training. The CAD software used is the Inventor Professional Version 2008,
while the CAM software is MasterCAM V8 (Version 8). A series of training will be
given for each main and basic function of these software.
Autodesk Inventor, developed by U.S.-based software company Autodesk, is a
3D mechanical solid modeling design software for creating 3D digital prototypes used
in the design, visualization and simulation of products.
Mastercam’s comprehensive set of predefined toolpaths—including contour, drill,
pocketing, face, peel mill, engraving, surface high speed, advanced multiaxis, and
many more—enable machinists to cut parts efficiently and accurately. Mastercam
users can create and cut parts using one of many supplied machine and control
definitions, or they can use Mastercam’s advanced tools to create their own
customized definitions.
2.0 THEORY
Students will be learning the basic usage and general function of Inventor Professional
2008 in order to design a solid object from 2D sketching to 3D modeling. Next, the
solid model.ipt file is then projected onto the 2D detail drawing via the
Autodesk/AutoCAD drawings file, “.dwg” format. Convertion of the “.ipt” file
(Inventor part file) into other standardized formats such as STEP, IGES, and SAT is
introduced as a neutral interchange for other system of CAD/CAM software in future.
Secondly, the solid model drawn from the Inventor is imported as SAT format
into MasterCAM for tool paths generation, machining process simulation and
verification. Finally, the numerical control codes generated from MasterCAM is
posted as .nc file which can be inserted into CNC machines as machining program
codes.
2
3.0 OBJECTIVES
( I ) To learn the basic usage and functions in order to design solid modeling
by using Inventor Professional 2008 software.
( II ) To learn to use MasterCAM software in order to plot machining tool paths,
doing machining simulation and verification, and post NC codes generated.
4.0 EQUIPMENTS AND TOOLS
( I ) Personal Computer
( II ) Autodesk Inventor Professional 2008 software
( III ) MasterCamV8 software
5.0 PROCEDURE
( I ) CAD – Autodesk Inventor Professional 2008
( Design and draw a solid object )
( II ) CAM - MasterCamV8 software
( Machining the designed solid object )
3
5.1 CAD – Autodesk Inventor Professional 2008
1. Open New part file namely “standard(mm).ipt in metric unit
( File > New > Metric > Standard(mm).ipt > OK )
2. Construct a scout logo shape in 2D sketch by using the commands such as line,
center point circle, two point rectangular three point arc and general dimension.
4
3. By clicking the “Return” button after finish sketching, then press F6 to see
isometrcic view. Extrude the shape by 2mm.
4. Set a work plane as shown in the figure , use the mirror command to form
another side of the of the half-shaped logo.
5
5. Sketch and extrude the shape that has been drawn by 1mm.
6
6. Sketch and locate the “star” by using the command : polygon, center point circle,
line and general dimension. Extrude the shape that has been drawn by 1mm.
Afterwhich, use mirror command to construct another similar shape at the left
side with the aid of working plane.
7
7. Sketch at circle and extrude it by 5mm to cut away the selected part to form a
hole. The hole is to put a chain to make this scout logo plate as a keychain.
8. Finally, the product ( keychain ) is being constructed.
8
9. Save the file as type “ .ipt ” . ( File > Save As )
10. Meanwhile, Save another file as type “ .SAT ” , so that it can be opened at
MasterCam X ( File > Save Copy As )
9
11. Open another new drawing file : ANSI(mm).idw
12. Projecting the solid model into 2D orthogonal drawings by clicking the base view,
then select and open the saved file.
10
13. Select the appropriate scale ( 4:1 ) and key-in the label name ( Front View ).
Click on the light bulb to display them on screen. Select the orientation ( bottom )
14. Click “Projected View” then select the front view and drag it on top left corner,
top right corner and bottom right corner to form Top View, Isometric View and
Side View.
11
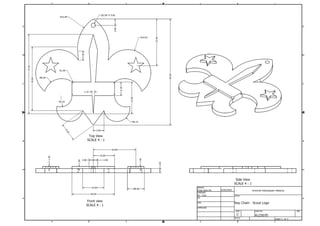
15. Right Click the any of the view then select “Retrieve Dimension” or manually
construct the dimension using the Drawing Annotation Panel.
16. The Dimension is displayed as shown in figure
12
17. Modify the block title and detail by clicking the “iProperties”
( File > iProperties )
18. Finally the drawing view is completed as shown. Save the file as “ .idw.”
13
14
5.2 CAM – Mastercam V8
1. Impoet the saved file type “ .SAT ” into the MasterCam X4.
2. Convert it into “ .MC8” by saving a new copy so that it can be opened in
MasterCam V8
15
3. Open saved file type “.MC8” in MasterCam V8. ( Main Menu > File > Get )
4. Click the icon “Screen-Surf Disp-shading ”( an earth ) and select shading active
to view the drawing in solid. Set the current configuration file as metric unit.
( Main Menu >Screen > Configur )
16
5. Set up the stock to be machined by creating a bounding box.
( Main Menu > Toolpaths >Job Setup > Bounding box > Window > Done )
6. Create a contour tool paths around part. Use chain to select outer border.
( Main Menu > Toolpaths > Contour > Chain > End here > Done )
17
6.1 Tool parameter
( Tool Type = Flat endmill, Tool diameter = 2mm, Spindle speed =1500,
Coolant = flood )
6.2 Contour Parameters
( Depth = -4.0 )
18
7. Run Surface Rough Parallel on the part
( Main Menu > Toolpath >Surface > Rough (surf/solid =A) > Parallel > Boss >
Window > Done )
7.1 Tool Parameter
( Tool Type = Flat endmill, Tool diameter = 2mm, Spindle speed =1000,
Coolant = flood )
7.2 Surface Parameter
19
7.3 Rough Parallel Parameter
( Plunge control = allow multiple plunges along cut, Max stepover = 1.0 )
7.4 Rough Parallel Parameter > Cut Depth
20
7.5 Rough Parallel Parameter > Gap Settings
( Motion = follow surface )
7.6 Rough Parallel Parameter > Edge Settings
21
8. Run Surface Finish Parallel on the part
( Main Menu > Toolpath >Surface > Finish > Parallel )
8.1 Tool Parameter
( Tool Type = Flat endmill, Tool diameter = 1mm, Spindle speed =1000,
Coolant = flood )
8.2 Surface Parameter
22
8.3 Finish Surface Parameter
( Cutting Method = Zigzag , Max Stepover = 0.1 )
8.4 Finish Surface Parameter > Gap Settings
( Motion = Smooth )
23
9. Drill a hole on the part.
( Main Menu > Toolpath > drill > entities > chian > end here > done > done )
9.1 Tool Parameter
( Tool Type = Drill, Tool diameter = 2mm, Spindle speed =1000, Coolant = Off )
9.2 Simple Drill – No Peck
( Depth = -4.0 )
24
10. After finish all the setup , simulate and verify the generated toolpath.
( Main Menu > Toolpaths > Operation > Select all > Regen path > Verify )
25
11. Summary of the step taken for machining in Mastercam
26
12. Create G-code. Post and saving the NC file.
( Main Menu > Toolpaths > Operation > Post )
27
6.0 DISCUSSION
Inventor is a powerful and user friendly CAD software, especially in drawing 3D
solid modelling. Whereas MasterCAM is good in creating tool paths and NC codes
for maiching purpose.
SAT files are ASCII text files that may be viewed with a simple text editor. A
SAT file contains carriage returns, white space and other formatting that makes it
readable to the human eye. A SAT file has a .sat file extension. ACIS saves modeling
information to external files which have an open format allowing external applications,
even those not based on ACIS, access to the ACIS geometric model. The basic
information needed to understand the ACIS file format ( focusing on the reading, or
restore, operation), includes the structure of the save file format, how data is
encapsulated, the types of data written, and subtypes and references.
Theoretically, the tool paths generated in MasterCAM and be perfect and nice in
verification. However, this can be differ in the reality where machining process still
can be influenced by other factors such as vibration, materials’ properties, machines’
system to synchronous with the codes posted, and etc.
28
7.0 CONCLUSION
From this lab project, the objectives have been achieved as we have learnt to use the
Autodesk Inventor Professional and MasterCamV8 softwares. This lab project is
meaningful and definitely assist student in completing the other design task in future.
Hence, as a manufacturing engineer, mastering of technologies and software in
CAD/CAM field is a must in future.The future of manufacturing field will completely
depend on CAD/CAM due to its versatility and increasing competition in this field.
8.0 REFERENCE
( I ) http://en.wikipedia.org/wiki/ACIS
( II ) http://en.wikipedia.org/wiki/Autodesk
( III ) http://cd.cadlearning.com/pd_inventor_2008.cfm

LabReport-Autodesk Inventor 2008-MasterCam X4

  • 1.
    0 FACULTY OF ENGINEERINGAND BUILD ENVIRONMENT DEPARTMENT OF MECHANICAL AND MATERIAL ENGINEERING KKKP 3214 CAD/CAM LAB REPORT T8- Autodesk Inventor and T9- MasterCam V8 ( Tiltle : Key Chain - Scout Logo ) Name : CHAN KIEN HO Matric No. : A125070 Department : JKMB/3 Group : 2P Experiment Date : 18 August 2010 Due Date : 4 October 2010 Demostrator : En Yusri Bin Marzuki Lecturer : Prof. Dr. Che Hassan
  • 2.
    1 1.0 INTRODUCTION Students willbe exploded to the utilization of CAD/CAM software during the laboratory training. The CAD software used is the Inventor Professional Version 2008, while the CAM software is MasterCAM V8 (Version 8). A series of training will be given for each main and basic function of these software. Autodesk Inventor, developed by U.S.-based software company Autodesk, is a 3D mechanical solid modeling design software for creating 3D digital prototypes used in the design, visualization and simulation of products. Mastercam’s comprehensive set of predefined toolpaths—including contour, drill, pocketing, face, peel mill, engraving, surface high speed, advanced multiaxis, and many more—enable machinists to cut parts efficiently and accurately. Mastercam users can create and cut parts using one of many supplied machine and control definitions, or they can use Mastercam’s advanced tools to create their own customized definitions. 2.0 THEORY Students will be learning the basic usage and general function of Inventor Professional 2008 in order to design a solid object from 2D sketching to 3D modeling. Next, the solid model.ipt file is then projected onto the 2D detail drawing via the Autodesk/AutoCAD drawings file, “.dwg” format. Convertion of the “.ipt” file (Inventor part file) into other standardized formats such as STEP, IGES, and SAT is introduced as a neutral interchange for other system of CAD/CAM software in future. Secondly, the solid model drawn from the Inventor is imported as SAT format into MasterCAM for tool paths generation, machining process simulation and verification. Finally, the numerical control codes generated from MasterCAM is posted as .nc file which can be inserted into CNC machines as machining program codes.
  • 3.
    2 3.0 OBJECTIVES ( I) To learn the basic usage and functions in order to design solid modeling by using Inventor Professional 2008 software. ( II ) To learn to use MasterCAM software in order to plot machining tool paths, doing machining simulation and verification, and post NC codes generated. 4.0 EQUIPMENTS AND TOOLS ( I ) Personal Computer ( II ) Autodesk Inventor Professional 2008 software ( III ) MasterCamV8 software 5.0 PROCEDURE ( I ) CAD – Autodesk Inventor Professional 2008 ( Design and draw a solid object ) ( II ) CAM - MasterCamV8 software ( Machining the designed solid object )
  • 4.
    3 5.1 CAD –Autodesk Inventor Professional 2008 1. Open New part file namely “standard(mm).ipt in metric unit ( File > New > Metric > Standard(mm).ipt > OK ) 2. Construct a scout logo shape in 2D sketch by using the commands such as line, center point circle, two point rectangular three point arc and general dimension.
  • 5.
    4 3. By clickingthe “Return” button after finish sketching, then press F6 to see isometrcic view. Extrude the shape by 2mm. 4. Set a work plane as shown in the figure , use the mirror command to form another side of the of the half-shaped logo.
  • 6.
    5 5. Sketch andextrude the shape that has been drawn by 1mm.
  • 7.
    6 6. Sketch andlocate the “star” by using the command : polygon, center point circle, line and general dimension. Extrude the shape that has been drawn by 1mm. Afterwhich, use mirror command to construct another similar shape at the left side with the aid of working plane.
  • 8.
    7 7. Sketch atcircle and extrude it by 5mm to cut away the selected part to form a hole. The hole is to put a chain to make this scout logo plate as a keychain. 8. Finally, the product ( keychain ) is being constructed.
  • 9.
    8 9. Save thefile as type “ .ipt ” . ( File > Save As ) 10. Meanwhile, Save another file as type “ .SAT ” , so that it can be opened at MasterCam X ( File > Save Copy As )
  • 10.
    9 11. Open anothernew drawing file : ANSI(mm).idw 12. Projecting the solid model into 2D orthogonal drawings by clicking the base view, then select and open the saved file.
  • 11.
    10 13. Select theappropriate scale ( 4:1 ) and key-in the label name ( Front View ). Click on the light bulb to display them on screen. Select the orientation ( bottom ) 14. Click “Projected View” then select the front view and drag it on top left corner, top right corner and bottom right corner to form Top View, Isometric View and Side View.
  • 12.
    11 15. Right Clickthe any of the view then select “Retrieve Dimension” or manually construct the dimension using the Drawing Annotation Panel. 16. The Dimension is displayed as shown in figure
  • 13.
    12 17. Modify theblock title and detail by clicking the “iProperties” ( File > iProperties ) 18. Finally the drawing view is completed as shown. Save the file as “ .idw.”
  • 14.
  • 15.
    14 5.2 CAM –Mastercam V8 1. Impoet the saved file type “ .SAT ” into the MasterCam X4. 2. Convert it into “ .MC8” by saving a new copy so that it can be opened in MasterCam V8
  • 16.
    15 3. Open savedfile type “.MC8” in MasterCam V8. ( Main Menu > File > Get ) 4. Click the icon “Screen-Surf Disp-shading ”( an earth ) and select shading active to view the drawing in solid. Set the current configuration file as metric unit. ( Main Menu >Screen > Configur )
  • 17.
    16 5. Set upthe stock to be machined by creating a bounding box. ( Main Menu > Toolpaths >Job Setup > Bounding box > Window > Done ) 6. Create a contour tool paths around part. Use chain to select outer border. ( Main Menu > Toolpaths > Contour > Chain > End here > Done )
  • 18.
    17 6.1 Tool parameter (Tool Type = Flat endmill, Tool diameter = 2mm, Spindle speed =1500, Coolant = flood ) 6.2 Contour Parameters ( Depth = -4.0 )
  • 19.
    18 7. Run SurfaceRough Parallel on the part ( Main Menu > Toolpath >Surface > Rough (surf/solid =A) > Parallel > Boss > Window > Done ) 7.1 Tool Parameter ( Tool Type = Flat endmill, Tool diameter = 2mm, Spindle speed =1000, Coolant = flood ) 7.2 Surface Parameter
  • 20.
    19 7.3 Rough ParallelParameter ( Plunge control = allow multiple plunges along cut, Max stepover = 1.0 ) 7.4 Rough Parallel Parameter > Cut Depth
  • 21.
    20 7.5 Rough ParallelParameter > Gap Settings ( Motion = follow surface ) 7.6 Rough Parallel Parameter > Edge Settings
  • 22.
    21 8. Run SurfaceFinish Parallel on the part ( Main Menu > Toolpath >Surface > Finish > Parallel ) 8.1 Tool Parameter ( Tool Type = Flat endmill, Tool diameter = 1mm, Spindle speed =1000, Coolant = flood ) 8.2 Surface Parameter
  • 23.
    22 8.3 Finish SurfaceParameter ( Cutting Method = Zigzag , Max Stepover = 0.1 ) 8.4 Finish Surface Parameter > Gap Settings ( Motion = Smooth )
  • 24.
    23 9. Drill ahole on the part. ( Main Menu > Toolpath > drill > entities > chian > end here > done > done ) 9.1 Tool Parameter ( Tool Type = Drill, Tool diameter = 2mm, Spindle speed =1000, Coolant = Off ) 9.2 Simple Drill – No Peck ( Depth = -4.0 )
  • 25.
    24 10. After finishall the setup , simulate and verify the generated toolpath. ( Main Menu > Toolpaths > Operation > Select all > Regen path > Verify )
  • 26.
    25 11. Summary ofthe step taken for machining in Mastercam
  • 27.
    26 12. Create G-code.Post and saving the NC file. ( Main Menu > Toolpaths > Operation > Post )
  • 28.
    27 6.0 DISCUSSION Inventor isa powerful and user friendly CAD software, especially in drawing 3D solid modelling. Whereas MasterCAM is good in creating tool paths and NC codes for maiching purpose. SAT files are ASCII text files that may be viewed with a simple text editor. A SAT file contains carriage returns, white space and other formatting that makes it readable to the human eye. A SAT file has a .sat file extension. ACIS saves modeling information to external files which have an open format allowing external applications, even those not based on ACIS, access to the ACIS geometric model. The basic information needed to understand the ACIS file format ( focusing on the reading, or restore, operation), includes the structure of the save file format, how data is encapsulated, the types of data written, and subtypes and references. Theoretically, the tool paths generated in MasterCAM and be perfect and nice in verification. However, this can be differ in the reality where machining process still can be influenced by other factors such as vibration, materials’ properties, machines’ system to synchronous with the codes posted, and etc.
  • 29.
    28 7.0 CONCLUSION From thislab project, the objectives have been achieved as we have learnt to use the Autodesk Inventor Professional and MasterCamV8 softwares. This lab project is meaningful and definitely assist student in completing the other design task in future. Hence, as a manufacturing engineer, mastering of technologies and software in CAD/CAM field is a must in future.The future of manufacturing field will completely depend on CAD/CAM due to its versatility and increasing competition in this field. 8.0 REFERENCE ( I ) http://en.wikipedia.org/wiki/ACIS ( II ) http://en.wikipedia.org/wiki/Autodesk ( III ) http://cd.cadlearning.com/pd_inventor_2008.cfm