FIRE AND RESCUE
SYSTEM IN RAILWAYS
Aswathy G ( 17)
Rincy Ben(39)
Sariga Gopal C P(41)
Sona Vijayakumar(44)
Date Of Presentation: 23/03/2017
Dept. Of Electrical And Electronics Engineering
College Of Engineering, Cherthala
Under The Guidance Of: Mrs. Elizwa laiju
4/4/2017
Dept. Of Electrical and Electronics Engineering
College Of Engineering,Cherthala
2
ABSTRACT
o In the fast moving world, nobody is ready to look what’s happening around them.
Even when an accident occurs nobody cares about it.
o So we have implemented a solution for this problem by developing an enhanced
fire rescue system for reducing the number of victims in case of train fire
accidents.
INTRODUCTION
o Being a best mode of transportation railway shows numerous unsolved problems
that cause increase in death rate.
o Considering the safety as primary motto we are introducing a new system which
is capable of overcoming such situations.
o This is implemented using the smart sensors and microcontroller technology. It
will automatically identify the fire and provides fastest rescue.
4/4/2017
Dept. Of Electrical and Electronics Engineering
College Of Engineering,Cherthala
3
4/4/2017
Dept. Of Electrical and Electronics Engineering
College Of Engineering,Cherthala
4
LITERATURE SURVEY
o Now a days there is no special program to help the passengers during fire
accidents in trains. Due to this number of victims in the fire accidents are really
high.
o This system is helpful in rescuing the people by providing modern technologies.
o The project deals with the implementation of Zigbee based sensor technology and
rescuing system to alert the passengers in the train about the fire.
o This circuit uses communication and signaling system.
4/4/2017
Dept. Of Electrical and Electronics Engineering
College Of Engineering,Cherthala
5
BLOCK DIAGRAM
4/4/2017
Dept. Of Electrical and Electronics Engineering
College Of Engineering,Cherthala
6
BLOCK DIAGRAM
Microcontroller
18F4550
Temperature
sensor LCD display
Zigbee
PC
Zigbee
antenna
GSM
Gas and smoke
sensor
Water sprinkler
4/4/2017
Dept. Of Electrical and Electronics Engineering
College Of Engineering,Cherthala
7
o Block diagram description: From the block diagram, The Main block is a pic
microcontroller.
o All other components are connected to the pic microcontroller. It is programmed
in such a way that it should offer a smooth path for the communication and
sensing.
o Next block is Temperature sensor, it is connected to the microcontroller and it
can sense rise in temperature.
o One of the main block is gas and smoke detector, it can find small amount of
flammable gases.
o To provide primary rescue, we have water sprinkler. It shower water to the fire to
reduce the intensity.
4/4/2017
Dept. Of Electrical and Electronics Engineering
College Of Engineering,Cherthala
8
o Another important block is LCD display, it is given to provide alert messages to
passengers.
o To facilitate the communication, next blocks Zigbee and GSM .
4/4/2017
Dept. Of Electrical and Electronics Engineering
College Of Engineering,Cherthala
9
COMPONENT DESCRIPTION
o PIC MICROCONTROLLER: It is an 8 bit pic microcontroller which offers the
advantages like good computational performance with low price.
o The main features of 18f4550 are low cost, wide availability, free developing
tools, user friendly working etc.
4/4/2017
Dept. Of Electrical and Electronics Engineering
College Of Engineering,Cherthala
10
o TEMPREATURE SENSOR: LM35 is used as temperature sensor, The LM35
series are precision integrated-circuit temperature sensors, whose output voltage
is linearly proportional to the Celsius (Centigrade) temperature.
o The LM35 thus has an advantage over linear temperature sensors calibrated in
Kelvin, as the user is not required to subtract a large constant voltage from its
output to obtain convenient centigrade scaling.
4/4/2017 11
o SMOKE AND GAS SENSOR: MQ2 is used as gas and smoke sensor, It can
provide good sensitivity to combustible gas like LPG, propane, hydrogen etc.
o Sensitive material of MQ-2 gas sensor is SnO2, which with lower conductivity in
clean air. Main characters involve long life and low cost
4/4/2017
Dept. Of Electrical and Electronics Engineering
College Of Engineering,Cherthala
12
o WATER SPRINKLER: It is used as a primary step to suppress the fire. It
operates automatically and the microcontroller controls it opening and closure.
o ZIGBEE AND GSM: Zigbee is a IEEE 802.15.4 based suit for high level
communication used to create digital radios. Together with GSM it creates
smooth serial communication between the compartment and the loco pilot.
o It can transmission distance of 10-100m Los.
4/4/2017
Dept. Of Electrical and Electronics Engineering
College Of Engineering,Cherthala
13
o LCD DISPLAY: Another main component of the system is the lcd display. 20*4
lcd display is used here.
o This is used to display the details about the fire. The display is provided to the
passengers. Passengers can easily understand that the train is under fire, and it
helps them to take necessary actions.
4/4/2017 Dept. Of Electrical and Electronics Engineering
College Of Engineering,Cherthala 14
DESIGN
o Microcontroller :-initial delay for the controller ,
T=0.69RC
C=0.1µf
T=0.7ms
From the equation we get the value of resistance as R=10k std
For Input resistance we have, V=5v,
I=25mA, then
R=5/(25mA)=200Ω
So we choose R= 220 Ω std
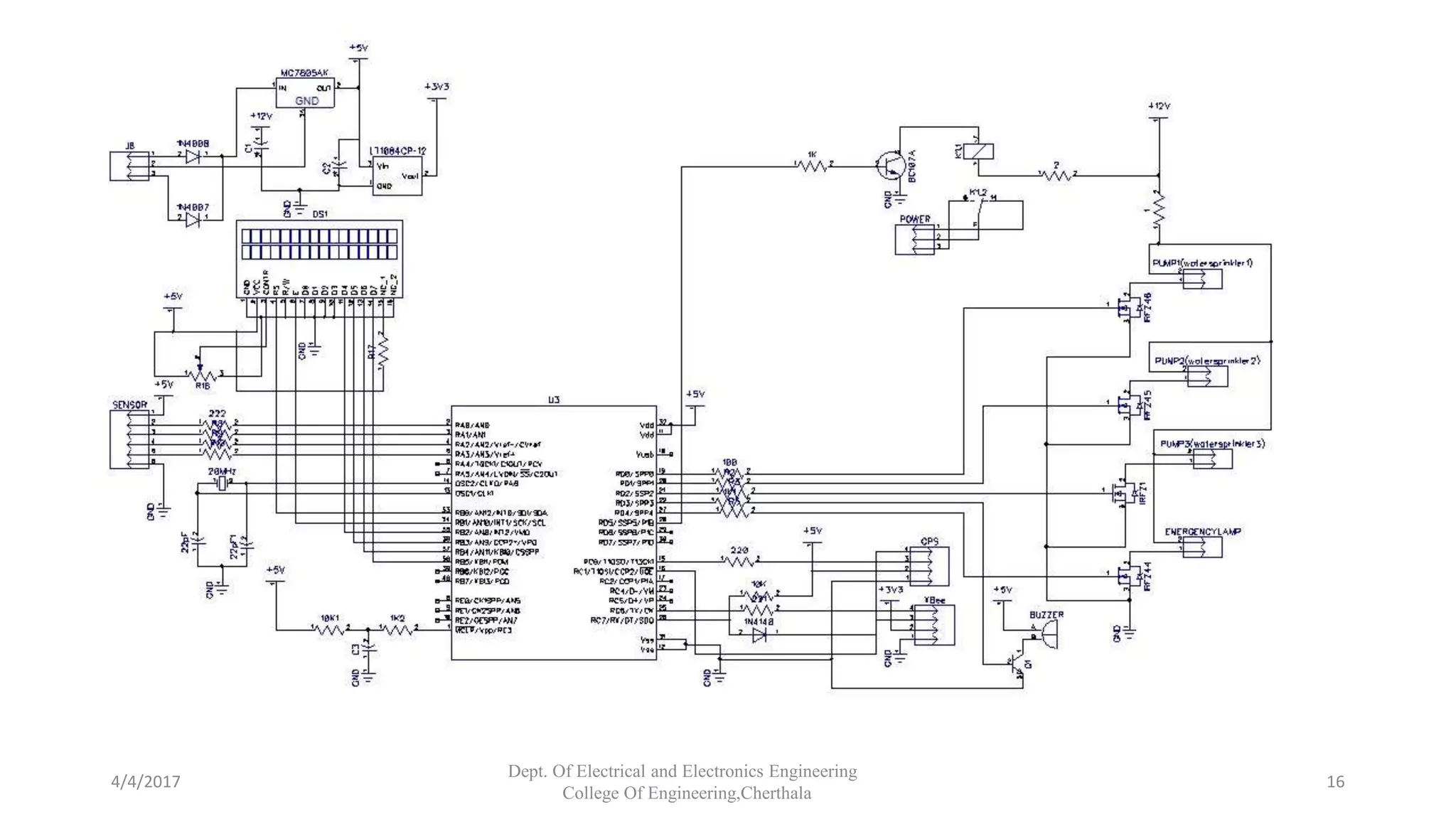
CIRCUIT SCHEMATIC
Software used : DIPtrace
4/4/2017
Dept. Of Electrical and Electronics Engineering
College Of Engineering,Cherthala 15
4/4/2017
Dept. Of Electrical and Electronics Engineering
College Of Engineering,Cherthala
16
WORKING
o This is a combination of sensor and microcontroller which detects fire and
provide protection to the passengers.
o The circuit consist of temperature sensor along with gas and smoke detector.
o Each and every component in the system is connected to the microcontroller.
During fire condition active sensors detects fire and the presence of high gases(if
present) and the details about the fire is collected by the controller.
o And as an initial step it operates the water sprayer and try to suppress the fire.
4/4/2017
Dept. Of Electrical and Electronics Engineering
College Of Engineering,Cherthala
17
o At same time of fire detection, intimation about fire will be sent to the loco pilot
by the help of serial communication channel. Loco pilot have the lab view front
panel and the system is interfaced with the software. Through the front panel loco
pilot can understand the intensity of fire, bougie number etc.
o If the intensity of fire is beyond its limit to reduce, only way to protect the
passengers is the separation of bogies. And it can be done by a gear mechanism
with the loco pilot.
o Also the system offers another feature, it is the switching of light from ac to spark
free dc emergency light. It is for avoiding the condition of short circuit in the
train because the presence of ac supply during fire condition is like adding oil to
fire. It may increase the intensity of fire.
4/4/2017
Dept. Of Electrical and Electronics Engineering
College Of Engineering,Cherthala
18
4/4/2017
Dept. Of Electrical and Electronics Engineering
College Of Engineering,Cherthala
19
SIMULATION
Software: Proteus
4/4/2017
Dept. Of Electrical and Electronics Engineering
College Of Engineering,Cherthala
20
PCB LAYOUT
Software used : DIPtrace
4/4/2017
Dept. Of Electrical and Electronics Engineering
College Of Engineering,Cherthala
21
4/4/2017
Dept. Of Electrical and Electronics Engineering
College Of Engineering,Cherthala
22
4/4/2017
Dept. Of Electrical and Electronics Engineering
College Of Engineering,Cherthala
23
HARDWARE
4/4/2017
Dept. Of Electrical and Electronics Engineering
College Of Engineering,Cherthala
24
4/4/2017
Dept. Of Electrical and Electronics Engineering
College Of Engineering,Cherthala
25
LABVIEW FRONT PANEL
4/4/2017
Dept. Of Electrical and Electronics Engineering
College Of Engineering,Cherthala
26
4/4/2017
Dept. Of Electrical and Electronics Engineering
College Of Engineering,Cherthala
27
o LabVIEW is a system-design platform and development environment for a
visual programming language from National Instruments.
o NI LabVIEW is a graphical programming language designed for engineers and
scientists to develop test, control, and measurement applications.
o It is a system-design platform and development environment for a visual
programming language from National Instruments.
o In LabVIEW, we can build a user interface by using a set of tools and objects.
The user interface is known as the front panel. We can then add code using
graphical representations of functions to control the front panel objects. The
block diagram contains this code. In some ways, the block diagram resembles a
flowchart.
4/4/2017
Dept. Of Electrical and Electronics Engineering
College Of Engineering,Cherthala
28
o Here the front panel consist of indicators, each indicator points the components
in the system.
o Thermometers for temperature, meters for gas and smoke detectors, boolean for
alarm, and also we can see Zigbee, gps, display string etc.
4/4/2017
Dept. Of Electrical and Electronics Engineering
College Of Engineering,Cherthala
29
ADVANTAGE
o Main advantages of this circuit mainly involves safety of human race, protecting
them from fire accidents in train.
o Circuit provides protection against the collision of trains.
o This system provides faster communication for rescuing in case of train fire
accidents.
4/4/2017
Dept. Of Electrical and Electronics Engineering
College Of Engineering,Cherthala
30
DISADVANTAGE
o This system is not practicable in case of huge explosion like bombs etc.
o There is a chance of faulty detection of temperature.
4/4/2017
Dept. Of Electrical and Electronics Engineering
College Of Engineering,Cherthala
31
APPLICATION
o Application of this system are
1.Provide protection to man kind.
2.Avoid collision of trains.
3. The communication system used here helps in informing the loco pilot
and the central system about fire which enables protection as soon as
possible.
4/4/2017
Dept. Of Electrical and Electronics Engineering
College Of Engineering,Cherthala
32
CONCLUSION
o Fire is a good master and a bad slave, so we should handle carefully and safely.
o Fire in running train is more dangerous than the stationary one .
o Our system provides protection against dangerous fire accident and there by
protecting human life.
o And this proposed system will be a revolution in railways.
4/4/2017
Dept. Of Electrical and Electronics Engineering
College Of Engineering,Cherthala
33
FUTURE SCOPE
o In the future we can add image processing system, It can avoid many terrorist
activities like carrying highly flammable materials. And also we can find a
solution for crimes against women.
4/4/2017 34
REFERENCE
o Yeon-sup lima, Jaehyerk choi , Scongho cho, Chong-kwon kim and yong woo
Lee, “A Fire Detection and Rescue Support Framework with Wireless sensor
Networks”, in 2007 International Conference on Convergence Information
Technology.
o R. Pichai Ramasamy, M. Praveen Kumar, S. Sarath Kumar and R. Raghu
Raman, “Avoidance of Fire Accident On Running Train Using Wireless Sensor
Network”, in International Journal of Information and Computation
Technology, ISSN 0974-2239 Volume 3, member 6 (2013).pp.583-592.
4/4/2017
Dept. Of Electrical and Electronics Engineering
College Of Engineering,Cherthala
35
o A.K.Theraja, B.L.Theraja, ’A textbook on electrical technology’, volume 2,
edition 2011, chapter 29, DC Motors, page(s) 995-1030.
o Jeffery Jravis, Jim Kring, ‘LabVIEW for everyone’, edition-2009.
o NASA. "National Eronauticsand Space Administration.“
4/4/2017
Dept. Of Electrical and Electronics Engineering
College Of Engineering,Cherthala
36
Thank you

Fire and Rescue system in Railways using LABview

  • 1.
    FIRE AND RESCUE SYSTEMIN RAILWAYS Aswathy G ( 17) Rincy Ben(39) Sariga Gopal C P(41) Sona Vijayakumar(44) Date Of Presentation: 23/03/2017 Dept. Of Electrical And Electronics Engineering College Of Engineering, Cherthala Under The Guidance Of: Mrs. Elizwa laiju
  • 2.
    4/4/2017 Dept. Of Electricaland Electronics Engineering College Of Engineering,Cherthala 2 ABSTRACT o In the fast moving world, nobody is ready to look what’s happening around them. Even when an accident occurs nobody cares about it. o So we have implemented a solution for this problem by developing an enhanced fire rescue system for reducing the number of victims in case of train fire accidents.
  • 3.
    INTRODUCTION o Being abest mode of transportation railway shows numerous unsolved problems that cause increase in death rate. o Considering the safety as primary motto we are introducing a new system which is capable of overcoming such situations. o This is implemented using the smart sensors and microcontroller technology. It will automatically identify the fire and provides fastest rescue. 4/4/2017 Dept. Of Electrical and Electronics Engineering College Of Engineering,Cherthala 3
  • 4.
    4/4/2017 Dept. Of Electricaland Electronics Engineering College Of Engineering,Cherthala 4 LITERATURE SURVEY o Now a days there is no special program to help the passengers during fire accidents in trains. Due to this number of victims in the fire accidents are really high. o This system is helpful in rescuing the people by providing modern technologies. o The project deals with the implementation of Zigbee based sensor technology and rescuing system to alert the passengers in the train about the fire. o This circuit uses communication and signaling system.
  • 5.
    4/4/2017 Dept. Of Electricaland Electronics Engineering College Of Engineering,Cherthala 5 BLOCK DIAGRAM
  • 6.
    4/4/2017 Dept. Of Electricaland Electronics Engineering College Of Engineering,Cherthala 6 BLOCK DIAGRAM Microcontroller 18F4550 Temperature sensor LCD display Zigbee PC Zigbee antenna GSM Gas and smoke sensor Water sprinkler
  • 7.
    4/4/2017 Dept. Of Electricaland Electronics Engineering College Of Engineering,Cherthala 7 o Block diagram description: From the block diagram, The Main block is a pic microcontroller. o All other components are connected to the pic microcontroller. It is programmed in such a way that it should offer a smooth path for the communication and sensing. o Next block is Temperature sensor, it is connected to the microcontroller and it can sense rise in temperature. o One of the main block is gas and smoke detector, it can find small amount of flammable gases. o To provide primary rescue, we have water sprinkler. It shower water to the fire to reduce the intensity.
  • 8.
    4/4/2017 Dept. Of Electricaland Electronics Engineering College Of Engineering,Cherthala 8 o Another important block is LCD display, it is given to provide alert messages to passengers. o To facilitate the communication, next blocks Zigbee and GSM .
  • 9.
    4/4/2017 Dept. Of Electricaland Electronics Engineering College Of Engineering,Cherthala 9 COMPONENT DESCRIPTION o PIC MICROCONTROLLER: It is an 8 bit pic microcontroller which offers the advantages like good computational performance with low price. o The main features of 18f4550 are low cost, wide availability, free developing tools, user friendly working etc.
  • 10.
    4/4/2017 Dept. Of Electricaland Electronics Engineering College Of Engineering,Cherthala 10 o TEMPREATURE SENSOR: LM35 is used as temperature sensor, The LM35 series are precision integrated-circuit temperature sensors, whose output voltage is linearly proportional to the Celsius (Centigrade) temperature. o The LM35 thus has an advantage over linear temperature sensors calibrated in Kelvin, as the user is not required to subtract a large constant voltage from its output to obtain convenient centigrade scaling.
  • 11.
    4/4/2017 11 o SMOKEAND GAS SENSOR: MQ2 is used as gas and smoke sensor, It can provide good sensitivity to combustible gas like LPG, propane, hydrogen etc. o Sensitive material of MQ-2 gas sensor is SnO2, which with lower conductivity in clean air. Main characters involve long life and low cost
  • 12.
    4/4/2017 Dept. Of Electricaland Electronics Engineering College Of Engineering,Cherthala 12 o WATER SPRINKLER: It is used as a primary step to suppress the fire. It operates automatically and the microcontroller controls it opening and closure. o ZIGBEE AND GSM: Zigbee is a IEEE 802.15.4 based suit for high level communication used to create digital radios. Together with GSM it creates smooth serial communication between the compartment and the loco pilot. o It can transmission distance of 10-100m Los.
  • 13.
    4/4/2017 Dept. Of Electricaland Electronics Engineering College Of Engineering,Cherthala 13 o LCD DISPLAY: Another main component of the system is the lcd display. 20*4 lcd display is used here. o This is used to display the details about the fire. The display is provided to the passengers. Passengers can easily understand that the train is under fire, and it helps them to take necessary actions.
  • 14.
    4/4/2017 Dept. OfElectrical and Electronics Engineering College Of Engineering,Cherthala 14 DESIGN o Microcontroller :-initial delay for the controller , T=0.69RC C=0.1µf T=0.7ms From the equation we get the value of resistance as R=10k std For Input resistance we have, V=5v, I=25mA, then R=5/(25mA)=200Ω So we choose R= 220 Ω std
  • 15.
    CIRCUIT SCHEMATIC Software used: DIPtrace 4/4/2017 Dept. Of Electrical and Electronics Engineering College Of Engineering,Cherthala 15
  • 16.
    4/4/2017 Dept. Of Electricaland Electronics Engineering College Of Engineering,Cherthala 16
  • 17.
    WORKING o This isa combination of sensor and microcontroller which detects fire and provide protection to the passengers. o The circuit consist of temperature sensor along with gas and smoke detector. o Each and every component in the system is connected to the microcontroller. During fire condition active sensors detects fire and the presence of high gases(if present) and the details about the fire is collected by the controller. o And as an initial step it operates the water sprayer and try to suppress the fire. 4/4/2017 Dept. Of Electrical and Electronics Engineering College Of Engineering,Cherthala 17
  • 18.
    o At sametime of fire detection, intimation about fire will be sent to the loco pilot by the help of serial communication channel. Loco pilot have the lab view front panel and the system is interfaced with the software. Through the front panel loco pilot can understand the intensity of fire, bougie number etc. o If the intensity of fire is beyond its limit to reduce, only way to protect the passengers is the separation of bogies. And it can be done by a gear mechanism with the loco pilot. o Also the system offers another feature, it is the switching of light from ac to spark free dc emergency light. It is for avoiding the condition of short circuit in the train because the presence of ac supply during fire condition is like adding oil to fire. It may increase the intensity of fire. 4/4/2017 Dept. Of Electrical and Electronics Engineering College Of Engineering,Cherthala 18
  • 19.
    4/4/2017 Dept. Of Electricaland Electronics Engineering College Of Engineering,Cherthala 19 SIMULATION Software: Proteus
  • 20.
    4/4/2017 Dept. Of Electricaland Electronics Engineering College Of Engineering,Cherthala 20
  • 21.
    PCB LAYOUT Software used: DIPtrace 4/4/2017 Dept. Of Electrical and Electronics Engineering College Of Engineering,Cherthala 21
  • 22.
    4/4/2017 Dept. Of Electricaland Electronics Engineering College Of Engineering,Cherthala 22
  • 23.
    4/4/2017 Dept. Of Electricaland Electronics Engineering College Of Engineering,Cherthala 23 HARDWARE
  • 24.
    4/4/2017 Dept. Of Electricaland Electronics Engineering College Of Engineering,Cherthala 24
  • 25.
    4/4/2017 Dept. Of Electricaland Electronics Engineering College Of Engineering,Cherthala 25 LABVIEW FRONT PANEL
  • 26.
    4/4/2017 Dept. Of Electricaland Electronics Engineering College Of Engineering,Cherthala 26
  • 27.
    4/4/2017 Dept. Of Electricaland Electronics Engineering College Of Engineering,Cherthala 27 o LabVIEW is a system-design platform and development environment for a visual programming language from National Instruments. o NI LabVIEW is a graphical programming language designed for engineers and scientists to develop test, control, and measurement applications. o It is a system-design platform and development environment for a visual programming language from National Instruments. o In LabVIEW, we can build a user interface by using a set of tools and objects. The user interface is known as the front panel. We can then add code using graphical representations of functions to control the front panel objects. The block diagram contains this code. In some ways, the block diagram resembles a flowchart.
  • 28.
    4/4/2017 Dept. Of Electricaland Electronics Engineering College Of Engineering,Cherthala 28 o Here the front panel consist of indicators, each indicator points the components in the system. o Thermometers for temperature, meters for gas and smoke detectors, boolean for alarm, and also we can see Zigbee, gps, display string etc.
  • 29.
    4/4/2017 Dept. Of Electricaland Electronics Engineering College Of Engineering,Cherthala 29 ADVANTAGE o Main advantages of this circuit mainly involves safety of human race, protecting them from fire accidents in train. o Circuit provides protection against the collision of trains. o This system provides faster communication for rescuing in case of train fire accidents.
  • 30.
    4/4/2017 Dept. Of Electricaland Electronics Engineering College Of Engineering,Cherthala 30 DISADVANTAGE o This system is not practicable in case of huge explosion like bombs etc. o There is a chance of faulty detection of temperature.
  • 31.
    4/4/2017 Dept. Of Electricaland Electronics Engineering College Of Engineering,Cherthala 31 APPLICATION o Application of this system are 1.Provide protection to man kind. 2.Avoid collision of trains. 3. The communication system used here helps in informing the loco pilot and the central system about fire which enables protection as soon as possible.
  • 32.
    4/4/2017 Dept. Of Electricaland Electronics Engineering College Of Engineering,Cherthala 32 CONCLUSION o Fire is a good master and a bad slave, so we should handle carefully and safely. o Fire in running train is more dangerous than the stationary one . o Our system provides protection against dangerous fire accident and there by protecting human life. o And this proposed system will be a revolution in railways.
  • 33.
    4/4/2017 Dept. Of Electricaland Electronics Engineering College Of Engineering,Cherthala 33 FUTURE SCOPE o In the future we can add image processing system, It can avoid many terrorist activities like carrying highly flammable materials. And also we can find a solution for crimes against women.
  • 34.
    4/4/2017 34 REFERENCE o Yeon-suplima, Jaehyerk choi , Scongho cho, Chong-kwon kim and yong woo Lee, “A Fire Detection and Rescue Support Framework with Wireless sensor Networks”, in 2007 International Conference on Convergence Information Technology. o R. Pichai Ramasamy, M. Praveen Kumar, S. Sarath Kumar and R. Raghu Raman, “Avoidance of Fire Accident On Running Train Using Wireless Sensor Network”, in International Journal of Information and Computation Technology, ISSN 0974-2239 Volume 3, member 6 (2013).pp.583-592.
  • 35.
    4/4/2017 Dept. Of Electricaland Electronics Engineering College Of Engineering,Cherthala 35 o A.K.Theraja, B.L.Theraja, ’A textbook on electrical technology’, volume 2, edition 2011, chapter 29, DC Motors, page(s) 995-1030. o Jeffery Jravis, Jim Kring, ‘LabVIEW for everyone’, edition-2009. o NASA. "National Eronauticsand Space Administration.“
  • 36.
    4/4/2017 Dept. Of Electricaland Electronics Engineering College Of Engineering,Cherthala 36 Thank you