Page 1 of 123
BHARATHIDASAN INSTITUTE OFTECHNOLOGY
TRICHY
DEPARTMENT OF MECHANICAL ENGINEERING
GE6162-ENGINEERING PRACTICES LABORATORY
MANUAL
FIRST SEMESTER B.E / B.TECH
(Common to All Branches)
NAME OF THE STUDEN T :
BRANCH / SECTION :
ROLL NUMBER :
Page 2 of 123
ENGINEERING PRACTICES LABORATORY
SYLLABUS
ENGINEERING PRACTICES LABORATORY
GROUP A (CIVIL & MECHAN ICAL)
CIVIL ENGINEERING PRACTICE
Buildings:
A Study of plumbing and carpentry components of residential and industrial buildings. Safety
aspects.
Plumbing Works:
o A Study of pipeline joints, its location and functions: valves, taps, couplings,
unions, reducers, and elbows in household fittings.
o A Study of pipe connections requirements for pumps and turbines.
o A Preparation of plumbing line sketches for water supply and sewage works.
o A Hands-on-exercise: Basic pipe connections – Mixed pipe material connection –
Pipe connections with different joining components.
o A Demonstration of plumbing requirements of high-rise buildings.
Carpentry using Power Tools only:
o A Study of the joints in roofs, doors, windows and furniture.
o A Hands-on-exercise: Wood work, joints by sawing, planing and cutting.
MECHANICAL ENGINEERING PRACTICE
Welding:
 A Preparation of arc welding of butt joints, lap joints and tee joints.
 A Gas welding practice
Basic Machining:
o A Simple Turning and Taper turning
o A Drilling Practice
Sheet Metal Work:
 A Forming & Bending:
 A Model making – Trays, funnels, etc.
 A Different type of joints.
Page 3 of 123
ENGINEERING PRACTICES LAB ORA TORY
Machine assembly practice:
 A Study of centrifugal pump
 A Study of air conditioner
Demonstration on:
 A Smithy operations, upsetting, swaging, setting down and bending. Example – Exercise
– Production of hexagonal headed bolt.
 A Foundry operations like mould preparation for gear and step cone pulley.
 A Fitting – Exercises – Preparation of square fitting and vee – fitting models.
ENGINEERING PRACTICES LAB ORA TORY
Page 4 of 123
CONTENTS
1. Safety Precautions
2. Plumbing
3. Carpentry
4. Welding
5. Basic Machining
6. Sheet Metal Work
7. Machine Assembly Practice
7.1Air Conditioner
7.2Centrifugal Pump
8. Study Exercises
8.1. Smithy
8.2. Foundry
8.3. Fitting
9. Viva-Voce
ENGINEERING PRACTICES LAB ORA TORY
Page 5 of 123
ENGINEERING PRACTICES LAB MANUAL
(Group A – Civil & Mechanical)
INDEX
Sl.no
Date of the
Exercise
Name of the Exercise Date of Completion Page No.
Marks
Obtained
Staff
Sign
ENGINEERING PRACTICES LAB ORA TORY
Page 6 of 123
CHAPTER: 1 SAFETY PRECAUTIONS
Definition of Workshop:
It is a place where human efforts, machines, materials and tools together manufacture the
products.
Safety Aspects:
1) The shop floor should be kept clean and free from dirt of any kind.
2) Always wear tight fit clothing with tucked in.
3) Never wear chapplas in the workshop. Always wear leather shoes.
4) Do not wear watches, metallic bangles, neck chains and any ornaments while working in the
workshop.
5) Never operate the machines without taking prior permission.
6) Always walk in the Aisle space provided in the workshop.
7) Do not keep the tools at the edge of the table.
8) All the tools should be handled with proper precautions.
9) Tools which are not used should be kept proper places.
10) Ensure sufficient lightning and ventilation to avoid accidents.
11) Never carry any sharp tool in the pocket.
12) Use safety devices like Apron, Goggles, Gloves, Shields and Tongs while welding.
13) Do not spill the oil and grease. If it is spilled, it should be cleaned immediately to avoid
slipping.
14) Always operate machines at a safe distance.
15) Use Scissors and Cutters properly while working with the sheet metal.
16) Avoid unnecessary talking and discussions while working and concentrate on the work.
17) Incase if you find any difficulty of any nature, report immediately to the workshop supervisor.
18) Do not shift the speed gears while machine is functioning.
19) Use coolant while machining and wherever necessary.
Pipe Vice
ENGINEERING PRACTICES LAB ORA TORY
ENGINEERING PRACTICES LAB ORA TORY
CHAPTER-2 PLUMBING
Introduction:
Plumbing also refers to a system of pipes and fixtures installed in a building for the distribution
of potable water and the removal of waste water. Plumbing is the skilled trade of working with pipes,
tubing and plumbing fixtures for drinking water systems and the drainage of waste. A plumber is
someone who installs or repairs piping systems, plumbing fixtures and equipment such as water
heaters. The plumbing industry is a basic and substantial part of every developed economy due to the
need for clean water, and proper collection and transport of wastes. In addition to the straight pipe or
tubing, many fittings are required in plumbing systems, such as valves, elbows, tees, and unions.
Plumbing Tools:
1. Pipe wrench
2. Pipe vice
3. Pipe cutter
4. Die set
5. Hack saw
1. Pipe wrench:
The pipe wrench is an adjustable wrench used for turning soft iron pipes and fittings
with a rounded surface. The design of the adjustable jaw allows it to rock in the frame, such that any
forward pressure on the handle tends to pull the jaws tighter together. Teeth angled in the direction of
turn dig into the soft pipe.
2. Pipe vice:
The pipe vice is used to hold the pipes rigidly in position during thread cutting and fitting of
bends, valves, couplings etc. it consists of fixed jaw and movable jaw to hold the work piece and a
screw rod with handle is used for an adjustment. This vice is fixed on the work bench.
3. Pipe cutter:
A pipe cutter is a type of tool used by plumbers to cut pipe. Besides producing a clean cut, the
tool is often a faster and more convenient way of cutting pipe than using a hacksaw, although this
depends on the metal the pipe is made out of. There are two types of pipe cutters. Plastic tubing cutters,
which really look much like a pair of pruning shears, may be used for thinner pipes and tubes such as a
ENGINEERING PRACTICES LAB ORA TORY
ENGINEERING PRACTICES LAB ORA TORY
Sprinkler pipe. Then there is a pipe cutter with a sharp wheel and adjustable jaw grips for use on thicker
pipes. These are used by rotating it around the pipe and repeatedly tightening it until it.
4. Die set:
A die head is a threading die that is used in the high volume production of threaded
components. They may be used for either cutting a thread or rolling a thread. They may also be used for
internal or external thread cutting.
5. Hack saw:
A hacksaw is a fine-tooth saw with a blade under tension in a frame, used for cutting materials
such as metal. Hand-held hacksaws consist of a metal arch with a handle, usually a pistol grip, with
pins for attaching a narrow disposable blade. A screw or other mechanism is used to put the thin blade
under tension. The blade can mounted with the teeth facing toward or away from the handle, resulting
in cutting action on either the push or pull stroke.
Pipes & Pipe Fittings:
Pipes:
Threaded pipe is often used in plumbing and pneumatic applications. Because pipe joints must
form a seal, the threaded portion is slightly conical rather than cylindrical. As a result, threaded pipe
requires specialized taps and dies. A modified form of the basic pipe thread shape is the Dry-Seal
thread. The Dry-Seal thread is formed so that during assembly, the tips of the male threads are slightly
crushed into the roots of the female threads, affecting, in theory, a liquid-tight fit.
The pipes may be made up of different types like Plastic pipe, Galvanized Iron (GI) pipe, Mild
steel pipe, Cast iron pipe, Copper pipe, Brass pipe, Lead pipe, Rubber pipe, Fiber pipe, Polythene pipe.
Pipe Fittings:
Fittings are used in pipe and plumbing systems to connect straight pipe or tubing sections, to
adapt to different sizes or shapes, and to regulate fluid flow.
a) Elbow:
A pipe fitting installed between two lengths of pipe or tube allowing a change of direction,
usually 90° or 45°. The ends may be machined for butt welding, threaded. When the two ends differ in
size, it is called a reducing or reducer elbow.
ENGINEERING PRACTICES LAB ORA TORY
GATE VALVE
b) Tee:
ENGINEERING PRACTICES LAB ORA TORY
A tee is used to either combine or split a fluid flow. Most common are tees with the same inlet
and outlet sizes, but 'reducing' tees are available as well.
c) Cap:
A type of pipe fitting, often liquid or gas tight, which covers the end of a pipe. A cap has a
similar function to a plug.
d) Plug:
A plug closes off the end of a pipe. It is similar to a cap but it fits inside the fitting.
e) Nipple:
Short stub of pipe, usually threaded iron, A nipple is defined as being a short stub of pipe which
has two male ends. Nipple is commonly used for plumbing and hoses, and second as valves for funnels
and pipes.
f) Coupling:
A coupling connects two pipes to each other. If the material and size of the pipe are not the
same, the fitting may be called a 'reducing coupling' or reducer, or an adapter.
g) Union:
A union is similar to a coupling, except it is designed to allow quick and convenient
disconnection of pipes for maintenance or fixture replacement.
h) Valve:
A valve is a device that regulates the flow of a fluid (gases, fluidized solids, slurries, or liquids)
by opening, closing, or partially obstructing various passageways. Plumbing valves, such as taps for hot
and cold water are the most noticeable types of valves. Valves may be operated manually, either by a
hand wheel, lever or pedal.
i) Wrench:
A wrench or spanner is a tool used to provide a mechanical advantage in applying torque to turn
bolts, nuts or other items designed to interface with a wrench.
ENGINEERING PRACTICES LAB ORA TORY
j) Flange:
Flanges are largely used for pipe joints. Flange joint may be made with flanges which are cast
integral with the pipes (or) loose flanges which are welded (or) screwed with pipes.
k) Bush:
It is a short sleeve like piece which is used to reduce the size of a threaded opening.
Applications of Plumbing
The major categories of plumbing systems or subsystems are:
• Potable cold and hot water supply
• Traps, drains, and vents
• Septic systems
• Rainwater, surface, and subsurface water drainage
• Fuel gas piping
ENGINEERING PRACTICES LAB ORA TORY
PLUMBING
EXERCISES
ENGINEERING PRACTICES LAB ORA TORY
PIPE LAYOUT
ENGINEERING PRACTICES LAB ORA TORY
BASIC CONNECTION INVOLVING PVC / GI PIPES AND PIPE FITTINGS
DATE: EX.NO.
Aim:
To connect the PVC / GI pipe with pipe fittings like valves, bends and tap.
Fittings and Components Required:
1. Pipes of different length
2. Gate valve
3. Tap
4. Elbows
5. Reducer
Tools required:
Pipe wrench, Hack saw, Die set, Hammer, Screw driver, Measuring tape.
Sequence of Operation:
a) Selection of pipes.
b) Threading of pipes.
c) Connection of the pipes with the pipe fittings
Working Steps:
1. The required pipe connection layout is drawn.
2. Two pipes of required lengths are taken and the ends are threaded using die set.
3. The gate valve which is internally threadded is connected between two pipes. The other end
of the pipe is connected with the elbow which is also internally threaded.
4. A third pipe, with external threads is connected to the elbow for vertical extension.
5. To this pipe another elbow is attached at the free end.
6. The free end of the second elbow is connected with another pipe for horizontal extension.
7. A reducer coupling, with internal threads is connected to the horizontal pipe.
8. A tap is connected properly to the end of the reducer coupling.
Result:
Hence the required connection is obtained using required pipes and pipe fittings.
ENGINEERING PRACTICES LAB ORA TORY
PIPE CONNECTIONSFORWASHBASIN
DOUBLE LINE DIAGRAM
SINGLE LINE DIAGRAM
ENGINEERING PRACTICES LAB ORA TORY
PREPARATION OF PIPE LINE FROM A WATER TANK TO WASH BASIN
DATE: EX.NO.
Aim:
To prepare a pipe line from a water tank to a wash basin.
Fittings and Components Required:
1. Wash basin
2. Gate valves
3. Connecting pipes of different lengths.
4. Flexible pipes for inlet and drain.
5. Pipe fittings like tee-joint, elbow
Tools required:
Pipe wrench, Hack saw, Die set, Hammer and measuring tape.
Sequence of Operation:
a. Selection of pipes of required length.
b. Threading the ends of pipes as required.
c. Connection of the water tank to wash basin.
Working Steps:
1. Mark the location of wash basin and fix it properly
2. Fix the tap on the wash basin in the required position properly
3. Draw the pipeline sketch to connect the wash basin tap with the water tank.
4. Connect the water tank and the wash basin tap using required length of pipes and pipe
fittings.
5. Fix the flow control valve near the wash basin tap and connect its outlet with the tap using
flexible pipe.
6. Fix the flexible drain pipe from the wash basin to the common drain outlet.
Result:
Hence the pipeline to the wash basin from the water tank is made.
ENGINEERING PRACTICES LAB ORA TORY
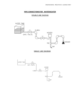
PIPE CONNECTIONSFOR WATERHEATER
DOUBLE LINE DIAGRAM
SINGLE LINE DIAGRAM
PREPARATION OF PIPE LINE FROM A WATER TANK TO WATER HEATER
DATE: EX.NO.
Aim:
To prepare a pipe line from a water tank to water heater
Fittings and Components Required:
1. Water heater
2. Gate valves
3. Connecting pipes of different lengths.
4. Pipe fittings like tee-joint, elbow
5. A tap
6. Shower
Tools required:
Pipe wrench, Hack saw, Die set, Hammer and measuring tape.
Sequence of Operation:
a. Selection of pipes of required length.
b. Threading the ends of pipes as required.
c. Connection of the water tank to water heater.
d. Connection of the water heater to tap and/or shower.
Working Steps:
1. Mark the location of water heater and draw the pipe line diagram.
2. Fix the water heater in the required position using required number of clamps.
3. Connect the water tank and the water heater using required length of pipes and pipe fittings.
4. Fix the flow control valve (gate valve) near the water heater and using a flexible pipe
connects the water heater inlet and control valve outlet.
5. Connect the outlet of the water heater with the shower or tap with proper pipe fitings.
Result:
Hence the pipeline to a water heater from the water tank is made.
ENGINEERING PRACTICES LAB ORA TORY
PIPE CONNECTIONS FOR WASHINGMACHINE
DOUBLE LINE DIAGRAM
SINGLE LINE DIAGRAM
ENGINEERING PRACTICES LAB ORA TORY
PREPARATION OF PIPE LINE FROM A WATER TANK TO WASHING MACHINE
DATE: EX.NO.
Aim:
To prepare a pipe line from a water tank to washing machine
Fittings and Components Required:
1. Washing Machine
2. Gate valves
3. Connecting pipes of different lengths.
4. Flexible pipe for inlet and drain for washing machine.
5. Pipe fittings like tee-joint, elbow, reducer and coupling.
Tools required:
Pipe wrench, Hack saw, Die set, Hammer and measuring tape.
Sequence of Operation:
a. Selection of pipes of required length.
b. Threading the ends of pipes as required.
c. Connection of the water tank to washing machine.
Working Steps:
1. Mark the location of water heater and the pipe line diagram is prepared accordingly.
2. Connect the water tank and the washing machine using required length of pipes and pipe
fittings.
3. Fix the flow control valve near the washing machine.
4. Connect the gate valve outlet and the washing machine inlet using a flexible pipe.
5. Fix the flexible drain pipe from the washing machine to the common drain outlet.
Result:
Hence the pipeline to the washing machine from the water tank is made.
ENGINEERING PRACTICES LAB ORA TORY
C-Clamp
ENGINEERING PRACTICES LAB ORA TORY
CHAPTER-3 CARPENTRY
Introduction:
A carpenter (builder) is a skilled craftsperson who performs carpentry. Carpenters work with
wood to construct, install and maintain buildings, furniture, and other objects. The work may involve
manual labor and work outdoors.
Types of wood:
The wood is generally classified into three types; Soft, Hard and Plywood
1. Soft wood: It has straight fibers and it is weak but easy to work. Example: Deodar, Kail, Chir
2. Hard wood: It is closed structure, heavy in weight, dark in colour, more durable. It is difficult to
work. Example: Teak, Sal, Mango, Maple, Oak.
3. Plywood: It has three layers i.e., Top face plys layer, Core layer and Bottom face plys layer. The top
and bottom layers are called face plys layers. These two layers are bonded to the center core, which is
thick and not of good quality.
Wood Seasoning:
Wood Seasoning is the process of removal of moisture from Timber. This can also be termed as
the drying process of timber. Fresh timber has a very high quantity of moisture and hence is not useful
for use in construction or for manufacture of furniture. In the seasoning process the moisture of the
wood is brought down in the range of 8 - 15% based on the end application.
Following are the advantages of Seasoning:
1. No risk of fungal decay
2. Reduces weight
3. Improvement in Strength Properties
4. Increase in Nail and screw holding capacity
5. Improves Gluing capacity
6. Helps in Preservative Treatment
7. Wood exhibits better electrical and thermal Insulation properties
ENGINEERING PRACTICES LAB ORA TORY
BENCH VICE
MARKING GAUGE
METAL JACK PLANE
Carpentry Tools:
1. A Ball Peen Hammer:
ENGINEERING PRACTICES LAB ORA TORY
A ball-peen hammer is a type of peening hammer used in woodworking. It is distinguished from
a point-peen hammer or chisel-peen hammer by having a hemispherical head. Ball-peen hammers are
divided into two classes: hard-faced and soft-faced. The head of a hard-faced hammer is made of heat
treated forged high-carbon steel or alloy steel; it is harder than the face of a claw hammer. The soft-
faced hammers are made from brass, lead, tightly wound rawhide, or plastic. These hammers usually
have replaceable heads or faces, because they will deform, wear out, or break over time. They are used
when there is the danger of damaging a striking surface.
2. Mallet:
A mallet is a kind of hammer, made of wood, with a relatively large head. Wooden mallet,
usually used in carpentry to knock wooden pieces together or to drive dowels or chisels. A wooden
mallet will not deform the striking end of a metal tool, as most metal hammers would, but it also
reduces the force available to drive the cutting edge of a chisel.
3. Chisel:
They are particularly useful for cutting purpose with the help of mallet. It also has a
strengthening piece called a ferrule which prevents the handle from splitting at the bottom when it is hit
repeatedly by a mallet.
Types of Chisels
Chisels have a wide variety of uses. Many types of chisels have been devised, each specially
suited to its intended use.
a) Mortise Chisel:
Thick, rigid blade with straight cutting edge and square sides to make mortises and similar
joints.
b) Dovetail Chisel:
Made specifically for cutting dovetail joints. The different being the thickness of the body of the
chisel, as well as the angle of the edges, permitting easier access to the joint.
c) Bevel Chisel:
Edged chisels are slightly undercut making them easy to push into corners. They are normally
used for finishing dovetail joints.
ENGINEERING PRACTICES LAB ORA TORY
ENGINEERING PRACTICES LAB ORA TORY
d) Firmer Chisels:
They have a blade with a rectangular cross-section. This means that they are stronger and can be
used for tougher/heavier work.
4. Try square:
It is used for testing the flatness of the surfaces or whether the adjacent surfaces are at right
angles to each other or not.
5. Vice:
A vice is a mechanical screw apparatus used for holding or clamping a work piece to allow
work to be performed on it with tools such as saws, planes, drills, mills, screwdrivers, sandpaper, etc.
6. C- Clamp:
A C-clamp is a type of clamp device typically used to hold a wood or metal work piece, and are
often used in, but are not limited to, carpentry and welding. These clamps are called "C" clamps
because of their C shaped frame.
7. Saw:
A saw is used to cut the wood into pieces. It has different types as follows:
a) Mitre saw :
It is often referred to a large backsaw (20-30 inches or 60-90 cm) used either in a wooden mitre
box or in a metal frame which allowed cutting mitres of any specified angle.
b) Tenon saw:
It has a parallel blade of width 60 mm to 100 mm, length 250 mm to 400 mm and 12 to 20
points or teeth per 25 mm length. The teeth are shaped like a cross cut saw, in form of an equilateral
triangle.
c) Rip Saw:
It is used for cutting along the grains of wood. Its blade is about 700 mm long, and has 3 to 5
points or teeth per 25 mm length. The teeth of the rip saw have a series of chisel edge.
8. Steel Rule:
Steel rules, also called rulers, are essential for linear measurements in any shop. They can also
be used as guides for laying out lines, and if rigid enough, for cutting. The thinner, more flexible rules
can also be used to measure rounded or cambered work.
ENGINEERING PRACTICES LAB ORA TORY
ENGINEERING PRACTICES LAB ORA TORY
9. Marking Gauge:
A marking gauge is used in woodworking and metalworking to mark out lines for cutting or
other operations. In metalworking it can be known as a scratch gauge. The purpose of the gauge is to
scribe a line parallel to a reference edge or surface. It is used in joinery and sheet metal operations.
10. Jack Plane:
It is used to make the surface of wood smooth to get good surface finish. A large range of
planes are available and they are used for different purposes. The body of a plane is made from high
grade cast iron with the cutters being tungsten made from vanadium steel. Mainly there are two types:
Wooden Jack Plane and Metal Jack Plane. Note that Metal Jack plane is used to get better surface
finish.
ENGINEERING PRACTICES LAB ORA TORY
CARPENTRY
EXERCISES
ENGINEERING PRACTICES LAB ORA TORY
PLANNING
All dimensions are in mm.
PLANNING
DATE: EX.NO.
AIM:
To plane the given workpiece to the required shape and dimension.
Material Supplied:
Wooden piece of size 300x50x50 mm
Tools Required:
Steel rule, Marking Gauge, Try-Square, Carpentry Vice, Jack Plane and Tennon Saw
Sequence of Operation:
a) Rough Planning
b) Marking
c) Cutting (or) Sawing
d) Finish planning
Working Steps:
1. The given job is checked to ensure its correct size.
2. The job is clamped rigidly in the carpentry vice and any two adjacent surfaces are planned using
jack plane to the given specifications.
3. Using try square the right angle of the work piece is checked.
4. The required dimensions are marked on the job using steel rule and marking gauge.
5. By means of Jack plane, the job is planned such that it should have accurate dimensions.
6. The finished job is checked for right angle using try square and dimensions using steel rule.
RESULT:
Hence the given work piece is planned to the desired shape and size.
DOVETAIL JOINT
All dimensions are in mm.
DOVE TAIL JOINT
DATE: EX.NO.
AIM:
To make dovetail joint from the given workpiece to the required shape and dimension.
Material Supplied:
Wooden piece of size 300x50x50 mm
Tools Required:
Steel rule, Marking Gauge, Try-Square, Carpentry Vice, Jack Plane, Tennon Saw/ Rib Saw,
Mallet and Chisels
Sequence of Operation:
a. Rough Planning
b. Marking
c. Cutting (or) Sawing
d. Chiseling
e. Finish planning
Working Steps:
1. The given job is checked to ensure its correct size.
2. The job is clamped rigidly in the carpentry vice and any two adjacent surfaces are planned using
jack plane to the given specifications.
3. Using try square the right angle of the work piece is checked.
4. All the four sides are planned to get smoother and finished surfaces at right angles to each other.
5. The job is cut into two halves using the Rib saw. Then proper marking is done for dovetail joint
on the two pieces using steel rule and marking gauge.
6. Using tennon saw and firmer chisel the unwanted portions are removed as per the drawing in
both the pieces.
7. The two pieces are assembled to check proper fitting..
8. The finished job is checked for its accuracy using try square and steel rule.
RESULT:
Hence the required dovetail joint is obtained from the given work piece
TEE – LAP JOINT
All dimensions are in mm.
TEE – LAP JOINT
DATE: EX.NO.
AIM:
To make tee-lap joint from the given workpiece to the required shape and dimension.
Material Supplied:
Wooden piece of size 300x50x50 mm
Tools Required:
Steel rule, Marking Gauge, Try-Square, Carpentry Vice, Jack Plane, Tennon Saw, Rib Saw,
Mallet and Chisels
Sequence of Operation:
a. Rough Planning
b. Marking
c. Cutting (or) Sawing
d. Chiselling
e. Finish planning
Working Steps:
1. The given job is checked to ensure its correct size.
2. The job is clamped rigidly in the carpentry vice and any two adjecent surfaces are planned using
jack plane to the given specifications.
3. Using try square the right angle of the workpiece is checked.
4. All the four sides are planned to get smoother and finished surfaces at right angles to each other.
5. The job is cut into two halves using the Rib saw. Then proper marking is done for T-Lap joint
on the two pieces using steel rule and marking gauge.
6. Using tennon saw and firmer chisel the unwanted portions are removed as per the drawing in
both the pieces.
7. The two pieces are assembled to check proper fitting..
8. The finished job is checked for its accuracy using try square and steel rule.
RESULT:
Hence the required Tee-lap joint is obtained from the given work piece
CHAPTER-4 WELDING
Introduction
Welding is a fabrication or sculptural process that joins materials, usually metals or
thermoplastics, by causing coalescence. This is often done by melting the work pieces and adding a
filler material to form a pool of molten material (the weld pool) that cools to become a strong joint,
with pressure sometimes used in conjunction with heat, or by itself, to produce the weld. This is in
contrast with soldering and brazing, which involve melting a lower-melting-point material between the
work pieces to form a bond between them, without melting the work pieces
Types of Welding:
The two types of welding most prevalently in use are
1. Arc welding 2. Gas Arc welding.
1. Gas welding—the use of a combustible mixed with oxygen to create a flame for welding—is used
extensively in repair and maintenance work.
2 .Arc welding—the use of a conductive arc to create heat and accomplish a weld—is the most basic
and often used form of welding in industry.
Gas welding produces a wide, imprecise flame that can result in poor quality welds. In Arc
welding, an electric current creates an arc between a conductor called an electrode that is contained in
the welder's torch tip and the material to be welded. This arc generates the heat necessary to complete
the weld and gives the welder greater control over the welding process.
Welding Applications
Welding has traditionally been viewed as a heavy manufacturing process. The shipbuilding,
automobile manufacturing, construction and oil industries have benefited greatly from the expediency
of welding. These industrial applications still employ the majority of welding practices in use today.
ARC WELDING
From welding thick steel beams together to repairing the hulls of ocean tankers, welding is the
join technology of choice. Welding has also branched out into areas like electronics, aerospace, medical
device manufacture, instrumentation, and photonics. Welding is being used on rocket fuel tanks, glass
sealing of electronic packages, nano-wire assemblies and glass to metal or silicon joining of sensors.
Today's welding processes involve plastic, glass, fiberglass, and ceramic in addition to metal.
GAS WELDING
Oxy Acetylene Welding Principle of Operation:
When acetylene is mixed with oxygen in correct proportions in the welding torch and ignited,
the flame resulting at the tip of the torch is sufficiently hot to melt and join the parent metal. The
oxyacetylene flame reaches a temperature of about 3200°C and thus can melt all commercial metals
which, during welding, actually flow together to form a complete bond.
A filler metal rod is generally added to the molten metal pool to build up the seam slightly for
greater strength. Oxyacetylene welding does not require the components to be forced together under
pressure until the weld forms and solidifies.
Gas welding equipment:
The apparatus used in gas welding consists basically of an oxygen source and a fuel gas source
(usually cylinders), two pressure regulators and two flexible hoses (one of each for each cylinder), and
a torch. The cylinders are often carried in a special wheeled trolley.
1. Oxygen Cylinder:
Oxygen cylinder is usually painted in black colour. In this cylinder, oxygen is stored under a
pressure of 1550 N/m2.
The common cylinder is 1.8 m3,
3.5 m3,
7 m3,
etc.,
2. Acetylene Cylinder:
Acetylene cylinder is usually painted in maroon colour. In this cylinder, acetylene is stored
under a pressure of 175 N/m2.
The common cylinder is 1.6 m3,
2.8 m3,
8.4 m3,
etc.,
3. Regulator:
The regulator is used to control pressure from the tanks by reducing pressure and regulating
flow rate.
4. Gas hoses:
The hose is usually a double-hose design, meaning that there are two hoses joined together. The
oxygen hose is green and the fuel hose is red. The type of gas the hose will be carrying is important
because the connections will have different threads for different types of gas. Fuel gases (red) will use
left-hand threads and a groove cut into the nut, while the oxygen (green) will use right-hand threads.
This is a safety precaution to prevent hoses from being hooked up the wrong way.
5. Non-return valve:
Between the regulator and hose, and ideally between hose and torch on both oxygen and fuel
lines, a flashback arrestor and/or non-return valve should be installed to prevent flame or
Oxygen-fuel mixture being pushed back into either cylinder and damaging the equipment or
making a cylinder explodes.
6. Check valve:
A check valve lets gas flow in one direction only. A check valve is usually a chamber
containing a ball that is pressed against one end by a spring: gas flow one way pushes the ball out of the
way, and no flow or flow the other way lets the spring push the ball into the inlet, blocking it.
7. Torches:
The torch is the part that the welder holds and manipulates to make the weld. It has a connection
and valve for the fuel gas and a connection and valve for the oxygen, a handle for the welder to grasp, a
mixing chamber (set at an angle) where the fuel gas and oxygen mix, with a tip where the flame forms.
The top torch is a welding torch and the bottom is a cutting torch
a) Welding torch:
A welding torch head is used to weld metals. It can be identified by having only one or two
pipes running to the nozzle and no oxygen-blast trigger and two valve knobs at the bottom of the handle
letting the operator adjust the oxygen flow and fuel flow.
b) Cutting torch:
A cutting torch head is used to cut metal. It is similar to a welding torch, but can be identified
by having three pipes that go to a 90 degree nozzle and by the oxygen-blast trigger. Only iron and steel
can be cut using this method.
8. Other Accessories:
a) Filler rod / Welding rod: Filler rod is a metal which is used in gas welding to supply additional metal
to make the joint.
b) Flux is used in oxy-acetylene gas welding to prevent oxidation and also to remove impurities. The
flux may be either in powder or liquid form.
9. Safety devices:
a) Goggles b) Leather goggles c) Apron
ARC WELDING
Principle of Operation:
In arc welding, the intense heat needed to melt metal is produced by an electric arc. The arc is
formed between the actual work and an electrode (stick or wire) that is manually or mechanically
guided along the joint. The electrode can either be a rod with the purpose of simply carrying the current
between the tip and the work. Or, it may be a specially prepared rod or wire that not only conducts the
current but also melts and supplies filler metal to the joint. Most welding in the manufacture of steel
products uses the second type of electrode.
An arc is created across the gap when the energized circuit and the electrode tip touches the
work piece and is withdrawn, yet still with in close contact. The arc produces a temperature of about
6000ºC at the tip. This heat melts both the base metal and the electrode, producing a pool of molten
metal sometimes called a "crater." The crater solidifies behind the electrode as it is moved along the
joint. The result is a fusion bond.
Arc Welding Equipment:
a) Power Supply:
The Main equipment used for electric arc welding is the transformer. It may be AC/ DC. Arc
welding may be done with direct current (DC) with the electrode either positive or negative or
alternating current (AC). The choice of current and polarity depends on the process, the type of
electrode, the arc atmosphere, and the metal being welded. The figure shows AC arc welding set up
using transformer. The transformer steps down the usual supply voltage (220 v to 440 v) to the open
circuit voltage required for the welding which is 40 v to 80 v.
b) Electrode:
If an electrode is consumable, the tip melts under the heat of the arc and molten droplets are
detached and transported to the work through the arc column. This type of electrodes is made up of
steel, copper, brass bronze or aluminum.
If an electrode is non consumable, the tip of the electrode may not get melted. This type of
electrodes is made up of carbon and graphite. Here filler rod has to be used.
c) Electrode Holder:
It is used to hold or secure the electrode. It should be light, strong and easy to handle. It allows
the shortest electrode possible to be used, ensuring rigidity and lack of deflection
d) Ground Clamp:
It is connected to the end of the ground cable and is clamped to the work or welding table to
complete the electric circuit.
e) Chipping Hammer:
It is chisel shaped one and it is used to remove slag from the weld beads.
f) Wire Brush:
It is used to clean the surface to be welded and it is also used to clean the weld.
g) Face Shield or Screen:
It is used to protect the eyes of the welder from the radiations. There are two types (i) Hand type
and (ii) Helmet type.
h) Goggles:
It is used to protect eyes of the welder from the light sparks produced during welding.
i) Hand Gloves:
It is used to protect the hands of the welder from the effect of ultra violet rays, infra red rays,
heat and sparks.
WELDING
EXERCISES
SQUARE BUTT JOINT
All dimensions are in mm
SQUARE BUTT JOINT
DATE: EX.NO.
Aim:
To join two given metal plates by a square butt joint using arc welding.
Material Supplied:
Mild Steel Plate of Size 75x50x6 mm
Tools required:
Power supply, (AC /DC), earthing clamp, welding electrode, welding torch, tongs, bench vice,
wire brush, gloves, shield, apron, safety goggles, steel rule, flat file, chipping hammer
Sequence of Operation:
a. Edge preparation (removal of rust, scale, etc)
b. Tacking
c. Welding
d. Cooling
e. Chipping
f. Cleaning
Working Steps:
1. The given metal plates are cleaned to remove rust and scale formation by using a wire
brush.
2. Then edge preparation is done to the required dimensions with the aid of bench vice and a
file for a square butt joint.
3. Based on the thickness of the metal plates to be welded, the amperage and correct voltage is
selected.
4. Two metal plates are placed as shown in the figure with a suitable gap of 2mm between
them and tag weld is done on the ends to avoid the movement of the plates while welding.
5. Then welding is started from one end of the plates and is continued till the other end by
maintaining 3 mm gap between the welding rod and the plates to be welded.
6. While welding goggles, gloves and shield are used for the safety of eyes and hand.
7. The electric arc produced by the transformer melts the electrode and joins the two metal
plates.
8. Then cool the welded metal plates
9. Finally the welded portion is chipped to remove slag using chipping hammer and wire
brush.
Result:
Hence the two given metal plates are joined by square butt joint using arc welding.
.
LAP JOINT
All dimensions are in mm
LAP JOINT
DATE: EX.NO.
Aim:
To join two given metal plates by a lap joint using arc welding.
Tools required:
Power supply, (AC /DC), earthing clamps, welding electrode, welding torch, tongs, bench vice,
wire brush, gloves, shield, apron, safety goggles, steel rule, flat file and chipping hammer.
Material Supplied:
Mild Steel Plate of Size 75x50x6 mm
Sequence of Operation:
a. Edge preparation (removal of rust, scale, etc)
b. Tacking
c. Welding
d. Cooling
e. Chipping
f. Cleaning
Working Steps:
1. The given metal plates are cleaned to remove rust and scale formation, by using a wire
brush.
2. Then edge preparation is done to the required dimensions, with the aid of bench vice.
3. Based on the thickness of the metal plates to be welded the amperage and correct voltage is
selected.
4. Two metal plates are placed in the over lapped position using a support piece and tag weld
is done on the ends to avoid the movement of the plates while welding.
5. Then welding is started from one end of the plates and is continued till the other end by
maintaining 3 mm gap between the welding rod and the plates to be welded.
6. While welding goggles, gloves and shield are used for the safety of eyes and hand.
7. The electric arc produced by the transformer melts the electrode and joins the two metal
plates.
8. Then cool the welded metal plates
9. Finally the welded portion is chipped to remove slag using chipping hammer and wire
brush.
Result:
Hence the two given metal plates are joined by lap joint using arc welding.
TEE - JOINT
All dimensions are in mm
TEE FILLET JOINT
DATE: EX.NO.
Aim:
To join two given metal plates, by T-fillet joint using arc welding.
Tools required:
Power supply, (AC /DC), earthing clamps, welding electrode, welding torch, tongs, bench vice,
Wire brush, gloves, shield, apron, safety goggles, steel rule, flat file and chipping hammer.
Material Supplied:
Mild Steel Plate of Size 75x50x6 mm
Sequence of Operation:
a. Edge preparation (removal of rust, scale, etc)
b. Tacking
c. Welding
d. Cooling
e. Chipping
f. Cleaning
Working Steps:
1. The given metal plates are cleaned to remove rust and scale formation by using a wire
brush.
2. Then edge preparation is done to the required dimensions, with the aid of bench vice and a
file to get perfect joint and good strength.
3. Based on the thickness of the metal plates to be welded, the amperage and correct voltage is
selected.
4. One of the plates to be welded is kept at right angles to the surface of the other plate by
using tongs.
5. The tag weld is made on the ends to aviod the movement of the plates while welding.
6. Then welding is started from one end of the plates and is continued till the other end on both
sides by maintaining a gap of 3mm between welding rod and the plates to be welded.
7. While welding goggles, gloves and shield are used for the safety of eyes and hand.
8. The electric arc produced by the transformer melts the electrode and joins the two metal
plates.
9. Then cool the welded metal plates
10. Finally the welded portion is chipped to remove slag using chipping hammer and wire
brush.
Result:
Hence the two given metal plates are joined by T-fillet joint using arc welding.
.
CHAPTER-5 BASIC MACHINING
Introduction:
LATHE
The lathe is an ancient tool, dating at least to the Egyptians and known and used in Assyria,
Greece, the Roman and Byzantine Empires. The origin of turning dates to around 1300BC when the
Egyptians first developed a two-person lathe. One person would turn the wood work piece with a rope
while the other used a sharp tool to cut shapes in the wood.
During the industrial revolution, mechanized power was applied to the lathe via steam engines
and line shafting, allowing faster and easier work. The design of lathes diverged between woodworking
and metalworking to a greater extent than in previous centuries. Metalworking lathes evolved into
heavier machines with thicker, more rigid parts. The application of lead screws, slide rests, and gearing
produced commercially practical screw-cutting lathes. Between the late 19th and mid 20th centuries,
individual electric motors at each lathe replaced line shafting as the power source. Beginning in the
1950s, servomechanisms were applied to the control of lathes and other machine tools via numerical
control (NC), which often was coupled with computers to yield computerized numerical control (CNC).
Today manually controlled and CNC lathes coexist in the manufacturing industries.
Working Principle:
In a lathe work piece is held and rotated about its axis. A cutting force is applied on the work
piece by a single point cutting tool and hence the material is removed from the work piece. The amount
of material removed from the work piece, in unit time is based on the depth of cut and feed. The single
point cutting tool used in a lathe is made up of High Speed Steel (HSS), cemented carbides and poly-
crystalline diamonds (PCD).
Parts of Lathe:
a) Lathe Bed
b) Head stock
c) Tail stock
d) Carriage : (i) Apron (ii) Saddle (iii) Cross slide (iv) Compound rest (v) Tool post
e) Feed rod
f) Lead screw.
FACING OPERATION
TURNING OPERATION
a) Lathe Bed:
It is the base of the machine. On its left side, the head stock is mounted. The tail stock which is
moveable on the bed, mounted on the right side. The bed is made up of cast iron in order to resist the
vibrations occurring during the machining operations.
b) Head stock:
The head stock is permanently fastened on the inner ways at the left hand end of the bed. It
serves to support the spindle and driving arrangements. All lathes receive their power through the head
stock, which may be equipped with a step-cone pulleys or a geared head drive. The modern lathe is
provided with all-geared head stock to get large variation of spindle speeds.
c) Tail stock:
The tail stock is the counter part of the head stock and is situated at the right hand end of the
bed. It is used for supporting the work when turning on centers or when a long component is to be held
in a chuck. It is also used for holding and feeding the tools such as drills, reamers, taps, etc.,
d) Carriage:
In its simplest form the carriage holds the tool bit and moves it longitudinally (turning) or
perpendicularly (facing) under the control of the operator. The operator moves the carriage manually
via the hand wheel or automatically by engaging the feed shaft with the carriage feed mechanism. This
provides some relief for the operator as the movement of the carriage becomes power assisted. (i)Apron:
It is fastened to the saddle and hangs over the front of the bed. It contains gears, clutches and levers for
operating the carriage by hand and power feeds. The apron had wheel can be turned to move the
carriage longitudinally back and forth by hand.
(ii)Saddle: It is an H-shaped casting that fits over the bed and slides along the ways between the head
stock and tail stock.
(iii)Cross slide: The cross-slide stands atop the carriage and has a feed screw that travels perpendicular
to the main spindle axis. This permits facing operations to be performed, and the depth of cut to be
adjusted. This feed screw can be engaged, through a gear train, to the feed shaft to provide automated
'power feed' movement to the cross-slide. On most lathes, only one direction can be engaged at a time
as an interlock mechanism will shut out the second gear train.
TAPER TURNING OPERATION
TURNING OPERATION
(iv) Compound rest: The compound rest (or top slide) is the part of the machine where the tool post is
mounted. It provides a smaller amount of movement along its axis via another feed screw. The
compound rest axis can be adjusted independently of the carriage or cross-slide. It is utilized when
turning tapers, to control depth of cut when screw cuts or precision facing, or to obtain finer feeds
(under manual control) than the feed shaft permits.
(v) Tool post: The tool bit is mounted in the tool post which may be of the American lantern style,
traditional 4 sided square style, or in a quick change style such as the multifix arrangement pictured.
The advantage of a quick change set-up is to allow an unlimited number of tools to be used (up to the
number of holders available) rather than being limited to 1 tool with the lantern style, or 3 to 4 tools
with the 4 sided type.
e) Feed rod: Feed rod is long shaft which gets power from the head stock spindle through large number
of gears located in the feed box. It is used for the longitudinal movement of the carriage (or) cross feed
movement of the cross slide
f) Lead screw: A lead screw also known as a power screw or translation screw, is a screw designed to
translate radial motion into motion. It is a long threaded shaft which is used during thread cutting
operations.
Lathe Operations
a) Turning: It is the operation of reducing the diameter of the work piece.
b) Facing: It is the operation of reducing the length of the work piece.
c) Chamfering: It is the operation of removing the sharp corners of the work piece to protect the edges
of the job from getting damaged. It is done by keeping the tool at an angle of 45 degree to the lathe
axis.
d) Taper Turning: It is the operation of making uniform change in the diameter of the work piece
along its length or producing conical surface on the work piece.
e) Drilling: It is the operation of making hole in the work piece. This can be achieved by fixing the
drill bit in tail stock and fed in to the rotating work piece.
f) Boring: It is operation of enlarging the already drilled hole.
g) Knurling: It is the operation of making rough surface to get the get grip on the work piece.
MACHINING
EXERCISES
FACING, TURNING AND CHAMFERING
BEFORE MACH ININ G
AFTER MACHINING
All dimensions are in mm
TURNING, FACING AND CHAMFERING
DATE: EX.NO.
Aim:
To make turning, facing and chamfering on the given metal work piece to get the required
dimension.
Material Supplied:
Mild Steel rod of 25 mm diameter x 75 mm length
Tools required:
Single point cutting tool, vernier caliper, steel rule, chuck key, tool post key, wire brush.
Sequence of Operation:
a. Checking
b. Work piece setting
c. Tool setting
d. Facing
e. Turning
f. Chamfering
Working Steps:
1. The given work piece is checked for its given dimensions.
2. The work piece is held in the three jaw chuck. Chuck key is used to tighten the job rigidly
ensuring centering of the work piece.
3. The single point cutting tool is fixed in the tool post of the lathe machine using tool post key
and spanners. Sometimes the packing material like hacksaw blade pieces, thick sheet paper
materials can be used to set the tool appropriately pointing towards the centre of the job.
4. Facing operation is done to obtain the required length of the job.
5. Turning operation is done to obtain the required diameter of the job.
6. Chamfering is done to remove sharp edges and corners of the work piece by keeping the
tool at an angle of 45 º to the lathe axis.
7. Finally the work piece dimensions are checked to conform to the specification given in the
drawing.
Result:
Hence the required shape and size are obtained using turing, facing and chamfering operations
on the given work piece.
.
TAPER TURN ING
BEFORE MACH ININ G
AFTER MACHINING
All dimensions are in mm.
TAPER TURNIN G
DATE: EX.NO.
Aim:
To make turning, facing and taper turning operations on the given metal work piece to get the
required dimension.
Materail Supplied:
Mild Steel rod of 25 mm diameter x 75 mm length
Tools required:
Single point cutting tool, vernier calipher, steel rule, chuck key, tool post key, wire brush and
scribber.
Sequence of Operation:
a. Checking
b. Workpiece setting
c. Tool setting
d. Facing
e. Turning
f. Taper Turning
Working Steps:
1. The given work piece is checked for its given dimensions.
2. The workpiece is held in the three jaw chuck. Chuck key is used to tighten the job rigidly,
ensuring centering of the workpiece.
3. The single point cutting tool is fixed in the tool post of the lathe machine using tool post
key. Sometimes the packing material like hacksaw blade pieces, thick sheet paper materials
can be used to set the tool appropriately pointing towards the centre of the job.
4. Facing operation is done to obtain the required length of the job.
5. Turning operation is done to obtain the required diameter of the job.
6. Next the taper turing operation is carried out as per the taper angle calculated using the
formula, tan θ = (D-d)/2L. Then compund rest base is swivelled and set at half taper angle.
Cutting tool is moved at set angle to the lathe axis by rotating the cross slide till the required
taper is obtained.
7. Finally the work piece dimensions are checked to conform to the specification given in the
drawing.
Result:
Hence the required shape and size is obtained using turing, facing and taper turing operations
on the given work piece.
DRILLING
All dimensions are in mm.
DRILLING
DATE: EX.NO.
Aim:
To drill holes on the given MS plate as per the specification given in the drawing.
Materail Supplied:
Mild Steel plate of 75x50x6 mm
Tools required:
Drilling Machine, Drill Bit, Drill chuck key, steel rule, wire brush, Dot Punch, Hammer, Flat
file.
Sequence of Operation:
a. Checking
b. Marking
c. Workpiece setting
d. Tool setting
e. Drilling
Working Steps:
1. Mark the workpiece as per the specification given in the drawing.
2. Holes centers are marked using dot punch and hammer.
3. Keep the workpiece in the fixture.
4. Bring the tool nearer the workpiece where it has to be drilled. This can be done by
adjusting the work table.
5. Perform drilling operation on the Workpiece.
6. Repeat the process, till the required numbers of holes are drilled.
7. Using the flat file remove the unwanted materials like burrs, chips etc.,
8. Check the dimensions of the finished workpiece
Result:
Hence the required number of holes are drilled using drilling machine on the given work piece.
STRAIGHT SNIP CURVED SNIP
BENCH SHEAR
BALL PEEN HAMMER CROSS PEEN HAMMER
MALLET
CHAPTER-6 SHEET METAL
Introduction:
Sheet metal is simply metal formed into thin and flat pieces. It is one of the fundamental forms
used in metalworking, and can be cut and bent into a variety of different shapes. Thicknesses can vary
significantly, although extremely thin thicknesses are considered foil or leaf, and pieces thicker than
6 mm (0.25 in) are considered plate. The thickness of the sheet metal is called its gauge. The gauge of
sheet metal ranges from 30 gauge to about 8 gauge. The higher the gauge, the thinner the metal is.
There are many different metals that can be made into sheet metal, such as: Aluminum, brass,
copper, steel, tin, nickel and titanium. For decorative uses, important sheet metals include silver, gold,
and platinum.
Sheet metal has applications in car bodies, airplane wings, medical tables, roofs for building and
many other things. Historically, an important use of sheet metal was in plate armor worn by cavalry,
and sheet metal continues to have many decorative uses, including in horse tack.
Specification of Sheet Metal:
The sheets specified by standard gauge numbers. Each gauge designates a definite thickness.
The gauge number can be identified by Standard Wire Gauge (S.W.G) .
S.W.G 10 12 14 16 18 20 22 24 26 30
Thickness
(mm)
3.2 2.6 2.0 1.6 1.2 0.9 0.7 0.6 0.4 0.3
Sheet Metal Tools:
1. Cutting Tools
2. Striking Tools
3. Supporting Tools
4. Marking and Measuring Tools
5. Bending and Folding Tools
6. Other Tools
FLAT CHISEL
HALF ROUND CHISEL
BEAK HORN STAKE
HALF MOON STAKE FUNNEL STAKE
1. Cutting Tools: (Chisels, Snips or Shears)
a) Chisels:
This is used to cut the sheets. It is also used to remove the unwanted metal form the surface of a
job by chipping. Mostly flat type and round nose type chisels are used. Flat chisel are used to obtain flat
surface and its cutting edge is V-shape. Its cutting angle is 60° and the cutting edge varies from 20 to
25 mm in width. But the cutting edge of the round nose chisel is round in shape and used for making
grooves. Its cutting angle varies from 35° to 40°.
b) Snips (or) Shears:
The tool similar to scissors used for cutting or shearing thin metal sheets is called snip. Its
length varies from 200 mm to 600 mm. Mainly Straight Snip and Curved Snip is used. Bench shear is
used to cut the sheet metal of 3 mm thickness.
2. Striking Tools: (Hammers and Punches)
a) Hammers:
These are used on the sheet metal for straightening, bending, leveling, riveting, removing nails,
forging, chipping etc., with the application of impact load exerted manually. Mainly Ball peen hammer,
Cross peen hammers and Mallet used in practice.
b) Punch:
This is used for marking out work, locating centres etc. There are four types Dot punch Centre
punch, Letter punch and Number punch.
3. Supporting Tools: (Stakes, Anvils, Swage Block)
a) Stakes:
The stakes are used for doing various operations like forming, bending, hemming, seaming, etc.
There are different shapes of stakes available but based upon the purpose, the required shape of stake is
selected. They are Beak Horn stake, Funnel stake, Half moon stake etc.
b) Anvil:
The anvil acts as a base for smithy work while hammering. The body of the anvil is made of
mild steel (MS), wrought iron or cast iron (CI). The weight of the anvil varies from 100 to 150 kg.
c) Swage Block:
It is a CI block having number of slots of different shapes and sizes along its four side faces. It
also contains number of through holes of different size and shape from its top to bottom face. This
BENCH PLATE
GROOVING TOOL
COMBINATION PLIERS PIPE PLIERS
DOT PUNCH
block can be used for bending, punching and shaping of metals.
4. Marking and Measuring Tools: (Steel rule, Scriber, Trammel, Divider, Swing Blade Protractor,
Wire Gauge)
a) Steel rule: It is used for linear measurements up to the accuracy of 0.5 mm.
b) Scribers: It is made up of hardened steel with pointed end used for marking lines on the sheet.
c) Trammel (or) beam compass: It is a big size compass used for marking large arcs and circles.
d) Divider: It is used for dividing straight and curvilinear lines, marking circles and arcs.
e) Swing Blade Protractor: It is used for marking and measuring angles.
f) Wire Gauge: It is used for measuring the thickness of sheet metal.
5. Bending and Folding Tools: (Pliers, Folding Bars)
a) Pliers:
The pliers are mainly used for bending the sheet metal to the required shape. It is also used for
holding and cutting the sheet metal. There are mainly two types – Pipe pliers and Combination pliers.
b) Folding Bars:
The folding bars are used for bending and folding operation of the sheet metal.
6. Other Tools:
a) Grooving Tools: It is used for making locked joints in sheets like wired edges, slots etc.
b) Bench Plate: It is plate having the holes of different shapes and sizes.
Sheet Metal Operations:
1. Shearing: (Parting, Blanking, Punching, Notching, Slitting, Lancing, Trimming)
2. Bending
3. Drawing
4. Squeezing
1. Shearing Operation:
Shearing is a metalworking process which cuts stock without the formation of chips or the use
of burning or melting. Strictly speaking, if the cutting blades are straight the process is called Shearing;
if the cutting blades are curved then they are shearing-type operations.
SOLID TYPE FOLDING BAR
SPLIT TYPE FOLDING BAR
WIRE GAUGE
SWING BLADE PROTRACTOR
The most commonly sheared materials are in the form of sheet metal or plates, however rods can also
be sheared.
a) Parting: It signifies that scrap is removed between the two pieces to part them.
b) Blanking: It means cutting a whole piece from sheet metal.
c) Puching: It is the operation of producing circular holes on a sheet metal by punch and die.
d) Notching: It is the process of removing the metal from the side or edge of a sheet.
e) Slitting: It is the process of conducting shearing between the rotary blades.
f) Lancing: It is the process of cutting sheet metal lengthwise.
g) Trimming: It the process cutting away the excess metal in a flange or flash from a piece.
2. Bending:
In this metal is stressed beyond the elastic limit, so that the metal is bent into right angle and
forming occurs when complete items or parts are shaped. It incorporates angle bending, roll bending,
and roll forming and seaming.
3. Drawing:
It is the process of producing cup shaped components from the sheet metal by required number
of punching strokes. It is done by placing the metal blank over a stationary die and exerting required
pressure from a punch against the blank.
4. Squeezing:
Squeezing is the one of the methods of forming ductile material. Riveting, cold heading and
rotary swaging are very common process of squeezing.
Sheet Metal Joints:
There are mainly two types: Hem and Seam
a) Hem: A hem is an edge or border made by folding. There are mainly three types of hem they are;
(i) Single Hem: It is made by a single folding of the edge in the sheet metal to make it smooth &
stiff.
(ii)Double Hem: The double hem is made by double folding of the edge in the sheet metal, to
make it smooth & stiff.
(iii)Wired Edge Hem: It is made by rolling the sheet metal to certain distance. This hem is
smooth and strong.
b) Seam: A seam is a joint made by fastening two edges of the sheet metal together.
SPRING DIVIDER WING DIVIDER
TRAMMEL
DOUBLE POINT SCRIBER
SHEET METAL
EXERCISES
DEVELOPMENT OF RECTANGULAR TRAY
RECTANGULAR TRAY
All dimensions are in mm.
RECTANGULAR TRAY
DATE: EX.NO.
Aim:
To make the rectangular tray from the given sheet metal.
Material Required:
26 gauge Galvanized Iron (G.I) Sheet [150x110mm]
Tools required:
Steel Rule, Scriber, Try-Square, Ball Peen Hammer, Mallet, Stacks, Straight Snip, Groover,
Pliers and Compass.
Sequence of Operation:
a. Marking
b. Cutting
c. Hemming
d. Bending
e. Finishing
Working Steps:
1. The given GI sheet is marked as per the given dimensions shown in the drawing.
2. The unwanted portion of the sheet is cut by using the straight snip along the marked lines.
3. Then the sheet is levelled for the perfect flatness using the mallet.
4. The position of the hemming operation is marked at the edges with the help of the steel rule
and a scriber.
5. By holding the sheet in the bench vice the hemming operation is done on four sides of the
tray using ball peen hammer.
6. The sides of the tray are bent to 90 degree as per the given sketch by using the required
stacks, anvil and mallet.
7. Finally all the corners of the tray are joined by rivetting and finishing operations.
Result:
Hence the rectangular tray is made on the given GI sheet to the required size.
DEVELOPMENT OF FUNNEL
CONE
NECK
All dimensions are in mm.
FUNNEL
DATE: EX.NO.
Aim:
To make the funnel from the given sheet metal.
Material Required:
26 gauge Galvanized Iron (G.I) Sheet [200x100mm]
Tools required:
Steel Rule, Scriber, Try-Square, Ball Peen Hammer, Mallet, Stacks, Straight Snip,
Groover, Pliers and Compass.
Sequence of Operation:
a. Marking
b. Cutting
c. Hemming
d. Bending
e. Finishing
Formula Used:
Working Steps:
Angle , φ = (R/ L ) 360º
Where , R = radius of the top circle of the funnel
L = Slanting length
1. Funnel is splitted into cone and cylinder
2. The development of cone and cylinder are drawn on the given GI sheet, using steel rule,
scriber and compass.
3. The unwanted portion of the sheet is cut by using the straight snip along the marked lines.
4. Then the sheet is levelled for the perfect flatness using the mallet.
5. The position of the hemming operation is marked at the top edge of the cone and also at the
bottom edge of the cylinder, with the help of the steel rule and a scriber as per the
specification given in the sketch.
6. The cone and the cylinder are joined together by seaming operation and soldering is done
around the joint.
7. Hemming is done at the top and bottom of the funnel by using required stacks and mallets
8. Finally finishing operation is done to aviod ups and downs of the funnel
FUNNEL
All dimensions are in mm.
Result:
Hence the funnel is made on the given GI sheet to the required size.
DEVELOPMENT OF WINNOWING PAN
WINNOWING PAN
All dimensions are in mm
WINNOWING PAN
DATE: EX.NO.
Aim:
To make a winnowing pan from the given sheet metal.
Material Required:
26 gauge Galvanized Iron (G.I) Sheet [130x110mm]
Tools required:
Steel Rule, Scriber, Try-Square, Ball Peen Hammer, Mallet, Stacks, Straight Snip, Groover,
Pliers, Compass.
Sequence of Operation:
a. Marking
b. Cutting
c. Hemming
d. Bending
e. Finishing
Working Steps:
1. The given GI sheet is marked as per the dimensions shown in the drawing.
2. The unwanted portion of the sheet is cut by using the straight snip along the marked lines.
3. Then the sheet is leveled for the perfect flatness using the mallet.
4. The position of the hemming operation is marked at the edges with the help of the steel rule
and a scriber.
5. Hemming is done at the top and bottom of the funnel by using required stacks and mallets.
6. By holding the sheet in the bench vice, the hemming operation is done on the three sides of
the dust pan using ball peen hammer and pliers.
7. The sides of the dust pan are bent to 90 degree by using the required stacks anvil and mallet.
8. Finally all the corners of the tray are joined by riveting and finishing operations.
Result:
Hence the winnowing pan is made on the given GI sheet to the required size.
.Window Air Conditioner
Split Type Air Conditioner
.
CHAPTER-7.1 AIR CONDITIONER
Introduction:
Air conditioner is a device used to condition the air according to human comfort. Air is
consisting of humidity, temperature, dust etc. The presence of these constituents makes the people to
feel discomfort and reduces the efficiency of persons. Therefore air has to be conditioner depending
upon the requirement. Generally in coastal areas the humidity level is more hence wet air prevails, so
air has to be dehumidified using air conditioner. In the tropical areas dry air prevails hence air has to be
humidified using air conditioner. Thus air conditioner may be classified according to season as Summer
Air Conditioner & Winter Air Conditioner.
Types of Air Conditioner:
1. Window Air Conditioner
2. Spilt type Air Conditioner
WINDOW AIR CONDITIONER:
Working Principle:
The refrigerant vapour at high pressure and temperature is supplied by the compressor to the
condenser. A propeller type fan is used to draw air from atmosphere and to circulate through the
condenser coil. The air cools the refrigerant vapour and it becomes liquid.
Refrigeration cycle
The refrigeration cycle consists of the following processes .
1) Condensing coil 2) Expansion valve, 3) Evaporator coil, 4) Compressor.
Initially, a heat pump transfers heat from a lower-temperature heat source into a higher-
temperature heat sink. Heat would naturally flow in the opposite direction. This is the most common
type of air conditioning. A refrigerator works in much the same way, as it pumps the heat out of the
interior and into the room in which it stands.
The most common refrigeration cycle uses an electric motor to drive a compressor. Since
evaporation occurs when heat is absorbed, and condensation occurs when heat is released, air
conditioners use a compressor to cause pressure changes between two compartments, and actively
condense and pump a refrigerant around. A refrigerant is pumped into the cooled compartment (the
evaporator coil), where the low pressure causes the refrigerant to evaporate into a vapor, taking heat
with it. In the other compartment (the condenser), the refrigerant vapor is compressed and forced
through another heat exchange coil, condensing into a liquid, rejecting the heat previously absorbed
from the cooled space. Air conditioning equipment usually reduces the humidity of the air processed by
the system and hence produces the effect.
COMPONENTS:
The refrigeration systems consists of :
a) Compressor
The compressor used in window air conditioner is of hermetic type. The refrigerant vapour is
compressed to high pressure and temperature in the condenser.
b) Air-cooled condenser
It is used to cool the high pressure high temperature refrigerant vapour. It is continuous coil
made of copper tubing. A propeller type fan is used to draw the necessary air from atmosphere to cool
the refrigerant.
c) Capillary tube
It is an expansion device. It is used to reduce the pressure and temperature of the refrigerant.
d) Evaporator
It is cooling coil made of copper. A centrifugal blower is installed behind the coil to deliver cool
air from the evaporator to the room. The blower also sucks warm air from the room and sends it to the
evaporator through a Filter.
Applications:
1) Used in offices, hotels, buses, cars, aero planes for human comfort.
2) Used in textile industries to control moisture.
3) Used in printing press, food industries, chemical plants etc.,
Window air conditioner is also known as room air conditioner, and is usually fitted in the window or
any opening made in the wall of suitable dimensions. This is then packed with insulating material like
thermo coal to achieve better efficiency.
SPLIT TYPE AIR CONDITONER:
Introduction:
Split air conditioners are used for rooms and halls, usually in places where window air
conditioners cannot be installed. However, these days many people prefer split air conditioner units
even for places where window air conditioners can be fitted.
The split type room air conditioner is comprised of two parts.
1) The outdoor unit,
The outdoor unit, fitted outside the room, houses components like the compressor,
condenser and expansion valve.
2) The indoor unit.
The indoor unit comprises the evaporator or cooling coil and the cooling fan. The split air
conditioner can be used to cool one or two rooms.
OUTDOOR UNIT :
This unit houses important components of the air conditioner like the compressor, condenser
coil and also the expansion coil or capillary tubing. This unit is installed outside the room or office
space which is to be cooled.
It consists of the following parts :
a) Compressor is the main component of the system and is used to compress the refrigerant.
b) Condenser Coil is used to reject heat from the refrigerant to the out side air.
c) Condenser Fan is used in air-cooled condenser to help move the air molecules over the surface
of the condensing coil, hence rejecting the heat form the indoor to the space outside the
building.
d) Condenser Motor is located here. The motor usually has two to three speeds. Smaller unit may
have only one speed of control and turns on/off simultaneously with the compressor.
INDOOR UNIT :
The indoor unit houses the evaporator coil or the cooling coil, a long blower and the filer. After
passing from the expansion coil, the chilled Freon fluid enters the cooling coil. The blower sucks the
hot, humid and filtered air from the room and it blows over the cooling coil. As the air passes over
cooling coiling its temperature reduces drastically and also loses the excess moisture comfortable
conditions of around 25 ° to 27 ° C as per the standard requirements. It can be mounted on the ceiling,
wall or simply as a console unit on the floor.
It consists of the following parts :
a) Evaporator coil is where the heat exchange is done with the room. It consists of fins and tubes.
b) Control Panel is where user control the functions of the air conditioner. Displays at the panel
may indicate the mode of operation, timer, on/off status, fan speed and other special functions.
Most newer units have remote control feature built into the system
c) Air Filter is located in front of the evaporator coil to trap any dust or particles before going into
the evaporator. This is usually washable and re-useable. Users are advised to clean it at least
once in three months or more regularly if the environment is dirty.
d) Supply and Return Air Grills are where the air enters and discharge from the indoor unit.
e) Fan blower together with its motor are used to control the fan speed of the unit. High, medium.
Low and Ultra low speeds are usually designed for users to select.
f) Capillary tube is used as an expansion device where the flow of the refrigerant depends on the
tube internal diameter, shape and its length. The tube is usually used in smaller units. Larger
units use thermostatic expansion valve which has a controlling valve to regulate the flow of
refrigerant with greater precision.
WORKING :
A copper connection pipe and electrical wiring connects the indoor unit to the outdoor unit of
the split air conditioning.
Gas refrigerant is pumped from the outdoor condenser coil and compressor through the
connection pipe to the indoor unit(s).
A fan then quietly distributes cool air drawn across the unit’s evaporator coil.
CHAPTER-7.2 CENTRIFUGAL PUMP
Introduction:
The centrifugal pump is a hydraulic machine which converts the mechanical energy into
hydraulic energy in the form of pressure energy, by means of the centrifugal force of a rotating element,
known as impeller.
The components of the centrifugal pump are:
1. Suction Pipe:
The pipe whose one end is connected to the inlet of the pump and the other end is below the
water surface in the sump is known as Suction pipe. A foot valve (a non return valve) is fitted at the
lower end of the suction pipe. The length of the suction pipe should be maintained as low as possible
and the number bends along the pipeline should be kept to a minimum.
2. Impeller:
The rotating part of the centrifugal pump is known as impeller. It has curved vanes arranged on
it. The impeller is mounted on a shaft, which is powered by an electric motor.
3. Casing:
Casing is an air tight passage surrounding the impeller. The casing has a gradual decrease in
cross sectional area, so that kinetic energy may be converted into pressure energy. The different types
of casings are,
A) Volute casing:
This is spiral in nature and facilitates the conversion of kinetic energy into pressure energy, by
the gradual decrease in cross sectional area. For larger pumps the increase in efficiency is not very
large, because of formation of eddies. Because of formation of eddies in the flowing water,
considerable energy is lost.
B) Vortex casing:
Here, a circular chamber is introduced between the impeller and the casing, to reduce the
formation of eddies. Thus loss of energy is prevented and as such the pumps have better efficiency.
C) Diffuser casing:
Here, the impeller is surrounded by a diffuser. The diffuser has a series of guide vanes. The
function of the diffuser is to transmit the water without shock. Hence the vibration of the pump is
reduced. The presence of diffuser decreases the area of cross section, which helps in reducing the flow,
consequently enhancing the pressure of the water.
4. Delivery pipe:
A pipe whose one end is connected to the outlet of the pump and the other end to the delivery
tank is known as the delivery pipe.
Working principle:
The centrifugal pump works on the principle of Forced Vortex Flow, according to which, if a
certain mass of the fluid is rotated by an external torque, the rise in pressure head of the rotating liquid
takes place. The rise in pressure head at any point of the rotating liquid is proportional to the square of
tangential velocity of the liquid at that point.
Thus at outlet of the impeller where radius is more, the rise in pressure head will be more. This
increase in pressure head is responsible for raising the fluid to high level.
Types of impeller:
The different types of impellers are
A) Open impeller:
An open impeller is characterized by impeller blades that are supported almost entirely by the
impeller hub. This is the simplest impeller style and it is primarily applied to clean, non-abrasive, low
horsepower applications.
B) Closed impeller
A closed impeller incorporates a full front and back shroud. Fluid flows through the internal
impeller passages without hydraulic interaction with the stationary casing walls. In a well designed
enclosed impeller, the relative velocity between the impeller and the fluid at any given radius is quite
small. This results in less wear than other impeller styles.
C) Semi open impeller:
A semi-open impeller is a compromise between an open and an enclosed impeller. It
incorporates a single shroud, usually located on the back of the impeller. A semi-open impeller has a
solids passing capability similar to that found in an open impeller. With only a single shroud a semi-
open impeller is easy to manufacture and completely accessible for applying surface hardening
treatments. For moderately abrasive slurries, especially if plugging is a concern, a semi-open impeller
is a good choice.
Priming of Centrifugal pump:
Before starting the pump, the air from suction pipe, impeller, casing and a part of the delivery
pipe are is removed and replaced by water. This operation is known as Priming.
If priming operation is not done, then the torque of the impeller will not be transmitter to the
water, due to lack of contact, and as such water will not rise in the deliver pipe.
Applications
1) It is used to fill the overhead tank, in houses and offices.
2) In agricultural sector centrifugal pumps is used to deliver the water from the well.
3) Large size centrifugal pump are used in industries.
4) Centrifugal pumps play an important role in marine engineering, chemical engineering and
other fields of engineering also.
5) Centrifugal pumps are utilized to feed water to boilers in industries.
CHAPTER-8.1 SMITHY
Introduction:
Smithy may refer to forge, also called a smithy, the workplace of a smith or a blacksmith Smith
(metalwork), sometimes referred to as a smithy, a person involved in the shaping of metal objects. A
smith, or metal smith, is a person involved in the shaping of metal objects. In pre-industrialized times,
smiths held high or special social standing since they supplied the metal tools needed for farming
(especially the plough) and warfare. The word smith is cognate with the somewhat archaic English
word, "smite", meaning "to hit" or "to strike". Originally, smiths practiced their crafts by forming metal
with hammer blows.
Smithy Operations:
Upsetting or jumping
Setting down
Drawing down (Fullering)
Swaging
Bending
Punching
1. Upsetting:
It is the process of increasing the cross section of a metal piece with the corresponding
reduction in its length. The swelling of metal takes place at the heated portion.
2. Setting down:
It is the process of reducing the thickness of the work piece in a small area. The portion of the
work piece to be thinned is heated. Fullering is done on the top surface of the work piece and a flatter is
placed over that surface and hammer blows are given.
3. Drawing down:
It is the process of increasing the length of the given rod by reducing the thickness. The work
piece is heated and placed between two fullers by using tongs. The hammer blows are given on the top
fuller using the sledge hammer.
4. Swaging:
It is the process of removing the irregularities or ups and downs in surface. While swaging work
piece is held between two swages and hammer blows are given over the top swage.
HAND HAMMER
5. Bending:
It is the process by which a metal rod may be bent to form a shape without damaging its internal
grain structure. The bends may be sharp cornered or circular. The sharp corner bend is made by
hammering the metal over the edge of the anvil. The circular bends may be using the beak of the anvil.
6. Punching:
It is the process of producing holes in a work piece. Punching is done by placing the work piece
over a hole in the anvil or a cylindrical die of the required size or over a hole of correct size in a swage
block. The hot punch of the required size is place on the work piece and hammered.
Smithy Tools:
Many smithy tools are available, but the following are the important tools used in practice:
a) Anvil
b) Tongs
c) Hand Hammer
d) Flatter
e) Swage
a) Anvil:
The anvil serves as a work bench to the blacksmith, where the metal to be beaten is placed. The
Anvils have a single beak. The beak is soft and its shape makes it useful for bending round section to
different diameters. The most common anvil has a mass of about 150 kg. The anvil 8is placed either on
a wooden block or on a cast iron stand such that the top face is about 600 mm to 700 mm from the
floor.
b) Tongs:
Tongs are used by the blacksmith for holding hot metals securely. The mouths are made in
various shapes to suit the gripping of various shapes of metal.
c) Hand Hammer:
Hand hammers are used for flattening or shaping the work piece. It is made up of high carbon steel.
d) Flatter:
Flatters are used for leveling and finishing a flat surface after drawing out or any other forging
operations.
e) Swage:
Swages are used for increasing the length of a circular rod or for finishing the circular surface of a job
after forging.
SMITHY
EXERCISES
ROUND ROD
HEXAGONAL HEADED BOLT
MAKING ROUND ROD INTO HEXAGONAL HEADED BOLT
DATE: EX.NO.
AIM:
To make a hexagonal headed bolt of given size on one end of the round rod.
Material Supplied:
M.S.Round rod of 10 mm diameter.
Tools Required:
Anvil, Tongs, Hand Hammer, Flatter and Swage
Sequence of Operation:
a. Heating
b. Flattening
c. Forming hexagonal shape
d. Checking
e. Cooling
Working Steps:
1. First one end of the bar is heated for a sufficient length to make a head.
2. Then upsetting is done on the heated end on the anvil as shown in the figure 1.
3. The head is flattened by hammering against the end of a bush as shown in the figure 2.
4. The bush is kept over the hard die in the anvil through which the stock passes as shown in
figure 2.
5. Again the head is heated and hammered to form square head and once again any two corners are
hammered to form hexagonal bolt head.
6. The head is swaged to correct the size as shown in figure 3.
7. The round portion of the bolt is also swaged.
8. Finally, by using the cupping tool chamfering is done on the head using the bush as shown in
figure 4.
RESULT:
Hence the required hexagonal headed bolt is made from a given rod.
BELLOWS
RAMMERS
MOULDING BOX SHOVEL
TROWELS
CHAPTER-8.2 FOUNDRY
Introduction:
A foundry is a factory which produces metal castings from either ferrous or non-ferrous alloys.
Metals are turned into parts by melting the metal into a liquid, pouring the metal in a mold, and then
removing the mold material or casting. The most common metal alloys processed are aluminum and
cast iron. However, other metals, such as steel, magnesium, copper, tin, and zinc, can be processed.
Casting
Casting is a manufacturing process by which a liquid material is usually poured into a mold,
which contains a hollow cavity of the desired shape, and then allowed to solidify. The solidified part is
also known as a casting, which is ejected or broken out of the mold to complete the process. Casting
materials are usually metals or various cold setting materials that cure after mixing two or more
components together; examples are epoxy, concrete, plaster and clay. Casting is most often used for
making complex shapes that would be otherwise difficult or uneconomical to make by other methods.
Components Required for Moulding:
1. Moulding Sand (Green Sand)
2. Moulding Boxes
3. Pattern
4. Moulding Tools
1. Moulding Sand:
Green sand is an aggregate of sand, bentonite clay, pulverized coal and water. Its principal use
is in making molds for metal casting. The largest portion of the aggregate is always sand, which can be
either silica or olivine.
Green sand (and other casting sands) is usually housed in what casters refer to as flasks which
are nothing other than boxes without a bottom or lid. The box is split into two halves which are stacked
together in use. The halves are referred to as the top (cope) and bottom (drag) flask respectively.
Green sand is not green in color, but "green" in the sense that it is used in a wet state (akin to
green wood).
SLICK SPRUE
VENT ROD RIDDLE
2. Moulding Box:
It is also called moulding flask. It is frame or box of wood or metal. Wood is cheaper and boxes
can be made quickly. Wood wears out quickly. It is destroyed by contact with hot metal. A metal box is
steel, cast iron and aluminum alloys are used in mass production. Moulding boxes are used for making
sand moulds.
3. Pattern:
In casting, a pattern is a replica of the object to be cast, used to prepare the cavity into which
molten material will be poured during the casting process. Patterns used in sand casting may be made
of wood, metal, plastics or other materials The making of patterns, called patternmaking (sometimes
styled pattern-making or pattern making), is a skilled trade that is related to the trades of tool and die
making and mold making, but also often incorporates elements of fine woodworking.
4. Moulding Tools:
a) Shovel:
It is one of the foundry tools which have a broad metal blade with a long wooden handle. It is
used to carry moulding sand from the sand pit to the moulding box and is also used for mixing and
tempering (adding sufficient water) the sand.
b) Riddle:
It is a metal sieve used for removing foreign materials such as stones, nails etc., from the
moulding sand.
c) Rammer:
It is used for packing or ramming the moulding sand in the moulding box.
d) Trowels:
It is used for smoothening the surfaces of mould and also to repair the damaged portion of
mould.
e) Slick:
It is used for repairing and finishing surfaces and to round corners of the mould.
f)Lifter:
It is used to remove the loose sand from the mould. It is also used to finish the bottom and sides
of the mould.
g)Strike off bar:
It is used to remove excessive sand from the mould after tempering.
h) Sprue pin:
It is used to make sprue hole to pour the molten metal in the mould.
i) Vent rod:
It is used for making vent holes in the sand mould so that the molten gases released during
casting process, can easily escape from mould.
j) Bellow s:
It is used to blow off loose sand particles from the mould and pattern.
k) Gate cutter:
It is used for cutting gates and runners in the mould.
FOUNDRY
EXERCISES
www.Vidyarthiplus.com
www.Vidyarthiplus.com
STEPPED CONE PULLEY
DATE: EX.NO.
AIM:
To make the mould using stepped cone pulley.
Material Supplied:
Moulding sand, Parting sand, Facing sand, stepped cone pulley pattern and Moulding boxes
Tools Required:
Showel, Sieve, Trowel,. Rammers, Sprue pin, Strike off bar, Lifter, Gate cutter, Runner, Riser, Vent
rod, Draw spike, Bellow.
Sequence of Operation:
a) Sand Preparation
b) Core preparation
c) Placing the pattern on the moulding board
d) Ramming of drag
e) Placing runner and riser
f) Ramming of cope
g) Removal of pattern, runner, riser
h) Gate cutting
Working Steps:
1. The stepped cone pulley pattern is placed on the moulding board.
2. A suitable core is prepared and placed in the hole of the flange pattern.
3. Clay washing is done inside the drag surface.
4. Parting sand is applied over the pattern.
5. Box is filled with smooth moulding sand and proper ramming is done using flat and peen
rammers.
6. Excess sand is removed using the strike off bar.
7. The drag is turned upside down.
8. The cope is placed on the drag after doing clay wash.
9. The runner and riser is placed over the pattern.
10. After applying parting sand, moulding sand is filled over the pattern.
11. Ramming is done to get a rigid mould.
12. Using strike off bar excess sand is removed.
13. Vent holes are made using vent rod.
14. Runner and riser are removed and a funnel shape is moved on the runner hole.
15. Cope is kept aside and the pattern is removed using draw pin.
16. Gate is prepared using gate cutter.
17. The cope is placed on the drag.
RESULT:
Hence the stepped cone pulley mould is prepared.
GEAR
DATE: EX.NO.
AIM:
To make the mould of a gear pattern.
Material Supplied:
Moulding sand, Parting sand, Facing sand, stepped cone pulley pattern and Moulding boxes
Tools Required:
Showel, Sieve, Trowel,. Rammers, Sprue pin, Strike off bar, Lifter, Gate cutter, Runner, Riser, Vent
rod, Draw spike, Bellow.
Sequence of Operation:
a) Sand Preparation
b) Core preparation
c) Placing the pattern on the moulding board
d) Ramming of drag
e) Placing runner and riser
f) Ramming of cope
g) Removal of pattern ,runner, riser
h) Gate cutting
Working Steps:
1. The gear pattern is placed on the moulding board.
2. A suitable core is prepared and placed in the hole of the flange pattern.
3. Clay washing is done inside the drag surface.
4. Parting sand is applied over the pattern.
5. Box is filled with smooth moulding sand and proper ramming is done using flat and peen
rammers.
6. Excess sand is removed using the strike off bar.
7. The drag is turned upside down.
8. The cope is placed on the drag after doing clay wash.
9. The runner and riser are placed over the pattern.
10. After applying parting sand, moulding sand is filled over the pattern.
11. Ramming is done to get a rigid mould.
12. Using strike off bar excess sand is removed.
13. Vent holes are made using vent rod.
14. Runner and riser are removed and a funnel shape is moved on the runner hole.
15. Cope is kept aside and the pattern is removed using draw pin.
16. Gate is prepared using gate cutter.
17. The cope is placed on the drag.
RESULT:
Hence the gear mould is prepared.
SURFACE PLATE VERNIER HEIGHT GAUGE
FLAT FILE
TRIANGULAR FILE
CHAPTER-8.3 FITTING
Introduction:
Fitting is the assembling together of parts and removing metals to secure the necessary fit is
called fitting. An operator who does the fitting job is called fitter. Fitting involves certain amount of
bench work using hand tools or power operated tools. The various operations involved in fitting are
filing, marking, sawing, chipping, drilling, reaming, tapping, etc.
Fitting Tools:
1. Bench Vice
2. Flat file
3. Triangular file
4. Try square
5. Surface plate
6. Vernier Height gauge
1. Bench Vice
A vise or vice is a mechanical screw apparatus used for holding or clamping a work piece to
allow work to be performed on it with tools such as saws, planes, drills, mills, screwdrivers, sandpaper,
etc. Vises usually have one fixed jaw and another, parallel, jaw which is moved towards or away from
the fixed jaw by the screw.
2. Flat File:
It is highly useful when fast cutting is required.
3. Triangular File:
It is used for rectangular cuts and filing corner less than 90 degree.
4. Try Square:
It is used to check the flatness and squareness of the work piece.
5. Surface Plate:
It is used for testing the flatness of the job and also used for carrying the work piece
while marking.
6. Vernier Height:
It is used for taking accurate measurement of height of a job or for marking.
FITTING
EXERCISES
SQUARE FITTING
1. FILING 2. MARKING AND PUNCHING
3. SAWING 4. FINISHING
All dimensions are in mm.
SQUARE FITTING
DATE: EX.NO.
AIM:
To make square fitting from the given work pieces.
Material Supplied:
Two pieces of M.S. plate of the size 50 x 50 x 3 mm.
Tools Required:
Bench vice, Steel rule, Files, Vernier Height gauge, Try square & Dot punch
Sequence of Operation:
a. Checking
b. Rough Filing
c. Marking
d. Punching
e. Sawing
f. Rough Filing
g. Finish Filing
Working Steps:
1. The dimensions of the given work piece is checked using steel rule.
2. The work piece is fixed on a bench vice separately and the two adjacent sides are filed using a
flat file so that they are at right angles.
3. Then chalk is applied uniformly on the surfaces of the work piece.
4. The given dimensions are marked by using surface plate and Vernier height gauge with
reference to the datum.
5. Then using dot punch, dots are punched along the marked line.
6. Then using fixed hack saw the unwanted portions are removed.
7. Cutting edges are filed using triangular files.
8. Checking is done to ensure squareness and flatness of the work piece surfaces using try square.
9. Finally the assembly is checked for the required best fit.
RESULT:
Hence the required square fitting is done from the given work pieces.
V FITTING
1. FILING 2. MARKING AND PUNCHING
3. SAWING 4. FINISHING
All dimensions are in mm.
V-FITTING
DATE: EX.NO.
AIM:
To make V- fitting from the given work pieces.
Material Supplied:
Two pieces of M.S. plate of the size 50 x 50 x 3 mm.
Tools Required:
Bench vice, Steel rule, Files, Vernier Height gauge, Try square & Dot punch
Sequence of Operation:
a. Checking
b. Rough Filing
c. Marking
d. Punching
e. Sawing
f. Rough Filing
g. Finish Filing
Working Steps:
1. The dimensions of the given work piece is checked using steel rule.
2. The work piece is fixed on a bench vice separately and the all sides are filed using a flat file so
that they are at right angles.
3. Then chalk is applied uniformly on the surfaces of the work piece.
4. The given dimensions are marked by using surface plate and Vernier height gauge with
reference to the datum.
5. Then using dot punch, dots are punched along the marked line.
6. Then using fixed hack saw the unwanted portions are removed.
7. Cutting edges are filed using triangular files.
8. Checking is done to ensure squareness and flatness of the work piece surfaces using try square.
9. Finally the assembly is checked for the required best fit.
RESULT:
Hence the required V- fitting is done from given work pieces.
CHAPTER: 9 VIVA-VOCE
PLUMBIN G
1. What is plumbing?
2. What is the purpose of plumbing?
3. What are the different types of pipes commonly used?
4. State the different types of pipe fittings used.
5. State the difference between the elbows and bend? Where are they recommended?
6. State the purpose of die cast?
7. What is the difference between union and coupling?
8. What is the advantage of flange joint?
9. In a piping connection, the number of bends should be kept to a minimum. Why?
10. What is the difference between a gate and a tap?
11. State the different types of gates commonly used.
12. What is the instrument used to form the thread on the pipes.
13. Name some holding tools used in plumbing.
14. What are flexible pipes? What are their uses?
CARPENTRY
15. What is carpentry?
16. Name few types of timbers and some examples for each type.
17. What are the instruments used for measuring in carpentry?
18. What are the different types of joints in carpentry?
19. What is the use of try square?
20. State the difference between mitre square and bevel square.
21. What is the use of Calipers?
22. How is the work piece held during working?
23. What is setting of saw teeth?
24. What are the different types of saw?
25. What are different types of chisel?
26. What is the difference between hammer and a mallet?
WELDING
27. Define welding
28. Say different types of welding.
29. What is the temperature obtained in gas and arc welding?
30. List the equipments needed to carry out welding operation.
31. Which type of welding (Gas / Arc) you prefer/
32. What are the necessary precautions you have to take while welding?
33. Why you should not see the flame during the welding operation?
34. What are the two gases used in gas welding?
35. What are the different types of joints, you make in the lab?
36. What is the difference between riveting and welding?
37. What is gas welding?
38. What is arc welding?
39. What is electrode?
40. Say the polarities of work piece and electrode?
41. Name the material used for coating on electrode.
42. Why flux is added during welding?
43. How do welding is different from machining?
44. How lap joint is performed?
45. How butt joint is performed?
46. Why tag weld is done during welding?
JJ COLLEGEOF ENGINEERING AND TECHNOLOGY
MACHININ G
47. What do you mean by machining?
48. Name the tools used in machining processes?
49. List the parts of lathe?
50. What are the operations can be performed on lathe?
51. Why turning operation is done?
52. Why facing operation is done?
53. Give the formula for taper turning?
54. Why chamfering is done?
55. What is knurling?
56. What is the material used for cutting tool and work piece in your lab?
SHEET METAL
57. Define sheet metal.
58. What is the tool is used to measure the thickness of sheet metal?
59. What do you mean by gauge?
60. Name the various tools used in sheet metal
61. What is the application of sheet metal?
62. List the operation used in sheet metal.
63. What are the metals used for sheet metal work?
64. What is bending?
65. What is punching?
66. Why anvil is needed?
MACHINE ASSEMBLY PRACTICE
67. What is the principle of centrifugal pump?
68. Why pumps are used?
69. List the different components of centrifugal pump.
70. What is priming?
71. What are the different types of casings in centrifugal pump?
72. What is air conditioner?
73. What are the two types of Air conditioner?
74. Which type of Air conditioner do you prefer? Why?
75. List the parts of Air conditioner
76. What is refrigerant?
77. What is meant by smithy?
78. Name the tools used in smithy?
SMITHY
79. What is the importance of swage block in smithy?
80. What are the operations involved in smithy?
81. What is upsetting?
82. What is forging?
83. What is function of flatter?
84. What is fullering?
85. Why tongs are required?
86. Give the application of smithy?
FOUNDRY
87. What is foundry?
88. What is pattern?
89. List the foundry tools?
90. What is gate?
91. What is vent rod?
92. Name the types of moulding boxes.
93. What is casting process?
94. Give the application of casting.
95. What do you mean by green sand?
96. Why ramming is done?
FITTING
97. What is meant by fitting?
98. Name the fitting tools.
99. Name the joints that can be made using fitting.
100. What is the function of files?
101. List the types of files
102. What is a plier?
103. List the different types of punches.
104. What is the function of steel rule?
105. List the measuring tools used in fitting?
106. What is importance of bench vice?

EP LAB MANUAL

  • 1.
    Page 1 of123 BHARATHIDASAN INSTITUTE OFTECHNOLOGY TRICHY DEPARTMENT OF MECHANICAL ENGINEERING GE6162-ENGINEERING PRACTICES LABORATORY MANUAL FIRST SEMESTER B.E / B.TECH (Common to All Branches) NAME OF THE STUDEN T : BRANCH / SECTION : ROLL NUMBER :
  • 2.
    Page 2 of123 ENGINEERING PRACTICES LABORATORY SYLLABUS ENGINEERING PRACTICES LABORATORY GROUP A (CIVIL & MECHAN ICAL) CIVIL ENGINEERING PRACTICE Buildings: A Study of plumbing and carpentry components of residential and industrial buildings. Safety aspects. Plumbing Works: o A Study of pipeline joints, its location and functions: valves, taps, couplings, unions, reducers, and elbows in household fittings. o A Study of pipe connections requirements for pumps and turbines. o A Preparation of plumbing line sketches for water supply and sewage works. o A Hands-on-exercise: Basic pipe connections – Mixed pipe material connection – Pipe connections with different joining components. o A Demonstration of plumbing requirements of high-rise buildings. Carpentry using Power Tools only: o A Study of the joints in roofs, doors, windows and furniture. o A Hands-on-exercise: Wood work, joints by sawing, planing and cutting. MECHANICAL ENGINEERING PRACTICE Welding:  A Preparation of arc welding of butt joints, lap joints and tee joints.  A Gas welding practice Basic Machining: o A Simple Turning and Taper turning o A Drilling Practice Sheet Metal Work:  A Forming & Bending:  A Model making – Trays, funnels, etc.  A Different type of joints.
  • 3.
    Page 3 of123 ENGINEERING PRACTICES LAB ORA TORY Machine assembly practice:  A Study of centrifugal pump  A Study of air conditioner Demonstration on:  A Smithy operations, upsetting, swaging, setting down and bending. Example – Exercise – Production of hexagonal headed bolt.  A Foundry operations like mould preparation for gear and step cone pulley.  A Fitting – Exercises – Preparation of square fitting and vee – fitting models.
  • 4.
    ENGINEERING PRACTICES LABORA TORY Page 4 of 123 CONTENTS 1. Safety Precautions 2. Plumbing 3. Carpentry 4. Welding 5. Basic Machining 6. Sheet Metal Work 7. Machine Assembly Practice 7.1Air Conditioner 7.2Centrifugal Pump 8. Study Exercises 8.1. Smithy 8.2. Foundry 8.3. Fitting 9. Viva-Voce
  • 5.
    ENGINEERING PRACTICES LABORA TORY Page 5 of 123 ENGINEERING PRACTICES LAB MANUAL (Group A – Civil & Mechanical) INDEX Sl.no Date of the Exercise Name of the Exercise Date of Completion Page No. Marks Obtained Staff Sign
  • 6.
    ENGINEERING PRACTICES LABORA TORY Page 6 of 123 CHAPTER: 1 SAFETY PRECAUTIONS Definition of Workshop: It is a place where human efforts, machines, materials and tools together manufacture the products. Safety Aspects: 1) The shop floor should be kept clean and free from dirt of any kind. 2) Always wear tight fit clothing with tucked in. 3) Never wear chapplas in the workshop. Always wear leather shoes. 4) Do not wear watches, metallic bangles, neck chains and any ornaments while working in the workshop. 5) Never operate the machines without taking prior permission. 6) Always walk in the Aisle space provided in the workshop. 7) Do not keep the tools at the edge of the table. 8) All the tools should be handled with proper precautions. 9) Tools which are not used should be kept proper places. 10) Ensure sufficient lightning and ventilation to avoid accidents. 11) Never carry any sharp tool in the pocket. 12) Use safety devices like Apron, Goggles, Gloves, Shields and Tongs while welding. 13) Do not spill the oil and grease. If it is spilled, it should be cleaned immediately to avoid slipping. 14) Always operate machines at a safe distance. 15) Use Scissors and Cutters properly while working with the sheet metal. 16) Avoid unnecessary talking and discussions while working and concentrate on the work. 17) Incase if you find any difficulty of any nature, report immediately to the workshop supervisor. 18) Do not shift the speed gears while machine is functioning. 19) Use coolant while machining and wherever necessary.
  • 7.
  • 8.
    ENGINEERING PRACTICES LABORA TORY CHAPTER-2 PLUMBING Introduction: Plumbing also refers to a system of pipes and fixtures installed in a building for the distribution of potable water and the removal of waste water. Plumbing is the skilled trade of working with pipes, tubing and plumbing fixtures for drinking water systems and the drainage of waste. A plumber is someone who installs or repairs piping systems, plumbing fixtures and equipment such as water heaters. The plumbing industry is a basic and substantial part of every developed economy due to the need for clean water, and proper collection and transport of wastes. In addition to the straight pipe or tubing, many fittings are required in plumbing systems, such as valves, elbows, tees, and unions. Plumbing Tools: 1. Pipe wrench 2. Pipe vice 3. Pipe cutter 4. Die set 5. Hack saw 1. Pipe wrench: The pipe wrench is an adjustable wrench used for turning soft iron pipes and fittings with a rounded surface. The design of the adjustable jaw allows it to rock in the frame, such that any forward pressure on the handle tends to pull the jaws tighter together. Teeth angled in the direction of turn dig into the soft pipe. 2. Pipe vice: The pipe vice is used to hold the pipes rigidly in position during thread cutting and fitting of bends, valves, couplings etc. it consists of fixed jaw and movable jaw to hold the work piece and a screw rod with handle is used for an adjustment. This vice is fixed on the work bench. 3. Pipe cutter: A pipe cutter is a type of tool used by plumbers to cut pipe. Besides producing a clean cut, the tool is often a faster and more convenient way of cutting pipe than using a hacksaw, although this depends on the metal the pipe is made out of. There are two types of pipe cutters. Plastic tubing cutters, which really look much like a pair of pruning shears, may be used for thinner pipes and tubes such as a
  • 9.
  • 10.
    ENGINEERING PRACTICES LABORA TORY Sprinkler pipe. Then there is a pipe cutter with a sharp wheel and adjustable jaw grips for use on thicker pipes. These are used by rotating it around the pipe and repeatedly tightening it until it. 4. Die set: A die head is a threading die that is used in the high volume production of threaded components. They may be used for either cutting a thread or rolling a thread. They may also be used for internal or external thread cutting. 5. Hack saw: A hacksaw is a fine-tooth saw with a blade under tension in a frame, used for cutting materials such as metal. Hand-held hacksaws consist of a metal arch with a handle, usually a pistol grip, with pins for attaching a narrow disposable blade. A screw or other mechanism is used to put the thin blade under tension. The blade can mounted with the teeth facing toward or away from the handle, resulting in cutting action on either the push or pull stroke. Pipes & Pipe Fittings: Pipes: Threaded pipe is often used in plumbing and pneumatic applications. Because pipe joints must form a seal, the threaded portion is slightly conical rather than cylindrical. As a result, threaded pipe requires specialized taps and dies. A modified form of the basic pipe thread shape is the Dry-Seal thread. The Dry-Seal thread is formed so that during assembly, the tips of the male threads are slightly crushed into the roots of the female threads, affecting, in theory, a liquid-tight fit. The pipes may be made up of different types like Plastic pipe, Galvanized Iron (GI) pipe, Mild steel pipe, Cast iron pipe, Copper pipe, Brass pipe, Lead pipe, Rubber pipe, Fiber pipe, Polythene pipe. Pipe Fittings: Fittings are used in pipe and plumbing systems to connect straight pipe or tubing sections, to adapt to different sizes or shapes, and to regulate fluid flow. a) Elbow: A pipe fitting installed between two lengths of pipe or tube allowing a change of direction, usually 90° or 45°. The ends may be machined for butt welding, threaded. When the two ends differ in size, it is called a reducing or reducer elbow.
  • 11.
    ENGINEERING PRACTICES LABORA TORY GATE VALVE
  • 12.
    b) Tee: ENGINEERING PRACTICESLAB ORA TORY A tee is used to either combine or split a fluid flow. Most common are tees with the same inlet and outlet sizes, but 'reducing' tees are available as well. c) Cap: A type of pipe fitting, often liquid or gas tight, which covers the end of a pipe. A cap has a similar function to a plug. d) Plug: A plug closes off the end of a pipe. It is similar to a cap but it fits inside the fitting. e) Nipple: Short stub of pipe, usually threaded iron, A nipple is defined as being a short stub of pipe which has two male ends. Nipple is commonly used for plumbing and hoses, and second as valves for funnels and pipes. f) Coupling: A coupling connects two pipes to each other. If the material and size of the pipe are not the same, the fitting may be called a 'reducing coupling' or reducer, or an adapter. g) Union: A union is similar to a coupling, except it is designed to allow quick and convenient disconnection of pipes for maintenance or fixture replacement. h) Valve: A valve is a device that regulates the flow of a fluid (gases, fluidized solids, slurries, or liquids) by opening, closing, or partially obstructing various passageways. Plumbing valves, such as taps for hot and cold water are the most noticeable types of valves. Valves may be operated manually, either by a hand wheel, lever or pedal. i) Wrench: A wrench or spanner is a tool used to provide a mechanical advantage in applying torque to turn bolts, nuts or other items designed to interface with a wrench.
  • 13.
    ENGINEERING PRACTICES LABORA TORY j) Flange: Flanges are largely used for pipe joints. Flange joint may be made with flanges which are cast integral with the pipes (or) loose flanges which are welded (or) screwed with pipes. k) Bush: It is a short sleeve like piece which is used to reduce the size of a threaded opening. Applications of Plumbing The major categories of plumbing systems or subsystems are: • Potable cold and hot water supply • Traps, drains, and vents • Septic systems • Rainwater, surface, and subsurface water drainage • Fuel gas piping
  • 14.
    ENGINEERING PRACTICES LABORA TORY PLUMBING EXERCISES
  • 15.
    ENGINEERING PRACTICES LABORA TORY PIPE LAYOUT
  • 16.
    ENGINEERING PRACTICES LABORA TORY BASIC CONNECTION INVOLVING PVC / GI PIPES AND PIPE FITTINGS DATE: EX.NO. Aim: To connect the PVC / GI pipe with pipe fittings like valves, bends and tap. Fittings and Components Required: 1. Pipes of different length 2. Gate valve 3. Tap 4. Elbows 5. Reducer Tools required: Pipe wrench, Hack saw, Die set, Hammer, Screw driver, Measuring tape. Sequence of Operation: a) Selection of pipes. b) Threading of pipes. c) Connection of the pipes with the pipe fittings Working Steps: 1. The required pipe connection layout is drawn. 2. Two pipes of required lengths are taken and the ends are threaded using die set. 3. The gate valve which is internally threadded is connected between two pipes. The other end of the pipe is connected with the elbow which is also internally threaded. 4. A third pipe, with external threads is connected to the elbow for vertical extension. 5. To this pipe another elbow is attached at the free end. 6. The free end of the second elbow is connected with another pipe for horizontal extension. 7. A reducer coupling, with internal threads is connected to the horizontal pipe. 8. A tap is connected properly to the end of the reducer coupling. Result: Hence the required connection is obtained using required pipes and pipe fittings.
  • 17.
    ENGINEERING PRACTICES LABORA TORY PIPE CONNECTIONSFORWASHBASIN DOUBLE LINE DIAGRAM SINGLE LINE DIAGRAM
  • 18.
    ENGINEERING PRACTICES LABORA TORY PREPARATION OF PIPE LINE FROM A WATER TANK TO WASH BASIN DATE: EX.NO. Aim: To prepare a pipe line from a water tank to a wash basin. Fittings and Components Required: 1. Wash basin 2. Gate valves 3. Connecting pipes of different lengths. 4. Flexible pipes for inlet and drain. 5. Pipe fittings like tee-joint, elbow Tools required: Pipe wrench, Hack saw, Die set, Hammer and measuring tape. Sequence of Operation: a. Selection of pipes of required length. b. Threading the ends of pipes as required. c. Connection of the water tank to wash basin. Working Steps: 1. Mark the location of wash basin and fix it properly 2. Fix the tap on the wash basin in the required position properly 3. Draw the pipeline sketch to connect the wash basin tap with the water tank. 4. Connect the water tank and the wash basin tap using required length of pipes and pipe fittings. 5. Fix the flow control valve near the wash basin tap and connect its outlet with the tap using flexible pipe. 6. Fix the flexible drain pipe from the wash basin to the common drain outlet. Result: Hence the pipeline to the wash basin from the water tank is made.
  • 19.
    ENGINEERING PRACTICES LABORA TORY PIPE CONNECTIONSFOR WATERHEATER DOUBLE LINE DIAGRAM SINGLE LINE DIAGRAM
  • 20.
    PREPARATION OF PIPELINE FROM A WATER TANK TO WATER HEATER DATE: EX.NO. Aim: To prepare a pipe line from a water tank to water heater Fittings and Components Required: 1. Water heater 2. Gate valves 3. Connecting pipes of different lengths. 4. Pipe fittings like tee-joint, elbow 5. A tap 6. Shower Tools required: Pipe wrench, Hack saw, Die set, Hammer and measuring tape. Sequence of Operation: a. Selection of pipes of required length. b. Threading the ends of pipes as required. c. Connection of the water tank to water heater. d. Connection of the water heater to tap and/or shower. Working Steps: 1. Mark the location of water heater and draw the pipe line diagram. 2. Fix the water heater in the required position using required number of clamps. 3. Connect the water tank and the water heater using required length of pipes and pipe fittings. 4. Fix the flow control valve (gate valve) near the water heater and using a flexible pipe connects the water heater inlet and control valve outlet. 5. Connect the outlet of the water heater with the shower or tap with proper pipe fitings. Result: Hence the pipeline to a water heater from the water tank is made.
  • 21.
    ENGINEERING PRACTICES LABORA TORY PIPE CONNECTIONS FOR WASHINGMACHINE DOUBLE LINE DIAGRAM SINGLE LINE DIAGRAM
  • 22.
    ENGINEERING PRACTICES LABORA TORY PREPARATION OF PIPE LINE FROM A WATER TANK TO WASHING MACHINE DATE: EX.NO. Aim: To prepare a pipe line from a water tank to washing machine Fittings and Components Required: 1. Washing Machine 2. Gate valves 3. Connecting pipes of different lengths. 4. Flexible pipe for inlet and drain for washing machine. 5. Pipe fittings like tee-joint, elbow, reducer and coupling. Tools required: Pipe wrench, Hack saw, Die set, Hammer and measuring tape. Sequence of Operation: a. Selection of pipes of required length. b. Threading the ends of pipes as required. c. Connection of the water tank to washing machine. Working Steps: 1. Mark the location of water heater and the pipe line diagram is prepared accordingly. 2. Connect the water tank and the washing machine using required length of pipes and pipe fittings. 3. Fix the flow control valve near the washing machine. 4. Connect the gate valve outlet and the washing machine inlet using a flexible pipe. 5. Fix the flexible drain pipe from the washing machine to the common drain outlet. Result: Hence the pipeline to the washing machine from the water tank is made.
  • 23.
    ENGINEERING PRACTICES LABORA TORY C-Clamp
  • 24.
    ENGINEERING PRACTICES LABORA TORY CHAPTER-3 CARPENTRY Introduction: A carpenter (builder) is a skilled craftsperson who performs carpentry. Carpenters work with wood to construct, install and maintain buildings, furniture, and other objects. The work may involve manual labor and work outdoors. Types of wood: The wood is generally classified into three types; Soft, Hard and Plywood 1. Soft wood: It has straight fibers and it is weak but easy to work. Example: Deodar, Kail, Chir 2. Hard wood: It is closed structure, heavy in weight, dark in colour, more durable. It is difficult to work. Example: Teak, Sal, Mango, Maple, Oak. 3. Plywood: It has three layers i.e., Top face plys layer, Core layer and Bottom face plys layer. The top and bottom layers are called face plys layers. These two layers are bonded to the center core, which is thick and not of good quality. Wood Seasoning: Wood Seasoning is the process of removal of moisture from Timber. This can also be termed as the drying process of timber. Fresh timber has a very high quantity of moisture and hence is not useful for use in construction or for manufacture of furniture. In the seasoning process the moisture of the wood is brought down in the range of 8 - 15% based on the end application. Following are the advantages of Seasoning: 1. No risk of fungal decay 2. Reduces weight 3. Improvement in Strength Properties 4. Increase in Nail and screw holding capacity 5. Improves Gluing capacity 6. Helps in Preservative Treatment 7. Wood exhibits better electrical and thermal Insulation properties
  • 25.
    ENGINEERING PRACTICES LABORA TORY BENCH VICE MARKING GAUGE METAL JACK PLANE
  • 26.
    Carpentry Tools: 1. ABall Peen Hammer: ENGINEERING PRACTICES LAB ORA TORY A ball-peen hammer is a type of peening hammer used in woodworking. It is distinguished from a point-peen hammer or chisel-peen hammer by having a hemispherical head. Ball-peen hammers are divided into two classes: hard-faced and soft-faced. The head of a hard-faced hammer is made of heat treated forged high-carbon steel or alloy steel; it is harder than the face of a claw hammer. The soft- faced hammers are made from brass, lead, tightly wound rawhide, or plastic. These hammers usually have replaceable heads or faces, because they will deform, wear out, or break over time. They are used when there is the danger of damaging a striking surface. 2. Mallet: A mallet is a kind of hammer, made of wood, with a relatively large head. Wooden mallet, usually used in carpentry to knock wooden pieces together or to drive dowels or chisels. A wooden mallet will not deform the striking end of a metal tool, as most metal hammers would, but it also reduces the force available to drive the cutting edge of a chisel. 3. Chisel: They are particularly useful for cutting purpose with the help of mallet. It also has a strengthening piece called a ferrule which prevents the handle from splitting at the bottom when it is hit repeatedly by a mallet. Types of Chisels Chisels have a wide variety of uses. Many types of chisels have been devised, each specially suited to its intended use. a) Mortise Chisel: Thick, rigid blade with straight cutting edge and square sides to make mortises and similar joints. b) Dovetail Chisel: Made specifically for cutting dovetail joints. The different being the thickness of the body of the chisel, as well as the angle of the edges, permitting easier access to the joint. c) Bevel Chisel: Edged chisels are slightly undercut making them easy to push into corners. They are normally used for finishing dovetail joints.
  • 27.
  • 28.
    ENGINEERING PRACTICES LABORA TORY d) Firmer Chisels: They have a blade with a rectangular cross-section. This means that they are stronger and can be used for tougher/heavier work. 4. Try square: It is used for testing the flatness of the surfaces or whether the adjacent surfaces are at right angles to each other or not. 5. Vice: A vice is a mechanical screw apparatus used for holding or clamping a work piece to allow work to be performed on it with tools such as saws, planes, drills, mills, screwdrivers, sandpaper, etc. 6. C- Clamp: A C-clamp is a type of clamp device typically used to hold a wood or metal work piece, and are often used in, but are not limited to, carpentry and welding. These clamps are called "C" clamps because of their C shaped frame. 7. Saw: A saw is used to cut the wood into pieces. It has different types as follows: a) Mitre saw : It is often referred to a large backsaw (20-30 inches or 60-90 cm) used either in a wooden mitre box or in a metal frame which allowed cutting mitres of any specified angle. b) Tenon saw: It has a parallel blade of width 60 mm to 100 mm, length 250 mm to 400 mm and 12 to 20 points or teeth per 25 mm length. The teeth are shaped like a cross cut saw, in form of an equilateral triangle. c) Rip Saw: It is used for cutting along the grains of wood. Its blade is about 700 mm long, and has 3 to 5 points or teeth per 25 mm length. The teeth of the rip saw have a series of chisel edge. 8. Steel Rule: Steel rules, also called rulers, are essential for linear measurements in any shop. They can also be used as guides for laying out lines, and if rigid enough, for cutting. The thinner, more flexible rules can also be used to measure rounded or cambered work.
  • 29.
  • 30.
    ENGINEERING PRACTICES LABORA TORY 9. Marking Gauge: A marking gauge is used in woodworking and metalworking to mark out lines for cutting or other operations. In metalworking it can be known as a scratch gauge. The purpose of the gauge is to scribe a line parallel to a reference edge or surface. It is used in joinery and sheet metal operations. 10. Jack Plane: It is used to make the surface of wood smooth to get good surface finish. A large range of planes are available and they are used for different purposes. The body of a plane is made from high grade cast iron with the cutters being tungsten made from vanadium steel. Mainly there are two types: Wooden Jack Plane and Metal Jack Plane. Note that Metal Jack plane is used to get better surface finish.
  • 31.
    ENGINEERING PRACTICES LABORA TORY CARPENTRY EXERCISES
  • 32.
    ENGINEERING PRACTICES LABORA TORY PLANNING All dimensions are in mm.
  • 33.
    PLANNING DATE: EX.NO. AIM: To planethe given workpiece to the required shape and dimension. Material Supplied: Wooden piece of size 300x50x50 mm Tools Required: Steel rule, Marking Gauge, Try-Square, Carpentry Vice, Jack Plane and Tennon Saw Sequence of Operation: a) Rough Planning b) Marking c) Cutting (or) Sawing d) Finish planning Working Steps: 1. The given job is checked to ensure its correct size. 2. The job is clamped rigidly in the carpentry vice and any two adjacent surfaces are planned using jack plane to the given specifications. 3. Using try square the right angle of the work piece is checked. 4. The required dimensions are marked on the job using steel rule and marking gauge. 5. By means of Jack plane, the job is planned such that it should have accurate dimensions. 6. The finished job is checked for right angle using try square and dimensions using steel rule. RESULT: Hence the given work piece is planned to the desired shape and size.
  • 34.
  • 35.
    DOVE TAIL JOINT DATE:EX.NO. AIM: To make dovetail joint from the given workpiece to the required shape and dimension. Material Supplied: Wooden piece of size 300x50x50 mm Tools Required: Steel rule, Marking Gauge, Try-Square, Carpentry Vice, Jack Plane, Tennon Saw/ Rib Saw, Mallet and Chisels Sequence of Operation: a. Rough Planning b. Marking c. Cutting (or) Sawing d. Chiseling e. Finish planning Working Steps: 1. The given job is checked to ensure its correct size. 2. The job is clamped rigidly in the carpentry vice and any two adjacent surfaces are planned using jack plane to the given specifications. 3. Using try square the right angle of the work piece is checked. 4. All the four sides are planned to get smoother and finished surfaces at right angles to each other. 5. The job is cut into two halves using the Rib saw. Then proper marking is done for dovetail joint on the two pieces using steel rule and marking gauge. 6. Using tennon saw and firmer chisel the unwanted portions are removed as per the drawing in both the pieces. 7. The two pieces are assembled to check proper fitting.. 8. The finished job is checked for its accuracy using try square and steel rule. RESULT: Hence the required dovetail joint is obtained from the given work piece
  • 36.
    TEE – LAPJOINT All dimensions are in mm.
  • 37.
    TEE – LAPJOINT DATE: EX.NO. AIM: To make tee-lap joint from the given workpiece to the required shape and dimension. Material Supplied: Wooden piece of size 300x50x50 mm Tools Required: Steel rule, Marking Gauge, Try-Square, Carpentry Vice, Jack Plane, Tennon Saw, Rib Saw, Mallet and Chisels Sequence of Operation: a. Rough Planning b. Marking c. Cutting (or) Sawing d. Chiselling e. Finish planning Working Steps: 1. The given job is checked to ensure its correct size. 2. The job is clamped rigidly in the carpentry vice and any two adjecent surfaces are planned using jack plane to the given specifications. 3. Using try square the right angle of the workpiece is checked. 4. All the four sides are planned to get smoother and finished surfaces at right angles to each other. 5. The job is cut into two halves using the Rib saw. Then proper marking is done for T-Lap joint on the two pieces using steel rule and marking gauge. 6. Using tennon saw and firmer chisel the unwanted portions are removed as per the drawing in both the pieces. 7. The two pieces are assembled to check proper fitting.. 8. The finished job is checked for its accuracy using try square and steel rule. RESULT: Hence the required Tee-lap joint is obtained from the given work piece
  • 39.
    CHAPTER-4 WELDING Introduction Welding isa fabrication or sculptural process that joins materials, usually metals or thermoplastics, by causing coalescence. This is often done by melting the work pieces and adding a filler material to form a pool of molten material (the weld pool) that cools to become a strong joint, with pressure sometimes used in conjunction with heat, or by itself, to produce the weld. This is in contrast with soldering and brazing, which involve melting a lower-melting-point material between the work pieces to form a bond between them, without melting the work pieces Types of Welding: The two types of welding most prevalently in use are 1. Arc welding 2. Gas Arc welding. 1. Gas welding—the use of a combustible mixed with oxygen to create a flame for welding—is used extensively in repair and maintenance work. 2 .Arc welding—the use of a conductive arc to create heat and accomplish a weld—is the most basic and often used form of welding in industry. Gas welding produces a wide, imprecise flame that can result in poor quality welds. In Arc welding, an electric current creates an arc between a conductor called an electrode that is contained in the welder's torch tip and the material to be welded. This arc generates the heat necessary to complete the weld and gives the welder greater control over the welding process. Welding Applications Welding has traditionally been viewed as a heavy manufacturing process. The shipbuilding, automobile manufacturing, construction and oil industries have benefited greatly from the expediency of welding. These industrial applications still employ the majority of welding practices in use today.
  • 40.
  • 41.
    From welding thicksteel beams together to repairing the hulls of ocean tankers, welding is the join technology of choice. Welding has also branched out into areas like electronics, aerospace, medical device manufacture, instrumentation, and photonics. Welding is being used on rocket fuel tanks, glass sealing of electronic packages, nano-wire assemblies and glass to metal or silicon joining of sensors. Today's welding processes involve plastic, glass, fiberglass, and ceramic in addition to metal. GAS WELDING Oxy Acetylene Welding Principle of Operation: When acetylene is mixed with oxygen in correct proportions in the welding torch and ignited, the flame resulting at the tip of the torch is sufficiently hot to melt and join the parent metal. The oxyacetylene flame reaches a temperature of about 3200°C and thus can melt all commercial metals which, during welding, actually flow together to form a complete bond. A filler metal rod is generally added to the molten metal pool to build up the seam slightly for greater strength. Oxyacetylene welding does not require the components to be forced together under pressure until the weld forms and solidifies. Gas welding equipment: The apparatus used in gas welding consists basically of an oxygen source and a fuel gas source (usually cylinders), two pressure regulators and two flexible hoses (one of each for each cylinder), and a torch. The cylinders are often carried in a special wheeled trolley. 1. Oxygen Cylinder: Oxygen cylinder is usually painted in black colour. In this cylinder, oxygen is stored under a pressure of 1550 N/m2. The common cylinder is 1.8 m3, 3.5 m3, 7 m3, etc., 2. Acetylene Cylinder: Acetylene cylinder is usually painted in maroon colour. In this cylinder, acetylene is stored under a pressure of 175 N/m2. The common cylinder is 1.6 m3, 2.8 m3, 8.4 m3, etc., 3. Regulator: The regulator is used to control pressure from the tanks by reducing pressure and regulating flow rate.
  • 43.
    4. Gas hoses: Thehose is usually a double-hose design, meaning that there are two hoses joined together. The oxygen hose is green and the fuel hose is red. The type of gas the hose will be carrying is important because the connections will have different threads for different types of gas. Fuel gases (red) will use left-hand threads and a groove cut into the nut, while the oxygen (green) will use right-hand threads. This is a safety precaution to prevent hoses from being hooked up the wrong way. 5. Non-return valve: Between the regulator and hose, and ideally between hose and torch on both oxygen and fuel lines, a flashback arrestor and/or non-return valve should be installed to prevent flame or Oxygen-fuel mixture being pushed back into either cylinder and damaging the equipment or making a cylinder explodes. 6. Check valve: A check valve lets gas flow in one direction only. A check valve is usually a chamber containing a ball that is pressed against one end by a spring: gas flow one way pushes the ball out of the way, and no flow or flow the other way lets the spring push the ball into the inlet, blocking it. 7. Torches: The torch is the part that the welder holds and manipulates to make the weld. It has a connection and valve for the fuel gas and a connection and valve for the oxygen, a handle for the welder to grasp, a mixing chamber (set at an angle) where the fuel gas and oxygen mix, with a tip where the flame forms. The top torch is a welding torch and the bottom is a cutting torch a) Welding torch: A welding torch head is used to weld metals. It can be identified by having only one or two pipes running to the nozzle and no oxygen-blast trigger and two valve knobs at the bottom of the handle letting the operator adjust the oxygen flow and fuel flow. b) Cutting torch: A cutting torch head is used to cut metal. It is similar to a welding torch, but can be identified by having three pipes that go to a 90 degree nozzle and by the oxygen-blast trigger. Only iron and steel can be cut using this method.
  • 45.
    8. Other Accessories: a)Filler rod / Welding rod: Filler rod is a metal which is used in gas welding to supply additional metal to make the joint. b) Flux is used in oxy-acetylene gas welding to prevent oxidation and also to remove impurities. The flux may be either in powder or liquid form. 9. Safety devices: a) Goggles b) Leather goggles c) Apron ARC WELDING Principle of Operation: In arc welding, the intense heat needed to melt metal is produced by an electric arc. The arc is formed between the actual work and an electrode (stick or wire) that is manually or mechanically guided along the joint. The electrode can either be a rod with the purpose of simply carrying the current between the tip and the work. Or, it may be a specially prepared rod or wire that not only conducts the current but also melts and supplies filler metal to the joint. Most welding in the manufacture of steel products uses the second type of electrode. An arc is created across the gap when the energized circuit and the electrode tip touches the work piece and is withdrawn, yet still with in close contact. The arc produces a temperature of about 6000ºC at the tip. This heat melts both the base metal and the electrode, producing a pool of molten metal sometimes called a "crater." The crater solidifies behind the electrode as it is moved along the joint. The result is a fusion bond. Arc Welding Equipment: a) Power Supply: The Main equipment used for electric arc welding is the transformer. It may be AC/ DC. Arc welding may be done with direct current (DC) with the electrode either positive or negative or alternating current (AC). The choice of current and polarity depends on the process, the type of electrode, the arc atmosphere, and the metal being welded. The figure shows AC arc welding set up using transformer. The transformer steps down the usual supply voltage (220 v to 440 v) to the open circuit voltage required for the welding which is 40 v to 80 v.
  • 47.
    b) Electrode: If anelectrode is consumable, the tip melts under the heat of the arc and molten droplets are detached and transported to the work through the arc column. This type of electrodes is made up of steel, copper, brass bronze or aluminum. If an electrode is non consumable, the tip of the electrode may not get melted. This type of electrodes is made up of carbon and graphite. Here filler rod has to be used. c) Electrode Holder: It is used to hold or secure the electrode. It should be light, strong and easy to handle. It allows the shortest electrode possible to be used, ensuring rigidity and lack of deflection d) Ground Clamp: It is connected to the end of the ground cable and is clamped to the work or welding table to complete the electric circuit. e) Chipping Hammer: It is chisel shaped one and it is used to remove slag from the weld beads. f) Wire Brush: It is used to clean the surface to be welded and it is also used to clean the weld. g) Face Shield or Screen: It is used to protect the eyes of the welder from the radiations. There are two types (i) Hand type and (ii) Helmet type. h) Goggles: It is used to protect eyes of the welder from the light sparks produced during welding. i) Hand Gloves: It is used to protect the hands of the welder from the effect of ultra violet rays, infra red rays, heat and sparks.
  • 48.
  • 49.
    SQUARE BUTT JOINT Alldimensions are in mm
  • 50.
    SQUARE BUTT JOINT DATE:EX.NO. Aim: To join two given metal plates by a square butt joint using arc welding. Material Supplied: Mild Steel Plate of Size 75x50x6 mm Tools required: Power supply, (AC /DC), earthing clamp, welding electrode, welding torch, tongs, bench vice, wire brush, gloves, shield, apron, safety goggles, steel rule, flat file, chipping hammer Sequence of Operation: a. Edge preparation (removal of rust, scale, etc) b. Tacking c. Welding d. Cooling e. Chipping f. Cleaning Working Steps: 1. The given metal plates are cleaned to remove rust and scale formation by using a wire brush. 2. Then edge preparation is done to the required dimensions with the aid of bench vice and a file for a square butt joint. 3. Based on the thickness of the metal plates to be welded, the amperage and correct voltage is selected. 4. Two metal plates are placed as shown in the figure with a suitable gap of 2mm between them and tag weld is done on the ends to avoid the movement of the plates while welding. 5. Then welding is started from one end of the plates and is continued till the other end by maintaining 3 mm gap between the welding rod and the plates to be welded. 6. While welding goggles, gloves and shield are used for the safety of eyes and hand. 7. The electric arc produced by the transformer melts the electrode and joins the two metal plates. 8. Then cool the welded metal plates 9. Finally the welded portion is chipped to remove slag using chipping hammer and wire brush. Result: Hence the two given metal plates are joined by square butt joint using arc welding.
  • 51.
  • 52.
    LAP JOINT DATE: EX.NO. Aim: Tojoin two given metal plates by a lap joint using arc welding. Tools required: Power supply, (AC /DC), earthing clamps, welding electrode, welding torch, tongs, bench vice, wire brush, gloves, shield, apron, safety goggles, steel rule, flat file and chipping hammer. Material Supplied: Mild Steel Plate of Size 75x50x6 mm Sequence of Operation: a. Edge preparation (removal of rust, scale, etc) b. Tacking c. Welding d. Cooling e. Chipping f. Cleaning Working Steps: 1. The given metal plates are cleaned to remove rust and scale formation, by using a wire brush. 2. Then edge preparation is done to the required dimensions, with the aid of bench vice. 3. Based on the thickness of the metal plates to be welded the amperage and correct voltage is selected. 4. Two metal plates are placed in the over lapped position using a support piece and tag weld is done on the ends to avoid the movement of the plates while welding. 5. Then welding is started from one end of the plates and is continued till the other end by maintaining 3 mm gap between the welding rod and the plates to be welded. 6. While welding goggles, gloves and shield are used for the safety of eyes and hand. 7. The electric arc produced by the transformer melts the electrode and joins the two metal plates. 8. Then cool the welded metal plates 9. Finally the welded portion is chipped to remove slag using chipping hammer and wire brush. Result: Hence the two given metal plates are joined by lap joint using arc welding.
  • 53.
    TEE - JOINT Alldimensions are in mm
  • 54.
    TEE FILLET JOINT DATE:EX.NO. Aim: To join two given metal plates, by T-fillet joint using arc welding. Tools required: Power supply, (AC /DC), earthing clamps, welding electrode, welding torch, tongs, bench vice, Wire brush, gloves, shield, apron, safety goggles, steel rule, flat file and chipping hammer. Material Supplied: Mild Steel Plate of Size 75x50x6 mm Sequence of Operation: a. Edge preparation (removal of rust, scale, etc) b. Tacking c. Welding d. Cooling e. Chipping f. Cleaning Working Steps: 1. The given metal plates are cleaned to remove rust and scale formation by using a wire brush. 2. Then edge preparation is done to the required dimensions, with the aid of bench vice and a file to get perfect joint and good strength. 3. Based on the thickness of the metal plates to be welded, the amperage and correct voltage is selected. 4. One of the plates to be welded is kept at right angles to the surface of the other plate by using tongs. 5. The tag weld is made on the ends to aviod the movement of the plates while welding. 6. Then welding is started from one end of the plates and is continued till the other end on both sides by maintaining a gap of 3mm between welding rod and the plates to be welded. 7. While welding goggles, gloves and shield are used for the safety of eyes and hand. 8. The electric arc produced by the transformer melts the electrode and joins the two metal plates. 9. Then cool the welded metal plates 10. Finally the welded portion is chipped to remove slag using chipping hammer and wire brush. Result: Hence the two given metal plates are joined by T-fillet joint using arc welding.
  • 55.
  • 56.
    CHAPTER-5 BASIC MACHINING Introduction: LATHE Thelathe is an ancient tool, dating at least to the Egyptians and known and used in Assyria, Greece, the Roman and Byzantine Empires. The origin of turning dates to around 1300BC when the Egyptians first developed a two-person lathe. One person would turn the wood work piece with a rope while the other used a sharp tool to cut shapes in the wood. During the industrial revolution, mechanized power was applied to the lathe via steam engines and line shafting, allowing faster and easier work. The design of lathes diverged between woodworking and metalworking to a greater extent than in previous centuries. Metalworking lathes evolved into heavier machines with thicker, more rigid parts. The application of lead screws, slide rests, and gearing produced commercially practical screw-cutting lathes. Between the late 19th and mid 20th centuries, individual electric motors at each lathe replaced line shafting as the power source. Beginning in the 1950s, servomechanisms were applied to the control of lathes and other machine tools via numerical control (NC), which often was coupled with computers to yield computerized numerical control (CNC). Today manually controlled and CNC lathes coexist in the manufacturing industries. Working Principle: In a lathe work piece is held and rotated about its axis. A cutting force is applied on the work piece by a single point cutting tool and hence the material is removed from the work piece. The amount of material removed from the work piece, in unit time is based on the depth of cut and feed. The single point cutting tool used in a lathe is made up of High Speed Steel (HSS), cemented carbides and poly- crystalline diamonds (PCD). Parts of Lathe: a) Lathe Bed b) Head stock c) Tail stock d) Carriage : (i) Apron (ii) Saddle (iii) Cross slide (iv) Compound rest (v) Tool post e) Feed rod f) Lead screw.
  • 57.
  • 58.
    a) Lathe Bed: Itis the base of the machine. On its left side, the head stock is mounted. The tail stock which is moveable on the bed, mounted on the right side. The bed is made up of cast iron in order to resist the vibrations occurring during the machining operations. b) Head stock: The head stock is permanently fastened on the inner ways at the left hand end of the bed. It serves to support the spindle and driving arrangements. All lathes receive their power through the head stock, which may be equipped with a step-cone pulleys or a geared head drive. The modern lathe is provided with all-geared head stock to get large variation of spindle speeds. c) Tail stock: The tail stock is the counter part of the head stock and is situated at the right hand end of the bed. It is used for supporting the work when turning on centers or when a long component is to be held in a chuck. It is also used for holding and feeding the tools such as drills, reamers, taps, etc., d) Carriage: In its simplest form the carriage holds the tool bit and moves it longitudinally (turning) or perpendicularly (facing) under the control of the operator. The operator moves the carriage manually via the hand wheel or automatically by engaging the feed shaft with the carriage feed mechanism. This provides some relief for the operator as the movement of the carriage becomes power assisted. (i)Apron: It is fastened to the saddle and hangs over the front of the bed. It contains gears, clutches and levers for operating the carriage by hand and power feeds. The apron had wheel can be turned to move the carriage longitudinally back and forth by hand. (ii)Saddle: It is an H-shaped casting that fits over the bed and slides along the ways between the head stock and tail stock. (iii)Cross slide: The cross-slide stands atop the carriage and has a feed screw that travels perpendicular to the main spindle axis. This permits facing operations to be performed, and the depth of cut to be adjusted. This feed screw can be engaged, through a gear train, to the feed shaft to provide automated 'power feed' movement to the cross-slide. On most lathes, only one direction can be engaged at a time as an interlock mechanism will shut out the second gear train.
  • 59.
  • 60.
    (iv) Compound rest:The compound rest (or top slide) is the part of the machine where the tool post is mounted. It provides a smaller amount of movement along its axis via another feed screw. The compound rest axis can be adjusted independently of the carriage or cross-slide. It is utilized when turning tapers, to control depth of cut when screw cuts or precision facing, or to obtain finer feeds (under manual control) than the feed shaft permits. (v) Tool post: The tool bit is mounted in the tool post which may be of the American lantern style, traditional 4 sided square style, or in a quick change style such as the multifix arrangement pictured. The advantage of a quick change set-up is to allow an unlimited number of tools to be used (up to the number of holders available) rather than being limited to 1 tool with the lantern style, or 3 to 4 tools with the 4 sided type. e) Feed rod: Feed rod is long shaft which gets power from the head stock spindle through large number of gears located in the feed box. It is used for the longitudinal movement of the carriage (or) cross feed movement of the cross slide f) Lead screw: A lead screw also known as a power screw or translation screw, is a screw designed to translate radial motion into motion. It is a long threaded shaft which is used during thread cutting operations. Lathe Operations a) Turning: It is the operation of reducing the diameter of the work piece. b) Facing: It is the operation of reducing the length of the work piece. c) Chamfering: It is the operation of removing the sharp corners of the work piece to protect the edges of the job from getting damaged. It is done by keeping the tool at an angle of 45 degree to the lathe axis. d) Taper Turning: It is the operation of making uniform change in the diameter of the work piece along its length or producing conical surface on the work piece. e) Drilling: It is the operation of making hole in the work piece. This can be achieved by fixing the drill bit in tail stock and fed in to the rotating work piece. f) Boring: It is operation of enlarging the already drilled hole. g) Knurling: It is the operation of making rough surface to get the get grip on the work piece.
  • 61.
  • 62.
    FACING, TURNING ANDCHAMFERING BEFORE MACH ININ G AFTER MACHINING All dimensions are in mm
  • 63.
    TURNING, FACING ANDCHAMFERING DATE: EX.NO. Aim: To make turning, facing and chamfering on the given metal work piece to get the required dimension. Material Supplied: Mild Steel rod of 25 mm diameter x 75 mm length Tools required: Single point cutting tool, vernier caliper, steel rule, chuck key, tool post key, wire brush. Sequence of Operation: a. Checking b. Work piece setting c. Tool setting d. Facing e. Turning f. Chamfering Working Steps: 1. The given work piece is checked for its given dimensions. 2. The work piece is held in the three jaw chuck. Chuck key is used to tighten the job rigidly ensuring centering of the work piece. 3. The single point cutting tool is fixed in the tool post of the lathe machine using tool post key and spanners. Sometimes the packing material like hacksaw blade pieces, thick sheet paper materials can be used to set the tool appropriately pointing towards the centre of the job. 4. Facing operation is done to obtain the required length of the job. 5. Turning operation is done to obtain the required diameter of the job. 6. Chamfering is done to remove sharp edges and corners of the work piece by keeping the tool at an angle of 45 º to the lathe axis. 7. Finally the work piece dimensions are checked to conform to the specification given in the drawing. Result: Hence the required shape and size are obtained using turing, facing and chamfering operations on the given work piece.
  • 64.
    . TAPER TURN ING BEFOREMACH ININ G AFTER MACHINING All dimensions are in mm.
  • 65.
    TAPER TURNIN G DATE:EX.NO. Aim: To make turning, facing and taper turning operations on the given metal work piece to get the required dimension. Materail Supplied: Mild Steel rod of 25 mm diameter x 75 mm length Tools required: Single point cutting tool, vernier calipher, steel rule, chuck key, tool post key, wire brush and scribber. Sequence of Operation: a. Checking b. Workpiece setting c. Tool setting d. Facing e. Turning f. Taper Turning Working Steps: 1. The given work piece is checked for its given dimensions. 2. The workpiece is held in the three jaw chuck. Chuck key is used to tighten the job rigidly, ensuring centering of the workpiece. 3. The single point cutting tool is fixed in the tool post of the lathe machine using tool post key. Sometimes the packing material like hacksaw blade pieces, thick sheet paper materials can be used to set the tool appropriately pointing towards the centre of the job. 4. Facing operation is done to obtain the required length of the job. 5. Turning operation is done to obtain the required diameter of the job. 6. Next the taper turing operation is carried out as per the taper angle calculated using the formula, tan θ = (D-d)/2L. Then compund rest base is swivelled and set at half taper angle. Cutting tool is moved at set angle to the lathe axis by rotating the cross slide till the required taper is obtained. 7. Finally the work piece dimensions are checked to conform to the specification given in the drawing. Result: Hence the required shape and size is obtained using turing, facing and taper turing operations on the given work piece.
  • 66.
  • 67.
    DRILLING DATE: EX.NO. Aim: To drillholes on the given MS plate as per the specification given in the drawing. Materail Supplied: Mild Steel plate of 75x50x6 mm Tools required: Drilling Machine, Drill Bit, Drill chuck key, steel rule, wire brush, Dot Punch, Hammer, Flat file. Sequence of Operation: a. Checking b. Marking c. Workpiece setting d. Tool setting e. Drilling Working Steps: 1. Mark the workpiece as per the specification given in the drawing. 2. Holes centers are marked using dot punch and hammer. 3. Keep the workpiece in the fixture. 4. Bring the tool nearer the workpiece where it has to be drilled. This can be done by adjusting the work table. 5. Perform drilling operation on the Workpiece. 6. Repeat the process, till the required numbers of holes are drilled. 7. Using the flat file remove the unwanted materials like burrs, chips etc., 8. Check the dimensions of the finished workpiece Result: Hence the required number of holes are drilled using drilling machine on the given work piece.
  • 68.
    STRAIGHT SNIP CURVEDSNIP BENCH SHEAR BALL PEEN HAMMER CROSS PEEN HAMMER MALLET
  • 69.
    CHAPTER-6 SHEET METAL Introduction: Sheetmetal is simply metal formed into thin and flat pieces. It is one of the fundamental forms used in metalworking, and can be cut and bent into a variety of different shapes. Thicknesses can vary significantly, although extremely thin thicknesses are considered foil or leaf, and pieces thicker than 6 mm (0.25 in) are considered plate. The thickness of the sheet metal is called its gauge. The gauge of sheet metal ranges from 30 gauge to about 8 gauge. The higher the gauge, the thinner the metal is. There are many different metals that can be made into sheet metal, such as: Aluminum, brass, copper, steel, tin, nickel and titanium. For decorative uses, important sheet metals include silver, gold, and platinum. Sheet metal has applications in car bodies, airplane wings, medical tables, roofs for building and many other things. Historically, an important use of sheet metal was in plate armor worn by cavalry, and sheet metal continues to have many decorative uses, including in horse tack. Specification of Sheet Metal: The sheets specified by standard gauge numbers. Each gauge designates a definite thickness. The gauge number can be identified by Standard Wire Gauge (S.W.G) . S.W.G 10 12 14 16 18 20 22 24 26 30 Thickness (mm) 3.2 2.6 2.0 1.6 1.2 0.9 0.7 0.6 0.4 0.3 Sheet Metal Tools: 1. Cutting Tools 2. Striking Tools 3. Supporting Tools 4. Marking and Measuring Tools 5. Bending and Folding Tools 6. Other Tools
  • 70.
    FLAT CHISEL HALF ROUNDCHISEL BEAK HORN STAKE HALF MOON STAKE FUNNEL STAKE
  • 71.
    1. Cutting Tools:(Chisels, Snips or Shears) a) Chisels: This is used to cut the sheets. It is also used to remove the unwanted metal form the surface of a job by chipping. Mostly flat type and round nose type chisels are used. Flat chisel are used to obtain flat surface and its cutting edge is V-shape. Its cutting angle is 60° and the cutting edge varies from 20 to 25 mm in width. But the cutting edge of the round nose chisel is round in shape and used for making grooves. Its cutting angle varies from 35° to 40°. b) Snips (or) Shears: The tool similar to scissors used for cutting or shearing thin metal sheets is called snip. Its length varies from 200 mm to 600 mm. Mainly Straight Snip and Curved Snip is used. Bench shear is used to cut the sheet metal of 3 mm thickness. 2. Striking Tools: (Hammers and Punches) a) Hammers: These are used on the sheet metal for straightening, bending, leveling, riveting, removing nails, forging, chipping etc., with the application of impact load exerted manually. Mainly Ball peen hammer, Cross peen hammers and Mallet used in practice. b) Punch: This is used for marking out work, locating centres etc. There are four types Dot punch Centre punch, Letter punch and Number punch. 3. Supporting Tools: (Stakes, Anvils, Swage Block) a) Stakes: The stakes are used for doing various operations like forming, bending, hemming, seaming, etc. There are different shapes of stakes available but based upon the purpose, the required shape of stake is selected. They are Beak Horn stake, Funnel stake, Half moon stake etc. b) Anvil: The anvil acts as a base for smithy work while hammering. The body of the anvil is made of mild steel (MS), wrought iron or cast iron (CI). The weight of the anvil varies from 100 to 150 kg. c) Swage Block: It is a CI block having number of slots of different shapes and sizes along its four side faces. It also contains number of through holes of different size and shape from its top to bottom face. This
  • 72.
    BENCH PLATE GROOVING TOOL COMBINATIONPLIERS PIPE PLIERS DOT PUNCH
  • 73.
    block can beused for bending, punching and shaping of metals. 4. Marking and Measuring Tools: (Steel rule, Scriber, Trammel, Divider, Swing Blade Protractor, Wire Gauge) a) Steel rule: It is used for linear measurements up to the accuracy of 0.5 mm. b) Scribers: It is made up of hardened steel with pointed end used for marking lines on the sheet. c) Trammel (or) beam compass: It is a big size compass used for marking large arcs and circles. d) Divider: It is used for dividing straight and curvilinear lines, marking circles and arcs. e) Swing Blade Protractor: It is used for marking and measuring angles. f) Wire Gauge: It is used for measuring the thickness of sheet metal. 5. Bending and Folding Tools: (Pliers, Folding Bars) a) Pliers: The pliers are mainly used for bending the sheet metal to the required shape. It is also used for holding and cutting the sheet metal. There are mainly two types – Pipe pliers and Combination pliers. b) Folding Bars: The folding bars are used for bending and folding operation of the sheet metal. 6. Other Tools: a) Grooving Tools: It is used for making locked joints in sheets like wired edges, slots etc. b) Bench Plate: It is plate having the holes of different shapes and sizes. Sheet Metal Operations: 1. Shearing: (Parting, Blanking, Punching, Notching, Slitting, Lancing, Trimming) 2. Bending 3. Drawing 4. Squeezing 1. Shearing Operation: Shearing is a metalworking process which cuts stock without the formation of chips or the use of burning or melting. Strictly speaking, if the cutting blades are straight the process is called Shearing; if the cutting blades are curved then they are shearing-type operations.
  • 74.
    SOLID TYPE FOLDINGBAR SPLIT TYPE FOLDING BAR WIRE GAUGE SWING BLADE PROTRACTOR
  • 75.
    The most commonlysheared materials are in the form of sheet metal or plates, however rods can also be sheared. a) Parting: It signifies that scrap is removed between the two pieces to part them. b) Blanking: It means cutting a whole piece from sheet metal. c) Puching: It is the operation of producing circular holes on a sheet metal by punch and die. d) Notching: It is the process of removing the metal from the side or edge of a sheet. e) Slitting: It is the process of conducting shearing between the rotary blades. f) Lancing: It is the process of cutting sheet metal lengthwise. g) Trimming: It the process cutting away the excess metal in a flange or flash from a piece. 2. Bending: In this metal is stressed beyond the elastic limit, so that the metal is bent into right angle and forming occurs when complete items or parts are shaped. It incorporates angle bending, roll bending, and roll forming and seaming. 3. Drawing: It is the process of producing cup shaped components from the sheet metal by required number of punching strokes. It is done by placing the metal blank over a stationary die and exerting required pressure from a punch against the blank. 4. Squeezing: Squeezing is the one of the methods of forming ductile material. Riveting, cold heading and rotary swaging are very common process of squeezing. Sheet Metal Joints: There are mainly two types: Hem and Seam a) Hem: A hem is an edge or border made by folding. There are mainly three types of hem they are; (i) Single Hem: It is made by a single folding of the edge in the sheet metal to make it smooth & stiff. (ii)Double Hem: The double hem is made by double folding of the edge in the sheet metal, to make it smooth & stiff. (iii)Wired Edge Hem: It is made by rolling the sheet metal to certain distance. This hem is smooth and strong. b) Seam: A seam is a joint made by fastening two edges of the sheet metal together.
  • 76.
    SPRING DIVIDER WINGDIVIDER TRAMMEL DOUBLE POINT SCRIBER
  • 77.
  • 78.
    DEVELOPMENT OF RECTANGULARTRAY RECTANGULAR TRAY All dimensions are in mm.
  • 79.
    RECTANGULAR TRAY DATE: EX.NO. Aim: Tomake the rectangular tray from the given sheet metal. Material Required: 26 gauge Galvanized Iron (G.I) Sheet [150x110mm] Tools required: Steel Rule, Scriber, Try-Square, Ball Peen Hammer, Mallet, Stacks, Straight Snip, Groover, Pliers and Compass. Sequence of Operation: a. Marking b. Cutting c. Hemming d. Bending e. Finishing Working Steps: 1. The given GI sheet is marked as per the given dimensions shown in the drawing. 2. The unwanted portion of the sheet is cut by using the straight snip along the marked lines. 3. Then the sheet is levelled for the perfect flatness using the mallet. 4. The position of the hemming operation is marked at the edges with the help of the steel rule and a scriber. 5. By holding the sheet in the bench vice the hemming operation is done on four sides of the tray using ball peen hammer. 6. The sides of the tray are bent to 90 degree as per the given sketch by using the required stacks, anvil and mallet. 7. Finally all the corners of the tray are joined by rivetting and finishing operations. Result: Hence the rectangular tray is made on the given GI sheet to the required size.
  • 80.
  • 81.
    FUNNEL DATE: EX.NO. Aim: To makethe funnel from the given sheet metal. Material Required: 26 gauge Galvanized Iron (G.I) Sheet [200x100mm] Tools required: Steel Rule, Scriber, Try-Square, Ball Peen Hammer, Mallet, Stacks, Straight Snip, Groover, Pliers and Compass. Sequence of Operation: a. Marking b. Cutting c. Hemming d. Bending e. Finishing Formula Used: Working Steps: Angle , φ = (R/ L ) 360º Where , R = radius of the top circle of the funnel L = Slanting length 1. Funnel is splitted into cone and cylinder 2. The development of cone and cylinder are drawn on the given GI sheet, using steel rule, scriber and compass. 3. The unwanted portion of the sheet is cut by using the straight snip along the marked lines. 4. Then the sheet is levelled for the perfect flatness using the mallet. 5. The position of the hemming operation is marked at the top edge of the cone and also at the bottom edge of the cylinder, with the help of the steel rule and a scriber as per the specification given in the sketch. 6. The cone and the cylinder are joined together by seaming operation and soldering is done around the joint. 7. Hemming is done at the top and bottom of the funnel by using required stacks and mallets 8. Finally finishing operation is done to aviod ups and downs of the funnel
  • 82.
    FUNNEL All dimensions arein mm. Result: Hence the funnel is made on the given GI sheet to the required size.
  • 83.
    DEVELOPMENT OF WINNOWINGPAN WINNOWING PAN All dimensions are in mm
  • 84.
    WINNOWING PAN DATE: EX.NO. Aim: Tomake a winnowing pan from the given sheet metal. Material Required: 26 gauge Galvanized Iron (G.I) Sheet [130x110mm] Tools required: Steel Rule, Scriber, Try-Square, Ball Peen Hammer, Mallet, Stacks, Straight Snip, Groover, Pliers, Compass. Sequence of Operation: a. Marking b. Cutting c. Hemming d. Bending e. Finishing Working Steps: 1. The given GI sheet is marked as per the dimensions shown in the drawing. 2. The unwanted portion of the sheet is cut by using the straight snip along the marked lines. 3. Then the sheet is leveled for the perfect flatness using the mallet. 4. The position of the hemming operation is marked at the edges with the help of the steel rule and a scriber. 5. Hemming is done at the top and bottom of the funnel by using required stacks and mallets. 6. By holding the sheet in the bench vice, the hemming operation is done on the three sides of the dust pan using ball peen hammer and pliers. 7. The sides of the dust pan are bent to 90 degree by using the required stacks anvil and mallet. 8. Finally all the corners of the tray are joined by riveting and finishing operations. Result: Hence the winnowing pan is made on the given GI sheet to the required size.
  • 85.
    .Window Air Conditioner SplitType Air Conditioner .
  • 86.
    CHAPTER-7.1 AIR CONDITIONER Introduction: Airconditioner is a device used to condition the air according to human comfort. Air is consisting of humidity, temperature, dust etc. The presence of these constituents makes the people to feel discomfort and reduces the efficiency of persons. Therefore air has to be conditioner depending upon the requirement. Generally in coastal areas the humidity level is more hence wet air prevails, so air has to be dehumidified using air conditioner. In the tropical areas dry air prevails hence air has to be humidified using air conditioner. Thus air conditioner may be classified according to season as Summer Air Conditioner & Winter Air Conditioner. Types of Air Conditioner: 1. Window Air Conditioner 2. Spilt type Air Conditioner WINDOW AIR CONDITIONER: Working Principle: The refrigerant vapour at high pressure and temperature is supplied by the compressor to the condenser. A propeller type fan is used to draw air from atmosphere and to circulate through the condenser coil. The air cools the refrigerant vapour and it becomes liquid. Refrigeration cycle The refrigeration cycle consists of the following processes . 1) Condensing coil 2) Expansion valve, 3) Evaporator coil, 4) Compressor. Initially, a heat pump transfers heat from a lower-temperature heat source into a higher- temperature heat sink. Heat would naturally flow in the opposite direction. This is the most common type of air conditioning. A refrigerator works in much the same way, as it pumps the heat out of the interior and into the room in which it stands. The most common refrigeration cycle uses an electric motor to drive a compressor. Since evaporation occurs when heat is absorbed, and condensation occurs when heat is released, air conditioners use a compressor to cause pressure changes between two compartments, and actively condense and pump a refrigerant around. A refrigerant is pumped into the cooled compartment (the evaporator coil), where the low pressure causes the refrigerant to evaporate into a vapor, taking heat with it. In the other compartment (the condenser), the refrigerant vapor is compressed and forced
  • 87.
    through another heatexchange coil, condensing into a liquid, rejecting the heat previously absorbed from the cooled space. Air conditioning equipment usually reduces the humidity of the air processed by the system and hence produces the effect. COMPONENTS: The refrigeration systems consists of : a) Compressor The compressor used in window air conditioner is of hermetic type. The refrigerant vapour is compressed to high pressure and temperature in the condenser. b) Air-cooled condenser It is used to cool the high pressure high temperature refrigerant vapour. It is continuous coil made of copper tubing. A propeller type fan is used to draw the necessary air from atmosphere to cool the refrigerant. c) Capillary tube It is an expansion device. It is used to reduce the pressure and temperature of the refrigerant. d) Evaporator It is cooling coil made of copper. A centrifugal blower is installed behind the coil to deliver cool air from the evaporator to the room. The blower also sucks warm air from the room and sends it to the evaporator through a Filter. Applications: 1) Used in offices, hotels, buses, cars, aero planes for human comfort. 2) Used in textile industries to control moisture. 3) Used in printing press, food industries, chemical plants etc., Window air conditioner is also known as room air conditioner, and is usually fitted in the window or any opening made in the wall of suitable dimensions. This is then packed with insulating material like thermo coal to achieve better efficiency.
  • 88.
    SPLIT TYPE AIRCONDITONER: Introduction: Split air conditioners are used for rooms and halls, usually in places where window air conditioners cannot be installed. However, these days many people prefer split air conditioner units even for places where window air conditioners can be fitted. The split type room air conditioner is comprised of two parts. 1) The outdoor unit, The outdoor unit, fitted outside the room, houses components like the compressor, condenser and expansion valve. 2) The indoor unit. The indoor unit comprises the evaporator or cooling coil and the cooling fan. The split air conditioner can be used to cool one or two rooms. OUTDOOR UNIT : This unit houses important components of the air conditioner like the compressor, condenser coil and also the expansion coil or capillary tubing. This unit is installed outside the room or office space which is to be cooled. It consists of the following parts : a) Compressor is the main component of the system and is used to compress the refrigerant. b) Condenser Coil is used to reject heat from the refrigerant to the out side air. c) Condenser Fan is used in air-cooled condenser to help move the air molecules over the surface of the condensing coil, hence rejecting the heat form the indoor to the space outside the building. d) Condenser Motor is located here. The motor usually has two to three speeds. Smaller unit may have only one speed of control and turns on/off simultaneously with the compressor. INDOOR UNIT : The indoor unit houses the evaporator coil or the cooling coil, a long blower and the filer. After passing from the expansion coil, the chilled Freon fluid enters the cooling coil. The blower sucks the hot, humid and filtered air from the room and it blows over the cooling coil. As the air passes over cooling coiling its temperature reduces drastically and also loses the excess moisture comfortable conditions of around 25 ° to 27 ° C as per the standard requirements. It can be mounted on the ceiling, wall or simply as a console unit on the floor.
  • 89.
    It consists ofthe following parts : a) Evaporator coil is where the heat exchange is done with the room. It consists of fins and tubes. b) Control Panel is where user control the functions of the air conditioner. Displays at the panel may indicate the mode of operation, timer, on/off status, fan speed and other special functions. Most newer units have remote control feature built into the system c) Air Filter is located in front of the evaporator coil to trap any dust or particles before going into the evaporator. This is usually washable and re-useable. Users are advised to clean it at least once in three months or more regularly if the environment is dirty. d) Supply and Return Air Grills are where the air enters and discharge from the indoor unit. e) Fan blower together with its motor are used to control the fan speed of the unit. High, medium. Low and Ultra low speeds are usually designed for users to select. f) Capillary tube is used as an expansion device where the flow of the refrigerant depends on the tube internal diameter, shape and its length. The tube is usually used in smaller units. Larger units use thermostatic expansion valve which has a controlling valve to regulate the flow of refrigerant with greater precision. WORKING : A copper connection pipe and electrical wiring connects the indoor unit to the outdoor unit of the split air conditioning. Gas refrigerant is pumped from the outdoor condenser coil and compressor through the connection pipe to the indoor unit(s). A fan then quietly distributes cool air drawn across the unit’s evaporator coil.
  • 91.
    CHAPTER-7.2 CENTRIFUGAL PUMP Introduction: Thecentrifugal pump is a hydraulic machine which converts the mechanical energy into hydraulic energy in the form of pressure energy, by means of the centrifugal force of a rotating element, known as impeller. The components of the centrifugal pump are: 1. Suction Pipe: The pipe whose one end is connected to the inlet of the pump and the other end is below the water surface in the sump is known as Suction pipe. A foot valve (a non return valve) is fitted at the lower end of the suction pipe. The length of the suction pipe should be maintained as low as possible and the number bends along the pipeline should be kept to a minimum. 2. Impeller: The rotating part of the centrifugal pump is known as impeller. It has curved vanes arranged on it. The impeller is mounted on a shaft, which is powered by an electric motor. 3. Casing: Casing is an air tight passage surrounding the impeller. The casing has a gradual decrease in cross sectional area, so that kinetic energy may be converted into pressure energy. The different types of casings are, A) Volute casing: This is spiral in nature and facilitates the conversion of kinetic energy into pressure energy, by the gradual decrease in cross sectional area. For larger pumps the increase in efficiency is not very large, because of formation of eddies. Because of formation of eddies in the flowing water, considerable energy is lost. B) Vortex casing: Here, a circular chamber is introduced between the impeller and the casing, to reduce the formation of eddies. Thus loss of energy is prevented and as such the pumps have better efficiency. C) Diffuser casing: Here, the impeller is surrounded by a diffuser. The diffuser has a series of guide vanes. The function of the diffuser is to transmit the water without shock. Hence the vibration of the pump is reduced. The presence of diffuser decreases the area of cross section, which helps in reducing the flow, consequently enhancing the pressure of the water.
  • 92.
    4. Delivery pipe: Apipe whose one end is connected to the outlet of the pump and the other end to the delivery tank is known as the delivery pipe. Working principle: The centrifugal pump works on the principle of Forced Vortex Flow, according to which, if a certain mass of the fluid is rotated by an external torque, the rise in pressure head of the rotating liquid takes place. The rise in pressure head at any point of the rotating liquid is proportional to the square of tangential velocity of the liquid at that point. Thus at outlet of the impeller where radius is more, the rise in pressure head will be more. This increase in pressure head is responsible for raising the fluid to high level. Types of impeller: The different types of impellers are A) Open impeller: An open impeller is characterized by impeller blades that are supported almost entirely by the impeller hub. This is the simplest impeller style and it is primarily applied to clean, non-abrasive, low horsepower applications. B) Closed impeller A closed impeller incorporates a full front and back shroud. Fluid flows through the internal impeller passages without hydraulic interaction with the stationary casing walls. In a well designed enclosed impeller, the relative velocity between the impeller and the fluid at any given radius is quite small. This results in less wear than other impeller styles. C) Semi open impeller: A semi-open impeller is a compromise between an open and an enclosed impeller. It incorporates a single shroud, usually located on the back of the impeller. A semi-open impeller has a solids passing capability similar to that found in an open impeller. With only a single shroud a semi- open impeller is easy to manufacture and completely accessible for applying surface hardening treatments. For moderately abrasive slurries, especially if plugging is a concern, a semi-open impeller is a good choice.
  • 93.
    Priming of Centrifugalpump: Before starting the pump, the air from suction pipe, impeller, casing and a part of the delivery pipe are is removed and replaced by water. This operation is known as Priming. If priming operation is not done, then the torque of the impeller will not be transmitter to the water, due to lack of contact, and as such water will not rise in the deliver pipe. Applications 1) It is used to fill the overhead tank, in houses and offices. 2) In agricultural sector centrifugal pumps is used to deliver the water from the well. 3) Large size centrifugal pump are used in industries. 4) Centrifugal pumps play an important role in marine engineering, chemical engineering and other fields of engineering also. 5) Centrifugal pumps are utilized to feed water to boilers in industries.
  • 95.
    CHAPTER-8.1 SMITHY Introduction: Smithy mayrefer to forge, also called a smithy, the workplace of a smith or a blacksmith Smith (metalwork), sometimes referred to as a smithy, a person involved in the shaping of metal objects. A smith, or metal smith, is a person involved in the shaping of metal objects. In pre-industrialized times, smiths held high or special social standing since they supplied the metal tools needed for farming (especially the plough) and warfare. The word smith is cognate with the somewhat archaic English word, "smite", meaning "to hit" or "to strike". Originally, smiths practiced their crafts by forming metal with hammer blows. Smithy Operations: Upsetting or jumping Setting down Drawing down (Fullering) Swaging Bending Punching 1. Upsetting: It is the process of increasing the cross section of a metal piece with the corresponding reduction in its length. The swelling of metal takes place at the heated portion. 2. Setting down: It is the process of reducing the thickness of the work piece in a small area. The portion of the work piece to be thinned is heated. Fullering is done on the top surface of the work piece and a flatter is placed over that surface and hammer blows are given. 3. Drawing down: It is the process of increasing the length of the given rod by reducing the thickness. The work piece is heated and placed between two fullers by using tongs. The hammer blows are given on the top fuller using the sledge hammer. 4. Swaging: It is the process of removing the irregularities or ups and downs in surface. While swaging work piece is held between two swages and hammer blows are given over the top swage.
  • 96.
  • 97.
    5. Bending: It isthe process by which a metal rod may be bent to form a shape without damaging its internal grain structure. The bends may be sharp cornered or circular. The sharp corner bend is made by hammering the metal over the edge of the anvil. The circular bends may be using the beak of the anvil. 6. Punching: It is the process of producing holes in a work piece. Punching is done by placing the work piece over a hole in the anvil or a cylindrical die of the required size or over a hole of correct size in a swage block. The hot punch of the required size is place on the work piece and hammered. Smithy Tools: Many smithy tools are available, but the following are the important tools used in practice: a) Anvil b) Tongs c) Hand Hammer d) Flatter e) Swage a) Anvil: The anvil serves as a work bench to the blacksmith, where the metal to be beaten is placed. The Anvils have a single beak. The beak is soft and its shape makes it useful for bending round section to different diameters. The most common anvil has a mass of about 150 kg. The anvil 8is placed either on a wooden block or on a cast iron stand such that the top face is about 600 mm to 700 mm from the floor. b) Tongs: Tongs are used by the blacksmith for holding hot metals securely. The mouths are made in various shapes to suit the gripping of various shapes of metal. c) Hand Hammer: Hand hammers are used for flattening or shaping the work piece. It is made up of high carbon steel. d) Flatter: Flatters are used for leveling and finishing a flat surface after drawing out or any other forging operations. e) Swage: Swages are used for increasing the length of a circular rod or for finishing the circular surface of a job after forging.
  • 98.
  • 99.
  • 100.
    MAKING ROUND RODINTO HEXAGONAL HEADED BOLT DATE: EX.NO. AIM: To make a hexagonal headed bolt of given size on one end of the round rod. Material Supplied: M.S.Round rod of 10 mm diameter. Tools Required: Anvil, Tongs, Hand Hammer, Flatter and Swage Sequence of Operation: a. Heating b. Flattening c. Forming hexagonal shape d. Checking e. Cooling Working Steps: 1. First one end of the bar is heated for a sufficient length to make a head. 2. Then upsetting is done on the heated end on the anvil as shown in the figure 1. 3. The head is flattened by hammering against the end of a bush as shown in the figure 2. 4. The bush is kept over the hard die in the anvil through which the stock passes as shown in figure 2. 5. Again the head is heated and hammered to form square head and once again any two corners are hammered to form hexagonal bolt head. 6. The head is swaged to correct the size as shown in figure 3. 7. The round portion of the bolt is also swaged. 8. Finally, by using the cupping tool chamfering is done on the head using the bush as shown in figure 4. RESULT: Hence the required hexagonal headed bolt is made from a given rod.
  • 101.
  • 102.
    CHAPTER-8.2 FOUNDRY Introduction: A foundryis a factory which produces metal castings from either ferrous or non-ferrous alloys. Metals are turned into parts by melting the metal into a liquid, pouring the metal in a mold, and then removing the mold material or casting. The most common metal alloys processed are aluminum and cast iron. However, other metals, such as steel, magnesium, copper, tin, and zinc, can be processed. Casting Casting is a manufacturing process by which a liquid material is usually poured into a mold, which contains a hollow cavity of the desired shape, and then allowed to solidify. The solidified part is also known as a casting, which is ejected or broken out of the mold to complete the process. Casting materials are usually metals or various cold setting materials that cure after mixing two or more components together; examples are epoxy, concrete, plaster and clay. Casting is most often used for making complex shapes that would be otherwise difficult or uneconomical to make by other methods. Components Required for Moulding: 1. Moulding Sand (Green Sand) 2. Moulding Boxes 3. Pattern 4. Moulding Tools 1. Moulding Sand: Green sand is an aggregate of sand, bentonite clay, pulverized coal and water. Its principal use is in making molds for metal casting. The largest portion of the aggregate is always sand, which can be either silica or olivine. Green sand (and other casting sands) is usually housed in what casters refer to as flasks which are nothing other than boxes without a bottom or lid. The box is split into two halves which are stacked together in use. The halves are referred to as the top (cope) and bottom (drag) flask respectively. Green sand is not green in color, but "green" in the sense that it is used in a wet state (akin to green wood).
  • 103.
  • 104.
    2. Moulding Box: Itis also called moulding flask. It is frame or box of wood or metal. Wood is cheaper and boxes can be made quickly. Wood wears out quickly. It is destroyed by contact with hot metal. A metal box is steel, cast iron and aluminum alloys are used in mass production. Moulding boxes are used for making sand moulds. 3. Pattern: In casting, a pattern is a replica of the object to be cast, used to prepare the cavity into which molten material will be poured during the casting process. Patterns used in sand casting may be made of wood, metal, plastics or other materials The making of patterns, called patternmaking (sometimes styled pattern-making or pattern making), is a skilled trade that is related to the trades of tool and die making and mold making, but also often incorporates elements of fine woodworking. 4. Moulding Tools: a) Shovel: It is one of the foundry tools which have a broad metal blade with a long wooden handle. It is used to carry moulding sand from the sand pit to the moulding box and is also used for mixing and tempering (adding sufficient water) the sand. b) Riddle: It is a metal sieve used for removing foreign materials such as stones, nails etc., from the moulding sand. c) Rammer: It is used for packing or ramming the moulding sand in the moulding box. d) Trowels: It is used for smoothening the surfaces of mould and also to repair the damaged portion of mould. e) Slick: It is used for repairing and finishing surfaces and to round corners of the mould. f)Lifter: It is used to remove the loose sand from the mould. It is also used to finish the bottom and sides of the mould. g)Strike off bar: It is used to remove excessive sand from the mould after tempering.
  • 105.
    h) Sprue pin: Itis used to make sprue hole to pour the molten metal in the mould. i) Vent rod: It is used for making vent holes in the sand mould so that the molten gases released during casting process, can easily escape from mould. j) Bellow s: It is used to blow off loose sand particles from the mould and pattern. k) Gate cutter: It is used for cutting gates and runners in the mould.
  • 106.
  • 107.
  • 108.
    www.Vidyarthiplus.com STEPPED CONE PULLEY DATE:EX.NO. AIM: To make the mould using stepped cone pulley. Material Supplied: Moulding sand, Parting sand, Facing sand, stepped cone pulley pattern and Moulding boxes Tools Required: Showel, Sieve, Trowel,. Rammers, Sprue pin, Strike off bar, Lifter, Gate cutter, Runner, Riser, Vent rod, Draw spike, Bellow. Sequence of Operation: a) Sand Preparation b) Core preparation c) Placing the pattern on the moulding board d) Ramming of drag e) Placing runner and riser f) Ramming of cope g) Removal of pattern, runner, riser h) Gate cutting Working Steps: 1. The stepped cone pulley pattern is placed on the moulding board. 2. A suitable core is prepared and placed in the hole of the flange pattern. 3. Clay washing is done inside the drag surface. 4. Parting sand is applied over the pattern. 5. Box is filled with smooth moulding sand and proper ramming is done using flat and peen rammers. 6. Excess sand is removed using the strike off bar. 7. The drag is turned upside down. 8. The cope is placed on the drag after doing clay wash. 9. The runner and riser is placed over the pattern. 10. After applying parting sand, moulding sand is filled over the pattern. 11. Ramming is done to get a rigid mould. 12. Using strike off bar excess sand is removed. 13. Vent holes are made using vent rod. 14. Runner and riser are removed and a funnel shape is moved on the runner hole. 15. Cope is kept aside and the pattern is removed using draw pin. 16. Gate is prepared using gate cutter. 17. The cope is placed on the drag. RESULT: Hence the stepped cone pulley mould is prepared.
  • 110.
    GEAR DATE: EX.NO. AIM: To makethe mould of a gear pattern. Material Supplied: Moulding sand, Parting sand, Facing sand, stepped cone pulley pattern and Moulding boxes Tools Required: Showel, Sieve, Trowel,. Rammers, Sprue pin, Strike off bar, Lifter, Gate cutter, Runner, Riser, Vent rod, Draw spike, Bellow. Sequence of Operation: a) Sand Preparation b) Core preparation c) Placing the pattern on the moulding board d) Ramming of drag e) Placing runner and riser f) Ramming of cope g) Removal of pattern ,runner, riser h) Gate cutting Working Steps: 1. The gear pattern is placed on the moulding board. 2. A suitable core is prepared and placed in the hole of the flange pattern. 3. Clay washing is done inside the drag surface. 4. Parting sand is applied over the pattern. 5. Box is filled with smooth moulding sand and proper ramming is done using flat and peen rammers. 6. Excess sand is removed using the strike off bar. 7. The drag is turned upside down. 8. The cope is placed on the drag after doing clay wash. 9. The runner and riser are placed over the pattern. 10. After applying parting sand, moulding sand is filled over the pattern. 11. Ramming is done to get a rigid mould. 12. Using strike off bar excess sand is removed. 13. Vent holes are made using vent rod. 14. Runner and riser are removed and a funnel shape is moved on the runner hole. 15. Cope is kept aside and the pattern is removed using draw pin. 16. Gate is prepared using gate cutter. 17. The cope is placed on the drag.
  • 111.
    RESULT: Hence the gearmould is prepared.
  • 112.
    SURFACE PLATE VERNIERHEIGHT GAUGE FLAT FILE TRIANGULAR FILE
  • 113.
    CHAPTER-8.3 FITTING Introduction: Fitting isthe assembling together of parts and removing metals to secure the necessary fit is called fitting. An operator who does the fitting job is called fitter. Fitting involves certain amount of bench work using hand tools or power operated tools. The various operations involved in fitting are filing, marking, sawing, chipping, drilling, reaming, tapping, etc. Fitting Tools: 1. Bench Vice 2. Flat file 3. Triangular file 4. Try square 5. Surface plate 6. Vernier Height gauge 1. Bench Vice A vise or vice is a mechanical screw apparatus used for holding or clamping a work piece to allow work to be performed on it with tools such as saws, planes, drills, mills, screwdrivers, sandpaper, etc. Vises usually have one fixed jaw and another, parallel, jaw which is moved towards or away from the fixed jaw by the screw. 2. Flat File: It is highly useful when fast cutting is required. 3. Triangular File: It is used for rectangular cuts and filing corner less than 90 degree. 4. Try Square: It is used to check the flatness and squareness of the work piece. 5. Surface Plate: It is used for testing the flatness of the job and also used for carrying the work piece while marking. 6. Vernier Height: It is used for taking accurate measurement of height of a job or for marking.
  • 114.
  • 115.
    SQUARE FITTING 1. FILING2. MARKING AND PUNCHING 3. SAWING 4. FINISHING All dimensions are in mm.
  • 116.
    SQUARE FITTING DATE: EX.NO. AIM: Tomake square fitting from the given work pieces. Material Supplied: Two pieces of M.S. plate of the size 50 x 50 x 3 mm. Tools Required: Bench vice, Steel rule, Files, Vernier Height gauge, Try square & Dot punch Sequence of Operation: a. Checking b. Rough Filing c. Marking d. Punching e. Sawing f. Rough Filing g. Finish Filing Working Steps: 1. The dimensions of the given work piece is checked using steel rule. 2. The work piece is fixed on a bench vice separately and the two adjacent sides are filed using a flat file so that they are at right angles. 3. Then chalk is applied uniformly on the surfaces of the work piece. 4. The given dimensions are marked by using surface plate and Vernier height gauge with reference to the datum. 5. Then using dot punch, dots are punched along the marked line. 6. Then using fixed hack saw the unwanted portions are removed. 7. Cutting edges are filed using triangular files. 8. Checking is done to ensure squareness and flatness of the work piece surfaces using try square. 9. Finally the assembly is checked for the required best fit. RESULT: Hence the required square fitting is done from the given work pieces.
  • 117.
    V FITTING 1. FILING2. MARKING AND PUNCHING 3. SAWING 4. FINISHING All dimensions are in mm.
  • 118.
    V-FITTING DATE: EX.NO. AIM: To makeV- fitting from the given work pieces. Material Supplied: Two pieces of M.S. plate of the size 50 x 50 x 3 mm. Tools Required: Bench vice, Steel rule, Files, Vernier Height gauge, Try square & Dot punch Sequence of Operation: a. Checking b. Rough Filing c. Marking d. Punching e. Sawing f. Rough Filing g. Finish Filing Working Steps: 1. The dimensions of the given work piece is checked using steel rule. 2. The work piece is fixed on a bench vice separately and the all sides are filed using a flat file so that they are at right angles. 3. Then chalk is applied uniformly on the surfaces of the work piece. 4. The given dimensions are marked by using surface plate and Vernier height gauge with reference to the datum. 5. Then using dot punch, dots are punched along the marked line. 6. Then using fixed hack saw the unwanted portions are removed. 7. Cutting edges are filed using triangular files. 8. Checking is done to ensure squareness and flatness of the work piece surfaces using try square. 9. Finally the assembly is checked for the required best fit. RESULT: Hence the required V- fitting is done from given work pieces.
  • 119.
    CHAPTER: 9 VIVA-VOCE PLUMBING 1. What is plumbing? 2. What is the purpose of plumbing? 3. What are the different types of pipes commonly used? 4. State the different types of pipe fittings used. 5. State the difference between the elbows and bend? Where are they recommended? 6. State the purpose of die cast? 7. What is the difference between union and coupling? 8. What is the advantage of flange joint? 9. In a piping connection, the number of bends should be kept to a minimum. Why? 10. What is the difference between a gate and a tap? 11. State the different types of gates commonly used. 12. What is the instrument used to form the thread on the pipes. 13. Name some holding tools used in plumbing. 14. What are flexible pipes? What are their uses? CARPENTRY 15. What is carpentry? 16. Name few types of timbers and some examples for each type. 17. What are the instruments used for measuring in carpentry? 18. What are the different types of joints in carpentry? 19. What is the use of try square? 20. State the difference between mitre square and bevel square. 21. What is the use of Calipers? 22. How is the work piece held during working? 23. What is setting of saw teeth? 24. What are the different types of saw?
  • 120.
    25. What aredifferent types of chisel? 26. What is the difference between hammer and a mallet? WELDING 27. Define welding 28. Say different types of welding. 29. What is the temperature obtained in gas and arc welding? 30. List the equipments needed to carry out welding operation. 31. Which type of welding (Gas / Arc) you prefer/ 32. What are the necessary precautions you have to take while welding? 33. Why you should not see the flame during the welding operation? 34. What are the two gases used in gas welding? 35. What are the different types of joints, you make in the lab? 36. What is the difference between riveting and welding? 37. What is gas welding? 38. What is arc welding? 39. What is electrode? 40. Say the polarities of work piece and electrode? 41. Name the material used for coating on electrode. 42. Why flux is added during welding? 43. How do welding is different from machining? 44. How lap joint is performed? 45. How butt joint is performed? 46. Why tag weld is done during welding?
  • 121.
    JJ COLLEGEOF ENGINEERINGAND TECHNOLOGY MACHININ G 47. What do you mean by machining? 48. Name the tools used in machining processes? 49. List the parts of lathe? 50. What are the operations can be performed on lathe? 51. Why turning operation is done? 52. Why facing operation is done? 53. Give the formula for taper turning? 54. Why chamfering is done? 55. What is knurling? 56. What is the material used for cutting tool and work piece in your lab? SHEET METAL 57. Define sheet metal. 58. What is the tool is used to measure the thickness of sheet metal? 59. What do you mean by gauge? 60. Name the various tools used in sheet metal 61. What is the application of sheet metal? 62. List the operation used in sheet metal. 63. What are the metals used for sheet metal work? 64. What is bending? 65. What is punching? 66. Why anvil is needed?
  • 122.
    MACHINE ASSEMBLY PRACTICE 67.What is the principle of centrifugal pump? 68. Why pumps are used? 69. List the different components of centrifugal pump. 70. What is priming? 71. What are the different types of casings in centrifugal pump? 72. What is air conditioner? 73. What are the two types of Air conditioner? 74. Which type of Air conditioner do you prefer? Why? 75. List the parts of Air conditioner 76. What is refrigerant? 77. What is meant by smithy? 78. Name the tools used in smithy? SMITHY 79. What is the importance of swage block in smithy? 80. What are the operations involved in smithy? 81. What is upsetting? 82. What is forging? 83. What is function of flatter? 84. What is fullering? 85. Why tongs are required? 86. Give the application of smithy?
  • 123.
    FOUNDRY 87. What isfoundry? 88. What is pattern? 89. List the foundry tools? 90. What is gate? 91. What is vent rod? 92. Name the types of moulding boxes. 93. What is casting process? 94. Give the application of casting. 95. What do you mean by green sand? 96. Why ramming is done? FITTING 97. What is meant by fitting? 98. Name the fitting tools. 99. Name the joints that can be made using fitting. 100. What is the function of files? 101. List the types of files 102. What is a plier? 103. List the different types of punches. 104. What is the function of steel rule? 105. List the measuring tools used in fitting? 106. What is importance of bench vice?