IIST




       SPEEDOMETER USING
      POWER FROM DYNAMO
          Kosuru Sai Malleswar - Naveen Chander V. - Sahul M.P.V




 To Build a dynamo-speedometer system that uses the power of a running bicycle to determine its
speed.
Contents


Conceptual Design ............................................................................................................................. 2
Block Diagram ................................................................................................................................... 2
   Power conversion circuit Schematic .............................................................................................. 3
   Input Digitization ........................................................................................................................... 4
   Pulse Counting Circuit ................................................................................................................... 5
       Circuit to provide gating pulse to the counter circuit ................................................................ 5
       Pulse counter and velocity display circuit ................................................................................. 6
Discussions………………………………………………………………………………………….9
Full circuit diagram…………………………………………………………………………….......10

Velocity measurement using Micro controller unit………………………………………………..10

Conclusion…………………………………………………………………………………………12
Conceptual Design:


        Both, voltage and frequency of the dynamo output varies with the speed with which a
cyclist rides. The ac power from the dynamo can be rectified and regulated to produce a dc output
that can be used to power the circuitry .Meanwhile; the frequency of the sinusoidal wave can be
measured by the inbuilt circuitry. After this it just turns out to be a matter of calibration to get the
speed displayed on the screen. We have implemented the frequency measurement in the following
two ways:

   1. Measurement using digital circuit and display the speed on Seven segment displays.
   2. Measurement using Micro controller unit and display the speed on the LCD screen.


Block Diagram:


The entire speedometer can be summarized by the following block diagram:




1. The power obtained from rotation of the cycle tire is given to a dynamo, which converts
mechanical power into electrical power.

2. Assumption: The dynamo’s average output is AC voltage with average amplitude of 6V and
average power of 3W.

3. The dynamo’s output is converted into unregulated DC voltage using the full wave bridge
rectifier circuit.

4. Then the output is fed to the current driver circuit for current amplification such that the current
will be sufficient to charge the battery or drive the micro controller board.
5. The output of the current driver circuit is passed through regulator to get a constant DC output
          of around 5V, which can be used to power up the microcontroller board.

          6. When the voltage of the battery is more than the output of the regulator, the battery will supply
          power to the micro controller.

          7. When the output of the regulator is more than the voltage of the battery, the regulator’s output
          will supply the power to the micro controller and the battery will be charging.

          8. The output of the dynamo is digitized and fed to a pulse counting circuit, which can be used to
          measure the frequency of the cycle rotation. This will be calibrated in a manner so as to show the
          cycle speed at directly at the output.



                 The whole of the circuit can be broken down into 3 subheadings namely:

                Power conversion
                Input Digitization
                Pulse counting



          Power conversion circuit Schematic: This circuit generates 5V regulated DC output
          voltage and also charges the battery.

                                                                                 U1                          D9
                                                                                  LM7805C
                                                    D1                       1                     2
                                                                                       GND




                                                                                  IN       OUT               D1N5402
                                                    D1N4007          R2
                                                                     15
                                                                                       3




                                                                            D1N4007          D10
                                                    D2                                                 C2
                         D4          D5             D1N4007                                            22u
                                                               Q1
                         D1N4007
                                   D1N4007
                                               C1
DY NAMO                                        1m                   BC177        D3                               D8   LOAD
 6Vac                                               R1
  0Vdc                D1N4007                       47K                          D1N4007
                         D6          D7                                                                  D1N5402
                                     D1N4007                                 BATTERY




                                                                                              0




             o   The output is supplied by the regulator LM7805 through D9 or by the battery through D8
                 diode. The output provider is who has the highest voltage to drive the output.
o   D4-D5-D6-D7 is a bridge rectifier that converts the hub AC output to DC output. C1 filters
       the rectified voltage.

   o   The D1, D2, R1, R2, Q1 and D3 are a 30mA constant current power supply used to charge
       the battery. 30mA will be shared among micro controller and battery.

   o   The p-n-p transistor Q1 acts as a current amplifier in the circuit.

   o   R1 limits the current over D1 and D2 and polarizes the BC177 transistor (Q1).

   o   R2 defines the charging current.

   o   D3 avoids a battery current running back over Q1 'collector - base' and R1 when dynamo is
       off.

   o   D5 makes a false ground to the regulator. It makes the regulator output be raised to
       something near to 5.7volts. It was done to compensate the D6 dropout.

   o   D6 also avoids a current running back over regulator, discharging the battery when the
       dynamo is off.

   o   C2 smoothens the output of the regulator.

   o   4 Ni-cd rechargeable batteries can connected in series to provide the required power to the
       micro controller when dynamo is off.

   o   They will recharge when the dynamo is on, sharing the current with the micro controller.



Input Digitization: This circuit produces the pulses required to measure the frequency from the
sine wave input. The output is of pulse form with magnitude either 0 or 5 volts.
Pulse Counting Circuit:

   1. Circuit to provide gating pulse to the counter circuit:

                                                R3
                                                                                                    5.000V




                               8




                                                                            8
                                        X2            1M                           X1




                                 VCC




                                                                             VCC
                       2                                           2
                       4   TRIGGER         3                       4   TRIGGER         3              V1
                       5   RESET OUTPUT                            5   RESET OUTPUT         5Vdc
                       6   CONTROL                                 6   CONTROL             R4V
                                                       V
            R2         7   THRESHOLD                               7   THRESHOLD
                                 GND 4.374V                                              4.372V




                                                                             GND
                           DISCHARGE                                   DISCHARGE           1k
                                                                                 5.000V
                  R1
            47k                         555D                                       555D
                                                              C1
                               1




                                                                            1
      C2                                          4.374V
                  1k                   10n
      10u                                                  0.47u
                                       C4
                                                                                   C3
                                                                                   10n             4.132V
                                             4.372V
                                                 0V
                                        0



The left IC555 in the figure is in Astable mode.

Ton = 0.7*(R1+R2)*C2         Toff= 0.7*R1*C2

The right side IC555 is in Monostable mode.

Ton=0.7*R3*C1

When the output of the astable flipflop is low, the output of the monstable does not change.

When the output of the astable flipflop goes low, it triggers monostable multivibrator.

Pulse width of monostable vibrator is 1.7 sec. T(off)= 0.1 sec.

The outputs of both the ICs and the output pulse signal from the comparator circuit are ANDed.

The number of pulses counted during the gating period (When the outputs of both the ICs are high)
,is the speed of the bicycle in Kmph.

At the end of the gating period, output of right side IC goes low and the Title
                                                                             compliment of it goes
high. So the rising edge of monostable vibrator’s output is used to enable D flipflops.
                                                                                    <Title>

                                                                                                            Size    Document Number
                                                                                                              A     <Doc>

                                                                                                            Date:     Wednesday , February 29, 2012   Sheet
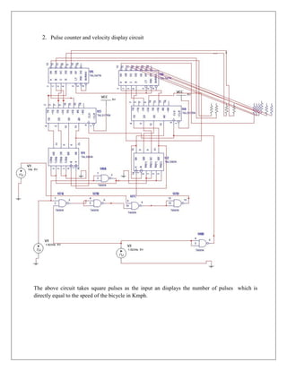
2. Pulse counter and velocity display circuit




The above circuit takes square pulses as the input an displays the number of pulses which is
directly equal to the speed of the bicycle in Kmph.
WORKING:


Let ‘N’ be the number of pulses in time ‘t’ seconds and numerically equal to the number of
kilometres per hour (kmph). For a wheel circumference of 1.884 meter [diameter of 0.6 meter],
and number of pulses equal to 4 per revolution, we get the relationship:

Assume that the dynamo is of 8 poles.

(4 * N /t) pulses = N Kmph

= (N*4*1000)/(3600*1.884) meters per second = (N*1000*10)*(3600*1.88) pulses per second.

Therefore, we get time t in seconds ~= 1.70 sec.

At this instant, i.e. at t=1.7 sec., the number (speed) N will be latched corresponding to the ‘D’
flip-flops and displayed. At t=1.8 sec., output of astable flip-flop IC1(a) goes low and remains low
for 0.1 sec. This waveform is inverted and applied to the reset terminals of all counters (active
high). Thus the counters are reset and the previous speed is displayed. The new speed is displayed
at t = 1.7 +0.1 sec. In this way the speed will be updated every 1.8 sec.

This speedo meter can measure upto a speed of 99 kmph with 1 km resolution, which is more than
sufficient for a bicycle.
Discussions:


        There is no unique way of designing a circuit and there is no circuit which is perfect in all
respects. Every circuit has its own pluses and minuses.

Pluses: The design uses frequency as the measuring parameter as opposed to the voltage since the
frequency of the dynamo output is equal to the frequency of rotation of the wheel (or its integral
multiple in case of a multi-pole dynamo). On the other hand, the dynamo voltage may or may not
be linear w.r.t the cycling speed. Added to this, practical difficulties arise during voltage
calibration, wherein the voltage might be attenuated by resistors, parasitic capacitors and diodes in
the circuit. The design is devoid of any sensors and external power supplies .The battery
(rechargeable) is maintained at zero charge initially to comply with the rules of the event. Keeping
a battery will be practical since, the circuit will not power off as the cyclist slows down after a
distance when he gets exhausted.

The design is implemented without using any microcontroller. Thus the programing is done at
hardware level, directly on logic gates and on the display. Also, the selection of the components
(resistors, capacitors and comparator IC’s) was a bit involved.

The power supply has an appreciable line regulation of 0.1 %. This is absolutely harmless for any
of the IC’s used.

Minuses: Design of the circuit is more or less complex. It could have been implemented
using a microcontroller in a much easier way.
Also, since hardware calibration is difficult and takes a lot of time and effort. (Proper pot
adjustment followed by choosing the capacitors for astable and monostable circuits).

The circuit is voluminous as such, and should be wired in a well-organized manner.

The comparator output is not a perfect square wave and results in wrong outputs many a time.

The circuit consumes a lot of power from the source since it has numerous active components as
opposed to the microcontroller wherein the microcontroller is the only load.

Circuit testing is highly time consuming.
Full circuit diagram:




VELOCITY MEASUREMENT USING MICRO CONTROLLER UNIT:




In this method, the output of the comparator is given to the digital input pin of micro controller i.e.
using the timer available and the interrupt routines, we can measure the frequency of the input,
which can be multiplied with two factors, one for the circumference of the bicycle wheel and
another for the number pulses generated by the dynamo per one rotation of the wheel. This number
of pulses depends on the number of poles of dynamo.
The code for measuring the frequency and displaying the speed:

#include <LiquidCrystal.h>

int pulseCount = 0;

LiquidCrystal lcd(12, 11, 5, 4, 3, 8);



void setup()

{

    pinMode(2,INPUT);

    lcd.begin(16, 2);

    attachInterrupt(0, interrupt, RISING);

}

void interrupt()

{

    pulseCount++;

}



void loop()

{

    attachInterrupt(0, interrupt, RISING);

    pulseCount = 0;

delay(1000);

    detachInterrupt(0);

    serviceLcd();

}
void serviceLcd()

{

    lcd.print("Speed : ");

    lcd.setCursor(0, 1);

lcd.print(pulseCount*2*3.14*0.3*0.001*3600/140);

//radius of the bicycle = 0.3m and dynamo has 4 poles

    lcd.print(" kmph");

    pulseCount=0;

}



Conclusion:


Finally, we designed a speedo meter with a resolution of 1 Kmph, which obtains the power by
converting the mechanical power delivered from cycling into regulated DC voltage, and measures
the velocity of the bicycle based on the concept of frequency measurement of pulse in the
following two ways:

      1. Using a circuit made up of linear and digital ICs and displaying the speed on seven
         segment display
      2. Using the timer in the ATMEGA Micro controller unit and displaying the speed on the
         LCD screen.

Digital Speedo Meter Powered by Dynamo

  • 1.
    IIST SPEEDOMETER USING POWER FROM DYNAMO Kosuru Sai Malleswar - Naveen Chander V. - Sahul M.P.V To Build a dynamo-speedometer system that uses the power of a running bicycle to determine its speed.
  • 2.
    Contents Conceptual Design .............................................................................................................................2 Block Diagram ................................................................................................................................... 2 Power conversion circuit Schematic .............................................................................................. 3 Input Digitization ........................................................................................................................... 4 Pulse Counting Circuit ................................................................................................................... 5 Circuit to provide gating pulse to the counter circuit ................................................................ 5 Pulse counter and velocity display circuit ................................................................................. 6 Discussions………………………………………………………………………………………….9 Full circuit diagram…………………………………………………………………………….......10 Velocity measurement using Micro controller unit………………………………………………..10 Conclusion…………………………………………………………………………………………12
  • 3.
    Conceptual Design: Both, voltage and frequency of the dynamo output varies with the speed with which a cyclist rides. The ac power from the dynamo can be rectified and regulated to produce a dc output that can be used to power the circuitry .Meanwhile; the frequency of the sinusoidal wave can be measured by the inbuilt circuitry. After this it just turns out to be a matter of calibration to get the speed displayed on the screen. We have implemented the frequency measurement in the following two ways: 1. Measurement using digital circuit and display the speed on Seven segment displays. 2. Measurement using Micro controller unit and display the speed on the LCD screen. Block Diagram: The entire speedometer can be summarized by the following block diagram: 1. The power obtained from rotation of the cycle tire is given to a dynamo, which converts mechanical power into electrical power. 2. Assumption: The dynamo’s average output is AC voltage with average amplitude of 6V and average power of 3W. 3. The dynamo’s output is converted into unregulated DC voltage using the full wave bridge rectifier circuit. 4. Then the output is fed to the current driver circuit for current amplification such that the current will be sufficient to charge the battery or drive the micro controller board.
  • 4.
    5. The outputof the current driver circuit is passed through regulator to get a constant DC output of around 5V, which can be used to power up the microcontroller board. 6. When the voltage of the battery is more than the output of the regulator, the battery will supply power to the micro controller. 7. When the output of the regulator is more than the voltage of the battery, the regulator’s output will supply the power to the micro controller and the battery will be charging. 8. The output of the dynamo is digitized and fed to a pulse counting circuit, which can be used to measure the frequency of the cycle rotation. This will be calibrated in a manner so as to show the cycle speed at directly at the output. The whole of the circuit can be broken down into 3 subheadings namely:  Power conversion  Input Digitization  Pulse counting Power conversion circuit Schematic: This circuit generates 5V regulated DC output voltage and also charges the battery. U1 D9 LM7805C D1 1 2 GND IN OUT D1N5402 D1N4007 R2 15 3 D1N4007 D10 D2 C2 D4 D5 D1N4007 22u Q1 D1N4007 D1N4007 C1 DY NAMO 1m BC177 D3 D8 LOAD 6Vac R1 0Vdc D1N4007 47K D1N4007 D6 D7 D1N5402 D1N4007 BATTERY 0 o The output is supplied by the regulator LM7805 through D9 or by the battery through D8 diode. The output provider is who has the highest voltage to drive the output.
  • 5.
    o D4-D5-D6-D7 is a bridge rectifier that converts the hub AC output to DC output. C1 filters the rectified voltage. o The D1, D2, R1, R2, Q1 and D3 are a 30mA constant current power supply used to charge the battery. 30mA will be shared among micro controller and battery. o The p-n-p transistor Q1 acts as a current amplifier in the circuit. o R1 limits the current over D1 and D2 and polarizes the BC177 transistor (Q1). o R2 defines the charging current. o D3 avoids a battery current running back over Q1 'collector - base' and R1 when dynamo is off. o D5 makes a false ground to the regulator. It makes the regulator output be raised to something near to 5.7volts. It was done to compensate the D6 dropout. o D6 also avoids a current running back over regulator, discharging the battery when the dynamo is off. o C2 smoothens the output of the regulator. o 4 Ni-cd rechargeable batteries can connected in series to provide the required power to the micro controller when dynamo is off. o They will recharge when the dynamo is on, sharing the current with the micro controller. Input Digitization: This circuit produces the pulses required to measure the frequency from the sine wave input. The output is of pulse form with magnitude either 0 or 5 volts.
  • 6.
    Pulse Counting Circuit: 1. Circuit to provide gating pulse to the counter circuit: R3 5.000V 8 8 X2 1M X1 VCC VCC 2 2 4 TRIGGER 3 4 TRIGGER 3 V1 5 RESET OUTPUT 5 RESET OUTPUT 5Vdc 6 CONTROL 6 CONTROL R4V V R2 7 THRESHOLD 7 THRESHOLD GND 4.374V 4.372V GND DISCHARGE DISCHARGE 1k 5.000V R1 47k 555D 555D C1 1 1 C2 4.374V 1k 10n 10u 0.47u C4 C3 10n 4.132V 4.372V 0V 0 The left IC555 in the figure is in Astable mode. Ton = 0.7*(R1+R2)*C2 Toff= 0.7*R1*C2 The right side IC555 is in Monostable mode. Ton=0.7*R3*C1 When the output of the astable flipflop is low, the output of the monstable does not change. When the output of the astable flipflop goes low, it triggers monostable multivibrator. Pulse width of monostable vibrator is 1.7 sec. T(off)= 0.1 sec. The outputs of both the ICs and the output pulse signal from the comparator circuit are ANDed. The number of pulses counted during the gating period (When the outputs of both the ICs are high) ,is the speed of the bicycle in Kmph. At the end of the gating period, output of right side IC goes low and the Title compliment of it goes high. So the rising edge of monostable vibrator’s output is used to enable D flipflops. <Title> Size Document Number A <Doc> Date: Wednesday , February 29, 2012 Sheet
  • 7.
    2. Pulse counterand velocity display circuit The above circuit takes square pulses as the input an displays the number of pulses which is directly equal to the speed of the bicycle in Kmph.
  • 8.
    WORKING: Let ‘N’ bethe number of pulses in time ‘t’ seconds and numerically equal to the number of kilometres per hour (kmph). For a wheel circumference of 1.884 meter [diameter of 0.6 meter], and number of pulses equal to 4 per revolution, we get the relationship: Assume that the dynamo is of 8 poles. (4 * N /t) pulses = N Kmph = (N*4*1000)/(3600*1.884) meters per second = (N*1000*10)*(3600*1.88) pulses per second. Therefore, we get time t in seconds ~= 1.70 sec. At this instant, i.e. at t=1.7 sec., the number (speed) N will be latched corresponding to the ‘D’ flip-flops and displayed. At t=1.8 sec., output of astable flip-flop IC1(a) goes low and remains low for 0.1 sec. This waveform is inverted and applied to the reset terminals of all counters (active high). Thus the counters are reset and the previous speed is displayed. The new speed is displayed at t = 1.7 +0.1 sec. In this way the speed will be updated every 1.8 sec. This speedo meter can measure upto a speed of 99 kmph with 1 km resolution, which is more than sufficient for a bicycle.
  • 9.
    Discussions: There is no unique way of designing a circuit and there is no circuit which is perfect in all respects. Every circuit has its own pluses and minuses. Pluses: The design uses frequency as the measuring parameter as opposed to the voltage since the frequency of the dynamo output is equal to the frequency of rotation of the wheel (or its integral multiple in case of a multi-pole dynamo). On the other hand, the dynamo voltage may or may not be linear w.r.t the cycling speed. Added to this, practical difficulties arise during voltage calibration, wherein the voltage might be attenuated by resistors, parasitic capacitors and diodes in the circuit. The design is devoid of any sensors and external power supplies .The battery (rechargeable) is maintained at zero charge initially to comply with the rules of the event. Keeping a battery will be practical since, the circuit will not power off as the cyclist slows down after a distance when he gets exhausted. The design is implemented without using any microcontroller. Thus the programing is done at hardware level, directly on logic gates and on the display. Also, the selection of the components (resistors, capacitors and comparator IC’s) was a bit involved. The power supply has an appreciable line regulation of 0.1 %. This is absolutely harmless for any of the IC’s used. Minuses: Design of the circuit is more or less complex. It could have been implemented using a microcontroller in a much easier way. Also, since hardware calibration is difficult and takes a lot of time and effort. (Proper pot adjustment followed by choosing the capacitors for astable and monostable circuits). The circuit is voluminous as such, and should be wired in a well-organized manner. The comparator output is not a perfect square wave and results in wrong outputs many a time. The circuit consumes a lot of power from the source since it has numerous active components as opposed to the microcontroller wherein the microcontroller is the only load. Circuit testing is highly time consuming.
  • 10.
    Full circuit diagram: VELOCITYMEASUREMENT USING MICRO CONTROLLER UNIT: In this method, the output of the comparator is given to the digital input pin of micro controller i.e. using the timer available and the interrupt routines, we can measure the frequency of the input, which can be multiplied with two factors, one for the circumference of the bicycle wheel and another for the number pulses generated by the dynamo per one rotation of the wheel. This number of pulses depends on the number of poles of dynamo.
  • 11.
    The code formeasuring the frequency and displaying the speed: #include <LiquidCrystal.h> int pulseCount = 0; LiquidCrystal lcd(12, 11, 5, 4, 3, 8); void setup() { pinMode(2,INPUT); lcd.begin(16, 2); attachInterrupt(0, interrupt, RISING); } void interrupt() { pulseCount++; } void loop() { attachInterrupt(0, interrupt, RISING); pulseCount = 0; delay(1000); detachInterrupt(0); serviceLcd(); }
  • 12.
    void serviceLcd() { lcd.print("Speed : "); lcd.setCursor(0, 1); lcd.print(pulseCount*2*3.14*0.3*0.001*3600/140); //radius of the bicycle = 0.3m and dynamo has 4 poles lcd.print(" kmph"); pulseCount=0; } Conclusion: Finally, we designed a speedo meter with a resolution of 1 Kmph, which obtains the power by converting the mechanical power delivered from cycling into regulated DC voltage, and measures the velocity of the bicycle based on the concept of frequency measurement of pulse in the following two ways: 1. Using a circuit made up of linear and digital ICs and displaying the speed on seven segment display 2. Using the timer in the ATMEGA Micro controller unit and displaying the speed on the LCD screen.