Device Modeling Report



COMPONENTS: PWM Stepping Motor Driver
PART NUMBER: TB62206FG
MANUFACTURER: TOSHIBA




              Bee Technologies Inc.




                                        1
Circuit Configuration
     U1
1    CR      TORQUE        20
2    VDD      OUT_B1       19
3    VREF_A ENABLE_B       18
4    VREF_B ENABLE_A       17
5    RS_B      OUT_B       16

                  FIN      GND

6    RS_A       OUT_A      15
7    VM      PHASE_B       14
8    CCP_C   PHASE_A       13
9    CCP_B     OUT_A1      12
10   CCP_A   STANDBY       11
                        VM = 24
     TB62206FG
                        COSC = 560PF
                        ROSC = 3.6K
                        CCP1 = 0.22UF
                        CCP2 = 0.022UF




                                         2
3
SUBCKT Block Diagram

                                                                                                                                                                                                                                                                                                                                                              VDD



                  VM                                                                          ERST_A
                                                                                            EVALUE                                                                                                                                                                                        RDD1
                                 RPU_STB               IF( V(ENABLE_A)<0.75 | V(STANDBY )<0.75 | V(ISDA)>0.75, 0, 5 )                                                                                                                                                                      2.5k
STANDBY                             RPD_STB
                                                                                             10 RRST_A                                                       U31
                                                                                             ILVA1   RST_A                                                                                        U27
                  VM                                                          IN+ OUT+                                                            1              2                  1                                                                                                                 GND
                                                                              IN- OUT-                                               PHASE_A
                                 RPU_EA                                                    CRST_A                                                                                                       3
ENABLE_A                            RPD_EA                                                   100p                                                            INV                    2                                                                                                                                                                         CR
                                                                                                                                                                                                                                              OSC
                                                                                           IC = 0                                                                                                                                                                                                               V1
                                                                                                ENFA                                                                                    AND2 U28                                                                                                         TD = 0
                  VM                                                     0                   EVALUE                                                                                 1                                                                               VOSC             V1 = 0              TF = {tosc/4}
                                 RPU_EB                  IF( V(PHASE_A)>0.75, V(IMX_A), -V(IMX_A)+100m)                                                                                                 3                                         R8                                 V2 = 5              PW = 10n
                                                                                                                                      CTRLA
ENABLE_B                            RPD_EB                                                                                                                                          2                                                           1MEG                           TD = 1.25ns               PER = {tosc}




                                                                                                                                                           2
                                                                                             10RNFA                                                                                                                                                                               TR = 10n               V1 = 1.9V
                                                                                             ILVA3       NFA                                                         U32                AND2 U29                                                                                  TF = 10n               TR = {3*tosc/4}
                  VM                                                          IN+ OUT+
                                                                                                                                                                     INV            1                                                                                       PW = {3*tosc/4}              V2 = 3.1V
                                 RPU_PA                                       IN- OUT-            CNFA                                                                                                  3                                                                     PER = {tosc}
 PHASE_A                            RPD_PA                                                          100p                                                                            2




                                                                                                                                                           1
                                                                                                                                         f chop                                                                                                           0                 0
                                                                                                  IC = 0                                                                                                                                                                                                          GND
                                                                                                                                                                                        AND2                                                                                               PARAMETERS:
                  VM                                                     0                                                                                                                                                                                    tosc = {0.523*(Cosc*Rosc+600*Cosc)}
                                                                                                                                                                                                                                             f chop




                                                                                                                                                                                                              3
                                                                                                                                                                                                              2
                                                                                                                                                                                                              1
                                 RPU_PB                                                       ERNFA
 PHASE_B                            RPD_PB                                                    EVALUE                                                                                                                        U30                                             Vchop             V1 = 0.5
                                                            IF( V(PHASE_A)>0.75, V(IMX_A)-100m, -V(IMX_A))                                                                                                                  OR3                                                                 V2 = 5
                                                                                                                                                                                                                                               R_chop                                     TD = 1.25ns
                                                                                             10 RRNFA                                                                                                                                           1MEG                                         TR = 10n
                                              GND                                               ILVA4       RNFA                                                                                                                                                                             TF = 10n
                                                                                IN+ OUT+                                                                                                                                                                                                 PW = {5*tosc}
                                                                                IN- OUT-              CRFA                                                                                                                                                                              PER = {tosc*8}




                                                                                                                                                                                                                  4
                                                                                                        100p                               Output Control (Mixed Decay Control)
                                                                                                      IC = 0                                                                                                                                              0                         0
                                                                                                                                                                                                                           R10
                                                                                                                                                                                                                                                                                                     Chopper OSC
            Input Logic                                                  0                                                                                                                                                 100
                                                                                                                                                                                                                      CTRLA1

            Current Level Set                                                                          ENFA1                                                                                            CEAA1
                                                            ETQ                                        EVALUE       10RNFA1                                                                               30p                                                 EMDA2
                                                       EVALUE                                          IF( V(RST_A)<0.75 , 0, V(NFA) )                                                                  IC = 0                                                EVALUE        RMDA2 10
                                    IF( V(TORQUE)>0.75, 1, 0.71)          RTQ                                       ILVA5        NFA1                                                                                  0                                      IF( V(PHASE_A)>0.75 & V(RST_A)<0.75, 3.5, V(MDA1) )
TORQUE                                                                                                  IN+ OUT+
                                                                       ILVA7          TQ                                                                                                                                                                                     MDCA2     MDA2
                                   R_PIN1               IN+ OUT+                                        IN- OUT-          CNFA1                                                           U19                              U20                                    IN+ OUT+
                                                                          100




                                                                                                                                                                              1
                                                        IN- OUT-                  CTQ                                        100p                                                                                                                                 IN- OUT-        CMDA2
                                 1MEG                                                                                                             PHASE_A
                                                                                  100P                                     IC = 0                                                                  3NMDC1                   2    MDA1                                                            100p
                                                                                                                                                       MDA                   2                                                                                                                 IC = 0
                        GND                              EIMX_A                                       0 ERNFA1                                                                                                             INV
                                                0        EVALUE               10 RIMX_A                  EVALUE         10 RRNFA1                                                             XOR                                            RMDA1             0
 Vref _A                                                 0.2*V(Vref _A)*V(TQ)/V(RS_A1)                   IF( V(RST_A)<0.75, 0, V(RNFA) )                                                                                                     1MEG
                                                                            ILVA2      IMX_A                             ILVA6      RNFA1
                                 R_REFA                        IN+ OUT+                                      IN+ OUT+                                                                                                                            EMDA3                                          EMDA4
                                                               IN- OUT-        CIMX_A                        IN- OUT-         CRFA1                                                                                                              EVALUE          RMDA3 10                       EVALUE        RMDA4 10
                                 1MEG
                                                                                      100P                                       100p                                                                                                    0       IF( V(PHASE_A)<0.75 & V(RST_A)<0.75, 0, V(MDA1)IF( V(PHASE_A)>0.75, V(MDA2), V(MDA3) )
                                                                                                                                                                                                                                                                                                 )
                                                                                                                               IC = 0                                               U17                     U18                                                 MDCA3     MDA3                                 MDCA4     MDA4




                                                                                                                                                                      1
                                                                                                                                                                                                                                                     IN+ OUT+                                       IN+ OUT+
                        GND                                                                                                                           PHASE_A
                                                            0                                           0                                                                                     3
                                                                                                                                                                                              1               2                                      IN- OUT-        CMDA3                          IN- OUT-        CMDA4
                                                                                                                                                                                                                           RSTCA
                                                                                                                                                           CTRLA     2                                                                                                                100p                                                        100p
                                                                                                                                                                                                            INV                                                                     IC = 0                                                      IC = 0
                                                                                                                                                                                        XOR                                              U11                            U12
                                                                                                                                                                                                                                                      0                                                  U16               0
                                                                                                                                                                                                        NMDC1                                         Q
           Current Feedback ( A )                  ERS_A
                                                                                                                                                                                              HI
                                                                                                                                                                                                        U13            1                       5NMDC4 1
                                                                                                                                                                                                                                                      A                         5          1                  4   MDA
                                                                                                                                                                                                                             J       Q                          J       Q                       TQ       Q
                                                  EVALUE        10 RRS_A
                                     ((V(VM)-V(RS_A))/V(ILA))                                                                                                                             1              2             2                                  2                                2     B            5                RMDA
                                                                                                                                                                              OSC                                            CLK                                CLK                             CLK Q                          1k
                                                              IFBA2    RS_A1




                                                                                                                                                                                                                                                                                                     R
                                                IN+ OUT+                                                                                                                                                INV            3                       6NMDC5 3                         6NMDC6
  RS_A                                          IN- OUT-                                                                                                                                                                     K       Q                          K       Q
                        G_RsA                                     CRS_A




                                                                                                                                                                                                                                                                                                  3
                                                                                                                                                                                                                                                                                                                           0




                                                                                                                                                                                                                                 R




                                                                                                                                                                                                                                                                    R
                        I(VLA)                                                                                                                                                                                                                                                                           TFFR
                                                                       100P
                                              E_VL1_A                                                        E_EA_A                                              V2




                                                                                                                                                                                                                                 4




                                                                                                                                                                                                                                                                    4
                        OUT+ IN+                                 0                0                                                                              AC =                                         NMDC2                  JKFFR                              JKFFR
                                              EVALUE                                                         EVALUE                                              TRAN =
                        OUT- IN-               I(VLA)                10 R_VLA              LIMIT(1E5*V(ILA,TRGA),5,0)     10REAA                                                                                 NMDC3
                                                                                                                                                                 DC = 5
                         GVALUE                                      IFBA1         ILA                                    IFBA4       CTRLA
                                                      IN+ OUT+                                              IN+ OUT+                                         0
            GND                       0               IN- OUT-           C_VLA                              IN- OUT-              CEAA
                                                                                                                                                                 Protection Unit (ISD)
                                                                          100p                                                      100p                                                           EVALUE                        EISDA_REF         10 RISDA_REF                                               E_ISDA
  VM                                                                                                                              IC = 0                                 R_ABILA      10           E_ABILA                       EVALUE                                                                       EVALUE          RISDA 10
                                                     ETRGA                                                                                                                          IF(I(VLA)>0,I(VLA),-I(VLA))                  IF(V(ISDA)<1 | V(STANDBY )<0.75,1.8,-0.1)                                    IF( V(AB_ILA)>V(ISDA_REF) , 5, 0)
                                               0 EVALUE          10 RTRGA                                                                                             AB_ILA              ISDA1                                                    ISDA2     ISDA_REF                                                       ISDA3    ISDA
                                                     IF(V(CTRLA1)>1,V(RNFA1),V(NFA1))                   0                                                                                        OUT+ IN+                              IN+ OUT+                                                                IN+ OUT+
                                                                  IFBA3    TRGA                                                                                                                  OUT- IN-                              IN- OUT-                                                                IN- OUT-
                                                      IN+ OUT+                                                                                                               C_ABILA                                                                                        CISDA_REF
                                                      IN- OUT-      CTRGA                                                                                                                                                                                                                                                             CISDA
                                                                                                                                                                             100p                                                                                                100p
                                                                          100p                                                                                                                                                                                                  IC = 0                                                  100p
                                                                         IC = 0                                                                                                                                                                                                                                                       IC = 0
                                               0                                                                                                                                                                   0                 0                                                                    0
                                                                                                                                                      VM                                                                                                                                                                                                 VM

                                                                                                                                                           EGUA1                                                                                                                                                                     EGUB1
                                                                                                                                                           EVALUE             RGA1 10k     S_UA1                                                                                                         S_UB1       10k RGB1         EVALUE
            Charge Pump Unit                                                                                                                          IF( V(CTRLA1)<0.75 & V(MDA4)<0.75 ,V(Ccp_A),0 )                                                                                            IF( V(CTRLB1)<0.75 & V(MDB4)<0.75 ,V(Ccp_A),0 )
                                                                                                                        EChrg                                        GU1_A       OA1 + +                                                                                                                    + +   OB1         GU1_B
                                                                                                                        IF(I(V_Q4)>10m, 3.5, 0)           IN+ OUT+                                                                                                                                                                    OUT+ IN+
                                                                                                                                                          IN- OUT-                      -
                                                                                                                                                                                        S
                                                                                                                                                                                            -                                                                                                              - S-                       OUT- IN-
                                       ECcp_C                                                          Q_Ccp_A           OUT+ IN+                                                       VON = 10V                                                                                                      VON = 10V
           V_Q4                                                                                                          OUT- IN-                       0                                                                                                                                                                                        0
                          RCcp_C 50    IF( V(STANDBY )>0.75 ,V(VCcp_C), V(VM)-0.7 )                                                                                                     VOFF = 2.5V                                                                                                    VOFF = 2.5V
                               QP4                                                             R5                         EVALUE                         EGLA1
 Ccp_C                                    OUT+ IN+                                                                                                                  0                                                                                                                                                              0 EGLB1
                                                                                               100k                                                      EVALUE               RGA3 10k     S_LA1                                                                                                            S_LB1   10k    RGB3        EVALUE
                                          OUT- IN-                                                                                                    IF( V(CTRLA1)<0.75 & V(MDA4)<0.75 ,0,V(Ccp_A) )                                                                                                IF( V(CTRLB1)<0.75 & V(MDB4)<0.75 ,0,V(Ccp_A) )
                                           EVALUE                                                                                                                    GL1_A       OA2 + +                                                                                                                           OB2          GL1_B
                                                                                                                                                                                                                                                                                                              + +
                                     ECcp_B       0                                                                                                       IN+ OUT+                                                                                                                                                                      OUT+ IN+
                                     IF( V(STANDBY )>0.75 ,V(VM)-2+V(VCcp_C)/2.5 ,V(VM)-0.7)                                                              IN- OUT-                      -
                                                                                                                                                                                        S
                                                                                                                                                                                            -                                                                                                                - S-                       OUT- IN-
                                                                                           0Ecp_on                                                                                                  VON = 10V                                                                                            VON = 10V
 Ccp_B                                OUT+ IN+                                                                                                         0                                                                                                                                                                                                 0
                                                                                            IF(V(STANDBY )>0.75, 6.5, 0)                                                                            VOFF = 2.5V                                                                                          VOFF = 2.5V
                                      OUT- IN-                                                                Rcp_on
                                         EVALUE                                                                                                                          0                                                                                                                                                                  0
                                                                                                           QP1       Cp_ON                                                                                        GND                                                                             GND
                                     ECcp_A       0                                          IN+ OUT+                                                                                                               VM                                                                           VM
                                                                                             IN- OUT-         100
                  125     R6         IF( V(STANDBY )>0.75, V(Q_Ccp_A), 0)                                                                                  EGUA2                                                                                                                                                                  EGUB2
                             QP2                                                            EVALUE                       Ccp_on                            EVALUE             RGA2 10k    S_UA2                                                                                                             S_UB2     10k RGB2      EVALUE
 Ccp_A                                OUT+ IN+
                                                                                                                         0.22uF                       IF( V(CTRLA1)>0.75 & V(MDA4)>0.75 ,V(Ccp_A),0 )                                                                                                IF( V(CTRLB1)>0.75 & V(MDB4)>0.75 ,V(Ccp_A),0 )
                                      OUT- IN-                        VCcp_C                                              IC = 0                                       GU2_A     OA3 + +                                                                                                                           OB3          GU2_B
                                                                                                                                                                                                                                                                                                               + +
                                         EVALUE         V1 = {VM-1.4}                                                                                       IN+ OUT+                                                                                                                                                                 OUT+ IN+
                                 QP3                    V2 = {CP_V2}                          PARAMETERS:                                                   IN- OUT-                    -
                                                                                                                                                                                        S
                                                                                                                                                                                           -                                                                                                                  - S-                   OUT- IN-
                                     ECcp_A1      0     TD = 0         Vcp            0       CP_PW = {800*Ccp2}                                                                        VON = 10V                                                                                                        VON = 10V
                                                                                                                                                          0                                                                  VLA                                                     VLB                                                             0
                                     V(Cp_ON)+V(VM)-2 TR = 10N                        RV_C CP_PER = {18.5u+1800*Ccp2}                                                                   VOFF = 2.5V                                                                                                      VOFF = 2.5V
                                                        TF = 10N                      100k    CP_V2 = {250E6*Ccp2}                                                           0                                         OA5                                                                                                              0
                                      OUT+ IN+          PW = {CP_PW}
                                                                                                                                                                                                                                                                                               OB5
                                      OUT- IN-          PER = {CP_PER}                        PARAMETERS:                                                  EGLA2                                                                                                                                                                  EGLB2
                                         EVALUE                                                                                                            EVALUE           RGA4 10k    S_LA2                                                                                                                 S_LB2   10k RGB4      EVALUE
                                                                                              VM = 24V
                                                                                                                                                      IF( V(CTRLA1)>0.75 & V(MDA4)>0.75 ,0,V(Ccp_A) )                                                                                                IF( V(CTRLB1)>0.75 & V(MDB4)>0.75 ,0,V(Ccp_A) )
                                                        0                0                                                                                             GL2_A     OA4 + +                                                                                                                      + +   OB4         GL2_B
                                                                                                                                                            IN+ OUT+                                                                                                                                                                 OUT+ IN+
                                                                                                                                                            IN- OUT-                    -
                                                                                                                                                                                        S
                                                                                                                                                                                            -                                                                                                                - S -                   OUT- IN-
                                                                                                                                                                                        VON = 10V                                                                                                        VON = 10V
                                                                                                                                                          0                             VOFF = 2.5V                                                                                                      VOFF = 2.5V                                 0
                                                                                                                                                                             0                                         GND                                                                     GND                                      0




                                                                                                                                                                                                                                         OUT_A1
                                                                                                                                                                                                                                              OUT_AOUT_B
                                                                                                                                                                                                                                                       OUT_B1




                                                                                                                                                                                                                                                                                                                                                               4
Phase Input vs. Phase Output Current ( 250Hz Phase Frequency )
Circuit Simulation Result

         3.0A             20V
1                 2   3


         2.5A
                          Phase A Input

         2.0A


         1.5A
                          Phase B Input

         1.0A              0V


         0.5A
                            Phase A Output Current

           0A


        -0.5A

                          >>
        -1.0A           -20V
                        0.1ms                           2.0ms         4.0ms
    1      I(U1:OUT_A1) 2     V(U1:PHASE_A)      3   V(V_PHASE_B:+)
                                                          Time


Measurement (Breadboard waveforms)




                                                                              5
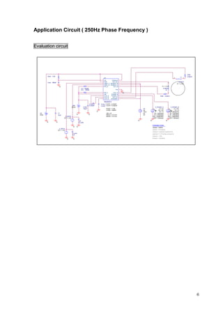
Application Circuit ( 250Hz Phase Frequency )


Evaluation circuit




                                                                                                                                                                                                 RSA
          Rosc 3.6k                                                                                                                                                                              9.8ohm
                                                                                                                                                                                        L1
                                                                                               U1                                                                           2                1
                                                                                               CR      TORQUE
          Cosc 560pF                                                                           VDD      OUT_B1                                                                       8.45mH
                                                                                                                                                                    2
                                                                                               VREF_A ENABLE_B                                                                    IC = -0.5A
                                                                                               VREF_B ENABLE_A
                            0                                                                  RS_B      OUT_B                                           IC = -0.5A
                                                               0.5    RRSB                                                                                  8.45mH
                                                               0.5     RRSA                                    FIN                                             L2
                                                                                               RS_A         OUT_A    0                                              1
                                                                                               VM        PHASE_B
                                                                                               CCP_C     PHASE_A                                    RSB        9.8ohm
                                                                                               CCP_B       OUT_A1
                                                                                               CCP_A     STANDBY

                                                                                               TB62206FG
                                                                              Cccp_2        Cccp_1 CCP1 = 0.22UF
                                                VM1                           0.022uF       0.22uF CCP2 = 0.022UF
                                               24Vdc              CVM1                                                                     V_PHASE_A                   V_PHASE_B
                                                                  100uF                             ROSC = 3.6K              V5                    V1 = 0                    V1 = 5V
                                                                                                    COSC = 560PF             0s               V V2 = 5V                   V    V2 = 0
                                                                                        0                                    10ns                  TD = 0           TD = {tphase/4}
   VD                      C1                                                                       VM = 24                  0V           TR = {trphase}              TR = {trphase}
   5Vdc                    10uF
                                                       0                  0                         RNFA = 10.7mV            5V           TF = {tf phase}             TF = {tf phase}
                                    V_REFB                                                          RNFB = 10.7mV                       PW = {pwphase}              PW = {pwphase}
                                   DC = 1.25                                                                                             PER = {tphase}              PER = {tphase}

                                                           1uF                                                           0          0                           0
          0            0                                   Cv ref B

                                                                                                                                        PARAMETERS:
                                                 0     0                                                                                f phase = 250Hz
                            V_REFA
                           DC = 1.25                                                                                                    tphase = {1/f phase}
                                                                                                                                        tdphase = {trphase+pwphase/2}
                                               Cv ref a                                                                                 pwphase = {-2*trphase+tphase/2}
                                               1uF
                                                                                                                                        trphase = 100n
                                                                                                                                        tf phase = {trphase}
                                       0         0




                                                                                                                                                                                                          6
MIXED DECAY MODE Current Waveform
Circuit Simulation Result

    800mA        4.0V
1           2
                        CR pin osc waveform
    700mA


    600mA


    500mA


                        MIXED DECAY MODE Current Ripple
    400mA          0V


    300mA


    200mA


    100mA

                   >>
       0A       -4.0V
                    64us    66us 68us 70us 72us 74us 76us    78us 80us   82us 84us
                      1      I(U1:OUT_A1) 2   V(U1:CR)
                                                   Time



Measurement (Breadboard waveforms)


                           CR pin osc waveform




                           MIXED DECAY MODE Current Ripple




                                                                                     7
MIXED DECAY MODE ( fosc=800kHz, fchop=100kHz )


Evaluation circuit




                                                                                                                                                                                    RSA
          Rosc 3.6k                                                                                                                                                                 7.5ohm
                                                                                                                                                                           L1
                                                                                            U1                                                                     2            1
                                                                                            CR      TORQUE
          Cosc 560pF                                                                        VDD      OUT_B1                                                               1.562mH
                                                                                              V                                                             2
                                                                                            VREF_A ENABLE_B                                                            IC = 0A
                                                                                            VREF_B ENABLE_A
                            0                                                               RS_B      OUT_B                                     IC = -0.5A
                                                               0.5 RRSB                                                                              1.562mH
                                                               0.5  RRSA                                   FIN                                          L2
                                                                                            RS_A         OUT_A   0                                          1
                                                                                            VM        PHASE_B
                                                                                            CCP_C     PHASE_A                                  RSB    7.5ohm
                                                                                            CCP_B       OUT_A1
                                                                                            CCP_A     STANDBY
                                                                                                                     I
                                                                                            TB62206FG
                                                                           Cccp_2        Cccp_1 CCP1 = 0.22UF
                                                VM                         0.022uF       0.22uF CCP2 = 0.022UF
                                               24Vdc              CVM
                                                                  100uF                          ROSC = 3.6K                 V5         V6                      V7
                                                                                                 COSC = 560PF                0s         0s                      0s
                                                                                     0                                       10ns       10ns                    10ns
   VD                      C1                                                                    VM = 24                     0V         0V                      0V
   5Vdc                    10uF
                                                       0                  0                      RNFA = 45mV                 5V         5V                      5V
                                    V_REFB                                                       RNFB = 45mV
                                   DC = 1.25

                                                           1uF                                                           0          0                   0
          0            0                                   Cv ref B

                                                 0     0
                            V_REFA
                           DC = 1.25

                                               Cv ref a
                                               1uF

                                       0         0




                                                                                                                                                                                             8
Charge Pump Rise Time
Circuit Simulation Result

           40V

                                                                                                                                                 Ccp 1 voltage
           35V



           30V



           25V


           20V



           15V



           10V



            5V



            0V
                 0s         0.1ms                   0.2ms  0.3ms                      0.4ms           0.5ms       0.6ms   0.7ms              0.8ms          0.9ms
                         V(Ccp_A)                   V(STANDBY)
                                                                                                       Time


Evaluation circuit

                                    STANDBY

                                                                                                                                                                                               RSA
       Rosc 3.6k                                                                                                                                                                               7.5ohm
                                                                                                                                                                                      L1
                                                                                         U1                                                                                   2            1
                                                                                         CR      TORQUE
       Cosc 560pF                                                                        VDD      OUT_B1                                                                             1.562mH
                                                                                                                                                                       2
                                                                                         VREF_A ENABLE_B                                                                          IC = 0A
                                                                                         VREF_B ENABLE_A
                         0                                                               RS_B      OUT_B                                                   IC = -0.5A
                                                            0.5 RRSB                                                                                            1.562mH
                                                            0.5  RRSA                                   FIN                                                        L2
                                                                                         RS_A         OUT_A   0                                                        1
                                                                                         VM        PHASE_B
                                                                                         CCP_C     PHASE_A                                                RSB    7.5ohm
                                                                                         CCP_B       OUT_A1
                                                                                         CCP_A     STANDBY
                                                                                           V
                                                                                         TB62206FG
                                                                        Cccp_2        Cccp_1 CCP1 = 0.22UF
                                             VM                         0.022uF       0.22uF CCP2 = 0.022UF
                                            24Vdc              CVM
                                                               100uF                          ROSC = 3.6K                     V8                   V6                      V7
                                                                                              COSC = 560PF                         V               0s                      0s
                                                                                  0                                                                10ns                    10ns
VD                      C1                                                                    VM = 24                         T1 = 0s              0V                      0V
5Vdc                    10uF
                                                    0                  0                      RNFA = 45mV                     T2 = 100us           5V                      5V
                                 V_REFB                                                       RNFB = 45mV                     V1 = 0V
                                DC = 1.25                                                                                     V2 = 0V
                                                                                                                              V3 = 5V
                                                        1uF                                                               0   T3 = 100.1us   0                     0
       0            0                                   Cv ref B

                                              0     0
                         V_REFA
                        DC = 1.25

                                            Cv ref a
                                            1uF

                                    0         0




Simulation Result

tONG (Simulation)=99.242us


                                                                                                                                                                                                  9
Reference




            10
Half Step Simulation
Circuit Simulation Result

                          15V
       1              2
                 5V

                          10V

                 0V

                           5V

                -5V

                           0V
              >>
            -10V
                                1   V(U1:PHASE_A)        2        V(U1:PHASE_B)
                          15V
       1              2
                 5V

                          10V

                 0V

                           5V

                -5V

                           0V
              >>
            -10V
                                1   V(U1:ENABLE_A)           2     V(U1:ENABLE_B)
      0.75A            2.00A
 1                2


           0A
                       1.00A



     -1.00A
                           0A

      SEL>>
     -2.00A           -0.75A

                                1   I(U1:OUT_A1)     2            I(U1:OUT_B1)
                                                                 Time




                                                                                    11
Evaluation circuit



                                                                                                                                                                                                                         RSA
       Rosc 3.6k                                                                                                                                                                                                         9.8ohm
                                                                                                                                                                                                              L1
                                                                                         U1                                                                                                          2             1
                                                                                         CR      TORQUE
       Cosc 560pF                                                                        VDD      OUT_B1                                                                                                    8.45mH
                                                                                                                                                                                         2
                                                                                         VREF_A ENABLE_B                                                                                                 IC = -0A
                                                                                         VREF_B ENABLE_A
                                                                                                                       V                                                       IC = -0.5A
                         0                                                               RS_B      OUT_B
                                                                                                                       V
                                                            0.5 RRSB                                                                                                               8.45mH
                                                            0.5  RRSA                                    FIN                                                                          L2
                                                                                         RS_A         OUT_A        0                                                                     1
                                                                                         VM        PHASE_B
                                                                                         CCP_C     PHASE_A                                                                  RSB     9.8ohm
                                                                                                                       V
                                                                                         CCP_B       OUT_A1
                                                                                                                       V
                                                                                         CCP_A     STANDBY
                                                                                                                       V5
                                                                                         TB62206FG
                                                                                                                       0s
                                                                        Cccp_2        Cccp_1 CCP1 = 0.22UF             10ns
                                             VM1                        0.022uF       0.22uF CCP2 = 0.022UF            0V
                                            24Vdc              CVM1                                                    5V          V_ENABLE_A         V_ENABLE_B                V_PHASE_A              V_PHASE_B1
                                                               100uF                          ROSC = 3.6K                                   V1 = 0           V1 = 5V                    V1 = 0                V1 = 0V
                                                                                              COSC = 560PF     0                          V2 = 5V              V2 = 0                 V2 = 5V                   V2 = 5
                                                                                  0                                                         TD = 0  TD = {tphase/8}                     TD = 0       TD = {tphase/4}
VD                      C1                                                                    VM = 24                              TR = {trphase}     TR = {trphase}           TR = {trphase}          TR = {trphase}
5Vdc                    10uF
                                                    0                  0                      RNFA = 10.7mV                        TF = {tf phase}    TF = {tf phase}          TF = {tf phase}         TF = {tf phase}
                                 V_REFB                                                       RNFB = 10.7mV                   PW = {3*pwphase/4} PW = {1*pwphase/4}          PW = {pwphase}          PW = {pwphase}
                                DC = 1.25                                                                                       PER = {tphase/2}   PER = {tphase/2}           PER = {tphase}          PER = {tphase}
                                                                                                                                                                        0
                                                        1uF                                                                   0                       0                                          0
       0            0                                   Cv ref B

                                                                                                                                                            PARAMETERS:
                                              0     0                                                                                                       f phase = 250Hz
                         V_REFA
                        DC = 1.25                                                                                                                           tphase = {1/f phase}
                                                                                                                                                            tdphase = {trphase+pwphase/2}
                                            Cv ref a                                                                                                        pwphase = {-2*trphase+tphase/2}
                                            1uF
                                                                                                                                                            trphase = 100n
                                                                                                                                                            tf phase = {trphase}
                                    0         0




Reference




                                                                                                                                                                                                                          12

TB62206FGのスパイスモデル

  • 1.
    Device Modeling Report COMPONENTS:PWM Stepping Motor Driver PART NUMBER: TB62206FG MANUFACTURER: TOSHIBA Bee Technologies Inc. 1
  • 2.
    Circuit Configuration U1 1 CR TORQUE 20 2 VDD OUT_B1 19 3 VREF_A ENABLE_B 18 4 VREF_B ENABLE_A 17 5 RS_B OUT_B 16 FIN GND 6 RS_A OUT_A 15 7 VM PHASE_B 14 8 CCP_C PHASE_A 13 9 CCP_B OUT_A1 12 10 CCP_A STANDBY 11 VM = 24 TB62206FG COSC = 560PF ROSC = 3.6K CCP1 = 0.22UF CCP2 = 0.022UF 2
  • 3.
  • 4.
    SUBCKT Block Diagram VDD VM ERST_A EVALUE RDD1 RPU_STB IF( V(ENABLE_A)<0.75 | V(STANDBY )<0.75 | V(ISDA)>0.75, 0, 5 ) 2.5k STANDBY RPD_STB 10 RRST_A U31 ILVA1 RST_A U27 VM IN+ OUT+ 1 2 1 GND IN- OUT- PHASE_A RPU_EA CRST_A 3 ENABLE_A RPD_EA 100p INV 2 CR OSC IC = 0 V1 ENFA AND2 U28 TD = 0 VM 0 EVALUE 1 VOSC V1 = 0 TF = {tosc/4} RPU_EB IF( V(PHASE_A)>0.75, V(IMX_A), -V(IMX_A)+100m) 3 R8 V2 = 5 PW = 10n CTRLA ENABLE_B RPD_EB 2 1MEG TD = 1.25ns PER = {tosc} 2 10RNFA TR = 10n V1 = 1.9V ILVA3 NFA U32 AND2 U29 TF = 10n TR = {3*tosc/4} VM IN+ OUT+ INV 1 PW = {3*tosc/4} V2 = 3.1V RPU_PA IN- OUT- CNFA 3 PER = {tosc} PHASE_A RPD_PA 100p 2 1 f chop 0 0 IC = 0 GND AND2 PARAMETERS: VM 0 tosc = {0.523*(Cosc*Rosc+600*Cosc)} f chop 3 2 1 RPU_PB ERNFA PHASE_B RPD_PB EVALUE U30 Vchop V1 = 0.5 IF( V(PHASE_A)>0.75, V(IMX_A)-100m, -V(IMX_A)) OR3 V2 = 5 R_chop TD = 1.25ns 10 RRNFA 1MEG TR = 10n GND ILVA4 RNFA TF = 10n IN+ OUT+ PW = {5*tosc} IN- OUT- CRFA PER = {tosc*8} 4 100p Output Control (Mixed Decay Control) IC = 0 0 0 R10 Chopper OSC Input Logic 0 100 CTRLA1 Current Level Set ENFA1 CEAA1 ETQ EVALUE 10RNFA1 30p EMDA2 EVALUE IF( V(RST_A)<0.75 , 0, V(NFA) ) IC = 0 EVALUE RMDA2 10 IF( V(TORQUE)>0.75, 1, 0.71) RTQ ILVA5 NFA1 0 IF( V(PHASE_A)>0.75 & V(RST_A)<0.75, 3.5, V(MDA1) ) TORQUE IN+ OUT+ ILVA7 TQ MDCA2 MDA2 R_PIN1 IN+ OUT+ IN- OUT- CNFA1 U19 U20 IN+ OUT+ 100 1 IN- OUT- CTQ 100p IN- OUT- CMDA2 1MEG PHASE_A 100P IC = 0 3NMDC1 2 MDA1 100p MDA 2 IC = 0 GND EIMX_A 0 ERNFA1 INV 0 EVALUE 10 RIMX_A EVALUE 10 RRNFA1 XOR RMDA1 0 Vref _A 0.2*V(Vref _A)*V(TQ)/V(RS_A1) IF( V(RST_A)<0.75, 0, V(RNFA) ) 1MEG ILVA2 IMX_A ILVA6 RNFA1 R_REFA IN+ OUT+ IN+ OUT+ EMDA3 EMDA4 IN- OUT- CIMX_A IN- OUT- CRFA1 EVALUE RMDA3 10 EVALUE RMDA4 10 1MEG 100P 100p 0 IF( V(PHASE_A)<0.75 & V(RST_A)<0.75, 0, V(MDA1)IF( V(PHASE_A)>0.75, V(MDA2), V(MDA3) ) ) IC = 0 U17 U18 MDCA3 MDA3 MDCA4 MDA4 1 IN+ OUT+ IN+ OUT+ GND PHASE_A 0 0 3 1 2 IN- OUT- CMDA3 IN- OUT- CMDA4 RSTCA CTRLA 2 100p 100p INV IC = 0 IC = 0 XOR U11 U12 0 U16 0 NMDC1 Q Current Feedback ( A ) ERS_A HI U13 1 5NMDC4 1 A 5 1 4 MDA J Q J Q TQ Q EVALUE 10 RRS_A ((V(VM)-V(RS_A))/V(ILA)) 1 2 2 2 2 B 5 RMDA OSC CLK CLK CLK Q 1k IFBA2 RS_A1 R IN+ OUT+ INV 3 6NMDC5 3 6NMDC6 RS_A IN- OUT- K Q K Q G_RsA CRS_A 3 0 R R I(VLA) TFFR 100P E_VL1_A E_EA_A V2 4 4 OUT+ IN+ 0 0 AC = NMDC2 JKFFR JKFFR EVALUE EVALUE TRAN = OUT- IN- I(VLA) 10 R_VLA LIMIT(1E5*V(ILA,TRGA),5,0) 10REAA NMDC3 DC = 5 GVALUE IFBA1 ILA IFBA4 CTRLA IN+ OUT+ IN+ OUT+ 0 GND 0 IN- OUT- C_VLA IN- OUT- CEAA Protection Unit (ISD) 100p 100p EVALUE EISDA_REF 10 RISDA_REF E_ISDA VM IC = 0 R_ABILA 10 E_ABILA EVALUE EVALUE RISDA 10 ETRGA IF(I(VLA)>0,I(VLA),-I(VLA)) IF(V(ISDA)<1 | V(STANDBY )<0.75,1.8,-0.1) IF( V(AB_ILA)>V(ISDA_REF) , 5, 0) 0 EVALUE 10 RTRGA AB_ILA ISDA1 ISDA2 ISDA_REF ISDA3 ISDA IF(V(CTRLA1)>1,V(RNFA1),V(NFA1)) 0 OUT+ IN+ IN+ OUT+ IN+ OUT+ IFBA3 TRGA OUT- IN- IN- OUT- IN- OUT- IN+ OUT+ C_ABILA CISDA_REF IN- OUT- CTRGA CISDA 100p 100p 100p IC = 0 100p IC = 0 IC = 0 0 0 0 0 VM VM EGUA1 EGUB1 EVALUE RGA1 10k S_UA1 S_UB1 10k RGB1 EVALUE Charge Pump Unit IF( V(CTRLA1)<0.75 & V(MDA4)<0.75 ,V(Ccp_A),0 ) IF( V(CTRLB1)<0.75 & V(MDB4)<0.75 ,V(Ccp_A),0 ) EChrg GU1_A OA1 + + + + OB1 GU1_B IF(I(V_Q4)>10m, 3.5, 0) IN+ OUT+ OUT+ IN+ IN- OUT- - S - - S- OUT- IN- ECcp_C Q_Ccp_A OUT+ IN+ VON = 10V VON = 10V V_Q4 OUT- IN- 0 0 RCcp_C 50 IF( V(STANDBY )>0.75 ,V(VCcp_C), V(VM)-0.7 ) VOFF = 2.5V VOFF = 2.5V QP4 R5 EVALUE EGLA1 Ccp_C OUT+ IN+ 0 0 EGLB1 100k EVALUE RGA3 10k S_LA1 S_LB1 10k RGB3 EVALUE OUT- IN- IF( V(CTRLA1)<0.75 & V(MDA4)<0.75 ,0,V(Ccp_A) ) IF( V(CTRLB1)<0.75 & V(MDB4)<0.75 ,0,V(Ccp_A) ) EVALUE GL1_A OA2 + + OB2 GL1_B + + ECcp_B 0 IN+ OUT+ OUT+ IN+ IF( V(STANDBY )>0.75 ,V(VM)-2+V(VCcp_C)/2.5 ,V(VM)-0.7) IN- OUT- - S - - S- OUT- IN- 0Ecp_on VON = 10V VON = 10V Ccp_B OUT+ IN+ 0 0 IF(V(STANDBY )>0.75, 6.5, 0) VOFF = 2.5V VOFF = 2.5V OUT- IN- Rcp_on EVALUE 0 0 QP1 Cp_ON GND GND ECcp_A 0 IN+ OUT+ VM VM IN- OUT- 100 125 R6 IF( V(STANDBY )>0.75, V(Q_Ccp_A), 0) EGUA2 EGUB2 QP2 EVALUE Ccp_on EVALUE RGA2 10k S_UA2 S_UB2 10k RGB2 EVALUE Ccp_A OUT+ IN+ 0.22uF IF( V(CTRLA1)>0.75 & V(MDA4)>0.75 ,V(Ccp_A),0 ) IF( V(CTRLB1)>0.75 & V(MDB4)>0.75 ,V(Ccp_A),0 ) OUT- IN- VCcp_C IC = 0 GU2_A OA3 + + OB3 GU2_B + + EVALUE V1 = {VM-1.4} IN+ OUT+ OUT+ IN+ QP3 V2 = {CP_V2} PARAMETERS: IN- OUT- - S - - S- OUT- IN- ECcp_A1 0 TD = 0 Vcp 0 CP_PW = {800*Ccp2} VON = 10V VON = 10V 0 VLA VLB 0 V(Cp_ON)+V(VM)-2 TR = 10N RV_C CP_PER = {18.5u+1800*Ccp2} VOFF = 2.5V VOFF = 2.5V TF = 10N 100k CP_V2 = {250E6*Ccp2} 0 OA5 0 OUT+ IN+ PW = {CP_PW} OB5 OUT- IN- PER = {CP_PER} PARAMETERS: EGLA2 EGLB2 EVALUE EVALUE RGA4 10k S_LA2 S_LB2 10k RGB4 EVALUE VM = 24V IF( V(CTRLA1)>0.75 & V(MDA4)>0.75 ,0,V(Ccp_A) ) IF( V(CTRLB1)>0.75 & V(MDB4)>0.75 ,0,V(Ccp_A) ) 0 0 GL2_A OA4 + + + + OB4 GL2_B IN+ OUT+ OUT+ IN+ IN- OUT- - S - - S - OUT- IN- VON = 10V VON = 10V 0 VOFF = 2.5V VOFF = 2.5V 0 0 GND GND 0 OUT_A1 OUT_AOUT_B OUT_B1 4
  • 5.
    Phase Input vs.Phase Output Current ( 250Hz Phase Frequency ) Circuit Simulation Result 3.0A 20V 1 2 3 2.5A Phase A Input 2.0A 1.5A Phase B Input 1.0A 0V 0.5A Phase A Output Current 0A -0.5A >> -1.0A -20V 0.1ms 2.0ms 4.0ms 1 I(U1:OUT_A1) 2 V(U1:PHASE_A) 3 V(V_PHASE_B:+) Time Measurement (Breadboard waveforms) 5
  • 6.
    Application Circuit (250Hz Phase Frequency ) Evaluation circuit RSA Rosc 3.6k 9.8ohm L1 U1 2 1 CR TORQUE Cosc 560pF VDD OUT_B1 8.45mH 2 VREF_A ENABLE_B IC = -0.5A VREF_B ENABLE_A 0 RS_B OUT_B IC = -0.5A 0.5 RRSB 8.45mH 0.5 RRSA FIN L2 RS_A OUT_A 0 1 VM PHASE_B CCP_C PHASE_A RSB 9.8ohm CCP_B OUT_A1 CCP_A STANDBY TB62206FG Cccp_2 Cccp_1 CCP1 = 0.22UF VM1 0.022uF 0.22uF CCP2 = 0.022UF 24Vdc CVM1 V_PHASE_A V_PHASE_B 100uF ROSC = 3.6K V5 V1 = 0 V1 = 5V COSC = 560PF 0s V V2 = 5V V V2 = 0 0 10ns TD = 0 TD = {tphase/4} VD C1 VM = 24 0V TR = {trphase} TR = {trphase} 5Vdc 10uF 0 0 RNFA = 10.7mV 5V TF = {tf phase} TF = {tf phase} V_REFB RNFB = 10.7mV PW = {pwphase} PW = {pwphase} DC = 1.25 PER = {tphase} PER = {tphase} 1uF 0 0 0 0 0 Cv ref B PARAMETERS: 0 0 f phase = 250Hz V_REFA DC = 1.25 tphase = {1/f phase} tdphase = {trphase+pwphase/2} Cv ref a pwphase = {-2*trphase+tphase/2} 1uF trphase = 100n tf phase = {trphase} 0 0 6
  • 7.
    MIXED DECAY MODECurrent Waveform Circuit Simulation Result 800mA 4.0V 1 2 CR pin osc waveform 700mA 600mA 500mA MIXED DECAY MODE Current Ripple 400mA 0V 300mA 200mA 100mA >> 0A -4.0V 64us 66us 68us 70us 72us 74us 76us 78us 80us 82us 84us 1 I(U1:OUT_A1) 2 V(U1:CR) Time Measurement (Breadboard waveforms) CR pin osc waveform MIXED DECAY MODE Current Ripple 7
  • 8.
    MIXED DECAY MODE( fosc=800kHz, fchop=100kHz ) Evaluation circuit RSA Rosc 3.6k 7.5ohm L1 U1 2 1 CR TORQUE Cosc 560pF VDD OUT_B1 1.562mH V 2 VREF_A ENABLE_B IC = 0A VREF_B ENABLE_A 0 RS_B OUT_B IC = -0.5A 0.5 RRSB 1.562mH 0.5 RRSA FIN L2 RS_A OUT_A 0 1 VM PHASE_B CCP_C PHASE_A RSB 7.5ohm CCP_B OUT_A1 CCP_A STANDBY I TB62206FG Cccp_2 Cccp_1 CCP1 = 0.22UF VM 0.022uF 0.22uF CCP2 = 0.022UF 24Vdc CVM 100uF ROSC = 3.6K V5 V6 V7 COSC = 560PF 0s 0s 0s 0 10ns 10ns 10ns VD C1 VM = 24 0V 0V 0V 5Vdc 10uF 0 0 RNFA = 45mV 5V 5V 5V V_REFB RNFB = 45mV DC = 1.25 1uF 0 0 0 0 0 Cv ref B 0 0 V_REFA DC = 1.25 Cv ref a 1uF 0 0 8
  • 9.
    Charge Pump RiseTime Circuit Simulation Result 40V Ccp 1 voltage 35V 30V 25V 20V 15V 10V 5V 0V 0s 0.1ms 0.2ms 0.3ms 0.4ms 0.5ms 0.6ms 0.7ms 0.8ms 0.9ms V(Ccp_A) V(STANDBY) Time Evaluation circuit STANDBY RSA Rosc 3.6k 7.5ohm L1 U1 2 1 CR TORQUE Cosc 560pF VDD OUT_B1 1.562mH 2 VREF_A ENABLE_B IC = 0A VREF_B ENABLE_A 0 RS_B OUT_B IC = -0.5A 0.5 RRSB 1.562mH 0.5 RRSA FIN L2 RS_A OUT_A 0 1 VM PHASE_B CCP_C PHASE_A RSB 7.5ohm CCP_B OUT_A1 CCP_A STANDBY V TB62206FG Cccp_2 Cccp_1 CCP1 = 0.22UF VM 0.022uF 0.22uF CCP2 = 0.022UF 24Vdc CVM 100uF ROSC = 3.6K V8 V6 V7 COSC = 560PF V 0s 0s 0 10ns 10ns VD C1 VM = 24 T1 = 0s 0V 0V 5Vdc 10uF 0 0 RNFA = 45mV T2 = 100us 5V 5V V_REFB RNFB = 45mV V1 = 0V DC = 1.25 V2 = 0V V3 = 5V 1uF 0 T3 = 100.1us 0 0 0 0 Cv ref B 0 0 V_REFA DC = 1.25 Cv ref a 1uF 0 0 Simulation Result tONG (Simulation)=99.242us 9
  • 10.
  • 11.
    Half Step Simulation CircuitSimulation Result 15V 1 2 5V 10V 0V 5V -5V 0V >> -10V 1 V(U1:PHASE_A) 2 V(U1:PHASE_B) 15V 1 2 5V 10V 0V 5V -5V 0V >> -10V 1 V(U1:ENABLE_A) 2 V(U1:ENABLE_B) 0.75A 2.00A 1 2 0A 1.00A -1.00A 0A SEL>> -2.00A -0.75A 1 I(U1:OUT_A1) 2 I(U1:OUT_B1) Time 11
  • 12.
    Evaluation circuit RSA Rosc 3.6k 9.8ohm L1 U1 2 1 CR TORQUE Cosc 560pF VDD OUT_B1 8.45mH 2 VREF_A ENABLE_B IC = -0A VREF_B ENABLE_A V IC = -0.5A 0 RS_B OUT_B V 0.5 RRSB 8.45mH 0.5 RRSA FIN L2 RS_A OUT_A 0 1 VM PHASE_B CCP_C PHASE_A RSB 9.8ohm V CCP_B OUT_A1 V CCP_A STANDBY V5 TB62206FG 0s Cccp_2 Cccp_1 CCP1 = 0.22UF 10ns VM1 0.022uF 0.22uF CCP2 = 0.022UF 0V 24Vdc CVM1 5V V_ENABLE_A V_ENABLE_B V_PHASE_A V_PHASE_B1 100uF ROSC = 3.6K V1 = 0 V1 = 5V V1 = 0 V1 = 0V COSC = 560PF 0 V2 = 5V V2 = 0 V2 = 5V V2 = 5 0 TD = 0 TD = {tphase/8} TD = 0 TD = {tphase/4} VD C1 VM = 24 TR = {trphase} TR = {trphase} TR = {trphase} TR = {trphase} 5Vdc 10uF 0 0 RNFA = 10.7mV TF = {tf phase} TF = {tf phase} TF = {tf phase} TF = {tf phase} V_REFB RNFB = 10.7mV PW = {3*pwphase/4} PW = {1*pwphase/4} PW = {pwphase} PW = {pwphase} DC = 1.25 PER = {tphase/2} PER = {tphase/2} PER = {tphase} PER = {tphase} 0 1uF 0 0 0 0 0 Cv ref B PARAMETERS: 0 0 f phase = 250Hz V_REFA DC = 1.25 tphase = {1/f phase} tdphase = {trphase+pwphase/2} Cv ref a pwphase = {-2*trphase+tphase/2} 1uF trphase = 100n tf phase = {trphase} 0 0 Reference 12