M.G. COLLEGE OF ENGINEERING
VANDITHADAM, THIRUVALLAM, THIRUVANANTHAPURAM-695027
DEPARTMENT OF ELECTRICAL AND ELECTRONICS ENGINEERING
NOVEMBER 2013
PROJECT REPORT
ON
AUTOMATIC VOLTAGE CONTROL OF
TRANSFORMER USING MICROCONTROLLER
AND SCADA
Submitted in partial fulfillment of the requirements of the award of B.Tech on
Electrical and Electronics Engineering
of the Cochin University of Science and Technology(CUSAT)
Submitted by:
AJESH JACOB(19113203)
TABLE OF CONTENTS
SL NO: CHAPTERS PAGE NO:
1 INTRODUCTION 1
2 WAY OF STUDY 3
3 PARAMETERS CONSIDERING 4
3.1 ANALOG PARAMETERS: 5
3.2 LOGIC PARAMETER: 5
4 FUNCTIONAL BLOCK DIAGRAM 5
4.1 MAIN HARDWARES 5
4.1.1 MICROCONTROLLER 5
4.1.2 RS232 5
4.1.3 TEMPERATURE SENSOR 5
4.1.4 DUAL FULL BRIDGE DRIVER 6
5 SOFTWARES 6
5.1 LAB VIEW 6
6 CIRCUIT DIAGRAM 7
7 SCADA 8
8 ESTIMATION OF PROJECT 8
9 CONCLUSION 9
REFERENCE 9
LIST OF FIGURES
FIG NO CONTENT PAGE NO
1. FUNCTIONAL BLOCK DIAGRAM 5
2. CIRCUIT DIAGRAM 7
1
AUTOMATIC VOLTAGE CONTROL OF
TRANSFORMER USING MICROCONTROLLER
AND SCADA
Ajesh Jacob(19113203)
S7,Department of Electrical and Electronics Engineering
MG COLLEGE OF ENGINEERING
ABSTRACT: A tap changer control operates to connect appropriate tap position of winding
in power transformers to maintain correct voltage level in the power transmission and
distribution system. Automatic tap changing can be implemented by using µC. This improved
tap-changing decision and operational flexibility of this new technique make it attractive for
deployment in practical power system network. This paper deals with the implementation of
µC based tap changer control practically, using special purpose digital hardware as a built-in
semiconductor chip or software simulation in conventional computers. Two strategies are
suggested for its implementation as a software module in the paper. One is to integrate it with
the supervisory system in a substation control room operating in a LAN environment. In this
configuration, the parallel transformers can be controlled locally. The other is to integrate it
into the SCADA (Supervisory Control and Data Acquisition) system, which allows the
transformers to be monitored and controlled remotely over a wide area of power-network. The
implementation of µC based tap changer control needs interfacing between the power system
and the control circuitry. µC s may need to interact with people for the purpose of
configuration, alarm reporting or everyday control.
A human-machine interface (HMI) is employed for this purpose. An HMI is usually linked to
the SCADA system’s databases and software programs, to provide trending, diagnostic data,
and management information such as scheduled maintenance procedures, logistic
information, detailed schematics for a particular sensor or machine, and expert-system
troubleshooting guides.
CHAPTER 1
INTRODUCTION
There are vast opportunities to improve energy use efficiency by eliminating waste through
process optimization. Applying today’s computing and control equipment and techniques is one
of the most cost-effective and significant opportunities for larger energy users to reduce their
energy costs and improve profits. An Energy Management Information System (EMIS) is an
important element of a comprehensive energy management program. It provides relevant
information to key individuals and departments that enable them to improve energy performance.
Today it is normal for companies, particularly in process sectors, to collect huge amounts of real-
2
time data from automated control systems, including microcontrollers, Supervisory Control and
Data Acquisition (SCADA), etc. The captured data is shared and analysed in an orderly and
precise way that identifies problem areas and provides solutions, this mass of data is merely
information overload. Advances in information technology (IT), defined here as the use of
computers to collect, analyses, control and distribute data, have developed rapidly. It is now
common for managers and operators to have access to powerful computers and software. Today
there are a number of techniques to analyses the factors that affect efficiency, and models are
automatically generated based on “what if” scenarios in order to improve decisions to be taken.
The paper shows a very advanced technology for handling automatically more than 200 digital
and analogue (i/p and o/p) parameters via intelligent monitoring and controlling system.
However, load management is the process of scheduling the loads to reduce the electric energy
consumption and or the maximum demand. It is basically optimizing the processes/loads to
improve the system load factor. Load-management procedures involve changes to equipment
and/or consumption patterns on the customer side. There are many methods of load management
which can be followed by an industry or a utility, such as load shedding and restoring, load
shifting, installing energy-efficient processes and equipment, energy storage devices, co-
generation, non-conventional sources of energy, and reactive power control Meeting the peak
demand is one of the major problems now facing the electric utilities. With the existing
generating capacity being unmanageable, authorities are forced to implement load shedding in
various sectors during most of the seasons. Load shifting will be a better option for most
industries. Load shifting basically means scheduling the load in such a way that loads are
diverted from peak period to off-peak periods, thereby shaving the peak and filling the valley of
the load curve, so improving the load factor .To encourage load shifting in industries, and
thereby to reduce peak demand automatically, Also, power quality is of major concern to all
types of industries, especially those operating with critical machinery and equipments. Poor
quality of power leads to major problems like break-downs, production interruptions, excess
energy consumption etc. Modern industries require automation of their operation enabling them
to produce quality products and also for mass production. The conventional systems are being
replaced by modern Power Electronic systems, bringing a variety of advantages to the users.
Classic examples are DC & AC Drives, UPS, soft starters, etc. Power Quality Alarming and
Analysis provides a comprehensive view into a facility's electrical distribution system. Power
Quality can be monitored at the electrical mains or at any critical feeder branch in the
distribution system such as described here. Devices in this category typically provide all of the
parameters found in basic devices, plus advanced analysis capabilities [7]-[8]. These advanced
analysis capabilities include using waveform capture to collect and view waveform shape and
magnitude, providing harmonic analysis graphs, collection and storage of events and data, and
recording single or multiple cycle waveforms based on triggers such as overvoltage or transients.
With the ever-increasing use of sophisticated controls and equipment in industrial, commercial,
and governmental facilities, the continuity, reliability, and quality of electrical service has
become extremely crucial to many power users. Electrical systems are subject to a wide variety
3
of power quality problems which can interrupt production processes, affect sensitive equipment,
and cause downtime, scrap, and capacity losses. Momentary voltage fluctuations can disastrously
impact production . the proposed modified intelligent monitoring and controlling system will
introduce monitoring, alarming, controlling, and power quality mitigation based on data
collected and analyzed from the system.
OBJECTIVES: The original system can afford the following features:
- Complete information about the plant (circuit breakers status, source of feeding, and level of
the consumed power).
- Information about the operating values of the voltage, operating values of the transformers,
operating values of the medium voltage, load feeders, operating values of the generators. These
values will assist in getting any action to return the plant to its normal operation by minimum
costs.
- Information about the quality of the system (harmonics, current, voltages, power factors,
flickers, etc.). These values will be very essential in case of future correction.
- Recorded information such case voltage spikes, reducing the voltage on the medium or current
interruption.
- implementation of µC based tap changer control practically, using special purpose digital
hardware as a built-in semiconductor chip or software simulation in conventional computers.
CHAPTER 2
WAY OF STUDY
Searching for a new trend topic
Select the topic
Sketching the block diagram
List out the components needed
Googling the properties of each components
Select the apt components
Rough sketching the circuit diagram
Calculating the cost of project
4
Plan to study the software part
Correcting the circuit by designing the values of components
Implementing the circuit
Presenting the project
CHAPTER 3
PARAMETERS CONSIDERING;
3.1 ANALOG PARAMETERS:
1. Incoming Voltage
2. Bus Voltage
3. 3 - Feeder Current
4. Max Bus Current
5. Incoming Current
6. Power
7. Active Power
8. Power Factor
9. Frequency
3.2. LOGIC PARAMETER:
1. over Heat Protection
2. Flame Identification
3. Trespassing Identification
5
CHAPTER 4
FUNCTIONAL BLOCK DIAGRAM
4.1 MAIN HARDWARES
4.1.1.MICROCONTROLLER: The PIC16F87XA is a low power CMOS 8-bit microcontroller
based on the AVR enhanced RISC architecture by executing powerful instructions clock cycle,
achieves through PIC16F87XA puts approaching 1MIPS/MHz allowing the system designer to
optimize power consumption versus processing speed.
4.1.2. RS-232: In telecommunications, RS-232 is a standard for serial data communication.
.interconnection between a DTE (Data terminal equipment) and a DCE(Data Circuit-terminating
Equipment).it is commonly used in computer serial ports. is commonly used in computer serial
ports.
4.1.3. TEMPERATURE SENSOR: The Temperature sensor detector is designed for the
security practice. This sensor buffers a piezoelectric transducer. As the transducer is displaced
from the mechanical neutral axis, bending creates strain within the piezoelectric element and
generates voltages. When vibration Temperature sensor alarm recognizes temperature it sends a
signal to either control panel developed a new type of Omni-directional high sensitivity security
vibrational temperature detector with Omni-directional detection.
6
4.1.4. DUAL FULL BRIDGE DRIVER: The L298 is an integrated monolithic circuit in a 15-
lead Multi-watt and PowerSO20 packages. It is a high voltage, high current dual full-bridge
driver designed to accept standard TTL logic levels and drive inductive loads such as relays,
solenoids, DC and stepping motors. Two enable inputs are provided to enable or disable the
device independently of the input signals. The emitters of the lower transistors of each bridge are
connected together and the corresponding external terminal can be used for the connection of an
external sensing resistor. An additional supply input is provided so that the logic works at a
lower voltage.
CHAPTER 5
SOFTWARE
5.1. Lab VIEW: (short for Laboratory Virtual Instrument Engineering Workbench) is a
system-design platform and development environment for a visual programming language from
National Instruments. The graphical language is named "G" (not to be confused with G-code).
Originally released for the Apple Macintosh in 1986, LabVIEW is commonly used for data
acquisition, instrument control, and industrial automation on a variety of platforms including
Microsoft Windows, various versions of UNIX, Linux, and Mac OS X. The programming
language used in LabVIEW, also referred to as G, is a dataflow programming language.
Execution is determined by the structure of a graphical block diagram (the LV-source code) on
which the programmer connects different function-nodes by drawing wires. These wires
propagate variables and any node can execute as soon as all its input data become available.
Since this might be the case for multiple nodes simultaneously, G is inherently capable of
parallel execution. Multi-processing and multi-threading hardware is automatically exploited by
the built-in scheduler, which multiplexes multiple OS threads over the nodes ready for
executions.
In terms of performance, LabVIEW includes a compiler that produces native code for the CPU
platform. The graphical code is translated into executable machine code by interpreting the
syntax and by compilation. The LabVIEW syntax is strictly enforced during the editing process
and compiled into the executable machine code when requested to run or upon saving. In the
latter case, the executable and the source code are merged into a single file. The executable runs
with the help of the LabVIEW run-time engine, which contains some precompiled code to
perform common tasks that are defined by the G language. The run-time engine reduces compile
time and also provides a consistent interface to various operating systems, graphic systems,
hardware components, etc. The run-time environment makes the code portable across platforms.
Generally, LabVIEW code can be slower than equivalent compiled C code, although the
differences often lie more with program optimization than inherent execution speed. Libraries
with a large number of functions for data acquisition, signal generation, mathematics, statistics,
signal conditioning, analysis, etc., along with numerous graphical interface elements are
7
provided in several LabVIEW package options. The number of advanced mathematic blocks for
functions such as integration, filters, and other specialized capabilities usually associated with
data capture from hardware sensors is immense. In addition, LabVIEW includes a text-based
programming component called MathScript with additional functionality for signal processing,
analysis and mathematics. MathScript can be integrated with graphical programming using
"script nodes" and uses a syntax that is generally compatible with MATLAB.
CHAPTER 6
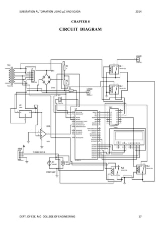
CIRCUIT DIAGRAM
8
CHAPTER 7
SCADA FOR POWER SYSTEM AUTOMATION
Automation of power distribution system has increasingly been adopted by power utilities
worldwide in recent years. As part of its efforts to provide a more reliable supply to the customer
and to enhance operational efficiency. The automation of the power system can be achieved by
SCADA. It is a boon to the automation concept of dynamic technology. SCADA refers to
“SUPERVISORY CONTROL&DATA ACQUISITION”. This paper presents the approach
adopted in implementing the SCADA system and the benefits accrued through incorporating
system. Electric power distribution system is an important part of electric power system in
delivery of electricity to consumers. Electric power utilities worldwide are increasingly adopting
the computer aided monitoring, control and management of electric power distribution system to
provide better service to electric consumers. Therefore research and development activities
worldwide are being carried out to automate the electric power distribution system utilizing
recent advancement in the area of information technology and data communication system. This
paper reports the present and past status of the research and development activities in the area of
electric power distribution automation both in developed as well as in developing countries. The
information given in this paper is useful to electric power distribution utilities and academicians
involved in research and development activities in the area of power distribution automation.
Even public sectors like TNEB has installed SCADA for monitor & control ninety-five
substations in the CHENNAI metro for this, We are trying to reproduce SCADA in a computer
based SCADA system equipped with automated generation control function is proposed. To
supervise and control the generation and transmission system as well as to cater for their
increasing sophistication in system operation and coordination. In order to serve such a high
number of RTU by a control centre and to avoid any communication bottleneck at the master
station, a distributed system approach is suggested.
CHAPTER 8
ESTIMATION OF PROJECT
SL NO PURPOSES PRICE RATE
1 programming 5000/-
2 Layout designing 3000/-
3 components 5000/-
4 Circuit designing 3000/-
5 others 5000/-
6 Total 21,000/-
9
CHAPTER 9
CONCLUSION
This paper deals with the implementation of µC based tap changer control practically, using
special purpose digital hardware as a built-in semiconductor chip or software simulation in
conventional computers. Two strategies are suggested for its implementation as a software
module in the paper. One is to integrate it with the supervisory system in a substation control
room operating in a LAN environment. In this configuration, the parallel transformers can be
controlled locally. The other is to integrate it into the SCADA (Supervisory Control and Data
Acquisition) system, which allows the transformers to be monitored and controlled remotely
over a wide area of power-network. The implementation of µC based tap changer control
needs interfacing between the power system and the control circuitry. µC s may need to
interact with people for the purpose of configuration, alarm reporting or everyday control.
REFERENCE
[1] M. R. Mcrae, R. M. Seheer and B. A. Smith, "Integrating Load Management Programs into Utility
Operations and Planning with a Load Reduction Forecasting System," IEEE Trans., Vol PAS-104, No. 6, pp.
1321- 1325, June 1985.
[2] C. W. Gellings, "Interruptible Load Management into Utility Planning", IEEE Trans. Vol.PAS-104, No.8,
pp.2079-2085, August 1985[3] C. W. Gellings, A. C. Johnson and P. Yatcko, "Load Management Assessment
Methodologyat PSE&G", IEEE Trans.,Vol. PAS-101, No.9, pp. 3349-3355, September,1982.
[4] C. Alvarez, R.P. Malhame, A. Gabaldon, “A class of models for load management application and
evaluation revisited”, IEEE Transaction on Power Systems, Vol. 7, No. 4, pp. 1435, Novemebr-1992.
[5] L Ma Isaksen and N.W. Simons, “Bibliographyand load management”, IEEE Transactions on Power
Apparatus and Systems 1981: PAS-100(5):1981.
[6] J.N. Sheen et al, “TOU pricing of electricity for load management in Taiwan power company”, IEEE Trans
on Power Systems 1994.
[7] Meier, Alexandra von (2006). Electric Power Systems: A Conceptual Introduction. John Wiley & Sons, Inc.
ISBN 978-0-471-17859.
[8] Kusko, Alex; Marc Thompson (2007). Power Quality in Electrical Systems. McGraw Hill. ISBN 978-
0071470759.
[9] M.M. Eissa. Demand Side Management Program Evaluation Based on Industrial and Commercial Field
Data. Energy Policy 39 (October, 2011) 5961–5969.
SUBSTATION AUTOMATION USING µC AND SCADA 2014
DEPT. OF EEE, MG COLLEGE OF ENGINEERING 1
CHAPTER 1
INTRODUCTION
There are vast opportunities to improve energy use efficiency by eliminating waste through
process optimization. Applying today’s computing and control equipment and techniques is
one of the most cost-effective and significant opportunities for larger energy users to reduce
their energy costs and improve profits. An Energy Management Information System (EMIS)
is an important element of a comprehensive energy management program. It provides relevant
information to key individuals and departments that enable them to improve energy
performance. Today it is normal for companies, particularly in process sectors, to collect huge
amounts of real-time data from automated control systems, including Programmable Logic
Controllers (PLCs), Supervisory Control and Data Acquisition (SCADA), etc. The captured
data is shared and analysed in an orderly and precise way that identifies problem areas and
provides solutions, this mass of data is merely information overload. Advances in information
technology (IT), defined here as the use of computers to collect, analyse, control and distribute
data, have developed rapidly. It is now common for managers and operators to have access to
powerful computers and software. Today there are a number of techniques to analyse the
factors that affect efficiency, and models are automatically generated based on “what if”
scenarios in order to improve decisions to be taken. The paper shows a very advanced
technology for handling automatically, digital and analogue (i/p and o/p) parameters via
intelligent monitoring and controlling system.
A tap changer control operates to connect appropriate tap position of winding in power
transformers to maintain correct voltage level in the power transmission and distribution
system. Automatic tap changing can be implemented by using µC. This improved tap-changing
decision and operational flexibility of this new technique make it attractive for deployment in
practical power system network. This paper deals with the implementation of µC based tap
changer control practically, using special purpose digital hardware as a built-in semiconductor
chip or software simulation in conventional computers. Two strategies are suggested for its
implementation as a software module in the paper. One is to integrate it with the supervisory
system in a substation control room operating in a LAN environment. In this configuration, the
parallel transformers can be controlled locally. The other is to integrate it into the SCADA
(Supervisory Control and Data Acquisition) system, which allows the transformers to be
monitored and controlled remotely over a wide area of power-network. The implementation of
µC based tap changer control needs interfacing between the power system and the control
circuitry. µC s may need to interact with people for the purpose of configuration, alarm
reporting or everyday control.
A human-machine interface (HMI) is employed for this purpose. An HMI is usually linked to
the SCADA system’s databases and software programs, to provide trending, diagnostic data,
and management information such as scheduled maintenance procedures, logistic information,
detailed schematics for a particular sensor or machine, and expert-system troubleshooting
guides.
SUBSTATION AUTOMATION USING µC AND SCADA 2014
DEPT. OF EEE, MG COLLEGE OF ENGINEERING 2
However, load management is the process of scheduling the loads to reduce the electric energy
consumption and or the maximum demand. It is basically optimizing the processes/loads to
improve the system load factor. Load-management procedures involve changes to equipment
and/or consumption patterns on the customer side. There are many methods of load
management which can be followed by an industry or a utility, such as load shedding and
restoring, load shifting, installing energy-efficient processes and equipment, energy storage
devices, co- generation, non-conventional sources of energy, and reactive power control
Meeting the peak demand is one of the major problems now facing the electric utilities.
With the existing generating capacity being unmanageable, authorities are forced to implement
load shedding in various sectors during most of the seasons. Load shifting will be a better
option for most industries. Load shifting basically means scheduling the load in such a way
that loads are diverted from peak period to off-peak periods, thereby shaving the peak and
filling the valley of the load curve, so improving the load factor .To encourage load shifting in
industries, and thereby to reduce peak demand automatically, Also, power quality is of major
concern to all types of industries, especially those operating with critical machinery and
equipment. Poor quality of power leads to major problems like break-downs, production
interruptions, excess energy consumption etc. Modern industries require automation of their
operation enabling them to produce quality products and also for mass production. The
conventional systems are being replaced by modern Power Electronic systems, bringing a
variety of advantages to the users. Classic examples are DC & AC Drives, UPS, soft starters,
etc. Power Quality Alarming and Analysis provides a comprehensive view into a facility's
electrical distribution system. Power Quality can be monitored at the electrical mains or
at any critical feeder branch in the distribution system such as described here. Devices in
this category typically provide all of the parameters found in basic devices, plus advanced
analysis capabilities. These advanced analysis capabilities include using waveform capture to
collect and view waveform shape and magnitude, providing harmonic analysis graphs,
collection and storage of events and data, and recording single or multiple cycle waveforms
based on triggers such as overvoltage or transients. With the ever-increasing use of
sophisticated controls and equipment in industrial, commercial, and governmental facilities,
the continuity, reliability, and quality of electrical service has become extremely crucial
to many power users. Electrical systems are subject to a wide variety of power quality problems
which can interrupt production processes, affect sensitive equipment, and cause downtime,
scrap, and capacity losses. Momentary voltage fluctuations can disastrously impact production.
the proposed modified intelligent monitoring and controlling system will introduce
monitoring, alarming, controlling, and power quality mitigation based on data collected
and analysed from the system.
SUBSTATION AUTOMATION USING µC AND SCADA 2014
DEPT. OF EEE, MG COLLEGE OF ENGINEERING 3
CHAPTER 2
AUTOMATION
2.1 INTRODUCTION
The word ‘Automation’ is derived from Greek words “Auto” (self) and “Matos” (moving).
Automation therefore is the mechanism for systems that “move by it”. However, apart from
this original sense of the word, automated systems also achieve significantly superior
performance than what is possible with manual systems, in terms of power, precision and speed
of operation.
2.2 DEFINITION
Automation is a set of technologies that results in operation of machines and systems without
significant human intervention and achieves performance superior to manual operation.
AUTOMATION PYRAMID
2.1.1SENSORS AND ACTUATORS LAYERS:
This layer is closest to the process and machines, used to translate signals so that signals can be derived
from processes for analysis and decisions and hence control signals can be applied to the processes.
This forms the base layer of the pyramid also called ‘level 0’ layer.
SUBSTATION AUTOMATION USING µC AND SCADA 2014
DEPT. OF EEE, MG COLLEGE OF ENGINEERING 4
2.1.2 AUTOMATIC CONTROL LAYER:
This layer consists of automatic control and monitoring systems, which drive the actuators
using the process information given by sensors. This is called as ‘level 1’ layer.
2.1.3 SUPERVISORY CONTROL LAYER:
This layer drives the automatic control system by setting target/goal to the controller.
Supervisory Control looks after the equipment, which may consist of several control loops.
This is called as ‘level 2’ layer.
2.1.4 PRODUCTION CONTROL LAYER:
This solves the decision problems like production targets, resource allocation, task allocation
to machines, maintenance management etc. This is called ‘level 3’ layer.
2.1.5 ENTERPRISE CONTROL LAYER:
This deals less technical and more commercial activities like supply, demand, cash flow,
product marketing etc. This is called as the ‘level 4’ layer.
2.3 TYPES OF AUTOMATION
Automation systems can be categorized based on the flexibility and level of integration in
manufacturing process operations. Various automation systems can be classified as follows
2.3.1 FIXED AUTOMATION:
It is used in high volume production with dedicated equipment, which has a fixed set of
operation and designed to be efficient for this set. Continuous flow and Discrete Mass
Production systems use this automation. e.g. Distillation Process, Conveyors, Paint Shops,
Transfer lines etc.
A process using mechanized machinery to perform fixed and repetitive operations in order to
produce a high volume of similar parts.
2.3.2 PROGRAMMABLE AUTOMATION:
It is used for a changeable sequence of operation and configuration of the machines using
electronic controls. However, non-trivial programming effort may be needed to reprogram the
machine or sequence of operations. Investment on programmable equipment is less, as
production process is not changed frequently. It is typically used in Batch process where job
variety is low and product volume is medium to high, and sometimes in mass production also.
e.g. in Steel Rolling Mills, Paper Mills etc.
SUBSTATION AUTOMATION USING µC AND SCADA 2014
DEPT. OF EEE, MG COLLEGE OF ENGINEERING 5
2.3.3 FLEXIBLE AUTOMATION:
It is used in Flexible Manufacturing Systems (FMS) which is invariably computer
controlled. Human operators give high-level commands in the form of codes entered into
computer identifying product and its location in the sequence and the lower level changes are
done automatically. Each production machine receives settings/instructions from computer.
These automatically loads/unloads required tools and carry out their processing instructions.
After processing, products are automatically transferred to next machine. It is typically used in
job shops and batch processes where product varieties are high and job volumes are medium
to low. Such systems typically use Multi purpose CNC machines, Automated Guided Vehicles
(AGV) etc.
2.3.4 INTEGRATED AUTOMATION:
It denotes complete automation of a manufacturing plant, with all processes functioning
under computer control and under coordination through digital information processing. It
includes technologies such as computer-aided design and manufacturing, computer-aided
process planning, computer numerical control machine tools, flexible machining systems,
automated storage and retrieval systems, automated material handling systems such as robots
and automated cranes and conveyors, computerized scheduling and production control. It may
also integrate a business system through a common database. In other words, it symbolizes full
integration of process and management operations using information and communication
technologies. Typical examples of such technologies are seen in Advanced Process Automation
Systems and Computer Integrated Manufacturing (CIM).
SUBSTATION AUTOMATION USING µC AND SCADA 2014
DEPT. OF EEE, MG COLLEGE OF ENGINEERING 6
CHAPTER 3
SCADA
SCADA systems are widely used in industry for Supervisory Control and Data
Acquisition of industrial processes. Companies that are members of standardisation committees
(e.g. OPC, OLE for Process Control) and are thus setting the trends in matters of IT technologies
generally develop these systems. As a matter of fact, they are now also penetrating the
experimental physics laboratories for the controls of ancillary systems such as cooling,
ventilation, power distribution, etc. More recently they were also applied for the controls of
smaller size particle detectors such as the L3 muon detector and the NA48 experiment, to name
just two examples at CERN.
SCADA systems have made substantial progress over the recent years in terms
of functionality, scalability, performance and openness such that they are an alternative to
in house development even for very demanding and complex control systems as those of
physics experiments. This paper describes SCADA systems in terms of their architecture, their
interface to the process hardware, the functionality and application development facilities they
provide. Some attention is paid to the industrial standards to which they abide, their planned
evolution as well as the potential benefits of their use.
3.1 ARCHITECTURE
This section describes the common features of the SCADA products that have been
evaluated at CERN in view of their possible application to the control systems of the LHC
detectors.
3.1.1 HARDWARE ARCHITECTURE
One distinguishes two basic layers in a SCADA system: the "client layer" which caters for
the man machine interaction and the "data server layer" which handles most of the process
data control activities. The data servers communicate with devices in the field through process
controllers. Process controllers, e.g. PLCs, are connected to the data servers either directly or
via networks or fieldbuses that are proprietary (e.g. Siemens H1), or non-proprietary (e.g.
Profibus). Data servers are connected to each other and to client stations via an Ethernet
LAN.
SUBSTATION AUTOMATION USING µC AND SCADA 2014
DEPT. OF EEE, MG COLLEGE OF ENGINEERING 7
3.1.2 SOFTWARE ARCHITECTURE
The products are multi-tasking and are based upon a real-time database (RTDB)
located in one or more servers. Servers are responsible for data acquisition and handling (e.g.
polling controllers, alarm checking, calculations, logging and archiving) on a set of parameters,
typically those they are connected to.
SUBSTATION AUTOMATION USING µC AND SCADA 2014
DEPT. OF EEE, MG COLLEGE OF ENGINEERING 8
CHAPTER 4
PROPOSED BLOCK DIAGRAM
SUBSTATION AUTOMATION USING µC AND SCADA 2014
DEPT. OF EEE, MG COLLEGE OF ENGINEERING 9
CHAPTER 5
PROPOSED FUNCTIONAL BLOCK DESCRIPTION
5.1 MICROCONTROLLER:
The PIC16F87XA is a low power CMOS 8-bit microcontroller based on the AVR
enhanced RISC architecture by executing powerful instructions clock cycle, achieves through
PIC16F87XA puts approaching 1MIPS/MHz allowing the system designer to optimize power
consumption versus processing speed.
Special Features:-
 Flash memory : 14.3 Kbytes(8192 words)
 Data SRAM : 368 bytes
 Data EEPROM : 256 bytes
 Self- reprogrammable under software control
 In – Circuit serial Programming via two pins(5v)
 Watchdog timer with on-chip RC oscillator
 Programmable code protection
 Power –saving sleep mode
 Selectable oscillator options
 In – circuit Debug via two pins
Figure 1
SUBSTATION AUTOMATION USING µC AND SCADA 2014
DEPT. OF EEE, MG COLLEGE OF ENGINEERING 10
5.2 RS-232 :
In telecommunications, RS-232 is a standard for serial data communication.
.interconnection between a DTE (Data terminal equipment) and a DCE(Data Circuit-
terminating Equipment).it is commonly used in computer serial ports. is commonly used in
computer serial ports.
5.3 TEMPERATURE SENSOR:
The Temperature sensor detector is designed for the security practice. This sensor
buffers a piezoelectric transducer. As the transducer is displaced from the mechanical neutral
axis, bending creates strain within the piezoelectric element and generates voltages. When
vibration Temperature sensor alarm recognizes temperature it sends a signal to either control
panel developed a new type of Omni-directional high sensitivity security vibrational
temperature detector with Omni-directional detection.
5.4 Lab VIEW:
Short for Laboratory Virtual Instrument Engineering Workbench) is a system-design
platform and development environment for a visual programming language from National
Instruments. The graphical language is named "G" (not to be confused with G-code). Originally
released for the Apple Macintosh in 1986, LabVIEW is commonly used for data acquisition,
instrument control, and industrial automation on a variety of platforms including Microsoft
Windows, various versions of UNIX, Linux, and Mac OS X. The programming language used
in LabVIEW, also referred to as G, is a dataflow programming language. Execution is
determined by the structure of a graphical block diagram (the LV-source code) on which the
programmer connects different function-nodes by drawing wires. These wires propagate
variables and any node can execute as soon as all its input data become available. Since this
might be the case for multiple nodes simultaneously, G is inherently capable of parallel
execution. Multi-processing and multi-threading hardware is automatically exploited by the
built-in scheduler, which multiplexes multiple OS threads over the nodes ready for
executions.
In terms of performance, LabVIEW includes a compiler that produces native code for the CPU
platform. The graphical code is translated into executable machine code by interpreting the
syntax and by compilation. The LabVIEW syntax is strictly enforced during the editing process
and compiled into the executable machine code when requested to run or upon saving. In the
latter case, the executable and the source code are merged into a single file. The executable
runs with the help of the LabVIEW run-time engine, which contains some precompiled code
to perform common tasks that are defined by the G language. The run-time engine reduces
compile time and also provides a consistent interface to various operating systems, graphic
systems, hardware components, etc. The run-time environment makes the code portable across
platforms. Generally, LabVIEW code can be slower than equivalent compiled C code, although
the differences often lie more with program optimization than inherent execution speed.
Libraries with a large number of functions for data acquisition, signal generation, mathematics,
SUBSTATION AUTOMATION USING µC AND SCADA 2014
DEPT. OF EEE, MG COLLEGE OF ENGINEERING 11
statistics, signal conditioning, analysis, etc., along with numerous graphical interface
elements are provided in several LabVIEW package options. The number of advanced
mathematic blocks for functions such as integration, filters, and other specialized capabilities
usually associated with data capture from hardware sensors is immense. In addition, LabVIEW
includes a text-based programming component called MathScript with additional functionality
for signal processing, analysis and mathematics. MathScript can be integrated with graphical
programming using "script nodes" and uses a syntax that is generally compatible
with MATLAB.
5.5 DUAL FULL BRIDGE DRIVER:
The L298 is an integrated monolithic circuit in a 15- lead Multi-watt and PowerSO20
packages. It is a high voltage, high current dual full-bridge driver designed to accept standard
TTL logic levels and drive inductive loads such as relays, solenoids, DC and stepping motors.
Two enable inputs are provided to enable or disable the device independently of the input
signals. The emitters of the lower transistors of each bridge are connected together and the
corresponding external terminal can be used for the connection of an external sensing resistor.
An additional supply input is provided so that the logic works at a lower voltage.
5.6 STEPPER MOTOR
This motor based on the input from PIC will rotates the shaft of auto-transformer and
changes the tapping i.e. at low voltages the shaft is rotated in the clockwise direction and stepup
the voltage level to the required voltage level and vice versa. This in turn is added to the
external power and transmitted out.
Figure 2
SUBSTATION AUTOMATION USING µC AND SCADA 2014
DEPT. OF EEE, MG COLLEGE OF ENGINEERING 12
5.7 POWER SUPPLY
A voltage regulator is designed to automatically maintain a constant voltage level in
the circuit. Here the voltage regulator IC 7805 is used to reduce the high dc voltage to 5V. it is
a member of 78xx series of fixed linear voltage regulator ICs. The voltage source in a circuit
may have fluctuations and would not give the fixed voltage output. The maintains the output
voltage at a constant value. The xx in 78xx indicates the fixed output voltage it is designed to
provide. 7805 provides +5V regulated power supply. Capacitors of suitable values can be
connected at input and output pins depending upon the respective voltage levels.
Figure 3
SUBSTATION AUTOMATION USING µC AND SCADA 2014
DEPT. OF EEE, MG COLLEGE OF ENGINEERING 13
CHAPTER 6
MODIFIED FUNCTIONAL BLOCK DIAGRAM
SUBSTATION AUTOMATION USING µC AND SCADA 2014
DEPT. OF EEE, MG COLLEGE OF ENGINEERING 14
CHAPTER 7
MODIFIED BLOCK DIAGRAM DESCRIPTION
7.1 TRI TAPPED TRANSFORMER
Transformer converts AC electricity from one voltage to another with little loss of
power. Transformers works only with AC and this is one of the reasons why mains electricity
is AC. Step up transformers increase voltage, step down transformers reduce voltage. The input
coil is called primary and output coil is called secondary, There is no electrical connection
between two coils; instead they are linked by an alternating magnetic field created in the soft
iron core of the transformer.
Transformers wastes very little power so the power out is almost equal to the power in.
Not that as voltage is stepped down current is stepped up. The ratio of the number of turns on
each coil, called the turns ratio, determines the ratio of the voltages. A step down transformers
has a large number of turns on its primary which is connected to the high voltage mains supply,
and a small number of turns on its secondary coil to give a low output voltage.
7.2 Bi –PASS RELAY SECTION:
The microcontroller continuously monitors the status of 3 lines originating from Port
A. Whenever any lines fails, the controller came to know that and it activates the corresponding
relay in the bypass circuit to bypass line. The relays detect the abnormal conditions in the
electrical circuits by constantly measuring the electrical quantities which are different under
normal and fault conditions. The electrical quantities which may change under fault conditions
are voltages, current, frequency, and phase angle. Through the changes in one or more of these
quantities, the faults signal their presence, type and location to the protective relays.
7.3 RELAY
Relay is an electromagnetic device which is used to isolate two circuits electrically and
connect them magnetically. They are very useful devices and allow one circuit to switch
another one while they are completely separate. They are often used to interface an electronic
circuit (working at a low voltage) to an electrical circuit which works at very high voltage. For
example, a relay can make a 5V DC battery circuit to switch a 230V AC mains circuit. Thus a
small sensor circuit can drive, say, a fan or an electric bulb. A relay can be divided into two
parts: input and output. The input section has a coil which generates magnetic field when a
small voltage from an electronic circuit is applied to it. This voltage is called the operating
voltage. Commonly used relays are available in different configuration of operating voltages
like 6V, 9V, 12V, 24V etc.
SUBSTATION AUTOMATION USING µC AND SCADA 2014
DEPT. OF EEE, MG COLLEGE OF ENGINEERING 15
The output section consists of contactors which connect or disconnect mechanically. In a basic
relay there are three contactors: normally open (NO), normally closed (NC) and common
(COM). At no input state, the COM is connected to NC. When the operating voltage is applied
the relay coil gets energized and the COM changes contact to NO. Different relay
configurations are available like SPST, SPDT, and DPDT etc., which have different number of
changeover contacts. By using proper combination of contactors, the electrical circuit can be
switched on and off.
7.4 CRYSTAL OSCILLATOR
A crystal oscillator is an electronic oscillator circuit that uses the mechanical resonance
of a vibrating crystal of piezoelectric material to create an electrical signal with a very precise
frequency. This frequency is commonly used to keep track of time (as in quartz wristwatches),
to provide a stable clock signal for digital integrated circuits, and to stabilize frequencies for
radio transmitters and receivers. The most common type of piezoelectric resonator used is the
quartz crystal, so oscillator circuits designed around them became known as "crystal
oscillators."
Quartz crystals are manufactured for frequencies from a few tens of kilohertz to tens of
megahertz. More than two billion (2×109
) crystals are manufactured annually. Most are used
for consumer devices such as wristwatches, clocks, radios, computers, and cellphones. Quartz
crystals are also found inside test and measurement equipment, such as counters, signal
generators, and oscilloscopes. A crystal is a solid in which the constituent atoms, molecules,
or ions are packed in a regularly ordered, repeating pattern extending in all three spatial
dimensions.
Almost any object made of an elastic material could be used like a crystal, with
appropriate transducers, since all objects have natural resonant frequencies of vibration. For
example, steel is very elastic and has a high speed of sound. It was often used in mechanical
filters before quartz. The resonant frequency depends on size, shape, elasticity, and the speed
of sound in the material. High-frequency crystals are typically cut in the shape of a simple,
rectangular plate. Low-frequency crystals, such as those used in digital watches, are typically
figure. 4 Single pole double throw switch
SUBSTATION AUTOMATION USING µC AND SCADA 2014
DEPT. OF EEE, MG COLLEGE OF ENGINEERING 16
cut in the shape of a tuning fork. For applications not needing very precise timing, a low-cost
ceramic resonator is often used in place of a quartz crystal. When a crystal of quartz is properly
cut and mounted, it can be made to distort in an electric field by applying a voltage to an
electrode near or on the crystal. This property is known as piezoelectricity. When the field is
removed, the quartz will generate an electric field as it returns to its previous shape, and this
can generate a voltage. The result is that a quartz crystal behaves like a circuit composed of an
inductor, capacitor and resistor, with a precise resonant frequency.
Quartz has the further advantage that its elastic constants and its size change in such a
way that the frequency dependence on temperature can be very low. The specific characteristics
will depend on the mode of vibration and the angle at which the quartz is cut (relative to its
crystallographic axes).[8]
Therefore, the resonant frequency of the plate, which depends on its
size, will not change much, either. This means that a quartz clock, filter or oscillator will remain
accurate. For critical applications the quartz oscillator is mounted in a temperature-controlled
container, called a crystal oven, and can also be mounted on shock absorbers to prevent
perturbation by external mechanical vibrations.
7.5 RESISTORS
A resistor is a passive two-terminal electrical component that implements electrical
resistance as a circuit element. The current through a resistor is in direct proportion to the
voltage across the resistor's terminals. Thus, the ratio of the voltage applied across a resistor's
terminals to the intensity of current through the circuit is called resistance. This relation is
represented by Ohm's law: where I is the current through the conductor in units of amperes, V
is the potential difference measured across the conductor in units of volts, and R is the
resistance of the conductor in units of ohms. More specifically, Ohm's law states that the R in
this relation is constant, independent of the current.
Resistors are common elements of electrical networks and electronic circuits and are
ubiquitous in electronic equipment. Practical resistors can be made of various compounds and
films, as well as resistance wire (wire made of a high-resistivity alloy, such as nickel-chrome).
Resistors are also implemented within integrated circuits, particularly analog devices, and can
also be integrated into hybrid and printed circuits.
7.6 CAPACITORS
A capacitor (formerly known as condenser) is a passive two-terminal electrical
component used to store energy in an electric field. The forms of practical capacitors vary
widely, but all contain at least two electrical conductors separated by a dielectric (insulator);
for example, one common construction consists of metal foils separated by a thin layer of
insulating film. Capacitors are widely used as parts of electrical circuits in many common
electrical devices.
SUBSTATION AUTOMATION USING µC AND SCADA 2014
DEPT. OF EEE, MG COLLEGE OF ENGINEERING 17
CHAPTER 8
CIRCUIT DIAGRAM
SUBSTATION AUTOMATION USING µC AND SCADA 2014
DEPT. OF EEE, MG COLLEGE OF ENGINEERING 18
CHAPTER 9
WORKING
We are about to control and monitor the different parameters of a substation particularly
voltage, current ,frequency power ,heat or temperature developed in a transformer. Controlling
includes the voltage restoration ; whenever the voltage level fails, the tapings of the transformer
is being selected by relay switching and for the protection from the over voltage relay trip
switch is employed from over heating of transformer , cooling arrangements are automatically
enhanced.
9.1 MEASUREMENT OF PARAMETERS
9.1.1 VOLTAGE:
Voltage coming to the back feeder is measured by selecting a low voltage taping from
the transformer which will provide an output voltage in the range 0 to 3 V, which is fed to the
ADC port of the microcontroller which converts the analogue voltage to its corresponding
digital signal.
9.1.2 CURRENT:
So as to obtain the current flowing through the load a current dividing circuit ie; the
circuit consisting of a known value highly rated resistance connected in series to the load
produces a small voltage drop across the resistance , which is fed to the ADC of the
microcontroller , with the known value of voltage and resistance we can calculate the current
flowing in the load , which is computed internally in the ALU of the microcontroller.
9.1.3 FREQUENCY :
Frequency is defined as the number of oscillations per second , frequency of the supply
can be found out by inputing a low voltage signal from the supply to the COUNTER/TIMER
pin of the microcontroller after setting the pin to COUNTER mode .The signal voltage is fed
to the COUNTER pin with a comparator as an interfacing device ,which generates only
discrete signals of digital high or digital low ie; the continuous input AC sine wave is
converted to discrete pulses hence with the help of a counter in the microcontroller we can
count the number of digital high or digital low signals occurring in a second,there by we can
measure the frequency.
9.1.4 TEMPERATURE
Temperature developed at the transformer is measured using a temperature sensor
LM35 which produces an analogues voltage for every change of 1o
C ,this voltage is fed to the
ADC port of the microcontroller which generates the equivalent digital signal of the
temperature from corresponding analog voltage.
SUBSTATION AUTOMATION USING µC AND SCADA 2014
DEPT. OF EEE, MG COLLEGE OF ENGINEERING 19
9.2 CONTROLLING
Using SCADA we are controlling and monitoring the parameters from the GUI screen of the
computer with a tool LabVIEW ,for the controlling and monitoring it is necessary to transfer
the parameter and control signal data from the host to the server and vice versa .Here a zigbee
module is used for the transfer of parameters and control signal data, according to the data and
value of different parameters the relays will be switched automatically based on different
conditions provided for the regulation and protection.
SUBSTATION AUTOMATION USING µC AND SCADA 2014
DEPT. OF EEE, MG COLLEGE OF ENGINEERING 20
CHAPTER 10
VIRTUAL INSTRUMENT
10.1 FRONT PANNEL
SUBSTATION AUTOMATION USING µC AND SCADA 2014
DEPT. OF EEE, MG COLLEGE OF ENGINEERING 21
10.2 BLOCK DIAGRAM
SUBSTATION AUTOMATION USING µC AND SCADA 2014
DEPT. OF EEE, MG COLLEGE OF ENGINEERING 22
CHAPTER 11
MICROCONTROLLER
To realize this project we used two microcontrollers for two kind of applications; to
design the solar tracker and soar power synchronizer. For both applications PIC16F876
microcontrollers arte used. This chapter deals about the microcontroller.
About PIC16F786
PIC is a family of modified Harvard architecture microcontrollers made by Microchip
Technology, derived from the PIC1650 originally developed by General Instrument's
Microelectronics Division. The name PIC initially referred to "Peripheral Interface Controller"
PICs are popular with both industrial developers and hobbyists alike due to their low cost, wide
availability, large user base, extensive collection of application notes, availability of low cost
or free development tools, and serial programming (and re-programming with flash memory)
figure. 5 Pin out diagram of PIC16F786
SUBSTATION AUTOMATION USING µC AND SCADA 2014
DEPT. OF EEE, MG COLLEGE OF ENGINEERING 23
capability. They are also commonly used in educational programming as they often come with
the easy to use 'pic locator' software. Some of its features are,
High-Performance RISC CPU:
 Only 35 single-word instructions to learn
 All single-cycle instructions except for program branches, which are two-cycle
 Operating speed: DC – 20 MHz clock input, DC – 200 ns instruction cycle
 Up to 8K x 14 words of Flash Program Memory, Up to 368 x 8 bytes of Data Memory
(RAM), Up to 256 x 8 bytes of EEPROM Data Memory
 Pin out compatible to other 28-pin or 40/44-pin
Peripheral Features:
 Timer0: 8-bit timer/counter with 8-bit prescaler
 Timer1: 16-bit timer/counter with prescaler, can be incremented during Sleep via
external crystal/clock
 Timer2: 8-bit timer/counter with 8-bit period register, prescaler and postscaler
 Two Capture, Compare, PWM modules
o Capture is 16-bit, max. resolution is 12.5 ns
o Compare is 16-bit, max. resolution is 200 ns
o PWM max. resolution is 10-bit
 Synchronous Serial Port (SSP) with SPI™
 (Master mode) and I2C™ (Master/Slave)
 Universal Synchronous Asynchronous Receiver
 Transmitter (USART/SCI) with 9-bit address
 detection
 Parallel Slave Port (PSP) – 8 bits wide with
 external RD, WR and CS controls (40/44-pin only)
 Brown-out detection circuitry for Brown-out Reset (BOR)
Analog Features:
 10-bit, up to 8-channel Analog-to-Digital
 Converter (A/D)
 Brown-out Reset (BOR)
 Analog Comparator module with:
o Two analog comparators
o Programmable on-chip voltage reference
 (VREF) module
o Programmable input multiplexing from device
 inputs and internal voltage reference
O Comparator outputs are externally accessible
SUBSTATION AUTOMATION USING µC AND SCADA 2014
DEPT. OF EEE, MG COLLEGE OF ENGINEERING 24
11.1 CONFIGURING THE PORTS
PIC16F876 consists of 3 ports. This is from PORTA to PORTC. Different ports have
different number of bits. PORTA has 6 bits from PORTA0 toPORTA5. PORTB and PORTC
has 8-bits each. Some pins of theses I/O ports are multiplexed with an alternate function of
peripheral features on the device. In general when a peripheral is enabled, that pin may not be
used as a general I/O pin. Now let’s looks deeper about how a port can be configured as input
or output. Here it is enabled only the two I/O ports, PORT A and PORT B. PORTA is
configured as an analog port while the PORTB is configured as a digital port, to interface with
the LCD module.
11.1.1 PORT A
PORTA is a 6-bit wide, bidirectional port. The corresponding data direction register is
TRISA Setting a TRISA bit (= 1) will make the corresponding PORTA pin an input (i.e., put
the corresponding output driver in a High-Impedance mode). Clearing a TRISA bit (= 0) will
make the corresponding PORTA pin an output (i.e. put the contents of the output latch on the
selected pin). Reading the PORTA register reads the status of the pins, whereas writing to it
will write to the port latch. All write operations are read-modify-write operations. Therefore, a
write to a port implies that the port pins are read, the value is modified and then written to the
port data latch. Pin RA4 is multiplexed with the Timer0 module clock input to become the
RA4/T0CKI pin. The RA4/T0CKI pin is a Schmitt Trigger input and an open-drain output. All
other PORTA pins have TTL input levels and full CMOS output drivers. Other PORTA pins
are multiplexed with analog inputs and the analog V REF input for both the A/D converters
and the comparators. The operation of each pin is selected by clearing/setting the appropriate
control bits in the ADCON1 and/or CMCON registers.
On a Power-on Reset, these pins are configured as analog inputs and read as ‘0’. The
comparators are in the off (digital) state.
The TRISA register controls the direction of the port pins even when they are being
used as analog inputs. The user must ensure the bits in the TRISA register are maintained set
when using them as analog inputs.
Initialization of PORTA
SUBSTATION AUTOMATION USING µC AND SCADA 2014
DEPT. OF EEE, MG COLLEGE OF ENGINEERING 25
BLOCK DIAGRAM OF RA3:RA0
7.2.2 PORT B
PORTB is an 8-bit wide, bidirectional port. The corresponding data direction
register is TRISB. Setting a TRISB bit (= 1) will make the corresponding PORTB pin
an input (i.e., put the corresponding output driver in a High-Impedance mode). Clearing
a TRISB bit (= 0) will make the corresponding PORTB pin an output (i.e., put the
contents of the output latch on the selected pin). Three pins of PORTB are multiplexed
with the In-Circuit Debugger and Low-Voltage Programming function: RB3/PGM,
RB6/PGC and RB7/PGD.
figure. 6 Internal block diagram of the analog Pins RA0 to RA3
SUBSTATION AUTOMATION USING µC AND SCADA 2014
DEPT. OF EEE, MG COLLEGE OF ENGINEERING 26
C H A P T E R 1 2
L AB VI E W
1 2 . 1 INTRODUCTION
LabVIEW (short for Laboratory Virtual Instrumentation Engineering Workbench)
is a platform and development environment for a visual programming language from
National Instruments. The graphical language is named "G". Originally released for the
Apple Macintosh in 1986, LabVIEW is commonly used for data acquisition, instrument
control, and industrial automation on a variety of platforms including Microsoft Windows,
various flavors of UNIX, Linux, and Mac OS X. The latest version of LabVIEW is version
LabVIEW 2013. Visit National Instruments at www.ni.com.
The code files have the extension “.vi”, which is an abbreviation for “Virtual Instrument”.
LabVIEW offers lots of additional Add-Ons and Toolkits.
12.2DATAFLOW PROGRAMMING
The programming language used in LabVIEW, also referred to as G, is a dataflow
programming language. Execution is determined by the structure of a graphical block
diagram (the LV-source code) on which the programmer connects different function-nodes
by drawing wires. These wires propagate variables and any node can execute as soon as all
its input data become available. Since this might be the case for multiple nodes
simultaneously, G is inherently capable of parallel execution. Multi-processing and multi-
threading hardware is automatically exploited by the built-in scheduler, which multiplexes
multiple OS threads over the nodes ready for execution.
12.3 GRAPHICAL PROGRAMMING
LabVIEW ties the creation of user interfaces (called front panels) into the development
cycle. LabVIEW programs/subroutines are called virtual instruments (VIs). Each VI has
three components: a block diagram, a front panel, and a connector panel. The last is used to
represent the VI in the block diagrams of other, calling VIs. Controls and indicators on the
front panel allow an operator to input data into or extract data from a running virtual
instrument. However, the front panel can also serve as a programmatic interface. Thus a
virtual instrument can either be run as a program, with the front panel serving as a user
interface, or, when dropped as a node onto the block diagram, the front panel defines the
inputs and outputs for the given node through the connector pane. This implies each VI can
be easily tested before being embedded as a subroutine into a larger program.
The graphical approach also allows non-programmers to build programs simply by
dragging and dropping virtual representations of lab equipment with which they are already
familiar. The LabVIEW programming environment, with the included examples and the
documentation, makes it simple to create small applications. This is a benefit on one side, but
SUBSTATION AUTOMATION USING µC AND SCADA 2014
DEPT. OF EEE, MG COLLEGE OF ENGINEERING 27
there is also a certain danger of underestimating the expertise needed for good quality "G"
programming. For complex algorithms or large-scale code, it is important that the
programmer possess an extensive knowledge of the special LabVIEW syntax and the
topology of its memory management. The most advanced LabVIEW development systems
offer the possibility of building stand-alone applications. Furthermore, it is possible to create
distributed applications, which communicate by a client/server scheme, and are therefore
easier to implement due to the inherently parallel nature of G-code.
12.4BENEFITS
One benefit of LabVIEW over other development environments is the extensive
support for accessing instrumentation hardware. Drivers and abstraction layers for many
different types of instruments and buses are included or are available for inclusion. These
present themselves as graphical nodes. The abstraction layers offer standard software
interfaces to communicate with hardware devices. The provided driver interfaces save
program development time. The sales pitch of National Instruments is, therefore, that even
people with limited coding experience can write programs and deploy test solutions in a
reduced time frame when compared to more conventional or competing systems. A new
hardware driver topology (DAQmxBase), which consists mainly of G-coded components
with only a few register calls through NI Measurement Hardware DDK (Driver Development
Kit) functions, provides platform independent hardware access to numerous data acquisition
and instrumentation devices. The DAQmxBase driver is available for LabVIEW on
Windows, Mac OS X and Linux platforms.
This document introducing the following themes:
Start using LabVIEW
o The LabVIEW Environment
o Front Panel and Block Diagram
o Palettes: Control Palette, Functions Palette, Tools Palette
o Data Types
o Property Nodes
Sub VIs
Loops and Structures
Troubleshooting and Debugging
Working with Data
o Arrays
Array
Functions
o Cluster
Working with Strings
SUBSTATION AUTOMATION USING µC AND SCADA 2014
DEPT. OF EEE, MG COLLEGE OF ENGINEERING 28
Error Handling
Working with Projects using Project Explorer
Design Techniques
o Shift Register
o State Machine
o Multiple Loops
User Interface
Plotting Data
Deployment: Building Executable Applications (.exe)
Introduction to Add Ons and Toolkits
o Briefly explanations…
o More detail about Control and Simulation Toolkit in later chapter
Introduction to DAQ - Data Acquisition
o MAX – Measurement and Automation Explorer
o NI-DAQmx
Quick Reference with Keyboard Short-cuts
12.5THE LABVIEW ENVIRONMENT
LabVIEW programs are called Virtual Instruments, or VIs, because their appearance
and operation imitate physical instruments, such as oscilloscopes and multimeters. LabVIEW
contains a comprehensive set of tools for acquiring analyzing, displaying, and storing data,
as well as tools to help you troubleshoot your code.
When opening LabVIEW, you first come to the “Getting Started” window.
Figure 7
SUBSTATION AUTOMATION USING µC AND SCADA 2014
DEPT. OF EEE, MG COLLEGE OF ENGINEERING 29
In order to create a new VI, select “Blank VI” or in order to create a new LabVIEW project,
select“Empty project” When you open a blank VI, an untitled front panel window appears. This
window displays the front panel and is one of the two LabVIEW windows you use to build a
VI. The other window contains the block diagram. The sections below describe the front panel
and the block diagram.
12.6 FRONT PANEL
When you have created a new VI or selected an existing VI, the Front Panel and the
Block Diagram for that specific VI will appear.
Figure 8
In LabVIEW, you build a user interface, or front panel, with controls and indicators.
Controls are knobs, push buttons, dials, and other input devices. Indicators are graphs,
LEDs, and other displays.
You build the front panel with controls and indicators, which are the interactive input
and output terminals of the VI, respectively. Controls are knobs, push buttons, dials, and
other input devices. Indicators are graphs, LEDs, and other displays. Controls simulate
instrument input devices and supply data to the block diagram of the VI. Indicators simulate
instrument output devices and display data the block diagram acquires or generates.
SUBSTATION AUTOMATION USING µC AND SCADA 2014
DEPT. OF EEE, MG COLLEGE OF ENGINEERING 30
12.7BLOCK DIAGRAM
After you build the user interface, you add code using VIs and structures to control
the front panel objects. The block diagram contains this code. In some ways, the block
diagram resembles a flowchart.
Figure 9
After you build the front panel, you add code using graphical representations of functions to
control the front panel objects. The block diagram contains this graphical source code. Front
panel objects appear as terminals, on the block diagram. Block diagram objects include
terminals, subVIs, functions, constants, structures, and wires, which transfer data among
other block diagram objects.
SUBSTATION AUTOMATION USING µC AND SCADA 2014
DEPT. OF EEE, MG COLLEGE OF ENGINEERING 31
CHAPTER 13
TRANSFORMER
A transformer is a device that transfers electrical energy from one circuit to another
through inductively coupled conductors — the transformer's coils or "windings". Except for
air-core transformers, the conductors are commonly wound around a single iron-rich core, or
around separate but magnetically-coupled cores. A varying current in the first or "primary"
winding creates a varying magnetic field in the core of the transformer. This varying magnetic
field induces a varying electromotive force (EMF) or "voltage" in the "secondary" winding.
This effect is called mutual induction.
If a load is connected to the secondary, an electric current will flow in the secondary winding
and electrical energy will flow from the primary circuit through the transformer to the load. In
an ideal transformer, the induced voltage in the secondary winding is in proportion to the
primary voltage and is given by the ratio of the number of turns in the secondary to the number
of turns in the primary as follows:
By appropriate selection of the ratio of turns, a transformer thus allows an alternating
current (AC) voltage to be "stepped up" by making NS greater than NP, or "stepped down" by
making NS less than NP.
Transformers come in a range of sizes from a thumbnail-sized coupling transformer hidden
inside a stage microphone to huge units weighing hundreds of tons used to interconnect
portions of national power grids. All operate with the same basic principles, although the range
of designs is wide. While new technologies have eliminated the need for transformers in some
electronic circuits, transformers are still found in nearly all electronic devices designed for
household ("mains") voltage. Transformers are essential for high voltage power transmission,
which makes long distance transmission economically practical.
13.1 BASIC PRINCIPLES
The transformer is based on two principles: firstly, that an electric current can produce
a magnetic field (electromagnetism) and secondly that a changing magnetic field within a coil
of wire induces a voltage across the ends of the coil (electromagnetic induction). Changing the
current in the primary coil changes the magnitude of the applied magnetic field. The changing
magnetic flux extends to the secondary coil where a voltage is induced across its ends.
A simplified transformer design is shown in figure 10. A current passing through the
primary coil creates a magnetic field. The primary and secondary coils are wrapped around a
core of very high magnetic permeability, such as iron; this ensures that most of the magnetic
field lines produced by the primary current are within the iron and pass through the secondary
coil as well as the primary coil.
SUBSTATION AUTOMATION USING µC AND SCADA 2014
DEPT. OF EEE, MG COLLEGE OF ENGINEERING 32
Figure:10 An ideal step-down transformer showing magnetic flux in the core.
Induction Law
The voltage induced across the secondary coil may be calculated from Faraday's law of
induction, which states that:
where VS is the instantaneous voltage, NS is the number of turns in the secondary coil and Φ
equals the magnetic flux through one turn of the coil. If the turns of the coil are oriented
perpendicular to the magnetic field lines, the flux is the product of the magnetic field strength
B and the area A through which it cuts. The area is constant, being equal to the cross-sectional
area of the transformer core, whereas the magnetic field varies with time according to the
excitation of the primary. Since the same magnetic flux passes through both the primary and
secondary coils in an ideal transformer, the instantaneous voltage across the primary winding
equals
Taking the ratio of the two equations for VS and VP gives the basic equation for stepping up or
stepping down the voltage
SUBSTATION AUTOMATION USING µC AND SCADA 2014
DEPT. OF EEE, MG COLLEGE OF ENGINEERING 33
13.2 IDEAL POWER EQUATION
Figure11: The ideal transformer as a circuit element
If the secondary coil is attached to a load that allows current to flow, electrical power
is transmitted from the primary circuit to the secondary circuit. Ideally, the transformer is
perfectly efficient; all the incoming energy is transformed from the primary circuit to the
magnetic field and into the secondary circuit. If this condition is met, the incoming electric
power must equal the outgoing power.
Pincoming = IPVP = Outgoing = ISVS
Giving the ideal transformer equation
If the voltage is increased (stepped up) (VS > VP), then the current is decreased (stepped
down) (IS < IP) by the same factor. Transformers are efficient so this formula is a reasonable
approximation.
The impedance in one circuit is transformed by the square of the turns ratio. For
example, if an impedance ZS is attached across the terminals of the secondary coil, it appears
to the primary circuit to have an impedance of . This relationship is reciprocal, so
that the impedance ZP of the primary circuit appears to the secondary to be .
SUBSTATION AUTOMATION USING µC AND SCADA 2014
DEPT. OF EEE, MG COLLEGE OF ENGINEERING 34
13.3 DETAILED OPERATION
The simplified description above neglects several practical factors, in particular the
primary current required to establish a magnetic field in the core, and the contribution to the
field due to current in the secondary circuit.
Models of an ideal transformer typically assume a core of negligible reluctance with
two windings of zero resistance.When a voltage is applied to the primary winding, a small
current flows, driving flux around the magnetic circuit of the core. The current required to
create the flux is termed the magnetizing current; since the ideal core has been assumed to have
near-zero reluctance, the magnetizing current is negligible, although still required to create the
magnetic field.
The changing magnetic field induces an electromotive force (EMF) across each
winding. Since the ideal windings have no impedance, they have no associated voltage drop,
and so the voltages VP and VS measured at the terminals of the transformer, are equal to the
corresponding EMFs. The primary EMF, acting as it does in opposition to the primary voltage,
is sometimes termed the "back EMF". This is due to Lenz's law which states that the induction
of EMF would always be such that it will oppose development of any such change in magnetic
field.
SUBSTATION AUTOMATION USING µC AND SCADA 2014
DEPT. OF EEE, MG COLLEGE OF ENGINEERING 35
CHAPTER 14
PROGRAM CODE
#include "E:scada_substatnmain.h"
#include <lcd.c>
#include <stdlib.h>
#use rs232(baud=9600,xmit=pin_c6,rcv=pin_c7)
float volt=0,amp=0;
float ad_out1=0,ad_out2=0;float freq=0,temp=0;
float i=1.5;
float var=49.0;
void low_volt();
void high_volt();
void norm_volt();
void main()
{
set_tris_d(0x00);
set_tris_b(0x00);
set_tris_c(0x00);
setup_adc(adc_clock_internal);
setup_adc_ports(all_analog);
lcd_init();
output_b(0);
output_c(0);
output_d(0);
setup_timer_0(rtcc_ext_l_to_h);
while(1)
{
set_timer0(0);
SUBSTATION AUTOMATION USING µC AND SCADA 2014
DEPT. OF EEE, MG COLLEGE OF ENGINEERING 36
freq=0;
delay_ms(1100);
freq=get_timer0();
set_adc_channel(0);
delay_us(50);
ad_out1=read_adc();
set_adc_channel(1);
delay_us(50);
ad_out2=read_adc();
set_adc_channel(2);
delay_us(50);
temp=read_adc();
temp=(temp*500)/1023;
volt=ad_out1/220;
amp=ad_out2/27.6;
lcd_putc('f');
lcd_gotoxy(1,1);
printf(lcd_putc,"Volt:%2.2f",80*volt);
lcd_gotoxy(1,2);
printf(lcd_putc,"Current:%2.1f A",amp);
delay_ms(2000);
freq=48.2+(freq/48.6);
lcd_putc('f');
lcd_gotoxy(1,1);
printf(lcd_putc,"Frequncy:%2.1f",freq);
lcd_gotoxy(1,2);
printf(lcd_putc,"Temp:%2.1f",temp);
printf("%2.1f%1.2f%1.1f%2.1f",temp,volt,amp,freq);
if(temp>=38.0)
SUBSTATION AUTOMATION USING µC AND SCADA 2014
DEPT. OF EEE, MG COLLEGE OF ENGINEERING 37
{
output_high(pin_c0);
}
if(temp<38.0)
{
output_low(pin_c0);
}
if(volt<=2.7){
high_volt();
}
if((volt>2.7 )&&(volt <=3.5))
{
norm_volt();
}
if(volt>3.5){
low_volt();
}
if(amp>4)
{
output_high(pin_b3);
delay_ms(1000);
output_low(pin_c1);
output_low(pin_c2);
delay_ms(100);
}
if(amp<=4.0)
{
output_low(pin_b3);
output_high(pin_c1);
SUBSTATION AUTOMATION USING µC AND SCADA 2014
DEPT. OF EEE, MG COLLEGE OF ENGINEERING 38
output_high(pin_c2);
delay_ms(300);
}
}
}
void low_volt()
{
output_b(0x05);
delay_ms(400);
}
void norm_volt()
{
output_b(0x00);
delay_ms(400);
}
void high_volt()
{
output_b(0x03);
delay_ms(400);
}
SUBSTATION AUTOMATION USING µC AND SCADA 2014
DEPT. OF EEE, MG COLLEGE OF ENGINEERING 39
CHAPTER 15
PCB LAYOUT
PCB 3-D LAYOUT
SUBSTATION AUTOMATION USING µC AND SCADA 2014
DEPT. OF EEE, MG COLLEGE OF ENGINEERING 40
CHAPTER 16
PCB DESIGN
16.1 PCB PREPARATION TECHNIQUE:
You need to generate a positive (copper black) UV translucent artwork film. You will
never get a good board without good artwork, so it is important to get the best possible quality
at this stage. The most important thing is to get a clear sharp image with a very solid opaque
black. Nowadays, artwork is drawn using either a dedicated PCB CAD program or a suitable
drawing/graphics package. It is absolutely essential that your PCB software prints holes in the
middle of pads, which will act as center marks when drilling. It is virtually impossible to
accurately hand-drill boards without these holes. When defining pad and line shapes, the
minimum size recommended for via (through linking holes) for reliable results is 50 mil,
assuming 0.8mm drill size;1 mil (1/1000)th of an inch. You can go smaller with smaller drill
sizes, but through linking will be harder. 65mil round or square pads for normal components
and DIL ICs, with 0.8mm hole, will allow a 12.5 mil, down to 10 mil if you really need to.
Centre-to-Centre Spacing of 12.5 mil tracks should be 25 mil — slightly less may be possible
if your printer can manage it. Take care to preserve the correct diagonal track-track spacing on
mitered corners; grid is 25 mil and track width 12.5 mil. The artwork must be printed such that
the printed side is in contact with the PCB surface when exposing, to avoid blurred edges. In
practice, this means that if you design the board as seen from the component side, the bottom
(solder side) layer should be printed the ‘correct’ way round, arid the top side of a double-
sided board must be printed mirrored.
16.2. MEDIA:
Artwork quality is very dependent on both the output device and the media used. It is not
necessary to use a transparent artwork medium — as long as it is reasonably translucent to UV,
its fine-less translucent materials may need a slightly longer exposure time. Line definition,
black opaqueness and toner/ink retention are much more important. Tracing paper has good
enough UV translucency and is nearly as good as drafting film for toner retention. It stays
flatter under laser-printer heat than polyester or acetate film. Get the thickest you can find as
thinner stuff can crickle. It should be rated at least 90 gsm; 120 gsm is even better but harder
to find. It is cheap and easily available from office or art suppliers.
16.3. OUTPUT DEVIES:
Laser printers offer the all-round solution. These are afford able, fast, and good quality. The
printer used must have at least 600dpi resolution for all but the simplest PCBs, as you will
usually be working in multiples of 0.06cm (40 tracks per inch). 600 dpi divides into 40, so you
get consistent spacing and line width. It is very important that the printer produces a good solid
black with no toner pinholes. If you’re planning to buy a printer for PCB use, do some test
prints on tracing paper to check the quality first. If the printer has a density control, set it to the
SUBSTATION AUTOMATION USING µC AND SCADA 2014
DEPT. OF EEE, MG COLLEGE OF ENGINEERING 41
blackest. Even the best laser printers don’t generally cover large areas well, but usually this
isn’t a prob1em as long as fine tracks are solid. When using tracing paper or drafting film,
always use manual paper feed and set the straightest possible paper output path to keep the
artwork as flat as possible and minimize jamming. For small PCBs, you can usually save paper
by cutting the sheet in half. You may need to specify a vertical offset in your PCB software to
make it print on the right part of the page. Some laser printers have poor dimensional accuracy,
which can cause problems for large PCBs. But as long as any error is linear, it can be
compensated by scaling the printout in software. Print accuracy is likely to be noticeable
problem when it causes misalignment of the sides on double sided PCBs-this can usually be
avoided by careful arrangement of the plots on the page to ensure the error is the same on both
layers; for example, choosing whether to mirror horizontally or vertically when reversing the
top-side artwork
16.4 EXPOSURE:
The photo resist board needs to be exposed to UV light through the artwork, using a UV
exposure box. UV exposure units can easily be made using standard fluorescent lamp ballasts
and UV tubes. For small PCBs, two or four 8-watt, 30.5cm tubes will be adequate. For larger
(A3) units 38cm tubes are ideal. To determine the tube-to-glass spacing, place a sheet of tracing
paper on the glass and adjust the distance to get the most even light level over the surface of
the paper. Even illumination is a lot easier to obtain with 4-tube units. The UV tubes you need
are sold as replacements for UV exposure units, ‘black light’ tubes for disco lighting, etc. These
look white, occasionally black/blue when off, and light up with a light purple. Do not use short-
wave UV lamps like EPROM eraser tubes and germicidal lamps that have clear glass, because
these emit short-wave UV which can cause eye and skin damage. A timer that switches off the
UV lamps automatically is essential, and should allow exposure times from 2 to 10 minutes in
15- to 30-second increments. It is useful if the timer has an audible indication when the timing
period has completed. Place the two sheets together with the toner sides facing, and carefully
line them up, checking all over the board area for correct alignment, using the holes in the pads
as a guide. A light box is very handy here, but exposure can also be done with daylight by
holding the sheets on the surface of a window. If printing errors have caused slight mis-
registration, align the sheets to average the errors across the whole PCB, to avoid breaking pad
edges or tracks when drilling. When these are correctly aligned, staple the sheets together on
two opposite sides, about 10 mm from the edge of the board, forming a Sleeve or envelope.
The gap between the board edge and staples is important to stop the paper distorting at the
edge. Use the smallest stapler you can find, so that the thickness of the staple is not much more
than that of the PCB. Expose each side, covering up the top side with a reasonably light-proof
soft Cover when exposing the underside. Be very careful when turning the board Over, to avoid
the laminate slipping inside the artwork and ruining the alignment .After exposure, you can
usually see a faint image of the pattern in the Photosensitive layer. much essential for surface
mount boards. Unless you have access to a roller tinning machine, chemical tinning is the only
option.
SUBSTATION AUTOMATION USING µC AND SCADA 2014
DEPT. OF EEE, MG COLLEGE OF ENGINEERING 42
16.5. DRILLING:
If you have fiberglass (FR4) board, you must use tungsten carbide drill bits. Fiberglass eats
normal high-speed steel (HSS) bits very rapidly, although HSS drills are all right for odd larger
sizes (>2mm). Carbide drill bits are expensive and the thin ones snap very easily. When using
carbide drill bits below 1 mm, you must use a good vertical drill stand —you will break drill
very quickly without one. Carbide drill bits are available as straight-shank or thick (sometimes
called ‘turbo’) shank. In straight shank, the whole bit is the diameter of the hole, and in thick
shank, a standard-size (typically about 3.5 mm) shank tapers down to the hole size. The
straight- shank drills are usually preferred because they break less easily and are usually
cheaper. The longer thin section provides more flexibility. Small drills for PCB use usually
come with either a set of collets of various sizes or a 3-jaw chuck. Sometimes the 3-jaw chuck
is an optional extra and is worth getting for the time it saves on changing collets. For accuracy,
however, 3-jaw chucks aren’t brilliant, and snl.aii drill sizes below 1 mm quickly form grooves
in the jaws, preventing good grip. Below 1 mm, you should use collets, and buy a few extra of
the smallest ones; keeping one collet per drill size, as using a drill in a collet will open it out
and it no longer grips smaller drills well. You need a good strong light on the board when
drilling, to ensure accuracy. A dichroic halogen lamp, under-run at 9V to reduce brightness,
can be mounted on a microphone gooseneck for easy positioning. It can be useful to raise the
working surface about 15cm above the normal desk height for more comfortable viewing. Dust
extraction is nice, but not essential—an occasional blew does the trick! A foot-pedal control to
switch the drill ‘off’ and ‘on’ is very convenient, especially when frequently changing bits.
Avoid hole sizes less than 0.8 mm unless you really need them. When making two identical
boards, drill them both together to save time. To do this, carefully drill a 0.8mm hole in the pad
near each corner of each of the two boards, getting the center as accurate as possible. For larger
boards, drill a hole near the center of each side as well. Lay the boards on top of each other and
insert a 0.8mm track pin in two opposite corners, using the pins as pegs to line the PCBs up.
Squeeze or hammer the pins into the boards, and then into the remaining holes. The two PCBs
are now ‘nailed’ together accurately and can be drilled together
.
SUBSTATION AUTOMATION USING µC AND SCADA 2014
DEPT. OF EEE, MG COLLEGE OF ENGINEERING 43
16.6. CUTTING:
A small guillotine is the easiest way to cut fiberglass laminate. Ordinary saws (band
saws, jigsaws, and hacksaws) will be blunted quickly unless these are carbide-tipped, and the
dust can cause sink irritation. A carbide tile-saw blade in a jigsaw might be worth a try. It’s
also easy to accident ally scratch through the protective film when sawing, causing photo resist
scratches and broken tracks on the finished board. A sheet-metal guillotine is also excellent for
cutting boards, provided the blade is fairly sharp. To make cut-outs, drill a series of small holes,
punch out the blank, and file to size. Alternatively, use a fretsaw or small hacksaw, but be
prepared to replace blades often. With practice it’s possible to do corner cutouts with a
guillotine but you have to be very careful that you don’t over-cut!
16.7. SOLDERING:
Soldering is the joining together of two metals to give physical bonding and good
electrical Conductivity. It is used primarily in electrical and electronic circuitry. Solder is a
combination of metals, which are solid at normal room temperatures and become liquid at
between 180 and 200°C. Solder bonds well to various metals, and extremely well to copper.
Soldering is a necessary skill you need to learn to successfully build electronics circuits. It is
the primary way how electronics components are connected to circuit boards, wires and
sometimes directly to other components. To solder you need a soldering iron. A modem basic
electrical soldering iron consists of a heating element, a soldering bit (often called the tip), a
handle and a power cord. The heating element can be either a resistance wire wound around a
ceramic tube, or a thick film resistance element printed onto a ceramic base. The element is
then insulated and placed into a metal tube for strength and protection. This is then thermally
insulated from the handle. The heating element of soldering iron usually reaches temperatures
of around 370 to 400°C (higher than needed to melt the solder). The soldering bit is a specially
shaped piece of copper plated with iron and then usually plated with chrome or iron. The tip
planting makes it very resistant to aggressive solders and fluxes.
The strength or power of a soldering iron is usually expressed in Watts. Irons generally used in
electronics are typically in the range 12 to 25 Watts. Higher powered iron will not run hotter,
but it will have more power available to quickly replace heat drained from the iron during
soldering. Most irons are available in a variety of voltages; 12V, 24V, 115V and 230V are the
most popular. Today most laboratories and repair shops use soldering irons, which operate at
24V (powered by isolation transformer supplied with the soldering iron or by a separate low
voltage outlet). You should always use this low voltage where possible as it is much safer. For
advanced soldering work (like very tiny very sensitive electronic components), you will need
a soldering iron with temperature control. In this type of soldering irons the temperature may
be usually set between 200⁰C and 450⁰C. Many temperature-controlled soldering irons
designed for electronics have a power rating of around 40 to 50 watt. They will heat fast and
give enough power for operation, but are mechanically small (because the temperature
controller stops them from overheating when they are not used).
SUBSTATION AUTOMATION USING µC AND SCADA 2014
DEPT. OF EEE, MG COLLEGE OF ENGINEERING 44
You will occasionally see gas-powered soldering irons which use butane rather than the mains
electrical supply to operate. They have a catalytic element which once warmed up continues to
glow hot when gas passes over them. Gas-powered soldering irons are designed for occasional
“on the spot” use for quick repairs, rather than for main stream construction or assembly
work.You need to be careful in soldering because most electronic components are fragile, and
heat sensitive. Usually our biggest concern is heat. Low enough soldering temperature and
short enough soldering time keeps components in good shape. Electronic components are
designed so that they can take high temperatures on their contacts/ wires for some time without
damage (to withstand the soldering). Prolonged exposure to high temperature will heat up
when inside of the component can cause damage to it. Currently, the best commonly available,
workable, and safe solder alloy is 63/ 37. That is, 63% lead, 37% tin. It is also known as eutectic
solder. Its most desirable characteristics is that its solids (“pasty”) state, and its liquid state
occur at the same temperature — 361⁰F. The combination of 63% lead and 37% tin melts at
the lowest possible temperature. Nowadays there is a tendency to move to use lead free solders,
but it will takes years until they will catch on normal soldering work. Lead free solders are
nowadays available, but they are generally more expensive and/or harder to work on than
traditional solders that have lead in them.There are certain safety measures which you should
keep in mind when soldering. The tin material used in soldering contains dangerous substances
like lead (40-60% of typical soldering tins are lead and lead is poisonous). Also the various
from the soldering flux can be dangerous. While it is true that lead does not vaporize at the
temperatures at which soldering is typically done, particulate matter is dangerous as fumes
would be in terms of poisoning and there is particulate lead present to some extend in the fumes
from your flux When soldering keep the room well ventilated and use a small fan or fume trap.
A proper fume trap or a fan will keep the most pollution away from your face. Professional
electronics workshops use expensive fume extraction systems to protect their workers (needed
for working safety reasons). Those fume extraction devices have a special filter, which filters
out the dangerous fumes. If you can connect a duct to the output from the trap to the outside,
that would be great. Always wash hands prior to smoking, eating, drinking or going to the
bathroom. When you handle soldering tin, your hands will pick up lead, which needs to be
washed out from it before it gets to your body. Do not eat or drink or smoke whilst working
with soldering iron. Do not place cups, glasses or a plate of food near your working area. Wash
also the table sometimes. As you solder, at times there will be bit of spitting and Sputtering. If
you look you will see tiny balls of solder that shoot out and can be found on your soldering
table. The soldering iron will last longer with proper care before and during use wipe the bit
on a damp sponge. Most bench stands incorporate a sponge for this purpose. When using a
new bit apply solder to it as it heats up. Always keep a hot iron in bench stand, or suspended
by the hook, when not in use. Turn of the iron when you do not use it. Periodically remove the
bit and clear away any oxide build up. Regularly check the mains lead for burns or other
damage (change mains lead if necessary).
SUBSTATION AUTOMATION USING µC AND SCADA 2014
DEPT. OF EEE, MG COLLEGE OF ENGINEERING 45
CHAPTER 17
SOLDERING
All components are first tested. The leads of all components are
cleared by rubbing with an abrasive. The PCB is also cleaned by scratching off the varnish
layer at the selected point. The lead of the component to be soldered is applied with some flux
to remove any remaining oxide coating. Soldering is a process in which two or more metal
items are joined together by melting and flowing a filler metal (solder) into the joint, the filler
metal having a lower melting point than the work piece. Soldering differs from welding in that
soldering does not involve melting the work pieces.
There are three forms of soldering, each requiring progressively higher temperatures and
producing an increasingly stronger joint strength:
1. Soft soldering, which originally used a tin-lead alloy as the filler metal,
2. silver soldering, which uses an alloy containing silver,
3. Brazing which uses a brass alloy for the filler.
The alloy of the filler metal for each type of soldering can be adjusted to modify the melting
temperature of the filler. Soldering appears to be a hot glue process, but it differs from gluing
significantly in that the filler metals alloy with the work piece at the junction to form a gas and
liquid tight bond. Soft soldering is characterized by having a melting point of the filler metal
below approximately 400 0
C (752 0
F), whereas silver soldering and brazing use higher
temperatures, typically requiring a flame or carbon arc torch to achieve the melting of the filler.
Soft solder filler metals are typically alloys that have liquids temperatures below 350 0
C.
In this soldering process, heat is applied to the parts to be joined, causing the solder to melt and
to bond to the work pieces in an alloying process called wetting. In stranded wire, the solder is
drawn up into the wire by capillary action in a process called 'wicking'. Capillary action also
takes place when the work pieces are very close together or touching. The joint strength is
dependent on the filler metal used. Soldering produces electrically-conductive, water- and gas-
tight joints. There is evidence that soldering was employed up to 5000 years ago in
Mesopotamia.
SUBSTATION AUTOMATION USING µC AND SCADA 2014
DEPT. OF EEE, MG COLLEGE OF ENGINEERING 46
CHAPTER 18
BILL OF MATERIALS
Table 18.1 : Bill Of Materials
COMPONENTS QTY PRICE
PIC16877A
ZIGBEE MODULE
SEVEN SEGMENT DISPLAY
ADAPTER
TRANSFORMER
RELAY
LED
ASSEMBLE BOARD
PCB BOARD
RESISTORS
CRYSTAL
TOTAL
1
2
1
1
2
5
2
2
1
2
1
600
3000
20
200
500
200
10
200
300
2
35
5067
SUBSTATION AUTOMATION USING µC AND SCADA 2014
DEPT. OF EEE, MG COLLEGE OF ENGINEERING 47
CHAPTER 19
CONCLUSION
This paper deals with the implementation of µC based tap changer control practically,
using special purpose digital hardware as a built-in semiconductor chip or software
simulation in conventional computers. Two strategies are suggested for its implementation
as a software module in the paper. One is to integrate it with the supervisory system in a
substation control room operating in a LAN environment. In this configuration, the parallel
transformers can be controlled locally. The other is to integrate it into the SCADA
(Supervisory Control and Data Acquisition) system, which allows the transformers to be
monitored and controlled remotely over a wide area of power-network. The implementation
of µC based tap changer control needs interfacing between the power system and the control
circuitry. µC s may need to interact with people for the purpose of configuration, alarm
reporting or everyday control.

AUTOMATIC VOLTAGE CONTROL OF TRANSFORMER USING MICROCONTROLLER AND SCADA

  • 1.
    M.G. COLLEGE OFENGINEERING VANDITHADAM, THIRUVALLAM, THIRUVANANTHAPURAM-695027 DEPARTMENT OF ELECTRICAL AND ELECTRONICS ENGINEERING NOVEMBER 2013 PROJECT REPORT ON AUTOMATIC VOLTAGE CONTROL OF TRANSFORMER USING MICROCONTROLLER AND SCADA Submitted in partial fulfillment of the requirements of the award of B.Tech on Electrical and Electronics Engineering of the Cochin University of Science and Technology(CUSAT) Submitted by: AJESH JACOB(19113203)
  • 3.
    TABLE OF CONTENTS SLNO: CHAPTERS PAGE NO: 1 INTRODUCTION 1 2 WAY OF STUDY 3 3 PARAMETERS CONSIDERING 4 3.1 ANALOG PARAMETERS: 5 3.2 LOGIC PARAMETER: 5 4 FUNCTIONAL BLOCK DIAGRAM 5 4.1 MAIN HARDWARES 5 4.1.1 MICROCONTROLLER 5 4.1.2 RS232 5 4.1.3 TEMPERATURE SENSOR 5 4.1.4 DUAL FULL BRIDGE DRIVER 6 5 SOFTWARES 6 5.1 LAB VIEW 6 6 CIRCUIT DIAGRAM 7 7 SCADA 8 8 ESTIMATION OF PROJECT 8 9 CONCLUSION 9 REFERENCE 9
  • 4.
    LIST OF FIGURES FIGNO CONTENT PAGE NO 1. FUNCTIONAL BLOCK DIAGRAM 5 2. CIRCUIT DIAGRAM 7
  • 5.
    1 AUTOMATIC VOLTAGE CONTROLOF TRANSFORMER USING MICROCONTROLLER AND SCADA Ajesh Jacob(19113203) S7,Department of Electrical and Electronics Engineering MG COLLEGE OF ENGINEERING ABSTRACT: A tap changer control operates to connect appropriate tap position of winding in power transformers to maintain correct voltage level in the power transmission and distribution system. Automatic tap changing can be implemented by using µC. This improved tap-changing decision and operational flexibility of this new technique make it attractive for deployment in practical power system network. This paper deals with the implementation of µC based tap changer control practically, using special purpose digital hardware as a built-in semiconductor chip or software simulation in conventional computers. Two strategies are suggested for its implementation as a software module in the paper. One is to integrate it with the supervisory system in a substation control room operating in a LAN environment. In this configuration, the parallel transformers can be controlled locally. The other is to integrate it into the SCADA (Supervisory Control and Data Acquisition) system, which allows the transformers to be monitored and controlled remotely over a wide area of power-network. The implementation of µC based tap changer control needs interfacing between the power system and the control circuitry. µC s may need to interact with people for the purpose of configuration, alarm reporting or everyday control. A human-machine interface (HMI) is employed for this purpose. An HMI is usually linked to the SCADA system’s databases and software programs, to provide trending, diagnostic data, and management information such as scheduled maintenance procedures, logistic information, detailed schematics for a particular sensor or machine, and expert-system troubleshooting guides. CHAPTER 1 INTRODUCTION There are vast opportunities to improve energy use efficiency by eliminating waste through process optimization. Applying today’s computing and control equipment and techniques is one of the most cost-effective and significant opportunities for larger energy users to reduce their energy costs and improve profits. An Energy Management Information System (EMIS) is an important element of a comprehensive energy management program. It provides relevant information to key individuals and departments that enable them to improve energy performance. Today it is normal for companies, particularly in process sectors, to collect huge amounts of real-
  • 6.
    2 time data fromautomated control systems, including microcontrollers, Supervisory Control and Data Acquisition (SCADA), etc. The captured data is shared and analysed in an orderly and precise way that identifies problem areas and provides solutions, this mass of data is merely information overload. Advances in information technology (IT), defined here as the use of computers to collect, analyses, control and distribute data, have developed rapidly. It is now common for managers and operators to have access to powerful computers and software. Today there are a number of techniques to analyses the factors that affect efficiency, and models are automatically generated based on “what if” scenarios in order to improve decisions to be taken. The paper shows a very advanced technology for handling automatically more than 200 digital and analogue (i/p and o/p) parameters via intelligent monitoring and controlling system. However, load management is the process of scheduling the loads to reduce the electric energy consumption and or the maximum demand. It is basically optimizing the processes/loads to improve the system load factor. Load-management procedures involve changes to equipment and/or consumption patterns on the customer side. There are many methods of load management which can be followed by an industry or a utility, such as load shedding and restoring, load shifting, installing energy-efficient processes and equipment, energy storage devices, co- generation, non-conventional sources of energy, and reactive power control Meeting the peak demand is one of the major problems now facing the electric utilities. With the existing generating capacity being unmanageable, authorities are forced to implement load shedding in various sectors during most of the seasons. Load shifting will be a better option for most industries. Load shifting basically means scheduling the load in such a way that loads are diverted from peak period to off-peak periods, thereby shaving the peak and filling the valley of the load curve, so improving the load factor .To encourage load shifting in industries, and thereby to reduce peak demand automatically, Also, power quality is of major concern to all types of industries, especially those operating with critical machinery and equipments. Poor quality of power leads to major problems like break-downs, production interruptions, excess energy consumption etc. Modern industries require automation of their operation enabling them to produce quality products and also for mass production. The conventional systems are being replaced by modern Power Electronic systems, bringing a variety of advantages to the users. Classic examples are DC & AC Drives, UPS, soft starters, etc. Power Quality Alarming and Analysis provides a comprehensive view into a facility's electrical distribution system. Power Quality can be monitored at the electrical mains or at any critical feeder branch in the distribution system such as described here. Devices in this category typically provide all of the parameters found in basic devices, plus advanced analysis capabilities [7]-[8]. These advanced analysis capabilities include using waveform capture to collect and view waveform shape and magnitude, providing harmonic analysis graphs, collection and storage of events and data, and recording single or multiple cycle waveforms based on triggers such as overvoltage or transients. With the ever-increasing use of sophisticated controls and equipment in industrial, commercial, and governmental facilities, the continuity, reliability, and quality of electrical service has become extremely crucial to many power users. Electrical systems are subject to a wide variety
  • 7.
    3 of power qualityproblems which can interrupt production processes, affect sensitive equipment, and cause downtime, scrap, and capacity losses. Momentary voltage fluctuations can disastrously impact production . the proposed modified intelligent monitoring and controlling system will introduce monitoring, alarming, controlling, and power quality mitigation based on data collected and analyzed from the system. OBJECTIVES: The original system can afford the following features: - Complete information about the plant (circuit breakers status, source of feeding, and level of the consumed power). - Information about the operating values of the voltage, operating values of the transformers, operating values of the medium voltage, load feeders, operating values of the generators. These values will assist in getting any action to return the plant to its normal operation by minimum costs. - Information about the quality of the system (harmonics, current, voltages, power factors, flickers, etc.). These values will be very essential in case of future correction. - Recorded information such case voltage spikes, reducing the voltage on the medium or current interruption. - implementation of µC based tap changer control practically, using special purpose digital hardware as a built-in semiconductor chip or software simulation in conventional computers. CHAPTER 2 WAY OF STUDY Searching for a new trend topic Select the topic Sketching the block diagram List out the components needed Googling the properties of each components Select the apt components Rough sketching the circuit diagram Calculating the cost of project
  • 8.
    4 Plan to studythe software part Correcting the circuit by designing the values of components Implementing the circuit Presenting the project CHAPTER 3 PARAMETERS CONSIDERING; 3.1 ANALOG PARAMETERS: 1. Incoming Voltage 2. Bus Voltage 3. 3 - Feeder Current 4. Max Bus Current 5. Incoming Current 6. Power 7. Active Power 8. Power Factor 9. Frequency 3.2. LOGIC PARAMETER: 1. over Heat Protection 2. Flame Identification 3. Trespassing Identification
  • 9.
    5 CHAPTER 4 FUNCTIONAL BLOCKDIAGRAM 4.1 MAIN HARDWARES 4.1.1.MICROCONTROLLER: The PIC16F87XA is a low power CMOS 8-bit microcontroller based on the AVR enhanced RISC architecture by executing powerful instructions clock cycle, achieves through PIC16F87XA puts approaching 1MIPS/MHz allowing the system designer to optimize power consumption versus processing speed. 4.1.2. RS-232: In telecommunications, RS-232 is a standard for serial data communication. .interconnection between a DTE (Data terminal equipment) and a DCE(Data Circuit-terminating Equipment).it is commonly used in computer serial ports. is commonly used in computer serial ports. 4.1.3. TEMPERATURE SENSOR: The Temperature sensor detector is designed for the security practice. This sensor buffers a piezoelectric transducer. As the transducer is displaced from the mechanical neutral axis, bending creates strain within the piezoelectric element and generates voltages. When vibration Temperature sensor alarm recognizes temperature it sends a signal to either control panel developed a new type of Omni-directional high sensitivity security vibrational temperature detector with Omni-directional detection.
  • 10.
    6 4.1.4. DUAL FULLBRIDGE DRIVER: The L298 is an integrated monolithic circuit in a 15- lead Multi-watt and PowerSO20 packages. It is a high voltage, high current dual full-bridge driver designed to accept standard TTL logic levels and drive inductive loads such as relays, solenoids, DC and stepping motors. Two enable inputs are provided to enable or disable the device independently of the input signals. The emitters of the lower transistors of each bridge are connected together and the corresponding external terminal can be used for the connection of an external sensing resistor. An additional supply input is provided so that the logic works at a lower voltage. CHAPTER 5 SOFTWARE 5.1. Lab VIEW: (short for Laboratory Virtual Instrument Engineering Workbench) is a system-design platform and development environment for a visual programming language from National Instruments. The graphical language is named "G" (not to be confused with G-code). Originally released for the Apple Macintosh in 1986, LabVIEW is commonly used for data acquisition, instrument control, and industrial automation on a variety of platforms including Microsoft Windows, various versions of UNIX, Linux, and Mac OS X. The programming language used in LabVIEW, also referred to as G, is a dataflow programming language. Execution is determined by the structure of a graphical block diagram (the LV-source code) on which the programmer connects different function-nodes by drawing wires. These wires propagate variables and any node can execute as soon as all its input data become available. Since this might be the case for multiple nodes simultaneously, G is inherently capable of parallel execution. Multi-processing and multi-threading hardware is automatically exploited by the built-in scheduler, which multiplexes multiple OS threads over the nodes ready for executions. In terms of performance, LabVIEW includes a compiler that produces native code for the CPU platform. The graphical code is translated into executable machine code by interpreting the syntax and by compilation. The LabVIEW syntax is strictly enforced during the editing process and compiled into the executable machine code when requested to run or upon saving. In the latter case, the executable and the source code are merged into a single file. The executable runs with the help of the LabVIEW run-time engine, which contains some precompiled code to perform common tasks that are defined by the G language. The run-time engine reduces compile time and also provides a consistent interface to various operating systems, graphic systems, hardware components, etc. The run-time environment makes the code portable across platforms. Generally, LabVIEW code can be slower than equivalent compiled C code, although the differences often lie more with program optimization than inherent execution speed. Libraries with a large number of functions for data acquisition, signal generation, mathematics, statistics, signal conditioning, analysis, etc., along with numerous graphical interface elements are
  • 11.
    7 provided in severalLabVIEW package options. The number of advanced mathematic blocks for functions such as integration, filters, and other specialized capabilities usually associated with data capture from hardware sensors is immense. In addition, LabVIEW includes a text-based programming component called MathScript with additional functionality for signal processing, analysis and mathematics. MathScript can be integrated with graphical programming using "script nodes" and uses a syntax that is generally compatible with MATLAB. CHAPTER 6 CIRCUIT DIAGRAM
  • 12.
    8 CHAPTER 7 SCADA FORPOWER SYSTEM AUTOMATION Automation of power distribution system has increasingly been adopted by power utilities worldwide in recent years. As part of its efforts to provide a more reliable supply to the customer and to enhance operational efficiency. The automation of the power system can be achieved by SCADA. It is a boon to the automation concept of dynamic technology. SCADA refers to “SUPERVISORY CONTROL&DATA ACQUISITION”. This paper presents the approach adopted in implementing the SCADA system and the benefits accrued through incorporating system. Electric power distribution system is an important part of electric power system in delivery of electricity to consumers. Electric power utilities worldwide are increasingly adopting the computer aided monitoring, control and management of electric power distribution system to provide better service to electric consumers. Therefore research and development activities worldwide are being carried out to automate the electric power distribution system utilizing recent advancement in the area of information technology and data communication system. This paper reports the present and past status of the research and development activities in the area of electric power distribution automation both in developed as well as in developing countries. The information given in this paper is useful to electric power distribution utilities and academicians involved in research and development activities in the area of power distribution automation. Even public sectors like TNEB has installed SCADA for monitor & control ninety-five substations in the CHENNAI metro for this, We are trying to reproduce SCADA in a computer based SCADA system equipped with automated generation control function is proposed. To supervise and control the generation and transmission system as well as to cater for their increasing sophistication in system operation and coordination. In order to serve such a high number of RTU by a control centre and to avoid any communication bottleneck at the master station, a distributed system approach is suggested. CHAPTER 8 ESTIMATION OF PROJECT SL NO PURPOSES PRICE RATE 1 programming 5000/- 2 Layout designing 3000/- 3 components 5000/- 4 Circuit designing 3000/- 5 others 5000/- 6 Total 21,000/-
  • 13.
    9 CHAPTER 9 CONCLUSION This paperdeals with the implementation of µC based tap changer control practically, using special purpose digital hardware as a built-in semiconductor chip or software simulation in conventional computers. Two strategies are suggested for its implementation as a software module in the paper. One is to integrate it with the supervisory system in a substation control room operating in a LAN environment. In this configuration, the parallel transformers can be controlled locally. The other is to integrate it into the SCADA (Supervisory Control and Data Acquisition) system, which allows the transformers to be monitored and controlled remotely over a wide area of power-network. The implementation of µC based tap changer control needs interfacing between the power system and the control circuitry. µC s may need to interact with people for the purpose of configuration, alarm reporting or everyday control. REFERENCE [1] M. R. Mcrae, R. M. Seheer and B. A. Smith, "Integrating Load Management Programs into Utility Operations and Planning with a Load Reduction Forecasting System," IEEE Trans., Vol PAS-104, No. 6, pp. 1321- 1325, June 1985. [2] C. W. Gellings, "Interruptible Load Management into Utility Planning", IEEE Trans. Vol.PAS-104, No.8, pp.2079-2085, August 1985[3] C. W. Gellings, A. C. Johnson and P. Yatcko, "Load Management Assessment Methodologyat PSE&G", IEEE Trans.,Vol. PAS-101, No.9, pp. 3349-3355, September,1982. [4] C. Alvarez, R.P. Malhame, A. Gabaldon, “A class of models for load management application and evaluation revisited”, IEEE Transaction on Power Systems, Vol. 7, No. 4, pp. 1435, Novemebr-1992. [5] L Ma Isaksen and N.W. Simons, “Bibliographyand load management”, IEEE Transactions on Power Apparatus and Systems 1981: PAS-100(5):1981. [6] J.N. Sheen et al, “TOU pricing of electricity for load management in Taiwan power company”, IEEE Trans on Power Systems 1994. [7] Meier, Alexandra von (2006). Electric Power Systems: A Conceptual Introduction. John Wiley & Sons, Inc. ISBN 978-0-471-17859. [8] Kusko, Alex; Marc Thompson (2007). Power Quality in Electrical Systems. McGraw Hill. ISBN 978- 0071470759. [9] M.M. Eissa. Demand Side Management Program Evaluation Based on Industrial and Commercial Field Data. Energy Policy 39 (October, 2011) 5961–5969.
  • 14.
    SUBSTATION AUTOMATION USINGµC AND SCADA 2014 DEPT. OF EEE, MG COLLEGE OF ENGINEERING 1 CHAPTER 1 INTRODUCTION There are vast opportunities to improve energy use efficiency by eliminating waste through process optimization. Applying today’s computing and control equipment and techniques is one of the most cost-effective and significant opportunities for larger energy users to reduce their energy costs and improve profits. An Energy Management Information System (EMIS) is an important element of a comprehensive energy management program. It provides relevant information to key individuals and departments that enable them to improve energy performance. Today it is normal for companies, particularly in process sectors, to collect huge amounts of real-time data from automated control systems, including Programmable Logic Controllers (PLCs), Supervisory Control and Data Acquisition (SCADA), etc. The captured data is shared and analysed in an orderly and precise way that identifies problem areas and provides solutions, this mass of data is merely information overload. Advances in information technology (IT), defined here as the use of computers to collect, analyse, control and distribute data, have developed rapidly. It is now common for managers and operators to have access to powerful computers and software. Today there are a number of techniques to analyse the factors that affect efficiency, and models are automatically generated based on “what if” scenarios in order to improve decisions to be taken. The paper shows a very advanced technology for handling automatically, digital and analogue (i/p and o/p) parameters via intelligent monitoring and controlling system. A tap changer control operates to connect appropriate tap position of winding in power transformers to maintain correct voltage level in the power transmission and distribution system. Automatic tap changing can be implemented by using µC. This improved tap-changing decision and operational flexibility of this new technique make it attractive for deployment in practical power system network. This paper deals with the implementation of µC based tap changer control practically, using special purpose digital hardware as a built-in semiconductor chip or software simulation in conventional computers. Two strategies are suggested for its implementation as a software module in the paper. One is to integrate it with the supervisory system in a substation control room operating in a LAN environment. In this configuration, the parallel transformers can be controlled locally. The other is to integrate it into the SCADA (Supervisory Control and Data Acquisition) system, which allows the transformers to be monitored and controlled remotely over a wide area of power-network. The implementation of µC based tap changer control needs interfacing between the power system and the control circuitry. µC s may need to interact with people for the purpose of configuration, alarm reporting or everyday control. A human-machine interface (HMI) is employed for this purpose. An HMI is usually linked to the SCADA system’s databases and software programs, to provide trending, diagnostic data, and management information such as scheduled maintenance procedures, logistic information, detailed schematics for a particular sensor or machine, and expert-system troubleshooting guides.
  • 15.
    SUBSTATION AUTOMATION USINGµC AND SCADA 2014 DEPT. OF EEE, MG COLLEGE OF ENGINEERING 2 However, load management is the process of scheduling the loads to reduce the electric energy consumption and or the maximum demand. It is basically optimizing the processes/loads to improve the system load factor. Load-management procedures involve changes to equipment and/or consumption patterns on the customer side. There are many methods of load management which can be followed by an industry or a utility, such as load shedding and restoring, load shifting, installing energy-efficient processes and equipment, energy storage devices, co- generation, non-conventional sources of energy, and reactive power control Meeting the peak demand is one of the major problems now facing the electric utilities. With the existing generating capacity being unmanageable, authorities are forced to implement load shedding in various sectors during most of the seasons. Load shifting will be a better option for most industries. Load shifting basically means scheduling the load in such a way that loads are diverted from peak period to off-peak periods, thereby shaving the peak and filling the valley of the load curve, so improving the load factor .To encourage load shifting in industries, and thereby to reduce peak demand automatically, Also, power quality is of major concern to all types of industries, especially those operating with critical machinery and equipment. Poor quality of power leads to major problems like break-downs, production interruptions, excess energy consumption etc. Modern industries require automation of their operation enabling them to produce quality products and also for mass production. The conventional systems are being replaced by modern Power Electronic systems, bringing a variety of advantages to the users. Classic examples are DC & AC Drives, UPS, soft starters, etc. Power Quality Alarming and Analysis provides a comprehensive view into a facility's electrical distribution system. Power Quality can be monitored at the electrical mains or at any critical feeder branch in the distribution system such as described here. Devices in this category typically provide all of the parameters found in basic devices, plus advanced analysis capabilities. These advanced analysis capabilities include using waveform capture to collect and view waveform shape and magnitude, providing harmonic analysis graphs, collection and storage of events and data, and recording single or multiple cycle waveforms based on triggers such as overvoltage or transients. With the ever-increasing use of sophisticated controls and equipment in industrial, commercial, and governmental facilities, the continuity, reliability, and quality of electrical service has become extremely crucial to many power users. Electrical systems are subject to a wide variety of power quality problems which can interrupt production processes, affect sensitive equipment, and cause downtime, scrap, and capacity losses. Momentary voltage fluctuations can disastrously impact production. the proposed modified intelligent monitoring and controlling system will introduce monitoring, alarming, controlling, and power quality mitigation based on data collected and analysed from the system.
  • 16.
    SUBSTATION AUTOMATION USINGµC AND SCADA 2014 DEPT. OF EEE, MG COLLEGE OF ENGINEERING 3 CHAPTER 2 AUTOMATION 2.1 INTRODUCTION The word ‘Automation’ is derived from Greek words “Auto” (self) and “Matos” (moving). Automation therefore is the mechanism for systems that “move by it”. However, apart from this original sense of the word, automated systems also achieve significantly superior performance than what is possible with manual systems, in terms of power, precision and speed of operation. 2.2 DEFINITION Automation is a set of technologies that results in operation of machines and systems without significant human intervention and achieves performance superior to manual operation. AUTOMATION PYRAMID 2.1.1SENSORS AND ACTUATORS LAYERS: This layer is closest to the process and machines, used to translate signals so that signals can be derived from processes for analysis and decisions and hence control signals can be applied to the processes. This forms the base layer of the pyramid also called ‘level 0’ layer.
  • 17.
    SUBSTATION AUTOMATION USINGµC AND SCADA 2014 DEPT. OF EEE, MG COLLEGE OF ENGINEERING 4 2.1.2 AUTOMATIC CONTROL LAYER: This layer consists of automatic control and monitoring systems, which drive the actuators using the process information given by sensors. This is called as ‘level 1’ layer. 2.1.3 SUPERVISORY CONTROL LAYER: This layer drives the automatic control system by setting target/goal to the controller. Supervisory Control looks after the equipment, which may consist of several control loops. This is called as ‘level 2’ layer. 2.1.4 PRODUCTION CONTROL LAYER: This solves the decision problems like production targets, resource allocation, task allocation to machines, maintenance management etc. This is called ‘level 3’ layer. 2.1.5 ENTERPRISE CONTROL LAYER: This deals less technical and more commercial activities like supply, demand, cash flow, product marketing etc. This is called as the ‘level 4’ layer. 2.3 TYPES OF AUTOMATION Automation systems can be categorized based on the flexibility and level of integration in manufacturing process operations. Various automation systems can be classified as follows 2.3.1 FIXED AUTOMATION: It is used in high volume production with dedicated equipment, which has a fixed set of operation and designed to be efficient for this set. Continuous flow and Discrete Mass Production systems use this automation. e.g. Distillation Process, Conveyors, Paint Shops, Transfer lines etc. A process using mechanized machinery to perform fixed and repetitive operations in order to produce a high volume of similar parts. 2.3.2 PROGRAMMABLE AUTOMATION: It is used for a changeable sequence of operation and configuration of the machines using electronic controls. However, non-trivial programming effort may be needed to reprogram the machine or sequence of operations. Investment on programmable equipment is less, as production process is not changed frequently. It is typically used in Batch process where job variety is low and product volume is medium to high, and sometimes in mass production also. e.g. in Steel Rolling Mills, Paper Mills etc.
  • 18.
    SUBSTATION AUTOMATION USINGµC AND SCADA 2014 DEPT. OF EEE, MG COLLEGE OF ENGINEERING 5 2.3.3 FLEXIBLE AUTOMATION: It is used in Flexible Manufacturing Systems (FMS) which is invariably computer controlled. Human operators give high-level commands in the form of codes entered into computer identifying product and its location in the sequence and the lower level changes are done automatically. Each production machine receives settings/instructions from computer. These automatically loads/unloads required tools and carry out their processing instructions. After processing, products are automatically transferred to next machine. It is typically used in job shops and batch processes where product varieties are high and job volumes are medium to low. Such systems typically use Multi purpose CNC machines, Automated Guided Vehicles (AGV) etc. 2.3.4 INTEGRATED AUTOMATION: It denotes complete automation of a manufacturing plant, with all processes functioning under computer control and under coordination through digital information processing. It includes technologies such as computer-aided design and manufacturing, computer-aided process planning, computer numerical control machine tools, flexible machining systems, automated storage and retrieval systems, automated material handling systems such as robots and automated cranes and conveyors, computerized scheduling and production control. It may also integrate a business system through a common database. In other words, it symbolizes full integration of process and management operations using information and communication technologies. Typical examples of such technologies are seen in Advanced Process Automation Systems and Computer Integrated Manufacturing (CIM).
  • 19.
    SUBSTATION AUTOMATION USINGµC AND SCADA 2014 DEPT. OF EEE, MG COLLEGE OF ENGINEERING 6 CHAPTER 3 SCADA SCADA systems are widely used in industry for Supervisory Control and Data Acquisition of industrial processes. Companies that are members of standardisation committees (e.g. OPC, OLE for Process Control) and are thus setting the trends in matters of IT technologies generally develop these systems. As a matter of fact, they are now also penetrating the experimental physics laboratories for the controls of ancillary systems such as cooling, ventilation, power distribution, etc. More recently they were also applied for the controls of smaller size particle detectors such as the L3 muon detector and the NA48 experiment, to name just two examples at CERN. SCADA systems have made substantial progress over the recent years in terms of functionality, scalability, performance and openness such that they are an alternative to in house development even for very demanding and complex control systems as those of physics experiments. This paper describes SCADA systems in terms of their architecture, their interface to the process hardware, the functionality and application development facilities they provide. Some attention is paid to the industrial standards to which they abide, their planned evolution as well as the potential benefits of their use. 3.1 ARCHITECTURE This section describes the common features of the SCADA products that have been evaluated at CERN in view of their possible application to the control systems of the LHC detectors. 3.1.1 HARDWARE ARCHITECTURE One distinguishes two basic layers in a SCADA system: the "client layer" which caters for the man machine interaction and the "data server layer" which handles most of the process data control activities. The data servers communicate with devices in the field through process controllers. Process controllers, e.g. PLCs, are connected to the data servers either directly or via networks or fieldbuses that are proprietary (e.g. Siemens H1), or non-proprietary (e.g. Profibus). Data servers are connected to each other and to client stations via an Ethernet LAN.
  • 20.
    SUBSTATION AUTOMATION USINGµC AND SCADA 2014 DEPT. OF EEE, MG COLLEGE OF ENGINEERING 7 3.1.2 SOFTWARE ARCHITECTURE The products are multi-tasking and are based upon a real-time database (RTDB) located in one or more servers. Servers are responsible for data acquisition and handling (e.g. polling controllers, alarm checking, calculations, logging and archiving) on a set of parameters, typically those they are connected to.
  • 21.
    SUBSTATION AUTOMATION USINGµC AND SCADA 2014 DEPT. OF EEE, MG COLLEGE OF ENGINEERING 8 CHAPTER 4 PROPOSED BLOCK DIAGRAM
  • 22.
    SUBSTATION AUTOMATION USINGµC AND SCADA 2014 DEPT. OF EEE, MG COLLEGE OF ENGINEERING 9 CHAPTER 5 PROPOSED FUNCTIONAL BLOCK DESCRIPTION 5.1 MICROCONTROLLER: The PIC16F87XA is a low power CMOS 8-bit microcontroller based on the AVR enhanced RISC architecture by executing powerful instructions clock cycle, achieves through PIC16F87XA puts approaching 1MIPS/MHz allowing the system designer to optimize power consumption versus processing speed. Special Features:-  Flash memory : 14.3 Kbytes(8192 words)  Data SRAM : 368 bytes  Data EEPROM : 256 bytes  Self- reprogrammable under software control  In – Circuit serial Programming via two pins(5v)  Watchdog timer with on-chip RC oscillator  Programmable code protection  Power –saving sleep mode  Selectable oscillator options  In – circuit Debug via two pins Figure 1
  • 23.
    SUBSTATION AUTOMATION USINGµC AND SCADA 2014 DEPT. OF EEE, MG COLLEGE OF ENGINEERING 10 5.2 RS-232 : In telecommunications, RS-232 is a standard for serial data communication. .interconnection between a DTE (Data terminal equipment) and a DCE(Data Circuit- terminating Equipment).it is commonly used in computer serial ports. is commonly used in computer serial ports. 5.3 TEMPERATURE SENSOR: The Temperature sensor detector is designed for the security practice. This sensor buffers a piezoelectric transducer. As the transducer is displaced from the mechanical neutral axis, bending creates strain within the piezoelectric element and generates voltages. When vibration Temperature sensor alarm recognizes temperature it sends a signal to either control panel developed a new type of Omni-directional high sensitivity security vibrational temperature detector with Omni-directional detection. 5.4 Lab VIEW: Short for Laboratory Virtual Instrument Engineering Workbench) is a system-design platform and development environment for a visual programming language from National Instruments. The graphical language is named "G" (not to be confused with G-code). Originally released for the Apple Macintosh in 1986, LabVIEW is commonly used for data acquisition, instrument control, and industrial automation on a variety of platforms including Microsoft Windows, various versions of UNIX, Linux, and Mac OS X. The programming language used in LabVIEW, also referred to as G, is a dataflow programming language. Execution is determined by the structure of a graphical block diagram (the LV-source code) on which the programmer connects different function-nodes by drawing wires. These wires propagate variables and any node can execute as soon as all its input data become available. Since this might be the case for multiple nodes simultaneously, G is inherently capable of parallel execution. Multi-processing and multi-threading hardware is automatically exploited by the built-in scheduler, which multiplexes multiple OS threads over the nodes ready for executions. In terms of performance, LabVIEW includes a compiler that produces native code for the CPU platform. The graphical code is translated into executable machine code by interpreting the syntax and by compilation. The LabVIEW syntax is strictly enforced during the editing process and compiled into the executable machine code when requested to run or upon saving. In the latter case, the executable and the source code are merged into a single file. The executable runs with the help of the LabVIEW run-time engine, which contains some precompiled code to perform common tasks that are defined by the G language. The run-time engine reduces compile time and also provides a consistent interface to various operating systems, graphic systems, hardware components, etc. The run-time environment makes the code portable across platforms. Generally, LabVIEW code can be slower than equivalent compiled C code, although the differences often lie more with program optimization than inherent execution speed. Libraries with a large number of functions for data acquisition, signal generation, mathematics,
  • 24.
    SUBSTATION AUTOMATION USINGµC AND SCADA 2014 DEPT. OF EEE, MG COLLEGE OF ENGINEERING 11 statistics, signal conditioning, analysis, etc., along with numerous graphical interface elements are provided in several LabVIEW package options. The number of advanced mathematic blocks for functions such as integration, filters, and other specialized capabilities usually associated with data capture from hardware sensors is immense. In addition, LabVIEW includes a text-based programming component called MathScript with additional functionality for signal processing, analysis and mathematics. MathScript can be integrated with graphical programming using "script nodes" and uses a syntax that is generally compatible with MATLAB. 5.5 DUAL FULL BRIDGE DRIVER: The L298 is an integrated monolithic circuit in a 15- lead Multi-watt and PowerSO20 packages. It is a high voltage, high current dual full-bridge driver designed to accept standard TTL logic levels and drive inductive loads such as relays, solenoids, DC and stepping motors. Two enable inputs are provided to enable or disable the device independently of the input signals. The emitters of the lower transistors of each bridge are connected together and the corresponding external terminal can be used for the connection of an external sensing resistor. An additional supply input is provided so that the logic works at a lower voltage. 5.6 STEPPER MOTOR This motor based on the input from PIC will rotates the shaft of auto-transformer and changes the tapping i.e. at low voltages the shaft is rotated in the clockwise direction and stepup the voltage level to the required voltage level and vice versa. This in turn is added to the external power and transmitted out. Figure 2
  • 25.
    SUBSTATION AUTOMATION USINGµC AND SCADA 2014 DEPT. OF EEE, MG COLLEGE OF ENGINEERING 12 5.7 POWER SUPPLY A voltage regulator is designed to automatically maintain a constant voltage level in the circuit. Here the voltage regulator IC 7805 is used to reduce the high dc voltage to 5V. it is a member of 78xx series of fixed linear voltage regulator ICs. The voltage source in a circuit may have fluctuations and would not give the fixed voltage output. The maintains the output voltage at a constant value. The xx in 78xx indicates the fixed output voltage it is designed to provide. 7805 provides +5V regulated power supply. Capacitors of suitable values can be connected at input and output pins depending upon the respective voltage levels. Figure 3
  • 26.
    SUBSTATION AUTOMATION USINGµC AND SCADA 2014 DEPT. OF EEE, MG COLLEGE OF ENGINEERING 13 CHAPTER 6 MODIFIED FUNCTIONAL BLOCK DIAGRAM
  • 27.
    SUBSTATION AUTOMATION USINGµC AND SCADA 2014 DEPT. OF EEE, MG COLLEGE OF ENGINEERING 14 CHAPTER 7 MODIFIED BLOCK DIAGRAM DESCRIPTION 7.1 TRI TAPPED TRANSFORMER Transformer converts AC electricity from one voltage to another with little loss of power. Transformers works only with AC and this is one of the reasons why mains electricity is AC. Step up transformers increase voltage, step down transformers reduce voltage. The input coil is called primary and output coil is called secondary, There is no electrical connection between two coils; instead they are linked by an alternating magnetic field created in the soft iron core of the transformer. Transformers wastes very little power so the power out is almost equal to the power in. Not that as voltage is stepped down current is stepped up. The ratio of the number of turns on each coil, called the turns ratio, determines the ratio of the voltages. A step down transformers has a large number of turns on its primary which is connected to the high voltage mains supply, and a small number of turns on its secondary coil to give a low output voltage. 7.2 Bi –PASS RELAY SECTION: The microcontroller continuously monitors the status of 3 lines originating from Port A. Whenever any lines fails, the controller came to know that and it activates the corresponding relay in the bypass circuit to bypass line. The relays detect the abnormal conditions in the electrical circuits by constantly measuring the electrical quantities which are different under normal and fault conditions. The electrical quantities which may change under fault conditions are voltages, current, frequency, and phase angle. Through the changes in one or more of these quantities, the faults signal their presence, type and location to the protective relays. 7.3 RELAY Relay is an electromagnetic device which is used to isolate two circuits electrically and connect them magnetically. They are very useful devices and allow one circuit to switch another one while they are completely separate. They are often used to interface an electronic circuit (working at a low voltage) to an electrical circuit which works at very high voltage. For example, a relay can make a 5V DC battery circuit to switch a 230V AC mains circuit. Thus a small sensor circuit can drive, say, a fan or an electric bulb. A relay can be divided into two parts: input and output. The input section has a coil which generates magnetic field when a small voltage from an electronic circuit is applied to it. This voltage is called the operating voltage. Commonly used relays are available in different configuration of operating voltages like 6V, 9V, 12V, 24V etc.
  • 28.
    SUBSTATION AUTOMATION USINGµC AND SCADA 2014 DEPT. OF EEE, MG COLLEGE OF ENGINEERING 15 The output section consists of contactors which connect or disconnect mechanically. In a basic relay there are three contactors: normally open (NO), normally closed (NC) and common (COM). At no input state, the COM is connected to NC. When the operating voltage is applied the relay coil gets energized and the COM changes contact to NO. Different relay configurations are available like SPST, SPDT, and DPDT etc., which have different number of changeover contacts. By using proper combination of contactors, the electrical circuit can be switched on and off. 7.4 CRYSTAL OSCILLATOR A crystal oscillator is an electronic oscillator circuit that uses the mechanical resonance of a vibrating crystal of piezoelectric material to create an electrical signal with a very precise frequency. This frequency is commonly used to keep track of time (as in quartz wristwatches), to provide a stable clock signal for digital integrated circuits, and to stabilize frequencies for radio transmitters and receivers. The most common type of piezoelectric resonator used is the quartz crystal, so oscillator circuits designed around them became known as "crystal oscillators." Quartz crystals are manufactured for frequencies from a few tens of kilohertz to tens of megahertz. More than two billion (2×109 ) crystals are manufactured annually. Most are used for consumer devices such as wristwatches, clocks, radios, computers, and cellphones. Quartz crystals are also found inside test and measurement equipment, such as counters, signal generators, and oscilloscopes. A crystal is a solid in which the constituent atoms, molecules, or ions are packed in a regularly ordered, repeating pattern extending in all three spatial dimensions. Almost any object made of an elastic material could be used like a crystal, with appropriate transducers, since all objects have natural resonant frequencies of vibration. For example, steel is very elastic and has a high speed of sound. It was often used in mechanical filters before quartz. The resonant frequency depends on size, shape, elasticity, and the speed of sound in the material. High-frequency crystals are typically cut in the shape of a simple, rectangular plate. Low-frequency crystals, such as those used in digital watches, are typically figure. 4 Single pole double throw switch
  • 29.
    SUBSTATION AUTOMATION USINGµC AND SCADA 2014 DEPT. OF EEE, MG COLLEGE OF ENGINEERING 16 cut in the shape of a tuning fork. For applications not needing very precise timing, a low-cost ceramic resonator is often used in place of a quartz crystal. When a crystal of quartz is properly cut and mounted, it can be made to distort in an electric field by applying a voltage to an electrode near or on the crystal. This property is known as piezoelectricity. When the field is removed, the quartz will generate an electric field as it returns to its previous shape, and this can generate a voltage. The result is that a quartz crystal behaves like a circuit composed of an inductor, capacitor and resistor, with a precise resonant frequency. Quartz has the further advantage that its elastic constants and its size change in such a way that the frequency dependence on temperature can be very low. The specific characteristics will depend on the mode of vibration and the angle at which the quartz is cut (relative to its crystallographic axes).[8] Therefore, the resonant frequency of the plate, which depends on its size, will not change much, either. This means that a quartz clock, filter or oscillator will remain accurate. For critical applications the quartz oscillator is mounted in a temperature-controlled container, called a crystal oven, and can also be mounted on shock absorbers to prevent perturbation by external mechanical vibrations. 7.5 RESISTORS A resistor is a passive two-terminal electrical component that implements electrical resistance as a circuit element. The current through a resistor is in direct proportion to the voltage across the resistor's terminals. Thus, the ratio of the voltage applied across a resistor's terminals to the intensity of current through the circuit is called resistance. This relation is represented by Ohm's law: where I is the current through the conductor in units of amperes, V is the potential difference measured across the conductor in units of volts, and R is the resistance of the conductor in units of ohms. More specifically, Ohm's law states that the R in this relation is constant, independent of the current. Resistors are common elements of electrical networks and electronic circuits and are ubiquitous in electronic equipment. Practical resistors can be made of various compounds and films, as well as resistance wire (wire made of a high-resistivity alloy, such as nickel-chrome). Resistors are also implemented within integrated circuits, particularly analog devices, and can also be integrated into hybrid and printed circuits. 7.6 CAPACITORS A capacitor (formerly known as condenser) is a passive two-terminal electrical component used to store energy in an electric field. The forms of practical capacitors vary widely, but all contain at least two electrical conductors separated by a dielectric (insulator); for example, one common construction consists of metal foils separated by a thin layer of insulating film. Capacitors are widely used as parts of electrical circuits in many common electrical devices.
  • 30.
    SUBSTATION AUTOMATION USINGµC AND SCADA 2014 DEPT. OF EEE, MG COLLEGE OF ENGINEERING 17 CHAPTER 8 CIRCUIT DIAGRAM
  • 31.
    SUBSTATION AUTOMATION USINGµC AND SCADA 2014 DEPT. OF EEE, MG COLLEGE OF ENGINEERING 18 CHAPTER 9 WORKING We are about to control and monitor the different parameters of a substation particularly voltage, current ,frequency power ,heat or temperature developed in a transformer. Controlling includes the voltage restoration ; whenever the voltage level fails, the tapings of the transformer is being selected by relay switching and for the protection from the over voltage relay trip switch is employed from over heating of transformer , cooling arrangements are automatically enhanced. 9.1 MEASUREMENT OF PARAMETERS 9.1.1 VOLTAGE: Voltage coming to the back feeder is measured by selecting a low voltage taping from the transformer which will provide an output voltage in the range 0 to 3 V, which is fed to the ADC port of the microcontroller which converts the analogue voltage to its corresponding digital signal. 9.1.2 CURRENT: So as to obtain the current flowing through the load a current dividing circuit ie; the circuit consisting of a known value highly rated resistance connected in series to the load produces a small voltage drop across the resistance , which is fed to the ADC of the microcontroller , with the known value of voltage and resistance we can calculate the current flowing in the load , which is computed internally in the ALU of the microcontroller. 9.1.3 FREQUENCY : Frequency is defined as the number of oscillations per second , frequency of the supply can be found out by inputing a low voltage signal from the supply to the COUNTER/TIMER pin of the microcontroller after setting the pin to COUNTER mode .The signal voltage is fed to the COUNTER pin with a comparator as an interfacing device ,which generates only discrete signals of digital high or digital low ie; the continuous input AC sine wave is converted to discrete pulses hence with the help of a counter in the microcontroller we can count the number of digital high or digital low signals occurring in a second,there by we can measure the frequency. 9.1.4 TEMPERATURE Temperature developed at the transformer is measured using a temperature sensor LM35 which produces an analogues voltage for every change of 1o C ,this voltage is fed to the ADC port of the microcontroller which generates the equivalent digital signal of the temperature from corresponding analog voltage.
  • 32.
    SUBSTATION AUTOMATION USINGµC AND SCADA 2014 DEPT. OF EEE, MG COLLEGE OF ENGINEERING 19 9.2 CONTROLLING Using SCADA we are controlling and monitoring the parameters from the GUI screen of the computer with a tool LabVIEW ,for the controlling and monitoring it is necessary to transfer the parameter and control signal data from the host to the server and vice versa .Here a zigbee module is used for the transfer of parameters and control signal data, according to the data and value of different parameters the relays will be switched automatically based on different conditions provided for the regulation and protection.
  • 33.
    SUBSTATION AUTOMATION USINGµC AND SCADA 2014 DEPT. OF EEE, MG COLLEGE OF ENGINEERING 20 CHAPTER 10 VIRTUAL INSTRUMENT 10.1 FRONT PANNEL
  • 34.
    SUBSTATION AUTOMATION USINGµC AND SCADA 2014 DEPT. OF EEE, MG COLLEGE OF ENGINEERING 21 10.2 BLOCK DIAGRAM
  • 35.
    SUBSTATION AUTOMATION USINGµC AND SCADA 2014 DEPT. OF EEE, MG COLLEGE OF ENGINEERING 22 CHAPTER 11 MICROCONTROLLER To realize this project we used two microcontrollers for two kind of applications; to design the solar tracker and soar power synchronizer. For both applications PIC16F876 microcontrollers arte used. This chapter deals about the microcontroller. About PIC16F786 PIC is a family of modified Harvard architecture microcontrollers made by Microchip Technology, derived from the PIC1650 originally developed by General Instrument's Microelectronics Division. The name PIC initially referred to "Peripheral Interface Controller" PICs are popular with both industrial developers and hobbyists alike due to their low cost, wide availability, large user base, extensive collection of application notes, availability of low cost or free development tools, and serial programming (and re-programming with flash memory) figure. 5 Pin out diagram of PIC16F786
  • 36.
    SUBSTATION AUTOMATION USINGµC AND SCADA 2014 DEPT. OF EEE, MG COLLEGE OF ENGINEERING 23 capability. They are also commonly used in educational programming as they often come with the easy to use 'pic locator' software. Some of its features are, High-Performance RISC CPU:  Only 35 single-word instructions to learn  All single-cycle instructions except for program branches, which are two-cycle  Operating speed: DC – 20 MHz clock input, DC – 200 ns instruction cycle  Up to 8K x 14 words of Flash Program Memory, Up to 368 x 8 bytes of Data Memory (RAM), Up to 256 x 8 bytes of EEPROM Data Memory  Pin out compatible to other 28-pin or 40/44-pin Peripheral Features:  Timer0: 8-bit timer/counter with 8-bit prescaler  Timer1: 16-bit timer/counter with prescaler, can be incremented during Sleep via external crystal/clock  Timer2: 8-bit timer/counter with 8-bit period register, prescaler and postscaler  Two Capture, Compare, PWM modules o Capture is 16-bit, max. resolution is 12.5 ns o Compare is 16-bit, max. resolution is 200 ns o PWM max. resolution is 10-bit  Synchronous Serial Port (SSP) with SPI™  (Master mode) and I2C™ (Master/Slave)  Universal Synchronous Asynchronous Receiver  Transmitter (USART/SCI) with 9-bit address  detection  Parallel Slave Port (PSP) – 8 bits wide with  external RD, WR and CS controls (40/44-pin only)  Brown-out detection circuitry for Brown-out Reset (BOR) Analog Features:  10-bit, up to 8-channel Analog-to-Digital  Converter (A/D)  Brown-out Reset (BOR)  Analog Comparator module with: o Two analog comparators o Programmable on-chip voltage reference  (VREF) module o Programmable input multiplexing from device  inputs and internal voltage reference O Comparator outputs are externally accessible
  • 37.
    SUBSTATION AUTOMATION USINGµC AND SCADA 2014 DEPT. OF EEE, MG COLLEGE OF ENGINEERING 24 11.1 CONFIGURING THE PORTS PIC16F876 consists of 3 ports. This is from PORTA to PORTC. Different ports have different number of bits. PORTA has 6 bits from PORTA0 toPORTA5. PORTB and PORTC has 8-bits each. Some pins of theses I/O ports are multiplexed with an alternate function of peripheral features on the device. In general when a peripheral is enabled, that pin may not be used as a general I/O pin. Now let’s looks deeper about how a port can be configured as input or output. Here it is enabled only the two I/O ports, PORT A and PORT B. PORTA is configured as an analog port while the PORTB is configured as a digital port, to interface with the LCD module. 11.1.1 PORT A PORTA is a 6-bit wide, bidirectional port. The corresponding data direction register is TRISA Setting a TRISA bit (= 1) will make the corresponding PORTA pin an input (i.e., put the corresponding output driver in a High-Impedance mode). Clearing a TRISA bit (= 0) will make the corresponding PORTA pin an output (i.e. put the contents of the output latch on the selected pin). Reading the PORTA register reads the status of the pins, whereas writing to it will write to the port latch. All write operations are read-modify-write operations. Therefore, a write to a port implies that the port pins are read, the value is modified and then written to the port data latch. Pin RA4 is multiplexed with the Timer0 module clock input to become the RA4/T0CKI pin. The RA4/T0CKI pin is a Schmitt Trigger input and an open-drain output. All other PORTA pins have TTL input levels and full CMOS output drivers. Other PORTA pins are multiplexed with analog inputs and the analog V REF input for both the A/D converters and the comparators. The operation of each pin is selected by clearing/setting the appropriate control bits in the ADCON1 and/or CMCON registers. On a Power-on Reset, these pins are configured as analog inputs and read as ‘0’. The comparators are in the off (digital) state. The TRISA register controls the direction of the port pins even when they are being used as analog inputs. The user must ensure the bits in the TRISA register are maintained set when using them as analog inputs. Initialization of PORTA
  • 38.
    SUBSTATION AUTOMATION USINGµC AND SCADA 2014 DEPT. OF EEE, MG COLLEGE OF ENGINEERING 25 BLOCK DIAGRAM OF RA3:RA0 7.2.2 PORT B PORTB is an 8-bit wide, bidirectional port. The corresponding data direction register is TRISB. Setting a TRISB bit (= 1) will make the corresponding PORTB pin an input (i.e., put the corresponding output driver in a High-Impedance mode). Clearing a TRISB bit (= 0) will make the corresponding PORTB pin an output (i.e., put the contents of the output latch on the selected pin). Three pins of PORTB are multiplexed with the In-Circuit Debugger and Low-Voltage Programming function: RB3/PGM, RB6/PGC and RB7/PGD. figure. 6 Internal block diagram of the analog Pins RA0 to RA3
  • 39.
    SUBSTATION AUTOMATION USINGµC AND SCADA 2014 DEPT. OF EEE, MG COLLEGE OF ENGINEERING 26 C H A P T E R 1 2 L AB VI E W 1 2 . 1 INTRODUCTION LabVIEW (short for Laboratory Virtual Instrumentation Engineering Workbench) is a platform and development environment for a visual programming language from National Instruments. The graphical language is named "G". Originally released for the Apple Macintosh in 1986, LabVIEW is commonly used for data acquisition, instrument control, and industrial automation on a variety of platforms including Microsoft Windows, various flavors of UNIX, Linux, and Mac OS X. The latest version of LabVIEW is version LabVIEW 2013. Visit National Instruments at www.ni.com. The code files have the extension “.vi”, which is an abbreviation for “Virtual Instrument”. LabVIEW offers lots of additional Add-Ons and Toolkits. 12.2DATAFLOW PROGRAMMING The programming language used in LabVIEW, also referred to as G, is a dataflow programming language. Execution is determined by the structure of a graphical block diagram (the LV-source code) on which the programmer connects different function-nodes by drawing wires. These wires propagate variables and any node can execute as soon as all its input data become available. Since this might be the case for multiple nodes simultaneously, G is inherently capable of parallel execution. Multi-processing and multi- threading hardware is automatically exploited by the built-in scheduler, which multiplexes multiple OS threads over the nodes ready for execution. 12.3 GRAPHICAL PROGRAMMING LabVIEW ties the creation of user interfaces (called front panels) into the development cycle. LabVIEW programs/subroutines are called virtual instruments (VIs). Each VI has three components: a block diagram, a front panel, and a connector panel. The last is used to represent the VI in the block diagrams of other, calling VIs. Controls and indicators on the front panel allow an operator to input data into or extract data from a running virtual instrument. However, the front panel can also serve as a programmatic interface. Thus a virtual instrument can either be run as a program, with the front panel serving as a user interface, or, when dropped as a node onto the block diagram, the front panel defines the inputs and outputs for the given node through the connector pane. This implies each VI can be easily tested before being embedded as a subroutine into a larger program. The graphical approach also allows non-programmers to build programs simply by dragging and dropping virtual representations of lab equipment with which they are already familiar. The LabVIEW programming environment, with the included examples and the documentation, makes it simple to create small applications. This is a benefit on one side, but
  • 40.
    SUBSTATION AUTOMATION USINGµC AND SCADA 2014 DEPT. OF EEE, MG COLLEGE OF ENGINEERING 27 there is also a certain danger of underestimating the expertise needed for good quality "G" programming. For complex algorithms or large-scale code, it is important that the programmer possess an extensive knowledge of the special LabVIEW syntax and the topology of its memory management. The most advanced LabVIEW development systems offer the possibility of building stand-alone applications. Furthermore, it is possible to create distributed applications, which communicate by a client/server scheme, and are therefore easier to implement due to the inherently parallel nature of G-code. 12.4BENEFITS One benefit of LabVIEW over other development environments is the extensive support for accessing instrumentation hardware. Drivers and abstraction layers for many different types of instruments and buses are included or are available for inclusion. These present themselves as graphical nodes. The abstraction layers offer standard software interfaces to communicate with hardware devices. The provided driver interfaces save program development time. The sales pitch of National Instruments is, therefore, that even people with limited coding experience can write programs and deploy test solutions in a reduced time frame when compared to more conventional or competing systems. A new hardware driver topology (DAQmxBase), which consists mainly of G-coded components with only a few register calls through NI Measurement Hardware DDK (Driver Development Kit) functions, provides platform independent hardware access to numerous data acquisition and instrumentation devices. The DAQmxBase driver is available for LabVIEW on Windows, Mac OS X and Linux platforms. This document introducing the following themes: Start using LabVIEW o The LabVIEW Environment o Front Panel and Block Diagram o Palettes: Control Palette, Functions Palette, Tools Palette o Data Types o Property Nodes Sub VIs Loops and Structures Troubleshooting and Debugging Working with Data o Arrays Array Functions o Cluster Working with Strings
  • 41.
    SUBSTATION AUTOMATION USINGµC AND SCADA 2014 DEPT. OF EEE, MG COLLEGE OF ENGINEERING 28 Error Handling Working with Projects using Project Explorer Design Techniques o Shift Register o State Machine o Multiple Loops User Interface Plotting Data Deployment: Building Executable Applications (.exe) Introduction to Add Ons and Toolkits o Briefly explanations… o More detail about Control and Simulation Toolkit in later chapter Introduction to DAQ - Data Acquisition o MAX – Measurement and Automation Explorer o NI-DAQmx Quick Reference with Keyboard Short-cuts 12.5THE LABVIEW ENVIRONMENT LabVIEW programs are called Virtual Instruments, or VIs, because their appearance and operation imitate physical instruments, such as oscilloscopes and multimeters. LabVIEW contains a comprehensive set of tools for acquiring analyzing, displaying, and storing data, as well as tools to help you troubleshoot your code. When opening LabVIEW, you first come to the “Getting Started” window. Figure 7
  • 42.
    SUBSTATION AUTOMATION USINGµC AND SCADA 2014 DEPT. OF EEE, MG COLLEGE OF ENGINEERING 29 In order to create a new VI, select “Blank VI” or in order to create a new LabVIEW project, select“Empty project” When you open a blank VI, an untitled front panel window appears. This window displays the front panel and is one of the two LabVIEW windows you use to build a VI. The other window contains the block diagram. The sections below describe the front panel and the block diagram. 12.6 FRONT PANEL When you have created a new VI or selected an existing VI, the Front Panel and the Block Diagram for that specific VI will appear. Figure 8 In LabVIEW, you build a user interface, or front panel, with controls and indicators. Controls are knobs, push buttons, dials, and other input devices. Indicators are graphs, LEDs, and other displays. You build the front panel with controls and indicators, which are the interactive input and output terminals of the VI, respectively. Controls are knobs, push buttons, dials, and other input devices. Indicators are graphs, LEDs, and other displays. Controls simulate instrument input devices and supply data to the block diagram of the VI. Indicators simulate instrument output devices and display data the block diagram acquires or generates.
  • 43.
    SUBSTATION AUTOMATION USINGµC AND SCADA 2014 DEPT. OF EEE, MG COLLEGE OF ENGINEERING 30 12.7BLOCK DIAGRAM After you build the user interface, you add code using VIs and structures to control the front panel objects. The block diagram contains this code. In some ways, the block diagram resembles a flowchart. Figure 9 After you build the front panel, you add code using graphical representations of functions to control the front panel objects. The block diagram contains this graphical source code. Front panel objects appear as terminals, on the block diagram. Block diagram objects include terminals, subVIs, functions, constants, structures, and wires, which transfer data among other block diagram objects.
  • 44.
    SUBSTATION AUTOMATION USINGµC AND SCADA 2014 DEPT. OF EEE, MG COLLEGE OF ENGINEERING 31 CHAPTER 13 TRANSFORMER A transformer is a device that transfers electrical energy from one circuit to another through inductively coupled conductors — the transformer's coils or "windings". Except for air-core transformers, the conductors are commonly wound around a single iron-rich core, or around separate but magnetically-coupled cores. A varying current in the first or "primary" winding creates a varying magnetic field in the core of the transformer. This varying magnetic field induces a varying electromotive force (EMF) or "voltage" in the "secondary" winding. This effect is called mutual induction. If a load is connected to the secondary, an electric current will flow in the secondary winding and electrical energy will flow from the primary circuit through the transformer to the load. In an ideal transformer, the induced voltage in the secondary winding is in proportion to the primary voltage and is given by the ratio of the number of turns in the secondary to the number of turns in the primary as follows: By appropriate selection of the ratio of turns, a transformer thus allows an alternating current (AC) voltage to be "stepped up" by making NS greater than NP, or "stepped down" by making NS less than NP. Transformers come in a range of sizes from a thumbnail-sized coupling transformer hidden inside a stage microphone to huge units weighing hundreds of tons used to interconnect portions of national power grids. All operate with the same basic principles, although the range of designs is wide. While new technologies have eliminated the need for transformers in some electronic circuits, transformers are still found in nearly all electronic devices designed for household ("mains") voltage. Transformers are essential for high voltage power transmission, which makes long distance transmission economically practical. 13.1 BASIC PRINCIPLES The transformer is based on two principles: firstly, that an electric current can produce a magnetic field (electromagnetism) and secondly that a changing magnetic field within a coil of wire induces a voltage across the ends of the coil (electromagnetic induction). Changing the current in the primary coil changes the magnitude of the applied magnetic field. The changing magnetic flux extends to the secondary coil where a voltage is induced across its ends. A simplified transformer design is shown in figure 10. A current passing through the primary coil creates a magnetic field. The primary and secondary coils are wrapped around a core of very high magnetic permeability, such as iron; this ensures that most of the magnetic field lines produced by the primary current are within the iron and pass through the secondary coil as well as the primary coil.
  • 45.
    SUBSTATION AUTOMATION USINGµC AND SCADA 2014 DEPT. OF EEE, MG COLLEGE OF ENGINEERING 32 Figure:10 An ideal step-down transformer showing magnetic flux in the core. Induction Law The voltage induced across the secondary coil may be calculated from Faraday's law of induction, which states that: where VS is the instantaneous voltage, NS is the number of turns in the secondary coil and Φ equals the magnetic flux through one turn of the coil. If the turns of the coil are oriented perpendicular to the magnetic field lines, the flux is the product of the magnetic field strength B and the area A through which it cuts. The area is constant, being equal to the cross-sectional area of the transformer core, whereas the magnetic field varies with time according to the excitation of the primary. Since the same magnetic flux passes through both the primary and secondary coils in an ideal transformer, the instantaneous voltage across the primary winding equals Taking the ratio of the two equations for VS and VP gives the basic equation for stepping up or stepping down the voltage
  • 46.
    SUBSTATION AUTOMATION USINGµC AND SCADA 2014 DEPT. OF EEE, MG COLLEGE OF ENGINEERING 33 13.2 IDEAL POWER EQUATION Figure11: The ideal transformer as a circuit element If the secondary coil is attached to a load that allows current to flow, electrical power is transmitted from the primary circuit to the secondary circuit. Ideally, the transformer is perfectly efficient; all the incoming energy is transformed from the primary circuit to the magnetic field and into the secondary circuit. If this condition is met, the incoming electric power must equal the outgoing power. Pincoming = IPVP = Outgoing = ISVS Giving the ideal transformer equation If the voltage is increased (stepped up) (VS > VP), then the current is decreased (stepped down) (IS < IP) by the same factor. Transformers are efficient so this formula is a reasonable approximation. The impedance in one circuit is transformed by the square of the turns ratio. For example, if an impedance ZS is attached across the terminals of the secondary coil, it appears to the primary circuit to have an impedance of . This relationship is reciprocal, so that the impedance ZP of the primary circuit appears to the secondary to be .
  • 47.
    SUBSTATION AUTOMATION USINGµC AND SCADA 2014 DEPT. OF EEE, MG COLLEGE OF ENGINEERING 34 13.3 DETAILED OPERATION The simplified description above neglects several practical factors, in particular the primary current required to establish a magnetic field in the core, and the contribution to the field due to current in the secondary circuit. Models of an ideal transformer typically assume a core of negligible reluctance with two windings of zero resistance.When a voltage is applied to the primary winding, a small current flows, driving flux around the magnetic circuit of the core. The current required to create the flux is termed the magnetizing current; since the ideal core has been assumed to have near-zero reluctance, the magnetizing current is negligible, although still required to create the magnetic field. The changing magnetic field induces an electromotive force (EMF) across each winding. Since the ideal windings have no impedance, they have no associated voltage drop, and so the voltages VP and VS measured at the terminals of the transformer, are equal to the corresponding EMFs. The primary EMF, acting as it does in opposition to the primary voltage, is sometimes termed the "back EMF". This is due to Lenz's law which states that the induction of EMF would always be such that it will oppose development of any such change in magnetic field.
  • 48.
    SUBSTATION AUTOMATION USINGµC AND SCADA 2014 DEPT. OF EEE, MG COLLEGE OF ENGINEERING 35 CHAPTER 14 PROGRAM CODE #include "E:scada_substatnmain.h" #include <lcd.c> #include <stdlib.h> #use rs232(baud=9600,xmit=pin_c6,rcv=pin_c7) float volt=0,amp=0; float ad_out1=0,ad_out2=0;float freq=0,temp=0; float i=1.5; float var=49.0; void low_volt(); void high_volt(); void norm_volt(); void main() { set_tris_d(0x00); set_tris_b(0x00); set_tris_c(0x00); setup_adc(adc_clock_internal); setup_adc_ports(all_analog); lcd_init(); output_b(0); output_c(0); output_d(0); setup_timer_0(rtcc_ext_l_to_h); while(1) { set_timer0(0);
  • 49.
    SUBSTATION AUTOMATION USINGµC AND SCADA 2014 DEPT. OF EEE, MG COLLEGE OF ENGINEERING 36 freq=0; delay_ms(1100); freq=get_timer0(); set_adc_channel(0); delay_us(50); ad_out1=read_adc(); set_adc_channel(1); delay_us(50); ad_out2=read_adc(); set_adc_channel(2); delay_us(50); temp=read_adc(); temp=(temp*500)/1023; volt=ad_out1/220; amp=ad_out2/27.6; lcd_putc('f'); lcd_gotoxy(1,1); printf(lcd_putc,"Volt:%2.2f",80*volt); lcd_gotoxy(1,2); printf(lcd_putc,"Current:%2.1f A",amp); delay_ms(2000); freq=48.2+(freq/48.6); lcd_putc('f'); lcd_gotoxy(1,1); printf(lcd_putc,"Frequncy:%2.1f",freq); lcd_gotoxy(1,2); printf(lcd_putc,"Temp:%2.1f",temp); printf("%2.1f%1.2f%1.1f%2.1f",temp,volt,amp,freq); if(temp>=38.0)
  • 50.
    SUBSTATION AUTOMATION USINGµC AND SCADA 2014 DEPT. OF EEE, MG COLLEGE OF ENGINEERING 37 { output_high(pin_c0); } if(temp<38.0) { output_low(pin_c0); } if(volt<=2.7){ high_volt(); } if((volt>2.7 )&&(volt <=3.5)) { norm_volt(); } if(volt>3.5){ low_volt(); } if(amp>4) { output_high(pin_b3); delay_ms(1000); output_low(pin_c1); output_low(pin_c2); delay_ms(100); } if(amp<=4.0) { output_low(pin_b3); output_high(pin_c1);
  • 51.
    SUBSTATION AUTOMATION USINGµC AND SCADA 2014 DEPT. OF EEE, MG COLLEGE OF ENGINEERING 38 output_high(pin_c2); delay_ms(300); } } } void low_volt() { output_b(0x05); delay_ms(400); } void norm_volt() { output_b(0x00); delay_ms(400); } void high_volt() { output_b(0x03); delay_ms(400); }
  • 52.
    SUBSTATION AUTOMATION USINGµC AND SCADA 2014 DEPT. OF EEE, MG COLLEGE OF ENGINEERING 39 CHAPTER 15 PCB LAYOUT PCB 3-D LAYOUT
  • 53.
    SUBSTATION AUTOMATION USINGµC AND SCADA 2014 DEPT. OF EEE, MG COLLEGE OF ENGINEERING 40 CHAPTER 16 PCB DESIGN 16.1 PCB PREPARATION TECHNIQUE: You need to generate a positive (copper black) UV translucent artwork film. You will never get a good board without good artwork, so it is important to get the best possible quality at this stage. The most important thing is to get a clear sharp image with a very solid opaque black. Nowadays, artwork is drawn using either a dedicated PCB CAD program or a suitable drawing/graphics package. It is absolutely essential that your PCB software prints holes in the middle of pads, which will act as center marks when drilling. It is virtually impossible to accurately hand-drill boards without these holes. When defining pad and line shapes, the minimum size recommended for via (through linking holes) for reliable results is 50 mil, assuming 0.8mm drill size;1 mil (1/1000)th of an inch. You can go smaller with smaller drill sizes, but through linking will be harder. 65mil round or square pads for normal components and DIL ICs, with 0.8mm hole, will allow a 12.5 mil, down to 10 mil if you really need to. Centre-to-Centre Spacing of 12.5 mil tracks should be 25 mil — slightly less may be possible if your printer can manage it. Take care to preserve the correct diagonal track-track spacing on mitered corners; grid is 25 mil and track width 12.5 mil. The artwork must be printed such that the printed side is in contact with the PCB surface when exposing, to avoid blurred edges. In practice, this means that if you design the board as seen from the component side, the bottom (solder side) layer should be printed the ‘correct’ way round, arid the top side of a double- sided board must be printed mirrored. 16.2. MEDIA: Artwork quality is very dependent on both the output device and the media used. It is not necessary to use a transparent artwork medium — as long as it is reasonably translucent to UV, its fine-less translucent materials may need a slightly longer exposure time. Line definition, black opaqueness and toner/ink retention are much more important. Tracing paper has good enough UV translucency and is nearly as good as drafting film for toner retention. It stays flatter under laser-printer heat than polyester or acetate film. Get the thickest you can find as thinner stuff can crickle. It should be rated at least 90 gsm; 120 gsm is even better but harder to find. It is cheap and easily available from office or art suppliers. 16.3. OUTPUT DEVIES: Laser printers offer the all-round solution. These are afford able, fast, and good quality. The printer used must have at least 600dpi resolution for all but the simplest PCBs, as you will usually be working in multiples of 0.06cm (40 tracks per inch). 600 dpi divides into 40, so you get consistent spacing and line width. It is very important that the printer produces a good solid black with no toner pinholes. If you’re planning to buy a printer for PCB use, do some test prints on tracing paper to check the quality first. If the printer has a density control, set it to the
  • 54.
    SUBSTATION AUTOMATION USINGµC AND SCADA 2014 DEPT. OF EEE, MG COLLEGE OF ENGINEERING 41 blackest. Even the best laser printers don’t generally cover large areas well, but usually this isn’t a prob1em as long as fine tracks are solid. When using tracing paper or drafting film, always use manual paper feed and set the straightest possible paper output path to keep the artwork as flat as possible and minimize jamming. For small PCBs, you can usually save paper by cutting the sheet in half. You may need to specify a vertical offset in your PCB software to make it print on the right part of the page. Some laser printers have poor dimensional accuracy, which can cause problems for large PCBs. But as long as any error is linear, it can be compensated by scaling the printout in software. Print accuracy is likely to be noticeable problem when it causes misalignment of the sides on double sided PCBs-this can usually be avoided by careful arrangement of the plots on the page to ensure the error is the same on both layers; for example, choosing whether to mirror horizontally or vertically when reversing the top-side artwork 16.4 EXPOSURE: The photo resist board needs to be exposed to UV light through the artwork, using a UV exposure box. UV exposure units can easily be made using standard fluorescent lamp ballasts and UV tubes. For small PCBs, two or four 8-watt, 30.5cm tubes will be adequate. For larger (A3) units 38cm tubes are ideal. To determine the tube-to-glass spacing, place a sheet of tracing paper on the glass and adjust the distance to get the most even light level over the surface of the paper. Even illumination is a lot easier to obtain with 4-tube units. The UV tubes you need are sold as replacements for UV exposure units, ‘black light’ tubes for disco lighting, etc. These look white, occasionally black/blue when off, and light up with a light purple. Do not use short- wave UV lamps like EPROM eraser tubes and germicidal lamps that have clear glass, because these emit short-wave UV which can cause eye and skin damage. A timer that switches off the UV lamps automatically is essential, and should allow exposure times from 2 to 10 minutes in 15- to 30-second increments. It is useful if the timer has an audible indication when the timing period has completed. Place the two sheets together with the toner sides facing, and carefully line them up, checking all over the board area for correct alignment, using the holes in the pads as a guide. A light box is very handy here, but exposure can also be done with daylight by holding the sheets on the surface of a window. If printing errors have caused slight mis- registration, align the sheets to average the errors across the whole PCB, to avoid breaking pad edges or tracks when drilling. When these are correctly aligned, staple the sheets together on two opposite sides, about 10 mm from the edge of the board, forming a Sleeve or envelope. The gap between the board edge and staples is important to stop the paper distorting at the edge. Use the smallest stapler you can find, so that the thickness of the staple is not much more than that of the PCB. Expose each side, covering up the top side with a reasonably light-proof soft Cover when exposing the underside. Be very careful when turning the board Over, to avoid the laminate slipping inside the artwork and ruining the alignment .After exposure, you can usually see a faint image of the pattern in the Photosensitive layer. much essential for surface mount boards. Unless you have access to a roller tinning machine, chemical tinning is the only option.
  • 55.
    SUBSTATION AUTOMATION USINGµC AND SCADA 2014 DEPT. OF EEE, MG COLLEGE OF ENGINEERING 42 16.5. DRILLING: If you have fiberglass (FR4) board, you must use tungsten carbide drill bits. Fiberglass eats normal high-speed steel (HSS) bits very rapidly, although HSS drills are all right for odd larger sizes (>2mm). Carbide drill bits are expensive and the thin ones snap very easily. When using carbide drill bits below 1 mm, you must use a good vertical drill stand —you will break drill very quickly without one. Carbide drill bits are available as straight-shank or thick (sometimes called ‘turbo’) shank. In straight shank, the whole bit is the diameter of the hole, and in thick shank, a standard-size (typically about 3.5 mm) shank tapers down to the hole size. The straight- shank drills are usually preferred because they break less easily and are usually cheaper. The longer thin section provides more flexibility. Small drills for PCB use usually come with either a set of collets of various sizes or a 3-jaw chuck. Sometimes the 3-jaw chuck is an optional extra and is worth getting for the time it saves on changing collets. For accuracy, however, 3-jaw chucks aren’t brilliant, and snl.aii drill sizes below 1 mm quickly form grooves in the jaws, preventing good grip. Below 1 mm, you should use collets, and buy a few extra of the smallest ones; keeping one collet per drill size, as using a drill in a collet will open it out and it no longer grips smaller drills well. You need a good strong light on the board when drilling, to ensure accuracy. A dichroic halogen lamp, under-run at 9V to reduce brightness, can be mounted on a microphone gooseneck for easy positioning. It can be useful to raise the working surface about 15cm above the normal desk height for more comfortable viewing. Dust extraction is nice, but not essential—an occasional blew does the trick! A foot-pedal control to switch the drill ‘off’ and ‘on’ is very convenient, especially when frequently changing bits. Avoid hole sizes less than 0.8 mm unless you really need them. When making two identical boards, drill them both together to save time. To do this, carefully drill a 0.8mm hole in the pad near each corner of each of the two boards, getting the center as accurate as possible. For larger boards, drill a hole near the center of each side as well. Lay the boards on top of each other and insert a 0.8mm track pin in two opposite corners, using the pins as pegs to line the PCBs up. Squeeze or hammer the pins into the boards, and then into the remaining holes. The two PCBs are now ‘nailed’ together accurately and can be drilled together .
  • 56.
    SUBSTATION AUTOMATION USINGµC AND SCADA 2014 DEPT. OF EEE, MG COLLEGE OF ENGINEERING 43 16.6. CUTTING: A small guillotine is the easiest way to cut fiberglass laminate. Ordinary saws (band saws, jigsaws, and hacksaws) will be blunted quickly unless these are carbide-tipped, and the dust can cause sink irritation. A carbide tile-saw blade in a jigsaw might be worth a try. It’s also easy to accident ally scratch through the protective film when sawing, causing photo resist scratches and broken tracks on the finished board. A sheet-metal guillotine is also excellent for cutting boards, provided the blade is fairly sharp. To make cut-outs, drill a series of small holes, punch out the blank, and file to size. Alternatively, use a fretsaw or small hacksaw, but be prepared to replace blades often. With practice it’s possible to do corner cutouts with a guillotine but you have to be very careful that you don’t over-cut! 16.7. SOLDERING: Soldering is the joining together of two metals to give physical bonding and good electrical Conductivity. It is used primarily in electrical and electronic circuitry. Solder is a combination of metals, which are solid at normal room temperatures and become liquid at between 180 and 200°C. Solder bonds well to various metals, and extremely well to copper. Soldering is a necessary skill you need to learn to successfully build electronics circuits. It is the primary way how electronics components are connected to circuit boards, wires and sometimes directly to other components. To solder you need a soldering iron. A modem basic electrical soldering iron consists of a heating element, a soldering bit (often called the tip), a handle and a power cord. The heating element can be either a resistance wire wound around a ceramic tube, or a thick film resistance element printed onto a ceramic base. The element is then insulated and placed into a metal tube for strength and protection. This is then thermally insulated from the handle. The heating element of soldering iron usually reaches temperatures of around 370 to 400°C (higher than needed to melt the solder). The soldering bit is a specially shaped piece of copper plated with iron and then usually plated with chrome or iron. The tip planting makes it very resistant to aggressive solders and fluxes. The strength or power of a soldering iron is usually expressed in Watts. Irons generally used in electronics are typically in the range 12 to 25 Watts. Higher powered iron will not run hotter, but it will have more power available to quickly replace heat drained from the iron during soldering. Most irons are available in a variety of voltages; 12V, 24V, 115V and 230V are the most popular. Today most laboratories and repair shops use soldering irons, which operate at 24V (powered by isolation transformer supplied with the soldering iron or by a separate low voltage outlet). You should always use this low voltage where possible as it is much safer. For advanced soldering work (like very tiny very sensitive electronic components), you will need a soldering iron with temperature control. In this type of soldering irons the temperature may be usually set between 200⁰C and 450⁰C. Many temperature-controlled soldering irons designed for electronics have a power rating of around 40 to 50 watt. They will heat fast and give enough power for operation, but are mechanically small (because the temperature controller stops them from overheating when they are not used).
  • 57.
    SUBSTATION AUTOMATION USINGµC AND SCADA 2014 DEPT. OF EEE, MG COLLEGE OF ENGINEERING 44 You will occasionally see gas-powered soldering irons which use butane rather than the mains electrical supply to operate. They have a catalytic element which once warmed up continues to glow hot when gas passes over them. Gas-powered soldering irons are designed for occasional “on the spot” use for quick repairs, rather than for main stream construction or assembly work.You need to be careful in soldering because most electronic components are fragile, and heat sensitive. Usually our biggest concern is heat. Low enough soldering temperature and short enough soldering time keeps components in good shape. Electronic components are designed so that they can take high temperatures on their contacts/ wires for some time without damage (to withstand the soldering). Prolonged exposure to high temperature will heat up when inside of the component can cause damage to it. Currently, the best commonly available, workable, and safe solder alloy is 63/ 37. That is, 63% lead, 37% tin. It is also known as eutectic solder. Its most desirable characteristics is that its solids (“pasty”) state, and its liquid state occur at the same temperature — 361⁰F. The combination of 63% lead and 37% tin melts at the lowest possible temperature. Nowadays there is a tendency to move to use lead free solders, but it will takes years until they will catch on normal soldering work. Lead free solders are nowadays available, but they are generally more expensive and/or harder to work on than traditional solders that have lead in them.There are certain safety measures which you should keep in mind when soldering. The tin material used in soldering contains dangerous substances like lead (40-60% of typical soldering tins are lead and lead is poisonous). Also the various from the soldering flux can be dangerous. While it is true that lead does not vaporize at the temperatures at which soldering is typically done, particulate matter is dangerous as fumes would be in terms of poisoning and there is particulate lead present to some extend in the fumes from your flux When soldering keep the room well ventilated and use a small fan or fume trap. A proper fume trap or a fan will keep the most pollution away from your face. Professional electronics workshops use expensive fume extraction systems to protect their workers (needed for working safety reasons). Those fume extraction devices have a special filter, which filters out the dangerous fumes. If you can connect a duct to the output from the trap to the outside, that would be great. Always wash hands prior to smoking, eating, drinking or going to the bathroom. When you handle soldering tin, your hands will pick up lead, which needs to be washed out from it before it gets to your body. Do not eat or drink or smoke whilst working with soldering iron. Do not place cups, glasses or a plate of food near your working area. Wash also the table sometimes. As you solder, at times there will be bit of spitting and Sputtering. If you look you will see tiny balls of solder that shoot out and can be found on your soldering table. The soldering iron will last longer with proper care before and during use wipe the bit on a damp sponge. Most bench stands incorporate a sponge for this purpose. When using a new bit apply solder to it as it heats up. Always keep a hot iron in bench stand, or suspended by the hook, when not in use. Turn of the iron when you do not use it. Periodically remove the bit and clear away any oxide build up. Regularly check the mains lead for burns or other damage (change mains lead if necessary).
  • 58.
    SUBSTATION AUTOMATION USINGµC AND SCADA 2014 DEPT. OF EEE, MG COLLEGE OF ENGINEERING 45 CHAPTER 17 SOLDERING All components are first tested. The leads of all components are cleared by rubbing with an abrasive. The PCB is also cleaned by scratching off the varnish layer at the selected point. The lead of the component to be soldered is applied with some flux to remove any remaining oxide coating. Soldering is a process in which two or more metal items are joined together by melting and flowing a filler metal (solder) into the joint, the filler metal having a lower melting point than the work piece. Soldering differs from welding in that soldering does not involve melting the work pieces. There are three forms of soldering, each requiring progressively higher temperatures and producing an increasingly stronger joint strength: 1. Soft soldering, which originally used a tin-lead alloy as the filler metal, 2. silver soldering, which uses an alloy containing silver, 3. Brazing which uses a brass alloy for the filler. The alloy of the filler metal for each type of soldering can be adjusted to modify the melting temperature of the filler. Soldering appears to be a hot glue process, but it differs from gluing significantly in that the filler metals alloy with the work piece at the junction to form a gas and liquid tight bond. Soft soldering is characterized by having a melting point of the filler metal below approximately 400 0 C (752 0 F), whereas silver soldering and brazing use higher temperatures, typically requiring a flame or carbon arc torch to achieve the melting of the filler. Soft solder filler metals are typically alloys that have liquids temperatures below 350 0 C. In this soldering process, heat is applied to the parts to be joined, causing the solder to melt and to bond to the work pieces in an alloying process called wetting. In stranded wire, the solder is drawn up into the wire by capillary action in a process called 'wicking'. Capillary action also takes place when the work pieces are very close together or touching. The joint strength is dependent on the filler metal used. Soldering produces electrically-conductive, water- and gas- tight joints. There is evidence that soldering was employed up to 5000 years ago in Mesopotamia.
  • 59.
    SUBSTATION AUTOMATION USINGµC AND SCADA 2014 DEPT. OF EEE, MG COLLEGE OF ENGINEERING 46 CHAPTER 18 BILL OF MATERIALS Table 18.1 : Bill Of Materials COMPONENTS QTY PRICE PIC16877A ZIGBEE MODULE SEVEN SEGMENT DISPLAY ADAPTER TRANSFORMER RELAY LED ASSEMBLE BOARD PCB BOARD RESISTORS CRYSTAL TOTAL 1 2 1 1 2 5 2 2 1 2 1 600 3000 20 200 500 200 10 200 300 2 35 5067
  • 60.
    SUBSTATION AUTOMATION USINGµC AND SCADA 2014 DEPT. OF EEE, MG COLLEGE OF ENGINEERING 47 CHAPTER 19 CONCLUSION This paper deals with the implementation of µC based tap changer control practically, using special purpose digital hardware as a built-in semiconductor chip or software simulation in conventional computers. Two strategies are suggested for its implementation as a software module in the paper. One is to integrate it with the supervisory system in a substation control room operating in a LAN environment. In this configuration, the parallel transformers can be controlled locally. The other is to integrate it into the SCADA (Supervisory Control and Data Acquisition) system, which allows the transformers to be monitored and controlled remotely over a wide area of power-network. The implementation of µC based tap changer control needs interfacing between the power system and the control circuitry. µC s may need to interact with people for the purpose of configuration, alarm reporting or everyday control.