Public Works Authority
Drainage Affairs
Qatar Sewerage and Drainage Design
Manual
Volume 8
Developers Guide
December 2006
Drainage Affairs
POBox 23337
Doha, Qatar
I •
APPENDIX SI -
APPENDIX SII -
State of Qatar Public Works Authority
Drainage Affairs
TABLE OF CONTENTS
1 Introduction 3
1.1 House Connection 3
2 Procedure for Building Permit Application 5
3 Foul Sewerage Design Criteria 8
3.1 General 8
3.1.1 Domestic Flows 8
3.2 Sewerage System Design 8
3.2.1 Minimum Pipe Sizes and Gradients 9
3.3 Manholes and Inspection Chambers 9
3.4 Pipework 10
3.4.1 Materials 10
3.4.2 Construction 11
3.5 Building Drainage 11
3.5.1 Construction 11
3.6 Septic Tanks, Holding Tanks and Soakaways 12
3.6.1 Ground Conditions 12
3.6.2 Design Issues 13
3.6.3 Siting of Septic Tanks and Soakaways 13
3.6.4 Design and Construction 13
3.6.5 Warning Notice 14
3.6.6 Sewage Holding Tanks 15
3.7 Pumping Stations and Rising Mains 16
3.7.1 Rising Mains 16
3.7.2 Pumping Stations 16
4 Storm Drainage 19
4.1 Introduction 19
4.2 Managed Drainage Systems 20
ADVICE NOTE NO 1 - SOAKAWAYS AND STORM STORAGE TANKS FOR SINGLE RESIDENTIAL
DEVELOPMENT 24
ADVICE NOTE NO 2-- DRAINAGE FOR TOWER BLOCKS AND RESIDENTIAL DEVELOPMENTS 29
ADVICE NOTE NO 3- APPLICATION OF THE DRAINAGE IMPACT ASSESSMENT PROCESS TO
ZONAL AND DISTRICT DEVELOPMENT PROJECTS 33
INFORMATION REQUIRED FOR PROJECT PROFILE 37
INFORMATION REQUIRED FOR DRAINAGE IMPACT ASSESSMENT STUDY
REPORT 39
Volume 8Developer's Guide December 2006 Page 1of 47
State of Qatar Public Works Authority
Drainage Affairs
APPENDICES
Appendix 1 - Building Permit Application
Appendix 2 - Design Unit Flows
Appendix 3 - Standard Drawings
Volume 8Developer's Guide December 2006 Page 2of4?
State of Qatar Public Works Authority
Drainage Affairs
1 Introduction
The PWA is responsible for all public foul sewerage, surface water and ground water
drainage systems in the State of Qatar.
All applications for sewerage and drainage for servicing new developments are subject to
approval by the Drainage Affairs as part of the BUilding Permit approval procedure before
such facilities can be built.
This Developer's Guide is for small developments up to 350 persons, where the peak flow
does not exceed 51/s. Larger developments should be designed in accordance with the
requirements of Drainage Affairs' Vol 2- Foul Sewerage design manual.
1.1 House Connection
Ahouse connection is defined as the connection from adevelopment (comprising domestic,
commercial, industrial, institutional premises, etc) to transfer foul flows to the public
sewerage system.
For every house connection, a terminal manhole (Manhole Number 1 - MH1), in
accordance with the Standard Drawings, should be provided and should be positioned as
shown on 3.3.
The terminal manhole should normally have maximum depth 1.2m. The depth of first
Inspection Chamber should be 0.45m.
All house connections should comply with the following general principles:
• They should be designed and constructed to enable foul flows to pass to the public
sewer without flooding or surcharge
• They should be of 150mm minimum internal diameter
• They should laid at minimum gradients 1:60
• They should be constructed to watertight standards in accordance with the standard
drawings and specifications
• The last Inspection Chamber is know as MH1 (terminal manhole) shall be located
within the property boundary but is PWA property.
The private sewerage system shall be designed and constructed as a separate system,
capable of accepting foul flows only. Illegal connections allowing the entry of storm water
runoff shall not be made to the foul sewerage system.
House connection to existing pipelines should be made preferably to the nearest manhole
whenever possible, or failing that to a V-junction previously incorporated into the pipeline
during its construction, to facilitate future connections. V-branches and saddles are not to be
added to existing pipelines to avoid the permanent damage resulting from such
modifications to the public sewer.
Y branches will only be approved by DA if manholes are impractical due to access
restrictions
Volume 8 Developer's Guide December 2006 Page 3of 47
State of Qatar Public Works Authority
Drainage Affairs
Sewer must be surrounded with aGrade OPC 20 Concrete in case of :
• The pipe under the Foot path and the depth less than 0.9m
• The pipe under the Carriageway and the depth less than 1.2m
Volume 8Developer's Guide December 2006 Page 4of 47
State of Qatar Public Works Authority
Drainage Affairs
2 Procedure for Building Permit Application
The basic procedure for application and approval of drainage facilities for developments is
as follows;
• Open a building permit file at the Planning Affairs
• Produce Outline Design
• Obtain utility approvals
• Obtain DC1 approval
• Obtain DC 2approval
• Collect building permit
The information that Drainage Affairs require to enable them to approve the development is
contained in Appendix 1.
Drainage Affairs requirement vary according to the nature of the property. A list of
properties and the associated requirements is provided overleaf. The list is a guide and is
not limiting.
The provision of septic tanks or holding tanks will only be necessary where there is no
existing sewerage system to connect to. Further information on the choice between septic
tank and holding tank is provided in Section 3.5.
Volume 8 Developer's Guide December 2006 Page 5of 47
State of Qatar Public Works Authority
Drainage Affairs
Table 2.1 • Foul Sewerage Requirements
Category Type of Development Septic Holding Sand Petrol Oil/ Chemical Screen Swimming
Tank Tank trap Interceptor Grease stabilisation / Pool
trap dilution Discharge
Control
Residential Single Unit ./ ./
Multiple Units /Multi ./ ./
Storey
Commercial Office (small/large) small./ large./
Shops (small/large) small./ large./
Restaurants / Food small./ large./ ./
Outlet
Poultry shop ./
Shopping Mall ./ ./ ./
Hotels ./ ./ ./
Sports Clubs ./ ./ ./
Industrial Garages ./ ./ ./
Car Washing ./ ./
Volume 8Developer's Guide December 2006 Page 6of 47
State of Qatar Public Works Authority
Drainage Affairs
Category Type of Development Septic Holding Sand Petrol Oill Chemical Screen Swimming
Tank Tank trap Interceptor Grease stabilisation I Pool
trap dilution Discharge
Control
Petrol Station v' v'
Abattoir v' v'
Farm Livestock v' v'
Public Service Mosque v'
Hospital/Clinic v' v' v'
Laboratory v' v'
School v' v'
School with laboratory v' v' v'
University / College v' v' v'
Offices v'
Volume 8Developer's Guide December 2006 Page 7of 47
State of Qatar Public Works Authority
Drainage Affairs
3 Foul Sewerage Design Criteria
3.1 General
Sewerage and drainage design shall generally comply with the requirements of EN 752
Drain and Sewer Systems outside Buildings. Particular requirements are detailed in the
following sections.
3.1.1 Domestic Flows
Domestic flows derive from normal domestic appliances such as sinks, basins, toilets,
showers, washing machines, baths, etc. and are dependent on the number of persons in a
dwelling. In order to determine suitable domestic contributions to the sewerage system, it is
necessary to make certain assumptions. For example, each property has to be assumed to
house acertain number of persons, and this will vary from one type of property to another.
For design purposes 270 litres per person per day should be used.
Peak flows from domestic properties are calculated on a Design Unit (DU) For ease of use
atable of populations, design units, peak flows and average flows is provided in Appendix 2.
3.2 Sewerage System Design
The sewerage system should be designed to facilitate flows within the development by
gravity, in a branched arrangement of small sewers from buildings connected to the main
sewer leading to MH1.
Manholes/inspection chambers and sewers should be sited wherever possible a minimum of
1.5m from any structural building line
Building over sewers, or directly adjacent to them, causes major problems with access for
maintenance and renewal. In extreme cases demolition may be required, and therefore
building over sewers should not be carried out.
Foundations and basements of buildings should be designed to ensure that no building load
is transferred to the sewer. The general principles of foul sewer design are:
• Pipe size should not decrease downstream.
• Sewers should be designed to convey peak flows without surcharge.
• Sewers should achieve self-cleansing velocity at least once per day.
• To allow for ventilation of the system, maximum design depth of flow should not
exceed 0.75 x pipe diameter.
• Inspection chambers should be provided at each junction, change of diameter,
change of direction, change of gradient and at the head of each system.
• Inspection chambers should be provided where the connection from each building
meets the main sewerage system of the development
• Spacing between inspection chambers should not exceed 30m.
Volume 8 Developer's Guide December 2006 Page 8of 47
State of Qatar Public Works Authority
Drainage Affairs
• At inspection chambers, all pipes should be laid such that their soffits (tops) are at
the same level.
3.2.1 Minimum Pipe Sizes and Gradients
The minimum size of external sewer from each building is 150mm at agradient of 1:60.
3.3 Manholes and Inspection Chambers
All manholes and inspection chambers within the development shall have their own unique
reference number. Manholes and chambers shall be numbered in ascending order
upstream from the terminal manhole MH1. Foul manholes shall be prefixed F and
stormwater manholes shall be prefixed S.
Manholes and chambers at the head of each system shall include min 75mm or (1/2 x d)
piped vents fixed to adjacent walls and exiting at roof level.
5
Buliding line
GATE
Layout plans for both foul and storm water systems shall contain schedules as follows:
MH Ref Cover Invert Depth MHDia Cover Type
Level Level
All levels and dimensions are to be in metres to Qatar National Height Datum (QNHD).
Volume 8 Developer's Guide December 2006 Page 9of 47
State of Qatar Public Works Authority
Drainage Affairs
Standard manhole/inspection chamber sizes are.
SCHEDULES OF INSPECTION CHAMBERS
MH. DEPTH COVER.SIZE COMMENTS
SIZE (m) (mm) No. of Connections from Buildings
(mm)
600X600 < 1.2 600X600 Up to 3bldg. connections each side
1200X600 < 1.2 1200x600 Up to 7 bldg. connections each side
1220 x675 1220x675
900 DIA > 1.2 600X600 MH 1
The Cover Type for Manholes depend on the Location:
• For foot traffic it should be Light Duty (LD)
• For slow light vehicle traffic it should be Medium Duty (MD)
3.4
3.4.1
Pipework
Materials
The preferred material for foul sewers is extra strength vitrified clay pipes and fittings to BS
EN 295 or PVC-U to EN1401-1, with flexible joints.
Material
Pipe size mm Min Crushing Strength KNI m2
150 34
200 40
No concrete or asbestos cement pipes shall be used as they will be eaten away by sewer
gasses.
Pumping mains may be flexibly jointed ductile iron pipes (it is recommended that these are
lined internally with fusion bonded epoxy, ceramic epoxy, or polyurethane to resist sewage
gases) or HDPE. uPVC should not be used as it is brittle and can fail.
Volume 8 Developer's Guide December 2006 Page 10 of 47
State of Qatar Public Works Authority
Drainage Affairs
3.4.2 Construction
Construction should be in accordance with the Standard Drawings provided with this
document.
3.5 Building Drainage
Requirements for building drainage are applicable to domestic buildings or small non-
domestic buildings. Systems are generally located within the building and above ground
level, unless the building has a basement. Complex systems in larger buildings should be
designed to BS EN 12056.
Building drainage of basement and ground floor shall employ a twin pipe system for
separate discharge of soil and waste flows to foul sewage manholes, as shown below:
Source of Discharge System to which Discharge is to be
made
Toilet, urinals Soil
Bidet Soil
Wash basin, bath, Waste
shower
Kitchen Waste
. .
BUilding drainage of first floors and above shall employ asingle pipe system.
Swimming Pools: To prevent flooding of the sewerage system the discharge from
swimming pools shall be limited to a maximum flow rate of 10 lis. Positive means of flow
control shall be provided such as a sharp edge orifice plate (50-60mm), a locked flow
control valve or a small diameter pipe (e.g 50mm x 3m long or 75mm x 10m long). As the
flow control will be dependent upon the particulars of the swimming pool installation the
developer shall provide calculations to demonstrate the design of the flow control device.
3.5.1 Construction
All sewerage and waste discharge pipes inside the bUilding as far as the manhole should be
PVC-U (unplasticised polyvinyl chloride) to BS 4660 and EN1401-1 with push-fit joints
incorporating elastomeric sealing rings to provide flexibility at joints.
Constructing pipelines below building should be avoided where possible. Where
unavoidable the design shall ensure that neither the structural integrity of the pipeline or the
building is compromised.
Pipeline trenches should not be excavated lower than the foundations of the building unless
concrete bedding and surround are used to the lowest level of the building foundation.
Volume 8Developer's Guide December 2006 Page 11 of 47
State of Qatar Public Works Authority
Drainage Affairs .
3.6 Septic Tanks, Holding Tanks and Soakaways
Septic tanks and soakaways are used to store and treat foul flows from premises, prior to
future connection to the main sewerage system. They comprise an underground tank for
anaerobic treatment followed by a soakaway tank or pipe system to encourage effluent
flows to percolate into the surrounding ground.
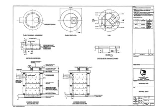
Septic tank standard details are shown in Org OG 8and OG9; soakaways for use with septic
tanks are shown in Org OG10.
Since septic tanks only provide partial treatment, these tanks are a major source of
groundwater pollution and therefore should not be constructed where the main sewerage
system is available. For existing developments, house connections from Manhole number 1
to the main sewerage system should be made at the earliest opportunity, and usage of the
septic and sewage holding tank stopped.
3.6.1 Ground Conditions
Since the soakaway relies for its operation on outflows infiltrating into the surrounding
ground, it is vital that the ground conditions allow such infiltration. Ground that is of low
permeability or with high existing water table will prevent percolation taking place, and the
septic tank system will fail.
Groundwater levels in many parts of this country have risen markedly in recent years, due
to:
• the flat and undulating topography resulting in localised depressions in the underlying
impermeable layers. Such areas are without efficient drainage routes, and hence
susceptible to rises in groundwater levels during heavy rainfall.
• Urban development has increased flows soaking into the ground, due to septic tanks,
water supply leakage and irrigation. The result has been significant rises in
groundwater levels, due to limited permeability of the ground.
• Ground conditions and permeability are highly variable even within very localised
areas;
• Most groundwater levels rise by between 1.0m and 1.5m during a wet period when
monthly rainfall exceeds 30mm. Level rise reduces to between 0.5m and 0.6m
nearer the coast;
Where soakaways do not work Holding Tanks should be provided for a period of 2 days
(min) storage.
Any proposed septic tank soakaway system must demonstrate that the surrounding ground
has satisfactory permeability.
Volume 8Developer's Guide December 2006 Page 12 of 47
State of Qatar Public Works Authority
Drainage Affairs
3.6.2 Design Issues
The following issues require consideration when the use of soakaways is contemplated. The
list is indicative only and site-specific geotechnical and hydrogeological investigation and
interpretation is always required as the basis for successful design.
For the standard ring-type soakaway chamber some 3m overall depth it is recommended
that:
• The minimum (wet season) groundwater depth should be more than 3.5 m below
ground level;
• In areas where groundwater levels are rising use the groundwater depth should be
more than 4 mbelow ground level as aprecautionary measure.
The permeability of the ground has a significant influence on the ability of soakaways to
function. If the permeability is attributable to sub-vertical jointing which is very variable over
short distances and use of trench type soakaways may overcome this because the chances
of encountering fissured zones is increased. For soakaways a permeability (k) of more than
1x 10-5 m/s required
Soakaways can become inefficient due to becoming 'clogged'. This may be due to silting up
(which can occur early as the initial 'slug' of water laden with silt generated when
groundwater is disturbed during construction work), and/or 'smearing' when the soakaway is
drilled (i.e. the fissures are blocked off by the crushed drill cuttings). These problems may
be minimised by jetting the system clean prior to its first use.
3.6.3 Siting of Septic Tanks and Soakaways
Septic tanks should be sited min 7m from any habitable parts of buildings.
The septic tank must be sited in a location where a suction tanker can get to it to empty it.
The bottom of the tank should be less than 3m below the level where the vehicle will stand.
Where practical the soakaway should be located at a minimum of 5m from the septic tank or
any other structure. The soakaway should not be located within 10m of potable water
supplies in order to avoid possible cross-contamination.
3.6.4 Design and Construction
Septic tanks for domestic use should have a capacity below the level of the inlet of at least
Clitres where:
C=(225P +2000)
Cis the capacity of the tank (in litres) with aminimum value of 2900 litres.
Pis the design population with aminimum value of four.
Volume 8Developer's Guide December 2006 Page 13 of 47
State of Qatar Public Works Authority
Drainage Affairs
ep IC an : Ize an Iype
Population Drainage Affairs Type Capacity (Iitres)
4 A 2,900
10 A 4,500
20 B 6,500
40 C 11,000
80 D 20,000
100 E 24,500
200 F 47,000
300 F 78,500
350 F 80,750
S f T k S' d T
Where septic tanks are required to accept discharges from other than domestic sources,
details of actual flows shall be provided.
Septic tanks are to be constructed in accordance with the Standard Details Drg. Nos. DG8
or DG9 as appropriate, or approved alternative prefabricated tanks. Tanks shall be
watertight and prevent leakage of their contents and ingress of groundwater. Ventilation is to
be provided with outlets distant from habitation.
The inlet and outlet of the septic tank shall be designed to prevent disturbance to the
surface scum or settled sludge, and shall incorporate at least two chambers or
compartments operating in series. Where the width of the tank does not exceed 1200mm
the inlet should be made via a dip pipe. To minimise turbulence, provision shall be made to
limit the flow rate of the incoming foul water. For incoming pipes up to 150mm diameter, the
velocity shall be limited by laying the last 12m of the incoming pipe at agradient of 1in 50 or
flatter.
The inlet and outlet pipes of the septic tank shall be provided with access for sampling and
inspection.
Septic tanks shall be provided with facilities for emptying and cleaning. Access covers shall
be of durable quality having regard to the corrosive nature of the tank contents. All access
shall be lockable or otherwise engineered to prevent unauthorised entry.
3.6.5 Warning Notice
A notice shall be fixed within an adjacent building describing the necessary maintenance.
The wording shall be in Arabic and English liThe foul sewage system from this property
discharges to a septic tank and soakaway. The septic tank requires monthly inspections of
the outlet chamber or distribution box to observe that the effluent is free flowing and clear.
The septic tank requires emptying at least once every 12 months by a licensed contractor.
Volume 8Developer's Guide December 2006 Page 14 of4?
State of Qatar Public Works Authority
Drainage Affairs
The property owner is legally responsible for ensuring that the system does not cause
pollution, a health hazard or a nuisance."
3.6.6 Sewage Holding Tanks
Where soakaways cannot be permitted due to unfavourable ground conditions or the
number of units delivering to the tank is high, it will be necessary to provide a sewage
holding tank.
The site of the sewage holding tank should preferably be on ground sloping away from and
sited lower than any existing bUilding in the immediate vicinity.
The tank shall be sited at least 7m from any habitable parts of buildings and preferably
down slope. Sewage holding tanks shall be sited such levels that they can be emptied and
cleaned without hazard to the building occupants or the contents being taken through a
dwelling or place of work. Access to the tank may be through a covered space, which may
be lockable.
Sewage holding tanks should have a minimum capacity for the population range as shown
in the Holding Tanks Capacity table.
Thereafter the size should be calculated as follows:
Volume (m3) =Population x Retention x0.27
Where the calculated volume is less than the minimum shown the minimum capacity is to be
provided.
Holding Tank Capacity
Population. Retention Size
(days) (m3)
2- 20 25 18 - 135
21-40 20 135-216
41- 80 15 216 -324
80 -150 12 324 - 486
150- 350 10 486 - 945
Tanks should be designed as water retaining structures, and be constructed in reinforced
concrete, or alternative watertight material. The design of the tank shall ensure
watertightness and provide protection from external corrosion.
Sewage holding tanks should have no openings except for inlet, outlet and ventilation.
Tanks should be provided with access for emptying and cleaning. Access covers shall be of
durable material, having regard for the corrosive nature of the tank contents. Every access
should be lockable or otherwise engineered to prevent unauthorised entry.
The developer shall be responsible for making satisfactory arrangements with the Drainage
Affairs for emptying. of the sewage holding tank. Details of all maintenance arrangements
Volume 8 Developer's Guide December 2006 Page 15 of 47
State of Qatar Public Works Authority
Drainage Affairs
will require to be approved by the Drainage Affairs prior to approval of the building permit
application.
3.7 Pumping Stations and Rising Mains
Pumping stations should only be used where it is impossible to gravitate into the PWA main
sewerage system. Bypassing or overflowing from pumping stations is generally not
practical therefore failure of the pumping station may results in discharge of sewage to the
surrounding land or within the property
Responsibility for operation and maintenance of all pumping stations and rising mains will
remain with the developer. This Guide provides general information for pumping
installations. It is recommended that specialist advice be sought, supported by
manufacturers' recommendations.
3.7.1 Rising Mains
The desirable range of velocity should be 1mls to 2m/s. If small pipes are (.75mm) used
then the pump should be able to chop up the sewage.
The roughness value used for the design of the rising main should be shown in the
calculations and should be in accordance with "Tables for the Hydraulic Design of Pipes,
Sewers and Channels" published by HR Wallingford. The following roughness values (ks)
shall generally apply:
Mean Velocity in m/s ks
Up to 1.1m/s O.3mm
Between 1.1mls and 1.5m/s O.15mm
Over 1.5m/s O.06mm
In the design of pressurised pipelines, thrust blocks are to be provided on flexibly jointed
pipelines where any pipe movement would open up the joints in the line and cause water
leakage.
Thrust blocks are also necessary near valves where a flexible joint is located to facilitate
removal of the valve for maintenance purposes.
The size of block is dependent upon the deflection of the flow, the size of the pipe and the
head of water inside the pipe.
3.7.2 Pumping Stations
Submersible Pumping Stations
It is expected that the maximum flows to be pumped will be less than 51/s, for which
submersible pumping stations are to be provided. Submersible pumping stations should
incorporate the following features:
Volume 8Developer's Guide December 2006 Page 16 of 47
State of Qatar Public Works Authority
Drainage Affairs
• Minimum of one duty and one standby pump with all pumps being of the same make
and pump model number.
• Pumps and associated equipment suitable for the duty required.
• Non return and gate valve for each pump isolation.
• Operation level controls (either electrode or ultrasonic) as follows:
High level alarm
Pump start
Pump stop
Low level pump protection in addition to the method installed for pump
control.
• Ultrasonic level controls should be configured to hold the last measurement in the
event of a lost echo.
Design Requirements
Detailed design should incorporate the following:
• There should be sufficient space between the pumps to prevent interaction between
the pump suctions.
• Pump stools should be securely bolted to the structural concrete of the sump and not
the benching.
• Discharge and non return valves to be in a separate easily accessible chamber
adjacent to the pump sump and not located within the pump sump.
• Pump guide rails should rise close to the underside of the sump covers above the
pumps.
• The covers should have a clear opening large enough to allow the removal of the
pump while on the guide rails.
• Support points for the pump power cables and lifting chain should be provided under
the pump covers, these should be easily accessible from the surface.
Details of the capacity, power consumption and efficiency of the proposed pumps should be
submitted for approval. It would be expected that pumping stations would comply with the
pump manufacturer's requirements.
Submersible Pump Requirements
Sewage pumps should have an open type impeller with a minimum passage of 100mm
unless chopper pumps are being used. Impellers with smaller passages are likely to suffer
from frequent blockage due to the nature of sewage debris.
Volume 8Developer's Guide December 2006 Page 17 of 47
State of Qatar Public Works Authority
Drainage Affairs
Centrifugal pumps are recommended to have a maximum running speed of 1450 rpm (4
pole motor) pumps. Speeds in excess of this we cause excessive wear and premature
failure.
The maximum allowable starts per hour should be as specified by the pump or motor
manufacturer. In the absence of any specified figure a maximum of 15 starts/hour is
acceptable.
Structure Requirements
The developer shall supply full details of general arrangement and structural drawings and
supporting calculations for approval.
Package pumping stations contained in GRP or Polyethyelene structures as supplied by the
pump manufacturers are acceptable. The structures are to be surrounded by a minimum of
150mm of OPC20 concrete.
All other pumping stations shall be constructed of reinforced concrete, designed in
accordance with BS8110 "The Structural Design of Concrete" with specific requirements for
wet wells of BS8007 "Design of Concrete Structures for Retaining Aqueous Liquids".
Design crack widths shall be in accordance with BS8007 and shall not exceed a maximum
design surface crack width of 0.20mm from direct tension, flexure and temperature effects.
Ventilation and Odour Control
Small pumping stations generally do not require odour control. However, where odour
control is required passive activated carbon unit should be sufficient.
Electrical Requirements
All electrical equipment, cabling and installations shall meet the requirements of the
KAHRAMAA.
Control equipment shall be housed in dust and damp-proof, compartmentalised cubicles,
complying with the relevant British Standards. Adequate anti-condensation heaters are to be
provided in all compartments. All outdoor equipment shall be waterproof. All control panels
shall be provided with a 13-amp single-phase power outlet and a25-volt outlet for aportable
inspection lamp.
Emergency stop, lock-off buttons shall be provided adjacent to all plant installations. Unless
specifically designed for submersible operation, all electrical plant shall be located above
maximum water level.
Site Requirements
Pumping stations will generally be located with the development site. Consideration should
be given to the need for light vehicle access for maintenance purposes.
Volume 8Developer's Guide December 2006 Page 18 of 47
State of Qatar Public Works Authority
Drainage Affairs
4 Storm Drainage
4.1 Introduction
The purpose of this guide is to advise developers of the Public Works Authority (PWA)
requirements for the provision of surface water and ground water management within
development sites.
The existing surface water and groundwater systems in Qatar are of limited extent. Primarily
these systems manage surface water runoff and control groundwater levels for the
highways. Urbanisation of the catchments increases the amount of potential runoff from
development sites which would cause overload of these systems. This guide has therefore
been developed to guide and assist developers in designing a managed drainage system
that does not adversely affect the existing drainage network but will provide protection from
flooding for the development.
This guide sets out the criteria that Drainage Affairs (DA) requires developers to follow for
the provision of a Managed Drainage Systems for the disposal of surface water and
groundwater.
Drainage Affairs have developed Advice Notes for four types of development which contain
information on how the Managed Drainage System approach can be achieved.
The types of development specified are as follows:-
single residential development
residential compounds
tower blocks
zonal &regional development
Figure 1indicates the decision process for the appropriate type of development.
Volume 8 Developer's Guide December 2006 Page 19 of 47
State of Qatar Public Works Authority
Drainage Affairs
I Developer's Drainage Requirements I
1
I Managed Drainage System
I
I
1 1 ~
I
Single Residential
I I
Residential
I r Tower Blocks l I Zonal and Regional I
Development Compounds Developments
J. 1 l
I See Advice Note 1
I I
See Advice Note 2
I I See Advice Note 2
I I
See Advice Note 3
I
i 1 1 1
Definition: Definition: Definition: Appoint Recognised and
Single house on a development plot. A residential compound is a development Tower block is defined as a multistorey Experienced Drainage Consultant
consisting of properties and internal roads residential or commercial development.
1Drainage Philosophy: upto 5 hectares in area.
Infiltration/percolation systems Drainage Philosophy:
Definition:
(soakways, infiltration basin etc) in areas Drainage Philosophy: Storage/Allenuation tank system.
Development of residential compounds
of low groundwater table. Infiltration/percolation systems
greater than 5 hectares and development
(soakways, infiltration basin etc) and Disposal of Surface Water
of single and multiple QAR Zones.
Tanks in areas of high groundwater table. storage system (tank sewers, retention Direction connection permitted to
tanks ,etc) in areas of low groundwater Drainage Affairs assets IT available.
Drainage Philosophy:
Drainage systems to serve roofs and table. Storage tanks in areas of high
Drainage Impact Assessment (DIA)
hardstanding areas as necessary. groundwater table. Permitted Discharge:
required.
101/s per ha of development.
Disposal of Surface Water Disposal of Surface Water
Disposal of Surface Water
No Direct connection to Drainage Affairs Direction connection permitted to Typical Minimum Storage Requirements
SUbject to approved DIA.
assets permitted Drainage Affairs assets if available. 390m3/ha
Permitted Discharge:
Permitted Discharge: Permitted Discharge:
Subject to approved DIA.
Not Applicable 101/s per ha of development.
Typical storage ReqUirements: Typical Minimum Storage Requirements
Typical Storage Requirements
150m3/ha 270m3/ha
Subject to approved DIA.
1
Drainage Affairs Requirements
Submission of Project Profile
Submission and Approval of DIA
1
I
Proposal for Soakawayl
I I
Proposal for Managed
I I
Proposal for Managed
I
Proposal for Managed
Stormtank System Stormwater System for Stormwater System for Stormwater System for Zonal and
Residential Compound Tower Block Regional Development
Figure 1: DEVELOPERS DRAINAGE REQUIREMENTS
Volume 8Developer's Guide December 2006 Page 20 of 47
State of Qatar Public Works Authority
Drainage Affairs
4.2 Managed Drainage Systems
The Developer should consider a number of basic principles before commencing with a site
layout plan as follows:-
• Site topography with respect to site levels should be studied in detail. Development
in the lowest parts ofthe sites should be avoided. The lowest parts of the site can be
used to store and collect any stormwater runoff minimizing the construct costs of
piped networks. Building on the highest part of the site may reduce amount of
protection from flooding that is required.
• High groundwater tables can cause problems not only during construction but
afterwards with damage to underground structures and utilities. Drainage Affairs
have information available on the areas in Qatar where high groundwater is a
problem and can provide guidance as to its control. If a site is water logged filling the
low lying areas does not remove the problem, it only hides it from view. A long term
solution is needed which may include ground water control.
• Drainage Affairs require surface water runoff to be managed and controlled for all
developments and therefore adequate provision should be made in all developments
for the storage/attenuation of stormwater runoff.
• Ground conditions within the site should be understood, whether there is sand, fill
material or massive rock will all have an influence on the type of surface water
drainage systems that may be developed for the site.
• Site grading has a considerable influence on the cost and effectiveness of the site
drainage and therefore should be considered at avery early stage. Aflat or level site
is much more expensive to drain than a site which has some fall across it where
natural drainage paths can be developed. Development adjacent to the coast should
be graded to a minimum of level of 3.5m above Qatar datum. This will allow gravity
drainage systems to be developed and will protect other utilities and building
foundations from damage through high groundwater levels.
• The design standards for the drainage system for the development should be
established at an early stage. The degree of protection from flooding for the
development needs to be established at an early stage to
Drainage Affairs philosophy is to manage to surface water and groundwater systems by the
use of various techniques that are part of the stormwater management philosophy described
under various names around the world such as SUDS(Sustainable Urban Development
(UK)), BMP (Best Management Practice (USA)) and Stormwater Management(Australia).
The techniques that have been identified as appropriate for Qatar are:-
Preventative measures
The first stage of the Managed Approach is to reduce the runoff quantities. This may include
reducing the amount of hard surfacing within a development and using soft landscaping
Volume 8Developer's Guide December 2006 Page 21 of 47
State of Qatar Public Works Authority
Drainage Affairs
suitable for adesert climate instead. Construction of individual tanks or soakaways for each
property to store or disperse the rainfall.
Pervious surfaces
Surfaces that allow inflow of rainwater into the underlying construction or soil. This is a
development of the block paving technique that is currently in extensive use in Qatar to
develop its full potential by the use of geotextile filter membranes.
Filter drains
Linear drains consisting of trenches filled with a permeable material or modular plastic tank
systems, often with a perforated pipe in the base of the trench to assist drainage, to store
and conduct water; they may also permit infiltration.
Swales
Swales consist of wide shallow channels with or without vegetation that conduct and retain
water, and may also permit infiltration. These work well within development sites with a
large proportion of landscaping where the design of the landscaping can easily incorporate
these features.
Emergency Flood Areas (EFA)
The use of Emergency Flood Areas (EFA) is well established in Qatar and is a viable option
for the management of surface water run off.
Infiltration devices
Sub-surface structures such at modular tanks systems that can promote the infiltration of
surface water to the ground. There are a number of proprietary systems on the market for
this.
Oversize Pipes and Throttles
This option is appropriate if there is a positive drainage system nearby that can take a
controlled amount of runoff for the site.
All of these techniques are valid solutions to produce a Managed Drainage System,
however every development site is different and will have different problems that will require
different solutions.
Volume 8Developer's Guide December 2006 Page 22 of4?
State of Qatar Public Works Authority
Drainage Affairs
Stormwater Drainage References
1 Qatar Sewerage and Drainage Design Manual
Volume 3Surface and Groundwater Drainage
2 Qatar Highways Design Manual
3 Soakaways: BRE Digest 151
4. Scope for Control of Urban Runoff: CIRAI Report 124 1992
5 Interim Code of Practice for Sustainable Drainage Systems: National SUDS Working
Group(UK) July 2004
6 Stormwater Best Management Practices in an Ultra-Urban Setting
US Department of Transport Federal Highway Administration
7 Statutory Instrument 1999 No. 1783
The Environmental Impact Assessment (Land Drainage Improvement Works)
Regulations 1999 : DEFRA UK
Volume 8Developer's Guide December 2006 Page 23 of 47
State of Qatar Public Works Authority
Drainage Affairs
ADVICE NOTE NO 1· SOAKAWAYS AND STORM STORAGE TANKS FOR SINGLE RESIDENTIAL
DEVELOPMENT
1.0 Introduction
Soakaways and storm tanks are simple methods of managing storm water run off in situations where there
is no positive stormwater system available or planned for the future.
The three determining factors for the design of asoakaway drainage system are:-
the size of the area which relates to the volume of water to be drained
the percolation rate of the soil/sub-soil
the depth to the water table i.e. the upper level of the groundwater that is naturally held
within the soil, sub-soil or bedrock. '.
Soakaways should be provided for all roof areas and hard standing areas within the building plot.
2.0 Soakaways or Storm Tanks
The choice of soakaway or storm tank for managing the surface water runoff from a site will
depend upon the depth of the ground water level for the ground surface.
The method of determining whether a soakaway or storm tank is appropriate is indicated 'on the
following flow chart.
Volume 8 Developer's Guide December 2006 Page 24 of 47
State of Qatar Public Works Authority
Drainage Affairs
Residential Properties
Soakaway I Stormtank
Design Choice
Obtain Information on Ground water
levels from design query
No
Design the Soakway
in accordance with
the guidelines
Obtain Drainage Affairs
Approval
Yes
Design the Storm
Tank in accordance
with the guidelines
Figure 1: Choice of Soakaway or Storm Tank
3.0 Sizing of Facilities
3.1 Size of Soakaway
The following table shows the size of soakaway/tank that needs to be constructed.
Table 1: Depth of soakaway required for the design rainfall for different drainage areas
Chamber Volume Calculation Chamber Diameter
Roof Area
Rainfall
to be
Depth for 1in Runoff Volume of
1.2 1.5 1.8 2.1
drained
2 year 24 hr Coefficient Storage
Duration
m2 Mm m3 m m m m
100 25 0.9 2.3 1.99 1.27 0.88 0.65
200 25 0.9 4.5 3.98 2.55 1.77 1.30
300 25 0.9 6.8
><>< 2.65 1.95
400 25 0.9 9.0
><>< 3.54 2.60
500 25 0.9 11.3
><>< 4.42 3.25
Volume 8Developer's Guide December 2006 Page 25 of4?
State of Qatar Public Works Authority
Drainage Affairs
Note that this is the storage volume required between the dry base or water table level of the soakaway,
and the invert (inlet) level of the incoming drainage pipe, and assumes that the chamber is empty.
For example if the drainage area indicates that a 1.5metre diameter chamber with a soakaway depth of
2.55 then if the invert level of the incoming pipe is, say, 600mm below ground level, and assuming the
base is above water table level, then the overall depth of the soakaway is...
2.55m +0.6m =3.15m overall depth.
If there is insufficient depth because of a high water table, the required volume of the soakaway can be
met by increasing the plan size or placing two or more soakaways of this size side by side.
3.2 Size of Storm Tank
The sizing of the stormtankl tank should follow the procedure indicated in Table 2.
Table 2: Depth of Tank required for the design rainfall for different drainage areas
Tank Volume Calculation Tank Diameter
Rainfall
Area to
Depth for
Factor Volume
be
1in 2 Runoff
of of 1.2 1.5 1.8 2.1
drained
year 24 Coefficient
Safety Storage
hour
Duration
m2 mm m3 m m· m m
100 25 0.9 1.1 2.5 2.19 1.40 0.97 0.71
200 25 0.9 1.1 5.0 4.38 2.80 1.95 1.43
300 25 0.9 1.1 7.4
><>< 2.92 2.14
400 25 0.9 1.1 9.9
><>< 3.89 2.86
500 25 0.9 1.1 12.4
><>< 4.86 3.57
It should be noted that the tank will have to be pumped out after the rainfall has finished, restoring the
flood protection of the property.
4.0 Construction details
4.1 Soakaway Construction
Atypical standard detail drawing of asoakaway is included as Figure A1of this advice note.
Volume 8Developer's Guide December 2006 Page 26 of4?
State of Qatar Public Works Authority
Drainage Affairs
Ready-made soakaway systems are locally available in pre-cast concrete. These tend to be circular
sections that can be stacked to give the required depth and storage volume, and then topped with a
suitable cover.
4.2 Tank Construction
Atypical standard detail drawing for astormwater tank is included in Appendix 3.
Pre-cast chamber rings are locally available and can be stacked to give the required depth and storage
volume.
Modular plastic boxes which can be used to provide both storage and soakaway functions are available in
the local market. For further information please contact Drainage Affairs.
5.0 Maintenance of Stormwater Systems
5.1 Soakaways
Soakaways do require some maintenance to keep them operating satisfactorily. Each year after the rainy
season the following maintenance task should be carried out:-
Inspect catchpit and remove any silt in the catchpit.
Inspect soakaway and remove any silt in the chamber.
5.2 Tanks
In order to make the tank effective in the control of stormwater runoff, after each rainfall event the tank
should be emptied of water and silt. The water in the tank should be tankered away or it can be used for
irrigation of any garden areas. Under no circumstances should the tank be emptied to the foul
sewerage system.
Each year after the rainy season the following maintenance tasks should be carried out:-
Inspect silt trap and remove any silt in the trap.
Inspect tank and remove any silt in the tank.
Inspect and repair any leaks.
6.0 Safety
6.1 Excavations
Excavations can be dangerous and the following points should be noted.
all excavations should be fenced off or covered to prevent accidents.
deep excavations should have sufficient support provided to prevent collapse of the
excavation or debris falling into the excavation.
Volume 8Developer's Guide December 2006 Page 27 of 47
State of Qatar Public Works Authority
Drainage Affairs
6.1.1 Entry into Confined Spaces
Any tank buried in the ground can be dangerous. Only qualified and experienced operatives who have
and are trained in the use the appropriate safety equipment for entry into confined spaces should be
employed to carry out the cleaning and inspection works.
References
Qatar Sewerage and Drainage Design Manual
Volume 3Surface and Groundwater Drainage
2 Qatar Highways Design Manual
3 Soakaways: BRE Digest 151
Volume 8 Developer's Guide December 2006 Page 28 of 47
State of Qatar Public Works Authority
Drainage Affairs
ADVICE NOTE NO 2••
1.0 Introduction
DRAINAGE FOR TOWER BLOCKS AND RESIDENTIAL DEVELOPMENTS
The drainage of tower blocks and small residential compounds requires the designer of the drainage
system to develop site specific solutions to protect the development from the results of flooding.
The basic requirement is that the development must deal with its runoff within the site and not export the
problem to adjacent developments. Drainage affairs recommend a number of methods that could be used
to manage the drainage system form tower blocks and residential developments. The designer of the
proposed system should make himself aware of the concepts of managed drainage systems and choose
the most appropriate system for the site in question.
It is not obligatory, but it may be useful for the developer to produce a project profile for the site drainage.
The project profile provides a means to collect all relevant data for the development area which will help to
produce the Managed Drainage System proposal.
2.0 Managed Drainage systems
Drainage Affairs recommend that the designer of drainage system for the development investigates the
following measures and systems to manage the surface water run off.
Preventative measures
The first stage of the Managed Approach is to reduce the runoff quantities. This may include
reducing the amount of hard surfacing within adevelopment and using soft landscaping suitable for
a desert climate instead. The use of individual tanks or soakaways for each property to store or
disperse the surface run off is another method of reduction in surface water run-off.
Pervious surfaces
Pervious surfaces are surfaces that allow inflow of rainwater into the underlying construction or soil.
In Qatar extensive use is made of block paving for footpaths and parking area. Instead of bedding
the concrete blocks directly on sand bed if they are laid on agranular sub-base water can stored in
the sub-base and infiltrate into the ground. Typically the sub-base consists of 300m of 25 - 150mm
grades stone overlain with a geotextile. The bedding for the block paving consists of 50 mm of 4-
10 mm graded stone.
Filter drains
Linear drains consisting of trenches filled with a permeable material or modular plastic tank
systems, often with a perforated pipe in the base of the trench to assist drainage, to store and
conduct water; they may also permit infiltration.
Swales
Volume 8Developer's Guide December 2006 Page 29 of 47
State of Qatar Public Works Authority
Drainage Affairs
Swales consist of wide shallow channels with or without vegetation that conduct and retain water,
and may also permit infiltration. These work well within development sites with a large proportion
of landscaping where the design of the landscaping can easily incorporate these features. The
swales can be used for infiltration and evaporation. Areas of planting which are lower than the
surround areas can be used in asimilar way to aswale.
Emergency Flood Areas (EFA)
The use of Emergency Flood Areas (EFA) is well established in Qatar and is a viable option for the
management of surface water run off. An area of the development site is designated as an EFA
and depending on the site usage and the depth of water to be stored may need to be fenced of to
prevent accidents to children and adults.
Infiltration devices
Sub-surface structures such at modular tanks systems that can promote the infiltration of surface
water to the ground. There are a number of proprietary systems on the market for this. This is
growth area in the field of managed drainage systems with a number of manufacturers being able
to provide plastic modular systems to build large tanks that can be installed under car parks
recreation areas etc which provide storage, attenuation and infiltration facilities for the surface
water run-off.
Oversize Pipes and Throttles
This option is appropriate if there is a positive drainage system nearby that can take a controlled
amount of runoff for the site. A smaller diameter pipe or orifice plate is used at the outlet to control
the discharge rate.
3.0 Basic Design Principles
The basic principle of the design of the drainage system for the development is to control runoff
within the development as follows:
No Drainage Affairs stormwater system available. Drain to on site stormwater storage
system as indicated on Figure 1of these guidelines.
Existing or proposed Drainage Affairs stormwater system. Connection to the Drainage
Affairs system by overland flow, or direct connection via managed drainage system as
indicated on Figure1 of these guidelines.
4.0 Project Profile
In order that the designer can assess the requirements it is recommended but not obligatory to
produce a project profile. The project profile should include all relevant information available.
Information should be in note form. The checklist below is provided as a guide only, to assist in
Volume 8 Developer's Guide December 2006 Page 30 of 47
State of Qatar Public Works Authority
Drainage Affairs
identifying major items which should be included or considered in completing the project profile to
assist in the choice of managed drainage system for the site.
1.
2.
3.
AN OUTLINE DESCRIPTION OF THE PROJECT
Provide the following information:
• Project title
• Developer
• Contact Person (name/telephone)
• Nature and description of the project
• Location (include plans)
• Area of project site and %paved/unpaved
• Finished site platform level
• Whether planning permission application is required
• Recent and dated photographs to show a panoramic view of the site
AN OUTLINE OF THE PLANNING AND IMPLEMENTATION PROGRAMME
a) Explain how the project will be planned and implemented
e.g. authorized person/consultants/contractor.
b) Identify the project timetable for:
• appointing consultants/authorized person
• planning/preliminary designs
• preparing a Drainage Impact Assessment (DIA)study (if required - see
Advice Note No.3)
• finalizing designs
• implementation
• completion/commencing operation
c) Identify any interactions with other projects which should be considered.
AN OUTLINE OF THE EXISTING DRAINAGE
Volume 8 Developer's Guide December 2006 Page 31 of 47
State of Qatar Public Works Authority
Drainage Affairs
Provide the following drainage details:
• A 1:20000 scale plan of the catchment in which the project site is located with the
drainage system relevant to the proposed project highlighted.
• A detailed layout plan at 1:5000 scale or larger, of the project site with the site
boundary, existing ground levels, existing drainage and existing land uses all
identified both within and adjacent to the project site.
• A general description of the existing drainage including adequacy of the drainage
system and flooding history.
4. OTHER INFORMATION
Provide the following information:
• Potential drainage impacts (described in broad terms) arising from the project.
• Ageneral description of the proposed drainage impact mitigation measures (if any) to
be provided.
• Ageneral description of the proposed drainage system.
• Ageneral statement on the flooding situation upon completion of the project.
References
1 Qatar Sewerage and Drainage Design Manual
Volume 3Surface and Groundwater Drainage
2 Qatar Highways Design Manual
3 Soakaways :BRE Digest 151
4. Scope for Control of Urban Runoff: CIRAI Report 124 1992
5 Interim Code of Practice for Sustainable Drainage Systems: National SUDS Working Group(UK)
July 2004
6 Stormwater Best Management Practices in an Ultra-Urban Setting
US Department of Transport Federal Highway Administration
7 Statutory Instrument 1999 No. 1783
The Environmental Impact Assessment (Land Drainage Improvement Works) Regulations 1999 :
DEFRA UK
Volume 8Developer's Guide December 2006 Page 32 of4?
State of Qatar Public Works Authority
Drainage Affairs
ADVICE NOTE NO 3· APPLICATION OF THE DRAINAGE IMPACT ASSESSMENT PROCESS TO
ZONAL AND DISTRICT DEVELOPMENT PROJECTS
Table 1
1. INTRODUCTION
1.1 This Advice Note outlines the Drainage Affairs assessment procedures for the drainage impact
of zonal and district development projects. It is anticipated that the information contained in
this document will assist in preparing project profiles and in addressing the project's potential
drainage impacts.
1.2 Many private sector projects have the potential to cause adverse impacts on stormwater
drainage, groundwater and flooding. These impacts need to be considered at the early stages
of the project planning and designed to minimize drainage and flooding problems and to avoid
expensive remedial measures.
1.3 The Drainage Impact Assessment (DIA) process provides for a systematic approach in
addressing drainage issues associated with any project. The primary objective of the DIA
process is to demonstrate that with the implementation of necessary mitigation measures, the
project will not cause an unacceptable increase in the risk of flooding in areas upstream of ,
adjacent to, or downstream of the development.
2. ROLES AND RESPONSIBILITIES OF THE DEVELOPER
2.1 The developer of azonal or district development project is responsible for:
(a) preparing the project profile and undertaking the DIA study if required;
(b) implementing all measures necessary to mitigate adverse drainage impacts identified
by the DIA study;
(c) monitoring the project's drainage performance during construction; and
(d) taking all measures necessary to redress unanticipated or unacceptable impacts arising
during project construction.
2.2 The application of the DIA process to a particular project should not be separated from the
other basic investigation and design processes. Thus, the developer can integrate drainage,
environmental, technical and economic assessments to produce the best and most
appropriate project design.
3. ROLES OF DRAINAGE AFFAIRS
3.1 DA is responsible for examining project profile; determining whether DIA study is required;
approving DIA study report submitted under the DIA process; and advising the Planning
Department drainage conditions on the project.
Volume 8Developer's Guide December 2006 Page 33 of 47
State of Qatar Public Works Authority
Drainage Affairs
3.2 Notwithstanding that the developer may have submitted proposals in accordance with the
guidelines stipulated in this Advice Note and DA may have accepted such proposals or have
required such proposals to be amended prior to acceptance, DA shall have no liability to the
proponent for any damage, injury, losses, claims, charges or fees which may arise from any
act, omission or negligence howsoever caused by DA, its agents, servants or employees.
4. THE DRAINAGE IMPACT ASSESSMENT PROCESS
4.1 The DIA process comprises two principal elements, a project profile and, if necessary, a DIA
study.
4.2 All development projects for Zonal or Regional Developments will require the preparation of a
Project Profile.
The project profile and DIA study require substantial engineering input and judgement, and
should be undertaken under the direction of a registered professional engineer in the Civil
Engineering discipline. Any submission made as part of the DIA process should be signed
and certified by the registered professional engineer in charge. Failure to submit asatisfactory
project profile or DIA study report, if required, may unnecessarily delay the DIA?? process.
4.3 Development projects within urban areas served by an engineered positive stormwater
drainage system will generally not require the DIA process to be completed as the project
profile should contain sufficient information for approval, the exception will be those
developments which are of sufficient scale to make a significant change to the drainage
characteristics of astormwater drainage system.
4.4 In areas not served by an engineered positive stormwater drainage system, the scale of the
development, the form and location will determine the necessity of DIA process. As ageneral
rule, if the answer to any of the following questions is positive or unknown, DIA process shall
be applied to the project:
(a) will anatural drainage path be affected by the development?
(b) will there be a significant increase in impervious area and therefore a significant
increase in runoff from the development site?
(c) will reclamation or filling be required to form the site for the development?
(d) will the drainage system downstream of the development site require to be upgraded to
convey the runoff from the site?
(e) will the development be situated at flood prone areas?
(D will the development be situated in an area of high groundwater?
(g) will the development have substantial area of planting which will require irrigation?
(h) will irrigation cause a rise in groundwater levels that may cause concern for building
and road foundations?
Project Profile
4.5 An outline of the information required for the project profile is given in Appendix I. Based on
the information in the project profile, DA will decide upon the extent and scope of the DIA
study that is required by considering the likely impact of the proposed project on:
Volume 8 Developer's Guide December 2006 Page 34 of 47
State of Qatar Public Works Authority
Drainage Affairs
(a) the existing capacity of drainage paths;
(b) the changes in surface runoff hydrographs and flood storage; and
(c) the risk of flooding in other areas in the catchment.
(d) the risk of rising groundwater levels due to development.
Drainage Impact Assessment Study
4.6 The scope and requirements of the DIA study shall be proposed by the developer for DA'S
agreement. In setting the parameters for the study, a conscious effort should be made to
constrain its scope as far as practicable while ensuring that the validity of the study is
maintained. The findings of the DIA study shall be documented in a report prepared by the
proponent for submission to DA and the Planning Department. An outline of the information
likely to be required for aDIA study report is given in Appendix II.
4.7 The DIA study shall be carried out in accordance with the standards set out in by DA Drainage
Manual.
4.8 The findings of the DIA study will be used as the basis for setting any requirements on
drainage provisions, flood mitigation measures and performance monitoring tasks which may
be placed on the project. DA will advise the Planning Department or Lands Department of
such requirements on the project as appropriate.
5. DESIGN, IMPLEMENTATION AND MONITORING OF MITIGATION MEASURES
5.1 The developer shall be responsible for incorporating the drainage impact mitigation measures
into the design of the project to ensure that the expected drainage performance of the project
is achieved. The Authorized Person in charge of the project should state in writing that
necessary mitigation measures identified in the DIA study have been incorporated into the
plans.
5.2 The developer shall be responsible for implementing the drainage impact mitigation measures
and undertaking the monitoring programme during the construction stage to ensure
compliance with the conditions on drainage requirements, flood mitigation measures and
performance monitoring requirements as imposed by the DA.
5.3 DA shall recommend the Planning Department to issue a Certificate of Compliance for a
development only if the imposed conditions on drainage requirements and flood mitigation
measures have been fulfilled.
5.4 The developer shall sort out and agree with the maintenance parties on any requisite
monitoring programme during the operation stage. The responsibility for undertaking such
monitoring programme, if necessary, shall rest with the maintenance parties. Depending on
the nature and type of the drainage works, the maintenance parties may be the developer
himself, his agent, other person or DA.
Volume 8Developer's Guide December 2006 Page 35 of4?
State of Qatar Public Works Authority
Drainage Affairs
References
1 Qatar Sewerage and Drainage Design Manual
Volume 3Surface and Groundwater Drainage
2 Qatar Highways Design Manual
3 Soakaways: BRE Digest 151
4. Scope for Control of Urban Runoff: CIRAI Report 124 1992
5 Interim Code of Practice for Sustainable Drainage Systems: National SUDS Working Group(UK)
July 2004
6 Stormwater Best Management Practices in an Ultra-Urban Setting
US Department of Transport Federal Highway Administration
7 Statutory Instrument 1999 No. 1783
The Environmental Impact Assessment (Land Drainage Improvement Works) Regulations 1999 :
DEFRAUK
Volume 8 Developer's Guide December 2006 Page 36 of4?
State of Qatar Public Works Authority
Drainage Affairs
APPENDIX 51 ·INFORMATION REQUIRED FOR PROJECT PROFILE
In order that the need for a DIA study can be assessed, the project profile should include all relevant
information available. Information should be in note form. The checklist below is provided as aguide only,
to assist in identifying major items which should be included or considered in completing the project
profile.
1.
4.1.1.1 AN OUTLINE DESCRIPTION OF THE PROJECT
Provide the following information:
• Project title
• Developer
• Contact Person (name/telephone)
• Nature and description of the project
• Location (include plans)
• Area of project site and %paved/unpaved
• Finished site platform level
• Whether planning permission application is required
• Whether lease modification application is required
• Statutory land use zoning
• Recent and dated photographs to shown a panoramic view of the site
2. 4.1.1.2 AN OUTLINE OF THE PLANNING AND IMPLEMENTATION PROGRAMME
a) Explain how the project will be planned and implemented
e.g. authorized person/consultants/contractor.
b) Identify the project timetable for:
• appointing consultants/authorized person
• planning/preliminary designs
• preparing a Drainage Impact Assessment (DIA) study (if required)
• finalizing designs
• implementation
• completion/commencing operation
c) Identify any interactions with other projects which should be considered.
Volume 8Developer's Guide December 2006 Page 37 of 47
State of Qatar Public Works Authority
Drainage Affairs
3. 4.1.1.3 AN OUTLINE OF THE EXISTING DRAINAGE
Provide the following drainage details:
• A 1:20000 scale plan of the catchment in which the project site is located with the drainage
system relevant to the proposed project highlighted.
• A detailed layout plan at 1:5000 scale or larger, of the project site with the site boundary,
existing ground levels, existing drainage and existing land uses all identified both within and
adjacent to the project site.
• A general description of the existing drainage including adequacy of the drainage system
and flooding history.
4. OTHER INFORMATION
Provide the following information:
• Potential drainage impacts (described in broad terms) arising from the project.
• A general description of the proposed drainage impact mitigation measures (if any) to be
provided.
• Ageneral description of the proposed drainage system.
• Ageneral statement on the flooding situation upon completion of the project.
Any other available information relevant to Appendix II may also be submitted to facilitate DA in
deciding whether a DIA study is required. Submission of sufficient information under this
heading may enable DA to make an early decision on whether exemption from submission of a
DIA study can be granted.
Volume 8 Developer's Guide December 2006 Page 38 of4?
State of Qatar Public Works Authority
Drainage Affairs
APPENDIX SII· INFORMATION REQUIRED FOR DRAINAGE IMPACT ASSESSMENT STUDY
REPORT
In order that the DIA study can be completed as quickly as possible, the DIA study report should include
all relevant information available. In addition to the information submitted in the project profile (Appendix
I), the following information should be included in the report. The checklist below is provided as a guide
only, to assist in identifying major items which should be included or considered in completing the DIA
study.
The findings of the D1A study should be documented in a report prepared by the proponent which will then
be used as the basis for setting any requirements on drainage provisions, flood mitigation measures and
performance monitoring tasks which may be placed on the project.
1. AN OUTLINE OF THE CURRENT FLOODING SUSCEPTIBILITY AND PROPOSED
DRAINAGE
Provide the following details:
• An assessment of the susceptibility of the project site to flooding, preferably with a
record of any past flooding which occurred within or adjacent to the project site.
• An assessment of the groundwater levels within the project site and whether there is a
record of any previous problems within the site or adjacent to the project site.
• Adetailed layout plan, at an appropriate scale, of the project site with the site boundary,
proposed ground levels and proposed drainage, including any necessary upgrading
drainage work within the catchment, and proposed land uses, all identified. If the
proponent is aware that the ground levels or drainage or land uses adjacent to, but
outside the project site are likely to change, details should be provided if possible or,
alternatively, attention drawn to the fact that changes are likely.
2. AN OUTLINE OF THE CHANGES TO THE DRAINAGE CHARACTERISTICS AND
POTENTIAL DRAINAGE IMPACTS WHICH MIGHT ARISE FROM THE PROPOSED
PROJECT
Provide the following details to quantify the changes to the drainage characteristics of the
catchment arising from the proposed project:
• Changes in land use and surface runoff characteristics.
• Changes to existing groundwater levels that might be expected.
• Changes to surface runoff hydrographs for 2, 10, 25 and 50 years return period flood
Volume 8Developer's Guide December 2006 Page 39 of4?
State of Qatar Public Works Authority
Drainage Affairs
events for the project site, any affected natural drainage paths or existing positive or
non positive drainage system.
• Change in flood storage caused by the project.
• Assessment of timing of peak runoff from project site relative to timing of catchment
peak runoff.
• Hydraulic capacity of existing drainage upstream, within and downstream of project site
if applicable. This information will be made available by Drainage Affairs .
• Hydraulic capacity of proposed drainage upstream, within and downstream of project
site. This will depend upon the drainage systems designed by the developer.
• Changes in peak runoff, peak flood levels and/or peak velocities for 2, 10, 25 and 50
years return period flood events at critical locations.
• Details of temporary drainage during construction including hydraulic capacities.
Provide details of all potential impacts which might arise as a result of changes to the
drainage characteristics caused by the proposed project and identify land users who might
be affected. Provide details of the impacts caused by the following:
• Changes in flood levels, flood frequency and/or velocities.
• Changes in timing and magnitude of runoff peaks.
• Changes to maintenance requirements and access for maintenance.
• Changes to the drainage paths and regime during construction and after completion of
the project.
• Cumulative effects taking account of other concurrent developments in catchment.
• Other relevant considerations.
The potential impact should be considered on upstream, downstream and adjacent land
users, and land uses should be identified (e.g. residential, commercial, institutional,
industrial, infrastructure, agricultural, recreational, conservation areas).
Volume 8Developer's Guide December 2006 Page 40 of4?
State of Qatar Public Works Authority
Drainage Affairs
Volume 8Developer's Guide December 2006 Page 41 of 47
State of Qatar Public Works Authority
Drainage Affairs
Appendix 1
Building Permit Application
Volume 8Developer's Guide December 2006 Page 42 of4?
State of Qatar Public Works Authority
Drainage Affairs
DOCUMENTS TO BE SUPPLIED TO DRAINAGE AFFAIRS FOR
BUILDING PERMIT APPLICATION
Mandatory information is shown in bold type
Information Required (2 copies) Scale Notes
Both copies of submission will be stamped approved by the Drainage Affairs. One copy will be returned to
the Developer, the other copy will be retained by the Drainage Affairs
Developer's Programme
Estimated Construction Start Date
Site Location Plan (A3)
Drainage Services Location Plan (A3)
A4· Single Property
A3· Developments (Compounds, Mult)
Site Plan (A) showing: (Foul Sewer)
All levels related to Qatar National Datum
Site boundary
Building outline
Building with descriptive label
Internal Roads, Footpath
Internal Sewer Layout
Septic tank, soakaway, sewage holding tank
Drains and manholes
Schedules of foul manholes
Pumping Stations
Rising Mains
Existing sewers and drains
Road gullies/highway drains
Site levels
Site Plan (B) showing: (Surfacewater Sewer)
All levels related to Qatar National Datum
Site boundary
1:5000
1:1000
1:1000, or
1:500, or
1:200
1:1000, or
North sign, co-ordinates of
corners, street names,
principal landmarks
Existing pUblic sewerage and
drainage services adjacent to
the Site to which the site will
discharge
Manholes numbered from
MH1.
Diameter, length between
manholes, gradient flow
direction. All levels are in 'm'
and Ref. To QNHD.
Arch. Levels and QNHD
levels.
Volume 8 Developer's Guide December 2006 Page 43 of 47
State of Qatar Public Works Authority
Drainage Affairs
Building with descriptive label 1:500, or
Internal Roads, Footpath Manholes numbered from
1:200 MH1.
Internal Pipe Layout
Soakaway
Drains and manholes Diameter, length between
Schedules of storm manholes
manholes, gradient flow
direction. All levels are in 'm'
Pumping Stations and Ref. To QNHD.
Rising Mains
Existing sewers and drains
Road gullies/highway drains
Site levels
Arch. Levels and QNHD
levels.
Building Drainage (A1) 1:50
Floor plans
Fittings and Sanitary fittings
Pipeline details
Discharge points
Gullies
Copies of hydraulic design calculations (A4)
Foul water (including trade effluents)
Surface water (including impermeable area plan
and attenuation details)
Design parameters used
Pumping Stations information showing:
General arrangement details
Wet well capacity
Rising Main Capacity
Volume 8Developer's Guide December 2006 Page 44 of 47
State of Qatar Public Works Authority
Drainage Affairs
Volume 8Developer's Guide December 2006
Appendix 2
Design Unit Foul Flows
Page 45 of4?
State of Qatar Public Works Authority
Drainage Affairs
Peak and Average Foul Flows Using Design Units Based on 270 IIh/d
Avg Flow Sewage Peak flow
Population lIs m3
/d lIs
1 0.003 0.259 1.64
5 0.016 1.382 2.53
10 0.031 2.678 2.82
15 0.047 4.061 3.09
20 0.063 5.443 3.35
25 0.078 6.739 3.51
30 0.094 8.122 3.62
40 0.125 10.8 3.83
50 0.156 13.478 4.03
60 0.188 16.243 4.22
70 0.219 18.922 4.41
80 0.250 21.6 4.59
90 0.281 24.278 4.74
100 0.313 27.043 4.86
Volume 8 Developer's Guide December 2006 Page 46 of 47
State of Qatar Public Works Authority
Drainage Affairs
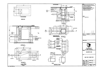
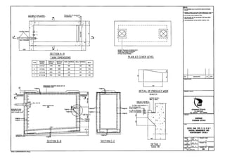
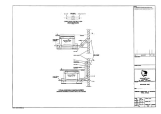
Appendix 3
Drawings
Drg No.
DG1
DG2
DG3
DG4
DG5
DG6
DG7
DG8
DG9
DG10
DG 11
DG12
Title
Inspection Chambers - Typical Details Sheet 1
Inspection Chambers - Typical Details Sheet 2
MH1 - Standard Details
Typical Manhole Construction Details
Sewerage Connection to Properties - Typical Details
Typical Small Submersible Pumping Station
Sand Trap &Grease Trap - Typical Details
Septic Tank Type A&B GA Details (pops 1- 20)
Septic Tank Type CDEF GA Details (pops 21 - 350)
Soakaway Details
Stormwater Soakaway Details
Stormwater Tank
Volume 8 Developer's Guide December 2006 Page4? of4?
1JQJTh
1. ALL DKN5IOItS All! ItH1WHETRtS lJI,ESS DlHEftWISE STAna
2. TillS DRAM 10 BE A£,f,D1H CIlNJWlCTlDltWlTKAU A[LEVA~U1AlIHllt
DnAl~S
iPrtKfllEAMFORCOVERS 3. STEP IRO~S 10 IE PROVIlED A' :JOOlIacone BOTH tlORIlCMAu..,
Vl:RTKALLY I' DEP1HTO *VERT fXCUOS '110m
'.ALllmAIlAt.N!OOOERIlAlFACESOfTtECtW1BERSTOftPAMED
r-----n-f-----, WITtilWOClIATS0' CaAL l.utEPOX'i
r------, 5.HIJItU1(OWR10Pll'[ Dl'IMSPftlaN [IIMIUTo BE.OOIIIl
lX
I
:~
~
I r-----, l.FllRAllDIlIOkALLAlE!lAlCONIICTNI!OICt!flGSKALLIlfMllDfIED
I I I I I 'DSl.lTAkDfACII~tcN[(TIONBUlLTIMEXTEkDEDfjUlUla.
I I COVDIIrFRAMETOSUlT
I I I C!NtAIPAA1'ETOSLn
I I
I 15tIH.mAROPE~llli I I UI .. mCllARCPfttNIlo I
I I I I I I I
I I I I
L ____ ...J
L _____ ...J L _____u_____ ...J
PLAN ON COVER PLAN ON COVER PLAN ON COVER
'"~
r,t5t '00 ... r 0"
'" JO' t...
.", ,.. 1M , ~M
"
, ... 1M
~ r--J!!-
~'~~:~~~
r
1f.':: :.;::
t~~ IE
{)/ r'~~;~ IE ,:;.. ~L
~
IE
),' ~OJ ~ OJ ',:: - f-- - '-- -
r-Er-- - - --3= -Er-- ::....-:~!
rrr--:-- --3=i--- --1+-----1 i f--. . . - - --+f- Ii - --+ -- i
~
- -- -- I-- -- c-~ --.~ .. ,,:':- '-- - f--.:~ .:....
·;~';n
......,... I ~:~ -
I'.~., ';
15IDIAEXTR4&1AfHGTH
.~;.. IE
~
VI1llIfID (LAY PFE
~
".:.,~ ." REV. AMEI<D~ENTS BY DA'T£
e:, CONSULTANTS
SECTIONC) SECTIONC) SECTIONC9
CHAMBER TYPE'A' CHAMBER TYPE 'B' DRAWING STATUS
CClYEA l FIWE TO sur EH12'a.WA15DlHAlOlllE
~1"---W1TNSEALINGPl.Al[
1-'-'·105ll11UtCLLEAROP£Nk'&
ST£Il'IllOIt5-
llRADESRC:lO HORTAIlIWJ[Kf«!TOrltAtR
J~':'-'
J.AEGUl.AlNliCOlml5
'" ! DRAINAGE AFFAIRS
e-~:
:ri
't:': ~DPC2IlMS1TUCOlKRm
e-~ ~ ~~~Rl~~tEoreETE P.O, 60)(23337
.....; TEL. 4950055 FAX. 4950555
.., ~
,:<:;:--~~=r~lr:~OW -, SU1 twfIOl.E fUME OPE"G SIZE - ,
PROJECT.. liIWlE lAC 21 CONCRETE
w:Cot«mE ILOClt'lilDRIC WAlLS
I- _ !"'ERNALBl.OCKWOllICfAaTOtlAVt 200 MC!HkALTlllClOE!S
DEVELOPERS GUIDEGRNXOPC:tOHASS
HAY£UlIIOCHlRTAlIl[IODtfUi
COJjCIl£1EWALLU.ut:---
~
umocMaRrARAEtfIlERII6
L
alHrC~HDRTARRE!IJ(RIIG
bll! I
Z[ '.~:~ 0 GRADESIIC20
,0 lIIlADE SRI: 20 COlltJl£lElKNCIlttG TITlE
.:.'";.:.
"j,;~~
CQNCRETEeENCHIIIG
..~~
o~~•
~EIIl(20WESl.AB
':"'t~ 0,
r; INSPECTION CHAMBER
",.......... ~,L
.J"',,,."......
TYPICAL DETAILS
","'HE_I< !l.L PROTECTlOt(&RAOESRt211
SHEETIPlltlTl!~&IWl[SRt20
1JQJTh UTHKBL
15TKICILH MA5s(QNCAETE8A5E llIWlI!:sRI::n 1t.AB000DCSRCD
""",.". SUIGIl4DESRtJ' t rtPr: 'A' AllWmM[Nl YO DE IIUD rOil V," Til' Ifa,.IlRAIKtl
eatll£t1llll1!: TO LCH LOIrlG alE lFCHiMBrR
DRAWN DII'T£ PROJECT CODE
SECTlONC9 2. TYPE'8'ARRAIIG£"'~Tl08EUSEOFDRJTOlIRANCH SECTION@ D~ NOV. 08
-COlINEnlO1tI TOEAl':HLOMISGE OF OlAMIlER CHECKED
DWM NOV. D6 PROJECT NO.
J,ClASS DlIOHHCOVlR4'lWI! TO III; I15mlNTIlAfPl:KlD
CHAMBER TYPE 'A' (TYPE 'B' SIMilAR) .POS5aE It:AVY LlIADEDARUs. OTktRWlSEUASS CHAMBER TYPE '(' APPROVED -BUS C!M:R • FRAtE TO 8£ USlO JEA NOV. D6
SCAl£ (Al)
DRAWING NO. REVISION
1:70 DGI
•• a .._ • • _ ............._ ...... -'.•••
mL- ..
• ., (DkCRnEBACKFllL
. "__'_,,-~~~h':. AS SPOOFED
'n¥n¥;~ lI-uAlil ~
SECTIONC)
(SHGWlNG COVER FLUSH WITH FGL OETAILI
~l15D~
DATE
'"AMENDI,IENTS
~DRAINAGE AFFAIRS
P.O. BOX23337
TEL. 04950055 FAX. 04950555
DRAWING STATJS
REV.
PROJECT
11 BAR LOCATIONS
T TOft Ff fAIIFACf
880TTllH U EACHfACE
'" NEARFAa: EW UCIlWAY
An ALrERlCATlY!!,lRSIIMRSEII."SIlDWWHERERE4UlREDI
CONSULT,6NTS
REINFOR[EMENT
TO"".....AS~~t·tll:"·LO'..,..""'t'tP!(If SlUl. WTREnF BARS
BARtLlMETE BARHARK
lJQill;
t.ILL OilOSlOI(S AAE III )tWMEJR[S UlUSSOTHERWlSE SlAT!D
Z. fXTDlHAL rAuS or OtAtelR TO R.,AMm wnHTWD (001115 II'
BI'MINOU5PAllfT
J.lJfIEIlNAl. StIRfAas 1IF [HANSER WALL AI«I (OYER lOBE pAMED WRH
lWOCllATSOFUW.1AREPOXYPAlIf'r
a
"
"
.!!.
"a
---.J
~
'"...
...
"bIoTUG3-15
"
tT17It.ftI:
T1Z I-f--I-"
,m '"• IF
StZl! MlIIls
TU ,
TU I
- -1'
!!
.!!.
u
v
'AR
""";;
!!
.!!
~
~OT
r-I
TU , •
TU 1 •
,,
~ 112 1 "
.. TU ,
T12 t" Z'lS
Ju.8ElQINIiDINENSlllItSAAEICACCOADAlCEWlTHB~UI
• 5P!CftD 10 TtR t4Af1UT_
• SPI!(flEDTDTHEII£"WSY2SlI11
mIKI&!WIll
tRAlRD COWRDnU TOil[ 115tO IN utflAyn ORlHttsH!D
=~¥Ji::=DETA" UBEUSWINAU.PAVEDOR
2. nus'0' caYERS "AVY DUTYI TO BE UWI FOR ALL IlCSl'mlOk
CHAIeERIIN ~DAns OR ounrlTH PROPtIlTYaautl)ARYWAUS
a.AsS'I'CClV'ERSlM!IllLtfDl1JYJlOeEUSEDltAU.CASailftTHIk
p.etaPERTVIICll/IIIA1tYWALLS'DABOTKRAlSEDAliDFlUSHDETAILS
"),311101-'
14
~
SECTIONIt
""BfA
[OVER sua
iiiOLi""
!ill!!.!l.AII_
"'D.
{]~I I-I
I Dh~ I
PLAN ON COVER SLAB REINFORCEMENT
IMINIMUM COVER TO REINFORCEMENT 10m.1
&-
.c.1U05
.!l.
~MASstotomGll:lDESRtJO
~.7L=.
SECTlONC9
IIHDWING RAISED COVER DETAIU
DETAIL E9
IFOR PIPES WITH COLLARS)
~l ["r""""'''''''COVIR••" ., ". S!.A1tGRAD! llPOS
. .
I ~r~"iiiE~~~"~'19 "Il,--.......... . p ' " T5THlDCCOMCRll[
-Sl BUIlDlIlU!UDE IRC: n
HASSCCWCRETEat:NOlItl6
GRAIlESIlI:JOWlTK121tllCIC
EPOJIYMllRTARREIlIlI:lIItG
~
i
-~
INSPECTION CHAMBER CLASSIFICATION
., D.D1 Dl
THlSDfTAillSfImSPIm.
SO(l(ElPll£S.FCItPPES
WITH tOLLARS S£f DETALJ
---.J
1",1 3DO 1610'D1'DlA
'02'01'
~
DUCTllEIIlOltMA!ItIl[COYERI.FRAME
lDSUlT'1SDIACLEAROPEItIltG
BEIlIlCllOH""r""''''''
ill NII.0IBHAMH
.r-- ~~~,':'..OHf:tvID~lf AIm
:1 . QultEHEICIS
TYPICAL SECTION ON BASE
'M
,0.
III
&-
tlTtlUCSIllDCONCRflEBLOCKWOIIIl
liAADElPCJ5SEDPEDIlt6TIICI(
""'"'-""
SEWERAGE
STANDARD DETAILS
TITLE
INSPECTION CHAMBER
TYPICAL DETAILS
SHEET2
~~ "r. . . . TWOCOATRENtD
50lP Cet«MTE N1ROl.tCl •
CiWlESRCHTOCGVfRWITH •
~DS[AARl5tS .~.
PRlWTcaYCRHAIIQRADEOPC]5 •_.._-~
.1=
DETAIL E9'''D
DRAWN -=r.;D~ NOV. G6
CHECJ<ED
DWM I NOV. D6
AFPRDVED
J.... I NOV. 06
SCAlE (Al}
1:20. h10
PROJECT' CODE
PROJECT 110.
DRAWING NO. IREviSlON
DG2
CAD A'h I.:O'TAR~STDSOO2.d'Ng
;l
i
j
--E!1
2H MANHOLE DETAILS
!!Qmi
1. A~L QlH!M5l11NSARE IN I'tl.LtETRES UHLUS OUERtI5! STATED
2.Al.L COtKRE1E SHALL IE GlW)E OPC 21 t$,ESS GlIQWlSf STATED
lYAAlA1lIl!lTOSTAl/DARODElALSAllEPEIUtT1EDTDHE£T$l'T!SPfClPlC
RUlUlJlDQTS
4. ALL .'S 8ETWfDt SEnlON$ Of GR1' LKWS SHlU BE LAHftAUD DYER
WITH 101... WIlE RE5tI R!H &LASS TAPE aRAM APPRO'40IlSlTU
BAlI)lGEJatn101HEOUtsID£O'1tf:IIPLlkERPIllOR10(OIKR£1I~
S"A&.lJQteTSBElWEEMPlPES,fIlCtURESl/IIGRPlJfER5SH1oU.I!sw.m
,. AU JOItTSBtTWEEN PIPES AIeD ClIMtllfTE SHALL lIE WATEnlll11
1.ALLltll:otIIIGPFES5HAl.LIELAlDSDffITTOSOfFn~ITtiTHEOlITGOIItG
'PI
PLAN AT COVER LEVEL
SECTIONC)
l2Ve~~Y(~rsl~nr
SECTIONC)
TITLE
BY I DATEAMENDMENTSREV.
DRAWN DATE I PROJECI CODE
OM NOV. 06
CHECKED
DWM NOV. 06 I PROJECT NO.
APPROVED
JEA NOV. 06
SCALE (AI)
DRAWING NO.. REVISION
1120 D03
DRAWING STATUS
CONSULTANTS
~DRAINAGE AFFAIRS
P.O. BOX23337
TEL. 4950065 FAX. ...50555
rOUL SEWER t.4Hl
STANDARD DETAILS
DEVELOPERS GUIDE
PROJECI
~I
j
~I~
-,
:P=z i :m~~Rm
GRPSEALN3Pl.ATE
~ ~~'V:toWRETE
CLASS DUO TO EM U4 t1EAVY OUTY
DOUIU!1RlANGllARIIlICTJLElRdtCQ'RR
&.fRAMEWITH'lSDlACLEARllPfNIcli
GAPLlItNlTOllEPCllNUIIMRT
H1k6'rtf(NOIISLPSlA'ACE ~
IiiRl'LHHG10IlEl«HIN1I&!MVERT
MlN.6THCNllIISLPSlFA,Cl
TAltGNlI«ltlRANt&PflDTtnICN
e-..,....... II~
CAD Rd. IJClATAR-SiDS0G3.dw9
DETAIL E91,10
LADPER ARRANGEMENT (8QTTOM!
!l!!lli;
lALLDlt£NSIONSARflNtlUlKETRfSUNlfSSOTH£RWISESTATED
2.THlSORAiWGTOSHOULDBEIlf:ADlNCONJUNCTIONWlTHDET.&I.SSHllWN
ON DRGNoLfSfS2.fSJ"FSnl. FSZ4
3. All HATfJlIA1.S, FABRICATION AN:l CONSTflUCTlDN SHAll BE IN
ACCOROAN:EWITHTHESPttfICATlOHS
4. VAIllATIIN TO STAHOARD Il£TAIlS ARE PEAturrm TO HEEl SITE SPECIFIC
RroUIREtlENTS
S.FORTAItQNGDETAIlSREFERToDAGNil.GEU
BDnDH RUNG TOef
HAlCIKlttOFZ50
ABDVfBflOllNGoR
RESTPLATfDlll1
RESIMSPACEJl:TOSlJIT
lADDfRAl.IGNI'EHT
IHAJC.l00THIClO Ii1lPSTRIURSTAlfrl.ESSSTEEL ANOJJR
BOLT BoTTCH FlXWG TO BE
MAXlHUKOFnSABDYE
BENCHING DR RfST PlATFOIltl
FlXlNGS TO SE AT 1500
CENTRESHAXt1tJH
DETAIL E91110
TANKING AT FORMATION LEVEL
DETAIL l
'110
TANKING AT EXTERNAL CORtiR
TWO LAYERS Of WATERPROOf
I1Et1BRAHEITANKHD
DETAIL C91,10
TANKING AT INTERNAL CORNER
DETAIL 1
'.'0TANKING AT GROUND LEVEL
GAADEDPClSRElNfORCfD
D:lN:Ft£TE COVER SLAB
WHERE APPLICABLE
BY I OATEAMENDMENTS
PROJECT
CONSULTANTS
REV.
~DRAINAGE: AFFAIRS
P.O. BOX23337
TEL 4950066 FAX. 4950665
DRAWING SfATUS
~
GRPLKll
~I
SECTlONE9
DETAIL
...
1.10 _
LADDER ARRANGEMENT !TOP! & HANDHOLO
EADllIlIIiil1ADEUPFRoH
4No.SEGtlENTST5TIAOC
SECTIONC9
WHERE APPLICABLE
GRP PIPE COhl£CnON DETAILS
'c.J. 1·.··.01 L!J / BEDDlllIiKATERlAl.AS
"'["'..
DETAIL C)
ROCKfR PIPE. Sl'Il.iOTI
SOCKET ON UPSTREAH SlOE
OF IWfIOLE " DOUBlE
SPIGOT ON.OOWHSTREAH StoE
vr PIPE (ONNECTION DETAILS
DETAIL 0
JOtlTB(TWUNGAPllNERl.
PIPfTDBEllUlllATWOVER
WfTH RESIN RICH liUSS TAP'
DETAIL C)1,10
TANKING SEAL AT PIPE EHTRY
.u...LIlJ..fJW
WATfRPROOFHEH!IRAHE'
COLLAR "If.3DO WIOE
4DI4IBlTUtIIIOUS
HASTlCAUET
STARCUTWItoTERPROOFI1EttIIRAN£
WORKED ARllUPIJ PPf I UPPED
WO.""'"
.!!l!!ll
PI'EJlIINTIS NOT SliOWN
AN D.EVATIOH HR a.ARITY
WATERl'ADllftmlBRANE
COllAR IIlH.)OO WIlE
STAItClITWAT£RPROOfKEHBRAI£
WDIlKe:PAltOUNDI'lPt:.UpptD
WlntCOlUA
DETAIL c:1110
TANKING SEAL AT PIPE ENTRY
.EWilUII!fli
DETAIL OF PRECAST CONCRETE
SEATING RING UNDER MANHOLE COVER
IGRADE OPC 35 CONCRETE)
SCALE 1:10
DEVELOPERS GUIDE
TITLE
TYPICAL MANHOLE
CONSTRUCTION DETAILS
DRAWN OATE I PROJECT CODE
OM NOV.06
CHECKED
OW" NOV. 06 I PROJECT NO.
APPROVED
JfA NOV. 06
DRAWING NO. IREVISION
SCALE (All
1:20 &: 1:10 DG4
(AD Itt" L:OATAR-STDSDG4.dwg
1lQill,
1. ALI. DlM!t(SIO/fS ARl! IN InUMETltES UN.ESS OTI€AWlSE: 11.1ID
2.111$ DRAWffG TO IEIllADfI H'ULIICTIDNWllttDRG Nu.FSlItfSt1
Sl.EEVEADAPllA
~I 'oo'1~",r
---- ---.JL
CONNECTION OF EXISTING TO NEW
DRAINAGE PIPEWORK
N.T.S.
BY I DATEAMEI<DMENTS
~DRAINAGE AFFAIRS
P.O. BOX 23337
TB.. 4950055 fAX. 4950556
DEVELOPERS GUIDE
PROJECT
DRAWlNG stATUs
REV.
CONSULTANTS
fA.
'. II~ :' ..
TEEORlIBLIGl.f;U·
Afttmllwrntll[!I)
Sl.nYfJlIllIT·
I'·
PLUG
INSPECTION CHAMBER
(SEE ORG No. FS8)
r:.lt:-;~· "._~':
=INSPECTION CHAMBER
ISEE ORG No. FS81
.GL
'.1:; ;~.
~
-=-r=ii~~~ ........
fl.
LAuaAL CONHR11l11l
Til HAlM$fW[fl
LATtIlAlCOIIIIEl:TIOII
lDKAlItRWfR
(SUDR&Mo.FS11l
TITLE
TYPICAL CONNECTIONS TO EXISTING PROPERTY
DRAINAGE REQUIRING EXTERNAL INSPECTION CHAMBER SEWERAGE CONNECTIONS TO PROPERTIES
TYPICAL DETAILS
DRAWN -DATE I PRllJEDT CODE
OU NDV.D6
CHECKED
DWM NOV.D6 rPRdJEcr NO.
APPROVED
JEA NOV. DB
SCALE 1
DRAWING NO. REViSION
1:20 DG5
"tl[fR.'1 LlG'TAR-srDSD05.dwg
=aa~T~;ll~¥t~
P!tISI£DROADUW.
Flte5HED GllOUHD UVEL
SCREEDTIICXIPS
GAlP.:YALVE
F1.AA'G£ADAPTER
,,*,"RETIMYAl.YE
+ST50
IV
f.
'RY
LEGEND,
fRC
.!!Qilli
tA.U IlKHSIlINS ARE IItHlLUE1IIS lII.m OTH£AIII5! S1.um
2.ALLLEYllSAREIk~lRESTDQATARHAT101tAl.HElGIlTDilIl4
1 ALL A[lIrfORtEII CDNUlm TOfI!0PC]5
4.ALLPIPEWORKtS DLIC1ILE lRCft OR STAH.!SS IUU mADE 3M
lII.!5SlIClKAlEOOTII:RWIi!
S-DltfNSlll!t5lL£YD.S NlCATEII ARt: FllAUUl1RA1M
PURPDS6OM.T
i
--..J ~I i! i
j
~
,..
SID.51•• iSI
DEEPSUHP
51" OVElWL SlJIUCTUAAL COIrICRETE
I "" ~"I ""
AcassLAIIll£A
...
PlPESlWORTSTO
UfM:EIlSAP!'ROVA~-""::::::::::t::::::-IK~~".~$:jjI/!=*",~~
0......TO ~~~~~"'l,mI!iiliit'idll=!~$~j';.1i~D1iCHARGE!'WfHOLE-t
DAVlTSlKKET
DAVITFOI»IlATlON
lOO.t,OO.ttlIDEEP
EXTRAtTFAHIaPTlOICALTOOIXIURUlllTI
."150 JOO. '00
Qiiiii
~
_ !!~~~~~~~WIT.~~l~:r"TJ.~m:MH'O'
I
• ~IiEDEDGE$100lASItllRTRADllS
l~~Aftl~~~":~------I-iH- X InEAIl OPUIIIIi ClltPLUE ImH
PAClOCK ..""SP
111 TO 10 llA AlMER Fc-i
1I9DIUALOCOUPI.Ni
PLAN AT GROUND FLOOR SLAB SECTIONE9
IJECT
DEVELOPERS GUIDE
BY I DATEAMENDMOOS
DRAWiNG STA1US
REV.
CONSULTANTS
~DRAINAGE AFFAIRS
P.o. BOX 23337
TEL. <49500/15 FAX. _
-,
-,!i¥.t/iIlfoW/·.umtL"
2MDlAVCSEW£R
~H'J=&7i'!
i§
WATERPROOFTAIlIOIIG
8OTIOHQFAllOORAC1PI'E
• SPIIIDlE UPOllT WooT
~HIfG A.u.INTEIlNALCONCRtTE
~ilf.1It wn wr:L~ TOIlf GAP
~
~ 1:-:;""'''')[ I··~jo<.· I IOTIICTAlfCNlHEMBltAII:
i ~ OPCIOPROTECTIONSCFlf£D
·?.TII(IflC2IBLIN_
'WATER PROllf TJdIICM
I 2DtllACASTlllGlCPEkSTOCK
,..
e-
SECTIONC9
SECTIONE0 lITLE
TYPICAL SMALL SUBMERSIBLE
PUMPING STATION
NOTE,-
1.'tHEPUHPCON1ROLPAIIELlSAJlPRDX.IOI.'l'Hxlto
TttELEYE.LCOffTROLPAtm.ISAl'PRGX.1111l7Ol1'fO
2. CELL TYPE OEOllORl2ER WITH IIfTflilW. FAN NAY BE PROVIlEDTO
MAINTAIN 1UIt CHAIl6ESPERHOllRIIt TtlE WEt ~m
DRAWN DATE I PROJECT CODE
OM NOV. 06
cHECKED
OWM NOlI. 06 I PROJECT NO.
APPROVED
JFA NOV. 06
SCALE (AI)
1:50
Ci.D Rtf> 1.::c»tTAR:':-srDSOOe.d*V
I !!I' I '"~
FGlPA~"REA
CLASSSt25CGY(R&FRAMETO---
surr,oa.taOCUAROPEHlN6
1!2.lli!
tAU ElHEkSlDNS All( lie MUtlETAES KESS OTIERWSE nAnD
z. ALL Jatmi IETWEEN PIPlWORIC Mf) (DNCAEn ARE TO BE WATERTIGIIT
LTRAYflWl£slt4S1l_50dALutlIItaA'tAIlllL[
4, tflL PAlIELS 10TRAY fRNES fRaH dlill A1.LNl~M
s.~::.m6RP~MS~::La..~~:r'J.V&lHGAIlOCASTlNSrTU.
I.ALLCCfrt(RnE lOBE C1.ASSEI UHLEl$01t£RWI5t SlATED
7.fDIITAIIIlIt4GDElAUREFERTDDR&Nll.F14~I
-~.
AllOOERHALfA(ESTO!ElAt«m
~:l~t/NrTOlKGRP'-_--~:tiii--0o1'"i1l
:=:~:.::.. :iI,'~ .',"t" ,.. I ~t•• ~ .1 ~
7-
f~--:----------l
I I
I J
I I
I IL._ _ .J
:
ml ~,
Q,ASS ItUS(D't'ER &FAAtt:: 10
SIT 79 x60D tuAA lPfh1«i
LEGEND,
FGL F1JISH!OGRllUN9LML
ROOF PLAN
!
I 15' II--J!.
SECTIONE9
SECTlONC9
DATEfrf
DG7
PRo.iECT--NO.
DRAWING NO. IREVISION
PROJECT CODE
SCoIL£ (AI)
1:20 at 1:2
CHECKED
DWM INOV. D6
~DRAINAGE AFFAIRS
p,o, eOX23337
TEL, 495D055 FAX. 4950556
SAND TRAP Ie GREASE TRAP
DEVELOPERS GUIDE
PRo.JEcr
APPROVED
JEA I NOV. OB
TITLE
DRAWN '1DATE
OM NOV. DB
CONSULTANTS
DRAWING STATUS
R!.V. I AMENDMENTS
'"
'fIftllOOII!
"12
PLAN
....•
"/.'(
DETAIL E9 ;r
.Il.IIllli.IlIl
'II51.
......-_.;.J
8
. ""I~';,:~1''''~''''''_
ti+- '- I - ---l-_ I --I - _: --- ~
.:. .. •••1
TAAnrpyfAMK6lrQIH 4J!IH!tIft.tl
PLAN
GREASE TRAP
DETAIL C)
prl!fQ!lATfpgRugTBAY
il
[tJ .[[J
E1-~~F---,
~I ii!....J
II
~I
1SDtlAaunnPPE
fQLPA'SPAIIEA
I'
...
",!
:; "
I••:.~ •
" "',
,",=I-:-=:J--;-1--'
>~','~;~;':,,',:"
~t.li:··t1":;1
""
"'.
;fJRPLADDtRIOLTr:D
II
ul".fI5SUHP
SECTIONE9
SAND TRAP
(LARGEI
,.. I.!"
,~,,~
~":1~
L-j'~i;.:~~':
::~ ..'.:" '
T15fDlAllUTfIPE
"'''-.. ..--.:....~~::"'::~ ;. ~'it~lll:OlIIlSE
:.~, ,- ;:,:::(/.; AJ9'MlIH'''H5IIOVIR
I I
~J! ;~:!Y I ,:',-1
I , i'.·- :"':I~
/:;~'I;:.; f-:~:-:"1.lI-';"'~'-:-1,', -----r--n
::: ':~:'J:.::' I TAItKNi TO AlJ, COIKR£U SURFACES
," I I ~W~~
~ - • • :'". CDI«R£TECLAss'C'
.I I.;; ',? ! ....I :~:.;...... 5[llf:m1O~9TtlK
/J~:L i;I1::~/'
j
§
Iv
1t1
(AD bl, I.lOA.TAR-STDSOO7.-11tg
~b~rz~~f;lN iO~EcJfm~Y I lOO I 1185
"'"
1350
1!!!I§;
1. All DIMENSIONS ARE IN HILLIHETRES UNLESS OTHERWISE
STATED
2. INTERNAL fACES OF THE TANK TO BE PAINTED WITH 1(OAT OF
BITUMINOUS EMULSION AN[) 2 (OATS OF BITUMINOUS PAINT
1 All FITTINGS TO 8E STAINLESS STEEL
4. FOR REINFORCEMENT DETAilS REFER TO ORG No. FS25
I.· 'I I,'"'.1 I.:~... I • :
r----------- ----l
I I 1 I
I I 1 I
I I~ ':JI I
I L_ -~ I
I I
L_____________ _ J
~
-$$=t==-~t
',4._ .
"'" '1 j.~ ~ I,4. 'I I I
~
;!'
DOUBLE T'
GRADE'
COVER.
675DIA
MDUTY
LE
SECTION A-A PLAN AT COVER LEVEL
~~. ~. FALL ~
",<:;:: :::::::if::::::::; ;;!WLT16@l15 (ON(RETE BLINDING LAYER
SECTION B-B
T16@l15OJY
SECTION C-C
TANK DIMENSIONS
TYPE I PERSONS LENGTH (L) WIDTH (WI BASE THICKNESS WALL T~I(KNESS I DIM X
SERVED (INSIDE) (lNSIDEI H
A I nOlO lOOO 1000 l50 l50 I 150
8 I 1no 20 4000 1300 l50 l50 I 200
PROJECT
BY I DATEAMENDMENTS
~DRAINAGE AFFAIRS
P.O. BOX 23337
TEL 4950055 FAX. 4950555
SEWERAGE
STANDARD DETAILS
SEPTIC TANK lYPE A a: B
GENERAL ARRANGEMENT AND
REINFORCEMENT DETAILS
REV.
CONSULTANTS
DRAWING STATUS
ml£
'DRAWN DAlE PROJECT CODE
JM JAN. 14
-CHECKED
RK JAN. 14 PROJECT NO.
APPROVED -SN JAN. H
IREVISION
SCAlE (AI)
DRAWING NO.
1:25 DC8
~T16@l150
T12@l1501
T16@l150~
~, ~
~
T16@l150~
"1
;iSl
"
~~I~!W6m ~e~IiRETE GRADE ope lO
I /'T12@l
15
1
fA
0,
N'
Z
>:
0
'r,~,~
".DRtf: L:QTOOl29OGB.GA &: RC.aw,
./QlliJ
1. ALL Qn'lENSIONS ARE IN MILllf1ETRES UNLESS OTHERWISE
STATED
2. INTERNAL fACES OF THE TANK TO BE PAINTED WITH 1COAT OF
STEP IRONS AT 300 CENTRES 150 DlA PIPE TO SOA~
BITUMINOUS EMULSION AND 2 COATS OF BITUMINOUS PAINT
HORIZONTALLY & VERTIC AllY OR BOREHOLE
3. All fITTINGS TO BE S1AINlESS STEEL
C1
4. THE TOP lEVEL OF THE SCUM BOARD TO BE SDmm ABOVE
ttGHES1UWAGfLEY(l
.: .'';'
S. FOR REINFORCEHENT OETAilS REFER TO QRG NG. FS2fi
'W'1'1 ". 0-
... .I, ";,'
.. ,------------------------,
1<. 0.
I I
A S
If----::l
i~- - ;
I~I-~-
~
3 I I I I
~ -tf;!/=:$-
~
~ l_~~J I~ I
1..:: _ _ _
INLET PIPEWORK
... I I
.''':
L_ f-----------------------~
0'
'. 0-
0' ;",' :".-
1000 T ~ l T OOUBl TRIANGULAR MEDIUM DUTY
GRADE 'B' (ClASS 21 MANHOLE
SECTION A-A
COVER AND FRAME TO SUIT
615 DlA CLEAR OPENING
TANK DIMENSIONS PLAN AT COVER LEVEL
TYPE PERSONS lENGTH III WIDTHIWI BASE THICKNESS WAll THICKNESS
SERVED (INSIDE) (lNSIDEI H T
DIM X
C 21 TO 40 4150 1600 500 400 300
0 41 TO 80 6000 2000 600 450 345
E 81 TO 100 6500 2150 600 500 375
[
~
-
F 101 TO 3S0 9150 2500 600 600 650
:= REV. AMENDMENTS BY DATE
CONSULTANTS
§lL REINFORCED CONCRETE GRADE OPC 30 I 150 I
T12~1
SUSprNDED SLAB ./
T12@11S~
"- DETAIL OF PRECAST WEIR
"
r- 0
DRAWING STATUS
~
N
SCALE 1:2
;< l-
rA I- ~o:; SCREED TO FAll
~kR
:>: MIN. 25 THICK
0
"- 150' '50 TEE
N PRECAST CONCRET
--1-1
GRADE 5RC 30 WEIR
r-
JB
HIGHEST SEWAGE lEYfl /' f- lO THICK MORTAR No.2--
..
--!- ..W~ /
r- ~O@l150 75'15STAI;~ '.
REINFORCED CONe.
T20@llS<l' STEEL ANGLE '.
116@1~~ I
.GRADE OPC 30 IN _
I-
6 x 200 STAINLESS
'I
DRAINAGE AFFAIRS
WAll & BASE SLAB 116@115 116@11 STEEL SCUM BOARO
P.O. BOX 23337
!"- lJ...-DETAI
&- /---f46@11S0
'.
. .',dj. TEL 4950055 FAX. 4950555
I- 1 0 If"' .b- 0
0 ~ PROJECT
T20@l151-..--
b-
~T20~
N
.'
-.116@115
I'- I'-' 0
K' '-. SEWERAGE
116@11 0
L1<o ". STANDARD DETAILS0 . ".
- ~
011 .' '" .~".
11TLE
- FAll
..
II ~j'"
II
I-s 4'". ~~. SEPTIC TANK TYPE C. D. E t F
GENERAL ARRANGEMENT AND
Ix
. REINFORCEIAENT DETAILS
(ONCREl T20@l1So-"
BLINDING lA m@lll
300 T DRAWN DATE PROJECT CODE
SECTION B-B SECTION C-C
J" JAN. 14
-CHECKED
DETAIL 1
RK JAN. 14 PROJECT NO.
APPROVED -
SCALE 1:10 SN JAN. 14-
SCAlE (AI)
DRAWING NO. rEVISION
,...."••. ,. ..............."""'0,.'" ~ ..,...~.~
1:25.1:10 AI: 1:2 DG9
!iI.f
fltlClMntT
'DDHAXftUM
T
flfXlBlfJoftT
VPTOJlO
........,,,
OvtR," I 6tD HAXHlK
SIOKAXr.llHfRDH
I I .'os,_
300-"10 I ~DHAXJMuH
mill;
 AU DtlEMAlllS ARllltHUtRTRES I'UIS OTt£RWISf: STATED
2.COHCRETE
IlUHlESSOtTAlILDlDltfRWlS!.Au.IIf-Sl1VCDNC:RETESHAlL£lEGRADl
aPCIOAIOAllPIlECASTCDNCRETESHAllSEG!Wl£CPC»
1tOHCIIUPROTEtTIOH
II AIlHlilf LAYER (If TANdili III ACCORDAIICE WITH SP!C«AlIONCLAUlE'
2H·1" SHALL ~E APPlED TO AlL EXT£RICAL MFAtES
bl All lPO'tllHAl SURFAtESD[Ct:PT EPOXY MORTAR COYUtlDSUllfA.CES
ARf TO Be (OAUa WITH Gilt COAT If IlCIut'lHOUli EKI.lSIOItNfJ TWO
CGATSDPSlTIJMtNPAlIfT
•• 8UILDIMG TtlIt'J&l$TlluCTURtS
una
-.J
no-tloe
VAr-+-f'--l'- "~1'"
"~UDB >' I ±. I I
"~I'" '" I -'1- I I
m·1008
"'.UDB  II '.,± I I
m·IOOB / :r:1
~I 11 II'o/f
DlAVARlES
lAOH STEPS TO !S 12'H SPACED AT lGl
CENTERS HlIIaDllTALLV A/to YfRTlCAllV
__ L_
".' I -
/ / " I ~.... " ,
I I ---{ :=1--- I /"-..... ,
_r~ L_ ---+~--- _..L
L--J . I


 ,
" ~ "....... _ I ,'"
-1--
PLAN OF SOAKAWAY ARRANGEMENT PLAN AT ROOF LEVEL PLAN
"
BY I DATER<V. I AMENDMENTS
CONSULTN-rrS
SECTIONC)
COVER SLAB FOR SOAKAWAY CHAMBER
.VSPACm
""SSTA6f&AEO
M
" P~::~f::~:'~"
~~-::d3t:~·_--
-+-
L-!"l ii I. I
=,
SECTION ON CHAMBER RING
II
SOAKAWAY DETAILS
DRAWN DATE I PROJECT CODE
OM NOY. 06
CHECKED
OWM NOV. OB rPROJEClNO.
APPRovED
JEA NOlI. 06
SCALE A~""
I ORAWING NO. TREOSION
0010
DRAWiNG srATUS
~DRAINAGE AFFAIRS
P.O. BOX 23337
m.4950056 FAA._
DEVELOPERS GUIDE
PROJECT
STANDARD SOAKAWAY
WITH CONCRETE BASE RING
;! :J;iW ~'-w ~; GAADEIIl(JlCOltWT£IJ,AH
j!:!1 til BI.OtDlIIGCDIlCIlETE
COIICIlETEttAIIIOilillADE511C2I
11IlHBlTUHEHPA'tTFN5tI
lilWESIlC)6PRECAST
COltCRET'fCoYEIlS1AII
CAIISHlDSTDII:SlIlRDllG'7!ruI
SlkWSlUWlTHlllTLEllUlOflNES
1TDlClIJRSESOf PRECAST CClHrRf:TE
lSAClOlBAltKSIIICLAlS1KORTAII
.TEllRA!ltfDLtIEDOVEIlTI£TOP
OFCRUSttEDSrtNS~
STANDARD SOAK'AWAY
WITH CONCRETE BASE
liIWlESRCHColitRET£BAsE
t a/:;J~(;;'ili*';M$i{'~ BLllIIl1tliCOIltRtTE
~I
J...I 0 °...::........:J:~~yc:f:!UCtlAHBfR
o n.....a I I .!.~~~~=.~·.n~.r:~~~_"!!'. I I I II ~ Cl 1II ..... 1 I I TITLE
675111500UBLEITRlAMGULAAOUCTL!
IlOHCOVEAI.RUJt;W'rTH''lSDIA
Q.EARqI'ENM
tAi'-A." L:QA'rAfi=.STDsD01D.clflll
6QOKAlCtIUH
300HAXI1UH
'I5011AX!HUH
lit
Fl,EXIlLEJOINT
OPT01DO
)1)lI-GtIo
.llDilll
tALLDIHENSIOflSAREWrtwItEmESLN..ESsoTHERWISESTATED
2.CONCllETE
a)UNLESSOETAlllEll0Tt£AWlS£.AUIt-SITUCON:1lETfS1fAU.8fCilAOE
OPaOANO AlL PREtASTCONCRETE SHAll BE WDE OPtJa
3.CONCAfTEPflOncnoN
II ASHGLE LAYER OfTANOlCiNACCORDoUlCEWlTHSPEClfICATIONCLAI
20_~1.G6 SHALL BE APPLED TO AU EXTERHALSURFAW
bIALt.IfTERNALSWA(fSEXCEPTEPO)(yI1Oll:URCOYEREDSlRFACU
ARET06E COATED WITH ONE COAT OF BlTUI1INJUS EHULSlllN AIlD TWO
COATSOF8ITUMfNPAINT
4. BUlllIlNGTHROOliiSTRUCTlIl£S
10 125 B
126-100B
~
I~T20-."
no-1IIOB / :6'1
no-ta"  II'.. I I 1
nl·WOB
121-11108 7/ I ± I 1
~
D1AVAAES
I
/.~=+=,17 ~
;:7 I ""
i' I ~
{B--4.---  - - 1/-
. I /~ I /I
~ -J /7
--=="-r-::.-~-9
I
~::a-~
-8
IllONSTEPSTOBSl14TSPACEOAT)OD
L CENT£RS HORIZONTALLY "NDV£RTICAUY
/,--. --.......
/ "-
/ "-
/ '/ 
/ ---~-;1 I _ :-:r.:---: -:-:.:
~ T --1----- ----
 1--- -
 I
 /
 /
, /
'- /
'....... I , /
--1--
PLAN OF SOAKAWAYICATCHPIT ARRANGEMENT PLAN AT SOAKAWAY ROOF LEVEL PLAN
SECTION C-C
COVER SLAB FOR SOAKAWAY CHAMBER
REV. I AMENDMENTS
CONSULTANTS
BY I DATE
SOAKAWAYICATCHPIT ARRANGEMENT
SECTION A-A
DRAWN DATE I PROJECT CODE
OM JAN. 07
CHECKED
DWM JAN. 07 I PROJECT NO.
APPROVED
JEA JAN. 07
IREVISION
SCALE (Al)
DRAWING NO.
,"" 0011
DRAWING STATUS
PROJECT
mtE
~DRAINAGE AFFAIRS
P.O. BOX 23337
TEL. 4950055 FAX. 4950555
DEVELOPERS GUIDE
STORMWATER
TYPICAL CATCHPIT a: SOAKAWAY DETAILS
~
l;
,g~mH"
lOG
m
l!I •.:::
".
""
t-.!!!.-
m
SECTION B-B
~;~::j). <:~;).I I
(Ehr!".,lPi:
CHAMBER RING DElAIL
".
-E=tt---~~ ;;1 ~
11
l!
-1;[ ---]
1COATOFBlTUl"IHDll5
D1UlSION&.ZCOATSOF
BlrutltlOUSPAlNTTOlNTEANAl,.
l-EXTEANALSURFACfS
HASS COHeAETE lASE
SLABliRADEOPC20
CUSS81Z5 "4NI1IlI.f
COVER I. fRAJ1E TO 5UlT
lSOJ:UOClEAAOPENING
jf~~""''''''C'"''''£"'UIlOlWlTHBlTUHENPAlNTFlNSH
..... Y:~-'
~,
..I
) II i STEP IRONS
o
o
-0
o
o
~.::~.~
VAR£S
o
o
o
. , ..:""
.~"'~;;. ~..," i
um DUTY COYER AN) FRAHE
8SEN11l,CLASS04CIOWlTH~
IlSDIAo.EAlIllPENING
..
i y<;, ~ ".1PItECASTtDNtRrnCOVEA
SLAB U5aI THKK WITH
GRPLIlIHG.
PAE-CASTCONCR£TE
OW18ERRlNliS
250 mocfilIAtMAR
S~UIlD
7$1111 SINGLE SIZE WITH
umE ORHO fINES
lO... Ttl:KSRCZOBA5:E
1SIIIIITKUSRC151lLJr10~
I
I
==E~
I
5hI111PfllFORATUlNS
(OUALlVSPAaoAT
UCHl£YEL,VERTlCAL
·:~~~O.=~ I
SrAGCiEJl[l)Svtll£TRlCALlY(
CADR." L:QATAR~S1DSOG'l.clwg
PlPEDlAI",ETtn 1 FLEXl:tJOIl(T
,..FlEXlllEJOltfT
I lliI"AXtlUH
~GlIHAXlHliHfRl»1
UPT031G flRSTJoI!(T
)"-40~ I )HKAXItlH ~t,%~~£R
FlRST)lIINT
'1!>l1HIICHUKANlI
OVER6DO I 6GaHlXlItlH
2:~PIPEDl,tMmR
HAXlHU'MfROH
FRST JOINT
.!:!.Qlli:
lJ.lllllHttlSlONS AAZ IN Hlli1ETRU Utfuss lIll1ERWlSfSTllEO
l.CoIlCIlfTE
al IiHUSS OETAULEO OTHfRWISE, All ""mu eONCAIn SltALL II[GRAlIE
Of'UOAhtlALLP/I£CASTCOHCRn£5HALLBEGRAt!£OPC)t
J.col«:llmPROUClJON
.j ASf'lG'.EUYERQF TAIlICIMGIN ACCQl1D.IJICEWITH SPEC!FKAT!OtfClAUSE
It-S·106SHAllBt APPl.I£nlOAU EXlERliAlSUilFACE!O
bl AU IIH£AAAl SU!lFACES rXCE9T EPOXY IWRlAR COVERED SURFA(ES
ARE TO 8[(OATED l'1lI101tE COAT OF 8lTuHt!ouStHUlSlotiAtiD1WO
COATS OF I!ITIM:~ PAl!lT
4. lUlI.OlNGlHIWUl!tlSTROCTlmES
PLAN
-+J~l~ ft:Y1 UD.""no-1MB ~"-----------------~~=i~~ '"nG.lt;B_~_
4"TZSB
Tl~"" ..!j
ut-jooa
~
DlAYAIl£S
1.
/.~;:-+!~~,;(/ ~
1.7 1 ~
/,1 I ~
--i------~'~il~ - - -
~ I 11 -
~ I U
'" [J'" I #"':::::..-.J. -9// '
-..,.-;;:..~
I
+.--/I~
PLAN AT STORMWATER TANK ROOF LEVEL
-
IRIJNSupSTOeS12,1,1Sf>ACEOA130C
L tEKTERSI'OIllIOkTAll'fAIlDYER1[,llV
",.,...--, --......
/ "-
/ "/ '
/11  +8I  J - - - -
~ I _ __~-i-~__I -:1==*=-- _' __,.---I.-:::l~T "I ---.f----- ----" , =±__.=rY
 I ?-___
 I J
 /
 /
' /
" /
............ 1 " , . . . /
--1--
PLAN OF STORMWATER TANK/CATCHPIT ARRANGEMENT
I. ~I~
>If
I,~
L......J
I ,n L~tJ"opdiiKG
VARIES 401
SECTION A-A
REV. AMENDMENTS BY I DATE
CONSULTANTS
COVER SLAB FOR STORMWATER TANK CHAMBER
';".:-, I'-(;~
I--r--I:,l '.. "-':;";I.MAS5COHCllnEBASE
:';':'~:::_~~ :~.:~~:~SlAIlGRADEOPOO
LlGliTDlfTYCGVERANDFRAHE
eStllTZ4UASSOloOOWntl :l4'1501AClEAROPfHtlli
~
<~ ~",I
!i ~
S4THK!'lEHBIW!E
PROTECllOkGRADESR'24
~'H(BL.ttOikG
CiRAOESRCN
~
". ~..
I'rmf
~
OR!oWING STATUS
~DRAINAGE AFFAIRS
p;o, BOX 2J337
TEl. 4950055 FAX. 4950555
PROJECT
DEVELOPERS GUIDE
TITLE
DRAWING NO. IREVISION
0012
PROJECT NO"
PROJECT CODE
-OWM I JAN. 07
DRAWN I~OM JAN. 07
CHECKED
sCALT(A-,)
1:20
APPROVED
JEA I JAN. 07
STORMWATER TANK
SECTION A-A
·t··
":":'.( :.~~~::~:·I J~~:; ,·~~.':f
~i
STORMWATER TANK ARRANGEMENT
SECTION B-B
""""''''''''A''~ttr {:~ ~-:::_i ;::~ 4'1~ THICK SRC 25 8LHlI!tG Il!
J'M VARIES 15§L
C"'PI,r, l;QATAR-~DC12.d'l'l9

Ashghal guide-qatar-sewerage-amp-drainage-design-manual

  • 1.
    Public Works Authority DrainageAffairs Qatar Sewerage and Drainage Design Manual Volume 8 Developers Guide December 2006 Drainage Affairs POBox 23337 Doha, Qatar I •
  • 2.
    APPENDIX SI - APPENDIXSII - State of Qatar Public Works Authority Drainage Affairs TABLE OF CONTENTS 1 Introduction 3 1.1 House Connection 3 2 Procedure for Building Permit Application 5 3 Foul Sewerage Design Criteria 8 3.1 General 8 3.1.1 Domestic Flows 8 3.2 Sewerage System Design 8 3.2.1 Minimum Pipe Sizes and Gradients 9 3.3 Manholes and Inspection Chambers 9 3.4 Pipework 10 3.4.1 Materials 10 3.4.2 Construction 11 3.5 Building Drainage 11 3.5.1 Construction 11 3.6 Septic Tanks, Holding Tanks and Soakaways 12 3.6.1 Ground Conditions 12 3.6.2 Design Issues 13 3.6.3 Siting of Septic Tanks and Soakaways 13 3.6.4 Design and Construction 13 3.6.5 Warning Notice 14 3.6.6 Sewage Holding Tanks 15 3.7 Pumping Stations and Rising Mains 16 3.7.1 Rising Mains 16 3.7.2 Pumping Stations 16 4 Storm Drainage 19 4.1 Introduction 19 4.2 Managed Drainage Systems 20 ADVICE NOTE NO 1 - SOAKAWAYS AND STORM STORAGE TANKS FOR SINGLE RESIDENTIAL DEVELOPMENT 24 ADVICE NOTE NO 2-- DRAINAGE FOR TOWER BLOCKS AND RESIDENTIAL DEVELOPMENTS 29 ADVICE NOTE NO 3- APPLICATION OF THE DRAINAGE IMPACT ASSESSMENT PROCESS TO ZONAL AND DISTRICT DEVELOPMENT PROJECTS 33 INFORMATION REQUIRED FOR PROJECT PROFILE 37 INFORMATION REQUIRED FOR DRAINAGE IMPACT ASSESSMENT STUDY REPORT 39 Volume 8Developer's Guide December 2006 Page 1of 47
  • 3.
    State of QatarPublic Works Authority Drainage Affairs APPENDICES Appendix 1 - Building Permit Application Appendix 2 - Design Unit Flows Appendix 3 - Standard Drawings Volume 8Developer's Guide December 2006 Page 2of4?
  • 4.
    State of QatarPublic Works Authority Drainage Affairs 1 Introduction The PWA is responsible for all public foul sewerage, surface water and ground water drainage systems in the State of Qatar. All applications for sewerage and drainage for servicing new developments are subject to approval by the Drainage Affairs as part of the BUilding Permit approval procedure before such facilities can be built. This Developer's Guide is for small developments up to 350 persons, where the peak flow does not exceed 51/s. Larger developments should be designed in accordance with the requirements of Drainage Affairs' Vol 2- Foul Sewerage design manual. 1.1 House Connection Ahouse connection is defined as the connection from adevelopment (comprising domestic, commercial, industrial, institutional premises, etc) to transfer foul flows to the public sewerage system. For every house connection, a terminal manhole (Manhole Number 1 - MH1), in accordance with the Standard Drawings, should be provided and should be positioned as shown on 3.3. The terminal manhole should normally have maximum depth 1.2m. The depth of first Inspection Chamber should be 0.45m. All house connections should comply with the following general principles: • They should be designed and constructed to enable foul flows to pass to the public sewer without flooding or surcharge • They should be of 150mm minimum internal diameter • They should laid at minimum gradients 1:60 • They should be constructed to watertight standards in accordance with the standard drawings and specifications • The last Inspection Chamber is know as MH1 (terminal manhole) shall be located within the property boundary but is PWA property. The private sewerage system shall be designed and constructed as a separate system, capable of accepting foul flows only. Illegal connections allowing the entry of storm water runoff shall not be made to the foul sewerage system. House connection to existing pipelines should be made preferably to the nearest manhole whenever possible, or failing that to a V-junction previously incorporated into the pipeline during its construction, to facilitate future connections. V-branches and saddles are not to be added to existing pipelines to avoid the permanent damage resulting from such modifications to the public sewer. Y branches will only be approved by DA if manholes are impractical due to access restrictions Volume 8 Developer's Guide December 2006 Page 3of 47
  • 5.
    State of QatarPublic Works Authority Drainage Affairs Sewer must be surrounded with aGrade OPC 20 Concrete in case of : • The pipe under the Foot path and the depth less than 0.9m • The pipe under the Carriageway and the depth less than 1.2m Volume 8Developer's Guide December 2006 Page 4of 47
  • 6.
    State of QatarPublic Works Authority Drainage Affairs 2 Procedure for Building Permit Application The basic procedure for application and approval of drainage facilities for developments is as follows; • Open a building permit file at the Planning Affairs • Produce Outline Design • Obtain utility approvals • Obtain DC1 approval • Obtain DC 2approval • Collect building permit The information that Drainage Affairs require to enable them to approve the development is contained in Appendix 1. Drainage Affairs requirement vary according to the nature of the property. A list of properties and the associated requirements is provided overleaf. The list is a guide and is not limiting. The provision of septic tanks or holding tanks will only be necessary where there is no existing sewerage system to connect to. Further information on the choice between septic tank and holding tank is provided in Section 3.5. Volume 8 Developer's Guide December 2006 Page 5of 47
  • 7.
    State of QatarPublic Works Authority Drainage Affairs Table 2.1 • Foul Sewerage Requirements Category Type of Development Septic Holding Sand Petrol Oil/ Chemical Screen Swimming Tank Tank trap Interceptor Grease stabilisation / Pool trap dilution Discharge Control Residential Single Unit ./ ./ Multiple Units /Multi ./ ./ Storey Commercial Office (small/large) small./ large./ Shops (small/large) small./ large./ Restaurants / Food small./ large./ ./ Outlet Poultry shop ./ Shopping Mall ./ ./ ./ Hotels ./ ./ ./ Sports Clubs ./ ./ ./ Industrial Garages ./ ./ ./ Car Washing ./ ./ Volume 8Developer's Guide December 2006 Page 6of 47
  • 8.
    State of QatarPublic Works Authority Drainage Affairs Category Type of Development Septic Holding Sand Petrol Oill Chemical Screen Swimming Tank Tank trap Interceptor Grease stabilisation I Pool trap dilution Discharge Control Petrol Station v' v' Abattoir v' v' Farm Livestock v' v' Public Service Mosque v' Hospital/Clinic v' v' v' Laboratory v' v' School v' v' School with laboratory v' v' v' University / College v' v' v' Offices v' Volume 8Developer's Guide December 2006 Page 7of 47
  • 9.
    State of QatarPublic Works Authority Drainage Affairs 3 Foul Sewerage Design Criteria 3.1 General Sewerage and drainage design shall generally comply with the requirements of EN 752 Drain and Sewer Systems outside Buildings. Particular requirements are detailed in the following sections. 3.1.1 Domestic Flows Domestic flows derive from normal domestic appliances such as sinks, basins, toilets, showers, washing machines, baths, etc. and are dependent on the number of persons in a dwelling. In order to determine suitable domestic contributions to the sewerage system, it is necessary to make certain assumptions. For example, each property has to be assumed to house acertain number of persons, and this will vary from one type of property to another. For design purposes 270 litres per person per day should be used. Peak flows from domestic properties are calculated on a Design Unit (DU) For ease of use atable of populations, design units, peak flows and average flows is provided in Appendix 2. 3.2 Sewerage System Design The sewerage system should be designed to facilitate flows within the development by gravity, in a branched arrangement of small sewers from buildings connected to the main sewer leading to MH1. Manholes/inspection chambers and sewers should be sited wherever possible a minimum of 1.5m from any structural building line Building over sewers, or directly adjacent to them, causes major problems with access for maintenance and renewal. In extreme cases demolition may be required, and therefore building over sewers should not be carried out. Foundations and basements of buildings should be designed to ensure that no building load is transferred to the sewer. The general principles of foul sewer design are: • Pipe size should not decrease downstream. • Sewers should be designed to convey peak flows without surcharge. • Sewers should achieve self-cleansing velocity at least once per day. • To allow for ventilation of the system, maximum design depth of flow should not exceed 0.75 x pipe diameter. • Inspection chambers should be provided at each junction, change of diameter, change of direction, change of gradient and at the head of each system. • Inspection chambers should be provided where the connection from each building meets the main sewerage system of the development • Spacing between inspection chambers should not exceed 30m. Volume 8 Developer's Guide December 2006 Page 8of 47
  • 10.
    State of QatarPublic Works Authority Drainage Affairs • At inspection chambers, all pipes should be laid such that their soffits (tops) are at the same level. 3.2.1 Minimum Pipe Sizes and Gradients The minimum size of external sewer from each building is 150mm at agradient of 1:60. 3.3 Manholes and Inspection Chambers All manholes and inspection chambers within the development shall have their own unique reference number. Manholes and chambers shall be numbered in ascending order upstream from the terminal manhole MH1. Foul manholes shall be prefixed F and stormwater manholes shall be prefixed S. Manholes and chambers at the head of each system shall include min 75mm or (1/2 x d) piped vents fixed to adjacent walls and exiting at roof level. 5 Buliding line GATE Layout plans for both foul and storm water systems shall contain schedules as follows: MH Ref Cover Invert Depth MHDia Cover Type Level Level All levels and dimensions are to be in metres to Qatar National Height Datum (QNHD). Volume 8 Developer's Guide December 2006 Page 9of 47
  • 11.
    State of QatarPublic Works Authority Drainage Affairs Standard manhole/inspection chamber sizes are. SCHEDULES OF INSPECTION CHAMBERS MH. DEPTH COVER.SIZE COMMENTS SIZE (m) (mm) No. of Connections from Buildings (mm) 600X600 < 1.2 600X600 Up to 3bldg. connections each side 1200X600 < 1.2 1200x600 Up to 7 bldg. connections each side 1220 x675 1220x675 900 DIA > 1.2 600X600 MH 1 The Cover Type for Manholes depend on the Location: • For foot traffic it should be Light Duty (LD) • For slow light vehicle traffic it should be Medium Duty (MD) 3.4 3.4.1 Pipework Materials The preferred material for foul sewers is extra strength vitrified clay pipes and fittings to BS EN 295 or PVC-U to EN1401-1, with flexible joints. Material Pipe size mm Min Crushing Strength KNI m2 150 34 200 40 No concrete or asbestos cement pipes shall be used as they will be eaten away by sewer gasses. Pumping mains may be flexibly jointed ductile iron pipes (it is recommended that these are lined internally with fusion bonded epoxy, ceramic epoxy, or polyurethane to resist sewage gases) or HDPE. uPVC should not be used as it is brittle and can fail. Volume 8 Developer's Guide December 2006 Page 10 of 47
  • 12.
    State of QatarPublic Works Authority Drainage Affairs 3.4.2 Construction Construction should be in accordance with the Standard Drawings provided with this document. 3.5 Building Drainage Requirements for building drainage are applicable to domestic buildings or small non- domestic buildings. Systems are generally located within the building and above ground level, unless the building has a basement. Complex systems in larger buildings should be designed to BS EN 12056. Building drainage of basement and ground floor shall employ a twin pipe system for separate discharge of soil and waste flows to foul sewage manholes, as shown below: Source of Discharge System to which Discharge is to be made Toilet, urinals Soil Bidet Soil Wash basin, bath, Waste shower Kitchen Waste . . BUilding drainage of first floors and above shall employ asingle pipe system. Swimming Pools: To prevent flooding of the sewerage system the discharge from swimming pools shall be limited to a maximum flow rate of 10 lis. Positive means of flow control shall be provided such as a sharp edge orifice plate (50-60mm), a locked flow control valve or a small diameter pipe (e.g 50mm x 3m long or 75mm x 10m long). As the flow control will be dependent upon the particulars of the swimming pool installation the developer shall provide calculations to demonstrate the design of the flow control device. 3.5.1 Construction All sewerage and waste discharge pipes inside the bUilding as far as the manhole should be PVC-U (unplasticised polyvinyl chloride) to BS 4660 and EN1401-1 with push-fit joints incorporating elastomeric sealing rings to provide flexibility at joints. Constructing pipelines below building should be avoided where possible. Where unavoidable the design shall ensure that neither the structural integrity of the pipeline or the building is compromised. Pipeline trenches should not be excavated lower than the foundations of the building unless concrete bedding and surround are used to the lowest level of the building foundation. Volume 8Developer's Guide December 2006 Page 11 of 47
  • 13.
    State of QatarPublic Works Authority Drainage Affairs . 3.6 Septic Tanks, Holding Tanks and Soakaways Septic tanks and soakaways are used to store and treat foul flows from premises, prior to future connection to the main sewerage system. They comprise an underground tank for anaerobic treatment followed by a soakaway tank or pipe system to encourage effluent flows to percolate into the surrounding ground. Septic tank standard details are shown in Org OG 8and OG9; soakaways for use with septic tanks are shown in Org OG10. Since septic tanks only provide partial treatment, these tanks are a major source of groundwater pollution and therefore should not be constructed where the main sewerage system is available. For existing developments, house connections from Manhole number 1 to the main sewerage system should be made at the earliest opportunity, and usage of the septic and sewage holding tank stopped. 3.6.1 Ground Conditions Since the soakaway relies for its operation on outflows infiltrating into the surrounding ground, it is vital that the ground conditions allow such infiltration. Ground that is of low permeability or with high existing water table will prevent percolation taking place, and the septic tank system will fail. Groundwater levels in many parts of this country have risen markedly in recent years, due to: • the flat and undulating topography resulting in localised depressions in the underlying impermeable layers. Such areas are without efficient drainage routes, and hence susceptible to rises in groundwater levels during heavy rainfall. • Urban development has increased flows soaking into the ground, due to septic tanks, water supply leakage and irrigation. The result has been significant rises in groundwater levels, due to limited permeability of the ground. • Ground conditions and permeability are highly variable even within very localised areas; • Most groundwater levels rise by between 1.0m and 1.5m during a wet period when monthly rainfall exceeds 30mm. Level rise reduces to between 0.5m and 0.6m nearer the coast; Where soakaways do not work Holding Tanks should be provided for a period of 2 days (min) storage. Any proposed septic tank soakaway system must demonstrate that the surrounding ground has satisfactory permeability. Volume 8Developer's Guide December 2006 Page 12 of 47
  • 14.
    State of QatarPublic Works Authority Drainage Affairs 3.6.2 Design Issues The following issues require consideration when the use of soakaways is contemplated. The list is indicative only and site-specific geotechnical and hydrogeological investigation and interpretation is always required as the basis for successful design. For the standard ring-type soakaway chamber some 3m overall depth it is recommended that: • The minimum (wet season) groundwater depth should be more than 3.5 m below ground level; • In areas where groundwater levels are rising use the groundwater depth should be more than 4 mbelow ground level as aprecautionary measure. The permeability of the ground has a significant influence on the ability of soakaways to function. If the permeability is attributable to sub-vertical jointing which is very variable over short distances and use of trench type soakaways may overcome this because the chances of encountering fissured zones is increased. For soakaways a permeability (k) of more than 1x 10-5 m/s required Soakaways can become inefficient due to becoming 'clogged'. This may be due to silting up (which can occur early as the initial 'slug' of water laden with silt generated when groundwater is disturbed during construction work), and/or 'smearing' when the soakaway is drilled (i.e. the fissures are blocked off by the crushed drill cuttings). These problems may be minimised by jetting the system clean prior to its first use. 3.6.3 Siting of Septic Tanks and Soakaways Septic tanks should be sited min 7m from any habitable parts of buildings. The septic tank must be sited in a location where a suction tanker can get to it to empty it. The bottom of the tank should be less than 3m below the level where the vehicle will stand. Where practical the soakaway should be located at a minimum of 5m from the septic tank or any other structure. The soakaway should not be located within 10m of potable water supplies in order to avoid possible cross-contamination. 3.6.4 Design and Construction Septic tanks for domestic use should have a capacity below the level of the inlet of at least Clitres where: C=(225P +2000) Cis the capacity of the tank (in litres) with aminimum value of 2900 litres. Pis the design population with aminimum value of four. Volume 8Developer's Guide December 2006 Page 13 of 47
  • 15.
    State of QatarPublic Works Authority Drainage Affairs ep IC an : Ize an Iype Population Drainage Affairs Type Capacity (Iitres) 4 A 2,900 10 A 4,500 20 B 6,500 40 C 11,000 80 D 20,000 100 E 24,500 200 F 47,000 300 F 78,500 350 F 80,750 S f T k S' d T Where septic tanks are required to accept discharges from other than domestic sources, details of actual flows shall be provided. Septic tanks are to be constructed in accordance with the Standard Details Drg. Nos. DG8 or DG9 as appropriate, or approved alternative prefabricated tanks. Tanks shall be watertight and prevent leakage of their contents and ingress of groundwater. Ventilation is to be provided with outlets distant from habitation. The inlet and outlet of the septic tank shall be designed to prevent disturbance to the surface scum or settled sludge, and shall incorporate at least two chambers or compartments operating in series. Where the width of the tank does not exceed 1200mm the inlet should be made via a dip pipe. To minimise turbulence, provision shall be made to limit the flow rate of the incoming foul water. For incoming pipes up to 150mm diameter, the velocity shall be limited by laying the last 12m of the incoming pipe at agradient of 1in 50 or flatter. The inlet and outlet pipes of the septic tank shall be provided with access for sampling and inspection. Septic tanks shall be provided with facilities for emptying and cleaning. Access covers shall be of durable quality having regard to the corrosive nature of the tank contents. All access shall be lockable or otherwise engineered to prevent unauthorised entry. 3.6.5 Warning Notice A notice shall be fixed within an adjacent building describing the necessary maintenance. The wording shall be in Arabic and English liThe foul sewage system from this property discharges to a septic tank and soakaway. The septic tank requires monthly inspections of the outlet chamber or distribution box to observe that the effluent is free flowing and clear. The septic tank requires emptying at least once every 12 months by a licensed contractor. Volume 8Developer's Guide December 2006 Page 14 of4?
  • 16.
    State of QatarPublic Works Authority Drainage Affairs The property owner is legally responsible for ensuring that the system does not cause pollution, a health hazard or a nuisance." 3.6.6 Sewage Holding Tanks Where soakaways cannot be permitted due to unfavourable ground conditions or the number of units delivering to the tank is high, it will be necessary to provide a sewage holding tank. The site of the sewage holding tank should preferably be on ground sloping away from and sited lower than any existing bUilding in the immediate vicinity. The tank shall be sited at least 7m from any habitable parts of buildings and preferably down slope. Sewage holding tanks shall be sited such levels that they can be emptied and cleaned without hazard to the building occupants or the contents being taken through a dwelling or place of work. Access to the tank may be through a covered space, which may be lockable. Sewage holding tanks should have a minimum capacity for the population range as shown in the Holding Tanks Capacity table. Thereafter the size should be calculated as follows: Volume (m3) =Population x Retention x0.27 Where the calculated volume is less than the minimum shown the minimum capacity is to be provided. Holding Tank Capacity Population. Retention Size (days) (m3) 2- 20 25 18 - 135 21-40 20 135-216 41- 80 15 216 -324 80 -150 12 324 - 486 150- 350 10 486 - 945 Tanks should be designed as water retaining structures, and be constructed in reinforced concrete, or alternative watertight material. The design of the tank shall ensure watertightness and provide protection from external corrosion. Sewage holding tanks should have no openings except for inlet, outlet and ventilation. Tanks should be provided with access for emptying and cleaning. Access covers shall be of durable material, having regard for the corrosive nature of the tank contents. Every access should be lockable or otherwise engineered to prevent unauthorised entry. The developer shall be responsible for making satisfactory arrangements with the Drainage Affairs for emptying. of the sewage holding tank. Details of all maintenance arrangements Volume 8 Developer's Guide December 2006 Page 15 of 47
  • 17.
    State of QatarPublic Works Authority Drainage Affairs will require to be approved by the Drainage Affairs prior to approval of the building permit application. 3.7 Pumping Stations and Rising Mains Pumping stations should only be used where it is impossible to gravitate into the PWA main sewerage system. Bypassing or overflowing from pumping stations is generally not practical therefore failure of the pumping station may results in discharge of sewage to the surrounding land or within the property Responsibility for operation and maintenance of all pumping stations and rising mains will remain with the developer. This Guide provides general information for pumping installations. It is recommended that specialist advice be sought, supported by manufacturers' recommendations. 3.7.1 Rising Mains The desirable range of velocity should be 1mls to 2m/s. If small pipes are (.75mm) used then the pump should be able to chop up the sewage. The roughness value used for the design of the rising main should be shown in the calculations and should be in accordance with "Tables for the Hydraulic Design of Pipes, Sewers and Channels" published by HR Wallingford. The following roughness values (ks) shall generally apply: Mean Velocity in m/s ks Up to 1.1m/s O.3mm Between 1.1mls and 1.5m/s O.15mm Over 1.5m/s O.06mm In the design of pressurised pipelines, thrust blocks are to be provided on flexibly jointed pipelines where any pipe movement would open up the joints in the line and cause water leakage. Thrust blocks are also necessary near valves where a flexible joint is located to facilitate removal of the valve for maintenance purposes. The size of block is dependent upon the deflection of the flow, the size of the pipe and the head of water inside the pipe. 3.7.2 Pumping Stations Submersible Pumping Stations It is expected that the maximum flows to be pumped will be less than 51/s, for which submersible pumping stations are to be provided. Submersible pumping stations should incorporate the following features: Volume 8Developer's Guide December 2006 Page 16 of 47
  • 18.
    State of QatarPublic Works Authority Drainage Affairs • Minimum of one duty and one standby pump with all pumps being of the same make and pump model number. • Pumps and associated equipment suitable for the duty required. • Non return and gate valve for each pump isolation. • Operation level controls (either electrode or ultrasonic) as follows: High level alarm Pump start Pump stop Low level pump protection in addition to the method installed for pump control. • Ultrasonic level controls should be configured to hold the last measurement in the event of a lost echo. Design Requirements Detailed design should incorporate the following: • There should be sufficient space between the pumps to prevent interaction between the pump suctions. • Pump stools should be securely bolted to the structural concrete of the sump and not the benching. • Discharge and non return valves to be in a separate easily accessible chamber adjacent to the pump sump and not located within the pump sump. • Pump guide rails should rise close to the underside of the sump covers above the pumps. • The covers should have a clear opening large enough to allow the removal of the pump while on the guide rails. • Support points for the pump power cables and lifting chain should be provided under the pump covers, these should be easily accessible from the surface. Details of the capacity, power consumption and efficiency of the proposed pumps should be submitted for approval. It would be expected that pumping stations would comply with the pump manufacturer's requirements. Submersible Pump Requirements Sewage pumps should have an open type impeller with a minimum passage of 100mm unless chopper pumps are being used. Impellers with smaller passages are likely to suffer from frequent blockage due to the nature of sewage debris. Volume 8Developer's Guide December 2006 Page 17 of 47
  • 19.
    State of QatarPublic Works Authority Drainage Affairs Centrifugal pumps are recommended to have a maximum running speed of 1450 rpm (4 pole motor) pumps. Speeds in excess of this we cause excessive wear and premature failure. The maximum allowable starts per hour should be as specified by the pump or motor manufacturer. In the absence of any specified figure a maximum of 15 starts/hour is acceptable. Structure Requirements The developer shall supply full details of general arrangement and structural drawings and supporting calculations for approval. Package pumping stations contained in GRP or Polyethyelene structures as supplied by the pump manufacturers are acceptable. The structures are to be surrounded by a minimum of 150mm of OPC20 concrete. All other pumping stations shall be constructed of reinforced concrete, designed in accordance with BS8110 "The Structural Design of Concrete" with specific requirements for wet wells of BS8007 "Design of Concrete Structures for Retaining Aqueous Liquids". Design crack widths shall be in accordance with BS8007 and shall not exceed a maximum design surface crack width of 0.20mm from direct tension, flexure and temperature effects. Ventilation and Odour Control Small pumping stations generally do not require odour control. However, where odour control is required passive activated carbon unit should be sufficient. Electrical Requirements All electrical equipment, cabling and installations shall meet the requirements of the KAHRAMAA. Control equipment shall be housed in dust and damp-proof, compartmentalised cubicles, complying with the relevant British Standards. Adequate anti-condensation heaters are to be provided in all compartments. All outdoor equipment shall be waterproof. All control panels shall be provided with a 13-amp single-phase power outlet and a25-volt outlet for aportable inspection lamp. Emergency stop, lock-off buttons shall be provided adjacent to all plant installations. Unless specifically designed for submersible operation, all electrical plant shall be located above maximum water level. Site Requirements Pumping stations will generally be located with the development site. Consideration should be given to the need for light vehicle access for maintenance purposes. Volume 8Developer's Guide December 2006 Page 18 of 47
  • 20.
    State of QatarPublic Works Authority Drainage Affairs 4 Storm Drainage 4.1 Introduction The purpose of this guide is to advise developers of the Public Works Authority (PWA) requirements for the provision of surface water and ground water management within development sites. The existing surface water and groundwater systems in Qatar are of limited extent. Primarily these systems manage surface water runoff and control groundwater levels for the highways. Urbanisation of the catchments increases the amount of potential runoff from development sites which would cause overload of these systems. This guide has therefore been developed to guide and assist developers in designing a managed drainage system that does not adversely affect the existing drainage network but will provide protection from flooding for the development. This guide sets out the criteria that Drainage Affairs (DA) requires developers to follow for the provision of a Managed Drainage Systems for the disposal of surface water and groundwater. Drainage Affairs have developed Advice Notes for four types of development which contain information on how the Managed Drainage System approach can be achieved. The types of development specified are as follows:- single residential development residential compounds tower blocks zonal &regional development Figure 1indicates the decision process for the appropriate type of development. Volume 8 Developer's Guide December 2006 Page 19 of 47
  • 21.
    State of QatarPublic Works Authority Drainage Affairs I Developer's Drainage Requirements I 1 I Managed Drainage System I I 1 1 ~ I Single Residential I I Residential I r Tower Blocks l I Zonal and Regional I Development Compounds Developments J. 1 l I See Advice Note 1 I I See Advice Note 2 I I See Advice Note 2 I I See Advice Note 3 I i 1 1 1 Definition: Definition: Definition: Appoint Recognised and Single house on a development plot. A residential compound is a development Tower block is defined as a multistorey Experienced Drainage Consultant consisting of properties and internal roads residential or commercial development. 1Drainage Philosophy: upto 5 hectares in area. Infiltration/percolation systems Drainage Philosophy: Definition: (soakways, infiltration basin etc) in areas Drainage Philosophy: Storage/Allenuation tank system. Development of residential compounds of low groundwater table. Infiltration/percolation systems greater than 5 hectares and development (soakways, infiltration basin etc) and Disposal of Surface Water of single and multiple QAR Zones. Tanks in areas of high groundwater table. storage system (tank sewers, retention Direction connection permitted to tanks ,etc) in areas of low groundwater Drainage Affairs assets IT available. Drainage Philosophy: Drainage systems to serve roofs and table. Storage tanks in areas of high Drainage Impact Assessment (DIA) hardstanding areas as necessary. groundwater table. Permitted Discharge: required. 101/s per ha of development. Disposal of Surface Water Disposal of Surface Water Disposal of Surface Water No Direct connection to Drainage Affairs Direction connection permitted to Typical Minimum Storage Requirements SUbject to approved DIA. assets permitted Drainage Affairs assets if available. 390m3/ha Permitted Discharge: Permitted Discharge: Permitted Discharge: Subject to approved DIA. Not Applicable 101/s per ha of development. Typical storage ReqUirements: Typical Minimum Storage Requirements Typical Storage Requirements 150m3/ha 270m3/ha Subject to approved DIA. 1 Drainage Affairs Requirements Submission of Project Profile Submission and Approval of DIA 1 I Proposal for Soakawayl I I Proposal for Managed I I Proposal for Managed I Proposal for Managed Stormtank System Stormwater System for Stormwater System for Stormwater System for Zonal and Residential Compound Tower Block Regional Development Figure 1: DEVELOPERS DRAINAGE REQUIREMENTS Volume 8Developer's Guide December 2006 Page 20 of 47
  • 22.
    State of QatarPublic Works Authority Drainage Affairs 4.2 Managed Drainage Systems The Developer should consider a number of basic principles before commencing with a site layout plan as follows:- • Site topography with respect to site levels should be studied in detail. Development in the lowest parts ofthe sites should be avoided. The lowest parts of the site can be used to store and collect any stormwater runoff minimizing the construct costs of piped networks. Building on the highest part of the site may reduce amount of protection from flooding that is required. • High groundwater tables can cause problems not only during construction but afterwards with damage to underground structures and utilities. Drainage Affairs have information available on the areas in Qatar where high groundwater is a problem and can provide guidance as to its control. If a site is water logged filling the low lying areas does not remove the problem, it only hides it from view. A long term solution is needed which may include ground water control. • Drainage Affairs require surface water runoff to be managed and controlled for all developments and therefore adequate provision should be made in all developments for the storage/attenuation of stormwater runoff. • Ground conditions within the site should be understood, whether there is sand, fill material or massive rock will all have an influence on the type of surface water drainage systems that may be developed for the site. • Site grading has a considerable influence on the cost and effectiveness of the site drainage and therefore should be considered at avery early stage. Aflat or level site is much more expensive to drain than a site which has some fall across it where natural drainage paths can be developed. Development adjacent to the coast should be graded to a minimum of level of 3.5m above Qatar datum. This will allow gravity drainage systems to be developed and will protect other utilities and building foundations from damage through high groundwater levels. • The design standards for the drainage system for the development should be established at an early stage. The degree of protection from flooding for the development needs to be established at an early stage to Drainage Affairs philosophy is to manage to surface water and groundwater systems by the use of various techniques that are part of the stormwater management philosophy described under various names around the world such as SUDS(Sustainable Urban Development (UK)), BMP (Best Management Practice (USA)) and Stormwater Management(Australia). The techniques that have been identified as appropriate for Qatar are:- Preventative measures The first stage of the Managed Approach is to reduce the runoff quantities. This may include reducing the amount of hard surfacing within a development and using soft landscaping Volume 8Developer's Guide December 2006 Page 21 of 47
  • 23.
    State of QatarPublic Works Authority Drainage Affairs suitable for adesert climate instead. Construction of individual tanks or soakaways for each property to store or disperse the rainfall. Pervious surfaces Surfaces that allow inflow of rainwater into the underlying construction or soil. This is a development of the block paving technique that is currently in extensive use in Qatar to develop its full potential by the use of geotextile filter membranes. Filter drains Linear drains consisting of trenches filled with a permeable material or modular plastic tank systems, often with a perforated pipe in the base of the trench to assist drainage, to store and conduct water; they may also permit infiltration. Swales Swales consist of wide shallow channels with or without vegetation that conduct and retain water, and may also permit infiltration. These work well within development sites with a large proportion of landscaping where the design of the landscaping can easily incorporate these features. Emergency Flood Areas (EFA) The use of Emergency Flood Areas (EFA) is well established in Qatar and is a viable option for the management of surface water run off. Infiltration devices Sub-surface structures such at modular tanks systems that can promote the infiltration of surface water to the ground. There are a number of proprietary systems on the market for this. Oversize Pipes and Throttles This option is appropriate if there is a positive drainage system nearby that can take a controlled amount of runoff for the site. All of these techniques are valid solutions to produce a Managed Drainage System, however every development site is different and will have different problems that will require different solutions. Volume 8Developer's Guide December 2006 Page 22 of4?
  • 24.
    State of QatarPublic Works Authority Drainage Affairs Stormwater Drainage References 1 Qatar Sewerage and Drainage Design Manual Volume 3Surface and Groundwater Drainage 2 Qatar Highways Design Manual 3 Soakaways: BRE Digest 151 4. Scope for Control of Urban Runoff: CIRAI Report 124 1992 5 Interim Code of Practice for Sustainable Drainage Systems: National SUDS Working Group(UK) July 2004 6 Stormwater Best Management Practices in an Ultra-Urban Setting US Department of Transport Federal Highway Administration 7 Statutory Instrument 1999 No. 1783 The Environmental Impact Assessment (Land Drainage Improvement Works) Regulations 1999 : DEFRA UK Volume 8Developer's Guide December 2006 Page 23 of 47
  • 25.
    State of QatarPublic Works Authority Drainage Affairs ADVICE NOTE NO 1· SOAKAWAYS AND STORM STORAGE TANKS FOR SINGLE RESIDENTIAL DEVELOPMENT 1.0 Introduction Soakaways and storm tanks are simple methods of managing storm water run off in situations where there is no positive stormwater system available or planned for the future. The three determining factors for the design of asoakaway drainage system are:- the size of the area which relates to the volume of water to be drained the percolation rate of the soil/sub-soil the depth to the water table i.e. the upper level of the groundwater that is naturally held within the soil, sub-soil or bedrock. '. Soakaways should be provided for all roof areas and hard standing areas within the building plot. 2.0 Soakaways or Storm Tanks The choice of soakaway or storm tank for managing the surface water runoff from a site will depend upon the depth of the ground water level for the ground surface. The method of determining whether a soakaway or storm tank is appropriate is indicated 'on the following flow chart. Volume 8 Developer's Guide December 2006 Page 24 of 47
  • 26.
    State of QatarPublic Works Authority Drainage Affairs Residential Properties Soakaway I Stormtank Design Choice Obtain Information on Ground water levels from design query No Design the Soakway in accordance with the guidelines Obtain Drainage Affairs Approval Yes Design the Storm Tank in accordance with the guidelines Figure 1: Choice of Soakaway or Storm Tank 3.0 Sizing of Facilities 3.1 Size of Soakaway The following table shows the size of soakaway/tank that needs to be constructed. Table 1: Depth of soakaway required for the design rainfall for different drainage areas Chamber Volume Calculation Chamber Diameter Roof Area Rainfall to be Depth for 1in Runoff Volume of 1.2 1.5 1.8 2.1 drained 2 year 24 hr Coefficient Storage Duration m2 Mm m3 m m m m 100 25 0.9 2.3 1.99 1.27 0.88 0.65 200 25 0.9 4.5 3.98 2.55 1.77 1.30 300 25 0.9 6.8 ><>< 2.65 1.95 400 25 0.9 9.0 ><>< 3.54 2.60 500 25 0.9 11.3 ><>< 4.42 3.25 Volume 8Developer's Guide December 2006 Page 25 of4?
  • 27.
    State of QatarPublic Works Authority Drainage Affairs Note that this is the storage volume required between the dry base or water table level of the soakaway, and the invert (inlet) level of the incoming drainage pipe, and assumes that the chamber is empty. For example if the drainage area indicates that a 1.5metre diameter chamber with a soakaway depth of 2.55 then if the invert level of the incoming pipe is, say, 600mm below ground level, and assuming the base is above water table level, then the overall depth of the soakaway is... 2.55m +0.6m =3.15m overall depth. If there is insufficient depth because of a high water table, the required volume of the soakaway can be met by increasing the plan size or placing two or more soakaways of this size side by side. 3.2 Size of Storm Tank The sizing of the stormtankl tank should follow the procedure indicated in Table 2. Table 2: Depth of Tank required for the design rainfall for different drainage areas Tank Volume Calculation Tank Diameter Rainfall Area to Depth for Factor Volume be 1in 2 Runoff of of 1.2 1.5 1.8 2.1 drained year 24 Coefficient Safety Storage hour Duration m2 mm m3 m m· m m 100 25 0.9 1.1 2.5 2.19 1.40 0.97 0.71 200 25 0.9 1.1 5.0 4.38 2.80 1.95 1.43 300 25 0.9 1.1 7.4 ><>< 2.92 2.14 400 25 0.9 1.1 9.9 ><>< 3.89 2.86 500 25 0.9 1.1 12.4 ><>< 4.86 3.57 It should be noted that the tank will have to be pumped out after the rainfall has finished, restoring the flood protection of the property. 4.0 Construction details 4.1 Soakaway Construction Atypical standard detail drawing of asoakaway is included as Figure A1of this advice note. Volume 8Developer's Guide December 2006 Page 26 of4?
  • 28.
    State of QatarPublic Works Authority Drainage Affairs Ready-made soakaway systems are locally available in pre-cast concrete. These tend to be circular sections that can be stacked to give the required depth and storage volume, and then topped with a suitable cover. 4.2 Tank Construction Atypical standard detail drawing for astormwater tank is included in Appendix 3. Pre-cast chamber rings are locally available and can be stacked to give the required depth and storage volume. Modular plastic boxes which can be used to provide both storage and soakaway functions are available in the local market. For further information please contact Drainage Affairs. 5.0 Maintenance of Stormwater Systems 5.1 Soakaways Soakaways do require some maintenance to keep them operating satisfactorily. Each year after the rainy season the following maintenance task should be carried out:- Inspect catchpit and remove any silt in the catchpit. Inspect soakaway and remove any silt in the chamber. 5.2 Tanks In order to make the tank effective in the control of stormwater runoff, after each rainfall event the tank should be emptied of water and silt. The water in the tank should be tankered away or it can be used for irrigation of any garden areas. Under no circumstances should the tank be emptied to the foul sewerage system. Each year after the rainy season the following maintenance tasks should be carried out:- Inspect silt trap and remove any silt in the trap. Inspect tank and remove any silt in the tank. Inspect and repair any leaks. 6.0 Safety 6.1 Excavations Excavations can be dangerous and the following points should be noted. all excavations should be fenced off or covered to prevent accidents. deep excavations should have sufficient support provided to prevent collapse of the excavation or debris falling into the excavation. Volume 8Developer's Guide December 2006 Page 27 of 47
  • 29.
    State of QatarPublic Works Authority Drainage Affairs 6.1.1 Entry into Confined Spaces Any tank buried in the ground can be dangerous. Only qualified and experienced operatives who have and are trained in the use the appropriate safety equipment for entry into confined spaces should be employed to carry out the cleaning and inspection works. References Qatar Sewerage and Drainage Design Manual Volume 3Surface and Groundwater Drainage 2 Qatar Highways Design Manual 3 Soakaways: BRE Digest 151 Volume 8 Developer's Guide December 2006 Page 28 of 47
  • 30.
    State of QatarPublic Works Authority Drainage Affairs ADVICE NOTE NO 2•• 1.0 Introduction DRAINAGE FOR TOWER BLOCKS AND RESIDENTIAL DEVELOPMENTS The drainage of tower blocks and small residential compounds requires the designer of the drainage system to develop site specific solutions to protect the development from the results of flooding. The basic requirement is that the development must deal with its runoff within the site and not export the problem to adjacent developments. Drainage affairs recommend a number of methods that could be used to manage the drainage system form tower blocks and residential developments. The designer of the proposed system should make himself aware of the concepts of managed drainage systems and choose the most appropriate system for the site in question. It is not obligatory, but it may be useful for the developer to produce a project profile for the site drainage. The project profile provides a means to collect all relevant data for the development area which will help to produce the Managed Drainage System proposal. 2.0 Managed Drainage systems Drainage Affairs recommend that the designer of drainage system for the development investigates the following measures and systems to manage the surface water run off. Preventative measures The first stage of the Managed Approach is to reduce the runoff quantities. This may include reducing the amount of hard surfacing within adevelopment and using soft landscaping suitable for a desert climate instead. The use of individual tanks or soakaways for each property to store or disperse the surface run off is another method of reduction in surface water run-off. Pervious surfaces Pervious surfaces are surfaces that allow inflow of rainwater into the underlying construction or soil. In Qatar extensive use is made of block paving for footpaths and parking area. Instead of bedding the concrete blocks directly on sand bed if they are laid on agranular sub-base water can stored in the sub-base and infiltrate into the ground. Typically the sub-base consists of 300m of 25 - 150mm grades stone overlain with a geotextile. The bedding for the block paving consists of 50 mm of 4- 10 mm graded stone. Filter drains Linear drains consisting of trenches filled with a permeable material or modular plastic tank systems, often with a perforated pipe in the base of the trench to assist drainage, to store and conduct water; they may also permit infiltration. Swales Volume 8Developer's Guide December 2006 Page 29 of 47
  • 31.
    State of QatarPublic Works Authority Drainage Affairs Swales consist of wide shallow channels with or without vegetation that conduct and retain water, and may also permit infiltration. These work well within development sites with a large proportion of landscaping where the design of the landscaping can easily incorporate these features. The swales can be used for infiltration and evaporation. Areas of planting which are lower than the surround areas can be used in asimilar way to aswale. Emergency Flood Areas (EFA) The use of Emergency Flood Areas (EFA) is well established in Qatar and is a viable option for the management of surface water run off. An area of the development site is designated as an EFA and depending on the site usage and the depth of water to be stored may need to be fenced of to prevent accidents to children and adults. Infiltration devices Sub-surface structures such at modular tanks systems that can promote the infiltration of surface water to the ground. There are a number of proprietary systems on the market for this. This is growth area in the field of managed drainage systems with a number of manufacturers being able to provide plastic modular systems to build large tanks that can be installed under car parks recreation areas etc which provide storage, attenuation and infiltration facilities for the surface water run-off. Oversize Pipes and Throttles This option is appropriate if there is a positive drainage system nearby that can take a controlled amount of runoff for the site. A smaller diameter pipe or orifice plate is used at the outlet to control the discharge rate. 3.0 Basic Design Principles The basic principle of the design of the drainage system for the development is to control runoff within the development as follows: No Drainage Affairs stormwater system available. Drain to on site stormwater storage system as indicated on Figure 1of these guidelines. Existing or proposed Drainage Affairs stormwater system. Connection to the Drainage Affairs system by overland flow, or direct connection via managed drainage system as indicated on Figure1 of these guidelines. 4.0 Project Profile In order that the designer can assess the requirements it is recommended but not obligatory to produce a project profile. The project profile should include all relevant information available. Information should be in note form. The checklist below is provided as a guide only, to assist in Volume 8 Developer's Guide December 2006 Page 30 of 47
  • 32.
    State of QatarPublic Works Authority Drainage Affairs identifying major items which should be included or considered in completing the project profile to assist in the choice of managed drainage system for the site. 1. 2. 3. AN OUTLINE DESCRIPTION OF THE PROJECT Provide the following information: • Project title • Developer • Contact Person (name/telephone) • Nature and description of the project • Location (include plans) • Area of project site and %paved/unpaved • Finished site platform level • Whether planning permission application is required • Recent and dated photographs to show a panoramic view of the site AN OUTLINE OF THE PLANNING AND IMPLEMENTATION PROGRAMME a) Explain how the project will be planned and implemented e.g. authorized person/consultants/contractor. b) Identify the project timetable for: • appointing consultants/authorized person • planning/preliminary designs • preparing a Drainage Impact Assessment (DIA)study (if required - see Advice Note No.3) • finalizing designs • implementation • completion/commencing operation c) Identify any interactions with other projects which should be considered. AN OUTLINE OF THE EXISTING DRAINAGE Volume 8 Developer's Guide December 2006 Page 31 of 47
  • 33.
    State of QatarPublic Works Authority Drainage Affairs Provide the following drainage details: • A 1:20000 scale plan of the catchment in which the project site is located with the drainage system relevant to the proposed project highlighted. • A detailed layout plan at 1:5000 scale or larger, of the project site with the site boundary, existing ground levels, existing drainage and existing land uses all identified both within and adjacent to the project site. • A general description of the existing drainage including adequacy of the drainage system and flooding history. 4. OTHER INFORMATION Provide the following information: • Potential drainage impacts (described in broad terms) arising from the project. • Ageneral description of the proposed drainage impact mitigation measures (if any) to be provided. • Ageneral description of the proposed drainage system. • Ageneral statement on the flooding situation upon completion of the project. References 1 Qatar Sewerage and Drainage Design Manual Volume 3Surface and Groundwater Drainage 2 Qatar Highways Design Manual 3 Soakaways :BRE Digest 151 4. Scope for Control of Urban Runoff: CIRAI Report 124 1992 5 Interim Code of Practice for Sustainable Drainage Systems: National SUDS Working Group(UK) July 2004 6 Stormwater Best Management Practices in an Ultra-Urban Setting US Department of Transport Federal Highway Administration 7 Statutory Instrument 1999 No. 1783 The Environmental Impact Assessment (Land Drainage Improvement Works) Regulations 1999 : DEFRA UK Volume 8Developer's Guide December 2006 Page 32 of4?
  • 34.
    State of QatarPublic Works Authority Drainage Affairs ADVICE NOTE NO 3· APPLICATION OF THE DRAINAGE IMPACT ASSESSMENT PROCESS TO ZONAL AND DISTRICT DEVELOPMENT PROJECTS Table 1 1. INTRODUCTION 1.1 This Advice Note outlines the Drainage Affairs assessment procedures for the drainage impact of zonal and district development projects. It is anticipated that the information contained in this document will assist in preparing project profiles and in addressing the project's potential drainage impacts. 1.2 Many private sector projects have the potential to cause adverse impacts on stormwater drainage, groundwater and flooding. These impacts need to be considered at the early stages of the project planning and designed to minimize drainage and flooding problems and to avoid expensive remedial measures. 1.3 The Drainage Impact Assessment (DIA) process provides for a systematic approach in addressing drainage issues associated with any project. The primary objective of the DIA process is to demonstrate that with the implementation of necessary mitigation measures, the project will not cause an unacceptable increase in the risk of flooding in areas upstream of , adjacent to, or downstream of the development. 2. ROLES AND RESPONSIBILITIES OF THE DEVELOPER 2.1 The developer of azonal or district development project is responsible for: (a) preparing the project profile and undertaking the DIA study if required; (b) implementing all measures necessary to mitigate adverse drainage impacts identified by the DIA study; (c) monitoring the project's drainage performance during construction; and (d) taking all measures necessary to redress unanticipated or unacceptable impacts arising during project construction. 2.2 The application of the DIA process to a particular project should not be separated from the other basic investigation and design processes. Thus, the developer can integrate drainage, environmental, technical and economic assessments to produce the best and most appropriate project design. 3. ROLES OF DRAINAGE AFFAIRS 3.1 DA is responsible for examining project profile; determining whether DIA study is required; approving DIA study report submitted under the DIA process; and advising the Planning Department drainage conditions on the project. Volume 8Developer's Guide December 2006 Page 33 of 47
  • 35.
    State of QatarPublic Works Authority Drainage Affairs 3.2 Notwithstanding that the developer may have submitted proposals in accordance with the guidelines stipulated in this Advice Note and DA may have accepted such proposals or have required such proposals to be amended prior to acceptance, DA shall have no liability to the proponent for any damage, injury, losses, claims, charges or fees which may arise from any act, omission or negligence howsoever caused by DA, its agents, servants or employees. 4. THE DRAINAGE IMPACT ASSESSMENT PROCESS 4.1 The DIA process comprises two principal elements, a project profile and, if necessary, a DIA study. 4.2 All development projects for Zonal or Regional Developments will require the preparation of a Project Profile. The project profile and DIA study require substantial engineering input and judgement, and should be undertaken under the direction of a registered professional engineer in the Civil Engineering discipline. Any submission made as part of the DIA process should be signed and certified by the registered professional engineer in charge. Failure to submit asatisfactory project profile or DIA study report, if required, may unnecessarily delay the DIA?? process. 4.3 Development projects within urban areas served by an engineered positive stormwater drainage system will generally not require the DIA process to be completed as the project profile should contain sufficient information for approval, the exception will be those developments which are of sufficient scale to make a significant change to the drainage characteristics of astormwater drainage system. 4.4 In areas not served by an engineered positive stormwater drainage system, the scale of the development, the form and location will determine the necessity of DIA process. As ageneral rule, if the answer to any of the following questions is positive or unknown, DIA process shall be applied to the project: (a) will anatural drainage path be affected by the development? (b) will there be a significant increase in impervious area and therefore a significant increase in runoff from the development site? (c) will reclamation or filling be required to form the site for the development? (d) will the drainage system downstream of the development site require to be upgraded to convey the runoff from the site? (e) will the development be situated at flood prone areas? (D will the development be situated in an area of high groundwater? (g) will the development have substantial area of planting which will require irrigation? (h) will irrigation cause a rise in groundwater levels that may cause concern for building and road foundations? Project Profile 4.5 An outline of the information required for the project profile is given in Appendix I. Based on the information in the project profile, DA will decide upon the extent and scope of the DIA study that is required by considering the likely impact of the proposed project on: Volume 8 Developer's Guide December 2006 Page 34 of 47
  • 36.
    State of QatarPublic Works Authority Drainage Affairs (a) the existing capacity of drainage paths; (b) the changes in surface runoff hydrographs and flood storage; and (c) the risk of flooding in other areas in the catchment. (d) the risk of rising groundwater levels due to development. Drainage Impact Assessment Study 4.6 The scope and requirements of the DIA study shall be proposed by the developer for DA'S agreement. In setting the parameters for the study, a conscious effort should be made to constrain its scope as far as practicable while ensuring that the validity of the study is maintained. The findings of the DIA study shall be documented in a report prepared by the proponent for submission to DA and the Planning Department. An outline of the information likely to be required for aDIA study report is given in Appendix II. 4.7 The DIA study shall be carried out in accordance with the standards set out in by DA Drainage Manual. 4.8 The findings of the DIA study will be used as the basis for setting any requirements on drainage provisions, flood mitigation measures and performance monitoring tasks which may be placed on the project. DA will advise the Planning Department or Lands Department of such requirements on the project as appropriate. 5. DESIGN, IMPLEMENTATION AND MONITORING OF MITIGATION MEASURES 5.1 The developer shall be responsible for incorporating the drainage impact mitigation measures into the design of the project to ensure that the expected drainage performance of the project is achieved. The Authorized Person in charge of the project should state in writing that necessary mitigation measures identified in the DIA study have been incorporated into the plans. 5.2 The developer shall be responsible for implementing the drainage impact mitigation measures and undertaking the monitoring programme during the construction stage to ensure compliance with the conditions on drainage requirements, flood mitigation measures and performance monitoring requirements as imposed by the DA. 5.3 DA shall recommend the Planning Department to issue a Certificate of Compliance for a development only if the imposed conditions on drainage requirements and flood mitigation measures have been fulfilled. 5.4 The developer shall sort out and agree with the maintenance parties on any requisite monitoring programme during the operation stage. The responsibility for undertaking such monitoring programme, if necessary, shall rest with the maintenance parties. Depending on the nature and type of the drainage works, the maintenance parties may be the developer himself, his agent, other person or DA. Volume 8Developer's Guide December 2006 Page 35 of4?
  • 37.
    State of QatarPublic Works Authority Drainage Affairs References 1 Qatar Sewerage and Drainage Design Manual Volume 3Surface and Groundwater Drainage 2 Qatar Highways Design Manual 3 Soakaways: BRE Digest 151 4. Scope for Control of Urban Runoff: CIRAI Report 124 1992 5 Interim Code of Practice for Sustainable Drainage Systems: National SUDS Working Group(UK) July 2004 6 Stormwater Best Management Practices in an Ultra-Urban Setting US Department of Transport Federal Highway Administration 7 Statutory Instrument 1999 No. 1783 The Environmental Impact Assessment (Land Drainage Improvement Works) Regulations 1999 : DEFRAUK Volume 8 Developer's Guide December 2006 Page 36 of4?
  • 38.
    State of QatarPublic Works Authority Drainage Affairs APPENDIX 51 ·INFORMATION REQUIRED FOR PROJECT PROFILE In order that the need for a DIA study can be assessed, the project profile should include all relevant information available. Information should be in note form. The checklist below is provided as aguide only, to assist in identifying major items which should be included or considered in completing the project profile. 1. 4.1.1.1 AN OUTLINE DESCRIPTION OF THE PROJECT Provide the following information: • Project title • Developer • Contact Person (name/telephone) • Nature and description of the project • Location (include plans) • Area of project site and %paved/unpaved • Finished site platform level • Whether planning permission application is required • Whether lease modification application is required • Statutory land use zoning • Recent and dated photographs to shown a panoramic view of the site 2. 4.1.1.2 AN OUTLINE OF THE PLANNING AND IMPLEMENTATION PROGRAMME a) Explain how the project will be planned and implemented e.g. authorized person/consultants/contractor. b) Identify the project timetable for: • appointing consultants/authorized person • planning/preliminary designs • preparing a Drainage Impact Assessment (DIA) study (if required) • finalizing designs • implementation • completion/commencing operation c) Identify any interactions with other projects which should be considered. Volume 8Developer's Guide December 2006 Page 37 of 47
  • 39.
    State of QatarPublic Works Authority Drainage Affairs 3. 4.1.1.3 AN OUTLINE OF THE EXISTING DRAINAGE Provide the following drainage details: • A 1:20000 scale plan of the catchment in which the project site is located with the drainage system relevant to the proposed project highlighted. • A detailed layout plan at 1:5000 scale or larger, of the project site with the site boundary, existing ground levels, existing drainage and existing land uses all identified both within and adjacent to the project site. • A general description of the existing drainage including adequacy of the drainage system and flooding history. 4. OTHER INFORMATION Provide the following information: • Potential drainage impacts (described in broad terms) arising from the project. • A general description of the proposed drainage impact mitigation measures (if any) to be provided. • Ageneral description of the proposed drainage system. • Ageneral statement on the flooding situation upon completion of the project. Any other available information relevant to Appendix II may also be submitted to facilitate DA in deciding whether a DIA study is required. Submission of sufficient information under this heading may enable DA to make an early decision on whether exemption from submission of a DIA study can be granted. Volume 8 Developer's Guide December 2006 Page 38 of4?
  • 40.
    State of QatarPublic Works Authority Drainage Affairs APPENDIX SII· INFORMATION REQUIRED FOR DRAINAGE IMPACT ASSESSMENT STUDY REPORT In order that the DIA study can be completed as quickly as possible, the DIA study report should include all relevant information available. In addition to the information submitted in the project profile (Appendix I), the following information should be included in the report. The checklist below is provided as a guide only, to assist in identifying major items which should be included or considered in completing the DIA study. The findings of the D1A study should be documented in a report prepared by the proponent which will then be used as the basis for setting any requirements on drainage provisions, flood mitigation measures and performance monitoring tasks which may be placed on the project. 1. AN OUTLINE OF THE CURRENT FLOODING SUSCEPTIBILITY AND PROPOSED DRAINAGE Provide the following details: • An assessment of the susceptibility of the project site to flooding, preferably with a record of any past flooding which occurred within or adjacent to the project site. • An assessment of the groundwater levels within the project site and whether there is a record of any previous problems within the site or adjacent to the project site. • Adetailed layout plan, at an appropriate scale, of the project site with the site boundary, proposed ground levels and proposed drainage, including any necessary upgrading drainage work within the catchment, and proposed land uses, all identified. If the proponent is aware that the ground levels or drainage or land uses adjacent to, but outside the project site are likely to change, details should be provided if possible or, alternatively, attention drawn to the fact that changes are likely. 2. AN OUTLINE OF THE CHANGES TO THE DRAINAGE CHARACTERISTICS AND POTENTIAL DRAINAGE IMPACTS WHICH MIGHT ARISE FROM THE PROPOSED PROJECT Provide the following details to quantify the changes to the drainage characteristics of the catchment arising from the proposed project: • Changes in land use and surface runoff characteristics. • Changes to existing groundwater levels that might be expected. • Changes to surface runoff hydrographs for 2, 10, 25 and 50 years return period flood Volume 8Developer's Guide December 2006 Page 39 of4?
  • 41.
    State of QatarPublic Works Authority Drainage Affairs events for the project site, any affected natural drainage paths or existing positive or non positive drainage system. • Change in flood storage caused by the project. • Assessment of timing of peak runoff from project site relative to timing of catchment peak runoff. • Hydraulic capacity of existing drainage upstream, within and downstream of project site if applicable. This information will be made available by Drainage Affairs . • Hydraulic capacity of proposed drainage upstream, within and downstream of project site. This will depend upon the drainage systems designed by the developer. • Changes in peak runoff, peak flood levels and/or peak velocities for 2, 10, 25 and 50 years return period flood events at critical locations. • Details of temporary drainage during construction including hydraulic capacities. Provide details of all potential impacts which might arise as a result of changes to the drainage characteristics caused by the proposed project and identify land users who might be affected. Provide details of the impacts caused by the following: • Changes in flood levels, flood frequency and/or velocities. • Changes in timing and magnitude of runoff peaks. • Changes to maintenance requirements and access for maintenance. • Changes to the drainage paths and regime during construction and after completion of the project. • Cumulative effects taking account of other concurrent developments in catchment. • Other relevant considerations. The potential impact should be considered on upstream, downstream and adjacent land users, and land uses should be identified (e.g. residential, commercial, institutional, industrial, infrastructure, agricultural, recreational, conservation areas). Volume 8Developer's Guide December 2006 Page 40 of4?
  • 42.
    State of QatarPublic Works Authority Drainage Affairs Volume 8Developer's Guide December 2006 Page 41 of 47
  • 43.
    State of QatarPublic Works Authority Drainage Affairs Appendix 1 Building Permit Application Volume 8Developer's Guide December 2006 Page 42 of4?
  • 44.
    State of QatarPublic Works Authority Drainage Affairs DOCUMENTS TO BE SUPPLIED TO DRAINAGE AFFAIRS FOR BUILDING PERMIT APPLICATION Mandatory information is shown in bold type Information Required (2 copies) Scale Notes Both copies of submission will be stamped approved by the Drainage Affairs. One copy will be returned to the Developer, the other copy will be retained by the Drainage Affairs Developer's Programme Estimated Construction Start Date Site Location Plan (A3) Drainage Services Location Plan (A3) A4· Single Property A3· Developments (Compounds, Mult) Site Plan (A) showing: (Foul Sewer) All levels related to Qatar National Datum Site boundary Building outline Building with descriptive label Internal Roads, Footpath Internal Sewer Layout Septic tank, soakaway, sewage holding tank Drains and manholes Schedules of foul manholes Pumping Stations Rising Mains Existing sewers and drains Road gullies/highway drains Site levels Site Plan (B) showing: (Surfacewater Sewer) All levels related to Qatar National Datum Site boundary 1:5000 1:1000 1:1000, or 1:500, or 1:200 1:1000, or North sign, co-ordinates of corners, street names, principal landmarks Existing pUblic sewerage and drainage services adjacent to the Site to which the site will discharge Manholes numbered from MH1. Diameter, length between manholes, gradient flow direction. All levels are in 'm' and Ref. To QNHD. Arch. Levels and QNHD levels. Volume 8 Developer's Guide December 2006 Page 43 of 47
  • 45.
    State of QatarPublic Works Authority Drainage Affairs Building with descriptive label 1:500, or Internal Roads, Footpath Manholes numbered from 1:200 MH1. Internal Pipe Layout Soakaway Drains and manholes Diameter, length between Schedules of storm manholes manholes, gradient flow direction. All levels are in 'm' Pumping Stations and Ref. To QNHD. Rising Mains Existing sewers and drains Road gullies/highway drains Site levels Arch. Levels and QNHD levels. Building Drainage (A1) 1:50 Floor plans Fittings and Sanitary fittings Pipeline details Discharge points Gullies Copies of hydraulic design calculations (A4) Foul water (including trade effluents) Surface water (including impermeable area plan and attenuation details) Design parameters used Pumping Stations information showing: General arrangement details Wet well capacity Rising Main Capacity Volume 8Developer's Guide December 2006 Page 44 of 47
  • 46.
    State of QatarPublic Works Authority Drainage Affairs Volume 8Developer's Guide December 2006 Appendix 2 Design Unit Foul Flows Page 45 of4?
  • 47.
    State of QatarPublic Works Authority Drainage Affairs Peak and Average Foul Flows Using Design Units Based on 270 IIh/d Avg Flow Sewage Peak flow Population lIs m3 /d lIs 1 0.003 0.259 1.64 5 0.016 1.382 2.53 10 0.031 2.678 2.82 15 0.047 4.061 3.09 20 0.063 5.443 3.35 25 0.078 6.739 3.51 30 0.094 8.122 3.62 40 0.125 10.8 3.83 50 0.156 13.478 4.03 60 0.188 16.243 4.22 70 0.219 18.922 4.41 80 0.250 21.6 4.59 90 0.281 24.278 4.74 100 0.313 27.043 4.86 Volume 8 Developer's Guide December 2006 Page 46 of 47
  • 48.
    State of QatarPublic Works Authority Drainage Affairs Appendix 3 Drawings Drg No. DG1 DG2 DG3 DG4 DG5 DG6 DG7 DG8 DG9 DG10 DG 11 DG12 Title Inspection Chambers - Typical Details Sheet 1 Inspection Chambers - Typical Details Sheet 2 MH1 - Standard Details Typical Manhole Construction Details Sewerage Connection to Properties - Typical Details Typical Small Submersible Pumping Station Sand Trap &Grease Trap - Typical Details Septic Tank Type A&B GA Details (pops 1- 20) Septic Tank Type CDEF GA Details (pops 21 - 350) Soakaway Details Stormwater Soakaway Details Stormwater Tank Volume 8 Developer's Guide December 2006 Page4? of4?
  • 49.
    1JQJTh 1. ALL DKN5IOItSAll! ItH1WHETRtS lJI,ESS DlHEftWISE STAna 2. TillS DRAM 10 BE A£,f,D1H CIlNJWlCTlDltWlTKAU A[LEVA~U1AlIHllt DnAl~S iPrtKfllEAMFORCOVERS 3. STEP IRO~S 10 IE PROVIlED A' :JOOlIacone BOTH tlORIlCMAu.., Vl:RTKALLY I' DEP1HTO *VERT fXCUOS '110m '.ALllmAIlAt.N!OOOERIlAlFACESOfTtECtW1BERSTOftPAMED r-----n-f-----, WITtilWOClIATS0' CaAL l.utEPOX'i r------, 5.HIJItU1(OWR10Pll'[ Dl'IMSPftlaN [IIMIUTo BE.OOIIIl lX I :~ ~ I r-----, l.FllRAllDIlIOkALLAlE!lAlCONIICTNI!OICt!flGSKALLIlfMllDfIED I I I I I 'DSl.lTAkDfACII~tcN[(TIONBUlLTIMEXTEkDEDfjUlUla. I I COVDIIrFRAMETOSUlT I I I C!NtAIPAA1'ETOSLn I I I 15tIH.mAROPE~llli I I UI .. mCllARCPfttNIlo I I I I I I I I I I I I L ____ ...J L _____ ...J L _____u_____ ...J PLAN ON COVER PLAN ON COVER PLAN ON COVER '"~ r,t5t '00 ... r 0" '" JO' t... .", ,.. 1M , ~M " , ... 1M ~ r--J!!- ~'~~:~~~ r 1f.':: :.;:: t~~ IE {)/ r'~~;~ IE ,:;.. ~L ~ IE ),' ~OJ ~ OJ ',:: - f-- - '-- - r-Er-- - - --3= -Er-- ::....-:~! rrr--:-- --3=i--- --1+-----1 i f--. . . - - --+f- Ii - --+ -- i ~ - -- -- I-- -- c-~ --.~ .. ,,:':- '-- - f--.:~ .:.... ·;~';n ......,... I ~:~ - I'.~., '; 15IDIAEXTR4&1AfHGTH .~;.. IE ~ VI1llIfID (LAY PFE ~ ".:.,~ ." REV. AMEI<D~ENTS BY DA'T£ e:, CONSULTANTS SECTIONC) SECTIONC) SECTIONC9 CHAMBER TYPE'A' CHAMBER TYPE 'B' DRAWING STATUS CClYEA l FIWE TO sur EH12'a.WA15DlHAlOlllE ~1"---W1TNSEALINGPl.Al[ 1-'-'·105ll11UtCLLEAROP£Nk'& ST£Il'IllOIt5- llRADESRC:lO HORTAIlIWJ[Kf«!TOrltAtR J~':'-' J.AEGUl.AlNliCOlml5 '" ! DRAINAGE AFFAIRS e-~: :ri 't:': ~DPC2IlMS1TUCOlKRm e-~ ~ ~~~Rl~~tEoreETE P.O, 60)(23337 .....; TEL. 4950055 FAX. 4950555 .., ~ ,:<:;:--~~=r~lr:~OW -, SU1 twfIOl.E fUME OPE"G SIZE - , PROJECT.. liIWlE lAC 21 CONCRETE w:Cot«mE ILOClt'lilDRIC WAlLS I- _ !"'ERNALBl.OCKWOllICfAaTOtlAVt 200 MC!HkALTlllClOE!S DEVELOPERS GUIDEGRNXOPC:tOHASS HAY£UlIIOCHlRTAlIl[IODtfUi COJjCIl£1EWALLU.ut:--- ~ umocMaRrARAEtfIlERII6 L alHrC~HDRTARRE!IJ(RIIG bll! I Z[ '.~:~ 0 GRADESIIC20 ,0 lIIlADE SRI: 20 COlltJl£lElKNCIlttG TITlE .:.'";.:. "j,;~~ CQNCRETEeENCHIIIG ..~~ o~~• ~EIIl(20WESl.AB ':"'t~ 0, r; INSPECTION CHAMBER ",.......... ~,L .J"',,,."...... TYPICAL DETAILS ","'HE_I< !l.L PROTECTlOt(&RAOESRt211 SHEETIPlltlTl!~&IWl[SRt20 1JQJTh UTHKBL 15TKICILH MA5s(QNCAETE8A5E llIWlI!:sRI::n 1t.AB000DCSRCD """,.". SUIGIl4DESRtJ' t rtPr: 'A' AllWmM[Nl YO DE IIUD rOil V," Til' Ifa,.IlRAIKtl eatll£t1llll1!: TO LCH LOIrlG alE lFCHiMBrR DRAWN DII'T£ PROJECT CODE SECTlONC9 2. TYPE'8'ARRAIIG£"'~Tl08EUSEOFDRJTOlIRANCH SECTION@ D~ NOV. 08 -COlINEnlO1tI TOEAl':HLOMISGE OF OlAMIlER CHECKED DWM NOV. D6 PROJECT NO. J,ClASS DlIOHHCOVlR4'lWI! TO III; I15mlNTIlAfPl:KlD CHAMBER TYPE 'A' (TYPE 'B' SIMilAR) .POS5aE It:AVY LlIADEDARUs. OTktRWlSEUASS CHAMBER TYPE '(' APPROVED -BUS C!M:R • FRAtE TO 8£ USlO JEA NOV. D6 SCAl£ (Al) DRAWING NO. REVISION 1:70 DGI •• a .._ • • _ ............._ ...... -'.•••
  • 50.
    mL- .. • .,(DkCRnEBACKFllL . "__'_,,-~~~h':. AS SPOOFED 'n¥n¥;~ lI-uAlil ~ SECTIONC) (SHGWlNG COVER FLUSH WITH FGL OETAILI ~l15D~ DATE '"AMENDI,IENTS ~DRAINAGE AFFAIRS P.O. BOX23337 TEL. 04950055 FAX. 04950555 DRAWING STATJS REV. PROJECT 11 BAR LOCATIONS T TOft Ff fAIIFACf 880TTllH U EACHfACE '" NEARFAa: EW UCIlWAY An ALrERlCATlY!!,lRSIIMRSEII."SIlDWWHERERE4UlREDI CONSULT,6NTS REINFOR[EMENT TO"".....AS~~t·tll:"·LO'..,..""'t'tP!(If SlUl. WTREnF BARS BARtLlMETE BARHARK lJQill; t.ILL OilOSlOI(S AAE III )tWMEJR[S UlUSSOTHERWlSE SlAT!D Z. fXTDlHAL rAuS or OtAtelR TO R.,AMm wnHTWD (001115 II' BI'MINOU5PAllfT J.lJfIEIlNAl. StIRfAas 1IF [HANSER WALL AI«I (OYER lOBE pAMED WRH lWOCllATSOFUW.1AREPOXYPAlIf'r a " " .!!. "a ---.J ~ '"... ... "bIoTUG3-15 " tT17It.ftI: T1Z I-f--I-" ,m '"• IF StZl! MlIIls TU , TU I - -1' !! .!!. u v 'AR """;; !! .!! ~ ~OT r-I TU , • TU 1 • ,, ~ 112 1 " .. TU , T12 t" Z'lS Ju.8ElQINIiDINENSlllItSAAEICACCOADAlCEWlTHB~UI • 5P!CftD 10 TtR t4Af1UT_ • SPI!(flEDTDTHEII£"WSY2SlI11 mIKI&!WIll tRAlRD COWRDnU TOil[ 115tO IN utflAyn ORlHttsH!D =~¥Ji::=DETA" UBEUSWINAU.PAVEDOR 2. nus'0' caYERS "AVY DUTYI TO BE UWI FOR ALL IlCSl'mlOk CHAIeERIIN ~DAns OR ounrlTH PROPtIlTYaautl)ARYWAUS a.AsS'I'CClV'ERSlM!IllLtfDl1JYJlOeEUSEDltAU.CASailftTHIk p.etaPERTVIICll/IIIA1tYWALLS'DABOTKRAlSEDAliDFlUSHDETAILS "),311101-' 14 ~ SECTIONIt ""BfA [OVER sua iiiOLi"" !ill!!.!l.AII_ "'D. {]~I I-I I Dh~ I PLAN ON COVER SLAB REINFORCEMENT IMINIMUM COVER TO REINFORCEMENT 10m.1 &- .c.1U05 .!l. ~MASstotomGll:lDESRtJO ~.7L=. SECTlONC9 IIHDWING RAISED COVER DETAIU DETAIL E9 IFOR PIPES WITH COLLARS) ~l ["r""""'''''''COVIR••" ., ". S!.A1tGRAD! llPOS . . I ~r~"iiiE~~~"~'19 "Il,--.......... . p ' " T5THlDCCOMCRll[ -Sl BUIlDlIlU!UDE IRC: n HASSCCWCRETEat:NOlItl6 GRAIlESIlI:JOWlTK121tllCIC EPOJIYMllRTARREIlIlI:lIItG ~ i -~ INSPECTION CHAMBER CLASSIFICATION ., D.D1 Dl THlSDfTAillSfImSPIm. SO(l(ElPll£S.FCItPPES WITH tOLLARS S£f DETALJ ---.J 1",1 3DO 1610'D1'DlA '02'01' ~ DUCTllEIIlOltMA!ItIl[COYERI.FRAME lDSUlT'1SDIACLEAROPEItIltG BEIlIlCllOH""r""'''''' ill NII.0IBHAMH .r-- ~~~,':'..OHf:tvID~lf AIm :1 . QultEHEICIS TYPICAL SECTION ON BASE 'M ,0. III &- tlTtlUCSIllDCONCRflEBLOCKWOIIIl liAADElPCJ5SEDPEDIlt6TIICI( ""'"'-"" SEWERAGE STANDARD DETAILS TITLE INSPECTION CHAMBER TYPICAL DETAILS SHEET2 ~~ "r. . . . TWOCOATRENtD 50lP Cet«MTE N1ROl.tCl • CiWlESRCHTOCGVfRWITH • ~DS[AARl5tS .~. PRlWTcaYCRHAIIQRADEOPC]5 •_.._-~ .1= DETAIL E9'''D DRAWN -=r.;D~ NOV. G6 CHECJ<ED DWM I NOV. D6 AFPRDVED J.... I NOV. 06 SCAlE (Al} 1:20. h10 PROJECT' CODE PROJECT 110. DRAWING NO. IREviSlON DG2 CAD A'h I.:O'TAR~STDSOO2.d'Ng
  • 51.
    ;l i j --E!1 2H MANHOLE DETAILS !!Qmi 1.A~L QlH!M5l11NSARE IN I'tl.LtETRES UHLUS OUERtI5! STATED 2.Al.L COtKRE1E SHALL IE GlW)E OPC 21 t$,ESS GlIQWlSf STATED lYAAlA1lIl!lTOSTAl/DARODElALSAllEPEIUtT1EDTDHE£T$l'T!SPfClPlC RUlUlJlDQTS 4. ALL .'S 8ETWfDt SEnlON$ Of GR1' LKWS SHlU BE LAHftAUD DYER WITH 101... WIlE RE5tI R!H &LASS TAPE aRAM APPRO'40IlSlTU BAlI)lGEJatn101HEOUtsID£O'1tf:IIPLlkERPIllOR10(OIKR£1I~ S"A&.lJQteTSBElWEEMPlPES,fIlCtURESl/IIGRPlJfER5SH1oU.I!sw.m ,. AU JOItTSBtTWEEN PIPES AIeD ClIMtllfTE SHALL lIE WATEnlll11 1.ALLltll:otIIIGPFES5HAl.LIELAlDSDffITTOSOfFn~ITtiTHEOlITGOIItG 'PI PLAN AT COVER LEVEL SECTIONC) l2Ve~~Y(~rsl~nr SECTIONC) TITLE BY I DATEAMENDMENTSREV. DRAWN DATE I PROJECI CODE OM NOV. 06 CHECKED DWM NOV. 06 I PROJECT NO. APPROVED JEA NOV. 06 SCALE (AI) DRAWING NO.. REVISION 1120 D03 DRAWING STATUS CONSULTANTS ~DRAINAGE AFFAIRS P.O. BOX23337 TEL. 4950065 FAX. ...50555 rOUL SEWER t.4Hl STANDARD DETAILS DEVELOPERS GUIDE PROJECI ~I j ~I~ -, :P=z i :m~~Rm GRPSEALN3Pl.ATE ~ ~~'V:toWRETE CLASS DUO TO EM U4 t1EAVY OUTY DOUIU!1RlANGllARIIlICTJLElRdtCQ'RR &.fRAMEWITH'lSDlACLEARllPfNIcli GAPLlItNlTOllEPCllNUIIMRT H1k6'rtf(NOIISLPSlA'ACE ~ IiiRl'LHHG10IlEl«HIN1I&!MVERT MlN.6THCNllIISLPSlFA,Cl TAltGNlI«ltlRANt&PflDTtnICN e-..,....... II~ CAD Rd. IJClATAR-SiDS0G3.dw9
  • 52.
    DETAIL E91,10 LADPER ARRANGEMENT(8QTTOM! !l!!lli; lALLDlt£NSIONSARflNtlUlKETRfSUNlfSSOTH£RWISESTATED 2.THlSORAiWGTOSHOULDBEIlf:ADlNCONJUNCTIONWlTHDET.&I.SSHllWN ON DRGNoLfSfS2.fSJ"FSnl. FSZ4 3. All HATfJlIA1.S, FABRICATION AN:l CONSTflUCTlDN SHAll BE IN ACCOROAN:EWITHTHESPttfICATlOHS 4. VAIllATIIN TO STAHOARD Il£TAIlS ARE PEAturrm TO HEEl SITE SPECIFIC RroUIREtlENTS S.FORTAItQNGDETAIlSREFERToDAGNil.GEU BDnDH RUNG TOef HAlCIKlttOFZ50 ABDVfBflOllNGoR RESTPLATfDlll1 RESIMSPACEJl:TOSlJIT lADDfRAl.IGNI'EHT IHAJC.l00THIClO Ii1lPSTRIURSTAlfrl.ESSSTEEL ANOJJR BOLT BoTTCH FlXWG TO BE MAXlHUKOFnSABDYE BENCHING DR RfST PlATFOIltl FlXlNGS TO SE AT 1500 CENTRESHAXt1tJH DETAIL E91110 TANKING AT FORMATION LEVEL DETAIL l '110 TANKING AT EXTERNAL CORtiR TWO LAYERS Of WATERPROOf I1Et1BRAHEITANKHD DETAIL C91,10 TANKING AT INTERNAL CORNER DETAIL 1 '.'0TANKING AT GROUND LEVEL GAADEDPClSRElNfORCfD D:lN:Ft£TE COVER SLAB WHERE APPLICABLE BY I OATEAMENDMENTS PROJECT CONSULTANTS REV. ~DRAINAGE: AFFAIRS P.O. BOX23337 TEL 4950066 FAX. 4950665 DRAWING SfATUS ~ GRPLKll ~I SECTlONE9 DETAIL ... 1.10 _ LADDER ARRANGEMENT !TOP! & HANDHOLO EADllIlIIiil1ADEUPFRoH 4No.SEGtlENTST5TIAOC SECTIONC9 WHERE APPLICABLE GRP PIPE COhl£CnON DETAILS 'c.J. 1·.··.01 L!J / BEDDlllIiKATERlAl.AS "'["'.. DETAIL C) ROCKfR PIPE. Sl'Il.iOTI SOCKET ON UPSTREAH SlOE OF IWfIOLE " DOUBlE SPIGOT ON.OOWHSTREAH StoE vr PIPE (ONNECTION DETAILS DETAIL 0 JOtlTB(TWUNGAPllNERl. PIPfTDBEllUlllATWOVER WfTH RESIN RICH liUSS TAP' DETAIL C)1,10 TANKING SEAL AT PIPE EHTRY .u...LIlJ..fJW WATfRPROOFHEH!IRAHE' COLLAR "If.3DO WIOE 4DI4IBlTUtIIIOUS HASTlCAUET STARCUTWItoTERPROOFI1EttIIRAN£ WORKED ARllUPIJ PPf I UPPED WO.""'" .!!l!!ll PI'EJlIINTIS NOT SliOWN AN D.EVATIOH HR a.ARITY WATERl'ADllftmlBRANE COllAR IIlH.)OO WIlE STAItClITWAT£RPROOfKEHBRAI£ WDIlKe:PAltOUNDI'lPt:.UpptD WlntCOlUA DETAIL c:1110 TANKING SEAL AT PIPE ENTRY .EWilUII!fli DETAIL OF PRECAST CONCRETE SEATING RING UNDER MANHOLE COVER IGRADE OPC 35 CONCRETE) SCALE 1:10 DEVELOPERS GUIDE TITLE TYPICAL MANHOLE CONSTRUCTION DETAILS DRAWN OATE I PROJECT CODE OM NOV.06 CHECKED OW" NOV. 06 I PROJECT NO. APPROVED JfA NOV. 06 DRAWING NO. IREVISION SCALE (All 1:20 &: 1:10 DG4 (AD Itt" L:OATAR-STDSDG4.dwg
  • 53.
    1lQill, 1. ALI. DlM!t(SIO/fSARl! IN InUMETltES UN.ESS OTI€AWlSE: 11.1ID 2.111$ DRAWffG TO IEIllADfI H'ULIICTIDNWllttDRG Nu.FSlItfSt1 Sl.EEVEADAPllA ~I 'oo'1~",r ---- ---.JL CONNECTION OF EXISTING TO NEW DRAINAGE PIPEWORK N.T.S. BY I DATEAMEI<DMENTS ~DRAINAGE AFFAIRS P.O. BOX 23337 TB.. 4950055 fAX. 4950556 DEVELOPERS GUIDE PROJECT DRAWlNG stATUs REV. CONSULTANTS fA. '. II~ :' .. TEEORlIBLIGl.f;U· Afttmllwrntll[!I) Sl.nYfJlIllIT· I'· PLUG INSPECTION CHAMBER (SEE ORG No. FS8) r:.lt:-;~· "._~': =INSPECTION CHAMBER ISEE ORG No. FS81 .GL '.1:; ;~. ~ -=-r=ii~~~ ........ fl. LAuaAL CONHR11l11l Til HAlM$fW[fl LATtIlAlCOIIIIEl:TIOII lDKAlItRWfR (SUDR&Mo.FS11l TITLE TYPICAL CONNECTIONS TO EXISTING PROPERTY DRAINAGE REQUIRING EXTERNAL INSPECTION CHAMBER SEWERAGE CONNECTIONS TO PROPERTIES TYPICAL DETAILS DRAWN -DATE I PRllJEDT CODE OU NDV.D6 CHECKED DWM NOV.D6 rPRdJEcr NO. APPROVED JEA NOV. DB SCALE 1 DRAWING NO. REViSION 1:20 DG5 "tl[fR.'1 LlG'TAR-srDSD05.dwg
  • 54.
    =aa~T~;ll~¥t~ P!tISI£DROADUW. Flte5HED GllOUHD UVEL SCREEDTIICXIPS GAlP.:YALVE F1.AA'G£ADAPTER ,,*,"RETIMYAl.YE +ST50 IV f. 'RY LEGEND, fRC .!!Qilli tA.UIlKHSIlINS ARE IItHlLUE1IIS lII.m OTH£AIII5! S1.um 2.ALLLEYllSAREIk~lRESTDQATARHAT101tAl.HElGIlTDilIl4 1 ALL A[lIrfORtEII CDNUlm TOfI!0PC]5 4.ALLPIPEWORKtS DLIC1ILE lRCft OR STAH.!SS IUU mADE 3M lII.!5SlIClKAlEOOTII:RWIi! S-DltfNSlll!t5lL£YD.S NlCATEII ARt: FllAUUl1RA1M PURPDS6OM.T i --..J ~I i! i j ~ ,.. SID.51•• iSI DEEPSUHP 51" OVElWL SlJIUCTUAAL COIrICRETE I "" ~"I "" AcassLAIIll£A ... PlPESlWORTSTO UfM:EIlSAP!'ROVA~-""::::::::::t::::::-IK~~".~$:jjI/!=*",~~ 0......TO ~~~~~"'l,mI!iiliit'idll=!~$~j';.1i~D1iCHARGE!'WfHOLE-t DAVlTSlKKET DAVITFOI»IlATlON lOO.t,OO.ttlIDEEP EXTRAtTFAHIaPTlOICALTOOIXIURUlllTI ."150 JOO. '00 Qiiiii ~ _ !!~~~~~~~WIT.~~l~:r"TJ.~m:MH'O' I • ~IiEDEDGE$100lASItllRTRADllS l~~Aftl~~~":~------I-iH- X InEAIl OPUIIIIi ClltPLUE ImH PAClOCK ..""SP 111 TO 10 llA AlMER Fc-i 1I9DIUALOCOUPI.Ni PLAN AT GROUND FLOOR SLAB SECTIONE9 IJECT DEVELOPERS GUIDE BY I DATEAMENDMOOS DRAWiNG STA1US REV. CONSULTANTS ~DRAINAGE AFFAIRS P.o. BOX 23337 TEL. <49500/15 FAX. _ -, -,!i¥.t/iIlfoW/·.umtL" 2MDlAVCSEW£R ~H'J=&7i'! i§ WATERPROOFTAIlIOIIG 8OTIOHQFAllOORAC1PI'E • SPIIIDlE UPOllT WooT ~HIfG A.u.INTEIlNALCONCRtTE ~ilf.1It wn wr:L~ TOIlf GAP ~ ~ 1:-:;""'''')[ I··~jo<.· I IOTIICTAlfCNlHEMBltAII: i ~ OPCIOPROTECTIONSCFlf£D ·?.TII(IflC2IBLIN_ 'WATER PROllf TJdIICM I 2DtllACASTlllGlCPEkSTOCK ,.. e- SECTIONC9 SECTIONE0 lITLE TYPICAL SMALL SUBMERSIBLE PUMPING STATION NOTE,- 1.'tHEPUHPCON1ROLPAIIELlSAJlPRDX.IOI.'l'Hxlto TttELEYE.LCOffTROLPAtm.ISAl'PRGX.1111l7Ol1'fO 2. CELL TYPE OEOllORl2ER WITH IIfTflilW. FAN NAY BE PROVIlEDTO MAINTAIN 1UIt CHAIl6ESPERHOllRIIt TtlE WEt ~m DRAWN DATE I PROJECT CODE OM NOV. 06 cHECKED OWM NOlI. 06 I PROJECT NO. APPROVED JFA NOV. 06 SCALE (AI) 1:50 Ci.D Rtf> 1.::c»tTAR:':-srDSOOe.d*V
  • 55.
    I !!I' I'"~ FGlPA~"REA CLASSSt25CGY(R&FRAMETO--- surr,oa.taOCUAROPEHlN6 1!2.lli! tAU ElHEkSlDNS All( lie MUtlETAES KESS OTIERWSE nAnD z. ALL Jatmi IETWEEN PIPlWORIC Mf) (DNCAEn ARE TO BE WATERTIGIIT LTRAYflWl£slt4S1l_50dALutlIItaA'tAIlllL[ 4, tflL PAlIELS 10TRAY fRNES fRaH dlill A1.LNl~M s.~::.m6RP~MS~::La..~~:r'J.V&lHGAIlOCASTlNSrTU. I.ALLCCfrt(RnE lOBE C1.ASSEI UHLEl$01t£RWI5t SlATED 7.fDIITAIIIlIt4GDElAUREFERTDDR&Nll.F14~I -~. AllOOERHALfA(ESTO!ElAt«m ~:l~t/NrTOlKGRP'-_--~:tiii--0o1'"i1l :=:~:.::.. :iI,'~ .',"t" ,.. I ~t•• ~ .1 ~ 7- f~--:----------l I I I J I I I IL._ _ .J : ml ~, Q,ASS ItUS(D't'ER &FAAtt:: 10 SIT 79 x60D tuAA lPfh1«i LEGEND, FGL F1JISH!OGRllUN9LML ROOF PLAN ! I 15' II--J!. SECTIONE9 SECTlONC9 DATEfrf DG7 PRo.iECT--NO. DRAWING NO. IREVISION PROJECT CODE SCoIL£ (AI) 1:20 at 1:2 CHECKED DWM INOV. D6 ~DRAINAGE AFFAIRS p,o, eOX23337 TEL, 495D055 FAX. 4950556 SAND TRAP Ie GREASE TRAP DEVELOPERS GUIDE PRo.JEcr APPROVED JEA I NOV. OB TITLE DRAWN '1DATE OM NOV. DB CONSULTANTS DRAWING STATUS R!.V. I AMENDMENTS '" 'fIftllOOII! "12 PLAN ....• "/.'( DETAIL E9 ;r .Il.IIllli.IlIl 'II51. ......-_.;.J 8 . ""I~';,:~1''''~''''''_ ti+- '- I - ---l-_ I --I - _: --- ~ .:. .. •••1 TAAnrpyfAMK6lrQIH 4J!IH!tIft.tl PLAN GREASE TRAP DETAIL C) prl!fQ!lATfpgRugTBAY il [tJ .[[J E1-~~F---, ~I ii!....J II ~I 1SDtlAaunnPPE fQLPA'SPAIIEA I' ... ",! :; " I••:.~ • " "', ,",=I-:-=:J--;-1--' >~','~;~;':,,',:" ~t.li:··t1":;1 "" "'. ;fJRPLADDtRIOLTr:D II ul".fI5SUHP SECTIONE9 SAND TRAP (LARGEI ,.. I.!" ,~,,~ ~":1~ L-j'~i;.:~~': ::~ ..'.:" ' T15fDlAllUTfIPE "'''-.. ..--.:....~~::"'::~ ;. ~'it~lll:OlIIlSE :.~, ,- ;:,:::(/.; AJ9'MlIH'''H5IIOVIR I I ~J! ;~:!Y I ,:',-1 I , i'.·- :"':I~ /:;~'I;:.; f-:~:-:"1.lI-';"'~'-:-1,', -----r--n ::: ':~:'J:.::' I TAItKNi TO AlJ, COIKR£U SURFACES ," I I ~W~~ ~ - • • :'". CDI«R£TECLAss'C' .I I.;; ',? ! ....I :~:.;...... 5[llf:m1O~9TtlK /J~:L i;I1::~/' j § Iv 1t1 (AD bl, I.lOA.TAR-STDSOO7.-11tg
  • 56.
    ~b~rz~~f;lN iO~EcJfm~Y IlOO I 1185 "'" 1350 1!!!I§; 1. All DIMENSIONS ARE IN HILLIHETRES UNLESS OTHERWISE STATED 2. INTERNAL fACES OF THE TANK TO BE PAINTED WITH 1(OAT OF BITUMINOUS EMULSION AN[) 2 (OATS OF BITUMINOUS PAINT 1 All FITTINGS TO 8E STAINLESS STEEL 4. FOR REINFORCEMENT DETAilS REFER TO ORG No. FS25 I.· 'I I,'"'.1 I.:~... I • : r----------- ----l I I 1 I I I 1 I I I~ ':JI I I L_ -~ I I I L_____________ _ J ~ -$$=t==-~t ',4._ . "'" '1 j.~ ~ I,4. 'I I I ~ ;!' DOUBLE T' GRADE' COVER. 675DIA MDUTY LE SECTION A-A PLAN AT COVER LEVEL ~~. ~. FALL ~ ",<:;:: :::::::if::::::::; ;;!WLT16@l15 (ON(RETE BLINDING LAYER SECTION B-B T16@l15OJY SECTION C-C TANK DIMENSIONS TYPE I PERSONS LENGTH (L) WIDTH (WI BASE THICKNESS WALL T~I(KNESS I DIM X SERVED (INSIDE) (lNSIDEI H A I nOlO lOOO 1000 l50 l50 I 150 8 I 1no 20 4000 1300 l50 l50 I 200 PROJECT BY I DATEAMENDMENTS ~DRAINAGE AFFAIRS P.O. BOX 23337 TEL 4950055 FAX. 4950555 SEWERAGE STANDARD DETAILS SEPTIC TANK lYPE A a: B GENERAL ARRANGEMENT AND REINFORCEMENT DETAILS REV. CONSULTANTS DRAWING STATUS ml£ 'DRAWN DAlE PROJECT CODE JM JAN. 14 -CHECKED RK JAN. 14 PROJECT NO. APPROVED -SN JAN. H IREVISION SCAlE (AI) DRAWING NO. 1:25 DC8 ~T16@l150 T12@l1501 T16@l150~ ~, ~ ~ T16@l150~ "1 ;iSl " ~~I~!W6m ~e~IiRETE GRADE ope lO I /'T12@l 15 1 fA 0, N' Z >: 0 'r,~,~ ".DRtf: L:QTOOl29OGB.GA &: RC.aw,
  • 57.
    ./QlliJ 1. ALL Qn'lENSIONSARE IN MILllf1ETRES UNLESS OTHERWISE STATED 2. INTERNAL fACES OF THE TANK TO BE PAINTED WITH 1COAT OF STEP IRONS AT 300 CENTRES 150 DlA PIPE TO SOA~ BITUMINOUS EMULSION AND 2 COATS OF BITUMINOUS PAINT HORIZONTALLY & VERTIC AllY OR BOREHOLE 3. All fITTINGS TO BE S1AINlESS STEEL C1 4. THE TOP lEVEL OF THE SCUM BOARD TO BE SDmm ABOVE ttGHES1UWAGfLEY(l .: .'';' S. FOR REINFORCEHENT OETAilS REFER TO QRG NG. FS2fi 'W'1'1 ". 0- ... .I, ";,' .. ,------------------------, 1<. 0. I I A S If----::l i~- - ; I~I-~- ~ 3 I I I I ~ -tf;!/=:$- ~ ~ l_~~J I~ I 1..:: _ _ _ INLET PIPEWORK ... I I .''': L_ f-----------------------~ 0' '. 0- 0' ;",' :".- 1000 T ~ l T OOUBl TRIANGULAR MEDIUM DUTY GRADE 'B' (ClASS 21 MANHOLE SECTION A-A COVER AND FRAME TO SUIT 615 DlA CLEAR OPENING TANK DIMENSIONS PLAN AT COVER LEVEL TYPE PERSONS lENGTH III WIDTHIWI BASE THICKNESS WAll THICKNESS SERVED (INSIDE) (lNSIDEI H T DIM X C 21 TO 40 4150 1600 500 400 300 0 41 TO 80 6000 2000 600 450 345 E 81 TO 100 6500 2150 600 500 375 [ ~ - F 101 TO 3S0 9150 2500 600 600 650 := REV. AMENDMENTS BY DATE CONSULTANTS §lL REINFORCED CONCRETE GRADE OPC 30 I 150 I T12~1 SUSprNDED SLAB ./ T12@11S~ "- DETAIL OF PRECAST WEIR " r- 0 DRAWING STATUS ~ N SCALE 1:2 ;< l- rA I- ~o:; SCREED TO FAll ~kR :>: MIN. 25 THICK 0 "- 150' '50 TEE N PRECAST CONCRET --1-1 GRADE 5RC 30 WEIR r- JB HIGHEST SEWAGE lEYfl /' f- lO THICK MORTAR No.2-- .. --!- ..W~ / r- ~O@l150 75'15STAI;~ '. REINFORCED CONe. T20@llS<l' STEEL ANGLE '. 116@1~~ I .GRADE OPC 30 IN _ I- 6 x 200 STAINLESS 'I DRAINAGE AFFAIRS WAll & BASE SLAB 116@115 116@11 STEEL SCUM BOARO P.O. BOX 23337 !"- lJ...-DETAI &- /---f46@11S0 '. . .',dj. TEL 4950055 FAX. 4950555 I- 1 0 If"' .b- 0 0 ~ PROJECT T20@l151-..-- b- ~T20~ N .' -.116@115 I'- I'-' 0 K' '-. SEWERAGE 116@11 0 L1<o ". STANDARD DETAILS0 . ". - ~ 011 .' '" .~". 11TLE - FAll .. II ~j'" II I-s 4'". ~~. SEPTIC TANK TYPE C. D. E t F GENERAL ARRANGEMENT AND Ix . REINFORCEIAENT DETAILS (ONCREl T20@l1So-" BLINDING lA m@lll 300 T DRAWN DATE PROJECT CODE SECTION B-B SECTION C-C J" JAN. 14 -CHECKED DETAIL 1 RK JAN. 14 PROJECT NO. APPROVED - SCALE 1:10 SN JAN. 14- SCAlE (AI) DRAWING NO. rEVISION ,...."••. ,. ..............."""'0,.'" ~ ..,...~.~ 1:25.1:10 AI: 1:2 DG9
  • 58.
    !iI.f fltlClMntT 'DDHAXftUM T flfXlBlfJoftT VPTOJlO ........,,, OvtR," I 6tDHAXHlK SIOKAXr.llHfRDH I I .'os,_ 300-"10 I ~DHAXJMuH mill; AU DtlEMAlllS ARllltHUtRTRES I'UIS OTt£RWISf: STATED 2.COHCRETE IlUHlESSOtTAlILDlDltfRWlS!.Au.IIf-Sl1VCDNC:RETESHAlL£lEGRADl aPCIOAIOAllPIlECASTCDNCRETESHAllSEG!Wl£CPC» 1tOHCIIUPROTEtTIOH II AIlHlilf LAYER (If TANdili III ACCORDAIICE WITH SP!C«AlIONCLAUlE' 2H·1" SHALL ~E APPlED TO AlL EXT£RICAL MFAtES bl All lPO'tllHAl SURFAtESD[Ct:PT EPOXY MORTAR COYUtlDSUllfA.CES ARf TO Be (OAUa WITH Gilt COAT If IlCIut'lHOUli EKI.lSIOItNfJ TWO CGATSDPSlTIJMtNPAlIfT •• 8UILDIMG TtlIt'J&l$TlluCTURtS una -.J no-tloe VAr-+-f'--l'- "~1'" "~UDB >' I ±. I I "~I'" '" I -'1- I I m·1008 "'.UDB II '.,± I I m·IOOB / :r:1 ~I 11 II'o/f DlAVARlES lAOH STEPS TO !S 12'H SPACED AT lGl CENTERS HlIIaDllTALLV A/to YfRTlCAllV __ L_ ".' I - / / " I ~.... " , I I ---{ :=1--- I /"-..... , _r~ L_ ---+~--- _..L L--J . I , " ~ "....... _ I ,'" -1-- PLAN OF SOAKAWAY ARRANGEMENT PLAN AT ROOF LEVEL PLAN " BY I DATER<V. I AMENDMENTS CONSULTN-rrS SECTIONC) COVER SLAB FOR SOAKAWAY CHAMBER .VSPACm ""SSTA6f&AEO M " P~::~f::~:'~" ~~-::d3t:~·_-- -+- L-!"l ii I. I =, SECTION ON CHAMBER RING II SOAKAWAY DETAILS DRAWN DATE I PROJECT CODE OM NOY. 06 CHECKED OWM NOV. OB rPROJEClNO. APPRovED JEA NOlI. 06 SCALE A~"" I ORAWING NO. TREOSION 0010 DRAWiNG srATUS ~DRAINAGE AFFAIRS P.O. BOX 23337 m.4950056 FAA._ DEVELOPERS GUIDE PROJECT STANDARD SOAKAWAY WITH CONCRETE BASE RING ;! :J;iW ~'-w ~; GAADEIIl(JlCOltWT£IJ,AH j!:!1 til BI.OtDlIIGCDIlCIlETE COIICIlETEttAIIIOilillADE511C2I 11IlHBlTUHEHPA'tTFN5tI lilWESIlC)6PRECAST COltCRET'fCoYEIlS1AII CAIISHlDSTDII:SlIlRDllG'7!ruI SlkWSlUWlTHlllTLEllUlOflNES 1TDlClIJRSESOf PRECAST CClHrRf:TE lSAClOlBAltKSIIICLAlS1KORTAII .TEllRA!ltfDLtIEDOVEIlTI£TOP OFCRUSttEDSrtNS~ STANDARD SOAK'AWAY WITH CONCRETE BASE liIWlESRCHColitRET£BAsE t a/:;J~(;;'ili*';M$i{'~ BLllIIl1tliCOIltRtTE ~I J...I 0 °...::........:J:~~yc:f:!UCtlAHBfR o n.....a I I .!.~~~~=.~·.n~.r:~~~_"!!'. I I I II ~ Cl 1II ..... 1 I I TITLE 675111500UBLEITRlAMGULAAOUCTL! IlOHCOVEAI.RUJt;W'rTH''lSDIA Q.EARqI'ENM tAi'-A." L:QA'rAfi=.STDsD01D.clflll
  • 59.
    6QOKAlCtIUH 300HAXI1UH 'I5011AX!HUH lit Fl,EXIlLEJOINT OPT01DO )1)lI-GtIo .llDilll tALLDIHENSIOflSAREWrtwItEmESLN..ESsoTHERWISESTATED 2.CONCllETE a)UNLESSOETAlllEll0Tt£AWlS£.AUIt-SITUCON:1lETfS1fAU.8fCilAOE OPaOANO AlL PREtASTCONCRETESHAll BE WDE OPtJa 3.CONCAfTEPflOncnoN II ASHGLE LAYER OfTANOlCiNACCORDoUlCEWlTHSPEClfICATIONCLAI 20_~1.G6 SHALL BE APPLED TO AU EXTERHALSURFAW bIALt.IfTERNALSWA(fSEXCEPTEPO)(yI1Oll:URCOYEREDSlRFACU ARET06E COATED WITH ONE COAT OF BlTUI1INJUS EHULSlllN AIlD TWO COATSOF8ITUMfNPAINT 4. BUlllIlNGTHROOliiSTRUCTlIl£S 10 125 B 126-100B ~ I~T20-." no-1IIOB / :6'1 no-ta" II'.. I I 1 nl·WOB 121-11108 7/ I ± I 1 ~ D1AVAAES I /.~=+=,17 ~ ;:7 I "" i' I ~ {B--4.--- - - 1/- . I /~ I /I ~ -J /7 --=="-r-::.-~-9 I ~::a-~ -8 IllONSTEPSTOBSl14TSPACEOAT)OD L CENT£RS HORIZONTALLY "NDV£RTICAUY /,--. --....... / "- / "- / '/ / ---~-;1 I _ :-:r.:---: -:-:.: ~ T --1----- ---- 1--- - I / / , / '- / '....... I , / --1-- PLAN OF SOAKAWAYICATCHPIT ARRANGEMENT PLAN AT SOAKAWAY ROOF LEVEL PLAN SECTION C-C COVER SLAB FOR SOAKAWAY CHAMBER REV. I AMENDMENTS CONSULTANTS BY I DATE SOAKAWAYICATCHPIT ARRANGEMENT SECTION A-A DRAWN DATE I PROJECT CODE OM JAN. 07 CHECKED DWM JAN. 07 I PROJECT NO. APPROVED JEA JAN. 07 IREVISION SCALE (Al) DRAWING NO. ,"" 0011 DRAWING STATUS PROJECT mtE ~DRAINAGE AFFAIRS P.O. BOX 23337 TEL. 4950055 FAX. 4950555 DEVELOPERS GUIDE STORMWATER TYPICAL CATCHPIT a: SOAKAWAY DETAILS ~ l; ,g~mH" lOG m l!I •.::: ". "" t-.!!!.- m SECTION B-B ~;~::j). <:~;).I I (Ehr!".,lPi: CHAMBER RING DElAIL ". -E=tt---~~ ;;1 ~ 11 l! -1;[ ---] 1COATOFBlTUl"IHDll5 D1UlSION&.ZCOATSOF BlrutltlOUSPAlNTTOlNTEANAl,. l-EXTEANALSURFACfS HASS COHeAETE lASE SLABliRADEOPC20 CUSS81Z5 "4NI1IlI.f COVER I. fRAJ1E TO 5UlT lSOJ:UOClEAAOPENING jf~~""''''''C'"''''£"'UIlOlWlTHBlTUHENPAlNTFlNSH ..... Y:~-' ~, ..I ) II i STEP IRONS o o -0 o o ~.::~.~ VAR£S o o o . , ..:"" .~"'~;;. ~..," i um DUTY COYER AN) FRAHE 8SEN11l,CLASS04CIOWlTH~ IlSDIAo.EAlIllPENING .. i y<;, ~ ".1PItECASTtDNtRrnCOVEA SLAB U5aI THKK WITH GRPLIlIHG. PAE-CASTCONCR£TE OW18ERRlNliS 250 mocfilIAtMAR S~UIlD 7$1111 SINGLE SIZE WITH umE ORHO fINES lO... Ttl:KSRCZOBA5:E 1SIIIIITKUSRC151lLJr10~ I I ==E~ I 5hI111PfllFORATUlNS (OUALlVSPAaoAT UCHl£YEL,VERTlCAL ·:~~~O.=~ I SrAGCiEJl[l)Svtll£TRlCALlY( CADR." L:QATAR~S1DSOG'l.clwg
  • 60.
    PlPEDlAI",ETtn 1 FLEXl:tJOIl(T ,..FlEXlllEJOltfT IlliI"AXtlUH ~GlIHAXlHliHfRl»1 UPT031G flRSTJoI!(T )"-40~ I )HKAXItlH ~t,%~~£R FlRST)lIINT '1!>l1HIICHUKANlI OVER6DO I 6GaHlXlItlH 2:~PIPEDl,tMmR HAXlHU'MfROH FRST JOINT .!:!.Qlli: lJ.lllllHttlSlONS AAZ IN Hlli1ETRU Utfuss lIll1ERWlSfSTllEO l.CoIlCIlfTE al IiHUSS OETAULEO OTHfRWISE, All ""mu eONCAIn SltALL II[GRAlIE Of'UOAhtlALLP/I£CASTCOHCRn£5HALLBEGRAt!£OPC)t J.col«:llmPROUClJON .j ASf'lG'.EUYERQF TAIlICIMGIN ACCQl1D.IJICEWITH SPEC!FKAT!OtfClAUSE It-S·106SHAllBt APPl.I£nlOAU EXlERliAlSUilFACE!O bl AU IIH£AAAl SU!lFACES rXCE9T EPOXY IWRlAR COVERED SURFA(ES ARE TO 8[(OATED l'1lI101tE COAT OF 8lTuHt!ouStHUlSlotiAtiD1WO COATS OF I!ITIM:~ PAl!lT 4. lUlI.OlNGlHIWUl!tlSTROCTlmES PLAN -+J~l~ ft:Y1 UD.""no-1MB ~"-----------------~~=i~~ '"nG.lt;B_~_ 4"TZSB Tl~"" ..!j ut-jooa ~ DlAYAIl£S 1. /.~;:-+!~~,;(/ ~ 1.7 1 ~ /,1 I ~ --i------~'~il~ - - - ~ I 11 - ~ I U '" [J'" I #"':::::..-.J. -9// ' -..,.-;;:..~ I +.--/I~ PLAN AT STORMWATER TANK ROOF LEVEL - IRIJNSupSTOeS12,1,1Sf>ACEOA130C L tEKTERSI'OIllIOkTAll'fAIlDYER1[,llV ",.,...--, --...... / "- / "/ ' /11 +8I J - - - - ~ I _ __~-i-~__I -:1==*=-- _' __,.---I.-:::l~T "I ---.f----- ----" , =±__.=rY I ?-___ I J / / ' / " / ............ 1 " , . . . / --1-- PLAN OF STORMWATER TANK/CATCHPIT ARRANGEMENT I. ~I~ >If I,~ L......J I ,n L~tJ"opdiiKG VARIES 401 SECTION A-A REV. AMENDMENTS BY I DATE CONSULTANTS COVER SLAB FOR STORMWATER TANK CHAMBER ';".:-, I'-(;~ I--r--I:,l '.. "-':;";I.MAS5COHCllnEBASE :';':'~:::_~~ :~.:~~:~SlAIlGRADEOPOO LlGliTDlfTYCGVERANDFRAHE eStllTZ4UASSOloOOWntl :l4'1501AClEAROPfHtlli ~ <~ ~",I !i ~ S4THK!'lEHBIW!E PROTECllOkGRADESR'24 ~'H(BL.ttOikG CiRAOESRCN ~ ". ~.. I'rmf ~ OR!oWING STATUS ~DRAINAGE AFFAIRS p;o, BOX 2J337 TEl. 4950055 FAX. 4950555 PROJECT DEVELOPERS GUIDE TITLE DRAWING NO. IREVISION 0012 PROJECT NO" PROJECT CODE -OWM I JAN. 07 DRAWN I~OM JAN. 07 CHECKED sCALT(A-,) 1:20 APPROVED JEA I JAN. 07 STORMWATER TANK SECTION A-A ·t·· ":":'.( :.~~~::~:·I J~~:; ,·~~.':f ~i STORMWATER TANK ARRANGEMENT SECTION B-B """"''''''''A''~ttr {:~ ~-:::_i ;::~ 4'1~ THICK SRC 25 8LHlI!tG Il! J'M VARIES 15§L C"'PI,r, l;QATAR-~DC12.d'l'l9