1.MODELS COVERED & CHARACTERISTICS ・・・・・・・・・・・・・・・・・・・・・・・・・・・・・・・ 2~3
2.MARK & ABBREVIATION ・・・・・・・・・・・・・・・・・・・・・・・・・・・・・・・・・・・・・・・・・・・・ 4~6
3.INDEX 
ILLUSTRATED INDEX ・・・・・・・・・・・・・・・・・・・・・・・・・・・・・・・・・・・・・・・・・・・・ 7~13
FIGURE NUMBER INDEX ・・・・・・・・・・・・・・・・・・・・・・・・・・・・・・・・・・・・・・・・・・ 14~15
PART NAME INDEX ・・・・・・・・・・・・・・・・・・・・・・・・・・・・・・・・・・・・・・・・・・・・・・ 16~30
PART NUMBER INDEX ・・・・・・・・・・・・・・・・・・・・・・・・・・・・・・・・・・・・・・・・・・・・ 31~39
REVISION REFERENCE CODE TABLE ・・・・・・・・・・・・・・・・・・・・・・・・・・・・・・・・ 40
EACH MONTH END PRODUCTION FRAME NO. LIST ・・・・・・・・・・・・・・・・・・・・・ 41
4.ILLUSTRATION & TEXT ・・・・・・・・・・・・・・・・・・・・・・・・・・・・・・・・・・・・・・・・・・・・ 42~286
TOOL, ENGINE, FUEL, POWER TRAIN & CHASSIS, BODY, ELECTRICAL 
GUIDE TO CONTENTS
1
257-01
MODELS COVERED & CHARACTERISTICS
2
MODELS COVERED & CHARACTERISTICS
Production
Period
Model Engine Characteristics
-
1KRDE 1000cc gasoline engine
SED Sedan
HI High grade
LO Low grade
MID Mid grade
ATM Automatic transmission
MTM Manual transmission
5F 5-speed floor shift
E4AT 4-speed electronic control
1212-
1212-
1212-
1212-
1212-
B100RS-GMDFJ
B100RS-GMLFJ
B100RS-GMQFJ
B100RS-GQDFJ
B100RS-GQQFJ
1KRDE
〃
〃
〃
〃
SED
〃
〃
〃
〃
MID
LO
HI
MID
HI
MTM
〃
〃
ATM
〃
5F
〃
〃
E4AT
〃
3
MARK & ABBREVIATION LIST (1/3)
Mark Denition Mark Denition Mark Denition Mark Denition
.. Among
..+ Among
, And
+ Plus
- Except
* All Series
# All Series
Bolt
Only for Domestic Vehicle
For EU Market
For General Market
Nut
Screw
Washer
& And
1ST First
2D 2 Door
2FC 2 Speed Floor Automatic
2ND Second
2S 2 Seater
2WD 2 Wheel Drive
33 Qty. as Required
3AT 3 Speed Automatic Transmission
3D 3 Door
3FC 3 Speed Floor Automatic
3RD Third
3S 3 Seater
4AT 4 Speed Automatic Transmission
4ATE Electronic 4 Speed Automatic
Transmission
4D 4 Door
4F 4 Speed Floor Manual
4H 4 Speed Column
4S 4 Seater
4TH Fourth
4WD 4 Wheel Drive
5D 5 Door
5F 5 Speed Floor Manual
5TH Fifth
A Ampere
AAB Anti Afterburn
AAP Auxiliary Accelerating Pump
AB Absorber
A/B Air Bag
ABS Anti-skid Braking System
ABV Air By-pass Valve
A-C Air Conditioner
ACC Accessory
ACL Auto Clutch
A/D Added
ADR Australian Design Rule
AFT After
AI Air Injection
AISIN Aishin Seiki Company
AKEBONO Akebono Brake Industry Co., Ltd.
AL Aluminium
AM AM Radio
A/P Air Pump
ARC Arctic
ARG Argentina
A-RST Arm Rest
AS Air Suction System
ASB Anti Spin Brake System
AS-F Asbestos-Free
ASH Ash Tray
ASSIST Assistant
ASSY Assembly
ASV Air Switching Valve
A-TANK Auxiliary Tank
ATM Automatic Transmission
AUS For Australia
BC Bucket
BCS (BUKT) Bucket Seat
BDO Back Door Opener
BLG Belgium
BLK Black
BLT Belt
BMP Bumper
BOOS Booster
BS Bridgestone Corp
B-SD Both Sides
B.T.D.C Before Top Dead Center
BTR Battery
BVSV Bimetal Vacuum Switching Valve
B-VTL Boost Ventilator
C/# Chassis Number
CA Center Arm-rest
CC Capacity or Engine Displacement
C-CAP Center Cap
CCO Catalitic Converter Oxidation
CG-LT Cigarette Lighter
CH Chile
Ch.B Choke Breaker
Ch.O Choke Opener
CHUO Chuo Seiki Co., Ltd.
CL Clock
CLP Collapsible Steering Column
CM Centimeter
CNG Natural Gas
CONR (CNR) Corner
CONS Console
CONSTANT Constant Gear Ratio Type
CR-PLTD Chrome Plated
CRPT Carpet
CST Cassette
CTR Center
D Daihatsu
DAIDO Daido Metal Co., Ltd.
DC Degree Centigrade
D-CT Direct Control
DDK Daihatsu Diesel Mfg. Co., Ltd.
DECS Daihatsu Economical Clean-Up System
DENSO Nippon Denso Co., Ltd.
DF Degree Fahrenheit
DFG Defogger
DIFF Differential
DISC Disk Brake
DMP Dump Series
DOHC Double Over Head Cam Shaft
D&P Both Side (Driver & Passenger)
DP Dash Pot
DR Door
DRS Daihatsu Racing Service
DRUM Drum Brake
D-SD Driver Side
D-SHAFT Drive Shaft
DSPV Deceleration Sensing
Proportioning Valve
DTM Daimatic Transmission
DX DX Grade
DX-OPT Deluxe Option
E- Europe
(E) EC Certication
E4AT Electronic 4 Speed Automatic
Transmission
EB Exhaust Brake
EDIC Electronic Diesel Injection Control
EGR Exhaust Gas Recirculation System
EGR-VM Exhaust Gas Recirculation
Vacuum Modulator
EIS Vacuum Car
EL Electric
ELCD Evaporative Loss Control Device
ELR Emergency Locking Retractor
E-M Electro Magnetic
ENG England
EPS Electornic power steering
ESS Engine Speed Sensor
ETR Electronic tuning radio
EUR For Europe
EXC Except
EXPORT Export Only
EXT Extreme
F- For
FAB Fabric
F-CONS For Console
F-FAB Full Fabric
FICB Fast-Idle Cam Breaker
FIG Figure Number
FIN Finland
FL Full
FLCP Floor Carpet
FLMT Floor Mat
FLO Fuel Lid Opener
FR Front
FREQ-CT Frequency Control Shock Absorber
FRN France
F-TANK Fuel Tank
FWH Free Wheel Hub
G-BLT Guard Belt
G-C Gate Chain
GEN For General Countries
G-FRM Guard Frame
GG Gage
G-PCK Grade Package
Gr Grams
GR Gear Ratio
GRN Green
GS Japan Storage Battery Co., Ltd.
H High (Millimeter)
HAC High Altitude Compensator
HIC Hot Idle Compensator
HIR High Roof
HK Hong Kong
H-L Head Lamp
H-L-CNR Head Lamp Cleaner
HLG Halogen
H-MT-B-LMP High-mounted Brake Lamp
HOUSEI Advics Co., Ltd.
H-PAD Heal-pad
H-R Head restraint
HR-SPR Head-Restraint Separate Type
HSR High and Sun Roof
HTR Heater
I-CL Instrument Cluster
ID Inside Diameter
IDNT Identication
IKEDA IKEDA Plant (DMC)
IKI Ichikoh Industry Co., Ltd.
IN Inch
IND Indicator
INDN Indonesia
INN Inner
INS Insert
4
MARK & ABBREVIATION LIST (2/3)
Mark Denition Mark Denition Mark Denition Mark Denition
INSTR Instrument
INT-ARC Intermit Arctic
ISO International Organization for
Standardization
ITC Impact Sensing Release System
Controller
ITK Intake
JECO Jeco Co., Ltd.
JKC Bosch Braking Systems Co., Ltd.
KANBISHI Kanbishi Corporation
K-FAB Knit Fabric
KIT Kit Parts
KM/H Kilometer an Hour
KOBE Shin Kobe Electric Machinery Co., Ltd.
KOITO Koito Manufacturing Co., Ltd.
KOYO Koyo Seiko Industry Co., Ltd.
KW Kilowatt
KYB Kayaba Industry Co., Ltd.
KYOKUTO Kyokuto Development Co., Ltd.
L Length (Millimeter)
L/ Less
LH Left Hand
LHD Left Hand Drive
LMN Laminated
LMP Lamp
LRG Large
LSD Limited Slip Differential
LSPV Load Sensing Proportioning Valve
LT Leading Trailing Brake
LTHR Leatherette
LTL Long Taper Leaf Spring
LWR Lower
-M -Metallic
M4AT Mechanical 4 Speed Automatic
Transmission
MATSUSHITA Matsushita Electric Ind. Co., Ltd.
MB Metal Back
M/C Master Cylinder
MCL Manual Clutch
MCV Mixture Control Valve
META Metallic
M-HOLE Mirror Hole
MIN Minimum
MIX Mixer Truck
ML Mechanical
MLY Malaysia
MM Millimeter
MPH (MILE/H) Mile Per Hour
MT-CT Metallic Coat
MTG Mounting
MTM Manual Transmission
NACHI Fujikoshi Co., Ltd.
NBK Nisshin Brake Sales Co., Ltd.
NDL Needle
NGK NGK Spark Plug Co., Ltd.
NHK NHK Spring Co., Ltd.
NIKKI Nippon Carburetor Co., Ltd.
NL Netherlands
NO Number
NOK Nippon Oil Seal Industry Co., Ltd.
N-P Needle-punch
N-PB Non Protuberance
NPR Nippon Piston Ring Co., Ltd.
NR (NLR) Non-Locking Retractor
NSK Nippon Seiko co., Ltd.
NTBO Non-turbo
NTN NTN
OD Outside Diameter (Millimeter)
OHTSU The Ohtsu Tire & Rubber Co., Ltd.
OLD Discontinued Vehicles
OPT Option
O/S Over Size
P Pitch
PACK Package
P&B Proportioning and By-pass Valve
PCE 1 Piece
PCS 2 or More
PCV Positive Crank-case Ventilation
PD Diameter of the pitch
PF Model Code of the Vehicle
Discontinued Production as of
YY/MM
P-HOOK Pintle Hook
PKT Pakistan
PL Plastic
PLT Plated
P-M Protection Moulding
PNC Part Name Code (Fig.no.+ Key No.)
PNCH Punch
PNT Painted
POST Van for the Ministry of Posts and
Telecommunications
POT Pocket
PP Poly Propylen
PRMBLE Permeable Foram
PRV-RUST Prevent from Rust
PS Power Steering
PS Model Code of the Vehicle
Production Started from YY/MM.
P-SD Passenger Side
PSNG Passenger
PT Point(S)
PTC Power Take Off
P-VL Printed Vinyl Leatherette
PV (P-VALVE) Proportioning Valve
PW Power Window
QSI Quick Start Igniter
QTR Quarter
QTY Quantity
R Resistance
RBS Recirculating Ball System
R/C Release Cylinder
R-CT Remote Control
RD Round
RDO Radio
RECL Recliner
REV Reverse
REV.REF Revision Reference
RH Right Hand
RHD Right Hand Drive
R/M Remarks
R-MLD Roof Drip Moulding
R-P Rocker Panel
R&P Rack and Pinion
R/P Replacement Parts
RR Rear
RSB Roll Side Bar
R/T Resin Top
RW Rear Wiper
S Width (Millimeter)
S- Semi
S.AFRICA South Africa
SAKURA Sakura Kogyo Co., Ltd.
S.ARB Saudi Arabia
SB Seat Back
S/B Sealed Beam
SCAB Single Cab
SCHNOR (SCHN) Schnorchel
SCV Spark Control Valve
SD Spark Delay
SDX SDX Grade
SED Sedan
SET Set Parts
S-FAB Semi-fabric
SHIGA SIGA Plant (DMC)
SHOWA Showa Corp.
SLD Sealed
SMG Speedometer Gear
SML Small
S-MTL Silver Metallic
SNGL Single
SNGP Singapore
SPCFY For Specied Countries
SPD Speed
SPEC (SPC) Specication
SPK Speaker
SPR Separate
SP-ST Sparate Seat
SQ Square
SR Sport Bumper
S/S Semi Size
ST Single Tire
STBL Stabilizer
STD Standard
STL Steel
STR Standard Roof
SUB ASSY Sub Assembly
SUMITOMO Sumitomo Electric Industries, Ltd.
SUPPLY Spare Parts Only
SUSP (SUS) Suspension
SW Switch
SWD Sweden
SWTZ Switzerland
T Thickness (Millimeter)
TACHO Tachometer
TAIHO Taiho Kogyo Co., Ltd.
TBO Turbo
T/C Turbo Charger
TCS Transmission Controlled Spark
TEN Fujitsu Ten Co., Ltd.
TK Toyoda Machine Works, Ltd.
T/L Tubeless Tire
TLT Tilt
T/M Transmission
TMP Temperature
TOKAIRIKA Tokairika Electronics Maker Co.
TOSHIBA Toshiba Electronics Co.
TOYO Toyo Tire & Rubber Co., Ltd.
TP Throttle Positioner
TPL-B Tarpaulin Bow
TR Truck
TRT Turn
TRP Tropical
TSK Nippon Cable System Inc.
TTD Tinted
TVSV Thermostatic Vacuum Switching
Valve
TYP Type
UB Utility Box
UPR Upper
U/S Under Size
V Volts
VAN Van or Station Wagon Type
VARIABLE Variable Gear Ratio Type
5
MARK & ABBREVIATION LIST (3/3)
Mark Definition Definition Definition Definition
Definition
Mark Mark Mark
    
Mark
R/P
*
#
.
+
=
Replacement (old)
Replacement (new)
Last replacement (new)
New minor part number to be replaced along with main part
Pat number to be replaced under some condition
QTY 33 Qty. as required
R/M
A
K
Supply only during car producing
Local procurement parts
VCV Vacuum Control Valve
VISCOUS Viscous Coupling System
VL (V-LTHR) Vinyl Leatherette
VS Vertical Stack
VSV Vacuum Switching Valve
VTV Vacuum Transmitting Valve
W Watts
W/... With
W/C Wheel Cylinder
WCAB Double Cab
WD Window
WDN Wooden
WDS Windshield
W/E-MARK With European Attested Mark
WG Wagon
W.GRM (WG-) West Germany
WNG Warning
W-P Water Proof
WS Double Spring
WT Double Tire
W/T Tube Tire
WTW Wall to Wall
WV-FB Woven Fabric
YLW Yellow
YOKOHAMA The Yokohama Rubber Co., Ltd.
Z Gear Number
(¥) Part supplied by two makers
6
7
A10385
(09-01)
(11-06)
(15-02)
(17-03)
(11-01)
(11-07)
(16-01)
(17-08)
(11-02)
(12-01)
(16-03)
(17-09)
(11-03)
(13-01)
(16-05)
(19-01)
(11-04)
(13-02)
(17-01)
(19-03)
(11-05)
(15-01)
(17-02)
(19-04)
8
A20181
(22-11)
9
C10433
(31-01) (31-02) (33-01) (33-02)
(35-03) (35-07)
(33-04) (33-05)
(33-07) (33-12) (35-01) (35-02)
(35-09) (35-10) (35-12) (35-13) (35-14)
(43-02) (45-04)(45-01)(43-01)(41-03)
(41-02)
(43-03)
10
C20165
(48-04)
(47-05)(47-03)(47-01) (47-02)(45-05) (46-01)
(48-02) (48-03)(47-06) (47-08)
11
B10577
(51-02)
(53-03)
(51-04) (52-01) (52-02) (53-01) (53-02)
(58-01) (61-04)(58-04) (58-06) (61-01) (61-02)
(64-02) (64-04)(64-01) (67-01) (67-03) (67-04)
(53-04) (57-01)(53-05) (55-03)(55-01)
12
B20569
(71-01) (74-03)
(76-01)
(71-02)
(77-01)(75-01)
(74-01)
(75-03)
(74-02)
(67-12)
(71-04)
(75-02)
(67-05) (67-06) (67-07) (67-08) (67-09)
(78-01)
13
E10538
(81-01) (82-01)(81-11) (81-13) (81-17)
(82-02) (83-01) (84-01)
(85-01)
(84-04)
(87-01) (87-14) (87-15) (87-18) (87-19)
(86-11)(86-04)(85-03) (86-02)
(84-14)
(86-01)
(81-02)
(84-21)
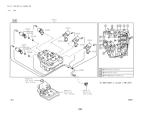
FIGURE NUMBER INDEX
14
PAGE FIG.NO. TITLE
TOOL GROUP
42 09-01 STANDARD TOOL
ENGINE GROUP
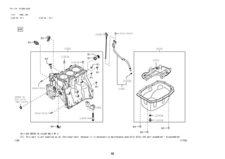
43 11-01 PARTIAL ENGINE ASSEMBLY
44 11-02 SHORT BLOCK ASSEMBLY
45 11-03 ENGINE OVERHAUL GASKET KIT
46 11-04 CYLINDER HEAD
48 11-05 CYLINDER BLOCK
52 11-06 TIMING GEAR COVER & REAR END PLATE
53 11-07 MOUNTING
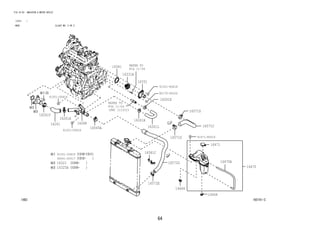
55 12-01 VENTILATION HOSE
56 13-01 CRANKSHAFT & PISTON
58 13-02 CAMSHAFT & VALVE
60 15-01 ENGINE OIL PUMP
61 15-02 OIL FILTER
62 16-01 WATER PUMP
63 16-03 RADIATOR & WATER OUTLET
67 16-05 V-BELT
68 17-01 MANIFOLD
70 17-02 EXHAUST PIPE
71 17-03 AIR CLEANER
72 17-08 VACUUM PIPING
73 17-09 CAUTION PLATE & NAME PLATE (ENGINE)
74 19-01 IGNITION COIL & SPARK PLUG
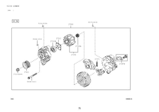
75 19-03 ALTERNATOR
PAGE FIG.NO. TITLE
77 19-04 STARTER
FUEL GROUP
79 22-11 FUEL INJECTION SYSTEM
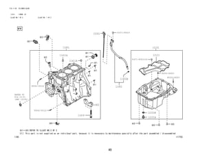
POWER TRAIN & CHASSIS GROUP
80 31-01 CLUTCH & RELEASE FORK
81 31-02 CLUTCH PEDAL & FLEXIBLE HOSE
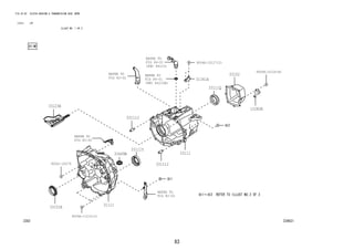
82 33-01 TRANSAXLE OR TRANSMISSION ASSY & GASKET
KIT (MTM)
83 33-02 CLUTCH HOUSING & TRANSMISSION CASE (MTM)
86 33-04 SPEEDOMETER DRIVEN GEAR (MTM)
87 33-05 TRANSMISSION GEAR (MTM)
91 33-07 GEAR SHIFT FORK & LEVER SHAFT (MTM)
94 33-12 SHIFT LEVER & RETAINER
96 35-01 TRANSAXLE OR TRANSMISSION ASSY & GASKET
KIT (ATM)
97 35-02 TORQUE CONVERTER, FRONT OIL PUMP & CHAIN
(ATM)
98 35-03 TRANSMISSION CASE & OIL PAN (ATM)
101 35-07 BRAKE BAND & MULTIPLE DISC CLUTCH (ATM)
104 35-09 BRAKE NO.3, 1ST & REVERSE BRAKE (ATM)
106 35-10 PLANETARY GEAR, REVERSE PISTON & COUNTER
GEAR(ATM)
108 35-12 VALVE BODY & OIL STRAINER (ATM)
110 35-13 THROTTLE LINK & VALVE LEVER (ATM)
111 35-14 OIL COOLER & TUBE (ATM)
PAGE FIG.NO. TITLE
112 41-02 REAR AXLE SHAFT & HUB
113 41-03 DISC WHEEL & WHEEL CAP
116 43-01 FRONT AXLE HOUSING & DIFFERENTIAL
118 43-02 FRONT DRIVE SHAFT
120 43-03 FRONT AXLE HUB
122 45-01 STEERING COLUMN & SHAFT
124 45-04 STEERING WHEEL
125 45-05 FRONT STEERING GEAR & LINK
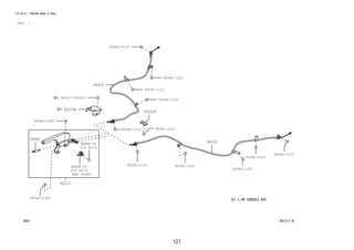
127 46-01 PARKING BRAKE & CABLE
129 47-01 BRAKE PEDAL & BRACKET
130 47-02 BRAKE MASTER CYLINDER
131 47-03 BRAKE BOOSTER & VACUUM TUBE
132 47-05 FRONT DISC BRAKE CALIPER & DUST COVER
136 47-06 REAR DRUM BRAKE WHEEL CYLINDER & BACKING
PLATE
138 47-08 BRAKE TUBE & CLAMP
143 48-02 FRONT AXLE ARM & STEERING KNUCKLE
145 48-03 FRONT SPRING & SHOCK ABSORBER
148 48-04 REAR SPRING & SHOCK ABSORBER
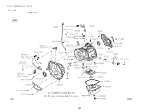
BODY GROUP
150 51-02 SUSPENSION CROSSMEMBER & UNDER COVER
151 51-04 SPARE WHEEL CARRIER
152 52-01 FRONT BUMPER & BUMPER STAY
153 52-02 REAR BUMPER & BUMPER STAY
154 53-01 RADIATOR GRILLE
FIGURE NUMBER INDEX
15
PAGE FIG.NO. TITLE
155 53-02 HOOD & FRONT FENDER
157 53-03 HOOD LOCK & HINGE
158 53-04 FRONT FENDER APRON & DASH PANEL
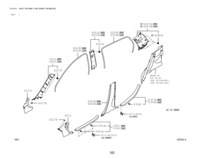
161 53-05 FLOOR SIDE MEMBER
163 55-01 INSTRUMENT PANEL & GLOVE COMPARTMENT
168 55-03 COWL PANEL & WINDSHIELD GLASS
170 57-01 HOLE PLUG
172 58-01 FLOOR PAN & LOWER BACK PANEL
174 58-04 MAT & CARPET
175 58-06 CONSOLE BOX & BRACKET
176 61-01 SIDE MEMBER
181 61-02 ROOF SIDE VENTILATOR
182 61-04 ROOF PANEL & BACK WINDOW GLASS
183 64-01 INSIDE TRIM BOARD & DOOR OPENING TRIM MO
ULDING
186 64-02 ROOF HEADLINING & SILENCER PAD
188 64-04 DECK BOARD & DECK TRIM COVER
190 67-01 FRONT DOOR PANEL & GLASS
194 67-03 FRONT DOOR LOCK & HANDLE
196 67-04 FRONT DOOR WINDOW REGULATOR & HINGE
198 67-05 REAR DOOR PANEL & GLASS
202 67-06 REAR DOOR LOCK & HANDLE
204 67-07 REAR DOOR WINDOW REGULATOR & HINGE
206 67-08 BACK DOOR PANEL & GLASS
207 67-09 BACK DOOR LOCK & HANDLE
PAGE FIG.NO. TITLE
209 67-12 LOCK CYLINDER SET
211 71-01 FRONT SEAT & SEAT TRACK
215 71-02 REAR SEAT & SEAT TRACK
218 71-04 SEAT BELT & CHILD RESTRAINT SEAT
221 74-01 ARMREST & VISOR
223 74-02 BATTERY CARRIER
224 74-03 CAUTION PLATE (EXTERIOR & INTERIOR)
225 75-01 EMBLEM & NAME PLATE (EXTERIOR & INTERIOR
)
226 75-02 FRONT MOULDING
227 75-03 SIDE MOULDING
229 76-01 MUDGUARD & SPOILER
231 77-01 FUEL TANK & TUBE
236 78-01 ACCELERATOR LINK
ELECTRICAL GROUP
237 81-01 HEADLAMP
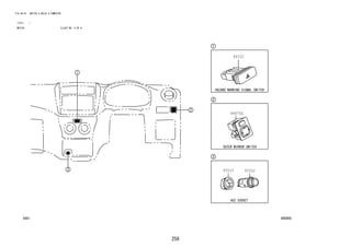
239 81-02 FOG LAMP
240 81-11 REAR COMBINATION LAMP
241 81-13 REAR LICENSE PLATE LAMP
242 81-17 CENTER STOP LAMP
243 82-01 BATTERY & BATTERY CABLE
244 82-02 WIRING & CLAMP
252 83-01 METER
253 84-01 SWITCH & RELAY & COMPUTER
261 84-04 ELECTRONIC FUEL INJECTION SYSTEM
PAGE FIG.NO. TITLE
262 84-14 ABS & VSC
264 84-21 AIR BAG
266 85-01 WINDSHIELD WIPER
267 85-03 WINDSHIELD WASHER
269 86-01 RADIO RECEIVER & AMPLIFIER & CONDENSER
271 86-02 SPEAKER
272 86-04 ANTENNA
274 86-11 HORN
275 87-01 MIRROR
277 87-14 HEATING & AIR CONDITIONING - COOLER UNIT
280 87-15 HEATING & AIR CONDITIONING - CONTROL & A
IR DUCT
283 87-18 HEATING & AIR CONDITIONING - COOLER PIPI
NG
285 87-19 HEATING & AIR CONDITIONING - COMPRESSOR
PART NAME INDEX
ABSORBER - BEARING, ・・・・・・・・・・・・・・・・・・・・ 16
BEARING, - BRACKET, ・・・・・・・・・・・・・・・・・・・・ 17
BRAKE - CLAMP, ・・・・・・・・・・・・・・・・・・・・ 18
CLAMP, - COVER, ・・・・・・・・・・・・・・・・・・・・ 19
COVER, - FILTER, ・・・・・・・・・・・・・・・・・・・・ 20
FILTER, - GROMMET(FOR ・・・・・・・・・・・・・・・・・・・・ 21
GROMMET, - HUB ・・・・・・・・・・・・・・・・・・・・ 22
HUB - MEMBER, ・・・・・・・・・・・・・・・・・・・・ 23
MEMBER, - PANEL, ・・・・・・・・・・・・・・・・・・・・ 24
PANEL, - PROTECTOR, ・・・・・・・・・・・・・・・・・・・・ 25
PROTECTOR, - RING, ・・・・・・・・・・・・・・・・・・・・ 26
RING, - SHAFT, ・・・・・・・・・・・・・・・・・・・・ 27
SHAFT, - SUPPORT, ・・・・・・・・・・・・・・・・・・・・ 28
SUPPORT, - WEATHERSTRIP, ・・・・・・・・・・・・・・・・・・・・ 29
WHEEL - YOKE, ・・・・・・・・・・・・・・・・・・・・ 30
PART NAME PAGE
ABSORBER ASSY, SHOCK, FRONT LH ・・・・・・・・・・・・・・・・・・・・・・・・・・・・・・・・・・・・・・・・・・・・・・・・・・・・ 146
ABSORBER ASSY, SHOCK, FRONT RH ・・・・・・・・・・・・・・・・・・・・・・・・・・・・・・・・・・・・・・・・・・・・・・・・・・・・ 146
ABSORBER ASSY, SHOCK, REAR LH ・・・・・・・・・・・・・・・・・・・・・・・・・・・・・・・・・・・・・・・・・・・・・・・・・・・・・ 148
ABSORBER ASSY, SHOCK, REAR RH ・・・・・・・・・・・・・・・・・・・・・・・・・・・・・・・・・・・・・・・・・・・・・・・・・・・・・ 148
ABSORBER, INNER REAR VIEW MIRROR ・・・・・・・・・・・・・・・・・・・・・・・・・・・・・・・・・・・・・・・・・・・・・・・・・・ 275
ACTUATOR ASSY, BRAKE ・・・・・・・・・・・・・・・・・・・・・・・・・・・・・・・・・・・・・・・・・・・・・・・・・・・・・・・・・・・・・・ 141
ADJUSTER, STOP LAMP SWITCH MOUNTING ・・・・・・・・・・・・・・・・・・・・・・・・・・・・・・・・・・・・・・・・・・・・・・・ 259
AIR BAG ASSY, INSTRUMENT PANEL PASSENGER ・・・・・・・・・・・・・・・・・・・・・・・・・・・・・・・・・・・・・・・・・・ 167
ALTERNATOR ASSY, W/REGULATOR ・・・・・・・・・・・・・・・・・・・・・・・・・・・・・・・・・・・・・・・・・・・・・・・・・・・・・・ 76
ANTENNA ASSY, W/HOLDER ・・・・・・・・・・・・・・・・・・・・・・・・・・・・・・・・・・・・・・・・・・・・・・・・・・・・・・・・・・・・ 273
APRON SUB-ASSY, FRONT FENDER, LH ・・・・・・・・・・・・・・・・・・・・・・・・・・・・・・・・・・・・・・・・・・・・・・・・・・ 159
APRON SUB-ASSY, FRONT FENDER, RH ・・・・・・・・・・・・・・・・・・・・・・・・・・・・・・・・・・・・・・・・・・・・・・・・・・ 159
APRON, FENDER SIDE, LH ・・・・・・・・・・・・・・・・・・・・・・・・・・・・・・・・・・・・・・・・・・・・・・・・・・・・・・・・・・・・ 168
APRON, FENDER SIDE, RH ・・・・・・・・・・・・・・・・・・・・・・・・・・・・・・・・・・・・・・・・・・・・・・・・・・・・・・・・・・・・ 168
ARM ASSY, REAR SUSPENSION, NO.1 ・・・・・・・・・・・・・・・・・・・・・・・・・・・・・・・・・・・・・・・・・・・・・・・・・・・ 148
ARM ASSY, REAR SUSPENSION, NO.1 ・・・・・・・・・・・・・・・・・・・・・・・・・・・・・・・・・・・・・・・・・・・・・・・・・・・ 149
ARM SUB-ASSY, FRONT SUSPENSION, LOWER NO.1 LH ・・・・・・・・・・・・・・・・・・・・・・・・・・・・・・・・・・・・・ 144
ARM SUB-ASSY, FRONT SUSPENSION, LOWER NO.1 RH ・・・・・・・・・・・・・・・・・・・・・・・・・・・・・・・・・・・・・ 143
ARM, FR WIPER, LH ・・・・・・・・・・・・・・・・・・・・・・・・・・・・・・・・・・・・・・・・・・・・・・・・・・・・・・・・・・・・・・・・・ 266
ARM, FR WIPER, RH ・・・・・・・・・・・・・・・・・・・・・・・・・・・・・・・・・・・・・・・・・・・・・・・・・・・・・・・・・・・・・・・・・ 266
ARM, REVERSE SHIFT ・・・・・・・・・・・・・・・・・・・・・・・・・・・・・・・・・・・・・・・・・・・・・・・・・・・・・・・・・・・・・・・・ 92
ARM, TIMING CHAIN TENSION ・・・・・・・・・・・・・・・・・・・・・・・・・・・・・・・・・・・・・・・・・・・・・・・・・・・・・・・・・ 58
ARMATURE ASSY, STARTER ・・・・・・・・・・・・・・・・・・・・・・・・・・・・・・・・・・・・・・・・・・・・・・・・・・・・・・・・・・・・ 78
BACK ASSY, REAR SEAT (FOR BENCH TYPE) ・・・・・・・・・・・・・・・・・・・・・・・・・・・・・・・・・・・・・・・・・・・・・ 216
BAG, TOOL ・・・・・・・・・・・・・・・・・・・・・・・・・・・・・・・・・・・・・・・・・・・・・・・・・・・・・・・・・・・・・・・・・・・・・・・・・ 42
BALL (FOR SHIFT INNER LEVER) ・・・・・・・・・・・・・・・・・・・・・・・・・・・・・・・・・・・・・・・・・・・・・・・・・・・・・・ 92
BALL BEARING, OUTPUT SHAFT ・・・・・・・・・・・・・・・・・・・・・・・・・・・・・・・・・・・・・・・・・・・・・・・・・・・・・・・・ 107
BALL, SHAFT DETENT ・・・・・・・・・・・・・・・・・・・・・・・・・・・・・・・・・・・・・・・・・・・・・・・・・・・・・・・・・・・・・・・・ 93
BAND, TOOL BAG ・・・・・・・・・・・・・・・・・・・・・・・・・・・・・・・・・・・・・・・・・・・・・・・・・・・・・・・・・・・・・・・・・・・・ 42
BAR SUB-ASSY, REAR DOOR WINDOW DIVISION, LH ・・・・・・・・・・・・・・・・・・・・・・・・・・・・・・・・・・・・・・・ 200
BAR SUB-ASSY, REAR DOOR WINDOW DIVISION, RH ・・・・・・・・・・・・・・・・・・・・・・・・・・・・・・・・・・・・・・・ 199
BAR, FAN BELT ADJUSTING ・・・・・・・・・・・・・・・・・・・・・・・・・・・・・・・・・・・・・・・・・・・・・・・・・・・・・・・・・・・ 65
BAR, STABILIZER, FRONT ・・・・・・・・・・・・・・・・・・・・・・・・・・・・・・・・・・・・・・・・・・・・・・・・・・・・・・・・・・・・ 146
BEARING (FOR FRONT AXLE HUB LH) ・・・・・・・・・・・・・・・・・・・・・・・・・・・・・・・・・・・・・・・・・・・・・・・・・・・ 121
BEARING (FOR FRONT AXLE HUB RH) ・・・・・・・・・・・・・・・・・・・・・・・・・・・・・・・・・・・・・・・・・・・・・・・・・・・ 120
BEARING (FOR INPUT SHAFT FRONT) ・・・・・・・・・・・・・・・・・・・・・・・・・・・・・・・・・・・・・・・・・・・・・・・・・・・ 88
BEARING (FOR OUTPUT SHAFT FRONT) ・・・・・・・・・・・・・・・・・・・・・・・・・・・・・・・・・・・・・・・・・・・・・・・・・・ 88
BEARING (FOR OUTPUT SHAFT REAR) ・・・・・・・・・・・・・・・・・・・・・・・・・・・・・・・・・・・・・・・・・・・・・・・・・・・ 88
BEARING ASSY, CLUTCH RELEASE ・・・・・・・・・・・・・・・・・・・・・・・・・・・・・・・・・・・・・・・・・・・・・・・・・・・・・・ 80
BEARING(FOR ALTERNATOR DRIVE END FRAME) ・・・・・・・・・・・・・・・・・・・・・・・・・・・・・・・・・・・・・・・・・・・ 76
BEARING(FOR ALTERNATOR ROTOR) ・・・・・・・・・・・・・・・・・・・・・・・・・・・・・・・・・・・・・・・・・・・・・・・・・・・・・ 76
BEARING, CONNECTING ROD ・・・・・・・・・・・・・・・・・・・・・・・・・・・・・・・・・・・・・・・・・・・・・・・・・・・・・・・・・・・ 56
BEARING, CRANKSHAFT ・・・・・・・・・・・・・・・・・・・・・・・・・・・・・・・・・・・・・・・・・・・・・・・・・・・・・・・・・・・・・・・ 56
BEARING, CRANKSHAFT, NO.2 ・・・・・・・・・・・・・・・・・・・・・・・・・・・・・・・・・・・・・・・・・・・・・・・・・・・・・・・・・ 56
BEARING, FRONT CLUTCH THRUST ・・・・・・・・・・・・・・・・・・・・・・・・・・・・・・・・・・・・・・・・・・・・・・・・・・・・・・ 103
BEARING, NEEDLE ROLLER (FOR 4TH GEAR) ・・・・・・・・・・・・・・・・・・・・・・・・・・・・・・・・・・・・・・・・・・・・・ 88
BEARING, NEEDLE ROLLER(FOR INTERMEDIATE SHAFT) ・・・・・・・・・・・・・・・・・・・・・・・・・・・・・・・・・・・・ 106
BEARING, RADIAL BALL (FOR INPUT SHAFT REAR) ・・・・・・・・・・・・・・・・・・・・・・・・・・・・・・・・・・・・・・・ 88
BEARING, RADIAL BOLL ・・・・・・・・・・・・・・・・・・・・・・・・・・・・・・・・・・・・・・・・・・・・・・・・・・・・・・・・・・・・・・ 107
BEARING, TAPERED ROLLER (FOR FRONT DIFFERENTIAL CASE FRONT) ・・・・・・・・・・・・・・・・・・・・・・・ 117
ABSORBER - BEARING,
16
PART NAME PAGE
BEARING, TAPERED ROLLER (FOR FRONT DIFFERENTIAL CASE REAR) ・・・・・・・・・・・・・・・・・・・・・・・・ 117
BEARING, THRUST NEEDLE ROLLER (FOR FRONT PLANETARY GEAR) ・・・・・・・・・・・・・・・・・・・・・・・・・・ 106
BEARING, THRUST NEEDLE ROLLER (FOR INTERMEDIATE SHAFT) ・・・・・・・・・・・・・・・・・・・・・・・・・・・・ 106
BELLCRANK, DOOR LOCK CONTROL ・・・・・・・・・・・・・・・・・・・・・・・・・・・・・・・・・・・・・・・・・・・・・・・・・・・・・・ 203
BELT ASSY, FRONT SEAT INNER, LH ・・・・・・・・・・・・・・・・・・・・・・・・・・・・・・・・・・・・・・・・・・・・・・・・・・・ 220
BELT ASSY, FRONT SEAT INNER, RH ・・・・・・・・・・・・・・・・・・・・・・・・・・・・・・・・・・・・・・・・・・・・・・・・・・・ 220
BELT ASSY, FRONT SEAT OUTER, LH ・・・・・・・・・・・・・・・・・・・・・・・・・・・・・・・・・・・・・・・・・・・・・・・・・・・ 220
BELT ASSY, FRONT SEAT OUTER, RH ・・・・・・・・・・・・・・・・・・・・・・・・・・・・・・・・・・・・・・・・・・・・・・・・・・・ 220
BELT ASSY, REAR SEAT INNER W/CENTER, LH ・・・・・・・・・・・・・・・・・・・・・・・・・・・・・・・・・・・・・・・・・・・ 220
BELT ASSY, REAR SEAT INNER W/CENTER, RH ・・・・・・・・・・・・・・・・・・・・・・・・・・・・・・・・・・・・・・・・・・・ 220
BELT ASSY, REAR SEAT, OUTER ・・・・・・・・・・・・・・・・・・・・・・・・・・・・・・・・・・・・・・・・・・・・・・・・・・・・・・・ 220
BELT ASSY, REAR SEAT, OUTER ・・・・・・・・・・・・・・・・・・・・・・・・・・・・・・・・・・・・・・・・・・・・・・・・・・・・・・・ 220
BELT, V(FOR FAN & ALTERNATOR) ・・・・・・・・・・・・・・・・・・・・・・・・・・・・・・・・・・・・・・・・・・・・・・・・・・・・・ 67
BEZEL, SHIFTING HOLE ・・・・・・・・・・・・・・・・・・・・・・・・・・・・・・・・・・・・・・・・・・・・・・・・・・・・・・・・・・・・・・ 175
BLADE, FR WIPER, LH ・・・・・・・・・・・・・・・・・・・・・・・・・・・・・・・・・・・・・・・・・・・・・・・・・・・・・・・・・・・・・・・ 266
BLADE, FR WIPER, RH ・・・・・・・・・・・・・・・・・・・・・・・・・・・・・・・・・・・・・・・・・・・・・・・・・・・・・・・・・・・・・・・ 266
BLOCK ASSY, RELAY, ENGINE ROOM ・・・・・・・・・・・・・・・・・・・・・・・・・・・・・・・・・・・・・・・・・・・・・・・・・・・・ 258
BLOCK ASSY, SHORT ・・・・・・・・・・・・・・・・・・・・・・・・・・・・・・・・・・・・・・・・・・・・・・・・・・・・・・・・・・・・・・・・・ 44
BLOCK SUB-ASSY, CYLINDER ・・・・・・・・・・・・・・・・・・・・・・・・・・・・・・・・・・・・・・・・・・・・・・・・・・・・・・・・・・ 51
BOARD ASSY, DECK ・・・・・・・・・・・・・・・・・・・・・・・・・・・・・・・・・・・・・・・・・・・・・・・・・・・・・・・・・・・・・・・・・・ 188
BOARD SUB-ASSY, FRONT DOOR TRIM, LH ・・・・・・・・・・・・・・・・・・・・・・・・・・・・・・・・・・・・・・・・・・・・・・・ 192
BOARD SUB-ASSY, FRONT DOOR TRIM, RH ・・・・・・・・・・・・・・・・・・・・・・・・・・・・・・・・・・・・・・・・・・・・・・・ 192
BOARD SUB-ASSY, REAR DOOR TRIM, LH ・・・・・・・・・・・・・・・・・・・・・・・・・・・・・・・・・・・・・・・・・・・・・・・・ 200
BOARD SUB-ASSY, REAR DOOR TRIM, RH ・・・・・・・・・・・・・・・・・・・・・・・・・・・・・・・・・・・・・・・・・・・・・・・・ 200
BOARD, COWL SIDE TRIM, LH ・・・・・・・・・・・・・・・・・・・・・・・・・・・・・・・・・・・・・・・・・・・・・・・・・・・・・・・・・ 184
BOARD, COWL SIDE TRIM, RH ・・・・・・・・・・・・・・・・・・・・・・・・・・・・・・・・・・・・・・・・・・・・・・・・・・・・・・・・・ 184
BODY ASSY, THROTTLE ・・・・・・・・・・・・・・・・・・・・・・・・・・・・・・・・・・・・・・・・・・・・・・・・・・・・・・・・・・・・・・・ 79
BODY ASSY, TRANSMISSION VALVE ・・・・・・・・・・・・・・・・・・・・・・・・・・・・・・・・・・・・・・・・・・・・・・・・・・・・・ 109
BODY SUB-ASSY, FRONT OIL PUMP ・・・・・・・・・・・・・・・・・・・・・・・・・・・・・・・・・・・・・・・・・・・・・・・・・・・・・ 97
BOLT (FOR FRONT OIL PUMP SETTING) ・・・・・・・・・・・・・・・・・・・・・・・・・・・・・・・・・・・・・・・・・・・・・・・・・ 97
BOLT (FOR STEERING KNUCKLE LH) ・・・・・・・・・・・・・・・・・・・・・・・・・・・・・・・・・・・・・・・・・・・・・・・・・・・・ 143
BOLT (FOR STEERING KNUCKLE RH) ・・・・・・・・・・・・・・・・・・・・・・・・・・・・・・・・・・・・・・・・・・・・・・・・・・・・ 143
BOLT (FOR TRANSAXLE CASE) ・・・・・・・・・・・・・・・・・・・・・・・・・・・・・・・・・・・・・・・・・・・・・・・・・・・・・・・・・ 100
BOLT(FOR CRANKSHAFT BEARING CAP SET) ・・・・・・・・・・・・・・・・・・・・・・・・・・・・・・・・・・・・・・・・・・・・・・ 51
BOLT(FOR CRANKSHAFT PULLEY SET) ・・・・・・・・・・・・・・・・・・・・・・・・・・・・・・・・・・・・・・・・・・・・・・・・・・・ 57
BOLT(FOR CYLINDER HEAD COVER) ・・・・・・・・・・・・・・・・・・・・・・・・・・・・・・・・・・・・・・・・・・・・・・・・・・・・・ 47
BOLT(FOR CYLINDER HEAD SET) ・・・・・・・・・・・・・・・・・・・・・・・・・・・・・・・・・・・・・・・・・・・・・・・・・・・・・・・ 47
BOLT(FOR DRIVE PLATE & TORQUE CONVERTER SETTING) ・・・・・・・・・・・・・・・・・・・・・・・・・・・・・・・・・・ 97
BOLT(FOR FRONT SUSPENSION LOWER ARM NO.1 LH) ・・・・・・・・・・・・・・・・・・・・・・・・・・・・・・・・・・・・・・ 144
BOLT(FOR FRONT SUSPENSION LOWER ARM NO.1 RH) ・・・・・・・・・・・・・・・・・・・・・・・・・・・・・・・・・・・・・・ 143
BOLT(FOR FRONT SUSPENSION LOWER ARM NO.2 LH) ・・・・・・・・・・・・・・・・・・・・・・・・・・・・・・・・・・・・・・ 144
BOLT(FOR FRONT SUSPENSION LOWER ARM NO.2 RH) ・・・・・・・・・・・・・・・・・・・・・・・・・・・・・・・・・・・・・・ 144
BOLT(FOR HEAD TO CAMSHAFT BEARING CAP) ・・・・・・・・・・・・・・・・・・・・・・・・・・・・・・・・・・・・・・・・・・・・ 47
BOLT(FOR LOWER CONTROL ARM) ・・・・・・・・・・・・・・・・・・・・・・・・・・・・・・・・・・・・・・・・・・・・・・・・・・・・・・・ 149
BOLT, BACK DOOR STAY ・・・・・・・・・・・・・・・・・・・・・・・・・・・・・・・・・・・・・・・・・・・・・・・・・・・・・・・・・・・・・・ 208
BOLT, BATTERY CLAMP ・・・・・・・・・・・・・・・・・・・・・・・・・・・・・・・・・・・・・・・・・・・・・・・・・・・・・・・・・・・・・・・ 223
BOLT, BRAKE PEDAL STOP, NO.1 ・・・・・・・・・・・・・・・・・・・・・・・・・・・・・・・・・・・・・・・・・・・・・・・・・・・・・・ 129
BOLT, CONNECTING ROD ・・・・・・・・・・・・・・・・・・・・・・・・・・・・・・・・・・・・・・・・・・・・・・・・・・・・・・・・・・・・・・ 57
BOLT, EXHAUST PIPE SUPPORT ・・・・・・・・・・・・・・・・・・・・・・・・・・・・・・・・・・・・・・・・・・・・・・・・・・・・・・・・ 70
BOLT, HEXAGON(FOR DRIVE PLATE SETTING) ・・・・・・・・・・・・・・・・・・・・・・・・・・・・・・・・・・・・・・・・・・・・ 97
BEARING, - BOLT,
PART NAME PAGE
BOLT, HEXAGON(FOR FRONT DISC BRAKE CALIPER) ・・・・・・・・・・・・・・・・・・・・・・・・・・・・・・・・・・・・・・・ 134
BOLT, HUB (FOR FRONT AXLE LH) ・・・・・・・・・・・・・・・・・・・・・・・・・・・・・・・・・・・・・・・・・・・・・・・・・・・・・ 120
BOLT, HUB (FOR FRONT AXLE RH) ・・・・・・・・・・・・・・・・・・・・・・・・・・・・・・・・・・・・・・・・・・・・・・・・・・・・・ 120
BOLT, HUB (FOR REAR AXLE) ・・・・・・・・・・・・・・・・・・・・・・・・・・・・・・・・・・・・・・・・・・・・・・・・・・・・・・・・・ 112
BOLT, INSTRUMENT PANEL ・・・・・・・・・・・・・・・・・・・・・・・・・・・・・・・・・・・・・・・・・・・・・・・・・・・・・・・・・・・・ 166
BOLT, MAGNET CLUTCH SETTING ・・・・・・・・・・・・・・・・・・・・・・・・・・・・・・・・・・・・・・・・・・・・・・・・・・・・・・・ 286
BOLT, OIL NOZZLE UNION ・・・・・・・・・・・・・・・・・・・・・・・・・・・・・・・・・・・・・・・・・・・・・・・・・・・・・・・・・・・・ 51
BOLT, STEERING LOCK SET ・・・・・・・・・・・・・・・・・・・・・・・・・・・・・・・・・・・・・・・・・・・・・・・・・・・・・・・・・・・ 123
BOLT, STUD(FOR OIL STRAINER) ・・・・・・・・・・・・・・・・・・・・・・・・・・・・・・・・・・・・・・・・・・・・・・・・・・・・・・ 60
BOLT, UNION(FOR FRONT FLEXIBLE HOSE) ・・・・・・・・・・・・・・・・・・・・・・・・・・・・・・・・・・・・・・・・・・・・・・ 141
BOOSTER ASSY, BRAKE ・・・・・・・・・・・・・・・・・・・・・・・・・・・・・・・・・・・・・・・・・・・・・・・・・・・・・・・・・・・・・・・ 131
BOOT KIT, FRONT DRIVE SHAFT INBOARD JOINT, LH ・・・・・・・・・・・・・・・・・・・・・・・・・・・・・・・・・・・・・ 119
BOOT KIT, FRONT DRIVE SHAFT INBOARD JOINT, RH ・・・・・・・・・・・・・・・・・・・・・・・・・・・・・・・・・・・・・ 119
BOOT KIT, FRONT DRIVE SHAFT OUTBOARD JOINT, LH ・・・・・・・・・・・・・・・・・・・・・・・・・・・・・・・・・・・・ 119
BOOT KIT, FRONT DRIVE SHAFT OUTBOARD JOINT, RH ・・・・・・・・・・・・・・・・・・・・・・・・・・・・・・・・・・・・ 119
BOOT, BUSH DUST(FOR FRONT DISC BRAKE) ・・・・・・・・・・・・・・・・・・・・・・・・・・・・・・・・・・・・・・・・・・・・・ 134
BOOT, CONTROL SHAFT DUST ・・・・・・・・・・・・・・・・・・・・・・・・・・・・・・・・・・・・・・・・・・・・・・・・・・・・・・・・・・ 93
BOOT, STEERING RACK, NO.1 ・・・・・・・・・・・・・・・・・・・・・・・・・・・・・・・・・・・・・・・・・・・・・・・・・・・・・・・・・ 126
BOX, FUEL INLET ・・・・・・・・・・・・・・・・・・・・・・・・・・・・・・・・・・・・・・・・・・・・・・・・・・・・・・・・・・・・・・・・・・・ 180
BOX, REAR CONSOLE ・・・・・・・・・・・・・・・・・・・・・・・・・・・・・・・・・・・・・・・・・・・・・・・・・・・・・・・・・・・・・・・・・ 175
BRACE, QUARTER PANEL, LH ・・・・・・・・・・・・・・・・・・・・・・・・・・・・・・・・・・・・・・・・・・・・・・・・・・・・・・・・・・ 179
BRACE, QUARTER PANEL, RH ・・・・・・・・・・・・・・・・・・・・・・・・・・・・・・・・・・・・・・・・・・・・・・・・・・・・・・・・・・ 179
BRACKET ASSY, STEERING COLUMN UPPER W/SWITCH ・・・・・・・・・・・・・・・・・・・・・・・・・・・・・・・・・・・・・・ 122
BRACKET SUB-ASSY, REAR DOOR GLASS, LH ・・・・・・・・・・・・・・・・・・・・・・・・・・・・・・・・・・・・・・・・・・・・・ 201
BRACKET, ACCELERATOR CONTROL CABLE ・・・・・・・・・・・・・・・・・・・・・・・・・・・・・・・・・・・・・・・・・・・・・・・・ 236
BRACKET, AIR CLEANER ・・・・・・・・・・・・・・・・・・・・・・・・・・・・・・・・・・・・・・・・・・・・・・・・・・・・・・・・・・・・・・ 71
BRACKET, BRAKE ACTUATOR, NO.1 ・・・・・・・・・・・・・・・・・・・・・・・・・・・・・・・・・・・・・・・・・・・・・・・・・・・・・ 141
BRACKET, CLUTCH CABLE ・・・・・・・・・・・・・・・・・・・・・・・・・・・・・・・・・・・・・・・・・・・・・・・・・・・・・・・・・・・・・ 81
BRACKET, CLUTCH CABLE ・・・・・・・・・・・・・・・・・・・・・・・・・・・・・・・・・・・・・・・・・・・・・・・・・・・・・・・・・・・・・ 84
BRACKET, COMPUTER ・・・・・・・・・・・・・・・・・・・・・・・・・・・・・・・・・・・・・・・・・・・・・・・・・・・・・・・・・・・・・・・・・ 261
BRACKET, CONSOLE BOX MOUNTING, NO.1 ・・・・・・・・・・・・・・・・・・・・・・・・・・・・・・・・・・・・・・・・・・・・・・・ 175
BRACKET, COOLER ・・・・・・・・・・・・・・・・・・・・・・・・・・・・・・・・・・・・・・・・・・・・・・・・・・・・・・・・・・・・・・・・・・・ 286
BRACKET, ENGINE MOUNTING, LH(FOR TRANSVERSE ENGINE) ・・・・・・・・・・・・・・・・・・・・・・・・・・・・・・・ 54
BRACKET, ENGINE MOUNTING, REAR, NO.1 ・・・・・・・・・・・・・・・・・・・・・・・・・・・・・・・・・・・・・・・・・・・・・・ 54
BRACKET, FLEXIBLE HOSE, NO.1 ・・・・・・・・・・・・・・・・・・・・・・・・・・・・・・・・・・・・・・・・・・・・・・・・・・・・・・ 162
BRACKET, FREXIBLE HOUSE, NO.1, LH ・・・・・・・・・・・・・・・・・・・・・・・・・・・・・・・・・・・・・・・・・・・・・・・・・ 162
BRACKET, FRONT FENDER MOUNTING, LH ・・・・・・・・・・・・・・・・・・・・・・・・・・・・・・・・・・・・・・・・・・・・・・・・ 159
BRACKET, FRONT FENDER MOUNTING, RH ・・・・・・・・・・・・・・・・・・・・・・・・・・・・・・・・・・・・・・・・・・・・・・・・ 159
BRACKET, FRONT SEAT, OUTSIDE, REAR LH ・・・・・・・・・・・・・・・・・・・・・・・・・・・・・・・・・・・・・・・・・・・・・ 173
BRACKET, FRONT SEAT, REAR ・・・・・・・・・・・・・・・・・・・・・・・・・・・・・・・・・・・・・・・・・・・・・・・・・・・・・・・・・ 173
BRACKET, FRONT STABILIZER, NO.1 LH ・・・・・・・・・・・・・・・・・・・・・・・・・・・・・・・・・・・・・・・・・・・・・・・・ 147
BRACKET, FRONT STABILIZER, NO.1 RH ・・・・・・・・・・・・・・・・・・・・・・・・・・・・・・・・・・・・・・・・・・・・・・・・ 147
BRACKET, FUEL PUMP ・・・・・・・・・・・・・・・・・・・・・・・・・・・・・・・・・・・・・・・・・・・・・・・・・・・・・・・・・・・・・・・・ 234
BRACKET, HOOD SUPPORT ROD ・・・・・・・・・・・・・・・・・・・・・・・・・・・・・・・・・・・・・・・・・・・・・・・・・・・・・・・・・ 168
BRACKET, PARKING LOCK PAWL ・・・・・・・・・・・・・・・・・・・・・・・・・・・・・・・・・・・・・・・・・・・・・・・・・・・・・・・・ 110
BRACKET, RADIO, NO.1 ・・・・・・・・・・・・・・・・・・・・・・・・・・・・・・・・・・・・・・・・・・・・・・・・・・・・・・・・・・・・・・ 270
BRACKET, RADIO, NO.2 ・・・・・・・・・・・・・・・・・・・・・・・・・・・・・・・・・・・・・・・・・・・・・・・・・・・・・・・・・・・・・・ 270
BRACKET, RELAY BLOCK ・・・・・・・・・・・・・・・・・・・・・・・・・・・・・・・・・・・・・・・・・・・・・・・・・・・・・・・・・・・・・・ 258
BRACKET, THROTTLE BODY ・・・・・・・・・・・・・・・・・・・・・・・・・・・・・・・・・・・・・・・・・・・・・・・・・・・・・・・・・・・・ 79
BRACKET, TRANSMISSION CONTROL CABLE, NO.1 ・・・・・・・・・・・・・・・・・・・・・・・・・・・・・・・・・・・・・・・・・ 95
BOLT, - BRACKET,
17
PART NAME PAGE
BRAKE PISTON, 2ND & 4TH ・・・・・・・・・・・・・・・・・・・・・・・・・・・・・・・・・・・・・・・・・・・・・・・・・・・・・・・・・・・ 104
BRAKE SEAT, 2ND & 4TH ・・・・・・・・・・・・・・・・・・・・・・・・・・・・・・・・・・・・・・・・・・・・・・・・・・・・・・・・・・・・・ 104
BRUSH, ALTERNATOR ・・・・・・・・・・・・・・・・・・・・・・・・・・・・・・・・・・・・・・・・・・・・・・・・・・・・・・・・・・・・・・・・・ 76
BULB (FOR FRONT TURN SIGNAL LAMP) ・・・・・・・・・・・・・・・・・・・・・・・・・・・・・・・・・・・・・・・・・・・・・・・・・ 238
BULB (FOR LICENSE PLATE LAMP) ・・・・・・・・・・・・・・・・・・・・・・・・・・・・・・・・・・・・・・・・・・・・・・・・・・・・・ 241
BULB(FOR CLEARANCE LAMP) ・・・・・・・・・・・・・・・・・・・・・・・・・・・・・・・・・・・・・・・・・・・・・・・・・・・・・・・・・・ 238
BULB(FOR HEADLAMP, NO.1) ・・・・・・・・・・・・・・・・・・・・・・・・・・・・・・・・・・・・・・・・・・・・・・・・・・・・・・・・・・ 238
BULB, BACK UP LAMP ・・・・・・・・・・・・・・・・・・・・・・・・・・・・・・・・・・・・・・・・・・・・・・・・・・・・・・・・・・・・・・・・ 240
BULB, FOG LAMP ・・・・・・・・・・・・・・・・・・・・・・・・・・・・・・・・・・・・・・・・・・・・・・・・・・・・・・・・・・・・・・・・・・・・ 239
BULB, HEATER CONTROL INDICATOR LAMP ・・・・・・・・・・・・・・・・・・・・・・・・・・・・・・・・・・・・・・・・・・・・・・・ 281
BULB, INNER REAR VIEW MIRROR LAMP ・・・・・・・・・・・・・・・・・・・・・・・・・・・・・・・・・・・・・・・・・・・・・・・・・ 275
BULB, REAR TURN SIGNAL LAMP ・・・・・・・・・・・・・・・・・・・・・・・・・・・・・・・・・・・・・・・・・・・・・・・・・・・・・・・ 240
BULB, TAIL & STOP LAMP ・・・・・・・・・・・・・・・・・・・・・・・・・・・・・・・・・・・・・・・・・・・・・・・・・・・・・・・・・・・・ 240
BUMPER, FRONT SPRING, LH ・・・・・・・・・・・・・・・・・・・・・・・・・・・・・・・・・・・・・・・・・・・・・・・・・・・・・・・・・・ 146
BUMPER, FRONT SPRING, RH ・・・・・・・・・・・・・・・・・・・・・・・・・・・・・・・・・・・・・・・・・・・・・・・・・・・・・・・・・・ 146
BUMPER, HOOD TO FRONT SHROUD ・・・・・・・・・・・・・・・・・・・・・・・・・・・・・・・・・・・・・・・・・・・・・・・・・・・・・・ 159
BUMPER, REAR SPRING ・・・・・・・・・・・・・・・・・・・・・・・・・・・・・・・・・・・・・・・・・・・・・・・・・・・・・・・・・・・・・・・ 148
BUSH (FOR ACCELERATOR PEDAL ROD) ・・・・・・・・・・・・・・・・・・・・・・・・・・・・・・・・・・・・・・・・・・・・・・・・・・ 236
BUSH(FOR 2ND GEAR) ・・・・・・・・・・・・・・・・・・・・・・・・・・・・・・・・・・・・・・・・・・・・・・・・・・・・・・・・・・・・・・・・ 89
BUSH(FOR BRAKE PEDAL) ・・・・・・・・・・・・・・・・・・・・・・・・・・・・・・・・・・・・・・・・・・・・・・・・・・・・・・・・・・・・・ 129
BUSH(FOR CLUTCH PEDAL SPRING) ・・・・・・・・・・・・・・・・・・・・・・・・・・・・・・・・・・・・・・・・・・・・・・・・・・・・・ 81
BUSH(FOR CLUTCH RELEASE LEVER YOKE) ・・・・・・・・・・・・・・・・・・・・・・・・・・・・・・・・・・・・・・・・・・・・・・・ 80
BUSH(FOR FRONT SHOCK ABSORBER LH) ・・・・・・・・・・・・・・・・・・・・・・・・・・・・・・・・・・・・・・・・・・・・・・・・・ 146
BUSH(FOR FRONT SHOCK ABSORBER RH) ・・・・・・・・・・・・・・・・・・・・・・・・・・・・・・・・・・・・・・・・・・・・・・・・・ 146
BUSH(FOR SHIFT LEVER SHAFT) ・・・・・・・・・・・・・・・・・・・・・・・・・・・・・・・・・・・・・・・・・・・・・・・・・・・・・・・ 92
BUSH, 5TH GEAR ・・・・・・・・・・・・・・・・・・・・・・・・・・・・・・・・・・・・・・・・・・・・・・・・・・・・・・・・・・・・・・・・・・・・ 89
BUSH, CYLINDER SLIDE, NO.1(FOR FRONT DISC BRAKE) ・・・・・・・・・・・・・・・・・・・・・・・・・・・・・・・・・・ 134
BUSH, EXHAUST VALVE GUIDE ・・・・・・・・・・・・・・・・・・・・・・・・・・・・・・・・・・・・・・・・・・・・・・・・・・・・・・・・・ 47
BUSH, FRONT STABILIZER BAR, NO.1 ・・・・・・・・・・・・・・・・・・・・・・・・・・・・・・・・・・・・・・・・・・・・・・・・・・ 147
BUSH, INTAKE VALVE GUIDE ・・・・・・・・・・・・・・・・・・・・・・・・・・・・・・・・・・・・・・・・・・・・・・・・・・・・・・・・・・ 47
BUSH, LOWER ARM ・・・・・・・・・・・・・・・・・・・・・・・・・・・・・・・・・・・・・・・・・・・・・・・・・・・・・・・・・・・・・・・・・・・ 144
BUSH, LOWER ARM, NO.2 ・・・・・・・・・・・・・・・・・・・・・・・・・・・・・・・・・・・・・・・・・・・・・・・・・・・・・・・・・・・・・ 144
BUSH, TANK LOWER ・・・・・・・・・・・・・・・・・・・・・・・・・・・・・・・・・・・・・・・・・・・・・・・・・・・・・・・・・・・・・・・・・・ 66
BUSH, WINDSHIELD WASHER JAR ・・・・・・・・・・・・・・・・・・・・・・・・・・・・・・・・・・・・・・・・・・・・・・・・・・・・・・・ 267
BUTTON ASSY, HORN ・・・・・・・・・・・・・・・・・・・・・・・・・・・・・・・・・・・・・・・・・・・・・・・・・・・・・・・・・・・・・・・・・ 124
BUTTON, DOOR LOCKING(FOR FRONT DOOR) ・・・・・・・・・・・・・・・・・・・・・・・・・・・・・・・・・・・・・・・・・・・・・・ 195
BUTTON, DOOR LOCKING(FOR REAR DOOR) ・・・・・・・・・・・・・・・・・・・・・・・・・・・・・・・・・・・・・・・・・・・・・・・ 203
CABLE ASSY, ACCELERATOR CONTROL ・・・・・・・・・・・・・・・・・・・・・・・・・・・・・・・・・・・・・・・・・・・・・・・・・・・ 236
CABLE ASSY, CLUTCH RELEASE ・・・・・・・・・・・・・・・・・・・・・・・・・・・・・・・・・・・・・・・・・・・・・・・・・・・・・・・・ 81
CABLE ASSY, HOOD LOCK CONTROL ・・・・・・・・・・・・・・・・・・・・・・・・・・・・・・・・・・・・・・・・・・・・・・・・・・・・・ 157
CABLE ASSY, PARKING BRAKE, NO.2 ・・・・・・・・・・・・・・・・・・・・・・・・・・・・・・・・・・・・・・・・・・・・・・・・・・・ 128
CABLE ASSY, PARKING BRAKE, NO.3 ・・・・・・・・・・・・・・・・・・・・・・・・・・・・・・・・・・・・・・・・・・・・・・・・・・・ 128
CABLE ASSY, TRANSMISSION CONTROL ・・・・・・・・・・・・・・・・・・・・・・・・・・・・・・・・・・・・・・・・・・・・・・・・・・ 95
CABLE SUB-ASSY, SPIRAL ・・・・・・・・・・・・・・・・・・・・・・・・・・・・・・・・・・・・・・・・・・・・・・・・・・・・・・・・・・・・ 259
CABLE, ANTENNA ・・・・・・・・・・・・・・・・・・・・・・・・・・・・・・・・・・・・・・・・・・・・・・・・・・・・・・・・・・・・・・・・・・・・ 273
CAMSHAFT ・・・・・・・・・・・・・・・・・・・・・・・・・・・・・・・・・・・・・・・・・・・・・・・・・・・・・・・・・・・・・・・・・・・・・・・・・・ 58
CAMSHAFT, NO.2 ・・・・・・・・・・・・・・・・・・・・・・・・・・・・・・・・・・・・・・・・・・・・・・・・・・・・・・・・・・・・・・・・・・・・ 58
CANISTER ASSY, CHARCOAL ・・・・・・・・・・・・・・・・・・・・・・・・・・・・・・・・・・・・・・・・・・・・・・・・・・・・・・・・・・・ 235
CAP ・・・・・・・・・・・・・・・・・・・・・・・・・・・・・・・・・・・・・・・・・・・・・・・・・・・・・・・・・・・・・・・・・・・・・・・・・・・・・・・ 214
CAP ASSY, BRAKE MASTER CYLINDER RESERVOIR FILLER ・・・・・・・・・・・・・・・・・・・・・・・・・・・・・・・・・・ 130
BRAKE - CAP
PART NAME PAGE
CAP ASSY, FUEL TANK ・・・・・・・・・・・・・・・・・・・・・・・・・・・・・・・・・・・・・・・・・・・・・・・・・・・・・・・・・・・・・・・ 235
CAP SUB-ASSY, AIR CLEANER ・・・・・・・・・・・・・・・・・・・・・・・・・・・・・・・・・・・・・・・・・・・・・・・・・・・・・・・・・ 71
CAP SUB-ASSY, OIL FILLER ・・・・・・・・・・・・・・・・・・・・・・・・・・・・・・・・・・・・・・・・・・・・・・・・・・・・・・・・・・ 47
CAP SUB-ASSY, RADIATOR ・・・・・・・・・・・・・・・・・・・・・・・・・・・・・・・・・・・・・・・・・・・・・・・・・・・・・・・・・・・・ 66
CAP SUB-ASSY, RESERVE TANK ・・・・・・・・・・・・・・・・・・・・・・・・・・・・・・・・・・・・・・・・・・・・・・・・・・・・・・・・ 66
CAP(FOR FRONT SEAT LEG SIDE COVER) ・・・・・・・・・・・・・・・・・・・・・・・・・・・・・・・・・・・・・・・・・・・・・・・・ 214
CAP, BLEEDER PLUG(FOR DRUM BRAKE, REAR) ・・・・・・・・・・・・・・・・・・・・・・・・・・・・・・・・・・・・・・・・・・・ 137
CAP, BLEEDER PLUG(FOR FRONT DISC BRAKE) ・・・・・・・・・・・・・・・・・・・・・・・・・・・・・・・・・・・・・・・・・・・ 134
CAP, FRONT DOOR TRIM RETAINER ・・・・・・・・・・・・・・・・・・・・・・・・・・・・・・・・・・・・・・・・・・・・・・・・・・・・・ 192
CAP, FRONT WASHER TANK ・・・・・・・・・・・・・・・・・・・・・・・・・・・・・・・・・・・・・・・・・・・・・・・・・・・・・・・・・・・・ 267
CAP, FRONT WIPER ARM HEAD ・・・・・・・・・・・・・・・・・・・・・・・・・・・・・・・・・・・・・・・・・・・・・・・・・・・・・・・・・ 266
CAP, WHEEL ・・・・・・・・・・・・・・・・・・・・・・・・・・・・・・・・・・・・・・・・・・・・・・・・・・・・・・・・・・・・・・・・・・・・・・・・ 115
CARPET ASSY, FLOOR, FRONT ・・・・・・・・・・・・・・・・・・・・・・・・・・・・・・・・・・・・・・・・・・・・・・・・・・・・・・・・・ 174
CARRIER ASSY, SPARE WHEEL ・・・・・・・・・・・・・・・・・・・・・・・・・・・・・・・・・・・・・・・・・・・・・・・・・・・・・・・・・ 151
CARRIER, BATTERY ・・・・・・・・・・・・・・・・・・・・・・・・・・・・・・・・・・・・・・・・・・・・・・・・・・・・・・・・・・・・・・・・・・ 223
CARRIER, JACK ・・・・・・・・・・・・・・・・・・・・・・・・・・・・・・・・・・・・・・・・・・・・・・・・・・・・・・・・・・・・・・・・・・・・・ 173
CASE ASSY, DIFFERENTIAL ・・・・・・・・・・・・・・・・・・・・・・・・・・・・・・・・・・・・・・・・・・・・・・・・・・・・・・・・・・・ 117
CASE, FRONT DIFFERENTIAL ・・・・・・・・・・・・・・・・・・・・・・・・・・・・・・・・・・・・・・・・・・・・・・・・・・・・・・・・・・ 117
CASE, MANUAL TRANSMISSION ・・・・・・・・・・・・・・・・・・・・・・・・・・・・・・・・・・・・・・・・・・・・・・・・・・・・・・・・・ 84
CHAIN SUB-ASSY ・・・・・・・・・・・・・・・・・・・・・・・・・・・・・・・・・・・・・・・・・・・・・・・・・・・・・・・・・・・・・・・・・・・・ 58
CHANNEL SUB-ASSY, SLIDE DOOR GLASS, RH ・・・・・・・・・・・・・・・・・・・・・・・・・・・・・・・・・・・・・・・・・・・・ 201
CHECK ASSY, FRONT DOOR, LH ・・・・・・・・・・・・・・・・・・・・・・・・・・・・・・・・・・・・・・・・・・・・・・・・・・・・・・・・ 193
CHECK ASSY, FRONT DOOR, RH ・・・・・・・・・・・・・・・・・・・・・・・・・・・・・・・・・・・・・・・・・・・・・・・・・・・・・・・・ 193
CHECK ASSY, REAR DOOR, LH ・・・・・・・・・・・・・・・・・・・・・・・・・・・・・・・・・・・・・・・・・・・・・・・・・・・・・・・・・ 201
CHECK ASSY, REAR DOOR, RH ・・・・・・・・・・・・・・・・・・・・・・・・・・・・・・・・・・・・・・・・・・・・・・・・・・・・・・・・・ 201
CLAMP ・・・・・・・・・・・・・・・・・・・・・・・・・・・・・・・・・・・・・・・・・・・・・・・・・・・・・・・・・・・・・・・・・・・・・・・・・・・・・ 79
CLAMP KIT, FRONT DRIVE SHAFT, LH ・・・・・・・・・・・・・・・・・・・・・・・・・・・・・・・・・・・・・・・・・・・・・・・・・・ 119
CLAMP KIT, FRONT DRIVE SHAFT, RH ・・・・・・・・・・・・・・・・・・・・・・・・・・・・・・・・・・・・・・・・・・・・・・・・・・ 119
CLAMP NO.1 (FOR WINDSEIELD WASHER) ・・・・・・・・・・・・・・・・・・・・・・・・・・・・・・・・・・・・・・・・・・・・・・・・ 268
CLAMP NO.2 (FOR WINDSEIELD WASHER) ・・・・・・・・・・・・・・・・・・・・・・・・・・・・・・・・・・・・・・・・・・・・・・・・ 268
CLAMP OR CLIP, HOSE(FOR WATER BY-PASS HOSE) ・・・・・・・・・・・・・・・・・・・・・・・・・・・・・・・・・・・・・・・ 65
CLAMP OR CLIP, HOSE(FOR WATER BY-PASS HOSE) ・・・・・・・・・・・・・・・・・・・・・・・・・・・・・・・・・・・・・・・ 65
CLAMP SUB-ASSY, BATTERY ・・・・・・・・・・・・・・・・・・・・・・・・・・・・・・・・・・・・・・・・・・・・・・・・・・・・・・・・・・・ 223
CLAMP(FOR COOLER REFRIGERANT PIPE), NO.3 ・・・・・・・・・・・・・・・・・・・・・・・・・・・・・・・・・・・・・・・・・・ 284
CLAMP(FOR HOOD LOCK CONTROL CABLE) ・・・・・・・・・・・・・・・・・・・・・・・・・・・・・・・・・・・・・・・・・・・・・・・・ 157
CLAMP(FOR STEERING RACK BOOT) ・・・・・・・・・・・・・・・・・・・・・・・・・・・・・・・・・・・・・・・・・・・・・・・・・・・・・ 126
CLAMP, ACCELERATOR CONTROL CABLE ・・・・・・・・・・・・・・・・・・・・・・・・・・・・・・・・・・・・・・・・・・・・・・・・・・ 236
CLAMP, ACCELERATOR CONTROL CABLE ・・・・・・・・・・・・・・・・・・・・・・・・・・・・・・・・・・・・・・・・・・・・・・・・・・ 236
CLAMP, AUTOMATIC TRANSMISSION OIL COOLER TUBE ・・・・・・・・・・・・・・・・・・・・・・・・・・・・・・・・・・・・・ 111
CLAMP, BRAKE TUBE, NO.1 ・・・・・・・・・・・・・・・・・・・・・・・・・・・・・・・・・・・・・・・・・・・・・・・・・・・・・・・・・・・ 142
CLAMP, BRAKE TUBE, NO.11 ・・・・・・・・・・・・・・・・・・・・・・・・・・・・・・・・・・・・・・・・・・・・・・・・・・・・・・・・・・ 142
CLAMP, BRAKE TUBE, NO.2 ・・・・・・・・・・・・・・・・・・・・・・・・・・・・・・・・・・・・・・・・・・・・・・・・・・・・・・・・・・・ 142
CLAMP, BRAKE TUBE, NO.3 ・・・・・・・・・・・・・・・・・・・・・・・・・・・・・・・・・・・・・・・・・・・・・・・・・・・・・・・・・・・ 142
CLAMP, BRAKE TUBE, NO.4 ・・・・・・・・・・・・・・・・・・・・・・・・・・・・・・・・・・・・・・・・・・・・・・・・・・・・・・・・・・・ 142
CLAMP, BRAKE TUBE, NO.5 ・・・・・・・・・・・・・・・・・・・・・・・・・・・・・・・・・・・・・・・・・・・・・・・・・・・・・・・・・・・ 142
CLAMP, BRAKE TUBE, NO.6 ・・・・・・・・・・・・・・・・・・・・・・・・・・・・・・・・・・・・・・・・・・・・・・・・・・・・・・・・・・・ 142
CLAMP, BRAKE TUBE, NO.7 ・・・・・・・・・・・・・・・・・・・・・・・・・・・・・・・・・・・・・・・・・・・・・・・・・・・・・・・・・・・ 142
CLAMP, CLUTCH CABLE ・・・・・・・・・・・・・・・・・・・・・・・・・・・・・・・・・・・・・・・・・・・・・・・・・・・・・・・・・・・・・・・ 81
CLAMP, FUEL PIPE, NO.1(FOR EFI) ・・・・・・・・・・・・・・・・・・・・・・・・・・・・・・・・・・・・・・・・・・・・・・・・・・・ 79
CLAMP, FUEL PIPE, NO.2(FOR EFI) ・・・・・・・・・・・・・・・・・・・・・・・・・・・・・・・・・・・・・・・・・・・・・・・・・・・ 79
CAP - CLAMP,
18
PART NAME PAGE
CLAMP, FUEL TUBE, NO.1 ・・・・・・・・・・・・・・・・・・・・・・・・・・・・・・・・・・・・・・・・・・・・・・・・・・・・・・・・・・・・ 235
CLAMP, FUEL TUBE, NO.3 ・・・・・・・・・・・・・・・・・・・・・・・・・・・・・・・・・・・・・・・・・・・・・・・・・・・・・・・・・・・・ 235
CLAMP, FUEL TUBE, NO.3 ・・・・・・・・・・・・・・・・・・・・・・・・・・・・・・・・・・・・・・・・・・・・・・・・・・・・・・・・・・・・ 235
CLAMP, FUEL TUBE, NO.4 ・・・・・・・・・・・・・・・・・・・・・・・・・・・・・・・・・・・・・・・・・・・・・・・・・・・・・・・・・・・・ 235
CLAMP, FUEL TUBE, NO.5 ・・・・・・・・・・・・・・・・・・・・・・・・・・・・・・・・・・・・・・・・・・・・・・・・・・・・・・・・・・・・ 235
CLAMP, HOOD SUPPORT ROD ・・・・・・・・・・・・・・・・・・・・・・・・・・・・・・・・・・・・・・・・・・・・・・・・・・・・・・・・・・・ 157
CLAMP, HOSE(FOR RADIATOR HOSE NO.2) ・・・・・・・・・・・・・・・・・・・・・・・・・・・・・・・・・・・・・・・・・・・・・・・ 66
CLAMP, NO.1 (FOR TRANSMISSION CONTROL CABLE) ・・・・・・・・・・・・・・・・・・・・・・・・・・・・・・・・・・・・・・ 95
CLAMP, NO.2(FOR PARKING BRAKE CABLE) ・・・・・・・・・・・・・・・・・・・・・・・・・・・・・・・・・・・・・・・・・・・・・・ 128
CLAMP, REAR DOOR LOCK LINK ・・・・・・・・・・・・・・・・・・・・・・・・・・・・・・・・・・・・・・・・・・・・・・・・・・・・・・・・ 203
CLAMP, TRANSMISSION CONTROL CABLE ・・・・・・・・・・・・・・・・・・・・・・・・・・・・・・・・・・・・・・・・・・・・・・・・・ 95
CLEANER ASSY, AIR ・・・・・・・・・・・・・・・・・・・・・・・・・・・・・・・・・・・・・・・・・・・・・・・・・・・・・・・・・・・・・・・・・ 71
CLEVIS, BRAKE MASTER CYLINDER PUSH ROD ・・・・・・・・・・・・・・・・・・・・・・・・・・・・・・・・・・・・・・・・・・・・ 131
CLIP ・・・・・・・・・・・・・・・・・・・・・・・・・・・・・・・・・・・・・・・・・・・・・・・・・・・・・・・・・・・・・・・・・・・・・・・・・・・・・・ 66
CLIP ・・・・・・・・・・・・・・・・・・・・・・・・・・・・・・・・・・・・・・・・・・・・・・・・・・・・・・・・・・・・・・・・・・・・・・・・・・・・・・ 159
CLIP ・・・・・・・・・・・・・・・・・・・・・・・・・・・・・・・・・・・・・・・・・・・・・・・・・・・・・・・・・・・・・・・・・・・・・・・・・・・・・・ 188
CLIP ・・・・・・・・・・・・・・・・・・・・・・・・・・・・・・・・・・・・・・・・・・・・・・・・・・・・・・・・・・・・・・・・・・・・・・・・・・・・・・ 213
CLIP (FOR CENTER PILLAR GARNISH PANEL, UPPER) ・・・・・・・・・・・・・・・・・・・・・・・・・・・・・・・・・・・・・ 184
CLIP (FOR FRONT SEAT CUSHION COVER SET) ・・・・・・・・・・・・・・・・・・・・・・・・・・・・・・・・・・・・・・・・・・・ 214
CLIP (FOR FRONT SEAT CUSHION COVER) ・・・・・・・・・・・・・・・・・・・・・・・・・・・・・・・・・・・・・・・・・・・・・・・ 214
CLIP (FOR QUARTER REAR TRIM) ・・・・・・・・・・・・・・・・・・・・・・・・・・・・・・・・・・・・・・・・・・・・・・・・・・・・・・ 188
CLIP (FOR REAR SEAT BACK) ・・・・・・・・・・・・・・・・・・・・・・・・・・・・・・・・・・・・・・・・・・・・・・・・・・・・・・・・・ 216
CLIP (FOR ROOF SIDE INNER GARNISH) ・・・・・・・・・・・・・・・・・・・・・・・・・・・・・・・・・・・・・・・・・・・・・・・・ 184
CLIP OR CLAMP(FOR VENTILATION HOSE) ・・・・・・・・・・・・・・・・・・・・・・・・・・・・・・・・・・・・・・・・・・・・・・・ 55
CLIP(FOR CLUTCH RELEASE CABLE) ・・・・・・・・・・・・・・・・・・・・・・・・・・・・・・・・・・・・・・・・・・・・・・・・・・・・ 81
CLIP(FOR CONSOLE BOX) ・・・・・・・・・・・・・・・・・・・・・・・・・・・・・・・・・・・・・・・・・・・・・・・・・・・・・・・・・・・・・ 175
CLIP(FOR DECK SIDE TRIM PANEL) ・・・・・・・・・・・・・・・・・・・・・・・・・・・・・・・・・・・・・・・・・・・・・・・・・・・・ 189
CLIP(FOR DECK TRIM REAR COVER) ・・・・・・・・・・・・・・・・・・・・・・・・・・・・・・・・・・・・・・・・・・・・・・・・・・・・ 188
CLIP(FOR DECK TRIM SIDE BOARD) ・・・・・・・・・・・・・・・・・・・・・・・・・・・・・・・・・・・・・・・・・・・・・・・・・・・・ 188
CLIP(FOR DOOR TRIM) ・・・・・・・・・・・・・・・・・・・・・・・・・・・・・・・・・・・・・・・・・・・・・・・・・・・・・・・・・・・・・・・ 191
CLIP(FOR FLOOR CARPET, REAR) ・・・・・・・・・・・・・・・・・・・・・・・・・・・・・・・・・・・・・・・・・・・・・・・・・・・・・・ 174
CLIP(FOR FRONT DOOR TRIM BOARD) ・・・・・・・・・・・・・・・・・・・・・・・・・・・・・・・・・・・・・・・・・・・・・・・・・・・ 192
CLIP(FOR FRONT DOOR TRIM BOARD) ・・・・・・・・・・・・・・・・・・・・・・・・・・・・・・・・・・・・・・・・・・・・・・・・・・・ 192
CLIP(FOR FRONT FLOOR CARPET) ・・・・・・・・・・・・・・・・・・・・・・・・・・・・・・・・・・・・・・・・・・・・・・・・・・・・・・ 174
CLIP(FOR FRONT PILLAR GARNISH) ・・・・・・・・・・・・・・・・・・・・・・・・・・・・・・・・・・・・・・・・・・・・・・・・・・・・ 184
CLIP(FOR FRONT SEAT CUSHION) ・・・・・・・・・・・・・・・・・・・・・・・・・・・・・・・・・・・・・・・・・・・・・・・・・・・・・・ 213
CLIP(FOR HOOD INSULATOR) ・・・・・・・・・・・・・・・・・・・・・・・・・・・・・・・・・・・・・・・・・・・・・・・・・・・・・・・・・・ 156
CLIP(FOR OIL COOLER HOSE) ・・・・・・・・・・・・・・・・・・・・・・・・・・・・・・・・・・・・・・・・・・・・・・・・・・・・・・・・・ 111
CLIP(FOR PUSH ROD CLEVIS PIN) ・・・・・・・・・・・・・・・・・・・・・・・・・・・・・・・・・・・・・・・・・・・・・・・・・・・・・ 129
CLIP(FOR REAR COMBINATION LAMP) ・・・・・・・・・・・・・・・・・・・・・・・・・・・・・・・・・・・・・・・・・・・・・・・・・・・ 240
CLIP(FOR REAR DOOR TRIM BOARD) ・・・・・・・・・・・・・・・・・・・・・・・・・・・・・・・・・・・・・・・・・・・・・・・・・・・・ 200
CLIP(FOR REAR DOOR TRIM BOARD) ・・・・・・・・・・・・・・・・・・・・・・・・・・・・・・・・・・・・・・・・・・・・・・・・・・・・ 200
CLIP(FOR REAR SCUFF PLATE) ・・・・・・・・・・・・・・・・・・・・・・・・・・・・・・・・・・・・・・・・・・・・・・・・・・・・・・・・ 185
CLIP(FOR REAR SEAT BACK CARPET) ・・・・・・・・・・・・・・・・・・・・・・・・・・・・・・・・・・・・・・・・・・・・・・・・・・・ 216
CLIP(FOR REAR SEAT CUSHION COVER) ・・・・・・・・・・・・・・・・・・・・・・・・・・・・・・・・・・・・・・・・・・・・・・・・・ 216
CLIP(FOR ROOF HEADLINING) ・・・・・・・・・・・・・・・・・・・・・・・・・・・・・・・・・・・・・・・・・・・・・・・・・・・・・・・・・ 187
CLIP(FOR SCUFF PLATE) ・・・・・・・・・・・・・・・・・・・・・・・・・・・・・・・・・・・・・・・・・・・・・・・・・・・・・・・・・・・・・ 184
CLIP(FOR STEERING RACK BOOT) ・・・・・・・・・・・・・・・・・・・・・・・・・・・・・・・・・・・・・・・・・・・・・・・・・・・・・・ 126
CLIP(FOR VACUUM HOSE ASSY) ・・・・・・・・・・・・・・・・・・・・・・・・・・・・・・・・・・・・・・・・・・・・・・・・・・・・・・・・ 131
CLIP(FOR VENTILATION HOSE NO.2) ・・・・・・・・・・・・・・・・・・・・・・・・・・・・・・・・・・・・・・・・・・・・・・・・・・・ 55
CLAMP, - CLIP(FOR
PART NAME PAGE
CLIP(FOR WATER BY-PASS HOSE NO.1) ・・・・・・・・・・・・・・・・・・・・・・・・・・・・・・・・・・・・・・・・・・・・・・・・・ 65
CLIP, ACCELERATOR BELLCRANK ・・・・・・・・・・・・・・・・・・・・・・・・・・・・・・・・・・・・・・・・・・・・・・・・・・・・・・・ 236
CLIP, COWL TOP VENTILATOR LOUVER ・・・・・・・・・・・・・・・・・・・・・・・・・・・・・・・・・・・・・・・・・・・・・・・・・・ 169
CLIP, DECK REAR TRIM ・・・・・・・・・・・・・・・・・・・・・・・・・・・・・・・・・・・・・・・・・・・・・・・・・・・・・・・・・・・・・・ 188
CLIP, FOOTREST ・・・・・・・・・・・・・・・・・・・・・・・・・・・・・・・・・・・・・・・・・・・・・・・・・・・・・・・・・・・・・・・・・・・・ 173
CLIP, FRONT DOOR WEATHERSTRIP ・・・・・・・・・・・・・・・・・・・・・・・・・・・・・・・・・・・・・・・・・・・・・・・・・・・・・ 192
CLIP, FRONT FENDER LINER ・・・・・・・・・・・・・・・・・・・・・・・・・・・・・・・・・・・・・・・・・・・・・・・・・・・・・・・・・・ 156
CLIP, FRONT FENDER LINER ・・・・・・・・・・・・・・・・・・・・・・・・・・・・・・・・・・・・・・・・・・・・・・・・・・・・・・・・・・ 156
CLIP, NO.1(FOR COWL SIDE TRIM) ・・・・・・・・・・・・・・・・・・・・・・・・・・・・・・・・・・・・・・・・・・・・・・・・・・・・ 184
CLIP, RADIATOR HOSE, NO.1 ・・・・・・・・・・・・・・・・・・・・・・・・・・・・・・・・・・・・・・・・・・・・・・・・・・・・・・・・・ 66
CLIP, RADIATOR HOSE, NO.2 ・・・・・・・・・・・・・・・・・・・・・・・・・・・・・・・・・・・・・・・・・・・・・・・・・・・・・・・・・ 66
CLIP, REAR DOOR WEATHERSTRIP ・・・・・・・・・・・・・・・・・・・・・・・・・・・・・・・・・・・・・・・・・・・・・・・・・・・・・・ 200
CLIP, RELEASE BEARING HUB ・・・・・・・・・・・・・・・・・・・・・・・・・・・・・・・・・・・・・・・・・・・・・・・・・・・・・・・・・ 80
CLIP, ROOF DRIP SIDE FINISH MOULDING ・・・・・・・・・・・・・・・・・・・・・・・・・・・・・・・・・・・・・・・・・・・・・・ 228
CLUTCH ASSY, 1 WAY ・・・・・・・・・・・・・・・・・・・・・・・・・・・・・・・・・・・・・・・・・・・・・・・・・・・・・・・・・・・・・・・・ 107
CLUTCH ASSY, FRONT MULTIPLE DISC ・・・・・・・・・・・・・・・・・・・・・・・・・・・・・・・・・・・・・・・・・・・・・・・・・・ 103
CLUTCH ASSY, MAGNET ・・・・・・・・・・・・・・・・・・・・・・・・・・・・・・・・・・・・・・・・・・・・・・・・・・・・・・・・・・・・・・・ 286
CLUTCH ASSY, REAR MULTIPLE DISC ・・・・・・・・・・・・・・・・・・・・・・・・・・・・・・・・・・・・・・・・・・・・・・・・・・・ 103
CLUTCH SUB-ASSY, STARTER CENTER BEARING ・・・・・・・・・・・・・・・・・・・・・・・・・・・・・・・・・・・・・・・・・・・ 78
COIL ASSY, IGNITION ・・・・・・・・・・・・・・・・・・・・・・・・・・・・・・・・・・・・・・・・・・・・・・・・・・・・・・・・・・・・・・・ 74
COLUMN ASSY, STEERING ・・・・・・・・・・・・・・・・・・・・・・・・・・・・・・・・・・・・・・・・・・・・・・・・・・・・・・・・・・・・・ 122
COMPRESSION SPRING, TRANSAXLE CASE ・・・・・・・・・・・・・・・・・・・・・・・・・・・・・・・・・・・・・・・・・・・・・・・・ 99
COMPRESSOR ASSY, COOLER ・・・・・・・・・・・・・・・・・・・・・・・・・・・・・・・・・・・・・・・・・・・・・・・・・・・・・・・・・・・ 285
COMPUTER ASSY, AIR BAG ・・・・・・・・・・・・・・・・・・・・・・・・・・・・・・・・・・・・・・・・・・・・・・・・・・・・・・・・・・・・ 265
COMPUTER ASSY, POWER STEERING ・・・・・・・・・・・・・・・・・・・・・・・・・・・・・・・・・・・・・・・・・・・・・・・・・・・・・ 260
COMPUTER, FUEL INJECTION ・・・・・・・・・・・・・・・・・・・・・・・・・・・・・・・・・・・・・・・・・・・・・・・・・・・・・・・・・・ 261
CONDENSER ASSY, W/RECEIVER ・・・・・・・・・・・・・・・・・・・・・・・・・・・・・・・・・・・・・・・・・・・・・・・・・・・・・・・・ 284
CONNECTOR SUB-ASSY, TRANS SOLENOID ・・・・・・・・・・・・・・・・・・・・・・・・・・・・・・・・・・・・・・・・・・・・・・・・ 100
CONTROL ASSY, HEATER ・・・・・・・・・・・・・・・・・・・・・・・・・・・・・・・・・・・・・・・・・・・・・・・・・・・・・・・・・・・・・・ 281
CONTROL OPENER ASSY, FUEL LID LOCK ・・・・・・・・・・・・・・・・・・・・・・・・・・・・・・・・・・・・・・・・・・・・・・・・ 234
CONVERTER ASSY, TORQUE ・・・・・・・・・・・・・・・・・・・・・・・・・・・・・・・・・・・・・・・・・・・・・・・・・・・・・・・・・・・・ 97
CONVERTER SUB-ASSY, MANIFOLD ・・・・・・・・・・・・・・・・・・・・・・・・・・・・・・・・・・・・・・・・・・・・・・・・・・・・・・ 69
COVER ASSY, CLUTCH ・・・・・・・・・・・・・・・・・・・・・・・・・・・・・・・・・・・・・・・・・・・・・・・・・・・・・・・・・・・・・・・・ 80
COVER SUB-ASSY, CONTROL SHAFT ・・・・・・・・・・・・・・・・・・・・・・・・・・・・・・・・・・・・・・・・・・・・・・・・・・・・・ 93
COVER SUB-ASSY, CYLINDER HEAD ・・・・・・・・・・・・・・・・・・・・・・・・・・・・・・・・・・・・・・・・・・・・・・・・・・・・・ 47
COVER SUB-ASSY, MANUAL TRANSMISSION CASE ・・・・・・・・・・・・・・・・・・・・・・・・・・・・・・・・・・・・・・・・・・ 84
COVER SUB-ASSY, OIL PUMP ・・・・・・・・・・・・・・・・・・・・・・・・・・・・・・・・・・・・・・・・・・・・・・・・・・・・・・・・・・ 60
COVER SUB-ASSY, SHIFTING HOLE ・・・・・・・・・・・・・・・・・・・・・・・・・・・・・・・・・・・・・・・・・・・・・・・・・・・・・ 175
COVER SUB-ASSY, TIMING CHAIN OR BELT ・・・・・・・・・・・・・・・・・・・・・・・・・・・・・・・・・・・・・・・・・・・・・・ 52
COVER, AIR BAG SENSOR ・・・・・・・・・・・・・・・・・・・・・・・・・・・・・・・・・・・・・・・・・・・・・・・・・・・・・・・・・・・・・ 265
COVER, BATTERY ・・・・・・・・・・・・・・・・・・・・・・・・・・・・・・・・・・・・・・・・・・・・・・・・・・・・・・・・・・・・・・・・・・・・ 223
COVER, BATTERY ・・・・・・・・・・・・・・・・・・・・・・・・・・・・・・・・・・・・・・・・・・・・・・・・・・・・・・・・・・・・・・・・・・・・ 243
COVER, CLUTCH HOUSING UNDER(ATM) ・・・・・・・・・・・・・・・・・・・・・・・・・・・・・・・・・・・・・・・・・・・・・・・・・・ 99
COVER, DISC BRAKE DUST, FRONT LH ・・・・・・・・・・・・・・・・・・・・・・・・・・・・・・・・・・・・・・・・・・・・・・・・・・ 135
COVER, DISC BRAKE DUST, FRONT RH ・・・・・・・・・・・・・・・・・・・・・・・・・・・・・・・・・・・・・・・・・・・・・・・・・・ 135
COVER, DUST ・・・・・・・・・・・・・・・・・・・・・・・・・・・・・・・・・・・・・・・・・・・・・・・・・・・・・・・・・・・・・・・・・・・・・・・ 122
COVER, ENGINE UNDER, LH ・・・・・・・・・・・・・・・・・・・・・・・・・・・・・・・・・・・・・・・・・・・・・・・・・・・・・・・・・・・ 150
COVER, ENGINE UNDER, RH ・・・・・・・・・・・・・・・・・・・・・・・・・・・・・・・・・・・・・・・・・・・・・・・・・・・・・・・・・・・ 150
COVER, FRONT BUMPER ・・・・・・・・・・・・・・・・・・・・・・・・・・・・・・・・・・・・・・・・・・・・・・・・・・・・・・・・・・・・・・・ 152
COVER, FRONT BUMPER HOLE, RH ・・・・・・・・・・・・・・・・・・・・・・・・・・・・・・・・・・・・・・・・・・・・・・・・・・・・・・ 152
CLIP(FOR - COVER,
19
PART NAME PAGE
COVER, FRONT DOOR SERVICE HOLE, LH ・・・・・・・・・・・・・・・・・・・・・・・・・・・・・・・・・・・・・・・・・・・・・・・・ 192
COVER, FRONT DOOR SERVICE HOLE, RH ・・・・・・・・・・・・・・・・・・・・・・・・・・・・・・・・・・・・・・・・・・・・・・・・ 192
COVER, FRONT SEAT BACK, LH(FOR SEPARATE TYPE) ・・・・・・・・・・・・・・・・・・・・・・・・・・・・・・・・・・・・・ 213
COVER, FRONT SEAT BACK, RH(FOR SEPARATE TYPE) ・・・・・・・・・・・・・・・・・・・・・・・・・・・・・・・・・・・・・ 213
COVER, FRONT SEAT CUSHION, LH(FOR SEPARATE TYPE) ・・・・・・・・・・・・・・・・・・・・・・・・・・・・・・・・・・ 213
COVER, FRONT SEAT CUSHION, RH(FOR SEPARATE TYPE) ・・・・・・・・・・・・・・・・・・・・・・・・・・・・・・・・・・ 213
COVER, FRONT SEAT HINGE, LH ・・・・・・・・・・・・・・・・・・・・・・・・・・・・・・・・・・・・・・・・・・・・・・・・・・・・・・・ 214
COVER, FRONT SEAT HINGE, RH ・・・・・・・・・・・・・・・・・・・・・・・・・・・・・・・・・・・・・・・・・・・・・・・・・・・・・・・ 214
COVER, FRONT SPOILER ・・・・・・・・・・・・・・・・・・・・・・・・・・・・・・・・・・・・・・・・・・・・・・・・・・・・・・・・・・・・・・ 230
COVER, FRONT SUSPENSION SUPPORT DUST, LH ・・・・・・・・・・・・・・・・・・・・・・・・・・・・・・・・・・・・・・・・・・ 146
COVER, FRONT SUSPENSION SUPPORT DUST, RH ・・・・・・・・・・・・・・・・・・・・・・・・・・・・・・・・・・・・・・・・・・ 146
COVER, FUEL TANK FILLER PIPE ・・・・・・・・・・・・・・・・・・・・・・・・・・・・・・・・・・・・・・・・・・・・・・・・・・・・・・ 234
COVER, HEADLAMP SOCKET ・・・・・・・・・・・・・・・・・・・・・・・・・・・・・・・・・・・・・・・・・・・・・・・・・・・・・・・・・・・・ 238
COVER, HEATER ・・・・・・・・・・・・・・・・・・・・・・・・・・・・・・・・・・・・・・・・・・・・・・・・・・・・・・・・・・・・・・・・・・・・・ 279
COVER, HOLE(FOR LOWER BACK) ・・・・・・・・・・・・・・・・・・・・・・・・・・・・・・・・・・・・・・・・・・・・・・・・・・・・・・・ 173
COVER, HOOD LOCK CONTROL CABLE ・・・・・・・・・・・・・・・・・・・・・・・・・・・・・・・・・・・・・・・・・・・・・・・・・・・・ 159
COVER, INSTRUMENT PANEL HOLE ・・・・・・・・・・・・・・・・・・・・・・・・・・・・・・・・・・・・・・・・・・・・・・・・・・・・・・ 166
COVER, INSTRUMENT PANEL REGISTER HOLE ・・・・・・・・・・・・・・・・・・・・・・・・・・・・・・・・・・・・・・・・・・・・・ 166
COVER, INSTRUMENT PANEL REGISTER OPENING ・・・・・・・・・・・・・・・・・・・・・・・・・・・・・・・・・・・・・・・・・・ 166
COVER, LOWER BACK PANEL ・・・・・・・・・・・・・・・・・・・・・・・・・・・・・・・・・・・・・・・・・・・・・・・・・・・・・・・・・・・ 173
COVER, LOWER BALL JOINT DUST ・・・・・・・・・・・・・・・・・・・・・・・・・・・・・・・・・・・・・・・・・・・・・・・・・・・・・・ 143
COVER, OUTER MIRROR, LH ・・・・・・・・・・・・・・・・・・・・・・・・・・・・・・・・・・・・・・・・・・・・・・・・・・・・・・・・・・・ 276
COVER, OUTER MIRROR, LH ・・・・・・・・・・・・・・・・・・・・・・・・・・・・・・・・・・・・・・・・・・・・・・・・・・・・・・・・・・・ 276
COVER, OUTER MIRROR, RH ・・・・・・・・・・・・・・・・・・・・・・・・・・・・・・・・・・・・・・・・・・・・・・・・・・・・・・・・・・・ 275
COVER, OUTER MIRROR, RH ・・・・・・・・・・・・・・・・・・・・・・・・・・・・・・・・・・・・・・・・・・・・・・・・・・・・・・・・・・・ 275
COVER, OUTPUT SHAFT(MTM) ・・・・・・・・・・・・・・・・・・・・・・・・・・・・・・・・・・・・・・・・・・・・・・・・・・・・・・・・・・ 88
COVER, RADIO TUNER OPENING ・・・・・・・・・・・・・・・・・・・・・・・・・・・・・・・・・・・・・・・・・・・・・・・・・・・・・・・・ 166
COVER, REAR BUMPER ・・・・・・・・・・・・・・・・・・・・・・・・・・・・・・・・・・・・・・・・・・・・・・・・・・・・・・・・・・・・・・・・ 153
COVER, REAR DOOR SERVICE HOLE, LH ・・・・・・・・・・・・・・・・・・・・・・・・・・・・・・・・・・・・・・・・・・・・・・・・・ 200
COVER, REAR DOOR SERVICE HOLE, RH ・・・・・・・・・・・・・・・・・・・・・・・・・・・・・・・・・・・・・・・・・・・・・・・・・ 200
COVER, REAR LAMP ・・・・・・・・・・・・・・・・・・・・・・・・・・・・・・・・・・・・・・・・・・・・・・・・・・・・・・・・・・・・・・・・・・ 206
COVER, REAR SEAT BACK (FOR BENCH TYPE) ・・・・・・・・・・・・・・・・・・・・・・・・・・・・・・・・・・・・・・・・・・・・ 216
COVER, REAR SEAT CUSHION (FOR BENCH TYPE) ・・・・・・・・・・・・・・・・・・・・・・・・・・・・・・・・・・・・・・・・・ 216
COVER, REAR SEAT HEADREST UNDER ・・・・・・・・・・・・・・・・・・・・・・・・・・・・・・・・・・・・・・・・・・・・・・・・・・・ 216
COVER, RELAY BLOCK, NO.1 ・・・・・・・・・・・・・・・・・・・・・・・・・・・・・・・・・・・・・・・・・・・・・・・・・・・・・・・・・・ 258
COVER, REMOTE CONTROL MIRROR HOLE ・・・・・・・・・・・・・・・・・・・・・・・・・・・・・・・・・・・・・・・・・・・・・・・・・ 166
COVER, SEAT TRACK, LH ・・・・・・・・・・・・・・・・・・・・・・・・・・・・・・・・・・・・・・・・・・・・・・・・・・・・・・・・・・・・・ 214
COVER, SEAT TRACK, RH ・・・・・・・・・・・・・・・・・・・・・・・・・・・・・・・・・・・・・・・・・・・・・・・・・・・・・・・・・・・・・ 214
COVER, SENSOR ・・・・・・・・・・・・・・・・・・・・・・・・・・・・・・・・・・・・・・・・・・・・・・・・・・・・・・・・・・・・・・・・・・・・・ 52
COVER, STEERING COLUMN, LWR ・・・・・・・・・・・・・・・・・・・・・・・・・・・・・・・・・・・・・・・・・・・・・・・・・・・・・・・ 123
COVER, STEERING COLUMN, UPR ・・・・・・・・・・・・・・・・・・・・・・・・・・・・・・・・・・・・・・・・・・・・・・・・・・・・・・・ 123
COVER, TRANSMISSION CASE, REAR ・・・・・・・・・・・・・・・・・・・・・・・・・・・・・・・・・・・・・・・・・・・・・・・・・・・・ 100
CRANKSHAFT ・・・・・・・・・・・・・・・・・・・・・・・・・・・・・・・・・・・・・・・・・・・・・・・・・・・・・・・・・・・・・・・・・・・・・・・・ 57
CROSSMEMBER SUB-ASSY, FRONT SUSPENSION ・・・・・・・・・・・・・・・・・・・・・・・・・・・・・・・・・・・・・・・・・・・・ 150
CUP KIT, REAR WHEEL CYLINDER ・・・・・・・・・・・・・・・・・・・・・・・・・・・・・・・・・・・・・・・・・・・・・・・・・・・・・・ 136
CUP, SHOE HOLD DOWN SPRING(FOR REAR BRAKE) ・・・・・・・・・・・・・・・・・・・・・・・・・・・・・・・・・・・・・・・・ 137
CUSHION(FOR BACK DOOR PANEL) ・・・・・・・・・・・・・・・・・・・・・・・・・・・・・・・・・・・・・・・・・・・・・・・・・・・・・・ 206
CUSHION(FOR PARKING LOCK CABLE) ・・・・・・・・・・・・・・・・・・・・・・・・・・・・・・・・・・・・・・・・・・・・・・・・・・・ 129
CUSHION, COURTESY SWITCH ・・・・・・・・・・・・・・・・・・・・・・・・・・・・・・・・・・・・・・・・・・・・・・・・・・・・・・・・・・ 259
CUSHION, FRONT DOOR PANEL ・・・・・・・・・・・・・・・・・・・・・・・・・・・・・・・・・・・・・・・・・・・・・・・・・・・・・・・・・ 191
COVER, - CUSHION,
PART NAME PAGE
CUSHION, GLOVE COMPARTMENT DOOR CHECK ・・・・・・・・・・・・・・・・・・・・・・・・・・・・・・・・・・・・・・・・・・・・・ 166
CUSHION, HOOD, CENTER ・・・・・・・・・・・・・・・・・・・・・・・・・・・・・・・・・・・・・・・・・・・・・・・・・・・・・・・・・・・・・ 156
CUSHION, INSTRUMENT PANEL, NO.1 ・・・・・・・・・・・・・・・・・・・・・・・・・・・・・・・・・・・・・・・・・・・・・・・・・・・ 166
CYLINDER & KEY SET, BACK DOOR LOCK ・・・・・・・・・・・・・・・・・・・・・・・・・・・・・・・・・・・・・・・・・・・・・・・・ 210
CYLINDER & KEY SET, DOOR LOCK, RH ・・・・・・・・・・・・・・・・・・・・・・・・・・・・・・・・・・・・・・・・・・・・・・・・・ 210
CYLINDER & KEY SET, IGNITION SWITCH LOCK ・・・・・・・・・・・・・・・・・・・・・・・・・・・・・・・・・・・・・・・・・・ 210
CYLINDER ASSY, DISC BRAKE, LH ・・・・・・・・・・・・・・・・・・・・・・・・・・・・・・・・・・・・・・・・・・・・・・・・・・・・・ 134
CYLINDER ASSY, FRONT DISC BRAKE, RH ・・・・・・・・・・・・・・・・・・・・・・・・・・・・・・・・・・・・・・・・・・・・・・・ 134
CYLINDER ASSY, REAR WHEEL BRAKE(FOR LH, FRONT OR UPPER) ・・・・・・・・・・・・・・・・・・・・・・・・・・・ 137
CYLINDER ASSY, REAR WHEEL BRAKE(FOR RH, FRONT OR UPPER) ・・・・・・・・・・・・・・・・・・・・・・・・・・・ 137
CYLINDER KIT, DISC BRAKE, FRONT ・・・・・・・・・・・・・・・・・・・・・・・・・・・・・・・・・・・・・・・・・・・・・・・・・・・ 134
CYLINDER KIT, REAR WHEEL ・・・・・・・・・・・・・・・・・・・・・・・・・・・・・・・・・・・・・・・・・・・・・・・・・・・・・・・・・・ 136
CYLINDER SET, LOCK ・・・・・・・・・・・・・・・・・・・・・・・・・・・・・・・・・・・・・・・・・・・・・・・・・・・・・・・・・・・・・・・・ 210
CYLINDER SUB-ASSY, BRAKE MASTER ・・・・・・・・・・・・・・・・・・・・・・・・・・・・・・・・・・・・・・・・・・・・・・・・・・・ 130
CYLINDER, 2ND & 4TH BRAKE ・・・・・・・・・・・・・・・・・・・・・・・・・・・・・・・・・・・・・・・・・・・・・・・・・・・・・・・・・ 104
DAM, WINDOW GLASS ADHESIVE ・・・・・・・・・・・・・・・・・・・・・・・・・・・・・・・・・・・・・・・・・・・・・・・・・・・・・・・・ 169
DISC ASSY, CLUTCH ・・・・・・・・・・・・・・・・・・・・・・・・・・・・・・・・・・・・・・・・・・・・・・・・・・・・・・・・・・・・・・・・・ 80
DISC, BRAKE ・・・・・・・・・・・・・・・・・・・・・・・・・・・・・・・・・・・・・・・・・・・・・・・・・・・・・・・・・・・・・・・・・・・・・・・ 107
DISC, BRAKE, NO.1 ・・・・・・・・・・・・・・・・・・・・・・・・・・・・・・・・・・・・・・・・・・・・・・・・・・・・・・・・・・・・・・・・・ 105
DISC, CLUTCH (FOR DIRECT MULTIPLE DISC CLUTCH) ・・・・・・・・・・・・・・・・・・・・・・・・・・・・・・・・・・・・ 103
DISC, CLUTCH (FOR FORWARD MULTIPLE DISC CLUTCH) ・・・・・・・・・・・・・・・・・・・・・・・・・・・・・・・・・・・ 103
DISC, CLUTCH (FOR FRONT CLUTCH) ・・・・・・・・・・・・・・・・・・・・・・・・・・・・・・・・・・・・・・・・・・・・・・・・・・・ 103
DISC, FRONT ・・・・・・・・・・・・・・・・・・・・・・・・・・・・・・・・・・・・・・・・・・・・・・・・・・・・・・・・・・・・・・・・・・・・・・・ 120
DISC, REAR CLUTCH ・・・・・・・・・・・・・・・・・・・・・・・・・・・・・・・・・・・・・・・・・・・・・・・・・・・・・・・・・・・・・・・・・ 103
DOOR ASSY, GLOVE COMPARTMENT ・・・・・・・・・・・・・・・・・・・・・・・・・・・・・・・・・・・・・・・・・・・・・・・・・・・・・・ 166
DRUM SUB-ASSY, REAR BRAKE ・・・・・・・・・・・・・・・・・・・・・・・・・・・・・・・・・・・・・・・・・・・・・・・・・・・・・・・・・ 112
DUCT ASSY, QUARTER VENT ・・・・・・・・・・・・・・・・・・・・・・・・・・・・・・・・・・・・・・・・・・・・・・・・・・・・・・・・・・・ 181
DUCT SUB-ASSY, HEATER TO REGISTER, CENTER ・・・・・・・・・・・・・・・・・・・・・・・・・・・・・・・・・・・・・・・・・ 281
ELEMENT SUB-ASSY, AIR CLEANER FILTER ・・・・・・・・・・・・・・・・・・・・・・・・・・・・・・・・・・・・・・・・・・・・・・ 71
EMBLEM, BACK DOOR, NO.1 ・・・・・・・・・・・・・・・・・・・・・・・・・・・・・・・・・・・・・・・・・・・・・・・・・・・・・・・・・・・ 225
EMBLEM, HOOD ・・・・・・・・・・・・・・・・・・・・・・・・・・・・・・・・・・・・・・・・・・・・・・・・・・・・・・・・・・・・・・・・・・・・・・ 225
END SUB-ASSY, STEERING RACK ・・・・・・・・・・・・・・・・・・・・・・・・・・・・・・・・・・・・・・・・・・・・・・・・・・・・・・・ 126
END SUB-ASSY, TIE ROD, LH ・・・・・・・・・・・・・・・・・・・・・・・・・・・・・・・・・・・・・・・・・・・・・・・・・・・・・・・・・ 126
END SUB-ASSY, TIE ROD, RH ・・・・・・・・・・・・・・・・・・・・・・・・・・・・・・・・・・・・・・・・・・・・・・・・・・・・・・・・・ 126
ENGINE ASSY, PARTIAL ・・・・・・・・・・・・・・・・・・・・・・・・・・・・・・・・・・・・・・・・・・・・・・・・・・・・・・・・・・・・・・ 43
EVAPORATOR SUB-ASSY, COOLER, NO.1 ・・・・・・・・・・・・・・・・・・・・・・・・・・・・・・・・・・・・・・・・・・・・・・・・・ 279
EXTENSION SUB-ASSY, JACK HANDLE ・・・・・・・・・・・・・・・・・・・・・・・・・・・・・・・・・・・・・・・・・・・・・・・・・・・ 42
EXTENSION, QUARTER PANEL TO UPPER BACK, LH ・・・・・・・・・・・・・・・・・・・・・・・・・・・・・・・・・・・・・・・・ 179
EXTENSION, QUARTER PANEL TO UPPER BACK, RH ・・・・・・・・・・・・・・・・・・・・・・・・・・・・・・・・・・・・・・・・ 179
EXTENSION, QUARTER PANEL, LOWER LH ・・・・・・・・・・・・・・・・・・・・・・・・・・・・・・・・・・・・・・・・・・・・・・・・ 179
EXTENSION, QUARTER PANEL, LOWER RH ・・・・・・・・・・・・・・・・・・・・・・・・・・・・・・・・・・・・・・・・・・・・・・・・ 179
EXTENSION, QUARTER PANEL, REAR LH ・・・・・・・・・・・・・・・・・・・・・・・・・・・・・・・・・・・・・・・・・・・・・・・・・ 179
EXTENSION, QUARTER PANEL, REAR RH ・・・・・・・・・・・・・・・・・・・・・・・・・・・・・・・・・・・・・・・・・・・・・・・・・ 179
FAN ・・・・・・・・・・・・・・・・・・・・・・・・・・・・・・・・・・・・・・・・・・・・・・・・・・・・・・・・・・・・・・・・・・・・・・・・・・・・・・・ 65
FAN ASSY, W/MOTOR ・・・・・・・・・・・・・・・・・・・・・・・・・・・・・・・・・・・・・・・・・・・・・・・・・・・・・・・・・・・・・・・・・ 65
FENDER SUB-ASSY, FRONT LH ・・・・・・・・・・・・・・・・・・・・・・・・・・・・・・・・・・・・・・・・・・・・・・・・・・・・・・・・・ 156
FENDER SUB-ASSY, FRONT RH ・・・・・・・・・・・・・・・・・・・・・・・・・・・・・・・・・・・・・・・・・・・・・・・・・・・・・・・・・ 156
FILLER, REAR DOOR GLASS CHANNAL ・・・・・・・・・・・・・・・・・・・・・・・・・・・・・・・・・・・・・・・・・・・・・・・・・・・ 201
FILTER SUB-ASSY, OIL ・・・・・・・・・・・・・・・・・・・・・・・・・・・・・・・・・・・・・・・・・・・・・・・・・・・・・・・・・・・・・・ 61
FILTER, AIR ・・・・・・・・・・・・・・・・・・・・・・・・・・・・・・・・・・・・・・・・・・・・・・・・・・・・・・・・・・・・・・・・・・・・・・・ 279
CUSHION, - FILTER,
20
PART NAME PAGE
FILTER, FUEL PUMP ・・・・・・・・・・・・・・・・・・・・・・・・・・・・・・・・・・・・・・・・・・・・・・・・・・・・・・・・・・・・・・・・・ 234
FLANGE, BRAKE ・・・・・・・・・・・・・・・・・・・・・・・・・・・・・・・・・・・・・・・・・・・・・・・・・・・・・・・・・・・・・・・・・・・・・ 107
FLANGE, BRAKE, NO.1 ・・・・・・・・・・・・・・・・・・・・・・・・・・・・・・・・・・・・・・・・・・・・・・・・・・・・・・・・・・・・・・・ 104
FLANGE, FORWARD CLUTCH ・・・・・・・・・・・・・・・・・・・・・・・・・・・・・・・・・・・・・・・・・・・・・・・・・・・・・・・・・・・・ 103
FLANGE, REAR CLUTCH ・・・・・・・・・・・・・・・・・・・・・・・・・・・・・・・・・・・・・・・・・・・・・・・・・・・・・・・・・・・・・・・ 103
FLANGE, REVERSE CLUTCH ・・・・・・・・・・・・・・・・・・・・・・・・・・・・・・・・・・・・・・・・・・・・・・・・・・・・・・・・・・・・ 103
FLASHER ASSY, TURN SIGNAL ・・・・・・・・・・・・・・・・・・・・・・・・・・・・・・・・・・・・・・・・・・・・・・・・・・・・・・・・・ 258
FLOOR SHIFT ASSY, TRANSMISSION ・・・・・・・・・・・・・・・・・・・・・・・・・・・・・・・・・・・・・・・・・・・・・・・・・・・・ 95
FLYWHEEL SUB-ASSY ・・・・・・・・・・・・・・・・・・・・・・・・・・・・・・・・・・・・・・・・・・・・・・・・・・・・・・・・・・・・・・・・・ 57
FORK, GEAR SHIFT, NO.1 ・・・・・・・・・・・・・・・・・・・・・・・・・・・・・・・・・・・・・・・・・・・・・・・・・・・・・・・・・・・・ 92
FORK, GEAR SHIFT, NO.2 ・・・・・・・・・・・・・・・・・・・・・・・・・・・・・・・・・・・・・・・・・・・・・・・・・・・・・・・・・・・・ 92
FORK, GEAR SHIFT, NO.3 ・・・・・・・・・・・・・・・・・・・・・・・・・・・・・・・・・・・・・・・・・・・・・・・・・・・・・・・・・・・・ 92
FRAME ASSY, FRONT SEAT W/ADJUSTER, LH ・・・・・・・・・・・・・・・・・・・・・・・・・・・・・・・・・・・・・・・・・・・・・ 213
FRAME ASSY, FRONT SEAT W/ADJUSTER, RH ・・・・・・・・・・・・・・・・・・・・・・・・・・・・・・・・・・・・・・・・・・・・・ 213
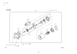
FRAME ASSY, STARTER COMMUTATOR END ・・・・・・・・・・・・・・・・・・・・・・・・・・・・・・・・・・・・・・・・・・・・・・・・ 78
FRAME SUB-ASSY, FRONT DOOR, REAR LOWER LH ・・・・・・・・・・・・・・・・・・・・・・・・・・・・・・・・・・・・・・・・・ 191
FRAME SUB-ASSY, FRONT DOOR, REAR LOWER RH ・・・・・・・・・・・・・・・・・・・・・・・・・・・・・・・・・・・・・・・・・ 191
FRAME, BACK DOOR OPENING UPPER CORNER, LH ・・・・・・・・・・・・・・・・・・・・・・・・・・・・・・・・・・・・・・・・・ 180
FRAME, BACK DOOR OPENING UPPER CORNER, RH ・・・・・・・・・・・・・・・・・・・・・・・・・・・・・・・・・・・・・・・・・ 180
FRAME, BACK DOOR OPENING, UPPER ・・・・・・・・・・・・・・・・・・・・・・・・・・・・・・・・・・・・・・・・・・・・・・・・・・・ 182
GAGE ASSY, FUEL SENDER ・・・・・・・・・・・・・・・・・・・・・・・・・・・・・・・・・・・・・・・・・・・・・・・・・・・・・・・・・・・・ 258
GAGE SUB-ASSY, OIL LEVEL ・・・・・・・・・・・・・・・・・・・・・・・・・・・・・・・・・・・・・・・・・・・・・・・・・・・・・・・・・・ 51
GAGE SUB-ASSY, TRANSMISSION OIL LEVEL ・・・・・・・・・・・・・・・・・・・・・・・・・・・・・・・・・・・・・・・・・・・・・ 99
GARNISH, CENTER PILLAR, LOWER LH ・・・・・・・・・・・・・・・・・・・・・・・・・・・・・・・・・・・・・・・・・・・・・・・・・・ 184
GARNISH, CENTER PILLAR, LOWER RH ・・・・・・・・・・・・・・・・・・・・・・・・・・・・・・・・・・・・・・・・・・・・・・・・・・ 184
GARNISH, CENTER PILLAR, UPPER LH ・・・・・・・・・・・・・・・・・・・・・・・・・・・・・・・・・・・・・・・・・・・・・・・・・・ 184
GARNISH, CENTER PILLAR, UPPER RH ・・・・・・・・・・・・・・・・・・・・・・・・・・・・・・・・・・・・・・・・・・・・・・・・・・ 184
GARNISH, FRONT DOOR LOWER FRAME BRACKET, LH ・・・・・・・・・・・・・・・・・・・・・・・・・・・・・・・・・・・・・・・ 192
GARNISH, FRONT DOOR LOWER FRAME BRACKET, RH ・・・・・・・・・・・・・・・・・・・・・・・・・・・・・・・・・・・・・・・ 191
GARNISH, FRONT PILLAR, LH ・・・・・・・・・・・・・・・・・・・・・・・・・・・・・・・・・・・・・・・・・・・・・・・・・・・・・・・・・ 184
GARNISH, FRONT PILLAR, RH ・・・・・・・・・・・・・・・・・・・・・・・・・・・・・・・・・・・・・・・・・・・・・・・・・・・・・・・・・ 184
GARNISH, ROOF SIDE, INNER LH ・・・・・・・・・・・・・・・・・・・・・・・・・・・・・・・・・・・・・・・・・・・・・・・・・・・・・・ 184
GARNISH, ROOF SIDE, INNER RH ・・・・・・・・・・・・・・・・・・・・・・・・・・・・・・・・・・・・・・・・・・・・・・・・・・・・・・ 184
GASKET (FOR TRANSAXLE CASE) ・・・・・・・・・・・・・・・・・・・・・・・・・・・・・・・・・・・・・・・・・・・・・・・・・・・・・・・ 100
GASKET KIT, ENGINE OVERHAUL ・・・・・・・・・・・・・・・・・・・・・・・・・・・・・・・・・・・・・・・・・・・・・・・・・・・・・・・ 45
GASKET KIT, ENGINE VALVE GRIND ・・・・・・・・・・・・・・・・・・・・・・・・・・・・・・・・・・・・・・・・・・・・・・・・・・・・ 45
GASKET(FOR CYLINDER HEAD SCREW PLUG) ・・・・・・・・・・・・・・・・・・・・・・・・・・・・・・・・・・・・・・・・・・・・・・ 47
GASKET(FOR FRONT FLEXIBLE HOSE) ・・・・・・・・・・・・・・・・・・・・・・・・・・・・・・・・・・・・・・・・・・・・・・・・・・・ 141
GASKET(FOR FUEL TANK) ・・・・・・・・・・・・・・・・・・・・・・・・・・・・・・・・・・・・・・・・・・・・・・・・・・・・・・・・・・・・・ 234
GASKET(FOR OIL PAN DRAIN PLUG) ・・・・・・・・・・・・・・・・・・・・・・・・・・・・・・・・・・・・・・・・・・・・・・・・・・・・ 51
GASKET, AUTOMATIC TRANSAXLE OIL PAN ・・・・・・・・・・・・・・・・・・・・・・・・・・・・・・・・・・・・・・・・・・・・・・・ 100
GASKET, BACK-UP LAMP SWITCH ・・・・・・・・・・・・・・・・・・・・・・・・・・・・・・・・・・・・・・・・・・・・・・・・・・・・・・・ 259
GASKET, BRAKE BOOSTER ・・・・・・・・・・・・・・・・・・・・・・・・・・・・・・・・・・・・・・・・・・・・・・・・・・・・・・・・・・・・・ 131
GASKET, CYLINDER HEAD ・・・・・・・・・・・・・・・・・・・・・・・・・・・・・・・・・・・・・・・・・・・・・・・・・・・・・・・・・・・・・ 47
GASKET, CYLINDER HEAD COVER ・・・・・・・・・・・・・・・・・・・・・・・・・・・・・・・・・・・・・・・・・・・・・・・・・・・・・・・ 47
GASKET, DRAIN PLUG (ATM) ・・・・・・・・・・・・・・・・・・・・・・・・・・・・・・・・・・・・・・・・・・・・・・・・・・・・・・・・・・ 100
GASKET, EXHAUST PIPE ・・・・・・・・・・・・・・・・・・・・・・・・・・・・・・・・・・・・・・・・・・・・・・・・・・・・・・・・・・・・・・ 69
GASKET, EXHAUST PIPE ・・・・・・・・・・・・・・・・・・・・・・・・・・・・・・・・・・・・・・・・・・・・・・・・・・・・・・・・・・・・・・ 70
GASKET, FUEL SUCTION TUBE SET ・・・・・・・・・・・・・・・・・・・・・・・・・・・・・・・・・・・・・・・・・・・・・・・・・・・・・ 234
GASKET, INTAKE MANIFOLD TO HEAD, NO.1 ・・・・・・・・・・・・・・・・・・・・・・・・・・・・・・・・・・・・・・・・・・・・・ 69
FILTER, - GASKET,
PART NAME PAGE
GASKET, MANUAL TRANSMISSION CASE COVER ・・・・・・・・・・・・・・・・・・・・・・・・・・・・・・・・・・・・・・・・・・・・ 92
GASKET, OIL PUMP ・・・・・・・・・・・・・・・・・・・・・・・・・・・・・・・・・・・・・・・・・・・・・・・・・・・・・・・・・・・・・・・・・・ 60
GASKET, OIL PUMP COVER ・・・・・・・・・・・・・・・・・・・・・・・・・・・・・・・・・・・・・・・・・・・・・・・・・・・・・・・・・・・・ 60
GASKET, OIL STRAINER ・・・・・・・・・・・・・・・・・・・・・・・・・・・・・・・・・・・・・・・・・・・・・・・・・・・・・・・・・・・・・・ 60
GASKET, THROTTLE BODY ・・・・・・・・・・・・・・・・・・・・・・・・・・・・・・・・・・・・・・・・・・・・・・・・・・・・・・・・・・・・・ 69
GASKET, TRANSMISSION CASE PLUG ・・・・・・・・・・・・・・・・・・・・・・・・・・・・・・・・・・・・・・・・・・・・・・・・・・・・ 84
GASKET, WATER INLET HOUSING ・・・・・・・・・・・・・・・・・・・・・・・・・・・・・・・・・・・・・・・・・・・・・・・・・・・・・・・ 65
GASKET, WATER OUTLET ・・・・・・・・・・・・・・・・・・・・・・・・・・・・・・・・・・・・・・・・・・・・・・・・・・・・・・・・・・・・・・ 65
GASKET, WATER PUMP ・・・・・・・・・・・・・・・・・・・・・・・・・・・・・・・・・・・・・・・・・・・・・・・・・・・・・・・・・・・・・・・・ 62
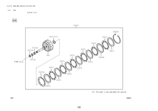
GEAR ASSY, FRONT PLANETARY ・・・・・・・・・・・・・・・・・・・・・・・・・・・・・・・・・・・・・・・・・・・・・・・・・・・・・・・・ 106
GEAR ASSY, STEERING ・・・・・・・・・・・・・・・・・・・・・・・・・・・・・・・・・・・・・・・・・・・・・・・・・・・・・・・・・・・・・・・ 126
GEAR ASSY,FRONT PLANETARY RING ・・・・・・・・・・・・・・・・・・・・・・・・・・・・・・・・・・・・・・・・・・・・・・・・・・・・ 107
GEAR KIT, RIDUCTION DRIVE ・・・・・・・・・・・・・・・・・・・・・・・・・・・・・・・・・・・・・・・・・・・・・・・・・・・・・・・・・ 107
GEAR OR SPROCKET, CAMSHAFT TIMING ・・・・・・・・・・・・・・・・・・・・・・・・・・・・・・・・・・・・・・・・・・・・・・・・・ 58
GEAR OR SPROCKET, CRANKSHAFT TIMING ・・・・・・・・・・・・・・・・・・・・・・・・・・・・・・・・・・・・・・・・・・・・・・・ 57
GEAR SUB ASSY, PLANETARY SUN ・・・・・・・・・・・・・・・・・・・・・・・・・・・・・・・・・・・・・・・・・・・・・・・・・・・・・・ 106
GEAR SUB-ASSY, DRIVE PLATE & RING ・・・・・・・・・・・・・・・・・・・・・・・・・・・・・・・・・・・・・・・・・・・・・・・・・ 97
GEAR SUB-ASSY, REAR PLANETARY ・・・・・・・・・・・・・・・・・・・・・・・・・・・・・・・・・・・・・・・・・・・・・・・・・・・・・ 106
GEAR SUB-ASSY, REVERSE IDLER ・・・・・・・・・・・・・・・・・・・・・・・・・・・・・・・・・・・・・・・・・・・・・・・・・・・・・・ 89
GEAR, 1ST ・・・・・・・・・・・・・・・・・・・・・・・・・・・・・・・・・・・・・・・・・・・・・・・・・・・・・・・・・・・・・・・・・・・・・・・・・ 88
GEAR, 2ND ・・・・・・・・・・・・・・・・・・・・・・・・・・・・・・・・・・・・・・・・・・・・・・・・・・・・・・・・・・・・・・・・・・・・・・・・・ 88
GEAR, 3RD ・・・・・・・・・・・・・・・・・・・・・・・・・・・・・・・・・・・・・・・・・・・・・・・・・・・・・・・・・・・・・・・・・・・・・・・・・ 88
GEAR, 3RD DRIVEN ・・・・・・・・・・・・・・・・・・・・・・・・・・・・・・・・・・・・・・・・・・・・・・・・・・・・・・・・・・・・・・・・・・ 90
GEAR, 4TH ・・・・・・・・・・・・・・・・・・・・・・・・・・・・・・・・・・・・・・・・・・・・・・・・・・・・・・・・・・・・・・・・・・・・・・・・・ 88
GEAR, 4TH DRIVEN ・・・・・・・・・・・・・・・・・・・・・・・・・・・・・・・・・・・・・・・・・・・・・・・・・・・・・・・・・・・・・・・・・・ 90
GEAR, 5TH ・・・・・・・・・・・・・・・・・・・・・・・・・・・・・・・・・・・・・・・・・・・・・・・・・・・・・・・・・・・・・・・・・・・・・・・・・ 89
GEAR, 5TH DRIVEN ・・・・・・・・・・・・・・・・・・・・・・・・・・・・・・・・・・・・・・・・・・・・・・・・・・・・・・・・・・・・・・・・・・ 90
GEAR, FRONT DIFFERENTIAL RING ・・・・・・・・・・・・・・・・・・・・・・・・・・・・・・・・・・・・・・・・・・・・・・・・・・・・・ 117
GEAR, FRONT DIFFERENTIAL SIDE ・・・・・・・・・・・・・・・・・・・・・・・・・・・・・・・・・・・・・・・・・・・・・・・・・・・・・ 117
GEAR, OIL PUMP DRIVE ・・・・・・・・・・・・・・・・・・・・・・・・・・・・・・・・・・・・・・・・・・・・・・・・・・・・・・・・・・・・・・ 60
GEAR, OIL PUMP DRIVEN ・・・・・・・・・・・・・・・・・・・・・・・・・・・・・・・・・・・・・・・・・・・・・・・・・・・・・・・・・・・・・ 60
GEAR, PRIMARY REDUCTION DRIVEN ・・・・・・・・・・・・・・・・・・・・・・・・・・・・・・・・・・・・・・・・・・・・・・・・・・・・ 107
GLASS SUB-ASSY, FRONT DOOR, LH ・・・・・・・・・・・・・・・・・・・・・・・・・・・・・・・・・・・・・・・・・・・・・・・・・・・・ 192
GLASS SUB-ASSY, FRONT DOOR, RH ・・・・・・・・・・・・・・・・・・・・・・・・・・・・・・・・・・・・・・・・・・・・・・・・・・・・ 192
GLASS SUB-ASSY, REAR DOOR, LH ・・・・・・・・・・・・・・・・・・・・・・・・・・・・・・・・・・・・・・・・・・・・・・・・・・・・・ 200
GLASS SUB-ASSY, REAR DOOR, RH ・・・・・・・・・・・・・・・・・・・・・・・・・・・・・・・・・・・・・・・・・・・・・・・・・・・・・ 200
GLASS, BACK DOOR ・・・・・・・・・・・・・・・・・・・・・・・・・・・・・・・・・・・・・・・・・・・・・・・・・・・・・・・・・・・・・・・・・・ 206
GLASS, COMBINATION METER ・・・・・・・・・・・・・・・・・・・・・・・・・・・・・・・・・・・・・・・・・・・・・・・・・・・・・・・・・・ 252
GLASS, REAR DOOR QUARTER WINDOW, LH ・・・・・・・・・・・・・・・・・・・・・・・・・・・・・・・・・・・・・・・・・・・・・・・ 200
GLASS, REAR DOOR QUARTER WINDOW, RH ・・・・・・・・・・・・・・・・・・・・・・・・・・・・・・・・・・・・・・・・・・・・・・・ 200
GLASS, WINDSHIELD ・・・・・・・・・・・・・・・・・・・・・・・・・・・・・・・・・・・・・・・・・・・・・・・・・・・・・・・・・・・・・・・・・ 169
GRIP ASSY, ASSIST ・・・・・・・・・・・・・・・・・・・・・・・・・・・・・・・・・・・・・・・・・・・・・・・・・・・・・・・・・・・・・・・・・ 222
GRIP SUB-ASSY, ASSIST ・・・・・・・・・・・・・・・・・・・・・・・・・・・・・・・・・・・・・・・・・・・・・・・・・・・・・・・・・・・・・ 222
GROMMET ・・・・・・・・・・・・・・・・・・・・・・・・・・・・・・・・・・・・・・・・・・・・・・・・・・・・・・・・・・・・・・・・・・・・・・・・・・・ 71
GROMMET (FOR DRAIN HOSE) ・・・・・・・・・・・・・・・・・・・・・・・・・・・・・・・・・・・・・・・・・・・・・・・・・・・・・・・・・・ 279
GROMMET(FOR AIR CLEANER BRACKET) ・・・・・・・・・・・・・・・・・・・・・・・・・・・・・・・・・・・・・・・・・・・・・・・・・・ 71
GROMMET(FOR HOOD LOCK CONTROL CABLE) ・・・・・・・・・・・・・・・・・・・・・・・・・・・・・・・・・・・・・・・・・・・・・・ 157
GROMMET(FOR HOOD SUPPORT ROD) ・・・・・・・・・・・・・・・・・・・・・・・・・・・・・・・・・・・・・・・・・・・・・・・・・・・・・ 157
GROMMET(FOR RADIATOR SUPPORT) ・・・・・・・・・・・・・・・・・・・・・・・・・・・・・・・・・・・・・・・・・・・・・・・・・・・・・ 66
GROMMET(FOR VENTILATION SYSTEM) ・・・・・・・・・・・・・・・・・・・・・・・・・・・・・・・・・・・・・・・・・・・・・・・・・・・ 55
GASKET, - GROMMET(FOR
21
PART NAME PAGE
GROMMET, MASTER CYLINDER RESERVOIR ・・・・・・・・・・・・・・・・・・・・・・・・・・・・・・・・・・・・・・・・・・・・・・・・ 130
GUIDE SUB-ASSY, REAR DOOR WINDOW, FRONT LH ・・・・・・・・・・・・・・・・・・・・・・・・・・・・・・・・・・・・・・・・ 199
GUIDE SUB-ASSY, REAR DOOR WINDOW, FRONT RH ・・・・・・・・・・・・・・・・・・・・・・・・・・・・・・・・・・・・・・・・ 199
GUIDE, OIL LEVEL GAGE ・・・・・・・・・・・・・・・・・・・・・・・・・・・・・・・・・・・・・・・・・・・・・・・・・・・・・・・・・・・・・ 51
GUIDE, TIMING CHAIN ・・・・・・・・・・・・・・・・・・・・・・・・・・・・・・・・・・・・・・・・・・・・・・・・・・・・・・・・・・・・・・・ 58
GUSSET, FENDER APRON, LH ・・・・・・・・・・・・・・・・・・・・・・・・・・・・・・・・・・・・・・・・・・・・・・・・・・・・・・・・・・ 168
GUSSET, FENDER APRON, RH ・・・・・・・・・・・・・・・・・・・・・・・・・・・・・・・・・・・・・・・・・・・・・・・・・・・・・・・・・・ 168
GUSSET, QUARTER WHEEL HOUSE INNER, LH ・・・・・・・・・・・・・・・・・・・・・・・・・・・・・・・・・・・・・・・・・・・・・ 179
GUSSET, QUARTER WHEEL HOUSE INNER, RH ・・・・・・・・・・・・・・・・・・・・・・・・・・・・・・・・・・・・・・・・・・・・・ 179
GUSSET, QUARTER WHEEL HOUSE, FRONT LH ・・・・・・・・・・・・・・・・・・・・・・・・・・・・・・・・・・・・・・・・・・・・・ 179
GUSSET, QUARTER WHEEL HOUSE, FRONT RH ・・・・・・・・・・・・・・・・・・・・・・・・・・・・・・・・・・・・・・・・・・・・・ 179
HANDLE ASSY, FRONT DOOR OUTSIDE, LH ・・・・・・・・・・・・・・・・・・・・・・・・・・・・・・・・・・・・・・・・・・・・・・・ 194
HANDLE ASSY, FRONT DOOR WINDOW REGULATOR ・・・・・・・・・・・・・・・・・・・・・・・・・・・・・・・・・・・・・・・・・・ 196
HANDLE ASSY, FRONT DOOR, OUTSIDE RH ・・・・・・・・・・・・・・・・・・・・・・・・・・・・・・・・・・・・・・・・・・・・・・・ 194
HANDLE ASSY, REAR DOOR OUTSIDE, LH ・・・・・・・・・・・・・・・・・・・・・・・・・・・・・・・・・・・・・・・・・・・・・・・・ 202
HANDLE ASSY, REAR DOOR OUTSIDE, RH ・・・・・・・・・・・・・・・・・・・・・・・・・・・・・・・・・・・・・・・・・・・・・・・・ 202
HANDLE ASSY, REAR DOOR WINDOW REGULATOR ・・・・・・・・・・・・・・・・・・・・・・・・・・・・・・・・・・・・・・・・・・・ 204
HANDLE SUB-ASSY, FRONT DOOR INSIDE, LH ・・・・・・・・・・・・・・・・・・・・・・・・・・・・・・・・・・・・・・・・・・・・ 194
HANDLE SUB-ASSY, FRONT DOOR INSIDE, RH ・・・・・・・・・・・・・・・・・・・・・・・・・・・・・・・・・・・・・・・・・・・・ 194
HANDLE SUB-ASSY, REAR DOOR INSIDE, LH ・・・・・・・・・・・・・・・・・・・・・・・・・・・・・・・・・・・・・・・・・・・・・ 202
HANDLE SUB-ASSY, REAR DOOR INSIDE, RH ・・・・・・・・・・・・・・・・・・・・・・・・・・・・・・・・・・・・・・・・・・・・・ 202
HANDLE, DOOR PULL ・・・・・・・・・・・・・・・・・・・・・・・・・・・・・・・・・・・・・・・・・・・・・・・・・・・・・・・・・・・・・・・・・ 206
HANDLE, FRONT DOOR PULL, LH ・・・・・・・・・・・・・・・・・・・・・・・・・・・・・・・・・・・・・・・・・・・・・・・・・・・・・・・ 222
HANDLE, FRONT DOOR PULL, RH ・・・・・・・・・・・・・・・・・・・・・・・・・・・・・・・・・・・・・・・・・・・・・・・・・・・・・・・ 222
HANDLE, REAR DOOR PULL ・・・・・・・・・・・・・・・・・・・・・・・・・・・・・・・・・・・・・・・・・・・・・・・・・・・・・・・・・・・・ 222
HANDLE, REAR DOOR PULL, LH ・・・・・・・・・・・・・・・・・・・・・・・・・・・・・・・・・・・・・・・・・・・・・・・・・・・・・・・・ 222
HANDLE, RECLINING ADJUSTER RELEASE, LH ・・・・・・・・・・・・・・・・・・・・・・・・・・・・・・・・・・・・・・・・・・・・ 214
HANDLE, RECLINING ADJUSTER RELEASE, RH ・・・・・・・・・・・・・・・・・・・・・・・・・・・・・・・・・・・・・・・・・・・・ 214
HANDLE, SEAT TRACK ADJUSTING ・・・・・・・・・・・・・・・・・・・・・・・・・・・・・・・・・・・・・・・・・・・・・・・・・・・・・・ 214
HANDLE, SEAT TRACK ADJUSTING ・・・・・・・・・・・・・・・・・・・・・・・・・・・・・・・・・・・・・・・・・・・・・・・・・・・・・・ 214
HANGER, ENGINE, NO.1 ・・・・・・・・・・・・・・・・・・・・・・・・・・・・・・・・・・・・・・・・・・・・・・・・・・・・・・・・・・・・・・ 47
HANGER, ENGINE, NO.2 ・・・・・・・・・・・・・・・・・・・・・・・・・・・・・・・・・・・・・・・・・・・・・・・・・・・・・・・・・・・・・・ 47
HANGER, ENGINE, NO.2 ・・・・・・・・・・・・・・・・・・・・・・・・・・・・・・・・・・・・・・・・・・・・・・・・・・・・・・・・・・・・・・ 99
HANGER, TRANSAXLE ・・・・・・・・・・・・・・・・・・・・・・・・・・・・・・・・・・・・・・・・・・・・・・・・・・・・・・・・・・・・・・・・・ 84
HEAD SUB-ASSY, CYLINDER ・・・・・・・・・・・・・・・・・・・・・・・・・・・・・・・・・・・・・・・・・・・・・・・・・・・・・・・・・・・ 47
HEAD, REVERSE SHIFT ・・・・・・・・・・・・・・・・・・・・・・・・・・・・・・・・・・・・・・・・・・・・・・・・・・・・・・・・・・・・・・・ 92
HEADLINING ASSY, ROOF ・・・・・・・・・・・・・・・・・・・・・・・・・・・・・・・・・・・・・・・・・・・・・・・・・・・・・・・・・・・・・ 187
HEADREST ASSY, REAR SEAT ・・・・・・・・・・・・・・・・・・・・・・・・・・・・・・・・・・・・・・・・・・・・・・・・・・・・・・・・・・ 216
HINGE ASSY, BACK DOOR, LH ・・・・・・・・・・・・・・・・・・・・・・・・・・・・・・・・・・・・・・・・・・・・・・・・・・・・・・・・・ 208
HINGE ASSY, BACK DOOR, RH ・・・・・・・・・・・・・・・・・・・・・・・・・・・・・・・・・・・・・・・・・・・・・・・・・・・・・・・・・ 208
HINGE ASSY, FRONT DOOR, LOWER LH ・・・・・・・・・・・・・・・・・・・・・・・・・・・・・・・・・・・・・・・・・・・・・・・・・・ 196
HINGE ASSY, FRONT DOOR, LOWER RH ・・・・・・・・・・・・・・・・・・・・・・・・・・・・・・・・・・・・・・・・・・・・・・・・・・ 196
HINGE ASSY, FRONT DOOR, UPPER LH ・・・・・・・・・・・・・・・・・・・・・・・・・・・・・・・・・・・・・・・・・・・・・・・・・・ 196
HINGE ASSY, FRONT DOOR, UPPER RH ・・・・・・・・・・・・・・・・・・・・・・・・・・・・・・・・・・・・・・・・・・・・・・・・・・ 196
HINGE ASSY, HOOD, LH ・・・・・・・・・・・・・・・・・・・・・・・・・・・・・・・・・・・・・・・・・・・・・・・・・・・・・・・・・・・・・・ 157
HINGE ASSY, HOOD, RH ・・・・・・・・・・・・・・・・・・・・・・・・・・・・・・・・・・・・・・・・・・・・・・・・・・・・・・・・・・・・・・ 157
HINGE ASSY, REAR DOOR, LOWER LH ・・・・・・・・・・・・・・・・・・・・・・・・・・・・・・・・・・・・・・・・・・・・・・・・・・・ 204
HINGE ASSY, REAR DOOR, LOWER RH ・・・・・・・・・・・・・・・・・・・・・・・・・・・・・・・・・・・・・・・・・・・・・・・・・・・ 204
HINGE ASSY, REAR DOOR, UPPER LH ・・・・・・・・・・・・・・・・・・・・・・・・・・・・・・・・・・・・・・・・・・・・・・・・・・・ 204
HINGE ASSY, REAR DOOR, UPPER RH ・・・・・・・・・・・・・・・・・・・・・・・・・・・・・・・・・・・・・・・・・・・・・・・・・・・ 204
GROMMET, - HINGE
PART NAME PAGE
HOLDER ASSY, STARTER BRUSH ・・・・・・・・・・・・・・・・・・・・・・・・・・・・・・・・・・・・・・・・・・・・・・・・・・・・・・・・ 78
HOLDER, DOOR LOCKING(FOR FRONT DOOR) ・・・・・・・・・・・・・・・・・・・・・・・・・・・・・・・・・・・・・・・・・・・・・・ 195
HOLDER, DOOR LOCKING(FOR REAR DOOR) ・・・・・・・・・・・・・・・・・・・・・・・・・・・・・・・・・・・・・・・・・・・・・・・ 203
HOLDER, FUEL TANK FILLER PIPE COVER ・・・・・・・・・・・・・・・・・・・・・・・・・・・・・・・・・・・・・・・・・・・・・・・ 234
HOLDER, INJECTOR, NO.1 ・・・・・・・・・・・・・・・・・・・・・・・・・・・・・・・・・・・・・・・・・・・・・・・・・・・・・・・・・・・・ 79
HOLDER, LOCK BALL ・・・・・・・・・・・・・・・・・・・・・・・・・・・・・・・・・・・・・・・・・・・・・・・・・・・・・・・・・・・・・・・・・ 93
HOLDER, REAR SEAT BELT ・・・・・・・・・・・・・・・・・・・・・・・・・・・・・・・・・・・・・・・・・・・・・・・・・・・・・・・・・・・・ 220
HOLDER, VISOR ・・・・・・・・・・・・・・・・・・・・・・・・・・・・・・・・・・・・・・・・・・・・・・・・・・・・・・・・・・・・・・・・・・・・・ 222
HOLE SNAP RING (FOR 1WAY CLUTCH) ・・・・・・・・・・・・・・・・・・・・・・・・・・・・・・・・・・・・・・・・・・・・・・・・・・ 107
HOOD SUB-ASSY ・・・・・・・・・・・・・・・・・・・・・・・・・・・・・・・・・・・・・・・・・・・・・・・・・・・・・・・・・・・・・・・・・・・・・ 156
HOOK ASSY, FRONT ・・・・・・・・・・・・・・・・・・・・・・・・・・・・・・・・・・・・・・・・・・・・・・・・・・・・・・・・・・・・・・・・・・ 42
HOOK SUB-ASSY,REAR ・・・・・・・・・・・・・・・・・・・・・・・・・・・・・・・・・・・・・・・・・・・・・・・・・・・・・・・・・・・・・・・・ 162
HOOK, REAR SEAT CUSHION LOCK ・・・・・・・・・・・・・・・・・・・・・・・・・・・・・・・・・・・・・・・・・・・・・・・・・・・・・・ 217
HORN ASSY, LOW PITCHED ・・・・・・・・・・・・・・・・・・・・・・・・・・・・・・・・・・・・・・・・・・・・・・・・・・・・・・・・・・・・ 274
HOSE (FOR BREATHER PLUG) ・・・・・・・・・・・・・・・・・・・・・・・・・・・・・・・・・・・・・・・・・・・・・・・・・・・・・・・・・・ 100
HOSE ASSY, VACUUM ・・・・・・・・・・・・・・・・・・・・・・・・・・・・・・・・・・・・・・・・・・・・・・・・・・・・・・・・・・・・・・・・・ 131
HOSE OR PIPE(FOR RADIATOR RESERVE TANK) ・・・・・・・・・・・・・・・・・・・・・・・・・・・・・・・・・・・・・・・・・・・ 66
HOSE SUB-ASSY, VACUUM ・・・・・・・・・・・・・・・・・・・・・・・・・・・・・・・・・・・・・・・・・・・・・・・・・・・・・・・・・・・・・ 72
HOSE(FOR OIL COOLER INLET) ・・・・・・・・・・・・・・・・・・・・・・・・・・・・・・・・・・・・・・・・・・・・・・・・・・・・・・・・ 111
HOSE(FOR OIL COOLER OUTLET) ・・・・・・・・・・・・・・・・・・・・・・・・・・・・・・・・・・・・・・・・・・・・・・・・・・・・・・・ 111
HOSE, AIR CLEANER, NO.1 ・・・・・・・・・・・・・・・・・・・・・・・・・・・・・・・・・・・・・・・・・・・・・・・・・・・・・・・・・・・ 71
HOSE, COOLER REFRIGERANT DISCHARGE, NO.1 ・・・・・・・・・・・・・・・・・・・・・・・・・・・・・・・・・・・・・・・・・・ 284
HOSE, COOLER REFRIGERANT SUCTION, NO.1 ・・・・・・・・・・・・・・・・・・・・・・・・・・・・・・・・・・・・・・・・・・・・ 284
HOSE, DRAIN COOLER ・・・・・・・・・・・・・・・・・・・・・・・・・・・・・・・・・・・・・・・・・・・・・・・・・・・・・・・・・・・・・・・・ 279
HOSE, FLEXIBLE(FOR REAR LH) ・・・・・・・・・・・・・・・・・・・・・・・・・・・・・・・・・・・・・・・・・・・・・・・・・・・・・・・ 141
HOSE, FLEXIBLE(FOR REAR RH) ・・・・・・・・・・・・・・・・・・・・・・・・・・・・・・・・・・・・・・・・・・・・・・・・・・・・・・・ 141
HOSE, FLEXIBLE, NO.1(FOR FRONT) ・・・・・・・・・・・・・・・・・・・・・・・・・・・・・・・・・・・・・・・・・・・・・・・・・・・ 141
HOSE, FUEL ・・・・・・・・・・・・・・・・・・・・・・・・・・・・・・・・・・・・・・・・・・・・・・・・・・・・・・・・・・・・・・・・・・・・・・・・ 234
HOSE, FUEL TANK BREATHER ・・・・・・・・・・・・・・・・・・・・・・・・・・・・・・・・・・・・・・・・・・・・・・・・・・・・・・・・・・ 235
HOSE, FUEL TANK TO FILLER PIPE ・・・・・・・・・・・・・・・・・・・・・・・・・・・・・・・・・・・・・・・・・・・・・・・・・・・・ 234
HOSE, FUEL VAPOR FEED, NO.2 ・・・・・・・・・・・・・・・・・・・・・・・・・・・・・・・・・・・・・・・・・・・・・・・・・・・・・・・ 72
HOSE, FUEL, NO.1 (FOR FUEL TANK TO CANISTER TUBE) ・・・・・・・・・・・・・・・・・・・・・・・・・・・・・・・・・ 234
HOSE, RADIATOR, NO.1 ・・・・・・・・・・・・・・・・・・・・・・・・・・・・・・・・・・・・・・・・・・・・・・・・・・・・・・・・・・・・・・ 66
HOSE, RADIATOR, NO.2 ・・・・・・・・・・・・・・・・・・・・・・・・・・・・・・・・・・・・・・・・・・・・・・・・・・・・・・・・・・・・・・ 66
HOSE, VENTILATION ・・・・・・・・・・・・・・・・・・・・・・・・・・・・・・・・・・・・・・・・・・・・・・・・・・・・・・・・・・・・・・・・・ 55
HOSE, VENTILATION, NO.2 ・・・・・・・・・・・・・・・・・・・・・・・・・・・・・・・・・・・・・・・・・・・・・・・・・・・・・・・・・・・ 55
HOSE, WATER BY-PASS ・・・・・・・・・・・・・・・・・・・・・・・・・・・・・・・・・・・・・・・・・・・・・・・・・・・・・・・・・・・・・・・ 65
HOSE, WATER BY-PASS ・・・・・・・・・・・・・・・・・・・・・・・・・・・・・・・・・・・・・・・・・・・・・・・・・・・・・・・・・・・・・・・ 65
HOSE, WINDOW WASHER ・・・・・・・・・・・・・・・・・・・・・・・・・・・・・・・・・・・・・・・・・・・・・・・・・・・・・・・・・・・・・・・ 267
HOSE, WINDSHIELD WASHER (FROM MOTOR TO JOINT) ・・・・・・・・・・・・・・・・・・・・・・・・・・・・・・・・・・・・・ 267
HOUSING ASSY, STARTER DRIVE ・・・・・・・・・・・・・・・・・・・・・・・・・・・・・・・・・・・・・・・・・・・・・・・・・・・・・・・ 78
HOUSING, CLUTCH ・・・・・・・・・・・・・・・・・・・・・・・・・・・・・・・・・・・・・・・・・・・・・・・・・・・・・・・・・・・・・・・・・・・ 84
HOUSING, STEERING COLUMN ・・・・・・・・・・・・・・・・・・・・・・・・・・・・・・・・・・・・・・・・・・・・・・・・・・・・・・・・・・ 122
HUB & BEARING ASSY, REAR AXLE, LH ・・・・・・・・・・・・・・・・・・・・・・・・・・・・・・・・・・・・・・・・・・・・・・・・・ 112
HUB & BEARING ASSY, REAR AXLE, RH ・・・・・・・・・・・・・・・・・・・・・・・・・・・・・・・・・・・・・・・・・・・・・・・・・ 112
HUB ASSY, SYNCHRONIZER, NO.1 ・・・・・・・・・・・・・・・・・・・・・・・・・・・・・・・・・・・・・・・・・・・・・・・・・・・・・・ 89
HUB ASSY, SYNCHRONIZER, NO.2 ・・・・・・・・・・・・・・・・・・・・・・・・・・・・・・・・・・・・・・・・・・・・・・・・・・・・・・ 89
HUB ASSY, SYNCHRONIZER, NO.3 ・・・・・・・・・・・・・・・・・・・・・・・・・・・・・・・・・・・・・・・・・・・・・・・・・・・・・・ 89
HUB SUB-ASSY, FRONT AXLE, LH ・・・・・・・・・・・・・・・・・・・・・・・・・・・・・・・・・・・・・・・・・・・・・・・・・・・・・・ 120
HUB SUB-ASSY, FRONT AXLE, RH ・・・・・・・・・・・・・・・・・・・・・・・・・・・・・・・・・・・・・・・・・・・・・・・・・・・・・・ 120
HOLDER - HUB
22
PART NAME PAGE
HUB SUB-ASSY, MAGNET CLUTCH ・・・・・・・・・・・・・・・・・・・・・・・・・・・・・・・・・・・・・・・・・・・・・・・・・・・・・・・ 286
HUB, FORWARD CLUTCH, NO.1 ・・・・・・・・・・・・・・・・・・・・・・・・・・・・・・・・・・・・・・・・・・・・・・・・・・・・・・・・・ 106
HUB, SPEEDOMETER DRIVE GEAR ・・・・・・・・・・・・・・・・・・・・・・・・・・・・・・・・・・・・・・・・・・・・・・・・・・・・・・・ 90
INJECTOR ASSY, FUEL ・・・・・・・・・・・・・・・・・・・・・・・・・・・・・・・・・・・・・・・・・・・・・・・・・・・・・・・・・・・・・・・ 79
INLET, WATER ・・・・・・・・・・・・・・・・・・・・・・・・・・・・・・・・・・・・・・・・・・・・・・・・・・・・・・・・・・・・・・・・・・・・・・ 65
INSULATOR ASSY, DASH PANEL ・・・・・・・・・・・・・・・・・・・・・・・・・・・・・・・・・・・・・・・・・・・・・・・・・・・・・・・・ 159
INSULATOR SUB-ASSY, ENGINE MOUNTING, LH ・・・・・・・・・・・・・・・・・・・・・・・・・・・・・・・・・・・・・・・・・・・ 54
INSULATOR SUB-ASSY, ENGINE MOUNTING, RH ・・・・・・・・・・・・・・・・・・・・・・・・・・・・・・・・・・・・・・・・・・・ 54
INSULATOR, ALTERNATOR TERMINAL ・・・・・・・・・・・・・・・・・・・・・・・・・・・・・・・・・・・・・・・・・・・・・・・・・・・・ 76
INSULATOR, EXHAUST MANIFOLD HEAT, NO.1 ・・・・・・・・・・・・・・・・・・・・・・・・・・・・・・・・・・・・・・・・・・・・ 69
INSULATOR, FRONT COIL SPRING, UPPER LH ・・・・・・・・・・・・・・・・・・・・・・・・・・・・・・・・・・・・・・・・・・・・ 146
INSULATOR, FRONT COIL SPRING, UPPER RH ・・・・・・・・・・・・・・・・・・・・・・・・・・・・・・・・・・・・・・・・・・・・ 146
INSULATOR, HOOD ・・・・・・・・・・・・・・・・・・・・・・・・・・・・・・・・・・・・・・・・・・・・・・・・・・・・・・・・・・・・・・・・・・・ 156
JACK ASSY ・・・・・・・・・・・・・・・・・・・・・・・・・・・・・・・・・・・・・・・・・・・・・・・・・・・・・・・・・・・・・・・・・・・・・・・・・ 42
JAR ASSY, WINDSHIELD WASHER ・・・・・・・・・・・・・・・・・・・・・・・・・・・・・・・・・・・・・・・・・・・・・・・・・・・・・・・ 267
JOINT ASSY, STEERING SHAFT UNIVERSAL ・・・・・・・・・・・・・・・・・・・・・・・・・・・・・・・・・・・・・・・・・・・・・・ 122
JOINT SET, FRONT AXLE INBOARD, LH ・・・・・・・・・・・・・・・・・・・・・・・・・・・・・・・・・・・・・・・・・・・・・・・・・ 119
JOINT SET, FRONT AXLE INBOARD, RH ・・・・・・・・・・・・・・・・・・・・・・・・・・・・・・・・・・・・・・・・・・・・・・・・・ 119
JOINT, WINDSHIELD WASHER HOSE, NO.1 ・・・・・・・・・・・・・・・・・・・・・・・・・・・・・・・・・・・・・・・・・・・・・・・ 267
JOINT, WINDSHIELD WASHER HOSE, NO.1 ・・・・・・・・・・・・・・・・・・・・・・・・・・・・・・・・・・・・・・・・・・・・・・・ 267
JOINT, WINDSHIELD WASHER HOSE, NO.2 ・・・・・・・・・・・・・・・・・・・・・・・・・・・・・・・・・・・・・・・・・・・・・・・ 267
JOINT, WINDSHIELD WASHER HOSE, NO.3 ・・・・・・・・・・・・・・・・・・・・・・・・・・・・・・・・・・・・・・・・・・・・・・・ 267
KEY, SUB ・・・・・・・・・・・・・・・・・・・・・・・・・・・・・・・・・・・・・・・・・・・・・・・・・・・・・・・・・・・・・・・・・・・・・・・・・・ 210
KEY, SYNCHROMESH SHIFTING, NO.1 ・・・・・・・・・・・・・・・・・・・・・・・・・・・・・・・・・・・・・・・・・・・・・・・・・・・ 89
KEY, SYNCHROMESH SHIFTING, NO.2 ・・・・・・・・・・・・・・・・・・・・・・・・・・・・・・・・・・・・・・・・・・・・・・・・・・・ 89
KNOB SUB-ASSY, SHIFT LEVER ・・・・・・・・・・・・・・・・・・・・・・・・・・・・・・・・・・・・・・・・・・・・・・・・・・・・・・・・ 95
KNOB, HEATER CONTROL ・・・・・・・・・・・・・・・・・・・・・・・・・・・・・・・・・・・・・・・・・・・・・・・・・・・・・・・・・・・・・・ 281
KNUCKLE, STEERING, LH ・・・・・・・・・・・・・・・・・・・・・・・・・・・・・・・・・・・・・・・・・・・・・・・・・・・・・・・・・・・・・ 143
KNUCKLE, STEERING, RH ・・・・・・・・・・・・・・・・・・・・・・・・・・・・・・・・・・・・・・・・・・・・・・・・・・・・・・・・・・・・・ 143
LABEL, COOLING FAN CAUTION ・・・・・・・・・・・・・・・・・・・・・・・・・・・・・・・・・・・・・・・・・・・・・・・・・・・・・・・・ 73
LABEL, SAFETY CAUTION ・・・・・・・・・・・・・・・・・・・・・・・・・・・・・・・・・・・・・・・・・・・・・・・・・・・・・・・・・・・・・ 224
LABEL, TIRE PRESSURE INFORMATION ・・・・・・・・・・・・・・・・・・・・・・・・・・・・・・・・・・・・・・・・・・・・・・・・・・ 224
LABEL, TUNE-UP SPECIFICATION INFORMATION ・・・・・・・・・・・・・・・・・・・・・・・・・・・・・・・・・・・・・・・・・・ 224
LAMP ASSY, CENTER STOP ・・・・・・・・・・・・・・・・・・・・・・・・・・・・・・・・・・・・・・・・・・・・・・・・・・・・・・・・・・・・ 242
LAMP ASSY, LICENSE PLATE ・・・・・・・・・・・・・・・・・・・・・・・・・・・・・・・・・・・・・・・・・・・・・・・・・・・・・・・・・・ 241
LAMP UNIT, FOG LAMP, LH ・・・・・・・・・・・・・・・・・・・・・・・・・・・・・・・・・・・・・・・・・・・・・・・・・・・・・・・・・・・ 239
LAMP UNIT, FOG LAMP, RH ・・・・・・・・・・・・・・・・・・・・・・・・・・・・・・・・・・・・・・・・・・・・・・・・・・・・・・・・・・・ 239
LENS & BODY, REAR COMBINATION LAMP, LH ・・・・・・・・・・・・・・・・・・・・・・・・・・・・・・・・・・・・・・・・・・・・ 240
LENS & BODY, REAR COMBINATION LAMP, RH ・・・・・・・・・・・・・・・・・・・・・・・・・・・・・・・・・・・・・・・・・・・・ 240
LENS, CIGARETTE LIGHTER INDICATOR ・・・・・・・・・・・・・・・・・・・・・・・・・・・・・・・・・・・・・・・・・・・・・・・・・ 260
LENS, INNER RR VIEW MIRROR ROOM LAMP ・・・・・・・・・・・・・・・・・・・・・・・・・・・・・・・・・・・・・・・・・・・・・・ 275
LEVER ASSY, PARKING BRAKE ・・・・・・・・・・・・・・・・・・・・・・・・・・・・・・・・・・・・・・・・・・・・・・・・・・・・・・・・・ 128
LEVER SUB-ASSY, CLUTCH RELEASE FORK ・・・・・・・・・・・・・・・・・・・・・・・・・・・・・・・・・・・・・・・・・・・・・・・ 80
LEVER SUB-ASSY, MANUAL VALVE ・・・・・・・・・・・・・・・・・・・・・・・・・・・・・・・・・・・・・・・・・・・・・・・・・・・・・・ 110
LEVER SUB-ASSY, PARKING BRAKE SHOE, LH (FOR REAR BRAKE) ・・・・・・・・・・・・・・・・・・・・・・・・・・・ 137
LEVER SUB-ASSY, PARKING BRAKE SHOE, RH(FOR REAR BRAKE) ・・・・・・・・・・・・・・・・・・・・・・・・・・・・ 137
LEVER, REAR BRAKE AUTOMATIC ADJUST, LH ・・・・・・・・・・・・・・・・・・・・・・・・・・・・・・・・・・・・・・・・・・・・ 137
LEVER, REAR BRAKE AUTOMATIC ADJUST, RH ・・・・・・・・・・・・・・・・・・・・・・・・・・・・・・・・・・・・・・・・・・・・ 137
LEVER, SELECT INNER ・・・・・・・・・・・・・・・・・・・・・・・・・・・・・・・・・・・・・・・・・・・・・・・・・・・・・・・・・・・・・・・ 92
LEVER, SHIFT, INNER NO.1 ・・・・・・・・・・・・・・・・・・・・・・・・・・・・・・・・・・・・・・・・・・・・・・・・・・・・・・・・・・ 92
HUB - LEVER,
PART NAME PAGE
LEVER,TRANSMISSION CONTROL SHAFT ・・・・・・・・・・・・・・・・・・・・・・・・・・・・・・・・・・・・・・・・・・・・・・・・・・ 110
LID ASSY, FUEL FILLER OPENING ・・・・・・・・・・・・・・・・・・・・・・・・・・・・・・・・・・・・・・・・・・・・・・・・・・・・・ 235
LIFTER, VALVE ・・・・・・・・・・・・・・・・・・・・・・・・・・・・・・・・・・・・・・・・・・・・・・・・・・・・・・・・・・・・・・・・・・・・・ 59
LIGHTER ASSY, CIGARETTE ・・・・・・・・・・・・・・・・・・・・・・・・・・・・・・・・・・・・・・・・・・・・・・・・・・・・・・・・・・・ 260
LINER, FRONT FENDER, LH ・・・・・・・・・・・・・・・・・・・・・・・・・・・・・・・・・・・・・・・・・・・・・・・・・・・・・・・・・・・ 156
LINER, FRONT FENDER, RH ・・・・・・・・・・・・・・・・・・・・・・・・・・・・・・・・・・・・・・・・・・・・・・・・・・・・・・・・・・・ 156
LINER, REAR WHEEL HOUSE, LH ・・・・・・・・・・・・・・・・・・・・・・・・・・・・・・・・・・・・・・・・・・・・・・・・・・・・・・・ 180
LINER, REAR WHEEL HOUSE, RH ・・・・・・・・・・・・・・・・・・・・・・・・・・・・・・・・・・・・・・・・・・・・・・・・・・・・・・・ 180
LINK ASSY, FRONT STABILIZER, LH ・・・・・・・・・・・・・・・・・・・・・・・・・・・・・・・・・・・・・・・・・・・・・・・・・・・ 146
LINK ASSY, FRONT STABILIZER, RH ・・・・・・・・・・・・・・・・・・・・・・・・・・・・・・・・・・・・・・・・・・・・・・・・・・・ 147
LINK ASSY, WINDSHIELD WIPER ・・・・・・・・・・・・・・・・・・・・・・・・・・・・・・・・・・・・・・・・・・・・・・・・・・・・・・・ 266
LINK, FRONT DOOR LOCK REMOTE CONTROL, LH ・・・・・・・・・・・・・・・・・・・・・・・・・・・・・・・・・・・・・・・・・・ 195
LINK, FRONT DOOR LOCK REMOTE CONTROL, RH ・・・・・・・・・・・・・・・・・・・・・・・・・・・・・・・・・・・・・・・・・・ 195
LINK, REAR DOOR INSIDE LOCKING, LH ・・・・・・・・・・・・・・・・・・・・・・・・・・・・・・・・・・・・・・・・・・・・・・・・ 203
LINK, REAR DOOR INSIDE LOCKING, RH ・・・・・・・・・・・・・・・・・・・・・・・・・・・・・・・・・・・・・・・・・・・・・・・・ 203
LINK, REAR DOOR LOCK REMOTE CONTROL, LH ・・・・・・・・・・・・・・・・・・・・・・・・・・・・・・・・・・・・・・・・・・・ 203
LINK, REAR DOOR LOCK REMOTE CONTROL, RH ・・・・・・・・・・・・・・・・・・・・・・・・・・・・・・・・・・・・・・・・・・・ 203
LOCK ASSY, BACK DOOR ・・・・・・・・・・・・・・・・・・・・・・・・・・・・・・・・・・・・・・・・・・・・・・・・・・・・・・・・・・・・・・ 208
LOCK ASSY, FRONT DOOR, LH ・・・・・・・・・・・・・・・・・・・・・・・・・・・・・・・・・・・・・・・・・・・・・・・・・・・・・・・・・ 195
LOCK ASSY, FRONT DOOR, RH ・・・・・・・・・・・・・・・・・・・・・・・・・・・・・・・・・・・・・・・・・・・・・・・・・・・・・・・・・ 194
LOCK ASSY, GLOVE COMPARTMENT DOOR ・・・・・・・・・・・・・・・・・・・・・・・・・・・・・・・・・・・・・・・・・・・・・・・・・ 166
LOCK ASSY, HOOD ・・・・・・・・・・・・・・・・・・・・・・・・・・・・・・・・・・・・・・・・・・・・・・・・・・・・・・・・・・・・・・・・・・・ 157
LOCK ASSY, REAR DOOR, LH ・・・・・・・・・・・・・・・・・・・・・・・・・・・・・・・・・・・・・・・・・・・・・・・・・・・・・・・・・・ 202
LOCK ASSY, REAR DOOR, RH ・・・・・・・・・・・・・・・・・・・・・・・・・・・・・・・・・・・・・・・・・・・・・・・・・・・・・・・・・・ 202
LOCK ASSY, REAR SEAT BACK, LH ・・・・・・・・・・・・・・・・・・・・・・・・・・・・・・・・・・・・・・・・・・・・・・・・・・・・・ 217
LOCK ASSY, REAR SEAT BACK, RH ・・・・・・・・・・・・・・・・・・・・・・・・・・・・・・・・・・・・・・・・・・・・・・・・・・・・・ 217
LOCK SUB-ASSY, FRONT DOOR, LH ・・・・・・・・・・・・・・・・・・・・・・・・・・・・・・・・・・・・・・・・・・・・・・・・・・・・・ 194
LOCK SUB-ASSY, FRONT DOOR, RH ・・・・・・・・・・・・・・・・・・・・・・・・・・・・・・・・・・・・・・・・・・・・・・・・・・・・・ 194
LOCK SUB-ASSY, FUEL FILLER OPENING LID ・・・・・・・・・・・・・・・・・・・・・・・・・・・・・・・・・・・・・・・・・・・・ 234
LOCK SUB-ASSY, REAR DOOR, LH ・・・・・・・・・・・・・・・・・・・・・・・・・・・・・・・・・・・・・・・・・・・・・・・・・・・・・・ 202
LOCK SUB-ASSY, REAR DOOR, RH ・・・・・・・・・・・・・・・・・・・・・・・・・・・・・・・・・・・・・・・・・・・・・・・・・・・・・・ 202
LOCK, VALVE SPRING RETAINER ・・・・・・・・・・・・・・・・・・・・・・・・・・・・・・・・・・・・・・・・・・・・・・・・・・・・・・・ 59
LOUVER SUB-ASSY, COWL TOP VENTILATOR ・・・・・・・・・・・・・・・・・・・・・・・・・・・・・・・・・・・・・・・・・・・・・・ 168
MAGNET, TRANSAXLE ・・・・・・・・・・・・・・・・・・・・・・・・・・・・・・・・・・・・・・・・・・・・・・・・・・・・・・・・・・・・・・・・・ 99
MAGNET, TRANSMISSION ・・・・・・・・・・・・・・・・・・・・・・・・・・・・・・・・・・・・・・・・・・・・・・・・・・・・・・・・・・・・・・ 85
MANIFOLD, INTAKE ・・・・・・・・・・・・・・・・・・・・・・・・・・・・・・・・・・・・・・・・・・・・・・・・・・・・・・・・・・・・・・・・・・ 69
MASTER SWITCH ASSY, POWER WINDOW REGULATOR ・・・・・・・・・・・・・・・・・・・・・・・・・・・・・・・・・・・・・・・・ 259
MEMBER SUB-ASSY, FLOOR SIDE, INNER LH ・・・・・・・・・・・・・・・・・・・・・・・・・・・・・・・・・・・・・・・・・・・・・ 162
MEMBER SUB-ASSY, FLOOR SIDE, INNER RH ・・・・・・・・・・・・・・・・・・・・・・・・・・・・・・・・・・・・・・・・・・・・・ 162
MEMBER SUB-ASSY, FRONT FLOOR CROSS, LH ・・・・・・・・・・・・・・・・・・・・・・・・・・・・・・・・・・・・・・・・・・・・ 173
MEMBER SUB-ASSY, FRONT FLOOR CROSS, RH ・・・・・・・・・・・・・・・・・・・・・・・・・・・・・・・・・・・・・・・・・・・・ 173
MEMBER SUB-ASSY, FRONT SIDE, LH ・・・・・・・・・・・・・・・・・・・・・・・・・・・・・・・・・・・・・・・・・・・・・・・・・・・ 162
MEMBER SUB-ASSY, FRONT SIDE, RH ・・・・・・・・・・・・・・・・・・・・・・・・・・・・・・・・・・・・・・・・・・・・・・・・・・・ 162
MEMBER SUB-ASSY, MAIN FLOOR SIDE, LH ・・・・・・・・・・・・・・・・・・・・・・・・・・・・・・・・・・・・・・・・・・・・・・ 162
MEMBER SUB-ASSY, MAIN FLOOR SIDE, RH ・・・・・・・・・・・・・・・・・・・・・・・・・・・・・・・・・・・・・・・・・・・・・・ 162
MEMBER SUB-ASSY, REAR FLOOR CROSS, NO.1 ・・・・・・・・・・・・・・・・・・・・・・・・・・・・・・・・・・・・・・・・・・・ 162
MEMBER SUB-ASSY, REAR FLOOR SIDE, LH ・・・・・・・・・・・・・・・・・・・・・・・・・・・・・・・・・・・・・・・・・・・・・・ 162
MEMBER SUB-ASSY, REAR FLOOR SIDE, RH ・・・・・・・・・・・・・・・・・・・・・・・・・・・・・・・・・・・・・・・・・・・・・・ 162
MEMBER, FRONT FLOOR CROSS ・・・・・・・・・・・・・・・・・・・・・・・・・・・・・・・・・・・・・・・・・・・・・・・・・・・・・・・・・ 162
MEMBER, REAR FLOOR CROSS, NO.2 ・・・・・・・・・・・・・・・・・・・・・・・・・・・・・・・・・・・・・・・・・・・・・・・・・・・・ 162
LEVER,TRANSMISSION - MEMBER,
23
PART NAME PAGE
MEMBER, REAR FLOOR, CENTER ・・・・・・・・・・・・・・・・・・・・・・・・・・・・・・・・・・・・・・・・・・・・・・・・・・・・・・・・ 162
METER ASSY, COMBINATION ・・・・・・・・・・・・・・・・・・・・・・・・・・・・・・・・・・・・・・・・・・・・・・・・・・・・・・・・・・・ 252
MIRROR ASSY, INNER REAR VIEW ・・・・・・・・・・・・・・・・・・・・・・・・・・・・・・・・・・・・・・・・・・・・・・・・・・・・・・ 275
MIRROR ASSY, OUTER REAR VIEW, LH ・・・・・・・・・・・・・・・・・・・・・・・・・・・・・・・・・・・・・・・・・・・・・・・・・・ 275
MIRROR ASSY, OUTER REAR VIEW, RH ・・・・・・・・・・・・・・・・・・・・・・・・・・・・・・・・・・・・・・・・・・・・・・・・・・ 275
MIRROR, OUTER REAR VIEW, LH ・・・・・・・・・・・・・・・・・・・・・・・・・・・・・・・・・・・・・・・・・・・・・・・・・・・・・・・ 276
MIRROR, OUTER REAR VIEW, RH ・・・・・・・・・・・・・・・・・・・・・・・・・・・・・・・・・・・・・・・・・・・・・・・・・・・・・・・ 275
MOTOR AND PUMP ASSY, WINDSHIELD WASHER ・・・・・・・・・・・・・・・・・・・・・・・・・・・・・・・・・・・・・・・・・・・・ 267
MOTOR ASSY, BLOWER ・・・・・・・・・・・・・・・・・・・・・・・・・・・・・・・・・・・・・・・・・・・・・・・・・・・・・・・・・・・・・・・・ 279
MOTOR ASSY, DOOR CONTROL, FRONT LH ・・・・・・・・・・・・・・・・・・・・・・・・・・・・・・・・・・・・・・・・・・・・・・・・ 195
MOTOR ASSY, DOOR CONTROL, FRONT RH ・・・・・・・・・・・・・・・・・・・・・・・・・・・・・・・・・・・・・・・・・・・・・・・・ 195
MOTOR ASSY, DOOR CONTROL, REAR LH ・・・・・・・・・・・・・・・・・・・・・・・・・・・・・・・・・・・・・・・・・・・・・・・・・ 203
MOTOR ASSY, DOOR CONTROL, REAR RH ・・・・・・・・・・・・・・・・・・・・・・・・・・・・・・・・・・・・・・・・・・・・・・・・・ 203
MOTOR ASSY, POWER WINDOW REGULATOR, LH ・・・・・・・・・・・・・・・・・・・・・・・・・・・・・・・・・・・・・・・・・・・・ 197
MOTOR ASSY, POWER WINDOW REGULATOR, LH ・・・・・・・・・・・・・・・・・・・・・・・・・・・・・・・・・・・・・・・・・・・・ 205
MOTOR ASSY, POWER WINDOW REGULATOR, RH ・・・・・・・・・・・・・・・・・・・・・・・・・・・・・・・・・・・・・・・・・・・・ 197
MOTOR ASSY, POWER WINDOW REGULATOR, RH ・・・・・・・・・・・・・・・・・・・・・・・・・・・・・・・・・・・・・・・・・・・・ 205
MOTOR ASSY, WINDSHIELD WIPER ・・・・・・・・・・・・・・・・・・・・・・・・・・・・・・・・・・・・・・・・・・・・・・・・・・・・・・ 266
MOTOR, COOLING FAN ・・・・・・・・・・・・・・・・・・・・・・・・・・・・・・・・・・・・・・・・・・・・・・・・・・・・・・・・・・・・・・・・ 65
MOULDING, FRONT DOOR, OUTSIDE LH ・・・・・・・・・・・・・・・・・・・・・・・・・・・・・・・・・・・・・・・・・・・・・・・・・・ 228
MOULDING, FRONT DOOR, OUTSIDE RH ・・・・・・・・・・・・・・・・・・・・・・・・・・・・・・・・・・・・・・・・・・・・・・・・・・ 228
MOULDING, RADIATOR GRILLE SIDE, LH ・・・・・・・・・・・・・・・・・・・・・・・・・・・・・・・・・・・・・・・・・・・・・・・・ 154
MOULDING, RADIATOR GRILLE SIDE, RH ・・・・・・・・・・・・・・・・・・・・・・・・・・・・・・・・・・・・・・・・・・・・・・・・ 154
MOULDING, RADIATOR GRILLE, LOWER ・・・・・・・・・・・・・・・・・・・・・・・・・・・・・・・・・・・・・・・・・・・・・・・・・・ 154
MOULDING, RADIATOR GRILLE, UPPER ・・・・・・・・・・・・・・・・・・・・・・・・・・・・・・・・・・・・・・・・・・・・・・・・・・ 154
MOULDING, REAR DOOR, OUTSIDE LH ・・・・・・・・・・・・・・・・・・・・・・・・・・・・・・・・・・・・・・・・・・・・・・・・・・・ 228
MOULDING, REAR DOOR, OUTSIDE RH ・・・・・・・・・・・・・・・・・・・・・・・・・・・・・・・・・・・・・・・・・・・・・・・・・・・ 228
MOULDING, ROOF DRIP SIDE FINISH, LH ・・・・・・・・・・・・・・・・・・・・・・・・・・・・・・・・・・・・・・・・・・・・・・・ 228
MOULDING, ROOF DRIP SIDE FINISH, RH ・・・・・・・・・・・・・・・・・・・・・・・・・・・・・・・・・・・・・・・・・・・・・・・ 228
MOULDING, WINDSHIELD, OUTSIDE ・・・・・・・・・・・・・・・・・・・・・・・・・・・・・・・・・・・・・・・・・・・・・・・・・・・・・ 226
MOUNTING, FRONT DISC BRAKE CYLINDER, LH ・・・・・・・・・・・・・・・・・・・・・・・・・・・・・・・・・・・・・・・・・・・ 134
MOUNTING, FRONT DISC BRAKE CYLINDER, RH ・・・・・・・・・・・・・・・・・・・・・・・・・・・・・・・・・・・・・・・・・・・ 134
NOZZLE SUB-ASSY, OIL, NO.1 ・・・・・・・・・・・・・・・・・・・・・・・・・・・・・・・・・・・・・・・・・・・・・・・・・・・・・・・・ 51
NOZZLE SUB-ASSY, WASHER ・・・・・・・・・・・・・・・・・・・・・・・・・・・・・・・・・・・・・・・・・・・・・・・・・・・・・・・・・・・ 267
NUT (FOR FRONT AXLE SHAFT LH) ・・・・・・・・・・・・・・・・・・・・・・・・・・・・・・・・・・・・・・・・・・・・・・・・・・・・・ 120
NUT (FOR FRONT AXLE SHAFT RH) ・・・・・・・・・・・・・・・・・・・・・・・・・・・・・・・・・・・・・・・・・・・・・・・・・・・・・ 120
NUT (FOR STEERING KNUCKLE LH) ・・・・・・・・・・・・・・・・・・・・・・・・・・・・・・・・・・・・・・・・・・・・・・・・・・・・・ 143
NUT (FOR STEERING KNUCKLE RH) ・・・・・・・・・・・・・・・・・・・・・・・・・・・・・・・・・・・・・・・・・・・・・・・・・・・・・ 143
NUT(FOR FRONT STABILIZER LINK) ・・・・・・・・・・・・・・・・・・・・・・・・・・・・・・・・・・・・・・・・・・・・・・・・・・・・ 147
NUT, BOOSTER SLEEVE CYLINDER ・・・・・・・・・・・・・・・・・・・・・・・・・・・・・・・・・・・・・・・・・・・・・・・・・・・・・・ 131
NUT, BRAKE MASTER CYLINDER ・・・・・・・・・・・・・・・・・・・・・・・・・・・・・・・・・・・・・・・・・・・・・・・・・・・・・・・・ 130
NUT, HUB (FOR AXLE) ・・・・・・・・・・・・・・・・・・・・・・・・・・・・・・・・・・・・・・・・・・・・・・・・・・・・・・・・・・・・・・・ 115
NUT, STEERING WHEEL SET ・・・・・・・・・・・・・・・・・・・・・・・・・・・・・・・・・・・・・・・・・・・・・・・・・・・・・・・・・・・ 124
NUT, WIRE ADJUSTING, NO.1 ・・・・・・・・・・・・・・・・・・・・・・・・・・・・・・・・・・・・・・・・・・・・・・・・・・・・・・・・・ 128
ORNAMENT SUB-ASSY, WHEEL HUB ・・・・・・・・・・・・・・・・・・・・・・・・・・・・・・・・・・・・・・・・・・・・・・・・・・・・・・ 115
OUTLET, WATER ・・・・・・・・・・・・・・・・・・・・・・・・・・・・・・・・・・・・・・・・・・・・・・・・・・・・・・・・・・・・・・・・・・・・・ 65
PACKING A (FOR COOLER) ・・・・・・・・・・・・・・・・・・・・・・・・・・・・・・・・・・・・・・・・・・・・・・・・・・・・・・・・・・・・ 284
PACKING B (FOR COOLER) ・・・・・・・・・・・・・・・・・・・・・・・・・・・・・・・・・・・・・・・・・・・・・・・・・・・・・・・・・・・・ 284
PACKING(FOR RADIATOR DRAIN COCK) ・・・・・・・・・・・・・・・・・・・・・・・・・・・・・・・・・・・・・・・・・・・・・・・・・・ 66
PACKING, BACK DOOR HINGE ・・・・・・・・・・・・・・・・・・・・・・・・・・・・・・・・・・・・・・・・・・・・・・・・・・・・・・・・・・ 208
MEMBER, - PACKING,
PART NAME PAGE
PAD KIT, DISC BRAKE, FRONT ・・・・・・・・・・・・・・・・・・・・・・・・・・・・・・・・・・・・・・・・・・・・・・・・・・・・・・・・ 134
PAD, AIR DUCT ・・・・・・・・・・・・・・・・・・・・・・・・・・・・・・・・・・・・・・・・・・・・・・・・・・・・・・・・・・・・・・・・・・・・・ 282
PAD, BRAKE PEDAL ・・・・・・・・・・・・・・・・・・・・・・・・・・・・・・・・・・・・・・・・・・・・・・・・・・・・・・・・・・・・・・・・・・ 129
PAD, CLUTCH PEDAL ・・・・・・・・・・・・・・・・・・・・・・・・・・・・・・・・・・・・・・・・・・・・・・・・・・・・・・・・・・・・・・・・・ 81
PAD, DASH PANEL INSULATOR, NO.2 ・・・・・・・・・・・・・・・・・・・・・・・・・・・・・・・・・・・・・・・・・・・・・・・・・・ 173
PAD, DASH PANEL INSULATOR, NO.3 ・・・・・・・・・・・・・・・・・・・・・・・・・・・・・・・・・・・・・・・・・・・・・・・・・・ 173
PAD, DASH PANEL INSULATOR, NO.4 ・・・・・・・・・・・・・・・・・・・・・・・・・・・・・・・・・・・・・・・・・・・・・・・・・・ 173
PAD, DASH PANEL INSULATOR, NO.3 ・・・・・・・・・・・・・・・・・・・・・・・・・・・・・・・・・・・・・・・・・・・・・・・・・・・ 159
PAD, DASH PANEL SILENCER ・・・・・・・・・・・・・・・・・・・・・・・・・・・・・・・・・・・・・・・・・・・・・・・・・・・・・・・・・・ 159
PAD, FRONT SEAT BACK SILENCER, A ・・・・・・・・・・・・・・・・・・・・・・・・・・・・・・・・・・・・・・・・・・・・・・・・・・ 213
PAD, FRONT SEAT BACK SILENCER, B ・・・・・・・・・・・・・・・・・・・・・・・・・・・・・・・・・・・・・・・・・・・・・・・・・・ 214
PAD, FRONT SEAT BACK, LH(FOR SEPARATE TYPE) ・・・・・・・・・・・・・・・・・・・・・・・・・・・・・・・・・・・・・・・ 213
PAD, FRONT SEAT BACK, RH(FOR SEPARATE TYPE) ・・・・・・・・・・・・・・・・・・・・・・・・・・・・・・・・・・・・・・・ 213
PAD, FRONT SEAT CUSHION, LH (FOR SEPARATE TYPE) ・・・・・・・・・・・・・・・・・・・・・・・・・・・・・・・・・・・ 213
PAD, FRONT SEAT CUSHION, RH(FOR SEPARATE TYPE) ・・・・・・・・・・・・・・・・・・・・・・・・・・・・・・・・・・・・ 213
PAD, QUARTER PANEL ・・・・・・・・・・・・・・・・・・・・・・・・・・・・・・・・・・・・・・・・・・・・・・・・・・・・・・・・・・・・・・・・ 180
PAD, REAR SEAT CUSHION, RH ・・・・・・・・・・・・・・・・・・・・・・・・・・・・・・・・・・・・・・・・・・・・・・・・・・・・・・・・ 216
PAD, ROOF SILENCER, NO.1 ・・・・・・・・・・・・・・・・・・・・・・・・・・・・・・・・・・・・・・・・・・・・・・・・・・・・・・・・・・ 187
PAD, ROOF SILENCER, NO.2 ・・・・・・・・・・・・・・・・・・・・・・・・・・・・・・・・・・・・・・・・・・・・・・・・・・・・・・・・・・ 187
PAD,FRONT SEAT CUSHION SILENCER ・・・・・・・・・・・・・・・・・・・・・・・・・・・・・・・・・・・・・・・・・・・・・・・・・・・ 213
PAD,FRONT SEAT CUSHION SILENCER ・・・・・・・・・・・・・・・・・・・・・・・・・・・・・・・・・・・・・・・・・・・・・・・・・・・ 213
PAN SUB-ASSY, AUTOMATIC TRANSAXLE OIL ・・・・・・・・・・・・・・・・・・・・・・・・・・・・・・・・・・・・・・・・・・・・・ 100
PAN SUB-ASSY, OIL ・・・・・・・・・・・・・・・・・・・・・・・・・・・・・・・・・・・・・・・・・・・・・・・・・・・・・・・・・・・・・・・・・ 51
PAN, CENTER FLOOR ・・・・・・・・・・・・・・・・・・・・・・・・・・・・・・・・・・・・・・・・・・・・・・・・・・・・・・・・・・・・・・・・・ 173
PAN, FRONT FLOOR ・・・・・・・・・・・・・・・・・・・・・・・・・・・・・・・・・・・・・・・・・・・・・・・・・・・・・・・・・・・・・・・・・・ 173
PANEL ASSY, BACK DOOR TRIM ・・・・・・・・・・・・・・・・・・・・・・・・・・・・・・・・・・・・・・・・・・・・・・・・・・・・・・・・ 206
PANEL ASSY, DECK TRIM SIDE, LH ・・・・・・・・・・・・・・・・・・・・・・・・・・・・・・・・・・・・・・・・・・・・・・・・・・・・ 188
PANEL ASSY, DECK TRIM SIDE, LH ・・・・・・・・・・・・・・・・・・・・・・・・・・・・・・・・・・・・・・・・・・・・・・・・・・・・ 189
PANEL ASSY, DECK TRIM SIDE, RH ・・・・・・・・・・・・・・・・・・・・・・・・・・・・・・・・・・・・・・・・・・・・・・・・・・・・ 188
PANEL SUB-ASSY, BACK DOOR ・・・・・・・・・・・・・・・・・・・・・・・・・・・・・・・・・・・・・・・・・・・・・・・・・・・・・・・・・ 206
PANEL SUB-ASSY, BODY LOWER BACK, INNER ・・・・・・・・・・・・・・・・・・・・・・・・・・・・・・・・・・・・・・・・・・・・ 173
PANEL SUB-ASSY, COWL TOP, INNER ・・・・・・・・・・・・・・・・・・・・・・・・・・・・・・・・・・・・・・・・・・・・・・・・・・・ 168
PANEL SUB-ASSY, DASH ・・・・・・・・・・・・・・・・・・・・・・・・・・・・・・・・・・・・・・・・・・・・・・・・・・・・・・・・・・・・・・ 159
PANEL SUB-ASSY, FRONT DOOR, LH ・・・・・・・・・・・・・・・・・・・・・・・・・・・・・・・・・・・・・・・・・・・・・・・・・・・・ 191
PANEL SUB-ASSY, FRONT DOOR, RH ・・・・・・・・・・・・・・・・・・・・・・・・・・・・・・・・・・・・・・・・・・・・・・・・・・・・ 191
PANEL SUB-ASSY, INSTRUMENT ・・・・・・・・・・・・・・・・・・・・・・・・・・・・・・・・・・・・・・・・・・・・・・・・・・・・・・・・ 166
PANEL SUB-ASSY, INSTRUMENT CLUSTER FINISH, LOWER CENTER ・・・・・・・・・・・・・・・・・・・・・・・・・・・ 166
PANEL SUB-ASSY, QUARTER WHEEL HOUSE, INNER LH ・・・・・・・・・・・・・・・・・・・・・・・・・・・・・・・・・・・・・ 179
PANEL SUB-ASSY, QUARTER WHEEL HOUSE, INNER RH ・・・・・・・・・・・・・・・・・・・・・・・・・・・・・・・・・・・・・ 179
PANEL SUB-ASSY, REAR DOOR, LH ・・・・・・・・・・・・・・・・・・・・・・・・・・・・・・・・・・・・・・・・・・・・・・・・・・・・・ 199
PANEL SUB-ASSY, REAR DOOR, RH ・・・・・・・・・・・・・・・・・・・・・・・・・・・・・・・・・・・・・・・・・・・・・・・・・・・・・ 199
PANEL SUB-ASSY, REAR FLOOR ・・・・・・・・・・・・・・・・・・・・・・・・・・・・・・・・・・・・・・・・・・・・・・・・・・・・・・・・ 173
PANEL, CONSOLE ・・・・・・・・・・・・・・・・・・・・・・・・・・・・・・・・・・・・・・・・・・・・・・・・・・・・・・・・・・・・・・・・・・・・ 175
PANEL, COWL TOP SIDE, LH ・・・・・・・・・・・・・・・・・・・・・・・・・・・・・・・・・・・・・・・・・・・・・・・・・・・・・・・・・・ 159
PANEL, COWL TOP SIDE, RH ・・・・・・・・・・・・・・・・・・・・・・・・・・・・・・・・・・・・・・・・・・・・・・・・・・・・・・・・・・ 159
PANEL, COWL TOP, OUTER ・・・・・・・・・・・・・・・・・・・・・・・・・・・・・・・・・・・・・・・・・・・・・・・・・・・・・・・・・・・・ 168
PANEL, FRONT DOOR, OUTER LH ・・・・・・・・・・・・・・・・・・・・・・・・・・・・・・・・・・・・・・・・・・・・・・・・・・・・・・・ 191
PANEL, FRONT DOOR, OUTER RH ・・・・・・・・・・・・・・・・・・・・・・・・・・・・・・・・・・・・・・・・・・・・・・・・・・・・・・・ 191
PANEL, INSTRUMENT CLUSTER FINISH, CENTER ・・・・・・・・・・・・・・・・・・・・・・・・・・・・・・・・・・・・・・・・・・ 166
PANEL, INSTRUMENT CLUSTER FINISH, NO.1 ・・・・・・・・・・・・・・・・・・・・・・・・・・・・・・・・・・・・・・・・・・・・ 166
PAD - PANEL,
24
PART NAME PAGE
PANEL, QUARTER INNER, LOWER RH ・・・・・・・・・・・・・・・・・・・・・・・・・・・・・・・・・・・・・・・・・・・・・・・・・・・・ 179
PANEL, QUARTER, INNER LOWER LH ・・・・・・・・・・・・・・・・・・・・・・・・・・・・・・・・・・・・・・・・・・・・・・・・・・・・ 179
PANEL, QUARTER, LH ・・・・・・・・・・・・・・・・・・・・・・・・・・・・・・・・・・・・・・・・・・・・・・・・・・・・・・・・・・・・・・・・ 179
PANEL, QUARTER, RH ・・・・・・・・・・・・・・・・・・・・・・・・・・・・・・・・・・・・・・・・・・・・・・・・・・・・・・・・・・・・・・・・ 179
PANEL, REAR DOOR, OUTER LH ・・・・・・・・・・・・・・・・・・・・・・・・・・・・・・・・・・・・・・・・・・・・・・・・・・・・・・・・ 199
PANEL, REAR DOOR, OUTER RH ・・・・・・・・・・・・・・・・・・・・・・・・・・・・・・・・・・・・・・・・・・・・・・・・・・・・・・・・ 199
PANEL, ROCKER, OUTER LH ・・・・・・・・・・・・・・・・・・・・・・・・・・・・・・・・・・・・・・・・・・・・・・・・・・・・・・・・・・・ 178
PANEL, ROCKER, OUTER RH ・・・・・・・・・・・・・・・・・・・・・・・・・・・・・・・・・・・・・・・・・・・・・・・・・・・・・・・・・・・ 178
PANEL, ROOF ・・・・・・・・・・・・・・・・・・・・・・・・・・・・・・・・・・・・・・・・・・・・・・・・・・・・・・・・・・・・・・・・・・・・・・・ 182
PANEL, ROOF SIDE, INNER LH ・・・・・・・・・・・・・・・・・・・・・・・・・・・・・・・・・・・・・・・・・・・・・・・・・・・・・・・・ 180
PANEL, ROOF SIDE, INNER RH ・・・・・・・・・・・・・・・・・・・・・・・・・・・・・・・・・・・・・・・・・・・・・・・・・・・・・・・・ 180
PANEL, WINDSHIELD HEADER, INNER ・・・・・・・・・・・・・・・・・・・・・・・・・・・・・・・・・・・・・・・・・・・・・・・・・・・ 182
PAWL, PARKING LOCK ・・・・・・・・・・・・・・・・・・・・・・・・・・・・・・・・・・・・・・・・・・・・・・・・・・・・・・・・・・・・・・・・ 110
PEDAL ASSY, ACCELERATOR ・・・・・・・・・・・・・・・・・・・・・・・・・・・・・・・・・・・・・・・・・・・・・・・・・・・・・・・・・・・ 236
PEDAL SUB-ASSY, BRAKE ・・・・・・・・・・・・・・・・・・・・・・・・・・・・・・・・・・・・・・・・・・・・・・・・・・・・・・・・・・・・・ 129
PEDAL SUB-ASSY, CLUTCH ・・・・・・・・・・・・・・・・・・・・・・・・・・・・・・・・・・・・・・・・・・・・・・・・・・・・・・・・・・・・ 81
PILLAR SUB-ASSY, CENTER BODY, NO.2 LH ・・・・・・・・・・・・・・・・・・・・・・・・・・・・・・・・・・・・・・・・・・・・・ 178
PILLAR SUB-ASSY, CENTER BODY, NO.2 RH ・・・・・・・・・・・・・・・・・・・・・・・・・・・・・・・・・・・・・・・・・・・・・ 178
PILLAR SUB-ASSY, FRONT BODY, INNER LH ・・・・・・・・・・・・・・・・・・・・・・・・・・・・・・・・・・・・・・・・・・・・・ 178
PILLAR SUB-ASSY, FRONT BODY, INNER RH ・・・・・・・・・・・・・・・・・・・・・・・・・・・・・・・・・・・・・・・・・・・・・ 178
PILLAR, CENTER BODY, OUTER LH ・・・・・・・・・・・・・・・・・・・・・・・・・・・・・・・・・・・・・・・・・・・・・・・・・・・・・ 178
PILLAR, CENTER BODY, OUTER RH ・・・・・・・・・・・・・・・・・・・・・・・・・・・・・・・・・・・・・・・・・・・・・・・・・・・・・ 178
PILLAR, FRONT BODY, OUTER LH ・・・・・・・・・・・・・・・・・・・・・・・・・・・・・・・・・・・・・・・・・・・・・・・・・・・・・・ 178
PILLAR, FRONT BODY, OUTER RH ・・・・・・・・・・・・・・・・・・・・・・・・・・・・・・・・・・・・・・・・・・・・・・・・・・・・・・ 178
PIN(FOR PUSH ROD) ・・・・・・・・・・・・・・・・・・・・・・・・・・・・・・・・・・・・・・・・・・・・・・・・・・・・・・・・・・・・・・・・・ 129
PIN, FRONT DISC BRAKE CYLINDER SLIDE ・・・・・・・・・・・・・・・・・・・・・・・・・・・・・・・・・・・・・・・・・・・・・・ 134
PIN, FRONT DISC BRAKE CYLINDER SLIDE, NO.2 ・・・・・・・・・・・・・・・・・・・・・・・・・・・・・・・・・・・・・・・・ 134
PIN, PISTON ・・・・・・・・・・・・・・・・・・・・・・・・・・・・・・・・・・・・・・・・・・・・・・・・・・・・・・・・・・・・・・・・・・・・・・・ 57
PIN, RING W/HEAD ・・・・・・・・・・・・・・・・・・・・・・・・・・・・・・・・・・・・・・・・・・・・・・・・・・・・・・・・・・・・・・・・・・ 47
PIN, RING(FOR CYLINDER BLOCK NO.1 ) ・・・・・・・・・・・・・・・・・・・・・・・・・・・・・・・・・・・・・・・・・・・・・・・ 51
PIN, SHOE HOLD DOWN SPRING(FOR REAR BRAKE) ・・・・・・・・・・・・・・・・・・・・・・・・・・・・・・・・・・・・・・・・ 136
PIN, STRAIGHT (FOR AUTOMATIC TRANSMISSION CASE) ・・・・・・・・・・・・・・・・・・・・・・・・・・・・・・・・・・・ 99
PIN, STRAIGHT(FOR BRAKE MASTER CYLINDER) ・・・・・・・・・・・・・・・・・・・・・・・・・・・・・・・・・・・・・・・・・・ 130
PIN, STRAIGHT(FOR ENGINE REAR OIL SEAL) ・・・・・・・・・・・・・・・・・・・・・・・・・・・・・・・・・・・・・・・・・・・ 51
PIN, STRAIGHT(FOR MANUAL TRANSMISSION CASE) ・・・・・・・・・・・・・・・・・・・・・・・・・・・・・・・・・・・・・・・ 84
PINION, FRONT DIFFERENTIAL ・・・・・・・・・・・・・・・・・・・・・・・・・・・・・・・・・・・・・・・・・・・・・・・・・・・・・・・・ 117
PIPE ASSY, EXHAUST, FRONT ・・・・・・・・・・・・・・・・・・・・・・・・・・・・・・・・・・・・・・・・・・・・・・・・・・・・・・・・・ 70
PIPE SUB-ASSY, FUEL TANK INLET ・・・・・・・・・・・・・・・・・・・・・・・・・・・・・・・・・・・・・・・・・・・・・・・・・・・・ 234
PIPE, FUEL DELIVERY ・・・・・・・・・・・・・・・・・・・・・・・・・・・・・・・・・・・・・・・・・・・・・・・・・・・・・・・・・・・・・・・ 79
PIPE, WATER BY-PASS, NO.1 ・・・・・・・・・・・・・・・・・・・・・・・・・・・・・・・・・・・・・・・・・・・・・・・・・・・・・・・・・ 65
PISTON ・・・・・・・・・・・・・・・・・・・・・・・・・・・・・・・・・・・・・・・・・・・・・・・・・・・・・・・・・・・・・・・・・・・・・・・・・・・・ 57
PISTON, FRONT DISC BRAKE ・・・・・・・・・・・・・・・・・・・・・・・・・・・・・・・・・・・・・・・・・・・・・・・・・・・・・・・・・・ 134
PISTON,1ST & REVERSE BRAKE ・・・・・・・・・・・・・・・・・・・・・・・・・・・・・・・・・・・・・・・・・・・・・・・・・・・・・・・・ 106
PLATE ・・・・・・・・・・・・・・・・・・・・・・・・・・・・・・・・・・・・・・・・・・・・・・・・・・・・・・・・・・・・・・・・・・・・・・・・・・・・・ 234
PLATE ASSY, FRONT DOOR LOCK STRIKER ・・・・・・・・・・・・・・・・・・・・・・・・・・・・・・・・・・・・・・・・・・・・・・・ 195
PLATE ASSY, REAR DOOR LOCK STRIKER ・・・・・・・・・・・・・・・・・・・・・・・・・・・・・・・・・・・・・・・・・・・・・・・・ 203
PLATE SUB-ASSY, BRAKE BACKING, REAR LH ・・・・・・・・・・・・・・・・・・・・・・・・・・・・・・・・・・・・・・・・・・・・ 136
PLATE SUB-ASSY, BRAKE BACKING, REAR RH ・・・・・・・・・・・・・・・・・・・・・・・・・・・・・・・・・・・・・・・・・・・・ 136
PLATE SUB-ASSY, FRONT SIDE MEMBER, LH ・・・・・・・・・・・・・・・・・・・・・・・・・・・・・・・・・・・・・・・・・・・・・ 160
PLATE SUB-ASSY, FRONT SIDE MEMBER, RH ・・・・・・・・・・・・・・・・・・・・・・・・・・・・・・・・・・・・・・・・・・・・・ 160
PANEL, - PLATE
PART NAME PAGE
PLATE, BACK DOOR NAME ・・・・・・・・・・・・・・・・・・・・・・・・・・・・・・・・・・・・・・・・・・・・・・・・・・・・・・・・・・・・・ 225
PLATE, BACK DOOR NAME, NO.6 ・・・・・・・・・・・・・・・・・・・・・・・・・・・・・・・・・・・・・・・・・・・・・・・・・・・・・・・ 225
PLATE, BRAKE ・・・・・・・・・・・・・・・・・・・・・・・・・・・・・・・・・・・・・・・・・・・・・・・・・・・・・・・・・・・・・・・・・・・・・・ 104
PLATE, CAUTION ・・・・・・・・・・・・・・・・・・・・・・・・・・・・・・・・・・・・・・・・・・・・・・・・・・・・・・・・・・・・・・・・・・・・ 224
PLATE, CLUTCH, NO.2 ・・・・・・・・・・・・・・・・・・・・・・・・・・・・・・・・・・・・・・・・・・・・・・・・・・・・・・・・・・・・・・・ 103
PLATE, CLUTCH, NO.3 ・・・・・・・・・・・・・・・・・・・・・・・・・・・・・・・・・・・・・・・・・・・・・・・・・・・・・・・・・・・・・・・ 103
PLATE, ENGINE CAUTION ・・・・・・・・・・・・・・・・・・・・・・・・・・・・・・・・・・・・・・・・・・・・・・・・・・・・・・・・・・・・・ 73
PLATE, FR SEAT CUSHION PROTECTOR SET ・・・・・・・・・・・・・・・・・・・・・・・・・・・・・・・・・・・・・・・・・・・・・・ 213
PLATE, FRONT DOOR SCUFF, LH ・・・・・・・・・・・・・・・・・・・・・・・・・・・・・・・・・・・・・・・・・・・・・・・・・・・・・・・ 184
PLATE, FRONT DOOR SCUFF, RH ・・・・・・・・・・・・・・・・・・・・・・・・・・・・・・・・・・・・・・・・・・・・・・・・・・・・・・・ 184
PLATE, FRONT FENDER EXTENSION, LH ・・・・・・・・・・・・・・・・・・・・・・・・・・・・・・・・・・・・・・・・・・・・・・・・・ 156
PLATE, FRONT FENDER EXTENSION, RH ・・・・・・・・・・・・・・・・・・・・・・・・・・・・・・・・・・・・・・・・・・・・・・・・・ 156
PLATE, FRONT SIDE MEMBER, OUTER LH ・・・・・・・・・・・・・・・・・・・・・・・・・・・・・・・・・・・・・・・・・・・・・・・・ 162
PLATE, FRONT SIDE MEMBER, OUTER RH ・・・・・・・・・・・・・・・・・・・・・・・・・・・・・・・・・・・・・・・・・・・・・・・・ 162
PLATE, HORN CONTACT ・・・・・・・・・・・・・・・・・・・・・・・・・・・・・・・・・・・・・・・・・・・・・・・・・・・・・・・・・・・・・・・ 259
PLATE, JACK CARRIER CAUTION ・・・・・・・・・・・・・・・・・・・・・・・・・・・・・・・・・・・・・・・・・・・・・・・・・・・・・・・ 224
PLATE, LUGGAGE COMPARTMENT DOOR, NO.4 ・・・・・・・・・・・・・・・・・・・・・・・・・・・・・・・・・・・・・・・・・・・・・ 225
PLATE, MAT SET, LOWER ・・・・・・・・・・・・・・・・・・・・・・・・・・・・・・・・・・・・・・・・・・・・・・・・・・・・・・・・・・・・・ 174
PLATE, MAT SET, UPPER ・・・・・・・・・・・・・・・・・・・・・・・・・・・・・・・・・・・・・・・・・・・・・・・・・・・・・・・・・・・・・ 174
PLATE, OIL PAN BAFFLE, NO.1 ・・・・・・・・・・・・・・・・・・・・・・・・・・・・・・・・・・・・・・・・・・・・・・・・・・・・・・・ 51
PLATE, OUTPUT SHAFT BEARING LOCK ・・・・・・・・・・・・・・・・・・・・・・・・・・・・・・・・・・・・・・・・・・・・・・・・・・ 88
PLATE, PARKING BRAKE MOUNTING ・・・・・・・・・・・・・・・・・・・・・・・・・・・・・・・・・・・・・・・・・・・・・・・・・・・・・ 173
PLATE, REAR CLUTCH CUSHION ・・・・・・・・・・・・・・・・・・・・・・・・・・・・・・・・・・・・・・・・・・・・・・・・・・・・・・・・ 103
PLATE, REAR DOOR REGULATOR INSIDE HANDLE ・・・・・・・・・・・・・・・・・・・・・・・・・・・・・・・・・・・・・・・・・・ 204
PLATE, REAR DOOR SCUFF, LH ・・・・・・・・・・・・・・・・・・・・・・・・・・・・・・・・・・・・・・・・・・・・・・・・・・・・・・・・ 185
PLATE, REAR DOOR SCUFF, RH ・・・・・・・・・・・・・・・・・・・・・・・・・・・・・・・・・・・・・・・・・・・・・・・・・・・・・・・・ 185
PLATE, RETAINER ・・・・・・・・・・・・・・・・・・・・・・・・・・・・・・・・・・・・・・・・・・・・・・・・・・・・・・・・・・・・・・・・・・・ 76
PLATE, SEAL ・・・・・・・・・・・・・・・・・・・・・・・・・・・・・・・・・・・・・・・・・・・・・・・・・・・・・・・・・・・・・・・・・・・・・・・ 284
PLATE, SHIFT INTER LOCK ・・・・・・・・・・・・・・・・・・・・・・・・・・・・・・・・・・・・・・・・・・・・・・・・・・・・・・・・・・・ 93
PLATE, SOLENOID LOCK ・・・・・・・・・・・・・・・・・・・・・・・・・・・・・・・・・・・・・・・・・・・・・・・・・・・・・・・・・・・・・・ 109
PLATE, SPEEDMETER LOCK ・・・・・・・・・・・・・・・・・・・・・・・・・・・・・・・・・・・・・・・・・・・・・・・・・・・・・・・・・・・・ 99
PLATE, WINDOW REGULATOR HANDLE ・・・・・・・・・・・・・・・・・・・・・・・・・・・・・・・・・・・・・・・・・・・・・・・・・・・・ 196
PLATE,BRAKE ・・・・・・・・・・・・・・・・・・・・・・・・・・・・・・・・・・・・・・・・・・・・・・・・・・・・・・・・・・・・・・・・・・・・・・・ 107
PLUG SUB-ASSY, DRAIN (ATM) ・・・・・・・・・・・・・・・・・・・・・・・・・・・・・・・・・・・・・・・・・・・・・・・・・・・・・・・・ 100
PLUG(FOR MTM SPEEDOMETER DRIVEN HOLE) ・・・・・・・・・・・・・・・・・・・・・・・・・・・・・・・・・・・・・・・・・・・・・ 86
PLUG(FOR OIL PAN DRAIN) ・・・・・・・・・・・・・・・・・・・・・・・・・・・・・・・・・・・・・・・・・・・・・・・・・・・・・・・・・・・ 51
PLUG(FOR TRANSMISSION CASE) ・・・・・・・・・・・・・・・・・・・・・・・・・・・・・・・・・・・・・・・・・・・・・・・・・・・・・・・ 84
PLUG, BLEEDER(FOR DRUM BRAKE, REAR) ・・・・・・・・・・・・・・・・・・・・・・・・・・・・・・・・・・・・・・・・・・・・・・・ 137
PLUG, BLEEDER(FOR FRONT DISC BRAKE) ・・・・・・・・・・・・・・・・・・・・・・・・・・・・・・・・・・・・・・・・・・・・・・・ 134
PLUG, BREATHER(FOR MANUAL TRANSMISSION) ・・・・・・・・・・・・・・・・・・・・・・・・・・・・・・・・・・・・・・・・・・・ 92
PLUG, BREATHER, NO.1 (ATM) ・・・・・・・・・・・・・・・・・・・・・・・・・・・・・・・・・・・・・・・・・・・・・・・・・・・・・・・・ 99
PLUG, HOLE(FOR REAR BRAKE) ・・・・・・・・・・・・・・・・・・・・・・・・・・・・・・・・・・・・・・・・・・・・・・・・・・・・・・・・ 137
PLUG, HOLE(FOR ROOF HEADLINING ASSY) ・・・・・・・・・・・・・・・・・・・・・・・・・・・・・・・・・・・・・・・・・・・・・・ 187
PLUG, RADIATOR DRAIN COCK ・・・・・・・・・・・・・・・・・・・・・・・・・・・・・・・・・・・・・・・・・・・・・・・・・・・・・・・・・ 66
PLUG, SPARK ・・・・・・・・・・・・・・・・・・・・・・・・・・・・・・・・・・・・・・・・・・・・・・・・・・・・・・・・・・・・・・・・・・・・・・・ 74
PLUG, W/HEAD STRAIGHT SCREW ・・・・・・・・・・・・・・・・・・・・・・・・・・・・・・・・・・・・・・・・・・・・・・・・・・・・・・・ 60
PLUG, W/HEAD STRAIGHT SCREW, NO.1(FOR CYLINDER BLOCK) ・・・・・・・・・・・・・・・・・・・・・・・・・・・・・ 51
PLUG, W/HEAD TAPER SCREW, NO.1 ・・・・・・・・・・・・・・・・・・・・・・・・・・・・・・・・・・・・・・・・・・・・・・・・・・・・ 47
PROTECTOR, CRANK POSITION SENSOR ・・・・・・・・・・・・・・・・・・・・・・・・・・・・・・・・・・・・・・・・・・・・・・・・・・ 52
PROTECTOR, FRONT SEAT CUSHION EDGE, LH ・・・・・・・・・・・・・・・・・・・・・・・・・・・・・・・・・・・・・・・・・・・・ 213
PLATE, - PROTECTOR,
25
PART NAME PAGE
PROTECTOR, FRONT SEAT CUSHION EDGE, RH ・・・・・・・・・・・・・・・・・・・・・・・・・・・・・・・・・・・・・・・・・・・・ 213
PROTECTOR, FUEL TANK, LOWER CENTER ・・・・・・・・・・・・・・・・・・・・・・・・・・・・・・・・・・・・・・・・・・・・・・・・ 235
PROTECTOR, PARKING BRAKE CABLE JOINT ・・・・・・・・・・・・・・・・・・・・・・・・・・・・・・・・・・・・・・・・・・・・・・ 128
PULLEY, ALTERNATOR ・・・・・・・・・・・・・・・・・・・・・・・・・・・・・・・・・・・・・・・・・・・・・・・・・・・・・・・・・・・・・・・・ 76
PULLEY, CRANKSHAFT ・・・・・・・・・・・・・・・・・・・・・・・・・・・・・・・・・・・・・・・・・・・・・・・・・・・・・・・・・・・・・・・・ 57
PULLEY, WATER PUMP ・・・・・・・・・・・・・・・・・・・・・・・・・・・・・・・・・・・・・・・・・・・・・・・・・・・・・・・・・・・・・・・・ 62
PUMP ASSY, ENGINE WATER ・・・・・・・・・・・・・・・・・・・・・・・・・・・・・・・・・・・・・・・・・・・・・・・・・・・・・・・・・・・ 62
PUMP ASSY, FUEL W/MOTOR & BRACKET ・・・・・・・・・・・・・・・・・・・・・・・・・・・・・・・・・・・・・・・・・・・・・・・・・ 234
PUMP, FUEL ・・・・・・・・・・・・・・・・・・・・・・・・・・・・・・・・・・・・・・・・・・・・・・・・・・・・・・・・・・・・・・・・・・・・・・・・ 234
RACE, 4TH GEAR BEARING INNER ・・・・・・・・・・・・・・・・・・・・・・・・・・・・・・・・・・・・・・・・・・・・・・・・・・・・・・ 89
RADIATOR ASSY ・・・・・・・・・・・・・・・・・・・・・・・・・・・・・・・・・・・・・・・・・・・・・・・・・・・・・・・・・・・・・・・・・・・・・ 65
RAIL SUB-ASSY, ROOF SIDE, INNER LH ・・・・・・・・・・・・・・・・・・・・・・・・・・・・・・・・・・・・・・・・・・・・・・・・ 178
RAIL SUB-ASSY, ROOF SIDE, INNER RH ・・・・・・・・・・・・・・・・・・・・・・・・・・・・・・・・・・・・・・・・・・・・・・・・ 178
RAIL, ROOF SIDE, INNER NO.2 LH ・・・・・・・・・・・・・・・・・・・・・・・・・・・・・・・・・・・・・・・・・・・・・・・・・・・・ 178
RAIL, ROOF SIDE, INNER NO.2 RH ・・・・・・・・・・・・・・・・・・・・・・・・・・・・・・・・・・・・・・・・・・・・・・・・・・・・ 178
RECEIVER, CASE COVER OIL, NO.1(MTM) ・・・・・・・・・・・・・・・・・・・・・・・・・・・・・・・・・・・・・・・・・・・・・・・ 84
REGISTER ASSY, INSTRUMENT PANEL, NO.1 ・・・・・・・・・・・・・・・・・・・・・・・・・・・・・・・・・・・・・・・・・・・・・ 166
REGISTER ASSY, INSTRUMENT PANEL, NO.1 ・・・・・・・・・・・・・・・・・・・・・・・・・・・・・・・・・・・・・・・・・・・・・ 167
REGISTER ASSY, INSTRUMENT PANEL, NO.2 ・・・・・・・・・・・・・・・・・・・・・・・・・・・・・・・・・・・・・・・・・・・・・ 167
REGULATOR ASSY, FRONT DOOR WINDOW, LH ・・・・・・・・・・・・・・・・・・・・・・・・・・・・・・・・・・・・・・・・・・・・・ 196
REGULATOR ASSY, FRONT DOOR WINDOW, RH ・・・・・・・・・・・・・・・・・・・・・・・・・・・・・・・・・・・・・・・・・・・・・ 196
REGULATOR ASSY, REAR DOOR WINDOW, LH ・・・・・・・・・・・・・・・・・・・・・・・・・・・・・・・・・・・・・・・・・・・・・・ 204
REGULATOR ASSY, REAR DOOR WINDOW, RH ・・・・・・・・・・・・・・・・・・・・・・・・・・・・・・・・・・・・・・・・・・・・・・ 204
REGULATOR SUB-ASSY, FRONT DOOR WINDOW, LH ・・・・・・・・・・・・・・・・・・・・・・・・・・・・・・・・・・・・・・・・・ 196
REGULATOR SUB-ASSY, FRONT DOOR WINDOW, RH ・・・・・・・・・・・・・・・・・・・・・・・・・・・・・・・・・・・・・・・・・ 196
REGULATOR SUB-ASSY, REAR DOOR WINDOW, LH ・・・・・・・・・・・・・・・・・・・・・・・・・・・・・・・・・・・・・・・・・・ 204
REGULATOR SUB-ASSY, REAR DOOR WINDOW, RH ・・・・・・・・・・・・・・・・・・・・・・・・・・・・・・・・・・・・・・・・・・ 204
REINFORCE SUB-ASSY, FRONT BODY PILLAR, LOWER LH ・・・・・・・・・・・・・・・・・・・・・・・・・・・・・・・・・・・ 178
REINFORCE SUB-ASSY, FRONT BODY PILLAR, LOWER RH ・・・・・・・・・・・・・・・・・・・・・・・・・・・・・・・・・・・ 178
REINFORCE SUB-ASSY, ROCKER, OUTER LH ・・・・・・・・・・・・・・・・・・・・・・・・・・・・・・・・・・・・・・・・・・・・・・ 178
REINFORCE SUB-ASSY, ROCKER, OUTER RH ・・・・・・・・・・・・・・・・・・・・・・・・・・・・・・・・・・・・・・・・・・・・・・ 178
REINFORCE, BELT ANCHOR TO ROOF SIDE, INNER REAR LH ・・・・・・・・・・・・・・・・・・・・・・・・・・・・・・・・ 180
REINFORCE, BELT ANCHOR TO ROOF SIDE, INNER REAR RH ・・・・・・・・・・・・・・・・・・・・・・・・・・・・・・・・ 180
REINFORCEMENT SUB-ASSY, CENTER BODY PILLAR, LH ・・・・・・・・・・・・・・・・・・・・・・・・・・・・・・・・・・・・ 178
REINFORCEMENT SUB-ASSY, CENTER BODY PILLAR, RH ・・・・・・・・・・・・・・・・・・・・・・・・・・・・・・・・・・・・ 178
REINFORCEMENT SUB-ASSY, FRONT BUMPER ・・・・・・・・・・・・・・・・・・・・・・・・・・・・・・・・・・・・・・・・・・・・・・ 159
REINFORCEMENT SUB-ASSY, QUARTER LOCK PILLAR, LH ・・・・・・・・・・・・・・・・・・・・・・・・・・・・・・・・・・・ 179
REINFORCEMENT SUB-ASSY, QUARTER LOCK PILLAR, RH ・・・・・・・・・・・・・・・・・・・・・・・・・・・・・・・・・・・ 179
REINFORCEMENT, CENTER FLOOR PANEL ・・・・・・・・・・・・・・・・・・・・・・・・・・・・・・・・・・・・・・・・・・・・・・・・・ 173
REINFORCEMENT, COWL TOP SIDE, LH ・・・・・・・・・・・・・・・・・・・・・・・・・・・・・・・・・・・・・・・・・・・・・・・・・・ 168
REINFORCEMENT, COWL TOP SIDE, RH ・・・・・・・・・・・・・・・・・・・・・・・・・・・・・・・・・・・・・・・・・・・・・・・・・・ 168
REINFORCEMENT, FRONT FLOOR UNDER ・・・・・・・・・・・・・・・・・・・・・・・・・・・・・・・・・・・・・・・・・・・・・・・・・・ 173
REINFORCEMENT, FRONT FLOOR, UPPER ・・・・・・・・・・・・・・・・・・・・・・・・・・・・・・・・・・・・・・・・・・・・・・・・・ 173
REINFORCEMENT, FUEL TANK FLANGE, NO.1 ・・・・・・・・・・・・・・・・・・・・・・・・・・・・・・・・・・・・・・・・・・・・・ 234
REINFORCEMENT, INSTRUMENT PANEL ・・・・・・・・・・・・・・・・・・・・・・・・・・・・・・・・・・・・・・・・・・・・・・・・・・・ 166
REINFORCEMENT, QUARTER PANEL, LH ・・・・・・・・・・・・・・・・・・・・・・・・・・・・・・・・・・・・・・・・・・・・・・・・・・ 179
REINFORCEMENT, QUARTER PANEL, RH ・・・・・・・・・・・・・・・・・・・・・・・・・・・・・・・・・・・・・・・・・・・・・・・・・・ 179
REINFORCEMENT, RADIATOR MOUNTING, LH ・・・・・・・・・・・・・・・・・・・・・・・・・・・・・・・・・・・・・・・・・・・・・・ 162
REINFORCEMENT, RADIATOR MOUNTING, RH ・・・・・・・・・・・・・・・・・・・・・・・・・・・・・・・・・・・・・・・・・・・・・・ 162
REINFORCEMENT, ROOF PANEL, CENTER ・・・・・・・・・・・・・・・・・・・・・・・・・・・・・・・・・・・・・・・・・・・・・・・・・ 182
PROTECTOR, - REINFORCEMENT,
PART NAME PAGE
REINFORCEMENT, ROOF PANEL, NO.3 ・・・・・・・・・・・・・・・・・・・・・・・・・・・・・・・・・・・・・・・・・・・・・・・・・・・ 182
REINFORCEMENT, ROOF PANEL, REAR ・・・・・・・・・・・・・・・・・・・・・・・・・・・・・・・・・・・・・・・・・・・・・・・・・・・ 182
REINFORCEMENT, ROOF SIDE RAIL, INNER LH ・・・・・・・・・・・・・・・・・・・・・・・・・・・・・・・・・・・・・・・・・・・ 178
REINFORCEMENT, ROOF SIDE RAIL, INNER RH ・・・・・・・・・・・・・・・・・・・・・・・・・・・・・・・・・・・・・・・・・・・ 178
REINFORCEMENT, UPPER BACK, NO.4 LH ・・・・・・・・・・・・・・・・・・・・・・・・・・・・・・・・・・・・・・・・・・・・・・・・ 180
REINFORCEMENT, UPPER BACK, NO.4 RH ・・・・・・・・・・・・・・・・・・・・・・・・・・・・・・・・・・・・・・・・・・・・・・・・ 180
RELAY ASSY (FOR HEATER BLOWER MOTOR) ・・・・・・・・・・・・・・・・・・・・・・・・・・・・・・・・・・・・・・・・・・・・・・ 260
RELAY ASSY, HORN ・・・・・・・・・・・・・・・・・・・・・・・・・・・・・・・・・・・・・・・・・・・・・・・・・・・・・・・・・・・・・・・・・・ 260
RELAY ASSY, STARTER ・・・・・・・・・・・・・・・・・・・・・・・・・・・・・・・・・・・・・・・・・・・・・・・・・・・・・・・・・・・・・・・ 258
RELAY, ACC ・・・・・・・・・・・・・・・・・・・・・・・・・・・・・・・・・・・・・・・・・・・・・・・・・・・・・・・・・・・・・・・・・・・・・・・・ 260
RELAY, DOOR CONTROL ・・・・・・・・・・・・・・・・・・・・・・・・・・・・・・・・・・・・・・・・・・・・・・・・・・・・・・・・・・・・・・・ 260
RELAY, FOG LAMP ・・・・・・・・・・・・・・・・・・・・・・・・・・・・・・・・・・・・・・・・・・・・・・・・・・・・・・・・・・・・・・・・・・・ 260
RELAY, FUEL PUMP ・・・・・・・・・・・・・・・・・・・・・・・・・・・・・・・・・・・・・・・・・・・・・・・・・・・・・・・・・・・・・・・・・・ 260
RELAY, HEADLAMP ・・・・・・・・・・・・・・・・・・・・・・・・・・・・・・・・・・・・・・・・・・・・・・・・・・・・・・・・・・・・・・・・・・・ 260
RELAY, IGNITION, NO.1 ・・・・・・・・・・・・・・・・・・・・・・・・・・・・・・・・・・・・・・・・・・・・・・・・・・・・・・・・・・・・・ 258
RELAY, MAGNET-CLUTCH ・・・・・・・・・・・・・・・・・・・・・・・・・・・・・・・・・・・・・・・・・・・・・・・・・・・・・・・・・・・・・・ 260
RELAY, RADIATOR FAN ・・・・・・・・・・・・・・・・・・・・・・・・・・・・・・・・・・・・・・・・・・・・・・・・・・・・・・・・・・・・・・・ 260
RESERVOIR SUB-ASSY, BRAKE MASTER CYLINDER ・・・・・・・・・・・・・・・・・・・・・・・・・・・・・・・・・・・・・・・・・ 130
RESISTOR, BLOWER ・・・・・・・・・・・・・・・・・・・・・・・・・・・・・・・・・・・・・・・・・・・・・・・・・・・・・・・・・・・・・・・・・・ 279
RETAINER(FOR BACK DOOR TRIM BOARD) ・・・・・・・・・・・・・・・・・・・・・・・・・・・・・・・・・・・・・・・・・・・・・・・・ 206
RETAINER(FOR FRONT DOOR TRIM BOARD) ・・・・・・・・・・・・・・・・・・・・・・・・・・・・・・・・・・・・・・・・・・・・・・・ 192
RETAINER(FOR REAR DOOR TRIM BOARD) ・・・・・・・・・・・・・・・・・・・・・・・・・・・・・・・・・・・・・・・・・・・・・・・・ 200
RETAINER, ADJUSTING BOLT SPRING ・・・・・・・・・・・・・・・・・・・・・・・・・・・・・・・・・・・・・・・・・・・・・・・・・・・ 137
RETAINER, BACK DOOR LOCK CYLINDER ・・・・・・・・・・・・・・・・・・・・・・・・・・・・・・・・・・・・・・・・・・・・・・・・・ 210
RETAINER, ENGINE FRONT SUPPORT, RH ・・・・・・・・・・・・・・・・・・・・・・・・・・・・・・・・・・・・・・・・・・・・・・・・ 160
RETAINER, ENGINE REAR OIL SEAL ・・・・・・・・・・・・・・・・・・・・・・・・・・・・・・・・・・・・・・・・・・・・・・・・・・・・ 52
RETAINER, FENDER APRON, LH ・・・・・・・・・・・・・・・・・・・・・・・・・・・・・・・・・・・・・・・・・・・・・・・・・・・・・・・・ 159
RETAINER, FRONT DOOR TRIM, UPPER ・・・・・・・・・・・・・・・・・・・・・・・・・・・・・・・・・・・・・・・・・・・・・・・・・・ 192
RETAINER, FRONT DOOR WEATHERSTRIP, LH ・・・・・・・・・・・・・・・・・・・・・・・・・・・・・・・・・・・・・・・・・・・・・ 192
RETAINER, FRONT DOOR WEATHERSTRIP, RH ・・・・・・・・・・・・・・・・・・・・・・・・・・・・・・・・・・・・・・・・・・・・・ 192
RETAINER, FRONT SPOILER, LOWER NO.1 ・・・・・・・・・・・・・・・・・・・・・・・・・・・・・・・・・・・・・・・・・・・・・・・ 230
RETAINER, LOCK CYLINDER ・・・・・・・・・・・・・・・・・・・・・・・・・・・・・・・・・・・・・・・・・・・・・・・・・・・・・・・・・・・ 210
RETAINER, RADIATOR GRILLE, LOWER NO.1 ・・・・・・・・・・・・・・・・・・・・・・・・・・・・・・・・・・・・・・・・・・・・・ 154
RETAINER, REAR DOOR TRIM, UPPER ・・・・・・・・・・・・・・・・・・・・・・・・・・・・・・・・・・・・・・・・・・・・・・・・・・・ 200
RETAINER, REAR DOOR WEATHERSTRIP, LH ・・・・・・・・・・・・・・・・・・・・・・・・・・・・・・・・・・・・・・・・・・・・・・ 200
RETAINER, REAR DOOR WEATHERSTRIP, RH ・・・・・・・・・・・・・・・・・・・・・・・・・・・・・・・・・・・・・・・・・・・・・・ 200
RETAINER, SEAT RAIL, FRONT ・・・・・・・・・・・・・・・・・・・・・・・・・・・・・・・・・・・・・・・・・・・・・・・・・・・・・・・・ 173
RETAINER, SHIFTING KEY ・・・・・・・・・・・・・・・・・・・・・・・・・・・・・・・・・・・・・・・・・・・・・・・・・・・・・・・・・・・・ 89
RETAINER, VALVE SPRING ・・・・・・・・・・・・・・・・・・・・・・・・・・・・・・・・・・・・・・・・・・・・・・・・・・・・・・・・・・・・ 59
RETURN SPRING SUB-ASSY, 1ST & REVERSE ・・・・・・・・・・・・・・・・・・・・・・・・・・・・・・・・・・・・・・・・・・・・・ 106
RIM, FOG LAMP, LH ・・・・・・・・・・・・・・・・・・・・・・・・・・・・・・・・・・・・・・・・・・・・・・・・・・・・・・・・・・・・・・・・・ 239
RIM, FOG LAMP, RH NO.1 ・・・・・・・・・・・・・・・・・・・・・・・・・・・・・・・・・・・・・・・・・・・・・・・・・・・・・・・・・・・・ 239
RING SET, PISTON ・・・・・・・・・・・・・・・・・・・・・・・・・・・・・・・・・・・・・・・・・・・・・・・・・・・・・・・・・・・・・・・・・・ 56
RING SET, SYNCHRONIZER, NO.1 ・・・・・・・・・・・・・・・・・・・・・・・・・・・・・・・・・・・・・・・・・・・・・・・・・・・・・・ 88
RING SET, SYNCHRONIZER, NO.2 ・・・・・・・・・・・・・・・・・・・・・・・・・・・・・・・・・・・・・・・・・・・・・・・・・・・・・・ 88
RING, CLUTCH DRUM OIL SEAL ・・・・・・・・・・・・・・・・・・・・・・・・・・・・・・・・・・・・・・・・・・・・・・・・・・・・・・・・ 97
RING, HOLE SNAP (FOR FORWARD CLUTCH FLANGE) ・・・・・・・・・・・・・・・・・・・・・・・・・・・・・・・・・・・・・・・ 103
RING, HOLE SNAP (FOR FRONT AXLE HUB LH) ・・・・・・・・・・・・・・・・・・・・・・・・・・・・・・・・・・・・・・・・・・・ 121
RING, HOLE SNAP (FOR FRONT AXLE HUB RH) ・・・・・・・・・・・・・・・・・・・・・・・・・・・・・・・・・・・・・・・・・・・ 120
RING, HOLE SNAP (FOR OUTPUT SHAFT, NO.1) ・・・・・・・・・・・・・・・・・・・・・・・・・・・・・・・・・・・・・・・・・・ 107
REINFORCEMENT, - RING,
26
PART NAME PAGE
RING, HOLE SNAP (FOR OUTPUT SHAFT, NO.2) ・・・・・・・・・・・・・・・・・・・・・・・・・・・・・・・・・・・・・・・・・・ 107
RING, HOLE SNAP (FOR REAR CLUTCH FLANGE) ・・・・・・・・・・・・・・・・・・・・・・・・・・・・・・・・・・・・・・・・・・ 103
RING, HOLE SNAP (FOR REAR MULTIPLE DISC CLUTHC) ・・・・・・・・・・・・・・・・・・・・・・・・・・・・・・・・・・・ 103
RING, HOLE SNAP(FOR BRAKE FLANGE) ・・・・・・・・・・・・・・・・・・・・・・・・・・・・・・・・・・・・・・・・・・・・・・・・・ 104
RING, HOLE SNAP(FOR BRAKE FLANGE) ・・・・・・・・・・・・・・・・・・・・・・・・・・・・・・・・・・・・・・・・・・・・・・・・・ 105
RING, HOLE SNAP(FOR OUTPUT SHAFT REAR BEARING) ・・・・・・・・・・・・・・・・・・・・・・・・・・・・・・・・・・・・ 88
RING, INPUT SHAFT OIL SEAL ・・・・・・・・・・・・・・・・・・・・・・・・・・・・・・・・・・・・・・・・・・・・・・・・・・・・・・・・ 103
RING, O ・・・・・・・・・・・・・・・・・・・・・・・・・・・・・・・・・・・・・・・・・・・・・・・・・・・・・・・・・・・・・・・・・・・・・・・・・・・ 279
RING, O (FOR 2ND & 4TH BRAKE PISTON, NO.1) ・・・・・・・・・・・・・・・・・・・・・・・・・・・・・・・・・・・・・・・・ 104
RING, O (FOR 2ND & 4TH BRAKE PISTON, NO.2) ・・・・・・・・・・・・・・・・・・・・・・・・・・・・・・・・・・・・・・・・ 104
RING, O (FOR FRONT OIL PUMP BODY) ・・・・・・・・・・・・・・・・・・・・・・・・・・・・・・・・・・・・・・・・・・・・・・・・・ 97
RING, O (FOR MTM SPEEDOMETER SHAFT SLEEVE) ・・・・・・・・・・・・・・・・・・・・・・・・・・・・・・・・・・・・・・・・ 86
RING, O (FOR SPEEDOMETER SENSOR) ・・・・・・・・・・・・・・・・・・・・・・・・・・・・・・・・・・・・・・・・・・・・・・・・・・ 258
RING, O (FOR TRANSMISSION OIL FILLER TUBE) ・・・・・・・・・・・・・・・・・・・・・・・・・・・・・・・・・・・・・・・・ 100
RING, O(FOR BRAKE MASTER CYLINDER) ・・・・・・・・・・・・・・・・・・・・・・・・・・・・・・・・・・・・・・・・・・・・・・・・ 130
RING, O(FOR FUEL INJECTOR) ・・・・・・・・・・・・・・・・・・・・・・・・・・・・・・・・・・・・・・・・・・・・・・・・・・・・・・・・ 79
RING, O(FOR OIL LEVEL GAGE GUIDE) ・・・・・・・・・・・・・・・・・・・・・・・・・・・・・・・・・・・・・・・・・・・・・・・・・ 51
RING, O(FOR TRANS SOLENOID CONNECTOR) ・・・・・・・・・・・・・・・・・・・・・・・・・・・・・・・・・・・・・・・・・・・・・ 100
RING, O(FOR TRANSMISSION REVOLUTION SENSOR) ・・・・・・・・・・・・・・・・・・・・・・・・・・・・・・・・・・・・・・・ 100
RING, O, NO.1 (FOR TRANSMISSION 3WAY SOLENOID) ・・・・・・・・・・・・・・・・・・・・・・・・・・・・・・・・・・・・ 109
RING, O, NO.2 (FOR TRANSMISSION 3WAY SOLENOID) ・・・・・・・・・・・・・・・・・・・・・・・・・・・・・・・・・・・・ 109
RING, SHAFT SNAP (FOR BRAKE) ・・・・・・・・・・・・・・・・・・・・・・・・・・・・・・・・・・・・・・・・・・・・・・・・・・・・・・ 104
RING, SHAFT SNAP (FOR FRONT DRIVE INNER SHAFT INNER LH) ・・・・・・・・・・・・・・・・・・・・・・・・・・・ 119
RING, SHAFT SNAP (FOR FRONT DRIVE INNER SHAFT INNER RH) ・・・・・・・・・・・・・・・・・・・・・・・・・・・ 119
RING, SHAFT SNAP(FOR FRONT DOOR WINDOW REGULATOR HANDLE) ・・・・・・・・・・・・・・・・・・・・・・・・・・ 196
RING, SHAFT SNAP(FOR REAR DOOR WINDOW REGULATOR HANDLE) ・・・・・・・・・・・・・・・・・・・・・・・・・・・ 204
RING, SNAP ・・・・・・・・・・・・・・・・・・・・・・・・・・・・・・・・・・・・・・・・・・・・・・・・・・・・・・・・・・・・・・・・・・・・・・・・ 285
RING, SNAP (FOR COMPRESSOR) ・・・・・・・・・・・・・・・・・・・・・・・・・・・・・・・・・・・・・・・・・・・・・・・・・・・・・・・ 285
RING, SNAP (FOR COMPRESSOR) ・・・・・・・・・・・・・・・・・・・・・・・・・・・・・・・・・・・・・・・・・・・・・・・・・・・・・・・ 286
RING, SYNCHRONIZER, NO.1 ・・・・・・・・・・・・・・・・・・・・・・・・・・・・・・・・・・・・・・・・・・・・・・・・・・・・・・・・・・ 89
RING,HOLE SNAP (FOR CLUTCH PLATE) ・・・・・・・・・・・・・・・・・・・・・・・・・・・・・・・・・・・・・・・・・・・・・・・・・ 107
RING,O(FOR OIL STRAINER) ・・・・・・・・・・・・・・・・・・・・・・・・・・・・・・・・・・・・・・・・・・・・・・・・・・・・・・・・・・ 100
ROD SUB-ASSY, CONNECTING ・・・・・・・・・・・・・・・・・・・・・・・・・・・・・・・・・・・・・・・・・・・・・・・・・・・・・・・・・・ 57
ROD SUB-ASSY, ENGINE MOVING CONTROL ・・・・・・・・・・・・・・・・・・・・・・・・・・・・・・・・・・・・・・・・・・・・・・・ 54
ROD SUB-ASSY, PARKING LOCK ・・・・・・・・・・・・・・・・・・・・・・・・・・・・・・・・・・・・・・・・・・・・・・・・・・・・・・・・ 110
ROD, HOOD SUPPORT ・・・・・・・・・・・・・・・・・・・・・・・・・・・・・・・・・・・・・・・・・・・・・・・・・・・・・・・・・・・・・・・・・ 157
ROD, REAR DOOR LOCK PUSH BUTTON ・・・・・・・・・・・・・・・・・・・・・・・・・・・・・・・・・・・・・・・・・・・・・・・・・・・ 203
ROD, REAR DOOR LOCK PUSH BUTTON, LH ・・・・・・・・・・・・・・・・・・・・・・・・・・・・・・・・・・・・・・・・・・・・・・・ 203
ROLLER BEARING, OUTPUT SHAFT ・・・・・・・・・・・・・・・・・・・・・・・・・・・・・・・・・・・・・・・・・・・・・・・・・・・・・・ 107
ROTOR ASSY, ALTERNATOR ・・・・・・・・・・・・・・・・・・・・・・・・・・・・・・・・・・・・・・・・・・・・・・・・・・・・・・・・・・・・ 76
ROTOR SUB-ASSY, MAGNET CLUTCH ・・・・・・・・・・・・・・・・・・・・・・・・・・・・・・・・・・・・・・・・・・・・・・・・・・・・・ 285
ROTOR, SPEED SENSOR ・・・・・・・・・・・・・・・・・・・・・・・・・・・・・・・・・・・・・・・・・・・・・・・・・・・・・・・・・・・・・・・ 117
RUBBER, WIPER, LH ・・・・・・・・・・・・・・・・・・・・・・・・・・・・・・・・・・・・・・・・・・・・・・・・・・・・・・・・・・・・・・・・・ 266
RUBBER, WIPER, RH ・・・・・・・・・・・・・・・・・・・・・・・・・・・・・・・・・・・・・・・・・・・・・・・・・・・・・・・・・・・・・・・・・ 266
RUN, FRONT DOOR GLASS, LH ・・・・・・・・・・・・・・・・・・・・・・・・・・・・・・・・・・・・・・・・・・・・・・・・・・・・・・・・・ 193
RUN, FRONT DOOR GLASS, NO.2 ・・・・・・・・・・・・・・・・・・・・・・・・・・・・・・・・・・・・・・・・・・・・・・・・・・・・・・・ 193
RUN, FRONT DOOR GLASS, RH ・・・・・・・・・・・・・・・・・・・・・・・・・・・・・・・・・・・・・・・・・・・・・・・・・・・・・・・・・ 192
RUN, REAR DOOR GLASS ・・・・・・・・・・・・・・・・・・・・・・・・・・・・・・・・・・・・・・・・・・・・・・・・・・・・・・・・・・・・・・ 200
RUN, REAR DOOR GLASS, LH ・・・・・・・・・・・・・・・・・・・・・・・・・・・・・・・・・・・・・・・・・・・・・・・・・・・・・・・・・・ 201
RUN, REAR DOOR GLASS, RH ・・・・・・・・・・・・・・・・・・・・・・・・・・・・・・・・・・・・・・・・・・・・・・・・・・・・・・・・・・ 200
RING, - RUN,
PART NAME PAGE
SEAL OR RING, O(FOR VALVE STEM OIL) ・・・・・・・・・・・・・・・・・・・・・・・・・・・・・・・・・・・・・・・・・・・・・・・ 58
SEAL, AIR DUCT, NO.1 ・・・・・・・・・・・・・・・・・・・・・・・・・・・・・・・・・・・・・・・・・・・・・・・・・・・・・・・・・・・・・・ 281
SEAL, AIR DUCT,NO.2 ・・・・・・・・・・・・・・・・・・・・・・・・・・・・・・・・・・・・・・・・・・・・・・・・・・・・・・・・・・・・・・・ 281
SEAL, BRAKE CYLINDER ・・・・・・・・・・・・・・・・・・・・・・・・・・・・・・・・・・・・・・・・・・・・・・・・・・・・・・・・・・・・・・ 100
SEAL, ENGINE REAR OIL ・・・・・・・・・・・・・・・・・・・・・・・・・・・・・・・・・・・・・・・・・・・・・・・・・・・・・・・・・・・・・ 52
SEAL, FRONT FENDER TO COWL SIDE, NO.2 LH ・・・・・・・・・・・・・・・・・・・・・・・・・・・・・・・・・・・・・・・・・・ 156
SEAL, FRONT FENDER TO COWL SIDE, NO.2 RH ・・・・・・・・・・・・・・・・・・・・・・・・・・・・・・・・・・・・・・・・・・ 156
SEAL, HOOD TO COWL TOP ・・・・・・・・・・・・・・・・・・・・・・・・・・・・・・・・・・・・・・・・・・・・・・・・・・・・・・・・・・・・ 168
SEAL, OIL (FOR FRONT OIL PUMP) ・・・・・・・・・・・・・・・・・・・・・・・・・・・・・・・・・・・・・・・・・・・・・・・・・・・・ 97
SEAL, OIL (FOR SELECT LEVER SHAFT) ・・・・・・・・・・・・・・・・・・・・・・・・・・・・・・・・・・・・・・・・・・・・・・・・ 92
SEAL, OIL (FOR TRANSAXLE CASE) ・・・・・・・・・・・・・・・・・・・・・・・・・・・・・・・・・・・・・・・・・・・・・・・・・・・・ 99
SEAL, OIL(FOR SHIFT LEVER SHAFT) ・・・・・・・・・・・・・・・・・・・・・・・・・・・・・・・・・・・・・・・・・・・・・・・・・・ 92
SEAL, OIL(FOR TIMING CHAIN OR BELT COVER) ・・・・・・・・・・・・・・・・・・・・・・・・・・・・・・・・・・・・・・・・・ 52
SEAL, OIL(FOR TRANSMISSION CASE) ・・・・・・・・・・・・・・・・・・・・・・・・・・・・・・・・・・・・・・・・・・・・・・・・・・ 84
SEAL, OIL(FOR TRANSMISSION CASE) ・・・・・・・・・・・・・・・・・・・・・・・・・・・・・・・・・・・・・・・・・・・・・・・・・・ 84
SEAL, OIL, NO.2(FOR TRANSAXLE CASE) ・・・・・・・・・・・・・・・・・・・・・・・・・・・・・・・・・・・・・・・・・・・・・・・ 99
SEAL, RADIATOR SUPPORT ・・・・・・・・・・・・・・・・・・・・・・・・・・・・・・・・・・・・・・・・・・・・・・・・・・・・・・・・・・・・ 159
SEAL, TYPE T OIL ・・・・・・・・・・・・・・・・・・・・・・・・・・・・・・・・・・・・・・・・・・・・・・・・・・・・・・・・・・・・・・・・・・ 85
SEAL,OIL(FOR MANUAL VALVE) ・・・・・・・・・・・・・・・・・・・・・・・・・・・・・・・・・・・・・・・・・・・・・・・・・・・・・・・・ 110
SEAT SUB- ASSY, FRONT SPRING, NO.1 ・・・・・・・・・・・・・・・・・・・・・・・・・・・・・・・・・・・・・・・・・・・・・・・・ 146
SEAT, 1ST & REVERSE BRAKE PISTON RETURN SPRING ・・・・・・・・・・・・・・・・・・・・・・・・・・・・・・・・・・・・ 106
SEAT, REAR SPRING, LOWER ・・・・・・・・・・・・・・・・・・・・・・・・・・・・・・・・・・・・・・・・・・・・・・・・・・・・・・・・・・ 148
SEAT, REAR SPRING, UPPER ・・・・・・・・・・・・・・・・・・・・・・・・・・・・・・・・・・・・・・・・・・・・・・・・・・・・・・・・・・ 148
SEAT, VALVE SPRING ・・・・・・・・・・・・・・・・・・・・・・・・・・・・・・・・・・・・・・・・・・・・・・・・・・・・・・・・・・・・・・・・ 59
SENSOR, AIR BAG, FRONT ・・・・・・・・・・・・・・・・・・・・・・・・・・・・・・・・・・・・・・・・・・・・・・・・・・・・・・・・・・・・ 265
SENSOR, AIRCONDITIONER PRESSURE ・・・・・・・・・・・・・・・・・・・・・・・・・・・・・・・・・・・・・・・・・・・・・・・・・・・ 284
SENSOR, CRANK POSITION ・・・・・・・・・・・・・・・・・・・・・・・・・・・・・・・・・・・・・・・・・・・・・・・・・・・・・・・・・・・・ 52
SENSOR, CRANK POSITION, NO.1 ・・・・・・・・・・・・・・・・・・・・・・・・・・・・・・・・・・・・・・・・・・・・・・・・・・・・・・ 47
SENSOR, KNOCK CONTROL ・・・・・・・・・・・・・・・・・・・・・・・・・・・・・・・・・・・・・・・・・・・・・・・・・・・・・・・・・・・・・ 260
SENSOR, OXYGEN ・・・・・・・・・・・・・・・・・・・・・・・・・・・・・・・・・・・・・・・・・・・・・・・・・・・・・・・・・・・・・・・・・・・・ 260
SENSOR, OXYGEN NO.2 ・・・・・・・・・・・・・・・・・・・・・・・・・・・・・・・・・・・・・・・・・・・・・・・・・・・・・・・・・・・・・・・ 260
SENSOR, SPEED, FRONT LH ・・・・・・・・・・・・・・・・・・・・・・・・・・・・・・・・・・・・・・・・・・・・・・・・・・・・・・・・・・・ 263
SENSOR, SPEED, FRONT RH ・・・・・・・・・・・・・・・・・・・・・・・・・・・・・・・・・・・・・・・・・・・・・・・・・・・・・・・・・・・ 263
SENSOR, SPEEDOMETER ・・・・・・・・・・・・・・・・・・・・・・・・・・・・・・・・・・・・・・・・・・・・・・・・・・・・・・・・・・・・・・・ 258
SENSOR, TRANSMISSION REVOLUTION ・・・・・・・・・・・・・・・・・・・・・・・・・・・・・・・・・・・・・・・・・・・・・・・・・・・ 100
SENSOR, VACUUM ・・・・・・・・・・・・・・・・・・・・・・・・・・・・・・・・・・・・・・・・・・・・・・・・・・・・・・・・・・・・・・・・・・・・ 69
SENSOR, WATER TEMPERATURE ・・・・・・・・・・・・・・・・・・・・・・・・・・・・・・・・・・・・・・・・・・・・・・・・・・・・・・・・・ 260
SHAFT ASSY, FRONT DRIVE OUTBOARD JOINT, LH ・・・・・・・・・・・・・・・・・・・・・・・・・・・・・・・・・・・・・・・・ 119
SHAFT ASSY, FRONT DRIVE OUTBOARD JOINT, RH ・・・・・・・・・・・・・・・・・・・・・・・・・・・・・・・・・・・・・・・・ 119
SHAFT ASSY, FRONT DRIVE, LH ・・・・・・・・・・・・・・・・・・・・・・・・・・・・・・・・・・・・・・・・・・・・・・・・・・・・・・・ 119
SHAFT ASSY, FRONT DRIVE, RH ・・・・・・・・・・・・・・・・・・・・・・・・・・・・・・・・・・・・・・・・・・・・・・・・・・・・・・・ 119
SHAFT ASSY, STEERING INTERMEDIATE ・・・・・・・・・・・・・・・・・・・・・・・・・・・・・・・・・・・・・・・・・・・・・・・・・ 122
SHAFT SUB-ASSY, INTERMEDIATE ・・・・・・・・・・・・・・・・・・・・・・・・・・・・・・・・・・・・・・・・・・・・・・・・・・・・・・ 106
SHAFT SUB-ASSY, SELECT LEVER ・・・・・・・・・・・・・・・・・・・・・・・・・・・・・・・・・・・・・・・・・・・・・・・・・・・・・・ 92
SHAFT SUB-ASSY, SHIFT LEVER, NO.1 ・・・・・・・・・・・・・・・・・・・・・・・・・・・・・・・・・・・・・・・・・・・・・・・・・ 92
SHAFT, BRAKE PEDAL ・・・・・・・・・・・・・・・・・・・・・・・・・・・・・・・・・・・・・・・・・・・・・・・・・・・・・・・・・・・・・・・・ 129
SHAFT, CLUTCH PEDAL ・・・・・・・・・・・・・・・・・・・・・・・・・・・・・・・・・・・・・・・・・・・・・・・・・・・・・・・・・・・・・・・ 81
SHAFT, FRONT DIFFERENTIAL PINION, NO.1 ・・・・・・・・・・・・・・・・・・・・・・・・・・・・・・・・・・・・・・・・・・・・ 117
SHAFT, GEAR SHIFT FORK, NO.1 ・・・・・・・・・・・・・・・・・・・・・・・・・・・・・・・・・・・・・・・・・・・・・・・・・・・・・・ 92
SHAFT, GEAR SHIFT FORK, NO.2 ・・・・・・・・・・・・・・・・・・・・・・・・・・・・・・・・・・・・・・・・・・・・・・・・・・・・・・ 92
SEAL - SHAFT,
27
PART NAME PAGE
SHAFT, GEAR SHIFT FORK, NO.3 ・・・・・・・・・・・・・・・・・・・・・・・・・・・・・・・・・・・・・・・・・・・・・・・・・・・・・・ 92
SHAFT, INPUT ・・・・・・・・・・・・・・・・・・・・・・・・・・・・・・・・・・・・・・・・・・・・・・・・・・・・・・・・・・・・・・・・・・・・・・ 88
SHAFT, MANUAL VALVE LEVER ・・・・・・・・・・・・・・・・・・・・・・・・・・・・・・・・・・・・・・・・・・・・・・・・・・・・・・・・・ 110
SHAFT, OUTPUT ・・・・・・・・・・・・・・・・・・・・・・・・・・・・・・・・・・・・・・・・・・・・・・・・・・・・・・・・・・・・・・・・・・・・・ 88
SHAFT, OUTPUT ・・・・・・・・・・・・・・・・・・・・・・・・・・・・・・・・・・・・・・・・・・・・・・・・・・・・・・・・・・・・・・・・・・・・・ 107
SHAFT, PARKING LOCK PAWL ・・・・・・・・・・・・・・・・・・・・・・・・・・・・・・・・・・・・・・・・・・・・・・・・・・・・・・・・・・ 110
SHAFT, REVERSE IDLER GEAR ・・・・・・・・・・・・・・・・・・・・・・・・・・・・・・・・・・・・・・・・・・・・・・・・・・・・・・・・・ 90
SHEET, HEATER CONTROL NAME, NO.1 ・・・・・・・・・・・・・・・・・・・・・・・・・・・・・・・・・・・・・・・・・・・・・・・・・・ 281
SHEET, HEATER CONTROL NAME, NO.1 ・・・・・・・・・・・・・・・・・・・・・・・・・・・・・・・・・・・・・・・・・・・・・・・・・・ 282
SHEET, HEATER CONTROL NAME, NO.2 ・・・・・・・・・・・・・・・・・・・・・・・・・・・・・・・・・・・・・・・・・・・・・・・・・・ 282
SHEET, HEATER CONTROL NAME, NO.3 ・・・・・・・・・・・・・・・・・・・・・・・・・・・・・・・・・・・・・・・・・・・・・・・・・・ 282
SHIELD, FRONT SEAT CUSHION, LH ・・・・・・・・・・・・・・・・・・・・・・・・・・・・・・・・・・・・・・・・・・・・・・・・・・・・ 214
SHIELD, FRONT SEAT CUSHION, RH ・・・・・・・・・・・・・・・・・・・・・・・・・・・・・・・・・・・・・・・・・・・・・・・・・・・・ 214
SHIELD, FUEL TANK FILLER PIPE ・・・・・・・・・・・・・・・・・・・・・・・・・・・・・・・・・・・・・・・・・・・・・・・・・・・・・ 235
SHIELD, STEERING COLUMN HOLE ・・・・・・・・・・・・・・・・・・・・・・・・・・・・・・・・・・・・・・・・・・・・・・・・・・・・・・ 122
SHOE KIT, REAR BRAKE ・・・・・・・・・・・・・・・・・・・・・・・・・・・・・・・・・・・・・・・・・・・・・・・・・・・・・・・・・・・・・・ 136
SHROUD, FAN ・・・・・・・・・・・・・・・・・・・・・・・・・・・・・・・・・・・・・・・・・・・・・・・・・・・・・・・・・・・・・・・・・・・・・・・ 66
SILENCER, DOOR LOCK LINK ・・・・・・・・・・・・・・・・・・・・・・・・・・・・・・・・・・・・・・・・・・・・・・・・・・・・・・・・・・ 203
SILENCER, FRONT DOOR LOCK LINK ・・・・・・・・・・・・・・・・・・・・・・・・・・・・・・・・・・・・・・・・・・・・・・・・・・・・ 195
SLIDER, FAN BELT ADJUSTING ・・・・・・・・・・・・・・・・・・・・・・・・・・・・・・・・・・・・・・・・・・・・・・・・・・・・・・・・ 65
SNAP, DOOR LOCK CONTROL LINK ・・・・・・・・・・・・・・・・・・・・・・・・・・・・・・・・・・・・・・・・・・・・・・・・・・・・・・ 195
SNAP, REAR DOOR LOCK CONTROL LINK ・・・・・・・・・・・・・・・・・・・・・・・・・・・・・・・・・・・・・・・・・・・・・・・・・ 203
SOCKET & WIRE SUB-ASSY, REAR COMBINATION LAMP, LH ・・・・・・・・・・・・・・・・・・・・・・・・・・・・・・・・・ 240
SOCKET & WIRE SUB-ASSY, REAR COMBINATION LAMP, RH ・・・・・・・・・・・・・・・・・・・・・・・・・・・・・・・・・ 240
SOCKET, CLEARANCE LAMP ・・・・・・・・・・・・・・・・・・・・・・・・・・・・・・・・・・・・・・・・・・・・・・・・・・・・・・・・・・・・ 238
SOCKET, FRONT TURN SIGNAL LAMP ・・・・・・・・・・・・・・・・・・・・・・・・・・・・・・・・・・・・・・・・・・・・・・・・・・・・ 238
SOLENOID ASSY, AUTOMATIC TRANSMISSION 3WAY ・・・・・・・・・・・・・・・・・・・・・・・・・・・・・・・・・・・・・・・・ 109
SOLENOID ASSY, CLUTCH CONTROL, NO.1 ・・・・・・・・・・・・・・・・・・・・・・・・・・・・・・・・・・・・・・・・・・・・・・・ 109
SOLENOID ASSY, CLUTCH CONTROL, NO.2 ・・・・・・・・・・・・・・・・・・・・・・・・・・・・・・・・・・・・・・・・・・・・・・・ 109
SOLENOID ASSY, LOCK UP CONTROL ・・・・・・・・・・・・・・・・・・・・・・・・・・・・・・・・・・・・・・・・・・・・・・・・・・・・ 109
SPACER, BACK WINDOW GLASS ・・・・・・・・・・・・・・・・・・・・・・・・・・・・・・・・・・・・・・・・・・・・・・・・・・・・・・・・・ 206
SPACER, BACK WINDOW GLASS, NO.2 ・・・・・・・・・・・・・・・・・・・・・・・・・・・・・・・・・・・・・・・・・・・・・・・・・・・ 206
SPEAKER ASSY, FRONT NO.1 ・・・・・・・・・・・・・・・・・・・・・・・・・・・・・・・・・・・・・・・・・・・・・・・・・・・・・・・・・・ 271
SPOILER, REAR ・・・・・・・・・・・・・・・・・・・・・・・・・・・・・・・・・・・・・・・・・・・・・・・・・・・・・・・・・・・・・・・・・・・・・ 230
SPRING (FOR ACCELERATOR PEDAL ROD) ・・・・・・・・・・・・・・・・・・・・・・・・・・・・・・・・・・・・・・・・・・・・・・・・ 236
SPRING SUB-ASSY, MANUAL DETENT ・・・・・・・・・・・・・・・・・・・・・・・・・・・・・・・・・・・・・・・・・・・・・・・・・・・・ 110
SPRING(FOR CLUTCH PEDAL) ・・・・・・・・・・・・・・・・・・・・・・・・・・・・・・・・・・・・・・・・・・・・・・・・・・・・・・・・・・ 81
SPRING(FOR REAR BRAKE SHOE HOLD DOWN) ・・・・・・・・・・・・・・・・・・・・・・・・・・・・・・・・・・・・・・・・・・・・・ 136
SPRING(FOR REVERSE IDLER GEAR) ・・・・・・・・・・・・・・・・・・・・・・・・・・・・・・・・・・・・・・・・・・・・・・・・・・・・ 89
SPRING(FOR SHIFT LEVER SHAFT BALL) ・・・・・・・・・・・・・・・・・・・・・・・・・・・・・・・・・・・・・・・・・・・・・・・・ 92
SPRING, 2ND & 4TH BRAKE PISTON RETURN ・・・・・・・・・・・・・・・・・・・・・・・・・・・・・・・・・・・・・・・・・・・・・ 104
SPRING, COIL, REAR LH ・・・・・・・・・・・・・・・・・・・・・・・・・・・・・・・・・・・・・・・・・・・・・・・・・・・・・・・・・・・・・ 148
SPRING, COIL, REAR RH ・・・・・・・・・・・・・・・・・・・・・・・・・・・・・・・・・・・・・・・・・・・・・・・・・・・・・・・・・・・・・ 148
SPRING, COMPRESSION (FOR SHIFT DETENT BALL) ・・・・・・・・・・・・・・・・・・・・・・・・・・・・・・・・・・・・・・・ 93
SPRING, COMPRESSION(FOR INNER) ・・・・・・・・・・・・・・・・・・・・・・・・・・・・・・・・・・・・・・・・・・・・・・・・・・・・ 58
SPRING, COMPRESSION(FOR PARKING BRAKE SHOE STRUT) ・・・・・・・・・・・・・・・・・・・・・・・・・・・・・・・・・ 136
SPRING, EXHAUST PIPE ・・・・・・・・・・・・・・・・・・・・・・・・・・・・・・・・・・・・・・・・・・・・・・・・・・・・・・・・・・・・・・ 70
SPRING, FRONT COIL, LH ・・・・・・・・・・・・・・・・・・・・・・・・・・・・・・・・・・・・・・・・・・・・・・・・・・・・・・・・・・・・ 146
SPRING, FRONT COIL, RH ・・・・・・・・・・・・・・・・・・・・・・・・・・・・・・・・・・・・・・・・・・・・・・・・・・・・・・・・・・・・ 146
SPRING, FUEL FILLER OPENING LID HINGE ・・・・・・・・・・・・・・・・・・・・・・・・・・・・・・・・・・・・・・・・・・・・・ 235
SHAFT, - SPRING,
PART NAME PAGE
SPRING, REAR AUTOMATIC ADJUST LEVER SUPPORT ・・・・・・・・・・・・・・・・・・・・・・・・・・・・・・・・・・・・・・・ 137
SPRING, SYNCHROMESH SHIFTING KEY, NO.1 ・・・・・・・・・・・・・・・・・・・・・・・・・・・・・・・・・・・・・・・・・・・・ 89
SPRING, SYNCHROMESH SHIFTING KEY, NO.2 ・・・・・・・・・・・・・・・・・・・・・・・・・・・・・・・・・・・・・・・・・・・・ 89
SPRING, TENSION(FOR REAR BRAKE SHOE RETURN) ・・・・・・・・・・・・・・・・・・・・・・・・・・・・・・・・・・・・・・・ 136
SPRING, TENSION(FOR REAR BRAKE SHOE RETURN) ・・・・・・・・・・・・・・・・・・・・・・・・・・・・・・・・・・・・・・・ 136
SPRING, TORSION (FOR PARKING LOCK PAWL) ・・・・・・・・・・・・・・・・・・・・・・・・・・・・・・・・・・・・・・・・・・・ 110
SPRING, TORSION(FOR CLUTCH RELEASE FORK LEVER) ・・・・・・・・・・・・・・・・・・・・・・・・・・・・・・・・・・・・ 80
SPRING, TORSION(FOR SELECT RETURN) ・・・・・・・・・・・・・・・・・・・・・・・・・・・・・・・・・・・・・・・・・・・・・・・・ 92
SPROCKET ASSY, CAMSHAFT TIMING ・・・・・・・・・・・・・・・・・・・・・・・・・・・・・・・・・・・・・・・・・・・・・・・・・・・・ 58
STARTER ASSY ・・・・・・・・・・・・・・・・・・・・・・・・・・・・・・・・・・・・・・・・・・・・・・・・・・・・・・・・・・・・・・・・・・・・・・ 78
STARTER KIT, REPAIR SERVICE ・・・・・・・・・・・・・・・・・・・・・・・・・・・・・・・・・・・・・・・・・・・・・・・・・・・・・・・ 78
STATOR, MAGNET CLUTCH ・・・・・・・・・・・・・・・・・・・・・・・・・・・・・・・・・・・・・・・・・・・・・・・・・・・・・・・・・・・・・ 285
STAY ASSY, BACK DOOR, LH ・・・・・・・・・・・・・・・・・・・・・・・・・・・・・・・・・・・・・・・・・・・・・・・・・・・・・・・・・・ 208
STAY ASSY, BACK DOOR, RH ・・・・・・・・・・・・・・・・・・・・・・・・・・・・・・・・・・・・・・・・・・・・・・・・・・・・・・・・・・ 208
STAY, COMPRESSOR ・・・・・・・・・・・・・・・・・・・・・・・・・・・・・・・・・・・・・・・・・・・・・・・・・・・・・・・・・・・・・・・・・・ 286
STAY, INTAKE MANIFOLD ・・・・・・・・・・・・・・・・・・・・・・・・・・・・・・・・・・・・・・・・・・・・・・・・・・・・・・・・・・・・・ 69
STAY, MANIFOLD ・・・・・・・・・・・・・・・・・・・・・・・・・・・・・・・・・・・・・・・・・・・・・・・・・・・・・・・・・・・・・・・・・・・・ 69
STOP, FRONT DOOR GLASS, UPPER ・・・・・・・・・・・・・・・・・・・・・・・・・・・・・・・・・・・・・・・・・・・・・・・・・・・・・ 193
STOP, FRONT DOOR GLASS, UPPER ・・・・・・・・・・・・・・・・・・・・・・・・・・・・・・・・・・・・・・・・・・・・・・・・・・・・・ 193
STOP, REAR DOOR WINDOW, UPPER ・・・・・・・・・・・・・・・・・・・・・・・・・・・・・・・・・・・・・・・・・・・・・・・・・・・・・ 199
STOPPER, REAR DOOR GLASS, UPPER NO.2 ・・・・・・・・・・・・・・・・・・・・・・・・・・・・・・・・・・・・・・・・・・・・・・ 199
STOPPER, WINDSHIELD GLASS, NO.1 ・・・・・・・・・・・・・・・・・・・・・・・・・・・・・・・・・・・・・・・・・・・・・・・・・・・ 169
STOPPER, WINDSHIELD GLASS, NO.2 ・・・・・・・・・・・・・・・・・・・・・・・・・・・・・・・・・・・・・・・・・・・・・・・・・・・ 169
STRAINER SUB-ASSY, OIL ・・・・・・・・・・・・・・・・・・・・・・・・・・・・・・・・・・・・・・・・・・・・・・・・・・・・・・・・・・・・ 60
STRAINER SUB-ASSY,OIL ・・・・・・・・・・・・・・・・・・・・・・・・・・・・・・・・・・・・・・・・・・・・・・・・・・・・・・・・・・・・・ 100
STRAINER, BRAKE MASTER CYLINDER RESERVOIR ・・・・・・・・・・・・・・・・・・・・・・・・・・・・・・・・・・・・・・・・・ 130
STRIKER ASSY, BACK DOOR LOCK ・・・・・・・・・・・・・・・・・・・・・・・・・・・・・・・・・・・・・・・・・・・・・・・・・・・・・・ 208
STRIKER SUB-ASSY, REAR SEAT BACK LOCK, LH ・・・・・・・・・・・・・・・・・・・・・・・・・・・・・・・・・・・・・・・・・ 217
STRIKER SUB-ASSY, REAR SEAT BACK LOOK, RH ・・・・・・・・・・・・・・・・・・・・・・・・・・・・・・・・・・・・・・・・・ 217
STRIKER, GLOVE COMPARTMENT DOOR LOCK ・・・・・・・・・・・・・・・・・・・・・・・・・・・・・・・・・・・・・・・・・・・・・・ 166
SUPPORT ASSY, REAR SEAT HEADREST, LH ・・・・・・・・・・・・・・・・・・・・・・・・・・・・・・・・・・・・・・・・・・・・・・ 216
SUPPORT ASSY, REAR SEAT HEADREST, RH ・・・・・・・・・・・・・・・・・・・・・・・・・・・・・・・・・・・・・・・・・・・・・・ 216
SUPPORT ASSY, REAR SUSPENSION ・・・・・・・・・・・・・・・・・・・・・・・・・・・・・・・・・・・・・・・・・・・・・・・・・・・・・ 149
SUPPORT SUB-ASSY, BRAKE PEDAL ・・・・・・・・・・・・・・・・・・・・・・・・・・・・・・・・・・・・・・・・・・・・・・・・・・・・・ 129
SUPPORT SUB-ASSY, CLUTCH PEDAL ・・・・・・・・・・・・・・・・・・・・・・・・・・・・・・・・・・・・・・・・・・・・・・・・・・・・ 81
SUPPORT SUB-ASSY, FRONT SUSPENSION ・・・・・・・・・・・・・・・・・・・・・・・・・・・・・・・・・・・・・・・・・・・・・・・・ 146
SUPPORT, EXHAUST PIPE, NO.4 ・・・・・・・・・・・・・・・・・・・・・・・・・・・・・・・・・・・・・・・・・・・・・・・・・・・・・・・ 70
SUPPORT, FRONT BUMPER SIDE, LH ・・・・・・・・・・・・・・・・・・・・・・・・・・・・・・・・・・・・・・・・・・・・・・・・・・・・ 152
SUPPORT, FRONT BUMPER SIDE, RH ・・・・・・・・・・・・・・・・・・・・・・・・・・・・・・・・・・・・・・・・・・・・・・・・・・・・ 152
SUPPORT, HOOD LOCK ・・・・・・・・・・・・・・・・・・・・・・・・・・・・・・・・・・・・・・・・・・・・・・・・・・・・・・・・・・・・・・・・ 159
SUPPORT, OIL LEVEL GAGE GUIDE ・・・・・・・・・・・・・・・・・・・・・・・・・・・・・・・・・・・・・・・・・・・・・・・・・・・・・ 51
SUPPORT, RADIATOR, LH ・・・・・・・・・・・・・・・・・・・・・・・・・・・・・・・・・・・・・・・・・・・・・・・・・・・・・・・・・・・・・ 159
SUPPORT, RADIATOR, LOWER ・・・・・・・・・・・・・・・・・・・・・・・・・・・・・・・・・・・・・・・・・・・・・・・・・・・・・・・・・・ 66
SUPPORT, RADIATOR, LOWER ・・・・・・・・・・・・・・・・・・・・・・・・・・・・・・・・・・・・・・・・・・・・・・・・・・・・・・・・・・ 159
SUPPORT, RADIATOR, RH ・・・・・・・・・・・・・・・・・・・・・・・・・・・・・・・・・・・・・・・・・・・・・・・・・・・・・・・・・・・・・ 159
SUPPORT, RADIATOR, UPPER ・・・・・・・・・・・・・・・・・・・・・・・・・・・・・・・・・・・・・・・・・・・・・・・・・・・・・・・・・・ 159
SUPPORT, RADIATOR, UPPER LH ・・・・・・・・・・・・・・・・・・・・・・・・・・・・・・・・・・・・・・・・・・・・・・・・・・・・・・・ 162
SUPPORT, RADIATOR, UPPER RH ・・・・・・・・・・・・・・・・・・・・・・・・・・・・・・・・・・・・・・・・・・・・・・・・・・・・・・・ 162
SUPPORT, REAR BUMPER SIDE, LH ・・・・・・・・・・・・・・・・・・・・・・・・・・・・・・・・・・・・・・・・・・・・・・・・・・・・・ 153
SUPPORT, REAR BUMPER SIDE, RH ・・・・・・・・・・・・・・・・・・・・・・・・・・・・・・・・・・・・・・・・・・・・・・・・・・・・・ 153
SPRING, - SUPPORT,
28
PART NAME PAGE
SUPPORT, REAR SEAT HEADREST ・・・・・・・・・・・・・・・・・・・・・・・・・・・・・・・・・・・・・・・・・・・・・・・・・・・・・・・ 216
SUPPORT, REAR SEAT HEADREST ・・・・・・・・・・・・・・・・・・・・・・・・・・・・・・・・・・・・・・・・・・・・・・・・・・・・・・・ 216
SUPPORT, REAR SUSPENSION ・・・・・・・・・・・・・・・・・・・・・・・・・・・・・・・・・・・・・・・・・・・・・・・・・・・・・・・・・・ 149
SUPPORT,AIR CLEANER CAP ・・・・・・・・・・・・・・・・・・・・・・・・・・・・・・・・・・・・・・・・・・・・・・・・・・・・・・・・・・・ 71
SWITCH ASSY, BACK-UP LAMP ・・・・・・・・・・・・・・・・・・・・・・・・・・・・・・・・・・・・・・・・・・・・・・・・・・・・・・・・・ 259
SWITCH ASSY, BRAKE WARNING TEST ・・・・・・・・・・・・・・・・・・・・・・・・・・・・・・・・・・・・・・・・・・・・・・・・・・・ 259
SWITCH ASSY, HAZARD WARNING SIGNAL ・・・・・・・・・・・・・・・・・・・・・・・・・・・・・・・・・・・・・・・・・・・・・・・・ 259
SWITCH ASSY, HEADLAMP DIMMER ・・・・・・・・・・・・・・・・・・・・・・・・・・・・・・・・・・・・・・・・・・・・・・・・・・・・・・ 259
SWITCH ASSY, IGNITION OR STARTER ・・・・・・・・・・・・・・・・・・・・・・・・・・・・・・・・・・・・・・・・・・・・・・・・・・ 259
SWITCH ASSY, NEUTRAL START ・・・・・・・・・・・・・・・・・・・・・・・・・・・・・・・・・・・・・・・・・・・・・・・・・・・・・・・・ 259
SWITCH ASSY, OIL PRESSURE (FOR ENGINE) ・・・・・・・・・・・・・・・・・・・・・・・・・・・・・・・・・・・・・・・・・・・・ 258
SWITCH ASSY, OUTER MIRROR ・・・・・・・・・・・・・・・・・・・・・・・・・・・・・・・・・・・・・・・・・・・・・・・・・・・・・・・・・ 259
SWITCH ASSY, POWER WINDOW REGULATOR ・・・・・・・・・・・・・・・・・・・・・・・・・・・・・・・・・・・・・・・・・・・・・・・ 259
SWITCH ASSY, STOP LAMP ・・・・・・・・・・・・・・・・・・・・・・・・・・・・・・・・・・・・・・・・・・・・・・・・・・・・・・・・・・・・ 259
SWITCH ASSY, VACUUM WARNING ・・・・・・・・・・・・・・・・・・・・・・・・・・・・・・・・・・・・・・・・・・・・・・・・・・・・・・・ 258
SWITCH ASSY, WINDSHIELD WIPER ・・・・・・・・・・・・・・・・・・・・・・・・・・・・・・・・・・・・・・・・・・・・・・・・・・・・・ 259
SWITCH, COURTESY LAMP ・・・・・・・・・・・・・・・・・・・・・・・・・・・・・・・・・・・・・・・・・・・・・・・・・・・・・・・・・・・・・ 259
TANK ASSY, FUEL ・・・・・・・・・・・・・・・・・・・・・・・・・・・・・・・・・・・・・・・・・・・・・・・・・・・・・・・・・・・・・・・・・・・ 234
TANK ASSY, RADIATOR RESERVE ・・・・・・・・・・・・・・・・・・・・・・・・・・・・・・・・・・・・・・・・・・・・・・・・・・・・・・・ 66
TAPE, BLACK OUT, NO.2 LH ・・・・・・・・・・・・・・・・・・・・・・・・・・・・・・・・・・・・・・・・・・・・・・・・・・・・・・・・・・ 193
TAPE, BLACK OUT, NO.2 RH ・・・・・・・・・・・・・・・・・・・・・・・・・・・・・・・・・・・・・・・・・・・・・・・・・・・・・・・・・・ 193
TAPE, BLACK OUT, NO.3 LH ・・・・・・・・・・・・・・・・・・・・・・・・・・・・・・・・・・・・・・・・・・・・・・・・・・・・・・・・・・ 201
TAPE, BLACK OUT, NO.3 RH ・・・・・・・・・・・・・・・・・・・・・・・・・・・・・・・・・・・・・・・・・・・・・・・・・・・・・・・・・・ 201
TENSIONER ASSY, CHAIN, NO.1 ・・・・・・・・・・・・・・・・・・・・・・・・・・・・・・・・・・・・・・・・・・・・・・・・・・・・・・・ 58
THERMISTOR, COOLER, NO.1 ・・・・・・・・・・・・・・・・・・・・・・・・・・・・・・・・・・・・・・・・・・・・・・・・・・・・・・・・・・ 279
THERMOSTAT ・・・・・・・・・・・・・・・・・・・・・・・・・・・・・・・・・・・・・・・・・・・・・・・・・・・・・・・・・・・・・・・・・・・・・・・・ 65
TOOL SET, STANDARD W/O JACK ・・・・・・・・・・・・・・・・・・・・・・・・・・・・・・・・・・・・・・・・・・・・・・・・・・・・・・・ 42
TRACK ASSY, FRONT SEAT, INNER RH ・・・・・・・・・・・・・・・・・・・・・・・・・・・・・・・・・・・・・・・・・・・・・・・・・・ 214
TRACK ASSY, FRONT SEAT, OUTER LH ・・・・・・・・・・・・・・・・・・・・・・・・・・・・・・・・・・・・・・・・・・・・・・・・・・ 214
TRACK ASSY, FRONT SEAT, OUTER RH ・・・・・・・・・・・・・・・・・・・・・・・・・・・・・・・・・・・・・・・・・・・・・・・・・・ 214
TRACK ASSY, FRONT SEAT,INNER LH ・・・・・・・・・・・・・・・・・・・・・・・・・・・・・・・・・・・・・・・・・・・・・・・・・・・ 214
TRANSAXLE ASSY, AUTOMATIC ・・・・・・・・・・・・・・・・・・・・・・・・・・・・・・・・・・・・・・・・・・・・・・・・・・・・・・・・・ 96
TRANSAXLE ASSY, MANUAL ・・・・・・・・・・・・・・・・・・・・・・・・・・・・・・・・・・・・・・・・・・・・・・・・・・・・・・・・・・・・ 82
TRANSAXLE HOUSING (ATM) ・・・・・・・・・・・・・・・・・・・・・・・・・・・・・・・・・・・・・・・・・・・・・・・・・・・・・・・・・・・ 100
TRIM, FRONT DOOR OPENING, LH ・・・・・・・・・・・・・・・・・・・・・・・・・・・・・・・・・・・・・・・・・・・・・・・・・・・・・・ 184
TRIM, FRONT DOOR OPENING, RH ・・・・・・・・・・・・・・・・・・・・・・・・・・・・・・・・・・・・・・・・・・・・・・・・・・・・・・ 184
TRIM, REAR DOOR OPENING, LH ・・・・・・・・・・・・・・・・・・・・・・・・・・・・・・・・・・・・・・・・・・・・・・・・・・・・・・・ 184
TRIM, REAR DOOR OPENING, RH ・・・・・・・・・・・・・・・・・・・・・・・・・・・・・・・・・・・・・・・・・・・・・・・・・・・・・・・ 184
TUBE SUB-ASSY, FUEL ・・・・・・・・・・・・・・・・・・・・・・・・・・・・・・・・・・・・・・・・・・・・・・・・・・・・・・・・・・・・・・・ 79
TUBE SUB-ASSY, FUEL SUCTION ・・・・・・・・・・・・・・・・・・・・・・・・・・・・・・・・・・・・・・・・・・・・・・・・・・・・・・・ 234
TUBE SUB-ASSY, FUEL TANK BREATHER, NO.2 ・・・・・・・・・・・・・・・・・・・・・・・・・・・・・・・・・・・・・・・・・・・ 234
TUBE SUB-ASSY, FUEL TANK TO CANISTER ・・・・・・・・・・・・・・・・・・・・・・・・・・・・・・・・・・・・・・・・・・・・・・ 234
TUBE SUB-ASSY, OIL COOLER INLET, NO.1 ・・・・・・・・・・・・・・・・・・・・・・・・・・・・・・・・・・・・・・・・・・・・・ 111
TUBE SUB-ASSY, OIL COOLER OUTLET, NO.1 ・・・・・・・・・・・・・・・・・・・・・・・・・・・・・・・・・・・・・・・・・・・・ 111
TUBE SUB-ASSY, STEERING COLUMN, UPPER ・・・・・・・・・・・・・・・・・・・・・・・・・・・・・・・・・・・・・・・・・・・・・ 122
TUBE SUB-ASSY, TRANSMISSION OIL FILLER ・・・・・・・・・・・・・・・・・・・・・・・・・・・・・・・・・・・・・・・・・・・・ 99
TUBE(FOR CYLINDER HEAD) ・・・・・・・・・・・・・・・・・・・・・・・・・・・・・・・・・・・・・・・・・・・・・・・・・・・・・・・・・・・ 47
TUBE, DIFFERENTIAL GEAR LUBE APPLY ・・・・・・・・・・・・・・・・・・・・・・・・・・・・・・・・・・・・・・・・・・・・・・・・ 100
TUBE, FRONT BRAKE, NO.1 ・・・・・・・・・・・・・・・・・・・・・・・・・・・・・・・・・・・・・・・・・・・・・・・・・・・・・・・・・・・ 141
TUBE, FRONT BRAKE, NO.2 ・・・・・・・・・・・・・・・・・・・・・・・・・・・・・・・・・・・・・・・・・・・・・・・・・・・・・・・・・・・ 141
SUPPORT, - TUBE,
PART NAME PAGE
TUBE, FRONT BRAKE, NO.3 ・・・・・・・・・・・・・・・・・・・・・・・・・・・・・・・・・・・・・・・・・・・・・・・・・・・・・・・・・・・ 141
TUBE, FRONT BRAKE, NO.4 ・・・・・・・・・・・・・・・・・・・・・・・・・・・・・・・・・・・・・・・・・・・・・・・・・・・・・・・・・・・ 141
TUBE, FUEL MAIN ・・・・・・・・・・・・・・・・・・・・・・・・・・・・・・・・・・・・・・・・・・・・・・・・・・・・・・・・・・・・・・・・・・・ 234
TUBE, FUEL TANK TO CANISTER, NO.3 ・・・・・・・・・・・・・・・・・・・・・・・・・・・・・・・・・・・・・・・・・・・・・・・・・ 234
TUBE, LIQUID, B(FOR COOL BOX) ・・・・・・・・・・・・・・・・・・・・・・・・・・・・・・・・・・・・・・・・・・・・・・・・・・・・・ 284
TUBE, REAR BRAKE, NO.2 ・・・・・・・・・・・・・・・・・・・・・・・・・・・・・・・・・・・・・・・・・・・・・・・・・・・・・・・・・・・・ 141
TUBE, REAR BRAKE, NO.4 ・・・・・・・・・・・・・・・・・・・・・・・・・・・・・・・・・・・・・・・・・・・・・・・・・・・・・・・・・・・・ 141
TUBE, REAR BRAKE, NO.5 ・・・・・・・・・・・・・・・・・・・・・・・・・・・・・・・・・・・・・・・・・・・・・・・・・・・・・・・・・・・・ 141
TUBE, REAR BRAKE, NO.6 ・・・・・・・・・・・・・・・・・・・・・・・・・・・・・・・・・・・・・・・・・・・・・・・・・・・・・・・・・・・・ 141
TUBE, RUBBER ・・・・・・・・・・・・・・・・・・・・・・・・・・・・・・・・・・・・・・・・・・・・・・・・・・・・・・・・・・・・・・・・・・・・・・ 268
TUBE, RUBBER ・・・・・・・・・・・・・・・・・・・・・・・・・・・・・・・・・・・・・・・・・・・・・・・・・・・・・・・・・・・・・・・・・・・・・・ 268
TUBE, RUBBER ・・・・・・・・・・・・・・・・・・・・・・・・・・・・・・・・・・・・・・・・・・・・・・・・・・・・・・・・・・・・・・・・・・・・・・ 268
TUBE,RUBBER ・・・・・・・・・・・・・・・・・・・・・・・・・・・・・・・・・・・・・・・・・・・・・・・・・・・・・・・・・・・・・・・・・・・・・・・ 268
TUNER ASSY, STEREO COMPONENT ・・・・・・・・・・・・・・・・・・・・・・・・・・・・・・・・・・・・・・・・・・・・・・・・・・・・・・ 270
UNIT ASSY, AIR CONDITIONER ・・・・・・・・・・・・・・・・・・・・・・・・・・・・・・・・・・・・・・・・・・・・・・・・・・・・・・・・ 279
UNIT, HEADLAMP, LH ・・・・・・・・・・・・・・・・・・・・・・・・・・・・・・・・・・・・・・・・・・・・・・・・・・・・・・・・・・・・・・・・ 238
UNIT, HEADLAMP, RH ・・・・・・・・・・・・・・・・・・・・・・・・・・・・・・・・・・・・・・・・・・・・・・・・・・・・・・・・・・・・・・・・ 238
VALVE (FOR TUBELESS TIRE SPARE) ・・・・・・・・・・・・・・・・・・・・・・・・・・・・・・・・・・・・・・・・・・・・・・・・・・・ 115
VALVE (FOR TUBELESS TIRE) ・・・・・・・・・・・・・・・・・・・・・・・・・・・・・・・・・・・・・・・・・・・・・・・・・・・・・・・・・ 115
VALVE ASSY, FUEL CUT OFF ・・・・・・・・・・・・・・・・・・・・・・・・・・・・・・・・・・・・・・・・・・・・・・・・・・・・・・・・・・ 235
VALVE ASSY, PROPORTIONING ・・・・・・・・・・・・・・・・・・・・・・・・・・・・・・・・・・・・・・・・・・・・・・・・・・・・・・・・・ 141
VALVE ASSY, VACUUM SWITCHING, NO.1 ・・・・・・・・・・・・・・・・・・・・・・・・・・・・・・・・・・・・・・・・・・・・・・・・ 72
VALVE SUB-ASSY, VENTILATION ・・・・・・・・・・・・・・・・・・・・・・・・・・・・・・・・・・・・・・・・・・・・・・・・・・・・・・・ 55
VALVE, COOLER EXPANSION ・・・・・・・・・・・・・・・・・・・・・・・・・・・・・・・・・・・・・・・・・・・・・・・・・・・・・・・・・・・ 279
VALVE, EXHAUST ・・・・・・・・・・・・・・・・・・・・・・・・・・・・・・・・・・・・・・・・・・・・・・・・・・・・・・・・・・・・・・・・・・・・ 59
VALVE, INTAKE ・・・・・・・・・・・・・・・・・・・・・・・・・・・・・・・・・・・・・・・・・・・・・・・・・・・・・・・・・・・・・・・・・・・・・ 58
VISOR ASSY, LH ・・・・・・・・・・・・・・・・・・・・・・・・・・・・・・・・・・・・・・・・・・・・・・・・・・・・・・・・・・・・・・・・・・・・ 222
VISOR ASSY, RH ・・・・・・・・・・・・・・・・・・・・・・・・・・・・・・・・・・・・・・・・・・・・・・・・・・・・・・・・・・・・・・・・・・・・ 222
WASHER (FOR MAGNET CLUTCH) ・・・・・・・・・・・・・・・・・・・・・・・・・・・・・・・・・・・・・・・・・・・・・・・・・・・・・・・・ 285
WASHER, 1ST GEAR THRUST ・・・・・・・・・・・・・・・・・・・・・・・・・・・・・・・・・・・・・・・・・・・・・・・・・・・・・・・・・・・ 89
WASHER, CRANKSHAFT THRUST, UPPER ・・・・・・・・・・・・・・・・・・・・・・・・・・・・・・・・・・・・・・・・・・・・・・・・・・ 56
WASHER, FRONT DIFFERENTIAL PINION THRUST ・・・・・・・・・・・・・・・・・・・・・・・・・・・・・・・・・・・・・・・・・・ 117
WASHER, FRONT DIFFERENTIAL SIDE GEAR THRUST, NO.1 ・・・・・・・・・・・・・・・・・・・・・・・・・・・・・・・・・ 117
WASHER, PLATE(FOR CYLINDER HEAD SET) ・・・・・・・・・・・・・・・・・・・・・・・・・・・・・・・・・・・・・・・・・・・・・・ 47
WASHER, SHIFT LEVER SHAFT HOUSING, NO.1 ・・・・・・・・・・・・・・・・・・・・・・・・・・・・・・・・・・・・・・・・・・・ 93
WEATHERSTRIP ASSY, FRONT DOOR GLASS, OUTER LH ・・・・・・・・・・・・・・・・・・・・・・・・・・・・・・・・・・・・・ 193
WEATHERSTRIP ASSY, FRONT DOOR GLASS, OUTER RH ・・・・・・・・・・・・・・・・・・・・・・・・・・・・・・・・・・・・・ 193
WEATHERSTRIP ASSY, REAR DOOR GLASS, OUTER LH ・・・・・・・・・・・・・・・・・・・・・・・・・・・・・・・・・・・・・・ 201
WEATHERSTRIP ASSY, REAR DOOR GLASS, OUTER RH ・・・・・・・・・・・・・・・・・・・・・・・・・・・・・・・・・・・・・・ 201
WEATHERSTRIP, BACK DOOR ・・・・・・・・・・・・・・・・・・・・・・・・・・・・・・・・・・・・・・・・・・・・・・・・・・・・・・・・・・・ 206
WEATHERSTRIP, FRONT DOOR GLASS, INNER LH ・・・・・・・・・・・・・・・・・・・・・・・・・・・・・・・・・・・・・・・・・・ 193
WEATHERSTRIP, FRONT DOOR GLASS, INNER RH ・・・・・・・・・・・・・・・・・・・・・・・・・・・・・・・・・・・・・・・・・・ 193
WEATHERSTRIP, FRONT DOOR, LH ・・・・・・・・・・・・・・・・・・・・・・・・・・・・・・・・・・・・・・・・・・・・・・・・・・・・・・ 192
WEATHERSTRIP, FRONT DOOR, RH ・・・・・・・・・・・・・・・・・・・・・・・・・・・・・・・・・・・・・・・・・・・・・・・・・・・・・・ 192
WEATHERSTRIP, REAR DOOR GLASS, INNER LH ・・・・・・・・・・・・・・・・・・・・・・・・・・・・・・・・・・・・・・・・・・・ 201
WEATHERSTRIP, REAR DOOR GLASS, INNER RH ・・・・・・・・・・・・・・・・・・・・・・・・・・・・・・・・・・・・・・・・・・・ 201
WEATHERSTRIP, REAR DOOR QUARTER WINDOW, LH ・・・・・・・・・・・・・・・・・・・・・・・・・・・・・・・・・・・・・・・・ 201
WEATHERSTRIP, REAR DOOR QUARTER WINDOW, RH ・・・・・・・・・・・・・・・・・・・・・・・・・・・・・・・・・・・・・・・・ 201
WEATHERSTRIP, REAR DOOR, LH ・・・・・・・・・・・・・・・・・・・・・・・・・・・・・・・・・・・・・・・・・・・・・・・・・・・・・・・ 200
WEATHERSTRIP, REAR DOOR, RH ・・・・・・・・・・・・・・・・・・・・・・・・・・・・・・・・・・・・・・・・・・・・・・・・・・・・・・・ 200
TUBE, - WEATHERSTRIP,
29
PART NAME PAGE
WHEEL ASSY, STEERING ・・・・・・・・・・・・・・・・・・・・・・・・・・・・・・・・・・・・・・・・・・・・・・・・・・・・・・・・・・・・・・ 124
WHEEL, DISC ・・・・・・・・・・・・・・・・・・・・・・・・・・・・・・・・・・・・・・・・・・・・・・・・・・・・・・・・・・・・・・・・・・・・・・・ 115
WHEEL, DISC (FOR SPARE) ・・・・・・・・・・・・・・・・・・・・・・・・・・・・・・・・・・・・・・・・・・・・・・・・・・・・・・・・・・・ 115
WIRE SUB-ASSY, HORN BUTTON ・・・・・・・・・・・・・・・・・・・・・・・・・・・・・・・・・・・・・・・・・・・・・・・・・・・・・・・・ 124
WIRE, BACK DOOR, NO.1 ・・・・・・・・・・・・・・・・・・・・・・・・・・・・・・・・・・・・・・・・・・・・・・・・・・・・・・・・・・・・・ 251
WIRE, BODY GROUND ・・・・・・・・・・・・・・・・・・・・・・・・・・・・・・・・・・・・・・・・・・・・・・・・・・・・・・・・・・・・・・・・・ 250
WIRE, ENGINE ・・・・・・・・・・・・・・・・・・・・・・・・・・・・・・・・・・・・・・・・・・・・・・・・・・・・・・・・・・・・・・・・・・・・・・ 250
WIRE, ENGINE ROOM MAIN ・・・・・・・・・・・・・・・・・・・・・・・・・・・・・・・・・・・・・・・・・・・・・・・・・・・・・・・・・・・・ 250
WIRE, FLOOR ・・・・・・・・・・・・・・・・・・・・・・・・・・・・・・・・・・・・・・・・・・・・・・・・・・・・・・・・・・・・・・・・・・・・・・・ 250
WIRE, FLOOR ・・・・・・・・・・・・・・・・・・・・・・・・・・・・・・・・・・・・・・・・・・・・・・・・・・・・・・・・・・・・・・・・・・・・・・・ 251
WIRE, FRONT DOOR, LH ・・・・・・・・・・・・・・・・・・・・・・・・・・・・・・・・・・・・・・・・・・・・・・・・・・・・・・・・・・・・・・ 250
WIRE, FRONT DOOR, RH ・・・・・・・・・・・・・・・・・・・・・・・・・・・・・・・・・・・・・・・・・・・・・・・・・・・・・・・・・・・・・・ 250
WIRE, INSTRUMENT PANEL ・・・・・・・・・・・・・・・・・・・・・・・・・・・・・・・・・・・・・・・・・・・・・・・・・・・・・・・・・・・・ 250
WIRE, REAR DOOR, NO.1 ・・・・・・・・・・・・・・・・・・・・・・・・・・・・・・・・・・・・・・・・・・・・・・・・・・・・・・・・・・・・・ 250
WIRE, ROOF, NO.1 ・・・・・・・・・・・・・・・・・・・・・・・・・・・・・・・・・・・・・・・・・・・・・・・・・・・・・・・・・・・・・・・・・・ 251
WIRE, SOLENOID ・・・・・・・・・・・・・・・・・・・・・・・・・・・・・・・・・・・・・・・・・・・・・・・・・・・・・・・・・・・・・・・・・・・・ 109
WIRE, SPEED SENSOR, LH ・・・・・・・・・・・・・・・・・・・・・・・・・・・・・・・・・・・・・・・・・・・・・・・・・・・・・・・・・・・・ 263
WIRE, SPEED SENSOR, RH ・・・・・・・・・・・・・・・・・・・・・・・・・・・・・・・・・・・・・・・・・・・・・・・・・・・・・・・・・・・・ 263
WRENCH, HUB NUT BOX ・・・・・・・・・・・・・・・・・・・・・・・・・・・・・・・・・・・・・・・・・・・・・・・・・・・・・・・・・・・・・・・ 42
YOKE ASSY, STARTER ・・・・・・・・・・・・・・・・・・・・・・・・・・・・・・・・・・・・・・・・・・・・・・・・・・・・・・・・・・・・・・・・ 78
YOKE, CLUTCH RELEASE LEVER ・・・・・・・・・・・・・・・・・・・・・・・・・・・・・・・・・・・・・・・・・・・・・・・・・・・・・・・・ 80
WHEEL - YOKE,
30
PART NUMBER INDEX
04111 - 13751 ・・・・・・・・・・・・・・・・・・・・・・・・・・・・・・・・・・・・・ 31
13751 - 33334 ・・・・・・・・・・・・・・・・・・・・・・・・・・・・・・・・・・・・・ 32
33335 - 47044 ・・・・・・・・・・・・・・・・・・・・・・・・・・・・・・・・・・・・・ 33
47110 - 56116 ・・・・・・・・・・・・・・・・・・・・・・・・・・・・・・・・・・・・・ 34
56117 - 67841 ・・・・・・・・・・・・・・・・・・・・・・・・・・・・・・・・・・・・・ 35
67842 - 74404 ・・・・・・・・・・・・・・・・・・・・・・・・・・・・・・・・・・・・・ 36
74405 - 86520 ・・・・・・・・・・・・・・・・・・・・・・・・・・・・・・・・・・・・・ 37
87010 - 9004A ・・・・・・・・・・・・・・・・・・・・・・・・・・・・・・・・・・・・・ 38
9004A - G1406 ・・・・・・・・・・・・・・・・・・・・・・・・・・・・・・・・・・・・・ 39
PART NUMBER PAGE WEIGHT(g)
04111-BZ025- 45
04112-BZ025- 45
04425-B2100- 119 332.00
04426-B2231- 119
04435-B2020- 119 110.00
04437-B2020- 119 195.00
04474-BZ060- 136
04478-BZ140- 134
-BZ150- 134
04491-BZ010- 134
-BZ020- 134
04495-BZ110- 136
04906-BZ080- 136
09101-BZ030- 42
09111-BZ090- 42
09114-BZ060- 42
09120-BZ120- 42
09125-BZ010- 42 0.00
09151-BZ010- 42
11101-BZ110- 47
11115-BZ050- 47
11122-BZ010- 47 0.00
11123-BZ010- 47 0.00
11201-BZ090- 47
11213-BZ080- 47
11293-BZ410- 73 0.00
-BZ470- 224
-BZ560- 73 0.00
11321-BZ901- 52
-BZ902- 52
11381-BZ060- 52
11400-BZ011- 44
-BZ012- 44
11401-BZ100- 51
-BZ101- 51
11409-BZ080- 51
11459-37020- 51
11711-BZ130-02 56
-BZ130-03 56
-BZ130-04 56
-BZ130-05 56
11714-BZ030- 56
11721-BZ070-02 56
-BZ070-03 56
-BZ070-04 56
-BZ070-05 56
11724-BZ030- 56
11791-BZ100- 56
11792-BZ050- 56
11793-BZ050- 56
PART NUMBER PAGE WEIGHT(g)
12101-B6010- 51
-BZ070- 51
12121-B6010- 51
-BZ050- 51
12180-BZ010- 47 0.00
12204-BZ010- 55
12261-BZ150- 55
12262-BZ070- 55
12281-BZ020- 47
12282-97206- 99 29.00
-BZ040- 84
-BZ050- 47
12305-BZ100- 54
-BZ110- 54
12306-BZ120- 54
-BZ131- 54
12309-BZ060- 54
-BZ070- 54
12321-BZ180- 54
-BZ190- 54
12325-BZ070- 54
13011-BZ150- 56
13201-B9070- 57
13211-BZ200- 57
13251-BZ040- 57
13265-21020- 57 18.00
13281-BZ110-01 56
-BZ110-02 56
-BZ110-03 56
13288-BZ010- 56
13405-BZ120- 57
13411-40030- 57
13470-BZ060- 57
13501-B6010- 58
13502-40010- 58 942.00
13506-BZ060- 58
13521-BZ030- 57
13523-BZ080- 58
13529-BZ070- 58
13540-21020- 58 155.00
13566-BZ050- 58
13591-BZ050- 58
13711-BZ040- 58
13715-BZ040- 59
13734-87206- 59 2.00
13741-22021- 59 9.00
13751-BZ030- 59 0.00
-BZ040- 59 0.00
-BZ050- 59 0.00
-BZ060- 59 0.00
04111 - 13751
31
PART NUMBER PAGE WEIGHT(g)
13751-BZ070- 59
-BZ080- 59 0.00
-BZ090- 59 0.00
-BZ100- 59 0.00
-BZ110- 59 0.00
-BZ120- 59 0.00
-BZ130- 59 0.00
-BZ140- 59 0.00
-BZ150- 59 0.00
-BZ160- 59 0.00
-BZ170- 59 0.00
-BZ180- 59 0.00
-BZ190- 59 0.00
-BZ200- 59 0.00
-BZ210- 59 0.00
-BZ220- 59 0.00
-BZ230- 59 0.00
-BZ240- 59 0.00
-BZ250- 59 0.00
-BZ260- 59 0.00
-BZ270- 59 0.00
-BZ280- 59 0.00
-BZ290- 59 0.00
-BZ300- 59 0.00
-BZ310- 59 0.00
15012-BZ010- 60
15104-BZ010- 60
-BZ020- 60
15119-B6010- 60
15121-BZ020- 60
15122-BZ020- 60
15147-BZ020- 60
15188-87402- 279 2.00
-87403- 279 2.00
15193-BZ010- 60
15301-BZ090- 51
15549-BZ010- 126 0.00
15601-BZ030- 61
15708-B6010- 51
16100-B9025- 62
16173-BZ070- 62
16261-BZ090- 65
-BZ260- 65
-BZ261- 65
16268-BZ050- 65
16271-BZ050- 62
16321-BZ080- 65
16325-BZ010- 65
16331-BZ020- 65
16341-B2020- 65 2.00
PART NUMBER PAGE WEIGHT(g)
16360-BZ180- 65
-BZ190- 65
16361-BZ100- 65
-BZ110- 65
16363-BZ120- 65
-BZ130- 65
16380-BZ020- 65
16385-BZ060- 65
16400-BZ480- 65
-BZ490- 65
16401-BZ060- 66
16417-30170- 66 7.00
16418-87503- 66 1.00
16464-BZ010- 66
16470-BZ190- 66
16471-BZ050- 66
16472-BZ050- 66
16571-BZ240- 66
16572-BZ170- 66
16711-BZ080- 66
-BZ090- 66
17101-BZ040- 69
17118-BZ120- 69
-BZ121- 69
17138-BZ080- 69
17152-BZ010- 70 0.00
17167-BZ050- 69
17177-BZ020- 69
17400-BZ010- 69
-BZ030- 69
17410-BZ530- 70
-BZ540- 70
17451-B0010- 70 0.00
-BZ100- 69
17567-87703- 70 46.00
17700-BZ150- 71
17705-BZ140- 71
17716-B2010- 71 66.00
17771-BZ050- 71
17801-BZ100- 71
17881-BZ100- 71
19000-BZ011- 43
-BZ012- 43
-BZ013- 43
-BZ021- 43
-BZ022- 43
-BZ023- 43
19311-BZ030- 47
-BZ030- 52
19312-BZ010- 52
13751 - 19312
PART NUMBER PAGE WEIGHT(g)
22208-BZ010- 79
22210-B6010- 79
22271-BZ010- 69
23100-BZ150- 234
23210-BZ170- 234
23217-BZ010- 234
23232-BZ010- 234 0.00
23250-BZ040- 79
23265-BZ010- 234 0.00
23295-BZ010- 79
23585-B2040- 79 1.00
23814-B6010- 79
23827-BZ010- 72
23841-B1010- 79 12.00
23842-BZ010- 79
23901-BZ010- 79
27060-BZ240- 76
27312-BZ040- 76
27330-BZ050- 76
27371-BZ020- 76
27387-BZ060- 76
27411-BZ080- 76
28021-BZ010- 78
28100-BZ141- 78
-BZ151- 78
28110-BZ040- 78
-BZ060- 78
28120-BZ030- 78
28130-BZ140- 78
28140-BZ140- 78
28160-BZ040- 78
28226-BZ010- 78
30300-BZ100- 82
-BZ140- 82
30500-B1130- 96
31115-BZ030- 84
31128-BZ040- 99
31210-BZ030- 80
-BZ031- 80
31223-BZ040- 80
-BZ041- 80
31230-BZ040- 80
31232-BZ070- 80
31250-BZ040- 80
-BZ041- 80
31302-BZ050- 80
31310-BZ200- 81
31321-BZ050- 81
-BZ050- 129
31324-B2020- 81 70.00
PART NUMBER PAGE WEIGHT(g)
31324-B2020- 129
31340-BZ060- 81
31341-BZ050- 84
-BZ130- 81
31347-BZ060- 81
31394-BZ050- 81
31477-B0010- 99 16.00
32000-B1011- 97 8,800.00
32101-BZ040- 97
32904-B1011- 111 82.00
32905-B1020- 111 72.00
32923-97201- 111 15.00
32941-B6010- 111
32942-B6010- 111
33037-BZ020- 88
-BZ021- 88
33038-BZ020- 88
-BZ021- 88
33102-BZ010- 84
33111-BZ060- 84
33122-BZ040- 92
33123-BZ010- 84
33134-BZ020- 88
33201-BZ030- 92
33203-BZ020- 92
33205-BZ020- 92
33212-BZ050- 92
33213-BZ050- 92
33214-BZ060- 92
33231-BZ020- 92
33242-BZ030- 92
33243-BZ060- 92
33244-BZ060- 92
33251-BZ040- 92
-BZ041- 92
33256-BZ030- 92
-BZ031- 92
33266-BZ030- 93
-BZ031- 93
33273-BZ030- 93
33293-BZ010- 93
33311-BZ071- 88
-BZ081- 88
33321-BZ060- 88
-BZ070- 88
33326-BZ050- 88
33332-BZ042- 88
33333-BZ070- 88
-BZ080- 88
33334-BZ010- 88
22208 - 33334
32
PART NUMBER PAGE WEIGHT(g)
33335-BZ051- 88
33336-BZ030- 89
-BZ050- 89
33338-BZ020- 89
33343-BZ030- 89
33348-BZ080- 89
33358-BZ030- 89
33360-BZ081- 89
-BZ082- 89
33365-BZ040- 89
-BZ041- 89
33366-BZ040- 89
-BZ041- 89
33367-BZ040- 89
33370-BZ060- 89
-BZ061- 89
33371-BZ040- 89
33380-BZ060- 89
-BZ061- 89
33385-BZ050- 89
33391-BZ040- 89
33402-BZ050- 89
33422-BZ010- 90
33423-BZ010- 90
-BZ020- 90
33428-BZ020- 90
-BZ040- 90
33449-B2010- 99 15.00
-BZ030- 85
33451-BZ060- 90
33485-87201- 99 4.00
33487-BZ020- 90
-BZ021- 90
33504-B1010-B0 95 84.00
-BZ010-B0 95 0.00
33506-BZ050- 93
33519-BZ040- 93
33524-B2040- 95
33550-B6010-B0 95
-B6020-B0 95
-BZ140-B0 95
33567-B1010- 95 5.00
33572-BZ010- 92
33820-BZ160- 95
-BZ170- 95
33823-BZ020- 95
33829-BZ070- 95
35013-97207- 99 91.00
35103-97203- 99 14.00
35106-B1011- 100 1,067.00
PART NUMBER PAGE WEIGHT(g)
35111-B1030- 100
35121-BZ040- 100
35133-BZ010- 86
35168-B1030- 100 17.00
35181-97202- 100 764.00
35210-97201- 109 153.00
35220-97201- 109 160.00
35240-B1010- 109 77.00
35280-97201- 109 74.00
35285-97201- 109 8.00
35303-97201- 100 124.00
35310-97203- 97 2,360.00
35409-97206- 110 31.00
35410-B1011- 109 4,086.00
35501-97202- 110 65.00
35505-97202- 110 69.00
35507-B1010- 110
35556-87202- 110 22.00
35557-97201- 110 78.00
35561-97201- 110 218.00
35595-87203- 110 49.00
35610-97205- 103 1,605.00
35618-B1010- 106 50.00
35623-B1020- 106 272.00
35624-97201- 104 60.00
35627-97202- 104 43.00
35628-97202- 106 24.00
35631-97203- 106 458.00
35632-97201- 104 77.00
35633-97205- 103 0.00
35634-97206- 103 0.00
35635-97201- 103 0.00
35637-97201- 104 27.00
35647-97204- 103 0.00
35648-97205- 103 0.00
35650-B1030- 103 1,712.00
35653-97201- 97 1.00
35664-97205- 104 159.00
35667-97206- 103 0.00
35673-B1010- 103 0.00
35675-97201- 103 0.00
35676-97202- 104 127.00
35677-B1011- 103 0.00
35681-97201- 105 31.00
35689-B1010- 103 0.00
35706-97203- 106 432.00
35708-97203- 106 312.00
35709-97204- 106 162.00
35712-97201- 103 1.00
35720-97211- 106 1,928.00
33335 - 35720
PART NUMBER PAGE WEIGHT(g)
35736-BZ010- 117
35740-97201- 107 788.00
35771-B1010- 107 1,440.00
35775-B9010- 107 1,186.00
35776-97202- 107 987.00
35790-B1010- 107 397.00
35824-97201- 100 3.00
35882-97201- 100 35.00
35883-B1010- 107 0.00
35884-97204- 107 34.00
35885-97213- 107 140.00
-97214- 107 150.00
-97215- 107 154.00
-97216- 107 150.00
-97217- 107 170.00
-97218- 107 174.00
35960-97203- 109 66.00
41221-BZ140- 117
-BZ150- 117
41310-B1010- 117 5,420.00
41311-BZ060- 117
41331-BZ040- 117
41341-BZ040- 117
41342-BZ060- 117
41351-BZ020- 117
41361-BZ130- 117
41991-BZ030- 224
42410-B6010- 112
-B6020- 112
42431-BZ090- 112
42602-B6020- 115
42611-BZ560- 115
-BZ570- 115
-BZ580- 115
42638-BZ340- 115
-BZ360- 115
42661-BZ620- 224
-BZ630- 224
43211-BZ260- 143
-BZ270- 143
43212-BZ260- 143
-BZ270- 143
43345-BZ060- 143
43408-B9350- 119 1,219.00
43410-B6010- 119
43411-B9470- 119
43412-B9260- 119
43420-B6010- 119
43502-BZ150- 120
43512-BZ220- 120
PART NUMBER PAGE WEIGHT(g)
43512-BZ230- 120
43560-BZ010- 120
-BZ010- 121
44050-B6010- 141
44591-BZ110- 141
44610-BZ340- 131
-BZ350- 131
-BZ420- 131
-BZ430- 131
44750-B6010- 131
45020-BZ120- 122
-BZ140- 122
45046-BZ140- 126
45102-BZ190-B0 124
-BZ320-B0 124
-BZ330-B0 124
-BZ340-B0 124
-BZ400-B0 124
45107-BZ080- 124
45130-BZ160-B0 124
-BZ390-B0 124
-BZ400-B0 124
-BZ410-B0 124
-BZ420-B0 124
45205-BZ050- 122
45220-BZ240- 122
45222-BZ080- 122
45250-BZ190- 122
45254-BZ140- 122
45281-BZ070- 122
45286-BZ180-B0 123
45287-BZ180-B0 123
45290-BZ090- 122
-BZ100- 122
45503-BZ140- 126
45510-BZ170- 126
-BZ180- 126
-BZ190- 126
45535-BZ090- 126
45897-B2010- 123 12.00
45898-B2010- 129 24.00
46210-BZ100-B0 128
-BZ110-B0 128
46334-BZ030- 128
46420-BZ160- 128
46430-BZ160- 128
46441-BZ040- 128
46521-BZ030- 173
47043-BZ090- 136
47044-BZ090- 136
35736 - 47044
33
PART NUMBER PAGE WEIGHT(g)
47110-BZ250- 129
-BZ270- 129
47121-BZ040- 129
47150-BZ060- 141
47201-BZ370- 130
-BZ380- 130
47220-BZ220- 130
47230-BZ100- 130
47255-BZ100- 130
47264-BZ020- 131 0.00
47275-BZ010- 131 0.00
47299-BZ090- 130
47311-BZ380- 141
-BZ390- 141
47312-BZ390- 141
-BZ400- 141
47313-BZ340- 141
-BZ350- 141
47314-BZ380- 141
-BZ390- 141
47322-BZ130- 141
-BZ190- 141
47324-BZ230- 141
-BZ240- 141
47325-BZ150- 141
47326-BZ170- 141
47389-50020- 141 2.00
47419-BZ020- 137
47446-BZ040- 136
47447-BZ050- 136
47449-BZ050- 137
47459-BZ030- 136
-BZ040- 136
-BZ050- 136
-BZ060- 136
47547-BZ070- 134 0.00
-BZ070- 137 0.00
47548-BZ010- 137 0.00
-BZ050- 134 0.00
-BZ080- 134 0.00
47550-BZ060- 137
47559-BZ040- 137
47601-BZ030- 137
47602-BZ030- 137
47608-BZ020- 137
47609-BZ020- 137
47635-BZ040- 137
47715-97201- 134 58.00
-BZ050- 134 0.00
-BZ140- 134
PART NUMBER PAGE WEIGHT(g)
47721-BZ080- 134
47730-BZ090- 134
-BZ110- 134
47731-BZ030- 134 0.00
47750-BZ080- 134
-BZ090- 134
47769-BZ010- 134 0.00
47775-BZ070- 134
47781-BZ100- 135
47782-BZ100- 135
48044-BZ090- 146
48068-BZ100- 143
48069-BZ100- 144
48131-BZ540- 146
-BZ560- 146
48157-BZ070- 146
48231-BZ240- 148
-BZ430- 148
48331-BZ130- 146
48341-BZ030- 148
48481-BZ060- 148
48482-BZ080- 148
48510-BZ710- 146
-BZ830- 146
-BZ860- 146
48520-BZ860- 146
48531-BZ530- 148
-BZ540- 148
48609-BZ090- 146
48654-BZ060- 144
48655-BZ080- 144
48684-BZ050- 146
48710-BZ090- 148
-BZ100- 149
48718-B2031- 149 135.00
48750-BZ010- 149
48755-BZ010- 149
48811-BZ170- 146
48815-BZ160- 147
48820-BZ040- 146
-BZ040- 147
48824-BZ130- 147
51095-BZ040- 162
51201-BZ090- 150
51441-BZ170- 150
51442-BZ050- 150
51900-BZ030- 151
-BZ040- 151
51960-BZ070- 42 0.00
52021-BZ170- 159
47110 - 52021
PART NUMBER PAGE WEIGHT(g)
52101-BZ080- 152
-BZ090- 152
52115-BZ060- 152
52116-BZ060- 152
52127-BZ180- 152
52155-BZ070- 153
52156-BZ130- 153
52159-BZ840- 153
52543-BZ080- 159
53121-BZ140- 154
53122-BZ080- 154
53123-BZ080- 154
53124-BZ020- 154
53211-BZ150- 159
53213-BZ060- 162
53215-BZ120- 159
53216-BZ110- 159
53218-BZ060- 159
53268-BZ080- 162
53269-BZ020- 162
53301-BZ240- 156
53341-BZ070- 156
53381-BZ010- 159 0.00
53383-BZ100- 168
53384-B1010- 156 1.00
53401-BZ050- 157
53402-BZ060- 157
53445-BZ030- 156
53446-BZ030- 156
53451-BZ070- 157
53452-BZ010- 168
53455-BZ100- 157
53510-BZ210- 157
53629-BZ030- 159
53630-BZ070- 157
53701-BZ170- 159
53702-BZ140- 159
53715-BZ010- 168
53716-BZ010- 168
53717-BZ050- 168
53718-BZ090- 168
53811-BZ270- 156
53812-BZ270- 156
53865-BZ080- 156
53866-BZ070- 156
53875-BZ220- 156
53876-BZ220- 156
55086-BZ150- 281
55101-BZ840- 159
-BZ850- 159
PART NUMBER PAGE WEIGHT(g)
55106-BZ190- 129
55107-BZ160- 81
55168-BZ100- 159
55169-BZ070- 159
55210-BZ310- 159
-BZ320- 159
55213-BZ040- 159
55214-BZ060- 173
55215-BZ050- 159
55305-BZ500- 166
-BZ510- 166
55311-BZ440-B0 166
-BZ580-B0 166
55355-BZ100- 166 0.00
55394-BZ020- 166 0.00
55406-BZ070-B0 166
-BZ510-B0 166
-BZ520-B1 166
55411-BZ190-C0 166
55412-BZ590-B1 166
-BZ600-B1 166
-BZ610-B0 166
55445-87502- 234 1.00
55522-87Z05- 166 0.00
55526-BZ010-C0 166
55527-BZ010-B0 166
55547-28010-B1 166 9.00
55548-BZ040-B0 166
55550-BZ080-B0 166
55557-B2040- 166 1.00
55560-BZ050-B0 166
55561-BZ100- 166
55650-BZ080-B0 166
-BZ150-B0 167
55660-BZ060-C0 167
55703-BZ290- 168
55708-BZ060- 168
55711-BZ170- 168
55713-BZ090- 159
55714-BZ120- 159
55723-BZ080- 168
55724-BZ020- 168
55871-BZ070- 281
55872-BZ060- 281
55905-BZ220-B0 281
55910-BZ390- 281
56111-BZ230- 169
-BZ350- 169
56115-97402- 169 2.00
56116-97401- 169 1.00
52101 - 56116
34
PART NUMBER PAGE WEIGHT(g)
56117-BZ130- 169
57051-BZ060- 173
57052-BZ050- 173
57069-BZ080- 162
57101-BZ390- 162
57102-BZ480- 162
57105-BZ100- 160
57106-BZ090- 160
57115-BZ030- 162
57116-BZ080- 162
57233-BZ010- 160
57234-BZ010- 159
57249-BZ020- 162
57401-BZ160- 162
57402-BZ160- 162
57406-BZ010- 162
57409-BZ120- 162
57417-BZ040- 173
57427-BZ040- 173
57451-BZ110- 162
57468-BZ030- 173
57601-BZ220- 162
57602-BZ150- 162
57605-BZ090- 162
57653-BZ090- 162
58111-BZ230- 173
58159-BZ020-B0 259 0.00
-BZ020-C0 259 0.00
58182-BZ050- 173
58211-BZ020- 173
58213-BZ060- 173
-BZ070- 173
58301-BZ260- 173
58308-BZ150- 173
58410-BZ140-C0 188
-BZ150-C0 188
58441-BZ050- 243
58510-BZB50-C0 174
-BZB60-C0 174
-BZB70-C0 174
58571-BZ020- 173
58572-BZ020- 173
58694-BZ010- 174 0.00
58698-BZ010- 174 0.00
58707-B2010-B2 187
58791-BZ040- 173
58821-BZ110-B0 175
-BZ120-B0 175
58840-BZ090-B0 175
58843-BZ110-B0 175
PART NUMBER PAGE WEIGHT(g)
58843-BZ130-B0 175
58911-BZ050-B0 175
58995-BZ050- 175
-BZ060- 175
60131-BZ070- 178
60132-BZ070- 178
61023-BZ260- 178
61024-BZ220- 178
61037-BZ210- 178
61038-BZ240- 178
61108-BZ130- 178
61109-BZ120- 178
61131-BZ070- 178
61132-BZ050- 178
61203-BZ030- 178
61204-BZ030- 178
61233-BZ050- 178
61234-BZ050- 178
61247-BZ080- 178
61248-BZ080- 178
61311-BZ050- 178
61312-BZ050- 178
61317-BZ020- 210 0.00
61403-BZ060- 178
61404-BZ080- 178
61411-BZ180- 178
61412-BZ200- 178
61503-BZ090- 179
61504-BZ080- 179
61607-BZ010- 179
61608-BZ010- 179
61611-BZ070- 179
61612-BZ080- 179
61617-BZ090- 179
61618-BZ080- 179
61621-BZ050- 179
61622-BZ040- 179
61625-BZ120- 179
61626-BZ120- 179
61635-BZ010- 179
61636-BZ020- 179
61637-BZ020- 179
61638-BZ020- 179
61641-BZ070- 179
61642-BZ070- 179
61645-BZ050- 179
61646-BZ070- 179
61661-BZ050- 179
61662-BZ050- 179
61725-BZ120- 180
56117 - 61725
PART NUMBER PAGE WEIGHT(g)
61731-BZ100- 180
-BZ110- 180
61732-BZ110- 180
-BZ140- 180
61768-BZ090- 180
61769-BZ080- 180
61771-BZ050- 180
61772-BZ040- 180
62111-BZ190-B0 184
62112-BZ190-B0 184
62211-BZ200-B0 184
62212-BZ200-B0 184
62313-BZ120- 184
62333-BZ070- 184
-BZ150- 184
62411-BZ110-B0 184
62412-BZ110-B0 184
62413-BZ160-B0 184
62414-BZ160-B0 184
62471-BZ260-B0 184
62472-BZ260-B0 184
62671-BZ020- 173 0.00
62930-BZ030- 181 0.00
63111-BZ040- 182
63132-BZ170- 182
63134-BZ150- 182
63141-BZ110- 182
63142-BZ060- 182
63143-BZ080- 182
63310-BZ240-B0 187
-BZ500-B0 187
-BZ510-B0 187
63341-BZ110- 187
63342-BZ090- 187
63352-BZ050- 180
64118-BZ050- 180
64119-BZ040- 180
64640-BZ070- 234
64716-BZ040-B0 173
64730-BZ140-B0 188
-BZ150-B0 188
-BZ160-B0 188
64740-BZ130-B0 188
-BZ140-B0 188
-BZ150-B0 189
64780-BZ100-B1 206
64818-BZ050- 206 0.00
64819-B2010- 206 1.00
65637-BZ190- 180
65638-BZ190- 180
PART NUMBER PAGE WEIGHT(g)
67001-BZ340- 191
-BZ450- 191
67002-BZ360- 191
-BZ450- 191
67003-BZ400- 199
-BZ500- 199
67004-BZ400- 199
-BZ500- 199
67005-BZ350- 206
-BZ450- 206
-BZ730- 206
67111-BZ150- 191
-BZ270- 191
67112-BZ160- 191
-BZ270- 191
67113-BZ270- 199
-BZ310- 199
67114-BZ270- 199
-BZ310- 199
67216-B6010- 193
-B6010- 199
-B6020- 193
-B6020- 199
67403-BZ100- 191
67404-BZ100- 191
67405-BZ040- 199
67406-BZ040- 199
67407-BZ100- 199
67408-BZ100- 200
67491-BZ090- 191
67492-BZ090- 192
67610-BZ490-B0 192
-BZ510-B0 192
67620-BZ480-B0 192
-BZ500-B0 192
67630-BZ380-B0 200
-BZ400-B0 200
67640-BZ380-B0 200
-BZ400-B0 200
67771-BZ010- 192
-BZ010- 200
-BZ060- 192 0.00
-BZ060- 200 0.00
-BZ060- 206 0.00
67772-87Z02- 192 0.00
67831-BZ280- 192
-BZ320- 192
-BZ330- 192
67841-BZ260- 200
-BZ270- 200
61731 - 67841
35
PART NUMBER PAGE WEIGHT(g)
67842-BZ080- 200
67861-BZ050- 192
67862-BZ120- 192
67867-B2430- 192 1.00
-B2440- 192 1.00
-B2450- 200 1.00
-B2460- 200 1.00
67869-B2010- 192 1.00
-B2010- 200 1.00
67871-BZ080- 200
67872-BZ080- 200
67881-BZ150- 206
67913-BZ120-B0 184
67914-BZ120-B0 184
67917-BZ130-B0 185
67918-BZ130-B0 185
68101-BZ080- 192
68102-BZ230- 192
68113-BZ270- 200
68114-BZ260- 200
68123-BZ080- 200
68124-BZ080- 200
68131-BZ280- 206
68141-BZ100- 192
68142-BZ070- 200
68143-BZ040- 193
68144-BZ040- 200
68151-BZ100- 193
68152-BZ070- 201
68161-BZ110- 193
68162-BZ100- 193
68163-BZ080- 201
68164-BZ070- 201
68171-BZ150- 193
-BZ160- 193
68172-BZ130- 193
-BZ140- 193
68173-BZ130- 201
-BZ140- 201
68174-BZ090- 201
-BZ100- 201
68188-BZ040- 201
68189-BZ040- 201
68459-87202- 208 19.00
68610-BZ060- 193
68630-BZ060- 201
68750-BZ010- 196 0.00
-BZ010- 204 0.00
68760-BZ010- 196 0.00
-BZ010- 204 0.00
PART NUMBER PAGE WEIGHT(g)
68801-BZ110- 208
68859-87201- 208 1.00
68950-B6010- 208
68960-B6010- 208
69005-BZ430- 210
-BZ470- 210
69051-BZ140- 210
-BZ160- 210
69055-BZ120- 210
-BZ140- 210
69057-BZ120- 210
-BZ140- 210
69210-BZ020- 194 0.00
-BZ020- 202 0.00
-BZ230- 194
-BZ230- 202
69220-BZ020- 194 0.00
-BZ020- 202 0.00
-BZ230- 194
-BZ230- 202
69260-87Z03-B0 196 0.00
-87Z03-B0 204 0.00
69268-BZ020-B0 196 0.00
-BZ020-B0 204 0.00
69270-BZ012-B0 194 0.00
-BZ012-B0 202 0.00
-BZ052-B0 194
-BZ052-B0 202
69279-BZ010- 195
-BZ010- 203
69280-BZ012-B0 194 0.00
-BZ012-B0 202 0.00
-BZ052-B0 194
-BZ052-B0 202
69303-BZ060- 194
69304-BZ080- 194
69305-BZ040- 202
69306-BZ040- 202
69310-BZ160- 194
-BZ170- 194
69320-BZ140- 195
-BZ150- 195
69330-BZ120- 202
69340-BZ120- 202
69350-BZ150- 208
-BZ160- 208
69410-BZ010- 195 0.00
-BZ010- 203 0.00
69430-BZ060- 208 0.00
69516-BZ030- 210
67842 - 69516
PART NUMBER PAGE WEIGHT(g)
69516-BZ050- 210
69682-B2020- 210 4.00
69711-BZ050- 195
69712-BZ050- 195
69713-BZ040- 203
69714-BZ040- 203
69735-BZ040- 203
-BZ070- 203
69736-BZ030- 203
-BZ040- 203
69737-BZ060- 203
69738-BZ060- 203
69743-BZ040-B0 195 0.00
-BZ040-B0 203 0.00
69749-BZ080- 203 0.00
69751-87704-B0 195 1.00
-87704-B0 203 1.00
-BZ040-B0 195 0.00
-BZ040-B0 203 0.00
69753-BZ010- 203 0.00
69759-87Z02- 195 0.00
-87Z02- 203 0.00
69801-BZ150- 196
69802-BZ150- 196
69803-BZ100- 204
69804-BZ100- 204
69810-BZ240- 196
69820-BZ210- 196
69830-BZ220- 204
69840-BZ220- 204
69905-BZ020- 201
69906-BZ010- 201
69975-BZ010- 201
71071-BZC50-B1 213
-BZC60-B1 213
71072-BZC60-B1 213
-BZC70-B1 213
71073-BZC80-B0 213
-BZC90-B0 213
71074-BZA00-B0 213
-BZA10-B0 213
71075-BZA60-B1 216
-BZA70-B1 216
71077-BZ850-B0 216
-BZ860-B2 216
71110-BZ150- 213
71120-BZ120- 213
71127-BZ010- 213 0.00
71147-B1020- 213 11.00
-B2040- 213 20.00
PART NUMBER PAGE WEIGHT(g)
71147-B2040- 214
71480-BZA30-B3 216
-BZA40-B2 216
-BZA50-B0 216
-BZA60-B1 216
71501-BZ410- 213
71503-BZ350- 216
71505-BZ330- 213
71506-BZ040- 213
71537-BZ030- 213 0.00
71811-BZ170-B0 214
71812-BZ150-B0 214
71831-BZ040-B0 214 0.00
71832-BZ090-B0 214 0.00
71930-87Z09-B0 216
71931-87Z08-B0 216
71940-BZ450-B0 216
-BZ590-B0 216
71991-BZ010-B0 216
72110-BZ200- 214
72120-BZ210- 214
72130-BZ240- 214
72137-BZ040- 214 0.00
72140-BZ240- 214
72211-BZ100- 214
72525-BZ110-B0 214 0.00
72526-BZ100-B0 214 0.00
72601-BZ030- 217
72630-BZ040-B0 217
72640-BZ050-B0 217
72693-97201- 217 5.00
73210-BZ380-B0 220
-BZ390-B0 220
73220-BZ360-B0 220
-BZ370-B0 220
73230-BZ500-B0 220
73360-BZ230-B0 220
-BZ240-B0 220
73370-BZ230-B0 220
-BZ240-B0 220
73381-87202-B2 220 5.00
73470-BZ050-B0 220
73480-BZ050-B0 220
73949-BZ050- 214 0.00
73970-BZ120-B0 167
74310-BZ510-B0 222 0.00
-BZ590-B0 222 0.00
74320-BZ410-B0 222 0.00
74348-BZ060-B1 222 0.00
74404-BZ010- 223 0.00
69516 - 74404
36
PART NUMBER PAGE WEIGHT(g)
74405-BZ020- 223
74411-BZ060- 223
74451-87Z07- 223 0.00
74468-BZ090- 258
74547-BZ010- 224
74552-BZ040- 224 0.00
74611-BZ060-B1 222 0.00
-BZ060-B2 222
74811-BZ030- 206 0.00
74813-BZ030-B1 222
-BZ050-B0 222
74814-BZ030-B1 222
-BZ050-B0 222
74815-BZ050-B0 222
-BZ060-B0 222
74816-BZ040-B0 222
-BZ050-B0 222
75311-BZ140- 225
-BZ190- 225 0.00
75441-BZ320- 225
75444-BZ130- 225 0.00
-BZ180- 225 0.00
75446-BZ040- 225
75533-BZ110- 226
75551-BZ110- 228
75552-BZ050- 228
75561-BZ020- 228 0.00
75731-BZ130- 228
75732-BZ130- 228
75741-BZ130- 228
75742-BZ130- 228
75923-BZ060-C0 193
75924-BZ060-C0 193
75925-BZ030-C0 201
75926-BZ030-C0 201
76851-BZ040- 230
76854-BZ010- 154 0.00
76861-BZ010- 230
76871-BZ230- 230
77001-BZ240- 234
77013-BZ080- 234
77019-BZ110- 234
77037-BZ050- 234
77141-BZ140- 234
77201-BZ150- 234
77203-BZ070- 234
77213-BZ110- 234
77219-20070- 234 0.00
77248-20030- 234 0.00
77251-BZ170- 234
PART NUMBER PAGE WEIGHT(g)
77259-BZ060- 234
77263-BZ140- 234
77269-B0010- 235 0.00
77291-BZ040- 235 0.00
77300-52030- 235 54.00
77350-BZ100- 235
77366-87203- 235 2.90
77380-0K010- 235 0.00
77631-BZ070- 235
77740-BZ070- 235
77754-BZ080- 72
78101-BZ150- 236
78180-BZ220- 236
78183-B6010- 236
78184-BZ040- 236
78214-BZ050- 236
81130-BZ170- 238
81139-B2010- 238 47.00
81170-BZ170- 238
81211-BZ070- 239
81216-BZ040- 239
81221-BZ070- 239
81226-BZ050- 239
81270-B2051- 241 30.00
81551-BZ150- 240
81555-BZ070- 240
81561-BZ150- 240
81565-BZ030- 240
81570-BZ150- 242
81936-BZ090- 281
81942-BZ510- 281
-BZ510- 282
-BZ520- 282
-BZ530- 282
-BZ540- 282
81977-BZ090- 206
81980-BZ030- 258 0.00
82046-BZ240- 250
82111-BZG10- 250
-BZG20- 250
-BZG30- 250
-BZJ00- 250
-BZJ10- 250
-BZL80- 250
-BZL90- 250
-BZM00- 250
-BZM10- 250
82121-BZ890- 250
-BZA00- 250
-BZA10- 250
74405 - 82121
PART NUMBER PAGE WEIGHT(g)
82121-BZA20- 250
82141-BY390- 250
-BY420- 250
-BY430- 250
-BZR30- 250
82151-BZ710- 250
-BZ740- 250
82152-BZ710- 250
-BZ740- 250
82153-BZ310- 250
-BZ340- 250
82161-BZ100- 250
-BZL40- 251
-BZL50- 251
-BZM10- 251
82171-BZ470- 251
82184-BZ460- 251
-BZ610- 251
82251-B6010- 263
-B6020- 263
82660-B1010- 258 335.00
82661-BZ100- 258
82711-1E340- 268 1.00
-BZ100- 157 0.00
-BZ100- 268 0.00
83181-B6010- 258
83301-BZ070- 258
83390-B1010- 258 52.00
83530-60020- 258 42.00
83800-BZS10- 252
-BZS20- 252
-BZS30- 252
-BZS40- 252
-BZS60- 252
-BZT41- 252
83852-BZ150- 252
-BZ160- 252
84140-B1030- 259 156.00
-B1040- 259 142.00
84210-BZ070- 259
84231-BZ010- 259 0.00
84306-B1010- 259 121.00
-BZ060- 259
84312-BZ030- 259
84332-BZ150- 259
84340-BZ010- 259 0.00
84345-BZ010- 259 0.00
84380-87708- 259 10.00
-BZ070- 259
84450-BZ030- 259
PART NUMBER PAGE WEIGHT(g)
84540-B1020- 259
84652-B2040- 259 131.00
-BZ090- 259 0.00
84810-BZ120- 259
84820-BZ140- 259
84870-BZ071- 259 0.00
85110-BZ180- 266
85150-BZ180- 266
85211-BZ190- 266
85212-BZ210- 266
85214-BZ260- 266
-BZ270- 266
85221-BZ180- 266
85222-BZ220- 266
85292-12020- 266 2.00
85315-BZ150- 267
85317-BZ020- 267
-BZ040- 267
-BZ050- 267
-BZ060- 268
85330-BZ110- 267
85332-BZ030- 267
85336-BZ020- 267
85370-BZ790- 267
85373-BZ090- 157
85374-BZ490- 268
-BZ500- 268
-BZ510- 268
-BZ520- 267
85381-BZ180- 267
85450-BZ110- 195
85460-BZ090- 195
85470-BZ010- 203 0.00
85480-BZ010- 203 0.00
85500-87505- 260 45.00
-BZ040- 260
85533-B1010- 260 4.00
-BZ030- 260
85710-BZ041- 197 0.00
-BZ041- 205 0.00
85720-BZ041- 197 0.00
-BZ041- 205 0.00
85918-BZ070- 260
86160-BZ110- 271 0.00
86180-BZ370-B0 270
86211-BZ170- 270
86212-BZ170- 270
86300-BZ130- 273
86316-BZ110- 273
86520-BZ150- 274
82121 - 86520
37
PART NUMBER PAGE WEIGHT(g)
87010-BZ310- 279
87114-BZ020- 279 0.00
87138-BZ080- 279
87223-BZ050- 282 0.00
-BZ180- 282
-BZ190- 282
-BZ240- 282
87810-BZ150- 275 0.00
87828-BZ060- 275
87834-BZ020- 275 0.00
87910-BZ240- 275
-BZ360- 275
-BZ720- 275
87915-BZ290- 275 0.00
-BZ310- 275 0.00
87917-BZ120- 275 0.00
87940-BZ190- 275
-BZ440- 275
-BZ460- 275
87945-BZ290- 276 0.00
-BZ310- 276 0.00
87947-BZ120- 276 0.00
88318-87704- 285 0.00
-87705- 285 0.00
-87706- 285 0.00
88320-BZ170- 285
88362-BZ160- 284
88403-BZ080- 286 0.00
88410-BZ250- 286
88411-BZ110- 285
88412-BZ110- 285 0.00
88433-B1020- 286 0.00
88450-BZ060- 284
88501-BZ150- 279
88515-BZ100- 279
88539-BZ260- 279
88550-BZ070- 279 0.00
88568-BZ060- 279
88578-BZ540- 284
-BZ550- 284
88625-BZ060- 279 0.00
88688-BZ140- 286
88711-BZ480- 284
88712-BZ350- 284
88716-BZ850- 284
88718-BZ280- 284
88719-B2010- 284 0.00
88897-87Z13- 279 0.00
89170-BZ270- 265
89173-BZ100- 265
PART NUMBER PAGE WEIGHT(g)
89179-BZ030- 265
89413-97202- 100 20.00
89421-BZ030- 69
89422-33030- 260 24.00
89437-BZ010- 52
89465-BZ330- 260
-BZ360- 260
-BZ390- 260
-BZ400- 260
89470-BZ040- 72
89539-BZ160- 261
-BZ370- 261
89542-B6010- 263
89543-B6010- 263
89560-BZB10- 261
-BZB60- 261
-BZE20- 261
-BZE30- 261
89615-BZ040- 260 0.00
89650-BZ060- 260
90041-01652- 143 61.00
-05122- 97 8.00
-05242- 134 42.00
-05273- 97 9.00
-05281- 97 8.00
-05472- 100 9.00
-05475- 144 114.00
-09249- 47 14.00
-16487- 60 13.00
-19911- 47 15.00
-20192- 143 96.00
-20192- 144 96.00
-70393- 143 16.00
-79274- 120 63.01
90042-01637- 47 4.00
-40151- 129 11.00
-50122- 51
-50157- 99 20.00
-53010- 47 1.00
-53013- 51 2.40
90043-01160- 100 1.00
-01161- 97 6.70
-01278- 100 1.00
-01278- 258 1.00
-01279- 109 1.00
-01280- 109 1.00
-01281- 100 1.00
-01295- 104 3.00
-01296- 104 3.00
-01353- 79 0.00
87010 - 90043
PART NUMBER PAGE WEIGHT(g)
90043-01364- 100
-11256- 110 3.00
-11316- 99 41.00
-11317- 99 31.01
-11336- 97 16.00
-41041- 100 29.00
-41087- 51 30.00
-63273- 107 113.00
-63274- 107 307.00
-63297- 117 258.00
-63304- 117 402.00
-65026- 107 181.00
-74043- 103 18.00
-74043- 106 18.00
-74044- 103 17.00
-74045- 103 19.00
-74047- 106 23.00
-74051- 106 10.00
-85174- 146 12.00
-86112- 236 2.00
90044-06007- 47
-30281- 51 1.00
-30281- 100 1.00
-30291- 234 1.00
-30330- 100 0.00
-61832- 128 14.00
-64485- 142 3.50
-64655- 142 4.01
-64657- 235 11.01
-64659- 142 2.01
-64695- 235 17.00
-64731- 142 1.00
-64742- 142 2.00
-64780- 142 3.00
-64787- 235 14.00
-64803- 79
-64804- 142 2.00
-64839- 236 1.00
-64878- 235 14.00
-65441- 142 3.00
-66030- 66 13.00
-67161- 131 5.00
-67397- 173 1.00
-67414-C0 216
-67556-B0 175 0.00
-67576- 111 8.00
-68046-B2 174 1.00
-68046-B2 188 1.00
-68046-B2 189 1.00
-68076- 129 1.00
PART NUMBER PAGE WEIGHT(g)
90044-68143- 81
-68185-B1 213 1.00
-68185-B1 214 1.00
-68207- 236 1.00
-68280- 156 1.00
-68288- 184 5.00
-68288- 185 5.00
-68320- 156 1.50
-68320- 169 1.50
90045-01801- 99 1.00
-08389- 110 4.00
-20298- 119 15.00
-21111- 120 17.50
-21111- 121 17.50
-21164- 103 0.00
-21165- 103 0.00
-21166- 103 0.00
-21167- 103 0.00
-21168- 103 0.00
-21169- 103 0.00
-21170- 103 0.00
-21171- 103 0.00
-21172- 103 0.00
-21173- 103 0.00
-21174- 107 32.00
-21175- 107 16.00
-21176- 104 19.00
-21177- 104 22.00
-21178- 104 26.00
-21179- 105 29.00
-21182- 107 4.00
-21183- 107 12.00
-21185- 104 12.00
-21194- 107
-40158- 129 1.50
90048-01037- 97 21.00
-33097- 65
90049-02019- 115 11.00
-11036- 115 28.00
-11058- 115 54.00
-11064- 115 39.00
-12056- 120 41.00
-12062- 112 35.00
-51127- 240 0.00
-51161- 240 9.00
-51184- 241 1.00
-51185- 239 0.00
-51186- 238
-88004- 260 13.00
9004A-17135- 130 0.00
90043 - 9004A
38
PART NUMBER PAGE WEIGHT(g)
9004A-17176- 124
-19001- 74
-24026- 130
-25032- 84
-30046- 130
-30047- 51
-30049- 86
-31010- 58 0.00
-31013- 84 0.00
-31020- 52 0.00
-31050- 84
-31051- 85
-31052- 92
-31053- 92
-34013- 84
-36044- 92 0.00
-36044- 93 0.00
-36057- 88 0.00
-36096- 88
-36097- 88
-36098- 88
-36099- 88
-36100- 117
-36101- 117
-36104- 120
-36104- 121
-38021- 81 0.00
-38021- 129 0.00
-38072- 80
-43006- 84 0.00
-43006- 259 0.00
-46130- 159 0.00
-46131-B0 184 0.00
-46132-B0 188 0.00
-46138- 126 0.00
-46143- 213
-46143- 214
-46275- 184 0.00
-46293-B0 191 0.00
-46299- 142 0.00
-46308- 188
-46309- 66
-46323- 156
-46323- 169
-48017- 66 0.00
-48030- 66 0.00
-48054- 157
-48055- 55
-48056- 71
-50119- 80
PART NUMBER PAGE WEIGHT(g)
9004A-50121- 92
-50122- 93
-50123- 92
-50124- 89
-52067- 88
-54015- 206 0.00
-81005- 240 0.00
-91062- 74
-91063- 67
-91064- 67
-93003- 92 0.00
-94103- 141
-94109- 141
-94110- 141
-98006- 258 0.00
-98006- 260 0.00
-98010- 258 0.00
-98011- 260 0.00
9004B-37008- 76
-37009- 76
-81003- 275 0.00
9004C-46010- 240 1.00
-82001- 238 9.00
90075-60006- 238 14.00
90099-04349- 286 0.00
-07114- 285 0.00
-07114- 286 0.00
-07125- 285 0.00
90105-10531- 51 47.00
90110-06018- 51
90119-14106- 57 141.00
90311-38092- 52 10.00
90341-14013- 47 21.00
-16023- 60 0.00
-22008- 51
90401-10058- 141 18.00
90430-14009- 47 1.00
90466-30001- 65 16.00
90467-05164-P5 187 0.00
-07049-C0 174 0.00
-09206- 192 1.00
-09206- 200 1.00
-10161- 192 1.00
-10161- 200 1.00
-14001- 55 0.00
90468-18071- 216
90501-25063- 58 18.00
90520-01002- 196 0.50
-01002- 204 0.50
90541-09069- 191 3.00
9004A - 90541
PART NUMBER PAGE WEIGHT(g)
90901-05026- 70
90910-02151- 47
90913-03031- 59 1.00
90981-11013- 238 1.00
-22004- 238 0.00
94120-40800- 131 0.00
94151-21001- 147
95333-04095- 234
96111-30440- 235 26.00
96136-42501- 55 11.00
-42501- 65 11.00
-43601- 66 16.00
-43901- 65
96721-24021- 100 1.00
G1406-97201- 100 35.00
PART NUMBER PAGE WEIGHT(g)
90901 - G1406
39
REVISION REFERENCE CODE TABLE
Revision
Ref. Code
Engine No. or
Frame No.
Revision
Ref. Code
Engine No. or
Frame No.
Revision
Ref. Code
Engine No. or
Frame No.
Revision
Ref. Code
Engine No. or
Frame No.
40
EACH MONTH END PRODUCTION FRAME NO. LIST
Model
Month
Model
Month
41
42
FIG.09-01 STANDARD TOOL
(1212- )
090685
09101
09110
0911409120
09125
09150
51960
FIG.09-01 STANDARD TOOL
PROD_DATE MODELS
SPEC
CODE
DESCRIPTION
R
/
P
PART
NUMBER
O
Y
T
REV_REF
FR TO
+----------+
| 09101 | TOOL SET, STANDARD W/O JACK
+----------+
1212 - B100 09101-BZ030- 1
+----------+
| 09110 | JACK ASSY
+----------+
1212 - B100 09111-BZ090- 1
+----------+
| 09114 | EXTENSION SUB-ASSY, JACK HANDLE
+----------+
1212 - B100 09114-BZ060- 1
+----------+
| 09120 | BAG, TOOL
+----------+
1212 - B100 09120-BZ120- 1
+----------+
| 09125 | BAND, TOOL B
AG+----------+
1212 - B100 09125-BZ010- 4
+----------+
| 09150 | WRENCH, HUB NUT BOX
+----------+
1212 - B100 09151-BZ010- 1
+----------+
| 51960 | HOOK ASSY, FRONT
+----------+
1212 - B100 51960-BZ070- 1
43
FIG.11-01 PARTIAL ENGINE ASSEMBLY
(1212- )
117762
11000
FIG.11-01 PARTIAL ENGINE ASSEMBLY
PROD_DATE MODELS
SPEC
CODE
DESCRIPTION
R
/
P
PART
NUMBER
O
Y
T
REV_REF
FR TO
+----------+
| 11000 | ENGINE ASSY, PARTIAL
+----------+
1212 - 1307 1KRDE..B100..E4AT 19000-BZ011- 1
1212 - 1307 1KRDE..B100..5F 19000-BZ021- 1
1308 - 1309 1KRDE..B100..E4AT 19000-BZ012- 1
1308 - 1309 1KRDE..B100..5F 19000-BZ022- 1
1310 - 1312 1KRDE..B100..E4AT 19000-BZ013- 1
1310 - 1312 1KRDE..B100..5F 19000-BZ023- 1
44
FIG.11-02 SHORT BLOCK ASSEMBLY
(1212- )
117763
11400
FIG.11-02 SHORT BLOCK ASSEMBLY
PROD_DATE MODELS
SPEC
CODE
DESCRIPTION
R
/
P
PART
NUMBER
O
Y
T
REV_REF
FR TO
+----------+
| 11400 | BLOCK ASSY, SHORT
+----------+
1212 - 1309 1KRDE..B100 11400-BZ011- 1
1310 - 1KRDE..B100 11400-BZ012- 1
45
FIG.11-03 ENGINE OVERHAUL GASKET KIT
(1212- )
117764
04111
04112
FIG.11-03 ENGINE OVERHAUL GASKET KIT
PROD_DATE MODELS
SPEC
CODE
DESCRIPTION
R
/
P
PART
NUMBER
O
Y
T
REV_REF
FR TO
+----------+
| 04111 | GASKET KIT, ENGINE OVERHAUL
+----------+
1212 - 1KRDE..B100 04111-BZ025- 1
+----------+
| 04112 | GASKET KIT, ENGINE VALVE GRIND
+----------+
1212 - 1KRDE..B100 04112-BZ025- 1
46
FIG.11-04 CYLINDER HEAD
(1212- )
REFER TO
FIG
(PNC 89422A)
REFER TO
FIG
(PNC 16331)
REFER TO
FIG
(PNC 16331A)
REFER TO
FIG
REFER TO
FIG
REFER TO
FIG
(PNC 16341)
REFER TO
FIG
(PNC 12204)
REFER TO
FIG
(PNC 12204A)
117753
REFER TO
FIG
REFER TO
FIG
(PNC 17771A)
REFER TO
FIG
(PNC 12262)
REFER TO
FIG
(PNC 12262A)
84-01
16-0316-0317-03
16-03
17-03
84-01
16-03
12-01
12-01
N02
N03
N03
N03
N03
N03
N03
N0311101
11101A
11101B
11101C
11101W
11115
11117A
11117J
11122
11126
11155A
11155A
11159A
11159A
11159A
11201
11201H
11213
12108
12281A
12282D
90041-16487(4)
90041-20245(2)
90126-06029
91551-80618
90041-16487(2)91671-10825
91671-10825
12-01
12-01
N02
N02
N02
47
FIG.11-04 CYLINDER HEAD
PROD_DATE MODELS
SPEC
CODE
DESCRIPTION
R
/
P
PART
NUMBER
O
Y
T
REV_REF
FR TO
+----------+
| 11101 | HEAD SUB-ASSY, CYLINDER
+----------+
1212 - 1KRDE..B100 11101-BZ110- 1
+----------+
| 11101A | BOLT(FOR CYLINDER HEAD SET)
+----------+
1212 - 1KRDE..B100 90910-02151- 8
+----------+
| 11101B | WASHER, PLATE(FOR CYLINDER HEAD SET)
+----------+
1212 - 1KRDE..B100 90042-01637- 8
+----------+
| 11101C | TUBE(FOR CYLINDER HEAD)
+----------+
1212 - 1KRDE..B100 90044-06007- 1
+----------+
| 11101W | SENSOR, CRANK POSITION, NO.1
+----------+
1212 - 1KRDE..B100 19311-BZ030- 1
+----------+
| 11115 | GASKET, CYLINDER HEAD
+----------+
1212 - 1KRDE..B100 11115-BZ050- 1
+----------+
| 11117A | PLUG, W/HEAD TAPER SCREW, NO.1
+----------+
1212 - 1KRDE..B100 90341-14013- 1
+----------+
| 11117J | GASKET(FOR CYLINDER HEAD SCREW PLUG)
+----------+
1212 - 1KRDE..B100 90430-14009- 1
+----------+
| 11122 | BUSH, INTAKE VALVE GUIDE
+----------+
1212 - 1KRDE..B100 STD 11122-BZ010- 6
1212 - 1KRDE..B100 O/S 0.05 11123-BZ010- 6
+----------+
| 11126 | BUSH, EXHAUST VALVE GUIDE
+----------+
1212 - 1KRDE..B100 STD 11122-BZ010- 6
1212 - 1KRDE..B100 O/S 0.05 11123-BZ010- 6
FIG.11-04 CYLINDER HEAD
PROD_DATE MODELS
SPEC
CODE
DESCRIPTION
R
/
P
PART
NUMBER
O
Y
T
REV_REF
FR TO
+----------+
| 11155A | PIN, RING W/HEAD
+----------+
1212 - 1KRDE..B100 L=5.5,OD=8 90042-53010- 4
+----------+
| 11159A | BOLT(FOR HEAD TO CAMSHAFT BEARING CAP)
+----------+
1212 - 1KRDE..B100 90041-19911- 16
+----------+
| 11201 | COVER SUB-ASSY, CYLINDER HEAD
+----------+
1212 - 1KRDE..B100 11201-BZ090- 1
+----------+
| 11201H | BOLT(FOR CYLINDER HEAD COVER)
+----------+
1212 - 1KRDE..B100 90041-09249- 11
+----------+
| 11213 | GASKET, CYLINDER HEAD COVER
+----------+
1212 - 1KRDE..B100 11213-BZ080- 1
+----------+
| 12108 | CAP SUB-ASSY, OIL FILLER
+----------+
1212 - 1KRDE..B100 12180-BZ010- 1
+----------+
| 12281A | HANGER, ENGINE, NO.1
+----------+
1212 - 1KRDE..B100 12281-BZ020- 33
+----------+
| 12282D | HANGER, ENGINE, NO.2
+----------+
1212 - 1KRDE..B100 12282-BZ050- 33
48
FIG.11-05 CYLINDER BLOCK
(1212- )1KRDE..E4AT
ILLUST NO.1 OF 2 ILLUST NO. 1 OF 2
117754
REFER TO
FIG
(PNC 15193)
N02
15-01
11401
11411A
11416
11452
11452B
12101
12101A
12101B
12121
15301
90042-50122
90042-50122
91671-80614
11411A
N02
49
FIG.11-05 CYLINDER BLOCK
(1212- )1KRDE..5F
ILLUST NO.1 OF 2 ILLUST NO. 1 OF 2
117755
REFER TO
FIG
(PNC 15193)
15-01
11401
11411A
11452
11452B
12101
12101A
12101B
12121
15301
90042-50122
90042-50122
91671-80614
11411A
N02
90250-06003
90250-06003
91671-80614(6)
N02
11416
50
FIG.11-05 CYLINDER BLOCK
(1212- )
ILLUST NO.2 OF 2 ILLUST NO. 2 OF 2
117756
REFER TO
FIG
(PNC 89615)
REFER TO
FIG
(PNC 83530)
REFER TO
FIG
84-01
84-01
84-01
11432R
11434D
11459
15708
15797
90044-30204
90179-06326(2)
90250-10232(2)
91671-80614(4)
90179-06326(2)
91551-80625(4)
91671-10825(8) 91671-10825(8)
51
FIG.11-05 CYLINDER BLOCK
PROD_DATE MODELS
SPEC
CODE
DESCRIPTION
R
/
P
PART
NUMBER
O
Y
T
REV_REF
FR TO
+----------+
| 11401 | BLOCK SUB-ASSY, CYLINDER
+----------+
1212 - 1309 1KRDE..B100 11401-BZ100- 1
1310 - 1KRDE..B100 11401-BZ101- 1
+----------+
| 11411A | PIN, RING(FOR CYLINDER BLOCK NO.1 )
+----------+
1212 - 1KRDE..B100 L=12,OD=12 90042-53013- 2
+----------+
| 11416 | BOLT(FOR CRANKSHAFT BEARING CAP SET)
+----------+
1212 - 1KRDE..B100 90105-10531- 8
+----------+
| 11432R | PLUG, W/HEAD STRAIGHT SCREW, NO.1(FOR CYLINDER BLOCK)
+----------+
1212 - 1KRDE..B100 90341-22008- 1
+----------+
| 11434D | PIN, STRAIGHT(FOR ENGINE REAR OIL SEAL)
+----------+
1212 - 1KRDE..B100 L=14,OD=6 90042-50122- 2
+----------+
| 11452 | GUIDE, OIL LEVEL GAGE
+----------+
1212 - 1KRDE..B100 11409-BZ080- 1
+----------+
| 11452B | RING, O(FOR OIL LEVEL GAGE GUIDE)
+----------+
1212 - 1KRDE..B100 9004A-30047- 1
+----------+
| 11459 | SUPPORT, OIL LEVEL GAGE GUIDE
+----------+
1212 - 1KRDE..B100 11459-37020- 1
+----------+
| 12101 | PAN SUB-ASSY, OIL
+----------+
1212 - 1402 1KRDE..B100..5F 12101-B6010- 1
1212 - 1KRDE..B100..E4AT 12101-BZ070- 1
+----------+
| 12101A | PLUG(FOR OIL PAN DRAIN)
+----------+
1212 - 1KRDE..B100 90043-41087- 1
FIG.11-05 CYLINDER BLOCK
PROD_DATE MODELS
SPEC
CODE
DESCRIPTION
R
/
P
PART
NUMBER
O
Y
T
REV_REF
FR TO
+----------+
| 12101B | GASKET(FOR OIL PAN DRAIN PLUG)
+----------+
1212 - 1KRDE..B100 90044-30281- 1
+----------+
| 12121 | PLATE, OIL PAN BAFFLE, NO.1
+----------+
1212 - 1KRDE..B100..5F 12121-B6010- 1
1212 - 1KRDE..B100..E4AT 12121-BZ050- 1
+----------+
| 15301 | GAGE SUB-ASSY, OIL LEVEL
+----------+
1212 - 1KRDE..B100 15301-BZ090- 1
+----------+
| 15708 | NOZZLE SUB-ASSY, OIL, NO.1
+----------+
1212 - 1KRDE..B100 15708-B6010- 3
+----------+
| 15797 | BOLT, OIL NOZZLE UNION
+----------+
1212 - 1KRDE..B100 90110-06018- 3
52
FIG.11-06 TIMING GEAR COVER & REAR END PLATE
(1212- )
117757-B
11301K
11302
11302A
11381
11381A
19312A
90126-06029
90344-53006
91551-00818(2)
91552-81050(14)
91552-81085(2)
90126-06029
91551-80618
91551-00818(2)
89437J
FIG.11-06 TIMING GEAR COVER & REAR END PLATE
PROD_DATE MODELS
SPEC
CODE
DESCRIPTION
R
/
P
PART
NUMBER
O
Y
T
REV_REF
FR TO
+----------+
| 11301K | SENSOR, CRANK POSITION
+----------+
1212 - 1KRDE..B100 19311-BZ030- 1
+----------+
| 11302 | COVER SUB-ASSY, TIMING CHAIN OR BELT
+----------+
1212 - 1310 1KRDE..B100 11321-BZ901- 1
1310 - 1KRDE..B100 11321-BZ902- 1
+----------+
| 11302A | SEAL, OIL(FOR TIMING CHAIN OR BELT COVER)
+----------+
1212 - 1KRDE..B100 90311-38092- 1
+----------+
| 11381 | RETAINER, ENGINE REAR OIL SEAL
+----------+
1212 - 1KRDE..B100 11381-BZ060- 1
+----------+
| 11381A | SEAL, ENGINE REAR OIL
+----------+
1212 - 1KRDE..B100 9004A-31020- 1
+----------+
| 19312A | PROTECTOR, CRANK POSITION SENSOR
+----------+
1212 - 1KRDE..B100 19312-BZ010- 1
+----------+
| 89437J | COVER, SENSO
R+----------+
1212 - B100 89437-BZ010- 1
53
FIG.11-07 MOUNTING
―
 
―
 
―
 
―
 
―
 
―
 
―
 
―
 
―
 
―
 
―
 
―
 
―
 
―
 
―
 
―
 
―
 
―
 
―
 
―
 
―
 
―
 
―
 
―
 
―
 
―
 
―
 
―
 
―
 
―
 
―
 
―
 
―
 
―
(1212- )1KRDE..E4AT
117758
REFER TO
FIG
12306
12325A
90041-05322
90041-05322
90041-05322
90041-05468
90041-20102
90041-20102
91552-G1020
12305
12309
90041-20243
90041-78069
91552-G1020
91552-G1020
91552-G1020
91553-G1050
91553-G1050
91553-G1065
91672-F1230
91552-G1020
12321
91672-F1230
82-02
91552-G1020
FIG.11-07 MOUNTING
(1212- )1KRDE..5F
117759
REFER TO
FIG
12305
12306
12309
90041-05301
90041-20102
90041-20243
90041-78069
91552-F1485
91552-G1020
91552-G1020
91552-G1020
91553-G1050
91553-G1050
91553-G1065
91672-F1230
91672-F1230
82-02
91552-G1020
12321
91552-G1020 91552-G1020
90041-20102
90041-20102
54
FIG.11-07 MOUNTING
PROD_DATE MODELS
SPEC
CODE
DESCRIPTION
R
/
P
PART
NUMBER
O
Y
T
REV_REF
FR TO
+----------+
| 12305 | INSULATOR SUB-ASSY, ENGINE MOUNTING, RH
+----------+
1212 - 1KRDE..B100..5F 12305-BZ100- 1
1212 - 1KRDE..B100..E4AT 12305-BZ110- 1
+----------+
| 12306 | INSULATOR SUB-ASSY, ENGINE MOUNTING, LH
+----------+
1212 - 1312 1KRDE..B100..E4AT 12306-BZ131- 1
1212 - 1402 1KRDE..B100..5F 12306-BZ120- 1
+----------+
| 12309 | ROD SUB-ASSY, ENGINE MOVING CONTROL
+----------+
1212 - 1KRDE..B100..5F 12309-BZ060- 1
1212 - 1KRDE..B100..E4AT 12309-BZ070- 1
+----------+
| 12321 | BRACKET, ENGINE MOUNTING, REAR, NO.1
+----------+
1212 - 1KRDE..B100..5F 12321-BZ180- 1
1212 - 1KRDE..B100..E4AT 12321-BZ190- 1
+----------+
| 12325A | BRACKET, ENGINE MOUNTING, LH(FOR TRANSVERSE ENGINE)
+----------+
1212 - 1KRDE..B100..E4AT 12325-BZ070- 1
55
FIG.12-01 VENTILATION HOSE
(1212- )
120878
12204
12261
12261A
12261A
12204A
12262
12262A
12262A
FIG.12-01 VENTILATION HOSE
PROD_DATE MODELS
SPEC
CODE
DESCRIPTION
R
/
P
PART
NUMBER
O
Y
T
REV_REF
FR TO
+----------+
| 12204 | VALVE SUB-ASSY, VENTILATION
+----------+
1212 - 1KRDE..B100 12204-BZ010- 1
+----------+
| 12204A | GROMMET(FOR VENTILATION SYSTEM)
+----------+
1212 - 1KRDE..B100 9004A-48055- 1
+----------+
| 12261 | HOSE, VENTILATION
+----------+
1212 - 1KRDE..B100 12261-BZ150- 1
+----------+
| 12261A | CLIP OR CLAMP(FOR VENTILATION HOSE)
+----------+
1212 - 1KRDE..B100 90467-14001- 2
+----------+
| 12262 | HOSE, VENTILATION, NO.2
+----------+
1212 - 1KRDE..B100 12262-BZ070- 1
+----------+
| 12262A | CLIP(FOR VENTILATION HOSE NO.2)
+----------+
1212 - 1KRDE..B100 96136-42501- 2
56
FIG.13-01 CRANKSHAFT & PISTON
(1212- )
131941
11791
13011
13201
13265
13411
13521
90250-04070(2)
11791
13041
13041
11711
11711
11711
11711
11721
11721
11721
11721
13211 13251
13405
13471
13471C
90042-80034
90048-01037
13041
13041
13041
13041
13041
13041
FIG.13-01 CRANKSHAFT & PISTON
PROD_DATE MODELS
SPEC
CODE
DESCRIPTION
R
/
P
PART
NUMBER
O
Y
T
REV_REF
FR TO
+----------+
| 11711 | BEARING, CRANKSHAFT
+----------+
1212 - 1KRDE..B100 MARK2 11711-BZ130-02 4
1212 - 1KRDE..B100 MARK3 11711-BZ130-03 4
1212 - 1KRDE..B100 MARK4 11711-BZ130-04 4
1212 - 1KRDE..B100 MARK5 11711-BZ130-05 4
1212 - 1KRDE..B100 REPAIR,U/S 0.25 11714-BZ030- 4
+----------+
| 11721 | BEARING, CRANKSHAFT, NO.2
+----------+
1212 - 1KRDE..B100 MARK2 11721-BZ070-02 4
1212 - 1KRDE..B100 MARK3 11721-BZ070-03 4
1212 - 1KRDE..B100 MARK4 11721-BZ070-04 4
1212 - 1KRDE..B100 MARK5 11721-BZ070-05 4
1212 - 1KRDE..B100 REPAIR,U/S 0.25 11724-BZ030- 4
+----------+
| 11791 | WASHER, CRANKSHAFT THRUST, UPPER
+----------+
1212 - 1KRDE..B100 STD 11791-BZ100- 2
1212 - 1KRDE..B100 O/S 0.125,REPAIR 11792-BZ050- 2
1212 - 1KRDE..B100 O/S 0.25,REPAIR 11793-BZ050- 2
+----------+
| 13011 | RING SET, PISTON
+----------+
1212 - 1KRDE..B100 STD 13011-BZ150- 1
+----------+
| 13041 | BEARING, CONNECTING ROD
+----------+
1212 - 1KRDE..B100 MARK1 13281-BZ110-01 6
1212 - 1KRDE..B100 MARK2 13281-BZ110-02 6
1212 - 1KRDE..B100 MARK3 13281-BZ110-03 6
1212 - 1KRDE..B100 13288-BZ010- 6
57
FIG.13-01 CRANKSHAFT & PISTON
PROD_DATE MODELS
SPEC
CODE
DESCRIPTION
R
/
P
PART
NUMBER
O
Y
T
REV_REF
FR TO
+----------+
| 13201 | ROD SUB-ASSY, CONNECTING
+----------+
1212 - 1KRDE..B100 13201-B9070- 1
+----------+
| 13211 | PISTON
+----------+
1212 - 1KRDE..B100 13211-BZ200- 3
+----------+
| 13251 | PIN, PISTON
+----------+
1212 - 1KRDE..B100 13251-BZ040- 3
+----------+
| 13265 | BOLT, CONNECTING ROD
+----------+
1212 - 1KRDE..B100 13265-21020- 6
+----------+
| 13405 | FLYWHEEL SUB-ASSY
+----------+
1212 - 1KRDE..B100..5F 13405-BZ120- 1
+----------+
| 13411 | CRANKSHAFT
+----------+
1212 - 1KRDE..B100 13411-40030- 1
+----------+
| 13471 | PULLEY, CRANKSHAFT
+----------+
1212 - 1KRDE..B100 13470-BZ060- 1
+----------+
| 13471C | BOLT(FOR CRANKSHAFT PULLEY SET)
+----------+
1212 - 1KRDE..B100 90119-14106- 1
+----------+
| 13521 | GEAR OR SPROCKET, CRANKSHAFT TIMING
+----------+
1212 - 1KRDE..B100 13521-BZ030- 1
58
FIG.13-02 CAMSHAFT & VALVE
(1212- )
131942
13506
13511
1351213520
13523
13540
13566B
13591
13711
13711A
13711A
13711B
13711B
13715
13734
13734
13741
13741
13741A 13741A
13741A
13741A
13751 13751
90041-05372
90041-05372
90041-05372
90109-08304
90119-10889
91551-80625
91551-80625
90119-10889
FIG.13-02 CAMSHAFT & VALVE
PROD_DATE MODELS
SPEC
CODE
DESCRIPTION
R
/
P
PART
NUMBER
O
Y
T
REV_REF
FR TO
+----------+
| 13506 | CHAIN SUB-AS
SY+----------+
1212 - 1KRDE..B100 13506-BZ060- 1
+----------+
| 13511 | CAMSHAFT
+----------+
1212 - 1KRDE..B100 13501-B6010- 1
+----------+
| 13512 | CAMSHAFT, NO
.2+----------+
1212 - 1KRDE..B100 13502-40010- 1
+----------+
| 13520 | SPROCKET ASSY, CAMSHAFT TIMING
+----------+
1212 - 1KRDE..B100 13529-BZ070- 1
+----------+
| 13523 | GEAR OR SPROCKET, CAMSHAFT TIMING
+----------+
1212 - 1KRDE..B100 13523-BZ080- 1
+----------+
| 13540 | TENSIONER ASSY, CHAIN, NO.1
+----------+
1212 - 1KRDE..B100 13540-21020- 1
+----------+
| 13566B | GUIDE, TIMING CHAIN
+----------+
1212 - 1KRDE..B100 13566-BZ050- 1
+----------+
| 13591 | ARM, TIMING CHAIN TENSION
+----------+
1212 - 1KRDE..B100 13591-BZ050- 1
+----------+
| 13711 | VALVE, INTAK
E+----------+
1212 - 1KRDE..B100 13711-BZ040- 6
+----------+
| 13711A | SEAL OR RING, O(FOR VALVE STEM OIL)
+----------+
1212 - 1KRDE..B100 9004A-31010- 12
+----------+
| 13711B | SPRING, COMPRESSION(FOR INNER)
+----------+
1212 - 1KRDE..B100 90501-25063- 12
59
FIG.13-02 CAMSHAFT & VALVE
PROD_DATE MODELS
SPEC
CODE
DESCRIPTION
R
/
P
PART
NUMBER
O
Y
T
REV_REF
FR TO
+----------+
| 13715 | VALVE, EXHAU
ST+----------+
1212 - 1KRDE..B100 13715-BZ040- 6
+----------+
| 13734 | SEAT, VALVE SPRING
+----------+
1212 - 1KRDE..B100 13734-87206- 12
+----------+
| 13741 | RETAINER, VALVE SPRING
+----------+
1212 - 1KRDE..B100 13741-22021- 12
+----------+
| 13741A | LOCK, VALVE SPRING RETAINER
+----------+
1212 - 1KRDE..B100 90913-03031- 24
+----------+
| 13751 | LIFTER, VALV
E+----------+
1212 - 1KRDE..B100 T=5.12 13751-BZ030- 12
1212 - 1KRDE..B100 T=5.14 13751-BZ040- 12
1212 - 1KRDE..B100 T=5.16 13751-BZ050- 12
1212 - 1KRDE..B100 T=5.18 13751-BZ060- 12
1212 - 1KRDE..B100 T=5.20 13751-BZ070- 12
1212 - 1KRDE..B100 T=5.22 13751-BZ080- 12
1212 - 1KRDE..B100 T=5.24 13751-BZ090- 12
1212 - 1KRDE..B100 T=5.26 13751-BZ100- 12
1212 - 1KRDE..B100 T=5.28 13751-BZ110- 12
1212 - 1KRDE..B100 T=5.30 13751-BZ120- 12
1212 - 1KRDE..B100 T=5.32 13751-BZ130- 12
1212 - 1KRDE..B100 T=5.34 13751-BZ140- 12
1212 - 1KRDE..B100 T=5.36 13751-BZ150- 12
1212 - 1KRDE..B100 T=5.38 13751-BZ160- 12
1212 - 1KRDE..B100 T=5.40 13751-BZ170- 12
1212 - 1KRDE..B100 T=5.42 13751-BZ180- 12
FIG.13-02 CAMSHAFT & VALVE
PROD_DATE MODELS
SPEC
CODE
DESCRIPTION
R
/
P
PART
NUMBER
O
Y
T
REV_REF
FR TO
+----------+
| 13751 | LIFTER, VALV
ECONTINUED--+
1212 - 1KRDE..B100 T=5.44 13751-BZ190- 12
1212 - 1KRDE..B100 T=5.46 13751-BZ200- 12
1212 - 1KRDE..B100 T=5.48 13751-BZ210- 12
1212 - 1KRDE..B100 T=5.50 13751-BZ220- 12
1212 - 1KRDE..B100 T=5.52 13751-BZ230- 12
1212 - 1KRDE..B100 T=5.54 13751-BZ240- 12
1212 - 1KRDE..B100 T=5.56 13751-BZ250- 12
1212 - 1KRDE..B100 T=5.58 13751-BZ260- 12
1212 - 1KRDE..B100 T=5.60 13751-BZ270- 12
1212 - 1KRDE..B100 T=5.62 13751-BZ280- 12
1212 - 1KRDE..B100 T=5.64 13751-BZ290- 12
1212 - 1KRDE..B100 T=5.66 13751-BZ300- 12
1212 - 1KRDE..B100 T=5.68 13751-BZ310- 12
60
FIG.15-01 ENGINE OIL PUMP
(1212- )
152018
15012
15104
15104E
15104E
15119
15121
15122
15147
15157B
15193
90126-06002
90179-06326
91551-80618(7)
91551-80630(2)
94151-80800(2)
FIG.15-01 ENGINE OIL PUMP
PROD_DATE MODELS
SPEC
CODE
DESCRIPTION
R
/
P
PART
NUMBER
O
Y
T
REV_REF
FR TO
+----------+
| 15012 | COVER SUB-ASSY, OIL PUMP
+----------+
1212 - 1KRDE..B100 15012-BZ010- 1
+----------+
| 15104 | STRAINER SUB-ASSY, OIL
+----------+
1212 - 1KRDE..B100..E4AT 15104-BZ010- 1
1212 - 1KRDE..B100..5F 15104-BZ020- 1
+----------+
| 15104E | BOLT, STUD(FOR OIL STRAINER)
+----------+
1212 - 1KRDE..B100 90041-16487- 2
+----------+
| 15119 | GASKET, OIL PUMP COVER
+----------+
1212 - 1KRDE..B100 15119-B6010- 1
+----------+
| 15121 | GEAR, OIL PUMP DRIVE
+----------+
1212 - 1KRDE..B100 15121-BZ020- 1
+----------+
| 15122 | GEAR, OIL PUMP DRIVEN
+----------+
1212 - 1KRDE..B100 15122-BZ020- 1
+----------+
| 15147 | GASKET, OIL STRAINER
+----------+
1212 - 1KRDE..B100 15147-BZ020- 1
+----------+
| 15157B | PLUG, W/HEAD STRAIGHT SCREW
+----------+
1212 - 1KRDE..B100 90341-16023- 1
+----------+
| 15193 | GASKET, OIL PUMP
+----------+
1212 - 1KRDE..B100 15193-BZ010- 1
61
FIG.15-02 OIL FILTER
(1212- )
152019
15601
FIG.15-02 OIL FILTER
PROD_DATE MODELS
SPEC
CODE
DESCRIPTION
R
/
P
PART
NUMBER
O
Y
T
REV_REF
FR TO
+----------+
| 15601 | FILTER SUB-ASSY, OIL
+----------+
1212 - 1KRDE..B100 15601-BZ030- 1
62
FIG.16-01 WATER PUMP
(1212- )
165189-B
16100
16173
16271
90041-19A24
90041-19A24
90041-19A24
91551-00818
90041-05517
FIG.16-01 WATER PUMP
PROD_DATE MODELS
SPEC
CODE
DESCRIPTION
R
/
P
PART
NUMBER
O
Y
T
REV_REF
FR TO
+----------+
| 16100 | PUMP ASSY, ENGINE WATER
+----------+
1212 - 1KRDE..B100 16100-B9025- 1
+----------+
| 16173 | PULLEY, WATER PUMP
+----------+
1212 - 1KRDE..B100 16173-BZ070- 1
+----------+
| 16271 | GASKET, WATER PUMP
+----------+
1212 - 1KRDE..B100 16271-BZ050- 1
63
FIG.16-03 RADIATOR & WATER OUTLET
(1212- )
RADIATOR ILLUST NO. 1 OF 2
165190-A
REFER TO
FIG
(PNC 16361A)
28147-BZ010
28147-BZ030
16360A
16360A
16361
16361
16363
16363
16381
16385
16400
16400B
16400F
16401
16533C
16533C
16535
16535
16711
16711
16497-87201(2)
16497-87201(2)
16672-87201(3)
16672-87202(3)
90041-79141
90041-79141
90105-08433
91671-80825
91671-80825
16-05
64
FIG.16-03 RADIATOR & WATER OUTLET
(1212- )
HOSE ILLUST NO. 2 OF 2
165191-C
REFER TO
FIG
REFER TO
FIG
(PNC 11101C)
90041-05517
91551-00818
16261
16261A
16261V
16261H
16261H
16261L
16268
16331
16331A
16341
16321
16325A
16464
16464
16470
16470A
16471
16565A 16571C
16571D
16571D
16572D
16572E
16581C
90179-06326
91551-00818
91551-00818
91551-80618
91671-80616
11-04
11-04
65
FIG.16-03 RADIATOR & WATER OUTLET
PROD_DATE MODELS
SPEC
CODE
DESCRIPTION
R
/
P
PART
NUMBER
O
Y
T
REV_REF
FR TO
+----------+
| 16261 | HOSE, WATER BY-PASS
+----------+
1212 - 1310 1KRDE..B100 L/INLET WATER 16261-BZ260- 1
1310 - 1KRDE..B100 W/INLET WATER 16261-BZ261- 1
+----------+
| 16261A | CLAMP OR CLIP, HOSE(FOR WATER BY-PASS HOS
E)+----------+
1212 - 1KRDE..B100 90466-30001- 1
+----------+
| 16261H | CLIP(FOR WATER BY-PASS HOSE NO.1)
+----------+
1212 - 1KRDE..B100 96136-42501- 2
+----------+
| 16261L | HOSE, WATER BY-PASS
+----------+
1212 - 1KRDE..B100 16261-BZ090- 1
+----------+
| 16261V | CLAMP OR CLIP, HOSE(FOR WATER BY-PASS HOS
E)+----------+
1212 - 1310 1KRDE..B100 L/INLET WATER 90466-30001- 1
1310 - 1KRDE..B100 W/INLET WATER 96136-43901- 1
+----------+
| 16268 | PIPE, WATER BY-PASS, NO.1
+----------+
1212 - 1KRDE..B100 16268-BZ050- 1
+----------+
| 16321 | INLET, WATER
+----------+
1310 - 1KRDE..B100 16321-BZ080- 1
+----------+
| 16325A | GASKET, WATER INLET HOUSING
+----------+
1310 - 1KRDE..B100 16325-BZ010- 1
+----------+
| 16331 | OUTLET, WATE
R+----------+
1212 - 1KRDE..B100 16331-BZ020- 1
+----------+
| 16331A | THERMOSTAT
+----------+
1212 - 1KRDE..B100 90048-33097- 1
FIG.16-03 RADIATOR & WATER OUTLET
PROD_DATE MODELS
SPEC
CODE
DESCRIPTION
R
/
P
PART
NUMBER
O
Y
T
REV_REF
FR TO
+----------+
| 16341 | GASKET, WATER OUTLET
+----------+
1212 - 1KRDE..B100 16341-B2020- 1
+----------+
| 16360A | FAN ASSY, W/MOTOR
+----------+
1212 - 1KRDE..B100..LO 16360-BZ180- 1
1212 - 1KRDE..B100..HI,MID 16360-BZ190- 1
1212 - 1KRDE..B100..LO P4AB MANUAL AIR CONDITION
ER
16360-BZ190- 1
+----------+
| 16361 | FAN
+----------+
1212 - 1KRDE..B100..LO 16361-BZ100- 1
1212 - 1KRDE..B100..HI,MID 16361-BZ110- 1
1212 - 1KRDE..B100..LO P4AB MANUAL AIR CONDITION
ER
16361-BZ110- 1
+----------+
| 16363 | MOTOR, COOLING FAN
+----------+
1212 - 1KRDE..B100..LO 16363-BZ120- 1
1212 - 1KRDE..B100..HI,MID 16363-BZ130- 1
1212 - 1KRDE..B100..LO P4AB MANUAL AIR CONDITION
ER
16363-BZ130- 1
+----------+
| 16381 | BAR, FAN BELT ADJUSTING
+----------+
1212 - 1KRDE..B100 16380-BZ020- 1
+----------+
| 16385 | SLIDER, FAN BELT ADJUSTING
+----------+
1212 - 1KRDE..B100 16385-BZ060- 1
+----------+
| 16400 | RADIATOR ASS
Y+----------+
1212 - 1KRDE..B100..5F 16400-BZ480- 1
1212 - 1KRDE..B100..E4AT 16400-BZ490- 1
66
FIG.16-03 RADIATOR & WATER OUTLET
PROD_DATE MODELS
SPEC
CODE
DESCRIPTION
R
/
P
PART
NUMBER
O
Y
T
REV_REF
FR TO
+----------+
| 16400B | PLUG, RADIATOR DRAIN COCK
+----------+
1212 - 1KRDE..B100 16417-30170- 1
+----------+
| 16400F | PACKING(FOR RADIATOR DRAIN COCK)
+----------+
1212 - 1KRDE..B100 16418-87503- 1
+----------+
| 16401 | CAP SUB-ASSY, RADIATOR
+----------+
1212 - 1KRDE..B100 16401-BZ060- 1
+----------+
| 16464 | BUSH, TANK LOWER
+----------+
1212 - 1KRDE..B100 16464-BZ010- 2
+----------+
| 16470 | TANK ASSY, RADIATOR RESERVE
+----------+
1212 - 1KRDE..B100 16470-BZ190- 1
+----------+
| 16470A | HOSE OR PIPE(FOR RADIATOR RESERVE TANK)
+----------+
1212 - 1KRDE..B100 16472-BZ050- 1
+----------+
| 16471 | CAP SUB-ASSY, RESERVE TANK
+----------+
1212 - 1KRDE..B100 16471-BZ050- 1
+----------+
| 16533C | GROMMET(FOR RADIATOR SUPPORT)
+----------+
1212 - 1KRDE..B100 9004A-48017- 2
+----------+
| 16535 | SUPPORT, RADIATOR, LOWER
+----------+
1212 - 1KRDE..B100 9004A-48030- 2
+----------+
| 16565A | CLIP
+----------+
1212 - 1KRDE..B100 96136-43601- 1
+----------+
| 16571C | HOSE, RADIATOR, NO.1
+----------+
1212 - 1KRDE..B100 16571-BZ240- 1
FIG.16-03 RADIATOR & WATER OUTLET
PROD_DATE MODELS
SPEC
CODE
DESCRIPTION
R
/
P
PART
NUMBER
O
Y
T
REV_REF
FR TO
+----------+
| 16571D | CLIP, RADIATOR HOSE, NO.1
+----------+
1212 - 1KRDE..B100 96136-43601- 2
+----------+
| 16572D | HOSE, RADIATOR, NO.2
+----------+
1212 - 1KRDE..B100 16572-BZ170- 1
+----------+
| 16572E | CLIP, RADIATOR HOSE, NO.2
+----------+
1212 - 1KRDE..B100 90044-66030- 1
+----------+
| 16581C | CLAMP, HOSE(FOR RADIATOR HOSE NO.2)
+----------+
1212 - 1KRDE..B100 9004A-46309- 1
+----------+
| 16711 | SHROUD, FAN
+----------+
1212 - 1KRDE..B100..LO 16711-BZ080- 1
1212 - 1KRDE..B100..HI,MID 16711-BZ090- 1
1212 - 1KRDE..B100..LO P4AB MANUAL AIR CONDITION
ER
16711-BZ090- 1
67
FIG.16-05 V-BELT
(1212- )
165188
16361A
16361A
FIG.16-05 V-BELT
PROD_DATE MODELS
SPEC
CODE
DESCRIPTION
R
/
P
PART
NUMBER
O
Y
T
REV_REF
FR TO
+----------+
| 16361A | BELT, V(FOR FAN & ALTERNATOR)
+----------+
1212 - 1KRDE..B100..HI,MID TYPE A 9004A-91063- 1
1212 - 1KRDE..B100..LO P4AB MANUAL AIR CONDITION
ER,TYPE A
9004A-91063- 1
1212 - 1KRDE..B100..LO TYPE B 9004A-91064- 1
68
FIG.17-01 MANIFOLD
(1212- )
177892
REFER TO
FIG
(PNC 89465)
17111
17118
17138B
17167
17177
17451B
22271A
25508
89421H
9004A-16070
90179-06326
91551-00818
91551-00818
91671-10825
91671-10825
91671-10825
91671-80614
91671-80614
91671-80614
94151-80800(2)
94151-80800(2)
94151-80800(2)
94151-80800
84-01
69
FIG.17-01 MANIFOLD
PROD_DATE MODELS
SPEC
CODE
DESCRIPTION
R
/
P
PART
NUMBER
O
Y
T
REV_REF
FR TO
+----------+
| 17111 | MANIFOLD, INTAKE
+----------+
1212 - 1KRDE..B100 17101-BZ040- 1
+----------+
| 17118 | STAY, MANIFO
LD+----------+
1212 - 1302 1KRDE..B100 17118-BZ120- 1
1303 - 1KRDE..B100 17118-BZ121- 1
+----------+
| 17138B | STAY, INTAKE MANIFOLD
+----------+
1212 - 1KRDE..B100 17138-BZ080- 1
+----------+
| 17167 | INSULATOR, EXHAUST MANIFOLD HEAT, NO.1
+----------+
1212 - 1KRDE..B100 17167-BZ050- 1
+----------+
| 17177 | GASKET, INTAKE MANIFOLD TO HEAD, NO.1
+----------+
1212 - 1KRDE..B100 17177-BZ020- 1
+----------+
| 17451B | GASKET, EXHAUST PIPE
+----------+
1212 - 1KRDE..B100 17451-BZ100- 1
+----------+
| 22271A | GASKET, THROTTLE BODY
+----------+
1212 - 1KRDE..B100 22271-BZ010- 1
+----------+
| 25508 | CONVERTER SUB-ASSY, MANIFOLD
+----------+
1212 - 1KRDE..B100 D3EB EURO2 17400-BZ010- 1
1212 - 1KRDE..B100 17400-BZ030- 1
+----------+
| 89421H | SENSOR, VACU
UM+----------+
1212 - B100 89421-BZ030- 1
70
FIG.17-02 EXHAUST PIPE
(1212- )
177889
17410
17410K
17451
17565A
17565A
17569C
17565A
FIG.17-02 EXHAUST PIPE
PROD_DATE MODELS
SPEC
CODE
DESCRIPTION
R
/
P
PART
NUMBER
O
Y
T
REV_REF
FR TO
+----------+
| 17410 | PIPE ASSY, EXHAUST, FRONT
+----------+
1212 - 1KRDE..B100 D3EB EURO2 17410-BZ530- 1
1212 - 1KRDE..B100 17410-BZ540- 1
+----------+
| 17410K | SPRING, EXHAUST PIPE
+----------+
1212 - 1KRDE..B100 17152-BZ010- 2
+----------+
| 17451 | GASKET, EXHAUST PIPE
+----------+
1212 - 1KRDE..B100 17451-B0010- 1
+----------+
| 17565A | SUPPORT, EXHAUST PIPE, NO.4
+----------+
1212 - 1KRDE..B100 17567-87703- 3
+----------+
| 17569C | BOLT, EXHAUST PIPE SUPPORT
+----------+
1212 - 1KRDE..B100 90901-05026- 2
71
FIG.17-03 AIR CLEANER
(1212- )
177893
REFER TO
FIG
(PNC 11293A)
REFER TO
FIG
REFER TO
FIG
(PNC 22267)
REFER TO
FIG
(PNC 22210)
17-09
22-11
22-11
22-11
17700
17705
17710B 17710B
17716
17771A
17771B
17801
17881
90041-19A04
90041-19A04
90044-67356
91671-80614(2)
FIG.17-03 AIR CLEANER
PROD_DATE MODELS
SPEC
CODE
DESCRIPTION
R
/
P
PART
NUMBER
O
Y
T
REV_REF
FR TO
+----------+
| 17700 | CLEANER ASSY, AIR
+----------+
1212 - 1KRDE..B100 17700-BZ150- 1
+----------+
| 17705 | CAP SUB-ASSY, AIR CLEANER
+----------+
1212 - 1KRDE..B100 17705-BZ140- 1
+----------+
| 17710B | GROMMET
+----------+
1212 - 1KRDE..B100 9004A-48056- 2
+----------+
| 17716 | SUPPORT,AIR CLEANER CAP
+----------+
1212 - 1KRDE..B100 17716-B2010- 1
+----------+
| 17771A | BRACKET, AIR CLEANER
+----------+
1212 - 1KRDE..B100 17771-BZ050- 1
+----------+
| 17771B | GROMMET(FOR AIR CLEANER BRACKET)
+----------+
1212 - 1KRDE..B100 9004A-48056- 1
+----------+
| 17801 | ELEMENT SUB-ASSY, AIR CLEANER FILTER
+----------+
1212 - 1KRDE..B100 17801-BZ100- 1
+----------+
| 17881 | HOSE, AIR CLEANER, NO.1
+----------+
1212 - 1KRDE..B100 17881-BZ100- 1
72
FIG.17-08 VACUUM PIPING
(1212- )
177894
REFER TO
FIG
(PNC 17111)
REFER TO
FIG
(PNC 77740)
REFER TO
FIG
(PNC 17700)
17308B
23827A
25860
9004A-11190(2)
17-01
77-01
17-03
FIG.17-08 VACUUM PIPING
PROD_DATE MODELS
SPEC
CODE
DESCRIPTION
R
/
P
PART
NUMBER
O
Y
T
REV_REF
FR TO
+----------+
| 17308B | HOSE SUB-ASSY, VACUUM
+----------+
1212 - 1KRDE..B100 77754-BZ080- 1
+----------+
| 23827A | HOSE, FUEL VAPOR FEED, NO.2
+----------+
1212 - 1KRDE..B100 23827-BZ010- 1
+----------+
| 25860 | VALVE ASSY, VACUUM SWITCHING, NO.1
+----------+
1212 - 1KRDE..B100 89470-BZ040- 1
73
FIG.17-09 CAUTION PLATE & NAME PLATE (ENGINE)
(1212- )
177890-A
16793A 11293A
FIG.17-09 CAUTION PLATE & NAME PLATE (ENGINE)
PROD_DATE MODELS
SPEC
CODE
DESCRIPTION
R
/
P
PART
NUMBER
O
Y
T
REV_REF
FR TO
+----------+
| 11293A | PLATE, ENGINE CAUTION
+----------+
1212 - 1KRDE..B100 11293-BZ410- 1
+----------+
| 16793A | LABEL, COOLING FAN CAUTION
+----------+
1212 - 1KRDE..B100 11293-BZ560- 1
74
FIG.19-01 IGNITION COIL & SPARK PLUG
(1212- )
194055
19100P
19500
91551-80625
19100P
19500
91551-80625
19100P
19500
91551-80625
FIG.19-01 IGNITION COIL & SPARK PLUG
PROD_DATE MODELS
SPEC
CODE
DESCRIPTION
R
/
P
PART
NUMBER
O
Y
T
REV_REF
FR TO
+----------+
| 19100P | PLUG, SPARK
+----------+
1212 - 1KRDE..B100 NGK LKR6C 9004A-91062- 3
+----------+
| 19500 | COIL ASSY, IGNITION
+----------+
1212 - 1KRDE..B100 9004A-19001- 3
75
FIG.19-03 ALTERNATOR
(1212- )
194059-B
27060
27387B
27310B
27312
27411
27371
27314-BZ040
9004B-10013
9004B-10014
91552-81085
90179-06158
27330
27330A
76
FIG.19-03 ALTERNATOR
PROD_DATE MODELS
SPEC
CODE
DESCRIPTION
R
/
P
PART
NUMBER
O
Y
T
REV_REF
FR TO
+----------+
| 27060 | ALTERNATOR ASSY, W/REGULATOR
+----------+
1212 - 1KRDE..B100 27060-BZ240- 1
+----------+
| 27310B | BEARING(FOR ALTERNATOR DRIVE END FRAME)
+----------+
1212 - 1KRDE..B100 9004B-37008- 1
+----------+
| 27312 | PLATE, RETAINER
+----------+
1212 - 1KRDE..B100 27312-BZ040- 1
+----------+
| 27330 | ROTOR ASSY, ALTERNATOR
+----------+
1212 - 1KRDE..B100 27330-BZ050- 1
+----------+
| 27330A | BEARING(FOR ALTERNATOR ROTOR)
+----------+
1212 - 1KRDE..B100 9004B-37009- 1
+----------+
| 27371 | BRUSH, ALTERNATOR
+----------+
1212 - 1KRDE..B100 27371-BZ020- 2
+----------+
| 27387B | INSULATOR, ALTERNATOR TERMINAL
+----------+
1212 - 1KRDE..B100 27387-BZ060- 1
+----------+
| 27411 | PULLEY, ALTERNATOR
+----------+
1212 - 1KRDE..B100 27411-BZ080- 1
77
FIG.19-04 STARTER
(1212- )
194062-A
28100 90041-79109
91552-81065
91552-81065
91552-81065
28226B
28110
28021
28120
28160
28140
28130
78
FIG.19-04 STARTER
PROD_DATE MODELS
SPEC
CODE
DESCRIPTION
R
/
P
PART
NUMBER
O
Y
T
REV_REF
FR TO
+----------+
| 28021 | CLUTCH SUB-ASSY, STARTER CENTER BEARING
+----------+
1212 - 1KRDE..B100 28021-BZ010- 1
+----------+
| 28100 | STARTER ASSY
+----------+
1212 - 1KRDE..B100..5F 12V 0.85KW 28100-BZ141- 1
1212 - 1KRDE..B100..E4AT 12V 0.85KW 28100-BZ151- 1
+----------+
| 28110 | HOUSING ASSY, STARTER DRIVE
+----------+
1212 - 1KRDE..B100..5F 28110-BZ040- 1
1212 - 1KRDE..B100..E4AT 28110-BZ060- 1
+----------+
| 28120 | YOKE ASSY, STARTER
+----------+
1212 - 1KRDE..B100 28120-BZ030- 1
+----------+
| 28130 | FRAME ASSY, STARTER COMMUTATOR END
+----------+
1212 - 1KRDE..B100 28130-BZ140- 1
+----------+
| 28140 | HOLDER ASSY, STARTER BRUSH
+----------+
1212 - 1KRDE..B100 28140-BZ140- 1
+----------+
| 28160 | ARMATURE ASSY, STARTER
+----------+
1212 - 1KRDE..B100 28160-BZ040- 1
+----------+
| 28226B | STARTER KIT, REPAIR SERVICE
+----------+
1212 - 1KRDE..B100 28226-BZ010- 1
79
FIG.22-11 FUEL INJECTION SYSTEM
(1212- )
222860
REFER TO
FIG
(PNC 77251B)
REFER TO
FIG
(PNC 22271A)
REFER TO
FIG
(PNC 17111)
22210
22230J
22267
23250
23250B
23250B
23295
23814B
23841B
23842A
23901
90126-06029
90126-06029
90179-06326
90179-06326
91551-80618
91671-80614(2)
91671-80616(2)
77-01
17-01
17-01
FIG.22-11 FUEL INJECTION SYSTEM
PROD_DATE MODELS
SPEC
CODE
DESCRIPTION
R
/
P
PART
NUMBER
O
Y
T
REV_REF
FR TO
+----------+
| 22210 | BODY ASSY, THROTTLE
+----------+
1212 - 1KRDE..B100 22210-B6010- 1
+----------+
| 22230J | CLAMP
+----------+
1212 - 1KRDE..B100 90044-64803- 1
+----------+
| 22267 | BRACKET, THROTTLE BODY
+----------+
1212 - 1311 1KRDE..B100 22208-BZ010- 1
+----------+
| 23250 | INJECTOR ASSY, FUEL
+----------+
1212 - 1KRDE..B100 23250-BZ040- 3
+----------+
| 23250B | RING, O(FOR FUEL INJECTOR)
+----------+
1212 - 1KRDE..B100 NO.2 23585-B2040- 3
1212 - 1KRDE..B100 NO.1 90043-01353- 3
+----------+
| 23295 | HOLDER, INJECTOR, NO.1
+----------+
1212 - 1KRDE..B100 23295-BZ010- 3
+----------+
| 23814B | PIPE, FUEL DELIVERY
+----------+
1212 - 1KRDE..B100 23814-B6010- 1
+----------+
| 23841B | CLAMP, FUEL PIPE, NO.1(FOR EFI)
+----------+
1212 - 1KRDE..B100 23841-B1010- 1
+----------+
| 23842A | CLAMP, FUEL PIPE, NO.2(FOR EFI)
+----------+
1212 - 1KRDE..B100 23842-BZ010- 1
+----------+
| 23901 | TUBE SUB-ASSY, FUEL
+----------+
1212 - 1KRDE..B100 23901-BZ010- 1
80
FIG.31-01 CLUTCH & RELEASE FORK
(1212- )5F
312676-B
31210
31223
31223D
31230
31232A
31250
31302A
31302B
9004A-10118
9004A-21007
33325-BZ010
9004A-11249(6)
31223D
FIG.31-01 CLUTCH & RELEASE FORK
PROD_DATE MODELS
SPEC
CODE
DESCRIPTION
R
/
P
PART
NUMBER
O
Y
T
REV_REF
FR TO
+----------+
| 31210 | COVER ASSY, CLUTCH
+----------+
1212 - 1306 B100..5F 31210-BZ030- 1
1307 - B100..5F 31210-BZ031- 1
+----------+
| 31223 | YOKE, CLUTCH RELEASE LEVER
+----------+
1212 - 1310 B100..5F 31223-BZ040- 1
1310 - 1404 B100..5F JAPAN SOURCED PARTS 31223-BZ040- 1
1310 - B100..5F LOCAL SOURCED PARTS 31223-BZ041- 1
+----------+
| 31223D | BUSH(FOR CLUTCH RELEASE LEVER YOKE)
+----------+
1212 - B100..5F 9004A-38072- 2
+----------+
| 31230 | BEARING ASSY, CLUTCH RELEASE
+----------+
1212 - B100..5F 31230-BZ040- 1
+----------+
| 31232A | CLIP, RELEASE BEARING HUB
+----------+
1212 - B100..5F 31232-BZ070- 1
+----------+
| 31250 | DISC ASSY, CLUTCH
+----------+
1212 - 1306 B100..5F 31250-BZ040- 1
1307 - B100..5F 31250-BZ041- 1
+----------+
| 31302A | LEVER SUB-ASSY, CLUTCH RELEASE FORK
+----------+
1212 - B100..5F 31302-BZ050- 1
+----------+
| 31302B | SPRING, TORSION(FOR CLUTCH RELEASE FORK LEVER)
+----------+
1212 - B100..5F 9004A-50119- 1
81
FIG.31-02 CLUTCH PEDAL & FLEXIBLE HOSE
(1212- )5F
312677
31301
31301A
31321
31324
31340
31347 31340G
31341
55107A
90041-79300
90041-79300
90045-40158
90045-40158
91551-80616
91553-80814
91671-80614
31301Q
31301Q
FIG.31-02 CLUTCH PEDAL & FLEXIBLE HOSE
PROD_DATE MODELS
SPEC
CODE
DESCRIPTION
R
/
P
PART
NUMBER
O
Y
T
REV_REF
FR TO
+----------+
| 31301 | PEDAL SUB-ASSY, CLUTCH
+----------+
1212 - B100..5F 31310-BZ200- 1
+----------+
| 31301A | SPRING(FOR CLUTCH PEDAL)
+----------+
1212 - B100..5F 31394-BZ050- 1
+----------+
| 31301Q | BUSH(FOR CLUTCH PEDAL SPRING)
+----------+
1212 - B100..5F 9004A-38021- 2
+----------+
| 31321 | PAD, CLUTCH PEDAL
+----------+
1212 - B100..5F 31321-BZ050- 1
+----------+
| 31324 | SHAFT, CLUTCH PEDAL
+----------+
1212 - B100..5F 31324-B2020- 1
+----------+
| 31340 | CABLE ASSY, CLUTCH RELEASE
+----------+
1212 - B100..5F 31340-BZ060- 1
+----------+
| 31340G | CLIP(FOR CLUTCH RELEASE CABLE)
+----------+
1212 - B100..5F 90044-68143- 1
+----------+
| 31341 | BRACKET, CLUTCH CABLE
+----------+
1212 - B100..5F 31341-BZ130- 1
+----------+
| 31347 | CLAMP, CLUTCH CABLE
+----------+
1212 - B100..5F 31347-BZ060- 1
+----------+
| 55107A | SUPPORT SUB-ASSY, CLUTCH PEDAL
+----------+
1212 - B100..5F 55107-BZ160- 1
82
FIG.33-01 TRANSAXLE OR TRANSMISSION ASSY & GASKET KIT (MTM)
(1212- )5F
334630
30300
FIG.33-01 TRANSAXLE OR TRANSMISSION ASSY & GASKET KIT (MTM)
PROD_DATE MODELS
SPEC
CODE
DESCRIPTION
R
/
P
PART
NUMBER
O
Y
T
REV_REF
FR TO
+----------+
| 30300 | TRANSAXLE ASSY, MANUAL
+----------+
1212 - 1306 B100..5F 30300-BZ100- 1
1306 - B100..5F JAPAN SOURCED PARTS 30300-BZ100- 1
1306 - B100..5F LOCAL SOURCED PARTS 30300-BZ140- 1
83
FIG.33-02 CLUTCH HOUSING & TRANSMISSION CASE (MTM)
(1212- )5F
ILLUST NO. 1 OF 2
334631
REFER TO
FIG
REFER TO
FIG
REFER TO
FIG
REFER TO
FIG
(PNC 84210)
REFER TO
FIG
(PNC 84210B)
12282B
31111
31341A
33102
33111
33111J
33111Q
33111Y
33123B
33151K
33449B
90041-20279
9004A-10126(8)
9004A-10127(2)
9004A-11215(3)
82-02
82-02
82-02
33111J
84-01
84-01
84
FIG.33-02 CLUTCH HOUSING & TRANSMISSION CASE (MTM)
(1212- )5F
ILLUST NO. 2 OF 2
334632
33111C
33111X
90041-20278(4)
9004A-10129(12)
FIG.33-02 CLUTCH HOUSING & TRANSMISSION CASE (MTM)
PROD_DATE MODELS
SPEC
CODE
DESCRIPTION
R
/
P
PART
NUMBER
O
Y
T
REV_REF
FR TO
+----------+
| 12282B | HANGER, TRANSAXLE
+----------+
1212 - 1KRDE..B100..5F 12282-BZ040- 1
+----------+
| 31111 | HOUSING, CLUTCH
+----------+
1212 - B100..5F 31115-BZ030- 1
+----------+
| 31341A | BRACKET, CLUTCH CABLE
+----------+
1212 - B100..5F 31341-BZ050- 1
+----------+
| 33102 | COVER SUB-ASSY, MANUAL TRANSMISSION CASE
+----------+
1212 - B100..5F 33102-BZ010- 1
+----------+
| 33111 | CASE, MANUAL TRANSMISSION
+----------+
1212 - B100..5F 33111-BZ060- 1
+----------+
| 33111C | PLUG(FOR TRANSMISSION CASE)
+----------+
1212 - B100..5F 9004A-34013- 2
+----------+
| 33111J | PIN, STRAIGHT(FOR MANUAL TRANSMISSION CAS
E)+----------+
1212 - B100..5F L=25,OD=10 9004A-25032- 2
+----------+
| 33111Q | SEAL, OIL(FOR TRANSMISSION CASE)
+----------+
1212 - B100..5F 9004A-31050- 1
+----------+
| 33111X | GASKET, TRANSMISSION CASE PLUG
+----------+
1212 - B100..5F 9004A-43006- 2
+----------+
| 33111Y | SEAL, OIL(FOR TRANSMISSION CASE)
+----------+
1212 - B100..5F 9004A-31013- 1
+----------+
| 33123B | RECEIVER, CASE COVER OIL, NO.1(MTM)
+----------+
1212 - B100..5F 33123-BZ010- 1
85
FIG.33-02 CLUTCH HOUSING & TRANSMISSION CASE (MTM)
PROD_DATE MODELS
SPEC
CODE
DESCRIPTION
R
/
P
PART
NUMBER
O
Y
T
REV_REF
FR TO
+----------+
| 33151K | SEAL, TYPE T OIL
+----------+
1212 - B100..5F 9004A-31051- 1
+----------+
| 33449B | MAGNET, TRANSMISSION
+----------+
1212 - B100..5F 33449-BZ030- 1
86
FIG.33-04 SPEEDOMETER DRIVEN GEAR (MTM)
(1212- )5F
334633
REFER TO
FIG
(PNC 83181G)
84-01
33403S
33404A35136-BZ010
91551-80616
FIG.33-04 SPEEDOMETER DRIVEN GEAR (MTM)
PROD_DATE MODELS
SPEC
CODE
DESCRIPTION
R
/
P
PART
NUMBER
O
Y
T
REV_REF
FR TO
+----------+
| 33403S | PLUG(FOR MTM SPEEDOMETER DRIVEN HOLE)
+----------+
1212 - B100..HI..5F B2DB WITH(PACKAGE OPTION
2)
35133-BZ010- 1
+----------+
| 33404A | RING, O (FOR MTM SPEEDOMETER SHAFT SLEEVE
)+----------+
1212 - B100..HI..5F B2DB WITH(PACKAGE OPTION
2)
9004A-30049- 1
87
FIG.33-05 TRANSMISSION GEAR (MTM)
(1212- )5F
334634-A
33371
9004A-11236(2)
9004A-52066
9004A-17211
9004A-20072
9004A-20072
9004A-17211
33370
33371
33367
33134B
33358
33311A
33311
33321
33321N
33327B
33348
33334
33334A
33311E
33338B
33336
33380
33333
33367
33385
33371
33365
33365
33365
33365
33365
33365
33371
33367
33360
33391
33037B
33335
33423A
33487
33422B
33321A
33111R
33428C
33366
33366
33366
33391
33342D
33038E
33451
33402D
33402
33332
88
FIG.33-05 TRANSMISSION GEAR (MTM)
PROD_DATE MODELS
SPEC
CODE
DESCRIPTION
R
/
P
PART
NUMBER
O
Y
T
REV_REF
FR TO
+----------+
| 33037B | RING SET, SYNCHRONIZER, NO.1
+----------+
1212 - 1306 B100..5F JAPAN SOURCED PARTS 33037-BZ020- 1
1306 - 1310 B100..5F JAPAN SOURCED PARTS 33037-BZ020- 2
1306 - B100..5F LOCAL SOURCED PARTS 33037-BZ021- 1
1310 - B100..5F 33037-BZ021- 1
+----------+
| 33038E | RING SET, SYNCHRONIZER, NO.2
+----------+
1212 - 1306 B100..5F JAPAN SOURCED PARTS 33038-BZ020- 1
1306 - 1310 B100..5F JAPAN SOURCED PARTS 33038-BZ020- 2
1306 - B100..5F LOCAL SOURCED PARTS 33038-BZ021- 1
1310 - B100..5F 33038-BZ021- 1
+----------+
| 33111R | RING, HOLE SNAP(FOR OUTPUT SHAFT REAR BEARING)
+----------+
1212 - B100..5F 9004A-52067- 1
+----------+
| 33134B | COVER, OUTPUT SHAFT(MTM)
+----------+
1212 - B100..5F 33134-BZ020- 1
+----------+
| 33311 | SHAFT, INPUT
+----------+
1212 - 1306 B100..5F 33311-BZ071- 1
1306 - B100..5F AKI 33311-BZ071- 1
1306 - B100..5F AAI 33311-BZ081- 1
+----------+
| 33311A | BEARING (FOR INPUT SHAFT FRONT)
+----------+
1212 - B100..5F 9004A-36097- 1
+----------+
| 33311E | BEARING, RADIAL BALL (FOR INPUT SHAFT REA
R)+----------+
1212 - B100..5F 9004A-36096- 1
FIG.33-05 TRANSMISSION GEAR (MTM)
PROD_DATE MODELS
SPEC
CODE
DESCRIPTION
R
/
P
PART
NUMBER
O
Y
T
REV_REF
FR TO
+----------+
| 33321 | SHAFT, OUTPU
T+----------+
1212 - 1306 B100..5F 33321-BZ060- 1
1306 - B100..5F AKI 33321-BZ060- 1
1306 - B100..5F MAP-IN 33321-BZ070- 1
+----------+
| 33321A | BEARING (FOR OUTPUT SHAFT REAR)
+----------+
1212 - B100..5F 9004A-36099- 1
+----------+
| 33321N | BEARING (FOR OUTPUT SHAFT FRONT)
+----------+
1212 - B100..5F 9004A-36098- 1
+----------+
| 33327B | PLATE, OUTPUT SHAFT BEARING LOCK
+----------+
1212 - B100..5F 33326-BZ050- 1
+----------+
| 33332 | GEAR, 2ND
+----------+
1212 - B100..5F 33332-BZ042- 1
+----------+
| 33333 | GEAR, 3RD
+----------+
1212 - 1306 B100..5F 33333-BZ070- 1
1306 - B100..5F AKI 33333-BZ070- 1
1306 - B100..5F MAP-IN 33333-BZ080- 1
+----------+
| 33334 | GEAR, 4TH
+----------+
1212 - B100..5F 33334-BZ010- 1
+----------+
| 33334A | BEARING, NEEDLE ROLLER (FOR 4TH GEAR)
+----------+
1212 - B100..5F 9004A-36057- 1
+----------+
| 33335 | GEAR, 1ST
+----------+
1212 - B100..5F 33335-BZ051- 1
89
FIG.33-05 TRANSMISSION GEAR (MTM)
PROD_DATE MODELS
SPEC
CODE
DESCRIPTION
R
/
P
PART
NUMBER
O
Y
T
REV_REF
FR TO
+----------+
| 33336 | GEAR, 5TH
+----------+
1212 - 1306 B100..5F 33336-BZ030- 1
1306 - B100..5F AKI 33336-BZ030- 1
1306 - B100..5F MAP-IN 33336-BZ050- 1
+----------+
| 33338B | BUSH, 5TH GE
AR+----------+
1212 - B100..5F 33338-BZ020- 1
+----------+
| 33342D | BUSH(FOR 2ND GEAR)
+----------+
1212 - B100..5F 33343-BZ030- 1
+----------+
| 33348 | WASHER, 1ST GEAR THRUST
+----------+
1212 - B100..5F 33348-BZ080- 1
+----------+
| 33358 | RACE, 4TH GEAR BEARING INNER
+----------+
1212 - B100..5F 33358-BZ030- 1
+----------+
| 33360 | HUB ASSY, SYNCHRONIZER, NO.1
+----------+
1212 - 1404 B100..5F JAPAN SOURCED PARTS 33360-BZ081- 1
1306 - B100..5F LOCAL SOURCED PARTS 33360-BZ082- 1
+----------+
| 33365 | KEY, SYNCHROMESH SHIFTING, NO.1
+----------+
1212 - 1306 B100..5F JAPAN SOURCED PARTS 33365-BZ040- 6
1306 - 1310 B100..5F JAPAN SOURCED PARTS 33365-BZ040- 12
1310 - 1404 B100..5F JAPAN SOURCED PARTS 33365-BZ040- 6
1306 - B100..5F LOCAL SOURCED PARTS 33365-BZ041- 6
+----------+
| 33366 | KEY, SYNCHROMESH SHIFTING, NO.2
+----------+
1212 - 1306 B100..5F JAPAN SOURCED PARTS 33366-BZ040- 3
1306 - 1310 B100..5F JAPAN SOURCED PARTS 33366-BZ040- 6
FIG.33-05 TRANSMISSION GEAR (MTM)
PROD_DATE MODELS
SPEC
CODE
DESCRIPTION
R
/
P
PART
NUMBER
O
Y
T
REV_REF
FR TO
+----------+
| 33366 | KEY, SYNCHROMESH SHIFTING, NO.2
CONTINUED--+
1310 - 1404 B100..5F JAPAN SOURCED PARTS 33366-BZ040- 3
1306 - B100..5F LOCAL SOURCED PARTS 33366-BZ041- 3
+----------+
| 33367 | RING, SYNCHRONIZER, NO.1
+----------+
1212 - B100..5F 33367-BZ040- 3
+----------+
| 33370 | HUB ASSY, SYNCHRONIZER, NO.2
+----------+
1212 - 1404 B100..5F JAPAN SOURCED PARTS 33370-BZ060- 1
1306 - B100..5F LOCAL SOURCED PARTS 33370-BZ061- 1
+----------+
| 33371 | SPRING, SYNCHROMESH SHIFTING KEY, NO.1
+----------+
1212 - B100..5F 33371-BZ040- 4
+----------+
| 33380 | HUB ASSY, SYNCHRONIZER, NO.3
+----------+
1212 - 1404 B100..5F JAPAN SOURCED PARTS 33380-BZ060- 1
1306 - B100..5F LOCAL SOURCED PARTS 33380-BZ061- 1
+----------+
| 33385 | RETAINER, SHIFTING KEY
+----------+
1212 - B100..5F 33385-BZ050- 1
+----------+
| 33391 | SPRING, SYNCHROMESH SHIFTING KEY, NO.2
+----------+
1212 - B100..5F 33391-BZ040- 2
+----------+
| 33402 | GEAR SUB-ASSY, REVERSE IDLER
+----------+
1212 - B100..5F 33402-BZ050- 1
+----------+
| 33402D | SPRING(FOR REVERSE IDLER GEAR)
+----------+
1212 - B100..5F 9004A-50124- 1
90
FIG.33-05 TRANSMISSION GEAR (MTM)
PROD_DATE MODELS
SPEC
CODE
DESCRIPTION
R
/
P
PART
NUMBER
O
Y
T
REV_REF
FR TO
+----------+
| 33422B | GEAR, 4TH DRIVEN
+----------+
1212 - B100..5F 33422-BZ010- 1
+----------+
| 33423A | GEAR, 3RD DRIVEN
+----------+
1212 - 1306 B100..5F 33423-BZ010- 1
1306 - B100..5F AKI 33423-BZ010- 1
1306 - B100..5F AAI 33423-BZ020- 1
+----------+
| 33428C | GEAR, 5TH DRIVEN
+----------+
1212 - 1306 B100..5F 33428-BZ020- 1
1306 - B100..5F AKI 33428-BZ020- 1
1306 - B100..5F AAI 33428-BZ040- 1
+----------+
| 33451 | SHAFT, REVERSE IDLER GEAR
+----------+
1212 - B100..5F 33451-BZ060- 1
+----------+
| 33487 | HUB, SPEEDOMETER DRIVE GEAR
+----------+
1212 - 1306 B100..5F JAPAN SOURCED PARTS 33487-BZ020- 1
1306 - 1310 B100..5F JAPAN SOURCED PARTS 33487-BZ020- 2
1310 - 1404 B100..5F JAPAN SOURCED PARTS 33487-BZ020- 1
1306 - B100..5F LOCAL SOURCED PARTS 33487-BZ021- 1
91
FIG.33-07 GEAR SHIFT FORK & LEVER SHAFT (MTM)
―
 
―
 
―
 
―
 
―
 
―
 
―
 
―
 
―
 
―
 
―
 
―
 
―
 
―
 
―
 
―
 
―
 
―
 
―
 
―
 
―
 
―
 
―
 
―
 
―
 
―
 
―
 
―
 
―
 
―
 
―
 
―
 
―
 
―
(1212- )5F
ILLUST NO. 1 OF 2
334635-B
33212A
33213G
33214G
33221
33231
33242
33243A
33244D
33266C
33266C
33275B
33275E
33275B
33275E
33275B
33275E
9004A-10119
9004A-10128(2)
9004A-25024
9004A-25024
9004A-25024
9004A-25024
33122
9004A-11237(4)
9004A-10130(3)
33203E
FIG.33-07 GEAR SHIFT FORK & LEVER SHAFT (MTM)
(1212- )5F
ILLUST NO. 2 OF 2
334636-B
33111G
33203
33203B
33203J
33205
33242K
33251A
33251H
33256
33262F
33293G
33506D
33519
9004A-25024
9004A-250259004A-25029(2)
9004A-30051
33273
33518-BZ010
92
FIG.33-07 GEAR SHIFT FORK & LEVER SHAFT (MTM)
PROD_DATE MODELS
SPEC
CODE
DESCRIPTION
R
/
P
PART
NUMBER
O
Y
T
REV_REF
FR TO
+----------+
| 33111G | PLUG, BREATHER(FOR MANUAL TRANSMISSION)
+----------+
1212 - B100..5F 9004A-93003- 1
+----------+
| 33122 | GASKET, MANUAL TRANSMISSION CASE COVER
+----------+
1212 - B100..5F 33122-BZ040- 1
+----------+
| 33203 | SHAFT SUB-ASSY, SHIFT LEVER, NO.1
+----------+
1212 - B100..5F 33203-BZ020- 1
+----------+
| 33203B | SEAL, OIL(FOR SHIFT LEVER SHAFT)
+----------+
1212 - B100..5F 9004A-31053- 1
+----------+
| 33203E | BUSH(FOR SHIFT LEVER SHAFT)
+----------+
1212 - B100..5F 33572-BZ010- 1
+----------+
| 33203J | SPRING(FOR SHIFT LEVER SHAFT BALL)
+----------+
1212 - 1402 B100..5F 9004A-50123- 1
+----------+
| 33205 | SHAFT SUB-ASSY, SELECT LEVER
+----------+
1212 - B100..5F 33205-BZ020- 1
+----------+
| 33212A | FORK, GEAR SHIFT, NO.1
+----------+
1212 - B100..5F 33212-BZ050- 1
+----------+
| 33213G | FORK, GEAR SHIFT, NO.2
+----------+
1212 - B100..5F 33213-BZ050- 1
+----------+
| 33214G | FORK, GEAR SHIFT, NO.3
+----------+
1212 - B100..5F 33214-BZ060- 1
+----------+
| 33221 | ARM, REVERSE SHIFT
+----------+
1212 - B100..5F 33201-BZ030- 1
FIG.33-07 GEAR SHIFT FORK & LEVER SHAFT (MTM)
PROD_DATE MODELS
SPEC
CODE
DESCRIPTION
R
/
P
PART
NUMBER
O
Y
T
REV_REF
FR TO
+----------+
| 33231 | HEAD, REVERSE SHIFT
+----------+
1212 - B100..5F 33231-BZ020- 1
+----------+
| 33242 | SHAFT, GEAR SHIFT FORK, NO.1
+----------+
1212 - B100..5F 33242-BZ030- 1
+----------+
| 33242K | SPRING, TORSION(FOR SELECT RETURN)
+----------+
1212 - B100..5F 9004A-50121- 1
+----------+
| 33243A | SHAFT, GEAR SHIFT FORK, NO.2
+----------+
1212 - B100..5F 33243-BZ060- 1
+----------+
| 33244D | SHAFT, GEAR SHIFT FORK, NO.3
+----------+
1212 - B100..5F 33244-BZ060- 1
+----------+
| 33251A | LEVER, SHIFT, INNER NO.1
+----------+
1212 - 1310 B100..5F 33251-BZ040- 1
1310 - 1404 B100..5F JAPAN SOURCED PARTS 33251-BZ040- 1
1310 - B100..5F LOCAL SOURCED PARTS 33251-BZ041- 1
+----------+
| 33251H | BALL (FOR SHIFT INNER LEVER)
+----------+
1212 - B100..5F 9004A-36044- 1
+----------+
| 33256 | LEVER, SELECT INNER
+----------+
1212 - 1310 B100..5F 33256-BZ030- 1
1310 - 1404 B100..5F JAPAN SOURCED PARTS 33256-BZ030- 1
1310 - B100..5F LOCAL SOURCED PARTS 33256-BZ031- 1
+----------+
| 33262F | SEAL, OIL (FOR SELECT LEVER SHAFT)
+----------+
1212 - B100..5F 9004A-31052- 1
93
FIG.33-07 GEAR SHIFT FORK & LEVER SHAFT (MTM)
PROD_DATE MODELS
SPEC
CODE
DESCRIPTION
R
/
P
PART
NUMBER
O
Y
T
REV_REF
FR TO
+----------+
| 33266C | PLATE, SHIFT INTER LOCK
+----------+
1212 - 1310 B100..5F 33266-BZ030- 2
1310 - 1404 B100..5F JAPAN SOURCED PARTS 33266-BZ030- 2
1310 - B100..5F LOCAL SOURCED PARTS 33266-BZ031- 2
+----------+
| 33273 | WASHER, SHIFT LEVER SHAFT HOUSING, NO.1
+----------+
1212 - B100..5F 33273-BZ030- 1
+----------+
| 33275B | BALL, SHAFT DETENT
+----------+
1212 - B100..5F 9004A-36044- 3
+----------+
| 33275E | SPRING, COMPRESSION (FOR SHIFT DETENT BAL
L)+----------+
1212 - B100..5F 9004A-50122- 3
+----------+
| 33293G | HOLDER, LOCK BALL
+----------+
1212 - B100..5F 33293-BZ010- 1
+----------+
| 33506D | COVER SUB-ASSY, CONTROL SHAFT
+----------+
1212 - B100..5F 33506-BZ050- 1
+----------+
| 33519 | BOOT, CONTROL SHAFT DUST
+----------+
1212 - B100..5F 33519-BZ040- 1
94
FIG.33-12 SHIFT LEVER & RETAINER
―
 
―
 
―
 
―
 
―
 
―
 
―
 
―
 
―
 
―
 
―
 
―
 
―
 
―
 
―
 
―
 
―
 
―
 
―
 
―
 
―
 
―
 
―
 
―
 
―
 
―
 
―
 
―
 
―
 
―
 
―
 
―
 
―
 
―
(1212- )5F
334637-A
33504F
33550
33820B
33821E
33821E
33823
90042-02110
90044-68075
90044-68075
90044-68076
90044-68076
90042-01605
90044-68076
9004A-11274(2)
9004A-20016
91551-80820(2)
91651-G0616
94185-60800(2)
FIG.33-12 SHIFT LEVER & RETAINER
(1212- )E4AT
3312 334638
33550
33820B
33823
33829B
90044-68075
9004A-11274(2)
9004A-46315
91651-G0616
91651-G0616 91651-G0616
94185-60800(2)
95
FIG.33-12 SHIFT LEVER & RETAINER
PROD_DATE MODELS
SPEC
CODE
DESCRIPTION
R
/
P
PART
NUMBER
O
Y
T
REV_REF
FR TO
+----------+
| 33504F | KNOB SUB-ASSY, SHIFT LEVER
+----------+
1212 - B100..HI..5F DK.GRAY(TRIM1#) 33504-B1010-B0 1
1212 - B100..(LO,MID)..5F DK.GRAY(TRIM1#) 33504-BZ010-B0 1
+----------+
| 33550 | FLOOR SHIFT ASSY, TRANSMISSION
+----------+
1212 - B100..MID..E4AT DK.GRAY(TRIM1#) 33550-B6010-B0 1
1212 - B100..HI..E4AT DK.GRAY(TRIM1#) 33550-B6020-B0 1
1212 - B100..5F DK.GRAY(TRIM1#) 33550-BZ140-B0 1
+----------+
| 33820B | CABLE ASSY, TRANSMISSION CONTROL
+----------+
1212 - B100..5F 33820-BZ160- 1
1212 - B100..E4AT 33820-BZ170- 1
+----------+
| 33821E | CLAMP, NO.1 (FOR TRANSMISSION CONTROL CABLE)
+----------+
1212 - B100..5F 33567-B1010- 2
+----------+
| 33823 | BRACKET, TRANSMISSION CONTROL CABLE, NO.1
+----------+
1212 - B100..E4AT 33524-B2040- 1
1212 - B100..5F 33823-BZ020- 1
+----------+
| 33829B | CLAMP, TRANSMISSION CONTROL CABLE
+----------+
1212 - B100..E4AT 33829-BZ070- 1
96
FIG.35-01 TRANSAXLE OR TRANSMISSION ASSY & GASKET KIT (ATM)
(1212- )E4AT
358482
30500
FIG.35-01 TRANSAXLE OR TRANSMISSION ASSY & GASKET KIT (ATM)
PROD_DATE MODELS
SPEC
CODE
DESCRIPTION
R
/
P
PART
NUMBER
O
Y
T
REV_REF
FR TO
+----------+
| 30500 | TRANSAXLE ASSY, AUTOMATIC
+----------+
1212 - B100..E4AT 30500-B1130- 1
97
FIG.35-02 TORQUE CONVERTER, FRONT OIL PUMP & CHAIN (ATM)
(1212- )E4AT
358488
32000
32101
32101A
32101A
32101C
35301
35301A
35301B
35617
35617
35617
35301F
FIG.35-02 TORQUE CONVERTER, FRONT OIL PUMP & CHAIN (ATM)
PROD_DATE MODELS
SPEC
CODE
DESCRIPTION
R
/
P
PART
NUMBER
O
Y
T
REV_REF
FR TO
+----------+
| 32000 | CONVERTER ASSY, TORQUE
+----------+
1212 - B100..E4AT 32000-B1011- 1
+----------+
| 32101 | GEAR SUB-ASSY, DRIVE PLATE & RING
+----------+
1212 - B100..E4AT 32101-BZ040- 1
+----------+
| 32101A | BOLT(FOR DRIVE PLATE & TORQUE CONVERTER SETTING)
+----------+
1212 - B100..E4AT SILVER 90041-05273- 1
1212 - B100..E4AT BLACK 90041-05281- 5
+----------+
| 32101C | BOLT, HEXAGON(FOR DRIVE PLATE SETTING)
+----------+
1212 - B100..E4AT 90048-01037- 6
+----------+
| 35301 | BODY SUB-ASSY, FRONT OIL PUMP
+----------+
1212 - B100..E4AT 35310-97203- 1
+----------+
| 35301A | SEAL, OIL (FOR FRONT OIL PUMP)
+----------+
1212 - B100..E4AT 90043-11336- 1
+----------+
| 35301B | RING, O (FOR FRONT OIL PUMP BODY)
+----------+
1212 - B100..E4AT 90043-01161- 1
+----------+
| 35301F | BOLT (FOR FRONT OIL PUMP SETTING)
+----------+
1212 - B100..E4AT 90041-05122- 7
+----------+
| 35617 | RING, CLUTCH DRUM OIL SEAL
+----------+
1212 - B100..E4AT 35653-97201- 3
98
FIG.35-03 TRANSMISSION CASE & OIL PAN (ATM)
(1212- )E4AT
ILLUST NO. 1 OF 2
358484
REFER TO
FIG
REFER TO
FIG
(PNC 35507E)
REFER TO
FIG
REFER TO
FIG
(PNC 84540)
REFER TO
FIG
82-02
82-02
N04
35-13
84-01
84-01
90041-19773
90041-19773
12282C
31105J
31128A
33449E
33485F
35013
35101E
35101E
35101E
35101E
35103
35104B
35104F
35104K
35104U
35104U
35104V
35104Z
35104Z
35106A
35106B
35106D
35111N
35143
35168A
35303B
35303C
35336
35824
35882C
89413G
89413H
G1406
G1406A
90041-20004
90041-20004
90041-20279
90044-64663
90044-64776
91672-81020
91672-81020
N04
99
FIG.35-03 TRANSMISSION CASE & OIL PAN (ATM)
(1212- )E4AT
ILLUST NO. 2 OF 2
358485
90041-19775(10)
90041-20005(2)
90041-20022(4)
90041-20203(9)
90041-20247(2)
90041-20278(4)
90041-19775(9)
FIG.35-03 TRANSMISSION CASE & OIL PAN (ATM)
PROD_DATE MODELS
SPEC
CODE
DESCRIPTION
R
/
P
PART
NUMBER
O
Y
T
REV_REF
FR TO
+----------+
| 12282C | HANGER, ENGINE, NO.2
+----------+
1212 - 1KRDE..B100..E4AT 12282-97206- 1
+----------+
| 31105J | SEAL, OIL, NO.2(FOR TRANSAXLE CASE)
+----------+
1212 - B100..E4AT 90043-11316- 1
+----------+
| 31128A | COVER, CLUTCH HOUSING UNDER(ATM)
+----------+
1212 - B100..E4AT 31128-BZ040- 1
+----------+
| 33449E | MAGNET, TRANSAXLE
+----------+
1212 - B100..E4AT 33449-B2010- 1
+----------+
| 33485F | PLATE, SPEEDMETER LOCK
+----------+
1212 - B100..E4AT 33485-87201- 1
+----------+
| 35013 | TUBE SUB-ASSY, TRANSMISSION OIL FILLER
+----------+
1212 - B100..E4AT 35013-97207- 1
+----------+
| 35101E | PIN, STRAIGHT (FOR AUTOMATIC TRANSMISSION CASE)
+----------+
1212 - B100..E4AT 90042-50157- 4
+----------+
| 35103 | GAGE SUB-ASSY, TRANSMISSION OIL LEVEL
+----------+
1212 - B100..E4AT 35103-97203- 1
+----------+
| 35104B | PLUG, BREATHER, NO.1 (ATM)
+----------+
1212 - B100..E4AT 31477-B0010- 1
+----------+
| 35104F | SEAL, OIL (FOR TRANSAXLE CASE)
+----------+
1212 - B100..E4AT 90043-11317- 1
+----------+
| 35104K | COMPRESSION SPRING, TRANSAXLE CASE
+----------+
1212 - B100..E4AT 90045-01801- 1
100
FIG.35-03 TRANSMISSION CASE & OIL PAN (ATM)
PROD_DATE MODELS
SPEC
CODE
DESCRIPTION
R
/
P
PART
NUMBER
O
Y
T
REV_REF
FR TO
+----------+
| 35104U | BOLT (FOR TRANSAXLE CASE)
+----------+
1212 - B100..E4AT 90041-05472- 7
+----------+
| 35104V | HOSE (FOR BREATHER PLUG)
+----------+
1212 - B100..E4AT 35121-BZ040- 1
+----------+
| 35104Z | GASKET (FOR TRANSAXLE CASE)
+----------+
1212 - B100..E4AT 90044-30330- 7
+----------+
| 35106A | PLUG SUB-ASSY, DRAIN (ATM)
+----------+
1212 - B100..E4AT 90043-41041- 1
+----------+
| 35106B | GASKET, DRAIN PLUG (ATM)
+----------+
1212 - B100..E4AT 90044-30281- 1
+----------+
| 35106D | PAN SUB-ASSY, AUTOMATIC TRANSAXLE OIL
+----------+
1212 - B100..E4AT 35106-B1011- 1
+----------+
| 35111N | TRANSAXLE HOUSING (ATM)
+----------+
1212 - B100..E4AT 35111-B1030- 1
+----------+
| 35143 | COVER, TRANSMISSION CASE, REAR
+----------+
1212 - B100..E4AT 35181-97202- 1
+----------+
| 35168A | GASKET, AUTOMATIC TRANSAXLE OIL PAN
+----------+
1212 - B100..E4AT 35168-B1030- 1
+----------+
| 35303B | STRAINER SUB-ASSY,OIL
+----------+
1212 - B100..E4AT 35303-97201- 1
+----------+
| 35303C | RING,O(FOR OIL STRAINER)
+----------+
1212 - 1301 B100..E4AT 96721-24021- 1
FIG.35-03 TRANSMISSION CASE & OIL PAN (ATM)
PROD_DATE MODELS
SPEC
CODE
DESCRIPTION
R
/
P
PART
NUMBER
O
Y
T
REV_REF
FR TO
+----------+
| 35303C | RING,O(FOR OIL STRAINER)
CONTINUED--+
1302 - B100..E4AT 90043-01364- 1
+----------+
| 35336 | RING, O (FOR TRANSMISSION OIL FILLER TUBE
)+----------+
1212 - B100..E4AT 90043-01160- 1
+----------+
| 35824 | SEAL, BRAKE CYLINDER
+----------+
1212 - B100..E4AT 35824-97201- 1
+----------+
| 35882C | TUBE, DIFFERENTIAL GEAR LUBE APPLY
+----------+
1212 - B100..E4AT 35882-97201- 1
+----------+
| 89413G | SENSOR, TRANSMISSION REVOLUTION
+----------+
1212 - B100..E4AT 89413-97202- 2
+----------+
| 89413H | RING, O(FOR TRANSMISSION REVOLUTION SENSO
R)+----------+
1212 - B100..E4AT 90043-01278- 2
+----------+
| G1406 | CONNECTOR SUB-ASSY, TRANS SOLENOID
+----------+
1212 - B100..E4AT G1406-97201- 1
+----------+
| G1406A | RING, O(FOR TRANS SOLENOID CONNECTOR)
+----------+
1212 - B100..E4AT 90043-01281- 1
101
FIG.35-07 BRAKE BAND & MULTIPLE DISC CLUTCH (ATM)
(1212- )E4AT
ILLUST NO. 1 OF 2
358486
35633C
N04
35610
35616A
35633B
35633F
35635
35633C
35633B
35647B
35633F
35647B
35633F
35647B
35649
35675E
35675B
90045-20310
N04
35650
102
FIG.35-07 BRAKE BAND & MULTIPLE DISC CLUTCH (ATM)
(1212- )E4AT
ILLUST NO. 2 OF 2
358487
35648D
35650
35673
35673
35673
35673
35673
35673
35673A
35675
35675
35675
35675
35675
35675
35650H
35712A
35712A
35712A
90045-20311
N04
N04
35610
103
FIG.35-07 BRAKE BAND & MULTIPLE DISC CLUTCH (ATM)
PROD_DATE MODELS
SPEC
CODE
DESCRIPTION
R
/
P
PART
NUMBER
O
Y
T
REV_REF
FR TO
+----------+
| 35610 | CLUTCH ASSY, FRONT MULTIPLE DISC
+----------+
1212 - B100..E4AT 35610-97205- 1
+----------+
| 35616A | BEARING, FRONT CLUTCH THRUST
+----------+
1212 - B100..E4AT T=3.81 90043-74043- 1
1212 - B100..E4AT T=3.41 90043-74044- 1
1212 - B100..E4AT T=4.21 90043-74045- 1
+----------+
| 35633B | DISC, CLUTCH (FOR FORWARD MULTIPLE DISC CLUTCH)
+----------+
1212 - B100..E4AT 35633-97205- 2
+----------+
| 35633C | DISC, CLUTCH (FOR DIRECT MULTIPLE DISC CLUTCH)
+----------+
1212 - B100..E4AT 35634-97206- 2
+----------+
| 35633F | DISC, CLUTCH (FOR FRONT CLUTCH)
+----------+
1212 - B100..E4AT 35667-97206- 3
+----------+
| 35635 | FLANGE, FORWARD CLUTCH
+----------+
1212 - B100..E4AT T=3.0 35635-97201- 1
+----------+
| 35647B | PLATE, CLUTCH, NO.2
+----------+
1212 - B100..E4AT 35647-97204- 3
+----------+
| 35648D | PLATE, CLUTCH, NO.3
+----------+
1212 - B100..E4AT T=2.0 35648-97205- 1
+----------+
| 35649 | FLANGE, REVERSE CLUTCH
+----------+
1212 - B100..E4AT T=3.0 35675-97201- 1
+----------+
| 35650 | CLUTCH ASSY, REAR MULTIPLE DISC
+----------+
1212 - B100..E4AT 35650-B1030- 1
FIG.35-07 BRAKE BAND & MULTIPLE DISC CLUTCH (ATM)
PROD_DATE MODELS
SPEC
CODE
DESCRIPTION
R
/
P
PART
NUMBER
O
Y
T
REV_REF
FR TO
+----------+
| 35650H | RING, HOLE SNAP (FOR REAR MULTIPLE DISC CLUTHC)
+----------+
1212 - B100..E4AT T=1.5 90045-21170- 1
1212 - B100..E4AT T=1.75 90045-21171- 1
1212 - B100..E4AT T=2.0 90045-21172- 1
1212 - B100..E4AT T=2.25 90045-21173- 1
+----------+
| 35673 | DISC, REAR CLUTCH
+----------+
1212 - B100..E4AT 35677-B1011- 6
+----------+
| 35673A | PLATE, REAR CLUTCH CUSHION
+----------+
1212 - B100..E4AT 35673-B1010- 1
+----------+
| 35675 | FLANGE, REAR CLUTCH
+----------+
1212 - B100..E4AT T=3.0 35689-B1010- 6
+----------+
| 35675B | RING, HOLE SNAP (FOR FORWARD CLUTCH FLANG
E)+----------+
1212 - B100..E4AT T=1.5 90045-21164- 1
1212 - B100..E4AT T=1.75 90045-21166- 1
1212 - B100..E4AT T=2.0 90045-21167- 1
1212 - B100..E4AT T=2.25 90045-21168- 1
1212 - B100..E4AT T=2.5 90045-21169- 1
+----------+
| 35675E | RING, HOLE SNAP (FOR REAR CLUTCH FLANGE)
+----------+
1212 - B100..E4AT 90045-21165- 1
+----------+
| 35712A | RING, INPUT SHAFT OIL SEAL
+----------+
1212 - B100..E4AT 35712-97201- 3
104
FIG.35-09 BRAKE NO.3, 1ST & REVERSE BRAKE (ATM)
(1212- )E4AT
358489
35623D
35624K
35624L
35624M
35627H
35632E
35632E
35637
35664F
35676H
35676H
35679A
35681
35681
35681
FIG.35-09 BRAKE NO.3, 1ST & REVERSE BRAKE (ATM)
PROD_DATE MODELS
SPEC
CODE
DESCRIPTION
R
/
P
PART
NUMBER
O
Y
T
REV_REF
FR TO
+----------+
| 35623D | RING, SHAFT SNAP (FOR BRAKE)
+----------+
1212 - B100..E4AT 90045-21185- 1
+----------+
| 35624K | BRAKE PISTON, 2ND & 4TH
+----------+
1212 - B100..E4AT 35624-97201- 1
+----------+
| 35624L | RING, O (FOR 2ND & 4TH BRAKE PISTON, NO.1
)+----------+
1212 - B100..E4AT 90043-01296- 1
+----------+
| 35624M | RING, O (FOR 2ND & 4TH BRAKE PISTON, NO.2
)+----------+
1212 - B100..E4AT 90043-01295- 1
+----------+
| 35627H | BRAKE SEAT, 2ND & 4TH
+----------+
1212 - B100..E4AT 35627-97202- 1
+----------+
| 35632E | PLATE, BRAKE
+----------+
1212 - B100..E4AT 35632-97201- 2
+----------+
| 35637 | SPRING, 2ND & 4TH BRAKE PISTON RETURN
+----------+
1212 - B100..E4AT 35637-97201- 1
+----------+
| 35664F | CYLINDER, 2ND & 4TH BRAKE
+----------+
1212 - B100..E4AT 35664-97205- 1
+----------+
| 35676H | FLANGE, BRAKE, NO.1
+----------+
1212 - B100..E4AT 35676-97202- 2
+----------+
| 35679A | RING, HOLE SNAP(FOR BRAKE FLANGE)
+----------+
1212 - B100..E4AT T=1.20 90045-21176- 1
1212 - B100..E4AT T=1.75 90045-21177- 1
1212 - B100..E4AT T=2.00 90045-21178- 1
105
FIG.35-09 BRAKE NO.3, 1ST & REVERSE BRAKE (ATM)
PROD_DATE MODELS
SPEC
CODE
DESCRIPTION
R
/
P
PART
NUMBER
O
Y
T
REV_REF
FR TO
+----------+
| 35679A | RING, HOLE SNAP(FOR BRAKE FLANGE)
CONTINUED--+
1212 - B100..E4AT T=2.25 90045-21179- 1
+----------+
| 35681 | DISC, BRAKE, NO.1
+----------+
1212 - B100..E4AT 35681-97201- 3
106
FIG.35-10 PLANETARY GEAR, REVERSE PISTON & COUNTER GEAR(ATM)
(1212- )E4AT
358490
35618C
35623S
35628C
35631J
35706V
35708
35708F
35708K
35708K
35708K
35709K
35720
35720A
35740A
35771
35771B
35771C
35771D
35771E
35775D
35775F
35776
35790A
35790G
35883A
35883A
35883A
35883A
35884A
35884A
35884A
35884A
35885B
35885C
90041-78047
FIG.35-10 PLANETARY GEAR, REVERSE PISTON & COUNTER GEAR(ATM)
PROD_DATE MODELS
SPEC
CODE
DESCRIPTION
R
/
P
PART
NUMBER
O
Y
T
REV_REF
FR TO
+----------+
| 35618C | RETURN SPRING SUB-ASSY, 1ST & REVERSE
+----------+
1212 - B100..E4AT 35618-B1010- 1
+----------+
| 35623S | PISTON,1ST & REVERSE BRAKE
+----------+
1212 - B100..E4AT 35623-B1020- 1
+----------+
| 35628C | SEAT, 1ST & REVERSE BRAKE PISTON RETURN SPRING
+----------+
1212 - B100..E4AT 35628-97202- 1
+----------+
| 35631J | HUB, FORWARD CLUTCH, NO.1
+----------+
1212 - 1312 B100..E4AT 35631-97203- 1
+----------+
| 35706V | GEAR SUB ASSY, PLANETARY SUN
+----------+
1212 - B100..E4AT 35706-97203- 1
+----------+
| 35708 | SHAFT SUB-ASSY, INTERMEDIATE
+----------+
1212 - B100..E4AT 35708-97203- 1
+----------+
| 35708F | BEARING, THRUST NEEDLE ROLLER (FOR INTERMEDIATE SHAFT)
+----------+
1212 - B100..E4AT 90043-74051- 1
+----------+
| 35708K | BEARING, NEEDLE ROLLER(FOR INTERMEDIATE SHAFT)
+----------+
1212 - B100..E4AT 90043-74047- 3
+----------+
| 35709K | GEAR SUB-ASSY, REAR PLANETARY
+----------+
1212 - B100..E4AT 35709-97204- 1
+----------+
| 35720 | GEAR ASSY, FRONT PLANETARY
+----------+
1212 - B100..E4AT 35720-97211- 1
+----------+
| 35720A | BEARING, THRUST NEEDLE ROLLER (FOR FRONT PLANETARY GEAR)
+----------+
1212 - B100..E4AT 90043-74043- 1
107
FIG.35-10 PLANETARY GEAR, REVERSE PISTON & COUNTER GEAR(ATM)
PROD_DATE MODELS
SPEC
CODE
DESCRIPTION
R
/
P
PART
NUMBER
O
Y
T
REV_REF
FR TO
+----------+
| 35740A | GEAR ASSY,FRONT PLANETARY RING
+----------+
1212 - B100..E4AT 35740-97201- 1
+----------+
| 35771 | SHAFT, OUTPU
T+----------+
1212 - B100..E4AT 35771-B1010- 1
+----------+
| 35771B | RING, HOLE SNAP (FOR OUTPUT SHAFT, NO.1)
+----------+
1212 - B100..E4AT 90045-21182- 1
+----------+
| 35771C | ROLLER BEARING, OUTPUT SHAFT
+----------+
1212 - B100..E4AT 90043-65026- 1
+----------+
| 35771D | BALL BEARING, OUTPUT SHAFT
+----------+
1212 - B100..E4AT 90043-63274- 1
+----------+
| 35771E | RING, HOLE SNAP (FOR OUTPUT SHAFT, NO.2)
+----------+
1212 - B100..E4AT 90045-21183- 1
+----------+
| 35775D | GEAR KIT, RIDUCTION DRIVE
+----------+
1212 - B100..E4AT 35775-B9010- 1
+----------+
| 35775F | BEARING, RADIAL BOLL
+----------+
1212 - B100..E4AT 90043-63273- 1
+----------+
| 35776 | GEAR, PRIMARY REDUCTION DRIVEN
+----------+
1212 - B100..E4AT 35776-97202- 1
+----------+
| 35790A | CLUTCH ASSY, 1 WAY
+----------+
1212 - 1401 B100..E4AT 35790-B1010- 1
+----------+
| 35790G | HOLE SNAP RING (FOR 1WAY CLUTCH)
+----------+
1212 - B100..E4AT 90045-21174- 1
FIG.35-10 PLANETARY GEAR, REVERSE PISTON & COUNTER GEAR(ATM)
PROD_DATE MODELS
SPEC
CODE
DESCRIPTION
R
/
P
PART
NUMBER
O
Y
T
REV_REF
FR TO
+----------+
| 35883A | DISC, BRAKE
+----------+
1212 - B100..E4AT 35883-B1010- 4
+----------+
| 35884A | PLATE,BRAKE
+----------+
1212 - B100..E4AT 35884-97204- 4
+----------+
| 35885B | FLANGE, BRAK
E+----------+
1212 - B100..E4AT T=4.0 35885-97213- 1
1212 - B100..E4AT T=4.2 35885-97214- 1
1212 - B100..E4AT T=4.4 35885-97215- 1
1212 - B100..E4AT T=4.6 35885-97216- 1
1212 - B100..E4AT T=4.8 35885-97217- 1
1212 - B100..E4AT T=5.0 35885-97218- 1
+----------+
| 35885C | RING,HOLE SNAP (FOR CLUTCH PLATE)
+----------+
1212 - 1304 B100..E4AT 90045-21175- 1
1305 - B100..E4AT 90045-21194- 1
108
FIG.35-12 VALVE BODY & OIL STRAINER (ATM)
(1212- )E4AT
358491
REFER TO
FIG
(PNC 35303C)
REFER TO
FIG
(PNC 35303B)
REFER TO
FIG
(PNC G1406)
35210
35210
35220
35240
35240A
35240B
35240
35240A
35240B
35-03
35-03
35280
35285
35285
35285
35410
35960
90041-05269(15)
90041-20006(6)
90041-20007
35-03
109
FIG.35-12 VALVE BODY & OIL STRAINER (ATM)
PROD_DATE MODELS
SPEC
CODE
DESCRIPTION
R
/
P
PART
NUMBER
O
Y
T
REV_REF
FR TO
+----------+
| 35210 | SOLENOID ASSY, CLUTCH CONTROL, NO.1
+----------+
1212 - B100..E4AT 35210-97201- 2
+----------+
| 35220 | SOLENOID ASSY, CLUTCH CONTROL, NO.2
+----------+
1212 - B100..E4AT 35220-97201- 1
+----------+
| 35240 | SOLENOID ASSY, AUTOMATIC TRANSMISSION 3WA
Y+----------+
1212 - B100..E4AT 35240-B1010- 2
+----------+
| 35240A | RING, O, NO.1 (FOR TRANSMISSION 3WAY SOLENOID)
+----------+
1212 - B100..E4AT 90043-01279- 2
+----------+
| 35240B | RING, O, NO.2 (FOR TRANSMISSION 3WAY SOLENOID)
+----------+
1212 - B100..E4AT 90043-01280- 2
+----------+
| 35280 | SOLENOID ASSY, LOCK UP CONTROL
+----------+
1212 - B100..E4AT 35280-97201- 1
+----------+
| 35285 | PLATE, SOLENOID LOCK
+----------+
1212 - B100..E4AT 35285-97201- 3
+----------+
| 35410 | BODY ASSY, TRANSMISSION VALVE
+----------+
1212 - B100..E4AT 35410-B1011- 1
+----------+
| 35960 | WIRE, SOLENO
ID+----------+
1212 - B100..E4AT 35960-97203- 1
110
FIG.35-13 THROTTLE LINK & VALVE LEVER (ATM)
(1212- )E4AT
REFER TO
FIG
(PNC 35143)
REFER TO
FIG
(PNC 84540)
358492
35402B
35409D
35501
35505
35507E
35556
35557
35557A
35561
35595
90041-05291
90041-79109
90042-54007
90042-54030
35-03
84-01
FIG.35-13 THROTTLE LINK & VALVE LEVER (ATM)
PROD_DATE MODELS
SPEC
CODE
DESCRIPTION
R
/
P
PART
NUMBER
O
Y
T
REV_REF
FR TO
+----------+
| 35402B | SEAL,OIL(FOR MANUAL VALVE)
+----------+
1212 - B100..E4AT 90043-11256- 1
+----------+
| 35409D | SPRING SUB-ASSY, MANUAL DETENT
+----------+
1212 - B100..E4AT 35409-97206- 1
+----------+
| 35501 | ROD SUB-ASSY, PARKING LOCK
+----------+
1212 - B100..E4AT 35501-97202- 1
+----------+
| 35505 | LEVER SUB-ASSY, MANUAL VALVE
+----------+
1212 - B100..E4AT 35505-97202- 1
+----------+
| 35507E | LEVER,TRANSMISSION CONTROL SHAFT
+----------+
1212 - B100..E4AT 35507-B1010- 1
+----------+
| 35556 | SHAFT, PARKING LOCK PAWL
+----------+
1212 - B100..E4AT 35556-87202- 1
+----------+
| 35557 | PAWL, PARKING LOCK
+----------+
1212 - B100..E4AT 35557-97201- 1
+----------+
| 35557A | SPRING, TORSION (FOR PARKING LOCK PAWL)
+----------+
1212 - B100..E4AT 90045-08389- 1
+----------+
| 35561 | SHAFT, MANUAL VALVE LEVER
+----------+
1212 - B100..E4AT 35561-97201- 1
+----------+
| 35595 | BRACKET, PARKING LOCK PAWL
+----------+
1212 - B100..E4AT 35595-87203- 1
111
FIG.35-14 OIL COOLER & TUBE (ATM)
(1212- )E4AT
358493
32904
32905
32921D
32921J
32921J
32921J
32921J
32922A
32923
90041-19773
FIG.35-14 OIL COOLER & TUBE (ATM)
PROD_DATE MODELS
SPEC
CODE
DESCRIPTION
R
/
P
PART
NUMBER
O
Y
T
REV_REF
FR TO
+----------+
| 32904 | TUBE SUB-ASSY, OIL COOLER INLET, NO.1
+----------+
1212 - B100..E4AT 32904-B1011- 1
+----------+
| 32905 | TUBE SUB-ASSY, OIL COOLER OUTLET, NO.1
+----------+
1212 - B100..E4AT 32905-B1020- 1
+----------+
| 32921D | HOSE(FOR OIL COOLER INLET)
+----------+
1212 - B100..E4AT 32941-B6010- 1
+----------+
| 32921J | CLIP(FOR OIL COOLER HOSE)
+----------+
1212 - B100..E4AT 90044-67576- 4
+----------+
| 32922A | HOSE(FOR OIL COOLER OUTLET)
+----------+
1212 - B100..E4AT 32942-B6010- 1
+----------+
| 32923 | CLAMP, AUTOMATIC TRANSMISSION OIL COOLER TUBE
+----------+
1212 - B100..E4AT 32923-97201- 1
112
FIG.41-02 REAR AXLE SHAFT & HUB
(1212- )
413829
42403
42410
42440
42611E
90041-01650(4)
FIG.41-02 REAR AXLE SHAFT & HUB
PROD_DATE MODELS
SPEC
CODE
DESCRIPTION
R
/
P
PART
NUMBER
O
Y
T
REV_REF
FR TO
+----------+
| 42403 | DRUM SUB-ASSY, REAR BRAKE
+----------+
1212 - B100 42431-BZ090- 2
+----------+
| 42410 | HUB & BEARING ASSY, REAR AXLE, RH
+----------+
1212 - B100..HI B2DB WITH(PACKAGE OPTION
2)
42410-B6010- 1
1212 - B100 42410-B6020- 1
+----------+
| 42440 | HUB & BEARING ASSY, REAR AXLE, LH
+----------+
1212 - B100..HI B2DB WITH(PACKAGE OPTION
2)
42410-B6010- 1
1212 - B100 42410-B6020- 1
+----------+
| 42611E | BOLT, HUB (FOR REAR AXLE)
+----------+
1212 - B100 90049-12062- 8
113
FIG.41-03 DISC WHEEL & WHEEL CAP
(1212- )
ILLUST NO. 1 OF 3
413830
42601
42601A
42601C
42601C
42611G
42611J
114
FIG.41-03 DISC WHEEL & WHEEL CAP
―
 
―
 
―
 
―
 
―
 
―
 
―
 
―
 
―
 
―
 
―
 
―
 
―
 
―
 
―
 
―
 
―
 
―
 
―
 
―
 
―
 
―
 
―
 
―
 
―
 
―
 
―
 
―
 
―
 
―
 
―
 
―
 
―
 
―
(1212- )
ILLUST NO. 3 OF 3
413832
9004A-42072
9004A-42073
9004A-42074
9004A-42075
9004A-42076
9004A-42077
9004A-42078
9004A-42080
9004A-42082
9004A-42085
9004A-42086
9004A-42087
9004A-42088
9004A-42089
9004A-42090
9004A-42091
9004A-42093
9004A-42095
9004A-42083 9004A-42096
9004A-42084 9004A-42097
9004A-42098
9004A-42099
9004A-42101
9004A-42103
9004A-42107
FIG.41-03 DISC WHEEL & WHEEL CAP
(1212- )
ILLUST NO. 2 OF 3
413833
42603
42621
115
FIG.41-03 DISC WHEEL & WHEEL CAP
PROD_DATE MODELS
SPEC
CODE
DESCRIPTION
R
/
P
PART
NUMBER
O
Y
T
REV_REF
FR TO
+----------+
| 42601 | WHEEL, DISC
+----------+
1212 - B100..LO 13X4.50B,SILVER,TYPE
A
42611-BZ560- 4
1212 - B100..MID G4FB 13X4.50B,SILVER,CTR-
ORNAMENT(FOR STEEL),
TYPE A
42611-BZ560- 4
1212 - B100..LO G4FJ 13X4.50B,W/O(BLACK S
TEEL(13")),TYPE A
42611-BZ570- 4
1212 - B100..MID 13X4.50B,TYPE A 42611-BZ570- 4
1212 - B100..HI 14X5J,TYPE B PAKO 42611-BZ580- 4
1212 - B100..MID G4AC 14X5J,175/65R14 5J-A
L,TYPE B PAKO
42611-BZ580- 4
+----------+
| 42601A | WHEEL, DISC (FOR SPARE)
+----------+
1212 - B100..LO 13X4.50B,SILVER,TYPE
A
42611-BZ560- 1
1212 - B100..MID G4FB 13X4.50B,SILVER,CTR-
ORNAMENT(FOR STEEL),
TYPE A
42611-BZ560- 1
1212 - B100..LO G4FJ 13X4.50B,W/O(BLACK S
TEEL(13")),TYPE A
42611-BZ570- 1
1212 - B100..MID 13X4.50B,TYPE A 42611-BZ570- 1
1212 - B100..HI 14X5J,TYPE B PAKO 42611-BZ580- 1
1212 - B100..MID G4AC 14X5J,175/65R14 5J-A
L,TYPE B PAKO
42611-BZ580- 1
+----------+
| 42601C | NUT, HUB (FOR AXLE)
+----------+
1212 - B100..LO G4FJ W/O(BLACK STEEL(13")
),TYPE C
90049-11036- 16
1212 - B100..MID TYPE C 90049-11036- 16
1212 - B100..HI TYPE B 90049-11058- 16
1212 - B100..MID G4AC 175/65R14 5J-AL,TYPE
B
90049-11058- 16
1212 - B100..LO TYPE A 90049-11064- 16
FIG.41-03 DISC WHEEL & WHEEL CAP
PROD_DATE MODELS
SPEC
CODE
DESCRIPTION
R
/
P
PART
NUMBER
O
Y
T
REV_REF
FR TO
+----------+
| 42601C | NUT, HUB (FOR AXLE)
CONTINUED--+
1212 - B100..MID G4FB CTR-ORNAMENT(FOR STE
EL),TYPE A
90049-11064- 16
+----------+
| 42603 | ORNAMENT SUB-ASSY, WHEEL HUB
+----------+
1212 - B100..LO *STE,TYPE A 42638-BZ340- 4
1212 - B100..MID G4FB *STE,CTR-ORNAMENT(FO
R STEEL),TYPE A
42638-BZ340- 4
1212 - B100..HI *STE,TYPE B 42638-BZ360- 4
1212 - B100..MID G4AC *STE,175/65R14 5J-AL
,TYPE B
42638-BZ360- 4
+----------+
| 42611G | VALVE (FOR TUBELESS TIRE)
+----------+
1212 - B100 90049-02019- 4
+----------+
| 42611J | VALVE (FOR TUBELESS TIRE SPARE)
+----------+
1212 - B100 90049-02019- 1
+----------+
| 42621 | CAP, WHEEL
+----------+
1212 - B100..MID G4FD FULL CAP(13"),TYPE A 42602-B6020- 4
116
FIG.43-01 FRONT AXLE HOUSING & DIFFERENTIAL
―
 
―
 
―
 
―
 
―
 
―
 
―
 
―
 
―
 
―
 
―
 
―
 
―
 
―
 
―
 
―
 
―
 
―
 
―
 
―
 
―
 
―
 
―
 
―
 
―
 
―
 
―
 
―
 
―
 
―
 
―
 
―
 
―
 
―
(1212- )5F
432752
REFER TO
FIG
(PNC 33111Q)
REFER TO
FIG
(PNC 33151K)
33-02
33-02
35736C
41311F
41221
41311
41311E
41331F
41331F
41341F
41341F
41342F
41351F
41351F
41361F
41361F
9004A-10120(10)
9004A-15054(2)
9004A-25031
FIG.43-01 FRONT AXLE HOUSING & DIFFERENTIAL
(1212- )E4AT
432753
REFER TO
FIG
(PNC 35104F)
REFER TO
FIG
(PNC 31105J)
35-03
35-03
41311F
41310
41311E
117
FIG.43-01 FRONT AXLE HOUSING & DIFFERENTIAL
PROD_DATE MODELS
SPEC
CODE
DESCRIPTION
R
/
P
PART
NUMBER
O
Y
T
REV_REF
FR TO
+----------+
| 35736C | ROTOR, SPEED SENSOR
+----------+
1212 - B100..5F 35736-BZ010- 1
+----------+
| 41221 | GEAR, FRONT DIFFERENTIAL RING
+----------+
1212 - B100..5F AKI 41221-BZ140- 1
1306 - B100..5F MAP-IN 41221-BZ150- 1
+----------+
| 41310 | CASE ASSY, DIFFERENTIAL
+----------+
1212 - B100..E4AT 41310-B1010- 1
+----------+
| 41311 | CASE, FRONT DIFFERENTIAL
+----------+
1212 - B100..5F 41311-BZ060- 1
+----------+
| 41311E | BEARING, TAPERED ROLLER (FOR FRONT DIFFERENTIAL CASE FRONT)
+----------+
1212 - B100..E4AT 90043-63297- 1
1212 - B100..5F 9004A-36101- 1
+----------+
| 41311F | BEARING, TAPERED ROLLER (FOR FRONT DIFFERENTIAL CASE REAR)
+----------+
1212 - B100..E4AT 90043-63304- 1
1212 - B100..5F 9004A-36100- 1
+----------+
| 41331F | GEAR, FRONT DIFFERENTIAL SIDE
+----------+
1212 - B100..5F 41331-BZ040- 2
+----------+
| 41341F | PINION, FRONT DIFFERENTIAL
+----------+
1212 - B100..5F 41341-BZ040- 2
+----------+
| 41342F | SHAFT, FRONT DIFFERENTIAL PINION, NO.1
+----------+
1212 - B100..5F 41342-BZ060- 1
FIG.43-01 FRONT AXLE HOUSING & DIFFERENTIAL
PROD_DATE MODELS
SPEC
CODE
DESCRIPTION
R
/
P
PART
NUMBER
O
Y
T
REV_REF
FR TO
+----------+
| 41351F | WASHER, FRONT DIFFERENTIAL PINION THRUST
+----------+
1212 - B100..5F 41351-BZ020- 2
+----------+
| 41361F | WASHER, FRONT DIFFERENTIAL SIDE GEAR THRUST, NO.1
+----------+
1212 - B100..5F T=0.8 41361-BZ130- 2
118
FIG.43-02 FRONT DRIVE SHAFT
―
 
―
 
―
 
―
 
―
 
―
 
―
 
―
 
―
 
―
 
―
 
―
 
―
 
―
 
―
 
―
 
―
 
―
 
―
 
―
 
―
 
―
 
―
 
―
 
―
 
―
 
―
 
―
 
―
 
―
 
―
 
―
 
―
 
―
(1212- )
RH ILLUST NO. 1 OF 2
432754
04438G
04438K
04438S
43403
43410
43411E
43460
FIG.43-02 FRONT DRIVE SHAFT
(1212- )
LH ILLUST NO. 2 OF 2
432755
04438J
04438L
04438T
43403B
43412B
43420
43470
119
FIG.43-02 FRONT DRIVE SHAFT
PROD_DATE MODELS
SPEC
CODE
DESCRIPTION
R
/
P
PART
NUMBER
O
Y
T
REV_REF
FR TO
+----------+
| 04438G | BOOT KIT, FRONT DRIVE SHAFT INBOARD JOINT, RH
+----------+
1212 - B100 04437-B2020- 1
+----------+
| 04438J | BOOT KIT, FRONT DRIVE SHAFT INBOARD JOINT, LH
+----------+
1212 - B100 04437-B2020- 1
+----------+
| 04438K | BOOT KIT, FRONT DRIVE SHAFT OUTBOARD JOINT, RH
+----------+
1212 - B100 # 04425-B2100- 1
+----------+
| 04438L | BOOT KIT, FRONT DRIVE SHAFT OUTBOARD JOINT, LH
+----------+
1212 - B100 # 04426-B2231- 1
+----------+
| 04438S | CLAMP KIT, FRONT DRIVE SHAFT, RH
+----------+
1212 - B100 04435-B2020- 1
+----------+
| 04438T | CLAMP KIT, FRONT DRIVE SHAFT, LH
+----------+
1212 - B100 04435-B2020- 1
+----------+
| 43403 | JOINT SET, FRONT AXLE INBOARD, RH
+----------+
1212 - B100 43408-B9350- 1
+----------+
| 43403B | JOINT SET, FRONT AXLE INBOARD, LH
+----------+
1212 - B100 43408-B9350- 1
+----------+
| 43410 | SHAFT ASSY, FRONT DRIVE, RH
+----------+
1212 - B100 43410-B6010- 1
+----------+
| 43411E | RING, SHAFT SNAP (FOR FRONT DRIVE INNER SHAFT INNER RH)
+----------+
1212 - B100 90045-20298- 1
+----------+
| 43412B | RING, SHAFT SNAP (FOR FRONT DRIVE INNER SHAFT INNER LH)
+----------+
1212 - B100 90045-20298- 1
FIG.43-02 FRONT DRIVE SHAFT
PROD_DATE MODELS
SPEC
CODE
DESCRIPTION
R
/
P
PART
NUMBER
O
Y
T
REV_REF
FR TO
+----------+
| 43420 | SHAFT ASSY, FRONT DRIVE, LH
+----------+
1212 - B100 43420-B6010- 1
+----------+
| 43460 | SHAFT ASSY, FRONT DRIVE OUTBOARD JOINT, R
H+----------+
1212 - B100 43411-B9470- 1
+----------+
| 43470 | SHAFT ASSY, FRONT DRIVE OUTBOARD JOINT, L
H+----------+
1212 - B100 43412-B9260- 1
120
FIG.43-03 FRONT AXLE HUB
(1212- )
432756
REFER TO
FIG
(PNC 43211(RH))
(PNC 43212(LH))
REFER TO
FIG
(PNC 43410(RH))
(PNC 43420(LH))
REFER TO
FIG
(PNC 42601C)
48-02
43501C
43501D
43501H
43502C
43502D
43502H
43511E
43511F
43512
43512D
43512E
41-03
43-02
FIG.43-03 FRONT AXLE HUB
PROD_DATE MODELS
SPEC
CODE
DESCRIPTION
R
/
P
PART
NUMBER
O
Y
T
REV_REF
FR TO
+----------+
| 43501C | HUB SUB-ASSY, FRONT AXLE, RH
+----------+
1212 - B100 43502-BZ150- 1
+----------+
| 43501D | BOLT, HUB (FOR FRONT AXLE RH)
+----------+
1212 - B100 90049-12056- 4
+----------+
| 43501H | NUT (FOR FRONT AXLE SHAFT RH)
+----------+
1212 - B100 90041-79274- 1
+----------+
| 43502C | HUB SUB-ASSY, FRONT AXLE, LH
+----------+
1212 - B100 43502-BZ150- 1
+----------+
| 43502D | BOLT, HUB (FOR FRONT AXLE LH)
+----------+
1212 - B100 90049-12056- 4
+----------+
| 43502H | NUT (FOR FRONT AXLE SHAFT LH)
+----------+
1212 - B100 90041-79274- 1
+----------+
| 43511E | BEARING (FOR FRONT AXLE HUB RH)
+----------+
1212 - B100..HI B2DB WITH(PACKAGE OPTION
2)
43560-BZ010- 1
1212 - B100 9004A-36104- 1
+----------+
| 43511F | RING, HOLE SNAP (FOR FRONT AXLE HUB RH)
+----------+
1212 - B100 90045-21111- 1
+----------+
| 43512 | DISC, FRONT
+----------+
1212 - B100..5F 43512-BZ220- 2
1212 - B100..HI..5F G3AC 13" DISK(VENTILATED) 43512-BZ230- 2
1212 - B100..E4AT 43512-BZ230- 2
121
FIG.43-03 FRONT AXLE HUB
PROD_DATE MODELS
SPEC
CODE
DESCRIPTION
R
/
P
PART
NUMBER
O
Y
T
REV_REF
FR TO
+----------+
| 43512D | BEARING (FOR FRONT AXLE HUB LH)
+----------+
1212 - B100..HI B2DB WITH(PACKAGE OPTION
2)
43560-BZ010- 1
1212 - B100 9004A-36104- 1
+----------+
| 43512E | RING, HOLE SNAP (FOR FRONT AXLE HUB LH)
+----------+
1212 - B100 90045-21111- 1
122
FIG.45-01 STEERING COLUMN & SHAFT
(1212- )
456267
REFER TO
FIG
(PNC 84450)
84-01
45020
45205J
45220
45222F
45230B
45230B
45250
45254
4528145286B
45287
45897
90041-19747
90041-19747
90041-19747
90041-19747
90041-20097(2)
9004A-16036(2)
9004A-16036
90179-08068(2)
FIG.45-01 STEERING COLUMN & SHAFT
PROD_DATE MODELS
SPEC
CODE
DESCRIPTION
R
/
P
PART
NUMBER
O
Y
T
REV_REF
FR TO
+----------+
| 45020 | BRACKET ASSY, STEERING COLUMN UPPER W/SWITCH
+----------+
1212 - B100..5F 45020-BZ120- 1
1212 - B100..E4AT 45020-BZ140- 1
+----------+
| 45205J | TUBE SUB-ASSY, STEERING COLUMN, UPPER
+----------+
1212 - B100..HI,MID 45205-BZ050- 1
1212 - B100..LO P4AB MANUAL AIR CONDITION
ER
45205-BZ050- 1
+----------+
| 45220 | SHAFT ASSY, STEERING INTERMEDIATE
+----------+
1212 - B100..HI,MID 45220-BZ240- 1
1212 - B100..LO P4AB MANUAL AIR CONDITION
ER
45220-BZ240- 1
+----------+
| 45222F | COVER, DUST
+----------+
1212 - B100 45222-BZ080- 1
+----------+
| 45230B | JOINT ASSY, STEERING SHAFT UNIVERSAL
+----------+
1212 - B100..LO 45290-BZ090- 1
1212 - B100..HI,MID 45290-BZ100- 1
1212 - B100..LO P4AB MANUAL AIR CONDITION
ER
45290-BZ100- 1
+----------+
| 45250 | COLUMN ASSY, STEERING
+----------+
1212 - B100..LO 45250-BZ190- 1
+----------+
| 45254 | SHIELD, STEERING COLUMN HOLE
+----------+
1212 - B100 45254-BZ140- 1
+----------+
| 45281 | HOUSING, STEERING COLUMN
+----------+
1212 - B100 45281-BZ070- 1
123
FIG.45-01 STEERING COLUMN & SHAFT
PROD_DATE MODELS
SPEC
CODE
DESCRIPTION
R
/
P
PART
NUMBER
O
Y
T
REV_REF
FR TO
+----------+
| 45286B | COVER, STEERING COLUMN, UPR
+----------+
1212 - B100 DK.GRAY(TRIM1#) 45286-BZ180-B0 1
+----------+
| 45287 | COVER, STEERING COLUMN, LWR
+----------+
1212 - B100 DK.GRAY(TRIM1#) 45287-BZ180-B0 1
+----------+
| 45897 | BOLT, STEERING LOCK SET
+----------+
1212 - B100 45897-B2010- 2
124
FIG.45-04 STEERING WHEEL
(1212- )
456268
45100
45107
45130
45201P
FIG.45-04 STEERING WHEEL
PROD_DATE MODELS
SPEC
CODE
DESCRIPTION
R
/
P
PART
NUMBER
O
Y
T
REV_REF
FR TO
+----------+
| 45100 | WHEEL ASSY, STEERING
+----------+
1212 - B100..HI DK.GRAY(TRIM1#) 45102-BZ190-B0 1
1212 - B100..LO DK.GRAY(TRIM1#) 45102-BZ320-B0 1
1212 - B100..MID DK.GRAY(TRIM1#) 45102-BZ330-B0 1
1212 - B100..MID R5AB D/P(SRS AIR BAG),DK.
GRAY(TRIM1#)
45102-BZ340-B0 1
1212 - B100..HI R5AB D/P(SRS AIR BAG),DK.
GRAY(TRIM1#)
45102-BZ400-B0 1
+----------+
| 45107 | WIRE SUB-ASSY, HORN BUTTON
+----------+
1212 - B100..HI,MID R5AB D/P(SRS AIR BAG) 45107-BZ080- 1
+----------+
| 45130 | BUTTON ASSY, HORN
+----------+
1212 - B100..LO DK.GRAY(TRIM1#) 45130-BZ160-B0 1
1212 - B100..MID DK.GRAY(TRIM1#) 45130-BZ390-B0 1
1212 - B100..MID R5AB D/P(SRS AIR BAG),DK.
GRAY(TRIM1#)
45130-BZ400-B0 1
1212 - B100..HI DK.GRAY(TRIM1#) 45130-BZ410-B0 1
1212 - B100..HI R5AB D/P(SRS AIR BAG),DK.
GRAY(TRIM1#)
45130-BZ420-B0 1
+----------+
| 45201P | NUT, STEERING WHEEL SET
+----------+
1212 - B100 9004A-17176- 1
125
FIG.45-05 FRONT STEERING GEAR & LINK
(1212- )
456269
45046
45510
45535
45535
45535A
45503
45535A
45503
45535B
45535B
45047
90041-20262 90041-20262
90041-77011
90041-7701190178-12009 90178-12009
N04
N04
126
FIG.45-05 FRONT STEERING GEAR & LINK
PROD_DATE MODELS
SPEC
CODE
DESCRIPTION
R
/
P
PART
NUMBER
O
Y
T
REV_REF
FR TO
+----------+
| 45046 | END SUB-ASSY, TIE ROD, RH
+----------+
1212 - B100 45046-BZ140- 1
+----------+
| 45047 | END SUB-ASSY, TIE ROD, LH
+----------+
1212 - B100 45046-BZ140- 1
+----------+
| 45503 | END SUB-ASSY, STEERING RACK
+----------+
1212 - B100 45503-BZ140- 2
+----------+
| 45510 | GEAR ASSY, STEERING
+----------+
1212 - B100..LO 45510-BZ170- 1
1212 - B100..LO P4AB MANUAL AIR CONDITION
ER
45510-BZ180- 1
1212 - B100..MID 45510-BZ180- 1
1212 - B100..HI 45510-BZ190- 1
1212 - B100..MID G4AC 175/65R14 5J-AL 45510-BZ190- 1
+----------+
| 45535 | BOOT, STEERING RACK, NO.1
+----------+
1212 - B100 45535-BZ090- 2
+----------+
| 45535A | CLAMP(FOR STEERING RACK BOOT)
+----------+
1212 - B100 15549-BZ010- 2
+----------+
| 45535B | CLIP(FOR STEERING RACK BOOT)
+----------+
1212 - B100 9004A-46138- 2
127
FIG.46-01 PARKING BRAKE & CABLE
(1212- )
461317-A
REFER TO
FIG
(PNC 84380)
REFER TO
FIG
84-01
46210
46334A
46420
46420B
46430
46441
90041-79268(2)
9004A-10131
9004A-10131
9004A-11221
9004A-11221
9004A-11221
9004A-11221 9004A-11221
9004A-11221
9004A-11221
9004A-11221
9004A-11221
9004A-11290
9004A-11290
84-01
128
FIG.46-01 PARKING BRAKE & CABLE
PROD_DATE MODELS
SPEC
CODE
DESCRIPTION
R
/
P
PART
NUMBER
O
Y
T
REV_REF
FR TO
+----------+
| 46210 | LEVER ASSY, PARKING BRAKE
+----------+
1212 - B100..LO,MID DK.GRAY(TRIM1#) 46210-BZ100-B0 1
1212 - B100..HI DK.GRAY(TRIM1#) 46210-BZ110-B0 1
+----------+
| 46334A | PROTECTOR, PARKING BRAKE CABLE JOINT
+----------+
1212 - B100..LO 46334-BZ030- 1
+----------+
| 46420 | CABLE ASSY, PARKING BRAKE, NO.2
+----------+
1212 - B100 46420-BZ160- 1
+----------+
| 46420B | CLAMP, NO.2(FOR PARKING BRAKE CABLE)
+----------+
1212 - B100 90044-61832- 1
+----------+
| 46430 | CABLE ASSY, PARKING BRAKE, NO.3
+----------+
1212 - B100 46430-BZ160- 1
+----------+
| 46441 | NUT, WIRE ADJUSTING, NO.1
+----------+
1212 - B100 46441-BZ040- 1
129
FIG.47-01 BRAKE PEDAL & BRACKET
(1212- )
478620
REFER TO
FIG
(PNC 44610)
47101
47101B
47101B
47101G
47101K
47121
47124
47264A
47264C
55106
91553-80814
47-03
FIG.47-01 BRAKE PEDAL & BRACKET
PROD_DATE MODELS
SPEC
CODE
DESCRIPTION
R
/
P
PART
NUMBER
O
Y
T
REV_REF
FR TO
+----------+
| 47101 | PEDAL SUB-ASSY, BRAKE
+----------+
1212 - B100..5F 47110-BZ250- 1
1212 - B100..E4AT 47110-BZ270- 1
+----------+
| 47101B | BUSH(FOR BRAKE PEDAL)
+----------+
1212 - B100 9004A-38021- 2
+----------+
| 47101G | BOLT, BRAKE PEDAL STOP, NO.1
+----------+
1212 - B100 45898-B2010- 1
+----------+
| 47101K | CUSHION(FOR PARKING LOCK CABLE)
+----------+
1212 - B100 90045-40158- 1
+----------+
| 47121 | PAD, BRAKE PEDAL
+----------+
1212 - B100..5F 31321-BZ050- 1
1212 - B100..E4AT 47121-BZ040- 1
+----------+
| 47124 | SHAFT, BRAKE PEDAL
+----------+
1212 - B100 31324-B2020- 1
+----------+
| 47264A | PIN(FOR PUSH ROD)
+----------+
1212 - B100 90042-40151- 1
+----------+
| 47264C | CLIP(FOR PUSH ROD CLEVIS PIN)
+----------+
1212 - B100 90044-68076- 1
+----------+
| 55106 | SUPPORT SUB-ASSY, BRAKE PEDAL
+----------+
1212 - B100 55106-BZ190- 1
130
FIG.47-02 BRAKE MASTER CYLINDER
(1212- )
4702 478621
REFER TO
FIG
(PNC 44610)
47-03
47202
47201
47201B
47210U
47230
47255
47255
47268A
47299
FIG.47-02 BRAKE MASTER CYLINDER
PROD_DATE MODELS
SPEC
CODE
DESCRIPTION
R
/
P
PART
NUMBER
O
Y
T
REV_REF
FR TO
+----------+
| 47201 | CYLINDER SUB-ASSY, BRAKE MASTER
+----------+
1212 - B100 47201-BZ370- 1
1212 - B100..HI B2DB WITH(PACKAGE OPTION
2)
47201-BZ380- 1
+----------+
| 47201B | RING, O(FOR BRAKE MASTER CYLINDER)
+----------+
1212 - B100 9004A-30046- 1
+----------+
| 47202 | RESERVOIR SUB-ASSY, BRAKE MASTER CYLINDER
+----------+
1212 - B100 47220-BZ220- 1
+----------+
| 47210U | PIN, STRAIGHT(FOR BRAKE MASTER CYLINDER)
+----------+
1212 - B100 9004A-24026- 1
+----------+
| 47230 | CAP ASSY, BRAKE MASTER CYLINDER RESERVOIR FILLER
+----------+
1212 - B100 47230-BZ100- 1
+----------+
| 47255 | GROMMET, MASTER CYLINDER RESERVOIR
+----------+
1212 - B100 47255-BZ100- 2
+----------+
| 47268A | NUT, BRAKE MASTER CYLINDER
+----------+
1212 - B100 9004A-17135- 2
+----------+
| 47299 | STRAINER, BRAKE MASTER CYLINDER RESERVOIR
+----------+
1212 - B100 47299-BZ090- 1
131
FIG.47-03 BRAKE BOOSTER & VACUUM TUBE
(1212- )
478622
REFER TO
FIG
(PNC 83390)
REFER TO
FIG
(PNC 47201)
REFER TO
FIG
(PNC 17111)
84-01
47-02
44610
44627C
44750
44750A
44750A
44785
47264D
90041-79300(4)
17-01
FIG.47-03 BRAKE BOOSTER & VACUUM TUBE
PROD_DATE MODELS
SPEC
CODE
DESCRIPTION
R
/
P
PART
NUMBER
O
Y
T
REV_REF
FR TO
+----------+
| 44610 | BOOSTER ASSY, BRAKE
+----------+
1212 - B100..5F 44610-BZ340- 1
1212 - B100..E4AT 44610-BZ350- 1
1212 - B100..HI..5F B2DB WITH(PACKAGE OPTION
2)
44610-BZ420- 1
1212 - B100..HI..E4AT B2DB WITH(PACKAGE OPTION
2)
44610-BZ430- 1
+----------+
| 44627C | NUT, BOOSTER SLEEVE CYLINDER
+----------+
1212 - B100 94120-40800- 1
+----------+
| 44750 | HOSE ASSY, VACUUM
+----------+
1212 - B100 44750-B6010- 1
+----------+
| 44750A | CLIP(FOR VACUUM HOSE ASSY)
+----------+
1212 - B100 90044-67161- 2
+----------+
| 44785 | GASKET, BRAKE BOOSTER
+----------+
1212 - B100 47275-BZ010- 1
+----------+
| 47264D | CLEVIS, BRAKE MASTER CYLINDER PUSH ROD
+----------+
1212 - B100 47264-BZ020- 1
132
FIG.47-05 FRONT DISC BRAKE CALIPER & DUST COVER
(1212-1312)5F
478623-B
04479
04491
31478B
47547B
47710A
47710A
47715A
47715D
47721
47722
47730
47731
47750
47769
47769
47781
47782
133
FIG.47-05 FRONT DISC BRAKE CALIPER & DUST COVER
(1212-1312)
478624-A
47715D
04479
04491
31478B
47547B
47710A
47710A
47715A
47730
47731
47750
47769
47769
47781
47782
47775
47775
134
FIG.47-05 FRONT DISC BRAKE CALIPER & DUST COVER
PROD_DATE MODELS
SPEC
CODE
DESCRIPTION
R
/
P
PART
NUMBER
O
Y
T
REV_REF
FR TO
+----------+
| 04479 | CYLINDER KIT, DISC BRAKE, FRONT
+----------+
1212 - B100..5F 04478-BZ140- 1
1212 - B100..HI..5F G3AC 13" DISK(VENTILATED) 04478-BZ150- 1
1212 - B100..E4AT 04478-BZ150- 1
+----------+
| 04491 | PAD KIT, DISC BRAKE, FRONT
+----------+
1212 - B100..5F 04491-BZ010- 1
1212 - B100..HI..5F G3AC 13" DISK(VENTILATED) 04491-BZ020- 1
1212 - B100..E4AT 04491-BZ020- 1
+----------+
| 31478B | CAP, BLEEDER PLUG(FOR FRONT DISC BRAKE)
+----------+
1212 - B100..5F 47548-BZ050- 2
1212 - B100..HI..5F G3AC 13" DISK(VENTILATED) 47548-BZ080- 2
1212 - B100..E4AT 47548-BZ080- 2
+----------+
| 47547B | PLUG, BLEEDER(FOR FRONT DISC BRAKE)
+----------+
1212 - B100 47547-BZ070- 2
+----------+
| 47710A | BOLT, HEXAGON(FOR FRONT DISC BRAKE CALIPE
R)+----------+
1212 - B100 90041-05242- 4
+----------+
| 47715A | PIN, FRONT DISC BRAKE CYLINDER SLIDE
+----------+
1212 - B100 47715-97201- 2
+----------+
| 47715D | PIN, FRONT DISC BRAKE CYLINDER SLIDE, NO.
2+----------+
1212 - 1306 B100..5F 47715-BZ050- 2
1212 - 1309 B100..E4AT 47715-BZ050- 2
1306 - 1309 B100..HI..5F G3AC 13" DISK(VENTILATED) 47715-BZ050- 2
1306 - 1312 B100..5F 47715-BZ140- 2
1309 - 1312 B100..E4AT 47715-BZ140- 2
FIG.47-05 FRONT DISC BRAKE CALIPER & DUST COVER
PROD_DATE MODELS
SPEC
CODE
DESCRIPTION
R
/
P
PART
NUMBER
O
Y
T
REV_REF
FR TO
+----------+
| 47721 | MOUNTING, FRONT DISC BRAKE CYLINDER, RH
+----------+
1212 - B100..5F 47721-BZ080- 1
+----------+
| 47722 | MOUNTING, FRONT DISC BRAKE CYLINDER, LH
+----------+
1212 - B100..5F 47721-BZ080- 1
+----------+
| 47730 | CYLINDER ASSY, FRONT DISC BRAKE, RH
+----------+
1212 - B100..5F 47730-BZ090- 1
1212 - B100..HI..5F G3AC 13" DISK(VENTILATED) 47730-BZ110- 1
1212 - B100..E4AT 47730-BZ110- 1
+----------+
| 47731 | PISTON, FRONT DISC BRAKE
+----------+
1212 - B100 47731-BZ030- 2
+----------+
| 47750 | CYLINDER ASSY, DISC BRAKE, LH
+----------+
1212 - B100..HI..5F G3AC 13" DISK(VENTILATED) 47750-BZ080- 1
1212 - B100..E4AT 47750-BZ080- 1
1212 - B100..5F 47750-BZ090- 1
+----------+
| 47769 | BUSH, CYLINDER SLIDE, NO.1(FOR FRONT DISC BRAKE)
+----------+
1212 - 1306 B100..5F 47769-BZ010- 2
1212 - 1309 B100..E4AT 47769-BZ010- 2
1306 - 1309 B100..HI..5F G3AC 13" DISK(VENTILATED) 47769-BZ010- 2
1306 - B100..5F 47769-BZ010- 4
1309 - B100..E4AT 47769-BZ010- 4
+----------+
| 47775 | BOOT, BUSH DUST(FOR FRONT DISC BRAKE)
+----------+
1212 - B100..HI..5F G3AC 13" DISK(VENTILATED) 47775-BZ070- 4
1212 - B100..E4AT 47775-BZ070- 4
135
FIG.47-05 FRONT DISC BRAKE CALIPER & DUST COVER
PROD_DATE MODELS
SPEC
CODE
DESCRIPTION
R
/
P
PART
NUMBER
O
Y
T
REV_REF
FR TO
+----------+
| 47781 | COVER, DISC BRAKE DUST, FRONT RH
+----------+
1212 - B100 47781-BZ100- 1
+----------+
| 47782 | COVER, DISC BRAKE DUST, FRONT LH
+----------+
1212 - B100 47782-BZ100- 1
136
FIG.47-06 REAR DRUM BRAKE WHEEL CYLINDER & BACKING PLATE
(1212- )
478625-A
04474
04495
04906
47043
47044
47430B
47430C
47430C
47430E
47430H
47559C
47447G
47447G
47449B
47449B
47491B
47547R
47548R
47550
47570
47601
47602
47635C
47643A
47644A
9004A-10131(2)
FIG.47-06 REAR DRUM BRAKE WHEEL CYLINDER & BACKING PLATE
PROD_DATE MODELS
SPEC
CODE
DESCRIPTION
R
/
P
PART
NUMBER
O
Y
T
REV_REF
FR TO
+----------+
| 04474 | CYLINDER KIT, REAR WHEEL
+----------+
1212 - B100 04474-BZ060- 2
+----------+
| 04495 | SHOE KIT, REAR BRAKE
+----------+
1212 - B100 MARK AK L636 EE 04495-BZ110- 1
+----------+
| 04906 | CUP KIT, REAR WHEEL CYLINDER
+----------+
1212 - B100 04906-BZ080- 1
+----------+
| 47043 | PLATE SUB-ASSY, BRAKE BACKING, REAR RH
+----------+
1212 - B100 47043-BZ090- 1
+----------+
| 47044 | PLATE SUB-ASSY, BRAKE BACKING, REAR LH
+----------+
1212 - B100 47044-BZ090- 1
+----------+
| 47430B | SPRING, TENSION(FOR REAR BRAKE SHOE RETUR
N)+----------+
1212 - B100 47459-BZ030- 2
+----------+
| 47430C | SPRING(FOR REAR BRAKE SHOE HOLD DOWN)
+----------+
1212 - B100 47446-BZ040- 4
+----------+
| 47430E | SPRING, TENSION(FOR REAR BRAKE SHOE RETUR
N)+----------+
1212 - B100 47459-BZ040- 2
+----------+
| 47430H | SPRING, COMPRESSION(FOR PARKING BRAKE SHOE STRUT)
+----------+
1212 - B100 RH 47459-BZ050- 1
1212 - B100 LH 47459-BZ060- 1
+----------+
| 47447G | PIN, SHOE HOLD DOWN SPRING(FOR REAR BRAKE
)+----------+
1212 - B100 47447-BZ050- 4
137
FIG.47-06 REAR DRUM BRAKE WHEEL CYLINDER & BACKING PLATE
PROD_DATE MODELS
SPEC
CODE
DESCRIPTION
R
/
P
PART
NUMBER
O
Y
T
REV_REF
FR TO
+----------+
| 47449B | CUP, SHOE HOLD DOWN SPRING(FOR REAR BRAKE
)+----------+
1212 - B100 47449-BZ050- 4
+----------+
| 47491B | PLUG, HOLE(FOR REAR BRAKE)
+----------+
1212 - B100 47419-BZ020- 2
+----------+
| 47547R | PLUG, BLEEDER(FOR DRUM BRAKE, REAR)
+----------+
1212 - B100 47547-BZ070- 2
+----------+
| 47548R | CAP, BLEEDER PLUG(FOR DRUM BRAKE, REAR)
+----------+
1212 - B100 47548-BZ010- 2
+----------+
| 47550 | CYLINDER ASSY, REAR WHEEL BRAKE(FOR RH, FRONT OR UPPER)
+----------+
1212 - B100 47550-BZ060- 1
+----------+
| 47559C | SPRING, REAR AUTOMATIC ADJUST LEVER SUPPO
RT+----------+
1212 - B100 47559-BZ040- 1
+----------+
| 47570 | CYLINDER ASSY, REAR WHEEL BRAKE(FOR LH, FRONT OR UPPER)
+----------+
1212 - B100 47550-BZ060- 1
+----------+
| 47601 | LEVER SUB-ASSY, PARKING BRAKE SHOE, RH(FOR REAR BRAKE)
+----------+
1212 - B100 47601-BZ030- 1
+----------+
| 47602 | LEVER SUB-ASSY, PARKING BRAKE SHOE, LH (FOR REAR BRAKE)
+----------+
1212 - B100 47602-BZ030- 1
+----------+
| 47635C | RETAINER, ADJUSTING BOLT SPRING
+----------+
1212 - B100 47635-BZ040- 2
+----------+
| 47643A | LEVER, REAR BRAKE AUTOMATIC ADJUST, RH
+----------+
1212 - B100 47608-BZ020- 1
FIG.47-06 REAR DRUM BRAKE WHEEL CYLINDER & BACKING PLATE
PROD_DATE MODELS
SPEC
CODE
DESCRIPTION
R
/
P
PART
NUMBER
O
Y
T
REV_REF
FR TO
+----------+
| 47644A | LEVER, REAR BRAKE AUTOMATIC ADJUST, LH
+----------+
1212 - B100 47609-BZ020- 1
138
FIG.47-08 BRAKE TUBE & CLAMP
―
 
―
 
―
 
―
 
―
 
―
 
―
 
―
 
―
 
―
 
―
 
―
 
―
 
―
 
―
 
―
 
―
 
―
 
―
 
―
 
―
 
―
 
―
 
―
 
―
 
―
 
―
 
―
 
―
 
―
 
―
 
―
 
―
 
―
(1212- )HI
ABS ACTUATOR
478628
44510
44591
90044-80661
91551-80816
91551-80816
139
FIG.47-08 BRAKE TUBE & CLAMP
(1212- )
L/ABS
478629
REFER TO
FIG
(PNC 47201)
REFER TO
FIG
(PNC 77286L)
REFER TO
FIG
(PNC 77286J)
REFER TO
FIG
(PNC 77285H)
47-02
77-0177-0177-01
47311
47311
47312
47313
47313
47313A
47313A
47313B
47313B
47313P
47313P
47314
47314
47318F
47319F
47322
47322
47324
47324
47325
47326
47371A
47371G
47371G
47371G
47371G
47371G
47371G
47372 47373B
91551-80816
91551-80816
47150
91551-80640
140
FIG.47-08 BRAKE TUBE & CLAMP
(1212- )HI
W/ABS
478630
REFER TO
FIG
(PNC 77286L)
REFER TO
FIG
(PNC 77286J)
REFER TO
FIG
(PNC 77285H)
REFER TO
FIG
(PNC 47201)
77-0177-0177-01
47311
47311
47312
4731247313
47313
47313A
47313A
47313B
47313B
47313P
47313P
47314
47314
47318F
47319F
47322
47322
47324
47324
47325
47326
47371A
47371B 47371C
47371G
47371G
47371G
47371G
47371G
47371G
47372 47373B 47374B 47375
91551-80816
91551-80816
47-02
141
FIG.47-08 BRAKE TUBE & CLAMP
PROD_DATE MODELS
SPEC
CODE
DESCRIPTION
R
/
P
PART
NUMBER
O
Y
T
REV_REF
FR TO
+----------+
| 44510 | ACTUATOR ASSY, BRAKE
+----------+
1212 - B100..HI..5F B2DB WITH(PACKAGE OPTION
2)
44050-B6010- 1
1212 - B100..HI..E4AT B2DB WITH(PACKAGE OPTION
2)
44050-B6010- 1
+----------+
| 44591 | BRACKET, BRAKE ACTUATOR, NO.1
+----------+
1212 - B100..HI..5F B2DB WITH(PACKAGE OPTION
2)
44591-BZ110- 1
1212 - B100..HI..E4AT B2DB WITH(PACKAGE OPTION
2)
44591-BZ110- 1
+----------+
| 47150 | VALVE ASSY, PROPORTIONING
+----------+
1212 - B100 47150-BZ060- 1
+----------+
| 47311 | TUBE, FRONT BRAKE, NO.1
+----------+
1212 - B100 47311-BZ380- 1
1212 - B100..HI B2DB WITH(PACKAGE OPTION
2)
47311-BZ390- 1
+----------+
| 47312 | TUBE, FRONT BRAKE, NO.2
+----------+
1212 - B100 47312-BZ390- 1
1212 - B100..HI B2DB WITH(PACKAGE OPTION
2)
47312-BZ400- 1
+----------+
| 47313 | TUBE, FRONT BRAKE, NO.3
+----------+
1212 - B100 47313-BZ340- 1
1212 - B100..HI B2DB WITH(PACKAGE OPTION
2)
47313-BZ350- 1
+----------+
| 47313A | HOSE, FLEXIBLE, NO.1(FOR FRONT)
+----------+
1212 - B100 RH 9004A-94103- 1
1212 - B100 LH 9004A-94109- 1
FIG.47-08 BRAKE TUBE & CLAMP
PROD_DATE MODELS
SPEC
CODE
DESCRIPTION
R
/
P
PART
NUMBER
O
Y
T
REV_REF
FR TO
+----------+
| 47313B | BOLT, UNION(FOR FRONT FLEXIBLE HOSE)
+----------+
1212 - B100 90401-10058- 2
+----------+
| 47313P | GASKET(FOR FRONT FLEXIBLE HOSE)
+----------+
1212 - B100 47389-50020- 2
+----------+
| 47314 | TUBE, FRONT BRAKE, NO.4
+----------+
1212 - B100 47314-BZ380- 1
1212 - B100..HI B2DB WITH(PACKAGE OPTION
2)
47314-BZ390- 1
+----------+
| 47318F | HOSE, FLEXIBLE(FOR REAR RH)
+----------+
1212 - B100 9004A-94110- 1
+----------+
| 47319F | HOSE, FLEXIBLE(FOR REAR LH)
+----------+
1212 - B100 9004A-94110- 1
+----------+
| 47322 | TUBE, REAR BRAKE, NO.2
+----------+
1212 - B100 47322-BZ130- 1
1212 - B100..HI B2DB WITH(PACKAGE OPTION
2)
47322-BZ190- 1
+----------+
| 47324 | TUBE, REAR BRAKE, NO.4
+----------+
1212 - B100 47324-BZ230- 1
1212 - B100..HI B2DB WITH(PACKAGE OPTION
2)
47324-BZ240- 1
+----------+
| 47325 | TUBE, REAR BRAKE, NO.5
+----------+
1212 - B100 47325-BZ150- 1
+----------+
| 47326 | TUBE, REAR BRAKE, NO.6
+----------+
1212 - B100 47326-BZ170- 1
142
FIG.47-08 BRAKE TUBE & CLAMP
PROD_DATE MODELS
SPEC
CODE
DESCRIPTION
R
/
P
PART
NUMBER
O
Y
T
REV_REF
FR TO
+----------+
| 47371A | CLAMP, BRAKE TUBE, NO.1
+----------+
1212 - B100 90044-64485- 1
+----------+
| 47371B | CLAMP, BRAKE TUBE, NO.6
+----------+
1212 - B100..HI B2DB WITH(PACKAGE OPTION
2)
90044-64780- 3
+----------+
| 47371C | CLAMP, BRAKE TUBE, NO.7
+----------+
1212 - B100..HI B2DB WITH(PACKAGE OPTION
2)
90044-64804- 1
+----------+
| 47371G | CLAMP, BRAKE TUBE, NO.11
+----------+
1212 - B100 90044-65441- 6
+----------+
| 47372 | CLAMP, BRAKE TUBE, NO.2
+----------+
1212 - 1301 B100 90044-64655- 1
1302 - B100 9004A-46299- 1
+----------+
| 47373B | CLAMP, BRAKE TUBE, NO.3
+----------+
1212 - B100 90044-64659- 2
+----------+
| 47374B | CLAMP, BRAKE TUBE, NO.4
+----------+
1212 - B100..HI B2DB WITH(PACKAGE OPTION
2)
90044-64731- 1
+----------+
| 47375 | CLAMP, BRAKE TUBE, NO.5
+----------+
1212 - B100..HI B2DB WITH(PACKAGE OPTION
2)
90044-64742- 1
143
FIG.48-02 FRONT AXLE ARM & STEERING KNUCKLE
(1212- )
483785
4321143211K
43211L
4321243212D
43212E
43345
48068
48068H
48068M
48069
48069D
48069H
48654
48655
90041-78084
90044-67547
9004A-52068
9004A-52069
FIG.48-02 FRONT AXLE ARM & STEERING KNUCKLE
PROD_DATE MODELS
SPEC
CODE
DESCRIPTION
R
/
P
PART
NUMBER
O
Y
T
REV_REF
FR TO
+----------+
| 43211 | KNUCKLE, STEERING, RH
+----------+
1212 - B100..HI B2DB WITH(PACKAGE OPTION
2)
43211-BZ260- 1
1212 - B100 43211-BZ270- 1
+----------+
| 43211K | BOLT (FOR STEERING KNUCKLE RH)
+----------+
1212 - B100 90041-01652- 2
+----------+
| 43211L | NUT (FOR STEERING KNUCKLE RH)
+----------+
1212 - B100 90041-70393- 2
+----------+
| 43212 | KNUCKLE, STEERING, LH
+----------+
1212 - B100..HI B2DB WITH(PACKAGE OPTION
2)
43212-BZ260- 1
1212 - B100 43212-BZ270- 1
+----------+
| 43212D | BOLT (FOR STEERING KNUCKLE LH)
+----------+
1212 - B100 90041-01652- 2
+----------+
| 43212E | NUT (FOR STEERING KNUCKLE LH)
+----------+
1212 - B100 90041-70393- 2
+----------+
| 43345 | COVER, LOWER BALL JOINT DUST
+----------+
1212 - B100 43345-BZ060- 2
+----------+
| 48068 | ARM SUB-ASSY, FRONT SUSPENSION, LOWER NO.1 RH
+----------+
1212 - B100 48068-BZ100- 1
+----------+
| 48068H | BOLT(FOR FRONT SUSPENSION LOWER ARM NO.1 RH)
+----------+
1212 - B100 90041-20192- 1
144
FIG.48-02 FRONT AXLE ARM & STEERING KNUCKLE
PROD_DATE MODELS
SPEC
CODE
DESCRIPTION
R
/
P
PART
NUMBER
O
Y
T
REV_REF
FR TO
+----------+
| 48068M | BOLT(FOR FRONT SUSPENSION LOWER ARM NO.2 RH)
+----------+
1212 - B100 90041-05475- 1
+----------+
| 48069 | ARM SUB-ASSY, FRONT SUSPENSION, LOWER NO.1 LH
+----------+
1212 - B100 48069-BZ100- 1
+----------+
| 48069D | BOLT(FOR FRONT SUSPENSION LOWER ARM NO.1 LH)
+----------+
1212 - B100 90041-20192- 1
+----------+
| 48069H | BOLT(FOR FRONT SUSPENSION LOWER ARM NO.2 LH)
+----------+
1212 - B100 90041-05475- 1
+----------+
| 48654 | BUSH, LOWER ARM
+----------+
1212 - B100 48654-BZ060- 2
+----------+
| 48655 | BUSH, LOWER ARM, NO.2
+----------+
1212 - B100 48655-BZ080- 2
145
FIG.48-03 FRONT SPRING & SHOCK ABSORBER
―
 
―
 
―
 
―
 
―
 
―
 
―
 
―
 
―
 
―
 
―
 
―
 
―
 
―
 
―
 
―
 
―
 
―
 
―
 
―
 
―
 
―
 
―
 
―
 
―
 
―
 
―
 
―
 
―
 
―
 
―
 
―
 
―
 
―
(1212- )
L/STABILIZER
483786-A
REFER TO
FIG
(PNC 43211K(RH))
(PNC 43212D(LH))
REFER TO
FIG
(PNC 43211L(RH))
(PNC 43212E(LH))
REFER TO
FIG
(PNC 43211(RH))
(PNC 43212(LH))
48-02
48-02
48-02
48044
48131
48132
48157B
48157C
48331B
48331C
48510
48510N
48520
48520C
48609A
48684A
48684B
90041-79316
90041-79303(2)
FIG.48-03 FRONT SPRING & SHOCK ABSORBER
(1212- )HI
W/STABILIZER
483787-A
REFER TO
FIG
(PNC 43211K(RH))
(PNC 43212D(LH))
REFER TO
FIG
(PNC 43211L(RH))
(PNC 43212E(LH))
REFER TO
FIG
(PNC 43211(RH))
(PNC 43212(LH))
48-02
48-02
48-02
48044
48131
48132
48157B
48157C
48331B
48331C
48510
48510N
48520
48520C
48609A
48684A
48684B
48810
48811
48815
48820A
48820B
48824A
48829A
90041-79316
90041-79303(2)
91551-80818(2)
48820A
146
FIG.48-03 FRONT SPRING & SHOCK ABSORBER
PROD_DATE MODELS
SPEC
CODE
DESCRIPTION
R
/
P
PART
NUMBER
O
Y
T
REV_REF
FR TO
+----------+
| 48044 | SEAT SUB- ASSY, FRONT SPRING, NO.1
+----------+
1212 - B100 48044-BZ090- 2
+----------+
| 48131 | SPRING, FRONT COIL, RH
+----------+
1212 - B100..(LO,MID)..5F 48131-BZ540- 1
1212 - B100..E4AT 48131-BZ560- 1
1212 - B100..HI..5F 48131-BZ560- 1
+----------+
| 48132 | SPRING, FRONT COIL, LH
+----------+
1212 - B100..(LO,MID)..5F 48131-BZ540- 1
1212 - B100..E4AT 48131-BZ560- 1
1212 - B100..HI..5F 48131-BZ560- 1
+----------+
| 48157B | INSULATOR, FRONT COIL SPRING, UPPER RH
+----------+
1212 - B100 48157-BZ070- 1
+----------+
| 48157C | INSULATOR, FRONT COIL SPRING, UPPER LH
+----------+
1212 - B100 48157-BZ070- 1
+----------+
| 48331B | BUMPER, FRONT SPRING, RH
+----------+
1212 - B100 48331-BZ130- 1
+----------+
| 48331C | BUMPER, FRONT SPRING, LH
+----------+
1212 - B100 48331-BZ130- 1
+----------+
| 48510 | ABSORBER ASSY, SHOCK, FRONT RH
+----------+
1212 - B100..LO,MID MARK 48510-BZ710 48510-BZ710- 1
1212 - B100..HI MARK 48510-BZ830 48510-BZ830- 1
1212 - B100..MID G4AC MARK 48510-BZ830,175
/65R14 5J-AL
48510-BZ830- 1
FIG.48-03 FRONT SPRING & SHOCK ABSORBER
PROD_DATE MODELS
SPEC
CODE
DESCRIPTION
R
/
P
PART
NUMBER
O
Y
T
REV_REF
FR TO
+----------+
| 48510 | ABSORBER ASSY, SHOCK, FRONT RH
CONTINUED--+
1212 - B100..HI G2EB MARK 48510-BZ860,WIT
H FR STABILIZER
48510-BZ860- 1
+----------+
| 48510N | BUSH(FOR FRONT SHOCK ABSORBER RH)
+----------+
1212 - B100 90043-85174- 1
+----------+
| 48520 | ABSORBER ASSY, SHOCK, FRONT LH
+----------+
1212 - B100..LO,MID MARK 48510-BZ710 48510-BZ710- 1
1212 - B100..HI MARK 48510-BZ830 48510-BZ830- 1
1212 - B100..MID G4AC MARK 48510-BZ830,175
/65R14 5J-AL
48510-BZ830- 1
1212 - B100..HI G2EB MARK 48520-BZ860,WIT
H FR STABILIZER
48520-BZ860- 1
+----------+
| 48520C | BUSH(FOR FRONT SHOCK ABSORBER LH)
+----------+
1212 - B100 90043-85174- 1
+----------+
| 48609A | SUPPORT SUB-ASSY, FRONT SUSPENSION
+----------+
1212 - B100 48609-BZ090- 2
+----------+
| 48684A | COVER, FRONT SUSPENSION SUPPORT DUST, RH
+----------+
1212 - B100 48684-BZ050- 1
+----------+
| 48684B | COVER, FRONT SUSPENSION SUPPORT DUST, LH
+----------+
1212 - B100 48684-BZ050- 1
+----------+
| 48810 | LINK ASSY, FRONT STABILIZER, LH
+----------+
1212 - 1407 B100..HI G2EB WITH FR STABILIZER 48820-BZ040- 1
+----------+
| 48811 | BAR, STABILIZER, FRONT
+----------+
1212 - B100..HI G2EB WITH FR STABILIZER 48811-BZ170- 1
147
FIG.48-03 FRONT SPRING & SHOCK ABSORBER
PROD_DATE MODELS
SPEC
CODE
DESCRIPTION
R
/
P
PART
NUMBER
O
Y
T
REV_REF
FR TO
+----------+
| 48815 | BUSH, FRONT STABILIZER BAR, NO.1
+----------+
1212 - B100..HI G2EB WITH FR STABILIZER 48815-BZ160- 2
+----------+
| 48820A | NUT(FOR FRONT STABILIZER LINK)
+----------+
1212 - B100..HI G2EB WITH FR STABILIZER 94151-21001- 4
+----------+
| 48820B | LINK ASSY, FRONT STABILIZER, RH
+----------+
1212 - 1407 B100..HI G2EB WITH FR STABILIZER 48820-BZ040- 1
+----------+
| 48824A | BRACKET, FRONT STABILIZER, NO.1 RH
+----------+
1212 - B100..HI G2EB WITH FR STABILIZER 48824-BZ130- 1
+----------+
| 48829A | BRACKET, FRONT STABILIZER, NO.1 LH
+----------+
1212 - B100..HI G2EB WITH FR STABILIZER 48824-BZ130- 1
148
FIG.48-04 REAR SPRING & SHOCK ABSORBER
(1212- )
483788
48231A
48231B
48341
48481
48482A 48530
48540
48710J
48725A
48750
48755
90041-05375
90041-70343
90042-01758
94188-01001
FIG.48-04 REAR SPRING & SHOCK ABSORBER
PROD_DATE MODELS
SPEC
CODE
DESCRIPTION
R
/
P
PART
NUMBER
O
Y
T
REV_REF
FR TO
+----------+
| 48231A | SPRING, COIL, REAR RH
+----------+
1212 - B100..LO,MID 48231-BZ240- 1
1212 - B100..HI 48231-BZ430- 1
+----------+
| 48231B | SPRING, COIL, REAR LH
+----------+
1212 - B100..LO,MID 48231-BZ240- 1
1212 - B100..HI 48231-BZ430- 1
+----------+
| 48341 | BUMPER, REAR SPRING
+----------+
1212 - B100 48341-BZ030- 2
+----------+
| 48481 | SEAT, REAR SPRING, UPPER
+----------+
1212 - B100 48481-BZ060- 2
+----------+
| 48482A | SEAT, REAR SPRING, LOWER
+----------+
1212 - B100 48482-BZ080- 2
+----------+
| 48530 | ABSORBER ASSY, SHOCK, REAR RH
+----------+
1212 - B100..LO,MID MARK 48531-BZ530 48531-BZ530- 1
1212 - B100..HI MARK 48531-BZ540 48531-BZ540- 1
1304 - B100..MID G4AC MARK 48531-BZ540,175
/65R14 5J-AL
48531-BZ540- 1
+----------+
| 48540 | ABSORBER ASSY, SHOCK, REAR LH
+----------+
1212 - B100..LO,MID MARK 48531-BZ530 48531-BZ530- 1
1212 - B100..HI MARK 48531-BZ540 48531-BZ540- 1
1304 - B100..MID G4AC MARK 48531-BZ540,175
/65R14 5J-AL
48531-BZ540- 1
+----------+
| 48710J | ARM ASSY, REAR SUSPENSION, NO.1
+----------+
1212 - B100 48710-BZ090- 1
149
FIG.48-04 REAR SPRING & SHOCK ABSORBER
PROD_DATE MODELS
SPEC
CODE
DESCRIPTION
R
/
P
PART
NUMBER
O
Y
T
REV_REF
FR TO
+----------+
| 48710J | ARM ASSY, REAR SUSPENSION, NO.1
CONTINUED--+
1212 - B100..HI B2DB WITH(PACKAGE OPTION
2)
48710-BZ100- 1
+----------+
| 48725A | BOLT(FOR LOWER CONTROL ARM)
+----------+
1212 - B100 48718-B2031- 2
+----------+
| 48750 | SUPPORT ASSY, REAR SUSPENSION
+----------+
1212 - B100 48750-BZ010- 2
+----------+
| 48755 | SUPPORT, REAR SUSPENSION
+----------+
1212 - B100 48755-BZ010- 2
150
FIG.51-02 SUSPENSION CROSSMEMBER & UNDER COVER
(1212- )
512553-B
51201
51441C
51442C
90041-20263
90041-20263
90041-20141
90041-20141
90044-68320
9004A-46323
90044-68320
9004A-46323
90044-68320
9004A-46323
90044-68320
9004A-46323
90044-68320
9004A-46323
90041-19902
90041-19902
FIG.51-02 SUSPENSION CROSSMEMBER & UNDER COVER
PROD_DATE MODELS
SPEC
CODE
DESCRIPTION
R
/
P
PART
NUMBER
O
Y
T
REV_REF
FR TO
+----------+
| 51201 | CROSSMEMBER SUB-ASSY, FRONT SUSPENSION
+----------+
1212 - B100 51201-BZ090- 1
+----------+
| 51441C | COVER, ENGINE UNDER, RH
+----------+
1212 - B100 51441-BZ170- 1
+----------+
| 51442C | COVER, ENGINE UNDER, LH
+----------+
1212 - B100 51442-BZ050- 1
151
FIG.51-04 SPARE WHEEL CARRIER
(1212- )
512554
51900
FIG.51-04 SPARE WHEEL CARRIER
PROD_DATE MODELS
SPEC
CODE
DESCRIPTION
R
/
P
PART
NUMBER
O
Y
T
REV_REF
FR TO
+----------+
| 51900 | CARRIER ASSY, SPARE WHEEL
+----------+
1212 - B100..LO,MID 51900-BZ030- 1
1212 - B100..HI 51900-BZ040- 1
1212 - B100..MID G4AC 175/65R14 5J-AL 51900-BZ040- 1
152
FIG.52-01 FRONT BUMPER & BUMPER STAY
(1212- )
522759-A
REFER TO
FIG
(PNC 53122A)
REFER TO
FIG
(PNC 53121B)
REFER TO
FIG
(PNC 81211C)
REFER TO
FIG
(PNC 81221C)
REFER TO
FIG
(PNC 53124B)
REFER TO
FIG
(PNC 53123B)
REFER TO
FIG
(PNC 51960)
52116A
52115A
52127D
52119A
9004A-46323(4)
9004A-10112
9004A-10112
90041-68102(2)
90041-79134(2)
91631-G0616
90044-67555(2)
09-01
53-01
53-01
81-02
81-02
53-01
53-01
FIG.52-01 FRONT BUMPER & BUMPER STAY
PROD_DATE MODELS
SPEC
CODE
DESCRIPTION
R
/
P
PART
NUMBER
O
Y
T
REV_REF
FR TO
+----------+
| 52115A | SUPPORT, FRONT BUMPER SIDE, RH
+----------+
1212 - B100 52115-BZ060- 1
+----------+
| 52116A | SUPPORT, FRONT BUMPER SIDE, LH
+----------+
1212 - B100 52116-BZ060- 1
+----------+
| 52119A | COVER, FRONT BUMPER
+----------+
1212 - B100..LO,MID 52101-BZ080- 1
1212 - B100..HI 52101-BZ090- 1
+----------+
| 52127D | COVER, FRONT BUMPER HOLE, RH
+----------+
1212 - B100 52127-BZ180- 1
153
FIG.52-02 REAR BUMPER & BUMPER STAY
(1212- )
522760-A
52155A
52156A
52159
90041-68102
90041-68102
90041-68102
90041-68102
90044-67555
90044-67555
9004A-46323
9004A-46323
9004A-46323
9004A-46323
9004A-46323
9004A-46323
FIG.52-02 REAR BUMPER & BUMPER STAY
PROD_DATE MODELS
SPEC
CODE
DESCRIPTION
R
/
P
PART
NUMBER
O
Y
T
REV_REF
FR TO
+----------+
| 52155A | SUPPORT, REAR BUMPER SIDE, RH
+----------+
1212 - B100 52155-BZ070- 1
+----------+
| 52156A | SUPPORT, REAR BUMPER SIDE, LH
+----------+
1212 - B100 52156-BZ130- 1
+----------+
| 52159 | COVER, REAR BUMPER
+----------+
1212 - B100 52159-BZ840- 1
154
FIG.53-01 RADIATOR GRILLE
(1212- )HI
533894
53121B
53122A
53123B
53124B
53195A
FIG.53-01 RADIATOR GRILLE
PROD_DATE MODELS
SPEC
CODE
DESCRIPTION
R
/
P
PART
NUMBER
O
Y
T
REV_REF
FR TO
+----------+
| 53121B | MOULDING, RADIATOR GRILLE, UPPER
+----------+
1212 - B100..HI 53121-BZ140- 1
+----------+
| 53122A | MOULDING, RADIATOR GRILLE, LOWER
+----------+
1212 - B100..HI 53122-BZ080- 1
+----------+
| 53123B | MOULDING, RADIATOR GRILLE SIDE, RH
+----------+
1212 - B100..HI 53123-BZ080- 1
+----------+
| 53124B | MOULDING, RADIATOR GRILLE SIDE, LH
+----------+
1212 - B100..HI 53124-BZ020- 1
+----------+
| 53195A | RETAINER, RADIATOR GRILLE, LOWER NO.1
+----------+
1212 - B100..HI 76854-BZ010- 4
155
FIG.53-02 HOOD & FRONT FENDER
(1212- )
533922-A
REFER TO
FIG
(PNC 75305)
75-01
(REFER TO FIG 57-01)
53301
53341B
53341C
53384B
53801
53802
53865B
53866C
53868C
53869A
53875A
53876B
53875C
53876A
90044-67563(2)
90044-67563(2)
9004A-11217(10)
90044-67555
75921-BZ050-C0
75922-BZ050-C0
90189-06213
156
FIG.53-02 HOOD & FRONT FENDER
PROD_DATE MODELS
SPEC
CODE
DESCRIPTION
R
/
P
PART
NUMBER
O
Y
T
REV_REF
FR TO
+----------+
| 53301 | HOOD SUB-ASS
Y+----------+
1212 - B100 53301-BZ240- 1
+----------+
| 53341B | INSULATOR, HOOD
+----------+
1212 - B100 53341-BZ070- 1
+----------+
| 53341C | CLIP(FOR HOOD INSULATOR)
+----------+
1212 - B100 90044-68280- 7
+----------+
| 53384B | CUSHION, HOOD, CENTER
+----------+
1212 - B100 53384-B1010- 2
+----------+
| 53801 | FENDER SUB-ASSY, FRONT RH
+----------+
1212 - B100 53811-BZ270- 1
+----------+
| 53802 | FENDER SUB-ASSY, FRONT LH
+----------+
1212 - B100 53812-BZ270- 1
+----------+
| 53865B | PLATE, FRONT FENDER EXTENSION, RH
+----------+
1212 - B100 53865-BZ080- 1
+----------+
| 53866C | PLATE, FRONT FENDER EXTENSION, LH
+----------+
1212 - B100 53866-BZ070- 1
+----------+
| 53868C | SEAL, FRONT FENDER TO COWL SIDE, NO.2 RH
+----------+
1212 - B100 53445-BZ030- 1
+----------+
| 53869A | SEAL, FRONT FENDER TO COWL SIDE, NO.2 LH
+----------+
1212 - B100 53446-BZ030- 1
+----------+
| 53875A | LINER, FRONT FENDER, RH
+----------+
1212 - B100 53875-BZ220- 1
FIG.53-02 HOOD & FRONT FENDER
PROD_DATE MODELS
SPEC
CODE
DESCRIPTION
R
/
P
PART
NUMBER
O
Y
T
REV_REF
FR TO
+----------+
| 53875C | CLIP, FRONT FENDER LINER
+----------+
1212 - 1304 B100 90044-68320- 9
1305 - B100 9004A-46323- 9
+----------+
| 53876A | LINER, FRONT FENDER, LH
+----------+
1212 - B100 53876-BZ220- 1
+----------+
| 53876B | CLIP, FRONT FENDER LINER
+----------+
1212 - 1304 B100 90044-68320- 9
1305 - B100 9004A-46323- 9
157
FIG.53-03 HOOD LOCK & HINGE
(1212- )
533899-C
53410
53420
53451
53451A
53455
53510
53630
53630A
53630B
9004A-10147(2)
90041-05106(2)
9004A-10147(2)
90041-05106(2)
9004A-11253(3)
9004A-11190
9004A-11190
9004A-11217(2)
90467-09043
91631-G0614(2)
9004A-11217(2)
91631-G0614(2)
FIG.53-03 HOOD LOCK & HINGE
PROD_DATE MODELS
SPEC
CODE
DESCRIPTION
R
/
P
PART
NUMBER
O
Y
T
REV_REF
FR TO
+----------+
| 53410 | HINGE ASSY, HOOD, RH
+----------+
1212 - B100 53401-BZ050- 1
+----------+
| 53420 | HINGE ASSY, HOOD, LH
+----------+
1212 - B100 53402-BZ060- 1
+----------+
| 53451 | ROD, HOOD SUPPORT
+----------+
1212 - B100 53451-BZ070- 1
+----------+
| 53451A | GROMMET(FOR HOOD SUPPORT ROD)
+----------+
1212 - B100 9004A-48054- 1
+----------+
| 53455 | CLAMP, HOOD SUPPORT ROD
+----------+
1212 - B100 53455-BZ100- 1
+----------+
| 53510 | LOCK ASSY, HOOD
+----------+
1212 - B100 53510-BZ210- 1
+----------+
| 53630 | CABLE ASSY, HOOD LOCK CONTROL
+----------+
1212 - B100 53630-BZ070- 1
+----------+
| 53630A | GROMMET(FOR HOOD LOCK CONTROL CABLE)
+----------+
1212 - B100 85373-BZ090- 1
+----------+
| 53630B | CLAMP(FOR HOOD LOCK CONTROL CABLE)
+----------+
1212 - B100 82711-BZ100- 1
158
FIG.53-04 FRONT FENDER APRON & DASH PANEL
(1212- )
533903-C
REFER TO
FIG
(PNC 16793A)
REFER TO
FIG
(PNC 57409)
REFER TO
FIG
(PNC 57102)
REFER TO
FIG
(PNC 57116A)
REFER TO
FIG
(PNC 57249A)
REFER TO
FIG
(PNC 57101)
REFER TO
FIG
(PNC 57406)
REFER TO
FIG
(PNC 57249)
REFER TO
FIG
(PNC 57115A)
17-09
(REFER TO FIG 57-01)
52021B
53211
53212
53215B
53216A
53218A
53291J
53381D
53381D
53629
53701
53702
53722D
55168A
55169B
55210
55210A
55213A
55215A
55713E
55714E
57105D
57106D
57233A
88897-BZ200
88897-BZ210
90044-68320
9004A-46323
90044-68320
9004A-46323
90041-05489(2)
90041-05489(2)
9004A-95048
90105-06137
90105-06137
90105-06137
90105-06137
90105-06137
90105-06137
90105-06137
90105-06137
90105-06137
90105-06137
91551-80612
9004A-11282(2)
53-05
53-05
53-05
53-05
90105-06137
90105-06137
90105-06137
90105-06137
53-05
53-05
53-05
53-05
55101
159
FIG.53-04 FRONT FENDER APRON & DASH PANEL
PROD_DATE MODELS
SPEC
CODE
DESCRIPTION
R
/
P
PART
NUMBER
O
Y
T
REV_REF
FR TO
+----------+
| 52021B | REINFORCEMENT SUB-ASSY, FRONT BUMPER
+----------+
1212 - B100 52021-BZ170- 1
+----------+
| 53211 | SUPPORT, RADIATOR, RH
+----------+
1212 - B100 53211-BZ150- 1
+----------+
| 53212 | SUPPORT, RADIATOR, LH
+----------+
1212 - B100 53211-BZ150- 1
+----------+
| 53215B | SUPPORT, HOOD LOCK
+----------+
1212 - B100 53215-BZ120- 1
+----------+
| 53216A | SUPPORT, RADIATOR, UPPER
+----------+
1212 - B100 53216-BZ110- 1
+----------+
| 53218A | SUPPORT, RADIATOR, LOWER
+----------+
1212 - B100 53218-BZ060- 1
+----------+
| 53291J | SEAL, RADIATOR SUPPORT
+----------+
1212 - B100..LO 52543-BZ080- 1
+----------+
| 53381D | BUMPER, HOOD TO FRONT SHROUD
+----------+
1212 - B100 53381-BZ010- 2
+----------+
| 53629 | COVER, HOOD LOCK CONTROL CABLE
+----------+
1212 - B100 53629-BZ030- 1
+----------+
| 53701 | APRON SUB-ASSY, FRONT FENDER, RH
+----------+
1212 - B100 53701-BZ170- 1
+----------+
| 53702 | APRON SUB-ASSY, FRONT FENDER, LH
+----------+
1212 - B100 53702-BZ140- 1
FIG.53-04 FRONT FENDER APRON & DASH PANEL
PROD_DATE MODELS
SPEC
CODE
DESCRIPTION
R
/
P
PART
NUMBER
O
Y
T
REV_REF
FR TO
+----------+
| 53722D | RETAINER, FENDER APRON, LH
+----------+
1212 - B100 57234-BZ010- 1
+----------+
| 55101 | PANEL SUB-ASSY, DASH
+----------+
1212 - B100..5F 55101-BZ840- 1
1212 - B100..E4AT 55101-BZ850- 1
+----------+
| 55168A | BRACKET, FRONT FENDER MOUNTING, RH
+----------+
1212 - B100 55168-BZ100- 1
+----------+
| 55169B | BRACKET, FRONT FENDER MOUNTING, LH
+----------+
1212 - B100 55169-BZ070- 1
+----------+
| 55210 | INSULATOR ASSY, DASH PANEL
+----------+
1212 - B100..LO 55210-BZ310- 1
1212 - B100..HI,MID 55210-BZ320- 1
+----------+
| 55210A | CLIP
+----------+
1212 - B100 9004A-46130- 5
+----------+
| 55213A | PAD, DASH PANEL SILENCER
+----------+
1212 - B100 55213-BZ040- 1
+----------+
| 55215A | PAD, DASH PANEL INSULATOR, NO.3
+----------+
1212 - B100 55215-BZ050- 1
+----------+
| 55713E | PANEL, COWL TOP SIDE, RH
+----------+
1212 - B100 55713-BZ090- 1
+----------+
| 55714E | PANEL, COWL TOP SIDE, LH
+----------+
1212 - B100 55714-BZ120- 1
160
FIG.53-04 FRONT FENDER APRON & DASH PANEL
PROD_DATE MODELS
SPEC
CODE
DESCRIPTION
R
/
P
PART
NUMBER
O
Y
T
REV_REF
FR TO
+----------+
| 57105D | PLATE SUB-ASSY, FRONT SIDE MEMBER, RH
+----------+
1212 - B100 57105-BZ100- 1
+----------+
| 57106D | PLATE SUB-ASSY, FRONT SIDE MEMBER, LH
+----------+
1212 - B100 57106-BZ090- 1
+----------+
| 57233A | RETAINER, ENGINE FRONT SUPPORT, RH
+----------+
1212 - B100 57233-BZ010- 1
161
FIG.53-05 FLOOR SIDE MEMBER
(1212- )
533912-A
(REFER TO FIG 57-01)
51967D
53213D
53214C
53214C
53268B
57249
57249A
53269B
57069A
57101
57102
57115A
57116A
57406
57409
57601 57602
57605B
57653A
53213D
57401H 57402F
57451
162
FIG.53-05 FLOOR SIDE MEMBER
PROD_DATE MODELS
SPEC
CODE
DESCRIPTION
R
/
P
PART
NUMBER
O
Y
T
REV_REF
FR TO
+----------+
| 51967D | HOOK SUB-ASSY,REAR
+----------+
1212 - B100 51095-BZ040- 1
+----------+
| 53213D | SUPPORT, RADIATOR, UPPER RH
+----------+
1212 - B100 53213-BZ060- 2
+----------+
| 53214C | SUPPORT, RADIATOR, UPPER LH
+----------+
1212 - B100 53213-BZ060- 2
+----------+
| 53268B | REINFORCEMENT, RADIATOR MOUNTING, RH
+----------+
1212 - B100 53268-BZ080- 1
+----------+
| 53269B | REINFORCEMENT, RADIATOR MOUNTING, LH
+----------+
1212 - B100 53269-BZ020- 1
+----------+
| 57069A | MEMBER, REAR FLOOR, CENTER
+----------+
1212 - B100 57069-BZ080- 1
+----------+
| 57101 | MEMBER SUB-ASSY, FRONT SIDE, RH
+----------+
1212 - B100 57101-BZ390- 1
+----------+
| 57102 | MEMBER SUB-ASSY, FRONT SIDE, LH
+----------+
1212 - B100 57102-BZ480- 1
+----------+
| 57115A | PLATE, FRONT SIDE MEMBER, OUTER RH
+----------+
1212 - B100 57115-BZ030- 1
+----------+
| 57116A | PLATE, FRONT SIDE MEMBER, OUTER LH
+----------+
1212 - B100 57116-BZ080- 1
+----------+
| 57249 | BRACKET, FLEXIBLE HOSE, NO.1
+----------+
1212 - B100 57249-BZ020- 1
FIG.53-05 FLOOR SIDE MEMBER
PROD_DATE MODELS
SPEC
CODE
DESCRIPTION
R
/
P
PART
NUMBER
O
Y
T
REV_REF
FR TO
+----------+
| 57249A | BRACKET, FREXIBLE HOUSE, NO.1, LH
+----------+
1212 - B100 57249-BZ020- 1
+----------+
| 57401H | MEMBER SUB-ASSY, FLOOR SIDE, INNER RH
+----------+
1212 - B100 57401-BZ160- 1
+----------+
| 57402F | MEMBER SUB-ASSY, FLOOR SIDE, INNER LH
+----------+
1212 - B100 57402-BZ160- 1
+----------+
| 57406 | MEMBER SUB-ASSY, MAIN FLOOR SIDE, RH
+----------+
1212 - B100 57406-BZ010- 1
+----------+
| 57409 | MEMBER SUB-ASSY, MAIN FLOOR SIDE, LH
+----------+
1212 - B100 57409-BZ120- 1
+----------+
| 57451 | MEMBER, FRONT FLOOR CROSS
+----------+
1212 - B100 57451-BZ110- 1
+----------+
| 57601 | MEMBER SUB-ASSY, REAR FLOOR SIDE, RH
+----------+
1212 - B100 57601-BZ220- 1
+----------+
| 57602 | MEMBER SUB-ASSY, REAR FLOOR SIDE, LH
+----------+
1212 - B100 57602-BZ150- 1
+----------+
| 57605B | MEMBER SUB-ASSY, REAR FLOOR CROSS, NO.1
+----------+
1212 - B100 57605-BZ090- 1
+----------+
| 57653A | MEMBER, REAR FLOOR CROSS, NO.2
+----------+
1212 - B100 57653-BZ090- 1
163
FIG.55-01 INSTRUMENT PANEL & GLOVE COMPARTMENT
(1212- )
553059-A
9004A-11218
9004A-16036
90041-83025
9004A-11214
90159-70003
55301
55355
55394B
55394B
73970A
55331
164
FIG.55-01 INSTRUMENT PANEL & GLOVE COMPARTMENT
(1212- )LO
W/O AIRCON
553060-B
REFER TO
FIG
(PNC 81942B)
REFER TO
FIG
(PNC 81942A)
REFER TO
FIG
(PNC 81942H)
REFER TO
FIG
(PNC 81942H) 55406B
55411G
55412D
55526
55526
55544
55547
55548A
55550
55557A
55557A
55560A
55561A
90151-40005
93540-54010
9004A-16036
90159-70003
87-15
87-15 87-15
87-15
165
FIG.55-01 INSTRUMENT PANEL & GLOVE COMPARTMENT
(1212- )
W/AIRCON
553061-A
REFER TO
FIG
(PNC 81942A)
REFER TO
FIG
(PNC 81942B)
REFER TO
FIG
(PNC 86211)
REFER TO
FIG
(PNC 86212)
55406B
55411G
55412D
55547
55548A
55550
55557A
55557A
55560A
55561A
90151-40005
93540-54010
9004A-16036
90159-70003
55522B
55522B
55650
55650
55660
55660
87-15
87-15
86-01
86-01
166
FIG.55-01 INSTRUMENT PANEL & GLOVE COMPARTMENT
PROD_DATE MODELS
SPEC
CODE
DESCRIPTION
R
/
P
PART
NUMBER
O
Y
T
REV_REF
FR TO
+----------+
| 55301 | PANEL SUB-ASSY, INSTRUMENT
+----------+
1212 - B100 DK.GRAY(TRIM1#) 55311-BZ440-B0 1
1212 - B100..HI,MID R5AB D/P(SRS AIR BAG),DK.
GRAY(TRIM1#)
55311-BZ580-B0 1
+----------+
| 55331 | REINFORCEMENT, INSTRUMENT PANEL
+----------+
1212 - B100 55305-BZ500- 1
1212 - B100..HI,MID R5AB D/P(SRS AIR BAG) 55305-BZ510- 1
+----------+
| 55355 | CUSHION, INSTRUMENT PANEL, NO.1
+----------+
1212 - B100 55355-BZ100- 1
+----------+
| 55394B | BOLT, INSTRUMENT PANEL
+----------+
1212 - B100 55394-BZ020- 4
+----------+
| 55406B | PANEL SUB-ASSY, INSTRUMENT CLUSTER FINISH, LOWER CENTER
+----------+
1212 - B100..HI SILVER(TRIM1#) 55406-BZ070-B0 1
1212 - B100..LO DK.GRAY(TRIM1#) 55406-BZ510-B0 1
1212 - B100..LO P3GB HEATER CONTROL PANEL
(2 DIAL),DK.GRAY(TR
IM1#)
55406-BZ520-B1 1
1212 - B100..MID DK.GRAY(TRIM1#) 55406-BZ520-B1 1
+----------+
| 55411G | PANEL, INSTRUMENT CLUSTER FINISH, NO.1
+----------+
1212 - B100 BLACK(TRIM1#) 55411-BZ190-C0 1
+----------+
| 55412D | PANEL, INSTRUMENT CLUSTER FINISH, CENTER
+----------+
1212 - B100..LO DK.GRAY(TRIM1#) 55412-BZ590-B1 1
1212 - B100..MID DK.GRAY(TRIM1#) 55412-BZ600-B1 1
1212 - B100..HI SILVER(TRIM1#) 55412-BZ610-B0 1
FIG.55-01 INSTRUMENT PANEL & GLOVE COMPARTMENT
PROD_DATE MODELS
SPEC
CODE
DESCRIPTION
R
/
P
PART
NUMBER
O
Y
T
REV_REF
FR TO
+----------+
| 55522B | COVER, RADIO TUNER OPENING
+----------+
1212 - B100..MID 55522-87Z05- 2
+----------+
| 55526 | COVER, INSTRUMENT PANEL REGISTER OPENING
+----------+
1212 - B100..LO BLACK(TRIM1#) 55526-BZ010-C0 2
+----------+
| 55544 | COVER, INSTRUMENT PANEL REGISTER HOLE
+----------+
1212 - B100..LO DK.GRAY(TRIM1#) 55527-BZ010-B0 1
+----------+
| 55547 | COVER, REMOTE CONTROL MIRROR HOLE
+----------+
1212 - B100..LO,MID DK.GRAY(TRIM1#) 55547-28010-B1 1
+----------+
| 55548A | COVER, INSTRUMENT PANEL HOLE
+----------+
1212 - B100 DK.GRAY(TRIM1#) 55548-BZ040-B0 1
+----------+
| 55550 | DOOR ASSY, GLOVE COMPARTMENT
+----------+
1212 - B100 DK.GRAY(TRIM1#) 55550-BZ080-B0 1
+----------+
| 55557A | CUSHION, GLOVE COMPARTMENT DOOR CHECK
+----------+
1212 - B100 55557-B2040- 2
+----------+
| 55560A | LOCK ASSY, GLOVE COMPARTMENT DOOR
+----------+
1212 - B100 DK.GRAY(TRIM1#) 55560-BZ050-B0 1
+----------+
| 55561A | STRIKER, GLOVE COMPARTMENT DOOR LOCK
+----------+
1212 - B100 55561-BZ100- 1
+----------+
| 55650 | REGISTER ASSY, INSTRUMENT PANEL, NO.1
+----------+
1212 - B100..LO P4HF REGISTER (CHROME KNO
B:CTR),DK.GRAY(TRIM1
#)
55650-BZ080-B0 2
1212 - B100..MID DK.GRAY(TRIM1#) 55650-BZ080-B0 2
167
FIG.55-01 INSTRUMENT PANEL & GLOVE COMPARTMENT
PROD_DATE MODELS
SPEC
CODE
DESCRIPTION
R
/
P
PART
NUMBER
O
Y
T
REV_REF
FR TO
+----------+
| 55650 | REGISTER ASSY, INSTRUMENT PANEL, NO.1
CONTINUED--+
1212 - B100..HI DK.GRAY(TRIM1#) 55650-BZ150-B0 2
+----------+
| 55660 | REGISTER ASSY, INSTRUMENT PANEL, NO.2
+----------+
1212 - B100..HI,MID BLACK(TRIM1#) 55660-BZ060-C0 2
1212 - B100..LO P4AB MANUAL AIR CONDITION
ER,BLACK(TRIM1#)
55660-BZ060-C0 2
+----------+
| 73970A | AIR BAG ASSY, INSTRUMENT PANEL PASSENGER
+----------+
1212 - B100..HI,MID R5AB D/P(SRS AIR BAG),DK.
GRAY(TRIM1#)
73970-BZ120-B0 1
168
FIG.55-03 COWL PANEL & WINDSHIELD GLASS
(1212- )
553062-B
REFER TO
FIG
REFER TO
FIG
(PNC 85035)
REFER TO
FIG
(PNC 85035)
55703A
55711
55723C 55724A
55781E
56111
56115A
56115A
56116C
56116C
56117A
85-03
85-03 85-03
55781G
55781G
53452C
53383B
53718F
53716H
53715H
53717F
FIG.55-03 COWL PANEL & WINDSHIELD GLASS
PROD_DATE MODELS
SPEC
CODE
DESCRIPTION
R
/
P
PART
NUMBER
O
Y
T
REV_REF
FR TO
+----------+
| 53383B | SEAL, HOOD TO COWL TOP
+----------+
1212 - B100 53383-BZ100- 1
+----------+
| 53452C | BRACKET, HOOD SUPPORT ROD
+----------+
1212 - B100 53452-BZ010- 1
+----------+
| 53715H | APRON, FENDER SIDE, RH
+----------+
1212 - B100 53715-BZ010- 1
+----------+
| 53716H | APRON, FENDER SIDE, LH
+----------+
1212 - B100 53716-BZ010- 1
+----------+
| 53717F | GUSSET, FENDER APRON, RH
+----------+
1212 - B100 53717-BZ050- 1
+----------+
| 53718F | GUSSET, FENDER APRON, LH
+----------+
1212 - B100 53718-BZ090- 1
+----------+
| 55703A | PANEL SUB-ASSY, COWL TOP, INNER
+----------+
1212 - B100 55703-BZ290- 1
+----------+
| 55711 | PANEL, COWL TOP, OUTER
+----------+
1212 - B100 55711-BZ170- 1
+----------+
| 55723C | REINFORCEMENT, COWL TOP SIDE, RH
+----------+
1212 - B100 55723-BZ080- 1
+----------+
| 55724A | REINFORCEMENT, COWL TOP SIDE, LH
+----------+
1212 - B100 55724-BZ020- 1
+----------+
| 55781E | LOUVER SUB-ASSY, COWL TOP VENTILATOR
+----------+
1212 - B100 55708-BZ060- 1
169
FIG.55-03 COWL PANEL & WINDSHIELD GLASS
PROD_DATE MODELS
SPEC
CODE
DESCRIPTION
R
/
P
PART
NUMBER
O
Y
T
REV_REF
FR TO
+----------+
| 55781G | CLIP, COWL TOP VENTILATOR LOUVER
+----------+
1212 - 1304 B100 90044-68320- 2
1305 - B100 9004A-46323- 2
+----------+
| 56111 | GLASS, WINDSHIELD
+----------+
1212 - B100 T=4.76,GREEN,ASAHIMA
S
56111-BZ230- 1
1212 - B100 T=4.76,GREEN,MULIA G
LASS
56111-BZ350- 1
+----------+
| 56115A | STOPPER, WINDSHIELD GLASS, NO.1
+----------+
1212 - B100 56115-97402- 2
+----------+
| 56116C | STOPPER, WINDSHIELD GLASS, NO.2
+----------+
1212 - B100 56116-97401- 2
+----------+
| 56117A | DAM, WINDOW GLASS ADHESIVE
+----------+
1212 - B100 L=3201 56117-BZ130- 1
170
FIG.57-01 HOLE PLUG
―
 
―
 
―
 
―
 
―
 
―
 
―
 
―
 
―
 
―
 
―
 
―
 
―
 
―
 
―
 
―
 
―
 
―
 
―
 
―
 
―
 
―
 
―
 
―
 
―
 
―
 
―
 
―
 
―
 
―
 
―
 
―
 
―
 
―
(1212- )
ILLUST NO. 1 OF 2
570837-A
53393-52010
58136-BZ010
67283-87501
9004A-35003 9004A-35005
9004A-95048 9004A-95054 9004A-95055
90048-71098
90048-71295 90950-01444 90048-74056
171
FIG.57-01 HOLE PLUG
(1212- )
ILLUST NO. 2 OF 2
570838-C
172
FIG.58-01 FLOOR PAN & LOWER BACK PANEL
(1212- )
584757-B
58325E
47419-B6010
90041-05229(4)
58211H
55214B
55215B
55216A
58198
58198
58198
58301A
58308
58308E
62671C
62671C
47419-B6010
9004A-35005
9004A-35005
9004A-35005
55216A
58198
58172A
57051A
57052A
57417B
57417B
57427C
57427C
57468B
57469A
58111
58213D
58181A
58181A
58172A
58791B
173
FIG.58-01 FLOOR PAN & LOWER BACK PANEL
PROD_DATE MODELS
SPEC
CODE
DESCRIPTION
R
/
P
PART
NUMBER
O
Y
T
REV_REF
FR TO
+----------+
| 55214B | PAD, DASH PANEL INSULATOR, NO.2
+----------+
1212 - B100 55214-BZ060- 1
+----------+
| 55215B | PAD, DASH PANEL INSULATOR, NO.3
+----------+
1212 - B100 58571-BZ020- 1
+----------+
| 55216A | PAD, DASH PANEL INSULATOR, NO.4
+----------+
1212 - B100 58572-BZ020- 2
+----------+
| 57051A | MEMBER SUB-ASSY, FRONT FLOOR CROSS, RH
+----------+
1212 - B100 57051-BZ060- 1
+----------+
| 57052A | MEMBER SUB-ASSY, FRONT FLOOR CROSS, LH
+----------+
1212 - B100 57052-BZ050- 1
+----------+
| 57417B | REINFORCEMENT, FRONT FLOOR UNDER
+----------+
1212 - B100 57417-BZ040- 2
+----------+
| 57427C | REINFORCEMENT, FRONT FLOOR, UPPER
+----------+
1212 - B100 57427-BZ040- 2
+----------+
| 57468B | BRACKET, FRONT SEAT, REAR
+----------+
1212 - B100 57468-BZ030- 1
+----------+
| 57469A | BRACKET, FRONT SEAT, OUTSIDE, REAR LH
+----------+
1212 - B100 57468-BZ030- 1
+----------+
| 58111 | PAN, FRONT FLOOR
+----------+
1212 - B100 58111-BZ230- 1
+----------+
| 58172A | PLATE, PARKING BRAKE MOUNTING
+----------+
1212 - B100 46521-BZ030- 2
FIG.58-01 FLOOR PAN & LOWER BACK PANEL
PROD_DATE MODELS
SPEC
CODE
DESCRIPTION
R
/
P
PART
NUMBER
O
Y
T
REV_REF
FR TO
+----------+
| 58181A | RETAINER, SEAT RAIL, FRONT
+----------+
1212 - B100 58182-BZ050- 2
+----------+
| 58198 | CLIP, FOOTRE
ST+----------+
1212 - B100 90044-67397- 4
+----------+
| 58211H | PAN, CENTER FLOOR
+----------+
1212 - B100 58211-BZ020- 1
+----------+
| 58213D | REINFORCEMENT, CENTER FLOOR PANEL
+----------+
1212 - B100..5F 58213-BZ060- 1
1212 - B100..E4AT 58213-BZ070- 1
+----------+
| 58301A | PANEL SUB-ASSY, REAR FLOOR
+----------+
1212 - B100 58301-BZ260- 1
+----------+
| 58308 | PANEL SUB-ASSY, BODY LOWER BACK, INNER
+----------+
1212 - B100 58308-BZ150- 1
+----------+
| 58308E | COVER, HOLE(FOR LOWER BACK)
+----------+
1212 - B100 DK.GRAY(TRIM1#) 64716-BZ040-B0 1
+----------+
| 58791B | CARRIER, JAC
K+----------+
1212 - B100 58791-BZ040- 1
+----------+
| 62671C | COVER, LOWER BACK PANEL
+----------+
1212 - B100 62671-BZ020- 2
174
FIG.58-04 MAT & CARPET
(1212- )
584747
58510D
58530B
58694B
58560B
58698C
FIG.58-04 MAT & CARPET
PROD_DATE MODELS
SPEC
CODE
DESCRIPTION
R
/
P
PART
NUMBER
O
Y
T
REV_REF
FR TO
+----------+
| 58510D | CARPET ASSY, FLOOR, FRONT
+----------+
1212 - B100..LO BLACK(TRIM1#) 58510-BZB50-C0 1
1212 - B100..HI,MID BLACK(TRIM1#) 58510-BZB60-C0 1
1212 - B100..HI R5AB D/P(SRS AIR BAG),BLA
CK(TRIM1#)
58510-BZB70-C0 1
1212 - B100..MID L2BB WITH(POWER DOOR LOCK
),BLACK(TRIM1#)
58510-BZB70-C0 1
+----------+
| 58530B | CLIP(FOR FRONT FLOOR CARPET)
+----------+
1212 - B100 DK.GRAY(TRIM1#) 90044-68046-B2 3
+----------+
| 58560B | CLIP(FOR FLOOR CARPET, REAR)
+----------+
1212 - B100 BLACK 90467-07049-C0 2
+----------+
| 58694B | PLATE, MAT SET, UPPER
+----------+
1212 - B100 58694-BZ010- 2
+----------+
| 58698C | PLATE, MAT SET, LOWER
+----------+
1212 - B100 58698-BZ010- 2
175
FIG.58-06 CONSOLE BOX & BRACKET
(1212- )
584752
58821A
58843
58843
58808
58910D
58910D
58912A
58995A
58995A
9004A-11188(2)
9004A-11188
9004A-11188
9004A-17219(2)
FIG.58-06 CONSOLE BOX & BRACKET
PROD_DATE MODELS
SPEC
CODE
DESCRIPTION
R
/
P
PART
NUMBER
O
Y
T
REV_REF
FR TO
+----------+
| 58808 | COVER SUB-ASSY, SHIFTING HOLE
+----------+
1212 - B100..5F DK.GRAY(TRIM1#) 58840-BZ090-B0 1
+----------+
| 58821A | PANEL, CONSO
LE+----------+
1212 - B100..LO DK.GRAY(TRIM1#) 58821-BZ110-B0 1
1212 - B100..HI,MID DK.GRAY(TRIM1#) 58821-BZ120-B0 1
+----------+
| 58843 | BEZEL, SHIFTING HOLE
+----------+
1212 - B100..E4AT SILVER(TRIM1#) 58843-BZ110-B0 1
1212 - B100..HI..5F SILVER(TRIM1#) 58843-BZ130-B0 1
+----------+
| 58910D | CLIP(FOR CONSOLE BOX)
+----------+
1212 - B100 DK.GRAY(TRIM1#) 90044-67556-B0 2
+----------+
| 58912A | BOX, REAR CONSOLE
+----------+
1212 - B100..HI,MID DK.GRAY(TRIM1#) 58911-BZ050-B0 1
+----------+
| 58995A | BRACKET, CONSOLE BOX MOUNTING, NO.1
+----------+
1212 - B100..5F 58995-BZ050- 1
1212 - B100..E4AT 58995-BZ060- 1
176
FIG.61-01 SIDE MEMBER
―
 
―
 
―
 
―
 
―
 
―
 
―
 
―
 
―
 
―
 
―
 
―
 
―
 
―
 
―
 
―
 
―
 
―
 
―
 
―
 
―
 
―
 
―
 
―
 
―
 
―
 
―
 
―
 
―
 
―
 
―
 
―
 
―
 
―
(1212- )
614497
177
FIG.61-01 SIDE MEMBER
(1212- )
614502-A
9004A-35003
9004A-35003
90048-71141
90048-71141
90048-71113
(REFER TO FIG 57-01)
90044-67555(2)
90044-67555(2)
90044-68320
61023B
61024B
61037A
61109A
61131C
61132B
61203
61204 60132
61248B
61503B
61695A
61504B
61311B
61312B
60131
61403C
61404E
61411
61412
61611
61612
61626G
61628A
61625G
61617B
61233A 61771B
62155B
61661A
61627A
61618B
61234A
61607H
61608H
61645K
61641C
61642C
61646F
61731B
61732B
61662B
61772B
61725
64119A
64118A
61768B
61696A
61612E
65637
65638
90044-68320
61108A
61247B
61038A
90048-71113
61611E
61769B
90044-68320(2)
9004A-46323(2)
90044-68320(2)
9004A-46323(2)
178
FIG.61-01 SIDE MEMBER
PROD_DATE MODELS
SPEC
CODE
DESCRIPTION
R
/
P
PART
NUMBER
O
Y
T
REV_REF
FR TO
+----------+
| 60131 | PILLAR SUB-ASSY, CENTER BODY, NO.2 RH
+----------+
1212 - B100 60131-BZ070- 1
+----------+
| 60132 | PILLAR SUB-ASSY, CENTER BODY, NO.2 LH
+----------+
1212 - B100 60132-BZ070- 1
+----------+
| 61023B | PILLAR SUB-ASSY, FRONT BODY, INNER RH
+----------+
1212 - B100 61023-BZ260- 1
+----------+
| 61024B | PILLAR SUB-ASSY, FRONT BODY, INNER LH
+----------+
1212 - B100 61024-BZ220- 1
+----------+
| 61037A | REINFORCEMENT SUB-ASSY, CENTER BODY PILLAR, RH
+----------+
1212 - B100 61037-BZ210- 1
+----------+
| 61038A | REINFORCEMENT SUB-ASSY, CENTER BODY PILLAR, LH
+----------+
1212 - B100 61038-BZ240- 1
+----------+
| 61108A | REINFORCE SUB-ASSY, FRONT BODY PILLAR, LOWER RH
+----------+
1212 - B100 61108-BZ130- 1
+----------+
| 61109A | REINFORCE SUB-ASSY, FRONT BODY PILLAR, LOWER LH
+----------+
1212 - B100 61109-BZ120- 1
+----------+
| 61131C | PILLAR, FRONT BODY, OUTER RH
+----------+
1212 - B100 61131-BZ070- 1
+----------+
| 61132B | PILLAR, FRONT BODY, OUTER LH
+----------+
1212 - B100 61132-BZ050- 1
+----------+
| 61203 | RAIL SUB-ASSY, ROOF SIDE, INNER RH
+----------+
1212 - B100 61203-BZ030- 1
FIG.61-01 SIDE MEMBER
PROD_DATE MODELS
SPEC
CODE
DESCRIPTION
R
/
P
PART
NUMBER
O
Y
T
REV_REF
FR TO
+----------+
| 61204 | RAIL SUB-ASSY, ROOF SIDE, INNER LH
+----------+
1212 - B100 61204-BZ030- 1
+----------+
| 61233A | RAIL, ROOF SIDE, INNER NO.2 RH
+----------+
1212 - B100 61233-BZ050- 1
+----------+
| 61234A | RAIL, ROOF SIDE, INNER NO.2 LH
+----------+
1212 - B100 61234-BZ050- 1
+----------+
| 61247B | REINFORCEMENT, ROOF SIDE RAIL, INNER RH
+----------+
1212 - B100 61247-BZ080- 1
+----------+
| 61248B | REINFORCEMENT, ROOF SIDE RAIL, INNER LH
+----------+
1212 - B100 61248-BZ080- 1
+----------+
| 61311B | PILLAR, CENTER BODY, OUTER RH
+----------+
1212 - B100 61311-BZ050- 1
+----------+
| 61312B | PILLAR, CENTER BODY, OUTER LH
+----------+
1212 - B100 61312-BZ050- 1
+----------+
| 61403C | REINFORCE SUB-ASSY, ROCKER, OUTER RH
+----------+
1212 - B100 61403-BZ060- 1
+----------+
| 61404E | REINFORCE SUB-ASSY, ROCKER, OUTER LH
+----------+
1212 - B100 61404-BZ080- 1
+----------+
| 61411 | PANEL, ROCKER, OUTER RH
+----------+
1212 - B100 61411-BZ180- 1
+----------+
| 61412 | PANEL, ROCKER, OUTER LH
+----------+
1212 - B100 61412-BZ200- 1
179
FIG.61-01 SIDE MEMBER
PROD_DATE MODELS
SPEC
CODE
DESCRIPTION
R
/
P
PART
NUMBER
O
Y
T
REV_REF
FR TO
+----------+
| 61503B | REINFORCEMENT SUB-ASSY, QUARTER LOCK PILLAR, RH
+----------+
1212 - B100 61503-BZ090- 1
+----------+
| 61504B | REINFORCEMENT SUB-ASSY, QUARTER LOCK PILLAR, LH
+----------+
1212 - B100 61504-BZ080- 1
+----------+
| 61607H | PANEL SUB-ASSY, QUARTER WHEEL HOUSE, INNER RH
+----------+
1212 - B100 61607-BZ010- 1
+----------+
| 61608H | PANEL SUB-ASSY, QUARTER WHEEL HOUSE, INNER LH
+----------+
1212 - B100 61608-BZ010- 1
+----------+
| 61611 | PANEL, QUARTER, RH
+----------+
1212 - B100 61611-BZ070- 1
+----------+
| 61611E | REINFORCEMENT, QUARTER PANEL, RH
+----------+
1212 - B100 61635-BZ010- 1
+----------+
| 61612 | PANEL, QUARTER, LH
+----------+
1212 - B100 61612-BZ080- 1
+----------+
| 61612E | REINFORCEMENT, QUARTER PANEL, LH
+----------+
1212 - B100 61636-BZ020- 1
+----------+
| 61617B | PANEL, QUARTER INNER, LOWER RH
+----------+
1212 - B100 61617-BZ090- 1
+----------+
| 61618B | PANEL, QUARTER, INNER LOWER LH
+----------+
1212 - B100 61618-BZ080- 1
+----------+
| 61625G | EXTENSION, QUARTER PANEL, REAR RH
+----------+
1212 - B100 61625-BZ120- 1
FIG.61-01 SIDE MEMBER
PROD_DATE MODELS
SPEC
CODE
DESCRIPTION
R
/
P
PART
NUMBER
O
Y
T
REV_REF
FR TO
+----------+
| 61626G | EXTENSION, QUARTER PANEL, REAR LH
+----------+
1212 - B100 61626-BZ120- 1
+----------+
| 61627A | EXTENSION, QUARTER PANEL, LOWER RH
+----------+
1212 - B100 61621-BZ050- 1
+----------+
| 61628A | EXTENSION, QUARTER PANEL, LOWER LH
+----------+
1212 - B100 61622-BZ040- 1
+----------+
| 61641C | GUSSET, QUARTER WHEEL HOUSE, FRONT RH
+----------+
1212 - B100 61641-BZ070- 1
+----------+
| 61642C | GUSSET, QUARTER WHEEL HOUSE, FRONT LH
+----------+
1212 - B100 61642-BZ070- 1
+----------+
| 61645K | GUSSET, QUARTER WHEEL HOUSE INNER, RH
+----------+
1212 - B100 61645-BZ050- 1
+----------+
| 61646F | GUSSET, QUARTER WHEEL HOUSE INNER, LH
+----------+
1212 - B100 61646-BZ070- 1
+----------+
| 61661A | EXTENSION, QUARTER PANEL TO UPPER BACK, R
H+----------+
1212 - B100 61661-BZ050- 1
+----------+
| 61662B | EXTENSION, QUARTER PANEL TO UPPER BACK, L
H+----------+
1212 - B100 61662-BZ050- 1
+----------+
| 61695A | BRACE, QUARTER PANEL, RH
+----------+
1212 - B100 61637-BZ020- 1
+----------+
| 61696A | BRACE, QUARTER PANEL, LH
+----------+
1212 - B100 61638-BZ020- 1
180
FIG.61-01 SIDE MEMBER
PROD_DATE MODELS
SPEC
CODE
DESCRIPTION
R
/
P
PART
NUMBER
O
Y
T
REV_REF
FR TO
+----------+
| 61725 | BOX, FUEL INLET
+----------+
1212 - B100 61725-BZ120- 1
+----------+
| 61731B | PANEL, ROOF SIDE, INNER RH
+----------+
1212 - B100..HI 61731-BZ100- 1
1212 - B100..LO,MID 61731-BZ110- 1
+----------+
| 61732B | PANEL, ROOF SIDE, INNER LH
+----------+
1212 - B100..HI 61732-BZ110- 1
1212 - B100..LO,MID 61732-BZ140- 1
+----------+
| 61768B | REINFORCE, BELT ANCHOR TO ROOF SIDE, INNER REAR RH
+----------+
1212 - B100 61768-BZ090- 1
+----------+
| 61769B | REINFORCE, BELT ANCHOR TO ROOF SIDE, INNER REAR LH
+----------+
1212 - B100 61769-BZ080- 1
+----------+
| 61771B | FRAME, BACK DOOR OPENING UPPER CORNER, RH
+----------+
1212 - B100 61771-BZ050- 1
+----------+
| 61772B | FRAME, BACK DOOR OPENING UPPER CORNER, LH
+----------+
1212 - B100 61772-BZ040- 1
+----------+
| 62155B | PAD, QUARTER PANEL
+----------+
1212 - B100..LO,MID 63352-BZ050- 2
+----------+
| 64118A | REINFORCEMENT, UPPER BACK, NO.4 RH
+----------+
1212 - B100 64118-BZ050- 1
+----------+
| 64119A | REINFORCEMENT, UPPER BACK, NO.4 LH
+----------+
1212 - B100 64119-BZ040- 1
FIG.61-01 SIDE MEMBER
PROD_DATE MODELS
SPEC
CODE
DESCRIPTION
R
/
P
PART
NUMBER
O
Y
T
REV_REF
FR TO
+----------+
| 65637 | LINER, REAR WHEEL HOUSE, RH
+----------+
1212 - B100 65637-BZ190- 1
+----------+
| 65638 | LINER, REAR WHEEL HOUSE, LH
+----------+
1212 - B100 65638-BZ190- 1
181
FIG.61-02 ROOF SIDE VENTILATOR
(1212- )
614485
REFER TO
FIG
(PNC 62671C)
REFER TO
FIG
(PNC 62671C)
62940C
62940C
58-01
(REFER TO FIG 57-01)
58-01
FIG.61-02 ROOF SIDE VENTILATOR
PROD_DATE MODELS
SPEC
CODE
DESCRIPTION
R
/
P
PART
NUMBER
O
Y
T
REV_REF
FR TO
+----------+
| 62940C | DUCT ASSY, QUARTER VENT
+----------+
1212 - B100 62930-BZ030- 2
182
FIG.61-04 ROOF PANEL & BACK WINDOW GLASS
(1212- )
614487
63111
63134A
63141H
63132
63143B
63142B
85373-BZ050
90048-71298
FIG.61-04 ROOF PANEL & BACK WINDOW GLASS
PROD_DATE MODELS
SPEC
CODE
DESCRIPTION
R
/
P
PART
NUMBER
O
Y
T
REV_REF
FR TO
+----------+
| 63111 | PANEL, ROOF
+----------+
1212 - B100 63111-BZ040- 1
+----------+
| 63132 | PANEL, WINDSHIELD HEADER, INNER
+----------+
1212 - B100 63132-BZ170- 1
+----------+
| 63134A | FRAME, BACK DOOR OPENING, UPPER
+----------+
1212 - B100 63134-BZ150- 1
+----------+
| 63141H | REINFORCEMENT, ROOF PANEL, CENTER
+----------+
1212 - B100 63141-BZ110- 1
+----------+
| 63142B | REINFORCEMENT, ROOF PANEL, REAR
+----------+
1212 - B100 63142-BZ060- 1
+----------+
| 63143B | REINFORCEMENT, ROOF PANEL, NO.3
+----------+
1212 - B100 63143-BZ080- 1
183
FIG.64-01 INSIDE TRIM BOARD & DOOR OPENING TRIM MOULDING
(1212- )
643228-A
REFER TO
FIG
(PNC 64730B(RH))
(PNC 64740C(LH))
82711-BZ140(3)
64-04
62111C
62112
62117B
62117B
62211
62211T
62212
62313D
62314D
62333A
62334A
62401A
62411B
62412B
62413A
62414A
62461H
62471A
62472A
6791367913A
67913A
67914
67917A
67918A
67918C
82711-BZ160
184
FIG.64-01 INSIDE TRIM BOARD & DOOR OPENING TRIM MOULDING
PROD_DATE MODELS
SPEC
CODE
DESCRIPTION
R
/
P
PART
NUMBER
O
Y
T
REV_REF
FR TO
+----------+
| 62111C | BOARD, COWL SIDE TRIM, RH
+----------+
1212 - B100 DK.GRAY(TRIM1#) 62111-BZ190-B0 1
+----------+
| 62112 | BOARD, COWL SIDE TRIM, LH
+----------+
1212 - B100 DK.GRAY(TRIM1#) 62112-BZ190-B0 1
+----------+
| 62117B | CLIP, NO.1(FOR COWL SIDE TRIM)
+----------+
1212 - B100 DK.GRAY(TRIM1#) 9004A-46131-B0 2
+----------+
| 62211 | GARNISH, FRONT PILLAR, RH
+----------+
1212 - B100 LT.GRAY(TRIM1#) 62211-BZ200-B0 1
+----------+
| 62211T | CLIP(FOR FRONT PILLAR GARNISH)
+----------+
1212 - B100 9004A-46275- 6
+----------+
| 62212 | GARNISH, FRONT PILLAR, LH
+----------+
1212 - B100 LT.GRAY(TRIM1#) 62212-BZ200-B0 1
+----------+
| 62313D | TRIM, FRONT DOOR OPENING, RH
+----------+
1212 - B100 62313-BZ120- 1
+----------+
| 62314D | TRIM, FRONT DOOR OPENING, LH
+----------+
1212 - B100 62313-BZ120- 1
+----------+
| 62333A | TRIM, REAR DOOR OPENING, RH
+----------+
1212 - B100..LO,MID 62333-BZ070- 1
1212 - B100..HI 62333-BZ150- 1
+----------+
| 62334A | TRIM, REAR DOOR OPENING, LH
+----------+
1212 - B100..LO,MID 62333-BZ070- 1
1212 - B100..HI 62333-BZ150- 1
FIG.64-01 INSIDE TRIM BOARD & DOOR OPENING TRIM MOULDING
PROD_DATE MODELS
SPEC
CODE
DESCRIPTION
R
/
P
PART
NUMBER
O
Y
T
REV_REF
FR TO
+----------+
| 62401A | CLIP (FOR CENTER PILLAR GARNISH PANEL, UPPER)
+----------+
1212 - B100 9004A-46275- 2
+----------+
| 62411B | GARNISH, CENTER PILLAR, UPPER RH
+----------+
1212 - B100 LT.GRAY(TRIM1#) 62411-BZ110-B0 1
+----------+
| 62412B | GARNISH, CENTER PILLAR, UPPER LH
+----------+
1212 - B100 LT.GRAY(TRIM1#) 62412-BZ110-B0 1
+----------+
| 62413A | GARNISH, CENTER PILLAR, LOWER RH
+----------+
1212 - B100 DK.GRAY(TRIM1#) 62413-BZ160-B0 1
+----------+
| 62414A | GARNISH, CENTER PILLAR, LOWER LH
+----------+
1212 - B100 DK.GRAY(TRIM1#) 62414-BZ160-B0 1
+----------+
| 62461H | CLIP (FOR ROOF SIDE INNER GARNISH)
+----------+
1212 - B100..HI 9004A-46275- 10
+----------+
| 62471A | GARNISH, ROOF SIDE, INNER RH
+----------+
1212 - B100..HI LT.GRAY(TRIM1#) 62471-BZ260-B0 1
+----------+
| 62472A | GARNISH, ROOF SIDE, INNER LH
+----------+
1212 - B100..HI LT.GRAY(TRIM1#) 62472-BZ260-B0 1
+----------+
| 67913 | PLATE, FRONT DOOR SCUFF, RH
+----------+
1212 - B100 DK.GRAY(TRIM1#) 67913-BZ120-B0 1
+----------+
| 67913A | CLIP(FOR SCUFF PLATE)
+----------+
1212 - B100 90044-68288- 4
+----------+
| 67914 | PLATE, FRONT DOOR SCUFF, LH
+----------+
1212 - B100 DK.GRAY(TRIM1#) 67914-BZ120-B0 1
185
FIG.64-01 INSIDE TRIM BOARD & DOOR OPENING TRIM MOULDING
PROD_DATE MODELS
SPEC
CODE
DESCRIPTION
R
/
P
PART
NUMBER
O
Y
T
REV_REF
FR TO
+----------+
| 67917A | PLATE, REAR DOOR SCUFF, RH
+----------+
1212 - B100 DK.GRAY(TRIM1#) 67917-BZ130-B0 1
+----------+
| 67918A | PLATE, REAR DOOR SCUFF, LH
+----------+
1212 - B100 DK.GRAY(TRIM1#) 67918-BZ130-B0 1
+----------+
| 67918C | CLIP(FOR REAR SCUFF PLATE)
+----------+
1212 - B100 90044-68288- 2
186
FIG.64-02 ROOF HEADLINING & SILENCER PAD
―
 
―
 
―
 
―
 
―
 
―
 
―
 
―
 
―
 
―
 
―
 
―
 
―
 
―
 
―
 
―
 
―
 
―
 
―
 
―
 
―
 
―
 
―
 
―
 
―
 
―
 
―
 
―
 
―
 
―
 
―
 
―
 
―
 
―
(1212- )LO,MID
643225
63310
63310A
63310A
63310H
63310H
63310H
63310H
63310H
63310H63310H
63341
6334263342
63342
FIG.64-02 ROOF HEADLINING & SILENCER PAD
(1212- )HI
643226
63310
63310H
63310H
63310H
63310H
63341
6334263342
63342
187
FIG.64-02 ROOF HEADLINING & SILENCER PAD
PROD_DATE MODELS
SPEC
CODE
DESCRIPTION
R
/
P
PART
NUMBER
O
Y
T
REV_REF
FR TO
+----------+
| 63310 | HEADLINING ASSY, ROOF
+----------+
1212 - B100..LO LT.GRAY(TRIM1#) 63310-BZ240-B0 1
1212 - B100..MID LT.GRAY(TRIM1#) 63310-BZ500-B0 1
1212 - B100..HI LT.GRAY(TRIM1#) 63310-BZ510-B0 1
+----------+
| 63310A | PLUG, HOLE(FOR ROOF HEADLINING ASSY)
+----------+
1212 - B100..LO,MID LT.GRAY(TRIM1#) 58707-B2010-B2 2
+----------+
| 63310H | CLIP(FOR ROOF HEADLINING)
+----------+
1212 - B100..HI LT.GRAY(TRIM1#) 90467-05164-P5 4
1212 - B100..MID LT.GRAY(TRIM1#) 90467-05164-P5 7
1212 - B100..LO LT.GRAY(TRIM1#) 90467-05164-P5 9
+----------+
| 63341 | PAD, ROOF SILENCER, NO.1
+----------+
1212 - B100 63341-BZ110- 1
+----------+
| 63342 | PAD, ROOF SILENCER, NO.2
+----------+
1212 - B100 63342-BZ090- 3
188
FIG.64-04 DECK BOARD & DECK TRIM COVER
(1212- )
643224
REFER TO
FIG
(PNC 73381)
REFER TO
FIG
(PNC 73381)
58410B
62630V
62630V
64342A
64342A
64716E
64726B
64730B
64730E
64740C
64750F
90041-89019(2)
90041-89019(2)
9004A-15060(2)
9004A-15060(2)
71-04
71-04
FIG.64-04 DECK BOARD & DECK TRIM COVER
PROD_DATE MODELS
SPEC
CODE
DESCRIPTION
R
/
P
PART
NUMBER
O
Y
T
REV_REF
FR TO
+----------+
| 58410B | BOARD ASSY, DECK
+----------+
1212 - B100..LO,MID BLACK(TRIM1#) 58410-BZ140-C0 1
1212 - B100..HI BLACK(TRIM1#) 58410-BZ150-C0 1
1212 - B100..MID G4AC 175/65R14 5J-AL,BLAC
K(TRIM1#)
58410-BZ150-C0 1
+----------+
| 62630V | CLIP (FOR QUARTER REAR TRIM)
+----------+
1212 - B100 DK.GRAY(TRIM1#) 9004A-46132-B0 2
+----------+
| 64342A | CLIP
+----------+
1212 - B100 DK.GRAY(TRIM1#) 9004A-46132-B0 2
+----------+
| 64716E | CLIP(FOR DECK TRIM REAR COVER)
+----------+
1212 - B100 9004A-46308- 1
+----------+
| 64726B | CLIP, DECK REAR TRIM
+----------+
1212 - B100 DK.GRAY(TRIM1#) 90044-68046-B2 1
+----------+
| 64730B | PANEL ASSY, DECK TRIM SIDE, RH
+----------+
1212 - B100..LO,MID DK.GRAY(TRIM1#) 64730-BZ140-B0 1
1212 - B100..LO,MID R4BB RR SEAT BELT(RH,LH:3
P ELR,CTR:2P),DK.GRA
Y(TRIM1#)
64730-BZ150-B0 1
1212 - B100..HI DK.GRAY(TRIM1#) 64730-BZ160-B0 1
+----------+
| 64730E | CLIP(FOR DECK TRIM SIDE BOARD)
+----------+
1212 - B100 9004A-46308- 1
+----------+
| 64740C | PANEL ASSY, DECK TRIM SIDE, LH
+----------+
1212 - B100..LO,MID DK.GRAY(TRIM1#) 64740-BZ130-B0 1
1212 - B100..LO,MID R4BB RR SEAT BELT(RH,LH:3
P ELR,CTR:2P),DK.GRA
Y(TRIM1#)
64740-BZ140-B0 1
189
FIG.64-04 DECK BOARD & DECK TRIM COVER
PROD_DATE MODELS
SPEC
CODE
DESCRIPTION
R
/
P
PART
NUMBER
O
Y
T
REV_REF
FR TO
+----------+
| 64740C | PANEL ASSY, DECK TRIM SIDE, LH
CONTINUED--+
1212 - B100..HI DK.GRAY(TRIM1#) 64740-BZ150-B0 1
+----------+
| 64750F | CLIP(FOR DECK SIDE TRIM PANEL)
+----------+
1212 - B100 DK.GRAY(TRIM1#) 90044-68046-B2 1
190
FIG.67-01 FRONT DOOR PANEL & GLASS
―
 
―
 
―
 
―
 
―
 
―
 
―
 
―
 
―
 
―
 
―
 
―
 
―
 
―
 
―
 
―
 
―
 
―
 
―
 
―
 
―
 
―
 
―
 
―
 
―
 
―
 
―
 
―
 
―
 
―
 
―
 
―
 
―
 
―
(1212- )
DOOR PANEL
677683-A
90119-06838(2)
67001
67001A
67002
67403F
67404F
67491A
67492A
67772A
67831
67832
67111
67112
67861
67862
67867C
67868C
67869B
68101
68102
68141C
68143A
68147E
68147F
68151C
68160C
68210C
68610B
68620
75923B
75924B
90041-05486
9004A-11244(2)
9004A-95020
FIG.67-01 FRONT DOOR PANEL & GLASS
(1212- )LO
SEMI TRIM
677684
REFER TO
FIG
(PNC 74610A)
REFER TO
FIG
REFER TO
FIG
REFER TO
FIG
REFER TO
FIG
74-01
74-01
74-01
74-01
74-01
67601
67601A
67602
67631B
68171B
68172A
191
FIG.67-01 FRONT DOOR PANEL & GLASS
(1212- )HI,MID
FULL TRIM
677685
67601
67602
68171B
68172A
67491F
67601B
67601L
90041-67030
90041-67030
90041-89019
90041-89019
FIG.67-01 FRONT DOOR PANEL & GLASS
PROD_DATE MODELS
SPEC
CODE
DESCRIPTION
R
/
P
PART
NUMBER
O
Y
T
REV_REF
FR TO
+----------+
| 67001 | PANEL SUB-ASSY, FRONT DOOR, RH
+----------+
1212 - B100..LO,MID 67001-BZ340- 1
1212 - B100..HI 67001-BZ450- 1
+----------+
| 67001A | CUSHION, FRONT DOOR PANEL
+----------+
1212 - B100 90541-09069- 4
+----------+
| 67002 | PANEL SUB-ASSY, FRONT DOOR, LH
+----------+
1212 - B100..LO,MID 67002-BZ360- 1
1212 - B100..HI 67002-BZ450- 1
+----------+
| 67111 | PANEL, FRONT DOOR, OUTER RH
+----------+
1212 - B100..LO,MID 67111-BZ150- 1
1212 - B100..HI 67111-BZ270- 1
+----------+
| 67112 | PANEL, FRONT DOOR, OUTER LH
+----------+
1212 - B100..LO,MID 67112-BZ160- 1
1212 - B100..HI 67112-BZ270- 1
+----------+
| 67403F | FRAME SUB-ASSY, FRONT DOOR, REAR LOWER RH
+----------+
1212 - B100 67403-BZ100- 1
+----------+
| 67404F | FRAME SUB-ASSY, FRONT DOOR, REAR LOWER LH
+----------+
1212 - B100 67404-BZ100- 1
+----------+
| 67491A | GARNISH, FRONT DOOR LOWER FRAME BRACKET,
RH+----------+
1212 - B100 67491-BZ090- 1
+----------+
| 67491F | CLIP(FOR DOOR TRIM)
+----------+
1212 - B100..HI,MID DK.GRAY(TRIM1#) 9004A-46293-B0 2
192
FIG.67-01 FRONT DOOR PANEL & GLASS
PROD_DATE MODELS
SPEC
CODE
DESCRIPTION
R
/
P
PART
NUMBER
O
Y
T
REV_REF
FR TO
+----------+
| 67492A | GARNISH, FRONT DOOR LOWER FRAME BRACKET,
LH+----------+
1212 - B100 67492-BZ090- 1
+----------+
| 67601 | BOARD SUB-ASSY, FRONT DOOR TRIM, RH
+----------+
1212 - B100..LO DK.GRAY(TRIM1#) 67610-BZ490-B0 1
1212 - B100..HI,MID DK.GRAY(TRIM1#) 67610-BZ510-B0 1
+----------+
| 67601A | RETAINER(FOR FRONT DOOR TRIM BOARD)
+----------+
1212 - B100..LO 67771-BZ010- 14
+----------+
| 67601B | CLIP(FOR FRONT DOOR TRIM BOARD)
+----------+
1212 - B100..HI,MID 90467-10161- 4
+----------+
| 67601L | CLIP(FOR FRONT DOOR TRIM BOARD)
+----------+
1212 - B100..HI,MID 90467-09206- 14
+----------+
| 67602 | BOARD SUB-ASSY, FRONT DOOR TRIM, LH
+----------+
1212 - B100..LO DK.GRAY(TRIM1#) 67620-BZ480-B0 1
1212 - B100..HI,MID DK.GRAY(TRIM1#) 67620-BZ500-B0 1
+----------+
| 67631B | RETAINER, FRONT DOOR TRIM, UPPER
+----------+
1212 - B100..LO 67771-BZ060- 14
+----------+
| 67772A | CAP, FRONT DOOR TRIM RETAINER
+----------+
1212 - B100 67772-87Z02- 2
+----------+
| 67831 | COVER, FRONT DOOR SERVICE HOLE, RH
+----------+
1212 - B100..LO 67831-BZ280- 1
1212 - B100..HI 67831-BZ320- 1
1212 - B100..HI U1AF FRONT SPEAKER 16CM*2 67831-BZ330- 1
1212 - B100..MID 67831-BZ330- 1
FIG.67-01 FRONT DOOR PANEL & GLASS
PROD_DATE MODELS
SPEC
CODE
DESCRIPTION
R
/
P
PART
NUMBER
O
Y
T
REV_REF
FR TO
+----------+
| 67832 | COVER, FRONT DOOR SERVICE HOLE, LH
+----------+
1212 - B100..LO 67831-BZ280- 1
1212 - B100..HI 67831-BZ320- 1
1212 - B100..HI U1AF FRONT SPEAKER 16CM*2 67831-BZ330- 1
1212 - B100..MID 67831-BZ330- 1
+----------+
| 67861 | WEATHERSTRIP, FRONT DOOR, RH
+----------+
1212 - B100 67861-BZ050- 1
+----------+
| 67862 | WEATHERSTRIP, FRONT DOOR, LH
+----------+
1212 - B100 67862-BZ120- 1
+----------+
| 67867C | RETAINER, FRONT DOOR WEATHERSTRIP, RH
+----------+
1212 - B100 67867-B2430- 32
+----------+
| 67868C | RETAINER, FRONT DOOR WEATHERSTRIP, LH
+----------+
1212 - B100 67867-B2440- 32
+----------+
| 67869B | CLIP, FRONT DOOR WEATHERSTRIP
+----------+
1212 - B100 67869-B2010- 2
+----------+
| 68101 | GLASS SUB-ASSY, FRONT DOOR, RH
+----------+
1212 - B100 T=3.1, GREEN 68101-BZ080- 1
+----------+
| 68102 | GLASS SUB-ASSY, FRONT DOOR, LH
+----------+
1212 - B100 T=3.1,GREEN 68102-BZ230- 1
+----------+
| 68141C | RUN, FRONT DOOR GLASS, RH
+----------+
1212 - B100 68141-BZ100- 1
193
FIG.67-01 FRONT DOOR PANEL & GLASS
PROD_DATE MODELS
SPEC
CODE
DESCRIPTION
R
/
P
PART
NUMBER
O
Y
T
REV_REF
FR TO
+----------+
| 68143A | RUN, FRONT DOOR GLASS, NO.2
+----------+
1212 - B100 68143-BZ040- 2
+----------+
| 68147E | STOP, FRONT DOOR GLASS, UPPER
+----------+
1212 - B100 67216-B6010- 2
+----------+
| 68147F | STOP, FRONT DOOR GLASS, UPPER
+----------+
1212 - B100 67216-B6020- 2
+----------+
| 68151C | RUN, FRONT DOOR GLASS, LH
+----------+
1212 - B100 68151-BZ100- 1
+----------+
| 68160C | WEATHERSTRIP ASSY, FRONT DOOR GLASS, OUTER RH
+----------+
1212 - B100 68161-BZ110- 1
+----------+
| 68171B | WEATHERSTRIP, FRONT DOOR GLASS, INNER RH
+----------+
1212 - B100..LO 68171-BZ150- 1
1212 - B100..HI,MID 68171-BZ160- 1
+----------+
| 68172A | WEATHERSTRIP, FRONT DOOR GLASS, INNER LH
+----------+
1212 - B100..LO 68172-BZ130- 1
1212 - B100..HI,MID 68172-BZ140- 1
+----------+
| 68210C | WEATHERSTRIP ASSY, FRONT DOOR GLASS, OUTER LH
+----------+
1212 - B100 68162-BZ100- 1
+----------+
| 68610B | CHECK ASSY, FRONT DOOR, RH
+----------+
1212 - B100 68610-BZ060- 1
+----------+
| 68620 | CHECK ASSY, FRONT DOOR, LH
+----------+
1212 - B100 68610-BZ060- 1
FIG.67-01 FRONT DOOR PANEL & GLASS
PROD_DATE MODELS
SPEC
CODE
DESCRIPTION
R
/
P
PART
NUMBER
O
Y
T
REV_REF
FR TO
+----------+
| 75923B | TAPE, BLACK OUT, NO.2 RH
+----------+
1212 - B100..HI TUYAKESI BLACK DUMMY
(1E7 ,B72 ,B74 ,S37
,W09)
75923-BZ060-C0 1
+----------+
| 75924B | TAPE, BLACK OUT, NO.2 LH
+----------+
1212 - B100..HI TUYAKESI BLACK DUMMY
(1E7 ,B72 ,B74 ,S37
,W09)
75924-BZ060-C0 1
194
FIG.67-03 FRONT DOOR LOCK & HANDLE
(1212- )
677686-A
90041-79104(2)
90041-51029(2)
90148-60022(3)
90148-60022(3)
90041-67041
85450H
85460D
69303C
69304C
69205
69206B
69210
69220
69310
69320
69410
69711B
69712A
69747A
69751A
69759K
69759V
90119-06984
FIG.67-03 FRONT DOOR LOCK & HANDLE
PROD_DATE MODELS
SPEC
CODE
DESCRIPTION
R
/
P
PART
NUMBER
O
Y
T
REV_REF
FR TO
+----------+
| 69205 | HANDLE SUB-ASSY, FRONT DOOR INSIDE, RH
+----------+
1212 - B100..LO,MID DK.GRAY(TRIM1#) 69270-BZ012-B0 1
1212 - B100..HI DK.GRAY(TRIM1#) 69270-BZ052-B0 1
+----------+
| 69206B | HANDLE SUB-ASSY, FRONT DOOR INSIDE, LH
+----------+
1212 - B100..LO,MID DK.GRAY(TRIM1#) 69280-BZ012-B0 1
1212 - B100..HI DK.GRAY(TRIM1#) 69280-BZ052-B0 1
+----------+
| 69210 | HANDLE ASSY, FRONT DOOR, OUTSIDE RH
+----------+
1212 - B100 69210-BZ020- 1
1212 - B100..HI L2ED PLATING 69210-BZ230- 1
+----------+
| 69220 | HANDLE ASSY, FRONT DOOR OUTSIDE, LH
+----------+
1212 - B100 69220-BZ020- 1
1212 - B100..HI L2ED PLATING 69220-BZ230- 1
+----------+
| 69303C | LOCK SUB-ASSY, FRONT DOOR, RH
+----------+
1212 - B100..HI 69303-BZ060- 1
1212 - B100..MID L2BB WITH(POWER DOOR LOCK
)
69303-BZ060- 1
+----------+
| 69304C | LOCK SUB-ASSY, FRONT DOOR, LH
+----------+
1212 - B100..HI 69304-BZ080- 1
1212 - B100..MID L2BB WITH(POWER DOOR LOCK
)
69304-BZ080- 1
+----------+
| 69310 | LOCK ASSY, FRONT DOOR, RH
+----------+
1212 - B100..LO 69310-BZ160- 1
1212 - B100..MID 69310-BZ170- 1
195
FIG.67-03 FRONT DOOR LOCK & HANDLE
PROD_DATE MODELS
SPEC
CODE
DESCRIPTION
R
/
P
PART
NUMBER
O
Y
T
REV_REF
FR TO
+----------+
| 69320 | LOCK ASSY, FRONT DOOR, LH
+----------+
1212 - B100..LO 69320-BZ140- 1
1212 - B100..MID 69320-BZ150- 1
+----------+
| 69410 | PLATE ASSY, FRONT DOOR LOCK STRIKER
+----------+
1212 - B100 69410-BZ010- 2
+----------+
| 69711B | LINK, FRONT DOOR LOCK REMOTE CONTROL, RH
+----------+
1212 - B100 69711-BZ050- 1
+----------+
| 69712A | LINK, FRONT DOOR LOCK REMOTE CONTROL, LH
+----------+
1212 - B100 69712-BZ050- 1
+----------+
| 69747A | BUTTON, DOOR LOCKING(FOR FRONT DOOR)
+----------+
1212 - B100 GRAY(TRIM1#) 69743-BZ040-B0 2
+----------+
| 69751A | HOLDER, DOOR LOCKING(FOR FRONT DOOR)
+----------+
1212 - B100..LO DK.GRAY(TRIM1#) 69751-87704-B0 2
1212 - B100..HI,MID DK.GRAY(TRIM1#) 69751-BZ040-B0 2
+----------+
| 69759K | SNAP, DOOR LOCK CONTROL LINK
+----------+
1212 - B100 69279-BZ010- 4
+----------+
| 69759V | SILENCER, FRONT DOOR LOCK LINK
+----------+
1212 - B100 69759-87Z02- 2
+----------+
| 85450H | MOTOR ASSY, DOOR CONTROL, FRONT RH
+----------+
1212 - B100..HI 85450-BZ110- 1
1212 - B100..MID L2BB WITH(POWER DOOR LOCK
)
85450-BZ110- 1
FIG.67-03 FRONT DOOR LOCK & HANDLE
PROD_DATE MODELS
SPEC
CODE
DESCRIPTION
R
/
P
PART
NUMBER
O
Y
T
REV_REF
FR TO
+----------+
| 85460D | MOTOR ASSY, DOOR CONTROL, FRONT LH
+----------+
1212 - B100..HI 85460-BZ090- 1
1212 - B100..MID L2BB WITH(POWER DOOR LOCK
)
85460-BZ090- 1
196
FIG.67-04 FRONT DOOR WINDOW REGULATOR & HINGE
(1212- )
677687-C
90119-06984(2)
90119-06984(2)
90119-06984(2)
90119-06984(4)
90119-06984(2)
90119-06984(4)
90041-68063(3)
90105-08291(2)
90041-05264(2)
9004A-10134(2)
9004A-11239(2)
9004A-11239(2)
68710
68720
68730
68740
69260
69260B
69268
69801
69802
69810A
69820
85720D
85710E
FIG.67-04 FRONT DOOR WINDOW REGULATOR & HINGE
PROD_DATE MODELS
SPEC
CODE
DESCRIPTION
R
/
P
PART
NUMBER
O
Y
T
REV_REF
FR TO
+----------+
| 68710 | HINGE ASSY, FRONT DOOR, UPPER RH
+----------+
1212 - B100 68750-BZ010- 1
+----------+
| 68720 | HINGE ASSY, FRONT DOOR, UPPER LH
+----------+
1212 - B100 68760-BZ010- 1
+----------+
| 68730 | HINGE ASSY, FRONT DOOR, LOWER RH
+----------+
1212 - B100 68760-BZ010- 1
+----------+
| 68740 | HINGE ASSY, FRONT DOOR, LOWER LH
+----------+
1212 - B100 68750-BZ010- 1
+----------+
| 69260 | HANDLE ASSY, FRONT DOOR WINDOW REGULATOR
+----------+
1212 - B100..LO DK.GRAY(TRIM1#) 69260-87Z03-B0 2
+----------+
| 69260B | RING, SHAFT SNAP(FOR FRONT DOOR WINDOW REGULATOR HANDLE)
+----------+
1212 - B100..LO 90520-01002- 8
+----------+
| 69268 | PLATE, WINDOW REGULATOR HANDLE
+----------+
1212 - B100..LO DK.GRAY(TRIM1#) 69268-BZ020-B0 2
+----------+
| 69801 | REGULATOR SUB-ASSY, FRONT DOOR WINDOW, RH
+----------+
1212 - B100..HI,MID 69801-BZ150- 1
+----------+
| 69802 | REGULATOR SUB-ASSY, FRONT DOOR WINDOW, LH
+----------+
1212 - B100..HI,MID 69802-BZ150- 1
+----------+
| 69810A | REGULATOR ASSY, FRONT DOOR WINDOW, RH
+----------+
1212 - B100..LO 69810-BZ240- 1
+----------+
| 69820 | REGULATOR ASSY, FRONT DOOR WINDOW, LH
+----------+
1212 - B100..LO 69820-BZ210- 1
197
FIG.67-04 FRONT DOOR WINDOW REGULATOR & HINGE
PROD_DATE MODELS
SPEC
CODE
DESCRIPTION
R
/
P
PART
NUMBER
O
Y
T
REV_REF
FR TO
+----------+
| 85710E | MOTOR ASSY, POWER WINDOW REGULATOR, RH
+----------+
1212 - B100..HI,MID 85710-BZ041- 1
+----------+
| 85720D | MOTOR ASSY, POWER WINDOW REGULATOR, LH
+----------+
1212 - B100..HI,MID 85720-BZ041- 1
198
FIG.67-05 REAR DOOR PANEL & GLASS
―
 
―
 
―
 
―
 
―
 
―
 
―
 
―
 
―
 
―
 
―
 
―
 
―
 
―
 
―
 
―
 
―
 
―
 
―
 
―
 
―
 
―
 
―
 
―
 
―
 
―
 
―
 
―
 
―
 
―
 
―
 
―
 
―
 
―
(1212- )
DOOR PANEL
677688-B
90119-06838(2)
90119-06838
90119-06838
75767-BZ010
9004A-11244(2)
(REFER TO FIG 57-01)
67003
67004
67113
67114
67215D
67216E
67405B
67406B
67407E
67408E
67841E
67842E
67867D
67868D
67869L
67871
67872
68103
68104
68123B
68124B
68142
68142C
68152C
68180C
68188
68189
68230C
68630D
68640A
69905D
69906C
69975D
75925C
75926C
90041-05486
90041-51041
90048-71298
FIG.67-05 REAR DOOR PANEL & GLASS
(1212- )LO
DOOR TRIM
677689-A
REFER TO
FIG
(PNC 74610A)
REFER TO
FIG
REFER TO
FIG
REFER TO
FIG
REFER TO
FIG
74-01
74-01
74-01
74-01
74-01
67603
67603A
67604
67633A
68173B
68174A
199
FIG.67-05 REAR DOOR PANEL & GLASS
(1212- )HI,MID
DOOR TRIM
677690-A
90041-67030
90041-67030
90041-89019
90041-89019 67603
67604
68173B
68174A
67603B
67603E
FIG.67-05 REAR DOOR PANEL & GLASS
PROD_DATE MODELS
SPEC
CODE
DESCRIPTION
R
/
P
PART
NUMBER
O
Y
T
REV_REF
FR TO
+----------+
| 67003 | PANEL SUB-ASSY, REAR DOOR, RH
+----------+
1212 - B100..LO,MID 67003-BZ400- 1
1212 - B100..HI 67003-BZ500- 1
+----------+
| 67004 | PANEL SUB-ASSY, REAR DOOR, LH
+----------+
1212 - B100..LO,MID 67004-BZ400- 1
1212 - B100..HI 67004-BZ500- 1
+----------+
| 67113 | PANEL, REAR DOOR, OUTER RH
+----------+
1212 - B100..LO,MID 67113-BZ270- 1
1212 - B100..HI 67113-BZ310- 1
+----------+
| 67114 | PANEL, REAR DOOR, OUTER LH
+----------+
1212 - B100..LO,MID 67114-BZ270- 1
1212 - B100..HI 67114-BZ310- 1
+----------+
| 67215D | STOP, REAR DOOR WINDOW, UPPER
+----------+
1212 - B100 67216-B6010- 2
+----------+
| 67216E | STOPPER, REAR DOOR GLASS, UPPER NO.2
+----------+
1212 - B100 67216-B6020- 2
+----------+
| 67405B | GUIDE SUB-ASSY, REAR DOOR WINDOW, FRONT R
H+----------+
1212 - B100 67405-BZ040- 1
+----------+
| 67406B | GUIDE SUB-ASSY, REAR DOOR WINDOW, FRONT L
H+----------+
1212 - B100 67406-BZ040- 1
+----------+
| 67407E | BAR SUB-ASSY, REAR DOOR WINDOW DIVISION,
RH+----------+
1212 - B100 67407-BZ100- 1
200
FIG.67-05 REAR DOOR PANEL & GLASS
PROD_DATE MODELS
SPEC
CODE
DESCRIPTION
R
/
P
PART
NUMBER
O
Y
T
REV_REF
FR TO
+----------+
| 67408E | BAR SUB-ASSY, REAR DOOR WINDOW DIVISION,
LH+----------+
1212 - B100 67408-BZ100- 1
+----------+
| 67603 | BOARD SUB-ASSY, REAR DOOR TRIM, RH
+----------+
1212 - B100..LO DK.GRAY(TRIM1#) 67630-BZ380-B0 1
1212 - B100..HI,MID DK.GRAY(TRIM1#) 67630-BZ400-B0 1
+----------+
| 67603A | RETAINER(FOR REAR DOOR TRIM BOARD)
+----------+
1212 - B100..LO 67771-BZ010- 16
+----------+
| 67603B | CLIP(FOR REAR DOOR TRIM BOARD)
+----------+
1212 - B100..HI,MID 90467-09206- 12
+----------+
| 67603E | CLIP(FOR REAR DOOR TRIM BOARD)
+----------+
1212 - B100..HI,MID 90467-10161- 8
+----------+
| 67604 | BOARD SUB-ASSY, REAR DOOR TRIM, LH
+----------+
1212 - B100..LO DK.GRAY(TRIM1#) 67640-BZ380-B0 1
1212 - B100..HI,MID DK.GRAY(TRIM1#) 67640-BZ400-B0 1
+----------+
| 67633A | RETAINER, REAR DOOR TRIM, UPPER
+----------+
1212 - B100..LO 67771-BZ060- 10
+----------+
| 67841E | COVER, REAR DOOR SERVICE HOLE, RH
+----------+
1212 - B100..LO 67841-BZ260- 1
1212 - B100..HI,MID 67841-BZ270- 1
+----------+
| 67842E | COVER, REAR DOOR SERVICE HOLE, LH
+----------+
1212 - B100..LO 67841-BZ260- 1
1212 - B100..HI,MID 67842-BZ080- 1
FIG.67-05 REAR DOOR PANEL & GLASS
PROD_DATE MODELS
SPEC
CODE
DESCRIPTION
R
/
P
PART
NUMBER
O
Y
T
REV_REF
FR TO
+----------+
| 67867D | RETAINER, REAR DOOR WEATHERSTRIP, RH
+----------+
1212 - B100 67867-B2450- 29
+----------+
| 67868D | RETAINER, REAR DOOR WEATHERSTRIP, LH
+----------+
1212 - B100 67867-B2460- 29
+----------+
| 67869L | CLIP, REAR DOOR WEATHERSTRIP
+----------+
1212 - B100 67869-B2010- 2
+----------+
| 67871 | WEATHERSTRIP, REAR DOOR, RH
+----------+
1212 - B100 67871-BZ080- 1
+----------+
| 67872 | WEATHERSTRIP, REAR DOOR, LH
+----------+
1212 - B100 67872-BZ080- 1
+----------+
| 68103 | GLASS SUB-ASSY, REAR DOOR, RH
+----------+
1212 - B100 T=3.1 GREEN 68113-BZ270- 1
+----------+
| 68104 | GLASS SUB-ASSY, REAR DOOR, LH
+----------+
1212 - B100 T=3.1 GREEN 68114-BZ260- 1
+----------+
| 68123B | GLASS, REAR DOOR QUARTER WINDOW, RH
+----------+
1212 - B100 T=3.1 GREEN 68123-BZ080- 1
+----------+
| 68124B | GLASS, REAR DOOR QUARTER WINDOW, LH
+----------+
1212 - B100 T=3.1 GREEN 68124-BZ080- 1
+----------+
| 68142 | RUN, REAR DOOR GLASS
+----------+
1212 - B100 68144-BZ040- 2
+----------+
| 68142C | RUN, REAR DOOR GLASS, RH
+----------+
1212 - B100 68142-BZ070- 1
201
FIG.67-05 REAR DOOR PANEL & GLASS
PROD_DATE MODELS
SPEC
CODE
DESCRIPTION
R
/
P
PART
NUMBER
O
Y
T
REV_REF
FR TO
+----------+
| 68152C | RUN, REAR DOOR GLASS, LH
+----------+
1212 - B100 68152-BZ070- 1
+----------+
| 68173B | WEATHERSTRIP, REAR DOOR GLASS, INNER RH
+----------+
1212 - B100..LO 68173-BZ130- 1
1212 - B100..HI,MID 68173-BZ140- 1
+----------+
| 68174A | WEATHERSTRIP, REAR DOOR GLASS, INNER LH
+----------+
1212 - B100..LO 68174-BZ090- 1
1212 - B100..HI,MID 68174-BZ100- 1
+----------+
| 68180C | WEATHERSTRIP ASSY, REAR DOOR GLASS, OUTER RH
+----------+
1212 - B100 68163-BZ080- 1
+----------+
| 68188 | WEATHERSTRIP, REAR DOOR QUARTER WINDOW, R
H+----------+
1212 - B100 68188-BZ040- 1
+----------+
| 68189 | WEATHERSTRIP, REAR DOOR QUARTER WINDOW, L
H+----------+
1212 - B100 68189-BZ040- 1
+----------+
| 68230C | WEATHERSTRIP ASSY, REAR DOOR GLASS, OUTER LH
+----------+
1212 - B100 68164-BZ070- 1
+----------+
| 68630D | CHECK ASSY, REAR DOOR, RH
+----------+
1212 - B100 68630-BZ060- 1
+----------+
| 68640A | CHECK ASSY, REAR DOOR, LH
+----------+
1212 - B100 68630-BZ060- 1
+----------+
| 69905D | CHANNEL SUB-ASSY, SLIDE DOOR GLASS, RH
+----------+
1212 - B100 69905-BZ020- 1
FIG.67-05 REAR DOOR PANEL & GLASS
PROD_DATE MODELS
SPEC
CODE
DESCRIPTION
R
/
P
PART
NUMBER
O
Y
T
REV_REF
FR TO
+----------+
| 69906C | BRACKET SUB-ASSY, REAR DOOR GLASS, LH
+----------+
1212 - B100 69906-BZ010- 1
+----------+
| 69975D | FILLER, REAR DOOR GLASS CHANNAL
+----------+
1212 - B100 69975-BZ010- 2
+----------+
| 75925C | TAPE, BLACK OUT, NO.3 RH
+----------+
1212 - B100..HI TUYAKESI BLACK DUMMY
(1E7 ,B72 ,B74 ,S37
,W09)
75925-BZ030-C0 1
+----------+
| 75926C | TAPE, BLACK OUT, NO.3 LH
+----------+
1212 - B100..HI TUYAKESI BLACK DUMMY
(1E7 ,B72 ,B74 ,S37
,W09)
75926-BZ030-C0 1
202
FIG.67-06 REAR DOOR LOCK & HANDLE
(1212- )
677691-A
90041-79104(2)
90148-60022(3)
90148-60022(3)
90041-51029(2)
90119-06984
69205A
69206C
69230
69240
69305D
69306F
69330
69340
69410B
69713A
69714
69735A
69736G
69737
69738
69747B
69749B
69751B
69753A
69759F
69759J
85470D
85480C
90041-67041
FIG.67-06 REAR DOOR LOCK & HANDLE
PROD_DATE MODELS
SPEC
CODE
DESCRIPTION
R
/
P
PART
NUMBER
O
Y
T
REV_REF
FR TO
+----------+
| 69205A | HANDLE SUB-ASSY, REAR DOOR INSIDE, RH
+----------+
1212 - B100..LO,MID DK.GRAY(TRIM1#) 69270-BZ012-B0 1
1212 - B100..HI DK.GRAY(TRIM1#) 69270-BZ052-B0 1
+----------+
| 69206C | HANDLE SUB-ASSY, REAR DOOR INSIDE, LH
+----------+
1212 - B100..LO,MID DK.GRAY(TRIM1#) 69280-BZ012-B0 1
1212 - B100..HI DK.GRAY(TRIM1#) 69280-BZ052-B0 1
+----------+
| 69230 | HANDLE ASSY, REAR DOOR OUTSIDE, RH
+----------+
1212 - B100 69210-BZ020- 1
1212 - B100..HI L2ED PLATING 69210-BZ230- 1
+----------+
| 69240 | HANDLE ASSY, REAR DOOR OUTSIDE, LH
+----------+
1212 - B100 69220-BZ020- 1
1212 - B100..HI L2ED PLATING 69220-BZ230- 1
+----------+
| 69305D | LOCK SUB-ASSY, REAR DOOR, RH
+----------+
1212 - B100..HI 69305-BZ040- 1
1212 - B100..MID L2BB WITH(POWER DOOR LOCK
)
69305-BZ040- 1
+----------+
| 69306F | LOCK SUB-ASSY, REAR DOOR, LH
+----------+
1212 - B100..HI 69306-BZ040- 1
1212 - B100..MID L2BB WITH(POWER DOOR LOCK
)
69306-BZ040- 1
+----------+
| 69330 | LOCK ASSY, REAR DOOR, RH
+----------+
1212 - B100..LO,MID 69330-BZ120- 1
+----------+
| 69340 | LOCK ASSY, REAR DOOR, LH
+----------+
1212 - B100..LO,MID 69340-BZ120- 1
203
FIG.67-06 REAR DOOR LOCK & HANDLE
PROD_DATE MODELS
SPEC
CODE
DESCRIPTION
R
/
P
PART
NUMBER
O
Y
T
REV_REF
FR TO
+----------+
| 69410B | PLATE ASSY, REAR DOOR LOCK STRIKER
+----------+
1212 - B100 69410-BZ010- 2
+----------+
| 69713A | LINK, REAR DOOR LOCK REMOTE CONTROL, RH
+----------+
1212 - B100 69713-BZ040- 1
+----------+
| 69714 | LINK, REAR DOOR LOCK REMOTE CONTROL, LH
+----------+
1212 - B100 69714-BZ040- 1
+----------+
| 69735A | ROD, REAR DOOR LOCK PUSH BUTTON
+----------+
1212 - B100..LO 69735-BZ040- 1
1212 - B100..HI,MID 69735-BZ070- 1
+----------+
| 69736G | ROD, REAR DOOR LOCK PUSH BUTTON, LH
+----------+
1212 - B100..LO 69736-BZ030- 1
1212 - B100..HI,MID 69736-BZ040- 1
+----------+
| 69737 | LINK, REAR DOOR INSIDE LOCKING, RH
+----------+
1212 - B100 69737-BZ060- 1
+----------+
| 69738 | LINK, REAR DOOR INSIDE LOCKING, LH
+----------+
1212 - B100 69738-BZ060- 1
+----------+
| 69747B | BUTTON, DOOR LOCKING(FOR REAR DOOR)
+----------+
1212 - B100 GRAY(TRIM1#) 69743-BZ040-B0 2
+----------+
| 69749B | CLAMP, REAR DOOR LOCK LINK
+----------+
1212 - B100 69749-BZ080- 4
+----------+
| 69751B | HOLDER, DOOR LOCKING(FOR REAR DOOR)
+----------+
1212 - B100..LO DK.GRAY(TRIM1#) 69751-87704-B0 2
FIG.67-06 REAR DOOR LOCK & HANDLE
PROD_DATE MODELS
SPEC
CODE
DESCRIPTION
R
/
P
PART
NUMBER
O
Y
T
REV_REF
FR TO
+----------+
| 69751B | HOLDER, DOOR LOCKING(FOR REAR DOOR)
CONTINUED--+
1212 - B100..HI,MID DK.GRAY(TRIM1#) 69751-BZ040-B0 2
+----------+
| 69753A | BELLCRANK, DOOR LOCK CONTROL
+----------+
1212 - B100 69753-BZ010- 2
+----------+
| 69759F | SNAP, REAR DOOR LOCK CONTROL LINK
+----------+
1212 - B100 69279-BZ010- 4
+----------+
| 69759J | SILENCER, DOOR LOCK LINK
+----------+
1212 - B100 69759-87Z02- 2
+----------+
| 85470D | MOTOR ASSY, DOOR CONTROL, REAR RH
+----------+
1212 - B100..HI 85470-BZ010- 1
1212 - B100..MID L2BB WITH(POWER DOOR LOCK
)
85470-BZ010- 1
+----------+
| 85480C | MOTOR ASSY, DOOR CONTROL, REAR LH
+----------+
1212 - B100..HI 85480-BZ010- 1
1212 - B100..MID L2BB WITH(POWER DOOR LOCK
)
85480-BZ010- 1
204
FIG.67-07 REAR DOOR WINDOW REGULATOR & HINGE
(1212- )
677692-C
90119-06984(4)
90119-06984(4)
90041-68063(3)
85710F
69804
69803
85720E
9004A-11239(2)
9004A-11239(2)
68750
68760
68770
68780
69260E
69260F
69272B
69830A
69840A
90105-08291(2)
90041-05264(2)
9004A-10134(2)
FIG.67-07 REAR DOOR WINDOW REGULATOR & HINGE
PROD_DATE MODELS
SPEC
CODE
DESCRIPTION
R
/
P
PART
NUMBER
O
Y
T
REV_REF
FR TO
+----------+
| 68750 | HINGE ASSY, REAR DOOR, UPPER RH
+----------+
1212 - B100 68750-BZ010- 1
+----------+
| 68760 | HINGE ASSY, REAR DOOR, UPPER LH
+----------+
1212 - B100 68760-BZ010- 1
+----------+
| 68770 | HINGE ASSY, REAR DOOR, LOWER RH
+----------+
1212 - B100 68760-BZ010- 1
+----------+
| 68780 | HINGE ASSY, REAR DOOR, LOWER LH
+----------+
1212 - B100 68750-BZ010- 1
+----------+
| 69260E | HANDLE ASSY, REAR DOOR WINDOW REGULATOR
+----------+
1212 - B100..LO DK.GRAY(TRIM1#) 69260-87Z03-B0 2
+----------+
| 69260F | RING, SHAFT SNAP(FOR REAR DOOR WINDOW REGULATOR HANDLE)
+----------+
1212 - B100..LO 90520-01002- 8
+----------+
| 69272B | PLATE, REAR DOOR REGULATOR INSIDE HANDLE
+----------+
1212 - B100..LO DK.GRAY(TRIM1#) 69268-BZ020-B0 2
+----------+
| 69803 | REGULATOR SUB-ASSY, REAR DOOR WINDOW, RH
+----------+
1212 - B100..HI,MID 69803-BZ100- 1
+----------+
| 69804 | REGULATOR SUB-ASSY, REAR DOOR WINDOW, LH
+----------+
1212 - B100..HI,MID 69804-BZ100- 1
+----------+
| 69830A | REGULATOR ASSY, REAR DOOR WINDOW, RH
+----------+
1212 - B100..LO 69830-BZ220- 1
+----------+
| 69840A | REGULATOR ASSY, REAR DOOR WINDOW, LH
+----------+
1212 - B100..LO 69840-BZ220- 1
205
FIG.67-07 REAR DOOR WINDOW REGULATOR & HINGE
PROD_DATE MODELS
SPEC
CODE
DESCRIPTION
R
/
P
PART
NUMBER
O
Y
T
REV_REF
FR TO
+----------+
| 85710F | MOTOR ASSY, POWER WINDOW REGULATOR, RH
+----------+
1212 - B100..HI,MID 85720-BZ041- 1
+----------+
| 85720E | MOTOR ASSY, POWER WINDOW REGULATOR, LH
+----------+
1212 - B100..HI,MID 85710-BZ041- 1
206
FIG.67-08 BACK DOOR PANEL & GLASS
(1212- )
677693-A
64780A
64780D
64819B
64819B
64819B
64819B
67005
67005B
67818B
67818B
67881A
68131
74811D
81952D
85373-BZ050
(REFER TO FIG 57-01)
FIG.67-08 BACK DOOR PANEL & GLASS
PROD_DATE MODELS
SPEC
CODE
DESCRIPTION
R
/
P
PART
NUMBER
O
Y
T
REV_REF
FR TO
+----------+
| 64780A | PANEL ASSY, BACK DOOR TRIM
+----------+
1212 - B100 DK.GRAY(TRIM1#) 64780-BZ100-B1 1
+----------+
| 64780D | RETAINER(FOR BACK DOOR TRIM BOARD)
+----------+
1212 - B100 67771-BZ060- 11
+----------+
| 64819B | SPACER, BACK WINDOW GLASS, NO.2
+----------+
1212 - B100 64819-B2010- 4
+----------+
| 67005 | PANEL SUB-ASSY, BACK DOOR
+----------+
1212 - B100..LO,MID 67005-BZ350- 1
1212 - B100..HI 67005-BZ450- 1
1212 - B100..MID L2BB WITH(POWER DOOR LOCK
)
67005-BZ730- 1
+----------+
| 67005B | CUSHION(FOR BACK DOOR PANEL)
+----------+
1212 - B100 9004A-54015- 4
+----------+
| 67818B | SPACER, BACK WINDOW GLASS
+----------+
1212 - B100 64818-BZ050- 2
+----------+
| 67881A | WEATHERSTRIP, BACK DOOR
+----------+
1212 - B100 67881-BZ150- 1
+----------+
| 68131 | GLASS, BACK DOOR
+----------+
1212 - B100 T=3.1,GREEN 68131-BZ280- 1
+----------+
| 74811D | HANDLE, DOOR PULL
+----------+
1212 - B100 74811-BZ030- 1
+----------+
| 81952D | COVER, REAR LAMP
+----------+
1212 - B100..HI 81977-BZ090- 1
207
FIG.67-09 BACK DOOR LOCK & HANDLE
(1212- )
677694-A
REFER TO
FIG
(PNC 77050A)
77-01
9004A-11205(2)
91551-80614(2)
90105-06184
90105-06184
91551-A0816(2)
91551-A0816(2)
68810C
68820B
68859
68859
68950C
68960
68961
6896169350
69430C
90041-79288
90041-79288
208
FIG.67-09 BACK DOOR LOCK & HANDLE
PROD_DATE MODELS
SPEC
CODE
DESCRIPTION
R
/
P
PART
NUMBER
O
Y
T
REV_REF
FR TO
+----------+
| 68810C | HINGE ASSY, BACK DOOR, RH
+----------+
1212 - B100 68801-BZ110- 1
+----------+
| 68820B | HINGE ASSY, BACK DOOR, LH
+----------+
1212 - B100 68801-BZ110- 1
+----------+
| 68859 | PACKING, BACK DOOR HINGE
+----------+
1212 - B100 68859-87201- 2
+----------+
| 68950C | STAY ASSY, BACK DOOR, RH
+----------+
1212 - B100 68950-B6010- 1
+----------+
| 68960 | STAY ASSY, BACK DOOR, LH
+----------+
1212 - B100 68960-B6010- 1
+----------+
| 68961 | BOLT, BACK DOOR STAY
+----------+
1212 - B100 68459-87202- 2
+----------+
| 69350 | LOCK ASSY, BACK DOOR
+----------+
1212 - B100..LO,MID 69350-BZ150- 1
1212 - B100..HI 69350-BZ160- 1
1212 - B100..MID L2BB WITH(POWER DOOR LOCK
)
69350-BZ160- 1
+----------+
| 69430C | STRIKER ASSY, BACK DOOR LOCK
+----------+
1212 - B100 69430-BZ060- 1
209
FIG.67-12 LOCK CYLINDER SET
―
 
―
 
―
 
―
 
―
 
―
 
―
 
―
 
―
 
―
 
―
 
―
 
―
 
―
 
―
 
―
 
―
 
―
 
―
 
―
 
―
 
―
 
―
 
―
 
―
 
―
 
―
 
―
 
―
 
―
 
―
 
―
 
―
 
―
(1212- )LO
677696-A
69503 69551
69682
69051
69503C
69057A
69055B
FIG.67-12 LOCK CYLINDER SET
(1212- )HI,MID
677701
69503 69551
69682
69051
69503C
69057A
69055B
210
FIG.67-12 LOCK CYLINDER SET
PROD_DATE MODELS
SPEC
CODE
DESCRIPTION
R
/
P
PART
NUMBER
O
Y
T
REV_REF
FR TO
+----------+
| 69051 | CYLINDER & KEY SET, DOOR LOCK, RH
+----------+
1212 - B100..LO 69051-BZ140- 1
1212 - B100..HI,MID 69051-BZ160- 1
+----------+
| 69055B | CYLINDER & KEY SET, BACK DOOR LOCK
+----------+
1212 - B100..LO 69055-BZ120- 1
1212 - B100..HI,MID 69055-BZ140- 1
+----------+
| 69057A | CYLINDER & KEY SET, IGNITION SWITCH LOCK
+----------+
1212 - B100..LO 69057-BZ120- 1
1212 - B100..HI,MID 69057-BZ140- 1
+----------+
| 69503 | CYLINDER SET, LOCK
+----------+
1212 - B100..LO 69005-BZ430- 1
1212 - B100..HI,MID 69005-BZ470- 1
+----------+
| 69503C | KEY, SUB
+----------+
1212 - B100..LO 69516-BZ030- 1
1212 - B100..HI,MID 69516-BZ050- 1
+----------+
| 69551 | RETAINER, BACK DOOR LOCK CYLINDER
+----------+
1212 - B100 61317-BZ020- 1
+----------+
| 69682 | RETAINER, LOCK CYLINDER
+----------+
1212 - B100 69682-B2020- 1
211
FIG.71-01 FRONT SEAT & SEAT TRACK
(1212- )
DRIVER'S SEAT
718192-B
REFER TO
FIG
(PNC 73230)
71-04
71071S
71073S
71110A
71127B
71127B
71410C
71410C
71430C
71430C
71551S
71521A 71537C
71537C
71537C
71537C
71511S
71571
71811D
71831B
72110A
72130A
72137B72137B
72137B
72211
72525A
73949
73949
84139-B1010
84139-B1010
91553-10820
91553-10820
90179-08068(4)
90179-08068(4)
90520-01002
91551-80820(2)
91551-80820(2)
91553-10820
91553-10820
212
FIG.71-01 FRONT SEAT & SEAT TRACK
(1212- )
PASSENGER SEAT
718193-B
REFER TO
FIG
(PNC 73240)
90520-01002 71-52
71127B
71127B
79956M
79956M
84139-B1010
84139-B1010
90179-08068(4)
90179-08068(4)
91551-80820(2)
91551-80820(2)
71072S
71074S
71120B
71512S
71521B
71537D
71537D
71537D
71537D
71552S
71572
71812
71812
71812D
71815
71815
71832B
72120
72138B
72138B
72138B
72140A
72211C
72526A
91553-10820
91553-10820
91553-10820
91553-10820
213
FIG.71-01 FRONT SEAT & SEAT TRACK
PROD_DATE MODELS
SPEC
CODE
DESCRIPTION
R
/
P
PART
NUMBER
O
Y
T
REV_REF
FR TO
+----------+
| 71071S | COVER, FRONT SEAT CUSHION, RH(FOR SEPARATE TYPE)
+----------+
1212 - B100..LO,MID GRAY(TRIM1#) 71071-BZC50-B1 1
1212 - B100..HI GRAY(TRIM1#) 71071-BZC60-B1 1
1212 - B100..MID R1HC HI (SEAT COVER MATER
IAL),GRAY(TRIM1#)
71071-BZC60-B1 1
+----------+
| 71072S | COVER, FRONT SEAT CUSHION, LH(FOR SEPARATE TYPE)
+----------+
1212 - B100..LO,MID GRAY(TRIM1#) 71072-BZC60-B1 1
1212 - B100..HI GRAY(TRIM1#) 71072-BZC70-B1 1
1212 - B100..MID R1HC HI (SEAT COVER MATER
IAL),GRAY(TRIM1#)
71072-BZC70-B1 1
+----------+
| 71073S | COVER, FRONT SEAT BACK, RH(FOR SEPARATE TYPE)
+----------+
1212 - B100..LO,MID GRAY(TRIM1#) 71073-BZC80-B0 1
1212 - B100..HI GRAY(TRIM1#) 71073-BZC90-B0 1
1212 - B100..MID R1HC HI (SEAT COVER MATER
IAL),GRAY(TRIM1#)
71073-BZC90-B0 1
+----------+
| 71074S | COVER, FRONT SEAT BACK, LH(FOR SEPARATE TYPE)
+----------+
1212 - B100..LO,MID GRAY(TRIM1#) 71074-BZA00-B0 1
1212 - B100..HI GRAY(TRIM1#) 71074-BZA10-B0 1
1212 - B100..MID R1HC HI (SEAT COVER MATER
IAL),GRAY(TRIM1#)
71074-BZA10-B0 1
+----------+
| 71110A | FRAME ASSY, FRONT SEAT W/ADJUSTER, RH
+----------+
1212 - B100 71110-BZ150- 1
+----------+
| 71120B | FRAME ASSY, FRONT SEAT W/ADJUSTER, LH
+----------+
1212 - B100 71120-BZ120- 1
+----------+
| 71127B | PLATE, FR SEAT CUSHION PROTECTOR SET
+----------+
1212 - B100 71127-BZ010- 4
FIG.71-01 FRONT SEAT & SEAT TRACK
PROD_DATE MODELS
SPEC
CODE
DESCRIPTION
R
/
P
PART
NUMBER
O
Y
T
REV_REF
FR TO
+----------+
| 71410C | CLIP(FOR FRONT SEAT CUSHION)
+----------+
1212 - B100 9004A-46143- 8
+----------+
| 71430C | CLIP
+----------+
1212 - B100 DK.GRAY(TRIM1#) 90044-68185-B1 4
+----------+
| 71511S | PAD, FRONT SEAT CUSHION, RH(FOR SEPARATE TYPE)
+----------+
1212 - B100 71501-BZ410- 1
+----------+
| 71512S | PAD, FRONT SEAT CUSHION, LH (FOR SEPARATE TYPE)
+----------+
1212 - B100 71501-BZ410- 1
+----------+
| 71521A | PAD,FRONT SEAT CUSHION SILENCER
+----------+
1212 - B100 71147-B1020- 1
+----------+
| 71521B | PAD,FRONT SEAT CUSHION SILENCER
+----------+
1212 - B100 71147-B1020- 1
+----------+
| 71537C | PROTECTOR, FRONT SEAT CUSHION EDGE, RH
+----------+
1212 - B100 71537-BZ030- 4
+----------+
| 71537D | PROTECTOR, FRONT SEAT CUSHION EDGE, LH
+----------+
1212 - B100 71537-BZ030- 4
+----------+
| 71551S | PAD, FRONT SEAT BACK, RH(FOR SEPARATE TYP
E)+----------+
1212 - B100 71505-BZ330- 1
+----------+
| 71552S | PAD, FRONT SEAT BACK, LH(FOR SEPARATE TYP
E)+----------+
1212 - B100 71506-BZ040- 1
+----------+
| 71571 | PAD, FRONT SEAT BACK SILENCER, A
+----------+
1212 - B100 71147-B2040- 1
214
FIG.71-01 FRONT SEAT & SEAT TRACK
PROD_DATE MODELS
SPEC
CODE
DESCRIPTION
R
/
P
PART
NUMBER
O
Y
T
REV_REF
FR TO
+----------+
| 71572 | PAD, FRONT SEAT BACK SILENCER, B
+----------+
1212 - B100 71147-B2040- 1
+----------+
| 71811D | SHIELD, FRONT SEAT CUSHION, RH
+----------+
1212 - B100 DK.GRAY(TRIM1#) 71811-BZ170-B0 1
+----------+
| 71812 | CLIP (FOR FRONT SEAT CUSHION COVER)
+----------+
1212 - B100 DK.GRAY(TRIM1#) 90044-68185-B1 4
+----------+
| 71812D | SHIELD, FRONT SEAT CUSHION, LH
+----------+
1212 - B100 DK.GRAY(TRIM1#) 71812-BZ150-B0 1
+----------+
| 71815 | CLIP (FOR FRONT SEAT CUSHION COVER SET)
+----------+
1212 - B100 9004A-46143- 8
+----------+
| 71831B | COVER, FRONT SEAT HINGE, RH
+----------+
1212 - B100 DK.GRAY(TRIM1#) 71831-BZ040-B0 1
+----------+
| 71832B | COVER, FRONT SEAT HINGE, LH
+----------+
1212 - B100 DK.GRAY(TRIM1#) 71832-BZ090-B0 1
+----------+
| 72110A | TRACK ASSY, FRONT SEAT, OUTER RH
+----------+
1212 - B100 72110-BZ200- 1
+----------+
| 72120 | TRACK ASSY, FRONT SEAT, OUTER LH
+----------+
1212 - B100 72120-BZ210- 1
+----------+
| 72130A | TRACK ASSY, FRONT SEAT, INNER RH
+----------+
1212 - B100 72130-BZ240- 1
+----------+
| 72137B | COVER, SEAT TRACK, RH
+----------+
1212 - B100 72137-BZ040- 3
FIG.71-01 FRONT SEAT & SEAT TRACK
PROD_DATE MODELS
SPEC
CODE
DESCRIPTION
R
/
P
PART
NUMBER
O
Y
T
REV_REF
FR TO
+----------+
| 72138B | COVER, SEAT TRACK, LH
+----------+
1212 - B100 72137-BZ040- 3
+----------+
| 72140A | TRACK ASSY, FRONT SEAT,INNER LH
+----------+
1212 - B100 72140-BZ240- 1
+----------+
| 72211 | HANDLE, SEAT TRACK ADJUSTING
+----------+
1212 - B100 72211-BZ100- 1
+----------+
| 72211C | HANDLE, SEAT TRACK ADJUSTING
+----------+
1212 - B100 72211-BZ100- 1
+----------+
| 72525A | HANDLE, RECLINING ADJUSTER RELEASE, RH
+----------+
1212 - B100 DK.GRAY(TRIM1#) 72525-BZ110-B0 1
+----------+
| 72526A | HANDLE, RECLINING ADJUSTER RELEASE, LH
+----------+
1212 - B100 DK.GRAY(TRIM1#) 72526-BZ100-B0 1
+----------+
| 73949 | CAP
+----------+
1212 - B100 73949-BZ050- 2
+----------+
| 79956M | CAP(FOR FRONT SEAT LEG SIDE COVER)
+----------+
1212 - B100 73949-BZ050- 2
215
FIG.71-02 REAR SEAT & SEAT TRACK
―
 
―
 
―
 
―
 
―
 
―
 
―
 
―
 
―
 
―
 
―
 
―
 
―
 
―
 
―
 
―
 
―
 
―
 
―
 
―
 
―
 
―
 
―
 
―
 
―
 
―
 
―
 
―
 
―
 
―
 
―
 
―
 
―
 
―
(1212- )
W/O HEADREST ILLUST NO. 1 OF 2
718194
71075B
71077B
71480A
71480B
71611A
71812B
71885C
71922B
71922B71931A
71956B
71922B
71922B
71970B
71990A
72601A
72602A
72630C
72640A
72693
90041-19701
90041-19701
91553-80820(3)
91553-80820(3)
72693
FIG.71-02 REAR SEAT & SEAT TRACK
(1212- )
W/ HEADREST ILLUST NO. 2 OF 2
718195
71075B
71077B
71480A
71480B
71611A
71812B
71970
71970
71885C
71931A
71956B
71970B
71990A
72601A
72602A
72630C
72640A
72693
90041-19701
90041-19701
91553-80820(3)
91553-80820(3)
72693
216
FIG.71-02 REAR SEAT & SEAT TRACK
PROD_DATE MODELS
SPEC
CODE
DESCRIPTION
R
/
P
PART
NUMBER
O
Y
T
REV_REF
FR TO
+----------+
| 71075B | COVER, REAR SEAT CUSHION (FOR BENCH TYPE)
+----------+
1212 - 1401 B100..LO,MID -(TRIM1#) 71075-BZA60-B1 1
1212 - 1401 B100..HI -(TRIM1#) 71075-BZA70-B1 1
1212 - 1401 B100..MID R1BC BENCH SEAT(W/HEADRES
T),-(TRIM1#)
71075-BZA70-B1 1
1212 - 1401 B100..MID R1HC HI (SEAT COVER MATER
IAL),-(TRIM1#)
71075-BZA70-B1 1
+----------+
| 71077B | COVER, REAR SEAT BACK (FOR BENCH TYPE)
+----------+
1212 - 1401 B100..LO,MID GRAY(TRIM1#) 71077-BZ850-B0 1
1212 - 1401 B100..HI GRAY(TRIM1#) 71077-BZ860-B2 1
1212 - 1401 B100..MID R1BC BENCH SEAT(W/HEADRES
T),GRAY(TRIM1#)
71077-BZ860-B2 1
1212 - 1401 B100..MID R1HC HI (SEAT COVER MATER
IAL),GRAY(TRIM1#)
71077-BZ860-B2 1
+----------+
| 71480A | CLIP (FOR REAR SEAT BACK)
+----------+
1212 - 1401 B100..HI 90468-18071- 9
1212 - B100..LO,MID 90468-18071- 9
+----------+
| 71480B | BACK ASSY, REAR SEAT (FOR BENCH TYPE)
+----------+
1212 - 1401 B100..LO,MID -(TRIM1#) 71480-BZA30-B3 1
1212 - 1401 B100..HI -(TRIM1#) 71480-BZA40-B2 1
1212 - 1401 B100..MID R1HC HI (SEAT COVER MATER
IAL),-(TRIM1#)
71480-BZA40-B2 1
1212 - 1401 B100..LO R1BC BENCH SEAT(W/HEADRES
T),-(TRIM1#)
71480-BZA50-B0 1
1212 - 1401 B100..HI R1BC BENCH SEAT(W/HEADRES
T),-(TRIM1#)
71480-BZA60-B1 1
1212 - 1401 B100..MID R1BC BENCH SEAT(W/HEADRES
T),-(TRIM1#)
71480-BZA60-B1 1
FIG.71-02 REAR SEAT & SEAT TRACK
PROD_DATE MODELS
SPEC
CODE
DESCRIPTION
R
/
P
PART
NUMBER
O
Y
T
REV_REF
FR TO
+----------+
| 71611A | PAD, REAR SEAT CUSHION, RH
+----------+
1212 - 1401 B100 71503-BZ350- 1
+----------+
| 71812B | CLIP(FOR REAR SEAT CUSHION COVER)
+----------+
1212 - 1401 B100..HI 90468-18071- 27
1212 - B100..LO,MID 90468-18071- 27
+----------+
| 71885C | CLIP(FOR REAR SEAT BACK CARPET)
+----------+
1212 - B100 - 90044-67414-C0 3
+----------+
| 71922B | COVER, REAR SEAT HEADREST UNDER
+----------+
1212 - B100 DK.GRAY(TRIM1#) 71991-BZ010-B0 4
+----------+
| 71931A | SUPPORT, REAR SEAT HEADREST
+----------+
1212 - B100 DK.GRAY(TRIM1#) 71931-87Z08-B0 1
+----------+
| 71956B | SUPPORT, REAR SEAT HEADREST
+----------+
1212 - B100 DK.GRAY(TRIM1#) 71930-87Z09-B0 1
+----------+
| 71970 | HEADREST ASSY, REAR SEAT
+----------+
1212 - B100..LO R1BC BENCH SEAT(W/HEADRES
T),DK.GRAY(TRIM1#)
71940-BZ450-B0 2
1212 - B100..HI R1BC BENCH SEAT(W/HEADRES
T),DK.GRAY(TRIM1#)
71940-BZ590-B0 2
1212 - B100..MID R1BC BENCH SEAT(W/HEADRES
T),DK.GRAY(TRIM1#)
71940-BZ590-B0 2
+----------+
| 71970B | SUPPORT ASSY, REAR SEAT HEADREST, RH
+----------+
1212 - B100 DK.GRAY(TRIM1#) 71930-87Z09-B0 1
+----------+
| 71990A | SUPPORT ASSY, REAR SEAT HEADREST, LH
+----------+
1212 - B100 DK.GRAY(TRIM1#) 71931-87Z08-B0 1
217
FIG.71-02 REAR SEAT & SEAT TRACK
PROD_DATE MODELS
SPEC
CODE
DESCRIPTION
R
/
P
PART
NUMBER
O
Y
T
REV_REF
FR TO
+----------+
| 72601A | STRIKER SUB-ASSY, REAR SEAT BACK LOOK, RH
+----------+
1212 - B100 72601-BZ030- 1
+----------+
| 72602A | STRIKER SUB-ASSY, REAR SEAT BACK LOCK, LH
+----------+
1212 - B100 72601-BZ030- 1
+----------+
| 72630C | LOCK ASSY, REAR SEAT BACK, RH
+----------+
1212 - B100 DK.GRAY(TRIM1#) 72630-BZ040-B0 1
+----------+
| 72640A | LOCK ASSY, REAR SEAT BACK, LH
+----------+
1212 - B100 DK.GRAY(TRIM1#) 72640-BZ050-B0 1
+----------+
| 72693 | HOOK, REAR SEAT CUSHION LOCK
+----------+
1212 - B100 72693-97201- 2
218
FIG.71-04 SEAT BELT & CHILD RESTRAINT SEAT
(1212- )
FRONT SEAT
718196
73210
73220
73210
73220
73230
73240
23518-BZ010
90041-67030
90041-79312
9004A-11057
9004A-11057
219
FIG.71-04 SEAT BELT & CHILD RESTRAINT SEAT
(1212- )
REAR SEAT
718198
73360B
73370B
73381
9004A-11057
9004A-11057
73470B
73480
9004A-11057
9004A-11057
220
FIG.71-04 SEAT BELT & CHILD RESTRAINT SEAT
PROD_DATE MODELS
SPEC
CODE
DESCRIPTION
R
/
P
PART
NUMBER
O
Y
T
REV_REF
FR TO
+----------+
| 73210 | BELT ASSY, FRONT SEAT OUTER, RH
+----------+
1212 - B100 -(TRIM1#) 73210-BZ380-B0 1
1212 - B100..HI,MID R5AB D/P(SRS AIR BAG),-(T
RIM1#)
73210-BZ390-B0 1
+----------+
| 73220 | BELT ASSY, FRONT SEAT OUTER, LH
+----------+
1212 - B100 -(TRIM1#) 73220-BZ360-B0 1
1212 - B100..HI,MID R5AB D/P(SRS AIR BAG),-(T
RIM1#)
73220-BZ370-B0 1
+----------+
| 73230 | BELT ASSY, FRONT SEAT INNER, RH
+----------+
1212 - B100 DK.GRAY(TRIM1#) 73230-BZ500-B0 1
+----------+
| 73240 | BELT ASSY, FRONT SEAT INNER, LH
+----------+
1212 - B100 DK.GRAY(TRIM1#) 73230-BZ500-B0 1
+----------+
| 73360B | BELT ASSY, REAR SEAT, OUTER
+----------+
1212 - B100..HI -(TRIM1#) 73360-BZ230-B0 1
1212 - B100..LO,MID R4BB RR SEAT BELT(RH,LH:3
P ELR,CTR:2P),-(TRIM
1#)
73360-BZ240-B0 1
+----------+
| 73370B | BELT ASSY, REAR SEAT, OUTER
+----------+
1212 - B100..HI -(TRIM1#) 73370-BZ230-B0 1
1212 - B100..LO,MID R4BB RR SEAT BELT(RH,LH:3
P ELR,CTR:2P),-(TRIM
1#)
73370-BZ240-B0 1
+----------+
| 73381 | HOLDER, REAR SEAT BELT
+----------+
1212 - B100..LO,MID R4BB RR SEAT BELT(RH,LH:3
P ELR,CTR:2P),DK.GRA
Y(TRIM1#)
73381-87202-B2 2
1212 - B100..HI DK.GRAY(TRIM1#) 73381-87202-B2 2
FIG.71-04 SEAT BELT & CHILD RESTRAINT SEAT
PROD_DATE MODELS
SPEC
CODE
DESCRIPTION
R
/
P
PART
NUMBER
O
Y
T
REV_REF
FR TO
+----------+
| 73470B | BELT ASSY, REAR SEAT INNER W/CENTER, RH
+----------+
1212 - B100..LO,MID R4BB RR SEAT BELT(RH,LH:3
P ELR,CTR:2P),-(TRIM
1#)
73470-BZ050-B0 1
1212 - B100..HI -(TRIM1#) 73470-BZ050-B0 1
+----------+
| 73480 | BELT ASSY, REAR SEAT INNER W/CENTER, LH
+----------+
1212 - B100..LO,MID R4BB RR SEAT BELT(RH,LH:3
P ELR,CTR:2P),-(TRIM
1#)
73480-BZ050-B0 1
1212 - B100..HI -(TRIM1#) 73480-BZ050-B0 1
221
FIG.74-01 ARMREST & VISOR
―
 
―
 
―
 
―
 
―
 
―
 
―
 
―
 
―
 
―
 
―
 
―
 
―
 
―
 
―
 
―
 
―
 
―
 
―
 
―
 
―
 
―
 
―
 
―
 
―
 
―
 
―
 
―
 
―
 
―
 
―
 
―
 
―
 
―
(1212- )
ARMREST
743564
74813B 74814C
74815B
74816G
FIG.74-01 ARMREST & VISOR
(1212- )
VISOR & ASSIST GRIP
743565
74310 74320
74348
74348
74610A
74610S
90041-68071
90041-68071
90041-89019(2)
9004A-15059(2)
90041-67030(2)
222
FIG.74-01 ARMREST & VISOR
PROD_DATE MODELS
SPEC
CODE
DESCRIPTION
R
/
P
PART
NUMBER
O
Y
T
REV_REF
FR TO
+----------+
| 74310 | VISOR ASSY,
RH+----------+
1212 - B100 LT.GRAY(TRIM1#) 74310-BZ510-B0 1
1212 - B100..HI,MID R5AB D/P(SRS AIR BAG),LT.
GRAY(TRIM1#)
74310-BZ590-B0 1
+----------+
| 74320 | VISOR ASSY,
LH+----------+
1212 - B100..HI,MID LT.GRAY(TRIM1#) 74320-BZ410-B0 1
+----------+
| 74348 | HOLDER, VISO
R+----------+
1212 - B100..LO LT.GRAY(TRIM1#) 74348-BZ060-B1 1
1212 - B100..HI,MID LT.GRAY(TRIM1#) 74348-BZ060-B1 2
+----------+
| 74610A | GRIP SUB-ASSY, ASSIST
+----------+
1212 - B100..LO DK.GRAY(TRIM1#) 74611-BZ060-B2 4
+----------+
| 74610S | GRIP ASSY, ASSIST
+----------+
1212 - B100..HI LT.GRAY(TRIM1#) 74611-BZ060-B1 3
+----------+
| 74813B | HANDLE, FRONT DOOR PULL, RH
+----------+
1212 - B100..MID DK.GRAY(TRIM1#) 74813-BZ030-B1 1
1212 - B100..HI SILVER(TRIM1#) 74813-BZ050-B0 1
+----------+
| 74814C | HANDLE, FRONT DOOR PULL, LH
+----------+
1212 - B100..MID DK.GRAY(TRIM1#) 74814-BZ030-B1 1
1212 - B100..HI SILVER(TRIM1#) 74814-BZ050-B0 1
+----------+
| 74815B | HANDLE, REAR DOOR PULL
+----------+
1212 - B100..MID DK.GRAY(TRIM1#) 74815-BZ050-B0 1
1212 - B100..HI SILVER(TRIM1#) 74815-BZ060-B0 1
FIG.74-01 ARMREST & VISOR
PROD_DATE MODELS
SPEC
CODE
DESCRIPTION
R
/
P
PART
NUMBER
O
Y
T
REV_REF
FR TO
+----------+
| 74816G | HANDLE, REAR DOOR PULL, LH
+----------+
1212 - B100..MID DK.GRAY(TRIM1#) 74816-BZ040-B0 1
1212 - B100..HI SILVER(TRIM1#) 74816-BZ050-B0 1
223
FIG.74-02 BATTERY CARRIER
(1212- )
743559
74404B
74411
74451B
74451B
74461
90041-79111
90041-79111
9004A-11170(3)
FIG.74-02 BATTERY CARRIER
PROD_DATE MODELS
SPEC
CODE
DESCRIPTION
R
/
P
PART
NUMBER
O
Y
T
REV_REF
FR TO
+----------+
| 74404B | CLAMP SUB-ASSY, BATTERY
+----------+
1212 - B100 74404-BZ010- 1
+----------+
| 74411 | CARRIER, BATTERY
+----------+
1212 - B100 74411-BZ060- 1
+----------+
| 74451B | BOLT, BATTERY CLAMP
+----------+
1212 - B100 74451-87Z07- 2
+----------+
| 74461 | COVER, BATTE
RY+----------+
1212 - B100 74405-BZ020- 1
224
FIG.74-03 CAUTION PLATE (EXTERIOR & INTERIOR)
(1212- )
743561
74552A
11293C
41991A
74538
74751
FIG.74-03 CAUTION PLATE (EXTERIOR & INTERIOR)
PROD_DATE MODELS
SPEC
CODE
DESCRIPTION
R
/
P
PART
NUMBER
O
Y
T
REV_REF
FR TO
+----------+
| 11293C | LABEL, TUNE-UP SPECIFICATION INFORMATION
+----------+
1212 - 1KRDE..B100 11293-BZ470- 1
+----------+
| 41991A | PLATE, CAUTI
ON+----------+
1212 - B100 41991-BZ030- 1
+----------+
| 74538 | PLATE, JACK CARRIER CAUTION
+----------+
1212 - B100 74547-BZ010- 1
+----------+
| 74552A | LABEL, SAFETY CAUTION
+----------+
1212 - B100..HI 74552-BZ040- 2
1212 - B100..MID L2BB WITH(POWER DOOR LOCK
)
74552-BZ040- 2
+----------+
| 74751 | LABEL, TIRE PRESSURE INFORMATION
+----------+
1212 - B100..LO,MID 42661-BZ620- 1
1212 - B100..HI 42661-BZ630- 1
1212 - B100..MID G4AC 175/65R14 5J-AL 42661-BZ630- 1
225
FIG.75-01 EMBLEM & NAME PLATE (EXTERIOR & INTERIOR)
(1212- )
752806
75305
75431A
75441C
75444 75444
75446A
FIG.75-01 EMBLEM & NAME PLATE (EXTERIOR & INTERIOR)
PROD_DATE MODELS
SPEC
CODE
DESCRIPTION
R
/
P
PART
NUMBER
O
Y
T
REV_REF
FR TO
+----------+
| 75305 | EMBLEM, HOOD
+----------+
1212 - B100 75311-BZ140- 1
+----------+
| 75431A | EMBLEM, BACK DOOR, NO.1
+----------+
1212 - B100 D MARK 75311-BZ190- 1
+----------+
| 75441C | PLATE, BACK DOOR NAME
+----------+
1212 - B100 AYLA 75441-BZ320- 1
+----------+
| 75444 | PLATE, LUGGAGE COMPARTMENT DOOR, NO.4
+----------+
1212 - B100..MID M 75444-BZ130- 1
1212 - B100..HI X 75444-BZ180- 1
+----------+
| 75446A | PLATE, BACK DOOR NAME, NO.6
+----------+
1212 - B100 ASTRA DAIHATSU 75446-BZ040- 1
226
FIG.75-02 FRONT MOULDING
(1212- )
752803
75533E
FIG.75-02 FRONT MOULDING
PROD_DATE MODELS
SPEC
CODE
DESCRIPTION
R
/
P
PART
NUMBER
O
Y
T
REV_REF
FR TO
+----------+
| 75533E | MOULDING, WINDSHIELD, OUTSIDE
+----------+
1212 - B100 75533-BZ110- 1
227
FIG.75-03 SIDE MOULDING
(1212- )
752804
75551E
75552E
75561A
75731A
75732A
75741
75742
75561A
228
FIG.75-03 SIDE MOULDING
PROD_DATE MODELS
SPEC
CODE
DESCRIPTION
R
/
P
PART
NUMBER
O
Y
T
REV_REF
FR TO
+----------+
| 75551E | MOULDING, ROOF DRIP SIDE FINISH, RH
+----------+
1212 - B100 75551-BZ110- 1
+----------+
| 75552E | MOULDING, ROOF DRIP SIDE FINISH, LH
+----------+
1212 - B100 75552-BZ050- 1
+----------+
| 75561A | CLIP, ROOF DRIP SIDE FINISH MOULDING
+----------+
1212 - B100 75561-BZ020- 4
+----------+
| 75731A | MOULDING, FRONT DOOR, OUTSIDE RH
+----------+
1212 - B100..HI 75731-BZ130- 1
+----------+
| 75732A | MOULDING, FRONT DOOR, OUTSIDE LH
+----------+
1212 - B100..HI 75732-BZ130- 1
+----------+
| 75741 | MOULDING, REAR DOOR, OUTSIDE RH
+----------+
1212 - B100..HI 75741-BZ130- 1
+----------+
| 75742 | MOULDING, REAR DOOR, OUTSIDE LH
+----------+
1212 - B100..HI 75742-BZ130- 1
229
FIG.76-01 MUDGUARD & SPOILER
(1212- )E4AT ; (1212- )HI..5F
760858
REFER TO
FIG
(PNC 81570)
REFER TO
FIG
81-17
76851
76861
76861
76871
90041-59435(2)
90041-59435(5)
90041-59435(2)
9004A-11206
9004A-11206
90467-09196(4)
81-17
230
FIG.76-01 MUDGUARD & SPOILER
PROD_DATE MODELS
SPEC
CODE
DESCRIPTION
R
/
P
PART
NUMBER
O
Y
T
REV_REF
FR TO
+----------+
| 76851 | COVER, FRONT SPOILER
+----------+
1212 - B100..E4AT 76851-BZ040- 1
1212 - B100..HI..5F 76851-BZ040- 1
+----------+
| 76861 | RETAINER, FRONT SPOILER, LOWER NO.1
+----------+
1212 - B100..E4AT 76861-BZ010- 2
1212 - B100..HI..5F 76861-BZ010- 2
+----------+
| 76871 | SPOILER, REA
R+----------+
1212 - B100..HI MATERIAL COLOR 76871-BZ230- 1
231
FIG.77-01 FUEL TANK & TUBE
(1212- )
FUEL TANK ILLUST NO. 1 OF 3
773383-B
REFER TO
FIG
(PNC 83320)
77100
77100B
90041-05481
84-01
90041-19608(4)
9004A-15055(8)
9004A-11247(3)
23210A
23221
23217D
77013
77141B
77141B
77141B
77141B
77169A
77201
77203A
77203C
77213B
77219
77248A
77259C
77269A
77289B
77289B
77291A
77310A
77380
77631A
90041-20155
90041-20155
90041-20155
90041-20155
90044-67229
90044-67244
90044-67244
90466-09001
91551-A0816
91551-A0816
232
FIG.77-01 FUEL TANK & TUBE
(1212- )
FUEL TUBE ILLUST NO. 2 OF 3
773384
REFER TO
FIG
(PNC 17308B)
REFER TO
FIG
(PNC 25860)
REFER TO
FIG
(PNC 23901)
17-08
17-08
22-11
9004A-11200
77251B
77261E
77263
77285H 77286H77286J
77286L
77740
96132-41000
96132-41000
77019J
77019J
77251B
233
FIG.77-01 FUEL TANK & TUBE
(1212- )
FUEL LID CABLE ILLUST NO. 3 OF 3
773385
9004A-11234(2)
23415A
23415A
77037
77050A
77350
77366
82711-BZ100
82711-BZ100
90041-78081
90042-69027(2)
90044-64371
90044-64371
9004A-54027
90467-12009
234
FIG.77-01 FUEL TANK & TUBE
PROD_DATE MODELS
SPEC
CODE
DESCRIPTION
R
/
P
PART
NUMBER
O
Y
T
REV_REF
FR TO
+----------+
| 23210A | PUMP ASSY, FUEL W/MOTOR & BRACKET
+----------+
1212 - 1KRDE..B100 23210-BZ170- 1
+----------+
| 23217D | FILTER, FUEL PUMP
+----------+
1212 - 1KRDE..B100 23217-BZ010- 1
+----------+
| 23221 | PUMP, FUEL
+----------+
1212 - 1KRDE..B100 23100-BZ150- 1
+----------+
| 23415A | PLATE
+----------+
1212 - 1KRDE..B100 55445-87502- 2
+----------+
| 77013 | TUBE SUB-ASSY, FUEL TANK BREATHER, NO.2
+----------+
1212 - B100 77013-BZ080- 1
+----------+
| 77019J | TUBE SUB-ASSY, FUEL TANK TO CANISTER
+----------+
1212 - B100 77019-BZ110- 1
+----------+
| 77037 | LOCK SUB-ASSY, FUEL FILLER OPENING LID
+----------+
1212 - B100 77037-BZ050- 1
+----------+
| 77050A | CONTROL OPENER ASSY, FUEL LID LOCK
+----------+
1212 - B100 64640-BZ070- 1
+----------+
| 77100 | TANK ASSY, FUEL
+----------+
1212 - 1401 B100 77001-BZ240- 1
+----------+
| 77100B | GASKET(FOR FUEL TANK)
+----------+
1212 - 1401 B100 90044-30291- 1
+----------+
| 77141B | REINFORCEMENT, FUEL TANK FLANGE, NO.1
+----------+
1212 - B100 77141-BZ140- 4
FIG.77-01 FUEL TANK & TUBE
PROD_DATE MODELS
SPEC
CODE
DESCRIPTION
R
/
P
PART
NUMBER
O
Y
T
REV_REF
FR TO
+----------+
| 77169A | GASKET, FUEL SUCTION TUBE SET
+----------+
1212 - B100 23232-BZ010- 1
+----------+
| 77201 | PIPE SUB-ASSY, FUEL TANK INLET
+----------+
1212 - B100 77201-BZ150- 1
+----------+
| 77203A | TUBE SUB-ASSY, FUEL SUCTION
+----------+
1212 - 1401 B100 77203-BZ070- 1
+----------+
| 77203C | BRACKET, FUEL PUMP
+----------+
1212 - B100 23265-BZ010- 1
+----------+
| 77213B | HOSE, FUEL TANK TO FILLER PIPE
+----------+
1212 - B100 77213-BZ110- 1
+----------+
| 77219 | COVER, FUEL TANK FILLER PIPE
+----------+
1212 - B100 77219-20070- 2
+----------+
| 77248A | HOLDER, FUEL TANK FILLER PIPE COVER
+----------+
1212 - B100 77248-20030- 1
+----------+
| 77251B | TUBE, FUEL MAIN
+----------+
1212 - B100 77251-BZ170- 1
+----------+
| 77259C | HOSE, FUEL
+----------+
1212 - B100 77259-BZ060- 1
+----------+
| 77261E | HOSE, FUEL, NO.1 (FOR FUEL TANK TO CANISTER TUBE)
+----------+
1212 - B100 95333-04095- 1
+----------+
| 77263 | TUBE, FUEL TANK TO CANISTER, NO.3
+----------+
1212 - B100 77263-BZ140- 1
235
FIG.77-01 FUEL TANK & TUBE
PROD_DATE MODELS
SPEC
CODE
DESCRIPTION
R
/
P
PART
NUMBER
O
Y
T
REV_REF
FR TO
+----------+
| 77269A | HOSE, FUEL TANK BREATHER
+----------+
1212 - B100 77269-B0010- 1
+----------+
| 77285H | CLAMP, FUEL TUBE, NO.1
+----------+
1212 - B100 90044-64657- 4
+----------+
| 77286H | CLAMP, FUEL TUBE, NO.3
+----------+
1212 - B100 90044-64878- 1
+----------+
| 77286J | CLAMP, FUEL TUBE, NO.4
+----------+
1212 - B100 90044-64695- 1
+----------+
| 77286L | CLAMP, FUEL TUBE, NO.5
+----------+
1212 - B100 90044-64787- 1
+----------+
| 77289B | CLAMP, FUEL TUBE, NO.3
+----------+
1212 - B100 96111-30440- 2
+----------+
| 77291A | SHIELD, FUEL TANK FILLER PIPE
+----------+
1212 - B100 77291-BZ040- 1
+----------+
| 77310A | CAP ASSY, FUEL TANK
+----------+
1212 - B100 77300-52030- 1
+----------+
| 77350 | LID ASSY, FUEL FILLER OPENING
+----------+
1212 - B100 77350-BZ100- 1
+----------+
| 77366 | SPRING, FUEL FILLER OPENING LID HINGE
+----------+
1212 - B100 77366-87203- 1
+----------+
| 77380 | VALVE ASSY, FUEL CUT OFF
+----------+
1212 - B100 77380-0K010- 1
FIG.77-01 FUEL TANK & TUBE
PROD_DATE MODELS
SPEC
CODE
DESCRIPTION
R
/
P
PART
NUMBER
O
Y
T
REV_REF
FR TO
+----------+
| 77631A | PROTECTOR, FUEL TANK, LOWER CENTER
+----------+
1212 - B100 77631-BZ070- 1
+----------+
| 77740 | CANISTER ASSY, CHARCOAL
+----------+
1212 - B100 77740-BZ070- 1
236
FIG.78-01 ACCELERATOR LINK
(1212- )
781405-A
REFER TO
FIG
(PNC 55106)
78010F
78110B
78110C
78110C
78110A
78180P
78183C
78184C
78183E
91511-G0612
47-01
FIG.78-01 ACCELERATOR LINK
PROD_DATE MODELS
SPEC
CODE
DESCRIPTION
R
/
P
PART
NUMBER
O
Y
T
REV_REF
FR TO
+----------+
| 78010F | PEDAL ASSY, ACCELERATOR
+----------+
1212 - B100 78101-BZ150- 1
+----------+
| 78110A | SPRING (FOR ACCELERATOR PEDAL ROD)
+----------+
1212 - B100 78214-BZ050- 1
+----------+
| 78110B | CLIP, ACCELERATOR BELLCRANK
+----------+
1212 - B100 90044-68207- 1
+----------+
| 78110C | BUSH (FOR ACCELERATOR PEDAL ROD)
+----------+
1212 - B100 90043-86112- 2
+----------+
| 78180P | CABLE ASSY, ACCELERATOR CONTROL
+----------+
1212 - B100 78180-BZ220- 1
+----------+
| 78183C | CLAMP, ACCELERATOR CONTROL CABLE
+----------+
1212 - B100 90044-64839- 1
+----------+
| 78183E | CLAMP, ACCELERATOR CONTROL CABLE
+----------+
1212 - 1401 B100 78183-B6010- 1
+----------+
| 78184C | BRACKET, ACCELERATOR CONTROL CABLE
+----------+
1212 - B100 78184-BZ040- 1
237
FIG.81-01 HEADLAMP
(1212- )
816387
81110B
81135
81139
81175
81510C
81515B
81610F
81615D
91551-80616
90044-68320
90159-60477
238
FIG.81-01 HEADLAMP
PROD_DATE MODELS
SPEC
CODE
DESCRIPTION
R
/
P
PART
NUMBER
O
Y
T
REV_REF
FR TO
+----------+
| 81110B | BULB(FOR HEADLAMP, NO.1)
+----------+
1212 - B100 12V 60/55W,*HAL *WH 90981-22004- 2
+----------+
| 81135 | UNIT, HEADLAMP, RH
+----------+
1212 - B100 81130-BZ170- 1
+----------+
| 81139 | COVER, HEADLAMP SOCKET
+----------+
1212 - B100 81139-B2010- 2
+----------+
| 81175 | UNIT, HEADLAMP, LH
+----------+
1212 - B100 81170-BZ170- 1
+----------+
| 81510C | BULB (FOR FRONT TURN SIGNAL LAMP)
+----------+
1212 - B100 12V 21W 90049-51186- 2
+----------+
| 81515B | SOCKET, FRONT TURN SIGNAL LAMP
+----------+
1212 - B100 90075-60006- 2
+----------+
| 81610F | BULB(FOR CLEARANCE LAMP)
+----------+
1212 - B100 12V 5W 90981-11013- 2
+----------+
| 81615D | SOCKET, CLEARANCE LAMP
+----------+
1212 - B100 9004C-82001- 2
239
FIG.81-02 FOG LAMP
(1212- )HI
816388
81210B
81211C
81216B
81221C
81226B
93567-15014(4)
FIG.81-02 FOG LAMP
PROD_DATE MODELS
SPEC
CODE
DESCRIPTION
R
/
P
PART
NUMBER
O
Y
T
REV_REF
FR TO
+----------+
| 81210B | BULB, FOG LA
MP+----------+
1212 - B100..HI 12V 19W 90049-51185- 2
+----------+
| 81211C | LAMP UNIT, FOG LAMP, RH
+----------+
1212 - B100..HI 81211-BZ070- 1
+----------+
| 81216B | RIM, FOG LAMP, RH NO.1
+----------+
1212 - B100..HI 81216-BZ040- 1
+----------+
| 81221C | LAMP UNIT, FOG LAMP, LH
+----------+
1212 - B100..HI 81221-BZ070- 1
+----------+
| 81226B | RIM, FOG LAMP, LH
+----------+
1212 - B100..HI 81226-BZ050- 1
240
FIG.81-11 REAR COMBINATION LAMP
(1212- )
816390
81530B
81550E
81550H
81550N
81551D
81561D
81555
81565
90041-19693
90041-19693
FIG.81-11 REAR COMBINATION LAMP
PROD_DATE MODELS
SPEC
CODE
DESCRIPTION
R
/
P
PART
NUMBER
O
Y
T
REV_REF
FR TO
+----------+
| 81530B | BULB, REAR TURN SIGNAL LAMP
+----------+
1212 - B100 12V 21W 9004A-81005- 2
+----------+
| 81550E | CLIP(FOR REAR COMBINATION LAMP)
+----------+
1212 - B100 9004C-46010- 4
+----------+
| 81550H | BULB, TAIL & STOP LAMP
+----------+
1212 - B100 90049-51161- 2
+----------+
| 81550N | BULB, BACK UP LAMP
+----------+
1212 - B100 12V 16W 90049-51127- 2
+----------+
| 81551D | LENS & BODY, REAR COMBINATION LAMP, RH
+----------+
1212 - B100 81551-BZ150- 1
+----------+
| 81555 | SOCKET & WIRE SUB-ASSY, REAR COMBINATION LAMP, RH
+----------+
1212 - B100 81555-BZ070- 1
+----------+
| 81561D | LENS & BODY, REAR COMBINATION LAMP, LH
+----------+
1212 - B100 81561-BZ150- 1
+----------+
| 81565 | SOCKET & WIRE SUB-ASSY, REAR COMBINATION LAMP, LH
+----------+
1212 - B100 81565-BZ030- 1
241
FIG.81-13 REAR LICENSE PLATE LAMP
(1212- )
816391
81270
81270B
FIG.81-13 REAR LICENSE PLATE LAMP
PROD_DATE MODELS
SPEC
CODE
DESCRIPTION
R
/
P
PART
NUMBER
O
Y
T
REV_REF
FR TO
+----------+
| 81270 | LAMP ASSY, LICENSE PLATE
+----------+
1212 - B100 81270-B2051- 2
+----------+
| 81270B | BULB (FOR LICENSE PLATE LAMP)
+----------+
1212 - B100 12V 5W 90049-51184- 2
242
FIG.81-17 CENTER STOP LAMP
(1212- )HI
816392
81570
81577-12330
81577-12330
FIG.81-17 CENTER STOP LAMP
PROD_DATE MODELS
SPEC
CODE
DESCRIPTION
R
/
P
PART
NUMBER
O
Y
T
REV_REF
FR TO
+----------+
| 81570 | LAMP ASSY, CENTER STOP
+----------+
1212 - B100..HI 81570-BZ150- 1
243
FIG.82-01 BATTERY & BATTERY CABLE
(1212- )
828683
REFER TO
FIG
(PNC 82121)
82-02
74461C
FIG.82-01 BATTERY & BATTERY CABLE
PROD_DATE MODELS
SPEC
CODE
DESCRIPTION
R
/
P
PART
NUMBER
O
Y
T
REV_REF
FR TO
+----------+
| 74461C | COVER, BATTE
RY+----------+
1212 - B100 58441-BZ050- 1
244
FIG.82-02 WIRING & CLAMP
―
 
―
 
―
 
―
 
―
 
―
 
―
 
―
 
―
 
―
 
―
 
―
 
―
 
―
 
―
 
―
 
―
 
―
 
―
 
―
 
―
 
―
 
―
 
―
 
―
 
―
 
―
 
―
 
―
 
―
 
―
 
―
 
―
 
―
(1212- )
ENGINE ILLUST NO. 1 OF 7
828710
82121
90119-06915
91671-80614
91671-80816
FIG.82-02 WIRING & CLAMP
(1212- )
ENGINE ROOM ILLUST NO. 2 OF 7
828711
REFER TO
FIG
(PNC 82660)
REFER TO
FIG
(PNC 74552A)
REFER TO
FIG
(PNC 74552A)
82111
90119-06915
90119-06915
84-01
74-03 74-03
245
FIG.82-02 WIRING & CLAMP
(1212- )
INSTRUMENT PANEL ILLUST NO. 3 OF 7
828712
REFER TO
FIG 84-01
82141
90119-06915
90119-06915
91551-80620
246
FIG.82-02 WIRING & CLAMP
(1212- )
DOOR & ROOF ILLUST NO. 4 OF 7
828713
82151
82152
82153
82153
82171
82184
247
FIG.82-02 WIRING & CLAMP
(1212- )
FLOOR ILLUST NO. 5 OF 7
828714
82161
90119-06915(2)
248
FIG.82-02 WIRING & CLAMP
―
 
―
 
―
 
―
 
―
 
―
 
―
 
―
 
―
 
―
 
―
 
―
 
―
 
―
 
―
 
―
 
―
 
―
 
―
 
―
 
―
 
―
 
―
 
―
 
―
 
―
 
―
 
―
 
―
 
―
 
―
 
―
 
―
 
―
(1212- )
CABLE BOND ILLUST NO. 6 OF 7
828715
82046D
9004A-11210
9004A-11220
249
FIG.82-02 WIRING & CLAMP
(1212- )
CLAMP & BRACKET ILLUST NO. 7 OF 7
828716
89439-BZ12082715-BZ78082715-BZ79082715-BZ800 82715-BZ810
91671-8061491671-80614 91671-80818
250
FIG.82-02 WIRING & CLAMP
PROD_DATE MODELS
SPEC
CODE
DESCRIPTION
R
/
P
PART
NUMBER
O
Y
T
REV_REF
FR TO
+----------+
| 82046D | WIRE, BODY GROUND
+----------+
1212 - B100 82046-BZ240- 1
+----------+
| 82111 | WIRE, ENGINE ROOM MAIN
+----------+
1212 - B100..LO 82111-BZG10- 1
1212 - B100..MID..E4AT 82111-BZG20- 1
1212 - B100..MID..E4AT L2BB WITH(POWER DOOR LOCK
)
82111-BZG30- 1
1212 - B100..HI..E4AT 82111-BZG30- 1
1212 - B100..LO P4AB MANUAL AIR CONDITION
ER
82111-BZJ00- 1
1212 - B100..MID..5F 82111-BZJ00- 1
1212 - B100..HI..5F 82111-BZJ10- 1
1212 - B100..MID..5F L2BB WITH(POWER DOOR LOCK
)
82111-BZJ10- 1
1212 - B100..HI..5F R5AB D/P(SRS AIR BAG) 82111-BZL80- 1
1212 - B100..MID..5F L2BB WITH(POWER DOOR LOCK
)
82111-BZL80- 1
1212 - B100..MID..E4AT L2BB WITH(POWER DOOR LOCK
)
82111-BZL90- 1
1212 - B100..HI..E4AT R5AB D/P(SRS AIR BAG) 82111-BZL90- 1
1212 - B100..HI..5F B2DB WITH(PACKAGE OPTION
2)
82111-BZM00- 1
1212 - B100..HI..E4AT B2DB WITH(PACKAGE OPTION
2)
82111-BZM10- 1
+----------+
| 82121 | WIRE, ENGINE
+----------+
1212 - B100..5F D3EB EURO2 82121-BZ890- 1
1212 - B100..E4AT D3EB EURO2 82121-BZA00- 1
1212 - B100..5F 82121-BZA10- 1
1212 - B100..E4AT 82121-BZA20- 1
FIG.82-02 WIRING & CLAMP
PROD_DATE MODELS
SPEC
CODE
DESCRIPTION
R
/
P
PART
NUMBER
O
Y
T
REV_REF
FR TO
+----------+
| 82141 | WIRE, INSTRUMENT PANEL
+----------+
1212 - B100..LO 82141-BY390- 1
1212 - B100..LO P4AB MANUAL AIR CONDITION
ER
82141-BY420- 1
1212 - B100..(HI,MID)..5F 82141-BY420- 1
1212 - B100..E4AT 82141-BY430- 1
1212 - B100..HI R5AB D/P(SRS AIR BAG) 82141-BZR30- 1
1212 - B100..MID L2BB WITH(POWER DOOR LOCK
)
82141-BZR30- 1
+----------+
| 82151 | WIRE, FRONT DOOR, RH
+----------+
1212 - B100..HI 82151-BZ710- 1
1212 - B100..MID L2BB WITH(POWER DOOR LOCK
)
82151-BZ710- 1
1212 - B100..MID 82151-BZ740- 1
+----------+
| 82152 | WIRE, FRONT DOOR, LH
+----------+
1212 - B100..HI 82152-BZ710- 1
1212 - B100..MID L2BB WITH(POWER DOOR LOCK
)
82152-BZ710- 1
1212 - B100..MID 82152-BZ740- 1
+----------+
| 82153 | WIRE, REAR DOOR, NO.1
+----------+
1212 - B100..HI 82153-BZ310- 2
1212 - B100..MID L2BB WITH(POWER DOOR LOCK
)
82153-BZ310- 2
1212 - B100..MID 82153-BZ340- 2
+----------+
| 82161 | WIRE, FLOOR
+----------+
1212 - B100..HI R5AB D/P(SRS AIR BAG) 82161-BZ100- 1
1212 - B100..MID L2BB WITH(POWER DOOR LOCK
)
82161-BZ100- 1
251
FIG.82-02 WIRING & CLAMP
PROD_DATE MODELS
SPEC
CODE
DESCRIPTION
R
/
P
PART
NUMBER
O
Y
T
REV_REF
FR TO
+----------+
| 82161 | WIRE, FLOOR
CONTINUED--+
1212 - B100..HI 82161-BZL40- 1
1212 - B100..MID L2BB WITH(POWER DOOR LOCK
)
82161-BZL40- 1
1212 - B100..LO 82161-BZL50- 1
1212 - B100..MID 82161-BZM10- 1
+----------+
| 82171 | WIRE, ROOF, NO.1
+----------+
1212 - B100 82171-BZ470- 1
+----------+
| 82184 | WIRE, BACK DOOR, NO.1
+----------+
1212 - B100..HI 82184-BZ460- 1
1212 - B100..MID L2BB WITH(POWER DOOR LOCK
)
82184-BZ610- 1
252
FIG.83-01 METER
(1212- )
831715
83100
83138G90467-10201(4)
83100
83138G90467-10201(4)
FIG.83-01 METER
PROD_DATE MODELS
SPEC
CODE
DESCRIPTION
R
/
P
PART
NUMBER
O
Y
T
REV_REF
FR TO
+----------+
| 83100 | METER ASSY, COMBINATION
+----------+
1212 - B100..LO 83800-BZS10- 1
1212 - B100..LO P4AB MANUAL AIR CONDITION
ER
83800-BZS20- 1
1212 - B100..MID..5F 83800-BZS20- 1
1212 - B100..MID..E4AT 83800-BZS30- 1
1212 - B100..HI..5F 83800-BZS40- 1
1212 - B100..HI..E4AT 83800-BZS60- 1
1212 - B100..HI B2DB WITH(PACKAGE OPTION
2)
83800-BZT41- 1
+----------+
| 83138G | GLASS, COMBINATION METER
+----------+
1212 - B100..LO,MID 83852-BZ150- 1
1212 - B100..HI 83852-BZ160- 1
253
FIG.84-01 SWITCH & RELAY & COMPUTER
(1212- )
ENGINE & TRANSMISSION ILLUST NO. 1 OF 6
84D963
83181G
83181H
83530
84210
84210B
84540
89422A
89465
89465A
89615
90041-19884
90430-12221
91551-80616
91551-80830
254
FIG.84-01 SWITCH & RELAY & COMPUTER
(1212- )
ENGINE ROOM ILLUST NO. 2 OF 6
84D964
74468A
82660
82661
83390
85916D
85916P
85925
85934
85935
91671-80614(2)
9004A-17219
255
FIG.84-01 SWITCH & RELAY & COMPUTER
(1212- )
INDTRUMENT PANEL ILLUST NO. 3 OF 6
84D965
85910C
28300
28371
81980
84340
84345
84380
85918A
85930G
86530
90049-40049 90049-40055
90049-40056
90049-40057
90049-40058
9004A-16080
90159-70003
256
FIG.84-01 SWITCH & RELAY & COMPUTER
(1212- )
SWITCH ILLUST NO. 4 OF 6
84D966
84330
84870A
8550085533
257
FIG.84-01 SWITCH & RELAY & COMPUTER
(1212- )
BODY ILLUST NO. 5 OF 6
84D967
83320
84231A
84231A
84234D
84810
84820
93540-53014
93540-53014
90166-70001
90166-70001
258
FIG.84-01 SWITCH & RELAY & COMPUTER
(1212- )
STEERING ILLUST NO. 6 OF 6
84D968
REFER TO
FIG
(PNC 45020)
45-01
84140
84306 84312
84450
84650
89650
9004A-10132
9004A-10132
FIG.84-01 SWITCH & RELAY & COMPUTER
PROD_DATE MODELS
SPEC
CODE
DESCRIPTION
R
/
P
PART
NUMBER
O
Y
T
REV_REF
FR TO
+----------+
| 28300 | RELAY ASSY, STARTER
+----------+
1212 - 1KRDE..B100..E4AT 9004A-98006- 1
+----------+
| 28371 | RELAY, IGNITION, NO.1
+----------+
1212 - 1KRDE..B100..HI,MID 9004A-98010- 1
+----------+
| 74468A | BRACKET, RELAY BLOCK
+----------+
1212 - B100 74468-BZ090- 1
+----------+
| 81980 | FLASHER ASSY, TURN SIGNAL
+----------+
1212 - B100 81980-BZ030- 1
+----------+
| 82660 | BLOCK ASSY, RELAY, ENGINE ROOM
+----------+
1212 - B100 82660-B1010- 1
+----------+
| 82661 | COVER, RELAY BLOCK, NO.1
+----------+
1212 - B100 82661-BZ100- 1
+----------+
| 83181G | SENSOR, SPEEDOMETER
+----------+
1212 - B100..5F 83181-B6010- 1
+----------+
| 83181H | RING, O (FOR SPEEDOMETER SENSOR)
+----------+
1212 - B100..5F 90043-01278- 1
+----------+
| 83320 | GAGE ASSY, FUEL SENDER
+----------+
1212 - B100 83301-BZ070- 1
+----------+
| 83390 | SWITCH ASSY, VACUUM WARNING
+----------+
1212 - B100..E4AT 83390-B1010- 1
+----------+
| 83530 | SWITCH ASSY, OIL PRESSURE (FOR ENGINE)
+----------+
1212 - B100 83530-60020- 1
259
FIG.84-01 SWITCH & RELAY & COMPUTER
PROD_DATE MODELS
SPEC
CODE
DESCRIPTION
R
/
P
PART
NUMBER
O
Y
T
REV_REF
FR TO
+----------+
| 84140 | SWITCH ASSY, HEADLAMP DIMMER
+----------+
1212 - 1311 B100..HI 84140-B1030- 1
1212 - 1311 B100..LO,MID 84140-B1040- 1
+----------+
| 84210 | SWITCH ASSY, BACK-UP LAMP
+----------+
1212 - B100..5F 84210-BZ070- 1
+----------+
| 84210B | GASKET, BACK-UP LAMP SWITCH
+----------+
1212 - B100..5F 9004A-43006- 1
+----------+
| 84231A | SWITCH, COURTESY LAMP
+----------+
1212 - B100..LO,MID 84231-BZ010- 1
1212 - B100..HI 84231-BZ010- 4
1212 - B100..MID L2BB WITH(POWER DOOR LOCK
)
84231-BZ010- 4
+----------+
| 84234D | CUSHION, COURTESY SWITCH
+----------+
1212 - B100..MID SILVER(1E7 ,B72 ,B74
,W09)
58159-BZ020-B0 3
1212 - B100..LO SILVER(B74 ,W09) 58159-BZ020-B0 3
1212 - B100..MID BLACK(S37 ,X09 ,X13) 58159-BZ020-C0 3
1212 - B100..LO BLACK(X09 ,X13) 58159-BZ020-C0 3
+----------+
| 84306 | CABLE SUB-ASSY, SPIRAL
+----------+
1212 - 1310 B100..HI,MID R5AB D/P(SRS AIR BAG) 84306-B1010- 1
1311 - B100..HI,MID R5AB D/P(SRS AIR BAG) 84306-BZ060- 1
+----------+
| 84312 | PLATE, HORN CONTACT
+----------+
1212 - B100 84312-BZ030- 1
FIG.84-01 SWITCH & RELAY & COMPUTER
PROD_DATE MODELS
SPEC
CODE
DESCRIPTION
R
/
P
PART
NUMBER
O
Y
T
REV_REF
FR TO
+----------+
| 84330 | SWITCH ASSY, HAZARD WARNING SIGNAL
+----------+
1212 - B100 84332-BZ150- 1
+----------+
| 84340 | SWITCH ASSY, STOP LAMP
+----------+
1212 - B100 84340-BZ010- 1
+----------+
| 84345 | ADJUSTER, STOP LAMP SWITCH MOUNTING
+----------+
1212 - B100 84345-BZ010- 1
+----------+
| 84380 | SWITCH ASSY, BRAKE WARNING TEST
+----------+
1212 - 1310 B100 84380-87708- 1
1311 - B100 84380-BZ070- 1
+----------+
| 84450 | SWITCH ASSY, IGNITION OR STARTER
+----------+
1212 - B100 84450-BZ030- 1
+----------+
| 84540 | SWITCH ASSY, NEUTRAL START
+----------+
1212 - B100..E4AT 84540-B1020- 1
+----------+
| 84650 | SWITCH ASSY, WINDSHIELD WIPER
+----------+
1212 - 1311 B100..HI 84652-B2040- 1
1212 - B100..LO,MID 84652-BZ090- 1
+----------+
| 84810 | SWITCH ASSY, POWER WINDOW REGULATOR
+----------+
1212 - B100..HI,MID 84810-BZ120- 3
+----------+
| 84820 | MASTER SWITCH ASSY, POWER WINDOW REGULATO
R+----------+
1212 - B100..HI,MID 84820-BZ140- 1
+----------+
| 84870A | SWITCH ASSY, OUTER MIRROR
+----------+
1212 - B100..HI 84870-BZ071- 1
260
FIG.84-01 SWITCH & RELAY & COMPUTER
PROD_DATE MODELS
SPEC
CODE
DESCRIPTION
R
/
P
PART
NUMBER
O
Y
T
REV_REF
FR TO
+----------+
| 85500 | LIGHTER ASSY, CIGARETTE
+----------+
1212 - 1302 B100 85500-87505- 1
1303 - B100 85500-BZ040- 1
+----------+
| 85533 | LENS, CIGARETTE LIGHTER INDICATOR
+----------+
1212 - 1301 B100 85533-B1010- 1
1302 - B100 85533-BZ030- 1
+----------+
| 85910C | RELAY ASSY (FOR HEATER BLOWER MOTOR)
+----------+
1212 - B100..HI,MID 9004A-98006- 1
1212 - B100..LO P4AB MANUAL AIR CONDITION
ER
9004A-98006- 1
+----------+
| 85916D | RELAY, FOG LAMP
+----------+
1212 - B100..HI 9004A-98006- 1
+----------+
| 85916P | RELAY, HEADLAMP
+----------+
1212 - B100 9004A-98011- 1
+----------+
| 85918A | RELAY, DOOR CONTROL
+----------+
1212 - B100..HI 85918-BZ070- 1
1212 - B100..MID L2BB WITH(POWER DOOR LOCK
)
85918-BZ070- 1
+----------+
| 85925 | RELAY, RADIATOR FAN
+----------+
1212 - B100 9004A-98006- 1
+----------+
| 85930G | RELAY, ACC
+----------+
1212 - B100 9004A-98006- 1
+----------+
| 85934 | RELAY, MAGNET-CLUTCH
+----------+
1212 - B100..HI,MID 90049-88004- 1
FIG.84-01 SWITCH & RELAY & COMPUTER
PROD_DATE MODELS
SPEC
CODE
DESCRIPTION
R
/
P
PART
NUMBER
O
Y
T
REV_REF
FR TO
+----------+
| 85934 | RELAY, MAGNET-CLUTCH
CONTINUED--+
1212 - B100..LO P4AB MANUAL AIR CONDITION
ER
90049-88004- 1
+----------+
| 85935 | RELAY, FUEL PUMP
+----------+
1212 - B100 9004A-98006- 2
+----------+
| 86530 | RELAY ASSY, HORN
+----------+
1212 - B100 9004A-98006- 1
+----------+
| 89422A | SENSOR, WATER TEMPERATURE
+----------+
1212 - B100 89422-33030- 1
+----------+
| 89465 | SENSOR, OXYG
EN+----------+
1212 - B100..E4AT 89465-BZ360- 1
1212 - B100..5F 89465-BZ390- 1
+----------+
| 89465A | SENSOR, OXYGEN NO.2
+----------+
1212 - B100..E4AT 89465-BZ330- 1
1212 - B100..5F 89465-BZ400- 1
+----------+
| 89615 | SENSOR, KNOCK CONTROL
+----------+
1212 - B100 89615-BZ040- 1
+----------+
| 89650 | COMPUTER ASSY, POWER STEERING
+----------+
1212 - B100..HI,MID 89650-BZ060- 1
1212 - B100..LO P4AB MANUAL AIR CONDITION
ER
89650-BZ060- 1
261
FIG.84-04 ELECTRONIC FUEL INJECTION SYSTEM
(1212- )
84D969
21821-B6010(4) 89539D
89561
91551-80612
91551-80612
FIG.84-04 ELECTRONIC FUEL INJECTION SYSTEM
PROD_DATE MODELS
SPEC
CODE
DESCRIPTION
R
/
P
PART
NUMBER
O
Y
T
REV_REF
FR TO
+----------+
| 89539D | BRACKET, COMPUTER
+----------+
1212 - B100..5F 89539-BZ160- 1
1212 - B100..E4AT 89539-BZ370- 1
+----------+
| 89561 | COMPUTER, FUEL INJECTION
+----------+
1212 - B100..5F D3EB EURO2 89560-BZB10- 1
1212 - B100..E4AT D3EB EURO2 89560-BZB60- 1
1212 - B100..5F 89560-BZE20- 1
1212 - B100..E4AT 89560-BZE30- 1
262
FIG.84-14 ABS & VSC
(1212- )HI
84D970
82251D
82251E
89542
89543
91111-60614
91111-60614
91111-60614
90041-20087
90041-20087
91111-60614
263
FIG.84-14 ABS & VSC
PROD_DATE MODELS
SPEC
CODE
DESCRIPTION
R
/
P
PART
NUMBER
O
Y
T
REV_REF
FR TO
+----------+
| 82251D | WIRE, SPEED SENSOR, RH
+----------+
1212 - B100..HI B2DB WITH(PACKAGE OPTION
2)
82251-B6010- 1
+----------+
| 82251E | WIRE, SPEED SENSOR, LH
+----------+
1212 - B100..HI B2DB WITH(PACKAGE OPTION
2)
82251-B6020- 1
+----------+
| 89542 | SENSOR, SPEED, FRONT RH
+----------+
1212 - B100..HI B2DB WITH(PACKAGE OPTION
2)
89542-B6010- 1
+----------+
| 89543 | SENSOR, SPEED, FRONT LH
+----------+
1212 - B100..HI B2DB WITH(PACKAGE OPTION
2)
89543-B6010- 1
264
FIG.84-21 AIR BAG
(1212- )HI,MID
84D971
89170A
89173
89179A
90105-06032
90119-06915
91551-80612(2)
265
FIG.84-21 AIR BAG
PROD_DATE MODELS
SPEC
CODE
DESCRIPTION
R
/
P
PART
NUMBER
O
Y
T
REV_REF
FR TO
+----------+
| 89170A | COMPUTER ASSY, AIR BAG
+----------+
1212 - B100..HI,MID R5AB D/P(SRS AIR BAG) 89170-BZ270- 1
+----------+
| 89173 | SENSOR, AIR BAG, FRONT
+----------+
1212 - B100..HI,MID R5AB D/P(SRS AIR BAG) 89173-BZ100- 1
+----------+
| 89179A | COVER, AIR BAG SENSOR
+----------+
1212 - B100..HI,MID R5AB D/P(SRS AIR BAG) 89179-BZ030- 1
266
FIG.85-01 WINDSHIELD WIPER
(1212- )
852975
90041-20250(2)
85110
85160
85211B 85212A
85214A
85214B
85221B
85222A
85292B
85292B
81128-87205
81128-87205
FIG.85-01 WINDSHIELD WIPER
PROD_DATE MODELS
SPEC
CODE
DESCRIPTION
R
/
P
PART
NUMBER
O
Y
T
REV_REF
FR TO
+----------+
| 85110 | MOTOR ASSY, WINDSHIELD WIPER
+----------+
1212 - B100 85110-BZ180- 1
+----------+
| 85160 | LINK ASSY, WINDSHIELD WIPER
+----------+
1212 - B100 85150-BZ180- 1
+----------+
| 85211B | ARM, FR WIPER, RH
+----------+
1212 - B100 85211-BZ190- 1
+----------+
| 85212A | BLADE, FR WIPER, RH
+----------+
1212 - B100 85212-BZ210- 1
+----------+
| 85214A | RUBBER, WIPER, RH
+----------+
1212 - B100 85214-BZ260- 1
+----------+
| 85214B | RUBBER, WIPER, LH
+----------+
1212 - B100 85214-BZ270- 1
+----------+
| 85221B | ARM, FR WIPER, LH
+----------+
1212 - B100 85221-BZ180- 1
+----------+
| 85222A | BLADE, FR WIPER, LH
+----------+
1212 - B100 85222-BZ220- 1
+----------+
| 85292B | CAP, FRONT WIPER ARM HEAD
+----------+
1212 - B100 85292-12020- 2
267
FIG.85-03 WINDSHIELD WASHER
(1212- )
852976
9004A-11246
85371U
85371
85310
85371J
85330
85348G
85372G
85330A
85319B
85375D
85348M
85349
85348
85035
85332C
85035
85387
85388
FIG.85-03 WINDSHIELD WASHER
PROD_DATE MODELS
SPEC
CODE
DESCRIPTION
R
/
P
PART
NUMBER
O
Y
T
REV_REF
FR TO
+----------+
| 85035 | NOZZLE SUB-ASSY, WASHER
+----------+
1212 - B100 85381-BZ180- 2
+----------+
| 85310 | MOTOR AND PUMP ASSY, WINDSHIELD WASHER
+----------+
1212 - B100 85330-BZ110- 1
+----------+
| 85319B | HOSE, WINDOW WASHER
+----------+
1212 - B100 85374-BZ520- 1
+----------+
| 85330 | JAR ASSY, WINDSHIELD WASHER
+----------+
1212 - B100 85315-BZ150- 1
+----------+
| 85330A | BUSH, WINDSHIELD WASHER JAR
+----------+
1212 - B100 85336-BZ020- 1
+----------+
| 85332C | CAP, FRONT WASHER TANK
+----------+
1212 - B100 85332-BZ030- 1
+----------+
| 85348 | JOINT, WINDSHIELD WASHER HOSE, NO.1
+----------+
1212 - B100 85317-BZ040- 1
+----------+
| 85348G | JOINT, WINDSHIELD WASHER HOSE, NO.2
+----------+
1212 - B100 85317-BZ020- 1
+----------+
| 85348M | JOINT, WINDSHIELD WASHER HOSE, NO.3
+----------+
1212 - B100 85317-BZ050- 1
+----------+
| 85349 | JOINT, WINDSHIELD WASHER HOSE, NO.1
+----------+
1212 - B100 85317-BZ020- 1
+----------+
| 85371 | HOSE, WINDSHIELD WASHER (FROM MOTOR TO JOINT)
+----------+
1212 - B100 H,L=670 85370-BZ790- 1
268
FIG.85-03 WINDSHIELD WASHER
PROD_DATE MODELS
SPEC
CODE
DESCRIPTION
R
/
P
PART
NUMBER
O
Y
T
REV_REF
FR TO
+----------+
| 85371J | TUBE, RUBBER
+----------+
1212 - B100 *H,L=250 85374-BZ490- 1
+----------+
| 85371U | TUBE, RUBBER
+----------+
1212 - B100 85317-BZ060- 1
+----------+
| 85372G | TUBE, RUBBER
+----------+
1212 - B100 *H,L=260 85374-BZ500- 1
+----------+
| 85375D | TUBE,RUBBER
+----------+
1212 - B100 85374-BZ510- 1
+----------+
| 85387 | CLAMP NO.1 (FOR WINDSEIELD WASHER)
+----------+
1212 - B100 82711-1E340- 1
+----------+
| 85388 | CLAMP NO.2 (FOR WINDSEIELD WASHER)
+----------+
1212 - B100 82711-BZ100- 1
269
FIG.86-01 RADIO RECEIVER & AMPLIFIER & CONDENSER
―
 
―
 
―
 
―
 
―
 
―
 
―
 
―
 
―
 
―
 
―
 
―
 
―
 
―
 
―
 
―
 
―
 
―
 
―
 
―
 
―
 
―
 
―
 
―
 
―
 
―
 
―
 
―
 
―
 
―
 
―
 
―
 
―
 
―
(1212- )HI
865310-B
86180
86211
86212
93269-15008
93269-15008
93269-15008
93269-15008
9004A-16036
9004A-16036
9004A-16036
9004A-16036
FIG.86-01 RADIO RECEIVER & AMPLIFIER & CONDENSER
(1212- )MID
865311-B
REFER TO
FIG
(PNC 55522B)
REFER TO
FIG
(PNC 55522B)
55-01
55-01
86211
86212
93269-15008
93269-15008
93269-15008
93269-15008
9004A-16036
9004A-16036
9004A-16036
9004A-16036
270
FIG.86-01 RADIO RECEIVER & AMPLIFIER & CONDENSER
PROD_DATE MODELS
SPEC
CODE
DESCRIPTION
R
/
P
PART
NUMBER
O
Y
T
REV_REF
FR TO
+----------+
| 86180 | TUNER ASSY, STEREO COMPONENT
+----------+
1212 - B100..HI SILVER(TRIM1#) 86180-BZ370-B0 1
+----------+
| 86211 | BRACKET, RADIO, NO.1
+----------+
1212 - B100..HI,MID 86211-BZ170- 1
+----------+
| 86212 | BRACKET, RADIO, NO.2
+----------+
1212 - B100..HI,MID 86212-BZ170- 1
271
FIG.86-02 SPEAKER
(1212- )HI
865312
86160
9004A-16057
9004A-16057
9004A-16057
FIG.86-02 SPEAKER
PROD_DATE MODELS
SPEC
CODE
DESCRIPTION
R
/
P
PART
NUMBER
O
Y
T
REV_REF
FR TO
+----------+
| 86160 | SPEAKER ASSY, FRONT NO.1
+----------+
1212 - B100..HI 86160-BZ110- 2
272
FIG.86-04 ANTENNA
(1212- )
865314
86300
86316
82711-BZ100
82711-BZ100
82711-BZ100
90148-40007
90148-40007
273
FIG.86-04 ANTENNA
PROD_DATE MODELS
SPEC
CODE
DESCRIPTION
R
/
P
PART
NUMBER
O
Y
T
REV_REF
FR TO
+----------+
| 86300 | ANTENNA ASSY, W/HOLDER
+----------+
1212 - B100 86300-BZ130- 1
+----------+
| 86316 | CABLE, ANTEN
NA+----------+
1212 - B100..HI,MID 86316-BZ110- 1
1212 - B100..LO P4AB MANUAL AIR CONDITION
ER
86316-BZ110- 1
274
FIG.86-11 HORN
(1212- )
865315
86520
90119-08C83
FIG.86-11 HORN
PROD_DATE MODELS
SPEC
CODE
DESCRIPTION
R
/
P
PART
NUMBER
O
Y
T
REV_REF
FR TO
+----------+
| 86520 | HORN ASSY, LOW PITCHED
+----------+
1212 - B100 86520-BZ150- 1
275
FIG.87-01 MIRROR
(1212- )
87D373
87810
87810B
87819
87827
87910
87915
87915A
87917B
87940
87910
87940
87945
87945B
87947B
90041-49087(2)
91511-B0614(3)
91511-B0614(3)
FIG.87-01 MIRROR
PROD_DATE MODELS
SPEC
CODE
DESCRIPTION
R
/
P
PART
NUMBER
O
Y
T
REV_REF
FR TO
+----------+
| 87810 | MIRROR ASSY, INNER REAR VIEW
+----------+
1212 - B100 87810-BZ150- 1
+----------+
| 87810B | BULB, INNER REAR VIEW MIRROR LAMP
+----------+
1212 - B100 9004B-81003- 1
+----------+
| 87819 | LENS, INNER RR VIEW MIRROR ROOM LAMP
+----------+
1212 - B100 87834-BZ020- 1
+----------+
| 87827 | ABSORBER, INNER REAR VIEW MIRROR
+----------+
1212 - B100 87828-BZ060- 1
+----------+
| 87910 | MIRROR ASSY, OUTER REAR VIEW, RH
+----------+
1212 - B100..LO 87910-BZ240- 1
1212 - B100..HI 87910-BZ360- 1
1212 - B100..MID 87910-BZ720- 1
+----------+
| 87915 | COVER, OUTER MIRROR, RH
+----------+
1212 - B100..HI 87915-BZ310- 1
+----------+
| 87915A | COVER, OUTER MIRROR, RH
+----------+
1212 - B100..HI 87915-BZ290- 1
+----------+
| 87917B | MIRROR, OUTER REAR VIEW, RH
+----------+
1212 - B100..HI 87917-BZ120- 1
+----------+
| 87940 | MIRROR ASSY, OUTER REAR VIEW, LH
+----------+
1212 - B100..LO 87940-BZ190- 1
1212 - B100..HI 87940-BZ440- 1
1212 - B100..MID 87940-BZ460- 1
276
FIG.87-01 MIRROR
PROD_DATE MODELS
SPEC
CODE
DESCRIPTION
R
/
P
PART
NUMBER
O
Y
T
REV_REF
FR TO
+----------+
| 87945 | COVER, OUTER MIRROR, LH
+----------+
1212 - B100..HI 87945-BZ310- 1
+----------+
| 87945B | COVER, OUTER MIRROR, LH
+----------+
1212 - B100..HI 87945-BZ290- 1
+----------+
| 87947B | MIRROR, OUTER REAR VIEW, LH
+----------+
1212 - B100..HI 87947-BZ120- 1
277
FIG.87-14 HEATING & AIR CONDITIONING - COOLER UNIT
(1212- )
87D360-A
88539J
88897L
87010
9004A-11281
9004A-11282
9004A-11282
91551-80620
9004A-10108
91551-80620
9004A-17219
278
FIG.87-14 HEATING & AIR CONDITIONING - COOLER UNIT
(1212- )
87D374-A
87010
87114B
87138C
88501
88515
88550B
88568B
88625
88710F
88710F
81128-B2010(2)
9004B-72003(3)
90099-00968(18)
C9909-97201(2)
279
FIG.87-14 HEATING & AIR CONDITIONING - COOLER UNIT
PROD_DATE MODELS
SPEC
CODE
DESCRIPTION
R
/
P
PART
NUMBER
O
Y
T
REV_REF
FR TO
+----------+
| 87010 | UNIT ASSY, AIR CONDITIONER
+----------+
1212 - B100..HI,MID 87010-BZ310- 1
1212 - B100..LO P3GB HEATER CONTROL PANEL
(2 DIAL)
87010-BZ310- 1
+----------+
| 87114B | COVER, HEATE
R+----------+
1212 - B100..HI,MID 87114-BZ020- 4
1212 - B100..LO P3GB HEATER CONTROL PANEL
(2 DIAL)
87114-BZ020- 4
+----------+
| 87138C | RESISTOR, BLOWER
+----------+
1212 - B100..HI,MID 87138-BZ080- 2
1212 - B100..LO P3GB HEATER CONTROL PANEL
(2 DIAL)
87138-BZ080- 2
+----------+
| 88501 | EVAPORATOR SUB-ASSY, COOLER, NO.1
+----------+
1212 - B100..HI,MID 88501-BZ150- 2
1212 - B100..LO P3GB HEATER CONTROL PANEL
(2 DIAL)
88501-BZ150- 2
+----------+
| 88515 | VALVE, COOLER EXPANSION
+----------+
1212 - B100..HI,MID 88515-BZ100- 2
1212 - B100..LO P3GB HEATER CONTROL PANEL
(2 DIAL)
88515-BZ100- 2
+----------+
| 88539J | HOSE, DRAIN COOLER
+----------+
1212 - B100..HI,MID 88539-BZ260- 1
1212 - B100..LO P3GB HEATER CONTROL PANEL
(2 DIAL)
88539-BZ260- 1
+----------+
| 88550B | MOTOR ASSY, BLOWER
+----------+
1212 - B100..HI,MID 88550-BZ070- 2
FIG.87-14 HEATING & AIR CONDITIONING - COOLER UNIT
PROD_DATE MODELS
SPEC
CODE
DESCRIPTION
R
/
P
PART
NUMBER
O
Y
T
REV_REF
FR TO
+----------+
| 88550B | MOTOR ASSY, BLOWER
CONTINUED--+
1212 - B100..LO P3GB HEATER CONTROL PANEL
(2 DIAL)
88550-BZ070- 2
+----------+
| 88568B | FILTER, AIR
+----------+
1212 - B100..HI,MID 88568-BZ060- 4
1212 - B100..LO P3GB HEATER CONTROL PANEL
(2 DIAL)
88568-BZ060- 4
+----------+
| 88625 | THERMISTOR, COOLER, NO.1
+----------+
1212 - B100..HI,MID 88625-BZ060- 2
1212 - B100..LO P3GB HEATER CONTROL PANEL
(2 DIAL)
88625-BZ060- 2
+----------+
| 88710F | RING, O
+----------+
1212 - B100..HI,MID OD=15.6 ID=10.8 15188-87402- 2
1212 - B100..LO P3GB HEATER CONTROL PANEL
(2 DIAL),OD=15.6 ID
=10.8
15188-87402- 2
1212 - B100..HI,MID OD=18.2 ID=13.4 15188-87403- 2
1212 - B100..LO P3GB HEATER CONTROL PANEL
(2 DIAL),OD=18.2 ID
=13.4
15188-87403- 2
+----------+
| 88897L | GROMMET (FOR DRAIN HOSE)
+----------+
1212 - B100..HI,MID 88897-87Z13- 1
1212 - B100..LO P3GB HEATER CONTROL PANEL
(2 DIAL)
88897-87Z13- 1
280
FIG.87-15 HEATING & AIR CONDITIONING - CONTROL & AIR DUCT
(1212- )
87D358-B
REFER TO
FIG
(PNC 55406B)
REFER TO
FIG
(PNC 55406B)
55-01 55-01
81942H
81942H
81942B
81942A
81930F
55905A
55905A
81942A
81942B
55910R
9004A-16036
9004A-16036
9004A-16036
281
FIG.87-15 HEATING & AIR CONDITIONING - CONTROL & AIR DUCT
(1212- )
87D359-C
9004A-16036
9004A-16036
87223A
87223A
87223A
87223A
55086A55872B
55871A
55871A
87223A
FIG.87-15 HEATING & AIR CONDITIONING - CONTROL & AIR DUCT
PROD_DATE MODELS
SPEC
CODE
DESCRIPTION
R
/
P
PART
NUMBER
O
Y
T
REV_REF
FR TO
+----------+
| 55086A | DUCT SUB-ASSY, HEATER TO REGISTER, CENTER
+----------+
1212 - B100..HI,MID 55086-BZ150- 1
1212 - B100..LO P4AB MANUAL AIR CONDITION
ER
55086-BZ150- 1
+----------+
| 55871A | SEAL, AIR DUCT, NO.1
+----------+
1212 - B100..HI,MID 55871-BZ070- 2
1212 - B100..LO P4AB MANUAL AIR CONDITION
ER
55871-BZ070- 2
+----------+
| 55872B | SEAL, AIR DUCT,NO.2
+----------+
1212 - B100..HI,MID 55872-BZ060- 1
1212 - B100..LO P4AB MANUAL AIR CONDITION
ER
55872-BZ060- 1
+----------+
| 55905A | KNOB, HEATER CONTROL
+----------+
1212 - B100..HI,MID SILVER(TRIM1#) 55905-BZ220-B0 2
1212 - B100..LO P3GB HEATER CONTROL PANEL
(2 DIAL),SILVER(TRI
M1#)
55905-BZ220-B0 2
+----------+
| 55910R | CONTROL ASSY, HEATER
+----------+
1212 - B100..HI,MID 55910-BZ390- 1
1212 - B100..LO P3GB HEATER CONTROL PANEL
(2 DIAL)
55910-BZ390- 1
+----------+
| 81930F | BULB, HEATER CONTROL INDICATOR LAMP
+----------+
1212 - B100..HI,MID 14V 1.4W 81936-BZ090- 2
1212 - B100..LO P3GB 14V 1.4W,HEATER CONT
ROL PANEL (2 DIAL)
81936-BZ090- 2
+----------+
| 81942A | SHEET, HEATER CONTROL NAME, NO.1
+----------+
1212 - B100..HI,MID 81942-BZ510- 1
282
FIG.87-15 HEATING & AIR CONDITIONING - CONTROL & AIR DUCT
PROD_DATE MODELS
SPEC
CODE
DESCRIPTION
R
/
P
PART
NUMBER
O
Y
T
REV_REF
FR TO
+----------+
| 81942A | SHEET, HEATER CONTROL NAME, NO.1
CONTINUED--+
1212 - B100..LO P3GB HEATER CONTROL PANEL
(2 DIAL)
81942-BZ510- 1
1212 - B100..LO 81942-BZ530- 1
+----------+
| 81942B | SHEET, HEATER CONTROL NAME, NO.2
+----------+
1212 - B100..HI,MID 81942-BZ520- 1
1212 - B100..LO P3GB HEATER CONTROL PANEL
(2 DIAL)
81942-BZ520- 1
1212 - B100..LO 81942-BZ530- 1
+----------+
| 81942H | SHEET, HEATER CONTROL NAME, NO.3
+----------+
1212 - B100..LO 81942-BZ540- 2
+----------+
| 87223A | PAD, AIR DUC
T+----------+
1212 - 1303 B100..HI,MID NO.3 & NO.4 87223-BZ190- 2
1212 - 1303 B100..LO P4AB MANUAL AIR CONDITION
ER,NO.3 & NO.4
87223-BZ190- 2
1212 - 1305 B100..HI,MID NO.1 87223-BZ050- 1
1212 - 1305 B100..LO P4AB MANUAL AIR CONDITION
ER,NO.1
87223-BZ050- 1
1212 - B100..HI,MID NO.2 87223-BZ180- 1
1212 - B100..LO P4AB MANUAL AIR CONDITION
ER,NO.2
87223-BZ180- 1
1303 - B100..HI,MID NO.3 87223-BZ190- 1
1303 - B100..LO P4AB MANUAL AIR CONDITION
ER,NO.3
87223-BZ190- 1
1303 - B100..HI,MID NO.4 87223-BZ240- 1
1303 - B100..LO P4AB MANUAL AIR CONDITION
ER,NO.4
87223-BZ240- 1
1305 - B100..HI,MID NO.1 87223-BZ050- 2
FIG.87-15 HEATING & AIR CONDITIONING - CONTROL & AIR DUCT
PROD_DATE MODELS
SPEC
CODE
DESCRIPTION
R
/
P
PART
NUMBER
O
Y
T
REV_REF
FR TO
+----------+
| 87223A | PAD, AIR DUC
TCONTINUED--+
1305 - B100..LO P4AB MANUAL AIR CONDITION
ER,NO.1
87223-BZ050- 2
283
FIG.87-18 HEATING & AIR CONDITIONING - COOLER PIPING
(1212- )
87D357
REFER TO
FIG
(PNC 88515)
REFER TO
FIG
87-14
87-19
91551-80616(2)
88362B
88450
88711
88712
88718C
88718C88719A
88736B
88891A
88891B
15188-87401
15188-87401
15188-87402
15188-87402
15188-87403
9004A-11212
9004A-11212
9004A-11212 9004A-11212
91551-80616(2)
91621-60618
91621-60618
15188-87403
284
FIG.87-18 HEATING & AIR CONDITIONING - COOLER PIPING
PROD_DATE MODELS
SPEC
CODE
DESCRIPTION
R
/
P
PART
NUMBER
O
Y
T
REV_REF
FR TO
+----------+
| 88362B | PLATE, SEAL
+----------+
1212 - B100..HI,MID 88362-BZ160- 1
1212 - B100..LO P4AB MANUAL AIR CONDITION
ER
88362-BZ160- 1
+----------+
| 88450 | CONDENSER ASSY, W/RECEIVER
+----------+
1212 - B100..HI,MID 88450-BZ060- 1
1212 - B100..LO P4AB MANUAL AIR CONDITION
ER
88450-BZ060- 1
+----------+
| 88711 | HOSE, COOLER REFRIGERANT DISCHARGE, NO.1
+----------+
1212 - B100..HI,MID 88711-BZ480- 1
1212 - B100..LO P4AB MANUAL AIR CONDITION
ER
88711-BZ480- 1
+----------+
| 88712 | HOSE, COOLER REFRIGERANT SUCTION, NO.1
+----------+
1212 - B100..HI,MID 88712-BZ350- 1
1212 - B100..LO P4AB MANUAL AIR CONDITION
ER
88712-BZ350- 1
+----------+
| 88718C | CLAMP(FOR COOLER REFRIGERANT PIPE), NO.3
+----------+
1212 - B100..HI,MID 88718-BZ280- 2
1212 - B100..LO P4AB MANUAL AIR CONDITION
ER
88718-BZ280- 2
+----------+
| 88719A | SENSOR, AIRCONDITIONER PRESSURE
+----------+
1212 - B100..HI,MID 88719-B2010- 1
1212 - B100..LO P4AB MANUAL AIR CONDITION
ER
88719-B2010- 1
+----------+
| 88736B | TUBE, LIQUID, B(FOR COOL BOX)
+----------+
1212 - B100..HI,MID 88716-BZ850- 1
FIG.87-18 HEATING & AIR CONDITIONING - COOLER PIPING
PROD_DATE MODELS
SPEC
CODE
DESCRIPTION
R
/
P
PART
NUMBER
O
Y
T
REV_REF
FR TO
+----------+
| 88736B | TUBE, LIQUID, B(FOR COOL BOX)
CONTINUED--+
1212 - B100..LO P4AB MANUAL AIR CONDITION
ER
88716-BZ850- 1
+----------+
| 88891A | PACKING A (FOR COOLER)
+----------+
1212 - B100..HI,MID 88578-BZ540- 1
1212 - B100..LO P4AB MANUAL AIR CONDITION
ER
88578-BZ540- 1
+----------+
| 88891B | PACKING B (FOR COOLER)
+----------+
1212 - B100..HI,MID 88578-BZ550- 1
1212 - B100..LO P4AB MANUAL AIR CONDITION
ER
88578-BZ550- 1
285
FIG.87-19 HEATING & AIR CONDITIONING - COMPRESSOR
(1212- )
87D356
88301
88302B
88320
88330A
88365
88365A
88403
88410
88433A
88446C
88688N
88466-87701
88466-87701
88569-87107
91551-80850(2)
91551-80880(2)
FIG.87-19 HEATING & AIR CONDITIONING - COMPRESSOR
PROD_DATE MODELS
SPEC
CODE
DESCRIPTION
R
/
P
PART
NUMBER
O
Y
T
REV_REF
FR TO
+----------+
| 88301 | ROTOR SUB-ASSY, MAGNET CLUTCH
+----------+
1212 - B100..HI,MID 88412-BZ110- 1
1212 - B100..LO P4AB MANUAL AIR CONDITION
ER
88412-BZ110- 1
+----------+
| 88302B | STATOR, MAGNET CLUTCH
+----------+
1212 - B100..HI,MID 88411-BZ110- 1
1212 - B100..LO P4AB MANUAL AIR CONDITION
ER
88411-BZ110- 1
+----------+
| 88320 | COMPRESSOR ASSY, COOLER
+----------+
1212 - B100..HI,MID 88320-BZ170- 1
1212 - B100..LO P4AB MANUAL AIR CONDITION
ER
88320-BZ170- 1
+----------+
| 88330A | WASHER (FOR MAGNET CLUTCH)
+----------+
1212 - B100..HI,MID T=0.1 88318-87704- 1
1212 - B100..LO P4AB MANUAL AIR CONDITION
ER,T=0.1
88318-87704- 1
1212 - B100..HI,MID T=0.3 88318-87705- 1
1212 - B100..LO P4AB MANUAL AIR CONDITION
ER,T=0.3
88318-87705- 1
1212 - B100..HI,MID T=0.5 88318-87706- 1
1212 - B100..LO P4AB MANUAL AIR CONDITION
ER,T=0.5
88318-87706- 1
+----------+
| 88365 | RING, SNAP
+----------+
1212 - B100..HI,MID 90099-07125- 1
1212 - B100..LO P4AB MANUAL AIR CONDITION
ER
90099-07125- 1
+----------+
| 88365A | RING, SNAP (FOR COMPRESSOR)
+----------+
1212 - B100..HI,MID 90099-07114- 1
286
FIG.87-19 HEATING & AIR CONDITIONING - COMPRESSOR
PROD_DATE MODELS
SPEC
CODE
DESCRIPTION
R
/
P
PART
NUMBER
O
Y
T
REV_REF
FR TO
+----------+
| 88365A | RING, SNAP (FOR COMPRESSOR)
CONTINUED--+
1212 - B100..LO P4AB MANUAL AIR CONDITION
ER
90099-07114- 1
+----------+
| 88403 | HUB SUB-ASSY, MAGNET CLUTCH
+----------+
1212 - B100..HI,MID 88403-BZ080- 1
1212 - B100..LO P4AB MANUAL AIR CONDITION
ER
88403-BZ080- 1
+----------+
| 88410 | CLUTCH ASSY, MAGNET
+----------+
1212 - B100..HI,MID 88410-BZ250- 1
1212 - B100..LO P4AB MANUAL AIR CONDITION
ER
88410-BZ250- 1
+----------+
| 88433A | STAY, COMPRESSOR
+----------+
1212 - B100..HI,MID 88433-B1020- 1
1212 - B100..LO P4AB MANUAL AIR CONDITION
ER
88433-B1020- 1
+----------+
| 88446C | BOLT, MAGNET CLUTCH SETTING
+----------+
1212 - B100..HI,MID 90099-04349- 1
1212 - B100..LO P4AB MANUAL AIR CONDITION
ER
90099-04349- 1
+----------+
| 88688N | BRACKET, COOLER
+----------+
1212 - B100..HI,MID 88688-BZ140- 1
1212 - B100..LO P4AB MANUAL AIR CONDITION
ER
88688-BZ140- 1

Agya ayla part number catalog

  • 1.
    1.MODELS COVERED &CHARACTERISTICS ・・・・・・・・・・・・・・・・・・・・・・・・・・・・・・・ 2~3 2.MARK & ABBREVIATION ・・・・・・・・・・・・・・・・・・・・・・・・・・・・・・・・・・・・・・・・・・・・ 4~6 3.INDEX  ILLUSTRATED INDEX ・・・・・・・・・・・・・・・・・・・・・・・・・・・・・・・・・・・・・・・・・・・・ 7~13 FIGURE NUMBER INDEX ・・・・・・・・・・・・・・・・・・・・・・・・・・・・・・・・・・・・・・・・・・ 14~15 PART NAME INDEX ・・・・・・・・・・・・・・・・・・・・・・・・・・・・・・・・・・・・・・・・・・・・・・ 16~30 PART NUMBER INDEX ・・・・・・・・・・・・・・・・・・・・・・・・・・・・・・・・・・・・・・・・・・・・ 31~39 REVISION REFERENCE CODE TABLE ・・・・・・・・・・・・・・・・・・・・・・・・・・・・・・・・ 40 EACH MONTH END PRODUCTION FRAME NO. LIST ・・・・・・・・・・・・・・・・・・・・・ 41 4.ILLUSTRATION & TEXT ・・・・・・・・・・・・・・・・・・・・・・・・・・・・・・・・・・・・・・・・・・・・ 42~286 TOOL, ENGINE, FUEL, POWER TRAIN & CHASSIS, BODY, ELECTRICAL  GUIDE TO CONTENTS 1
  • 2.
    257-01 MODELS COVERED &CHARACTERISTICS 2
  • 3.
    MODELS COVERED &CHARACTERISTICS Production Period Model Engine Characteristics - 1KRDE 1000cc gasoline engine SED Sedan HI High grade LO Low grade MID Mid grade ATM Automatic transmission MTM Manual transmission 5F 5-speed floor shift E4AT 4-speed electronic control 1212- 1212- 1212- 1212- 1212- B100RS-GMDFJ B100RS-GMLFJ B100RS-GMQFJ B100RS-GQDFJ B100RS-GQQFJ 1KRDE 〃 〃 〃 〃 SED 〃 〃 〃 〃 MID LO HI MID HI MTM 〃 〃 ATM 〃 5F 〃 〃 E4AT 〃 3
  • 4.
    MARK & ABBREVIATIONLIST (1/3) Mark Denition Mark Denition Mark Denition Mark Denition .. Among ..+ Among , And + Plus - Except * All Series # All Series Bolt Only for Domestic Vehicle For EU Market For General Market Nut Screw Washer & And 1ST First 2D 2 Door 2FC 2 Speed Floor Automatic 2ND Second 2S 2 Seater 2WD 2 Wheel Drive 33 Qty. as Required 3AT 3 Speed Automatic Transmission 3D 3 Door 3FC 3 Speed Floor Automatic 3RD Third 3S 3 Seater 4AT 4 Speed Automatic Transmission 4ATE Electronic 4 Speed Automatic Transmission 4D 4 Door 4F 4 Speed Floor Manual 4H 4 Speed Column 4S 4 Seater 4TH Fourth 4WD 4 Wheel Drive 5D 5 Door 5F 5 Speed Floor Manual 5TH Fifth A Ampere AAB Anti Afterburn AAP Auxiliary Accelerating Pump AB Absorber A/B Air Bag ABS Anti-skid Braking System ABV Air By-pass Valve A-C Air Conditioner ACC Accessory ACL Auto Clutch A/D Added ADR Australian Design Rule AFT After AI Air Injection AISIN Aishin Seiki Company AKEBONO Akebono Brake Industry Co., Ltd. AL Aluminium AM AM Radio A/P Air Pump ARC Arctic ARG Argentina A-RST Arm Rest AS Air Suction System ASB Anti Spin Brake System AS-F Asbestos-Free ASH Ash Tray ASSIST Assistant ASSY Assembly ASV Air Switching Valve A-TANK Auxiliary Tank ATM Automatic Transmission AUS For Australia BC Bucket BCS (BUKT) Bucket Seat BDO Back Door Opener BLG Belgium BLK Black BLT Belt BMP Bumper BOOS Booster BS Bridgestone Corp B-SD Both Sides B.T.D.C Before Top Dead Center BTR Battery BVSV Bimetal Vacuum Switching Valve B-VTL Boost Ventilator C/# Chassis Number CA Center Arm-rest CC Capacity or Engine Displacement C-CAP Center Cap CCO Catalitic Converter Oxidation CG-LT Cigarette Lighter CH Chile Ch.B Choke Breaker Ch.O Choke Opener CHUO Chuo Seiki Co., Ltd. CL Clock CLP Collapsible Steering Column CM Centimeter CNG Natural Gas CONR (CNR) Corner CONS Console CONSTANT Constant Gear Ratio Type CR-PLTD Chrome Plated CRPT Carpet CST Cassette CTR Center D Daihatsu DAIDO Daido Metal Co., Ltd. DC Degree Centigrade D-CT Direct Control DDK Daihatsu Diesel Mfg. Co., Ltd. DECS Daihatsu Economical Clean-Up System DENSO Nippon Denso Co., Ltd. DF Degree Fahrenheit DFG Defogger DIFF Differential DISC Disk Brake DMP Dump Series DOHC Double Over Head Cam Shaft D&P Both Side (Driver & Passenger) DP Dash Pot DR Door DRS Daihatsu Racing Service DRUM Drum Brake D-SD Driver Side D-SHAFT Drive Shaft DSPV Deceleration Sensing Proportioning Valve DTM Daimatic Transmission DX DX Grade DX-OPT Deluxe Option E- Europe (E) EC Certication E4AT Electronic 4 Speed Automatic Transmission EB Exhaust Brake EDIC Electronic Diesel Injection Control EGR Exhaust Gas Recirculation System EGR-VM Exhaust Gas Recirculation Vacuum Modulator EIS Vacuum Car EL Electric ELCD Evaporative Loss Control Device ELR Emergency Locking Retractor E-M Electro Magnetic ENG England EPS Electornic power steering ESS Engine Speed Sensor ETR Electronic tuning radio EUR For Europe EXC Except EXPORT Export Only EXT Extreme F- For FAB Fabric F-CONS For Console F-FAB Full Fabric FICB Fast-Idle Cam Breaker FIG Figure Number FIN Finland FL Full FLCP Floor Carpet FLMT Floor Mat FLO Fuel Lid Opener FR Front FREQ-CT Frequency Control Shock Absorber FRN France F-TANK Fuel Tank FWH Free Wheel Hub G-BLT Guard Belt G-C Gate Chain GEN For General Countries G-FRM Guard Frame GG Gage G-PCK Grade Package Gr Grams GR Gear Ratio GRN Green GS Japan Storage Battery Co., Ltd. H High (Millimeter) HAC High Altitude Compensator HIC Hot Idle Compensator HIR High Roof HK Hong Kong H-L Head Lamp H-L-CNR Head Lamp Cleaner HLG Halogen H-MT-B-LMP High-mounted Brake Lamp HOUSEI Advics Co., Ltd. H-PAD Heal-pad H-R Head restraint HR-SPR Head-Restraint Separate Type HSR High and Sun Roof HTR Heater I-CL Instrument Cluster ID Inside Diameter IDNT Identication IKEDA IKEDA Plant (DMC) IKI Ichikoh Industry Co., Ltd. IN Inch IND Indicator INDN Indonesia INN Inner INS Insert 4
  • 5.
    MARK & ABBREVIATIONLIST (2/3) Mark Denition Mark Denition Mark Denition Mark Denition INSTR Instrument INT-ARC Intermit Arctic ISO International Organization for Standardization ITC Impact Sensing Release System Controller ITK Intake JECO Jeco Co., Ltd. JKC Bosch Braking Systems Co., Ltd. KANBISHI Kanbishi Corporation K-FAB Knit Fabric KIT Kit Parts KM/H Kilometer an Hour KOBE Shin Kobe Electric Machinery Co., Ltd. KOITO Koito Manufacturing Co., Ltd. KOYO Koyo Seiko Industry Co., Ltd. KW Kilowatt KYB Kayaba Industry Co., Ltd. KYOKUTO Kyokuto Development Co., Ltd. L Length (Millimeter) L/ Less LH Left Hand LHD Left Hand Drive LMN Laminated LMP Lamp LRG Large LSD Limited Slip Differential LSPV Load Sensing Proportioning Valve LT Leading Trailing Brake LTHR Leatherette LTL Long Taper Leaf Spring LWR Lower -M -Metallic M4AT Mechanical 4 Speed Automatic Transmission MATSUSHITA Matsushita Electric Ind. Co., Ltd. MB Metal Back M/C Master Cylinder MCL Manual Clutch MCV Mixture Control Valve META Metallic M-HOLE Mirror Hole MIN Minimum MIX Mixer Truck ML Mechanical MLY Malaysia MM Millimeter MPH (MILE/H) Mile Per Hour MT-CT Metallic Coat MTG Mounting MTM Manual Transmission NACHI Fujikoshi Co., Ltd. NBK Nisshin Brake Sales Co., Ltd. NDL Needle NGK NGK Spark Plug Co., Ltd. NHK NHK Spring Co., Ltd. NIKKI Nippon Carburetor Co., Ltd. NL Netherlands NO Number NOK Nippon Oil Seal Industry Co., Ltd. N-P Needle-punch N-PB Non Protuberance NPR Nippon Piston Ring Co., Ltd. NR (NLR) Non-Locking Retractor NSK Nippon Seiko co., Ltd. NTBO Non-turbo NTN NTN OD Outside Diameter (Millimeter) OHTSU The Ohtsu Tire & Rubber Co., Ltd. OLD Discontinued Vehicles OPT Option O/S Over Size P Pitch PACK Package P&B Proportioning and By-pass Valve PCE 1 Piece PCS 2 or More PCV Positive Crank-case Ventilation PD Diameter of the pitch PF Model Code of the Vehicle Discontinued Production as of YY/MM P-HOOK Pintle Hook PKT Pakistan PL Plastic PLT Plated P-M Protection Moulding PNC Part Name Code (Fig.no.+ Key No.) PNCH Punch PNT Painted POST Van for the Ministry of Posts and Telecommunications POT Pocket PP Poly Propylen PRMBLE Permeable Foram PRV-RUST Prevent from Rust PS Power Steering PS Model Code of the Vehicle Production Started from YY/MM. P-SD Passenger Side PSNG Passenger PT Point(S) PTC Power Take Off P-VL Printed Vinyl Leatherette PV (P-VALVE) Proportioning Valve PW Power Window QSI Quick Start Igniter QTR Quarter QTY Quantity R Resistance RBS Recirculating Ball System R/C Release Cylinder R-CT Remote Control RD Round RDO Radio RECL Recliner REV Reverse REV.REF Revision Reference RH Right Hand RHD Right Hand Drive R/M Remarks R-MLD Roof Drip Moulding R-P Rocker Panel R&P Rack and Pinion R/P Replacement Parts RR Rear RSB Roll Side Bar R/T Resin Top RW Rear Wiper S Width (Millimeter) S- Semi S.AFRICA South Africa SAKURA Sakura Kogyo Co., Ltd. S.ARB Saudi Arabia SB Seat Back S/B Sealed Beam SCAB Single Cab SCHNOR (SCHN) Schnorchel SCV Spark Control Valve SD Spark Delay SDX SDX Grade SED Sedan SET Set Parts S-FAB Semi-fabric SHIGA SIGA Plant (DMC) SHOWA Showa Corp. SLD Sealed SMG Speedometer Gear SML Small S-MTL Silver Metallic SNGL Single SNGP Singapore SPCFY For Specied Countries SPD Speed SPEC (SPC) Specication SPK Speaker SPR Separate SP-ST Sparate Seat SQ Square SR Sport Bumper S/S Semi Size ST Single Tire STBL Stabilizer STD Standard STL Steel STR Standard Roof SUB ASSY Sub Assembly SUMITOMO Sumitomo Electric Industries, Ltd. SUPPLY Spare Parts Only SUSP (SUS) Suspension SW Switch SWD Sweden SWTZ Switzerland T Thickness (Millimeter) TACHO Tachometer TAIHO Taiho Kogyo Co., Ltd. TBO Turbo T/C Turbo Charger TCS Transmission Controlled Spark TEN Fujitsu Ten Co., Ltd. TK Toyoda Machine Works, Ltd. T/L Tubeless Tire TLT Tilt T/M Transmission TMP Temperature TOKAIRIKA Tokairika Electronics Maker Co. TOSHIBA Toshiba Electronics Co. TOYO Toyo Tire & Rubber Co., Ltd. TP Throttle Positioner TPL-B Tarpaulin Bow TR Truck TRT Turn TRP Tropical TSK Nippon Cable System Inc. TTD Tinted TVSV Thermostatic Vacuum Switching Valve TYP Type UB Utility Box UPR Upper U/S Under Size V Volts VAN Van or Station Wagon Type VARIABLE Variable Gear Ratio Type 5
  • 6.
    MARK & ABBREVIATIONLIST (3/3) Mark Definition Definition Definition Definition Definition Mark Mark Mark      Mark R/P * # . + = Replacement (old) Replacement (new) Last replacement (new) New minor part number to be replaced along with main part Pat number to be replaced under some condition QTY 33 Qty. as required R/M A K Supply only during car producing Local procurement parts VCV Vacuum Control Valve VISCOUS Viscous Coupling System VL (V-LTHR) Vinyl Leatherette VS Vertical Stack VSV Vacuum Switching Valve VTV Vacuum Transmitting Valve W Watts W/... With W/C Wheel Cylinder WCAB Double Cab WD Window WDN Wooden WDS Windshield W/E-MARK With European Attested Mark WG Wagon W.GRM (WG-) West Germany WNG Warning W-P Water Proof WS Double Spring WT Double Tire W/T Tube Tire WTW Wall to Wall WV-FB Woven Fabric YLW Yellow YOKOHAMA The Yokohama Rubber Co., Ltd. Z Gear Number (¥) Part supplied by two makers 6
  • 7.
  • 8.
  • 9.
    9 C10433 (31-01) (31-02) (33-01)(33-02) (35-03) (35-07) (33-04) (33-05) (33-07) (33-12) (35-01) (35-02) (35-09) (35-10) (35-12) (35-13) (35-14) (43-02) (45-04)(45-01)(43-01)(41-03) (41-02) (43-03)
  • 10.
  • 11.
    11 B10577 (51-02) (53-03) (51-04) (52-01) (52-02)(53-01) (53-02) (58-01) (61-04)(58-04) (58-06) (61-01) (61-02) (64-02) (64-04)(64-01) (67-01) (67-03) (67-04) (53-04) (57-01)(53-05) (55-03)(55-01)
  • 12.
  • 13.
    13 E10538 (81-01) (82-01)(81-11) (81-13)(81-17) (82-02) (83-01) (84-01) (85-01) (84-04) (87-01) (87-14) (87-15) (87-18) (87-19) (86-11)(86-04)(85-03) (86-02) (84-14) (86-01) (81-02) (84-21)
  • 14.
    FIGURE NUMBER INDEX 14 PAGEFIG.NO. TITLE TOOL GROUP 42 09-01 STANDARD TOOL ENGINE GROUP 43 11-01 PARTIAL ENGINE ASSEMBLY 44 11-02 SHORT BLOCK ASSEMBLY 45 11-03 ENGINE OVERHAUL GASKET KIT 46 11-04 CYLINDER HEAD 48 11-05 CYLINDER BLOCK 52 11-06 TIMING GEAR COVER & REAR END PLATE 53 11-07 MOUNTING 55 12-01 VENTILATION HOSE 56 13-01 CRANKSHAFT & PISTON 58 13-02 CAMSHAFT & VALVE 60 15-01 ENGINE OIL PUMP 61 15-02 OIL FILTER 62 16-01 WATER PUMP 63 16-03 RADIATOR & WATER OUTLET 67 16-05 V-BELT 68 17-01 MANIFOLD 70 17-02 EXHAUST PIPE 71 17-03 AIR CLEANER 72 17-08 VACUUM PIPING 73 17-09 CAUTION PLATE & NAME PLATE (ENGINE) 74 19-01 IGNITION COIL & SPARK PLUG 75 19-03 ALTERNATOR PAGE FIG.NO. TITLE 77 19-04 STARTER FUEL GROUP 79 22-11 FUEL INJECTION SYSTEM POWER TRAIN & CHASSIS GROUP 80 31-01 CLUTCH & RELEASE FORK 81 31-02 CLUTCH PEDAL & FLEXIBLE HOSE 82 33-01 TRANSAXLE OR TRANSMISSION ASSY & GASKET KIT (MTM) 83 33-02 CLUTCH HOUSING & TRANSMISSION CASE (MTM) 86 33-04 SPEEDOMETER DRIVEN GEAR (MTM) 87 33-05 TRANSMISSION GEAR (MTM) 91 33-07 GEAR SHIFT FORK & LEVER SHAFT (MTM) 94 33-12 SHIFT LEVER & RETAINER 96 35-01 TRANSAXLE OR TRANSMISSION ASSY & GASKET KIT (ATM) 97 35-02 TORQUE CONVERTER, FRONT OIL PUMP & CHAIN (ATM) 98 35-03 TRANSMISSION CASE & OIL PAN (ATM) 101 35-07 BRAKE BAND & MULTIPLE DISC CLUTCH (ATM) 104 35-09 BRAKE NO.3, 1ST & REVERSE BRAKE (ATM) 106 35-10 PLANETARY GEAR, REVERSE PISTON & COUNTER GEAR(ATM) 108 35-12 VALVE BODY & OIL STRAINER (ATM) 110 35-13 THROTTLE LINK & VALVE LEVER (ATM) 111 35-14 OIL COOLER & TUBE (ATM) PAGE FIG.NO. TITLE 112 41-02 REAR AXLE SHAFT & HUB 113 41-03 DISC WHEEL & WHEEL CAP 116 43-01 FRONT AXLE HOUSING & DIFFERENTIAL 118 43-02 FRONT DRIVE SHAFT 120 43-03 FRONT AXLE HUB 122 45-01 STEERING COLUMN & SHAFT 124 45-04 STEERING WHEEL 125 45-05 FRONT STEERING GEAR & LINK 127 46-01 PARKING BRAKE & CABLE 129 47-01 BRAKE PEDAL & BRACKET 130 47-02 BRAKE MASTER CYLINDER 131 47-03 BRAKE BOOSTER & VACUUM TUBE 132 47-05 FRONT DISC BRAKE CALIPER & DUST COVER 136 47-06 REAR DRUM BRAKE WHEEL CYLINDER & BACKING PLATE 138 47-08 BRAKE TUBE & CLAMP 143 48-02 FRONT AXLE ARM & STEERING KNUCKLE 145 48-03 FRONT SPRING & SHOCK ABSORBER 148 48-04 REAR SPRING & SHOCK ABSORBER BODY GROUP 150 51-02 SUSPENSION CROSSMEMBER & UNDER COVER 151 51-04 SPARE WHEEL CARRIER 152 52-01 FRONT BUMPER & BUMPER STAY 153 52-02 REAR BUMPER & BUMPER STAY 154 53-01 RADIATOR GRILLE
  • 15.
    FIGURE NUMBER INDEX 15 PAGEFIG.NO. TITLE 155 53-02 HOOD & FRONT FENDER 157 53-03 HOOD LOCK & HINGE 158 53-04 FRONT FENDER APRON & DASH PANEL 161 53-05 FLOOR SIDE MEMBER 163 55-01 INSTRUMENT PANEL & GLOVE COMPARTMENT 168 55-03 COWL PANEL & WINDSHIELD GLASS 170 57-01 HOLE PLUG 172 58-01 FLOOR PAN & LOWER BACK PANEL 174 58-04 MAT & CARPET 175 58-06 CONSOLE BOX & BRACKET 176 61-01 SIDE MEMBER 181 61-02 ROOF SIDE VENTILATOR 182 61-04 ROOF PANEL & BACK WINDOW GLASS 183 64-01 INSIDE TRIM BOARD & DOOR OPENING TRIM MO ULDING 186 64-02 ROOF HEADLINING & SILENCER PAD 188 64-04 DECK BOARD & DECK TRIM COVER 190 67-01 FRONT DOOR PANEL & GLASS 194 67-03 FRONT DOOR LOCK & HANDLE 196 67-04 FRONT DOOR WINDOW REGULATOR & HINGE 198 67-05 REAR DOOR PANEL & GLASS 202 67-06 REAR DOOR LOCK & HANDLE 204 67-07 REAR DOOR WINDOW REGULATOR & HINGE 206 67-08 BACK DOOR PANEL & GLASS 207 67-09 BACK DOOR LOCK & HANDLE PAGE FIG.NO. TITLE 209 67-12 LOCK CYLINDER SET 211 71-01 FRONT SEAT & SEAT TRACK 215 71-02 REAR SEAT & SEAT TRACK 218 71-04 SEAT BELT & CHILD RESTRAINT SEAT 221 74-01 ARMREST & VISOR 223 74-02 BATTERY CARRIER 224 74-03 CAUTION PLATE (EXTERIOR & INTERIOR) 225 75-01 EMBLEM & NAME PLATE (EXTERIOR & INTERIOR ) 226 75-02 FRONT MOULDING 227 75-03 SIDE MOULDING 229 76-01 MUDGUARD & SPOILER 231 77-01 FUEL TANK & TUBE 236 78-01 ACCELERATOR LINK ELECTRICAL GROUP 237 81-01 HEADLAMP 239 81-02 FOG LAMP 240 81-11 REAR COMBINATION LAMP 241 81-13 REAR LICENSE PLATE LAMP 242 81-17 CENTER STOP LAMP 243 82-01 BATTERY & BATTERY CABLE 244 82-02 WIRING & CLAMP 252 83-01 METER 253 84-01 SWITCH & RELAY & COMPUTER 261 84-04 ELECTRONIC FUEL INJECTION SYSTEM PAGE FIG.NO. TITLE 262 84-14 ABS & VSC 264 84-21 AIR BAG 266 85-01 WINDSHIELD WIPER 267 85-03 WINDSHIELD WASHER 269 86-01 RADIO RECEIVER & AMPLIFIER & CONDENSER 271 86-02 SPEAKER 272 86-04 ANTENNA 274 86-11 HORN 275 87-01 MIRROR 277 87-14 HEATING & AIR CONDITIONING - COOLER UNIT 280 87-15 HEATING & AIR CONDITIONING - CONTROL & A IR DUCT 283 87-18 HEATING & AIR CONDITIONING - COOLER PIPI NG 285 87-19 HEATING & AIR CONDITIONING - COMPRESSOR
  • 16.
    PART NAME INDEX ABSORBER- BEARING, ・・・・・・・・・・・・・・・・・・・・ 16 BEARING, - BRACKET, ・・・・・・・・・・・・・・・・・・・・ 17 BRAKE - CLAMP, ・・・・・・・・・・・・・・・・・・・・ 18 CLAMP, - COVER, ・・・・・・・・・・・・・・・・・・・・ 19 COVER, - FILTER, ・・・・・・・・・・・・・・・・・・・・ 20 FILTER, - GROMMET(FOR ・・・・・・・・・・・・・・・・・・・・ 21 GROMMET, - HUB ・・・・・・・・・・・・・・・・・・・・ 22 HUB - MEMBER, ・・・・・・・・・・・・・・・・・・・・ 23 MEMBER, - PANEL, ・・・・・・・・・・・・・・・・・・・・ 24 PANEL, - PROTECTOR, ・・・・・・・・・・・・・・・・・・・・ 25 PROTECTOR, - RING, ・・・・・・・・・・・・・・・・・・・・ 26 RING, - SHAFT, ・・・・・・・・・・・・・・・・・・・・ 27 SHAFT, - SUPPORT, ・・・・・・・・・・・・・・・・・・・・ 28 SUPPORT, - WEATHERSTRIP, ・・・・・・・・・・・・・・・・・・・・ 29 WHEEL - YOKE, ・・・・・・・・・・・・・・・・・・・・ 30 PART NAME PAGE ABSORBER ASSY, SHOCK, FRONT LH ・・・・・・・・・・・・・・・・・・・・・・・・・・・・・・・・・・・・・・・・・・・・・・・・・・・・ 146 ABSORBER ASSY, SHOCK, FRONT RH ・・・・・・・・・・・・・・・・・・・・・・・・・・・・・・・・・・・・・・・・・・・・・・・・・・・・ 146 ABSORBER ASSY, SHOCK, REAR LH ・・・・・・・・・・・・・・・・・・・・・・・・・・・・・・・・・・・・・・・・・・・・・・・・・・・・・ 148 ABSORBER ASSY, SHOCK, REAR RH ・・・・・・・・・・・・・・・・・・・・・・・・・・・・・・・・・・・・・・・・・・・・・・・・・・・・・ 148 ABSORBER, INNER REAR VIEW MIRROR ・・・・・・・・・・・・・・・・・・・・・・・・・・・・・・・・・・・・・・・・・・・・・・・・・・ 275 ACTUATOR ASSY, BRAKE ・・・・・・・・・・・・・・・・・・・・・・・・・・・・・・・・・・・・・・・・・・・・・・・・・・・・・・・・・・・・・・ 141 ADJUSTER, STOP LAMP SWITCH MOUNTING ・・・・・・・・・・・・・・・・・・・・・・・・・・・・・・・・・・・・・・・・・・・・・・・ 259 AIR BAG ASSY, INSTRUMENT PANEL PASSENGER ・・・・・・・・・・・・・・・・・・・・・・・・・・・・・・・・・・・・・・・・・・ 167 ALTERNATOR ASSY, W/REGULATOR ・・・・・・・・・・・・・・・・・・・・・・・・・・・・・・・・・・・・・・・・・・・・・・・・・・・・・・ 76 ANTENNA ASSY, W/HOLDER ・・・・・・・・・・・・・・・・・・・・・・・・・・・・・・・・・・・・・・・・・・・・・・・・・・・・・・・・・・・・ 273 APRON SUB-ASSY, FRONT FENDER, LH ・・・・・・・・・・・・・・・・・・・・・・・・・・・・・・・・・・・・・・・・・・・・・・・・・・ 159 APRON SUB-ASSY, FRONT FENDER, RH ・・・・・・・・・・・・・・・・・・・・・・・・・・・・・・・・・・・・・・・・・・・・・・・・・・ 159 APRON, FENDER SIDE, LH ・・・・・・・・・・・・・・・・・・・・・・・・・・・・・・・・・・・・・・・・・・・・・・・・・・・・・・・・・・・・ 168 APRON, FENDER SIDE, RH ・・・・・・・・・・・・・・・・・・・・・・・・・・・・・・・・・・・・・・・・・・・・・・・・・・・・・・・・・・・・ 168 ARM ASSY, REAR SUSPENSION, NO.1 ・・・・・・・・・・・・・・・・・・・・・・・・・・・・・・・・・・・・・・・・・・・・・・・・・・・ 148 ARM ASSY, REAR SUSPENSION, NO.1 ・・・・・・・・・・・・・・・・・・・・・・・・・・・・・・・・・・・・・・・・・・・・・・・・・・・ 149 ARM SUB-ASSY, FRONT SUSPENSION, LOWER NO.1 LH ・・・・・・・・・・・・・・・・・・・・・・・・・・・・・・・・・・・・・ 144 ARM SUB-ASSY, FRONT SUSPENSION, LOWER NO.1 RH ・・・・・・・・・・・・・・・・・・・・・・・・・・・・・・・・・・・・・ 143 ARM, FR WIPER, LH ・・・・・・・・・・・・・・・・・・・・・・・・・・・・・・・・・・・・・・・・・・・・・・・・・・・・・・・・・・・・・・・・・ 266 ARM, FR WIPER, RH ・・・・・・・・・・・・・・・・・・・・・・・・・・・・・・・・・・・・・・・・・・・・・・・・・・・・・・・・・・・・・・・・・ 266 ARM, REVERSE SHIFT ・・・・・・・・・・・・・・・・・・・・・・・・・・・・・・・・・・・・・・・・・・・・・・・・・・・・・・・・・・・・・・・・ 92 ARM, TIMING CHAIN TENSION ・・・・・・・・・・・・・・・・・・・・・・・・・・・・・・・・・・・・・・・・・・・・・・・・・・・・・・・・・ 58 ARMATURE ASSY, STARTER ・・・・・・・・・・・・・・・・・・・・・・・・・・・・・・・・・・・・・・・・・・・・・・・・・・・・・・・・・・・・ 78 BACK ASSY, REAR SEAT (FOR BENCH TYPE) ・・・・・・・・・・・・・・・・・・・・・・・・・・・・・・・・・・・・・・・・・・・・・ 216 BAG, TOOL ・・・・・・・・・・・・・・・・・・・・・・・・・・・・・・・・・・・・・・・・・・・・・・・・・・・・・・・・・・・・・・・・・・・・・・・・・ 42 BALL (FOR SHIFT INNER LEVER) ・・・・・・・・・・・・・・・・・・・・・・・・・・・・・・・・・・・・・・・・・・・・・・・・・・・・・・ 92 BALL BEARING, OUTPUT SHAFT ・・・・・・・・・・・・・・・・・・・・・・・・・・・・・・・・・・・・・・・・・・・・・・・・・・・・・・・・ 107 BALL, SHAFT DETENT ・・・・・・・・・・・・・・・・・・・・・・・・・・・・・・・・・・・・・・・・・・・・・・・・・・・・・・・・・・・・・・・・ 93 BAND, TOOL BAG ・・・・・・・・・・・・・・・・・・・・・・・・・・・・・・・・・・・・・・・・・・・・・・・・・・・・・・・・・・・・・・・・・・・・ 42 BAR SUB-ASSY, REAR DOOR WINDOW DIVISION, LH ・・・・・・・・・・・・・・・・・・・・・・・・・・・・・・・・・・・・・・・ 200 BAR SUB-ASSY, REAR DOOR WINDOW DIVISION, RH ・・・・・・・・・・・・・・・・・・・・・・・・・・・・・・・・・・・・・・・ 199 BAR, FAN BELT ADJUSTING ・・・・・・・・・・・・・・・・・・・・・・・・・・・・・・・・・・・・・・・・・・・・・・・・・・・・・・・・・・・ 65 BAR, STABILIZER, FRONT ・・・・・・・・・・・・・・・・・・・・・・・・・・・・・・・・・・・・・・・・・・・・・・・・・・・・・・・・・・・・ 146 BEARING (FOR FRONT AXLE HUB LH) ・・・・・・・・・・・・・・・・・・・・・・・・・・・・・・・・・・・・・・・・・・・・・・・・・・・ 121 BEARING (FOR FRONT AXLE HUB RH) ・・・・・・・・・・・・・・・・・・・・・・・・・・・・・・・・・・・・・・・・・・・・・・・・・・・ 120 BEARING (FOR INPUT SHAFT FRONT) ・・・・・・・・・・・・・・・・・・・・・・・・・・・・・・・・・・・・・・・・・・・・・・・・・・・ 88 BEARING (FOR OUTPUT SHAFT FRONT) ・・・・・・・・・・・・・・・・・・・・・・・・・・・・・・・・・・・・・・・・・・・・・・・・・・ 88 BEARING (FOR OUTPUT SHAFT REAR) ・・・・・・・・・・・・・・・・・・・・・・・・・・・・・・・・・・・・・・・・・・・・・・・・・・・ 88 BEARING ASSY, CLUTCH RELEASE ・・・・・・・・・・・・・・・・・・・・・・・・・・・・・・・・・・・・・・・・・・・・・・・・・・・・・・ 80 BEARING(FOR ALTERNATOR DRIVE END FRAME) ・・・・・・・・・・・・・・・・・・・・・・・・・・・・・・・・・・・・・・・・・・・ 76 BEARING(FOR ALTERNATOR ROTOR) ・・・・・・・・・・・・・・・・・・・・・・・・・・・・・・・・・・・・・・・・・・・・・・・・・・・・・ 76 BEARING, CONNECTING ROD ・・・・・・・・・・・・・・・・・・・・・・・・・・・・・・・・・・・・・・・・・・・・・・・・・・・・・・・・・・・ 56 BEARING, CRANKSHAFT ・・・・・・・・・・・・・・・・・・・・・・・・・・・・・・・・・・・・・・・・・・・・・・・・・・・・・・・・・・・・・・・ 56 BEARING, CRANKSHAFT, NO.2 ・・・・・・・・・・・・・・・・・・・・・・・・・・・・・・・・・・・・・・・・・・・・・・・・・・・・・・・・・ 56 BEARING, FRONT CLUTCH THRUST ・・・・・・・・・・・・・・・・・・・・・・・・・・・・・・・・・・・・・・・・・・・・・・・・・・・・・・ 103 BEARING, NEEDLE ROLLER (FOR 4TH GEAR) ・・・・・・・・・・・・・・・・・・・・・・・・・・・・・・・・・・・・・・・・・・・・・ 88 BEARING, NEEDLE ROLLER(FOR INTERMEDIATE SHAFT) ・・・・・・・・・・・・・・・・・・・・・・・・・・・・・・・・・・・・ 106 BEARING, RADIAL BALL (FOR INPUT SHAFT REAR) ・・・・・・・・・・・・・・・・・・・・・・・・・・・・・・・・・・・・・・・ 88 BEARING, RADIAL BOLL ・・・・・・・・・・・・・・・・・・・・・・・・・・・・・・・・・・・・・・・・・・・・・・・・・・・・・・・・・・・・・・ 107 BEARING, TAPERED ROLLER (FOR FRONT DIFFERENTIAL CASE FRONT) ・・・・・・・・・・・・・・・・・・・・・・・ 117 ABSORBER - BEARING, 16
  • 17.
    PART NAME PAGE BEARING,TAPERED ROLLER (FOR FRONT DIFFERENTIAL CASE REAR) ・・・・・・・・・・・・・・・・・・・・・・・・ 117 BEARING, THRUST NEEDLE ROLLER (FOR FRONT PLANETARY GEAR) ・・・・・・・・・・・・・・・・・・・・・・・・・・ 106 BEARING, THRUST NEEDLE ROLLER (FOR INTERMEDIATE SHAFT) ・・・・・・・・・・・・・・・・・・・・・・・・・・・・ 106 BELLCRANK, DOOR LOCK CONTROL ・・・・・・・・・・・・・・・・・・・・・・・・・・・・・・・・・・・・・・・・・・・・・・・・・・・・・・ 203 BELT ASSY, FRONT SEAT INNER, LH ・・・・・・・・・・・・・・・・・・・・・・・・・・・・・・・・・・・・・・・・・・・・・・・・・・・ 220 BELT ASSY, FRONT SEAT INNER, RH ・・・・・・・・・・・・・・・・・・・・・・・・・・・・・・・・・・・・・・・・・・・・・・・・・・・ 220 BELT ASSY, FRONT SEAT OUTER, LH ・・・・・・・・・・・・・・・・・・・・・・・・・・・・・・・・・・・・・・・・・・・・・・・・・・・ 220 BELT ASSY, FRONT SEAT OUTER, RH ・・・・・・・・・・・・・・・・・・・・・・・・・・・・・・・・・・・・・・・・・・・・・・・・・・・ 220 BELT ASSY, REAR SEAT INNER W/CENTER, LH ・・・・・・・・・・・・・・・・・・・・・・・・・・・・・・・・・・・・・・・・・・・ 220 BELT ASSY, REAR SEAT INNER W/CENTER, RH ・・・・・・・・・・・・・・・・・・・・・・・・・・・・・・・・・・・・・・・・・・・ 220 BELT ASSY, REAR SEAT, OUTER ・・・・・・・・・・・・・・・・・・・・・・・・・・・・・・・・・・・・・・・・・・・・・・・・・・・・・・・ 220 BELT ASSY, REAR SEAT, OUTER ・・・・・・・・・・・・・・・・・・・・・・・・・・・・・・・・・・・・・・・・・・・・・・・・・・・・・・・ 220 BELT, V(FOR FAN & ALTERNATOR) ・・・・・・・・・・・・・・・・・・・・・・・・・・・・・・・・・・・・・・・・・・・・・・・・・・・・・ 67 BEZEL, SHIFTING HOLE ・・・・・・・・・・・・・・・・・・・・・・・・・・・・・・・・・・・・・・・・・・・・・・・・・・・・・・・・・・・・・・ 175 BLADE, FR WIPER, LH ・・・・・・・・・・・・・・・・・・・・・・・・・・・・・・・・・・・・・・・・・・・・・・・・・・・・・・・・・・・・・・・ 266 BLADE, FR WIPER, RH ・・・・・・・・・・・・・・・・・・・・・・・・・・・・・・・・・・・・・・・・・・・・・・・・・・・・・・・・・・・・・・・ 266 BLOCK ASSY, RELAY, ENGINE ROOM ・・・・・・・・・・・・・・・・・・・・・・・・・・・・・・・・・・・・・・・・・・・・・・・・・・・・ 258 BLOCK ASSY, SHORT ・・・・・・・・・・・・・・・・・・・・・・・・・・・・・・・・・・・・・・・・・・・・・・・・・・・・・・・・・・・・・・・・・ 44 BLOCK SUB-ASSY, CYLINDER ・・・・・・・・・・・・・・・・・・・・・・・・・・・・・・・・・・・・・・・・・・・・・・・・・・・・・・・・・・ 51 BOARD ASSY, DECK ・・・・・・・・・・・・・・・・・・・・・・・・・・・・・・・・・・・・・・・・・・・・・・・・・・・・・・・・・・・・・・・・・・ 188 BOARD SUB-ASSY, FRONT DOOR TRIM, LH ・・・・・・・・・・・・・・・・・・・・・・・・・・・・・・・・・・・・・・・・・・・・・・・ 192 BOARD SUB-ASSY, FRONT DOOR TRIM, RH ・・・・・・・・・・・・・・・・・・・・・・・・・・・・・・・・・・・・・・・・・・・・・・・ 192 BOARD SUB-ASSY, REAR DOOR TRIM, LH ・・・・・・・・・・・・・・・・・・・・・・・・・・・・・・・・・・・・・・・・・・・・・・・・ 200 BOARD SUB-ASSY, REAR DOOR TRIM, RH ・・・・・・・・・・・・・・・・・・・・・・・・・・・・・・・・・・・・・・・・・・・・・・・・ 200 BOARD, COWL SIDE TRIM, LH ・・・・・・・・・・・・・・・・・・・・・・・・・・・・・・・・・・・・・・・・・・・・・・・・・・・・・・・・・ 184 BOARD, COWL SIDE TRIM, RH ・・・・・・・・・・・・・・・・・・・・・・・・・・・・・・・・・・・・・・・・・・・・・・・・・・・・・・・・・ 184 BODY ASSY, THROTTLE ・・・・・・・・・・・・・・・・・・・・・・・・・・・・・・・・・・・・・・・・・・・・・・・・・・・・・・・・・・・・・・・ 79 BODY ASSY, TRANSMISSION VALVE ・・・・・・・・・・・・・・・・・・・・・・・・・・・・・・・・・・・・・・・・・・・・・・・・・・・・・ 109 BODY SUB-ASSY, FRONT OIL PUMP ・・・・・・・・・・・・・・・・・・・・・・・・・・・・・・・・・・・・・・・・・・・・・・・・・・・・・ 97 BOLT (FOR FRONT OIL PUMP SETTING) ・・・・・・・・・・・・・・・・・・・・・・・・・・・・・・・・・・・・・・・・・・・・・・・・・ 97 BOLT (FOR STEERING KNUCKLE LH) ・・・・・・・・・・・・・・・・・・・・・・・・・・・・・・・・・・・・・・・・・・・・・・・・・・・・ 143 BOLT (FOR STEERING KNUCKLE RH) ・・・・・・・・・・・・・・・・・・・・・・・・・・・・・・・・・・・・・・・・・・・・・・・・・・・・ 143 BOLT (FOR TRANSAXLE CASE) ・・・・・・・・・・・・・・・・・・・・・・・・・・・・・・・・・・・・・・・・・・・・・・・・・・・・・・・・・ 100 BOLT(FOR CRANKSHAFT BEARING CAP SET) ・・・・・・・・・・・・・・・・・・・・・・・・・・・・・・・・・・・・・・・・・・・・・・ 51 BOLT(FOR CRANKSHAFT PULLEY SET) ・・・・・・・・・・・・・・・・・・・・・・・・・・・・・・・・・・・・・・・・・・・・・・・・・・・ 57 BOLT(FOR CYLINDER HEAD COVER) ・・・・・・・・・・・・・・・・・・・・・・・・・・・・・・・・・・・・・・・・・・・・・・・・・・・・・ 47 BOLT(FOR CYLINDER HEAD SET) ・・・・・・・・・・・・・・・・・・・・・・・・・・・・・・・・・・・・・・・・・・・・・・・・・・・・・・・ 47 BOLT(FOR DRIVE PLATE & TORQUE CONVERTER SETTING) ・・・・・・・・・・・・・・・・・・・・・・・・・・・・・・・・・・ 97 BOLT(FOR FRONT SUSPENSION LOWER ARM NO.1 LH) ・・・・・・・・・・・・・・・・・・・・・・・・・・・・・・・・・・・・・・ 144 BOLT(FOR FRONT SUSPENSION LOWER ARM NO.1 RH) ・・・・・・・・・・・・・・・・・・・・・・・・・・・・・・・・・・・・・・ 143 BOLT(FOR FRONT SUSPENSION LOWER ARM NO.2 LH) ・・・・・・・・・・・・・・・・・・・・・・・・・・・・・・・・・・・・・・ 144 BOLT(FOR FRONT SUSPENSION LOWER ARM NO.2 RH) ・・・・・・・・・・・・・・・・・・・・・・・・・・・・・・・・・・・・・・ 144 BOLT(FOR HEAD TO CAMSHAFT BEARING CAP) ・・・・・・・・・・・・・・・・・・・・・・・・・・・・・・・・・・・・・・・・・・・・ 47 BOLT(FOR LOWER CONTROL ARM) ・・・・・・・・・・・・・・・・・・・・・・・・・・・・・・・・・・・・・・・・・・・・・・・・・・・・・・・ 149 BOLT, BACK DOOR STAY ・・・・・・・・・・・・・・・・・・・・・・・・・・・・・・・・・・・・・・・・・・・・・・・・・・・・・・・・・・・・・・ 208 BOLT, BATTERY CLAMP ・・・・・・・・・・・・・・・・・・・・・・・・・・・・・・・・・・・・・・・・・・・・・・・・・・・・・・・・・・・・・・・ 223 BOLT, BRAKE PEDAL STOP, NO.1 ・・・・・・・・・・・・・・・・・・・・・・・・・・・・・・・・・・・・・・・・・・・・・・・・・・・・・・ 129 BOLT, CONNECTING ROD ・・・・・・・・・・・・・・・・・・・・・・・・・・・・・・・・・・・・・・・・・・・・・・・・・・・・・・・・・・・・・・ 57 BOLT, EXHAUST PIPE SUPPORT ・・・・・・・・・・・・・・・・・・・・・・・・・・・・・・・・・・・・・・・・・・・・・・・・・・・・・・・・ 70 BOLT, HEXAGON(FOR DRIVE PLATE SETTING) ・・・・・・・・・・・・・・・・・・・・・・・・・・・・・・・・・・・・・・・・・・・・ 97 BEARING, - BOLT, PART NAME PAGE BOLT, HEXAGON(FOR FRONT DISC BRAKE CALIPER) ・・・・・・・・・・・・・・・・・・・・・・・・・・・・・・・・・・・・・・・ 134 BOLT, HUB (FOR FRONT AXLE LH) ・・・・・・・・・・・・・・・・・・・・・・・・・・・・・・・・・・・・・・・・・・・・・・・・・・・・・ 120 BOLT, HUB (FOR FRONT AXLE RH) ・・・・・・・・・・・・・・・・・・・・・・・・・・・・・・・・・・・・・・・・・・・・・・・・・・・・・ 120 BOLT, HUB (FOR REAR AXLE) ・・・・・・・・・・・・・・・・・・・・・・・・・・・・・・・・・・・・・・・・・・・・・・・・・・・・・・・・・ 112 BOLT, INSTRUMENT PANEL ・・・・・・・・・・・・・・・・・・・・・・・・・・・・・・・・・・・・・・・・・・・・・・・・・・・・・・・・・・・・ 166 BOLT, MAGNET CLUTCH SETTING ・・・・・・・・・・・・・・・・・・・・・・・・・・・・・・・・・・・・・・・・・・・・・・・・・・・・・・・ 286 BOLT, OIL NOZZLE UNION ・・・・・・・・・・・・・・・・・・・・・・・・・・・・・・・・・・・・・・・・・・・・・・・・・・・・・・・・・・・・ 51 BOLT, STEERING LOCK SET ・・・・・・・・・・・・・・・・・・・・・・・・・・・・・・・・・・・・・・・・・・・・・・・・・・・・・・・・・・・ 123 BOLT, STUD(FOR OIL STRAINER) ・・・・・・・・・・・・・・・・・・・・・・・・・・・・・・・・・・・・・・・・・・・・・・・・・・・・・・ 60 BOLT, UNION(FOR FRONT FLEXIBLE HOSE) ・・・・・・・・・・・・・・・・・・・・・・・・・・・・・・・・・・・・・・・・・・・・・・ 141 BOOSTER ASSY, BRAKE ・・・・・・・・・・・・・・・・・・・・・・・・・・・・・・・・・・・・・・・・・・・・・・・・・・・・・・・・・・・・・・・ 131 BOOT KIT, FRONT DRIVE SHAFT INBOARD JOINT, LH ・・・・・・・・・・・・・・・・・・・・・・・・・・・・・・・・・・・・・ 119 BOOT KIT, FRONT DRIVE SHAFT INBOARD JOINT, RH ・・・・・・・・・・・・・・・・・・・・・・・・・・・・・・・・・・・・・ 119 BOOT KIT, FRONT DRIVE SHAFT OUTBOARD JOINT, LH ・・・・・・・・・・・・・・・・・・・・・・・・・・・・・・・・・・・・ 119 BOOT KIT, FRONT DRIVE SHAFT OUTBOARD JOINT, RH ・・・・・・・・・・・・・・・・・・・・・・・・・・・・・・・・・・・・ 119 BOOT, BUSH DUST(FOR FRONT DISC BRAKE) ・・・・・・・・・・・・・・・・・・・・・・・・・・・・・・・・・・・・・・・・・・・・・ 134 BOOT, CONTROL SHAFT DUST ・・・・・・・・・・・・・・・・・・・・・・・・・・・・・・・・・・・・・・・・・・・・・・・・・・・・・・・・・・ 93 BOOT, STEERING RACK, NO.1 ・・・・・・・・・・・・・・・・・・・・・・・・・・・・・・・・・・・・・・・・・・・・・・・・・・・・・・・・・ 126 BOX, FUEL INLET ・・・・・・・・・・・・・・・・・・・・・・・・・・・・・・・・・・・・・・・・・・・・・・・・・・・・・・・・・・・・・・・・・・・ 180 BOX, REAR CONSOLE ・・・・・・・・・・・・・・・・・・・・・・・・・・・・・・・・・・・・・・・・・・・・・・・・・・・・・・・・・・・・・・・・・ 175 BRACE, QUARTER PANEL, LH ・・・・・・・・・・・・・・・・・・・・・・・・・・・・・・・・・・・・・・・・・・・・・・・・・・・・・・・・・・ 179 BRACE, QUARTER PANEL, RH ・・・・・・・・・・・・・・・・・・・・・・・・・・・・・・・・・・・・・・・・・・・・・・・・・・・・・・・・・・ 179 BRACKET ASSY, STEERING COLUMN UPPER W/SWITCH ・・・・・・・・・・・・・・・・・・・・・・・・・・・・・・・・・・・・・・ 122 BRACKET SUB-ASSY, REAR DOOR GLASS, LH ・・・・・・・・・・・・・・・・・・・・・・・・・・・・・・・・・・・・・・・・・・・・・ 201 BRACKET, ACCELERATOR CONTROL CABLE ・・・・・・・・・・・・・・・・・・・・・・・・・・・・・・・・・・・・・・・・・・・・・・・・ 236 BRACKET, AIR CLEANER ・・・・・・・・・・・・・・・・・・・・・・・・・・・・・・・・・・・・・・・・・・・・・・・・・・・・・・・・・・・・・・ 71 BRACKET, BRAKE ACTUATOR, NO.1 ・・・・・・・・・・・・・・・・・・・・・・・・・・・・・・・・・・・・・・・・・・・・・・・・・・・・・ 141 BRACKET, CLUTCH CABLE ・・・・・・・・・・・・・・・・・・・・・・・・・・・・・・・・・・・・・・・・・・・・・・・・・・・・・・・・・・・・・ 81 BRACKET, CLUTCH CABLE ・・・・・・・・・・・・・・・・・・・・・・・・・・・・・・・・・・・・・・・・・・・・・・・・・・・・・・・・・・・・・ 84 BRACKET, COMPUTER ・・・・・・・・・・・・・・・・・・・・・・・・・・・・・・・・・・・・・・・・・・・・・・・・・・・・・・・・・・・・・・・・・ 261 BRACKET, CONSOLE BOX MOUNTING, NO.1 ・・・・・・・・・・・・・・・・・・・・・・・・・・・・・・・・・・・・・・・・・・・・・・・ 175 BRACKET, COOLER ・・・・・・・・・・・・・・・・・・・・・・・・・・・・・・・・・・・・・・・・・・・・・・・・・・・・・・・・・・・・・・・・・・・ 286 BRACKET, ENGINE MOUNTING, LH(FOR TRANSVERSE ENGINE) ・・・・・・・・・・・・・・・・・・・・・・・・・・・・・・・ 54 BRACKET, ENGINE MOUNTING, REAR, NO.1 ・・・・・・・・・・・・・・・・・・・・・・・・・・・・・・・・・・・・・・・・・・・・・・ 54 BRACKET, FLEXIBLE HOSE, NO.1 ・・・・・・・・・・・・・・・・・・・・・・・・・・・・・・・・・・・・・・・・・・・・・・・・・・・・・・ 162 BRACKET, FREXIBLE HOUSE, NO.1, LH ・・・・・・・・・・・・・・・・・・・・・・・・・・・・・・・・・・・・・・・・・・・・・・・・・ 162 BRACKET, FRONT FENDER MOUNTING, LH ・・・・・・・・・・・・・・・・・・・・・・・・・・・・・・・・・・・・・・・・・・・・・・・・ 159 BRACKET, FRONT FENDER MOUNTING, RH ・・・・・・・・・・・・・・・・・・・・・・・・・・・・・・・・・・・・・・・・・・・・・・・・ 159 BRACKET, FRONT SEAT, OUTSIDE, REAR LH ・・・・・・・・・・・・・・・・・・・・・・・・・・・・・・・・・・・・・・・・・・・・・ 173 BRACKET, FRONT SEAT, REAR ・・・・・・・・・・・・・・・・・・・・・・・・・・・・・・・・・・・・・・・・・・・・・・・・・・・・・・・・・ 173 BRACKET, FRONT STABILIZER, NO.1 LH ・・・・・・・・・・・・・・・・・・・・・・・・・・・・・・・・・・・・・・・・・・・・・・・・ 147 BRACKET, FRONT STABILIZER, NO.1 RH ・・・・・・・・・・・・・・・・・・・・・・・・・・・・・・・・・・・・・・・・・・・・・・・・ 147 BRACKET, FUEL PUMP ・・・・・・・・・・・・・・・・・・・・・・・・・・・・・・・・・・・・・・・・・・・・・・・・・・・・・・・・・・・・・・・・ 234 BRACKET, HOOD SUPPORT ROD ・・・・・・・・・・・・・・・・・・・・・・・・・・・・・・・・・・・・・・・・・・・・・・・・・・・・・・・・・ 168 BRACKET, PARKING LOCK PAWL ・・・・・・・・・・・・・・・・・・・・・・・・・・・・・・・・・・・・・・・・・・・・・・・・・・・・・・・・ 110 BRACKET, RADIO, NO.1 ・・・・・・・・・・・・・・・・・・・・・・・・・・・・・・・・・・・・・・・・・・・・・・・・・・・・・・・・・・・・・・ 270 BRACKET, RADIO, NO.2 ・・・・・・・・・・・・・・・・・・・・・・・・・・・・・・・・・・・・・・・・・・・・・・・・・・・・・・・・・・・・・・ 270 BRACKET, RELAY BLOCK ・・・・・・・・・・・・・・・・・・・・・・・・・・・・・・・・・・・・・・・・・・・・・・・・・・・・・・・・・・・・・・ 258 BRACKET, THROTTLE BODY ・・・・・・・・・・・・・・・・・・・・・・・・・・・・・・・・・・・・・・・・・・・・・・・・・・・・・・・・・・・・ 79 BRACKET, TRANSMISSION CONTROL CABLE, NO.1 ・・・・・・・・・・・・・・・・・・・・・・・・・・・・・・・・・・・・・・・・・ 95 BOLT, - BRACKET, 17
  • 18.
    PART NAME PAGE BRAKEPISTON, 2ND & 4TH ・・・・・・・・・・・・・・・・・・・・・・・・・・・・・・・・・・・・・・・・・・・・・・・・・・・・・・・・・・・ 104 BRAKE SEAT, 2ND & 4TH ・・・・・・・・・・・・・・・・・・・・・・・・・・・・・・・・・・・・・・・・・・・・・・・・・・・・・・・・・・・・・ 104 BRUSH, ALTERNATOR ・・・・・・・・・・・・・・・・・・・・・・・・・・・・・・・・・・・・・・・・・・・・・・・・・・・・・・・・・・・・・・・・・ 76 BULB (FOR FRONT TURN SIGNAL LAMP) ・・・・・・・・・・・・・・・・・・・・・・・・・・・・・・・・・・・・・・・・・・・・・・・・・ 238 BULB (FOR LICENSE PLATE LAMP) ・・・・・・・・・・・・・・・・・・・・・・・・・・・・・・・・・・・・・・・・・・・・・・・・・・・・・ 241 BULB(FOR CLEARANCE LAMP) ・・・・・・・・・・・・・・・・・・・・・・・・・・・・・・・・・・・・・・・・・・・・・・・・・・・・・・・・・・ 238 BULB(FOR HEADLAMP, NO.1) ・・・・・・・・・・・・・・・・・・・・・・・・・・・・・・・・・・・・・・・・・・・・・・・・・・・・・・・・・・ 238 BULB, BACK UP LAMP ・・・・・・・・・・・・・・・・・・・・・・・・・・・・・・・・・・・・・・・・・・・・・・・・・・・・・・・・・・・・・・・・ 240 BULB, FOG LAMP ・・・・・・・・・・・・・・・・・・・・・・・・・・・・・・・・・・・・・・・・・・・・・・・・・・・・・・・・・・・・・・・・・・・・ 239 BULB, HEATER CONTROL INDICATOR LAMP ・・・・・・・・・・・・・・・・・・・・・・・・・・・・・・・・・・・・・・・・・・・・・・・ 281 BULB, INNER REAR VIEW MIRROR LAMP ・・・・・・・・・・・・・・・・・・・・・・・・・・・・・・・・・・・・・・・・・・・・・・・・・ 275 BULB, REAR TURN SIGNAL LAMP ・・・・・・・・・・・・・・・・・・・・・・・・・・・・・・・・・・・・・・・・・・・・・・・・・・・・・・・ 240 BULB, TAIL & STOP LAMP ・・・・・・・・・・・・・・・・・・・・・・・・・・・・・・・・・・・・・・・・・・・・・・・・・・・・・・・・・・・・ 240 BUMPER, FRONT SPRING, LH ・・・・・・・・・・・・・・・・・・・・・・・・・・・・・・・・・・・・・・・・・・・・・・・・・・・・・・・・・・ 146 BUMPER, FRONT SPRING, RH ・・・・・・・・・・・・・・・・・・・・・・・・・・・・・・・・・・・・・・・・・・・・・・・・・・・・・・・・・・ 146 BUMPER, HOOD TO FRONT SHROUD ・・・・・・・・・・・・・・・・・・・・・・・・・・・・・・・・・・・・・・・・・・・・・・・・・・・・・・ 159 BUMPER, REAR SPRING ・・・・・・・・・・・・・・・・・・・・・・・・・・・・・・・・・・・・・・・・・・・・・・・・・・・・・・・・・・・・・・・ 148 BUSH (FOR ACCELERATOR PEDAL ROD) ・・・・・・・・・・・・・・・・・・・・・・・・・・・・・・・・・・・・・・・・・・・・・・・・・・ 236 BUSH(FOR 2ND GEAR) ・・・・・・・・・・・・・・・・・・・・・・・・・・・・・・・・・・・・・・・・・・・・・・・・・・・・・・・・・・・・・・・・ 89 BUSH(FOR BRAKE PEDAL) ・・・・・・・・・・・・・・・・・・・・・・・・・・・・・・・・・・・・・・・・・・・・・・・・・・・・・・・・・・・・・ 129 BUSH(FOR CLUTCH PEDAL SPRING) ・・・・・・・・・・・・・・・・・・・・・・・・・・・・・・・・・・・・・・・・・・・・・・・・・・・・・ 81 BUSH(FOR CLUTCH RELEASE LEVER YOKE) ・・・・・・・・・・・・・・・・・・・・・・・・・・・・・・・・・・・・・・・・・・・・・・・ 80 BUSH(FOR FRONT SHOCK ABSORBER LH) ・・・・・・・・・・・・・・・・・・・・・・・・・・・・・・・・・・・・・・・・・・・・・・・・・ 146 BUSH(FOR FRONT SHOCK ABSORBER RH) ・・・・・・・・・・・・・・・・・・・・・・・・・・・・・・・・・・・・・・・・・・・・・・・・・ 146 BUSH(FOR SHIFT LEVER SHAFT) ・・・・・・・・・・・・・・・・・・・・・・・・・・・・・・・・・・・・・・・・・・・・・・・・・・・・・・・ 92 BUSH, 5TH GEAR ・・・・・・・・・・・・・・・・・・・・・・・・・・・・・・・・・・・・・・・・・・・・・・・・・・・・・・・・・・・・・・・・・・・・ 89 BUSH, CYLINDER SLIDE, NO.1(FOR FRONT DISC BRAKE) ・・・・・・・・・・・・・・・・・・・・・・・・・・・・・・・・・・ 134 BUSH, EXHAUST VALVE GUIDE ・・・・・・・・・・・・・・・・・・・・・・・・・・・・・・・・・・・・・・・・・・・・・・・・・・・・・・・・・ 47 BUSH, FRONT STABILIZER BAR, NO.1 ・・・・・・・・・・・・・・・・・・・・・・・・・・・・・・・・・・・・・・・・・・・・・・・・・・ 147 BUSH, INTAKE VALVE GUIDE ・・・・・・・・・・・・・・・・・・・・・・・・・・・・・・・・・・・・・・・・・・・・・・・・・・・・・・・・・・ 47 BUSH, LOWER ARM ・・・・・・・・・・・・・・・・・・・・・・・・・・・・・・・・・・・・・・・・・・・・・・・・・・・・・・・・・・・・・・・・・・・ 144 BUSH, LOWER ARM, NO.2 ・・・・・・・・・・・・・・・・・・・・・・・・・・・・・・・・・・・・・・・・・・・・・・・・・・・・・・・・・・・・・ 144 BUSH, TANK LOWER ・・・・・・・・・・・・・・・・・・・・・・・・・・・・・・・・・・・・・・・・・・・・・・・・・・・・・・・・・・・・・・・・・・ 66 BUSH, WINDSHIELD WASHER JAR ・・・・・・・・・・・・・・・・・・・・・・・・・・・・・・・・・・・・・・・・・・・・・・・・・・・・・・・ 267 BUTTON ASSY, HORN ・・・・・・・・・・・・・・・・・・・・・・・・・・・・・・・・・・・・・・・・・・・・・・・・・・・・・・・・・・・・・・・・・ 124 BUTTON, DOOR LOCKING(FOR FRONT DOOR) ・・・・・・・・・・・・・・・・・・・・・・・・・・・・・・・・・・・・・・・・・・・・・・ 195 BUTTON, DOOR LOCKING(FOR REAR DOOR) ・・・・・・・・・・・・・・・・・・・・・・・・・・・・・・・・・・・・・・・・・・・・・・・ 203 CABLE ASSY, ACCELERATOR CONTROL ・・・・・・・・・・・・・・・・・・・・・・・・・・・・・・・・・・・・・・・・・・・・・・・・・・・ 236 CABLE ASSY, CLUTCH RELEASE ・・・・・・・・・・・・・・・・・・・・・・・・・・・・・・・・・・・・・・・・・・・・・・・・・・・・・・・・ 81 CABLE ASSY, HOOD LOCK CONTROL ・・・・・・・・・・・・・・・・・・・・・・・・・・・・・・・・・・・・・・・・・・・・・・・・・・・・・ 157 CABLE ASSY, PARKING BRAKE, NO.2 ・・・・・・・・・・・・・・・・・・・・・・・・・・・・・・・・・・・・・・・・・・・・・・・・・・・ 128 CABLE ASSY, PARKING BRAKE, NO.3 ・・・・・・・・・・・・・・・・・・・・・・・・・・・・・・・・・・・・・・・・・・・・・・・・・・・ 128 CABLE ASSY, TRANSMISSION CONTROL ・・・・・・・・・・・・・・・・・・・・・・・・・・・・・・・・・・・・・・・・・・・・・・・・・・ 95 CABLE SUB-ASSY, SPIRAL ・・・・・・・・・・・・・・・・・・・・・・・・・・・・・・・・・・・・・・・・・・・・・・・・・・・・・・・・・・・・ 259 CABLE, ANTENNA ・・・・・・・・・・・・・・・・・・・・・・・・・・・・・・・・・・・・・・・・・・・・・・・・・・・・・・・・・・・・・・・・・・・・ 273 CAMSHAFT ・・・・・・・・・・・・・・・・・・・・・・・・・・・・・・・・・・・・・・・・・・・・・・・・・・・・・・・・・・・・・・・・・・・・・・・・・・ 58 CAMSHAFT, NO.2 ・・・・・・・・・・・・・・・・・・・・・・・・・・・・・・・・・・・・・・・・・・・・・・・・・・・・・・・・・・・・・・・・・・・・ 58 CANISTER ASSY, CHARCOAL ・・・・・・・・・・・・・・・・・・・・・・・・・・・・・・・・・・・・・・・・・・・・・・・・・・・・・・・・・・・ 235 CAP ・・・・・・・・・・・・・・・・・・・・・・・・・・・・・・・・・・・・・・・・・・・・・・・・・・・・・・・・・・・・・・・・・・・・・・・・・・・・・・・ 214 CAP ASSY, BRAKE MASTER CYLINDER RESERVOIR FILLER ・・・・・・・・・・・・・・・・・・・・・・・・・・・・・・・・・・ 130 BRAKE - CAP PART NAME PAGE CAP ASSY, FUEL TANK ・・・・・・・・・・・・・・・・・・・・・・・・・・・・・・・・・・・・・・・・・・・・・・・・・・・・・・・・・・・・・・・ 235 CAP SUB-ASSY, AIR CLEANER ・・・・・・・・・・・・・・・・・・・・・・・・・・・・・・・・・・・・・・・・・・・・・・・・・・・・・・・・・ 71 CAP SUB-ASSY, OIL FILLER ・・・・・・・・・・・・・・・・・・・・・・・・・・・・・・・・・・・・・・・・・・・・・・・・・・・・・・・・・・ 47 CAP SUB-ASSY, RADIATOR ・・・・・・・・・・・・・・・・・・・・・・・・・・・・・・・・・・・・・・・・・・・・・・・・・・・・・・・・・・・・ 66 CAP SUB-ASSY, RESERVE TANK ・・・・・・・・・・・・・・・・・・・・・・・・・・・・・・・・・・・・・・・・・・・・・・・・・・・・・・・・ 66 CAP(FOR FRONT SEAT LEG SIDE COVER) ・・・・・・・・・・・・・・・・・・・・・・・・・・・・・・・・・・・・・・・・・・・・・・・・ 214 CAP, BLEEDER PLUG(FOR DRUM BRAKE, REAR) ・・・・・・・・・・・・・・・・・・・・・・・・・・・・・・・・・・・・・・・・・・・ 137 CAP, BLEEDER PLUG(FOR FRONT DISC BRAKE) ・・・・・・・・・・・・・・・・・・・・・・・・・・・・・・・・・・・・・・・・・・・ 134 CAP, FRONT DOOR TRIM RETAINER ・・・・・・・・・・・・・・・・・・・・・・・・・・・・・・・・・・・・・・・・・・・・・・・・・・・・・ 192 CAP, FRONT WASHER TANK ・・・・・・・・・・・・・・・・・・・・・・・・・・・・・・・・・・・・・・・・・・・・・・・・・・・・・・・・・・・・ 267 CAP, FRONT WIPER ARM HEAD ・・・・・・・・・・・・・・・・・・・・・・・・・・・・・・・・・・・・・・・・・・・・・・・・・・・・・・・・・ 266 CAP, WHEEL ・・・・・・・・・・・・・・・・・・・・・・・・・・・・・・・・・・・・・・・・・・・・・・・・・・・・・・・・・・・・・・・・・・・・・・・・ 115 CARPET ASSY, FLOOR, FRONT ・・・・・・・・・・・・・・・・・・・・・・・・・・・・・・・・・・・・・・・・・・・・・・・・・・・・・・・・・ 174 CARRIER ASSY, SPARE WHEEL ・・・・・・・・・・・・・・・・・・・・・・・・・・・・・・・・・・・・・・・・・・・・・・・・・・・・・・・・・ 151 CARRIER, BATTERY ・・・・・・・・・・・・・・・・・・・・・・・・・・・・・・・・・・・・・・・・・・・・・・・・・・・・・・・・・・・・・・・・・・ 223 CARRIER, JACK ・・・・・・・・・・・・・・・・・・・・・・・・・・・・・・・・・・・・・・・・・・・・・・・・・・・・・・・・・・・・・・・・・・・・・ 173 CASE ASSY, DIFFERENTIAL ・・・・・・・・・・・・・・・・・・・・・・・・・・・・・・・・・・・・・・・・・・・・・・・・・・・・・・・・・・・ 117 CASE, FRONT DIFFERENTIAL ・・・・・・・・・・・・・・・・・・・・・・・・・・・・・・・・・・・・・・・・・・・・・・・・・・・・・・・・・・ 117 CASE, MANUAL TRANSMISSION ・・・・・・・・・・・・・・・・・・・・・・・・・・・・・・・・・・・・・・・・・・・・・・・・・・・・・・・・・ 84 CHAIN SUB-ASSY ・・・・・・・・・・・・・・・・・・・・・・・・・・・・・・・・・・・・・・・・・・・・・・・・・・・・・・・・・・・・・・・・・・・・ 58 CHANNEL SUB-ASSY, SLIDE DOOR GLASS, RH ・・・・・・・・・・・・・・・・・・・・・・・・・・・・・・・・・・・・・・・・・・・・ 201 CHECK ASSY, FRONT DOOR, LH ・・・・・・・・・・・・・・・・・・・・・・・・・・・・・・・・・・・・・・・・・・・・・・・・・・・・・・・・ 193 CHECK ASSY, FRONT DOOR, RH ・・・・・・・・・・・・・・・・・・・・・・・・・・・・・・・・・・・・・・・・・・・・・・・・・・・・・・・・ 193 CHECK ASSY, REAR DOOR, LH ・・・・・・・・・・・・・・・・・・・・・・・・・・・・・・・・・・・・・・・・・・・・・・・・・・・・・・・・・ 201 CHECK ASSY, REAR DOOR, RH ・・・・・・・・・・・・・・・・・・・・・・・・・・・・・・・・・・・・・・・・・・・・・・・・・・・・・・・・・ 201 CLAMP ・・・・・・・・・・・・・・・・・・・・・・・・・・・・・・・・・・・・・・・・・・・・・・・・・・・・・・・・・・・・・・・・・・・・・・・・・・・・・ 79 CLAMP KIT, FRONT DRIVE SHAFT, LH ・・・・・・・・・・・・・・・・・・・・・・・・・・・・・・・・・・・・・・・・・・・・・・・・・・ 119 CLAMP KIT, FRONT DRIVE SHAFT, RH ・・・・・・・・・・・・・・・・・・・・・・・・・・・・・・・・・・・・・・・・・・・・・・・・・・ 119 CLAMP NO.1 (FOR WINDSEIELD WASHER) ・・・・・・・・・・・・・・・・・・・・・・・・・・・・・・・・・・・・・・・・・・・・・・・・ 268 CLAMP NO.2 (FOR WINDSEIELD WASHER) ・・・・・・・・・・・・・・・・・・・・・・・・・・・・・・・・・・・・・・・・・・・・・・・・ 268 CLAMP OR CLIP, HOSE(FOR WATER BY-PASS HOSE) ・・・・・・・・・・・・・・・・・・・・・・・・・・・・・・・・・・・・・・・ 65 CLAMP OR CLIP, HOSE(FOR WATER BY-PASS HOSE) ・・・・・・・・・・・・・・・・・・・・・・・・・・・・・・・・・・・・・・・ 65 CLAMP SUB-ASSY, BATTERY ・・・・・・・・・・・・・・・・・・・・・・・・・・・・・・・・・・・・・・・・・・・・・・・・・・・・・・・・・・・ 223 CLAMP(FOR COOLER REFRIGERANT PIPE), NO.3 ・・・・・・・・・・・・・・・・・・・・・・・・・・・・・・・・・・・・・・・・・・ 284 CLAMP(FOR HOOD LOCK CONTROL CABLE) ・・・・・・・・・・・・・・・・・・・・・・・・・・・・・・・・・・・・・・・・・・・・・・・・ 157 CLAMP(FOR STEERING RACK BOOT) ・・・・・・・・・・・・・・・・・・・・・・・・・・・・・・・・・・・・・・・・・・・・・・・・・・・・・ 126 CLAMP, ACCELERATOR CONTROL CABLE ・・・・・・・・・・・・・・・・・・・・・・・・・・・・・・・・・・・・・・・・・・・・・・・・・・ 236 CLAMP, ACCELERATOR CONTROL CABLE ・・・・・・・・・・・・・・・・・・・・・・・・・・・・・・・・・・・・・・・・・・・・・・・・・・ 236 CLAMP, AUTOMATIC TRANSMISSION OIL COOLER TUBE ・・・・・・・・・・・・・・・・・・・・・・・・・・・・・・・・・・・・・ 111 CLAMP, BRAKE TUBE, NO.1 ・・・・・・・・・・・・・・・・・・・・・・・・・・・・・・・・・・・・・・・・・・・・・・・・・・・・・・・・・・・ 142 CLAMP, BRAKE TUBE, NO.11 ・・・・・・・・・・・・・・・・・・・・・・・・・・・・・・・・・・・・・・・・・・・・・・・・・・・・・・・・・・ 142 CLAMP, BRAKE TUBE, NO.2 ・・・・・・・・・・・・・・・・・・・・・・・・・・・・・・・・・・・・・・・・・・・・・・・・・・・・・・・・・・・ 142 CLAMP, BRAKE TUBE, NO.3 ・・・・・・・・・・・・・・・・・・・・・・・・・・・・・・・・・・・・・・・・・・・・・・・・・・・・・・・・・・・ 142 CLAMP, BRAKE TUBE, NO.4 ・・・・・・・・・・・・・・・・・・・・・・・・・・・・・・・・・・・・・・・・・・・・・・・・・・・・・・・・・・・ 142 CLAMP, BRAKE TUBE, NO.5 ・・・・・・・・・・・・・・・・・・・・・・・・・・・・・・・・・・・・・・・・・・・・・・・・・・・・・・・・・・・ 142 CLAMP, BRAKE TUBE, NO.6 ・・・・・・・・・・・・・・・・・・・・・・・・・・・・・・・・・・・・・・・・・・・・・・・・・・・・・・・・・・・ 142 CLAMP, BRAKE TUBE, NO.7 ・・・・・・・・・・・・・・・・・・・・・・・・・・・・・・・・・・・・・・・・・・・・・・・・・・・・・・・・・・・ 142 CLAMP, CLUTCH CABLE ・・・・・・・・・・・・・・・・・・・・・・・・・・・・・・・・・・・・・・・・・・・・・・・・・・・・・・・・・・・・・・・ 81 CLAMP, FUEL PIPE, NO.1(FOR EFI) ・・・・・・・・・・・・・・・・・・・・・・・・・・・・・・・・・・・・・・・・・・・・・・・・・・・ 79 CLAMP, FUEL PIPE, NO.2(FOR EFI) ・・・・・・・・・・・・・・・・・・・・・・・・・・・・・・・・・・・・・・・・・・・・・・・・・・・ 79 CAP - CLAMP, 18
  • 19.
    PART NAME PAGE CLAMP,FUEL TUBE, NO.1 ・・・・・・・・・・・・・・・・・・・・・・・・・・・・・・・・・・・・・・・・・・・・・・・・・・・・・・・・・・・・ 235 CLAMP, FUEL TUBE, NO.3 ・・・・・・・・・・・・・・・・・・・・・・・・・・・・・・・・・・・・・・・・・・・・・・・・・・・・・・・・・・・・ 235 CLAMP, FUEL TUBE, NO.3 ・・・・・・・・・・・・・・・・・・・・・・・・・・・・・・・・・・・・・・・・・・・・・・・・・・・・・・・・・・・・ 235 CLAMP, FUEL TUBE, NO.4 ・・・・・・・・・・・・・・・・・・・・・・・・・・・・・・・・・・・・・・・・・・・・・・・・・・・・・・・・・・・・ 235 CLAMP, FUEL TUBE, NO.5 ・・・・・・・・・・・・・・・・・・・・・・・・・・・・・・・・・・・・・・・・・・・・・・・・・・・・・・・・・・・・ 235 CLAMP, HOOD SUPPORT ROD ・・・・・・・・・・・・・・・・・・・・・・・・・・・・・・・・・・・・・・・・・・・・・・・・・・・・・・・・・・・ 157 CLAMP, HOSE(FOR RADIATOR HOSE NO.2) ・・・・・・・・・・・・・・・・・・・・・・・・・・・・・・・・・・・・・・・・・・・・・・・ 66 CLAMP, NO.1 (FOR TRANSMISSION CONTROL CABLE) ・・・・・・・・・・・・・・・・・・・・・・・・・・・・・・・・・・・・・・ 95 CLAMP, NO.2(FOR PARKING BRAKE CABLE) ・・・・・・・・・・・・・・・・・・・・・・・・・・・・・・・・・・・・・・・・・・・・・・ 128 CLAMP, REAR DOOR LOCK LINK ・・・・・・・・・・・・・・・・・・・・・・・・・・・・・・・・・・・・・・・・・・・・・・・・・・・・・・・・ 203 CLAMP, TRANSMISSION CONTROL CABLE ・・・・・・・・・・・・・・・・・・・・・・・・・・・・・・・・・・・・・・・・・・・・・・・・・ 95 CLEANER ASSY, AIR ・・・・・・・・・・・・・・・・・・・・・・・・・・・・・・・・・・・・・・・・・・・・・・・・・・・・・・・・・・・・・・・・・ 71 CLEVIS, BRAKE MASTER CYLINDER PUSH ROD ・・・・・・・・・・・・・・・・・・・・・・・・・・・・・・・・・・・・・・・・・・・・ 131 CLIP ・・・・・・・・・・・・・・・・・・・・・・・・・・・・・・・・・・・・・・・・・・・・・・・・・・・・・・・・・・・・・・・・・・・・・・・・・・・・・・ 66 CLIP ・・・・・・・・・・・・・・・・・・・・・・・・・・・・・・・・・・・・・・・・・・・・・・・・・・・・・・・・・・・・・・・・・・・・・・・・・・・・・・ 159 CLIP ・・・・・・・・・・・・・・・・・・・・・・・・・・・・・・・・・・・・・・・・・・・・・・・・・・・・・・・・・・・・・・・・・・・・・・・・・・・・・・ 188 CLIP ・・・・・・・・・・・・・・・・・・・・・・・・・・・・・・・・・・・・・・・・・・・・・・・・・・・・・・・・・・・・・・・・・・・・・・・・・・・・・・ 213 CLIP (FOR CENTER PILLAR GARNISH PANEL, UPPER) ・・・・・・・・・・・・・・・・・・・・・・・・・・・・・・・・・・・・・ 184 CLIP (FOR FRONT SEAT CUSHION COVER SET) ・・・・・・・・・・・・・・・・・・・・・・・・・・・・・・・・・・・・・・・・・・・ 214 CLIP (FOR FRONT SEAT CUSHION COVER) ・・・・・・・・・・・・・・・・・・・・・・・・・・・・・・・・・・・・・・・・・・・・・・・ 214 CLIP (FOR QUARTER REAR TRIM) ・・・・・・・・・・・・・・・・・・・・・・・・・・・・・・・・・・・・・・・・・・・・・・・・・・・・・・ 188 CLIP (FOR REAR SEAT BACK) ・・・・・・・・・・・・・・・・・・・・・・・・・・・・・・・・・・・・・・・・・・・・・・・・・・・・・・・・・ 216 CLIP (FOR ROOF SIDE INNER GARNISH) ・・・・・・・・・・・・・・・・・・・・・・・・・・・・・・・・・・・・・・・・・・・・・・・・ 184 CLIP OR CLAMP(FOR VENTILATION HOSE) ・・・・・・・・・・・・・・・・・・・・・・・・・・・・・・・・・・・・・・・・・・・・・・・ 55 CLIP(FOR CLUTCH RELEASE CABLE) ・・・・・・・・・・・・・・・・・・・・・・・・・・・・・・・・・・・・・・・・・・・・・・・・・・・・ 81 CLIP(FOR CONSOLE BOX) ・・・・・・・・・・・・・・・・・・・・・・・・・・・・・・・・・・・・・・・・・・・・・・・・・・・・・・・・・・・・・ 175 CLIP(FOR DECK SIDE TRIM PANEL) ・・・・・・・・・・・・・・・・・・・・・・・・・・・・・・・・・・・・・・・・・・・・・・・・・・・・ 189 CLIP(FOR DECK TRIM REAR COVER) ・・・・・・・・・・・・・・・・・・・・・・・・・・・・・・・・・・・・・・・・・・・・・・・・・・・・ 188 CLIP(FOR DECK TRIM SIDE BOARD) ・・・・・・・・・・・・・・・・・・・・・・・・・・・・・・・・・・・・・・・・・・・・・・・・・・・・ 188 CLIP(FOR DOOR TRIM) ・・・・・・・・・・・・・・・・・・・・・・・・・・・・・・・・・・・・・・・・・・・・・・・・・・・・・・・・・・・・・・・ 191 CLIP(FOR FLOOR CARPET, REAR) ・・・・・・・・・・・・・・・・・・・・・・・・・・・・・・・・・・・・・・・・・・・・・・・・・・・・・・ 174 CLIP(FOR FRONT DOOR TRIM BOARD) ・・・・・・・・・・・・・・・・・・・・・・・・・・・・・・・・・・・・・・・・・・・・・・・・・・・ 192 CLIP(FOR FRONT DOOR TRIM BOARD) ・・・・・・・・・・・・・・・・・・・・・・・・・・・・・・・・・・・・・・・・・・・・・・・・・・・ 192 CLIP(FOR FRONT FLOOR CARPET) ・・・・・・・・・・・・・・・・・・・・・・・・・・・・・・・・・・・・・・・・・・・・・・・・・・・・・・ 174 CLIP(FOR FRONT PILLAR GARNISH) ・・・・・・・・・・・・・・・・・・・・・・・・・・・・・・・・・・・・・・・・・・・・・・・・・・・・ 184 CLIP(FOR FRONT SEAT CUSHION) ・・・・・・・・・・・・・・・・・・・・・・・・・・・・・・・・・・・・・・・・・・・・・・・・・・・・・・ 213 CLIP(FOR HOOD INSULATOR) ・・・・・・・・・・・・・・・・・・・・・・・・・・・・・・・・・・・・・・・・・・・・・・・・・・・・・・・・・・ 156 CLIP(FOR OIL COOLER HOSE) ・・・・・・・・・・・・・・・・・・・・・・・・・・・・・・・・・・・・・・・・・・・・・・・・・・・・・・・・・ 111 CLIP(FOR PUSH ROD CLEVIS PIN) ・・・・・・・・・・・・・・・・・・・・・・・・・・・・・・・・・・・・・・・・・・・・・・・・・・・・・ 129 CLIP(FOR REAR COMBINATION LAMP) ・・・・・・・・・・・・・・・・・・・・・・・・・・・・・・・・・・・・・・・・・・・・・・・・・・・ 240 CLIP(FOR REAR DOOR TRIM BOARD) ・・・・・・・・・・・・・・・・・・・・・・・・・・・・・・・・・・・・・・・・・・・・・・・・・・・・ 200 CLIP(FOR REAR DOOR TRIM BOARD) ・・・・・・・・・・・・・・・・・・・・・・・・・・・・・・・・・・・・・・・・・・・・・・・・・・・・ 200 CLIP(FOR REAR SCUFF PLATE) ・・・・・・・・・・・・・・・・・・・・・・・・・・・・・・・・・・・・・・・・・・・・・・・・・・・・・・・・ 185 CLIP(FOR REAR SEAT BACK CARPET) ・・・・・・・・・・・・・・・・・・・・・・・・・・・・・・・・・・・・・・・・・・・・・・・・・・・ 216 CLIP(FOR REAR SEAT CUSHION COVER) ・・・・・・・・・・・・・・・・・・・・・・・・・・・・・・・・・・・・・・・・・・・・・・・・・ 216 CLIP(FOR ROOF HEADLINING) ・・・・・・・・・・・・・・・・・・・・・・・・・・・・・・・・・・・・・・・・・・・・・・・・・・・・・・・・・ 187 CLIP(FOR SCUFF PLATE) ・・・・・・・・・・・・・・・・・・・・・・・・・・・・・・・・・・・・・・・・・・・・・・・・・・・・・・・・・・・・・ 184 CLIP(FOR STEERING RACK BOOT) ・・・・・・・・・・・・・・・・・・・・・・・・・・・・・・・・・・・・・・・・・・・・・・・・・・・・・・ 126 CLIP(FOR VACUUM HOSE ASSY) ・・・・・・・・・・・・・・・・・・・・・・・・・・・・・・・・・・・・・・・・・・・・・・・・・・・・・・・・ 131 CLIP(FOR VENTILATION HOSE NO.2) ・・・・・・・・・・・・・・・・・・・・・・・・・・・・・・・・・・・・・・・・・・・・・・・・・・・ 55 CLAMP, - CLIP(FOR PART NAME PAGE CLIP(FOR WATER BY-PASS HOSE NO.1) ・・・・・・・・・・・・・・・・・・・・・・・・・・・・・・・・・・・・・・・・・・・・・・・・・ 65 CLIP, ACCELERATOR BELLCRANK ・・・・・・・・・・・・・・・・・・・・・・・・・・・・・・・・・・・・・・・・・・・・・・・・・・・・・・・ 236 CLIP, COWL TOP VENTILATOR LOUVER ・・・・・・・・・・・・・・・・・・・・・・・・・・・・・・・・・・・・・・・・・・・・・・・・・・ 169 CLIP, DECK REAR TRIM ・・・・・・・・・・・・・・・・・・・・・・・・・・・・・・・・・・・・・・・・・・・・・・・・・・・・・・・・・・・・・・ 188 CLIP, FOOTREST ・・・・・・・・・・・・・・・・・・・・・・・・・・・・・・・・・・・・・・・・・・・・・・・・・・・・・・・・・・・・・・・・・・・・ 173 CLIP, FRONT DOOR WEATHERSTRIP ・・・・・・・・・・・・・・・・・・・・・・・・・・・・・・・・・・・・・・・・・・・・・・・・・・・・・ 192 CLIP, FRONT FENDER LINER ・・・・・・・・・・・・・・・・・・・・・・・・・・・・・・・・・・・・・・・・・・・・・・・・・・・・・・・・・・ 156 CLIP, FRONT FENDER LINER ・・・・・・・・・・・・・・・・・・・・・・・・・・・・・・・・・・・・・・・・・・・・・・・・・・・・・・・・・・ 156 CLIP, NO.1(FOR COWL SIDE TRIM) ・・・・・・・・・・・・・・・・・・・・・・・・・・・・・・・・・・・・・・・・・・・・・・・・・・・・ 184 CLIP, RADIATOR HOSE, NO.1 ・・・・・・・・・・・・・・・・・・・・・・・・・・・・・・・・・・・・・・・・・・・・・・・・・・・・・・・・・ 66 CLIP, RADIATOR HOSE, NO.2 ・・・・・・・・・・・・・・・・・・・・・・・・・・・・・・・・・・・・・・・・・・・・・・・・・・・・・・・・・ 66 CLIP, REAR DOOR WEATHERSTRIP ・・・・・・・・・・・・・・・・・・・・・・・・・・・・・・・・・・・・・・・・・・・・・・・・・・・・・・ 200 CLIP, RELEASE BEARING HUB ・・・・・・・・・・・・・・・・・・・・・・・・・・・・・・・・・・・・・・・・・・・・・・・・・・・・・・・・・ 80 CLIP, ROOF DRIP SIDE FINISH MOULDING ・・・・・・・・・・・・・・・・・・・・・・・・・・・・・・・・・・・・・・・・・・・・・・ 228 CLUTCH ASSY, 1 WAY ・・・・・・・・・・・・・・・・・・・・・・・・・・・・・・・・・・・・・・・・・・・・・・・・・・・・・・・・・・・・・・・・ 107 CLUTCH ASSY, FRONT MULTIPLE DISC ・・・・・・・・・・・・・・・・・・・・・・・・・・・・・・・・・・・・・・・・・・・・・・・・・・ 103 CLUTCH ASSY, MAGNET ・・・・・・・・・・・・・・・・・・・・・・・・・・・・・・・・・・・・・・・・・・・・・・・・・・・・・・・・・・・・・・・ 286 CLUTCH ASSY, REAR MULTIPLE DISC ・・・・・・・・・・・・・・・・・・・・・・・・・・・・・・・・・・・・・・・・・・・・・・・・・・・ 103 CLUTCH SUB-ASSY, STARTER CENTER BEARING ・・・・・・・・・・・・・・・・・・・・・・・・・・・・・・・・・・・・・・・・・・・ 78 COIL ASSY, IGNITION ・・・・・・・・・・・・・・・・・・・・・・・・・・・・・・・・・・・・・・・・・・・・・・・・・・・・・・・・・・・・・・・ 74 COLUMN ASSY, STEERING ・・・・・・・・・・・・・・・・・・・・・・・・・・・・・・・・・・・・・・・・・・・・・・・・・・・・・・・・・・・・・ 122 COMPRESSION SPRING, TRANSAXLE CASE ・・・・・・・・・・・・・・・・・・・・・・・・・・・・・・・・・・・・・・・・・・・・・・・・ 99 COMPRESSOR ASSY, COOLER ・・・・・・・・・・・・・・・・・・・・・・・・・・・・・・・・・・・・・・・・・・・・・・・・・・・・・・・・・・・ 285 COMPUTER ASSY, AIR BAG ・・・・・・・・・・・・・・・・・・・・・・・・・・・・・・・・・・・・・・・・・・・・・・・・・・・・・・・・・・・・ 265 COMPUTER ASSY, POWER STEERING ・・・・・・・・・・・・・・・・・・・・・・・・・・・・・・・・・・・・・・・・・・・・・・・・・・・・・ 260 COMPUTER, FUEL INJECTION ・・・・・・・・・・・・・・・・・・・・・・・・・・・・・・・・・・・・・・・・・・・・・・・・・・・・・・・・・・ 261 CONDENSER ASSY, W/RECEIVER ・・・・・・・・・・・・・・・・・・・・・・・・・・・・・・・・・・・・・・・・・・・・・・・・・・・・・・・・ 284 CONNECTOR SUB-ASSY, TRANS SOLENOID ・・・・・・・・・・・・・・・・・・・・・・・・・・・・・・・・・・・・・・・・・・・・・・・・ 100 CONTROL ASSY, HEATER ・・・・・・・・・・・・・・・・・・・・・・・・・・・・・・・・・・・・・・・・・・・・・・・・・・・・・・・・・・・・・・ 281 CONTROL OPENER ASSY, FUEL LID LOCK ・・・・・・・・・・・・・・・・・・・・・・・・・・・・・・・・・・・・・・・・・・・・・・・・ 234 CONVERTER ASSY, TORQUE ・・・・・・・・・・・・・・・・・・・・・・・・・・・・・・・・・・・・・・・・・・・・・・・・・・・・・・・・・・・・ 97 CONVERTER SUB-ASSY, MANIFOLD ・・・・・・・・・・・・・・・・・・・・・・・・・・・・・・・・・・・・・・・・・・・・・・・・・・・・・・ 69 COVER ASSY, CLUTCH ・・・・・・・・・・・・・・・・・・・・・・・・・・・・・・・・・・・・・・・・・・・・・・・・・・・・・・・・・・・・・・・・ 80 COVER SUB-ASSY, CONTROL SHAFT ・・・・・・・・・・・・・・・・・・・・・・・・・・・・・・・・・・・・・・・・・・・・・・・・・・・・・ 93 COVER SUB-ASSY, CYLINDER HEAD ・・・・・・・・・・・・・・・・・・・・・・・・・・・・・・・・・・・・・・・・・・・・・・・・・・・・・ 47 COVER SUB-ASSY, MANUAL TRANSMISSION CASE ・・・・・・・・・・・・・・・・・・・・・・・・・・・・・・・・・・・・・・・・・・ 84 COVER SUB-ASSY, OIL PUMP ・・・・・・・・・・・・・・・・・・・・・・・・・・・・・・・・・・・・・・・・・・・・・・・・・・・・・・・・・・ 60 COVER SUB-ASSY, SHIFTING HOLE ・・・・・・・・・・・・・・・・・・・・・・・・・・・・・・・・・・・・・・・・・・・・・・・・・・・・・ 175 COVER SUB-ASSY, TIMING CHAIN OR BELT ・・・・・・・・・・・・・・・・・・・・・・・・・・・・・・・・・・・・・・・・・・・・・・ 52 COVER, AIR BAG SENSOR ・・・・・・・・・・・・・・・・・・・・・・・・・・・・・・・・・・・・・・・・・・・・・・・・・・・・・・・・・・・・・ 265 COVER, BATTERY ・・・・・・・・・・・・・・・・・・・・・・・・・・・・・・・・・・・・・・・・・・・・・・・・・・・・・・・・・・・・・・・・・・・・ 223 COVER, BATTERY ・・・・・・・・・・・・・・・・・・・・・・・・・・・・・・・・・・・・・・・・・・・・・・・・・・・・・・・・・・・・・・・・・・・・ 243 COVER, CLUTCH HOUSING UNDER(ATM) ・・・・・・・・・・・・・・・・・・・・・・・・・・・・・・・・・・・・・・・・・・・・・・・・・・ 99 COVER, DISC BRAKE DUST, FRONT LH ・・・・・・・・・・・・・・・・・・・・・・・・・・・・・・・・・・・・・・・・・・・・・・・・・・ 135 COVER, DISC BRAKE DUST, FRONT RH ・・・・・・・・・・・・・・・・・・・・・・・・・・・・・・・・・・・・・・・・・・・・・・・・・・ 135 COVER, DUST ・・・・・・・・・・・・・・・・・・・・・・・・・・・・・・・・・・・・・・・・・・・・・・・・・・・・・・・・・・・・・・・・・・・・・・・ 122 COVER, ENGINE UNDER, LH ・・・・・・・・・・・・・・・・・・・・・・・・・・・・・・・・・・・・・・・・・・・・・・・・・・・・・・・・・・・ 150 COVER, ENGINE UNDER, RH ・・・・・・・・・・・・・・・・・・・・・・・・・・・・・・・・・・・・・・・・・・・・・・・・・・・・・・・・・・・ 150 COVER, FRONT BUMPER ・・・・・・・・・・・・・・・・・・・・・・・・・・・・・・・・・・・・・・・・・・・・・・・・・・・・・・・・・・・・・・・ 152 COVER, FRONT BUMPER HOLE, RH ・・・・・・・・・・・・・・・・・・・・・・・・・・・・・・・・・・・・・・・・・・・・・・・・・・・・・・ 152 CLIP(FOR - COVER, 19
  • 20.
    PART NAME PAGE COVER,FRONT DOOR SERVICE HOLE, LH ・・・・・・・・・・・・・・・・・・・・・・・・・・・・・・・・・・・・・・・・・・・・・・・・ 192 COVER, FRONT DOOR SERVICE HOLE, RH ・・・・・・・・・・・・・・・・・・・・・・・・・・・・・・・・・・・・・・・・・・・・・・・・ 192 COVER, FRONT SEAT BACK, LH(FOR SEPARATE TYPE) ・・・・・・・・・・・・・・・・・・・・・・・・・・・・・・・・・・・・・ 213 COVER, FRONT SEAT BACK, RH(FOR SEPARATE TYPE) ・・・・・・・・・・・・・・・・・・・・・・・・・・・・・・・・・・・・・ 213 COVER, FRONT SEAT CUSHION, LH(FOR SEPARATE TYPE) ・・・・・・・・・・・・・・・・・・・・・・・・・・・・・・・・・・ 213 COVER, FRONT SEAT CUSHION, RH(FOR SEPARATE TYPE) ・・・・・・・・・・・・・・・・・・・・・・・・・・・・・・・・・・ 213 COVER, FRONT SEAT HINGE, LH ・・・・・・・・・・・・・・・・・・・・・・・・・・・・・・・・・・・・・・・・・・・・・・・・・・・・・・・ 214 COVER, FRONT SEAT HINGE, RH ・・・・・・・・・・・・・・・・・・・・・・・・・・・・・・・・・・・・・・・・・・・・・・・・・・・・・・・ 214 COVER, FRONT SPOILER ・・・・・・・・・・・・・・・・・・・・・・・・・・・・・・・・・・・・・・・・・・・・・・・・・・・・・・・・・・・・・・ 230 COVER, FRONT SUSPENSION SUPPORT DUST, LH ・・・・・・・・・・・・・・・・・・・・・・・・・・・・・・・・・・・・・・・・・・ 146 COVER, FRONT SUSPENSION SUPPORT DUST, RH ・・・・・・・・・・・・・・・・・・・・・・・・・・・・・・・・・・・・・・・・・・ 146 COVER, FUEL TANK FILLER PIPE ・・・・・・・・・・・・・・・・・・・・・・・・・・・・・・・・・・・・・・・・・・・・・・・・・・・・・・ 234 COVER, HEADLAMP SOCKET ・・・・・・・・・・・・・・・・・・・・・・・・・・・・・・・・・・・・・・・・・・・・・・・・・・・・・・・・・・・・ 238 COVER, HEATER ・・・・・・・・・・・・・・・・・・・・・・・・・・・・・・・・・・・・・・・・・・・・・・・・・・・・・・・・・・・・・・・・・・・・・ 279 COVER, HOLE(FOR LOWER BACK) ・・・・・・・・・・・・・・・・・・・・・・・・・・・・・・・・・・・・・・・・・・・・・・・・・・・・・・・ 173 COVER, HOOD LOCK CONTROL CABLE ・・・・・・・・・・・・・・・・・・・・・・・・・・・・・・・・・・・・・・・・・・・・・・・・・・・・ 159 COVER, INSTRUMENT PANEL HOLE ・・・・・・・・・・・・・・・・・・・・・・・・・・・・・・・・・・・・・・・・・・・・・・・・・・・・・・ 166 COVER, INSTRUMENT PANEL REGISTER HOLE ・・・・・・・・・・・・・・・・・・・・・・・・・・・・・・・・・・・・・・・・・・・・・ 166 COVER, INSTRUMENT PANEL REGISTER OPENING ・・・・・・・・・・・・・・・・・・・・・・・・・・・・・・・・・・・・・・・・・・ 166 COVER, LOWER BACK PANEL ・・・・・・・・・・・・・・・・・・・・・・・・・・・・・・・・・・・・・・・・・・・・・・・・・・・・・・・・・・・ 173 COVER, LOWER BALL JOINT DUST ・・・・・・・・・・・・・・・・・・・・・・・・・・・・・・・・・・・・・・・・・・・・・・・・・・・・・・ 143 COVER, OUTER MIRROR, LH ・・・・・・・・・・・・・・・・・・・・・・・・・・・・・・・・・・・・・・・・・・・・・・・・・・・・・・・・・・・ 276 COVER, OUTER MIRROR, LH ・・・・・・・・・・・・・・・・・・・・・・・・・・・・・・・・・・・・・・・・・・・・・・・・・・・・・・・・・・・ 276 COVER, OUTER MIRROR, RH ・・・・・・・・・・・・・・・・・・・・・・・・・・・・・・・・・・・・・・・・・・・・・・・・・・・・・・・・・・・ 275 COVER, OUTER MIRROR, RH ・・・・・・・・・・・・・・・・・・・・・・・・・・・・・・・・・・・・・・・・・・・・・・・・・・・・・・・・・・・ 275 COVER, OUTPUT SHAFT(MTM) ・・・・・・・・・・・・・・・・・・・・・・・・・・・・・・・・・・・・・・・・・・・・・・・・・・・・・・・・・・ 88 COVER, RADIO TUNER OPENING ・・・・・・・・・・・・・・・・・・・・・・・・・・・・・・・・・・・・・・・・・・・・・・・・・・・・・・・・ 166 COVER, REAR BUMPER ・・・・・・・・・・・・・・・・・・・・・・・・・・・・・・・・・・・・・・・・・・・・・・・・・・・・・・・・・・・・・・・・ 153 COVER, REAR DOOR SERVICE HOLE, LH ・・・・・・・・・・・・・・・・・・・・・・・・・・・・・・・・・・・・・・・・・・・・・・・・・ 200 COVER, REAR DOOR SERVICE HOLE, RH ・・・・・・・・・・・・・・・・・・・・・・・・・・・・・・・・・・・・・・・・・・・・・・・・・ 200 COVER, REAR LAMP ・・・・・・・・・・・・・・・・・・・・・・・・・・・・・・・・・・・・・・・・・・・・・・・・・・・・・・・・・・・・・・・・・・ 206 COVER, REAR SEAT BACK (FOR BENCH TYPE) ・・・・・・・・・・・・・・・・・・・・・・・・・・・・・・・・・・・・・・・・・・・・ 216 COVER, REAR SEAT CUSHION (FOR BENCH TYPE) ・・・・・・・・・・・・・・・・・・・・・・・・・・・・・・・・・・・・・・・・・ 216 COVER, REAR SEAT HEADREST UNDER ・・・・・・・・・・・・・・・・・・・・・・・・・・・・・・・・・・・・・・・・・・・・・・・・・・・ 216 COVER, RELAY BLOCK, NO.1 ・・・・・・・・・・・・・・・・・・・・・・・・・・・・・・・・・・・・・・・・・・・・・・・・・・・・・・・・・・ 258 COVER, REMOTE CONTROL MIRROR HOLE ・・・・・・・・・・・・・・・・・・・・・・・・・・・・・・・・・・・・・・・・・・・・・・・・・ 166 COVER, SEAT TRACK, LH ・・・・・・・・・・・・・・・・・・・・・・・・・・・・・・・・・・・・・・・・・・・・・・・・・・・・・・・・・・・・・ 214 COVER, SEAT TRACK, RH ・・・・・・・・・・・・・・・・・・・・・・・・・・・・・・・・・・・・・・・・・・・・・・・・・・・・・・・・・・・・・ 214 COVER, SENSOR ・・・・・・・・・・・・・・・・・・・・・・・・・・・・・・・・・・・・・・・・・・・・・・・・・・・・・・・・・・・・・・・・・・・・・ 52 COVER, STEERING COLUMN, LWR ・・・・・・・・・・・・・・・・・・・・・・・・・・・・・・・・・・・・・・・・・・・・・・・・・・・・・・・ 123 COVER, STEERING COLUMN, UPR ・・・・・・・・・・・・・・・・・・・・・・・・・・・・・・・・・・・・・・・・・・・・・・・・・・・・・・・ 123 COVER, TRANSMISSION CASE, REAR ・・・・・・・・・・・・・・・・・・・・・・・・・・・・・・・・・・・・・・・・・・・・・・・・・・・・ 100 CRANKSHAFT ・・・・・・・・・・・・・・・・・・・・・・・・・・・・・・・・・・・・・・・・・・・・・・・・・・・・・・・・・・・・・・・・・・・・・・・・ 57 CROSSMEMBER SUB-ASSY, FRONT SUSPENSION ・・・・・・・・・・・・・・・・・・・・・・・・・・・・・・・・・・・・・・・・・・・・ 150 CUP KIT, REAR WHEEL CYLINDER ・・・・・・・・・・・・・・・・・・・・・・・・・・・・・・・・・・・・・・・・・・・・・・・・・・・・・・ 136 CUP, SHOE HOLD DOWN SPRING(FOR REAR BRAKE) ・・・・・・・・・・・・・・・・・・・・・・・・・・・・・・・・・・・・・・・・ 137 CUSHION(FOR BACK DOOR PANEL) ・・・・・・・・・・・・・・・・・・・・・・・・・・・・・・・・・・・・・・・・・・・・・・・・・・・・・・ 206 CUSHION(FOR PARKING LOCK CABLE) ・・・・・・・・・・・・・・・・・・・・・・・・・・・・・・・・・・・・・・・・・・・・・・・・・・・ 129 CUSHION, COURTESY SWITCH ・・・・・・・・・・・・・・・・・・・・・・・・・・・・・・・・・・・・・・・・・・・・・・・・・・・・・・・・・・ 259 CUSHION, FRONT DOOR PANEL ・・・・・・・・・・・・・・・・・・・・・・・・・・・・・・・・・・・・・・・・・・・・・・・・・・・・・・・・・ 191 COVER, - CUSHION, PART NAME PAGE CUSHION, GLOVE COMPARTMENT DOOR CHECK ・・・・・・・・・・・・・・・・・・・・・・・・・・・・・・・・・・・・・・・・・・・・・ 166 CUSHION, HOOD, CENTER ・・・・・・・・・・・・・・・・・・・・・・・・・・・・・・・・・・・・・・・・・・・・・・・・・・・・・・・・・・・・・ 156 CUSHION, INSTRUMENT PANEL, NO.1 ・・・・・・・・・・・・・・・・・・・・・・・・・・・・・・・・・・・・・・・・・・・・・・・・・・・ 166 CYLINDER & KEY SET, BACK DOOR LOCK ・・・・・・・・・・・・・・・・・・・・・・・・・・・・・・・・・・・・・・・・・・・・・・・・ 210 CYLINDER & KEY SET, DOOR LOCK, RH ・・・・・・・・・・・・・・・・・・・・・・・・・・・・・・・・・・・・・・・・・・・・・・・・・ 210 CYLINDER & KEY SET, IGNITION SWITCH LOCK ・・・・・・・・・・・・・・・・・・・・・・・・・・・・・・・・・・・・・・・・・・ 210 CYLINDER ASSY, DISC BRAKE, LH ・・・・・・・・・・・・・・・・・・・・・・・・・・・・・・・・・・・・・・・・・・・・・・・・・・・・・ 134 CYLINDER ASSY, FRONT DISC BRAKE, RH ・・・・・・・・・・・・・・・・・・・・・・・・・・・・・・・・・・・・・・・・・・・・・・・ 134 CYLINDER ASSY, REAR WHEEL BRAKE(FOR LH, FRONT OR UPPER) ・・・・・・・・・・・・・・・・・・・・・・・・・・・ 137 CYLINDER ASSY, REAR WHEEL BRAKE(FOR RH, FRONT OR UPPER) ・・・・・・・・・・・・・・・・・・・・・・・・・・・ 137 CYLINDER KIT, DISC BRAKE, FRONT ・・・・・・・・・・・・・・・・・・・・・・・・・・・・・・・・・・・・・・・・・・・・・・・・・・・ 134 CYLINDER KIT, REAR WHEEL ・・・・・・・・・・・・・・・・・・・・・・・・・・・・・・・・・・・・・・・・・・・・・・・・・・・・・・・・・・ 136 CYLINDER SET, LOCK ・・・・・・・・・・・・・・・・・・・・・・・・・・・・・・・・・・・・・・・・・・・・・・・・・・・・・・・・・・・・・・・・ 210 CYLINDER SUB-ASSY, BRAKE MASTER ・・・・・・・・・・・・・・・・・・・・・・・・・・・・・・・・・・・・・・・・・・・・・・・・・・・ 130 CYLINDER, 2ND & 4TH BRAKE ・・・・・・・・・・・・・・・・・・・・・・・・・・・・・・・・・・・・・・・・・・・・・・・・・・・・・・・・・ 104 DAM, WINDOW GLASS ADHESIVE ・・・・・・・・・・・・・・・・・・・・・・・・・・・・・・・・・・・・・・・・・・・・・・・・・・・・・・・・ 169 DISC ASSY, CLUTCH ・・・・・・・・・・・・・・・・・・・・・・・・・・・・・・・・・・・・・・・・・・・・・・・・・・・・・・・・・・・・・・・・・ 80 DISC, BRAKE ・・・・・・・・・・・・・・・・・・・・・・・・・・・・・・・・・・・・・・・・・・・・・・・・・・・・・・・・・・・・・・・・・・・・・・・ 107 DISC, BRAKE, NO.1 ・・・・・・・・・・・・・・・・・・・・・・・・・・・・・・・・・・・・・・・・・・・・・・・・・・・・・・・・・・・・・・・・・ 105 DISC, CLUTCH (FOR DIRECT MULTIPLE DISC CLUTCH) ・・・・・・・・・・・・・・・・・・・・・・・・・・・・・・・・・・・・ 103 DISC, CLUTCH (FOR FORWARD MULTIPLE DISC CLUTCH) ・・・・・・・・・・・・・・・・・・・・・・・・・・・・・・・・・・・ 103 DISC, CLUTCH (FOR FRONT CLUTCH) ・・・・・・・・・・・・・・・・・・・・・・・・・・・・・・・・・・・・・・・・・・・・・・・・・・・ 103 DISC, FRONT ・・・・・・・・・・・・・・・・・・・・・・・・・・・・・・・・・・・・・・・・・・・・・・・・・・・・・・・・・・・・・・・・・・・・・・・ 120 DISC, REAR CLUTCH ・・・・・・・・・・・・・・・・・・・・・・・・・・・・・・・・・・・・・・・・・・・・・・・・・・・・・・・・・・・・・・・・・ 103 DOOR ASSY, GLOVE COMPARTMENT ・・・・・・・・・・・・・・・・・・・・・・・・・・・・・・・・・・・・・・・・・・・・・・・・・・・・・・ 166 DRUM SUB-ASSY, REAR BRAKE ・・・・・・・・・・・・・・・・・・・・・・・・・・・・・・・・・・・・・・・・・・・・・・・・・・・・・・・・・ 112 DUCT ASSY, QUARTER VENT ・・・・・・・・・・・・・・・・・・・・・・・・・・・・・・・・・・・・・・・・・・・・・・・・・・・・・・・・・・・ 181 DUCT SUB-ASSY, HEATER TO REGISTER, CENTER ・・・・・・・・・・・・・・・・・・・・・・・・・・・・・・・・・・・・・・・・・ 281 ELEMENT SUB-ASSY, AIR CLEANER FILTER ・・・・・・・・・・・・・・・・・・・・・・・・・・・・・・・・・・・・・・・・・・・・・・ 71 EMBLEM, BACK DOOR, NO.1 ・・・・・・・・・・・・・・・・・・・・・・・・・・・・・・・・・・・・・・・・・・・・・・・・・・・・・・・・・・・ 225 EMBLEM, HOOD ・・・・・・・・・・・・・・・・・・・・・・・・・・・・・・・・・・・・・・・・・・・・・・・・・・・・・・・・・・・・・・・・・・・・・・ 225 END SUB-ASSY, STEERING RACK ・・・・・・・・・・・・・・・・・・・・・・・・・・・・・・・・・・・・・・・・・・・・・・・・・・・・・・・ 126 END SUB-ASSY, TIE ROD, LH ・・・・・・・・・・・・・・・・・・・・・・・・・・・・・・・・・・・・・・・・・・・・・・・・・・・・・・・・・ 126 END SUB-ASSY, TIE ROD, RH ・・・・・・・・・・・・・・・・・・・・・・・・・・・・・・・・・・・・・・・・・・・・・・・・・・・・・・・・・ 126 ENGINE ASSY, PARTIAL ・・・・・・・・・・・・・・・・・・・・・・・・・・・・・・・・・・・・・・・・・・・・・・・・・・・・・・・・・・・・・・ 43 EVAPORATOR SUB-ASSY, COOLER, NO.1 ・・・・・・・・・・・・・・・・・・・・・・・・・・・・・・・・・・・・・・・・・・・・・・・・・ 279 EXTENSION SUB-ASSY, JACK HANDLE ・・・・・・・・・・・・・・・・・・・・・・・・・・・・・・・・・・・・・・・・・・・・・・・・・・・ 42 EXTENSION, QUARTER PANEL TO UPPER BACK, LH ・・・・・・・・・・・・・・・・・・・・・・・・・・・・・・・・・・・・・・・・ 179 EXTENSION, QUARTER PANEL TO UPPER BACK, RH ・・・・・・・・・・・・・・・・・・・・・・・・・・・・・・・・・・・・・・・・ 179 EXTENSION, QUARTER PANEL, LOWER LH ・・・・・・・・・・・・・・・・・・・・・・・・・・・・・・・・・・・・・・・・・・・・・・・・ 179 EXTENSION, QUARTER PANEL, LOWER RH ・・・・・・・・・・・・・・・・・・・・・・・・・・・・・・・・・・・・・・・・・・・・・・・・ 179 EXTENSION, QUARTER PANEL, REAR LH ・・・・・・・・・・・・・・・・・・・・・・・・・・・・・・・・・・・・・・・・・・・・・・・・・ 179 EXTENSION, QUARTER PANEL, REAR RH ・・・・・・・・・・・・・・・・・・・・・・・・・・・・・・・・・・・・・・・・・・・・・・・・・ 179 FAN ・・・・・・・・・・・・・・・・・・・・・・・・・・・・・・・・・・・・・・・・・・・・・・・・・・・・・・・・・・・・・・・・・・・・・・・・・・・・・・・ 65 FAN ASSY, W/MOTOR ・・・・・・・・・・・・・・・・・・・・・・・・・・・・・・・・・・・・・・・・・・・・・・・・・・・・・・・・・・・・・・・・・ 65 FENDER SUB-ASSY, FRONT LH ・・・・・・・・・・・・・・・・・・・・・・・・・・・・・・・・・・・・・・・・・・・・・・・・・・・・・・・・・ 156 FENDER SUB-ASSY, FRONT RH ・・・・・・・・・・・・・・・・・・・・・・・・・・・・・・・・・・・・・・・・・・・・・・・・・・・・・・・・・ 156 FILLER, REAR DOOR GLASS CHANNAL ・・・・・・・・・・・・・・・・・・・・・・・・・・・・・・・・・・・・・・・・・・・・・・・・・・・ 201 FILTER SUB-ASSY, OIL ・・・・・・・・・・・・・・・・・・・・・・・・・・・・・・・・・・・・・・・・・・・・・・・・・・・・・・・・・・・・・・ 61 FILTER, AIR ・・・・・・・・・・・・・・・・・・・・・・・・・・・・・・・・・・・・・・・・・・・・・・・・・・・・・・・・・・・・・・・・・・・・・・・ 279 CUSHION, - FILTER, 20
  • 21.
    PART NAME PAGE FILTER,FUEL PUMP ・・・・・・・・・・・・・・・・・・・・・・・・・・・・・・・・・・・・・・・・・・・・・・・・・・・・・・・・・・・・・・・・・ 234 FLANGE, BRAKE ・・・・・・・・・・・・・・・・・・・・・・・・・・・・・・・・・・・・・・・・・・・・・・・・・・・・・・・・・・・・・・・・・・・・・ 107 FLANGE, BRAKE, NO.1 ・・・・・・・・・・・・・・・・・・・・・・・・・・・・・・・・・・・・・・・・・・・・・・・・・・・・・・・・・・・・・・・ 104 FLANGE, FORWARD CLUTCH ・・・・・・・・・・・・・・・・・・・・・・・・・・・・・・・・・・・・・・・・・・・・・・・・・・・・・・・・・・・・ 103 FLANGE, REAR CLUTCH ・・・・・・・・・・・・・・・・・・・・・・・・・・・・・・・・・・・・・・・・・・・・・・・・・・・・・・・・・・・・・・・ 103 FLANGE, REVERSE CLUTCH ・・・・・・・・・・・・・・・・・・・・・・・・・・・・・・・・・・・・・・・・・・・・・・・・・・・・・・・・・・・・ 103 FLASHER ASSY, TURN SIGNAL ・・・・・・・・・・・・・・・・・・・・・・・・・・・・・・・・・・・・・・・・・・・・・・・・・・・・・・・・・ 258 FLOOR SHIFT ASSY, TRANSMISSION ・・・・・・・・・・・・・・・・・・・・・・・・・・・・・・・・・・・・・・・・・・・・・・・・・・・・ 95 FLYWHEEL SUB-ASSY ・・・・・・・・・・・・・・・・・・・・・・・・・・・・・・・・・・・・・・・・・・・・・・・・・・・・・・・・・・・・・・・・・ 57 FORK, GEAR SHIFT, NO.1 ・・・・・・・・・・・・・・・・・・・・・・・・・・・・・・・・・・・・・・・・・・・・・・・・・・・・・・・・・・・・ 92 FORK, GEAR SHIFT, NO.2 ・・・・・・・・・・・・・・・・・・・・・・・・・・・・・・・・・・・・・・・・・・・・・・・・・・・・・・・・・・・・ 92 FORK, GEAR SHIFT, NO.3 ・・・・・・・・・・・・・・・・・・・・・・・・・・・・・・・・・・・・・・・・・・・・・・・・・・・・・・・・・・・・ 92 FRAME ASSY, FRONT SEAT W/ADJUSTER, LH ・・・・・・・・・・・・・・・・・・・・・・・・・・・・・・・・・・・・・・・・・・・・・ 213 FRAME ASSY, FRONT SEAT W/ADJUSTER, RH ・・・・・・・・・・・・・・・・・・・・・・・・・・・・・・・・・・・・・・・・・・・・・ 213 FRAME ASSY, STARTER COMMUTATOR END ・・・・・・・・・・・・・・・・・・・・・・・・・・・・・・・・・・・・・・・・・・・・・・・・ 78 FRAME SUB-ASSY, FRONT DOOR, REAR LOWER LH ・・・・・・・・・・・・・・・・・・・・・・・・・・・・・・・・・・・・・・・・・ 191 FRAME SUB-ASSY, FRONT DOOR, REAR LOWER RH ・・・・・・・・・・・・・・・・・・・・・・・・・・・・・・・・・・・・・・・・・ 191 FRAME, BACK DOOR OPENING UPPER CORNER, LH ・・・・・・・・・・・・・・・・・・・・・・・・・・・・・・・・・・・・・・・・・ 180 FRAME, BACK DOOR OPENING UPPER CORNER, RH ・・・・・・・・・・・・・・・・・・・・・・・・・・・・・・・・・・・・・・・・・ 180 FRAME, BACK DOOR OPENING, UPPER ・・・・・・・・・・・・・・・・・・・・・・・・・・・・・・・・・・・・・・・・・・・・・・・・・・・ 182 GAGE ASSY, FUEL SENDER ・・・・・・・・・・・・・・・・・・・・・・・・・・・・・・・・・・・・・・・・・・・・・・・・・・・・・・・・・・・・ 258 GAGE SUB-ASSY, OIL LEVEL ・・・・・・・・・・・・・・・・・・・・・・・・・・・・・・・・・・・・・・・・・・・・・・・・・・・・・・・・・・ 51 GAGE SUB-ASSY, TRANSMISSION OIL LEVEL ・・・・・・・・・・・・・・・・・・・・・・・・・・・・・・・・・・・・・・・・・・・・・ 99 GARNISH, CENTER PILLAR, LOWER LH ・・・・・・・・・・・・・・・・・・・・・・・・・・・・・・・・・・・・・・・・・・・・・・・・・・ 184 GARNISH, CENTER PILLAR, LOWER RH ・・・・・・・・・・・・・・・・・・・・・・・・・・・・・・・・・・・・・・・・・・・・・・・・・・ 184 GARNISH, CENTER PILLAR, UPPER LH ・・・・・・・・・・・・・・・・・・・・・・・・・・・・・・・・・・・・・・・・・・・・・・・・・・ 184 GARNISH, CENTER PILLAR, UPPER RH ・・・・・・・・・・・・・・・・・・・・・・・・・・・・・・・・・・・・・・・・・・・・・・・・・・ 184 GARNISH, FRONT DOOR LOWER FRAME BRACKET, LH ・・・・・・・・・・・・・・・・・・・・・・・・・・・・・・・・・・・・・・・ 192 GARNISH, FRONT DOOR LOWER FRAME BRACKET, RH ・・・・・・・・・・・・・・・・・・・・・・・・・・・・・・・・・・・・・・・ 191 GARNISH, FRONT PILLAR, LH ・・・・・・・・・・・・・・・・・・・・・・・・・・・・・・・・・・・・・・・・・・・・・・・・・・・・・・・・・ 184 GARNISH, FRONT PILLAR, RH ・・・・・・・・・・・・・・・・・・・・・・・・・・・・・・・・・・・・・・・・・・・・・・・・・・・・・・・・・ 184 GARNISH, ROOF SIDE, INNER LH ・・・・・・・・・・・・・・・・・・・・・・・・・・・・・・・・・・・・・・・・・・・・・・・・・・・・・・ 184 GARNISH, ROOF SIDE, INNER RH ・・・・・・・・・・・・・・・・・・・・・・・・・・・・・・・・・・・・・・・・・・・・・・・・・・・・・・ 184 GASKET (FOR TRANSAXLE CASE) ・・・・・・・・・・・・・・・・・・・・・・・・・・・・・・・・・・・・・・・・・・・・・・・・・・・・・・・ 100 GASKET KIT, ENGINE OVERHAUL ・・・・・・・・・・・・・・・・・・・・・・・・・・・・・・・・・・・・・・・・・・・・・・・・・・・・・・・ 45 GASKET KIT, ENGINE VALVE GRIND ・・・・・・・・・・・・・・・・・・・・・・・・・・・・・・・・・・・・・・・・・・・・・・・・・・・・ 45 GASKET(FOR CYLINDER HEAD SCREW PLUG) ・・・・・・・・・・・・・・・・・・・・・・・・・・・・・・・・・・・・・・・・・・・・・・ 47 GASKET(FOR FRONT FLEXIBLE HOSE) ・・・・・・・・・・・・・・・・・・・・・・・・・・・・・・・・・・・・・・・・・・・・・・・・・・・ 141 GASKET(FOR FUEL TANK) ・・・・・・・・・・・・・・・・・・・・・・・・・・・・・・・・・・・・・・・・・・・・・・・・・・・・・・・・・・・・・ 234 GASKET(FOR OIL PAN DRAIN PLUG) ・・・・・・・・・・・・・・・・・・・・・・・・・・・・・・・・・・・・・・・・・・・・・・・・・・・・ 51 GASKET, AUTOMATIC TRANSAXLE OIL PAN ・・・・・・・・・・・・・・・・・・・・・・・・・・・・・・・・・・・・・・・・・・・・・・・ 100 GASKET, BACK-UP LAMP SWITCH ・・・・・・・・・・・・・・・・・・・・・・・・・・・・・・・・・・・・・・・・・・・・・・・・・・・・・・・ 259 GASKET, BRAKE BOOSTER ・・・・・・・・・・・・・・・・・・・・・・・・・・・・・・・・・・・・・・・・・・・・・・・・・・・・・・・・・・・・・ 131 GASKET, CYLINDER HEAD ・・・・・・・・・・・・・・・・・・・・・・・・・・・・・・・・・・・・・・・・・・・・・・・・・・・・・・・・・・・・・ 47 GASKET, CYLINDER HEAD COVER ・・・・・・・・・・・・・・・・・・・・・・・・・・・・・・・・・・・・・・・・・・・・・・・・・・・・・・・ 47 GASKET, DRAIN PLUG (ATM) ・・・・・・・・・・・・・・・・・・・・・・・・・・・・・・・・・・・・・・・・・・・・・・・・・・・・・・・・・・ 100 GASKET, EXHAUST PIPE ・・・・・・・・・・・・・・・・・・・・・・・・・・・・・・・・・・・・・・・・・・・・・・・・・・・・・・・・・・・・・・ 69 GASKET, EXHAUST PIPE ・・・・・・・・・・・・・・・・・・・・・・・・・・・・・・・・・・・・・・・・・・・・・・・・・・・・・・・・・・・・・・ 70 GASKET, FUEL SUCTION TUBE SET ・・・・・・・・・・・・・・・・・・・・・・・・・・・・・・・・・・・・・・・・・・・・・・・・・・・・・ 234 GASKET, INTAKE MANIFOLD TO HEAD, NO.1 ・・・・・・・・・・・・・・・・・・・・・・・・・・・・・・・・・・・・・・・・・・・・・ 69 FILTER, - GASKET, PART NAME PAGE GASKET, MANUAL TRANSMISSION CASE COVER ・・・・・・・・・・・・・・・・・・・・・・・・・・・・・・・・・・・・・・・・・・・・ 92 GASKET, OIL PUMP ・・・・・・・・・・・・・・・・・・・・・・・・・・・・・・・・・・・・・・・・・・・・・・・・・・・・・・・・・・・・・・・・・・ 60 GASKET, OIL PUMP COVER ・・・・・・・・・・・・・・・・・・・・・・・・・・・・・・・・・・・・・・・・・・・・・・・・・・・・・・・・・・・・ 60 GASKET, OIL STRAINER ・・・・・・・・・・・・・・・・・・・・・・・・・・・・・・・・・・・・・・・・・・・・・・・・・・・・・・・・・・・・・・ 60 GASKET, THROTTLE BODY ・・・・・・・・・・・・・・・・・・・・・・・・・・・・・・・・・・・・・・・・・・・・・・・・・・・・・・・・・・・・・ 69 GASKET, TRANSMISSION CASE PLUG ・・・・・・・・・・・・・・・・・・・・・・・・・・・・・・・・・・・・・・・・・・・・・・・・・・・・ 84 GASKET, WATER INLET HOUSING ・・・・・・・・・・・・・・・・・・・・・・・・・・・・・・・・・・・・・・・・・・・・・・・・・・・・・・・ 65 GASKET, WATER OUTLET ・・・・・・・・・・・・・・・・・・・・・・・・・・・・・・・・・・・・・・・・・・・・・・・・・・・・・・・・・・・・・・ 65 GASKET, WATER PUMP ・・・・・・・・・・・・・・・・・・・・・・・・・・・・・・・・・・・・・・・・・・・・・・・・・・・・・・・・・・・・・・・・ 62 GEAR ASSY, FRONT PLANETARY ・・・・・・・・・・・・・・・・・・・・・・・・・・・・・・・・・・・・・・・・・・・・・・・・・・・・・・・・ 106 GEAR ASSY, STEERING ・・・・・・・・・・・・・・・・・・・・・・・・・・・・・・・・・・・・・・・・・・・・・・・・・・・・・・・・・・・・・・・ 126 GEAR ASSY,FRONT PLANETARY RING ・・・・・・・・・・・・・・・・・・・・・・・・・・・・・・・・・・・・・・・・・・・・・・・・・・・・ 107 GEAR KIT, RIDUCTION DRIVE ・・・・・・・・・・・・・・・・・・・・・・・・・・・・・・・・・・・・・・・・・・・・・・・・・・・・・・・・・ 107 GEAR OR SPROCKET, CAMSHAFT TIMING ・・・・・・・・・・・・・・・・・・・・・・・・・・・・・・・・・・・・・・・・・・・・・・・・・ 58 GEAR OR SPROCKET, CRANKSHAFT TIMING ・・・・・・・・・・・・・・・・・・・・・・・・・・・・・・・・・・・・・・・・・・・・・・・ 57 GEAR SUB ASSY, PLANETARY SUN ・・・・・・・・・・・・・・・・・・・・・・・・・・・・・・・・・・・・・・・・・・・・・・・・・・・・・・ 106 GEAR SUB-ASSY, DRIVE PLATE & RING ・・・・・・・・・・・・・・・・・・・・・・・・・・・・・・・・・・・・・・・・・・・・・・・・・ 97 GEAR SUB-ASSY, REAR PLANETARY ・・・・・・・・・・・・・・・・・・・・・・・・・・・・・・・・・・・・・・・・・・・・・・・・・・・・・ 106 GEAR SUB-ASSY, REVERSE IDLER ・・・・・・・・・・・・・・・・・・・・・・・・・・・・・・・・・・・・・・・・・・・・・・・・・・・・・・ 89 GEAR, 1ST ・・・・・・・・・・・・・・・・・・・・・・・・・・・・・・・・・・・・・・・・・・・・・・・・・・・・・・・・・・・・・・・・・・・・・・・・・ 88 GEAR, 2ND ・・・・・・・・・・・・・・・・・・・・・・・・・・・・・・・・・・・・・・・・・・・・・・・・・・・・・・・・・・・・・・・・・・・・・・・・・ 88 GEAR, 3RD ・・・・・・・・・・・・・・・・・・・・・・・・・・・・・・・・・・・・・・・・・・・・・・・・・・・・・・・・・・・・・・・・・・・・・・・・・ 88 GEAR, 3RD DRIVEN ・・・・・・・・・・・・・・・・・・・・・・・・・・・・・・・・・・・・・・・・・・・・・・・・・・・・・・・・・・・・・・・・・・ 90 GEAR, 4TH ・・・・・・・・・・・・・・・・・・・・・・・・・・・・・・・・・・・・・・・・・・・・・・・・・・・・・・・・・・・・・・・・・・・・・・・・・ 88 GEAR, 4TH DRIVEN ・・・・・・・・・・・・・・・・・・・・・・・・・・・・・・・・・・・・・・・・・・・・・・・・・・・・・・・・・・・・・・・・・・ 90 GEAR, 5TH ・・・・・・・・・・・・・・・・・・・・・・・・・・・・・・・・・・・・・・・・・・・・・・・・・・・・・・・・・・・・・・・・・・・・・・・・・ 89 GEAR, 5TH DRIVEN ・・・・・・・・・・・・・・・・・・・・・・・・・・・・・・・・・・・・・・・・・・・・・・・・・・・・・・・・・・・・・・・・・・ 90 GEAR, FRONT DIFFERENTIAL RING ・・・・・・・・・・・・・・・・・・・・・・・・・・・・・・・・・・・・・・・・・・・・・・・・・・・・・ 117 GEAR, FRONT DIFFERENTIAL SIDE ・・・・・・・・・・・・・・・・・・・・・・・・・・・・・・・・・・・・・・・・・・・・・・・・・・・・・ 117 GEAR, OIL PUMP DRIVE ・・・・・・・・・・・・・・・・・・・・・・・・・・・・・・・・・・・・・・・・・・・・・・・・・・・・・・・・・・・・・・ 60 GEAR, OIL PUMP DRIVEN ・・・・・・・・・・・・・・・・・・・・・・・・・・・・・・・・・・・・・・・・・・・・・・・・・・・・・・・・・・・・・ 60 GEAR, PRIMARY REDUCTION DRIVEN ・・・・・・・・・・・・・・・・・・・・・・・・・・・・・・・・・・・・・・・・・・・・・・・・・・・・ 107 GLASS SUB-ASSY, FRONT DOOR, LH ・・・・・・・・・・・・・・・・・・・・・・・・・・・・・・・・・・・・・・・・・・・・・・・・・・・・ 192 GLASS SUB-ASSY, FRONT DOOR, RH ・・・・・・・・・・・・・・・・・・・・・・・・・・・・・・・・・・・・・・・・・・・・・・・・・・・・ 192 GLASS SUB-ASSY, REAR DOOR, LH ・・・・・・・・・・・・・・・・・・・・・・・・・・・・・・・・・・・・・・・・・・・・・・・・・・・・・ 200 GLASS SUB-ASSY, REAR DOOR, RH ・・・・・・・・・・・・・・・・・・・・・・・・・・・・・・・・・・・・・・・・・・・・・・・・・・・・・ 200 GLASS, BACK DOOR ・・・・・・・・・・・・・・・・・・・・・・・・・・・・・・・・・・・・・・・・・・・・・・・・・・・・・・・・・・・・・・・・・・ 206 GLASS, COMBINATION METER ・・・・・・・・・・・・・・・・・・・・・・・・・・・・・・・・・・・・・・・・・・・・・・・・・・・・・・・・・・ 252 GLASS, REAR DOOR QUARTER WINDOW, LH ・・・・・・・・・・・・・・・・・・・・・・・・・・・・・・・・・・・・・・・・・・・・・・・ 200 GLASS, REAR DOOR QUARTER WINDOW, RH ・・・・・・・・・・・・・・・・・・・・・・・・・・・・・・・・・・・・・・・・・・・・・・・ 200 GLASS, WINDSHIELD ・・・・・・・・・・・・・・・・・・・・・・・・・・・・・・・・・・・・・・・・・・・・・・・・・・・・・・・・・・・・・・・・・ 169 GRIP ASSY, ASSIST ・・・・・・・・・・・・・・・・・・・・・・・・・・・・・・・・・・・・・・・・・・・・・・・・・・・・・・・・・・・・・・・・・ 222 GRIP SUB-ASSY, ASSIST ・・・・・・・・・・・・・・・・・・・・・・・・・・・・・・・・・・・・・・・・・・・・・・・・・・・・・・・・・・・・・ 222 GROMMET ・・・・・・・・・・・・・・・・・・・・・・・・・・・・・・・・・・・・・・・・・・・・・・・・・・・・・・・・・・・・・・・・・・・・・・・・・・・ 71 GROMMET (FOR DRAIN HOSE) ・・・・・・・・・・・・・・・・・・・・・・・・・・・・・・・・・・・・・・・・・・・・・・・・・・・・・・・・・・ 279 GROMMET(FOR AIR CLEANER BRACKET) ・・・・・・・・・・・・・・・・・・・・・・・・・・・・・・・・・・・・・・・・・・・・・・・・・・ 71 GROMMET(FOR HOOD LOCK CONTROL CABLE) ・・・・・・・・・・・・・・・・・・・・・・・・・・・・・・・・・・・・・・・・・・・・・・ 157 GROMMET(FOR HOOD SUPPORT ROD) ・・・・・・・・・・・・・・・・・・・・・・・・・・・・・・・・・・・・・・・・・・・・・・・・・・・・・ 157 GROMMET(FOR RADIATOR SUPPORT) ・・・・・・・・・・・・・・・・・・・・・・・・・・・・・・・・・・・・・・・・・・・・・・・・・・・・・ 66 GROMMET(FOR VENTILATION SYSTEM) ・・・・・・・・・・・・・・・・・・・・・・・・・・・・・・・・・・・・・・・・・・・・・・・・・・・ 55 GASKET, - GROMMET(FOR 21
  • 22.
    PART NAME PAGE GROMMET,MASTER CYLINDER RESERVOIR ・・・・・・・・・・・・・・・・・・・・・・・・・・・・・・・・・・・・・・・・・・・・・・・・ 130 GUIDE SUB-ASSY, REAR DOOR WINDOW, FRONT LH ・・・・・・・・・・・・・・・・・・・・・・・・・・・・・・・・・・・・・・・・ 199 GUIDE SUB-ASSY, REAR DOOR WINDOW, FRONT RH ・・・・・・・・・・・・・・・・・・・・・・・・・・・・・・・・・・・・・・・・ 199 GUIDE, OIL LEVEL GAGE ・・・・・・・・・・・・・・・・・・・・・・・・・・・・・・・・・・・・・・・・・・・・・・・・・・・・・・・・・・・・・ 51 GUIDE, TIMING CHAIN ・・・・・・・・・・・・・・・・・・・・・・・・・・・・・・・・・・・・・・・・・・・・・・・・・・・・・・・・・・・・・・・ 58 GUSSET, FENDER APRON, LH ・・・・・・・・・・・・・・・・・・・・・・・・・・・・・・・・・・・・・・・・・・・・・・・・・・・・・・・・・・ 168 GUSSET, FENDER APRON, RH ・・・・・・・・・・・・・・・・・・・・・・・・・・・・・・・・・・・・・・・・・・・・・・・・・・・・・・・・・・ 168 GUSSET, QUARTER WHEEL HOUSE INNER, LH ・・・・・・・・・・・・・・・・・・・・・・・・・・・・・・・・・・・・・・・・・・・・・ 179 GUSSET, QUARTER WHEEL HOUSE INNER, RH ・・・・・・・・・・・・・・・・・・・・・・・・・・・・・・・・・・・・・・・・・・・・・ 179 GUSSET, QUARTER WHEEL HOUSE, FRONT LH ・・・・・・・・・・・・・・・・・・・・・・・・・・・・・・・・・・・・・・・・・・・・・ 179 GUSSET, QUARTER WHEEL HOUSE, FRONT RH ・・・・・・・・・・・・・・・・・・・・・・・・・・・・・・・・・・・・・・・・・・・・・ 179 HANDLE ASSY, FRONT DOOR OUTSIDE, LH ・・・・・・・・・・・・・・・・・・・・・・・・・・・・・・・・・・・・・・・・・・・・・・・ 194 HANDLE ASSY, FRONT DOOR WINDOW REGULATOR ・・・・・・・・・・・・・・・・・・・・・・・・・・・・・・・・・・・・・・・・・・ 196 HANDLE ASSY, FRONT DOOR, OUTSIDE RH ・・・・・・・・・・・・・・・・・・・・・・・・・・・・・・・・・・・・・・・・・・・・・・・ 194 HANDLE ASSY, REAR DOOR OUTSIDE, LH ・・・・・・・・・・・・・・・・・・・・・・・・・・・・・・・・・・・・・・・・・・・・・・・・ 202 HANDLE ASSY, REAR DOOR OUTSIDE, RH ・・・・・・・・・・・・・・・・・・・・・・・・・・・・・・・・・・・・・・・・・・・・・・・・ 202 HANDLE ASSY, REAR DOOR WINDOW REGULATOR ・・・・・・・・・・・・・・・・・・・・・・・・・・・・・・・・・・・・・・・・・・・ 204 HANDLE SUB-ASSY, FRONT DOOR INSIDE, LH ・・・・・・・・・・・・・・・・・・・・・・・・・・・・・・・・・・・・・・・・・・・・ 194 HANDLE SUB-ASSY, FRONT DOOR INSIDE, RH ・・・・・・・・・・・・・・・・・・・・・・・・・・・・・・・・・・・・・・・・・・・・ 194 HANDLE SUB-ASSY, REAR DOOR INSIDE, LH ・・・・・・・・・・・・・・・・・・・・・・・・・・・・・・・・・・・・・・・・・・・・・ 202 HANDLE SUB-ASSY, REAR DOOR INSIDE, RH ・・・・・・・・・・・・・・・・・・・・・・・・・・・・・・・・・・・・・・・・・・・・・ 202 HANDLE, DOOR PULL ・・・・・・・・・・・・・・・・・・・・・・・・・・・・・・・・・・・・・・・・・・・・・・・・・・・・・・・・・・・・・・・・・ 206 HANDLE, FRONT DOOR PULL, LH ・・・・・・・・・・・・・・・・・・・・・・・・・・・・・・・・・・・・・・・・・・・・・・・・・・・・・・・ 222 HANDLE, FRONT DOOR PULL, RH ・・・・・・・・・・・・・・・・・・・・・・・・・・・・・・・・・・・・・・・・・・・・・・・・・・・・・・・ 222 HANDLE, REAR DOOR PULL ・・・・・・・・・・・・・・・・・・・・・・・・・・・・・・・・・・・・・・・・・・・・・・・・・・・・・・・・・・・・ 222 HANDLE, REAR DOOR PULL, LH ・・・・・・・・・・・・・・・・・・・・・・・・・・・・・・・・・・・・・・・・・・・・・・・・・・・・・・・・ 222 HANDLE, RECLINING ADJUSTER RELEASE, LH ・・・・・・・・・・・・・・・・・・・・・・・・・・・・・・・・・・・・・・・・・・・・ 214 HANDLE, RECLINING ADJUSTER RELEASE, RH ・・・・・・・・・・・・・・・・・・・・・・・・・・・・・・・・・・・・・・・・・・・・ 214 HANDLE, SEAT TRACK ADJUSTING ・・・・・・・・・・・・・・・・・・・・・・・・・・・・・・・・・・・・・・・・・・・・・・・・・・・・・・ 214 HANDLE, SEAT TRACK ADJUSTING ・・・・・・・・・・・・・・・・・・・・・・・・・・・・・・・・・・・・・・・・・・・・・・・・・・・・・・ 214 HANGER, ENGINE, NO.1 ・・・・・・・・・・・・・・・・・・・・・・・・・・・・・・・・・・・・・・・・・・・・・・・・・・・・・・・・・・・・・・ 47 HANGER, ENGINE, NO.2 ・・・・・・・・・・・・・・・・・・・・・・・・・・・・・・・・・・・・・・・・・・・・・・・・・・・・・・・・・・・・・・ 47 HANGER, ENGINE, NO.2 ・・・・・・・・・・・・・・・・・・・・・・・・・・・・・・・・・・・・・・・・・・・・・・・・・・・・・・・・・・・・・・ 99 HANGER, TRANSAXLE ・・・・・・・・・・・・・・・・・・・・・・・・・・・・・・・・・・・・・・・・・・・・・・・・・・・・・・・・・・・・・・・・・ 84 HEAD SUB-ASSY, CYLINDER ・・・・・・・・・・・・・・・・・・・・・・・・・・・・・・・・・・・・・・・・・・・・・・・・・・・・・・・・・・・ 47 HEAD, REVERSE SHIFT ・・・・・・・・・・・・・・・・・・・・・・・・・・・・・・・・・・・・・・・・・・・・・・・・・・・・・・・・・・・・・・・ 92 HEADLINING ASSY, ROOF ・・・・・・・・・・・・・・・・・・・・・・・・・・・・・・・・・・・・・・・・・・・・・・・・・・・・・・・・・・・・・ 187 HEADREST ASSY, REAR SEAT ・・・・・・・・・・・・・・・・・・・・・・・・・・・・・・・・・・・・・・・・・・・・・・・・・・・・・・・・・・ 216 HINGE ASSY, BACK DOOR, LH ・・・・・・・・・・・・・・・・・・・・・・・・・・・・・・・・・・・・・・・・・・・・・・・・・・・・・・・・・ 208 HINGE ASSY, BACK DOOR, RH ・・・・・・・・・・・・・・・・・・・・・・・・・・・・・・・・・・・・・・・・・・・・・・・・・・・・・・・・・ 208 HINGE ASSY, FRONT DOOR, LOWER LH ・・・・・・・・・・・・・・・・・・・・・・・・・・・・・・・・・・・・・・・・・・・・・・・・・・ 196 HINGE ASSY, FRONT DOOR, LOWER RH ・・・・・・・・・・・・・・・・・・・・・・・・・・・・・・・・・・・・・・・・・・・・・・・・・・ 196 HINGE ASSY, FRONT DOOR, UPPER LH ・・・・・・・・・・・・・・・・・・・・・・・・・・・・・・・・・・・・・・・・・・・・・・・・・・ 196 HINGE ASSY, FRONT DOOR, UPPER RH ・・・・・・・・・・・・・・・・・・・・・・・・・・・・・・・・・・・・・・・・・・・・・・・・・・ 196 HINGE ASSY, HOOD, LH ・・・・・・・・・・・・・・・・・・・・・・・・・・・・・・・・・・・・・・・・・・・・・・・・・・・・・・・・・・・・・・ 157 HINGE ASSY, HOOD, RH ・・・・・・・・・・・・・・・・・・・・・・・・・・・・・・・・・・・・・・・・・・・・・・・・・・・・・・・・・・・・・・ 157 HINGE ASSY, REAR DOOR, LOWER LH ・・・・・・・・・・・・・・・・・・・・・・・・・・・・・・・・・・・・・・・・・・・・・・・・・・・ 204 HINGE ASSY, REAR DOOR, LOWER RH ・・・・・・・・・・・・・・・・・・・・・・・・・・・・・・・・・・・・・・・・・・・・・・・・・・・ 204 HINGE ASSY, REAR DOOR, UPPER LH ・・・・・・・・・・・・・・・・・・・・・・・・・・・・・・・・・・・・・・・・・・・・・・・・・・・ 204 HINGE ASSY, REAR DOOR, UPPER RH ・・・・・・・・・・・・・・・・・・・・・・・・・・・・・・・・・・・・・・・・・・・・・・・・・・・ 204 GROMMET, - HINGE PART NAME PAGE HOLDER ASSY, STARTER BRUSH ・・・・・・・・・・・・・・・・・・・・・・・・・・・・・・・・・・・・・・・・・・・・・・・・・・・・・・・・ 78 HOLDER, DOOR LOCKING(FOR FRONT DOOR) ・・・・・・・・・・・・・・・・・・・・・・・・・・・・・・・・・・・・・・・・・・・・・・ 195 HOLDER, DOOR LOCKING(FOR REAR DOOR) ・・・・・・・・・・・・・・・・・・・・・・・・・・・・・・・・・・・・・・・・・・・・・・・ 203 HOLDER, FUEL TANK FILLER PIPE COVER ・・・・・・・・・・・・・・・・・・・・・・・・・・・・・・・・・・・・・・・・・・・・・・・ 234 HOLDER, INJECTOR, NO.1 ・・・・・・・・・・・・・・・・・・・・・・・・・・・・・・・・・・・・・・・・・・・・・・・・・・・・・・・・・・・・ 79 HOLDER, LOCK BALL ・・・・・・・・・・・・・・・・・・・・・・・・・・・・・・・・・・・・・・・・・・・・・・・・・・・・・・・・・・・・・・・・・ 93 HOLDER, REAR SEAT BELT ・・・・・・・・・・・・・・・・・・・・・・・・・・・・・・・・・・・・・・・・・・・・・・・・・・・・・・・・・・・・ 220 HOLDER, VISOR ・・・・・・・・・・・・・・・・・・・・・・・・・・・・・・・・・・・・・・・・・・・・・・・・・・・・・・・・・・・・・・・・・・・・・ 222 HOLE SNAP RING (FOR 1WAY CLUTCH) ・・・・・・・・・・・・・・・・・・・・・・・・・・・・・・・・・・・・・・・・・・・・・・・・・・ 107 HOOD SUB-ASSY ・・・・・・・・・・・・・・・・・・・・・・・・・・・・・・・・・・・・・・・・・・・・・・・・・・・・・・・・・・・・・・・・・・・・・ 156 HOOK ASSY, FRONT ・・・・・・・・・・・・・・・・・・・・・・・・・・・・・・・・・・・・・・・・・・・・・・・・・・・・・・・・・・・・・・・・・・ 42 HOOK SUB-ASSY,REAR ・・・・・・・・・・・・・・・・・・・・・・・・・・・・・・・・・・・・・・・・・・・・・・・・・・・・・・・・・・・・・・・・ 162 HOOK, REAR SEAT CUSHION LOCK ・・・・・・・・・・・・・・・・・・・・・・・・・・・・・・・・・・・・・・・・・・・・・・・・・・・・・・ 217 HORN ASSY, LOW PITCHED ・・・・・・・・・・・・・・・・・・・・・・・・・・・・・・・・・・・・・・・・・・・・・・・・・・・・・・・・・・・・ 274 HOSE (FOR BREATHER PLUG) ・・・・・・・・・・・・・・・・・・・・・・・・・・・・・・・・・・・・・・・・・・・・・・・・・・・・・・・・・・ 100 HOSE ASSY, VACUUM ・・・・・・・・・・・・・・・・・・・・・・・・・・・・・・・・・・・・・・・・・・・・・・・・・・・・・・・・・・・・・・・・・ 131 HOSE OR PIPE(FOR RADIATOR RESERVE TANK) ・・・・・・・・・・・・・・・・・・・・・・・・・・・・・・・・・・・・・・・・・・・ 66 HOSE SUB-ASSY, VACUUM ・・・・・・・・・・・・・・・・・・・・・・・・・・・・・・・・・・・・・・・・・・・・・・・・・・・・・・・・・・・・・ 72 HOSE(FOR OIL COOLER INLET) ・・・・・・・・・・・・・・・・・・・・・・・・・・・・・・・・・・・・・・・・・・・・・・・・・・・・・・・・ 111 HOSE(FOR OIL COOLER OUTLET) ・・・・・・・・・・・・・・・・・・・・・・・・・・・・・・・・・・・・・・・・・・・・・・・・・・・・・・・ 111 HOSE, AIR CLEANER, NO.1 ・・・・・・・・・・・・・・・・・・・・・・・・・・・・・・・・・・・・・・・・・・・・・・・・・・・・・・・・・・・ 71 HOSE, COOLER REFRIGERANT DISCHARGE, NO.1 ・・・・・・・・・・・・・・・・・・・・・・・・・・・・・・・・・・・・・・・・・・ 284 HOSE, COOLER REFRIGERANT SUCTION, NO.1 ・・・・・・・・・・・・・・・・・・・・・・・・・・・・・・・・・・・・・・・・・・・・ 284 HOSE, DRAIN COOLER ・・・・・・・・・・・・・・・・・・・・・・・・・・・・・・・・・・・・・・・・・・・・・・・・・・・・・・・・・・・・・・・・ 279 HOSE, FLEXIBLE(FOR REAR LH) ・・・・・・・・・・・・・・・・・・・・・・・・・・・・・・・・・・・・・・・・・・・・・・・・・・・・・・・ 141 HOSE, FLEXIBLE(FOR REAR RH) ・・・・・・・・・・・・・・・・・・・・・・・・・・・・・・・・・・・・・・・・・・・・・・・・・・・・・・・ 141 HOSE, FLEXIBLE, NO.1(FOR FRONT) ・・・・・・・・・・・・・・・・・・・・・・・・・・・・・・・・・・・・・・・・・・・・・・・・・・・ 141 HOSE, FUEL ・・・・・・・・・・・・・・・・・・・・・・・・・・・・・・・・・・・・・・・・・・・・・・・・・・・・・・・・・・・・・・・・・・・・・・・・ 234 HOSE, FUEL TANK BREATHER ・・・・・・・・・・・・・・・・・・・・・・・・・・・・・・・・・・・・・・・・・・・・・・・・・・・・・・・・・・ 235 HOSE, FUEL TANK TO FILLER PIPE ・・・・・・・・・・・・・・・・・・・・・・・・・・・・・・・・・・・・・・・・・・・・・・・・・・・・ 234 HOSE, FUEL VAPOR FEED, NO.2 ・・・・・・・・・・・・・・・・・・・・・・・・・・・・・・・・・・・・・・・・・・・・・・・・・・・・・・・ 72 HOSE, FUEL, NO.1 (FOR FUEL TANK TO CANISTER TUBE) ・・・・・・・・・・・・・・・・・・・・・・・・・・・・・・・・・ 234 HOSE, RADIATOR, NO.1 ・・・・・・・・・・・・・・・・・・・・・・・・・・・・・・・・・・・・・・・・・・・・・・・・・・・・・・・・・・・・・・ 66 HOSE, RADIATOR, NO.2 ・・・・・・・・・・・・・・・・・・・・・・・・・・・・・・・・・・・・・・・・・・・・・・・・・・・・・・・・・・・・・・ 66 HOSE, VENTILATION ・・・・・・・・・・・・・・・・・・・・・・・・・・・・・・・・・・・・・・・・・・・・・・・・・・・・・・・・・・・・・・・・・ 55 HOSE, VENTILATION, NO.2 ・・・・・・・・・・・・・・・・・・・・・・・・・・・・・・・・・・・・・・・・・・・・・・・・・・・・・・・・・・・ 55 HOSE, WATER BY-PASS ・・・・・・・・・・・・・・・・・・・・・・・・・・・・・・・・・・・・・・・・・・・・・・・・・・・・・・・・・・・・・・・ 65 HOSE, WATER BY-PASS ・・・・・・・・・・・・・・・・・・・・・・・・・・・・・・・・・・・・・・・・・・・・・・・・・・・・・・・・・・・・・・・ 65 HOSE, WINDOW WASHER ・・・・・・・・・・・・・・・・・・・・・・・・・・・・・・・・・・・・・・・・・・・・・・・・・・・・・・・・・・・・・・・ 267 HOSE, WINDSHIELD WASHER (FROM MOTOR TO JOINT) ・・・・・・・・・・・・・・・・・・・・・・・・・・・・・・・・・・・・・ 267 HOUSING ASSY, STARTER DRIVE ・・・・・・・・・・・・・・・・・・・・・・・・・・・・・・・・・・・・・・・・・・・・・・・・・・・・・・・ 78 HOUSING, CLUTCH ・・・・・・・・・・・・・・・・・・・・・・・・・・・・・・・・・・・・・・・・・・・・・・・・・・・・・・・・・・・・・・・・・・・ 84 HOUSING, STEERING COLUMN ・・・・・・・・・・・・・・・・・・・・・・・・・・・・・・・・・・・・・・・・・・・・・・・・・・・・・・・・・・ 122 HUB & BEARING ASSY, REAR AXLE, LH ・・・・・・・・・・・・・・・・・・・・・・・・・・・・・・・・・・・・・・・・・・・・・・・・・ 112 HUB & BEARING ASSY, REAR AXLE, RH ・・・・・・・・・・・・・・・・・・・・・・・・・・・・・・・・・・・・・・・・・・・・・・・・・ 112 HUB ASSY, SYNCHRONIZER, NO.1 ・・・・・・・・・・・・・・・・・・・・・・・・・・・・・・・・・・・・・・・・・・・・・・・・・・・・・・ 89 HUB ASSY, SYNCHRONIZER, NO.2 ・・・・・・・・・・・・・・・・・・・・・・・・・・・・・・・・・・・・・・・・・・・・・・・・・・・・・・ 89 HUB ASSY, SYNCHRONIZER, NO.3 ・・・・・・・・・・・・・・・・・・・・・・・・・・・・・・・・・・・・・・・・・・・・・・・・・・・・・・ 89 HUB SUB-ASSY, FRONT AXLE, LH ・・・・・・・・・・・・・・・・・・・・・・・・・・・・・・・・・・・・・・・・・・・・・・・・・・・・・・ 120 HUB SUB-ASSY, FRONT AXLE, RH ・・・・・・・・・・・・・・・・・・・・・・・・・・・・・・・・・・・・・・・・・・・・・・・・・・・・・・ 120 HOLDER - HUB 22
  • 23.
    PART NAME PAGE HUBSUB-ASSY, MAGNET CLUTCH ・・・・・・・・・・・・・・・・・・・・・・・・・・・・・・・・・・・・・・・・・・・・・・・・・・・・・・・ 286 HUB, FORWARD CLUTCH, NO.1 ・・・・・・・・・・・・・・・・・・・・・・・・・・・・・・・・・・・・・・・・・・・・・・・・・・・・・・・・・ 106 HUB, SPEEDOMETER DRIVE GEAR ・・・・・・・・・・・・・・・・・・・・・・・・・・・・・・・・・・・・・・・・・・・・・・・・・・・・・・・ 90 INJECTOR ASSY, FUEL ・・・・・・・・・・・・・・・・・・・・・・・・・・・・・・・・・・・・・・・・・・・・・・・・・・・・・・・・・・・・・・・ 79 INLET, WATER ・・・・・・・・・・・・・・・・・・・・・・・・・・・・・・・・・・・・・・・・・・・・・・・・・・・・・・・・・・・・・・・・・・・・・・ 65 INSULATOR ASSY, DASH PANEL ・・・・・・・・・・・・・・・・・・・・・・・・・・・・・・・・・・・・・・・・・・・・・・・・・・・・・・・・ 159 INSULATOR SUB-ASSY, ENGINE MOUNTING, LH ・・・・・・・・・・・・・・・・・・・・・・・・・・・・・・・・・・・・・・・・・・・ 54 INSULATOR SUB-ASSY, ENGINE MOUNTING, RH ・・・・・・・・・・・・・・・・・・・・・・・・・・・・・・・・・・・・・・・・・・・ 54 INSULATOR, ALTERNATOR TERMINAL ・・・・・・・・・・・・・・・・・・・・・・・・・・・・・・・・・・・・・・・・・・・・・・・・・・・・ 76 INSULATOR, EXHAUST MANIFOLD HEAT, NO.1 ・・・・・・・・・・・・・・・・・・・・・・・・・・・・・・・・・・・・・・・・・・・・ 69 INSULATOR, FRONT COIL SPRING, UPPER LH ・・・・・・・・・・・・・・・・・・・・・・・・・・・・・・・・・・・・・・・・・・・・ 146 INSULATOR, FRONT COIL SPRING, UPPER RH ・・・・・・・・・・・・・・・・・・・・・・・・・・・・・・・・・・・・・・・・・・・・ 146 INSULATOR, HOOD ・・・・・・・・・・・・・・・・・・・・・・・・・・・・・・・・・・・・・・・・・・・・・・・・・・・・・・・・・・・・・・・・・・・ 156 JACK ASSY ・・・・・・・・・・・・・・・・・・・・・・・・・・・・・・・・・・・・・・・・・・・・・・・・・・・・・・・・・・・・・・・・・・・・・・・・・ 42 JAR ASSY, WINDSHIELD WASHER ・・・・・・・・・・・・・・・・・・・・・・・・・・・・・・・・・・・・・・・・・・・・・・・・・・・・・・・ 267 JOINT ASSY, STEERING SHAFT UNIVERSAL ・・・・・・・・・・・・・・・・・・・・・・・・・・・・・・・・・・・・・・・・・・・・・・ 122 JOINT SET, FRONT AXLE INBOARD, LH ・・・・・・・・・・・・・・・・・・・・・・・・・・・・・・・・・・・・・・・・・・・・・・・・・ 119 JOINT SET, FRONT AXLE INBOARD, RH ・・・・・・・・・・・・・・・・・・・・・・・・・・・・・・・・・・・・・・・・・・・・・・・・・ 119 JOINT, WINDSHIELD WASHER HOSE, NO.1 ・・・・・・・・・・・・・・・・・・・・・・・・・・・・・・・・・・・・・・・・・・・・・・・ 267 JOINT, WINDSHIELD WASHER HOSE, NO.1 ・・・・・・・・・・・・・・・・・・・・・・・・・・・・・・・・・・・・・・・・・・・・・・・ 267 JOINT, WINDSHIELD WASHER HOSE, NO.2 ・・・・・・・・・・・・・・・・・・・・・・・・・・・・・・・・・・・・・・・・・・・・・・・ 267 JOINT, WINDSHIELD WASHER HOSE, NO.3 ・・・・・・・・・・・・・・・・・・・・・・・・・・・・・・・・・・・・・・・・・・・・・・・ 267 KEY, SUB ・・・・・・・・・・・・・・・・・・・・・・・・・・・・・・・・・・・・・・・・・・・・・・・・・・・・・・・・・・・・・・・・・・・・・・・・・・ 210 KEY, SYNCHROMESH SHIFTING, NO.1 ・・・・・・・・・・・・・・・・・・・・・・・・・・・・・・・・・・・・・・・・・・・・・・・・・・・ 89 KEY, SYNCHROMESH SHIFTING, NO.2 ・・・・・・・・・・・・・・・・・・・・・・・・・・・・・・・・・・・・・・・・・・・・・・・・・・・ 89 KNOB SUB-ASSY, SHIFT LEVER ・・・・・・・・・・・・・・・・・・・・・・・・・・・・・・・・・・・・・・・・・・・・・・・・・・・・・・・・ 95 KNOB, HEATER CONTROL ・・・・・・・・・・・・・・・・・・・・・・・・・・・・・・・・・・・・・・・・・・・・・・・・・・・・・・・・・・・・・・ 281 KNUCKLE, STEERING, LH ・・・・・・・・・・・・・・・・・・・・・・・・・・・・・・・・・・・・・・・・・・・・・・・・・・・・・・・・・・・・・ 143 KNUCKLE, STEERING, RH ・・・・・・・・・・・・・・・・・・・・・・・・・・・・・・・・・・・・・・・・・・・・・・・・・・・・・・・・・・・・・ 143 LABEL, COOLING FAN CAUTION ・・・・・・・・・・・・・・・・・・・・・・・・・・・・・・・・・・・・・・・・・・・・・・・・・・・・・・・・ 73 LABEL, SAFETY CAUTION ・・・・・・・・・・・・・・・・・・・・・・・・・・・・・・・・・・・・・・・・・・・・・・・・・・・・・・・・・・・・・ 224 LABEL, TIRE PRESSURE INFORMATION ・・・・・・・・・・・・・・・・・・・・・・・・・・・・・・・・・・・・・・・・・・・・・・・・・・ 224 LABEL, TUNE-UP SPECIFICATION INFORMATION ・・・・・・・・・・・・・・・・・・・・・・・・・・・・・・・・・・・・・・・・・・ 224 LAMP ASSY, CENTER STOP ・・・・・・・・・・・・・・・・・・・・・・・・・・・・・・・・・・・・・・・・・・・・・・・・・・・・・・・・・・・・ 242 LAMP ASSY, LICENSE PLATE ・・・・・・・・・・・・・・・・・・・・・・・・・・・・・・・・・・・・・・・・・・・・・・・・・・・・・・・・・・ 241 LAMP UNIT, FOG LAMP, LH ・・・・・・・・・・・・・・・・・・・・・・・・・・・・・・・・・・・・・・・・・・・・・・・・・・・・・・・・・・・ 239 LAMP UNIT, FOG LAMP, RH ・・・・・・・・・・・・・・・・・・・・・・・・・・・・・・・・・・・・・・・・・・・・・・・・・・・・・・・・・・・ 239 LENS & BODY, REAR COMBINATION LAMP, LH ・・・・・・・・・・・・・・・・・・・・・・・・・・・・・・・・・・・・・・・・・・・・ 240 LENS & BODY, REAR COMBINATION LAMP, RH ・・・・・・・・・・・・・・・・・・・・・・・・・・・・・・・・・・・・・・・・・・・・ 240 LENS, CIGARETTE LIGHTER INDICATOR ・・・・・・・・・・・・・・・・・・・・・・・・・・・・・・・・・・・・・・・・・・・・・・・・・ 260 LENS, INNER RR VIEW MIRROR ROOM LAMP ・・・・・・・・・・・・・・・・・・・・・・・・・・・・・・・・・・・・・・・・・・・・・・ 275 LEVER ASSY, PARKING BRAKE ・・・・・・・・・・・・・・・・・・・・・・・・・・・・・・・・・・・・・・・・・・・・・・・・・・・・・・・・・ 128 LEVER SUB-ASSY, CLUTCH RELEASE FORK ・・・・・・・・・・・・・・・・・・・・・・・・・・・・・・・・・・・・・・・・・・・・・・・ 80 LEVER SUB-ASSY, MANUAL VALVE ・・・・・・・・・・・・・・・・・・・・・・・・・・・・・・・・・・・・・・・・・・・・・・・・・・・・・・ 110 LEVER SUB-ASSY, PARKING BRAKE SHOE, LH (FOR REAR BRAKE) ・・・・・・・・・・・・・・・・・・・・・・・・・・・ 137 LEVER SUB-ASSY, PARKING BRAKE SHOE, RH(FOR REAR BRAKE) ・・・・・・・・・・・・・・・・・・・・・・・・・・・・ 137 LEVER, REAR BRAKE AUTOMATIC ADJUST, LH ・・・・・・・・・・・・・・・・・・・・・・・・・・・・・・・・・・・・・・・・・・・・ 137 LEVER, REAR BRAKE AUTOMATIC ADJUST, RH ・・・・・・・・・・・・・・・・・・・・・・・・・・・・・・・・・・・・・・・・・・・・ 137 LEVER, SELECT INNER ・・・・・・・・・・・・・・・・・・・・・・・・・・・・・・・・・・・・・・・・・・・・・・・・・・・・・・・・・・・・・・・ 92 LEVER, SHIFT, INNER NO.1 ・・・・・・・・・・・・・・・・・・・・・・・・・・・・・・・・・・・・・・・・・・・・・・・・・・・・・・・・・・ 92 HUB - LEVER, PART NAME PAGE LEVER,TRANSMISSION CONTROL SHAFT ・・・・・・・・・・・・・・・・・・・・・・・・・・・・・・・・・・・・・・・・・・・・・・・・・・ 110 LID ASSY, FUEL FILLER OPENING ・・・・・・・・・・・・・・・・・・・・・・・・・・・・・・・・・・・・・・・・・・・・・・・・・・・・・ 235 LIFTER, VALVE ・・・・・・・・・・・・・・・・・・・・・・・・・・・・・・・・・・・・・・・・・・・・・・・・・・・・・・・・・・・・・・・・・・・・・ 59 LIGHTER ASSY, CIGARETTE ・・・・・・・・・・・・・・・・・・・・・・・・・・・・・・・・・・・・・・・・・・・・・・・・・・・・・・・・・・・ 260 LINER, FRONT FENDER, LH ・・・・・・・・・・・・・・・・・・・・・・・・・・・・・・・・・・・・・・・・・・・・・・・・・・・・・・・・・・・ 156 LINER, FRONT FENDER, RH ・・・・・・・・・・・・・・・・・・・・・・・・・・・・・・・・・・・・・・・・・・・・・・・・・・・・・・・・・・・ 156 LINER, REAR WHEEL HOUSE, LH ・・・・・・・・・・・・・・・・・・・・・・・・・・・・・・・・・・・・・・・・・・・・・・・・・・・・・・・ 180 LINER, REAR WHEEL HOUSE, RH ・・・・・・・・・・・・・・・・・・・・・・・・・・・・・・・・・・・・・・・・・・・・・・・・・・・・・・・ 180 LINK ASSY, FRONT STABILIZER, LH ・・・・・・・・・・・・・・・・・・・・・・・・・・・・・・・・・・・・・・・・・・・・・・・・・・・ 146 LINK ASSY, FRONT STABILIZER, RH ・・・・・・・・・・・・・・・・・・・・・・・・・・・・・・・・・・・・・・・・・・・・・・・・・・・ 147 LINK ASSY, WINDSHIELD WIPER ・・・・・・・・・・・・・・・・・・・・・・・・・・・・・・・・・・・・・・・・・・・・・・・・・・・・・・・ 266 LINK, FRONT DOOR LOCK REMOTE CONTROL, LH ・・・・・・・・・・・・・・・・・・・・・・・・・・・・・・・・・・・・・・・・・・ 195 LINK, FRONT DOOR LOCK REMOTE CONTROL, RH ・・・・・・・・・・・・・・・・・・・・・・・・・・・・・・・・・・・・・・・・・・ 195 LINK, REAR DOOR INSIDE LOCKING, LH ・・・・・・・・・・・・・・・・・・・・・・・・・・・・・・・・・・・・・・・・・・・・・・・・ 203 LINK, REAR DOOR INSIDE LOCKING, RH ・・・・・・・・・・・・・・・・・・・・・・・・・・・・・・・・・・・・・・・・・・・・・・・・ 203 LINK, REAR DOOR LOCK REMOTE CONTROL, LH ・・・・・・・・・・・・・・・・・・・・・・・・・・・・・・・・・・・・・・・・・・・ 203 LINK, REAR DOOR LOCK REMOTE CONTROL, RH ・・・・・・・・・・・・・・・・・・・・・・・・・・・・・・・・・・・・・・・・・・・ 203 LOCK ASSY, BACK DOOR ・・・・・・・・・・・・・・・・・・・・・・・・・・・・・・・・・・・・・・・・・・・・・・・・・・・・・・・・・・・・・・ 208 LOCK ASSY, FRONT DOOR, LH ・・・・・・・・・・・・・・・・・・・・・・・・・・・・・・・・・・・・・・・・・・・・・・・・・・・・・・・・・ 195 LOCK ASSY, FRONT DOOR, RH ・・・・・・・・・・・・・・・・・・・・・・・・・・・・・・・・・・・・・・・・・・・・・・・・・・・・・・・・・ 194 LOCK ASSY, GLOVE COMPARTMENT DOOR ・・・・・・・・・・・・・・・・・・・・・・・・・・・・・・・・・・・・・・・・・・・・・・・・・ 166 LOCK ASSY, HOOD ・・・・・・・・・・・・・・・・・・・・・・・・・・・・・・・・・・・・・・・・・・・・・・・・・・・・・・・・・・・・・・・・・・・ 157 LOCK ASSY, REAR DOOR, LH ・・・・・・・・・・・・・・・・・・・・・・・・・・・・・・・・・・・・・・・・・・・・・・・・・・・・・・・・・・ 202 LOCK ASSY, REAR DOOR, RH ・・・・・・・・・・・・・・・・・・・・・・・・・・・・・・・・・・・・・・・・・・・・・・・・・・・・・・・・・・ 202 LOCK ASSY, REAR SEAT BACK, LH ・・・・・・・・・・・・・・・・・・・・・・・・・・・・・・・・・・・・・・・・・・・・・・・・・・・・・ 217 LOCK ASSY, REAR SEAT BACK, RH ・・・・・・・・・・・・・・・・・・・・・・・・・・・・・・・・・・・・・・・・・・・・・・・・・・・・・ 217 LOCK SUB-ASSY, FRONT DOOR, LH ・・・・・・・・・・・・・・・・・・・・・・・・・・・・・・・・・・・・・・・・・・・・・・・・・・・・・ 194 LOCK SUB-ASSY, FRONT DOOR, RH ・・・・・・・・・・・・・・・・・・・・・・・・・・・・・・・・・・・・・・・・・・・・・・・・・・・・・ 194 LOCK SUB-ASSY, FUEL FILLER OPENING LID ・・・・・・・・・・・・・・・・・・・・・・・・・・・・・・・・・・・・・・・・・・・・ 234 LOCK SUB-ASSY, REAR DOOR, LH ・・・・・・・・・・・・・・・・・・・・・・・・・・・・・・・・・・・・・・・・・・・・・・・・・・・・・・ 202 LOCK SUB-ASSY, REAR DOOR, RH ・・・・・・・・・・・・・・・・・・・・・・・・・・・・・・・・・・・・・・・・・・・・・・・・・・・・・・ 202 LOCK, VALVE SPRING RETAINER ・・・・・・・・・・・・・・・・・・・・・・・・・・・・・・・・・・・・・・・・・・・・・・・・・・・・・・・ 59 LOUVER SUB-ASSY, COWL TOP VENTILATOR ・・・・・・・・・・・・・・・・・・・・・・・・・・・・・・・・・・・・・・・・・・・・・・ 168 MAGNET, TRANSAXLE ・・・・・・・・・・・・・・・・・・・・・・・・・・・・・・・・・・・・・・・・・・・・・・・・・・・・・・・・・・・・・・・・・ 99 MAGNET, TRANSMISSION ・・・・・・・・・・・・・・・・・・・・・・・・・・・・・・・・・・・・・・・・・・・・・・・・・・・・・・・・・・・・・・ 85 MANIFOLD, INTAKE ・・・・・・・・・・・・・・・・・・・・・・・・・・・・・・・・・・・・・・・・・・・・・・・・・・・・・・・・・・・・・・・・・・ 69 MASTER SWITCH ASSY, POWER WINDOW REGULATOR ・・・・・・・・・・・・・・・・・・・・・・・・・・・・・・・・・・・・・・・・ 259 MEMBER SUB-ASSY, FLOOR SIDE, INNER LH ・・・・・・・・・・・・・・・・・・・・・・・・・・・・・・・・・・・・・・・・・・・・・ 162 MEMBER SUB-ASSY, FLOOR SIDE, INNER RH ・・・・・・・・・・・・・・・・・・・・・・・・・・・・・・・・・・・・・・・・・・・・・ 162 MEMBER SUB-ASSY, FRONT FLOOR CROSS, LH ・・・・・・・・・・・・・・・・・・・・・・・・・・・・・・・・・・・・・・・・・・・・ 173 MEMBER SUB-ASSY, FRONT FLOOR CROSS, RH ・・・・・・・・・・・・・・・・・・・・・・・・・・・・・・・・・・・・・・・・・・・・ 173 MEMBER SUB-ASSY, FRONT SIDE, LH ・・・・・・・・・・・・・・・・・・・・・・・・・・・・・・・・・・・・・・・・・・・・・・・・・・・ 162 MEMBER SUB-ASSY, FRONT SIDE, RH ・・・・・・・・・・・・・・・・・・・・・・・・・・・・・・・・・・・・・・・・・・・・・・・・・・・ 162 MEMBER SUB-ASSY, MAIN FLOOR SIDE, LH ・・・・・・・・・・・・・・・・・・・・・・・・・・・・・・・・・・・・・・・・・・・・・・ 162 MEMBER SUB-ASSY, MAIN FLOOR SIDE, RH ・・・・・・・・・・・・・・・・・・・・・・・・・・・・・・・・・・・・・・・・・・・・・・ 162 MEMBER SUB-ASSY, REAR FLOOR CROSS, NO.1 ・・・・・・・・・・・・・・・・・・・・・・・・・・・・・・・・・・・・・・・・・・・ 162 MEMBER SUB-ASSY, REAR FLOOR SIDE, LH ・・・・・・・・・・・・・・・・・・・・・・・・・・・・・・・・・・・・・・・・・・・・・・ 162 MEMBER SUB-ASSY, REAR FLOOR SIDE, RH ・・・・・・・・・・・・・・・・・・・・・・・・・・・・・・・・・・・・・・・・・・・・・・ 162 MEMBER, FRONT FLOOR CROSS ・・・・・・・・・・・・・・・・・・・・・・・・・・・・・・・・・・・・・・・・・・・・・・・・・・・・・・・・・ 162 MEMBER, REAR FLOOR CROSS, NO.2 ・・・・・・・・・・・・・・・・・・・・・・・・・・・・・・・・・・・・・・・・・・・・・・・・・・・・ 162 LEVER,TRANSMISSION - MEMBER, 23
  • 24.
    PART NAME PAGE MEMBER,REAR FLOOR, CENTER ・・・・・・・・・・・・・・・・・・・・・・・・・・・・・・・・・・・・・・・・・・・・・・・・・・・・・・・・ 162 METER ASSY, COMBINATION ・・・・・・・・・・・・・・・・・・・・・・・・・・・・・・・・・・・・・・・・・・・・・・・・・・・・・・・・・・・ 252 MIRROR ASSY, INNER REAR VIEW ・・・・・・・・・・・・・・・・・・・・・・・・・・・・・・・・・・・・・・・・・・・・・・・・・・・・・・ 275 MIRROR ASSY, OUTER REAR VIEW, LH ・・・・・・・・・・・・・・・・・・・・・・・・・・・・・・・・・・・・・・・・・・・・・・・・・・ 275 MIRROR ASSY, OUTER REAR VIEW, RH ・・・・・・・・・・・・・・・・・・・・・・・・・・・・・・・・・・・・・・・・・・・・・・・・・・ 275 MIRROR, OUTER REAR VIEW, LH ・・・・・・・・・・・・・・・・・・・・・・・・・・・・・・・・・・・・・・・・・・・・・・・・・・・・・・・ 276 MIRROR, OUTER REAR VIEW, RH ・・・・・・・・・・・・・・・・・・・・・・・・・・・・・・・・・・・・・・・・・・・・・・・・・・・・・・・ 275 MOTOR AND PUMP ASSY, WINDSHIELD WASHER ・・・・・・・・・・・・・・・・・・・・・・・・・・・・・・・・・・・・・・・・・・・・ 267 MOTOR ASSY, BLOWER ・・・・・・・・・・・・・・・・・・・・・・・・・・・・・・・・・・・・・・・・・・・・・・・・・・・・・・・・・・・・・・・・ 279 MOTOR ASSY, DOOR CONTROL, FRONT LH ・・・・・・・・・・・・・・・・・・・・・・・・・・・・・・・・・・・・・・・・・・・・・・・・ 195 MOTOR ASSY, DOOR CONTROL, FRONT RH ・・・・・・・・・・・・・・・・・・・・・・・・・・・・・・・・・・・・・・・・・・・・・・・・ 195 MOTOR ASSY, DOOR CONTROL, REAR LH ・・・・・・・・・・・・・・・・・・・・・・・・・・・・・・・・・・・・・・・・・・・・・・・・・ 203 MOTOR ASSY, DOOR CONTROL, REAR RH ・・・・・・・・・・・・・・・・・・・・・・・・・・・・・・・・・・・・・・・・・・・・・・・・・ 203 MOTOR ASSY, POWER WINDOW REGULATOR, LH ・・・・・・・・・・・・・・・・・・・・・・・・・・・・・・・・・・・・・・・・・・・・ 197 MOTOR ASSY, POWER WINDOW REGULATOR, LH ・・・・・・・・・・・・・・・・・・・・・・・・・・・・・・・・・・・・・・・・・・・・ 205 MOTOR ASSY, POWER WINDOW REGULATOR, RH ・・・・・・・・・・・・・・・・・・・・・・・・・・・・・・・・・・・・・・・・・・・・ 197 MOTOR ASSY, POWER WINDOW REGULATOR, RH ・・・・・・・・・・・・・・・・・・・・・・・・・・・・・・・・・・・・・・・・・・・・ 205 MOTOR ASSY, WINDSHIELD WIPER ・・・・・・・・・・・・・・・・・・・・・・・・・・・・・・・・・・・・・・・・・・・・・・・・・・・・・・ 266 MOTOR, COOLING FAN ・・・・・・・・・・・・・・・・・・・・・・・・・・・・・・・・・・・・・・・・・・・・・・・・・・・・・・・・・・・・・・・・ 65 MOULDING, FRONT DOOR, OUTSIDE LH ・・・・・・・・・・・・・・・・・・・・・・・・・・・・・・・・・・・・・・・・・・・・・・・・・・ 228 MOULDING, FRONT DOOR, OUTSIDE RH ・・・・・・・・・・・・・・・・・・・・・・・・・・・・・・・・・・・・・・・・・・・・・・・・・・ 228 MOULDING, RADIATOR GRILLE SIDE, LH ・・・・・・・・・・・・・・・・・・・・・・・・・・・・・・・・・・・・・・・・・・・・・・・・ 154 MOULDING, RADIATOR GRILLE SIDE, RH ・・・・・・・・・・・・・・・・・・・・・・・・・・・・・・・・・・・・・・・・・・・・・・・・ 154 MOULDING, RADIATOR GRILLE, LOWER ・・・・・・・・・・・・・・・・・・・・・・・・・・・・・・・・・・・・・・・・・・・・・・・・・・ 154 MOULDING, RADIATOR GRILLE, UPPER ・・・・・・・・・・・・・・・・・・・・・・・・・・・・・・・・・・・・・・・・・・・・・・・・・・ 154 MOULDING, REAR DOOR, OUTSIDE LH ・・・・・・・・・・・・・・・・・・・・・・・・・・・・・・・・・・・・・・・・・・・・・・・・・・・ 228 MOULDING, REAR DOOR, OUTSIDE RH ・・・・・・・・・・・・・・・・・・・・・・・・・・・・・・・・・・・・・・・・・・・・・・・・・・・ 228 MOULDING, ROOF DRIP SIDE FINISH, LH ・・・・・・・・・・・・・・・・・・・・・・・・・・・・・・・・・・・・・・・・・・・・・・・ 228 MOULDING, ROOF DRIP SIDE FINISH, RH ・・・・・・・・・・・・・・・・・・・・・・・・・・・・・・・・・・・・・・・・・・・・・・・ 228 MOULDING, WINDSHIELD, OUTSIDE ・・・・・・・・・・・・・・・・・・・・・・・・・・・・・・・・・・・・・・・・・・・・・・・・・・・・・ 226 MOUNTING, FRONT DISC BRAKE CYLINDER, LH ・・・・・・・・・・・・・・・・・・・・・・・・・・・・・・・・・・・・・・・・・・・ 134 MOUNTING, FRONT DISC BRAKE CYLINDER, RH ・・・・・・・・・・・・・・・・・・・・・・・・・・・・・・・・・・・・・・・・・・・ 134 NOZZLE SUB-ASSY, OIL, NO.1 ・・・・・・・・・・・・・・・・・・・・・・・・・・・・・・・・・・・・・・・・・・・・・・・・・・・・・・・・ 51 NOZZLE SUB-ASSY, WASHER ・・・・・・・・・・・・・・・・・・・・・・・・・・・・・・・・・・・・・・・・・・・・・・・・・・・・・・・・・・・ 267 NUT (FOR FRONT AXLE SHAFT LH) ・・・・・・・・・・・・・・・・・・・・・・・・・・・・・・・・・・・・・・・・・・・・・・・・・・・・・ 120 NUT (FOR FRONT AXLE SHAFT RH) ・・・・・・・・・・・・・・・・・・・・・・・・・・・・・・・・・・・・・・・・・・・・・・・・・・・・・ 120 NUT (FOR STEERING KNUCKLE LH) ・・・・・・・・・・・・・・・・・・・・・・・・・・・・・・・・・・・・・・・・・・・・・・・・・・・・・ 143 NUT (FOR STEERING KNUCKLE RH) ・・・・・・・・・・・・・・・・・・・・・・・・・・・・・・・・・・・・・・・・・・・・・・・・・・・・・ 143 NUT(FOR FRONT STABILIZER LINK) ・・・・・・・・・・・・・・・・・・・・・・・・・・・・・・・・・・・・・・・・・・・・・・・・・・・・ 147 NUT, BOOSTER SLEEVE CYLINDER ・・・・・・・・・・・・・・・・・・・・・・・・・・・・・・・・・・・・・・・・・・・・・・・・・・・・・・ 131 NUT, BRAKE MASTER CYLINDER ・・・・・・・・・・・・・・・・・・・・・・・・・・・・・・・・・・・・・・・・・・・・・・・・・・・・・・・・ 130 NUT, HUB (FOR AXLE) ・・・・・・・・・・・・・・・・・・・・・・・・・・・・・・・・・・・・・・・・・・・・・・・・・・・・・・・・・・・・・・・ 115 NUT, STEERING WHEEL SET ・・・・・・・・・・・・・・・・・・・・・・・・・・・・・・・・・・・・・・・・・・・・・・・・・・・・・・・・・・・ 124 NUT, WIRE ADJUSTING, NO.1 ・・・・・・・・・・・・・・・・・・・・・・・・・・・・・・・・・・・・・・・・・・・・・・・・・・・・・・・・・ 128 ORNAMENT SUB-ASSY, WHEEL HUB ・・・・・・・・・・・・・・・・・・・・・・・・・・・・・・・・・・・・・・・・・・・・・・・・・・・・・・ 115 OUTLET, WATER ・・・・・・・・・・・・・・・・・・・・・・・・・・・・・・・・・・・・・・・・・・・・・・・・・・・・・・・・・・・・・・・・・・・・・ 65 PACKING A (FOR COOLER) ・・・・・・・・・・・・・・・・・・・・・・・・・・・・・・・・・・・・・・・・・・・・・・・・・・・・・・・・・・・・ 284 PACKING B (FOR COOLER) ・・・・・・・・・・・・・・・・・・・・・・・・・・・・・・・・・・・・・・・・・・・・・・・・・・・・・・・・・・・・ 284 PACKING(FOR RADIATOR DRAIN COCK) ・・・・・・・・・・・・・・・・・・・・・・・・・・・・・・・・・・・・・・・・・・・・・・・・・・ 66 PACKING, BACK DOOR HINGE ・・・・・・・・・・・・・・・・・・・・・・・・・・・・・・・・・・・・・・・・・・・・・・・・・・・・・・・・・・ 208 MEMBER, - PACKING, PART NAME PAGE PAD KIT, DISC BRAKE, FRONT ・・・・・・・・・・・・・・・・・・・・・・・・・・・・・・・・・・・・・・・・・・・・・・・・・・・・・・・・ 134 PAD, AIR DUCT ・・・・・・・・・・・・・・・・・・・・・・・・・・・・・・・・・・・・・・・・・・・・・・・・・・・・・・・・・・・・・・・・・・・・・ 282 PAD, BRAKE PEDAL ・・・・・・・・・・・・・・・・・・・・・・・・・・・・・・・・・・・・・・・・・・・・・・・・・・・・・・・・・・・・・・・・・・ 129 PAD, CLUTCH PEDAL ・・・・・・・・・・・・・・・・・・・・・・・・・・・・・・・・・・・・・・・・・・・・・・・・・・・・・・・・・・・・・・・・・ 81 PAD, DASH PANEL INSULATOR, NO.2 ・・・・・・・・・・・・・・・・・・・・・・・・・・・・・・・・・・・・・・・・・・・・・・・・・・ 173 PAD, DASH PANEL INSULATOR, NO.3 ・・・・・・・・・・・・・・・・・・・・・・・・・・・・・・・・・・・・・・・・・・・・・・・・・・ 173 PAD, DASH PANEL INSULATOR, NO.4 ・・・・・・・・・・・・・・・・・・・・・・・・・・・・・・・・・・・・・・・・・・・・・・・・・・ 173 PAD, DASH PANEL INSULATOR, NO.3 ・・・・・・・・・・・・・・・・・・・・・・・・・・・・・・・・・・・・・・・・・・・・・・・・・・・ 159 PAD, DASH PANEL SILENCER ・・・・・・・・・・・・・・・・・・・・・・・・・・・・・・・・・・・・・・・・・・・・・・・・・・・・・・・・・・ 159 PAD, FRONT SEAT BACK SILENCER, A ・・・・・・・・・・・・・・・・・・・・・・・・・・・・・・・・・・・・・・・・・・・・・・・・・・ 213 PAD, FRONT SEAT BACK SILENCER, B ・・・・・・・・・・・・・・・・・・・・・・・・・・・・・・・・・・・・・・・・・・・・・・・・・・ 214 PAD, FRONT SEAT BACK, LH(FOR SEPARATE TYPE) ・・・・・・・・・・・・・・・・・・・・・・・・・・・・・・・・・・・・・・・ 213 PAD, FRONT SEAT BACK, RH(FOR SEPARATE TYPE) ・・・・・・・・・・・・・・・・・・・・・・・・・・・・・・・・・・・・・・・ 213 PAD, FRONT SEAT CUSHION, LH (FOR SEPARATE TYPE) ・・・・・・・・・・・・・・・・・・・・・・・・・・・・・・・・・・・ 213 PAD, FRONT SEAT CUSHION, RH(FOR SEPARATE TYPE) ・・・・・・・・・・・・・・・・・・・・・・・・・・・・・・・・・・・・ 213 PAD, QUARTER PANEL ・・・・・・・・・・・・・・・・・・・・・・・・・・・・・・・・・・・・・・・・・・・・・・・・・・・・・・・・・・・・・・・・ 180 PAD, REAR SEAT CUSHION, RH ・・・・・・・・・・・・・・・・・・・・・・・・・・・・・・・・・・・・・・・・・・・・・・・・・・・・・・・・ 216 PAD, ROOF SILENCER, NO.1 ・・・・・・・・・・・・・・・・・・・・・・・・・・・・・・・・・・・・・・・・・・・・・・・・・・・・・・・・・・ 187 PAD, ROOF SILENCER, NO.2 ・・・・・・・・・・・・・・・・・・・・・・・・・・・・・・・・・・・・・・・・・・・・・・・・・・・・・・・・・・ 187 PAD,FRONT SEAT CUSHION SILENCER ・・・・・・・・・・・・・・・・・・・・・・・・・・・・・・・・・・・・・・・・・・・・・・・・・・・ 213 PAD,FRONT SEAT CUSHION SILENCER ・・・・・・・・・・・・・・・・・・・・・・・・・・・・・・・・・・・・・・・・・・・・・・・・・・・ 213 PAN SUB-ASSY, AUTOMATIC TRANSAXLE OIL ・・・・・・・・・・・・・・・・・・・・・・・・・・・・・・・・・・・・・・・・・・・・・ 100 PAN SUB-ASSY, OIL ・・・・・・・・・・・・・・・・・・・・・・・・・・・・・・・・・・・・・・・・・・・・・・・・・・・・・・・・・・・・・・・・・ 51 PAN, CENTER FLOOR ・・・・・・・・・・・・・・・・・・・・・・・・・・・・・・・・・・・・・・・・・・・・・・・・・・・・・・・・・・・・・・・・・ 173 PAN, FRONT FLOOR ・・・・・・・・・・・・・・・・・・・・・・・・・・・・・・・・・・・・・・・・・・・・・・・・・・・・・・・・・・・・・・・・・・ 173 PANEL ASSY, BACK DOOR TRIM ・・・・・・・・・・・・・・・・・・・・・・・・・・・・・・・・・・・・・・・・・・・・・・・・・・・・・・・・ 206 PANEL ASSY, DECK TRIM SIDE, LH ・・・・・・・・・・・・・・・・・・・・・・・・・・・・・・・・・・・・・・・・・・・・・・・・・・・・ 188 PANEL ASSY, DECK TRIM SIDE, LH ・・・・・・・・・・・・・・・・・・・・・・・・・・・・・・・・・・・・・・・・・・・・・・・・・・・・ 189 PANEL ASSY, DECK TRIM SIDE, RH ・・・・・・・・・・・・・・・・・・・・・・・・・・・・・・・・・・・・・・・・・・・・・・・・・・・・ 188 PANEL SUB-ASSY, BACK DOOR ・・・・・・・・・・・・・・・・・・・・・・・・・・・・・・・・・・・・・・・・・・・・・・・・・・・・・・・・・ 206 PANEL SUB-ASSY, BODY LOWER BACK, INNER ・・・・・・・・・・・・・・・・・・・・・・・・・・・・・・・・・・・・・・・・・・・・ 173 PANEL SUB-ASSY, COWL TOP, INNER ・・・・・・・・・・・・・・・・・・・・・・・・・・・・・・・・・・・・・・・・・・・・・・・・・・・ 168 PANEL SUB-ASSY, DASH ・・・・・・・・・・・・・・・・・・・・・・・・・・・・・・・・・・・・・・・・・・・・・・・・・・・・・・・・・・・・・・ 159 PANEL SUB-ASSY, FRONT DOOR, LH ・・・・・・・・・・・・・・・・・・・・・・・・・・・・・・・・・・・・・・・・・・・・・・・・・・・・ 191 PANEL SUB-ASSY, FRONT DOOR, RH ・・・・・・・・・・・・・・・・・・・・・・・・・・・・・・・・・・・・・・・・・・・・・・・・・・・・ 191 PANEL SUB-ASSY, INSTRUMENT ・・・・・・・・・・・・・・・・・・・・・・・・・・・・・・・・・・・・・・・・・・・・・・・・・・・・・・・・ 166 PANEL SUB-ASSY, INSTRUMENT CLUSTER FINISH, LOWER CENTER ・・・・・・・・・・・・・・・・・・・・・・・・・・・ 166 PANEL SUB-ASSY, QUARTER WHEEL HOUSE, INNER LH ・・・・・・・・・・・・・・・・・・・・・・・・・・・・・・・・・・・・・ 179 PANEL SUB-ASSY, QUARTER WHEEL HOUSE, INNER RH ・・・・・・・・・・・・・・・・・・・・・・・・・・・・・・・・・・・・・ 179 PANEL SUB-ASSY, REAR DOOR, LH ・・・・・・・・・・・・・・・・・・・・・・・・・・・・・・・・・・・・・・・・・・・・・・・・・・・・・ 199 PANEL SUB-ASSY, REAR DOOR, RH ・・・・・・・・・・・・・・・・・・・・・・・・・・・・・・・・・・・・・・・・・・・・・・・・・・・・・ 199 PANEL SUB-ASSY, REAR FLOOR ・・・・・・・・・・・・・・・・・・・・・・・・・・・・・・・・・・・・・・・・・・・・・・・・・・・・・・・・ 173 PANEL, CONSOLE ・・・・・・・・・・・・・・・・・・・・・・・・・・・・・・・・・・・・・・・・・・・・・・・・・・・・・・・・・・・・・・・・・・・・ 175 PANEL, COWL TOP SIDE, LH ・・・・・・・・・・・・・・・・・・・・・・・・・・・・・・・・・・・・・・・・・・・・・・・・・・・・・・・・・・ 159 PANEL, COWL TOP SIDE, RH ・・・・・・・・・・・・・・・・・・・・・・・・・・・・・・・・・・・・・・・・・・・・・・・・・・・・・・・・・・ 159 PANEL, COWL TOP, OUTER ・・・・・・・・・・・・・・・・・・・・・・・・・・・・・・・・・・・・・・・・・・・・・・・・・・・・・・・・・・・・ 168 PANEL, FRONT DOOR, OUTER LH ・・・・・・・・・・・・・・・・・・・・・・・・・・・・・・・・・・・・・・・・・・・・・・・・・・・・・・・ 191 PANEL, FRONT DOOR, OUTER RH ・・・・・・・・・・・・・・・・・・・・・・・・・・・・・・・・・・・・・・・・・・・・・・・・・・・・・・・ 191 PANEL, INSTRUMENT CLUSTER FINISH, CENTER ・・・・・・・・・・・・・・・・・・・・・・・・・・・・・・・・・・・・・・・・・・ 166 PANEL, INSTRUMENT CLUSTER FINISH, NO.1 ・・・・・・・・・・・・・・・・・・・・・・・・・・・・・・・・・・・・・・・・・・・・ 166 PAD - PANEL, 24
  • 25.
    PART NAME PAGE PANEL,QUARTER INNER, LOWER RH ・・・・・・・・・・・・・・・・・・・・・・・・・・・・・・・・・・・・・・・・・・・・・・・・・・・・ 179 PANEL, QUARTER, INNER LOWER LH ・・・・・・・・・・・・・・・・・・・・・・・・・・・・・・・・・・・・・・・・・・・・・・・・・・・・ 179 PANEL, QUARTER, LH ・・・・・・・・・・・・・・・・・・・・・・・・・・・・・・・・・・・・・・・・・・・・・・・・・・・・・・・・・・・・・・・・ 179 PANEL, QUARTER, RH ・・・・・・・・・・・・・・・・・・・・・・・・・・・・・・・・・・・・・・・・・・・・・・・・・・・・・・・・・・・・・・・・ 179 PANEL, REAR DOOR, OUTER LH ・・・・・・・・・・・・・・・・・・・・・・・・・・・・・・・・・・・・・・・・・・・・・・・・・・・・・・・・ 199 PANEL, REAR DOOR, OUTER RH ・・・・・・・・・・・・・・・・・・・・・・・・・・・・・・・・・・・・・・・・・・・・・・・・・・・・・・・・ 199 PANEL, ROCKER, OUTER LH ・・・・・・・・・・・・・・・・・・・・・・・・・・・・・・・・・・・・・・・・・・・・・・・・・・・・・・・・・・・ 178 PANEL, ROCKER, OUTER RH ・・・・・・・・・・・・・・・・・・・・・・・・・・・・・・・・・・・・・・・・・・・・・・・・・・・・・・・・・・・ 178 PANEL, ROOF ・・・・・・・・・・・・・・・・・・・・・・・・・・・・・・・・・・・・・・・・・・・・・・・・・・・・・・・・・・・・・・・・・・・・・・・ 182 PANEL, ROOF SIDE, INNER LH ・・・・・・・・・・・・・・・・・・・・・・・・・・・・・・・・・・・・・・・・・・・・・・・・・・・・・・・・ 180 PANEL, ROOF SIDE, INNER RH ・・・・・・・・・・・・・・・・・・・・・・・・・・・・・・・・・・・・・・・・・・・・・・・・・・・・・・・・ 180 PANEL, WINDSHIELD HEADER, INNER ・・・・・・・・・・・・・・・・・・・・・・・・・・・・・・・・・・・・・・・・・・・・・・・・・・・ 182 PAWL, PARKING LOCK ・・・・・・・・・・・・・・・・・・・・・・・・・・・・・・・・・・・・・・・・・・・・・・・・・・・・・・・・・・・・・・・・ 110 PEDAL ASSY, ACCELERATOR ・・・・・・・・・・・・・・・・・・・・・・・・・・・・・・・・・・・・・・・・・・・・・・・・・・・・・・・・・・・ 236 PEDAL SUB-ASSY, BRAKE ・・・・・・・・・・・・・・・・・・・・・・・・・・・・・・・・・・・・・・・・・・・・・・・・・・・・・・・・・・・・・ 129 PEDAL SUB-ASSY, CLUTCH ・・・・・・・・・・・・・・・・・・・・・・・・・・・・・・・・・・・・・・・・・・・・・・・・・・・・・・・・・・・・ 81 PILLAR SUB-ASSY, CENTER BODY, NO.2 LH ・・・・・・・・・・・・・・・・・・・・・・・・・・・・・・・・・・・・・・・・・・・・・ 178 PILLAR SUB-ASSY, CENTER BODY, NO.2 RH ・・・・・・・・・・・・・・・・・・・・・・・・・・・・・・・・・・・・・・・・・・・・・ 178 PILLAR SUB-ASSY, FRONT BODY, INNER LH ・・・・・・・・・・・・・・・・・・・・・・・・・・・・・・・・・・・・・・・・・・・・・ 178 PILLAR SUB-ASSY, FRONT BODY, INNER RH ・・・・・・・・・・・・・・・・・・・・・・・・・・・・・・・・・・・・・・・・・・・・・ 178 PILLAR, CENTER BODY, OUTER LH ・・・・・・・・・・・・・・・・・・・・・・・・・・・・・・・・・・・・・・・・・・・・・・・・・・・・・ 178 PILLAR, CENTER BODY, OUTER RH ・・・・・・・・・・・・・・・・・・・・・・・・・・・・・・・・・・・・・・・・・・・・・・・・・・・・・ 178 PILLAR, FRONT BODY, OUTER LH ・・・・・・・・・・・・・・・・・・・・・・・・・・・・・・・・・・・・・・・・・・・・・・・・・・・・・・ 178 PILLAR, FRONT BODY, OUTER RH ・・・・・・・・・・・・・・・・・・・・・・・・・・・・・・・・・・・・・・・・・・・・・・・・・・・・・・ 178 PIN(FOR PUSH ROD) ・・・・・・・・・・・・・・・・・・・・・・・・・・・・・・・・・・・・・・・・・・・・・・・・・・・・・・・・・・・・・・・・・ 129 PIN, FRONT DISC BRAKE CYLINDER SLIDE ・・・・・・・・・・・・・・・・・・・・・・・・・・・・・・・・・・・・・・・・・・・・・・ 134 PIN, FRONT DISC BRAKE CYLINDER SLIDE, NO.2 ・・・・・・・・・・・・・・・・・・・・・・・・・・・・・・・・・・・・・・・・ 134 PIN, PISTON ・・・・・・・・・・・・・・・・・・・・・・・・・・・・・・・・・・・・・・・・・・・・・・・・・・・・・・・・・・・・・・・・・・・・・・・ 57 PIN, RING W/HEAD ・・・・・・・・・・・・・・・・・・・・・・・・・・・・・・・・・・・・・・・・・・・・・・・・・・・・・・・・・・・・・・・・・・ 47 PIN, RING(FOR CYLINDER BLOCK NO.1 ) ・・・・・・・・・・・・・・・・・・・・・・・・・・・・・・・・・・・・・・・・・・・・・・・ 51 PIN, SHOE HOLD DOWN SPRING(FOR REAR BRAKE) ・・・・・・・・・・・・・・・・・・・・・・・・・・・・・・・・・・・・・・・・ 136 PIN, STRAIGHT (FOR AUTOMATIC TRANSMISSION CASE) ・・・・・・・・・・・・・・・・・・・・・・・・・・・・・・・・・・・ 99 PIN, STRAIGHT(FOR BRAKE MASTER CYLINDER) ・・・・・・・・・・・・・・・・・・・・・・・・・・・・・・・・・・・・・・・・・・ 130 PIN, STRAIGHT(FOR ENGINE REAR OIL SEAL) ・・・・・・・・・・・・・・・・・・・・・・・・・・・・・・・・・・・・・・・・・・・ 51 PIN, STRAIGHT(FOR MANUAL TRANSMISSION CASE) ・・・・・・・・・・・・・・・・・・・・・・・・・・・・・・・・・・・・・・・ 84 PINION, FRONT DIFFERENTIAL ・・・・・・・・・・・・・・・・・・・・・・・・・・・・・・・・・・・・・・・・・・・・・・・・・・・・・・・・ 117 PIPE ASSY, EXHAUST, FRONT ・・・・・・・・・・・・・・・・・・・・・・・・・・・・・・・・・・・・・・・・・・・・・・・・・・・・・・・・・ 70 PIPE SUB-ASSY, FUEL TANK INLET ・・・・・・・・・・・・・・・・・・・・・・・・・・・・・・・・・・・・・・・・・・・・・・・・・・・・ 234 PIPE, FUEL DELIVERY ・・・・・・・・・・・・・・・・・・・・・・・・・・・・・・・・・・・・・・・・・・・・・・・・・・・・・・・・・・・・・・・ 79 PIPE, WATER BY-PASS, NO.1 ・・・・・・・・・・・・・・・・・・・・・・・・・・・・・・・・・・・・・・・・・・・・・・・・・・・・・・・・・ 65 PISTON ・・・・・・・・・・・・・・・・・・・・・・・・・・・・・・・・・・・・・・・・・・・・・・・・・・・・・・・・・・・・・・・・・・・・・・・・・・・・ 57 PISTON, FRONT DISC BRAKE ・・・・・・・・・・・・・・・・・・・・・・・・・・・・・・・・・・・・・・・・・・・・・・・・・・・・・・・・・・ 134 PISTON,1ST & REVERSE BRAKE ・・・・・・・・・・・・・・・・・・・・・・・・・・・・・・・・・・・・・・・・・・・・・・・・・・・・・・・・ 106 PLATE ・・・・・・・・・・・・・・・・・・・・・・・・・・・・・・・・・・・・・・・・・・・・・・・・・・・・・・・・・・・・・・・・・・・・・・・・・・・・・ 234 PLATE ASSY, FRONT DOOR LOCK STRIKER ・・・・・・・・・・・・・・・・・・・・・・・・・・・・・・・・・・・・・・・・・・・・・・・ 195 PLATE ASSY, REAR DOOR LOCK STRIKER ・・・・・・・・・・・・・・・・・・・・・・・・・・・・・・・・・・・・・・・・・・・・・・・・ 203 PLATE SUB-ASSY, BRAKE BACKING, REAR LH ・・・・・・・・・・・・・・・・・・・・・・・・・・・・・・・・・・・・・・・・・・・・ 136 PLATE SUB-ASSY, BRAKE BACKING, REAR RH ・・・・・・・・・・・・・・・・・・・・・・・・・・・・・・・・・・・・・・・・・・・・ 136 PLATE SUB-ASSY, FRONT SIDE MEMBER, LH ・・・・・・・・・・・・・・・・・・・・・・・・・・・・・・・・・・・・・・・・・・・・・ 160 PLATE SUB-ASSY, FRONT SIDE MEMBER, RH ・・・・・・・・・・・・・・・・・・・・・・・・・・・・・・・・・・・・・・・・・・・・・ 160 PANEL, - PLATE PART NAME PAGE PLATE, BACK DOOR NAME ・・・・・・・・・・・・・・・・・・・・・・・・・・・・・・・・・・・・・・・・・・・・・・・・・・・・・・・・・・・・・ 225 PLATE, BACK DOOR NAME, NO.6 ・・・・・・・・・・・・・・・・・・・・・・・・・・・・・・・・・・・・・・・・・・・・・・・・・・・・・・・ 225 PLATE, BRAKE ・・・・・・・・・・・・・・・・・・・・・・・・・・・・・・・・・・・・・・・・・・・・・・・・・・・・・・・・・・・・・・・・・・・・・・ 104 PLATE, CAUTION ・・・・・・・・・・・・・・・・・・・・・・・・・・・・・・・・・・・・・・・・・・・・・・・・・・・・・・・・・・・・・・・・・・・・ 224 PLATE, CLUTCH, NO.2 ・・・・・・・・・・・・・・・・・・・・・・・・・・・・・・・・・・・・・・・・・・・・・・・・・・・・・・・・・・・・・・・ 103 PLATE, CLUTCH, NO.3 ・・・・・・・・・・・・・・・・・・・・・・・・・・・・・・・・・・・・・・・・・・・・・・・・・・・・・・・・・・・・・・・ 103 PLATE, ENGINE CAUTION ・・・・・・・・・・・・・・・・・・・・・・・・・・・・・・・・・・・・・・・・・・・・・・・・・・・・・・・・・・・・・ 73 PLATE, FR SEAT CUSHION PROTECTOR SET ・・・・・・・・・・・・・・・・・・・・・・・・・・・・・・・・・・・・・・・・・・・・・・ 213 PLATE, FRONT DOOR SCUFF, LH ・・・・・・・・・・・・・・・・・・・・・・・・・・・・・・・・・・・・・・・・・・・・・・・・・・・・・・・ 184 PLATE, FRONT DOOR SCUFF, RH ・・・・・・・・・・・・・・・・・・・・・・・・・・・・・・・・・・・・・・・・・・・・・・・・・・・・・・・ 184 PLATE, FRONT FENDER EXTENSION, LH ・・・・・・・・・・・・・・・・・・・・・・・・・・・・・・・・・・・・・・・・・・・・・・・・・ 156 PLATE, FRONT FENDER EXTENSION, RH ・・・・・・・・・・・・・・・・・・・・・・・・・・・・・・・・・・・・・・・・・・・・・・・・・ 156 PLATE, FRONT SIDE MEMBER, OUTER LH ・・・・・・・・・・・・・・・・・・・・・・・・・・・・・・・・・・・・・・・・・・・・・・・・ 162 PLATE, FRONT SIDE MEMBER, OUTER RH ・・・・・・・・・・・・・・・・・・・・・・・・・・・・・・・・・・・・・・・・・・・・・・・・ 162 PLATE, HORN CONTACT ・・・・・・・・・・・・・・・・・・・・・・・・・・・・・・・・・・・・・・・・・・・・・・・・・・・・・・・・・・・・・・・ 259 PLATE, JACK CARRIER CAUTION ・・・・・・・・・・・・・・・・・・・・・・・・・・・・・・・・・・・・・・・・・・・・・・・・・・・・・・・ 224 PLATE, LUGGAGE COMPARTMENT DOOR, NO.4 ・・・・・・・・・・・・・・・・・・・・・・・・・・・・・・・・・・・・・・・・・・・・・ 225 PLATE, MAT SET, LOWER ・・・・・・・・・・・・・・・・・・・・・・・・・・・・・・・・・・・・・・・・・・・・・・・・・・・・・・・・・・・・・ 174 PLATE, MAT SET, UPPER ・・・・・・・・・・・・・・・・・・・・・・・・・・・・・・・・・・・・・・・・・・・・・・・・・・・・・・・・・・・・・ 174 PLATE, OIL PAN BAFFLE, NO.1 ・・・・・・・・・・・・・・・・・・・・・・・・・・・・・・・・・・・・・・・・・・・・・・・・・・・・・・・ 51 PLATE, OUTPUT SHAFT BEARING LOCK ・・・・・・・・・・・・・・・・・・・・・・・・・・・・・・・・・・・・・・・・・・・・・・・・・・ 88 PLATE, PARKING BRAKE MOUNTING ・・・・・・・・・・・・・・・・・・・・・・・・・・・・・・・・・・・・・・・・・・・・・・・・・・・・・ 173 PLATE, REAR CLUTCH CUSHION ・・・・・・・・・・・・・・・・・・・・・・・・・・・・・・・・・・・・・・・・・・・・・・・・・・・・・・・・ 103 PLATE, REAR DOOR REGULATOR INSIDE HANDLE ・・・・・・・・・・・・・・・・・・・・・・・・・・・・・・・・・・・・・・・・・・ 204 PLATE, REAR DOOR SCUFF, LH ・・・・・・・・・・・・・・・・・・・・・・・・・・・・・・・・・・・・・・・・・・・・・・・・・・・・・・・・ 185 PLATE, REAR DOOR SCUFF, RH ・・・・・・・・・・・・・・・・・・・・・・・・・・・・・・・・・・・・・・・・・・・・・・・・・・・・・・・・ 185 PLATE, RETAINER ・・・・・・・・・・・・・・・・・・・・・・・・・・・・・・・・・・・・・・・・・・・・・・・・・・・・・・・・・・・・・・・・・・・ 76 PLATE, SEAL ・・・・・・・・・・・・・・・・・・・・・・・・・・・・・・・・・・・・・・・・・・・・・・・・・・・・・・・・・・・・・・・・・・・・・・・ 284 PLATE, SHIFT INTER LOCK ・・・・・・・・・・・・・・・・・・・・・・・・・・・・・・・・・・・・・・・・・・・・・・・・・・・・・・・・・・・ 93 PLATE, SOLENOID LOCK ・・・・・・・・・・・・・・・・・・・・・・・・・・・・・・・・・・・・・・・・・・・・・・・・・・・・・・・・・・・・・・ 109 PLATE, SPEEDMETER LOCK ・・・・・・・・・・・・・・・・・・・・・・・・・・・・・・・・・・・・・・・・・・・・・・・・・・・・・・・・・・・・ 99 PLATE, WINDOW REGULATOR HANDLE ・・・・・・・・・・・・・・・・・・・・・・・・・・・・・・・・・・・・・・・・・・・・・・・・・・・・ 196 PLATE,BRAKE ・・・・・・・・・・・・・・・・・・・・・・・・・・・・・・・・・・・・・・・・・・・・・・・・・・・・・・・・・・・・・・・・・・・・・・・ 107 PLUG SUB-ASSY, DRAIN (ATM) ・・・・・・・・・・・・・・・・・・・・・・・・・・・・・・・・・・・・・・・・・・・・・・・・・・・・・・・・ 100 PLUG(FOR MTM SPEEDOMETER DRIVEN HOLE) ・・・・・・・・・・・・・・・・・・・・・・・・・・・・・・・・・・・・・・・・・・・・・ 86 PLUG(FOR OIL PAN DRAIN) ・・・・・・・・・・・・・・・・・・・・・・・・・・・・・・・・・・・・・・・・・・・・・・・・・・・・・・・・・・・ 51 PLUG(FOR TRANSMISSION CASE) ・・・・・・・・・・・・・・・・・・・・・・・・・・・・・・・・・・・・・・・・・・・・・・・・・・・・・・・ 84 PLUG, BLEEDER(FOR DRUM BRAKE, REAR) ・・・・・・・・・・・・・・・・・・・・・・・・・・・・・・・・・・・・・・・・・・・・・・・ 137 PLUG, BLEEDER(FOR FRONT DISC BRAKE) ・・・・・・・・・・・・・・・・・・・・・・・・・・・・・・・・・・・・・・・・・・・・・・・ 134 PLUG, BREATHER(FOR MANUAL TRANSMISSION) ・・・・・・・・・・・・・・・・・・・・・・・・・・・・・・・・・・・・・・・・・・・ 92 PLUG, BREATHER, NO.1 (ATM) ・・・・・・・・・・・・・・・・・・・・・・・・・・・・・・・・・・・・・・・・・・・・・・・・・・・・・・・・ 99 PLUG, HOLE(FOR REAR BRAKE) ・・・・・・・・・・・・・・・・・・・・・・・・・・・・・・・・・・・・・・・・・・・・・・・・・・・・・・・・ 137 PLUG, HOLE(FOR ROOF HEADLINING ASSY) ・・・・・・・・・・・・・・・・・・・・・・・・・・・・・・・・・・・・・・・・・・・・・・ 187 PLUG, RADIATOR DRAIN COCK ・・・・・・・・・・・・・・・・・・・・・・・・・・・・・・・・・・・・・・・・・・・・・・・・・・・・・・・・・ 66 PLUG, SPARK ・・・・・・・・・・・・・・・・・・・・・・・・・・・・・・・・・・・・・・・・・・・・・・・・・・・・・・・・・・・・・・・・・・・・・・・ 74 PLUG, W/HEAD STRAIGHT SCREW ・・・・・・・・・・・・・・・・・・・・・・・・・・・・・・・・・・・・・・・・・・・・・・・・・・・・・・・ 60 PLUG, W/HEAD STRAIGHT SCREW, NO.1(FOR CYLINDER BLOCK) ・・・・・・・・・・・・・・・・・・・・・・・・・・・・・ 51 PLUG, W/HEAD TAPER SCREW, NO.1 ・・・・・・・・・・・・・・・・・・・・・・・・・・・・・・・・・・・・・・・・・・・・・・・・・・・・ 47 PROTECTOR, CRANK POSITION SENSOR ・・・・・・・・・・・・・・・・・・・・・・・・・・・・・・・・・・・・・・・・・・・・・・・・・・ 52 PROTECTOR, FRONT SEAT CUSHION EDGE, LH ・・・・・・・・・・・・・・・・・・・・・・・・・・・・・・・・・・・・・・・・・・・・ 213 PLATE, - PROTECTOR, 25
  • 26.
    PART NAME PAGE PROTECTOR,FRONT SEAT CUSHION EDGE, RH ・・・・・・・・・・・・・・・・・・・・・・・・・・・・・・・・・・・・・・・・・・・・ 213 PROTECTOR, FUEL TANK, LOWER CENTER ・・・・・・・・・・・・・・・・・・・・・・・・・・・・・・・・・・・・・・・・・・・・・・・・ 235 PROTECTOR, PARKING BRAKE CABLE JOINT ・・・・・・・・・・・・・・・・・・・・・・・・・・・・・・・・・・・・・・・・・・・・・・ 128 PULLEY, ALTERNATOR ・・・・・・・・・・・・・・・・・・・・・・・・・・・・・・・・・・・・・・・・・・・・・・・・・・・・・・・・・・・・・・・・ 76 PULLEY, CRANKSHAFT ・・・・・・・・・・・・・・・・・・・・・・・・・・・・・・・・・・・・・・・・・・・・・・・・・・・・・・・・・・・・・・・・ 57 PULLEY, WATER PUMP ・・・・・・・・・・・・・・・・・・・・・・・・・・・・・・・・・・・・・・・・・・・・・・・・・・・・・・・・・・・・・・・・ 62 PUMP ASSY, ENGINE WATER ・・・・・・・・・・・・・・・・・・・・・・・・・・・・・・・・・・・・・・・・・・・・・・・・・・・・・・・・・・・ 62 PUMP ASSY, FUEL W/MOTOR & BRACKET ・・・・・・・・・・・・・・・・・・・・・・・・・・・・・・・・・・・・・・・・・・・・・・・・・ 234 PUMP, FUEL ・・・・・・・・・・・・・・・・・・・・・・・・・・・・・・・・・・・・・・・・・・・・・・・・・・・・・・・・・・・・・・・・・・・・・・・・ 234 RACE, 4TH GEAR BEARING INNER ・・・・・・・・・・・・・・・・・・・・・・・・・・・・・・・・・・・・・・・・・・・・・・・・・・・・・・ 89 RADIATOR ASSY ・・・・・・・・・・・・・・・・・・・・・・・・・・・・・・・・・・・・・・・・・・・・・・・・・・・・・・・・・・・・・・・・・・・・・ 65 RAIL SUB-ASSY, ROOF SIDE, INNER LH ・・・・・・・・・・・・・・・・・・・・・・・・・・・・・・・・・・・・・・・・・・・・・・・・ 178 RAIL SUB-ASSY, ROOF SIDE, INNER RH ・・・・・・・・・・・・・・・・・・・・・・・・・・・・・・・・・・・・・・・・・・・・・・・・ 178 RAIL, ROOF SIDE, INNER NO.2 LH ・・・・・・・・・・・・・・・・・・・・・・・・・・・・・・・・・・・・・・・・・・・・・・・・・・・・ 178 RAIL, ROOF SIDE, INNER NO.2 RH ・・・・・・・・・・・・・・・・・・・・・・・・・・・・・・・・・・・・・・・・・・・・・・・・・・・・ 178 RECEIVER, CASE COVER OIL, NO.1(MTM) ・・・・・・・・・・・・・・・・・・・・・・・・・・・・・・・・・・・・・・・・・・・・・・・ 84 REGISTER ASSY, INSTRUMENT PANEL, NO.1 ・・・・・・・・・・・・・・・・・・・・・・・・・・・・・・・・・・・・・・・・・・・・・ 166 REGISTER ASSY, INSTRUMENT PANEL, NO.1 ・・・・・・・・・・・・・・・・・・・・・・・・・・・・・・・・・・・・・・・・・・・・・ 167 REGISTER ASSY, INSTRUMENT PANEL, NO.2 ・・・・・・・・・・・・・・・・・・・・・・・・・・・・・・・・・・・・・・・・・・・・・ 167 REGULATOR ASSY, FRONT DOOR WINDOW, LH ・・・・・・・・・・・・・・・・・・・・・・・・・・・・・・・・・・・・・・・・・・・・・ 196 REGULATOR ASSY, FRONT DOOR WINDOW, RH ・・・・・・・・・・・・・・・・・・・・・・・・・・・・・・・・・・・・・・・・・・・・・ 196 REGULATOR ASSY, REAR DOOR WINDOW, LH ・・・・・・・・・・・・・・・・・・・・・・・・・・・・・・・・・・・・・・・・・・・・・・ 204 REGULATOR ASSY, REAR DOOR WINDOW, RH ・・・・・・・・・・・・・・・・・・・・・・・・・・・・・・・・・・・・・・・・・・・・・・ 204 REGULATOR SUB-ASSY, FRONT DOOR WINDOW, LH ・・・・・・・・・・・・・・・・・・・・・・・・・・・・・・・・・・・・・・・・・ 196 REGULATOR SUB-ASSY, FRONT DOOR WINDOW, RH ・・・・・・・・・・・・・・・・・・・・・・・・・・・・・・・・・・・・・・・・・ 196 REGULATOR SUB-ASSY, REAR DOOR WINDOW, LH ・・・・・・・・・・・・・・・・・・・・・・・・・・・・・・・・・・・・・・・・・・ 204 REGULATOR SUB-ASSY, REAR DOOR WINDOW, RH ・・・・・・・・・・・・・・・・・・・・・・・・・・・・・・・・・・・・・・・・・・ 204 REINFORCE SUB-ASSY, FRONT BODY PILLAR, LOWER LH ・・・・・・・・・・・・・・・・・・・・・・・・・・・・・・・・・・・ 178 REINFORCE SUB-ASSY, FRONT BODY PILLAR, LOWER RH ・・・・・・・・・・・・・・・・・・・・・・・・・・・・・・・・・・・ 178 REINFORCE SUB-ASSY, ROCKER, OUTER LH ・・・・・・・・・・・・・・・・・・・・・・・・・・・・・・・・・・・・・・・・・・・・・・ 178 REINFORCE SUB-ASSY, ROCKER, OUTER RH ・・・・・・・・・・・・・・・・・・・・・・・・・・・・・・・・・・・・・・・・・・・・・・ 178 REINFORCE, BELT ANCHOR TO ROOF SIDE, INNER REAR LH ・・・・・・・・・・・・・・・・・・・・・・・・・・・・・・・・ 180 REINFORCE, BELT ANCHOR TO ROOF SIDE, INNER REAR RH ・・・・・・・・・・・・・・・・・・・・・・・・・・・・・・・・ 180 REINFORCEMENT SUB-ASSY, CENTER BODY PILLAR, LH ・・・・・・・・・・・・・・・・・・・・・・・・・・・・・・・・・・・・ 178 REINFORCEMENT SUB-ASSY, CENTER BODY PILLAR, RH ・・・・・・・・・・・・・・・・・・・・・・・・・・・・・・・・・・・・ 178 REINFORCEMENT SUB-ASSY, FRONT BUMPER ・・・・・・・・・・・・・・・・・・・・・・・・・・・・・・・・・・・・・・・・・・・・・・ 159 REINFORCEMENT SUB-ASSY, QUARTER LOCK PILLAR, LH ・・・・・・・・・・・・・・・・・・・・・・・・・・・・・・・・・・・ 179 REINFORCEMENT SUB-ASSY, QUARTER LOCK PILLAR, RH ・・・・・・・・・・・・・・・・・・・・・・・・・・・・・・・・・・・ 179 REINFORCEMENT, CENTER FLOOR PANEL ・・・・・・・・・・・・・・・・・・・・・・・・・・・・・・・・・・・・・・・・・・・・・・・・・ 173 REINFORCEMENT, COWL TOP SIDE, LH ・・・・・・・・・・・・・・・・・・・・・・・・・・・・・・・・・・・・・・・・・・・・・・・・・・ 168 REINFORCEMENT, COWL TOP SIDE, RH ・・・・・・・・・・・・・・・・・・・・・・・・・・・・・・・・・・・・・・・・・・・・・・・・・・ 168 REINFORCEMENT, FRONT FLOOR UNDER ・・・・・・・・・・・・・・・・・・・・・・・・・・・・・・・・・・・・・・・・・・・・・・・・・・ 173 REINFORCEMENT, FRONT FLOOR, UPPER ・・・・・・・・・・・・・・・・・・・・・・・・・・・・・・・・・・・・・・・・・・・・・・・・・ 173 REINFORCEMENT, FUEL TANK FLANGE, NO.1 ・・・・・・・・・・・・・・・・・・・・・・・・・・・・・・・・・・・・・・・・・・・・・ 234 REINFORCEMENT, INSTRUMENT PANEL ・・・・・・・・・・・・・・・・・・・・・・・・・・・・・・・・・・・・・・・・・・・・・・・・・・・ 166 REINFORCEMENT, QUARTER PANEL, LH ・・・・・・・・・・・・・・・・・・・・・・・・・・・・・・・・・・・・・・・・・・・・・・・・・・ 179 REINFORCEMENT, QUARTER PANEL, RH ・・・・・・・・・・・・・・・・・・・・・・・・・・・・・・・・・・・・・・・・・・・・・・・・・・ 179 REINFORCEMENT, RADIATOR MOUNTING, LH ・・・・・・・・・・・・・・・・・・・・・・・・・・・・・・・・・・・・・・・・・・・・・・ 162 REINFORCEMENT, RADIATOR MOUNTING, RH ・・・・・・・・・・・・・・・・・・・・・・・・・・・・・・・・・・・・・・・・・・・・・・ 162 REINFORCEMENT, ROOF PANEL, CENTER ・・・・・・・・・・・・・・・・・・・・・・・・・・・・・・・・・・・・・・・・・・・・・・・・・ 182 PROTECTOR, - REINFORCEMENT, PART NAME PAGE REINFORCEMENT, ROOF PANEL, NO.3 ・・・・・・・・・・・・・・・・・・・・・・・・・・・・・・・・・・・・・・・・・・・・・・・・・・・ 182 REINFORCEMENT, ROOF PANEL, REAR ・・・・・・・・・・・・・・・・・・・・・・・・・・・・・・・・・・・・・・・・・・・・・・・・・・・ 182 REINFORCEMENT, ROOF SIDE RAIL, INNER LH ・・・・・・・・・・・・・・・・・・・・・・・・・・・・・・・・・・・・・・・・・・・ 178 REINFORCEMENT, ROOF SIDE RAIL, INNER RH ・・・・・・・・・・・・・・・・・・・・・・・・・・・・・・・・・・・・・・・・・・・ 178 REINFORCEMENT, UPPER BACK, NO.4 LH ・・・・・・・・・・・・・・・・・・・・・・・・・・・・・・・・・・・・・・・・・・・・・・・・ 180 REINFORCEMENT, UPPER BACK, NO.4 RH ・・・・・・・・・・・・・・・・・・・・・・・・・・・・・・・・・・・・・・・・・・・・・・・・ 180 RELAY ASSY (FOR HEATER BLOWER MOTOR) ・・・・・・・・・・・・・・・・・・・・・・・・・・・・・・・・・・・・・・・・・・・・・・ 260 RELAY ASSY, HORN ・・・・・・・・・・・・・・・・・・・・・・・・・・・・・・・・・・・・・・・・・・・・・・・・・・・・・・・・・・・・・・・・・・ 260 RELAY ASSY, STARTER ・・・・・・・・・・・・・・・・・・・・・・・・・・・・・・・・・・・・・・・・・・・・・・・・・・・・・・・・・・・・・・・ 258 RELAY, ACC ・・・・・・・・・・・・・・・・・・・・・・・・・・・・・・・・・・・・・・・・・・・・・・・・・・・・・・・・・・・・・・・・・・・・・・・・ 260 RELAY, DOOR CONTROL ・・・・・・・・・・・・・・・・・・・・・・・・・・・・・・・・・・・・・・・・・・・・・・・・・・・・・・・・・・・・・・・ 260 RELAY, FOG LAMP ・・・・・・・・・・・・・・・・・・・・・・・・・・・・・・・・・・・・・・・・・・・・・・・・・・・・・・・・・・・・・・・・・・・ 260 RELAY, FUEL PUMP ・・・・・・・・・・・・・・・・・・・・・・・・・・・・・・・・・・・・・・・・・・・・・・・・・・・・・・・・・・・・・・・・・・ 260 RELAY, HEADLAMP ・・・・・・・・・・・・・・・・・・・・・・・・・・・・・・・・・・・・・・・・・・・・・・・・・・・・・・・・・・・・・・・・・・・ 260 RELAY, IGNITION, NO.1 ・・・・・・・・・・・・・・・・・・・・・・・・・・・・・・・・・・・・・・・・・・・・・・・・・・・・・・・・・・・・・ 258 RELAY, MAGNET-CLUTCH ・・・・・・・・・・・・・・・・・・・・・・・・・・・・・・・・・・・・・・・・・・・・・・・・・・・・・・・・・・・・・・ 260 RELAY, RADIATOR FAN ・・・・・・・・・・・・・・・・・・・・・・・・・・・・・・・・・・・・・・・・・・・・・・・・・・・・・・・・・・・・・・・ 260 RESERVOIR SUB-ASSY, BRAKE MASTER CYLINDER ・・・・・・・・・・・・・・・・・・・・・・・・・・・・・・・・・・・・・・・・・ 130 RESISTOR, BLOWER ・・・・・・・・・・・・・・・・・・・・・・・・・・・・・・・・・・・・・・・・・・・・・・・・・・・・・・・・・・・・・・・・・・ 279 RETAINER(FOR BACK DOOR TRIM BOARD) ・・・・・・・・・・・・・・・・・・・・・・・・・・・・・・・・・・・・・・・・・・・・・・・・ 206 RETAINER(FOR FRONT DOOR TRIM BOARD) ・・・・・・・・・・・・・・・・・・・・・・・・・・・・・・・・・・・・・・・・・・・・・・・ 192 RETAINER(FOR REAR DOOR TRIM BOARD) ・・・・・・・・・・・・・・・・・・・・・・・・・・・・・・・・・・・・・・・・・・・・・・・・ 200 RETAINER, ADJUSTING BOLT SPRING ・・・・・・・・・・・・・・・・・・・・・・・・・・・・・・・・・・・・・・・・・・・・・・・・・・・ 137 RETAINER, BACK DOOR LOCK CYLINDER ・・・・・・・・・・・・・・・・・・・・・・・・・・・・・・・・・・・・・・・・・・・・・・・・・ 210 RETAINER, ENGINE FRONT SUPPORT, RH ・・・・・・・・・・・・・・・・・・・・・・・・・・・・・・・・・・・・・・・・・・・・・・・・ 160 RETAINER, ENGINE REAR OIL SEAL ・・・・・・・・・・・・・・・・・・・・・・・・・・・・・・・・・・・・・・・・・・・・・・・・・・・・ 52 RETAINER, FENDER APRON, LH ・・・・・・・・・・・・・・・・・・・・・・・・・・・・・・・・・・・・・・・・・・・・・・・・・・・・・・・・ 159 RETAINER, FRONT DOOR TRIM, UPPER ・・・・・・・・・・・・・・・・・・・・・・・・・・・・・・・・・・・・・・・・・・・・・・・・・・ 192 RETAINER, FRONT DOOR WEATHERSTRIP, LH ・・・・・・・・・・・・・・・・・・・・・・・・・・・・・・・・・・・・・・・・・・・・・ 192 RETAINER, FRONT DOOR WEATHERSTRIP, RH ・・・・・・・・・・・・・・・・・・・・・・・・・・・・・・・・・・・・・・・・・・・・・ 192 RETAINER, FRONT SPOILER, LOWER NO.1 ・・・・・・・・・・・・・・・・・・・・・・・・・・・・・・・・・・・・・・・・・・・・・・・ 230 RETAINER, LOCK CYLINDER ・・・・・・・・・・・・・・・・・・・・・・・・・・・・・・・・・・・・・・・・・・・・・・・・・・・・・・・・・・・ 210 RETAINER, RADIATOR GRILLE, LOWER NO.1 ・・・・・・・・・・・・・・・・・・・・・・・・・・・・・・・・・・・・・・・・・・・・・ 154 RETAINER, REAR DOOR TRIM, UPPER ・・・・・・・・・・・・・・・・・・・・・・・・・・・・・・・・・・・・・・・・・・・・・・・・・・・ 200 RETAINER, REAR DOOR WEATHERSTRIP, LH ・・・・・・・・・・・・・・・・・・・・・・・・・・・・・・・・・・・・・・・・・・・・・・ 200 RETAINER, REAR DOOR WEATHERSTRIP, RH ・・・・・・・・・・・・・・・・・・・・・・・・・・・・・・・・・・・・・・・・・・・・・・ 200 RETAINER, SEAT RAIL, FRONT ・・・・・・・・・・・・・・・・・・・・・・・・・・・・・・・・・・・・・・・・・・・・・・・・・・・・・・・・ 173 RETAINER, SHIFTING KEY ・・・・・・・・・・・・・・・・・・・・・・・・・・・・・・・・・・・・・・・・・・・・・・・・・・・・・・・・・・・・ 89 RETAINER, VALVE SPRING ・・・・・・・・・・・・・・・・・・・・・・・・・・・・・・・・・・・・・・・・・・・・・・・・・・・・・・・・・・・・ 59 RETURN SPRING SUB-ASSY, 1ST & REVERSE ・・・・・・・・・・・・・・・・・・・・・・・・・・・・・・・・・・・・・・・・・・・・・ 106 RIM, FOG LAMP, LH ・・・・・・・・・・・・・・・・・・・・・・・・・・・・・・・・・・・・・・・・・・・・・・・・・・・・・・・・・・・・・・・・・ 239 RIM, FOG LAMP, RH NO.1 ・・・・・・・・・・・・・・・・・・・・・・・・・・・・・・・・・・・・・・・・・・・・・・・・・・・・・・・・・・・・ 239 RING SET, PISTON ・・・・・・・・・・・・・・・・・・・・・・・・・・・・・・・・・・・・・・・・・・・・・・・・・・・・・・・・・・・・・・・・・・ 56 RING SET, SYNCHRONIZER, NO.1 ・・・・・・・・・・・・・・・・・・・・・・・・・・・・・・・・・・・・・・・・・・・・・・・・・・・・・・ 88 RING SET, SYNCHRONIZER, NO.2 ・・・・・・・・・・・・・・・・・・・・・・・・・・・・・・・・・・・・・・・・・・・・・・・・・・・・・・ 88 RING, CLUTCH DRUM OIL SEAL ・・・・・・・・・・・・・・・・・・・・・・・・・・・・・・・・・・・・・・・・・・・・・・・・・・・・・・・・ 97 RING, HOLE SNAP (FOR FORWARD CLUTCH FLANGE) ・・・・・・・・・・・・・・・・・・・・・・・・・・・・・・・・・・・・・・・ 103 RING, HOLE SNAP (FOR FRONT AXLE HUB LH) ・・・・・・・・・・・・・・・・・・・・・・・・・・・・・・・・・・・・・・・・・・・ 121 RING, HOLE SNAP (FOR FRONT AXLE HUB RH) ・・・・・・・・・・・・・・・・・・・・・・・・・・・・・・・・・・・・・・・・・・・ 120 RING, HOLE SNAP (FOR OUTPUT SHAFT, NO.1) ・・・・・・・・・・・・・・・・・・・・・・・・・・・・・・・・・・・・・・・・・・ 107 REINFORCEMENT, - RING, 26
  • 27.
    PART NAME PAGE RING,HOLE SNAP (FOR OUTPUT SHAFT, NO.2) ・・・・・・・・・・・・・・・・・・・・・・・・・・・・・・・・・・・・・・・・・・ 107 RING, HOLE SNAP (FOR REAR CLUTCH FLANGE) ・・・・・・・・・・・・・・・・・・・・・・・・・・・・・・・・・・・・・・・・・・ 103 RING, HOLE SNAP (FOR REAR MULTIPLE DISC CLUTHC) ・・・・・・・・・・・・・・・・・・・・・・・・・・・・・・・・・・・ 103 RING, HOLE SNAP(FOR BRAKE FLANGE) ・・・・・・・・・・・・・・・・・・・・・・・・・・・・・・・・・・・・・・・・・・・・・・・・・ 104 RING, HOLE SNAP(FOR BRAKE FLANGE) ・・・・・・・・・・・・・・・・・・・・・・・・・・・・・・・・・・・・・・・・・・・・・・・・・ 105 RING, HOLE SNAP(FOR OUTPUT SHAFT REAR BEARING) ・・・・・・・・・・・・・・・・・・・・・・・・・・・・・・・・・・・・ 88 RING, INPUT SHAFT OIL SEAL ・・・・・・・・・・・・・・・・・・・・・・・・・・・・・・・・・・・・・・・・・・・・・・・・・・・・・・・・ 103 RING, O ・・・・・・・・・・・・・・・・・・・・・・・・・・・・・・・・・・・・・・・・・・・・・・・・・・・・・・・・・・・・・・・・・・・・・・・・・・・ 279 RING, O (FOR 2ND & 4TH BRAKE PISTON, NO.1) ・・・・・・・・・・・・・・・・・・・・・・・・・・・・・・・・・・・・・・・・ 104 RING, O (FOR 2ND & 4TH BRAKE PISTON, NO.2) ・・・・・・・・・・・・・・・・・・・・・・・・・・・・・・・・・・・・・・・・ 104 RING, O (FOR FRONT OIL PUMP BODY) ・・・・・・・・・・・・・・・・・・・・・・・・・・・・・・・・・・・・・・・・・・・・・・・・・ 97 RING, O (FOR MTM SPEEDOMETER SHAFT SLEEVE) ・・・・・・・・・・・・・・・・・・・・・・・・・・・・・・・・・・・・・・・・ 86 RING, O (FOR SPEEDOMETER SENSOR) ・・・・・・・・・・・・・・・・・・・・・・・・・・・・・・・・・・・・・・・・・・・・・・・・・・ 258 RING, O (FOR TRANSMISSION OIL FILLER TUBE) ・・・・・・・・・・・・・・・・・・・・・・・・・・・・・・・・・・・・・・・・ 100 RING, O(FOR BRAKE MASTER CYLINDER) ・・・・・・・・・・・・・・・・・・・・・・・・・・・・・・・・・・・・・・・・・・・・・・・・ 130 RING, O(FOR FUEL INJECTOR) ・・・・・・・・・・・・・・・・・・・・・・・・・・・・・・・・・・・・・・・・・・・・・・・・・・・・・・・・ 79 RING, O(FOR OIL LEVEL GAGE GUIDE) ・・・・・・・・・・・・・・・・・・・・・・・・・・・・・・・・・・・・・・・・・・・・・・・・・ 51 RING, O(FOR TRANS SOLENOID CONNECTOR) ・・・・・・・・・・・・・・・・・・・・・・・・・・・・・・・・・・・・・・・・・・・・・ 100 RING, O(FOR TRANSMISSION REVOLUTION SENSOR) ・・・・・・・・・・・・・・・・・・・・・・・・・・・・・・・・・・・・・・・ 100 RING, O, NO.1 (FOR TRANSMISSION 3WAY SOLENOID) ・・・・・・・・・・・・・・・・・・・・・・・・・・・・・・・・・・・・ 109 RING, O, NO.2 (FOR TRANSMISSION 3WAY SOLENOID) ・・・・・・・・・・・・・・・・・・・・・・・・・・・・・・・・・・・・ 109 RING, SHAFT SNAP (FOR BRAKE) ・・・・・・・・・・・・・・・・・・・・・・・・・・・・・・・・・・・・・・・・・・・・・・・・・・・・・・ 104 RING, SHAFT SNAP (FOR FRONT DRIVE INNER SHAFT INNER LH) ・・・・・・・・・・・・・・・・・・・・・・・・・・・ 119 RING, SHAFT SNAP (FOR FRONT DRIVE INNER SHAFT INNER RH) ・・・・・・・・・・・・・・・・・・・・・・・・・・・ 119 RING, SHAFT SNAP(FOR FRONT DOOR WINDOW REGULATOR HANDLE) ・・・・・・・・・・・・・・・・・・・・・・・・・・ 196 RING, SHAFT SNAP(FOR REAR DOOR WINDOW REGULATOR HANDLE) ・・・・・・・・・・・・・・・・・・・・・・・・・・・ 204 RING, SNAP ・・・・・・・・・・・・・・・・・・・・・・・・・・・・・・・・・・・・・・・・・・・・・・・・・・・・・・・・・・・・・・・・・・・・・・・・ 285 RING, SNAP (FOR COMPRESSOR) ・・・・・・・・・・・・・・・・・・・・・・・・・・・・・・・・・・・・・・・・・・・・・・・・・・・・・・・ 285 RING, SNAP (FOR COMPRESSOR) ・・・・・・・・・・・・・・・・・・・・・・・・・・・・・・・・・・・・・・・・・・・・・・・・・・・・・・・ 286 RING, SYNCHRONIZER, NO.1 ・・・・・・・・・・・・・・・・・・・・・・・・・・・・・・・・・・・・・・・・・・・・・・・・・・・・・・・・・・ 89 RING,HOLE SNAP (FOR CLUTCH PLATE) ・・・・・・・・・・・・・・・・・・・・・・・・・・・・・・・・・・・・・・・・・・・・・・・・・ 107 RING,O(FOR OIL STRAINER) ・・・・・・・・・・・・・・・・・・・・・・・・・・・・・・・・・・・・・・・・・・・・・・・・・・・・・・・・・・ 100 ROD SUB-ASSY, CONNECTING ・・・・・・・・・・・・・・・・・・・・・・・・・・・・・・・・・・・・・・・・・・・・・・・・・・・・・・・・・・ 57 ROD SUB-ASSY, ENGINE MOVING CONTROL ・・・・・・・・・・・・・・・・・・・・・・・・・・・・・・・・・・・・・・・・・・・・・・・ 54 ROD SUB-ASSY, PARKING LOCK ・・・・・・・・・・・・・・・・・・・・・・・・・・・・・・・・・・・・・・・・・・・・・・・・・・・・・・・・ 110 ROD, HOOD SUPPORT ・・・・・・・・・・・・・・・・・・・・・・・・・・・・・・・・・・・・・・・・・・・・・・・・・・・・・・・・・・・・・・・・・ 157 ROD, REAR DOOR LOCK PUSH BUTTON ・・・・・・・・・・・・・・・・・・・・・・・・・・・・・・・・・・・・・・・・・・・・・・・・・・・ 203 ROD, REAR DOOR LOCK PUSH BUTTON, LH ・・・・・・・・・・・・・・・・・・・・・・・・・・・・・・・・・・・・・・・・・・・・・・・ 203 ROLLER BEARING, OUTPUT SHAFT ・・・・・・・・・・・・・・・・・・・・・・・・・・・・・・・・・・・・・・・・・・・・・・・・・・・・・・ 107 ROTOR ASSY, ALTERNATOR ・・・・・・・・・・・・・・・・・・・・・・・・・・・・・・・・・・・・・・・・・・・・・・・・・・・・・・・・・・・・ 76 ROTOR SUB-ASSY, MAGNET CLUTCH ・・・・・・・・・・・・・・・・・・・・・・・・・・・・・・・・・・・・・・・・・・・・・・・・・・・・・ 285 ROTOR, SPEED SENSOR ・・・・・・・・・・・・・・・・・・・・・・・・・・・・・・・・・・・・・・・・・・・・・・・・・・・・・・・・・・・・・・・ 117 RUBBER, WIPER, LH ・・・・・・・・・・・・・・・・・・・・・・・・・・・・・・・・・・・・・・・・・・・・・・・・・・・・・・・・・・・・・・・・・ 266 RUBBER, WIPER, RH ・・・・・・・・・・・・・・・・・・・・・・・・・・・・・・・・・・・・・・・・・・・・・・・・・・・・・・・・・・・・・・・・・ 266 RUN, FRONT DOOR GLASS, LH ・・・・・・・・・・・・・・・・・・・・・・・・・・・・・・・・・・・・・・・・・・・・・・・・・・・・・・・・・ 193 RUN, FRONT DOOR GLASS, NO.2 ・・・・・・・・・・・・・・・・・・・・・・・・・・・・・・・・・・・・・・・・・・・・・・・・・・・・・・・ 193 RUN, FRONT DOOR GLASS, RH ・・・・・・・・・・・・・・・・・・・・・・・・・・・・・・・・・・・・・・・・・・・・・・・・・・・・・・・・・ 192 RUN, REAR DOOR GLASS ・・・・・・・・・・・・・・・・・・・・・・・・・・・・・・・・・・・・・・・・・・・・・・・・・・・・・・・・・・・・・・ 200 RUN, REAR DOOR GLASS, LH ・・・・・・・・・・・・・・・・・・・・・・・・・・・・・・・・・・・・・・・・・・・・・・・・・・・・・・・・・・ 201 RUN, REAR DOOR GLASS, RH ・・・・・・・・・・・・・・・・・・・・・・・・・・・・・・・・・・・・・・・・・・・・・・・・・・・・・・・・・・ 200 RING, - RUN, PART NAME PAGE SEAL OR RING, O(FOR VALVE STEM OIL) ・・・・・・・・・・・・・・・・・・・・・・・・・・・・・・・・・・・・・・・・・・・・・・・ 58 SEAL, AIR DUCT, NO.1 ・・・・・・・・・・・・・・・・・・・・・・・・・・・・・・・・・・・・・・・・・・・・・・・・・・・・・・・・・・・・・・ 281 SEAL, AIR DUCT,NO.2 ・・・・・・・・・・・・・・・・・・・・・・・・・・・・・・・・・・・・・・・・・・・・・・・・・・・・・・・・・・・・・・・ 281 SEAL, BRAKE CYLINDER ・・・・・・・・・・・・・・・・・・・・・・・・・・・・・・・・・・・・・・・・・・・・・・・・・・・・・・・・・・・・・・ 100 SEAL, ENGINE REAR OIL ・・・・・・・・・・・・・・・・・・・・・・・・・・・・・・・・・・・・・・・・・・・・・・・・・・・・・・・・・・・・・ 52 SEAL, FRONT FENDER TO COWL SIDE, NO.2 LH ・・・・・・・・・・・・・・・・・・・・・・・・・・・・・・・・・・・・・・・・・・ 156 SEAL, FRONT FENDER TO COWL SIDE, NO.2 RH ・・・・・・・・・・・・・・・・・・・・・・・・・・・・・・・・・・・・・・・・・・ 156 SEAL, HOOD TO COWL TOP ・・・・・・・・・・・・・・・・・・・・・・・・・・・・・・・・・・・・・・・・・・・・・・・・・・・・・・・・・・・・ 168 SEAL, OIL (FOR FRONT OIL PUMP) ・・・・・・・・・・・・・・・・・・・・・・・・・・・・・・・・・・・・・・・・・・・・・・・・・・・・ 97 SEAL, OIL (FOR SELECT LEVER SHAFT) ・・・・・・・・・・・・・・・・・・・・・・・・・・・・・・・・・・・・・・・・・・・・・・・・ 92 SEAL, OIL (FOR TRANSAXLE CASE) ・・・・・・・・・・・・・・・・・・・・・・・・・・・・・・・・・・・・・・・・・・・・・・・・・・・・ 99 SEAL, OIL(FOR SHIFT LEVER SHAFT) ・・・・・・・・・・・・・・・・・・・・・・・・・・・・・・・・・・・・・・・・・・・・・・・・・・ 92 SEAL, OIL(FOR TIMING CHAIN OR BELT COVER) ・・・・・・・・・・・・・・・・・・・・・・・・・・・・・・・・・・・・・・・・・ 52 SEAL, OIL(FOR TRANSMISSION CASE) ・・・・・・・・・・・・・・・・・・・・・・・・・・・・・・・・・・・・・・・・・・・・・・・・・・ 84 SEAL, OIL(FOR TRANSMISSION CASE) ・・・・・・・・・・・・・・・・・・・・・・・・・・・・・・・・・・・・・・・・・・・・・・・・・・ 84 SEAL, OIL, NO.2(FOR TRANSAXLE CASE) ・・・・・・・・・・・・・・・・・・・・・・・・・・・・・・・・・・・・・・・・・・・・・・・ 99 SEAL, RADIATOR SUPPORT ・・・・・・・・・・・・・・・・・・・・・・・・・・・・・・・・・・・・・・・・・・・・・・・・・・・・・・・・・・・・ 159 SEAL, TYPE T OIL ・・・・・・・・・・・・・・・・・・・・・・・・・・・・・・・・・・・・・・・・・・・・・・・・・・・・・・・・・・・・・・・・・・ 85 SEAL,OIL(FOR MANUAL VALVE) ・・・・・・・・・・・・・・・・・・・・・・・・・・・・・・・・・・・・・・・・・・・・・・・・・・・・・・・・ 110 SEAT SUB- ASSY, FRONT SPRING, NO.1 ・・・・・・・・・・・・・・・・・・・・・・・・・・・・・・・・・・・・・・・・・・・・・・・・ 146 SEAT, 1ST & REVERSE BRAKE PISTON RETURN SPRING ・・・・・・・・・・・・・・・・・・・・・・・・・・・・・・・・・・・・ 106 SEAT, REAR SPRING, LOWER ・・・・・・・・・・・・・・・・・・・・・・・・・・・・・・・・・・・・・・・・・・・・・・・・・・・・・・・・・・ 148 SEAT, REAR SPRING, UPPER ・・・・・・・・・・・・・・・・・・・・・・・・・・・・・・・・・・・・・・・・・・・・・・・・・・・・・・・・・・ 148 SEAT, VALVE SPRING ・・・・・・・・・・・・・・・・・・・・・・・・・・・・・・・・・・・・・・・・・・・・・・・・・・・・・・・・・・・・・・・・ 59 SENSOR, AIR BAG, FRONT ・・・・・・・・・・・・・・・・・・・・・・・・・・・・・・・・・・・・・・・・・・・・・・・・・・・・・・・・・・・・ 265 SENSOR, AIRCONDITIONER PRESSURE ・・・・・・・・・・・・・・・・・・・・・・・・・・・・・・・・・・・・・・・・・・・・・・・・・・・ 284 SENSOR, CRANK POSITION ・・・・・・・・・・・・・・・・・・・・・・・・・・・・・・・・・・・・・・・・・・・・・・・・・・・・・・・・・・・・ 52 SENSOR, CRANK POSITION, NO.1 ・・・・・・・・・・・・・・・・・・・・・・・・・・・・・・・・・・・・・・・・・・・・・・・・・・・・・・ 47 SENSOR, KNOCK CONTROL ・・・・・・・・・・・・・・・・・・・・・・・・・・・・・・・・・・・・・・・・・・・・・・・・・・・・・・・・・・・・・ 260 SENSOR, OXYGEN ・・・・・・・・・・・・・・・・・・・・・・・・・・・・・・・・・・・・・・・・・・・・・・・・・・・・・・・・・・・・・・・・・・・・ 260 SENSOR, OXYGEN NO.2 ・・・・・・・・・・・・・・・・・・・・・・・・・・・・・・・・・・・・・・・・・・・・・・・・・・・・・・・・・・・・・・・ 260 SENSOR, SPEED, FRONT LH ・・・・・・・・・・・・・・・・・・・・・・・・・・・・・・・・・・・・・・・・・・・・・・・・・・・・・・・・・・・ 263 SENSOR, SPEED, FRONT RH ・・・・・・・・・・・・・・・・・・・・・・・・・・・・・・・・・・・・・・・・・・・・・・・・・・・・・・・・・・・ 263 SENSOR, SPEEDOMETER ・・・・・・・・・・・・・・・・・・・・・・・・・・・・・・・・・・・・・・・・・・・・・・・・・・・・・・・・・・・・・・・ 258 SENSOR, TRANSMISSION REVOLUTION ・・・・・・・・・・・・・・・・・・・・・・・・・・・・・・・・・・・・・・・・・・・・・・・・・・・ 100 SENSOR, VACUUM ・・・・・・・・・・・・・・・・・・・・・・・・・・・・・・・・・・・・・・・・・・・・・・・・・・・・・・・・・・・・・・・・・・・・ 69 SENSOR, WATER TEMPERATURE ・・・・・・・・・・・・・・・・・・・・・・・・・・・・・・・・・・・・・・・・・・・・・・・・・・・・・・・・・ 260 SHAFT ASSY, FRONT DRIVE OUTBOARD JOINT, LH ・・・・・・・・・・・・・・・・・・・・・・・・・・・・・・・・・・・・・・・・ 119 SHAFT ASSY, FRONT DRIVE OUTBOARD JOINT, RH ・・・・・・・・・・・・・・・・・・・・・・・・・・・・・・・・・・・・・・・・ 119 SHAFT ASSY, FRONT DRIVE, LH ・・・・・・・・・・・・・・・・・・・・・・・・・・・・・・・・・・・・・・・・・・・・・・・・・・・・・・・ 119 SHAFT ASSY, FRONT DRIVE, RH ・・・・・・・・・・・・・・・・・・・・・・・・・・・・・・・・・・・・・・・・・・・・・・・・・・・・・・・ 119 SHAFT ASSY, STEERING INTERMEDIATE ・・・・・・・・・・・・・・・・・・・・・・・・・・・・・・・・・・・・・・・・・・・・・・・・・ 122 SHAFT SUB-ASSY, INTERMEDIATE ・・・・・・・・・・・・・・・・・・・・・・・・・・・・・・・・・・・・・・・・・・・・・・・・・・・・・・ 106 SHAFT SUB-ASSY, SELECT LEVER ・・・・・・・・・・・・・・・・・・・・・・・・・・・・・・・・・・・・・・・・・・・・・・・・・・・・・・ 92 SHAFT SUB-ASSY, SHIFT LEVER, NO.1 ・・・・・・・・・・・・・・・・・・・・・・・・・・・・・・・・・・・・・・・・・・・・・・・・・ 92 SHAFT, BRAKE PEDAL ・・・・・・・・・・・・・・・・・・・・・・・・・・・・・・・・・・・・・・・・・・・・・・・・・・・・・・・・・・・・・・・・ 129 SHAFT, CLUTCH PEDAL ・・・・・・・・・・・・・・・・・・・・・・・・・・・・・・・・・・・・・・・・・・・・・・・・・・・・・・・・・・・・・・・ 81 SHAFT, FRONT DIFFERENTIAL PINION, NO.1 ・・・・・・・・・・・・・・・・・・・・・・・・・・・・・・・・・・・・・・・・・・・・ 117 SHAFT, GEAR SHIFT FORK, NO.1 ・・・・・・・・・・・・・・・・・・・・・・・・・・・・・・・・・・・・・・・・・・・・・・・・・・・・・・ 92 SHAFT, GEAR SHIFT FORK, NO.2 ・・・・・・・・・・・・・・・・・・・・・・・・・・・・・・・・・・・・・・・・・・・・・・・・・・・・・・ 92 SEAL - SHAFT, 27
  • 28.
    PART NAME PAGE SHAFT,GEAR SHIFT FORK, NO.3 ・・・・・・・・・・・・・・・・・・・・・・・・・・・・・・・・・・・・・・・・・・・・・・・・・・・・・・ 92 SHAFT, INPUT ・・・・・・・・・・・・・・・・・・・・・・・・・・・・・・・・・・・・・・・・・・・・・・・・・・・・・・・・・・・・・・・・・・・・・・ 88 SHAFT, MANUAL VALVE LEVER ・・・・・・・・・・・・・・・・・・・・・・・・・・・・・・・・・・・・・・・・・・・・・・・・・・・・・・・・・ 110 SHAFT, OUTPUT ・・・・・・・・・・・・・・・・・・・・・・・・・・・・・・・・・・・・・・・・・・・・・・・・・・・・・・・・・・・・・・・・・・・・・ 88 SHAFT, OUTPUT ・・・・・・・・・・・・・・・・・・・・・・・・・・・・・・・・・・・・・・・・・・・・・・・・・・・・・・・・・・・・・・・・・・・・・ 107 SHAFT, PARKING LOCK PAWL ・・・・・・・・・・・・・・・・・・・・・・・・・・・・・・・・・・・・・・・・・・・・・・・・・・・・・・・・・・ 110 SHAFT, REVERSE IDLER GEAR ・・・・・・・・・・・・・・・・・・・・・・・・・・・・・・・・・・・・・・・・・・・・・・・・・・・・・・・・・ 90 SHEET, HEATER CONTROL NAME, NO.1 ・・・・・・・・・・・・・・・・・・・・・・・・・・・・・・・・・・・・・・・・・・・・・・・・・・ 281 SHEET, HEATER CONTROL NAME, NO.1 ・・・・・・・・・・・・・・・・・・・・・・・・・・・・・・・・・・・・・・・・・・・・・・・・・・ 282 SHEET, HEATER CONTROL NAME, NO.2 ・・・・・・・・・・・・・・・・・・・・・・・・・・・・・・・・・・・・・・・・・・・・・・・・・・ 282 SHEET, HEATER CONTROL NAME, NO.3 ・・・・・・・・・・・・・・・・・・・・・・・・・・・・・・・・・・・・・・・・・・・・・・・・・・ 282 SHIELD, FRONT SEAT CUSHION, LH ・・・・・・・・・・・・・・・・・・・・・・・・・・・・・・・・・・・・・・・・・・・・・・・・・・・・ 214 SHIELD, FRONT SEAT CUSHION, RH ・・・・・・・・・・・・・・・・・・・・・・・・・・・・・・・・・・・・・・・・・・・・・・・・・・・・ 214 SHIELD, FUEL TANK FILLER PIPE ・・・・・・・・・・・・・・・・・・・・・・・・・・・・・・・・・・・・・・・・・・・・・・・・・・・・・ 235 SHIELD, STEERING COLUMN HOLE ・・・・・・・・・・・・・・・・・・・・・・・・・・・・・・・・・・・・・・・・・・・・・・・・・・・・・・ 122 SHOE KIT, REAR BRAKE ・・・・・・・・・・・・・・・・・・・・・・・・・・・・・・・・・・・・・・・・・・・・・・・・・・・・・・・・・・・・・・ 136 SHROUD, FAN ・・・・・・・・・・・・・・・・・・・・・・・・・・・・・・・・・・・・・・・・・・・・・・・・・・・・・・・・・・・・・・・・・・・・・・・ 66 SILENCER, DOOR LOCK LINK ・・・・・・・・・・・・・・・・・・・・・・・・・・・・・・・・・・・・・・・・・・・・・・・・・・・・・・・・・・ 203 SILENCER, FRONT DOOR LOCK LINK ・・・・・・・・・・・・・・・・・・・・・・・・・・・・・・・・・・・・・・・・・・・・・・・・・・・・ 195 SLIDER, FAN BELT ADJUSTING ・・・・・・・・・・・・・・・・・・・・・・・・・・・・・・・・・・・・・・・・・・・・・・・・・・・・・・・・ 65 SNAP, DOOR LOCK CONTROL LINK ・・・・・・・・・・・・・・・・・・・・・・・・・・・・・・・・・・・・・・・・・・・・・・・・・・・・・・ 195 SNAP, REAR DOOR LOCK CONTROL LINK ・・・・・・・・・・・・・・・・・・・・・・・・・・・・・・・・・・・・・・・・・・・・・・・・・ 203 SOCKET & WIRE SUB-ASSY, REAR COMBINATION LAMP, LH ・・・・・・・・・・・・・・・・・・・・・・・・・・・・・・・・・ 240 SOCKET & WIRE SUB-ASSY, REAR COMBINATION LAMP, RH ・・・・・・・・・・・・・・・・・・・・・・・・・・・・・・・・・ 240 SOCKET, CLEARANCE LAMP ・・・・・・・・・・・・・・・・・・・・・・・・・・・・・・・・・・・・・・・・・・・・・・・・・・・・・・・・・・・・ 238 SOCKET, FRONT TURN SIGNAL LAMP ・・・・・・・・・・・・・・・・・・・・・・・・・・・・・・・・・・・・・・・・・・・・・・・・・・・・ 238 SOLENOID ASSY, AUTOMATIC TRANSMISSION 3WAY ・・・・・・・・・・・・・・・・・・・・・・・・・・・・・・・・・・・・・・・・ 109 SOLENOID ASSY, CLUTCH CONTROL, NO.1 ・・・・・・・・・・・・・・・・・・・・・・・・・・・・・・・・・・・・・・・・・・・・・・・ 109 SOLENOID ASSY, CLUTCH CONTROL, NO.2 ・・・・・・・・・・・・・・・・・・・・・・・・・・・・・・・・・・・・・・・・・・・・・・・ 109 SOLENOID ASSY, LOCK UP CONTROL ・・・・・・・・・・・・・・・・・・・・・・・・・・・・・・・・・・・・・・・・・・・・・・・・・・・・ 109 SPACER, BACK WINDOW GLASS ・・・・・・・・・・・・・・・・・・・・・・・・・・・・・・・・・・・・・・・・・・・・・・・・・・・・・・・・・ 206 SPACER, BACK WINDOW GLASS, NO.2 ・・・・・・・・・・・・・・・・・・・・・・・・・・・・・・・・・・・・・・・・・・・・・・・・・・・ 206 SPEAKER ASSY, FRONT NO.1 ・・・・・・・・・・・・・・・・・・・・・・・・・・・・・・・・・・・・・・・・・・・・・・・・・・・・・・・・・・ 271 SPOILER, REAR ・・・・・・・・・・・・・・・・・・・・・・・・・・・・・・・・・・・・・・・・・・・・・・・・・・・・・・・・・・・・・・・・・・・・・ 230 SPRING (FOR ACCELERATOR PEDAL ROD) ・・・・・・・・・・・・・・・・・・・・・・・・・・・・・・・・・・・・・・・・・・・・・・・・ 236 SPRING SUB-ASSY, MANUAL DETENT ・・・・・・・・・・・・・・・・・・・・・・・・・・・・・・・・・・・・・・・・・・・・・・・・・・・・ 110 SPRING(FOR CLUTCH PEDAL) ・・・・・・・・・・・・・・・・・・・・・・・・・・・・・・・・・・・・・・・・・・・・・・・・・・・・・・・・・・ 81 SPRING(FOR REAR BRAKE SHOE HOLD DOWN) ・・・・・・・・・・・・・・・・・・・・・・・・・・・・・・・・・・・・・・・・・・・・・ 136 SPRING(FOR REVERSE IDLER GEAR) ・・・・・・・・・・・・・・・・・・・・・・・・・・・・・・・・・・・・・・・・・・・・・・・・・・・・ 89 SPRING(FOR SHIFT LEVER SHAFT BALL) ・・・・・・・・・・・・・・・・・・・・・・・・・・・・・・・・・・・・・・・・・・・・・・・・ 92 SPRING, 2ND & 4TH BRAKE PISTON RETURN ・・・・・・・・・・・・・・・・・・・・・・・・・・・・・・・・・・・・・・・・・・・・・ 104 SPRING, COIL, REAR LH ・・・・・・・・・・・・・・・・・・・・・・・・・・・・・・・・・・・・・・・・・・・・・・・・・・・・・・・・・・・・・ 148 SPRING, COIL, REAR RH ・・・・・・・・・・・・・・・・・・・・・・・・・・・・・・・・・・・・・・・・・・・・・・・・・・・・・・・・・・・・・ 148 SPRING, COMPRESSION (FOR SHIFT DETENT BALL) ・・・・・・・・・・・・・・・・・・・・・・・・・・・・・・・・・・・・・・・ 93 SPRING, COMPRESSION(FOR INNER) ・・・・・・・・・・・・・・・・・・・・・・・・・・・・・・・・・・・・・・・・・・・・・・・・・・・・ 58 SPRING, COMPRESSION(FOR PARKING BRAKE SHOE STRUT) ・・・・・・・・・・・・・・・・・・・・・・・・・・・・・・・・・ 136 SPRING, EXHAUST PIPE ・・・・・・・・・・・・・・・・・・・・・・・・・・・・・・・・・・・・・・・・・・・・・・・・・・・・・・・・・・・・・・ 70 SPRING, FRONT COIL, LH ・・・・・・・・・・・・・・・・・・・・・・・・・・・・・・・・・・・・・・・・・・・・・・・・・・・・・・・・・・・・ 146 SPRING, FRONT COIL, RH ・・・・・・・・・・・・・・・・・・・・・・・・・・・・・・・・・・・・・・・・・・・・・・・・・・・・・・・・・・・・ 146 SPRING, FUEL FILLER OPENING LID HINGE ・・・・・・・・・・・・・・・・・・・・・・・・・・・・・・・・・・・・・・・・・・・・・ 235 SHAFT, - SPRING, PART NAME PAGE SPRING, REAR AUTOMATIC ADJUST LEVER SUPPORT ・・・・・・・・・・・・・・・・・・・・・・・・・・・・・・・・・・・・・・・ 137 SPRING, SYNCHROMESH SHIFTING KEY, NO.1 ・・・・・・・・・・・・・・・・・・・・・・・・・・・・・・・・・・・・・・・・・・・・ 89 SPRING, SYNCHROMESH SHIFTING KEY, NO.2 ・・・・・・・・・・・・・・・・・・・・・・・・・・・・・・・・・・・・・・・・・・・・ 89 SPRING, TENSION(FOR REAR BRAKE SHOE RETURN) ・・・・・・・・・・・・・・・・・・・・・・・・・・・・・・・・・・・・・・・ 136 SPRING, TENSION(FOR REAR BRAKE SHOE RETURN) ・・・・・・・・・・・・・・・・・・・・・・・・・・・・・・・・・・・・・・・ 136 SPRING, TORSION (FOR PARKING LOCK PAWL) ・・・・・・・・・・・・・・・・・・・・・・・・・・・・・・・・・・・・・・・・・・・ 110 SPRING, TORSION(FOR CLUTCH RELEASE FORK LEVER) ・・・・・・・・・・・・・・・・・・・・・・・・・・・・・・・・・・・・ 80 SPRING, TORSION(FOR SELECT RETURN) ・・・・・・・・・・・・・・・・・・・・・・・・・・・・・・・・・・・・・・・・・・・・・・・・ 92 SPROCKET ASSY, CAMSHAFT TIMING ・・・・・・・・・・・・・・・・・・・・・・・・・・・・・・・・・・・・・・・・・・・・・・・・・・・・ 58 STARTER ASSY ・・・・・・・・・・・・・・・・・・・・・・・・・・・・・・・・・・・・・・・・・・・・・・・・・・・・・・・・・・・・・・・・・・・・・・ 78 STARTER KIT, REPAIR SERVICE ・・・・・・・・・・・・・・・・・・・・・・・・・・・・・・・・・・・・・・・・・・・・・・・・・・・・・・・ 78 STATOR, MAGNET CLUTCH ・・・・・・・・・・・・・・・・・・・・・・・・・・・・・・・・・・・・・・・・・・・・・・・・・・・・・・・・・・・・・ 285 STAY ASSY, BACK DOOR, LH ・・・・・・・・・・・・・・・・・・・・・・・・・・・・・・・・・・・・・・・・・・・・・・・・・・・・・・・・・・ 208 STAY ASSY, BACK DOOR, RH ・・・・・・・・・・・・・・・・・・・・・・・・・・・・・・・・・・・・・・・・・・・・・・・・・・・・・・・・・・ 208 STAY, COMPRESSOR ・・・・・・・・・・・・・・・・・・・・・・・・・・・・・・・・・・・・・・・・・・・・・・・・・・・・・・・・・・・・・・・・・・ 286 STAY, INTAKE MANIFOLD ・・・・・・・・・・・・・・・・・・・・・・・・・・・・・・・・・・・・・・・・・・・・・・・・・・・・・・・・・・・・・ 69 STAY, MANIFOLD ・・・・・・・・・・・・・・・・・・・・・・・・・・・・・・・・・・・・・・・・・・・・・・・・・・・・・・・・・・・・・・・・・・・・ 69 STOP, FRONT DOOR GLASS, UPPER ・・・・・・・・・・・・・・・・・・・・・・・・・・・・・・・・・・・・・・・・・・・・・・・・・・・・・ 193 STOP, FRONT DOOR GLASS, UPPER ・・・・・・・・・・・・・・・・・・・・・・・・・・・・・・・・・・・・・・・・・・・・・・・・・・・・・ 193 STOP, REAR DOOR WINDOW, UPPER ・・・・・・・・・・・・・・・・・・・・・・・・・・・・・・・・・・・・・・・・・・・・・・・・・・・・・ 199 STOPPER, REAR DOOR GLASS, UPPER NO.2 ・・・・・・・・・・・・・・・・・・・・・・・・・・・・・・・・・・・・・・・・・・・・・・ 199 STOPPER, WINDSHIELD GLASS, NO.1 ・・・・・・・・・・・・・・・・・・・・・・・・・・・・・・・・・・・・・・・・・・・・・・・・・・・ 169 STOPPER, WINDSHIELD GLASS, NO.2 ・・・・・・・・・・・・・・・・・・・・・・・・・・・・・・・・・・・・・・・・・・・・・・・・・・・ 169 STRAINER SUB-ASSY, OIL ・・・・・・・・・・・・・・・・・・・・・・・・・・・・・・・・・・・・・・・・・・・・・・・・・・・・・・・・・・・・ 60 STRAINER SUB-ASSY,OIL ・・・・・・・・・・・・・・・・・・・・・・・・・・・・・・・・・・・・・・・・・・・・・・・・・・・・・・・・・・・・・ 100 STRAINER, BRAKE MASTER CYLINDER RESERVOIR ・・・・・・・・・・・・・・・・・・・・・・・・・・・・・・・・・・・・・・・・・ 130 STRIKER ASSY, BACK DOOR LOCK ・・・・・・・・・・・・・・・・・・・・・・・・・・・・・・・・・・・・・・・・・・・・・・・・・・・・・・ 208 STRIKER SUB-ASSY, REAR SEAT BACK LOCK, LH ・・・・・・・・・・・・・・・・・・・・・・・・・・・・・・・・・・・・・・・・・ 217 STRIKER SUB-ASSY, REAR SEAT BACK LOOK, RH ・・・・・・・・・・・・・・・・・・・・・・・・・・・・・・・・・・・・・・・・・ 217 STRIKER, GLOVE COMPARTMENT DOOR LOCK ・・・・・・・・・・・・・・・・・・・・・・・・・・・・・・・・・・・・・・・・・・・・・・ 166 SUPPORT ASSY, REAR SEAT HEADREST, LH ・・・・・・・・・・・・・・・・・・・・・・・・・・・・・・・・・・・・・・・・・・・・・・ 216 SUPPORT ASSY, REAR SEAT HEADREST, RH ・・・・・・・・・・・・・・・・・・・・・・・・・・・・・・・・・・・・・・・・・・・・・・ 216 SUPPORT ASSY, REAR SUSPENSION ・・・・・・・・・・・・・・・・・・・・・・・・・・・・・・・・・・・・・・・・・・・・・・・・・・・・・ 149 SUPPORT SUB-ASSY, BRAKE PEDAL ・・・・・・・・・・・・・・・・・・・・・・・・・・・・・・・・・・・・・・・・・・・・・・・・・・・・・ 129 SUPPORT SUB-ASSY, CLUTCH PEDAL ・・・・・・・・・・・・・・・・・・・・・・・・・・・・・・・・・・・・・・・・・・・・・・・・・・・・ 81 SUPPORT SUB-ASSY, FRONT SUSPENSION ・・・・・・・・・・・・・・・・・・・・・・・・・・・・・・・・・・・・・・・・・・・・・・・・ 146 SUPPORT, EXHAUST PIPE, NO.4 ・・・・・・・・・・・・・・・・・・・・・・・・・・・・・・・・・・・・・・・・・・・・・・・・・・・・・・・ 70 SUPPORT, FRONT BUMPER SIDE, LH ・・・・・・・・・・・・・・・・・・・・・・・・・・・・・・・・・・・・・・・・・・・・・・・・・・・・ 152 SUPPORT, FRONT BUMPER SIDE, RH ・・・・・・・・・・・・・・・・・・・・・・・・・・・・・・・・・・・・・・・・・・・・・・・・・・・・ 152 SUPPORT, HOOD LOCK ・・・・・・・・・・・・・・・・・・・・・・・・・・・・・・・・・・・・・・・・・・・・・・・・・・・・・・・・・・・・・・・・ 159 SUPPORT, OIL LEVEL GAGE GUIDE ・・・・・・・・・・・・・・・・・・・・・・・・・・・・・・・・・・・・・・・・・・・・・・・・・・・・・ 51 SUPPORT, RADIATOR, LH ・・・・・・・・・・・・・・・・・・・・・・・・・・・・・・・・・・・・・・・・・・・・・・・・・・・・・・・・・・・・・ 159 SUPPORT, RADIATOR, LOWER ・・・・・・・・・・・・・・・・・・・・・・・・・・・・・・・・・・・・・・・・・・・・・・・・・・・・・・・・・・ 66 SUPPORT, RADIATOR, LOWER ・・・・・・・・・・・・・・・・・・・・・・・・・・・・・・・・・・・・・・・・・・・・・・・・・・・・・・・・・・ 159 SUPPORT, RADIATOR, RH ・・・・・・・・・・・・・・・・・・・・・・・・・・・・・・・・・・・・・・・・・・・・・・・・・・・・・・・・・・・・・ 159 SUPPORT, RADIATOR, UPPER ・・・・・・・・・・・・・・・・・・・・・・・・・・・・・・・・・・・・・・・・・・・・・・・・・・・・・・・・・・ 159 SUPPORT, RADIATOR, UPPER LH ・・・・・・・・・・・・・・・・・・・・・・・・・・・・・・・・・・・・・・・・・・・・・・・・・・・・・・・ 162 SUPPORT, RADIATOR, UPPER RH ・・・・・・・・・・・・・・・・・・・・・・・・・・・・・・・・・・・・・・・・・・・・・・・・・・・・・・・ 162 SUPPORT, REAR BUMPER SIDE, LH ・・・・・・・・・・・・・・・・・・・・・・・・・・・・・・・・・・・・・・・・・・・・・・・・・・・・・ 153 SUPPORT, REAR BUMPER SIDE, RH ・・・・・・・・・・・・・・・・・・・・・・・・・・・・・・・・・・・・・・・・・・・・・・・・・・・・・ 153 SPRING, - SUPPORT, 28
  • 29.
    PART NAME PAGE SUPPORT,REAR SEAT HEADREST ・・・・・・・・・・・・・・・・・・・・・・・・・・・・・・・・・・・・・・・・・・・・・・・・・・・・・・・ 216 SUPPORT, REAR SEAT HEADREST ・・・・・・・・・・・・・・・・・・・・・・・・・・・・・・・・・・・・・・・・・・・・・・・・・・・・・・・ 216 SUPPORT, REAR SUSPENSION ・・・・・・・・・・・・・・・・・・・・・・・・・・・・・・・・・・・・・・・・・・・・・・・・・・・・・・・・・・ 149 SUPPORT,AIR CLEANER CAP ・・・・・・・・・・・・・・・・・・・・・・・・・・・・・・・・・・・・・・・・・・・・・・・・・・・・・・・・・・・ 71 SWITCH ASSY, BACK-UP LAMP ・・・・・・・・・・・・・・・・・・・・・・・・・・・・・・・・・・・・・・・・・・・・・・・・・・・・・・・・・ 259 SWITCH ASSY, BRAKE WARNING TEST ・・・・・・・・・・・・・・・・・・・・・・・・・・・・・・・・・・・・・・・・・・・・・・・・・・・ 259 SWITCH ASSY, HAZARD WARNING SIGNAL ・・・・・・・・・・・・・・・・・・・・・・・・・・・・・・・・・・・・・・・・・・・・・・・・ 259 SWITCH ASSY, HEADLAMP DIMMER ・・・・・・・・・・・・・・・・・・・・・・・・・・・・・・・・・・・・・・・・・・・・・・・・・・・・・・ 259 SWITCH ASSY, IGNITION OR STARTER ・・・・・・・・・・・・・・・・・・・・・・・・・・・・・・・・・・・・・・・・・・・・・・・・・・ 259 SWITCH ASSY, NEUTRAL START ・・・・・・・・・・・・・・・・・・・・・・・・・・・・・・・・・・・・・・・・・・・・・・・・・・・・・・・・ 259 SWITCH ASSY, OIL PRESSURE (FOR ENGINE) ・・・・・・・・・・・・・・・・・・・・・・・・・・・・・・・・・・・・・・・・・・・・ 258 SWITCH ASSY, OUTER MIRROR ・・・・・・・・・・・・・・・・・・・・・・・・・・・・・・・・・・・・・・・・・・・・・・・・・・・・・・・・・ 259 SWITCH ASSY, POWER WINDOW REGULATOR ・・・・・・・・・・・・・・・・・・・・・・・・・・・・・・・・・・・・・・・・・・・・・・・ 259 SWITCH ASSY, STOP LAMP ・・・・・・・・・・・・・・・・・・・・・・・・・・・・・・・・・・・・・・・・・・・・・・・・・・・・・・・・・・・・ 259 SWITCH ASSY, VACUUM WARNING ・・・・・・・・・・・・・・・・・・・・・・・・・・・・・・・・・・・・・・・・・・・・・・・・・・・・・・・ 258 SWITCH ASSY, WINDSHIELD WIPER ・・・・・・・・・・・・・・・・・・・・・・・・・・・・・・・・・・・・・・・・・・・・・・・・・・・・・ 259 SWITCH, COURTESY LAMP ・・・・・・・・・・・・・・・・・・・・・・・・・・・・・・・・・・・・・・・・・・・・・・・・・・・・・・・・・・・・・ 259 TANK ASSY, FUEL ・・・・・・・・・・・・・・・・・・・・・・・・・・・・・・・・・・・・・・・・・・・・・・・・・・・・・・・・・・・・・・・・・・・ 234 TANK ASSY, RADIATOR RESERVE ・・・・・・・・・・・・・・・・・・・・・・・・・・・・・・・・・・・・・・・・・・・・・・・・・・・・・・・ 66 TAPE, BLACK OUT, NO.2 LH ・・・・・・・・・・・・・・・・・・・・・・・・・・・・・・・・・・・・・・・・・・・・・・・・・・・・・・・・・・ 193 TAPE, BLACK OUT, NO.2 RH ・・・・・・・・・・・・・・・・・・・・・・・・・・・・・・・・・・・・・・・・・・・・・・・・・・・・・・・・・・ 193 TAPE, BLACK OUT, NO.3 LH ・・・・・・・・・・・・・・・・・・・・・・・・・・・・・・・・・・・・・・・・・・・・・・・・・・・・・・・・・・ 201 TAPE, BLACK OUT, NO.3 RH ・・・・・・・・・・・・・・・・・・・・・・・・・・・・・・・・・・・・・・・・・・・・・・・・・・・・・・・・・・ 201 TENSIONER ASSY, CHAIN, NO.1 ・・・・・・・・・・・・・・・・・・・・・・・・・・・・・・・・・・・・・・・・・・・・・・・・・・・・・・・ 58 THERMISTOR, COOLER, NO.1 ・・・・・・・・・・・・・・・・・・・・・・・・・・・・・・・・・・・・・・・・・・・・・・・・・・・・・・・・・・ 279 THERMOSTAT ・・・・・・・・・・・・・・・・・・・・・・・・・・・・・・・・・・・・・・・・・・・・・・・・・・・・・・・・・・・・・・・・・・・・・・・・ 65 TOOL SET, STANDARD W/O JACK ・・・・・・・・・・・・・・・・・・・・・・・・・・・・・・・・・・・・・・・・・・・・・・・・・・・・・・・ 42 TRACK ASSY, FRONT SEAT, INNER RH ・・・・・・・・・・・・・・・・・・・・・・・・・・・・・・・・・・・・・・・・・・・・・・・・・・ 214 TRACK ASSY, FRONT SEAT, OUTER LH ・・・・・・・・・・・・・・・・・・・・・・・・・・・・・・・・・・・・・・・・・・・・・・・・・・ 214 TRACK ASSY, FRONT SEAT, OUTER RH ・・・・・・・・・・・・・・・・・・・・・・・・・・・・・・・・・・・・・・・・・・・・・・・・・・ 214 TRACK ASSY, FRONT SEAT,INNER LH ・・・・・・・・・・・・・・・・・・・・・・・・・・・・・・・・・・・・・・・・・・・・・・・・・・・ 214 TRANSAXLE ASSY, AUTOMATIC ・・・・・・・・・・・・・・・・・・・・・・・・・・・・・・・・・・・・・・・・・・・・・・・・・・・・・・・・・ 96 TRANSAXLE ASSY, MANUAL ・・・・・・・・・・・・・・・・・・・・・・・・・・・・・・・・・・・・・・・・・・・・・・・・・・・・・・・・・・・・ 82 TRANSAXLE HOUSING (ATM) ・・・・・・・・・・・・・・・・・・・・・・・・・・・・・・・・・・・・・・・・・・・・・・・・・・・・・・・・・・・ 100 TRIM, FRONT DOOR OPENING, LH ・・・・・・・・・・・・・・・・・・・・・・・・・・・・・・・・・・・・・・・・・・・・・・・・・・・・・・ 184 TRIM, FRONT DOOR OPENING, RH ・・・・・・・・・・・・・・・・・・・・・・・・・・・・・・・・・・・・・・・・・・・・・・・・・・・・・・ 184 TRIM, REAR DOOR OPENING, LH ・・・・・・・・・・・・・・・・・・・・・・・・・・・・・・・・・・・・・・・・・・・・・・・・・・・・・・・ 184 TRIM, REAR DOOR OPENING, RH ・・・・・・・・・・・・・・・・・・・・・・・・・・・・・・・・・・・・・・・・・・・・・・・・・・・・・・・ 184 TUBE SUB-ASSY, FUEL ・・・・・・・・・・・・・・・・・・・・・・・・・・・・・・・・・・・・・・・・・・・・・・・・・・・・・・・・・・・・・・・ 79 TUBE SUB-ASSY, FUEL SUCTION ・・・・・・・・・・・・・・・・・・・・・・・・・・・・・・・・・・・・・・・・・・・・・・・・・・・・・・・ 234 TUBE SUB-ASSY, FUEL TANK BREATHER, NO.2 ・・・・・・・・・・・・・・・・・・・・・・・・・・・・・・・・・・・・・・・・・・・ 234 TUBE SUB-ASSY, FUEL TANK TO CANISTER ・・・・・・・・・・・・・・・・・・・・・・・・・・・・・・・・・・・・・・・・・・・・・・ 234 TUBE SUB-ASSY, OIL COOLER INLET, NO.1 ・・・・・・・・・・・・・・・・・・・・・・・・・・・・・・・・・・・・・・・・・・・・・ 111 TUBE SUB-ASSY, OIL COOLER OUTLET, NO.1 ・・・・・・・・・・・・・・・・・・・・・・・・・・・・・・・・・・・・・・・・・・・・ 111 TUBE SUB-ASSY, STEERING COLUMN, UPPER ・・・・・・・・・・・・・・・・・・・・・・・・・・・・・・・・・・・・・・・・・・・・・ 122 TUBE SUB-ASSY, TRANSMISSION OIL FILLER ・・・・・・・・・・・・・・・・・・・・・・・・・・・・・・・・・・・・・・・・・・・・ 99 TUBE(FOR CYLINDER HEAD) ・・・・・・・・・・・・・・・・・・・・・・・・・・・・・・・・・・・・・・・・・・・・・・・・・・・・・・・・・・・ 47 TUBE, DIFFERENTIAL GEAR LUBE APPLY ・・・・・・・・・・・・・・・・・・・・・・・・・・・・・・・・・・・・・・・・・・・・・・・・ 100 TUBE, FRONT BRAKE, NO.1 ・・・・・・・・・・・・・・・・・・・・・・・・・・・・・・・・・・・・・・・・・・・・・・・・・・・・・・・・・・・ 141 TUBE, FRONT BRAKE, NO.2 ・・・・・・・・・・・・・・・・・・・・・・・・・・・・・・・・・・・・・・・・・・・・・・・・・・・・・・・・・・・ 141 SUPPORT, - TUBE, PART NAME PAGE TUBE, FRONT BRAKE, NO.3 ・・・・・・・・・・・・・・・・・・・・・・・・・・・・・・・・・・・・・・・・・・・・・・・・・・・・・・・・・・・ 141 TUBE, FRONT BRAKE, NO.4 ・・・・・・・・・・・・・・・・・・・・・・・・・・・・・・・・・・・・・・・・・・・・・・・・・・・・・・・・・・・ 141 TUBE, FUEL MAIN ・・・・・・・・・・・・・・・・・・・・・・・・・・・・・・・・・・・・・・・・・・・・・・・・・・・・・・・・・・・・・・・・・・・ 234 TUBE, FUEL TANK TO CANISTER, NO.3 ・・・・・・・・・・・・・・・・・・・・・・・・・・・・・・・・・・・・・・・・・・・・・・・・・ 234 TUBE, LIQUID, B(FOR COOL BOX) ・・・・・・・・・・・・・・・・・・・・・・・・・・・・・・・・・・・・・・・・・・・・・・・・・・・・・ 284 TUBE, REAR BRAKE, NO.2 ・・・・・・・・・・・・・・・・・・・・・・・・・・・・・・・・・・・・・・・・・・・・・・・・・・・・・・・・・・・・ 141 TUBE, REAR BRAKE, NO.4 ・・・・・・・・・・・・・・・・・・・・・・・・・・・・・・・・・・・・・・・・・・・・・・・・・・・・・・・・・・・・ 141 TUBE, REAR BRAKE, NO.5 ・・・・・・・・・・・・・・・・・・・・・・・・・・・・・・・・・・・・・・・・・・・・・・・・・・・・・・・・・・・・ 141 TUBE, REAR BRAKE, NO.6 ・・・・・・・・・・・・・・・・・・・・・・・・・・・・・・・・・・・・・・・・・・・・・・・・・・・・・・・・・・・・ 141 TUBE, RUBBER ・・・・・・・・・・・・・・・・・・・・・・・・・・・・・・・・・・・・・・・・・・・・・・・・・・・・・・・・・・・・・・・・・・・・・・ 268 TUBE, RUBBER ・・・・・・・・・・・・・・・・・・・・・・・・・・・・・・・・・・・・・・・・・・・・・・・・・・・・・・・・・・・・・・・・・・・・・・ 268 TUBE, RUBBER ・・・・・・・・・・・・・・・・・・・・・・・・・・・・・・・・・・・・・・・・・・・・・・・・・・・・・・・・・・・・・・・・・・・・・・ 268 TUBE,RUBBER ・・・・・・・・・・・・・・・・・・・・・・・・・・・・・・・・・・・・・・・・・・・・・・・・・・・・・・・・・・・・・・・・・・・・・・・ 268 TUNER ASSY, STEREO COMPONENT ・・・・・・・・・・・・・・・・・・・・・・・・・・・・・・・・・・・・・・・・・・・・・・・・・・・・・・ 270 UNIT ASSY, AIR CONDITIONER ・・・・・・・・・・・・・・・・・・・・・・・・・・・・・・・・・・・・・・・・・・・・・・・・・・・・・・・・ 279 UNIT, HEADLAMP, LH ・・・・・・・・・・・・・・・・・・・・・・・・・・・・・・・・・・・・・・・・・・・・・・・・・・・・・・・・・・・・・・・・ 238 UNIT, HEADLAMP, RH ・・・・・・・・・・・・・・・・・・・・・・・・・・・・・・・・・・・・・・・・・・・・・・・・・・・・・・・・・・・・・・・・ 238 VALVE (FOR TUBELESS TIRE SPARE) ・・・・・・・・・・・・・・・・・・・・・・・・・・・・・・・・・・・・・・・・・・・・・・・・・・・ 115 VALVE (FOR TUBELESS TIRE) ・・・・・・・・・・・・・・・・・・・・・・・・・・・・・・・・・・・・・・・・・・・・・・・・・・・・・・・・・ 115 VALVE ASSY, FUEL CUT OFF ・・・・・・・・・・・・・・・・・・・・・・・・・・・・・・・・・・・・・・・・・・・・・・・・・・・・・・・・・・ 235 VALVE ASSY, PROPORTIONING ・・・・・・・・・・・・・・・・・・・・・・・・・・・・・・・・・・・・・・・・・・・・・・・・・・・・・・・・・ 141 VALVE ASSY, VACUUM SWITCHING, NO.1 ・・・・・・・・・・・・・・・・・・・・・・・・・・・・・・・・・・・・・・・・・・・・・・・・ 72 VALVE SUB-ASSY, VENTILATION ・・・・・・・・・・・・・・・・・・・・・・・・・・・・・・・・・・・・・・・・・・・・・・・・・・・・・・・ 55 VALVE, COOLER EXPANSION ・・・・・・・・・・・・・・・・・・・・・・・・・・・・・・・・・・・・・・・・・・・・・・・・・・・・・・・・・・・ 279 VALVE, EXHAUST ・・・・・・・・・・・・・・・・・・・・・・・・・・・・・・・・・・・・・・・・・・・・・・・・・・・・・・・・・・・・・・・・・・・・ 59 VALVE, INTAKE ・・・・・・・・・・・・・・・・・・・・・・・・・・・・・・・・・・・・・・・・・・・・・・・・・・・・・・・・・・・・・・・・・・・・・ 58 VISOR ASSY, LH ・・・・・・・・・・・・・・・・・・・・・・・・・・・・・・・・・・・・・・・・・・・・・・・・・・・・・・・・・・・・・・・・・・・・ 222 VISOR ASSY, RH ・・・・・・・・・・・・・・・・・・・・・・・・・・・・・・・・・・・・・・・・・・・・・・・・・・・・・・・・・・・・・・・・・・・・ 222 WASHER (FOR MAGNET CLUTCH) ・・・・・・・・・・・・・・・・・・・・・・・・・・・・・・・・・・・・・・・・・・・・・・・・・・・・・・・・ 285 WASHER, 1ST GEAR THRUST ・・・・・・・・・・・・・・・・・・・・・・・・・・・・・・・・・・・・・・・・・・・・・・・・・・・・・・・・・・・ 89 WASHER, CRANKSHAFT THRUST, UPPER ・・・・・・・・・・・・・・・・・・・・・・・・・・・・・・・・・・・・・・・・・・・・・・・・・・ 56 WASHER, FRONT DIFFERENTIAL PINION THRUST ・・・・・・・・・・・・・・・・・・・・・・・・・・・・・・・・・・・・・・・・・・ 117 WASHER, FRONT DIFFERENTIAL SIDE GEAR THRUST, NO.1 ・・・・・・・・・・・・・・・・・・・・・・・・・・・・・・・・・ 117 WASHER, PLATE(FOR CYLINDER HEAD SET) ・・・・・・・・・・・・・・・・・・・・・・・・・・・・・・・・・・・・・・・・・・・・・・ 47 WASHER, SHIFT LEVER SHAFT HOUSING, NO.1 ・・・・・・・・・・・・・・・・・・・・・・・・・・・・・・・・・・・・・・・・・・・ 93 WEATHERSTRIP ASSY, FRONT DOOR GLASS, OUTER LH ・・・・・・・・・・・・・・・・・・・・・・・・・・・・・・・・・・・・・ 193 WEATHERSTRIP ASSY, FRONT DOOR GLASS, OUTER RH ・・・・・・・・・・・・・・・・・・・・・・・・・・・・・・・・・・・・・ 193 WEATHERSTRIP ASSY, REAR DOOR GLASS, OUTER LH ・・・・・・・・・・・・・・・・・・・・・・・・・・・・・・・・・・・・・・ 201 WEATHERSTRIP ASSY, REAR DOOR GLASS, OUTER RH ・・・・・・・・・・・・・・・・・・・・・・・・・・・・・・・・・・・・・・ 201 WEATHERSTRIP, BACK DOOR ・・・・・・・・・・・・・・・・・・・・・・・・・・・・・・・・・・・・・・・・・・・・・・・・・・・・・・・・・・・ 206 WEATHERSTRIP, FRONT DOOR GLASS, INNER LH ・・・・・・・・・・・・・・・・・・・・・・・・・・・・・・・・・・・・・・・・・・ 193 WEATHERSTRIP, FRONT DOOR GLASS, INNER RH ・・・・・・・・・・・・・・・・・・・・・・・・・・・・・・・・・・・・・・・・・・ 193 WEATHERSTRIP, FRONT DOOR, LH ・・・・・・・・・・・・・・・・・・・・・・・・・・・・・・・・・・・・・・・・・・・・・・・・・・・・・・ 192 WEATHERSTRIP, FRONT DOOR, RH ・・・・・・・・・・・・・・・・・・・・・・・・・・・・・・・・・・・・・・・・・・・・・・・・・・・・・・ 192 WEATHERSTRIP, REAR DOOR GLASS, INNER LH ・・・・・・・・・・・・・・・・・・・・・・・・・・・・・・・・・・・・・・・・・・・ 201 WEATHERSTRIP, REAR DOOR GLASS, INNER RH ・・・・・・・・・・・・・・・・・・・・・・・・・・・・・・・・・・・・・・・・・・・ 201 WEATHERSTRIP, REAR DOOR QUARTER WINDOW, LH ・・・・・・・・・・・・・・・・・・・・・・・・・・・・・・・・・・・・・・・・ 201 WEATHERSTRIP, REAR DOOR QUARTER WINDOW, RH ・・・・・・・・・・・・・・・・・・・・・・・・・・・・・・・・・・・・・・・・ 201 WEATHERSTRIP, REAR DOOR, LH ・・・・・・・・・・・・・・・・・・・・・・・・・・・・・・・・・・・・・・・・・・・・・・・・・・・・・・・ 200 WEATHERSTRIP, REAR DOOR, RH ・・・・・・・・・・・・・・・・・・・・・・・・・・・・・・・・・・・・・・・・・・・・・・・・・・・・・・・ 200 TUBE, - WEATHERSTRIP, 29
  • 30.
    PART NAME PAGE WHEELASSY, STEERING ・・・・・・・・・・・・・・・・・・・・・・・・・・・・・・・・・・・・・・・・・・・・・・・・・・・・・・・・・・・・・・ 124 WHEEL, DISC ・・・・・・・・・・・・・・・・・・・・・・・・・・・・・・・・・・・・・・・・・・・・・・・・・・・・・・・・・・・・・・・・・・・・・・・ 115 WHEEL, DISC (FOR SPARE) ・・・・・・・・・・・・・・・・・・・・・・・・・・・・・・・・・・・・・・・・・・・・・・・・・・・・・・・・・・・ 115 WIRE SUB-ASSY, HORN BUTTON ・・・・・・・・・・・・・・・・・・・・・・・・・・・・・・・・・・・・・・・・・・・・・・・・・・・・・・・・ 124 WIRE, BACK DOOR, NO.1 ・・・・・・・・・・・・・・・・・・・・・・・・・・・・・・・・・・・・・・・・・・・・・・・・・・・・・・・・・・・・・ 251 WIRE, BODY GROUND ・・・・・・・・・・・・・・・・・・・・・・・・・・・・・・・・・・・・・・・・・・・・・・・・・・・・・・・・・・・・・・・・・ 250 WIRE, ENGINE ・・・・・・・・・・・・・・・・・・・・・・・・・・・・・・・・・・・・・・・・・・・・・・・・・・・・・・・・・・・・・・・・・・・・・・ 250 WIRE, ENGINE ROOM MAIN ・・・・・・・・・・・・・・・・・・・・・・・・・・・・・・・・・・・・・・・・・・・・・・・・・・・・・・・・・・・・ 250 WIRE, FLOOR ・・・・・・・・・・・・・・・・・・・・・・・・・・・・・・・・・・・・・・・・・・・・・・・・・・・・・・・・・・・・・・・・・・・・・・・ 250 WIRE, FLOOR ・・・・・・・・・・・・・・・・・・・・・・・・・・・・・・・・・・・・・・・・・・・・・・・・・・・・・・・・・・・・・・・・・・・・・・・ 251 WIRE, FRONT DOOR, LH ・・・・・・・・・・・・・・・・・・・・・・・・・・・・・・・・・・・・・・・・・・・・・・・・・・・・・・・・・・・・・・ 250 WIRE, FRONT DOOR, RH ・・・・・・・・・・・・・・・・・・・・・・・・・・・・・・・・・・・・・・・・・・・・・・・・・・・・・・・・・・・・・・ 250 WIRE, INSTRUMENT PANEL ・・・・・・・・・・・・・・・・・・・・・・・・・・・・・・・・・・・・・・・・・・・・・・・・・・・・・・・・・・・・ 250 WIRE, REAR DOOR, NO.1 ・・・・・・・・・・・・・・・・・・・・・・・・・・・・・・・・・・・・・・・・・・・・・・・・・・・・・・・・・・・・・ 250 WIRE, ROOF, NO.1 ・・・・・・・・・・・・・・・・・・・・・・・・・・・・・・・・・・・・・・・・・・・・・・・・・・・・・・・・・・・・・・・・・・ 251 WIRE, SOLENOID ・・・・・・・・・・・・・・・・・・・・・・・・・・・・・・・・・・・・・・・・・・・・・・・・・・・・・・・・・・・・・・・・・・・・ 109 WIRE, SPEED SENSOR, LH ・・・・・・・・・・・・・・・・・・・・・・・・・・・・・・・・・・・・・・・・・・・・・・・・・・・・・・・・・・・・ 263 WIRE, SPEED SENSOR, RH ・・・・・・・・・・・・・・・・・・・・・・・・・・・・・・・・・・・・・・・・・・・・・・・・・・・・・・・・・・・・ 263 WRENCH, HUB NUT BOX ・・・・・・・・・・・・・・・・・・・・・・・・・・・・・・・・・・・・・・・・・・・・・・・・・・・・・・・・・・・・・・・ 42 YOKE ASSY, STARTER ・・・・・・・・・・・・・・・・・・・・・・・・・・・・・・・・・・・・・・・・・・・・・・・・・・・・・・・・・・・・・・・・ 78 YOKE, CLUTCH RELEASE LEVER ・・・・・・・・・・・・・・・・・・・・・・・・・・・・・・・・・・・・・・・・・・・・・・・・・・・・・・・・ 80 WHEEL - YOKE, 30
  • 31.
    PART NUMBER INDEX 04111- 13751 ・・・・・・・・・・・・・・・・・・・・・・・・・・・・・・・・・・・・・ 31 13751 - 33334 ・・・・・・・・・・・・・・・・・・・・・・・・・・・・・・・・・・・・・ 32 33335 - 47044 ・・・・・・・・・・・・・・・・・・・・・・・・・・・・・・・・・・・・・ 33 47110 - 56116 ・・・・・・・・・・・・・・・・・・・・・・・・・・・・・・・・・・・・・ 34 56117 - 67841 ・・・・・・・・・・・・・・・・・・・・・・・・・・・・・・・・・・・・・ 35 67842 - 74404 ・・・・・・・・・・・・・・・・・・・・・・・・・・・・・・・・・・・・・ 36 74405 - 86520 ・・・・・・・・・・・・・・・・・・・・・・・・・・・・・・・・・・・・・ 37 87010 - 9004A ・・・・・・・・・・・・・・・・・・・・・・・・・・・・・・・・・・・・・ 38 9004A - G1406 ・・・・・・・・・・・・・・・・・・・・・・・・・・・・・・・・・・・・・ 39 PART NUMBER PAGE WEIGHT(g) 04111-BZ025- 45 04112-BZ025- 45 04425-B2100- 119 332.00 04426-B2231- 119 04435-B2020- 119 110.00 04437-B2020- 119 195.00 04474-BZ060- 136 04478-BZ140- 134 -BZ150- 134 04491-BZ010- 134 -BZ020- 134 04495-BZ110- 136 04906-BZ080- 136 09101-BZ030- 42 09111-BZ090- 42 09114-BZ060- 42 09120-BZ120- 42 09125-BZ010- 42 0.00 09151-BZ010- 42 11101-BZ110- 47 11115-BZ050- 47 11122-BZ010- 47 0.00 11123-BZ010- 47 0.00 11201-BZ090- 47 11213-BZ080- 47 11293-BZ410- 73 0.00 -BZ470- 224 -BZ560- 73 0.00 11321-BZ901- 52 -BZ902- 52 11381-BZ060- 52 11400-BZ011- 44 -BZ012- 44 11401-BZ100- 51 -BZ101- 51 11409-BZ080- 51 11459-37020- 51 11711-BZ130-02 56 -BZ130-03 56 -BZ130-04 56 -BZ130-05 56 11714-BZ030- 56 11721-BZ070-02 56 -BZ070-03 56 -BZ070-04 56 -BZ070-05 56 11724-BZ030- 56 11791-BZ100- 56 11792-BZ050- 56 11793-BZ050- 56 PART NUMBER PAGE WEIGHT(g) 12101-B6010- 51 -BZ070- 51 12121-B6010- 51 -BZ050- 51 12180-BZ010- 47 0.00 12204-BZ010- 55 12261-BZ150- 55 12262-BZ070- 55 12281-BZ020- 47 12282-97206- 99 29.00 -BZ040- 84 -BZ050- 47 12305-BZ100- 54 -BZ110- 54 12306-BZ120- 54 -BZ131- 54 12309-BZ060- 54 -BZ070- 54 12321-BZ180- 54 -BZ190- 54 12325-BZ070- 54 13011-BZ150- 56 13201-B9070- 57 13211-BZ200- 57 13251-BZ040- 57 13265-21020- 57 18.00 13281-BZ110-01 56 -BZ110-02 56 -BZ110-03 56 13288-BZ010- 56 13405-BZ120- 57 13411-40030- 57 13470-BZ060- 57 13501-B6010- 58 13502-40010- 58 942.00 13506-BZ060- 58 13521-BZ030- 57 13523-BZ080- 58 13529-BZ070- 58 13540-21020- 58 155.00 13566-BZ050- 58 13591-BZ050- 58 13711-BZ040- 58 13715-BZ040- 59 13734-87206- 59 2.00 13741-22021- 59 9.00 13751-BZ030- 59 0.00 -BZ040- 59 0.00 -BZ050- 59 0.00 -BZ060- 59 0.00 04111 - 13751 31
  • 32.
    PART NUMBER PAGEWEIGHT(g) 13751-BZ070- 59 -BZ080- 59 0.00 -BZ090- 59 0.00 -BZ100- 59 0.00 -BZ110- 59 0.00 -BZ120- 59 0.00 -BZ130- 59 0.00 -BZ140- 59 0.00 -BZ150- 59 0.00 -BZ160- 59 0.00 -BZ170- 59 0.00 -BZ180- 59 0.00 -BZ190- 59 0.00 -BZ200- 59 0.00 -BZ210- 59 0.00 -BZ220- 59 0.00 -BZ230- 59 0.00 -BZ240- 59 0.00 -BZ250- 59 0.00 -BZ260- 59 0.00 -BZ270- 59 0.00 -BZ280- 59 0.00 -BZ290- 59 0.00 -BZ300- 59 0.00 -BZ310- 59 0.00 15012-BZ010- 60 15104-BZ010- 60 -BZ020- 60 15119-B6010- 60 15121-BZ020- 60 15122-BZ020- 60 15147-BZ020- 60 15188-87402- 279 2.00 -87403- 279 2.00 15193-BZ010- 60 15301-BZ090- 51 15549-BZ010- 126 0.00 15601-BZ030- 61 15708-B6010- 51 16100-B9025- 62 16173-BZ070- 62 16261-BZ090- 65 -BZ260- 65 -BZ261- 65 16268-BZ050- 65 16271-BZ050- 62 16321-BZ080- 65 16325-BZ010- 65 16331-BZ020- 65 16341-B2020- 65 2.00 PART NUMBER PAGE WEIGHT(g) 16360-BZ180- 65 -BZ190- 65 16361-BZ100- 65 -BZ110- 65 16363-BZ120- 65 -BZ130- 65 16380-BZ020- 65 16385-BZ060- 65 16400-BZ480- 65 -BZ490- 65 16401-BZ060- 66 16417-30170- 66 7.00 16418-87503- 66 1.00 16464-BZ010- 66 16470-BZ190- 66 16471-BZ050- 66 16472-BZ050- 66 16571-BZ240- 66 16572-BZ170- 66 16711-BZ080- 66 -BZ090- 66 17101-BZ040- 69 17118-BZ120- 69 -BZ121- 69 17138-BZ080- 69 17152-BZ010- 70 0.00 17167-BZ050- 69 17177-BZ020- 69 17400-BZ010- 69 -BZ030- 69 17410-BZ530- 70 -BZ540- 70 17451-B0010- 70 0.00 -BZ100- 69 17567-87703- 70 46.00 17700-BZ150- 71 17705-BZ140- 71 17716-B2010- 71 66.00 17771-BZ050- 71 17801-BZ100- 71 17881-BZ100- 71 19000-BZ011- 43 -BZ012- 43 -BZ013- 43 -BZ021- 43 -BZ022- 43 -BZ023- 43 19311-BZ030- 47 -BZ030- 52 19312-BZ010- 52 13751 - 19312 PART NUMBER PAGE WEIGHT(g) 22208-BZ010- 79 22210-B6010- 79 22271-BZ010- 69 23100-BZ150- 234 23210-BZ170- 234 23217-BZ010- 234 23232-BZ010- 234 0.00 23250-BZ040- 79 23265-BZ010- 234 0.00 23295-BZ010- 79 23585-B2040- 79 1.00 23814-B6010- 79 23827-BZ010- 72 23841-B1010- 79 12.00 23842-BZ010- 79 23901-BZ010- 79 27060-BZ240- 76 27312-BZ040- 76 27330-BZ050- 76 27371-BZ020- 76 27387-BZ060- 76 27411-BZ080- 76 28021-BZ010- 78 28100-BZ141- 78 -BZ151- 78 28110-BZ040- 78 -BZ060- 78 28120-BZ030- 78 28130-BZ140- 78 28140-BZ140- 78 28160-BZ040- 78 28226-BZ010- 78 30300-BZ100- 82 -BZ140- 82 30500-B1130- 96 31115-BZ030- 84 31128-BZ040- 99 31210-BZ030- 80 -BZ031- 80 31223-BZ040- 80 -BZ041- 80 31230-BZ040- 80 31232-BZ070- 80 31250-BZ040- 80 -BZ041- 80 31302-BZ050- 80 31310-BZ200- 81 31321-BZ050- 81 -BZ050- 129 31324-B2020- 81 70.00 PART NUMBER PAGE WEIGHT(g) 31324-B2020- 129 31340-BZ060- 81 31341-BZ050- 84 -BZ130- 81 31347-BZ060- 81 31394-BZ050- 81 31477-B0010- 99 16.00 32000-B1011- 97 8,800.00 32101-BZ040- 97 32904-B1011- 111 82.00 32905-B1020- 111 72.00 32923-97201- 111 15.00 32941-B6010- 111 32942-B6010- 111 33037-BZ020- 88 -BZ021- 88 33038-BZ020- 88 -BZ021- 88 33102-BZ010- 84 33111-BZ060- 84 33122-BZ040- 92 33123-BZ010- 84 33134-BZ020- 88 33201-BZ030- 92 33203-BZ020- 92 33205-BZ020- 92 33212-BZ050- 92 33213-BZ050- 92 33214-BZ060- 92 33231-BZ020- 92 33242-BZ030- 92 33243-BZ060- 92 33244-BZ060- 92 33251-BZ040- 92 -BZ041- 92 33256-BZ030- 92 -BZ031- 92 33266-BZ030- 93 -BZ031- 93 33273-BZ030- 93 33293-BZ010- 93 33311-BZ071- 88 -BZ081- 88 33321-BZ060- 88 -BZ070- 88 33326-BZ050- 88 33332-BZ042- 88 33333-BZ070- 88 -BZ080- 88 33334-BZ010- 88 22208 - 33334 32
  • 33.
    PART NUMBER PAGEWEIGHT(g) 33335-BZ051- 88 33336-BZ030- 89 -BZ050- 89 33338-BZ020- 89 33343-BZ030- 89 33348-BZ080- 89 33358-BZ030- 89 33360-BZ081- 89 -BZ082- 89 33365-BZ040- 89 -BZ041- 89 33366-BZ040- 89 -BZ041- 89 33367-BZ040- 89 33370-BZ060- 89 -BZ061- 89 33371-BZ040- 89 33380-BZ060- 89 -BZ061- 89 33385-BZ050- 89 33391-BZ040- 89 33402-BZ050- 89 33422-BZ010- 90 33423-BZ010- 90 -BZ020- 90 33428-BZ020- 90 -BZ040- 90 33449-B2010- 99 15.00 -BZ030- 85 33451-BZ060- 90 33485-87201- 99 4.00 33487-BZ020- 90 -BZ021- 90 33504-B1010-B0 95 84.00 -BZ010-B0 95 0.00 33506-BZ050- 93 33519-BZ040- 93 33524-B2040- 95 33550-B6010-B0 95 -B6020-B0 95 -BZ140-B0 95 33567-B1010- 95 5.00 33572-BZ010- 92 33820-BZ160- 95 -BZ170- 95 33823-BZ020- 95 33829-BZ070- 95 35013-97207- 99 91.00 35103-97203- 99 14.00 35106-B1011- 100 1,067.00 PART NUMBER PAGE WEIGHT(g) 35111-B1030- 100 35121-BZ040- 100 35133-BZ010- 86 35168-B1030- 100 17.00 35181-97202- 100 764.00 35210-97201- 109 153.00 35220-97201- 109 160.00 35240-B1010- 109 77.00 35280-97201- 109 74.00 35285-97201- 109 8.00 35303-97201- 100 124.00 35310-97203- 97 2,360.00 35409-97206- 110 31.00 35410-B1011- 109 4,086.00 35501-97202- 110 65.00 35505-97202- 110 69.00 35507-B1010- 110 35556-87202- 110 22.00 35557-97201- 110 78.00 35561-97201- 110 218.00 35595-87203- 110 49.00 35610-97205- 103 1,605.00 35618-B1010- 106 50.00 35623-B1020- 106 272.00 35624-97201- 104 60.00 35627-97202- 104 43.00 35628-97202- 106 24.00 35631-97203- 106 458.00 35632-97201- 104 77.00 35633-97205- 103 0.00 35634-97206- 103 0.00 35635-97201- 103 0.00 35637-97201- 104 27.00 35647-97204- 103 0.00 35648-97205- 103 0.00 35650-B1030- 103 1,712.00 35653-97201- 97 1.00 35664-97205- 104 159.00 35667-97206- 103 0.00 35673-B1010- 103 0.00 35675-97201- 103 0.00 35676-97202- 104 127.00 35677-B1011- 103 0.00 35681-97201- 105 31.00 35689-B1010- 103 0.00 35706-97203- 106 432.00 35708-97203- 106 312.00 35709-97204- 106 162.00 35712-97201- 103 1.00 35720-97211- 106 1,928.00 33335 - 35720 PART NUMBER PAGE WEIGHT(g) 35736-BZ010- 117 35740-97201- 107 788.00 35771-B1010- 107 1,440.00 35775-B9010- 107 1,186.00 35776-97202- 107 987.00 35790-B1010- 107 397.00 35824-97201- 100 3.00 35882-97201- 100 35.00 35883-B1010- 107 0.00 35884-97204- 107 34.00 35885-97213- 107 140.00 -97214- 107 150.00 -97215- 107 154.00 -97216- 107 150.00 -97217- 107 170.00 -97218- 107 174.00 35960-97203- 109 66.00 41221-BZ140- 117 -BZ150- 117 41310-B1010- 117 5,420.00 41311-BZ060- 117 41331-BZ040- 117 41341-BZ040- 117 41342-BZ060- 117 41351-BZ020- 117 41361-BZ130- 117 41991-BZ030- 224 42410-B6010- 112 -B6020- 112 42431-BZ090- 112 42602-B6020- 115 42611-BZ560- 115 -BZ570- 115 -BZ580- 115 42638-BZ340- 115 -BZ360- 115 42661-BZ620- 224 -BZ630- 224 43211-BZ260- 143 -BZ270- 143 43212-BZ260- 143 -BZ270- 143 43345-BZ060- 143 43408-B9350- 119 1,219.00 43410-B6010- 119 43411-B9470- 119 43412-B9260- 119 43420-B6010- 119 43502-BZ150- 120 43512-BZ220- 120 PART NUMBER PAGE WEIGHT(g) 43512-BZ230- 120 43560-BZ010- 120 -BZ010- 121 44050-B6010- 141 44591-BZ110- 141 44610-BZ340- 131 -BZ350- 131 -BZ420- 131 -BZ430- 131 44750-B6010- 131 45020-BZ120- 122 -BZ140- 122 45046-BZ140- 126 45102-BZ190-B0 124 -BZ320-B0 124 -BZ330-B0 124 -BZ340-B0 124 -BZ400-B0 124 45107-BZ080- 124 45130-BZ160-B0 124 -BZ390-B0 124 -BZ400-B0 124 -BZ410-B0 124 -BZ420-B0 124 45205-BZ050- 122 45220-BZ240- 122 45222-BZ080- 122 45250-BZ190- 122 45254-BZ140- 122 45281-BZ070- 122 45286-BZ180-B0 123 45287-BZ180-B0 123 45290-BZ090- 122 -BZ100- 122 45503-BZ140- 126 45510-BZ170- 126 -BZ180- 126 -BZ190- 126 45535-BZ090- 126 45897-B2010- 123 12.00 45898-B2010- 129 24.00 46210-BZ100-B0 128 -BZ110-B0 128 46334-BZ030- 128 46420-BZ160- 128 46430-BZ160- 128 46441-BZ040- 128 46521-BZ030- 173 47043-BZ090- 136 47044-BZ090- 136 35736 - 47044 33
  • 34.
    PART NUMBER PAGEWEIGHT(g) 47110-BZ250- 129 -BZ270- 129 47121-BZ040- 129 47150-BZ060- 141 47201-BZ370- 130 -BZ380- 130 47220-BZ220- 130 47230-BZ100- 130 47255-BZ100- 130 47264-BZ020- 131 0.00 47275-BZ010- 131 0.00 47299-BZ090- 130 47311-BZ380- 141 -BZ390- 141 47312-BZ390- 141 -BZ400- 141 47313-BZ340- 141 -BZ350- 141 47314-BZ380- 141 -BZ390- 141 47322-BZ130- 141 -BZ190- 141 47324-BZ230- 141 -BZ240- 141 47325-BZ150- 141 47326-BZ170- 141 47389-50020- 141 2.00 47419-BZ020- 137 47446-BZ040- 136 47447-BZ050- 136 47449-BZ050- 137 47459-BZ030- 136 -BZ040- 136 -BZ050- 136 -BZ060- 136 47547-BZ070- 134 0.00 -BZ070- 137 0.00 47548-BZ010- 137 0.00 -BZ050- 134 0.00 -BZ080- 134 0.00 47550-BZ060- 137 47559-BZ040- 137 47601-BZ030- 137 47602-BZ030- 137 47608-BZ020- 137 47609-BZ020- 137 47635-BZ040- 137 47715-97201- 134 58.00 -BZ050- 134 0.00 -BZ140- 134 PART NUMBER PAGE WEIGHT(g) 47721-BZ080- 134 47730-BZ090- 134 -BZ110- 134 47731-BZ030- 134 0.00 47750-BZ080- 134 -BZ090- 134 47769-BZ010- 134 0.00 47775-BZ070- 134 47781-BZ100- 135 47782-BZ100- 135 48044-BZ090- 146 48068-BZ100- 143 48069-BZ100- 144 48131-BZ540- 146 -BZ560- 146 48157-BZ070- 146 48231-BZ240- 148 -BZ430- 148 48331-BZ130- 146 48341-BZ030- 148 48481-BZ060- 148 48482-BZ080- 148 48510-BZ710- 146 -BZ830- 146 -BZ860- 146 48520-BZ860- 146 48531-BZ530- 148 -BZ540- 148 48609-BZ090- 146 48654-BZ060- 144 48655-BZ080- 144 48684-BZ050- 146 48710-BZ090- 148 -BZ100- 149 48718-B2031- 149 135.00 48750-BZ010- 149 48755-BZ010- 149 48811-BZ170- 146 48815-BZ160- 147 48820-BZ040- 146 -BZ040- 147 48824-BZ130- 147 51095-BZ040- 162 51201-BZ090- 150 51441-BZ170- 150 51442-BZ050- 150 51900-BZ030- 151 -BZ040- 151 51960-BZ070- 42 0.00 52021-BZ170- 159 47110 - 52021 PART NUMBER PAGE WEIGHT(g) 52101-BZ080- 152 -BZ090- 152 52115-BZ060- 152 52116-BZ060- 152 52127-BZ180- 152 52155-BZ070- 153 52156-BZ130- 153 52159-BZ840- 153 52543-BZ080- 159 53121-BZ140- 154 53122-BZ080- 154 53123-BZ080- 154 53124-BZ020- 154 53211-BZ150- 159 53213-BZ060- 162 53215-BZ120- 159 53216-BZ110- 159 53218-BZ060- 159 53268-BZ080- 162 53269-BZ020- 162 53301-BZ240- 156 53341-BZ070- 156 53381-BZ010- 159 0.00 53383-BZ100- 168 53384-B1010- 156 1.00 53401-BZ050- 157 53402-BZ060- 157 53445-BZ030- 156 53446-BZ030- 156 53451-BZ070- 157 53452-BZ010- 168 53455-BZ100- 157 53510-BZ210- 157 53629-BZ030- 159 53630-BZ070- 157 53701-BZ170- 159 53702-BZ140- 159 53715-BZ010- 168 53716-BZ010- 168 53717-BZ050- 168 53718-BZ090- 168 53811-BZ270- 156 53812-BZ270- 156 53865-BZ080- 156 53866-BZ070- 156 53875-BZ220- 156 53876-BZ220- 156 55086-BZ150- 281 55101-BZ840- 159 -BZ850- 159 PART NUMBER PAGE WEIGHT(g) 55106-BZ190- 129 55107-BZ160- 81 55168-BZ100- 159 55169-BZ070- 159 55210-BZ310- 159 -BZ320- 159 55213-BZ040- 159 55214-BZ060- 173 55215-BZ050- 159 55305-BZ500- 166 -BZ510- 166 55311-BZ440-B0 166 -BZ580-B0 166 55355-BZ100- 166 0.00 55394-BZ020- 166 0.00 55406-BZ070-B0 166 -BZ510-B0 166 -BZ520-B1 166 55411-BZ190-C0 166 55412-BZ590-B1 166 -BZ600-B1 166 -BZ610-B0 166 55445-87502- 234 1.00 55522-87Z05- 166 0.00 55526-BZ010-C0 166 55527-BZ010-B0 166 55547-28010-B1 166 9.00 55548-BZ040-B0 166 55550-BZ080-B0 166 55557-B2040- 166 1.00 55560-BZ050-B0 166 55561-BZ100- 166 55650-BZ080-B0 166 -BZ150-B0 167 55660-BZ060-C0 167 55703-BZ290- 168 55708-BZ060- 168 55711-BZ170- 168 55713-BZ090- 159 55714-BZ120- 159 55723-BZ080- 168 55724-BZ020- 168 55871-BZ070- 281 55872-BZ060- 281 55905-BZ220-B0 281 55910-BZ390- 281 56111-BZ230- 169 -BZ350- 169 56115-97402- 169 2.00 56116-97401- 169 1.00 52101 - 56116 34
  • 35.
    PART NUMBER PAGEWEIGHT(g) 56117-BZ130- 169 57051-BZ060- 173 57052-BZ050- 173 57069-BZ080- 162 57101-BZ390- 162 57102-BZ480- 162 57105-BZ100- 160 57106-BZ090- 160 57115-BZ030- 162 57116-BZ080- 162 57233-BZ010- 160 57234-BZ010- 159 57249-BZ020- 162 57401-BZ160- 162 57402-BZ160- 162 57406-BZ010- 162 57409-BZ120- 162 57417-BZ040- 173 57427-BZ040- 173 57451-BZ110- 162 57468-BZ030- 173 57601-BZ220- 162 57602-BZ150- 162 57605-BZ090- 162 57653-BZ090- 162 58111-BZ230- 173 58159-BZ020-B0 259 0.00 -BZ020-C0 259 0.00 58182-BZ050- 173 58211-BZ020- 173 58213-BZ060- 173 -BZ070- 173 58301-BZ260- 173 58308-BZ150- 173 58410-BZ140-C0 188 -BZ150-C0 188 58441-BZ050- 243 58510-BZB50-C0 174 -BZB60-C0 174 -BZB70-C0 174 58571-BZ020- 173 58572-BZ020- 173 58694-BZ010- 174 0.00 58698-BZ010- 174 0.00 58707-B2010-B2 187 58791-BZ040- 173 58821-BZ110-B0 175 -BZ120-B0 175 58840-BZ090-B0 175 58843-BZ110-B0 175 PART NUMBER PAGE WEIGHT(g) 58843-BZ130-B0 175 58911-BZ050-B0 175 58995-BZ050- 175 -BZ060- 175 60131-BZ070- 178 60132-BZ070- 178 61023-BZ260- 178 61024-BZ220- 178 61037-BZ210- 178 61038-BZ240- 178 61108-BZ130- 178 61109-BZ120- 178 61131-BZ070- 178 61132-BZ050- 178 61203-BZ030- 178 61204-BZ030- 178 61233-BZ050- 178 61234-BZ050- 178 61247-BZ080- 178 61248-BZ080- 178 61311-BZ050- 178 61312-BZ050- 178 61317-BZ020- 210 0.00 61403-BZ060- 178 61404-BZ080- 178 61411-BZ180- 178 61412-BZ200- 178 61503-BZ090- 179 61504-BZ080- 179 61607-BZ010- 179 61608-BZ010- 179 61611-BZ070- 179 61612-BZ080- 179 61617-BZ090- 179 61618-BZ080- 179 61621-BZ050- 179 61622-BZ040- 179 61625-BZ120- 179 61626-BZ120- 179 61635-BZ010- 179 61636-BZ020- 179 61637-BZ020- 179 61638-BZ020- 179 61641-BZ070- 179 61642-BZ070- 179 61645-BZ050- 179 61646-BZ070- 179 61661-BZ050- 179 61662-BZ050- 179 61725-BZ120- 180 56117 - 61725 PART NUMBER PAGE WEIGHT(g) 61731-BZ100- 180 -BZ110- 180 61732-BZ110- 180 -BZ140- 180 61768-BZ090- 180 61769-BZ080- 180 61771-BZ050- 180 61772-BZ040- 180 62111-BZ190-B0 184 62112-BZ190-B0 184 62211-BZ200-B0 184 62212-BZ200-B0 184 62313-BZ120- 184 62333-BZ070- 184 -BZ150- 184 62411-BZ110-B0 184 62412-BZ110-B0 184 62413-BZ160-B0 184 62414-BZ160-B0 184 62471-BZ260-B0 184 62472-BZ260-B0 184 62671-BZ020- 173 0.00 62930-BZ030- 181 0.00 63111-BZ040- 182 63132-BZ170- 182 63134-BZ150- 182 63141-BZ110- 182 63142-BZ060- 182 63143-BZ080- 182 63310-BZ240-B0 187 -BZ500-B0 187 -BZ510-B0 187 63341-BZ110- 187 63342-BZ090- 187 63352-BZ050- 180 64118-BZ050- 180 64119-BZ040- 180 64640-BZ070- 234 64716-BZ040-B0 173 64730-BZ140-B0 188 -BZ150-B0 188 -BZ160-B0 188 64740-BZ130-B0 188 -BZ140-B0 188 -BZ150-B0 189 64780-BZ100-B1 206 64818-BZ050- 206 0.00 64819-B2010- 206 1.00 65637-BZ190- 180 65638-BZ190- 180 PART NUMBER PAGE WEIGHT(g) 67001-BZ340- 191 -BZ450- 191 67002-BZ360- 191 -BZ450- 191 67003-BZ400- 199 -BZ500- 199 67004-BZ400- 199 -BZ500- 199 67005-BZ350- 206 -BZ450- 206 -BZ730- 206 67111-BZ150- 191 -BZ270- 191 67112-BZ160- 191 -BZ270- 191 67113-BZ270- 199 -BZ310- 199 67114-BZ270- 199 -BZ310- 199 67216-B6010- 193 -B6010- 199 -B6020- 193 -B6020- 199 67403-BZ100- 191 67404-BZ100- 191 67405-BZ040- 199 67406-BZ040- 199 67407-BZ100- 199 67408-BZ100- 200 67491-BZ090- 191 67492-BZ090- 192 67610-BZ490-B0 192 -BZ510-B0 192 67620-BZ480-B0 192 -BZ500-B0 192 67630-BZ380-B0 200 -BZ400-B0 200 67640-BZ380-B0 200 -BZ400-B0 200 67771-BZ010- 192 -BZ010- 200 -BZ060- 192 0.00 -BZ060- 200 0.00 -BZ060- 206 0.00 67772-87Z02- 192 0.00 67831-BZ280- 192 -BZ320- 192 -BZ330- 192 67841-BZ260- 200 -BZ270- 200 61731 - 67841 35
  • 36.
    PART NUMBER PAGEWEIGHT(g) 67842-BZ080- 200 67861-BZ050- 192 67862-BZ120- 192 67867-B2430- 192 1.00 -B2440- 192 1.00 -B2450- 200 1.00 -B2460- 200 1.00 67869-B2010- 192 1.00 -B2010- 200 1.00 67871-BZ080- 200 67872-BZ080- 200 67881-BZ150- 206 67913-BZ120-B0 184 67914-BZ120-B0 184 67917-BZ130-B0 185 67918-BZ130-B0 185 68101-BZ080- 192 68102-BZ230- 192 68113-BZ270- 200 68114-BZ260- 200 68123-BZ080- 200 68124-BZ080- 200 68131-BZ280- 206 68141-BZ100- 192 68142-BZ070- 200 68143-BZ040- 193 68144-BZ040- 200 68151-BZ100- 193 68152-BZ070- 201 68161-BZ110- 193 68162-BZ100- 193 68163-BZ080- 201 68164-BZ070- 201 68171-BZ150- 193 -BZ160- 193 68172-BZ130- 193 -BZ140- 193 68173-BZ130- 201 -BZ140- 201 68174-BZ090- 201 -BZ100- 201 68188-BZ040- 201 68189-BZ040- 201 68459-87202- 208 19.00 68610-BZ060- 193 68630-BZ060- 201 68750-BZ010- 196 0.00 -BZ010- 204 0.00 68760-BZ010- 196 0.00 -BZ010- 204 0.00 PART NUMBER PAGE WEIGHT(g) 68801-BZ110- 208 68859-87201- 208 1.00 68950-B6010- 208 68960-B6010- 208 69005-BZ430- 210 -BZ470- 210 69051-BZ140- 210 -BZ160- 210 69055-BZ120- 210 -BZ140- 210 69057-BZ120- 210 -BZ140- 210 69210-BZ020- 194 0.00 -BZ020- 202 0.00 -BZ230- 194 -BZ230- 202 69220-BZ020- 194 0.00 -BZ020- 202 0.00 -BZ230- 194 -BZ230- 202 69260-87Z03-B0 196 0.00 -87Z03-B0 204 0.00 69268-BZ020-B0 196 0.00 -BZ020-B0 204 0.00 69270-BZ012-B0 194 0.00 -BZ012-B0 202 0.00 -BZ052-B0 194 -BZ052-B0 202 69279-BZ010- 195 -BZ010- 203 69280-BZ012-B0 194 0.00 -BZ012-B0 202 0.00 -BZ052-B0 194 -BZ052-B0 202 69303-BZ060- 194 69304-BZ080- 194 69305-BZ040- 202 69306-BZ040- 202 69310-BZ160- 194 -BZ170- 194 69320-BZ140- 195 -BZ150- 195 69330-BZ120- 202 69340-BZ120- 202 69350-BZ150- 208 -BZ160- 208 69410-BZ010- 195 0.00 -BZ010- 203 0.00 69430-BZ060- 208 0.00 69516-BZ030- 210 67842 - 69516 PART NUMBER PAGE WEIGHT(g) 69516-BZ050- 210 69682-B2020- 210 4.00 69711-BZ050- 195 69712-BZ050- 195 69713-BZ040- 203 69714-BZ040- 203 69735-BZ040- 203 -BZ070- 203 69736-BZ030- 203 -BZ040- 203 69737-BZ060- 203 69738-BZ060- 203 69743-BZ040-B0 195 0.00 -BZ040-B0 203 0.00 69749-BZ080- 203 0.00 69751-87704-B0 195 1.00 -87704-B0 203 1.00 -BZ040-B0 195 0.00 -BZ040-B0 203 0.00 69753-BZ010- 203 0.00 69759-87Z02- 195 0.00 -87Z02- 203 0.00 69801-BZ150- 196 69802-BZ150- 196 69803-BZ100- 204 69804-BZ100- 204 69810-BZ240- 196 69820-BZ210- 196 69830-BZ220- 204 69840-BZ220- 204 69905-BZ020- 201 69906-BZ010- 201 69975-BZ010- 201 71071-BZC50-B1 213 -BZC60-B1 213 71072-BZC60-B1 213 -BZC70-B1 213 71073-BZC80-B0 213 -BZC90-B0 213 71074-BZA00-B0 213 -BZA10-B0 213 71075-BZA60-B1 216 -BZA70-B1 216 71077-BZ850-B0 216 -BZ860-B2 216 71110-BZ150- 213 71120-BZ120- 213 71127-BZ010- 213 0.00 71147-B1020- 213 11.00 -B2040- 213 20.00 PART NUMBER PAGE WEIGHT(g) 71147-B2040- 214 71480-BZA30-B3 216 -BZA40-B2 216 -BZA50-B0 216 -BZA60-B1 216 71501-BZ410- 213 71503-BZ350- 216 71505-BZ330- 213 71506-BZ040- 213 71537-BZ030- 213 0.00 71811-BZ170-B0 214 71812-BZ150-B0 214 71831-BZ040-B0 214 0.00 71832-BZ090-B0 214 0.00 71930-87Z09-B0 216 71931-87Z08-B0 216 71940-BZ450-B0 216 -BZ590-B0 216 71991-BZ010-B0 216 72110-BZ200- 214 72120-BZ210- 214 72130-BZ240- 214 72137-BZ040- 214 0.00 72140-BZ240- 214 72211-BZ100- 214 72525-BZ110-B0 214 0.00 72526-BZ100-B0 214 0.00 72601-BZ030- 217 72630-BZ040-B0 217 72640-BZ050-B0 217 72693-97201- 217 5.00 73210-BZ380-B0 220 -BZ390-B0 220 73220-BZ360-B0 220 -BZ370-B0 220 73230-BZ500-B0 220 73360-BZ230-B0 220 -BZ240-B0 220 73370-BZ230-B0 220 -BZ240-B0 220 73381-87202-B2 220 5.00 73470-BZ050-B0 220 73480-BZ050-B0 220 73949-BZ050- 214 0.00 73970-BZ120-B0 167 74310-BZ510-B0 222 0.00 -BZ590-B0 222 0.00 74320-BZ410-B0 222 0.00 74348-BZ060-B1 222 0.00 74404-BZ010- 223 0.00 69516 - 74404 36
  • 37.
    PART NUMBER PAGEWEIGHT(g) 74405-BZ020- 223 74411-BZ060- 223 74451-87Z07- 223 0.00 74468-BZ090- 258 74547-BZ010- 224 74552-BZ040- 224 0.00 74611-BZ060-B1 222 0.00 -BZ060-B2 222 74811-BZ030- 206 0.00 74813-BZ030-B1 222 -BZ050-B0 222 74814-BZ030-B1 222 -BZ050-B0 222 74815-BZ050-B0 222 -BZ060-B0 222 74816-BZ040-B0 222 -BZ050-B0 222 75311-BZ140- 225 -BZ190- 225 0.00 75441-BZ320- 225 75444-BZ130- 225 0.00 -BZ180- 225 0.00 75446-BZ040- 225 75533-BZ110- 226 75551-BZ110- 228 75552-BZ050- 228 75561-BZ020- 228 0.00 75731-BZ130- 228 75732-BZ130- 228 75741-BZ130- 228 75742-BZ130- 228 75923-BZ060-C0 193 75924-BZ060-C0 193 75925-BZ030-C0 201 75926-BZ030-C0 201 76851-BZ040- 230 76854-BZ010- 154 0.00 76861-BZ010- 230 76871-BZ230- 230 77001-BZ240- 234 77013-BZ080- 234 77019-BZ110- 234 77037-BZ050- 234 77141-BZ140- 234 77201-BZ150- 234 77203-BZ070- 234 77213-BZ110- 234 77219-20070- 234 0.00 77248-20030- 234 0.00 77251-BZ170- 234 PART NUMBER PAGE WEIGHT(g) 77259-BZ060- 234 77263-BZ140- 234 77269-B0010- 235 0.00 77291-BZ040- 235 0.00 77300-52030- 235 54.00 77350-BZ100- 235 77366-87203- 235 2.90 77380-0K010- 235 0.00 77631-BZ070- 235 77740-BZ070- 235 77754-BZ080- 72 78101-BZ150- 236 78180-BZ220- 236 78183-B6010- 236 78184-BZ040- 236 78214-BZ050- 236 81130-BZ170- 238 81139-B2010- 238 47.00 81170-BZ170- 238 81211-BZ070- 239 81216-BZ040- 239 81221-BZ070- 239 81226-BZ050- 239 81270-B2051- 241 30.00 81551-BZ150- 240 81555-BZ070- 240 81561-BZ150- 240 81565-BZ030- 240 81570-BZ150- 242 81936-BZ090- 281 81942-BZ510- 281 -BZ510- 282 -BZ520- 282 -BZ530- 282 -BZ540- 282 81977-BZ090- 206 81980-BZ030- 258 0.00 82046-BZ240- 250 82111-BZG10- 250 -BZG20- 250 -BZG30- 250 -BZJ00- 250 -BZJ10- 250 -BZL80- 250 -BZL90- 250 -BZM00- 250 -BZM10- 250 82121-BZ890- 250 -BZA00- 250 -BZA10- 250 74405 - 82121 PART NUMBER PAGE WEIGHT(g) 82121-BZA20- 250 82141-BY390- 250 -BY420- 250 -BY430- 250 -BZR30- 250 82151-BZ710- 250 -BZ740- 250 82152-BZ710- 250 -BZ740- 250 82153-BZ310- 250 -BZ340- 250 82161-BZ100- 250 -BZL40- 251 -BZL50- 251 -BZM10- 251 82171-BZ470- 251 82184-BZ460- 251 -BZ610- 251 82251-B6010- 263 -B6020- 263 82660-B1010- 258 335.00 82661-BZ100- 258 82711-1E340- 268 1.00 -BZ100- 157 0.00 -BZ100- 268 0.00 83181-B6010- 258 83301-BZ070- 258 83390-B1010- 258 52.00 83530-60020- 258 42.00 83800-BZS10- 252 -BZS20- 252 -BZS30- 252 -BZS40- 252 -BZS60- 252 -BZT41- 252 83852-BZ150- 252 -BZ160- 252 84140-B1030- 259 156.00 -B1040- 259 142.00 84210-BZ070- 259 84231-BZ010- 259 0.00 84306-B1010- 259 121.00 -BZ060- 259 84312-BZ030- 259 84332-BZ150- 259 84340-BZ010- 259 0.00 84345-BZ010- 259 0.00 84380-87708- 259 10.00 -BZ070- 259 84450-BZ030- 259 PART NUMBER PAGE WEIGHT(g) 84540-B1020- 259 84652-B2040- 259 131.00 -BZ090- 259 0.00 84810-BZ120- 259 84820-BZ140- 259 84870-BZ071- 259 0.00 85110-BZ180- 266 85150-BZ180- 266 85211-BZ190- 266 85212-BZ210- 266 85214-BZ260- 266 -BZ270- 266 85221-BZ180- 266 85222-BZ220- 266 85292-12020- 266 2.00 85315-BZ150- 267 85317-BZ020- 267 -BZ040- 267 -BZ050- 267 -BZ060- 268 85330-BZ110- 267 85332-BZ030- 267 85336-BZ020- 267 85370-BZ790- 267 85373-BZ090- 157 85374-BZ490- 268 -BZ500- 268 -BZ510- 268 -BZ520- 267 85381-BZ180- 267 85450-BZ110- 195 85460-BZ090- 195 85470-BZ010- 203 0.00 85480-BZ010- 203 0.00 85500-87505- 260 45.00 -BZ040- 260 85533-B1010- 260 4.00 -BZ030- 260 85710-BZ041- 197 0.00 -BZ041- 205 0.00 85720-BZ041- 197 0.00 -BZ041- 205 0.00 85918-BZ070- 260 86160-BZ110- 271 0.00 86180-BZ370-B0 270 86211-BZ170- 270 86212-BZ170- 270 86300-BZ130- 273 86316-BZ110- 273 86520-BZ150- 274 82121 - 86520 37
  • 38.
    PART NUMBER PAGEWEIGHT(g) 87010-BZ310- 279 87114-BZ020- 279 0.00 87138-BZ080- 279 87223-BZ050- 282 0.00 -BZ180- 282 -BZ190- 282 -BZ240- 282 87810-BZ150- 275 0.00 87828-BZ060- 275 87834-BZ020- 275 0.00 87910-BZ240- 275 -BZ360- 275 -BZ720- 275 87915-BZ290- 275 0.00 -BZ310- 275 0.00 87917-BZ120- 275 0.00 87940-BZ190- 275 -BZ440- 275 -BZ460- 275 87945-BZ290- 276 0.00 -BZ310- 276 0.00 87947-BZ120- 276 0.00 88318-87704- 285 0.00 -87705- 285 0.00 -87706- 285 0.00 88320-BZ170- 285 88362-BZ160- 284 88403-BZ080- 286 0.00 88410-BZ250- 286 88411-BZ110- 285 88412-BZ110- 285 0.00 88433-B1020- 286 0.00 88450-BZ060- 284 88501-BZ150- 279 88515-BZ100- 279 88539-BZ260- 279 88550-BZ070- 279 0.00 88568-BZ060- 279 88578-BZ540- 284 -BZ550- 284 88625-BZ060- 279 0.00 88688-BZ140- 286 88711-BZ480- 284 88712-BZ350- 284 88716-BZ850- 284 88718-BZ280- 284 88719-B2010- 284 0.00 88897-87Z13- 279 0.00 89170-BZ270- 265 89173-BZ100- 265 PART NUMBER PAGE WEIGHT(g) 89179-BZ030- 265 89413-97202- 100 20.00 89421-BZ030- 69 89422-33030- 260 24.00 89437-BZ010- 52 89465-BZ330- 260 -BZ360- 260 -BZ390- 260 -BZ400- 260 89470-BZ040- 72 89539-BZ160- 261 -BZ370- 261 89542-B6010- 263 89543-B6010- 263 89560-BZB10- 261 -BZB60- 261 -BZE20- 261 -BZE30- 261 89615-BZ040- 260 0.00 89650-BZ060- 260 90041-01652- 143 61.00 -05122- 97 8.00 -05242- 134 42.00 -05273- 97 9.00 -05281- 97 8.00 -05472- 100 9.00 -05475- 144 114.00 -09249- 47 14.00 -16487- 60 13.00 -19911- 47 15.00 -20192- 143 96.00 -20192- 144 96.00 -70393- 143 16.00 -79274- 120 63.01 90042-01637- 47 4.00 -40151- 129 11.00 -50122- 51 -50157- 99 20.00 -53010- 47 1.00 -53013- 51 2.40 90043-01160- 100 1.00 -01161- 97 6.70 -01278- 100 1.00 -01278- 258 1.00 -01279- 109 1.00 -01280- 109 1.00 -01281- 100 1.00 -01295- 104 3.00 -01296- 104 3.00 -01353- 79 0.00 87010 - 90043 PART NUMBER PAGE WEIGHT(g) 90043-01364- 100 -11256- 110 3.00 -11316- 99 41.00 -11317- 99 31.01 -11336- 97 16.00 -41041- 100 29.00 -41087- 51 30.00 -63273- 107 113.00 -63274- 107 307.00 -63297- 117 258.00 -63304- 117 402.00 -65026- 107 181.00 -74043- 103 18.00 -74043- 106 18.00 -74044- 103 17.00 -74045- 103 19.00 -74047- 106 23.00 -74051- 106 10.00 -85174- 146 12.00 -86112- 236 2.00 90044-06007- 47 -30281- 51 1.00 -30281- 100 1.00 -30291- 234 1.00 -30330- 100 0.00 -61832- 128 14.00 -64485- 142 3.50 -64655- 142 4.01 -64657- 235 11.01 -64659- 142 2.01 -64695- 235 17.00 -64731- 142 1.00 -64742- 142 2.00 -64780- 142 3.00 -64787- 235 14.00 -64803- 79 -64804- 142 2.00 -64839- 236 1.00 -64878- 235 14.00 -65441- 142 3.00 -66030- 66 13.00 -67161- 131 5.00 -67397- 173 1.00 -67414-C0 216 -67556-B0 175 0.00 -67576- 111 8.00 -68046-B2 174 1.00 -68046-B2 188 1.00 -68046-B2 189 1.00 -68076- 129 1.00 PART NUMBER PAGE WEIGHT(g) 90044-68143- 81 -68185-B1 213 1.00 -68185-B1 214 1.00 -68207- 236 1.00 -68280- 156 1.00 -68288- 184 5.00 -68288- 185 5.00 -68320- 156 1.50 -68320- 169 1.50 90045-01801- 99 1.00 -08389- 110 4.00 -20298- 119 15.00 -21111- 120 17.50 -21111- 121 17.50 -21164- 103 0.00 -21165- 103 0.00 -21166- 103 0.00 -21167- 103 0.00 -21168- 103 0.00 -21169- 103 0.00 -21170- 103 0.00 -21171- 103 0.00 -21172- 103 0.00 -21173- 103 0.00 -21174- 107 32.00 -21175- 107 16.00 -21176- 104 19.00 -21177- 104 22.00 -21178- 104 26.00 -21179- 105 29.00 -21182- 107 4.00 -21183- 107 12.00 -21185- 104 12.00 -21194- 107 -40158- 129 1.50 90048-01037- 97 21.00 -33097- 65 90049-02019- 115 11.00 -11036- 115 28.00 -11058- 115 54.00 -11064- 115 39.00 -12056- 120 41.00 -12062- 112 35.00 -51127- 240 0.00 -51161- 240 9.00 -51184- 241 1.00 -51185- 239 0.00 -51186- 238 -88004- 260 13.00 9004A-17135- 130 0.00 90043 - 9004A 38
  • 39.
    PART NUMBER PAGEWEIGHT(g) 9004A-17176- 124 -19001- 74 -24026- 130 -25032- 84 -30046- 130 -30047- 51 -30049- 86 -31010- 58 0.00 -31013- 84 0.00 -31020- 52 0.00 -31050- 84 -31051- 85 -31052- 92 -31053- 92 -34013- 84 -36044- 92 0.00 -36044- 93 0.00 -36057- 88 0.00 -36096- 88 -36097- 88 -36098- 88 -36099- 88 -36100- 117 -36101- 117 -36104- 120 -36104- 121 -38021- 81 0.00 -38021- 129 0.00 -38072- 80 -43006- 84 0.00 -43006- 259 0.00 -46130- 159 0.00 -46131-B0 184 0.00 -46132-B0 188 0.00 -46138- 126 0.00 -46143- 213 -46143- 214 -46275- 184 0.00 -46293-B0 191 0.00 -46299- 142 0.00 -46308- 188 -46309- 66 -46323- 156 -46323- 169 -48017- 66 0.00 -48030- 66 0.00 -48054- 157 -48055- 55 -48056- 71 -50119- 80 PART NUMBER PAGE WEIGHT(g) 9004A-50121- 92 -50122- 93 -50123- 92 -50124- 89 -52067- 88 -54015- 206 0.00 -81005- 240 0.00 -91062- 74 -91063- 67 -91064- 67 -93003- 92 0.00 -94103- 141 -94109- 141 -94110- 141 -98006- 258 0.00 -98006- 260 0.00 -98010- 258 0.00 -98011- 260 0.00 9004B-37008- 76 -37009- 76 -81003- 275 0.00 9004C-46010- 240 1.00 -82001- 238 9.00 90075-60006- 238 14.00 90099-04349- 286 0.00 -07114- 285 0.00 -07114- 286 0.00 -07125- 285 0.00 90105-10531- 51 47.00 90110-06018- 51 90119-14106- 57 141.00 90311-38092- 52 10.00 90341-14013- 47 21.00 -16023- 60 0.00 -22008- 51 90401-10058- 141 18.00 90430-14009- 47 1.00 90466-30001- 65 16.00 90467-05164-P5 187 0.00 -07049-C0 174 0.00 -09206- 192 1.00 -09206- 200 1.00 -10161- 192 1.00 -10161- 200 1.00 -14001- 55 0.00 90468-18071- 216 90501-25063- 58 18.00 90520-01002- 196 0.50 -01002- 204 0.50 90541-09069- 191 3.00 9004A - 90541 PART NUMBER PAGE WEIGHT(g) 90901-05026- 70 90910-02151- 47 90913-03031- 59 1.00 90981-11013- 238 1.00 -22004- 238 0.00 94120-40800- 131 0.00 94151-21001- 147 95333-04095- 234 96111-30440- 235 26.00 96136-42501- 55 11.00 -42501- 65 11.00 -43601- 66 16.00 -43901- 65 96721-24021- 100 1.00 G1406-97201- 100 35.00 PART NUMBER PAGE WEIGHT(g) 90901 - G1406 39
  • 40.
    REVISION REFERENCE CODETABLE Revision Ref. Code Engine No. or Frame No. Revision Ref. Code Engine No. or Frame No. Revision Ref. Code Engine No. or Frame No. Revision Ref. Code Engine No. or Frame No. 40
  • 41.
    EACH MONTH ENDPRODUCTION FRAME NO. LIST Model Month Model Month 41
  • 42.
    42 FIG.09-01 STANDARD TOOL (1212-) 090685 09101 09110 0911409120 09125 09150 51960 FIG.09-01 STANDARD TOOL PROD_DATE MODELS SPEC CODE DESCRIPTION R / P PART NUMBER O Y T REV_REF FR TO +----------+ | 09101 | TOOL SET, STANDARD W/O JACK +----------+ 1212 - B100 09101-BZ030- 1 +----------+ | 09110 | JACK ASSY +----------+ 1212 - B100 09111-BZ090- 1 +----------+ | 09114 | EXTENSION SUB-ASSY, JACK HANDLE +----------+ 1212 - B100 09114-BZ060- 1 +----------+ | 09120 | BAG, TOOL +----------+ 1212 - B100 09120-BZ120- 1 +----------+ | 09125 | BAND, TOOL B AG+----------+ 1212 - B100 09125-BZ010- 4 +----------+ | 09150 | WRENCH, HUB NUT BOX +----------+ 1212 - B100 09151-BZ010- 1 +----------+ | 51960 | HOOK ASSY, FRONT +----------+ 1212 - B100 51960-BZ070- 1
  • 43.
    43 FIG.11-01 PARTIAL ENGINEASSEMBLY (1212- ) 117762 11000 FIG.11-01 PARTIAL ENGINE ASSEMBLY PROD_DATE MODELS SPEC CODE DESCRIPTION R / P PART NUMBER O Y T REV_REF FR TO +----------+ | 11000 | ENGINE ASSY, PARTIAL +----------+ 1212 - 1307 1KRDE..B100..E4AT 19000-BZ011- 1 1212 - 1307 1KRDE..B100..5F 19000-BZ021- 1 1308 - 1309 1KRDE..B100..E4AT 19000-BZ012- 1 1308 - 1309 1KRDE..B100..5F 19000-BZ022- 1 1310 - 1312 1KRDE..B100..E4AT 19000-BZ013- 1 1310 - 1312 1KRDE..B100..5F 19000-BZ023- 1
  • 44.
    44 FIG.11-02 SHORT BLOCKASSEMBLY (1212- ) 117763 11400 FIG.11-02 SHORT BLOCK ASSEMBLY PROD_DATE MODELS SPEC CODE DESCRIPTION R / P PART NUMBER O Y T REV_REF FR TO +----------+ | 11400 | BLOCK ASSY, SHORT +----------+ 1212 - 1309 1KRDE..B100 11400-BZ011- 1 1310 - 1KRDE..B100 11400-BZ012- 1
  • 45.
    45 FIG.11-03 ENGINE OVERHAULGASKET KIT (1212- ) 117764 04111 04112 FIG.11-03 ENGINE OVERHAUL GASKET KIT PROD_DATE MODELS SPEC CODE DESCRIPTION R / P PART NUMBER O Y T REV_REF FR TO +----------+ | 04111 | GASKET KIT, ENGINE OVERHAUL +----------+ 1212 - 1KRDE..B100 04111-BZ025- 1 +----------+ | 04112 | GASKET KIT, ENGINE VALVE GRIND +----------+ 1212 - 1KRDE..B100 04112-BZ025- 1
  • 46.
    46 FIG.11-04 CYLINDER HEAD (1212-) REFER TO FIG (PNC 89422A) REFER TO FIG (PNC 16331) REFER TO FIG (PNC 16331A) REFER TO FIG REFER TO FIG REFER TO FIG (PNC 16341) REFER TO FIG (PNC 12204) REFER TO FIG (PNC 12204A) 117753 REFER TO FIG REFER TO FIG (PNC 17771A) REFER TO FIG (PNC 12262) REFER TO FIG (PNC 12262A) 84-01 16-0316-0317-03 16-03 17-03 84-01 16-03 12-01 12-01 N02 N03 N03 N03 N03 N03 N03 N0311101 11101A 11101B 11101C 11101W 11115 11117A 11117J 11122 11126 11155A 11155A 11159A 11159A 11159A 11201 11201H 11213 12108 12281A 12282D 90041-16487(4) 90041-20245(2) 90126-06029 91551-80618 90041-16487(2)91671-10825 91671-10825 12-01 12-01 N02 N02 N02
  • 47.
    47 FIG.11-04 CYLINDER HEAD PROD_DATEMODELS SPEC CODE DESCRIPTION R / P PART NUMBER O Y T REV_REF FR TO +----------+ | 11101 | HEAD SUB-ASSY, CYLINDER +----------+ 1212 - 1KRDE..B100 11101-BZ110- 1 +----------+ | 11101A | BOLT(FOR CYLINDER HEAD SET) +----------+ 1212 - 1KRDE..B100 90910-02151- 8 +----------+ | 11101B | WASHER, PLATE(FOR CYLINDER HEAD SET) +----------+ 1212 - 1KRDE..B100 90042-01637- 8 +----------+ | 11101C | TUBE(FOR CYLINDER HEAD) +----------+ 1212 - 1KRDE..B100 90044-06007- 1 +----------+ | 11101W | SENSOR, CRANK POSITION, NO.1 +----------+ 1212 - 1KRDE..B100 19311-BZ030- 1 +----------+ | 11115 | GASKET, CYLINDER HEAD +----------+ 1212 - 1KRDE..B100 11115-BZ050- 1 +----------+ | 11117A | PLUG, W/HEAD TAPER SCREW, NO.1 +----------+ 1212 - 1KRDE..B100 90341-14013- 1 +----------+ | 11117J | GASKET(FOR CYLINDER HEAD SCREW PLUG) +----------+ 1212 - 1KRDE..B100 90430-14009- 1 +----------+ | 11122 | BUSH, INTAKE VALVE GUIDE +----------+ 1212 - 1KRDE..B100 STD 11122-BZ010- 6 1212 - 1KRDE..B100 O/S 0.05 11123-BZ010- 6 +----------+ | 11126 | BUSH, EXHAUST VALVE GUIDE +----------+ 1212 - 1KRDE..B100 STD 11122-BZ010- 6 1212 - 1KRDE..B100 O/S 0.05 11123-BZ010- 6 FIG.11-04 CYLINDER HEAD PROD_DATE MODELS SPEC CODE DESCRIPTION R / P PART NUMBER O Y T REV_REF FR TO +----------+ | 11155A | PIN, RING W/HEAD +----------+ 1212 - 1KRDE..B100 L=5.5,OD=8 90042-53010- 4 +----------+ | 11159A | BOLT(FOR HEAD TO CAMSHAFT BEARING CAP) +----------+ 1212 - 1KRDE..B100 90041-19911- 16 +----------+ | 11201 | COVER SUB-ASSY, CYLINDER HEAD +----------+ 1212 - 1KRDE..B100 11201-BZ090- 1 +----------+ | 11201H | BOLT(FOR CYLINDER HEAD COVER) +----------+ 1212 - 1KRDE..B100 90041-09249- 11 +----------+ | 11213 | GASKET, CYLINDER HEAD COVER +----------+ 1212 - 1KRDE..B100 11213-BZ080- 1 +----------+ | 12108 | CAP SUB-ASSY, OIL FILLER +----------+ 1212 - 1KRDE..B100 12180-BZ010- 1 +----------+ | 12281A | HANGER, ENGINE, NO.1 +----------+ 1212 - 1KRDE..B100 12281-BZ020- 33 +----------+ | 12282D | HANGER, ENGINE, NO.2 +----------+ 1212 - 1KRDE..B100 12282-BZ050- 33
  • 48.
    48 FIG.11-05 CYLINDER BLOCK (1212-)1KRDE..E4AT ILLUST NO.1 OF 2 ILLUST NO. 1 OF 2 117754 REFER TO FIG (PNC 15193) N02 15-01 11401 11411A 11416 11452 11452B 12101 12101A 12101B 12121 15301 90042-50122 90042-50122 91671-80614 11411A N02
  • 49.
    49 FIG.11-05 CYLINDER BLOCK (1212-)1KRDE..5F ILLUST NO.1 OF 2 ILLUST NO. 1 OF 2 117755 REFER TO FIG (PNC 15193) 15-01 11401 11411A 11452 11452B 12101 12101A 12101B 12121 15301 90042-50122 90042-50122 91671-80614 11411A N02 90250-06003 90250-06003 91671-80614(6) N02 11416
  • 50.
    50 FIG.11-05 CYLINDER BLOCK (1212-) ILLUST NO.2 OF 2 ILLUST NO. 2 OF 2 117756 REFER TO FIG (PNC 89615) REFER TO FIG (PNC 83530) REFER TO FIG 84-01 84-01 84-01 11432R 11434D 11459 15708 15797 90044-30204 90179-06326(2) 90250-10232(2) 91671-80614(4) 90179-06326(2) 91551-80625(4) 91671-10825(8) 91671-10825(8)
  • 51.
    51 FIG.11-05 CYLINDER BLOCK PROD_DATEMODELS SPEC CODE DESCRIPTION R / P PART NUMBER O Y T REV_REF FR TO +----------+ | 11401 | BLOCK SUB-ASSY, CYLINDER +----------+ 1212 - 1309 1KRDE..B100 11401-BZ100- 1 1310 - 1KRDE..B100 11401-BZ101- 1 +----------+ | 11411A | PIN, RING(FOR CYLINDER BLOCK NO.1 ) +----------+ 1212 - 1KRDE..B100 L=12,OD=12 90042-53013- 2 +----------+ | 11416 | BOLT(FOR CRANKSHAFT BEARING CAP SET) +----------+ 1212 - 1KRDE..B100 90105-10531- 8 +----------+ | 11432R | PLUG, W/HEAD STRAIGHT SCREW, NO.1(FOR CYLINDER BLOCK) +----------+ 1212 - 1KRDE..B100 90341-22008- 1 +----------+ | 11434D | PIN, STRAIGHT(FOR ENGINE REAR OIL SEAL) +----------+ 1212 - 1KRDE..B100 L=14,OD=6 90042-50122- 2 +----------+ | 11452 | GUIDE, OIL LEVEL GAGE +----------+ 1212 - 1KRDE..B100 11409-BZ080- 1 +----------+ | 11452B | RING, O(FOR OIL LEVEL GAGE GUIDE) +----------+ 1212 - 1KRDE..B100 9004A-30047- 1 +----------+ | 11459 | SUPPORT, OIL LEVEL GAGE GUIDE +----------+ 1212 - 1KRDE..B100 11459-37020- 1 +----------+ | 12101 | PAN SUB-ASSY, OIL +----------+ 1212 - 1402 1KRDE..B100..5F 12101-B6010- 1 1212 - 1KRDE..B100..E4AT 12101-BZ070- 1 +----------+ | 12101A | PLUG(FOR OIL PAN DRAIN) +----------+ 1212 - 1KRDE..B100 90043-41087- 1 FIG.11-05 CYLINDER BLOCK PROD_DATE MODELS SPEC CODE DESCRIPTION R / P PART NUMBER O Y T REV_REF FR TO +----------+ | 12101B | GASKET(FOR OIL PAN DRAIN PLUG) +----------+ 1212 - 1KRDE..B100 90044-30281- 1 +----------+ | 12121 | PLATE, OIL PAN BAFFLE, NO.1 +----------+ 1212 - 1KRDE..B100..5F 12121-B6010- 1 1212 - 1KRDE..B100..E4AT 12121-BZ050- 1 +----------+ | 15301 | GAGE SUB-ASSY, OIL LEVEL +----------+ 1212 - 1KRDE..B100 15301-BZ090- 1 +----------+ | 15708 | NOZZLE SUB-ASSY, OIL, NO.1 +----------+ 1212 - 1KRDE..B100 15708-B6010- 3 +----------+ | 15797 | BOLT, OIL NOZZLE UNION +----------+ 1212 - 1KRDE..B100 90110-06018- 3
  • 52.
    52 FIG.11-06 TIMING GEARCOVER & REAR END PLATE (1212- ) 117757-B 11301K 11302 11302A 11381 11381A 19312A 90126-06029 90344-53006 91551-00818(2) 91552-81050(14) 91552-81085(2) 90126-06029 91551-80618 91551-00818(2) 89437J FIG.11-06 TIMING GEAR COVER & REAR END PLATE PROD_DATE MODELS SPEC CODE DESCRIPTION R / P PART NUMBER O Y T REV_REF FR TO +----------+ | 11301K | SENSOR, CRANK POSITION +----------+ 1212 - 1KRDE..B100 19311-BZ030- 1 +----------+ | 11302 | COVER SUB-ASSY, TIMING CHAIN OR BELT +----------+ 1212 - 1310 1KRDE..B100 11321-BZ901- 1 1310 - 1KRDE..B100 11321-BZ902- 1 +----------+ | 11302A | SEAL, OIL(FOR TIMING CHAIN OR BELT COVER) +----------+ 1212 - 1KRDE..B100 90311-38092- 1 +----------+ | 11381 | RETAINER, ENGINE REAR OIL SEAL +----------+ 1212 - 1KRDE..B100 11381-BZ060- 1 +----------+ | 11381A | SEAL, ENGINE REAR OIL +----------+ 1212 - 1KRDE..B100 9004A-31020- 1 +----------+ | 19312A | PROTECTOR, CRANK POSITION SENSOR +----------+ 1212 - 1KRDE..B100 19312-BZ010- 1 +----------+ | 89437J | COVER, SENSO R+----------+ 1212 - B100 89437-BZ010- 1
  • 53.
    53 FIG.11-07 MOUNTING ―   ―   ―   ―   ―   ―   ―   ―   ―   ―   ―   ―   ―   ―   ―   ―   ―   ―   ―   ―   ―   ―   ―   ―   ―   ―   ―   ―   ―   ―   ―   ―   ―   ― (1212- )1KRDE..E4AT 117758 REFERTO FIG 12306 12325A 90041-05322 90041-05322 90041-05322 90041-05468 90041-20102 90041-20102 91552-G1020 12305 12309 90041-20243 90041-78069 91552-G1020 91552-G1020 91552-G1020 91553-G1050 91553-G1050 91553-G1065 91672-F1230 91552-G1020 12321 91672-F1230 82-02 91552-G1020 FIG.11-07 MOUNTING (1212- )1KRDE..5F 117759 REFER TO FIG 12305 12306 12309 90041-05301 90041-20102 90041-20243 90041-78069 91552-F1485 91552-G1020 91552-G1020 91552-G1020 91553-G1050 91553-G1050 91553-G1065 91672-F1230 91672-F1230 82-02 91552-G1020 12321 91552-G1020 91552-G1020 90041-20102 90041-20102
  • 54.
    54 FIG.11-07 MOUNTING PROD_DATE MODELS SPEC CODE DESCRIPTION R / P PART NUMBER O Y T REV_REF FRTO +----------+ | 12305 | INSULATOR SUB-ASSY, ENGINE MOUNTING, RH +----------+ 1212 - 1KRDE..B100..5F 12305-BZ100- 1 1212 - 1KRDE..B100..E4AT 12305-BZ110- 1 +----------+ | 12306 | INSULATOR SUB-ASSY, ENGINE MOUNTING, LH +----------+ 1212 - 1312 1KRDE..B100..E4AT 12306-BZ131- 1 1212 - 1402 1KRDE..B100..5F 12306-BZ120- 1 +----------+ | 12309 | ROD SUB-ASSY, ENGINE MOVING CONTROL +----------+ 1212 - 1KRDE..B100..5F 12309-BZ060- 1 1212 - 1KRDE..B100..E4AT 12309-BZ070- 1 +----------+ | 12321 | BRACKET, ENGINE MOUNTING, REAR, NO.1 +----------+ 1212 - 1KRDE..B100..5F 12321-BZ180- 1 1212 - 1KRDE..B100..E4AT 12321-BZ190- 1 +----------+ | 12325A | BRACKET, ENGINE MOUNTING, LH(FOR TRANSVERSE ENGINE) +----------+ 1212 - 1KRDE..B100..E4AT 12325-BZ070- 1
  • 55.
    55 FIG.12-01 VENTILATION HOSE (1212-) 120878 12204 12261 12261A 12261A 12204A 12262 12262A 12262A FIG.12-01 VENTILATION HOSE PROD_DATE MODELS SPEC CODE DESCRIPTION R / P PART NUMBER O Y T REV_REF FR TO +----------+ | 12204 | VALVE SUB-ASSY, VENTILATION +----------+ 1212 - 1KRDE..B100 12204-BZ010- 1 +----------+ | 12204A | GROMMET(FOR VENTILATION SYSTEM) +----------+ 1212 - 1KRDE..B100 9004A-48055- 1 +----------+ | 12261 | HOSE, VENTILATION +----------+ 1212 - 1KRDE..B100 12261-BZ150- 1 +----------+ | 12261A | CLIP OR CLAMP(FOR VENTILATION HOSE) +----------+ 1212 - 1KRDE..B100 90467-14001- 2 +----------+ | 12262 | HOSE, VENTILATION, NO.2 +----------+ 1212 - 1KRDE..B100 12262-BZ070- 1 +----------+ | 12262A | CLIP(FOR VENTILATION HOSE NO.2) +----------+ 1212 - 1KRDE..B100 96136-42501- 2
  • 56.
    56 FIG.13-01 CRANKSHAFT &PISTON (1212- ) 131941 11791 13011 13201 13265 13411 13521 90250-04070(2) 11791 13041 13041 11711 11711 11711 11711 11721 11721 11721 11721 13211 13251 13405 13471 13471C 90042-80034 90048-01037 13041 13041 13041 13041 13041 13041 FIG.13-01 CRANKSHAFT & PISTON PROD_DATE MODELS SPEC CODE DESCRIPTION R / P PART NUMBER O Y T REV_REF FR TO +----------+ | 11711 | BEARING, CRANKSHAFT +----------+ 1212 - 1KRDE..B100 MARK2 11711-BZ130-02 4 1212 - 1KRDE..B100 MARK3 11711-BZ130-03 4 1212 - 1KRDE..B100 MARK4 11711-BZ130-04 4 1212 - 1KRDE..B100 MARK5 11711-BZ130-05 4 1212 - 1KRDE..B100 REPAIR,U/S 0.25 11714-BZ030- 4 +----------+ | 11721 | BEARING, CRANKSHAFT, NO.2 +----------+ 1212 - 1KRDE..B100 MARK2 11721-BZ070-02 4 1212 - 1KRDE..B100 MARK3 11721-BZ070-03 4 1212 - 1KRDE..B100 MARK4 11721-BZ070-04 4 1212 - 1KRDE..B100 MARK5 11721-BZ070-05 4 1212 - 1KRDE..B100 REPAIR,U/S 0.25 11724-BZ030- 4 +----------+ | 11791 | WASHER, CRANKSHAFT THRUST, UPPER +----------+ 1212 - 1KRDE..B100 STD 11791-BZ100- 2 1212 - 1KRDE..B100 O/S 0.125,REPAIR 11792-BZ050- 2 1212 - 1KRDE..B100 O/S 0.25,REPAIR 11793-BZ050- 2 +----------+ | 13011 | RING SET, PISTON +----------+ 1212 - 1KRDE..B100 STD 13011-BZ150- 1 +----------+ | 13041 | BEARING, CONNECTING ROD +----------+ 1212 - 1KRDE..B100 MARK1 13281-BZ110-01 6 1212 - 1KRDE..B100 MARK2 13281-BZ110-02 6 1212 - 1KRDE..B100 MARK3 13281-BZ110-03 6 1212 - 1KRDE..B100 13288-BZ010- 6
  • 57.
    57 FIG.13-01 CRANKSHAFT &PISTON PROD_DATE MODELS SPEC CODE DESCRIPTION R / P PART NUMBER O Y T REV_REF FR TO +----------+ | 13201 | ROD SUB-ASSY, CONNECTING +----------+ 1212 - 1KRDE..B100 13201-B9070- 1 +----------+ | 13211 | PISTON +----------+ 1212 - 1KRDE..B100 13211-BZ200- 3 +----------+ | 13251 | PIN, PISTON +----------+ 1212 - 1KRDE..B100 13251-BZ040- 3 +----------+ | 13265 | BOLT, CONNECTING ROD +----------+ 1212 - 1KRDE..B100 13265-21020- 6 +----------+ | 13405 | FLYWHEEL SUB-ASSY +----------+ 1212 - 1KRDE..B100..5F 13405-BZ120- 1 +----------+ | 13411 | CRANKSHAFT +----------+ 1212 - 1KRDE..B100 13411-40030- 1 +----------+ | 13471 | PULLEY, CRANKSHAFT +----------+ 1212 - 1KRDE..B100 13470-BZ060- 1 +----------+ | 13471C | BOLT(FOR CRANKSHAFT PULLEY SET) +----------+ 1212 - 1KRDE..B100 90119-14106- 1 +----------+ | 13521 | GEAR OR SPROCKET, CRANKSHAFT TIMING +----------+ 1212 - 1KRDE..B100 13521-BZ030- 1
  • 58.
    58 FIG.13-02 CAMSHAFT &VALVE (1212- ) 131942 13506 13511 1351213520 13523 13540 13566B 13591 13711 13711A 13711A 13711B 13711B 13715 13734 13734 13741 13741 13741A 13741A 13741A 13741A 13751 13751 90041-05372 90041-05372 90041-05372 90109-08304 90119-10889 91551-80625 91551-80625 90119-10889 FIG.13-02 CAMSHAFT & VALVE PROD_DATE MODELS SPEC CODE DESCRIPTION R / P PART NUMBER O Y T REV_REF FR TO +----------+ | 13506 | CHAIN SUB-AS SY+----------+ 1212 - 1KRDE..B100 13506-BZ060- 1 +----------+ | 13511 | CAMSHAFT +----------+ 1212 - 1KRDE..B100 13501-B6010- 1 +----------+ | 13512 | CAMSHAFT, NO .2+----------+ 1212 - 1KRDE..B100 13502-40010- 1 +----------+ | 13520 | SPROCKET ASSY, CAMSHAFT TIMING +----------+ 1212 - 1KRDE..B100 13529-BZ070- 1 +----------+ | 13523 | GEAR OR SPROCKET, CAMSHAFT TIMING +----------+ 1212 - 1KRDE..B100 13523-BZ080- 1 +----------+ | 13540 | TENSIONER ASSY, CHAIN, NO.1 +----------+ 1212 - 1KRDE..B100 13540-21020- 1 +----------+ | 13566B | GUIDE, TIMING CHAIN +----------+ 1212 - 1KRDE..B100 13566-BZ050- 1 +----------+ | 13591 | ARM, TIMING CHAIN TENSION +----------+ 1212 - 1KRDE..B100 13591-BZ050- 1 +----------+ | 13711 | VALVE, INTAK E+----------+ 1212 - 1KRDE..B100 13711-BZ040- 6 +----------+ | 13711A | SEAL OR RING, O(FOR VALVE STEM OIL) +----------+ 1212 - 1KRDE..B100 9004A-31010- 12 +----------+ | 13711B | SPRING, COMPRESSION(FOR INNER) +----------+ 1212 - 1KRDE..B100 90501-25063- 12
  • 59.
    59 FIG.13-02 CAMSHAFT &VALVE PROD_DATE MODELS SPEC CODE DESCRIPTION R / P PART NUMBER O Y T REV_REF FR TO +----------+ | 13715 | VALVE, EXHAU ST+----------+ 1212 - 1KRDE..B100 13715-BZ040- 6 +----------+ | 13734 | SEAT, VALVE SPRING +----------+ 1212 - 1KRDE..B100 13734-87206- 12 +----------+ | 13741 | RETAINER, VALVE SPRING +----------+ 1212 - 1KRDE..B100 13741-22021- 12 +----------+ | 13741A | LOCK, VALVE SPRING RETAINER +----------+ 1212 - 1KRDE..B100 90913-03031- 24 +----------+ | 13751 | LIFTER, VALV E+----------+ 1212 - 1KRDE..B100 T=5.12 13751-BZ030- 12 1212 - 1KRDE..B100 T=5.14 13751-BZ040- 12 1212 - 1KRDE..B100 T=5.16 13751-BZ050- 12 1212 - 1KRDE..B100 T=5.18 13751-BZ060- 12 1212 - 1KRDE..B100 T=5.20 13751-BZ070- 12 1212 - 1KRDE..B100 T=5.22 13751-BZ080- 12 1212 - 1KRDE..B100 T=5.24 13751-BZ090- 12 1212 - 1KRDE..B100 T=5.26 13751-BZ100- 12 1212 - 1KRDE..B100 T=5.28 13751-BZ110- 12 1212 - 1KRDE..B100 T=5.30 13751-BZ120- 12 1212 - 1KRDE..B100 T=5.32 13751-BZ130- 12 1212 - 1KRDE..B100 T=5.34 13751-BZ140- 12 1212 - 1KRDE..B100 T=5.36 13751-BZ150- 12 1212 - 1KRDE..B100 T=5.38 13751-BZ160- 12 1212 - 1KRDE..B100 T=5.40 13751-BZ170- 12 1212 - 1KRDE..B100 T=5.42 13751-BZ180- 12 FIG.13-02 CAMSHAFT & VALVE PROD_DATE MODELS SPEC CODE DESCRIPTION R / P PART NUMBER O Y T REV_REF FR TO +----------+ | 13751 | LIFTER, VALV ECONTINUED--+ 1212 - 1KRDE..B100 T=5.44 13751-BZ190- 12 1212 - 1KRDE..B100 T=5.46 13751-BZ200- 12 1212 - 1KRDE..B100 T=5.48 13751-BZ210- 12 1212 - 1KRDE..B100 T=5.50 13751-BZ220- 12 1212 - 1KRDE..B100 T=5.52 13751-BZ230- 12 1212 - 1KRDE..B100 T=5.54 13751-BZ240- 12 1212 - 1KRDE..B100 T=5.56 13751-BZ250- 12 1212 - 1KRDE..B100 T=5.58 13751-BZ260- 12 1212 - 1KRDE..B100 T=5.60 13751-BZ270- 12 1212 - 1KRDE..B100 T=5.62 13751-BZ280- 12 1212 - 1KRDE..B100 T=5.64 13751-BZ290- 12 1212 - 1KRDE..B100 T=5.66 13751-BZ300- 12 1212 - 1KRDE..B100 T=5.68 13751-BZ310- 12
  • 60.
    60 FIG.15-01 ENGINE OILPUMP (1212- ) 152018 15012 15104 15104E 15104E 15119 15121 15122 15147 15157B 15193 90126-06002 90179-06326 91551-80618(7) 91551-80630(2) 94151-80800(2) FIG.15-01 ENGINE OIL PUMP PROD_DATE MODELS SPEC CODE DESCRIPTION R / P PART NUMBER O Y T REV_REF FR TO +----------+ | 15012 | COVER SUB-ASSY, OIL PUMP +----------+ 1212 - 1KRDE..B100 15012-BZ010- 1 +----------+ | 15104 | STRAINER SUB-ASSY, OIL +----------+ 1212 - 1KRDE..B100..E4AT 15104-BZ010- 1 1212 - 1KRDE..B100..5F 15104-BZ020- 1 +----------+ | 15104E | BOLT, STUD(FOR OIL STRAINER) +----------+ 1212 - 1KRDE..B100 90041-16487- 2 +----------+ | 15119 | GASKET, OIL PUMP COVER +----------+ 1212 - 1KRDE..B100 15119-B6010- 1 +----------+ | 15121 | GEAR, OIL PUMP DRIVE +----------+ 1212 - 1KRDE..B100 15121-BZ020- 1 +----------+ | 15122 | GEAR, OIL PUMP DRIVEN +----------+ 1212 - 1KRDE..B100 15122-BZ020- 1 +----------+ | 15147 | GASKET, OIL STRAINER +----------+ 1212 - 1KRDE..B100 15147-BZ020- 1 +----------+ | 15157B | PLUG, W/HEAD STRAIGHT SCREW +----------+ 1212 - 1KRDE..B100 90341-16023- 1 +----------+ | 15193 | GASKET, OIL PUMP +----------+ 1212 - 1KRDE..B100 15193-BZ010- 1
  • 61.
    61 FIG.15-02 OIL FILTER (1212-) 152019 15601 FIG.15-02 OIL FILTER PROD_DATE MODELS SPEC CODE DESCRIPTION R / P PART NUMBER O Y T REV_REF FR TO +----------+ | 15601 | FILTER SUB-ASSY, OIL +----------+ 1212 - 1KRDE..B100 15601-BZ030- 1
  • 62.
    62 FIG.16-01 WATER PUMP (1212-) 165189-B 16100 16173 16271 90041-19A24 90041-19A24 90041-19A24 91551-00818 90041-05517 FIG.16-01 WATER PUMP PROD_DATE MODELS SPEC CODE DESCRIPTION R / P PART NUMBER O Y T REV_REF FR TO +----------+ | 16100 | PUMP ASSY, ENGINE WATER +----------+ 1212 - 1KRDE..B100 16100-B9025- 1 +----------+ | 16173 | PULLEY, WATER PUMP +----------+ 1212 - 1KRDE..B100 16173-BZ070- 1 +----------+ | 16271 | GASKET, WATER PUMP +----------+ 1212 - 1KRDE..B100 16271-BZ050- 1
  • 63.
    63 FIG.16-03 RADIATOR &WATER OUTLET (1212- ) RADIATOR ILLUST NO. 1 OF 2 165190-A REFER TO FIG (PNC 16361A) 28147-BZ010 28147-BZ030 16360A 16360A 16361 16361 16363 16363 16381 16385 16400 16400B 16400F 16401 16533C 16533C 16535 16535 16711 16711 16497-87201(2) 16497-87201(2) 16672-87201(3) 16672-87202(3) 90041-79141 90041-79141 90105-08433 91671-80825 91671-80825 16-05
  • 64.
    64 FIG.16-03 RADIATOR &WATER OUTLET (1212- ) HOSE ILLUST NO. 2 OF 2 165191-C REFER TO FIG REFER TO FIG (PNC 11101C) 90041-05517 91551-00818 16261 16261A 16261V 16261H 16261H 16261L 16268 16331 16331A 16341 16321 16325A 16464 16464 16470 16470A 16471 16565A 16571C 16571D 16571D 16572D 16572E 16581C 90179-06326 91551-00818 91551-00818 91551-80618 91671-80616 11-04 11-04
  • 65.
    65 FIG.16-03 RADIATOR &WATER OUTLET PROD_DATE MODELS SPEC CODE DESCRIPTION R / P PART NUMBER O Y T REV_REF FR TO +----------+ | 16261 | HOSE, WATER BY-PASS +----------+ 1212 - 1310 1KRDE..B100 L/INLET WATER 16261-BZ260- 1 1310 - 1KRDE..B100 W/INLET WATER 16261-BZ261- 1 +----------+ | 16261A | CLAMP OR CLIP, HOSE(FOR WATER BY-PASS HOS E)+----------+ 1212 - 1KRDE..B100 90466-30001- 1 +----------+ | 16261H | CLIP(FOR WATER BY-PASS HOSE NO.1) +----------+ 1212 - 1KRDE..B100 96136-42501- 2 +----------+ | 16261L | HOSE, WATER BY-PASS +----------+ 1212 - 1KRDE..B100 16261-BZ090- 1 +----------+ | 16261V | CLAMP OR CLIP, HOSE(FOR WATER BY-PASS HOS E)+----------+ 1212 - 1310 1KRDE..B100 L/INLET WATER 90466-30001- 1 1310 - 1KRDE..B100 W/INLET WATER 96136-43901- 1 +----------+ | 16268 | PIPE, WATER BY-PASS, NO.1 +----------+ 1212 - 1KRDE..B100 16268-BZ050- 1 +----------+ | 16321 | INLET, WATER +----------+ 1310 - 1KRDE..B100 16321-BZ080- 1 +----------+ | 16325A | GASKET, WATER INLET HOUSING +----------+ 1310 - 1KRDE..B100 16325-BZ010- 1 +----------+ | 16331 | OUTLET, WATE R+----------+ 1212 - 1KRDE..B100 16331-BZ020- 1 +----------+ | 16331A | THERMOSTAT +----------+ 1212 - 1KRDE..B100 90048-33097- 1 FIG.16-03 RADIATOR & WATER OUTLET PROD_DATE MODELS SPEC CODE DESCRIPTION R / P PART NUMBER O Y T REV_REF FR TO +----------+ | 16341 | GASKET, WATER OUTLET +----------+ 1212 - 1KRDE..B100 16341-B2020- 1 +----------+ | 16360A | FAN ASSY, W/MOTOR +----------+ 1212 - 1KRDE..B100..LO 16360-BZ180- 1 1212 - 1KRDE..B100..HI,MID 16360-BZ190- 1 1212 - 1KRDE..B100..LO P4AB MANUAL AIR CONDITION ER 16360-BZ190- 1 +----------+ | 16361 | FAN +----------+ 1212 - 1KRDE..B100..LO 16361-BZ100- 1 1212 - 1KRDE..B100..HI,MID 16361-BZ110- 1 1212 - 1KRDE..B100..LO P4AB MANUAL AIR CONDITION ER 16361-BZ110- 1 +----------+ | 16363 | MOTOR, COOLING FAN +----------+ 1212 - 1KRDE..B100..LO 16363-BZ120- 1 1212 - 1KRDE..B100..HI,MID 16363-BZ130- 1 1212 - 1KRDE..B100..LO P4AB MANUAL AIR CONDITION ER 16363-BZ130- 1 +----------+ | 16381 | BAR, FAN BELT ADJUSTING +----------+ 1212 - 1KRDE..B100 16380-BZ020- 1 +----------+ | 16385 | SLIDER, FAN BELT ADJUSTING +----------+ 1212 - 1KRDE..B100 16385-BZ060- 1 +----------+ | 16400 | RADIATOR ASS Y+----------+ 1212 - 1KRDE..B100..5F 16400-BZ480- 1 1212 - 1KRDE..B100..E4AT 16400-BZ490- 1
  • 66.
    66 FIG.16-03 RADIATOR &WATER OUTLET PROD_DATE MODELS SPEC CODE DESCRIPTION R / P PART NUMBER O Y T REV_REF FR TO +----------+ | 16400B | PLUG, RADIATOR DRAIN COCK +----------+ 1212 - 1KRDE..B100 16417-30170- 1 +----------+ | 16400F | PACKING(FOR RADIATOR DRAIN COCK) +----------+ 1212 - 1KRDE..B100 16418-87503- 1 +----------+ | 16401 | CAP SUB-ASSY, RADIATOR +----------+ 1212 - 1KRDE..B100 16401-BZ060- 1 +----------+ | 16464 | BUSH, TANK LOWER +----------+ 1212 - 1KRDE..B100 16464-BZ010- 2 +----------+ | 16470 | TANK ASSY, RADIATOR RESERVE +----------+ 1212 - 1KRDE..B100 16470-BZ190- 1 +----------+ | 16470A | HOSE OR PIPE(FOR RADIATOR RESERVE TANK) +----------+ 1212 - 1KRDE..B100 16472-BZ050- 1 +----------+ | 16471 | CAP SUB-ASSY, RESERVE TANK +----------+ 1212 - 1KRDE..B100 16471-BZ050- 1 +----------+ | 16533C | GROMMET(FOR RADIATOR SUPPORT) +----------+ 1212 - 1KRDE..B100 9004A-48017- 2 +----------+ | 16535 | SUPPORT, RADIATOR, LOWER +----------+ 1212 - 1KRDE..B100 9004A-48030- 2 +----------+ | 16565A | CLIP +----------+ 1212 - 1KRDE..B100 96136-43601- 1 +----------+ | 16571C | HOSE, RADIATOR, NO.1 +----------+ 1212 - 1KRDE..B100 16571-BZ240- 1 FIG.16-03 RADIATOR & WATER OUTLET PROD_DATE MODELS SPEC CODE DESCRIPTION R / P PART NUMBER O Y T REV_REF FR TO +----------+ | 16571D | CLIP, RADIATOR HOSE, NO.1 +----------+ 1212 - 1KRDE..B100 96136-43601- 2 +----------+ | 16572D | HOSE, RADIATOR, NO.2 +----------+ 1212 - 1KRDE..B100 16572-BZ170- 1 +----------+ | 16572E | CLIP, RADIATOR HOSE, NO.2 +----------+ 1212 - 1KRDE..B100 90044-66030- 1 +----------+ | 16581C | CLAMP, HOSE(FOR RADIATOR HOSE NO.2) +----------+ 1212 - 1KRDE..B100 9004A-46309- 1 +----------+ | 16711 | SHROUD, FAN +----------+ 1212 - 1KRDE..B100..LO 16711-BZ080- 1 1212 - 1KRDE..B100..HI,MID 16711-BZ090- 1 1212 - 1KRDE..B100..LO P4AB MANUAL AIR CONDITION ER 16711-BZ090- 1
  • 67.
    67 FIG.16-05 V-BELT (1212- ) 165188 16361A 16361A FIG.16-05V-BELT PROD_DATE MODELS SPEC CODE DESCRIPTION R / P PART NUMBER O Y T REV_REF FR TO +----------+ | 16361A | BELT, V(FOR FAN & ALTERNATOR) +----------+ 1212 - 1KRDE..B100..HI,MID TYPE A 9004A-91063- 1 1212 - 1KRDE..B100..LO P4AB MANUAL AIR CONDITION ER,TYPE A 9004A-91063- 1 1212 - 1KRDE..B100..LO TYPE B 9004A-91064- 1
  • 68.
    68 FIG.17-01 MANIFOLD (1212- ) 177892 REFERTO FIG (PNC 89465) 17111 17118 17138B 17167 17177 17451B 22271A 25508 89421H 9004A-16070 90179-06326 91551-00818 91551-00818 91671-10825 91671-10825 91671-10825 91671-80614 91671-80614 91671-80614 94151-80800(2) 94151-80800(2) 94151-80800(2) 94151-80800 84-01
  • 69.
    69 FIG.17-01 MANIFOLD PROD_DATE MODELS SPEC CODE DESCRIPTION R / P PART NUMBER O Y T REV_REF FRTO +----------+ | 17111 | MANIFOLD, INTAKE +----------+ 1212 - 1KRDE..B100 17101-BZ040- 1 +----------+ | 17118 | STAY, MANIFO LD+----------+ 1212 - 1302 1KRDE..B100 17118-BZ120- 1 1303 - 1KRDE..B100 17118-BZ121- 1 +----------+ | 17138B | STAY, INTAKE MANIFOLD +----------+ 1212 - 1KRDE..B100 17138-BZ080- 1 +----------+ | 17167 | INSULATOR, EXHAUST MANIFOLD HEAT, NO.1 +----------+ 1212 - 1KRDE..B100 17167-BZ050- 1 +----------+ | 17177 | GASKET, INTAKE MANIFOLD TO HEAD, NO.1 +----------+ 1212 - 1KRDE..B100 17177-BZ020- 1 +----------+ | 17451B | GASKET, EXHAUST PIPE +----------+ 1212 - 1KRDE..B100 17451-BZ100- 1 +----------+ | 22271A | GASKET, THROTTLE BODY +----------+ 1212 - 1KRDE..B100 22271-BZ010- 1 +----------+ | 25508 | CONVERTER SUB-ASSY, MANIFOLD +----------+ 1212 - 1KRDE..B100 D3EB EURO2 17400-BZ010- 1 1212 - 1KRDE..B100 17400-BZ030- 1 +----------+ | 89421H | SENSOR, VACU UM+----------+ 1212 - B100 89421-BZ030- 1
  • 70.
    70 FIG.17-02 EXHAUST PIPE (1212-) 177889 17410 17410K 17451 17565A 17565A 17569C 17565A FIG.17-02 EXHAUST PIPE PROD_DATE MODELS SPEC CODE DESCRIPTION R / P PART NUMBER O Y T REV_REF FR TO +----------+ | 17410 | PIPE ASSY, EXHAUST, FRONT +----------+ 1212 - 1KRDE..B100 D3EB EURO2 17410-BZ530- 1 1212 - 1KRDE..B100 17410-BZ540- 1 +----------+ | 17410K | SPRING, EXHAUST PIPE +----------+ 1212 - 1KRDE..B100 17152-BZ010- 2 +----------+ | 17451 | GASKET, EXHAUST PIPE +----------+ 1212 - 1KRDE..B100 17451-B0010- 1 +----------+ | 17565A | SUPPORT, EXHAUST PIPE, NO.4 +----------+ 1212 - 1KRDE..B100 17567-87703- 3 +----------+ | 17569C | BOLT, EXHAUST PIPE SUPPORT +----------+ 1212 - 1KRDE..B100 90901-05026- 2
  • 71.
    71 FIG.17-03 AIR CLEANER (1212-) 177893 REFER TO FIG (PNC 11293A) REFER TO FIG REFER TO FIG (PNC 22267) REFER TO FIG (PNC 22210) 17-09 22-11 22-11 22-11 17700 17705 17710B 17710B 17716 17771A 17771B 17801 17881 90041-19A04 90041-19A04 90044-67356 91671-80614(2) FIG.17-03 AIR CLEANER PROD_DATE MODELS SPEC CODE DESCRIPTION R / P PART NUMBER O Y T REV_REF FR TO +----------+ | 17700 | CLEANER ASSY, AIR +----------+ 1212 - 1KRDE..B100 17700-BZ150- 1 +----------+ | 17705 | CAP SUB-ASSY, AIR CLEANER +----------+ 1212 - 1KRDE..B100 17705-BZ140- 1 +----------+ | 17710B | GROMMET +----------+ 1212 - 1KRDE..B100 9004A-48056- 2 +----------+ | 17716 | SUPPORT,AIR CLEANER CAP +----------+ 1212 - 1KRDE..B100 17716-B2010- 1 +----------+ | 17771A | BRACKET, AIR CLEANER +----------+ 1212 - 1KRDE..B100 17771-BZ050- 1 +----------+ | 17771B | GROMMET(FOR AIR CLEANER BRACKET) +----------+ 1212 - 1KRDE..B100 9004A-48056- 1 +----------+ | 17801 | ELEMENT SUB-ASSY, AIR CLEANER FILTER +----------+ 1212 - 1KRDE..B100 17801-BZ100- 1 +----------+ | 17881 | HOSE, AIR CLEANER, NO.1 +----------+ 1212 - 1KRDE..B100 17881-BZ100- 1
  • 72.
    72 FIG.17-08 VACUUM PIPING (1212-) 177894 REFER TO FIG (PNC 17111) REFER TO FIG (PNC 77740) REFER TO FIG (PNC 17700) 17308B 23827A 25860 9004A-11190(2) 17-01 77-01 17-03 FIG.17-08 VACUUM PIPING PROD_DATE MODELS SPEC CODE DESCRIPTION R / P PART NUMBER O Y T REV_REF FR TO +----------+ | 17308B | HOSE SUB-ASSY, VACUUM +----------+ 1212 - 1KRDE..B100 77754-BZ080- 1 +----------+ | 23827A | HOSE, FUEL VAPOR FEED, NO.2 +----------+ 1212 - 1KRDE..B100 23827-BZ010- 1 +----------+ | 25860 | VALVE ASSY, VACUUM SWITCHING, NO.1 +----------+ 1212 - 1KRDE..B100 89470-BZ040- 1
  • 73.
    73 FIG.17-09 CAUTION PLATE& NAME PLATE (ENGINE) (1212- ) 177890-A 16793A 11293A FIG.17-09 CAUTION PLATE & NAME PLATE (ENGINE) PROD_DATE MODELS SPEC CODE DESCRIPTION R / P PART NUMBER O Y T REV_REF FR TO +----------+ | 11293A | PLATE, ENGINE CAUTION +----------+ 1212 - 1KRDE..B100 11293-BZ410- 1 +----------+ | 16793A | LABEL, COOLING FAN CAUTION +----------+ 1212 - 1KRDE..B100 11293-BZ560- 1
  • 74.
    74 FIG.19-01 IGNITION COIL& SPARK PLUG (1212- ) 194055 19100P 19500 91551-80625 19100P 19500 91551-80625 19100P 19500 91551-80625 FIG.19-01 IGNITION COIL & SPARK PLUG PROD_DATE MODELS SPEC CODE DESCRIPTION R / P PART NUMBER O Y T REV_REF FR TO +----------+ | 19100P | PLUG, SPARK +----------+ 1212 - 1KRDE..B100 NGK LKR6C 9004A-91062- 3 +----------+ | 19500 | COIL ASSY, IGNITION +----------+ 1212 - 1KRDE..B100 9004A-19001- 3
  • 75.
  • 76.
    76 FIG.19-03 ALTERNATOR PROD_DATE MODELS SPEC CODE DESCRIPTION R / P PART NUMBER O Y T REV_REF FRTO +----------+ | 27060 | ALTERNATOR ASSY, W/REGULATOR +----------+ 1212 - 1KRDE..B100 27060-BZ240- 1 +----------+ | 27310B | BEARING(FOR ALTERNATOR DRIVE END FRAME) +----------+ 1212 - 1KRDE..B100 9004B-37008- 1 +----------+ | 27312 | PLATE, RETAINER +----------+ 1212 - 1KRDE..B100 27312-BZ040- 1 +----------+ | 27330 | ROTOR ASSY, ALTERNATOR +----------+ 1212 - 1KRDE..B100 27330-BZ050- 1 +----------+ | 27330A | BEARING(FOR ALTERNATOR ROTOR) +----------+ 1212 - 1KRDE..B100 9004B-37009- 1 +----------+ | 27371 | BRUSH, ALTERNATOR +----------+ 1212 - 1KRDE..B100 27371-BZ020- 2 +----------+ | 27387B | INSULATOR, ALTERNATOR TERMINAL +----------+ 1212 - 1KRDE..B100 27387-BZ060- 1 +----------+ | 27411 | PULLEY, ALTERNATOR +----------+ 1212 - 1KRDE..B100 27411-BZ080- 1
  • 77.
    77 FIG.19-04 STARTER (1212- ) 194062-A 2810090041-79109 91552-81065 91552-81065 91552-81065 28226B 28110 28021 28120 28160 28140 28130
  • 78.
    78 FIG.19-04 STARTER PROD_DATE MODELS SPEC CODE DESCRIPTION R / P PART NUMBER O Y T REV_REF FRTO +----------+ | 28021 | CLUTCH SUB-ASSY, STARTER CENTER BEARING +----------+ 1212 - 1KRDE..B100 28021-BZ010- 1 +----------+ | 28100 | STARTER ASSY +----------+ 1212 - 1KRDE..B100..5F 12V 0.85KW 28100-BZ141- 1 1212 - 1KRDE..B100..E4AT 12V 0.85KW 28100-BZ151- 1 +----------+ | 28110 | HOUSING ASSY, STARTER DRIVE +----------+ 1212 - 1KRDE..B100..5F 28110-BZ040- 1 1212 - 1KRDE..B100..E4AT 28110-BZ060- 1 +----------+ | 28120 | YOKE ASSY, STARTER +----------+ 1212 - 1KRDE..B100 28120-BZ030- 1 +----------+ | 28130 | FRAME ASSY, STARTER COMMUTATOR END +----------+ 1212 - 1KRDE..B100 28130-BZ140- 1 +----------+ | 28140 | HOLDER ASSY, STARTER BRUSH +----------+ 1212 - 1KRDE..B100 28140-BZ140- 1 +----------+ | 28160 | ARMATURE ASSY, STARTER +----------+ 1212 - 1KRDE..B100 28160-BZ040- 1 +----------+ | 28226B | STARTER KIT, REPAIR SERVICE +----------+ 1212 - 1KRDE..B100 28226-BZ010- 1
  • 79.
    79 FIG.22-11 FUEL INJECTIONSYSTEM (1212- ) 222860 REFER TO FIG (PNC 77251B) REFER TO FIG (PNC 22271A) REFER TO FIG (PNC 17111) 22210 22230J 22267 23250 23250B 23250B 23295 23814B 23841B 23842A 23901 90126-06029 90126-06029 90179-06326 90179-06326 91551-80618 91671-80614(2) 91671-80616(2) 77-01 17-01 17-01 FIG.22-11 FUEL INJECTION SYSTEM PROD_DATE MODELS SPEC CODE DESCRIPTION R / P PART NUMBER O Y T REV_REF FR TO +----------+ | 22210 | BODY ASSY, THROTTLE +----------+ 1212 - 1KRDE..B100 22210-B6010- 1 +----------+ | 22230J | CLAMP +----------+ 1212 - 1KRDE..B100 90044-64803- 1 +----------+ | 22267 | BRACKET, THROTTLE BODY +----------+ 1212 - 1311 1KRDE..B100 22208-BZ010- 1 +----------+ | 23250 | INJECTOR ASSY, FUEL +----------+ 1212 - 1KRDE..B100 23250-BZ040- 3 +----------+ | 23250B | RING, O(FOR FUEL INJECTOR) +----------+ 1212 - 1KRDE..B100 NO.2 23585-B2040- 3 1212 - 1KRDE..B100 NO.1 90043-01353- 3 +----------+ | 23295 | HOLDER, INJECTOR, NO.1 +----------+ 1212 - 1KRDE..B100 23295-BZ010- 3 +----------+ | 23814B | PIPE, FUEL DELIVERY +----------+ 1212 - 1KRDE..B100 23814-B6010- 1 +----------+ | 23841B | CLAMP, FUEL PIPE, NO.1(FOR EFI) +----------+ 1212 - 1KRDE..B100 23841-B1010- 1 +----------+ | 23842A | CLAMP, FUEL PIPE, NO.2(FOR EFI) +----------+ 1212 - 1KRDE..B100 23842-BZ010- 1 +----------+ | 23901 | TUBE SUB-ASSY, FUEL +----------+ 1212 - 1KRDE..B100 23901-BZ010- 1
  • 80.
    80 FIG.31-01 CLUTCH &RELEASE FORK (1212- )5F 312676-B 31210 31223 31223D 31230 31232A 31250 31302A 31302B 9004A-10118 9004A-21007 33325-BZ010 9004A-11249(6) 31223D FIG.31-01 CLUTCH & RELEASE FORK PROD_DATE MODELS SPEC CODE DESCRIPTION R / P PART NUMBER O Y T REV_REF FR TO +----------+ | 31210 | COVER ASSY, CLUTCH +----------+ 1212 - 1306 B100..5F 31210-BZ030- 1 1307 - B100..5F 31210-BZ031- 1 +----------+ | 31223 | YOKE, CLUTCH RELEASE LEVER +----------+ 1212 - 1310 B100..5F 31223-BZ040- 1 1310 - 1404 B100..5F JAPAN SOURCED PARTS 31223-BZ040- 1 1310 - B100..5F LOCAL SOURCED PARTS 31223-BZ041- 1 +----------+ | 31223D | BUSH(FOR CLUTCH RELEASE LEVER YOKE) +----------+ 1212 - B100..5F 9004A-38072- 2 +----------+ | 31230 | BEARING ASSY, CLUTCH RELEASE +----------+ 1212 - B100..5F 31230-BZ040- 1 +----------+ | 31232A | CLIP, RELEASE BEARING HUB +----------+ 1212 - B100..5F 31232-BZ070- 1 +----------+ | 31250 | DISC ASSY, CLUTCH +----------+ 1212 - 1306 B100..5F 31250-BZ040- 1 1307 - B100..5F 31250-BZ041- 1 +----------+ | 31302A | LEVER SUB-ASSY, CLUTCH RELEASE FORK +----------+ 1212 - B100..5F 31302-BZ050- 1 +----------+ | 31302B | SPRING, TORSION(FOR CLUTCH RELEASE FORK LEVER) +----------+ 1212 - B100..5F 9004A-50119- 1
  • 81.
    81 FIG.31-02 CLUTCH PEDAL& FLEXIBLE HOSE (1212- )5F 312677 31301 31301A 31321 31324 31340 31347 31340G 31341 55107A 90041-79300 90041-79300 90045-40158 90045-40158 91551-80616 91553-80814 91671-80614 31301Q 31301Q FIG.31-02 CLUTCH PEDAL & FLEXIBLE HOSE PROD_DATE MODELS SPEC CODE DESCRIPTION R / P PART NUMBER O Y T REV_REF FR TO +----------+ | 31301 | PEDAL SUB-ASSY, CLUTCH +----------+ 1212 - B100..5F 31310-BZ200- 1 +----------+ | 31301A | SPRING(FOR CLUTCH PEDAL) +----------+ 1212 - B100..5F 31394-BZ050- 1 +----------+ | 31301Q | BUSH(FOR CLUTCH PEDAL SPRING) +----------+ 1212 - B100..5F 9004A-38021- 2 +----------+ | 31321 | PAD, CLUTCH PEDAL +----------+ 1212 - B100..5F 31321-BZ050- 1 +----------+ | 31324 | SHAFT, CLUTCH PEDAL +----------+ 1212 - B100..5F 31324-B2020- 1 +----------+ | 31340 | CABLE ASSY, CLUTCH RELEASE +----------+ 1212 - B100..5F 31340-BZ060- 1 +----------+ | 31340G | CLIP(FOR CLUTCH RELEASE CABLE) +----------+ 1212 - B100..5F 90044-68143- 1 +----------+ | 31341 | BRACKET, CLUTCH CABLE +----------+ 1212 - B100..5F 31341-BZ130- 1 +----------+ | 31347 | CLAMP, CLUTCH CABLE +----------+ 1212 - B100..5F 31347-BZ060- 1 +----------+ | 55107A | SUPPORT SUB-ASSY, CLUTCH PEDAL +----------+ 1212 - B100..5F 55107-BZ160- 1
  • 82.
    82 FIG.33-01 TRANSAXLE ORTRANSMISSION ASSY & GASKET KIT (MTM) (1212- )5F 334630 30300 FIG.33-01 TRANSAXLE OR TRANSMISSION ASSY & GASKET KIT (MTM) PROD_DATE MODELS SPEC CODE DESCRIPTION R / P PART NUMBER O Y T REV_REF FR TO +----------+ | 30300 | TRANSAXLE ASSY, MANUAL +----------+ 1212 - 1306 B100..5F 30300-BZ100- 1 1306 - B100..5F JAPAN SOURCED PARTS 30300-BZ100- 1 1306 - B100..5F LOCAL SOURCED PARTS 30300-BZ140- 1
  • 83.
    83 FIG.33-02 CLUTCH HOUSING& TRANSMISSION CASE (MTM) (1212- )5F ILLUST NO. 1 OF 2 334631 REFER TO FIG REFER TO FIG REFER TO FIG REFER TO FIG (PNC 84210) REFER TO FIG (PNC 84210B) 12282B 31111 31341A 33102 33111 33111J 33111Q 33111Y 33123B 33151K 33449B 90041-20279 9004A-10126(8) 9004A-10127(2) 9004A-11215(3) 82-02 82-02 82-02 33111J 84-01 84-01
  • 84.
    84 FIG.33-02 CLUTCH HOUSING& TRANSMISSION CASE (MTM) (1212- )5F ILLUST NO. 2 OF 2 334632 33111C 33111X 90041-20278(4) 9004A-10129(12) FIG.33-02 CLUTCH HOUSING & TRANSMISSION CASE (MTM) PROD_DATE MODELS SPEC CODE DESCRIPTION R / P PART NUMBER O Y T REV_REF FR TO +----------+ | 12282B | HANGER, TRANSAXLE +----------+ 1212 - 1KRDE..B100..5F 12282-BZ040- 1 +----------+ | 31111 | HOUSING, CLUTCH +----------+ 1212 - B100..5F 31115-BZ030- 1 +----------+ | 31341A | BRACKET, CLUTCH CABLE +----------+ 1212 - B100..5F 31341-BZ050- 1 +----------+ | 33102 | COVER SUB-ASSY, MANUAL TRANSMISSION CASE +----------+ 1212 - B100..5F 33102-BZ010- 1 +----------+ | 33111 | CASE, MANUAL TRANSMISSION +----------+ 1212 - B100..5F 33111-BZ060- 1 +----------+ | 33111C | PLUG(FOR TRANSMISSION CASE) +----------+ 1212 - B100..5F 9004A-34013- 2 +----------+ | 33111J | PIN, STRAIGHT(FOR MANUAL TRANSMISSION CAS E)+----------+ 1212 - B100..5F L=25,OD=10 9004A-25032- 2 +----------+ | 33111Q | SEAL, OIL(FOR TRANSMISSION CASE) +----------+ 1212 - B100..5F 9004A-31050- 1 +----------+ | 33111X | GASKET, TRANSMISSION CASE PLUG +----------+ 1212 - B100..5F 9004A-43006- 2 +----------+ | 33111Y | SEAL, OIL(FOR TRANSMISSION CASE) +----------+ 1212 - B100..5F 9004A-31013- 1 +----------+ | 33123B | RECEIVER, CASE COVER OIL, NO.1(MTM) +----------+ 1212 - B100..5F 33123-BZ010- 1
  • 85.
    85 FIG.33-02 CLUTCH HOUSING& TRANSMISSION CASE (MTM) PROD_DATE MODELS SPEC CODE DESCRIPTION R / P PART NUMBER O Y T REV_REF FR TO +----------+ | 33151K | SEAL, TYPE T OIL +----------+ 1212 - B100..5F 9004A-31051- 1 +----------+ | 33449B | MAGNET, TRANSMISSION +----------+ 1212 - B100..5F 33449-BZ030- 1
  • 86.
    86 FIG.33-04 SPEEDOMETER DRIVENGEAR (MTM) (1212- )5F 334633 REFER TO FIG (PNC 83181G) 84-01 33403S 33404A35136-BZ010 91551-80616 FIG.33-04 SPEEDOMETER DRIVEN GEAR (MTM) PROD_DATE MODELS SPEC CODE DESCRIPTION R / P PART NUMBER O Y T REV_REF FR TO +----------+ | 33403S | PLUG(FOR MTM SPEEDOMETER DRIVEN HOLE) +----------+ 1212 - B100..HI..5F B2DB WITH(PACKAGE OPTION 2) 35133-BZ010- 1 +----------+ | 33404A | RING, O (FOR MTM SPEEDOMETER SHAFT SLEEVE )+----------+ 1212 - B100..HI..5F B2DB WITH(PACKAGE OPTION 2) 9004A-30049- 1
  • 87.
    87 FIG.33-05 TRANSMISSION GEAR(MTM) (1212- )5F 334634-A 33371 9004A-11236(2) 9004A-52066 9004A-17211 9004A-20072 9004A-20072 9004A-17211 33370 33371 33367 33134B 33358 33311A 33311 33321 33321N 33327B 33348 33334 33334A 33311E 33338B 33336 33380 33333 33367 33385 33371 33365 33365 33365 33365 33365 33365 33371 33367 33360 33391 33037B 33335 33423A 33487 33422B 33321A 33111R 33428C 33366 33366 33366 33391 33342D 33038E 33451 33402D 33402 33332
  • 88.
    88 FIG.33-05 TRANSMISSION GEAR(MTM) PROD_DATE MODELS SPEC CODE DESCRIPTION R / P PART NUMBER O Y T REV_REF FR TO +----------+ | 33037B | RING SET, SYNCHRONIZER, NO.1 +----------+ 1212 - 1306 B100..5F JAPAN SOURCED PARTS 33037-BZ020- 1 1306 - 1310 B100..5F JAPAN SOURCED PARTS 33037-BZ020- 2 1306 - B100..5F LOCAL SOURCED PARTS 33037-BZ021- 1 1310 - B100..5F 33037-BZ021- 1 +----------+ | 33038E | RING SET, SYNCHRONIZER, NO.2 +----------+ 1212 - 1306 B100..5F JAPAN SOURCED PARTS 33038-BZ020- 1 1306 - 1310 B100..5F JAPAN SOURCED PARTS 33038-BZ020- 2 1306 - B100..5F LOCAL SOURCED PARTS 33038-BZ021- 1 1310 - B100..5F 33038-BZ021- 1 +----------+ | 33111R | RING, HOLE SNAP(FOR OUTPUT SHAFT REAR BEARING) +----------+ 1212 - B100..5F 9004A-52067- 1 +----------+ | 33134B | COVER, OUTPUT SHAFT(MTM) +----------+ 1212 - B100..5F 33134-BZ020- 1 +----------+ | 33311 | SHAFT, INPUT +----------+ 1212 - 1306 B100..5F 33311-BZ071- 1 1306 - B100..5F AKI 33311-BZ071- 1 1306 - B100..5F AAI 33311-BZ081- 1 +----------+ | 33311A | BEARING (FOR INPUT SHAFT FRONT) +----------+ 1212 - B100..5F 9004A-36097- 1 +----------+ | 33311E | BEARING, RADIAL BALL (FOR INPUT SHAFT REA R)+----------+ 1212 - B100..5F 9004A-36096- 1 FIG.33-05 TRANSMISSION GEAR (MTM) PROD_DATE MODELS SPEC CODE DESCRIPTION R / P PART NUMBER O Y T REV_REF FR TO +----------+ | 33321 | SHAFT, OUTPU T+----------+ 1212 - 1306 B100..5F 33321-BZ060- 1 1306 - B100..5F AKI 33321-BZ060- 1 1306 - B100..5F MAP-IN 33321-BZ070- 1 +----------+ | 33321A | BEARING (FOR OUTPUT SHAFT REAR) +----------+ 1212 - B100..5F 9004A-36099- 1 +----------+ | 33321N | BEARING (FOR OUTPUT SHAFT FRONT) +----------+ 1212 - B100..5F 9004A-36098- 1 +----------+ | 33327B | PLATE, OUTPUT SHAFT BEARING LOCK +----------+ 1212 - B100..5F 33326-BZ050- 1 +----------+ | 33332 | GEAR, 2ND +----------+ 1212 - B100..5F 33332-BZ042- 1 +----------+ | 33333 | GEAR, 3RD +----------+ 1212 - 1306 B100..5F 33333-BZ070- 1 1306 - B100..5F AKI 33333-BZ070- 1 1306 - B100..5F MAP-IN 33333-BZ080- 1 +----------+ | 33334 | GEAR, 4TH +----------+ 1212 - B100..5F 33334-BZ010- 1 +----------+ | 33334A | BEARING, NEEDLE ROLLER (FOR 4TH GEAR) +----------+ 1212 - B100..5F 9004A-36057- 1 +----------+ | 33335 | GEAR, 1ST +----------+ 1212 - B100..5F 33335-BZ051- 1
  • 89.
    89 FIG.33-05 TRANSMISSION GEAR(MTM) PROD_DATE MODELS SPEC CODE DESCRIPTION R / P PART NUMBER O Y T REV_REF FR TO +----------+ | 33336 | GEAR, 5TH +----------+ 1212 - 1306 B100..5F 33336-BZ030- 1 1306 - B100..5F AKI 33336-BZ030- 1 1306 - B100..5F MAP-IN 33336-BZ050- 1 +----------+ | 33338B | BUSH, 5TH GE AR+----------+ 1212 - B100..5F 33338-BZ020- 1 +----------+ | 33342D | BUSH(FOR 2ND GEAR) +----------+ 1212 - B100..5F 33343-BZ030- 1 +----------+ | 33348 | WASHER, 1ST GEAR THRUST +----------+ 1212 - B100..5F 33348-BZ080- 1 +----------+ | 33358 | RACE, 4TH GEAR BEARING INNER +----------+ 1212 - B100..5F 33358-BZ030- 1 +----------+ | 33360 | HUB ASSY, SYNCHRONIZER, NO.1 +----------+ 1212 - 1404 B100..5F JAPAN SOURCED PARTS 33360-BZ081- 1 1306 - B100..5F LOCAL SOURCED PARTS 33360-BZ082- 1 +----------+ | 33365 | KEY, SYNCHROMESH SHIFTING, NO.1 +----------+ 1212 - 1306 B100..5F JAPAN SOURCED PARTS 33365-BZ040- 6 1306 - 1310 B100..5F JAPAN SOURCED PARTS 33365-BZ040- 12 1310 - 1404 B100..5F JAPAN SOURCED PARTS 33365-BZ040- 6 1306 - B100..5F LOCAL SOURCED PARTS 33365-BZ041- 6 +----------+ | 33366 | KEY, SYNCHROMESH SHIFTING, NO.2 +----------+ 1212 - 1306 B100..5F JAPAN SOURCED PARTS 33366-BZ040- 3 1306 - 1310 B100..5F JAPAN SOURCED PARTS 33366-BZ040- 6 FIG.33-05 TRANSMISSION GEAR (MTM) PROD_DATE MODELS SPEC CODE DESCRIPTION R / P PART NUMBER O Y T REV_REF FR TO +----------+ | 33366 | KEY, SYNCHROMESH SHIFTING, NO.2 CONTINUED--+ 1310 - 1404 B100..5F JAPAN SOURCED PARTS 33366-BZ040- 3 1306 - B100..5F LOCAL SOURCED PARTS 33366-BZ041- 3 +----------+ | 33367 | RING, SYNCHRONIZER, NO.1 +----------+ 1212 - B100..5F 33367-BZ040- 3 +----------+ | 33370 | HUB ASSY, SYNCHRONIZER, NO.2 +----------+ 1212 - 1404 B100..5F JAPAN SOURCED PARTS 33370-BZ060- 1 1306 - B100..5F LOCAL SOURCED PARTS 33370-BZ061- 1 +----------+ | 33371 | SPRING, SYNCHROMESH SHIFTING KEY, NO.1 +----------+ 1212 - B100..5F 33371-BZ040- 4 +----------+ | 33380 | HUB ASSY, SYNCHRONIZER, NO.3 +----------+ 1212 - 1404 B100..5F JAPAN SOURCED PARTS 33380-BZ060- 1 1306 - B100..5F LOCAL SOURCED PARTS 33380-BZ061- 1 +----------+ | 33385 | RETAINER, SHIFTING KEY +----------+ 1212 - B100..5F 33385-BZ050- 1 +----------+ | 33391 | SPRING, SYNCHROMESH SHIFTING KEY, NO.2 +----------+ 1212 - B100..5F 33391-BZ040- 2 +----------+ | 33402 | GEAR SUB-ASSY, REVERSE IDLER +----------+ 1212 - B100..5F 33402-BZ050- 1 +----------+ | 33402D | SPRING(FOR REVERSE IDLER GEAR) +----------+ 1212 - B100..5F 9004A-50124- 1
  • 90.
    90 FIG.33-05 TRANSMISSION GEAR(MTM) PROD_DATE MODELS SPEC CODE DESCRIPTION R / P PART NUMBER O Y T REV_REF FR TO +----------+ | 33422B | GEAR, 4TH DRIVEN +----------+ 1212 - B100..5F 33422-BZ010- 1 +----------+ | 33423A | GEAR, 3RD DRIVEN +----------+ 1212 - 1306 B100..5F 33423-BZ010- 1 1306 - B100..5F AKI 33423-BZ010- 1 1306 - B100..5F AAI 33423-BZ020- 1 +----------+ | 33428C | GEAR, 5TH DRIVEN +----------+ 1212 - 1306 B100..5F 33428-BZ020- 1 1306 - B100..5F AKI 33428-BZ020- 1 1306 - B100..5F AAI 33428-BZ040- 1 +----------+ | 33451 | SHAFT, REVERSE IDLER GEAR +----------+ 1212 - B100..5F 33451-BZ060- 1 +----------+ | 33487 | HUB, SPEEDOMETER DRIVE GEAR +----------+ 1212 - 1306 B100..5F JAPAN SOURCED PARTS 33487-BZ020- 1 1306 - 1310 B100..5F JAPAN SOURCED PARTS 33487-BZ020- 2 1310 - 1404 B100..5F JAPAN SOURCED PARTS 33487-BZ020- 1 1306 - B100..5F LOCAL SOURCED PARTS 33487-BZ021- 1
  • 91.
    91 FIG.33-07 GEAR SHIFTFORK & LEVER SHAFT (MTM) ―   ―   ―   ―   ―   ―   ―   ―   ―   ―   ―   ―   ―   ―   ―   ―   ―   ―   ―   ―   ―   ―   ―   ―   ―   ―   ―   ―   ―   ―   ―   ―   ―   ― (1212- )5F ILLUST NO. 1 OF 2 334635-B 33212A 33213G 33214G 33221 33231 33242 33243A 33244D 33266C 33266C 33275B 33275E 33275B 33275E 33275B 33275E 9004A-10119 9004A-10128(2) 9004A-25024 9004A-25024 9004A-25024 9004A-25024 33122 9004A-11237(4) 9004A-10130(3) 33203E FIG.33-07 GEAR SHIFT FORK & LEVER SHAFT (MTM) (1212- )5F ILLUST NO. 2 OF 2 334636-B 33111G 33203 33203B 33203J 33205 33242K 33251A 33251H 33256 33262F 33293G 33506D 33519 9004A-25024 9004A-250259004A-25029(2) 9004A-30051 33273 33518-BZ010
  • 92.
    92 FIG.33-07 GEAR SHIFTFORK & LEVER SHAFT (MTM) PROD_DATE MODELS SPEC CODE DESCRIPTION R / P PART NUMBER O Y T REV_REF FR TO +----------+ | 33111G | PLUG, BREATHER(FOR MANUAL TRANSMISSION) +----------+ 1212 - B100..5F 9004A-93003- 1 +----------+ | 33122 | GASKET, MANUAL TRANSMISSION CASE COVER +----------+ 1212 - B100..5F 33122-BZ040- 1 +----------+ | 33203 | SHAFT SUB-ASSY, SHIFT LEVER, NO.1 +----------+ 1212 - B100..5F 33203-BZ020- 1 +----------+ | 33203B | SEAL, OIL(FOR SHIFT LEVER SHAFT) +----------+ 1212 - B100..5F 9004A-31053- 1 +----------+ | 33203E | BUSH(FOR SHIFT LEVER SHAFT) +----------+ 1212 - B100..5F 33572-BZ010- 1 +----------+ | 33203J | SPRING(FOR SHIFT LEVER SHAFT BALL) +----------+ 1212 - 1402 B100..5F 9004A-50123- 1 +----------+ | 33205 | SHAFT SUB-ASSY, SELECT LEVER +----------+ 1212 - B100..5F 33205-BZ020- 1 +----------+ | 33212A | FORK, GEAR SHIFT, NO.1 +----------+ 1212 - B100..5F 33212-BZ050- 1 +----------+ | 33213G | FORK, GEAR SHIFT, NO.2 +----------+ 1212 - B100..5F 33213-BZ050- 1 +----------+ | 33214G | FORK, GEAR SHIFT, NO.3 +----------+ 1212 - B100..5F 33214-BZ060- 1 +----------+ | 33221 | ARM, REVERSE SHIFT +----------+ 1212 - B100..5F 33201-BZ030- 1 FIG.33-07 GEAR SHIFT FORK & LEVER SHAFT (MTM) PROD_DATE MODELS SPEC CODE DESCRIPTION R / P PART NUMBER O Y T REV_REF FR TO +----------+ | 33231 | HEAD, REVERSE SHIFT +----------+ 1212 - B100..5F 33231-BZ020- 1 +----------+ | 33242 | SHAFT, GEAR SHIFT FORK, NO.1 +----------+ 1212 - B100..5F 33242-BZ030- 1 +----------+ | 33242K | SPRING, TORSION(FOR SELECT RETURN) +----------+ 1212 - B100..5F 9004A-50121- 1 +----------+ | 33243A | SHAFT, GEAR SHIFT FORK, NO.2 +----------+ 1212 - B100..5F 33243-BZ060- 1 +----------+ | 33244D | SHAFT, GEAR SHIFT FORK, NO.3 +----------+ 1212 - B100..5F 33244-BZ060- 1 +----------+ | 33251A | LEVER, SHIFT, INNER NO.1 +----------+ 1212 - 1310 B100..5F 33251-BZ040- 1 1310 - 1404 B100..5F JAPAN SOURCED PARTS 33251-BZ040- 1 1310 - B100..5F LOCAL SOURCED PARTS 33251-BZ041- 1 +----------+ | 33251H | BALL (FOR SHIFT INNER LEVER) +----------+ 1212 - B100..5F 9004A-36044- 1 +----------+ | 33256 | LEVER, SELECT INNER +----------+ 1212 - 1310 B100..5F 33256-BZ030- 1 1310 - 1404 B100..5F JAPAN SOURCED PARTS 33256-BZ030- 1 1310 - B100..5F LOCAL SOURCED PARTS 33256-BZ031- 1 +----------+ | 33262F | SEAL, OIL (FOR SELECT LEVER SHAFT) +----------+ 1212 - B100..5F 9004A-31052- 1
  • 93.
    93 FIG.33-07 GEAR SHIFTFORK & LEVER SHAFT (MTM) PROD_DATE MODELS SPEC CODE DESCRIPTION R / P PART NUMBER O Y T REV_REF FR TO +----------+ | 33266C | PLATE, SHIFT INTER LOCK +----------+ 1212 - 1310 B100..5F 33266-BZ030- 2 1310 - 1404 B100..5F JAPAN SOURCED PARTS 33266-BZ030- 2 1310 - B100..5F LOCAL SOURCED PARTS 33266-BZ031- 2 +----------+ | 33273 | WASHER, SHIFT LEVER SHAFT HOUSING, NO.1 +----------+ 1212 - B100..5F 33273-BZ030- 1 +----------+ | 33275B | BALL, SHAFT DETENT +----------+ 1212 - B100..5F 9004A-36044- 3 +----------+ | 33275E | SPRING, COMPRESSION (FOR SHIFT DETENT BAL L)+----------+ 1212 - B100..5F 9004A-50122- 3 +----------+ | 33293G | HOLDER, LOCK BALL +----------+ 1212 - B100..5F 33293-BZ010- 1 +----------+ | 33506D | COVER SUB-ASSY, CONTROL SHAFT +----------+ 1212 - B100..5F 33506-BZ050- 1 +----------+ | 33519 | BOOT, CONTROL SHAFT DUST +----------+ 1212 - B100..5F 33519-BZ040- 1
  • 94.
    94 FIG.33-12 SHIFT LEVER& RETAINER ―   ―   ―   ―   ―   ―   ―   ―   ―   ―   ―   ―   ―   ―   ―   ―   ―   ―   ―   ―   ―   ―   ―   ―   ―   ―   ―   ―   ―   ―   ―   ―   ―   ― (1212- )5F 334637-A 33504F 33550 33820B 33821E 33821E 33823 90042-02110 90044-68075 90044-68075 90044-68076 90044-68076 90042-01605 90044-68076 9004A-11274(2) 9004A-20016 91551-80820(2) 91651-G0616 94185-60800(2) FIG.33-12 SHIFT LEVER & RETAINER (1212- )E4AT 3312 334638 33550 33820B 33823 33829B 90044-68075 9004A-11274(2) 9004A-46315 91651-G0616 91651-G0616 91651-G0616 94185-60800(2)
  • 95.
    95 FIG.33-12 SHIFT LEVER& RETAINER PROD_DATE MODELS SPEC CODE DESCRIPTION R / P PART NUMBER O Y T REV_REF FR TO +----------+ | 33504F | KNOB SUB-ASSY, SHIFT LEVER +----------+ 1212 - B100..HI..5F DK.GRAY(TRIM1#) 33504-B1010-B0 1 1212 - B100..(LO,MID)..5F DK.GRAY(TRIM1#) 33504-BZ010-B0 1 +----------+ | 33550 | FLOOR SHIFT ASSY, TRANSMISSION +----------+ 1212 - B100..MID..E4AT DK.GRAY(TRIM1#) 33550-B6010-B0 1 1212 - B100..HI..E4AT DK.GRAY(TRIM1#) 33550-B6020-B0 1 1212 - B100..5F DK.GRAY(TRIM1#) 33550-BZ140-B0 1 +----------+ | 33820B | CABLE ASSY, TRANSMISSION CONTROL +----------+ 1212 - B100..5F 33820-BZ160- 1 1212 - B100..E4AT 33820-BZ170- 1 +----------+ | 33821E | CLAMP, NO.1 (FOR TRANSMISSION CONTROL CABLE) +----------+ 1212 - B100..5F 33567-B1010- 2 +----------+ | 33823 | BRACKET, TRANSMISSION CONTROL CABLE, NO.1 +----------+ 1212 - B100..E4AT 33524-B2040- 1 1212 - B100..5F 33823-BZ020- 1 +----------+ | 33829B | CLAMP, TRANSMISSION CONTROL CABLE +----------+ 1212 - B100..E4AT 33829-BZ070- 1
  • 96.
    96 FIG.35-01 TRANSAXLE ORTRANSMISSION ASSY & GASKET KIT (ATM) (1212- )E4AT 358482 30500 FIG.35-01 TRANSAXLE OR TRANSMISSION ASSY & GASKET KIT (ATM) PROD_DATE MODELS SPEC CODE DESCRIPTION R / P PART NUMBER O Y T REV_REF FR TO +----------+ | 30500 | TRANSAXLE ASSY, AUTOMATIC +----------+ 1212 - B100..E4AT 30500-B1130- 1
  • 97.
    97 FIG.35-02 TORQUE CONVERTER,FRONT OIL PUMP & CHAIN (ATM) (1212- )E4AT 358488 32000 32101 32101A 32101A 32101C 35301 35301A 35301B 35617 35617 35617 35301F FIG.35-02 TORQUE CONVERTER, FRONT OIL PUMP & CHAIN (ATM) PROD_DATE MODELS SPEC CODE DESCRIPTION R / P PART NUMBER O Y T REV_REF FR TO +----------+ | 32000 | CONVERTER ASSY, TORQUE +----------+ 1212 - B100..E4AT 32000-B1011- 1 +----------+ | 32101 | GEAR SUB-ASSY, DRIVE PLATE & RING +----------+ 1212 - B100..E4AT 32101-BZ040- 1 +----------+ | 32101A | BOLT(FOR DRIVE PLATE & TORQUE CONVERTER SETTING) +----------+ 1212 - B100..E4AT SILVER 90041-05273- 1 1212 - B100..E4AT BLACK 90041-05281- 5 +----------+ | 32101C | BOLT, HEXAGON(FOR DRIVE PLATE SETTING) +----------+ 1212 - B100..E4AT 90048-01037- 6 +----------+ | 35301 | BODY SUB-ASSY, FRONT OIL PUMP +----------+ 1212 - B100..E4AT 35310-97203- 1 +----------+ | 35301A | SEAL, OIL (FOR FRONT OIL PUMP) +----------+ 1212 - B100..E4AT 90043-11336- 1 +----------+ | 35301B | RING, O (FOR FRONT OIL PUMP BODY) +----------+ 1212 - B100..E4AT 90043-01161- 1 +----------+ | 35301F | BOLT (FOR FRONT OIL PUMP SETTING) +----------+ 1212 - B100..E4AT 90041-05122- 7 +----------+ | 35617 | RING, CLUTCH DRUM OIL SEAL +----------+ 1212 - B100..E4AT 35653-97201- 3
  • 98.
    98 FIG.35-03 TRANSMISSION CASE& OIL PAN (ATM) (1212- )E4AT ILLUST NO. 1 OF 2 358484 REFER TO FIG REFER TO FIG (PNC 35507E) REFER TO FIG REFER TO FIG (PNC 84540) REFER TO FIG 82-02 82-02 N04 35-13 84-01 84-01 90041-19773 90041-19773 12282C 31105J 31128A 33449E 33485F 35013 35101E 35101E 35101E 35101E 35103 35104B 35104F 35104K 35104U 35104U 35104V 35104Z 35104Z 35106A 35106B 35106D 35111N 35143 35168A 35303B 35303C 35336 35824 35882C 89413G 89413H G1406 G1406A 90041-20004 90041-20004 90041-20279 90044-64663 90044-64776 91672-81020 91672-81020 N04
  • 99.
    99 FIG.35-03 TRANSMISSION CASE& OIL PAN (ATM) (1212- )E4AT ILLUST NO. 2 OF 2 358485 90041-19775(10) 90041-20005(2) 90041-20022(4) 90041-20203(9) 90041-20247(2) 90041-20278(4) 90041-19775(9) FIG.35-03 TRANSMISSION CASE & OIL PAN (ATM) PROD_DATE MODELS SPEC CODE DESCRIPTION R / P PART NUMBER O Y T REV_REF FR TO +----------+ | 12282C | HANGER, ENGINE, NO.2 +----------+ 1212 - 1KRDE..B100..E4AT 12282-97206- 1 +----------+ | 31105J | SEAL, OIL, NO.2(FOR TRANSAXLE CASE) +----------+ 1212 - B100..E4AT 90043-11316- 1 +----------+ | 31128A | COVER, CLUTCH HOUSING UNDER(ATM) +----------+ 1212 - B100..E4AT 31128-BZ040- 1 +----------+ | 33449E | MAGNET, TRANSAXLE +----------+ 1212 - B100..E4AT 33449-B2010- 1 +----------+ | 33485F | PLATE, SPEEDMETER LOCK +----------+ 1212 - B100..E4AT 33485-87201- 1 +----------+ | 35013 | TUBE SUB-ASSY, TRANSMISSION OIL FILLER +----------+ 1212 - B100..E4AT 35013-97207- 1 +----------+ | 35101E | PIN, STRAIGHT (FOR AUTOMATIC TRANSMISSION CASE) +----------+ 1212 - B100..E4AT 90042-50157- 4 +----------+ | 35103 | GAGE SUB-ASSY, TRANSMISSION OIL LEVEL +----------+ 1212 - B100..E4AT 35103-97203- 1 +----------+ | 35104B | PLUG, BREATHER, NO.1 (ATM) +----------+ 1212 - B100..E4AT 31477-B0010- 1 +----------+ | 35104F | SEAL, OIL (FOR TRANSAXLE CASE) +----------+ 1212 - B100..E4AT 90043-11317- 1 +----------+ | 35104K | COMPRESSION SPRING, TRANSAXLE CASE +----------+ 1212 - B100..E4AT 90045-01801- 1
  • 100.
    100 FIG.35-03 TRANSMISSION CASE& OIL PAN (ATM) PROD_DATE MODELS SPEC CODE DESCRIPTION R / P PART NUMBER O Y T REV_REF FR TO +----------+ | 35104U | BOLT (FOR TRANSAXLE CASE) +----------+ 1212 - B100..E4AT 90041-05472- 7 +----------+ | 35104V | HOSE (FOR BREATHER PLUG) +----------+ 1212 - B100..E4AT 35121-BZ040- 1 +----------+ | 35104Z | GASKET (FOR TRANSAXLE CASE) +----------+ 1212 - B100..E4AT 90044-30330- 7 +----------+ | 35106A | PLUG SUB-ASSY, DRAIN (ATM) +----------+ 1212 - B100..E4AT 90043-41041- 1 +----------+ | 35106B | GASKET, DRAIN PLUG (ATM) +----------+ 1212 - B100..E4AT 90044-30281- 1 +----------+ | 35106D | PAN SUB-ASSY, AUTOMATIC TRANSAXLE OIL +----------+ 1212 - B100..E4AT 35106-B1011- 1 +----------+ | 35111N | TRANSAXLE HOUSING (ATM) +----------+ 1212 - B100..E4AT 35111-B1030- 1 +----------+ | 35143 | COVER, TRANSMISSION CASE, REAR +----------+ 1212 - B100..E4AT 35181-97202- 1 +----------+ | 35168A | GASKET, AUTOMATIC TRANSAXLE OIL PAN +----------+ 1212 - B100..E4AT 35168-B1030- 1 +----------+ | 35303B | STRAINER SUB-ASSY,OIL +----------+ 1212 - B100..E4AT 35303-97201- 1 +----------+ | 35303C | RING,O(FOR OIL STRAINER) +----------+ 1212 - 1301 B100..E4AT 96721-24021- 1 FIG.35-03 TRANSMISSION CASE & OIL PAN (ATM) PROD_DATE MODELS SPEC CODE DESCRIPTION R / P PART NUMBER O Y T REV_REF FR TO +----------+ | 35303C | RING,O(FOR OIL STRAINER) CONTINUED--+ 1302 - B100..E4AT 90043-01364- 1 +----------+ | 35336 | RING, O (FOR TRANSMISSION OIL FILLER TUBE )+----------+ 1212 - B100..E4AT 90043-01160- 1 +----------+ | 35824 | SEAL, BRAKE CYLINDER +----------+ 1212 - B100..E4AT 35824-97201- 1 +----------+ | 35882C | TUBE, DIFFERENTIAL GEAR LUBE APPLY +----------+ 1212 - B100..E4AT 35882-97201- 1 +----------+ | 89413G | SENSOR, TRANSMISSION REVOLUTION +----------+ 1212 - B100..E4AT 89413-97202- 2 +----------+ | 89413H | RING, O(FOR TRANSMISSION REVOLUTION SENSO R)+----------+ 1212 - B100..E4AT 90043-01278- 2 +----------+ | G1406 | CONNECTOR SUB-ASSY, TRANS SOLENOID +----------+ 1212 - B100..E4AT G1406-97201- 1 +----------+ | G1406A | RING, O(FOR TRANS SOLENOID CONNECTOR) +----------+ 1212 - B100..E4AT 90043-01281- 1
  • 101.
    101 FIG.35-07 BRAKE BAND& MULTIPLE DISC CLUTCH (ATM) (1212- )E4AT ILLUST NO. 1 OF 2 358486 35633C N04 35610 35616A 35633B 35633F 35635 35633C 35633B 35647B 35633F 35647B 35633F 35647B 35649 35675E 35675B 90045-20310 N04 35650
  • 102.
    102 FIG.35-07 BRAKE BAND& MULTIPLE DISC CLUTCH (ATM) (1212- )E4AT ILLUST NO. 2 OF 2 358487 35648D 35650 35673 35673 35673 35673 35673 35673 35673A 35675 35675 35675 35675 35675 35675 35650H 35712A 35712A 35712A 90045-20311 N04 N04 35610
  • 103.
    103 FIG.35-07 BRAKE BAND& MULTIPLE DISC CLUTCH (ATM) PROD_DATE MODELS SPEC CODE DESCRIPTION R / P PART NUMBER O Y T REV_REF FR TO +----------+ | 35610 | CLUTCH ASSY, FRONT MULTIPLE DISC +----------+ 1212 - B100..E4AT 35610-97205- 1 +----------+ | 35616A | BEARING, FRONT CLUTCH THRUST +----------+ 1212 - B100..E4AT T=3.81 90043-74043- 1 1212 - B100..E4AT T=3.41 90043-74044- 1 1212 - B100..E4AT T=4.21 90043-74045- 1 +----------+ | 35633B | DISC, CLUTCH (FOR FORWARD MULTIPLE DISC CLUTCH) +----------+ 1212 - B100..E4AT 35633-97205- 2 +----------+ | 35633C | DISC, CLUTCH (FOR DIRECT MULTIPLE DISC CLUTCH) +----------+ 1212 - B100..E4AT 35634-97206- 2 +----------+ | 35633F | DISC, CLUTCH (FOR FRONT CLUTCH) +----------+ 1212 - B100..E4AT 35667-97206- 3 +----------+ | 35635 | FLANGE, FORWARD CLUTCH +----------+ 1212 - B100..E4AT T=3.0 35635-97201- 1 +----------+ | 35647B | PLATE, CLUTCH, NO.2 +----------+ 1212 - B100..E4AT 35647-97204- 3 +----------+ | 35648D | PLATE, CLUTCH, NO.3 +----------+ 1212 - B100..E4AT T=2.0 35648-97205- 1 +----------+ | 35649 | FLANGE, REVERSE CLUTCH +----------+ 1212 - B100..E4AT T=3.0 35675-97201- 1 +----------+ | 35650 | CLUTCH ASSY, REAR MULTIPLE DISC +----------+ 1212 - B100..E4AT 35650-B1030- 1 FIG.35-07 BRAKE BAND & MULTIPLE DISC CLUTCH (ATM) PROD_DATE MODELS SPEC CODE DESCRIPTION R / P PART NUMBER O Y T REV_REF FR TO +----------+ | 35650H | RING, HOLE SNAP (FOR REAR MULTIPLE DISC CLUTHC) +----------+ 1212 - B100..E4AT T=1.5 90045-21170- 1 1212 - B100..E4AT T=1.75 90045-21171- 1 1212 - B100..E4AT T=2.0 90045-21172- 1 1212 - B100..E4AT T=2.25 90045-21173- 1 +----------+ | 35673 | DISC, REAR CLUTCH +----------+ 1212 - B100..E4AT 35677-B1011- 6 +----------+ | 35673A | PLATE, REAR CLUTCH CUSHION +----------+ 1212 - B100..E4AT 35673-B1010- 1 +----------+ | 35675 | FLANGE, REAR CLUTCH +----------+ 1212 - B100..E4AT T=3.0 35689-B1010- 6 +----------+ | 35675B | RING, HOLE SNAP (FOR FORWARD CLUTCH FLANG E)+----------+ 1212 - B100..E4AT T=1.5 90045-21164- 1 1212 - B100..E4AT T=1.75 90045-21166- 1 1212 - B100..E4AT T=2.0 90045-21167- 1 1212 - B100..E4AT T=2.25 90045-21168- 1 1212 - B100..E4AT T=2.5 90045-21169- 1 +----------+ | 35675E | RING, HOLE SNAP (FOR REAR CLUTCH FLANGE) +----------+ 1212 - B100..E4AT 90045-21165- 1 +----------+ | 35712A | RING, INPUT SHAFT OIL SEAL +----------+ 1212 - B100..E4AT 35712-97201- 3
  • 104.
    104 FIG.35-09 BRAKE NO.3,1ST & REVERSE BRAKE (ATM) (1212- )E4AT 358489 35623D 35624K 35624L 35624M 35627H 35632E 35632E 35637 35664F 35676H 35676H 35679A 35681 35681 35681 FIG.35-09 BRAKE NO.3, 1ST & REVERSE BRAKE (ATM) PROD_DATE MODELS SPEC CODE DESCRIPTION R / P PART NUMBER O Y T REV_REF FR TO +----------+ | 35623D | RING, SHAFT SNAP (FOR BRAKE) +----------+ 1212 - B100..E4AT 90045-21185- 1 +----------+ | 35624K | BRAKE PISTON, 2ND & 4TH +----------+ 1212 - B100..E4AT 35624-97201- 1 +----------+ | 35624L | RING, O (FOR 2ND & 4TH BRAKE PISTON, NO.1 )+----------+ 1212 - B100..E4AT 90043-01296- 1 +----------+ | 35624M | RING, O (FOR 2ND & 4TH BRAKE PISTON, NO.2 )+----------+ 1212 - B100..E4AT 90043-01295- 1 +----------+ | 35627H | BRAKE SEAT, 2ND & 4TH +----------+ 1212 - B100..E4AT 35627-97202- 1 +----------+ | 35632E | PLATE, BRAKE +----------+ 1212 - B100..E4AT 35632-97201- 2 +----------+ | 35637 | SPRING, 2ND & 4TH BRAKE PISTON RETURN +----------+ 1212 - B100..E4AT 35637-97201- 1 +----------+ | 35664F | CYLINDER, 2ND & 4TH BRAKE +----------+ 1212 - B100..E4AT 35664-97205- 1 +----------+ | 35676H | FLANGE, BRAKE, NO.1 +----------+ 1212 - B100..E4AT 35676-97202- 2 +----------+ | 35679A | RING, HOLE SNAP(FOR BRAKE FLANGE) +----------+ 1212 - B100..E4AT T=1.20 90045-21176- 1 1212 - B100..E4AT T=1.75 90045-21177- 1 1212 - B100..E4AT T=2.00 90045-21178- 1
  • 105.
    105 FIG.35-09 BRAKE NO.3,1ST & REVERSE BRAKE (ATM) PROD_DATE MODELS SPEC CODE DESCRIPTION R / P PART NUMBER O Y T REV_REF FR TO +----------+ | 35679A | RING, HOLE SNAP(FOR BRAKE FLANGE) CONTINUED--+ 1212 - B100..E4AT T=2.25 90045-21179- 1 +----------+ | 35681 | DISC, BRAKE, NO.1 +----------+ 1212 - B100..E4AT 35681-97201- 3
  • 106.
    106 FIG.35-10 PLANETARY GEAR,REVERSE PISTON & COUNTER GEAR(ATM) (1212- )E4AT 358490 35618C 35623S 35628C 35631J 35706V 35708 35708F 35708K 35708K 35708K 35709K 35720 35720A 35740A 35771 35771B 35771C 35771D 35771E 35775D 35775F 35776 35790A 35790G 35883A 35883A 35883A 35883A 35884A 35884A 35884A 35884A 35885B 35885C 90041-78047 FIG.35-10 PLANETARY GEAR, REVERSE PISTON & COUNTER GEAR(ATM) PROD_DATE MODELS SPEC CODE DESCRIPTION R / P PART NUMBER O Y T REV_REF FR TO +----------+ | 35618C | RETURN SPRING SUB-ASSY, 1ST & REVERSE +----------+ 1212 - B100..E4AT 35618-B1010- 1 +----------+ | 35623S | PISTON,1ST & REVERSE BRAKE +----------+ 1212 - B100..E4AT 35623-B1020- 1 +----------+ | 35628C | SEAT, 1ST & REVERSE BRAKE PISTON RETURN SPRING +----------+ 1212 - B100..E4AT 35628-97202- 1 +----------+ | 35631J | HUB, FORWARD CLUTCH, NO.1 +----------+ 1212 - 1312 B100..E4AT 35631-97203- 1 +----------+ | 35706V | GEAR SUB ASSY, PLANETARY SUN +----------+ 1212 - B100..E4AT 35706-97203- 1 +----------+ | 35708 | SHAFT SUB-ASSY, INTERMEDIATE +----------+ 1212 - B100..E4AT 35708-97203- 1 +----------+ | 35708F | BEARING, THRUST NEEDLE ROLLER (FOR INTERMEDIATE SHAFT) +----------+ 1212 - B100..E4AT 90043-74051- 1 +----------+ | 35708K | BEARING, NEEDLE ROLLER(FOR INTERMEDIATE SHAFT) +----------+ 1212 - B100..E4AT 90043-74047- 3 +----------+ | 35709K | GEAR SUB-ASSY, REAR PLANETARY +----------+ 1212 - B100..E4AT 35709-97204- 1 +----------+ | 35720 | GEAR ASSY, FRONT PLANETARY +----------+ 1212 - B100..E4AT 35720-97211- 1 +----------+ | 35720A | BEARING, THRUST NEEDLE ROLLER (FOR FRONT PLANETARY GEAR) +----------+ 1212 - B100..E4AT 90043-74043- 1
  • 107.
    107 FIG.35-10 PLANETARY GEAR,REVERSE PISTON & COUNTER GEAR(ATM) PROD_DATE MODELS SPEC CODE DESCRIPTION R / P PART NUMBER O Y T REV_REF FR TO +----------+ | 35740A | GEAR ASSY,FRONT PLANETARY RING +----------+ 1212 - B100..E4AT 35740-97201- 1 +----------+ | 35771 | SHAFT, OUTPU T+----------+ 1212 - B100..E4AT 35771-B1010- 1 +----------+ | 35771B | RING, HOLE SNAP (FOR OUTPUT SHAFT, NO.1) +----------+ 1212 - B100..E4AT 90045-21182- 1 +----------+ | 35771C | ROLLER BEARING, OUTPUT SHAFT +----------+ 1212 - B100..E4AT 90043-65026- 1 +----------+ | 35771D | BALL BEARING, OUTPUT SHAFT +----------+ 1212 - B100..E4AT 90043-63274- 1 +----------+ | 35771E | RING, HOLE SNAP (FOR OUTPUT SHAFT, NO.2) +----------+ 1212 - B100..E4AT 90045-21183- 1 +----------+ | 35775D | GEAR KIT, RIDUCTION DRIVE +----------+ 1212 - B100..E4AT 35775-B9010- 1 +----------+ | 35775F | BEARING, RADIAL BOLL +----------+ 1212 - B100..E4AT 90043-63273- 1 +----------+ | 35776 | GEAR, PRIMARY REDUCTION DRIVEN +----------+ 1212 - B100..E4AT 35776-97202- 1 +----------+ | 35790A | CLUTCH ASSY, 1 WAY +----------+ 1212 - 1401 B100..E4AT 35790-B1010- 1 +----------+ | 35790G | HOLE SNAP RING (FOR 1WAY CLUTCH) +----------+ 1212 - B100..E4AT 90045-21174- 1 FIG.35-10 PLANETARY GEAR, REVERSE PISTON & COUNTER GEAR(ATM) PROD_DATE MODELS SPEC CODE DESCRIPTION R / P PART NUMBER O Y T REV_REF FR TO +----------+ | 35883A | DISC, BRAKE +----------+ 1212 - B100..E4AT 35883-B1010- 4 +----------+ | 35884A | PLATE,BRAKE +----------+ 1212 - B100..E4AT 35884-97204- 4 +----------+ | 35885B | FLANGE, BRAK E+----------+ 1212 - B100..E4AT T=4.0 35885-97213- 1 1212 - B100..E4AT T=4.2 35885-97214- 1 1212 - B100..E4AT T=4.4 35885-97215- 1 1212 - B100..E4AT T=4.6 35885-97216- 1 1212 - B100..E4AT T=4.8 35885-97217- 1 1212 - B100..E4AT T=5.0 35885-97218- 1 +----------+ | 35885C | RING,HOLE SNAP (FOR CLUTCH PLATE) +----------+ 1212 - 1304 B100..E4AT 90045-21175- 1 1305 - B100..E4AT 90045-21194- 1
  • 108.
    108 FIG.35-12 VALVE BODY& OIL STRAINER (ATM) (1212- )E4AT 358491 REFER TO FIG (PNC 35303C) REFER TO FIG (PNC 35303B) REFER TO FIG (PNC G1406) 35210 35210 35220 35240 35240A 35240B 35240 35240A 35240B 35-03 35-03 35280 35285 35285 35285 35410 35960 90041-05269(15) 90041-20006(6) 90041-20007 35-03
  • 109.
    109 FIG.35-12 VALVE BODY& OIL STRAINER (ATM) PROD_DATE MODELS SPEC CODE DESCRIPTION R / P PART NUMBER O Y T REV_REF FR TO +----------+ | 35210 | SOLENOID ASSY, CLUTCH CONTROL, NO.1 +----------+ 1212 - B100..E4AT 35210-97201- 2 +----------+ | 35220 | SOLENOID ASSY, CLUTCH CONTROL, NO.2 +----------+ 1212 - B100..E4AT 35220-97201- 1 +----------+ | 35240 | SOLENOID ASSY, AUTOMATIC TRANSMISSION 3WA Y+----------+ 1212 - B100..E4AT 35240-B1010- 2 +----------+ | 35240A | RING, O, NO.1 (FOR TRANSMISSION 3WAY SOLENOID) +----------+ 1212 - B100..E4AT 90043-01279- 2 +----------+ | 35240B | RING, O, NO.2 (FOR TRANSMISSION 3WAY SOLENOID) +----------+ 1212 - B100..E4AT 90043-01280- 2 +----------+ | 35280 | SOLENOID ASSY, LOCK UP CONTROL +----------+ 1212 - B100..E4AT 35280-97201- 1 +----------+ | 35285 | PLATE, SOLENOID LOCK +----------+ 1212 - B100..E4AT 35285-97201- 3 +----------+ | 35410 | BODY ASSY, TRANSMISSION VALVE +----------+ 1212 - B100..E4AT 35410-B1011- 1 +----------+ | 35960 | WIRE, SOLENO ID+----------+ 1212 - B100..E4AT 35960-97203- 1
  • 110.
    110 FIG.35-13 THROTTLE LINK& VALVE LEVER (ATM) (1212- )E4AT REFER TO FIG (PNC 35143) REFER TO FIG (PNC 84540) 358492 35402B 35409D 35501 35505 35507E 35556 35557 35557A 35561 35595 90041-05291 90041-79109 90042-54007 90042-54030 35-03 84-01 FIG.35-13 THROTTLE LINK & VALVE LEVER (ATM) PROD_DATE MODELS SPEC CODE DESCRIPTION R / P PART NUMBER O Y T REV_REF FR TO +----------+ | 35402B | SEAL,OIL(FOR MANUAL VALVE) +----------+ 1212 - B100..E4AT 90043-11256- 1 +----------+ | 35409D | SPRING SUB-ASSY, MANUAL DETENT +----------+ 1212 - B100..E4AT 35409-97206- 1 +----------+ | 35501 | ROD SUB-ASSY, PARKING LOCK +----------+ 1212 - B100..E4AT 35501-97202- 1 +----------+ | 35505 | LEVER SUB-ASSY, MANUAL VALVE +----------+ 1212 - B100..E4AT 35505-97202- 1 +----------+ | 35507E | LEVER,TRANSMISSION CONTROL SHAFT +----------+ 1212 - B100..E4AT 35507-B1010- 1 +----------+ | 35556 | SHAFT, PARKING LOCK PAWL +----------+ 1212 - B100..E4AT 35556-87202- 1 +----------+ | 35557 | PAWL, PARKING LOCK +----------+ 1212 - B100..E4AT 35557-97201- 1 +----------+ | 35557A | SPRING, TORSION (FOR PARKING LOCK PAWL) +----------+ 1212 - B100..E4AT 90045-08389- 1 +----------+ | 35561 | SHAFT, MANUAL VALVE LEVER +----------+ 1212 - B100..E4AT 35561-97201- 1 +----------+ | 35595 | BRACKET, PARKING LOCK PAWL +----------+ 1212 - B100..E4AT 35595-87203- 1
  • 111.
    111 FIG.35-14 OIL COOLER& TUBE (ATM) (1212- )E4AT 358493 32904 32905 32921D 32921J 32921J 32921J 32921J 32922A 32923 90041-19773 FIG.35-14 OIL COOLER & TUBE (ATM) PROD_DATE MODELS SPEC CODE DESCRIPTION R / P PART NUMBER O Y T REV_REF FR TO +----------+ | 32904 | TUBE SUB-ASSY, OIL COOLER INLET, NO.1 +----------+ 1212 - B100..E4AT 32904-B1011- 1 +----------+ | 32905 | TUBE SUB-ASSY, OIL COOLER OUTLET, NO.1 +----------+ 1212 - B100..E4AT 32905-B1020- 1 +----------+ | 32921D | HOSE(FOR OIL COOLER INLET) +----------+ 1212 - B100..E4AT 32941-B6010- 1 +----------+ | 32921J | CLIP(FOR OIL COOLER HOSE) +----------+ 1212 - B100..E4AT 90044-67576- 4 +----------+ | 32922A | HOSE(FOR OIL COOLER OUTLET) +----------+ 1212 - B100..E4AT 32942-B6010- 1 +----------+ | 32923 | CLAMP, AUTOMATIC TRANSMISSION OIL COOLER TUBE +----------+ 1212 - B100..E4AT 32923-97201- 1
  • 112.
    112 FIG.41-02 REAR AXLESHAFT & HUB (1212- ) 413829 42403 42410 42440 42611E 90041-01650(4) FIG.41-02 REAR AXLE SHAFT & HUB PROD_DATE MODELS SPEC CODE DESCRIPTION R / P PART NUMBER O Y T REV_REF FR TO +----------+ | 42403 | DRUM SUB-ASSY, REAR BRAKE +----------+ 1212 - B100 42431-BZ090- 2 +----------+ | 42410 | HUB & BEARING ASSY, REAR AXLE, RH +----------+ 1212 - B100..HI B2DB WITH(PACKAGE OPTION 2) 42410-B6010- 1 1212 - B100 42410-B6020- 1 +----------+ | 42440 | HUB & BEARING ASSY, REAR AXLE, LH +----------+ 1212 - B100..HI B2DB WITH(PACKAGE OPTION 2) 42410-B6010- 1 1212 - B100 42410-B6020- 1 +----------+ | 42611E | BOLT, HUB (FOR REAR AXLE) +----------+ 1212 - B100 90049-12062- 8
  • 113.
    113 FIG.41-03 DISC WHEEL& WHEEL CAP (1212- ) ILLUST NO. 1 OF 3 413830 42601 42601A 42601C 42601C 42611G 42611J
  • 114.
    114 FIG.41-03 DISC WHEEL& WHEEL CAP ―   ―   ―   ―   ―   ―   ―   ―   ―   ―   ―   ―   ―   ―   ―   ―   ―   ―   ―   ―   ―   ―   ―   ―   ―   ―   ―   ―   ―   ―   ―   ―   ―   ― (1212- ) ILLUST NO. 3 OF 3 413832 9004A-42072 9004A-42073 9004A-42074 9004A-42075 9004A-42076 9004A-42077 9004A-42078 9004A-42080 9004A-42082 9004A-42085 9004A-42086 9004A-42087 9004A-42088 9004A-42089 9004A-42090 9004A-42091 9004A-42093 9004A-42095 9004A-42083 9004A-42096 9004A-42084 9004A-42097 9004A-42098 9004A-42099 9004A-42101 9004A-42103 9004A-42107 FIG.41-03 DISC WHEEL & WHEEL CAP (1212- ) ILLUST NO. 2 OF 3 413833 42603 42621
  • 115.
    115 FIG.41-03 DISC WHEEL& WHEEL CAP PROD_DATE MODELS SPEC CODE DESCRIPTION R / P PART NUMBER O Y T REV_REF FR TO +----------+ | 42601 | WHEEL, DISC +----------+ 1212 - B100..LO 13X4.50B,SILVER,TYPE A 42611-BZ560- 4 1212 - B100..MID G4FB 13X4.50B,SILVER,CTR- ORNAMENT(FOR STEEL), TYPE A 42611-BZ560- 4 1212 - B100..LO G4FJ 13X4.50B,W/O(BLACK S TEEL(13")),TYPE A 42611-BZ570- 4 1212 - B100..MID 13X4.50B,TYPE A 42611-BZ570- 4 1212 - B100..HI 14X5J,TYPE B PAKO 42611-BZ580- 4 1212 - B100..MID G4AC 14X5J,175/65R14 5J-A L,TYPE B PAKO 42611-BZ580- 4 +----------+ | 42601A | WHEEL, DISC (FOR SPARE) +----------+ 1212 - B100..LO 13X4.50B,SILVER,TYPE A 42611-BZ560- 1 1212 - B100..MID G4FB 13X4.50B,SILVER,CTR- ORNAMENT(FOR STEEL), TYPE A 42611-BZ560- 1 1212 - B100..LO G4FJ 13X4.50B,W/O(BLACK S TEEL(13")),TYPE A 42611-BZ570- 1 1212 - B100..MID 13X4.50B,TYPE A 42611-BZ570- 1 1212 - B100..HI 14X5J,TYPE B PAKO 42611-BZ580- 1 1212 - B100..MID G4AC 14X5J,175/65R14 5J-A L,TYPE B PAKO 42611-BZ580- 1 +----------+ | 42601C | NUT, HUB (FOR AXLE) +----------+ 1212 - B100..LO G4FJ W/O(BLACK STEEL(13") ),TYPE C 90049-11036- 16 1212 - B100..MID TYPE C 90049-11036- 16 1212 - B100..HI TYPE B 90049-11058- 16 1212 - B100..MID G4AC 175/65R14 5J-AL,TYPE B 90049-11058- 16 1212 - B100..LO TYPE A 90049-11064- 16 FIG.41-03 DISC WHEEL & WHEEL CAP PROD_DATE MODELS SPEC CODE DESCRIPTION R / P PART NUMBER O Y T REV_REF FR TO +----------+ | 42601C | NUT, HUB (FOR AXLE) CONTINUED--+ 1212 - B100..MID G4FB CTR-ORNAMENT(FOR STE EL),TYPE A 90049-11064- 16 +----------+ | 42603 | ORNAMENT SUB-ASSY, WHEEL HUB +----------+ 1212 - B100..LO *STE,TYPE A 42638-BZ340- 4 1212 - B100..MID G4FB *STE,CTR-ORNAMENT(FO R STEEL),TYPE A 42638-BZ340- 4 1212 - B100..HI *STE,TYPE B 42638-BZ360- 4 1212 - B100..MID G4AC *STE,175/65R14 5J-AL ,TYPE B 42638-BZ360- 4 +----------+ | 42611G | VALVE (FOR TUBELESS TIRE) +----------+ 1212 - B100 90049-02019- 4 +----------+ | 42611J | VALVE (FOR TUBELESS TIRE SPARE) +----------+ 1212 - B100 90049-02019- 1 +----------+ | 42621 | CAP, WHEEL +----------+ 1212 - B100..MID G4FD FULL CAP(13"),TYPE A 42602-B6020- 4
  • 116.
    116 FIG.43-01 FRONT AXLEHOUSING & DIFFERENTIAL ―   ―   ―   ―   ―   ―   ―   ―   ―   ―   ―   ―   ―   ―   ―   ―   ―   ―   ―   ―   ―   ―   ―   ―   ―   ―   ―   ―   ―   ―   ―   ―   ―   ― (1212- )5F 432752 REFER TO FIG (PNC 33111Q) REFER TO FIG (PNC 33151K) 33-02 33-02 35736C 41311F 41221 41311 41311E 41331F 41331F 41341F 41341F 41342F 41351F 41351F 41361F 41361F 9004A-10120(10) 9004A-15054(2) 9004A-25031 FIG.43-01 FRONT AXLE HOUSING & DIFFERENTIAL (1212- )E4AT 432753 REFER TO FIG (PNC 35104F) REFER TO FIG (PNC 31105J) 35-03 35-03 41311F 41310 41311E
  • 117.
    117 FIG.43-01 FRONT AXLEHOUSING & DIFFERENTIAL PROD_DATE MODELS SPEC CODE DESCRIPTION R / P PART NUMBER O Y T REV_REF FR TO +----------+ | 35736C | ROTOR, SPEED SENSOR +----------+ 1212 - B100..5F 35736-BZ010- 1 +----------+ | 41221 | GEAR, FRONT DIFFERENTIAL RING +----------+ 1212 - B100..5F AKI 41221-BZ140- 1 1306 - B100..5F MAP-IN 41221-BZ150- 1 +----------+ | 41310 | CASE ASSY, DIFFERENTIAL +----------+ 1212 - B100..E4AT 41310-B1010- 1 +----------+ | 41311 | CASE, FRONT DIFFERENTIAL +----------+ 1212 - B100..5F 41311-BZ060- 1 +----------+ | 41311E | BEARING, TAPERED ROLLER (FOR FRONT DIFFERENTIAL CASE FRONT) +----------+ 1212 - B100..E4AT 90043-63297- 1 1212 - B100..5F 9004A-36101- 1 +----------+ | 41311F | BEARING, TAPERED ROLLER (FOR FRONT DIFFERENTIAL CASE REAR) +----------+ 1212 - B100..E4AT 90043-63304- 1 1212 - B100..5F 9004A-36100- 1 +----------+ | 41331F | GEAR, FRONT DIFFERENTIAL SIDE +----------+ 1212 - B100..5F 41331-BZ040- 2 +----------+ | 41341F | PINION, FRONT DIFFERENTIAL +----------+ 1212 - B100..5F 41341-BZ040- 2 +----------+ | 41342F | SHAFT, FRONT DIFFERENTIAL PINION, NO.1 +----------+ 1212 - B100..5F 41342-BZ060- 1 FIG.43-01 FRONT AXLE HOUSING & DIFFERENTIAL PROD_DATE MODELS SPEC CODE DESCRIPTION R / P PART NUMBER O Y T REV_REF FR TO +----------+ | 41351F | WASHER, FRONT DIFFERENTIAL PINION THRUST +----------+ 1212 - B100..5F 41351-BZ020- 2 +----------+ | 41361F | WASHER, FRONT DIFFERENTIAL SIDE GEAR THRUST, NO.1 +----------+ 1212 - B100..5F T=0.8 41361-BZ130- 2
  • 118.
    118 FIG.43-02 FRONT DRIVESHAFT ―   ―   ―   ―   ―   ―   ―   ―   ―   ―   ―   ―   ―   ―   ―   ―   ―   ―   ―   ―   ―   ―   ―   ―   ―   ―   ―   ―   ―   ―   ―   ―   ―   ― (1212- ) RH ILLUST NO. 1 OF 2 432754 04438G 04438K 04438S 43403 43410 43411E 43460 FIG.43-02 FRONT DRIVE SHAFT (1212- ) LH ILLUST NO. 2 OF 2 432755 04438J 04438L 04438T 43403B 43412B 43420 43470
  • 119.
    119 FIG.43-02 FRONT DRIVESHAFT PROD_DATE MODELS SPEC CODE DESCRIPTION R / P PART NUMBER O Y T REV_REF FR TO +----------+ | 04438G | BOOT KIT, FRONT DRIVE SHAFT INBOARD JOINT, RH +----------+ 1212 - B100 04437-B2020- 1 +----------+ | 04438J | BOOT KIT, FRONT DRIVE SHAFT INBOARD JOINT, LH +----------+ 1212 - B100 04437-B2020- 1 +----------+ | 04438K | BOOT KIT, FRONT DRIVE SHAFT OUTBOARD JOINT, RH +----------+ 1212 - B100 # 04425-B2100- 1 +----------+ | 04438L | BOOT KIT, FRONT DRIVE SHAFT OUTBOARD JOINT, LH +----------+ 1212 - B100 # 04426-B2231- 1 +----------+ | 04438S | CLAMP KIT, FRONT DRIVE SHAFT, RH +----------+ 1212 - B100 04435-B2020- 1 +----------+ | 04438T | CLAMP KIT, FRONT DRIVE SHAFT, LH +----------+ 1212 - B100 04435-B2020- 1 +----------+ | 43403 | JOINT SET, FRONT AXLE INBOARD, RH +----------+ 1212 - B100 43408-B9350- 1 +----------+ | 43403B | JOINT SET, FRONT AXLE INBOARD, LH +----------+ 1212 - B100 43408-B9350- 1 +----------+ | 43410 | SHAFT ASSY, FRONT DRIVE, RH +----------+ 1212 - B100 43410-B6010- 1 +----------+ | 43411E | RING, SHAFT SNAP (FOR FRONT DRIVE INNER SHAFT INNER RH) +----------+ 1212 - B100 90045-20298- 1 +----------+ | 43412B | RING, SHAFT SNAP (FOR FRONT DRIVE INNER SHAFT INNER LH) +----------+ 1212 - B100 90045-20298- 1 FIG.43-02 FRONT DRIVE SHAFT PROD_DATE MODELS SPEC CODE DESCRIPTION R / P PART NUMBER O Y T REV_REF FR TO +----------+ | 43420 | SHAFT ASSY, FRONT DRIVE, LH +----------+ 1212 - B100 43420-B6010- 1 +----------+ | 43460 | SHAFT ASSY, FRONT DRIVE OUTBOARD JOINT, R H+----------+ 1212 - B100 43411-B9470- 1 +----------+ | 43470 | SHAFT ASSY, FRONT DRIVE OUTBOARD JOINT, L H+----------+ 1212 - B100 43412-B9260- 1
  • 120.
    120 FIG.43-03 FRONT AXLEHUB (1212- ) 432756 REFER TO FIG (PNC 43211(RH)) (PNC 43212(LH)) REFER TO FIG (PNC 43410(RH)) (PNC 43420(LH)) REFER TO FIG (PNC 42601C) 48-02 43501C 43501D 43501H 43502C 43502D 43502H 43511E 43511F 43512 43512D 43512E 41-03 43-02 FIG.43-03 FRONT AXLE HUB PROD_DATE MODELS SPEC CODE DESCRIPTION R / P PART NUMBER O Y T REV_REF FR TO +----------+ | 43501C | HUB SUB-ASSY, FRONT AXLE, RH +----------+ 1212 - B100 43502-BZ150- 1 +----------+ | 43501D | BOLT, HUB (FOR FRONT AXLE RH) +----------+ 1212 - B100 90049-12056- 4 +----------+ | 43501H | NUT (FOR FRONT AXLE SHAFT RH) +----------+ 1212 - B100 90041-79274- 1 +----------+ | 43502C | HUB SUB-ASSY, FRONT AXLE, LH +----------+ 1212 - B100 43502-BZ150- 1 +----------+ | 43502D | BOLT, HUB (FOR FRONT AXLE LH) +----------+ 1212 - B100 90049-12056- 4 +----------+ | 43502H | NUT (FOR FRONT AXLE SHAFT LH) +----------+ 1212 - B100 90041-79274- 1 +----------+ | 43511E | BEARING (FOR FRONT AXLE HUB RH) +----------+ 1212 - B100..HI B2DB WITH(PACKAGE OPTION 2) 43560-BZ010- 1 1212 - B100 9004A-36104- 1 +----------+ | 43511F | RING, HOLE SNAP (FOR FRONT AXLE HUB RH) +----------+ 1212 - B100 90045-21111- 1 +----------+ | 43512 | DISC, FRONT +----------+ 1212 - B100..5F 43512-BZ220- 2 1212 - B100..HI..5F G3AC 13" DISK(VENTILATED) 43512-BZ230- 2 1212 - B100..E4AT 43512-BZ230- 2
  • 121.
    121 FIG.43-03 FRONT AXLEHUB PROD_DATE MODELS SPEC CODE DESCRIPTION R / P PART NUMBER O Y T REV_REF FR TO +----------+ | 43512D | BEARING (FOR FRONT AXLE HUB LH) +----------+ 1212 - B100..HI B2DB WITH(PACKAGE OPTION 2) 43560-BZ010- 1 1212 - B100 9004A-36104- 1 +----------+ | 43512E | RING, HOLE SNAP (FOR FRONT AXLE HUB LH) +----------+ 1212 - B100 90045-21111- 1
  • 122.
    122 FIG.45-01 STEERING COLUMN& SHAFT (1212- ) 456267 REFER TO FIG (PNC 84450) 84-01 45020 45205J 45220 45222F 45230B 45230B 45250 45254 4528145286B 45287 45897 90041-19747 90041-19747 90041-19747 90041-19747 90041-20097(2) 9004A-16036(2) 9004A-16036 90179-08068(2) FIG.45-01 STEERING COLUMN & SHAFT PROD_DATE MODELS SPEC CODE DESCRIPTION R / P PART NUMBER O Y T REV_REF FR TO +----------+ | 45020 | BRACKET ASSY, STEERING COLUMN UPPER W/SWITCH +----------+ 1212 - B100..5F 45020-BZ120- 1 1212 - B100..E4AT 45020-BZ140- 1 +----------+ | 45205J | TUBE SUB-ASSY, STEERING COLUMN, UPPER +----------+ 1212 - B100..HI,MID 45205-BZ050- 1 1212 - B100..LO P4AB MANUAL AIR CONDITION ER 45205-BZ050- 1 +----------+ | 45220 | SHAFT ASSY, STEERING INTERMEDIATE +----------+ 1212 - B100..HI,MID 45220-BZ240- 1 1212 - B100..LO P4AB MANUAL AIR CONDITION ER 45220-BZ240- 1 +----------+ | 45222F | COVER, DUST +----------+ 1212 - B100 45222-BZ080- 1 +----------+ | 45230B | JOINT ASSY, STEERING SHAFT UNIVERSAL +----------+ 1212 - B100..LO 45290-BZ090- 1 1212 - B100..HI,MID 45290-BZ100- 1 1212 - B100..LO P4AB MANUAL AIR CONDITION ER 45290-BZ100- 1 +----------+ | 45250 | COLUMN ASSY, STEERING +----------+ 1212 - B100..LO 45250-BZ190- 1 +----------+ | 45254 | SHIELD, STEERING COLUMN HOLE +----------+ 1212 - B100 45254-BZ140- 1 +----------+ | 45281 | HOUSING, STEERING COLUMN +----------+ 1212 - B100 45281-BZ070- 1
  • 123.
    123 FIG.45-01 STEERING COLUMN& SHAFT PROD_DATE MODELS SPEC CODE DESCRIPTION R / P PART NUMBER O Y T REV_REF FR TO +----------+ | 45286B | COVER, STEERING COLUMN, UPR +----------+ 1212 - B100 DK.GRAY(TRIM1#) 45286-BZ180-B0 1 +----------+ | 45287 | COVER, STEERING COLUMN, LWR +----------+ 1212 - B100 DK.GRAY(TRIM1#) 45287-BZ180-B0 1 +----------+ | 45897 | BOLT, STEERING LOCK SET +----------+ 1212 - B100 45897-B2010- 2
  • 124.
    124 FIG.45-04 STEERING WHEEL (1212-) 456268 45100 45107 45130 45201P FIG.45-04 STEERING WHEEL PROD_DATE MODELS SPEC CODE DESCRIPTION R / P PART NUMBER O Y T REV_REF FR TO +----------+ | 45100 | WHEEL ASSY, STEERING +----------+ 1212 - B100..HI DK.GRAY(TRIM1#) 45102-BZ190-B0 1 1212 - B100..LO DK.GRAY(TRIM1#) 45102-BZ320-B0 1 1212 - B100..MID DK.GRAY(TRIM1#) 45102-BZ330-B0 1 1212 - B100..MID R5AB D/P(SRS AIR BAG),DK. GRAY(TRIM1#) 45102-BZ340-B0 1 1212 - B100..HI R5AB D/P(SRS AIR BAG),DK. GRAY(TRIM1#) 45102-BZ400-B0 1 +----------+ | 45107 | WIRE SUB-ASSY, HORN BUTTON +----------+ 1212 - B100..HI,MID R5AB D/P(SRS AIR BAG) 45107-BZ080- 1 +----------+ | 45130 | BUTTON ASSY, HORN +----------+ 1212 - B100..LO DK.GRAY(TRIM1#) 45130-BZ160-B0 1 1212 - B100..MID DK.GRAY(TRIM1#) 45130-BZ390-B0 1 1212 - B100..MID R5AB D/P(SRS AIR BAG),DK. GRAY(TRIM1#) 45130-BZ400-B0 1 1212 - B100..HI DK.GRAY(TRIM1#) 45130-BZ410-B0 1 1212 - B100..HI R5AB D/P(SRS AIR BAG),DK. GRAY(TRIM1#) 45130-BZ420-B0 1 +----------+ | 45201P | NUT, STEERING WHEEL SET +----------+ 1212 - B100 9004A-17176- 1
  • 125.
    125 FIG.45-05 FRONT STEERINGGEAR & LINK (1212- ) 456269 45046 45510 45535 45535 45535A 45503 45535A 45503 45535B 45535B 45047 90041-20262 90041-20262 90041-77011 90041-7701190178-12009 90178-12009 N04 N04
  • 126.
    126 FIG.45-05 FRONT STEERINGGEAR & LINK PROD_DATE MODELS SPEC CODE DESCRIPTION R / P PART NUMBER O Y T REV_REF FR TO +----------+ | 45046 | END SUB-ASSY, TIE ROD, RH +----------+ 1212 - B100 45046-BZ140- 1 +----------+ | 45047 | END SUB-ASSY, TIE ROD, LH +----------+ 1212 - B100 45046-BZ140- 1 +----------+ | 45503 | END SUB-ASSY, STEERING RACK +----------+ 1212 - B100 45503-BZ140- 2 +----------+ | 45510 | GEAR ASSY, STEERING +----------+ 1212 - B100..LO 45510-BZ170- 1 1212 - B100..LO P4AB MANUAL AIR CONDITION ER 45510-BZ180- 1 1212 - B100..MID 45510-BZ180- 1 1212 - B100..HI 45510-BZ190- 1 1212 - B100..MID G4AC 175/65R14 5J-AL 45510-BZ190- 1 +----------+ | 45535 | BOOT, STEERING RACK, NO.1 +----------+ 1212 - B100 45535-BZ090- 2 +----------+ | 45535A | CLAMP(FOR STEERING RACK BOOT) +----------+ 1212 - B100 15549-BZ010- 2 +----------+ | 45535B | CLIP(FOR STEERING RACK BOOT) +----------+ 1212 - B100 9004A-46138- 2
  • 127.
    127 FIG.46-01 PARKING BRAKE& CABLE (1212- ) 461317-A REFER TO FIG (PNC 84380) REFER TO FIG 84-01 46210 46334A 46420 46420B 46430 46441 90041-79268(2) 9004A-10131 9004A-10131 9004A-11221 9004A-11221 9004A-11221 9004A-11221 9004A-11221 9004A-11221 9004A-11221 9004A-11221 9004A-11221 9004A-11290 9004A-11290 84-01
  • 128.
    128 FIG.46-01 PARKING BRAKE& CABLE PROD_DATE MODELS SPEC CODE DESCRIPTION R / P PART NUMBER O Y T REV_REF FR TO +----------+ | 46210 | LEVER ASSY, PARKING BRAKE +----------+ 1212 - B100..LO,MID DK.GRAY(TRIM1#) 46210-BZ100-B0 1 1212 - B100..HI DK.GRAY(TRIM1#) 46210-BZ110-B0 1 +----------+ | 46334A | PROTECTOR, PARKING BRAKE CABLE JOINT +----------+ 1212 - B100..LO 46334-BZ030- 1 +----------+ | 46420 | CABLE ASSY, PARKING BRAKE, NO.2 +----------+ 1212 - B100 46420-BZ160- 1 +----------+ | 46420B | CLAMP, NO.2(FOR PARKING BRAKE CABLE) +----------+ 1212 - B100 90044-61832- 1 +----------+ | 46430 | CABLE ASSY, PARKING BRAKE, NO.3 +----------+ 1212 - B100 46430-BZ160- 1 +----------+ | 46441 | NUT, WIRE ADJUSTING, NO.1 +----------+ 1212 - B100 46441-BZ040- 1
  • 129.
    129 FIG.47-01 BRAKE PEDAL& BRACKET (1212- ) 478620 REFER TO FIG (PNC 44610) 47101 47101B 47101B 47101G 47101K 47121 47124 47264A 47264C 55106 91553-80814 47-03 FIG.47-01 BRAKE PEDAL & BRACKET PROD_DATE MODELS SPEC CODE DESCRIPTION R / P PART NUMBER O Y T REV_REF FR TO +----------+ | 47101 | PEDAL SUB-ASSY, BRAKE +----------+ 1212 - B100..5F 47110-BZ250- 1 1212 - B100..E4AT 47110-BZ270- 1 +----------+ | 47101B | BUSH(FOR BRAKE PEDAL) +----------+ 1212 - B100 9004A-38021- 2 +----------+ | 47101G | BOLT, BRAKE PEDAL STOP, NO.1 +----------+ 1212 - B100 45898-B2010- 1 +----------+ | 47101K | CUSHION(FOR PARKING LOCK CABLE) +----------+ 1212 - B100 90045-40158- 1 +----------+ | 47121 | PAD, BRAKE PEDAL +----------+ 1212 - B100..5F 31321-BZ050- 1 1212 - B100..E4AT 47121-BZ040- 1 +----------+ | 47124 | SHAFT, BRAKE PEDAL +----------+ 1212 - B100 31324-B2020- 1 +----------+ | 47264A | PIN(FOR PUSH ROD) +----------+ 1212 - B100 90042-40151- 1 +----------+ | 47264C | CLIP(FOR PUSH ROD CLEVIS PIN) +----------+ 1212 - B100 90044-68076- 1 +----------+ | 55106 | SUPPORT SUB-ASSY, BRAKE PEDAL +----------+ 1212 - B100 55106-BZ190- 1
  • 130.
    130 FIG.47-02 BRAKE MASTERCYLINDER (1212- ) 4702 478621 REFER TO FIG (PNC 44610) 47-03 47202 47201 47201B 47210U 47230 47255 47255 47268A 47299 FIG.47-02 BRAKE MASTER CYLINDER PROD_DATE MODELS SPEC CODE DESCRIPTION R / P PART NUMBER O Y T REV_REF FR TO +----------+ | 47201 | CYLINDER SUB-ASSY, BRAKE MASTER +----------+ 1212 - B100 47201-BZ370- 1 1212 - B100..HI B2DB WITH(PACKAGE OPTION 2) 47201-BZ380- 1 +----------+ | 47201B | RING, O(FOR BRAKE MASTER CYLINDER) +----------+ 1212 - B100 9004A-30046- 1 +----------+ | 47202 | RESERVOIR SUB-ASSY, BRAKE MASTER CYLINDER +----------+ 1212 - B100 47220-BZ220- 1 +----------+ | 47210U | PIN, STRAIGHT(FOR BRAKE MASTER CYLINDER) +----------+ 1212 - B100 9004A-24026- 1 +----------+ | 47230 | CAP ASSY, BRAKE MASTER CYLINDER RESERVOIR FILLER +----------+ 1212 - B100 47230-BZ100- 1 +----------+ | 47255 | GROMMET, MASTER CYLINDER RESERVOIR +----------+ 1212 - B100 47255-BZ100- 2 +----------+ | 47268A | NUT, BRAKE MASTER CYLINDER +----------+ 1212 - B100 9004A-17135- 2 +----------+ | 47299 | STRAINER, BRAKE MASTER CYLINDER RESERVOIR +----------+ 1212 - B100 47299-BZ090- 1
  • 131.
    131 FIG.47-03 BRAKE BOOSTER& VACUUM TUBE (1212- ) 478622 REFER TO FIG (PNC 83390) REFER TO FIG (PNC 47201) REFER TO FIG (PNC 17111) 84-01 47-02 44610 44627C 44750 44750A 44750A 44785 47264D 90041-79300(4) 17-01 FIG.47-03 BRAKE BOOSTER & VACUUM TUBE PROD_DATE MODELS SPEC CODE DESCRIPTION R / P PART NUMBER O Y T REV_REF FR TO +----------+ | 44610 | BOOSTER ASSY, BRAKE +----------+ 1212 - B100..5F 44610-BZ340- 1 1212 - B100..E4AT 44610-BZ350- 1 1212 - B100..HI..5F B2DB WITH(PACKAGE OPTION 2) 44610-BZ420- 1 1212 - B100..HI..E4AT B2DB WITH(PACKAGE OPTION 2) 44610-BZ430- 1 +----------+ | 44627C | NUT, BOOSTER SLEEVE CYLINDER +----------+ 1212 - B100 94120-40800- 1 +----------+ | 44750 | HOSE ASSY, VACUUM +----------+ 1212 - B100 44750-B6010- 1 +----------+ | 44750A | CLIP(FOR VACUUM HOSE ASSY) +----------+ 1212 - B100 90044-67161- 2 +----------+ | 44785 | GASKET, BRAKE BOOSTER +----------+ 1212 - B100 47275-BZ010- 1 +----------+ | 47264D | CLEVIS, BRAKE MASTER CYLINDER PUSH ROD +----------+ 1212 - B100 47264-BZ020- 1
  • 132.
    132 FIG.47-05 FRONT DISCBRAKE CALIPER & DUST COVER (1212-1312)5F 478623-B 04479 04491 31478B 47547B 47710A 47710A 47715A 47715D 47721 47722 47730 47731 47750 47769 47769 47781 47782
  • 133.
    133 FIG.47-05 FRONT DISCBRAKE CALIPER & DUST COVER (1212-1312) 478624-A 47715D 04479 04491 31478B 47547B 47710A 47710A 47715A 47730 47731 47750 47769 47769 47781 47782 47775 47775
  • 134.
    134 FIG.47-05 FRONT DISCBRAKE CALIPER & DUST COVER PROD_DATE MODELS SPEC CODE DESCRIPTION R / P PART NUMBER O Y T REV_REF FR TO +----------+ | 04479 | CYLINDER KIT, DISC BRAKE, FRONT +----------+ 1212 - B100..5F 04478-BZ140- 1 1212 - B100..HI..5F G3AC 13" DISK(VENTILATED) 04478-BZ150- 1 1212 - B100..E4AT 04478-BZ150- 1 +----------+ | 04491 | PAD KIT, DISC BRAKE, FRONT +----------+ 1212 - B100..5F 04491-BZ010- 1 1212 - B100..HI..5F G3AC 13" DISK(VENTILATED) 04491-BZ020- 1 1212 - B100..E4AT 04491-BZ020- 1 +----------+ | 31478B | CAP, BLEEDER PLUG(FOR FRONT DISC BRAKE) +----------+ 1212 - B100..5F 47548-BZ050- 2 1212 - B100..HI..5F G3AC 13" DISK(VENTILATED) 47548-BZ080- 2 1212 - B100..E4AT 47548-BZ080- 2 +----------+ | 47547B | PLUG, BLEEDER(FOR FRONT DISC BRAKE) +----------+ 1212 - B100 47547-BZ070- 2 +----------+ | 47710A | BOLT, HEXAGON(FOR FRONT DISC BRAKE CALIPE R)+----------+ 1212 - B100 90041-05242- 4 +----------+ | 47715A | PIN, FRONT DISC BRAKE CYLINDER SLIDE +----------+ 1212 - B100 47715-97201- 2 +----------+ | 47715D | PIN, FRONT DISC BRAKE CYLINDER SLIDE, NO. 2+----------+ 1212 - 1306 B100..5F 47715-BZ050- 2 1212 - 1309 B100..E4AT 47715-BZ050- 2 1306 - 1309 B100..HI..5F G3AC 13" DISK(VENTILATED) 47715-BZ050- 2 1306 - 1312 B100..5F 47715-BZ140- 2 1309 - 1312 B100..E4AT 47715-BZ140- 2 FIG.47-05 FRONT DISC BRAKE CALIPER & DUST COVER PROD_DATE MODELS SPEC CODE DESCRIPTION R / P PART NUMBER O Y T REV_REF FR TO +----------+ | 47721 | MOUNTING, FRONT DISC BRAKE CYLINDER, RH +----------+ 1212 - B100..5F 47721-BZ080- 1 +----------+ | 47722 | MOUNTING, FRONT DISC BRAKE CYLINDER, LH +----------+ 1212 - B100..5F 47721-BZ080- 1 +----------+ | 47730 | CYLINDER ASSY, FRONT DISC BRAKE, RH +----------+ 1212 - B100..5F 47730-BZ090- 1 1212 - B100..HI..5F G3AC 13" DISK(VENTILATED) 47730-BZ110- 1 1212 - B100..E4AT 47730-BZ110- 1 +----------+ | 47731 | PISTON, FRONT DISC BRAKE +----------+ 1212 - B100 47731-BZ030- 2 +----------+ | 47750 | CYLINDER ASSY, DISC BRAKE, LH +----------+ 1212 - B100..HI..5F G3AC 13" DISK(VENTILATED) 47750-BZ080- 1 1212 - B100..E4AT 47750-BZ080- 1 1212 - B100..5F 47750-BZ090- 1 +----------+ | 47769 | BUSH, CYLINDER SLIDE, NO.1(FOR FRONT DISC BRAKE) +----------+ 1212 - 1306 B100..5F 47769-BZ010- 2 1212 - 1309 B100..E4AT 47769-BZ010- 2 1306 - 1309 B100..HI..5F G3AC 13" DISK(VENTILATED) 47769-BZ010- 2 1306 - B100..5F 47769-BZ010- 4 1309 - B100..E4AT 47769-BZ010- 4 +----------+ | 47775 | BOOT, BUSH DUST(FOR FRONT DISC BRAKE) +----------+ 1212 - B100..HI..5F G3AC 13" DISK(VENTILATED) 47775-BZ070- 4 1212 - B100..E4AT 47775-BZ070- 4
  • 135.
    135 FIG.47-05 FRONT DISCBRAKE CALIPER & DUST COVER PROD_DATE MODELS SPEC CODE DESCRIPTION R / P PART NUMBER O Y T REV_REF FR TO +----------+ | 47781 | COVER, DISC BRAKE DUST, FRONT RH +----------+ 1212 - B100 47781-BZ100- 1 +----------+ | 47782 | COVER, DISC BRAKE DUST, FRONT LH +----------+ 1212 - B100 47782-BZ100- 1
  • 136.
    136 FIG.47-06 REAR DRUMBRAKE WHEEL CYLINDER & BACKING PLATE (1212- ) 478625-A 04474 04495 04906 47043 47044 47430B 47430C 47430C 47430E 47430H 47559C 47447G 47447G 47449B 47449B 47491B 47547R 47548R 47550 47570 47601 47602 47635C 47643A 47644A 9004A-10131(2) FIG.47-06 REAR DRUM BRAKE WHEEL CYLINDER & BACKING PLATE PROD_DATE MODELS SPEC CODE DESCRIPTION R / P PART NUMBER O Y T REV_REF FR TO +----------+ | 04474 | CYLINDER KIT, REAR WHEEL +----------+ 1212 - B100 04474-BZ060- 2 +----------+ | 04495 | SHOE KIT, REAR BRAKE +----------+ 1212 - B100 MARK AK L636 EE 04495-BZ110- 1 +----------+ | 04906 | CUP KIT, REAR WHEEL CYLINDER +----------+ 1212 - B100 04906-BZ080- 1 +----------+ | 47043 | PLATE SUB-ASSY, BRAKE BACKING, REAR RH +----------+ 1212 - B100 47043-BZ090- 1 +----------+ | 47044 | PLATE SUB-ASSY, BRAKE BACKING, REAR LH +----------+ 1212 - B100 47044-BZ090- 1 +----------+ | 47430B | SPRING, TENSION(FOR REAR BRAKE SHOE RETUR N)+----------+ 1212 - B100 47459-BZ030- 2 +----------+ | 47430C | SPRING(FOR REAR BRAKE SHOE HOLD DOWN) +----------+ 1212 - B100 47446-BZ040- 4 +----------+ | 47430E | SPRING, TENSION(FOR REAR BRAKE SHOE RETUR N)+----------+ 1212 - B100 47459-BZ040- 2 +----------+ | 47430H | SPRING, COMPRESSION(FOR PARKING BRAKE SHOE STRUT) +----------+ 1212 - B100 RH 47459-BZ050- 1 1212 - B100 LH 47459-BZ060- 1 +----------+ | 47447G | PIN, SHOE HOLD DOWN SPRING(FOR REAR BRAKE )+----------+ 1212 - B100 47447-BZ050- 4
  • 137.
    137 FIG.47-06 REAR DRUMBRAKE WHEEL CYLINDER & BACKING PLATE PROD_DATE MODELS SPEC CODE DESCRIPTION R / P PART NUMBER O Y T REV_REF FR TO +----------+ | 47449B | CUP, SHOE HOLD DOWN SPRING(FOR REAR BRAKE )+----------+ 1212 - B100 47449-BZ050- 4 +----------+ | 47491B | PLUG, HOLE(FOR REAR BRAKE) +----------+ 1212 - B100 47419-BZ020- 2 +----------+ | 47547R | PLUG, BLEEDER(FOR DRUM BRAKE, REAR) +----------+ 1212 - B100 47547-BZ070- 2 +----------+ | 47548R | CAP, BLEEDER PLUG(FOR DRUM BRAKE, REAR) +----------+ 1212 - B100 47548-BZ010- 2 +----------+ | 47550 | CYLINDER ASSY, REAR WHEEL BRAKE(FOR RH, FRONT OR UPPER) +----------+ 1212 - B100 47550-BZ060- 1 +----------+ | 47559C | SPRING, REAR AUTOMATIC ADJUST LEVER SUPPO RT+----------+ 1212 - B100 47559-BZ040- 1 +----------+ | 47570 | CYLINDER ASSY, REAR WHEEL BRAKE(FOR LH, FRONT OR UPPER) +----------+ 1212 - B100 47550-BZ060- 1 +----------+ | 47601 | LEVER SUB-ASSY, PARKING BRAKE SHOE, RH(FOR REAR BRAKE) +----------+ 1212 - B100 47601-BZ030- 1 +----------+ | 47602 | LEVER SUB-ASSY, PARKING BRAKE SHOE, LH (FOR REAR BRAKE) +----------+ 1212 - B100 47602-BZ030- 1 +----------+ | 47635C | RETAINER, ADJUSTING BOLT SPRING +----------+ 1212 - B100 47635-BZ040- 2 +----------+ | 47643A | LEVER, REAR BRAKE AUTOMATIC ADJUST, RH +----------+ 1212 - B100 47608-BZ020- 1 FIG.47-06 REAR DRUM BRAKE WHEEL CYLINDER & BACKING PLATE PROD_DATE MODELS SPEC CODE DESCRIPTION R / P PART NUMBER O Y T REV_REF FR TO +----------+ | 47644A | LEVER, REAR BRAKE AUTOMATIC ADJUST, LH +----------+ 1212 - B100 47609-BZ020- 1
  • 138.
    138 FIG.47-08 BRAKE TUBE& CLAMP ―   ―   ―   ―   ―   ―   ―   ―   ―   ―   ―   ―   ―   ―   ―   ―   ―   ―   ―   ―   ―   ―   ―   ―   ―   ―   ―   ―   ―   ―   ―   ―   ―   ― (1212- )HI ABS ACTUATOR 478628 44510 44591 90044-80661 91551-80816 91551-80816
  • 139.
    139 FIG.47-08 BRAKE TUBE& CLAMP (1212- ) L/ABS 478629 REFER TO FIG (PNC 47201) REFER TO FIG (PNC 77286L) REFER TO FIG (PNC 77286J) REFER TO FIG (PNC 77285H) 47-02 77-0177-0177-01 47311 47311 47312 47313 47313 47313A 47313A 47313B 47313B 47313P 47313P 47314 47314 47318F 47319F 47322 47322 47324 47324 47325 47326 47371A 47371G 47371G 47371G 47371G 47371G 47371G 47372 47373B 91551-80816 91551-80816 47150 91551-80640
  • 140.
    140 FIG.47-08 BRAKE TUBE& CLAMP (1212- )HI W/ABS 478630 REFER TO FIG (PNC 77286L) REFER TO FIG (PNC 77286J) REFER TO FIG (PNC 77285H) REFER TO FIG (PNC 47201) 77-0177-0177-01 47311 47311 47312 4731247313 47313 47313A 47313A 47313B 47313B 47313P 47313P 47314 47314 47318F 47319F 47322 47322 47324 47324 47325 47326 47371A 47371B 47371C 47371G 47371G 47371G 47371G 47371G 47371G 47372 47373B 47374B 47375 91551-80816 91551-80816 47-02
  • 141.
    141 FIG.47-08 BRAKE TUBE& CLAMP PROD_DATE MODELS SPEC CODE DESCRIPTION R / P PART NUMBER O Y T REV_REF FR TO +----------+ | 44510 | ACTUATOR ASSY, BRAKE +----------+ 1212 - B100..HI..5F B2DB WITH(PACKAGE OPTION 2) 44050-B6010- 1 1212 - B100..HI..E4AT B2DB WITH(PACKAGE OPTION 2) 44050-B6010- 1 +----------+ | 44591 | BRACKET, BRAKE ACTUATOR, NO.1 +----------+ 1212 - B100..HI..5F B2DB WITH(PACKAGE OPTION 2) 44591-BZ110- 1 1212 - B100..HI..E4AT B2DB WITH(PACKAGE OPTION 2) 44591-BZ110- 1 +----------+ | 47150 | VALVE ASSY, PROPORTIONING +----------+ 1212 - B100 47150-BZ060- 1 +----------+ | 47311 | TUBE, FRONT BRAKE, NO.1 +----------+ 1212 - B100 47311-BZ380- 1 1212 - B100..HI B2DB WITH(PACKAGE OPTION 2) 47311-BZ390- 1 +----------+ | 47312 | TUBE, FRONT BRAKE, NO.2 +----------+ 1212 - B100 47312-BZ390- 1 1212 - B100..HI B2DB WITH(PACKAGE OPTION 2) 47312-BZ400- 1 +----------+ | 47313 | TUBE, FRONT BRAKE, NO.3 +----------+ 1212 - B100 47313-BZ340- 1 1212 - B100..HI B2DB WITH(PACKAGE OPTION 2) 47313-BZ350- 1 +----------+ | 47313A | HOSE, FLEXIBLE, NO.1(FOR FRONT) +----------+ 1212 - B100 RH 9004A-94103- 1 1212 - B100 LH 9004A-94109- 1 FIG.47-08 BRAKE TUBE & CLAMP PROD_DATE MODELS SPEC CODE DESCRIPTION R / P PART NUMBER O Y T REV_REF FR TO +----------+ | 47313B | BOLT, UNION(FOR FRONT FLEXIBLE HOSE) +----------+ 1212 - B100 90401-10058- 2 +----------+ | 47313P | GASKET(FOR FRONT FLEXIBLE HOSE) +----------+ 1212 - B100 47389-50020- 2 +----------+ | 47314 | TUBE, FRONT BRAKE, NO.4 +----------+ 1212 - B100 47314-BZ380- 1 1212 - B100..HI B2DB WITH(PACKAGE OPTION 2) 47314-BZ390- 1 +----------+ | 47318F | HOSE, FLEXIBLE(FOR REAR RH) +----------+ 1212 - B100 9004A-94110- 1 +----------+ | 47319F | HOSE, FLEXIBLE(FOR REAR LH) +----------+ 1212 - B100 9004A-94110- 1 +----------+ | 47322 | TUBE, REAR BRAKE, NO.2 +----------+ 1212 - B100 47322-BZ130- 1 1212 - B100..HI B2DB WITH(PACKAGE OPTION 2) 47322-BZ190- 1 +----------+ | 47324 | TUBE, REAR BRAKE, NO.4 +----------+ 1212 - B100 47324-BZ230- 1 1212 - B100..HI B2DB WITH(PACKAGE OPTION 2) 47324-BZ240- 1 +----------+ | 47325 | TUBE, REAR BRAKE, NO.5 +----------+ 1212 - B100 47325-BZ150- 1 +----------+ | 47326 | TUBE, REAR BRAKE, NO.6 +----------+ 1212 - B100 47326-BZ170- 1
  • 142.
    142 FIG.47-08 BRAKE TUBE& CLAMP PROD_DATE MODELS SPEC CODE DESCRIPTION R / P PART NUMBER O Y T REV_REF FR TO +----------+ | 47371A | CLAMP, BRAKE TUBE, NO.1 +----------+ 1212 - B100 90044-64485- 1 +----------+ | 47371B | CLAMP, BRAKE TUBE, NO.6 +----------+ 1212 - B100..HI B2DB WITH(PACKAGE OPTION 2) 90044-64780- 3 +----------+ | 47371C | CLAMP, BRAKE TUBE, NO.7 +----------+ 1212 - B100..HI B2DB WITH(PACKAGE OPTION 2) 90044-64804- 1 +----------+ | 47371G | CLAMP, BRAKE TUBE, NO.11 +----------+ 1212 - B100 90044-65441- 6 +----------+ | 47372 | CLAMP, BRAKE TUBE, NO.2 +----------+ 1212 - 1301 B100 90044-64655- 1 1302 - B100 9004A-46299- 1 +----------+ | 47373B | CLAMP, BRAKE TUBE, NO.3 +----------+ 1212 - B100 90044-64659- 2 +----------+ | 47374B | CLAMP, BRAKE TUBE, NO.4 +----------+ 1212 - B100..HI B2DB WITH(PACKAGE OPTION 2) 90044-64731- 1 +----------+ | 47375 | CLAMP, BRAKE TUBE, NO.5 +----------+ 1212 - B100..HI B2DB WITH(PACKAGE OPTION 2) 90044-64742- 1
  • 143.
    143 FIG.48-02 FRONT AXLEARM & STEERING KNUCKLE (1212- ) 483785 4321143211K 43211L 4321243212D 43212E 43345 48068 48068H 48068M 48069 48069D 48069H 48654 48655 90041-78084 90044-67547 9004A-52068 9004A-52069 FIG.48-02 FRONT AXLE ARM & STEERING KNUCKLE PROD_DATE MODELS SPEC CODE DESCRIPTION R / P PART NUMBER O Y T REV_REF FR TO +----------+ | 43211 | KNUCKLE, STEERING, RH +----------+ 1212 - B100..HI B2DB WITH(PACKAGE OPTION 2) 43211-BZ260- 1 1212 - B100 43211-BZ270- 1 +----------+ | 43211K | BOLT (FOR STEERING KNUCKLE RH) +----------+ 1212 - B100 90041-01652- 2 +----------+ | 43211L | NUT (FOR STEERING KNUCKLE RH) +----------+ 1212 - B100 90041-70393- 2 +----------+ | 43212 | KNUCKLE, STEERING, LH +----------+ 1212 - B100..HI B2DB WITH(PACKAGE OPTION 2) 43212-BZ260- 1 1212 - B100 43212-BZ270- 1 +----------+ | 43212D | BOLT (FOR STEERING KNUCKLE LH) +----------+ 1212 - B100 90041-01652- 2 +----------+ | 43212E | NUT (FOR STEERING KNUCKLE LH) +----------+ 1212 - B100 90041-70393- 2 +----------+ | 43345 | COVER, LOWER BALL JOINT DUST +----------+ 1212 - B100 43345-BZ060- 2 +----------+ | 48068 | ARM SUB-ASSY, FRONT SUSPENSION, LOWER NO.1 RH +----------+ 1212 - B100 48068-BZ100- 1 +----------+ | 48068H | BOLT(FOR FRONT SUSPENSION LOWER ARM NO.1 RH) +----------+ 1212 - B100 90041-20192- 1
  • 144.
    144 FIG.48-02 FRONT AXLEARM & STEERING KNUCKLE PROD_DATE MODELS SPEC CODE DESCRIPTION R / P PART NUMBER O Y T REV_REF FR TO +----------+ | 48068M | BOLT(FOR FRONT SUSPENSION LOWER ARM NO.2 RH) +----------+ 1212 - B100 90041-05475- 1 +----------+ | 48069 | ARM SUB-ASSY, FRONT SUSPENSION, LOWER NO.1 LH +----------+ 1212 - B100 48069-BZ100- 1 +----------+ | 48069D | BOLT(FOR FRONT SUSPENSION LOWER ARM NO.1 LH) +----------+ 1212 - B100 90041-20192- 1 +----------+ | 48069H | BOLT(FOR FRONT SUSPENSION LOWER ARM NO.2 LH) +----------+ 1212 - B100 90041-05475- 1 +----------+ | 48654 | BUSH, LOWER ARM +----------+ 1212 - B100 48654-BZ060- 2 +----------+ | 48655 | BUSH, LOWER ARM, NO.2 +----------+ 1212 - B100 48655-BZ080- 2
  • 145.
    145 FIG.48-03 FRONT SPRING& SHOCK ABSORBER ―   ―   ―   ―   ―   ―   ―   ―   ―   ―   ―   ―   ―   ―   ―   ―   ―   ―   ―   ―   ―   ―   ―   ―   ―   ―   ―   ―   ―   ―   ―   ―   ―   ― (1212- ) L/STABILIZER 483786-A REFER TO FIG (PNC 43211K(RH)) (PNC 43212D(LH)) REFER TO FIG (PNC 43211L(RH)) (PNC 43212E(LH)) REFER TO FIG (PNC 43211(RH)) (PNC 43212(LH)) 48-02 48-02 48-02 48044 48131 48132 48157B 48157C 48331B 48331C 48510 48510N 48520 48520C 48609A 48684A 48684B 90041-79316 90041-79303(2) FIG.48-03 FRONT SPRING & SHOCK ABSORBER (1212- )HI W/STABILIZER 483787-A REFER TO FIG (PNC 43211K(RH)) (PNC 43212D(LH)) REFER TO FIG (PNC 43211L(RH)) (PNC 43212E(LH)) REFER TO FIG (PNC 43211(RH)) (PNC 43212(LH)) 48-02 48-02 48-02 48044 48131 48132 48157B 48157C 48331B 48331C 48510 48510N 48520 48520C 48609A 48684A 48684B 48810 48811 48815 48820A 48820B 48824A 48829A 90041-79316 90041-79303(2) 91551-80818(2) 48820A
  • 146.
    146 FIG.48-03 FRONT SPRING& SHOCK ABSORBER PROD_DATE MODELS SPEC CODE DESCRIPTION R / P PART NUMBER O Y T REV_REF FR TO +----------+ | 48044 | SEAT SUB- ASSY, FRONT SPRING, NO.1 +----------+ 1212 - B100 48044-BZ090- 2 +----------+ | 48131 | SPRING, FRONT COIL, RH +----------+ 1212 - B100..(LO,MID)..5F 48131-BZ540- 1 1212 - B100..E4AT 48131-BZ560- 1 1212 - B100..HI..5F 48131-BZ560- 1 +----------+ | 48132 | SPRING, FRONT COIL, LH +----------+ 1212 - B100..(LO,MID)..5F 48131-BZ540- 1 1212 - B100..E4AT 48131-BZ560- 1 1212 - B100..HI..5F 48131-BZ560- 1 +----------+ | 48157B | INSULATOR, FRONT COIL SPRING, UPPER RH +----------+ 1212 - B100 48157-BZ070- 1 +----------+ | 48157C | INSULATOR, FRONT COIL SPRING, UPPER LH +----------+ 1212 - B100 48157-BZ070- 1 +----------+ | 48331B | BUMPER, FRONT SPRING, RH +----------+ 1212 - B100 48331-BZ130- 1 +----------+ | 48331C | BUMPER, FRONT SPRING, LH +----------+ 1212 - B100 48331-BZ130- 1 +----------+ | 48510 | ABSORBER ASSY, SHOCK, FRONT RH +----------+ 1212 - B100..LO,MID MARK 48510-BZ710 48510-BZ710- 1 1212 - B100..HI MARK 48510-BZ830 48510-BZ830- 1 1212 - B100..MID G4AC MARK 48510-BZ830,175 /65R14 5J-AL 48510-BZ830- 1 FIG.48-03 FRONT SPRING & SHOCK ABSORBER PROD_DATE MODELS SPEC CODE DESCRIPTION R / P PART NUMBER O Y T REV_REF FR TO +----------+ | 48510 | ABSORBER ASSY, SHOCK, FRONT RH CONTINUED--+ 1212 - B100..HI G2EB MARK 48510-BZ860,WIT H FR STABILIZER 48510-BZ860- 1 +----------+ | 48510N | BUSH(FOR FRONT SHOCK ABSORBER RH) +----------+ 1212 - B100 90043-85174- 1 +----------+ | 48520 | ABSORBER ASSY, SHOCK, FRONT LH +----------+ 1212 - B100..LO,MID MARK 48510-BZ710 48510-BZ710- 1 1212 - B100..HI MARK 48510-BZ830 48510-BZ830- 1 1212 - B100..MID G4AC MARK 48510-BZ830,175 /65R14 5J-AL 48510-BZ830- 1 1212 - B100..HI G2EB MARK 48520-BZ860,WIT H FR STABILIZER 48520-BZ860- 1 +----------+ | 48520C | BUSH(FOR FRONT SHOCK ABSORBER LH) +----------+ 1212 - B100 90043-85174- 1 +----------+ | 48609A | SUPPORT SUB-ASSY, FRONT SUSPENSION +----------+ 1212 - B100 48609-BZ090- 2 +----------+ | 48684A | COVER, FRONT SUSPENSION SUPPORT DUST, RH +----------+ 1212 - B100 48684-BZ050- 1 +----------+ | 48684B | COVER, FRONT SUSPENSION SUPPORT DUST, LH +----------+ 1212 - B100 48684-BZ050- 1 +----------+ | 48810 | LINK ASSY, FRONT STABILIZER, LH +----------+ 1212 - 1407 B100..HI G2EB WITH FR STABILIZER 48820-BZ040- 1 +----------+ | 48811 | BAR, STABILIZER, FRONT +----------+ 1212 - B100..HI G2EB WITH FR STABILIZER 48811-BZ170- 1
  • 147.
    147 FIG.48-03 FRONT SPRING& SHOCK ABSORBER PROD_DATE MODELS SPEC CODE DESCRIPTION R / P PART NUMBER O Y T REV_REF FR TO +----------+ | 48815 | BUSH, FRONT STABILIZER BAR, NO.1 +----------+ 1212 - B100..HI G2EB WITH FR STABILIZER 48815-BZ160- 2 +----------+ | 48820A | NUT(FOR FRONT STABILIZER LINK) +----------+ 1212 - B100..HI G2EB WITH FR STABILIZER 94151-21001- 4 +----------+ | 48820B | LINK ASSY, FRONT STABILIZER, RH +----------+ 1212 - 1407 B100..HI G2EB WITH FR STABILIZER 48820-BZ040- 1 +----------+ | 48824A | BRACKET, FRONT STABILIZER, NO.1 RH +----------+ 1212 - B100..HI G2EB WITH FR STABILIZER 48824-BZ130- 1 +----------+ | 48829A | BRACKET, FRONT STABILIZER, NO.1 LH +----------+ 1212 - B100..HI G2EB WITH FR STABILIZER 48824-BZ130- 1
  • 148.
    148 FIG.48-04 REAR SPRING& SHOCK ABSORBER (1212- ) 483788 48231A 48231B 48341 48481 48482A 48530 48540 48710J 48725A 48750 48755 90041-05375 90041-70343 90042-01758 94188-01001 FIG.48-04 REAR SPRING & SHOCK ABSORBER PROD_DATE MODELS SPEC CODE DESCRIPTION R / P PART NUMBER O Y T REV_REF FR TO +----------+ | 48231A | SPRING, COIL, REAR RH +----------+ 1212 - B100..LO,MID 48231-BZ240- 1 1212 - B100..HI 48231-BZ430- 1 +----------+ | 48231B | SPRING, COIL, REAR LH +----------+ 1212 - B100..LO,MID 48231-BZ240- 1 1212 - B100..HI 48231-BZ430- 1 +----------+ | 48341 | BUMPER, REAR SPRING +----------+ 1212 - B100 48341-BZ030- 2 +----------+ | 48481 | SEAT, REAR SPRING, UPPER +----------+ 1212 - B100 48481-BZ060- 2 +----------+ | 48482A | SEAT, REAR SPRING, LOWER +----------+ 1212 - B100 48482-BZ080- 2 +----------+ | 48530 | ABSORBER ASSY, SHOCK, REAR RH +----------+ 1212 - B100..LO,MID MARK 48531-BZ530 48531-BZ530- 1 1212 - B100..HI MARK 48531-BZ540 48531-BZ540- 1 1304 - B100..MID G4AC MARK 48531-BZ540,175 /65R14 5J-AL 48531-BZ540- 1 +----------+ | 48540 | ABSORBER ASSY, SHOCK, REAR LH +----------+ 1212 - B100..LO,MID MARK 48531-BZ530 48531-BZ530- 1 1212 - B100..HI MARK 48531-BZ540 48531-BZ540- 1 1304 - B100..MID G4AC MARK 48531-BZ540,175 /65R14 5J-AL 48531-BZ540- 1 +----------+ | 48710J | ARM ASSY, REAR SUSPENSION, NO.1 +----------+ 1212 - B100 48710-BZ090- 1
  • 149.
    149 FIG.48-04 REAR SPRING& SHOCK ABSORBER PROD_DATE MODELS SPEC CODE DESCRIPTION R / P PART NUMBER O Y T REV_REF FR TO +----------+ | 48710J | ARM ASSY, REAR SUSPENSION, NO.1 CONTINUED--+ 1212 - B100..HI B2DB WITH(PACKAGE OPTION 2) 48710-BZ100- 1 +----------+ | 48725A | BOLT(FOR LOWER CONTROL ARM) +----------+ 1212 - B100 48718-B2031- 2 +----------+ | 48750 | SUPPORT ASSY, REAR SUSPENSION +----------+ 1212 - B100 48750-BZ010- 2 +----------+ | 48755 | SUPPORT, REAR SUSPENSION +----------+ 1212 - B100 48755-BZ010- 2
  • 150.
    150 FIG.51-02 SUSPENSION CROSSMEMBER& UNDER COVER (1212- ) 512553-B 51201 51441C 51442C 90041-20263 90041-20263 90041-20141 90041-20141 90044-68320 9004A-46323 90044-68320 9004A-46323 90044-68320 9004A-46323 90044-68320 9004A-46323 90044-68320 9004A-46323 90041-19902 90041-19902 FIG.51-02 SUSPENSION CROSSMEMBER & UNDER COVER PROD_DATE MODELS SPEC CODE DESCRIPTION R / P PART NUMBER O Y T REV_REF FR TO +----------+ | 51201 | CROSSMEMBER SUB-ASSY, FRONT SUSPENSION +----------+ 1212 - B100 51201-BZ090- 1 +----------+ | 51441C | COVER, ENGINE UNDER, RH +----------+ 1212 - B100 51441-BZ170- 1 +----------+ | 51442C | COVER, ENGINE UNDER, LH +----------+ 1212 - B100 51442-BZ050- 1
  • 151.
    151 FIG.51-04 SPARE WHEELCARRIER (1212- ) 512554 51900 FIG.51-04 SPARE WHEEL CARRIER PROD_DATE MODELS SPEC CODE DESCRIPTION R / P PART NUMBER O Y T REV_REF FR TO +----------+ | 51900 | CARRIER ASSY, SPARE WHEEL +----------+ 1212 - B100..LO,MID 51900-BZ030- 1 1212 - B100..HI 51900-BZ040- 1 1212 - B100..MID G4AC 175/65R14 5J-AL 51900-BZ040- 1
  • 152.
    152 FIG.52-01 FRONT BUMPER& BUMPER STAY (1212- ) 522759-A REFER TO FIG (PNC 53122A) REFER TO FIG (PNC 53121B) REFER TO FIG (PNC 81211C) REFER TO FIG (PNC 81221C) REFER TO FIG (PNC 53124B) REFER TO FIG (PNC 53123B) REFER TO FIG (PNC 51960) 52116A 52115A 52127D 52119A 9004A-46323(4) 9004A-10112 9004A-10112 90041-68102(2) 90041-79134(2) 91631-G0616 90044-67555(2) 09-01 53-01 53-01 81-02 81-02 53-01 53-01 FIG.52-01 FRONT BUMPER & BUMPER STAY PROD_DATE MODELS SPEC CODE DESCRIPTION R / P PART NUMBER O Y T REV_REF FR TO +----------+ | 52115A | SUPPORT, FRONT BUMPER SIDE, RH +----------+ 1212 - B100 52115-BZ060- 1 +----------+ | 52116A | SUPPORT, FRONT BUMPER SIDE, LH +----------+ 1212 - B100 52116-BZ060- 1 +----------+ | 52119A | COVER, FRONT BUMPER +----------+ 1212 - B100..LO,MID 52101-BZ080- 1 1212 - B100..HI 52101-BZ090- 1 +----------+ | 52127D | COVER, FRONT BUMPER HOLE, RH +----------+ 1212 - B100 52127-BZ180- 1
  • 153.
    153 FIG.52-02 REAR BUMPER& BUMPER STAY (1212- ) 522760-A 52155A 52156A 52159 90041-68102 90041-68102 90041-68102 90041-68102 90044-67555 90044-67555 9004A-46323 9004A-46323 9004A-46323 9004A-46323 9004A-46323 9004A-46323 FIG.52-02 REAR BUMPER & BUMPER STAY PROD_DATE MODELS SPEC CODE DESCRIPTION R / P PART NUMBER O Y T REV_REF FR TO +----------+ | 52155A | SUPPORT, REAR BUMPER SIDE, RH +----------+ 1212 - B100 52155-BZ070- 1 +----------+ | 52156A | SUPPORT, REAR BUMPER SIDE, LH +----------+ 1212 - B100 52156-BZ130- 1 +----------+ | 52159 | COVER, REAR BUMPER +----------+ 1212 - B100 52159-BZ840- 1
  • 154.
    154 FIG.53-01 RADIATOR GRILLE (1212-)HI 533894 53121B 53122A 53123B 53124B 53195A FIG.53-01 RADIATOR GRILLE PROD_DATE MODELS SPEC CODE DESCRIPTION R / P PART NUMBER O Y T REV_REF FR TO +----------+ | 53121B | MOULDING, RADIATOR GRILLE, UPPER +----------+ 1212 - B100..HI 53121-BZ140- 1 +----------+ | 53122A | MOULDING, RADIATOR GRILLE, LOWER +----------+ 1212 - B100..HI 53122-BZ080- 1 +----------+ | 53123B | MOULDING, RADIATOR GRILLE SIDE, RH +----------+ 1212 - B100..HI 53123-BZ080- 1 +----------+ | 53124B | MOULDING, RADIATOR GRILLE SIDE, LH +----------+ 1212 - B100..HI 53124-BZ020- 1 +----------+ | 53195A | RETAINER, RADIATOR GRILLE, LOWER NO.1 +----------+ 1212 - B100..HI 76854-BZ010- 4
  • 155.
    155 FIG.53-02 HOOD &FRONT FENDER (1212- ) 533922-A REFER TO FIG (PNC 75305) 75-01 (REFER TO FIG 57-01) 53301 53341B 53341C 53384B 53801 53802 53865B 53866C 53868C 53869A 53875A 53876B 53875C 53876A 90044-67563(2) 90044-67563(2) 9004A-11217(10) 90044-67555 75921-BZ050-C0 75922-BZ050-C0 90189-06213
  • 156.
    156 FIG.53-02 HOOD &FRONT FENDER PROD_DATE MODELS SPEC CODE DESCRIPTION R / P PART NUMBER O Y T REV_REF FR TO +----------+ | 53301 | HOOD SUB-ASS Y+----------+ 1212 - B100 53301-BZ240- 1 +----------+ | 53341B | INSULATOR, HOOD +----------+ 1212 - B100 53341-BZ070- 1 +----------+ | 53341C | CLIP(FOR HOOD INSULATOR) +----------+ 1212 - B100 90044-68280- 7 +----------+ | 53384B | CUSHION, HOOD, CENTER +----------+ 1212 - B100 53384-B1010- 2 +----------+ | 53801 | FENDER SUB-ASSY, FRONT RH +----------+ 1212 - B100 53811-BZ270- 1 +----------+ | 53802 | FENDER SUB-ASSY, FRONT LH +----------+ 1212 - B100 53812-BZ270- 1 +----------+ | 53865B | PLATE, FRONT FENDER EXTENSION, RH +----------+ 1212 - B100 53865-BZ080- 1 +----------+ | 53866C | PLATE, FRONT FENDER EXTENSION, LH +----------+ 1212 - B100 53866-BZ070- 1 +----------+ | 53868C | SEAL, FRONT FENDER TO COWL SIDE, NO.2 RH +----------+ 1212 - B100 53445-BZ030- 1 +----------+ | 53869A | SEAL, FRONT FENDER TO COWL SIDE, NO.2 LH +----------+ 1212 - B100 53446-BZ030- 1 +----------+ | 53875A | LINER, FRONT FENDER, RH +----------+ 1212 - B100 53875-BZ220- 1 FIG.53-02 HOOD & FRONT FENDER PROD_DATE MODELS SPEC CODE DESCRIPTION R / P PART NUMBER O Y T REV_REF FR TO +----------+ | 53875C | CLIP, FRONT FENDER LINER +----------+ 1212 - 1304 B100 90044-68320- 9 1305 - B100 9004A-46323- 9 +----------+ | 53876A | LINER, FRONT FENDER, LH +----------+ 1212 - B100 53876-BZ220- 1 +----------+ | 53876B | CLIP, FRONT FENDER LINER +----------+ 1212 - 1304 B100 90044-68320- 9 1305 - B100 9004A-46323- 9
  • 157.
    157 FIG.53-03 HOOD LOCK& HINGE (1212- ) 533899-C 53410 53420 53451 53451A 53455 53510 53630 53630A 53630B 9004A-10147(2) 90041-05106(2) 9004A-10147(2) 90041-05106(2) 9004A-11253(3) 9004A-11190 9004A-11190 9004A-11217(2) 90467-09043 91631-G0614(2) 9004A-11217(2) 91631-G0614(2) FIG.53-03 HOOD LOCK & HINGE PROD_DATE MODELS SPEC CODE DESCRIPTION R / P PART NUMBER O Y T REV_REF FR TO +----------+ | 53410 | HINGE ASSY, HOOD, RH +----------+ 1212 - B100 53401-BZ050- 1 +----------+ | 53420 | HINGE ASSY, HOOD, LH +----------+ 1212 - B100 53402-BZ060- 1 +----------+ | 53451 | ROD, HOOD SUPPORT +----------+ 1212 - B100 53451-BZ070- 1 +----------+ | 53451A | GROMMET(FOR HOOD SUPPORT ROD) +----------+ 1212 - B100 9004A-48054- 1 +----------+ | 53455 | CLAMP, HOOD SUPPORT ROD +----------+ 1212 - B100 53455-BZ100- 1 +----------+ | 53510 | LOCK ASSY, HOOD +----------+ 1212 - B100 53510-BZ210- 1 +----------+ | 53630 | CABLE ASSY, HOOD LOCK CONTROL +----------+ 1212 - B100 53630-BZ070- 1 +----------+ | 53630A | GROMMET(FOR HOOD LOCK CONTROL CABLE) +----------+ 1212 - B100 85373-BZ090- 1 +----------+ | 53630B | CLAMP(FOR HOOD LOCK CONTROL CABLE) +----------+ 1212 - B100 82711-BZ100- 1
  • 158.
    158 FIG.53-04 FRONT FENDERAPRON & DASH PANEL (1212- ) 533903-C REFER TO FIG (PNC 16793A) REFER TO FIG (PNC 57409) REFER TO FIG (PNC 57102) REFER TO FIG (PNC 57116A) REFER TO FIG (PNC 57249A) REFER TO FIG (PNC 57101) REFER TO FIG (PNC 57406) REFER TO FIG (PNC 57249) REFER TO FIG (PNC 57115A) 17-09 (REFER TO FIG 57-01) 52021B 53211 53212 53215B 53216A 53218A 53291J 53381D 53381D 53629 53701 53702 53722D 55168A 55169B 55210 55210A 55213A 55215A 55713E 55714E 57105D 57106D 57233A 88897-BZ200 88897-BZ210 90044-68320 9004A-46323 90044-68320 9004A-46323 90041-05489(2) 90041-05489(2) 9004A-95048 90105-06137 90105-06137 90105-06137 90105-06137 90105-06137 90105-06137 90105-06137 90105-06137 90105-06137 90105-06137 91551-80612 9004A-11282(2) 53-05 53-05 53-05 53-05 90105-06137 90105-06137 90105-06137 90105-06137 53-05 53-05 53-05 53-05 55101
  • 159.
    159 FIG.53-04 FRONT FENDERAPRON & DASH PANEL PROD_DATE MODELS SPEC CODE DESCRIPTION R / P PART NUMBER O Y T REV_REF FR TO +----------+ | 52021B | REINFORCEMENT SUB-ASSY, FRONT BUMPER +----------+ 1212 - B100 52021-BZ170- 1 +----------+ | 53211 | SUPPORT, RADIATOR, RH +----------+ 1212 - B100 53211-BZ150- 1 +----------+ | 53212 | SUPPORT, RADIATOR, LH +----------+ 1212 - B100 53211-BZ150- 1 +----------+ | 53215B | SUPPORT, HOOD LOCK +----------+ 1212 - B100 53215-BZ120- 1 +----------+ | 53216A | SUPPORT, RADIATOR, UPPER +----------+ 1212 - B100 53216-BZ110- 1 +----------+ | 53218A | SUPPORT, RADIATOR, LOWER +----------+ 1212 - B100 53218-BZ060- 1 +----------+ | 53291J | SEAL, RADIATOR SUPPORT +----------+ 1212 - B100..LO 52543-BZ080- 1 +----------+ | 53381D | BUMPER, HOOD TO FRONT SHROUD +----------+ 1212 - B100 53381-BZ010- 2 +----------+ | 53629 | COVER, HOOD LOCK CONTROL CABLE +----------+ 1212 - B100 53629-BZ030- 1 +----------+ | 53701 | APRON SUB-ASSY, FRONT FENDER, RH +----------+ 1212 - B100 53701-BZ170- 1 +----------+ | 53702 | APRON SUB-ASSY, FRONT FENDER, LH +----------+ 1212 - B100 53702-BZ140- 1 FIG.53-04 FRONT FENDER APRON & DASH PANEL PROD_DATE MODELS SPEC CODE DESCRIPTION R / P PART NUMBER O Y T REV_REF FR TO +----------+ | 53722D | RETAINER, FENDER APRON, LH +----------+ 1212 - B100 57234-BZ010- 1 +----------+ | 55101 | PANEL SUB-ASSY, DASH +----------+ 1212 - B100..5F 55101-BZ840- 1 1212 - B100..E4AT 55101-BZ850- 1 +----------+ | 55168A | BRACKET, FRONT FENDER MOUNTING, RH +----------+ 1212 - B100 55168-BZ100- 1 +----------+ | 55169B | BRACKET, FRONT FENDER MOUNTING, LH +----------+ 1212 - B100 55169-BZ070- 1 +----------+ | 55210 | INSULATOR ASSY, DASH PANEL +----------+ 1212 - B100..LO 55210-BZ310- 1 1212 - B100..HI,MID 55210-BZ320- 1 +----------+ | 55210A | CLIP +----------+ 1212 - B100 9004A-46130- 5 +----------+ | 55213A | PAD, DASH PANEL SILENCER +----------+ 1212 - B100 55213-BZ040- 1 +----------+ | 55215A | PAD, DASH PANEL INSULATOR, NO.3 +----------+ 1212 - B100 55215-BZ050- 1 +----------+ | 55713E | PANEL, COWL TOP SIDE, RH +----------+ 1212 - B100 55713-BZ090- 1 +----------+ | 55714E | PANEL, COWL TOP SIDE, LH +----------+ 1212 - B100 55714-BZ120- 1
  • 160.
    160 FIG.53-04 FRONT FENDERAPRON & DASH PANEL PROD_DATE MODELS SPEC CODE DESCRIPTION R / P PART NUMBER O Y T REV_REF FR TO +----------+ | 57105D | PLATE SUB-ASSY, FRONT SIDE MEMBER, RH +----------+ 1212 - B100 57105-BZ100- 1 +----------+ | 57106D | PLATE SUB-ASSY, FRONT SIDE MEMBER, LH +----------+ 1212 - B100 57106-BZ090- 1 +----------+ | 57233A | RETAINER, ENGINE FRONT SUPPORT, RH +----------+ 1212 - B100 57233-BZ010- 1
  • 161.
    161 FIG.53-05 FLOOR SIDEMEMBER (1212- ) 533912-A (REFER TO FIG 57-01) 51967D 53213D 53214C 53214C 53268B 57249 57249A 53269B 57069A 57101 57102 57115A 57116A 57406 57409 57601 57602 57605B 57653A 53213D 57401H 57402F 57451
  • 162.
    162 FIG.53-05 FLOOR SIDEMEMBER PROD_DATE MODELS SPEC CODE DESCRIPTION R / P PART NUMBER O Y T REV_REF FR TO +----------+ | 51967D | HOOK SUB-ASSY,REAR +----------+ 1212 - B100 51095-BZ040- 1 +----------+ | 53213D | SUPPORT, RADIATOR, UPPER RH +----------+ 1212 - B100 53213-BZ060- 2 +----------+ | 53214C | SUPPORT, RADIATOR, UPPER LH +----------+ 1212 - B100 53213-BZ060- 2 +----------+ | 53268B | REINFORCEMENT, RADIATOR MOUNTING, RH +----------+ 1212 - B100 53268-BZ080- 1 +----------+ | 53269B | REINFORCEMENT, RADIATOR MOUNTING, LH +----------+ 1212 - B100 53269-BZ020- 1 +----------+ | 57069A | MEMBER, REAR FLOOR, CENTER +----------+ 1212 - B100 57069-BZ080- 1 +----------+ | 57101 | MEMBER SUB-ASSY, FRONT SIDE, RH +----------+ 1212 - B100 57101-BZ390- 1 +----------+ | 57102 | MEMBER SUB-ASSY, FRONT SIDE, LH +----------+ 1212 - B100 57102-BZ480- 1 +----------+ | 57115A | PLATE, FRONT SIDE MEMBER, OUTER RH +----------+ 1212 - B100 57115-BZ030- 1 +----------+ | 57116A | PLATE, FRONT SIDE MEMBER, OUTER LH +----------+ 1212 - B100 57116-BZ080- 1 +----------+ | 57249 | BRACKET, FLEXIBLE HOSE, NO.1 +----------+ 1212 - B100 57249-BZ020- 1 FIG.53-05 FLOOR SIDE MEMBER PROD_DATE MODELS SPEC CODE DESCRIPTION R / P PART NUMBER O Y T REV_REF FR TO +----------+ | 57249A | BRACKET, FREXIBLE HOUSE, NO.1, LH +----------+ 1212 - B100 57249-BZ020- 1 +----------+ | 57401H | MEMBER SUB-ASSY, FLOOR SIDE, INNER RH +----------+ 1212 - B100 57401-BZ160- 1 +----------+ | 57402F | MEMBER SUB-ASSY, FLOOR SIDE, INNER LH +----------+ 1212 - B100 57402-BZ160- 1 +----------+ | 57406 | MEMBER SUB-ASSY, MAIN FLOOR SIDE, RH +----------+ 1212 - B100 57406-BZ010- 1 +----------+ | 57409 | MEMBER SUB-ASSY, MAIN FLOOR SIDE, LH +----------+ 1212 - B100 57409-BZ120- 1 +----------+ | 57451 | MEMBER, FRONT FLOOR CROSS +----------+ 1212 - B100 57451-BZ110- 1 +----------+ | 57601 | MEMBER SUB-ASSY, REAR FLOOR SIDE, RH +----------+ 1212 - B100 57601-BZ220- 1 +----------+ | 57602 | MEMBER SUB-ASSY, REAR FLOOR SIDE, LH +----------+ 1212 - B100 57602-BZ150- 1 +----------+ | 57605B | MEMBER SUB-ASSY, REAR FLOOR CROSS, NO.1 +----------+ 1212 - B100 57605-BZ090- 1 +----------+ | 57653A | MEMBER, REAR FLOOR CROSS, NO.2 +----------+ 1212 - B100 57653-BZ090- 1
  • 163.
    163 FIG.55-01 INSTRUMENT PANEL& GLOVE COMPARTMENT (1212- ) 553059-A 9004A-11218 9004A-16036 90041-83025 9004A-11214 90159-70003 55301 55355 55394B 55394B 73970A 55331
  • 164.
    164 FIG.55-01 INSTRUMENT PANEL& GLOVE COMPARTMENT (1212- )LO W/O AIRCON 553060-B REFER TO FIG (PNC 81942B) REFER TO FIG (PNC 81942A) REFER TO FIG (PNC 81942H) REFER TO FIG (PNC 81942H) 55406B 55411G 55412D 55526 55526 55544 55547 55548A 55550 55557A 55557A 55560A 55561A 90151-40005 93540-54010 9004A-16036 90159-70003 87-15 87-15 87-15 87-15
  • 165.
    165 FIG.55-01 INSTRUMENT PANEL& GLOVE COMPARTMENT (1212- ) W/AIRCON 553061-A REFER TO FIG (PNC 81942A) REFER TO FIG (PNC 81942B) REFER TO FIG (PNC 86211) REFER TO FIG (PNC 86212) 55406B 55411G 55412D 55547 55548A 55550 55557A 55557A 55560A 55561A 90151-40005 93540-54010 9004A-16036 90159-70003 55522B 55522B 55650 55650 55660 55660 87-15 87-15 86-01 86-01
  • 166.
    166 FIG.55-01 INSTRUMENT PANEL& GLOVE COMPARTMENT PROD_DATE MODELS SPEC CODE DESCRIPTION R / P PART NUMBER O Y T REV_REF FR TO +----------+ | 55301 | PANEL SUB-ASSY, INSTRUMENT +----------+ 1212 - B100 DK.GRAY(TRIM1#) 55311-BZ440-B0 1 1212 - B100..HI,MID R5AB D/P(SRS AIR BAG),DK. GRAY(TRIM1#) 55311-BZ580-B0 1 +----------+ | 55331 | REINFORCEMENT, INSTRUMENT PANEL +----------+ 1212 - B100 55305-BZ500- 1 1212 - B100..HI,MID R5AB D/P(SRS AIR BAG) 55305-BZ510- 1 +----------+ | 55355 | CUSHION, INSTRUMENT PANEL, NO.1 +----------+ 1212 - B100 55355-BZ100- 1 +----------+ | 55394B | BOLT, INSTRUMENT PANEL +----------+ 1212 - B100 55394-BZ020- 4 +----------+ | 55406B | PANEL SUB-ASSY, INSTRUMENT CLUSTER FINISH, LOWER CENTER +----------+ 1212 - B100..HI SILVER(TRIM1#) 55406-BZ070-B0 1 1212 - B100..LO DK.GRAY(TRIM1#) 55406-BZ510-B0 1 1212 - B100..LO P3GB HEATER CONTROL PANEL (2 DIAL),DK.GRAY(TR IM1#) 55406-BZ520-B1 1 1212 - B100..MID DK.GRAY(TRIM1#) 55406-BZ520-B1 1 +----------+ | 55411G | PANEL, INSTRUMENT CLUSTER FINISH, NO.1 +----------+ 1212 - B100 BLACK(TRIM1#) 55411-BZ190-C0 1 +----------+ | 55412D | PANEL, INSTRUMENT CLUSTER FINISH, CENTER +----------+ 1212 - B100..LO DK.GRAY(TRIM1#) 55412-BZ590-B1 1 1212 - B100..MID DK.GRAY(TRIM1#) 55412-BZ600-B1 1 1212 - B100..HI SILVER(TRIM1#) 55412-BZ610-B0 1 FIG.55-01 INSTRUMENT PANEL & GLOVE COMPARTMENT PROD_DATE MODELS SPEC CODE DESCRIPTION R / P PART NUMBER O Y T REV_REF FR TO +----------+ | 55522B | COVER, RADIO TUNER OPENING +----------+ 1212 - B100..MID 55522-87Z05- 2 +----------+ | 55526 | COVER, INSTRUMENT PANEL REGISTER OPENING +----------+ 1212 - B100..LO BLACK(TRIM1#) 55526-BZ010-C0 2 +----------+ | 55544 | COVER, INSTRUMENT PANEL REGISTER HOLE +----------+ 1212 - B100..LO DK.GRAY(TRIM1#) 55527-BZ010-B0 1 +----------+ | 55547 | COVER, REMOTE CONTROL MIRROR HOLE +----------+ 1212 - B100..LO,MID DK.GRAY(TRIM1#) 55547-28010-B1 1 +----------+ | 55548A | COVER, INSTRUMENT PANEL HOLE +----------+ 1212 - B100 DK.GRAY(TRIM1#) 55548-BZ040-B0 1 +----------+ | 55550 | DOOR ASSY, GLOVE COMPARTMENT +----------+ 1212 - B100 DK.GRAY(TRIM1#) 55550-BZ080-B0 1 +----------+ | 55557A | CUSHION, GLOVE COMPARTMENT DOOR CHECK +----------+ 1212 - B100 55557-B2040- 2 +----------+ | 55560A | LOCK ASSY, GLOVE COMPARTMENT DOOR +----------+ 1212 - B100 DK.GRAY(TRIM1#) 55560-BZ050-B0 1 +----------+ | 55561A | STRIKER, GLOVE COMPARTMENT DOOR LOCK +----------+ 1212 - B100 55561-BZ100- 1 +----------+ | 55650 | REGISTER ASSY, INSTRUMENT PANEL, NO.1 +----------+ 1212 - B100..LO P4HF REGISTER (CHROME KNO B:CTR),DK.GRAY(TRIM1 #) 55650-BZ080-B0 2 1212 - B100..MID DK.GRAY(TRIM1#) 55650-BZ080-B0 2
  • 167.
    167 FIG.55-01 INSTRUMENT PANEL& GLOVE COMPARTMENT PROD_DATE MODELS SPEC CODE DESCRIPTION R / P PART NUMBER O Y T REV_REF FR TO +----------+ | 55650 | REGISTER ASSY, INSTRUMENT PANEL, NO.1 CONTINUED--+ 1212 - B100..HI DK.GRAY(TRIM1#) 55650-BZ150-B0 2 +----------+ | 55660 | REGISTER ASSY, INSTRUMENT PANEL, NO.2 +----------+ 1212 - B100..HI,MID BLACK(TRIM1#) 55660-BZ060-C0 2 1212 - B100..LO P4AB MANUAL AIR CONDITION ER,BLACK(TRIM1#) 55660-BZ060-C0 2 +----------+ | 73970A | AIR BAG ASSY, INSTRUMENT PANEL PASSENGER +----------+ 1212 - B100..HI,MID R5AB D/P(SRS AIR BAG),DK. GRAY(TRIM1#) 73970-BZ120-B0 1
  • 168.
    168 FIG.55-03 COWL PANEL& WINDSHIELD GLASS (1212- ) 553062-B REFER TO FIG REFER TO FIG (PNC 85035) REFER TO FIG (PNC 85035) 55703A 55711 55723C 55724A 55781E 56111 56115A 56115A 56116C 56116C 56117A 85-03 85-03 85-03 55781G 55781G 53452C 53383B 53718F 53716H 53715H 53717F FIG.55-03 COWL PANEL & WINDSHIELD GLASS PROD_DATE MODELS SPEC CODE DESCRIPTION R / P PART NUMBER O Y T REV_REF FR TO +----------+ | 53383B | SEAL, HOOD TO COWL TOP +----------+ 1212 - B100 53383-BZ100- 1 +----------+ | 53452C | BRACKET, HOOD SUPPORT ROD +----------+ 1212 - B100 53452-BZ010- 1 +----------+ | 53715H | APRON, FENDER SIDE, RH +----------+ 1212 - B100 53715-BZ010- 1 +----------+ | 53716H | APRON, FENDER SIDE, LH +----------+ 1212 - B100 53716-BZ010- 1 +----------+ | 53717F | GUSSET, FENDER APRON, RH +----------+ 1212 - B100 53717-BZ050- 1 +----------+ | 53718F | GUSSET, FENDER APRON, LH +----------+ 1212 - B100 53718-BZ090- 1 +----------+ | 55703A | PANEL SUB-ASSY, COWL TOP, INNER +----------+ 1212 - B100 55703-BZ290- 1 +----------+ | 55711 | PANEL, COWL TOP, OUTER +----------+ 1212 - B100 55711-BZ170- 1 +----------+ | 55723C | REINFORCEMENT, COWL TOP SIDE, RH +----------+ 1212 - B100 55723-BZ080- 1 +----------+ | 55724A | REINFORCEMENT, COWL TOP SIDE, LH +----------+ 1212 - B100 55724-BZ020- 1 +----------+ | 55781E | LOUVER SUB-ASSY, COWL TOP VENTILATOR +----------+ 1212 - B100 55708-BZ060- 1
  • 169.
    169 FIG.55-03 COWL PANEL& WINDSHIELD GLASS PROD_DATE MODELS SPEC CODE DESCRIPTION R / P PART NUMBER O Y T REV_REF FR TO +----------+ | 55781G | CLIP, COWL TOP VENTILATOR LOUVER +----------+ 1212 - 1304 B100 90044-68320- 2 1305 - B100 9004A-46323- 2 +----------+ | 56111 | GLASS, WINDSHIELD +----------+ 1212 - B100 T=4.76,GREEN,ASAHIMA S 56111-BZ230- 1 1212 - B100 T=4.76,GREEN,MULIA G LASS 56111-BZ350- 1 +----------+ | 56115A | STOPPER, WINDSHIELD GLASS, NO.1 +----------+ 1212 - B100 56115-97402- 2 +----------+ | 56116C | STOPPER, WINDSHIELD GLASS, NO.2 +----------+ 1212 - B100 56116-97401- 2 +----------+ | 56117A | DAM, WINDOW GLASS ADHESIVE +----------+ 1212 - B100 L=3201 56117-BZ130- 1
  • 170.
  • 171.
    171 FIG.57-01 HOLE PLUG (1212-) ILLUST NO. 2 OF 2 570838-C
  • 172.
    172 FIG.58-01 FLOOR PAN& LOWER BACK PANEL (1212- ) 584757-B 58325E 47419-B6010 90041-05229(4) 58211H 55214B 55215B 55216A 58198 58198 58198 58301A 58308 58308E 62671C 62671C 47419-B6010 9004A-35005 9004A-35005 9004A-35005 55216A 58198 58172A 57051A 57052A 57417B 57417B 57427C 57427C 57468B 57469A 58111 58213D 58181A 58181A 58172A 58791B
  • 173.
    173 FIG.58-01 FLOOR PAN& LOWER BACK PANEL PROD_DATE MODELS SPEC CODE DESCRIPTION R / P PART NUMBER O Y T REV_REF FR TO +----------+ | 55214B | PAD, DASH PANEL INSULATOR, NO.2 +----------+ 1212 - B100 55214-BZ060- 1 +----------+ | 55215B | PAD, DASH PANEL INSULATOR, NO.3 +----------+ 1212 - B100 58571-BZ020- 1 +----------+ | 55216A | PAD, DASH PANEL INSULATOR, NO.4 +----------+ 1212 - B100 58572-BZ020- 2 +----------+ | 57051A | MEMBER SUB-ASSY, FRONT FLOOR CROSS, RH +----------+ 1212 - B100 57051-BZ060- 1 +----------+ | 57052A | MEMBER SUB-ASSY, FRONT FLOOR CROSS, LH +----------+ 1212 - B100 57052-BZ050- 1 +----------+ | 57417B | REINFORCEMENT, FRONT FLOOR UNDER +----------+ 1212 - B100 57417-BZ040- 2 +----------+ | 57427C | REINFORCEMENT, FRONT FLOOR, UPPER +----------+ 1212 - B100 57427-BZ040- 2 +----------+ | 57468B | BRACKET, FRONT SEAT, REAR +----------+ 1212 - B100 57468-BZ030- 1 +----------+ | 57469A | BRACKET, FRONT SEAT, OUTSIDE, REAR LH +----------+ 1212 - B100 57468-BZ030- 1 +----------+ | 58111 | PAN, FRONT FLOOR +----------+ 1212 - B100 58111-BZ230- 1 +----------+ | 58172A | PLATE, PARKING BRAKE MOUNTING +----------+ 1212 - B100 46521-BZ030- 2 FIG.58-01 FLOOR PAN & LOWER BACK PANEL PROD_DATE MODELS SPEC CODE DESCRIPTION R / P PART NUMBER O Y T REV_REF FR TO +----------+ | 58181A | RETAINER, SEAT RAIL, FRONT +----------+ 1212 - B100 58182-BZ050- 2 +----------+ | 58198 | CLIP, FOOTRE ST+----------+ 1212 - B100 90044-67397- 4 +----------+ | 58211H | PAN, CENTER FLOOR +----------+ 1212 - B100 58211-BZ020- 1 +----------+ | 58213D | REINFORCEMENT, CENTER FLOOR PANEL +----------+ 1212 - B100..5F 58213-BZ060- 1 1212 - B100..E4AT 58213-BZ070- 1 +----------+ | 58301A | PANEL SUB-ASSY, REAR FLOOR +----------+ 1212 - B100 58301-BZ260- 1 +----------+ | 58308 | PANEL SUB-ASSY, BODY LOWER BACK, INNER +----------+ 1212 - B100 58308-BZ150- 1 +----------+ | 58308E | COVER, HOLE(FOR LOWER BACK) +----------+ 1212 - B100 DK.GRAY(TRIM1#) 64716-BZ040-B0 1 +----------+ | 58791B | CARRIER, JAC K+----------+ 1212 - B100 58791-BZ040- 1 +----------+ | 62671C | COVER, LOWER BACK PANEL +----------+ 1212 - B100 62671-BZ020- 2
  • 174.
    174 FIG.58-04 MAT &CARPET (1212- ) 584747 58510D 58530B 58694B 58560B 58698C FIG.58-04 MAT & CARPET PROD_DATE MODELS SPEC CODE DESCRIPTION R / P PART NUMBER O Y T REV_REF FR TO +----------+ | 58510D | CARPET ASSY, FLOOR, FRONT +----------+ 1212 - B100..LO BLACK(TRIM1#) 58510-BZB50-C0 1 1212 - B100..HI,MID BLACK(TRIM1#) 58510-BZB60-C0 1 1212 - B100..HI R5AB D/P(SRS AIR BAG),BLA CK(TRIM1#) 58510-BZB70-C0 1 1212 - B100..MID L2BB WITH(POWER DOOR LOCK ),BLACK(TRIM1#) 58510-BZB70-C0 1 +----------+ | 58530B | CLIP(FOR FRONT FLOOR CARPET) +----------+ 1212 - B100 DK.GRAY(TRIM1#) 90044-68046-B2 3 +----------+ | 58560B | CLIP(FOR FLOOR CARPET, REAR) +----------+ 1212 - B100 BLACK 90467-07049-C0 2 +----------+ | 58694B | PLATE, MAT SET, UPPER +----------+ 1212 - B100 58694-BZ010- 2 +----------+ | 58698C | PLATE, MAT SET, LOWER +----------+ 1212 - B100 58698-BZ010- 2
  • 175.
    175 FIG.58-06 CONSOLE BOX& BRACKET (1212- ) 584752 58821A 58843 58843 58808 58910D 58910D 58912A 58995A 58995A 9004A-11188(2) 9004A-11188 9004A-11188 9004A-17219(2) FIG.58-06 CONSOLE BOX & BRACKET PROD_DATE MODELS SPEC CODE DESCRIPTION R / P PART NUMBER O Y T REV_REF FR TO +----------+ | 58808 | COVER SUB-ASSY, SHIFTING HOLE +----------+ 1212 - B100..5F DK.GRAY(TRIM1#) 58840-BZ090-B0 1 +----------+ | 58821A | PANEL, CONSO LE+----------+ 1212 - B100..LO DK.GRAY(TRIM1#) 58821-BZ110-B0 1 1212 - B100..HI,MID DK.GRAY(TRIM1#) 58821-BZ120-B0 1 +----------+ | 58843 | BEZEL, SHIFTING HOLE +----------+ 1212 - B100..E4AT SILVER(TRIM1#) 58843-BZ110-B0 1 1212 - B100..HI..5F SILVER(TRIM1#) 58843-BZ130-B0 1 +----------+ | 58910D | CLIP(FOR CONSOLE BOX) +----------+ 1212 - B100 DK.GRAY(TRIM1#) 90044-67556-B0 2 +----------+ | 58912A | BOX, REAR CONSOLE +----------+ 1212 - B100..HI,MID DK.GRAY(TRIM1#) 58911-BZ050-B0 1 +----------+ | 58995A | BRACKET, CONSOLE BOX MOUNTING, NO.1 +----------+ 1212 - B100..5F 58995-BZ050- 1 1212 - B100..E4AT 58995-BZ060- 1
  • 176.
  • 177.
    177 FIG.61-01 SIDE MEMBER (1212-) 614502-A 9004A-35003 9004A-35003 90048-71141 90048-71141 90048-71113 (REFER TO FIG 57-01) 90044-67555(2) 90044-67555(2) 90044-68320 61023B 61024B 61037A 61109A 61131C 61132B 61203 61204 60132 61248B 61503B 61695A 61504B 61311B 61312B 60131 61403C 61404E 61411 61412 61611 61612 61626G 61628A 61625G 61617B 61233A 61771B 62155B 61661A 61627A 61618B 61234A 61607H 61608H 61645K 61641C 61642C 61646F 61731B 61732B 61662B 61772B 61725 64119A 64118A 61768B 61696A 61612E 65637 65638 90044-68320 61108A 61247B 61038A 90048-71113 61611E 61769B 90044-68320(2) 9004A-46323(2) 90044-68320(2) 9004A-46323(2)
  • 178.
    178 FIG.61-01 SIDE MEMBER PROD_DATEMODELS SPEC CODE DESCRIPTION R / P PART NUMBER O Y T REV_REF FR TO +----------+ | 60131 | PILLAR SUB-ASSY, CENTER BODY, NO.2 RH +----------+ 1212 - B100 60131-BZ070- 1 +----------+ | 60132 | PILLAR SUB-ASSY, CENTER BODY, NO.2 LH +----------+ 1212 - B100 60132-BZ070- 1 +----------+ | 61023B | PILLAR SUB-ASSY, FRONT BODY, INNER RH +----------+ 1212 - B100 61023-BZ260- 1 +----------+ | 61024B | PILLAR SUB-ASSY, FRONT BODY, INNER LH +----------+ 1212 - B100 61024-BZ220- 1 +----------+ | 61037A | REINFORCEMENT SUB-ASSY, CENTER BODY PILLAR, RH +----------+ 1212 - B100 61037-BZ210- 1 +----------+ | 61038A | REINFORCEMENT SUB-ASSY, CENTER BODY PILLAR, LH +----------+ 1212 - B100 61038-BZ240- 1 +----------+ | 61108A | REINFORCE SUB-ASSY, FRONT BODY PILLAR, LOWER RH +----------+ 1212 - B100 61108-BZ130- 1 +----------+ | 61109A | REINFORCE SUB-ASSY, FRONT BODY PILLAR, LOWER LH +----------+ 1212 - B100 61109-BZ120- 1 +----------+ | 61131C | PILLAR, FRONT BODY, OUTER RH +----------+ 1212 - B100 61131-BZ070- 1 +----------+ | 61132B | PILLAR, FRONT BODY, OUTER LH +----------+ 1212 - B100 61132-BZ050- 1 +----------+ | 61203 | RAIL SUB-ASSY, ROOF SIDE, INNER RH +----------+ 1212 - B100 61203-BZ030- 1 FIG.61-01 SIDE MEMBER PROD_DATE MODELS SPEC CODE DESCRIPTION R / P PART NUMBER O Y T REV_REF FR TO +----------+ | 61204 | RAIL SUB-ASSY, ROOF SIDE, INNER LH +----------+ 1212 - B100 61204-BZ030- 1 +----------+ | 61233A | RAIL, ROOF SIDE, INNER NO.2 RH +----------+ 1212 - B100 61233-BZ050- 1 +----------+ | 61234A | RAIL, ROOF SIDE, INNER NO.2 LH +----------+ 1212 - B100 61234-BZ050- 1 +----------+ | 61247B | REINFORCEMENT, ROOF SIDE RAIL, INNER RH +----------+ 1212 - B100 61247-BZ080- 1 +----------+ | 61248B | REINFORCEMENT, ROOF SIDE RAIL, INNER LH +----------+ 1212 - B100 61248-BZ080- 1 +----------+ | 61311B | PILLAR, CENTER BODY, OUTER RH +----------+ 1212 - B100 61311-BZ050- 1 +----------+ | 61312B | PILLAR, CENTER BODY, OUTER LH +----------+ 1212 - B100 61312-BZ050- 1 +----------+ | 61403C | REINFORCE SUB-ASSY, ROCKER, OUTER RH +----------+ 1212 - B100 61403-BZ060- 1 +----------+ | 61404E | REINFORCE SUB-ASSY, ROCKER, OUTER LH +----------+ 1212 - B100 61404-BZ080- 1 +----------+ | 61411 | PANEL, ROCKER, OUTER RH +----------+ 1212 - B100 61411-BZ180- 1 +----------+ | 61412 | PANEL, ROCKER, OUTER LH +----------+ 1212 - B100 61412-BZ200- 1
  • 179.
    179 FIG.61-01 SIDE MEMBER PROD_DATEMODELS SPEC CODE DESCRIPTION R / P PART NUMBER O Y T REV_REF FR TO +----------+ | 61503B | REINFORCEMENT SUB-ASSY, QUARTER LOCK PILLAR, RH +----------+ 1212 - B100 61503-BZ090- 1 +----------+ | 61504B | REINFORCEMENT SUB-ASSY, QUARTER LOCK PILLAR, LH +----------+ 1212 - B100 61504-BZ080- 1 +----------+ | 61607H | PANEL SUB-ASSY, QUARTER WHEEL HOUSE, INNER RH +----------+ 1212 - B100 61607-BZ010- 1 +----------+ | 61608H | PANEL SUB-ASSY, QUARTER WHEEL HOUSE, INNER LH +----------+ 1212 - B100 61608-BZ010- 1 +----------+ | 61611 | PANEL, QUARTER, RH +----------+ 1212 - B100 61611-BZ070- 1 +----------+ | 61611E | REINFORCEMENT, QUARTER PANEL, RH +----------+ 1212 - B100 61635-BZ010- 1 +----------+ | 61612 | PANEL, QUARTER, LH +----------+ 1212 - B100 61612-BZ080- 1 +----------+ | 61612E | REINFORCEMENT, QUARTER PANEL, LH +----------+ 1212 - B100 61636-BZ020- 1 +----------+ | 61617B | PANEL, QUARTER INNER, LOWER RH +----------+ 1212 - B100 61617-BZ090- 1 +----------+ | 61618B | PANEL, QUARTER, INNER LOWER LH +----------+ 1212 - B100 61618-BZ080- 1 +----------+ | 61625G | EXTENSION, QUARTER PANEL, REAR RH +----------+ 1212 - B100 61625-BZ120- 1 FIG.61-01 SIDE MEMBER PROD_DATE MODELS SPEC CODE DESCRIPTION R / P PART NUMBER O Y T REV_REF FR TO +----------+ | 61626G | EXTENSION, QUARTER PANEL, REAR LH +----------+ 1212 - B100 61626-BZ120- 1 +----------+ | 61627A | EXTENSION, QUARTER PANEL, LOWER RH +----------+ 1212 - B100 61621-BZ050- 1 +----------+ | 61628A | EXTENSION, QUARTER PANEL, LOWER LH +----------+ 1212 - B100 61622-BZ040- 1 +----------+ | 61641C | GUSSET, QUARTER WHEEL HOUSE, FRONT RH +----------+ 1212 - B100 61641-BZ070- 1 +----------+ | 61642C | GUSSET, QUARTER WHEEL HOUSE, FRONT LH +----------+ 1212 - B100 61642-BZ070- 1 +----------+ | 61645K | GUSSET, QUARTER WHEEL HOUSE INNER, RH +----------+ 1212 - B100 61645-BZ050- 1 +----------+ | 61646F | GUSSET, QUARTER WHEEL HOUSE INNER, LH +----------+ 1212 - B100 61646-BZ070- 1 +----------+ | 61661A | EXTENSION, QUARTER PANEL TO UPPER BACK, R H+----------+ 1212 - B100 61661-BZ050- 1 +----------+ | 61662B | EXTENSION, QUARTER PANEL TO UPPER BACK, L H+----------+ 1212 - B100 61662-BZ050- 1 +----------+ | 61695A | BRACE, QUARTER PANEL, RH +----------+ 1212 - B100 61637-BZ020- 1 +----------+ | 61696A | BRACE, QUARTER PANEL, LH +----------+ 1212 - B100 61638-BZ020- 1
  • 180.
    180 FIG.61-01 SIDE MEMBER PROD_DATEMODELS SPEC CODE DESCRIPTION R / P PART NUMBER O Y T REV_REF FR TO +----------+ | 61725 | BOX, FUEL INLET +----------+ 1212 - B100 61725-BZ120- 1 +----------+ | 61731B | PANEL, ROOF SIDE, INNER RH +----------+ 1212 - B100..HI 61731-BZ100- 1 1212 - B100..LO,MID 61731-BZ110- 1 +----------+ | 61732B | PANEL, ROOF SIDE, INNER LH +----------+ 1212 - B100..HI 61732-BZ110- 1 1212 - B100..LO,MID 61732-BZ140- 1 +----------+ | 61768B | REINFORCE, BELT ANCHOR TO ROOF SIDE, INNER REAR RH +----------+ 1212 - B100 61768-BZ090- 1 +----------+ | 61769B | REINFORCE, BELT ANCHOR TO ROOF SIDE, INNER REAR LH +----------+ 1212 - B100 61769-BZ080- 1 +----------+ | 61771B | FRAME, BACK DOOR OPENING UPPER CORNER, RH +----------+ 1212 - B100 61771-BZ050- 1 +----------+ | 61772B | FRAME, BACK DOOR OPENING UPPER CORNER, LH +----------+ 1212 - B100 61772-BZ040- 1 +----------+ | 62155B | PAD, QUARTER PANEL +----------+ 1212 - B100..LO,MID 63352-BZ050- 2 +----------+ | 64118A | REINFORCEMENT, UPPER BACK, NO.4 RH +----------+ 1212 - B100 64118-BZ050- 1 +----------+ | 64119A | REINFORCEMENT, UPPER BACK, NO.4 LH +----------+ 1212 - B100 64119-BZ040- 1 FIG.61-01 SIDE MEMBER PROD_DATE MODELS SPEC CODE DESCRIPTION R / P PART NUMBER O Y T REV_REF FR TO +----------+ | 65637 | LINER, REAR WHEEL HOUSE, RH +----------+ 1212 - B100 65637-BZ190- 1 +----------+ | 65638 | LINER, REAR WHEEL HOUSE, LH +----------+ 1212 - B100 65638-BZ190- 1
  • 181.
    181 FIG.61-02 ROOF SIDEVENTILATOR (1212- ) 614485 REFER TO FIG (PNC 62671C) REFER TO FIG (PNC 62671C) 62940C 62940C 58-01 (REFER TO FIG 57-01) 58-01 FIG.61-02 ROOF SIDE VENTILATOR PROD_DATE MODELS SPEC CODE DESCRIPTION R / P PART NUMBER O Y T REV_REF FR TO +----------+ | 62940C | DUCT ASSY, QUARTER VENT +----------+ 1212 - B100 62930-BZ030- 2
  • 182.
    182 FIG.61-04 ROOF PANEL& BACK WINDOW GLASS (1212- ) 614487 63111 63134A 63141H 63132 63143B 63142B 85373-BZ050 90048-71298 FIG.61-04 ROOF PANEL & BACK WINDOW GLASS PROD_DATE MODELS SPEC CODE DESCRIPTION R / P PART NUMBER O Y T REV_REF FR TO +----------+ | 63111 | PANEL, ROOF +----------+ 1212 - B100 63111-BZ040- 1 +----------+ | 63132 | PANEL, WINDSHIELD HEADER, INNER +----------+ 1212 - B100 63132-BZ170- 1 +----------+ | 63134A | FRAME, BACK DOOR OPENING, UPPER +----------+ 1212 - B100 63134-BZ150- 1 +----------+ | 63141H | REINFORCEMENT, ROOF PANEL, CENTER +----------+ 1212 - B100 63141-BZ110- 1 +----------+ | 63142B | REINFORCEMENT, ROOF PANEL, REAR +----------+ 1212 - B100 63142-BZ060- 1 +----------+ | 63143B | REINFORCEMENT, ROOF PANEL, NO.3 +----------+ 1212 - B100 63143-BZ080- 1
  • 183.
    183 FIG.64-01 INSIDE TRIMBOARD & DOOR OPENING TRIM MOULDING (1212- ) 643228-A REFER TO FIG (PNC 64730B(RH)) (PNC 64740C(LH)) 82711-BZ140(3) 64-04 62111C 62112 62117B 62117B 62211 62211T 62212 62313D 62314D 62333A 62334A 62401A 62411B 62412B 62413A 62414A 62461H 62471A 62472A 6791367913A 67913A 67914 67917A 67918A 67918C 82711-BZ160
  • 184.
    184 FIG.64-01 INSIDE TRIMBOARD & DOOR OPENING TRIM MOULDING PROD_DATE MODELS SPEC CODE DESCRIPTION R / P PART NUMBER O Y T REV_REF FR TO +----------+ | 62111C | BOARD, COWL SIDE TRIM, RH +----------+ 1212 - B100 DK.GRAY(TRIM1#) 62111-BZ190-B0 1 +----------+ | 62112 | BOARD, COWL SIDE TRIM, LH +----------+ 1212 - B100 DK.GRAY(TRIM1#) 62112-BZ190-B0 1 +----------+ | 62117B | CLIP, NO.1(FOR COWL SIDE TRIM) +----------+ 1212 - B100 DK.GRAY(TRIM1#) 9004A-46131-B0 2 +----------+ | 62211 | GARNISH, FRONT PILLAR, RH +----------+ 1212 - B100 LT.GRAY(TRIM1#) 62211-BZ200-B0 1 +----------+ | 62211T | CLIP(FOR FRONT PILLAR GARNISH) +----------+ 1212 - B100 9004A-46275- 6 +----------+ | 62212 | GARNISH, FRONT PILLAR, LH +----------+ 1212 - B100 LT.GRAY(TRIM1#) 62212-BZ200-B0 1 +----------+ | 62313D | TRIM, FRONT DOOR OPENING, RH +----------+ 1212 - B100 62313-BZ120- 1 +----------+ | 62314D | TRIM, FRONT DOOR OPENING, LH +----------+ 1212 - B100 62313-BZ120- 1 +----------+ | 62333A | TRIM, REAR DOOR OPENING, RH +----------+ 1212 - B100..LO,MID 62333-BZ070- 1 1212 - B100..HI 62333-BZ150- 1 +----------+ | 62334A | TRIM, REAR DOOR OPENING, LH +----------+ 1212 - B100..LO,MID 62333-BZ070- 1 1212 - B100..HI 62333-BZ150- 1 FIG.64-01 INSIDE TRIM BOARD & DOOR OPENING TRIM MOULDING PROD_DATE MODELS SPEC CODE DESCRIPTION R / P PART NUMBER O Y T REV_REF FR TO +----------+ | 62401A | CLIP (FOR CENTER PILLAR GARNISH PANEL, UPPER) +----------+ 1212 - B100 9004A-46275- 2 +----------+ | 62411B | GARNISH, CENTER PILLAR, UPPER RH +----------+ 1212 - B100 LT.GRAY(TRIM1#) 62411-BZ110-B0 1 +----------+ | 62412B | GARNISH, CENTER PILLAR, UPPER LH +----------+ 1212 - B100 LT.GRAY(TRIM1#) 62412-BZ110-B0 1 +----------+ | 62413A | GARNISH, CENTER PILLAR, LOWER RH +----------+ 1212 - B100 DK.GRAY(TRIM1#) 62413-BZ160-B0 1 +----------+ | 62414A | GARNISH, CENTER PILLAR, LOWER LH +----------+ 1212 - B100 DK.GRAY(TRIM1#) 62414-BZ160-B0 1 +----------+ | 62461H | CLIP (FOR ROOF SIDE INNER GARNISH) +----------+ 1212 - B100..HI 9004A-46275- 10 +----------+ | 62471A | GARNISH, ROOF SIDE, INNER RH +----------+ 1212 - B100..HI LT.GRAY(TRIM1#) 62471-BZ260-B0 1 +----------+ | 62472A | GARNISH, ROOF SIDE, INNER LH +----------+ 1212 - B100..HI LT.GRAY(TRIM1#) 62472-BZ260-B0 1 +----------+ | 67913 | PLATE, FRONT DOOR SCUFF, RH +----------+ 1212 - B100 DK.GRAY(TRIM1#) 67913-BZ120-B0 1 +----------+ | 67913A | CLIP(FOR SCUFF PLATE) +----------+ 1212 - B100 90044-68288- 4 +----------+ | 67914 | PLATE, FRONT DOOR SCUFF, LH +----------+ 1212 - B100 DK.GRAY(TRIM1#) 67914-BZ120-B0 1
  • 185.
    185 FIG.64-01 INSIDE TRIMBOARD & DOOR OPENING TRIM MOULDING PROD_DATE MODELS SPEC CODE DESCRIPTION R / P PART NUMBER O Y T REV_REF FR TO +----------+ | 67917A | PLATE, REAR DOOR SCUFF, RH +----------+ 1212 - B100 DK.GRAY(TRIM1#) 67917-BZ130-B0 1 +----------+ | 67918A | PLATE, REAR DOOR SCUFF, LH +----------+ 1212 - B100 DK.GRAY(TRIM1#) 67918-BZ130-B0 1 +----------+ | 67918C | CLIP(FOR REAR SCUFF PLATE) +----------+ 1212 - B100 90044-68288- 2
  • 186.
    186 FIG.64-02 ROOF HEADLINING& SILENCER PAD ―   ―   ―   ―   ―   ―   ―   ―   ―   ―   ―   ―   ―   ―   ―   ―   ―   ―   ―   ―   ―   ―   ―   ―   ―   ―   ―   ―   ―   ―   ―   ―   ―   ― (1212- )LO,MID 643225 63310 63310A 63310A 63310H 63310H 63310H 63310H 63310H 63310H63310H 63341 6334263342 63342 FIG.64-02 ROOF HEADLINING & SILENCER PAD (1212- )HI 643226 63310 63310H 63310H 63310H 63310H 63341 6334263342 63342
  • 187.
    187 FIG.64-02 ROOF HEADLINING& SILENCER PAD PROD_DATE MODELS SPEC CODE DESCRIPTION R / P PART NUMBER O Y T REV_REF FR TO +----------+ | 63310 | HEADLINING ASSY, ROOF +----------+ 1212 - B100..LO LT.GRAY(TRIM1#) 63310-BZ240-B0 1 1212 - B100..MID LT.GRAY(TRIM1#) 63310-BZ500-B0 1 1212 - B100..HI LT.GRAY(TRIM1#) 63310-BZ510-B0 1 +----------+ | 63310A | PLUG, HOLE(FOR ROOF HEADLINING ASSY) +----------+ 1212 - B100..LO,MID LT.GRAY(TRIM1#) 58707-B2010-B2 2 +----------+ | 63310H | CLIP(FOR ROOF HEADLINING) +----------+ 1212 - B100..HI LT.GRAY(TRIM1#) 90467-05164-P5 4 1212 - B100..MID LT.GRAY(TRIM1#) 90467-05164-P5 7 1212 - B100..LO LT.GRAY(TRIM1#) 90467-05164-P5 9 +----------+ | 63341 | PAD, ROOF SILENCER, NO.1 +----------+ 1212 - B100 63341-BZ110- 1 +----------+ | 63342 | PAD, ROOF SILENCER, NO.2 +----------+ 1212 - B100 63342-BZ090- 3
  • 188.
    188 FIG.64-04 DECK BOARD& DECK TRIM COVER (1212- ) 643224 REFER TO FIG (PNC 73381) REFER TO FIG (PNC 73381) 58410B 62630V 62630V 64342A 64342A 64716E 64726B 64730B 64730E 64740C 64750F 90041-89019(2) 90041-89019(2) 9004A-15060(2) 9004A-15060(2) 71-04 71-04 FIG.64-04 DECK BOARD & DECK TRIM COVER PROD_DATE MODELS SPEC CODE DESCRIPTION R / P PART NUMBER O Y T REV_REF FR TO +----------+ | 58410B | BOARD ASSY, DECK +----------+ 1212 - B100..LO,MID BLACK(TRIM1#) 58410-BZ140-C0 1 1212 - B100..HI BLACK(TRIM1#) 58410-BZ150-C0 1 1212 - B100..MID G4AC 175/65R14 5J-AL,BLAC K(TRIM1#) 58410-BZ150-C0 1 +----------+ | 62630V | CLIP (FOR QUARTER REAR TRIM) +----------+ 1212 - B100 DK.GRAY(TRIM1#) 9004A-46132-B0 2 +----------+ | 64342A | CLIP +----------+ 1212 - B100 DK.GRAY(TRIM1#) 9004A-46132-B0 2 +----------+ | 64716E | CLIP(FOR DECK TRIM REAR COVER) +----------+ 1212 - B100 9004A-46308- 1 +----------+ | 64726B | CLIP, DECK REAR TRIM +----------+ 1212 - B100 DK.GRAY(TRIM1#) 90044-68046-B2 1 +----------+ | 64730B | PANEL ASSY, DECK TRIM SIDE, RH +----------+ 1212 - B100..LO,MID DK.GRAY(TRIM1#) 64730-BZ140-B0 1 1212 - B100..LO,MID R4BB RR SEAT BELT(RH,LH:3 P ELR,CTR:2P),DK.GRA Y(TRIM1#) 64730-BZ150-B0 1 1212 - B100..HI DK.GRAY(TRIM1#) 64730-BZ160-B0 1 +----------+ | 64730E | CLIP(FOR DECK TRIM SIDE BOARD) +----------+ 1212 - B100 9004A-46308- 1 +----------+ | 64740C | PANEL ASSY, DECK TRIM SIDE, LH +----------+ 1212 - B100..LO,MID DK.GRAY(TRIM1#) 64740-BZ130-B0 1 1212 - B100..LO,MID R4BB RR SEAT BELT(RH,LH:3 P ELR,CTR:2P),DK.GRA Y(TRIM1#) 64740-BZ140-B0 1
  • 189.
    189 FIG.64-04 DECK BOARD& DECK TRIM COVER PROD_DATE MODELS SPEC CODE DESCRIPTION R / P PART NUMBER O Y T REV_REF FR TO +----------+ | 64740C | PANEL ASSY, DECK TRIM SIDE, LH CONTINUED--+ 1212 - B100..HI DK.GRAY(TRIM1#) 64740-BZ150-B0 1 +----------+ | 64750F | CLIP(FOR DECK SIDE TRIM PANEL) +----------+ 1212 - B100 DK.GRAY(TRIM1#) 90044-68046-B2 1
  • 190.
    190 FIG.67-01 FRONT DOORPANEL & GLASS ―   ―   ―   ―   ―   ―   ―   ―   ―   ―   ―   ―   ―   ―   ―   ―   ―   ―   ―   ―   ―   ―   ―   ―   ―   ―   ―   ―   ―   ―   ―   ―   ―   ― (1212- ) DOOR PANEL 677683-A 90119-06838(2) 67001 67001A 67002 67403F 67404F 67491A 67492A 67772A 67831 67832 67111 67112 67861 67862 67867C 67868C 67869B 68101 68102 68141C 68143A 68147E 68147F 68151C 68160C 68210C 68610B 68620 75923B 75924B 90041-05486 9004A-11244(2) 9004A-95020 FIG.67-01 FRONT DOOR PANEL & GLASS (1212- )LO SEMI TRIM 677684 REFER TO FIG (PNC 74610A) REFER TO FIG REFER TO FIG REFER TO FIG REFER TO FIG 74-01 74-01 74-01 74-01 74-01 67601 67601A 67602 67631B 68171B 68172A
  • 191.
    191 FIG.67-01 FRONT DOORPANEL & GLASS (1212- )HI,MID FULL TRIM 677685 67601 67602 68171B 68172A 67491F 67601B 67601L 90041-67030 90041-67030 90041-89019 90041-89019 FIG.67-01 FRONT DOOR PANEL & GLASS PROD_DATE MODELS SPEC CODE DESCRIPTION R / P PART NUMBER O Y T REV_REF FR TO +----------+ | 67001 | PANEL SUB-ASSY, FRONT DOOR, RH +----------+ 1212 - B100..LO,MID 67001-BZ340- 1 1212 - B100..HI 67001-BZ450- 1 +----------+ | 67001A | CUSHION, FRONT DOOR PANEL +----------+ 1212 - B100 90541-09069- 4 +----------+ | 67002 | PANEL SUB-ASSY, FRONT DOOR, LH +----------+ 1212 - B100..LO,MID 67002-BZ360- 1 1212 - B100..HI 67002-BZ450- 1 +----------+ | 67111 | PANEL, FRONT DOOR, OUTER RH +----------+ 1212 - B100..LO,MID 67111-BZ150- 1 1212 - B100..HI 67111-BZ270- 1 +----------+ | 67112 | PANEL, FRONT DOOR, OUTER LH +----------+ 1212 - B100..LO,MID 67112-BZ160- 1 1212 - B100..HI 67112-BZ270- 1 +----------+ | 67403F | FRAME SUB-ASSY, FRONT DOOR, REAR LOWER RH +----------+ 1212 - B100 67403-BZ100- 1 +----------+ | 67404F | FRAME SUB-ASSY, FRONT DOOR, REAR LOWER LH +----------+ 1212 - B100 67404-BZ100- 1 +----------+ | 67491A | GARNISH, FRONT DOOR LOWER FRAME BRACKET, RH+----------+ 1212 - B100 67491-BZ090- 1 +----------+ | 67491F | CLIP(FOR DOOR TRIM) +----------+ 1212 - B100..HI,MID DK.GRAY(TRIM1#) 9004A-46293-B0 2
  • 192.
    192 FIG.67-01 FRONT DOORPANEL & GLASS PROD_DATE MODELS SPEC CODE DESCRIPTION R / P PART NUMBER O Y T REV_REF FR TO +----------+ | 67492A | GARNISH, FRONT DOOR LOWER FRAME BRACKET, LH+----------+ 1212 - B100 67492-BZ090- 1 +----------+ | 67601 | BOARD SUB-ASSY, FRONT DOOR TRIM, RH +----------+ 1212 - B100..LO DK.GRAY(TRIM1#) 67610-BZ490-B0 1 1212 - B100..HI,MID DK.GRAY(TRIM1#) 67610-BZ510-B0 1 +----------+ | 67601A | RETAINER(FOR FRONT DOOR TRIM BOARD) +----------+ 1212 - B100..LO 67771-BZ010- 14 +----------+ | 67601B | CLIP(FOR FRONT DOOR TRIM BOARD) +----------+ 1212 - B100..HI,MID 90467-10161- 4 +----------+ | 67601L | CLIP(FOR FRONT DOOR TRIM BOARD) +----------+ 1212 - B100..HI,MID 90467-09206- 14 +----------+ | 67602 | BOARD SUB-ASSY, FRONT DOOR TRIM, LH +----------+ 1212 - B100..LO DK.GRAY(TRIM1#) 67620-BZ480-B0 1 1212 - B100..HI,MID DK.GRAY(TRIM1#) 67620-BZ500-B0 1 +----------+ | 67631B | RETAINER, FRONT DOOR TRIM, UPPER +----------+ 1212 - B100..LO 67771-BZ060- 14 +----------+ | 67772A | CAP, FRONT DOOR TRIM RETAINER +----------+ 1212 - B100 67772-87Z02- 2 +----------+ | 67831 | COVER, FRONT DOOR SERVICE HOLE, RH +----------+ 1212 - B100..LO 67831-BZ280- 1 1212 - B100..HI 67831-BZ320- 1 1212 - B100..HI U1AF FRONT SPEAKER 16CM*2 67831-BZ330- 1 1212 - B100..MID 67831-BZ330- 1 FIG.67-01 FRONT DOOR PANEL & GLASS PROD_DATE MODELS SPEC CODE DESCRIPTION R / P PART NUMBER O Y T REV_REF FR TO +----------+ | 67832 | COVER, FRONT DOOR SERVICE HOLE, LH +----------+ 1212 - B100..LO 67831-BZ280- 1 1212 - B100..HI 67831-BZ320- 1 1212 - B100..HI U1AF FRONT SPEAKER 16CM*2 67831-BZ330- 1 1212 - B100..MID 67831-BZ330- 1 +----------+ | 67861 | WEATHERSTRIP, FRONT DOOR, RH +----------+ 1212 - B100 67861-BZ050- 1 +----------+ | 67862 | WEATHERSTRIP, FRONT DOOR, LH +----------+ 1212 - B100 67862-BZ120- 1 +----------+ | 67867C | RETAINER, FRONT DOOR WEATHERSTRIP, RH +----------+ 1212 - B100 67867-B2430- 32 +----------+ | 67868C | RETAINER, FRONT DOOR WEATHERSTRIP, LH +----------+ 1212 - B100 67867-B2440- 32 +----------+ | 67869B | CLIP, FRONT DOOR WEATHERSTRIP +----------+ 1212 - B100 67869-B2010- 2 +----------+ | 68101 | GLASS SUB-ASSY, FRONT DOOR, RH +----------+ 1212 - B100 T=3.1, GREEN 68101-BZ080- 1 +----------+ | 68102 | GLASS SUB-ASSY, FRONT DOOR, LH +----------+ 1212 - B100 T=3.1,GREEN 68102-BZ230- 1 +----------+ | 68141C | RUN, FRONT DOOR GLASS, RH +----------+ 1212 - B100 68141-BZ100- 1
  • 193.
    193 FIG.67-01 FRONT DOORPANEL & GLASS PROD_DATE MODELS SPEC CODE DESCRIPTION R / P PART NUMBER O Y T REV_REF FR TO +----------+ | 68143A | RUN, FRONT DOOR GLASS, NO.2 +----------+ 1212 - B100 68143-BZ040- 2 +----------+ | 68147E | STOP, FRONT DOOR GLASS, UPPER +----------+ 1212 - B100 67216-B6010- 2 +----------+ | 68147F | STOP, FRONT DOOR GLASS, UPPER +----------+ 1212 - B100 67216-B6020- 2 +----------+ | 68151C | RUN, FRONT DOOR GLASS, LH +----------+ 1212 - B100 68151-BZ100- 1 +----------+ | 68160C | WEATHERSTRIP ASSY, FRONT DOOR GLASS, OUTER RH +----------+ 1212 - B100 68161-BZ110- 1 +----------+ | 68171B | WEATHERSTRIP, FRONT DOOR GLASS, INNER RH +----------+ 1212 - B100..LO 68171-BZ150- 1 1212 - B100..HI,MID 68171-BZ160- 1 +----------+ | 68172A | WEATHERSTRIP, FRONT DOOR GLASS, INNER LH +----------+ 1212 - B100..LO 68172-BZ130- 1 1212 - B100..HI,MID 68172-BZ140- 1 +----------+ | 68210C | WEATHERSTRIP ASSY, FRONT DOOR GLASS, OUTER LH +----------+ 1212 - B100 68162-BZ100- 1 +----------+ | 68610B | CHECK ASSY, FRONT DOOR, RH +----------+ 1212 - B100 68610-BZ060- 1 +----------+ | 68620 | CHECK ASSY, FRONT DOOR, LH +----------+ 1212 - B100 68610-BZ060- 1 FIG.67-01 FRONT DOOR PANEL & GLASS PROD_DATE MODELS SPEC CODE DESCRIPTION R / P PART NUMBER O Y T REV_REF FR TO +----------+ | 75923B | TAPE, BLACK OUT, NO.2 RH +----------+ 1212 - B100..HI TUYAKESI BLACK DUMMY (1E7 ,B72 ,B74 ,S37 ,W09) 75923-BZ060-C0 1 +----------+ | 75924B | TAPE, BLACK OUT, NO.2 LH +----------+ 1212 - B100..HI TUYAKESI BLACK DUMMY (1E7 ,B72 ,B74 ,S37 ,W09) 75924-BZ060-C0 1
  • 194.
    194 FIG.67-03 FRONT DOORLOCK & HANDLE (1212- ) 677686-A 90041-79104(2) 90041-51029(2) 90148-60022(3) 90148-60022(3) 90041-67041 85450H 85460D 69303C 69304C 69205 69206B 69210 69220 69310 69320 69410 69711B 69712A 69747A 69751A 69759K 69759V 90119-06984 FIG.67-03 FRONT DOOR LOCK & HANDLE PROD_DATE MODELS SPEC CODE DESCRIPTION R / P PART NUMBER O Y T REV_REF FR TO +----------+ | 69205 | HANDLE SUB-ASSY, FRONT DOOR INSIDE, RH +----------+ 1212 - B100..LO,MID DK.GRAY(TRIM1#) 69270-BZ012-B0 1 1212 - B100..HI DK.GRAY(TRIM1#) 69270-BZ052-B0 1 +----------+ | 69206B | HANDLE SUB-ASSY, FRONT DOOR INSIDE, LH +----------+ 1212 - B100..LO,MID DK.GRAY(TRIM1#) 69280-BZ012-B0 1 1212 - B100..HI DK.GRAY(TRIM1#) 69280-BZ052-B0 1 +----------+ | 69210 | HANDLE ASSY, FRONT DOOR, OUTSIDE RH +----------+ 1212 - B100 69210-BZ020- 1 1212 - B100..HI L2ED PLATING 69210-BZ230- 1 +----------+ | 69220 | HANDLE ASSY, FRONT DOOR OUTSIDE, LH +----------+ 1212 - B100 69220-BZ020- 1 1212 - B100..HI L2ED PLATING 69220-BZ230- 1 +----------+ | 69303C | LOCK SUB-ASSY, FRONT DOOR, RH +----------+ 1212 - B100..HI 69303-BZ060- 1 1212 - B100..MID L2BB WITH(POWER DOOR LOCK ) 69303-BZ060- 1 +----------+ | 69304C | LOCK SUB-ASSY, FRONT DOOR, LH +----------+ 1212 - B100..HI 69304-BZ080- 1 1212 - B100..MID L2BB WITH(POWER DOOR LOCK ) 69304-BZ080- 1 +----------+ | 69310 | LOCK ASSY, FRONT DOOR, RH +----------+ 1212 - B100..LO 69310-BZ160- 1 1212 - B100..MID 69310-BZ170- 1
  • 195.
    195 FIG.67-03 FRONT DOORLOCK & HANDLE PROD_DATE MODELS SPEC CODE DESCRIPTION R / P PART NUMBER O Y T REV_REF FR TO +----------+ | 69320 | LOCK ASSY, FRONT DOOR, LH +----------+ 1212 - B100..LO 69320-BZ140- 1 1212 - B100..MID 69320-BZ150- 1 +----------+ | 69410 | PLATE ASSY, FRONT DOOR LOCK STRIKER +----------+ 1212 - B100 69410-BZ010- 2 +----------+ | 69711B | LINK, FRONT DOOR LOCK REMOTE CONTROL, RH +----------+ 1212 - B100 69711-BZ050- 1 +----------+ | 69712A | LINK, FRONT DOOR LOCK REMOTE CONTROL, LH +----------+ 1212 - B100 69712-BZ050- 1 +----------+ | 69747A | BUTTON, DOOR LOCKING(FOR FRONT DOOR) +----------+ 1212 - B100 GRAY(TRIM1#) 69743-BZ040-B0 2 +----------+ | 69751A | HOLDER, DOOR LOCKING(FOR FRONT DOOR) +----------+ 1212 - B100..LO DK.GRAY(TRIM1#) 69751-87704-B0 2 1212 - B100..HI,MID DK.GRAY(TRIM1#) 69751-BZ040-B0 2 +----------+ | 69759K | SNAP, DOOR LOCK CONTROL LINK +----------+ 1212 - B100 69279-BZ010- 4 +----------+ | 69759V | SILENCER, FRONT DOOR LOCK LINK +----------+ 1212 - B100 69759-87Z02- 2 +----------+ | 85450H | MOTOR ASSY, DOOR CONTROL, FRONT RH +----------+ 1212 - B100..HI 85450-BZ110- 1 1212 - B100..MID L2BB WITH(POWER DOOR LOCK ) 85450-BZ110- 1 FIG.67-03 FRONT DOOR LOCK & HANDLE PROD_DATE MODELS SPEC CODE DESCRIPTION R / P PART NUMBER O Y T REV_REF FR TO +----------+ | 85460D | MOTOR ASSY, DOOR CONTROL, FRONT LH +----------+ 1212 - B100..HI 85460-BZ090- 1 1212 - B100..MID L2BB WITH(POWER DOOR LOCK ) 85460-BZ090- 1
  • 196.
    196 FIG.67-04 FRONT DOORWINDOW REGULATOR & HINGE (1212- ) 677687-C 90119-06984(2) 90119-06984(2) 90119-06984(2) 90119-06984(4) 90119-06984(2) 90119-06984(4) 90041-68063(3) 90105-08291(2) 90041-05264(2) 9004A-10134(2) 9004A-11239(2) 9004A-11239(2) 68710 68720 68730 68740 69260 69260B 69268 69801 69802 69810A 69820 85720D 85710E FIG.67-04 FRONT DOOR WINDOW REGULATOR & HINGE PROD_DATE MODELS SPEC CODE DESCRIPTION R / P PART NUMBER O Y T REV_REF FR TO +----------+ | 68710 | HINGE ASSY, FRONT DOOR, UPPER RH +----------+ 1212 - B100 68750-BZ010- 1 +----------+ | 68720 | HINGE ASSY, FRONT DOOR, UPPER LH +----------+ 1212 - B100 68760-BZ010- 1 +----------+ | 68730 | HINGE ASSY, FRONT DOOR, LOWER RH +----------+ 1212 - B100 68760-BZ010- 1 +----------+ | 68740 | HINGE ASSY, FRONT DOOR, LOWER LH +----------+ 1212 - B100 68750-BZ010- 1 +----------+ | 69260 | HANDLE ASSY, FRONT DOOR WINDOW REGULATOR +----------+ 1212 - B100..LO DK.GRAY(TRIM1#) 69260-87Z03-B0 2 +----------+ | 69260B | RING, SHAFT SNAP(FOR FRONT DOOR WINDOW REGULATOR HANDLE) +----------+ 1212 - B100..LO 90520-01002- 8 +----------+ | 69268 | PLATE, WINDOW REGULATOR HANDLE +----------+ 1212 - B100..LO DK.GRAY(TRIM1#) 69268-BZ020-B0 2 +----------+ | 69801 | REGULATOR SUB-ASSY, FRONT DOOR WINDOW, RH +----------+ 1212 - B100..HI,MID 69801-BZ150- 1 +----------+ | 69802 | REGULATOR SUB-ASSY, FRONT DOOR WINDOW, LH +----------+ 1212 - B100..HI,MID 69802-BZ150- 1 +----------+ | 69810A | REGULATOR ASSY, FRONT DOOR WINDOW, RH +----------+ 1212 - B100..LO 69810-BZ240- 1 +----------+ | 69820 | REGULATOR ASSY, FRONT DOOR WINDOW, LH +----------+ 1212 - B100..LO 69820-BZ210- 1
  • 197.
    197 FIG.67-04 FRONT DOORWINDOW REGULATOR & HINGE PROD_DATE MODELS SPEC CODE DESCRIPTION R / P PART NUMBER O Y T REV_REF FR TO +----------+ | 85710E | MOTOR ASSY, POWER WINDOW REGULATOR, RH +----------+ 1212 - B100..HI,MID 85710-BZ041- 1 +----------+ | 85720D | MOTOR ASSY, POWER WINDOW REGULATOR, LH +----------+ 1212 - B100..HI,MID 85720-BZ041- 1
  • 198.
    198 FIG.67-05 REAR DOORPANEL & GLASS ―   ―   ―   ―   ―   ―   ―   ―   ―   ―   ―   ―   ―   ―   ―   ―   ―   ―   ―   ―   ―   ―   ―   ―   ―   ―   ―   ―   ―   ―   ―   ―   ―   ― (1212- ) DOOR PANEL 677688-B 90119-06838(2) 90119-06838 90119-06838 75767-BZ010 9004A-11244(2) (REFER TO FIG 57-01) 67003 67004 67113 67114 67215D 67216E 67405B 67406B 67407E 67408E 67841E 67842E 67867D 67868D 67869L 67871 67872 68103 68104 68123B 68124B 68142 68142C 68152C 68180C 68188 68189 68230C 68630D 68640A 69905D 69906C 69975D 75925C 75926C 90041-05486 90041-51041 90048-71298 FIG.67-05 REAR DOOR PANEL & GLASS (1212- )LO DOOR TRIM 677689-A REFER TO FIG (PNC 74610A) REFER TO FIG REFER TO FIG REFER TO FIG REFER TO FIG 74-01 74-01 74-01 74-01 74-01 67603 67603A 67604 67633A 68173B 68174A
  • 199.
    199 FIG.67-05 REAR DOORPANEL & GLASS (1212- )HI,MID DOOR TRIM 677690-A 90041-67030 90041-67030 90041-89019 90041-89019 67603 67604 68173B 68174A 67603B 67603E FIG.67-05 REAR DOOR PANEL & GLASS PROD_DATE MODELS SPEC CODE DESCRIPTION R / P PART NUMBER O Y T REV_REF FR TO +----------+ | 67003 | PANEL SUB-ASSY, REAR DOOR, RH +----------+ 1212 - B100..LO,MID 67003-BZ400- 1 1212 - B100..HI 67003-BZ500- 1 +----------+ | 67004 | PANEL SUB-ASSY, REAR DOOR, LH +----------+ 1212 - B100..LO,MID 67004-BZ400- 1 1212 - B100..HI 67004-BZ500- 1 +----------+ | 67113 | PANEL, REAR DOOR, OUTER RH +----------+ 1212 - B100..LO,MID 67113-BZ270- 1 1212 - B100..HI 67113-BZ310- 1 +----------+ | 67114 | PANEL, REAR DOOR, OUTER LH +----------+ 1212 - B100..LO,MID 67114-BZ270- 1 1212 - B100..HI 67114-BZ310- 1 +----------+ | 67215D | STOP, REAR DOOR WINDOW, UPPER +----------+ 1212 - B100 67216-B6010- 2 +----------+ | 67216E | STOPPER, REAR DOOR GLASS, UPPER NO.2 +----------+ 1212 - B100 67216-B6020- 2 +----------+ | 67405B | GUIDE SUB-ASSY, REAR DOOR WINDOW, FRONT R H+----------+ 1212 - B100 67405-BZ040- 1 +----------+ | 67406B | GUIDE SUB-ASSY, REAR DOOR WINDOW, FRONT L H+----------+ 1212 - B100 67406-BZ040- 1 +----------+ | 67407E | BAR SUB-ASSY, REAR DOOR WINDOW DIVISION, RH+----------+ 1212 - B100 67407-BZ100- 1
  • 200.
    200 FIG.67-05 REAR DOORPANEL & GLASS PROD_DATE MODELS SPEC CODE DESCRIPTION R / P PART NUMBER O Y T REV_REF FR TO +----------+ | 67408E | BAR SUB-ASSY, REAR DOOR WINDOW DIVISION, LH+----------+ 1212 - B100 67408-BZ100- 1 +----------+ | 67603 | BOARD SUB-ASSY, REAR DOOR TRIM, RH +----------+ 1212 - B100..LO DK.GRAY(TRIM1#) 67630-BZ380-B0 1 1212 - B100..HI,MID DK.GRAY(TRIM1#) 67630-BZ400-B0 1 +----------+ | 67603A | RETAINER(FOR REAR DOOR TRIM BOARD) +----------+ 1212 - B100..LO 67771-BZ010- 16 +----------+ | 67603B | CLIP(FOR REAR DOOR TRIM BOARD) +----------+ 1212 - B100..HI,MID 90467-09206- 12 +----------+ | 67603E | CLIP(FOR REAR DOOR TRIM BOARD) +----------+ 1212 - B100..HI,MID 90467-10161- 8 +----------+ | 67604 | BOARD SUB-ASSY, REAR DOOR TRIM, LH +----------+ 1212 - B100..LO DK.GRAY(TRIM1#) 67640-BZ380-B0 1 1212 - B100..HI,MID DK.GRAY(TRIM1#) 67640-BZ400-B0 1 +----------+ | 67633A | RETAINER, REAR DOOR TRIM, UPPER +----------+ 1212 - B100..LO 67771-BZ060- 10 +----------+ | 67841E | COVER, REAR DOOR SERVICE HOLE, RH +----------+ 1212 - B100..LO 67841-BZ260- 1 1212 - B100..HI,MID 67841-BZ270- 1 +----------+ | 67842E | COVER, REAR DOOR SERVICE HOLE, LH +----------+ 1212 - B100..LO 67841-BZ260- 1 1212 - B100..HI,MID 67842-BZ080- 1 FIG.67-05 REAR DOOR PANEL & GLASS PROD_DATE MODELS SPEC CODE DESCRIPTION R / P PART NUMBER O Y T REV_REF FR TO +----------+ | 67867D | RETAINER, REAR DOOR WEATHERSTRIP, RH +----------+ 1212 - B100 67867-B2450- 29 +----------+ | 67868D | RETAINER, REAR DOOR WEATHERSTRIP, LH +----------+ 1212 - B100 67867-B2460- 29 +----------+ | 67869L | CLIP, REAR DOOR WEATHERSTRIP +----------+ 1212 - B100 67869-B2010- 2 +----------+ | 67871 | WEATHERSTRIP, REAR DOOR, RH +----------+ 1212 - B100 67871-BZ080- 1 +----------+ | 67872 | WEATHERSTRIP, REAR DOOR, LH +----------+ 1212 - B100 67872-BZ080- 1 +----------+ | 68103 | GLASS SUB-ASSY, REAR DOOR, RH +----------+ 1212 - B100 T=3.1 GREEN 68113-BZ270- 1 +----------+ | 68104 | GLASS SUB-ASSY, REAR DOOR, LH +----------+ 1212 - B100 T=3.1 GREEN 68114-BZ260- 1 +----------+ | 68123B | GLASS, REAR DOOR QUARTER WINDOW, RH +----------+ 1212 - B100 T=3.1 GREEN 68123-BZ080- 1 +----------+ | 68124B | GLASS, REAR DOOR QUARTER WINDOW, LH +----------+ 1212 - B100 T=3.1 GREEN 68124-BZ080- 1 +----------+ | 68142 | RUN, REAR DOOR GLASS +----------+ 1212 - B100 68144-BZ040- 2 +----------+ | 68142C | RUN, REAR DOOR GLASS, RH +----------+ 1212 - B100 68142-BZ070- 1
  • 201.
    201 FIG.67-05 REAR DOORPANEL & GLASS PROD_DATE MODELS SPEC CODE DESCRIPTION R / P PART NUMBER O Y T REV_REF FR TO +----------+ | 68152C | RUN, REAR DOOR GLASS, LH +----------+ 1212 - B100 68152-BZ070- 1 +----------+ | 68173B | WEATHERSTRIP, REAR DOOR GLASS, INNER RH +----------+ 1212 - B100..LO 68173-BZ130- 1 1212 - B100..HI,MID 68173-BZ140- 1 +----------+ | 68174A | WEATHERSTRIP, REAR DOOR GLASS, INNER LH +----------+ 1212 - B100..LO 68174-BZ090- 1 1212 - B100..HI,MID 68174-BZ100- 1 +----------+ | 68180C | WEATHERSTRIP ASSY, REAR DOOR GLASS, OUTER RH +----------+ 1212 - B100 68163-BZ080- 1 +----------+ | 68188 | WEATHERSTRIP, REAR DOOR QUARTER WINDOW, R H+----------+ 1212 - B100 68188-BZ040- 1 +----------+ | 68189 | WEATHERSTRIP, REAR DOOR QUARTER WINDOW, L H+----------+ 1212 - B100 68189-BZ040- 1 +----------+ | 68230C | WEATHERSTRIP ASSY, REAR DOOR GLASS, OUTER LH +----------+ 1212 - B100 68164-BZ070- 1 +----------+ | 68630D | CHECK ASSY, REAR DOOR, RH +----------+ 1212 - B100 68630-BZ060- 1 +----------+ | 68640A | CHECK ASSY, REAR DOOR, LH +----------+ 1212 - B100 68630-BZ060- 1 +----------+ | 69905D | CHANNEL SUB-ASSY, SLIDE DOOR GLASS, RH +----------+ 1212 - B100 69905-BZ020- 1 FIG.67-05 REAR DOOR PANEL & GLASS PROD_DATE MODELS SPEC CODE DESCRIPTION R / P PART NUMBER O Y T REV_REF FR TO +----------+ | 69906C | BRACKET SUB-ASSY, REAR DOOR GLASS, LH +----------+ 1212 - B100 69906-BZ010- 1 +----------+ | 69975D | FILLER, REAR DOOR GLASS CHANNAL +----------+ 1212 - B100 69975-BZ010- 2 +----------+ | 75925C | TAPE, BLACK OUT, NO.3 RH +----------+ 1212 - B100..HI TUYAKESI BLACK DUMMY (1E7 ,B72 ,B74 ,S37 ,W09) 75925-BZ030-C0 1 +----------+ | 75926C | TAPE, BLACK OUT, NO.3 LH +----------+ 1212 - B100..HI TUYAKESI BLACK DUMMY (1E7 ,B72 ,B74 ,S37 ,W09) 75926-BZ030-C0 1
  • 202.
    202 FIG.67-06 REAR DOORLOCK & HANDLE (1212- ) 677691-A 90041-79104(2) 90148-60022(3) 90148-60022(3) 90041-51029(2) 90119-06984 69205A 69206C 69230 69240 69305D 69306F 69330 69340 69410B 69713A 69714 69735A 69736G 69737 69738 69747B 69749B 69751B 69753A 69759F 69759J 85470D 85480C 90041-67041 FIG.67-06 REAR DOOR LOCK & HANDLE PROD_DATE MODELS SPEC CODE DESCRIPTION R / P PART NUMBER O Y T REV_REF FR TO +----------+ | 69205A | HANDLE SUB-ASSY, REAR DOOR INSIDE, RH +----------+ 1212 - B100..LO,MID DK.GRAY(TRIM1#) 69270-BZ012-B0 1 1212 - B100..HI DK.GRAY(TRIM1#) 69270-BZ052-B0 1 +----------+ | 69206C | HANDLE SUB-ASSY, REAR DOOR INSIDE, LH +----------+ 1212 - B100..LO,MID DK.GRAY(TRIM1#) 69280-BZ012-B0 1 1212 - B100..HI DK.GRAY(TRIM1#) 69280-BZ052-B0 1 +----------+ | 69230 | HANDLE ASSY, REAR DOOR OUTSIDE, RH +----------+ 1212 - B100 69210-BZ020- 1 1212 - B100..HI L2ED PLATING 69210-BZ230- 1 +----------+ | 69240 | HANDLE ASSY, REAR DOOR OUTSIDE, LH +----------+ 1212 - B100 69220-BZ020- 1 1212 - B100..HI L2ED PLATING 69220-BZ230- 1 +----------+ | 69305D | LOCK SUB-ASSY, REAR DOOR, RH +----------+ 1212 - B100..HI 69305-BZ040- 1 1212 - B100..MID L2BB WITH(POWER DOOR LOCK ) 69305-BZ040- 1 +----------+ | 69306F | LOCK SUB-ASSY, REAR DOOR, LH +----------+ 1212 - B100..HI 69306-BZ040- 1 1212 - B100..MID L2BB WITH(POWER DOOR LOCK ) 69306-BZ040- 1 +----------+ | 69330 | LOCK ASSY, REAR DOOR, RH +----------+ 1212 - B100..LO,MID 69330-BZ120- 1 +----------+ | 69340 | LOCK ASSY, REAR DOOR, LH +----------+ 1212 - B100..LO,MID 69340-BZ120- 1
  • 203.
    203 FIG.67-06 REAR DOORLOCK & HANDLE PROD_DATE MODELS SPEC CODE DESCRIPTION R / P PART NUMBER O Y T REV_REF FR TO +----------+ | 69410B | PLATE ASSY, REAR DOOR LOCK STRIKER +----------+ 1212 - B100 69410-BZ010- 2 +----------+ | 69713A | LINK, REAR DOOR LOCK REMOTE CONTROL, RH +----------+ 1212 - B100 69713-BZ040- 1 +----------+ | 69714 | LINK, REAR DOOR LOCK REMOTE CONTROL, LH +----------+ 1212 - B100 69714-BZ040- 1 +----------+ | 69735A | ROD, REAR DOOR LOCK PUSH BUTTON +----------+ 1212 - B100..LO 69735-BZ040- 1 1212 - B100..HI,MID 69735-BZ070- 1 +----------+ | 69736G | ROD, REAR DOOR LOCK PUSH BUTTON, LH +----------+ 1212 - B100..LO 69736-BZ030- 1 1212 - B100..HI,MID 69736-BZ040- 1 +----------+ | 69737 | LINK, REAR DOOR INSIDE LOCKING, RH +----------+ 1212 - B100 69737-BZ060- 1 +----------+ | 69738 | LINK, REAR DOOR INSIDE LOCKING, LH +----------+ 1212 - B100 69738-BZ060- 1 +----------+ | 69747B | BUTTON, DOOR LOCKING(FOR REAR DOOR) +----------+ 1212 - B100 GRAY(TRIM1#) 69743-BZ040-B0 2 +----------+ | 69749B | CLAMP, REAR DOOR LOCK LINK +----------+ 1212 - B100 69749-BZ080- 4 +----------+ | 69751B | HOLDER, DOOR LOCKING(FOR REAR DOOR) +----------+ 1212 - B100..LO DK.GRAY(TRIM1#) 69751-87704-B0 2 FIG.67-06 REAR DOOR LOCK & HANDLE PROD_DATE MODELS SPEC CODE DESCRIPTION R / P PART NUMBER O Y T REV_REF FR TO +----------+ | 69751B | HOLDER, DOOR LOCKING(FOR REAR DOOR) CONTINUED--+ 1212 - B100..HI,MID DK.GRAY(TRIM1#) 69751-BZ040-B0 2 +----------+ | 69753A | BELLCRANK, DOOR LOCK CONTROL +----------+ 1212 - B100 69753-BZ010- 2 +----------+ | 69759F | SNAP, REAR DOOR LOCK CONTROL LINK +----------+ 1212 - B100 69279-BZ010- 4 +----------+ | 69759J | SILENCER, DOOR LOCK LINK +----------+ 1212 - B100 69759-87Z02- 2 +----------+ | 85470D | MOTOR ASSY, DOOR CONTROL, REAR RH +----------+ 1212 - B100..HI 85470-BZ010- 1 1212 - B100..MID L2BB WITH(POWER DOOR LOCK ) 85470-BZ010- 1 +----------+ | 85480C | MOTOR ASSY, DOOR CONTROL, REAR LH +----------+ 1212 - B100..HI 85480-BZ010- 1 1212 - B100..MID L2BB WITH(POWER DOOR LOCK ) 85480-BZ010- 1
  • 204.
    204 FIG.67-07 REAR DOORWINDOW REGULATOR & HINGE (1212- ) 677692-C 90119-06984(4) 90119-06984(4) 90041-68063(3) 85710F 69804 69803 85720E 9004A-11239(2) 9004A-11239(2) 68750 68760 68770 68780 69260E 69260F 69272B 69830A 69840A 90105-08291(2) 90041-05264(2) 9004A-10134(2) FIG.67-07 REAR DOOR WINDOW REGULATOR & HINGE PROD_DATE MODELS SPEC CODE DESCRIPTION R / P PART NUMBER O Y T REV_REF FR TO +----------+ | 68750 | HINGE ASSY, REAR DOOR, UPPER RH +----------+ 1212 - B100 68750-BZ010- 1 +----------+ | 68760 | HINGE ASSY, REAR DOOR, UPPER LH +----------+ 1212 - B100 68760-BZ010- 1 +----------+ | 68770 | HINGE ASSY, REAR DOOR, LOWER RH +----------+ 1212 - B100 68760-BZ010- 1 +----------+ | 68780 | HINGE ASSY, REAR DOOR, LOWER LH +----------+ 1212 - B100 68750-BZ010- 1 +----------+ | 69260E | HANDLE ASSY, REAR DOOR WINDOW REGULATOR +----------+ 1212 - B100..LO DK.GRAY(TRIM1#) 69260-87Z03-B0 2 +----------+ | 69260F | RING, SHAFT SNAP(FOR REAR DOOR WINDOW REGULATOR HANDLE) +----------+ 1212 - B100..LO 90520-01002- 8 +----------+ | 69272B | PLATE, REAR DOOR REGULATOR INSIDE HANDLE +----------+ 1212 - B100..LO DK.GRAY(TRIM1#) 69268-BZ020-B0 2 +----------+ | 69803 | REGULATOR SUB-ASSY, REAR DOOR WINDOW, RH +----------+ 1212 - B100..HI,MID 69803-BZ100- 1 +----------+ | 69804 | REGULATOR SUB-ASSY, REAR DOOR WINDOW, LH +----------+ 1212 - B100..HI,MID 69804-BZ100- 1 +----------+ | 69830A | REGULATOR ASSY, REAR DOOR WINDOW, RH +----------+ 1212 - B100..LO 69830-BZ220- 1 +----------+ | 69840A | REGULATOR ASSY, REAR DOOR WINDOW, LH +----------+ 1212 - B100..LO 69840-BZ220- 1
  • 205.
    205 FIG.67-07 REAR DOORWINDOW REGULATOR & HINGE PROD_DATE MODELS SPEC CODE DESCRIPTION R / P PART NUMBER O Y T REV_REF FR TO +----------+ | 85710F | MOTOR ASSY, POWER WINDOW REGULATOR, RH +----------+ 1212 - B100..HI,MID 85720-BZ041- 1 +----------+ | 85720E | MOTOR ASSY, POWER WINDOW REGULATOR, LH +----------+ 1212 - B100..HI,MID 85710-BZ041- 1
  • 206.
    206 FIG.67-08 BACK DOORPANEL & GLASS (1212- ) 677693-A 64780A 64780D 64819B 64819B 64819B 64819B 67005 67005B 67818B 67818B 67881A 68131 74811D 81952D 85373-BZ050 (REFER TO FIG 57-01) FIG.67-08 BACK DOOR PANEL & GLASS PROD_DATE MODELS SPEC CODE DESCRIPTION R / P PART NUMBER O Y T REV_REF FR TO +----------+ | 64780A | PANEL ASSY, BACK DOOR TRIM +----------+ 1212 - B100 DK.GRAY(TRIM1#) 64780-BZ100-B1 1 +----------+ | 64780D | RETAINER(FOR BACK DOOR TRIM BOARD) +----------+ 1212 - B100 67771-BZ060- 11 +----------+ | 64819B | SPACER, BACK WINDOW GLASS, NO.2 +----------+ 1212 - B100 64819-B2010- 4 +----------+ | 67005 | PANEL SUB-ASSY, BACK DOOR +----------+ 1212 - B100..LO,MID 67005-BZ350- 1 1212 - B100..HI 67005-BZ450- 1 1212 - B100..MID L2BB WITH(POWER DOOR LOCK ) 67005-BZ730- 1 +----------+ | 67005B | CUSHION(FOR BACK DOOR PANEL) +----------+ 1212 - B100 9004A-54015- 4 +----------+ | 67818B | SPACER, BACK WINDOW GLASS +----------+ 1212 - B100 64818-BZ050- 2 +----------+ | 67881A | WEATHERSTRIP, BACK DOOR +----------+ 1212 - B100 67881-BZ150- 1 +----------+ | 68131 | GLASS, BACK DOOR +----------+ 1212 - B100 T=3.1,GREEN 68131-BZ280- 1 +----------+ | 74811D | HANDLE, DOOR PULL +----------+ 1212 - B100 74811-BZ030- 1 +----------+ | 81952D | COVER, REAR LAMP +----------+ 1212 - B100..HI 81977-BZ090- 1
  • 207.
    207 FIG.67-09 BACK DOORLOCK & HANDLE (1212- ) 677694-A REFER TO FIG (PNC 77050A) 77-01 9004A-11205(2) 91551-80614(2) 90105-06184 90105-06184 91551-A0816(2) 91551-A0816(2) 68810C 68820B 68859 68859 68950C 68960 68961 6896169350 69430C 90041-79288 90041-79288
  • 208.
    208 FIG.67-09 BACK DOORLOCK & HANDLE PROD_DATE MODELS SPEC CODE DESCRIPTION R / P PART NUMBER O Y T REV_REF FR TO +----------+ | 68810C | HINGE ASSY, BACK DOOR, RH +----------+ 1212 - B100 68801-BZ110- 1 +----------+ | 68820B | HINGE ASSY, BACK DOOR, LH +----------+ 1212 - B100 68801-BZ110- 1 +----------+ | 68859 | PACKING, BACK DOOR HINGE +----------+ 1212 - B100 68859-87201- 2 +----------+ | 68950C | STAY ASSY, BACK DOOR, RH +----------+ 1212 - B100 68950-B6010- 1 +----------+ | 68960 | STAY ASSY, BACK DOOR, LH +----------+ 1212 - B100 68960-B6010- 1 +----------+ | 68961 | BOLT, BACK DOOR STAY +----------+ 1212 - B100 68459-87202- 2 +----------+ | 69350 | LOCK ASSY, BACK DOOR +----------+ 1212 - B100..LO,MID 69350-BZ150- 1 1212 - B100..HI 69350-BZ160- 1 1212 - B100..MID L2BB WITH(POWER DOOR LOCK ) 69350-BZ160- 1 +----------+ | 69430C | STRIKER ASSY, BACK DOOR LOCK +----------+ 1212 - B100 69430-BZ060- 1
  • 209.
    209 FIG.67-12 LOCK CYLINDERSET ―   ―   ―   ―   ―   ―   ―   ―   ―   ―   ―   ―   ―   ―   ―   ―   ―   ―   ―   ―   ―   ―   ―   ―   ―   ―   ―   ―   ―   ―   ―   ―   ―   ― (1212- )LO 677696-A 69503 69551 69682 69051 69503C 69057A 69055B FIG.67-12 LOCK CYLINDER SET (1212- )HI,MID 677701 69503 69551 69682 69051 69503C 69057A 69055B
  • 210.
    210 FIG.67-12 LOCK CYLINDERSET PROD_DATE MODELS SPEC CODE DESCRIPTION R / P PART NUMBER O Y T REV_REF FR TO +----------+ | 69051 | CYLINDER & KEY SET, DOOR LOCK, RH +----------+ 1212 - B100..LO 69051-BZ140- 1 1212 - B100..HI,MID 69051-BZ160- 1 +----------+ | 69055B | CYLINDER & KEY SET, BACK DOOR LOCK +----------+ 1212 - B100..LO 69055-BZ120- 1 1212 - B100..HI,MID 69055-BZ140- 1 +----------+ | 69057A | CYLINDER & KEY SET, IGNITION SWITCH LOCK +----------+ 1212 - B100..LO 69057-BZ120- 1 1212 - B100..HI,MID 69057-BZ140- 1 +----------+ | 69503 | CYLINDER SET, LOCK +----------+ 1212 - B100..LO 69005-BZ430- 1 1212 - B100..HI,MID 69005-BZ470- 1 +----------+ | 69503C | KEY, SUB +----------+ 1212 - B100..LO 69516-BZ030- 1 1212 - B100..HI,MID 69516-BZ050- 1 +----------+ | 69551 | RETAINER, BACK DOOR LOCK CYLINDER +----------+ 1212 - B100 61317-BZ020- 1 +----------+ | 69682 | RETAINER, LOCK CYLINDER +----------+ 1212 - B100 69682-B2020- 1
  • 211.
    211 FIG.71-01 FRONT SEAT& SEAT TRACK (1212- ) DRIVER'S SEAT 718192-B REFER TO FIG (PNC 73230) 71-04 71071S 71073S 71110A 71127B 71127B 71410C 71410C 71430C 71430C 71551S 71521A 71537C 71537C 71537C 71537C 71511S 71571 71811D 71831B 72110A 72130A 72137B72137B 72137B 72211 72525A 73949 73949 84139-B1010 84139-B1010 91553-10820 91553-10820 90179-08068(4) 90179-08068(4) 90520-01002 91551-80820(2) 91551-80820(2) 91553-10820 91553-10820
  • 212.
    212 FIG.71-01 FRONT SEAT& SEAT TRACK (1212- ) PASSENGER SEAT 718193-B REFER TO FIG (PNC 73240) 90520-01002 71-52 71127B 71127B 79956M 79956M 84139-B1010 84139-B1010 90179-08068(4) 90179-08068(4) 91551-80820(2) 91551-80820(2) 71072S 71074S 71120B 71512S 71521B 71537D 71537D 71537D 71537D 71552S 71572 71812 71812 71812D 71815 71815 71832B 72120 72138B 72138B 72138B 72140A 72211C 72526A 91553-10820 91553-10820 91553-10820 91553-10820
  • 213.
    213 FIG.71-01 FRONT SEAT& SEAT TRACK PROD_DATE MODELS SPEC CODE DESCRIPTION R / P PART NUMBER O Y T REV_REF FR TO +----------+ | 71071S | COVER, FRONT SEAT CUSHION, RH(FOR SEPARATE TYPE) +----------+ 1212 - B100..LO,MID GRAY(TRIM1#) 71071-BZC50-B1 1 1212 - B100..HI GRAY(TRIM1#) 71071-BZC60-B1 1 1212 - B100..MID R1HC HI (SEAT COVER MATER IAL),GRAY(TRIM1#) 71071-BZC60-B1 1 +----------+ | 71072S | COVER, FRONT SEAT CUSHION, LH(FOR SEPARATE TYPE) +----------+ 1212 - B100..LO,MID GRAY(TRIM1#) 71072-BZC60-B1 1 1212 - B100..HI GRAY(TRIM1#) 71072-BZC70-B1 1 1212 - B100..MID R1HC HI (SEAT COVER MATER IAL),GRAY(TRIM1#) 71072-BZC70-B1 1 +----------+ | 71073S | COVER, FRONT SEAT BACK, RH(FOR SEPARATE TYPE) +----------+ 1212 - B100..LO,MID GRAY(TRIM1#) 71073-BZC80-B0 1 1212 - B100..HI GRAY(TRIM1#) 71073-BZC90-B0 1 1212 - B100..MID R1HC HI (SEAT COVER MATER IAL),GRAY(TRIM1#) 71073-BZC90-B0 1 +----------+ | 71074S | COVER, FRONT SEAT BACK, LH(FOR SEPARATE TYPE) +----------+ 1212 - B100..LO,MID GRAY(TRIM1#) 71074-BZA00-B0 1 1212 - B100..HI GRAY(TRIM1#) 71074-BZA10-B0 1 1212 - B100..MID R1HC HI (SEAT COVER MATER IAL),GRAY(TRIM1#) 71074-BZA10-B0 1 +----------+ | 71110A | FRAME ASSY, FRONT SEAT W/ADJUSTER, RH +----------+ 1212 - B100 71110-BZ150- 1 +----------+ | 71120B | FRAME ASSY, FRONT SEAT W/ADJUSTER, LH +----------+ 1212 - B100 71120-BZ120- 1 +----------+ | 71127B | PLATE, FR SEAT CUSHION PROTECTOR SET +----------+ 1212 - B100 71127-BZ010- 4 FIG.71-01 FRONT SEAT & SEAT TRACK PROD_DATE MODELS SPEC CODE DESCRIPTION R / P PART NUMBER O Y T REV_REF FR TO +----------+ | 71410C | CLIP(FOR FRONT SEAT CUSHION) +----------+ 1212 - B100 9004A-46143- 8 +----------+ | 71430C | CLIP +----------+ 1212 - B100 DK.GRAY(TRIM1#) 90044-68185-B1 4 +----------+ | 71511S | PAD, FRONT SEAT CUSHION, RH(FOR SEPARATE TYPE) +----------+ 1212 - B100 71501-BZ410- 1 +----------+ | 71512S | PAD, FRONT SEAT CUSHION, LH (FOR SEPARATE TYPE) +----------+ 1212 - B100 71501-BZ410- 1 +----------+ | 71521A | PAD,FRONT SEAT CUSHION SILENCER +----------+ 1212 - B100 71147-B1020- 1 +----------+ | 71521B | PAD,FRONT SEAT CUSHION SILENCER +----------+ 1212 - B100 71147-B1020- 1 +----------+ | 71537C | PROTECTOR, FRONT SEAT CUSHION EDGE, RH +----------+ 1212 - B100 71537-BZ030- 4 +----------+ | 71537D | PROTECTOR, FRONT SEAT CUSHION EDGE, LH +----------+ 1212 - B100 71537-BZ030- 4 +----------+ | 71551S | PAD, FRONT SEAT BACK, RH(FOR SEPARATE TYP E)+----------+ 1212 - B100 71505-BZ330- 1 +----------+ | 71552S | PAD, FRONT SEAT BACK, LH(FOR SEPARATE TYP E)+----------+ 1212 - B100 71506-BZ040- 1 +----------+ | 71571 | PAD, FRONT SEAT BACK SILENCER, A +----------+ 1212 - B100 71147-B2040- 1
  • 214.
    214 FIG.71-01 FRONT SEAT& SEAT TRACK PROD_DATE MODELS SPEC CODE DESCRIPTION R / P PART NUMBER O Y T REV_REF FR TO +----------+ | 71572 | PAD, FRONT SEAT BACK SILENCER, B +----------+ 1212 - B100 71147-B2040- 1 +----------+ | 71811D | SHIELD, FRONT SEAT CUSHION, RH +----------+ 1212 - B100 DK.GRAY(TRIM1#) 71811-BZ170-B0 1 +----------+ | 71812 | CLIP (FOR FRONT SEAT CUSHION COVER) +----------+ 1212 - B100 DK.GRAY(TRIM1#) 90044-68185-B1 4 +----------+ | 71812D | SHIELD, FRONT SEAT CUSHION, LH +----------+ 1212 - B100 DK.GRAY(TRIM1#) 71812-BZ150-B0 1 +----------+ | 71815 | CLIP (FOR FRONT SEAT CUSHION COVER SET) +----------+ 1212 - B100 9004A-46143- 8 +----------+ | 71831B | COVER, FRONT SEAT HINGE, RH +----------+ 1212 - B100 DK.GRAY(TRIM1#) 71831-BZ040-B0 1 +----------+ | 71832B | COVER, FRONT SEAT HINGE, LH +----------+ 1212 - B100 DK.GRAY(TRIM1#) 71832-BZ090-B0 1 +----------+ | 72110A | TRACK ASSY, FRONT SEAT, OUTER RH +----------+ 1212 - B100 72110-BZ200- 1 +----------+ | 72120 | TRACK ASSY, FRONT SEAT, OUTER LH +----------+ 1212 - B100 72120-BZ210- 1 +----------+ | 72130A | TRACK ASSY, FRONT SEAT, INNER RH +----------+ 1212 - B100 72130-BZ240- 1 +----------+ | 72137B | COVER, SEAT TRACK, RH +----------+ 1212 - B100 72137-BZ040- 3 FIG.71-01 FRONT SEAT & SEAT TRACK PROD_DATE MODELS SPEC CODE DESCRIPTION R / P PART NUMBER O Y T REV_REF FR TO +----------+ | 72138B | COVER, SEAT TRACK, LH +----------+ 1212 - B100 72137-BZ040- 3 +----------+ | 72140A | TRACK ASSY, FRONT SEAT,INNER LH +----------+ 1212 - B100 72140-BZ240- 1 +----------+ | 72211 | HANDLE, SEAT TRACK ADJUSTING +----------+ 1212 - B100 72211-BZ100- 1 +----------+ | 72211C | HANDLE, SEAT TRACK ADJUSTING +----------+ 1212 - B100 72211-BZ100- 1 +----------+ | 72525A | HANDLE, RECLINING ADJUSTER RELEASE, RH +----------+ 1212 - B100 DK.GRAY(TRIM1#) 72525-BZ110-B0 1 +----------+ | 72526A | HANDLE, RECLINING ADJUSTER RELEASE, LH +----------+ 1212 - B100 DK.GRAY(TRIM1#) 72526-BZ100-B0 1 +----------+ | 73949 | CAP +----------+ 1212 - B100 73949-BZ050- 2 +----------+ | 79956M | CAP(FOR FRONT SEAT LEG SIDE COVER) +----------+ 1212 - B100 73949-BZ050- 2
  • 215.
    215 FIG.71-02 REAR SEAT& SEAT TRACK ―   ―   ―   ―   ―   ―   ―   ―   ―   ―   ―   ―   ―   ―   ―   ―   ―   ―   ―   ―   ―   ―   ―   ―   ―   ―   ―   ―   ―   ―   ―   ―   ―   ― (1212- ) W/O HEADREST ILLUST NO. 1 OF 2 718194 71075B 71077B 71480A 71480B 71611A 71812B 71885C 71922B 71922B71931A 71956B 71922B 71922B 71970B 71990A 72601A 72602A 72630C 72640A 72693 90041-19701 90041-19701 91553-80820(3) 91553-80820(3) 72693 FIG.71-02 REAR SEAT & SEAT TRACK (1212- ) W/ HEADREST ILLUST NO. 2 OF 2 718195 71075B 71077B 71480A 71480B 71611A 71812B 71970 71970 71885C 71931A 71956B 71970B 71990A 72601A 72602A 72630C 72640A 72693 90041-19701 90041-19701 91553-80820(3) 91553-80820(3) 72693
  • 216.
    216 FIG.71-02 REAR SEAT& SEAT TRACK PROD_DATE MODELS SPEC CODE DESCRIPTION R / P PART NUMBER O Y T REV_REF FR TO +----------+ | 71075B | COVER, REAR SEAT CUSHION (FOR BENCH TYPE) +----------+ 1212 - 1401 B100..LO,MID -(TRIM1#) 71075-BZA60-B1 1 1212 - 1401 B100..HI -(TRIM1#) 71075-BZA70-B1 1 1212 - 1401 B100..MID R1BC BENCH SEAT(W/HEADRES T),-(TRIM1#) 71075-BZA70-B1 1 1212 - 1401 B100..MID R1HC HI (SEAT COVER MATER IAL),-(TRIM1#) 71075-BZA70-B1 1 +----------+ | 71077B | COVER, REAR SEAT BACK (FOR BENCH TYPE) +----------+ 1212 - 1401 B100..LO,MID GRAY(TRIM1#) 71077-BZ850-B0 1 1212 - 1401 B100..HI GRAY(TRIM1#) 71077-BZ860-B2 1 1212 - 1401 B100..MID R1BC BENCH SEAT(W/HEADRES T),GRAY(TRIM1#) 71077-BZ860-B2 1 1212 - 1401 B100..MID R1HC HI (SEAT COVER MATER IAL),GRAY(TRIM1#) 71077-BZ860-B2 1 +----------+ | 71480A | CLIP (FOR REAR SEAT BACK) +----------+ 1212 - 1401 B100..HI 90468-18071- 9 1212 - B100..LO,MID 90468-18071- 9 +----------+ | 71480B | BACK ASSY, REAR SEAT (FOR BENCH TYPE) +----------+ 1212 - 1401 B100..LO,MID -(TRIM1#) 71480-BZA30-B3 1 1212 - 1401 B100..HI -(TRIM1#) 71480-BZA40-B2 1 1212 - 1401 B100..MID R1HC HI (SEAT COVER MATER IAL),-(TRIM1#) 71480-BZA40-B2 1 1212 - 1401 B100..LO R1BC BENCH SEAT(W/HEADRES T),-(TRIM1#) 71480-BZA50-B0 1 1212 - 1401 B100..HI R1BC BENCH SEAT(W/HEADRES T),-(TRIM1#) 71480-BZA60-B1 1 1212 - 1401 B100..MID R1BC BENCH SEAT(W/HEADRES T),-(TRIM1#) 71480-BZA60-B1 1 FIG.71-02 REAR SEAT & SEAT TRACK PROD_DATE MODELS SPEC CODE DESCRIPTION R / P PART NUMBER O Y T REV_REF FR TO +----------+ | 71611A | PAD, REAR SEAT CUSHION, RH +----------+ 1212 - 1401 B100 71503-BZ350- 1 +----------+ | 71812B | CLIP(FOR REAR SEAT CUSHION COVER) +----------+ 1212 - 1401 B100..HI 90468-18071- 27 1212 - B100..LO,MID 90468-18071- 27 +----------+ | 71885C | CLIP(FOR REAR SEAT BACK CARPET) +----------+ 1212 - B100 - 90044-67414-C0 3 +----------+ | 71922B | COVER, REAR SEAT HEADREST UNDER +----------+ 1212 - B100 DK.GRAY(TRIM1#) 71991-BZ010-B0 4 +----------+ | 71931A | SUPPORT, REAR SEAT HEADREST +----------+ 1212 - B100 DK.GRAY(TRIM1#) 71931-87Z08-B0 1 +----------+ | 71956B | SUPPORT, REAR SEAT HEADREST +----------+ 1212 - B100 DK.GRAY(TRIM1#) 71930-87Z09-B0 1 +----------+ | 71970 | HEADREST ASSY, REAR SEAT +----------+ 1212 - B100..LO R1BC BENCH SEAT(W/HEADRES T),DK.GRAY(TRIM1#) 71940-BZ450-B0 2 1212 - B100..HI R1BC BENCH SEAT(W/HEADRES T),DK.GRAY(TRIM1#) 71940-BZ590-B0 2 1212 - B100..MID R1BC BENCH SEAT(W/HEADRES T),DK.GRAY(TRIM1#) 71940-BZ590-B0 2 +----------+ | 71970B | SUPPORT ASSY, REAR SEAT HEADREST, RH +----------+ 1212 - B100 DK.GRAY(TRIM1#) 71930-87Z09-B0 1 +----------+ | 71990A | SUPPORT ASSY, REAR SEAT HEADREST, LH +----------+ 1212 - B100 DK.GRAY(TRIM1#) 71931-87Z08-B0 1
  • 217.
    217 FIG.71-02 REAR SEAT& SEAT TRACK PROD_DATE MODELS SPEC CODE DESCRIPTION R / P PART NUMBER O Y T REV_REF FR TO +----------+ | 72601A | STRIKER SUB-ASSY, REAR SEAT BACK LOOK, RH +----------+ 1212 - B100 72601-BZ030- 1 +----------+ | 72602A | STRIKER SUB-ASSY, REAR SEAT BACK LOCK, LH +----------+ 1212 - B100 72601-BZ030- 1 +----------+ | 72630C | LOCK ASSY, REAR SEAT BACK, RH +----------+ 1212 - B100 DK.GRAY(TRIM1#) 72630-BZ040-B0 1 +----------+ | 72640A | LOCK ASSY, REAR SEAT BACK, LH +----------+ 1212 - B100 DK.GRAY(TRIM1#) 72640-BZ050-B0 1 +----------+ | 72693 | HOOK, REAR SEAT CUSHION LOCK +----------+ 1212 - B100 72693-97201- 2
  • 218.
    218 FIG.71-04 SEAT BELT& CHILD RESTRAINT SEAT (1212- ) FRONT SEAT 718196 73210 73220 73210 73220 73230 73240 23518-BZ010 90041-67030 90041-79312 9004A-11057 9004A-11057
  • 219.
    219 FIG.71-04 SEAT BELT& CHILD RESTRAINT SEAT (1212- ) REAR SEAT 718198 73360B 73370B 73381 9004A-11057 9004A-11057 73470B 73480 9004A-11057 9004A-11057
  • 220.
    220 FIG.71-04 SEAT BELT& CHILD RESTRAINT SEAT PROD_DATE MODELS SPEC CODE DESCRIPTION R / P PART NUMBER O Y T REV_REF FR TO +----------+ | 73210 | BELT ASSY, FRONT SEAT OUTER, RH +----------+ 1212 - B100 -(TRIM1#) 73210-BZ380-B0 1 1212 - B100..HI,MID R5AB D/P(SRS AIR BAG),-(T RIM1#) 73210-BZ390-B0 1 +----------+ | 73220 | BELT ASSY, FRONT SEAT OUTER, LH +----------+ 1212 - B100 -(TRIM1#) 73220-BZ360-B0 1 1212 - B100..HI,MID R5AB D/P(SRS AIR BAG),-(T RIM1#) 73220-BZ370-B0 1 +----------+ | 73230 | BELT ASSY, FRONT SEAT INNER, RH +----------+ 1212 - B100 DK.GRAY(TRIM1#) 73230-BZ500-B0 1 +----------+ | 73240 | BELT ASSY, FRONT SEAT INNER, LH +----------+ 1212 - B100 DK.GRAY(TRIM1#) 73230-BZ500-B0 1 +----------+ | 73360B | BELT ASSY, REAR SEAT, OUTER +----------+ 1212 - B100..HI -(TRIM1#) 73360-BZ230-B0 1 1212 - B100..LO,MID R4BB RR SEAT BELT(RH,LH:3 P ELR,CTR:2P),-(TRIM 1#) 73360-BZ240-B0 1 +----------+ | 73370B | BELT ASSY, REAR SEAT, OUTER +----------+ 1212 - B100..HI -(TRIM1#) 73370-BZ230-B0 1 1212 - B100..LO,MID R4BB RR SEAT BELT(RH,LH:3 P ELR,CTR:2P),-(TRIM 1#) 73370-BZ240-B0 1 +----------+ | 73381 | HOLDER, REAR SEAT BELT +----------+ 1212 - B100..LO,MID R4BB RR SEAT BELT(RH,LH:3 P ELR,CTR:2P),DK.GRA Y(TRIM1#) 73381-87202-B2 2 1212 - B100..HI DK.GRAY(TRIM1#) 73381-87202-B2 2 FIG.71-04 SEAT BELT & CHILD RESTRAINT SEAT PROD_DATE MODELS SPEC CODE DESCRIPTION R / P PART NUMBER O Y T REV_REF FR TO +----------+ | 73470B | BELT ASSY, REAR SEAT INNER W/CENTER, RH +----------+ 1212 - B100..LO,MID R4BB RR SEAT BELT(RH,LH:3 P ELR,CTR:2P),-(TRIM 1#) 73470-BZ050-B0 1 1212 - B100..HI -(TRIM1#) 73470-BZ050-B0 1 +----------+ | 73480 | BELT ASSY, REAR SEAT INNER W/CENTER, LH +----------+ 1212 - B100..LO,MID R4BB RR SEAT BELT(RH,LH:3 P ELR,CTR:2P),-(TRIM 1#) 73480-BZ050-B0 1 1212 - B100..HI -(TRIM1#) 73480-BZ050-B0 1
  • 221.
    221 FIG.74-01 ARMREST &VISOR ―   ―   ―   ―   ―   ―   ―   ―   ―   ―   ―   ―   ―   ―   ―   ―   ―   ―   ―   ―   ―   ―   ―   ―   ―   ―   ―   ―   ―   ―   ―   ―   ―   ― (1212- ) ARMREST 743564 74813B 74814C 74815B 74816G FIG.74-01 ARMREST & VISOR (1212- ) VISOR & ASSIST GRIP 743565 74310 74320 74348 74348 74610A 74610S 90041-68071 90041-68071 90041-89019(2) 9004A-15059(2) 90041-67030(2)
  • 222.
    222 FIG.74-01 ARMREST &VISOR PROD_DATE MODELS SPEC CODE DESCRIPTION R / P PART NUMBER O Y T REV_REF FR TO +----------+ | 74310 | VISOR ASSY, RH+----------+ 1212 - B100 LT.GRAY(TRIM1#) 74310-BZ510-B0 1 1212 - B100..HI,MID R5AB D/P(SRS AIR BAG),LT. GRAY(TRIM1#) 74310-BZ590-B0 1 +----------+ | 74320 | VISOR ASSY, LH+----------+ 1212 - B100..HI,MID LT.GRAY(TRIM1#) 74320-BZ410-B0 1 +----------+ | 74348 | HOLDER, VISO R+----------+ 1212 - B100..LO LT.GRAY(TRIM1#) 74348-BZ060-B1 1 1212 - B100..HI,MID LT.GRAY(TRIM1#) 74348-BZ060-B1 2 +----------+ | 74610A | GRIP SUB-ASSY, ASSIST +----------+ 1212 - B100..LO DK.GRAY(TRIM1#) 74611-BZ060-B2 4 +----------+ | 74610S | GRIP ASSY, ASSIST +----------+ 1212 - B100..HI LT.GRAY(TRIM1#) 74611-BZ060-B1 3 +----------+ | 74813B | HANDLE, FRONT DOOR PULL, RH +----------+ 1212 - B100..MID DK.GRAY(TRIM1#) 74813-BZ030-B1 1 1212 - B100..HI SILVER(TRIM1#) 74813-BZ050-B0 1 +----------+ | 74814C | HANDLE, FRONT DOOR PULL, LH +----------+ 1212 - B100..MID DK.GRAY(TRIM1#) 74814-BZ030-B1 1 1212 - B100..HI SILVER(TRIM1#) 74814-BZ050-B0 1 +----------+ | 74815B | HANDLE, REAR DOOR PULL +----------+ 1212 - B100..MID DK.GRAY(TRIM1#) 74815-BZ050-B0 1 1212 - B100..HI SILVER(TRIM1#) 74815-BZ060-B0 1 FIG.74-01 ARMREST & VISOR PROD_DATE MODELS SPEC CODE DESCRIPTION R / P PART NUMBER O Y T REV_REF FR TO +----------+ | 74816G | HANDLE, REAR DOOR PULL, LH +----------+ 1212 - B100..MID DK.GRAY(TRIM1#) 74816-BZ040-B0 1 1212 - B100..HI SILVER(TRIM1#) 74816-BZ050-B0 1
  • 223.
    223 FIG.74-02 BATTERY CARRIER (1212-) 743559 74404B 74411 74451B 74451B 74461 90041-79111 90041-79111 9004A-11170(3) FIG.74-02 BATTERY CARRIER PROD_DATE MODELS SPEC CODE DESCRIPTION R / P PART NUMBER O Y T REV_REF FR TO +----------+ | 74404B | CLAMP SUB-ASSY, BATTERY +----------+ 1212 - B100 74404-BZ010- 1 +----------+ | 74411 | CARRIER, BATTERY +----------+ 1212 - B100 74411-BZ060- 1 +----------+ | 74451B | BOLT, BATTERY CLAMP +----------+ 1212 - B100 74451-87Z07- 2 +----------+ | 74461 | COVER, BATTE RY+----------+ 1212 - B100 74405-BZ020- 1
  • 224.
    224 FIG.74-03 CAUTION PLATE(EXTERIOR & INTERIOR) (1212- ) 743561 74552A 11293C 41991A 74538 74751 FIG.74-03 CAUTION PLATE (EXTERIOR & INTERIOR) PROD_DATE MODELS SPEC CODE DESCRIPTION R / P PART NUMBER O Y T REV_REF FR TO +----------+ | 11293C | LABEL, TUNE-UP SPECIFICATION INFORMATION +----------+ 1212 - 1KRDE..B100 11293-BZ470- 1 +----------+ | 41991A | PLATE, CAUTI ON+----------+ 1212 - B100 41991-BZ030- 1 +----------+ | 74538 | PLATE, JACK CARRIER CAUTION +----------+ 1212 - B100 74547-BZ010- 1 +----------+ | 74552A | LABEL, SAFETY CAUTION +----------+ 1212 - B100..HI 74552-BZ040- 2 1212 - B100..MID L2BB WITH(POWER DOOR LOCK ) 74552-BZ040- 2 +----------+ | 74751 | LABEL, TIRE PRESSURE INFORMATION +----------+ 1212 - B100..LO,MID 42661-BZ620- 1 1212 - B100..HI 42661-BZ630- 1 1212 - B100..MID G4AC 175/65R14 5J-AL 42661-BZ630- 1
  • 225.
    225 FIG.75-01 EMBLEM &NAME PLATE (EXTERIOR & INTERIOR) (1212- ) 752806 75305 75431A 75441C 75444 75444 75446A FIG.75-01 EMBLEM & NAME PLATE (EXTERIOR & INTERIOR) PROD_DATE MODELS SPEC CODE DESCRIPTION R / P PART NUMBER O Y T REV_REF FR TO +----------+ | 75305 | EMBLEM, HOOD +----------+ 1212 - B100 75311-BZ140- 1 +----------+ | 75431A | EMBLEM, BACK DOOR, NO.1 +----------+ 1212 - B100 D MARK 75311-BZ190- 1 +----------+ | 75441C | PLATE, BACK DOOR NAME +----------+ 1212 - B100 AYLA 75441-BZ320- 1 +----------+ | 75444 | PLATE, LUGGAGE COMPARTMENT DOOR, NO.4 +----------+ 1212 - B100..MID M 75444-BZ130- 1 1212 - B100..HI X 75444-BZ180- 1 +----------+ | 75446A | PLATE, BACK DOOR NAME, NO.6 +----------+ 1212 - B100 ASTRA DAIHATSU 75446-BZ040- 1
  • 226.
    226 FIG.75-02 FRONT MOULDING (1212-) 752803 75533E FIG.75-02 FRONT MOULDING PROD_DATE MODELS SPEC CODE DESCRIPTION R / P PART NUMBER O Y T REV_REF FR TO +----------+ | 75533E | MOULDING, WINDSHIELD, OUTSIDE +----------+ 1212 - B100 75533-BZ110- 1
  • 227.
    227 FIG.75-03 SIDE MOULDING (1212-) 752804 75551E 75552E 75561A 75731A 75732A 75741 75742 75561A
  • 228.
    228 FIG.75-03 SIDE MOULDING PROD_DATEMODELS SPEC CODE DESCRIPTION R / P PART NUMBER O Y T REV_REF FR TO +----------+ | 75551E | MOULDING, ROOF DRIP SIDE FINISH, RH +----------+ 1212 - B100 75551-BZ110- 1 +----------+ | 75552E | MOULDING, ROOF DRIP SIDE FINISH, LH +----------+ 1212 - B100 75552-BZ050- 1 +----------+ | 75561A | CLIP, ROOF DRIP SIDE FINISH MOULDING +----------+ 1212 - B100 75561-BZ020- 4 +----------+ | 75731A | MOULDING, FRONT DOOR, OUTSIDE RH +----------+ 1212 - B100..HI 75731-BZ130- 1 +----------+ | 75732A | MOULDING, FRONT DOOR, OUTSIDE LH +----------+ 1212 - B100..HI 75732-BZ130- 1 +----------+ | 75741 | MOULDING, REAR DOOR, OUTSIDE RH +----------+ 1212 - B100..HI 75741-BZ130- 1 +----------+ | 75742 | MOULDING, REAR DOOR, OUTSIDE LH +----------+ 1212 - B100..HI 75742-BZ130- 1
  • 229.
    229 FIG.76-01 MUDGUARD &SPOILER (1212- )E4AT ; (1212- )HI..5F 760858 REFER TO FIG (PNC 81570) REFER TO FIG 81-17 76851 76861 76861 76871 90041-59435(2) 90041-59435(5) 90041-59435(2) 9004A-11206 9004A-11206 90467-09196(4) 81-17
  • 230.
    230 FIG.76-01 MUDGUARD &SPOILER PROD_DATE MODELS SPEC CODE DESCRIPTION R / P PART NUMBER O Y T REV_REF FR TO +----------+ | 76851 | COVER, FRONT SPOILER +----------+ 1212 - B100..E4AT 76851-BZ040- 1 1212 - B100..HI..5F 76851-BZ040- 1 +----------+ | 76861 | RETAINER, FRONT SPOILER, LOWER NO.1 +----------+ 1212 - B100..E4AT 76861-BZ010- 2 1212 - B100..HI..5F 76861-BZ010- 2 +----------+ | 76871 | SPOILER, REA R+----------+ 1212 - B100..HI MATERIAL COLOR 76871-BZ230- 1
  • 231.
    231 FIG.77-01 FUEL TANK& TUBE (1212- ) FUEL TANK ILLUST NO. 1 OF 3 773383-B REFER TO FIG (PNC 83320) 77100 77100B 90041-05481 84-01 90041-19608(4) 9004A-15055(8) 9004A-11247(3) 23210A 23221 23217D 77013 77141B 77141B 77141B 77141B 77169A 77201 77203A 77203C 77213B 77219 77248A 77259C 77269A 77289B 77289B 77291A 77310A 77380 77631A 90041-20155 90041-20155 90041-20155 90041-20155 90044-67229 90044-67244 90044-67244 90466-09001 91551-A0816 91551-A0816
  • 232.
    232 FIG.77-01 FUEL TANK& TUBE (1212- ) FUEL TUBE ILLUST NO. 2 OF 3 773384 REFER TO FIG (PNC 17308B) REFER TO FIG (PNC 25860) REFER TO FIG (PNC 23901) 17-08 17-08 22-11 9004A-11200 77251B 77261E 77263 77285H 77286H77286J 77286L 77740 96132-41000 96132-41000 77019J 77019J 77251B
  • 233.
    233 FIG.77-01 FUEL TANK& TUBE (1212- ) FUEL LID CABLE ILLUST NO. 3 OF 3 773385 9004A-11234(2) 23415A 23415A 77037 77050A 77350 77366 82711-BZ100 82711-BZ100 90041-78081 90042-69027(2) 90044-64371 90044-64371 9004A-54027 90467-12009
  • 234.
    234 FIG.77-01 FUEL TANK& TUBE PROD_DATE MODELS SPEC CODE DESCRIPTION R / P PART NUMBER O Y T REV_REF FR TO +----------+ | 23210A | PUMP ASSY, FUEL W/MOTOR & BRACKET +----------+ 1212 - 1KRDE..B100 23210-BZ170- 1 +----------+ | 23217D | FILTER, FUEL PUMP +----------+ 1212 - 1KRDE..B100 23217-BZ010- 1 +----------+ | 23221 | PUMP, FUEL +----------+ 1212 - 1KRDE..B100 23100-BZ150- 1 +----------+ | 23415A | PLATE +----------+ 1212 - 1KRDE..B100 55445-87502- 2 +----------+ | 77013 | TUBE SUB-ASSY, FUEL TANK BREATHER, NO.2 +----------+ 1212 - B100 77013-BZ080- 1 +----------+ | 77019J | TUBE SUB-ASSY, FUEL TANK TO CANISTER +----------+ 1212 - B100 77019-BZ110- 1 +----------+ | 77037 | LOCK SUB-ASSY, FUEL FILLER OPENING LID +----------+ 1212 - B100 77037-BZ050- 1 +----------+ | 77050A | CONTROL OPENER ASSY, FUEL LID LOCK +----------+ 1212 - B100 64640-BZ070- 1 +----------+ | 77100 | TANK ASSY, FUEL +----------+ 1212 - 1401 B100 77001-BZ240- 1 +----------+ | 77100B | GASKET(FOR FUEL TANK) +----------+ 1212 - 1401 B100 90044-30291- 1 +----------+ | 77141B | REINFORCEMENT, FUEL TANK FLANGE, NO.1 +----------+ 1212 - B100 77141-BZ140- 4 FIG.77-01 FUEL TANK & TUBE PROD_DATE MODELS SPEC CODE DESCRIPTION R / P PART NUMBER O Y T REV_REF FR TO +----------+ | 77169A | GASKET, FUEL SUCTION TUBE SET +----------+ 1212 - B100 23232-BZ010- 1 +----------+ | 77201 | PIPE SUB-ASSY, FUEL TANK INLET +----------+ 1212 - B100 77201-BZ150- 1 +----------+ | 77203A | TUBE SUB-ASSY, FUEL SUCTION +----------+ 1212 - 1401 B100 77203-BZ070- 1 +----------+ | 77203C | BRACKET, FUEL PUMP +----------+ 1212 - B100 23265-BZ010- 1 +----------+ | 77213B | HOSE, FUEL TANK TO FILLER PIPE +----------+ 1212 - B100 77213-BZ110- 1 +----------+ | 77219 | COVER, FUEL TANK FILLER PIPE +----------+ 1212 - B100 77219-20070- 2 +----------+ | 77248A | HOLDER, FUEL TANK FILLER PIPE COVER +----------+ 1212 - B100 77248-20030- 1 +----------+ | 77251B | TUBE, FUEL MAIN +----------+ 1212 - B100 77251-BZ170- 1 +----------+ | 77259C | HOSE, FUEL +----------+ 1212 - B100 77259-BZ060- 1 +----------+ | 77261E | HOSE, FUEL, NO.1 (FOR FUEL TANK TO CANISTER TUBE) +----------+ 1212 - B100 95333-04095- 1 +----------+ | 77263 | TUBE, FUEL TANK TO CANISTER, NO.3 +----------+ 1212 - B100 77263-BZ140- 1
  • 235.
    235 FIG.77-01 FUEL TANK& TUBE PROD_DATE MODELS SPEC CODE DESCRIPTION R / P PART NUMBER O Y T REV_REF FR TO +----------+ | 77269A | HOSE, FUEL TANK BREATHER +----------+ 1212 - B100 77269-B0010- 1 +----------+ | 77285H | CLAMP, FUEL TUBE, NO.1 +----------+ 1212 - B100 90044-64657- 4 +----------+ | 77286H | CLAMP, FUEL TUBE, NO.3 +----------+ 1212 - B100 90044-64878- 1 +----------+ | 77286J | CLAMP, FUEL TUBE, NO.4 +----------+ 1212 - B100 90044-64695- 1 +----------+ | 77286L | CLAMP, FUEL TUBE, NO.5 +----------+ 1212 - B100 90044-64787- 1 +----------+ | 77289B | CLAMP, FUEL TUBE, NO.3 +----------+ 1212 - B100 96111-30440- 2 +----------+ | 77291A | SHIELD, FUEL TANK FILLER PIPE +----------+ 1212 - B100 77291-BZ040- 1 +----------+ | 77310A | CAP ASSY, FUEL TANK +----------+ 1212 - B100 77300-52030- 1 +----------+ | 77350 | LID ASSY, FUEL FILLER OPENING +----------+ 1212 - B100 77350-BZ100- 1 +----------+ | 77366 | SPRING, FUEL FILLER OPENING LID HINGE +----------+ 1212 - B100 77366-87203- 1 +----------+ | 77380 | VALVE ASSY, FUEL CUT OFF +----------+ 1212 - B100 77380-0K010- 1 FIG.77-01 FUEL TANK & TUBE PROD_DATE MODELS SPEC CODE DESCRIPTION R / P PART NUMBER O Y T REV_REF FR TO +----------+ | 77631A | PROTECTOR, FUEL TANK, LOWER CENTER +----------+ 1212 - B100 77631-BZ070- 1 +----------+ | 77740 | CANISTER ASSY, CHARCOAL +----------+ 1212 - B100 77740-BZ070- 1
  • 236.
    236 FIG.78-01 ACCELERATOR LINK (1212-) 781405-A REFER TO FIG (PNC 55106) 78010F 78110B 78110C 78110C 78110A 78180P 78183C 78184C 78183E 91511-G0612 47-01 FIG.78-01 ACCELERATOR LINK PROD_DATE MODELS SPEC CODE DESCRIPTION R / P PART NUMBER O Y T REV_REF FR TO +----------+ | 78010F | PEDAL ASSY, ACCELERATOR +----------+ 1212 - B100 78101-BZ150- 1 +----------+ | 78110A | SPRING (FOR ACCELERATOR PEDAL ROD) +----------+ 1212 - B100 78214-BZ050- 1 +----------+ | 78110B | CLIP, ACCELERATOR BELLCRANK +----------+ 1212 - B100 90044-68207- 1 +----------+ | 78110C | BUSH (FOR ACCELERATOR PEDAL ROD) +----------+ 1212 - B100 90043-86112- 2 +----------+ | 78180P | CABLE ASSY, ACCELERATOR CONTROL +----------+ 1212 - B100 78180-BZ220- 1 +----------+ | 78183C | CLAMP, ACCELERATOR CONTROL CABLE +----------+ 1212 - B100 90044-64839- 1 +----------+ | 78183E | CLAMP, ACCELERATOR CONTROL CABLE +----------+ 1212 - 1401 B100 78183-B6010- 1 +----------+ | 78184C | BRACKET, ACCELERATOR CONTROL CABLE +----------+ 1212 - B100 78184-BZ040- 1
  • 237.
  • 238.
    238 FIG.81-01 HEADLAMP PROD_DATE MODELS SPEC CODE DESCRIPTION R / P PART NUMBER O Y T REV_REF FRTO +----------+ | 81110B | BULB(FOR HEADLAMP, NO.1) +----------+ 1212 - B100 12V 60/55W,*HAL *WH 90981-22004- 2 +----------+ | 81135 | UNIT, HEADLAMP, RH +----------+ 1212 - B100 81130-BZ170- 1 +----------+ | 81139 | COVER, HEADLAMP SOCKET +----------+ 1212 - B100 81139-B2010- 2 +----------+ | 81175 | UNIT, HEADLAMP, LH +----------+ 1212 - B100 81170-BZ170- 1 +----------+ | 81510C | BULB (FOR FRONT TURN SIGNAL LAMP) +----------+ 1212 - B100 12V 21W 90049-51186- 2 +----------+ | 81515B | SOCKET, FRONT TURN SIGNAL LAMP +----------+ 1212 - B100 90075-60006- 2 +----------+ | 81610F | BULB(FOR CLEARANCE LAMP) +----------+ 1212 - B100 12V 5W 90981-11013- 2 +----------+ | 81615D | SOCKET, CLEARANCE LAMP +----------+ 1212 - B100 9004C-82001- 2
  • 239.
    239 FIG.81-02 FOG LAMP (1212-)HI 816388 81210B 81211C 81216B 81221C 81226B 93567-15014(4) FIG.81-02 FOG LAMP PROD_DATE MODELS SPEC CODE DESCRIPTION R / P PART NUMBER O Y T REV_REF FR TO +----------+ | 81210B | BULB, FOG LA MP+----------+ 1212 - B100..HI 12V 19W 90049-51185- 2 +----------+ | 81211C | LAMP UNIT, FOG LAMP, RH +----------+ 1212 - B100..HI 81211-BZ070- 1 +----------+ | 81216B | RIM, FOG LAMP, RH NO.1 +----------+ 1212 - B100..HI 81216-BZ040- 1 +----------+ | 81221C | LAMP UNIT, FOG LAMP, LH +----------+ 1212 - B100..HI 81221-BZ070- 1 +----------+ | 81226B | RIM, FOG LAMP, LH +----------+ 1212 - B100..HI 81226-BZ050- 1
  • 240.
    240 FIG.81-11 REAR COMBINATIONLAMP (1212- ) 816390 81530B 81550E 81550H 81550N 81551D 81561D 81555 81565 90041-19693 90041-19693 FIG.81-11 REAR COMBINATION LAMP PROD_DATE MODELS SPEC CODE DESCRIPTION R / P PART NUMBER O Y T REV_REF FR TO +----------+ | 81530B | BULB, REAR TURN SIGNAL LAMP +----------+ 1212 - B100 12V 21W 9004A-81005- 2 +----------+ | 81550E | CLIP(FOR REAR COMBINATION LAMP) +----------+ 1212 - B100 9004C-46010- 4 +----------+ | 81550H | BULB, TAIL & STOP LAMP +----------+ 1212 - B100 90049-51161- 2 +----------+ | 81550N | BULB, BACK UP LAMP +----------+ 1212 - B100 12V 16W 90049-51127- 2 +----------+ | 81551D | LENS & BODY, REAR COMBINATION LAMP, RH +----------+ 1212 - B100 81551-BZ150- 1 +----------+ | 81555 | SOCKET & WIRE SUB-ASSY, REAR COMBINATION LAMP, RH +----------+ 1212 - B100 81555-BZ070- 1 +----------+ | 81561D | LENS & BODY, REAR COMBINATION LAMP, LH +----------+ 1212 - B100 81561-BZ150- 1 +----------+ | 81565 | SOCKET & WIRE SUB-ASSY, REAR COMBINATION LAMP, LH +----------+ 1212 - B100 81565-BZ030- 1
  • 241.
    241 FIG.81-13 REAR LICENSEPLATE LAMP (1212- ) 816391 81270 81270B FIG.81-13 REAR LICENSE PLATE LAMP PROD_DATE MODELS SPEC CODE DESCRIPTION R / P PART NUMBER O Y T REV_REF FR TO +----------+ | 81270 | LAMP ASSY, LICENSE PLATE +----------+ 1212 - B100 81270-B2051- 2 +----------+ | 81270B | BULB (FOR LICENSE PLATE LAMP) +----------+ 1212 - B100 12V 5W 90049-51184- 2
  • 242.
    242 FIG.81-17 CENTER STOPLAMP (1212- )HI 816392 81570 81577-12330 81577-12330 FIG.81-17 CENTER STOP LAMP PROD_DATE MODELS SPEC CODE DESCRIPTION R / P PART NUMBER O Y T REV_REF FR TO +----------+ | 81570 | LAMP ASSY, CENTER STOP +----------+ 1212 - B100..HI 81570-BZ150- 1
  • 243.
    243 FIG.82-01 BATTERY &BATTERY CABLE (1212- ) 828683 REFER TO FIG (PNC 82121) 82-02 74461C FIG.82-01 BATTERY & BATTERY CABLE PROD_DATE MODELS SPEC CODE DESCRIPTION R / P PART NUMBER O Y T REV_REF FR TO +----------+ | 74461C | COVER, BATTE RY+----------+ 1212 - B100 58441-BZ050- 1
  • 244.
    244 FIG.82-02 WIRING &CLAMP ―   ―   ―   ―   ―   ―   ―   ―   ―   ―   ―   ―   ―   ―   ―   ―   ―   ―   ―   ―   ―   ―   ―   ―   ―   ―   ―   ―   ―   ―   ―   ―   ―   ― (1212- ) ENGINE ILLUST NO. 1 OF 7 828710 82121 90119-06915 91671-80614 91671-80816 FIG.82-02 WIRING & CLAMP (1212- ) ENGINE ROOM ILLUST NO. 2 OF 7 828711 REFER TO FIG (PNC 82660) REFER TO FIG (PNC 74552A) REFER TO FIG (PNC 74552A) 82111 90119-06915 90119-06915 84-01 74-03 74-03
  • 245.
    245 FIG.82-02 WIRING &CLAMP (1212- ) INSTRUMENT PANEL ILLUST NO. 3 OF 7 828712 REFER TO FIG 84-01 82141 90119-06915 90119-06915 91551-80620
  • 246.
    246 FIG.82-02 WIRING &CLAMP (1212- ) DOOR & ROOF ILLUST NO. 4 OF 7 828713 82151 82152 82153 82153 82171 82184
  • 247.
    247 FIG.82-02 WIRING &CLAMP (1212- ) FLOOR ILLUST NO. 5 OF 7 828714 82161 90119-06915(2)
  • 248.
    248 FIG.82-02 WIRING &CLAMP ―   ―   ―   ―   ―   ―   ―   ―   ―   ―   ―   ―   ―   ―   ―   ―   ―   ―   ―   ―   ―   ―   ―   ―   ―   ―   ―   ―   ―   ―   ―   ―   ―   ― (1212- ) CABLE BOND ILLUST NO. 6 OF 7 828715 82046D 9004A-11210 9004A-11220
  • 249.
    249 FIG.82-02 WIRING &CLAMP (1212- ) CLAMP & BRACKET ILLUST NO. 7 OF 7 828716 89439-BZ12082715-BZ78082715-BZ79082715-BZ800 82715-BZ810 91671-8061491671-80614 91671-80818
  • 250.
    250 FIG.82-02 WIRING &CLAMP PROD_DATE MODELS SPEC CODE DESCRIPTION R / P PART NUMBER O Y T REV_REF FR TO +----------+ | 82046D | WIRE, BODY GROUND +----------+ 1212 - B100 82046-BZ240- 1 +----------+ | 82111 | WIRE, ENGINE ROOM MAIN +----------+ 1212 - B100..LO 82111-BZG10- 1 1212 - B100..MID..E4AT 82111-BZG20- 1 1212 - B100..MID..E4AT L2BB WITH(POWER DOOR LOCK ) 82111-BZG30- 1 1212 - B100..HI..E4AT 82111-BZG30- 1 1212 - B100..LO P4AB MANUAL AIR CONDITION ER 82111-BZJ00- 1 1212 - B100..MID..5F 82111-BZJ00- 1 1212 - B100..HI..5F 82111-BZJ10- 1 1212 - B100..MID..5F L2BB WITH(POWER DOOR LOCK ) 82111-BZJ10- 1 1212 - B100..HI..5F R5AB D/P(SRS AIR BAG) 82111-BZL80- 1 1212 - B100..MID..5F L2BB WITH(POWER DOOR LOCK ) 82111-BZL80- 1 1212 - B100..MID..E4AT L2BB WITH(POWER DOOR LOCK ) 82111-BZL90- 1 1212 - B100..HI..E4AT R5AB D/P(SRS AIR BAG) 82111-BZL90- 1 1212 - B100..HI..5F B2DB WITH(PACKAGE OPTION 2) 82111-BZM00- 1 1212 - B100..HI..E4AT B2DB WITH(PACKAGE OPTION 2) 82111-BZM10- 1 +----------+ | 82121 | WIRE, ENGINE +----------+ 1212 - B100..5F D3EB EURO2 82121-BZ890- 1 1212 - B100..E4AT D3EB EURO2 82121-BZA00- 1 1212 - B100..5F 82121-BZA10- 1 1212 - B100..E4AT 82121-BZA20- 1 FIG.82-02 WIRING & CLAMP PROD_DATE MODELS SPEC CODE DESCRIPTION R / P PART NUMBER O Y T REV_REF FR TO +----------+ | 82141 | WIRE, INSTRUMENT PANEL +----------+ 1212 - B100..LO 82141-BY390- 1 1212 - B100..LO P4AB MANUAL AIR CONDITION ER 82141-BY420- 1 1212 - B100..(HI,MID)..5F 82141-BY420- 1 1212 - B100..E4AT 82141-BY430- 1 1212 - B100..HI R5AB D/P(SRS AIR BAG) 82141-BZR30- 1 1212 - B100..MID L2BB WITH(POWER DOOR LOCK ) 82141-BZR30- 1 +----------+ | 82151 | WIRE, FRONT DOOR, RH +----------+ 1212 - B100..HI 82151-BZ710- 1 1212 - B100..MID L2BB WITH(POWER DOOR LOCK ) 82151-BZ710- 1 1212 - B100..MID 82151-BZ740- 1 +----------+ | 82152 | WIRE, FRONT DOOR, LH +----------+ 1212 - B100..HI 82152-BZ710- 1 1212 - B100..MID L2BB WITH(POWER DOOR LOCK ) 82152-BZ710- 1 1212 - B100..MID 82152-BZ740- 1 +----------+ | 82153 | WIRE, REAR DOOR, NO.1 +----------+ 1212 - B100..HI 82153-BZ310- 2 1212 - B100..MID L2BB WITH(POWER DOOR LOCK ) 82153-BZ310- 2 1212 - B100..MID 82153-BZ340- 2 +----------+ | 82161 | WIRE, FLOOR +----------+ 1212 - B100..HI R5AB D/P(SRS AIR BAG) 82161-BZ100- 1 1212 - B100..MID L2BB WITH(POWER DOOR LOCK ) 82161-BZ100- 1
  • 251.
    251 FIG.82-02 WIRING &CLAMP PROD_DATE MODELS SPEC CODE DESCRIPTION R / P PART NUMBER O Y T REV_REF FR TO +----------+ | 82161 | WIRE, FLOOR CONTINUED--+ 1212 - B100..HI 82161-BZL40- 1 1212 - B100..MID L2BB WITH(POWER DOOR LOCK ) 82161-BZL40- 1 1212 - B100..LO 82161-BZL50- 1 1212 - B100..MID 82161-BZM10- 1 +----------+ | 82171 | WIRE, ROOF, NO.1 +----------+ 1212 - B100 82171-BZ470- 1 +----------+ | 82184 | WIRE, BACK DOOR, NO.1 +----------+ 1212 - B100..HI 82184-BZ460- 1 1212 - B100..MID L2BB WITH(POWER DOOR LOCK ) 82184-BZ610- 1
  • 252.
    252 FIG.83-01 METER (1212- ) 831715 83100 83138G90467-10201(4) 83100 83138G90467-10201(4) FIG.83-01METER PROD_DATE MODELS SPEC CODE DESCRIPTION R / P PART NUMBER O Y T REV_REF FR TO +----------+ | 83100 | METER ASSY, COMBINATION +----------+ 1212 - B100..LO 83800-BZS10- 1 1212 - B100..LO P4AB MANUAL AIR CONDITION ER 83800-BZS20- 1 1212 - B100..MID..5F 83800-BZS20- 1 1212 - B100..MID..E4AT 83800-BZS30- 1 1212 - B100..HI..5F 83800-BZS40- 1 1212 - B100..HI..E4AT 83800-BZS60- 1 1212 - B100..HI B2DB WITH(PACKAGE OPTION 2) 83800-BZT41- 1 +----------+ | 83138G | GLASS, COMBINATION METER +----------+ 1212 - B100..LO,MID 83852-BZ150- 1 1212 - B100..HI 83852-BZ160- 1
  • 253.
    253 FIG.84-01 SWITCH &RELAY & COMPUTER (1212- ) ENGINE & TRANSMISSION ILLUST NO. 1 OF 6 84D963 83181G 83181H 83530 84210 84210B 84540 89422A 89465 89465A 89615 90041-19884 90430-12221 91551-80616 91551-80830
  • 254.
    254 FIG.84-01 SWITCH &RELAY & COMPUTER (1212- ) ENGINE ROOM ILLUST NO. 2 OF 6 84D964 74468A 82660 82661 83390 85916D 85916P 85925 85934 85935 91671-80614(2) 9004A-17219
  • 255.
    255 FIG.84-01 SWITCH &RELAY & COMPUTER (1212- ) INDTRUMENT PANEL ILLUST NO. 3 OF 6 84D965 85910C 28300 28371 81980 84340 84345 84380 85918A 85930G 86530 90049-40049 90049-40055 90049-40056 90049-40057 90049-40058 9004A-16080 90159-70003
  • 256.
    256 FIG.84-01 SWITCH &RELAY & COMPUTER (1212- ) SWITCH ILLUST NO. 4 OF 6 84D966 84330 84870A 8550085533
  • 257.
    257 FIG.84-01 SWITCH &RELAY & COMPUTER (1212- ) BODY ILLUST NO. 5 OF 6 84D967 83320 84231A 84231A 84234D 84810 84820 93540-53014 93540-53014 90166-70001 90166-70001
  • 258.
    258 FIG.84-01 SWITCH &RELAY & COMPUTER (1212- ) STEERING ILLUST NO. 6 OF 6 84D968 REFER TO FIG (PNC 45020) 45-01 84140 84306 84312 84450 84650 89650 9004A-10132 9004A-10132 FIG.84-01 SWITCH & RELAY & COMPUTER PROD_DATE MODELS SPEC CODE DESCRIPTION R / P PART NUMBER O Y T REV_REF FR TO +----------+ | 28300 | RELAY ASSY, STARTER +----------+ 1212 - 1KRDE..B100..E4AT 9004A-98006- 1 +----------+ | 28371 | RELAY, IGNITION, NO.1 +----------+ 1212 - 1KRDE..B100..HI,MID 9004A-98010- 1 +----------+ | 74468A | BRACKET, RELAY BLOCK +----------+ 1212 - B100 74468-BZ090- 1 +----------+ | 81980 | FLASHER ASSY, TURN SIGNAL +----------+ 1212 - B100 81980-BZ030- 1 +----------+ | 82660 | BLOCK ASSY, RELAY, ENGINE ROOM +----------+ 1212 - B100 82660-B1010- 1 +----------+ | 82661 | COVER, RELAY BLOCK, NO.1 +----------+ 1212 - B100 82661-BZ100- 1 +----------+ | 83181G | SENSOR, SPEEDOMETER +----------+ 1212 - B100..5F 83181-B6010- 1 +----------+ | 83181H | RING, O (FOR SPEEDOMETER SENSOR) +----------+ 1212 - B100..5F 90043-01278- 1 +----------+ | 83320 | GAGE ASSY, FUEL SENDER +----------+ 1212 - B100 83301-BZ070- 1 +----------+ | 83390 | SWITCH ASSY, VACUUM WARNING +----------+ 1212 - B100..E4AT 83390-B1010- 1 +----------+ | 83530 | SWITCH ASSY, OIL PRESSURE (FOR ENGINE) +----------+ 1212 - B100 83530-60020- 1
  • 259.
    259 FIG.84-01 SWITCH &RELAY & COMPUTER PROD_DATE MODELS SPEC CODE DESCRIPTION R / P PART NUMBER O Y T REV_REF FR TO +----------+ | 84140 | SWITCH ASSY, HEADLAMP DIMMER +----------+ 1212 - 1311 B100..HI 84140-B1030- 1 1212 - 1311 B100..LO,MID 84140-B1040- 1 +----------+ | 84210 | SWITCH ASSY, BACK-UP LAMP +----------+ 1212 - B100..5F 84210-BZ070- 1 +----------+ | 84210B | GASKET, BACK-UP LAMP SWITCH +----------+ 1212 - B100..5F 9004A-43006- 1 +----------+ | 84231A | SWITCH, COURTESY LAMP +----------+ 1212 - B100..LO,MID 84231-BZ010- 1 1212 - B100..HI 84231-BZ010- 4 1212 - B100..MID L2BB WITH(POWER DOOR LOCK ) 84231-BZ010- 4 +----------+ | 84234D | CUSHION, COURTESY SWITCH +----------+ 1212 - B100..MID SILVER(1E7 ,B72 ,B74 ,W09) 58159-BZ020-B0 3 1212 - B100..LO SILVER(B74 ,W09) 58159-BZ020-B0 3 1212 - B100..MID BLACK(S37 ,X09 ,X13) 58159-BZ020-C0 3 1212 - B100..LO BLACK(X09 ,X13) 58159-BZ020-C0 3 +----------+ | 84306 | CABLE SUB-ASSY, SPIRAL +----------+ 1212 - 1310 B100..HI,MID R5AB D/P(SRS AIR BAG) 84306-B1010- 1 1311 - B100..HI,MID R5AB D/P(SRS AIR BAG) 84306-BZ060- 1 +----------+ | 84312 | PLATE, HORN CONTACT +----------+ 1212 - B100 84312-BZ030- 1 FIG.84-01 SWITCH & RELAY & COMPUTER PROD_DATE MODELS SPEC CODE DESCRIPTION R / P PART NUMBER O Y T REV_REF FR TO +----------+ | 84330 | SWITCH ASSY, HAZARD WARNING SIGNAL +----------+ 1212 - B100 84332-BZ150- 1 +----------+ | 84340 | SWITCH ASSY, STOP LAMP +----------+ 1212 - B100 84340-BZ010- 1 +----------+ | 84345 | ADJUSTER, STOP LAMP SWITCH MOUNTING +----------+ 1212 - B100 84345-BZ010- 1 +----------+ | 84380 | SWITCH ASSY, BRAKE WARNING TEST +----------+ 1212 - 1310 B100 84380-87708- 1 1311 - B100 84380-BZ070- 1 +----------+ | 84450 | SWITCH ASSY, IGNITION OR STARTER +----------+ 1212 - B100 84450-BZ030- 1 +----------+ | 84540 | SWITCH ASSY, NEUTRAL START +----------+ 1212 - B100..E4AT 84540-B1020- 1 +----------+ | 84650 | SWITCH ASSY, WINDSHIELD WIPER +----------+ 1212 - 1311 B100..HI 84652-B2040- 1 1212 - B100..LO,MID 84652-BZ090- 1 +----------+ | 84810 | SWITCH ASSY, POWER WINDOW REGULATOR +----------+ 1212 - B100..HI,MID 84810-BZ120- 3 +----------+ | 84820 | MASTER SWITCH ASSY, POWER WINDOW REGULATO R+----------+ 1212 - B100..HI,MID 84820-BZ140- 1 +----------+ | 84870A | SWITCH ASSY, OUTER MIRROR +----------+ 1212 - B100..HI 84870-BZ071- 1
  • 260.
    260 FIG.84-01 SWITCH &RELAY & COMPUTER PROD_DATE MODELS SPEC CODE DESCRIPTION R / P PART NUMBER O Y T REV_REF FR TO +----------+ | 85500 | LIGHTER ASSY, CIGARETTE +----------+ 1212 - 1302 B100 85500-87505- 1 1303 - B100 85500-BZ040- 1 +----------+ | 85533 | LENS, CIGARETTE LIGHTER INDICATOR +----------+ 1212 - 1301 B100 85533-B1010- 1 1302 - B100 85533-BZ030- 1 +----------+ | 85910C | RELAY ASSY (FOR HEATER BLOWER MOTOR) +----------+ 1212 - B100..HI,MID 9004A-98006- 1 1212 - B100..LO P4AB MANUAL AIR CONDITION ER 9004A-98006- 1 +----------+ | 85916D | RELAY, FOG LAMP +----------+ 1212 - B100..HI 9004A-98006- 1 +----------+ | 85916P | RELAY, HEADLAMP +----------+ 1212 - B100 9004A-98011- 1 +----------+ | 85918A | RELAY, DOOR CONTROL +----------+ 1212 - B100..HI 85918-BZ070- 1 1212 - B100..MID L2BB WITH(POWER DOOR LOCK ) 85918-BZ070- 1 +----------+ | 85925 | RELAY, RADIATOR FAN +----------+ 1212 - B100 9004A-98006- 1 +----------+ | 85930G | RELAY, ACC +----------+ 1212 - B100 9004A-98006- 1 +----------+ | 85934 | RELAY, MAGNET-CLUTCH +----------+ 1212 - B100..HI,MID 90049-88004- 1 FIG.84-01 SWITCH & RELAY & COMPUTER PROD_DATE MODELS SPEC CODE DESCRIPTION R / P PART NUMBER O Y T REV_REF FR TO +----------+ | 85934 | RELAY, MAGNET-CLUTCH CONTINUED--+ 1212 - B100..LO P4AB MANUAL AIR CONDITION ER 90049-88004- 1 +----------+ | 85935 | RELAY, FUEL PUMP +----------+ 1212 - B100 9004A-98006- 2 +----------+ | 86530 | RELAY ASSY, HORN +----------+ 1212 - B100 9004A-98006- 1 +----------+ | 89422A | SENSOR, WATER TEMPERATURE +----------+ 1212 - B100 89422-33030- 1 +----------+ | 89465 | SENSOR, OXYG EN+----------+ 1212 - B100..E4AT 89465-BZ360- 1 1212 - B100..5F 89465-BZ390- 1 +----------+ | 89465A | SENSOR, OXYGEN NO.2 +----------+ 1212 - B100..E4AT 89465-BZ330- 1 1212 - B100..5F 89465-BZ400- 1 +----------+ | 89615 | SENSOR, KNOCK CONTROL +----------+ 1212 - B100 89615-BZ040- 1 +----------+ | 89650 | COMPUTER ASSY, POWER STEERING +----------+ 1212 - B100..HI,MID 89650-BZ060- 1 1212 - B100..LO P4AB MANUAL AIR CONDITION ER 89650-BZ060- 1
  • 261.
    261 FIG.84-04 ELECTRONIC FUELINJECTION SYSTEM (1212- ) 84D969 21821-B6010(4) 89539D 89561 91551-80612 91551-80612 FIG.84-04 ELECTRONIC FUEL INJECTION SYSTEM PROD_DATE MODELS SPEC CODE DESCRIPTION R / P PART NUMBER O Y T REV_REF FR TO +----------+ | 89539D | BRACKET, COMPUTER +----------+ 1212 - B100..5F 89539-BZ160- 1 1212 - B100..E4AT 89539-BZ370- 1 +----------+ | 89561 | COMPUTER, FUEL INJECTION +----------+ 1212 - B100..5F D3EB EURO2 89560-BZB10- 1 1212 - B100..E4AT D3EB EURO2 89560-BZB60- 1 1212 - B100..5F 89560-BZE20- 1 1212 - B100..E4AT 89560-BZE30- 1
  • 262.
    262 FIG.84-14 ABS &VSC (1212- )HI 84D970 82251D 82251E 89542 89543 91111-60614 91111-60614 91111-60614 90041-20087 90041-20087 91111-60614
  • 263.
    263 FIG.84-14 ABS &VSC PROD_DATE MODELS SPEC CODE DESCRIPTION R / P PART NUMBER O Y T REV_REF FR TO +----------+ | 82251D | WIRE, SPEED SENSOR, RH +----------+ 1212 - B100..HI B2DB WITH(PACKAGE OPTION 2) 82251-B6010- 1 +----------+ | 82251E | WIRE, SPEED SENSOR, LH +----------+ 1212 - B100..HI B2DB WITH(PACKAGE OPTION 2) 82251-B6020- 1 +----------+ | 89542 | SENSOR, SPEED, FRONT RH +----------+ 1212 - B100..HI B2DB WITH(PACKAGE OPTION 2) 89542-B6010- 1 +----------+ | 89543 | SENSOR, SPEED, FRONT LH +----------+ 1212 - B100..HI B2DB WITH(PACKAGE OPTION 2) 89543-B6010- 1
  • 264.
    264 FIG.84-21 AIR BAG (1212-)HI,MID 84D971 89170A 89173 89179A 90105-06032 90119-06915 91551-80612(2)
  • 265.
    265 FIG.84-21 AIR BAG PROD_DATEMODELS SPEC CODE DESCRIPTION R / P PART NUMBER O Y T REV_REF FR TO +----------+ | 89170A | COMPUTER ASSY, AIR BAG +----------+ 1212 - B100..HI,MID R5AB D/P(SRS AIR BAG) 89170-BZ270- 1 +----------+ | 89173 | SENSOR, AIR BAG, FRONT +----------+ 1212 - B100..HI,MID R5AB D/P(SRS AIR BAG) 89173-BZ100- 1 +----------+ | 89179A | COVER, AIR BAG SENSOR +----------+ 1212 - B100..HI,MID R5AB D/P(SRS AIR BAG) 89179-BZ030- 1
  • 266.
    266 FIG.85-01 WINDSHIELD WIPER (1212-) 852975 90041-20250(2) 85110 85160 85211B 85212A 85214A 85214B 85221B 85222A 85292B 85292B 81128-87205 81128-87205 FIG.85-01 WINDSHIELD WIPER PROD_DATE MODELS SPEC CODE DESCRIPTION R / P PART NUMBER O Y T REV_REF FR TO +----------+ | 85110 | MOTOR ASSY, WINDSHIELD WIPER +----------+ 1212 - B100 85110-BZ180- 1 +----------+ | 85160 | LINK ASSY, WINDSHIELD WIPER +----------+ 1212 - B100 85150-BZ180- 1 +----------+ | 85211B | ARM, FR WIPER, RH +----------+ 1212 - B100 85211-BZ190- 1 +----------+ | 85212A | BLADE, FR WIPER, RH +----------+ 1212 - B100 85212-BZ210- 1 +----------+ | 85214A | RUBBER, WIPER, RH +----------+ 1212 - B100 85214-BZ260- 1 +----------+ | 85214B | RUBBER, WIPER, LH +----------+ 1212 - B100 85214-BZ270- 1 +----------+ | 85221B | ARM, FR WIPER, LH +----------+ 1212 - B100 85221-BZ180- 1 +----------+ | 85222A | BLADE, FR WIPER, LH +----------+ 1212 - B100 85222-BZ220- 1 +----------+ | 85292B | CAP, FRONT WIPER ARM HEAD +----------+ 1212 - B100 85292-12020- 2
  • 267.
    267 FIG.85-03 WINDSHIELD WASHER (1212-) 852976 9004A-11246 85371U 85371 85310 85371J 85330 85348G 85372G 85330A 85319B 85375D 85348M 85349 85348 85035 85332C 85035 85387 85388 FIG.85-03 WINDSHIELD WASHER PROD_DATE MODELS SPEC CODE DESCRIPTION R / P PART NUMBER O Y T REV_REF FR TO +----------+ | 85035 | NOZZLE SUB-ASSY, WASHER +----------+ 1212 - B100 85381-BZ180- 2 +----------+ | 85310 | MOTOR AND PUMP ASSY, WINDSHIELD WASHER +----------+ 1212 - B100 85330-BZ110- 1 +----------+ | 85319B | HOSE, WINDOW WASHER +----------+ 1212 - B100 85374-BZ520- 1 +----------+ | 85330 | JAR ASSY, WINDSHIELD WASHER +----------+ 1212 - B100 85315-BZ150- 1 +----------+ | 85330A | BUSH, WINDSHIELD WASHER JAR +----------+ 1212 - B100 85336-BZ020- 1 +----------+ | 85332C | CAP, FRONT WASHER TANK +----------+ 1212 - B100 85332-BZ030- 1 +----------+ | 85348 | JOINT, WINDSHIELD WASHER HOSE, NO.1 +----------+ 1212 - B100 85317-BZ040- 1 +----------+ | 85348G | JOINT, WINDSHIELD WASHER HOSE, NO.2 +----------+ 1212 - B100 85317-BZ020- 1 +----------+ | 85348M | JOINT, WINDSHIELD WASHER HOSE, NO.3 +----------+ 1212 - B100 85317-BZ050- 1 +----------+ | 85349 | JOINT, WINDSHIELD WASHER HOSE, NO.1 +----------+ 1212 - B100 85317-BZ020- 1 +----------+ | 85371 | HOSE, WINDSHIELD WASHER (FROM MOTOR TO JOINT) +----------+ 1212 - B100 H,L=670 85370-BZ790- 1
  • 268.
    268 FIG.85-03 WINDSHIELD WASHER PROD_DATEMODELS SPEC CODE DESCRIPTION R / P PART NUMBER O Y T REV_REF FR TO +----------+ | 85371J | TUBE, RUBBER +----------+ 1212 - B100 *H,L=250 85374-BZ490- 1 +----------+ | 85371U | TUBE, RUBBER +----------+ 1212 - B100 85317-BZ060- 1 +----------+ | 85372G | TUBE, RUBBER +----------+ 1212 - B100 *H,L=260 85374-BZ500- 1 +----------+ | 85375D | TUBE,RUBBER +----------+ 1212 - B100 85374-BZ510- 1 +----------+ | 85387 | CLAMP NO.1 (FOR WINDSEIELD WASHER) +----------+ 1212 - B100 82711-1E340- 1 +----------+ | 85388 | CLAMP NO.2 (FOR WINDSEIELD WASHER) +----------+ 1212 - B100 82711-BZ100- 1
  • 269.
    269 FIG.86-01 RADIO RECEIVER& AMPLIFIER & CONDENSER ―   ―   ―   ―   ―   ―   ―   ―   ―   ―   ―   ―   ―   ―   ―   ―   ―   ―   ―   ―   ―   ―   ―   ―   ―   ―   ―   ―   ―   ―   ―   ―   ―   ― (1212- )HI 865310-B 86180 86211 86212 93269-15008 93269-15008 93269-15008 93269-15008 9004A-16036 9004A-16036 9004A-16036 9004A-16036 FIG.86-01 RADIO RECEIVER & AMPLIFIER & CONDENSER (1212- )MID 865311-B REFER TO FIG (PNC 55522B) REFER TO FIG (PNC 55522B) 55-01 55-01 86211 86212 93269-15008 93269-15008 93269-15008 93269-15008 9004A-16036 9004A-16036 9004A-16036 9004A-16036
  • 270.
    270 FIG.86-01 RADIO RECEIVER& AMPLIFIER & CONDENSER PROD_DATE MODELS SPEC CODE DESCRIPTION R / P PART NUMBER O Y T REV_REF FR TO +----------+ | 86180 | TUNER ASSY, STEREO COMPONENT +----------+ 1212 - B100..HI SILVER(TRIM1#) 86180-BZ370-B0 1 +----------+ | 86211 | BRACKET, RADIO, NO.1 +----------+ 1212 - B100..HI,MID 86211-BZ170- 1 +----------+ | 86212 | BRACKET, RADIO, NO.2 +----------+ 1212 - B100..HI,MID 86212-BZ170- 1
  • 271.
    271 FIG.86-02 SPEAKER (1212- )HI 865312 86160 9004A-16057 9004A-16057 9004A-16057 FIG.86-02SPEAKER PROD_DATE MODELS SPEC CODE DESCRIPTION R / P PART NUMBER O Y T REV_REF FR TO +----------+ | 86160 | SPEAKER ASSY, FRONT NO.1 +----------+ 1212 - B100..HI 86160-BZ110- 2
  • 272.
  • 273.
    273 FIG.86-04 ANTENNA PROD_DATE MODELS SPEC CODE DESCRIPTION R / P PART NUMBER O Y T REV_REF FRTO +----------+ | 86300 | ANTENNA ASSY, W/HOLDER +----------+ 1212 - B100 86300-BZ130- 1 +----------+ | 86316 | CABLE, ANTEN NA+----------+ 1212 - B100..HI,MID 86316-BZ110- 1 1212 - B100..LO P4AB MANUAL AIR CONDITION ER 86316-BZ110- 1
  • 274.
    274 FIG.86-11 HORN (1212- ) 865315 86520 90119-08C83 FIG.86-11HORN PROD_DATE MODELS SPEC CODE DESCRIPTION R / P PART NUMBER O Y T REV_REF FR TO +----------+ | 86520 | HORN ASSY, LOW PITCHED +----------+ 1212 - B100 86520-BZ150- 1
  • 275.
    275 FIG.87-01 MIRROR (1212- ) 87D373 87810 87810B 87819 87827 87910 87915 87915A 87917B 87940 87910 87940 87945 87945B 87947B 90041-49087(2) 91511-B0614(3) 91511-B0614(3) FIG.87-01MIRROR PROD_DATE MODELS SPEC CODE DESCRIPTION R / P PART NUMBER O Y T REV_REF FR TO +----------+ | 87810 | MIRROR ASSY, INNER REAR VIEW +----------+ 1212 - B100 87810-BZ150- 1 +----------+ | 87810B | BULB, INNER REAR VIEW MIRROR LAMP +----------+ 1212 - B100 9004B-81003- 1 +----------+ | 87819 | LENS, INNER RR VIEW MIRROR ROOM LAMP +----------+ 1212 - B100 87834-BZ020- 1 +----------+ | 87827 | ABSORBER, INNER REAR VIEW MIRROR +----------+ 1212 - B100 87828-BZ060- 1 +----------+ | 87910 | MIRROR ASSY, OUTER REAR VIEW, RH +----------+ 1212 - B100..LO 87910-BZ240- 1 1212 - B100..HI 87910-BZ360- 1 1212 - B100..MID 87910-BZ720- 1 +----------+ | 87915 | COVER, OUTER MIRROR, RH +----------+ 1212 - B100..HI 87915-BZ310- 1 +----------+ | 87915A | COVER, OUTER MIRROR, RH +----------+ 1212 - B100..HI 87915-BZ290- 1 +----------+ | 87917B | MIRROR, OUTER REAR VIEW, RH +----------+ 1212 - B100..HI 87917-BZ120- 1 +----------+ | 87940 | MIRROR ASSY, OUTER REAR VIEW, LH +----------+ 1212 - B100..LO 87940-BZ190- 1 1212 - B100..HI 87940-BZ440- 1 1212 - B100..MID 87940-BZ460- 1
  • 276.
    276 FIG.87-01 MIRROR PROD_DATE MODELS SPEC CODE DESCRIPTION R / P PART NUMBER O Y T REV_REF FRTO +----------+ | 87945 | COVER, OUTER MIRROR, LH +----------+ 1212 - B100..HI 87945-BZ310- 1 +----------+ | 87945B | COVER, OUTER MIRROR, LH +----------+ 1212 - B100..HI 87945-BZ290- 1 +----------+ | 87947B | MIRROR, OUTER REAR VIEW, LH +----------+ 1212 - B100..HI 87947-BZ120- 1
  • 277.
    277 FIG.87-14 HEATING &AIR CONDITIONING - COOLER UNIT (1212- ) 87D360-A 88539J 88897L 87010 9004A-11281 9004A-11282 9004A-11282 91551-80620 9004A-10108 91551-80620 9004A-17219
  • 278.
    278 FIG.87-14 HEATING &AIR CONDITIONING - COOLER UNIT (1212- ) 87D374-A 87010 87114B 87138C 88501 88515 88550B 88568B 88625 88710F 88710F 81128-B2010(2) 9004B-72003(3) 90099-00968(18) C9909-97201(2)
  • 279.
    279 FIG.87-14 HEATING &AIR CONDITIONING - COOLER UNIT PROD_DATE MODELS SPEC CODE DESCRIPTION R / P PART NUMBER O Y T REV_REF FR TO +----------+ | 87010 | UNIT ASSY, AIR CONDITIONER +----------+ 1212 - B100..HI,MID 87010-BZ310- 1 1212 - B100..LO P3GB HEATER CONTROL PANEL (2 DIAL) 87010-BZ310- 1 +----------+ | 87114B | COVER, HEATE R+----------+ 1212 - B100..HI,MID 87114-BZ020- 4 1212 - B100..LO P3GB HEATER CONTROL PANEL (2 DIAL) 87114-BZ020- 4 +----------+ | 87138C | RESISTOR, BLOWER +----------+ 1212 - B100..HI,MID 87138-BZ080- 2 1212 - B100..LO P3GB HEATER CONTROL PANEL (2 DIAL) 87138-BZ080- 2 +----------+ | 88501 | EVAPORATOR SUB-ASSY, COOLER, NO.1 +----------+ 1212 - B100..HI,MID 88501-BZ150- 2 1212 - B100..LO P3GB HEATER CONTROL PANEL (2 DIAL) 88501-BZ150- 2 +----------+ | 88515 | VALVE, COOLER EXPANSION +----------+ 1212 - B100..HI,MID 88515-BZ100- 2 1212 - B100..LO P3GB HEATER CONTROL PANEL (2 DIAL) 88515-BZ100- 2 +----------+ | 88539J | HOSE, DRAIN COOLER +----------+ 1212 - B100..HI,MID 88539-BZ260- 1 1212 - B100..LO P3GB HEATER CONTROL PANEL (2 DIAL) 88539-BZ260- 1 +----------+ | 88550B | MOTOR ASSY, BLOWER +----------+ 1212 - B100..HI,MID 88550-BZ070- 2 FIG.87-14 HEATING & AIR CONDITIONING - COOLER UNIT PROD_DATE MODELS SPEC CODE DESCRIPTION R / P PART NUMBER O Y T REV_REF FR TO +----------+ | 88550B | MOTOR ASSY, BLOWER CONTINUED--+ 1212 - B100..LO P3GB HEATER CONTROL PANEL (2 DIAL) 88550-BZ070- 2 +----------+ | 88568B | FILTER, AIR +----------+ 1212 - B100..HI,MID 88568-BZ060- 4 1212 - B100..LO P3GB HEATER CONTROL PANEL (2 DIAL) 88568-BZ060- 4 +----------+ | 88625 | THERMISTOR, COOLER, NO.1 +----------+ 1212 - B100..HI,MID 88625-BZ060- 2 1212 - B100..LO P3GB HEATER CONTROL PANEL (2 DIAL) 88625-BZ060- 2 +----------+ | 88710F | RING, O +----------+ 1212 - B100..HI,MID OD=15.6 ID=10.8 15188-87402- 2 1212 - B100..LO P3GB HEATER CONTROL PANEL (2 DIAL),OD=15.6 ID =10.8 15188-87402- 2 1212 - B100..HI,MID OD=18.2 ID=13.4 15188-87403- 2 1212 - B100..LO P3GB HEATER CONTROL PANEL (2 DIAL),OD=18.2 ID =13.4 15188-87403- 2 +----------+ | 88897L | GROMMET (FOR DRAIN HOSE) +----------+ 1212 - B100..HI,MID 88897-87Z13- 1 1212 - B100..LO P3GB HEATER CONTROL PANEL (2 DIAL) 88897-87Z13- 1
  • 280.
    280 FIG.87-15 HEATING &AIR CONDITIONING - CONTROL & AIR DUCT (1212- ) 87D358-B REFER TO FIG (PNC 55406B) REFER TO FIG (PNC 55406B) 55-01 55-01 81942H 81942H 81942B 81942A 81930F 55905A 55905A 81942A 81942B 55910R 9004A-16036 9004A-16036 9004A-16036
  • 281.
    281 FIG.87-15 HEATING &AIR CONDITIONING - CONTROL & AIR DUCT (1212- ) 87D359-C 9004A-16036 9004A-16036 87223A 87223A 87223A 87223A 55086A55872B 55871A 55871A 87223A FIG.87-15 HEATING & AIR CONDITIONING - CONTROL & AIR DUCT PROD_DATE MODELS SPEC CODE DESCRIPTION R / P PART NUMBER O Y T REV_REF FR TO +----------+ | 55086A | DUCT SUB-ASSY, HEATER TO REGISTER, CENTER +----------+ 1212 - B100..HI,MID 55086-BZ150- 1 1212 - B100..LO P4AB MANUAL AIR CONDITION ER 55086-BZ150- 1 +----------+ | 55871A | SEAL, AIR DUCT, NO.1 +----------+ 1212 - B100..HI,MID 55871-BZ070- 2 1212 - B100..LO P4AB MANUAL AIR CONDITION ER 55871-BZ070- 2 +----------+ | 55872B | SEAL, AIR DUCT,NO.2 +----------+ 1212 - B100..HI,MID 55872-BZ060- 1 1212 - B100..LO P4AB MANUAL AIR CONDITION ER 55872-BZ060- 1 +----------+ | 55905A | KNOB, HEATER CONTROL +----------+ 1212 - B100..HI,MID SILVER(TRIM1#) 55905-BZ220-B0 2 1212 - B100..LO P3GB HEATER CONTROL PANEL (2 DIAL),SILVER(TRI M1#) 55905-BZ220-B0 2 +----------+ | 55910R | CONTROL ASSY, HEATER +----------+ 1212 - B100..HI,MID 55910-BZ390- 1 1212 - B100..LO P3GB HEATER CONTROL PANEL (2 DIAL) 55910-BZ390- 1 +----------+ | 81930F | BULB, HEATER CONTROL INDICATOR LAMP +----------+ 1212 - B100..HI,MID 14V 1.4W 81936-BZ090- 2 1212 - B100..LO P3GB 14V 1.4W,HEATER CONT ROL PANEL (2 DIAL) 81936-BZ090- 2 +----------+ | 81942A | SHEET, HEATER CONTROL NAME, NO.1 +----------+ 1212 - B100..HI,MID 81942-BZ510- 1
  • 282.
    282 FIG.87-15 HEATING &AIR CONDITIONING - CONTROL & AIR DUCT PROD_DATE MODELS SPEC CODE DESCRIPTION R / P PART NUMBER O Y T REV_REF FR TO +----------+ | 81942A | SHEET, HEATER CONTROL NAME, NO.1 CONTINUED--+ 1212 - B100..LO P3GB HEATER CONTROL PANEL (2 DIAL) 81942-BZ510- 1 1212 - B100..LO 81942-BZ530- 1 +----------+ | 81942B | SHEET, HEATER CONTROL NAME, NO.2 +----------+ 1212 - B100..HI,MID 81942-BZ520- 1 1212 - B100..LO P3GB HEATER CONTROL PANEL (2 DIAL) 81942-BZ520- 1 1212 - B100..LO 81942-BZ530- 1 +----------+ | 81942H | SHEET, HEATER CONTROL NAME, NO.3 +----------+ 1212 - B100..LO 81942-BZ540- 2 +----------+ | 87223A | PAD, AIR DUC T+----------+ 1212 - 1303 B100..HI,MID NO.3 & NO.4 87223-BZ190- 2 1212 - 1303 B100..LO P4AB MANUAL AIR CONDITION ER,NO.3 & NO.4 87223-BZ190- 2 1212 - 1305 B100..HI,MID NO.1 87223-BZ050- 1 1212 - 1305 B100..LO P4AB MANUAL AIR CONDITION ER,NO.1 87223-BZ050- 1 1212 - B100..HI,MID NO.2 87223-BZ180- 1 1212 - B100..LO P4AB MANUAL AIR CONDITION ER,NO.2 87223-BZ180- 1 1303 - B100..HI,MID NO.3 87223-BZ190- 1 1303 - B100..LO P4AB MANUAL AIR CONDITION ER,NO.3 87223-BZ190- 1 1303 - B100..HI,MID NO.4 87223-BZ240- 1 1303 - B100..LO P4AB MANUAL AIR CONDITION ER,NO.4 87223-BZ240- 1 1305 - B100..HI,MID NO.1 87223-BZ050- 2 FIG.87-15 HEATING & AIR CONDITIONING - CONTROL & AIR DUCT PROD_DATE MODELS SPEC CODE DESCRIPTION R / P PART NUMBER O Y T REV_REF FR TO +----------+ | 87223A | PAD, AIR DUC TCONTINUED--+ 1305 - B100..LO P4AB MANUAL AIR CONDITION ER,NO.1 87223-BZ050- 2
  • 283.
    283 FIG.87-18 HEATING &AIR CONDITIONING - COOLER PIPING (1212- ) 87D357 REFER TO FIG (PNC 88515) REFER TO FIG 87-14 87-19 91551-80616(2) 88362B 88450 88711 88712 88718C 88718C88719A 88736B 88891A 88891B 15188-87401 15188-87401 15188-87402 15188-87402 15188-87403 9004A-11212 9004A-11212 9004A-11212 9004A-11212 91551-80616(2) 91621-60618 91621-60618 15188-87403
  • 284.
    284 FIG.87-18 HEATING &AIR CONDITIONING - COOLER PIPING PROD_DATE MODELS SPEC CODE DESCRIPTION R / P PART NUMBER O Y T REV_REF FR TO +----------+ | 88362B | PLATE, SEAL +----------+ 1212 - B100..HI,MID 88362-BZ160- 1 1212 - B100..LO P4AB MANUAL AIR CONDITION ER 88362-BZ160- 1 +----------+ | 88450 | CONDENSER ASSY, W/RECEIVER +----------+ 1212 - B100..HI,MID 88450-BZ060- 1 1212 - B100..LO P4AB MANUAL AIR CONDITION ER 88450-BZ060- 1 +----------+ | 88711 | HOSE, COOLER REFRIGERANT DISCHARGE, NO.1 +----------+ 1212 - B100..HI,MID 88711-BZ480- 1 1212 - B100..LO P4AB MANUAL AIR CONDITION ER 88711-BZ480- 1 +----------+ | 88712 | HOSE, COOLER REFRIGERANT SUCTION, NO.1 +----------+ 1212 - B100..HI,MID 88712-BZ350- 1 1212 - B100..LO P4AB MANUAL AIR CONDITION ER 88712-BZ350- 1 +----------+ | 88718C | CLAMP(FOR COOLER REFRIGERANT PIPE), NO.3 +----------+ 1212 - B100..HI,MID 88718-BZ280- 2 1212 - B100..LO P4AB MANUAL AIR CONDITION ER 88718-BZ280- 2 +----------+ | 88719A | SENSOR, AIRCONDITIONER PRESSURE +----------+ 1212 - B100..HI,MID 88719-B2010- 1 1212 - B100..LO P4AB MANUAL AIR CONDITION ER 88719-B2010- 1 +----------+ | 88736B | TUBE, LIQUID, B(FOR COOL BOX) +----------+ 1212 - B100..HI,MID 88716-BZ850- 1 FIG.87-18 HEATING & AIR CONDITIONING - COOLER PIPING PROD_DATE MODELS SPEC CODE DESCRIPTION R / P PART NUMBER O Y T REV_REF FR TO +----------+ | 88736B | TUBE, LIQUID, B(FOR COOL BOX) CONTINUED--+ 1212 - B100..LO P4AB MANUAL AIR CONDITION ER 88716-BZ850- 1 +----------+ | 88891A | PACKING A (FOR COOLER) +----------+ 1212 - B100..HI,MID 88578-BZ540- 1 1212 - B100..LO P4AB MANUAL AIR CONDITION ER 88578-BZ540- 1 +----------+ | 88891B | PACKING B (FOR COOLER) +----------+ 1212 - B100..HI,MID 88578-BZ550- 1 1212 - B100..LO P4AB MANUAL AIR CONDITION ER 88578-BZ550- 1
  • 285.
    285 FIG.87-19 HEATING &AIR CONDITIONING - COMPRESSOR (1212- ) 87D356 88301 88302B 88320 88330A 88365 88365A 88403 88410 88433A 88446C 88688N 88466-87701 88466-87701 88569-87107 91551-80850(2) 91551-80880(2) FIG.87-19 HEATING & AIR CONDITIONING - COMPRESSOR PROD_DATE MODELS SPEC CODE DESCRIPTION R / P PART NUMBER O Y T REV_REF FR TO +----------+ | 88301 | ROTOR SUB-ASSY, MAGNET CLUTCH +----------+ 1212 - B100..HI,MID 88412-BZ110- 1 1212 - B100..LO P4AB MANUAL AIR CONDITION ER 88412-BZ110- 1 +----------+ | 88302B | STATOR, MAGNET CLUTCH +----------+ 1212 - B100..HI,MID 88411-BZ110- 1 1212 - B100..LO P4AB MANUAL AIR CONDITION ER 88411-BZ110- 1 +----------+ | 88320 | COMPRESSOR ASSY, COOLER +----------+ 1212 - B100..HI,MID 88320-BZ170- 1 1212 - B100..LO P4AB MANUAL AIR CONDITION ER 88320-BZ170- 1 +----------+ | 88330A | WASHER (FOR MAGNET CLUTCH) +----------+ 1212 - B100..HI,MID T=0.1 88318-87704- 1 1212 - B100..LO P4AB MANUAL AIR CONDITION ER,T=0.1 88318-87704- 1 1212 - B100..HI,MID T=0.3 88318-87705- 1 1212 - B100..LO P4AB MANUAL AIR CONDITION ER,T=0.3 88318-87705- 1 1212 - B100..HI,MID T=0.5 88318-87706- 1 1212 - B100..LO P4AB MANUAL AIR CONDITION ER,T=0.5 88318-87706- 1 +----------+ | 88365 | RING, SNAP +----------+ 1212 - B100..HI,MID 90099-07125- 1 1212 - B100..LO P4AB MANUAL AIR CONDITION ER 90099-07125- 1 +----------+ | 88365A | RING, SNAP (FOR COMPRESSOR) +----------+ 1212 - B100..HI,MID 90099-07114- 1
  • 286.
    286 FIG.87-19 HEATING &AIR CONDITIONING - COMPRESSOR PROD_DATE MODELS SPEC CODE DESCRIPTION R / P PART NUMBER O Y T REV_REF FR TO +----------+ | 88365A | RING, SNAP (FOR COMPRESSOR) CONTINUED--+ 1212 - B100..LO P4AB MANUAL AIR CONDITION ER 90099-07114- 1 +----------+ | 88403 | HUB SUB-ASSY, MAGNET CLUTCH +----------+ 1212 - B100..HI,MID 88403-BZ080- 1 1212 - B100..LO P4AB MANUAL AIR CONDITION ER 88403-BZ080- 1 +----------+ | 88410 | CLUTCH ASSY, MAGNET +----------+ 1212 - B100..HI,MID 88410-BZ250- 1 1212 - B100..LO P4AB MANUAL AIR CONDITION ER 88410-BZ250- 1 +----------+ | 88433A | STAY, COMPRESSOR +----------+ 1212 - B100..HI,MID 88433-B1020- 1 1212 - B100..LO P4AB MANUAL AIR CONDITION ER 88433-B1020- 1 +----------+ | 88446C | BOLT, MAGNET CLUTCH SETTING +----------+ 1212 - B100..HI,MID 90099-04349- 1 1212 - B100..LO P4AB MANUAL AIR CONDITION ER 90099-04349- 1 +----------+ | 88688N | BRACKET, COOLER +----------+ 1212 - B100..HI,MID 88688-BZ140- 1 1212 - B100..LO P4AB MANUAL AIR CONDITION ER 88688-BZ140- 1