1.MODELS COVERED & CHARACTERISTICS ・・・・・・・・・・・・・・・・・・・・・・・・・・・・・・・ 2~3
2.MARK & ABBREVIATION ・・・・・・・・・・・・・・・・・・・・・・・・・・・・・・・・・・・・・・・・・・・・ 4~6
3.INDEX
ILLUSTRATED INDEX ・・・・・・・・・・・・・・・・・・・・・・・・・・・・・・・・・・・・・・・・・・・・ 7~13
FIGURE NUMBER INDEX ・・・・・・・・・・・・・・・・・・・・・・・・・・・・・・・・・・・・・・・・・・ 14~15
PART NAME INDEX ・・・・・・・・・・・・・・・・・・・・・・・・・・・・・・・・・・・・・・・・・・・・・・ 16~35
PART NUMBER INDEX ・・・・・・・・・・・・・・・・・・・・・・・・・・・・・・・・・・・・・・・・・・・・ 36~47
REVISION REFERENCE CODE TABLE ・・・・・・・・・・・・・・・・・・・・・・・・・・・・・・・・ 48
EACH MONTH END PRODUCTION FRAME NO. LIST ・・・・・・・・・・・・・・・・・・・・・ 49
4.ILLUSTRATION & TEXT ・・・・・・・・・・・・・・・・・・・・・・・・・・・・・・・・・・・・・・・・・・・・ 50~388
TOOL, ENGINE, FUEL, POWER TRAIN & CHASSIS, BODY, ELECTRICAL
GUIDE TO CONTENTS
1
MODELS COVERED & CHARACTERISTICS
2
MODELS COVERED & CHARACTERISTICS
MODELS COVERED & CHARACTERISTICS
Production
Period
Model Engine
2111- W100RG-LBDFJ 1NRVE SWG LO ATM CVT RHD IDN
2111- W100RG-LBMFJ 1NRVE SWG MID ATM CVT RHD IDN
2111- W100RG-LMDFJ 1NRVE SWG LO MTM 5F RHD IDN
2111- W100RG-LMMFJ 1NRVE SWG MID MTM 5F RHD IDN
2111- W101RG-LBRFJ 2NRVE SWG HI ATM CVT RHD IDN
2111- W101RG-LMRFJ 2NRVE SWG HI MTM 5F RHD IDN
1NRVE ・・・・・・・・・・・・・・・・
1300CC 16-VALVE DOHC EFI
2NRVE ・・・・・・・・・・・・・・・・・・・
1500CC 16-VALVE DOHC EFI
SWG ・・・・・・・・・・・・・・・・・・・
STATION WAGON
HI ・・・・・・・・・・・・・・・・・・・・・・
HIGH TYPE
MID ・・・・・・・・・・・・・・・・
MID TYPE
LO ・・・・・・・・・・・・・・・・・・
LO TYPE
MTM ・・・・・・・・・・・・・・・・
MANUAL TRANSMISSION
ATM ・・・・・・・・・・・・・・・・
AUTOMATIC TRANSMISSION
5F ・・・・・・・・・・・・・・・・・・・・・・
MTM, 5-SPEED FLOOR SHIFT
CVT ・・・・・・・・・・・・・・・・
CONTINUOUSLY VARIABLE TRANSMISSION
RHD ・・・・・・・・・・・・・・・・
RIGHT-HAND DRIVE VEHICLES
IDN ・・・・・・・・・・・・・・・・・・・・・・
INDONESIA
Characteristics
3
MARK & ABBREVIATION LIST (1/3)
Mark Denition Mark Denition Mark Denition Mark Denition
.. Among
..+ Among
, And
+ Plus
- Except
* All Series
# All Series
կ Bolt
ձ Only for Domestic Vehicle
ղ For EU Market
մ For General Market
ջ Nut
ր Screw
ք Washer
& And
1ST First
2D 2 Door
2FC 2 Speed Floor Automatic
2ND Second
2S 2 Seater
2WD 2 Wheel Drive
33 Qty. as Required
3AT 3 Speed Automatic Transmission
3D 3 Door
3FC 3 Speed Floor Automatic
3RD Third
3S 3 Seater
4AT 4 Speed Automatic Transmission
4ATE Electronic 4 Speed Automatic
Transmission
4D 4 Door
4F 4 Speed Floor Manual
4H 4 Speed Column
4S 4 Seater
4TH Fourth
4WD 4 Wheel Drive
5D 5 Door
5F 5 Speed Floor Manual
5TH Fifth
A Ampere
AAB Anti Afterburn
AAP Auxiliary Accelerating Pump
AB Absorber
A/B Air Bag
ABS Anti-skid Braking System
ABV Air By-pass Valve
A-C Air Conditioner
ACC Accessory
ACL Auto Clutch
A/D Added
ADR Australian Design Rule
AFT After
AI Air Injection
AISIN Aishin Seiki Company
AKEBONO Akebono Brake Industry Co., Ltd.
AL Aluminium
AM AM Radio
A/P Air Pump
ARC Arctic
ARG Argentina
A-RST Arm Rest
AS Air Suction System
ASB Anti Spin Brake System
AS-F Asbestos-Free
ASH Ash Tray
ASSIST Assistant
ASSY Assembly
ASV Air Switching Valve
A-TANK Auxiliary Tank
ATM Automatic Transmission
AUS For Australia
BC Bucket
BCS (BUKT) Bucket Seat
BDO Back Door Opener
BLG Belgium
BLK Black
BLT Belt
BMP Bumper
BOOS Booster
BS Bridgestone Corp
B-SD Both Sides
B.T.D.C Before Top Dead Center
BTR Battery
BVSV Bimetal Vacuum Switching Valve
B-VTL Boost Ventilator
C/# Chassis Number
CA Center Arm-rest
CC Capacity or Engine Displacement
C-CAP Center Cap
CCO Catalitic Converter Oxidation
CG-LT Cigarette Lighter
CH Chile
Ch.B Choke Breaker
Ch.O Choke Opener
CHUO Chuo Seiki Co., Ltd.
CL Clock
CLP Collapsible Steering Column
CM Centimeter
CNG Natural Gas
CONR (CNR) Corner
CONS Console
CONSTANT Constant Gear Ratio Type
CR-PLTD Chrome Plated
CRPT Carpet
CST Cassette
CTR Center
D Daihatsu
DAIDO Daido Metal Co., Ltd.
DC Degree Centigrade
D-CT Direct Control
DDK Daihatsu Diesel Mfg. Co., Ltd.
DECS Daihatsu Economical Clean-Up System
DENSO Nippon Denso Co., Ltd.
DF Degree Fahrenheit
DFG Defogger
DIFF Differential
DISC Disk Brake
DMP Dump Series
DOHC Double Over Head Cam Shaft
D&P Both Side (Driver & Passenger)
DP Dash Pot
DR Door
DRS Daihatsu Racing Service
DRUM Drum Brake
D-SD Driver Side
D-SHAFT Drive Shaft
DSPV Deceleration Sensing
Proportioning Valve
DTM Daimatic Transmission
DX DX Grade
DX-OPT Deluxe Option
E- Europe
(E) EC Certication
E4AT Electronic 4 Speed Automatic
Transmission
EB Exhaust Brake
EDIC Electronic Diesel Injection Control
EGR Exhaust Gas Recirculation System
EGR-VM Exhaust Gas Recirculation
Vacuum Modulator
EIS Vacuum Car
EL Electric
ELCD Evaporative Loss Control Device
ELR Emergency Locking Retractor
E-M Electro Magnetic
ENG England
EPS Electornic power steering
ESS Engine Speed Sensor
ETR Electronic tuning radio
EUR For Europe
EXC Except
EXPORT Export Only
EXT Extreme
F- For
FAB Fabric
F-CONS For Console
F-FAB Full Fabric
FICB Fast-Idle Cam Breaker
FIG Figure Number
FIN Finland
FL Full
FLCP Floor Carpet
FLMT Floor Mat
FLO Fuel Lid Opener
FR Front
FREQ-CT Frequency Control Shock Absorber
FRN France
F-TANK Fuel Tank
FWH Free Wheel Hub
G-BLT Guard Belt
G-C Gate Chain
GEN For General Countries
G-FRM Guard Frame
GG Gage
G-PCK Grade Package
Gr Grams
GR Gear Ratio
GRN Green
GS Japan Storage Battery Co., Ltd.
H High (Millimeter)
HAC High Altitude Compensator
HIC Hot Idle Compensator
HIR High Roof
HK Hong Kong
H-L Head Lamp
H-L-CNR Head Lamp Cleaner
HLG Halogen
H-MT-B-LMP High-mounted Brake Lamp
HOUSEI Advics Co., Ltd.
H-PAD Heal-pad
H-R Head restraint
HR-SPR Head-Restraint Separate Type
HSR High and Sun Roof
HTR Heater
I-CL Instrument Cluster
ID Inside Diameter
IDNT Identication
IKEDA IKEDA Plant (DMC)
IKI Ichikoh Industry Co., Ltd.
IN Inch
IND Indicator
INDN Indonesia
INN Inner
INS Insert
4
MARK & ABBREVIATION LIST (2/3)
Mark Denition Mark Denition Mark Denition Mark Denition
INSTR Instrument
INT-ARC Intermit Arctic
ISO International Organization for
Standardization
ITC Impact Sensing Release System
Controller
ITK Intake
JECO Jeco Co., Ltd.
JKC Bosch Braking Systems Co., Ltd.
KANBISHI Kanbishi Corporation
K-FAB Knit Fabric
KIT Kit Parts
KM/H Kilometer an Hour
KOBE Shin Kobe Electric Machinery Co., Ltd.
KOITO Koito Manufacturing Co., Ltd.
KOYO Koyo Seiko Industry Co., Ltd.
KW Kilowatt
KYB Kayaba Industry Co., Ltd.
KYOKUTO Kyokuto Development Co., Ltd.
L Length (Millimeter)
L/ Less
LH Left Hand
LHD Left Hand Drive
LMN Laminated
LMP Lamp
LRG Large
LSD Limited Slip Differential
LSPV Load Sensing Proportioning Valve
LT Leading Trailing Brake
LTHR Leatherette
LTL Long Taper Leaf Spring
LWR Lower
-M -Metallic
M4AT Mechanical 4 Speed Automatic
Transmission
MATSUSHITA Matsushita Electric Ind. Co., Ltd.
MB Metal Back
M/C Master Cylinder
MCL Manual Clutch
MCV Mixture Control Valve
META Metallic
M-HOLE Mirror Hole
MIN Minimum
MIX Mixer Truck
ML Mechanical
MLY Malaysia
MM Millimeter
MPH (MILE/H) Mile Per Hour
MT-CT Metallic Coat
MTG Mounting
MTM Manual Transmission
NACHI Fujikoshi Co., Ltd.
NBK Nisshin Brake Sales Co., Ltd.
NDL Needle
NGK NGK Spark Plug Co., Ltd.
NHK NHK Spring Co., Ltd.
NIKKI Nippon Carburetor Co., Ltd.
NL Netherlands
NO Number
NOK Nippon Oil Seal Industry Co., Ltd.
N-P Needle-punch
N-PB Non Protuberance
NPR Nippon Piston Ring Co., Ltd.
NR (NLR) Non-Locking Retractor
NSK Nippon Seiko co., Ltd.
NTBO Non-turbo
NTN NTN
OD Outside Diameter (Millimeter)
OHTSU The Ohtsu Tire & Rubber Co., Ltd.
OLD Discontinued Vehicles
OPT Option
O/S Over Size
P Pitch
PACK Package
P&B Proportioning and By-pass Valve
PCE 1 Piece
PCS 2 or More
PCV Positive Crank-case Ventilation
PD Diameter of the pitch
PF ‫غ‬ Model Code of the Vehicle
Discontinued Production as of
YY/MM
P-HOOK Pintle Hook
PKT Pakistan
PL Plastic
PLT Plated
P-M Protection Moulding
PNC Part Name Code (Fig.no.+ Key No.)
PNCH Punch
PNT Painted
POST Van for the Ministry of Posts and
Telecommunications
POT Pocket
PP Poly Propylen
PRMBLE Permeable Foram
PRV-RUST Prevent from Rust
PS Power Steering
PS ‫غ‬ Model Code of the Vehicle
Production Started from YY/MM.
P-SD Passenger Side
PSNG Passenger
PT Point(S)
PTC Power Take Off
P-VL Printed Vinyl Leatherette
PV (P-VALVE) Proportioning Valve
PW Power Window
QSI Quick Start Igniter
QTR Quarter
QTY Quantity
R Resistance
RBS Recirculating Ball System
R/C Release Cylinder
R-CT Remote Control
RD Round
RDO Radio
RECL Recliner
REV Reverse
REV.REF Revision Reference
RH Right Hand
RHD Right Hand Drive
R/M Remarks
R-MLD Roof Drip Moulding
R-P Rocker Panel
R&P Rack and Pinion
R/P Replacement Parts
RR Rear
RSB Roll Side Bar
R/T Resin Top
RW Rear Wiper
S Width (Millimeter)
S- Semi
S.AFRICA South Africa
SAKURA Sakura Kogyo Co., Ltd.
S.ARB Saudi Arabia
SB Seat Back
S/B Sealed Beam
SCAB Single Cab
SCHNOR (SCHN) Schnorchel
SCV Spark Control Valve
SD Spark Delay
SDX SDX Grade
SED Sedan
SET Set Parts
S-FAB Semi-fabric
SHIGA SIGA Plant (DMC)
SHOWA Showa Corp.
SLD Sealed
SMG Speedometer Gear
SML Small
S-MTL Silver Metallic
SNGL Single
SNGP Singapore
SPCFY For Specied Countries
SPD Speed
SPEC (SPC) Specication
SPK Speaker
SPR Separate
SP-ST Sparate Seat
SQ Square
SR Sport Bumper
S/S Semi Size
ST Single Tire
STBL Stabilizer
STD Standard
STL Steel
STR Standard Roof
SUB ASSY Sub Assembly
SUMITOMO Sumitomo Electric Industries, Ltd.
SUPPLY Spare Parts Only
SUSP (SUS) Suspension
SW Switch
SWD Sweden
SWTZ Switzerland
T Thickness (Millimeter)
TACHO Tachometer
TAIHO Taiho Kogyo Co., Ltd.
TBO Turbo
T/C Turbo Charger
TCS Transmission Controlled Spark
TEN Fujitsu Ten Co., Ltd.
TK Toyoda Machine Works, Ltd.
T/L Tubeless Tire
TLT Tilt
T/M Transmission
TMP Temperature
TOKAIRIKA Tokairika Electronics Maker Co.
TOSHIBA Toshiba Electronics Co.
TOYO Toyo Tire & Rubber Co., Ltd.
TP Throttle Positioner
TPL-B Tarpaulin Bow
TR Truck
TRT Turn
TRP Tropical
TSK Nippon Cable System Inc.
TTD Tinted
TVSV Thermostatic Vacuum Switching
Valve
TYP Type
UB Utility Box
UPR Upper
U/S Under Size
V Volts
VAN Van or Station Wagon Type
VARIABLE Variable Gear Ratio Type
5
MARK & ABBREVIATION LIST (3/3)
Mark Definition Definition Definition Definition
Definition
Mark Mark Mark
Mark
R/P
*
#
.
+
=
Replacement (old)
Replacement (new)
Last replacement (new)
New minor part number to be replaced along with main part
Pat number to be replaced under some condition
QTY 33 Qty. as required
R/M
A
K
Supply only during car producing
Local procurement parts
VCV Vacuum Control Valve
VISCOUS Viscous Coupling System
VL (V-LTHR) Vinyl Leatherette
VS Vertical Stack
VSV Vacuum Switching Valve
VTV Vacuum Transmitting Valve
W Watts
W/... With
W/C Wheel Cylinder
WCAB Double Cab
WD Window
WDN Wooden
WDS Windshield
W/E-MARK With European Attested Mark
WG Wagon
W.GRM (WG-) West Germany
WNG Warning
W-P Water Proof
WS Double Spring
WT Double Tire
W/T Tube Tire
WTW Wall to Wall
WV-FB Woven Fabric
YLW Yellow
YOKOHAMA The Yokohama Rubber Co., Ltd.
Z Gear Number
(¥) Part supplied by two makers
6
7
A10439
(09-01)
(11-06)
(15-02)
(17-03)
(11-01)
(11-07)
(16-01)
(17-08)
(11-02)
(12-01)
(16-03)
(11-03)
(13-01)
(16-05)
(19-01)
(11-04)
(13-02)
(17-01)
(19-03)
(11-05)
(15-01)
(17-02)
(19-04) (22-11)
8
C10491
(31-01) (31-02) (33-01) (33-02)
(34-14) (41-03)
(33-05)
(31-03)
(43-01) (43-02) (43-03)
(33-07)
(31-05)
(33-12) (34-01)
(41-02)
(33-04) (34-02)
(45-05) (46-01)
(45-04)
(45-01) (47-01) (47-02)
9
C20200
(48-04)
(47-03) (47-05) (48-02) (48-03)
(47-06) (47-08)
10
B10630
(51-52)
(53-54)
(51-53) (52-52) (52-53) (53-51) (53-53)
(58-52) (58-53)
(53-55) (58-51)
(55-51) (57-52)
(55-53)
(61-53) (64-51) (64-52)
(61-55) (64-55)
(58-54) (58-55) (61-51) (61-52)
(65-54)
11
B20618
(74-55)
(67-53)
(77-51)
(75-52)
(75-51)
(67-65) (71-51) (74-51)
(71-52)
(67-62)
(67-55) (67-56) (67-57)
(67-54)
(67-51)
(74-54)
(67-61)
(78-51)
(76-52)
12
(81-01) (81-02)
E10597-A
(85-01) (86-02)
(85-02) (85-03)
(84-21)
(82-02) (83-01) (84-01)
(84-04) (84-10)
(82-01)
(84-14)
(81-11) (81-13) (81-15)
(81-21)
(85-04)
(84-20)
(84-17)
(81-17)
(81-06)
(86-04)
13
E20260-A
(87-18)
(87-19)
(87-15)
(87-01) (87-14)
(86-11)
(86-09)
FIGURE NUMBER INDEX
14
PAGE FIG.NO. TITLE
TOOL GROUP
50 09-01 STANDARD TOOL
ENGINE GROUP
51 11-01 PARTIAL ENGINE ASSEMBLY
52 11-02 SHORT BLOCK ASSEMBLY
53 11-03 ENGINE OVERHAUL GASKET KIT
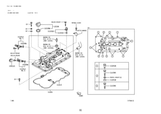
55 11-04 CYLINDER HEAD
59 11-05 CYLINDER BLOCK
63 11-06 TIMING GEAR COVER & REAR END PLATE
65 11-07 MOUNTING
68 12-01 VENTILATION HOSE
69 13-01 CRANKSHAFT & PISTON
71 13-02 CAMSHAFT & VALVE
73 15-01 ENGINE OIL PUMP
74 15-02 OIL FILTER
75 16-01 WATER PUMP
76 16-03 RADIATOR & WATER OUTLET
81 16-05 V-BELT
82 17-01 MANIFOLD
84 17-02 EXHAUST PIPE
86 17-03 AIR CLEANER
88 17-08 VACUUM PIPING
90 19-01 IGNITION COIL & SPARK PLUG / GLOW PLUG
91 19-03 ALTERNATOR
93 19-04 STARTER
PAGE FIG.NO. TITLE
FUEL GROUP
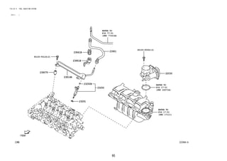
95 22-11 FUEL INJECTION SYSTEM
POWER TRAIN & CHASSIS GROUP
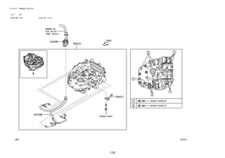
97 31-01 CLUTCH & RELEASE FORK
98 31-02 CLUTCH PEDAL & FLEXIBLE HOSE
100 31-03 CLUTCH MASTER CYLINDER
101 31-05 CLUTCH RELEASE CYLINDER
102 33-01 TRANSAXLE OR TRANSMISSION ASSY & GASKET
KIT (MTM)
103 33-02 CLUTCH HOUSING & TRANSMISSION CASE (MTM)
106 33-04 SPEEDOMETER DRIVEN GEAR (MTM)
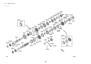
107 33-05 TRANSMISSION GEAR (MTM)
112 33-07 GEAR SHIFT FORK & LEVER SHAFT (MTM)
115 33-12 SHIFT LEVER & RETAINER
117 34-01 TRANSAXLE ASSY(CVT)
124 34-02 TORQUE CONVERTER, FRONT OIL PUMP(CVT)
126 34-14 OIL COOLER & TUBE(CVT)
128 41-02 REAR AXLE SHAFT & HUB
130 41-03 DISC WHEEL & WHEEL CAP
133 43-01 FRONT AXLE HOUSING & DIFFERENTIAL
134 43-02 FRONT DRIVE SHAFT
137 43-03 FRONT AXLE HUB
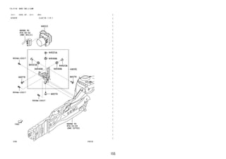
139 45-01 STEERING COLUMN & SHAFT
141 45-04 STEERING WHEEL
143 45-05 FRONT STEERING GEAR & LINK
PAGE FIG.NO. TITLE
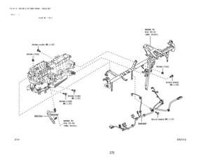
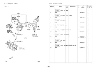
145 46-01 PARKING BRAKE & CABLE
147 47-01 BRAKE PEDAL & BRACKET
148 47-02 BRAKE MASTER CYLINDER
149 47-03 BRAKE BOOSTER & VACUUM TUBE
150 47-05 FRONT DISC BRAKE CALIPER & DUST COVER
152 47-06 REAR DRUM BRAKE WHEEL CYLINDER & BACKING
PLATE
155 47-08 BRAKE TUBE & CLAMP
160 48-02 FRONT AXLE ARM & STEERING KNUCKLE
162 48-03 FRONT SPRING & SHOCK ABSORBER
166 48-04 REAR SPRING & SHOCK ABSORBER
BODY GROUP
168 51-52 SUSPENSION CROSSMEMBER & UNDER COVER
170 51-53 SPARE WHEEL CARRIER
171 52-52 FRONT BUMPER & BUMPER STAY
173 52-53 REAR BUMPER & BUMPER STAY
175 53-51 RADIATOR GRILLE
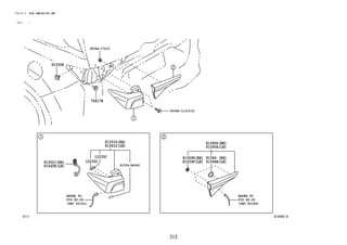
176 53-53 HOOD & FRONT FENDER
180 53-54 HOOD LOCK & HINGE
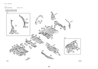
182 53-55 FRONT FENDER APRON & DASH PANEL
185 55-51 INSTRUMENT PANEL & GLOVE COMPARTMENT
193 55-53 COWL PANEL & WINDSHIELD GLASS
195 57-52 HOLE PLUG
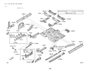
198 58-51 FRONT FLOOR PANEL & FRONT FLOOR MEMBER
202 58-52 REAR FLOOR PANEL & REAR FLOOR MEMBER
FIGURE NUMBER INDEX
15
PAGE FIG.NO. TITLE
206 58-53 FLOOR INSULATOR
207 58-54 FLOOR MAT & SILENCER PAD
209 58-55 CONSOLE BOX & BRACKET
213 61-51 SIDE MEMBER
226 61-52 SIDE WINDOW
228 61-53 ROOF PANEL & BACK PANEL
229 61-55 REAR VENTILATOR & ROOF VENTILATOR
230 64-51 INSIDE TRIM BOARD
234 64-52 ROOF HEADLINING & SILENCER PAD
236 64-55 DECK BOARD & DECK TRIM COVER
238 65-54 REAR BODY SIDE PANEL
239 67-51 FRONT DOOR PANEL & GLASS
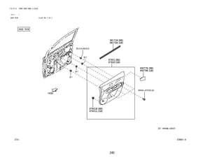
244 67-53 FRONT DOOR LOCK & HANDLE
247 67-54 FRONT DOOR WINDOW REGULATOR & HINGE
248 67-55 REAR DOOR PANEL & GLASS
253 67-56 REAR DOOR LOCK & HANDLE
255 67-57 REAR DOOR WINDOW REGULATOR & HINGE
256 67-61 BACK DOOR PANEL & GLASS
260 67-62 BACK DOOR LOCK & HINGE
261 67-65 LOCK CYLINDER SET
263 71-51 SEAT & SEAT TRACK
286 71-52 SEAT BELT
290 74-51 ARMREST & VISOR
293 74-54 BATTERY CARRIER
294 74-55 CAUTION PLATE
PAGE FIG.NO. TITLE
296 75-51 EMBLEM & NAME PLATE
298 75-52 MOULDING
300 76-52 SPOILER & SIDE MUDGUARD
302 77-51 FUEL TANK & TUBE
307 78-51 ACCELERATOR LINK
ELECTRICAL GROUP
308 81-01 HEADLAMP
310 81-02 FOG LAMP
312 81-06 SIDE TURN SIGNAL LAMP & OUTER MIRROR LAM
P
313 81-11 REAR COMBINATION LAMP
315 81-13 REAR LICENSE PLATE LAMP
316 81-15 REFLEX REFLECTOR
317 81-17 CENTER STOP LAMP
318 81-21 INTERIOR LAMP
320 82-01 BATTERY & BATTERY CABLE
321 82-02 WIRING & CLAMP
327 83-01 METER
329 84-01 SWITCH & RELAY & COMPUTER
343 84-04 ELECTRONIC FUEL INJECTION SYSTEM
345 84-10 OVERDRIVE & ELECTRONIC CONTROLLED TRANSM
ISSION
347 84-14 ABS & VSC
349 84-17 CLEARANCE & BACK SONAR
351 84-20 WIRELESS DOOR LOCK
PAGE FIG.NO. TITLE
353 84-21 AIR BAG
356 85-01 WINDSHIELD WIPER
358 85-02 REAR WIPER
359 85-03 WINDSHIELD WASHER
361 85-04 REAR WASHER
363 86-02 SPEAKER
364 86-04 ANTENNA
366 86-09 LANE-KEEPING ASSIST
367 86-11 HORN
369 87-01 MIRROR
372 87-14 HEATING & AIR CONDITIONING - COOLER UNIT
378 87-15 HEATING & AIR CONDITIONING - CONTROL & A
IR DUCT
382 87-18 HEATING & AIR CONDITIONING - COOLER PIPI
NG
387 87-19 HEATING & AIR CONDITIONING - COMPRESSOR
PART NAME INDEX
ABSORBER - BEARING, ・・・・・・・・・・・・・・・・・・・・ 16
BEARING, - BOLT, ・・・・・・・・・・・・・・・・・・・・ 17
BOLT, - BUSH, ・・・・・・・・・・・・・・・・・・・・ 18
BUSH, - CLAMP, ・・・・・・・・・・・・・・・・・・・・ 19
CLAMP, - CLIP, ・・・・・・・・・・・・・・・・・・・・ 20
CLIP, - COVER, ・・・・・・・・・・・・・・・・・・・・ 21
COVER, - CYLINDER ・・・・・・・・・・・・・・・・・・・・ 22
CYLINDER - GARNISH, ・・・・・・・・・・・・・・・・・・・・ 23
GARNISH, - GUSSET, ・・・・・・・・・・・・・・・・・・・・ 24
HANDLE - HOSE, ・・・・・・・・・・・・・・・・・・・・ 25
HOSE, - LENS, ・・・・・・・・・・・・・・・・・・・・ 26
LEVER - NUT ・・・・・・・・・・・・・・・・・・・・ 27
NUT - PANEL ・・・・・・・・・・・・・・・・・・・・ 28
PANEL - PLATE ・・・・・・・・・・・・・・・・・・・・ 29
PLATE - REINFORCEMENT, ・・・・・・・・・・・・・・・・・・・・ 30
REINFORCEMENT, - RING, ・・・・・・・・・・・・・・・・・・・・ 31
RING, - SENSOR, ・・・・・・・・・・・・・・・・・・・・ 32
SENSOR, - SUPPORT ・・・・・・・・・・・・・・・・・・・・ 33
SUPPORT - TUBE, ・・・・・・・・・・・・・・・・・・・・ 34
TUBE, - YOKE ・・・・・・・・・・・・・・・・・・・・ 35
PART NAME PAGE
ABSORBER ASSY, SHOCK, FRONT LH ・・・・・・・・・・・・・・・・・・・・・・・・・・・・・・・・・・・・・・・・・・・・・・・・・・・・ 164
ABSORBER ASSY, SHOCK, FRONT RH ・・・・・・・・・・・・・・・・・・・・・・・・・・・・・・・・・・・・・・・・・・・・・・・・・・・・ 164
ABSORBER ASSY, SHOCK, REAR LH ・・・・・・・・・・・・・・・・・・・・・・・・・・・・・・・・・・・・・・・・・・・・・・・・・・・・・ 167
ABSORBER ASSY, SHOCK, REAR RH ・・・・・・・・・・・・・・・・・・・・・・・・・・・・・・・・・・・・・・・・・・・・・・・・・・・・・ 167
ACTUATOR ASSY, BRAKE ・・・・・・・・・・・・・・・・・・・・・・・・・・・・・・・・・・・・・・・・・・・・・・・・・・・・・・・・・・・・・・ 157
ADJUSTER ASSY, SHOE, LH(FOR REAR BRAKE) ・・・・・・・・・・・・・・・・・・・・・・・・・・・・・・・・・・・・・・・・・・・ 153
ADJUSTER ASSY, SHOE, RH(FOR REAR BRAKE) ・・・・・・・・・・・・・・・・・・・・・・・・・・・・・・・・・・・・・・・・・・・ 153
ADJUSTER ASSY, VALVE LASH ・・・・・・・・・・・・・・・・・・・・・・・・・・・・・・・・・・・・・・・・・・・・・・・・・・・・・・・・・ 72
ADJUSTER, STOP LAMP SWITCH MOUNTING ・・・・・・・・・・・・・・・・・・・・・・・・・・・・・・・・・・・・・・・・・・・・・・・ 340
AIR BAG ASSY, CURTAIN SHIELD, LH ・・・・・・・・・・・・・・・・・・・・・・・・・・・・・・・・・・・・・・・・・・・・・・・・・・ 231
AIR BAG ASSY, CURTAIN SHIELD, RH ・・・・・・・・・・・・・・・・・・・・・・・・・・・・・・・・・・・・・・・・・・・・・・・・・・ 231
AIR BAG ASSY, FRONT SEAT, LH ・・・・・・・・・・・・・・・・・・・・・・・・・・・・・・・・・・・・・・・・・・・・・・・・・・・・・・ 283
AIR BAG ASSY, FRONT SEAT, RH ・・・・・・・・・・・・・・・・・・・・・・・・・・・・・・・・・・・・・・・・・・・・・・・・・・・・・・ 283
AIR BAG ASSY, INSTRUMENT PANEL PASSENGER ・・・・・・・・・・・・・・・・・・・・・・・・・・・・・・・・・・・・・・・・・・ 192
ALTERNATOR ASSY, W/REGULATOR ・・・・・・・・・・・・・・・・・・・・・・・・・・・・・・・・・・・・・・・・・・・・・・・・・・・・・・ 92
ANTENNA ASSY, AMPLIFIER, NO.1 ・・・・・・・・・・・・・・・・・・・・・・・・・・・・・・・・・・・・・・・・・・・・・・・・・・・・・ 365
ANTENNA ASSY, INDOOR ELECTRICAL KEY, NO.1 ・・・・・・・・・・・・・・・・・・・・・・・・・・・・・・・・・・・・・・・・・ 352
ANTENNA ASSY, INDOOR ELECTRICAL KEY, NO.2 ・・・・・・・・・・・・・・・・・・・・・・・・・・・・・・・・・・・・・・・・・ 352
ANTENNA, ELECTRICAL KEY ・・・・・・・・・・・・・・・・・・・・・・・・・・・・・・・・・・・・・・・・・・・・・・・・・・・・・・・・・・・ 352
ANTENNA, ELECTRICAL KEY, NO.2 ・・・・・・・・・・・・・・・・・・・・・・・・・・・・・・・・・・・・・・・・・・・・・・・・・・・・・ 352
APRON SUB-ASSY, FRONT FENDER, LH ・・・・・・・・・・・・・・・・・・・・・・・・・・・・・・・・・・・・・・・・・・・・・・・・・・ 183
APRON SUB-ASSY, FRONT FENDER, RH ・・・・・・・・・・・・・・・・・・・・・・・・・・・・・・・・・・・・・・・・・・・・・・・・・・ 183
ARM ASSY, REAR SUSPENSION, NO.1 ・・・・・・・・・・・・・・・・・・・・・・・・・・・・・・・・・・・・・・・・・・・・・・・・・・・ 167
ARM SUB-ASSY, FRONT SUSPENSION, LOWER NO.1 LH ・・・・・・・・・・・・・・・・・・・・・・・・・・・・・・・・・・・・・ 161
ARM SUB-ASSY, FRONT SUSPENSION, LOWER NO.1 RH ・・・・・・・・・・・・・・・・・・・・・・・・・・・・・・・・・・・・・ 161
ARM SUB-ASSY, VALVE ROCKER, NO.1 ・・・・・・・・・・・・・・・・・・・・・・・・・・・・・・・・・・・・・・・・・・・・・・・・・・ 72
ARM, FRONT WIPER, LH ・・・・・・・・・・・・・・・・・・・・・・・・・・・・・・・・・・・・・・・・・・・・・・・・・・・・・・・・・・・・・・ 357
ARM, FRONT WIPER, RH ・・・・・・・・・・・・・・・・・・・・・・・・・・・・・・・・・・・・・・・・・・・・・・・・・・・・・・・・・・・・・・ 357
ARM, GLOVE COMPARTMENT DOOR CHECK, LH ・・・・・・・・・・・・・・・・・・・・・・・・・・・・・・・・・・・・・・・・・・・・・ 191
ARM, GLOVE COMPARTMENT DOOR CHECK, RH ・・・・・・・・・・・・・・・・・・・・・・・・・・・・・・・・・・・・・・・・・・・・・ 191
ARM, REAR WIPER ・・・・・・・・・・・・・・・・・・・・・・・・・・・・・・・・・・・・・・・・・・・・・・・・・・・・・・・・・・・・・・・・・・・ 358
ARM, REVERSE SHIFT ・・・・・・・・・・・・・・・・・・・・・・・・・・・・・・・・・・・・・・・・・・・・・・・・・・・・・・・・・・・・・・・・ 113
ARM, TIMING CHAIN TENSION ・・・・・・・・・・・・・・・・・・・・・・・・・・・・・・・・・・・・・・・・・・・・・・・・・・・・・・・・・ 71
ARMATURE ASSY, STARTER ・・・・・・・・・・・・・・・・・・・・・・・・・・・・・・・・・・・・・・・・・・・・・・・・・・・・・・・・・・・・ 94
ARMREST ASSY, REAR SEAT, CENTER ・・・・・・・・・・・・・・・・・・・・・・・・・・・・・・・・・・・・・・・・・・・・・・・・・・・ 282
BALL, SHAFT DETENT ・・・・・・・・・・・・・・・・・・・・・・・・・・・・・・・・・・・・・・・・・・・・・・・・・・・・・・・・・・・・・・・・ 114
BAR, STABILIZER, FRONT ・・・・・・・・・・・・・・・・・・・・・・・・・・・・・・・・・・・・・・・・・・・・・・・・・・・・・・・・・・・・ 165
BASE, SWITCH ・・・・・・・・・・・・・・・・・・・・・・・・・・・・・・・・・・・・・・・・・・・・・・・・・・・・・・・・・・・・・・・・・・・・・・ 340
BASE, SWITCH HOLE, NO.1 ・・・・・・・・・・・・・・・・・・・・・・・・・・・・・・・・・・・・・・・・・・・・・・・・・・・・・・・・・・・ 190
BEARING (FOR FRONT AXLE HUB LH) ・・・・・・・・・・・・・・・・・・・・・・・・・・・・・・・・・・・・・・・・・・・・・・・・・・・ 138
BEARING (FOR FRONT AXLE HUB RH) ・・・・・・・・・・・・・・・・・・・・・・・・・・・・・・・・・・・・・・・・・・・・・・・・・・・ 138
BEARING (FOR INPUT SHAFT FRONT) ・・・・・・・・・・・・・・・・・・・・・・・・・・・・・・・・・・・・・・・・・・・・・・・・・・・ 108
BEARING (FOR OUTPUT SHAFT FRONT) ・・・・・・・・・・・・・・・・・・・・・・・・・・・・・・・・・・・・・・・・・・・・・・・・・・ 108
BEARING (FOR OUTPUT SHAFT REAR) ・・・・・・・・・・・・・・・・・・・・・・・・・・・・・・・・・・・・・・・・・・・・・・・・・・・ 108
BEARING ASSY, CLUTCH RELEASE ・・・・・・・・・・・・・・・・・・・・・・・・・・・・・・・・・・・・・・・・・・・・・・・・・・・・・・ 97
BEARING(FOR ALTERNATOR DRIVE END FRAME) ・・・・・・・・・・・・・・・・・・・・・・・・・・・・・・・・・・・・・・・・・・・ 92
BEARING, CONNECTING ROD ・・・・・・・・・・・・・・・・・・・・・・・・・・・・・・・・・・・・・・・・・・・・・・・・・・・・・・・・・・・ 69
BEARING, CRANKSHAFT ・・・・・・・・・・・・・・・・・・・・・・・・・・・・・・・・・・・・・・・・・・・・・・・・・・・・・・・・・・・・・・・ 69
BEARING, RADIAL BALL (FOR INPUT SHAFT REAR) ・・・・・・・・・・・・・・・・・・・・・・・・・・・・・・・・・・・・・・・ 108
BEARING, TAPERED ROLLER (FOR FRONT DIFFERENTIAL CASE FRONT) ・・・・・・・・・・・・・・・・・・・・・・・ 133
ABSORBER - BEARING,
16
PART NAME PAGE
BEARING, TAPERED ROLLER (FOR FRONT DIFFERENTIAL CASE REAR) ・・・・・・・・・・・・・・・・・・・・・・・・ 133
BELT ASSY, FRONT SEAT INNER, LH ・・・・・・・・・・・・・・・・・・・・・・・・・・・・・・・・・・・・・・・・・・・・・・・・・・・ 289
BELT ASSY, FRONT SEAT INNER, RH ・・・・・・・・・・・・・・・・・・・・・・・・・・・・・・・・・・・・・・・・・・・・・・・・・・・ 289
BELT ASSY, FRONT SEAT OUTER, LH ・・・・・・・・・・・・・・・・・・・・・・・・・・・・・・・・・・・・・・・・・・・・・・・・・・・ 289
BELT ASSY, FRONT SEAT OUTER, RH ・・・・・・・・・・・・・・・・・・・・・・・・・・・・・・・・・・・・・・・・・・・・・・・・・・・ 289
BELT ASSY, REAR NO.1 SEAT, OUTER LH ・・・・・・・・・・・・・・・・・・・・・・・・・・・・・・・・・・・・・・・・・・・・・・・ 289
BELT ASSY, REAR NO.1 SEAT, OUTER RH ・・・・・・・・・・・・・・・・・・・・・・・・・・・・・・・・・・・・・・・・・・・・・・・ 289
BELT ASSY, REAR NO.2 SEAT, INNER LH ・・・・・・・・・・・・・・・・・・・・・・・・・・・・・・・・・・・・・・・・・・・・・・・ 289
BELT ASSY, REAR NO.2 SEAT, INNER RH ・・・・・・・・・・・・・・・・・・・・・・・・・・・・・・・・・・・・・・・・・・・・・・・ 289
BELT ASSY, REAR NO.2 SEAT, OUTER LH ・・・・・・・・・・・・・・・・・・・・・・・・・・・・・・・・・・・・・・・・・・・・・・・ 289
BELT ASSY, REAR NO.2 SEAT, OUTER RH ・・・・・・・・・・・・・・・・・・・・・・・・・・・・・・・・・・・・・・・・・・・・・・・ 289
BELT ASSY, REAR SEAT INNER W/CENTER, LH ・・・・・・・・・・・・・・・・・・・・・・・・・・・・・・・・・・・・・・・・・・・ 289
BELT ASSY, REAR SEAT INNER W/CENTER, RH ・・・・・・・・・・・・・・・・・・・・・・・・・・・・・・・・・・・・・・・・・・・ 289
BELT ASSY, REAR SEAT, INNER ・・・・・・・・・・・・・・・・・・・・・・・・・・・・・・・・・・・・・・・・・・・・・・・・・・・・・・・ 289
BELT ASSY, REAR SEAT, INNER LH ・・・・・・・・・・・・・・・・・・・・・・・・・・・・・・・・・・・・・・・・・・・・・・・・・・・・ 289
BELT, V(FOR FAN & ALTERNATOR) ・・・・・・・・・・・・・・・・・・・・・・・・・・・・・・・・・・・・・・・・・・・・・・・・・・・・・ 81
BEZEL, FRONT DOOR INSIDE HANDLE, LH ・・・・・・・・・・・・・・・・・・・・・・・・・・・・・・・・・・・・・・・・・・・・・・・ 243
BEZEL, FRONT DOOR INSIDE HANDLE, RH ・・・・・・・・・・・・・・・・・・・・・・・・・・・・・・・・・・・・・・・・・・・・・・・ 243
BEZEL, INSTRUMENT PANEL REGISTER ・・・・・・・・・・・・・・・・・・・・・・・・・・・・・・・・・・・・・・・・・・・・・・・・・・ 192
BEZEL, INSTRUMENT PANEL RESISTER, NO.2 ・・・・・・・・・・・・・・・・・・・・・・・・・・・・・・・・・・・・・・・・・・・・ 192
BEZEL, REAR DOOR INSIDE HANDLE, LH ・・・・・・・・・・・・・・・・・・・・・・・・・・・・・・・・・・・・・・・・・・・・・・・・ 251
BEZEL, REAR DOOR INSIDE HANDLE, RH ・・・・・・・・・・・・・・・・・・・・・・・・・・・・・・・・・・・・・・・・・・・・・・・・ 251
BLADE, FR WIPER, LH ・・・・・・・・・・・・・・・・・・・・・・・・・・・・・・・・・・・・・・・・・・・・・・・・・・・・・・・・・・・・・・・ 357
BLADE, FR WIPER, RH ・・・・・・・・・・・・・・・・・・・・・・・・・・・・・・・・・・・・・・・・・・・・・・・・・・・・・・・・・・・・・・・ 357
BLADE, RR WIPER ・・・・・・・・・・・・・・・・・・・・・・・・・・・・・・・・・・・・・・・・・・・・・・・・・・・・・・・・・・・・・・・・・・・ 358
BLOCK ASSY, FUSE ・・・・・・・・・・・・・・・・・・・・・・・・・・・・・・・・・・・・・・・・・・・・・・・・・・・・・・・・・・・・・・・・・・ 339
BLOCK ASSY, SHORT ・・・・・・・・・・・・・・・・・・・・・・・・・・・・・・・・・・・・・・・・・・・・・・・・・・・・・・・・・・・・・・・・・ 52
BLOCK SUB-ASSY, CYLINDER ・・・・・・・・・・・・・・・・・・・・・・・・・・・・・・・・・・・・・・・・・・・・・・・・・・・・・・・・・・ 61
BOARD ASSY, DECK ・・・・・・・・・・・・・・・・・・・・・・・・・・・・・・・・・・・・・・・・・・・・・・・・・・・・・・・・・・・・・・・・・・ 237
BOARD SUB-ASSY, FRONT DOOR TRIM, LH ・・・・・・・・・・・・・・・・・・・・・・・・・・・・・・・・・・・・・・・・・・・・・・・ 242
BOARD SUB-ASSY, FRONT DOOR TRIM, RH ・・・・・・・・・・・・・・・・・・・・・・・・・・・・・・・・・・・・・・・・・・・・・・・ 241
BOARD SUB-ASSY, REAR DOOR TRIM, LH ・・・・・・・・・・・・・・・・・・・・・・・・・・・・・・・・・・・・・・・・・・・・・・・・ 250
BOARD SUB-ASSY, REAR DOOR TRIM, RH ・・・・・・・・・・・・・・・・・・・・・・・・・・・・・・・・・・・・・・・・・・・・・・・・ 250
BOARD, COWL SIDE TRIM, LH ・・・・・・・・・・・・・・・・・・・・・・・・・・・・・・・・・・・・・・・・・・・・・・・・・・・・・・・・・ 231
BOARD, COWL SIDE TRIM, RH ・・・・・・・・・・・・・・・・・・・・・・・・・・・・・・・・・・・・・・・・・・・・・・・・・・・・・・・・・ 231
BOARD, REAR SEAT BACK ・・・・・・・・・・・・・・・・・・・・・・・・・・・・・・・・・・・・・・・・・・・・・・・・・・・・・・・・・・・・・ 276
BOARD, REAR SEAT BACK ・・・・・・・・・・・・・・・・・・・・・・・・・・・・・・・・・・・・・・・・・・・・・・・・・・・・・・・・・・・・・ 278
BODY ASSY, THROTTLE W/THROTTLE POSITION SENSOR ・・・・・・・・・・・・・・・・・・・・・・・・・・・・・・・・・・・・ 96
BODY ASSY, TRANSMISSION VALVE ・・・・・・・・・・・・・・・・・・・・・・・・・・・・・・・・・・・・・・・・・・・・・・・・・・・・・ 123
BOLT (FOR BEARING LOCK PLATE) ・・・・・・・・・・・・・・・・・・・・・・・・・・・・・・・・・・・・・・・・・・・・・・・・・・・・・ 108
BOLT (FOR REAR AXLE BEARING LH) ・・・・・・・・・・・・・・・・・・・・・・・・・・・・・・・・・・・・・・・・・・・・・・・・・・・ 129
BOLT (FOR REAR AXLE BEARING RH) ・・・・・・・・・・・・・・・・・・・・・・・・・・・・・・・・・・・・・・・・・・・・・・・・・・・ 129
BOLT (FOR REVERSE IDLER GEAR SHAFT) ・・・・・・・・・・・・・・・・・・・・・・・・・・・・・・・・・・・・・・・・・・・・・・・ 110
BOLT (FOR SHIFT GATE PLATE) ・・・・・・・・・・・・・・・・・・・・・・・・・・・・・・・・・・・・・・・・・・・・・・・・・・・・・・・ 114
BOLT (FOR STEERING KNUCKLE LH) ・・・・・・・・・・・・・・・・・・・・・・・・・・・・・・・・・・・・・・・・・・・・・・・・・・・・ 161
BOLT (FOR STEERING KNUCKLE RH) ・・・・・・・・・・・・・・・・・・・・・・・・・・・・・・・・・・・・・・・・・・・・・・・・・・・・ 161
BOLT (FOR TRANSMISSION CONTROL CABLE BRACKET) ・・・・・・・・・・・・・・・・・・・・・・・・・・・・・・・・・・・・・ 116
BOLT(FOR ALTERNATOR) ・・・・・・・・・・・・・・・・・・・・・・・・・・・・・・・・・・・・・・・・・・・・・・・・・・・・・・・・・・・・・・ 92
BOLT(FOR CAMSHAFT HOUSING SET) ・・・・・・・・・・・・・・・・・・・・・・・・・・・・・・・・・・・・・・・・・・・・・・・・・・・・ 57
BOLT(FOR CAMSHAFT HOUSING SET) ・・・・・・・・・・・・・・・・・・・・・・・・・・・・・・・・・・・・・・・・・・・・・・・・・・・・ 57
BEARING, - BOLT(FOR
PART NAME PAGE
BOLT(FOR CAMSHAFT TIMING GEAR) ・・・・・・・・・・・・・・・・・・・・・・・・・・・・・・・・・・・・・・・・・・・・・・・・・・・・ 71
BOLT(FOR COOLER EXPANSION VALVE) ・・・・・・・・・・・・・・・・・・・・・・・・・・・・・・・・・・・・・・・・・・・・・・・・・・ 376
BOLT(FOR CRANKSHAFT BEARING CAP SET) ・・・・・・・・・・・・・・・・・・・・・・・・・・・・・・・・・・・・・・・・・・・・・・ 61
BOLT(FOR CRANKSHAFT PULLEY SET) ・・・・・・・・・・・・・・・・・・・・・・・・・・・・・・・・・・・・・・・・・・・・・・・・・・・ 70
BOLT(FOR CYLINDER HEAD COVER) ・・・・・・・・・・・・・・・・・・・・・・・・・・・・・・・・・・・・・・・・・・・・・・・・・・・・・ 58
BOLT(FOR CYLINDER HEAD SET) ・・・・・・・・・・・・・・・・・・・・・・・・・・・・・・・・・・・・・・・・・・・・・・・・・・・・・・・ 57
BOLT(FOR DRIVE PLATE & TORQUE CONVERTER SETTING) ・・・・・・・・・・・・・・・・・・・・・・・・・・・・・・・・・・ 125
BOLT(FOR FLEXIBLE HOSE BRACKET) ・・・・・・・・・・・・・・・・・・・・・・・・・・・・・・・・・・・・・・・・・・・・・・・・・・・ 158
BOLT(FOR FLYWHEEL) ・・・・・・・・・・・・・・・・・・・・・・・・・・・・・・・・・・・・・・・・・・・・・・・・・・・・・・・・・・・・・・・・ 70
BOLT(FOR FRONT DISC BRAKE CYLINDER SLIDE) ・・・・・・・・・・・・・・・・・・・・・・・・・・・・・・・・・・・・・・・・・ 151
BOLT(FOR FRONT STABILIZER) ・・・・・・・・・・・・・・・・・・・・・・・・・・・・・・・・・・・・・・・・・・・・・・・・・・・・・・・・ 165
BOLT(FOR FRONT SUSPENSION LOWER ARM NO.1 LH) ・・・・・・・・・・・・・・・・・・・・・・・・・・・・・・・・・・・・・・ 161
BOLT(FOR FRONT SUSPENSION LOWER ARM NO.1 RH) ・・・・・・・・・・・・・・・・・・・・・・・・・・・・・・・・・・・・・・ 161
BOLT(FOR FRONT SUSPENSION LOWER ARM NO.2 LH) ・・・・・・・・・・・・・・・・・・・・・・・・・・・・・・・・・・・・・・ 161
BOLT(FOR FRONT SUSPENSION LOWER ARM NO.2 RH) ・・・・・・・・・・・・・・・・・・・・・・・・・・・・・・・・・・・・・・ 161
BOLT(FOR HEAD TO CAMSHAFT BEARING CAP) ・・・・・・・・・・・・・・・・・・・・・・・・・・・・・・・・・・・・・・・・・・・・ 57
BOLT(FOR LOWER CONTROL ARM) ・・・・・・・・・・・・・・・・・・・・・・・・・・・・・・・・・・・・・・・・・・・・・・・・・・・・・・・ 167
BOLT(FOR REAR COOLER EXPANSION VALVE) ・・・・・・・・・・・・・・・・・・・・・・・・・・・・・・・・・・・・・・・・・・・・・ 376
BOLT(FOR REAR WHEEL CYLINDER) ・・・・・・・・・・・・・・・・・・・・・・・・・・・・・・・・・・・・・・・・・・・・・・・・・・・・・ 153
BOLT(FOR SPARE WHEEL CARRIER LOCK) ・・・・・・・・・・・・・・・・・・・・・・・・・・・・・・・・・・・・・・・・・・・・・・・・ 170
BOLT(FOR TRANSAXLE OIL PAN) ・・・・・・・・・・・・・・・・・・・・・・・・・・・・・・・・・・・・・・・・・・・・・・・・・・・・・・・ 122
BOLT, BATTERY CLAMP ・・・・・・・・・・・・・・・・・・・・・・・・・・・・・・・・・・・・・・・・・・・・・・・・・・・・・・・・・・・・・・・ 293
BOLT, BRAKE ACTUATOR BRACKET ・・・・・・・・・・・・・・・・・・・・・・・・・・・・・・・・・・・・・・・・・・・・・・・・・・・・・・ 157
BOLT, BRAKE PEDAL STOP, NO.1 ・・・・・・・・・・・・・・・・・・・・・・・・・・・・・・・・・・・・・・・・・・・・・・・・・・・・・・ 147
BOLT, BRAKE PEDAL STOP, NO.2 ・・・・・・・・・・・・・・・・・・・・・・・・・・・・・・・・・・・・・・・・・・・・・・・・・・・・・・ 147
BOLT, COMPRESSOR, NO.1 ・・・・・・・・・・・・・・・・・・・・・・・・・・・・・・・・・・・・・・・・・・・・・・・・・・・・・・・・・・・・ 387
BOLT, CONNECTING ROD ・・・・・・・・・・・・・・・・・・・・・・・・・・・・・・・・・・・・・・・・・・・・・・・・・・・・・・・・・・・・・・ 69
BOLT, EXHAUST PIPE SUPPORT ・・・・・・・・・・・・・・・・・・・・・・・・・・・・・・・・・・・・・・・・・・・・・・・・・・・・・・・・ 85
BOLT, FLEXIBLE ATTACHING(FOR STEERING MAIN SHAFT) ・・・・・・・・・・・・・・・・・・・・・・・・・・・・・・・・・ 140
BOLT, FRONT SUSPENSION MEMBER MOUNTING ・・・・・・・・・・・・・・・・・・・・・・・・・・・・・・・・・・・・・・・・・・・・ 169
BOLT, FRONT SUSPENSION MEMBER MOUNTING ・・・・・・・・・・・・・・・・・・・・・・・・・・・・・・・・・・・・・・・・・・・・ 169
BOLT, FUEL TANK ・・・・・・・・・・・・・・・・・・・・・・・・・・・・・・・・・・・・・・・・・・・・・・・・・・・・・・・・・・・・・・・・・・・ 306
BOLT, HEXAGON (FOR DIFFERENTIAL CASE) ・・・・・・・・・・・・・・・・・・・・・・・・・・・・・・・・・・・・・・・・・・・・・ 133
BOLT, HEXAGON(FOR DRIVE PLATE SETTING) ・・・・・・・・・・・・・・・・・・・・・・・・・・・・・・・・・・・・・・・・・・・・ 125
BOLT, HEXAGON(FOR FRONT DISC BRAKE CALIPER) ・・・・・・・・・・・・・・・・・・・・・・・・・・・・・・・・・・・・・・・ 151
BOLT, HEXAGON(FOR STEERING COLUMN BRACKET) ・・・・・・・・・・・・・・・・・・・・・・・・・・・・・・・・・・・・・・・・ 140
BOLT, HOOD LOCK ・・・・・・・・・・・・・・・・・・・・・・・・・・・・・・・・・・・・・・・・・・・・・・・・・・・・・・・・・・・・・・・・・・・ 181
BOLT, HUB (FOR FRONT AXLE LH) ・・・・・・・・・・・・・・・・・・・・・・・・・・・・・・・・・・・・・・・・・・・・・・・・・・・・・ 138
BOLT, HUB (FOR FRONT AXLE RH) ・・・・・・・・・・・・・・・・・・・・・・・・・・・・・・・・・・・・・・・・・・・・・・・・・・・・・ 138
BOLT, HUB (FOR REAR AXLE LH) ・・・・・・・・・・・・・・・・・・・・・・・・・・・・・・・・・・・・・・・・・・・・・・・・・・・・・・ 129
BOLT, HUB (FOR REAR AXLE RH) ・・・・・・・・・・・・・・・・・・・・・・・・・・・・・・・・・・・・・・・・・・・・・・・・・・・・・・ 129
BOLT, INSTRUMENT PANEL ・・・・・・・・・・・・・・・・・・・・・・・・・・・・・・・・・・・・・・・・・・・・・・・・・・・・・・・・・・・・ 190
BOLT, INSTRUMENT PANEL ・・・・・・・・・・・・・・・・・・・・・・・・・・・・・・・・・・・・・・・・・・・・・・・・・・・・・・・・・・・・ 190
BOLT, MAGNET CLUTCH SETTING ・・・・・・・・・・・・・・・・・・・・・・・・・・・・・・・・・・・・・・・・・・・・・・・・・・・・・・・ 387
BOLT, OIL NOZZLE UNION ・・・・・・・・・・・・・・・・・・・・・・・・・・・・・・・・・・・・・・・・・・・・・・・・・・・・・・・・・・・・ 62
BOLT, REAR SEAT HINGE ・・・・・・・・・・・・・・・・・・・・・・・・・・・・・・・・・・・・・・・・・・・・・・・・・・・・・・・・・・・・・ 273
BOLT, SET (FOR SELECT INNER LEVER) ・・・・・・・・・・・・・・・・・・・・・・・・・・・・・・・・・・・・・・・・・・・・・・・・ 113
BOLT, SHIFT LEVER ・・・・・・・・・・・・・・・・・・・・・・・・・・・・・・・・・・・・・・・・・・・・・・・・・・・・・・・・・・・・・・・・・ 116
BOLT, STEERING GEAR HOUSING ・・・・・・・・・・・・・・・・・・・・・・・・・・・・・・・・・・・・・・・・・・・・・・・・・・・・・・・ 144
BOLT, STEERING LOCK SET ・・・・・・・・・・・・・・・・・・・・・・・・・・・・・・・・・・・・・・・・・・・・・・・・・・・・・・・・・・・ 140
BOLT(FOR - BOLT,
17
PART NAME PAGE
BOLT, STUD(FOR EXHAUST MANIFOLD TO CYLINDER HEAD) ・・・・・・・・・・・・・・・・・・・・・・・・・・・・・・・・・ 83
BOLT, STUD(FOR INTAKE MANIFOLD TO CYLINDER HEAD) ・・・・・・・・・・・・・・・・・・・・・・・・・・・・・・・・・・ 83
BOLT, UNION(FOR FRONT FLEXIBLE HOSE) ・・・・・・・・・・・・・・・・・・・・・・・・・・・・・・・・・・・・・・・・・・・・・・ 158
BOLT, UNION(FOR REAR SHOCK ABSORBER LH) ・・・・・・・・・・・・・・・・・・・・・・・・・・・・・・・・・・・・・・・・・・・ 167
BOLT, UNION(FOR REAR SHOCK ABSORBER RH) ・・・・・・・・・・・・・・・・・・・・・・・・・・・・・・・・・・・・・・・・・・・ 167
BOLT, W/WASHER ・・・・・・・・・・・・・・・・・・・・・・・・・・・・・・・・・・・・・・・・・・・・・・・・・・・・・・・・・・・・・・・・・・・・ 231
BOLT, WELD(FOR FRONT FLOOR PAN) ・・・・・・・・・・・・・・・・・・・・・・・・・・・・・・・・・・・・・・・・・・・・・・・・・・・ 201
BOOSTER ASSY, BRAKE ・・・・・・・・・・・・・・・・・・・・・・・・・・・・・・・・・・・・・・・・・・・・・・・・・・・・・・・・・・・・・・・ 149
BOOT KIT, FRONT DRIVE SHAFT INBOARD JOINT, LH ・・・・・・・・・・・・・・・・・・・・・・・・・・・・・・・・・・・・・ 136
BOOT KIT, FRONT DRIVE SHAFT INBOARD JOINT, RH ・・・・・・・・・・・・・・・・・・・・・・・・・・・・・・・・・・・・・ 136
BOOT KIT, FRONT DRIVE SHAFT OUTBOARD JOINT, LH ・・・・・・・・・・・・・・・・・・・・・・・・・・・・・・・・・・・・ 136
BOOT KIT, FRONT DRIVE SHAFT OUTBOARD JOINT, RH ・・・・・・・・・・・・・・・・・・・・・・・・・・・・・・・・・・・・ 136
BOOT, BUSH DUST(FOR FRONT DISC BRAKE) ・・・・・・・・・・・・・・・・・・・・・・・・・・・・・・・・・・・・・・・・・・・・・ 151
BOOT, CLUTCH RELEASE FORK ・・・・・・・・・・・・・・・・・・・・・・・・・・・・・・・・・・・・・・・・・・・・・・・・・・・・・・・・・ 97
BOOT, FRONT DISC BRAKE CYLINDER ・・・・・・・・・・・・・・・・・・・・・・・・・・・・・・・・・・・・・・・・・・・・・・・・・・・ 151
BOOT, STEERING RACK, NO.1 ・・・・・・・・・・・・・・・・・・・・・・・・・・・・・・・・・・・・・・・・・・・・・・・・・・・・・・・・・ 144
BOX ASSY, CONSOLE ・・・・・・・・・・・・・・・・・・・・・・・・・・・・・・・・・・・・・・・・・・・・・・・・・・・・・・・・・・・・・・・・・ 211
BOX, CONSOLE, UPPER ・・・・・・・・・・・・・・・・・・・・・・・・・・・・・・・・・・・・・・・・・・・・・・・・・・・・・・・・・・・・・・・ 211
BOX, DECK FLOOR, REAR ・・・・・・・・・・・・・・・・・・・・・・・・・・・・・・・・・・・・・・・・・・・・・・・・・・・・・・・・・・・・・ 237
BOX, INSTRUMENT PANEL, CENTER ・・・・・・・・・・・・・・・・・・・・・・・・・・・・・・・・・・・・・・・・・・・・・・・・・・・・・ 190
BOX, INSTRUMENT PANEL, NO.1 ・・・・・・・・・・・・・・・・・・・・・・・・・・・・・・・・・・・・・・・・・・・・・・・・・・・・・・・ 191
BRACE SUB-ASSY, HOOD LOCK SUPPORT ・・・・・・・・・・・・・・・・・・・・・・・・・・・・・・・・・・・・・・・・・・・・・・・・・ 183
BRACE, COWL TOP TO APRON, LH ・・・・・・・・・・・・・・・・・・・・・・・・・・・・・・・・・・・・・・・・・・・・・・・・・・・・・・ 193
BRACE, COWL TOP TO APRON, RH ・・・・・・・・・・・・・・・・・・・・・・・・・・・・・・・・・・・・・・・・・・・・・・・・・・・・・・ 193
BRACE, FRONT BUMPER, CENTER ・・・・・・・・・・・・・・・・・・・・・・・・・・・・・・・・・・・・・・・・・・・・・・・・・・・・・・・ 172
BRACE, HOOD LOCK SUPPORT ・・・・・・・・・・・・・・・・・・・・・・・・・・・・・・・・・・・・・・・・・・・・・・・・・・・・・・・・・・ 183
BRACE, QUARTER PANEL, LH ・・・・・・・・・・・・・・・・・・・・・・・・・・・・・・・・・・・・・・・・・・・・・・・・・・・・・・・・・・ 224
BRACE, QUARTER PANEL, RH ・・・・・・・・・・・・・・・・・・・・・・・・・・・・・・・・・・・・・・・・・・・・・・・・・・・・・・・・・・ 224
BRACKET ASSY, STEERING COLUMN UPPER W/SWITCH ・・・・・・・・・・・・・・・・・・・・・・・・・・・・・・・・・・・・・・ 140
BRACKET SUB-ASSY, EXHAUST PIPE MOUNTING ・・・・・・・・・・・・・・・・・・・・・・・・・・・・・・・・・・・・・・・・・・・ 201
BRACKET SUB-ASSY, FRONT SEAT MOUNTING, OUTSIDE LH ・・・・・・・・・・・・・・・・・・・・・・・・・・・・・・・・・ 201
BRACKET SUB-ASSY, FRONT SIDE PANEL, LH ・・・・・・・・・・・・・・・・・・・・・・・・・・・・・・・・・・・・・・・・・・・・ 222
BRACKET SUB-ASSY, FRONT SIDE PANEL, RH ・・・・・・・・・・・・・・・・・・・・・・・・・・・・・・・・・・・・・・・・・・・・ 222
BRACKET SUB-ASSY, REAR FLOOR MOUNTING, NO.2 LH ・・・・・・・・・・・・・・・・・・・・・・・・・・・・・・・・・・・・ 204
BRACKET SUB-ASSY, REAR FLOOR MOUNTING, NO.2 RH ・・・・・・・・・・・・・・・・・・・・・・・・・・・・・・・・・・・・ 204
BRACKET, AIR CLEANER ・・・・・・・・・・・・・・・・・・・・・・・・・・・・・・・・・・・・・・・・・・・・・・・・・・・・・・・・・・・・・・ 87
BRACKET, ASSIST GRIP ・・・・・・・・・・・・・・・・・・・・・・・・・・・・・・・・・・・・・・・・・・・・・・・・・・・・・・・・・・・・・・ 222
BRACKET, ASSIST GRIP ・・・・・・・・・・・・・・・・・・・・・・・・・・・・・・・・・・・・・・・・・・・・・・・・・・・・・・・・・・・・・・ 223
BRACKET, ASSIST GRIP, LH ・・・・・・・・・・・・・・・・・・・・・・・・・・・・・・・・・・・・・・・・・・・・・・・・・・・・・・・・・・ 223
BRACKET, ASSIST GRIP, RH ・・・・・・・・・・・・・・・・・・・・・・・・・・・・・・・・・・・・・・・・・・・・・・・・・・・・・・・・・・ 223
BRACKET, BACK DOOR DAMPER STAY, UPPER LH ・・・・・・・・・・・・・・・・・・・・・・・・・・・・・・・・・・・・・・・・・・ 260
BRACKET, BACK DOOR DAMPER STAY, UPPER RH ・・・・・・・・・・・・・・・・・・・・・・・・・・・・・・・・・・・・・・・・・・ 260
BRACKET, BRAKE ACTUATOR, NO.1 ・・・・・・・・・・・・・・・・・・・・・・・・・・・・・・・・・・・・・・・・・・・・・・・・・・・・・ 157
BRACKET, COMPUTER ・・・・・・・・・・・・・・・・・・・・・・・・・・・・・・・・・・・・・・・・・・・・・・・・・・・・・・・・・・・・・・・・・ 344
BRACKET, CONSOLE BOX MOUNTING, REAR ・・・・・・・・・・・・・・・・・・・・・・・・・・・・・・・・・・・・・・・・・・・・・・・ 212
BRACKET, CONTROL CABLE ・・・・・・・・・・・・・・・・・・・・・・・・・・・・・・・・・・・・・・・・・・・・・・・・・・・・・・・・・・・・ 116
BRACKET, COOLER ・・・・・・・・・・・・・・・・・・・・・・・・・・・・・・・・・・・・・・・・・・・・・・・・・・・・・・・・・・・・・・・・・・・ 388
BRACKET, ENGINE COVER ・・・・・・・・・・・・・・・・・・・・・・・・・・・・・・・・・・・・・・・・・・・・・・・・・・・・・・・・・・・・・ 58
BRACKET, ENGINE MOUNTING, REAR, NO.1 ・・・・・・・・・・・・・・・・・・・・・・・・・・・・・・・・・・・・・・・・・・・・・・ 67
BRACKET, FLEXIBLE HOSE(FOR CLUTCH) ・・・・・・・・・・・・・・・・・・・・・・・・・・・・・・・・・・・・・・・・・・・・・・・・ 99
BOLT, - BRACKET,
PART NAME PAGE
BRACKET, FLEXIBLE HOSE, NO.1 ・・・・・・・・・・・・・・・・・・・・・・・・・・・・・・・・・・・・・・・・・・・・・・・・・・・・・・ 158
BRACKET, FLEXIBLE HOSE, NO.1(FOR CLUTCH) ・・・・・・・・・・・・・・・・・・・・・・・・・・・・・・・・・・・・・・・・・・ 99
BRACKET, FLEXIBLE HOSE, NO.2 ・・・・・・・・・・・・・・・・・・・・・・・・・・・・・・・・・・・・・・・・・・・・・・・・・・・・・・ 158
BRACKET, FRONT FENDER MOUNTING, LH ・・・・・・・・・・・・・・・・・・・・・・・・・・・・・・・・・・・・・・・・・・・・・・・・ 183
BRACKET, FRONT FENDER MOUNTING, RH ・・・・・・・・・・・・・・・・・・・・・・・・・・・・・・・・・・・・・・・・・・・・・・・・ 183
BRACKET, FRONT FENDER, REAR LH ・・・・・・・・・・・・・・・・・・・・・・・・・・・・・・・・・・・・・・・・・・・・・・・・・・・・ 222
BRACKET, FRONT FENDER, REAR RH ・・・・・・・・・・・・・・・・・・・・・・・・・・・・・・・・・・・・・・・・・・・・・・・・・・・・ 222
BRACKET, FRONT STABILIZER, NO.1 LH ・・・・・・・・・・・・・・・・・・・・・・・・・・・・・・・・・・・・・・・・・・・・・・・・ 165
BRACKET, FRONT STABILIZER, NO.1 RH ・・・・・・・・・・・・・・・・・・・・・・・・・・・・・・・・・・・・・・・・・・・・・・・・ 165
BRACKET, REAR BUMPER COVER, LH ・・・・・・・・・・・・・・・・・・・・・・・・・・・・・・・・・・・・・・・・・・・・・・・・・・・・ 205
BRACKET, REAR BUMPER COVER, RH ・・・・・・・・・・・・・・・・・・・・・・・・・・・・・・・・・・・・・・・・・・・・・・・・・・・・ 205
BRACKET, ROOF REINFORCEMENT ・・・・・・・・・・・・・・・・・・・・・・・・・・・・・・・・・・・・・・・・・・・・・・・・・・・・・・・ 228
BRACKET, ROOF SIDE RAIL, LH ・・・・・・・・・・・・・・・・・・・・・・・・・・・・・・・・・・・・・・・・・・・・・・・・・・・・・・・ 225
BRACKET, ROOF SIDE RAIL, RH ・・・・・・・・・・・・・・・・・・・・・・・・・・・・・・・・・・・・・・・・・・・・・・・・・・・・・・・ 225
BRACKET, ROOM LAMP ・・・・・・・・・・・・・・・・・・・・・・・・・・・・・・・・・・・・・・・・・・・・・・・・・・・・・・・・・・・・・・・・ 228
BRACKET, SENSOR ・・・・・・・・・・・・・・・・・・・・・・・・・・・・・・・・・・・・・・・・・・・・・・・・・・・・・・・・・・・・・・・・・・・ 341
BRACKET, SENSOR, NO.1 ・・・・・・・・・・・・・・・・・・・・・・・・・・・・・・・・・・・・・・・・・・・・・・・・・・・・・・・・・・・・・ 341
BRACKET, TRANSMISSION CONTROL CABLE, NO.1 ・・・・・・・・・・・・・・・・・・・・・・・・・・・・・・・・・・・・・・・・・ 116
BRACKET, WATER HOSE CLAMP, NO.3 ・・・・・・・・・・・・・・・・・・・・・・・・・・・・・・・・・・・・・・・・・・・・・・・・・・・ 80
BRACKET, WIRE HARNESS ・・・・・・・・・・・・・・・・・・・・・・・・・・・・・・・・・・・・・・・・・・・・・・・・・・・・・・・・・・・・・ 140
BRACKET, WIRE HARNESS CLAMP ・・・・・・・・・・・・・・・・・・・・・・・・・・・・・・・・・・・・・・・・・・・・・・・・・・・・・・・ 58
BRACKET, WIRE HARNESS CLAMP ・・・・・・・・・・・・・・・・・・・・・・・・・・・・・・・・・・・・・・・・・・・・・・・・・・・・・・・ 105
BRACKET, WIRE HARNESS CLAMP ・・・・・・・・・・・・・・・・・・・・・・・・・・・・・・・・・・・・・・・・・・・・・・・・・・・・・・・ 122
BRACKET, WIRE HARNESS CLAMP, NO.1 ・・・・・・・・・・・・・・・・・・・・・・・・・・・・・・・・・・・・・・・・・・・・・・・・・ 122
BRACKET, WIRING HARNESS CLAMP ・・・・・・・・・・・・・・・・・・・・・・・・・・・・・・・・・・・・・・・・・・・・・・・・・・・・・ 62
BRACKET, WIRING HARNESS CLAMP ・・・・・・・・・・・・・・・・・・・・・・・・・・・・・・・・・・・・・・・・・・・・・・・・・・・・・ 201
BULB (FOR LICENSE PLATE LAMP) ・・・・・・・・・・・・・・・・・・・・・・・・・・・・・・・・・・・・・・・・・・・・・・・・・・・・・ 315
BULB(FOR MAP LAMP) ・・・・・・・・・・・・・・・・・・・・・・・・・・・・・・・・・・・・・・・・・・・・・・・・・・・・・・・・・・・・・・・・ 319
BULB, FOG LAMP ・・・・・・・・・・・・・・・・・・・・・・・・・・・・・・・・・・・・・・・・・・・・・・・・・・・・・・・・・・・・・・・・・・・・ 311
BULB, POSITION INDICATOR LAMP ・・・・・・・・・・・・・・・・・・・・・・・・・・・・・・・・・・・・・・・・・・・・・・・・・・・・・ 116
BULB, ROOM LAMP, NO.1 ・・・・・・・・・・・・・・・・・・・・・・・・・・・・・・・・・・・・・・・・・・・・・・・・・・・・・・・・・・・・・ 319
BULB, ROOM LAMP, NO.2 ・・・・・・・・・・・・・・・・・・・・・・・・・・・・・・・・・・・・・・・・・・・・・・・・・・・・・・・・・・・・・ 319
BUMPER, FENDER TO HOOD ・・・・・・・・・・・・・・・・・・・・・・・・・・・・・・・・・・・・・・・・・・・・・・・・・・・・・・・・・・・・ 179
BUMPER, FENDER TO HOOD ・・・・・・・・・・・・・・・・・・・・・・・・・・・・・・・・・・・・・・・・・・・・・・・・・・・・・・・・・・・・ 179
BUMPER, FRONT SPRING, LH ・・・・・・・・・・・・・・・・・・・・・・・・・・・・・・・・・・・・・・・・・・・・・・・・・・・・・・・・・・ 164
BUMPER, FRONT SPRING, RH ・・・・・・・・・・・・・・・・・・・・・・・・・・・・・・・・・・・・・・・・・・・・・・・・・・・・・・・・・・ 164
BUMPER, HOOD TO FRONT SHROUD ・・・・・・・・・・・・・・・・・・・・・・・・・・・・・・・・・・・・・・・・・・・・・・・・・・・・・・ 183
BUMPER, REAR SPRING, NO.1 LH ・・・・・・・・・・・・・・・・・・・・・・・・・・・・・・・・・・・・・・・・・・・・・・・・・・・・・・ 167
BUMPER, REAR SPRING, NO.1 RH ・・・・・・・・・・・・・・・・・・・・・・・・・・・・・・・・・・・・・・・・・・・・・・・・・・・・・・ 167
BUSH ・・・・・・・・・・・・・・・・・・・・・・・・・・・・・・・・・・・・・・・・・・・・・・・・・・・・・・・・・・・・・・・・・・・・・・・・・・・・・・ 285
BUSH (FOR SHIFT FORK SHAFT) ・・・・・・・・・・・・・・・・・・・・・・・・・・・・・・・・・・・・・・・・・・・・・・・・・・・・・・・ 113
BUSH OR SPACER, REAR SEAT BACK HINGE ・・・・・・・・・・・・・・・・・・・・・・・・・・・・・・・・・・・・・・・・・・・・・・ 273
BUSH(FOR BRAKE PEDAL) ・・・・・・・・・・・・・・・・・・・・・・・・・・・・・・・・・・・・・・・・・・・・・・・・・・・・・・・・・・・・・ 147
BUSH(FOR CLUTCH PEDAL SPRING) ・・・・・・・・・・・・・・・・・・・・・・・・・・・・・・・・・・・・・・・・・・・・・・・・・・・・・ 98
BUSH(FOR CLUTCH PEDAL) ・・・・・・・・・・・・・・・・・・・・・・・・・・・・・・・・・・・・・・・・・・・・・・・・・・・・・・・・・・・・ 98
BUSH(FOR FRONT SHOCK ABSORBER LH) ・・・・・・・・・・・・・・・・・・・・・・・・・・・・・・・・・・・・・・・・・・・・・・・・・ 164
BUSH(FOR FRONT SHOCK ABSORBER RH) ・・・・・・・・・・・・・・・・・・・・・・・・・・・・・・・・・・・・・・・・・・・・・・・・・ 164
BUSH, 1ST GEAR ・・・・・・・・・・・・・・・・・・・・・・・・・・・・・・・・・・・・・・・・・・・・・・・・・・・・・・・・・・・・・・・・・・・・ 109
BUSH, CYLINDER SLIDE, NO.1(FOR FRONT DISC BRAKE) ・・・・・・・・・・・・・・・・・・・・・・・・・・・・・・・・・・ 151
BUSH, EXHAUST VALVE GUIDE ・・・・・・・・・・・・・・・・・・・・・・・・・・・・・・・・・・・・・・・・・・・・・・・・・・・・・・・・・ 57
BRACKET, - BUSH,
18
PART NAME PAGE
BUSH, FRONT STABILIZER BAR, LH ・・・・・・・・・・・・・・・・・・・・・・・・・・・・・・・・・・・・・・・・・・・・・・・・・・・・ 165
BUSH, FRONT STABILIZER BAR, RH ・・・・・・・・・・・・・・・・・・・・・・・・・・・・・・・・・・・・・・・・・・・・・・・・・・・・ 165
BUSH, INTAKE VALVE GUIDE ・・・・・・・・・・・・・・・・・・・・・・・・・・・・・・・・・・・・・・・・・・・・・・・・・・・・・・・・・・ 57
BUSH, SHIFT FORK GUIDE ・・・・・・・・・・・・・・・・・・・・・・・・・・・・・・・・・・・・・・・・・・・・・・・・・・・・・・・・・・・・ 113
BUSH, SHIFT LEVER ・・・・・・・・・・・・・・・・・・・・・・・・・・・・・・・・・・・・・・・・・・・・・・・・・・・・・・・・・・・・・・・・・ 114
BUSH, WINDSHIELD WASHER JAR ・・・・・・・・・・・・・・・・・・・・・・・・・・・・・・・・・・・・・・・・・・・・・・・・・・・・・・・ 359
BUTTON ASSY, HORN ・・・・・・・・・・・・・・・・・・・・・・・・・・・・・・・・・・・・・・・・・・・・・・・・・・・・・・・・・・・・・・・・・ 142
BUTTON, REAR SEAT BACK LOCK RELEASE ・・・・・・・・・・・・・・・・・・・・・・・・・・・・・・・・・・・・・・・・・・・・・・・ 281
BUTTON, REAR SEAT BACK LOCK RELEASE, LH ・・・・・・・・・・・・・・・・・・・・・・・・・・・・・・・・・・・・・・・・・・・ 281
BUTTON, REAR SEAT BACK LOCK RELEASE, NO.2 LH ・・・・・・・・・・・・・・・・・・・・・・・・・・・・・・・・・・・・・・ 281
BUTTON, REAR SEAT BACK LOCK RELEASE, NO.2 RH ・・・・・・・・・・・・・・・・・・・・・・・・・・・・・・・・・・・・・・ 281
BUTTON, REAR SEAT BACK LOCK RELEASE, RH ・・・・・・・・・・・・・・・・・・・・・・・・・・・・・・・・・・・・・・・・・・・ 281
BUTTON, REAR SEAT BACK STOP RELEASE ・・・・・・・・・・・・・・・・・・・・・・・・・・・・・・・・・・・・・・・・・・・・・・・ 281
BUTTON, SHIFT LOCK RELEASE ・・・・・・・・・・・・・・・・・・・・・・・・・・・・・・・・・・・・・・・・・・・・・・・・・・・・・・・・ 116
BUZZER, CLEARANCE WARNING, NO.1 ・・・・・・・・・・・・・・・・・・・・・・・・・・・・・・・・・・・・・・・・・・・・・・・・・・・ 350
BUZZER, WIRELESS DOOR LOCK ・・・・・・・・・・・・・・・・・・・・・・・・・・・・・・・・・・・・・・・・・・・・・・・・・・・・・・・・ 352
CABLE ASSY, FOLD SEAT LOCK CONTROL, NO.1 LH ・・・・・・・・・・・・・・・・・・・・・・・・・・・・・・・・・・・・・・・ 283
CABLE ASSY, FOLD SEAT LOCK CONTROL, NO.2 ・・・・・・・・・・・・・・・・・・・・・・・・・・・・・・・・・・・・・・・・・・ 283
CABLE ASSY, FRONT DOOR INSIDE LOCKING LH ・・・・・・・・・・・・・・・・・・・・・・・・・・・・・・・・・・・・・・・・・・ 246
CABLE ASSY, FRONT DOOR INSIDE LOCKING, RH ・・・・・・・・・・・・・・・・・・・・・・・・・・・・・・・・・・・・・・・・・ 246
CABLE ASSY, FRONT DOOR LOCK REMOTE CONTROL, LH ・・・・・・・・・・・・・・・・・・・・・・・・・・・・・・・・・・・・ 246
CABLE ASSY, FRONT DOOR LOCK REMOTE CONTROL, RH ・・・・・・・・・・・・・・・・・・・・・・・・・・・・・・・・・・・・ 246
CABLE ASSY, HOOD LOCK CONTROL ・・・・・・・・・・・・・・・・・・・・・・・・・・・・・・・・・・・・・・・・・・・・・・・・・・・・・ 181
CABLE ASSY, NO.2 SEAT RECLINING ADJUSTING, LH ・・・・・・・・・・・・・・・・・・・・・・・・・・・・・・・・・・・・・ 281
CABLE ASSY, NO.2 SEAT RECLINING ADJUSTING, RH ・・・・・・・・・・・・・・・・・・・・・・・・・・・・・・・・・・・・・ 281
CABLE ASSY, PARKING BRAKE, NO.1 ・・・・・・・・・・・・・・・・・・・・・・・・・・・・・・・・・・・・・・・・・・・・・・・・・・・ 146
CABLE ASSY, PARKING BRAKE, NO.2 ・・・・・・・・・・・・・・・・・・・・・・・・・・・・・・・・・・・・・・・・・・・・・・・・・・・ 146
CABLE ASSY, PARKING BRAKE, NO.3 ・・・・・・・・・・・・・・・・・・・・・・・・・・・・・・・・・・・・・・・・・・・・・・・・・・・ 146
CABLE ASSY, REAR DOOR INSIDE LOCKING, LH ・・・・・・・・・・・・・・・・・・・・・・・・・・・・・・・・・・・・・・・・・・ 254
CABLE ASSY, REAR DOOR INSIDE LOCKING, RH ・・・・・・・・・・・・・・・・・・・・・・・・・・・・・・・・・・・・・・・・・・ 254
CABLE ASSY, REAR DOOR LOCK REMOTE CONTROL LH ・・・・・・・・・・・・・・・・・・・・・・・・・・・・・・・・・・・・・・ 254
CABLE ASSY, REAR DOOR LOCK REMOTE CONTROL, RH ・・・・・・・・・・・・・・・・・・・・・・・・・・・・・・・・・・・・・ 254
CABLE ASSY, TRANSMISSION CONTROL ・・・・・・・・・・・・・・・・・・・・・・・・・・・・・・・・・・・・・・・・・・・・・・・・・・ 116
CABLE SUB-ASSY, FUEL LID LOCK CONTROL ・・・・・・・・・・・・・・・・・・・・・・・・・・・・・・・・・・・・・・・・・・・・・ 305
CABLE, ANTENNA ・・・・・・・・・・・・・・・・・・・・・・・・・・・・・・・・・・・・・・・・・・・・・・・・・・・・・・・・・・・・・・・・・・・・ 365
CAMERA, OBJECT RECOGNITION ・・・・・・・・・・・・・・・・・・・・・・・・・・・・・・・・・・・・・・・・・・・・・・・・・・・・・・・・ 366
CAMSHAFT ・・・・・・・・・・・・・・・・・・・・・・・・・・・・・・・・・・・・・・・・・・・・・・・・・・・・・・・・・・・・・・・・・・・・・・・・・・ 71
CAMSHAFT, NO.2 ・・・・・・・・・・・・・・・・・・・・・・・・・・・・・・・・・・・・・・・・・・・・・・・・・・・・・・・・・・・・・・・・・・・・ 71
CANISTER ASSY, CHARCOAL ・・・・・・・・・・・・・・・・・・・・・・・・・・・・・・・・・・・・・・・・・・・・・・・・・・・・・・・・・・・ 306
CAP ASSY, BRAKE MASTER CYLINDER RESERVOIR FILLER ・・・・・・・・・・・・・・・・・・・・・・・・・・・・・・・・・・ 148
CAP ASSY, FUEL TANK ・・・・・・・・・・・・・・・・・・・・・・・・・・・・・・・・・・・・・・・・・・・・・・・・・・・・・・・・・・・・・・・ 306
CAP SUB-ASSY, OIL FILLER ・・・・・・・・・・・・・・・・・・・・・・・・・・・・・・・・・・・・・・・・・・・・・・・・・・・・・・・・・・ 58
CAP SUB-ASSY, RADIATOR ・・・・・・・・・・・・・・・・・・・・・・・・・・・・・・・・・・・・・・・・・・・・・・・・・・・・・・・・・・・・ 79
CAP, AIR CLEANER ・・・・・・・・・・・・・・・・・・・・・・・・・・・・・・・・・・・・・・・・・・・・・・・・・・・・・・・・・・・・・・・・・・ 87
CAP, ALTERNATOR TERMINAL ・・・・・・・・・・・・・・・・・・・・・・・・・・・・・・・・・・・・・・・・・・・・・・・・・・・・・・・・・・ 326
CAP, BLEEDER PLUG(FOR DRUM BRAKE, REAR) ・・・・・・・・・・・・・・・・・・・・・・・・・・・・・・・・・・・・・・・・・・・ 153
CAP, BLEEDER PLUG(FOR FRONT DISC BRAKE) ・・・・・・・・・・・・・・・・・・・・・・・・・・・・・・・・・・・・・・・・・・・ 151
CAP, FRONT WASHER TANK ・・・・・・・・・・・・・・・・・・・・・・・・・・・・・・・・・・・・・・・・・・・・・・・・・・・・・・・・・・・・ 359
CAP, FRONT WIPER ARM HEAD ・・・・・・・・・・・・・・・・・・・・・・・・・・・・・・・・・・・・・・・・・・・・・・・・・・・・・・・・・ 357
CAP, REAR WIPER ARM HEAD ・・・・・・・・・・・・・・・・・・・・・・・・・・・・・・・・・・・・・・・・・・・・・・・・・・・・・・・・・・ 358
BUSH, - CAP,
PART NAME PAGE
CAP, REAR WIPER LINK ・・・・・・・・・・・・・・・・・・・・・・・・・・・・・・・・・・・・・・・・・・・・・・・・・・・・・・・・・・・・・・ 358
CAP, RESERVE TANK ・・・・・・・・・・・・・・・・・・・・・・・・・・・・・・・・・・・・・・・・・・・・・・・・・・・・・・・・・・・・・・・・・ 80
CAP, SEAT BELT ANCHOR COVER ・・・・・・・・・・・・・・・・・・・・・・・・・・・・・・・・・・・・・・・・・・・・・・・・・・・・・・・ 289
CAP, SERVICE VALVE, NO.1 ・・・・・・・・・・・・・・・・・・・・・・・・・・・・・・・・・・・・・・・・・・・・・・・・・・・・・・・・・・ 385
CAP, SERVICE VALVE, NO.2 ・・・・・・・・・・・・・・・・・・・・・・・・・・・・・・・・・・・・・・・・・・・・・・・・・・・・・・・・・・ 385
CAP, TERMINAL, NO.1 ・・・・・・・・・・・・・・・・・・・・・・・・・・・・・・・・・・・・・・・・・・・・・・・・・・・・・・・・・・・・・・・ 326
CAP, VALVE STEM ・・・・・・・・・・・・・・・・・・・・・・・・・・・・・・・・・・・・・・・・・・・・・・・・・・・・・・・・・・・・・・・・・・・ 72
CAP, VENTILATION ・・・・・・・・・・・・・・・・・・・・・・・・・・・・・・・・・・・・・・・・・・・・・・・・・・・・・・・・・・・・・・・・・・ 314
CAP, WHEEL ・・・・・・・・・・・・・・・・・・・・・・・・・・・・・・・・・・・・・・・・・・・・・・・・・・・・・・・・・・・・・・・・・・・・・・・・ 132
CARPET ASSY, FRONT FLOOR, FRONT ・・・・・・・・・・・・・・・・・・・・・・・・・・・・・・・・・・・・・・・・・・・・・・・・・・・ 207
CARPET, CONSOLE BOX ・・・・・・・・・・・・・・・・・・・・・・・・・・・・・・・・・・・・・・・・・・・・・・・・・・・・・・・・・・・・・・・ 211
CARPET, REAR FLOOR ・・・・・・・・・・・・・・・・・・・・・・・・・・・・・・・・・・・・・・・・・・・・・・・・・・・・・・・・・・・・・・・・ 207
CARPET, REAR FLOOR ・・・・・・・・・・・・・・・・・・・・・・・・・・・・・・・・・・・・・・・・・・・・・・・・・・・・・・・・・・・・・・・・ 207
CARRIER ASSY, BATTERY ・・・・・・・・・・・・・・・・・・・・・・・・・・・・・・・・・・・・・・・・・・・・・・・・・・・・・・・・・・・・・ 293
CARRIER ASSY, SPARE WHEEL ・・・・・・・・・・・・・・・・・・・・・・・・・・・・・・・・・・・・・・・・・・・・・・・・・・・・・・・・・ 170
CARRIER, BATTERY ・・・・・・・・・・・・・・・・・・・・・・・・・・・・・・・・・・・・・・・・・・・・・・・・・・・・・・・・・・・・・・・・・・ 293
CASE SUB-ASSY, AIR CLEANER ・・・・・・・・・・・・・・・・・・・・・・・・・・・・・・・・・・・・・・・・・・・・・・・・・・・・・・・・ 87
CASE SUB-ASSY, COOLING UNIT ・・・・・・・・・・・・・・・・・・・・・・・・・・・・・・・・・・・・・・・・・・・・・・・・・・・・・・・ 376
CASE SUB-ASSY, COOLING UNIT ・・・・・・・・・・・・・・・・・・・・・・・・・・・・・・・・・・・・・・・・・・・・・・・・・・・・・・・ 376
CASE SUB-ASSY, FRONT DIFFERENTIAL ・・・・・・・・・・・・・・・・・・・・・・・・・・・・・・・・・・・・・・・・・・・・・・・・・ 133
CASE, AIR FILTER ・・・・・・・・・・・・・・・・・・・・・・・・・・・・・・・・・・・・・・・・・・・・・・・・・・・・・・・・・・・・・・・・・・ 376
CASE, MANUAL TRANSMISSION ・・・・・・・・・・・・・・・・・・・・・・・・・・・・・・・・・・・・・・・・・・・・・・・・・・・・・・・・・ 105
CASE, TRANSMITTER HOUSING ・・・・・・・・・・・・・・・・・・・・・・・・・・・・・・・・・・・・・・・・・・・・・・・・・・・・・・・・・ 262
CASE, TRANSMITTER HOUSING ・・・・・・・・・・・・・・・・・・・・・・・・・・・・・・・・・・・・・・・・・・・・・・・・・・・・・・・・・ 262
CHAIN SUB-ASSY ・・・・・・・・・・・・・・・・・・・・・・・・・・・・・・・・・・・・・・・・・・・・・・・・・・・・・・・・・・・・・・・・・・・・ 71
CHECK ASSY, FRONT DOOR, LH ・・・・・・・・・・・・・・・・・・・・・・・・・・・・・・・・・・・・・・・・・・・・・・・・・・・・・・・・ 243
CHECK ASSY, FRONT DOOR, RH ・・・・・・・・・・・・・・・・・・・・・・・・・・・・・・・・・・・・・・・・・・・・・・・・・・・・・・・・ 243
CHECK ASSY, REAR DOOR, LH ・・・・・・・・・・・・・・・・・・・・・・・・・・・・・・・・・・・・・・・・・・・・・・・・・・・・・・・・・ 251
CHECK ASSY, REAR DOOR, RH ・・・・・・・・・・・・・・・・・・・・・・・・・・・・・・・・・・・・・・・・・・・・・・・・・・・・・・・・・ 251
CLAMP ・・・・・・・・・・・・・・・・・・・・・・・・・・・・・・・・・・・・・・・・・・・・・・・・・・・・・・・・・・・・・・・・・・・・・・・・・・・・・ 376
CLAMP (FOR FUEL LID LOCK CONTROL CABLE) ・・・・・・・・・・・・・・・・・・・・・・・・・・・・・・・・・・・・・・・・・・・ 305
CLAMP KIT, FRONT DRIVE SHAFT, LH ・・・・・・・・・・・・・・・・・・・・・・・・・・・・・・・・・・・・・・・・・・・・・・・・・・ 136
CLAMP KIT, FRONT DRIVE SHAFT, RH ・・・・・・・・・・・・・・・・・・・・・・・・・・・・・・・・・・・・・・・・・・・・・・・・・・ 136
CLAMP SUB-ASSY, BATTERY ・・・・・・・・・・・・・・・・・・・・・・・・・・・・・・・・・・・・・・・・・・・・・・・・・・・・・・・・・・・ 293
CLAMP(FOR AIR CLEANER HOSE, NO.1) ・・・・・・・・・・・・・・・・・・・・・・・・・・・・・・・・・・・・・・・・・・・・・・・・・ 87
CLAMP(FOR AIR CLEANER HOSE, NO.2) ・・・・・・・・・・・・・・・・・・・・・・・・・・・・・・・・・・・・・・・・・・・・・・・・・ 87
CLAMP(FOR AIR CLEANER HOSE, NO.3) ・・・・・・・・・・・・・・・・・・・・・・・・・・・・・・・・・・・・・・・・・・・・・・・・・ 87
CLAMP(FOR CLUTCH TUBE) ・・・・・・・・・・・・・・・・・・・・・・・・・・・・・・・・・・・・・・・・・・・・・・・・・・・・・・・・・・・・ 99
CLAMP(FOR STEERING RACK BOOT) ・・・・・・・・・・・・・・・・・・・・・・・・・・・・・・・・・・・・・・・・・・・・・・・・・・・・・ 144
CLAMP, BRAKE TUBE, NO.1 ・・・・・・・・・・・・・・・・・・・・・・・・・・・・・・・・・・・・・・・・・・・・・・・・・・・・・・・・・・・ 158
CLAMP, BRAKE TUBE, NO.11 ・・・・・・・・・・・・・・・・・・・・・・・・・・・・・・・・・・・・・・・・・・・・・・・・・・・・・・・・・・ 159
CLAMP, BRAKE TUBE, NO.12 ・・・・・・・・・・・・・・・・・・・・・・・・・・・・・・・・・・・・・・・・・・・・・・・・・・・・・・・・・・ 159
CLAMP, BRAKE TUBE, NO.2 ・・・・・・・・・・・・・・・・・・・・・・・・・・・・・・・・・・・・・・・・・・・・・・・・・・・・・・・・・・・ 159
CLAMP, BRAKE TUBE, NO.3 ・・・・・・・・・・・・・・・・・・・・・・・・・・・・・・・・・・・・・・・・・・・・・・・・・・・・・・・・・・・ 159
CLAMP, BRAKE TUBE, NO.4 ・・・・・・・・・・・・・・・・・・・・・・・・・・・・・・・・・・・・・・・・・・・・・・・・・・・・・・・・・・・ 159
CLAMP, BREATHER TUBE ・・・・・・・・・・・・・・・・・・・・・・・・・・・・・・・・・・・・・・・・・・・・・・・・・・・・・・・・・・・・・・ 305
CLAMP, BREATHER TUBE ・・・・・・・・・・・・・・・・・・・・・・・・・・・・・・・・・・・・・・・・・・・・・・・・・・・・・・・・・・・・・・ 305
CLAMP, CENTER CLUSTER MODULE SWITCH HARNESS ・・・・・・・・・・・・・・・・・・・・・・・・・・・・・・・・・・・・・・・ 339
CLAMP, CLUTCH TUBE ・・・・・・・・・・・・・・・・・・・・・・・・・・・・・・・・・・・・・・・・・・・・・・・・・・・・・・・・・・・・・・・・ 99
CLAMP, DOOR SCUFF PLATE, NO.1 ・・・・・・・・・・・・・・・・・・・・・・・・・・・・・・・・・・・・・・・・・・・・・・・・・・・・・ 232
CAP, - CLAMP,
19
PART NAME PAGE
CLAMP, DOOR SCUFF PLATE, NO.2 ・・・・・・・・・・・・・・・・・・・・・・・・・・・・・・・・・・・・・・・・・・・・・・・・・・・・・ 233
CLAMP, FRONT DOOR LOCK LINK ・・・・・・・・・・・・・・・・・・・・・・・・・・・・・・・・・・・・・・・・・・・・・・・・・・・・・・・ 246
CLAMP, FRONT DOOR LOCK LINK, NO.1 ・・・・・・・・・・・・・・・・・・・・・・・・・・・・・・・・・・・・・・・・・・・・・・・・・ 246
CLAMP, FUEL HOSE ・・・・・・・・・・・・・・・・・・・・・・・・・・・・・・・・・・・・・・・・・・・・・・・・・・・・・・・・・・・・・・・・・・ 89
CLAMP, FUEL HOSE ・・・・・・・・・・・・・・・・・・・・・・・・・・・・・・・・・・・・・・・・・・・・・・・・・・・・・・・・・・・・・・・・・・ 306
CLAMP, FUEL HOSE ・・・・・・・・・・・・・・・・・・・・・・・・・・・・・・・・・・・・・・・・・・・・・・・・・・・・・・・・・・・・・・・・・・ 306
CLAMP, FUEL HOSE ・・・・・・・・・・・・・・・・・・・・・・・・・・・・・・・・・・・・・・・・・・・・・・・・・・・・・・・・・・・・・・・・・・ 306
CLAMP, FUEL HOSE ・・・・・・・・・・・・・・・・・・・・・・・・・・・・・・・・・・・・・・・・・・・・・・・・・・・・・・・・・・・・・・・・・・ 306
CLAMP, FUEL PIPE, NO.1(FOR EFI) ・・・・・・・・・・・・・・・・・・・・・・・・・・・・・・・・・・・・・・・・・・・・・・・・・・・ 96
CLAMP, FUEL TUBE ・・・・・・・・・・・・・・・・・・・・・・・・・・・・・・・・・・・・・・・・・・・・・・・・・・・・・・・・・・・・・・・・・・ 306
CLAMP, FUEL TUBE, NO.2 ・・・・・・・・・・・・・・・・・・・・・・・・・・・・・・・・・・・・・・・・・・・・・・・・・・・・・・・・・・・・ 306
CLAMP, FUEL TUBE, NO.2 ・・・・・・・・・・・・・・・・・・・・・・・・・・・・・・・・・・・・・・・・・・・・・・・・・・・・・・・・・・・・ 306
CLAMP, FUEL TUBE, NO.4 ・・・・・・・・・・・・・・・・・・・・・・・・・・・・・・・・・・・・・・・・・・・・・・・・・・・・・・・・・・・・ 306
CLAMP, FUEL TUBE, NO.5 ・・・・・・・・・・・・・・・・・・・・・・・・・・・・・・・・・・・・・・・・・・・・・・・・・・・・・・・・・・・・ 306
CLAMP, HOOD SUPPORT ROD ・・・・・・・・・・・・・・・・・・・・・・・・・・・・・・・・・・・・・・・・・・・・・・・・・・・・・・・・・・・ 181
CLAMP, NO.1 (FOR TRANSMISSION CONTROL CABLE) ・・・・・・・・・・・・・・・・・・・・・・・・・・・・・・・・・・・・・・ 116
CLAMP, NO.1(FOR COOLER REFRIGERANT HOSE) ・・・・・・・・・・・・・・・・・・・・・・・・・・・・・・・・・・・・・・・・・・ 386
CLAMP, NO.2(FOR COOLER REFRIGERANT HOSE) ・・・・・・・・・・・・・・・・・・・・・・・・・・・・・・・・・・・・・・・・・・ 386
CLAMP, PIPING ・・・・・・・・・・・・・・・・・・・・・・・・・・・・・・・・・・・・・・・・・・・・・・・・・・・・・・・・・・・・・・・・・・・・・ 386
CLAMP, PIPING ・・・・・・・・・・・・・・・・・・・・・・・・・・・・・・・・・・・・・・・・・・・・・・・・・・・・・・・・・・・・・・・・・・・・・ 386
CLAMP, PIPING ・・・・・・・・・・・・・・・・・・・・・・・・・・・・・・・・・・・・・・・・・・・・・・・・・・・・・・・・・・・・・・・・・・・・・ 386
CLAMP, REAR DOOR LOCK ・・・・・・・・・・・・・・・・・・・・・・・・・・・・・・・・・・・・・・・・・・・・・・・・・・・・・・・・・・・・・ 254
CLAMP, REAR WASHER HOSE ・・・・・・・・・・・・・・・・・・・・・・・・・・・・・・・・・・・・・・・・・・・・・・・・・・・・・・・・・・・ 362
CLAMP, VALVE BODY WIRE HARNESS ・・・・・・・・・・・・・・・・・・・・・・・・・・・・・・・・・・・・・・・・・・・・・・・・・・・・ 123
CLAMP, WASHER HOSE ・・・・・・・・・・・・・・・・・・・・・・・・・・・・・・・・・・・・・・・・・・・・・・・・・・・・・・・・・・・・・・・・ 360
CLAMP, WIRING HARNESS ・・・・・・・・・・・・・・・・・・・・・・・・・・・・・・・・・・・・・・・・・・・・・・・・・・・・・・・・・・・・・ 285
CLAMP, WIRING HARNESS ・・・・・・・・・・・・・・・・・・・・・・・・・・・・・・・・・・・・・・・・・・・・・・・・・・・・・・・・・・・・・ 285
CLEANER ASSY, AIR ・・・・・・・・・・・・・・・・・・・・・・・・・・・・・・・・・・・・・・・・・・・・・・・・・・・・・・・・・・・・・・・・・ 87
CLEVIS, BRAKE MASTER CYLINDER PUSH ROD ・・・・・・・・・・・・・・・・・・・・・・・・・・・・・・・・・・・・・・・・・・・・ 149
CLIP ・・・・・・・・・・・・・・・・・・・・・・・・・・・・・・・・・・・・・・・・・・・・・・・・・・・・・・・・・・・・・・・・・・・・・・・・・・・・・・ 183
CLIP ・・・・・・・・・・・・・・・・・・・・・・・・・・・・・・・・・・・・・・・・・・・・・・・・・・・・・・・・・・・・・・・・・・・・・・・・・・・・・・ 183
CLIP ・・・・・・・・・・・・・・・・・・・・・・・・・・・・・・・・・・・・・・・・・・・・・・・・・・・・・・・・・・・・・・・・・・・・・・・・・・・・・・ 232
CLIP ・・・・・・・・・・・・・・・・・・・・・・・・・・・・・・・・・・・・・・・・・・・・・・・・・・・・・・・・・・・・・・・・・・・・・・・・・・・・・・ 232
CLIP ・・・・・・・・・・・・・・・・・・・・・・・・・・・・・・・・・・・・・・・・・・・・・・・・・・・・・・・・・・・・・・・・・・・・・・・・・・・・・・ 232
CLIP ・・・・・・・・・・・・・・・・・・・・・・・・・・・・・・・・・・・・・・・・・・・・・・・・・・・・・・・・・・・・・・・・・・・・・・・・・・・・・・ 234
CLIP ・・・・・・・・・・・・・・・・・・・・・・・・・・・・・・・・・・・・・・・・・・・・・・・・・・・・・・・・・・・・・・・・・・・・・・・・・・・・・・ 234
CLIP ・・・・・・・・・・・・・・・・・・・・・・・・・・・・・・・・・・・・・・・・・・・・・・・・・・・・・・・・・・・・・・・・・・・・・・・・・・・・・・ 309
CLIP (FOR CENTER LOWER GARNISH) ・・・・・・・・・・・・・・・・・・・・・・・・・・・・・・・・・・・・・・・・・・・・・・・・・・・ 232
CLIP (FOR CENTER LOWER GARNISH) ・・・・・・・・・・・・・・・・・・・・・・・・・・・・・・・・・・・・・・・・・・・・・・・・・・・ 232
CLIP (FOR ROOF SIDE INNER GARNISH) ・・・・・・・・・・・・・・・・・・・・・・・・・・・・・・・・・・・・・・・・・・・・・・・・ 232
CLIP(FOR BACK DOOR CENTER GARNISH) ・・・・・・・・・・・・・・・・・・・・・・・・・・・・・・・・・・・・・・・・・・・・・・・・ 258
CLIP(FOR BACK DOOR TRIM) ・・・・・・・・・・・・・・・・・・・・・・・・・・・・・・・・・・・・・・・・・・・・・・・・・・・・・・・・・・ 258
CLIP(FOR CLUTCH RELEASE CABLE) ・・・・・・・・・・・・・・・・・・・・・・・・・・・・・・・・・・・・・・・・・・・・・・・・・・・・ 98
CLIP(FOR CONSOLE BOX) ・・・・・・・・・・・・・・・・・・・・・・・・・・・・・・・・・・・・・・・・・・・・・・・・・・・・・・・・・・・・・ 211
CLIP(FOR CONSOLE BOX) ・・・・・・・・・・・・・・・・・・・・・・・・・・・・・・・・・・・・・・・・・・・・・・・・・・・・・・・・・・・・・ 211
CLIP(FOR COWL SIDE TRIM) ・・・・・・・・・・・・・・・・・・・・・・・・・・・・・・・・・・・・・・・・・・・・・・・・・・・・・・・・・・ 231
CLIP(FOR DECK SIDE TRIM PANEL) ・・・・・・・・・・・・・・・・・・・・・・・・・・・・・・・・・・・・・・・・・・・・・・・・・・・・ 237
CLIP(FOR FRONT BUMPER RETAINER) ・・・・・・・・・・・・・・・・・・・・・・・・・・・・・・・・・・・・・・・・・・・・・・・・・・・ 172
CLIP(FOR FRONT BUMPER), NO.1 ・・・・・・・・・・・・・・・・・・・・・・・・・・・・・・・・・・・・・・・・・・・・・・・・・・・・・・ 172
CLIP(FOR FRONT DOOR TRIM BOARD) ・・・・・・・・・・・・・・・・・・・・・・・・・・・・・・・・・・・・・・・・・・・・・・・・・・・ 242
CLAMP, - CLIP(FOR
PART NAME PAGE
CLIP(FOR FRONT DOOR TRIM BOARD) ・・・・・・・・・・・・・・・・・・・・・・・・・・・・・・・・・・・・・・・・・・・・・・・・・・・ 242
CLIP(FOR FRONT FLOOR CARPET) ・・・・・・・・・・・・・・・・・・・・・・・・・・・・・・・・・・・・・・・・・・・・・・・・・・・・・・ 207
CLIP(FOR FRONT FLOOR CARPET) ・・・・・・・・・・・・・・・・・・・・・・・・・・・・・・・・・・・・・・・・・・・・・・・・・・・・・・ 207
CLIP(FOR FRONT PILLAR GARNISH) ・・・・・・・・・・・・・・・・・・・・・・・・・・・・・・・・・・・・・・・・・・・・・・・・・・・・ 231
CLIP(FOR HOOD INSULATOR) ・・・・・・・・・・・・・・・・・・・・・・・・・・・・・・・・・・・・・・・・・・・・・・・・・・・・・・・・・・ 179
CLIP(FOR INSTRUMENT CENTER CLUSTER FINISH PANEL) ・・・・・・・・・・・・・・・・・・・・・・・・・・・・・・・・・・ 190
CLIP(FOR INSTRUMENT LOWER COVER) ・・・・・・・・・・・・・・・・・・・・・・・・・・・・・・・・・・・・・・・・・・・・・・・・・・ 191
CLIP(FOR PANEL, INSTRUMENT CLUSTER FINISH) ・・・・・・・・・・・・・・・・・・・・・・・・・・・・・・・・・・・・・・・・ 190
CLIP(FOR PUSH ROD CLEVIS PIN) ・・・・・・・・・・・・・・・・・・・・・・・・・・・・・・・・・・・・・・・・・・・・・・・・・・・・・ 147
CLIP(FOR REAR COMBINATION LAMP) ・・・・・・・・・・・・・・・・・・・・・・・・・・・・・・・・・・・・・・・・・・・・・・・・・・・ 314
CLIP(FOR REAR DOOR TRIM BOARD) ・・・・・・・・・・・・・・・・・・・・・・・・・・・・・・・・・・・・・・・・・・・・・・・・・・・・ 250
CLIP(FOR REAR DOOR TRIM BOARD) ・・・・・・・・・・・・・・・・・・・・・・・・・・・・・・・・・・・・・・・・・・・・・・・・・・・・ 250
CLIP(FOR ROOF HEADLINING) ・・・・・・・・・・・・・・・・・・・・・・・・・・・・・・・・・・・・・・・・・・・・・・・・・・・・・・・・・ 234
CLIP(FOR STEERING RACK BOOT) ・・・・・・・・・・・・・・・・・・・・・・・・・・・・・・・・・・・・・・・・・・・・・・・・・・・・・・ 144
CLIP(FOR VACUUM HOSE ASSY) ・・・・・・・・・・・・・・・・・・・・・・・・・・・・・・・・・・・・・・・・・・・・・・・・・・・・・・・・ 149
CLIP(FOR VENTILATION HOSE) ・・・・・・・・・・・・・・・・・・・・・・・・・・・・・・・・・・・・・・・・・・・・・・・・・・・・・・・・ 68
CLIP(FOR VENTILATION HOSE) ・・・・・・・・・・・・・・・・・・・・・・・・・・・・・・・・・・・・・・・・・・・・・・・・・・・・・・・・ 68
CLIP(FOR VENTILATION HOSE) ・・・・・・・・・・・・・・・・・・・・・・・・・・・・・・・・・・・・・・・・・・・・・・・・・・・・・・・・ 68
CLIP(FOR VENTILATION HOSE) ・・・・・・・・・・・・・・・・・・・・・・・・・・・・・・・・・・・・・・・・・・・・・・・・・・・・・・・・ 68
CLIP(FOR WATER BY-PASS HOSE NO.1) ・・・・・・・・・・・・・・・・・・・・・・・・・・・・・・・・・・・・・・・・・・・・・・・・・ 79
CLIP(FOR WATER BY-PASS HOSE NO.2) ・・・・・・・・・・・・・・・・・・・・・・・・・・・・・・・・・・・・・・・・・・・・・・・・・ 79
CLIP(FOR WATER BY-PASS HOSE NO.2) ・・・・・・・・・・・・・・・・・・・・・・・・・・・・・・・・・・・・・・・・・・・・・・・・・ 79
CLIP(FOR WATER BY-PASS HOSE NO.4) ・・・・・・・・・・・・・・・・・・・・・・・・・・・・・・・・・・・・・・・・・・・・・・・・・ 79
CLIP(FOR WATER BY-PASS HOSE) ・・・・・・・・・・・・・・・・・・・・・・・・・・・・・・・・・・・・・・・・・・・・・・・・・・・・・・ 79
CLIP(FOR WATER BY-PASS HOSE) ・・・・・・・・・・・・・・・・・・・・・・・・・・・・・・・・・・・・・・・・・・・・・・・・・・・・・・ 79
CLIP, BACK WINDOW GLASS, LH ・・・・・・・・・・・・・・・・・・・・・・・・・・・・・・・・・・・・・・・・・・・・・・・・・・・・・・・ 258
CLIP, BACK WINDOW GLASS, RH ・・・・・・・・・・・・・・・・・・・・・・・・・・・・・・・・・・・・・・・・・・・・・・・・・・・・・・・ 258
CLIP, CENTER PILLER GARNISH ・・・・・・・・・・・・・・・・・・・・・・・・・・・・・・・・・・・・・・・・・・・・・・・・・・・・・・・ 231
CLIP, CENTER PILLER GARNISH ・・・・・・・・・・・・・・・・・・・・・・・・・・・・・・・・・・・・・・・・・・・・・・・・・・・・・・・ 231
CLIP, COWL TOP VENTILATOR LOUVER ・・・・・・・・・・・・・・・・・・・・・・・・・・・・・・・・・・・・・・・・・・・・・・・・・・ 193
CLIP, COWL TOP VENTILATOR LOUVER ・・・・・・・・・・・・・・・・・・・・・・・・・・・・・・・・・・・・・・・・・・・・・・・・・・ 193
CLIP, COWL TOP VENTILATOR LOUVER ・・・・・・・・・・・・・・・・・・・・・・・・・・・・・・・・・・・・・・・・・・・・・・・・・・ 193
CLIP, FRONT DOOR WEATHERSTRIP ・・・・・・・・・・・・・・・・・・・・・・・・・・・・・・・・・・・・・・・・・・・・・・・・・・・・・ 242
CLIP, FRONT DOOR WEATHERSTRIP ・・・・・・・・・・・・・・・・・・・・・・・・・・・・・・・・・・・・・・・・・・・・・・・・・・・・・ 242
CLIP, FRONT FENDER LINER ・・・・・・・・・・・・・・・・・・・・・・・・・・・・・・・・・・・・・・・・・・・・・・・・・・・・・・・・・・ 179
CLIP, FRONT FENDER LINER ・・・・・・・・・・・・・・・・・・・・・・・・・・・・・・・・・・・・・・・・・・・・・・・・・・・・・・・・・・ 179
CLIP, FRONT PILLAR GARNISH ・・・・・・・・・・・・・・・・・・・・・・・・・・・・・・・・・・・・・・・・・・・・・・・・・・・・・・・・ 231
CLIP, INSTRUMENT PANEL ・・・・・・・・・・・・・・・・・・・・・・・・・・・・・・・・・・・・・・・・・・・・・・・・・・・・・・・・・・・・ 190
CLIP, NO.1(FOR COWL SIDE TRIM) ・・・・・・・・・・・・・・・・・・・・・・・・・・・・・・・・・・・・・・・・・・・・・・・・・・・・ 231
CLIP, PANEL, INSTRUMENT CLUSTER FINISH, END ・・・・・・・・・・・・・・・・・・・・・・・・・・・・・・・・・・・・・・・ 190
CLIP, RADIATOR HOSE, NO.1 ・・・・・・・・・・・・・・・・・・・・・・・・・・・・・・・・・・・・・・・・・・・・・・・・・・・・・・・・・ 80
CLIP, RADIATOR HOSE, NO.2 ・・・・・・・・・・・・・・・・・・・・・・・・・・・・・・・・・・・・・・・・・・・・・・・・・・・・・・・・・ 80
CLIP, REAR BUMPER SIDE ・・・・・・・・・・・・・・・・・・・・・・・・・・・・・・・・・・・・・・・・・・・・・・・・・・・・・・・・・・・・ 174
CLIP, REAR DOOR SCUFF PLATE ・・・・・・・・・・・・・・・・・・・・・・・・・・・・・・・・・・・・・・・・・・・・・・・・・・・・・・・ 232
CLIP, REAR DOOR WEATHERSTRIP, LH ・・・・・・・・・・・・・・・・・・・・・・・・・・・・・・・・・・・・・・・・・・・・・・・・・・ 250
CLIP, REAR DOOR WEATHERSTRIP, RH ・・・・・・・・・・・・・・・・・・・・・・・・・・・・・・・・・・・・・・・・・・・・・・・・・・ 250
CLIP, REAR LAMP ・・・・・・・・・・・・・・・・・・・・・・・・・・・・・・・・・・・・・・・・・・・・・・・・・・・・・・・・・・・・・・・・・・・ 314
CLIP, RELEASE BEARING HUB ・・・・・・・・・・・・・・・・・・・・・・・・・・・・・・・・・・・・・・・・・・・・・・・・・・・・・・・・・ 97
CLIP, ROOF DRIP SIDE FINISH MOULDING ・・・・・・・・・・・・・・・・・・・・・・・・・・・・・・・・・・・・・・・・・・・・・・ 299
CLIP, ROOF HEADLINING ・・・・・・・・・・・・・・・・・・・・・・・・・・・・・・・・・・・・・・・・・・・・・・・・・・・・・・・・・・・・・ 234
CLIP(FOR - CLIP,
20
PART NAME PAGE
CLIP, ROOF SIDE INNER GARNISH ・・・・・・・・・・・・・・・・・・・・・・・・・・・・・・・・・・・・・・・・・・・・・・・・・・・・・ 232
CLIP, RR COMBINATION LAMP, LH ・・・・・・・・・・・・・・・・・・・・・・・・・・・・・・・・・・・・・・・・・・・・・・・・・・・・・ 314
CLIP, RR COMBINATION LAMP, RH ・・・・・・・・・・・・・・・・・・・・・・・・・・・・・・・・・・・・・・・・・・・・・・・・・・・・・ 314
CLIP, TRANSMISSION CONTROL CABLE ADJUST ・・・・・・・・・・・・・・・・・・・・・・・・・・・・・・・・・・・・・・・・・・・ 116
CLIP, TUBE JOINT ・・・・・・・・・・・・・・・・・・・・・・・・・・・・・・・・・・・・・・・・・・・・・・・・・・・・・・・・・・・・・・・・・・ 305
CLUTCH ASSY, MAGNET ・・・・・・・・・・・・・・・・・・・・・・・・・・・・・・・・・・・・・・・・・・・・・・・・・・・・・・・・・・・・・・・ 387
CLUTCH SUB-ASSY, STARTER CENTER BEARING ・・・・・・・・・・・・・・・・・・・・・・・・・・・・・・・・・・・・・・・・・・・ 94
COIL ASSY, IGNITION ・・・・・・・・・・・・・・・・・・・・・・・・・・・・・・・・・・・・・・・・・・・・・・・・・・・・・・・・・・・・・・・ 90
COLLAR(FOR AIR CLEANER) ・・・・・・・・・・・・・・・・・・・・・・・・・・・・・・・・・・・・・・・・・・・・・・・・・・・・・・・・・・・ 87
COLLAR, BRAKE ACTUATOR CASE, NO.1 ・・・・・・・・・・・・・・・・・・・・・・・・・・・・・・・・・・・・・・・・・・・・・・・・・ 157
COMPRESSOR ASSY, COOLER ・・・・・・・・・・・・・・・・・・・・・・・・・・・・・・・・・・・・・・・・・・・・・・・・・・・・・・・・・・・ 387
COMPUTER ASSY, AIR BAG ・・・・・・・・・・・・・・・・・・・・・・・・・・・・・・・・・・・・・・・・・・・・・・・・・・・・・・・・・・・・ 355
COMPUTER ASSY, CLEARANCE WARNING ・・・・・・・・・・・・・・・・・・・・・・・・・・・・・・・・・・・・・・・・・・・・・・・・・・ 350
COMPUTER ASSY, POWER STEERING ・・・・・・・・・・・・・・・・・・・・・・・・・・・・・・・・・・・・・・・・・・・・・・・・・・・・・ 341
COMPUTER ASSY, POWER STEERING ・・・・・・・・・・・・・・・・・・・・・・・・・・・・・・・・・・・・・・・・・・・・・・・・・・・・・ 342
COMPUTER, FUEL INJECTION ・・・・・・・・・・・・・・・・・・・・・・・・・・・・・・・・・・・・・・・・・・・・・・・・・・・・・・・・・・ 344
COMPUTER, NETWORK GATEWAY ・・・・・・・・・・・・・・・・・・・・・・・・・・・・・・・・・・・・・・・・・・・・・・・・・・・・・・・・・ 341
CONDENSER ASSY, COOLER ・・・・・・・・・・・・・・・・・・・・・・・・・・・・・・・・・・・・・・・・・・・・・・・・・・・・・・・・・・・・ 385
CONNECTOR SUB-ASSY, TRANS SOLENOID ・・・・・・・・・・・・・・・・・・・・・・・・・・・・・・・・・・・・・・・・・・・・・・・・ 123
CONTROL ASSY, HEATER ・・・・・・・・・・・・・・・・・・・・・・・・・・・・・・・・・・・・・・・・・・・・・・・・・・・・・・・・・・・・・・ 381
CONVERTER ASSY, TORQUE ・・・・・・・・・・・・・・・・・・・・・・・・・・・・・・・・・・・・・・・・・・・・・・・・・・・・・・・・・・・・ 125
CONVERTER SUB-ASSY, EXHAUST MANIFOLD ・・・・・・・・・・・・・・・・・・・・・・・・・・・・・・・・・・・・・・・・・・・・・・ 83
COOLER ASSY, TRANSMISSION OIL ・・・・・・・・・・・・・・・・・・・・・・・・・・・・・・・・・・・・・・・・・・・・・・・・・・・・・ 127
CORD SUB-ASSY, ANTENNA ・・・・・・・・・・・・・・・・・・・・・・・・・・・・・・・・・・・・・・・・・・・・・・・・・・・・・・・・・・・・ 365
COVER ASSY, CLUTCH ・・・・・・・・・・・・・・・・・・・・・・・・・・・・・・・・・・・・・・・・・・・・・・・・・・・・・・・・・・・・・・・・ 97
COVER ASSY, SHIFTING HOLE ・・・・・・・・・・・・・・・・・・・・・・・・・・・・・・・・・・・・・・・・・・・・・・・・・・・・・・・・・ 211
COVER REAR SEAT RECLINING, RH ・・・・・・・・・・・・・・・・・・・・・・・・・・・・・・・・・・・・・・・・・・・・・・・・・・・・・ 277
COVER SUB-ASSY, BACK DOOR SERVICE HOLE, NO.1 ・・・・・・・・・・・・・・・・・・・・・・・・・・・・・・・・・・・・・・ 237
COVER SUB-ASSY, BACK DOOR SERVICE HOLE, NO.2 ・・・・・・・・・・・・・・・・・・・・・・・・・・・・・・・・・・・・・・ 237
COVER SUB-ASSY, BACK DOOR SERVICE HOLE, NO.3 ・・・・・・・・・・・・・・・・・・・・・・・・・・・・・・・・・・・・・・ 237
COVER SUB-ASSY, CYLINDER HEAD ・・・・・・・・・・・・・・・・・・・・・・・・・・・・・・・・・・・・・・・・・・・・・・・・・・・・・ 57
COVER SUB-ASSY, NO.1 SEAT BACK, LH ・・・・・・・・・・・・・・・・・・・・・・・・・・・・・・・・・・・・・・・・・・・・・・・・ 283
COVER SUB-ASSY, NO.1 SEAT BACK, RH ・・・・・・・・・・・・・・・・・・・・・・・・・・・・・・・・・・・・・・・・・・・・・・・・ 283
COVER SUB-ASSY, NO.1 SEAT CUSHION, LH ・・・・・・・・・・・・・・・・・・・・・・・・・・・・・・・・・・・・・・・・・・・・・ 283
COVER SUB-ASSY, NO.2 SEAT BACK, LH ・・・・・・・・・・・・・・・・・・・・・・・・・・・・・・・・・・・・・・・・・・・・・・・・ 283
COVER SUB-ASSY, NO.2 SEAT BACK, RH ・・・・・・・・・・・・・・・・・・・・・・・・・・・・・・・・・・・・・・・・・・・・・・・・ 283
COVER SUB-ASSY, NO.2 SEAT CUSHION ・・・・・・・・・・・・・・・・・・・・・・・・・・・・・・・・・・・・・・・・・・・・・・・・・ 283
COVER SUB-ASSY, NO.2 SEAT CUSHION, LH ・・・・・・・・・・・・・・・・・・・・・・・・・・・・・・・・・・・・・・・・・・・・・ 283
COVER SUB-ASSY, NO.2 SEAT CUSHION, RH ・・・・・・・・・・・・・・・・・・・・・・・・・・・・・・・・・・・・・・・・・・・・・ 283
COVER SUB-ASSY, REAR NO.1 SEAT ARMREST ・・・・・・・・・・・・・・・・・・・・・・・・・・・・・・・・・・・・・・・・・・・・ 277
COVER SUB-ASSY, REAR SEAT CUSHION, RH ・・・・・・・・・・・・・・・・・・・・・・・・・・・・・・・・・・・・・・・・・・・・・ 273
COVER SUB-ASSY, STEERING COLUMN, LOWER ・・・・・・・・・・・・・・・・・・・・・・・・・・・・・・・・・・・・・・・・・・・・ 140
COVER SUB-ASSY, TIMING CHAIN OR BELT ・・・・・・・・・・・・・・・・・・・・・・・・・・・・・・・・・・・・・・・・・・・・・・ 64
COVER, BATTERY ・・・・・・・・・・・・・・・・・・・・・・・・・・・・・・・・・・・・・・・・・・・・・・・・・・・・・・・・・・・・・・・・・・・・ 293
COVER, CENTER SEAT HINGE, LH ・・・・・・・・・・・・・・・・・・・・・・・・・・・・・・・・・・・・・・・・・・・・・・・・・・・・・・ 274
COVER, CENTER SEAT HINGE, RH ・・・・・・・・・・・・・・・・・・・・・・・・・・・・・・・・・・・・・・・・・・・・・・・・・・・・・・ 274
COVER, CENTER SEAT HINGE, RH ・・・・・・・・・・・・・・・・・・・・・・・・・・・・・・・・・・・・・・・・・・・・・・・・・・・・・・ 274
COVER, CENTER STOP LAMP ・・・・・・・・・・・・・・・・・・・・・・・・・・・・・・・・・・・・・・・・・・・・・・・・・・・・・・・・・・・ 317
COVER, CENTER STOP LAMP ・・・・・・・・・・・・・・・・・・・・・・・・・・・・・・・・・・・・・・・・・・・・・・・・・・・・・・・・・・・ 317
COVER, COMPUTER ・・・・・・・・・・・・・・・・・・・・・・・・・・・・・・・・・・・・・・・・・・・・・・・・・・・・・・・・・・・・・・・・・・・ 355
CLIP, - COVER,
PART NAME PAGE
COVER, CONNECTOR ・・・・・・・・・・・・・・・・・・・・・・・・・・・・・・・・・・・・・・・・・・・・・・・・・・・・・・・・・・・・・・・・・・ 326
COVER, CONNECTOR ・・・・・・・・・・・・・・・・・・・・・・・・・・・・・・・・・・・・・・・・・・・・・・・・・・・・・・・・・・・・・・・・・・ 326
COVER, CONSOLE, REAR ・・・・・・・・・・・・・・・・・・・・・・・・・・・・・・・・・・・・・・・・・・・・・・・・・・・・・・・・・・・・・・ 212
COVER, DECK SIDE TRIM, RH ・・・・・・・・・・・・・・・・・・・・・・・・・・・・・・・・・・・・・・・・・・・・・・・・・・・・・・・・・ 237
COVER, DECK TRIM, NO.1 ・・・・・・・・・・・・・・・・・・・・・・・・・・・・・・・・・・・・・・・・・・・・・・・・・・・・・・・・・・・・ 237
COVER, DISC BRAKE DUST, FRONT LH ・・・・・・・・・・・・・・・・・・・・・・・・・・・・・・・・・・・・・・・・・・・・・・・・・・ 151
COVER, DISC BRAKE DUST, FRONT RH ・・・・・・・・・・・・・・・・・・・・・・・・・・・・・・・・・・・・・・・・・・・・・・・・・・ 151
COVER, DUST ・・・・・・・・・・・・・・・・・・・・・・・・・・・・・・・・・・・・・・・・・・・・・・・・・・・・・・・・・・・・・・・・・・・・・・・ 140
COVER, ENGINE SIDE UNDER, LH ・・・・・・・・・・・・・・・・・・・・・・・・・・・・・・・・・・・・・・・・・・・・・・・・・・・・・・ 169
COVER, ENGINE SIDE UNDER, RH ・・・・・・・・・・・・・・・・・・・・・・・・・・・・・・・・・・・・・・・・・・・・・・・・・・・・・・ 169
COVER, FLYWHEEL HOUSING SIDE ・・・・・・・・・・・・・・・・・・・・・・・・・・・・・・・・・・・・・・・・・・・・・・・・・・・・・・ 61
COVER, FORWARD RECOGNITION, NO.1 ・・・・・・・・・・・・・・・・・・・・・・・・・・・・・・・・・・・・・・・・・・・・・・・・・・ 366
COVER, FRONT BUMPER ・・・・・・・・・・・・・・・・・・・・・・・・・・・・・・・・・・・・・・・・・・・・・・・・・・・・・・・・・・・・・・・ 172
COVER, FRONT DOOR SERVICE HOLE, LH ・・・・・・・・・・・・・・・・・・・・・・・・・・・・・・・・・・・・・・・・・・・・・・・・ 242
COVER, FRONT DOOR SERVICE HOLE, RH ・・・・・・・・・・・・・・・・・・・・・・・・・・・・・・・・・・・・・・・・・・・・・・・・ 242
COVER, FRONT LH SEAT HINGE ・・・・・・・・・・・・・・・・・・・・・・・・・・・・・・・・・・・・・・・・・・・・・・・・・・・・・・・・ 277
COVER, FRONT RH SEAT HINGE ・・・・・・・・・・・・・・・・・・・・・・・・・・・・・・・・・・・・・・・・・・・・・・・・・・・・・・・・ 273
COVER, FRONT SEAT BACK ・・・・・・・・・・・・・・・・・・・・・・・・・・・・・・・・・・・・・・・・・・・・・・・・・・・・・・・・・・・・ 282
COVER, FRONT SEAT BACK ・・・・・・・・・・・・・・・・・・・・・・・・・・・・・・・・・・・・・・・・・・・・・・・・・・・・・・・・・・・・ 282
COVER, FRONT SEAT BACK ・・・・・・・・・・・・・・・・・・・・・・・・・・・・・・・・・・・・・・・・・・・・・・・・・・・・・・・・・・・・ 282
COVER, FRONT SEAT BACK, LH ・・・・・・・・・・・・・・・・・・・・・・・・・・・・・・・・・・・・・・・・・・・・・・・・・・・・・・・・ 273
COVER, FRONT SEAT BACK, LH ・・・・・・・・・・・・・・・・・・・・・・・・・・・・・・・・・・・・・・・・・・・・・・・・・・・・・・・・ 282
COVER, FRONT SEAT BACK, RH ・・・・・・・・・・・・・・・・・・・・・・・・・・・・・・・・・・・・・・・・・・・・・・・・・・・・・・・・ 282
COVER, FRONT SEAT CUSHION ・・・・・・・・・・・・・・・・・・・・・・・・・・・・・・・・・・・・・・・・・・・・・・・・・・・・・・・・・ 282
COVER, FRONT SEAT CUSHION HINGE, RH ・・・・・・・・・・・・・・・・・・・・・・・・・・・・・・・・・・・・・・・・・・・・・・・ 275
COVER, FRONT SEAT CUSHION, LH ・・・・・・・・・・・・・・・・・・・・・・・・・・・・・・・・・・・・・・・・・・・・・・・・・・・・・ 282
COVER, FRONT SEAT CUSHION, RH ・・・・・・・・・・・・・・・・・・・・・・・・・・・・・・・・・・・・・・・・・・・・・・・・・・・・・ 282
COVER, FRONT SEAT HINGE, LH ・・・・・・・・・・・・・・・・・・・・・・・・・・・・・・・・・・・・・・・・・・・・・・・・・・・・・・・ 277
COVER, FRONT SEAT HINGE, RH ・・・・・・・・・・・・・・・・・・・・・・・・・・・・・・・・・・・・・・・・・・・・・・・・・・・・・・・ 277
COVER, FRONT SEAT HINGE, RH ・・・・・・・・・・・・・・・・・・・・・・・・・・・・・・・・・・・・・・・・・・・・・・・・・・・・・・・ 277
COVER, FRONT SEAT TRACK, UPPER REAR LH ・・・・・・・・・・・・・・・・・・・・・・・・・・・・・・・・・・・・・・・・・・・・ 279
COVER, FRONT SEAT TRACK, UPPER REAR RH ・・・・・・・・・・・・・・・・・・・・・・・・・・・・・・・・・・・・・・・・・・・・ 279
COVER, FRONT SPOILER ・・・・・・・・・・・・・・・・・・・・・・・・・・・・・・・・・・・・・・・・・・・・・・・・・・・・・・・・・・・・・・ 301
COVER, FRONT SUSPENSION SUPPORT DUST, LH ・・・・・・・・・・・・・・・・・・・・・・・・・・・・・・・・・・・・・・・・・・ 164
COVER, FRONT SUSPENSION SUPPORT DUST, RH ・・・・・・・・・・・・・・・・・・・・・・・・・・・・・・・・・・・・・・・・・・ 164
COVER, HOOD HINGE, LH ・・・・・・・・・・・・・・・・・・・・・・・・・・・・・・・・・・・・・・・・・・・・・・・・・・・・・・・・・・・・・ 181
COVER, HOOD HINGE, RH ・・・・・・・・・・・・・・・・・・・・・・・・・・・・・・・・・・・・・・・・・・・・・・・・・・・・・・・・・・・・・ 181
COVER, INPUT SHAFT(MTM) ・・・・・・・・・・・・・・・・・・・・・・・・・・・・・・・・・・・・・・・・・・・・・・・・・・・・・・・・・・・ 108
COVER, INSTRUMENT PANEL HOLE, NO.2 ・・・・・・・・・・・・・・・・・・・・・・・・・・・・・・・・・・・・・・・・・・・・・・・・ 191
COVER, INSTRUMENT PANEL UNDER, NO.1 ・・・・・・・・・・・・・・・・・・・・・・・・・・・・・・・・・・・・・・・・・・・・・・・ 191
COVER, LANE RECOGNITION, NO.1 ・・・・・・・・・・・・・・・・・・・・・・・・・・・・・・・・・・・・・・・・・・・・・・・・・・・・・ 366
COVER, NO.1 SEAT INNER BRACKET ・・・・・・・・・・・・・・・・・・・・・・・・・・・・・・・・・・・・・・・・・・・・・・・・・・・・ 284
COVER, NO.1 SEAT INNER BRACKET, LH ・・・・・・・・・・・・・・・・・・・・・・・・・・・・・・・・・・・・・・・・・・・・・・・・ 284
COVER, NO.1 SEAT OUTER BRACKET ・・・・・・・・・・・・・・・・・・・・・・・・・・・・・・・・・・・・・・・・・・・・・・・・・・・・ 284
COVER, NO.2 SEAT HINGE ・・・・・・・・・・・・・・・・・・・・・・・・・・・・・・・・・・・・・・・・・・・・・・・・・・・・・・・・・・・・ 285
COVER, NO.2 SEAT LEG ・・・・・・・・・・・・・・・・・・・・・・・・・・・・・・・・・・・・・・・・・・・・・・・・・・・・・・・・・・・・・・ 284
COVER, NO.2 SEAT LEG, B ・・・・・・・・・・・・・・・・・・・・・・・・・・・・・・・・・・・・・・・・・・・・・・・・・・・・・・・・・・・ 285
COVER, OIL CONTROL VALVE ・・・・・・・・・・・・・・・・・・・・・・・・・・・・・・・・・・・・・・・・・・・・・・・・・・・・・・・・・・ 58
COVER, OUTER MIRROR, LH ・・・・・・・・・・・・・・・・・・・・・・・・・・・・・・・・・・・・・・・・・・・・・・・・・・・・・・・・・・・ 371
COVER, OUTER MIRROR, LH NO.2 ・・・・・・・・・・・・・・・・・・・・・・・・・・・・・・・・・・・・・・・・・・・・・・・・・・・・・・ 371
COVER, - COVER,
21
PART NAME PAGE
COVER, OUTER MIRROR, LOWER LH ・・・・・・・・・・・・・・・・・・・・・・・・・・・・・・・・・・・・・・・・・・・・・・・・・・・・・ 371
COVER, OUTER MIRROR, LOWER RH ・・・・・・・・・・・・・・・・・・・・・・・・・・・・・・・・・・・・・・・・・・・・・・・・・・・・・ 371
COVER, OUTER MIRROR, RH ・・・・・・・・・・・・・・・・・・・・・・・・・・・・・・・・・・・・・・・・・・・・・・・・・・・・・・・・・・・ 371
COVER, OUTER MIRROR, RH NO.2 ・・・・・・・・・・・・・・・・・・・・・・・・・・・・・・・・・・・・・・・・・・・・・・・・・・・・・・ 371
COVER, OUTPUT SHAFT(MTM) ・・・・・・・・・・・・・・・・・・・・・・・・・・・・・・・・・・・・・・・・・・・・・・・・・・・・・・・・・・ 108
COVER, POWER OUTLET SOCKET, NO.1 ・・・・・・・・・・・・・・・・・・・・・・・・・・・・・・・・・・・・・・・・・・・・・・・・・・ 341
COVER, POWER OUTLET SOCKET, REAR ・・・・・・・・・・・・・・・・・・・・・・・・・・・・・・・・・・・・・・・・・・・・・・・・・・ 341
COVER, REAR BUMPER ・・・・・・・・・・・・・・・・・・・・・・・・・・・・・・・・・・・・・・・・・・・・・・・・・・・・・・・・・・・・・・・・ 174
COVER, REAR DOOR SERVICE HOLE, LH ・・・・・・・・・・・・・・・・・・・・・・・・・・・・・・・・・・・・・・・・・・・・・・・・・ 250
COVER, REAR DOOR SERVICE HOLE, RH ・・・・・・・・・・・・・・・・・・・・・・・・・・・・・・・・・・・・・・・・・・・・・・・・・ 250
COVER, REAR FLOOR SERVICE HOLE ・・・・・・・・・・・・・・・・・・・・・・・・・・・・・・・・・・・・・・・・・・・・・・・・・・・・ 205
COVER, REAR SEAT CUSHION HINGE, INNER RH ・・・・・・・・・・・・・・・・・・・・・・・・・・・・・・・・・・・・・・・・・・ 276
COVER, REAR SEAT CUSHION HINGE, LOWER LH ・・・・・・・・・・・・・・・・・・・・・・・・・・・・・・・・・・・・・・・・・・ 276
COVER, REAR SEAT CUSHION HINGE, LOWER RH ・・・・・・・・・・・・・・・・・・・・・・・・・・・・・・・・・・・・・・・・・・ 276
COVER, REAR SEAT CUSHION HINGE, OUTER LH ・・・・・・・・・・・・・・・・・・・・・・・・・・・・・・・・・・・・・・・・・・ 275
COVER, REAR SEAT CUSHION LH ・・・・・・・・・・・・・・・・・・・・・・・・・・・・・・・・・・・・・・・・・・・・・・・・・・・・・・・ 283
COVER, REAR SEAT CUSHION, RH ・・・・・・・・・・・・・・・・・・・・・・・・・・・・・・・・・・・・・・・・・・・・・・・・・・・・・・ 283
COVER, REAR SEAT HINGE ・・・・・・・・・・・・・・・・・・・・・・・・・・・・・・・・・・・・・・・・・・・・・・・・・・・・・・・・・・・・ 274
COVER, REAR SEAT HINGE ・・・・・・・・・・・・・・・・・・・・・・・・・・・・・・・・・・・・・・・・・・・・・・・・・・・・・・・・・・・・ 274
COVER, REAR SEAT HINGE, LH ・・・・・・・・・・・・・・・・・・・・・・・・・・・・・・・・・・・・・・・・・・・・・・・・・・・・・・・・ 274
COVER, REAR SEAT HINGE, NO.2 RH ・・・・・・・・・・・・・・・・・・・・・・・・・・・・・・・・・・・・・・・・・・・・・・・・・・・ 274
COVER, REAR SEAT HINGE, RH ・・・・・・・・・・・・・・・・・・・・・・・・・・・・・・・・・・・・・・・・・・・・・・・・・・・・・・・・ 274
COVER, REAR SEAT LEG SIDE, LH ・・・・・・・・・・・・・・・・・・・・・・・・・・・・・・・・・・・・・・・・・・・・・・・・・・・・・ 285
COVER, REAR SEAT LEG SIDE, RH ・・・・・・・・・・・・・・・・・・・・・・・・・・・・・・・・・・・・・・・・・・・・・・・・・・・・・ 285
COVER, REAR SEAT LEG, LH ・・・・・・・・・・・・・・・・・・・・・・・・・・・・・・・・・・・・・・・・・・・・・・・・・・・・・・・・・・ 285
COVER, REAR SEAT LEG, RH ・・・・・・・・・・・・・・・・・・・・・・・・・・・・・・・・・・・・・・・・・・・・・・・・・・・・・・・・・・ 285
COVER, REAR SEAT LOCK, INNER LH ・・・・・・・・・・・・・・・・・・・・・・・・・・・・・・・・・・・・・・・・・・・・・・・・・・・ 276
COVER, REAR SEAT LOCK, INNER RH ・・・・・・・・・・・・・・・・・・・・・・・・・・・・・・・・・・・・・・・・・・・・・・・・・・・ 275
COVER, REAR SEAT LOCK, OUTER LH ・・・・・・・・・・・・・・・・・・・・・・・・・・・・・・・・・・・・・・・・・・・・・・・・・・・ 275
COVER, REAR SEAT LOCK, OUTER RH ・・・・・・・・・・・・・・・・・・・・・・・・・・・・・・・・・・・・・・・・・・・・・・・・・・・ 275
COVER, REAR SEAT REAR BRACKET, LH ・・・・・・・・・・・・・・・・・・・・・・・・・・・・・・・・・・・・・・・・・・・・・・・・・ 285
COVER, REAR SEAT RECLINING, INNER LH ・・・・・・・・・・・・・・・・・・・・・・・・・・・・・・・・・・・・・・・・・・・・・・ 278
COVER, REAR SEAT RECLINING, INNER LH ・・・・・・・・・・・・・・・・・・・・・・・・・・・・・・・・・・・・・・・・・・・・・・ 278
COVER, REAR SEAT RECLINING, INNER RH ・・・・・・・・・・・・・・・・・・・・・・・・・・・・・・・・・・・・・・・・・・・・・・ 277
COVER, REAR SEAT RECLINING, INNER RH ・・・・・・・・・・・・・・・・・・・・・・・・・・・・・・・・・・・・・・・・・・・・・・ 277
COVER, REAR SEAT RECLINING, INNER RH ・・・・・・・・・・・・・・・・・・・・・・・・・・・・・・・・・・・・・・・・・・・・・・ 278
COVER, REAR SEAT RECLINING, LH (FOR LH SEAT) ・・・・・・・・・・・・・・・・・・・・・・・・・・・・・・・・・・・・・・ 277
COVER, REAR SEAT RECLINING, NO.2 LH ・・・・・・・・・・・・・・・・・・・・・・・・・・・・・・・・・・・・・・・・・・・・・・・ 277
COVER, REAR SEAT RECLINING, NO.2 RH ・・・・・・・・・・・・・・・・・・・・・・・・・・・・・・・・・・・・・・・・・・・・・・・ 277
COVER, REAR SEAT TRACK BRACKET, OUTER ・・・・・・・・・・・・・・・・・・・・・・・・・・・・・・・・・・・・・・・・・・・・・ 280
COVER, RECLINING ADJUSTER INSIDE, LH ・・・・・・・・・・・・・・・・・・・・・・・・・・・・・・・・・・・・・・・・・・・・・・ 277
COVER, RECLINING ADJUSTER INSIDE, LH ・・・・・・・・・・・・・・・・・・・・・・・・・・・・・・・・・・・・・・・・・・・・・・ 277
COVER, RECLINING ADJUSTER INSIDE, LH ・・・・・・・・・・・・・・・・・・・・・・・・・・・・・・・・・・・・・・・・・・・・・・ 277
COVER, RECLINING ADJUSTER INSIDE, LH ・・・・・・・・・・・・・・・・・・・・・・・・・・・・・・・・・・・・・・・・・・・・・・ 277
COVER, RECLINING ADJUSTER INSIDE, LH ・・・・・・・・・・・・・・・・・・・・・・・・・・・・・・・・・・・・・・・・・・・・・・ 277
COVER, RECLINING ADJUSTER INSIDE, RH ・・・・・・・・・・・・・・・・・・・・・・・・・・・・・・・・・・・・・・・・・・・・・・ 277
COVER, RECLINING ADJUSTER INSIDE, RH ・・・・・・・・・・・・・・・・・・・・・・・・・・・・・・・・・・・・・・・・・・・・・・ 277
COVER, RECLINING ADJUSTER INSIDE, RH ・・・・・・・・・・・・・・・・・・・・・・・・・・・・・・・・・・・・・・・・・・・・・・ 277
COVER, RECLINING ADJUSTER INSIDE, RH ・・・・・・・・・・・・・・・・・・・・・・・・・・・・・・・・・・・・・・・・・・・・・・ 277
COVER, RECLINING HINGE, LH ・・・・・・・・・・・・・・・・・・・・・・・・・・・・・・・・・・・・・・・・・・・・・・・・・・・・・・・・ 281
COVER, - COVER,
PART NAME PAGE
COVER, RECLINING HINGE, RH ・・・・・・・・・・・・・・・・・・・・・・・・・・・・・・・・・・・・・・・・・・・・・・・・・・・・・・・・ 281
COVER, RELAY BLOCK, NO.1 ・・・・・・・・・・・・・・・・・・・・・・・・・・・・・・・・・・・・・・・・・・・・・・・・・・・・・・・・・・ 339
COVER, SEAT TRACK BRACKET, INNER FRONT ・・・・・・・・・・・・・・・・・・・・・・・・・・・・・・・・・・・・・・・・・・・・ 279
COVER, SEAT TRACK BRACKET, INNER FRONT RH ・・・・・・・・・・・・・・・・・・・・・・・・・・・・・・・・・・・・・・・・・ 279
COVER, SEAT TRACK BRACKET, INNER LH ・・・・・・・・・・・・・・・・・・・・・・・・・・・・・・・・・・・・・・・・・・・・・・・ 280
COVER, SEAT TRACK BRACKET, INNER REAR LH ・・・・・・・・・・・・・・・・・・・・・・・・・・・・・・・・・・・・・・・・・・ 280
COVER, SEAT TRACK BRACKET, INNER REAR RH ・・・・・・・・・・・・・・・・・・・・・・・・・・・・・・・・・・・・・・・・・・ 280
COVER, SEAT TRACK BRACKET, INNER RH ・・・・・・・・・・・・・・・・・・・・・・・・・・・・・・・・・・・・・・・・・・・・・・・ 280
COVER, SEAT TRACK UPPER RAIL ・・・・・・・・・・・・・・・・・・・・・・・・・・・・・・・・・・・・・・・・・・・・・・・・・・・・・・ 280
COVER, SEAT TRACK UPPER RAIL, LH ・・・・・・・・・・・・・・・・・・・・・・・・・・・・・・・・・・・・・・・・・・・・・・・・・・ 280
COVER, SEAT TRACK UPPER RAIL, RH ・・・・・・・・・・・・・・・・・・・・・・・・・・・・・・・・・・・・・・・・・・・・・・・・・・ 280
COVER, SEAT TRACK, LH ・・・・・・・・・・・・・・・・・・・・・・・・・・・・・・・・・・・・・・・・・・・・・・・・・・・・・・・・・・・・・ 280
COVER, SEAT TRACK, NO.1 ・・・・・・・・・・・・・・・・・・・・・・・・・・・・・・・・・・・・・・・・・・・・・・・・・・・・・・・・・・・ 279
COVER, SEAT TRACK, UPPER REAR ・・・・・・・・・・・・・・・・・・・・・・・・・・・・・・・・・・・・・・・・・・・・・・・・・・・・・ 279
COVER, SEAT TRACK, UPPER REAR LH ・・・・・・・・・・・・・・・・・・・・・・・・・・・・・・・・・・・・・・・・・・・・・・・・・・ 279
COVER, SPARE SWITCH HOLE ・・・・・・・・・・・・・・・・・・・・・・・・・・・・・・・・・・・・・・・・・・・・・・・・・・・・・・・・・・ 191
COVER, SPARE SWITCH HOLE ・・・・・・・・・・・・・・・・・・・・・・・・・・・・・・・・・・・・・・・・・・・・・・・・・・・・・・・・・・ 191
COVER, SPARE SWITCH HOLE ・・・・・・・・・・・・・・・・・・・・・・・・・・・・・・・・・・・・・・・・・・・・・・・・・・・・・・・・・・ 191
COVER, SPARE SWITCH HOLE ・・・・・・・・・・・・・・・・・・・・・・・・・・・・・・・・・・・・・・・・・・・・・・・・・・・・・・・・・・ 191
COVER, SPARE SWITCH HOLE ・・・・・・・・・・・・・・・・・・・・・・・・・・・・・・・・・・・・・・・・・・・・・・・・・・・・・・・・・・ 211
COVER, SPARE WHEEL ・・・・・・・・・・・・・・・・・・・・・・・・・・・・・・・・・・・・・・・・・・・・・・・・・・・・・・・・・・・・・・・・ 237
COVER, STEERING COLUMN, LWR ・・・・・・・・・・・・・・・・・・・・・・・・・・・・・・・・・・・・・・・・・・・・・・・・・・・・・・・ 140
COVER, STEERING COLUMN, UPPER ・・・・・・・・・・・・・・・・・・・・・・・・・・・・・・・・・・・・・・・・・・・・・・・・・・・・・ 140
COVER, STEERING COLUMN, UPR ・・・・・・・・・・・・・・・・・・・・・・・・・・・・・・・・・・・・・・・・・・・・・・・・・・・・・・・ 140
COVER, TRANSMITTER HOUSING ・・・・・・・・・・・・・・・・・・・・・・・・・・・・・・・・・・・・・・・・・・・・・・・・・・・・・・・・ 262
COVER, TRANSMITTER HOUSING ・・・・・・・・・・・・・・・・・・・・・・・・・・・・・・・・・・・・・・・・・・・・・・・・・・・・・・・・ 262
COVER, VERTICAL ADJUSTER RH ・・・・・・・・・・・・・・・・・・・・・・・・・・・・・・・・・・・・・・・・・・・・・・・・・・・・・・・ 280
CRANKSHAFT ・・・・・・・・・・・・・・・・・・・・・・・・・・・・・・・・・・・・・・・・・・・・・・・・・・・・・・・・・・・・・・・・・・・・・・・・ 70
CROSSMEMBER SUB-ASSY, FRONT SUSPENSION ・・・・・・・・・・・・・・・・・・・・・・・・・・・・・・・・・・・・・・・・・・・・ 169
CUP KIT, REAR WHEEL CYLINDER ・・・・・・・・・・・・・・・・・・・・・・・・・・・・・・・・・・・・・・・・・・・・・・・・・・・・・・ 153
CUP, SHOE HOLD DOWN SPRING(FOR REAR BRAKE) ・・・・・・・・・・・・・・・・・・・・・・・・・・・・・・・・・・・・・・・・ 153
CUSHION(FOR BACK DOOR PANEL) ・・・・・・・・・・・・・・・・・・・・・・・・・・・・・・・・・・・・・・・・・・・・・・・・・・・・・・ 258
CUSHION, BACK DOOR LOWER STOPPER ・・・・・・・・・・・・・・・・・・・・・・・・・・・・・・・・・・・・・・・・・・・・・・・・・・ 258
CUSHION, BRAKE ACTUATOR BOLT ・・・・・・・・・・・・・・・・・・・・・・・・・・・・・・・・・・・・・・・・・・・・・・・・・・・・・・ 157
CUSHION, FRONT DOOR PANEL ・・・・・・・・・・・・・・・・・・・・・・・・・・・・・・・・・・・・・・・・・・・・・・・・・・・・・・・・・ 241
CUSHION, GLOVE COMPARTMENT DOOR CHECK ・・・・・・・・・・・・・・・・・・・・・・・・・・・・・・・・・・・・・・・・・・・・・ 191
CUSHION, INSTRUMENT PANEL ・・・・・・・・・・・・・・・・・・・・・・・・・・・・・・・・・・・・・・・・・・・・・・・・・・・・・・・・・ 190
CUSHION, INSTRUMENT PANEL, NO.3 ・・・・・・・・・・・・・・・・・・・・・・・・・・・・・・・・・・・・・・・・・・・・・・・・・・・ 190
CUSHION, NO.1(FOR CLUTCH PEDAL) ・・・・・・・・・・・・・・・・・・・・・・・・・・・・・・・・・・・・・・・・・・・・・・・・・・・ 98
CUSHION, NO.2(FOR CLUTCH PEDAL) ・・・・・・・・・・・・・・・・・・・・・・・・・・・・・・・・・・・・・・・・・・・・・・・・・・・ 98
CUSHION, REAR DOOR, LH ・・・・・・・・・・・・・・・・・・・・・・・・・・・・・・・・・・・・・・・・・・・・・・・・・・・・・・・・・・・・ 251
CUSHION, REAR DOOR, RH ・・・・・・・・・・・・・・・・・・・・・・・・・・・・・・・・・・・・・・・・・・・・・・・・・・・・・・・・・・・・ 251
CUSHION, REAR LICENCE PLATE ・・・・・・・・・・・・・・・・・・・・・・・・・・・・・・・・・・・・・・・・・・・・・・・・・・・・・・・ 258
CUSHION, REAR SEAT ・・・・・・・・・・・・・・・・・・・・・・・・・・・・・・・・・・・・・・・・・・・・・・・・・・・・・・・・・・・・・・・・ 273
CUSHION, REAR SEAT ・・・・・・・・・・・・・・・・・・・・・・・・・・・・・・・・・・・・・・・・・・・・・・・・・・・・・・・・・・・・・・・・ 273
CYLINDER & KEY SET, DOOR LOCK, RH ・・・・・・・・・・・・・・・・・・・・・・・・・・・・・・・・・・・・・・・・・・・・・・・・・ 262
CYLINDER & KEY SET, IGNITION SWITCH LOCK ・・・・・・・・・・・・・・・・・・・・・・・・・・・・・・・・・・・・・・・・・・ 262
CYLINDER ASSY, CLUTCH MASTER ・・・・・・・・・・・・・・・・・・・・・・・・・・・・・・・・・・・・・・・・・・・・・・・・・・・・・・ 100
CYLINDER ASSY, CLUTCH RELEASE ・・・・・・・・・・・・・・・・・・・・・・・・・・・・・・・・・・・・・・・・・・・・・・・・・・・・・ 101
CYLINDER ASSY, DISC BRAKE, LH ・・・・・・・・・・・・・・・・・・・・・・・・・・・・・・・・・・・・・・・・・・・・・・・・・・・・・ 151
COVER, - CYLINDER
22
PART NAME PAGE
CYLINDER ASSY, FRONT DISC BRAKE, RH ・・・・・・・・・・・・・・・・・・・・・・・・・・・・・・・・・・・・・・・・・・・・・・・ 151
CYLINDER ASSY, REAR WHEEL BRAKE(FOR LH, FRONT OR UPPER) ・・・・・・・・・・・・・・・・・・・・・・・・・・・ 153
CYLINDER ASSY, REAR WHEEL BRAKE(FOR RH, FRONT OR UPPER) ・・・・・・・・・・・・・・・・・・・・・・・・・・・ 153
CYLINDER KIT, CLUTCH MASTER ・・・・・・・・・・・・・・・・・・・・・・・・・・・・・・・・・・・・・・・・・・・・・・・・・・・・・・・ 100
CYLINDER KIT, DISC BRAKE, FRONT ・・・・・・・・・・・・・・・・・・・・・・・・・・・・・・・・・・・・・・・・・・・・・・・・・・・ 151
CYLINDER SET, LOCK ・・・・・・・・・・・・・・・・・・・・・・・・・・・・・・・・・・・・・・・・・・・・・・・・・・・・・・・・・・・・・・・・ 262
CYLINDER SET, LOCK W/TRANSPONDER KEY TRANSMITTER ・・・・・・・・・・・・・・・・・・・・・・・・・・・・・・・・・・ 262
CYLINDER SUB-ASSY, BRAKE MASTER ・・・・・・・・・・・・・・・・・・・・・・・・・・・・・・・・・・・・・・・・・・・・・・・・・・・ 148
DAM, QUARTER WINDOW GLASS ADHESIVE, LH ・・・・・・・・・・・・・・・・・・・・・・・・・・・・・・・・・・・・・・・・・・・・ 226
DAM, QUARTER WINDOW GLASS ADHESIVE, RH ・・・・・・・・・・・・・・・・・・・・・・・・・・・・・・・・・・・・・・・・・・・・ 226
DAM, WINDOW GLASS ADHESIVE ・・・・・・・・・・・・・・・・・・・・・・・・・・・・・・・・・・・・・・・・・・・・・・・・・・・・・・・・ 194
DAM, WINDOW GLASS ADHESIVE ・・・・・・・・・・・・・・・・・・・・・・・・・・・・・・・・・・・・・・・・・・・・・・・・・・・・・・・・ 194
DAMPER, CHAIN VIBRATION, NO.2 ・・・・・・・・・・・・・・・・・・・・・・・・・・・・・・・・・・・・・・・・・・・・・・・・・・・・・ 71
DISC ASSY, CLUTCH ・・・・・・・・・・・・・・・・・・・・・・・・・・・・・・・・・・・・・・・・・・・・・・・・・・・・・・・・・・・・・・・・・ 97
DISC, FRONT ・・・・・・・・・・・・・・・・・・・・・・・・・・・・・・・・・・・・・・・・・・・・・・・・・・・・・・・・・・・・・・・・・・・・・・・ 138
DOOR ASSY, GLOVE COMPARTMENT ・・・・・・・・・・・・・・・・・・・・・・・・・・・・・・・・・・・・・・・・・・・・・・・・・・・・・・ 191
DOOR SUB-ASSY, CONSOLE COMPARTMENT ・・・・・・・・・・・・・・・・・・・・・・・・・・・・・・・・・・・・・・・・・・・・・・・・ 211
DRUM SUB-ASSY, REAR BRAKE ・・・・・・・・・・・・・・・・・・・・・・・・・・・・・・・・・・・・・・・・・・・・・・・・・・・・・・・・・ 129
DRYER, COOLER ・・・・・・・・・・・・・・・・・・・・・・・・・・・・・・・・・・・・・・・・・・・・・・・・・・・・・・・・・・・・・・・・・・・・・ 385
DUCT ASSY, AIR ・・・・・・・・・・・・・・・・・・・・・・・・・・・・・・・・・・・・・・・・・・・・・・・・・・・・・・・・・・・・・・・・・・・・ 381
DUCT ASSY, QUARTER VENT, LH ・・・・・・・・・・・・・・・・・・・・・・・・・・・・・・・・・・・・・・・・・・・・・・・・・・・・・・・ 229
DUCT ASSY, QUARTER VENT, RH ・・・・・・・・・・・・・・・・・・・・・・・・・・・・・・・・・・・・・・・・・・・・・・・・・・・・・・・ 229
DUCT SUB-ASSY, HEATER TO REGISTER, CENTER ・・・・・・・・・・・・・・・・・・・・・・・・・・・・・・・・・・・・・・・・・ 381
DUCT, QUARTER VENT ・・・・・・・・・・・・・・・・・・・・・・・・・・・・・・・・・・・・・・・・・・・・・・・・・・・・・・・・・・・・・・・・ 229
DUCT, QUARTER VENT, LH ・・・・・・・・・・・・・・・・・・・・・・・・・・・・・・・・・・・・・・・・・・・・・・・・・・・・・・・・・・・・ 229
ELEMENT SUB-ASSY, AIR CLEANER FILTER ・・・・・・・・・・・・・・・・・・・・・・・・・・・・・・・・・・・・・・・・・・・・・・ 87
ELEMENT, AIR REFINER ・・・・・・・・・・・・・・・・・・・・・・・・・・・・・・・・・・・・・・・・・・・・・・・・・・・・・・・・・・・・・・ 376
EMBLEM, BACK DOOR, NO.1 ・・・・・・・・・・・・・・・・・・・・・・・・・・・・・・・・・・・・・・・・・・・・・・・・・・・・・・・・・・・ 297
EMBLEM, RADIATOR GRILLE (OR FRONT PANEL) ・・・・・・・・・・・・・・・・・・・・・・・・・・・・・・・・・・・・・・・・・・ 297
END SUB-ASSY, STEERING RACK ・・・・・・・・・・・・・・・・・・・・・・・・・・・・・・・・・・・・・・・・・・・・・・・・・・・・・・・ 144
END SUB-ASSY, STEERING RACK, NO.2 ・・・・・・・・・・・・・・・・・・・・・・・・・・・・・・・・・・・・・・・・・・・・・・・・・ 144
END SUB-ASSY, TIE ROD, LH ・・・・・・・・・・・・・・・・・・・・・・・・・・・・・・・・・・・・・・・・・・・・・・・・・・・・・・・・・ 144
END SUB-ASSY, TIE ROD, RH ・・・・・・・・・・・・・・・・・・・・・・・・・・・・・・・・・・・・・・・・・・・・・・・・・・・・・・・・・ 144
ENGINE ASSY, PARTIAL ・・・・・・・・・・・・・・・・・・・・・・・・・・・・・・・・・・・・・・・・・・・・・・・・・・・・・・・・・・・・・・ 51
EVAPORATOR SUB-ASSY (REAR) ・・・・・・・・・・・・・・・・・・・・・・・・・・・・・・・・・・・・・・・・・・・・・・・・・・・・・・・・ 376
EVAPORATOR SUB-ASSY, COOLER, NO.1 ・・・・・・・・・・・・・・・・・・・・・・・・・・・・・・・・・・・・・・・・・・・・・・・・・ 376
EXTENSION SUB-ASSY, FRONT FENDER APRON, LH ・・・・・・・・・・・・・・・・・・・・・・・・・・・・・・・・・・・・・・・・ 200
EXTENSION SUB-ASSY, JACK HANDLE ・・・・・・・・・・・・・・・・・・・・・・・・・・・・・・・・・・・・・・・・・・・・・・・・・・・ 50
EXTENSION, CENTER BODY PILLAR, UPPER LH ・・・・・・・・・・・・・・・・・・・・・・・・・・・・・・・・・・・・・・・・・・・ 223
EXTENSION, CENTER BODY PILLAR, UPPER RH ・・・・・・・・・・・・・・・・・・・・・・・・・・・・・・・・・・・・・・・・・・・ 223
EXTENSION, QUARTER PANEL, LOWER LH ・・・・・・・・・・・・・・・・・・・・・・・・・・・・・・・・・・・・・・・・・・・・・・・・ 224
EXTENSION, QUARTER PANEL, LOWER RH ・・・・・・・・・・・・・・・・・・・・・・・・・・・・・・・・・・・・・・・・・・・・・・・・ 224
EXTENSION, QUARTER PANEL, OUTER LH ・・・・・・・・・・・・・・・・・・・・・・・・・・・・・・・・・・・・・・・・・・・・・・・・ 224
EXTENSION, QUARTER PANEL, OUTER RH ・・・・・・・・・・・・・・・・・・・・・・・・・・・・・・・・・・・・・・・・・・・・・・・・ 224
EXTENSION, QUARTER PANEL, REAR LOWER LH ・・・・・・・・・・・・・・・・・・・・・・・・・・・・・・・・・・・・・・・・・・・ 224
EXTENSION, QUARTER PANEL, REAR LOWER RH ・・・・・・・・・・・・・・・・・・・・・・・・・・・・・・・・・・・・・・・・・・・ 224
EXTENSION, QUARTER PANEL, UPPER LH ・・・・・・・・・・・・・・・・・・・・・・・・・・・・・・・・・・・・・・・・・・・・・・・・ 224
EXTENSION, QUARTER PANEL, UPPER RH ・・・・・・・・・・・・・・・・・・・・・・・・・・・・・・・・・・・・・・・・・・・・・・・・ 224
EXTENSION, REAR FLOOR SIDE MEMBER, REAR LH ・・・・・・・・・・・・・・・・・・・・・・・・・・・・・・・・・・・・・・・・ 204
EXTENSION, REAR FLOOR SIDE MEMBER, REAR RH ・・・・・・・・・・・・・・・・・・・・・・・・・・・・・・・・・・・・・・・・ 204
CYLINDER - EXTENSION,
PART NAME PAGE
EXTENSION, ROCKER, OUTER LH ・・・・・・・・・・・・・・・・・・・・・・・・・・・・・・・・・・・・・・・・・・・・・・・・・・・・・・・ 223
EXTENSION, ROCKER, OUTER RH ・・・・・・・・・・・・・・・・・・・・・・・・・・・・・・・・・・・・・・・・・・・・・・・・・・・・・・・ 223
EXTINGUISHER ・・・・・・・・・・・・・・・・・・・・・・・・・・・・・・・・・・・・・・・・・・・・・・・・・・・・・・・・・・・・・・・・・・・・・・ 292
EXTINGUISHER ASSY ・・・・・・・・・・・・・・・・・・・・・・・・・・・・・・・・・・・・・・・・・・・・・・・・・・・・・・・・・・・・・・・・・ 292
FAN ・・・・・・・・・・・・・・・・・・・・・・・・・・・・・・・・・・・・・・・・・・・・・・・・・・・・・・・・・・・・・・・・・・・・・・・・・・・・・・・ 79
FAN ASSY, W/MOTOR ・・・・・・・・・・・・・・・・・・・・・・・・・・・・・・・・・・・・・・・・・・・・・・・・・・・・・・・・・・・・・・・・・ 79
FENDER SUB-ASSY, FRONT LH ・・・・・・・・・・・・・・・・・・・・・・・・・・・・・・・・・・・・・・・・・・・・・・・・・・・・・・・・・ 179
FENDER SUB-ASSY, FRONT RH ・・・・・・・・・・・・・・・・・・・・・・・・・・・・・・・・・・・・・・・・・・・・・・・・・・・・・・・・・ 179
FILTER SUB-ASSY, OIL ・・・・・・・・・・・・・・・・・・・・・・・・・・・・・・・・・・・・・・・・・・・・・・・・・・・・・・・・・・・・・・ 74
FILTER, AIR ・・・・・・・・・・・・・・・・・・・・・・・・・・・・・・・・・・・・・・・・・・・・・・・・・・・・・・・・・・・・・・・・・・・・・・・ 381
FILTER, FUEL PUMP ・・・・・・・・・・・・・・・・・・・・・・・・・・・・・・・・・・・・・・・・・・・・・・・・・・・・・・・・・・・・・・・・・ 305
FILTER, HEATER AIR ・・・・・・・・・・・・・・・・・・・・・・・・・・・・・・・・・・・・・・・・・・・・・・・・・・・・・・・・・・・・・・・・ 381
FILTER, OIL CONTROL VALVE ・・・・・・・・・・・・・・・・・・・・・・・・・・・・・・・・・・・・・・・・・・・・・・・・・・・・・・・・・ 58
FITTING KIT, DISC BRAKE, FRONT ・・・・・・・・・・・・・・・・・・・・・・・・・・・・・・・・・・・・・・・・・・・・・・・・・・・・ 151
FLOOR SHIFT ASSY, TRANSMISSION ・・・・・・・・・・・・・・・・・・・・・・・・・・・・・・・・・・・・・・・・・・・・・・・・・・・・ 116
FLYWHEEL SUB-ASSY ・・・・・・・・・・・・・・・・・・・・・・・・・・・・・・・・・・・・・・・・・・・・・・・・・・・・・・・・・・・・・・・・・ 70
FORK ASSY, GEAR SHIFT, NO.1 ・・・・・・・・・・・・・・・・・・・・・・・・・・・・・・・・・・・・・・・・・・・・・・・・・・・・・・・ 113
FORK ASSY, GEAR SHIFT, NO.2 ・・・・・・・・・・・・・・・・・・・・・・・・・・・・・・・・・・・・・・・・・・・・・・・・・・・・・・・ 113
FORK, CLUTCH RELEASE ・・・・・・・・・・・・・・・・・・・・・・・・・・・・・・・・・・・・・・・・・・・・・・・・・・・・・・・・・・・・・・ 97
FORK, GEAR SHIFT, NO.3 ・・・・・・・・・・・・・・・・・・・・・・・・・・・・・・・・・・・・・・・・・・・・・・・・・・・・・・・・・・・・ 113
FRAME ASSY, FRONT SEAT W/ADJUSTER, LH ・・・・・・・・・・・・・・・・・・・・・・・・・・・・・・・・・・・・・・・・・・・・・ 273
FRAME ASSY, FRONT SEAT W/ADJUSTER, RH ・・・・・・・・・・・・・・・・・・・・・・・・・・・・・・・・・・・・・・・・・・・・・ 273
FRAME ASSY, STARTER COMMUTATOR END ・・・・・・・・・・・・・・・・・・・・・・・・・・・・・・・・・・・・・・・・・・・・・・・・ 94
FRAME SUB-ASSY, FRONT DOOR, FRONT LOWER LH ・・・・・・・・・・・・・・・・・・・・・・・・・・・・・・・・・・・・・・・・ 241
FRAME SUB-ASSY, FRONT DOOR, FRONT LOWER RH ・・・・・・・・・・・・・・・・・・・・・・・・・・・・・・・・・・・・・・・・ 241
FRAME SUB-ASSY, FRONT DOOR, REAR LOWER LH ・・・・・・・・・・・・・・・・・・・・・・・・・・・・・・・・・・・・・・・・・ 241
FRAME SUB-ASSY, FRONT DOOR, REAR LOWER RH ・・・・・・・・・・・・・・・・・・・・・・・・・・・・・・・・・・・・・・・・・ 241
FRAME SUB-ASSY, NO.1 SEAT BACK, LH ・・・・・・・・・・・・・・・・・・・・・・・・・・・・・・・・・・・・・・・・・・・・・・・・ 284
FRAME SUB-ASSY, NO.1 SEAT BACK, RH ・・・・・・・・・・・・・・・・・・・・・・・・・・・・・・・・・・・・・・・・・・・・・・・・ 283
FRAME SUB-ASSY, NO.1 SEAT BACK, RH ・・・・・・・・・・・・・・・・・・・・・・・・・・・・・・・・・・・・・・・・・・・・・・・・ 284
FRAME SUB-ASSY, NO.1 SEAT CUSHION, LH ・・・・・・・・・・・・・・・・・・・・・・・・・・・・・・・・・・・・・・・・・・・・・ 283
FRAME SUB-ASSY, NO.1 SEAT CUSHION, RH ・・・・・・・・・・・・・・・・・・・・・・・・・・・・・・・・・・・・・・・・・・・・・ 283
FRAME SUB-ASSY, NO.2 SEAT BACK, LH ・・・・・・・・・・・・・・・・・・・・・・・・・・・・・・・・・・・・・・・・・・・・・・・・ 284
FRAME SUB-ASSY, NO.2 SEAT BACK, RH ・・・・・・・・・・・・・・・・・・・・・・・・・・・・・・・・・・・・・・・・・・・・・・・・ 284
FRAME SUB-ASSY, NO.2 SEAT CUSHION ・・・・・・・・・・・・・・・・・・・・・・・・・・・・・・・・・・・・・・・・・・・・・・・・・ 284
FRAME SUB-ASSY, NO.2 SEAT CUSHION, LH ・・・・・・・・・・・・・・・・・・・・・・・・・・・・・・・・・・・・・・・・・・・・・ 284
FRAME SUB-ASSY, NO.2 SEAT CUSHION, RH ・・・・・・・・・・・・・・・・・・・・・・・・・・・・・・・・・・・・・・・・・・・・・ 284
FRAME SUB-ASSY, REAR DOOR WINDOW, REAR LOWER LH ・・・・・・・・・・・・・・・・・・・・・・・・・・・・・・・・・・・ 250
FRAME SUB-ASSY, REAR DOOR WINDOW, REAR LOWER RH ・・・・・・・・・・・・・・・・・・・・・・・・・・・・・・・・・・・ 250
FRAME, BACK DOOR OPENING, INNER ・・・・・・・・・・・・・・・・・・・・・・・・・・・・・・・・・・・・・・・・・・・・・・・・・・・ 228
FUSE(FOR COOLER WIRING HARNESS) ・・・・・・・・・・・・・・・・・・・・・・・・・・・・・・・・・・・・・・・・・・・・・・・・・・・ 377
GAGE ASSY, FUEL SENDER ・・・・・・・・・・・・・・・・・・・・・・・・・・・・・・・・・・・・・・・・・・・・・・・・・・・・・・・・・・・・ 339
GAGE SUB-ASSY, OIL LEVEL ・・・・・・・・・・・・・・・・・・・・・・・・・・・・・・・・・・・・・・・・・・・・・・・・・・・・・・・・・・ 62
GAGE SUB-ASSY, TRANSMISSION OIL LEVEL ・・・・・・・・・・・・・・・・・・・・・・・・・・・・・・・・・・・・・・・・・・・・・ 122
GARNISH SUB-ASSY, BACK DOOR, OUTSIDE ・・・・・・・・・・・・・・・・・・・・・・・・・・・・・・・・・・・・・・・・・・・・・・ 258
GARNISH, CENTER PILLAR, LOWER LH ・・・・・・・・・・・・・・・・・・・・・・・・・・・・・・・・・・・・・・・・・・・・・・・・・・ 232
GARNISH, CENTER PILLAR, LOWER RH ・・・・・・・・・・・・・・・・・・・・・・・・・・・・・・・・・・・・・・・・・・・・・・・・・・ 232
GARNISH, CENTER PILLAR, UPPER LH ・・・・・・・・・・・・・・・・・・・・・・・・・・・・・・・・・・・・・・・・・・・・・・・・・・ 231
GARNISH, CENTER PILLAR, UPPER RH ・・・・・・・・・・・・・・・・・・・・・・・・・・・・・・・・・・・・・・・・・・・・・・・・・・ 231
GARNISH, CONSOLE UPPER PANEL, NO.1 ・・・・・・・・・・・・・・・・・・・・・・・・・・・・・・・・・・・・・・・・・・・・・・・・ 211
EXTENSION, - GARNISH,
23
PART NAME PAGE
GARNISH, FRONT PILLAR, LH ・・・・・・・・・・・・・・・・・・・・・・・・・・・・・・・・・・・・・・・・・・・・・・・・・・・・・・・・・ 231
GARNISH, FRONT PILLAR, OUTER LH ・・・・・・・・・・・・・・・・・・・・・・・・・・・・・・・・・・・・・・・・・・・・・・・・・・・ 299
GARNISH, FRONT PILLAR, OUTER RH ・・・・・・・・・・・・・・・・・・・・・・・・・・・・・・・・・・・・・・・・・・・・・・・・・・・ 299
GARNISH, FRONT PILLAR, RH ・・・・・・・・・・・・・・・・・・・・・・・・・・・・・・・・・・・・・・・・・・・・・・・・・・・・・・・・・ 231
GARNISH, REAR DOOR REAR GUIDE BRACKET, LH ・・・・・・・・・・・・・・・・・・・・・・・・・・・・・・・・・・・・・・・・・ 250
GARNISH, REAR DOOR REAR GUIDE BRACKET, RH ・・・・・・・・・・・・・・・・・・・・・・・・・・・・・・・・・・・・・・・・・ 250
GARNISH, ROOF HEADLINING, FRONT LH ・・・・・・・・・・・・・・・・・・・・・・・・・・・・・・・・・・・・・・・・・・・・・・・・ 234
GARNISH, ROOF HEADLINING, FRONT RH ・・・・・・・・・・・・・・・・・・・・・・・・・・・・・・・・・・・・・・・・・・・・・・・・ 234
GARNISH, ROOF HEADLINING, REAR LH ・・・・・・・・・・・・・・・・・・・・・・・・・・・・・・・・・・・・・・・・・・・・・・・・・ 235
GARNISH, ROOF HEADLINING, REAR RH ・・・・・・・・・・・・・・・・・・・・・・・・・・・・・・・・・・・・・・・・・・・・・・・・・ 235
GARNISH, ROOF SIDE, INNER LH ・・・・・・・・・・・・・・・・・・・・・・・・・・・・・・・・・・・・・・・・・・・・・・・・・・・・・・ 232
GARNISH, ROOF SIDE, INNER RH ・・・・・・・・・・・・・・・・・・・・・・・・・・・・・・・・・・・・・・・・・・・・・・・・・・・・・・ 232
GASKET ・・・・・・・・・・・・・・・・・・・・・・・・・・・・・・・・・・・・・・・・・・・・・・・・・・・・・・・・・・・・・・・・・・・・・・・・・・・・ 64
GASKET (FOR REVERSE IDLER GEAR SHAFT) ・・・・・・・・・・・・・・・・・・・・・・・・・・・・・・・・・・・・・・・・・・・・・ 111
GASKET KIT, ENGINE OVERHAUL ・・・・・・・・・・・・・・・・・・・・・・・・・・・・・・・・・・・・・・・・・・・・・・・・・・・・・・・ 54
GASKET KIT, ENGINE VALVE GRIND ・・・・・・・・・・・・・・・・・・・・・・・・・・・・・・・・・・・・・・・・・・・・・・・・・・・・ 54
GASKET KIT, OVERHAUL ・・・・・・・・・・・・・・・・・・・・・・・・・・・・・・・・・・・・・・・・・・・・・・・・・・・・・・・・・・・・・・ 387
GASKET(FOR CLYINDER BLOCK) ・・・・・・・・・・・・・・・・・・・・・・・・・・・・・・・・・・・・・・・・・・・・・・・・・・・・・・・・ 62
GASKET(FOR FRONT FLEXIBLE HOSE) ・・・・・・・・・・・・・・・・・・・・・・・・・・・・・・・・・・・・・・・・・・・・・・・・・・・ 158
GASKET(FOR OIL FILLER CAP) ・・・・・・・・・・・・・・・・・・・・・・・・・・・・・・・・・・・・・・・・・・・・・・・・・・・・・・・・ 58
GASKET(FOR OIL PAN DRAIN PLUG) ・・・・・・・・・・・・・・・・・・・・・・・・・・・・・・・・・・・・・・・・・・・・・・・・・・・・ 61
GASKET, BRAKE BOOSTER ・・・・・・・・・・・・・・・・・・・・・・・・・・・・・・・・・・・・・・・・・・・・・・・・・・・・・・・・・・・・・ 149
GASKET, CAMSHAFT BEARING CAP OIL HOLE ・・・・・・・・・・・・・・・・・・・・・・・・・・・・・・・・・・・・・・・・・・・・・ 57
GASKET, CYLINDER HEAD ・・・・・・・・・・・・・・・・・・・・・・・・・・・・・・・・・・・・・・・・・・・・・・・・・・・・・・・・・・・・・ 57
GASKET, CYLINDER HEAD COVER ・・・・・・・・・・・・・・・・・・・・・・・・・・・・・・・・・・・・・・・・・・・・・・・・・・・・・・・ 58
GASKET, EXHAUST MANIFOLD TO HEAD ・・・・・・・・・・・・・・・・・・・・・・・・・・・・・・・・・・・・・・・・・・・・・・・・・・ 83
GASKET, EXHAUST PIPE ・・・・・・・・・・・・・・・・・・・・・・・・・・・・・・・・・・・・・・・・・・・・・・・・・・・・・・・・・・・・・・ 85
GASKET, EXHAUST PIPE, CENTER ・・・・・・・・・・・・・・・・・・・・・・・・・・・・・・・・・・・・・・・・・・・・・・・・・・・・・・ 85
GASKET, FUEL SUCTION TUBE SET ・・・・・・・・・・・・・・・・・・・・・・・・・・・・・・・・・・・・・・・・・・・・・・・・・・・・・ 305
GASKET, FUEL TANK CAP ・・・・・・・・・・・・・・・・・・・・・・・・・・・・・・・・・・・・・・・・・・・・・・・・・・・・・・・・・・・・・ 306
GASKET, HEADLAMP LENS ・・・・・・・・・・・・・・・・・・・・・・・・・・・・・・・・・・・・・・・・・・・・・・・・・・・・・・・・・・・・・ 309
GASKET, INTAKE MANIFOLD TO HEAD, NO.1 ・・・・・・・・・・・・・・・・・・・・・・・・・・・・・・・・・・・・・・・・・・・・・ 83
GASKET, OVERFLOW PLUG(CVT) ・・・・・・・・・・・・・・・・・・・・・・・・・・・・・・・・・・・・・・・・・・・・・・・・・・・・・・・・ 122
GASKET, THROTTLE BODY ・・・・・・・・・・・・・・・・・・・・・・・・・・・・・・・・・・・・・・・・・・・・・・・・・・・・・・・・・・・・・ 83
GASKET, TRANSAXLE CASE ・・・・・・・・・・・・・・・・・・・・・・・・・・・・・・・・・・・・・・・・・・・・・・・・・・・・・・・・・・・・ 122
GASKET, TRANSAXLE OIL PAN(CVT) ・・・・・・・・・・・・・・・・・・・・・・・・・・・・・・・・・・・・・・・・・・・・・・・・・・・・ 122
GASKET, TRANSMISSION CASE PLUG ・・・・・・・・・・・・・・・・・・・・・・・・・・・・・・・・・・・・・・・・・・・・・・・・・・・・ 105
GASKET, WATER INLET HOUSING, NO.2 ・・・・・・・・・・・・・・・・・・・・・・・・・・・・・・・・・・・・・・・・・・・・・・・・・ 79
GASKET, WATER PUMP ・・・・・・・・・・・・・・・・・・・・・・・・・・・・・・・・・・・・・・・・・・・・・・・・・・・・・・・・・・・・・・・・ 75
GEAR ASSY, CAMSHAFT TIMING ・・・・・・・・・・・・・・・・・・・・・・・・・・・・・・・・・・・・・・・・・・・・・・・・・・・・・・・・ 71
GEAR ASSY, CAMSHAFT TIMING EXHAUST ・・・・・・・・・・・・・・・・・・・・・・・・・・・・・・・・・・・・・・・・・・・・・・・・ 71
GEAR OR SPROCKET, CRANKSHAFT TIMING ・・・・・・・・・・・・・・・・・・・・・・・・・・・・・・・・・・・・・・・・・・・・・・・ 70
GEAR SUB-ASSY, DRIVE PLATE & RING ・・・・・・・・・・・・・・・・・・・・・・・・・・・・・・・・・・・・・・・・・・・・・・・・・ 125
GEAR SUB-ASSY, REVERSE IDLER ・・・・・・・・・・・・・・・・・・・・・・・・・・・・・・・・・・・・・・・・・・・・・・・・・・・・・・ 110
GEAR, 1ST ・・・・・・・・・・・・・・・・・・・・・・・・・・・・・・・・・・・・・・・・・・・・・・・・・・・・・・・・・・・・・・・・・・・・・・・・・ 109
GEAR, 2ND ・・・・・・・・・・・・・・・・・・・・・・・・・・・・・・・・・・・・・・・・・・・・・・・・・・・・・・・・・・・・・・・・・・・・・・・・・ 109
GEAR, 3RD ・・・・・・・・・・・・・・・・・・・・・・・・・・・・・・・・・・・・・・・・・・・・・・・・・・・・・・・・・・・・・・・・・・・・・・・・・ 109
GEAR, 3RD DRIVEN ・・・・・・・・・・・・・・・・・・・・・・・・・・・・・・・・・・・・・・・・・・・・・・・・・・・・・・・・・・・・・・・・・・ 110
GEAR, 4TH ・・・・・・・・・・・・・・・・・・・・・・・・・・・・・・・・・・・・・・・・・・・・・・・・・・・・・・・・・・・・・・・・・・・・・・・・・ 109
GEAR, 4TH DRIVEN ・・・・・・・・・・・・・・・・・・・・・・・・・・・・・・・・・・・・・・・・・・・・・・・・・・・・・・・・・・・・・・・・・・ 110
GARNISH, - GEAR,
PART NAME PAGE
GEAR, 5TH ・・・・・・・・・・・・・・・・・・・・・・・・・・・・・・・・・・・・・・・・・・・・・・・・・・・・・・・・・・・・・・・・・・・・・・・・・ 109
GEAR, 5TH DRIVEN ・・・・・・・・・・・・・・・・・・・・・・・・・・・・・・・・・・・・・・・・・・・・・・・・・・・・・・・・・・・・・・・・・・ 110
GEAR, FLYWHEEL RING ・・・・・・・・・・・・・・・・・・・・・・・・・・・・・・・・・・・・・・・・・・・・・・・・・・・・・・・・・・・・・・・ 70
GEAR, FRONT DIFFERENTIAL RING ・・・・・・・・・・・・・・・・・・・・・・・・・・・・・・・・・・・・・・・・・・・・・・・・・・・・・ 133
GLASS SUB-ASSY, FRONT DOOR, LH ・・・・・・・・・・・・・・・・・・・・・・・・・・・・・・・・・・・・・・・・・・・・・・・・・・・・ 242
GLASS SUB-ASSY, FRONT DOOR, RH ・・・・・・・・・・・・・・・・・・・・・・・・・・・・・・・・・・・・・・・・・・・・・・・・・・・・ 242
GLASS SUB-ASSY, REAR DOOR, LH ・・・・・・・・・・・・・・・・・・・・・・・・・・・・・・・・・・・・・・・・・・・・・・・・・・・・・ 251
GLASS SUB-ASSY, REAR DOOR, RH ・・・・・・・・・・・・・・・・・・・・・・・・・・・・・・・・・・・・・・・・・・・・・・・・・・・・・ 251
GLASS, BACK DOOR ・・・・・・・・・・・・・・・・・・・・・・・・・・・・・・・・・・・・・・・・・・・・・・・・・・・・・・・・・・・・・・・・・・ 258
GLASS, COMBINATION METER ・・・・・・・・・・・・・・・・・・・・・・・・・・・・・・・・・・・・・・・・・・・・・・・・・・・・・・・・・・ 328
GLASS, FRONT DOOR FIX WINDOW, LH ・・・・・・・・・・・・・・・・・・・・・・・・・・・・・・・・・・・・・・・・・・・・・・・・・・ 242
GLASS, FRONT DOOR FIX WINDOW, RH ・・・・・・・・・・・・・・・・・・・・・・・・・・・・・・・・・・・・・・・・・・・・・・・・・・ 242
GLASS, QUARTER WINDOW, LH ・・・・・・・・・・・・・・・・・・・・・・・・・・・・・・・・・・・・・・・・・・・・・・・・・・・・・・・・・ 226
GLASS, QUARTER WINDOW, RH ・・・・・・・・・・・・・・・・・・・・・・・・・・・・・・・・・・・・・・・・・・・・・・・・・・・・・・・・・ 226
GLASS, WINDSHIELD ・・・・・・・・・・・・・・・・・・・・・・・・・・・・・・・・・・・・・・・・・・・・・・・・・・・・・・・・・・・・・・・・・ 193
GLASS, WINDSHIELD ・・・・・・・・・・・・・・・・・・・・・・・・・・・・・・・・・・・・・・・・・・・・・・・・・・・・・・・・・・・・・・・・・ 194
GRILLE ASSY, AIR OUTLET ・・・・・・・・・・・・・・・・・・・・・・・・・・・・・・・・・・・・・・・・・・・・・・・・・・・・・・・・・・・ 235
GRILLE ASSY, AIR OUTLET ・・・・・・・・・・・・・・・・・・・・・・・・・・・・・・・・・・・・・・・・・・・・・・・・・・・・・・・・・・・ 376
GRILLE, AIR INLET NO.1 ・・・・・・・・・・・・・・・・・・・・・・・・・・・・・・・・・・・・・・・・・・・・・・・・・・・・・・・・・・・・ 385
GRILLE, AIR INLET NO.2 ・・・・・・・・・・・・・・・・・・・・・・・・・・・・・・・・・・・・・・・・・・・・・・・・・・・・・・・・・・・・ 385
GRILLE, AIR INLET NO.3 ・・・・・・・・・・・・・・・・・・・・・・・・・・・・・・・・・・・・・・・・・・・・・・・・・・・・・・・・・・・・ 385
GRILLE, AIR INLET NO.4 ・・・・・・・・・・・・・・・・・・・・・・・・・・・・・・・・・・・・・・・・・・・・・・・・・・・・・・・・・・・・ 385
GRILLE, AIR OUTLET ・・・・・・・・・・・・・・・・・・・・・・・・・・・・・・・・・・・・・・・・・・・・・・・・・・・・・・・・・・・・・・・・ 377
GRILLE, COOLER AIR OUTLET ・・・・・・・・・・・・・・・・・・・・・・・・・・・・・・・・・・・・・・・・・・・・・・・・・・・・・・・・・ 377
GRILLE, RADIATOR ・・・・・・・・・・・・・・・・・・・・・・・・・・・・・・・・・・・・・・・・・・・・・・・・・・・・・・・・・・・・・・・・・・ 175
GRILLE, ROOM VENT ・・・・・・・・・・・・・・・・・・・・・・・・・・・・・・・・・・・・・・・・・・・・・・・・・・・・・・・・・・・・・・・・・ 234
GRILLE, ROOM VENTILATION, LH ・・・・・・・・・・・・・・・・・・・・・・・・・・・・・・・・・・・・・・・・・・・・・・・・・・・・・・ 234
GRILLE, ROOM VENTILATION, RH ・・・・・・・・・・・・・・・・・・・・・・・・・・・・・・・・・・・・・・・・・・・・・・・・・・・・・・ 234
GRIP, ASSIST ・・・・・・・・・・・・・・・・・・・・・・・・・・・・・・・・・・・・・・・・・・・・・・・・・・・・・・・・・・・・・・・・・・・・・・ 291
GROMMET ・・・・・・・・・・・・・・・・・・・・・・・・・・・・・・・・・・・・・・・・・・・・・・・・・・・・・・・・・・・・・・・・・・・・・・・・・・・ 80
GROMMET ・・・・・・・・・・・・・・・・・・・・・・・・・・・・・・・・・・・・・・・・・・・・・・・・・・・・・・・・・・・・・・・・・・・・・・・・・・・ 87
GROMMET (FOR COOLER UNIT DRAIN HOSE) ・・・・・・・・・・・・・・・・・・・・・・・・・・・・・・・・・・・・・・・・・・・・・・ 376
GROMMET SUB-ASSY, WASHER ・・・・・・・・・・・・・・・・・・・・・・・・・・・・・・・・・・・・・・・・・・・・・・・・・・・・・・・・・・ 362
GROMMET(FOR AIR CLEANER BRACKET) ・・・・・・・・・・・・・・・・・・・・・・・・・・・・・・・・・・・・・・・・・・・・・・・・・・ 87
GROMMET(FOR HOOD SUPPORT ROD) ・・・・・・・・・・・・・・・・・・・・・・・・・・・・・・・・・・・・・・・・・・・・・・・・・・・・・ 181
GROMMET(FOR RADIATOR SUPPORT) ・・・・・・・・・・・・・・・・・・・・・・・・・・・・・・・・・・・・・・・・・・・・・・・・・・・・・ 80
GROMMET(FOR VENTILATION SYSTEM) ・・・・・・・・・・・・・・・・・・・・・・・・・・・・・・・・・・・・・・・・・・・・・・・・・・・ 68
GROMMET, COOLER ・・・・・・・・・・・・・・・・・・・・・・・・・・・・・・・・・・・・・・・・・・・・・・・・・・・・・・・・・・・・・・・・・・・ 386
GROMMET, MASTER CYLINDER RESERVOIR ・・・・・・・・・・・・・・・・・・・・・・・・・・・・・・・・・・・・・・・・・・・・・・・・ 148
GROMMET, REAR WASHER HOSE NO.1 ・・・・・・・・・・・・・・・・・・・・・・・・・・・・・・・・・・・・・・・・・・・・・・・・・・・・ 362
GUIDE SUB-ASSY, REAR DOOR WINDOW, FRONT LH ・・・・・・・・・・・・・・・・・・・・・・・・・・・・・・・・・・・・・・・・ 250
GUIDE SUB-ASSY, REAR DOOR WINDOW, FRONT RH ・・・・・・・・・・・・・・・・・・・・・・・・・・・・・・・・・・・・・・・・ 250
GUIDE, OIL LEVEL GAGE ・・・・・・・・・・・・・・・・・・・・・・・・・・・・・・・・・・・・・・・・・・・・・・・・・・・・・・・・・・・・・ 61
GUIDE, TIMING CHAIN ・・・・・・・・・・・・・・・・・・・・・・・・・・・・・・・・・・・・・・・・・・・・・・・・・・・・・・・・・・・・・・・ 71
GUSSET, FRONT PANEL, LH ・・・・・・・・・・・・・・・・・・・・・・・・・・・・・・・・・・・・・・・・・・・・・・・・・・・・・・・・・・・ 222
GUSSET, FRONT PANEL, RH ・・・・・・・・・・・・・・・・・・・・・・・・・・・・・・・・・・・・・・・・・・・・・・・・・・・・・・・・・・・ 222
GUSSET, HOOD REINFORCEMENT, LH ・・・・・・・・・・・・・・・・・・・・・・・・・・・・・・・・・・・・・・・・・・・・・・・・・・・・ 222
GUSSET, HOOD REINFORCEMENT, RH ・・・・・・・・・・・・・・・・・・・・・・・・・・・・・・・・・・・・・・・・・・・・・・・・・・・・ 222
GUSSET, QUARTER WHEEL HOUSE, REAR LH ・・・・・・・・・・・・・・・・・・・・・・・・・・・・・・・・・・・・・・・・・・・・・・ 224
GUSSET, QUARTER WHEEL HOUSE, REAR RH ・・・・・・・・・・・・・・・・・・・・・・・・・・・・・・・・・・・・・・・・・・・・・・ 224
GEAR, - GUSSET,
24
PART NAME PAGE
HANDLE ASSY, FRONT DOOR OUTSIDE, LH ・・・・・・・・・・・・・・・・・・・・・・・・・・・・・・・・・・・・・・・・・・・・・・・ 245
HANDLE ASSY, FRONT DOOR, OUTSIDE RH ・・・・・・・・・・・・・・・・・・・・・・・・・・・・・・・・・・・・・・・・・・・・・・・ 245
HANDLE ASSY, REAR DOOR OUTSIDE, LH ・・・・・・・・・・・・・・・・・・・・・・・・・・・・・・・・・・・・・・・・・・・・・・・・ 253
HANDLE ASSY, REAR DOOR OUTSIDE, RH ・・・・・・・・・・・・・・・・・・・・・・・・・・・・・・・・・・・・・・・・・・・・・・・・ 253
HANDLE SUB-ASSY, FRONT DOOR INSIDE, LH ・・・・・・・・・・・・・・・・・・・・・・・・・・・・・・・・・・・・・・・・・・・・ 245
HANDLE SUB-ASSY, FRONT DOOR INSIDE, RH ・・・・・・・・・・・・・・・・・・・・・・・・・・・・・・・・・・・・・・・・・・・・ 245
HANDLE SUB-ASSY, REAR DOOR INSIDE, LH ・・・・・・・・・・・・・・・・・・・・・・・・・・・・・・・・・・・・・・・・・・・・・ 253
HANDLE SUB-ASSY, REAR DOOR INSIDE, RH ・・・・・・・・・・・・・・・・・・・・・・・・・・・・・・・・・・・・・・・・・・・・・ 253
HANDLE, DOOR PULL ・・・・・・・・・・・・・・・・・・・・・・・・・・・・・・・・・・・・・・・・・・・・・・・・・・・・・・・・・・・・・・・・・ 258
HANDLE, REAR SEAT LOCK ・・・・・・・・・・・・・・・・・・・・・・・・・・・・・・・・・・・・・・・・・・・・・・・・・・・・・・・・・・・・ 281
HANDLE, REAR SEAT LOCK, LH ・・・・・・・・・・・・・・・・・・・・・・・・・・・・・・・・・・・・・・・・・・・・・・・・・・・・・・・・ 281
HANDLE, RECLINING ADJUSTER RELEASE, LH ・・・・・・・・・・・・・・・・・・・・・・・・・・・・・・・・・・・・・・・・・・・・ 280
HANDLE, RECLINING ADJUSTER RELEASE, LH ・・・・・・・・・・・・・・・・・・・・・・・・・・・・・・・・・・・・・・・・・・・・ 281
HANDLE, RECLINING ADJUSTER RELEASE, RH ・・・・・・・・・・・・・・・・・・・・・・・・・・・・・・・・・・・・・・・・・・・・ 280
HANDLE, RECLINING ADJUSTER RELEASE, RH ・・・・・・・・・・・・・・・・・・・・・・・・・・・・・・・・・・・・・・・・・・・・ 280
HANDLE, SEAT TRACK ADJUSTING ・・・・・・・・・・・・・・・・・・・・・・・・・・・・・・・・・・・・・・・・・・・・・・・・・・・・・・ 280
HANDLE, SEAT TRACK ADJUSTING ・・・・・・・・・・・・・・・・・・・・・・・・・・・・・・・・・・・・・・・・・・・・・・・・・・・・・・ 280
HANDLE, SEAT TRACK ADJUSTING ・・・・・・・・・・・・・・・・・・・・・・・・・・・・・・・・・・・・・・・・・・・・・・・・・・・・・・ 280
HANDLE, SEAT TRACK ADJUSTING ・・・・・・・・・・・・・・・・・・・・・・・・・・・・・・・・・・・・・・・・・・・・・・・・・・・・・・ 280
HANGER, ENGINE, NO.1 ・・・・・・・・・・・・・・・・・・・・・・・・・・・・・・・・・・・・・・・・・・・・・・・・・・・・・・・・・・・・・・ 58
HANGER, ENGINE, NO.2 ・・・・・・・・・・・・・・・・・・・・・・・・・・・・・・・・・・・・・・・・・・・・・・・・・・・・・・・・・・・・・・ 58
HARNESS SUB-ASSY, AIR CONDITIONER WIRING ・・・・・・・・・・・・・・・・・・・・・・・・・・・・・・・・・・・・・・・・・・ 388
HARNESS SUB-ASSY, WIRING AIR CONDITIONER ・・・・・・・・・・・・・・・・・・・・・・・・・・・・・・・・・・・・・・・・・・ 377
HEAD SUB-ASSY, CYLINDER ・・・・・・・・・・・・・・・・・・・・・・・・・・・・・・・・・・・・・・・・・・・・・・・・・・・・・・・・・・・ 57
HEAD, GEAR SHIFT, NO.1 ・・・・・・・・・・・・・・・・・・・・・・・・・・・・・・・・・・・・・・・・・・・・・・・・・・・・・・・・・・・・ 113
HEAD, REVERSE SHIFT ・・・・・・・・・・・・・・・・・・・・・・・・・・・・・・・・・・・・・・・・・・・・・・・・・・・・・・・・・・・・・・・ 113
HEADLAMP ASSY, LH ・・・・・・・・・・・・・・・・・・・・・・・・・・・・・・・・・・・・・・・・・・・・・・・・・・・・・・・・・・・・・・・・・ 309
HEADLAMP ASSY, RH ・・・・・・・・・・・・・・・・・・・・・・・・・・・・・・・・・・・・・・・・・・・・・・・・・・・・・・・・・・・・・・・・・ 309
HEADLINING ASSY, ROOF ・・・・・・・・・・・・・・・・・・・・・・・・・・・・・・・・・・・・・・・・・・・・・・・・・・・・・・・・・・・・・ 234
HEADREST ASSY, FRONT SEAT ・・・・・・・・・・・・・・・・・・・・・・・・・・・・・・・・・・・・・・・・・・・・・・・・・・・・・・・・・ 278
HEADREST ASSY, FRONT SEAT ・・・・・・・・・・・・・・・・・・・・・・・・・・・・・・・・・・・・・・・・・・・・・・・・・・・・・・・・・ 278
HEADREST ASSY, REAR NO.2 SEAT, LH ・・・・・・・・・・・・・・・・・・・・・・・・・・・・・・・・・・・・・・・・・・・・・・・・・ 278
HEADREST ASSY, REAR NO.2 SEAT, RH ・・・・・・・・・・・・・・・・・・・・・・・・・・・・・・・・・・・・・・・・・・・・・・・・・ 278
HEADREST ASSY, REAR SEAT ・・・・・・・・・・・・・・・・・・・・・・・・・・・・・・・・・・・・・・・・・・・・・・・・・・・・・・・・・・ 278
HEADREST ASSY, REAR SEAT, LH ・・・・・・・・・・・・・・・・・・・・・・・・・・・・・・・・・・・・・・・・・・・・・・・・・・・・・・ 278
HEADREST ASSY, REAR SEAT, RH ・・・・・・・・・・・・・・・・・・・・・・・・・・・・・・・・・・・・・・・・・・・・・・・・・・・・・・ 278
HINGE ASSY, FRONT DOOR, LOWER LH ・・・・・・・・・・・・・・・・・・・・・・・・・・・・・・・・・・・・・・・・・・・・・・・・・・ 247
HINGE ASSY, FRONT DOOR, LOWER RH ・・・・・・・・・・・・・・・・・・・・・・・・・・・・・・・・・・・・・・・・・・・・・・・・・・ 247
HINGE ASSY, FRONT DOOR, UPPER LH ・・・・・・・・・・・・・・・・・・・・・・・・・・・・・・・・・・・・・・・・・・・・・・・・・・ 247
HINGE ASSY, FRONT DOOR, UPPER RH ・・・・・・・・・・・・・・・・・・・・・・・・・・・・・・・・・・・・・・・・・・・・・・・・・・ 247
HINGE ASSY, HOOD, LH ・・・・・・・・・・・・・・・・・・・・・・・・・・・・・・・・・・・・・・・・・・・・・・・・・・・・・・・・・・・・・・ 181
HINGE ASSY, HOOD, RH ・・・・・・・・・・・・・・・・・・・・・・・・・・・・・・・・・・・・・・・・・・・・・・・・・・・・・・・・・・・・・・ 181
HINGE ASSY, REAR DOOR, LOWER LH ・・・・・・・・・・・・・・・・・・・・・・・・・・・・・・・・・・・・・・・・・・・・・・・・・・・ 255
HINGE ASSY, REAR DOOR, LOWER RH ・・・・・・・・・・・・・・・・・・・・・・・・・・・・・・・・・・・・・・・・・・・・・・・・・・・ 255
HINGE ASSY, REAR DOOR, UPPER LH ・・・・・・・・・・・・・・・・・・・・・・・・・・・・・・・・・・・・・・・・・・・・・・・・・・・ 255
HINGE ASSY, REAR DOOR, UPPER RH ・・・・・・・・・・・・・・・・・・・・・・・・・・・・・・・・・・・・・・・・・・・・・・・・・・・ 255
HINGE SUB-ASSY, BACK DOOR, LH ・・・・・・・・・・・・・・・・・・・・・・・・・・・・・・・・・・・・・・・・・・・・・・・・・・・・・ 260
HINGE SUB-ASSY, BACK DOOR, RH ・・・・・・・・・・・・・・・・・・・・・・・・・・・・・・・・・・・・・・・・・・・・・・・・・・・・・ 260
HINGE SUB-ASSY, FUEL INLET BOX COVER ・・・・・・・・・・・・・・・・・・・・・・・・・・・・・・・・・・・・・・・・・・・・・・ 306
HINGE SUB-ASSY, REAR NO.2 SEAT, LH ・・・・・・・・・・・・・・・・・・・・・・・・・・・・・・・・・・・・・・・・・・・・・・・・ 273
HANDLE - HINGE
PART NAME PAGE
HINGE SUB-ASSY, REAR NO.2 SEAT, RH ・・・・・・・・・・・・・・・・・・・・・・・・・・・・・・・・・・・・・・・・・・・・・・・・ 273
HOLDER ASSY, ALTERNATOR BRUSH ・・・・・・・・・・・・・・・・・・・・・・・・・・・・・・・・・・・・・・・・・・・・・・・・・・・・・ 92
HOLDER ASSY, STARTER BRUSH ・・・・・・・・・・・・・・・・・・・・・・・・・・・・・・・・・・・・・・・・・・・・・・・・・・・・・・・・ 94
HOLDER, CARD ・・・・・・・・・・・・・・・・・・・・・・・・・・・・・・・・・・・・・・・・・・・・・・・・・・・・・・・・・・・・・・・・・・・・・・ 192
HOLDER, CONNECTOR NO.2 ・・・・・・・・・・・・・・・・・・・・・・・・・・・・・・・・・・・・・・・・・・・・・・・・・・・・・・・・・・・・ 326
HOLDER, CONNECTOR NO.3 ・・・・・・・・・・・・・・・・・・・・・・・・・・・・・・・・・・・・・・・・・・・・・・・・・・・・・・・・・・・・ 326
HOLDER, CONNECTOR NO.4 ・・・・・・・・・・・・・・・・・・・・・・・・・・・・・・・・・・・・・・・・・・・・・・・・・・・・・・・・・・・・ 326
HOLDER, INSTRUMENT PANEL CUP ・・・・・・・・・・・・・・・・・・・・・・・・・・・・・・・・・・・・・・・・・・・・・・・・・・・・・・ 191
HOLDER, INSTRUMENT PANEL CUP, NO.2 ・・・・・・・・・・・・・・・・・・・・・・・・・・・・・・・・・・・・・・・・・・・・・・・・ 191
HOLDER, LOCK BALL ・・・・・・・・・・・・・・・・・・・・・・・・・・・・・・・・・・・・・・・・・・・・・・・・・・・・・・・・・・・・・・・・・ 114
HOLDER, VISOR ・・・・・・・・・・・・・・・・・・・・・・・・・・・・・・・・・・・・・・・・・・・・・・・・・・・・・・・・・・・・・・・・・・・・・ 291
HOOD SUB-ASSY ・・・・・・・・・・・・・・・・・・・・・・・・・・・・・・・・・・・・・・・・・・・・・・・・・・・・・・・・・・・・・・・・・・・・・ 179
HOOK ASSY, FRONT ・・・・・・・・・・・・・・・・・・・・・・・・・・・・・・・・・・・・・・・・・・・・・・・・・・・・・・・・・・・・・・・・・・ 50
HOOK, FLOOR CARPET, NO.2 ・・・・・・・・・・・・・・・・・・・・・・・・・・・・・・・・・・・・・・・・・・・・・・・・・・・・・・・・・・ 207
HORN ASSY, HIGH PITCHED ・・・・・・・・・・・・・・・・・・・・・・・・・・・・・・・・・・・・・・・・・・・・・・・・・・・・・・・・・・・ 368
HORN ASSY, LOW PITCHED ・・・・・・・・・・・・・・・・・・・・・・・・・・・・・・・・・・・・・・・・・・・・・・・・・・・・・・・・・・・・ 368
HORN ASSY, SECURITY ・・・・・・・・・・・・・・・・・・・・・・・・・・・・・・・・・・・・・・・・・・・・・・・・・・・・・・・・・・・・・・・ 368
HOSE ASSY, REAR WASHER, NO.1 ・・・・・・・・・・・・・・・・・・・・・・・・・・・・・・・・・・・・・・・・・・・・・・・・・・・・・・ 362
HOSE ASSY, VACUUM ・・・・・・・・・・・・・・・・・・・・・・・・・・・・・・・・・・・・・・・・・・・・・・・・・・・・・・・・・・・・・・・・・ 149
HOSE ASSY, WINDSHIELD WASHER ・・・・・・・・・・・・・・・・・・・・・・・・・・・・・・・・・・・・・・・・・・・・・・・・・・・・・・ 360
HOSE OR PIPE(FOR RADIATOR RESERVE TANK) ・・・・・・・・・・・・・・・・・・・・・・・・・・・・・・・・・・・・・・・・・・・ 79
HOSE SUB-ASSY, VACUUM ・・・・・・・・・・・・・・・・・・・・・・・・・・・・・・・・・・・・・・・・・・・・・・・・・・・・・・・・・・・・・ 89
HOSE(FOR RADIATOR RESERVE TANK) ・・・・・・・・・・・・・・・・・・・・・・・・・・・・・・・・・・・・・・・・・・・・・・・・・・・ 80
HOSE, AIR CLEANER, NO.1 ・・・・・・・・・・・・・・・・・・・・・・・・・・・・・・・・・・・・・・・・・・・・・・・・・・・・・・・・・・・ 87
HOSE, AIR CLEANER, NO.2 ・・・・・・・・・・・・・・・・・・・・・・・・・・・・・・・・・・・・・・・・・・・・・・・・・・・・・・・・・・・ 87
HOSE, AIR CLEANER, NO.3 ・・・・・・・・・・・・・・・・・・・・・・・・・・・・・・・・・・・・・・・・・・・・・・・・・・・・・・・・・・・ 87
HOSE, CLUTCH ・・・・・・・・・・・・・・・・・・・・・・・・・・・・・・・・・・・・・・・・・・・・・・・・・・・・・・・・・・・・・・・・・・・・・・ 99
HOSE, CLUTCH, NO.1 ・・・・・・・・・・・・・・・・・・・・・・・・・・・・・・・・・・・・・・・・・・・・・・・・・・・・・・・・・・・・・・・・ 99
HOSE, COOLER REFRIGERANT DISCHARGE, NO.1 ・・・・・・・・・・・・・・・・・・・・・・・・・・・・・・・・・・・・・・・・・・ 385
HOSE, COOLER REFRIGERANT SUCTION, NO.1 ・・・・・・・・・・・・・・・・・・・・・・・・・・・・・・・・・・・・・・・・・・・・ 385
HOSE, COOLER UNIT DRAIN, NO.1 ・・・・・・・・・・・・・・・・・・・・・・・・・・・・・・・・・・・・・・・・・・・・・・・・・・・・・ 376
HOSE, DRAIN COOLER ・・・・・・・・・・・・・・・・・・・・・・・・・・・・・・・・・・・・・・・・・・・・・・・・・・・・・・・・・・・・・・・・ 376
HOSE, FLEXIBLE(FOR REAR LH) ・・・・・・・・・・・・・・・・・・・・・・・・・・・・・・・・・・・・・・・・・・・・・・・・・・・・・・・ 158
HOSE, FLEXIBLE(FOR REAR RH) ・・・・・・・・・・・・・・・・・・・・・・・・・・・・・・・・・・・・・・・・・・・・・・・・・・・・・・・ 158
HOSE, FLEXIBLE, NO.1(FOR FRONT) ・・・・・・・・・・・・・・・・・・・・・・・・・・・・・・・・・・・・・・・・・・・・・・・・・・・ 158
HOSE, FLEXIBLE, NO.2(FOR FRONT) ・・・・・・・・・・・・・・・・・・・・・・・・・・・・・・・・・・・・・・・・・・・・・・・・・・・ 158
HOSE, FUEL ・・・・・・・・・・・・・・・・・・・・・・・・・・・・・・・・・・・・・・・・・・・・・・・・・・・・・・・・・・・・・・・・・・・・・・・・ 305
HOSE, FUEL ・・・・・・・・・・・・・・・・・・・・・・・・・・・・・・・・・・・・・・・・・・・・・・・・・・・・・・・・・・・・・・・・・・・・・・・・ 306
HOSE, FUEL EMISSION ・・・・・・・・・・・・・・・・・・・・・・・・・・・・・・・・・・・・・・・・・・・・・・・・・・・・・・・・・・・・・・・ 305
HOSE, FUEL TANK BREATHER ・・・・・・・・・・・・・・・・・・・・・・・・・・・・・・・・・・・・・・・・・・・・・・・・・・・・・・・・・・ 306
HOSE, FUEL TANK TO FILLER PIPE ・・・・・・・・・・・・・・・・・・・・・・・・・・・・・・・・・・・・・・・・・・・・・・・・・・・・ 305
HOSE, FUEL VAPOR FEED, NO.2 ・・・・・・・・・・・・・・・・・・・・・・・・・・・・・・・・・・・・・・・・・・・・・・・・・・・・・・・ 89
HOSE, RADIATOR, NO.1 ・・・・・・・・・・・・・・・・・・・・・・・・・・・・・・・・・・・・・・・・・・・・・・・・・・・・・・・・・・・・・・ 80
HOSE, RADIATOR, NO.2 ・・・・・・・・・・・・・・・・・・・・・・・・・・・・・・・・・・・・・・・・・・・・・・・・・・・・・・・・・・・・・・ 80
HOSE, REAR WASHER (FROM JOINT TO JOINT) ・・・・・・・・・・・・・・・・・・・・・・・・・・・・・・・・・・・・・・・・・・・ 362
HOSE, REAR WASHER (FROM JOINT TO JOINT), NO.1 ・・・・・・・・・・・・・・・・・・・・・・・・・・・・・・・・・・・・・ 362
HOSE, REAR WASHER (FROM JOINT TO JOINT), NO.2 ・・・・・・・・・・・・・・・・・・・・・・・・・・・・・・・・・・・・・ 362
HOSE, REAR WASHER (FROM JOINT TO JOINT), NO.3 ・・・・・・・・・・・・・・・・・・・・・・・・・・・・・・・・・・・・・ 362
HOSE, REAR WASHER (FROM JOINT TO JOINT), NO.4 ・・・・・・・・・・・・・・・・・・・・・・・・・・・・・・・・・・・・・ 362
HOSE, REAR WASHER (FROM JOINT TO JOINT), NO.5 ・・・・・・・・・・・・・・・・・・・・・・・・・・・・・・・・・・・・・ 362
HINGE - HOSE,
25
PART NAME PAGE
HOSE, REAR WASHER (FROM JOINT TO JOINT), NO.6 ・・・・・・・・・・・・・・・・・・・・・・・・・・・・・・・・・・・・・ 362
HOSE, REAR WASHER (FROM JOINT TO NOZZLE) ・・・・・・・・・・・・・・・・・・・・・・・・・・・・・・・・・・・・・・・・・・ 362
HOSE, REAR WASHER (FROM MOTOR TO JOINT) ・・・・・・・・・・・・・・・・・・・・・・・・・・・・・・・・・・・・・・・・・・・ 362
HOSE, VENTILATION ・・・・・・・・・・・・・・・・・・・・・・・・・・・・・・・・・・・・・・・・・・・・・・・・・・・・・・・・・・・・・・・・・ 68
HOSE, VENTILATION, NO.2 ・・・・・・・・・・・・・・・・・・・・・・・・・・・・・・・・・・・・・・・・・・・・・・・・・・・・・・・・・・・ 68
HOSE, WASHER ・・・・・・・・・・・・・・・・・・・・・・・・・・・・・・・・・・・・・・・・・・・・・・・・・・・・・・・・・・・・・・・・・・・・・・ 359
HOSE, WATER BY-PASS, NO.1 ・・・・・・・・・・・・・・・・・・・・・・・・・・・・・・・・・・・・・・・・・・・・・・・・・・・・・・・・・ 79
HOSE, WATER BY-PASS, NO.1 ・・・・・・・・・・・・・・・・・・・・・・・・・・・・・・・・・・・・・・・・・・・・・・・・・・・・・・・・・ 79
HOSE, WATER BY-PASS, NO.2 ・・・・・・・・・・・・・・・・・・・・・・・・・・・・・・・・・・・・・・・・・・・・・・・・・・・・・・・・・ 79
HOSE, WATER BY-PASS, NO.4 ・・・・・・・・・・・・・・・・・・・・・・・・・・・・・・・・・・・・・・・・・・・・・・・・・・・・・・・・・ 79
HOSE, WINDSHIELD WASHER (FROM JOINT TO JOINT) ・・・・・・・・・・・・・・・・・・・・・・・・・・・・・・・・・・・・・ 360
HOSE, WINDSHIELD WASHER (FROM JOINT TO JOINT), NO.1 ・・・・・・・・・・・・・・・・・・・・・・・・・・・・・・・ 360
HOSE, WINDSHIELD WASHER (FROM JOINT TO NOZZLE) ・・・・・・・・・・・・・・・・・・・・・・・・・・・・・・・・・・・・ 360
HOSE, WINDSHIELD WASHER (FROM JOINT TO NOZZLE), NO.2 ・・・・・・・・・・・・・・・・・・・・・・・・・・・・・・ 360
HOUSING ASSY, STARTER DRIVE ・・・・・・・・・・・・・・・・・・・・・・・・・・・・・・・・・・・・・・・・・・・・・・・・・・・・・・・ 94
HOUSING SUB-ASSY, CAMSHAFT ・・・・・・・・・・・・・・・・・・・・・・・・・・・・・・・・・・・・・・・・・・・・・・・・・・・・・・・・ 57
HOUSING SUB-ASSY, STEERING RACK ・・・・・・・・・・・・・・・・・・・・・・・・・・・・・・・・・・・・・・・・・・・・・・・・・・・ 144
HOUSING, CLUTCH ・・・・・・・・・・・・・・・・・・・・・・・・・・・・・・・・・・・・・・・・・・・・・・・・・・・・・・・・・・・・・・・・・・・ 105
HOUSING, STEERING COLUMN ・・・・・・・・・・・・・・・・・・・・・・・・・・・・・・・・・・・・・・・・・・・・・・・・・・・・・・・・・・ 140
HUB & BEARING ASSY, REAR AXLE, LH ・・・・・・・・・・・・・・・・・・・・・・・・・・・・・・・・・・・・・・・・・・・・・・・・・ 129
HUB & BEARING ASSY, REAR AXLE, RH ・・・・・・・・・・・・・・・・・・・・・・・・・・・・・・・・・・・・・・・・・・・・・・・・・ 129
HUB ASSY, SYNCHRONIZER, NO.1 ・・・・・・・・・・・・・・・・・・・・・・・・・・・・・・・・・・・・・・・・・・・・・・・・・・・・・・ 109
HUB ASSY, SYNCHRONIZER, NO.1 ・・・・・・・・・・・・・・・・・・・・・・・・・・・・・・・・・・・・・・・・・・・・・・・・・・・・・・ 110
HUB ASSY, SYNCHRONIZER, NO.2 ・・・・・・・・・・・・・・・・・・・・・・・・・・・・・・・・・・・・・・・・・・・・・・・・・・・・・・ 110
HUB ASSY, SYNCHRONIZER, NO.3 ・・・・・・・・・・・・・・・・・・・・・・・・・・・・・・・・・・・・・・・・・・・・・・・・・・・・・・ 110
HUB SUB-ASSY, FRONT AXLE, LH ・・・・・・・・・・・・・・・・・・・・・・・・・・・・・・・・・・・・・・・・・・・・・・・・・・・・・・ 138
HUB SUB-ASSY, FRONT AXLE, RH ・・・・・・・・・・・・・・・・・・・・・・・・・・・・・・・・・・・・・・・・・・・・・・・・・・・・・・ 138
HUB SUB-ASSY, MAGNET CLUTCH ・・・・・・・・・・・・・・・・・・・・・・・・・・・・・・・・・・・・・・・・・・・・・・・・・・・・・・・ 387
INJECTOR ASSY, FUEL ・・・・・・・・・・・・・・・・・・・・・・・・・・・・・・・・・・・・・・・・・・・・・・・・・・・・・・・・・・・・・・・ 96
INLET SUB-ASSY, WASHER ・・・・・・・・・・・・・・・・・・・・・・・・・・・・・・・・・・・・・・・・・・・・・・・・・・・・・・・・・・・・ 359
INLET, AIR CLEANER, NO.1 ・・・・・・・・・・・・・・・・・・・・・・・・・・・・・・・・・・・・・・・・・・・・・・・・・・・・・・・・・・ 87
INLET, AIR CLEANER, NO.2 ・・・・・・・・・・・・・・・・・・・・・・・・・・・・・・・・・・・・・・・・・・・・・・・・・・・・・・・・・・ 87
INSERT, CONSOLE BOX, FRONT NO.2 ・・・・・・・・・・・・・・・・・・・・・・・・・・・・・・・・・・・・・・・・・・・・・・・・・・・ 211
INSULATOR ASSY, DASH PANEL ・・・・・・・・・・・・・・・・・・・・・・・・・・・・・・・・・・・・・・・・・・・・・・・・・・・・・・・・ 183
INSULATOR SUB-ASSY, ENGINE MOUNTING, LH ・・・・・・・・・・・・・・・・・・・・・・・・・・・・・・・・・・・・・・・・・・・ 67
INSULATOR SUB-ASSY, ENGINE MOUNTING, RH ・・・・・・・・・・・・・・・・・・・・・・・・・・・・・・・・・・・・・・・・・・・ 67
INSULATOR, COOLER REFRIGERANT HOSE, NO.1 ・・・・・・・・・・・・・・・・・・・・・・・・・・・・・・・・・・・・・・・・・・ 385
INSULATOR, DASH PANEL, OUTER ・・・・・・・・・・・・・・・・・・・・・・・・・・・・・・・・・・・・・・・・・・・・・・・・・・・・・・ 184
INSULATOR, EXHAUST MANIFOLD HEAT, NO.1 ・・・・・・・・・・・・・・・・・・・・・・・・・・・・・・・・・・・・・・・・・・・・ 83
INSULATOR, EXHAUST MANIFOLD HEAT, NO.2 ・・・・・・・・・・・・・・・・・・・・・・・・・・・・・・・・・・・・・・・・・・・・ 83
INSULATOR, FRONT COIL SPRING, UPPER LH ・・・・・・・・・・・・・・・・・・・・・・・・・・・・・・・・・・・・・・・・・・・・ 164
INSULATOR, FRONT COIL SPRING, UPPER RH ・・・・・・・・・・・・・・・・・・・・・・・・・・・・・・・・・・・・・・・・・・・・ 164
INSULATOR, FRONT FLOOR HEAT, NO.1 ・・・・・・・・・・・・・・・・・・・・・・・・・・・・・・・・・・・・・・・・・・・・・・・・・ 206
INSULATOR, HOOD ・・・・・・・・・・・・・・・・・・・・・・・・・・・・・・・・・・・・・・・・・・・・・・・・・・・・・・・・・・・・・・・・・・・ 179
INSULATOR, INJECTOR VIBRATION ・・・・・・・・・・・・・・・・・・・・・・・・・・・・・・・・・・・・・・・・・・・・・・・・・・・・・ 96
JACK ASSY ・・・・・・・・・・・・・・・・・・・・・・・・・・・・・・・・・・・・・・・・・・・・・・・・・・・・・・・・・・・・・・・・・・・・・・・・・ 50
JAR & PUMP ASSY, WASHER ・・・・・・・・・・・・・・・・・・・・・・・・・・・・・・・・・・・・・・・・・・・・・・・・・・・・・・・・・・・ 359
JAR ASSY, WINDSHIELD WASHER ・・・・・・・・・・・・・・・・・・・・・・・・・・・・・・・・・・・・・・・・・・・・・・・・・・・・・・・ 359
JAR, WASHER, C ・・・・・・・・・・・・・・・・・・・・・・・・・・・・・・・・・・・・・・・・・・・・・・・・・・・・・・・・・・・・・・・・・・・・ 360
JOINT SET, FRONT AXLE INBOARD, LH ・・・・・・・・・・・・・・・・・・・・・・・・・・・・・・・・・・・・・・・・・・・・・・・・・ 136
HOSE, - JOINT
PART NAME PAGE
JOINT SET, FRONT AXLE INBOARD, RH ・・・・・・・・・・・・・・・・・・・・・・・・・・・・・・・・・・・・・・・・・・・・・・・・・ 136
JOINT, REAR WASHER ELBOW, NO.2 ・・・・・・・・・・・・・・・・・・・・・・・・・・・・・・・・・・・・・・・・・・・・・・・・・・・・ 362
JOINT, REAR WASHER ELBOW, NO.3 ・・・・・・・・・・・・・・・・・・・・・・・・・・・・・・・・・・・・・・・・・・・・・・・・・・・・ 362
JOINT, REAR WASHER HOSE, NO.1 ・・・・・・・・・・・・・・・・・・・・・・・・・・・・・・・・・・・・・・・・・・・・・・・・・・・・・ 362
JOINT, REAR WASHER HOSE, NO.1 ・・・・・・・・・・・・・・・・・・・・・・・・・・・・・・・・・・・・・・・・・・・・・・・・・・・・・ 362
JOINT, REAR WASHER HOSE, NO.2 ・・・・・・・・・・・・・・・・・・・・・・・・・・・・・・・・・・・・・・・・・・・・・・・・・・・・・ 362
JOINT, REAR WASHER HOSE, NO.4 ・・・・・・・・・・・・・・・・・・・・・・・・・・・・・・・・・・・・・・・・・・・・・・・・・・・・・ 362
JOINT, WINDSHIELD WASHER ELBOW, NO.1 ・・・・・・・・・・・・・・・・・・・・・・・・・・・・・・・・・・・・・・・・・・・・・・ 360
JOINT, WINDSHIELD WASHER ELBOW, NO.2 ・・・・・・・・・・・・・・・・・・・・・・・・・・・・・・・・・・・・・・・・・・・・・・ 360
JOINT, WINDSHIELD WASHER HOSE, NO.1 ・・・・・・・・・・・・・・・・・・・・・・・・・・・・・・・・・・・・・・・・・・・・・・・ 360
KEY(FOR CRANKSHAFT TIMING GEAR) ・・・・・・・・・・・・・・・・・・・・・・・・・・・・・・・・・・・・・・・・・・・・・・・・・・・ 70
KEY, SUB ・・・・・・・・・・・・・・・・・・・・・・・・・・・・・・・・・・・・・・・・・・・・・・・・・・・・・・・・・・・・・・・・・・・・・・・・・・ 262
KEY, SYNCHROMESH SHIFTING, NO.1 ・・・・・・・・・・・・・・・・・・・・・・・・・・・・・・・・・・・・・・・・・・・・・・・・・・・ 110
KEY, SYNCHROMESH SHIFTING, NO.3 ・・・・・・・・・・・・・・・・・・・・・・・・・・・・・・・・・・・・・・・・・・・・・・・・・・・ 110
KNOB SUB-ASSY, SHIFT LEVER ・・・・・・・・・・・・・・・・・・・・・・・・・・・・・・・・・・・・・・・・・・・・・・・・・・・・・・・・ 116
KNOB, COOLER CONTROL ・・・・・・・・・・・・・・・・・・・・・・・・・・・・・・・・・・・・・・・・・・・・・・・・・・・・・・・・・・・・・・ 381
KNOB, COOLER CONTROL SWITCH ・・・・・・・・・・・・・・・・・・・・・・・・・・・・・・・・・・・・・・・・・・・・・・・・・・・・・・・ 377
KNOB, SEAT TRACK ADJUSTING HANDLE ・・・・・・・・・・・・・・・・・・・・・・・・・・・・・・・・・・・・・・・・・・・・・・・・・ 280
KNUCKLE, STEERING, LH ・・・・・・・・・・・・・・・・・・・・・・・・・・・・・・・・・・・・・・・・・・・・・・・・・・・・・・・・・・・・・ 161
KNUCKLE, STEERING, RH ・・・・・・・・・・・・・・・・・・・・・・・・・・・・・・・・・・・・・・・・・・・・・・・・・・・・・・・・・・・・・ 161
LABEL, CAUTION ・・・・・・・・・・・・・・・・・・・・・・・・・・・・・・・・・・・・・・・・・・・・・・・・・・・・・・・・・・・・・・・・・・・・ 295
LABEL, COOLING FAN CAUTION ・・・・・・・・・・・・・・・・・・・・・・・・・・・・・・・・・・・・・・・・・・・・・・・・・・・・・・・・ 295
LABEL, SAFETY CAUTION ・・・・・・・・・・・・・・・・・・・・・・・・・・・・・・・・・・・・・・・・・・・・・・・・・・・・・・・・・・・・・ 295
LABEL, TIRE PRESSURE INFORMATION ・・・・・・・・・・・・・・・・・・・・・・・・・・・・・・・・・・・・・・・・・・・・・・・・・・ 295
LAMP ASSY, CENTER STOP ・・・・・・・・・・・・・・・・・・・・・・・・・・・・・・・・・・・・・・・・・・・・・・・・・・・・・・・・・・・・ 317
LAMP ASSY, FOG, LH ・・・・・・・・・・・・・・・・・・・・・・・・・・・・・・・・・・・・・・・・・・・・・・・・・・・・・・・・・・・・・・・・ 311
LAMP ASSY, FOG, RH ・・・・・・・・・・・・・・・・・・・・・・・・・・・・・・・・・・・・・・・・・・・・・・・・・・・・・・・・・・・・・・・・ 311
LAMP ASSY, LICENSE PLATE ・・・・・・・・・・・・・・・・・・・・・・・・・・・・・・・・・・・・・・・・・・・・・・・・・・・・・・・・・・ 315
LAMP ASSY, MAP ・・・・・・・・・・・・・・・・・・・・・・・・・・・・・・・・・・・・・・・・・・・・・・・・・・・・・・・・・・・・・・・・・・・・ 319
LAMP ASSY, REAR, LH ・・・・・・・・・・・・・・・・・・・・・・・・・・・・・・・・・・・・・・・・・・・・・・・・・・・・・・・・・・・・・・・ 314
LAMP ASSY, REAR, RH ・・・・・・・・・・・・・・・・・・・・・・・・・・・・・・・・・・・・・・・・・・・・・・・・・・・・・・・・・・・・・・・ 314
LAMP ASSY, ROOM, NO.1 ・・・・・・・・・・・・・・・・・・・・・・・・・・・・・・・・・・・・・・・・・・・・・・・・・・・・・・・・・・・・・ 319
LAMP ASSY, ROOM, NO.2 ・・・・・・・・・・・・・・・・・・・・・・・・・・・・・・・・・・・・・・・・・・・・・・・・・・・・・・・・・・・・・ 319
LAMP ASSY, SIDE TURN SIGNAL, LH ・・・・・・・・・・・・・・・・・・・・・・・・・・・・・・・・・・・・・・・・・・・・・・・・・・・ 312
LAMP ASSY, SIDE TURN SIGNAL, RH ・・・・・・・・・・・・・・・・・・・・・・・・・・・・・・・・・・・・・・・・・・・・・・・・・・・ 312
LAMP UNIT, FOG LAMP, LH ・・・・・・・・・・・・・・・・・・・・・・・・・・・・・・・・・・・・・・・・・・・・・・・・・・・・・・・・・・・ 311
LAMP UNIT, FOG LAMP, RH ・・・・・・・・・・・・・・・・・・・・・・・・・・・・・・・・・・・・・・・・・・・・・・・・・・・・・・・・・・・ 311
LEG ASSY, REAR NO.2 SEAT, LH ・・・・・・・・・・・・・・・・・・・・・・・・・・・・・・・・・・・・・・・・・・・・・・・・・・・・・・ 283
LEG ASSY, REAR NO.2 SEAT, RH ・・・・・・・・・・・・・・・・・・・・・・・・・・・・・・・・・・・・・・・・・・・・・・・・・・・・・・ 283
LEG SUB ASSY, NO.1 SEAT, LH ・・・・・・・・・・・・・・・・・・・・・・・・・・・・・・・・・・・・・・・・・・・・・・・・・・・・・・・ 284
LEG SUB-ASSY, NO.1 SEAT, REAR ・・・・・・・・・・・・・・・・・・・・・・・・・・・・・・・・・・・・・・・・・・・・・・・・・・・・・ 284
LEG SUB-ASSY, NO.1 SEAT, REAR ・・・・・・・・・・・・・・・・・・・・・・・・・・・・・・・・・・・・・・・・・・・・・・・・・・・・・ 284
LEG SUB-ASSY, NO.1 SEAT, RH ・・・・・・・・・・・・・・・・・・・・・・・・・・・・・・・・・・・・・・・・・・・・・・・・・・・・・・・ 284
LENS & BODY, REAR COMBINATION LAMP, LH ・・・・・・・・・・・・・・・・・・・・・・・・・・・・・・・・・・・・・・・・・・・・ 314
LENS & BODY, REAR COMBINATION LAMP, RH ・・・・・・・・・・・・・・・・・・・・・・・・・・・・・・・・・・・・・・・・・・・・ 314
LENS SUB-ASSY, HEADLAMP, LH ・・・・・・・・・・・・・・・・・・・・・・・・・・・・・・・・・・・・・・・・・・・・・・・・・・・・・・・ 309
LENS SUB-ASSY, HEADLAMP, RH ・・・・・・・・・・・・・・・・・・・・・・・・・・・・・・・・・・・・・・・・・・・・・・・・・・・・・・・ 309
LENS, LICENSE PLATE LAMP ・・・・・・・・・・・・・・・・・・・・・・・・・・・・・・・・・・・・・・・・・・・・・・・・・・・・・・・・・・ 315
LENS, ROOM LAMP, NO.1 ・・・・・・・・・・・・・・・・・・・・・・・・・・・・・・・・・・・・・・・・・・・・・・・・・・・・・・・・・・・・・ 319
LENS, ROOM LAMP, NO.2 ・・・・・・・・・・・・・・・・・・・・・・・・・・・・・・・・・・・・・・・・・・・・・・・・・・・・・・・・・・・・・ 319
JOINT - LENS,
26
PART NAME PAGE
LEVER ASSY, PARKING BRAKE ・・・・・・・・・・・・・・・・・・・・・・・・・・・・・・・・・・・・・・・・・・・・・・・・・・・・・・・・・ 146
LEVER SUB-ASSY, FUEL LID LOCK OPEN ・・・・・・・・・・・・・・・・・・・・・・・・・・・・・・・・・・・・・・・・・・・・・・・・ 306
LEVER SUB-ASSY, HOOD LOCK CONTROL ・・・・・・・・・・・・・・・・・・・・・・・・・・・・・・・・・・・・・・・・・・・・・・・・・ 181
LEVER, PARKING BRAKE SHOE, LH ・・・・・・・・・・・・・・・・・・・・・・・・・・・・・・・・・・・・・・・・・・・・・・・・・・・・・ 153
LEVER, PARKING BRAKE SHOE, RH ・・・・・・・・・・・・・・・・・・・・・・・・・・・・・・・・・・・・・・・・・・・・・・・・・・・・・ 153
LEVER, REAR BRAKE AUTOMATIC ADJUST, LH ・・・・・・・・・・・・・・・・・・・・・・・・・・・・・・・・・・・・・・・・・・・・ 154
LEVER, REAR BRAKE AUTOMATIC ADJUST, RH ・・・・・・・・・・・・・・・・・・・・・・・・・・・・・・・・・・・・・・・・・・・・ 154
LEVER, SELECT OUTER ・・・・・・・・・・・・・・・・・・・・・・・・・・・・・・・・・・・・・・・・・・・・・・・・・・・・・・・・・・・・・・・ 113
LEVER, SHIFT, INNER NO.1 ・・・・・・・・・・・・・・・・・・・・・・・・・・・・・・・・・・・・・・・・・・・・・・・・・・・・・・・・・・ 113
LEVER, SHIFT, INNER NO.2 ・・・・・・・・・・・・・・・・・・・・・・・・・・・・・・・・・・・・・・・・・・・・・・・・・・・・・・・・・・ 113
LEVER, VERTICAL ADJUSTER LOCK ・・・・・・・・・・・・・・・・・・・・・・・・・・・・・・・・・・・・・・・・・・・・・・・・・・・・・ 280
LID ASSY, FUEL FILLER OPENING ・・・・・・・・・・・・・・・・・・・・・・・・・・・・・・・・・・・・・・・・・・・・・・・・・・・・・ 306
LINER, FRONT FENDER, LH ・・・・・・・・・・・・・・・・・・・・・・・・・・・・・・・・・・・・・・・・・・・・・・・・・・・・・・・・・・・ 179
LINER, FRONT FENDER, RH ・・・・・・・・・・・・・・・・・・・・・・・・・・・・・・・・・・・・・・・・・・・・・・・・・・・・・・・・・・・ 179
LINER, REAR WHEEL HOUSE, LH ・・・・・・・・・・・・・・・・・・・・・・・・・・・・・・・・・・・・・・・・・・・・・・・・・・・・・・・ 238
LINER, REAR WHEEL HOUSE, RH ・・・・・・・・・・・・・・・・・・・・・・・・・・・・・・・・・・・・・・・・・・・・・・・・・・・・・・・ 238
LINK ASSY, FRONT STABILIZER, LH ・・・・・・・・・・・・・・・・・・・・・・・・・・・・・・・・・・・・・・・・・・・・・・・・・・・ 164
LINK ASSY, FRONT STABILIZER, RH ・・・・・・・・・・・・・・・・・・・・・・・・・・・・・・・・・・・・・・・・・・・・・・・・・・・ 165
LINK ASSY, WIPER ・・・・・・・・・・・・・・・・・・・・・・・・・・・・・・・・・・・・・・・・・・・・・・・・・・・・・・・・・・・・・・・・・・ 357
LINK, FRONT DOOR LOCK REMOTE CONTROL, RH ・・・・・・・・・・・・・・・・・・・・・・・・・・・・・・・・・・・・・・・・・・ 246
LOCK ASSY, BACK DOOR ・・・・・・・・・・・・・・・・・・・・・・・・・・・・・・・・・・・・・・・・・・・・・・・・・・・・・・・・・・・・・・ 260
LOCK ASSY, FRONT DOOR, LH ・・・・・・・・・・・・・・・・・・・・・・・・・・・・・・・・・・・・・・・・・・・・・・・・・・・・・・・・・ 246
LOCK ASSY, FRONT DOOR, RH ・・・・・・・・・・・・・・・・・・・・・・・・・・・・・・・・・・・・・・・・・・・・・・・・・・・・・・・・・ 245
LOCK ASSY, GLOVE COMPARTMENT DOOR ・・・・・・・・・・・・・・・・・・・・・・・・・・・・・・・・・・・・・・・・・・・・・・・・・ 191
LOCK ASSY, HOOD ・・・・・・・・・・・・・・・・・・・・・・・・・・・・・・・・・・・・・・・・・・・・・・・・・・・・・・・・・・・・・・・・・・・ 181
LOCK ASSY, REAR DOOR, LH ・・・・・・・・・・・・・・・・・・・・・・・・・・・・・・・・・・・・・・・・・・・・・・・・・・・・・・・・・・ 254
LOCK ASSY, REAR DOOR, RH ・・・・・・・・・・・・・・・・・・・・・・・・・・・・・・・・・・・・・・・・・・・・・・・・・・・・・・・・・・ 254
LOCK ASSY, REAR SEAT, LH ・・・・・・・・・・・・・・・・・・・・・・・・・・・・・・・・・・・・・・・・・・・・・・・・・・・・・・・・・・ 281
LOCK ASSY, REAR SEAT, RH ・・・・・・・・・・・・・・・・・・・・・・・・・・・・・・・・・・・・・・・・・・・・・・・・・・・・・・・・・・ 281
LOCK SUB-ASSY, CENTER ARMREST ・・・・・・・・・・・・・・・・・・・・・・・・・・・・・・・・・・・・・・・・・・・・・・・・・・・・・ 282
LOCK SUB-ASSY, FUEL FILLER OPENING LID ・・・・・・・・・・・・・・・・・・・・・・・・・・・・・・・・・・・・・・・・・・・・ 305
LOCK, SPARE WHEEL CARRIER ・・・・・・・・・・・・・・・・・・・・・・・・・・・・・・・・・・・・・・・・・・・・・・・・・・・・・・・・・ 170
LOCK, VALVE SPRING RETAINER ・・・・・・・・・・・・・・・・・・・・・・・・・・・・・・・・・・・・・・・・・・・・・・・・・・・・・・・ 72
LOUVER SUB-ASSY, COWL TOP VENTILATOR ・・・・・・・・・・・・・・・・・・・・・・・・・・・・・・・・・・・・・・・・・・・・・・ 193
MAGNET, OIL CLEANER(CVT) ・・・・・・・・・・・・・・・・・・・・・・・・・・・・・・・・・・・・・・・・・・・・・・・・・・・・・・・・・・ 123
MAGNET, TRANSMISSION ・・・・・・・・・・・・・・・・・・・・・・・・・・・・・・・・・・・・・・・・・・・・・・・・・・・・・・・・・・・・・・ 105
MANIFOLD, INTAKE ・・・・・・・・・・・・・・・・・・・・・・・・・・・・・・・・・・・・・・・・・・・・・・・・・・・・・・・・・・・・・・・・・・ 83
MASTER SWITCH ASSY, POWER WINDOW REGULATOR ・・・・・・・・・・・・・・・・・・・・・・・・・・・・・・・・・・・・・・・・ 340
MEMBER SUB-ASSY, FLOOR SIDE, INNER RH ・・・・・・・・・・・・・・・・・・・・・・・・・・・・・・・・・・・・・・・・・・・・・ 200
MEMBER SUB-ASSY, FRONT FLOOR CROSS, LH ・・・・・・・・・・・・・・・・・・・・・・・・・・・・・・・・・・・・・・・・・・・・ 200
MEMBER SUB-ASSY, FRONT FLOOR CROSS, RH ・・・・・・・・・・・・・・・・・・・・・・・・・・・・・・・・・・・・・・・・・・・・ 200
MEMBER SUB-ASSY, FRONT SIDE, LH ・・・・・・・・・・・・・・・・・・・・・・・・・・・・・・・・・・・・・・・・・・・・・・・・・・・ 200
MEMBER SUB-ASSY, FRONT SIDE, OUTER LH ・・・・・・・・・・・・・・・・・・・・・・・・・・・・・・・・・・・・・・・・・・・・・ 200
MEMBER SUB-ASSY, FRONT SIDE, OUTER RH ・・・・・・・・・・・・・・・・・・・・・・・・・・・・・・・・・・・・・・・・・・・・・ 200
MEMBER SUB-ASSY, FRONT SIDE, RH ・・・・・・・・・・・・・・・・・・・・・・・・・・・・・・・・・・・・・・・・・・・・・・・・・・・ 200
MEMBER SUB-ASSY, MAIN FLOOR SIDE, LH ・・・・・・・・・・・・・・・・・・・・・・・・・・・・・・・・・・・・・・・・・・・・・・ 200
MEMBER SUB-ASSY, MAIN FLOOR SIDE, RH ・・・・・・・・・・・・・・・・・・・・・・・・・・・・・・・・・・・・・・・・・・・・・・ 200
MEMBER SUB-ASSY, REAR FLOOR CROSS ・・・・・・・・・・・・・・・・・・・・・・・・・・・・・・・・・・・・・・・・・・・・・・・・・ 204
MEMBER SUB-ASSY, REAR FLOOR CROSS, NO.2 ・・・・・・・・・・・・・・・・・・・・・・・・・・・・・・・・・・・・・・・・・・・ 204
MEMBER SUB-ASSY, REAR FLOOR CROSS, NO.3 ・・・・・・・・・・・・・・・・・・・・・・・・・・・・・・・・・・・・・・・・・・・ 204
LEVER - MEMBER
PART NAME PAGE
MEMBER SUB-ASSY, REAR FLOOR CROSS, NO.4 ・・・・・・・・・・・・・・・・・・・・・・・・・・・・・・・・・・・・・・・・・・・ 204
MEMBER SUB-ASSY, REAR FLOOR REAR CROSS, INNER ・・・・・・・・・・・・・・・・・・・・・・・・・・・・・・・・・・・・・ 204
MEMBER SUB-ASSY, REAR FLOOR SIDE, FRONT RH ・・・・・・・・・・・・・・・・・・・・・・・・・・・・・・・・・・・・・・・・ 204
MEMBER SUB-ASSY, REAR FLOOR SIDE, LH ・・・・・・・・・・・・・・・・・・・・・・・・・・・・・・・・・・・・・・・・・・・・・・ 204
MEMBER, FLOOR SIDE, INNER LH ・・・・・・・・・・・・・・・・・・・・・・・・・・・・・・・・・・・・・・・・・・・・・・・・・・・・・・ 200
MEMBER, FRONT FLOOR CROSS ・・・・・・・・・・・・・・・・・・・・・・・・・・・・・・・・・・・・・・・・・・・・・・・・・・・・・・・・・ 201
MEMBER, FRONT SIDE, LH ・・・・・・・・・・・・・・・・・・・・・・・・・・・・・・・・・・・・・・・・・・・・・・・・・・・・・・・・・・・・ 200
MEMBER, FRONT SIDE, RH ・・・・・・・・・・・・・・・・・・・・・・・・・・・・・・・・・・・・・・・・・・・・・・・・・・・・・・・・・・・・ 200
METER ASSY, COMBINATION ・・・・・・・・・・・・・・・・・・・・・・・・・・・・・・・・・・・・・・・・・・・・・・・・・・・・・・・・・・・ 328
METER SUB-ASSY, INTAKE AIR FLOW ・・・・・・・・・・・・・・・・・・・・・・・・・・・・・・・・・・・・・・・・・・・・・・・・・・・ 87
MIRROR ASSY, INNER REAR VIEW ・・・・・・・・・・・・・・・・・・・・・・・・・・・・・・・・・・・・・・・・・・・・・・・・・・・・・・ 371
MIRROR ASSY, OUTER REAR VIEW, LH ・・・・・・・・・・・・・・・・・・・・・・・・・・・・・・・・・・・・・・・・・・・・・・・・・・ 371
MIRROR ASSY, OUTER REAR VIEW, RH ・・・・・・・・・・・・・・・・・・・・・・・・・・・・・・・・・・・・・・・・・・・・・・・・・・ 371
MIRROR, OUTER REAR VIEW, LH ・・・・・・・・・・・・・・・・・・・・・・・・・・・・・・・・・・・・・・・・・・・・・・・・・・・・・・・ 371
MIRROR, OUTER REAR VIEW, RH ・・・・・・・・・・・・・・・・・・・・・・・・・・・・・・・・・・・・・・・・・・・・・・・・・・・・・・・ 371
MODULE SET, TRANSMITTER SUB-ASSY, DOOR CONTROL ・・・・・・・・・・・・・・・・・・・・・・・・・・・・・・・・・・・・ 262
MOTOR & PUMP ASSY, WASHER ・・・・・・・・・・・・・・・・・・・・・・・・・・・・・・・・・・・・・・・・・・・・・・・・・・・・・・・・・ 359
MOTOR ASSY, BLOWER ・・・・・・・・・・・・・・・・・・・・・・・・・・・・・・・・・・・・・・・・・・・・・・・・・・・・・・・・・・・・・・・・ 376
MOTOR ASSY, BLOWER, REAR ・・・・・・・・・・・・・・・・・・・・・・・・・・・・・・・・・・・・・・・・・・・・・・・・・・・・・・・・・・ 376
MOTOR ASSY, POWER WINDOW REGULATOR, LH ・・・・・・・・・・・・・・・・・・・・・・・・・・・・・・・・・・・・・・・・・・・・ 247
MOTOR ASSY, POWER WINDOW REGULATOR, LH ・・・・・・・・・・・・・・・・・・・・・・・・・・・・・・・・・・・・・・・・・・・・ 255
MOTOR ASSY, POWER WINDOW REGULATOR, RH ・・・・・・・・・・・・・・・・・・・・・・・・・・・・・・・・・・・・・・・・・・・・ 247
MOTOR ASSY, POWER WINDOW REGULATOR, RH ・・・・・・・・・・・・・・・・・・・・・・・・・・・・・・・・・・・・・・・・・・・・ 255
MOTOR ASSY, REAR WIPER ・・・・・・・・・・・・・・・・・・・・・・・・・・・・・・・・・・・・・・・・・・・・・・・・・・・・・・・・・・・・ 358
MOTOR ASSY, WINDSHIELD WIPER ・・・・・・・・・・・・・・・・・・・・・・・・・・・・・・・・・・・・・・・・・・・・・・・・・・・・・・ 357
MOTOR SET, POWER STEERING ・・・・・・・・・・・・・・・・・・・・・・・・・・・・・・・・・・・・・・・・・・・・・・・・・・・・・・・・・ 140
MOTOR, COOLING FAN ・・・・・・・・・・・・・・・・・・・・・・・・・・・・・・・・・・・・・・・・・・・・・・・・・・・・・・・・・・・・・・・・ 79
MOULDING SUB-ASSY, QUARTER OUTSIDE, LH ・・・・・・・・・・・・・・・・・・・・・・・・・・・・・・・・・・・・・・・・・・・・ 299
MOULDING SUB-ASSY, QUARTER OUTSIDE, RH ・・・・・・・・・・・・・・・・・・・・・・・・・・・・・・・・・・・・・・・・・・・・ 299
MOULDING, BACK WINDOW, OUTSIDE LH ・・・・・・・・・・・・・・・・・・・・・・・・・・・・・・・・・・・・・・・・・・・・・・・・・ 258
MOULDING, BACK WINDOW, OUTSIDE RH ・・・・・・・・・・・・・・・・・・・・・・・・・・・・・・・・・・・・・・・・・・・・・・・・・ 258
MOULDING, BUMPER SIDE, LH ・・・・・・・・・・・・・・・・・・・・・・・・・・・・・・・・・・・・・・・・・・・・・・・・・・・・・・・・・ 172
MOULDING, BUMPER SIDE, RH ・・・・・・・・・・・・・・・・・・・・・・・・・・・・・・・・・・・・・・・・・・・・・・・・・・・・・・・・・ 172
MOULDING, FRONT BUMPER SIDE, LH ・・・・・・・・・・・・・・・・・・・・・・・・・・・・・・・・・・・・・・・・・・・・・・・・・・・ 172
MOULDING, FRONT BUMPER SIDE, RH ・・・・・・・・・・・・・・・・・・・・・・・・・・・・・・・・・・・・・・・・・・・・・・・・・・・ 172
MOULDING, INSTRUMENT CLUSTER, NO.1 ・・・・・・・・・・・・・・・・・・・・・・・・・・・・・・・・・・・・・・・・・・・・・・・・ 191
MOULDING, INSTRUMENT CLUSTER, NO.2 ・・・・・・・・・・・・・・・・・・・・・・・・・・・・・・・・・・・・・・・・・・・・・・・・ 191
MOULDING, QUARTER WINDOW, OUTSIDE FRONT LH ・・・・・・・・・・・・・・・・・・・・・・・・・・・・・・・・・・・・・・・・ 299
MOULDING, QUARTER WINDOW, OUTSIDE FRONT RH ・・・・・・・・・・・・・・・・・・・・・・・・・・・・・・・・・・・・・・・・ 299
MOULDING, RADIATOR GRILLE ・・・・・・・・・・・・・・・・・・・・・・・・・・・・・・・・・・・・・・・・・・・・・・・・・・・・・・・・・ 175
MOULDING, ROOF DRIP SIDE FINISH, LH ・・・・・・・・・・・・・・・・・・・・・・・・・・・・・・・・・・・・・・・・・・・・・・・ 299
MOULDING, ROOF DRIP SIDE FINISH, RH ・・・・・・・・・・・・・・・・・・・・・・・・・・・・・・・・・・・・・・・・・・・・・・・ 299
NOZZLE & HOSE ASSY, FR WASHER ・・・・・・・・・・・・・・・・・・・・・・・・・・・・・・・・・・・・・・・・・・・・・・・・・・・・・ 360
NOZZLE & HOSE ASSY, FR WASHER, LH ・・・・・・・・・・・・・・・・・・・・・・・・・・・・・・・・・・・・・・・・・・・・・・・・・ 360
NOZZLE & HOSE ASSY, RR WASHER ・・・・・・・・・・・・・・・・・・・・・・・・・・・・・・・・・・・・・・・・・・・・・・・・・・・・・ 362
NOZZLE SUB-ASSY, OIL, NO.1 ・・・・・・・・・・・・・・・・・・・・・・・・・・・・・・・・・・・・・・・・・・・・・・・・・・・・・・・・ 62
NOZZLE, FR WASHER, RH ・・・・・・・・・・・・・・・・・・・・・・・・・・・・・・・・・・・・・・・・・・・・・・・・・・・・・・・・・・・・・ 359
NOZZLE, FRONT WASHER, LH ・・・・・・・・・・・・・・・・・・・・・・・・・・・・・・・・・・・・・・・・・・・・・・・・・・・・・・・・・・ 359
NOZZLE, REAR WASHER ・・・・・・・・・・・・・・・・・・・・・・・・・・・・・・・・・・・・・・・・・・・・・・・・・・・・・・・・・・・・・・・ 362
NUT (FOR FRONT AXLE SHAFT LH) ・・・・・・・・・・・・・・・・・・・・・・・・・・・・・・・・・・・・・・・・・・・・・・・・・・・・・ 138
MEMBER - NUT
27
PART NAME PAGE
NUT (FOR FRONT AXLE SHAFT RH) ・・・・・・・・・・・・・・・・・・・・・・・・・・・・・・・・・・・・・・・・・・・・・・・・・・・・・ 138
NUT (FOR FRONT WIPER ARM SETTING) ・・・・・・・・・・・・・・・・・・・・・・・・・・・・・・・・・・・・・・・・・・・・・・・・・ 357
NUT (FOR REAR WIPER ARM SETTING) ・・・・・・・・・・・・・・・・・・・・・・・・・・・・・・・・・・・・・・・・・・・・・・・・・・ 358
NUT (FOR STEERING KNUCKLE LH) ・・・・・・・・・・・・・・・・・・・・・・・・・・・・・・・・・・・・・・・・・・・・・・・・・・・・・ 161
NUT (FOR STEERING KNUCKLE RH) ・・・・・・・・・・・・・・・・・・・・・・・・・・・・・・・・・・・・・・・・・・・・・・・・・・・・・ 161
NUT (FOR TRANSMISSION CONTROL CABLE) ・・・・・・・・・・・・・・・・・・・・・・・・・・・・・・・・・・・・・・・・・・・・・・ 116
NUT(FOR CLUTCH PEDAL STOPPER) ・・・・・・・・・・・・・・・・・・・・・・・・・・・・・・・・・・・・・・・・・・・・・・・・・・・・・ 98
NUT(FOR FRONT STABILIZER LINK) ・・・・・・・・・・・・・・・・・・・・・・・・・・・・・・・・・・・・・・・・・・・・・・・・・・・・ 165
NUT(FOR FRONT SUPPORT TO FRONT SHOCK ABSORBER LH) ・・・・・・・・・・・・・・・・・・・・・・・・・・・・・・・・・ 164
NUT(FOR FRONT SUPPORT TO FRONT SHOCK ABSORBER RH) ・・・・・・・・・・・・・・・・・・・・・・・・・・・・・・・・・ 164
NUT(FOR REAR SUPPORT TO REAR SHOCK ABSORBER LH) ・・・・・・・・・・・・・・・・・・・・・・・・・・・・・・・・・・・ 167
NUT(FOR REAR SUPPORT TO REAR SHOCK ABSORBER RH) ・・・・・・・・・・・・・・・・・・・・・・・・・・・・・・・・・・・ 167
NUT, ALTERNATOR ・・・・・・・・・・・・・・・・・・・・・・・・・・・・・・・・・・・・・・・・・・・・・・・・・・・・・・・・・・・・・・・・・・・ 92
NUT, BOOSTER ・・・・・・・・・・・・・・・・・・・・・・・・・・・・・・・・・・・・・・・・・・・・・・・・・・・・・・・・・・・・・・・・・・・・・・ 149
NUT, BOOSTER SLEEVE CYLINDER ・・・・・・・・・・・・・・・・・・・・・・・・・・・・・・・・・・・・・・・・・・・・・・・・・・・・・・ 149
NUT, BRAKE MASTER CYLINDER ・・・・・・・・・・・・・・・・・・・・・・・・・・・・・・・・・・・・・・・・・・・・・・・・・・・・・・・・ 148
NUT, FR WIPER ・・・・・・・・・・・・・・・・・・・・・・・・・・・・・・・・・・・・・・・・・・・・・・・・・・・・・・・・・・・・・・・・・・・・・ 357
NUT, HUB (FOR AXLE) ・・・・・・・・・・・・・・・・・・・・・・・・・・・・・・・・・・・・・・・・・・・・・・・・・・・・・・・・・・・・・・・ 132
NUT, LOCK ・・・・・・・・・・・・・・・・・・・・・・・・・・・・・・・・・・・・・・・・・・・・・・・・・・・・・・・・・・・・・・・・・・・・・・・・・ 144
NUT, RACK END LOCK ・・・・・・・・・・・・・・・・・・・・・・・・・・・・・・・・・・・・・・・・・・・・・・・・・・・・・・・・・・・・・・・・ 144
NUT, STEERING WHEEL SET ・・・・・・・・・・・・・・・・・・・・・・・・・・・・・・・・・・・・・・・・・・・・・・・・・・・・・・・・・・・ 142
NUT, WIRE ADJUSTING, NO.1 ・・・・・・・・・・・・・・・・・・・・・・・・・・・・・・・・・・・・・・・・・・・・・・・・・・・・・・・・・ 146
O RING, CAM POSITION SENSOR ・・・・・・・・・・・・・・・・・・・・・・・・・・・・・・・・・・・・・・・・・・・・・・・・・・・・・・・ 57
O RING, CRANK POSITION SENSOR ・・・・・・・・・・・・・・・・・・・・・・・・・・・・・・・・・・・・・・・・・・・・・・・・・・・・・ 64
ORNAMENT SUB-ASSY, WHEEL HUB ・・・・・・・・・・・・・・・・・・・・・・・・・・・・・・・・・・・・・・・・・・・・・・・・・・・・・・ 132
ORNAMENT, STEERING WHEEL, NO.1 ・・・・・・・・・・・・・・・・・・・・・・・・・・・・・・・・・・・・・・・・・・・・・・・・・・・・ 142
ORNAMENT, STEERING WHEEL, NO.2 ・・・・・・・・・・・・・・・・・・・・・・・・・・・・・・・・・・・・・・・・・・・・・・・・・・・・ 142
PACKING(FOR RADIATOR DRAIN COCK) ・・・・・・・・・・・・・・・・・・・・・・・・・・・・・・・・・・・・・・・・・・・・・・・・・・ 79
PACKING, ALTERNATOR BEARING COVER ・・・・・・・・・・・・・・・・・・・・・・・・・・・・・・・・・・・・・・・・・・・・・・・・・ 92
PACKING, COOLING UNIT, NO.1 ・・・・・・・・・・・・・・・・・・・・・・・・・・・・・・・・・・・・・・・・・・・・・・・・・・・・・・・ 377
PACKING, COOLING UNIT, NO.2 ・・・・・・・・・・・・・・・・・・・・・・・・・・・・・・・・・・・・・・・・・・・・・・・・・・・・・・・ 377
PACKING, COOLING UNIT, NO.3 ・・・・・・・・・・・・・・・・・・・・・・・・・・・・・・・・・・・・・・・・・・・・・・・・・・・・・・・ 377
PACKING, LICENSE PLATE LAMP ・・・・・・・・・・・・・・・・・・・・・・・・・・・・・・・・・・・・・・・・・・・・・・・・・・・・・・・ 315
PACKING, REAR LAMP LH ・・・・・・・・・・・・・・・・・・・・・・・・・・・・・・・・・・・・・・・・・・・・・・・・・・・・・・・・・・・・・ 314
PACKING, REAR LAMP RH ・・・・・・・・・・・・・・・・・・・・・・・・・・・・・・・・・・・・・・・・・・・・・・・・・・・・・・・・・・・・・ 314
PACKING, WINDSHIELD WASHER JAR ・・・・・・・・・・・・・・・・・・・・・・・・・・・・・・・・・・・・・・・・・・・・・・・・・・・・ 359
PAD KIT, DISC BRAKE, FRONT ・・・・・・・・・・・・・・・・・・・・・・・・・・・・・・・・・・・・・・・・・・・・・・・・・・・・・・・・ 151
PAD SUB-ASSY, FRONT FLOOR SILENCER, REAR LH ・・・・・・・・・・・・・・・・・・・・・・・・・・・・・・・・・・・・・・・ 208
PAD SUB-ASSY, FRONT FLOOR SILENCER, REAR RH ・・・・・・・・・・・・・・・・・・・・・・・・・・・・・・・・・・・・・・・ 207
PAD SUB-ASSY, REAR SEAT CENTER ARMREST, NO.2 ・・・・・・・・・・・・・・・・・・・・・・・・・・・・・・・・・・・・・・ 279
PAD SUB-ASSY, REAR SEAT CUSHION ・・・・・・・・・・・・・・・・・・・・・・・・・・・・・・・・・・・・・・・・・・・・・・・・・・・ 274
PAD, AIR DUCT ・・・・・・・・・・・・・・・・・・・・・・・・・・・・・・・・・・・・・・・・・・・・・・・・・・・・・・・・・・・・・・・・・・・・・ 381
PAD, AIR DUCT, NO.3 ・・・・・・・・・・・・・・・・・・・・・・・・・・・・・・・・・・・・・・・・・・・・・・・・・・・・・・・・・・・・・・・ 381
PAD, AIR DUCT, NO.5 ・・・・・・・・・・・・・・・・・・・・・・・・・・・・・・・・・・・・・・・・・・・・・・・・・・・・・・・・・・・・・・・ 381
PAD, BRAKE PEDAL ・・・・・・・・・・・・・・・・・・・・・・・・・・・・・・・・・・・・・・・・・・・・・・・・・・・・・・・・・・・・・・・・・・ 147
PAD, CLUTCH PEDAL ・・・・・・・・・・・・・・・・・・・・・・・・・・・・・・・・・・・・・・・・・・・・・・・・・・・・・・・・・・・・・・・・・ 98
PAD, DASH PANEL INSULATOR, NO.3 ・・・・・・・・・・・・・・・・・・・・・・・・・・・・・・・・・・・・・・・・・・・・・・・・・・ 183
PAD, DASH PANEL INSULATOR, NO.4 ・・・・・・・・・・・・・・・・・・・・・・・・・・・・・・・・・・・・・・・・・・・・・・・・・・ 184
PAD, DASH PANEL INSULATOR, NO.2 ・・・・・・・・・・・・・・・・・・・・・・・・・・・・・・・・・・・・・・・・・・・・・・・・・・・ 183
PAD, FLOOR SILENCER, FRONT LH ・・・・・・・・・・・・・・・・・・・・・・・・・・・・・・・・・・・・・・・・・・・・・・・・・・・・・ 208
NUT - PAD,
PART NAME PAGE
PAD, FLOOR SILENCER, FRONT RH ・・・・・・・・・・・・・・・・・・・・・・・・・・・・・・・・・・・・・・・・・・・・・・・・・・・・・ 208
PAD, FRONT DOOR OUTSIDE HANDLE, LH ・・・・・・・・・・・・・・・・・・・・・・・・・・・・・・・・・・・・・・・・・・・・・・・・ 245
PAD, FRONT DOOR OUTSIDE HANDLE, RH ・・・・・・・・・・・・・・・・・・・・・・・・・・・・・・・・・・・・・・・・・・・・・・・・ 245
PAD, FRONT SEAT BACK SILENCER, A ・・・・・・・・・・・・・・・・・・・・・・・・・・・・・・・・・・・・・・・・・・・・・・・・・・ 274
PAD, FRONT SEAT BACK, LH(FOR SEPARATE TYPE) ・・・・・・・・・・・・・・・・・・・・・・・・・・・・・・・・・・・・・・・ 274
PAD, FRONT SEAT BACK, RH(FOR SEPARATE TYPE) ・・・・・・・・・・・・・・・・・・・・・・・・・・・・・・・・・・・・・・・ 274
PAD, FRONT SEAT CUSHION, LH (FOR SEPARATE TYPE) ・・・・・・・・・・・・・・・・・・・・・・・・・・・・・・・・・・・ 274
PAD, FRONT SEAT CUSHION, RH(FOR SEPARATE TYPE) ・・・・・・・・・・・・・・・・・・・・・・・・・・・・・・・・・・・・ 274
PAD, INSTRUMENT PANEL SAFETY, NO.1 ・・・・・・・・・・・・・・・・・・・・・・・・・・・・・・・・・・・・・・・・・・・・・・・・ 191
PAD, INSTRUMENT PANEL SAFETY, NO.2 ・・・・・・・・・・・・・・・・・・・・・・・・・・・・・・・・・・・・・・・・・・・・・・・・ 191
PAD, NO.1 SEAT BACK, LH ・・・・・・・・・・・・・・・・・・・・・・・・・・・・・・・・・・・・・・・・・・・・・・・・・・・・・・・・・・・ 284
PAD, NO.1 SEAT BACK, RH ・・・・・・・・・・・・・・・・・・・・・・・・・・・・・・・・・・・・・・・・・・・・・・・・・・・・・・・・・・・ 284
PAD, NO.2 SEAT BACK, LH ・・・・・・・・・・・・・・・・・・・・・・・・・・・・・・・・・・・・・・・・・・・・・・・・・・・・・・・・・・・ 285
PAD, NO.2 SEAT BACK, RH ・・・・・・・・・・・・・・・・・・・・・・・・・・・・・・・・・・・・・・・・・・・・・・・・・・・・・・・・・・・ 285
PAD, NO.2 SEAT CUSHION ・・・・・・・・・・・・・・・・・・・・・・・・・・・・・・・・・・・・・・・・・・・・・・・・・・・・・・・・・・・・ 284
PAD, NO.2 SEAT CUSHION, LH ・・・・・・・・・・・・・・・・・・・・・・・・・・・・・・・・・・・・・・・・・・・・・・・・・・・・・・・・ 285
PAD, NO.2 SEAT CUSHION, RH ・・・・・・・・・・・・・・・・・・・・・・・・・・・・・・・・・・・・・・・・・・・・・・・・・・・・・・・・ 284
PAD, REAR SEAT BACK SILENCER, A ・・・・・・・・・・・・・・・・・・・・・・・・・・・・・・・・・・・・・・・・・・・・・・・・・・・ 275
PAD, REAR SEAT BACK SILENCER, B ・・・・・・・・・・・・・・・・・・・・・・・・・・・・・・・・・・・・・・・・・・・・・・・・・・・ 275
PAD, REAR SEAT BACK SILENCER, C ・・・・・・・・・・・・・・・・・・・・・・・・・・・・・・・・・・・・・・・・・・・・・・・・・・・ 275
PAD, REAR SEAT BACK, CENTER A ・・・・・・・・・・・・・・・・・・・・・・・・・・・・・・・・・・・・・・・・・・・・・・・・・・・・・ 275
PAD, REAR SEAT BACK, CENTER B ・・・・・・・・・・・・・・・・・・・・・・・・・・・・・・・・・・・・・・・・・・・・・・・・・・・・・ 275
PAD, REAR SEAT CUSHION SILENCER, A ・・・・・・・・・・・・・・・・・・・・・・・・・・・・・・・・・・・・・・・・・・・・・・・・ 275
PAD, REAR SEAT CUSHION SILENCER, A ・・・・・・・・・・・・・・・・・・・・・・・・・・・・・・・・・・・・・・・・・・・・・・・・ 275
PAD, REAR SEAT CUSHION SILENCER, B ・・・・・・・・・・・・・・・・・・・・・・・・・・・・・・・・・・・・・・・・・・・・・・・・ 275
PAD, REAR SEAT CUSHION SILENCER, B ・・・・・・・・・・・・・・・・・・・・・・・・・・・・・・・・・・・・・・・・・・・・・・・・ 275
PAD, REAR SEAT CUSHION SILENCER, NO.2 ・・・・・・・・・・・・・・・・・・・・・・・・・・・・・・・・・・・・・・・・・・・・・ 275
PAD, REAR SEAT CUSHION, LH ・・・・・・・・・・・・・・・・・・・・・・・・・・・・・・・・・・・・・・・・・・・・・・・・・・・・・・・・ 275
PAD, REAR SEAT CUSHION, RH ・・・・・・・・・・・・・・・・・・・・・・・・・・・・・・・・・・・・・・・・・・・・・・・・・・・・・・・・ 274
PAD, REAR SEAT CUSHION, RH ・・・・・・・・・・・・・・・・・・・・・・・・・・・・・・・・・・・・・・・・・・・・・・・・・・・・・・・・ 275
PAD, ROOF SILENCER, NO.1 ・・・・・・・・・・・・・・・・・・・・・・・・・・・・・・・・・・・・・・・・・・・・・・・・・・・・・・・・・・ 235
PAD, ROOF SILENCER, NO.2 ・・・・・・・・・・・・・・・・・・・・・・・・・・・・・・・・・・・・・・・・・・・・・・・・・・・・・・・・・・ 235
PAD, ROOF SILENCER, NO.3 ・・・・・・・・・・・・・・・・・・・・・・・・・・・・・・・・・・・・・・・・・・・・・・・・・・・・・・・・・・ 235
PAD,FRONT SEAT CUSHION SILENCER ・・・・・・・・・・・・・・・・・・・・・・・・・・・・・・・・・・・・・・・・・・・・・・・・・・・ 274
PAN SUB-ASSY, OIL ・・・・・・・・・・・・・・・・・・・・・・・・・・・・・・・・・・・・・・・・・・・・・・・・・・・・・・・・・・・・・・・・・ 61
PAN SUB-ASSY, TRANSAXLE OIL(CVT) ・・・・・・・・・・・・・・・・・・・・・・・・・・・・・・・・・・・・・・・・・・・・・・・・・・ 122
PAN, FRONT FLOOR ・・・・・・・・・・・・・・・・・・・・・・・・・・・・・・・・・・・・・・・・・・・・・・・・・・・・・・・・・・・・・・・・・・ 201
PAN, REAR FLOOR ・・・・・・・・・・・・・・・・・・・・・・・・・・・・・・・・・・・・・・・・・・・・・・・・・・・・・・・・・・・・・・・・・・・ 205
PANEL ASSY, BACK DOOR TRIM ・・・・・・・・・・・・・・・・・・・・・・・・・・・・・・・・・・・・・・・・・・・・・・・・・・・・・・・・ 258
PANEL ASSY, DECK TRIM SIDE, LH ・・・・・・・・・・・・・・・・・・・・・・・・・・・・・・・・・・・・・・・・・・・・・・・・・・・・ 237
PANEL ASSY, DECK TRIM SIDE, RH ・・・・・・・・・・・・・・・・・・・・・・・・・・・・・・・・・・・・・・・・・・・・・・・・・・・・ 237
PANEL SUB-ASSY, BACK DOOR ・・・・・・・・・・・・・・・・・・・・・・・・・・・・・・・・・・・・・・・・・・・・・・・・・・・・・・・・・ 258
PANEL SUB-ASSY, BODY LOWER BACK ・・・・・・・・・・・・・・・・・・・・・・・・・・・・・・・・・・・・・・・・・・・・・・・・・・・ 204
PANEL SUB-ASSY, BODY LOWER BACK, INNER ・・・・・・・・・・・・・・・・・・・・・・・・・・・・・・・・・・・・・・・・・・・・ 205
PANEL SUB-ASSY, CONSOLE, LOWER ・・・・・・・・・・・・・・・・・・・・・・・・・・・・・・・・・・・・・・・・・・・・・・・・・・・・ 211
PANEL SUB-ASSY, CONSOLE, UPPER ・・・・・・・・・・・・・・・・・・・・・・・・・・・・・・・・・・・・・・・・・・・・・・・・・・・・ 211
PANEL SUB-ASSY, COWL TOP, INNER ・・・・・・・・・・・・・・・・・・・・・・・・・・・・・・・・・・・・・・・・・・・・・・・・・・・ 193
PANEL SUB-ASSY, COWL TOP, OUTER ・・・・・・・・・・・・・・・・・・・・・・・・・・・・・・・・・・・・・・・・・・・・・・・・・・・ 193
PANEL SUB-ASSY, DASH ・・・・・・・・・・・・・・・・・・・・・・・・・・・・・・・・・・・・・・・・・・・・・・・・・・・・・・・・・・・・・・ 183
PANEL SUB-ASSY, FRONT DOOR, LH ・・・・・・・・・・・・・・・・・・・・・・・・・・・・・・・・・・・・・・・・・・・・・・・・・・・・ 241
PAD, - PANEL
28
PART NAME PAGE
PANEL SUB-ASSY, FRONT DOOR, RH ・・・・・・・・・・・・・・・・・・・・・・・・・・・・・・・・・・・・・・・・・・・・・・・・・・・・ 241
PANEL SUB-ASSY, FRONT FLOOR SIDE, LH ・・・・・・・・・・・・・・・・・・・・・・・・・・・・・・・・・・・・・・・・・・・・・・ 201
PANEL SUB-ASSY, FRONT FLOOR SIDE, RH ・・・・・・・・・・・・・・・・・・・・・・・・・・・・・・・・・・・・・・・・・・・・・・ 201
PANEL SUB-ASSY, INSTRUMENT ・・・・・・・・・・・・・・・・・・・・・・・・・・・・・・・・・・・・・・・・・・・・・・・・・・・・・・・・ 190
PANEL SUB-ASSY, INSTRUMENT CLUSTER FINISH, LOWER CENTER ・・・・・・・・・・・・・・・・・・・・・・・・・・・ 190
PANEL SUB-ASSY, INSTRUMENT PANEL FINISH, LOWER ・・・・・・・・・・・・・・・・・・・・・・・・・・・・・・・・・・・・ 190
PANEL SUB-ASSY, QUARTER WHEEL HOUSE, INNER LH ・・・・・・・・・・・・・・・・・・・・・・・・・・・・・・・・・・・・・ 224
PANEL SUB-ASSY, QUARTER WHEEL HOUSE, INNER RH ・・・・・・・・・・・・・・・・・・・・・・・・・・・・・・・・・・・・・ 224
PANEL SUB-ASSY, REAR DOOR, LH ・・・・・・・・・・・・・・・・・・・・・・・・・・・・・・・・・・・・・・・・・・・・・・・・・・・・・ 250
PANEL SUB-ASSY, REAR DOOR, RH ・・・・・・・・・・・・・・・・・・・・・・・・・・・・・・・・・・・・・・・・・・・・・・・・・・・・・ 250
PANEL SUB-ASSY, ROOF SIDE, INNER LH ・・・・・・・・・・・・・・・・・・・・・・・・・・・・・・・・・・・・・・・・・・・・・・・ 225
PANEL SUB-ASSY, ROOF SIDE, INNER RH ・・・・・・・・・・・・・・・・・・・・・・・・・・・・・・・・・・・・・・・・・・・・・・・ 225
PANEL, BODY LOWER BACK, INNER ・・・・・・・・・・・・・・・・・・・・・・・・・・・・・・・・・・・・・・・・・・・・・・・・・・・・・ 205
PANEL, BODY LOWER BACK, LH ・・・・・・・・・・・・・・・・・・・・・・・・・・・・・・・・・・・・・・・・・・・・・・・・・・・・・・・・ 205
PANEL, BODY LOWER BACK, RH ・・・・・・・・・・・・・・・・・・・・・・・・・・・・・・・・・・・・・・・・・・・・・・・・・・・・・・・・ 205
PANEL, BOX SIDE, NO.1 ・・・・・・・・・・・・・・・・・・・・・・・・・・・・・・・・・・・・・・・・・・・・・・・・・・・・・・・・・・・・・ 211
PANEL, BOX SIDE, NO.2 ・・・・・・・・・・・・・・・・・・・・・・・・・・・・・・・・・・・・・・・・・・・・・・・・・・・・・・・・・・・・・ 211
PANEL, CENTER SEAT BACK ・・・・・・・・・・・・・・・・・・・・・・・・・・・・・・・・・・・・・・・・・・・・・・・・・・・・・・・・・・・ 274
PANEL, CONSOLE REAR END ・・・・・・・・・・・・・・・・・・・・・・・・・・・・・・・・・・・・・・・・・・・・・・・・・・・・・・・・・・・ 212
PANEL, CONSOLE REAR END, NO.2 ・・・・・・・・・・・・・・・・・・・・・・・・・・・・・・・・・・・・・・・・・・・・・・・・・・・・・ 212
PANEL, CONSOLE, UPPER ・・・・・・・・・・・・・・・・・・・・・・・・・・・・・・・・・・・・・・・・・・・・・・・・・・・・・・・・・・・・・ 211
PANEL, FRONT ARMREST BASE, UPPER LH ・・・・・・・・・・・・・・・・・・・・・・・・・・・・・・・・・・・・・・・・・・・・・・・ 291
PANEL, FRONT ARMREST BASE, UPPER RH ・・・・・・・・・・・・・・・・・・・・・・・・・・・・・・・・・・・・・・・・・・・・・・・ 291
PANEL, FRONT DOOR, OUTER LH ・・・・・・・・・・・・・・・・・・・・・・・・・・・・・・・・・・・・・・・・・・・・・・・・・・・・・・・ 241
PANEL, FRONT DOOR, OUTER RH ・・・・・・・・・・・・・・・・・・・・・・・・・・・・・・・・・・・・・・・・・・・・・・・・・・・・・・・ 241
PANEL, INSTRUMENT CLUSTER FINISH, CENTER ・・・・・・・・・・・・・・・・・・・・・・・・・・・・・・・・・・・・・・・・・・ 190
PANEL, INSTRUMENT CLUSTER FINISH, NO.1 ・・・・・・・・・・・・・・・・・・・・・・・・・・・・・・・・・・・・・・・・・・・・ 190
PANEL, INSTRUMENT CLUSTER FINISH, UPPER ・・・・・・・・・・・・・・・・・・・・・・・・・・・・・・・・・・・・・・・・・・・ 190
PANEL, INSTRUMENT PANEL FINISH, LOWER NO.1 ・・・・・・・・・・・・・・・・・・・・・・・・・・・・・・・・・・・・・・・・ 190
PANEL, INSTRUMENT SIDE, NO.1 ・・・・・・・・・・・・・・・・・・・・・・・・・・・・・・・・・・・・・・・・・・・・・・・・・・・・・・ 190
PANEL, INSTRUMENT SIDE, NO.2 ・・・・・・・・・・・・・・・・・・・・・・・・・・・・・・・・・・・・・・・・・・・・・・・・・・・・・・ 190
PANEL, QUARTER WHEEL HOUSE, OUTER LH ・・・・・・・・・・・・・・・・・・・・・・・・・・・・・・・・・・・・・・・・・・・・・・ 224
PANEL, QUARTER WHEEL HOUSE, OUTER RH ・・・・・・・・・・・・・・・・・・・・・・・・・・・・・・・・・・・・・・・・・・・・・・ 224
PANEL, QUARTER, LH ・・・・・・・・・・・・・・・・・・・・・・・・・・・・・・・・・・・・・・・・・・・・・・・・・・・・・・・・・・・・・・・・ 224
PANEL, QUARTER, RH ・・・・・・・・・・・・・・・・・・・・・・・・・・・・・・・・・・・・・・・・・・・・・・・・・・・・・・・・・・・・・・・・ 224
PANEL, REAR CONSOLE, UPPER ・・・・・・・・・・・・・・・・・・・・・・・・・・・・・・・・・・・・・・・・・・・・・・・・・・・・・・・・ 211
PANEL, REAR DOOR ARMREST BASE, UPPER LH ・・・・・・・・・・・・・・・・・・・・・・・・・・・・・・・・・・・・・・・・・・・ 291
PANEL, REAR DOOR ARMREST BASE, UPPER RH ・・・・・・・・・・・・・・・・・・・・・・・・・・・・・・・・・・・・・・・・・・・ 291
PANEL, REAR DOOR, OUTER LH ・・・・・・・・・・・・・・・・・・・・・・・・・・・・・・・・・・・・・・・・・・・・・・・・・・・・・・・・ 250
PANEL, REAR DOOR, OUTER RH ・・・・・・・・・・・・・・・・・・・・・・・・・・・・・・・・・・・・・・・・・・・・・・・・・・・・・・・・ 250
PANEL, REAR SEAT BACK ・・・・・・・・・・・・・・・・・・・・・・・・・・・・・・・・・・・・・・・・・・・・・・・・・・・・・・・・・・・・・ 273
PANEL, ROCKER, OUTER LH ・・・・・・・・・・・・・・・・・・・・・・・・・・・・・・・・・・・・・・・・・・・・・・・・・・・・・・・・・・・ 223
PANEL, ROCKER, OUTER RH ・・・・・・・・・・・・・・・・・・・・・・・・・・・・・・・・・・・・・・・・・・・・・・・・・・・・・・・・・・・ 223
PANEL, ROOF ・・・・・・・・・・・・・・・・・・・・・・・・・・・・・・・・・・・・・・・・・・・・・・・・・・・・・・・・・・・・・・・・・・・・・・・ 228
PANEL, ROOF SIDE, INNER LH ・・・・・・・・・・・・・・・・・・・・・・・・・・・・・・・・・・・・・・・・・・・・・・・・・・・・・・・・ 225
PANEL, ROOF SIDE, INNER REAR LH ・・・・・・・・・・・・・・・・・・・・・・・・・・・・・・・・・・・・・・・・・・・・・・・・・・・ 225
PANEL, ROOF SIDE, INNER REAR RH ・・・・・・・・・・・・・・・・・・・・・・・・・・・・・・・・・・・・・・・・・・・・・・・・・・・ 225
PANEL, ROOF SIDE, INNER RH ・・・・・・・・・・・・・・・・・・・・・・・・・・・・・・・・・・・・・・・・・・・・・・・・・・・・・・・・ 225
PANEL, WINDSHIELD HEADER, INNER ・・・・・・・・・・・・・・・・・・・・・・・・・・・・・・・・・・・・・・・・・・・・・・・・・・・ 228
PATCH, SIDE PANEL REAR END, LH ・・・・・・・・・・・・・・・・・・・・・・・・・・・・・・・・・・・・・・・・・・・・・・・・・・・・ 225
PANEL - PATCH,
PART NAME PAGE
PATCH, SIDE PANEL REAR END, RH ・・・・・・・・・・・・・・・・・・・・・・・・・・・・・・・・・・・・・・・・・・・・・・・・・・・・ 225
PEDAL SUB-ASSY, BRAKE ・・・・・・・・・・・・・・・・・・・・・・・・・・・・・・・・・・・・・・・・・・・・・・・・・・・・・・・・・・・・・ 147
PEDAL SUB-ASSY, CLUTCH ・・・・・・・・・・・・・・・・・・・・・・・・・・・・・・・・・・・・・・・・・・・・・・・・・・・・・・・・・・・・ 98
PILLAR SUB-ASSY, CENTER BODY, INNER LH ・・・・・・・・・・・・・・・・・・・・・・・・・・・・・・・・・・・・・・・・・・・・ 223
PILLAR SUB-ASSY, CENTER BODY, INNER RH ・・・・・・・・・・・・・・・・・・・・・・・・・・・・・・・・・・・・・・・・・・・・ 223
PILLAR SUB-ASSY, FRONT BODY, INNER LH ・・・・・・・・・・・・・・・・・・・・・・・・・・・・・・・・・・・・・・・・・・・・・ 222
PILLAR SUB-ASSY, FRONT BODY, INNER RH ・・・・・・・・・・・・・・・・・・・・・・・・・・・・・・・・・・・・・・・・・・・・・ 222
PILLAR, CENTER BODY, OUTER LH ・・・・・・・・・・・・・・・・・・・・・・・・・・・・・・・・・・・・・・・・・・・・・・・・・・・・・ 223
PILLAR, CENTER BODY, OUTER RH ・・・・・・・・・・・・・・・・・・・・・・・・・・・・・・・・・・・・・・・・・・・・・・・・・・・・・ 223
PILLAR, FRONT BODY, OUTER LH ・・・・・・・・・・・・・・・・・・・・・・・・・・・・・・・・・・・・・・・・・・・・・・・・・・・・・・ 222
PILLAR, FRONT BODY, OUTER RH ・・・・・・・・・・・・・・・・・・・・・・・・・・・・・・・・・・・・・・・・・・・・・・・・・・・・・・ 222
PIN(FOR PUSH ROD) ・・・・・・・・・・・・・・・・・・・・・・・・・・・・・・・・・・・・・・・・・・・・・・・・・・・・・・・・・・・・・・・・・ 147
PIN, FRONT DISC BRAKE CYLINDER SLIDE ・・・・・・・・・・・・・・・・・・・・・・・・・・・・・・・・・・・・・・・・・・・・・・ 151
PIN, FRONT DISC BRAKE CYLINDER SLIDE, NO.2 ・・・・・・・・・・・・・・・・・・・・・・・・・・・・・・・・・・・・・・・・ 151
PIN, PISTON ・・・・・・・・・・・・・・・・・・・・・・・・・・・・・・・・・・・・・・・・・・・・・・・・・・・・・・・・・・・・・・・・・・・・・・・ 69
PIN, REAR SEAT CUSHION SUPPORT ・・・・・・・・・・・・・・・・・・・・・・・・・・・・・・・・・・・・・・・・・・・・・・・・・・・・ 281
PIN, REAR SEAT CUSHION SUPPORT ・・・・・・・・・・・・・・・・・・・・・・・・・・・・・・・・・・・・・・・・・・・・・・・・・・・・ 281
PIN, REAR SEAT HINGE ・・・・・・・・・・・・・・・・・・・・・・・・・・・・・・・・・・・・・・・・・・・・・・・・・・・・・・・・・・・・・・ 273
PIN, REAR SEAT HINGE, LH ・・・・・・・・・・・・・・・・・・・・・・・・・・・・・・・・・・・・・・・・・・・・・・・・・・・・・・・・・・ 273
PIN, RING ・・・・・・・・・・・・・・・・・・・・・・・・・・・・・・・・・・・・・・・・・・・・・・・・・・・・・・・・・・・・・・・・・・・・・・・・・ 57
PIN, RING ・・・・・・・・・・・・・・・・・・・・・・・・・・・・・・・・・・・・・・・・・・・・・・・・・・・・・・・・・・・・・・・・・・・・・・・・・ 57
PIN, RING (FOR CYLINDER HEAD SET) ・・・・・・・・・・・・・・・・・・・・・・・・・・・・・・・・・・・・・・・・・・・・・・・・・ 61
PIN, RING(FOR CAMSHAFT BEARING CAP SETTING) ・・・・・・・・・・・・・・・・・・・・・・・・・・・・・・・・・・・・・・・ 57
PIN, RING(FOR CYLINDER BLOCK NO.1 ) ・・・・・・・・・・・・・・・・・・・・・・・・・・・・・・・・・・・・・・・・・・・・・・・ 61
PIN, SHOE HOLD DOWN SPRING(FOR REAR BRAKE) ・・・・・・・・・・・・・・・・・・・・・・・・・・・・・・・・・・・・・・・・ 153
PIN, SLOTTED SPRING ・・・・・・・・・・・・・・・・・・・・・・・・・・・・・・・・・・・・・・・・・・・・・・・・・・・・・・・・・・・・・・・ 113
PIN, SLOTTED SPRING (FOR REVERSE IDLER GEAR SHAFT) ・・・・・・・・・・・・・・・・・・・・・・・・・・・・・・・・ 110
PIN, SLOTTED SPRING (FOR SELECT INNER LEVER) ・・・・・・・・・・・・・・・・・・・・・・・・・・・・・・・・・・・・・・ 113
PIN, STRAIGHT(FOR BRAKE MASTER CYLINDER) ・・・・・・・・・・・・・・・・・・・・・・・・・・・・・・・・・・・・・・・・・・ 148
PIN, STRAIGHT(FOR CLUTCH HOUSING SET) ・・・・・・・・・・・・・・・・・・・・・・・・・・・・・・・・・・・・・・・・・・・・・ 61
PIN, STRAIGHT(FOR CRANKSHAFT) ・・・・・・・・・・・・・・・・・・・・・・・・・・・・・・・・・・・・・・・・・・・・・・・・・・・・・ 70
PIN, STRAIGHT(FOR MANUAL TRANSMISSION CASE) ・・・・・・・・・・・・・・・・・・・・・・・・・・・・・・・・・・・・・・・ 105
PIN, STRAIGHT(FOR OIL PAN) ・・・・・・・・・・・・・・・・・・・・・・・・・・・・・・・・・・・・・・・・・・・・・・・・・・・・・・・・ 61
PIN, STRAIGHT(FOR TIMING GEAR COVER SET) ・・・・・・・・・・・・・・・・・・・・・・・・・・・・・・・・・・・・・・・・・・ 61
PIPE ASSY, EXHAUST, CENTER ・・・・・・・・・・・・・・・・・・・・・・・・・・・・・・・・・・・・・・・・・・・・・・・・・・・・・・・・ 85
PIPE ASSY, EXHAUST, FRONT ・・・・・・・・・・・・・・・・・・・・・・・・・・・・・・・・・・・・・・・・・・・・・・・・・・・・・・・・・ 85
PIPE ASSY, EXHAUST, TAIL ・・・・・・・・・・・・・・・・・・・・・・・・・・・・・・・・・・・・・・・・・・・・・・・・・・・・・・・・・・ 85
PIPE SUB-ASSY, FUEL TANK INLET ・・・・・・・・・・・・・・・・・・・・・・・・・・・・・・・・・・・・・・・・・・・・・・・・・・・・ 305
PIPE, COOLER REFRIGERANT LIQUID, B ・・・・・・・・・・・・・・・・・・・・・・・・・・・・・・・・・・・・・・・・・・・・・・・・ 386
PIPE, COOLER REFRIGERANT LIQUID, C ・・・・・・・・・・・・・・・・・・・・・・・・・・・・・・・・・・・・・・・・・・・・・・・・ 386
PIPE, FUEL DELIVERY ・・・・・・・・・・・・・・・・・・・・・・・・・・・・・・・・・・・・・・・・・・・・・・・・・・・・・・・・・・・・・・・ 96
PIPE, VENTILATION ・・・・・・・・・・・・・・・・・・・・・・・・・・・・・・・・・・・・・・・・・・・・・・・・・・・・・・・・・・・・・・・・・ 87
PIPE, WATER BY-PASS ・・・・・・・・・・・・・・・・・・・・・・・・・・・・・・・・・・・・・・・・・・・・・・・・・・・・・・・・・・・・・・・ 79
PISTON ・・・・・・・・・・・・・・・・・・・・・・・・・・・・・・・・・・・・・・・・・・・・・・・・・・・・・・・・・・・・・・・・・・・・・・・・・・・・ 69
PISTON, FRONT DISC BRAKE ・・・・・・・・・・・・・・・・・・・・・・・・・・・・・・・・・・・・・・・・・・・・・・・・・・・・・・・・・・ 151
PLATE ASSY, FRONT DOOR LOCK STRIKER ・・・・・・・・・・・・・・・・・・・・・・・・・・・・・・・・・・・・・・・・・・・・・・・ 246
PLATE ASSY, REAR DOOR LOCK STRIKER ・・・・・・・・・・・・・・・・・・・・・・・・・・・・・・・・・・・・・・・・・・・・・・・・ 254
PLATE SUB-ASSY, BRAKE BACKING, REAR LH ・・・・・・・・・・・・・・・・・・・・・・・・・・・・・・・・・・・・・・・・・・・・ 153
PLATE SUB-ASSY, BRAKE BACKING, REAR RH ・・・・・・・・・・・・・・・・・・・・・・・・・・・・・・・・・・・・・・・・・・・・ 153
PLATE SUB-ASSY, FRONT SIDE MEMBER, LH ・・・・・・・・・・・・・・・・・・・・・・・・・・・・・・・・・・・・・・・・・・・・・ 200
PATCH, - PLATE
29
PART NAME PAGE
PLATE SUB-ASSY, FRONT SIDE MEMBER, RH ・・・・・・・・・・・・・・・・・・・・・・・・・・・・・・・・・・・・・・・・・・・・・ 200
PLATE, ANTENNA EARTH ・・・・・・・・・・・・・・・・・・・・・・・・・・・・・・・・・・・・・・・・・・・・・・・・・・・・・・・・・・・・・・ 365
PLATE, AUTOMATIC TRANSMISSION CAUTION ・・・・・・・・・・・・・・・・・・・・・・・・・・・・・・・・・・・・・・・・・・・・・ 295
PLATE, BACK DOOR NAME ・・・・・・・・・・・・・・・・・・・・・・・・・・・・・・・・・・・・・・・・・・・・・・・・・・・・・・・・・・・・・ 297
PLATE, BACK DOOR NAME ・・・・・・・・・・・・・・・・・・・・・・・・・・・・・・・・・・・・・・・・・・・・・・・・・・・・・・・・・・・・・ 297
PLATE, BACK DOOR NAME, NO.3 ・・・・・・・・・・・・・・・・・・・・・・・・・・・・・・・・・・・・・・・・・・・・・・・・・・・・・・・ 297
PLATE, BACK DOOR SCUFF ・・・・・・・・・・・・・・・・・・・・・・・・・・・・・・・・・・・・・・・・・・・・・・・・・・・・・・・・・・・・ 237
PLATE, BEARING LOCK ・・・・・・・・・・・・・・・・・・・・・・・・・・・・・・・・・・・・・・・・・・・・・・・・・・・・・・・・・・・・・・・ 108
PLATE, CONTROL POSITION INDICATOR ・・・・・・・・・・・・・・・・・・・・・・・・・・・・・・・・・・・・・・・・・・・・・・・・・ 116
PLATE, FRONT DOOR SCUFF, LH ・・・・・・・・・・・・・・・・・・・・・・・・・・・・・・・・・・・・・・・・・・・・・・・・・・・・・・・ 232
PLATE, FRONT DOOR SCUFF, RH ・・・・・・・・・・・・・・・・・・・・・・・・・・・・・・・・・・・・・・・・・・・・・・・・・・・・・・・ 232
PLATE, FRONT FENDER EXTENSION, LH ・・・・・・・・・・・・・・・・・・・・・・・・・・・・・・・・・・・・・・・・・・・・・・・・・ 179
PLATE, FRONT FENDER EXTENSION, RH ・・・・・・・・・・・・・・・・・・・・・・・・・・・・・・・・・・・・・・・・・・・・・・・・・ 179
PLATE, FRONT SIDE MEMBER, NO.2 LH ・・・・・・・・・・・・・・・・・・・・・・・・・・・・・・・・・・・・・・・・・・・・・・・・・ 200
PLATE, FRONT SIDE MEMBER, NO.2 RH ・・・・・・・・・・・・・・・・・・・・・・・・・・・・・・・・・・・・・・・・・・・・・・・・・ 200
PLATE, LUGGAGE COMPARTMENT DOOR NAME, NO.5 ・・・・・・・・・・・・・・・・・・・・・・・・・・・・・・・・・・・・・・・・ 297
PLATE, LUGGAGE COMPARTMENT DOOR, NO.3 ・・・・・・・・・・・・・・・・・・・・・・・・・・・・・・・・・・・・・・・・・・・・・ 297
PLATE, OIL PAN BAFFLE, NO.1 ・・・・・・・・・・・・・・・・・・・・・・・・・・・・・・・・・・・・・・・・・・・・・・・・・・・・・・・ 61
PLATE, OIL PAN BAFFLE, NO.2 ・・・・・・・・・・・・・・・・・・・・・・・・・・・・・・・・・・・・・・・・・・・・・・・・・・・・・・・ 61
PLATE, PARKING BRAKE MOUNTING ・・・・・・・・・・・・・・・・・・・・・・・・・・・・・・・・・・・・・・・・・・・・・・・・・・・・・ 201
PLATE, REAR BUMPER, RH ・・・・・・・・・・・・・・・・・・・・・・・・・・・・・・・・・・・・・・・・・・・・・・・・・・・・・・・・・・・・ 174
PLATE, REAR DOOR SCUFF, LH ・・・・・・・・・・・・・・・・・・・・・・・・・・・・・・・・・・・・・・・・・・・・・・・・・・・・・・・・ 232
PLATE, REAR DOOR SCUFF, RH ・・・・・・・・・・・・・・・・・・・・・・・・・・・・・・・・・・・・・・・・・・・・・・・・・・・・・・・・ 232
PLATE, REAR SEAT CENTER ARMREST, NO.1 ・・・・・・・・・・・・・・・・・・・・・・・・・・・・・・・・・・・・・・・・・・・・・ 282
PLATE, SEAL ・・・・・・・・・・・・・・・・・・・・・・・・・・・・・・・・・・・・・・・・・・・・・・・・・・・・・・・・・・・・・・・・・・・・・・・ 385
PLATE, SEAT BELT ANCHORAGE, LH ・・・・・・・・・・・・・・・・・・・・・・・・・・・・・・・・・・・・・・・・・・・・・・・・・・・・ 225
PLATE, SEAT BELT ANCHORAGE, RH ・・・・・・・・・・・・・・・・・・・・・・・・・・・・・・・・・・・・・・・・・・・・・・・・・・・・ 225
PLATE, SHIFT INTER LOCK ・・・・・・・・・・・・・・・・・・・・・・・・・・・・・・・・・・・・・・・・・・・・・・・・・・・・・・・・・・・ 113
PLUG(FOR CLUTCH HOUSING) ・・・・・・・・・・・・・・・・・・・・・・・・・・・・・・・・・・・・・・・・・・・・・・・・・・・・・・・・・・ 105
PLUG(FOR MTM SPEEDOMETER DRIVEN HOLE) ・・・・・・・・・・・・・・・・・・・・・・・・・・・・・・・・・・・・・・・・・・・・・ 106
PLUG(FOR OIL PAN DRAIN) ・・・・・・・・・・・・・・・・・・・・・・・・・・・・・・・・・・・・・・・・・・・・・・・・・・・・・・・・・・・ 61
PLUG(FOR TRANSMISSION CASE) ・・・・・・・・・・・・・・・・・・・・・・・・・・・・・・・・・・・・・・・・・・・・・・・・・・・・・・・ 105
PLUG, BLEEDER(FOR DRUM BRAKE, REAR) ・・・・・・・・・・・・・・・・・・・・・・・・・・・・・・・・・・・・・・・・・・・・・・・ 153
PLUG, BLEEDER(FOR FRONT DISC BRAKE) ・・・・・・・・・・・・・・・・・・・・・・・・・・・・・・・・・・・・・・・・・・・・・・・ 151
PLUG, BREATHER, NO.1(CVT) ・・・・・・・・・・・・・・・・・・・・・・・・・・・・・・・・・・・・・・・・・・・・・・・・・・・・・・・・・ 122
PLUG, HOLE NO.2(FOR REAR BRAKE) ・・・・・・・・・・・・・・・・・・・・・・・・・・・・・・・・・・・・・・・・・・・・・・・・・・・ 153
PLUG, HOLE(FOR REAR BRAKE) ・・・・・・・・・・・・・・・・・・・・・・・・・・・・・・・・・・・・・・・・・・・・・・・・・・・・・・・・ 153
PLUG, OVERFLOW(CVT) ・・・・・・・・・・・・・・・・・・・・・・・・・・・・・・・・・・・・・・・・・・・・・・・・・・・・・・・・・・・・・・・ 122
PLUG, RADIATOR DRAIN COCK ・・・・・・・・・・・・・・・・・・・・・・・・・・・・・・・・・・・・・・・・・・・・・・・・・・・・・・・・・ 79
PLUG, SPARK ・・・・・・・・・・・・・・・・・・・・・・・・・・・・・・・・・・・・・・・・・・・・・・・・・・・・・・・・・・・・・・・・・・・・・・・ 90
PLUG, W/HEAD STRAIGHT SCREW(FOR TIMING GEAR CASE) ・・・・・・・・・・・・・・・・・・・・・・・・・・・・・・・・・ 64
POCKET, CONSOLE BOX, REAR ・・・・・・・・・・・・・・・・・・・・・・・・・・・・・・・・・・・・・・・・・・・・・・・・・・・・・・・・・ 212
POCKET, QUARTER TRIM, LH ・・・・・・・・・・・・・・・・・・・・・・・・・・・・・・・・・・・・・・・・・・・・・・・・・・・・・・・・・・ 237
POCKET, QUARTER TRIM, RH ・・・・・・・・・・・・・・・・・・・・・・・・・・・・・・・・・・・・・・・・・・・・・・・・・・・・・・・・・・ 237
PROTECTOR, BACK DOOR GARNISH MOULDING, LWR ・・・・・・・・・・・・・・・・・・・・・・・・・・・・・・・・・・・・・・・・ 258
PROTECTOR, BACK DOOR GARNISH MOULDING, UPPER ・・・・・・・・・・・・・・・・・・・・・・・・・・・・・・・・・・・・・・ 258
PROTECTOR, BACK DOOR OUTSIDE GARNISH ・・・・・・・・・・・・・・・・・・・・・・・・・・・・・・・・・・・・・・・・・・・・・・ 258
PROTECTOR, BACK DOOR OUTSIDE GARNISH ・・・・・・・・・・・・・・・・・・・・・・・・・・・・・・・・・・・・・・・・・・・・・・ 259
PROTECTOR, BACK DOOR OUTSIDE GARNISH ・・・・・・・・・・・・・・・・・・・・・・・・・・・・・・・・・・・・・・・・・・・・・・ 259
PROTECTOR, FRONT SEAT CUSHION, NO.2 ・・・・・・・・・・・・・・・・・・・・・・・・・・・・・・・・・・・・・・・・・・・・・・・ 274
PLATE - PROTECTOR,
PART NAME PAGE
PROTECTOR, HOOD, FRONT ・・・・・・・・・・・・・・・・・・・・・・・・・・・・・・・・・・・・・・・・・・・・・・・・・・・・・・・・・・・・ 179
PROTECTOR, REAR SEAT, NO.1 RH ・・・・・・・・・・・・・・・・・・・・・・・・・・・・・・・・・・・・・・・・・・・・・・・・・・・・・ 276
PROTECTOR, REAR SEAT, NO.2 ・・・・・・・・・・・・・・・・・・・・・・・・・・・・・・・・・・・・・・・・・・・・・・・・・・・・・・・・ 276
PROTECTOR, SEAT ・・・・・・・・・・・・・・・・・・・・・・・・・・・・・・・・・・・・・・・・・・・・・・・・・・・・・・・・・・・・・・・・・・・ 276
PROTECTOR, SEAT TRACK LOWER RAIL ・・・・・・・・・・・・・・・・・・・・・・・・・・・・・・・・・・・・・・・・・・・・・・・・・・ 279
PROTECTOR, SEAT TRACK LOWER RAIL, NO.1 ・・・・・・・・・・・・・・・・・・・・・・・・・・・・・・・・・・・・・・・・・・・・ 279
PROTECTOR, SEAT TRACK LOWER RAIL, NO.2 ・・・・・・・・・・・・・・・・・・・・・・・・・・・・・・・・・・・・・・・・・・・・ 279
PROTECTOR, SEAT TRACK LOWER RAIL, NO.3 ・・・・・・・・・・・・・・・・・・・・・・・・・・・・・・・・・・・・・・・・・・・・ 279
PROTECTOR, SEAT TRACK LOWER RAIL, NO.4 ・・・・・・・・・・・・・・・・・・・・・・・・・・・・・・・・・・・・・・・・・・・・ 279
PROTECTOR, WIRING HARNESS, NO.1 ・・・・・・・・・・・・・・・・・・・・・・・・・・・・・・・・・・・・・・・・・・・・・・・・・・・ 326
PULLER, FUSE ・・・・・・・・・・・・・・・・・・・・・・・・・・・・・・・・・・・・・・・・・・・・・・・・・・・・・・・・・・・・・・・・・・・・・・ 339
PULLEY, ALTERNATOR ・・・・・・・・・・・・・・・・・・・・・・・・・・・・・・・・・・・・・・・・・・・・・・・・・・・・・・・・・・・・・・・・ 92
PULLEY, CRANKSHAFT ・・・・・・・・・・・・・・・・・・・・・・・・・・・・・・・・・・・・・・・・・・・・・・・・・・・・・・・・・・・・・・・・ 70
PUMP ASSY, ENGINE WATER ・・・・・・・・・・・・・・・・・・・・・・・・・・・・・・・・・・・・・・・・・・・・・・・・・・・・・・・・・・・ 75
PUMP ASSY, FUEL W/FILTER ・・・・・・・・・・・・・・・・・・・・・・・・・・・・・・・・・・・・・・・・・・・・・・・・・・・・・・・・・・ 305
PUMP, FUEL ・・・・・・・・・・・・・・・・・・・・・・・・・・・・・・・・・・・・・・・・・・・・・・・・・・・・・・・・・・・・・・・・・・・・・・・・ 305
RADIATOR ASSY ・・・・・・・・・・・・・・・・・・・・・・・・・・・・・・・・・・・・・・・・・・・・・・・・・・・・・・・・・・・・・・・・・・・・・ 79
RAIL SUB-ASSY, ROOF SIDE, INNER LH ・・・・・・・・・・・・・・・・・・・・・・・・・・・・・・・・・・・・・・・・・・・・・・・・ 222
RAIL SUB-ASSY, ROOF SIDE, INNER RH ・・・・・・・・・・・・・・・・・・・・・・・・・・・・・・・・・・・・・・・・・・・・・・・・ 222
RAIL, ROOF SIDE, INNER LH ・・・・・・・・・・・・・・・・・・・・・・・・・・・・・・・・・・・・・・・・・・・・・・・・・・・・・・・・・ 222
RAIL, ROOF SIDE, INNER RH ・・・・・・・・・・・・・・・・・・・・・・・・・・・・・・・・・・・・・・・・・・・・・・・・・・・・・・・・・ 222
RECEIVER, CASE COVER OIL, NO.1(MTM) ・・・・・・・・・・・・・・・・・・・・・・・・・・・・・・・・・・・・・・・・・・・・・・・ 105
REFLECTOR ASSY, REFLEX, LH ・・・・・・・・・・・・・・・・・・・・・・・・・・・・・・・・・・・・・・・・・・・・・・・・・・・・・・・・ 316
REFLECTOR ASSY, REFLEX, RH ・・・・・・・・・・・・・・・・・・・・・・・・・・・・・・・・・・・・・・・・・・・・・・・・・・・・・・・・ 316
REGISTER ASSY, INSTRUMENT PANEL, NO.1 ・・・・・・・・・・・・・・・・・・・・・・・・・・・・・・・・・・・・・・・・・・・・・ 191
REGISTER ASSY, INSTRUMENT PANEL, NO.2 ・・・・・・・・・・・・・・・・・・・・・・・・・・・・・・・・・・・・・・・・・・・・・ 192
REGISTER ASSY, INSTRUMENT PANEL, NO.3 ・・・・・・・・・・・・・・・・・・・・・・・・・・・・・・・・・・・・・・・・・・・・・ 192
REGULATOR ASSY, GENERATOR ・・・・・・・・・・・・・・・・・・・・・・・・・・・・・・・・・・・・・・・・・・・・・・・・・・・・・・・・・ 92
REGULATOR SUB-ASSY, FRONT DOOR WINDOW, LH ・・・・・・・・・・・・・・・・・・・・・・・・・・・・・・・・・・・・・・・・・ 247
REGULATOR SUB-ASSY, FRONT DOOR WINDOW, RH ・・・・・・・・・・・・・・・・・・・・・・・・・・・・・・・・・・・・・・・・・ 247
REGULATOR SUB-ASSY, REAR DOOR WINDOW, LH ・・・・・・・・・・・・・・・・・・・・・・・・・・・・・・・・・・・・・・・・・・ 255
REGULATOR SUB-ASSY, REAR DOOR WINDOW, RH ・・・・・・・・・・・・・・・・・・・・・・・・・・・・・・・・・・・・・・・・・・ 255
REINFORCE SUB-ASSY, FRONT BODY PILLAR, LOWER LH ・・・・・・・・・・・・・・・・・・・・・・・・・・・・・・・・・・・ 222
REINFORCE SUB-ASSY, FRONT BODY PILLAR, LOWER RH ・・・・・・・・・・・・・・・・・・・・・・・・・・・・・・・・・・・ 222
REINFORCE SUB-ASSY, ROCKER, OUTER LH ・・・・・・・・・・・・・・・・・・・・・・・・・・・・・・・・・・・・・・・・・・・・・・ 223
REINFORCE SUB-ASSY, ROCKER, OUTER RH ・・・・・・・・・・・・・・・・・・・・・・・・・・・・・・・・・・・・・・・・・・・・・・ 223
REINFORCE, BELT ANCHOR TO ROOF SIDE, INNER REAR RH ・・・・・・・・・・・・・・・・・・・・・・・・・・・・・・・・ 225
REINFORCEMENT SUB-ASSY, BELT ANCHOR, LH ・・・・・・・・・・・・・・・・・・・・・・・・・・・・・・・・・・・・・・・・・・・ 204
REINFORCEMENT SUB-ASSY, CENTER BODY PILLAR, LH ・・・・・・・・・・・・・・・・・・・・・・・・・・・・・・・・・・・・ 222
REINFORCEMENT SUB-ASSY, CENTER BODY PILLAR, RH ・・・・・・・・・・・・・・・・・・・・・・・・・・・・・・・・・・・・ 222
REINFORCEMENT SUB-ASSY, NO.1 SEAT LEG, REAR NO.3 ・・・・・・・・・・・・・・・・・・・・・・・・・・・・・・・・・・ 204
REINFORCEMENT SUB-ASSY, NO.1 SEAT LEG, REAR NO.4 ・・・・・・・・・・・・・・・・・・・・・・・・・・・・・・・・・・ 204
REINFORCEMENT SUB-ASSY, QUARTER LOCK PILLAR, LH ・・・・・・・・・・・・・・・・・・・・・・・・・・・・・・・・・・・ 223
REINFORCEMENT SUB-ASSY, QUARTER LOCK PILLAR, RH ・・・・・・・・・・・・・・・・・・・・・・・・・・・・・・・・・・・ 223
REINFORCEMENT SUB-ASSY, QUARTER PANEL, LH ・・・・・・・・・・・・・・・・・・・・・・・・・・・・・・・・・・・・・・・・・ 224
REINFORCEMENT SUB-ASSY, QUARTER PANEL, RH ・・・・・・・・・・・・・・・・・・・・・・・・・・・・・・・・・・・・・・・・・ 224
REINFORCEMENT SUB-ASSY, QUATER PANEL, INNER LH ・・・・・・・・・・・・・・・・・・・・・・・・・・・・・・・・・・・・ 224
REINFORCEMENT SUB-ASSY, QUATER PANEL, INNER RH ・・・・・・・・・・・・・・・・・・・・・・・・・・・・・・・・・・・・ 223
REINFORCEMENT, BACK DOOR OPENING, LOWER LH ・・・・・・・・・・・・・・・・・・・・・・・・・・・・・・・・・・・・・・・・ 225
REINFORCEMENT, BACK DOOR OPENING, LOWER RH ・・・・・・・・・・・・・・・・・・・・・・・・・・・・・・・・・・・・・・・・ 225
PROTECTOR, - REINFORCEMENT,
30
PART NAME PAGE
REINFORCEMENT, BELT ANCHOR TO QUARTER, INNER LOWER LH ・・・・・・・・・・・・・・・・・・・・・・・・・・・・・ 225
REINFORCEMENT, BELT ANCHOR, RH ・・・・・・・・・・・・・・・・・・・・・・・・・・・・・・・・・・・・・・・・・・・・・・・・・・・・ 204
REINFORCEMENT, BODY LOWER BACK PANEL ・・・・・・・・・・・・・・・・・・・・・・・・・・・・・・・・・・・・・・・・・・・・・・ 205
REINFORCEMENT, CENTER FLOOR PANEL ・・・・・・・・・・・・・・・・・・・・・・・・・・・・・・・・・・・・・・・・・・・・・・・・・ 201
REINFORCEMENT, FRONT FLOOR PANEL ・・・・・・・・・・・・・・・・・・・・・・・・・・・・・・・・・・・・・・・・・・・・・・・・・・ 201
REINFORCEMENT, FRONT FLOOR PANEL ・・・・・・・・・・・・・・・・・・・・・・・・・・・・・・・・・・・・・・・・・・・・・・・・・・ 201
REINFORCEMENT, FRONT FLOOR UNDER, LH ・・・・・・・・・・・・・・・・・・・・・・・・・・・・・・・・・・・・・・・・・・・・・・ 200
REINFORCEMENT, FRONT FLOOR UNDER, REAR ・・・・・・・・・・・・・・・・・・・・・・・・・・・・・・・・・・・・・・・・・・・・ 200
REINFORCEMENT, FRONT FLOOR UNDER, REAR LH ・・・・・・・・・・・・・・・・・・・・・・・・・・・・・・・・・・・・・・・・・ 201
REINFORCEMENT, FRONT FLOOR UNDER, RH ・・・・・・・・・・・・・・・・・・・・・・・・・・・・・・・・・・・・・・・・・・・・・・ 200
REINFORCEMENT, INSTRUMENT PANEL ・・・・・・・・・・・・・・・・・・・・・・・・・・・・・・・・・・・・・・・・・・・・・・・・・・・ 190
REINFORCEMENT, QUARTER PANEL EXTENSION, LH ・・・・・・・・・・・・・・・・・・・・・・・・・・・・・・・・・・・・・・・・ 225
REINFORCEMENT, QUARTER PANEL EXTENSION, RH ・・・・・・・・・・・・・・・・・・・・・・・・・・・・・・・・・・・・・・・・ 225
REINFORCEMENT, QUARTER WHEEL HOUSE, LH ・・・・・・・・・・・・・・・・・・・・・・・・・・・・・・・・・・・・・・・・・・・・ 205
REINFORCEMENT, QUARTER WHEEL HOUSE, RH ・・・・・・・・・・・・・・・・・・・・・・・・・・・・・・・・・・・・・・・・・・・・ 205
REINFORCEMENT, REAR FLOOR SIDE MEMBER, REAR LH ・・・・・・・・・・・・・・・・・・・・・・・・・・・・・・・・・・・・ 204
REINFORCEMENT, REAR NO.2 SEAT LEG, FRONT LH ・・・・・・・・・・・・・・・・・・・・・・・・・・・・・・・・・・・・・・・ 204
REINFORCEMENT, REAR NO.2 SEAT LEG, FRONT RH ・・・・・・・・・・・・・・・・・・・・・・・・・・・・・・・・・・・・・・・ 204
REINFORCEMENT, REAR SIDE MEMBER, RH ・・・・・・・・・・・・・・・・・・・・・・・・・・・・・・・・・・・・・・・・・・・・・・・ 204
REINFORCEMENT, ROOF PANEL ・・・・・・・・・・・・・・・・・・・・・・・・・・・・・・・・・・・・・・・・・・・・・・・・・・・・・・・・・ 228
REINFORCEMENT, ROOF PANEL ・・・・・・・・・・・・・・・・・・・・・・・・・・・・・・・・・・・・・・・・・・・・・・・・・・・・・・・・・ 228
REINFORCEMENT, ROOF PANEL, NO.4 ・・・・・・・・・・・・・・・・・・・・・・・・・・・・・・・・・・・・・・・・・・・・・・・・・・・ 228
REINFORCEMENT, ROOF PANEL, REAR ・・・・・・・・・・・・・・・・・・・・・・・・・・・・・・・・・・・・・・・・・・・・・・・・・・・ 228
REINFORCEMENT, ROOF SIDE RAIL, INNER LH ・・・・・・・・・・・・・・・・・・・・・・・・・・・・・・・・・・・・・・・・・・・ 223
REINFORCEMENT, ROOF SIDE RAIL, INNER RH ・・・・・・・・・・・・・・・・・・・・・・・・・・・・・・・・・・・・・・・・・・・ 223
REINFORCEMENT, ROOF SIDE RAIL, OUTER LH ・・・・・・・・・・・・・・・・・・・・・・・・・・・・・・・・・・・・・・・・・・・ 223
REINFORCEMENT, ROOF SIDE RAIL, OUTER RH ・・・・・・・・・・・・・・・・・・・・・・・・・・・・・・・・・・・・・・・・・・・ 223
REINFORCEMENT, SEAT LEG ・・・・・・・・・・・・・・・・・・・・・・・・・・・・・・・・・・・・・・・・・・・・・・・・・・・・・・・・・・・ 204
REINFORCEMENT, WINDSHIELD HEADER PANEL ・・・・・・・・・・・・・・・・・・・・・・・・・・・・・・・・・・・・・・・・・・・・ 228
RELAY ASSY, STARTER ・・・・・・・・・・・・・・・・・・・・・・・・・・・・・・・・・・・・・・・・・・・・・・・・・・・・・・・・・・・・・・・ 339
RELAY, ACC ・・・・・・・・・・・・・・・・・・・・・・・・・・・・・・・・・・・・・・・・・・・・・・・・・・・・・・・・・・・・・・・・・・・・・・・・ 341
RELAY, FOG LAMP ・・・・・・・・・・・・・・・・・・・・・・・・・・・・・・・・・・・・・・・・・・・・・・・・・・・・・・・・・・・・・・・・・・・ 341
RELAY, HORN ・・・・・・・・・・・・・・・・・・・・・・・・・・・・・・・・・・・・・・・・・・・・・・・・・・・・・・・・・・・・・・・・・・・・・・・ 341
RELAY, INTEGRATION NO.1 ・・・・・・・・・・・・・・・・・・・・・・・・・・・・・・・・・・・・・・・・・・・・・・・・・・・・・・・・・・・ 339
RELAY, RADIATOR FAN ・・・・・・・・・・・・・・・・・・・・・・・・・・・・・・・・・・・・・・・・・・・・・・・・・・・・・・・・・・・・・・・ 341
RELAY, REAR COOLER ・・・・・・・・・・・・・・・・・・・・・・・・・・・・・・・・・・・・・・・・・・・・・・・・・・・・・・・・・・・・・・・・ 341
RESERVOIR ASSY, BRAKE MASTER CYLINDER ・・・・・・・・・・・・・・・・・・・・・・・・・・・・・・・・・・・・・・・・・・・・・ 148
RESISTER, COOLER BLOWER ・・・・・・・・・・・・・・・・・・・・・・・・・・・・・・・・・・・・・・・・・・・・・・・・・・・・・・・・・・・ 377
RESISTOR, BLOWER ・・・・・・・・・・・・・・・・・・・・・・・・・・・・・・・・・・・・・・・・・・・・・・・・・・・・・・・・・・・・・・・・・・ 376
RETAINER SUB-ASSY, BACK DOOR LOCK STRIKER ・・・・・・・・・・・・・・・・・・・・・・・・・・・・・・・・・・・・・・・・・ 205
RETAINER SUB-ASSY, SEAT RAIL, REAR RH ・・・・・・・・・・・・・・・・・・・・・・・・・・・・・・・・・・・・・・・・・・・・・ 201
RETAINER(FOR REAR DOOR WEATHERSTRIP) ・・・・・・・・・・・・・・・・・・・・・・・・・・・・・・・・・・・・・・・・・・・・・・ 251
RETAINER, ADJUSTING BOLT SPRING ・・・・・・・・・・・・・・・・・・・・・・・・・・・・・・・・・・・・・・・・・・・・・・・・・・・ 154
RETAINER, BACK DOOR GARNISH, NO.1 ・・・・・・・・・・・・・・・・・・・・・・・・・・・・・・・・・・・・・・・・・・・・・・・・・ 259
RETAINER, BACK DOOR STAY, LH ・・・・・・・・・・・・・・・・・・・・・・・・・・・・・・・・・・・・・・・・・・・・・・・・・・・・・・ 225
RETAINER, BACK DOOR STAY, RH ・・・・・・・・・・・・・・・・・・・・・・・・・・・・・・・・・・・・・・・・・・・・・・・・・・・・・・ 225
RETAINER, ENGINE UNDER COVER ・・・・・・・・・・・・・・・・・・・・・・・・・・・・・・・・・・・・・・・・・・・・・・・・・・・・・・ 169
RETAINER, ENGINE UNDER COVER ・・・・・・・・・・・・・・・・・・・・・・・・・・・・・・・・・・・・・・・・・・・・・・・・・・・・・・ 169
RETAINER, FRONT DOOR WEATHERSTRIP, LH ・・・・・・・・・・・・・・・・・・・・・・・・・・・・・・・・・・・・・・・・・・・・・ 242
RETAINER, FRONT DOOR WEATHERSTRIP, RH ・・・・・・・・・・・・・・・・・・・・・・・・・・・・・・・・・・・・・・・・・・・・・ 242
REINFORCEMENT, - RETAINER,
PART NAME PAGE
RETAINER, FRONT FENDER LINER ・・・・・・・・・・・・・・・・・・・・・・・・・・・・・・・・・・・・・・・・・・・・・・・・・・・・・・ 179
RETAINER, FRONT FENDER LINER ・・・・・・・・・・・・・・・・・・・・・・・・・・・・・・・・・・・・・・・・・・・・・・・・・・・・・・ 179
RETAINER, FRONT FLOOR ・・・・・・・・・・・・・・・・・・・・・・・・・・・・・・・・・・・・・・・・・・・・・・・・・・・・・・・・・・・・・ 201
RETAINER, OUTSIDE MOULDING ・・・・・・・・・・・・・・・・・・・・・・・・・・・・・・・・・・・・・・・・・・・・・・・・・・・・・・・・ 299
RETAINER, OUTSIDE MOULDING ・・・・・・・・・・・・・・・・・・・・・・・・・・・・・・・・・・・・・・・・・・・・・・・・・・・・・・・・ 299
RETAINER, QUARTER GARNISH, FRONT LH ・・・・・・・・・・・・・・・・・・・・・・・・・・・・・・・・・・・・・・・・・・・・・・・ 299
RETAINER, QUARTER GARNISH, FRONT RH ・・・・・・・・・・・・・・・・・・・・・・・・・・・・・・・・・・・・・・・・・・・・・・・ 299
RETAINER, QUARTER WINDOW GLASS, LOWER ・・・・・・・・・・・・・・・・・・・・・・・・・・・・・・・・・・・・・・・・・・・・・ 226
RETAINER, QUARTER WINDOW GLASS, LOWER LH ・・・・・・・・・・・・・・・・・・・・・・・・・・・・・・・・・・・・・・・・・・ 226
RETAINER, QUARTER WINDOW GLASS, UPPER ・・・・・・・・・・・・・・・・・・・・・・・・・・・・・・・・・・・・・・・・・・・・・ 226
RETAINER, QUARTER WINDOW GLASS, UPPER ・・・・・・・・・・・・・・・・・・・・・・・・・・・・・・・・・・・・・・・・・・・・・ 226
RETAINER, RADIATOR GRILLE, NO.1 ・・・・・・・・・・・・・・・・・・・・・・・・・・・・・・・・・・・・・・・・・・・・・・・・・・・ 175
RETAINER, REAR BUMPER GUARD, LH ・・・・・・・・・・・・・・・・・・・・・・・・・・・・・・・・・・・・・・・・・・・・・・・・・・・ 174
RETAINER, REAR BUMPER GUARD, RH ・・・・・・・・・・・・・・・・・・・・・・・・・・・・・・・・・・・・・・・・・・・・・・・・・・・ 174
RETAINER, REAR BUMPER, UPPER CENTER ・・・・・・・・・・・・・・・・・・・・・・・・・・・・・・・・・・・・・・・・・・・・・・・ 174
RETAINER, REAR BUMPER, UPPER LH ・・・・・・・・・・・・・・・・・・・・・・・・・・・・・・・・・・・・・・・・・・・・・・・・・・・ 174
RETAINER, REAR BUMPER, UPPER RH ・・・・・・・・・・・・・・・・・・・・・・・・・・・・・・・・・・・・・・・・・・・・・・・・・・・ 174
RETAINER, REAR BUMPER, UPPER SIDE ・・・・・・・・・・・・・・・・・・・・・・・・・・・・・・・・・・・・・・・・・・・・・・・・・ 174
RETAINER, REAR DOOR WEATHERSTRIP, LH ・・・・・・・・・・・・・・・・・・・・・・・・・・・・・・・・・・・・・・・・・・・・・・ 250
RETAINER, ROOF HEADLINING, REAR ・・・・・・・・・・・・・・・・・・・・・・・・・・・・・・・・・・・・・・・・・・・・・・・・・・・ 235
RETAINER, SPARE WHEEL CARRIER ・・・・・・・・・・・・・・・・・・・・・・・・・・・・・・・・・・・・・・・・・・・・・・・・・・・・・ 204
RETAINER, ULTRASONIC SENSOR, REAR CENTER ・・・・・・・・・・・・・・・・・・・・・・・・・・・・・・・・・・・・・・・・・・ 174
RETAINER, VALVE SPRING ・・・・・・・・・・・・・・・・・・・・・・・・・・・・・・・・・・・・・・・・・・・・・・・・・・・・・・・・・・・・ 72
RING SET, PISTON ・・・・・・・・・・・・・・・・・・・・・・・・・・・・・・・・・・・・・・・・・・・・・・・・・・・・・・・・・・・・・・・・・・ 69
RING SET, SYNCHRONIZER, NO.1 ・・・・・・・・・・・・・・・・・・・・・・・・・・・・・・・・・・・・・・・・・・・・・・・・・・・・・・ 108
RING SET, SYNCHRONIZER, NO.2 ・・・・・・・・・・・・・・・・・・・・・・・・・・・・・・・・・・・・・・・・・・・・・・・・・・・・・・ 108
RING, 4TH WASHER RETAINING ・・・・・・・・・・・・・・・・・・・・・・・・・・・・・・・・・・・・・・・・・・・・・・・・・・・・・・・・ 109
RING, 5TH SYNCHRONIZER OUTER ・・・・・・・・・・・・・・・・・・・・・・・・・・・・・・・・・・・・・・・・・・・・・・・・・・・・・・ 110
RING, HOG, SMALL (FOR FRONT SEAT BACK) ・・・・・・・・・・・・・・・・・・・・・・・・・・・・・・・・・・・・・・・・・・・・ 276
RING, HOG, SMALL (FOR FRONT SEAT BACK) ・・・・・・・・・・・・・・・・・・・・・・・・・・・・・・・・・・・・・・・・・・・・ 276
RING, HOG, SMALL (FOR FRONT SEAT CUSHION) ・・・・・・・・・・・・・・・・・・・・・・・・・・・・・・・・・・・・・・・・・ 276
RING, HOG, SMALL (FOR FRONT SEAT CUSHION) ・・・・・・・・・・・・・・・・・・・・・・・・・・・・・・・・・・・・・・・・・ 276
RING, HOG, SMALL (FOR REAR SEAT BACK) ・・・・・・・・・・・・・・・・・・・・・・・・・・・・・・・・・・・・・・・・・・・・・ 276
RING, HOG, SMALL (FOR REAR SEAT BACK) ・・・・・・・・・・・・・・・・・・・・・・・・・・・・・・・・・・・・・・・・・・・・・ 276
RING, HOG, SMALL (FOR REAR SEAT CUSHION) ・・・・・・・・・・・・・・・・・・・・・・・・・・・・・・・・・・・・・・・・・・ 276
RING, HOG, SMALL (FOR REAR SEAT CUSHION) ・・・・・・・・・・・・・・・・・・・・・・・・・・・・・・・・・・・・・・・・・・ 276
RING, HOG, SMALL (FOR REAR SEAT) ・・・・・・・・・・・・・・・・・・・・・・・・・・・・・・・・・・・・・・・・・・・・・・・・・・ 276
RING, HOLE SNAP (FOR 5TH SHIFTING KEY RETAINER) ・・・・・・・・・・・・・・・・・・・・・・・・・・・・・・・・・・・ 110
RING, HOLE SNAP (FOR FRONT AXLE HUB LH) ・・・・・・・・・・・・・・・・・・・・・・・・・・・・・・・・・・・・・・・・・・・ 138
RING, HOLE SNAP (FOR FRONT AXLE HUB RH) ・・・・・・・・・・・・・・・・・・・・・・・・・・・・・・・・・・・・・・・・・・・ 138
RING, HOLE SNAP(FOR OUTPUT SHAFT REAR BEARING) ・・・・・・・・・・・・・・・・・・・・・・・・・・・・・・・・・・・・ 108
RING, O ・・・・・・・・・・・・・・・・・・・・・・・・・・・・・・・・・・・・・・・・・・・・・・・・・・・・・・・・・・・・・・・・・・・・・・・・・・・ 61
RING, O ・・・・・・・・・・・・・・・・・・・・・・・・・・・・・・・・・・・・・・・・・・・・・・・・・・・・・・・・・・・・・・・・・・・・・・・・・・・ 346
RING, O (FOR MTM SPEEDOMETER SHAFT SLEEVE) ・・・・・・・・・・・・・・・・・・・・・・・・・・・・・・・・・・・・・・・・ 106
RING, O (FOR OIL STRAINER) ・・・・・・・・・・・・・・・・・・・・・・・・・・・・・・・・・・・・・・・・・・・・・・・・・・・・・・・・ 122
RING, O(FOR BRAKE MASTER CYLINDER) ・・・・・・・・・・・・・・・・・・・・・・・・・・・・・・・・・・・・・・・・・・・・・・・・ 148
RING, O(FOR CAM TIMING OIL CONTROL VALVE) ・・・・・・・・・・・・・・・・・・・・・・・・・・・・・・・・・・・・・・・・・ 58
RING, O(FOR COOLER REFRIGERANT DISCHARGE HOSE) ・・・・・・・・・・・・・・・・・・・・・・・・・・・・・・・・・・・・ 385
RING, O(FOR COOLER REFRIGERANT LIQUID PIPE) ・・・・・・・・・・・・・・・・・・・・・・・・・・・・・・・・・・・・・・・ 386
RING, O(FOR COOLER REFRIGERANT SUCTION HOSE) ・・・・・・・・・・・・・・・・・・・・・・・・・・・・・・・・・・・・・・ 385
RETAINER, - RING,
31
PART NAME PAGE
RING, O(FOR FUEL INJECTOR) ・・・・・・・・・・・・・・・・・・・・・・・・・・・・・・・・・・・・・・・・・・・・・・・・・・・・・・・・ 96
RING, O(FOR FUEL PUMP) ・・・・・・・・・・・・・・・・・・・・・・・・・・・・・・・・・・・・・・・・・・・・・・・・・・・・・・・・・・・・ 305
RING, O(FOR LIQUID TUBE) ・・・・・・・・・・・・・・・・・・・・・・・・・・・・・・・・・・・・・・・・・・・・・・・・・・・・・・・・・・ 385
RING, O(FOR OIL LEVEL GAGE GUIDE) ・・・・・・・・・・・・・・・・・・・・・・・・・・・・・・・・・・・・・・・・・・・・・・・・・ 61
RING, O(FOR OIL LEVEL GAGE) ・・・・・・・・・・・・・・・・・・・・・・・・・・・・・・・・・・・・・・・・・・・・・・・・・・・・・・・ 62
RING, O(FOR OIL PAN) ・・・・・・・・・・・・・・・・・・・・・・・・・・・・・・・・・・・・・・・・・・・・・・・・・・・・・・・・・・・・・・ 61
RING, O(FOR OIL STRAINER) ・・・・・・・・・・・・・・・・・・・・・・・・・・・・・・・・・・・・・・・・・・・・・・・・・・・・・・・・・ 73
RING, O(FOR SUCTION HOSE) ・・・・・・・・・・・・・・・・・・・・・・・・・・・・・・・・・・・・・・・・・・・・・・・・・・・・・・・・・ 385
RING, O(FOR SUCTION TUBE) ・・・・・・・・・・・・・・・・・・・・・・・・・・・・・・・・・・・・・・・・・・・・・・・・・・・・・・・・・ 385
RING, O(FOR TRANSMISSION REVOLUTION SENSOR) ・・・・・・・・・・・・・・・・・・・・・・・・・・・・・・・・・・・・・・・ 346
RING, O, NO.2(FOR LIQUID TUBE) ・・・・・・・・・・・・・・・・・・・・・・・・・・・・・・・・・・・・・・・・・・・・・・・・・・・・ 385
RING, O, NO.3(FOR LIQUID TUBE) ・・・・・・・・・・・・・・・・・・・・・・・・・・・・・・・・・・・・・・・・・・・・・・・・・・・・ 385
RING, O, NO.3(FOR SUCTION TUBE) ・・・・・・・・・・・・・・・・・・・・・・・・・・・・・・・・・・・・・・・・・・・・・・・・・・・ 385
RING, SHAFT SNAP ・・・・・・・・・・・・・・・・・・・・・・・・・・・・・・・・・・・・・・・・・・・・・・・・・・・・・・・・・・・・・・・・・・ 109
RING, SHAFT SNAP ・・・・・・・・・・・・・・・・・・・・・・・・・・・・・・・・・・・・・・・・・・・・・・・・・・・・・・・・・・・・・・・・・・ 110
RING, SHAFT SNAP (FOR 3RD REAR) ・・・・・・・・・・・・・・・・・・・・・・・・・・・・・・・・・・・・・・・・・・・・・・・・・・・ 109
RING, SHAFT SNAP (FOR 5TH GEAR) ・・・・・・・・・・・・・・・・・・・・・・・・・・・・・・・・・・・・・・・・・・・・・・・・・・・ 109
RING, SHAFT SNAP (FOR FRONT DRIVE INNER SHAFT INNER LH) ・・・・・・・・・・・・・・・・・・・・・・・・・・・ 136
RING, SHAFT SNAP (FOR FRONT DRIVE INNER SHAFT INNER RH) ・・・・・・・・・・・・・・・・・・・・・・・・・・・ 136
RING, SHAFT SNAP (FOR OUTPUT SHAFT BEARING) ・・・・・・・・・・・・・・・・・・・・・・・・・・・・・・・・・・・・・・・ 108
RING, SHAFT SNAP(FOR 1ST GEAR) ・・・・・・・・・・・・・・・・・・・・・・・・・・・・・・・・・・・・・・・・・・・・・・・・・・・・ 109
RING, SNAP ・・・・・・・・・・・・・・・・・・・・・・・・・・・・・・・・・・・・・・・・・・・・・・・・・・・・・・・・・・・・・・・・・・・・・・・・ 98
RING, SNAP ・・・・・・・・・・・・・・・・・・・・・・・・・・・・・・・・・・・・・・・・・・・・・・・・・・・・・・・・・・・・・・・・・・・・・・・・ 387
RING, SNAP (FOR COMPRESSOR) ・・・・・・・・・・・・・・・・・・・・・・・・・・・・・・・・・・・・・・・・・・・・・・・・・・・・・・・ 387
RING, SYNCHRONIZER, NO.1 ・・・・・・・・・・・・・・・・・・・・・・・・・・・・・・・・・・・・・・・・・・・・・・・・・・・・・・・・・・ 110
RING, SYNCHRONIZER, NO.3 ・・・・・・・・・・・・・・・・・・・・・・・・・・・・・・・・・・・・・・・・・・・・・・・・・・・・・・・・・・ 110
RING, SYNCHRONIZER, NO.5(MTM) ・・・・・・・・・・・・・・・・・・・・・・・・・・・・・・・・・・・・・・・・・・・・・・・・・・・・・ 110
ROD ASSY, ACCELERATOR PEDAL(W/SENSOR) ・・・・・・・・・・・・・・・・・・・・・・・・・・・・・・・・・・・・・・・・・・・・・ 307
ROD SUB-ASSY, CONNECTING ・・・・・・・・・・・・・・・・・・・・・・・・・・・・・・・・・・・・・・・・・・・・・・・・・・・・・・・・・・ 69
ROD SUB-ASSY, ENGINE MOVING CONTROL ・・・・・・・・・・・・・・・・・・・・・・・・・・・・・・・・・・・・・・・・・・・・・・・ 67
ROD, ANTENNA ・・・・・・・・・・・・・・・・・・・・・・・・・・・・・・・・・・・・・・・・・・・・・・・・・・・・・・・・・・・・・・・・・・・・・・ 365
ROD, FRONT DOOR LOCK OPEN, LH ・・・・・・・・・・・・・・・・・・・・・・・・・・・・・・・・・・・・・・・・・・・・・・・・・・・・・ 246
ROD, FRONT DOOR LOCK OPEN, RH ・・・・・・・・・・・・・・・・・・・・・・・・・・・・・・・・・・・・・・・・・・・・・・・・・・・・・ 246
ROD, REAR DOOR LOCK OPEN, LH ・・・・・・・・・・・・・・・・・・・・・・・・・・・・・・・・・・・・・・・・・・・・・・・・・・・・・・ 254
ROD, REAR DOOR LOCK OPEN, RH ・・・・・・・・・・・・・・・・・・・・・・・・・・・・・・・・・・・・・・・・・・・・・・・・・・・・・・ 254
ROTOR ASSY, ALTERNATOR ・・・・・・・・・・・・・・・・・・・・・・・・・・・・・・・・・・・・・・・・・・・・・・・・・・・・・・・・・・・・ 92
ROTOR SUB-ASSY, MAGNET CLUTCH ・・・・・・・・・・・・・・・・・・・・・・・・・・・・・・・・・・・・・・・・・・・・・・・・・・・・・ 387
RUBBER, REAR WIPER ・・・・・・・・・・・・・・・・・・・・・・・・・・・・・・・・・・・・・・・・・・・・・・・・・・・・・・・・・・・・・・・・ 358
RUBBER, WIPER, LH ・・・・・・・・・・・・・・・・・・・・・・・・・・・・・・・・・・・・・・・・・・・・・・・・・・・・・・・・・・・・・・・・・ 357
RUBBER, WIPER, RH ・・・・・・・・・・・・・・・・・・・・・・・・・・・・・・・・・・・・・・・・・・・・・・・・・・・・・・・・・・・・・・・・・ 357
RUN, FRONT DOOR GLASS ・・・・・・・・・・・・・・・・・・・・・・・・・・・・・・・・・・・・・・・・・・・・・・・・・・・・・・・・・・・・・ 242
RUN, FRONT DOOR GLASS, LH ・・・・・・・・・・・・・・・・・・・・・・・・・・・・・・・・・・・・・・・・・・・・・・・・・・・・・・・・・ 242
RUN, FRONT DOOR GLASS, LH ・・・・・・・・・・・・・・・・・・・・・・・・・・・・・・・・・・・・・・・・・・・・・・・・・・・・・・・・・ 242
RUN, FRONT DOOR GLASS, RH ・・・・・・・・・・・・・・・・・・・・・・・・・・・・・・・・・・・・・・・・・・・・・・・・・・・・・・・・・ 242
RUN, REAR DOOR GLASS, LH ・・・・・・・・・・・・・・・・・・・・・・・・・・・・・・・・・・・・・・・・・・・・・・・・・・・・・・・・・・ 251
RUN, REAR DOOR GLASS, RH ・・・・・・・・・・・・・・・・・・・・・・・・・・・・・・・・・・・・・・・・・・・・・・・・・・・・・・・・・・ 251
RUN, REAR DOOR WINDOW, LH ・・・・・・・・・・・・・・・・・・・・・・・・・・・・・・・・・・・・・・・・・・・・・・・・・・・・・・・・・ 251
RUN, REAR DOOR WINDOW, RH ・・・・・・・・・・・・・・・・・・・・・・・・・・・・・・・・・・・・・・・・・・・・・・・・・・・・・・・・・ 251
SCREW(FOR AIR CONDITIONER UNIT) ・・・・・・・・・・・・・・・・・・・・・・・・・・・・・・・・・・・・・・・・・・・・・・・・・・・ 376
SCREW, DOOR INSIDE HANDLE ・・・・・・・・・・・・・・・・・・・・・・・・・・・・・・・・・・・・・・・・・・・・・・・・・・・・・・・・・ 245
RING, - SCREW,
PART NAME PAGE
SCREW, DOOR INSIDE HANDLE ・・・・・・・・・・・・・・・・・・・・・・・・・・・・・・・・・・・・・・・・・・・・・・・・・・・・・・・・・ 254
SCREW, HEADLAMP ・・・・・・・・・・・・・・・・・・・・・・・・・・・・・・・・・・・・・・・・・・・・・・・・・・・・・・・・・・・・・・・・・・・ 309
SCREW, HEADLAMP ・・・・・・・・・・・・・・・・・・・・・・・・・・・・・・・・・・・・・・・・・・・・・・・・・・・・・・・・・・・・・・・・・・・ 309
SEAL, AIR DUCT ・・・・・・・・・・・・・・・・・・・・・・・・・・・・・・・・・・・・・・・・・・・・・・・・・・・・・・・・・・・・・・・・・・・・ 381
SEAL, AIR DUCT ・・・・・・・・・・・・・・・・・・・・・・・・・・・・・・・・・・・・・・・・・・・・・・・・・・・・・・・・・・・・・・・・・・・・ 381
SEAL, AIR DUCT, CENTER ・・・・・・・・・・・・・・・・・・・・・・・・・・・・・・・・・・・・・・・・・・・・・・・・・・・・・・・・・・・・ 381
SEAL, AIR DUCT, NO.4 ・・・・・・・・・・・・・・・・・・・・・・・・・・・・・・・・・・・・・・・・・・・・・・・・・・・・・・・・・・・・・・ 381
SEAL, BOOSTER ・・・・・・・・・・・・・・・・・・・・・・・・・・・・・・・・・・・・・・・・・・・・・・・・・・・・・・・・・・・・・・・・・・・・・ 149
SEAL, DOOR DUST PROOF ・・・・・・・・・・・・・・・・・・・・・・・・・・・・・・・・・・・・・・・・・・・・・・・・・・・・・・・・・・・・・ 258
SEAL, ENGINE REAR OIL ・・・・・・・・・・・・・・・・・・・・・・・・・・・・・・・・・・・・・・・・・・・・・・・・・・・・・・・・・・・・・ 61
SEAL, EXHAUST VALVE STEM OIL ・・・・・・・・・・・・・・・・・・・・・・・・・・・・・・・・・・・・・・・・・・・・・・・・・・・・・・ 72
SEAL, FRONT DISC BRAKE CYLINDER PISTON ・・・・・・・・・・・・・・・・・・・・・・・・・・・・・・・・・・・・・・・・・・・・ 151
SEAL, FRONT DOOR VENT, LH ・・・・・・・・・・・・・・・・・・・・・・・・・・・・・・・・・・・・・・・・・・・・・・・・・・・・・・・・・ 242
SEAL, FRONT DOOR VENT, RH ・・・・・・・・・・・・・・・・・・・・・・・・・・・・・・・・・・・・・・・・・・・・・・・・・・・・・・・・・ 242
SEAL, HOOD TO COWL TOP ・・・・・・・・・・・・・・・・・・・・・・・・・・・・・・・・・・・・・・・・・・・・・・・・・・・・・・・・・・・・ 193
SEAL, INTAKE VALVE STEM OIL ・・・・・・・・・・・・・・・・・・・・・・・・・・・・・・・・・・・・・・・・・・・・・・・・・・・・・・・ 72
SEAL, OIL (FOR INPUT SHAFT) ・・・・・・・・・・・・・・・・・・・・・・・・・・・・・・・・・・・・・・・・・・・・・・・・・・・・・・・ 108
SEAL, OIL (FOR SELECT LEVER SHAFT) ・・・・・・・・・・・・・・・・・・・・・・・・・・・・・・・・・・・・・・・・・・・・・・・・ 113
SEAL, OIL(FOR SHIFT LEVER SHAFT) ・・・・・・・・・・・・・・・・・・・・・・・・・・・・・・・・・・・・・・・・・・・・・・・・・・ 113
SEAL, OIL(FOR TIMING CHAIN OR BELT COVER) ・・・・・・・・・・・・・・・・・・・・・・・・・・・・・・・・・・・・・・・・・ 64
SEAL, REAR DOOR REAR LOWER FRAME, LH ・・・・・・・・・・・・・・・・・・・・・・・・・・・・・・・・・・・・・・・・・・・・・・ 250
SEAL, REAR DOOR REAR LOWER FRAME, RH ・・・・・・・・・・・・・・・・・・・・・・・・・・・・・・・・・・・・・・・・・・・・・・ 250
SEAL, TYPE T OIL(FOR CVT OIL PUMP) ・・・・・・・・・・・・・・・・・・・・・・・・・・・・・・・・・・・・・・・・・・・・・・・・ 122
SEAL, TYPE T OIL(FOR MANUAL TRANSMISSION CASE LH) ・・・・・・・・・・・・・・・・・・・・・・・・・・・・・・・・・ 105
SEAL, TYPE T OIL(FOR MANUAL TRANSMISSION CASE RH) ・・・・・・・・・・・・・・・・・・・・・・・・・・・・・・・・・ 105
SEAL, TYPE T OIL, NO.1(FOR CVT) ・・・・・・・・・・・・・・・・・・・・・・・・・・・・・・・・・・・・・・・・・・・・・・・・・・・ 122
SEAL, TYPE T OIL, NO.2(FOR CVT) ・・・・・・・・・・・・・・・・・・・・・・・・・・・・・・・・・・・・・・・・・・・・・・・・・・・ 122
SEAT SUB-ASSY, FRONT SPRING, NO.1 ・・・・・・・・・・・・・・・・・・・・・・・・・・・・・・・・・・・・・・・・・・・・・・・・・ 164
SEAT SUB-ASSY, FRONT SPRING, NO.2 ・・・・・・・・・・・・・・・・・・・・・・・・・・・・・・・・・・・・・・・・・・・・・・・・・ 164
SEAT, REAR SPRING, LOWER ・・・・・・・・・・・・・・・・・・・・・・・・・・・・・・・・・・・・・・・・・・・・・・・・・・・・・・・・・・ 167
SEAT, REAR SPRING, LOWER ・・・・・・・・・・・・・・・・・・・・・・・・・・・・・・・・・・・・・・・・・・・・・・・・・・・・・・・・・・ 167
SEAT, REAR SPRING, UPPER LH ・・・・・・・・・・・・・・・・・・・・・・・・・・・・・・・・・・・・・・・・・・・・・・・・・・・・・・・ 167
SEAT, REAR SPRING, UPPER RH ・・・・・・・・・・・・・・・・・・・・・・・・・・・・・・・・・・・・・・・・・・・・・・・・・・・・・・・ 167
SEAT, VALVE SPRING ・・・・・・・・・・・・・・・・・・・・・・・・・・・・・・・・・・・・・・・・・・・・・・・・・・・・・・・・・・・・・・・・ 72
SENSOR ASSY, BATTERY CURRENT ・・・・・・・・・・・・・・・・・・・・・・・・・・・・・・・・・・・・・・・・・・・・・・・・・・・・・・ 339
SENSOR ASSY, SIDE AIR BAG, LH ・・・・・・・・・・・・・・・・・・・・・・・・・・・・・・・・・・・・・・・・・・・・・・・・・・・・・ 355
SENSOR ASSY, SIDE AIR BAG, RH ・・・・・・・・・・・・・・・・・・・・・・・・・・・・・・・・・・・・・・・・・・・・・・・・・・・・・ 355
SENSOR, AIR BAG, FRONT ・・・・・・・・・・・・・・・・・・・・・・・・・・・・・・・・・・・・・・・・・・・・・・・・・・・・・・・・・・・・ 355
SENSOR, AIR CONDITIONER PRESSURE ・・・・・・・・・・・・・・・・・・・・・・・・・・・・・・・・・・・・・・・・・・・・・・・・・・ 386
SENSOR, AIR FUEL RATIO ・・・・・・・・・・・・・・・・・・・・・・・・・・・・・・・・・・・・・・・・・・・・・・・・・・・・・・・・・・・・ 341
SENSOR, BLIND SPOT MONITOR, RH ・・・・・・・・・・・・・・・・・・・・・・・・・・・・・・・・・・・・・・・・・・・・・・・・・・・・ 341
SENSOR, CAM POSITION ・・・・・・・・・・・・・・・・・・・・・・・・・・・・・・・・・・・・・・・・・・・・・・・・・・・・・・・・・・・・・・ 57
SENSOR, CRANK POSITION ・・・・・・・・・・・・・・・・・・・・・・・・・・・・・・・・・・・・・・・・・・・・・・・・・・・・・・・・・・・・ 64
SENSOR, KNOCK CONTROL ・・・・・・・・・・・・・・・・・・・・・・・・・・・・・・・・・・・・・・・・・・・・・・・・・・・・・・・・・・・・・ 341
SENSOR, OIL PRESSURE ・・・・・・・・・・・・・・・・・・・・・・・・・・・・・・・・・・・・・・・・・・・・・・・・・・・・・・・・・・・・・・ 346
SENSOR, OXYGEN NO.2 ・・・・・・・・・・・・・・・・・・・・・・・・・・・・・・・・・・・・・・・・・・・・・・・・・・・・・・・・・・・・・・・ 341
SENSOR, SPEED, FRONT LH ・・・・・・・・・・・・・・・・・・・・・・・・・・・・・・・・・・・・・・・・・・・・・・・・・・・・・・・・・・・ 348
SENSOR, SPEED, FRONT RH ・・・・・・・・・・・・・・・・・・・・・・・・・・・・・・・・・・・・・・・・・・・・・・・・・・・・・・・・・・・ 348
SENSOR, TRANSMISSION REVOLUTION, (NIN) ・・・・・・・・・・・・・・・・・・・・・・・・・・・・・・・・・・・・・・・・・・・・ 346
SENSOR, TRANSMISSION REVOLUTION, (NOUT) ・・・・・・・・・・・・・・・・・・・・・・・・・・・・・・・・・・・・・・・・・・・ 346
SCREW, - SENSOR,
32
PART NAME PAGE
SENSOR, TRANSMISSION REVOLUTION, (NT) ・・・・・・・・・・・・・・・・・・・・・・・・・・・・・・・・・・・・・・・・・・・・・ 346
SENSOR, ULTRASONIC, NO.1 ・・・・・・・・・・・・・・・・・・・・・・・・・・・・・・・・・・・・・・・・・・・・・・・・・・・・・・・・・・ 350
SENSOR, VACUUM ・・・・・・・・・・・・・・・・・・・・・・・・・・・・・・・・・・・・・・・・・・・・・・・・・・・・・・・・・・・・・・・・・・・・ 341
SENSOR, WATER TEMPERATURE ・・・・・・・・・・・・・・・・・・・・・・・・・・・・・・・・・・・・・・・・・・・・・・・・・・・・・・・・・ 341
SERVO SUB-ASSY, DAMPER(FOR RECIRCULATION & FRESH) ・・・・・・・・・・・・・・・・・・・・・・・・・・・・・・・・・ 376
SHAFT ASSY, FRONT DRIVE OUTBOARD JOINT, LH ・・・・・・・・・・・・・・・・・・・・・・・・・・・・・・・・・・・・・・・・ 136
SHAFT ASSY, FRONT DRIVE OUTBOARD JOINT, RH ・・・・・・・・・・・・・・・・・・・・・・・・・・・・・・・・・・・・・・・・ 136
SHAFT ASSY, FRONT DRIVE, LH ・・・・・・・・・・・・・・・・・・・・・・・・・・・・・・・・・・・・・・・・・・・・・・・・・・・・・・・ 136
SHAFT ASSY, FRONT DRIVE, RH ・・・・・・・・・・・・・・・・・・・・・・・・・・・・・・・・・・・・・・・・・・・・・・・・・・・・・・・ 136
SHAFT ASSY, STEERING INTERMEDIATE ・・・・・・・・・・・・・・・・・・・・・・・・・・・・・・・・・・・・・・・・・・・・・・・・・ 140
SHAFT SUB-ASSY, SELECT LEVER ・・・・・・・・・・・・・・・・・・・・・・・・・・・・・・・・・・・・・・・・・・・・・・・・・・・・・・ 113
SHAFT SUB-ASSY, SHIFT LEVER, NO.1 ・・・・・・・・・・・・・・・・・・・・・・・・・・・・・・・・・・・・・・・・・・・・・・・・・ 113
SHAFT, BRAKE PEDAL ・・・・・・・・・・・・・・・・・・・・・・・・・・・・・・・・・・・・・・・・・・・・・・・・・・・・・・・・・・・・・・・・ 147
SHAFT, CLUTCH PEDAL ・・・・・・・・・・・・・・・・・・・・・・・・・・・・・・・・・・・・・・・・・・・・・・・・・・・・・・・・・・・・・・・ 98
SHAFT, GEAR SHIFT FORK, NO.3 ・・・・・・・・・・・・・・・・・・・・・・・・・・・・・・・・・・・・・・・・・・・・・・・・・・・・・・ 113
SHAFT, INPUT ・・・・・・・・・・・・・・・・・・・・・・・・・・・・・・・・・・・・・・・・・・・・・・・・・・・・・・・・・・・・・・・・・・・・・・ 108
SHAFT, OUTPUT ・・・・・・・・・・・・・・・・・・・・・・・・・・・・・・・・・・・・・・・・・・・・・・・・・・・・・・・・・・・・・・・・・・・・・ 108
SHAFT, REVERSE IDLER GEAR ・・・・・・・・・・・・・・・・・・・・・・・・・・・・・・・・・・・・・・・・・・・・・・・・・・・・・・・・・ 110
SHAFT, SHIFT & SELECT LEVER ・・・・・・・・・・・・・・・・・・・・・・・・・・・・・・・・・・・・・・・・・・・・・・・・・・・・・・・ 113
SHIELD, FRONT SEAT CUSHION, FRONT RH ・・・・・・・・・・・・・・・・・・・・・・・・・・・・・・・・・・・・・・・・・・・・・・ 277
SHIELD, FRONT SEAT CUSHION, LH ・・・・・・・・・・・・・・・・・・・・・・・・・・・・・・・・・・・・・・・・・・・・・・・・・・・・ 276
SHIELD, FRONT SEAT CUSHION, RH ・・・・・・・・・・・・・・・・・・・・・・・・・・・・・・・・・・・・・・・・・・・・・・・・・・・・ 276
SHIELD, FUEL TANK INLET PIPE ・・・・・・・・・・・・・・・・・・・・・・・・・・・・・・・・・・・・・・・・・・・・・・・・・・・・・・ 305
SHIELD, STEERING COLUMN HOLE ・・・・・・・・・・・・・・・・・・・・・・・・・・・・・・・・・・・・・・・・・・・・・・・・・・・・・・ 140
SHIM (FOR INPUT SHAFT REAR BEARING) ・・・・・・・・・・・・・・・・・・・・・・・・・・・・・・・・・・・・・・・・・・・・・・・ 108
SHIM KIT, ANTI SQUEAL, FRONT ・・・・・・・・・・・・・・・・・・・・・・・・・・・・・・・・・・・・・・・・・・・・・・・・・・・・・・ 151
SHOE KIT, REAR BRAKE ・・・・・・・・・・・・・・・・・・・・・・・・・・・・・・・・・・・・・・・・・・・・・・・・・・・・・・・・・・・・・・ 153
SHROUD, FAN ・・・・・・・・・・・・・・・・・・・・・・・・・・・・・・・・・・・・・・・・・・・・・・・・・・・・・・・・・・・・・・・・・・・・・・・ 80
SILENCER, FRONT FLOOR, NO.1 ・・・・・・・・・・・・・・・・・・・・・・・・・・・・・・・・・・・・・・・・・・・・・・・・・・・・・・・ 207
SILENCER, REAR SEAT BACK, RH ・・・・・・・・・・・・・・・・・・・・・・・・・・・・・・・・・・・・・・・・・・・・・・・・・・・・・・ 275
SILENCER, ROOF ・・・・・・・・・・・・・・・・・・・・・・・・・・・・・・・・・・・・・・・・・・・・・・・・・・・・・・・・・・・・・・・・・・・・ 235
SILENCER, SEAT SPRING ・・・・・・・・・・・・・・・・・・・・・・・・・・・・・・・・・・・・・・・・・・・・・・・・・・・・・・・・・・・・・ 273
SILENCER, SEAT SPRING ・・・・・・・・・・・・・・・・・・・・・・・・・・・・・・・・・・・・・・・・・・・・・・・・・・・・・・・・・・・・・ 273
SOCKET & WIRE, REAR COMBINATION LAMP, LH ・・・・・・・・・・・・・・・・・・・・・・・・・・・・・・・・・・・・・・・・・・ 314
SOCKET & WIRE, REAR COMBINATION LAMP, RH ・・・・・・・・・・・・・・・・・・・・・・・・・・・・・・・・・・・・・・・・・・ 314
SOCKET ASSY, POWER OUTLET, NO.1 ・・・・・・・・・・・・・・・・・・・・・・・・・・・・・・・・・・・・・・・・・・・・・・・・・・・ 340
SOCKET ASSY, POWER OUTLET, REAR NO.1 ・・・・・・・・・・・・・・・・・・・・・・・・・・・・・・・・・・・・・・・・・・・・・・ 340
SOCKET, BULB(FOR MAP LAMP) ・・・・・・・・・・・・・・・・・・・・・・・・・・・・・・・・・・・・・・・・・・・・・・・・・・・・・・・・ 319
SOCKET, LICENSE PLATE LAMP ・・・・・・・・・・・・・・・・・・・・・・・・・・・・・・・・・・・・・・・・・・・・・・・・・・・・・・・・ 315
SOCKET, USB CHARGER ・・・・・・・・・・・・・・・・・・・・・・・・・・・・・・・・・・・・・・・・・・・・・・・・・・・・・・・・・・・・・・・ 340
SOCKET, USB CHARGER, NO.3 ・・・・・・・・・・・・・・・・・・・・・・・・・・・・・・・・・・・・・・・・・・・・・・・・・・・・・・・・・ 341
SPACER(FOR CLUTCH RELEASE SECTOR) ・・・・・・・・・・・・・・・・・・・・・・・・・・・・・・・・・・・・・・・・・・・・・・・・・ 98
SPACER, BACK DOOR GLASS ・・・・・・・・・・・・・・・・・・・・・・・・・・・・・・・・・・・・・・・・・・・・・・・・・・・・・・・・・・・ 258
SPACER, CYLINDER BLOCK WATER JACKET ・・・・・・・・・・・・・・・・・・・・・・・・・・・・・・・・・・・・・・・・・・・・・・・ 61
SPACER, FUEL PUMP ・・・・・・・・・・・・・・・・・・・・・・・・・・・・・・・・・・・・・・・・・・・・・・・・・・・・・・・・・・・・・・・・・ 305
SPACER, INSTRUMENT PANEL, NO.1 ・・・・・・・・・・・・・・・・・・・・・・・・・・・・・・・・・・・・・・・・・・・・・・・・・・・・ 190
SPACER, NO.1(FOR DELIVERY PIPE) ・・・・・・・・・・・・・・・・・・・・・・・・・・・・・・・・・・・・・・・・・・・・・・・・・・・ 96
SPACER, QUARTER WINDOW GLASS ・・・・・・・・・・・・・・・・・・・・・・・・・・・・・・・・・・・・・・・・・・・・・・・・・・・・・・ 226
SPACER, QUARTER WINDOW GLASS LH ・・・・・・・・・・・・・・・・・・・・・・・・・・・・・・・・・・・・・・・・・・・・・・・・・・・ 227
SPACER, REAR SEAT HINGE ・・・・・・・・・・・・・・・・・・・・・・・・・・・・・・・・・・・・・・・・・・・・・・・・・・・・・・・・・・・ 274
SENSOR, - SPACER,
PART NAME PAGE
SPACER, REAR SEAT RECLINING ・・・・・・・・・・・・・・・・・・・・・・・・・・・・・・・・・・・・・・・・・・・・・・・・・・・・・・・ 282
SPACER, REAR SEAT RECLINING ・・・・・・・・・・・・・・・・・・・・・・・・・・・・・・・・・・・・・・・・・・・・・・・・・・・・・・・ 282
SPACER, REAR SEAT RECLINING, NO.1 ・・・・・・・・・・・・・・・・・・・・・・・・・・・・・・・・・・・・・・・・・・・・・・・・・ 282
SPACER, SEAT TRACK, LOWER NO.1 ・・・・・・・・・・・・・・・・・・・・・・・・・・・・・・・・・・・・・・・・・・・・・・・・・・・・ 279
SPACER, SPARE WHEEL CARRIER ・・・・・・・・・・・・・・・・・・・・・・・・・・・・・・・・・・・・・・・・・・・・・・・・・・・・・・・ 170
SPEAKER ASSY, FRONT NO.1 ・・・・・・・・・・・・・・・・・・・・・・・・・・・・・・・・・・・・・・・・・・・・・・・・・・・・・・・・・・ 363
SPEAKER ASSY, FRONT NO.2 ・・・・・・・・・・・・・・・・・・・・・・・・・・・・・・・・・・・・・・・・・・・・・・・・・・・・・・・・・・ 363
SPEAKER ASSY, FRONT NO.3 ・・・・・・・・・・・・・・・・・・・・・・・・・・・・・・・・・・・・・・・・・・・・・・・・・・・・・・・・・・ 363
SPEAKER ASSY, REAR ・・・・・・・・・・・・・・・・・・・・・・・・・・・・・・・・・・・・・・・・・・・・・・・・・・・・・・・・・・・・・・・・ 363
SPRING ASSY, NO.2 SEAT CUSHION, LH ・・・・・・・・・・・・・・・・・・・・・・・・・・・・・・・・・・・・・・・・・・・・・・・・ 285
SPRING ASSY, REAR SEAT CUSHION, RH ・・・・・・・・・・・・・・・・・・・・・・・・・・・・・・・・・・・・・・・・・・・・・・・・ 275
SPRING SUB-ASSY, FRONT SEAT CUSHION, LH ・・・・・・・・・・・・・・・・・・・・・・・・・・・・・・・・・・・・・・・・・・・ 273
SPRING SUB-ASSY, FRONT SEAT CUSHION, RH ・・・・・・・・・・・・・・・・・・・・・・・・・・・・・・・・・・・・・・・・・・・ 273
SPRING(FOR REAR BRAKE SHOE HOLD DOWN) ・・・・・・・・・・・・・・・・・・・・・・・・・・・・・・・・・・・・・・・・・・・・・ 153
SPRING, COIL, REAR LH ・・・・・・・・・・・・・・・・・・・・・・・・・・・・・・・・・・・・・・・・・・・・・・・・・・・・・・・・・・・・・ 167
SPRING, COIL, REAR RH ・・・・・・・・・・・・・・・・・・・・・・・・・・・・・・・・・・・・・・・・・・・・・・・・・・・・・・・・・・・・・ 167
SPRING, COMPRESSION (FOR SELECT LEVER SHAFT) ・・・・・・・・・・・・・・・・・・・・・・・・・・・・・・・・・・・・・・ 114
SPRING, COMPRESSION (FOR SHIFT INNER LEVER) ・・・・・・・・・・・・・・・・・・・・・・・・・・・・・・・・・・・・・・・ 113
SPRING, COMPRESSION(FOR INNER) ・・・・・・・・・・・・・・・・・・・・・・・・・・・・・・・・・・・・・・・・・・・・・・・・・・・・ 72
SPRING, COMPRESSION(FOR OUTER) ・・・・・・・・・・・・・・・・・・・・・・・・・・・・・・・・・・・・・・・・・・・・・・・・・・・・ 72
SPRING, EXHAUST PIPE ・・・・・・・・・・・・・・・・・・・・・・・・・・・・・・・・・・・・・・・・・・・・・・・・・・・・・・・・・・・・・・ 85
SPRING, FRONT COIL, LH ・・・・・・・・・・・・・・・・・・・・・・・・・・・・・・・・・・・・・・・・・・・・・・・・・・・・・・・・・・・・ 164
SPRING, FRONT COIL, RH ・・・・・・・・・・・・・・・・・・・・・・・・・・・・・・・・・・・・・・・・・・・・・・・・・・・・・・・・・・・・ 164
SPRING, PEDAL W/HOOK ・・・・・・・・・・・・・・・・・・・・・・・・・・・・・・・・・・・・・・・・・・・・・・・・・・・・・・・・・・・・・・ 99
SPRING, REAR BRAKE AUTOMATIC ADJUST LEVER SUPPORT, LH ・・・・・・・・・・・・・・・・・・・・・・・・・・・・・ 153
SPRING, REAR BRAKE AUTOMATIC ADJUST LEVER SUPPORT, RH ・・・・・・・・・・・・・・・・・・・・・・・・・・・・・ 153
SPRING, RELEASE FORK SUPPORT ・・・・・・・・・・・・・・・・・・・・・・・・・・・・・・・・・・・・・・・・・・・・・・・・・・・・・・ 97
SPRING, SEAT BACK, LH ・・・・・・・・・・・・・・・・・・・・・・・・・・・・・・・・・・・・・・・・・・・・・・・・・・・・・・・・・・・・・ 281
SPRING, SEAT BACK, RH ・・・・・・・・・・・・・・・・・・・・・・・・・・・・・・・・・・・・・・・・・・・・・・・・・・・・・・・・・・・・・ 281
SPRING, SHIFT LOCK RELEASE ・・・・・・・・・・・・・・・・・・・・・・・・・・・・・・・・・・・・・・・・・・・・・・・・・・・・・・・・ 116
SPRING, SHOE RETURN(FOR REAR BRAKE) ・・・・・・・・・・・・・・・・・・・・・・・・・・・・・・・・・・・・・・・・・・・・・・・ 153
STARTER ASSY ・・・・・・・・・・・・・・・・・・・・・・・・・・・・・・・・・・・・・・・・・・・・・・・・・・・・・・・・・・・・・・・・・・・・・・ 94
STARTER KIT, REPAIR SERVICE ・・・・・・・・・・・・・・・・・・・・・・・・・・・・・・・・・・・・・・・・・・・・・・・・・・・・・・・ 94
STATOR, MAGNET CLUTCH ・・・・・・・・・・・・・・・・・・・・・・・・・・・・・・・・・・・・・・・・・・・・・・・・・・・・・・・・・・・・・ 387
STAY ASSY, BACK DOOR, LH ・・・・・・・・・・・・・・・・・・・・・・・・・・・・・・・・・・・・・・・・・・・・・・・・・・・・・・・・・・ 260
STAY ASSY, BACK DOOR, RH ・・・・・・・・・・・・・・・・・・・・・・・・・・・・・・・・・・・・・・・・・・・・・・・・・・・・・・・・・・ 260
STAY, MANIFOLD ・・・・・・・・・・・・・・・・・・・・・・・・・・・・・・・・・・・・・・・・・・・・・・・・・・・・・・・・・・・・・・・・・・・・ 83
STOPPER, WINDSHIELD GLASS ・・・・・・・・・・・・・・・・・・・・・・・・・・・・・・・・・・・・・・・・・・・・・・・・・・・・・・・・・ 194
STOPPER, WINDSHIELD GLASS, NO.2 ・・・・・・・・・・・・・・・・・・・・・・・・・・・・・・・・・・・・・・・・・・・・・・・・・・・ 194
STRAINER SUB-ASSY, OIL ・・・・・・・・・・・・・・・・・・・・・・・・・・・・・・・・・・・・・・・・・・・・・・・・・・・・・・・・・・・・ 73
STRAINER SUB-ASSY, OIL ・・・・・・・・・・・・・・・・・・・・・・・・・・・・・・・・・・・・・・・・・・・・・・・・・・・・・・・・・・・・ 122
STRAINER, BRAKE MASTER CYLINDER RESERVOIR ・・・・・・・・・・・・・・・・・・・・・・・・・・・・・・・・・・・・・・・・・ 148
STRAP ASSY, REAR SEAT LOCK RELEASE ・・・・・・・・・・・・・・・・・・・・・・・・・・・・・・・・・・・・・・・・・・・・・・・・ 281
STRAP, REAR NO.2 SEAT, NO.1 ・・・・・・・・・・・・・・・・・・・・・・・・・・・・・・・・・・・・・・・・・・・・・・・・・・・・・・・ 282
STRAP, REAR NO.2 SEAT, NO.2 ・・・・・・・・・・・・・・・・・・・・・・・・・・・・・・・・・・・・・・・・・・・・・・・・・・・・・・・ 282
STRIKER ASSY, BACK DOOR LOCK ・・・・・・・・・・・・・・・・・・・・・・・・・・・・・・・・・・・・・・・・・・・・・・・・・・・・・・ 260
SUPPORT ASSY REAR SUSPENSION, LH ・・・・・・・・・・・・・・・・・・・・・・・・・・・・・・・・・・・・・・・・・・・・・・・・・ 167
SUPPORT ASSY, FRONT SEAT HEADREST ・・・・・・・・・・・・・・・・・・・・・・・・・・・・・・・・・・・・・・・・・・・・・・・・・ 278
SUPPORT ASSY, HOOD ・・・・・・・・・・・・・・・・・・・・・・・・・・・・・・・・・・・・・・・・・・・・・・・・・・・・・・・・・・・・・・・・ 181
SUPPORT ASSY, REAR NO.2 SEAT HEADREST ・・・・・・・・・・・・・・・・・・・・・・・・・・・・・・・・・・・・・・・・・・・・・ 278
SPACER, - SUPPORT
33
PART NAME PAGE
SUPPORT ASSY, REAR SEAT HEADREST ・・・・・・・・・・・・・・・・・・・・・・・・・・・・・・・・・・・・・・・・・・・・・・・・・・ 278
SUPPORT ASSY, REAR SEAT HEADREST, LH ・・・・・・・・・・・・・・・・・・・・・・・・・・・・・・・・・・・・・・・・・・・・・・ 279
SUPPORT ASSY, REAR SEAT HEADREST, RH ・・・・・・・・・・・・・・・・・・・・・・・・・・・・・・・・・・・・・・・・・・・・・・ 279
SUPPORT ASSY, REAR SUSPENSION, RH ・・・・・・・・・・・・・・・・・・・・・・・・・・・・・・・・・・・・・・・・・・・・・・・・・ 167
SUPPORT SUB-ASSY, BRAKE PEDAL ・・・・・・・・・・・・・・・・・・・・・・・・・・・・・・・・・・・・・・・・・・・・・・・・・・・・・ 147
SUPPORT SUB-ASSY, CLUTCH PEDAL ・・・・・・・・・・・・・・・・・・・・・・・・・・・・・・・・・・・・・・・・・・・・・・・・・・・・ 99
SUPPORT SUB-ASSY, FRONT SUSPENSION, LH ・・・・・・・・・・・・・・・・・・・・・・・・・・・・・・・・・・・・・・・・・・・・ 164
SUPPORT SUB-ASSY, FRONT SUSPENSION, RH ・・・・・・・・・・・・・・・・・・・・・・・・・・・・・・・・・・・・・・・・・・・・ 164
SUPPORT SUB-ASSY, HOOD LOCK ・・・・・・・・・・・・・・・・・・・・・・・・・・・・・・・・・・・・・・・・・・・・・・・・・・・・・・・ 183
SUPPORT SUB-ASSY, RADIATOR, LH ・・・・・・・・・・・・・・・・・・・・・・・・・・・・・・・・・・・・・・・・・・・・・・・・・・・・ 183
SUPPORT SUB-ASSY, RADIATOR, LOWER ・・・・・・・・・・・・・・・・・・・・・・・・・・・・・・・・・・・・・・・・・・・・・・・・・ 183
SUPPORT SUB-ASSY, RADIATOR, RH ・・・・・・・・・・・・・・・・・・・・・・・・・・・・・・・・・・・・・・・・・・・・・・・・・・・・ 183
SUPPORT SUB-ASSY, RADIATOR, UPPER ・・・・・・・・・・・・・・・・・・・・・・・・・・・・・・・・・・・・・・・・・・・・・・・・・ 183
SUPPORT, EXHAUST PIPE, NO.3 ・・・・・・・・・・・・・・・・・・・・・・・・・・・・・・・・・・・・・・・・・・・・・・・・・・・・・・・ 85
SUPPORT, FRONT BUMPER ARM, RH ・・・・・・・・・・・・・・・・・・・・・・・・・・・・・・・・・・・・・・・・・・・・・・・・・・・・・ 200
SUPPORT, FRONT BUMPER SIDE, LH ・・・・・・・・・・・・・・・・・・・・・・・・・・・・・・・・・・・・・・・・・・・・・・・・・・・・ 172
SUPPORT, FRONT BUMPER SIDE, RH ・・・・・・・・・・・・・・・・・・・・・・・・・・・・・・・・・・・・・・・・・・・・・・・・・・・・ 172
SUPPORT, FRONT SEAT HEADREST ・・・・・・・・・・・・・・・・・・・・・・・・・・・・・・・・・・・・・・・・・・・・・・・・・・・・・・ 278
SUPPORT, FRONT SEAT HEADREST ・・・・・・・・・・・・・・・・・・・・・・・・・・・・・・・・・・・・・・・・・・・・・・・・・・・・・・ 279
SUPPORT, FRONT SEAT HEADREST, LH ・・・・・・・・・・・・・・・・・・・・・・・・・・・・・・・・・・・・・・・・・・・・・・・・・・ 278
SUPPORT, FRONT SUSPENSION, NO.2 LH ・・・・・・・・・・・・・・・・・・・・・・・・・・・・・・・・・・・・・・・・・・・・・・・・ 164
SUPPORT, FRONT SUSPENSION, NO.2 RH ・・・・・・・・・・・・・・・・・・・・・・・・・・・・・・・・・・・・・・・・・・・・・・・・ 164
SUPPORT, PARKING BRAKE CENTER ・・・・・・・・・・・・・・・・・・・・・・・・・・・・・・・・・・・・・・・・・・・・・・・・・・・・・ 146
SUPPORT, RADIATOR, UPPER LH ・・・・・・・・・・・・・・・・・・・・・・・・・・・・・・・・・・・・・・・・・・・・・・・・・・・・・・・ 183
SUPPORT, RADIATOR, UPPER RH ・・・・・・・・・・・・・・・・・・・・・・・・・・・・・・・・・・・・・・・・・・・・・・・・・・・・・・・ 183
SUPPORT, REAR BUMPER SIDE, LH ・・・・・・・・・・・・・・・・・・・・・・・・・・・・・・・・・・・・・・・・・・・・・・・・・・・・・ 174
SUPPORT, REAR BUMPER SIDE, RH ・・・・・・・・・・・・・・・・・・・・・・・・・・・・・・・・・・・・・・・・・・・・・・・・・・・・・ 174
SUPPORT, REAR SEAT HEADREST ・・・・・・・・・・・・・・・・・・・・・・・・・・・・・・・・・・・・・・・・・・・・・・・・・・・・・・・ 278
SUPPORT, REAR SEAT HEADREST ・・・・・・・・・・・・・・・・・・・・・・・・・・・・・・・・・・・・・・・・・・・・・・・・・・・・・・・ 278
SUPPORT, REAR SEAT HEADREST ・・・・・・・・・・・・・・・・・・・・・・・・・・・・・・・・・・・・・・・・・・・・・・・・・・・・・・・ 278
SUPPORT, REAR SEAT HEADREST ・・・・・・・・・・・・・・・・・・・・・・・・・・・・・・・・・・・・・・・・・・・・・・・・・・・・・・・ 279
SUPPORT, REAR SUSPENSION ・・・・・・・・・・・・・・・・・・・・・・・・・・・・・・・・・・・・・・・・・・・・・・・・・・・・・・・・・・ 167
SUPPORT, RELEASE FORK ・・・・・・・・・・・・・・・・・・・・・・・・・・・・・・・・・・・・・・・・・・・・・・・・・・・・・・・・・・・・・ 97
SWITCH ASSY, BACK DOOR OPENER ・・・・・・・・・・・・・・・・・・・・・・・・・・・・・・・・・・・・・・・・・・・・・・・・・・・・・ 340
SWITCH ASSY, BACK-UP LAMP ・・・・・・・・・・・・・・・・・・・・・・・・・・・・・・・・・・・・・・・・・・・・・・・・・・・・・・・・・ 339
SWITCH ASSY, BRAKE WARNING TEST ・・・・・・・・・・・・・・・・・・・・・・・・・・・・・・・・・・・・・・・・・・・・・・・・・・・ 340
SWITCH ASSY, CLUTCH START ・・・・・・・・・・・・・・・・・・・・・・・・・・・・・・・・・・・・・・・・・・・・・・・・・・・・・・・・・ 340
SWITCH ASSY, HAZARD WARNING SIGNAL ・・・・・・・・・・・・・・・・・・・・・・・・・・・・・・・・・・・・・・・・・・・・・・・・ 339
SWITCH ASSY, HEADLAMP DIMMER ・・・・・・・・・・・・・・・・・・・・・・・・・・・・・・・・・・・・・・・・・・・・・・・・・・・・・・ 339
SWITCH ASSY, IGNITION OR STARTER ・・・・・・・・・・・・・・・・・・・・・・・・・・・・・・・・・・・・・・・・・・・・・・・・・・ 340
SWITCH ASSY, NEUTRAL START ・・・・・・・・・・・・・・・・・・・・・・・・・・・・・・・・・・・・・・・・・・・・・・・・・・・・・・・・ 340
SWITCH ASSY, OIL PRESSURE (FOR ENGINE) ・・・・・・・・・・・・・・・・・・・・・・・・・・・・・・・・・・・・・・・・・・・・ 339
SWITCH ASSY, OUTER MIRROR ・・・・・・・・・・・・・・・・・・・・・・・・・・・・・・・・・・・・・・・・・・・・・・・・・・・・・・・・・ 340
SWITCH ASSY, POWER WINDOW REGULATOR ・・・・・・・・・・・・・・・・・・・・・・・・・・・・・・・・・・・・・・・・・・・・・・・ 340
SWITCH ASSY, POWER WINDOW REGULATOR, REAR ・・・・・・・・・・・・・・・・・・・・・・・・・・・・・・・・・・・・・・・・・ 340
SWITCH ASSY, PRE-COLLISION SYSTEM CANCEL ・・・・・・・・・・・・・・・・・・・・・・・・・・・・・・・・・・・・・・・・・・ 340
SWITCH ASSY, STEERING PAD ・・・・・・・・・・・・・・・・・・・・・・・・・・・・・・・・・・・・・・・・・・・・・・・・・・・・・・・・・ 339
SWITCH ASSY, STOP LAMP ・・・・・・・・・・・・・・・・・・・・・・・・・・・・・・・・・・・・・・・・・・・・・・・・・・・・・・・・・・・・ 339
SWITCH ASSY, WINDSHIELD WIPER ・・・・・・・・・・・・・・・・・・・・・・・・・・・・・・・・・・・・・・・・・・・・・・・・・・・・・ 340
SWITCH ASSY,MULTIPLEX NETWORK ・・・・・・・・・・・・・・・・・・・・・・・・・・・・・・・・・・・・・・・・・・・・・・・・・・・・・ 339
SUPPORT - SWITCH
PART NAME PAGE
SWITCH, COURTESY LAMP ・・・・・・・・・・・・・・・・・・・・・・・・・・・・・・・・・・・・・・・・・・・・・・・・・・・・・・・・・・・・・ 339
SWITCH, HEATER BLOWER ・・・・・・・・・・・・・・・・・・・・・・・・・・・・・・・・・・・・・・・・・・・・・・・・・・・・・・・・・・・・・ 381
SWITCH, NEUTRAL POSITION ・・・・・・・・・・・・・・・・・・・・・・・・・・・・・・・・・・・・・・・・・・・・・・・・・・・・・・・・・・ 340
SWITCH, PUSH START ・・・・・・・・・・・・・・・・・・・・・・・・・・・・・・・・・・・・・・・・・・・・・・・・・・・・・・・・・・・・・・・・ 341
SWITCH, VEHICLE STABILITY CONTROL ・・・・・・・・・・・・・・・・・・・・・・・・・・・・・・・・・・・・・・・・・・・・・・・・・ 340
TANK ASSY, FUEL ・・・・・・・・・・・・・・・・・・・・・・・・・・・・・・・・・・・・・・・・・・・・・・・・・・・・・・・・・・・・・・・・・・・ 305
TANK ASSY, RADIATOR RESERVE ・・・・・・・・・・・・・・・・・・・・・・・・・・・・・・・・・・・・・・・・・・・・・・・・・・・・・・・ 79
TAPE, BLACK OUT, LH ・・・・・・・・・・・・・・・・・・・・・・・・・・・・・・・・・・・・・・・・・・・・・・・・・・・・・・・・・・・・・・・ 252
TAPE, BLACK OUT, NO.1 LH ・・・・・・・・・・・・・・・・・・・・・・・・・・・・・・・・・・・・・・・・・・・・・・・・・・・・・・・・・・ 243
TAPE, BLACK OUT, NO.1 RH ・・・・・・・・・・・・・・・・・・・・・・・・・・・・・・・・・・・・・・・・・・・・・・・・・・・・・・・・・・ 243
TAPE, BLACK OUT, NO.2 LH ・・・・・・・・・・・・・・・・・・・・・・・・・・・・・・・・・・・・・・・・・・・・・・・・・・・・・・・・・・ 243
TAPE, BLACK OUT, NO.2 RH ・・・・・・・・・・・・・・・・・・・・・・・・・・・・・・・・・・・・・・・・・・・・・・・・・・・・・・・・・・ 243
TAPE, BLACK OUT, NO.3 LH ・・・・・・・・・・・・・・・・・・・・・・・・・・・・・・・・・・・・・・・・・・・・・・・・・・・・・・・・・・ 251
TAPE, BLACK OUT, NO.3 RH ・・・・・・・・・・・・・・・・・・・・・・・・・・・・・・・・・・・・・・・・・・・・・・・・・・・・・・・・・・ 251
TAPE, BLACK OUT, NO.4 RH ・・・・・・・・・・・・・・・・・・・・・・・・・・・・・・・・・・・・・・・・・・・・・・・・・・・・・・・・・・ 252
TENSIONER ASSY, CHAIN, NO.1 ・・・・・・・・・・・・・・・・・・・・・・・・・・・・・・・・・・・・・・・・・・・・・・・・・・・・・・・ 71
TENSIONER ASSY, V-RIBBED BELT ・・・・・・・・・・・・・・・・・・・・・・・・・・・・・・・・・・・・・・・・・・・・・・・・・・・・・ 75
TRACK ASSY, FRONT SEAT, INNER RH ・・・・・・・・・・・・・・・・・・・・・・・・・・・・・・・・・・・・・・・・・・・・・・・・・・ 279
TRACK ASSY, FRONT SEAT, OUTER LH ・・・・・・・・・・・・・・・・・・・・・・・・・・・・・・・・・・・・・・・・・・・・・・・・・・ 279
TRACK ASSY, FRONT SEAT, OUTER RH ・・・・・・・・・・・・・・・・・・・・・・・・・・・・・・・・・・・・・・・・・・・・・・・・・・ 279
TRACK ASSY, FRONT SEAT,INNER LH ・・・・・・・・・・・・・・・・・・・・・・・・・・・・・・・・・・・・・・・・・・・・・・・・・・・ 280
TRACK ASSY, REAR NO.1 SEAT, OUTER RH ・・・・・・・・・・・・・・・・・・・・・・・・・・・・・・・・・・・・・・・・・・・・・・ 280
TRACK ASSY, REAR SEAT, OUTER LH ・・・・・・・・・・・・・・・・・・・・・・・・・・・・・・・・・・・・・・・・・・・・・・・・・・・ 280
TRANSAXLE ASSY, CONTINUOUSLY VARIABLE ・・・・・・・・・・・・・・・・・・・・・・・・・・・・・・・・・・・・・・・・・・・・・ 122
TRANSAXLE ASSY, MANUAL ・・・・・・・・・・・・・・・・・・・・・・・・・・・・・・・・・・・・・・・・・・・・・・・・・・・・・・・・・・・・ 102
TRANSMITTER ASSY, DOOR CONTROL ・・・・・・・・・・・・・・・・・・・・・・・・・・・・・・・・・・・・・・・・・・・・・・・・・・・・ 262
TRANSMITTER, ELECTRICAL KEY ・・・・・・・・・・・・・・・・・・・・・・・・・・・・・・・・・・・・・・・・・・・・・・・・・・・・・・・ 262
TRAY, LUGGAGE COMPARTMENT ・・・・・・・・・・・・・・・・・・・・・・・・・・・・・・・・・・・・・・・・・・・・・・・・・・・・・・・・・ 237
TRIM, FRONT DOOR OPENING, LH ・・・・・・・・・・・・・・・・・・・・・・・・・・・・・・・・・・・・・・・・・・・・・・・・・・・・・・ 231
TRIM, FRONT DOOR OPENING, RH ・・・・・・・・・・・・・・・・・・・・・・・・・・・・・・・・・・・・・・・・・・・・・・・・・・・・・・ 231
TRIM, REAR DOOR OPENING, LH ・・・・・・・・・・・・・・・・・・・・・・・・・・・・・・・・・・・・・・・・・・・・・・・・・・・・・・・ 231
TRIM, REAR DOOR OPENING, RH ・・・・・・・・・・・・・・・・・・・・・・・・・・・・・・・・・・・・・・・・・・・・・・・・・・・・・・・ 231
TUBE SET, STEERING COLUMN ・・・・・・・・・・・・・・・・・・・・・・・・・・・・・・・・・・・・・・・・・・・・・・・・・・・・・・・・・ 140
TUBE SUB-ASSY, FUEL ・・・・・・・・・・・・・・・・・・・・・・・・・・・・・・・・・・・・・・・・・・・・・・・・・・・・・・・・・・・・・・・ 96
TUBE SUB-ASSY, FUEL EMISSION ・・・・・・・・・・・・・・・・・・・・・・・・・・・・・・・・・・・・・・・・・・・・・・・・・・・・・・ 306
TUBE SUB-ASSY, FUEL SUCTION ・・・・・・・・・・・・・・・・・・・・・・・・・・・・・・・・・・・・・・・・・・・・・・・・・・・・・・・ 305
TUBE SUB-ASSY, FUEL TANK TO CANISTER ・・・・・・・・・・・・・・・・・・・・・・・・・・・・・・・・・・・・・・・・・・・・・・ 305
TUBE, BLEEDER CLUTCH RELEASE ・・・・・・・・・・・・・・・・・・・・・・・・・・・・・・・・・・・・・・・・・・・・・・・・・・・・・・ 99
TUBE, CLUTCH MASTER CYLINDER TO FLEXIBLE HOSE ・・・・・・・・・・・・・・・・・・・・・・・・・・・・・・・・・・・・・ 99
TUBE, CLUTCH RELEASE CYLINDER TO FLEXIBLE HOSE ・・・・・・・・・・・・・・・・・・・・・・・・・・・・・・・・・・・・ 99
TUBE, FRONT BRAKE, NO.1 ・・・・・・・・・・・・・・・・・・・・・・・・・・・・・・・・・・・・・・・・・・・・・・・・・・・・・・・・・・・ 157
TUBE, FRONT BRAKE, NO.1 ・・・・・・・・・・・・・・・・・・・・・・・・・・・・・・・・・・・・・・・・・・・・・・・・・・・・・・・・・・・ 158
TUBE, FRONT BRAKE, NO.2 ・・・・・・・・・・・・・・・・・・・・・・・・・・・・・・・・・・・・・・・・・・・・・・・・・・・・・・・・・・・ 158
TUBE, FRONT BRAKE, NO.3 ・・・・・・・・・・・・・・・・・・・・・・・・・・・・・・・・・・・・・・・・・・・・・・・・・・・・・・・・・・・ 158
TUBE, FRONT BRAKE, NO.4 ・・・・・・・・・・・・・・・・・・・・・・・・・・・・・・・・・・・・・・・・・・・・・・・・・・・・・・・・・・・ 158
TUBE, FUEL MAIN ・・・・・・・・・・・・・・・・・・・・・・・・・・・・・・・・・・・・・・・・・・・・・・・・・・・・・・・・・・・・・・・・・・・ 305
TUBE, LIQUID, A(FOR COOL BOX) ・・・・・・・・・・・・・・・・・・・・・・・・・・・・・・・・・・・・・・・・・・・・・・・・・・・・・ 386
TUBE, REAR BRAKE, NO.2 ・・・・・・・・・・・・・・・・・・・・・・・・・・・・・・・・・・・・・・・・・・・・・・・・・・・・・・・・・・・・ 158
TUBE, REAR BRAKE, NO.4 ・・・・・・・・・・・・・・・・・・・・・・・・・・・・・・・・・・・・・・・・・・・・・・・・・・・・・・・・・・・・ 158
TUBE, REAR BRAKE, NO.5 ・・・・・・・・・・・・・・・・・・・・・・・・・・・・・・・・・・・・・・・・・・・・・・・・・・・・・・・・・・・・ 158
SWITCH, - TUBE,
34
PART NAME PAGE
TUBE, REAR BRAKE, NO.6 ・・・・・・・・・・・・・・・・・・・・・・・・・・・・・・・・・・・・・・・・・・・・・・・・・・・・・・・・・・・・ 158
TUBE, SUCTION, A(FOR COOL BOX) ・・・・・・・・・・・・・・・・・・・・・・・・・・・・・・・・・・・・・・・・・・・・・・・・・・・・ 386
TUBE, SUCTION, NO.1 ・・・・・・・・・・・・・・・・・・・・・・・・・・・・・・・・・・・・・・・・・・・・・・・・・・・・・・・・・・・・・・・ 386
TUBE, SUCTION, NO.2 ・・・・・・・・・・・・・・・・・・・・・・・・・・・・・・・・・・・・・・・・・・・・・・・・・・・・・・・・・・・・・・・ 386
UNION(FOR CYLINDER BLOCK) ・・・・・・・・・・・・・・・・・・・・・・・・・・・・・・・・・・・・・・・・・・・・・・・・・・・・・・・・・ 61
UNIT ASSY, AIR CONDITIONER ・・・・・・・・・・・・・・・・・・・・・・・・・・・・・・・・・・・・・・・・・・・・・・・・・・・・・・・・ 376
UNIT ASSY, COOLING, REAR ・・・・・・・・・・・・・・・・・・・・・・・・・・・・・・・・・・・・・・・・・・・・・・・・・・・・・・・・・・ 376
VALVE (FOR TUBELESS TIRE SPARE) ・・・・・・・・・・・・・・・・・・・・・・・・・・・・・・・・・・・・・・・・・・・・・・・・・・・ 132
VALVE (FOR TUBELESS TIRE) ・・・・・・・・・・・・・・・・・・・・・・・・・・・・・・・・・・・・・・・・・・・・・・・・・・・・・・・・・ 132
VALVE ASSY, CAMSHAFT TIMING OIL CONTROL ・・・・・・・・・・・・・・・・・・・・・・・・・・・・・・・・・・・・・・・・・・・ 57
VALVE ASSY, VACUUM SWITCHING, NO.1 ・・・・・・・・・・・・・・・・・・・・・・・・・・・・・・・・・・・・・・・・・・・・・・・・ 89
VALVE SUB-ASSY, VENTILATION ・・・・・・・・・・・・・・・・・・・・・・・・・・・・・・・・・・・・・・・・・・・・・・・・・・・・・・・ 68
VALVE, CHECK ・・・・・・・・・・・・・・・・・・・・・・・・・・・・・・・・・・・・・・・・・・・・・・・・・・・・・・・・・・・・・・・・・・・・・・ 305
VALVE, COOLER EXPANSION ・・・・・・・・・・・・・・・・・・・・・・・・・・・・・・・・・・・・・・・・・・・・・・・・・・・・・・・・・・・ 376
VALVE, EXHAUST ・・・・・・・・・・・・・・・・・・・・・・・・・・・・・・・・・・・・・・・・・・・・・・・・・・・・・・・・・・・・・・・・・・・・ 72
VALVE, INTAKE ・・・・・・・・・・・・・・・・・・・・・・・・・・・・・・・・・・・・・・・・・・・・・・・・・・・・・・・・・・・・・・・・・・・・・ 72
VALVE, REAR COOLING UNIT EXPANSION ・・・・・・・・・・・・・・・・・・・・・・・・・・・・・・・・・・・・・・・・・・・・・・・・ 376
VALVE, SERVICE, NO.1 ・・・・・・・・・・・・・・・・・・・・・・・・・・・・・・・・・・・・・・・・・・・・・・・・・・・・・・・・・・・・・・ 385
VALVE, SERVICE, NO.2 ・・・・・・・・・・・・・・・・・・・・・・・・・・・・・・・・・・・・・・・・・・・・・・・・・・・・・・・・・・・・・・ 385
VALVE, WINDSHIELD WASHER HOSE ・・・・・・・・・・・・・・・・・・・・・・・・・・・・・・・・・・・・・・・・・・・・・・・・・・・・・ 360
VISOR ASSY, LH ・・・・・・・・・・・・・・・・・・・・・・・・・・・・・・・・・・・・・・・・・・・・・・・・・・・・・・・・・・・・・・・・・・・・ 291
VISOR ASSY, RH ・・・・・・・・・・・・・・・・・・・・・・・・・・・・・・・・・・・・・・・・・・・・・・・・・・・・・・・・・・・・・・・・・・・・ 291
WASHER, 4TH GEAR ・・・・・・・・・・・・・・・・・・・・・・・・・・・・・・・・・・・・・・・・・・・・・・・・・・・・・・・・・・・・・・・・・・ 109
WASHER, CRANKSHAFT THRUST, UPPER ・・・・・・・・・・・・・・・・・・・・・・・・・・・・・・・・・・・・・・・・・・・・・・・・・・ 69
WASHER, PLATE(FOR CYLINDER HEAD SET) ・・・・・・・・・・・・・・・・・・・・・・・・・・・・・・・・・・・・・・・・・・・・・・ 57
WASHER, REAR SHOCK ABSORBER CUSHION, NO.1 LH ・・・・・・・・・・・・・・・・・・・・・・・・・・・・・・・・・・・・・・ 167
WASHER, REAR SHOCK ABSORBER CUSHION, NO.1 RH ・・・・・・・・・・・・・・・・・・・・・・・・・・・・・・・・・・・・・・ 167
WASHER, REVERSE IDLER THRUST ・・・・・・・・・・・・・・・・・・・・・・・・・・・・・・・・・・・・・・・・・・・・・・・・・・・・・・ 111
WASHER, SEAL(FOR CYLINDER HEAD COVER) ・・・・・・・・・・・・・・・・・・・・・・・・・・・・・・・・・・・・・・・・・・・・・ 58
WATER INLET SUB-ASSY, W/THERMOSTAT ・・・・・・・・・・・・・・・・・・・・・・・・・・・・・・・・・・・・・・・・・・・・・・・・ 79
WAY, CLUTCH TUBE ・・・・・・・・・・・・・・・・・・・・・・・・・・・・・・・・・・・・・・・・・・・・・・・・・・・・・・・・・・・・・・・・・・ 99
WEATHERSTRIP, BACK DOOR ・・・・・・・・・・・・・・・・・・・・・・・・・・・・・・・・・・・・・・・・・・・・・・・・・・・・・・・・・・・ 258
WEATHERSTRIP, FRONT DOOR FIX WINDOW, LH ・・・・・・・・・・・・・・・・・・・・・・・・・・・・・・・・・・・・・・・・・・・ 243
WEATHERSTRIP, FRONT DOOR FIX WINDOW, RH ・・・・・・・・・・・・・・・・・・・・・・・・・・・・・・・・・・・・・・・・・・・ 243
WEATHERSTRIP, FRONT DOOR GLASS, INNER LH ・・・・・・・・・・・・・・・・・・・・・・・・・・・・・・・・・・・・・・・・・・ 243
WEATHERSTRIP, FRONT DOOR GLASS, INNER RH ・・・・・・・・・・・・・・・・・・・・・・・・・・・・・・・・・・・・・・・・・・ 243
WEATHERSTRIP, FRONT DOOR GLASS, OUTER LH ・・・・・・・・・・・・・・・・・・・・・・・・・・・・・・・・・・・・・・・・・・ 243
WEATHERSTRIP, FRONT DOOR GLASS, OUTER RH ・・・・・・・・・・・・・・・・・・・・・・・・・・・・・・・・・・・・・・・・・・ 243
WEATHERSTRIP, FRONT DOOR, LH ・・・・・・・・・・・・・・・・・・・・・・・・・・・・・・・・・・・・・・・・・・・・・・・・・・・・・・ 242
WEATHERSTRIP, FRONT DOOR, RH ・・・・・・・・・・・・・・・・・・・・・・・・・・・・・・・・・・・・・・・・・・・・・・・・・・・・・・ 242
WEATHERSTRIP, REAR DOOR GLASS, INNER LH ・・・・・・・・・・・・・・・・・・・・・・・・・・・・・・・・・・・・・・・・・・・ 251
WEATHERSTRIP, REAR DOOR GLASS, INNER RH ・・・・・・・・・・・・・・・・・・・・・・・・・・・・・・・・・・・・・・・・・・・ 251
WEATHERSTRIP, REAR DOOR GLASS, OUTER LH ・・・・・・・・・・・・・・・・・・・・・・・・・・・・・・・・・・・・・・・・・・・ 251
WEATHERSTRIP, REAR DOOR GLASS, OUTER RH ・・・・・・・・・・・・・・・・・・・・・・・・・・・・・・・・・・・・・・・・・・・ 251
WEATHERSTRIP, REAR DOOR, LH ・・・・・・・・・・・・・・・・・・・・・・・・・・・・・・・・・・・・・・・・・・・・・・・・・・・・・・・ 251
WEATHERSTRIP, REAR DOOR, RH ・・・・・・・・・・・・・・・・・・・・・・・・・・・・・・・・・・・・・・・・・・・・・・・・・・・・・・・ 251
WHEEL SUB-ASSY, STEERING ・・・・・・・・・・・・・・・・・・・・・・・・・・・・・・・・・・・・・・・・・・・・・・・・・・・・・・・・・・ 142
WHEEL, DISC ・・・・・・・・・・・・・・・・・・・・・・・・・・・・・・・・・・・・・・・・・・・・・・・・・・・・・・・・・・・・・・・・・・・・・・・ 132
WHEEL, DISC (FOR SPARE) ・・・・・・・・・・・・・・・・・・・・・・・・・・・・・・・・・・・・・・・・・・・・・・・・・・・・・・・・・・・ 132
WIRE SUB-ASSY, HORN BUTTON ・・・・・・・・・・・・・・・・・・・・・・・・・・・・・・・・・・・・・・・・・・・・・・・・・・・・・・・・ 142
TUBE, - WIRE
PART NAME PAGE
WIRE, AIR BAG REPAIR ・・・・・・・・・・・・・・・・・・・・・・・・・・・・・・・・・・・・・・・・・・・・・・・・・・・・・・・・・・・・・・ 326
WIRE, BACK DOOR, NO.1 ・・・・・・・・・・・・・・・・・・・・・・・・・・・・・・・・・・・・・・・・・・・・・・・・・・・・・・・・・・・・・ 325
WIRE, BACK DOOR, NO.2 ・・・・・・・・・・・・・・・・・・・・・・・・・・・・・・・・・・・・・・・・・・・・・・・・・・・・・・・・・・・・・ 325
WIRE, ENGINE ・・・・・・・・・・・・・・・・・・・・・・・・・・・・・・・・・・・・・・・・・・・・・・・・・・・・・・・・・・・・・・・・・・・・・・ 325
WIRE, ENGINE ROOM MAIN ・・・・・・・・・・・・・・・・・・・・・・・・・・・・・・・・・・・・・・・・・・・・・・・・・・・・・・・・・・・・ 325
WIRE, ENGINE, NO.3 ・・・・・・・・・・・・・・・・・・・・・・・・・・・・・・・・・・・・・・・・・・・・・・・・・・・・・・・・・・・・・・・・ 325
WIRE, ENGINE, NO.4 ・・・・・・・・・・・・・・・・・・・・・・・・・・・・・・・・・・・・・・・・・・・・・・・・・・・・・・・・・・・・・・・・ 325
WIRE, FLOOR ・・・・・・・・・・・・・・・・・・・・・・・・・・・・・・・・・・・・・・・・・・・・・・・・・・・・・・・・・・・・・・・・・・・・・・・ 325
WIRE, FRONT DOOR, LH ・・・・・・・・・・・・・・・・・・・・・・・・・・・・・・・・・・・・・・・・・・・・・・・・・・・・・・・・・・・・・・ 325
WIRE, FRONT DOOR, RH ・・・・・・・・・・・・・・・・・・・・・・・・・・・・・・・・・・・・・・・・・・・・・・・・・・・・・・・・・・・・・・ 325
WIRE, FUSIBLE LINK ・・・・・・・・・・・・・・・・・・・・・・・・・・・・・・・・・・・・・・・・・・・・・・・・・・・・・・・・・・・・・・・・ 326
WIRE, ILLUMINATION ・・・・・・・・・・・・・・・・・・・・・・・・・・・・・・・・・・・・・・・・・・・・・・・・・・・・・・・・・・・・・・・・ 325
WIRE, INSTRUMENT PANEL ・・・・・・・・・・・・・・・・・・・・・・・・・・・・・・・・・・・・・・・・・・・・・・・・・・・・・・・・・・・・ 325
WIRE, REAR DOOR, LH ・・・・・・・・・・・・・・・・・・・・・・・・・・・・・・・・・・・・・・・・・・・・・・・・・・・・・・・・・・・・・・・ 325
WIRE, REAR DOOR, RH ・・・・・・・・・・・・・・・・・・・・・・・・・・・・・・・・・・・・・・・・・・・・・・・・・・・・・・・・・・・・・・・ 325
WIRE, ROOF, NO.1 ・・・・・・・・・・・・・・・・・・・・・・・・・・・・・・・・・・・・・・・・・・・・・・・・・・・・・・・・・・・・・・・・・・ 325
WIRE, SENSOR ・・・・・・・・・・・・・・・・・・・・・・・・・・・・・・・・・・・・・・・・・・・・・・・・・・・・・・・・・・・・・・・・・・・・・・ 350
WIRE, SPEED SENSOR, LH ・・・・・・・・・・・・・・・・・・・・・・・・・・・・・・・・・・・・・・・・・・・・・・・・・・・・・・・・・・・・ 348
WIRE, SPEED SENSOR, RH ・・・・・・・・・・・・・・・・・・・・・・・・・・・・・・・・・・・・・・・・・・・・・・・・・・・・・・・・・・・・ 348
WIRE, TRANSMISSION ・・・・・・・・・・・・・・・・・・・・・・・・・・・・・・・・・・・・・・・・・・・・・・・・・・・・・・・・・・・・・・・・ 123
WIRE,AIR CONDITIONER,NO.1 ・・・・・・・・・・・・・・・・・・・・・・・・・・・・・・・・・・・・・・・・・・・・・・・・・・・・・・・・・ 377
WRENCH, HUB NUT BOX ・・・・・・・・・・・・・・・・・・・・・・・・・・・・・・・・・・・・・・・・・・・・・・・・・・・・・・・・・・・・・・・ 50
YOKE ASSY, STARTER ・・・・・・・・・・・・・・・・・・・・・・・・・・・・・・・・・・・・・・・・・・・・・・・・・・・・・・・・・・・・・・・・ 94
WIRE, - YOKE
35
PART NUMBER INDEX
04111 - 15188 ・・・・・・・・・・・・・・・・・・・・・・・・・・・・・・・・・・・・・ 36
15188 - 33563 ・・・・・・・・・・・・・・・・・・・・・・・・・・・・・・・・・・・・・ 37
33567 - 48820 ・・・・・・・・・・・・・・・・・・・・・・・・・・・・・・・・・・・・・ 38
48824 - 58051 ・・・・・・・・・・・・・・・・・・・・・・・・・・・・・・・・・・・・・ 39
58051 - 63310 ・・・・・・・・・・・・・・・・・・・・・・・・・・・・・・・・・・・・・ 40
63342 - 71071 ・・・・・・・・・・・・・・・・・・・・・・・・・・・・・・・・・・・・・ 41
71071 - 73560 ・・・・・・・・・・・・・・・・・・・・・・・・・・・・・・・・・・・・・ 42
73570 - 81920 ・・・・・・・・・・・・・・・・・・・・・・・・・・・・・・・・・・・・・ 43
81952 - 87010 ・・・・・・・・・・・・・・・・・・・・・・・・・・・・・・・・・・・・・ 44
87030 - 90043 ・・・・・・・・・・・・・・・・・・・・・・・・・・・・・・・・・・・・・ 45
90043 - 9004A ・・・・・・・・・・・・・・・・・・・・・・・・・・・・・・・・・・・・・ 46
9004A - G1406 ・・・・・・・・・・・・・・・・・・・・・・・・・・・・・・・・・・・・・ 47
PART NUMBER PAGE WEIGHT(g)
04111-BZC00- 54 0.00
04112-BZC00- 54 0.00
04311-BZ020- 100 0.00
04425-BZ060- 136 0.00
-BZ070- 136 0.00
-BZ100- 136 0.00
04435-BZ070- 136 0.00
-BZ080- 136 0.00
-BZ100- 136 0.00
04437-BZ060- 136 0.00
-BZ070- 136 0.00
-BZ090- 136 0.00
04465-BZ300- 151 0.00
04478-BZ160- 151 0.00
04495-BZ180- 153 0.00
04906-BZ120- 153 13.00
04945-BZ090- 151 0.00
04947-BZ090- 151 0.00
09111-BZ220- 50 0.00
09114-BZ060- 50 0.00
09151-BZ010- 50 0.00
11101-B9625- 57 0.00
11103-0Y040- 57 0.00
11115-0Y030- 57 0.00
11122-47020- 57 16.00
11123-47020- 57 16.00
11159-0Y020- 57 1.00
11201-BZ160- 57 0.00
11213-BZ110- 58 0.00
11293-BZ870- 295 0.00
11310-BZ200- 64 0.00
11363-BZ010- 61 0.00
11400-BZC01-01 52 0.00
-BZC01-02 52 0.00
-BZC11-01 52 0.00
-BZC11-02 52 0.00
11409-BZ150- 61 0.00
11410-B9030- 61 0.00
11445-0Y020- 61 120.00
11701-0Y030-02 69 33.00
-0Y030-03 69 33.00
-0Y030-04 69 33.00
-0Y030-05 69 33.00
11791-B0010- 69 16.00
12101-BZ140- 61 0.00
12121-0Y030- 61 0.00
12122-0Y010- 61 0.00
12180-0H020- 58 0.00
12204-0Y020- 68 0.00
12229-BZ020- 87 0.00
PART NUMBER PAGE WEIGHT(g)
12235-BZ010- 314
12261-BZ210- 68 0.00
12262-BZ190- 68 0.00
12281-BZ080- 58 615.00
12282-BZ141- 58 480.00
12305-BZ310- 67 0.00
-BZ360- 67 0.00
12306-BZ390- 67 0.00
-BZ400- 67 0.00
12309-BZ290- 67 0.00
-BZ300- 67 0.00
12321-BZ360- 67 0.00
12631-BZ010- 58 0.00
13011-0Y030- 69 60.00
13041-0Y040-01 69 20.00
-0Y040-02 69 20.00
-0Y040-03 69 21.00
13050-0Y020- 71 850.00
13070-0Y020- 71 0.00
13201-B9090- 69 0.00
-B9095- 69 376.00
13211-0Y011- 69 0.00
-0Y061- 69 195.00
13251-0Y030- 69 65.00
13265-0Y020- 69 0.00
13401-BZ040- 70 0.00
-BZ100- 70 11,000.00
13405-BZ150- 70 0.00
13453-87Z03- 70 0.00
13470-0Y020- 70 0.00
13501-BZ040- 71 0.00
13502-BZ030- 71 0.00
13506-0Y040- 71 385.00
13521-0Y040- 70 97.00
13540-B9010- 71 0.00
13562-0Y020- 71 85.00
13566-0Y010- 71 215.00
13591-0Y010- 71 160.00
13711-0Y020- 72 39.00
13715-0Y020- 72 0.00
13716-0C030- 72 0.00
13734-0C010- 72 1.00
13741-0Y010- 72 0.00
-36010- 72
13750-0C040- 72 0.00
13801-0C030- 72 0.00
15104-0Y010- 73 0.00
15188-87401- 385 1.00
-87401- 386 1.00
-87402- 385 2.00
04111 - 15188
36
PART NUMBER PAGE WEIGHT(g)
15188-87403- 385
-B5090- 385 1.00
15301-BZ150- 62 0.00
15330-0Y050- 57 0.00
-0Y060- 57 125.00
15511-BZ010- 58 0.00
15601-BZ030- 74 0.00
15678-0Y010- 58 1.00
15708-0Y040- 62 15.00
16031-0Y030- 79 0.00
16100-B9490- 75 0.00
16258-0Y010- 64 2.00
16261-BZ390- 79 0.00
-BZ430- 79 0.00
16264-BZ230- 79 0.00
16268-0Y180- 79 0.00
16271-0Y030- 75 0.00
16281-BZ150- 79 0.00
16326-0Y010- 79 0.00
16360-BZ400- 79 0.00
16361-BZ140- 79 0.00
16363-BZ200- 79 0.00
16400-BZB40- 79 0.00
16401-BZ160- 79 0.00
16417-30170- 79 7.00
16418-87503- 79 1.00
16470-BZ300- 79 0.00
16471-BZ130- 80 0.00
16472-BZ160- 80 0.00
-BZ170- 79 0.00
16571-BZ450- 80 0.00
16572-BZ380- 80 0.00
16575-BZ090- 80 0.00
16620-0Y061- 75 0.00
16711-BZ210- 80 0.00
17118-0Y031- 83 0.00
17120-BZ130- 83 0.00
17152-BZ010- 85 34.00
17167-BZ130- 83 0.00
17168-0Y020- 83 0.00
17173-BZ070- 83 20.00
17177-0Y030- 83 22.00
17410-BZA50- 85 0.00
17420-BZ010- 85 0.00
-BZ020- 85 0.00
17430-BZ530- 85 0.00
17451-BZ110- 85 0.00
17567-B2020- 85 56.00
17660-BZ070- 305 0.00
17700-BZ270- 87 0.00
PART NUMBER PAGE WEIGHT(g)
17701-BZ210- 87
17735-BZ040- 87 0.00
17751-BZ160- 87 0.00
17752-BZ100- 87 0.00
17771-BZ150- 87 0.00
17801-BZ110- 87 0.00
17881-BZ270- 87 0.00
17882-BZ100- 87 0.00
17883-BZ040- 87 0.00
19000-BZC01-02 51 0.00
-BZC11-02 51 0.00
19114-B2060- 355 1.00
21552-BZ020- 285 0.00
21814-BZ030- 273 0.00
22030-0Y140- 96 0.00
22204-BZ010- 87 45.00
22271-0Y030- 83 0.00
23105-BZ020- 305 0.00
23209-09340- 96 0.00
23210-BZ280- 305 0.00
23220-BZ050- 305 0.00
23225-BZ030- 305 0.00
23291-0Y020- 96 0.00
-23010- 96
23814-0Y010- 96 0.00
23827-BZ130- 89 0.00
23841-B1010- 96
-BZ020- 96 0.00
23891-47040- 96 9.00
23901-BZ160- 96 0.00
25051-BZ140- 83 0.00
25860-BZ050- 89 0.00
27060-BZ460- 92 0.00
27330-BZ060- 92 1,830.00
27370-B1020- 92 20.00
27411-BZ100- 92 0.00
27444-BZ010- 92 3.00
27700-B2080- 92 35.00
28021-BZ050- 94 0.00
28100-BZ310- 94 0.00
28110-BZ180- 94 0.00
28120-BZ090- 94 0.00
28130-BZ140- 94 0.00
28140-BZ140- 94 0.00
28160-BZ040- 94 0.00
28226-BZ010- 94 0.00
28850-BZ030- 339 0.00
-BZ050- 339 0.00
30300-BZ410- 102 0.00
-BZ420- 102 0.00
15188 - 30300
PART NUMBER PAGE WEIGHT(g)
30400-B2A60- 122
-B2C20- 122 0.00
-BZ080- 122 0.00
-BZ110- 122 0.00
31115-BZ090- 105 0.00
31126-BZ030- 97 0.00
31210-BZ270- 97 0.00
-BZ320- 97 0.00
31230-BZ070- 97 0.00
31232-BZ060- 97 0.00
31233-BZ080- 97 0.00
31234-BZ040- 97 0.00
31236-87401- 97
-BZ010- 97 0.00
31250-BZ320- 97 0.00
-BZ330- 97 0.00
31310-BZ340- 98 0.00
31394-BZ170- 99 0.00
31420-BZ040- 100 0.00
31470-BZ040- 101 0.00
31482-BZ220- 99 0.00
-BZ280- 99 0.00
-BZ300- 99 0.00
31484-BZ050- 99 0.00
-BZ060- 99 0.00
31495-BZ050- 99 0.00
32000-B2230- 125 6,670.00
-B2250- 125 0.00
32101-BZ100- 125 0.00
33037-BZ010- 108 0.00
33038-BZ050- 108 0.00
33111-BZ100- 105 0.00
-BZ110- 105 0.00
33123-BZ030- 105 0.00
33134-BZ030- 108 0.00
33137-BZ010- 108 0.00
33201-BZ050- 113 0.00
33203-BZ170- 113 0.00
33205-BZ100- 113 0.00
33210-BZ010- 113 0.00
33214-BZ080- 113 0.00
33220-BZ010- 113 0.00
33227-BZ010- 113 0.00
-BZ020- 113 0.00
33231-BZ030- 113 0.00
33232-BZ030- 113 0.00
33244-BZ090- 113 0.00
33251-BZ070- 113 0.00
33252-BZ010- 113 0.00
33260-BZ010- 113 0.00
PART NUMBER PAGE WEIGHT(g)
33261-BZ130- 113
33266-BZ070- 113 0.00
33293-BZ030- 114 0.00
33311-BZ110- 108 0.00
33321-BZ140- 108 0.00
-BZ150- 108 0.00
33326-BZ060- 108 0.00
33329-BZ010- 109 0.00
33332-BZ050- 109 0.00
33333-BZ090- 109 0.00
33334-BZ080- 109 0.00
-BZ090- 109 0.00
33335-BZ120- 109 0.00
-BZ130- 109 0.00
33336-BZ090- 109 0.00
-BZ100- 109 0.00
33345-BZ010- 109 0.00
33349-BZ010- 109 0.00
33360-BZ240- 109 0.00
-BZ270- 110 0.00
33365-BZ060- 110 0.00
33367-BZ060- 110 0.00
33369-BZ070- 110 0.00
33370-BZ170- 110 0.00
33380-BZ170- 110 0.00
-BZ200- 110 0.00
33384-BZ010- 110 0.00
33394-BZ010- 110 0.00
33396-BZ010- 110 0.00
33402-BZ060- 110 0.00
33422-BZ050- 110 0.00
-BZ080- 110 0.00
33423-BZ030- 110 0.00
33428-BZ060- 110 0.00
-BZ070- 110 0.00
33449-B2010- 123 15.00
-BZ070- 105 0.00
33451-BZ040- 110 0.00
33462-BZ030- 111 0.00
33490-B2030- 127 250.00
-BZ010- 127 0.00
33504-BZ281-C1 116 0.00
-BZ300-C1 116 0.00
33524-BZ040- 116 0.00
33548-BZ070- 114 0.00
33550-BZ580-C0 116 0.00
-BZ581-C0 116 0.00
-BZ600-C0 116 0.00
-BZ601-C0 116 0.00
33563-BZ040-C0 116 0.00
30400 - 33563
37
PART NUMBER PAGE WEIGHT(g)
33567-B1010- 116
33621-B2010- 295 0.00
33820-BZ440- 116 0.00
-BZ450- 116 0.00
-BZ451- 116 0.00
33823-BZ090- 116 0.00
33837-B2010- 116 1.00
33866-BZ010- 116 0.00
35103-B2070- 122 12.00
-BZ060- 122 0.00
35133-BZ010- 106 0.00
35145-B2011- 122 1.00
-BZ010- 122 0.00
35160-B2040- 122 934.00
-BZ030- 122 0.00
35168-B2030- 122 20.00
35199-B2010- 123 8.00
-BZ010- 123 0.00
35303-B2040- 122 170.00
-BZ030- 122 0.00
35410-B9201- 123 5,730.00
-BZ010- 123 0.00
35921-BZ100- 116 0.00
35955-BZ030- 116 0.00
41221-BZ330- 133 0.00
-BZ340- 133 0.00
41301-BZ060- 133 0.00
-BZ070- 133 0.00
42410-BZ140- 129 0.00
42431-BZ200- 129 0.00
42602-BZ150- 132 0.00
42611-BZB50- 132 0.00
-BZE30- 132 0.00
-BZF80- 132 0.00
42638-BZ690- 132 0.00
-BZ700- 132 0.00
42661-BZC60- 295 0.00
-BZF00- 295 0.00
43211-BZ440- 161 0.00
43212-BZ440- 161 0.00
43408-B9590- 136 0.00
-B9660- 136 0.00
-B9670- 136 0.00
43410-BZ220- 136 0.00
-BZ230- 136 0.00
43411-B9690- 136 0.00
-B9700- 136 0.00
43412-B9480- 136 0.00
-B9490- 136 0.00
43420-BZ180- 136 0.00
PART NUMBER PAGE WEIGHT(g)
43420-BZ230- 136
43425-BZ120- 136 0.00
43502-BZ230- 138 0.00
43512-BZ420- 138 0.00
43560-BZ050- 138 700.00
44050-BZ440- 157 0.00
-BZ460- 157 0.00
-BZ470- 157 0.00
-BZC10- 157 0.00
44521-B1010- 157 6.00
44546-12110- 157
-BZ020- 157 0.00
44591-BZ290- 157 0.00
-BZ300- 157 0.00
-BZ400- 157 0.00
44610-BZ730- 149 0.00
44685-B2010- 149 4.00
44750-BZ450- 149 0.00
45020-BZ400- 140 0.00
-BZ410- 140 0.00
45023-BZ010-C0 140 0.00
45024-BZ100-C0 140 0.00
-BZ110-C0 140 0.00
45046-BZ270- 144 0.00
45047-BZ160- 144 0.00
45102-BZA40-C1 142 0.00
-BZA50-C1 142 0.00
45107-BZ220- 142 0.00
45116-BZ150-C0 142 0.00
45117-BZ040-C0 142 0.00
45130-BZ880-C0 142 0.00
45220-BZ450- 140 0.00
45222-BZ210- 140 0.00
45251-B9270- 140 0.00
-B9280- 140 0.00
45254-BZ270- 140 0.00
45281-BZ160- 140 0.00
45286-BZ340-C0 140 0.00
45287-BZ430-C0 140 0.00
-BZ440-C0 140 0.00
45288-BZ100- 140 0.00
45501-BZ100- 144 0.00
45503-BZ260- 144 0.00
45535-BZ200- 144 0.00
45537-BZ050- 144 0.00
45538-BZ080- 144 0.00
45897-B2010- 140 12.00
46210-BZ240-C0 146 0.00
-BZ250-C0 146 0.00
46233-BZ070- 146 0.00
33567 - 46233
PART NUMBER PAGE WEIGHT(g)
46410-BZ130- 146
46420-BZ370- 146 0.00
46430-BZ370- 146 0.00
46521-BZ050- 201 0.00
47043-BZ160- 153 0.00
47044-BZ180- 153 0.00
47110-BZ570- 147 0.00
-BZ580- 147 0.00
47121-BZ070- 147 0.00
-BZ080- 98 0.00
-BZ080- 147 0.00
47201-BZ760- 148 0.00
-BZ770- 148 0.00
-BZA10- 148 0.00
47220-BZ380- 148 0.00
-BZ490- 148 0.00
47230-BZ130- 148 26.00
47240-BZ030- 99 0.00
47255-BZ110- 148 1.00
47264-BZ110- 149 0.00
47275-BZ010- 149 0.00
47278-87703- 149
47299-BZ090- 148 2.00
47311-BZ700- 157 0.00
-BZ700- 158 0.00
-BZ710- 157 0.00
-BZ790- 157 0.00
-BZ790- 158 0.00
47312-BZ710- 158 0.00
47313-BZ660- 158 0.00
-BZ670- 158 0.00
-BZ770- 158 0.00
47314-BZ680- 158 0.00
47322-BZ450- 158 0.00
47324-BZ510- 158 0.00
47325-BZ280- 158 0.00
47326-BZ300- 158 0.00
47351-BZ280- 158 0.00
47352-BZ100- 158 0.00
47371-B2080- 158 14.00
47372-B2040- 99 4.00
-B2040- 159 4.00
-B2040- 306 4.00
47389-50020- 158 2.00
47419-BZ010- 153 0.00
-BZ020- 153 0.00
47446-BZ100- 153 0.00
47447-BZ080- 153 0.00
-BZ081- 153 0.00
47449-BZ080- 153 0.00
PART NUMBER PAGE WEIGHT(g)
47459-BZ010- 153
47460-BZ090- 153 0.00
47470-BZ090- 153 0.00
47547-BZ050- 151 7.00
-BZ110- 153 7.00
47548-BZ080- 151 1.00
-BZ080- 153 1.00
47550-BZ130- 153 0.00
47559-BZ030- 153 0.00
47611-BZ090- 153 165.00
47612-BZ090- 153 165.00
47635-BZ030- 154 2.00
47643-BZ090- 154 13.00
47644-BZ080- 154 13.00
47715-BZ160- 151 0.00
-BZ170- 151 0.00
47730-BZ130- 151 0.00
47731-BZ100- 151 0.00
47737-BZ010- 151 0.00
47741-BZ030- 151 0.00
47750-BZ130- 151 0.00
47769-BZ030- 151 0.00
47775-BZ010- 151 5.00
47779-BZ020- 273 0.00
47781-BZ210- 151 0.00
47782-BZ210- 151 0.00
48044-BZ130- 164 0.00
48068-BZ430- 161 0.00
48069-BZ430- 161 0.00
48131-BZB80- 164 0.00
-BZB90- 164 0.00
48157-BZ080- 164 0.00
48231-BZ880- 167 0.00
48331-BZ220- 164 0.00
48341-BZ200- 167 0.00
48481-BZ120- 167 0.00
48482-BZ190- 167 0.00
48510-BZE50- 164 0.00
48520-BZA80- 164 0.00
48531-BZB10- 167 0.00
48609-BZ170- 164 0.00
48682-BZ010- 164 0.00
48684-BZ090- 164 0.00
48710-BZ460- 167 0.00
48750-BZ050- 167 0.00
48755-BZ050- 167 0.00
48811-BZ290- 165 0.00
48815-BZ350- 165 0.00
48820-BZ130- 164 0.00
-BZ130- 165 0.00
46410 - 48820
38
PART NUMBER PAGE WEIGHT(g)
48824-BZ210- 165
51201-BZ160- 169 0.00
-BZ161- 169 0.00
51441-BZ340- 169 0.00
51442-BZ150- 169 0.00
51900-BZ120- 170 0.00
-BZ160- 170 0.00
51919-BZ030- 170 0.00
51938-BZ120- 170 0.00
51960-BZ120- 50 0.00
51989-BZ010- 204 0.00
52115-BZ240- 172 0.00
52116-BZ240- 172 0.00
52119-BZS40- 172 0.00
52139-BZ060- 172 0.00
52141-BZ100- 200 0.00
52155-BZ230- 174 0.00
52156-BZ250- 174 0.00
52159-BZF60- 174 0.00
-BZM40- 174 0.00
52163-BZ010- 174 0.00
52185-BZ130- 205 0.00
52471-BZ010- 174 0.00
52472-BZ010- 174 0.00
52561-B2010- 174 5.00
52562-BZ050- 174 0.00
52563-BZ040- 174 0.00
52712-BZ590- 172 0.00
-BZ680- 172 0.00
-BZ690- 172 0.00
52713-BZ570- 172 0.00
-BZ670- 172 0.00
-BZ680- 172 0.00
53028-BZ240- 183 0.00
53078-BZ140- 200 0.00
53111-BZ580- 175 0.00
53121-BZ650- 175 0.00
-BZ660- 175 0.00
53202-BZ140- 183 0.00
53203-BZ240- 183 0.00
53205-BZ210- 183 0.00
-BZ290- 183 0.00
53209-BZ060- 183 0.00
-BZ160- 183 0.00
53213-BZ130- 183 0.00
53214-BZ110- 183 0.00
53215-BZ260- 183 0.00
53217-BZ030- 183 0.00
53301-BZ410- 179 0.00
53341-BZ160- 179 0.00
PART NUMBER PAGE WEIGHT(g)
53381-BZ050- 183
53383-BZ140- 193 0.00
53393-B1020- 179 1.00
53401-BZ090- 181 0.00
53402-BZ090- 181 0.00
53415-BZ060- 222 0.00
53416-BZ060- 222 0.00
53440-BZ130- 181 0.00
53445-BZ100- 181 0.00
53446-BZ100- 181 0.00
53455-BZ140- 181 0.00
53510-BZ370- 181 0.00
-BZ380- 181 0.00
53601-BZ030-C0 181 0.00
53630-BZ320- 181 0.00
53701-BZ700- 183 0.00
53702-BZ780- 183 0.00
53717-BZ200- 222 0.00
53718-BZ200- 222 0.00
53803-BZ130- 222 0.00
53804-BZ100- 222 0.00
53811-BZ570- 179 0.00
53812-BZ570- 179 0.00
53865-BZ130- 179 0.00
53866-BZ120- 179 0.00
53875-BZ350- 179 0.00
53876-BZ330- 179 0.00
55045-BZ220-C0 190 0.00
55086-BZ310- 381 0.00
55101-BZP90- 183 0.00
-BZQ10- 183 0.00
55106-BZ540- 147 0.00
55107-BZ460- 99 0.00
55168-BZ310- 183 0.00
55169-BZ210- 183 0.00
55210-BZ620- 183 0.00
55214-BZ150- 183 0.00
55215-BZ110- 183 0.00
-BZ120- 183 0.00
55216-BZ080- 184 0.00
55223-BZ200- 184 0.00
55305-BZC00- 190 0.00
-BZC10- 190 0.00
55311-BZ890-C0 190 0.00
55315-B2020- 190 42.00
55317-BZ010-C0 190 0.00
55318-BZ020-C0 190 0.00
55349-BZ140- 190 0.00
55357-B1070- 190 1.00
55359-BZ070-C0 190 0.00
48824 - 55359
PART NUMBER PAGE WEIGHT(g)
55394-BZ020- 190
55406-BZ880-C1 190 0.00
55411-BZ350-C0 190 0.00
55412-BZC10-C0 190 0.00
55421-BZ110-C0 190 0.00
55432-BZ190-C0 190 0.00
55446-BZ160-C0 190 0.00
55451-BZ040-C0 191 0.00
55453-BZ140- 191 0.00
55454-BZ150- 191 0.00
55471-BZ140-C0 191 0.00
55472-BZ070-C0 191 0.00
55539-B1030-C0 191 8.00
-BZ140-C1 191 3.00
-BZ160-C0 211 0.00
55549-BZ070-C0 191 0.00
55550-BZ170-C0 191 0.00
55556-BZ010- 191 0.00
55557-B2040- 191 1.00
55560-BZ130-C0 191 0.00
-BZ131-C0 191 0.00
55573-BZ020- 191 0.00
55618-BZ110-C0 191 0.00
55619-BZ050-C0 191 0.00
55641-BZ260-C0 191 0.00
55650-BZ380-C0 191 0.00
-BZ400-C0 191 0.00
55660-BZ250-C0 192 0.00
-BZ270-C0 192 0.00
55661-BZ160-C0 192 0.00
55662-BZ080-C0 192 0.00
55670-BZ350-C1 192 0.00
-BZ410-C1 192 0.00
55701-BZ250- 193 0.00
55703-BZ750- 193 0.00
55708-BZ170- 193 0.00
55715-BZ070- 193 0.00
55716-BZ080- 193 0.00
55873-BZ180- 381 0.00
55874-BZ080- 381 0.00
55875-BZ060- 381 0.00
55876-BZ020- 381 0.00
55910-BZ850- 381 0.00
56101-BZ210- 193 0.00
-BZ220- 193 0.00
-BZ220- 194 0.00
-BZ230- 194 0.00
56115-97402- 194 2.00
56116-97401- 194 1.00
56117-BZ250- 194 0.00
PART NUMBER PAGE WEIGHT(g)
56117-BZ260- 194
57025-BZ070- 200 0.00
57026-BZ060- 200 0.00
57033-BZ060- 204 0.00
57034-BZ050- 204 0.00
57051-BZ340- 200 0.00
57052-BZ230- 200 0.00
57055-BZ030- 201 0.00
-BZ040- 201 0.00
57068-BZ140- 204 0.00
57101-BZ690- 200 0.00
57102-BZ770- 200 0.00
57105-BZ200- 200 0.00
57106-BZ240- 200 0.00
57111-BZ290- 200 0.00
57112-BZ310- 200 0.00
57117-BZ080- 200 0.00
57118-BZ080- 200 0.00
57401-BZ470- 200 0.00
57402-BZ500- 200 0.00
57406-BZ270- 200 0.00
57409-BZ240- 200 0.00
57412-BZ360- 200 0.00
57417-BZ120- 200 0.00
57418-BZ020- 200 0.00
57419-BZ080- 200 0.00
57429-BZ080- 201 0.00
57451-BZ230- 201 0.00
57601-BZ560- 204 0.00
57602-BZ540- 204 0.00
57605-BZ210- 204 0.00
57606-BZ270- 204 0.00
57607-BZ100- 204 0.00
57608-BZ220- 204 0.00
57633-BZ080- 204 0.00
57634-BZ070- 204 0.00
57645-BZ150- 204 0.00
57646-BZ100- 204 0.00
57807-BZ060- 204 0.00
57808-BZ020- 204 0.00
57815-BZ120- 204 0.00
57816-BZ030- 204 0.00
57829-BZ010- 204 0.00
57841-BZ090- 204 0.00
57842-BZ010- 204 0.00
58025-BZ060- 201 0.00
58026-BZ060- 201 0.00
58051-BZ210-B0 207 0.00
-BZ220- 207 0.00
-BZ230-B0 207 0.00
55394 - 58051
39
PART NUMBER PAGE WEIGHT(g)
58051-BZ240-B0 207
-BZ250-B0 207 0.00
-BZ260-B0 207 0.00
58065-BZ050- 207 0.00
-BZ060- 207 0.00
58066-BZ050- 208 0.00
-BZ060- 208 0.00
58105-BZ050- 201 0.00
-BZ060- 201 0.00
58106-BZ020- 201 0.00
-BZ030- 201 0.00
58111-BZ480- 201 0.00
58114-BZ070- 201 0.00
58115-BZ100- 201 0.00
58139-BZ070- 222 0.00
58151-BZ080- 206 0.00
58213-BZ200- 201 0.00
58215-BZ040- 201 0.00
58285-BZ010-C0 237 0.00
58307-BZ230- 204 0.00
58308-BZ460- 205 0.00
58311-BZ430- 205 0.00
58325-BZ110- 205 0.00
58372-BZ230- 205 0.00
58373-BZ180- 205 0.00
58383-BZ080- 205 0.00
58410-BZ290-C0 237 0.00
-BZ340-C0 237 0.00
58503-BZ030- 207 0.00
-BZ040- 207 0.00
58522-52030- 207 12.00
58563-BZ100- 207 0.00
-BZ101- 207 0.00
58607-BZ010- 208 0.00
-BZ020- 208 0.00
58608-BZ010- 208 0.00
-BZ020- 208 0.00
58804-BZ150- 211 0.00
-BZ170- 211 0.00
-BZ200-C3 211 0.00
-BZ260-C2 211 0.00
-BZ270- 211 0.00
-BZ280- 211 0.00
58805-BZ020-C0 211 0.00
58810-BZ110-C1 211 0.00
58813-BZ030-C0 211 0.00
58815-BZ080- 211 0.00
58817-BZ020-C0 211 0.00
58821-BZ330-C0 211 0.00
-BZ350-C0 211 0.00
PART NUMBER PAGE WEIGHT(g)
58833-BZ110-C0 211
-BZ150-B0 211 0.00
58840-BZ270- 211 0.00
-BZ280-C3 211 0.00
-BZ290- 211 0.00
-BZ560-C0 211 0.00
58905-BZ020-C0 211 0.00
58911-BZ200-C0 211 0.00
58912-BZ050-C0 211 0.00
58921-BZ090-C0 211 0.00
58923-BZ030-C0 212 0.00
58924-BZ010-C0 212 0.00
58925-BZ010-C0 212 0.00
58944-BZ010- 212 0.00
58993-BZ030- 212 0.00
61023-BZ420- 222 0.00
61024-BZ350- 222 0.00
-BZ370- 222 0.00
61037-BZ390- 222 0.00
61038-BZ390- 222 0.00
61108-BZ240- 222 0.00
61109-BZ240- 222 0.00
61131-BZ530- 222 0.00
61132-BZ510- 222 0.00
61203-BZ130- 222 0.00
61204-BZ130- 222 0.00
61213-BZ020- 222 0.00
61214-BZ020- 222 0.00
61235-BZ110- 222 0.00
-BZ110- 223 0.00
61237-BZ110- 223 0.00
61245-BZ060- 223 0.00
61246-BZ040- 223 0.00
61247-BZ140- 223 0.00
61248-BZ140- 223 0.00
61307-BZ130- 223 0.00
61308-BZ130- 223 0.00
61311-BZ350- 223 0.00
61312-BZ400- 223 0.00
61385-BZ060- 223 0.00
61386-BZ060- 223 0.00
61403-BZ160- 223 0.00
61404-BZ160- 223 0.00
61411-BZ380- 223 0.00
61412-BZ410- 223 0.00
61415-BZ040- 223 0.00
61503-BZ160- 223 0.00
61504-BZ160- 223 0.00
61603-BZ010- 223 0.00
61604-BZ020- 224 0.00
58051 - 61604
PART NUMBER PAGE WEIGHT(g)
61605-BZ180- 224
61606-BZ080- 224 0.00
61607-BZ160- 224 0.00
61608-BZ160- 224 0.00
61611-BZ470- 224 0.00
61612-BZ530- 224 0.00
61613-BZ300- 205 0.00
61614-BZ310- 205 0.00
61621-BZ110- 224 0.00
61622-BZ140- 224 0.00
61623-BZ200- 224 0.00
61624-BZ210- 224 0.00
61625-BZ220- 224 0.00
61626-BZ220- 224 0.00
61627-BZ110- 224 0.00
-BZ120- 224 0.00
61628-BZ160- 224 0.00
-BZ170- 224 0.00
61631-BZ220- 224 0.00
61632-BZ220- 224 0.00
61637-BZ110- 224 0.00
61638-BZ080- 224 0.00
61645-BZ110- 224 0.00
61646-BZ140- 224 0.00
61665-BZ130- 225 0.00
61666-BZ100- 225 0.00
61673-BZ020- 205 0.00
61674-BZ020- 205 0.00
61705-BZ080- 225 0.00
61706-BZ080- 225 0.00
61717-BZ040- 225 0.00
61718-BZ060- 225 0.00
61719-BZ070- 225 0.00
61729-BZ010- 225 0.00
61731-BZ260- 225 0.00
61732-BZ250- 225 0.00
61735-BZ120- 225 0.00
61736-BZ120- 225 0.00
61745-BZ090- 225 0.00
61746-BZ050- 225 0.00
61768-BZ150- 225 0.00
61769-BZ160- 225 0.00
62111-BZ330-C0 231 0.00
62112-BZ310-C0 231 0.00
62170-BZ060- 231 0.00
62180-BZ050- 231 0.00
62210-BZ090-B0 231 0.00
-BZ100-B0 231 0.00
62217-20010- 231 2.00
62220-BZ090-B0 231 0.00
PART NUMBER PAGE WEIGHT(g)
62220-BZ100-B0 231
62225-BZ090- 299 0.00
62226-BZ090- 299 0.00
62313-BZ290-C0 231 0.00
62333-BZ310-C0 231 0.00
62411-BZ250-B0 231 0.00
62412-BZ250-B0 231 0.00
62413-BZ230-C0 232 0.00
62414-BZ230-C0 232 0.00
62431-BZ020- 234 0.00
62432-BZ020- 234 0.00
62441-BZ020- 235 0.00
62442-BZ030- 235 0.00
62451-BZ040- 235 0.00
62452-BZ040- 235 0.00
62471-BZ390-B0 232 0.00
-BZ470-B0 232 0.00
-BZ480-B0 232 0.00
62472-BZ360-B0 232 0.00
-BZ470-B0 232 0.00
62521-BZ030-C0 237 0.00
62522-BZ010-C0 237 0.00
62594-BZ080-C0 237 0.00
62595-BZ070-C0 237 0.00
62711-BZ350- 226 0.00
-BZ430- 226 0.00
62712-BZ350- 226 0.00
-BZ430- 226 0.00
62715-BZ040- 226 0.00
62763-BZ060- 226 0.00
62764-BZ060- 226 0.00
62765-BZ040- 226 0.00
62766-BZ040- 226 0.00
62821-BZ020-B0 234 0.00
62822-BZ020-B0 234 0.00
62930-BZ030- 229 30.00
-BZ120- 229 0.00
62961-BZ070-B0 234 0.00
63111-BZ320- 228 0.00
63132-BZ290- 228 0.00
63134-BZ280- 228 0.00
63138-BZ050- 228 0.00
63141-BZ150- 228 0.00
63142-BZ170- 228 0.00
63143-BZ150- 228 0.00
63144-BZ120- 228 0.00
63145-BZ060- 228 0.00
63157-BZ010- 228 0.00
63310-BZC60-B0 234 0.00
-BZD70-B0 234 0.00
61605 - 63310
40
PART NUMBER PAGE WEIGHT(g)
63342-BZ260- 235
-BZ270- 235 0.00
-BZ280- 235 0.00
63357-BZ030- 235 0.00
63383-BZ020- 235 0.00
64421-BZ030-C0 237 0.00
64730-BZ380-C0 237 0.00
64740-BZ370-C0 237 0.00
-BZ380-C0 237 0.00
64780-BZ210-C0 258 0.00
64818-87704- 226
-87704- 227
-BZ010- 226 0.00
-BZ010- 227 0.00
-BZ090- 258 0.00
64827-BZ130- 258 0.00
64828-BZ100- 258 0.00
64993-BZ010- 237 0.00
65565-BZ040- 225 0.00
65566-BZ030- 225 0.00
65637-BZ280- 238 0.00
65638-BZ280- 238 0.00
67001-BZ710- 241 0.00
67002-BZ710- 241 0.00
67003-BZ720- 250 0.00
67004-BZ720- 250 0.00
67005-BZG60- 258 0.00
-BZG90- 258 0.00
67111-BZ410- 241 0.00
67112-BZ410- 241 0.00
67113-BZ420- 250 0.00
67114-BZ420- 250 0.00
67401-BZ150- 241 0.00
67402-BZ160- 241 0.00
67403-BZ180- 241 0.00
67404-BZ180- 241 0.00
67405-BZ090- 250 0.00
67406-BZ090- 250 0.00
67407-BZ190- 250 0.00
67408-BZ190- 250 0.00
67487-BZ080- 250 0.00
67488-BZ080- 250 0.00
67610-BZ830-C1 241 0.00
67620-BZ830-C1 242 0.00
67630-BZ740-C0 250 0.00
67640-BZ740-C0 250 0.00
67771-B2100- 193 1.00
67807-BZ010-C0 237 0.00
67808-BZ010-C0 237 0.00
-BZ020-C0 237 0.00
PART NUMBER PAGE WEIGHT(g)
67831-BZ490- 242
67832-BZ130- 242 0.00
67837-BZ030- 258 0.00
-BZ070- 242 0.00
-BZ070- 250 0.00
67841-BZ460- 250 0.00
-BZ470- 250 0.00
67842-BZ220- 250 0.00
-BZ230- 250 0.00
67861-BZ250- 242 0.00
67862-BZ240- 242 0.00
67867-B2320- 242 1.00
-B2320- 250 1.00
-B2320- 251 1.00
67871-BZ250- 251 0.00
67872-BZ240- 251 0.00
67881-BZ210- 258 0.00
67913-BZ210-C0 232 0.00
67914-BZ210-C0 232 0.00
67917-BZ250-C0 232 0.00
67918-BZ250-C0 232 0.00
67924-B2010- 232 8.00
-B2010- 233 8.00
67935-BZ120-C0 237 0.00
68101-BZ400- 242 0.00
68102-BZ400- 242 0.00
68103-BZ460- 251 0.00
68104-BZ460- 251 0.00
68125-BZ070- 242 0.00
68126-BZ070- 242 0.00
68131-BZ660- 258 0.00
68141-BZ210- 242 0.00
68142-BZ220- 251 0.00
68143-BZ130- 242 0.00
68144-BZ120- 251 0.00
68151-BZ210- 242 0.00
68152-BZ220- 251 0.00
68161-BZ230- 243 0.00
68162-BZ220- 243 0.00
68163-BZ220- 251 0.00
68164-BZ210- 251 0.00
68171-BZ250- 243 0.00
68172-BZ230- 243 0.00
68173-BZ250- 251 0.00
68174-BZ210- 251 0.00
68215-BZ020- 243 0.00
68216-BZ020- 243 0.00
68610-BZ210- 243 0.00
68630-BZ180- 251 0.00
68710-BZ140- 247 0.00
63342 - 68710
PART NUMBER PAGE WEIGHT(g)
68720-BZ110- 247
68750-BZ140- 255 0.00
68760-BZ140- 255 0.00
68801-BZ160- 260 0.00
68945-BZ010- 260 0.00
68950-BZ340- 260 0.00
68960-BZ310- 260 0.00
68981-BZ060- 225 0.00
69005-BZE10- 262 0.00
-BZF70- 262 0.00
-BZF71- 262 0.00
69051-BZ380- 262 0.00
69057-BZ360- 262 0.00
69210-BZ620-A0 245 0.00
-BZ620-B0 245 0.00
-BZ620-B1 245 0.00
-BZ620-C0 245 0.00
-BZ620-D0 245 0.00
-BZ620-G0 245 0.00
-BZ620-K0 245 0.00
-BZ650-A0 253 0.00
-BZ650-B0 253 0.00
-BZ650-B1 253 0.00
-BZ650-C0 253 0.00
-BZ650-D0 253 0.00
-BZ650-G0 253 0.00
-BZ650-K0 253 0.00
-BZ710-A0 245 0.00
-BZ710-B0 245 0.00
-BZ710-B1 245 0.00
-BZ710-C0 245 0.00
-BZ710-D0 245 0.00
-BZ710-G0 245 0.00
-BZ710-K0 245 0.00
69220-BZ610-A0 245 0.00
-BZ610-B0 245 0.00
-BZ610-B1 245 0.00
-BZ610-C0 245 0.00
-BZ610-D0 245 0.00
-BZ610-G0 245 0.00
-BZ610-K0 245 0.00
-BZ640-A0 253 0.00
-BZ640-B0 253 0.00
-BZ640-B1 253 0.00
-BZ640-C0 253 0.00
-BZ640-D0 253 0.00
-BZ640-G0 253 0.00
-BZ640-K0 253 0.00
-BZ700-A0 245 0.00
-BZ700-B0 245 0.00
PART NUMBER PAGE WEIGHT(g)
69220-BZ700-B1 245
-BZ700-C0 245 0.00
-BZ700-D0 245 0.00
-BZ700-G0 245 0.00
-BZ700-K0 245 0.00
69270-BZ170-C0 245 0.00
-BZ170-C0 253 0.00
-BZ180-C0 245 0.00
-BZ180-C0 253 0.00
69277-BZ100-C0 243 0.00
-BZ100-C0 251 0.00
69278-BZ080-C0 243 0.00
-BZ080-C0 251 0.00
69280-BZ170-C0 245 0.00
-BZ170-C0 253 0.00
-BZ180-C0 245 0.00
-BZ180-C0 253 0.00
69310-BZ270- 245 0.00
69311-BZ140- 246 0.00
69312-BZ140- 246 0.00
69320-BZ230- 246 0.00
69330-BZ280- 254 0.00
69331-BZ120- 254 0.00
69332-BZ120- 254 0.00
69340-BZ280- 254 0.00
69350-BZ250- 260 0.00
69410-BZ010- 246 114.00
-BZ010- 254 114.00
69430-B2070- 260 50.00
69516-BZ110- 262 0.00
69710-BZ140- 246 0.00
69711-BZ160- 246 0.00
69730-BZ260- 254 0.00
69749-32040- 246
-32040- 254
-BZ100- 246 0.00
-BZ100- 254 0.00
69750-BZ140- 246 0.00
69760-BZ140- 246 0.00
69770-BZ170- 254 0.00
69780-BZ160- 254 0.00
69801-BZ150- 247 0.00
-BZ150- 255 0.00
69802-BZ150- 247 0.00
-BZ150- 255 0.00
71051-BZ010- 273 0.00
71055-BZ010- 275 0.00
-BZ010- 285 0.00
71071-BZQ60-C3 282 0.00
-BZQ70-C3 282 0.00
68720 - 71071
41
PART NUMBER PAGE WEIGHT(g)
71071-BZQ80-C3 282
71072-BZQ60-C2 282 0.00
-BZQ70-C3 282 0.00
71073-BY160-C0 282 0.00
-BZS60-C1 282 0.00
-BZS70-C0 282 0.00
-BZZ90-C0 282 0.00
71074-BZP20-C0 282 0.00
-BZP70-C1 282 0.00
-BZX90-C0 282 0.00
71075-BZM90-C1 273 0.00
-BZN00-C2 273 0.00
-BZN40-C1 273 0.00
71076-BZF40-C1 283 0.00
-BZF50-C2 283 0.00
71077-BZM30-C1 283 0.00
-BZM40-C1 283 0.00
-BZM50-C2 283 0.00
71078-BZG10-C1 283 0.00
-BZG20-C2 283 0.00
71110-BZ360-C0 273 0.00
-BZ380-C0 273 0.00
-BZ390-C0 273 0.00
71120-BZ370-C0 273 0.00
-BZ380-C0 273 0.00
71147-B1020- 273 11.00
-B1020- 274 11.00
-B2160- 273 21.00
-B2160- 274 21.00
-BZ160- 273 0.00
-BZ160- 274 0.00
-BZ170- 273 0.00
-BZ170- 274 0.00
-BZ180- 273 0.00
-BZ180- 274 0.00
71303-BZ120- 273 0.00
71304-BZ070- 273 0.00
71353-BZ010-C0 274 0.00
-BZ020-C0 273 0.00
71395-BZ010-C0 274 0.00
71396-BZ010-C0 274 0.00
71397-BZ010-C0 274 0.00
71441-B2010- 281 46.00
71485-BZ062-C0 274 0.00
-BZ220-C0 274 0.00
-BZ230-C0 274 0.00
-BZ240-C0 274 0.00
-BZ250-C0 274 0.00
71501-BZ570- 274 0.00
71503-BZ610- 274 0.00
PART NUMBER PAGE WEIGHT(g)
71504-BZ430- 275
71505-BZ580- 274 0.00
-BZ590- 274 0.00
71506-BZ450- 274 0.00
-BZ460- 274 0.00
71507-BZ520- 284 0.00
-BZ550- 284 0.00
71508-BZ390- 284 0.00
71613-BZ020- 274 0.00
-BZ040- 275 0.00
71621-BZ070- 275 0.00
-BZ080- 275 0.00
71622-BZ100- 275 0.00
-BZ110- 275 0.00
71671-BZ100- 275 0.00
-BZ110- 275 0.00
71672-BZ080- 275 0.00
-BZ100- 275 0.00
71693-BZ040-C0 276 0.00
-BZ050-C0 276 0.00
71694-BZ020-C0 276 0.00
-BZ030-C0 275 0.00
71695-BZ020-C0 276 0.00
-BZ030- 274 0.00
-BZ030- 276 0.00
71696-BZ010-C0 276 0.00
71811-BZ320-C0 276 0.00
-BZ330-C0 276 0.00
71812-BZ280-C0 276 0.00
71831-BZ100-C0 277 0.00
-BZ100-C0 282 0.00
71832-BZ100-C0 277 0.00
-BZ130-C0 273 0.00
-BZ130-C0 277 0.00
71833-BZ080-C0 277 0.00
71834-BZ080-C0 277 0.00
71843-BZ010-C0 277 0.00
71844-BZ010-C0 277 0.00
71867-B1010-C0 277 36.00
71875-BZ100-C0 277 0.00
-BZ110-C0 277 0.00
-BZ120-C0 277 0.00
-BZ130-C0 277 0.00
-BZ140-C0 277 0.00
71876-B2060-C0 277 6.00
-BZ080-C0 277 0.00
-BZ090-C0 277 0.00
-BZ100-C0 277 0.00
-BZ110-C0 277 0.00
71878-BZ090-C0 278 0.00
71071 - 71878
PART NUMBER PAGE WEIGHT(g)
71878-BZ100-C0 277
-BZ110-C0 277 0.00
-BZ120-C0 277 0.00
71879-BZ090-C0 278 0.00
-BZ100-C0 278 0.00
71881-BZ180- 276 0.00
-BZ180- 278 0.00
71910-BZG50-C5 278 0.00
-BZJ70-C3 278 0.00
71930-0K050-C1 278 0.00
-0K050-C1 279 0.00
-B2030-C0 278 22.00
-B2030-C0 279 22.00
-BZ040-C1 278 0.00
-BZ040-C1 279 0.00
71931-0K040-C1 278 0.00
-0K040-C1 279 0.00
-B2030-C0 278 20.00
-BZ030-C1 278 0.00
71940-BZF00-C2 278 0.00
-BZL70-C0 278 0.00
-BZL80-C0 278 0.00
71970-BZ230-C1 278 0.00
72088-BZ020-C2 277 0.00
72110-BZ320- 279 0.00
72120-BZ290- 279 0.00
72125-B1030-C0 279 4.00
-BZ010-C0 279 0.00
72127-BZ020- 279 0.00
72129-B1010-C0 279 8.00
-BZ100- 279 0.00
-BZ190-C0 279 0.00
72130-BZ350- 279 0.00
72137-BZ050-C0 279 0.00
-BZ050-C0 280 0.00
72140-BZ350- 280 0.00
72157-BZ100- 280 0.00
-BZ110-C0 280 0.00
72158-BZ090-C0 280 0.00
72159-BZ130-C0 280 0.00
72160-BZ150-C0 280 0.00
72169-BZ010- 274 0.00
-BZ010- 279 0.00
72179-BZ090- 273 0.00
72211-B1050- 280 184.00
-BZ170- 280 0.00
72213-BZ010- 280 4.00
72265-BZ040-C0 280 0.00
72266-B1020-C0 280 44.00
72413-BZ070-C0 280 0.00
PART NUMBER PAGE WEIGHT(g)
72462-BZ060-C0 280
72525-BZ130-C0 280 0.00
-BZ140-C0 280 0.00
72526-BZ110-C0 281 0.00
72551-BZ070-C0 281 0.00
72552-B1010-C0 281 6.00
72570-BZ010- 281 0.00
72622-BZ010- 282 0.00
72637-BZ100-C0 281 0.00
72650-BZ010- 281 0.00
-BZ011- 281 0.00
72656-BZ020- 281 0.00
72660-BZ010- 281 0.00
-BZ011- 281 0.00
72661-0K030-C1 281 0.00
-0K040-C1 281 0.00
72690-BZ010-C0 281 0.00
72694-BZ220-C0 276 0.00
-BZ230-C0 275 0.00
-BZ250-C0 275 0.00
-BZ270-C0 275 0.00
72749-12010- 282 0.00
72809-BZ010- 282 0.00
72830-BZ140-C4 282 0.00
72831-BZ010- 282 0.00
72853-BZ010- 275 0.00
72854-BZ010- 275 0.00
72857-BZ010- 279 0.00
72921-BZ010-C0 282 0.00
72991-B1060-C0 275 56.00
-BZ250-C0 282 0.00
-BZ340-C0 282 0.00
72992-BZ050-C0 275 0.00
72993-B2010-C0 282 10.00
72994-B2010-C0 273 10.00
-B2010-C0 282 10.00
72995-BZ290-C0 283 0.00
72998-BZ080-C0 283 0.00
73178-B1020- 289 0.00
73210-BZ590-C1 289 0.00
73220-BZ630-C1 289 0.00
73230-BZB70-C0 289 0.00
-BZB80-C0 289 0.00
-BZB90-C0 289 0.00
73360-BZ370-C1 289 0.00
73370-BZ370-C1 289 0.00
73380-BZ290-C0 289 0.00
73470-BZ140-C0 289 0.00
73480-BZ120-C0 289 0.00
73560-BZ150-C1 289 0.00
71878 - 73560
42
PART NUMBER PAGE WEIGHT(g)
73570-BZ140-C1 289
73580-BZ030-C1 289 0.00
-BZ050-C0 289 0.00
-BZ080-C1 289 0.00
73910-BZ040- 283 0.00
73920-BZ040- 283 0.00
73970-BZ300-C0 192 0.00
74230-BZ070-C0 291 0.00
74231-BZ290-C0 291 0.00
74232-BZ270-C0 291 0.00
74240-BZ030-C0 291 0.00
74270-BZ010-C0 291 0.00
74271-BZ200-C0 291 0.00
74272-BZ200-C0 291 0.00
74280-BZ010-C0 291 0.00
74310-BZ510-B1 291 0.00
74320-BZA70-B0 291 0.00
-BZA80-B0 291 0.00
74348-BZ060-B0 291 8.00
74404-BZ190- 293 0.00
74405-BZ070- 293 0.00
74410-BZ080- 293 0.00
74411-BZ160- 293 0.00
74451-BZ150- 293 0.00
74552-BZ050- 295 0.00
74610-BZ050-B0 291 0.00
74635-BZ100-C0 192 0.00
74710-BZ030- 292 0.00
-BZ050- 292 0.00
74711-BZ020- 292 0.00
-BZ040- 292 0.00
74811-BZ030- 258 222.00
75129-87502- 258
-BZ010- 258 0.00
75311-BZ190- 297 0.00
-BZ290- 297 0.00
75441-BZ370- 297 0.00
75443-BZ120- 297 0.00
-BZ180- 297 0.00
75444-BZ140- 297 0.00
-BZ180- 297 0.00
75445-BZ290- 297 0.00
75551-BZ190- 299 0.00
75552-BZ180- 299 0.00
75561-B1020- 299
-BZ020- 299 0.00
75573-BZ050- 258 0.00
75574-BZ020- 258 0.00
75577-BZ010- 299 0.00
75578-BZ040- 299 0.00
PART NUMBER PAGE WEIGHT(g)
75597-BZ010- 299
75598-BZ010- 299 0.00
75641-BZ070- 299 0.00
75642-BZ070- 299 0.00
75787-BZ080- 245 0.00
75788-BZ080- 245 0.00
75921-BZ170-C0 243 0.00
75922-BZ150-C0 243 0.00
75923-BZ220-C0 243 0.00
75924-BZ210-C0 243 0.00
75925-BZ150-C0 251 0.00
75926-BZ140-C0 251 0.00
75927-BZ070-C0 252 0.00
75928-BZ070-C0 252 0.00
76094-BZ190- 282 0.00
76811-BZ660- 258 0.00
76821-BZ250- 258 0.00
-BZ270- 258 0.00
-BZ280- 259 0.00
76822-BZ070- 258 0.00
-BZ080- 259 0.00
76826-BZ040- 259 0.00
76835-52010- 314 1.00
76851-BZ170- 301 0.00
76854-87401- 175
-BZ010- 175 0.00
77001-BZ520- 305 0.00
77028-BZ040- 306 0.00
77035-BZ310- 305 0.00
77037-BZ080- 305 0.00
77169-BZ040- 305 0.00
77201-BZ250- 305 0.00
77203-BZ220- 305 0.00
77213-BZ250- 305 0.00
77249-BZ040- 305 0.00
77251-BZ390- 305 0.00
77259-BZ120- 305 0.00
-BZ150- 306 0.00
77263-BZ200- 305 0.00
77269-BZ140- 306 0.00
77281-BZ050- 306 0.00
77286-B1010- 306 12.00
-B2030- 306 14.00
77291-BZ050- 305 0.00
77298-B2020- 306 10.00
77299-B2010- 306 12.00
77300-52030- 306 54.00
77306-BZ090- 306 0.00
77308-BZ040- 306 0.00
77316-52040- 306 4.00
73570 - 77316
PART NUMBER PAGE WEIGHT(g)
77350-BZ160- 306
77740-BZ160- 306 0.00
77754-BZ430- 89 0.00
78110-BZ140- 307 0.00
78899-28020- 273 18.00
78920-BZ010- 283 0.00
79021-BZB30-C1 283 0.00
-BZB40-C1 283 0.00
79022-BZ200-C1 283 0.00
79023-BZA90-C1 283 0.00
-BZB00-C1 283 0.00
79024-BZ480-C1 283 0.00
-BZ490-C1 283 0.00
79030-BZ020- 283 0.00
79040-BZ020- 283 0.00
79101-BZ020- 283 0.00
79102-BZ020- 283 0.00
79103-BZ010- 283 0.00
-BZ030- 284 0.00
79104-BZ020- 284 0.00
79105-BZ020- 284 0.00
-BZ021- 284 0.00
-BZ030- 284 0.00
-BZ031- 284 0.00
79106-BZ020- 284 0.00
-BZ021- 284 0.00
79107-BZ010- 284 0.00
79187-BZ160-C0 284 0.00
-BZ180-C0 284 0.00
79188-BZ050-C0 284 0.00
-BZ060-C0 285 0.00
79201-BZ010- 284 0.00
-BZ020- 284 0.00
79202-BZ010- 284 0.00
79203-BZ100- 284 0.00
79204-BZ020- 284 0.00
79235-BZ010- 284 0.00
-BZ020- 284 0.00
79236-BZ170-C0 285 0.00
-BZ180-C0 285 0.00
-BZ190-C0 284 0.00
-BZ190-C0 285 0.00
79245-BZ010- 285 0.00
79246-BZ140-C0 285 0.00
-BZ150-C0 285 0.00
79273-BZ042-C0 285 0.00
79275-BZ010- 285 0.00
-BZ020- 285 0.00
79285-BZ010- 285 0.00
-BZ020- 285 0.00
PART NUMBER PAGE WEIGHT(g)
79303-BZ210- 284
79304-BZ120- 284 0.00
79959-BZ040-C0 285 0.00
80960-B9191- 140 0.00
8110A-BZ080- 309 0.00
-BZ100- 309 0.00
8110B-BZ080- 309 0.00
-BZ100- 309 0.00
81110-BZA90- 309 0.00
-BZB00- 309 0.00
81128-87205- 357 5.00
81132-B2010- 309 82.00
81150-BZA90- 309 0.00
-BZB00- 309 0.00
81195-B2020- 309 1.00
-B2120- 309 1.00
81210-BZ160- 311 0.00
81211-BZ060- 311 0.00
81220-BZ160- 311 0.00
81221-BZ060- 311 0.00
81240-B2130-B0 319 63.00
-BZ120- 319 0.00
81241-B2100- 319 18.00
-BZ080- 319 0.00
81260-BZ050-B0 319 0.00
81270-BZ100- 315 0.00
81271-BZ040- 315 0.00
81274-BZ010- 315 0.00
81278-BZ010- 315 0.00
81551-BZ460- 314 0.00
-BZ470- 314 0.00
81555-BZ240- 314 0.00
81559-B2020- 314 1.00
-BZ060- 314 0.00
81561-BZ460- 314 0.00
-BZ470- 314 0.00
81565-BZ110- 314 0.00
81570-BZ290- 317 0.00
81580-BZ100- 314 0.00
-BZ130- 314 0.00
-BZ160- 314 0.00
81582-BZ060- 314 0.00
81590-BZ100- 314 0.00
-BZ130- 314 0.00
-BZ160- 314 0.00
81592-BZ060- 314 0.00
81730-BZ190- 312 0.00
81740-BZ110- 312 0.00
81910-BZ090- 316 0.00
81920-BZ090- 316 0.00
77350 - 81920
43
PART NUMBER PAGE WEIGHT(g)
81952-BZ010- 317
81977-BZ080- 317 0.00
82111-BY700- 325 0.00
-BY730- 325 0.00
82121-BZJ20- 325 0.00
-BZM70- 325 0.00
-BZM80- 325 0.00
82123-BZ320- 325 0.00
-BZ330- 325 0.00
82124-BZ020- 325 0.00
82125-B2070- 123 56.00
-BZ040- 123 0.00
82141-BX380- 325 0.00
-BXL70- 325 0.00
-BXM00- 325 0.00
-BXM20- 325 0.00
82151-BZJ10- 325 0.00
-BZJ20- 325 0.00
-BZJ30- 325 0.00
82152-BZG20- 325 0.00
-BZG30- 325 0.00
-BZG40- 325 0.00
82153-BZ550- 325 0.00
82161-BYA00- 325 0.00
-BYA20- 325 0.00
-BYW90- 325 0.00
82171-BZA90- 325 0.00
-BZB70- 325 0.00
82184-BZE00- 325 0.00
-BZF20- 325 0.00
82185-BZ480- 325 0.00
-BZ600- 325 0.00
82210-BZ020- 388 0.00
82219-BZ260- 350 0.00
82251-BZ190- 348 0.00
-BZ200- 348 0.00
82285-BZ030- 325 0.00
82600-BZG20- 339 0.00
-BZG40- 339 0.00
-BZG50- 339 0.00
82606-BZ010- 377 0.00
82616-58010- 339 2.00
82627-BZ180- 326 0.00
82641-BZ040- 339 0.00
82661-BZ310- 339 0.00
82666-BZ030- 326 0.00
-BZ040- 326 0.00
-BZ050- 326 0.00
82711-12120- 285 0.00
-16790- 360 2.00
PART NUMBER PAGE WEIGHT(g)
82711-BZ100- 362
82715-B2510- 105 40.00
-B2510- 122 40.00
-BZE80- 140 0.00
-BZE90- 201 0.00
-BZJ90- 122 0.00
-BZK50- 58 0.00
-BZK80- 62 0.00
82817-B1110- 326 62.00
82821-B1070- 326 24.00
-BZ030- 326 0.00
82823-22060- 326 6.00
-BZ070- 326 0.00
83101-87705- 319 1.00
83301-BZ250- 339 0.00
83530-52050- 339 35.00
83800-BYU50- 328 0.00
-BYU60- 328 0.00
-BYU80- 328 0.00
-BYU90- 328 0.00
-BYV00- 328 0.00
-BYV10- 328 0.00
83852-BZ220- 328 0.00
-BZ250- 328 0.00
84030-BZ120- 339 0.00
-BZ121- 339 0.00
-BZ130- 339 0.00
-BZ131- 339 0.00
84140-BZ240- 339 0.00
-BZ280- 339 0.00
84210-BZ120- 339 95.00
84231-52020- 339
-BZ010- 339 0.00
84248-BZ110- 339 0.00
84250-BZ270-C1 339 0.00
-BZ280-C1 339 0.00
84332-BZ280- 339 0.00
84340-B2061- 339 18.00
84345-B2010- 340
-BZ010- 340 0.00
84380-B2030- 340 13.00
84450-B2040- 340 30.00
84520-97202- 340 16.00
84540-B2040- 340 80.00
84545-BZ010- 340 0.00
84652-BZ320- 340 155.00
84770-BZ060- 340 0.00
84810-BZ130- 340 0.00
84820-BZ400- 340 0.00
84840-B0010- 340 0.00
81952 - 84840
PART NUMBER PAGE WEIGHT(g)
84840-B0020- 340
84870-BZ230- 340 0.00
-BZ240- 340 0.00
84941-BZ060- 340 0.00
-BZ061- 340 0.00
-BZ170- 340 0.00
-BZ171- 340 0.00
84986-BZ080- 340 0.00
84999-BZ060- 315 0.00
-BZ140- 319 0.00
85110-BZ300- 357 0.00
85113-B2010- 357 2.00
85130-BZ230- 358 0.00
85150-BZ340- 357 0.00
85176-BZ130- 358 0.00
85211-BZ360- 357 0.00
85212-BZ350- 357 0.00
85214-B1070- 357 21.00
-BZ460- 357 0.00
85221-BZ360- 357 0.00
85222-BZ360- 357 0.00
85241-BZ180- 358 0.00
85242-BZ180- 358 0.00
85243-BZ150- 358 0.00
85292-12020- 357
-BZ080- 358 0.00
-BZ110- 357 0.00
85301-BZ040- 359 0.00
85307-B2060- 362 5.00
85310-BZ450- 359 0.00
85315-BZ450- 359 0.00
85317-BZ020- 360 0.00
-BZ080- 360 0.00
-BZ080- 362 0.00
85330-BZ180- 359 0.00
85332-B2040- 359 3.00
85336-B2060- 359 1.00
85355-87701- 360 1.00
-97202- 362 1.00
85370-BZC00- 360 0.00
-BZD40- 362 0.00
-BZD50- 362 0.00
85373-97202- 359 4.00
-BZ010- 362 0.00
85374-BZB40- 362 0.00
-BZG70- 362 0.00
-BZG80- 359 0.00
-BZJ00- 362 0.00
-BZJ10- 362 0.00
-BZJ20- 362 0.00
PART NUMBER PAGE WEIGHT(g)
85374-BZJ30- 362
-BZJ50- 362 0.00
-BZJ70- 360 0.00
-BZJ90- 360 0.00
-BZK10- 360 0.00
-BZL90- 360 0.00
-BZM00- 362 0.00
85376-B1010- 360 4.00
-BZ020- 360 0.00
-BZ020- 362 0.00
85380-BZ100- 360 0.00
-BZ101- 360 0.00
-BZ150- 360 0.00
-BZ151- 360 0.00
85381-BZ360- 359 0.00
-BZ410- 359 0.00
85390-BZ280- 362 0.00
85391-BZ130- 362 0.00
85530-BZ080- 340 20.00
85532-BZ010- 341 0.00
-BZ030- 340 0.00
85535-BZ061- 341 0.00
-BZ100- 341 0.00
85710-BZ210- 247 0.00
-BZ270- 255 0.00
85720-BZ240- 247 0.00
-BZ240- 255 0.00
86160-BZ180- 363 275.00
-BZ310- 363 0.00
-BZ320- 363 0.00
86300-BZ430-A0 365 0.00
-BZ430-B0 365 0.00
-BZ430-B1 365 0.00
-BZ430-C0 365 0.00
-BZ430-D0 365 0.00
-BZ430-G0 365 0.00
-BZ430-K0 365 0.00
-BZ460- 365 0.00
86316-BZ610- 365 0.00
-BZ660- 365 0.00
86332-BZ110- 365 0.00
86397-BZ060- 365 0.00
86466-BZ010-C0 366 0.00
-BZ020-C0 366 0.00
8646C-B1100- 366 0.00
86510-BZ300- 368 0.00
86520-BZ290- 368 0.00
-BZ310- 368 0.00
86995-BZ040- 295 0.00
87010-BZ720- 376 0.00
84840 - 87010
44
PART NUMBER PAGE WEIGHT(g)
87030-BZ220-B0 376
87138-BZ170- 376 0.00
87139-BZ020- 376 0.00
87220-BZ440- 381 0.00
87223-BZ110- 381 0.00
-BZ610- 381 0.00
-BZ660- 381 0.00
87810-BZ420-C0 371 0.00
87910-BZG70- 371 0.00
-BZG80- 371 0.00
-BZJ00- 371 0.00
-BZL20- 371 0.00
87915-BZ520- 371 0.00
-BZ640- 371 0.00
87917-BZ180- 371 0.00
-BZ260- 371 0.00
8791A-BZ050- 371 0.00
-BZ130- 371 0.00
87940-BZG50- 371 0.00
-BZG60- 371 0.00
-BZG80- 371 0.00
-BZL00- 371 0.00
87945-BZ530- 371 0.00
-BZ640- 371 0.00
87947-BZ180- 371 0.00
-BZ240- 371 0.00
8794A-BZ050- 371 0.00
-BZ130- 371 0.00
88162-B1071- 341 0.00
88320-BZ410- 387 0.00
88335-14020- 387 1.00
88374-87601- 385 1.00
88375-87601- 385 3.00
-87603- 385 3.00
88403-BZ080- 387 250.00
88404-BZ080-B0 235 0.00
88410-BZ410- 387 0.00
88411-BZ270- 387 0.00
88412-BZ200- 387 0.00
88460-BZ320- 385 0.00
88470-BZ100- 381 0.00
88474-B2010- 385 65.00
88501-BZ260- 376 0.00
-BZ400- 376 0.00
88502-BZ190- 376 0.00
-BZ200- 376 0.00
88515-BZ180- 376 93.00
-BZ200- 376 0.00
88539-BZ450- 376 0.00
-BZ470- 376 0.00
PART NUMBER PAGE WEIGHT(g)
88548-BZ030- 376
88550-BZ130- 376 0.00
-BZ180- 376 0.00
88561-BZ430- 385 0.00
-BZ760- 385 0.00
-BZ780- 385 0.00
-BZ800- 385 0.00
-BZ830- 385 0.00
88568-BZ140- 381 0.00
-BZ150- 381 0.00
88570-BZ050- 377 0.00
-BZ060- 376 0.00
-BZ070- 377 0.00
88578-BZF40- 377 0.00
-BZF90- 377 0.00
-BZG00- 377 0.00
88605-BZ200- 377 0.00
88611-BZ110-B0 381 0.00
-BZ120- 377 0.00
88635-BZ030- 377 0.00
88648-BZ110- 377 0.00
88660-B2050- 376 109.00
88688-BZ290- 388 0.00
88711-BZ770- 385 0.00
88712-BZ830- 385 0.00
88714-BZ110- 385 0.00
88716-BZF60- 386 0.00
-BZG00- 386 0.00
-BZG10- 386 0.00
88717-BZ480- 386 0.00
-BZ520- 386 0.00
-BZ530- 386 0.00
88718-13060- 386 4.00
-BZ650- 386 0.00
-BZ800- 386 0.00
-BZ840- 386 0.00
-BZ850- 386 0.00
88719-B2020- 386 25.00
88888-BZ020- 376 0.00
88897-BZ270- 386 0.00
89070-BZ500- 262 0.00
-BZ501- 262 0.00
89071-BZ130- 262 0.00
89111-BZ080- 341 0.00
89170-BZ700- 355 0.00
-BZ720- 355 0.00
89171-B2070- 326 10.00
89173-B2240- 355 25.00
89340-BZ320- 350 0.00
89341-BZ350-A0 350 0.00
87030 - 89341
PART NUMBER PAGE WEIGHT(g)
89341-BZ350-B0 350
-BZ350-B1 350 0.00
-BZ350-C1 350 0.00
-BZ350-D1 350 0.00
-BZ350-G0 350 0.00
-BZ350-K0 350 0.00
89343-48010- 350 10.00
89348-BZ110-A0 174 0.00
-BZ110-B0 174 0.00
-BZ110-B1 174 0.00
-BZ110-C1 174 0.00
-BZ110-D1 174 0.00
-BZ110-G0 174 0.00
-BZ110-K0 174 0.00
89413-B2020- 346 18.00
-B2030- 346 18.00
89421-B2030- 341 16.00
89422-33030- 341
-BZ030- 341 0.00
89439-BZ201- 341 0.00
-BZ210- 341 0.00
89465-BZ610- 341 0.00
89467-BZ020- 341 0.00
89539-BZ510- 344 0.00
89542-BZ180- 348 0.00
-BZ260- 348 0.00
89543-BZ180- 348 0.00
-BZ260- 348 0.00
89560-BXE80- 344 0.00
-BXF30- 344 0.00
-BXF61- 344 0.00
-BYR21- 344 0.00
-BYS80- 344 0.00
-BYU41- 344 0.00
-BYW01- 344 0.00
895E0-BZL80- 344 0.00
-BZL90- 344 0.00
-BZM00- 344 0.00
-BZM10- 344 0.00
-BZM20- 344 0.00
-BZM40- 344 0.00
-BZM50- 344 0.00
89611-B0031- 341 0.00
-B1010- 341 0.00
-BZ030- 341 0.00
89615-BZ040- 341 45.00
89637-B2030- 346 57.00
89650-BZ380- 341 0.00
-BZ390- 341 0.00
-BZ400- 342 0.00
PART NUMBER PAGE WEIGHT(g)
89708-BZ280- 262
-BZ281- 262 0.00
89747-30040- 352 17.00
89751-BZ210- 262 0.00
-BZ230- 262 5.00
89752-BZ040- 262 0.00
-BZ260- 262 0.00
89860-B1120- 355 22.00
89994-BZ020- 262 0.00
-BZ021- 262 0.00
89997-BZ010- 352 0.00
-BZ020- 352 0.00
-BZ060- 352 0.00
-BZ100- 352 0.00
90041-01720- 161 59.00
-05431- 151 0.00
-05475- 161 114.00
-05554- 161 0.00
-05589- 181 8.00
-05594- 169 100.00
-05595- 125 8.00
-05596- 125 10.00
-19747- 140 16.00
-19A33- 144 132.00
-20097- 140 18.00
-20099- 116
-20292- 306 36.00
-20331- 122 6.00
-70014- 142
-70367- 165
-70393- 161 16.00
-77011- 144 9.00
-78060- 146 4.00
-78085- 164 16.00
-79124- 148 5.00
-79300- 149 6.00
-79379- 357 6.00
90042-01758- 167 20.00
-09117- 87 2.00
-40143- 147 10.00
-40151- 147 11.00
-43029- 148 4.00
-50157- 105
-53013- 57
90043-01262- 58
-01278- 346 1.00
-01347- 122 1.00
-11436- 122 14.00
-11437- 122 28.00
-11440- 122 24.00
89341 - 90043
45
PART NUMBER PAGE WEIGHT(g)
90043-41041- 122
-41087- 61
-44022- 64 12.00
-60003- 114
-86123- 98 1.00
-89155- 164 13.00
90044-30281- 61 1.00
-30281- 122 1.00
-60129- 306 23.00
-60327- 306 1.00
-64804- 99 1.00
-64872- 305 1.00
-64891- 159 3.00
-64918- 159 1.00
-65441- 159 3.00
-66054- 79 8.00
-67161- 149 4.00
-67229- 305 1.00
-67244- 305 8.00
-67271- 306 1.00
-67500- 258 1.00
-67555- 172
-67555- 174
-67555- 179
-67571-B0 234 0.00
-67602- 314 1.00
-67630- 299 1.00
-68046-C2 207 1.00
-68046-C2 237 1.00
-68076- 98 1.00
-68076- 116 1.00
-68076- 147 1.00
-68346- 193
-68346- 231
-68346- 232
-68346- 258
-68378- 309 1.00
-68381- 174 2.00
-80370- 362
-80392- 87 2.00
-80592- 80 15.00
-80679- 181 2.00
90045-20298- 136 15.00
-21188- 138 21.00
-40158- 98 1.50
90048-01037- 70
-01037- 125
90049-02019- 132 11.00
-11036- 132
-11064- 132
PART NUMBER PAGE WEIGHT(g)
90049-12056- 129
-12056- 138
-15026- 105
-15054- 122 18.00
-22313- 99 82.00
-51185- 311 19.00
-51188- 319 1.00
9004A-10110- 151 18.00
-10120- 133 0.00
-10131- 153 5.00
-10144- 387 0.00
-10197- 114 0.00
-10200- 70 0.00
-10200- 125 0.00
-10201- 167 75.00
-10221- 85 0.00
-10222- 158 0.00
-10253- 113 0.00
-10254- 110 0.00
-10258- 129 0.00
-10271- 108 0.00
-10281- 98 28.00
-10281- 147 28.00
-11274- 116 0.00
-11313- 190 8.00
-11373- 170 0.00
-11379- 167 0.00
-11380- 147 0.00
-11381- 147 0.00
-11387- 122 0.00
-16093- 245 3.00
-16093- 254 3.00
-17145- 144 0.00
-17176- 142 0.00
-17218- 358 3.00
-17229- 149 0.00
-17255- 165 0.00
-17260- 98 6.00
-25032- 105 0.00
-25035- 70 7.60
-25038- 57 0.00
-25039- 110 0.00
-25042- 113 0.00
-25043- 113 0.00
-30046- 148 0.00
-30048- 62 0.00
-30049- 106 0.00
-30058- 61 1.00
-30059- 57 0.00
-30059- 64 0.00
90043 - 9004A
PART NUMBER PAGE WEIGHT(g)
9004A-30060- 61
-30061- 61 1.00
-30066- 122 0.00
-31017- 113 5.00
-31050- 105 0.00
-31051- 105 0.00
-31052- 113 0.00
-31065- 108 0.00
-31068- 122 0.00
-31069- 122 0.00
-31070- 122 0.00
-34013- 105 0.00
-34015- 61 0.00
-36044- 114 0.00
-36120- 108 0.00
-36123- 133 0.00
-36124- 133 0.00
-36125- 108 0.00
-36126- 108 0.00
-36127- 108 0.00
-38094- 98 1.00
-38094- 147 1.00
-43006- 105 1.00
-43022- 61 0.00
-43024- 111 0.00
-46128- 87 33.00
-46131-C1 207 2.00
-46131-C1 231 2.00
-46143- 276 2.00
-46258- 179 0.00
-46323- 169 2.00
-46323- 172 2.00
-46323- 179 2.00
-46323- 193 2.00
-46338- 193 0.00
-46338- 231 0.00
-46338- 232 0.00
-46338- 258 0.00
-46358-B1 234 0.00
-46363- 89 0.00
-46380- 172 0.00
-46380- 174 0.00
-46380- 179 0.00
-48017- 80 6.00
-48056- 87 0.00
-50142- 114 0.00
-50143- 113 0.00
-52070- 110 0.00
-52101- 108 0.00
-52102- 109 0.00
PART NUMBER PAGE WEIGHT(g)
9004A-52102- 110
-52103- 109 0.00
-52103- 110 0.00
-52104- 109 0.00
-52104- 110 0.00
-52105- 109 0.00
-52105- 110 0.00
-52106- 109 0.00
-52106- 110 0.00
-52107- 109 0.00
-52108- 109 0.00
-52109- 109 0.00
-52110- 109 0.00
-52111- 109 0.00
-52112- 109 0.00
-52113- 109 0.00
-52114- 109 0.00
-52115- 109 0.00
-52116- 109 0.00
-52117- 109 0.00
-52119- 108 0.00
-52120- 108 0.00
-52121- 108 0.00
-52122- 108 0.00
-52123- 108 0.00
-52124- 108 0.00
-52125- 109 0.00
-52126- 109 0.00
-52127- 109 0.00
-52128- 109 0.00
-52129- 109 0.00
-52130- 109 0.00
-54003- 98 2.00
-54016- 258 5.00
-56100- 108 0.00
-56101- 108 0.00
-56102- 108 0.00
-56103- 108 0.00
-56104- 108 0.00
-56105- 108 0.00
-56106- 108 0.00
-56107- 108 0.00
-56112- 98 30.00
-91068- 90 0.00
-91076- 81 0.00
-93003- 105 0.00
-93010- 122 0.00
-94114- 158 0.00
-94124- 132 0.00
-94125- 132 0.00
9004A - 9004A
46
PART NUMBER PAGE WEIGHT(g)
9004A-94131- 158
-98006- 339 13.00
-98006- 341 13.00
9004B-16008- 376 0.00
-30027- 305 0.00
9004C-37008- 92 105.00
90068-14041- 58 0.00
90080-43027- 58 0.00
90099-04349- 387 0.00
-04349-000 387
-05171- 92 0.00
-05171-000 92
-07114- 387 0.75
-07125- 387 0.00
-07125-000 387
90105-08455- 57
-10445- 71
-T0120- 116 0.00
-T0271- 57 0.00
-T0273- 71 0.00
-T0347- 57 0.00
90109-T0055- 58 0.00
90110-06040- 62 5.00
-T0002- 62 0.00
90115-06219- 201 3.00
90119-06834- 157 9.00
-07009- 57
-14106- 70
-T0443- 57 0.00
-T0444- 70 0.00
90126-08063- 83 12.00
-T0019- 83 18.00
90177-22001- 138 66.00
90179-06274- 116 4.00
90201-10344- 57 5.00
90210-T0002- 58 0.00
90250-04097- 61 1.00
-08120- 61 0.00
-08120-000 61
-10030- 61 22.00
-10113- 61 14.00
90253-11005- 57 2.00
-13005- 57 2.00
-13017- 61 0.00
-13017-000 61
90280-04001- 70 2.00
90301-07042- 96 1.00
-14016- 57
-14016- 64
-T0061- 73 0.00
PART NUMBER PAGE WEIGHT(g)
90311-T0074- 61
-T0076- 64 10.00
90401-10058- 158 18.00
90404-T0005- 61 32.00
90430-T0023- 62 2.00
90460-22002- 305 19.00
90466-62002- 87 42.00
-T0020- 68 0.00
-T0061- 68 2.00
-T0062- 68 0.00
90467-05164-B0 234
-05171- 190 1.00
-05171- 191 1.00
-05171- 211 1.00
-05171- 234 1.00
-06084- 242 1.00
-06084- 250 1.00
-11122- 183 2.00
-13079- 183 1.00
-T0019- 232 0.00
-T0019- 242 0.00
-T0019- 250 0.00
90468-18008- 276 1.00
90480-T0013- 68 0.00
90501-T0045- 72 0.00
90541-09069- 241 2.00
-09069- 251 2.00
-09125- 179 3.00
90901-05026- 85 56.00
90910-02174- 57
-T2012- 57 0.00
-T2013- 61 0.00
90913-03028- 72 1.00
-T2004- 72 1.00
-T2005- 72 1.00
90917-06048- 85 0.00
90919-01275- 90
-T2011- 90 0.00
-T5001- 64 0.00
-T5002- 57 18.00
90981-11013- 315
-11013- 319
91551-00820- 165 13.00
-80612- 158
-80620- 114
-80820- 116
91552-81075- 92 49.00
91673-80616- 231 9.00
-A1025- 169 32.00
94188-01001- 167 11.00
9004A - 94188
PART NUMBER PAGE WEIGHT(g)
96111-10710- 87
-10710-000 87
96136-42101- 79 8.00
-42501- 68
-43901- 80 20.00
96137-52501- 79 16.00
96150-01800- 98 1.00
96741-19005- 62
C8899-B2010- 376 4.00
C9909-97201- 376 6.00
G1406-B2010- 123 26.00
PART NUMBER PAGE WEIGHT(g)
96111 - G1406
47
REVISION REFERENCE CODE TABLE
Revision
Ref. Code
Engine No. or
Frame No.
Revision
Ref. Code
Engine No. or
Frame No.
Revision
Ref. Code
Engine No. or
Frame No.
Revision
Ref. Code
Engine No. or
Frame No.
48
EACH MONTH END PRODUCTION FRAME NO. LIST
Model
Month
Model
Month
49
50
FIG.09-01 STANDARD TOOL
(2111- )
091070
09110
51960
09114
09150
FIG.09-01 STANDARD TOOL
PROD_DATE MODELS
SPEC
CODE
DESCRIPTION
R
/
P
PART
NUMBER
O
Y
T
REV_REF
FR TO
+----------+
| 09110 | JACK ASSY
+----------+
2111 - W10# 09111-BZ220- 1
+----------+
| 09114 | EXTENSION SUB-ASSY, JACK HANDLE
+----------+
2111 - W10# 09114-BZ060- 1
+----------+
| 09150 | WRENCH, HUB NUT BOX
+----------+
2111 - W10# 09151-BZ010- 1
+----------+
| 51960 | HOOK ASSY, FRONT
+----------+
2111 - W10# 51960-BZ120- 1
51
FIG.11-01 PARTIAL ENGINE ASSEMBLY
(2111- )
11F830
11000
FIG.11-01 PARTIAL ENGINE ASSEMBLY
PROD_DATE MODELS
SPEC
CODE
DESCRIPTION
R
/
P
PART
NUMBER
O
Y
T
REV_REF
FR TO
+----------+
| 11000 | ENGINE ASSY, PARTIAL
+----------+
2111 - 1NRVE..W100 MARK 02 19000-BZC01-02 1
2111 - 2NRVE..W101 MARK 02 19000-BZC11-02 1
52
FIG.11-02 SHORT BLOCK ASSEMBLY
(2111- )
11H161
11400
FIG.11-02 SHORT BLOCK ASSEMBLY
PROD_DATE MODELS
SPEC
CODE
DESCRIPTION
R
/
P
PART
NUMBER
O
Y
T
REV_REF
FR TO
+----------+
| 11400 | BLOCK ASSY, SHORT
+----------+
2111 - 1NRVE..W100 MARK 01 11400-BZC01-01 1
2111 - 1NRVE..W100 MARK 02 11400-BZC01-02 1
2111 - 2NRVE..W101 MARK 01 11400-BZC11-01 1
2111 - 2NRVE..W101 MARK 02 11400-BZC11-02 1
53
FIG.11-03 ENGINE OVERHAUL GASKET KIT
(2111- )
11G225
REFER TO
FIG
(PNC 16326)
REFER TO
FIG
(PNC 11452B)
REFER TO
FIG
(PNC 11159H)
REFER TO
FIG
(PNC 17177)
REFER TO
FIG
(PNC 11302A)
REFER TO
FIG
(PNC 16271)
REFER TO
FIG
(PNC 23250B)
REFER TO
FIG
(PNC 17451)
REFER TO
FIG
(PNC 23291)
REFER TO
FIG
(PNC 22271A)
REFER TO
FIG
(PNC 11213)
REFER TO
FIG
(PNC 11115)
REFER TO
FIG
(PNC 11401L)
REFER TO
FIG
(PNC 12101B)
REFER TO
FIG
(PNC 15471A)
REFER TO
FIG
(PNC 11444A)
REFER TO
FIG
(PNC 12101C)
REFER TO
FIG
(PNC 12108C)
REFER TO
FIG
(PNC 12108A)
REFER TO
FIG
(PNC 13711E)
REFER TO
FIG
(PNC 13715A)
REFER TO
FIG
(PNC 17173)
16-03
11-04
11-05
11-04
17-01
11-06
16-01
22-11
17-02
22-11
17-01
11-04
11-04
11-05
11-05
11-05
11-05
11-05
11-06
13-02
13-02
17-01
04111
04112
54
FIG.11-03 ENGINE OVERHAUL GASKET KIT
PROD_DATE MODELS
SPEC
CODE
DESCRIPTION
R
/
P
PART
NUMBER
O
Y
T
REV_REF
FR TO
+----------+
| 04111 | GASKET KIT, ENGINE OVERHAUL
+----------+
2111 - 1NRVE,2NRVE..W10# 04111-BZC00- 1
+----------+
| 04112 | GASKET KIT, ENGINE VALVE GRIND
+----------+
2111 - 1NRVE,2NRVE..W10# 04112-BZC00- 1
55
FIG.11-04 CYLINDER HEAD
(2111- )
CYLINDER HEAD COVER ILLUST NO. 1 OF 2
11F848-B
REFER TO
FIG
(PNC 12204A)
REFER TO
FIG
(PNC 12204)
REFER TO
FIG
(PNC 12262)
9004A-11240
82715-BZK60
12-01
12-01
11101J
15511C
11201
11213
90119-T0260
11159C
11201H
11159C
11201B
90201-06047(2)
12108
90119-T0260
11101J
15330A
15330A
11101E
11101Z
12108A
90105-T0347
12-01
56
FIG.11-04 CYLINDER HEAD
(2111- )
CYLINDER HEAD ILLUST NO. 2 OF 2
11F850-C
REFER TO
FIG
(PNC 89422A)
REFER TO
FIG
(PNC 17111Z)
REFER TO
FIG
(PNC 17141K)
9004A-11360
9004A-11240
12631A
84-01
11103A
11103F
90119-T0219
N02
N02
N02
N02
N02
11126
11122
11101
11101A
15678A
11101B
11103
11115
11151A
11115A
11155B
11155B
11159H
90105-T0125
12282D
12281A
90105-T0125
58396L
17-01
N02
N03
17-01
N03
N03
N04
N04
57
FIG.11-04 CYLINDER HEAD
PROD_DATE MODELS
SPEC
CODE
DESCRIPTION
R
/
P
PART
NUMBER
O
Y
T
REV_REF
FR TO
+----------+
| 11101 | HEAD SUB-ASSY, CYLINDER
+----------+
2111 - 1NRVE,2NRVE..W10# 11101-B9625- 1
+----------+
| 11101A | BOLT(FOR CYLINDER HEAD SET)
+----------+
2111 - 1NRVE,2NRVE..W10# M10,L=126
#
90910-T2012-
(90910-02174- )
10
1
+----------+
| 11101B | WASHER, PLATE(FOR CYLINDER HEAD SET)
+----------+
2111 - 1NRVE,2NRVE..W10# 90201-10344- 10
+----------+
| 11101E | SENSOR, CAM POSITION
+----------+
2111 - 1NRVE,2NRVE..W10# 90919-T5002- 2
+----------+
| 11101J | VALVE ASSY, CAMSHAFT TIMING OIL CONTROL
+----------+
2111 - 1NRVE,2NRVE..W10# NO.1 15330-0Y050- 1
2111 - 1NRVE,2NRVE..W10# NO.2 15330-0Y060- 1
+----------+
| 11101Z | O RING, CAM POSITION SENSOR
+----------+
2111 - 1NRVE,2NRVE..W10#
#
9004A-30059-
(90301-14016- )
2
1
+----------+
| 11103 | HOUSING SUB-ASSY, CAMSHAFT
+----------+
2111 - 1NRVE,2NRVE..W10# 11103-0Y040- 1
+----------+
| 11103A | BOLT(FOR CAMSHAFT HOUSING SET)
+----------+
2111 - 1NRVE,2NRVE..W10# M7,L=40
#
90119-T0443-
(90119-07009- )
5
1
+----------+
| 11103F | BOLT(FOR CAMSHAFT HOUSING SET)
+----------+
2111 - 1NRVE,2NRVE..W10# M8,L=70
#
90105-T0271-
(90105-08455- )
17
1
FIG.11-04 CYLINDER HEAD
PROD_DATE MODELS
SPEC
CODE
DESCRIPTION
R
/
P
PART
NUMBER
O
Y
T
REV_REF
FR TO
+----------+
| 11115 | GASKET, CYLINDER HEAD
+----------+
2111 - 1NRVE,2NRVE..W10# 11115-0Y030- 1
+----------+
| 11115A | PIN, RING
+----------+
2111 - 1NRVE,2NRVE..W10# SAME 90253-12002
#
9004A-25038-
(90042-53013- )
2
1
+----------+
| 11122 | BUSH, INTAKE VALVE GUIDE
+----------+
2111 - 1NRVE,2NRVE..W10# STD 11122-47020- 8
2111 - 1NRVE,2NRVE..W10# O/S 0.05 11123-47020- 8
+----------+
| 11126 | BUSH, EXHAUST VALVE GUIDE
+----------+
2111 - 1NRVE,2NRVE..W10# STD 11122-47020- 8
2111 - 1NRVE,2NRVE..W10# O/S 0.05 11123-47020- 8
+----------+
| 11151A | PIN, RING(FOR CAMSHAFT BEARING CAP SETTIN
G)
+----------+
2111 - 1NRVE,2NRVE..W10# L=12.5,OD=8 90253-13005- 10
+----------+
| 11155B | PIN, RING
+----------+
2111 - 1NRVE,2NRVE..W10# L=11,OD=9,SAME 90253
-11004
90253-11005- 2
+----------+
| 11159C | BOLT(FOR HEAD TO CAMSHAFT BEARING CAP)
+----------+
2111 - 1NRVE,2NRVE..W10# 90105-T0347- 3
+----------+
| 11159H | GASKET, CAMSHAFT BEARING CAP OIL HOLE
+----------+
2111 - 1NRVE,2NRVE..W10# 11159-0Y020- 2
+----------+
| 11201 | COVER SUB-ASSY, CYLINDER HEAD
+----------+
2111 - 1NRVE,2NRVE..W10# 11201-BZ160- 1
58
FIG.11-04 CYLINDER HEAD
PROD_DATE MODELS
SPEC
CODE
DESCRIPTION
R
/
P
PART
NUMBER
O
Y
T
REV_REF
FR TO
+----------+
| 11201B | WASHER, SEAL(FOR CYLINDER HEAD COVER)
+----------+
2111 - 1NRVE,2NRVE..W10# 90210-T0002- 2
+----------+
| 11201H | BOLT(FOR CYLINDER HEAD COVER)
+----------+
2111 - 1NRVE,2NRVE..W10# M6,L=23.5 90109-T0055- 14
+----------+
| 11213 | GASKET, CYLINDER HEAD COVER
+----------+
2111 - 1NRVE,2NRVE..W10# 11213-BZ110- 1
+----------+
| 12108 | CAP SUB-ASSY, OIL FILLER
+----------+
2111 - 1NRVE,2NRVE..W10# 12180-0H020- 1
+----------+
| 12108A | GASKET(FOR OIL FILLER CAP)
+----------+
2111 - 1NRVE,2NRVE..W10# 90080-43027- 1
+----------+
| 12281A | HANGER, ENGINE, NO.1
+----------+
2111 - 1NRVE,2NRVE..W10# TYPE B 12281-BZ080- 33
+----------+
| 12282D | HANGER, ENGINE, NO.2
+----------+
2111 - 1NRVE,2NRVE..W10# TYPE B 12282-BZ141- 33
+----------+
| 12631A | BRACKET, ENGINE COVER
+----------+
2111 - 1NRVE,2NRVE..W10# 12631-BZ010- 1
+----------+
| 15330A | RING, O(FOR CAM TIMING OIL CONTROL VALVE)
+----------+
2111 - 1NRVE,2NRVE..W10#
#
90068-14041-
(90043-01262- )
2
1
+----------+
| 15511C | COVER, OIL CONTROL VALVE
+----------+
2111 - 1NRVE,2NRVE..W10# 15511-BZ010- 1
FIG.11-04 CYLINDER HEAD
PROD_DATE MODELS
SPEC
CODE
DESCRIPTION
R
/
P
PART
NUMBER
O
Y
T
REV_REF
FR TO
+----------+
| 15678A | FILTER, OIL CONTROL VALVE
+----------+
2111 - 1NRVE,2NRVE..W10# 15678-0Y010- 1
+----------+
| 58396L | BRACKET, WIRE HARNESS CLAMP
+----------+
2111 - W10# 82715-BZK50- 1
59
FIG.11-05 CYLINDER BLOCK
(2111- )
ILLUST NO. 1 OF 2
11F854-B
REFER TO
FIG
(PNC 15104)
12101B
11401
11416
11434A
11434J
11434J
11434Y
11432M
11401L
15301
11444A
12101C
11445
12122
12101
12121
11452
11452B
11411A
90119-T0260(6)
90119-T0260
90119-T0342(2)
90301-T0059
N02
N02
12101A 15-01
15301A
90119-T0342
12122
60
FIG.11-05 CYLINDER BLOCK
(2111- )
ILLUST NO. 2 OF 2
11F855
REFER TO
FIG
(PNC 89615)
REFER TO
FIG
REFER TO
FIG
(PNC 83530)
11434B
11363A
90105-T0247(8) 90105-T0271(2)
84-01
84-01 84-01
15708
15797
15471A
9004A-11326
82715Q
61
FIG.11-05 CYLINDER BLOCK
PROD_DATE MODELS
SPEC
CODE
DESCRIPTION
R
/
P
PART
NUMBER
O
Y
T
REV_REF
FR TO
+----------+
| 11363A | COVER, FLYWHEEL HOUSING SIDE
+----------+
2111 - 1NRVE,2NRVE..W10# 11363-BZ010- 1
+----------+
| 11401 | BLOCK SUB-ASSY, CYLINDER
+----------+
2111 - 1NRVE,2NRVE..W10# W100,W101 11410-B9030- 1
+----------+
| 11401L | SEAL, ENGINE REAR OIL
+----------+
2111 - 1NRVE,2NRVE..W10# 90311-T0074- 1
+----------+
| 11411A | PIN, RING(FOR CYLINDER BLOCK NO.1 )
+----------+
2111 - 1NRVE,2NRVE..W10# L=36,OD=10,SAME 9025
0-T0019
90250-10030- 1
+----------+
| 11416 | BOLT(FOR CRANKSHAFT BEARING CAP SET)
+----------+
2111 - 1NRVE,2NRVE..W10# 90910-T2013- 10
+----------+
| 11432M | UNION(FOR CYLINDER BLOCK)
+----------+
2111 - 1NRVE,2NRVE..W10# 90404-T0005- 1
+----------+
| 11434A | PIN, STRAIGHT(FOR TIMING GEAR COVER SET)
+----------+
2111 - 1NRVE,2NRVE..W10# L=12,OD=4.0 90250-04097- 2
+----------+
| 11434B | PIN, STRAIGHT(FOR CLUTCH HOUSING SET)
+----------+
2111 - 1NRVE,2NRVE..W10# L=22,OD=10,SAME 9025
0-T0018
90250-10113- 2
+----------+
| 11434J | PIN, RING (FOR CYLINDER HEAD SET)
+----------+
2111 - 1NRVE,2NRVE..W10# L=12,OD=13
#
90253-13017-
(90253-13017-000)
2
1
+----------+
| 11434Y | PIN, STRAIGHT(FOR OIL PAN)
+----------+
2111 - 1NRVE,2NRVE..W10# L=18,OD=8
#
90250-08120-
(90250-08120-000)
2
1
FIG.11-05 CYLINDER BLOCK
PROD_DATE MODELS
SPEC
CODE
DESCRIPTION
R
/
P
PART
NUMBER
O
Y
T
REV_REF
FR TO
+----------+
| 11444A | RING, O
+----------+
2111 - 1NRVE,2NRVE..W10# SAME 90301-T0055 9004A-30060- 1
+----------+
| 11445 | SPACER, CYLINDER BLOCK WATER JACKET
+----------+
2111 - 1NRVE,2NRVE..W10# 11445-0Y020- 1
+----------+
| 11452 | GUIDE, OIL LEVEL GAGE
+----------+
2111 - 1NRVE,2NRVE..W10# 11409-BZ150- 1
+----------+
| 11452B | RING, O(FOR OIL LEVEL GAGE GUIDE)
+----------+
2111 - 1NRVE,2NRVE..W10# 9004A-30058- 1
+----------+
| 12101 | PAN SUB-ASSY, OIL
+----------+
2111 - 1NRVE,2NRVE..W10# 12101-BZ140- 1
+----------+
| 12101A | PLUG(FOR OIL PAN DRAIN)
+----------+
2111 - 1NRVE,2NRVE..W10#
#
9004A-34015-
(90043-41087- )
1
1
+----------+
| 12101B | GASKET(FOR OIL PAN DRAIN PLUG)
+----------+
2111 - 1NRVE,2NRVE..W10#
#
9004A-43022-
(90044-30281- )
1
1
+----------+
| 12101C | RING, O(FOR OIL PAN)
+----------+
2111 - 1NRVE,2NRVE..W10# SAME 90301-T0057 9004A-30061- 1
+----------+
| 12121 | PLATE, OIL PAN BAFFLE, NO.1
+----------+
2111 - 1NRVE,2NRVE..W10# 12121-0Y030- 1
+----------+
| 12122 | PLATE, OIL PAN BAFFLE, NO.2
+----------+
2111 - 1NRVE,2NRVE..W10# TYPE A 12122-0Y010- 1
62
FIG.11-05 CYLINDER BLOCK
PROD_DATE MODELS
SPEC
CODE
DESCRIPTION
R
/
P
PART
NUMBER
O
Y
T
REV_REF
FR TO
+----------+
| 15301 | GAGE SUB-ASSY, OIL LEVEL
+----------+
2111 - 1NRVE,2NRVE..W10# 15301-BZ150- 1
+----------+
| 15301A | RING, O(FOR OIL LEVEL GAGE)
+----------+
2111 - 1NRVE,2NRVE..W10#
#
9004A-30048-
(96741-19005- )
1
1
+----------+
| 15471A | GASKET(FOR CLYINDER BLOCK)
+----------+
2111 - 1NRVE,2NRVE..W10# 90430-T0023- 1
+----------+
| 15708 | NOZZLE SUB-ASSY, OIL, NO.1
+----------+
2111 - 1NRVE,2NRVE..W10# 15708-0Y040- 4
+----------+
| 15797 | BOLT, OIL NOZZLE UNION
+----------+
2111 - 2112 1NRVE,2NRVE..W10# SAME 90110-06040
#
90110-T0002-
(90110-06040- )
4
1
2201 - 1NRVE,2NRVE..W10# SAME 90110-T0002 90110-06040- 4
+----------+
| 82715Q | BRACKET, WIRING HARNESS CLAMP
+----------+
2111 - W10# 82715-BZK80- 1
63
FIG.11-06 TIMING GEAR COVER & REAR END PLATE
(2111- )
11F807-A
REFER TO
FIG
(PNC 16100)
REFER TO
FIG
(PNC 16271)
REFER TO
FIG
11301J
11301K
11301P
11302
11302A
12108C
16-01
16-01
16-01
90105-T0051
90105-T0130(7)
90105-T0211(2)
90105-T0269(12)
90105-T0270(5)
90105-T0283
64
FIG.11-06 TIMING GEAR COVER & REAR END PLATE
PROD_DATE MODELS
SPEC
CODE
DESCRIPTION
R
/
P
PART
NUMBER
O
Y
T
REV_REF
FR TO
+----------+
| 11301J | PLUG, W/HEAD STRAIGHT SCREW(FOR TIMING GEAR CASE)
+----------+
2111 - 1NRVE,2NRVE..W10# SAME 90344-53008 90043-44022- 1
+----------+
| 11301K | SENSOR, CRANK POSITION
+----------+
2111 - 1NRVE,2NRVE..W10# 90919-T5001- 1
+----------+
| 11301P | O RING, CRANK POSITION SENSOR
+----------+
2111 - 1NRVE,2NRVE..W10#
#
9004A-30059-
(90301-14016- )
1
1
+----------+
| 11302 | COVER SUB-ASSY, TIMING CHAIN OR BELT
+----------+
2111 - 1NRVE,2NRVE..W10# 11310-BZ200- 1
+----------+
| 11302A | SEAL, OIL(FOR TIMING CHAIN OR BELT COVER)
+----------+
2111 - 1NRVE,2NRVE..W10# 90311-T0076- 1
+----------+
| 12108C | GASKET
+----------+
2111 - 1NRVE,2NRVE..W10# 16258-0Y010- 1
65
FIG.11-07 MOUNTING
(2111- )1NRVE,2NRVE..CVT
11F856-B
REFER TO
FIG
(PNC 51201)
REFER TO
FIG
(PNC 57101)
REFER TO
FIG
(PNC 57102)
9004A-10240
9004A-10240
9004A-10240
9004A-10228
12309
12306
51-52
58-51
58-51
12321
90041-19A31(2)
12305
9004A-11298(2)
90041-82001
9004A-10240
9004A-11397
9004A-10240
9004A-10240
90041-20275(3)
90041-05301
66
FIG.11-07 MOUNTING
(2111- )1NRVE,2NRVE..5F
11F857-B
REFER TO
FIG
(PNC 51201)
REFER TO
FIG
(PNC 57101)
REFER TO
FIG
(PNC 57102)
9004A-10240
9004A-10240
9004A-10240
9004A-10228
12309
12306
51-52
58-51
58-51
12321
90041-19A31(2)
12305
9004A-11298(2)
90041-82001
9004A-10240
9004A-11397
9004A-10240
90041-20275(3)
90041-05301
9004A-10240
67
FIG.11-07 MOUNTING
PROD_DATE MODELS
SPEC
CODE
DESCRIPTION
R
/
P
PART
NUMBER
O
Y
T
REV_REF
FR TO
+----------+
| 12305 | INSULATOR SUB-ASSY, ENGINE MOUNTING, RH
+----------+
2111 - 1NRVE,2NRVE..W10#..CVT 12305-BZ310- 1
2111 - 1NRVE,2NRVE..W10#..5F 12305-BZ360- 1
+----------+
| 12306 | INSULATOR SUB-ASSY, ENGINE MOUNTING, LH
+----------+
2111 - 1NRVE,2NRVE..W10#..CVT 12306-BZ390- 1
2111 - 1NRVE,2NRVE..W10#..5F 12306-BZ400- 1
+----------+
| 12309 | ROD SUB-ASSY, ENGINE MOVING CONTROL
+----------+
2111 - 1NRVE,2NRVE..W10#..CVT 12309-BZ290- 1
2111 - 1NRVE,2NRVE..W10#..5F 12309-BZ300- 1
+----------+
| 12321 | BRACKET, ENGINE MOUNTING, REAR, NO.1
+----------+
2111 - 1NRVE,2NRVE..W10# 12321-BZ360- 1
68
FIG.12-01 VENTILATION HOSE
(2111- )
121488-A
REFER TO
FIG
(PNC 17881)
REFER TO
FIG
(PNC 17111)
12261
12264E
12264A
12262
12204
12204A
12263C
12263A
17-03
17-01
FIG.12-01 VENTILATION HOSE
PROD_DATE MODELS
SPEC
CODE
DESCRIPTION
R
/
P
PART
NUMBER
O
Y
T
REV_REF
FR TO
+----------+
| 12204 | VALVE SUB-ASSY, VENTILATION
+----------+
2111 - 1NRVE,2NRVE..W10# 12204-0Y020- 1
+----------+
| 12204A | GROMMET(FOR VENTILATION SYSTEM)
+----------+
2111 - 1NRVE,2NRVE..W10# 90480-T0013- 1
+----------+
| 12261 | HOSE, VENTILATION
+----------+
2111 - 1NRVE,2NRVE..W10# 12261-BZ210- 1
+----------+
| 12262 | HOSE, VENTILATION, NO.2
+----------+
2111 - 1NRVE,2NRVE..W10# 12262-BZ190- 1
+----------+
| 12263A | CLIP(FOR VENTILATION HOSE)
+----------+
2111 - 1NRVE,2NRVE..W10# 90466-T0061- 1
+----------+
| 12263C | CLIP(FOR VENTILATION HOSE)
+----------+
2111 - 1NRVE,2NRVE..W10#
#
90466-T0020-
(96136-42501- )
1
1
+----------+
| 12264A | CLIP(FOR VENTILATION HOSE)
+----------+
2111 - 1NRVE,2NRVE..W10#
#
90466-T0020-
(96136-42501- )
1
1
+----------+
| 12264E | CLIP(FOR VENTILATION HOSE)
+----------+
2111 - 1NRVE,2NRVE..W10# 90466-T0062- 1
69
FIG.13-01 CRANKSHAFT & PISTON
(2111- )
133210-B
REFER TO
FIG
(PNC 32101B)
13411
13521A
13471
13521
13471C
11791
34-02
13411C
13453
13405
13405J
13211
13251
13201
13265
13041
13041
13041
13041
13041
11791
11711
11711
11711
11711
11711
13011
FIG.13-01 CRANKSHAFT & PISTON
PROD_DATE MODELS
SPEC
CODE
DESCRIPTION
R
/
P
PART
NUMBER
O
Y
T
REV_REF
FR TO
+----------+
| 11711 | BEARING, CRANKSHAFT
+----------+
2111 - 1NRVE,2NRVE..W10# MARK2 11701-0Y030-02 5
2111 - 1NRVE,2NRVE..W10# MARK3 11701-0Y030-03 5
2111 - 1NRVE,2NRVE..W10# MARK4 11701-0Y030-04 5
2111 - 1NRVE,2NRVE..W10# MARK5 11701-0Y030-05 5
+----------+
| 11791 | WASHER, CRANKSHAFT THRUST, UPPER
+----------+
2111 - 1NRVE,2NRVE..W10# STD 11791-B0010- 2
+----------+
| 13011 | RING SET, PISTON
+----------+
2111 - 1NRVE,2NRVE..W10# STD 13011-0Y030- 1
+----------+
| 13041 | BEARING, CONNECTING ROD
+----------+
2111 - 1NRVE,2NRVE..W10# MARK1 13041-0Y040-01 4
2111 - 1NRVE,2NRVE..W10# MARK2 13041-0Y040-02 4
2111 - 1NRVE,2NRVE..W10# MARK3 13041-0Y040-03 4
+----------+
| 13201 | ROD SUB-ASSY, CONNECTING
+----------+
2111 - 1NRVE..W100 13201-B9090- 4
2111 - 2NRVE..W101 13201-B9095- 4
+----------+
| 13211 | PISTON
+----------+
2111 - 1NRVE..W100 STD 13211-0Y011- 4
2111 - 2NRVE..W101 STD 13211-0Y061- 4
+----------+
| 13251 | PIN, PISTON
+----------+
2111 - 1NRVE,2NRVE..W10# 13251-0Y030- 4
+----------+
| 13265 | BOLT, CONNECTING ROD
+----------+
2111 - 1NRVE,2NRVE..W10# 13265-0Y020- 8
70
FIG.13-01 CRANKSHAFT & PISTON
PROD_DATE MODELS
SPEC
CODE
DESCRIPTION
R
/
P
PART
NUMBER
O
Y
T
REV_REF
FR TO
+----------+
| 13405 | FLYWHEEL SUB-ASSY
+----------+
2111 - 1NRVE,2NRVE..W10#..5F 13405-BZ150- 1
+----------+
| 13405J | BOLT(FOR FLYWHEEL)
+----------+
2111 - 1NRVE,2NRVE..W10#..5F SAME 90913-01029
#
9004A-10200-
(90048-01037- )
8
1
+----------+
| 13411 | CRANKSHAFT
+----------+
2111 - 1NRVE..W100 SAME 13401-0Y180 13401-BZ040- 1
2111 - 2NRVE..W101 SAME 13401-0Y140 13401-BZ100- 1
+----------+
| 13411C | PIN, STRAIGHT(FOR CRANKSHAFT)
+----------+
2111 - 1NRVE,2NRVE..W10#..5F 9004A-25035- 3
+----------+
| 13453 | GEAR, FLYWHEEL RING
+----------+
2111 - 1NRVE,2NRVE..W10#..5F 13453-87Z03- 1
+----------+
| 13471 | PULLEY, CRANKSHAFT
+----------+
2111 - 1NRVE,2NRVE..W10# 13470-0Y020- 1
+----------+
| 13471C | BOLT(FOR CRANKSHAFT PULLEY SET)
+----------+
2111 - 1NRVE,2NRVE..W10#
#
90119-T0444-
(90119-14106- )
1
1
+----------+
| 13521 | GEAR OR SPROCKET, CRANKSHAFT TIMING
+----------+
2111 - 1NRVE,2NRVE..W10# 13521-0Y040- 1
+----------+
| 13521A | KEY(FOR CRANKSHAFT TIMING GEAR)
+----------+
2111 - 1NRVE,2NRVE..W10# 90280-04001- 1
71
FIG.13-02 CAMSHAFT & VALVE
(2111- )
133217
13050
13070A
13511
13512
13540
13562
13566B
13591
13711
13711C
13711B
13715
13715A
13716
13716
13734
13734
13741
13741
13741A
13741A
13741A
13741A
13750
13750 13801
13801
9004A-11240(2)
13711E
9004A-11240(2)
13506
90105-T0085(2)
13523F
13523F
FIG.13-02 CAMSHAFT & VALVE
PROD_DATE MODELS
SPEC
CODE
DESCRIPTION
R
/
P
PART
NUMBER
O
Y
T
REV_REF
FR TO
+----------+
| 13050 | GEAR ASSY, CAMSHAFT TIMING
+----------+
2111 - 1NRVE,2NRVE..W10# 13050-0Y020- 1
+----------+
| 13070A | GEAR ASSY, CAMSHAFT TIMING EXHAUST
+----------+
2111 - 1NRVE,2NRVE..W10# 13070-0Y020- 1
+----------+
| 13506 | CHAIN SUB-AS
SY
+----------+
2111 - 1NRVE,2NRVE..W10# 13506-0Y040- 1
+----------+
| 13511 | CAMSHAFT
+----------+
2111 - 1NRVE,2NRVE..W10# SAME 13501-0Y050 13501-BZ040- 1
+----------+
| 13512 | CAMSHAFT, NO
.2
+----------+
2111 - 1NRVE,2NRVE..W10# SAME 13502-0Y050 13502-BZ030- 1
+----------+
| 13523F | BOLT(FOR CAMSHAFT TIMING GEAR)
+----------+
2111 - 1NRVE,2NRVE..W10#
#
90105-T0273-
(90105-10445- )
2
1
+----------+
| 13540 | TENSIONER ASSY, CHAIN, NO.1
+----------+
2111 - 1NRVE,2NRVE..W10# 13540-B9010- 1
+----------+
| 13562 | DAMPER, CHAIN VIBRATION, NO.2
+----------+
2111 - 1NRVE,2NRVE..W10# 13562-0Y020- 1
+----------+
| 13566B | GUIDE, TIMING CHAIN
+----------+
2111 - 1NRVE,2NRVE..W10# 13566-0Y010- 1
+----------+
| 13591 | ARM, TIMING CHAIN TENSION
+----------+
2111 - 1NRVE,2NRVE..W10# 13591-0Y010- 1
72
FIG.13-02 CAMSHAFT & VALVE
PROD_DATE MODELS
SPEC
CODE
DESCRIPTION
R
/
P
PART
NUMBER
O
Y
T
REV_REF
FR TO
+----------+
| 13711 | VALVE, INTAK
E
+----------+
2111 - 1NRVE,2NRVE..W10# 13711-0Y020- 8
+----------+
| 13711B | SPRING, COMPRESSION(FOR INNER)
+----------+
2111 - 1NRVE,2NRVE..W10# 90501-T0045- 8
+----------+
| 13711C | SPRING, COMPRESSION(FOR OUTER)
+----------+
2111 - 1NRVE,2NRVE..W10# 90501-T0045- 8
+----------+
| 13711E | SEAL, INTAKE VALVE STEM OIL
+----------+
2111 - 1NRVE,2NRVE..W10# 90913-T2005- 8
+----------+
| 13715 | VALVE, EXHAU
ST
+----------+
2111 - 1NRVE,2NRVE..W10# 13715-0Y020- 8
+----------+
| 13715A | SEAL, EXHAUST VALVE STEM OIL
+----------+
2111 - 1NRVE,2NRVE..W10# 90913-T2004- 8
+----------+
| 13716 | CAP, VALVE STEM
+----------+
2111 - 1NRVE,2NRVE..W10# 13716-0C030- 16
+----------+
| 13734 | SEAT, VALVE SPRING
+----------+
2111 - 1NRVE,2NRVE..W10# 13734-0C010- 16
+----------+
| 13741 | RETAINER, VALVE SPRING
+----------+
2111 - 1NRVE,2NRVE..W10#
#
13741-0Y010-
(13741-36010- )
16
1
+----------+
| 13741A | LOCK, VALVE SPRING RETAINER
+----------+
2111 - 1NRVE,2NRVE..W10# 90913-03028- 32
FIG.13-02 CAMSHAFT & VALVE
PROD_DATE MODELS
SPEC
CODE
DESCRIPTION
R
/
P
PART
NUMBER
O
Y
T
REV_REF
FR TO
+----------+
| 13750 | ADJUSTER ASSY, VALVE LASH
+----------+
2111 - 1NRVE,2NRVE..W10# 13750-0C040- 16
+----------+
| 13801 | ARM SUB-ASSY, VALVE ROCKER, NO.1
+----------+
2111 - 1NRVE,2NRVE..W10# 13801-0C030- 16
73
FIG.15-01 ENGINE OIL PUMP
(2111- )
153461
REFER TO
FIG
(PNC 12101)
15104
15104A
11-05
FIG.15-01 ENGINE OIL PUMP
PROD_DATE MODELS
SPEC
CODE
DESCRIPTION
R
/
P
PART
NUMBER
O
Y
T
REV_REF
FR TO
+----------+
| 15104 | STRAINER SUB-ASSY, OIL
+----------+
2111 - 1NRVE,2NRVE..W10# 15104-0Y010- 1
+----------+
| 15104A | RING, O(FOR OIL STRAINER)
+----------+
2111 - 1NRVE,2NRVE..W10# 90301-T0061- 1
74
FIG.15-02 OIL FILTER
(2111- )
153442
15601
FIG.15-02 OIL FILTER
PROD_DATE MODELS
SPEC
CODE
DESCRIPTION
R
/
P
PART
NUMBER
O
Y
T
REV_REF
FR TO
+----------+
| 15601 | FILTER SUB-ASSY, OIL
+----------+
2111 - 1NRVE,2NRVE..W10# 15601-BZ030- 1
75
FIG.16-01 WATER PUMP
(2110- )
168130
REFER TO
FIG
(PNC 11302)
11-06
16100
16271
16620
90105-T0120(4)
90119-T0342(2)
FIG.16-01 WATER PUMP
PROD_DATE MODELS
SPEC
CODE
DESCRIPTION
R
/
P
PART
NUMBER
O
Y
T
REV_REF
FR TO
+----------+
| 16100 | PUMP ASSY, ENGINE WATER
+----------+
2111 - 1NRVE,2NRVE..W10# 16100-B9490- 1
+----------+
| 16271 | GASKET, WATER PUMP
+----------+
2111 - 1NRVE,2NRVE..W10# 16271-0Y030- 1
+----------+
| 16620 | TENSIONER ASSY, V-RIBBED BELT
+----------+
2111 - 1NRVE,2NRVE..W10# 16620-0Y061- 1
76
FIG.16-03 RADIATOR & WATER OUTLET
(2111- )
RADIATOR ILLUST NO. 1 OF 2
168154-A
16361
16711 16363
90041-79141
16672-87201(3)
16360A
16400
16401
16470M
16533C
16533C
16400B
16400F 9004A-11331
16470M
77
FIG.16-03 RADIATOR & WATER OUTLET
(2111- )1NRVE,2NRVE..CVT
HOSE, RESERVE TANK ILLUST NO. 2 OF 2
168156
REFER TO
FIG
(PNC 53205)
REFER TO
FIG
(PNC 33490D)
16031
16261G
16261H
16261H
16261N
16261P
16261Z
16264E
16267B
16268L
16278E
16326
16470
16470A
16471B
16567
16571C
16571D
16571D
16572D
16572E
16572E
16575F
53-55
90044-64924
9004A-11346
90105-06345
90105-T0052(3)
90119-T0342
34-14
78
FIG.16-03 RADIATOR & WATER OUTLET
(2111- )1NRVE,2NRVE..5F
HOSE, RESERVE TANK ILLUST NO. 2 OF 2
168158
REFER TO
FIG
(PNC 53205)
16031
16261H
16261H
16261Z
16268L
16326
16470
16470A
16471B
16567
16571C
16571D
16571D
16572D
16572E
16572E
16575F
53-55
90044-64924
9004A-11346
90105-06345
90105-T0052(3)
90119-T0342
16267D
16267D
16281
79
FIG.16-03 RADIATOR & WATER OUTLET
PROD_DATE MODELS
SPEC
CODE
DESCRIPTION
R
/
P
PART
NUMBER
O
Y
T
REV_REF
FR TO
+----------+
| 16031 | WATER INLET SUB-ASSY, W/THERMOSTAT
+----------+
2111 - 1NRVE,2NRVE..W10# 16031-0Y030- 1
+----------+
| 16261G | HOSE, WATER BY-PASS, NO.1
+----------+
2111 - 1NRVE,2NRVE..W10#..CVT L=340 16261-BZ430- 1
+----------+
| 16261H | CLIP(FOR WATER BY-PASS HOSE NO.1)
+----------+
2111 - 1NRVE,2NRVE..W10# SAME 90466-T0050 90044-66054- 2
+----------+
| 16261N | HOSE, WATER BY-PASS, NO.2
+----------+
2111 - 1NRVE,2NRVE..W10#..CVT L=269 16264-BZ230- 1
+----------+
| 16261P | CLIP(FOR WATER BY-PASS HOSE NO.2)
+----------+
2111 - 1NRVE,2NRVE..W10#..CVT 96137-52501- 1
+----------+
| 16261Z | HOSE, WATER BY-PASS, NO.1
+----------+
2111 - 1NRVE,2NRVE..W10# SAME 16261-0Y030 16261-BZ390- 1
+----------+
| 16264E | CLIP(FOR WATER BY-PASS HOSE NO.2)
+----------+
2111 - 1NRVE,2NRVE..W10#..CVT 96136-42101- 1
+----------+
| 16267B | CLIP(FOR WATER BY-PASS HOSE)
+----------+
2111 - 1NRVE,2NRVE..W10#..CVT 96136-42101- 1
+----------+
| 16267D | CLIP(FOR WATER BY-PASS HOSE NO.4)
+----------+
2111 - 1NRVE,2NRVE..W10#..5F 96137-52501- 2
+----------+
| 16268L | PIPE, WATER BY-PASS
+----------+
2111 - 1NRVE,2NRVE..W10# 16268-0Y180- 1
+----------+
| 16278E | CLIP(FOR WATER BY-PASS HOSE)
+----------+
2111 - 1NRVE,2NRVE..W10#..CVT 96137-52501- 1
FIG.16-03 RADIATOR & WATER OUTLET
PROD_DATE MODELS
SPEC
CODE
DESCRIPTION
R
/
P
PART
NUMBER
O
Y
T
REV_REF
FR TO
+----------+
| 16281 | HOSE, WATER BY-PASS, NO.4
+----------+
2111 - 1NRVE,2NRVE..W10#..5F 16281-BZ150- 1
+----------+
| 16326 | GASKET, WATER INLET HOUSING, NO.2
+----------+
2111 - 1NRVE,2NRVE..W10# 16326-0Y010- 1
+----------+
| 16360A | FAN ASSY, W/MOTOR
+----------+
2111 - 1NRVE,2NRVE..W10# 16360-BZ400- 1
+----------+
| 16361 | FAN
+----------+
2111 - 1NRVE,2NRVE..W10# 16361-BZ140- 1
+----------+
| 16363 | MOTOR, COOLING FAN
+----------+
2111 - 1NRVE,2NRVE..W10# 16363-BZ200- 1
+----------+
| 16400 | RADIATOR ASS
Y
+----------+
2111 - 1NRVE,2NRVE..W10# 16400-BZB40- 1
+----------+
| 16400B | PLUG, RADIATOR DRAIN COCK
+----------+
2111 - 1NRVE,2NRVE..W10# 16417-30170- 1
+----------+
| 16400F | PACKING(FOR RADIATOR DRAIN COCK)
+----------+
2111 - 1NRVE,2NRVE..W10# 16418-87503- 1
+----------+
| 16401 | CAP SUB-ASSY, RADIATOR
+----------+
2111 - 1NRVE,2NRVE..W10# 16401-BZ160- 1
+----------+
| 16470 | TANK ASSY, RADIATOR RESERVE
+----------+
2111 - 1NRVE,2NRVE..W10# 16470-BZ300- 1
+----------+
| 16470A | HOSE OR PIPE(FOR RADIATOR RESERVE TANK)
+----------+
2111 - 1NRVE,2NRVE..W10# 16472-BZ170- 1
80
FIG.16-03 RADIATOR & WATER OUTLET
PROD_DATE MODELS
SPEC
CODE
DESCRIPTION
R
/
P
PART
NUMBER
O
Y
T
REV_REF
FR TO
+----------+
| 16470M | GROMMET
+----------+
2111 - 1NRVE,2NRVE..W10# 90044-80592- 2
+----------+
| 16471B | CAP, RESERVE TANK
+----------+
2111 - 1NRVE,2NRVE..W10# 16471-BZ130- 1
+----------+
| 16533C | GROMMET(FOR RADIATOR SUPPORT)
+----------+
2111 - 1NRVE,2NRVE..W10# 9004A-48017- 2
+----------+
| 16567 | HOSE(FOR RADIATOR RESERVE TANK)
+----------+
2111 - 1NRVE,2NRVE..W10# 16472-BZ160- 1
+----------+
| 16571C | HOSE, RADIATOR, NO.1
+----------+
2111 - 1NRVE,2NRVE..W10# 16571-BZ450- 1
+----------+
| 16571D | CLIP, RADIATOR HOSE, NO.1
+----------+
2111 - 1NRVE,2NRVE..W10# 96136-43901- 2
+----------+
| 16572D | HOSE, RADIATOR, NO.2
+----------+
2111 - 1NRVE,2NRVE..W10# 16572-BZ380- 1
+----------+
| 16572E | CLIP, RADIATOR HOSE, NO.2
+----------+
2111 - 1NRVE,2NRVE..W10# 96136-43901- 2
+----------+
| 16575F | BRACKET, WATER HOSE CLAMP, NO.3
+----------+
2111 - 1NRVE,2NRVE..W10# 16575-BZ090- 1
+----------+
| 16711 | SHROUD, FAN
+----------+
2111 - 1NRVE,2NRVE..W10# 16711-BZ210- 1
81
FIG.16-05 V-BELT
(2111- )
168129
16361A
FIG.16-05 V-BELT
PROD_DATE MODELS
SPEC
CODE
DESCRIPTION
R
/
P
PART
NUMBER
O
Y
T
REV_REF
FR TO
+----------+
| 16361A | BELT, V(FOR FAN & ALTERNATOR)
+----------+
2111 - 1NRVE,2NRVE..W10# 9004A-91076- 1
82
FIG.17-01 MANIFOLD
(2111- )
17B759
REFER TO
FIG
(PNC 89467B)
90119-T0240(3)
17111Z
22271A
17177
90119-T0240
90119-08D36
90179-08101
17118
17141K
90179-08101
17111
17111Z
17173
25051
17168
84-01
17167
94188-00641(2)
90178-T0019(2)
90119-T0219(3)
83
FIG.17-01 MANIFOLD
PROD_DATE MODELS
SPEC
CODE
DESCRIPTION
R
/
P
PART
NUMBER
O
Y
T
REV_REF
FR TO
+----------+
| 17111 | MANIFOLD, INTAKE
+----------+
2111 - 1NRVE,2NRVE..W10# 17120-BZ130- 1
+----------+
| 17111Z | BOLT, STUD(FOR INTAKE MANIFOLD TO CYLINDER HEAD)
+----------+
2111 - 1NRVE,2NRVE..W10# 90126-T0019- 2
+----------+
| 17118 | STAY, MANIFO
LD
+----------+
2111 - 1NRVE,2NRVE..W10# 17118-0Y031- 1
+----------+
| 17141K | BOLT, STUD(FOR EXHAUST MANIFOLD TO CYLINDER HEAD)
+----------+
2111 - 1NRVE,2NRVE..W10# 90126-08063- 5
+----------+
| 17167 | INSULATOR, EXHAUST MANIFOLD HEAT, NO.1
+----------+
2111 - 1NRVE,2NRVE..W10# SAME 17167-0Y020 17167-BZ130- 1
+----------+
| 17168 | INSULATOR, EXHAUST MANIFOLD HEAT, NO.2
+----------+
2111 - 1NRVE,2NRVE..W10# 17168-0Y020- 1
+----------+
| 17173 | GASKET, EXHAUST MANIFOLD TO HEAD
+----------+
2111 - 1NRVE,2NRVE..W10# SAME 17173-0Y030 17173-BZ070- 1
+----------+
| 17177 | GASKET, INTAKE MANIFOLD TO HEAD, NO.1
+----------+
2111 - 1NRVE,2NRVE..W10# 17177-0Y030- 1
+----------+
| 22271A | GASKET, THROTTLE BODY
+----------+
2111 - 1NRVE,2NRVE..W10# 22271-0Y030- 1
+----------+
| 25051 | CONVERTER SUB-ASSY, EXHAUST MANIFOLD
+----------+
2111 - 1NRVE,2NRVE..W10# 25051-BZ140- 1
84
FIG.17-02 EXHAUST PIPE
(2111- )
17B713
REFER TO
FIG
(PNC 58203C)
REFER TO
FIG
(PNC 51201)
REFER TO
FIG
(PNC 57601B)
REFER TO
FIG
(PNC 57601B)
58-51
51-52
58-52
58-52
17563A
17563A
17563A
17563A
17410K
17451 17410
17451
17430
17410K
17569C
17569C
91551-80820(2)
17420
94185-60800(2)
17420X
85
FIG.17-02 EXHAUST PIPE
PROD_DATE MODELS
SPEC
CODE
DESCRIPTION
R
/
P
PART
NUMBER
O
Y
T
REV_REF
FR TO
+----------+
| 17410 | PIPE ASSY, EXHAUST, FRONT
+----------+
2111 - 1NRVE,2NRVE..W10# ID NO. = BZ220 17410-BZA50- 1
+----------+
| 17410K | SPRING, EXHAUST PIPE
+----------+
2111 - 1NRVE,2NRVE..W10# 17152-BZ010- 4
+----------+
| 17420 | PIPE ASSY, EXHAUST, CENTER
+----------+
2111 - 1NRVE,2NRVE..W10#..CVT 17420-BZ010- 1
2111 - 1NRVE,2NRVE..W10#..5F 17420-BZ020- 1
+----------+
| 17420X | GASKET, EXHAUST PIPE, CENTER
+----------+
2111 - 1NRVE,2NRVE..W10# 90917-06048- 1
+----------+
| 17430 | PIPE ASSY, EXHAUST, TAIL
+----------+
2111 - 1NRVE,2NRVE..W10# 17430-BZ530- 1
+----------+
| 17451 | GASKET, EXHAUST PIPE
+----------+
2111 - 1NRVE,2NRVE..W10# 17451-BZ110- 2
+----------+
| 17563A | SUPPORT, EXHAUST PIPE, NO.3
+----------+
2111 - 1NRVE,2NRVE..W10# 17567-B2020- 4
+----------+
| 17569C | BOLT, EXHAUST PIPE SUPPORT
+----------+
2111 - 2112 1NRVE,2NRVE..W10#
#
9004A-10221-
(90901-05026- )
4
1
2201 - 1NRVE,2NRVE..W10# 90901-05026- 4
86
FIG.17-03 AIR CLEANER
(2111- )
17B756
REFER TO
FIG
(PNC 74410)
REFER TO
FIG
(PNC 22030)
REFER TO
FIG
(PNC 53205)
12229A
17881
90099-00289(2)
17881A
17751
17752
17735
17883
17882
17882A
17882A
17700
17801
17119A
17771B
17771B
17710K
17710B
90044-68378(2)
74-54
22-11
9004A-11240
9004A-11358
17701
53-55
22204
17883A
87
FIG.17-03 AIR CLEANER
PROD_DATE MODELS
SPEC
CODE
DESCRIPTION
R
/
P
PART
NUMBER
O
Y
T
REV_REF
FR TO
+----------+
| 12229A | PIPE, VENTILATION
+----------+
2111 - 1NRVE,2NRVE..W10# 12229-BZ020- 1
+----------+
| 17119A | BRACKET, AIR CLEANER
+----------+
2111 - 1NRVE,2NRVE..W10# 17771-BZ150- 1
+----------+
| 17700 | CLEANER ASSY, AIR
+----------+
2111 - 1NRVE,2NRVE..W10# 17700-BZ270- 1
+----------+
| 17701 | CASE SUB-ASSY, AIR CLEANER
+----------+
2111 - 1NRVE,2NRVE..W10# 17701-BZ210- 1
+----------+
| 17710B | GROMMET
+----------+
2111 - 1NRVE,2NRVE..W10# 90044-80392- 1
+----------+
| 17710K | COLLAR(FOR AIR CLEANER)
+----------+
2111 - 1NRVE,2NRVE..W10# 90042-09117- 1
+----------+
| 17735 | CAP, AIR CLEANER
+----------+
2111 - 1NRVE,2NRVE..W10# 17735-BZ040- 1
+----------+
| 17751 | INLET, AIR CLEANER, NO.1
+----------+
2111 - 1NRVE,2NRVE..W10# 17751-BZ160- 1
+----------+
| 17752 | INLET, AIR CLEANER, NO.2
+----------+
2111 - 1NRVE,2NRVE..W10# 17752-BZ100- 1
+----------+
| 17771B | GROMMET(FOR AIR CLEANER BRACKET)
+----------+
2111 - 1NRVE,2NRVE..W10# 9004A-48056- 2
+----------+
| 17801 | ELEMENT SUB-ASSY, AIR CLEANER FILTER
+----------+
2111 - 1NRVE,2NRVE..W10# 17801-BZ110- 1
FIG.17-03 AIR CLEANER
PROD_DATE MODELS
SPEC
CODE
DESCRIPTION
R
/
P
PART
NUMBER
O
Y
T
REV_REF
FR TO
+----------+
| 17881 | HOSE, AIR CLEANER, NO.1
+----------+
2111 - 1NRVE,2NRVE..W10# 17881-BZ270- 1
+----------+
| 17881A | CLAMP(FOR AIR CLEANER HOSE, NO.1)
+----------+
2111 - 1NRVE,2NRVE..W10# 90466-62002- 1
+----------+
| 17882 | HOSE, AIR CLEANER, NO.2
+----------+
2111 - 1NRVE,2NRVE..W10# 17882-BZ100- 1
+----------+
| 17882A | CLAMP(FOR AIR CLEANER HOSE, NO.2)
+----------+
2111 - 1NRVE,2NRVE..W10#
#
96111-10710-
(96111-10710-000)
2
1
+----------+
| 17883 | HOSE, AIR CLEANER, NO.3
+----------+
2111 - 1NRVE,2NRVE..W10# 17883-BZ040- 1
+----------+
| 17883A | CLAMP(FOR AIR CLEANER HOSE, NO.3)
+----------+
2111 - 1NRVE,2NRVE..W10# 9004A-46128- 1
+----------+
| 22204 | METER SUB-ASSY, INTAKE AIR FLOW
+----------+
2111 - 1NRVE,2NRVE..W10# 22204-BZ010- 1
88
FIG.17-08 VACUUM PIPING
(2111- )
17B755
REFER TO
FIG
(PNC 77740)
REFER TO
FIG
(PNC 82121)
23827A
17308B
23841G
91671-80625
77-51
25860
82-02
89
FIG.17-08 VACUUM PIPING
PROD_DATE MODELS
SPEC
CODE
DESCRIPTION
R
/
P
PART
NUMBER
O
Y
T
REV_REF
FR TO
+----------+
| 17308B | HOSE SUB-ASSY, VACUUM
+----------+
2111 - 1NRVE,2NRVE..W10# 77754-BZ430- 1
+----------+
| 23827A | HOSE, FUEL VAPOR FEED, NO.2
+----------+
2111 - 1NRVE,2NRVE..W10# 23827-BZ130- 1
+----------+
| 23841G | CLAMP, FUEL HOSE
+----------+
2111 - 1NRVE,2NRVE..W10# 9004A-46363- 1
+----------+
| 25860 | VALVE ASSY, VACUUM SWITCHING, NO.1
+----------+
2111 - 1NRVE,2NRVE..W10# 25860-BZ050- 1
90
FIG.19-01 IGNITION COIL & SPARK PLUG / GLOW PLUG
(2111- )
195995
REFER TO
FIG
(PNC 82121)
19100P
19500
90105-T0052
82-02
FIG.19-01 IGNITION COIL & SPARK PLUG / GLOW PLUG
PROD_DATE MODELS
SPEC
CODE
DESCRIPTION
R
/
P
PART
NUMBER
O
Y
T
REV_REF
FR TO
+----------+
| 19100P | PLUG, SPARK
+----------+
2111 - 1NRVE,2NRVE..W10# SC16HR11,SAME 90919-
01275 #
9004A-91068-
(90919-01275- )
4
1
+----------+
| 19500 | COIL ASSY, IGNITION
+----------+
2111 - 1NRVE,2NRVE..W10# 90919-T2011- 4
91
FIG.19-03 ALTERNATOR
(2111- )
12V 80A
195990
REFER TO
FIG
(PNC 82121)
90041-20249
27060
27310B
27330
27370
27444
27700A
9004A-17219
82-02
27020E
27411
27111A
92
FIG.19-03 ALTERNATOR
PROD_DATE MODELS
SPEC
CODE
DESCRIPTION
R
/
P
PART
NUMBER
O
Y
T
REV_REF
FR TO
+----------+
| 27020E | BOLT(FOR ALTERNATOR)
+----------+
2111 - 1NRVE,2NRVE..W10# 91552-81075- 1
+----------+
| 27060 | ALTERNATOR ASSY, W/REGULATOR
+----------+
2111 - 1NRVE,2NRVE..W10# 12V 80A 27060-BZ460- 1
+----------+
| 27111A | NUT, ALTERNATOR
+----------+
2111 - 1NRVE,2NRVE..W10#
#
90099-05171-
(90099-05171-000)
1
1
+----------+
| 27310B | BEARING(FOR ALTERNATOR DRIVE END FRAME)
+----------+
2111 - 1NRVE,2NRVE..W10# 9004C-37008- 1
+----------+
| 27330 | ROTOR ASSY, ALTERNATOR
+----------+
2111 - 1NRVE,2NRVE..W10# 27330-BZ060- 1
+----------+
| 27370 | HOLDER ASSY, ALTERNATOR BRUSH
+----------+
2111 - 1NRVE,2NRVE..W10# 27370-B1020- 1
+----------+
| 27411 | PULLEY, ALTERNATOR
+----------+
2111 - 1NRVE,2NRVE..W10# 27411-BZ100- 1
+----------+
| 27444 | PACKING, ALTERNATOR BEARING COVER
+----------+
2111 - 1NRVE,2NRVE..W10# 27444-BZ010- 1
+----------+
| 27700A | REGULATOR ASSY, GENERATOR
+----------+
2111 - 1NRVE,2NRVE..W10# 27700-B2080- 1
93
FIG.19-04 STARTER
(2111- )
12V 0.9KW
195992-A
REFER TO
FIG
(PNC 82121)
28100
9004A-17243
90041-05549
28226B
28110
28021
28120
28160
28140
28130
90041-05549
82-02
94
FIG.19-04 STARTER
PROD_DATE MODELS
SPEC
CODE
DESCRIPTION
R
/
P
PART
NUMBER
O
Y
T
REV_REF
FR TO
+----------+
| 28021 | CLUTCH SUB-ASSY, STARTER CENTER BEARING
+----------+
2111 - 1NRVE,2NRVE..W10# 28021-BZ050- 1
+----------+
| 28100 | STARTER ASSY
+----------+
2111 - 1NRVE,2NRVE..W10# 12V 0.9KW 28100-BZ310- 1
+----------+
| 28110 | HOUSING ASSY, STARTER DRIVE
+----------+
2111 - 1NRVE,2NRVE..W10# 28110-BZ180- 1
+----------+
| 28120 | YOKE ASSY, STARTER
+----------+
2111 - 1NRVE,2NRVE..W10# 28120-BZ090- 1
+----------+
| 28130 | FRAME ASSY, STARTER COMMUTATOR END
+----------+
2111 - 1NRVE,2NRVE..W10# 28130-BZ140- 1
+----------+
| 28140 | HOLDER ASSY, STARTER BRUSH
+----------+
2111 - 1NRVE,2NRVE..W10# 28140-BZ140- 1
+----------+
| 28160 | ARMATURE ASSY, STARTER
+----------+
2111 - 1NRVE,2NRVE..W10# 28160-BZ040- 1
+----------+
| 28226B | STARTER KIT, REPAIR SERVICE
+----------+
2111 - 1NRVE,2NRVE..W10# 28226-BZ010- 1
95
FIG.22-11 FUEL INJECTION SYSTEM
(2111- )
223994-A
REFER TO
FIG
(PNC 77251B)
REFER TO
FIG
(PNC 17111)
REFER TO
FIG
(PNC 22271A)
22030
23250
23250B
23291
23807V
23814B
23841B
23841B
23901
90105-T0052(3)
90105-T0126(2)
77-51
17-01
17-01
96
FIG.22-11 FUEL INJECTION SYSTEM
PROD_DATE MODELS
SPEC
CODE
DESCRIPTION
R
/
P
PART
NUMBER
O
Y
T
REV_REF
FR TO
+----------+
| 22030 | BODY ASSY, THROTTLE W/THROTTLE POSITION SENSOR
+----------+
2111 - 1NRVE,2NRVE..W10# 22030-0Y140- 1
+----------+
| 23250 | INJECTOR ASSY, FUEL
+----------+
2111 - 1NRVE,2NRVE..W10# 23209-09340- 4
+----------+
| 23250B | RING, O(FOR FUEL INJECTOR)
+----------+
2111 - 1NRVE,2NRVE..W10# 90301-07042- 4
+----------+
| 23291 | INSULATOR, INJECTOR VIBRATION
+----------+
2111 - 1NRVE,2NRVE..W10#
#
23291-0Y020-
(23291-23010- )
4
1
+----------+
| 23807V | SPACER, NO.1(FOR DELIVERY PIPE)
+----------+
2111 - 1NRVE,2NRVE..W10# 23891-47040- 2
+----------+
| 23814B | PIPE, FUEL DELIVERY
+----------+
2111 - 1NRVE,2NRVE..W10# 23814-0Y010- 1
+----------+
| 23841B | CLAMP, FUEL PIPE, NO.1(FOR EFI)
+----------+
2111 - 1NRVE,2NRVE..W10#
#
23841-BZ020-
(23841-B1010- )
2
1
+----------+
| 23901 | TUBE SUB-ASSY, FUEL
+----------+
2111 - 1NRVE,2NRVE..W10# 23901-BZ160- 1
97
FIG.31-01 CLUTCH & RELEASE FORK
(2111- )5F
313666
REFER TO
FIG
(PNC 31470)
9004A-11249(6)
31126
31210
31230
31232A
31233
31234A
31236B
31250
31-05
FIG.31-01 CLUTCH & RELEASE FORK
PROD_DATE MODELS
SPEC
CODE
DESCRIPTION
R
/
P
PART
NUMBER
O
Y
T
REV_REF
FR TO
+----------+
| 31126 | BOOT, CLUTCH RELEASE FORK
+----------+
2111 - W10#..5F 31126-BZ030- 1
+----------+
| 31210 | COVER ASSY, CLUTCH
+----------+
2111 - W101..5F 31210-BZ270- 1
2111 - W100..5F 31210-BZ320- 1
+----------+
| 31230 | BEARING ASSY, CLUTCH RELEASE
+----------+
2111 - W10#..5F 31230-BZ070- 1
+----------+
| 31232A | CLIP, RELEASE BEARING HUB
+----------+
2111 - W10#..5F 31232-BZ060- 1
+----------+
| 31233 | FORK, CLUTCH RELEASE
+----------+
2111 - W10#..5F 31233-BZ080- 1
+----------+
| 31234A | SPRING, RELEASE FORK SUPPORT
+----------+
2111 - W10#..5F 31234-BZ040- 1
+----------+
| 31236B | SUPPORT, RELEASE FORK
+----------+
2111 - W10#..5F
#
31236-BZ010-
(31236-87401- )
1
1
+----------+
| 31250 | DISC ASSY, CLUTCH
+----------+
2111 - W101..5F 31250-BZ320- 1
2111 - W100..5F 31250-BZ330- 1
98
FIG.31-02 CLUTCH PEDAL & FLEXIBLE HOSE
(2111- )5F
313656-A
REFER TO
FIG
(PNC 31410)
REFER TO
FIG
(PNC 47201)
REFER TO
FIG
(PNC 31470)
31496B
31-03
9004A-11283
90044-65441
90044-65441
90044-64925
9004A-10168
91553-80616
31482
31484
31481A
31484A
31495
31387F
31481
31418
31301C
31340G
96136-41801
90042-40027
31301Q
31394A
31301B
31301B
31321
31301
90042-06048
21598-BZ010
96136-41801
31301J
90041-79300
9004A-10220
9004A-10220
31324
47-02
31482C
31-05
31482C
31483E
31301Q
55107A
31301S
31387D
FIG.31-02 CLUTCH PEDAL & FLEXIBLE HOSE
PROD_DATE MODELS
SPEC
CODE
DESCRIPTION
R
/
P
PART
NUMBER
O
Y
T
REV_REF
FR TO
+----------+
| 31301 | PEDAL SUB-ASSY, CLUTCH
+----------+
2111 - W10#..5F 31310-BZ340- 1
+----------+
| 31301B | CUSHION, NO.1(FOR CLUTCH PEDAL)
+----------+
2111 - W10#..5F 9004A-54003- 2
+----------+
| 31301C | BUSH(FOR CLUTCH PEDAL)
+----------+
2111 - W10#..5F 90043-86123- 1
+----------+
| 31301J | NUT(FOR CLUTCH PEDAL STOPPER)
+----------+
2111 - W10#..5F 9004A-17260- 1
+----------+
| 31301Q | BUSH(FOR CLUTCH PEDAL SPRING)
+----------+
2111 - W10#..5F 9004A-38094- 2
+----------+
| 31301S | CUSHION, NO.2(FOR CLUTCH PEDAL)
+----------+
2111 - W10#..5F 90045-40158- 1
+----------+
| 31321 | PAD, CLUTCH PEDAL
+----------+
2111 - W10#..5F 47121-BZ080- 1
+----------+
| 31324 | SHAFT, CLUTCH PEDAL
+----------+
2111 - W10#..5F 9004A-10281- 1
+----------+
| 31340G | CLIP(FOR CLUTCH RELEASE CABLE)
+----------+
2111 - W10#..5F 90044-68076- 1
+----------+
| 31387D | SPACER(FOR CLUTCH RELEASE SECTOR)
+----------+
2111 - W10#..5F 9004A-56112- 1
+----------+
| 31387F | RING, SNAP
+----------+
2111 - W10#..5F 96150-01800- 1
99
FIG.31-02 CLUTCH PEDAL & FLEXIBLE HOSE
PROD_DATE MODELS
SPEC
CODE
DESCRIPTION
R
/
P
PART
NUMBER
O
Y
T
REV_REF
FR TO
+----------+
| 31394A | SPRING, PEDAL W/HOOK
+----------+
2111 - W10#..5F 31394-BZ170- 1
+----------+
| 31418 | HOSE, CLUTCH
+----------+
2111 - W10#..5F 47240-BZ030- 1
+----------+
| 31481 | TUBE, CLUTCH MASTER CYLINDER TO FLEXIBLE HOSE
+----------+
2111 - W10#..5F 31482-BZ220- 1
+----------+
| 31481A | HOSE, CLUTCH, NO.1
+----------+
2111 - W10#..5F 90049-22313- 1
+----------+
| 31482 | TUBE, CLUTCH RELEASE CYLINDER TO FLEXIBLE HOSE
+----------+
2111 - W10#..5F 31482-BZ280- 1
+----------+
| 31482C | CLAMP(FOR CLUTCH TUBE)
+----------+
2111 - W10#..5F 47372-B2040- 2
+----------+
| 31483E | TUBE, BLEEDER CLUTCH RELEASE
+----------+
2111 - W10#..5F 31482-BZ300- 1
+----------+
| 31484 | BRACKET, FLEXIBLE HOSE(FOR CLUTCH)
+----------+
2111 - W10#..5F 31484-BZ050- 1
+----------+
| 31484A | BRACKET, FLEXIBLE HOSE, NO.1(FOR CLUTCH)
+----------+
2111 - W10#..5F 31484-BZ060- 1
+----------+
| 31495 | WAY, CLUTCH TUBE
+----------+
2111 - W10#..5F 31495-BZ050- 1
+----------+
| 31496B | CLAMP, CLUTCH TUBE
+----------+
2111 - W10#..5F 90044-64804- 1
FIG.31-02 CLUTCH PEDAL & FLEXIBLE HOSE
PROD_DATE MODELS
SPEC
CODE
DESCRIPTION
R
/
P
PART
NUMBER
O
Y
T
REV_REF
FR TO
+----------+
| 55107A | SUPPORT SUB-ASSY, CLUTCH PEDAL
+----------+
2111 - W10#..5F 55107-BZ460- 1
100
FIG.31-03 CLUTCH MASTER CYLINDER
(2111- )5F
313651
REFER TO
FIG
(PNC 31418)
REFER TO
FIG
(PNC 31301)
REFER TO
FIG
(PNC 31481)
04311
31410
31-02
31-02
31-02
9004A-17243(2)
FIG.31-03 CLUTCH MASTER CYLINDER
PROD_DATE MODELS
SPEC
CODE
DESCRIPTION
R
/
P
PART
NUMBER
O
Y
T
REV_REF
FR TO
+----------+
| 04311 | CYLINDER KIT, CLUTCH MASTER
+----------+
2111 - W10#..5F 04311-BZ020- 1
+----------+
| 31410 | CYLINDER ASSY, CLUTCH MASTER
+----------+
2111 - W10#..5F 31420-BZ040- 1
101
FIG.31-05 CLUTCH RELEASE CYLINDER
(2111- )5F
313653
REFER TO
FIG
(PNC 31482)
REFER TO
FIG
REFER TO
FIG
(PNC 31233)
31470
31-02
9004A-11283(2)
33-02
31-01
FIG.31-05 CLUTCH RELEASE CYLINDER
PROD_DATE MODELS
SPEC
CODE
DESCRIPTION
R
/
P
PART
NUMBER
O
Y
T
REV_REF
FR TO
+----------+
| 31470 | CYLINDER ASSY, CLUTCH RELEASE
+----------+
2111 - W10#..5F 31470-BZ040- 1
102
FIG.33-01 TRANSAXLE OR TRANSMISSION ASSY & GASKET KIT (MTM)
(2111- )5F
336633
30300
FIG.33-01 TRANSAXLE OR TRANSMISSION ASSY & GASKET KIT (MTM)
PROD_DATE MODELS
SPEC
CODE
DESCRIPTION
R
/
P
PART
NUMBER
O
Y
T
REV_REF
FR TO
+----------+
| 30300 | TRANSAXLE ASSY, MANUAL
+----------+
2111 - W100..5F 30300-BZ410- 1
2111 - W101..5F 30300-BZ420- 1
103
FIG.33-02 CLUTCH HOUSING & TRANSMISSION CASE (MTM)
―
―
―
―
―
―
―
―
―
―
―
―
―
―
―
―
―
―
―
―
―
―
―
―
―
―
―
―
―
―
―
―
―
―
(2111- )5F
ILLUST NO. 2 OF 2
336636
33111C
33111X
9004A-10272(10)
90041-05540(4)
104
FIG.33-02 CLUTCH HOUSING & TRANSMISSION CASE (MTM)
(2111- )5F
ILLUST NO. 1 OF 2
336637
REFER TO
FIG
(PNC 84545)
REFER TO
FIG
(PNC 84210)
REFER TO
FIG
(PNC 84248)
33449B
33111J
31111
33102F
9004A-11240
9004A-34019
9004A-43007
82715-BZJ50
33111J
33111J
33104C
31111B
35198M
33123B
84-01
84-01
84-01
9004A-11215(2)
9004A-11215
9004A-11215
33111
9004A-10257(3)
105
FIG.33-02 CLUTCH HOUSING & TRANSMISSION CASE (MTM)
PROD_DATE MODELS
SPEC
CODE
DESCRIPTION
R
/
P
PART
NUMBER
O
Y
T
REV_REF
FR TO
+----------+
| 31111 | HOUSING, CLUTCH
+----------+
2111 - W10#..5F 31115-BZ090- 1
+----------+
| 31111B | PLUG(FOR CLUTCH HOUSING)
+----------+
2111 - W10#..5F
#
9004A-93003-
(90049-15026- )
1
1
+----------+
| 33102F | SEAL, TYPE T OIL(FOR MANUAL TRANSMISSION CASE RH)
+----------+
2111 - W10#..5F 9004A-31051- 1
+----------+
| 33104C | SEAL, TYPE T OIL(FOR MANUAL TRANSMISSION CASE LH)
+----------+
2111 - W10#..5F 9004A-31050- 1
+----------+
| 33111 | CASE, MANUAL TRANSMISSION
+----------+
2111 - W101..5F 33111-BZ100- 1
2111 - W100..5F 33111-BZ110- 1
+----------+
| 33111C | PLUG(FOR TRANSMISSION CASE)
+----------+
2111 - W10#..5F 9004A-34013- 2
+----------+
| 33111J | PIN, STRAIGHT(FOR MANUAL TRANSMISSION CAS
E)
+----------+
2111 - W10#..5F L=25,OD=10
#
9004A-25032-
(90042-50157- )
3
1
+----------+
| 33111X | GASKET, TRANSMISSION CASE PLUG
+----------+
2111 - W10#..5F 9004A-43006- 2
+----------+
| 33123B | RECEIVER, CASE COVER OIL, NO.1(MTM)
+----------+
2111 - W10#..5F 33123-BZ030- 1
+----------+
| 33449B | MAGNET, TRANSMISSION
+----------+
2111 - W10#..5F 33449-BZ070- 1
FIG.33-02 CLUTCH HOUSING & TRANSMISSION CASE (MTM)
PROD_DATE MODELS
SPEC
CODE
DESCRIPTION
R
/
P
PART
NUMBER
O
Y
T
REV_REF
FR TO
+----------+
| 35198M | BRACKET, WIRE HARNESS CLAMP
+----------+
2111 - W10#..5F 82715-B2510- 1
106
FIG.33-04 SPEEDOMETER DRIVEN GEAR (MTM)
(2111- )5F
336634-A
33403S
33404A
91551-80616
90105-T0051
FIG.33-04 SPEEDOMETER DRIVEN GEAR (MTM)
PROD_DATE MODELS
SPEC
CODE
DESCRIPTION
R
/
P
PART
NUMBER
O
Y
T
REV_REF
FR TO
+----------+
| 33403S | PLUG(FOR MTM SPEEDOMETER DRIVEN HOLE)
+----------+
2111 - W10#..5F 35133-BZ010- 1
+----------+
| 33404A | RING, O (FOR MTM SPEEDOMETER SHAFT SLEEVE
)
+----------+
2111 - W10#..5F 9004A-30049- 1
107
FIG.33-05 TRANSMISSION GEAR (MTM)
(2111- )5F
336638
33134B
33321N
33311U
33311
33365
33369
33451
33462
33402
33333B
33334
33349A
33336
33365
33380
33385A
33336C
33311K
33321
33335
33037B
33345
33360
33335E
33038E
33332
33423A
33429A
33422B
33428C
33352C
33111R
33321A
33367 33365
33333
33369
33365
33451G
33370
33349A
33329
33396C
33365
33311E
33137
33365
33321B
33365
33311A
33326
33326A
33451J
33451H
33365
33365
33384
33394
33394
108
FIG.33-05 TRANSMISSION GEAR (MTM)
PROD_DATE MODELS
SPEC
CODE
DESCRIPTION
R
/
P
PART
NUMBER
O
Y
T
REV_REF
FR TO
+----------+
| 33037B | RING SET, SYNCHRONIZER, NO.1
+----------+
2111 - W101..5F 33037-BZ010- 1
+----------+
| 33038E | RING SET, SYNCHRONIZER, NO.2
+----------+
2111 - W10#..5F 33038-BZ050- 1
+----------+
| 33111R | RING, HOLE SNAP(FOR OUTPUT SHAFT REAR BEARING)
+----------+
2111 - W10#..5F 9004A-52101- 1
+----------+
| 33134B | COVER, OUTPUT SHAFT(MTM)
+----------+
2111 - W10#..5F 33134-BZ030- 1
+----------+
| 33137 | COVER, INPUT SHAFT(MTM)
+----------+
2111 - W10#..5F 33137-BZ010- 1
+----------+
| 33311 | SHAFT, INPUT
+----------+
2111 - W10#..5F 33311-BZ110- 1
+----------+
| 33311A | BEARING (FOR INPUT SHAFT FRONT)
+----------+
2111 - W10#..5F 9004A-36125- 1
+----------+
| 33311E | BEARING, RADIAL BALL (FOR INPUT SHAFT REA
R)
+----------+
2111 - W10#..5F 9004A-36120- 1
+----------+
| 33311K | SHIM (FOR INPUT SHAFT REAR BEARING)
+----------+
2111 - W10#..5F T=0.99 9004A-56100- 1
2111 - W10#..5F T=1.07 9004A-56101- 1
2111 - W10#..5F T=1.15 9004A-56102- 1
2111 - W10#..5F T=1.23 9004A-56103- 1
2111 - W10#..5F T=1.31 9004A-56104- 1
2111 - W10#..5F T=1.39 9004A-56105- 1
FIG.33-05 TRANSMISSION GEAR (MTM)
PROD_DATE MODELS
SPEC
CODE
DESCRIPTION
R
/
P
PART
NUMBER
O
Y
T
REV_REF
FR TO
+----------+
| 33311K | SHIM (FOR INPUT SHAFT REAR BEARING)
CONTINUED--+
2111 - W10#..5F T=1.47 9004A-56106- 1
2111 - W10#..5F T=1.55 9004A-56107- 1
+----------+
| 33311U | SEAL, OIL (FOR INPUT SHAFT)
+----------+
2111 - W10#..5F 9004A-31065- 1
+----------+
| 33321 | SHAFT, OUTPU
T
+----------+
2111 - W100..5F 33321-BZ140- 1
2111 - W101..5F 33321-BZ150- 1
+----------+
| 33321A | BEARING (FOR OUTPUT SHAFT REAR)
+----------+
2111 - W10#..5F 9004A-36126- 1
+----------+
| 33321B | RING, SHAFT SNAP (FOR OUTPUT SHAFT BEARIN
G)
+----------+
2111 - W10#..5F T=1.840 9004A-52119- 1
2111 - W10#..5F T=1.900 9004A-52120- 1
2111 - W10#..5F T=1.960 9004A-52121- 1
2111 - W10#..5F T=2.020 9004A-52122- 1
2111 - W10#..5F T=2.080 9004A-52123- 1
2111 - W10#..5F T=2.140 9004A-52124- 1
+----------+
| 33321N | BEARING (FOR OUTPUT SHAFT FRONT)
+----------+
2111 - W10#..5F 9004A-36127- 1
+----------+
| 33326 | PLATE, BEARING LOCK
+----------+
2111 - W10#..5F 33326-BZ060- 1
+----------+
| 33326A | BOLT (FOR BEARING LOCK PLATE)
+----------+
2111 - W10#..5F 9004A-10271- 2
109
FIG.33-05 TRANSMISSION GEAR (MTM)
PROD_DATE MODELS
SPEC
CODE
DESCRIPTION
R
/
P
PART
NUMBER
O
Y
T
REV_REF
FR TO
+----------+
| 33329 | RING, 4TH WASHER RETAINING
+----------+
2111 - W10#..5F 33329-BZ010- 1
+----------+
| 33332 | GEAR, 2ND
+----------+
2111 - W10#..5F 33332-BZ050- 1
+----------+
| 33333 | GEAR, 3RD
+----------+
2111 - W10#..5F 33333-BZ090- 1
+----------+
| 33333B | RING, SHAFT SNAP (FOR 3RD REAR)
+----------+
2111 - W10#..5F T=1.82 9004A-52113- 1
2111 - W10#..5F T=1.88 9004A-52114- 1
2111 - W10#..5F T=1.94 9004A-52115- 1
2111 - W10#..5F T=2.00 9004A-52116- 1
2111 - W10#..5F T=2.06 9004A-52117- 1
+----------+
| 33334 | GEAR, 4TH
+----------+
2111 - W101..5F 33334-BZ080- 1
2111 - W100..5F 33334-BZ090- 1
+----------+
| 33335 | GEAR, 1ST
+----------+
2111 - W101..5F 33335-BZ120- 1
2111 - W100..5F 33335-BZ130- 1
+----------+
| 33335E | RING, SHAFT SNAP(FOR 1ST GEAR)
+----------+
2111 - W10#..5F T=1.78 9004A-52125- 1
2111 - W10#..5F T=1.84 9004A-52126- 1
2111 - W10#..5F T=1.90 9004A-52127- 1
2111 - W10#..5F T=1.96 9004A-52128- 1
2111 - W10#..5F T=2.02 9004A-52129- 1
FIG.33-05 TRANSMISSION GEAR (MTM)
PROD_DATE MODELS
SPEC
CODE
DESCRIPTION
R
/
P
PART
NUMBER
O
Y
T
REV_REF
FR TO
+----------+
| 33335E | RING, SHAFT SNAP(FOR 1ST GEAR)
CONTINUED--+
2111 - W10#..5F T=2.08 9004A-52130- 1
+----------+
| 33336 | GEAR, 5TH
+----------+
2111 - W100..5F 33336-BZ090- 1
2111 - W101..5F 33336-BZ100- 1
+----------+
| 33336C | RING, SHAFT SNAP (FOR 5TH GEAR)
+----------+
2111 - W10#..5F T=1.820 9004A-52102- 1
2111 - W10#..5F T=1.880 9004A-52103- 1
2111 - W10#..5F T=1.940 9004A-52104- 1
2111 - W10#..5F T=2.000 9004A-52105- 1
2111 - W10#..5F T=2.060 9004A-52106- 1
+----------+
| 33345 | BUSH, 1ST GE
AR
+----------+
2111 - W10#..5F 33345-BZ010- 1
+----------+
| 33349A | WASHER, 4TH GEAR
+----------+
2111 - W10#..5F 33349-BZ010- 2
+----------+
| 33352C | RING, SHAFT SNAP
+----------+
2111 - W10#..5F T=1.900 9004A-52107- 1
2111 - W10#..5F T=1.960 9004A-52108- 1
2111 - W10#..5F T=2.020 9004A-52109- 1
2111 - W10#..5F T=2.080 9004A-52110- 1
2111 - W10#..5F T=2.140 9004A-52111- 1
2111 - W10#..5F T=2.200 9004A-52112- 1
+----------+
| 33360 | HUB ASSY, SYNCHRONIZER, NO.1
+----------+
2111 - W101..5F 33360-BZ240- 1
110
FIG.33-05 TRANSMISSION GEAR (MTM)
PROD_DATE MODELS
SPEC
CODE
DESCRIPTION
R
/
P
PART
NUMBER
O
Y
T
REV_REF
FR TO
+----------+
| 33360 | HUB ASSY, SYNCHRONIZER, NO.1
CONTINUED--+
2111 - W100..5F 33360-BZ270- 1
+----------+
| 33365 | KEY, SYNCHROMESH SHIFTING, NO.1
+----------+
2111 - W101..5F 33365-BZ060- 6
2111 - W100..5F 33365-BZ060- 9
+----------+
| 33367 | RING, SYNCHRONIZER, NO.1
+----------+
2111 - W100..5F 33367-BZ060- 1
+----------+
| 33369 | RING, SYNCHRONIZER, NO.3
+----------+
2111 - W10#..5F 33369-BZ070- 2
+----------+
| 33370 | HUB ASSY, SYNCHRONIZER, NO.2
+----------+
2111 - W10#..5F 33370-BZ170- 1
+----------+
| 33380 | HUB ASSY, SYNCHRONIZER, NO.3
+----------+
2111 - W100..5F 33380-BZ170- 1
2111 - W101..5F 33380-BZ200- 1
+----------+
| 33384 | RING, 5TH SYNCHRONIZER OUTER
+----------+
2111 - W101..5F 33384-BZ010- 1
+----------+
| 33385A | RING, HOLE SNAP (FOR 5TH SHIFTING KEY RETAINER)
+----------+
2111 - W100..5F 9004A-52070- 1
+----------+
| 33394 | KEY, SYNCHROMESH SHIFTING, NO.3
+----------+
2111 - W101..5F 33394-BZ010- 2
+----------+
| 33396C | RING, SYNCHRONIZER, NO.5(MTM)
+----------+
2111 - W100..5F 33396-BZ010- 1
FIG.33-05 TRANSMISSION GEAR (MTM)
PROD_DATE MODELS
SPEC
CODE
DESCRIPTION
R
/
P
PART
NUMBER
O
Y
T
REV_REF
FR TO
+----------+
| 33402 | GEAR SUB-ASSY, REVERSE IDLER
+----------+
2111 - W10#..5F 33402-BZ060- 1
+----------+
| 33422B | GEAR, 4TH DRIVEN
+----------+
2111 - W101..5F 33422-BZ050- 1
2111 - W100..5F 33422-BZ080- 1
+----------+
| 33423A | GEAR, 3RD DRIVEN
+----------+
2111 - W10#..5F 33423-BZ030- 1
+----------+
| 33428C | GEAR, 5TH DRIVEN
+----------+
2111 - W100..5F 33428-BZ060- 1
2111 - W101..5F 33428-BZ070- 1
+----------+
| 33429A | RING, SHAFT SNAP
+----------+
2111 - W10#..5F T=1.820 9004A-52102- 1
2111 - W10#..5F T=1.880 9004A-52103- 1
2111 - W10#..5F T=1.940 9004A-52104- 1
2111 - W10#..5F T=2.000 9004A-52105- 1
2111 - W10#..5F T=2.060 9004A-52106- 1
+----------+
| 33451 | SHAFT, REVERSE IDLER GEAR
+----------+
2111 - W10#..5F 33451-BZ040- 1
+----------+
| 33451G | PIN, SLOTTED SPRING (FOR REVERSE IDLER GEAR SHAFT)
+----------+
2111 - W10#..5F 9004A-25039- 1
+----------+
| 33451H | BOLT (FOR REVERSE IDLER GEAR SHAFT)
+----------+
2111 - W10#..5F 9004A-10254- 1
111
FIG.33-05 TRANSMISSION GEAR (MTM)
PROD_DATE MODELS
SPEC
CODE
DESCRIPTION
R
/
P
PART
NUMBER
O
Y
T
REV_REF
FR TO
+----------+
| 33451J | GASKET (FOR REVERSE IDLER GEAR SHAFT)
+----------+
2111 - W10#..5F 9004A-43024- 1
+----------+
| 33462 | WASHER, REVERSE IDLER THRUST
+----------+
2111 - W10#..5F 33462-BZ030- 1
112
FIG.33-07 GEAR SHIFT FORK & LEVER SHAFT (MTM)
(2111- )5F
336639
33267B
33267B
33227
33227
33227
33038A
33276D
33256C
33232F
33242J
33038A
33266C
33261C
33227
33275B
33210
33275B
33251A
33203
33203B
33252A
33251J
33293G
33548
33205
33257
33262F
9004A-10255
33780-BZ010
9004A-25033
9004A-25033
9004A-43005
9004A-10256
9004A-10127
9004A-10127
9004A-10256
33256A
33220
33244D
33214G
33242J
33231
33221
113
FIG.33-07 GEAR SHIFT FORK & LEVER SHAFT (MTM)
PROD_DATE MODELS
SPEC
CODE
DESCRIPTION
R
/
P
PART
NUMBER
O
Y
T
REV_REF
FR TO
+----------+
| 33038A | PIN, SLOTTED SPRING
+----------+
2111 - W10#..5F 9004A-25042- 2
+----------+
| 33203 | SHAFT SUB-ASSY, SHIFT LEVER, NO.1
+----------+
2111 - W10#..5F 33203-BZ170- 1
+----------+
| 33203B | SEAL, OIL(FOR SHIFT LEVER SHAFT)
+----------+
2111 - W10#..5F 9004A-31017- 1
+----------+
| 33205 | SHAFT SUB-ASSY, SELECT LEVER
+----------+
2111 - W10#..5F 33205-BZ100- 1
+----------+
| 33210 | FORK ASSY, GEAR SHIFT, NO.1
+----------+
2111 - W10#..5F 33210-BZ010- 1
+----------+
| 33214G | FORK, GEAR SHIFT, NO.3
+----------+
2111 - W10#..5F 33214-BZ080- 1
+----------+
| 33220 | FORK ASSY, GEAR SHIFT, NO.2
+----------+
2111 - W10#..5F 33220-BZ010- 1
+----------+
| 33221 | ARM, REVERSE SHIFT
+----------+
2111 - W10#..5F 33201-BZ050- 1
+----------+
| 33227 | BUSH, SHIFT FORK GUIDE
+----------+
2111 - W10#..5F 33227-BZ020- 4
+----------+
| 33231 | HEAD, REVERSE SHIFT
+----------+
2111 - W10#..5F 33231-BZ030- 1
+----------+
| 33232F | HEAD, GEAR SHIFT, NO.1
+----------+
2111 - W10#..5F 33232-BZ030- 1
FIG.33-07 GEAR SHIFT FORK & LEVER SHAFT (MTM)
PROD_DATE MODELS
SPEC
CODE
DESCRIPTION
R
/
P
PART
NUMBER
O
Y
T
REV_REF
FR TO
+----------+
| 33242J | BUSH (FOR SHIFT FORK SHAFT)
+----------+
2111 - W10#..5F 33227-BZ010- 2
+----------+
| 33244D | SHAFT, GEAR SHIFT FORK, NO.3
+----------+
2111 - W10#..5F 33244-BZ090- 1
+----------+
| 33251A | LEVER, SHIFT, INNER NO.1
+----------+
2111 - W10#..5F 33251-BZ070- 1
+----------+
| 33251J | SPRING, COMPRESSION (FOR SHIFT INNER LEVE
R)
+----------+
2111 - W10#..5F 9004A-50143- 1
+----------+
| 33252A | LEVER, SHIFT, INNER NO.2
+----------+
2111 - W10#..5F 33252-BZ010- 1
+----------+
| 33256A | BOLT, SET (FOR SELECT INNER LEVER)
+----------+
2111 - W10#..5F 9004A-10253- 1
+----------+
| 33256C | PIN, SLOTTED SPRING (FOR SELECT INNER LEVER)
+----------+
2111 - W10#..5F 9004A-25043- 1
+----------+
| 33257 | LEVER, SELECT OUTER
+----------+
2111 - W10#..5F 33260-BZ010- 1
+----------+
| 33261C | SHAFT, SHIFT & SELECT LEVER
+----------+
2111 - W10#..5F 33261-BZ130- 1
+----------+
| 33262F | SEAL, OIL (FOR SELECT LEVER SHAFT)
+----------+
2111 - W10#..5F 9004A-31052- 1
+----------+
| 33266C | PLATE, SHIFT INTER LOCK
+----------+
2111 - W10#..5F 33266-BZ070- 1
114
FIG.33-07 GEAR SHIFT FORK & LEVER SHAFT (MTM)
PROD_DATE MODELS
SPEC
CODE
DESCRIPTION
R
/
P
PART
NUMBER
O
Y
T
REV_REF
FR TO
+----------+
| 33267B | BOLT (FOR SHIFT GATE PLATE)
+----------+
2111 - W10#..5F
#
9004A-10197-
(91551-80620- )
2
1
+----------+
| 33275B | BALL, SHAFT DETENT
+----------+
2111 - W10#..5F
#
9004A-36044-
(90043-60003- )
2
1
+----------+
| 33276D | SPRING, COMPRESSION (FOR SELECT LEVER SHAFT)
+----------+
2111 - W10#..5F 9004A-50142- 1
+----------+
| 33293G | HOLDER, LOCK BALL
+----------+
2111 - W10#..5F 33293-BZ030- 1
+----------+
| 33548 | BUSH, SHIFT LEVER
+----------+
2111 - W10#..5F 33548-BZ070- 1
115
FIG.33-12 SHIFT LEVER & RETAINER
―
―
―
―
―
―
―
―
―
―
―
―
―
―
―
―
―
―
―
―
―
―
―
―
―
―
―
―
―
―
―
―
―
―
(2111- )CVT
336646-B
REFER TO
FIG
(PNC 82285E)
REFER TO
FIG
(PNC 82141)
REFER TO
FIG
(PNC 58804A)
33563
33524B
35921
33820B
33837
33504F
33866
33821E
33823C
33550D
33821G
33550
33529C
33529C
90041-79134
82-02
82-02
58-55
91671-80616
9004A-11346
FIG.33-12 SHIFT LEVER & RETAINER
(2111- )5F
336647-D
REFER TO
FIG
(PNC 58804A)
33823C
33837
33837
33821E
33821E
33823
33820B
90042-01605
33504F
33529C
33837
33550
33529C
58-55
90041-79134
91671-80616
9004A-11346
90042-01763
9004A-20016
116
FIG.33-12 SHIFT LEVER & RETAINER
PROD_DATE MODELS
SPEC
CODE
DESCRIPTION
R
/
P
PART
NUMBER
O
Y
T
REV_REF
FR TO
+----------+
| 33504F | KNOB SUB-ASSY, SHIFT LEVER
+----------+
2111 - W10#..CVT BLACK(TRIM2#) 33504-BZ281-C1 1
2111 - W10#..5F BLACK(TRIM2#) 33504-BZ300-C1 1
+----------+
| 33524B | BRACKET, CONTROL CABLE
+----------+
2111 - W10#..CVT 33524-BZ040- 1
+----------+
| 33529C | BOLT, SHIFT LEVER
+----------+
2111 - W10#
#
9004A-11274-
(90041-20099- )
4
1
+----------+
| 33550 | FLOOR SHIFT ASSY, TRANSMISSION
+----------+
2111 - 2203 W10#..CVT BLACK(TRIM2#) 33550-BZ580-C0 1
2111 - 2204 W10#..5F BLACK(TRIM2#) 33550-BZ600-C0 1
2204 - W10#..CVT BLACK(TRIM2#) 33550-BZ581-C0 1
2204 - W10#..5F BLACK(TRIM2#) 33550-BZ601-C0 1
+----------+
| 33550D | BULB, POSITION INDICATOR LAMP
+----------+
2111 - W10#..CVT 35955-BZ030- 1
+----------+
| 33563 | BUTTON, SHIFT LOCK RELEASE
+----------+
2111 - W10#..CVT BLACK(TRIM2#) 33563-BZ040-C0 1
+----------+
| 33820B | CABLE ASSY, TRANSMISSION CONTROL
+----------+
2111 - 2204 W10#..5F 33820-BZ450- 1
2111 - W10#..CVT 33820-BZ440- 1
2204 - W10#..5F 33820-BZ451- 1
+----------+
| 33821E | CLAMP, NO.1 (FOR TRANSMISSION CONTROL CABLE)
+----------+
2111 - W10#..CVT 33567-B1010- 1
2111 - W10#..5F 33567-B1010- 2
FIG.33-12 SHIFT LEVER & RETAINER
PROD_DATE MODELS
SPEC
CODE
DESCRIPTION
R
/
P
PART
NUMBER
O
Y
T
REV_REF
FR TO
+----------+
| 33821G | NUT (FOR TRANSMISSION CONTROL CABLE)
+----------+
2111 - W10#..CVT 90179-06274- 1
+----------+
| 33823 | BRACKET, TRANSMISSION CONTROL CABLE, NO.1
+----------+
2111 - W10#..5F 33823-BZ090- 1
+----------+
| 33823C | BOLT (FOR TRANSMISSION CONTROL CABLE BRACKET)
+----------+
2111 - W10#
#
90105-T0120-
(91551-80820- )
2
1
+----------+
| 33837 | CLIP, TRANSMISSION CONTROL CABLE ADJUST
+----------+
2111 - W10#..CVT 33837-B2010- 1
2111 - W10#..5F 90044-68076- 3
+----------+
| 33866 | SPRING, SHIFT LOCK RELEASE
+----------+
2111 - W10#..CVT 33866-BZ010- 1
+----------+
| 35921 | PLATE, CONTROL POSITION INDICATOR
+----------+
2111 - W10#..CVT TYPE A 35921-BZ100- 1
117
FIG.34-01 TRANSAXLE ASSY(CVT)
(2111- )CVT
VALVE BODY ASSY ILLUST NO. 3 OF 3
341414
REFER TO
FIG
(PNC 82121)
35410J
90041-05503(8)
90041-05561(6)
90041-05560
35481C
G1406B
82125M
82-02
118
FIG.34-01 TRANSAXLE ASSY(CVT)
(2211- )CVT
VALVE BODY ASSY ILLUST NO. 3 OF 3
341415
REFER TO
FIG
(PNC 82121)
9004A-10286(8)
9004A-10288(6)
9004A-10287
35481C
35410J
82125M
82-02
G1406B
119
FIG.34-01 TRANSAXLE ASSY(CVT)
(2111- )CVT
TRANSAXLE ASSY ILLUST NO. 1 OF 3
341416
REFER TO
FIG
(PNC 89439)
REFER TO
FIG
(PNC 32000A)
9004A-11215(4)
30400
90041-05540(4)
9004A-11240
82715-BZJ80
9004A-11240
82715-BZJ60
9004A-11240
35198E
35120-BZ020
90044-67288
35198F
82715-BZJ70
9004A-11240
9004A-11240
82715-BZK30
84-01
34-02
120
FIG.34-01 TRANSAXLE ASSY(CVT)
(2111- )CVT
INNER PARTS ILLUST NO. 2 OF 3
341417-A
REFER TO
FIG
(PNC 84540)
REFER TO
FIG
(PNC 33490D)
REFER TO
FIG
(PNC 89413N)
REFER TO
FIG
(PNC 89413P)
REFER TO
FIG
(PNC 89413M)
REFER TO
FIG
(PNC 89637K)
REFER TO
FIG
34-14
84-01
30400B
35103A
35141F
G1406B
35106P
35125G
35106L
35168C
35330E
35145D
35394D
35303D
35125F
90041-79109 90041-05569
90043-01376
90041-05576
90044-30338 90044-30317
90044-30317
90041-05569
90041-05414(18)
90041-05411(2)
N04
84-10
84-10
84-10
84-10
90041-05453
90041-05453
90041-05453
84-10
N04
N03
90041-05414(4)
30400E
30400C
N03
N03
N03
N03
N03
N03
N03
N03
N03
N03
N03
N03
N03
N03
N03
N03
N03
N03
N03 N03
N03
N03
N03
N03
N03
N03
N03
35145-B2011
121
FIG.34-01 TRANSAXLE ASSY(CVT)
(2211- )CVT
INNER PARTS ILLUST NO. 2 OF 3
341418-A
REFER TO
FIG
(PNC 84540)
REFER TO
FIG
(PNC 33490D)
REFER TO
FIG
(PNC 89413N)
REFER TO
FIG
(PNC 89413P)
REFER TO
FIG
(PNC 89413M)
REFER TO
FIG
(PNC 89637K)
REFER TO
FIG
34-14
84-01
30400B
35103A
35141F
G1406B
35106P
35125G
35106L
35168C
35330E
35145D
35394D
35303D
35125F
90041-79109 90041-05569
90043-01376
9004A-10302
90044-30338 90044-30317
90044-30317
90041-05569
9004A-10264(18)
9004A-10263(2)
N04
84-10
84-10
84-10
84-10
9004A-10261
9004A-10261
9004A-10261
84-10
N04
N03
9004A-10264(4)
30400E
30400C
N03
N03
N03
N03
N03
N03
N03
N03
N03
N03
N03
N03
N03
N03
N03
N03
N03
N03
N03 N03
N03
N03
N03
N03
N03
N03
N03
35145-BZ010
122
FIG.34-01 TRANSAXLE ASSY(CVT)
PROD_DATE MODELS
SPEC
CODE
DESCRIPTION
R
/
P
PART
NUMBER
O
Y
T
REV_REF
FR TO
+----------+
| 30400 | TRANSAXLE ASSY, CONTINUOUSLY VARIABLE
+----------+
2111 - W100..CVT A21,A22 30400-B2A60- 1
2111 - W101..CVT A2N 30400-B2C20- 1
2211 - W101..CVT LOCAL SOURCED PARTS 30400-BZ080- 1
2211 - W100..CVT LOCAL SOURCED PARTS 30400-BZ110- 1
+----------+
| 30400B | SEAL, TYPE T OIL, NO.1(FOR CVT)
+----------+
2111 - W10#..CVT JAPAN SOURCED PARTS 90043-11437- 1
2211 - W10#..CVT LOCAL SOURCED PARTS 9004A-31069- 1
+----------+
| 30400C | SEAL, TYPE T OIL, NO.2(FOR CVT)
+----------+
2111 - W10#..CVT JAPAN SOURCED PARTS 90043-11440- 1
2211 - W10#..CVT LOCAL SOURCED PARTS 9004A-31070- 1
+----------+
| 30400E | SEAL, TYPE T OIL(FOR CVT OIL PUMP)
+----------+
2111 - W10#..CVT JAPAN SOURCED PARTS 90043-11436- 1
2211 - W10#..CVT LOCAL SOURCED PARTS 9004A-31068- 1
+----------+
| 35103A | GAGE SUB-ASSY, TRANSMISSION OIL LEVEL
+----------+
2111 - W10#..CVT JAPAN SOURCED PARTS 35103-B2070- 1
2211 - W10#..CVT LOCAL SOURCED PARTS 35103-BZ060- 1
+----------+
| 35106L | PAN SUB-ASSY, TRANSAXLE OIL(CVT)
+----------+
2111 - W10#..CVT JAPAN SOURCED PARTS 35160-B2040- 1
2211 - W10#..CVT LOCAL SOURCED PARTS 35160-BZ030- 1
+----------+
| 35106P | BOLT(FOR TRANSAXLE OIL PAN)
+----------+
2111 - W10#..CVT JAPAN SOURCED PARTS 90041-20331- 18
2211 - W10#..CVT LOCAL SOURCED PARTS 9004A-11387- 18
FIG.34-01 TRANSAXLE ASSY(CVT)
PROD_DATE MODELS
SPEC
CODE
DESCRIPTION
R
/
P
PART
NUMBER
O
Y
T
REV_REF
FR TO
+----------+
| 35125F | PLUG, OVERFLOW(CVT)
+----------+
2111 - W10#..CVT 90043-41041- 1
+----------+
| 35125G | GASKET, OVERFLOW PLUG(CVT)
+----------+
2111 - W10#..CVT JAPAN SOURCED PARTS 90044-30281- 1
2211 - W10#..CVT 90044-30281- 1
+----------+
| 35141F | PLUG, BREATHER, NO.1(CVT)
+----------+
2111 - W10#..CVT JAPAN SOURCED PARTS 90049-15054- 1
2211 - W10#..CVT LOCAL SOURCED PARTS 9004A-93010- 1
+----------+
| 35145D | GASKET, TRANSAXLE CASE
+----------+
2111 - W10#..CVT JAPAN SOURCED PARTS 35145-B2011- 4
2211 - W10#..CVT LOCAL SOURCED PARTS 35145-BZ010- 4
+----------+
| 35168C | GASKET, TRANSAXLE OIL PAN(CVT)
+----------+
2111 - W10#..CVT 35168-B2030- 1
+----------+
| 35198E | BRACKET, WIRE HARNESS CLAMP, NO.1
+----------+
2111 - W10#..CVT 82715-BZJ90- 1
+----------+
| 35198F | BRACKET, WIRE HARNESS CLAMP
+----------+
2111 - W10#..CVT 82715-B2510- 1
+----------+
| 35303D | STRAINER SUB-ASSY, OIL
+----------+
2111 - W10#..CVT JAPAN SOURCED PARTS 35303-B2040- 1
2211 - W10#..CVT LOCAL SOURCED PARTS 35303-BZ030- 1
+----------+
| 35330E | RING, O (FOR OIL STRAINER)
+----------+
2111 - W10#..CVT JAPAN SOURCED PARTS 90043-01347- 1
2211 - W10#..CVT LOCAL SOURCED PARTS 9004A-30066- 1
123
FIG.34-01 TRANSAXLE ASSY(CVT)
PROD_DATE MODELS
SPEC
CODE
DESCRIPTION
R
/
P
PART
NUMBER
O
Y
T
REV_REF
FR TO
+----------+
| 35394D | MAGNET, OIL CLEANER(CVT)
+----------+
2111 - W10#..CVT 33449-B2010- 1
+----------+
| 35410J | BODY ASSY, TRANSMISSION VALVE
+----------+
2111 - W10#..CVT MADE IN JAPAN 35410-B9201- 1
2211 - W10#..CVT MADE IN INDONESIA 35410-BZ010- 1
+----------+
| 35481C | CLAMP, VALVE BODY WIRE HARNESS
+----------+
2111 - W10#..CVT JAPAN SOURCED PARTS 35199-B2010- 1
2211 - W10#..CVT LOCAL SOURCED PARTS 35199-BZ010- 1
+----------+
| 82125M | WIRE, TRANSMISSION
+----------+
2111 - W10#..CVT JAPAN SOURCED PARTS 82125-B2070- 1
2211 - W10#..CVT LOCAL SOURCED PARTS 82125-BZ040- 1
+----------+
| G1406B | CONNECTOR SUB-ASSY, TRANS SOLENOID
+----------+
2111 - W10#..CVT G1406-B2010- 1
124
FIG.34-02 TORQUE CONVERTER, FRONT OIL PUMP(CVT)
(2111- )CVT
341391
REFER TO
FIG
(PNC 13411)
32113-BZ070
32000A
32101B
32101H
32101G
13-01
125
FIG.34-02 TORQUE CONVERTER, FRONT OIL PUMP(CVT)
PROD_DATE MODELS
SPEC
CODE
DESCRIPTION
R
/
P
PART
NUMBER
O
Y
T
REV_REF
FR TO
+----------+
| 32000A | CONVERTER ASSY, TORQUE
+----------+
2111 - W101..CVT 32000-B2230- 1
2111 - W100..CVT 32000-B2250- 1
+----------+
| 32101B | GEAR SUB-ASSY, DRIVE PLATE & RING
+----------+
2111 - W10#..CVT 32101-BZ100- 1
+----------+
| 32101G | BOLT(FOR DRIVE PLATE & TORQUE CONVERTER SETTING)
+----------+
2111 - W10#..CVT M8,L=9,SILVER(M8,L=9
)
90041-05595- 1
2111 - W10#..CVT M8,L=9,BLACK(M8,L=9) 90041-05596- 5
+----------+
| 32101H | BOLT, HEXAGON(FOR DRIVE PLATE SETTING)
+----------+
2111 - W10#..CVT
#
9004A-10200-
(90048-01037- )
8
1
126
FIG.34-14 OIL COOLER & TUBE(CVT)
―
―
―
―
―
―
―
―
―
―
―
―
―
―
―
―
―
―
―
―
―
―
―
―
―
―
―
―
―
―
―
―
―
―
(2111- )CVT
341433-A
REFER TO
FIG
(PNC 16261G)
REFER TO
FIG
(PNC 16261N)
90043-01374
90043-01374
33490D
35398-B2010
16-03
16-03
90041-05412(3)
90041-05636(3)
FIG.34-14 OIL COOLER & TUBE(CVT)
(2211- )CVT
341434
REFER TO
FIG
(PNC 16261G)
REFER TO
FIG
(PNC 16261N)
9004A-30067
9004A-30067
33490D
35398-B2010
9004A-10176(3)
16-03
16-03
127
FIG.34-14 OIL COOLER & TUBE(CVT)
PROD_DATE MODELS
SPEC
CODE
DESCRIPTION
R
/
P
PART
NUMBER
O
Y
T
REV_REF
FR TO
+----------+
| 33490D | COOLER ASSY, TRANSMISSION OIL
+----------+
2111 - W10#..CVT JAPAN SOURCED PARTS 33490-B2030- 1
2211 - W10#..CVT LOCAL SOURCED PARTS 33490-BZ010- 1
128
FIG.41-02 REAR AXLE SHAFT & HUB
(2111- )
415665
REFER TO
FIG
(PNC 42601)
REFER TO
FIG
(PNC 42601C)
REFER TO
FIG
(PNC 82251D(RH))
(PNC 82251E(LH))
REFER TO
FIG
(PNC 47043(RH))
(PNC 47044(LH)) 42410
42440
42311U
42312E
42409C
42409D
42403
41-03
41-03
84-14
47-06
129
FIG.41-02 REAR AXLE SHAFT & HUB
PROD_DATE MODELS
SPEC
CODE
DESCRIPTION
R
/
P
PART
NUMBER
O
Y
T
REV_REF
FR TO
+----------+
| 42311U | BOLT, HUB (FOR REAR AXLE RH)
+----------+
2111 - W10# 90049-12056- 5
+----------+
| 42312E | BOLT, HUB (FOR REAR AXLE LH)
+----------+
2111 - W10# 90049-12056- 5
+----------+
| 42403 | DRUM SUB-ASSY, REAR BRAKE
+----------+
2111 - W10# 42431-BZ200- 2
+----------+
| 42409C | BOLT (FOR REAR AXLE BEARING RH)
+----------+
2111 - W10# 9004A-10258- 4
+----------+
| 42409D | BOLT (FOR REAR AXLE BEARING LH)
+----------+
2111 - W10# 9004A-10258- 4
+----------+
| 42410 | HUB & BEARING ASSY, REAR AXLE, RH
+----------+
2111 - W10# W/SENSOR 42410-BZ140- 1
+----------+
| 42440 | HUB & BEARING ASSY, REAR AXLE, LH
+----------+
2111 - W10# W/SENSOR 42410-BZ140- 1
130
FIG.41-03 DISC WHEEL & WHEEL CAP
―
―
―
―
―
―
―
―
―
―
―
―
―
―
―
―
―
―
―
―
―
―
―
―
―
―
―
―
―
―
―
―
―
―
(2111- )
WEIGHT, BALANCE
415659
9004A-42072
9004A-42073
9004A-42074
9004A-42075
9004A-42076
9004A-42077
9004A-42078
9004A-42085
9004A-42086
9004A-42087
9004A-42088
9004A-42089
9004A-42090
9004A-42091
9004A-42080 9004A-42093
9004A-42112
9004A-42113
9004A-42115
9004A-42117
9004A-42083 9004A-42096
9004A-42082 9004A-42095
9004A-42084 9004A-42097 9004A-42121
131
FIG.41-03 DISC WHEEL & WHEEL CAP
(2111- )
415660
42601
42601A
42611G
42601C
42611J
42603 42621
132
FIG.41-03 DISC WHEEL & WHEEL CAP
PROD_DATE MODELS
SPEC
CODE
DESCRIPTION
R
/
P
PART
NUMBER
O
Y
T
REV_REF
FR TO
+----------+
| 42601 | WHEEL, DISC
+----------+
2111 - W100..LO..5F B2BB 15X5.5J(ST),D-LOWEST
,TYPE A BLACK
42611-BZB50- 4
2111 - W101 16X6J(AL),TYPE D 42611-BZE30- 4
2111 - W100 15X5.5J(AL),TYPE B G
RAY
42611-BZF80- 4
+----------+
| 42601A | WHEEL, DISC (FOR SPARE)
+----------+
2111 - W100 15X5.5J(ST),TYPE A B
LACK
42611-BZB50- 1
2111 - W101 16X6J(AL),TYPE D 42611-BZE30- 1
+----------+
| 42601C | NUT, HUB (FOR AXLE)
+----------+
2111 - W10# TYPE B
#
9004A-94124-
(90049-11064- )
20
1
2111 - W100..LO..5F B2BB D-LOWEST,TYPE A
#
9004A-94125-
(90049-11036- )
20
1
+----------+
| 42603 | ORNAMENT SUB-ASSY, WHEEL HUB
+----------+
2111 - W101 *ALU,TYPE B 42638-BZ690- 4
2111 - W100 *ALU,TYPE A 42638-BZ700- 4
+----------+
| 42611G | VALVE (FOR TUBELESS TIRE)
+----------+
2111 - W10# 90049-02019- 4
+----------+
| 42611J | VALVE (FOR TUBELESS TIRE SPARE)
+----------+
2111 - W10# 90049-02019- 1
+----------+
| 42621 | CAP, WHEEL
+----------+
2111 - W100..LO..5F B2BB D-LOWEST 42602-BZ150- 4
133
FIG.43-01 FRONT AXLE HOUSING & DIFFERENTIAL
(2111- )5F
434712
REFER TO
FIG
(PNC 33104C)
REFER TO
FIG
(PNC 33102F)
41311F
41221
41302F
41311E
43631D
33-02
33-02
FIG.43-01 FRONT AXLE HOUSING & DIFFERENTIAL
PROD_DATE MODELS
SPEC
CODE
DESCRIPTION
R
/
P
PART
NUMBER
O
Y
T
REV_REF
FR TO
+----------+
| 41221 | GEAR, FRONT DIFFERENTIAL RING
+----------+
2111 - W100..5F 41221-BZ330- 1
2111 - W101..5F 41221-BZ340- 1
+----------+
| 41302F | CASE SUB-ASSY, FRONT DIFFERENTIAL
+----------+
2111 - W100..5F 41301-BZ060- 1
2111 - W101..5F 41301-BZ070- 1
+----------+
| 41311E | BEARING, TAPERED ROLLER (FOR FRONT DIFFERENTIAL CASE FRONT)
+----------+
2111 - W10#..5F 9004A-36123- 1
+----------+
| 41311F | BEARING, TAPERED ROLLER (FOR FRONT DIFFERENTIAL CASE REAR)
+----------+
2111 - W10#..5F 9004A-36124- 1
+----------+
| 43631D | BOLT, HEXAGON (FOR DIFFERENTIAL CASE)
+----------+
2111 - W10#..5F 9004A-10120- 10
134
FIG.43-02 FRONT DRIVE SHAFT
(2111- )
RH
434676
REFER TO
FIG
(PNC 43501H)
REFER TO
FIG
(PNC 30400C)
REFER TO
FIG
(PNC 33102F)
04438G 04438S
43403
04438K
43460
43411E
43-03
34-01
33-02
43410
135
FIG.43-02 FRONT DRIVE SHAFT
(2111- )
LH
434677
REFER TO
FIG
(PNC 43502H)
REFER TO
FIG
(PNC 30400B)
REFER TO
FIG
(PNC 33104C)
04438J
04438L
04438T
43403B 43470
43-03
34-01
33-02
43412B
43420
136
FIG.43-02 FRONT DRIVE SHAFT
PROD_DATE MODELS
SPEC
CODE
DESCRIPTION
R
/
P
PART
NUMBER
O
Y
T
REV_REF
FR TO
+----------+
| 04438G | BOOT KIT, FRONT DRIVE SHAFT INBOARD JOINT, RH
+----------+
2111 - 2212 W10#..5F 04437-BZ060- 1
2111 - W10#..CVT 04437-BZ070- 1
+----------+
| 04438J | BOOT KIT, FRONT DRIVE SHAFT INBOARD JOINT, LH
+----------+
2111 - 2212 W10#..5F 04437-BZ060- 1
2111 - W10#..CVT 04437-BZ090- 1
+----------+
| 04438K | BOOT KIT, FRONT DRIVE SHAFT OUTBOARD JOINT, RH
+----------+
2111 - 2212 W10#..5F 04425-BZ060- 1
2111 - W10#..CVT 04425-BZ070- 1
+----------+
| 04438L | BOOT KIT, FRONT DRIVE SHAFT OUTBOARD JOINT, LH
+----------+
2111 - 2212 W10#..5F 04425-BZ060- 1
2111 - W10#..CVT 04425-BZ100- 1
+----------+
| 04438S | CLAMP KIT, FRONT DRIVE SHAFT, RH
+----------+
2111 - 2212 W10#..5F 04435-BZ070- 1
2111 - W10#..CVT 04435-BZ080- 1
+----------+
| 04438T | CLAMP KIT, FRONT DRIVE SHAFT, LH
+----------+
2111 - 2212 W10#..5F 04435-BZ070- 1
2111 - W10#..CVT 04435-BZ100- 1
+----------+
| 43403 | JOINT SET, FRONT AXLE INBOARD, RH
+----------+
2111 - 2212 W10#..5F 43408-B9590- 1
2111 - W10#..CVT 43408-B9660- 1
+----------+
| 43403B | JOINT SET, FRONT AXLE INBOARD, LH
+----------+
2111 - 2212 W10#..5F 43408-B9590- 1
FIG.43-02 FRONT DRIVE SHAFT
PROD_DATE MODELS
SPEC
CODE
DESCRIPTION
R
/
P
PART
NUMBER
O
Y
T
REV_REF
FR TO
+----------+
| 43403B | JOINT SET, FRONT AXLE INBOARD, LH
CONTINUED--+
2111 - W10#..CVT 43408-B9670- 1
+----------+
| 43410 | SHAFT ASSY, FRONT DRIVE, RH
+----------+
2111 - W10#..5F 43410-BZ220- 1
2111 - W10#..CVT 43410-BZ230- 1
+----------+
| 43411E | RING, SHAFT SNAP (FOR FRONT DRIVE INNER SHAFT INNER RH)
+----------+
2111 - W10#..5F 43425-BZ120- 1
2111 - W10#..CVT 90045-20298- 1
+----------+
| 43412B | RING, SHAFT SNAP (FOR FRONT DRIVE INNER SHAFT INNER LH)
+----------+
2111 - W10#..5F 43425-BZ120- 1
2111 - W10#..CVT 90045-20298- 1
+----------+
| 43420 | SHAFT ASSY, FRONT DRIVE, LH
+----------+
2111 - W10#..CVT 43420-BZ180- 1
2111 - W10#..5F 43420-BZ230- 1
+----------+
| 43460 | SHAFT ASSY, FRONT DRIVE OUTBOARD JOINT, R
H
+----------+
2111 - W10#..5F 43411-B9690- 1
2111 - W10#..CVT 43411-B9700- 1
+----------+
| 43470 | SHAFT ASSY, FRONT DRIVE OUTBOARD JOINT, L
H
+----------+
2111 - W10#..5F 43412-B9480- 1
2111 - W10#..CVT 43412-B9490- 1
137
FIG.43-03 FRONT AXLE HUB
(2111- )
434671-A
REFER TO
FIG
(PNC 43211(RH))
(PNC 43212(LH))
REFER TO
FIG
(PNC 42601)
REFER TO
FIG
(PNC 42601C)
REFER TO
FIG
(PNC 43410(RH))
(PNC 43420(LH))
43512
43511F
43512E
48-02
43501D
43502D
43501C
43502C
43501H
43502H
41-03
41-03
43-02
43511E
43512D
138
FIG.43-03 FRONT AXLE HUB
PROD_DATE MODELS
SPEC
CODE
DESCRIPTION
R
/
P
PART
NUMBER
O
Y
T
REV_REF
FR TO
+----------+
| 43501C | HUB SUB-ASSY, FRONT AXLE, RH
+----------+
2111 - W10# 43502-BZ230- 1
+----------+
| 43501D | BOLT, HUB (FOR FRONT AXLE RH)
+----------+
2111 - W10# 90049-12056- 5
+----------+
| 43501H | NUT (FOR FRONT AXLE SHAFT RH)
+----------+
2111 - W10# 90177-22001- 1
+----------+
| 43502C | HUB SUB-ASSY, FRONT AXLE, LH
+----------+
2111 - W10# 43502-BZ230- 1
+----------+
| 43502D | BOLT, HUB (FOR FRONT AXLE LH)
+----------+
2111 - W10# 90049-12056- 5
+----------+
| 43502H | NUT (FOR FRONT AXLE SHAFT LH)
+----------+
2111 - W10# 90177-22001- 1
+----------+
| 43511E | BEARING (FOR FRONT AXLE HUB RH)
+----------+
2111 - W10# W/SENSOR ROTOR 43560-BZ050- 1
+----------+
| 43511F | RING, HOLE SNAP (FOR FRONT AXLE HUB RH)
+----------+
2111 - W10# 90045-21188- 1
+----------+
| 43512 | DISC, FRONT
+----------+
2111 - W10# 43512-BZ420- 2
+----------+
| 43512D | BEARING (FOR FRONT AXLE HUB LH)
+----------+
2111 - W10# W/SENSOR ROTOR 43560-BZ050- 1
+----------+
| 43512E | RING, HOLE SNAP (FOR FRONT AXLE HUB LH)
+----------+
2111 - W10# 90045-21188- 1
139
FIG.45-01 STEERING COLUMN & SHAFT
―
―
―
―
―
―
―
―
―
―
―
―
―
―
―
―
―
―
―
―
―
―
―
―
―
―
―
―
―
―
―
―
―
―
(2111- )LO
458086-C
REFER TO
FIG
(PNC 55331)
REFER TO
FIG
(PNC 55331)
REFER TO
FIG
(PNC 84450)
REFER TO
FIG
(PNC 45501)
REFER TO
FIG
(PNC 89650)
45816
9004A-10132
45222F
45237
45254
45237
9004A-17252(2)
90179-08068(2)
45251
45275A
86960A
45286B
55-51
55-51
45020
45281
45897
84-01
45-05
84-01
45220
90041-19747
90183-04048(2)
45289-BZ110
45287
9004A-16074
9004A-16074(2)
9004A-16074
9004A-16074(2)
45024
FIG.45-01 STEERING COLUMN & SHAFT
(2111- )HI,MID
458087-C
REFER TO
FIG
(PNC 55331)
REFER TO
FIG
(PNC 55331)
REFER TO
FIG
(PNC 89650)
REFER TO
FIG
(PNC 45501)
55437-BZ020
55438-BZ010
45816
45288B
9004A-10132
45222F
45237
45254
45237
45251
45275A
86960A
45286B
55-51
55-51
84-01
45-05
45220
90041-19747
9004A-17252(2)
90179-08068(2)
90183-04048(2)
45289-BZ120
45287
9004A-16074
9004A-16074(2)
45024
9004A-16074
9004A-16074(2)
45287
140
FIG.45-01 STEERING COLUMN & SHAFT
PROD_DATE MODELS
SPEC
CODE
DESCRIPTION
R
/
P
PART
NUMBER
O
Y
T
REV_REF
FR TO
+----------+
| 45020 | BRACKET ASSY, STEERING COLUMN UPPER W/SWITCH
+----------+
2111 - W100..LO..CVT 45020-BZ400- 1
2111 - W100..LO..5F 45020-BZ410- 1
+----------+
| 45024 | COVER SUB-ASSY, STEERING COLUMN, LOWER
+----------+
2204 - W100..LO BLACK(TRIM2#) 45024-BZ100-C0 1
2204 - W10#..HI,MID BLACK(TRIM2#) 45024-BZ110-C0 1
+----------+
| 45220 | SHAFT ASSY, STEERING INTERMEDIATE
+----------+
2111 - W10# 45220-BZ450- 1
+----------+
| 45222F | COVER, DUST
+----------+
2111 - W10# 45222-BZ210- 1
+----------+
| 45237 | BOLT, FLEXIBLE ATTACHING(FOR STEERING MAIN SHAFT)
+----------+
2111 - W10# 90041-19747- 2
+----------+
| 45251 | TUBE SET, STEERING COLUMN
+----------+
2111 - W100..LO 45251-B9270- 1
2111 - W10#..HI,MID 45251-B9280- 1
+----------+
| 45254 | SHIELD, STEERING COLUMN HOLE
+----------+
2111 - W10# 45254-BZ270- 1
+----------+
| 45275A | BOLT, HEXAGON(FOR STEERING COLUMN BRACKET
)
+----------+
2111 - W10# 90041-20097- 2
+----------+
| 45281 | HOUSING, STEERING COLUMN
+----------+
2111 - W100..LO 45281-BZ160- 1
FIG.45-01 STEERING COLUMN & SHAFT
PROD_DATE MODELS
SPEC
CODE
DESCRIPTION
R
/
P
PART
NUMBER
O
Y
T
REV_REF
FR TO
+----------+
| 45286B | COVER, STEERING COLUMN, UPR
+----------+
2111 - W10#..HI,MID BLACK(TRIM2#) 45023-BZ010-C0 1
2111 - W100..LO BLACK(TRIM2#) 45286-BZ340-C0 1
+----------+
| 45287 | COVER, STEERING COLUMN, LWR
+----------+
2111 - 2204 W100..LO BLACK(TRIM2#) 45287-BZ430-C0 1
2111 - W10#..HI,MID BLACK(TRIM2#) 45287-BZ440-C0 1
+----------+
| 45288B | COVER, STEERING COLUMN, UPPER
+----------+
2111 - W10#..HI,MID 45288-BZ100- 1
+----------+
| 45816 | BRACKET, WIRE HARNESS
+----------+
2111 - W10# 82715-BZE80- 1
+----------+
| 45897 | BOLT, STEERING LOCK SET
+----------+
2111 - W100..LO 45897-B2010- 2
+----------+
| 86960A | MOTOR SET, POWER STEERING
+----------+
2111 - W10# 80960-B9191- 1
141
FIG.45-04 STEERING WHEEL
(2111- )
458067
REFER TO
FIG
(PNC 45251)
REFER TO
FIG
(PNC 84030)
REFER TO
FIG
(PNC 84250A)
45102
45130
45201P
45116
45107
45117
45-01
84-01 84-01
142
FIG.45-04 STEERING WHEEL
PROD_DATE MODELS
SPEC
CODE
DESCRIPTION
R
/
P
PART
NUMBER
O
Y
T
REV_REF
FR TO
+----------+
| 45102 | WHEEL SUB-ASSY, STEERING
+----------+
2111 - W100 BLACK(TRIM2#) 45102-BZA40-C1 1
2111 - W101 -(TRIM2#) 45102-BZA50-C1 1
+----------+
| 45107 | WIRE SUB-ASSY, HORN BUTTON
+----------+
2111 - W100..LO 45107-BZ220- 1
+----------+
| 45116 | ORNAMENT, STEERING WHEEL, NO.1
+----------+
2111 - W100..LO BLACK(TRIM2#) 45116-BZ150-C0 1
+----------+
| 45117 | ORNAMENT, STEERING WHEEL, NO.2
+----------+
2111 - W100..LO BLACK(TRIM2#) 45117-BZ040-C0 1
+----------+
| 45130 | BUTTON ASSY, HORN
+----------+
2111 - W10# BLACK(TRIM2#) 45130-BZ880-C0 1
+----------+
| 45201P | NUT, STEERING WHEEL SET
+----------+
2111 - W10#
#
9004A-17176-
(90041-70014- )
1
1
143
FIG.45-05 FRONT STEERING GEAR & LINK
(2111- )
458073
REFER TO
FIG
(PNC 43211)
REFER TO
FIG
(PNC 45220)
REFER TO
FIG
(PNC 51201)
REFER TO
FIG
(PNC 43212)
45535B
45537B
44142
45503
45504
45535A
45535B
45535A
45537B
45339
45339
44142
45535
45046
45535
45047
45501
48-02
45-01
51-52
48-02
144
FIG.45-05 FRONT STEERING GEAR & LINK
PROD_DATE MODELS
SPEC
CODE
DESCRIPTION
R
/
P
PART
NUMBER
O
Y
T
REV_REF
FR TO
+----------+
| 44142 | NUT, LOCK
+----------+
2111 - W10# 90041-77011- 2
+----------+
| 45046 | END SUB-ASSY, TIE ROD, RH
+----------+
2111 - W10# 45046-BZ270- 1
+----------+
| 45047 | END SUB-ASSY, TIE ROD, LH
+----------+
2111 - W10# 45047-BZ160- 1
+----------+
| 45339 | BOLT, STEERING GEAR HOUSING
+----------+
2111 - W10# 90041-19A33- 2
+----------+
| 45501 | HOUSING SUB-ASSY, STEERING RACK
+----------+
2111 - W10# 45501-BZ100- 1
+----------+
| 45503 | END SUB-ASSY, STEERING RACK
+----------+
2111 - W10# RH 45503-BZ260- 1
+----------+
| 45504 | END SUB-ASSY, STEERING RACK, NO.2
+----------+
2111 - W10# LH 45503-BZ260- 1
+----------+
| 45535 | BOOT, STEERING RACK, NO.1
+----------+
2111 - W10# 45535-BZ200- 2
+----------+
| 45535A | CLAMP(FOR STEERING RACK BOOT)
+----------+
2111 - W10# 45538-BZ080- 2
+----------+
| 45535B | CLIP(FOR STEERING RACK BOOT)
+----------+
2111 - W10# 45537-BZ050- 2
+----------+
| 45537B | NUT, RACK END LOCK
+----------+
2111 - W10# 9004A-17145- 2
145
FIG.46-01 PARKING BRAKE & CABLE
(2111- )
461830
REFER TO
FIG
(PNC 84380)
REFER TO
FIG
4601
46430
46420
46410
46441
46210
9004A-10222
9004A-10222
9004A-10222
9004A-10222
9004A-10222
9004A-10222
9004A-10222
9004A-10208
90105-T0120(2)
9004A-10222
9004A-10222
9004A-10208
84-01
46233
90105-T0120
90105-T0120
90105-T0120
46210
46410
46441
9004A-10222
84-01
9004A-10222
146
FIG.46-01 PARKING BRAKE & CABLE
PROD_DATE MODELS
SPEC
CODE
DESCRIPTION
R
/
P
PART
NUMBER
O
Y
T
REV_REF
FR TO
+----------+
| 46210 | LEVER ASSY, PARKING BRAKE
+----------+
2111 - W100 BLACK(TRIM2#) 46210-BZ240-C0 1
2111 - W101 BLACK(TRIM2#) 46210-BZ250-C0 1
+----------+
| 46233 | SUPPORT, PARKING BRAKE CENTER
+----------+
2111 - W10# 46233-BZ070- 1
+----------+
| 46410 | CABLE ASSY, PARKING BRAKE, NO.1
+----------+
2111 - W10# 46410-BZ130- 1
+----------+
| 46420 | CABLE ASSY, PARKING BRAKE, NO.2
+----------+
2111 - W10# 46420-BZ370- 1
+----------+
| 46430 | CABLE ASSY, PARKING BRAKE, NO.3
+----------+
2111 - W10# 46430-BZ370- 1
+----------+
| 46441 | NUT, WIRE ADJUSTING, NO.1
+----------+
2111 - W10# 90041-78060- 1
147
FIG.47-01 BRAKE PEDAL & BRACKET
(2111- )
47D118-A
REFER TO
FIG
(PNC 55331)
REFER TO
FIG
(PNC 84340)
REFER TO
FIG
(PNC 84345)
REFER TO
FIG
(PNC 44651B)
REFER TO
FIG
(PNC 44610)
47101H
47101H
47101
47121
47124
47264C
55106
47101B
47101B
9004A-17260
9004A-56112
47101G
55-51
84-01
84-01
47-03
47-03
47264A
47264A
90042-06048
FIG.47-01 BRAKE PEDAL & BRACKET
PROD_DATE MODELS
SPEC
CODE
DESCRIPTION
R
/
P
PART
NUMBER
O
Y
T
REV_REF
FR TO
+----------+
| 47101 | PEDAL SUB-ASSY, BRAKE
+----------+
2111 - W10#..CVT 47110-BZ570- 1
2111 - W10#..5F 47110-BZ580- 1
+----------+
| 47101B | BUSH(FOR BRAKE PEDAL)
+----------+
2111 - W10# 9004A-38094- 2
+----------+
| 47101G | BOLT, BRAKE PEDAL STOP, NO.1
+----------+
2111 - W10# 9004A-11380- 1
+----------+
| 47101H | BOLT, BRAKE PEDAL STOP, NO.2
+----------+
2111 - W10# 9004A-11381- 2
+----------+
| 47121 | PAD, BRAKE PEDAL
+----------+
2111 - W10#..CVT 47121-BZ070- 1
2111 - W10#..5F 47121-BZ080- 1
+----------+
| 47124 | SHAFT, BRAKE PEDAL
+----------+
2111 - W10# 9004A-10281- 1
+----------+
| 47264A | PIN(FOR PUSH ROD)
+----------+
2111 - W10# TYPE A 90042-40151- 1
2112 - W10#..5F TYPE B 90042-40143- 1
+----------+
| 47264C | CLIP(FOR PUSH ROD CLEVIS PIN)
+----------+
2111 - W10# 90044-68076- 1
+----------+
| 55106 | SUPPORT SUB-ASSY, BRAKE PEDAL
+----------+
2111 - W10# 55106-BZ540- 1
148
FIG.47-02 BRAKE MASTER CYLINDER
(2111- )
47D103
REFER TO
FIG
(PNC 82111)
REFER TO
FIG
(PNC 44610)
47201
47220D
47230
47210U
47255
47201B
47268A
47299
82-02
47255
47-03
FIG.47-02 BRAKE MASTER CYLINDER
PROD_DATE MODELS
SPEC
CODE
DESCRIPTION
R
/
P
PART
NUMBER
O
Y
T
REV_REF
FR TO
+----------+
| 47201 | CYLINDER SUB-ASSY, BRAKE MASTER
+----------+
2111 - W10#..CVT 47201-BZ760- 1
2111 - W101..5F 47201-BZ770- 1
2111 - W100..5F 47201-BZA10- 1
+----------+
| 47201B | RING, O(FOR BRAKE MASTER CYLINDER)
+----------+
2111 - W10# 9004A-30046- 1
+----------+
| 47210U | PIN, STRAIGHT(FOR BRAKE MASTER CYLINDER)
+----------+
2111 - W10# 90042-43029- 1
+----------+
| 47220D | RESERVOIR ASSY, BRAKE MASTER CYLINDER
+----------+
2111 - W10#..CVT 47220-BZ380- 1
2111 - W10#..5F 47220-BZ490- 1
+----------+
| 47230 | CAP ASSY, BRAKE MASTER CYLINDER RESERVOIR FILLER
+----------+
2111 - W10# 47230-BZ130- 1
+----------+
| 47255 | GROMMET, MASTER CYLINDER RESERVOIR
+----------+
2111 - W10# 47255-BZ110- 2
+----------+
| 47268A | NUT, BRAKE MASTER CYLINDER
+----------+
2111 - W10# 90041-79124- 2
+----------+
| 47299 | STRAINER, BRAKE MASTER CYLINDER RESERVOIR
+----------+
2111 - W10# 47299-BZ090- 1
149
FIG.47-03 BRAKE BOOSTER & VACUUM TUBE
(2111- )
47D133
REFER TO
FIG
(PNC 17111)
REFER TO
FIG
(PNC 47201)
REFER TO
FIG
(PNC 89421B)
REFER TO
FIG
(PNC 55106)
17-01
84-01
47-01
47-02
44610
44627C
44785
44750
44750A
44750A
44651B
44976
47264D
FIG.47-03 BRAKE BOOSTER & VACUUM TUBE
PROD_DATE MODELS
SPEC
CODE
DESCRIPTION
R
/
P
PART
NUMBER
O
Y
T
REV_REF
FR TO
+----------+
| 44610 | BOOSTER ASSY, BRAKE
+----------+
2111 - W10# 44610-BZ730- 1
+----------+
| 44627C | NUT, BOOSTER SLEEVE CYLINDER
+----------+
2111 - W10# 9004A-17229- 1
+----------+
| 44651B | NUT, BOOSTER
+----------+
2111 - W10# 90041-79300- 4
+----------+
| 44750 | HOSE ASSY, VACUUM
+----------+
2111 - W10# 44750-BZ450- 1
+----------+
| 44750A | CLIP(FOR VACUUM HOSE ASSY)
+----------+
2111 - W10# 90044-67161- 2
+----------+
| 44785 | GASKET, BRAKE BOOSTER
+----------+
2111 - W10#
#
47275-BZ010-
(47278-87703- )
1
1
+----------+
| 44976 | SEAL, BOOSTE
R
+----------+
2111 - W10# 44685-B2010- 1
+----------+
| 47264D | CLEVIS, BRAKE MASTER CYLINDER PUSH ROD
+----------+
2111 - W10# 47264-BZ110- 1
150
FIG.47-05 FRONT DISC BRAKE CALIPER & DUST COVER
(2111- )
47D101
REFER TO
FIG
(PNC 43211(RH))
(PNC 43212(LH))
31478B
47547B
47715A
47775
47769
47715B
47715D
47775
47731
47737
47741
47781
47782
47715B
47710A 48-02
04479
04945 04947
47730
47750
04465
151
FIG.47-05 FRONT DISC BRAKE CALIPER & DUST COVER
PROD_DATE MODELS
SPEC
CODE
DESCRIPTION
R
/
P
PART
NUMBER
O
Y
T
REV_REF
FR TO
+----------+
| 04465 | PAD KIT, DISC BRAKE, FRONT
+----------+
2111 - W10# 04465-BZ300- 1
+----------+
| 04479 | CYLINDER KIT, DISC BRAKE, FRONT
+----------+
2111 - W10# 04478-BZ160- 1
+----------+
| 04945 | SHIM KIT, ANTI SQUEAL, FRONT
+----------+
2111 - W10# 04945-BZ090- 1
+----------+
| 04947 | FITTING KIT, DISC BRAKE, FRONT
+----------+
2111 - W10# 04947-BZ090- 1
+----------+
| 31478B | CAP, BLEEDER PLUG(FOR FRONT DISC BRAKE)
+----------+
2111 - W10# 47548-BZ080- 2
+----------+
| 47547B | PLUG, BLEEDER(FOR FRONT DISC BRAKE)
+----------+
2111 - W10# 47547-BZ050- 2
+----------+
| 47710A | BOLT, HEXAGON(FOR FRONT DISC BRAKE CALIPE
R)
+----------+
2111 - W10# 90041-05431- 4
+----------+
| 47715A | PIN, FRONT DISC BRAKE CYLINDER SLIDE
+----------+
2111 - W10# 47715-BZ170- 2
+----------+
| 47715B | BOLT(FOR FRONT DISC BRAKE CYLINDER SLIDE)
+----------+
2111 - W10# 9004A-10110- 4
+----------+
| 47715D | PIN, FRONT DISC BRAKE CYLINDER SLIDE, NO.
2
+----------+
2111 - W10# 47715-BZ160- 2
+----------+
| 47730 | CYLINDER ASSY, FRONT DISC BRAKE, RH
+----------+
2111 - W10# 47730-BZ130- 1
FIG.47-05 FRONT DISC BRAKE CALIPER & DUST COVER
PROD_DATE MODELS
SPEC
CODE
DESCRIPTION
R
/
P
PART
NUMBER
O
Y
T
REV_REF
FR TO
+----------+
| 47731 | PISTON, FRONT DISC BRAKE
+----------+
2111 - W10# 47731-BZ100- 2
+----------+
| 47737 | SEAL, FRONT DISC BRAKE CYLINDER PISTON
+----------+
2111 - W10# 47737-BZ010- 2
+----------+
| 47741 | BOOT, FRONT DISC BRAKE CYLINDER
+----------+
2111 - W10# 47741-BZ030- 2
+----------+
| 47750 | CYLINDER ASSY, DISC BRAKE, LH
+----------+
2111 - W10# 47750-BZ130- 1
+----------+
| 47769 | BUSH, CYLINDER SLIDE, NO.1(FOR FRONT DISC BRAKE)
+----------+
2111 - W10# 47769-BZ030- 2
+----------+
| 47775 | BOOT, BUSH DUST(FOR FRONT DISC BRAKE)
+----------+
2111 - W10# 47775-BZ010- 4
+----------+
| 47781 | COVER, DISC BRAKE DUST, FRONT RH
+----------+
2111 - W10# 47781-BZ210- 1
+----------+
| 47782 | COVER, DISC BRAKE DUST, FRONT LH
+----------+
2111 - W10# 47782-BZ210- 1
152
FIG.47-06 REAR DRUM BRAKE WHEEL CYLINDER & BACKING PLATE
(2111- )
47D115-C
REFER TO
FIG
(PNC 42410(RH))
(PNC 42440(LH))
REFER TO
FIG
(PNC 48710J)
47550H
47491B
47447G
47043
47044
47559D
47559E
47643A
47644A
47611C
47612A
47635C
47548R
47547R
47550
47570
04495
47460
47470
47430C
47449B
47430C
47449B
47459R
47447G
47497
04906
47718-BZ030
41-02
48-04
47449B
47449B
47497
153
FIG.47-06 REAR DRUM BRAKE WHEEL CYLINDER & BACKING PLATE
PROD_DATE MODELS
SPEC
CODE
DESCRIPTION
R
/
P
PART
NUMBER
O
Y
T
REV_REF
FR TO
+----------+
| 04495 | SHOE KIT, REAR BRAKE
+----------+
2111 - W10# 04495-BZ180- 1
+----------+
| 04906 | CUP KIT, REAR WHEEL CYLINDER
+----------+
2111 - W10# 04906-BZ120- 1
+----------+
| 47043 | PLATE SUB-ASSY, BRAKE BACKING, REAR RH
+----------+
2111 - W10# 47043-BZ160- 1
+----------+
| 47044 | PLATE SUB-ASSY, BRAKE BACKING, REAR LH
+----------+
2111 - W10# 47044-BZ180- 1
+----------+
| 47430C | SPRING(FOR REAR BRAKE SHOE HOLD DOWN)
+----------+
2111 - W10# 47446-BZ100- 4
+----------+
| 47447G | PIN, SHOE HOLD DOWN SPRING(FOR REAR BRAKE
)
+----------+
2111 - 2211 W10# 47447-BZ080- 4
2211 - W10# 47447-BZ081- 4
+----------+
| 47449B | CUP, SHOE HOLD DOWN SPRING(FOR REAR BRAKE
)
+----------+
2111 - 2211 W10# 47449-BZ080- 8
2211 - W10# 47449-BZ080- 4
+----------+
| 47459R | SPRING, SHOE RETURN(FOR REAR BRAKE)
+----------+
2111 - W10# 47459-BZ010- 2
+----------+
| 47460 | ADJUSTER ASSY, SHOE, RH(FOR REAR BRAKE)
+----------+
2111 - W10# 47460-BZ090- 1
+----------+
| 47470 | ADJUSTER ASSY, SHOE, LH(FOR REAR BRAKE)
+----------+
2111 - W10# 47470-BZ090- 1
FIG.47-06 REAR DRUM BRAKE WHEEL CYLINDER & BACKING PLATE
PROD_DATE MODELS
SPEC
CODE
DESCRIPTION
R
/
P
PART
NUMBER
O
Y
T
REV_REF
FR TO
+----------+
| 47491B | PLUG, HOLE(FOR REAR BRAKE)
+----------+
2111 - W10# 47419-BZ010- 2
+----------+
| 47497 | PLUG, HOLE NO.2(FOR REAR BRAKE)
+----------+
2111 - W10# 47419-BZ020- 4
+----------+
| 47547R | PLUG, BLEEDER(FOR DRUM BRAKE, REAR)
+----------+
2111 - W10# 47547-BZ110- 2
+----------+
| 47548R | CAP, BLEEDER PLUG(FOR DRUM BRAKE, REAR)
+----------+
2111 - W10# 47548-BZ080- 2
+----------+
| 47550 | CYLINDER ASSY, REAR WHEEL BRAKE(FOR RH, FRONT OR UPPER)
+----------+
2111 - W10# 47550-BZ130- 1
+----------+
| 47550H | BOLT(FOR REAR WHEEL CYLINDER)
+----------+
2111 - W10# 9004A-10131- 4
+----------+
| 47559D | SPRING, REAR BRAKE AUTOMATIC ADJUST LEVER SUPPORT, RH
+----------+
2111 - W10# 47559-BZ030- 1
+----------+
| 47559E | SPRING, REAR BRAKE AUTOMATIC ADJUST LEVER SUPPORT, LH
+----------+
2111 - W10# 47559-BZ030- 1
+----------+
| 47570 | CYLINDER ASSY, REAR WHEEL BRAKE(FOR LH, FRONT OR UPPER)
+----------+
2111 - W10# 47550-BZ130- 1
+----------+
| 47611C | LEVER, PARKING BRAKE SHOE, RH
+----------+
2111 - W10# 47611-BZ090- 1
+----------+
| 47612A | LEVER, PARKING BRAKE SHOE, LH
+----------+
2111 - W10# 47612-BZ090- 1
154
FIG.47-06 REAR DRUM BRAKE WHEEL CYLINDER & BACKING PLATE
PROD_DATE MODELS
SPEC
CODE
DESCRIPTION
R
/
P
PART
NUMBER
O
Y
T
REV_REF
FR TO
+----------+
| 47635C | RETAINER, ADJUSTING BOLT SPRING
+----------+
2111 - W10# 47635-BZ030- 2
+----------+
| 47643A | LEVER, REAR BRAKE AUTOMATIC ADJUST, RH
+----------+
2111 - W10# 47643-BZ090- 1
+----------+
| 47644A | LEVER, REAR BRAKE AUTOMATIC ADJUST, LH
+----------+
2111 - W10# 47644-BZ080- 1
155
FIG.47-08 BRAKE TUBE & CLAMP
―
―
―
―
―
―
―
―
―
―
―
―
―
―
―
―
―
―
―
―
―
―
―
―
―
―
―
―
―
―
―
―
―
―
(2111- )W100..CVT ; (2111- )W101
ACTUATOR ILLUST NO. 2 OF 2
47D125
REFER TO
FIG
(PNC 82111)
REFER TO
FIG
(PNC 53702)
9004A-10217
9004A-10217
9004A-10217
82-02
44591
44579
44579
44579
44521A
44546A 44546A
44521A
44521A
44546A
44510
53-55
156
FIG.47-08 BRAKE TUBE & CLAMP
(2111- )
ILLUST NO. 1 OF 2
47D127
REFER TO
FIG
(PNC 77286F)
REFER TO
FIG
(PNC 77299A)
REFER TO
FIG
(PNC 77298A)
REFER TO
FIG
(PNC 47201)
77-51 77-51 77-51
47371A
47372 47373B 47374B
47313P
47313B
47324
47313A
47313B
47313J
47313P
9004A-10217
47371G
47371G
47322
47314
47313
47311
47312
47-02
9004A-10217
47313
47311
47312
47324
47322
47314
47371H
47371H
47325
47318F
47353E
47351B
47371H
47326
47371H
47319F
47353E
47352B
157
FIG.47-08 BRAKE TUBE & CLAMP
(2111- )W100..5F
ACTUATOR ILLUST NO. 2 OF 2
47D128
REFER TO
FIG
(PNC 82111)
REFER TO
FIG
(PNC 53702)
9004A-10217
9004A-10217
9004A-10217
82-02
44591
44579
44579
44579
44546A
44521A
44546A
44521A
44521A
44546A
44510
53-55
FIG.47-08 BRAKE TUBE & CLAMP
PROD_DATE MODELS
SPEC
CODE
DESCRIPTION
R
/
P
PART
NUMBER
O
Y
T
REV_REF
FR TO
+----------+
| 44510 | ACTUATOR ASSY, BRAKE
+----------+
2111 - W10#..CVT 44050-BZ440- 1
2111 - W101..5F 44050-BZ460- 1
2111 - W100..5F 44050-BZ470- 1
2111 - W101..CVT B2PH SMART ASSIST (OVERSE
AS)
44050-BZC10- 1
2210 - W101..CVT B2PJ H + SAB/CSA/BSM 44050-BZC10- 1
+----------+
| 44521A | COLLAR, BRAKE ACTUATOR CASE, NO.1
+----------+
2111 - W10# 44521-B1010- 3
+----------+
| 44546A | CUSHION, BRAKE ACTUATOR BOLT
+----------+
2111 - W10#
#
44546-BZ020-
(44546-12110- )
3
1
+----------+
| 44579 | BOLT, BRAKE ACTUATOR BRACKET
+----------+
2111 - W10# 90119-06834- 3
+----------+
| 44591 | BRACKET, BRAKE ACTUATOR, NO.1
+----------+
2111 - W101..CVT B2PH SMART ASSIST (OVERSE
AS)
44591-BZ290- 1
2111 - W100..5F 44591-BZ300- 1
2111 - W101 44591-BZ400- 1
2111 - W100..CVT 44591-BZ400- 1
2210 - W101..CVT B2PJ H + SAB/CSA/BSM 44591-BZ290- 1
+----------+
| 47311 | TUBE, FRONT BRAKE, NO.1
+----------+
2111 - W101..CVT B2PH SMART ASSIST (OVERSE
AS)
47311-BZ700- 1
2111 - W100..5F 47311-BZ710- 1
2111 - W101 47311-BZ790- 1
158
FIG.47-08 BRAKE TUBE & CLAMP
PROD_DATE MODELS
SPEC
CODE
DESCRIPTION
R
/
P
PART
NUMBER
O
Y
T
REV_REF
FR TO
+----------+
| 47311 | TUBE, FRONT BRAKE, NO.1
CONTINUED--+
2111 - W100..CVT 47311-BZ790- 1
2210 - W101..CVT B2PJ H + SAB/CSA/BSM 47311-BZ700- 1
+----------+
| 47312 | TUBE, FRONT BRAKE, NO.2
+----------+
2111 - W10# 47312-BZ710- 1
+----------+
| 47313 | TUBE, FRONT BRAKE, NO.3
+----------+
2111 - W101..CVT B2PH SMART ASSIST (OVERSE
AS)
47313-BZ660- 1
2111 - W100..5F 47313-BZ670- 1
2111 - W101 47313-BZ770- 1
2111 - W100..CVT 47313-BZ770- 1
2210 - W101..CVT B2PJ H + SAB/CSA/BSM 47313-BZ660- 1
+----------+
| 47313A | HOSE, FLEXIBLE, NO.1(FOR FRONT)
+----------+
2111 - W10# 9004A-94114- 1
+----------+
| 47313B | BOLT, UNION(FOR FRONT FLEXIBLE HOSE)
+----------+
2111 - W10# 90401-10058- 2
+----------+
| 47313J | HOSE, FLEXIBLE, NO.2(FOR FRONT)
+----------+
2111 - W10# 9004A-94114- 1
+----------+
| 47313P | GASKET(FOR FRONT FLEXIBLE HOSE)
+----------+
2111 - W10# 47389-50020- 2
+----------+
| 47314 | TUBE, FRONT BRAKE, NO.4
+----------+
2111 - W10# 47314-BZ680- 1
FIG.47-08 BRAKE TUBE & CLAMP
PROD_DATE MODELS
SPEC
CODE
DESCRIPTION
R
/
P
PART
NUMBER
O
Y
T
REV_REF
FR TO
+----------+
| 47318F | HOSE, FLEXIBLE(FOR REAR RH)
+----------+
2111 - W10# 9004A-94131- 1
+----------+
| 47319F | HOSE, FLEXIBLE(FOR REAR LH)
+----------+
2111 - W10# 9004A-94131- 1
+----------+
| 47322 | TUBE, REAR BRAKE, NO.2
+----------+
2111 - W10# 47322-BZ450- 1
+----------+
| 47324 | TUBE, REAR BRAKE, NO.4
+----------+
2111 - W10# 47324-BZ510- 1
+----------+
| 47325 | TUBE, REAR BRAKE, NO.5
+----------+
2111 - W10# 47325-BZ280- 1
+----------+
| 47326 | TUBE, REAR BRAKE, NO.6
+----------+
2111 - W10# 47326-BZ300- 1
+----------+
| 47351B | BRACKET, FLEXIBLE HOSE, NO.1
+----------+
2111 - W10# 47351-BZ280- 1
+----------+
| 47352B | BRACKET, FLEXIBLE HOSE, NO.2
+----------+
2111 - W10# 47352-BZ100- 1
+----------+
| 47353E | BOLT(FOR FLEXIBLE HOSE BRACKET)
+----------+
2111 - W10#
#
9004A-10222-
(91551-80612- )
2
1
+----------+
| 47371A | CLAMP, BRAKE TUBE, NO.1
+----------+
2111 - W10# 47371-B2080- 2
159
FIG.47-08 BRAKE TUBE & CLAMP
PROD_DATE MODELS
SPEC
CODE
DESCRIPTION
R
/
P
PART
NUMBER
O
Y
T
REV_REF
FR TO
+----------+
| 47371G | CLAMP, BRAKE TUBE, NO.11
+----------+
2111 - W10# 90044-65441- 2
+----------+
| 47371H | CLAMP, BRAKE TUBE, NO.12
+----------+
2111 - W10# 90044-65441- 4
+----------+
| 47372 | CLAMP, BRAKE TUBE, NO.2
+----------+
2111 - W10# 47372-B2040- 1
+----------+
| 47373B | CLAMP, BRAKE TUBE, NO.3
+----------+
2111 - W10# 90044-64918- 4
+----------+
| 47374B | CLAMP, BRAKE TUBE, NO.4
+----------+
2111 - W10# 90044-64891- 1
160
FIG.48-02 FRONT AXLE ARM & STEERING KNUCKLE
(2111- )
485455
REFER TO
FIG
REFER TO
FIG
REFER TO
FIG
(PNC 51201)
REFER TO
FIG
(PNC 48510(RH))
(PNC 48520(LH))
48068M
48069H
43211
43212
48068
48069
48068H
48069D
47-05
90044-67547
90041-78084
45-05
43211L
43212E
43211K
43212D
51-52
48-03
161
FIG.48-02 FRONT AXLE ARM & STEERING KNUCKLE
PROD_DATE MODELS
SPEC
CODE
DESCRIPTION
R
/
P
PART
NUMBER
O
Y
T
REV_REF
FR TO
+----------+
| 43211 | KNUCKLE, STEERING, RH
+----------+
2111 - W10# 43211-BZ440- 1
+----------+
| 43211K | BOLT (FOR STEERING KNUCKLE RH)
+----------+
2111 - W10# 90041-01720- 2
+----------+
| 43211L | NUT (FOR STEERING KNUCKLE RH)
+----------+
2111 - W10# 90041-70393- 2
+----------+
| 43212 | KNUCKLE, STEERING, LH
+----------+
2111 - W10# 43212-BZ440- 1
+----------+
| 43212D | BOLT (FOR STEERING KNUCKLE LH)
+----------+
2111 - W10# 90041-01720- 2
+----------+
| 43212E | NUT (FOR STEERING KNUCKLE LH)
+----------+
2111 - W10# 90041-70393- 2
+----------+
| 48068 | ARM SUB-ASSY, FRONT SUSPENSION, LOWER NO.1 RH
+----------+
2111 - W10# 48068-BZ430- 1
+----------+
| 48068H | BOLT(FOR FRONT SUSPENSION LOWER ARM NO.1 RH)
+----------+
2111 - W10# 90041-05554- 1
+----------+
| 48068M | BOLT(FOR FRONT SUSPENSION LOWER ARM NO.2 RH)
+----------+
2111 - W10# 90041-05475- 1
+----------+
| 48069 | ARM SUB-ASSY, FRONT SUSPENSION, LOWER NO.1 LH
+----------+
2111 - W10# 48069-BZ430- 1
+----------+
| 48069D | BOLT(FOR FRONT SUSPENSION LOWER ARM NO.1 LH)
+----------+
2111 - W10# 90041-05554- 1
FIG.48-02 FRONT AXLE ARM & STEERING KNUCKLE
PROD_DATE MODELS
SPEC
CODE
DESCRIPTION
R
/
P
PART
NUMBER
O
Y
T
REV_REF
FR TO
+----------+
| 48069H | BOLT(FOR FRONT SUSPENSION LOWER ARM NO.2 LH)
+----------+
2111 - W10# 90041-05475- 1
162
FIG.48-03 FRONT SPRING & SHOCK ABSORBER
(2111- )
STABILIZER ILLUST NO. 2 OF 2
485465
48820B
48810
48811
48820A 48820A
48824A
48829A
48815D
48815E
48817D
163
FIG.48-03 FRONT SPRING & SHOCK ABSORBER
(2111- )
SHOCK ABSORBER ILLUST NO. 1 OF 2
485466
REFER TO
FIG
(PNC 57105A(RH))
(PNC 57106A(LH))
REFER TO
FIG
(PNC 43211L(RH))
(PNC 43212E(LH))
REFER TO
FIG
(PNC 43211K(RH))
(PNC 43212D(LH))
REFER TO
FIG
(PNC 43211(RH))
(PNC 43212(LH))
58-51
48-02
48-02
48510
48520
48157B
48157C
48331B
48331C
48510N
48520C
48603D
48609E
48684A
48684B
48682A
48682B
48131
48132
48603
48609
48044
48054
90041-78085
48-02
164
FIG.48-03 FRONT SPRING & SHOCK ABSORBER
PROD_DATE MODELS
SPEC
CODE
DESCRIPTION
R
/
P
PART
NUMBER
O
Y
T
REV_REF
FR TO
+----------+
| 48044 | SEAT SUB-ASSY, FRONT SPRING, NO.1
+----------+
2111 - W10# 48044-BZ130- 1
+----------+
| 48054 | SEAT SUB-ASSY, FRONT SPRING, NO.2
+----------+
2111 - W10# 48044-BZ130- 1
+----------+
| 48131 | SPRING, FRONT COIL, RH
+----------+
2111 - W10#..5F 48131-BZB80- 1
2111 - W10#..CVT 48131-BZB90- 1
+----------+
| 48132 | SPRING, FRONT COIL, LH
+----------+
2111 - W10#..5F 48131-BZB80- 1
2111 - W10#..CVT 48131-BZB90- 1
+----------+
| 48157B | INSULATOR, FRONT COIL SPRING, UPPER RH
+----------+
2111 - W10# 48157-BZ080- 1
+----------+
| 48157C | INSULATOR, FRONT COIL SPRING, UPPER LH
+----------+
2111 - W10# 48157-BZ080- 1
+----------+
| 48331B | BUMPER, FRONT SPRING, RH
+----------+
2111 - W10# 48331-BZ220- 1
+----------+
| 48331C | BUMPER, FRONT SPRING, LH
+----------+
2111 - W10# 48331-BZ220- 1
+----------+
| 48510 | ABSORBER ASSY, SHOCK, FRONT RH
+----------+
2111 - W10# MARK 48510-BZE50 48510-BZE50- 1
+----------+
| 48510N | BUSH(FOR FRONT SHOCK ABSORBER RH)
+----------+
2111 - W10# 90043-89155- 1
FIG.48-03 FRONT SPRING & SHOCK ABSORBER
PROD_DATE MODELS
SPEC
CODE
DESCRIPTION
R
/
P
PART
NUMBER
O
Y
T
REV_REF
FR TO
+----------+
| 48520 | ABSORBER ASSY, SHOCK, FRONT LH
+----------+
2111 - W10# MARK 48520-BZA80 48520-BZA80- 1
+----------+
| 48520C | BUSH(FOR FRONT SHOCK ABSORBER LH)
+----------+
2111 - W10# 90043-89155- 1
+----------+
| 48603 | SUPPORT SUB-ASSY, FRONT SUSPENSION, RH
+----------+
2111 - W10# 48609-BZ170- 1
+----------+
| 48603D | NUT(FOR FRONT SUPPORT TO FRONT SHOCK ABSORBER RH)
+----------+
2111 - W10# 90041-78085- 1
+----------+
| 48609 | SUPPORT SUB-ASSY, FRONT SUSPENSION, LH
+----------+
2111 - W10# 48609-BZ170- 1
+----------+
| 48609E | NUT(FOR FRONT SUPPORT TO FRONT SHOCK ABSORBER LH)
+----------+
2111 - W10# 90041-78085- 1
+----------+
| 48682A | SUPPORT, FRONT SUSPENSION, NO.2 RH
+----------+
2111 - W10# 48682-BZ010- 1
+----------+
| 48682B | SUPPORT, FRONT SUSPENSION, NO.2 LH
+----------+
2111 - W10# 48682-BZ010- 1
+----------+
| 48684A | COVER, FRONT SUSPENSION SUPPORT DUST, RH
+----------+
2111 - W10# 48684-BZ090- 1
+----------+
| 48684B | COVER, FRONT SUSPENSION SUPPORT DUST, LH
+----------+
2111 - W10# 48684-BZ090- 1
+----------+
| 48810 | LINK ASSY, FRONT STABILIZER, LH
+----------+
2111 - W10# 48820-BZ130- 1
165
FIG.48-03 FRONT SPRING & SHOCK ABSORBER
PROD_DATE MODELS
SPEC
CODE
DESCRIPTION
R
/
P
PART
NUMBER
O
Y
T
REV_REF
FR TO
+----------+
| 48811 | BAR, STABILIZER, FRONT
+----------+
2111 - W10# 48811-BZ290- 1
+----------+
| 48815D | BUSH, FRONT STABILIZER BAR, RH
+----------+
2111 - W10# 48815-BZ350- 1
+----------+
| 48815E | BUSH, FRONT STABILIZER BAR, LH
+----------+
2111 - W10# 48815-BZ350- 1
+----------+
| 48817D | BOLT(FOR FRONT STABILIZER)
+----------+
2111 - W10# 91551-00820- 4
+----------+
| 48820A | NUT(FOR FRONT STABILIZER LINK)
+----------+
2111 - W10#
#
9004A-17255-
(90041-70367- )
4
1
+----------+
| 48820B | LINK ASSY, FRONT STABILIZER, RH
+----------+
2111 - W10# 48820-BZ130- 1
+----------+
| 48824A | BRACKET, FRONT STABILIZER, NO.1 RH
+----------+
2111 - W10# 48824-BZ210- 1
+----------+
| 48829A | BRACKET, FRONT STABILIZER, NO.1 LH
+----------+
2111 - W10# 48824-BZ210- 1
166
FIG.48-04 REAR SPRING & SHOCK ABSORBER
(2111- )
485461-A
REFER TO
FIG
(PNC 61607H(RH))
(PNC 61608H(LH))
48341A
48341B
48231A
48231B
48481B
48482
48482A
48472
48710J
48725A
48750H
48760B
48531J
48541J
48750J
48760C
48755
48531A
48541A
9004A-17255
61-51
48530
48540
167
FIG.48-04 REAR SPRING & SHOCK ABSORBER
PROD_DATE MODELS
SPEC
CODE
DESCRIPTION
R
/
P
PART
NUMBER
O
Y
T
REV_REF
FR TO
+----------+
| 48231A | SPRING, COIL, REAR RH
+----------+
2111 - W10# 48231-BZ880- 1
+----------+
| 48231B | SPRING, COIL, REAR LH
+----------+
2111 - W10# 48231-BZ880- 1
+----------+
| 48341A | BUMPER, REAR SPRING, NO.1 RH
+----------+
2111 - W10# 48341-BZ200- 1
+----------+
| 48341B | BUMPER, REAR SPRING, NO.1 LH
+----------+
2111 - W10# 48341-BZ200- 1
+----------+
| 48472 | SEAT, REAR SPRING, LOWER
+----------+
2111 - W10# RH 48482-BZ190- 1
+----------+
| 48481B | SEAT, REAR SPRING, UPPER RH
+----------+
2111 - W10# 48481-BZ120- 1
+----------+
| 48482 | SEAT, REAR SPRING, UPPER LH
+----------+
2111 - W10# 48481-BZ120- 1
+----------+
| 48482A | SEAT, REAR SPRING, LOWER
+----------+
2111 - W10# LH 48482-BZ190- 1
+----------+
| 48530 | ABSORBER ASSY, SHOCK, REAR RH
+----------+
2111 - W10# MARK 48531-BZB10 48531-BZB10- 1
+----------+
| 48531A | BOLT, UNION(FOR REAR SHOCK ABSORBER RH)
+----------+
2111 - W10# 9004A-10201- 1
+----------+
| 48531J | WASHER, REAR SHOCK ABSORBER CUSHION, NO.1 RH
+----------+
2111 - W10# 90042-01758- 1
FIG.48-04 REAR SPRING & SHOCK ABSORBER
PROD_DATE MODELS
SPEC
CODE
DESCRIPTION
R
/
P
PART
NUMBER
O
Y
T
REV_REF
FR TO
+----------+
| 48540 | ABSORBER ASSY, SHOCK, REAR LH
+----------+
2111 - W10# MARK 48531-BZB10 48531-BZB10- 1
+----------+
| 48541A | BOLT, UNION(FOR REAR SHOCK ABSORBER LH)
+----------+
2111 - W10# 9004A-10201- 1
+----------+
| 48541J | WASHER, REAR SHOCK ABSORBER CUSHION, NO.1 LH
+----------+
2111 - W10# 90042-01758- 1
+----------+
| 48710J | ARM ASSY, REAR SUSPENSION, NO.1
+----------+
2111 - W10# 48710-BZ460- 1
+----------+
| 48725A | BOLT(FOR LOWER CONTROL ARM)
+----------+
2111 - W10# 9004A-11379- 2
+----------+
| 48750H | SUPPORT ASSY, REAR SUSPENSION, RH
+----------+
2111 - W10# 48750-BZ050- 1
+----------+
| 48750J | NUT(FOR REAR SUPPORT TO REAR SHOCK ABSORBER RH)
+----------+
2111 - W10# 94188-01001- 1
+----------+
| 48755 | SUPPORT, REAR SUSPENSION
+----------+
2111 - W10# 48755-BZ050- 2
+----------+
| 48760B | SUPPORT ASSY REAR SUSPENSION, LH
+----------+
2111 - W10# 48750-BZ050- 1
+----------+
| 48760C | NUT(FOR REAR SUPPORT TO REAR SHOCK ABSORBER LH)
+----------+
2111 - W10# 94188-01001- 1
168
FIG.51-52 SUSPENSION CROSSMEMBER & UNDER COVER
(2111- )
514031-B
REFER TO
FIG
(PNC 48068M)
REFER TO
FIG
(PNC 48069H)
48-02
48-02
51201
51448A
51449A
51467
51467
51467B
51467B
51296C
51296C
51296
51296
90041-05546
9004A-10248
90041-05546
9004A-10248
90041-05546
9004A-10248
169
FIG.51-52 SUSPENSION CROSSMEMBER & UNDER COVER
PROD_DATE MODELS
SPEC
CODE
DESCRIPTION
R
/
P
PART
NUMBER
O
Y
T
REV_REF
FR TO
+----------+
| 51201 | CROSSMEMBER SUB-ASSY, FRONT SUSPENSION
+----------+
2111 - 2203 W10# 51201-BZ160- 1
2204 - W10# 51201-BZ161- 1
+----------+
| 51296 | BOLT, FRONT SUSPENSION MEMBER MOUNTING
+----------+
2111 - W10# M10,L=31 91673-A1025- 2
+----------+
| 51296C | BOLT, FRONT SUSPENSION MEMBER MOUNTING
+----------+
2111 - W10# M12,L=91 90041-05594- 2
+----------+
| 51448A | COVER, ENGINE SIDE UNDER, RH
+----------+
2111 - W10# 51441-BZ340- 1
+----------+
| 51449A | COVER, ENGINE SIDE UNDER, LH
+----------+
2111 - W10# 51442-BZ150- 1
+----------+
| 51467 | RETAINER, ENGINE UNDER COVER
+----------+
2111 - W10# 9004A-46323- 2
+----------+
| 51467B | RETAINER, ENGINE UNDER COVER
+----------+
2111 - W10# 9004A-46323- 2
170
FIG.51-53 SPARE WHEEL CARRIER
(2111- )
514020
51900
51919B
51938
51938F
FIG.51-53 SPARE WHEEL CARRIER
PROD_DATE MODELS
SPEC
CODE
DESCRIPTION
R
/
P
PART
NUMBER
O
Y
T
REV_REF
FR TO
+----------+
| 51900 | CARRIER ASSY, SPARE WHEEL
+----------+
2111 - W101 51900-BZ120- 1
2111 - W100 51900-BZ160- 1
+----------+
| 51919B | SPACER, SPARE WHEEL CARRIER
+----------+
2111 - W10# 51919-BZ030- 1
+----------+
| 51938 | LOCK, SPARE WHEEL CARRIER
+----------+
2111 - W10# 51938-BZ120- 1
+----------+
| 51938F | BOLT(FOR SPARE WHEEL CARRIER LOCK)
+----------+
2111 - W10# M12,L=276 9004A-11373- 1
171
FIG.52-52 FRONT BUMPER & BUMPER STAY
(2111- )
525205
REFER TO
FIG
(PNC 81220)
REFER TO
FIG
(PNC 81210A)
REFER TO
FIG
(PNC 53111)
REFER TO
FIG
(PNC 51960)
9004A-11240
81-02
81-02
53-51
09-01
52115A
52116A
52117
52117
52118
52118
52119A
52139B
52521A
52521A
52712
52713A
53121E
90041-05546
9004A-11240(2)
9004A-16084(2)
9004A-16084(2)
172
FIG.52-52 FRONT BUMPER & BUMPER STAY
PROD_DATE MODELS
SPEC
CODE
DESCRIPTION
R
/
P
PART
NUMBER
O
Y
T
REV_REF
FR TO
+----------+
| 52115A | SUPPORT, FRONT BUMPER SIDE, RH
+----------+
2111 - W10# 52115-BZ240- 1
+----------+
| 52116A | SUPPORT, FRONT BUMPER SIDE, LH
+----------+
2111 - W10# 52116-BZ240- 1
+----------+
| 52117 | MOULDING, BUMPER SIDE, RH
+----------+
2111 - W10#..HI,MID 52712-BZ680- 1
2111 - W100..LO 52712-BZ690- 1
+----------+
| 52118 | MOULDING, BUMPER SIDE, LH
+----------+
2111 - W10#..HI,MID 52713-BZ670- 1
2111 - W100..LO 52713-BZ680- 1
+----------+
| 52119A | COVER, FRONT BUMPER
+----------+
2111 - W10# PAINT REQ. 52119-BZS40- 1
+----------+
| 52139B | BRACE, FRONT BUMPER, CENTER
+----------+
2111 - W10# 52139-BZ060- 1
+----------+
| 52521A | CLIP(FOR FRONT BUMPER RETAINER)
+----------+
2111 - W10#
#
9004A-46380-
(90044-67555- )
2
1
+----------+
| 52712 | MOULDING, FRONT BUMPER SIDE, RH
+----------+
2111 - W10# 52712-BZ590- 1
+----------+
| 52713A | MOULDING, FRONT BUMPER SIDE, LH
+----------+
2111 - W10# 52713-BZ570- 1
+----------+
| 53121E | CLIP(FOR FRONT BUMPER), NO.1
+----------+
2111 - W10# 9004A-46323- 4
173
FIG.52-53 REAR BUMPER & BUMPER STAY
(2111- )
525206
REFER TO
FIG
(PNC 89341A)
REFER TO
FIG
(PNC 89341A)
REFER TO
FIG
(PNC 81920)
REFER TO
FIG
(PNC 81910)
37348-BZ010
37348-BZ010
37348-BZ010
37348-BZ010
52156A
52563A
52562
52562
89C48B
89C48B
52152C
52163A
52152C
65487-BZ010
65487-BZ010
84-17
84-17
52472
52159
90041-05546
9004A-16084 81-15
81-15
52561
52562B
52155A
52471
65487-BZ010
65487-BZ010
174
FIG.52-53 REAR BUMPER & BUMPER STAY
PROD_DATE MODELS
SPEC
CODE
DESCRIPTION
R
/
P
PART
NUMBER
O
Y
T
REV_REF
FR TO
+----------+
| 52152C | CLIP, REAR BUMPER SIDE
+----------+
2111 - W10# 90044-68381- 2
+----------+
| 52155A | SUPPORT, REAR BUMPER SIDE, RH
+----------+
2111 - W10# 52155-BZ230- 1
+----------+
| 52156A | SUPPORT, REAR BUMPER SIDE, LH
+----------+
2111 - W10# 52156-BZ250- 1
+----------+
| 52159 | COVER, REAR BUMPER
+----------+
2111 - W10# PAINT REQ. 52159-BZF60- 1
2111 - W100..LO..5F B2BB PAINT REQ.,D-LOWEST 52159-BZM40- 1
+----------+
| 52163A | PLATE, REAR BUMPER, RH
+----------+
2111 - W10# 52163-BZ010- 1
+----------+
| 52471 | RETAINER, REAR BUMPER GUARD, RH
+----------+
2111 - W10# 52471-BZ010- 1
+----------+
| 52472 | RETAINER, REAR BUMPER GUARD, LH
+----------+
2111 - W10# 52472-BZ010- 1
+----------+
| 52561 | RETAINER, REAR BUMPER, UPPER CENTER
+----------+
2111 - W10# 52561-B2010- 3
+----------+
| 52562 | RETAINER, REAR BUMPER, UPPER SIDE
+----------+
2111 - W10#
#
9004A-46380-
(90044-67555- )
2
1
+----------+
| 52562B | RETAINER, REAR BUMPER, UPPER RH
+----------+
2111 - W10# 52562-BZ050- 1
FIG.52-53 REAR BUMPER & BUMPER STAY
PROD_DATE MODELS
SPEC
CODE
DESCRIPTION
R
/
P
PART
NUMBER
O
Y
T
REV_REF
FR TO
+----------+
| 52563A | RETAINER, REAR BUMPER, UPPER LH
+----------+
2111 - W10# 52563-BZ040- 1
+----------+
| 89C48B | RETAINER, ULTRASONIC SENSOR, REAR CENTER
+----------+
2111 - W10# WHITE(W09) 89348-BZ110-A0 2
2111 - W10# SILVER ME.(S28) 89348-BZ110-B0 2
2111 - W10# GRAY ME.(1G3) 89348-BZ110-B1 2
2111 - W10# BLACK ME.(X12) 89348-BZ110-C1 2
2111 - W10# RED SE(R75) 89348-BZ110-D1 2
2111 - W10# GREENISH GUN METAL M
(G64)
89348-BZ110-G0 2
2111 - W10# PURPLISH SILVER M.M(
P20)
89348-BZ110-K0 2
175
FIG.53-51 RADIATOR GRILLE
(2111- )
537807-A
REFER TO
FIG
(PNC 75311)
REFER TO
FIG
(PNC 86790B)
53111
53121A
75-51
86-06
53117C
53117C
53117C
90041-79134(2)
FIG.53-51 RADIATOR GRILLE
PROD_DATE MODELS
SPEC
CODE
DESCRIPTION
R
/
P
PART
NUMBER
O
Y
T
REV_REF
FR TO
+----------+
| 53111 | GRILLE, RADIATOR
+----------+
2111 - W10# NO PAINT REQ. 53111-BZ580- 1
+----------+
| 53117C | RETAINER, RADIATOR GRILLE, NO.1
+----------+
2111 - W10#
#
76854-BZ010-
(76854-87401- )
5
1
+----------+
| 53121A | MOULDING, RADIATOR GRILLE
+----------+
2111 - W100 53121-BZ650- 1
2111 - W101 53121-BZ660- 1
176
FIG.53-53 HOOD & FRONT FENDER
―
―
―
―
―
―
―
―
―
―
―
―
―
―
―
―
―
―
―
―
―
―
―
―
―
―
―
―
―
―
―
―
―
―
(2111- )
HOOD ILLUST NO. 1 OF 3
537824-C
53384A
53881
53341B
53301
53341C
53393B
53393B
177
FIG.53-53 HOOD & FRONT FENDER
(2111- )
FENDER LINER ILLUST NO. 2 OF 3
537825-A
53875C
53875J
53879A
53879C
53875A
53876A
90041-89079
178
FIG.53-53 HOOD & FRONT FENDER
(2111- )
FENDER ILLUST NO. 3 OF 3
537826
53801
53802
53865C
53866G
90044-67637(2)
9004A-11217
9004A-11217
9004A-11217
9004A-11217(2)
9004A-11217
179
FIG.53-53 HOOD & FRONT FENDER
PROD_DATE MODELS
SPEC
CODE
DESCRIPTION
R
/
P
PART
NUMBER
O
Y
T
REV_REF
FR TO
+----------+
| 53301 | HOOD SUB-ASS
Y
+----------+
2111 - W10# 53301-BZ410- 1
+----------+
| 53341B | INSULATOR, HOOD
+----------+
2111 - W101 53341-BZ160- 1
+----------+
| 53341C | CLIP(FOR HOOD INSULATOR)
+----------+
2111 - W101 9004A-46258- 6
+----------+
| 53384A | BUMPER, FENDER TO HOOD
+----------+
2111 - W10# 90541-09125- 1
+----------+
| 53393B | PROTECTOR, HOOD, FRONT
+----------+
2111 - W10# 53393-B1020- 2
+----------+
| 53801 | FENDER SUB-ASSY, FRONT RH
+----------+
2111 - W10# 53811-BZ570- 1
+----------+
| 53802 | FENDER SUB-ASSY, FRONT LH
+----------+
2111 - W10# 53812-BZ570- 1
+----------+
| 53865C | PLATE, FRONT FENDER EXTENSION, RH
+----------+
2111 - W10# 53865-BZ130- 1
+----------+
| 53866G | PLATE, FRONT FENDER EXTENSION, LH
+----------+
2111 - W10# 53866-BZ120- 1
+----------+
| 53875A | LINER, FRONT FENDER, RH
+----------+
2111 - W10# 53875-BZ350- 1
+----------+
| 53875C | CLIP, FRONT FENDER LINER
+----------+
2111 - W10# 9004A-46323- 10
FIG.53-53 HOOD & FRONT FENDER
PROD_DATE MODELS
SPEC
CODE
DESCRIPTION
R
/
P
PART
NUMBER
O
Y
T
REV_REF
FR TO
+----------+
| 53875J | CLIP, FRONT FENDER LINER
+----------+
2111 - W10# 9004A-46323- 10
+----------+
| 53876A | LINER, FRONT FENDER, LH
+----------+
2111 - W10# 53876-BZ330- 1
+----------+
| 53879A | RETAINER, FRONT FENDER LINER
+----------+
2111 - W10#
#
9004A-46380-
(90044-67555- )
1
1
+----------+
| 53879C | RETAINER, FRONT FENDER LINER
+----------+
2111 - W10#
#
9004A-46380-
(90044-67555- )
1
1
+----------+
| 53881 | BUMPER, FENDER TO HOOD
+----------+
2111 - W10# 90541-09125- 1
180
FIG.53-54 HOOD LOCK & HINGE
(2111- )
537792-A
REFER TO
FIG
(PNC 82111)
REFER TO
FIG
(PNC 53205)
REFER TO
FIG
(PNC 53804B)
REFER TO
FIG
(PNC 53803B)
REFER TO
FIG
(PNC 55781E)
53420
53451A
53445
53446
53440D
53455
53510
53577
53601
53630
67771-BZ140
67771-BZ140
9004A-11217(2)
90467-05172(2)
90467-05172(2)
90467-09043
82-02
53510
53-55
61-51
61-51
55-53
9004A-11217(2)
9004A-11217(2)
9004A-11217(2)
53410
181
FIG.53-54 HOOD LOCK & HINGE
PROD_DATE MODELS
SPEC
CODE
DESCRIPTION
R
/
P
PART
NUMBER
O
Y
T
REV_REF
FR TO
+----------+
| 53410 | HINGE ASSY, HOOD, RH
+----------+
2111 - W10# 53401-BZ090- 1
+----------+
| 53420 | HINGE ASSY, HOOD, LH
+----------+
2111 - W10# 53402-BZ090- 1
+----------+
| 53440D | SUPPORT ASSY, HOOD
+----------+
2111 - W10# 53440-BZ130- 1
+----------+
| 53445 | COVER, HOOD HINGE, RH
+----------+
2111 - W10# 53445-BZ100- 1
+----------+
| 53446 | COVER, HOOD HINGE, LH
+----------+
2111 - W10# 53446-BZ100- 1
+----------+
| 53451A | GROMMET(FOR HOOD SUPPORT ROD)
+----------+
2111 - W10# 90044-80679- 1
+----------+
| 53455 | CLAMP, HOOD SUPPORT ROD
+----------+
2111 - W10# 53455-BZ140- 1
+----------+
| 53510 | LOCK ASSY, HOOD
+----------+
2111 - W10#..HI,MID 53510-BZ370- 1
2111 - W100..LO 53510-BZ380- 1
+----------+
| 53577 | BOLT, HOOD LOCK
+----------+
2111 - W10# M6,L=12 90041-05589- 3
+----------+
| 53601 | LEVER SUB-ASSY, HOOD LOCK CONTROL
+----------+
2111 - W10# BLACK(TRIM2#) 53601-BZ030-C0 1
FIG.53-54 HOOD LOCK & HINGE
PROD_DATE MODELS
SPEC
CODE
DESCRIPTION
R
/
P
PART
NUMBER
O
Y
T
REV_REF
FR TO
+----------+
| 53630 | CABLE ASSY, HOOD LOCK CONTROL
+----------+
2111 - W10# 53630-BZ320- 1
182
FIG.53-55 FRONT FENDER APRON & DASH PANEL
(2111- )
537844-F
REFER TO
FIG
(PNC 88561J)
REFER TO
FIG
(PNC 57118B)
REFER TO
FIG
(PNC 57102)
REFER TO
FIG
(PNC 57106A)
REFER TO
FIG
(PNC 57026B)
REFER TO
FIG
(PNC 57409)
REFER TO
FIG
(PNC 88561K)
REFER TO
FIG
(PNC 57117F)
REFER TO
FIG
(PNC 57101)
REFER TO
FIG
(PNC 57025C)
REFER TO
FIG
(PNC 57105A)
REFER TO
FIG
(PNC 57406)
55101
55210
55210A
55210C
55210C
9004A-10140
9004A-10140
9004A-10140
9004A-10140
55223A
87-18
53205
53213A
53381D
53381D
53701
53702
55168A
55214A
55215B
55216A
9004A-10140
58-51
58-51
58-51
58-51
58-51
55169B
53203
53214A
90105-06102
9004A-10246 9004A-10168
53208A
53217A
53028
87-18
53209B
58-51
53202
58-51
58-51 58-51
58-51
9004A-46131-C1
57-52
9004A-46131-C1
9004A-46131-C1(2)
90041-05585(2)
90041-05585(2)
183
FIG.53-55 FRONT FENDER APRON & DASH PANEL
PROD_DATE MODELS
SPEC
CODE
DESCRIPTION
R
/
P
PART
NUMBER
O
Y
T
REV_REF
FR TO
+----------+
| 53028 | SUPPORT SUB-ASSY, RADIATOR, LOWER
+----------+
2111 - W10# 53028-BZ240- 1
+----------+
| 53202 | SUPPORT SUB-ASSY, RADIATOR, RH
+----------+
2111 - W10# 53202-BZ140- 1
+----------+
| 53203 | SUPPORT SUB-ASSY, RADIATOR, LH
+----------+
2111 - W10# 53203-BZ240- 1
+----------+
| 53205 | SUPPORT SUB-ASSY, RADIATOR, UPPER
+----------+
2111 - 2208 W10# 53205-BZ210- 1
2209 - W10# 53205-BZ290- 1
+----------+
| 53208A | SUPPORT SUB-ASSY, HOOD LOCK
+----------+
2111 - W10# 53215-BZ260- 1
+----------+
| 53209B | BRACE SUB-ASSY, HOOD LOCK SUPPORT
+----------+
2111 - 2112 W10# 53209-BZ060- 1
2201 - W10# 53209-BZ160- 1
+----------+
| 53213A | SUPPORT, RADIATOR, UPPER RH
+----------+
2111 - W10# 53213-BZ130- 1
+----------+
| 53214A | SUPPORT, RADIATOR, UPPER LH
+----------+
2111 - W10# 53214-BZ110- 1
+----------+
| 53217A | BRACE, HOOD LOCK SUPPORT
+----------+
2111 - W10# 53217-BZ030- 1
+----------+
| 53381D | BUMPER, HOOD TO FRONT SHROUD
+----------+
2111 - W10# 53381-BZ050- 2
FIG.53-55 FRONT FENDER APRON & DASH PANEL
PROD_DATE MODELS
SPEC
CODE
DESCRIPTION
R
/
P
PART
NUMBER
O
Y
T
REV_REF
FR TO
+----------+
| 53701 | APRON SUB-ASSY, FRONT FENDER, RH
+----------+
2111 - W10# 53701-BZ700- 1
+----------+
| 53702 | APRON SUB-ASSY, FRONT FENDER, LH
+----------+
2111 - W10# 53702-BZ780- 1
+----------+
| 55101 | PANEL SUB-ASSY, DASH
+----------+
2111 - W10#..CVT 55101-BZP90- 1
2111 - W10#..5F 55101-BZQ10- 1
+----------+
| 55168A | BRACKET, FRONT FENDER MOUNTING, RH
+----------+
2111 - W10# 55168-BZ310- 1
+----------+
| 55169B | BRACKET, FRONT FENDER MOUNTING, LH
+----------+
2111 - W10# 55169-BZ210- 1
+----------+
| 55210 | INSULATOR ASSY, DASH PANEL
+----------+
2111 - W10# 55210-BZ620- 1
+----------+
| 55210A | CLIP
+----------+
2111 - W10# 90467-11122- 7
+----------+
| 55210C | CLIP
+----------+
2111 - W10# 90467-13079- 4
+----------+
| 55214A | PAD, DASH PANEL INSULATOR, NO.2
+----------+
2111 - W10# 55214-BZ150- 1
+----------+
| 55215B | PAD, DASH PANEL INSULATOR, NO.3
+----------+
2111 - W10#..CVT 55215-BZ110- 1
2111 - W10#..5F 55215-BZ120- 1
184
FIG.53-55 FRONT FENDER APRON & DASH PANEL
PROD_DATE MODELS
SPEC
CODE
DESCRIPTION
R
/
P
PART
NUMBER
O
Y
T
REV_REF
FR TO
+----------+
| 55216A | PAD, DASH PANEL INSULATOR, NO.4
+----------+
2111 - W10# 55216-BZ080- 1
+----------+
| 55223A | INSULATOR, DASH PANEL, OUTER
+----------+
2111 - W10# 55223-BZ200- 1
185
FIG.55-51 INSTRUMENT PANEL & GLOVE COMPARTMENT
(2111- )
ILLUST NO. 2 OF 5
555030
90041-83025
90041-83025
90041-83025
9004A-16036 9004A-16036
90041-83025
55394C 55394C 55394C 55394C
55394C 55394C
55394C 55394C
55394C
90041-83025 90041-83025
186
FIG.55-51 INSTRUMENT PANEL & GLOVE COMPARTMENT
(2111- )
ILLUST NO. 1 OF 5
555038-A
REFER TO
FIG
(PNC 82988)
55331
55394B
9004A-11385
55394B
55301
55315A
88376-B2010
55349A
9004A-11384
9004A-11383(2)
73970A
82-02
55318F
55312A
55317E
55312A
55454B
55453D
187
FIG.55-51 INSTRUMENT PANEL & GLOVE COMPARTMENT
(2111- )
ILLUST NO. 3 OF 5
REFER TO
FIG
(PNC 58817A)
555039
58-55
9004A-16075(11)
90467-05171
90467-05171(3)
90467-05171(5)
90467-05171(9)
90467-05172(5)
9004A-16036(3)
9004A-16036(3)
55560A
55557A
55359B
55549B
55619H
55357B
55573B
55556A
55557A
55357B
55641
9004A-16075(2)
55660
55662A
55550
188
FIG.55-51 INSTRUMENT PANEL & GLOVE COMPARTMENT
(2111- )
ILLUST NO. 4 OF 5
555040-B
55406D
55432D
55539D
74635
55412E
55406B
90468-08048
55412D
55412G
55421B
55670
9004A-16036(5)
90467-05171(5)
189
FIG.55-51 INSTRUMENT PANEL & GLOVE COMPARTMENT
(2111- )
ILLUST NO. 5 OF 5
555041
REFER TO
FIG
(PNC 58805B)
90467-05171
90467-05171(4)
90467-05171(3)
9004A-16036(3)
9004A-16075
55650
55618C
90467-05171(4)
90467-05171(3)
90467-05171
55446A
55472A
55411G
55412E
55479C
55451C
55045
55539E
55539
55539C
55661A
90467-05171(5)
55471
58-55
190
FIG.55-51 INSTRUMENT PANEL & GLOVE COMPARTMENT
PROD_DATE MODELS
SPEC
CODE
DESCRIPTION
R
/
P
PART
NUMBER
O
Y
T
REV_REF
FR TO
+----------+
| 55045 | PANEL SUB-ASSY, INSTRUMENT PANEL FINISH, LOWER
+----------+
2111 - W10# BLACK(TRIM2#) 55045-BZ220-C0 1
+----------+
| 55301 | PANEL SUB-ASSY, INSTRUMENT
+----------+
2111 - W10# BLACK(TRIM2#) 55311-BZ890-C0 1
+----------+
| 55312A | CLIP, INSTRUMENT PANEL
+----------+
2111 - W10# 90467-05171- 4
+----------+
| 55315A | SPACER, INSTRUMENT PANEL, NO.1
+----------+
2111 - W10# 55315-B2020- 1
+----------+
| 55317E | PANEL, INSTRUMENT SIDE, NO.1
+----------+
2111 - W10# BLACK(TRIM2#) 55317-BZ010-C0 1
+----------+
| 55318F | PANEL, INSTRUMENT SIDE, NO.2
+----------+
2111 - W10# BLACK(TRIM2#) 55318-BZ020-C0 1
+----------+
| 55331 | REINFORCEMENT, INSTRUMENT PANEL
+----------+
2111 - 2204 W10#..5F W/O SAFETY PAD 55305-BZC00- 1
2111 - W10#..CVT W/O SAFETY PAD 55305-BZC00- 1
2204 - W10#..5F W/SAFTY PAD 55305-BZC10- 1
+----------+
| 55349A | CUSHION, INSTRUMENT PANEL
+----------+
2111 - W10# 55349-BZ140- 1
+----------+
| 55357B | CUSHION, INSTRUMENT PANEL, NO.3
+----------+
2111 - W10# 55357-B1070- 2
+----------+
| 55359B | BOX, INSTRUMENT PANEL, CENTER
+----------+
2111 - W10# BLACK(TRIM2#) 55359-BZ070-C0 1
FIG.55-51 INSTRUMENT PANEL & GLOVE COMPARTMENT
PROD_DATE MODELS
SPEC
CODE
DESCRIPTION
R
/
P
PART
NUMBER
O
Y
T
REV_REF
FR TO
+----------+
| 55394B | BOLT, INSTRUMENT PANEL
+----------+
2111 - W10# 55394-BZ020- 4
+----------+
| 55394C | BOLT, INSTRUMENT PANEL
+----------+
2111 - W10# 9004A-11313- 9
+----------+
| 55406B | PANEL SUB-ASSY, INSTRUMENT CLUSTER FINISH, LOWER CENTER
+----------+
2111 - W10# BLACK(TRIM2#) 55406-BZ880-C1 1
+----------+
| 55406D | CLIP(FOR PANEL, INSTRUMENT CLUSTER FINISH
)
+----------+
2111 - W100..LO 90467-05171- 7
+----------+
| 55411G | PANEL, INSTRUMENT CLUSTER FINISH, NO.1
+----------+
2111 - W10# BLACK(TRIM2#) 55411-BZ350-C0 1
+----------+
| 55412D | PANEL, INSTRUMENT CLUSTER FINISH, CENTER
+----------+
2111 - W100..LO BLACK(TRIM2#),TYPE A 55412-BZC10-C0 1
+----------+
| 55412E | CLIP, PANEL, INSTRUMENT CLUSTER FINISH, E
ND
+----------+
2111 - W10# 90467-05171- 6
+----------+
| 55412G | CLIP(FOR INSTRUMENT CENTER CLUSTER FINISH PANEL)
+----------+
2111 - W100..LO 90467-05171- 5
+----------+
| 55421B | PANEL, INSTRUMENT CLUSTER FINISH, UPPER
+----------+
2111 - W100..LO BLACK(TRIM2#),TYPE A 55421-BZ110-C0 1
+----------+
| 55432D | PANEL, INSTRUMENT PANEL FINISH, LOWER NO.
1
+----------+
2111 - W10# BLACK(TRIM2#) 55432-BZ190-C0 1
+----------+
| 55446A | BASE, SWITCH HOLE, NO.1
+----------+
2111 - W10# BLACK(TRIM2#) 55446-BZ160-C0 1
191
FIG.55-51 INSTRUMENT PANEL & GLOVE COMPARTMENT
PROD_DATE MODELS
SPEC
CODE
DESCRIPTION
R
/
P
PART
NUMBER
O
Y
T
REV_REF
FR TO
+----------+
| 55451C | BOX, INSTRUMENT PANEL, NO.1
+----------+
2111 - W10# BLACK(TRIM2#) 55451-BZ040-C0 1
+----------+
| 55453D | PAD, INSTRUMENT PANEL SAFETY, NO.1
+----------+
2204 - W10# 55453-BZ140- 1
+----------+
| 55454B | PAD, INSTRUMENT PANEL SAFETY, NO.2
+----------+
2204 - W10# 55454-BZ150- 1
+----------+
| 55471 | MOULDING, INSTRUMENT CLUSTER, NO.1
+----------+
2111 - W10# BLACK(TRIM2#) 55471-BZ140-C0 1
+----------+
| 55472A | MOULDING, INSTRUMENT CLUSTER, NO.2
+----------+
2111 - W10# BLACK(TRIM2#) 55472-BZ070-C0 1
+----------+
| 55479C | CLIP(FOR INSTRUMENT LOWER COVER)
+----------+
2111 - W10# 90467-05171- 3
+----------+
| 55539 | COVER, SPARE SWITCH HOLE
+----------+
2111 - W10# BLACK(TRIM2#),AUTO H
IGH BEAM SW
55539-BZ140-C1 1
+----------+
| 55539C | COVER, SPARE SWITCH HOLE
+----------+
2111 - W100..5F BLACK(TRIM2#),VSC OF
F SW
55539-BZ140-C1 1
+----------+
| 55539D | COVER, SPARE SWITCH HOLE
+----------+
2111 - W100..LO BLACK(TRIM2#),PUSH S
TART SWITCH
55539-B1030-C0 1
+----------+
| 55539E | COVER, SPARE SWITCH HOLE
+----------+
2111 - W10# BLACK(TRIM2#),PRECRA
SH SYSTEM S/W
55539-BZ140-C1 1
FIG.55-51 INSTRUMENT PANEL & GLOVE COMPARTMENT
PROD_DATE MODELS
SPEC
CODE
DESCRIPTION
R
/
P
PART
NUMBER
O
Y
T
REV_REF
FR TO
+----------+
| 55549B | COVER, INSTRUMENT PANEL HOLE, NO.2
+----------+
2111 - W10# BLACK(TRIM2#) 55549-BZ070-C0 1
+----------+
| 55550 | DOOR ASSY, GLOVE COMPARTMENT
+----------+
2111 - W10# BLACK(TRIM2#) 55550-BZ170-C0 1
+----------+
| 55556A | ARM, GLOVE COMPARTMENT DOOR CHECK, RH
+----------+
2111 - W10# 55556-BZ010- 1
+----------+
| 55557A | CUSHION, GLOVE COMPARTMENT DOOR CHECK
+----------+
2111 - W10# 55557-B2040- 2
+----------+
| 55560A | LOCK ASSY, GLOVE COMPARTMENT DOOR
+----------+
2111 - 2208 W10# BLACK(TRIM2#) 55560-BZ130-C0 1
2209 - W10# BLACK(TRIM2#) 55560-BZ131-C0 1
+----------+
| 55573B | ARM, GLOVE COMPARTMENT DOOR CHECK, LH
+----------+
2111 - W10# 55573-BZ020- 1
+----------+
| 55618C | HOLDER, INSTRUMENT PANEL CUP
+----------+
2111 - W10# BLACK(TRIM2#) 55618-BZ110-C0 1
+----------+
| 55619H | HOLDER, INSTRUMENT PANEL CUP, NO.2
+----------+
2111 - W10# BLACK(TRIM2#) 55619-BZ050-C0 1
+----------+
| 55641 | COVER, INSTRUMENT PANEL UNDER, NO.1
+----------+
2111 - W10# BLACK(TRIM2#) 55641-BZ260-C0 1
+----------+
| 55650 | REGISTER ASSY, INSTRUMENT PANEL, NO.1
+----------+
2111 - W100 BLACK(TRIM2#) 55650-BZ380-C0 1
2111 - W101 -(TRIM2#) 55650-BZ400-C0 1
192
FIG.55-51 INSTRUMENT PANEL & GLOVE COMPARTMENT
PROD_DATE MODELS
SPEC
CODE
DESCRIPTION
R
/
P
PART
NUMBER
O
Y
T
REV_REF
FR TO
+----------+
| 55660 | REGISTER ASSY, INSTRUMENT PANEL, NO.2
+----------+
2111 - W100 BLACK(TRIM2#) 55660-BZ250-C0 1
2111 - W101 -(TRIM2#) 55660-BZ270-C0 1
+----------+
| 55661A | BEZEL, INSTRUMENT PANEL REGISTER
+----------+
2111 - W10# BLACK(TRIM2#) 55661-BZ160-C0 1
+----------+
| 55662A | BEZEL, INSTRUMENT PANEL RESISTER, NO.2
+----------+
2111 - W10# BLACK(TRIM2#) 55662-BZ080-C0 1
+----------+
| 55670 | REGISTER ASSY, INSTRUMENT PANEL, NO.3
+----------+
2111 - W100 BLACK(TRIM2#) 55670-BZ350-C1 1
2111 - W101 BLACK(TRIM2#) 55670-BZ410-C1 1
+----------+
| 73970A | AIR BAG ASSY, INSTRUMENT PANEL PASSENGER
+----------+
2111 - W10# BLACK(TRIM2#) 73970-BZ300-C0 1
+----------+
| 74635 | HOLDER, CARD
+----------+
2111 - W10# BLACK(TRIM2#) 74635-BZ100-C0 1
193
FIG.55-53 COWL PANEL & WINDSHIELD GLASS
(2111- )
555027-A
REFER TO
FIG
(PNC 85380)
REFER TO
FIG
(PNC 85390)
REFER TO
FIG
(PNC 85370)
56115C
56115C
56116C
56116C
56111
53383
55715A
55716A
55701J
55703A
55781G
55781G
55799C
55781E
55708C
56117A
56117E
85-03
85-03
85-03
21576-BZ080(2)
57-52
FIG.55-53 COWL PANEL & WINDSHIELD GLASS
PROD_DATE MODELS
SPEC
CODE
DESCRIPTION
R
/
P
PART
NUMBER
O
Y
T
REV_REF
FR TO
+----------+
| 53383 | SEAL, HOOD TO COWL TOP
+----------+
2111 - W10# 53383-BZ140- 1
+----------+
| 55701J | PANEL SUB-ASSY, COWL TOP, OUTER
+----------+
2111 - W10# 55701-BZ250- 1
+----------+
| 55703A | PANEL SUB-ASSY, COWL TOP, INNER
+----------+
2111 - W10# 55703-BZ750- 1
+----------+
| 55708C | CLIP, COWL TOP VENTILATOR LOUVER
+----------+
2111 - W10#
#
9004A-46338-
(90044-68346- )
3
1
+----------+
| 55715A | BRACE, COWL TOP TO APRON, RH
+----------+
2111 - W10# 55715-BZ070- 1
+----------+
| 55716A | BRACE, COWL TOP TO APRON, LH
+----------+
2111 - W10# 55716-BZ080- 1
+----------+
| 55781E | LOUVER SUB-ASSY, COWL TOP VENTILATOR
+----------+
2111 - W10# 55708-BZ170- 1
+----------+
| 55781G | CLIP, COWL TOP VENTILATOR LOUVER
+----------+
2111 - W10# 9004A-46323- 2
+----------+
| 55799C | CLIP, COWL TOP VENTILATOR LOUVER
+----------+
2111 - W10# 67771-B2100- 8
+----------+
| 56111 | GLASS, WINDSHIELD
+----------+
2111 - W100 56101-BZ210- 1
2111 - W101..CVT B2PH SMART ASSIST (OVERSE
AS)
56101-BZ220- 1
194
FIG.55-53 COWL PANEL & WINDSHIELD GLASS
PROD_DATE MODELS
SPEC
CODE
DESCRIPTION
R
/
P
PART
NUMBER
O
Y
T
REV_REF
FR TO
+----------+
| 56111 | GLASS, WINDSHIELD
CONTINUED--+
2111 - W101 56101-BZ230- 1
2210 - W101..CVT B2PJ H + SAB/CSA/BSM 56101-BZ220- 1
+----------+
| 56115C | STOPPER, WINDSHIELD GLASS
+----------+
2111 - W10# 56115-97402- 2
+----------+
| 56116C | STOPPER, WINDSHIELD GLASS, NO.2
+----------+
2111 - W10# 56116-97401- 2
+----------+
| 56117A | DAM, WINDOW GLASS ADHESIVE
+----------+
2111 - W10# *D,L=2757 56117-BZ250- 1
+----------+
| 56117E | DAM, WINDOW GLASS ADHESIVE
+----------+
2111 - W10# *D,L=1275 56117-BZ260- 1
195
FIG.57-52 HOLE PLUG
―
―
―
―
―
―
―
―
―
―
―
―
―
―
―
―
―
―
―
―
―
―
―
―
―
―
―
―
―
―
―
―
―
―
(2111- )
HOLE PLUG ILLUST NO. 1 OF 3
572179-A
67283-BZ010 90950-01620 9004A-95054
9004A-35005
9004A-35012
58136-BZ010
90950-01958
55129-BZ050 90048-71320 9004A-95048
90048-71269
9004A-95055 90048-74056
90048-71295
90950-01948
90950-01550
90950-01959
196
FIG.57-52 HOLE PLUG
(2111- )
INSTALLATION POSITION ILLUST NO. 3 OF 3
572184
197
FIG.57-52 HOLE PLUG
(2111- )
INSTALLATION POSITION ILLUST NO. 2 OF 3
572263
198
FIG.58-51 FRONT FLOOR PANEL & FRONT FLOOR MEMBER
(2111- )
ILLUST NO. 1 OF 2
587983
REFER TO
FIG
(PNC 53214A)
REFER TO
FIG
(PNC 53213A)
57052
58012
57051
58106F
58203C
58105D
57451 58172A
57419B
58114A
58115A
57429D
57417
57409
57401C
58011
53078A
57112
57102
82715J
57141A
57111
57101
57025C
57105A
57406
57117F
57106A
57026B
57118B
57412A
57418
46522-BZ030
46522-BZ030
53-55
53-55
9004A-11240
57-52
199
FIG.58-51 FRONT FLOOR PANEL & FRONT FLOOR MEMBER
(2111- )
ILLUST NO. 2 OF 2
587984-A
57-52
58215H
58213D
58111B
58111B
58111
200
FIG.58-51 FRONT FLOOR PANEL & FRONT FLOOR MEMBER
PROD_DATE MODELS
SPEC
CODE
DESCRIPTION
R
/
P
PART
NUMBER
O
Y
T
REV_REF
FR TO
+----------+
| 53078A | EXTENSION SUB-ASSY, FRONT FENDER APRON, L
H
+----------+
2111 - W10# 53078-BZ140- 1
+----------+
| 57025C | MEMBER SUB-ASSY, FRONT SIDE, OUTER RH
+----------+
2111 - W10# 57025-BZ070- 1
+----------+
| 57026B | MEMBER SUB-ASSY, FRONT SIDE, OUTER LH
+----------+
2111 - W10# 57026-BZ060- 1
+----------+
| 57051 | MEMBER SUB-ASSY, FRONT FLOOR CROSS, RH
+----------+
2111 - W10# 57051-BZ340- 1
+----------+
| 57052 | MEMBER SUB-ASSY, FRONT FLOOR CROSS, LH
+----------+
2111 - W10# 57052-BZ230- 1
+----------+
| 57101 | MEMBER SUB-ASSY, FRONT SIDE, RH
+----------+
2111 - W10# 57101-BZ690- 1
+----------+
| 57102 | MEMBER SUB-ASSY, FRONT SIDE, LH
+----------+
2111 - W10# 57102-BZ770- 1
+----------+
| 57105A | PLATE SUB-ASSY, FRONT SIDE MEMBER, RH
+----------+
2111 - W10# 57105-BZ200- 1
+----------+
| 57106A | PLATE SUB-ASSY, FRONT SIDE MEMBER, LH
+----------+
2111 - W10# 57106-BZ240- 1
+----------+
| 57111 | MEMBER, FRONT SIDE, RH
+----------+
2111 - W10# 57111-BZ290- 1
+----------+
| 57112 | MEMBER, FRONT SIDE, LH
+----------+
2111 - W10# 57112-BZ310- 1
FIG.58-51 FRONT FLOOR PANEL & FRONT FLOOR MEMBER
PROD_DATE MODELS
SPEC
CODE
DESCRIPTION
R
/
P
PART
NUMBER
O
Y
T
REV_REF
FR TO
+----------+
| 57117F | PLATE, FRONT SIDE MEMBER, NO.2 RH
+----------+
2111 - W10# 57117-BZ080- 1
+----------+
| 57118B | PLATE, FRONT SIDE MEMBER, NO.2 LH
+----------+
2111 - W10# 57118-BZ080- 1
+----------+
| 57141A | SUPPORT, FRONT BUMPER ARM, RH
+----------+
2111 - W10# 52141-BZ100- 1
+----------+
| 57401C | MEMBER SUB-ASSY, FLOOR SIDE, INNER RH
+----------+
2111 - W10# 57401-BZ470- 1
+----------+
| 57406 | MEMBER SUB-ASSY, MAIN FLOOR SIDE, RH
+----------+
2111 - W10# 57406-BZ270- 1
+----------+
| 57409 | MEMBER SUB-ASSY, MAIN FLOOR SIDE, LH
+----------+
2111 - W10# 57409-BZ240- 1
+----------+
| 57412A | MEMBER, FLOOR SIDE, INNER LH
+----------+
2111 - W10# 57412-BZ360- 1
2210 - W101..CVT B2PJ H + SAB/CSA/BSM 57402-BZ500- 1
+----------+
| 57417 | REINFORCEMENT, FRONT FLOOR UNDER, RH
+----------+
2111 - W10# 57417-BZ120- 1
+----------+
| 57418 | REINFORCEMENT, FRONT FLOOR UNDER, LH
+----------+
2111 - W10# 57418-BZ020- 1
+----------+
| 57419B | REINFORCEMENT, FRONT FLOOR UNDER, REAR
+----------+
2111 - W10# 57419-BZ080- 1
201
FIG.58-51 FRONT FLOOR PANEL & FRONT FLOOR MEMBER
PROD_DATE MODELS
SPEC
CODE
DESCRIPTION
R
/
P
PART
NUMBER
O
Y
T
REV_REF
FR TO
+----------+
| 57429D | REINFORCEMENT, FRONT FLOOR UNDER, REAR LH
+----------+
2111 - W10# 57429-BZ080- 1
+----------+
| 57451 | MEMBER, FRONT FLOOR CROSS
+----------+
2111 - W10# 57451-BZ230- 1
+----------+
| 58011 | PANEL SUB-ASSY, FRONT FLOOR SIDE, RH
+----------+
2111 - W10# 58025-BZ060- 1
+----------+
| 58012 | PANEL SUB-ASSY, FRONT FLOOR SIDE, LH
+----------+
2111 - W10# 58026-BZ060- 1
+----------+
| 58105D | RETAINER SUB-ASSY, SEAT RAIL, REAR RH
+----------+
2111 - W10# 58105-BZ050- 1
2210 - W101..CVT B2PJ H + SAB/CSA/BSM 58105-BZ060- 1
+----------+
| 58106F | BRACKET SUB-ASSY, FRONT SEAT MOUNTING, OUTSIDE LH
+----------+
2111 - W10# 58106-BZ020- 1
2210 - W101..CVT B2PJ H + SAB/CSA/BSM 58106-BZ030- 1
+----------+
| 58111 | PAN, FRONT FLOOR
+----------+
2111 - W10# 58111-BZ480- 1
+----------+
| 58111B | BOLT, WELD(FOR FRONT FLOOR PAN)
+----------+
2111 - W10# 90115-06219- 5
+----------+
| 58114A | REINFORCEMENT, FRONT FLOOR PANEL
+----------+
2111 - W10# 58114-BZ070- 1
+----------+
| 58115A | REINFORCEMENT, FRONT FLOOR PANEL
+----------+
2111 - W10# 58115-BZ100- 1
FIG.58-51 FRONT FLOOR PANEL & FRONT FLOOR MEMBER
PROD_DATE MODELS
SPEC
CODE
DESCRIPTION
R
/
P
PART
NUMBER
O
Y
T
REV_REF
FR TO
+----------+
| 58172A | PLATE, PARKING BRAKE MOUNTING
+----------+
2111 - W10# 46521-BZ050- 1
+----------+
| 58203C | BRACKET SUB-ASSY, EXHAUST PIPE MOUNTING
+----------+
2111 - W10# 57055-BZ040- 1
2210 - W101..CVT B2PJ H + SAB/CSA/BSM 57055-BZ030- 1
+----------+
| 58213D | REINFORCEMENT, CENTER FLOOR PANEL
+----------+
2111 - W10# 58213-BZ200- 1
+----------+
| 58215H | RETAINER, FRONT FLOOR
+----------+
2111 - W10# 58215-BZ040- 1
+----------+
| 82715J | BRACKET, WIRING HARNESS CLAMP
+----------+
2111 - W10# 82715-BZE90- 1
202
FIG.58-52 REAR FLOOR PANEL & REAR FLOOR MEMBER
(2111- )
REAR FLOOR ILLUST NO. 1 OF 2
587949-B
51954A
57033B
57034B
57601B
57602A
57606E
57607C
57608B
57633A
57633B
57636A
57645
57194-BZ090
57605C
57068
57-52
58311
57841
57842
57829
57815A
57806
58325E
61671D
61672C
57807
57808
203
FIG.58-52 REAR FLOOR PANEL & REAR FLOOR MEMBER
(2111- )
BACK PANEL ILLUST NO. 2 OF 2
587950
57-52
58307
58375E
58309G
58372
58377A
58378A
58385C
58386E
58308
204
FIG.58-52 REAR FLOOR PANEL & REAR FLOOR MEMBER
PROD_DATE MODELS
SPEC
CODE
DESCRIPTION
R
/
P
PART
NUMBER
O
Y
T
REV_REF
FR TO
+----------+
| 51954A | RETAINER, SPARE WHEEL CARRIER
+----------+
2111 - W10# 51989-BZ010- 1
+----------+
| 57033B | BRACKET SUB-ASSY, REAR FLOOR MOUNTING, NO.2 RH
+----------+
2111 - W10# 57033-BZ060- 1
+----------+
| 57034B | BRACKET SUB-ASSY, REAR FLOOR MOUNTING, NO.2 LH
+----------+
2111 - W10# 57034-BZ050- 1
+----------+
| 57068 | MEMBER SUB-ASSY, REAR FLOOR REAR CROSS, INNER
+----------+
2111 - W10# 57068-BZ140- 1
+----------+
| 57601B | MEMBER SUB-ASSY, REAR FLOOR SIDE, FRONT R
H
+----------+
2111 - W10# 57601-BZ560- 1
+----------+
| 57602A | MEMBER SUB-ASSY, REAR FLOOR SIDE, LH
+----------+
2111 - W10# 57602-BZ540- 1
+----------+
| 57605C | MEMBER SUB-ASSY, REAR FLOOR CROSS
+----------+
2111 - W10# 57605-BZ210- 1
+----------+
| 57606E | MEMBER SUB-ASSY, REAR FLOOR CROSS, NO.2
+----------+
2111 - W10# 57606-BZ270- 1
+----------+
| 57607C | MEMBER SUB-ASSY, REAR FLOOR CROSS, NO.3
+----------+
2111 - W10# 57607-BZ100- 1
+----------+
| 57608B | MEMBER SUB-ASSY, REAR FLOOR CROSS, NO.4
+----------+
2111 - W10# 57608-BZ220- 1
+----------+
| 57633A | EXTENSION, REAR FLOOR SIDE MEMBER, REAR R
H
+----------+
2111 - W10# 57633-BZ080- 1
FIG.58-52 REAR FLOOR PANEL & REAR FLOOR MEMBER
PROD_DATE MODELS
SPEC
CODE
DESCRIPTION
R
/
P
PART
NUMBER
O
Y
T
REV_REF
FR TO
+----------+
| 57633B | EXTENSION, REAR FLOOR SIDE MEMBER, REAR L
H
+----------+
2111 - W10# 57634-BZ070- 1
+----------+
| 57636A | REINFORCEMENT, REAR FLOOR SIDE MEMBER, REAR LH
+----------+
2111 - W10# 57646-BZ100- 1
+----------+
| 57645 | REINFORCEMENT, REAR SIDE MEMBER, RH
+----------+
2111 - W10# 57645-BZ150- 1
+----------+
| 57806 | REINFORCEMENT SUB-ASSY, BELT ANCHOR, LH
+----------+
2111 - W10# 57816-BZ030- 1
+----------+
| 57807 | REINFORCEMENT SUB-ASSY, NO.1 SEAT LEG, REAR NO.3
+----------+
2111 - W10# 57807-BZ060- 1
+----------+
| 57808 | REINFORCEMENT SUB-ASSY, NO.1 SEAT LEG, REAR NO.4
+----------+
2111 - W10# 57808-BZ020- 1
+----------+
| 57815A | REINFORCEMENT, BELT ANCHOR, RH
+----------+
2111 - W10# 57815-BZ120- 1
+----------+
| 57829 | REINFORCEMENT, SEAT LEG
+----------+
2111 - W10# 57829-BZ010- 1
+----------+
| 57841 | REINFORCEMENT, REAR NO.2 SEAT LEG, FRONT
RH
+----------+
2111 - W10# 57841-BZ090- 1
+----------+
| 57842 | REINFORCEMENT, REAR NO.2 SEAT LEG, FRONT
LH
+----------+
2111 - W10# 57842-BZ010- 1
+----------+
| 58307 | PANEL SUB-ASSY, BODY LOWER BACK
+----------+
2111 - W10# 58307-BZ230- 1
205
FIG.58-52 REAR FLOOR PANEL & REAR FLOOR MEMBER
PROD_DATE MODELS
SPEC
CODE
DESCRIPTION
R
/
P
PART
NUMBER
O
Y
T
REV_REF
FR TO
+----------+
| 58308 | PANEL SUB-ASSY, BODY LOWER BACK, INNER
+----------+
2111 - W10# 58308-BZ460- 1
+----------+
| 58309G | RETAINER SUB-ASSY, BACK DOOR LOCK STRIKER
+----------+
2111 - W10# 58373-BZ180- 1
+----------+
| 58311 | PAN, REAR FLOOR
+----------+
2111 - W10# 58311-BZ430- 1
+----------+
| 58325E | COVER, REAR FLOOR SERVICE HOLE
+----------+
2111 - W10# 58325-BZ110- 1
+----------+
| 58372 | PANEL, BODY LOWER BACK, INNER
+----------+
2111 - W10# 58372-BZ230- 1
+----------+
| 58375E | REINFORCEMENT, BODY LOWER BACK PANEL
+----------+
2111 - W10# 58383-BZ080- 1
+----------+
| 58377A | PANEL, BODY LOWER BACK, RH
+----------+
2111 - W10# 61613-BZ300- 1
+----------+
| 58378A | PANEL, BODY LOWER BACK, LH
+----------+
2111 - W10# 61614-BZ310- 1
+----------+
| 58385C | BRACKET, REAR BUMPER COVER, RH
+----------+
2111 - W10# 52185-BZ130- 1
+----------+
| 58386E | BRACKET, REAR BUMPER COVER, LH
+----------+
2111 - W10# 52185-BZ130- 1
+----------+
| 61671D | REINFORCEMENT, QUARTER WHEEL HOUSE, RH
+----------+
2111 - W10# 61673-BZ020- 1
FIG.58-52 REAR FLOOR PANEL & REAR FLOOR MEMBER
PROD_DATE MODELS
SPEC
CODE
DESCRIPTION
R
/
P
PART
NUMBER
O
Y
T
REV_REF
FR TO
+----------+
| 61672C | REINFORCEMENT, QUARTER WHEEL HOUSE, LH
+----------+
2111 - W10# 61674-BZ020- 1
206
FIG.58-53 FLOOR INSULATOR
(2111- )
587927
90119-06992(6)
58151
FIG.58-53 FLOOR INSULATOR
PROD_DATE MODELS
SPEC
CODE
DESCRIPTION
R
/
P
PART
NUMBER
O
Y
T
REV_REF
FR TO
+----------+
| 58151 | INSULATOR, FRONT FLOOR HEAT, NO.1
+----------+
2111 - W10# 58151-BZ080- 1
207
FIG.58-54 FLOOR MAT & SILENCER PAD
(2111- )
FLOOR CARPET
587963
58537A
58622
58564
58517B
58517B
58564
58564 58517B
58517B
58530B
58510C
58520C
58520C
58522D
58517B
58517B
58607C
58621
58608B
90044-67298-B0(4)
FIG.58-54 FLOOR MAT & SILENCER PAD
PROD_DATE MODELS
SPEC
CODE
DESCRIPTION
R
/
P
PART
NUMBER
O
Y
T
REV_REF
FR TO
+----------+
| 58510C | CARPET ASSY, FRONT FLOOR, FRONT
+----------+
2111 - W100..LO..5F DK.GRAY(TRIM2#) 58051-BZ210-B0 1
2111 - W100..LO..CVT 58051-BZ220- 1
2111 - W100..MID..5F DK.GRAY(TRIM2#) 58051-BZ230-B0 1
2111 - W100..MID..CVT DK.GRAY(TRIM2#) 58051-BZ240-B0 1
2111 - W101..5F DK.GRAY(TRIM2#) 58051-BZ250-B0 1
2111 - W101..CVT DK.GRAY(TRIM2#) 58051-BZ260-B0 1
+----------+
| 58517B | CARPET, REAR FLOOR
+----------+
2111 - W10# 58503-BZ030- 6
+----------+
| 58520C | CLIP(FOR FRONT FLOOR CARPET)
+----------+
2111 - W10# BLACK(TRIM2#) 9004A-46131-C1 2
+----------+
| 58522D | HOOK, FLOOR CARPET, NO.2
+----------+
2111 - W10# 58522-52030- 2
+----------+
| 58530B | CLIP(FOR FRONT FLOOR CARPET)
+----------+
2111 - W10# BLACK(TRIM2#) 90044-68046-C2 2
+----------+
| 58537A | SILENCER, FRONT FLOOR, NO.1
+----------+
2111 - 2209 W101 58563-BZ100- 1
2210 - W101 58563-BZ101- 1
+----------+
| 58564 | CARPET, REAR FLOOR
+----------+
2111 - W10# 58503-BZ040- 3
+----------+
| 58607C | PAD SUB-ASSY, FRONT FLOOR SILENCER, REAR
RH
+----------+
2111 - W101 58065-BZ050- 1
2111 - W100 58065-BZ060- 1
208
FIG.58-54 FLOOR MAT & SILENCER PAD
PROD_DATE MODELS
SPEC
CODE
DESCRIPTION
R
/
P
PART
NUMBER
O
Y
T
REV_REF
FR TO
+----------+
| 58608B | PAD SUB-ASSY, FRONT FLOOR SILENCER, REAR
LH
+----------+
2111 - W101 58066-BZ050- 1
2111 - W100 58066-BZ060- 1
+----------+
| 58621 | PAD, FLOOR SILENCER, FRONT RH
+----------+
2111 - W100 58607-BZ010- 1
2111 - W101 58607-BZ020- 1
+----------+
| 58622 | PAD, FLOOR SILENCER, FRONT LH
+----------+
2111 - W100 58608-BZ010- 1
2111 - W101 58608-BZ020- 1
209
FIG.58-55 CONSOLE BOX & BRACKET
―
―
―
―
―
―
―
―
―
―
―
―
―
―
―
―
―
―
―
―
―
―
―
―
―
―
―
―
―
―
―
―
―
―
(2111- )
FRONT CONSOLE ILLUST NO. 1 OF 2
587939-A
REFER TO
FIG
(PNC 35921)
REFER TO
FIG
(PNC 33563)
REFER TO
FIG
(PNC 33866)
93567-15014(2)
58804A
58840A
90467-05171(7) 33-12
33-12
33-12
58821C
210
FIG.58-55 CONSOLE BOX & BRACKET
(2111- )
REAR CONSOLE ILLUST NO. 2 OF 2
588082
90467-05171(6)
90467-05171(12)
9004A-17210(3)
93568-55014(2)
58805B
58817A
58910D
58944A
58813
93568-55014(4)
58911J
58912C
58815A
58905
58810J
58923A
58993
9004A-11290(3)
9004A-11319(3)
9004A-16088(2)
55539J
58811D
58925A
58833B
58924A
58921A
90467-05171(3)
90467-05171(3)
211
FIG.58-55 CONSOLE BOX & BRACKET
PROD_DATE MODELS
SPEC
CODE
DESCRIPTION
R
/
P
PART
NUMBER
O
Y
T
REV_REF
FR TO
+----------+
| 55539J | COVER, SPARE SWITCH HOLE
+----------+
2111 - W100..LO BLACK(TRIM2#) 55539-BZ160-C0 1
+----------+
| 58804A | PANEL SUB-ASSY, CONSOLE, UPPER
+----------+
2111 - W100..LO..5F 58804-BZ150- 1
2111 - W100..LO..CVT 58804-BZ170- 1
2111 - W101..CVT RED(TRIM2#) 58804-BZ200-C3 1
2111 - W101..5F RED(TRIM2#) 58804-BZ260-C2 1
2111 - W100..MID..5F 58804-BZ270- 1
2111 - W100..MID..CVT 58804-BZ280- 1
+----------+
| 58805B | PANEL SUB-ASSY, CONSOLE, LOWER
+----------+
2111 - W10# BLACK(TRIM2#) 58805-BZ020-C0 1
+----------+
| 58810J | BOX ASSY, CONSOLE
+----------+
2111 - W10# BLACK(TRIM2#) 58810-BZ110-C1 1
+----------+
| 58811D | CLIP(FOR CONSOLE BOX)
+----------+
2111 - W10# 90467-05171- 10
+----------+
| 58813 | BOX, CONSOLE, UPPER
+----------+
2111 - W10# BLACK(TRIM2#) 58813-BZ030-C0 1
+----------+
| 58815A | CARPET, CONSOLE BOX
+----------+
2111 - W10# 58815-BZ080- 1
+----------+
| 58817A | INSERT, CONSOLE BOX, FRONT NO.2
+----------+
2111 - W10# BLACK(TRIM2#) 58817-BZ020-C0 1
+----------+
| 58821C | PANEL, CONSOLE, UPPER
+----------+
2111 - W10#..5F BLACK(TRIM2#) 58821-BZ330-C0 1
FIG.58-55 CONSOLE BOX & BRACKET
PROD_DATE MODELS
SPEC
CODE
DESCRIPTION
R
/
P
PART
NUMBER
O
Y
T
REV_REF
FR TO
+----------+
| 58821C | PANEL, CONSOLE, UPPER
CONTINUED--+
2111 - W10#..CVT BLACK(TRIM2#) 58821-BZ350-C0 1
+----------+
| 58833B | GARNISH, CONSOLE UPPER PANEL, NO.1
+----------+
2111 - W100..LO BLACK(TRIM2#) 58833-BZ110-C0 1
2111 - W10#..HI,MID SILVER(TRIM2#) 58833-BZ150-B0 1
+----------+
| 58840A | COVER ASSY, SHIFTING HOLE
+----------+
2111 - W100..LO..5F 58840-BZ270- 1
2111 - W100..LO..CVT 58840-BZ290- 1
2111 - W100..MID..5F 58840-BZ270- 1
2111 - W101..5F RED(TRIM2#) 58840-BZ280-C3 1
2111 - W100..MID..CVT 58840-BZ290- 1
2111 - W101..CVT RED(TRIM2#) 58840-BZ560-C0 1
+----------+
| 58905 | DOOR SUB-ASSY, CONSOLE COMPARTMENT
+----------+
2111 - W10# BLACK(TRIM2#) 58905-BZ020-C0 1
+----------+
| 58910D | CLIP(FOR CONSOLE BOX)
+----------+
2111 - W10# 90467-05171- 6
+----------+
| 58911J | PANEL, BOX SIDE, NO.1
+----------+
2111 - W10# BLACK(TRIM2#) 58911-BZ200-C0 1
+----------+
| 58912C | PANEL, BOX SIDE, NO.2
+----------+
2111 - W10# BLACK(TRIM2#) 58912-BZ050-C0 1
+----------+
| 58921A | PANEL, REAR CONSOLE, UPPER
+----------+
2111 - W10# BLACK(TRIM2#) 58921-BZ090-C0 1
212
FIG.58-55 CONSOLE BOX & BRACKET
PROD_DATE MODELS
SPEC
CODE
DESCRIPTION
R
/
P
PART
NUMBER
O
Y
T
REV_REF
FR TO
+----------+
| 58923A | PANEL, CONSOLE REAR END
+----------+
2111 - W10# BLACK(TRIM2#) 58923-BZ030-C0 1
+----------+
| 58924A | PANEL, CONSOLE REAR END, NO.2
+----------+
2111 - W10# BLACK(TRIM2#) 58924-BZ010-C0 1
+----------+
| 58925A | POCKET, CONSOLE BOX, REAR
+----------+
2111 - W10# BLACK(TRIM2#) 58925-BZ010-C0 1
+----------+
| 58944A | COVER, CONSOLE, REAR
+----------+
2111 - W10# 58944-BZ010- 1
+----------+
| 58993 | BRACKET, CONSOLE BOX MOUNTING, REAR
+----------+
2111 - W10# 58993-BZ030- 1
213
FIG.61-51 SIDE MEMBER
(2111-2210)
FRONT,RH ILLUST NO. 1 OF 5
617050-A
61108A
61023B
53355
57-52
53821B
53803B
61247B
61245
61203
61307
61037A
61385C
61403C
61311B
61131C
61411
55723E
214
FIG.61-51 SIDE MEMBER
(2111-2210)
REAR,RH ILLUST NO. 2 OF 5
617052-A
61235B
61247D
61231
57-52
61611
61503B
61705
61637A
61745A
61605A
61603E
61717A
61623A
61731B
61735A 61627E
68981A
61631A
61645B
61607H
61665J
61621F
61625F
61768B
215
FIG.61-51 SIDE MEMBER
(2111-2210)
FRONT,LH ILLUST NO. 3 OF 5
617054-A
61386D
61204
61246
61308
61109A
61024B
61404E
53354
53804B
57-52
53822B
61038A
61248B
61412
61132B
61312B
55724B
216
FIG.61-51 SIDE MEMBER
(2111-2210)
REAR,LH ILLUST NO. 4 OF 5
617056
61232
61504B
61638A
61732B
61736A
61628D
61236C
61622A
61632A
61769E
61646B
57-52
61612
61608H
61706
61746A
61606A
61604E
61248D
61718A
61626F
61624A
68982A
61666J
217
FIG.61-51 SIDE MEMBER
(2111- )
CUT DIMENSIONS ILLUST NO. 5 OF 5
617057
218
FIG.61-51 SIDE MEMBER
(2210- )
FRONT,RH ILLUST NO. 1 OF 5
617583
91673-80616(2)
61108A
61023B
53355
57-52
61311B
61131C
61411
53821B
53803B
61247B
61245
61203
61307
61415B
61719C
61037A
61385C
61403C
55723E
219
FIG.61-51 SIDE MEMBER
(2210- )
REAR,RH ILLUST NO. 2 OF 5
617584
61235B
61247D
61231
57-52
61611
61503B
61705
61637A
61745A
61605A
61603E
61717A
61623A
61731B
61627E
68981A
65565
61768B
61631A
61645B
61607H
61665J
61621F
90041-20259(3)
61625F
61735A
220
FIG.61-51 SIDE MEMBER
(2210- )
FRONT,LH ILLUST NO. 3 OF 5
617585
61386D
61204
61246
61308
61109A
61024B
61404E
61416B
53354
53804B
57-52 61412
61132B
61312B
91673-80616(2)
53822B
61038A
61729A
61248B
55724B
221
FIG.61-51 SIDE MEMBER
(2210- )
REAR,LH ILLUST NO. 4 OF 5
617586
61232
61504B
61638A
61736A
61628D
61236C
61622A
61632A
61769E
61646B
57-52
61612
61608H
61706
61746A
61606A
61604E
61248D
90041-20259(3)
65566
61718A
61626F
61624A
68982A
61666J
61732B
222
FIG.61-51 SIDE MEMBER
PROD_DATE MODELS
SPEC
CODE
DESCRIPTION
R
/
P
PART
NUMBER
O
Y
T
REV_REF
FR TO
+----------+
| 53354 | GUSSET, HOOD REINFORCEMENT, LH
+----------+
2111 - W10# 53416-BZ060- 1
+----------+
| 53355 | GUSSET, HOOD REINFORCEMENT, RH
+----------+
2111 - W10# 53415-BZ060- 1
+----------+
| 53803B | BRACKET SUB-ASSY, FRONT SIDE PANEL, RH
+----------+
2111 - W10# 53803-BZ130- 1
+----------+
| 53804B | BRACKET SUB-ASSY, FRONT SIDE PANEL, LH
+----------+
2111 - W10# 53804-BZ100- 1
+----------+
| 53821B | BRACKET, FRONT FENDER, REAR RH
+----------+
2111 - W10# 58139-BZ070- 1
+----------+
| 53822B | BRACKET, FRONT FENDER, REAR LH
+----------+
2111 - W10# 58139-BZ070- 1
+----------+
| 55723E | GUSSET, FRONT PANEL, RH
+----------+
2111 - W10# 53717-BZ200- 1
+----------+
| 55724B | GUSSET, FRONT PANEL, LH
+----------+
2111 - W10# 53718-BZ200- 1
+----------+
| 61023B | PILLAR SUB-ASSY, FRONT BODY, INNER RH
+----------+
2111 - W10# 61023-BZ420- 1
+----------+
| 61024B | PILLAR SUB-ASSY, FRONT BODY, INNER LH
+----------+
2111 - W10# 61024-BZ350- 1
2111 - W100..LO..5F B2BB D-LOWEST 61024-BZ370- 1
FIG.61-51 SIDE MEMBER
PROD_DATE MODELS
SPEC
CODE
DESCRIPTION
R
/
P
PART
NUMBER
O
Y
T
REV_REF
FR TO
+----------+
| 61037A | REINFORCEMENT SUB-ASSY, CENTER BODY PILLAR, RH
+----------+
2111 - W10# 61037-BZ390- 1
+----------+
| 61038A | REINFORCEMENT SUB-ASSY, CENTER BODY PILLAR, LH
+----------+
2111 - W10# 61038-BZ390- 1
+----------+
| 61108A | REINFORCE SUB-ASSY, FRONT BODY PILLAR, LOWER RH
+----------+
2111 - W10# 61108-BZ240- 1
+----------+
| 61109A | REINFORCE SUB-ASSY, FRONT BODY PILLAR, LOWER LH
+----------+
2111 - W10# 61109-BZ240- 1
+----------+
| 61131C | PILLAR, FRONT BODY, OUTER RH
+----------+
2111 - W10# 61131-BZ530- 1
+----------+
| 61132B | PILLAR, FRONT BODY, OUTER LH
+----------+
2111 - W10# 61132-BZ510- 1
+----------+
| 61203 | RAIL SUB-ASSY, ROOF SIDE, INNER RH
+----------+
2111 - W10# 61203-BZ130- 1
+----------+
| 61204 | RAIL SUB-ASSY, ROOF SIDE, INNER LH
+----------+
2111 - W10# 61204-BZ130- 1
+----------+
| 61231 | RAIL, ROOF SIDE, INNER RH
+----------+
2111 - W10# 61213-BZ020- 1
+----------+
| 61232 | RAIL, ROOF SIDE, INNER LH
+----------+
2111 - W10# 61214-BZ020- 1
+----------+
| 61235B | BRACKET, ASSIST GRIP
+----------+
2111 - W10# 61235-BZ110- 1
223
FIG.61-51 SIDE MEMBER
PROD_DATE MODELS
SPEC
CODE
DESCRIPTION
R
/
P
PART
NUMBER
O
Y
T
REV_REF
FR TO
+----------+
| 61236C | BRACKET, ASSIST GRIP
+----------+
2111 - W10# 61235-BZ110- 1
+----------+
| 61245 | REINFORCEMENT, ROOF SIDE RAIL, OUTER RH
+----------+
2111 - W10# 61245-BZ060- 1
+----------+
| 61246 | REINFORCEMENT, ROOF SIDE RAIL, OUTER LH
+----------+
2111 - W10# 61246-BZ040- 1
+----------+
| 61247B | REINFORCEMENT, ROOF SIDE RAIL, INNER RH
+----------+
2111 - W10# 61247-BZ140- 1
+----------+
| 61247D | BRACKET, ASSIST GRIP, RH
+----------+
2111 - W10# 61237-BZ110- 1
+----------+
| 61248B | REINFORCEMENT, ROOF SIDE RAIL, INNER LH
+----------+
2111 - W10# 61248-BZ140- 1
+----------+
| 61248D | BRACKET, ASSIST GRIP, LH
+----------+
2111 - W10# 61237-BZ110- 1
+----------+
| 61307 | PILLAR SUB-ASSY, CENTER BODY, INNER RH
+----------+
2111 - W10# 61307-BZ130- 1
+----------+
| 61308 | PILLAR SUB-ASSY, CENTER BODY, INNER LH
+----------+
2111 - W10# 61308-BZ130- 1
+----------+
| 61311B | PILLAR, CENTER BODY, OUTER RH
+----------+
2111 - W10# 61311-BZ350- 1
+----------+
| 61312B | PILLAR, CENTER BODY, OUTER LH
+----------+
2111 - W10# 61312-BZ400- 1
FIG.61-51 SIDE MEMBER
PROD_DATE MODELS
SPEC
CODE
DESCRIPTION
R
/
P
PART
NUMBER
O
Y
T
REV_REF
FR TO
+----------+
| 61385C | EXTENSION, CENTER BODY PILLAR, UPPER RH
+----------+
2111 - W10# 61385-BZ060- 1
+----------+
| 61386D | EXTENSION, CENTER BODY PILLAR, UPPER LH
+----------+
2111 - W10# 61386-BZ060- 1
+----------+
| 61403C | REINFORCE SUB-ASSY, ROCKER, OUTER RH
+----------+
2111 - W10# 61403-BZ160- 1
+----------+
| 61404E | REINFORCE SUB-ASSY, ROCKER, OUTER LH
+----------+
2111 - W10# 61404-BZ160- 1
+----------+
| 61411 | PANEL, ROCKER, OUTER RH
+----------+
2111 - W10# 61411-BZ380- 1
+----------+
| 61412 | PANEL, ROCKER, OUTER LH
+----------+
2111 - W10# 61412-BZ410- 1
+----------+
| 61415B | EXTENSION, ROCKER, OUTER RH
+----------+
2210 - W101..CVT B2PJ H + SAB/CSA/BSM 61415-BZ040- 1
+----------+
| 61416B | EXTENSION, ROCKER, OUTER LH
+----------+
2210 - W101..CVT B2PJ H + SAB/CSA/BSM 61415-BZ040- 1
+----------+
| 61503B | REINFORCEMENT SUB-ASSY, QUARTER LOCK PILLAR, RH
+----------+
2111 - W10# 61503-BZ160- 1
+----------+
| 61504B | REINFORCEMENT SUB-ASSY, QUARTER LOCK PILLAR, LH
+----------+
2111 - W10# 61504-BZ160- 1
+----------+
| 61603E | REINFORCEMENT SUB-ASSY, QUATER PANEL, INNER RH
+----------+
2111 - W10# 61603-BZ010- 1
224
FIG.61-51 SIDE MEMBER
PROD_DATE MODELS
SPEC
CODE
DESCRIPTION
R
/
P
PART
NUMBER
O
Y
T
REV_REF
FR TO
+----------+
| 61604E | REINFORCEMENT SUB-ASSY, QUATER PANEL, INNER LH
+----------+
2111 - W10# 61604-BZ020- 1
+----------+
| 61605A | REINFORCEMENT SUB-ASSY, QUARTER PANEL, RH
+----------+
2111 - W10# 61605-BZ180- 1
+----------+
| 61606A | REINFORCEMENT SUB-ASSY, QUARTER PANEL, LH
+----------+
2111 - W10# 61606-BZ080- 1
+----------+
| 61607H | PANEL SUB-ASSY, QUARTER WHEEL HOUSE, INNER RH
+----------+
2111 - W10# 61607-BZ160- 1
+----------+
| 61608H | PANEL SUB-ASSY, QUARTER WHEEL HOUSE, INNER LH
+----------+
2111 - W10# 61608-BZ160- 1
+----------+
| 61611 | PANEL, QUARTER, RH
+----------+
2111 - W10# 61611-BZ470- 1
+----------+
| 61612 | PANEL, QUARTER, LH
+----------+
2111 - W10# 61612-BZ530- 1
+----------+
| 61621F | EXTENSION, QUARTER PANEL, LOWER RH
+----------+
2111 - W10# 61621-BZ110- 1
+----------+
| 61622A | EXTENSION, QUARTER PANEL, LOWER LH
+----------+
2111 - W10# 61622-BZ140- 1
+----------+
| 61623A | EXTENSION, QUARTER PANEL, OUTER RH
+----------+
2111 - W10# 61623-BZ200- 1
+----------+
| 61624A | EXTENSION, QUARTER PANEL, OUTER LH
+----------+
2111 - W10# 61624-BZ210- 1
FIG.61-51 SIDE MEMBER
PROD_DATE MODELS
SPEC
CODE
DESCRIPTION
R
/
P
PART
NUMBER
O
Y
T
REV_REF
FR TO
+----------+
| 61625F | EXTENSION, QUARTER PANEL, UPPER RH
+----------+
2111 - W10# 61625-BZ220- 1
+----------+
| 61626F | EXTENSION, QUARTER PANEL, UPPER LH
+----------+
2111 - W10# 61626-BZ220- 1
+----------+
| 61627E | EXTENSION, QUARTER PANEL, REAR LOWER RH
+----------+
2111 - W10# 61627-BZ110- 1
2210 - W101..CVT B2PJ H + SAB/CSA/BSM 61627-BZ120- 1
+----------+
| 61628D | EXTENSION, QUARTER PANEL, REAR LOWER LH
+----------+
2111 - W10# 61628-BZ160- 1
2210 - W101..CVT B2PJ H + SAB/CSA/BSM 61628-BZ170- 1
+----------+
| 61631A | PANEL, QUARTER WHEEL HOUSE, OUTER RH
+----------+
2111 - W10# 61631-BZ220- 1
+----------+
| 61632A | PANEL, QUARTER WHEEL HOUSE, OUTER LH
+----------+
2111 - W10# 61632-BZ220- 1
+----------+
| 61637A | BRACE, QUARTER PANEL, RH
+----------+
2111 - W10# 61637-BZ110- 1
+----------+
| 61638A | BRACE, QUARTER PANEL, LH
+----------+
2111 - W10# 61638-BZ080- 1
+----------+
| 61645B | GUSSET, QUARTER WHEEL HOUSE, REAR RH
+----------+
2111 - W10# 61645-BZ110- 1
+----------+
| 61646B | GUSSET, QUARTER WHEEL HOUSE, REAR LH
+----------+
2111 - W10# 61646-BZ140- 1
225
FIG.61-51 SIDE MEMBER
PROD_DATE MODELS
SPEC
CODE
DESCRIPTION
R
/
P
PART
NUMBER
O
Y
T
REV_REF
FR TO
+----------+
| 61665J | PLATE, SEAT BELT ANCHORAGE, RH
+----------+
2111 - W10# 61665-BZ130- 1
+----------+
| 61666J | PLATE, SEAT BELT ANCHORAGE, LH
+----------+
2111 - W10# 61666-BZ100- 1
+----------+
| 61705 | PANEL SUB-ASSY, ROOF SIDE, INNER RH
+----------+
2111 - W10# 61705-BZ080- 1
+----------+
| 61706 | PANEL SUB-ASSY, ROOF SIDE, INNER LH
+----------+
2111 - W10# 61706-BZ080- 1
+----------+
| 61717A | REINFORCEMENT, QUARTER PANEL EXTENSION, R
H
+----------+
2111 - W10# 61717-BZ040- 1
+----------+
| 61718A | REINFORCEMENT, QUARTER PANEL EXTENSION, L
H
+----------+
2111 - W10# 61718-BZ060- 1
+----------+
| 61719C | BRACKET, ROOF SIDE RAIL, RH
+----------+
2210 - W101..CVT B2PJ H + SAB/CSA/BSM 61719-BZ070- 1
+----------+
| 61729A | BRACKET, ROOF SIDE RAIL, LH
+----------+
2210 - W101..CVT B2PJ H + SAB/CSA/BSM 61729-BZ010- 1
+----------+
| 61731B | PANEL, ROOF SIDE, INNER RH
+----------+
2111 - W10# 61731-BZ260- 1
+----------+
| 61732B | PANEL, ROOF SIDE, INNER LH
+----------+
2111 - W10# 61732-BZ250- 1
+----------+
| 61735A | PANEL, ROOF SIDE, INNER REAR RH
+----------+
2111 - W10# 61735-BZ120- 1
FIG.61-51 SIDE MEMBER
PROD_DATE MODELS
SPEC
CODE
DESCRIPTION
R
/
P
PART
NUMBER
O
Y
T
REV_REF
FR TO
+----------+
| 61736A | PANEL, ROOF SIDE, INNER REAR LH
+----------+
2111 - W10# 61736-BZ120- 1
+----------+
| 61745A | REINFORCEMENT, BACK DOOR OPENING, LOWER R
H
+----------+
2111 - W10# 61745-BZ090- 1
+----------+
| 61746A | REINFORCEMENT, BACK DOOR OPENING, LOWER L
H
+----------+
2111 - W10# 61746-BZ050- 1
+----------+
| 61768B | REINFORCE, BELT ANCHOR TO ROOF SIDE, INNER REAR RH
+----------+
2111 - W10# 61768-BZ150- 1
+----------+
| 61769E | REINFORCEMENT, BELT ANCHOR TO QUARTER, INNER LOWER LH
+----------+
2111 - W10# 61769-BZ160- 1
+----------+
| 65565 | PATCH, SIDE PANEL REAR END, RH
+----------+
2210 - W101..CVT B2PJ H + SAB/CSA/BSM 65565-BZ040- 1
+----------+
| 65566 | PATCH, SIDE PANEL REAR END, LH
+----------+
2210 - W101..CVT B2PJ H + SAB/CSA/BSM 65566-BZ030- 1
+----------+
| 68981A | RETAINER, BACK DOOR STAY, RH
+----------+
2111 - W10# 68981-BZ060- 1
+----------+
| 68982A | RETAINER, BACK DOOR STAY, LH
+----------+
2111 - W10# 68981-BZ060- 1
226
FIG.61-52 SIDE WINDOW
(2111- )
617203
REFER TO
FIG
(PNC 75641(RH))
(PNC 75642(LH))
69998-BZ010 75-52
62765H
62766
62785A
62786C
62785A
62786C
62763J
62764K
62715H
62716C
62711
62712
FIG.61-52 SIDE WINDOW
PROD_DATE MODELS
SPEC
CODE
DESCRIPTION
R
/
P
PART
NUMBER
O
Y
T
REV_REF
FR TO
+----------+
| 62711 | GLASS, QUARTER WINDOW, RH
+----------+
2111 - W10# ASAHIMAS 62711-BZ350- 1
2111 - W10# MULIA GLASS 62711-BZ430- 1
+----------+
| 62712 | GLASS, QUARTER WINDOW, LH
+----------+
2111 - W10# ASAHIMAS 62712-BZ350- 1
2111 - W10# MULIA GLASS 62712-BZ430- 1
+----------+
| 62715H | DAM, QUARTER WINDOW GLASS ADHESIVE, RH
+----------+
2111 - W10# 62715-BZ040- 1
+----------+
| 62716C | DAM, QUARTER WINDOW GLASS ADHESIVE, LH
+----------+
2111 - W10# 62715-BZ040- 1
+----------+
| 62763J | RETAINER, QUARTER WINDOW GLASS, UPPER
+----------+
2111 - W10# 62763-BZ060- 1
+----------+
| 62764K | RETAINER, QUARTER WINDOW GLASS, UPPER
+----------+
2111 - W10# 62764-BZ060- 1
+----------+
| 62765H | RETAINER, QUARTER WINDOW GLASS, LOWER
+----------+
2111 - W10# 62765-BZ040- 1
+----------+
| 62766 | RETAINER, QUARTER WINDOW GLASS, LOWER LH
+----------+
2111 - W10# 62766-BZ040- 1
+----------+
| 62785A | SPACER, QUARTER WINDOW GLASS
+----------+
2111 - W10#
#
64818-BZ010-
(64818-87704- )
2
1
227
FIG.61-52 SIDE WINDOW
PROD_DATE MODELS
SPEC
CODE
DESCRIPTION
R
/
P
PART
NUMBER
O
Y
T
REV_REF
FR TO
+----------+
| 62786C | SPACER, QUARTER WINDOW GLASS LH
+----------+
2111 - W10#
#
64818-BZ010-
(64818-87704- )
2
1
228
FIG.61-53 ROOF PANEL & BACK PANEL
(2111- )
617021
63145B
63231
63145B
63111
63134C
63141J
63142B
63132
63143A
63144B
63145D
FIG.61-53 ROOF PANEL & BACK PANEL
PROD_DATE MODELS
SPEC
CODE
DESCRIPTION
R
/
P
PART
NUMBER
O
Y
T
REV_REF
FR TO
+----------+
| 63111 | PANEL, ROOF
+----------+
2111 - W10# 63111-BZ320- 1
+----------+
| 63132 | PANEL, WINDSHIELD HEADER, INNER
+----------+
2111 - W10# 63132-BZ290- 1
+----------+
| 63134C | FRAME, BACK DOOR OPENING, INNER
+----------+
2111 - W10# 63134-BZ280- 1
+----------+
| 63141J | REINFORCEMENT, ROOF PANEL
+----------+
2111 - W10# 63141-BZ150- 1
+----------+
| 63142B | REINFORCEMENT, ROOF PANEL, REAR
+----------+
2111 - W10# 63142-BZ170- 1
+----------+
| 63143A | REINFORCEMENT, ROOF PANEL
+----------+
2111 - W10# 63143-BZ150- 1
+----------+
| 63144B | REINFORCEMENT, ROOF PANEL, NO.4
+----------+
2111 - W10# 63144-BZ120- 1
+----------+
| 63145B | REINFORCEMENT, WINDSHIELD HEADER PANEL
+----------+
2111 - W10# 63157-BZ010- 2
+----------+
| 63145D | BRACKET, ROOF REINFORCEMENT
+----------+
2111 - W10# 63145-BZ060- 1
+----------+
| 63231 | BRACKET, ROOM LAMP
+----------+
2111 - W10# 63138-BZ050- 1
229
FIG.61-55 REAR VENTILATOR & ROOF VENTILATOR
(2111- )
617023
62930B
62931B
62932B
62940B
FIG.61-55 REAR VENTILATOR & ROOF VENTILATOR
PROD_DATE MODELS
SPEC
CODE
DESCRIPTION
R
/
P
PART
NUMBER
O
Y
T
REV_REF
FR TO
+----------+
| 62930B | DUCT ASSY, QUARTER VENT, RH
+----------+
2111 - W10# 62930-BZ120- 1
+----------+
| 62931B | DUCT, QUARTER VENT
+----------+
2111 - W10# 62930-BZ030- 1
+----------+
| 62932B | DUCT, QUARTER VENT, LH
+----------+
2111 - W10# 62930-BZ030- 1
+----------+
| 62940B | DUCT ASSY, QUARTER VENT, LH
+----------+
2111 - W10# 62930-BZ120- 1
230
FIG.64-51 INSIDE TRIM BOARD
(2111- )
645480
REFER TO
FIG
(PNC 58510C)
REFER TO
FIG
(PNC 64730J(RH))
(PNC 64740E(LH))
62333A
62334A
62411B
62412B
62217H
62217J
62313D
62314D
62413C
62414B
62413A
62414A
63630Q
62638B
67917C
67918E
62471A
62472A
62170A
62180A
62211
62212
62211
62212
63630Q
62638B
62211T
62217G
62112
62111C
67914B
67913B
62111B
62117B
67923C
67924A
67923C
67924A
62170B
62461H
62489A
67917D
62597D
58-54
64-55
231
FIG.64-51 INSIDE TRIM BOARD
PROD_DATE MODELS
SPEC
CODE
DESCRIPTION
R
/
P
PART
NUMBER
O
Y
T
REV_REF
FR TO
+----------+
| 62111B | CLIP(FOR COWL SIDE TRIM)
+----------+
2111 - W10# BLACK(TRIM2#) 9004A-46131-C1 1
+----------+
| 62111C | BOARD, COWL SIDE TRIM, RH
+----------+
2111 - W10# BLACK(TRIM2#) 62111-BZ330-C0 1
+----------+
| 62112 | BOARD, COWL SIDE TRIM, LH
+----------+
2111 - W10# BLACK(TRIM2#) 62112-BZ310-C0 1
+----------+
| 62117B | CLIP, NO.1(FOR COWL SIDE TRIM)
+----------+
2111 - W10# BLACK(TRIM2#) 9004A-46131-C1 1
+----------+
| 62170A | AIR BAG ASSY, CURTAIN SHIELD, RH
+----------+
2210 - W101..CVT B2PJ H + SAB/CSA/BSM 62170-BZ060- 1
+----------+
| 62170B | BOLT, W/WASH
ER
+----------+
2210 - W101..CVT B2PJ H + SAB/CSA/BSM,M6,L
=20
91673-80616- 4
+----------+
| 62180A | AIR BAG ASSY, CURTAIN SHIELD, LH
+----------+
2210 - W101..CVT B2PJ H + SAB/CSA/BSM 62180-BZ050- 1
+----------+
| 62211 | GARNISH, FRONT PILLAR, RH
+----------+
2111 - W10# LT.GRAY(TRIM2#) 62210-BZ090-B0 1
2210 - W101..CVT B2PJ H + SAB/CSA/BSM,LT.G
RAY(TRIM2#)
62210-BZ100-B0 1
+----------+
| 62211T | CLIP(FOR FRONT PILLAR GARNISH)
+----------+
2210 - W101..CVT B2PJ H + SAB/CSA/BSM 62217-20010- 1
+----------+
| 62212 | GARNISH, FRONT PILLAR, LH
+----------+
2111 - W10# LT.GRAY(TRIM2#) 62220-BZ090-B0 1
FIG.64-51 INSIDE TRIM BOARD
PROD_DATE MODELS
SPEC
CODE
DESCRIPTION
R
/
P
PART
NUMBER
O
Y
T
REV_REF
FR TO
+----------+
| 62212 | GARNISH, FRONT PILLAR, LH
CONTINUED--+
2210 - W101..CVT B2PJ H + SAB/CSA/BSM,LT.G
RAY(TRIM2#)
62220-BZ100-B0 1
+----------+
| 62217G | CLIP, FRONT PILLAR GARNISH
+----------+
2210 - W101..CVT B2PJ H + SAB/CSA/BSM 62217-20010- 1
+----------+
| 62217H | CLIP, CENTER PILLER GARNISH
+----------+
2111 - W10#
#
9004A-46338-
(90044-68346- )
1
1
+----------+
| 62217J | CLIP, CENTER PILLER GARNISH
+----------+
2111 - W10#
#
9004A-46338-
(90044-68346- )
1
1
+----------+
| 62313D | TRIM, FRONT DOOR OPENING, RH
+----------+
2111 - W10# BLACK 62313-BZ290-C0 1
+----------+
| 62314D | TRIM, FRONT DOOR OPENING, LH
+----------+
2111 - W10# BLACK 62313-BZ290-C0 1
+----------+
| 62333A | TRIM, REAR DOOR OPENING, RH
+----------+
2111 - W10# BLACK 62333-BZ310-C0 1
+----------+
| 62334A | TRIM, REAR DOOR OPENING, LH
+----------+
2111 - W10# BLACK 62333-BZ310-C0 1
+----------+
| 62411B | GARNISH, CENTER PILLAR, UPPER RH
+----------+
2111 - W10# LT.GRAY(TRIM2#) 62411-BZ250-B0 1
+----------+
| 62412B | GARNISH, CENTER PILLAR, UPPER LH
+----------+
2111 - W10# LT.GRAY(TRIM2#) 62412-BZ250-B0 1
232
FIG.64-51 INSIDE TRIM BOARD
PROD_DATE MODELS
SPEC
CODE
DESCRIPTION
R
/
P
PART
NUMBER
O
Y
T
REV_REF
FR TO
+----------+
| 62413A | GARNISH, CENTER PILLAR, LOWER RH
+----------+
2111 - W10# BLACK(TRIM2#) 62413-BZ230-C0 1
+----------+
| 62413C | CLIP (FOR CENTER LOWER GARNISH)
+----------+
2111 - W10#
#
9004A-46338-
(90044-68346- )
2
1
+----------+
| 62414A | GARNISH, CENTER PILLAR, LOWER LH
+----------+
2111 - W10# BLACK(TRIM2#) 62414-BZ230-C0 1
+----------+
| 62414B | CLIP (FOR CENTER LOWER GARNISH)
+----------+
2111 - W10#
#
9004A-46338-
(90044-68346- )
2
1
+----------+
| 62461H | CLIP (FOR ROOF SIDE INNER GARNISH)
+----------+
2111 - W10#
#
9004A-46338-
(90044-68346- )
8
1
+----------+
| 62471A | GARNISH, ROOF SIDE, INNER RH
+----------+
2111 - W100..LO LT.GRAY(TRIM2#) 62471-BZ390-B0 1
2111 - W10#..HI,MID LT.GRAY(TRIM2#) 62471-BZ470-B0 1
2210 - W101..CVT B2PJ H + SAB/CSA/BSM,LT.G
RAY(TRIM2#)
62471-BZ480-B0 1
+----------+
| 62472A | GARNISH, ROOF SIDE, INNER LH
+----------+
2111 - W10# LT.GRAY(TRIM2#) 62472-BZ360-B0 1
2210 - W101..CVT B2PJ H + SAB/CSA/BSM,LT.G
RAY(TRIM2#)
62472-BZ470-B0 1
+----------+
| 62489A | CLIP, ROOF SIDE INNER GARNISH
+----------+
2111 - W10#
#
9004A-46338-
(90044-68346- )
8
1
FIG.64-51 INSIDE TRIM BOARD
PROD_DATE MODELS
SPEC
CODE
DESCRIPTION
R
/
P
PART
NUMBER
O
Y
T
REV_REF
FR TO
+----------+
| 62597D | CLIP
+----------+
2111 - W10# 90467-T0019- 2
+----------+
| 62638B | CLIP
+----------+
2111 - W10#
#
9004A-46338-
(90044-68346- )
3
1
2210 - W101..CVT B2PJ H + SAB/CSA/BSM
#
9004A-46338-
(90044-68346- )
2
1
+----------+
| 63630Q | CLIP
+----------+
2111 - W10#
#
9004A-46338-
(90044-68346- )
3
1
2210 - W101..CVT B2PJ H + SAB/CSA/BSM
#
9004A-46338-
(90044-68346- )
2
1
+----------+
| 67913B | PLATE, FRONT DOOR SCUFF, RH
+----------+
2111 - W10# BLACK(TRIM2#) 67913-BZ210-C0 1
+----------+
| 67914B | PLATE, FRONT DOOR SCUFF, LH
+----------+
2111 - W10# BLACK(TRIM2#) 67914-BZ210-C0 1
+----------+
| 67917C | PLATE, REAR DOOR SCUFF, RH
+----------+
2111 - W10# BLACK(TRIM2#) 67917-BZ250-C0 1
+----------+
| 67917D | CLIP, REAR DOOR SCUFF PLATE
+----------+
2111 - W10# 90467-T0019- 2
+----------+
| 67918E | PLATE, REAR DOOR SCUFF, LH
+----------+
2111 - W10# BLACK(TRIM2#) 67918-BZ250-C0 1
+----------+
| 67923C | CLAMP, DOOR SCUFF PLATE, NO.1
+----------+
2111 - W10# 67924-B2010- 1
233
FIG.64-51 INSIDE TRIM BOARD
PROD_DATE MODELS
SPEC
CODE
DESCRIPTION
R
/
P
PART
NUMBER
O
Y
T
REV_REF
FR TO
+----------+
| 67924A | CLAMP, DOOR SCUFF PLATE, NO.2
+----------+
2111 - W10# 67924-B2010- 1
234
FIG.64-52 ROOF HEADLINING & SILENCER PAD
(2111- )
645162
REFER TO
FIG
(PNC 84732H)
REFER TO
FIG
(PNC 88611D)
REFER TO
FIG
REFER TO
FIG
(PNC 87441B)
REFER TO
FIG
(PNC 88568A)
REFER TO
FIG
(PNC 88568A)
87-15
87-15
87-15
87-15
87-15
87-15
62410B
62821C
62822B
62961C
63310
63310D
63310H
63310H
63310H
63310H
63310K
63310K
63311
63312
63315
63315
63316
63316
63341
63342
63342
63343E
63357B
63383D
88570F
FIG.64-52 ROOF HEADLINING & SILENCER PAD
PROD_DATE MODELS
SPEC
CODE
DESCRIPTION
R
/
P
PART
NUMBER
O
Y
T
REV_REF
FR TO
+----------+
| 62410B | CLIP
+----------+
2111 - W10# 90467-05171- 6
+----------+
| 62821C | GRILLE, ROOM VENTILATION, RH
+----------+
2111 - W10# LT.GRAY(TRIM2#) 62821-BZ020-B0 1
+----------+
| 62822B | GRILLE, ROOM VENTILATION, LH
+----------+
2111 - W10# LT.GRAY(TRIM2#) 62822-BZ020-B0 1
+----------+
| 62961C | GRILLE, ROOM VENT
+----------+
2111 - W10# LT.GRAY(TRIM2#) 62961-BZ070-B0 1
+----------+
| 63310 | HEADLINING ASSY, ROOF
+----------+
2111 - W10# LIGHT GREY(TRIM2#) 63310-BZC60-B0 1
2111 - W100..LO..5F B2BB D-LOWEST,LIGHT GREY(
TRIM2#)
63310-BZD70-B0 1
+----------+
| 63310D | CLIP, ROOF HEADLINING
+----------+
2111 - W10# LT.GRAY(TRIM2#) 90044-67571-B0 1
+----------+
| 63310H | CLIP(FOR ROOF HEADLINING)
+----------+
2111 - W10# LT.GRAY(TRIM2#)
#
9004A-46358-B1
(90467-05164-B0)
4
1
+----------+
| 63310K | CLIP
+----------+
2111 - W10# 90467-05171- 16
+----------+
| 63311 | GARNISH, ROOF HEADLINING, FRONT RH
+----------+
2111 - W10# 62431-BZ020- 1
+----------+
| 63312 | GARNISH, ROOF HEADLINING, FRONT LH
+----------+
2111 - W10# 62432-BZ020- 1
235
FIG.64-52 ROOF HEADLINING & SILENCER PAD
PROD_DATE MODELS
SPEC
CODE
DESCRIPTION
R
/
P
PART
NUMBER
O
Y
T
REV_REF
FR TO
+----------+
| 63315 | GARNISH, ROOF HEADLINING, REAR RH
+----------+
2111 - W10# NO.1 62441-BZ020- 1
2111 - W10# NO.2 62451-BZ040- 1
+----------+
| 63316 | GARNISH, ROOF HEADLINING, REAR LH
+----------+
2111 - W10# NO.1 62442-BZ030- 1
2111 - W10# NO.2 62452-BZ040- 1
+----------+
| 63341 | PAD, ROOF SILENCER, NO.1
+----------+
2111 - W10# 63342-BZ260- 1
+----------+
| 63342 | PAD, ROOF SILENCER, NO.2
+----------+
2111 - W10# 63342-BZ270- 2
+----------+
| 63343E | PAD, ROOF SILENCER, NO.3
+----------+
2111 - W10# 63342-BZ280- 1
+----------+
| 63357B | SILENCER, RO
OF
+----------+
2111 - W10# 63357-BZ030- 1
+----------+
| 63383D | RETAINER, ROOF HEADLINING, REAR
+----------+
2111 - W10# 63383-BZ020- 1
+----------+
| 88570F | GRILLE ASSY, AIR OUTLET
+----------+
2111 - W10# LT.GRAY(TRIM2#) 88404-BZ080-B0 1
236
FIG.64-55 DECK BOARD & DECK TRIM COVER
(2111- )
645155-A
90467-T0021(9)
90467-T0021(8)
9004A-46338(4)
64721G
64421A
64730K
62594H
62595J
64771G
64993
64714J
67935F
58410B
64740E
64730J
67807C
67808B
67808C
237
FIG.64-55 DECK BOARD & DECK TRIM COVER
PROD_DATE MODELS
SPEC
CODE
DESCRIPTION
R
/
P
PART
NUMBER
O
Y
T
REV_REF
FR TO
+----------+
| 58410B | BOARD ASSY, DECK
+----------+
2111 - W100..LO BLACK(TRIM2#) 58410-BZ290-C0 1
2111 - W10#..HI,MID BLACK(TRIM2#) 58410-BZ340-C0 1
+----------+
| 62594H | POCKET, QUARTER TRIM, RH
+----------+
2111 - W10# BLACK(TRIM2#) 62594-BZ080-C0 1
+----------+
| 62595J | POCKET, QUARTER TRIM, LH
+----------+
2111 - W10# BLACK(TRIM2#) 62595-BZ070-C0 1
+----------+
| 64421A | TRAY, LUGGAGE COMPARTMENT
+----------+
2111 - W10# BLACK(TRIM2#) 64421-BZ030-C0 1
+----------+
| 64714J | COVER, DECK SIDE TRIM, RH
+----------+
2111 - W10# BLACK(TRIM2#) 62521-BZ030-C0 1
+----------+
| 64721G | COVER, DECK TRIM, NO.1
+----------+
2111 - W10# BLACK(TRIM2#) 62522-BZ010-C0 1
+----------+
| 64730J | PANEL ASSY, DECK TRIM SIDE, RH
+----------+
2111 - W10# BLACK(TRIM2#) 64730-BZ380-C0 1
+----------+
| 64730K | CLIP(FOR DECK SIDE TRIM PANEL)
+----------+
2111 - W10# BLACK(TRIM2#) 90044-68046-C2 2
+----------+
| 64740E | PANEL ASSY, DECK TRIM SIDE, LH
+----------+
2111 - W100..LO BLACK(TRIM2#) 64740-BZ370-C0 1
2111 - W10#..HI,MID BLACK(TRIM2#) 64740-BZ380-C0 1
+----------+
| 64771G | COVER, SPARE WHEEL
+----------+
2111 - W10# BLACK(TRIM2#) 58285-BZ010-C0 1
FIG.64-55 DECK BOARD & DECK TRIM COVER
PROD_DATE MODELS
SPEC
CODE
DESCRIPTION
R
/
P
PART
NUMBER
O
Y
T
REV_REF
FR TO
+----------+
| 64993 | BOX, DECK FLOOR, REAR
+----------+
2111 - W10# 64993-BZ010- 1
+----------+
| 67807C | COVER SUB-ASSY, BACK DOOR SERVICE HOLE, NO.1
+----------+
2111 - W10# BLACK(TRIM2#) 67807-BZ010-C0 1
+----------+
| 67808B | COVER SUB-ASSY, BACK DOOR SERVICE HOLE, NO.2
+----------+
2111 - W10# BLACK(TRIM2#) 67808-BZ010-C0 1
+----------+
| 67808C | COVER SUB-ASSY, BACK DOOR SERVICE HOLE, NO.3
+----------+
2111 - W10# BLACK(TRIM2#) 67808-BZ020-C0 1
+----------+
| 67935F | PLATE, BACK DOOR SCUFF
+----------+
2111 - W10# BLACK(TRIM2#) 67935-BZ120-C0 1
238
FIG.65-54 REAR BODY SIDE PANEL
(2111- )
651473
65637
65638
9004A-46323
9004A-46323
9004A-46380
9004A-46380(2)
FIG.65-54 REAR BODY SIDE PANEL
PROD_DATE MODELS
SPEC
CODE
DESCRIPTION
R
/
P
PART
NUMBER
O
Y
T
REV_REF
FR TO
+----------+
| 65637 | LINER, REAR WHEEL HOUSE, RH
+----------+
2111 - W10# 65637-BZ280- 1
+----------+
| 65638 | LINER, REAR WHEEL HOUSE, LH
+----------+
2111 - W10# 65638-BZ280- 1
239
FIG.67-51 FRONT DOOR PANEL & GLASS
(2111- )
DOOR PANEL ILLUST NO. 1 OF 3
67B659-A
REFER TO
FIG
(PNC 61131C(RH))
(PNC 61132B(LH))
REFER TO
FIG
(PNC 86160)
9004A-10260
61-51
68610B
68620
68161B
68162B
67837G
67838D
86-02
67001A
67861
67862
67831
67832
67001
67002
67111
67112
67403F
67404F
68141
68151D
67401F
67402F
91631-G0612(2)
9004A-15064
91631-G0612(2)
68141E
68151E
68101
68102
68125
68126
68215
68216
75921C
75922M
75923B
75924B
9004A-17177(2)
90179-06070(2)
240
FIG.67-51 FRONT DOOR PANEL & GLASS
(2111- )
DOOR TRIM ILLUST NO. 2 OF 3
67B661-A
9004A-18037
81119-B1010
68171B
68172A
67601
67602
90041-67030(4)
67601B
67601L
69277E
69278E
241
FIG.67-51 FRONT DOOR PANEL & GLASS
(2111- )
WEATHERSTRIP RETAINER & CLIP ILLUST NO. 3 OF 3
67B662
67869E
67869J
67867C
67868C
FIG.67-51 FRONT DOOR PANEL & GLASS
PROD_DATE MODELS
SPEC
CODE
DESCRIPTION
R
/
P
PART
NUMBER
O
Y
T
REV_REF
FR TO
+----------+
| 67001 | PANEL SUB-ASSY, FRONT DOOR, RH
+----------+
2111 - W10# 67001-BZ710- 1
+----------+
| 67001A | CUSHION, FRONT DOOR PANEL
+----------+
2111 - W10# 90541-09069- 2
+----------+
| 67002 | PANEL SUB-ASSY, FRONT DOOR, LH
+----------+
2111 - W10# 67002-BZ710- 1
+----------+
| 67111 | PANEL, FRONT DOOR, OUTER RH
+----------+
2111 - W10# 67111-BZ410- 1
+----------+
| 67112 | PANEL, FRONT DOOR, OUTER LH
+----------+
2111 - W10# 67112-BZ410- 1
+----------+
| 67401F | FRAME SUB-ASSY, FRONT DOOR, FRONT LOWER R
H
+----------+
2111 - W10# 67401-BZ150- 1
+----------+
| 67402F | FRAME SUB-ASSY, FRONT DOOR, FRONT LOWER L
H
+----------+
2111 - W10# 67402-BZ160- 1
+----------+
| 67403F | FRAME SUB-ASSY, FRONT DOOR, REAR LOWER RH
+----------+
2111 - W10# 67403-BZ180- 1
+----------+
| 67404F | FRAME SUB-ASSY, FRONT DOOR, REAR LOWER LH
+----------+
2111 - W10# 67404-BZ180- 1
+----------+
| 67601 | BOARD SUB-ASSY, FRONT DOOR TRIM, RH
+----------+
2111 - W10# BLACK(TRIM2#),W/PART
NUMBER MARK
67610-BZ830-C1 1
242
FIG.67-51 FRONT DOOR PANEL & GLASS
PROD_DATE MODELS
SPEC
CODE
DESCRIPTION
R
/
P
PART
NUMBER
O
Y
T
REV_REF
FR TO
+----------+
| 67601B | CLIP(FOR FRONT DOOR TRIM BOARD)
+----------+
2111 - W10# 90467-T0019- 10
+----------+
| 67601L | CLIP(FOR FRONT DOOR TRIM BOARD)
+----------+
2111 - W10# 90467-T0019- 10
+----------+
| 67602 | BOARD SUB-ASSY, FRONT DOOR TRIM, LH
+----------+
2111 - W10# BLACK(TRIM2#),W/PART
NUMBER MARK
67620-BZ830-C1 1
+----------+
| 67831 | COVER, FRONT DOOR SERVICE HOLE, RH
+----------+
2111 - W10# 67831-BZ490- 1
+----------+
| 67832 | COVER, FRONT DOOR SERVICE HOLE, LH
+----------+
2111 - W10# 67832-BZ130- 1
+----------+
| 67837G | SEAL, FRONT DOOR VENT, RH
+----------+
2111 - W10# 67837-BZ070- 3
+----------+
| 67838D | SEAL, FRONT DOOR VENT, LH
+----------+
2111 - W10# 67837-BZ070- 3
+----------+
| 67861 | WEATHERSTRIP, FRONT DOOR, RH
+----------+
2111 - W10# 67861-BZ250- 1
+----------+
| 67862 | WEATHERSTRIP, FRONT DOOR, LH
+----------+
2111 - W10# 67862-BZ240- 1
+----------+
| 67867C | RETAINER, FRONT DOOR WEATHERSTRIP, RH
+----------+
2111 - W10# 67867-B2320- 29
FIG.67-51 FRONT DOOR PANEL & GLASS
PROD_DATE MODELS
SPEC
CODE
DESCRIPTION
R
/
P
PART
NUMBER
O
Y
T
REV_REF
FR TO
+----------+
| 67868C | RETAINER, FRONT DOOR WEATHERSTRIP, LH
+----------+
2111 - W10# 67867-B2320- 29
+----------+
| 67869E | CLIP, FRONT DOOR WEATHERSTRIP
+----------+
2111 - W10# 90467-06084- 1
+----------+
| 67869J | CLIP, FRONT DOOR WEATHERSTRIP
+----------+
2111 - W10# 90467-06084- 1
+----------+
| 68101 | GLASS SUB-ASSY, FRONT DOOR, RH
+----------+
2111 - W10# 68101-BZ400- 1
+----------+
| 68102 | GLASS SUB-ASSY, FRONT DOOR, LH
+----------+
2111 - W10# 68102-BZ400- 1
+----------+
| 68125 | GLASS, FRONT DOOR FIX WINDOW, RH
+----------+
2111 - W10# 68125-BZ070- 1
+----------+
| 68126 | GLASS, FRONT DOOR FIX WINDOW, LH
+----------+
2111 - W10# 68126-BZ070- 1
+----------+
| 68141 | RUN, FRONT DOOR GLASS
+----------+
2111 - W10# 68143-BZ130- 1
+----------+
| 68141E | RUN, FRONT DOOR GLASS, RH
+----------+
2111 - W10# 68141-BZ210- 1
+----------+
| 68151D | RUN, FRONT DOOR GLASS, LH
+----------+
2111 - W10# 68143-BZ130- 1
+----------+
| 68151E | RUN, FRONT DOOR GLASS, LH
+----------+
2111 - W10# 68151-BZ210- 1
243
FIG.67-51 FRONT DOOR PANEL & GLASS
PROD_DATE MODELS
SPEC
CODE
DESCRIPTION
R
/
P
PART
NUMBER
O
Y
T
REV_REF
FR TO
+----------+
| 68161B | WEATHERSTRIP, FRONT DOOR GLASS, OUTER RH
+----------+
2111 - W10# 68161-BZ230- 1
+----------+
| 68162B | WEATHERSTRIP, FRONT DOOR GLASS, OUTER LH
+----------+
2111 - W10# 68162-BZ220- 1
+----------+
| 68171B | WEATHERSTRIP, FRONT DOOR GLASS, INNER RH
+----------+
2111 - W10# 68171-BZ250- 1
+----------+
| 68172A | WEATHERSTRIP, FRONT DOOR GLASS, INNER LH
+----------+
2111 - W10# 68172-BZ230- 1
+----------+
| 68215 | WEATHERSTRIP, FRONT DOOR FIX WINDOW, RH
+----------+
2111 - W10# 68215-BZ020- 1
+----------+
| 68216 | WEATHERSTRIP, FRONT DOOR FIX WINDOW, LH
+----------+
2111 - W10# 68216-BZ020- 1
+----------+
| 68610B | CHECK ASSY, FRONT DOOR, RH
+----------+
2111 - W10# 68610-BZ210- 1
+----------+
| 68620 | CHECK ASSY, FRONT DOOR, LH
+----------+
2111 - W10# 68610-BZ210- 1
+----------+
| 69277E | BEZEL, FRONT DOOR INSIDE HANDLE, RH
+----------+
2111 - W10# BLACK(TRIM2#) 69277-BZ100-C0 1
+----------+
| 69278E | BEZEL, FRONT DOOR INSIDE HANDLE, LH
+----------+
2111 - W10# BLACK(TRIM2#) 69278-BZ080-C0 1
FIG.67-51 FRONT DOOR PANEL & GLASS
PROD_DATE MODELS
SPEC
CODE
DESCRIPTION
R
/
P
PART
NUMBER
O
Y
T
REV_REF
FR TO
+----------+
| 75921C | TAPE, BLACK OUT, NO.1 RH
+----------+
2111 - W10#..HI,MID TUYAKESI BLACK DUMMY
(1G3 ,G64 ,P20 ,R75
,S28 ,W09)
75921-BZ170-C0 1
+----------+
| 75922M | TAPE, BLACK OUT, NO.1 LH
+----------+
2111 - W10#..HI,MID TUYAKESI BLACK DUMMY
(1G3 ,G64 ,P20 ,R75
,S28 ,W09)
75922-BZ150-C0 1
+----------+
| 75923B | TAPE, BLACK OUT, NO.2 RH
+----------+
2111 - W10#..HI,MID TUYAKESI BLACK DUMMY
(1G3 ,G64 ,P20 ,R75
,S28 ,W09)
75923-BZ220-C0 1
+----------+
| 75924B | TAPE, BLACK OUT, NO.2 LH
+----------+
2111 - W10#..HI,MID TUYAKESI BLACK DUMMY
(1G3 ,G64 ,P20 ,R75
,S28 ,W09)
75924-BZ210-C0 1
244
FIG.67-53 FRONT DOOR LOCK & HANDLE
(2111- )
67B622-B
REFER TO
FIG
(PNC 82151(RH))
(PNC 82152(LH))
REFER TO
FIG
REFER TO
FIG
(PNC 82151(RH))
(PNC 82152(LH))
REFER TO
FIG
(PNC 61311B(RH))
(PNC 61312B(LH))
90148-60083(3)
69205
69206B
90041-05504
90041-05474
82-02
69210
69220
69410
67-65
69210
69220
67749-B2030(2)
69241D
69242C
69311A
69312
82-02
69711B
69750C
69760C
69749
69749A
69710B
69720B
69296
69310
69320
61-51
9004A-15068(2)
90041-05504
245
FIG.67-53 FRONT DOOR LOCK & HANDLE
PROD_DATE MODELS
SPEC
CODE
DESCRIPTION
R
/
P
PART
NUMBER
O
Y
T
REV_REF
FR TO
+----------+
| 69205 | HANDLE SUB-ASSY, FRONT DOOR INSIDE, RH
+----------+
2111 - W100 BLACK(TRIM2#) 69270-BZ170-C0 1
2111 - W101 BLACK(TRIM2#) 69270-BZ180-C0 1
+----------+
| 69206B | HANDLE SUB-ASSY, FRONT DOOR INSIDE, LH
+----------+
2111 - W100 BLACK(TRIM2#) 69280-BZ170-C0 1
2111 - W101 BLACK(TRIM2#) 69280-BZ180-C0 1
+----------+
| 69210 | HANDLE ASSY, FRONT DOOR, OUTSIDE RH
+----------+
2111 - W100 WHITE(W09) 69210-BZ620-A0 1
2111 - W100 SILVER ME.(S28) 69210-BZ620-B0 1
2111 - W100 GRAY ME.(1G3) 69210-BZ620-B1 1
2111 - W100 BLACK ME.(X12) 69210-BZ620-C0 1
2111 - W100 RED SE(R75) 69210-BZ620-D0 1
2111 - W100 GREENISH GUN METAL M
(G64)
69210-BZ620-G0 1
2111 - W100 PURPLISH SILVER M.M(
P20)
69210-BZ620-K0 1
2111 - W101 WHITE(W09) 69210-BZ710-A0 1
2111 - W101 SILVER ME.(S28) 69210-BZ710-B0 1
2111 - W101 GRAY ME.(1G3) 69210-BZ710-B1 1
2111 - W101 BLACK ME.(X12) 69210-BZ710-C0 1
2111 - W101 RED SE(R75) 69210-BZ710-D0 1
2111 - W101 GREENISH GUN METAL M
(G64)
69210-BZ710-G0 1
2111 - W101 PURPLISH SILVER M.M(
P20)
69210-BZ710-K0 1
+----------+
| 69220 | HANDLE ASSY, FRONT DOOR OUTSIDE, LH
+----------+
2111 - W100 WHITE(W09) 69220-BZ610-A0 1
FIG.67-53 FRONT DOOR LOCK & HANDLE
PROD_DATE MODELS
SPEC
CODE
DESCRIPTION
R
/
P
PART
NUMBER
O
Y
T
REV_REF
FR TO
+----------+
| 69220 | HANDLE ASSY, FRONT DOOR OUTSIDE, LH
CONTINUED--+
2111 - W100 SILVER ME.(S28) 69220-BZ610-B0 1
2111 - W100 GRAY ME.(1G3) 69220-BZ610-B1 1
2111 - W100 BLACK ME.(X12) 69220-BZ610-C0 1
2111 - W100 RED SE(R75) 69220-BZ610-D0 1
2111 - W100 GREENISH GUN METAL M
(G64)
69220-BZ610-G0 1
2111 - W100 PURPLISH SILVER M.M(
P20)
69220-BZ610-K0 1
2111 - W101 WHITE(W09) 69220-BZ700-A0 1
2111 - W101 SILVER ME.(S28) 69220-BZ700-B0 1
2111 - W101 GRAY ME.(1G3) 69220-BZ700-B1 1
2111 - W101 BLACK ME.(X12) 69220-BZ700-C0 1
2111 - W101 RED SE(R75) 69220-BZ700-D0 1
2111 - W101 GREENISH GUN METAL M
(G64)
69220-BZ700-G0 1
2111 - W101 PURPLISH SILVER M.M(
P20)
69220-BZ700-K0 1
+----------+
| 69241D | PAD, FRONT DOOR OUTSIDE HANDLE, RH
+----------+
2111 - W10# 75787-BZ080- 1
+----------+
| 69242C | PAD, FRONT DOOR OUTSIDE HANDLE, LH
+----------+
2111 - W10# 75788-BZ080- 1
+----------+
| 69296 | SCREW, DOOR INSIDE HANDLE
+----------+
2111 - W10# 9004A-16093- 2
+----------+
| 69310 | LOCK ASSY, FRONT DOOR, RH
+----------+
2111 - W10# 69310-BZ270- 1
246
FIG.67-53 FRONT DOOR LOCK & HANDLE
PROD_DATE MODELS
SPEC
CODE
DESCRIPTION
R
/
P
PART
NUMBER
O
Y
T
REV_REF
FR TO
+----------+
| 69311A | ROD, FRONT DOOR LOCK OPEN, RH
+----------+
2111 - W10# 69311-BZ140- 1
+----------+
| 69312 | ROD, FRONT DOOR LOCK OPEN, LH
+----------+
2111 - W10# 69312-BZ140- 1
+----------+
| 69320 | LOCK ASSY, FRONT DOOR, LH
+----------+
2111 - W10# 69320-BZ230- 1
+----------+
| 69410 | PLATE ASSY, FRONT DOOR LOCK STRIKER
+----------+
2111 - W10# 69410-BZ010- 2
+----------+
| 69710B | CABLE ASSY, FRONT DOOR LOCK REMOTE CONTROL, RH
+----------+
2111 - W10# 69710-BZ140- 1
+----------+
| 69711B | LINK, FRONT DOOR LOCK REMOTE CONTROL, RH
+----------+
2111 - W10# 69711-BZ160- 1
+----------+
| 69720B | CABLE ASSY, FRONT DOOR LOCK REMOTE CONTROL, LH
+----------+
2111 - W10# 69710-BZ140- 1
+----------+
| 69749 | CLAMP, FRONT DOOR LOCK LINK
+----------+
2111 - W10#
#
69749-BZ100-
(69749-32040- )
1
1
+----------+
| 69749A | CLAMP, FRONT DOOR LOCK LINK, NO.1
+----------+
2111 - W10#
#
69749-BZ100-
(69749-32040- )
1
1
+----------+
| 69750C | CABLE ASSY, FRONT DOOR INSIDE LOCKING, RH
+----------+
2111 - W10# 69750-BZ140- 1
FIG.67-53 FRONT DOOR LOCK & HANDLE
PROD_DATE MODELS
SPEC
CODE
DESCRIPTION
R
/
P
PART
NUMBER
O
Y
T
REV_REF
FR TO
+----------+
| 69760C | CABLE ASSY, FRONT DOOR INSIDE LOCKING LH
+----------+
2111 - W10# 69760-BZ140- 1
247
FIG.67-54 FRONT DOOR WINDOW REGULATOR & HINGE
(2111- )
67B550
REFER TO
FIG
(PNC 82151(RH))
(PNC 82152(LH))
90041-68063(3)
90041-05575(2)
90041-05575(2)
9004A-10134(2)
9004A-10134(2)
82-02
68710
68720
68730
68740
69801
69802
9004A-11309(2)
9004A-11309(2)
9004A-11309(4)
85710D
85720C
FIG.67-54 FRONT DOOR WINDOW REGULATOR & HINGE
PROD_DATE MODELS
SPEC
CODE
DESCRIPTION
R
/
P
PART
NUMBER
O
Y
T
REV_REF
FR TO
+----------+
| 68710 | HINGE ASSY, FRONT DOOR, UPPER RH
+----------+
2111 - W10# 68710-BZ140- 1
+----------+
| 68720 | HINGE ASSY, FRONT DOOR, UPPER LH
+----------+
2111 - W10# 68720-BZ110- 1
+----------+
| 68730 | HINGE ASSY, FRONT DOOR, LOWER RH
+----------+
2111 - W10# 68720-BZ110- 1
+----------+
| 68740 | HINGE ASSY, FRONT DOOR, LOWER LH
+----------+
2111 - W10# 68710-BZ140- 1
+----------+
| 69801 | REGULATOR SUB-ASSY, FRONT DOOR WINDOW, RH
+----------+
2111 - W10# 69801-BZ150- 1
+----------+
| 69802 | REGULATOR SUB-ASSY, FRONT DOOR WINDOW, LH
+----------+
2111 - W10# 69802-BZ150- 1
+----------+
| 85710D | MOTOR ASSY, POWER WINDOW REGULATOR, RH
+----------+
2111 - W10# 85710-BZ210- 1
+----------+
| 85720C | MOTOR ASSY, POWER WINDOW REGULATOR, LH
+----------+
2111 - W10# 85720-BZ240- 1
248
FIG.67-55 REAR DOOR PANEL & GLASS
(2111- )
DOOR PANEL ILLUST NO. 1 OF 3
67B650-A
REFER TO
FIG
(PNC 86160B)
9004A-10260
67113
67114
67003
67004
68103
68104
67485G
67486D
67841E
67842E
68163H
68164A
68142C
68152C
67485G
67486D
67897B
67898B
67487A
67488A
68630D
68640A
67407F
67408F
86-02
67871
67872
91631-G0612(2)
91631-G0612(3)
67771-B2010(3)
67405B
67406B
68142B
68152B
57-52
75927A
75928A
75925C
75926B
9004A-17177(2)
90179-06070(2)
249
FIG.67-55 REAR DOOR PANEL & GLASS
―
―
―
―
―
―
―
―
―
―
―
―
―
―
―
―
―
―
―
―
―
―
―
―
―
―
―
―
―
―
―
―
―
―
(2111- )
DOOR TRIM ILLUST NO. 2 OF 3
6755 67B651
9004A-18037(3)
90041-67030(3)
69287A
69288A
68173B
68174A
67603
67604
67603B
67603E
FIG.67-55 REAR DOOR PANEL & GLASS
(2111- )
WETHERSTRIP RETAINER & CLIP ILLUST NO. 3 OF 3
67B652
67869N
67869P
67871A
67868D
250
FIG.67-55 REAR DOOR PANEL & GLASS
PROD_DATE MODELS
SPEC
CODE
DESCRIPTION
R
/
P
PART
NUMBER
O
Y
T
REV_REF
FR TO
+----------+
| 67003 | PANEL SUB-ASSY, REAR DOOR, RH
+----------+
2111 - W10# 67003-BZ720- 1
+----------+
| 67004 | PANEL SUB-ASSY, REAR DOOR, LH
+----------+
2111 - W10# 67004-BZ720- 1
+----------+
| 67113 | PANEL, REAR DOOR, OUTER RH
+----------+
2111 - W10# 67113-BZ420- 1
+----------+
| 67114 | PANEL, REAR DOOR, OUTER LH
+----------+
2111 - W10# 67114-BZ420- 1
+----------+
| 67405B | GUIDE SUB-ASSY, REAR DOOR WINDOW, FRONT R
H
+----------+
2111 - W10# 67405-BZ090- 1
+----------+
| 67406B | GUIDE SUB-ASSY, REAR DOOR WINDOW, FRONT L
H
+----------+
2111 - W10# 67406-BZ090- 1
+----------+
| 67407F | FRAME SUB-ASSY, REAR DOOR WINDOW, REAR LOWER RH
+----------+
2111 - W10# 67407-BZ190- 1
+----------+
| 67408F | FRAME SUB-ASSY, REAR DOOR WINDOW, REAR LOWER LH
+----------+
2111 - W10# 67408-BZ190- 1
+----------+
| 67485G | SEAL, REAR DOOR REAR LOWER FRAME, RH
+----------+
2111 - W10# 67837-BZ070- 2
+----------+
| 67486D | SEAL, REAR DOOR REAR LOWER FRAME, LH
+----------+
2111 - W10# 67837-BZ070- 2
+----------+
| 67487A | GARNISH, REAR DOOR REAR GUIDE BRACKET, RH
+----------+
2111 - W10# 67487-BZ080- 1
FIG.67-55 REAR DOOR PANEL & GLASS
PROD_DATE MODELS
SPEC
CODE
DESCRIPTION
R
/
P
PART
NUMBER
O
Y
T
REV_REF
FR TO
+----------+
| 67488A | GARNISH, REAR DOOR REAR GUIDE BRACKET, LH
+----------+
2111 - W10# 67488-BZ080- 1
+----------+
| 67603 | BOARD SUB-ASSY, REAR DOOR TRIM, RH
+----------+
2111 - W10# BLACK(TRIM2#) 67630-BZ740-C0 1
+----------+
| 67603B | CLIP(FOR REAR DOOR TRIM BOARD)
+----------+
2111 - W10# 90467-T0019- 10
+----------+
| 67603E | CLIP(FOR REAR DOOR TRIM BOARD)
+----------+
2111 - W10# 90467-T0019- 10
+----------+
| 67604 | BOARD SUB-ASSY, REAR DOOR TRIM, LH
+----------+
2111 - W10# BLACK(TRIM2#) 67640-BZ740-C0 1
+----------+
| 67841E | COVER, REAR DOOR SERVICE HOLE, RH
+----------+
2111 - W10# 67841-BZ460- 1
2111 - W100..LO..5F B2BB D-LOWEST 67841-BZ470- 1
+----------+
| 67842E | COVER, REAR DOOR SERVICE HOLE, LH
+----------+
2111 - W10# 67842-BZ220- 1
2111 - W100..LO..5F B2BB D-LOWEST 67842-BZ230- 1
+----------+
| 67868D | RETAINER, REAR DOOR WEATHERSTRIP, LH
+----------+
2111 - W10# 67867-B2320- 36
+----------+
| 67869N | CLIP, REAR DOOR WEATHERSTRIP, RH
+----------+
2111 - W10# 90467-06084- 7
+----------+
| 67869P | CLIP, REAR DOOR WEATHERSTRIP, LH
+----------+
2111 - W10# 90467-06084- 7
251
FIG.67-55 REAR DOOR PANEL & GLASS
PROD_DATE MODELS
SPEC
CODE
DESCRIPTION
R
/
P
PART
NUMBER
O
Y
T
REV_REF
FR TO
+----------+
| 67871 | WEATHERSTRIP, REAR DOOR, RH
+----------+
2111 - W10# 67871-BZ250- 1
+----------+
| 67871A | RETAINER(FOR REAR DOOR WEATHERSTRIP)
+----------+
2111 - W10# 67867-B2320- 36
+----------+
| 67872 | WEATHERSTRIP, REAR DOOR, LH
+----------+
2111 - W10# 67872-BZ240- 1
+----------+
| 67897B | CUSHION, REAR DOOR, RH
+----------+
2111 - W10# 90541-09069- 1
+----------+
| 67898B | CUSHION, REAR DOOR, LH
+----------+
2111 - W10# 90541-09069- 1
+----------+
| 68103 | GLASS SUB-ASSY, REAR DOOR, RH
+----------+
2111 - W10# 68103-BZ460- 1
+----------+
| 68104 | GLASS SUB-ASSY, REAR DOOR, LH
+----------+
2111 - W10# 68104-BZ460- 1
+----------+
| 68142B | RUN, REAR DOOR WINDOW, RH
+----------+
2111 - W10# 68144-BZ120- 1
+----------+
| 68142C | RUN, REAR DOOR GLASS, RH
+----------+
2111 - W10# 68142-BZ220- 1
+----------+
| 68152B | RUN, REAR DOOR WINDOW, LH
+----------+
2111 - W10# 68144-BZ120- 1
+----------+
| 68152C | RUN, REAR DOOR GLASS, LH
+----------+
2111 - W10# 68152-BZ220- 1
FIG.67-55 REAR DOOR PANEL & GLASS
PROD_DATE MODELS
SPEC
CODE
DESCRIPTION
R
/
P
PART
NUMBER
O
Y
T
REV_REF
FR TO
+----------+
| 68163H | WEATHERSTRIP, REAR DOOR GLASS, OUTER RH
+----------+
2111 - W10# 68163-BZ220- 1
+----------+
| 68164A | WEATHERSTRIP, REAR DOOR GLASS, OUTER LH
+----------+
2111 - W10# 68164-BZ210- 1
+----------+
| 68173B | WEATHERSTRIP, REAR DOOR GLASS, INNER RH
+----------+
2111 - W10# 68173-BZ250- 1
+----------+
| 68174A | WEATHERSTRIP, REAR DOOR GLASS, INNER LH
+----------+
2111 - W10# 68174-BZ210- 1
+----------+
| 68630D | CHECK ASSY, REAR DOOR, RH
+----------+
2111 - W10# 68630-BZ180- 1
+----------+
| 68640A | CHECK ASSY, REAR DOOR, LH
+----------+
2111 - W10# 68630-BZ180- 1
+----------+
| 69287A | BEZEL, REAR DOOR INSIDE HANDLE, RH
+----------+
2111 - W10# BLACK(TRIM2#) 69277-BZ100-C0 1
+----------+
| 69288A | BEZEL, REAR DOOR INSIDE HANDLE, LH
+----------+
2111 - W10# BLACK(TRIM2#) 69278-BZ080-C0 1
+----------+
| 75925C | TAPE, BLACK OUT, NO.3 RH
+----------+
2111 - W10#..HI,MID TUYAKESI BLACK DUMMY
(1G3 ,G64 ,P20 ,R75
,S28 ,W09)
75925-BZ150-C0 1
+----------+
| 75926B | TAPE, BLACK OUT, NO.3 LH
+----------+
2111 - W10#..HI,MID TUYAKESI BLACK DUMMY
(1G3 ,G64 ,P20 ,R75
,S28 ,W09)
75926-BZ140-C0 1
252
FIG.67-55 REAR DOOR PANEL & GLASS
PROD_DATE MODELS
SPEC
CODE
DESCRIPTION
R
/
P
PART
NUMBER
O
Y
T
REV_REF
FR TO
+----------+
| 75927A | TAPE, BLACK OUT, NO.4 RH
+----------+
2111 - W10#..HI,MID TUYAKESI BLACK DUMMY
(1G3 ,G64 ,P20 ,R75
,S28 ,W09)
75927-BZ070-C0 1
+----------+
| 75928A | TAPE, BLACK OUT, LH
+----------+
2111 - W10#..HI,MID TUYAKESI BLACK DUMMY
(1G3 ,G64 ,P20 ,R75
,S28 ,W09)
75928-BZ070-C0 1
253
FIG.67-56 REAR DOOR LOCK & HANDLE
(2111- )
67B571-A
REFER TO
FIG
(PNC 61611(RH))
(PNC 61612(LH))
90148-60083(3)
69205A
69206C
69331B
69332
69330
69340
69230
69240
69410B
69730D
69740D
69296A
69749K
69770B
69780B
90041-05504(2)
9004A-15068(2)
61-51
FIG.67-56 REAR DOOR LOCK & HANDLE
PROD_DATE MODELS
SPEC
CODE
DESCRIPTION
R
/
P
PART
NUMBER
O
Y
T
REV_REF
FR TO
+----------+
| 69205A | HANDLE SUB-ASSY, REAR DOOR INSIDE, RH
+----------+
2111 - W100 BLACK(TRIM2#) 69270-BZ170-C0 1
2111 - W101 BLACK(TRIM2#) 69270-BZ180-C0 1
+----------+
| 69206C | HANDLE SUB-ASSY, REAR DOOR INSIDE, LH
+----------+
2111 - W100 BLACK(TRIM2#) 69280-BZ170-C0 1
2111 - W101 BLACK(TRIM2#) 69280-BZ180-C0 1
+----------+
| 69230 | HANDLE ASSY, REAR DOOR OUTSIDE, RH
+----------+
2111 - W10# WHITE(W09) 69210-BZ650-A0 1
2111 - W10# SILVER ME.(S28) 69210-BZ650-B0 1
2111 - W10# GRAY ME.(1G3) 69210-BZ650-B1 1
2111 - W10# BLACK ME.(X12) 69210-BZ650-C0 1
2111 - W10# RED SE(R75) 69210-BZ650-D0 1
2111 - W10# GREENISH GUN METAL M
(G64)
69210-BZ650-G0 1
2111 - W10# PURPLISH SILVER M.M(
P20)
69210-BZ650-K0 1
+----------+
| 69240 | HANDLE ASSY, REAR DOOR OUTSIDE, LH
+----------+
2111 - W10# WHITE(W09) 69220-BZ640-A0 1
2111 - W10# SILVER ME.(S28) 69220-BZ640-B0 1
2111 - W10# GRAY ME.(1G3) 69220-BZ640-B1 1
2111 - W10# BLACK ME.(X12) 69220-BZ640-C0 1
2111 - W10# RED SE(R75) 69220-BZ640-D0 1
2111 - W10# GREENISH GUN METAL M
(G64)
69220-BZ640-G0 1
2111 - W10# PURPLISH SILVER M.M(
P20)
69220-BZ640-K0 1
254
FIG.67-56 REAR DOOR LOCK & HANDLE
PROD_DATE MODELS
SPEC
CODE
DESCRIPTION
R
/
P
PART
NUMBER
O
Y
T
REV_REF
FR TO
+----------+
| 69296A | SCREW, DOOR INSIDE HANDLE
+----------+
2111 - W10# 9004A-16093- 2
+----------+
| 69330 | LOCK ASSY, REAR DOOR, RH
+----------+
2111 - W10# 69330-BZ280- 1
+----------+
| 69331B | ROD, REAR DOOR LOCK OPEN, RH
+----------+
2111 - W10# 69331-BZ120- 1
+----------+
| 69332 | ROD, REAR DOOR LOCK OPEN, LH
+----------+
2111 - W10# 69332-BZ120- 1
+----------+
| 69340 | LOCK ASSY, REAR DOOR, LH
+----------+
2111 - W10# 69340-BZ280- 1
+----------+
| 69410B | PLATE ASSY, REAR DOOR LOCK STRIKER
+----------+
2111 - W10# 69410-BZ010- 2
+----------+
| 69730D | CABLE ASSY, REAR DOOR LOCK REMOTE CONTROL, RH
+----------+
2111 - W10# 69730-BZ260- 1
+----------+
| 69740D | CABLE ASSY, REAR DOOR LOCK REMOTE CONTROL LH
+----------+
2111 - W10# 69730-BZ260- 1
+----------+
| 69749K | CLAMP, REAR DOOR LOCK
+----------+
2111 - W10#
#
69749-BZ100-
(69749-32040- )
2
1
+----------+
| 69770B | CABLE ASSY, REAR DOOR INSIDE LOCKING, RH
+----------+
2111 - W10# 69770-BZ170- 1
FIG.67-56 REAR DOOR LOCK & HANDLE
PROD_DATE MODELS
SPEC
CODE
DESCRIPTION
R
/
P
PART
NUMBER
O
Y
T
REV_REF
FR TO
+----------+
| 69780B | CABLE ASSY, REAR DOOR INSIDE LOCKING, LH
+----------+
2111 - W10# 69780-BZ160- 1
255
FIG.67-57 REAR DOOR WINDOW REGULATOR & HINGE
(2111- )
67B551
REFER TO
FIG
(PNC 82153A(RH))
(PNC 82154A(LH))
9004A-11309(2)
9004A-11309(2)
9004A-11309(4)
9004A-10134(2)
9004A-10134(2)
90041-05575(2)
90041-05575(2)
85710E
85720D
82-02
90041-68063(3)
68750
68760
68770
68780
69803
69804
FIG.67-57 REAR DOOR WINDOW REGULATOR & HINGE
PROD_DATE MODELS
SPEC
CODE
DESCRIPTION
R
/
P
PART
NUMBER
O
Y
T
REV_REF
FR TO
+----------+
| 68750 | HINGE ASSY, REAR DOOR, UPPER RH
+----------+
2111 - W10# 68750-BZ140- 1
+----------+
| 68760 | HINGE ASSY, REAR DOOR, UPPER LH
+----------+
2111 - W10# 68760-BZ140- 1
+----------+
| 68770 | HINGE ASSY, REAR DOOR, LOWER RH
+----------+
2111 - W10# 68760-BZ140- 1
+----------+
| 68780 | HINGE ASSY, REAR DOOR, LOWER LH
+----------+
2111 - W10# 68750-BZ140- 1
+----------+
| 69803 | REGULATOR SUB-ASSY, REAR DOOR WINDOW, RH
+----------+
2111 - W10# 69801-BZ150- 1
+----------+
| 69804 | REGULATOR SUB-ASSY, REAR DOOR WINDOW, LH
+----------+
2111 - W10# 69802-BZ150- 1
+----------+
| 85710E | MOTOR ASSY, POWER WINDOW REGULATOR, RH
+----------+
2111 - W10# 85710-BZ270- 1
+----------+
| 85720D | MOTOR ASSY, POWER WINDOW REGULATOR, LH
+----------+
2111 - W10# 85720-BZ240- 1
256
FIG.67-61 BACK DOOR PANEL & GLASS
(2111- )
BACK DOOR ILLUST NO. 1 OF 2
67B628-A
6761
75395-BZ010(2)
75395-BZ010(2)
64780A
67750A
75129C
74811G
67837L
75129C 68131
62785F
62785F
64827A
62785F
62785F
62785F
62785F
62785F
64828
75574B
75573K
67881A
67005
67293
67005B
257
FIG.67-61 BACK DOOR PANEL & GLASS
(2111- )
BACK DOOR GARNISH ILLUST NO. 2 OF 2
67B630-B
REFER TO
FIG
(PNC 75431A)
9004A-10227(2)
76826A
75-51
76825B
76825C
67939C
76801
76899-B0020(2)
76821
76822A
76822A
76825
76825
76825B
76825C
258
FIG.67-61 BACK DOOR PANEL & GLASS
PROD_DATE MODELS
SPEC
CODE
DESCRIPTION
R
/
P
PART
NUMBER
O
Y
T
REV_REF
FR TO
+----------+
| 62785F | SPACER, BACK DOOR GLASS
+----------+
2111 - W10# 64818-BZ090- 7
+----------+
| 64780A | PANEL ASSY, BACK DOOR TRIM
+----------+
2111 - W10# BLACK(TRIM2#) 64780-BZ210-C0 1
+----------+
| 64827A | CLIP, BACK WINDOW GLASS, RH
+----------+
2111 - W10# 64827-BZ130- 1
+----------+
| 64828 | CLIP, BACK WINDOW GLASS, LH
+----------+
2111 - W10# 64828-BZ100- 1
+----------+
| 67005 | PANEL SUB-ASSY, BACK DOOR
+----------+
2111 - W10#..HI,MID 67005-BZG60- 1
2111 - W100..LO 67005-BZG90- 1
+----------+
| 67005B | CUSHION(FOR BACK DOOR PANEL)
+----------+
2111 - W10# 9004A-54016- 2
+----------+
| 67293 | CUSHION, BACK DOOR LOWER STOPPER
+----------+
2111 - W10# 9004A-54016- 2
+----------+
| 67750A | CLIP(FOR BACK DOOR TRIM)
+----------+
2111 - W10#
#
9004A-46338-
(90044-68346- )
14
1
+----------+
| 67837L | SEAL, DOOR DUST PROOF
+----------+
2111 - W10# 67837-BZ030- 3
+----------+
| 67881A | WEATHERSTRIP, BACK DOOR
+----------+
2111 - W10# 67881-BZ210- 1
FIG.67-61 BACK DOOR PANEL & GLASS
PROD_DATE MODELS
SPEC
CODE
DESCRIPTION
R
/
P
PART
NUMBER
O
Y
T
REV_REF
FR TO
+----------+
| 67939C | CLIP(FOR BACK DOOR CENTER GARNISH)
+----------+
2111 - W10# 90044-67500- 14
+----------+
| 68131 | GLASS, BACK DOOR
+----------+
2111 - W10# 68131-BZ660- 1
+----------+
| 74811G | HANDLE, DOOR PULL
+----------+
2111 - W10# 74811-BZ030- 1
+----------+
| 75129C | CUSHION, REAR LICENCE PLATE
+----------+
2111 - W10#
#
75129-BZ010-
(75129-87502- )
2
1
+----------+
| 75573K | MOULDING, BACK WINDOW, OUTSIDE RH
+----------+
2111 - W10# 75573-BZ050- 1
+----------+
| 75574B | MOULDING, BACK WINDOW, OUTSIDE LH
+----------+
2111 - W10# 75574-BZ020- 1
+----------+
| 76801 | GARNISH SUB-ASSY, BACK DOOR, OUTSIDE
+----------+
2111 - W10# PAINT REQ. 76811-BZ660- 1
+----------+
| 76821 | PROTECTOR, BACK DOOR GARNISH MOULDING, UPPER
+----------+
2111 - W10# 76821-BZ250- 1
+----------+
| 76822A | PROTECTOR, BACK DOOR GARNISH MOULDING, LW
R
+----------+
2111 - W10# 76822-BZ070- 2
+----------+
| 76825 | PROTECTOR, BACK DOOR OUTSIDE GARNISH
+----------+
2111 - W10# 76821-BZ270- 4
259
FIG.67-61 BACK DOOR PANEL & GLASS
PROD_DATE MODELS
SPEC
CODE
DESCRIPTION
R
/
P
PART
NUMBER
O
Y
T
REV_REF
FR TO
+----------+
| 76825B | PROTECTOR, BACK DOOR OUTSIDE GARNISH
+----------+
2111 - W10# 76821-BZ280- 2
+----------+
| 76825C | PROTECTOR, BACK DOOR OUTSIDE GARNISH
+----------+
2111 - W10# 76822-BZ080- 2
+----------+
| 76826A | RETAINER, BACK DOOR GARNISH, NO.1
+----------+
2111 - W10# 76826-BZ040- 1
260
FIG.67-62 BACK DOOR LOCK & HINGE
(2111- )
67B633
REFER TO
FIG
(PNC 61626F)
REFER TO
FIG
(PNC 61625F)
REFER TO
FIG
(PNC 84840G)
61-51
61-51
84-01
68801D
68945
68946
68950C
68960
69350
69430C
68459-87202
68459-87202
90041-82002(2)
90041-82002(2)
9004A-10168(2)
9004A-10170(2)
9004A-10170(2)
9004A-11325(2)
90105-06184(2)
90105-06184(2)
68802C
FIG.67-62 BACK DOOR LOCK & HINGE
PROD_DATE MODELS
SPEC
CODE
DESCRIPTION
R
/
P
PART
NUMBER
O
Y
T
REV_REF
FR TO
+----------+
| 68801D | HINGE SUB-ASSY, BACK DOOR, RH
+----------+
2111 - W10# 68801-BZ160- 1
+----------+
| 68802C | HINGE SUB-ASSY, BACK DOOR, LH
+----------+
2111 - W10# 68801-BZ160- 1
+----------+
| 68945 | BRACKET, BACK DOOR DAMPER STAY, UPPER RH
+----------+
2111 - W10# 68945-BZ010- 1
+----------+
| 68946 | BRACKET, BACK DOOR DAMPER STAY, UPPER LH
+----------+
2111 - W10# 68945-BZ010- 1
+----------+
| 68950C | STAY ASSY, BACK DOOR, RH
+----------+
2111 - W10# 68950-BZ340- 1
+----------+
| 68960 | STAY ASSY, BACK DOOR, LH
+----------+
2111 - W10# 68960-BZ310- 1
+----------+
| 69350 | LOCK ASSY, BACK DOOR
+----------+
2111 - W10# 69350-BZ250- 1
+----------+
| 69430C | STRIKER ASSY, BACK DOOR LOCK
+----------+
2111 - W10# 69430-B2070- 1
261
FIG.67-65 LOCK CYLINDER SET
―
―
―
―
―
―
―
―
―
―
―
―
―
―
―
―
―
―
―
―
―
―
―
―
―
―
―
―
―
―
―
―
―
―
(2111- )LO
KEYLESS
67B646
89070E
69057A
89708D
69503
89071B
89751A
89752B
69051
FIG.67-65 LOCK CYLINDER SET
(2111- )HI,MID
KEYFREE
67B648-A
89751B
89994B
69503C
89752A
69503
262
FIG.67-65 LOCK CYLINDER SET
PROD_DATE MODELS
SPEC
CODE
DESCRIPTION
R
/
P
PART
NUMBER
O
Y
T
REV_REF
FR TO
+----------+
| 69051 | CYLINDER & KEY SET, DOOR LOCK, RH
+----------+
2111 - W100..LO 69051-BZ380- 1
+----------+
| 69057A | CYLINDER & KEY SET, IGNITION SWITCH LOCK
+----------+
2111 - W100..LO 69057-BZ360- 1
+----------+
| 69503 | CYLINDER SET, LOCK
+----------+
2111 - 2207 W100..LO 69005-BZF70- 1
2111 - W10#..HI,MID 69005-BZE10- 1
2208 - W100..LO 69005-BZF71- 1
+----------+
| 69503C | KEY, SUB
+----------+
2111 - W10#..HI,MID 69516-BZ110- 1
+----------+
| 89070E | TRANSMITTER ASSY, DOOR CONTROL
+----------+
2111 - 2207 W100..LO 89070-BZ500- 1
2208 - W100..LO 89070-BZ501- 1
+----------+
| 89071B | MODULE SET, TRANSMITTER SUB-ASSY, DOOR CONTROL
+----------+
2111 - W100..LO 89071-BZ130- 1
+----------+
| 89708D | CYLINDER SET, LOCK W/TRANSPONDER KEY TRANSMITTER
+----------+
2111 - 2207 W100..LO 89708-BZ280- 1
2208 - W100..LO 89708-BZ281- 1
+----------+
| 89751A | COVER, TRANSMITTER HOUSING
+----------+
2111 - W100..LO 89751-BZ230- 1
+----------+
| 89751B | COVER, TRANSMITTER HOUSING
+----------+
2111 - 2208 W100..MID 89751-BZ210- 1
2111 - W101 89751-BZ210- 1
FIG.67-65 LOCK CYLINDER SET
PROD_DATE MODELS
SPEC
CODE
DESCRIPTION
R
/
P
PART
NUMBER
O
Y
T
REV_REF
FR TO
+----------+
| 89751B | COVER, TRANSMITTER HOUSING
CONTINUED--+
2208 - W100..MID 89751-BZ210- 2
+----------+
| 89752A | CASE, TRANSMITTER HOUSING
+----------+
2111 - 2208 W100..MID 89752-BZ260- 1
2111 - W101 89752-BZ260- 1
2208 - W100..MID 89752-BZ260- 2
+----------+
| 89752B | CASE, TRANSMITTER HOUSING
+----------+
2111 - W100..LO 89752-BZ040- 1
+----------+
| 89994B | TRANSMITTER, ELECTRICAL KEY
+----------+
2111 - 2208 W10#..HI,MID 89994-BZ020- 1
2208 - W101 89994-BZ021- 1
2208 - W100..MID 89994-BZ021- 2
263
FIG.71-51 SEAT & SEAT TRACK
(2111- )
FR RH
71D910-C
REFER TO
FIG
(PNC 73230)
REFER TO
FIG
(PNC 82161)
71811D
90041-48007(4)
71571
72925
71521A
72211C
72993B
71930C
71910A
72462
71811D
72413
84139-BZ020
71551S
71876
72991 84139-BZ020
7181CB
7181C
71511S
21791-B2010
72525A
72551B
71867V
84139-BZ020
71930A
71-52
94185-60600(2)
73910A
82-02
264
FIG.71-51 SEAT & SEAT TRACK
(2111- )
FR LH
71D911-C
REFER TO
FIG
(PNC 73240)
REFER TO
FIG
(PNC 82161)
21791-B2010
84139-BZ020
84139-BZ020
72552B
71691L
72526A
71812D
71931
71910B
71552S
71147B
71956A
71832D
71147
72994B
72992
90041-48007(4)
72211D
7181CC
7181CA
71512S
71-52
73920A
94185-60600(2)
82-02
265
FIG.71-51 SEAT & SEAT TRACK
(2111- )W100
RR NO.1 SEAT(RH)
71D912-D
REFER TO
FIG
(PNC 73470B)
REFER TO
FIG
(PNC 73380A)
79187A
71875A
71876A
71833D
71611A
94151-80800(2)
94151-80800(2)
73011-BZ020
90520-01002
90041-05547
90041-48007
71075D
79959A
71940B
71931A
71930B
79175E
79013
72637A
91551-80820(2)
91551-80820(2)
79103A
94151-80800(6)
79101B
72995
72999
71695A
78920
72125A
72125A
72137E
72265A
72137E
72160C
72160C
72265A
72137E
72137E
72211
71-52
71-52
71691B
72159B
79188
9004A-16071
71324A 79107A
91551-80820(2)
90179-10065
90179-10065
71692C
72157F
79105
72650F
71878A
71485B
71485C
71671A
71503A
71621A
9004A-46323(2)
91552-81030(2)
266
FIG.71-51 SEAT & SEAT TRACK
(2111- )
RR NO.1 SEAT(LH)
71D913-E
REFER TO
FIG
(PNC 73590A)
REFER TO
FIG
(PNC 73480)
91552-81020(2)
71875B
71876C
71879A
73012-BZ010
94151-80800(2)
94151-80800(2)
71-52
90041-05547
90041-48007
79012
71950D
71956B
71990A
79014
91551-80820(2)
94151-80800(6)
79104
72125F
72125F
72138B
72265D
72138B
72170D
72170D
72265D
72138B
72138B
71691C
72158E
9004A-16071
71324K 79107C
91551-80820(2)
90179-10065
90179-10065
71692B
72129B
79106
72660F
72211B
79958A
79959B
79187
71485
90520-01002
72638
71844D
71696
79102
78920B
71485D
79185
71673
71621B
71612A
9004A-46323(2)
91552-81030(2)
71-52
267
FIG.71-51 SEAT & SEAT TRACK
(2111- )LO
RR NO.2 SEAT(FOLD DOWN TYPE)
71D914-A
REFER TO
FIG
(PNC 73580)
REFER TO
FIG
(PNC 73580)
71147-BZ010(12)
90041-48007
95511-20011
95511-20032
95511-20032
71622A
79285
71672
79024
79235
71940A
71940A
71955A
71931C
71955B
71970B
79021A
79023
7181CE
7181CD
71812H
79275C
71672B
79203A
79204A
71336
71336
79201
79956B
71-52
90041-48007
90041-48007(2)
90041-48007(2)
79956C 71-52
C9938
72213
71329
79273
90105-T0120(2)
90105-T0120(2)
84139-B1010(2)
84139-B1010(2)
71303B
C9938
72213
71485A
71329
71304B
268
FIG.71-51 SEAT & SEAT TRACK
(2111- )
FR RH
71D938-B
91551-80820(2)
91551-80820(2)
72129A
72129A
72129
71051A
72637F
71417-B2010
90179-08068(3)
71165
72266
71537F
84139-BZ020
71831B
84139-BZ020
71416-BZ010
72993
72993A
71537F
71110A
72157A
72129
72125S
72127A
72130A
72110A
72157A
72127A
90179-08068(3)
269
FIG.71-51 SEAT & SEAT TRACK
(2111- )
FR LH
71D939-B
71695D
72129D
72129C
72129D
71052A
72637G
71417-B2010
90179-08068(3)
90179-08068(3)
71831D
84139-BZ020
84139-BZ020
71832C
72994A
71290S
71416-BZ010
91551-80820(2)
91551-80820(2)
71120B
72127E
72158
72120
72125T
72129C
72140A
72127E
72158
71695D
270
FIG.71-51 SEAT & SEAT TRACK
(2111- )W101
RR NO.1 SEAT(RH)
71E071-D
REFER TO
FIG
(PNC 73380A)
REFER TO
FIG
(PNC 73470B)
71671A
71875A
71876A
71833D
71611A
94151-80800(2)
94151-80800(2)
73011-BZ020
90520-01002
71075D
71940B
71931A
71930B
79175E
79013
91551-80820(2)
79103A
94151-80800(6)
79101B
72125A
72125A
72137E
72265A
72137E
72160C
72160C
72265A
72137E
72137E
72211
71691B
72159B
90179-10065
72749
72831B
71396B
72809A
72637A
79187A
79959A
79188
71485B
71485C
90041-05547(2)
90041-05547(2)
71695A
71-52
71-52
72661C
71353
71202B
71395B
72690A
72656B
71395C
72830
71667A
71667B
91551-80820(2)
78899-28020
71878B
71878A
91552-81020(2)
72650F
9004A-16071
71324A 79107A
91551-80820(2)
78920
71503A
71621A
9004A-46323(2)
91552-81030(2)
90179-10065 79105
71692C
72157F
71877A
72084
271
FIG.71-51 SEAT & SEAT TRACK
(2111- )HI,MID
RR NO.2 SEAT(SEPARATE TYPE) RH
71E095
REFER TO
FIG
(PNC 73580)
71671B
71147-BZ010(6)
79956B
71843A
71650B
72525J
90041-05547
90041-05547
79275C
79023
7181CD
71940D
71931C
71955A
79021
93568-55014(3)
79203A
72661K
72921A
72661H
71693
82711E
71881A
72570C
90179-10065(2)
71878E
71331A
71331A
72749A
72749A
71694
79030B
71876Y
71875V
79201B
71331A
72749A
71385
71385
71385
71385
72656E
72656E 71-52
79236A
90041-05547(2)
71650B
71650B
90041-83061
71672B
7181CF
79235E
272
FIG.71-51 SEAT & SEAT TRACK
(2111- )HI,MID
RR NO.2 SEAT(SEPARATE TYPE) LH
71E096
REFER TO
FIG
(PNC 73590)
71672A
71672
71147-BZ010(6)
90041-83061
79270A
79270A
79270A
72526
90041-05547
90041-05547
79285
79024
7181CE
71950F
71955B
71970B
79022
93568-55014(3)
79204A
72661J
72661L
72921B
71693D 90179-10065(2)
71331C
71331C
72749B
72749B
71629F
79040B
71876Z
71875W
72136
72136
72136
72136
72656D
72656D
71-52
79246B
79956C
71844A
72749B
71331C
79202
71879E
72580B
71771B
82711F
90041-05547(2)
7181CG
79245C
273
FIG.71-51 SEAT & SEAT TRACK
PROD_DATE MODELS
SPEC
CODE
DESCRIPTION
R
/
P
PART
NUMBER
O
Y
T
REV_REF
FR TO
+----------+
| 71051A | SPRING SUB-ASSY, FRONT SEAT CUSHION, RH
+----------+
2111 - W10# 71051-BZ010- 1
+----------+
| 71052A | SPRING SUB-ASSY, FRONT SEAT CUSHION, LH
+----------+
2111 - W10# 71051-BZ010- 1
+----------+
| 71075D | COVER SUB-ASSY, REAR SEAT CUSHION, RH
+----------+
2111 - W101 BLACK(TRIM2#) 71075-BZM90-C1 1
2111 - W100..LO BLACK(TRIM2#) 71075-BZN00-C2 1
2111 - W100..MID BLACK(TRIM2#) 71075-BZN40-C1 1
+----------+
| 71110A | FRAME ASSY, FRONT SEAT W/ADJUSTER, RH
+----------+
2111 - W100..LO BLACK(TRIM2#) 71110-BZ360-C0 1
2111 - W100..MID BLACK(TRIM2#) 71110-BZ380-C0 1
2111 - W101 BLACK(TRIM2#) 71110-BZ390-C0 1
+----------+
| 71120B | FRAME ASSY, FRONT SEAT W/ADJUSTER, LH
+----------+
2111 - W10#..HI,MID BLACK(TRIM2#) 71120-BZ370-C0 1
2111 - W100..LO BLACK(TRIM2#) 71120-BZ380-C0 1
+----------+
| 71147 | SILENCER, SEAT SPRING
+----------+
2111 - 2210 W10# 71147-B1020- 1
2210 - 2211 W101..CVT B2PJ H + SAB/CSA/BSM 71147-B1020- 1
2211 - W10# 71147-BZ180- 1
+----------+
| 71147B | SILENCER, SEAT SPRING
+----------+
2111 - 2210 W10# 71147-B2160- 1
2210 - 2211 W101..CVT B2PJ H + SAB/CSA/BSM 71147-B2160- 1
2211 - W10# 71147-BZ160- 1
2211 - W101..CVT B2PJ H + SAB/CSA/BSM 71147-BZ170- 1
FIG.71-51 SEAT & SEAT TRACK
PROD_DATE MODELS
SPEC
CODE
DESCRIPTION
R
/
P
PART
NUMBER
O
Y
T
REV_REF
FR TO
+----------+
| 71165 | COVER, FRONT RH SEAT HINGE
+----------+
2111 - W10# BLACK(TRIM2#) 71832-BZ130-C0 1
+----------+
| 71202B | PANEL, REAR SEAT BACK
+----------+
2111 - W101 BLACK(TRIM2#) 71353-BZ020-C0 1
+----------+
| 71290S | COVER, FRONT SEAT BACK, LH
+----------+
2111 - W10# BLACK(TRIM2#) 72994-B2010-C0 1
+----------+
| 71303B | HINGE SUB-ASSY, REAR NO.2 SEAT, RH
+----------+
2111 - W100..LO 71304-BZ070- 1
+----------+
| 71304B | HINGE SUB-ASSY, REAR NO.2 SEAT, LH
+----------+
2111 - W100..LO 71303-BZ120- 1
+----------+
| 71324A | CUSHION, REAR SEAT
+----------+
2111 - W10# 72179-BZ090- 1
+----------+
| 71324K | CUSHION, REAR SEAT
+----------+
2111 - W10# 72179-BZ090- 1
+----------+
| 71329 | BOLT, REAR SEAT HINGE
+----------+
2111 - W100..LO 21814-BZ030- 2
+----------+
| 71331A | PIN, REAR SEAT HINGE
+----------+
2111 - W10#..HI,MID 78899-28020- 5
+----------+
| 71331C | PIN, REAR SEAT HINGE, LH
+----------+
2111 - W10#..HI,MID 78899-28020- 5
+----------+
| 71336 | BUSH OR SPACER, REAR SEAT BACK HINGE
+----------+
2111 - W100..LO 47779-BZ020- 2
274
FIG.71-51 SEAT & SEAT TRACK
PROD_DATE MODELS
SPEC
CODE
DESCRIPTION
R
/
P
PART
NUMBER
O
Y
T
REV_REF
FR TO
+----------+
| 71353 | PANEL, CENTER SEAT BACK
+----------+
2111 - W101 BLACK(TRIM2#) 71353-BZ010-C0 1
+----------+
| 71385 | SPACER, REAR SEAT HINGE
+----------+
2111 - W10#..HI,MID 72169-BZ010- 4
+----------+
| 71395B | COVER, CENTER SEAT HINGE, RH
+----------+
2111 - W101 BLACK(TRIM2#) 71395-BZ010-C0 1
+----------+
| 71395C | COVER, CENTER SEAT HINGE, RH
+----------+
2111 - W101 BLACK(TRIM2#) 71397-BZ010-C0 1
+----------+
| 71396B | COVER, CENTER SEAT HINGE, LH
+----------+
2111 - W101 BLACK(TRIM2#) 71396-BZ010-C0 1
+----------+
| 71485 | COVER, REAR SEAT HINGE
+----------+
2111 - W10# BLACK(TRIM2#) 71485-BZ240-C0 1
+----------+
| 71485A | COVER, REAR SEAT HINGE, NO.2 RH
+----------+
2111 - W100..LO BLACK(TRIM2#) 71485-BZ062-C0 1
+----------+
| 71485B | COVER, REAR SEAT HINGE
+----------+
2111 - W10# BLACK(TRIM2#) 71485-BZ230-C0 1
+----------+
| 71485C | COVER, REAR SEAT HINGE, RH
+----------+
2111 - W10# BLACK(TRIM2#) 71485-BZ220-C0 1
+----------+
| 71485D | COVER, REAR SEAT HINGE, LH
+----------+
2111 - W10# BLACK(TRIM2#) 71485-BZ250-C0 1
+----------+
| 71503A | PAD SUB-ASSY, REAR SEAT CUSHION
+----------+
2111 - W10# 71503-BZ610- 1
FIG.71-51 SEAT & SEAT TRACK
PROD_DATE MODELS
SPEC
CODE
DESCRIPTION
R
/
P
PART
NUMBER
O
Y
T
REV_REF
FR TO
+----------+
| 71511S | PAD, FRONT SEAT CUSHION, RH(FOR SEPARATE TYPE)
+----------+
2111 - W10# 71501-BZ570- 1
+----------+
| 71512S | PAD, FRONT SEAT CUSHION, LH (FOR SEPARATE TYPE)
+----------+
2111 - W10# 71501-BZ570- 1
+----------+
| 71521A | PAD,FRONT SEAT CUSHION SILENCER
+----------+
2111 - 2210 W10# 71147-B1020- 1
2210 - 2211 W101..CVT B2PJ H + SAB/CSA/BSM 71147-B1020- 1
2211 - W10# 71147-BZ180- 1
+----------+
| 71537F | PROTECTOR, FRONT SEAT CUSHION, NO.2
+----------+
2111 - W100 71695-BZ030- 2
+----------+
| 71551S | PAD, FRONT SEAT BACK, RH(FOR SEPARATE TYP
E)
+----------+
2111 - W10# 71505-BZ580- 1
2210 - W101..CVT B2PJ H + SAB/CSA/BSM 71505-BZ590- 1
+----------+
| 71552S | PAD, FRONT SEAT BACK, LH(FOR SEPARATE TYP
E)
+----------+
2111 - W10# 71506-BZ450- 1
2210 - W101..CVT B2PJ H + SAB/CSA/BSM 71506-BZ460- 1
+----------+
| 71571 | PAD, FRONT SEAT BACK SILENCER, A
+----------+
2111 - 2210 W10# 71147-B2160- 1
2210 - 2211 W101..CVT B2PJ H + SAB/CSA/BSM 71147-B2160- 1
2211 - W10# 71147-BZ160- 1
2211 - W101..CVT B2PJ H + SAB/CSA/BSM 71147-BZ170- 1
+----------+
| 71611A | PAD, REAR SEAT CUSHION, RH
+----------+
2111 - W101 71613-BZ020- 1
275
FIG.71-51 SEAT & SEAT TRACK
PROD_DATE MODELS
SPEC
CODE
DESCRIPTION
R
/
P
PART
NUMBER
O
Y
T
REV_REF
FR TO
+----------+
| 71611A | PAD, REAR SEAT CUSHION, RH
CONTINUED--+
2111 - W100 71613-BZ040- 1
+----------+
| 71612A | PAD, REAR SEAT CUSHION, LH
+----------+
2111 - W10# 71504-BZ430- 1
+----------+
| 71621A | PAD, REAR SEAT CUSHION SILENCER, A
+----------+
2111 - W10# 71621-BZ070- 1
+----------+
| 71621B | PAD, REAR SEAT CUSHION SILENCER, NO.2
+----------+
2111 - W10# 71621-BZ080- 1
+----------+
| 71622A | PAD, REAR SEAT CUSHION SILENCER, B
+----------+
2111 - W100..LO 71622-BZ100- 1
+----------+
| 71629F | COVER, REAR SEAT CUSHION HINGE, OUTER LH
+----------+
2111 - W10#..HI,MID BLACK(TRIM2#) 71694-BZ030-C0 1
+----------+
| 71650B | SPRING ASSY, REAR SEAT CUSHION, RH
+----------+
2111 - W10#..HI,MID 71055-BZ010- 3
+----------+
| 71667A | PAD, REAR SEAT BACK, CENTER A
+----------+
2111 - W101 72853-BZ010- 1
+----------+
| 71667B | PAD, REAR SEAT BACK, CENTER B
+----------+
2111 - W101 72854-BZ010- 1
+----------+
| 71671A | PAD, REAR SEAT BACK SILENCER, A
+----------+
2111 - W101 71671-BZ100- 1
2111 - W100 71671-BZ110- 1
FIG.71-51 SEAT & SEAT TRACK
PROD_DATE MODELS
SPEC
CODE
DESCRIPTION
R
/
P
PART
NUMBER
O
Y
T
REV_REF
FR TO
+----------+
| 71671B | PAD, REAR SEAT CUSHION SILENCER, A
+----------+
2111 - W10#..HI,MID 71622-BZ110- 1
+----------+
| 71672 | PAD, REAR SEAT BACK SILENCER, B
+----------+
2111 - W100..LO 71672-BZ080- 1
2111 - W10#..HI,MID 71672-BZ100- 1
+----------+
| 71672A | PAD, REAR SEAT CUSHION SILENCER, B
+----------+
2111 - W10#..HI,MID 71622-BZ110- 1
+----------+
| 71672B | SILENCER, REAR SEAT BACK, RH
+----------+
2111 - W100..LO 71672-BZ080- 1
2111 - W10#..HI,MID 71672-BZ100- 1
+----------+
| 71673 | PAD, REAR SEAT BACK SILENCER, C
+----------+
2111 - W10# 71671-BZ100- 1
+----------+
| 71691B | COVER, REAR SEAT LOCK, OUTER RH
+----------+
2111 - W10# BLACK(TRIM2#) 72694-BZ270-C0 1
+----------+
| 71691C | COVER, REAR SEAT LOCK, INNER RH
+----------+
2111 - W10# BLACK(TRIM2#) 72694-BZ250-C0 1
+----------+
| 71691L | COVER, FRONT SEAT CUSHION HINGE, RH
+----------+
2111 - 2205 W10# BLACK(TRIM2#) 72991-B1060-C0 1
2206 - W10# BLACK(TRIM2#) 72992-BZ050-C0 1
+----------+
| 71692B | COVER, REAR SEAT LOCK, OUTER LH
+----------+
2111 - W10# BLACK(TRIM2#) 72694-BZ230-C0 1
276
FIG.71-51 SEAT & SEAT TRACK
PROD_DATE MODELS
SPEC
CODE
DESCRIPTION
R
/
P
PART
NUMBER
O
Y
T
REV_REF
FR TO
+----------+
| 71692C | COVER, REAR SEAT LOCK, INNER LH
+----------+
2111 - W10# BLACK(TRIM2#) 72694-BZ220-C0 1
+----------+
| 71693 | COVER, REAR SEAT CUSHION HINGE, LOWER RH
+----------+
2111 - W10#..HI,MID BLACK(TRIM2#) 71693-BZ040-C0 1
+----------+
| 71693D | COVER, REAR SEAT CUSHION HINGE, INNER RH
+----------+
2111 - W10#..HI,MID BLACK(TRIM2#) 71693-BZ050-C0 1
+----------+
| 71694 | COVER, REAR SEAT CUSHION HINGE, LOWER LH
+----------+
2111 - W10#..HI,MID BLACK(TRIM2#) 71694-BZ020-C0 1
+----------+
| 71695A | PROTECTOR, REAR SEAT, NO.1 RH
+----------+
2111 - W10# BLACK(TRIM2#) 71695-BZ020-C0 1
+----------+
| 71695D | PROTECTOR, SEAT
+----------+
2111 - W10# 71695-BZ030- 2
+----------+
| 71696 | PROTECTOR, REAR SEAT, NO.2
+----------+
2111 - W10# BLACK(TRIM2#) 71696-BZ010-C0 1
+----------+
| 71771B | BOARD, REAR SEAT BACK
+----------+
2111 - W10#..HI,MID 71881-BZ180- 1
+----------+
| 71811D | SHIELD, FRONT SEAT CUSHION, RH
+----------+
2111 - W100 BLACK(TRIM2#) 71811-BZ320-C0 1
2111 - W101 BLACK(TRIM2#) 71811-BZ330-C0 1
+----------+
| 71812D | SHIELD, FRONT SEAT CUSHION, LH
+----------+
2111 - W10# BLACK(TRIM2#) 71812-BZ280-C0 1
FIG.71-51 SEAT & SEAT TRACK
PROD_DATE MODELS
SPEC
CODE
DESCRIPTION
R
/
P
PART
NUMBER
O
Y
T
REV_REF
FR TO
+----------+
| 71812H | RING, HOG, SMALL (FOR REAR SEAT)
+----------+
2111 - W100..LO 9004A-46143- 34
+----------+
| 7181C | RING, HOG, SMALL (FOR FRONT SEAT BACK)
+----------+
2111 - W100..LO 9004A-46143- 9
2111 - W10#..HI,MID 9004A-46143- 11
+----------+
| 7181CA | RING, HOG, SMALL (FOR FRONT SEAT BACK)
+----------+
2111 - W100..LO 9004A-46143- 9
2111 - W10#..HI,MID 9004A-46143- 11
+----------+
| 7181CB | RING, HOG, SMALL (FOR FRONT SEAT CUSHION)
+----------+
2111 - W10# 9004A-46143- 11
+----------+
| 7181CC | RING, HOG, SMALL (FOR FRONT SEAT CUSHION)
+----------+
2111 - W10# 9004A-46143- 11
+----------+
| 7181CD | RING, HOG, SMALL (FOR REAR SEAT BACK)
+----------+
2111 - W100..LO 9004A-46143- 3
2111 - W10#..HI,MID 90468-18008- 5
+----------+
| 7181CE | RING, HOG, SMALL (FOR REAR SEAT BACK)
+----------+
2111 - W100..LO 9004A-46143- 3
2111 - W10#..HI,MID 90468-18008- 5
+----------+
| 7181CF | RING, HOG, SMALL (FOR REAR SEAT CUSHION)
+----------+
2111 - W10#..HI,MID 90468-18008- 10
+----------+
| 7181CG | RING, HOG, SMALL (FOR REAR SEAT CUSHION)
+----------+
2111 - W10#..HI,MID 90468-18008- 10
277
FIG.71-51 SEAT & SEAT TRACK
PROD_DATE MODELS
SPEC
CODE
DESCRIPTION
R
/
P
PART
NUMBER
O
Y
T
REV_REF
FR TO
+----------+
| 71831B | COVER, FRONT SEAT HINGE, RH
+----------+
2111 - W10# BLACK(TRIM2#) 71831-BZ100-C0 1
+----------+
| 71831D | COVER, FRONT SEAT HINGE, RH
+----------+
2111 - W10# BLACK(TRIM2#) 71832-BZ130-C0 1
+----------+
| 71832C | COVER, FRONT LH SEAT HINGE
+----------+
2111 - W10# BLACK(TRIM2#) 71831-BZ100-C0 1
+----------+
| 71832D | COVER, FRONT SEAT HINGE, LH
+----------+
2111 - W10# BLACK(TRIM2#) 71832-BZ100-C0 1
+----------+
| 71833D | COVER REAR SEAT RECLINING, RH
+----------+
2111 - W10# BLACK(TRIM2#) 71833-BZ080-C0 1
+----------+
| 71843A | COVER, REAR SEAT RECLINING, NO.2 RH
+----------+
2111 - W10#..HI,MID BLACK(TRIM2#) 71843-BZ010-C0 1
+----------+
| 71844A | COVER, REAR SEAT RECLINING, NO.2 LH
+----------+
2111 - W10#..HI,MID BLACK(TRIM2#) 71844-BZ010-C0 1
+----------+
| 71844D | COVER, REAR SEAT RECLINING, LH (FOR LH SEAT)
+----------+
2111 - W10# BLACK(TRIM2#) 71834-BZ080-C0 1
+----------+
| 71867V | SHIELD, FRONT SEAT CUSHION, FRONT RH
+----------+
2111 - W101 BLACK(TRIM2#) 71867-B1010-C0 1
+----------+
| 71875A | COVER, RECLINING ADJUSTER INSIDE, RH
+----------+
2111 - W10# BLACK(TRIM2#) 71875-BZ120-C0 1
+----------+
| 71875B | COVER, RECLINING ADJUSTER INSIDE, RH
+----------+
2111 - W10# BLACK(TRIM2#) 71876-BZ110-C0 1
FIG.71-51 SEAT & SEAT TRACK
PROD_DATE MODELS
SPEC
CODE
DESCRIPTION
R
/
P
PART
NUMBER
O
Y
T
REV_REF
FR TO
+----------+
| 71875V | COVER, RECLINING ADJUSTER INSIDE, RH
+----------+
2111 - W10#..HI,MID BLACK(TRIM2#) 71875-BZ100-C0 1
+----------+
| 71875W | COVER, RECLINING ADJUSTER INSIDE, RH
+----------+
2111 - W10#..HI,MID BLACK(TRIM2#) 71875-BZ110-C0 1
+----------+
| 71876 | COVER, RECLINING ADJUSTER INSIDE, LH
+----------+
2111 - W10# BLACK(TRIM2#) 71876-B2060-C0 1
+----------+
| 71876A | COVER, RECLINING ADJUSTER INSIDE, LH
+----------+
2111 - W101 BLACK(TRIM2#) 71875-BZ130-C0 1
2111 - W100 BLACK(TRIM2#) 71875-BZ140-C0 1
+----------+
| 71876C | COVER, RECLINING ADJUSTER INSIDE, LH
+----------+
2111 - W10# BLACK(TRIM2#) 71876-BZ100-C0 1
+----------+
| 71876Y | COVER, RECLINING ADJUSTER INSIDE, LH
+----------+
2111 - W10#..HI,MID BLACK(TRIM2#) 71876-BZ080-C0 1
+----------+
| 71876Z | COVER, RECLINING ADJUSTER INSIDE, LH
+----------+
2111 - W10#..HI,MID BLACK(TRIM2#) 71876-BZ090-C0 1
+----------+
| 71877A | COVER SUB-ASSY, REAR NO.1 SEAT ARMREST
+----------+
2111 - W101 BLACK(TRIM2#) 72088-BZ020-C2 1
+----------+
| 71878A | COVER, REAR SEAT RECLINING, INNER RH
+----------+
2111 - W101 BLACK(TRIM2#) 71878-BZ100-C0 1
2111 - W100 BLACK(TRIM2#) 71878-BZ110-C0 1
+----------+
| 71878B | COVER, REAR SEAT RECLINING, INNER RH
+----------+
2111 - W101 BLACK(TRIM2#) 71878-BZ120-C0 1
278
FIG.71-51 SEAT & SEAT TRACK
PROD_DATE MODELS
SPEC
CODE
DESCRIPTION
R
/
P
PART
NUMBER
O
Y
T
REV_REF
FR TO
+----------+
| 71878E | COVER, REAR SEAT RECLINING, INNER RH
+----------+
2111 - W10#..HI,MID BLACK(TRIM2#) 71878-BZ090-C0 1
+----------+
| 71879A | COVER, REAR SEAT RECLINING, INNER LH
+----------+
2111 - W10# BLACK(TRIM2#) 71879-BZ100-C0 1
+----------+
| 71879E | COVER, REAR SEAT RECLINING, INNER LH
+----------+
2111 - W10#..HI,MID BLACK(TRIM2#) 71879-BZ090-C0 1
+----------+
| 71881A | BOARD, REAR SEAT BACK
+----------+
2111 - W10#..HI,MID 71881-BZ180- 1
+----------+
| 71910A | HEADREST ASSY, FRONT SEAT
+----------+
2111 - W100..LO -(TRIM2#) 71910-BZG50-C5 1
2111 - W10#..HI,MID BLACK(TRIM2#) 71910-BZJ70-C3 1
+----------+
| 71910B | HEADREST ASSY, FRONT SEAT
+----------+
2111 - W100..LO -(TRIM2#) 71910-BZG50-C5 1
2111 - W10#..HI,MID BLACK(TRIM2#) 71910-BZJ70-C3 1
+----------+
| 71930A | SUPPORT ASSY, FRONT SEAT HEADREST
+----------+
2111 - W10# BLACK(TRIM2#) 71931-B2030-C0 1
+----------+
| 71930B | SUPPORT ASSY, REAR SEAT HEADREST
+----------+
2111 - W10# BLACK(TRIM2#) 71930-0K050-C1 1
+----------+
| 71930C | SUPPORT, FRONT SEAT HEADREST, LH
+----------+
2111 - W10# BLACK(TRIM2#) 71930-B2030-C0 1
+----------+
| 71931 | SUPPORT, FRONT SEAT HEADREST
+----------+
2111 - W10# BLACK(TRIM2#) 71931-B2030-C0 1
FIG.71-51 SEAT & SEAT TRACK
PROD_DATE MODELS
SPEC
CODE
DESCRIPTION
R
/
P
PART
NUMBER
O
Y
T
REV_REF
FR TO
+----------+
| 71931A | SUPPORT, REAR SEAT HEADREST
+----------+
2111 - W10# BLACK(TRIM2#) 71931-0K040-C1 1
+----------+
| 71931C | SUPPORT ASSY, REAR NO.2 SEAT HEADREST
+----------+
2111 - W10#..HI,MID BLACK(TRIM2#) 71930-0K050-C1 1
2111 - W100..LO BLACK(TRIM2#) 71930-BZ040-C1 1
+----------+
| 71940A | HEADREST ASSY, REAR SEAT
+----------+
2111 - W100..LO -(TRIM2#) 71940-BZF00-C2 2
+----------+
| 71940B | HEADREST ASSY, REAR SEAT, RH
+----------+
2111 - W10#..HI,MID BLACK(TRIM2#) 71940-BZL70-C0 1
2111 - W100..LO -(TRIM2#) 71940-BZL80-C0 1
+----------+
| 71940D | HEADREST ASSY, REAR NO.2 SEAT, RH
+----------+
2111 - W10#..HI,MID BLACK(TRIM2#) 71970-BZ230-C1 1
+----------+
| 71950D | HEADREST ASSY, REAR SEAT, LH
+----------+
2111 - W10#..HI,MID BLACK(TRIM2#) 71940-BZL70-C0 1
2111 - W100..LO -(TRIM2#) 71940-BZL80-C0 1
+----------+
| 71950F | HEADREST ASSY, REAR NO.2 SEAT, LH
+----------+
2111 - W10#..HI,MID BLACK(TRIM2#) 71970-BZ230-C1 1
+----------+
| 71955A | SUPPORT, REAR SEAT HEADREST
+----------+
2111 - W10#..HI,MID BLACK(TRIM2#) 71931-0K040-C1 1
2111 - W100..LO BLACK(TRIM2#) 71931-BZ030-C1 1
+----------+
| 71955B | SUPPORT, REAR SEAT HEADREST
+----------+
2111 - W10#..HI,MID BLACK(TRIM2#) 71930-0K050-C1 1
2111 - W100..LO BLACK(TRIM2#) 71931-BZ030-C1 1
279
FIG.71-51 SEAT & SEAT TRACK
PROD_DATE MODELS
SPEC
CODE
DESCRIPTION
R
/
P
PART
NUMBER
O
Y
T
REV_REF
FR TO
+----------+
| 71956A | SUPPORT, FRONT SEAT HEADREST
+----------+
2111 - W10# BLACK(TRIM2#) 71930-B2030-C0 1
+----------+
| 71956B | SUPPORT, REAR SEAT HEADREST
+----------+
2111 - W10# BLACK(TRIM2#) 71931-0K040-C1 1
+----------+
| 71970B | SUPPORT ASSY, REAR SEAT HEADREST, RH
+----------+
2111 - W100..LO BLACK(TRIM2#) 71930-BZ040-C1 1
2111 - W10#..HI,MID BLACK(TRIM2#) 71931-0K040-C1 1
+----------+
| 71990A | SUPPORT ASSY, REAR SEAT HEADREST, LH
+----------+
2111 - W10# BLACK(TRIM2#) 71930-0K050-C1 1
+----------+
| 72084 | PAD SUB-ASSY, REAR SEAT CENTER ARMREST, NO.2
+----------+
2111 - W101 72857-BZ010- 1
+----------+
| 72110A | TRACK ASSY, FRONT SEAT, OUTER RH
+----------+
2111 - W10# 72110-BZ320- 1
+----------+
| 72120 | TRACK ASSY, FRONT SEAT, OUTER LH
+----------+
2111 - W10# 72120-BZ290- 1
+----------+
| 72125A | COVER, SEAT TRACK, UPPER REAR
+----------+
2111 - W10# BLACK(TRIM2#) 72125-BZ010-C0 2
+----------+
| 72125F | COVER, SEAT TRACK, UPPER REAR LH
+----------+
2111 - W10# BLACK(TRIM2#) 72125-BZ010-C0 2
+----------+
| 72125S | COVER, FRONT SEAT TRACK, UPPER REAR RH
+----------+
2111 - W10# BLACK(TRIM2#) 72125-B1030-C0 1
FIG.71-51 SEAT & SEAT TRACK
PROD_DATE MODELS
SPEC
CODE
DESCRIPTION
R
/
P
PART
NUMBER
O
Y
T
REV_REF
FR TO
+----------+
| 72125T | COVER, FRONT SEAT TRACK, UPPER REAR LH
+----------+
2111 - W10# BLACK(TRIM2#) 72125-B1030-C0 1
+----------+
| 72127A | COVER, SEAT TRACK BRACKET, INNER FRONT RH
+----------+
2111 - W10# 72127-BZ020- 2
+----------+
| 72127E | COVER, SEAT TRACK BRACKET, INNER FRONT
+----------+
2111 - W10# 72127-BZ020- 2
+----------+
| 72129 | PROTECTOR, SEAT TRACK LOWER RAIL, NO.1
+----------+
2111 - W10# BLACK(TRIM2#) 72129-B1010-C0 2
+----------+
| 72129A | PROTECTOR, SEAT TRACK LOWER RAIL, NO.2
+----------+
2111 - W10# 72129-BZ100- 2
+----------+
| 72129B | PROTECTOR, SEAT TRACK LOWER RAIL
+----------+
2111 - W10# BLACK(TRIM2#) 72129-BZ190-C0 1
+----------+
| 72129C | PROTECTOR, SEAT TRACK LOWER RAIL, NO.3
+----------+
2111 - W10# BLACK(TRIM2#) 72129-B1010-C0 2
+----------+
| 72129D | PROTECTOR, SEAT TRACK LOWER RAIL, NO.4
+----------+
2111 - W10# 72129-BZ100- 2
+----------+
| 72130A | TRACK ASSY, FRONT SEAT, INNER RH
+----------+
2111 - W10# 72130-BZ350- 1
+----------+
| 72136 | SPACER, SEAT TRACK, LOWER NO.1
+----------+
2111 - W10#..HI,MID 72169-BZ010- 4
+----------+
| 72137E | COVER, SEAT TRACK, NO.1
+----------+
2111 - W10# BLACK(TRIM2#) 72137-BZ050-C0 4
280
FIG.71-51 SEAT & SEAT TRACK
PROD_DATE MODELS
SPEC
CODE
DESCRIPTION
R
/
P
PART
NUMBER
O
Y
T
REV_REF
FR TO
+----------+
| 72138B | COVER, SEAT TRACK, LH
+----------+
2111 - W10# BLACK(TRIM2#) 72137-BZ050-C0 4
+----------+
| 72140A | TRACK ASSY, FRONT SEAT,INNER LH
+----------+
2111 - W10# 72140-BZ350- 1
+----------+
| 72157A | COVER, SEAT TRACK BRACKET, INNER RH
+----------+
2111 - W10# 72157-BZ100- 2
+----------+
| 72157F | COVER, SEAT TRACK BRACKET, INNER REAR RH
+----------+
2111 - W10# BLACK(TRIM2#) 72157-BZ110-C0 1
+----------+
| 72158 | COVER, SEAT TRACK BRACKET, INNER LH
+----------+
2111 - W10# 72157-BZ100- 2
+----------+
| 72158E | COVER, SEAT TRACK BRACKET, INNER REAR LH
+----------+
2111 - W10# BLACK(TRIM2#) 72158-BZ090-C0 1
+----------+
| 72159B | COVER, REAR SEAT TRACK BRACKET, OUTER
+----------+
2111 - W10# BLACK(TRIM2#) 72159-BZ130-C0 1
+----------+
| 72160C | TRACK ASSY, REAR NO.1 SEAT, OUTER RH
+----------+
2111 - W10# BLACK(TRIM2#) 72160-BZ150-C0 2
+----------+
| 72170D | TRACK ASSY, REAR SEAT, OUTER LH
+----------+
2111 - W10# BLACK(TRIM2#) 72160-BZ150-C0 2
+----------+
| 72211 | HANDLE, SEAT TRACK ADJUSTING
+----------+
2111 - W10# 72211-BZ170- 1
+----------+
| 72211B | HANDLE, SEAT TRACK ADJUSTING
+----------+
2111 - W10# 72211-BZ170- 1
FIG.71-51 SEAT & SEAT TRACK
PROD_DATE MODELS
SPEC
CODE
DESCRIPTION
R
/
P
PART
NUMBER
O
Y
T
REV_REF
FR TO
+----------+
| 72211C | HANDLE, SEAT TRACK ADJUSTING
+----------+
2111 - W10# 72211-B1050- 1
+----------+
| 72211D | HANDLE, SEAT TRACK ADJUSTING
+----------+
2111 - W10# 72211-B1050- 1
+----------+
| 72213 | KNOB, SEAT TRACK ADJUSTING HANDLE
+----------+
2111 - W100..LO 72213-BZ010- 2
+----------+
| 72265A | COVER, SEAT TRACK UPPER RAIL, RH
+----------+
2111 - W10# BLACK(TRIM2#) 72265-BZ040-C0 2
+----------+
| 72265D | COVER, SEAT TRACK UPPER RAIL
+----------+
2111 - W10# BLACK(TRIM2#) 72265-BZ040-C0 2
+----------+
| 72266 | COVER, SEAT TRACK UPPER RAIL, LH
+----------+
2111 - W101 BLACK(TRIM2#) 72266-B1020-C0 1
+----------+
| 72413 | LEVER, VERTICAL ADJUSTER LOCK
+----------+
2111 - W101 BLACK(TRIM2#) 72413-BZ070-C0 1
+----------+
| 72462 | COVER, VERTICAL ADJUSTER RH
+----------+
2111 - W101 BLACK(TRIM2#) 72462-BZ060-C0 1
+----------+
| 72525A | HANDLE, RECLINING ADJUSTER RELEASE, RH
+----------+
2111 - W10# BLACK(TRIM2#) 72525-BZ140-C0 1
+----------+
| 72525J | HANDLE, RECLINING ADJUSTER RELEASE, RH
+----------+
2111 - W10#..HI,MID BLACK(TRIM2#) 72525-BZ130-C0 1
+----------+
| 72526 | HANDLE, RECLINING ADJUSTER RELEASE, LH
+----------+
2111 - W10#..HI,MID BLACK(TRIM2#) 72525-BZ130-C0 1
281
FIG.71-51 SEAT & SEAT TRACK
PROD_DATE MODELS
SPEC
CODE
DESCRIPTION
R
/
P
PART
NUMBER
O
Y
T
REV_REF
FR TO
+----------+
| 72526A | HANDLE, RECLINING ADJUSTER RELEASE, LH
+----------+
2111 - W10# BLACK(TRIM2#) 72526-BZ110-C0 1
+----------+
| 72551B | COVER, RECLINING HINGE, RH
+----------+
2111 - W10# BLACK(TRIM2#) 72551-BZ070-C0 1
+----------+
| 72552B | COVER, RECLINING HINGE, LH
+----------+
2111 - W10# BLACK(TRIM2#) 72552-B1010-C0 1
+----------+
| 72570C | CABLE ASSY, NO.2 SEAT RECLINING ADJUSTING, RH
+----------+
2111 - W10#..HI,MID 72570-BZ010- 1
+----------+
| 72580B | CABLE ASSY, NO.2 SEAT RECLINING ADJUSTING, LH
+----------+
2111 - W10#..HI,MID 72570-BZ010- 1
+----------+
| 72637A | HANDLE, REAR SEAT LOCK
+----------+
2111 - W10# BLACK(TRIM2#) 72637-BZ100-C0 1
+----------+
| 72637F | SPRING, SEAT BACK, RH
+----------+
2111 - W10# 71441-B2010- 1
+----------+
| 72637G | SPRING, SEAT BACK, LH
+----------+
2111 - W10# 71441-B2010- 1
+----------+
| 72638 | HANDLE, REAR SEAT LOCK, LH
+----------+
2111 - W10# BLACK(TRIM2#) 72637-BZ100-C0 1
+----------+
| 72650F | LOCK ASSY, REAR SEAT, RH
+----------+
2111 - 2209 W10# 72650-BZ010- 1
2210 - W10# 72650-BZ011- 1
FIG.71-51 SEAT & SEAT TRACK
PROD_DATE MODELS
SPEC
CODE
DESCRIPTION
R
/
P
PART
NUMBER
O
Y
T
REV_REF
FR TO
+----------+
| 72656B | BUTTON, REAR SEAT BACK STOP RELEASE
+----------+
2111 - W101 BLACK(TRIM2#) 72661-0K040-C1 1
+----------+
| 72656D | PIN, REAR SEAT CUSHION SUPPORT
+----------+
2111 - W10#..HI,MID 72656-BZ020- 2
+----------+
| 72656E | PIN, REAR SEAT CUSHION SUPPORT
+----------+
2111 - W10#..HI,MID 72656-BZ020- 2
+----------+
| 72660F | LOCK ASSY, REAR SEAT, LH
+----------+
2111 - 2209 W10# 72660-BZ010- 1
2210 - W10# 72660-BZ011- 1
+----------+
| 72661C | BUTTON, REAR SEAT BACK LOCK RELEASE
+----------+
2111 - W101 BLACK(TRIM2#) 72661-0K030-C1 1
+----------+
| 72661H | BUTTON, REAR SEAT BACK LOCK RELEASE, RH
+----------+
2111 - W10#..HI,MID BLACK(TRIM2#) 72661-0K030-C1 1
+----------+
| 72661J | BUTTON, REAR SEAT BACK LOCK RELEASE, LH
+----------+
2111 - W10#..HI,MID BLACK(TRIM2#) 72661-0K030-C1 1
+----------+
| 72661K | BUTTON, REAR SEAT BACK LOCK RELEASE, NO.2 RH
+----------+
2111 - W10#..HI,MID BLACK(TRIM2#) 72661-0K040-C1 1
+----------+
| 72661L | BUTTON, REAR SEAT BACK LOCK RELEASE, NO.2 LH
+----------+
2111 - W10#..HI,MID BLACK(TRIM2#) 72661-0K040-C1 1
+----------+
| 72690A | STRAP ASSY, REAR SEAT LOCK RELEASE
+----------+
2111 - W101 BLACK(TRIM2#) 72690-BZ010-C0 1
282
FIG.71-51 SEAT & SEAT TRACK
PROD_DATE MODELS
SPEC
CODE
DESCRIPTION
R
/
P
PART
NUMBER
O
Y
T
REV_REF
FR TO
+----------+
| 72749 | SPACER, REAR SEAT RECLINING
+----------+
2111 - 2210 W101 72749-12010- 1
2210 - W101 76094-BZ190- 1
+----------+
| 72749A | SPACER, REAR SEAT RECLINING
+----------+
2111 - W10#..HI,MID 72622-BZ010- 5
+----------+
| 72749B | SPACER, REAR SEAT RECLINING, NO.1
+----------+
2111 - W10#..HI,MID 72622-BZ010- 5
+----------+
| 72809A | LOCK SUB-ASSY, CENTER ARMREST
+----------+
2111 - W101 72809-BZ010- 1
+----------+
| 72830 | ARMREST ASSY, REAR SEAT, CENTER
+----------+
2111 - W101 -(TRIM2#) 72830-BZ140-C4 1
+----------+
| 72831B | PLATE, REAR SEAT CENTER ARMREST, NO.1
+----------+
2111 - 2210 W101 72831-BZ010- 1
2210 - W101..CVT B2PJ H + SAB/CSA/BSM,BLAC
K(TRIM2#)
71831-BZ100-C0 1
+----------+
| 72921A | STRAP, REAR NO.2 SEAT, NO.1
+----------+
2111 - W10#..HI,MID BLACK(TRIM2#) 72921-BZ010-C0 1
+----------+
| 72921B | STRAP, REAR NO.2 SEAT, NO.2
+----------+
2111 - W10#..HI,MID BLACK(TRIM2#) 72921-BZ010-C0 1
+----------+
| 72925 | COVER, FRONT SEAT CUSHION
+----------+
2111 - 2205 W10# BLACK(TRIM2#) 72991-BZ250-C0 1
2206 - W10# BLACK(TRIM2#) 72991-BZ340-C0 1
FIG.71-51 SEAT & SEAT TRACK
PROD_DATE MODELS
SPEC
CODE
DESCRIPTION
R
/
P
PART
NUMBER
O
Y
T
REV_REF
FR TO
+----------+
| 72991 | COVER, FRONT SEAT CUSHION, RH
+----------+
2111 - W100..LO BLACK(TRIM2#) 71071-BZQ60-C3 1
2111 - W100..MID BLACK(TRIM2#) 71071-BZQ70-C3 1
2111 - W101 BLACK(TRIM2#) 71071-BZQ80-C3 1
+----------+
| 72992 | COVER, FRONT SEAT CUSHION, LH
+----------+
2111 - W100..LO BLACK(TRIM2#) 71072-BZQ60-C2 1
2111 - W10#..HI,MID BLACK(TRIM2#) 71072-BZQ70-C3 1
+----------+
| 72993 | COVER, FRONT SEAT BACK
+----------+
2111 - W10# BLACK(TRIM2#) 72993-B2010-C0 1
+----------+
| 72993A | COVER, FRONT SEAT BACK
+----------+
2111 - W10# BLACK(TRIM2#) 72994-B2010-C0 1
+----------+
| 72993B | COVER, FRONT SEAT BACK, RH
+----------+
2111 - W100..LO BLACK(TRIM2#) 71073-BZS60-C1 1
2111 - W101 BLACK(TRIM2#) 71073-BZS70-C0 1
2111 - W100..MID BLACK(TRIM2#) 71073-BZZ90-C0 1
2210 - W101..CVT B2PJ H + SAB/CSA/BSM,BLAC
K(TRIM2#)
71073-BY160-C0 1
+----------+
| 72994A | COVER, FRONT SEAT BACK
+----------+
2111 - W10# BLACK(TRIM2#) 72993-B2010-C0 1
+----------+
| 72994B | COVER, FRONT SEAT BACK, LH
+----------+
2111 - W10#..HI,MID BLACK(TRIM2#) 71074-BZP20-C0 1
2111 - W100..LO BLACK(TRIM2#) 71074-BZP70-C1 1
2210 - W101..CVT B2PJ H + SAB/CSA/BSM,BLAC
K(TRIM2#)
71074-BZX90-C0 1
283
FIG.71-51 SEAT & SEAT TRACK
PROD_DATE MODELS
SPEC
CODE
DESCRIPTION
R
/
P
PART
NUMBER
O
Y
T
REV_REF
FR TO
+----------+
| 72995 | COVER, REAR SEAT CUSHION, RH
+----------+
2111 - W100 BLACK(TRIM2#) 72995-BZ290-C0 1
+----------+
| 72999 | COVER, REAR SEAT CUSHION LH
+----------+
2111 - W100 BLACK(TRIM2#) 72998-BZ080-C0 1
+----------+
| 73910A | AIR BAG ASSY, FRONT SEAT, RH
+----------+
2210 - W101..CVT B2PJ H + SAB/CSA/BSM 73910-BZ040- 1
+----------+
| 73920A | AIR BAG ASSY, FRONT SEAT, LH
+----------+
2210 - W101..CVT B2PJ H + SAB/CSA/BSM 73920-BZ040- 1
+----------+
| 78920 | CABLE ASSY, FOLD SEAT LOCK CONTROL, NO.2
+----------+
2111 - W10# 78920-BZ010- 1
+----------+
| 78920B | CABLE ASSY, FOLD SEAT LOCK CONTROL, NO.1
LH
+----------+
2111 - W10# 78920-BZ010- 1
+----------+
| 79012 | COVER SUB-ASSY, NO.1 SEAT CUSHION, LH
+----------+
2111 - W10#..HI,MID BLACK(TRIM2#) 71076-BZF40-C1 1
2111 - W100..LO BLACK(TRIM2#) 71076-BZF50-C2 1
+----------+
| 79013 | COVER SUB-ASSY, NO.1 SEAT BACK, RH
+----------+
2111 - W101 BLACK(TRIM2#) 71077-BZM30-C1 1
2111 - W100..MID BLACK(TRIM2#) 71077-BZM40-C1 1
2111 - W100..LO BLACK(TRIM2#) 71077-BZM50-C2 1
+----------+
| 79014 | COVER SUB-ASSY, NO.1 SEAT BACK, LH
+----------+
2111 - W10#..HI,MID BLACK(TRIM2#) 71078-BZG10-C1 1
2111 - W100..LO BLACK(TRIM2#) 71078-BZG20-C2 1
FIG.71-51 SEAT & SEAT TRACK
PROD_DATE MODELS
SPEC
CODE
DESCRIPTION
R
/
P
PART
NUMBER
O
Y
T
REV_REF
FR TO
+----------+
| 79021 | COVER SUB-ASSY, NO.2 SEAT CUSHION, RH
+----------+
2111 - W10#..HI,MID BLACK(TRIM2#) 79021-BZB30-C1 1
+----------+
| 79021A | COVER SUB-ASSY, NO.2 SEAT CUSHION
+----------+
2111 - W100..LO BLACK(TRIM2#) 79021-BZB40-C1 1
+----------+
| 79022 | COVER SUB-ASSY, NO.2 SEAT CUSHION, LH
+----------+
2111 - W10#..HI,MID BLACK(TRIM2#) 79022-BZ200-C1 1
+----------+
| 79023 | COVER SUB-ASSY, NO.2 SEAT BACK, RH
+----------+
2111 - W10#..HI,MID BLACK(TRIM2#) 79023-BZA90-C1 1
2111 - W100..LO BLACK(TRIM2#) 79023-BZB00-C1 1
+----------+
| 79024 | COVER SUB-ASSY, NO.2 SEAT BACK, LH
+----------+
2111 - W10#..HI,MID BLACK(TRIM2#) 79024-BZ480-C1 1
2111 - W100..LO BLACK(TRIM2#) 79024-BZ490-C1 1
+----------+
| 79030B | LEG ASSY, REAR NO.2 SEAT, RH
+----------+
2111 - W10#..HI,MID 79030-BZ020- 1
+----------+
| 79040B | LEG ASSY, REAR NO.2 SEAT, LH
+----------+
2111 - W10#..HI,MID 79040-BZ020- 1
+----------+
| 79101B | FRAME SUB-ASSY, NO.1 SEAT CUSHION, RH
+----------+
2111 - W10# 79101-BZ020- 1
+----------+
| 79102 | FRAME SUB-ASSY, NO.1 SEAT CUSHION, LH
+----------+
2111 - W10# 79102-BZ020- 1
+----------+
| 79103A | FRAME SUB-ASSY, NO.1 SEAT BACK, RH
+----------+
2111 - W101 79103-BZ010- 1
284
FIG.71-51 SEAT & SEAT TRACK
PROD_DATE MODELS
SPEC
CODE
DESCRIPTION
R
/
P
PART
NUMBER
O
Y
T
REV_REF
FR TO
+----------+
| 79103A | FRAME SUB-ASSY, NO.1 SEAT BACK, RH
CONTINUED--+
2111 - W100 79103-BZ030- 1
+----------+
| 79104 | FRAME SUB-ASSY, NO.1 SEAT BACK, LH
+----------+
2111 - W10# 79104-BZ020- 1
+----------+
| 79105 | LEG SUB-ASSY, NO.1 SEAT, RH
+----------+
2111 - 2209 W100 79105-BZ020- 1
2111 - 2209 W101 79105-BZ030- 1
2210 - W100 79105-BZ021- 1
2210 - W101 79105-BZ031- 1
+----------+
| 79106 | LEG SUB ASSY, NO.1 SEAT, LH
+----------+
2111 - 2209 W10# 79106-BZ020- 1
2210 - W10# 79106-BZ021- 1
+----------+
| 79107A | LEG SUB-ASSY, NO.1 SEAT, REAR
+----------+
2111 - W10# 79107-BZ010- 1
+----------+
| 79107C | LEG SUB-ASSY, NO.1 SEAT, REAR
+----------+
2111 - W10# 79107-BZ010- 1
+----------+
| 79175E | PAD, NO.1 SEAT BACK, RH
+----------+
2111 - W101 71507-BZ520- 1
2111 - W100 71507-BZ550- 1
+----------+
| 79185 | PAD, NO.1 SEAT BACK, LH
+----------+
2111 - W10# 71508-BZ390- 1
+----------+
| 79187 | COVER, NO.1 SEAT INNER BRACKET
+----------+
2111 - W10# BLACK(TRIM2#) 79187-BZ180-C0 1
FIG.71-51 SEAT & SEAT TRACK
PROD_DATE MODELS
SPEC
CODE
DESCRIPTION
R
/
P
PART
NUMBER
O
Y
T
REV_REF
FR TO
+----------+
| 79187A | COVER, NO.1 SEAT INNER BRACKET, LH
+----------+
2111 - W10# BLACK(TRIM2#) 79187-BZ160-C0 1
+----------+
| 79188 | COVER, NO.1 SEAT OUTER BRACKET
+----------+
2111 - W10# BLACK(TRIM2#) 79188-BZ050-C0 1
+----------+
| 79201 | FRAME SUB-ASSY, NO.2 SEAT CUSHION
+----------+
2111 - W100..LO 79201-BZ020- 1
+----------+
| 79201B | FRAME SUB-ASSY, NO.2 SEAT CUSHION, RH
+----------+
2111 - W10#..HI,MID 79201-BZ010- 1
+----------+
| 79202 | FRAME SUB-ASSY, NO.2 SEAT CUSHION, LH
+----------+
2111 - W10#..HI,MID 79202-BZ010- 1
+----------+
| 79203A | FRAME SUB-ASSY, NO.2 SEAT BACK, RH
+----------+
2111 - W10#..HI,MID 79203-BZ100- 1
2111 - W100..LO 79303-BZ210- 1
+----------+
| 79204A | FRAME SUB-ASSY, NO.2 SEAT BACK, LH
+----------+
2111 - W10#..HI,MID 79204-BZ020- 1
2111 - W100..LO 79304-BZ120- 1
+----------+
| 79235 | PAD, NO.2 SEAT CUSHION
+----------+
2111 - W100..LO 79235-BZ020- 1
+----------+
| 79235E | PAD, NO.2 SEAT CUSHION, RH
+----------+
2111 - W10#..HI,MID 79235-BZ010- 1
+----------+
| 79236A | COVER, NO.2 SEAT LEG
+----------+
2111 - W10#..HI,MID BLACK(TRIM2#) 79236-BZ190-C0 1
285
FIG.71-51 SEAT & SEAT TRACK
PROD_DATE MODELS
SPEC
CODE
DESCRIPTION
R
/
P
PART
NUMBER
O
Y
T
REV_REF
FR TO
+----------+
| 79245C | PAD, NO.2 SEAT CUSHION, LH
+----------+
2111 - W10#..HI,MID 79245-BZ010- 1
+----------+
| 79246B | COVER, NO.2 SEAT LEG, B
+----------+
2111 - W10#..HI,MID BLACK(TRIM2#) 79236-BZ190-C0 1
+----------+
| 79270A | SPRING ASSY, NO.2 SEAT CUSHION, LH
+----------+
2111 - W10#..HI,MID 71055-BZ010- 3
+----------+
| 79273 | COVER, NO.2 SEAT HINGE
+----------+
2111 - W100..LO BLACK(TRIM2#) 79273-BZ042-C0 1
+----------+
| 79275C | PAD, NO.2 SEAT BACK, RH
+----------+
2111 - W10#..HI,MID 79275-BZ010- 1
2111 - W100..LO 79275-BZ020- 1
+----------+
| 79285 | PAD, NO.2 SEAT BACK, LH
+----------+
2111 - W10#..HI,MID 79285-BZ010- 1
2111 - W100..LO 79285-BZ020- 1
+----------+
| 79956B | COVER, REAR SEAT LEG SIDE, RH
+----------+
2111 - W10#..HI,MID BLACK(TRIM2#) 79236-BZ170-C0 1
2111 - W100..LO BLACK(TRIM2#) 79236-BZ180-C0 1
+----------+
| 79956C | COVER, REAR SEAT LEG SIDE, LH
+----------+
2111 - W10#..HI,MID BLACK(TRIM2#) 79246-BZ140-C0 1
2111 - W100..LO BLACK(TRIM2#) 79246-BZ150-C0 1
+----------+
| 79958A | COVER, REAR SEAT REAR BRACKET, LH
+----------+
2111 - W10# BLACK(TRIM2#) 79188-BZ060-C0 1
FIG.71-51 SEAT & SEAT TRACK
PROD_DATE MODELS
SPEC
CODE
DESCRIPTION
R
/
P
PART
NUMBER
O
Y
T
REV_REF
FR TO
+----------+
| 79959A | COVER, REAR SEAT LEG, RH
+----------+
2111 - W10# BLACK(TRIM2#) 79959-BZ040-C0 1
+----------+
| 79959B | COVER, REAR SEAT LEG, LH
+----------+
2111 - W10# BLACK(TRIM2#) 79959-BZ040-C0 1
+----------+
| 82711E | CLAMP, WIRING HARNESS
+----------+
2111 - W10#..HI,MID 82711-12120- 1
+----------+
| 82711F | CLAMP, WIRING HARNESS
+----------+
2111 - W10#..HI,MID 82711-12120- 1
+----------+
| C9938 | BUSH
+----------+
2111 - W100..LO 21552-BZ020- 2
286
FIG.71-52 SEAT BELT
(2111- )
FRONT ILLUST NO. 1 OF 3
71D864-B
REFER TO
FIG
(PNC 82161)
REFER TO
FIG
(PNC 82161)
82-02
90041-82003
90041-19920
90041-19920
90041-05471
91553-80612
73230
73230
73240
82-02
73210
73220
73178A
287
FIG.71-52 SEAT BELT
(2111- )
REAR NO.1 ILLUST NO. 2 OF 3
71D865-A
73470B
90041-79312
73214-75010
90041-05471
73360C
73370C
90041-05471
91553-80612
90041-05582
90041-79312
73480
73590A
90041-79312
73380A
90041-79312
73214-75010
288
FIG.71-52 SEAT BELT
(2111- )
REAR NO.2 ILLUST NO. 3 OF 3
71D866
73590
90041-05471
90041-05471
91553-80612
90041-05582
73570
73560
73580
90041-05471
90041-05471
289
FIG.71-52 SEAT BELT
PROD_DATE MODELS
SPEC
CODE
DESCRIPTION
R
/
P
PART
NUMBER
O
Y
T
REV_REF
FR TO
+----------+
| 73178A | CAP, SEAT BELT ANCHOR COVER
+----------+
2208 - W10# 73178-B1020- 1
+----------+
| 73210 | BELT ASSY, FRONT SEAT OUTER, RH
+----------+
2111 - W10# BLACK(TRIM2#) 73210-BZ590-C1 1
+----------+
| 73220 | BELT ASSY, FRONT SEAT OUTER, LH
+----------+
2111 - W10# BLACK(TRIM2#) 73220-BZ630-C1 1
+----------+
| 73230 | BELT ASSY, FRONT SEAT INNER, RH
+----------+
2111 - W100 BLACK(TRIM2#) 73230-BZB70-C0 1
2111 - W101 BLACK(TRIM2#) 73230-BZB80-C0 1
+----------+
| 73240 | BELT ASSY, FRONT SEAT INNER, LH
+----------+
2111 - W10# BLACK(TRIM2#) 73230-BZB90-C0 1
+----------+
| 73360C | BELT ASSY, REAR NO.1 SEAT, OUTER RH
+----------+
2111 - W10# BLACK(TRIM2#) 73360-BZ370-C1 1
+----------+
| 73370C | BELT ASSY, REAR NO.1 SEAT, OUTER LH
+----------+
2111 - W10# BLACK(TRIM2#) 73370-BZ370-C1 1
+----------+
| 73380A | BELT ASSY, REAR SEAT, INNER
+----------+
2111 - W10# BLACK(TRIM2#) 73380-BZ290-C0 1
+----------+
| 73470B | BELT ASSY, REAR SEAT INNER W/CENTER, RH
+----------+
2111 - W10# BLACK(TRIM2#) 73470-BZ140-C0 1
+----------+
| 73480 | BELT ASSY, REAR SEAT INNER W/CENTER, LH
+----------+
2111 - W10# BLACK(TRIM2#) 73480-BZ120-C0 1
FIG.71-52 SEAT BELT
PROD_DATE MODELS
SPEC
CODE
DESCRIPTION
R
/
P
PART
NUMBER
O
Y
T
REV_REF
FR TO
+----------+
| 73560 | BELT ASSY, REAR NO.2 SEAT, OUTER RH
+----------+
2111 - W10# BLACK(TRIM2#) 73560-BZ150-C1 1
+----------+
| 73570 | BELT ASSY, REAR NO.2 SEAT, OUTER LH
+----------+
2111 - W10# BLACK(TRIM2#) 73570-BZ140-C1 1
+----------+
| 73580 | BELT ASSY, REAR NO.2 SEAT, INNER RH
+----------+
2111 - W10#..HI,MID BLACK(TRIM2#) 73580-BZ030-C1 1
2111 - W100..LO BLACK(TRIM2#) 73580-BZ050-C0 1
+----------+
| 73590 | BELT ASSY, REAR NO.2 SEAT, INNER LH
+----------+
2111 - W100..LO BLACK(TRIM2#) 73580-BZ050-C0 1
2111 - W10#..HI,MID BLACK(TRIM2#) 73580-BZ080-C1 1
+----------+
| 73590A | BELT ASSY, REAR SEAT, INNER LH
+----------+
2111 - W10# BLACK(TRIM2#) 73380-BZ290-C0 1
290
FIG.74-51 ARMREST & VISOR
―
―
―
―
―
―
―
―
―
―
―
―
―
―
―
―
―
―
―
―
―
―
―
―
―
―
―
―
―
―
―
―
―
―
(2111- )
VISOR ILLUST NO. 1 OF 3
745709
74310
74320
74348
9004A-16087
FIG.74-51 ARMREST & VISOR
(2111- )
ARMREST ILLUST NO. 2 OF 3
745712
74231
74232
74271A
74272A
291
FIG.74-51 ARMREST & VISOR
(2111- )
ASSIST GRIP ILLUST NO. 3 OF 3
745713
74611B
9004A-10168(2)
74710
74711A
FIG.74-51 ARMREST & VISOR
PROD_DATE MODELS
SPEC
CODE
DESCRIPTION
R
/
P
PART
NUMBER
O
Y
T
REV_REF
FR TO
+----------+
| 74231 | PANEL, FRONT ARMREST BASE, UPPER RH
+----------+
2111 - W101 SILVER(TRIM2#) 74230-BZ070-C0 1
2111 - W100 BLACK(TRIM2#) 74231-BZ290-C0 1
+----------+
| 74232 | PANEL, FRONT ARMREST BASE, UPPER LH
+----------+
2111 - W100 BLACK(TRIM2#) 74232-BZ270-C0 1
2111 - W101 SILVER(TRIM2#) 74240-BZ030-C0 1
+----------+
| 74271A | PANEL, REAR DOOR ARMREST BASE, UPPER RH
+----------+
2111 - W101 SILVER(TRIM2#) 74270-BZ010-C0 1
2111 - W100 BLACK(TRIM2#) 74271-BZ200-C0 1
+----------+
| 74272A | PANEL, REAR DOOR ARMREST BASE, UPPER LH
+----------+
2111 - W100 BLACK(TRIM2#) 74272-BZ200-C0 1
2111 - W101 SILVER(TRIM2#) 74280-BZ010-C0 1
+----------+
| 74310 | VISOR ASSY,
RH
+----------+
2111 - W10# LT.GRAY(TRIM2#) 74310-BZ510-B1 1
+----------+
| 74320 | VISOR ASSY,
LH
+----------+
2111 - W10#..HI,MID LT.GRAY(TRIM2#) 74320-BZA70-B0 1
2111 - W100..LO LT.GRAY(TRIM2#) 74320-BZA80-B0 1
+----------+
| 74348 | HOLDER, VISO
R
+----------+
2111 - W10# LT.GRAY(TRIM2#) 74348-BZ060-B0 2
+----------+
| 74611B | GRIP, ASSIST
+----------+
2111 - W100..LO..5F B2BB D-LOWEST,LT.GRAY(TRI
M2#)
74610-BZ050-B0 1
2111 - W10# LT.GRAY(TRIM2#) 74610-BZ050-B0 3
292
FIG.74-51 ARMREST & VISOR
PROD_DATE MODELS
SPEC
CODE
DESCRIPTION
R
/
P
PART
NUMBER
O
Y
T
REV_REF
FR TO
+----------+
| 74710 | EXTINGUISHER ASSY
+----------+
2111 - 2209 W10# 74710-BZ030- 1
2209 - W10# PT.SERVVO FIRE IDN 74710-BZ030- 1
2209 - W10# PT.TERANG PARTS IDN 74710-BZ050- 1
+----------+
| 74711A | EXTINGUISHER
+----------+
2111 - W10# PT.SERVVO FIRE IDN 74711-BZ020- 1
2209 - W10# PT.TERANG PARTS IDN 74711-BZ040- 1
293
FIG.74-54 BATTERY CARRIER
(2111- )
745714
REFER TO
FIG
(PNC 53702)
9004A-10156(4)
90041-79111(2)
74404A
74461
74411
74451B
74410
53-55
FIG.74-54 BATTERY CARRIER
PROD_DATE MODELS
SPEC
CODE
DESCRIPTION
R
/
P
PART
NUMBER
O
Y
T
REV_REF
FR TO
+----------+
| 74404A | CLAMP SUB-ASSY, BATTERY
+----------+
2111 - W10# 74404-BZ190- 1
+----------+
| 74410 | CARRIER ASSY, BATTERY
+----------+
2111 - W10# 74410-BZ080- 1
+----------+
| 74411 | CARRIER, BATTERY
+----------+
2111 - W10# 74411-BZ160- 1
+----------+
| 74451B | BOLT, BATTERY CLAMP
+----------+
2111 - W10# 74451-BZ150- 1
+----------+
| 74461 | COVER, BATTE
RY
+----------+
2111 - W10# 74405-BZ070- 1
294
FIG.74-55 CAUTION PLATE
―
―
―
―
―
―
―
―
―
―
―
―
―
―
―
―
―
―
―
―
―
―
―
―
―
―
―
―
―
―
―
―
―
―
(2111- )
745755
35519
74751
74552A
86995E
FIG.74-55 CAUTION PLATE
(2111- )
745758
16793E
295
FIG.74-55 CAUTION PLATE
PROD_DATE MODELS
SPEC
CODE
DESCRIPTION
R
/
P
PART
NUMBER
O
Y
T
REV_REF
FR TO
+----------+
| 16793E | LABEL, COOLING FAN CAUTION
+----------+
2111 - 1NRVE,2NRVE..W10# 11293-BZ870- 1
+----------+
| 35519 | PLATE, AUTOMATIC TRANSMISSION CAUTION
+----------+
2111 - W10#..CVT 33621-B2010- 1
+----------+
| 74552A | LABEL, SAFETY CAUTION
+----------+
2111 - W10#..HI,MID 74552-BZ050- 2
2111 - W100..LO..CVT 74552-BZ050- 2
+----------+
| 74751 | LABEL, TIRE PRESSURE INFORMATION
+----------+
2111 - W100 42661-BZC60- 1
2111 - W101 42661-BZF00- 1
+----------+
| 86995E | LABEL, CAUTI
ON
+----------+
2111 - W101..CVT B2PH SMART ASSIST (OVERSE
AS)
86995-BZ040- 1
2210 - W101..CVT B2PJ H + SAB/CSA/BSM 86995-BZ040- 1
296
FIG.75-51 EMBLEM & NAME PLATE
(2111- )
754272
75431A
75443
75445
75311
75441B
75443A 75441C
75441C
297
FIG.75-51 EMBLEM & NAME PLATE
PROD_DATE MODELS
SPEC
CODE
DESCRIPTION
R
/
P
PART
NUMBER
O
Y
T
REV_REF
FR TO
+----------+
| 75311 | EMBLEM, RADIATOR GRILLE (OR FRONT PANEL)
+----------+
2111 - W10# 75311-BZ290- 1
+----------+
| 75431A | EMBLEM, BACK DOOR, NO.1
+----------+
2111 - W10# D MARK 75311-BZ190- 1
+----------+
| 75441B | PLATE, BACK DOOR NAME
+----------+
2111 - W10# XENIA 75441-BZ370- 1
+----------+
| 75441C | PLATE, BACK DOOR NAME
+----------+
2111 - W10#..HI,MID R 75444-BZ140- 1
2111 - W100..LO X 75444-BZ180- 1
+----------+
| 75443 | PLATE, BACK DOOR NAME, NO.3
+----------+
2111 - W10# DUAL VVT-I 75443-BZ180- 1
+----------+
| 75443A | PLATE, LUGGAGE COMPARTMENT DOOR, NO.3
+----------+
2111 - W101 1.5 75443-BZ120- 1
+----------+
| 75445 | PLATE, LUGGAGE COMPARTMENT DOOR NAME, NO.
5
+----------+
2111 - W10#..CVT CVT 75445-BZ290- 1
298
FIG.75-52 MOULDING
(2111- )
754264
9004A-11319(2)
75392F
75392H
75533C
75534C
75551
75552
75561A
75561A
75597B
75598A
75605A
75606A
75641
75642
81559-B2020
90044-67440
90044-67500
90044-68378
90044-67641(3)
299
FIG.75-52 MOULDING
PROD_DATE MODELS
SPEC
CODE
DESCRIPTION
R
/
P
PART
NUMBER
O
Y
T
REV_REF
FR TO
+----------+
| 75392F | RETAINER, OUTSIDE MOULDING
+----------+
2111 - W10# 90044-67630- 7
+----------+
| 75392H | RETAINER, OUTSIDE MOULDING
+----------+
2111 - W10# 90044-67630- 7
+----------+
| 75533C | GARNISH, FRONT PILLAR, OUTER RH
+----------+
2111 - W10# 62225-BZ090- 1
+----------+
| 75534C | GARNISH, FRONT PILLAR, OUTER LH
+----------+
2111 - W10# 62226-BZ090- 1
+----------+
| 75551 | MOULDING, ROOF DRIP SIDE FINISH, RH
+----------+
2111 - W10# NO PAINT REQ. 75551-BZ190- 1
+----------+
| 75552 | MOULDING, ROOF DRIP SIDE FINISH, LH
+----------+
2111 - W10# NO PAINT REQ. 75552-BZ180- 1
+----------+
| 75561A | CLIP, ROOF DRIP SIDE FINISH MOULDING
+----------+
2111 - W10#
#
75561-BZ020-
(75561-B1020- )
4
1
+----------+
| 75597B | RETAINER, QUARTER GARNISH, FRONT RH
+----------+
2111 - W10# 75597-BZ010- 1
+----------+
| 75598A | RETAINER, QUARTER GARNISH, FRONT LH
+----------+
2111 - W10# 75598-BZ010- 1
+----------+
| 75605A | MOULDING SUB-ASSY, QUARTER OUTSIDE, RH
+----------+
2111 - W10# 75577-BZ010- 1
FIG.75-52 MOULDING
PROD_DATE MODELS
SPEC
CODE
DESCRIPTION
R
/
P
PART
NUMBER
O
Y
T
REV_REF
FR TO
+----------+
| 75606A | MOULDING SUB-ASSY, QUARTER OUTSIDE, LH
+----------+
2111 - W10# 75578-BZ040- 1
+----------+
| 75641 | MOULDING, QUARTER WINDOW, OUTSIDE FRONT R
H
+----------+
2111 - W10# 75641-BZ070- 1
+----------+
| 75642 | MOULDING, QUARTER WINDOW, OUTSIDE FRONT L
H
+----------+
2111 - W10# 75642-BZ070- 1
300
FIG.76-52 SPOILER & SIDE MUDGUARD
(2111- )
761281
9004A-15057(4)
76851
90189-06237(4)
301
FIG.76-52 SPOILER & SIDE MUDGUARD
PROD_DATE MODELS
SPEC
CODE
DESCRIPTION
R
/
P
PART
NUMBER
O
Y
T
REV_REF
FR TO
+----------+
| 76851 | COVER, FRONT SPOILER
+----------+
2111 - W10# 76851-BZ170- 1
302
FIG.77-51 FUEL TANK & TUBE
(2111- )
FUEL TANK ILLUST NO. 1 OF 3
775515-B
REFER TO
FIG
(PNC 82161)
REFER TO
FIG
(PNC 83320)
77269A
77229C
77229E
77169A
77100
77310A
77251E
77201
77281M
77213B
77644
77644
77644
77644
23221
90044-60129
90041-20137
90041-20137
82-02
84-01
77261
77281N
77241V
77203A
77259C
77251B
77019J
77281G
23220A
77316
23226
23225A
23217D
303
FIG.77-51 FUEL TANK & TUBE
(2111- )
FUEL TUBE ILLUST NO. 2 OF 3
775516-B
REFER TO
FIG
(PNC 17308B)
REFER TO
FIG
(PNC 23901)
17-08
77299A 77298A
9004A-11200
90044-67575-B0
77249
77251B
77286D
77740
21133-BZ030
21552-BZ030(2)
22-11
77281L
77281L
90044-60327
90044-60327
77019J
77019J
77710C
77251B
77286F
77100X
21576-BZ060
77284
304
FIG.77-51 FUEL TANK & TUBE
(2111- )
FUEL LID CABLE ILLUST NO. 3 OF 3
775518-B
REFER TO
FIG
(PNC 57401C)
77035
77309
77350
77037
9004A-11234(2)
82711-BZ220
82711-BZ220
77306
58-51
77035A
90041-70299
9004A-17265
305
FIG.77-51 FUEL TANK & TUBE
PROD_DATE MODELS
SPEC
CODE
DESCRIPTION
R
/
P
PART
NUMBER
O
Y
T
REV_REF
FR TO
+----------+
| 23217D | FILTER, FUEL PUMP
+----------+
2111 - 1NRVE,2NRVE..W10# 23105-BZ020- 1
+----------+
| 23220A | PUMP ASSY, FUEL W/FILTER
+----------+
2111 - 1NRVE,2NRVE..W10# 23220-BZ050- 1
+----------+
| 23221 | PUMP, FUEL
+----------+
2111 - 1NRVE,2NRVE..W10# 23210-BZ280- 1
+----------+
| 23225A | SPACER, FUEL PUMP
+----------+
2111 - 1NRVE,2NRVE..W10# 23225-BZ030- 1
+----------+
| 23226 | RING, O(FOR FUEL PUMP)
+----------+
2111 - 1NRVE,2NRVE..W10# 9004B-30027- 1
+----------+
| 77019J | TUBE SUB-ASSY, FUEL TANK TO CANISTER
+----------+
2111 - W10# 77263-BZ200- 1
+----------+
| 77035 | CABLE SUB-ASSY, FUEL LID LOCK CONTROL
+----------+
2111 - W10# 77035-BZ310- 1
+----------+
| 77035A | CLAMP (FOR FUEL LID LOCK CONTROL CABLE)
+----------+
2111 - W10# 90044-64872- 4
+----------+
| 77037 | LOCK SUB-ASSY, FUEL FILLER OPENING LID
+----------+
2111 - W10# 77037-BZ080- 1
+----------+
| 77100 | TANK ASSY, FUEL
+----------+
2111 - W10# 77001-BZ520- 1
+----------+
| 77100X | VALVE, CHECK
+----------+
2111 - W10# 17660-BZ070- 1
FIG.77-51 FUEL TANK & TUBE
PROD_DATE MODELS
SPEC
CODE
DESCRIPTION
R
/
P
PART
NUMBER
O
Y
T
REV_REF
FR TO
+----------+
| 77169A | GASKET, FUEL SUCTION TUBE SET
+----------+
2111 - W10# 77169-BZ040- 1
+----------+
| 77201 | PIPE SUB-ASSY, FUEL TANK INLET
+----------+
2111 - W10# 77201-BZ250- 1
+----------+
| 77203A | TUBE SUB-ASSY, FUEL SUCTION
+----------+
2111 - W10# 77203-BZ220- 1
+----------+
| 77213B | HOSE, FUEL TANK TO FILLER PIPE
+----------+
2111 - W10# L=210.2 77213-BZ250- 1
+----------+
| 77229C | CLAMP, BREATHER TUBE
+----------+
2111 - W10# 90044-67244- 1
+----------+
| 77229E | CLAMP, BREATHER TUBE
+----------+
2111 - W10# 90460-22002- 1
+----------+
| 77241V | CLIP, TUBE JOINT
+----------+
2111 - W10# 90044-67229- 1
+----------+
| 77249 | HOSE, FUEL EMISSION
+----------+
2111 - W10# 77249-BZ040- 1
+----------+
| 77251B | TUBE, FUEL MAIN
+----------+
2111 - W10# 77251-BZ390- 1
+----------+
| 77251E | SHIELD, FUEL TANK INLET PIPE
+----------+
2111 - W10# 77291-BZ050- 1
+----------+
| 77259C | HOSE, FUEL
+----------+
2111 - W10# 77259-BZ120- 1
306
FIG.77-51 FUEL TANK & TUBE
PROD_DATE MODELS
SPEC
CODE
DESCRIPTION
R
/
P
PART
NUMBER
O
Y
T
REV_REF
FR TO
+----------+
| 77261 | TUBE SUB-ASSY, FUEL EMISSION
+----------+
2111 - W10# 77028-BZ040- 1
+----------+
| 77269A | HOSE, FUEL TANK BREATHER
+----------+
2111 - W10# 77269-BZ140- 1
+----------+
| 77281G | CLAMP, FUEL HOSE
+----------+
2111 - W10# 77281-BZ050- 1
+----------+
| 77281L | CLAMP, FUEL HOSE
+----------+
2111 - W10# 90044-60327- 2
+----------+
| 77281M | CLAMP, FUEL HOSE
+----------+
2111 - W10# 90044-60129- 1
+----------+
| 77281N | CLAMP, FUEL HOSE
+----------+
2111 - W10# 90044-67271- 1
+----------+
| 77284 | CLAMP, FUEL TUBE
+----------+
2111 - W10# 47372-B2040- 1
+----------+
| 77286D | CLAMP, FUEL TUBE, NO.2
+----------+
2111 - W10# 77286-B1010- 2
+----------+
| 77286F | CLAMP, FUEL TUBE, NO.2
+----------+
2111 - W10# 77286-B2030- 2
+----------+
| 77298A | CLAMP, FUEL TUBE, NO.4
+----------+
2111 - W10# 77298-B2020- 1
+----------+
| 77299A | CLAMP, FUEL TUBE, NO.5
+----------+
2111 - W10# 77299-B2010- 3
FIG.77-51 FUEL TANK & TUBE
PROD_DATE MODELS
SPEC
CODE
DESCRIPTION
R
/
P
PART
NUMBER
O
Y
T
REV_REF
FR TO
+----------+
| 77306 | LEVER SUB-ASSY, FUEL LID LOCK OPEN
+----------+
2111 - W10# 77306-BZ090- 1
+----------+
| 77309 | HINGE SUB-ASSY, FUEL INLET BOX COVER
+----------+
2111 - W10# 77308-BZ040- 1
+----------+
| 77310A | CAP ASSY, FUEL TANK
+----------+
2111 - W10# 77300-52030- 1
+----------+
| 77316 | GASKET, FUEL TANK CAP
+----------+
2111 - W10# 77316-52040- 1
+----------+
| 77350 | LID ASSY, FUEL FILLER OPENING
+----------+
2111 - W10# 77350-BZ160- 1
+----------+
| 77644 | BOLT, FUEL TANK
+----------+
2111 - W10# 90041-20292- 4
+----------+
| 77710C | HOSE, FUEL
+----------+
2111 - W10# 77259-BZ150- 1
+----------+
| 77740 | CANISTER ASSY, CHARCOAL
+----------+
2111 - W10# 77740-BZ160- 1
307
FIG.78-51 ACCELERATOR LINK
(2111- )
781722-A
REFER TO
FIG
(PNC 82141)
REFER TO
FIG
(PNC 55106)
78110K
9004A-10297
82-02
47-01
9004A-10297
FIG.78-51 ACCELERATOR LINK
PROD_DATE MODELS
SPEC
CODE
DESCRIPTION
R
/
P
PART
NUMBER
O
Y
T
REV_REF
FR TO
+----------+
| 78110K | ROD ASSY, ACCELERATOR PEDAL(W/SENSOR)
+----------+
2111 - W10# 78110-BZ140- 1
308
FIG.81-01 HEADLAMP
(2111- )
81A382-A
81195
81195 81119
81195
9004A-11363
9004A-11363
81135G
81110
81150
81132B
8110A
8110B
309
FIG.81-01 HEADLAMP
PROD_DATE MODELS
SPEC
CODE
DESCRIPTION
R
/
P
PART
NUMBER
O
Y
T
REV_REF
FR TO
+----------+
| 8110A | LENS SUB-ASSY, HEADLAMP, RH
+----------+
2111 - W100 8110A-BZ080- 1
2111 - W101 8110A-BZ100- 1
+----------+
| 8110B | LENS SUB-ASSY, HEADLAMP, LH
+----------+
2111 - W100 8110B-BZ080- 1
2111 - W101 8110B-BZ100- 1
+----------+
| 81110 | HEADLAMP ASSY, RH
+----------+
2111 - W101 81110-BZA90- 1
2111 - W100 81110-BZB00- 1
+----------+
| 81119 | SCREW, HEADLAMP
+----------+
2111 - W10# 81195-B2120- 2
+----------+
| 81132B | GASKET, HEADLAMP LENS
+----------+
2111 - W10# 81132-B2010- 2
+----------+
| 81135G | CLIP
+----------+
2111 - W10# 90044-68378- 2
+----------+
| 81150 | HEADLAMP ASSY, LH
+----------+
2111 - W101 81150-BZA90- 1
2111 - W100 81150-BZB00- 1
+----------+
| 81195 | SCREW, HEADLAMP
+----------+
2111 - W10# 81195-B2020- 6
310
FIG.81-02 FOG LAMP
(2111- )HI,MID
81A385
REFER TO
FIG
(PNC 52117(RH))
(PNC 52118(LH))
REFER TO
FIG
(PNC 82111)
52-52
9004A-16036(3)
82-02
81211C
81221C
81210B
81210A
81220
311
FIG.81-02 FOG LAMP
PROD_DATE MODELS
SPEC
CODE
DESCRIPTION
R
/
P
PART
NUMBER
O
Y
T
REV_REF
FR TO
+----------+
| 81210A | LAMP ASSY, FOG, RH
+----------+
2111 - W10#..HI,MID 81210-BZ160- 1
+----------+
| 81210B | BULB, FOG LA
MP
+----------+
2111 - W10#..HI,MID 12V 19W H16 90049-51185- 2
+----------+
| 81211C | LAMP UNIT, FOG LAMP, RH
+----------+
2111 - W10#..HI,MID 81211-BZ060- 1
+----------+
| 81220 | LAMP ASSY, FOG, LH
+----------+
2111 - W10#..HI,MID 81220-BZ160- 1
+----------+
| 81221C | LAMP UNIT, FOG LAMP, LH
+----------+
2111 - W10#..HI,MID 81221-BZ060- 1
312
FIG.81-06 SIDE TURN SIGNAL LAMP & OUTER MIRROR LAMP
(2111- )W101
81A390-A
81730
81740
FIG.81-06 SIDE TURN SIGNAL LAMP & OUTER MIRROR LAMP
PROD_DATE MODELS
SPEC
CODE
DESCRIPTION
R
/
P
PART
NUMBER
O
Y
T
REV_REF
FR TO
+----------+
| 81730 | LAMP ASSY, SIDE TURN SIGNAL, RH
+----------+
2111 - W101 81730-BZ190- 1
+----------+
| 81740 | LAMP ASSY, SIDE TURN SIGNAL, LH
+----------+
2111 - W101 81740-BZ110- 1
313
FIG.81-11 REAR COMBINATION LAMP
(2111- )
81A400-A
REFER TO
FIG
(PNC 82161)
REFER TO
FIG
(PNC 82184)
12235C
12235C
81555J
81565E 81554-BZ060
9004A-11319(2)
9004A-17219
76817B
81550E
81580D
81590A
82-02 82-02
81551D
81561D
81559G
81559F
81584
81594B
314
FIG.81-11 REAR COMBINATION LAMP
PROD_DATE MODELS
SPEC
CODE
DESCRIPTION
R
/
P
PART
NUMBER
O
Y
T
REV_REF
FR TO
+----------+
| 12235C | CAP, VENTILATION
+----------+
2111 - 1NRVE,2NRVE..W10# 12235-BZ010- 4
+----------+
| 76817B | CLIP, REAR LAMP
+----------+
2111 - W10# NATURAL 76835-52010- 2
2111 - W10# PINK 90044-67602- 2
+----------+
| 81550E | CLIP(FOR REAR COMBINATION LAMP)
+----------+
2111 - W10# 81559-B2020- 2
+----------+
| 81551D | LENS & BODY, REAR COMBINATION LAMP, RH
+----------+
2111 - W100..LO 81551-BZ460- 1
2111 - W10#..HI,MID 81551-BZ470- 1
+----------+
| 81555J | SOCKET & WIRE, REAR COMBINATION LAMP, RH
+----------+
2111 - W10# 81555-BZ240- 1
+----------+
| 81559F | CLIP, RR COMBINATION LAMP, LH
+----------+
2111 - W10# 81559-BZ060- 3
+----------+
| 81559G | CLIP, RR COMBINATION LAMP, RH
+----------+
2111 - W10# 81559-BZ060- 3
+----------+
| 81561D | LENS & BODY, REAR COMBINATION LAMP, LH
+----------+
2111 - W100..LO 81561-BZ460- 1
2111 - W10#..HI,MID 81561-BZ470- 1
+----------+
| 81565E | SOCKET & WIRE, REAR COMBINATION LAMP, LH
+----------+
2111 - W10# 81565-BZ110- 1
FIG.81-11 REAR COMBINATION LAMP
PROD_DATE MODELS
SPEC
CODE
DESCRIPTION
R
/
P
PART
NUMBER
O
Y
T
REV_REF
FR TO
+----------+
| 81580D | LAMP ASSY, REAR, RH
+----------+
2111 - W100..MID 81580-BZ100- 1
2111 - W101 81580-BZ130- 1
2111 - W100..LO 81580-BZ160- 1
+----------+
| 81584 | PACKING, REAR LAMP RH
+----------+
2111 - W10# 81582-BZ060- 1
+----------+
| 81590A | LAMP ASSY, REAR, LH
+----------+
2111 - W100..MID 81590-BZ100- 1
2111 - W101 81590-BZ130- 1
2111 - W100..LO 81590-BZ160- 1
+----------+
| 81594B | PACKING, REAR LAMP LH
+----------+
2111 - W10# 81592-BZ060- 1
315
FIG.81-13 REAR LICENSE PLATE LAMP
(2111- )
81A386-A
REFER TO
FIG
(PNC 82184)
81270B
82-02 81270
81270E
81274B
81271
FIG.81-13 REAR LICENSE PLATE LAMP
PROD_DATE MODELS
SPEC
CODE
DESCRIPTION
R
/
P
PART
NUMBER
O
Y
T
REV_REF
FR TO
+----------+
| 81270 | LAMP ASSY, LICENSE PLATE
+----------+
2111 - W10# 81270-BZ100- 2
+----------+
| 81270B | BULB (FOR LICENSE PLATE LAMP)
+----------+
2111 - W10# 12V 5W
#
84999-BZ060-
(90981-11013- )
2
1
+----------+
| 81270E | SOCKET, LICENSE PLATE LAMP
+----------+
2111 - W10# 81278-BZ010- 2
+----------+
| 81271 | LENS, LICENSE PLATE LAMP
+----------+
2111 - W10# 81271-BZ040- 2
+----------+
| 81274B | PACKING, LICENSE PLATE LAMP
+----------+
2111 - W10# 81274-BZ010- 2
316
FIG.81-15 REFLEX REFLECTOR
(2111- )
81A392
81910
81920
9004A-16036
9004A-16036
FIG.81-15 REFLEX REFLECTOR
PROD_DATE MODELS
SPEC
CODE
DESCRIPTION
R
/
P
PART
NUMBER
O
Y
T
REV_REF
FR TO
+----------+
| 81910 | REFLECTOR ASSY, REFLEX, RH
+----------+
2111 - W10# 81910-BZ090- 1
+----------+
| 81920 | REFLECTOR ASSY, REFLEX, LH
+----------+
2111 - W10# 81920-BZ090- 1
317
FIG.81-17 CENTER STOP LAMP
(2111- )HI,MID
81A391
REFER TO
FIG
(PNC 82185)
82-02
81570
81977
90041-89092
90041-89092
9004A-16084
9004A-16084
81574
81574
FIG.81-17 CENTER STOP LAMP
PROD_DATE MODELS
SPEC
CODE
DESCRIPTION
R
/
P
PART
NUMBER
O
Y
T
REV_REF
FR TO
+----------+
| 81570 | LAMP ASSY, CENTER STOP
+----------+
2111 - W10#..HI,MID 81570-BZ290- 1
+----------+
| 81574 | COVER, CENTER STOP LAMP
+----------+
2111 - W10#..HI,MID 81952-BZ010- 2
+----------+
| 81977 | COVER, CENTER STOP LAMP
+----------+
2111 - W10#..HI,MID 81977-BZ080- 1
318
FIG.81-21 INTERIOR LAMP
(2111- )
81A424
81240
81260A
81250
81250B
81250
81260A
82-02
82-02
81260C
81260J
81260C
81260J
81241A
81240B
81241
81240
319
FIG.81-21 INTERIOR LAMP
PROD_DATE MODELS
SPEC
CODE
DESCRIPTION
R
/
P
PART
NUMBER
O
Y
T
REV_REF
FR TO
+----------+
| 81240 | LAMP ASSY, ROOM, NO.1
+----------+
2111 - W10# LT.GRAY(TRIM2#) 81240-B2130-B0 1
+----------+
| 81240B | BULB, ROOM LAMP, NO.1
+----------+
2111 - W10# 12V 8W T10 90049-51188- 1
+----------+
| 81241 | LENS, ROOM LAMP, NO.1
+----------+
2111 - W10# 81241-B2100- 1
+----------+
| 81241A | LENS, ROOM LAMP, NO.2
+----------+
2111 - W10#..HI,MID 81241-BZ080- 1
+----------+
| 81250 | LAMP ASSY, ROOM, NO.2
+----------+
2111 - W10#..HI,MID 81240-BZ120- 1
+----------+
| 81250B | BULB, ROOM LAMP, NO.2
+----------+
2111 - W10#..HI,MID 12V 5W 84999-BZ140- 1
+----------+
| 81260A | LAMP ASSY, M
AP
+----------+
2111 - W10# LT.GRAY(TRIM2#) 81260-BZ050-B0 1
+----------+
| 81260C | BULB(FOR MAP LAMP)
+----------+
2111 - W10# 12V 5W T10 90981-11013- 2
+----------+
| 81260J | SOCKET, BULB(FOR MAP LAMP)
+----------+
2111 - W10# 83101-87705- 2
320
FIG.82-01 BATTERY & BATTERY CABLE
―
―
―
―
―
―
―
―
―
―
―
―
―
―
―
―
―
―
―
―
―
―
―
―
―
―
―
―
―
―
―
―
―
―
(2111- )
82E678
REFER TO
FIG
(PNC 28850)
REFER TO
FIG
(PNC 82121)
REFER TO
FIG
(PNC 82111)
REFER TO
FIG
(PNC 82823)
REFER TO
FIG
(PNC 82627A)
84-01
82-02
82-02
82-02
82-02
321
FIG.82-02 WIRING & CLAMP
―
―
―
―
―
―
―
―
―
―
―
―
―
―
―
―
―
―
―
―
―
―
―
―
―
―
―
―
―
―
―
―
―
―
(2111- )
ENGINE ROOM ILLUST NO. 1 OF 5
82E669-A
REFER TO
FIG
REFER TO
FIG
REFER TO
FIG
(PNC 88605B)
REFER TO
FIG
(PNC 74552A)
84-01
84-01
82111
90119-06A06
90119-06A06
87-19
74-55
82821W
FIG.82-02 WIRING & CLAMP
(2111- )
ENGINE ILLUST NO. 2 OF 5
82E671
9004A-17219(2)
82821N
82627A
82823T
82124
82121
82711-B1100
82823
82711-B2570
82711-B1140
9004A-17260
90119-06A06
9004A-11326
82123
9004A-11240
322
FIG.82-02 WIRING & CLAMP
(2111- )
INSTRUMENT PANEL ILLUST NO. 3 OF 5
82E673
REFER TO
FIG
(PNC 33550D)
REFER TO
FIG
(PNC 82600)
82711-B2590
33-12
90119-06A06
82141
82666A
82666B
82666C
84-01
82711-B2590
90119-06A06
82285E
82988
323
FIG.82-02 WIRING & CLAMP
(2111- )
DOOR&ROOF ILLUST NO. 4 OF 5
82E675
82154A
82711-B1150
N04
82171
82151
82153A
90119-06915
82152
82185
N04
82184
324
FIG.82-02 WIRING & CLAMP
(2111- )
FLOOR ILLUST NO. 5 OF 5
82E676
REFER TO
FIG
82161
82817
82711-B1130
90119-06A06(2)
77-51
325
FIG.82-02 WIRING & CLAMP
PROD_DATE MODELS
SPEC
CODE
DESCRIPTION
R
/
P
PART
NUMBER
O
Y
T
REV_REF
FR TO
+----------+
| 82111 | WIRE, ENGINE ROOM MAIN
+----------+
2111 - W100..LO..5F 82111-BY700- 1
2111 - W10#..HI,MID 82111-BY730- 1
2111 - W100..LO..CVT 82111-BY730- 1
+----------+
| 82121 | WIRE, ENGINE
+----------+
2111 - W101..5F 82121-BZJ20- 1
2111 - W100..5F 82121-BZM70- 1
2111 - W10#..CVT 82121-BZM80- 1
+----------+
| 82123 | WIRE, ENGINE, NO.3
+----------+
2111 - W10#..CVT 82123-BZ320- 1
2111 - W10#..5F 82123-BZ330- 1
+----------+
| 82124 | WIRE, ENGINE, NO.4
+----------+
2111 - W10# 82124-BZ020- 1
+----------+
| 82141 | WIRE, INSTRUMENT PANEL
+----------+
2111 - W100..LO..5F 82141-BX380- 1
2111 - W100..LO..CVT 82141-BXL70- 1
2111 - W10#..(HI,MID)..CVT 82141-BXM00- 1
2111 - W10#..(HI,MID)..5F 82141-BXM20- 1
+----------+
| 82151 | WIRE, FRONT DOOR, RH
+----------+
2111 - W100..LO 82151-BZJ10- 1
2111 - W100..MID 82151-BZJ20- 1
2111 - W101 82151-BZJ30- 1
+----------+
| 82152 | WIRE, FRONT DOOR, LH
+----------+
2111 - W100..LO 82152-BZG20- 1
FIG.82-02 WIRING & CLAMP
PROD_DATE MODELS
SPEC
CODE
DESCRIPTION
R
/
P
PART
NUMBER
O
Y
T
REV_REF
FR TO
+----------+
| 82152 | WIRE, FRONT DOOR, LH
CONTINUED--+
2111 - W100..MID 82152-BZG30- 1
2111 - W101 82152-BZG40- 1
+----------+
| 82153A | WIRE, REAR DOOR, RH
+----------+
2111 - W10# 82153-BZ550- 1
+----------+
| 82154A | WIRE, REAR DOOR, LH
+----------+
2111 - W10# 82153-BZ550- 1
+----------+
| 82161 | WIRE, FLOOR
+----------+
2111 - W100..LO 82161-BYA00- 1
2111 - W10#..HI,MID 82161-BYA20- 1
2210 - W101..CVT B2PJ H + SAB/CSA/BSM 82161-BYW90- 1
+----------+
| 82171 | WIRE, ROOF, NO.1
+----------+
2111 - W10# 82171-BZA90- 1
2111 - W101..CVT B2PH SMART ASSIST (OVERSE
AS)
82171-BZB70- 1
2210 - W101..CVT B2PJ H + SAB/CSA/BSM 82171-BZB70- 1
+----------+
| 82184 | WIRE, BACK DOOR, NO.1
+----------+
2111 - W100 82184-BZE00- 1
2111 - W101 82184-BZF20- 1
+----------+
| 82185 | WIRE, BACK DOOR, NO.2
+----------+
2111 - W100..LO 82185-BZ480- 1
2111 - W10#..HI,MID 82185-BZ600- 1
+----------+
| 82285E | WIRE, ILLUMINATION
+----------+
2111 - W10#..CVT 82285-BZ030- 1
326
FIG.82-02 WIRING & CLAMP
PROD_DATE MODELS
SPEC
CODE
DESCRIPTION
R
/
P
PART
NUMBER
O
Y
T
REV_REF
FR TO
+----------+
| 82627A | WIRE, FUSIBLE LINK
+----------+
2111 - W10# 82627-BZ180- 1
+----------+
| 82666A | HOLDER, CONNECTOR NO.2
+----------+
2111 - W10# 82666-BZ030- 1
+----------+
| 82666B | HOLDER, CONNECTOR NO.3
+----------+
2111 - W10# 82666-BZ040- 1
+----------+
| 82666C | HOLDER, CONNECTOR NO.4
+----------+
2111 - W10# 82666-BZ050- 1
+----------+
| 82817 | PROTECTOR, WIRING HARNESS, NO.1
+----------+
2111 - W10# 82817-B1110- 1
+----------+
| 82821N | COVER, CONNECTOR
+----------+
2111 - W10# 82821-B1070- 1
+----------+
| 82821W | COVER, CONNECTOR
+----------+
2111 - W100..LO..CVT 82821-BZ030- 1
+----------+
| 82823 | CAP, TERMINAL, NO.1
+----------+
2111 - W10# 82823-BZ070- 1
+----------+
| 82823T | CAP, ALTERNATOR TERMINAL
+----------+
2111 - W10# 82823-22060- 1
+----------+
| 82988 | WIRE, AIR BAG REPAIR
+----------+
2111 - W10# 89171-B2070- 1
327
FIG.83-01 METER
―
―
―
―
―
―
―
―
―
―
―
―
―
―
―
―
―
―
―
―
―
―
―
―
―
―
―
―
―
―
―
―
―
―
(2111- )LO
832419-A
90041-68167(2)
90467-05171(2)
83100
83138G
FIG.83-01 METER
(2111- )HI,MID
832420-A
83100
90467-05171(2)
90041-68167(2)
83138G
328
FIG.83-01 METER
PROD_DATE MODELS
SPEC
CODE
DESCRIPTION
R
/
P
PART
NUMBER
O
Y
T
REV_REF
FR TO
+----------+
| 83100 | METER ASSY, COMBINATION
+----------+
2111 - W100..LO..CVT DENSO 83800-BYU50- 1
2111 - W100..LO..5F DENSO 83800-BYU60- 1
2111 - W100..MID..CVT CONTINENTAL 83800-BYU80- 1
2111 - W100..MID..5F CONTINENTAL 83800-BYU90- 1
2111 - W101..CVT CONTINENTAL 83800-BYV00- 1
2111 - W101..5F CONTINENTAL 83800-BYV10- 1
+----------+
| 83138G | GLASS, COMBINATION METER
+----------+
2111 - W100..LO 83852-BZ220- 1
2111 - W10#..HI,MID 83852-BZ250- 1
329
FIG.84-01 SWITCH & RELAY & COMPUTER
(2111- )
ENGINE & TRANSMISSION ILLUST NO. 1 OF 8
84N429-A
REFER TO
FIG
(PNC 82121)
REFER TO
FIG
(PNC 82121)
REFER TO
FIG
(PNC 82121)
REFER TO
FIG
(PNC 82121)
REFER TO
FIG
(PNC 82121)
84540
90041-05592(2)
9004A-10266(2)
82-02
90430-18032
84545
84210
84248
89615
83530
82-02
9004A-43021
89422A
82-02
82-02
82-02
89467B
90119-T0342
89439D
89439
89465A
90105-T0247
330
FIG.84-01 SWITCH & RELAY & COMPUTER
(2111- )
INSTRUMENT PANEL ILLUST NO. 3 OF 8
84N434
REFER TO
FIG
(PNC 88648P)
REFER TO
FIG
(PNC 82141)
REFER TO
FIG
(PNC 82141)
REFER TO
FIG
(PNC 82141)
REFER TO
FIG
(PNC 82141)
82600
84520
90041-20197
88630Y
90041-70330
87-14
89111
82-02
90041-63014
84340
84345
82-02
86530A
82-02
85532D
82-02
82616
90982-09019
90982-09020
90982-09021
90982-09022
90982-09024
90982-09023
90982-08306
85916D
331
FIG.84-01 SWITCH & RELAY & COMPUTER
(2111- )
CONSOLE ILLUST NO. 4 OF 8
84N436-A
REFER TO
FIG
(PNC 82161)
REFER TO
FIG
(PNC 82161)
REFER TO
FIG
(PNC 82161)
84380
9004A-16080
82-02
85530
85535B
85532
82-02
82-02
332
FIG.84-01 SWITCH & RELAY & COMPUTER
(2111- )
ENGINE ROOM ILLUST NO. 2 OF 8
84N440-A
REFER TO
FIG
(PNC 82111)
REFER TO
FIG
(PNC 82111)
REFER TO
FIG
(PNC 82111)
REFER TO
FIG
(PNC 82123)
89421B
82-02
82-02
90049-40062
90982-08298
90982-09019
90982-09020
90982-09021
90982-09022
82-02
N04
9004A-11311
90049-40063
90982-09023
82661
82641
82-02
N04
9004A-11311
85930G
28300
85925
28850
333
FIG.84-01 SWITCH & RELAY & COMPUTER
(2111- )
SWITCH ILLUST NO. 5 OF 8
84N441
89611
84330
82-02
84770A 84986
334
FIG.84-01 SWITCH & RELAY & COMPUTER
(2111- )
BODY ILLUST NO. 6 OF 8
84N445
84810
84810D
84820
84870A
9004A-16032
9004A-16032
84231A
90041-09272
335
FIG.84-01 SWITCH & RELAY & COMPUTER
(2111-2210)
SEAT & BODY ILLUST NO. 7 OF 8
84N449
REFER TO
FIG
(PNC 82184)
REFER TO
FIG
(PNC 23221)
83320
84840G
82-02
90105-06323
90105-06323
77-51
85530B
85535C
336
FIG.84-01 SWITCH & RELAY & COMPUTER
(2111- )LO
STEERING ILLUST NO. 8 OF 8
84N454
REFER TO
FIG
(PNC 45020)
84140
84650
84941A
45-01
84450
9004A-10132
9004A-10132
89650
337
FIG.84-01 SWITCH & RELAY & COMPUTER
(2111- )HI,MID
STEERING ILLUST NO. 8 OF 8
84N455-A
84140
84650
45281-BZ160
45897-B2010(2)
84030
9004A-10132
9004A-10132
89650
84250A
338
FIG.84-01 SWITCH & RELAY & COMPUTER
(2210- )
SEAT & BODY ILLUST NO. 7 OF 8
84P577
REFER TO
FIG
(PNC 82184)
REFER TO
FIG
(PNC 23221)
83320
84840G
82-02
90105-06323
90105-06323
77-51
85530B
85535C
88162
90041-20259(3)
339
FIG.84-01 SWITCH & RELAY & COMPUTER
PROD_DATE MODELS
SPEC
CODE
DESCRIPTION
R
/
P
PART
NUMBER
O
Y
T
REV_REF
FR TO
+----------+
| 28300 | RELAY ASSY, STARTER
+----------+
2111 - 1NRVE,2NRVE..W10# 9004A-98006- 1
+----------+
| 28850 | SENSOR ASSY, BATTERY CURRENT
+----------+
2111 - 2210 1NRVE,2NRVE..W10# MARK LESS 28850-BZ030- 1
2210 - 1NRVE,2NRVE..W10# MARK = B 28850-BZ050- 1
+----------+
| 82600 | BLOCK ASSY, FUSE
+----------+
2111 - W101 82600-BZG20- 1
2111 - W100..MID 82600-BZG40- 1
2111 - W100..LO 82600-BZG50- 1
+----------+
| 82616 | PULLER, FUSE
+----------+
2111 - W10# 82616-58010- 1
+----------+
| 82641 | RELAY, INTEGRATION NO.1
+----------+
2111 - W10# 82641-BZ040- 1
+----------+
| 82661 | COVER, RELAY BLOCK, NO.1
+----------+
2111 - W10# 82661-BZ310- 1
+----------+
| 83320 | GAGE ASSY, FUEL SENDER
+----------+
2111 - W10# 83301-BZ250- 1
+----------+
| 83530 | SWITCH ASSY, OIL PRESSURE (FOR ENGINE)
+----------+
2111 - W10# 83530-52050- 1
+----------+
| 84030 | SWITCH ASSY,MULTIPLEX NETWORK
+----------+
2111 - 2211 W101 84030-BZ120- 1
2111 - 2211 W100..MID..CVT 84030-BZ120- 1
2111 - 2211 W100..MID..5F 84030-BZ130- 1
FIG.84-01 SWITCH & RELAY & COMPUTER
PROD_DATE MODELS
SPEC
CODE
DESCRIPTION
R
/
P
PART
NUMBER
O
Y
T
REV_REF
FR TO
+----------+
| 84030 | SWITCH ASSY,MULTIPLEX NETWORK
CONTINUED--+
2212 - W101 84030-BZ121- 1
2212 - W100..MID..CVT 84030-BZ121- 1
2212 - W100..MID..5F 84030-BZ131- 1
+----------+
| 84140 | SWITCH ASSY, HEADLAMP DIMMER
+----------+
2111 - W100..LO 84140-BZ240- 1
2111 - W10#..HI,MID 84140-BZ280- 1
+----------+
| 84210 | SWITCH ASSY, BACK-UP LAMP
+----------+
2111 - W10#..5F 84210-BZ120- 1
+----------+
| 84231A | SWITCH, COURTESY LAMP
+----------+
2111 - W10#
#
84231-BZ010-
(84231-52020- )
4
1
+----------+
| 84248 | CLAMP, CENTER CLUSTER MODULE SWITCH HARNE
SS
+----------+
2111 - W10#..5F 84248-BZ110- 1
+----------+
| 84250A | SWITCH ASSY, STEERING PAD
+----------+
2111 - W101 BLACK SILVER(TRIM2#)
,TYPE A
84250-BZ270-C1 1
2111 - W100..MID BLACK(TRIM2#),TYPE A 84250-BZ280-C1 1
+----------+
| 84330 | SWITCH ASSY, HAZARD WARNING SIGNAL
+----------+
2111 - W10# 84332-BZ280- 1
+----------+
| 84340 | SWITCH ASSY, STOP LAMP
+----------+
2111 - W10# 84340-B2061- 1
340
FIG.84-01 SWITCH & RELAY & COMPUTER
PROD_DATE MODELS
SPEC
CODE
DESCRIPTION
R
/
P
PART
NUMBER
O
Y
T
REV_REF
FR TO
+----------+
| 84345 | ADJUSTER, STOP LAMP SWITCH MOUNTING
+----------+
2111 - W10#
#
84345-BZ010-
(84345-B2010- )
1
1
+----------+
| 84380 | SWITCH ASSY, BRAKE WARNING TEST
+----------+
2111 - W10# 84380-B2030- 1
+----------+
| 84450 | SWITCH ASSY, IGNITION OR STARTER
+----------+
2111 - W100..LO 84450-B2040- 1
+----------+
| 84520 | SWITCH ASSY, CLUTCH START
+----------+
2111 - W10#..5F 84520-97202- 2
+----------+
| 84540 | SWITCH ASSY, NEUTRAL START
+----------+
2111 - W10#..CVT 84540-B2040- 1
+----------+
| 84545 | SWITCH, NEUTRAL POSITION
+----------+
2111 - W101..5F 84545-BZ010- 1
+----------+
| 84650 | SWITCH ASSY, WINDSHIELD WIPER
+----------+
2111 - W10# 84652-BZ320- 1
+----------+
| 84770A | SWITCH ASSY, PRE-COLLISION SYSTEM CANCEL
+----------+
2111 - W101..CVT B2PH SMART ASSIST (OVERSE
AS)
84770-BZ060- 1
2210 - W101..CVT B2PJ H + SAB/CSA/BSM 84770-BZ060- 1
+----------+
| 84810 | SWITCH ASSY, POWER WINDOW REGULATOR
+----------+
2111 - W10# 84810-BZ130- 1
+----------+
| 84810D | SWITCH ASSY, POWER WINDOW REGULATOR, REAR
+----------+
2111 - W10# 84810-BZ130- 2
FIG.84-01 SWITCH & RELAY & COMPUTER
PROD_DATE MODELS
SPEC
CODE
DESCRIPTION
R
/
P
PART
NUMBER
O
Y
T
REV_REF
FR TO
+----------+
| 84820 | MASTER SWITCH ASSY, POWER WINDOW REGULATO
R
+----------+
2111 - W10# 84820-BZ400- 1
+----------+
| 84840G | SWITCH ASSY, BACK DOOR OPENER
+----------+
2111 - W100 84840-B0010- 1
2111 - W101 84840-B0020- 1
+----------+
| 84870A | SWITCH ASSY, OUTER MIRROR
+----------+
2111 - W100..LO 84870-BZ230- 1
2111 - W10#..HI,MID 84870-BZ240- 1
+----------+
| 84941A | BASE, SWITCH
+----------+
2111 - 2211 W100..LO..5F 84941-BZ060- 1
2111 - 2211 W100..LO..CVT 84941-BZ170- 1
2212 - W100..LO..5F 84941-BZ061- 1
2212 - W100..LO..CVT 84941-BZ171- 1
+----------+
| 84986 | SWITCH, VEHICLE STABILITY CONTROL
+----------+
2111 - W101 84986-BZ080- 1
2111 - W100..CVT 84986-BZ080- 1
+----------+
| 85530 | SOCKET ASSY, POWER OUTLET, NO.1
+----------+
2111 - W10# 85530-BZ080- 1
+----------+
| 85530B | SOCKET ASSY, POWER OUTLET, REAR NO.1
+----------+
2111 - W10#..HI,MID 85530-BZ080- 1
+----------+
| 85532 | SOCKET, USB CHARGER
+----------+
2111 - W10#..HI,MID 85532-BZ030- 1
341
FIG.84-01 SWITCH & RELAY & COMPUTER
PROD_DATE MODELS
SPEC
CODE
DESCRIPTION
R
/
P
PART
NUMBER
O
Y
T
REV_REF
FR TO
+----------+
| 85532D | SOCKET, USB CHARGER, NO.3
+----------+
2111 - W10# 85532-BZ010- 1
+----------+
| 85535B | COVER, POWER OUTLET SOCKET, NO.1
+----------+
2111 - W10# TYPE A 85535-BZ061- 1
2111 - W10# TYPE B 85535-BZ100- 1
+----------+
| 85535C | COVER, POWER OUTLET SOCKET, REAR
+----------+
2111 - W10#..HI,MID TYPE A 85535-BZ061- 1
2111 - W10#..HI,MID TYPE B 85535-BZ100- 1
+----------+
| 85916D | RELAY, FOG LAMP
+----------+
2111 - W10#..HI,MID 9004A-98006- 1
+----------+
| 85925 | RELAY, RADIATOR FAN
+----------+
2111 - W10# 9004A-98006- 1
+----------+
| 85930G | RELAY, ACC
+----------+
2111 - W10#..HI,MID 9004A-98006- 1
+----------+
| 86530A | RELAY, HORN
+----------+
2111 - W10#..HI,MID 9004A-98006- 1
+----------+
| 88162 | SENSOR, BLIND SPOT MONITOR, RH
+----------+
2210 - W101..CVT B2PJ H + SAB/CSA/BSM 88162-B1071- 2
+----------+
| 88630Y | RELAY, REAR COOLER
+----------+
2111 - W10# 9004A-98006- 1
+----------+
| 89111 | COMPUTER, NETWORK GATEWAY
+----------+
2111 - W10# 89111-BZ080- 1
FIG.84-01 SWITCH & RELAY & COMPUTER
PROD_DATE MODELS
SPEC
CODE
DESCRIPTION
R
/
P
PART
NUMBER
O
Y
T
REV_REF
FR TO
+----------+
| 89421B | SENSOR, VACU
UM
+----------+
2111 - W10# 89421-B2030- 1
+----------+
| 89422A | SENSOR, WATER TEMPERATURE
+----------+
2111 - W10# SAME 89422-33030
#
89422-BZ030-
(89422-33030- )
1
1
+----------+
| 89439 | BRACKET, SENSOR
+----------+
2111 - W10# 89439-BZ201- 1
+----------+
| 89439D | BRACKET, SENSOR, NO.1
+----------+
2111 - W10# 89439-BZ210- 1
+----------+
| 89465A | SENSOR, OXYGEN NO.2
+----------+
2111 - W10# 89465-BZ610- 1
+----------+
| 89467B | SENSOR, AIR FUEL RATIO
+----------+
2111 - W10# 89467-BZ020- 1
+----------+
| 89611 | SWITCH, PUSH START
+----------+
2111 - 2204 W100..MID 89611-B0031- 1
2111 - W101 89611-B1010- 1
2205 - W100..MID 89611-BZ030- 1
+----------+
| 89615 | SENSOR, KNOCK CONTROL
+----------+
2111 - W10# SAME 89615-20090 89615-BZ040- 1
+----------+
| 89650 | COMPUTER ASSY, POWER STEERING
+----------+
2111 - W100..5F FURUKAWA ELECTRIC 89650-BZ380- 1
2111 - W101 FURUKAWA ELECTRIC 89650-BZ390- 1
2111 - W100..CVT FURUKAWA ELECTRIC 89650-BZ390- 1
342
FIG.84-01 SWITCH & RELAY & COMPUTER
PROD_DATE MODELS
SPEC
CODE
DESCRIPTION
R
/
P
PART
NUMBER
O
Y
T
REV_REF
FR TO
+----------+
| 89650 | COMPUTER ASSY, POWER STEERING
CONTINUED--+
2111 - W101..CVT B2PH FURUKAWA ELECTRIC,SM
ART ASSIST (OVERSEAS
)
89650-BZ400- 1
2210 - W101..CVT B2PJ FURUKAWA ELECTRIC,H
+ SAB/CSA/BSM
89650-BZ400- 1
343
FIG.84-04 ELECTRONIC FUEL INJECTION SYSTEM
(2111- )
84N318
REFER TO
FIG
(PNC 82111)
REFER TO
FIG
(PNC 82121) 82-02
82-02
89539D
89561
9004A-11240(2)
91671-80622(3)
344
FIG.84-04 ELECTRONIC FUEL INJECTION SYSTEM
PROD_DATE MODELS
SPEC
CODE
DESCRIPTION
R
/
P
PART
NUMBER
O
Y
T
REV_REF
FR TO
+----------+
| 89539D | BRACKET, COMPUTER
+----------+
2111 - W10# 89539-BZ510- 1
+----------+
| 89561 | COMPUTER, FUEL INJECTION
+----------+
2111 - 2210 W100..LO..5F DENSO 89560-BXE80- 1
2111 - 2210 W100..MID..5F DENSO 89560-BXF30- 1
2111 - 2210 W100..LO..CVT DENSO 89560-BXF61- 1
2111 - 2210 W100..MID..CVT DENSO 89560-BYR21- 1
2111 - 2210 W101..5F DENSO 89560-BYS80- 1
2111 - 2210 W101..CVT DENSO 89560-BYU41- 1
2111 - 2210 W101..CVT B2PH DENSO,SMART ASSIST (
OVERSEAS)
89560-BYW01- 1
2210 - W100..LO..5F DENSO 895E0-BZL80- 1
2210 - W100..MID..5F DENSO 895E0-BZL90- 1
2210 - W100..LO..CVT DENSO 895E0-BZM00- 1
2210 - W100..MID..CVT DENSO 895E0-BZM10- 1
2210 - W101..5F DENSO 895E0-BZM20- 1
2210 - W101..CVT DENSO 895E0-BZM40- 1
2210 - W101..CVT B2PH DENSO,SMART ASSIST (
OVERSEAS)
895E0-BZM50- 1
2210 - W101..CVT B2PJ DENSO,H + SAB/CSA/BS
M
895E0-BZM50- 1
345
FIG.84-10 OVERDRIVE & ELECTRONIC CONTROLLED TRANSMISSION
―
―
―
―
―
―
―
―
―
―
―
―
―
―
―
―
―
―
―
―
―
―
―
―
―
―
―
―
―
―
―
―
―
―
(2111- )CVT
84N356
90041-05592
89413N
89413D
90041-05592
89413M
89411H
82-02
89413P
89413N
89413M 89637K
89637K
90043-01344
90041-05592
89413P
89413D
89637K
90043-01344
FIG.84-10 OVERDRIVE & ELECTRONIC CONTROLLED TRANSMISSION
(2211- )CVT
84N709
9004A-10266
89413N
89413D
9004A-10266
89413M
89411H
82-02
89413P
89413N
89413M 89637K
89637K
90043-01344
9004A-10266
89413P
89413D
89637K
90043-01344
346
FIG.84-10 OVERDRIVE & ELECTRONIC CONTROLLED TRANSMISSION
PROD_DATE MODELS
SPEC
CODE
DESCRIPTION
R
/
P
PART
NUMBER
O
Y
T
REV_REF
FR TO
+----------+
| 89411H | RING, O
+----------+
2111 - W10#..CVT 90043-01278- 1
+----------+
| 89413D | RING, O(FOR TRANSMISSION REVOLUTION SENSO
R)
+----------+
2111 - W10#..CVT 90043-01278- 2
+----------+
| 89413M | SENSOR, TRANSMISSION REVOLUTION, (NOUT)
+----------+
2111 - W10#..CVT 89413-B2030- 1
+----------+
| 89413N | SENSOR, TRANSMISSION REVOLUTION, (NT)
+----------+
2111 - W10#..CVT 89413-B2020- 1
+----------+
| 89413P | SENSOR, TRANSMISSION REVOLUTION, (NIN)
+----------+
2111 - W10#..CVT 89413-B2020- 1
+----------+
| 89637K | SENSOR, OIL PRESSURE
+----------+
2111 - W10#..CVT 89637-B2030- 2
347
FIG.84-14 ABS & VSC
(2111- )
84N319-B
REFER TO
FIG
(PNC 43211)
REFER TO
FIG
(PNC 82111)
REFER TO
FIG
(PNC 82111)
REFER TO
FIG
(PNC 43212)
REFER TO
FIG
(PNC 42440)
REFER TO
FIG
(PNC 82161)
REFER TO
FIG
(PNC 82161)
REFER TO
FIG
(PNC 42410)
9004A-10168
9004A-10168
9004A-10168
9004A-10168
9004A-10168
9004A-10168
89542
89543
82251D
82251E
48-02
82-02
82-02
48-02
41-02
82-02
82-02
41-02
90041-20090
90041-20090
348
FIG.84-14 ABS & VSC
PROD_DATE MODELS
SPEC
CODE
DESCRIPTION
R
/
P
PART
NUMBER
O
Y
T
REV_REF
FR TO
+----------+
| 82251D | WIRE, SPEED SENSOR, RH
+----------+
2111 - W10# 82251-BZ190- 1
+----------+
| 82251E | WIRE, SPEED SENSOR, LH
+----------+
2111 - W10# 82251-BZ200- 1
+----------+
| 89542 | SENSOR, SPEED, FRONT RH
+----------+
2111 - 2202 W10# W/PART NUMBER MARK 89542-BZ180- 1
2202 - 2204 W10# W/PART NUMBER MARK 89542-BZ260- 1
2204 - W10# W/PART NUMBER MARK 89542-BZ180- 1
+----------+
| 89543 | SENSOR, SPEED, FRONT LH
+----------+
2111 - 2202 W10# W/PART NUMBER MARK 89543-BZ180- 1
2202 - 2204 W10# W/PART NUMBER MARK 89543-BZ260- 1
2204 - W10# W/PART NUMBER MARK 89543-BZ180- 1
349
FIG.84-17 CLEARANCE & BACK SONAR
(2111- )
84N357
REFER TO
FIG
(PNC 89C48B)
REFER TO
FIG
(PNC 82161)
REFER TO
FIG
(PNC 82111)
REFER TO
FIG
(PNC 61024B)
REFER TO
FIG
(PNC 82141)
REFER TO
FIG
(PNC 55331)
REFER TO
FIG
(PNC 89C48B)
89341A
52-53
82-02
82-02
61-51
82-02
55-51
89343C
89340A
9004A-10222
82219H
52-53
89341A
350
FIG.84-17 CLEARANCE & BACK SONAR
PROD_DATE MODELS
SPEC
CODE
DESCRIPTION
R
/
P
PART
NUMBER
O
Y
T
REV_REF
FR TO
+----------+
| 82219H | WIRE, SENSOR
+----------+
2111 - W10# 82219-BZ260- 1
+----------+
| 89340A | COMPUTER ASSY, CLEARANCE WARNING
+----------+
2111 - W10# 89340-BZ320- 1
+----------+
| 89341A | SENSOR, ULTRASONIC, NO.1
+----------+
2111 - W10# WHITE(W09) 89341-BZ350-A0 2
2111 - W10# SILVER ME.(S28) 89341-BZ350-B0 2
2111 - W10# GRAY ME.(1G3) 89341-BZ350-B1 2
2111 - W10# BLACK ME.(X12) 89341-BZ350-C1 2
2111 - W10# RED SE(R75) 89341-BZ350-D1 2
2111 - W10# GREENISH GUN METAL M
(G64)
89341-BZ350-G0 2
2111 - W10# PURPLISH SILVER M.M(
P20)
89341-BZ350-K0 2
+----------+
| 89343C | BUZZER, CLEARANCE WARNING, NO.1
+----------+
2111 - W10# 89343-48010- 1
351
FIG.84-20 WIRELESS DOOR LOCK
(2111- )
84N358
REFER TO
FIG
(PNC 82141)
REFER TO
FIG
(PNC 82161)
REFER TO
FIG
(PNC 57068)
REFER TO
FIG
(PNC 82161)
REFER TO
FIG
(PNC 87910(RH))
(PNC 87940(LH))
REFER TO
FIG
(PNC 82111)
REFER TO
FIG
(PNC 55168A)
REFER TO
FIG
(PNC 58307)
REFER TO
FIG
(PNC 55301)
899A0
899A0A
89997A
89747
82-02
82-02
58-52
82-02
87-01
82-02
53-55
58-52
55-51
89997
90044-68378
352
FIG.84-20 WIRELESS DOOR LOCK
PROD_DATE MODELS
SPEC
CODE
DESCRIPTION
R
/
P
PART
NUMBER
O
Y
T
REV_REF
FR TO
+----------+
| 89747 | BUZZER, WIRELESS DOOR LOCK
+----------+
2111 - W10# 89747-30040- 1
+----------+
| 89997 | ANTENNA, ELECTRICAL KEY
+----------+
2111 - W101 89997-BZ060- 1
+----------+
| 89997A | ANTENNA, ELECTRICAL KEY, NO.2
+----------+
2111 - W101 89997-BZ020- 2
+----------+
| 899A0 | ANTENNA ASSY, INDOOR ELECTRICAL KEY, NO.1
+----------+
2111 - W10#..HI,MID 89997-BZ010- 1
+----------+
| 899A0A | ANTENNA ASSY, INDOOR ELECTRICAL KEY, NO.2
+----------+
2111 - W10#..HI,MID 89997-BZ100- 1
353
FIG.84-21 AIR BAG
(2111-2210)
84N322-A
REFER TO
FIG
(PNC 53701)
53-55
89170A
89173
89537C
90119-06A06
9004A-10222(2)
9004A-10197
354
FIG.84-21 AIR BAG
(2210- )
84P281
REFER TO
FIG
(PNC 53701)
53-55
89170A
89173
89537C
90119-06A06
9004A-10222(2)
9004A-10197
89860
89860A
9004A-10197
355
FIG.84-21 AIR BAG
PROD_DATE MODELS
SPEC
CODE
DESCRIPTION
R
/
P
PART
NUMBER
O
Y
T
REV_REF
FR TO
+----------+
| 89170A | COMPUTER ASSY, AIR BAG
+----------+
2111 - W10# 89170-BZ700- 1
2210 - W101..CVT B2PJ H + SAB/CSA/BSM 89170-BZ720- 1
+----------+
| 89173 | SENSOR, AIR BAG, FRONT
+----------+
2111 - W10# 89173-B2240- 1
+----------+
| 89537C | COVER, COMPUTER
+----------+
2111 - W10# 19114-B2060- 1
+----------+
| 89860 | SENSOR ASSY, SIDE AIR BAG, RH
+----------+
2210 - W101..CVT B2PJ H + SAB/CSA/BSM 89860-B1120- 1
+----------+
| 89860A | SENSOR ASSY, SIDE AIR BAG, LH
+----------+
2210 - W101..CVT B2PJ H + SAB/CSA/BSM 89860-B1120- 1
356
FIG.85-01 WINDSHIELD WIPER
(2111- )
854619-A
REFER TO
FIG
(PNC 55715A)
REFER TO
FIG
(PNC 55703A)
REFER TO
FIG
(PNC 82111)
85292B
85211B
85178
85292B
85150B
85212A
85214A
9004A-11329
9004A-11329
85222A
85214B
55-53
55-53
85129-B2020(2)
85113A
85110
82-02
85221B
85178
357
FIG.85-01 WINDSHIELD WIPER
PROD_DATE MODELS
SPEC
CODE
DESCRIPTION
R
/
P
PART
NUMBER
O
Y
T
REV_REF
FR TO
+----------+
| 85110 | MOTOR ASSY, WINDSHIELD WIPER
+----------+
2111 - W10# 85110-BZ300- 1
+----------+
| 85113A | NUT, FR WIPE
R
+----------+
2111 - W10# 85113-B2010- 2
+----------+
| 85150B | LINK ASSY, WIPER
+----------+
2111 - W10# 85150-BZ340- 1
+----------+
| 85178 | NUT (FOR FRONT WIPER ARM SETTING)
+----------+
2111 - 2208 W10# 81128-87205- 2
2209 - W10# 90041-79379- 2
+----------+
| 85211B | ARM, FRONT WIPER, RH
+----------+
2111 - W10# 85211-BZ360- 1
+----------+
| 85212A | BLADE, FR WIPER, RH
+----------+
2111 - W10# 85212-BZ350- 1
+----------+
| 85214A | RUBBER, WIPER, RH
+----------+
2111 - W10# 85214-BZ460- 1
+----------+
| 85214B | RUBBER, WIPER, LH
+----------+
2111 - W10# 85214-B1070- 1
+----------+
| 85221B | ARM, FRONT WIPER, LH
+----------+
2111 - W10# 85221-BZ360- 1
+----------+
| 85222A | BLADE, FR WIPER, LH
+----------+
2111 - W10# 85222-BZ360- 1
FIG.85-01 WINDSHIELD WIPER
PROD_DATE MODELS
SPEC
CODE
DESCRIPTION
R
/
P
PART
NUMBER
O
Y
T
REV_REF
FR TO
+----------+
| 85292B | CAP, FRONT WIPER ARM HEAD
+----------+
2111 - W10#
#
85292-BZ110-
(85292-12020- )
2
1
358
FIG.85-02 REAR WIPER
(2111- )
854621
REFER TO
FIG
(PNC 82184)
9004A-11210
9004A-11210
9004A-11210
85110R
85176R
85178R
85214R
85241A
85242
85292A
82-02
FIG.85-02 REAR WIPER
PROD_DATE MODELS
SPEC
CODE
DESCRIPTION
R
/
P
PART
NUMBER
O
Y
T
REV_REF
FR TO
+----------+
| 85110R | MOTOR ASSY, REAR WIPER
+----------+
2111 - W10# 85130-BZ230- 1
+----------+
| 85176R | CAP, REAR WIPER LINK
+----------+
2111 - W10# 85176-BZ130- 1
+----------+
| 85178R | NUT (FOR REAR WIPER ARM SETTING)
+----------+
2111 - W10# 9004A-17218- 1
+----------+
| 85214R | RUBBER, REAR WIPER
+----------+
2111 - W10# 85243-BZ150- 1
+----------+
| 85241A | ARM, REAR WIPER
+----------+
2111 - W10# 85241-BZ180- 1
+----------+
| 85242 | BLADE, RR WIPER
+----------+
2111 - W10# 85242-BZ180- 1
+----------+
| 85292A | CAP, REAR WIPER ARM HEAD
+----------+
2111 - W10# 85292-BZ080- 1
359
FIG.85-03 WINDSHIELD WASHER
(2111- )
854628
REFER TO
FIG
(PNC 85371R)
REFER TO
FIG
(PNC 85348R)
REFER TO
FIG
(PNC 85371V)
85-04
85330A
85355C
85348D
85301
85371Z
85035A
85336D 85332C
85035B
85319C
85330
85349
85348E
85355
85371T
85372
85373
9004A-11246
9004A-11246
85310C
85390
85380
85370
85-04
85-04
85373X
85310E
FIG.85-03 WINDSHIELD WASHER
PROD_DATE MODELS
SPEC
CODE
DESCRIPTION
R
/
P
PART
NUMBER
O
Y
T
REV_REF
FR TO
+----------+
| 85035A | NOZZLE, FR WASHER, RH
+----------+
2111 - 2209 W10# 85381-BZ360- 1
2210 - W10# 85381-BZ410- 1
+----------+
| 85035B | NOZZLE, FRONT WASHER, LH
+----------+
2111 - 2209 W10# 85381-BZ360- 1
2210 - W10# 85381-BZ410- 1
+----------+
| 85301 | INLET SUB-ASSY, WASHER
+----------+
2111 - W10# 85301-BZ040- 1
+----------+
| 85310C | MOTOR & PUMP ASSY, WASHER
+----------+
2111 - W10# 85330-BZ180- 1
+----------+
| 85310E | JAR & PUMP ASSY, WASHER
+----------+
2111 - W10# 85310-BZ450- 1
+----------+
| 85319C | HOSE, WASHER
+----------+
2111 - W10# 85374-BZG80- 1
+----------+
| 85330 | JAR ASSY, WINDSHIELD WASHER
+----------+
2111 - W10# 85315-BZ450- 1
+----------+
| 85330A | BUSH, WINDSHIELD WASHER JAR
+----------+
2111 - W10# 85373-97202- 1
+----------+
| 85332C | CAP, FRONT WASHER TANK
+----------+
2111 - W10# 85332-B2040- 1
+----------+
| 85336D | PACKING, WINDSHIELD WASHER JAR
+----------+
2111 - W10# 85336-B2060- 1
360
FIG.85-03 WINDSHIELD WASHER
PROD_DATE MODELS
SPEC
CODE
DESCRIPTION
R
/
P
PART
NUMBER
O
Y
T
REV_REF
FR TO
+----------+
| 85348D | JOINT, WINDSHIELD WASHER ELBOW, NO.1
+----------+
2111 - W10# 85376-BZ020- 1
+----------+
| 85348E | JOINT, WINDSHIELD WASHER ELBOW, NO.2
+----------+
2111 - W10# 85317-BZ020- 1
+----------+
| 85349 | JOINT, WINDSHIELD WASHER HOSE, NO.1
+----------+
2111 - W10# 85317-BZ080- 1
+----------+
| 85355 | VALVE, WINDSHIELD WASHER HOSE
+----------+
2111 - W10# 85376-B1010- 1
+----------+
| 85355C | JAR, WASHER,
C
+----------+
2111 - W10# 85355-87701- 1
+----------+
| 85370 | HOSE ASSY, WINDSHIELD WASHER
+----------+
2111 - W10# 85370-BZC00- 1
+----------+
| 85371T | HOSE, WINDSHIELD WASHER (FROM JOINT TO JOINT)
+----------+
2111 - W10# L=330 85374-BZK10- 1
+----------+
| 85371Z | CLAMP, WASHER HOSE
+----------+
2111 - W10# 82711-16790- 1
+----------+
| 85372 | HOSE, WINDSHIELD WASHER (FROM JOINT TO JOINT), NO.1
+----------+
2111 - W10# L=480 85374-BZL90- 1
+----------+
| 85373 | HOSE, WINDSHIELD WASHER (FROM JOINT TO NOZZLE)
+----------+
2111 - W10# L=180 85374-BZJ90- 1
+----------+
| 85373X | HOSE, WINDSHIELD WASHER (FROM JOINT TO NOZZLE), NO.2
+----------+
2111 - W10# L=410 85374-BZJ70- 1
FIG.85-03 WINDSHIELD WASHER
PROD_DATE MODELS
SPEC
CODE
DESCRIPTION
R
/
P
PART
NUMBER
O
Y
T
REV_REF
FR TO
+----------+
| 85380 | NOZZLE & HOSE ASSY, FR WASHER
+----------+
2111 - 2209 W10# 85380-BZ150- 1
2210 - W10# 85380-BZ151- 1
+----------+
| 85390 | NOZZLE & HOSE ASSY, FR WASHER, LH
+----------+
2111 - 2209 W10# 85380-BZ100- 1
2210 - W10# 85380-BZ101- 1
361
FIG.85-04 REAR WASHER
(2111- )
854631
REFER TO
FIG
(PNC 85310C)
85372Q
85349P
85349K
85372W
85349J
85307
85371N
85345R 85374R
85390A
85372S
85370D
85379C
85372X
85349G
85349G
85372Q
85349F
85372P 85349F
85372N
85371V
85348R
85371R
85-03
362
FIG.85-04 REAR WASHER
PROD_DATE MODELS
SPEC
CODE
DESCRIPTION
R
/
P
PART
NUMBER
O
Y
T
REV_REF
FR TO
+----------+
| 85307 | GROMMET SUB-ASSY, WASHER
+----------+
2111 - W10# 85307-B2060- 1
+----------+
| 85345R | NOZZLE, REAR WASHER
+----------+
2111 - W10# 85391-BZ130- 1
+----------+
| 85348R | JOINT, REAR WASHER HOSE, NO.1
+----------+
2111 - W10# 85376-BZ020- 1
+----------+
| 85349F | JOINT, REAR WASHER HOSE, NO.1
+----------+
2111 - W10# 85317-BZ080- 2
+----------+
| 85349G | JOINT, REAR WASHER HOSE, NO.2
+----------+
2111 - W10# 85317-BZ080- 2
+----------+
| 85349J | JOINT, REAR WASHER HOSE, NO.4
+----------+
2111 - W10# 85317-BZ080- 1
+----------+
| 85349K | JOINT, REAR WASHER ELBOW, NO.2
+----------+
2111 - W10# 85317-BZ080- 1
+----------+
| 85349P | JOINT, REAR WASHER ELBOW, NO.3
+----------+
2111 - W10# 85355-97202- 1
+----------+
| 85370D | HOSE ASSY, REAR WASHER, NO.1
+----------+
2111 - W10# 85370-BZD40- 1
+----------+
| 85371N | CLAMP, REAR WASHER HOSE
+----------+
2111 - W10# 82711-BZ100- 2
+----------+
| 85371R | HOSE, REAR WASHER (FROM MOTOR TO JOINT)
+----------+
2111 - W10# L=270 85374-BZJ00- 1
FIG.85-04 REAR WASHER
PROD_DATE MODELS
SPEC
CODE
DESCRIPTION
R
/
P
PART
NUMBER
O
Y
T
REV_REF
FR TO
+----------+
| 85371V | HOSE, REAR WASHER (FROM JOINT TO JOINT)
+----------+
2111 - W10# L=40 85374-BZG70- 1
+----------+
| 85372N | HOSE, REAR WASHER (FROM JOINT TO JOINT), NO.1
+----------+
2111 - W10# L=2870 85374-BZJ50- 1
+----------+
| 85372P | HOSE, REAR WASHER (FROM JOINT TO JOINT), NO.2
+----------+
2111 - W10# L=540 85374-BZJ10- 1
+----------+
| 85372Q | HOSE, REAR WASHER (FROM JOINT TO JOINT), NO.3
+----------+
2111 - W10# L=80 85374-BZJ20- 2
+----------+
| 85372S | HOSE, REAR WASHER (FROM JOINT TO JOINT), NO.4
+----------+
2111 - W10# 85370-BZD50- 1
+----------+
| 85372W | HOSE, REAR WASHER (FROM JOINT TO JOINT), NO.5
+----------+
2111 - W10# L=640 85374-BZJ30- 1
+----------+
| 85372X | HOSE, REAR WASHER (FROM JOINT TO JOINT), NO.6
+----------+
2111 - W10# L=130 85374-BZM00- 1
+----------+
| 85374R | HOSE, REAR WASHER (FROM JOINT TO NOZZLE)
+----------+
2111 - W10# *H,L=300 85374-BZB40- 1
+----------+
| 85379C | GROMMET, REAR WASHER HOSE NO.1
+----------+
2111 - W10#
#
85373-BZ010-
(90044-80370- )
1
1
+----------+
| 85390A | NOZZLE & HOSE ASSY, RR WASHER
+----------+
2111 - W10# 85390-BZ280- 1
363
FIG.86-02 SPEAKER
(2111- )
868730
REFER TO
FIG
(PNC 82141)
REFER TO
FIG
(PNC 82151(RH))
(PNC 82152(LH))
REFER TO
FIG
(PNC 82153A(RH))
(PNC 82154A(LH))
82-02
86160B
86160P
86160J
82-02 82-02
86160
90041-89084(3)
9004A-16036(3)
90041-89084(3)
9004A-16036(3)
FIG.86-02 SPEAKER
PROD_DATE MODELS
SPEC
CODE
DESCRIPTION
R
/
P
PART
NUMBER
O
Y
T
REV_REF
FR TO
+----------+
| 86160 | SPEAKER ASSY, FRONT NO.1
+----------+
2111 - W10# 86160-BZ180- 2
+----------+
| 86160B | SPEAKER ASSY, REAR
+----------+
2111 - W10# 86160-BZ180- 2
+----------+
| 86160J | SPEAKER ASSY, FRONT NO.3
+----------+
2111 - W10#..HI,MID 86160-BZ320- 1
+----------+
| 86160P | SPEAKER ASSY, FRONT NO.2
+----------+
2111 - W10#..HI,MID 86160-BZ310- 1
364
FIG.86-04 ANTENNA
(2111- )
868743
REFER TO
FIG
(PNC 85372S)
POLE TYPE
90119-06A06
86316
86101
85-04
82711-16790
82711-16790
82711-16790
86300B
86397
N04
86332
86300B
86397
N04
N04
82711-16790
365
FIG.86-04 ANTENNA
PROD_DATE MODELS
SPEC
CODE
DESCRIPTION
R
/
P
PART
NUMBER
O
Y
T
REV_REF
FR TO
+----------+
| 86101 | CORD SUB-ASSY, ANTENNA
+----------+
2111 - W10# 86316-BZ610- 1
+----------+
| 86300B | ANTENNA ASSY, AMPLIFIER, NO.1
+----------+
2111 - W10# WHITE(W09) 86300-BZ430-A0 1
2111 - W10# SILVER ME.(S28) 86300-BZ430-B0 1
2111 - W10# GRAY ME.(1G3) 86300-BZ430-B1 1
2111 - W10# BLACK ME.(X12) 86300-BZ430-C0 1
2111 - W10# RED SE(R75) 86300-BZ430-D0 1
2111 - W10# GREENISH GUN METAL M
(G64)
86300-BZ430-G0 1
2111 - W10# PURPLISH SILVER M.M(
P20)
86300-BZ430-K0 1
2111 - W100..LO..5F B2BB D-LOWEST 86300-BZ460- 1
+----------+
| 86316 | CABLE, ANTEN
NA
+----------+
2111 - W10# 86316-BZ660- 1
+----------+
| 86332 | ROD, ANTENNA
+----------+
2111 - W100..LO..5F B2BB D-LOWEST 86332-BZ110- 1
+----------+
| 86397 | PLATE, ANTENNA EARTH
+----------+
2111 - W10# 86397-BZ060- 1
366
FIG.86-09 LANE-KEEPING ASSIST
(2111- )W101..CVT
868719
REFER TO
FIG
(PNC 82171)
86466G
86462 82-02
86466A
FIG.86-09 LANE-KEEPING ASSIST
PROD_DATE MODELS
SPEC
CODE
DESCRIPTION
R
/
P
PART
NUMBER
O
Y
T
REV_REF
FR TO
+----------+
| 86462 | CAMERA, OBJECT RECOGNITION
+----------+
2111 - W101..CVT B2PH SMART ASSIST (OVERSE
AS)
8646C-B1100- 1
2210 - W101..CVT B2PJ H + SAB/CSA/BSM 8646C-B1100- 1
+----------+
| 86466A | COVER, LANE RECOGNITION, NO.1
+----------+
2111 - W101..CVT B2PH SMART ASSIST (OVERSE
AS),BLACK(TRIM2#)
86466-BZ010-C0 1
2210 - W101..CVT B2PJ H + SAB/CSA/BSM,BLAC
K(TRIM2#)
86466-BZ010-C0 1
+----------+
| 86466G | COVER, FORWARD RECOGNITION, NO.1
+----------+
2111 - W101..CVT B2PH SMART ASSIST (OVERSE
AS),BLACK(TRIM2#)
86466-BZ020-C0 1
2210 - W101..CVT B2PJ H + SAB/CSA/BSM,BLAC
K(TRIM2#)
86466-BZ020-C0 1
367
FIG.86-11 HORN
(2111- )
868775-A
REFER TO
FIG
(PNC 61665J)
REFER TO
FIG
(PNC 82111)
REFER TO
FIG
(PNC 53205)
REFER TO
FIG
(PNC 57112)
REFER TO
FIG
(PNC 82111)
REFER TO
FIG
(PNC 82161)
61-51
82-02
58-51
86510
86510A
86520
90105-08478
90105-08478
90105-08478
53-55
82-02
82-02
368
FIG.86-11 HORN
PROD_DATE MODELS
SPEC
CODE
DESCRIPTION
R
/
P
PART
NUMBER
O
Y
T
REV_REF
FR TO
+----------+
| 86510 | HORN ASSY, HIGH PITCHED
+----------+
2111 - W101 86510-BZ300- 1
+----------+
| 86510A | HORN ASSY, SECURITY
+----------+
2111 - W10#..HI,MID 86520-BZ310- 1
+----------+
| 86520 | HORN ASSY, LOW PITCHED
+----------+
2111 - W10# 86520-BZ290- 1
369
FIG.87-01 MIRROR
(2111- )W100
87K044
REFER TO
FIG
(PNC 82151(RH))
(PNC 82152(LH))
9004A-17219(3)
87910
87940
87917B
87947B
87915B
87945C
N04
82-02
87915
87945
8791A
8794A
N04
87810
370
FIG.87-01 MIRROR
(2111- )W101
87K045-A
REFER TO
FIG
(PNC 81730(RH))
(PNC 81740(LH))
REFER TO
FIG
(PNC 82151(RH))
(PNC 82152(LH))
REFER TO
FIG
(PNC 89997A)
9004A-17219(3)
81-06
87910
87940
87917B
87947B
87915B
87945C
N04
82-02
87915
87945
8791A
8794A
N04
84-20
87810
371
FIG.87-01 MIRROR
PROD_DATE MODELS
SPEC
CODE
DESCRIPTION
R
/
P
PART
NUMBER
O
Y
T
REV_REF
FR TO
+----------+
| 87810 | MIRROR ASSY, INNER REAR VIEW
+----------+
2111 - W10# BLACK(TRIM2#) 87810-BZ420-C0 1
+----------+
| 87910 | MIRROR ASSY, OUTER REAR VIEW, RH
+----------+
2111 - W100..LO NO PAINT REQ. 87910-BZG70- 1
2111 - W100..MID NO PAINT REQ. 87910-BZG80- 1
2111 - W101 NO PAINT REQ. 87910-BZJ00- 1
2210 - W101..CVT B2PJ NO PAINT REQ.,H + SA
B/CSA/BSM
87910-BZL20- 1
+----------+
| 87915 | COVER, OUTER MIRROR, RH
+----------+
2111 - W10# 87915-BZ520- 1
+----------+
| 87915B | COVER, OUTER MIRROR, LOWER RH
+----------+
2111 - W10# 87915-BZ640- 1
+----------+
| 87917B | MIRROR, OUTER REAR VIEW, RH
+----------+
2111 - W10# 87917-BZ180- 1
2210 - W101..CVT B2PJ H + SAB/CSA/BSM 87917-BZ260- 1
+----------+
| 8791A | COVER, OUTER MIRROR, RH NO.2
+----------+
2111 - W100 8791A-BZ050- 1
2111 - W101 8791A-BZ130- 1
+----------+
| 87940 | MIRROR ASSY, OUTER REAR VIEW, LH
+----------+
2111 - W100..LO NO PANIT REQ. 87940-BZG50- 1
2111 - W100..MID NO PANIT REQ. 87940-BZG60- 1
2111 - W101 NO PANIT REQ. 87940-BZG80- 1
2210 - W101..CVT B2PJ NO PANIT REQ.,H + SA
B/CSA/BSM
87940-BZL00- 1
FIG.87-01 MIRROR
PROD_DATE MODELS
SPEC
CODE
DESCRIPTION
R
/
P
PART
NUMBER
O
Y
T
REV_REF
FR TO
+----------+
| 87945 | COVER, OUTER MIRROR, LH
+----------+
2111 - W10# 87945-BZ530- 1
+----------+
| 87945C | COVER, OUTER MIRROR, LOWER LH
+----------+
2111 - W10# 87945-BZ640- 1
+----------+
| 87947B | MIRROR, OUTER REAR VIEW, LH
+----------+
2111 - W10# 87947-BZ180- 1
2210 - W101..CVT B2PJ H + SAB/CSA/BSM 87947-BZ240- 1
+----------+
| 8794A | COVER, OUTER MIRROR, LH NO.2
+----------+
2111 - W100 8794A-BZ050- 1
2111 - W101 8794A-BZ130- 1
372
FIG.87-14 HEATING & AIR CONDITIONING - COOLER UNIT
(2111- )
MANUAL ILLUST NO. 2 OF 2
87K003-B
90099-00968(4)
90099-00968
81128-B2010
87010
15188-87403
15188-87402
81128-B2010
88550B
81128-B2010
9004B-72003(3)
88515
88515F
88515F
87139D
88548B
90099-00968
90099-00968
87138C
88501
90099-00968
87106Y
373
FIG.87-14 HEATING & AIR CONDITIONING - COOLER UNIT
(2111- )
REAR UNIT ILLUST NO. 1 OF 2
87K008-A
88539G
88539
88539
88539G
90041-05546
90041-05546
90041-05546
90041-05546
90041-05546
374
FIG.87-14 HEATING & AIR CONDITIONING - COOLER UNIT
(2111- )
REAR UNIT ILLUST NO. 2 OF 2
87K063-D
88502A
88578V
88571
88570A
88571
88570A
88635F
88571C
88571C
88571C
88502
88578C
88611
87030A
88611
88611
88611
88467-BZ040
9004B-16006
9004B-16006
15188-87402
88467-BZ050
15188-87403
87010B
88501R
88515H
88515B
88578B
88605W
88550G
88550G
88605F
88515H
88571C
375
FIG.87-14 HEATING & AIR CONDITIONING - COOLER UNIT
(2111- )
ILLUST NO. 1 OF 2
87K210-B
REFER TO
FIG
(PNC 55331)
REFER TO
FIG
(PNC 55101)
90119-06A06
88539J
88648P
55-51
53-55
88569F
9004A-17221
9004A-11281
9004A-17221
91653-40620
9004A-11282
9004A-11282
376
FIG.87-14 HEATING & AIR CONDITIONING - COOLER UNIT
PROD_DATE MODELS
SPEC
CODE
DESCRIPTION
R
/
P
PART
NUMBER
O
Y
T
REV_REF
FR TO
+----------+
| 87010 | UNIT ASSY, AIR CONDITIONER
+----------+
2111 - W10# 87010-BZ720- 1
+----------+
| 87010B | SCREW(FOR AIR CONDITIONER UNIT)
+----------+
2111 - W10# 9004B-16008- 19
+----------+
| 87030A | UNIT ASSY, COOLING, REAR
+----------+
2111 - W10# LT.GRAY(TRIM2#) 87030-BZ220-B0 1
+----------+
| 87106Y | SERVO SUB-ASSY, DAMPER(FOR RECIRCULATION & FRESH)
+----------+
2111 - W10# 88660-B2050- 1
+----------+
| 87138C | RESISTOR, BLOWER
+----------+
2111 - W10# 87138-BZ170- 1
+----------+
| 87139D | ELEMENT, AIR REFINER
+----------+
2111 - W10# 87139-BZ020- 1
+----------+
| 88501 | EVAPORATOR SUB-ASSY, COOLER, NO.1
+----------+
2111 - W10# 88501-BZ400- 1
+----------+
| 88501R | EVAPORATOR SUB-ASSY (REAR)
+----------+
2111 - W10# 88501-BZ260- 1
+----------+
| 88502 | CASE SUB-ASSY, COOLING UNIT
+----------+
2111 - W10# 88502-BZ190- 1
+----------+
| 88502A | CASE SUB-ASSY, COOLING UNIT
+----------+
2111 - W10# 88502-BZ200- 1
+----------+
| 88515 | VALVE, COOLER EXPANSION
+----------+
2111 - W10# 88515-BZ200- 1
FIG.87-14 HEATING & AIR CONDITIONING - COOLER UNIT
PROD_DATE MODELS
SPEC
CODE
DESCRIPTION
R
/
P
PART
NUMBER
O
Y
T
REV_REF
FR TO
+----------+
| 88515B | VALVE, REAR COOLING UNIT EXPANSION
+----------+
2111 - W10# 88515-BZ180- 1
+----------+
| 88515F | BOLT(FOR COOLER EXPANSION VALVE)
+----------+
2111 - W10# C9909-97201- 2
+----------+
| 88515H | BOLT(FOR REAR COOLER EXPANSION VALVE)
+----------+
2111 - W10# C9909-97201- 2
+----------+
| 88539 | HOSE, COOLER UNIT DRAIN, NO.1
+----------+
2111 - W10# 88539-BZ470- 2
+----------+
| 88539G | GROMMET (FOR COOLER UNIT DRAIN HOSE)
+----------+
2111 - W10# 88888-BZ020- 2
+----------+
| 88539J | HOSE, DRAIN COOLER
+----------+
2111 - W10# 88539-BZ450- 1
+----------+
| 88548B | CASE, AIR FILTER
+----------+
2111 - W10# 88548-BZ030- 1
+----------+
| 88550B | MOTOR ASSY, BLOWER
+----------+
2111 - W10# 88550-BZ130- 1
+----------+
| 88550G | MOTOR ASSY, BLOWER, REAR
+----------+
2111 - W10# 88550-BZ180- 1
+----------+
| 88569F | CLAMP
+----------+
2111 - W10# C8899-B2010- 1
+----------+
| 88570A | GRILLE ASSY, AIR OUTLET
+----------+
2111 - W10# 88570-BZ060- 2
377
FIG.87-14 HEATING & AIR CONDITIONING - COOLER UNIT
PROD_DATE MODELS
SPEC
CODE
DESCRIPTION
R
/
P
PART
NUMBER
O
Y
T
REV_REF
FR TO
+----------+
| 88571 | GRILLE, AIR OUTLET
+----------+
2111 - W10# 88570-BZ050- 2
+----------+
| 88571C | GRILLE, COOLER AIR OUTLET
+----------+
2111 - W10# 88570-BZ070- 4
+----------+
| 88578B | PACKING, COOLING UNIT, NO.1
+----------+
2111 - W10# 88578-BZF40- 1
+----------+
| 88578C | PACKING, COOLING UNIT, NO.2
+----------+
2111 - W10# 88578-BZF90- 1
+----------+
| 88578V | PACKING, COOLING UNIT, NO.3
+----------+
2111 - W10# 88578-BZG00- 1
+----------+
| 88605F | FUSE(FOR COOLER WIRING HARNESS)
+----------+
2111 - W10# 82606-BZ010- 1
+----------+
| 88605W | HARNESS SUB-ASSY, WIRING AIR CONDITIONER
+----------+
2111 - W10# 88605-BZ200- 1
+----------+
| 88611 | KNOB, COOLER CONTROL SWITCH
+----------+
2111 - W10# 88611-BZ120- 4
+----------+
| 88635F | RESISTER, COOLER BLOWER
+----------+
2111 - W10# 88635-BZ030- 1
+----------+
| 88648P | WIRE,AIR CONDITIONER,NO.1
+----------+
2111 - W10# 88648-BZ110- 1
378
FIG.87-15 HEATING & AIR CONDITIONING - CONTROL & AIR DUCT
(2111- )
CONTROL PANEL ILLUST NO. 1 OF 3
87J981
REFER TO
FIG
(PNC 55406B)
55910R
9004A-16036(4)
55-51
379
FIG.87-15 HEATING & AIR CONDITIONING - CONTROL & AIR DUCT
―
―
―
―
―
―
―
―
―
―
―
―
―
―
―
―
―
―
―
―
―
―
―
―
―
―
―
―
―
―
―
―
―
―
(2111- )
AIR DUCT ILLUST NO. 2 OF 3
87J982
9004A-11342
55871C
55871K
87220
9004A-11342
55086A
55873D
55874B
87223A
87223C
87223C
87223E
9004A-16036
87223C
55874B
9004A-16036
9004A-16036
9004A-16036
380
FIG.87-15 HEATING & AIR CONDITIONING - CONTROL & AIR DUCT
(2111- )
AIR FILTER ILLUST NO. 3 OF 3
87J987
8715
REFER TO
FIG
(PNC 63310)
REFER TO
FIG
(PNC 62961C)
REFER TO
FIG
(PNC 88570F)
64-52
84732H
87441B
88568A
88568A
88611D
93269-54012(2)
64-52
64-52
381
FIG.87-15 HEATING & AIR CONDITIONING - CONTROL & AIR DUCT
PROD_DATE MODELS
SPEC
CODE
DESCRIPTION
R
/
P
PART
NUMBER
O
Y
T
REV_REF
FR TO
+----------+
| 55086A | DUCT SUB-ASSY, HEATER TO REGISTER, CENTER
+----------+
2111 - W10# 55086-BZ310- 1
+----------+
| 55871C | SEAL, AIR DU
CT
+----------+
2111 - W10# 55875-BZ060- 1
+----------+
| 55871K | SEAL, AIR DU
CT
+----------+
2111 - W10# 55876-BZ020- 1
+----------+
| 55873D | SEAL, AIR DUCT, CENTER
+----------+
2111 - W10# 55873-BZ180- 1
+----------+
| 55874B | SEAL, AIR DUCT, NO.4
+----------+
2111 - W10# 55874-BZ080- 2
+----------+
| 55910R | CONTROL ASSY, HEATER
+----------+
2111 - W10# 55910-BZ850- 1
+----------+
| 84732H | SWITCH, HEATER BLOWER
+----------+
2111 - W10# 88470-BZ100- 1
+----------+
| 87220 | DUCT ASSY, A
IR
+----------+
2111 - W10# 87220-BZ440- 1
+----------+
| 87223A | PAD, AIR DUC
T
+----------+
2111 - W10# 87223-BZ110- 1
+----------+
| 87223C | PAD, AIR DUCT, NO.3
+----------+
2111 - W10# 87223-BZ660- 3
+----------+
| 87223E | PAD, AIR DUCT, NO.5
+----------+
2111 - W10# 87223-BZ610- 1
FIG.87-15 HEATING & AIR CONDITIONING - CONTROL & AIR DUCT
PROD_DATE MODELS
SPEC
CODE
DESCRIPTION
R
/
P
PART
NUMBER
O
Y
T
REV_REF
FR TO
+----------+
| 87441B | FILTER, HEATER AIR
+----------+
2111 - W10# 88568-BZ150- 1
+----------+
| 88568A | FILTER, AIR
+----------+
2111 - W10# 88568-BZ140- 2
+----------+
| 88611D | KNOB, COOLER CONTROL
+----------+
2111 - W10# LT.GRAY(TRIM2#) 88611-BZ110-B0 1
382
FIG.87-18 HEATING & AIR CONDITIONING - COOLER PIPING
(2111- )
CONDENSER
87K009-B
REFER TO
FIG
REFER TO
FIG
(PNC 87010)
REFER TO
FIG
(PNC 53209B)
88474
9004A-11331(2)
9004A-11331(2)
88362B
88460
88561J
88561K
88711
88712
88717U
88718G
88718Q
88736A
53152-BZ020
9004A-11212
9004A-11266
9004A-11212
9004A-11212
87-19
87-14
53-55
88561D
88561L
88718L
88718L
9004A-11266
9004A-11212
9004A-11212
88716B
88727
383
FIG.87-18 HEATING & AIR CONDITIONING - COOLER PIPING
(2111- )
REAR
87K013-D
REFER TO
FIG
(PNC 87030A)
88717U
88736A
88714C
88716B
88718F
88718N
88726C
88727
88737A
88897T
90105-T0283
90105-T0051
88718F
88718N
90105-T0283
88706H
88707F
88707D
88707D
88706J
88706J
87-14
384
FIG.87-18 HEATING & AIR CONDITIONING - COOLER PIPING
(2111- )
TUBE ASSY
87K290
88712A
88704B
88704B
88711B
88711B
88711
88736A
88712
88717U
88375B
88374B
88375D
88374C
88706G
88719A
88716U
88716U
385
FIG.87-18 HEATING & AIR CONDITIONING - COOLER PIPING
PROD_DATE MODELS
SPEC
CODE
DESCRIPTION
R
/
P
PART
NUMBER
O
Y
T
REV_REF
FR TO
+----------+
| 88362B | PLATE, SEAL
+----------+
2111 - W10# 88561-BZ430- 1
+----------+
| 88374B | VALVE, SERVICE, NO.1
+----------+
2111 - W10# 88374-87601- 1
+----------+
| 88374C | VALVE, SERVICE, NO.2
+----------+
2111 - W10# 88374-87601- 1
+----------+
| 88375B | CAP, SERVICE VALVE, NO.1
+----------+
2111 - W10# 88375-87601- 1
+----------+
| 88375D | CAP, SERVICE VALVE, NO.2
+----------+
2111 - W10# 88375-87603- 1
+----------+
| 88460 | CONDENSER ASSY, COOLER
+----------+
2111 - W10# 88460-BZ320- 1
+----------+
| 88474 | DRYER, COOLE
R
+----------+
2111 - W10# 88474-B2010- 1
+----------+
| 88561D | GRILLE, AIR INLET NO.3
+----------+
2111 - W10# 88561-BZ830- 1
+----------+
| 88561J | GRILLE, AIR INLET NO.1
+----------+
2111 - W10# 88561-BZ760- 1
+----------+
| 88561K | GRILLE, AIR INLET NO.2
+----------+
2111 - W10# 88561-BZ780- 1
+----------+
| 88561L | GRILLE, AIR INLET NO.4
+----------+
2111 - W10# 88561-BZ800- 1
FIG.87-18 HEATING & AIR CONDITIONING - COOLER PIPING
PROD_DATE MODELS
SPEC
CODE
DESCRIPTION
R
/
P
PART
NUMBER
O
Y
T
REV_REF
FR TO
+----------+
| 88704B | RING, O(FOR SUCTION HOSE)
+----------+
2111 - W10# ID=13.4 OD=18.2 15188-87403- 2
+----------+
| 88706G | RING, O(FOR LIQUID TUBE)
+----------+
2111 - W10# 15188-B5090- 1
+----------+
| 88706H | RING, O, NO.2(FOR LIQUID TUBE)
+----------+
2111 - W10# 15188-87401- 1
+----------+
| 88706J | RING, O, NO.3(FOR LIQUID TUBE)
+----------+
2111 - W10# 15188-87401- 2
+----------+
| 88707D | RING, O(FOR SUCTION TUBE)
+----------+
2111 - W10# 15188-87402- 2
+----------+
| 88707F | RING, O, NO.3(FOR SUCTION TUBE)
+----------+
2111 - W10# ID=13.4 OD=18.2 15188-87403- 1
+----------+
| 88711 | HOSE, COOLER REFRIGERANT DISCHARGE, NO.1
+----------+
2111 - W10# 88711-BZ770- 1
+----------+
| 88711B | RING, O(FOR COOLER REFRIGERANT DISCHARGE HOSE)
+----------+
2111 - W10# 15188-87402- 2
+----------+
| 88712 | HOSE, COOLER REFRIGERANT SUCTION, NO.1
+----------+
2111 - W10# 88712-BZ830- 1
+----------+
| 88712A | RING, O(FOR COOLER REFRIGERANT SUCTION HOSE)
+----------+
2111 - W10# ID=13.4 OD=18.2 15188-87403- 1
+----------+
| 88714C | INSULATOR, COOLER REFRIGERANT HOSE, NO.1
+----------+
2111 - W10# 88714-BZ110- 1
386
FIG.87-18 HEATING & AIR CONDITIONING - COOLER PIPING
PROD_DATE MODELS
SPEC
CODE
DESCRIPTION
R
/
P
PART
NUMBER
O
Y
T
REV_REF
FR TO
+----------+
| 88716B | PIPE, COOLER REFRIGERANT LIQUID, B
+----------+
2111 - W10# 88716-BZG00- 1
+----------+
| 88716U | RING, O(FOR COOLER REFRIGERANT LIQUID PIP
E)
+----------+
2111 - W10# 15188-87401- 2
+----------+
| 88717U | TUBE, SUCTION, NO.1
+----------+
2111 - W10# 88717-BZ480- 1
+----------+
| 88718F | CLAMP, NO.1(FOR COOLER REFRIGERANT HOSE)
+----------+
2111 - W10# 88718-BZ840- 2
+----------+
| 88718G | CLAMP, NO.2(FOR COOLER REFRIGERANT HOSE)
+----------+
2111 - W10# 88718-BZ650- 1
+----------+
| 88718L | CLAMP, PIPIN
G
+----------+
2111 - W10# 88718-13060- 2
+----------+
| 88718N | CLAMP, PIPIN
G
+----------+
2111 - W10# 88718-BZ850- 2
+----------+
| 88718Q | CLAMP, PIPIN
G
+----------+
2111 - W10# 88718-BZ800- 1
+----------+
| 88719A | SENSOR, AIR CONDITIONER PRESSURE
+----------+
2111 - W10# 88719-B2020- 1
+----------+
| 88726C | PIPE, COOLER REFRIGERANT LIQUID, C
+----------+
2111 - W10# 88716-BZG10- 1
+----------+
| 88727 | TUBE, SUCTION, NO.2
+----------+
2111 - W10# 88717-BZ520- 1
FIG.87-18 HEATING & AIR CONDITIONING - COOLER PIPING
PROD_DATE MODELS
SPEC
CODE
DESCRIPTION
R
/
P
PART
NUMBER
O
Y
T
REV_REF
FR TO
+----------+
| 88736A | TUBE, LIQUID, A(FOR COOL BOX)
+----------+
2111 - W10# 88716-BZF60- 1
+----------+
| 88737A | TUBE, SUCTION, A(FOR COOL BOX)
+----------+
2111 - W10# 88717-BZ530- 1
+----------+
| 88897T | GROMMET, COOLER
+----------+
2111 - W10# 88897-BZ270- 1
387
FIG.87-19 HEATING & AIR CONDITIONING - COMPRESSOR
(2111- )
87J975-A
REFER TO
FIG
(PNC 82111)
REFER TO
FIG
(PNC 16361A)
88320
88365A
88446C
88365
88302B
88466-87701
88329E
88329E
88569-B1010
82-02
88605B
88688N
88301
88403
88335
88410
16-05
FIG.87-19 HEATING & AIR CONDITIONING - COMPRESSOR
PROD_DATE MODELS
SPEC
CODE
DESCRIPTION
R
/
P
PART
NUMBER
O
Y
T
REV_REF
FR TO
+----------+
| 88301 | ROTOR SUB-ASSY, MAGNET CLUTCH
+----------+
2111 - W10# 88412-BZ200- 1
+----------+
| 88302B | STATOR, MAGNET CLUTCH
+----------+
2111 - W10# 88411-BZ270- 1
+----------+
| 88320 | COMPRESSOR ASSY, COOLER
+----------+
2111 - W10# 88320-BZ410- 1
+----------+
| 88329E | BOLT, COMPRESSOR, NO.1
+----------+
2111 - W10# 9004A-10144- 4
+----------+
| 88335 | GASKET KIT, OVERHAUL
+----------+
2111 - W10# 88335-14020- 1
+----------+
| 88365 | RING, SNAP
+----------+
2111 - W10#
#
90099-07125-
(90099-07125-000)
1
1
+----------+
| 88365A | RING, SNAP (FOR COMPRESSOR)
+----------+
2111 - W10# 90099-07114- 1
+----------+
| 88403 | HUB SUB-ASSY, MAGNET CLUTCH
+----------+
2111 - W10# 88403-BZ080- 1
+----------+
| 88410 | CLUTCH ASSY, MAGNET
+----------+
2111 - W10# 88410-BZ410- 1
+----------+
| 88446C | BOLT, MAGNET CLUTCH SETTING
+----------+
2111 - W10#
#
90099-04349-
(90099-04349-000)
1
1
388
FIG.87-19 HEATING & AIR CONDITIONING - COMPRESSOR
PROD_DATE MODELS
SPEC
CODE
DESCRIPTION
R
/
P
PART
NUMBER
O
Y
T
REV_REF
FR TO
+----------+
| 88605B | HARNESS SUB-ASSY, AIR CONDITIONER WIRING
+----------+
2111 - W10# 82210-BZ020- 1
+----------+
| 88688N | BRACKET, COOLER
+----------+
2111 - W10# 88688-BZ290- 1

XENIA-JAN-2023.pdf

  • 1.
    1.MODELS COVERED &CHARACTERISTICS ・・・・・・・・・・・・・・・・・・・・・・・・・・・・・・・ 2~3 2.MARK & ABBREVIATION ・・・・・・・・・・・・・・・・・・・・・・・・・・・・・・・・・・・・・・・・・・・・ 4~6 3.INDEX ILLUSTRATED INDEX ・・・・・・・・・・・・・・・・・・・・・・・・・・・・・・・・・・・・・・・・・・・・ 7~13 FIGURE NUMBER INDEX ・・・・・・・・・・・・・・・・・・・・・・・・・・・・・・・・・・・・・・・・・・ 14~15 PART NAME INDEX ・・・・・・・・・・・・・・・・・・・・・・・・・・・・・・・・・・・・・・・・・・・・・・ 16~35 PART NUMBER INDEX ・・・・・・・・・・・・・・・・・・・・・・・・・・・・・・・・・・・・・・・・・・・・ 36~47 REVISION REFERENCE CODE TABLE ・・・・・・・・・・・・・・・・・・・・・・・・・・・・・・・・ 48 EACH MONTH END PRODUCTION FRAME NO. LIST ・・・・・・・・・・・・・・・・・・・・・ 49 4.ILLUSTRATION & TEXT ・・・・・・・・・・・・・・・・・・・・・・・・・・・・・・・・・・・・・・・・・・・・ 50~388 TOOL, ENGINE, FUEL, POWER TRAIN & CHASSIS, BODY, ELECTRICAL GUIDE TO CONTENTS 1
  • 2.
    MODELS COVERED &CHARACTERISTICS 2
  • 3.
    MODELS COVERED &CHARACTERISTICS MODELS COVERED & CHARACTERISTICS Production Period Model Engine 2111- W100RG-LBDFJ 1NRVE SWG LO ATM CVT RHD IDN 2111- W100RG-LBMFJ 1NRVE SWG MID ATM CVT RHD IDN 2111- W100RG-LMDFJ 1NRVE SWG LO MTM 5F RHD IDN 2111- W100RG-LMMFJ 1NRVE SWG MID MTM 5F RHD IDN 2111- W101RG-LBRFJ 2NRVE SWG HI ATM CVT RHD IDN 2111- W101RG-LMRFJ 2NRVE SWG HI MTM 5F RHD IDN 1NRVE ・・・・・・・・・・・・・・・・ 1300CC 16-VALVE DOHC EFI 2NRVE ・・・・・・・・・・・・・・・・・・・ 1500CC 16-VALVE DOHC EFI SWG ・・・・・・・・・・・・・・・・・・・ STATION WAGON HI ・・・・・・・・・・・・・・・・・・・・・・ HIGH TYPE MID ・・・・・・・・・・・・・・・・ MID TYPE LO ・・・・・・・・・・・・・・・・・・ LO TYPE MTM ・・・・・・・・・・・・・・・・ MANUAL TRANSMISSION ATM ・・・・・・・・・・・・・・・・ AUTOMATIC TRANSMISSION 5F ・・・・・・・・・・・・・・・・・・・・・・ MTM, 5-SPEED FLOOR SHIFT CVT ・・・・・・・・・・・・・・・・ CONTINUOUSLY VARIABLE TRANSMISSION RHD ・・・・・・・・・・・・・・・・ RIGHT-HAND DRIVE VEHICLES IDN ・・・・・・・・・・・・・・・・・・・・・・ INDONESIA Characteristics 3
  • 4.
    MARK & ABBREVIATIONLIST (1/3) Mark Denition Mark Denition Mark Denition Mark Denition .. Among ..+ Among , And + Plus - Except * All Series # All Series կ Bolt ձ Only for Domestic Vehicle ղ For EU Market մ For General Market ջ Nut ր Screw ք Washer & And 1ST First 2D 2 Door 2FC 2 Speed Floor Automatic 2ND Second 2S 2 Seater 2WD 2 Wheel Drive 33 Qty. as Required 3AT 3 Speed Automatic Transmission 3D 3 Door 3FC 3 Speed Floor Automatic 3RD Third 3S 3 Seater 4AT 4 Speed Automatic Transmission 4ATE Electronic 4 Speed Automatic Transmission 4D 4 Door 4F 4 Speed Floor Manual 4H 4 Speed Column 4S 4 Seater 4TH Fourth 4WD 4 Wheel Drive 5D 5 Door 5F 5 Speed Floor Manual 5TH Fifth A Ampere AAB Anti Afterburn AAP Auxiliary Accelerating Pump AB Absorber A/B Air Bag ABS Anti-skid Braking System ABV Air By-pass Valve A-C Air Conditioner ACC Accessory ACL Auto Clutch A/D Added ADR Australian Design Rule AFT After AI Air Injection AISIN Aishin Seiki Company AKEBONO Akebono Brake Industry Co., Ltd. AL Aluminium AM AM Radio A/P Air Pump ARC Arctic ARG Argentina A-RST Arm Rest AS Air Suction System ASB Anti Spin Brake System AS-F Asbestos-Free ASH Ash Tray ASSIST Assistant ASSY Assembly ASV Air Switching Valve A-TANK Auxiliary Tank ATM Automatic Transmission AUS For Australia BC Bucket BCS (BUKT) Bucket Seat BDO Back Door Opener BLG Belgium BLK Black BLT Belt BMP Bumper BOOS Booster BS Bridgestone Corp B-SD Both Sides B.T.D.C Before Top Dead Center BTR Battery BVSV Bimetal Vacuum Switching Valve B-VTL Boost Ventilator C/# Chassis Number CA Center Arm-rest CC Capacity or Engine Displacement C-CAP Center Cap CCO Catalitic Converter Oxidation CG-LT Cigarette Lighter CH Chile Ch.B Choke Breaker Ch.O Choke Opener CHUO Chuo Seiki Co., Ltd. CL Clock CLP Collapsible Steering Column CM Centimeter CNG Natural Gas CONR (CNR) Corner CONS Console CONSTANT Constant Gear Ratio Type CR-PLTD Chrome Plated CRPT Carpet CST Cassette CTR Center D Daihatsu DAIDO Daido Metal Co., Ltd. DC Degree Centigrade D-CT Direct Control DDK Daihatsu Diesel Mfg. Co., Ltd. DECS Daihatsu Economical Clean-Up System DENSO Nippon Denso Co., Ltd. DF Degree Fahrenheit DFG Defogger DIFF Differential DISC Disk Brake DMP Dump Series DOHC Double Over Head Cam Shaft D&P Both Side (Driver & Passenger) DP Dash Pot DR Door DRS Daihatsu Racing Service DRUM Drum Brake D-SD Driver Side D-SHAFT Drive Shaft DSPV Deceleration Sensing Proportioning Valve DTM Daimatic Transmission DX DX Grade DX-OPT Deluxe Option E- Europe (E) EC Certication E4AT Electronic 4 Speed Automatic Transmission EB Exhaust Brake EDIC Electronic Diesel Injection Control EGR Exhaust Gas Recirculation System EGR-VM Exhaust Gas Recirculation Vacuum Modulator EIS Vacuum Car EL Electric ELCD Evaporative Loss Control Device ELR Emergency Locking Retractor E-M Electro Magnetic ENG England EPS Electornic power steering ESS Engine Speed Sensor ETR Electronic tuning radio EUR For Europe EXC Except EXPORT Export Only EXT Extreme F- For FAB Fabric F-CONS For Console F-FAB Full Fabric FICB Fast-Idle Cam Breaker FIG Figure Number FIN Finland FL Full FLCP Floor Carpet FLMT Floor Mat FLO Fuel Lid Opener FR Front FREQ-CT Frequency Control Shock Absorber FRN France F-TANK Fuel Tank FWH Free Wheel Hub G-BLT Guard Belt G-C Gate Chain GEN For General Countries G-FRM Guard Frame GG Gage G-PCK Grade Package Gr Grams GR Gear Ratio GRN Green GS Japan Storage Battery Co., Ltd. H High (Millimeter) HAC High Altitude Compensator HIC Hot Idle Compensator HIR High Roof HK Hong Kong H-L Head Lamp H-L-CNR Head Lamp Cleaner HLG Halogen H-MT-B-LMP High-mounted Brake Lamp HOUSEI Advics Co., Ltd. H-PAD Heal-pad H-R Head restraint HR-SPR Head-Restraint Separate Type HSR High and Sun Roof HTR Heater I-CL Instrument Cluster ID Inside Diameter IDNT Identication IKEDA IKEDA Plant (DMC) IKI Ichikoh Industry Co., Ltd. IN Inch IND Indicator INDN Indonesia INN Inner INS Insert 4
  • 5.
    MARK & ABBREVIATIONLIST (2/3) Mark Denition Mark Denition Mark Denition Mark Denition INSTR Instrument INT-ARC Intermit Arctic ISO International Organization for Standardization ITC Impact Sensing Release System Controller ITK Intake JECO Jeco Co., Ltd. JKC Bosch Braking Systems Co., Ltd. KANBISHI Kanbishi Corporation K-FAB Knit Fabric KIT Kit Parts KM/H Kilometer an Hour KOBE Shin Kobe Electric Machinery Co., Ltd. KOITO Koito Manufacturing Co., Ltd. KOYO Koyo Seiko Industry Co., Ltd. KW Kilowatt KYB Kayaba Industry Co., Ltd. KYOKUTO Kyokuto Development Co., Ltd. L Length (Millimeter) L/ Less LH Left Hand LHD Left Hand Drive LMN Laminated LMP Lamp LRG Large LSD Limited Slip Differential LSPV Load Sensing Proportioning Valve LT Leading Trailing Brake LTHR Leatherette LTL Long Taper Leaf Spring LWR Lower -M -Metallic M4AT Mechanical 4 Speed Automatic Transmission MATSUSHITA Matsushita Electric Ind. Co., Ltd. MB Metal Back M/C Master Cylinder MCL Manual Clutch MCV Mixture Control Valve META Metallic M-HOLE Mirror Hole MIN Minimum MIX Mixer Truck ML Mechanical MLY Malaysia MM Millimeter MPH (MILE/H) Mile Per Hour MT-CT Metallic Coat MTG Mounting MTM Manual Transmission NACHI Fujikoshi Co., Ltd. NBK Nisshin Brake Sales Co., Ltd. NDL Needle NGK NGK Spark Plug Co., Ltd. NHK NHK Spring Co., Ltd. NIKKI Nippon Carburetor Co., Ltd. NL Netherlands NO Number NOK Nippon Oil Seal Industry Co., Ltd. N-P Needle-punch N-PB Non Protuberance NPR Nippon Piston Ring Co., Ltd. NR (NLR) Non-Locking Retractor NSK Nippon Seiko co., Ltd. NTBO Non-turbo NTN NTN OD Outside Diameter (Millimeter) OHTSU The Ohtsu Tire & Rubber Co., Ltd. OLD Discontinued Vehicles OPT Option O/S Over Size P Pitch PACK Package P&B Proportioning and By-pass Valve PCE 1 Piece PCS 2 or More PCV Positive Crank-case Ventilation PD Diameter of the pitch PF ‫غ‬ Model Code of the Vehicle Discontinued Production as of YY/MM P-HOOK Pintle Hook PKT Pakistan PL Plastic PLT Plated P-M Protection Moulding PNC Part Name Code (Fig.no.+ Key No.) PNCH Punch PNT Painted POST Van for the Ministry of Posts and Telecommunications POT Pocket PP Poly Propylen PRMBLE Permeable Foram PRV-RUST Prevent from Rust PS Power Steering PS ‫غ‬ Model Code of the Vehicle Production Started from YY/MM. P-SD Passenger Side PSNG Passenger PT Point(S) PTC Power Take Off P-VL Printed Vinyl Leatherette PV (P-VALVE) Proportioning Valve PW Power Window QSI Quick Start Igniter QTR Quarter QTY Quantity R Resistance RBS Recirculating Ball System R/C Release Cylinder R-CT Remote Control RD Round RDO Radio RECL Recliner REV Reverse REV.REF Revision Reference RH Right Hand RHD Right Hand Drive R/M Remarks R-MLD Roof Drip Moulding R-P Rocker Panel R&P Rack and Pinion R/P Replacement Parts RR Rear RSB Roll Side Bar R/T Resin Top RW Rear Wiper S Width (Millimeter) S- Semi S.AFRICA South Africa SAKURA Sakura Kogyo Co., Ltd. S.ARB Saudi Arabia SB Seat Back S/B Sealed Beam SCAB Single Cab SCHNOR (SCHN) Schnorchel SCV Spark Control Valve SD Spark Delay SDX SDX Grade SED Sedan SET Set Parts S-FAB Semi-fabric SHIGA SIGA Plant (DMC) SHOWA Showa Corp. SLD Sealed SMG Speedometer Gear SML Small S-MTL Silver Metallic SNGL Single SNGP Singapore SPCFY For Specied Countries SPD Speed SPEC (SPC) Specication SPK Speaker SPR Separate SP-ST Sparate Seat SQ Square SR Sport Bumper S/S Semi Size ST Single Tire STBL Stabilizer STD Standard STL Steel STR Standard Roof SUB ASSY Sub Assembly SUMITOMO Sumitomo Electric Industries, Ltd. SUPPLY Spare Parts Only SUSP (SUS) Suspension SW Switch SWD Sweden SWTZ Switzerland T Thickness (Millimeter) TACHO Tachometer TAIHO Taiho Kogyo Co., Ltd. TBO Turbo T/C Turbo Charger TCS Transmission Controlled Spark TEN Fujitsu Ten Co., Ltd. TK Toyoda Machine Works, Ltd. T/L Tubeless Tire TLT Tilt T/M Transmission TMP Temperature TOKAIRIKA Tokairika Electronics Maker Co. TOSHIBA Toshiba Electronics Co. TOYO Toyo Tire & Rubber Co., Ltd. TP Throttle Positioner TPL-B Tarpaulin Bow TR Truck TRT Turn TRP Tropical TSK Nippon Cable System Inc. TTD Tinted TVSV Thermostatic Vacuum Switching Valve TYP Type UB Utility Box UPR Upper U/S Under Size V Volts VAN Van or Station Wagon Type VARIABLE Variable Gear Ratio Type 5
  • 6.
    MARK & ABBREVIATIONLIST (3/3) Mark Definition Definition Definition Definition Definition Mark Mark Mark Mark R/P * # . + = Replacement (old) Replacement (new) Last replacement (new) New minor part number to be replaced along with main part Pat number to be replaced under some condition QTY 33 Qty. as required R/M A K Supply only during car producing Local procurement parts VCV Vacuum Control Valve VISCOUS Viscous Coupling System VL (V-LTHR) Vinyl Leatherette VS Vertical Stack VSV Vacuum Switching Valve VTV Vacuum Transmitting Valve W Watts W/... With W/C Wheel Cylinder WCAB Double Cab WD Window WDN Wooden WDS Windshield W/E-MARK With European Attested Mark WG Wagon W.GRM (WG-) West Germany WNG Warning W-P Water Proof WS Double Spring WT Double Tire W/T Tube Tire WTW Wall to Wall WV-FB Woven Fabric YLW Yellow YOKOHAMA The Yokohama Rubber Co., Ltd. Z Gear Number (¥) Part supplied by two makers 6
  • 7.
  • 8.
    8 C10491 (31-01) (31-02) (33-01)(33-02) (34-14) (41-03) (33-05) (31-03) (43-01) (43-02) (43-03) (33-07) (31-05) (33-12) (34-01) (41-02) (33-04) (34-02) (45-05) (46-01) (45-04) (45-01) (47-01) (47-02)
  • 9.
  • 10.
    10 B10630 (51-52) (53-54) (51-53) (52-52) (52-53)(53-51) (53-53) (58-52) (58-53) (53-55) (58-51) (55-51) (57-52) (55-53) (61-53) (64-51) (64-52) (61-55) (64-55) (58-54) (58-55) (61-51) (61-52) (65-54)
  • 11.
  • 12.
    12 (81-01) (81-02) E10597-A (85-01) (86-02) (85-02)(85-03) (84-21) (82-02) (83-01) (84-01) (84-04) (84-10) (82-01) (84-14) (81-11) (81-13) (81-15) (81-21) (85-04) (84-20) (84-17) (81-17) (81-06) (86-04)
  • 13.
  • 14.
    FIGURE NUMBER INDEX 14 PAGEFIG.NO. TITLE TOOL GROUP 50 09-01 STANDARD TOOL ENGINE GROUP 51 11-01 PARTIAL ENGINE ASSEMBLY 52 11-02 SHORT BLOCK ASSEMBLY 53 11-03 ENGINE OVERHAUL GASKET KIT 55 11-04 CYLINDER HEAD 59 11-05 CYLINDER BLOCK 63 11-06 TIMING GEAR COVER & REAR END PLATE 65 11-07 MOUNTING 68 12-01 VENTILATION HOSE 69 13-01 CRANKSHAFT & PISTON 71 13-02 CAMSHAFT & VALVE 73 15-01 ENGINE OIL PUMP 74 15-02 OIL FILTER 75 16-01 WATER PUMP 76 16-03 RADIATOR & WATER OUTLET 81 16-05 V-BELT 82 17-01 MANIFOLD 84 17-02 EXHAUST PIPE 86 17-03 AIR CLEANER 88 17-08 VACUUM PIPING 90 19-01 IGNITION COIL & SPARK PLUG / GLOW PLUG 91 19-03 ALTERNATOR 93 19-04 STARTER PAGE FIG.NO. TITLE FUEL GROUP 95 22-11 FUEL INJECTION SYSTEM POWER TRAIN & CHASSIS GROUP 97 31-01 CLUTCH & RELEASE FORK 98 31-02 CLUTCH PEDAL & FLEXIBLE HOSE 100 31-03 CLUTCH MASTER CYLINDER 101 31-05 CLUTCH RELEASE CYLINDER 102 33-01 TRANSAXLE OR TRANSMISSION ASSY & GASKET KIT (MTM) 103 33-02 CLUTCH HOUSING & TRANSMISSION CASE (MTM) 106 33-04 SPEEDOMETER DRIVEN GEAR (MTM) 107 33-05 TRANSMISSION GEAR (MTM) 112 33-07 GEAR SHIFT FORK & LEVER SHAFT (MTM) 115 33-12 SHIFT LEVER & RETAINER 117 34-01 TRANSAXLE ASSY(CVT) 124 34-02 TORQUE CONVERTER, FRONT OIL PUMP(CVT) 126 34-14 OIL COOLER & TUBE(CVT) 128 41-02 REAR AXLE SHAFT & HUB 130 41-03 DISC WHEEL & WHEEL CAP 133 43-01 FRONT AXLE HOUSING & DIFFERENTIAL 134 43-02 FRONT DRIVE SHAFT 137 43-03 FRONT AXLE HUB 139 45-01 STEERING COLUMN & SHAFT 141 45-04 STEERING WHEEL 143 45-05 FRONT STEERING GEAR & LINK PAGE FIG.NO. TITLE 145 46-01 PARKING BRAKE & CABLE 147 47-01 BRAKE PEDAL & BRACKET 148 47-02 BRAKE MASTER CYLINDER 149 47-03 BRAKE BOOSTER & VACUUM TUBE 150 47-05 FRONT DISC BRAKE CALIPER & DUST COVER 152 47-06 REAR DRUM BRAKE WHEEL CYLINDER & BACKING PLATE 155 47-08 BRAKE TUBE & CLAMP 160 48-02 FRONT AXLE ARM & STEERING KNUCKLE 162 48-03 FRONT SPRING & SHOCK ABSORBER 166 48-04 REAR SPRING & SHOCK ABSORBER BODY GROUP 168 51-52 SUSPENSION CROSSMEMBER & UNDER COVER 170 51-53 SPARE WHEEL CARRIER 171 52-52 FRONT BUMPER & BUMPER STAY 173 52-53 REAR BUMPER & BUMPER STAY 175 53-51 RADIATOR GRILLE 176 53-53 HOOD & FRONT FENDER 180 53-54 HOOD LOCK & HINGE 182 53-55 FRONT FENDER APRON & DASH PANEL 185 55-51 INSTRUMENT PANEL & GLOVE COMPARTMENT 193 55-53 COWL PANEL & WINDSHIELD GLASS 195 57-52 HOLE PLUG 198 58-51 FRONT FLOOR PANEL & FRONT FLOOR MEMBER 202 58-52 REAR FLOOR PANEL & REAR FLOOR MEMBER
  • 15.
    FIGURE NUMBER INDEX 15 PAGEFIG.NO. TITLE 206 58-53 FLOOR INSULATOR 207 58-54 FLOOR MAT & SILENCER PAD 209 58-55 CONSOLE BOX & BRACKET 213 61-51 SIDE MEMBER 226 61-52 SIDE WINDOW 228 61-53 ROOF PANEL & BACK PANEL 229 61-55 REAR VENTILATOR & ROOF VENTILATOR 230 64-51 INSIDE TRIM BOARD 234 64-52 ROOF HEADLINING & SILENCER PAD 236 64-55 DECK BOARD & DECK TRIM COVER 238 65-54 REAR BODY SIDE PANEL 239 67-51 FRONT DOOR PANEL & GLASS 244 67-53 FRONT DOOR LOCK & HANDLE 247 67-54 FRONT DOOR WINDOW REGULATOR & HINGE 248 67-55 REAR DOOR PANEL & GLASS 253 67-56 REAR DOOR LOCK & HANDLE 255 67-57 REAR DOOR WINDOW REGULATOR & HINGE 256 67-61 BACK DOOR PANEL & GLASS 260 67-62 BACK DOOR LOCK & HINGE 261 67-65 LOCK CYLINDER SET 263 71-51 SEAT & SEAT TRACK 286 71-52 SEAT BELT 290 74-51 ARMREST & VISOR 293 74-54 BATTERY CARRIER 294 74-55 CAUTION PLATE PAGE FIG.NO. TITLE 296 75-51 EMBLEM & NAME PLATE 298 75-52 MOULDING 300 76-52 SPOILER & SIDE MUDGUARD 302 77-51 FUEL TANK & TUBE 307 78-51 ACCELERATOR LINK ELECTRICAL GROUP 308 81-01 HEADLAMP 310 81-02 FOG LAMP 312 81-06 SIDE TURN SIGNAL LAMP & OUTER MIRROR LAM P 313 81-11 REAR COMBINATION LAMP 315 81-13 REAR LICENSE PLATE LAMP 316 81-15 REFLEX REFLECTOR 317 81-17 CENTER STOP LAMP 318 81-21 INTERIOR LAMP 320 82-01 BATTERY & BATTERY CABLE 321 82-02 WIRING & CLAMP 327 83-01 METER 329 84-01 SWITCH & RELAY & COMPUTER 343 84-04 ELECTRONIC FUEL INJECTION SYSTEM 345 84-10 OVERDRIVE & ELECTRONIC CONTROLLED TRANSM ISSION 347 84-14 ABS & VSC 349 84-17 CLEARANCE & BACK SONAR 351 84-20 WIRELESS DOOR LOCK PAGE FIG.NO. TITLE 353 84-21 AIR BAG 356 85-01 WINDSHIELD WIPER 358 85-02 REAR WIPER 359 85-03 WINDSHIELD WASHER 361 85-04 REAR WASHER 363 86-02 SPEAKER 364 86-04 ANTENNA 366 86-09 LANE-KEEPING ASSIST 367 86-11 HORN 369 87-01 MIRROR 372 87-14 HEATING & AIR CONDITIONING - COOLER UNIT 378 87-15 HEATING & AIR CONDITIONING - CONTROL & A IR DUCT 382 87-18 HEATING & AIR CONDITIONING - COOLER PIPI NG 387 87-19 HEATING & AIR CONDITIONING - COMPRESSOR
  • 16.
    PART NAME INDEX ABSORBER- BEARING, ・・・・・・・・・・・・・・・・・・・・ 16 BEARING, - BOLT, ・・・・・・・・・・・・・・・・・・・・ 17 BOLT, - BUSH, ・・・・・・・・・・・・・・・・・・・・ 18 BUSH, - CLAMP, ・・・・・・・・・・・・・・・・・・・・ 19 CLAMP, - CLIP, ・・・・・・・・・・・・・・・・・・・・ 20 CLIP, - COVER, ・・・・・・・・・・・・・・・・・・・・ 21 COVER, - CYLINDER ・・・・・・・・・・・・・・・・・・・・ 22 CYLINDER - GARNISH, ・・・・・・・・・・・・・・・・・・・・ 23 GARNISH, - GUSSET, ・・・・・・・・・・・・・・・・・・・・ 24 HANDLE - HOSE, ・・・・・・・・・・・・・・・・・・・・ 25 HOSE, - LENS, ・・・・・・・・・・・・・・・・・・・・ 26 LEVER - NUT ・・・・・・・・・・・・・・・・・・・・ 27 NUT - PANEL ・・・・・・・・・・・・・・・・・・・・ 28 PANEL - PLATE ・・・・・・・・・・・・・・・・・・・・ 29 PLATE - REINFORCEMENT, ・・・・・・・・・・・・・・・・・・・・ 30 REINFORCEMENT, - RING, ・・・・・・・・・・・・・・・・・・・・ 31 RING, - SENSOR, ・・・・・・・・・・・・・・・・・・・・ 32 SENSOR, - SUPPORT ・・・・・・・・・・・・・・・・・・・・ 33 SUPPORT - TUBE, ・・・・・・・・・・・・・・・・・・・・ 34 TUBE, - YOKE ・・・・・・・・・・・・・・・・・・・・ 35 PART NAME PAGE ABSORBER ASSY, SHOCK, FRONT LH ・・・・・・・・・・・・・・・・・・・・・・・・・・・・・・・・・・・・・・・・・・・・・・・・・・・・ 164 ABSORBER ASSY, SHOCK, FRONT RH ・・・・・・・・・・・・・・・・・・・・・・・・・・・・・・・・・・・・・・・・・・・・・・・・・・・・ 164 ABSORBER ASSY, SHOCK, REAR LH ・・・・・・・・・・・・・・・・・・・・・・・・・・・・・・・・・・・・・・・・・・・・・・・・・・・・・ 167 ABSORBER ASSY, SHOCK, REAR RH ・・・・・・・・・・・・・・・・・・・・・・・・・・・・・・・・・・・・・・・・・・・・・・・・・・・・・ 167 ACTUATOR ASSY, BRAKE ・・・・・・・・・・・・・・・・・・・・・・・・・・・・・・・・・・・・・・・・・・・・・・・・・・・・・・・・・・・・・・ 157 ADJUSTER ASSY, SHOE, LH(FOR REAR BRAKE) ・・・・・・・・・・・・・・・・・・・・・・・・・・・・・・・・・・・・・・・・・・・ 153 ADJUSTER ASSY, SHOE, RH(FOR REAR BRAKE) ・・・・・・・・・・・・・・・・・・・・・・・・・・・・・・・・・・・・・・・・・・・ 153 ADJUSTER ASSY, VALVE LASH ・・・・・・・・・・・・・・・・・・・・・・・・・・・・・・・・・・・・・・・・・・・・・・・・・・・・・・・・・ 72 ADJUSTER, STOP LAMP SWITCH MOUNTING ・・・・・・・・・・・・・・・・・・・・・・・・・・・・・・・・・・・・・・・・・・・・・・・ 340 AIR BAG ASSY, CURTAIN SHIELD, LH ・・・・・・・・・・・・・・・・・・・・・・・・・・・・・・・・・・・・・・・・・・・・・・・・・・ 231 AIR BAG ASSY, CURTAIN SHIELD, RH ・・・・・・・・・・・・・・・・・・・・・・・・・・・・・・・・・・・・・・・・・・・・・・・・・・ 231 AIR BAG ASSY, FRONT SEAT, LH ・・・・・・・・・・・・・・・・・・・・・・・・・・・・・・・・・・・・・・・・・・・・・・・・・・・・・・ 283 AIR BAG ASSY, FRONT SEAT, RH ・・・・・・・・・・・・・・・・・・・・・・・・・・・・・・・・・・・・・・・・・・・・・・・・・・・・・・ 283 AIR BAG ASSY, INSTRUMENT PANEL PASSENGER ・・・・・・・・・・・・・・・・・・・・・・・・・・・・・・・・・・・・・・・・・・ 192 ALTERNATOR ASSY, W/REGULATOR ・・・・・・・・・・・・・・・・・・・・・・・・・・・・・・・・・・・・・・・・・・・・・・・・・・・・・・ 92 ANTENNA ASSY, AMPLIFIER, NO.1 ・・・・・・・・・・・・・・・・・・・・・・・・・・・・・・・・・・・・・・・・・・・・・・・・・・・・・ 365 ANTENNA ASSY, INDOOR ELECTRICAL KEY, NO.1 ・・・・・・・・・・・・・・・・・・・・・・・・・・・・・・・・・・・・・・・・・ 352 ANTENNA ASSY, INDOOR ELECTRICAL KEY, NO.2 ・・・・・・・・・・・・・・・・・・・・・・・・・・・・・・・・・・・・・・・・・ 352 ANTENNA, ELECTRICAL KEY ・・・・・・・・・・・・・・・・・・・・・・・・・・・・・・・・・・・・・・・・・・・・・・・・・・・・・・・・・・・ 352 ANTENNA, ELECTRICAL KEY, NO.2 ・・・・・・・・・・・・・・・・・・・・・・・・・・・・・・・・・・・・・・・・・・・・・・・・・・・・・ 352 APRON SUB-ASSY, FRONT FENDER, LH ・・・・・・・・・・・・・・・・・・・・・・・・・・・・・・・・・・・・・・・・・・・・・・・・・・ 183 APRON SUB-ASSY, FRONT FENDER, RH ・・・・・・・・・・・・・・・・・・・・・・・・・・・・・・・・・・・・・・・・・・・・・・・・・・ 183 ARM ASSY, REAR SUSPENSION, NO.1 ・・・・・・・・・・・・・・・・・・・・・・・・・・・・・・・・・・・・・・・・・・・・・・・・・・・ 167 ARM SUB-ASSY, FRONT SUSPENSION, LOWER NO.1 LH ・・・・・・・・・・・・・・・・・・・・・・・・・・・・・・・・・・・・・ 161 ARM SUB-ASSY, FRONT SUSPENSION, LOWER NO.1 RH ・・・・・・・・・・・・・・・・・・・・・・・・・・・・・・・・・・・・・ 161 ARM SUB-ASSY, VALVE ROCKER, NO.1 ・・・・・・・・・・・・・・・・・・・・・・・・・・・・・・・・・・・・・・・・・・・・・・・・・・ 72 ARM, FRONT WIPER, LH ・・・・・・・・・・・・・・・・・・・・・・・・・・・・・・・・・・・・・・・・・・・・・・・・・・・・・・・・・・・・・・ 357 ARM, FRONT WIPER, RH ・・・・・・・・・・・・・・・・・・・・・・・・・・・・・・・・・・・・・・・・・・・・・・・・・・・・・・・・・・・・・・ 357 ARM, GLOVE COMPARTMENT DOOR CHECK, LH ・・・・・・・・・・・・・・・・・・・・・・・・・・・・・・・・・・・・・・・・・・・・・ 191 ARM, GLOVE COMPARTMENT DOOR CHECK, RH ・・・・・・・・・・・・・・・・・・・・・・・・・・・・・・・・・・・・・・・・・・・・・ 191 ARM, REAR WIPER ・・・・・・・・・・・・・・・・・・・・・・・・・・・・・・・・・・・・・・・・・・・・・・・・・・・・・・・・・・・・・・・・・・・ 358 ARM, REVERSE SHIFT ・・・・・・・・・・・・・・・・・・・・・・・・・・・・・・・・・・・・・・・・・・・・・・・・・・・・・・・・・・・・・・・・ 113 ARM, TIMING CHAIN TENSION ・・・・・・・・・・・・・・・・・・・・・・・・・・・・・・・・・・・・・・・・・・・・・・・・・・・・・・・・・ 71 ARMATURE ASSY, STARTER ・・・・・・・・・・・・・・・・・・・・・・・・・・・・・・・・・・・・・・・・・・・・・・・・・・・・・・・・・・・・ 94 ARMREST ASSY, REAR SEAT, CENTER ・・・・・・・・・・・・・・・・・・・・・・・・・・・・・・・・・・・・・・・・・・・・・・・・・・・ 282 BALL, SHAFT DETENT ・・・・・・・・・・・・・・・・・・・・・・・・・・・・・・・・・・・・・・・・・・・・・・・・・・・・・・・・・・・・・・・・ 114 BAR, STABILIZER, FRONT ・・・・・・・・・・・・・・・・・・・・・・・・・・・・・・・・・・・・・・・・・・・・・・・・・・・・・・・・・・・・ 165 BASE, SWITCH ・・・・・・・・・・・・・・・・・・・・・・・・・・・・・・・・・・・・・・・・・・・・・・・・・・・・・・・・・・・・・・・・・・・・・・ 340 BASE, SWITCH HOLE, NO.1 ・・・・・・・・・・・・・・・・・・・・・・・・・・・・・・・・・・・・・・・・・・・・・・・・・・・・・・・・・・・ 190 BEARING (FOR FRONT AXLE HUB LH) ・・・・・・・・・・・・・・・・・・・・・・・・・・・・・・・・・・・・・・・・・・・・・・・・・・・ 138 BEARING (FOR FRONT AXLE HUB RH) ・・・・・・・・・・・・・・・・・・・・・・・・・・・・・・・・・・・・・・・・・・・・・・・・・・・ 138 BEARING (FOR INPUT SHAFT FRONT) ・・・・・・・・・・・・・・・・・・・・・・・・・・・・・・・・・・・・・・・・・・・・・・・・・・・ 108 BEARING (FOR OUTPUT SHAFT FRONT) ・・・・・・・・・・・・・・・・・・・・・・・・・・・・・・・・・・・・・・・・・・・・・・・・・・ 108 BEARING (FOR OUTPUT SHAFT REAR) ・・・・・・・・・・・・・・・・・・・・・・・・・・・・・・・・・・・・・・・・・・・・・・・・・・・ 108 BEARING ASSY, CLUTCH RELEASE ・・・・・・・・・・・・・・・・・・・・・・・・・・・・・・・・・・・・・・・・・・・・・・・・・・・・・・ 97 BEARING(FOR ALTERNATOR DRIVE END FRAME) ・・・・・・・・・・・・・・・・・・・・・・・・・・・・・・・・・・・・・・・・・・・ 92 BEARING, CONNECTING ROD ・・・・・・・・・・・・・・・・・・・・・・・・・・・・・・・・・・・・・・・・・・・・・・・・・・・・・・・・・・・ 69 BEARING, CRANKSHAFT ・・・・・・・・・・・・・・・・・・・・・・・・・・・・・・・・・・・・・・・・・・・・・・・・・・・・・・・・・・・・・・・ 69 BEARING, RADIAL BALL (FOR INPUT SHAFT REAR) ・・・・・・・・・・・・・・・・・・・・・・・・・・・・・・・・・・・・・・・ 108 BEARING, TAPERED ROLLER (FOR FRONT DIFFERENTIAL CASE FRONT) ・・・・・・・・・・・・・・・・・・・・・・・ 133 ABSORBER - BEARING, 16
  • 17.
    PART NAME PAGE BEARING,TAPERED ROLLER (FOR FRONT DIFFERENTIAL CASE REAR) ・・・・・・・・・・・・・・・・・・・・・・・・ 133 BELT ASSY, FRONT SEAT INNER, LH ・・・・・・・・・・・・・・・・・・・・・・・・・・・・・・・・・・・・・・・・・・・・・・・・・・・ 289 BELT ASSY, FRONT SEAT INNER, RH ・・・・・・・・・・・・・・・・・・・・・・・・・・・・・・・・・・・・・・・・・・・・・・・・・・・ 289 BELT ASSY, FRONT SEAT OUTER, LH ・・・・・・・・・・・・・・・・・・・・・・・・・・・・・・・・・・・・・・・・・・・・・・・・・・・ 289 BELT ASSY, FRONT SEAT OUTER, RH ・・・・・・・・・・・・・・・・・・・・・・・・・・・・・・・・・・・・・・・・・・・・・・・・・・・ 289 BELT ASSY, REAR NO.1 SEAT, OUTER LH ・・・・・・・・・・・・・・・・・・・・・・・・・・・・・・・・・・・・・・・・・・・・・・・ 289 BELT ASSY, REAR NO.1 SEAT, OUTER RH ・・・・・・・・・・・・・・・・・・・・・・・・・・・・・・・・・・・・・・・・・・・・・・・ 289 BELT ASSY, REAR NO.2 SEAT, INNER LH ・・・・・・・・・・・・・・・・・・・・・・・・・・・・・・・・・・・・・・・・・・・・・・・ 289 BELT ASSY, REAR NO.2 SEAT, INNER RH ・・・・・・・・・・・・・・・・・・・・・・・・・・・・・・・・・・・・・・・・・・・・・・・ 289 BELT ASSY, REAR NO.2 SEAT, OUTER LH ・・・・・・・・・・・・・・・・・・・・・・・・・・・・・・・・・・・・・・・・・・・・・・・ 289 BELT ASSY, REAR NO.2 SEAT, OUTER RH ・・・・・・・・・・・・・・・・・・・・・・・・・・・・・・・・・・・・・・・・・・・・・・・ 289 BELT ASSY, REAR SEAT INNER W/CENTER, LH ・・・・・・・・・・・・・・・・・・・・・・・・・・・・・・・・・・・・・・・・・・・ 289 BELT ASSY, REAR SEAT INNER W/CENTER, RH ・・・・・・・・・・・・・・・・・・・・・・・・・・・・・・・・・・・・・・・・・・・ 289 BELT ASSY, REAR SEAT, INNER ・・・・・・・・・・・・・・・・・・・・・・・・・・・・・・・・・・・・・・・・・・・・・・・・・・・・・・・ 289 BELT ASSY, REAR SEAT, INNER LH ・・・・・・・・・・・・・・・・・・・・・・・・・・・・・・・・・・・・・・・・・・・・・・・・・・・・ 289 BELT, V(FOR FAN & ALTERNATOR) ・・・・・・・・・・・・・・・・・・・・・・・・・・・・・・・・・・・・・・・・・・・・・・・・・・・・・ 81 BEZEL, FRONT DOOR INSIDE HANDLE, LH ・・・・・・・・・・・・・・・・・・・・・・・・・・・・・・・・・・・・・・・・・・・・・・・ 243 BEZEL, FRONT DOOR INSIDE HANDLE, RH ・・・・・・・・・・・・・・・・・・・・・・・・・・・・・・・・・・・・・・・・・・・・・・・ 243 BEZEL, INSTRUMENT PANEL REGISTER ・・・・・・・・・・・・・・・・・・・・・・・・・・・・・・・・・・・・・・・・・・・・・・・・・・ 192 BEZEL, INSTRUMENT PANEL RESISTER, NO.2 ・・・・・・・・・・・・・・・・・・・・・・・・・・・・・・・・・・・・・・・・・・・・ 192 BEZEL, REAR DOOR INSIDE HANDLE, LH ・・・・・・・・・・・・・・・・・・・・・・・・・・・・・・・・・・・・・・・・・・・・・・・・ 251 BEZEL, REAR DOOR INSIDE HANDLE, RH ・・・・・・・・・・・・・・・・・・・・・・・・・・・・・・・・・・・・・・・・・・・・・・・・ 251 BLADE, FR WIPER, LH ・・・・・・・・・・・・・・・・・・・・・・・・・・・・・・・・・・・・・・・・・・・・・・・・・・・・・・・・・・・・・・・ 357 BLADE, FR WIPER, RH ・・・・・・・・・・・・・・・・・・・・・・・・・・・・・・・・・・・・・・・・・・・・・・・・・・・・・・・・・・・・・・・ 357 BLADE, RR WIPER ・・・・・・・・・・・・・・・・・・・・・・・・・・・・・・・・・・・・・・・・・・・・・・・・・・・・・・・・・・・・・・・・・・・ 358 BLOCK ASSY, FUSE ・・・・・・・・・・・・・・・・・・・・・・・・・・・・・・・・・・・・・・・・・・・・・・・・・・・・・・・・・・・・・・・・・・ 339 BLOCK ASSY, SHORT ・・・・・・・・・・・・・・・・・・・・・・・・・・・・・・・・・・・・・・・・・・・・・・・・・・・・・・・・・・・・・・・・・ 52 BLOCK SUB-ASSY, CYLINDER ・・・・・・・・・・・・・・・・・・・・・・・・・・・・・・・・・・・・・・・・・・・・・・・・・・・・・・・・・・ 61 BOARD ASSY, DECK ・・・・・・・・・・・・・・・・・・・・・・・・・・・・・・・・・・・・・・・・・・・・・・・・・・・・・・・・・・・・・・・・・・ 237 BOARD SUB-ASSY, FRONT DOOR TRIM, LH ・・・・・・・・・・・・・・・・・・・・・・・・・・・・・・・・・・・・・・・・・・・・・・・ 242 BOARD SUB-ASSY, FRONT DOOR TRIM, RH ・・・・・・・・・・・・・・・・・・・・・・・・・・・・・・・・・・・・・・・・・・・・・・・ 241 BOARD SUB-ASSY, REAR DOOR TRIM, LH ・・・・・・・・・・・・・・・・・・・・・・・・・・・・・・・・・・・・・・・・・・・・・・・・ 250 BOARD SUB-ASSY, REAR DOOR TRIM, RH ・・・・・・・・・・・・・・・・・・・・・・・・・・・・・・・・・・・・・・・・・・・・・・・・ 250 BOARD, COWL SIDE TRIM, LH ・・・・・・・・・・・・・・・・・・・・・・・・・・・・・・・・・・・・・・・・・・・・・・・・・・・・・・・・・ 231 BOARD, COWL SIDE TRIM, RH ・・・・・・・・・・・・・・・・・・・・・・・・・・・・・・・・・・・・・・・・・・・・・・・・・・・・・・・・・ 231 BOARD, REAR SEAT BACK ・・・・・・・・・・・・・・・・・・・・・・・・・・・・・・・・・・・・・・・・・・・・・・・・・・・・・・・・・・・・・ 276 BOARD, REAR SEAT BACK ・・・・・・・・・・・・・・・・・・・・・・・・・・・・・・・・・・・・・・・・・・・・・・・・・・・・・・・・・・・・・ 278 BODY ASSY, THROTTLE W/THROTTLE POSITION SENSOR ・・・・・・・・・・・・・・・・・・・・・・・・・・・・・・・・・・・・ 96 BODY ASSY, TRANSMISSION VALVE ・・・・・・・・・・・・・・・・・・・・・・・・・・・・・・・・・・・・・・・・・・・・・・・・・・・・・ 123 BOLT (FOR BEARING LOCK PLATE) ・・・・・・・・・・・・・・・・・・・・・・・・・・・・・・・・・・・・・・・・・・・・・・・・・・・・・ 108 BOLT (FOR REAR AXLE BEARING LH) ・・・・・・・・・・・・・・・・・・・・・・・・・・・・・・・・・・・・・・・・・・・・・・・・・・・ 129 BOLT (FOR REAR AXLE BEARING RH) ・・・・・・・・・・・・・・・・・・・・・・・・・・・・・・・・・・・・・・・・・・・・・・・・・・・ 129 BOLT (FOR REVERSE IDLER GEAR SHAFT) ・・・・・・・・・・・・・・・・・・・・・・・・・・・・・・・・・・・・・・・・・・・・・・・ 110 BOLT (FOR SHIFT GATE PLATE) ・・・・・・・・・・・・・・・・・・・・・・・・・・・・・・・・・・・・・・・・・・・・・・・・・・・・・・・ 114 BOLT (FOR STEERING KNUCKLE LH) ・・・・・・・・・・・・・・・・・・・・・・・・・・・・・・・・・・・・・・・・・・・・・・・・・・・・ 161 BOLT (FOR STEERING KNUCKLE RH) ・・・・・・・・・・・・・・・・・・・・・・・・・・・・・・・・・・・・・・・・・・・・・・・・・・・・ 161 BOLT (FOR TRANSMISSION CONTROL CABLE BRACKET) ・・・・・・・・・・・・・・・・・・・・・・・・・・・・・・・・・・・・・ 116 BOLT(FOR ALTERNATOR) ・・・・・・・・・・・・・・・・・・・・・・・・・・・・・・・・・・・・・・・・・・・・・・・・・・・・・・・・・・・・・・ 92 BOLT(FOR CAMSHAFT HOUSING SET) ・・・・・・・・・・・・・・・・・・・・・・・・・・・・・・・・・・・・・・・・・・・・・・・・・・・・ 57 BOLT(FOR CAMSHAFT HOUSING SET) ・・・・・・・・・・・・・・・・・・・・・・・・・・・・・・・・・・・・・・・・・・・・・・・・・・・・ 57 BEARING, - BOLT(FOR PART NAME PAGE BOLT(FOR CAMSHAFT TIMING GEAR) ・・・・・・・・・・・・・・・・・・・・・・・・・・・・・・・・・・・・・・・・・・・・・・・・・・・・ 71 BOLT(FOR COOLER EXPANSION VALVE) ・・・・・・・・・・・・・・・・・・・・・・・・・・・・・・・・・・・・・・・・・・・・・・・・・・ 376 BOLT(FOR CRANKSHAFT BEARING CAP SET) ・・・・・・・・・・・・・・・・・・・・・・・・・・・・・・・・・・・・・・・・・・・・・・ 61 BOLT(FOR CRANKSHAFT PULLEY SET) ・・・・・・・・・・・・・・・・・・・・・・・・・・・・・・・・・・・・・・・・・・・・・・・・・・・ 70 BOLT(FOR CYLINDER HEAD COVER) ・・・・・・・・・・・・・・・・・・・・・・・・・・・・・・・・・・・・・・・・・・・・・・・・・・・・・ 58 BOLT(FOR CYLINDER HEAD SET) ・・・・・・・・・・・・・・・・・・・・・・・・・・・・・・・・・・・・・・・・・・・・・・・・・・・・・・・ 57 BOLT(FOR DRIVE PLATE & TORQUE CONVERTER SETTING) ・・・・・・・・・・・・・・・・・・・・・・・・・・・・・・・・・・ 125 BOLT(FOR FLEXIBLE HOSE BRACKET) ・・・・・・・・・・・・・・・・・・・・・・・・・・・・・・・・・・・・・・・・・・・・・・・・・・・ 158 BOLT(FOR FLYWHEEL) ・・・・・・・・・・・・・・・・・・・・・・・・・・・・・・・・・・・・・・・・・・・・・・・・・・・・・・・・・・・・・・・・ 70 BOLT(FOR FRONT DISC BRAKE CYLINDER SLIDE) ・・・・・・・・・・・・・・・・・・・・・・・・・・・・・・・・・・・・・・・・・ 151 BOLT(FOR FRONT STABILIZER) ・・・・・・・・・・・・・・・・・・・・・・・・・・・・・・・・・・・・・・・・・・・・・・・・・・・・・・・・ 165 BOLT(FOR FRONT SUSPENSION LOWER ARM NO.1 LH) ・・・・・・・・・・・・・・・・・・・・・・・・・・・・・・・・・・・・・・ 161 BOLT(FOR FRONT SUSPENSION LOWER ARM NO.1 RH) ・・・・・・・・・・・・・・・・・・・・・・・・・・・・・・・・・・・・・・ 161 BOLT(FOR FRONT SUSPENSION LOWER ARM NO.2 LH) ・・・・・・・・・・・・・・・・・・・・・・・・・・・・・・・・・・・・・・ 161 BOLT(FOR FRONT SUSPENSION LOWER ARM NO.2 RH) ・・・・・・・・・・・・・・・・・・・・・・・・・・・・・・・・・・・・・・ 161 BOLT(FOR HEAD TO CAMSHAFT BEARING CAP) ・・・・・・・・・・・・・・・・・・・・・・・・・・・・・・・・・・・・・・・・・・・・ 57 BOLT(FOR LOWER CONTROL ARM) ・・・・・・・・・・・・・・・・・・・・・・・・・・・・・・・・・・・・・・・・・・・・・・・・・・・・・・・ 167 BOLT(FOR REAR COOLER EXPANSION VALVE) ・・・・・・・・・・・・・・・・・・・・・・・・・・・・・・・・・・・・・・・・・・・・・ 376 BOLT(FOR REAR WHEEL CYLINDER) ・・・・・・・・・・・・・・・・・・・・・・・・・・・・・・・・・・・・・・・・・・・・・・・・・・・・・ 153 BOLT(FOR SPARE WHEEL CARRIER LOCK) ・・・・・・・・・・・・・・・・・・・・・・・・・・・・・・・・・・・・・・・・・・・・・・・・ 170 BOLT(FOR TRANSAXLE OIL PAN) ・・・・・・・・・・・・・・・・・・・・・・・・・・・・・・・・・・・・・・・・・・・・・・・・・・・・・・・ 122 BOLT, BATTERY CLAMP ・・・・・・・・・・・・・・・・・・・・・・・・・・・・・・・・・・・・・・・・・・・・・・・・・・・・・・・・・・・・・・・ 293 BOLT, BRAKE ACTUATOR BRACKET ・・・・・・・・・・・・・・・・・・・・・・・・・・・・・・・・・・・・・・・・・・・・・・・・・・・・・・ 157 BOLT, BRAKE PEDAL STOP, NO.1 ・・・・・・・・・・・・・・・・・・・・・・・・・・・・・・・・・・・・・・・・・・・・・・・・・・・・・・ 147 BOLT, BRAKE PEDAL STOP, NO.2 ・・・・・・・・・・・・・・・・・・・・・・・・・・・・・・・・・・・・・・・・・・・・・・・・・・・・・・ 147 BOLT, COMPRESSOR, NO.1 ・・・・・・・・・・・・・・・・・・・・・・・・・・・・・・・・・・・・・・・・・・・・・・・・・・・・・・・・・・・・ 387 BOLT, CONNECTING ROD ・・・・・・・・・・・・・・・・・・・・・・・・・・・・・・・・・・・・・・・・・・・・・・・・・・・・・・・・・・・・・・ 69 BOLT, EXHAUST PIPE SUPPORT ・・・・・・・・・・・・・・・・・・・・・・・・・・・・・・・・・・・・・・・・・・・・・・・・・・・・・・・・ 85 BOLT, FLEXIBLE ATTACHING(FOR STEERING MAIN SHAFT) ・・・・・・・・・・・・・・・・・・・・・・・・・・・・・・・・・ 140 BOLT, FRONT SUSPENSION MEMBER MOUNTING ・・・・・・・・・・・・・・・・・・・・・・・・・・・・・・・・・・・・・・・・・・・・ 169 BOLT, FRONT SUSPENSION MEMBER MOUNTING ・・・・・・・・・・・・・・・・・・・・・・・・・・・・・・・・・・・・・・・・・・・・ 169 BOLT, FUEL TANK ・・・・・・・・・・・・・・・・・・・・・・・・・・・・・・・・・・・・・・・・・・・・・・・・・・・・・・・・・・・・・・・・・・・ 306 BOLT, HEXAGON (FOR DIFFERENTIAL CASE) ・・・・・・・・・・・・・・・・・・・・・・・・・・・・・・・・・・・・・・・・・・・・・ 133 BOLT, HEXAGON(FOR DRIVE PLATE SETTING) ・・・・・・・・・・・・・・・・・・・・・・・・・・・・・・・・・・・・・・・・・・・・ 125 BOLT, HEXAGON(FOR FRONT DISC BRAKE CALIPER) ・・・・・・・・・・・・・・・・・・・・・・・・・・・・・・・・・・・・・・・ 151 BOLT, HEXAGON(FOR STEERING COLUMN BRACKET) ・・・・・・・・・・・・・・・・・・・・・・・・・・・・・・・・・・・・・・・・ 140 BOLT, HOOD LOCK ・・・・・・・・・・・・・・・・・・・・・・・・・・・・・・・・・・・・・・・・・・・・・・・・・・・・・・・・・・・・・・・・・・・ 181 BOLT, HUB (FOR FRONT AXLE LH) ・・・・・・・・・・・・・・・・・・・・・・・・・・・・・・・・・・・・・・・・・・・・・・・・・・・・・ 138 BOLT, HUB (FOR FRONT AXLE RH) ・・・・・・・・・・・・・・・・・・・・・・・・・・・・・・・・・・・・・・・・・・・・・・・・・・・・・ 138 BOLT, HUB (FOR REAR AXLE LH) ・・・・・・・・・・・・・・・・・・・・・・・・・・・・・・・・・・・・・・・・・・・・・・・・・・・・・・ 129 BOLT, HUB (FOR REAR AXLE RH) ・・・・・・・・・・・・・・・・・・・・・・・・・・・・・・・・・・・・・・・・・・・・・・・・・・・・・・ 129 BOLT, INSTRUMENT PANEL ・・・・・・・・・・・・・・・・・・・・・・・・・・・・・・・・・・・・・・・・・・・・・・・・・・・・・・・・・・・・ 190 BOLT, INSTRUMENT PANEL ・・・・・・・・・・・・・・・・・・・・・・・・・・・・・・・・・・・・・・・・・・・・・・・・・・・・・・・・・・・・ 190 BOLT, MAGNET CLUTCH SETTING ・・・・・・・・・・・・・・・・・・・・・・・・・・・・・・・・・・・・・・・・・・・・・・・・・・・・・・・ 387 BOLT, OIL NOZZLE UNION ・・・・・・・・・・・・・・・・・・・・・・・・・・・・・・・・・・・・・・・・・・・・・・・・・・・・・・・・・・・・ 62 BOLT, REAR SEAT HINGE ・・・・・・・・・・・・・・・・・・・・・・・・・・・・・・・・・・・・・・・・・・・・・・・・・・・・・・・・・・・・・ 273 BOLT, SET (FOR SELECT INNER LEVER) ・・・・・・・・・・・・・・・・・・・・・・・・・・・・・・・・・・・・・・・・・・・・・・・・ 113 BOLT, SHIFT LEVER ・・・・・・・・・・・・・・・・・・・・・・・・・・・・・・・・・・・・・・・・・・・・・・・・・・・・・・・・・・・・・・・・・ 116 BOLT, STEERING GEAR HOUSING ・・・・・・・・・・・・・・・・・・・・・・・・・・・・・・・・・・・・・・・・・・・・・・・・・・・・・・・ 144 BOLT, STEERING LOCK SET ・・・・・・・・・・・・・・・・・・・・・・・・・・・・・・・・・・・・・・・・・・・・・・・・・・・・・・・・・・・ 140 BOLT(FOR - BOLT, 17
  • 18.
    PART NAME PAGE BOLT,STUD(FOR EXHAUST MANIFOLD TO CYLINDER HEAD) ・・・・・・・・・・・・・・・・・・・・・・・・・・・・・・・・・ 83 BOLT, STUD(FOR INTAKE MANIFOLD TO CYLINDER HEAD) ・・・・・・・・・・・・・・・・・・・・・・・・・・・・・・・・・・ 83 BOLT, UNION(FOR FRONT FLEXIBLE HOSE) ・・・・・・・・・・・・・・・・・・・・・・・・・・・・・・・・・・・・・・・・・・・・・・ 158 BOLT, UNION(FOR REAR SHOCK ABSORBER LH) ・・・・・・・・・・・・・・・・・・・・・・・・・・・・・・・・・・・・・・・・・・・ 167 BOLT, UNION(FOR REAR SHOCK ABSORBER RH) ・・・・・・・・・・・・・・・・・・・・・・・・・・・・・・・・・・・・・・・・・・・ 167 BOLT, W/WASHER ・・・・・・・・・・・・・・・・・・・・・・・・・・・・・・・・・・・・・・・・・・・・・・・・・・・・・・・・・・・・・・・・・・・・ 231 BOLT, WELD(FOR FRONT FLOOR PAN) ・・・・・・・・・・・・・・・・・・・・・・・・・・・・・・・・・・・・・・・・・・・・・・・・・・・ 201 BOOSTER ASSY, BRAKE ・・・・・・・・・・・・・・・・・・・・・・・・・・・・・・・・・・・・・・・・・・・・・・・・・・・・・・・・・・・・・・・ 149 BOOT KIT, FRONT DRIVE SHAFT INBOARD JOINT, LH ・・・・・・・・・・・・・・・・・・・・・・・・・・・・・・・・・・・・・ 136 BOOT KIT, FRONT DRIVE SHAFT INBOARD JOINT, RH ・・・・・・・・・・・・・・・・・・・・・・・・・・・・・・・・・・・・・ 136 BOOT KIT, FRONT DRIVE SHAFT OUTBOARD JOINT, LH ・・・・・・・・・・・・・・・・・・・・・・・・・・・・・・・・・・・・ 136 BOOT KIT, FRONT DRIVE SHAFT OUTBOARD JOINT, RH ・・・・・・・・・・・・・・・・・・・・・・・・・・・・・・・・・・・・ 136 BOOT, BUSH DUST(FOR FRONT DISC BRAKE) ・・・・・・・・・・・・・・・・・・・・・・・・・・・・・・・・・・・・・・・・・・・・・ 151 BOOT, CLUTCH RELEASE FORK ・・・・・・・・・・・・・・・・・・・・・・・・・・・・・・・・・・・・・・・・・・・・・・・・・・・・・・・・・ 97 BOOT, FRONT DISC BRAKE CYLINDER ・・・・・・・・・・・・・・・・・・・・・・・・・・・・・・・・・・・・・・・・・・・・・・・・・・・ 151 BOOT, STEERING RACK, NO.1 ・・・・・・・・・・・・・・・・・・・・・・・・・・・・・・・・・・・・・・・・・・・・・・・・・・・・・・・・・ 144 BOX ASSY, CONSOLE ・・・・・・・・・・・・・・・・・・・・・・・・・・・・・・・・・・・・・・・・・・・・・・・・・・・・・・・・・・・・・・・・・ 211 BOX, CONSOLE, UPPER ・・・・・・・・・・・・・・・・・・・・・・・・・・・・・・・・・・・・・・・・・・・・・・・・・・・・・・・・・・・・・・・ 211 BOX, DECK FLOOR, REAR ・・・・・・・・・・・・・・・・・・・・・・・・・・・・・・・・・・・・・・・・・・・・・・・・・・・・・・・・・・・・・ 237 BOX, INSTRUMENT PANEL, CENTER ・・・・・・・・・・・・・・・・・・・・・・・・・・・・・・・・・・・・・・・・・・・・・・・・・・・・・ 190 BOX, INSTRUMENT PANEL, NO.1 ・・・・・・・・・・・・・・・・・・・・・・・・・・・・・・・・・・・・・・・・・・・・・・・・・・・・・・・ 191 BRACE SUB-ASSY, HOOD LOCK SUPPORT ・・・・・・・・・・・・・・・・・・・・・・・・・・・・・・・・・・・・・・・・・・・・・・・・・ 183 BRACE, COWL TOP TO APRON, LH ・・・・・・・・・・・・・・・・・・・・・・・・・・・・・・・・・・・・・・・・・・・・・・・・・・・・・・ 193 BRACE, COWL TOP TO APRON, RH ・・・・・・・・・・・・・・・・・・・・・・・・・・・・・・・・・・・・・・・・・・・・・・・・・・・・・・ 193 BRACE, FRONT BUMPER, CENTER ・・・・・・・・・・・・・・・・・・・・・・・・・・・・・・・・・・・・・・・・・・・・・・・・・・・・・・・ 172 BRACE, HOOD LOCK SUPPORT ・・・・・・・・・・・・・・・・・・・・・・・・・・・・・・・・・・・・・・・・・・・・・・・・・・・・・・・・・・ 183 BRACE, QUARTER PANEL, LH ・・・・・・・・・・・・・・・・・・・・・・・・・・・・・・・・・・・・・・・・・・・・・・・・・・・・・・・・・・ 224 BRACE, QUARTER PANEL, RH ・・・・・・・・・・・・・・・・・・・・・・・・・・・・・・・・・・・・・・・・・・・・・・・・・・・・・・・・・・ 224 BRACKET ASSY, STEERING COLUMN UPPER W/SWITCH ・・・・・・・・・・・・・・・・・・・・・・・・・・・・・・・・・・・・・・ 140 BRACKET SUB-ASSY, EXHAUST PIPE MOUNTING ・・・・・・・・・・・・・・・・・・・・・・・・・・・・・・・・・・・・・・・・・・・ 201 BRACKET SUB-ASSY, FRONT SEAT MOUNTING, OUTSIDE LH ・・・・・・・・・・・・・・・・・・・・・・・・・・・・・・・・・ 201 BRACKET SUB-ASSY, FRONT SIDE PANEL, LH ・・・・・・・・・・・・・・・・・・・・・・・・・・・・・・・・・・・・・・・・・・・・ 222 BRACKET SUB-ASSY, FRONT SIDE PANEL, RH ・・・・・・・・・・・・・・・・・・・・・・・・・・・・・・・・・・・・・・・・・・・・ 222 BRACKET SUB-ASSY, REAR FLOOR MOUNTING, NO.2 LH ・・・・・・・・・・・・・・・・・・・・・・・・・・・・・・・・・・・・ 204 BRACKET SUB-ASSY, REAR FLOOR MOUNTING, NO.2 RH ・・・・・・・・・・・・・・・・・・・・・・・・・・・・・・・・・・・・ 204 BRACKET, AIR CLEANER ・・・・・・・・・・・・・・・・・・・・・・・・・・・・・・・・・・・・・・・・・・・・・・・・・・・・・・・・・・・・・・ 87 BRACKET, ASSIST GRIP ・・・・・・・・・・・・・・・・・・・・・・・・・・・・・・・・・・・・・・・・・・・・・・・・・・・・・・・・・・・・・・ 222 BRACKET, ASSIST GRIP ・・・・・・・・・・・・・・・・・・・・・・・・・・・・・・・・・・・・・・・・・・・・・・・・・・・・・・・・・・・・・・ 223 BRACKET, ASSIST GRIP, LH ・・・・・・・・・・・・・・・・・・・・・・・・・・・・・・・・・・・・・・・・・・・・・・・・・・・・・・・・・・ 223 BRACKET, ASSIST GRIP, RH ・・・・・・・・・・・・・・・・・・・・・・・・・・・・・・・・・・・・・・・・・・・・・・・・・・・・・・・・・・ 223 BRACKET, BACK DOOR DAMPER STAY, UPPER LH ・・・・・・・・・・・・・・・・・・・・・・・・・・・・・・・・・・・・・・・・・・ 260 BRACKET, BACK DOOR DAMPER STAY, UPPER RH ・・・・・・・・・・・・・・・・・・・・・・・・・・・・・・・・・・・・・・・・・・ 260 BRACKET, BRAKE ACTUATOR, NO.1 ・・・・・・・・・・・・・・・・・・・・・・・・・・・・・・・・・・・・・・・・・・・・・・・・・・・・・ 157 BRACKET, COMPUTER ・・・・・・・・・・・・・・・・・・・・・・・・・・・・・・・・・・・・・・・・・・・・・・・・・・・・・・・・・・・・・・・・・ 344 BRACKET, CONSOLE BOX MOUNTING, REAR ・・・・・・・・・・・・・・・・・・・・・・・・・・・・・・・・・・・・・・・・・・・・・・・ 212 BRACKET, CONTROL CABLE ・・・・・・・・・・・・・・・・・・・・・・・・・・・・・・・・・・・・・・・・・・・・・・・・・・・・・・・・・・・・ 116 BRACKET, COOLER ・・・・・・・・・・・・・・・・・・・・・・・・・・・・・・・・・・・・・・・・・・・・・・・・・・・・・・・・・・・・・・・・・・・ 388 BRACKET, ENGINE COVER ・・・・・・・・・・・・・・・・・・・・・・・・・・・・・・・・・・・・・・・・・・・・・・・・・・・・・・・・・・・・・ 58 BRACKET, ENGINE MOUNTING, REAR, NO.1 ・・・・・・・・・・・・・・・・・・・・・・・・・・・・・・・・・・・・・・・・・・・・・・ 67 BRACKET, FLEXIBLE HOSE(FOR CLUTCH) ・・・・・・・・・・・・・・・・・・・・・・・・・・・・・・・・・・・・・・・・・・・・・・・・ 99 BOLT, - BRACKET, PART NAME PAGE BRACKET, FLEXIBLE HOSE, NO.1 ・・・・・・・・・・・・・・・・・・・・・・・・・・・・・・・・・・・・・・・・・・・・・・・・・・・・・・ 158 BRACKET, FLEXIBLE HOSE, NO.1(FOR CLUTCH) ・・・・・・・・・・・・・・・・・・・・・・・・・・・・・・・・・・・・・・・・・・ 99 BRACKET, FLEXIBLE HOSE, NO.2 ・・・・・・・・・・・・・・・・・・・・・・・・・・・・・・・・・・・・・・・・・・・・・・・・・・・・・・ 158 BRACKET, FRONT FENDER MOUNTING, LH ・・・・・・・・・・・・・・・・・・・・・・・・・・・・・・・・・・・・・・・・・・・・・・・・ 183 BRACKET, FRONT FENDER MOUNTING, RH ・・・・・・・・・・・・・・・・・・・・・・・・・・・・・・・・・・・・・・・・・・・・・・・・ 183 BRACKET, FRONT FENDER, REAR LH ・・・・・・・・・・・・・・・・・・・・・・・・・・・・・・・・・・・・・・・・・・・・・・・・・・・・ 222 BRACKET, FRONT FENDER, REAR RH ・・・・・・・・・・・・・・・・・・・・・・・・・・・・・・・・・・・・・・・・・・・・・・・・・・・・ 222 BRACKET, FRONT STABILIZER, NO.1 LH ・・・・・・・・・・・・・・・・・・・・・・・・・・・・・・・・・・・・・・・・・・・・・・・・ 165 BRACKET, FRONT STABILIZER, NO.1 RH ・・・・・・・・・・・・・・・・・・・・・・・・・・・・・・・・・・・・・・・・・・・・・・・・ 165 BRACKET, REAR BUMPER COVER, LH ・・・・・・・・・・・・・・・・・・・・・・・・・・・・・・・・・・・・・・・・・・・・・・・・・・・・ 205 BRACKET, REAR BUMPER COVER, RH ・・・・・・・・・・・・・・・・・・・・・・・・・・・・・・・・・・・・・・・・・・・・・・・・・・・・ 205 BRACKET, ROOF REINFORCEMENT ・・・・・・・・・・・・・・・・・・・・・・・・・・・・・・・・・・・・・・・・・・・・・・・・・・・・・・・ 228 BRACKET, ROOF SIDE RAIL, LH ・・・・・・・・・・・・・・・・・・・・・・・・・・・・・・・・・・・・・・・・・・・・・・・・・・・・・・・ 225 BRACKET, ROOF SIDE RAIL, RH ・・・・・・・・・・・・・・・・・・・・・・・・・・・・・・・・・・・・・・・・・・・・・・・・・・・・・・・ 225 BRACKET, ROOM LAMP ・・・・・・・・・・・・・・・・・・・・・・・・・・・・・・・・・・・・・・・・・・・・・・・・・・・・・・・・・・・・・・・・ 228 BRACKET, SENSOR ・・・・・・・・・・・・・・・・・・・・・・・・・・・・・・・・・・・・・・・・・・・・・・・・・・・・・・・・・・・・・・・・・・・ 341 BRACKET, SENSOR, NO.1 ・・・・・・・・・・・・・・・・・・・・・・・・・・・・・・・・・・・・・・・・・・・・・・・・・・・・・・・・・・・・・ 341 BRACKET, TRANSMISSION CONTROL CABLE, NO.1 ・・・・・・・・・・・・・・・・・・・・・・・・・・・・・・・・・・・・・・・・・ 116 BRACKET, WATER HOSE CLAMP, NO.3 ・・・・・・・・・・・・・・・・・・・・・・・・・・・・・・・・・・・・・・・・・・・・・・・・・・・ 80 BRACKET, WIRE HARNESS ・・・・・・・・・・・・・・・・・・・・・・・・・・・・・・・・・・・・・・・・・・・・・・・・・・・・・・・・・・・・・ 140 BRACKET, WIRE HARNESS CLAMP ・・・・・・・・・・・・・・・・・・・・・・・・・・・・・・・・・・・・・・・・・・・・・・・・・・・・・・・ 58 BRACKET, WIRE HARNESS CLAMP ・・・・・・・・・・・・・・・・・・・・・・・・・・・・・・・・・・・・・・・・・・・・・・・・・・・・・・・ 105 BRACKET, WIRE HARNESS CLAMP ・・・・・・・・・・・・・・・・・・・・・・・・・・・・・・・・・・・・・・・・・・・・・・・・・・・・・・・ 122 BRACKET, WIRE HARNESS CLAMP, NO.1 ・・・・・・・・・・・・・・・・・・・・・・・・・・・・・・・・・・・・・・・・・・・・・・・・・ 122 BRACKET, WIRING HARNESS CLAMP ・・・・・・・・・・・・・・・・・・・・・・・・・・・・・・・・・・・・・・・・・・・・・・・・・・・・・ 62 BRACKET, WIRING HARNESS CLAMP ・・・・・・・・・・・・・・・・・・・・・・・・・・・・・・・・・・・・・・・・・・・・・・・・・・・・・ 201 BULB (FOR LICENSE PLATE LAMP) ・・・・・・・・・・・・・・・・・・・・・・・・・・・・・・・・・・・・・・・・・・・・・・・・・・・・・ 315 BULB(FOR MAP LAMP) ・・・・・・・・・・・・・・・・・・・・・・・・・・・・・・・・・・・・・・・・・・・・・・・・・・・・・・・・・・・・・・・・ 319 BULB, FOG LAMP ・・・・・・・・・・・・・・・・・・・・・・・・・・・・・・・・・・・・・・・・・・・・・・・・・・・・・・・・・・・・・・・・・・・・ 311 BULB, POSITION INDICATOR LAMP ・・・・・・・・・・・・・・・・・・・・・・・・・・・・・・・・・・・・・・・・・・・・・・・・・・・・・ 116 BULB, ROOM LAMP, NO.1 ・・・・・・・・・・・・・・・・・・・・・・・・・・・・・・・・・・・・・・・・・・・・・・・・・・・・・・・・・・・・・ 319 BULB, ROOM LAMP, NO.2 ・・・・・・・・・・・・・・・・・・・・・・・・・・・・・・・・・・・・・・・・・・・・・・・・・・・・・・・・・・・・・ 319 BUMPER, FENDER TO HOOD ・・・・・・・・・・・・・・・・・・・・・・・・・・・・・・・・・・・・・・・・・・・・・・・・・・・・・・・・・・・・ 179 BUMPER, FENDER TO HOOD ・・・・・・・・・・・・・・・・・・・・・・・・・・・・・・・・・・・・・・・・・・・・・・・・・・・・・・・・・・・・ 179 BUMPER, FRONT SPRING, LH ・・・・・・・・・・・・・・・・・・・・・・・・・・・・・・・・・・・・・・・・・・・・・・・・・・・・・・・・・・ 164 BUMPER, FRONT SPRING, RH ・・・・・・・・・・・・・・・・・・・・・・・・・・・・・・・・・・・・・・・・・・・・・・・・・・・・・・・・・・ 164 BUMPER, HOOD TO FRONT SHROUD ・・・・・・・・・・・・・・・・・・・・・・・・・・・・・・・・・・・・・・・・・・・・・・・・・・・・・・ 183 BUMPER, REAR SPRING, NO.1 LH ・・・・・・・・・・・・・・・・・・・・・・・・・・・・・・・・・・・・・・・・・・・・・・・・・・・・・・ 167 BUMPER, REAR SPRING, NO.1 RH ・・・・・・・・・・・・・・・・・・・・・・・・・・・・・・・・・・・・・・・・・・・・・・・・・・・・・・ 167 BUSH ・・・・・・・・・・・・・・・・・・・・・・・・・・・・・・・・・・・・・・・・・・・・・・・・・・・・・・・・・・・・・・・・・・・・・・・・・・・・・・ 285 BUSH (FOR SHIFT FORK SHAFT) ・・・・・・・・・・・・・・・・・・・・・・・・・・・・・・・・・・・・・・・・・・・・・・・・・・・・・・・ 113 BUSH OR SPACER, REAR SEAT BACK HINGE ・・・・・・・・・・・・・・・・・・・・・・・・・・・・・・・・・・・・・・・・・・・・・・ 273 BUSH(FOR BRAKE PEDAL) ・・・・・・・・・・・・・・・・・・・・・・・・・・・・・・・・・・・・・・・・・・・・・・・・・・・・・・・・・・・・・ 147 BUSH(FOR CLUTCH PEDAL SPRING) ・・・・・・・・・・・・・・・・・・・・・・・・・・・・・・・・・・・・・・・・・・・・・・・・・・・・・ 98 BUSH(FOR CLUTCH PEDAL) ・・・・・・・・・・・・・・・・・・・・・・・・・・・・・・・・・・・・・・・・・・・・・・・・・・・・・・・・・・・・ 98 BUSH(FOR FRONT SHOCK ABSORBER LH) ・・・・・・・・・・・・・・・・・・・・・・・・・・・・・・・・・・・・・・・・・・・・・・・・・ 164 BUSH(FOR FRONT SHOCK ABSORBER RH) ・・・・・・・・・・・・・・・・・・・・・・・・・・・・・・・・・・・・・・・・・・・・・・・・・ 164 BUSH, 1ST GEAR ・・・・・・・・・・・・・・・・・・・・・・・・・・・・・・・・・・・・・・・・・・・・・・・・・・・・・・・・・・・・・・・・・・・・ 109 BUSH, CYLINDER SLIDE, NO.1(FOR FRONT DISC BRAKE) ・・・・・・・・・・・・・・・・・・・・・・・・・・・・・・・・・・ 151 BUSH, EXHAUST VALVE GUIDE ・・・・・・・・・・・・・・・・・・・・・・・・・・・・・・・・・・・・・・・・・・・・・・・・・・・・・・・・・ 57 BRACKET, - BUSH, 18
  • 19.
    PART NAME PAGE BUSH,FRONT STABILIZER BAR, LH ・・・・・・・・・・・・・・・・・・・・・・・・・・・・・・・・・・・・・・・・・・・・・・・・・・・・ 165 BUSH, FRONT STABILIZER BAR, RH ・・・・・・・・・・・・・・・・・・・・・・・・・・・・・・・・・・・・・・・・・・・・・・・・・・・・ 165 BUSH, INTAKE VALVE GUIDE ・・・・・・・・・・・・・・・・・・・・・・・・・・・・・・・・・・・・・・・・・・・・・・・・・・・・・・・・・・ 57 BUSH, SHIFT FORK GUIDE ・・・・・・・・・・・・・・・・・・・・・・・・・・・・・・・・・・・・・・・・・・・・・・・・・・・・・・・・・・・・ 113 BUSH, SHIFT LEVER ・・・・・・・・・・・・・・・・・・・・・・・・・・・・・・・・・・・・・・・・・・・・・・・・・・・・・・・・・・・・・・・・・ 114 BUSH, WINDSHIELD WASHER JAR ・・・・・・・・・・・・・・・・・・・・・・・・・・・・・・・・・・・・・・・・・・・・・・・・・・・・・・・ 359 BUTTON ASSY, HORN ・・・・・・・・・・・・・・・・・・・・・・・・・・・・・・・・・・・・・・・・・・・・・・・・・・・・・・・・・・・・・・・・・ 142 BUTTON, REAR SEAT BACK LOCK RELEASE ・・・・・・・・・・・・・・・・・・・・・・・・・・・・・・・・・・・・・・・・・・・・・・・ 281 BUTTON, REAR SEAT BACK LOCK RELEASE, LH ・・・・・・・・・・・・・・・・・・・・・・・・・・・・・・・・・・・・・・・・・・・ 281 BUTTON, REAR SEAT BACK LOCK RELEASE, NO.2 LH ・・・・・・・・・・・・・・・・・・・・・・・・・・・・・・・・・・・・・・ 281 BUTTON, REAR SEAT BACK LOCK RELEASE, NO.2 RH ・・・・・・・・・・・・・・・・・・・・・・・・・・・・・・・・・・・・・・ 281 BUTTON, REAR SEAT BACK LOCK RELEASE, RH ・・・・・・・・・・・・・・・・・・・・・・・・・・・・・・・・・・・・・・・・・・・ 281 BUTTON, REAR SEAT BACK STOP RELEASE ・・・・・・・・・・・・・・・・・・・・・・・・・・・・・・・・・・・・・・・・・・・・・・・ 281 BUTTON, SHIFT LOCK RELEASE ・・・・・・・・・・・・・・・・・・・・・・・・・・・・・・・・・・・・・・・・・・・・・・・・・・・・・・・・ 116 BUZZER, CLEARANCE WARNING, NO.1 ・・・・・・・・・・・・・・・・・・・・・・・・・・・・・・・・・・・・・・・・・・・・・・・・・・・ 350 BUZZER, WIRELESS DOOR LOCK ・・・・・・・・・・・・・・・・・・・・・・・・・・・・・・・・・・・・・・・・・・・・・・・・・・・・・・・・ 352 CABLE ASSY, FOLD SEAT LOCK CONTROL, NO.1 LH ・・・・・・・・・・・・・・・・・・・・・・・・・・・・・・・・・・・・・・・ 283 CABLE ASSY, FOLD SEAT LOCK CONTROL, NO.2 ・・・・・・・・・・・・・・・・・・・・・・・・・・・・・・・・・・・・・・・・・・ 283 CABLE ASSY, FRONT DOOR INSIDE LOCKING LH ・・・・・・・・・・・・・・・・・・・・・・・・・・・・・・・・・・・・・・・・・・ 246 CABLE ASSY, FRONT DOOR INSIDE LOCKING, RH ・・・・・・・・・・・・・・・・・・・・・・・・・・・・・・・・・・・・・・・・・ 246 CABLE ASSY, FRONT DOOR LOCK REMOTE CONTROL, LH ・・・・・・・・・・・・・・・・・・・・・・・・・・・・・・・・・・・・ 246 CABLE ASSY, FRONT DOOR LOCK REMOTE CONTROL, RH ・・・・・・・・・・・・・・・・・・・・・・・・・・・・・・・・・・・・ 246 CABLE ASSY, HOOD LOCK CONTROL ・・・・・・・・・・・・・・・・・・・・・・・・・・・・・・・・・・・・・・・・・・・・・・・・・・・・・ 181 CABLE ASSY, NO.2 SEAT RECLINING ADJUSTING, LH ・・・・・・・・・・・・・・・・・・・・・・・・・・・・・・・・・・・・・ 281 CABLE ASSY, NO.2 SEAT RECLINING ADJUSTING, RH ・・・・・・・・・・・・・・・・・・・・・・・・・・・・・・・・・・・・・ 281 CABLE ASSY, PARKING BRAKE, NO.1 ・・・・・・・・・・・・・・・・・・・・・・・・・・・・・・・・・・・・・・・・・・・・・・・・・・・ 146 CABLE ASSY, PARKING BRAKE, NO.2 ・・・・・・・・・・・・・・・・・・・・・・・・・・・・・・・・・・・・・・・・・・・・・・・・・・・ 146 CABLE ASSY, PARKING BRAKE, NO.3 ・・・・・・・・・・・・・・・・・・・・・・・・・・・・・・・・・・・・・・・・・・・・・・・・・・・ 146 CABLE ASSY, REAR DOOR INSIDE LOCKING, LH ・・・・・・・・・・・・・・・・・・・・・・・・・・・・・・・・・・・・・・・・・・ 254 CABLE ASSY, REAR DOOR INSIDE LOCKING, RH ・・・・・・・・・・・・・・・・・・・・・・・・・・・・・・・・・・・・・・・・・・ 254 CABLE ASSY, REAR DOOR LOCK REMOTE CONTROL LH ・・・・・・・・・・・・・・・・・・・・・・・・・・・・・・・・・・・・・・ 254 CABLE ASSY, REAR DOOR LOCK REMOTE CONTROL, RH ・・・・・・・・・・・・・・・・・・・・・・・・・・・・・・・・・・・・・ 254 CABLE ASSY, TRANSMISSION CONTROL ・・・・・・・・・・・・・・・・・・・・・・・・・・・・・・・・・・・・・・・・・・・・・・・・・・ 116 CABLE SUB-ASSY, FUEL LID LOCK CONTROL ・・・・・・・・・・・・・・・・・・・・・・・・・・・・・・・・・・・・・・・・・・・・・ 305 CABLE, ANTENNA ・・・・・・・・・・・・・・・・・・・・・・・・・・・・・・・・・・・・・・・・・・・・・・・・・・・・・・・・・・・・・・・・・・・・ 365 CAMERA, OBJECT RECOGNITION ・・・・・・・・・・・・・・・・・・・・・・・・・・・・・・・・・・・・・・・・・・・・・・・・・・・・・・・・ 366 CAMSHAFT ・・・・・・・・・・・・・・・・・・・・・・・・・・・・・・・・・・・・・・・・・・・・・・・・・・・・・・・・・・・・・・・・・・・・・・・・・・ 71 CAMSHAFT, NO.2 ・・・・・・・・・・・・・・・・・・・・・・・・・・・・・・・・・・・・・・・・・・・・・・・・・・・・・・・・・・・・・・・・・・・・ 71 CANISTER ASSY, CHARCOAL ・・・・・・・・・・・・・・・・・・・・・・・・・・・・・・・・・・・・・・・・・・・・・・・・・・・・・・・・・・・ 306 CAP ASSY, BRAKE MASTER CYLINDER RESERVOIR FILLER ・・・・・・・・・・・・・・・・・・・・・・・・・・・・・・・・・・ 148 CAP ASSY, FUEL TANK ・・・・・・・・・・・・・・・・・・・・・・・・・・・・・・・・・・・・・・・・・・・・・・・・・・・・・・・・・・・・・・・ 306 CAP SUB-ASSY, OIL FILLER ・・・・・・・・・・・・・・・・・・・・・・・・・・・・・・・・・・・・・・・・・・・・・・・・・・・・・・・・・・ 58 CAP SUB-ASSY, RADIATOR ・・・・・・・・・・・・・・・・・・・・・・・・・・・・・・・・・・・・・・・・・・・・・・・・・・・・・・・・・・・・ 79 CAP, AIR CLEANER ・・・・・・・・・・・・・・・・・・・・・・・・・・・・・・・・・・・・・・・・・・・・・・・・・・・・・・・・・・・・・・・・・・ 87 CAP, ALTERNATOR TERMINAL ・・・・・・・・・・・・・・・・・・・・・・・・・・・・・・・・・・・・・・・・・・・・・・・・・・・・・・・・・・ 326 CAP, BLEEDER PLUG(FOR DRUM BRAKE, REAR) ・・・・・・・・・・・・・・・・・・・・・・・・・・・・・・・・・・・・・・・・・・・ 153 CAP, BLEEDER PLUG(FOR FRONT DISC BRAKE) ・・・・・・・・・・・・・・・・・・・・・・・・・・・・・・・・・・・・・・・・・・・ 151 CAP, FRONT WASHER TANK ・・・・・・・・・・・・・・・・・・・・・・・・・・・・・・・・・・・・・・・・・・・・・・・・・・・・・・・・・・・・ 359 CAP, FRONT WIPER ARM HEAD ・・・・・・・・・・・・・・・・・・・・・・・・・・・・・・・・・・・・・・・・・・・・・・・・・・・・・・・・・ 357 CAP, REAR WIPER ARM HEAD ・・・・・・・・・・・・・・・・・・・・・・・・・・・・・・・・・・・・・・・・・・・・・・・・・・・・・・・・・・ 358 BUSH, - CAP, PART NAME PAGE CAP, REAR WIPER LINK ・・・・・・・・・・・・・・・・・・・・・・・・・・・・・・・・・・・・・・・・・・・・・・・・・・・・・・・・・・・・・・ 358 CAP, RESERVE TANK ・・・・・・・・・・・・・・・・・・・・・・・・・・・・・・・・・・・・・・・・・・・・・・・・・・・・・・・・・・・・・・・・・ 80 CAP, SEAT BELT ANCHOR COVER ・・・・・・・・・・・・・・・・・・・・・・・・・・・・・・・・・・・・・・・・・・・・・・・・・・・・・・・ 289 CAP, SERVICE VALVE, NO.1 ・・・・・・・・・・・・・・・・・・・・・・・・・・・・・・・・・・・・・・・・・・・・・・・・・・・・・・・・・・ 385 CAP, SERVICE VALVE, NO.2 ・・・・・・・・・・・・・・・・・・・・・・・・・・・・・・・・・・・・・・・・・・・・・・・・・・・・・・・・・・ 385 CAP, TERMINAL, NO.1 ・・・・・・・・・・・・・・・・・・・・・・・・・・・・・・・・・・・・・・・・・・・・・・・・・・・・・・・・・・・・・・・ 326 CAP, VALVE STEM ・・・・・・・・・・・・・・・・・・・・・・・・・・・・・・・・・・・・・・・・・・・・・・・・・・・・・・・・・・・・・・・・・・・ 72 CAP, VENTILATION ・・・・・・・・・・・・・・・・・・・・・・・・・・・・・・・・・・・・・・・・・・・・・・・・・・・・・・・・・・・・・・・・・・ 314 CAP, WHEEL ・・・・・・・・・・・・・・・・・・・・・・・・・・・・・・・・・・・・・・・・・・・・・・・・・・・・・・・・・・・・・・・・・・・・・・・・ 132 CARPET ASSY, FRONT FLOOR, FRONT ・・・・・・・・・・・・・・・・・・・・・・・・・・・・・・・・・・・・・・・・・・・・・・・・・・・ 207 CARPET, CONSOLE BOX ・・・・・・・・・・・・・・・・・・・・・・・・・・・・・・・・・・・・・・・・・・・・・・・・・・・・・・・・・・・・・・・ 211 CARPET, REAR FLOOR ・・・・・・・・・・・・・・・・・・・・・・・・・・・・・・・・・・・・・・・・・・・・・・・・・・・・・・・・・・・・・・・・ 207 CARPET, REAR FLOOR ・・・・・・・・・・・・・・・・・・・・・・・・・・・・・・・・・・・・・・・・・・・・・・・・・・・・・・・・・・・・・・・・ 207 CARRIER ASSY, BATTERY ・・・・・・・・・・・・・・・・・・・・・・・・・・・・・・・・・・・・・・・・・・・・・・・・・・・・・・・・・・・・・ 293 CARRIER ASSY, SPARE WHEEL ・・・・・・・・・・・・・・・・・・・・・・・・・・・・・・・・・・・・・・・・・・・・・・・・・・・・・・・・・ 170 CARRIER, BATTERY ・・・・・・・・・・・・・・・・・・・・・・・・・・・・・・・・・・・・・・・・・・・・・・・・・・・・・・・・・・・・・・・・・・ 293 CASE SUB-ASSY, AIR CLEANER ・・・・・・・・・・・・・・・・・・・・・・・・・・・・・・・・・・・・・・・・・・・・・・・・・・・・・・・・ 87 CASE SUB-ASSY, COOLING UNIT ・・・・・・・・・・・・・・・・・・・・・・・・・・・・・・・・・・・・・・・・・・・・・・・・・・・・・・・ 376 CASE SUB-ASSY, COOLING UNIT ・・・・・・・・・・・・・・・・・・・・・・・・・・・・・・・・・・・・・・・・・・・・・・・・・・・・・・・ 376 CASE SUB-ASSY, FRONT DIFFERENTIAL ・・・・・・・・・・・・・・・・・・・・・・・・・・・・・・・・・・・・・・・・・・・・・・・・・ 133 CASE, AIR FILTER ・・・・・・・・・・・・・・・・・・・・・・・・・・・・・・・・・・・・・・・・・・・・・・・・・・・・・・・・・・・・・・・・・・ 376 CASE, MANUAL TRANSMISSION ・・・・・・・・・・・・・・・・・・・・・・・・・・・・・・・・・・・・・・・・・・・・・・・・・・・・・・・・・ 105 CASE, TRANSMITTER HOUSING ・・・・・・・・・・・・・・・・・・・・・・・・・・・・・・・・・・・・・・・・・・・・・・・・・・・・・・・・・ 262 CASE, TRANSMITTER HOUSING ・・・・・・・・・・・・・・・・・・・・・・・・・・・・・・・・・・・・・・・・・・・・・・・・・・・・・・・・・ 262 CHAIN SUB-ASSY ・・・・・・・・・・・・・・・・・・・・・・・・・・・・・・・・・・・・・・・・・・・・・・・・・・・・・・・・・・・・・・・・・・・・ 71 CHECK ASSY, FRONT DOOR, LH ・・・・・・・・・・・・・・・・・・・・・・・・・・・・・・・・・・・・・・・・・・・・・・・・・・・・・・・・ 243 CHECK ASSY, FRONT DOOR, RH ・・・・・・・・・・・・・・・・・・・・・・・・・・・・・・・・・・・・・・・・・・・・・・・・・・・・・・・・ 243 CHECK ASSY, REAR DOOR, LH ・・・・・・・・・・・・・・・・・・・・・・・・・・・・・・・・・・・・・・・・・・・・・・・・・・・・・・・・・ 251 CHECK ASSY, REAR DOOR, RH ・・・・・・・・・・・・・・・・・・・・・・・・・・・・・・・・・・・・・・・・・・・・・・・・・・・・・・・・・ 251 CLAMP ・・・・・・・・・・・・・・・・・・・・・・・・・・・・・・・・・・・・・・・・・・・・・・・・・・・・・・・・・・・・・・・・・・・・・・・・・・・・・ 376 CLAMP (FOR FUEL LID LOCK CONTROL CABLE) ・・・・・・・・・・・・・・・・・・・・・・・・・・・・・・・・・・・・・・・・・・・ 305 CLAMP KIT, FRONT DRIVE SHAFT, LH ・・・・・・・・・・・・・・・・・・・・・・・・・・・・・・・・・・・・・・・・・・・・・・・・・・ 136 CLAMP KIT, FRONT DRIVE SHAFT, RH ・・・・・・・・・・・・・・・・・・・・・・・・・・・・・・・・・・・・・・・・・・・・・・・・・・ 136 CLAMP SUB-ASSY, BATTERY ・・・・・・・・・・・・・・・・・・・・・・・・・・・・・・・・・・・・・・・・・・・・・・・・・・・・・・・・・・・ 293 CLAMP(FOR AIR CLEANER HOSE, NO.1) ・・・・・・・・・・・・・・・・・・・・・・・・・・・・・・・・・・・・・・・・・・・・・・・・・ 87 CLAMP(FOR AIR CLEANER HOSE, NO.2) ・・・・・・・・・・・・・・・・・・・・・・・・・・・・・・・・・・・・・・・・・・・・・・・・・ 87 CLAMP(FOR AIR CLEANER HOSE, NO.3) ・・・・・・・・・・・・・・・・・・・・・・・・・・・・・・・・・・・・・・・・・・・・・・・・・ 87 CLAMP(FOR CLUTCH TUBE) ・・・・・・・・・・・・・・・・・・・・・・・・・・・・・・・・・・・・・・・・・・・・・・・・・・・・・・・・・・・・ 99 CLAMP(FOR STEERING RACK BOOT) ・・・・・・・・・・・・・・・・・・・・・・・・・・・・・・・・・・・・・・・・・・・・・・・・・・・・・ 144 CLAMP, BRAKE TUBE, NO.1 ・・・・・・・・・・・・・・・・・・・・・・・・・・・・・・・・・・・・・・・・・・・・・・・・・・・・・・・・・・・ 158 CLAMP, BRAKE TUBE, NO.11 ・・・・・・・・・・・・・・・・・・・・・・・・・・・・・・・・・・・・・・・・・・・・・・・・・・・・・・・・・・ 159 CLAMP, BRAKE TUBE, NO.12 ・・・・・・・・・・・・・・・・・・・・・・・・・・・・・・・・・・・・・・・・・・・・・・・・・・・・・・・・・・ 159 CLAMP, BRAKE TUBE, NO.2 ・・・・・・・・・・・・・・・・・・・・・・・・・・・・・・・・・・・・・・・・・・・・・・・・・・・・・・・・・・・ 159 CLAMP, BRAKE TUBE, NO.3 ・・・・・・・・・・・・・・・・・・・・・・・・・・・・・・・・・・・・・・・・・・・・・・・・・・・・・・・・・・・ 159 CLAMP, BRAKE TUBE, NO.4 ・・・・・・・・・・・・・・・・・・・・・・・・・・・・・・・・・・・・・・・・・・・・・・・・・・・・・・・・・・・ 159 CLAMP, BREATHER TUBE ・・・・・・・・・・・・・・・・・・・・・・・・・・・・・・・・・・・・・・・・・・・・・・・・・・・・・・・・・・・・・・ 305 CLAMP, BREATHER TUBE ・・・・・・・・・・・・・・・・・・・・・・・・・・・・・・・・・・・・・・・・・・・・・・・・・・・・・・・・・・・・・・ 305 CLAMP, CENTER CLUSTER MODULE SWITCH HARNESS ・・・・・・・・・・・・・・・・・・・・・・・・・・・・・・・・・・・・・・・ 339 CLAMP, CLUTCH TUBE ・・・・・・・・・・・・・・・・・・・・・・・・・・・・・・・・・・・・・・・・・・・・・・・・・・・・・・・・・・・・・・・・ 99 CLAMP, DOOR SCUFF PLATE, NO.1 ・・・・・・・・・・・・・・・・・・・・・・・・・・・・・・・・・・・・・・・・・・・・・・・・・・・・・ 232 CAP, - CLAMP, 19
  • 20.
    PART NAME PAGE CLAMP,DOOR SCUFF PLATE, NO.2 ・・・・・・・・・・・・・・・・・・・・・・・・・・・・・・・・・・・・・・・・・・・・・・・・・・・・・ 233 CLAMP, FRONT DOOR LOCK LINK ・・・・・・・・・・・・・・・・・・・・・・・・・・・・・・・・・・・・・・・・・・・・・・・・・・・・・・・ 246 CLAMP, FRONT DOOR LOCK LINK, NO.1 ・・・・・・・・・・・・・・・・・・・・・・・・・・・・・・・・・・・・・・・・・・・・・・・・・ 246 CLAMP, FUEL HOSE ・・・・・・・・・・・・・・・・・・・・・・・・・・・・・・・・・・・・・・・・・・・・・・・・・・・・・・・・・・・・・・・・・・ 89 CLAMP, FUEL HOSE ・・・・・・・・・・・・・・・・・・・・・・・・・・・・・・・・・・・・・・・・・・・・・・・・・・・・・・・・・・・・・・・・・・ 306 CLAMP, FUEL HOSE ・・・・・・・・・・・・・・・・・・・・・・・・・・・・・・・・・・・・・・・・・・・・・・・・・・・・・・・・・・・・・・・・・・ 306 CLAMP, FUEL HOSE ・・・・・・・・・・・・・・・・・・・・・・・・・・・・・・・・・・・・・・・・・・・・・・・・・・・・・・・・・・・・・・・・・・ 306 CLAMP, FUEL HOSE ・・・・・・・・・・・・・・・・・・・・・・・・・・・・・・・・・・・・・・・・・・・・・・・・・・・・・・・・・・・・・・・・・・ 306 CLAMP, FUEL PIPE, NO.1(FOR EFI) ・・・・・・・・・・・・・・・・・・・・・・・・・・・・・・・・・・・・・・・・・・・・・・・・・・・ 96 CLAMP, FUEL TUBE ・・・・・・・・・・・・・・・・・・・・・・・・・・・・・・・・・・・・・・・・・・・・・・・・・・・・・・・・・・・・・・・・・・ 306 CLAMP, FUEL TUBE, NO.2 ・・・・・・・・・・・・・・・・・・・・・・・・・・・・・・・・・・・・・・・・・・・・・・・・・・・・・・・・・・・・ 306 CLAMP, FUEL TUBE, NO.2 ・・・・・・・・・・・・・・・・・・・・・・・・・・・・・・・・・・・・・・・・・・・・・・・・・・・・・・・・・・・・ 306 CLAMP, FUEL TUBE, NO.4 ・・・・・・・・・・・・・・・・・・・・・・・・・・・・・・・・・・・・・・・・・・・・・・・・・・・・・・・・・・・・ 306 CLAMP, FUEL TUBE, NO.5 ・・・・・・・・・・・・・・・・・・・・・・・・・・・・・・・・・・・・・・・・・・・・・・・・・・・・・・・・・・・・ 306 CLAMP, HOOD SUPPORT ROD ・・・・・・・・・・・・・・・・・・・・・・・・・・・・・・・・・・・・・・・・・・・・・・・・・・・・・・・・・・・ 181 CLAMP, NO.1 (FOR TRANSMISSION CONTROL CABLE) ・・・・・・・・・・・・・・・・・・・・・・・・・・・・・・・・・・・・・・ 116 CLAMP, NO.1(FOR COOLER REFRIGERANT HOSE) ・・・・・・・・・・・・・・・・・・・・・・・・・・・・・・・・・・・・・・・・・・ 386 CLAMP, NO.2(FOR COOLER REFRIGERANT HOSE) ・・・・・・・・・・・・・・・・・・・・・・・・・・・・・・・・・・・・・・・・・・ 386 CLAMP, PIPING ・・・・・・・・・・・・・・・・・・・・・・・・・・・・・・・・・・・・・・・・・・・・・・・・・・・・・・・・・・・・・・・・・・・・・ 386 CLAMP, PIPING ・・・・・・・・・・・・・・・・・・・・・・・・・・・・・・・・・・・・・・・・・・・・・・・・・・・・・・・・・・・・・・・・・・・・・ 386 CLAMP, PIPING ・・・・・・・・・・・・・・・・・・・・・・・・・・・・・・・・・・・・・・・・・・・・・・・・・・・・・・・・・・・・・・・・・・・・・ 386 CLAMP, REAR DOOR LOCK ・・・・・・・・・・・・・・・・・・・・・・・・・・・・・・・・・・・・・・・・・・・・・・・・・・・・・・・・・・・・・ 254 CLAMP, REAR WASHER HOSE ・・・・・・・・・・・・・・・・・・・・・・・・・・・・・・・・・・・・・・・・・・・・・・・・・・・・・・・・・・・ 362 CLAMP, VALVE BODY WIRE HARNESS ・・・・・・・・・・・・・・・・・・・・・・・・・・・・・・・・・・・・・・・・・・・・・・・・・・・・ 123 CLAMP, WASHER HOSE ・・・・・・・・・・・・・・・・・・・・・・・・・・・・・・・・・・・・・・・・・・・・・・・・・・・・・・・・・・・・・・・・ 360 CLAMP, WIRING HARNESS ・・・・・・・・・・・・・・・・・・・・・・・・・・・・・・・・・・・・・・・・・・・・・・・・・・・・・・・・・・・・・ 285 CLAMP, WIRING HARNESS ・・・・・・・・・・・・・・・・・・・・・・・・・・・・・・・・・・・・・・・・・・・・・・・・・・・・・・・・・・・・・ 285 CLEANER ASSY, AIR ・・・・・・・・・・・・・・・・・・・・・・・・・・・・・・・・・・・・・・・・・・・・・・・・・・・・・・・・・・・・・・・・・ 87 CLEVIS, BRAKE MASTER CYLINDER PUSH ROD ・・・・・・・・・・・・・・・・・・・・・・・・・・・・・・・・・・・・・・・・・・・・ 149 CLIP ・・・・・・・・・・・・・・・・・・・・・・・・・・・・・・・・・・・・・・・・・・・・・・・・・・・・・・・・・・・・・・・・・・・・・・・・・・・・・・ 183 CLIP ・・・・・・・・・・・・・・・・・・・・・・・・・・・・・・・・・・・・・・・・・・・・・・・・・・・・・・・・・・・・・・・・・・・・・・・・・・・・・・ 183 CLIP ・・・・・・・・・・・・・・・・・・・・・・・・・・・・・・・・・・・・・・・・・・・・・・・・・・・・・・・・・・・・・・・・・・・・・・・・・・・・・・ 232 CLIP ・・・・・・・・・・・・・・・・・・・・・・・・・・・・・・・・・・・・・・・・・・・・・・・・・・・・・・・・・・・・・・・・・・・・・・・・・・・・・・ 232 CLIP ・・・・・・・・・・・・・・・・・・・・・・・・・・・・・・・・・・・・・・・・・・・・・・・・・・・・・・・・・・・・・・・・・・・・・・・・・・・・・・ 232 CLIP ・・・・・・・・・・・・・・・・・・・・・・・・・・・・・・・・・・・・・・・・・・・・・・・・・・・・・・・・・・・・・・・・・・・・・・・・・・・・・・ 234 CLIP ・・・・・・・・・・・・・・・・・・・・・・・・・・・・・・・・・・・・・・・・・・・・・・・・・・・・・・・・・・・・・・・・・・・・・・・・・・・・・・ 234 CLIP ・・・・・・・・・・・・・・・・・・・・・・・・・・・・・・・・・・・・・・・・・・・・・・・・・・・・・・・・・・・・・・・・・・・・・・・・・・・・・・ 309 CLIP (FOR CENTER LOWER GARNISH) ・・・・・・・・・・・・・・・・・・・・・・・・・・・・・・・・・・・・・・・・・・・・・・・・・・・ 232 CLIP (FOR CENTER LOWER GARNISH) ・・・・・・・・・・・・・・・・・・・・・・・・・・・・・・・・・・・・・・・・・・・・・・・・・・・ 232 CLIP (FOR ROOF SIDE INNER GARNISH) ・・・・・・・・・・・・・・・・・・・・・・・・・・・・・・・・・・・・・・・・・・・・・・・・ 232 CLIP(FOR BACK DOOR CENTER GARNISH) ・・・・・・・・・・・・・・・・・・・・・・・・・・・・・・・・・・・・・・・・・・・・・・・・ 258 CLIP(FOR BACK DOOR TRIM) ・・・・・・・・・・・・・・・・・・・・・・・・・・・・・・・・・・・・・・・・・・・・・・・・・・・・・・・・・・ 258 CLIP(FOR CLUTCH RELEASE CABLE) ・・・・・・・・・・・・・・・・・・・・・・・・・・・・・・・・・・・・・・・・・・・・・・・・・・・・ 98 CLIP(FOR CONSOLE BOX) ・・・・・・・・・・・・・・・・・・・・・・・・・・・・・・・・・・・・・・・・・・・・・・・・・・・・・・・・・・・・・ 211 CLIP(FOR CONSOLE BOX) ・・・・・・・・・・・・・・・・・・・・・・・・・・・・・・・・・・・・・・・・・・・・・・・・・・・・・・・・・・・・・ 211 CLIP(FOR COWL SIDE TRIM) ・・・・・・・・・・・・・・・・・・・・・・・・・・・・・・・・・・・・・・・・・・・・・・・・・・・・・・・・・・ 231 CLIP(FOR DECK SIDE TRIM PANEL) ・・・・・・・・・・・・・・・・・・・・・・・・・・・・・・・・・・・・・・・・・・・・・・・・・・・・ 237 CLIP(FOR FRONT BUMPER RETAINER) ・・・・・・・・・・・・・・・・・・・・・・・・・・・・・・・・・・・・・・・・・・・・・・・・・・・ 172 CLIP(FOR FRONT BUMPER), NO.1 ・・・・・・・・・・・・・・・・・・・・・・・・・・・・・・・・・・・・・・・・・・・・・・・・・・・・・・ 172 CLIP(FOR FRONT DOOR TRIM BOARD) ・・・・・・・・・・・・・・・・・・・・・・・・・・・・・・・・・・・・・・・・・・・・・・・・・・・ 242 CLAMP, - CLIP(FOR PART NAME PAGE CLIP(FOR FRONT DOOR TRIM BOARD) ・・・・・・・・・・・・・・・・・・・・・・・・・・・・・・・・・・・・・・・・・・・・・・・・・・・ 242 CLIP(FOR FRONT FLOOR CARPET) ・・・・・・・・・・・・・・・・・・・・・・・・・・・・・・・・・・・・・・・・・・・・・・・・・・・・・・ 207 CLIP(FOR FRONT FLOOR CARPET) ・・・・・・・・・・・・・・・・・・・・・・・・・・・・・・・・・・・・・・・・・・・・・・・・・・・・・・ 207 CLIP(FOR FRONT PILLAR GARNISH) ・・・・・・・・・・・・・・・・・・・・・・・・・・・・・・・・・・・・・・・・・・・・・・・・・・・・ 231 CLIP(FOR HOOD INSULATOR) ・・・・・・・・・・・・・・・・・・・・・・・・・・・・・・・・・・・・・・・・・・・・・・・・・・・・・・・・・・ 179 CLIP(FOR INSTRUMENT CENTER CLUSTER FINISH PANEL) ・・・・・・・・・・・・・・・・・・・・・・・・・・・・・・・・・・ 190 CLIP(FOR INSTRUMENT LOWER COVER) ・・・・・・・・・・・・・・・・・・・・・・・・・・・・・・・・・・・・・・・・・・・・・・・・・・ 191 CLIP(FOR PANEL, INSTRUMENT CLUSTER FINISH) ・・・・・・・・・・・・・・・・・・・・・・・・・・・・・・・・・・・・・・・・ 190 CLIP(FOR PUSH ROD CLEVIS PIN) ・・・・・・・・・・・・・・・・・・・・・・・・・・・・・・・・・・・・・・・・・・・・・・・・・・・・・ 147 CLIP(FOR REAR COMBINATION LAMP) ・・・・・・・・・・・・・・・・・・・・・・・・・・・・・・・・・・・・・・・・・・・・・・・・・・・ 314 CLIP(FOR REAR DOOR TRIM BOARD) ・・・・・・・・・・・・・・・・・・・・・・・・・・・・・・・・・・・・・・・・・・・・・・・・・・・・ 250 CLIP(FOR REAR DOOR TRIM BOARD) ・・・・・・・・・・・・・・・・・・・・・・・・・・・・・・・・・・・・・・・・・・・・・・・・・・・・ 250 CLIP(FOR ROOF HEADLINING) ・・・・・・・・・・・・・・・・・・・・・・・・・・・・・・・・・・・・・・・・・・・・・・・・・・・・・・・・・ 234 CLIP(FOR STEERING RACK BOOT) ・・・・・・・・・・・・・・・・・・・・・・・・・・・・・・・・・・・・・・・・・・・・・・・・・・・・・・ 144 CLIP(FOR VACUUM HOSE ASSY) ・・・・・・・・・・・・・・・・・・・・・・・・・・・・・・・・・・・・・・・・・・・・・・・・・・・・・・・・ 149 CLIP(FOR VENTILATION HOSE) ・・・・・・・・・・・・・・・・・・・・・・・・・・・・・・・・・・・・・・・・・・・・・・・・・・・・・・・・ 68 CLIP(FOR VENTILATION HOSE) ・・・・・・・・・・・・・・・・・・・・・・・・・・・・・・・・・・・・・・・・・・・・・・・・・・・・・・・・ 68 CLIP(FOR VENTILATION HOSE) ・・・・・・・・・・・・・・・・・・・・・・・・・・・・・・・・・・・・・・・・・・・・・・・・・・・・・・・・ 68 CLIP(FOR VENTILATION HOSE) ・・・・・・・・・・・・・・・・・・・・・・・・・・・・・・・・・・・・・・・・・・・・・・・・・・・・・・・・ 68 CLIP(FOR WATER BY-PASS HOSE NO.1) ・・・・・・・・・・・・・・・・・・・・・・・・・・・・・・・・・・・・・・・・・・・・・・・・・ 79 CLIP(FOR WATER BY-PASS HOSE NO.2) ・・・・・・・・・・・・・・・・・・・・・・・・・・・・・・・・・・・・・・・・・・・・・・・・・ 79 CLIP(FOR WATER BY-PASS HOSE NO.2) ・・・・・・・・・・・・・・・・・・・・・・・・・・・・・・・・・・・・・・・・・・・・・・・・・ 79 CLIP(FOR WATER BY-PASS HOSE NO.4) ・・・・・・・・・・・・・・・・・・・・・・・・・・・・・・・・・・・・・・・・・・・・・・・・・ 79 CLIP(FOR WATER BY-PASS HOSE) ・・・・・・・・・・・・・・・・・・・・・・・・・・・・・・・・・・・・・・・・・・・・・・・・・・・・・・ 79 CLIP(FOR WATER BY-PASS HOSE) ・・・・・・・・・・・・・・・・・・・・・・・・・・・・・・・・・・・・・・・・・・・・・・・・・・・・・・ 79 CLIP, BACK WINDOW GLASS, LH ・・・・・・・・・・・・・・・・・・・・・・・・・・・・・・・・・・・・・・・・・・・・・・・・・・・・・・・ 258 CLIP, BACK WINDOW GLASS, RH ・・・・・・・・・・・・・・・・・・・・・・・・・・・・・・・・・・・・・・・・・・・・・・・・・・・・・・・ 258 CLIP, CENTER PILLER GARNISH ・・・・・・・・・・・・・・・・・・・・・・・・・・・・・・・・・・・・・・・・・・・・・・・・・・・・・・・ 231 CLIP, CENTER PILLER GARNISH ・・・・・・・・・・・・・・・・・・・・・・・・・・・・・・・・・・・・・・・・・・・・・・・・・・・・・・・ 231 CLIP, COWL TOP VENTILATOR LOUVER ・・・・・・・・・・・・・・・・・・・・・・・・・・・・・・・・・・・・・・・・・・・・・・・・・・ 193 CLIP, COWL TOP VENTILATOR LOUVER ・・・・・・・・・・・・・・・・・・・・・・・・・・・・・・・・・・・・・・・・・・・・・・・・・・ 193 CLIP, COWL TOP VENTILATOR LOUVER ・・・・・・・・・・・・・・・・・・・・・・・・・・・・・・・・・・・・・・・・・・・・・・・・・・ 193 CLIP, FRONT DOOR WEATHERSTRIP ・・・・・・・・・・・・・・・・・・・・・・・・・・・・・・・・・・・・・・・・・・・・・・・・・・・・・ 242 CLIP, FRONT DOOR WEATHERSTRIP ・・・・・・・・・・・・・・・・・・・・・・・・・・・・・・・・・・・・・・・・・・・・・・・・・・・・・ 242 CLIP, FRONT FENDER LINER ・・・・・・・・・・・・・・・・・・・・・・・・・・・・・・・・・・・・・・・・・・・・・・・・・・・・・・・・・・ 179 CLIP, FRONT FENDER LINER ・・・・・・・・・・・・・・・・・・・・・・・・・・・・・・・・・・・・・・・・・・・・・・・・・・・・・・・・・・ 179 CLIP, FRONT PILLAR GARNISH ・・・・・・・・・・・・・・・・・・・・・・・・・・・・・・・・・・・・・・・・・・・・・・・・・・・・・・・・ 231 CLIP, INSTRUMENT PANEL ・・・・・・・・・・・・・・・・・・・・・・・・・・・・・・・・・・・・・・・・・・・・・・・・・・・・・・・・・・・・ 190 CLIP, NO.1(FOR COWL SIDE TRIM) ・・・・・・・・・・・・・・・・・・・・・・・・・・・・・・・・・・・・・・・・・・・・・・・・・・・・ 231 CLIP, PANEL, INSTRUMENT CLUSTER FINISH, END ・・・・・・・・・・・・・・・・・・・・・・・・・・・・・・・・・・・・・・・ 190 CLIP, RADIATOR HOSE, NO.1 ・・・・・・・・・・・・・・・・・・・・・・・・・・・・・・・・・・・・・・・・・・・・・・・・・・・・・・・・・ 80 CLIP, RADIATOR HOSE, NO.2 ・・・・・・・・・・・・・・・・・・・・・・・・・・・・・・・・・・・・・・・・・・・・・・・・・・・・・・・・・ 80 CLIP, REAR BUMPER SIDE ・・・・・・・・・・・・・・・・・・・・・・・・・・・・・・・・・・・・・・・・・・・・・・・・・・・・・・・・・・・・ 174 CLIP, REAR DOOR SCUFF PLATE ・・・・・・・・・・・・・・・・・・・・・・・・・・・・・・・・・・・・・・・・・・・・・・・・・・・・・・・ 232 CLIP, REAR DOOR WEATHERSTRIP, LH ・・・・・・・・・・・・・・・・・・・・・・・・・・・・・・・・・・・・・・・・・・・・・・・・・・ 250 CLIP, REAR DOOR WEATHERSTRIP, RH ・・・・・・・・・・・・・・・・・・・・・・・・・・・・・・・・・・・・・・・・・・・・・・・・・・ 250 CLIP, REAR LAMP ・・・・・・・・・・・・・・・・・・・・・・・・・・・・・・・・・・・・・・・・・・・・・・・・・・・・・・・・・・・・・・・・・・・ 314 CLIP, RELEASE BEARING HUB ・・・・・・・・・・・・・・・・・・・・・・・・・・・・・・・・・・・・・・・・・・・・・・・・・・・・・・・・・ 97 CLIP, ROOF DRIP SIDE FINISH MOULDING ・・・・・・・・・・・・・・・・・・・・・・・・・・・・・・・・・・・・・・・・・・・・・・ 299 CLIP, ROOF HEADLINING ・・・・・・・・・・・・・・・・・・・・・・・・・・・・・・・・・・・・・・・・・・・・・・・・・・・・・・・・・・・・・ 234 CLIP(FOR - CLIP, 20
  • 21.
    PART NAME PAGE CLIP,ROOF SIDE INNER GARNISH ・・・・・・・・・・・・・・・・・・・・・・・・・・・・・・・・・・・・・・・・・・・・・・・・・・・・・ 232 CLIP, RR COMBINATION LAMP, LH ・・・・・・・・・・・・・・・・・・・・・・・・・・・・・・・・・・・・・・・・・・・・・・・・・・・・・ 314 CLIP, RR COMBINATION LAMP, RH ・・・・・・・・・・・・・・・・・・・・・・・・・・・・・・・・・・・・・・・・・・・・・・・・・・・・・ 314 CLIP, TRANSMISSION CONTROL CABLE ADJUST ・・・・・・・・・・・・・・・・・・・・・・・・・・・・・・・・・・・・・・・・・・・ 116 CLIP, TUBE JOINT ・・・・・・・・・・・・・・・・・・・・・・・・・・・・・・・・・・・・・・・・・・・・・・・・・・・・・・・・・・・・・・・・・・ 305 CLUTCH ASSY, MAGNET ・・・・・・・・・・・・・・・・・・・・・・・・・・・・・・・・・・・・・・・・・・・・・・・・・・・・・・・・・・・・・・・ 387 CLUTCH SUB-ASSY, STARTER CENTER BEARING ・・・・・・・・・・・・・・・・・・・・・・・・・・・・・・・・・・・・・・・・・・・ 94 COIL ASSY, IGNITION ・・・・・・・・・・・・・・・・・・・・・・・・・・・・・・・・・・・・・・・・・・・・・・・・・・・・・・・・・・・・・・・ 90 COLLAR(FOR AIR CLEANER) ・・・・・・・・・・・・・・・・・・・・・・・・・・・・・・・・・・・・・・・・・・・・・・・・・・・・・・・・・・・ 87 COLLAR, BRAKE ACTUATOR CASE, NO.1 ・・・・・・・・・・・・・・・・・・・・・・・・・・・・・・・・・・・・・・・・・・・・・・・・・ 157 COMPRESSOR ASSY, COOLER ・・・・・・・・・・・・・・・・・・・・・・・・・・・・・・・・・・・・・・・・・・・・・・・・・・・・・・・・・・・ 387 COMPUTER ASSY, AIR BAG ・・・・・・・・・・・・・・・・・・・・・・・・・・・・・・・・・・・・・・・・・・・・・・・・・・・・・・・・・・・・ 355 COMPUTER ASSY, CLEARANCE WARNING ・・・・・・・・・・・・・・・・・・・・・・・・・・・・・・・・・・・・・・・・・・・・・・・・・・ 350 COMPUTER ASSY, POWER STEERING ・・・・・・・・・・・・・・・・・・・・・・・・・・・・・・・・・・・・・・・・・・・・・・・・・・・・・ 341 COMPUTER ASSY, POWER STEERING ・・・・・・・・・・・・・・・・・・・・・・・・・・・・・・・・・・・・・・・・・・・・・・・・・・・・・ 342 COMPUTER, FUEL INJECTION ・・・・・・・・・・・・・・・・・・・・・・・・・・・・・・・・・・・・・・・・・・・・・・・・・・・・・・・・・・ 344 COMPUTER, NETWORK GATEWAY ・・・・・・・・・・・・・・・・・・・・・・・・・・・・・・・・・・・・・・・・・・・・・・・・・・・・・・・・・ 341 CONDENSER ASSY, COOLER ・・・・・・・・・・・・・・・・・・・・・・・・・・・・・・・・・・・・・・・・・・・・・・・・・・・・・・・・・・・・ 385 CONNECTOR SUB-ASSY, TRANS SOLENOID ・・・・・・・・・・・・・・・・・・・・・・・・・・・・・・・・・・・・・・・・・・・・・・・・ 123 CONTROL ASSY, HEATER ・・・・・・・・・・・・・・・・・・・・・・・・・・・・・・・・・・・・・・・・・・・・・・・・・・・・・・・・・・・・・・ 381 CONVERTER ASSY, TORQUE ・・・・・・・・・・・・・・・・・・・・・・・・・・・・・・・・・・・・・・・・・・・・・・・・・・・・・・・・・・・・ 125 CONVERTER SUB-ASSY, EXHAUST MANIFOLD ・・・・・・・・・・・・・・・・・・・・・・・・・・・・・・・・・・・・・・・・・・・・・・ 83 COOLER ASSY, TRANSMISSION OIL ・・・・・・・・・・・・・・・・・・・・・・・・・・・・・・・・・・・・・・・・・・・・・・・・・・・・・ 127 CORD SUB-ASSY, ANTENNA ・・・・・・・・・・・・・・・・・・・・・・・・・・・・・・・・・・・・・・・・・・・・・・・・・・・・・・・・・・・・ 365 COVER ASSY, CLUTCH ・・・・・・・・・・・・・・・・・・・・・・・・・・・・・・・・・・・・・・・・・・・・・・・・・・・・・・・・・・・・・・・・ 97 COVER ASSY, SHIFTING HOLE ・・・・・・・・・・・・・・・・・・・・・・・・・・・・・・・・・・・・・・・・・・・・・・・・・・・・・・・・・ 211 COVER REAR SEAT RECLINING, RH ・・・・・・・・・・・・・・・・・・・・・・・・・・・・・・・・・・・・・・・・・・・・・・・・・・・・・ 277 COVER SUB-ASSY, BACK DOOR SERVICE HOLE, NO.1 ・・・・・・・・・・・・・・・・・・・・・・・・・・・・・・・・・・・・・・ 237 COVER SUB-ASSY, BACK DOOR SERVICE HOLE, NO.2 ・・・・・・・・・・・・・・・・・・・・・・・・・・・・・・・・・・・・・・ 237 COVER SUB-ASSY, BACK DOOR SERVICE HOLE, NO.3 ・・・・・・・・・・・・・・・・・・・・・・・・・・・・・・・・・・・・・・ 237 COVER SUB-ASSY, CYLINDER HEAD ・・・・・・・・・・・・・・・・・・・・・・・・・・・・・・・・・・・・・・・・・・・・・・・・・・・・・ 57 COVER SUB-ASSY, NO.1 SEAT BACK, LH ・・・・・・・・・・・・・・・・・・・・・・・・・・・・・・・・・・・・・・・・・・・・・・・・ 283 COVER SUB-ASSY, NO.1 SEAT BACK, RH ・・・・・・・・・・・・・・・・・・・・・・・・・・・・・・・・・・・・・・・・・・・・・・・・ 283 COVER SUB-ASSY, NO.1 SEAT CUSHION, LH ・・・・・・・・・・・・・・・・・・・・・・・・・・・・・・・・・・・・・・・・・・・・・ 283 COVER SUB-ASSY, NO.2 SEAT BACK, LH ・・・・・・・・・・・・・・・・・・・・・・・・・・・・・・・・・・・・・・・・・・・・・・・・ 283 COVER SUB-ASSY, NO.2 SEAT BACK, RH ・・・・・・・・・・・・・・・・・・・・・・・・・・・・・・・・・・・・・・・・・・・・・・・・ 283 COVER SUB-ASSY, NO.2 SEAT CUSHION ・・・・・・・・・・・・・・・・・・・・・・・・・・・・・・・・・・・・・・・・・・・・・・・・・ 283 COVER SUB-ASSY, NO.2 SEAT CUSHION, LH ・・・・・・・・・・・・・・・・・・・・・・・・・・・・・・・・・・・・・・・・・・・・・ 283 COVER SUB-ASSY, NO.2 SEAT CUSHION, RH ・・・・・・・・・・・・・・・・・・・・・・・・・・・・・・・・・・・・・・・・・・・・・ 283 COVER SUB-ASSY, REAR NO.1 SEAT ARMREST ・・・・・・・・・・・・・・・・・・・・・・・・・・・・・・・・・・・・・・・・・・・・ 277 COVER SUB-ASSY, REAR SEAT CUSHION, RH ・・・・・・・・・・・・・・・・・・・・・・・・・・・・・・・・・・・・・・・・・・・・・ 273 COVER SUB-ASSY, STEERING COLUMN, LOWER ・・・・・・・・・・・・・・・・・・・・・・・・・・・・・・・・・・・・・・・・・・・・ 140 COVER SUB-ASSY, TIMING CHAIN OR BELT ・・・・・・・・・・・・・・・・・・・・・・・・・・・・・・・・・・・・・・・・・・・・・・ 64 COVER, BATTERY ・・・・・・・・・・・・・・・・・・・・・・・・・・・・・・・・・・・・・・・・・・・・・・・・・・・・・・・・・・・・・・・・・・・・ 293 COVER, CENTER SEAT HINGE, LH ・・・・・・・・・・・・・・・・・・・・・・・・・・・・・・・・・・・・・・・・・・・・・・・・・・・・・・ 274 COVER, CENTER SEAT HINGE, RH ・・・・・・・・・・・・・・・・・・・・・・・・・・・・・・・・・・・・・・・・・・・・・・・・・・・・・・ 274 COVER, CENTER SEAT HINGE, RH ・・・・・・・・・・・・・・・・・・・・・・・・・・・・・・・・・・・・・・・・・・・・・・・・・・・・・・ 274 COVER, CENTER STOP LAMP ・・・・・・・・・・・・・・・・・・・・・・・・・・・・・・・・・・・・・・・・・・・・・・・・・・・・・・・・・・・ 317 COVER, CENTER STOP LAMP ・・・・・・・・・・・・・・・・・・・・・・・・・・・・・・・・・・・・・・・・・・・・・・・・・・・・・・・・・・・ 317 COVER, COMPUTER ・・・・・・・・・・・・・・・・・・・・・・・・・・・・・・・・・・・・・・・・・・・・・・・・・・・・・・・・・・・・・・・・・・・ 355 CLIP, - COVER, PART NAME PAGE COVER, CONNECTOR ・・・・・・・・・・・・・・・・・・・・・・・・・・・・・・・・・・・・・・・・・・・・・・・・・・・・・・・・・・・・・・・・・・ 326 COVER, CONNECTOR ・・・・・・・・・・・・・・・・・・・・・・・・・・・・・・・・・・・・・・・・・・・・・・・・・・・・・・・・・・・・・・・・・・ 326 COVER, CONSOLE, REAR ・・・・・・・・・・・・・・・・・・・・・・・・・・・・・・・・・・・・・・・・・・・・・・・・・・・・・・・・・・・・・・ 212 COVER, DECK SIDE TRIM, RH ・・・・・・・・・・・・・・・・・・・・・・・・・・・・・・・・・・・・・・・・・・・・・・・・・・・・・・・・・ 237 COVER, DECK TRIM, NO.1 ・・・・・・・・・・・・・・・・・・・・・・・・・・・・・・・・・・・・・・・・・・・・・・・・・・・・・・・・・・・・ 237 COVER, DISC BRAKE DUST, FRONT LH ・・・・・・・・・・・・・・・・・・・・・・・・・・・・・・・・・・・・・・・・・・・・・・・・・・ 151 COVER, DISC BRAKE DUST, FRONT RH ・・・・・・・・・・・・・・・・・・・・・・・・・・・・・・・・・・・・・・・・・・・・・・・・・・ 151 COVER, DUST ・・・・・・・・・・・・・・・・・・・・・・・・・・・・・・・・・・・・・・・・・・・・・・・・・・・・・・・・・・・・・・・・・・・・・・・ 140 COVER, ENGINE SIDE UNDER, LH ・・・・・・・・・・・・・・・・・・・・・・・・・・・・・・・・・・・・・・・・・・・・・・・・・・・・・・ 169 COVER, ENGINE SIDE UNDER, RH ・・・・・・・・・・・・・・・・・・・・・・・・・・・・・・・・・・・・・・・・・・・・・・・・・・・・・・ 169 COVER, FLYWHEEL HOUSING SIDE ・・・・・・・・・・・・・・・・・・・・・・・・・・・・・・・・・・・・・・・・・・・・・・・・・・・・・・ 61 COVER, FORWARD RECOGNITION, NO.1 ・・・・・・・・・・・・・・・・・・・・・・・・・・・・・・・・・・・・・・・・・・・・・・・・・・ 366 COVER, FRONT BUMPER ・・・・・・・・・・・・・・・・・・・・・・・・・・・・・・・・・・・・・・・・・・・・・・・・・・・・・・・・・・・・・・・ 172 COVER, FRONT DOOR SERVICE HOLE, LH ・・・・・・・・・・・・・・・・・・・・・・・・・・・・・・・・・・・・・・・・・・・・・・・・ 242 COVER, FRONT DOOR SERVICE HOLE, RH ・・・・・・・・・・・・・・・・・・・・・・・・・・・・・・・・・・・・・・・・・・・・・・・・ 242 COVER, FRONT LH SEAT HINGE ・・・・・・・・・・・・・・・・・・・・・・・・・・・・・・・・・・・・・・・・・・・・・・・・・・・・・・・・ 277 COVER, FRONT RH SEAT HINGE ・・・・・・・・・・・・・・・・・・・・・・・・・・・・・・・・・・・・・・・・・・・・・・・・・・・・・・・・ 273 COVER, FRONT SEAT BACK ・・・・・・・・・・・・・・・・・・・・・・・・・・・・・・・・・・・・・・・・・・・・・・・・・・・・・・・・・・・・ 282 COVER, FRONT SEAT BACK ・・・・・・・・・・・・・・・・・・・・・・・・・・・・・・・・・・・・・・・・・・・・・・・・・・・・・・・・・・・・ 282 COVER, FRONT SEAT BACK ・・・・・・・・・・・・・・・・・・・・・・・・・・・・・・・・・・・・・・・・・・・・・・・・・・・・・・・・・・・・ 282 COVER, FRONT SEAT BACK, LH ・・・・・・・・・・・・・・・・・・・・・・・・・・・・・・・・・・・・・・・・・・・・・・・・・・・・・・・・ 273 COVER, FRONT SEAT BACK, LH ・・・・・・・・・・・・・・・・・・・・・・・・・・・・・・・・・・・・・・・・・・・・・・・・・・・・・・・・ 282 COVER, FRONT SEAT BACK, RH ・・・・・・・・・・・・・・・・・・・・・・・・・・・・・・・・・・・・・・・・・・・・・・・・・・・・・・・・ 282 COVER, FRONT SEAT CUSHION ・・・・・・・・・・・・・・・・・・・・・・・・・・・・・・・・・・・・・・・・・・・・・・・・・・・・・・・・・ 282 COVER, FRONT SEAT CUSHION HINGE, RH ・・・・・・・・・・・・・・・・・・・・・・・・・・・・・・・・・・・・・・・・・・・・・・・ 275 COVER, FRONT SEAT CUSHION, LH ・・・・・・・・・・・・・・・・・・・・・・・・・・・・・・・・・・・・・・・・・・・・・・・・・・・・・ 282 COVER, FRONT SEAT CUSHION, RH ・・・・・・・・・・・・・・・・・・・・・・・・・・・・・・・・・・・・・・・・・・・・・・・・・・・・・ 282 COVER, FRONT SEAT HINGE, LH ・・・・・・・・・・・・・・・・・・・・・・・・・・・・・・・・・・・・・・・・・・・・・・・・・・・・・・・ 277 COVER, FRONT SEAT HINGE, RH ・・・・・・・・・・・・・・・・・・・・・・・・・・・・・・・・・・・・・・・・・・・・・・・・・・・・・・・ 277 COVER, FRONT SEAT HINGE, RH ・・・・・・・・・・・・・・・・・・・・・・・・・・・・・・・・・・・・・・・・・・・・・・・・・・・・・・・ 277 COVER, FRONT SEAT TRACK, UPPER REAR LH ・・・・・・・・・・・・・・・・・・・・・・・・・・・・・・・・・・・・・・・・・・・・ 279 COVER, FRONT SEAT TRACK, UPPER REAR RH ・・・・・・・・・・・・・・・・・・・・・・・・・・・・・・・・・・・・・・・・・・・・ 279 COVER, FRONT SPOILER ・・・・・・・・・・・・・・・・・・・・・・・・・・・・・・・・・・・・・・・・・・・・・・・・・・・・・・・・・・・・・・ 301 COVER, FRONT SUSPENSION SUPPORT DUST, LH ・・・・・・・・・・・・・・・・・・・・・・・・・・・・・・・・・・・・・・・・・・ 164 COVER, FRONT SUSPENSION SUPPORT DUST, RH ・・・・・・・・・・・・・・・・・・・・・・・・・・・・・・・・・・・・・・・・・・ 164 COVER, HOOD HINGE, LH ・・・・・・・・・・・・・・・・・・・・・・・・・・・・・・・・・・・・・・・・・・・・・・・・・・・・・・・・・・・・・ 181 COVER, HOOD HINGE, RH ・・・・・・・・・・・・・・・・・・・・・・・・・・・・・・・・・・・・・・・・・・・・・・・・・・・・・・・・・・・・・ 181 COVER, INPUT SHAFT(MTM) ・・・・・・・・・・・・・・・・・・・・・・・・・・・・・・・・・・・・・・・・・・・・・・・・・・・・・・・・・・・ 108 COVER, INSTRUMENT PANEL HOLE, NO.2 ・・・・・・・・・・・・・・・・・・・・・・・・・・・・・・・・・・・・・・・・・・・・・・・・ 191 COVER, INSTRUMENT PANEL UNDER, NO.1 ・・・・・・・・・・・・・・・・・・・・・・・・・・・・・・・・・・・・・・・・・・・・・・・ 191 COVER, LANE RECOGNITION, NO.1 ・・・・・・・・・・・・・・・・・・・・・・・・・・・・・・・・・・・・・・・・・・・・・・・・・・・・・ 366 COVER, NO.1 SEAT INNER BRACKET ・・・・・・・・・・・・・・・・・・・・・・・・・・・・・・・・・・・・・・・・・・・・・・・・・・・・ 284 COVER, NO.1 SEAT INNER BRACKET, LH ・・・・・・・・・・・・・・・・・・・・・・・・・・・・・・・・・・・・・・・・・・・・・・・・ 284 COVER, NO.1 SEAT OUTER BRACKET ・・・・・・・・・・・・・・・・・・・・・・・・・・・・・・・・・・・・・・・・・・・・・・・・・・・・ 284 COVER, NO.2 SEAT HINGE ・・・・・・・・・・・・・・・・・・・・・・・・・・・・・・・・・・・・・・・・・・・・・・・・・・・・・・・・・・・・ 285 COVER, NO.2 SEAT LEG ・・・・・・・・・・・・・・・・・・・・・・・・・・・・・・・・・・・・・・・・・・・・・・・・・・・・・・・・・・・・・・ 284 COVER, NO.2 SEAT LEG, B ・・・・・・・・・・・・・・・・・・・・・・・・・・・・・・・・・・・・・・・・・・・・・・・・・・・・・・・・・・・ 285 COVER, OIL CONTROL VALVE ・・・・・・・・・・・・・・・・・・・・・・・・・・・・・・・・・・・・・・・・・・・・・・・・・・・・・・・・・・ 58 COVER, OUTER MIRROR, LH ・・・・・・・・・・・・・・・・・・・・・・・・・・・・・・・・・・・・・・・・・・・・・・・・・・・・・・・・・・・ 371 COVER, OUTER MIRROR, LH NO.2 ・・・・・・・・・・・・・・・・・・・・・・・・・・・・・・・・・・・・・・・・・・・・・・・・・・・・・・ 371 COVER, - COVER, 21
  • 22.
    PART NAME PAGE COVER,OUTER MIRROR, LOWER LH ・・・・・・・・・・・・・・・・・・・・・・・・・・・・・・・・・・・・・・・・・・・・・・・・・・・・・ 371 COVER, OUTER MIRROR, LOWER RH ・・・・・・・・・・・・・・・・・・・・・・・・・・・・・・・・・・・・・・・・・・・・・・・・・・・・・ 371 COVER, OUTER MIRROR, RH ・・・・・・・・・・・・・・・・・・・・・・・・・・・・・・・・・・・・・・・・・・・・・・・・・・・・・・・・・・・ 371 COVER, OUTER MIRROR, RH NO.2 ・・・・・・・・・・・・・・・・・・・・・・・・・・・・・・・・・・・・・・・・・・・・・・・・・・・・・・ 371 COVER, OUTPUT SHAFT(MTM) ・・・・・・・・・・・・・・・・・・・・・・・・・・・・・・・・・・・・・・・・・・・・・・・・・・・・・・・・・・ 108 COVER, POWER OUTLET SOCKET, NO.1 ・・・・・・・・・・・・・・・・・・・・・・・・・・・・・・・・・・・・・・・・・・・・・・・・・・ 341 COVER, POWER OUTLET SOCKET, REAR ・・・・・・・・・・・・・・・・・・・・・・・・・・・・・・・・・・・・・・・・・・・・・・・・・・ 341 COVER, REAR BUMPER ・・・・・・・・・・・・・・・・・・・・・・・・・・・・・・・・・・・・・・・・・・・・・・・・・・・・・・・・・・・・・・・・ 174 COVER, REAR DOOR SERVICE HOLE, LH ・・・・・・・・・・・・・・・・・・・・・・・・・・・・・・・・・・・・・・・・・・・・・・・・・ 250 COVER, REAR DOOR SERVICE HOLE, RH ・・・・・・・・・・・・・・・・・・・・・・・・・・・・・・・・・・・・・・・・・・・・・・・・・ 250 COVER, REAR FLOOR SERVICE HOLE ・・・・・・・・・・・・・・・・・・・・・・・・・・・・・・・・・・・・・・・・・・・・・・・・・・・・ 205 COVER, REAR SEAT CUSHION HINGE, INNER RH ・・・・・・・・・・・・・・・・・・・・・・・・・・・・・・・・・・・・・・・・・・ 276 COVER, REAR SEAT CUSHION HINGE, LOWER LH ・・・・・・・・・・・・・・・・・・・・・・・・・・・・・・・・・・・・・・・・・・ 276 COVER, REAR SEAT CUSHION HINGE, LOWER RH ・・・・・・・・・・・・・・・・・・・・・・・・・・・・・・・・・・・・・・・・・・ 276 COVER, REAR SEAT CUSHION HINGE, OUTER LH ・・・・・・・・・・・・・・・・・・・・・・・・・・・・・・・・・・・・・・・・・・ 275 COVER, REAR SEAT CUSHION LH ・・・・・・・・・・・・・・・・・・・・・・・・・・・・・・・・・・・・・・・・・・・・・・・・・・・・・・・ 283 COVER, REAR SEAT CUSHION, RH ・・・・・・・・・・・・・・・・・・・・・・・・・・・・・・・・・・・・・・・・・・・・・・・・・・・・・・ 283 COVER, REAR SEAT HINGE ・・・・・・・・・・・・・・・・・・・・・・・・・・・・・・・・・・・・・・・・・・・・・・・・・・・・・・・・・・・・ 274 COVER, REAR SEAT HINGE ・・・・・・・・・・・・・・・・・・・・・・・・・・・・・・・・・・・・・・・・・・・・・・・・・・・・・・・・・・・・ 274 COVER, REAR SEAT HINGE, LH ・・・・・・・・・・・・・・・・・・・・・・・・・・・・・・・・・・・・・・・・・・・・・・・・・・・・・・・・ 274 COVER, REAR SEAT HINGE, NO.2 RH ・・・・・・・・・・・・・・・・・・・・・・・・・・・・・・・・・・・・・・・・・・・・・・・・・・・ 274 COVER, REAR SEAT HINGE, RH ・・・・・・・・・・・・・・・・・・・・・・・・・・・・・・・・・・・・・・・・・・・・・・・・・・・・・・・・ 274 COVER, REAR SEAT LEG SIDE, LH ・・・・・・・・・・・・・・・・・・・・・・・・・・・・・・・・・・・・・・・・・・・・・・・・・・・・・ 285 COVER, REAR SEAT LEG SIDE, RH ・・・・・・・・・・・・・・・・・・・・・・・・・・・・・・・・・・・・・・・・・・・・・・・・・・・・・ 285 COVER, REAR SEAT LEG, LH ・・・・・・・・・・・・・・・・・・・・・・・・・・・・・・・・・・・・・・・・・・・・・・・・・・・・・・・・・・ 285 COVER, REAR SEAT LEG, RH ・・・・・・・・・・・・・・・・・・・・・・・・・・・・・・・・・・・・・・・・・・・・・・・・・・・・・・・・・・ 285 COVER, REAR SEAT LOCK, INNER LH ・・・・・・・・・・・・・・・・・・・・・・・・・・・・・・・・・・・・・・・・・・・・・・・・・・・ 276 COVER, REAR SEAT LOCK, INNER RH ・・・・・・・・・・・・・・・・・・・・・・・・・・・・・・・・・・・・・・・・・・・・・・・・・・・ 275 COVER, REAR SEAT LOCK, OUTER LH ・・・・・・・・・・・・・・・・・・・・・・・・・・・・・・・・・・・・・・・・・・・・・・・・・・・ 275 COVER, REAR SEAT LOCK, OUTER RH ・・・・・・・・・・・・・・・・・・・・・・・・・・・・・・・・・・・・・・・・・・・・・・・・・・・ 275 COVER, REAR SEAT REAR BRACKET, LH ・・・・・・・・・・・・・・・・・・・・・・・・・・・・・・・・・・・・・・・・・・・・・・・・・ 285 COVER, REAR SEAT RECLINING, INNER LH ・・・・・・・・・・・・・・・・・・・・・・・・・・・・・・・・・・・・・・・・・・・・・・ 278 COVER, REAR SEAT RECLINING, INNER LH ・・・・・・・・・・・・・・・・・・・・・・・・・・・・・・・・・・・・・・・・・・・・・・ 278 COVER, REAR SEAT RECLINING, INNER RH ・・・・・・・・・・・・・・・・・・・・・・・・・・・・・・・・・・・・・・・・・・・・・・ 277 COVER, REAR SEAT RECLINING, INNER RH ・・・・・・・・・・・・・・・・・・・・・・・・・・・・・・・・・・・・・・・・・・・・・・ 277 COVER, REAR SEAT RECLINING, INNER RH ・・・・・・・・・・・・・・・・・・・・・・・・・・・・・・・・・・・・・・・・・・・・・・ 278 COVER, REAR SEAT RECLINING, LH (FOR LH SEAT) ・・・・・・・・・・・・・・・・・・・・・・・・・・・・・・・・・・・・・・ 277 COVER, REAR SEAT RECLINING, NO.2 LH ・・・・・・・・・・・・・・・・・・・・・・・・・・・・・・・・・・・・・・・・・・・・・・・ 277 COVER, REAR SEAT RECLINING, NO.2 RH ・・・・・・・・・・・・・・・・・・・・・・・・・・・・・・・・・・・・・・・・・・・・・・・ 277 COVER, REAR SEAT TRACK BRACKET, OUTER ・・・・・・・・・・・・・・・・・・・・・・・・・・・・・・・・・・・・・・・・・・・・・ 280 COVER, RECLINING ADJUSTER INSIDE, LH ・・・・・・・・・・・・・・・・・・・・・・・・・・・・・・・・・・・・・・・・・・・・・・ 277 COVER, RECLINING ADJUSTER INSIDE, LH ・・・・・・・・・・・・・・・・・・・・・・・・・・・・・・・・・・・・・・・・・・・・・・ 277 COVER, RECLINING ADJUSTER INSIDE, LH ・・・・・・・・・・・・・・・・・・・・・・・・・・・・・・・・・・・・・・・・・・・・・・ 277 COVER, RECLINING ADJUSTER INSIDE, LH ・・・・・・・・・・・・・・・・・・・・・・・・・・・・・・・・・・・・・・・・・・・・・・ 277 COVER, RECLINING ADJUSTER INSIDE, LH ・・・・・・・・・・・・・・・・・・・・・・・・・・・・・・・・・・・・・・・・・・・・・・ 277 COVER, RECLINING ADJUSTER INSIDE, RH ・・・・・・・・・・・・・・・・・・・・・・・・・・・・・・・・・・・・・・・・・・・・・・ 277 COVER, RECLINING ADJUSTER INSIDE, RH ・・・・・・・・・・・・・・・・・・・・・・・・・・・・・・・・・・・・・・・・・・・・・・ 277 COVER, RECLINING ADJUSTER INSIDE, RH ・・・・・・・・・・・・・・・・・・・・・・・・・・・・・・・・・・・・・・・・・・・・・・ 277 COVER, RECLINING ADJUSTER INSIDE, RH ・・・・・・・・・・・・・・・・・・・・・・・・・・・・・・・・・・・・・・・・・・・・・・ 277 COVER, RECLINING HINGE, LH ・・・・・・・・・・・・・・・・・・・・・・・・・・・・・・・・・・・・・・・・・・・・・・・・・・・・・・・・ 281 COVER, - COVER, PART NAME PAGE COVER, RECLINING HINGE, RH ・・・・・・・・・・・・・・・・・・・・・・・・・・・・・・・・・・・・・・・・・・・・・・・・・・・・・・・・ 281 COVER, RELAY BLOCK, NO.1 ・・・・・・・・・・・・・・・・・・・・・・・・・・・・・・・・・・・・・・・・・・・・・・・・・・・・・・・・・・ 339 COVER, SEAT TRACK BRACKET, INNER FRONT ・・・・・・・・・・・・・・・・・・・・・・・・・・・・・・・・・・・・・・・・・・・・ 279 COVER, SEAT TRACK BRACKET, INNER FRONT RH ・・・・・・・・・・・・・・・・・・・・・・・・・・・・・・・・・・・・・・・・・ 279 COVER, SEAT TRACK BRACKET, INNER LH ・・・・・・・・・・・・・・・・・・・・・・・・・・・・・・・・・・・・・・・・・・・・・・・ 280 COVER, SEAT TRACK BRACKET, INNER REAR LH ・・・・・・・・・・・・・・・・・・・・・・・・・・・・・・・・・・・・・・・・・・ 280 COVER, SEAT TRACK BRACKET, INNER REAR RH ・・・・・・・・・・・・・・・・・・・・・・・・・・・・・・・・・・・・・・・・・・ 280 COVER, SEAT TRACK BRACKET, INNER RH ・・・・・・・・・・・・・・・・・・・・・・・・・・・・・・・・・・・・・・・・・・・・・・・ 280 COVER, SEAT TRACK UPPER RAIL ・・・・・・・・・・・・・・・・・・・・・・・・・・・・・・・・・・・・・・・・・・・・・・・・・・・・・・ 280 COVER, SEAT TRACK UPPER RAIL, LH ・・・・・・・・・・・・・・・・・・・・・・・・・・・・・・・・・・・・・・・・・・・・・・・・・・ 280 COVER, SEAT TRACK UPPER RAIL, RH ・・・・・・・・・・・・・・・・・・・・・・・・・・・・・・・・・・・・・・・・・・・・・・・・・・ 280 COVER, SEAT TRACK, LH ・・・・・・・・・・・・・・・・・・・・・・・・・・・・・・・・・・・・・・・・・・・・・・・・・・・・・・・・・・・・・ 280 COVER, SEAT TRACK, NO.1 ・・・・・・・・・・・・・・・・・・・・・・・・・・・・・・・・・・・・・・・・・・・・・・・・・・・・・・・・・・・ 279 COVER, SEAT TRACK, UPPER REAR ・・・・・・・・・・・・・・・・・・・・・・・・・・・・・・・・・・・・・・・・・・・・・・・・・・・・・ 279 COVER, SEAT TRACK, UPPER REAR LH ・・・・・・・・・・・・・・・・・・・・・・・・・・・・・・・・・・・・・・・・・・・・・・・・・・ 279 COVER, SPARE SWITCH HOLE ・・・・・・・・・・・・・・・・・・・・・・・・・・・・・・・・・・・・・・・・・・・・・・・・・・・・・・・・・・ 191 COVER, SPARE SWITCH HOLE ・・・・・・・・・・・・・・・・・・・・・・・・・・・・・・・・・・・・・・・・・・・・・・・・・・・・・・・・・・ 191 COVER, SPARE SWITCH HOLE ・・・・・・・・・・・・・・・・・・・・・・・・・・・・・・・・・・・・・・・・・・・・・・・・・・・・・・・・・・ 191 COVER, SPARE SWITCH HOLE ・・・・・・・・・・・・・・・・・・・・・・・・・・・・・・・・・・・・・・・・・・・・・・・・・・・・・・・・・・ 191 COVER, SPARE SWITCH HOLE ・・・・・・・・・・・・・・・・・・・・・・・・・・・・・・・・・・・・・・・・・・・・・・・・・・・・・・・・・・ 211 COVER, SPARE WHEEL ・・・・・・・・・・・・・・・・・・・・・・・・・・・・・・・・・・・・・・・・・・・・・・・・・・・・・・・・・・・・・・・・ 237 COVER, STEERING COLUMN, LWR ・・・・・・・・・・・・・・・・・・・・・・・・・・・・・・・・・・・・・・・・・・・・・・・・・・・・・・・ 140 COVER, STEERING COLUMN, UPPER ・・・・・・・・・・・・・・・・・・・・・・・・・・・・・・・・・・・・・・・・・・・・・・・・・・・・・ 140 COVER, STEERING COLUMN, UPR ・・・・・・・・・・・・・・・・・・・・・・・・・・・・・・・・・・・・・・・・・・・・・・・・・・・・・・・ 140 COVER, TRANSMITTER HOUSING ・・・・・・・・・・・・・・・・・・・・・・・・・・・・・・・・・・・・・・・・・・・・・・・・・・・・・・・・ 262 COVER, TRANSMITTER HOUSING ・・・・・・・・・・・・・・・・・・・・・・・・・・・・・・・・・・・・・・・・・・・・・・・・・・・・・・・・ 262 COVER, VERTICAL ADJUSTER RH ・・・・・・・・・・・・・・・・・・・・・・・・・・・・・・・・・・・・・・・・・・・・・・・・・・・・・・・ 280 CRANKSHAFT ・・・・・・・・・・・・・・・・・・・・・・・・・・・・・・・・・・・・・・・・・・・・・・・・・・・・・・・・・・・・・・・・・・・・・・・・ 70 CROSSMEMBER SUB-ASSY, FRONT SUSPENSION ・・・・・・・・・・・・・・・・・・・・・・・・・・・・・・・・・・・・・・・・・・・・ 169 CUP KIT, REAR WHEEL CYLINDER ・・・・・・・・・・・・・・・・・・・・・・・・・・・・・・・・・・・・・・・・・・・・・・・・・・・・・・ 153 CUP, SHOE HOLD DOWN SPRING(FOR REAR BRAKE) ・・・・・・・・・・・・・・・・・・・・・・・・・・・・・・・・・・・・・・・・ 153 CUSHION(FOR BACK DOOR PANEL) ・・・・・・・・・・・・・・・・・・・・・・・・・・・・・・・・・・・・・・・・・・・・・・・・・・・・・・ 258 CUSHION, BACK DOOR LOWER STOPPER ・・・・・・・・・・・・・・・・・・・・・・・・・・・・・・・・・・・・・・・・・・・・・・・・・・ 258 CUSHION, BRAKE ACTUATOR BOLT ・・・・・・・・・・・・・・・・・・・・・・・・・・・・・・・・・・・・・・・・・・・・・・・・・・・・・・ 157 CUSHION, FRONT DOOR PANEL ・・・・・・・・・・・・・・・・・・・・・・・・・・・・・・・・・・・・・・・・・・・・・・・・・・・・・・・・・ 241 CUSHION, GLOVE COMPARTMENT DOOR CHECK ・・・・・・・・・・・・・・・・・・・・・・・・・・・・・・・・・・・・・・・・・・・・・ 191 CUSHION, INSTRUMENT PANEL ・・・・・・・・・・・・・・・・・・・・・・・・・・・・・・・・・・・・・・・・・・・・・・・・・・・・・・・・・ 190 CUSHION, INSTRUMENT PANEL, NO.3 ・・・・・・・・・・・・・・・・・・・・・・・・・・・・・・・・・・・・・・・・・・・・・・・・・・・ 190 CUSHION, NO.1(FOR CLUTCH PEDAL) ・・・・・・・・・・・・・・・・・・・・・・・・・・・・・・・・・・・・・・・・・・・・・・・・・・・ 98 CUSHION, NO.2(FOR CLUTCH PEDAL) ・・・・・・・・・・・・・・・・・・・・・・・・・・・・・・・・・・・・・・・・・・・・・・・・・・・ 98 CUSHION, REAR DOOR, LH ・・・・・・・・・・・・・・・・・・・・・・・・・・・・・・・・・・・・・・・・・・・・・・・・・・・・・・・・・・・・ 251 CUSHION, REAR DOOR, RH ・・・・・・・・・・・・・・・・・・・・・・・・・・・・・・・・・・・・・・・・・・・・・・・・・・・・・・・・・・・・ 251 CUSHION, REAR LICENCE PLATE ・・・・・・・・・・・・・・・・・・・・・・・・・・・・・・・・・・・・・・・・・・・・・・・・・・・・・・・ 258 CUSHION, REAR SEAT ・・・・・・・・・・・・・・・・・・・・・・・・・・・・・・・・・・・・・・・・・・・・・・・・・・・・・・・・・・・・・・・・ 273 CUSHION, REAR SEAT ・・・・・・・・・・・・・・・・・・・・・・・・・・・・・・・・・・・・・・・・・・・・・・・・・・・・・・・・・・・・・・・・ 273 CYLINDER & KEY SET, DOOR LOCK, RH ・・・・・・・・・・・・・・・・・・・・・・・・・・・・・・・・・・・・・・・・・・・・・・・・・ 262 CYLINDER & KEY SET, IGNITION SWITCH LOCK ・・・・・・・・・・・・・・・・・・・・・・・・・・・・・・・・・・・・・・・・・・ 262 CYLINDER ASSY, CLUTCH MASTER ・・・・・・・・・・・・・・・・・・・・・・・・・・・・・・・・・・・・・・・・・・・・・・・・・・・・・・ 100 CYLINDER ASSY, CLUTCH RELEASE ・・・・・・・・・・・・・・・・・・・・・・・・・・・・・・・・・・・・・・・・・・・・・・・・・・・・・ 101 CYLINDER ASSY, DISC BRAKE, LH ・・・・・・・・・・・・・・・・・・・・・・・・・・・・・・・・・・・・・・・・・・・・・・・・・・・・・ 151 COVER, - CYLINDER 22
  • 23.
    PART NAME PAGE CYLINDERASSY, FRONT DISC BRAKE, RH ・・・・・・・・・・・・・・・・・・・・・・・・・・・・・・・・・・・・・・・・・・・・・・・ 151 CYLINDER ASSY, REAR WHEEL BRAKE(FOR LH, FRONT OR UPPER) ・・・・・・・・・・・・・・・・・・・・・・・・・・・ 153 CYLINDER ASSY, REAR WHEEL BRAKE(FOR RH, FRONT OR UPPER) ・・・・・・・・・・・・・・・・・・・・・・・・・・・ 153 CYLINDER KIT, CLUTCH MASTER ・・・・・・・・・・・・・・・・・・・・・・・・・・・・・・・・・・・・・・・・・・・・・・・・・・・・・・・ 100 CYLINDER KIT, DISC BRAKE, FRONT ・・・・・・・・・・・・・・・・・・・・・・・・・・・・・・・・・・・・・・・・・・・・・・・・・・・ 151 CYLINDER SET, LOCK ・・・・・・・・・・・・・・・・・・・・・・・・・・・・・・・・・・・・・・・・・・・・・・・・・・・・・・・・・・・・・・・・ 262 CYLINDER SET, LOCK W/TRANSPONDER KEY TRANSMITTER ・・・・・・・・・・・・・・・・・・・・・・・・・・・・・・・・・・ 262 CYLINDER SUB-ASSY, BRAKE MASTER ・・・・・・・・・・・・・・・・・・・・・・・・・・・・・・・・・・・・・・・・・・・・・・・・・・・ 148 DAM, QUARTER WINDOW GLASS ADHESIVE, LH ・・・・・・・・・・・・・・・・・・・・・・・・・・・・・・・・・・・・・・・・・・・・ 226 DAM, QUARTER WINDOW GLASS ADHESIVE, RH ・・・・・・・・・・・・・・・・・・・・・・・・・・・・・・・・・・・・・・・・・・・・ 226 DAM, WINDOW GLASS ADHESIVE ・・・・・・・・・・・・・・・・・・・・・・・・・・・・・・・・・・・・・・・・・・・・・・・・・・・・・・・・ 194 DAM, WINDOW GLASS ADHESIVE ・・・・・・・・・・・・・・・・・・・・・・・・・・・・・・・・・・・・・・・・・・・・・・・・・・・・・・・・ 194 DAMPER, CHAIN VIBRATION, NO.2 ・・・・・・・・・・・・・・・・・・・・・・・・・・・・・・・・・・・・・・・・・・・・・・・・・・・・・ 71 DISC ASSY, CLUTCH ・・・・・・・・・・・・・・・・・・・・・・・・・・・・・・・・・・・・・・・・・・・・・・・・・・・・・・・・・・・・・・・・・ 97 DISC, FRONT ・・・・・・・・・・・・・・・・・・・・・・・・・・・・・・・・・・・・・・・・・・・・・・・・・・・・・・・・・・・・・・・・・・・・・・・ 138 DOOR ASSY, GLOVE COMPARTMENT ・・・・・・・・・・・・・・・・・・・・・・・・・・・・・・・・・・・・・・・・・・・・・・・・・・・・・・ 191 DOOR SUB-ASSY, CONSOLE COMPARTMENT ・・・・・・・・・・・・・・・・・・・・・・・・・・・・・・・・・・・・・・・・・・・・・・・・ 211 DRUM SUB-ASSY, REAR BRAKE ・・・・・・・・・・・・・・・・・・・・・・・・・・・・・・・・・・・・・・・・・・・・・・・・・・・・・・・・・ 129 DRYER, COOLER ・・・・・・・・・・・・・・・・・・・・・・・・・・・・・・・・・・・・・・・・・・・・・・・・・・・・・・・・・・・・・・・・・・・・・ 385 DUCT ASSY, AIR ・・・・・・・・・・・・・・・・・・・・・・・・・・・・・・・・・・・・・・・・・・・・・・・・・・・・・・・・・・・・・・・・・・・・ 381 DUCT ASSY, QUARTER VENT, LH ・・・・・・・・・・・・・・・・・・・・・・・・・・・・・・・・・・・・・・・・・・・・・・・・・・・・・・・ 229 DUCT ASSY, QUARTER VENT, RH ・・・・・・・・・・・・・・・・・・・・・・・・・・・・・・・・・・・・・・・・・・・・・・・・・・・・・・・ 229 DUCT SUB-ASSY, HEATER TO REGISTER, CENTER ・・・・・・・・・・・・・・・・・・・・・・・・・・・・・・・・・・・・・・・・・ 381 DUCT, QUARTER VENT ・・・・・・・・・・・・・・・・・・・・・・・・・・・・・・・・・・・・・・・・・・・・・・・・・・・・・・・・・・・・・・・・ 229 DUCT, QUARTER VENT, LH ・・・・・・・・・・・・・・・・・・・・・・・・・・・・・・・・・・・・・・・・・・・・・・・・・・・・・・・・・・・・ 229 ELEMENT SUB-ASSY, AIR CLEANER FILTER ・・・・・・・・・・・・・・・・・・・・・・・・・・・・・・・・・・・・・・・・・・・・・・ 87 ELEMENT, AIR REFINER ・・・・・・・・・・・・・・・・・・・・・・・・・・・・・・・・・・・・・・・・・・・・・・・・・・・・・・・・・・・・・・ 376 EMBLEM, BACK DOOR, NO.1 ・・・・・・・・・・・・・・・・・・・・・・・・・・・・・・・・・・・・・・・・・・・・・・・・・・・・・・・・・・・ 297 EMBLEM, RADIATOR GRILLE (OR FRONT PANEL) ・・・・・・・・・・・・・・・・・・・・・・・・・・・・・・・・・・・・・・・・・・ 297 END SUB-ASSY, STEERING RACK ・・・・・・・・・・・・・・・・・・・・・・・・・・・・・・・・・・・・・・・・・・・・・・・・・・・・・・・ 144 END SUB-ASSY, STEERING RACK, NO.2 ・・・・・・・・・・・・・・・・・・・・・・・・・・・・・・・・・・・・・・・・・・・・・・・・・ 144 END SUB-ASSY, TIE ROD, LH ・・・・・・・・・・・・・・・・・・・・・・・・・・・・・・・・・・・・・・・・・・・・・・・・・・・・・・・・・ 144 END SUB-ASSY, TIE ROD, RH ・・・・・・・・・・・・・・・・・・・・・・・・・・・・・・・・・・・・・・・・・・・・・・・・・・・・・・・・・ 144 ENGINE ASSY, PARTIAL ・・・・・・・・・・・・・・・・・・・・・・・・・・・・・・・・・・・・・・・・・・・・・・・・・・・・・・・・・・・・・・ 51 EVAPORATOR SUB-ASSY (REAR) ・・・・・・・・・・・・・・・・・・・・・・・・・・・・・・・・・・・・・・・・・・・・・・・・・・・・・・・・ 376 EVAPORATOR SUB-ASSY, COOLER, NO.1 ・・・・・・・・・・・・・・・・・・・・・・・・・・・・・・・・・・・・・・・・・・・・・・・・・ 376 EXTENSION SUB-ASSY, FRONT FENDER APRON, LH ・・・・・・・・・・・・・・・・・・・・・・・・・・・・・・・・・・・・・・・・ 200 EXTENSION SUB-ASSY, JACK HANDLE ・・・・・・・・・・・・・・・・・・・・・・・・・・・・・・・・・・・・・・・・・・・・・・・・・・・ 50 EXTENSION, CENTER BODY PILLAR, UPPER LH ・・・・・・・・・・・・・・・・・・・・・・・・・・・・・・・・・・・・・・・・・・・ 223 EXTENSION, CENTER BODY PILLAR, UPPER RH ・・・・・・・・・・・・・・・・・・・・・・・・・・・・・・・・・・・・・・・・・・・ 223 EXTENSION, QUARTER PANEL, LOWER LH ・・・・・・・・・・・・・・・・・・・・・・・・・・・・・・・・・・・・・・・・・・・・・・・・ 224 EXTENSION, QUARTER PANEL, LOWER RH ・・・・・・・・・・・・・・・・・・・・・・・・・・・・・・・・・・・・・・・・・・・・・・・・ 224 EXTENSION, QUARTER PANEL, OUTER LH ・・・・・・・・・・・・・・・・・・・・・・・・・・・・・・・・・・・・・・・・・・・・・・・・ 224 EXTENSION, QUARTER PANEL, OUTER RH ・・・・・・・・・・・・・・・・・・・・・・・・・・・・・・・・・・・・・・・・・・・・・・・・ 224 EXTENSION, QUARTER PANEL, REAR LOWER LH ・・・・・・・・・・・・・・・・・・・・・・・・・・・・・・・・・・・・・・・・・・・ 224 EXTENSION, QUARTER PANEL, REAR LOWER RH ・・・・・・・・・・・・・・・・・・・・・・・・・・・・・・・・・・・・・・・・・・・ 224 EXTENSION, QUARTER PANEL, UPPER LH ・・・・・・・・・・・・・・・・・・・・・・・・・・・・・・・・・・・・・・・・・・・・・・・・ 224 EXTENSION, QUARTER PANEL, UPPER RH ・・・・・・・・・・・・・・・・・・・・・・・・・・・・・・・・・・・・・・・・・・・・・・・・ 224 EXTENSION, REAR FLOOR SIDE MEMBER, REAR LH ・・・・・・・・・・・・・・・・・・・・・・・・・・・・・・・・・・・・・・・・ 204 EXTENSION, REAR FLOOR SIDE MEMBER, REAR RH ・・・・・・・・・・・・・・・・・・・・・・・・・・・・・・・・・・・・・・・・ 204 CYLINDER - EXTENSION, PART NAME PAGE EXTENSION, ROCKER, OUTER LH ・・・・・・・・・・・・・・・・・・・・・・・・・・・・・・・・・・・・・・・・・・・・・・・・・・・・・・・ 223 EXTENSION, ROCKER, OUTER RH ・・・・・・・・・・・・・・・・・・・・・・・・・・・・・・・・・・・・・・・・・・・・・・・・・・・・・・・ 223 EXTINGUISHER ・・・・・・・・・・・・・・・・・・・・・・・・・・・・・・・・・・・・・・・・・・・・・・・・・・・・・・・・・・・・・・・・・・・・・・ 292 EXTINGUISHER ASSY ・・・・・・・・・・・・・・・・・・・・・・・・・・・・・・・・・・・・・・・・・・・・・・・・・・・・・・・・・・・・・・・・・ 292 FAN ・・・・・・・・・・・・・・・・・・・・・・・・・・・・・・・・・・・・・・・・・・・・・・・・・・・・・・・・・・・・・・・・・・・・・・・・・・・・・・・ 79 FAN ASSY, W/MOTOR ・・・・・・・・・・・・・・・・・・・・・・・・・・・・・・・・・・・・・・・・・・・・・・・・・・・・・・・・・・・・・・・・・ 79 FENDER SUB-ASSY, FRONT LH ・・・・・・・・・・・・・・・・・・・・・・・・・・・・・・・・・・・・・・・・・・・・・・・・・・・・・・・・・ 179 FENDER SUB-ASSY, FRONT RH ・・・・・・・・・・・・・・・・・・・・・・・・・・・・・・・・・・・・・・・・・・・・・・・・・・・・・・・・・ 179 FILTER SUB-ASSY, OIL ・・・・・・・・・・・・・・・・・・・・・・・・・・・・・・・・・・・・・・・・・・・・・・・・・・・・・・・・・・・・・・ 74 FILTER, AIR ・・・・・・・・・・・・・・・・・・・・・・・・・・・・・・・・・・・・・・・・・・・・・・・・・・・・・・・・・・・・・・・・・・・・・・・ 381 FILTER, FUEL PUMP ・・・・・・・・・・・・・・・・・・・・・・・・・・・・・・・・・・・・・・・・・・・・・・・・・・・・・・・・・・・・・・・・・ 305 FILTER, HEATER AIR ・・・・・・・・・・・・・・・・・・・・・・・・・・・・・・・・・・・・・・・・・・・・・・・・・・・・・・・・・・・・・・・・ 381 FILTER, OIL CONTROL VALVE ・・・・・・・・・・・・・・・・・・・・・・・・・・・・・・・・・・・・・・・・・・・・・・・・・・・・・・・・・ 58 FITTING KIT, DISC BRAKE, FRONT ・・・・・・・・・・・・・・・・・・・・・・・・・・・・・・・・・・・・・・・・・・・・・・・・・・・・ 151 FLOOR SHIFT ASSY, TRANSMISSION ・・・・・・・・・・・・・・・・・・・・・・・・・・・・・・・・・・・・・・・・・・・・・・・・・・・・ 116 FLYWHEEL SUB-ASSY ・・・・・・・・・・・・・・・・・・・・・・・・・・・・・・・・・・・・・・・・・・・・・・・・・・・・・・・・・・・・・・・・・ 70 FORK ASSY, GEAR SHIFT, NO.1 ・・・・・・・・・・・・・・・・・・・・・・・・・・・・・・・・・・・・・・・・・・・・・・・・・・・・・・・ 113 FORK ASSY, GEAR SHIFT, NO.2 ・・・・・・・・・・・・・・・・・・・・・・・・・・・・・・・・・・・・・・・・・・・・・・・・・・・・・・・ 113 FORK, CLUTCH RELEASE ・・・・・・・・・・・・・・・・・・・・・・・・・・・・・・・・・・・・・・・・・・・・・・・・・・・・・・・・・・・・・・ 97 FORK, GEAR SHIFT, NO.3 ・・・・・・・・・・・・・・・・・・・・・・・・・・・・・・・・・・・・・・・・・・・・・・・・・・・・・・・・・・・・ 113 FRAME ASSY, FRONT SEAT W/ADJUSTER, LH ・・・・・・・・・・・・・・・・・・・・・・・・・・・・・・・・・・・・・・・・・・・・・ 273 FRAME ASSY, FRONT SEAT W/ADJUSTER, RH ・・・・・・・・・・・・・・・・・・・・・・・・・・・・・・・・・・・・・・・・・・・・・ 273 FRAME ASSY, STARTER COMMUTATOR END ・・・・・・・・・・・・・・・・・・・・・・・・・・・・・・・・・・・・・・・・・・・・・・・・ 94 FRAME SUB-ASSY, FRONT DOOR, FRONT LOWER LH ・・・・・・・・・・・・・・・・・・・・・・・・・・・・・・・・・・・・・・・・ 241 FRAME SUB-ASSY, FRONT DOOR, FRONT LOWER RH ・・・・・・・・・・・・・・・・・・・・・・・・・・・・・・・・・・・・・・・・ 241 FRAME SUB-ASSY, FRONT DOOR, REAR LOWER LH ・・・・・・・・・・・・・・・・・・・・・・・・・・・・・・・・・・・・・・・・・ 241 FRAME SUB-ASSY, FRONT DOOR, REAR LOWER RH ・・・・・・・・・・・・・・・・・・・・・・・・・・・・・・・・・・・・・・・・・ 241 FRAME SUB-ASSY, NO.1 SEAT BACK, LH ・・・・・・・・・・・・・・・・・・・・・・・・・・・・・・・・・・・・・・・・・・・・・・・・ 284 FRAME SUB-ASSY, NO.1 SEAT BACK, RH ・・・・・・・・・・・・・・・・・・・・・・・・・・・・・・・・・・・・・・・・・・・・・・・・ 283 FRAME SUB-ASSY, NO.1 SEAT BACK, RH ・・・・・・・・・・・・・・・・・・・・・・・・・・・・・・・・・・・・・・・・・・・・・・・・ 284 FRAME SUB-ASSY, NO.1 SEAT CUSHION, LH ・・・・・・・・・・・・・・・・・・・・・・・・・・・・・・・・・・・・・・・・・・・・・ 283 FRAME SUB-ASSY, NO.1 SEAT CUSHION, RH ・・・・・・・・・・・・・・・・・・・・・・・・・・・・・・・・・・・・・・・・・・・・・ 283 FRAME SUB-ASSY, NO.2 SEAT BACK, LH ・・・・・・・・・・・・・・・・・・・・・・・・・・・・・・・・・・・・・・・・・・・・・・・・ 284 FRAME SUB-ASSY, NO.2 SEAT BACK, RH ・・・・・・・・・・・・・・・・・・・・・・・・・・・・・・・・・・・・・・・・・・・・・・・・ 284 FRAME SUB-ASSY, NO.2 SEAT CUSHION ・・・・・・・・・・・・・・・・・・・・・・・・・・・・・・・・・・・・・・・・・・・・・・・・・ 284 FRAME SUB-ASSY, NO.2 SEAT CUSHION, LH ・・・・・・・・・・・・・・・・・・・・・・・・・・・・・・・・・・・・・・・・・・・・・ 284 FRAME SUB-ASSY, NO.2 SEAT CUSHION, RH ・・・・・・・・・・・・・・・・・・・・・・・・・・・・・・・・・・・・・・・・・・・・・ 284 FRAME SUB-ASSY, REAR DOOR WINDOW, REAR LOWER LH ・・・・・・・・・・・・・・・・・・・・・・・・・・・・・・・・・・・ 250 FRAME SUB-ASSY, REAR DOOR WINDOW, REAR LOWER RH ・・・・・・・・・・・・・・・・・・・・・・・・・・・・・・・・・・・ 250 FRAME, BACK DOOR OPENING, INNER ・・・・・・・・・・・・・・・・・・・・・・・・・・・・・・・・・・・・・・・・・・・・・・・・・・・ 228 FUSE(FOR COOLER WIRING HARNESS) ・・・・・・・・・・・・・・・・・・・・・・・・・・・・・・・・・・・・・・・・・・・・・・・・・・・ 377 GAGE ASSY, FUEL SENDER ・・・・・・・・・・・・・・・・・・・・・・・・・・・・・・・・・・・・・・・・・・・・・・・・・・・・・・・・・・・・ 339 GAGE SUB-ASSY, OIL LEVEL ・・・・・・・・・・・・・・・・・・・・・・・・・・・・・・・・・・・・・・・・・・・・・・・・・・・・・・・・・・ 62 GAGE SUB-ASSY, TRANSMISSION OIL LEVEL ・・・・・・・・・・・・・・・・・・・・・・・・・・・・・・・・・・・・・・・・・・・・・ 122 GARNISH SUB-ASSY, BACK DOOR, OUTSIDE ・・・・・・・・・・・・・・・・・・・・・・・・・・・・・・・・・・・・・・・・・・・・・・ 258 GARNISH, CENTER PILLAR, LOWER LH ・・・・・・・・・・・・・・・・・・・・・・・・・・・・・・・・・・・・・・・・・・・・・・・・・・ 232 GARNISH, CENTER PILLAR, LOWER RH ・・・・・・・・・・・・・・・・・・・・・・・・・・・・・・・・・・・・・・・・・・・・・・・・・・ 232 GARNISH, CENTER PILLAR, UPPER LH ・・・・・・・・・・・・・・・・・・・・・・・・・・・・・・・・・・・・・・・・・・・・・・・・・・ 231 GARNISH, CENTER PILLAR, UPPER RH ・・・・・・・・・・・・・・・・・・・・・・・・・・・・・・・・・・・・・・・・・・・・・・・・・・ 231 GARNISH, CONSOLE UPPER PANEL, NO.1 ・・・・・・・・・・・・・・・・・・・・・・・・・・・・・・・・・・・・・・・・・・・・・・・・ 211 EXTENSION, - GARNISH, 23
  • 24.
    PART NAME PAGE GARNISH,FRONT PILLAR, LH ・・・・・・・・・・・・・・・・・・・・・・・・・・・・・・・・・・・・・・・・・・・・・・・・・・・・・・・・・ 231 GARNISH, FRONT PILLAR, OUTER LH ・・・・・・・・・・・・・・・・・・・・・・・・・・・・・・・・・・・・・・・・・・・・・・・・・・・ 299 GARNISH, FRONT PILLAR, OUTER RH ・・・・・・・・・・・・・・・・・・・・・・・・・・・・・・・・・・・・・・・・・・・・・・・・・・・ 299 GARNISH, FRONT PILLAR, RH ・・・・・・・・・・・・・・・・・・・・・・・・・・・・・・・・・・・・・・・・・・・・・・・・・・・・・・・・・ 231 GARNISH, REAR DOOR REAR GUIDE BRACKET, LH ・・・・・・・・・・・・・・・・・・・・・・・・・・・・・・・・・・・・・・・・・ 250 GARNISH, REAR DOOR REAR GUIDE BRACKET, RH ・・・・・・・・・・・・・・・・・・・・・・・・・・・・・・・・・・・・・・・・・ 250 GARNISH, ROOF HEADLINING, FRONT LH ・・・・・・・・・・・・・・・・・・・・・・・・・・・・・・・・・・・・・・・・・・・・・・・・ 234 GARNISH, ROOF HEADLINING, FRONT RH ・・・・・・・・・・・・・・・・・・・・・・・・・・・・・・・・・・・・・・・・・・・・・・・・ 234 GARNISH, ROOF HEADLINING, REAR LH ・・・・・・・・・・・・・・・・・・・・・・・・・・・・・・・・・・・・・・・・・・・・・・・・・ 235 GARNISH, ROOF HEADLINING, REAR RH ・・・・・・・・・・・・・・・・・・・・・・・・・・・・・・・・・・・・・・・・・・・・・・・・・ 235 GARNISH, ROOF SIDE, INNER LH ・・・・・・・・・・・・・・・・・・・・・・・・・・・・・・・・・・・・・・・・・・・・・・・・・・・・・・ 232 GARNISH, ROOF SIDE, INNER RH ・・・・・・・・・・・・・・・・・・・・・・・・・・・・・・・・・・・・・・・・・・・・・・・・・・・・・・ 232 GASKET ・・・・・・・・・・・・・・・・・・・・・・・・・・・・・・・・・・・・・・・・・・・・・・・・・・・・・・・・・・・・・・・・・・・・・・・・・・・・ 64 GASKET (FOR REVERSE IDLER GEAR SHAFT) ・・・・・・・・・・・・・・・・・・・・・・・・・・・・・・・・・・・・・・・・・・・・・ 111 GASKET KIT, ENGINE OVERHAUL ・・・・・・・・・・・・・・・・・・・・・・・・・・・・・・・・・・・・・・・・・・・・・・・・・・・・・・・ 54 GASKET KIT, ENGINE VALVE GRIND ・・・・・・・・・・・・・・・・・・・・・・・・・・・・・・・・・・・・・・・・・・・・・・・・・・・・ 54 GASKET KIT, OVERHAUL ・・・・・・・・・・・・・・・・・・・・・・・・・・・・・・・・・・・・・・・・・・・・・・・・・・・・・・・・・・・・・・ 387 GASKET(FOR CLYINDER BLOCK) ・・・・・・・・・・・・・・・・・・・・・・・・・・・・・・・・・・・・・・・・・・・・・・・・・・・・・・・・ 62 GASKET(FOR FRONT FLEXIBLE HOSE) ・・・・・・・・・・・・・・・・・・・・・・・・・・・・・・・・・・・・・・・・・・・・・・・・・・・ 158 GASKET(FOR OIL FILLER CAP) ・・・・・・・・・・・・・・・・・・・・・・・・・・・・・・・・・・・・・・・・・・・・・・・・・・・・・・・・ 58 GASKET(FOR OIL PAN DRAIN PLUG) ・・・・・・・・・・・・・・・・・・・・・・・・・・・・・・・・・・・・・・・・・・・・・・・・・・・・ 61 GASKET, BRAKE BOOSTER ・・・・・・・・・・・・・・・・・・・・・・・・・・・・・・・・・・・・・・・・・・・・・・・・・・・・・・・・・・・・・ 149 GASKET, CAMSHAFT BEARING CAP OIL HOLE ・・・・・・・・・・・・・・・・・・・・・・・・・・・・・・・・・・・・・・・・・・・・・ 57 GASKET, CYLINDER HEAD ・・・・・・・・・・・・・・・・・・・・・・・・・・・・・・・・・・・・・・・・・・・・・・・・・・・・・・・・・・・・・ 57 GASKET, CYLINDER HEAD COVER ・・・・・・・・・・・・・・・・・・・・・・・・・・・・・・・・・・・・・・・・・・・・・・・・・・・・・・・ 58 GASKET, EXHAUST MANIFOLD TO HEAD ・・・・・・・・・・・・・・・・・・・・・・・・・・・・・・・・・・・・・・・・・・・・・・・・・・ 83 GASKET, EXHAUST PIPE ・・・・・・・・・・・・・・・・・・・・・・・・・・・・・・・・・・・・・・・・・・・・・・・・・・・・・・・・・・・・・・ 85 GASKET, EXHAUST PIPE, CENTER ・・・・・・・・・・・・・・・・・・・・・・・・・・・・・・・・・・・・・・・・・・・・・・・・・・・・・・ 85 GASKET, FUEL SUCTION TUBE SET ・・・・・・・・・・・・・・・・・・・・・・・・・・・・・・・・・・・・・・・・・・・・・・・・・・・・・ 305 GASKET, FUEL TANK CAP ・・・・・・・・・・・・・・・・・・・・・・・・・・・・・・・・・・・・・・・・・・・・・・・・・・・・・・・・・・・・・ 306 GASKET, HEADLAMP LENS ・・・・・・・・・・・・・・・・・・・・・・・・・・・・・・・・・・・・・・・・・・・・・・・・・・・・・・・・・・・・・ 309 GASKET, INTAKE MANIFOLD TO HEAD, NO.1 ・・・・・・・・・・・・・・・・・・・・・・・・・・・・・・・・・・・・・・・・・・・・・ 83 GASKET, OVERFLOW PLUG(CVT) ・・・・・・・・・・・・・・・・・・・・・・・・・・・・・・・・・・・・・・・・・・・・・・・・・・・・・・・・ 122 GASKET, THROTTLE BODY ・・・・・・・・・・・・・・・・・・・・・・・・・・・・・・・・・・・・・・・・・・・・・・・・・・・・・・・・・・・・・ 83 GASKET, TRANSAXLE CASE ・・・・・・・・・・・・・・・・・・・・・・・・・・・・・・・・・・・・・・・・・・・・・・・・・・・・・・・・・・・・ 122 GASKET, TRANSAXLE OIL PAN(CVT) ・・・・・・・・・・・・・・・・・・・・・・・・・・・・・・・・・・・・・・・・・・・・・・・・・・・・ 122 GASKET, TRANSMISSION CASE PLUG ・・・・・・・・・・・・・・・・・・・・・・・・・・・・・・・・・・・・・・・・・・・・・・・・・・・・ 105 GASKET, WATER INLET HOUSING, NO.2 ・・・・・・・・・・・・・・・・・・・・・・・・・・・・・・・・・・・・・・・・・・・・・・・・・ 79 GASKET, WATER PUMP ・・・・・・・・・・・・・・・・・・・・・・・・・・・・・・・・・・・・・・・・・・・・・・・・・・・・・・・・・・・・・・・・ 75 GEAR ASSY, CAMSHAFT TIMING ・・・・・・・・・・・・・・・・・・・・・・・・・・・・・・・・・・・・・・・・・・・・・・・・・・・・・・・・ 71 GEAR ASSY, CAMSHAFT TIMING EXHAUST ・・・・・・・・・・・・・・・・・・・・・・・・・・・・・・・・・・・・・・・・・・・・・・・・ 71 GEAR OR SPROCKET, CRANKSHAFT TIMING ・・・・・・・・・・・・・・・・・・・・・・・・・・・・・・・・・・・・・・・・・・・・・・・ 70 GEAR SUB-ASSY, DRIVE PLATE & RING ・・・・・・・・・・・・・・・・・・・・・・・・・・・・・・・・・・・・・・・・・・・・・・・・・ 125 GEAR SUB-ASSY, REVERSE IDLER ・・・・・・・・・・・・・・・・・・・・・・・・・・・・・・・・・・・・・・・・・・・・・・・・・・・・・・ 110 GEAR, 1ST ・・・・・・・・・・・・・・・・・・・・・・・・・・・・・・・・・・・・・・・・・・・・・・・・・・・・・・・・・・・・・・・・・・・・・・・・・ 109 GEAR, 2ND ・・・・・・・・・・・・・・・・・・・・・・・・・・・・・・・・・・・・・・・・・・・・・・・・・・・・・・・・・・・・・・・・・・・・・・・・・ 109 GEAR, 3RD ・・・・・・・・・・・・・・・・・・・・・・・・・・・・・・・・・・・・・・・・・・・・・・・・・・・・・・・・・・・・・・・・・・・・・・・・・ 109 GEAR, 3RD DRIVEN ・・・・・・・・・・・・・・・・・・・・・・・・・・・・・・・・・・・・・・・・・・・・・・・・・・・・・・・・・・・・・・・・・・ 110 GEAR, 4TH ・・・・・・・・・・・・・・・・・・・・・・・・・・・・・・・・・・・・・・・・・・・・・・・・・・・・・・・・・・・・・・・・・・・・・・・・・ 109 GEAR, 4TH DRIVEN ・・・・・・・・・・・・・・・・・・・・・・・・・・・・・・・・・・・・・・・・・・・・・・・・・・・・・・・・・・・・・・・・・・ 110 GARNISH, - GEAR, PART NAME PAGE GEAR, 5TH ・・・・・・・・・・・・・・・・・・・・・・・・・・・・・・・・・・・・・・・・・・・・・・・・・・・・・・・・・・・・・・・・・・・・・・・・・ 109 GEAR, 5TH DRIVEN ・・・・・・・・・・・・・・・・・・・・・・・・・・・・・・・・・・・・・・・・・・・・・・・・・・・・・・・・・・・・・・・・・・ 110 GEAR, FLYWHEEL RING ・・・・・・・・・・・・・・・・・・・・・・・・・・・・・・・・・・・・・・・・・・・・・・・・・・・・・・・・・・・・・・・ 70 GEAR, FRONT DIFFERENTIAL RING ・・・・・・・・・・・・・・・・・・・・・・・・・・・・・・・・・・・・・・・・・・・・・・・・・・・・・ 133 GLASS SUB-ASSY, FRONT DOOR, LH ・・・・・・・・・・・・・・・・・・・・・・・・・・・・・・・・・・・・・・・・・・・・・・・・・・・・ 242 GLASS SUB-ASSY, FRONT DOOR, RH ・・・・・・・・・・・・・・・・・・・・・・・・・・・・・・・・・・・・・・・・・・・・・・・・・・・・ 242 GLASS SUB-ASSY, REAR DOOR, LH ・・・・・・・・・・・・・・・・・・・・・・・・・・・・・・・・・・・・・・・・・・・・・・・・・・・・・ 251 GLASS SUB-ASSY, REAR DOOR, RH ・・・・・・・・・・・・・・・・・・・・・・・・・・・・・・・・・・・・・・・・・・・・・・・・・・・・・ 251 GLASS, BACK DOOR ・・・・・・・・・・・・・・・・・・・・・・・・・・・・・・・・・・・・・・・・・・・・・・・・・・・・・・・・・・・・・・・・・・ 258 GLASS, COMBINATION METER ・・・・・・・・・・・・・・・・・・・・・・・・・・・・・・・・・・・・・・・・・・・・・・・・・・・・・・・・・・ 328 GLASS, FRONT DOOR FIX WINDOW, LH ・・・・・・・・・・・・・・・・・・・・・・・・・・・・・・・・・・・・・・・・・・・・・・・・・・ 242 GLASS, FRONT DOOR FIX WINDOW, RH ・・・・・・・・・・・・・・・・・・・・・・・・・・・・・・・・・・・・・・・・・・・・・・・・・・ 242 GLASS, QUARTER WINDOW, LH ・・・・・・・・・・・・・・・・・・・・・・・・・・・・・・・・・・・・・・・・・・・・・・・・・・・・・・・・・ 226 GLASS, QUARTER WINDOW, RH ・・・・・・・・・・・・・・・・・・・・・・・・・・・・・・・・・・・・・・・・・・・・・・・・・・・・・・・・・ 226 GLASS, WINDSHIELD ・・・・・・・・・・・・・・・・・・・・・・・・・・・・・・・・・・・・・・・・・・・・・・・・・・・・・・・・・・・・・・・・・ 193 GLASS, WINDSHIELD ・・・・・・・・・・・・・・・・・・・・・・・・・・・・・・・・・・・・・・・・・・・・・・・・・・・・・・・・・・・・・・・・・ 194 GRILLE ASSY, AIR OUTLET ・・・・・・・・・・・・・・・・・・・・・・・・・・・・・・・・・・・・・・・・・・・・・・・・・・・・・・・・・・・ 235 GRILLE ASSY, AIR OUTLET ・・・・・・・・・・・・・・・・・・・・・・・・・・・・・・・・・・・・・・・・・・・・・・・・・・・・・・・・・・・ 376 GRILLE, AIR INLET NO.1 ・・・・・・・・・・・・・・・・・・・・・・・・・・・・・・・・・・・・・・・・・・・・・・・・・・・・・・・・・・・・ 385 GRILLE, AIR INLET NO.2 ・・・・・・・・・・・・・・・・・・・・・・・・・・・・・・・・・・・・・・・・・・・・・・・・・・・・・・・・・・・・ 385 GRILLE, AIR INLET NO.3 ・・・・・・・・・・・・・・・・・・・・・・・・・・・・・・・・・・・・・・・・・・・・・・・・・・・・・・・・・・・・ 385 GRILLE, AIR INLET NO.4 ・・・・・・・・・・・・・・・・・・・・・・・・・・・・・・・・・・・・・・・・・・・・・・・・・・・・・・・・・・・・ 385 GRILLE, AIR OUTLET ・・・・・・・・・・・・・・・・・・・・・・・・・・・・・・・・・・・・・・・・・・・・・・・・・・・・・・・・・・・・・・・・ 377 GRILLE, COOLER AIR OUTLET ・・・・・・・・・・・・・・・・・・・・・・・・・・・・・・・・・・・・・・・・・・・・・・・・・・・・・・・・・ 377 GRILLE, RADIATOR ・・・・・・・・・・・・・・・・・・・・・・・・・・・・・・・・・・・・・・・・・・・・・・・・・・・・・・・・・・・・・・・・・・ 175 GRILLE, ROOM VENT ・・・・・・・・・・・・・・・・・・・・・・・・・・・・・・・・・・・・・・・・・・・・・・・・・・・・・・・・・・・・・・・・・ 234 GRILLE, ROOM VENTILATION, LH ・・・・・・・・・・・・・・・・・・・・・・・・・・・・・・・・・・・・・・・・・・・・・・・・・・・・・・ 234 GRILLE, ROOM VENTILATION, RH ・・・・・・・・・・・・・・・・・・・・・・・・・・・・・・・・・・・・・・・・・・・・・・・・・・・・・・ 234 GRIP, ASSIST ・・・・・・・・・・・・・・・・・・・・・・・・・・・・・・・・・・・・・・・・・・・・・・・・・・・・・・・・・・・・・・・・・・・・・・ 291 GROMMET ・・・・・・・・・・・・・・・・・・・・・・・・・・・・・・・・・・・・・・・・・・・・・・・・・・・・・・・・・・・・・・・・・・・・・・・・・・・ 80 GROMMET ・・・・・・・・・・・・・・・・・・・・・・・・・・・・・・・・・・・・・・・・・・・・・・・・・・・・・・・・・・・・・・・・・・・・・・・・・・・ 87 GROMMET (FOR COOLER UNIT DRAIN HOSE) ・・・・・・・・・・・・・・・・・・・・・・・・・・・・・・・・・・・・・・・・・・・・・・ 376 GROMMET SUB-ASSY, WASHER ・・・・・・・・・・・・・・・・・・・・・・・・・・・・・・・・・・・・・・・・・・・・・・・・・・・・・・・・・・ 362 GROMMET(FOR AIR CLEANER BRACKET) ・・・・・・・・・・・・・・・・・・・・・・・・・・・・・・・・・・・・・・・・・・・・・・・・・・ 87 GROMMET(FOR HOOD SUPPORT ROD) ・・・・・・・・・・・・・・・・・・・・・・・・・・・・・・・・・・・・・・・・・・・・・・・・・・・・・ 181 GROMMET(FOR RADIATOR SUPPORT) ・・・・・・・・・・・・・・・・・・・・・・・・・・・・・・・・・・・・・・・・・・・・・・・・・・・・・ 80 GROMMET(FOR VENTILATION SYSTEM) ・・・・・・・・・・・・・・・・・・・・・・・・・・・・・・・・・・・・・・・・・・・・・・・・・・・ 68 GROMMET, COOLER ・・・・・・・・・・・・・・・・・・・・・・・・・・・・・・・・・・・・・・・・・・・・・・・・・・・・・・・・・・・・・・・・・・・ 386 GROMMET, MASTER CYLINDER RESERVOIR ・・・・・・・・・・・・・・・・・・・・・・・・・・・・・・・・・・・・・・・・・・・・・・・・ 148 GROMMET, REAR WASHER HOSE NO.1 ・・・・・・・・・・・・・・・・・・・・・・・・・・・・・・・・・・・・・・・・・・・・・・・・・・・・ 362 GUIDE SUB-ASSY, REAR DOOR WINDOW, FRONT LH ・・・・・・・・・・・・・・・・・・・・・・・・・・・・・・・・・・・・・・・・ 250 GUIDE SUB-ASSY, REAR DOOR WINDOW, FRONT RH ・・・・・・・・・・・・・・・・・・・・・・・・・・・・・・・・・・・・・・・・ 250 GUIDE, OIL LEVEL GAGE ・・・・・・・・・・・・・・・・・・・・・・・・・・・・・・・・・・・・・・・・・・・・・・・・・・・・・・・・・・・・・ 61 GUIDE, TIMING CHAIN ・・・・・・・・・・・・・・・・・・・・・・・・・・・・・・・・・・・・・・・・・・・・・・・・・・・・・・・・・・・・・・・ 71 GUSSET, FRONT PANEL, LH ・・・・・・・・・・・・・・・・・・・・・・・・・・・・・・・・・・・・・・・・・・・・・・・・・・・・・・・・・・・ 222 GUSSET, FRONT PANEL, RH ・・・・・・・・・・・・・・・・・・・・・・・・・・・・・・・・・・・・・・・・・・・・・・・・・・・・・・・・・・・ 222 GUSSET, HOOD REINFORCEMENT, LH ・・・・・・・・・・・・・・・・・・・・・・・・・・・・・・・・・・・・・・・・・・・・・・・・・・・・ 222 GUSSET, HOOD REINFORCEMENT, RH ・・・・・・・・・・・・・・・・・・・・・・・・・・・・・・・・・・・・・・・・・・・・・・・・・・・・ 222 GUSSET, QUARTER WHEEL HOUSE, REAR LH ・・・・・・・・・・・・・・・・・・・・・・・・・・・・・・・・・・・・・・・・・・・・・・ 224 GUSSET, QUARTER WHEEL HOUSE, REAR RH ・・・・・・・・・・・・・・・・・・・・・・・・・・・・・・・・・・・・・・・・・・・・・・ 224 GEAR, - GUSSET, 24
  • 25.
    PART NAME PAGE HANDLEASSY, FRONT DOOR OUTSIDE, LH ・・・・・・・・・・・・・・・・・・・・・・・・・・・・・・・・・・・・・・・・・・・・・・・ 245 HANDLE ASSY, FRONT DOOR, OUTSIDE RH ・・・・・・・・・・・・・・・・・・・・・・・・・・・・・・・・・・・・・・・・・・・・・・・ 245 HANDLE ASSY, REAR DOOR OUTSIDE, LH ・・・・・・・・・・・・・・・・・・・・・・・・・・・・・・・・・・・・・・・・・・・・・・・・ 253 HANDLE ASSY, REAR DOOR OUTSIDE, RH ・・・・・・・・・・・・・・・・・・・・・・・・・・・・・・・・・・・・・・・・・・・・・・・・ 253 HANDLE SUB-ASSY, FRONT DOOR INSIDE, LH ・・・・・・・・・・・・・・・・・・・・・・・・・・・・・・・・・・・・・・・・・・・・ 245 HANDLE SUB-ASSY, FRONT DOOR INSIDE, RH ・・・・・・・・・・・・・・・・・・・・・・・・・・・・・・・・・・・・・・・・・・・・ 245 HANDLE SUB-ASSY, REAR DOOR INSIDE, LH ・・・・・・・・・・・・・・・・・・・・・・・・・・・・・・・・・・・・・・・・・・・・・ 253 HANDLE SUB-ASSY, REAR DOOR INSIDE, RH ・・・・・・・・・・・・・・・・・・・・・・・・・・・・・・・・・・・・・・・・・・・・・ 253 HANDLE, DOOR PULL ・・・・・・・・・・・・・・・・・・・・・・・・・・・・・・・・・・・・・・・・・・・・・・・・・・・・・・・・・・・・・・・・・ 258 HANDLE, REAR SEAT LOCK ・・・・・・・・・・・・・・・・・・・・・・・・・・・・・・・・・・・・・・・・・・・・・・・・・・・・・・・・・・・・ 281 HANDLE, REAR SEAT LOCK, LH ・・・・・・・・・・・・・・・・・・・・・・・・・・・・・・・・・・・・・・・・・・・・・・・・・・・・・・・・ 281 HANDLE, RECLINING ADJUSTER RELEASE, LH ・・・・・・・・・・・・・・・・・・・・・・・・・・・・・・・・・・・・・・・・・・・・ 280 HANDLE, RECLINING ADJUSTER RELEASE, LH ・・・・・・・・・・・・・・・・・・・・・・・・・・・・・・・・・・・・・・・・・・・・ 281 HANDLE, RECLINING ADJUSTER RELEASE, RH ・・・・・・・・・・・・・・・・・・・・・・・・・・・・・・・・・・・・・・・・・・・・ 280 HANDLE, RECLINING ADJUSTER RELEASE, RH ・・・・・・・・・・・・・・・・・・・・・・・・・・・・・・・・・・・・・・・・・・・・ 280 HANDLE, SEAT TRACK ADJUSTING ・・・・・・・・・・・・・・・・・・・・・・・・・・・・・・・・・・・・・・・・・・・・・・・・・・・・・・ 280 HANDLE, SEAT TRACK ADJUSTING ・・・・・・・・・・・・・・・・・・・・・・・・・・・・・・・・・・・・・・・・・・・・・・・・・・・・・・ 280 HANDLE, SEAT TRACK ADJUSTING ・・・・・・・・・・・・・・・・・・・・・・・・・・・・・・・・・・・・・・・・・・・・・・・・・・・・・・ 280 HANDLE, SEAT TRACK ADJUSTING ・・・・・・・・・・・・・・・・・・・・・・・・・・・・・・・・・・・・・・・・・・・・・・・・・・・・・・ 280 HANGER, ENGINE, NO.1 ・・・・・・・・・・・・・・・・・・・・・・・・・・・・・・・・・・・・・・・・・・・・・・・・・・・・・・・・・・・・・・ 58 HANGER, ENGINE, NO.2 ・・・・・・・・・・・・・・・・・・・・・・・・・・・・・・・・・・・・・・・・・・・・・・・・・・・・・・・・・・・・・・ 58 HARNESS SUB-ASSY, AIR CONDITIONER WIRING ・・・・・・・・・・・・・・・・・・・・・・・・・・・・・・・・・・・・・・・・・・ 388 HARNESS SUB-ASSY, WIRING AIR CONDITIONER ・・・・・・・・・・・・・・・・・・・・・・・・・・・・・・・・・・・・・・・・・・ 377 HEAD SUB-ASSY, CYLINDER ・・・・・・・・・・・・・・・・・・・・・・・・・・・・・・・・・・・・・・・・・・・・・・・・・・・・・・・・・・・ 57 HEAD, GEAR SHIFT, NO.1 ・・・・・・・・・・・・・・・・・・・・・・・・・・・・・・・・・・・・・・・・・・・・・・・・・・・・・・・・・・・・ 113 HEAD, REVERSE SHIFT ・・・・・・・・・・・・・・・・・・・・・・・・・・・・・・・・・・・・・・・・・・・・・・・・・・・・・・・・・・・・・・・ 113 HEADLAMP ASSY, LH ・・・・・・・・・・・・・・・・・・・・・・・・・・・・・・・・・・・・・・・・・・・・・・・・・・・・・・・・・・・・・・・・・ 309 HEADLAMP ASSY, RH ・・・・・・・・・・・・・・・・・・・・・・・・・・・・・・・・・・・・・・・・・・・・・・・・・・・・・・・・・・・・・・・・・ 309 HEADLINING ASSY, ROOF ・・・・・・・・・・・・・・・・・・・・・・・・・・・・・・・・・・・・・・・・・・・・・・・・・・・・・・・・・・・・・ 234 HEADREST ASSY, FRONT SEAT ・・・・・・・・・・・・・・・・・・・・・・・・・・・・・・・・・・・・・・・・・・・・・・・・・・・・・・・・・ 278 HEADREST ASSY, FRONT SEAT ・・・・・・・・・・・・・・・・・・・・・・・・・・・・・・・・・・・・・・・・・・・・・・・・・・・・・・・・・ 278 HEADREST ASSY, REAR NO.2 SEAT, LH ・・・・・・・・・・・・・・・・・・・・・・・・・・・・・・・・・・・・・・・・・・・・・・・・・ 278 HEADREST ASSY, REAR NO.2 SEAT, RH ・・・・・・・・・・・・・・・・・・・・・・・・・・・・・・・・・・・・・・・・・・・・・・・・・ 278 HEADREST ASSY, REAR SEAT ・・・・・・・・・・・・・・・・・・・・・・・・・・・・・・・・・・・・・・・・・・・・・・・・・・・・・・・・・・ 278 HEADREST ASSY, REAR SEAT, LH ・・・・・・・・・・・・・・・・・・・・・・・・・・・・・・・・・・・・・・・・・・・・・・・・・・・・・・ 278 HEADREST ASSY, REAR SEAT, RH ・・・・・・・・・・・・・・・・・・・・・・・・・・・・・・・・・・・・・・・・・・・・・・・・・・・・・・ 278 HINGE ASSY, FRONT DOOR, LOWER LH ・・・・・・・・・・・・・・・・・・・・・・・・・・・・・・・・・・・・・・・・・・・・・・・・・・ 247 HINGE ASSY, FRONT DOOR, LOWER RH ・・・・・・・・・・・・・・・・・・・・・・・・・・・・・・・・・・・・・・・・・・・・・・・・・・ 247 HINGE ASSY, FRONT DOOR, UPPER LH ・・・・・・・・・・・・・・・・・・・・・・・・・・・・・・・・・・・・・・・・・・・・・・・・・・ 247 HINGE ASSY, FRONT DOOR, UPPER RH ・・・・・・・・・・・・・・・・・・・・・・・・・・・・・・・・・・・・・・・・・・・・・・・・・・ 247 HINGE ASSY, HOOD, LH ・・・・・・・・・・・・・・・・・・・・・・・・・・・・・・・・・・・・・・・・・・・・・・・・・・・・・・・・・・・・・・ 181 HINGE ASSY, HOOD, RH ・・・・・・・・・・・・・・・・・・・・・・・・・・・・・・・・・・・・・・・・・・・・・・・・・・・・・・・・・・・・・・ 181 HINGE ASSY, REAR DOOR, LOWER LH ・・・・・・・・・・・・・・・・・・・・・・・・・・・・・・・・・・・・・・・・・・・・・・・・・・・ 255 HINGE ASSY, REAR DOOR, LOWER RH ・・・・・・・・・・・・・・・・・・・・・・・・・・・・・・・・・・・・・・・・・・・・・・・・・・・ 255 HINGE ASSY, REAR DOOR, UPPER LH ・・・・・・・・・・・・・・・・・・・・・・・・・・・・・・・・・・・・・・・・・・・・・・・・・・・ 255 HINGE ASSY, REAR DOOR, UPPER RH ・・・・・・・・・・・・・・・・・・・・・・・・・・・・・・・・・・・・・・・・・・・・・・・・・・・ 255 HINGE SUB-ASSY, BACK DOOR, LH ・・・・・・・・・・・・・・・・・・・・・・・・・・・・・・・・・・・・・・・・・・・・・・・・・・・・・ 260 HINGE SUB-ASSY, BACK DOOR, RH ・・・・・・・・・・・・・・・・・・・・・・・・・・・・・・・・・・・・・・・・・・・・・・・・・・・・・ 260 HINGE SUB-ASSY, FUEL INLET BOX COVER ・・・・・・・・・・・・・・・・・・・・・・・・・・・・・・・・・・・・・・・・・・・・・・ 306 HINGE SUB-ASSY, REAR NO.2 SEAT, LH ・・・・・・・・・・・・・・・・・・・・・・・・・・・・・・・・・・・・・・・・・・・・・・・・ 273 HANDLE - HINGE PART NAME PAGE HINGE SUB-ASSY, REAR NO.2 SEAT, RH ・・・・・・・・・・・・・・・・・・・・・・・・・・・・・・・・・・・・・・・・・・・・・・・・ 273 HOLDER ASSY, ALTERNATOR BRUSH ・・・・・・・・・・・・・・・・・・・・・・・・・・・・・・・・・・・・・・・・・・・・・・・・・・・・・ 92 HOLDER ASSY, STARTER BRUSH ・・・・・・・・・・・・・・・・・・・・・・・・・・・・・・・・・・・・・・・・・・・・・・・・・・・・・・・・ 94 HOLDER, CARD ・・・・・・・・・・・・・・・・・・・・・・・・・・・・・・・・・・・・・・・・・・・・・・・・・・・・・・・・・・・・・・・・・・・・・・ 192 HOLDER, CONNECTOR NO.2 ・・・・・・・・・・・・・・・・・・・・・・・・・・・・・・・・・・・・・・・・・・・・・・・・・・・・・・・・・・・・ 326 HOLDER, CONNECTOR NO.3 ・・・・・・・・・・・・・・・・・・・・・・・・・・・・・・・・・・・・・・・・・・・・・・・・・・・・・・・・・・・・ 326 HOLDER, CONNECTOR NO.4 ・・・・・・・・・・・・・・・・・・・・・・・・・・・・・・・・・・・・・・・・・・・・・・・・・・・・・・・・・・・・ 326 HOLDER, INSTRUMENT PANEL CUP ・・・・・・・・・・・・・・・・・・・・・・・・・・・・・・・・・・・・・・・・・・・・・・・・・・・・・・ 191 HOLDER, INSTRUMENT PANEL CUP, NO.2 ・・・・・・・・・・・・・・・・・・・・・・・・・・・・・・・・・・・・・・・・・・・・・・・・ 191 HOLDER, LOCK BALL ・・・・・・・・・・・・・・・・・・・・・・・・・・・・・・・・・・・・・・・・・・・・・・・・・・・・・・・・・・・・・・・・・ 114 HOLDER, VISOR ・・・・・・・・・・・・・・・・・・・・・・・・・・・・・・・・・・・・・・・・・・・・・・・・・・・・・・・・・・・・・・・・・・・・・ 291 HOOD SUB-ASSY ・・・・・・・・・・・・・・・・・・・・・・・・・・・・・・・・・・・・・・・・・・・・・・・・・・・・・・・・・・・・・・・・・・・・・ 179 HOOK ASSY, FRONT ・・・・・・・・・・・・・・・・・・・・・・・・・・・・・・・・・・・・・・・・・・・・・・・・・・・・・・・・・・・・・・・・・・ 50 HOOK, FLOOR CARPET, NO.2 ・・・・・・・・・・・・・・・・・・・・・・・・・・・・・・・・・・・・・・・・・・・・・・・・・・・・・・・・・・ 207 HORN ASSY, HIGH PITCHED ・・・・・・・・・・・・・・・・・・・・・・・・・・・・・・・・・・・・・・・・・・・・・・・・・・・・・・・・・・・ 368 HORN ASSY, LOW PITCHED ・・・・・・・・・・・・・・・・・・・・・・・・・・・・・・・・・・・・・・・・・・・・・・・・・・・・・・・・・・・・ 368 HORN ASSY, SECURITY ・・・・・・・・・・・・・・・・・・・・・・・・・・・・・・・・・・・・・・・・・・・・・・・・・・・・・・・・・・・・・・・ 368 HOSE ASSY, REAR WASHER, NO.1 ・・・・・・・・・・・・・・・・・・・・・・・・・・・・・・・・・・・・・・・・・・・・・・・・・・・・・・ 362 HOSE ASSY, VACUUM ・・・・・・・・・・・・・・・・・・・・・・・・・・・・・・・・・・・・・・・・・・・・・・・・・・・・・・・・・・・・・・・・・ 149 HOSE ASSY, WINDSHIELD WASHER ・・・・・・・・・・・・・・・・・・・・・・・・・・・・・・・・・・・・・・・・・・・・・・・・・・・・・・ 360 HOSE OR PIPE(FOR RADIATOR RESERVE TANK) ・・・・・・・・・・・・・・・・・・・・・・・・・・・・・・・・・・・・・・・・・・・ 79 HOSE SUB-ASSY, VACUUM ・・・・・・・・・・・・・・・・・・・・・・・・・・・・・・・・・・・・・・・・・・・・・・・・・・・・・・・・・・・・・ 89 HOSE(FOR RADIATOR RESERVE TANK) ・・・・・・・・・・・・・・・・・・・・・・・・・・・・・・・・・・・・・・・・・・・・・・・・・・・ 80 HOSE, AIR CLEANER, NO.1 ・・・・・・・・・・・・・・・・・・・・・・・・・・・・・・・・・・・・・・・・・・・・・・・・・・・・・・・・・・・ 87 HOSE, AIR CLEANER, NO.2 ・・・・・・・・・・・・・・・・・・・・・・・・・・・・・・・・・・・・・・・・・・・・・・・・・・・・・・・・・・・ 87 HOSE, AIR CLEANER, NO.3 ・・・・・・・・・・・・・・・・・・・・・・・・・・・・・・・・・・・・・・・・・・・・・・・・・・・・・・・・・・・ 87 HOSE, CLUTCH ・・・・・・・・・・・・・・・・・・・・・・・・・・・・・・・・・・・・・・・・・・・・・・・・・・・・・・・・・・・・・・・・・・・・・・ 99 HOSE, CLUTCH, NO.1 ・・・・・・・・・・・・・・・・・・・・・・・・・・・・・・・・・・・・・・・・・・・・・・・・・・・・・・・・・・・・・・・・ 99 HOSE, COOLER REFRIGERANT DISCHARGE, NO.1 ・・・・・・・・・・・・・・・・・・・・・・・・・・・・・・・・・・・・・・・・・・ 385 HOSE, COOLER REFRIGERANT SUCTION, NO.1 ・・・・・・・・・・・・・・・・・・・・・・・・・・・・・・・・・・・・・・・・・・・・ 385 HOSE, COOLER UNIT DRAIN, NO.1 ・・・・・・・・・・・・・・・・・・・・・・・・・・・・・・・・・・・・・・・・・・・・・・・・・・・・・ 376 HOSE, DRAIN COOLER ・・・・・・・・・・・・・・・・・・・・・・・・・・・・・・・・・・・・・・・・・・・・・・・・・・・・・・・・・・・・・・・・ 376 HOSE, FLEXIBLE(FOR REAR LH) ・・・・・・・・・・・・・・・・・・・・・・・・・・・・・・・・・・・・・・・・・・・・・・・・・・・・・・・ 158 HOSE, FLEXIBLE(FOR REAR RH) ・・・・・・・・・・・・・・・・・・・・・・・・・・・・・・・・・・・・・・・・・・・・・・・・・・・・・・・ 158 HOSE, FLEXIBLE, NO.1(FOR FRONT) ・・・・・・・・・・・・・・・・・・・・・・・・・・・・・・・・・・・・・・・・・・・・・・・・・・・ 158 HOSE, FLEXIBLE, NO.2(FOR FRONT) ・・・・・・・・・・・・・・・・・・・・・・・・・・・・・・・・・・・・・・・・・・・・・・・・・・・ 158 HOSE, FUEL ・・・・・・・・・・・・・・・・・・・・・・・・・・・・・・・・・・・・・・・・・・・・・・・・・・・・・・・・・・・・・・・・・・・・・・・・ 305 HOSE, FUEL ・・・・・・・・・・・・・・・・・・・・・・・・・・・・・・・・・・・・・・・・・・・・・・・・・・・・・・・・・・・・・・・・・・・・・・・・ 306 HOSE, FUEL EMISSION ・・・・・・・・・・・・・・・・・・・・・・・・・・・・・・・・・・・・・・・・・・・・・・・・・・・・・・・・・・・・・・・ 305 HOSE, FUEL TANK BREATHER ・・・・・・・・・・・・・・・・・・・・・・・・・・・・・・・・・・・・・・・・・・・・・・・・・・・・・・・・・・ 306 HOSE, FUEL TANK TO FILLER PIPE ・・・・・・・・・・・・・・・・・・・・・・・・・・・・・・・・・・・・・・・・・・・・・・・・・・・・ 305 HOSE, FUEL VAPOR FEED, NO.2 ・・・・・・・・・・・・・・・・・・・・・・・・・・・・・・・・・・・・・・・・・・・・・・・・・・・・・・・ 89 HOSE, RADIATOR, NO.1 ・・・・・・・・・・・・・・・・・・・・・・・・・・・・・・・・・・・・・・・・・・・・・・・・・・・・・・・・・・・・・・ 80 HOSE, RADIATOR, NO.2 ・・・・・・・・・・・・・・・・・・・・・・・・・・・・・・・・・・・・・・・・・・・・・・・・・・・・・・・・・・・・・・ 80 HOSE, REAR WASHER (FROM JOINT TO JOINT) ・・・・・・・・・・・・・・・・・・・・・・・・・・・・・・・・・・・・・・・・・・・ 362 HOSE, REAR WASHER (FROM JOINT TO JOINT), NO.1 ・・・・・・・・・・・・・・・・・・・・・・・・・・・・・・・・・・・・・ 362 HOSE, REAR WASHER (FROM JOINT TO JOINT), NO.2 ・・・・・・・・・・・・・・・・・・・・・・・・・・・・・・・・・・・・・ 362 HOSE, REAR WASHER (FROM JOINT TO JOINT), NO.3 ・・・・・・・・・・・・・・・・・・・・・・・・・・・・・・・・・・・・・ 362 HOSE, REAR WASHER (FROM JOINT TO JOINT), NO.4 ・・・・・・・・・・・・・・・・・・・・・・・・・・・・・・・・・・・・・ 362 HOSE, REAR WASHER (FROM JOINT TO JOINT), NO.5 ・・・・・・・・・・・・・・・・・・・・・・・・・・・・・・・・・・・・・ 362 HINGE - HOSE, 25
  • 26.
    PART NAME PAGE HOSE,REAR WASHER (FROM JOINT TO JOINT), NO.6 ・・・・・・・・・・・・・・・・・・・・・・・・・・・・・・・・・・・・・ 362 HOSE, REAR WASHER (FROM JOINT TO NOZZLE) ・・・・・・・・・・・・・・・・・・・・・・・・・・・・・・・・・・・・・・・・・・ 362 HOSE, REAR WASHER (FROM MOTOR TO JOINT) ・・・・・・・・・・・・・・・・・・・・・・・・・・・・・・・・・・・・・・・・・・・ 362 HOSE, VENTILATION ・・・・・・・・・・・・・・・・・・・・・・・・・・・・・・・・・・・・・・・・・・・・・・・・・・・・・・・・・・・・・・・・・ 68 HOSE, VENTILATION, NO.2 ・・・・・・・・・・・・・・・・・・・・・・・・・・・・・・・・・・・・・・・・・・・・・・・・・・・・・・・・・・・ 68 HOSE, WASHER ・・・・・・・・・・・・・・・・・・・・・・・・・・・・・・・・・・・・・・・・・・・・・・・・・・・・・・・・・・・・・・・・・・・・・・ 359 HOSE, WATER BY-PASS, NO.1 ・・・・・・・・・・・・・・・・・・・・・・・・・・・・・・・・・・・・・・・・・・・・・・・・・・・・・・・・・ 79 HOSE, WATER BY-PASS, NO.1 ・・・・・・・・・・・・・・・・・・・・・・・・・・・・・・・・・・・・・・・・・・・・・・・・・・・・・・・・・ 79 HOSE, WATER BY-PASS, NO.2 ・・・・・・・・・・・・・・・・・・・・・・・・・・・・・・・・・・・・・・・・・・・・・・・・・・・・・・・・・ 79 HOSE, WATER BY-PASS, NO.4 ・・・・・・・・・・・・・・・・・・・・・・・・・・・・・・・・・・・・・・・・・・・・・・・・・・・・・・・・・ 79 HOSE, WINDSHIELD WASHER (FROM JOINT TO JOINT) ・・・・・・・・・・・・・・・・・・・・・・・・・・・・・・・・・・・・・ 360 HOSE, WINDSHIELD WASHER (FROM JOINT TO JOINT), NO.1 ・・・・・・・・・・・・・・・・・・・・・・・・・・・・・・・ 360 HOSE, WINDSHIELD WASHER (FROM JOINT TO NOZZLE) ・・・・・・・・・・・・・・・・・・・・・・・・・・・・・・・・・・・・ 360 HOSE, WINDSHIELD WASHER (FROM JOINT TO NOZZLE), NO.2 ・・・・・・・・・・・・・・・・・・・・・・・・・・・・・・ 360 HOUSING ASSY, STARTER DRIVE ・・・・・・・・・・・・・・・・・・・・・・・・・・・・・・・・・・・・・・・・・・・・・・・・・・・・・・・ 94 HOUSING SUB-ASSY, CAMSHAFT ・・・・・・・・・・・・・・・・・・・・・・・・・・・・・・・・・・・・・・・・・・・・・・・・・・・・・・・・ 57 HOUSING SUB-ASSY, STEERING RACK ・・・・・・・・・・・・・・・・・・・・・・・・・・・・・・・・・・・・・・・・・・・・・・・・・・・ 144 HOUSING, CLUTCH ・・・・・・・・・・・・・・・・・・・・・・・・・・・・・・・・・・・・・・・・・・・・・・・・・・・・・・・・・・・・・・・・・・・ 105 HOUSING, STEERING COLUMN ・・・・・・・・・・・・・・・・・・・・・・・・・・・・・・・・・・・・・・・・・・・・・・・・・・・・・・・・・・ 140 HUB & BEARING ASSY, REAR AXLE, LH ・・・・・・・・・・・・・・・・・・・・・・・・・・・・・・・・・・・・・・・・・・・・・・・・・ 129 HUB & BEARING ASSY, REAR AXLE, RH ・・・・・・・・・・・・・・・・・・・・・・・・・・・・・・・・・・・・・・・・・・・・・・・・・ 129 HUB ASSY, SYNCHRONIZER, NO.1 ・・・・・・・・・・・・・・・・・・・・・・・・・・・・・・・・・・・・・・・・・・・・・・・・・・・・・・ 109 HUB ASSY, SYNCHRONIZER, NO.1 ・・・・・・・・・・・・・・・・・・・・・・・・・・・・・・・・・・・・・・・・・・・・・・・・・・・・・・ 110 HUB ASSY, SYNCHRONIZER, NO.2 ・・・・・・・・・・・・・・・・・・・・・・・・・・・・・・・・・・・・・・・・・・・・・・・・・・・・・・ 110 HUB ASSY, SYNCHRONIZER, NO.3 ・・・・・・・・・・・・・・・・・・・・・・・・・・・・・・・・・・・・・・・・・・・・・・・・・・・・・・ 110 HUB SUB-ASSY, FRONT AXLE, LH ・・・・・・・・・・・・・・・・・・・・・・・・・・・・・・・・・・・・・・・・・・・・・・・・・・・・・・ 138 HUB SUB-ASSY, FRONT AXLE, RH ・・・・・・・・・・・・・・・・・・・・・・・・・・・・・・・・・・・・・・・・・・・・・・・・・・・・・・ 138 HUB SUB-ASSY, MAGNET CLUTCH ・・・・・・・・・・・・・・・・・・・・・・・・・・・・・・・・・・・・・・・・・・・・・・・・・・・・・・・ 387 INJECTOR ASSY, FUEL ・・・・・・・・・・・・・・・・・・・・・・・・・・・・・・・・・・・・・・・・・・・・・・・・・・・・・・・・・・・・・・・ 96 INLET SUB-ASSY, WASHER ・・・・・・・・・・・・・・・・・・・・・・・・・・・・・・・・・・・・・・・・・・・・・・・・・・・・・・・・・・・・ 359 INLET, AIR CLEANER, NO.1 ・・・・・・・・・・・・・・・・・・・・・・・・・・・・・・・・・・・・・・・・・・・・・・・・・・・・・・・・・・ 87 INLET, AIR CLEANER, NO.2 ・・・・・・・・・・・・・・・・・・・・・・・・・・・・・・・・・・・・・・・・・・・・・・・・・・・・・・・・・・ 87 INSERT, CONSOLE BOX, FRONT NO.2 ・・・・・・・・・・・・・・・・・・・・・・・・・・・・・・・・・・・・・・・・・・・・・・・・・・・ 211 INSULATOR ASSY, DASH PANEL ・・・・・・・・・・・・・・・・・・・・・・・・・・・・・・・・・・・・・・・・・・・・・・・・・・・・・・・・ 183 INSULATOR SUB-ASSY, ENGINE MOUNTING, LH ・・・・・・・・・・・・・・・・・・・・・・・・・・・・・・・・・・・・・・・・・・・ 67 INSULATOR SUB-ASSY, ENGINE MOUNTING, RH ・・・・・・・・・・・・・・・・・・・・・・・・・・・・・・・・・・・・・・・・・・・ 67 INSULATOR, COOLER REFRIGERANT HOSE, NO.1 ・・・・・・・・・・・・・・・・・・・・・・・・・・・・・・・・・・・・・・・・・・ 385 INSULATOR, DASH PANEL, OUTER ・・・・・・・・・・・・・・・・・・・・・・・・・・・・・・・・・・・・・・・・・・・・・・・・・・・・・・ 184 INSULATOR, EXHAUST MANIFOLD HEAT, NO.1 ・・・・・・・・・・・・・・・・・・・・・・・・・・・・・・・・・・・・・・・・・・・・ 83 INSULATOR, EXHAUST MANIFOLD HEAT, NO.2 ・・・・・・・・・・・・・・・・・・・・・・・・・・・・・・・・・・・・・・・・・・・・ 83 INSULATOR, FRONT COIL SPRING, UPPER LH ・・・・・・・・・・・・・・・・・・・・・・・・・・・・・・・・・・・・・・・・・・・・ 164 INSULATOR, FRONT COIL SPRING, UPPER RH ・・・・・・・・・・・・・・・・・・・・・・・・・・・・・・・・・・・・・・・・・・・・ 164 INSULATOR, FRONT FLOOR HEAT, NO.1 ・・・・・・・・・・・・・・・・・・・・・・・・・・・・・・・・・・・・・・・・・・・・・・・・・ 206 INSULATOR, HOOD ・・・・・・・・・・・・・・・・・・・・・・・・・・・・・・・・・・・・・・・・・・・・・・・・・・・・・・・・・・・・・・・・・・・ 179 INSULATOR, INJECTOR VIBRATION ・・・・・・・・・・・・・・・・・・・・・・・・・・・・・・・・・・・・・・・・・・・・・・・・・・・・・ 96 JACK ASSY ・・・・・・・・・・・・・・・・・・・・・・・・・・・・・・・・・・・・・・・・・・・・・・・・・・・・・・・・・・・・・・・・・・・・・・・・・ 50 JAR & PUMP ASSY, WASHER ・・・・・・・・・・・・・・・・・・・・・・・・・・・・・・・・・・・・・・・・・・・・・・・・・・・・・・・・・・・ 359 JAR ASSY, WINDSHIELD WASHER ・・・・・・・・・・・・・・・・・・・・・・・・・・・・・・・・・・・・・・・・・・・・・・・・・・・・・・・ 359 JAR, WASHER, C ・・・・・・・・・・・・・・・・・・・・・・・・・・・・・・・・・・・・・・・・・・・・・・・・・・・・・・・・・・・・・・・・・・・・ 360 JOINT SET, FRONT AXLE INBOARD, LH ・・・・・・・・・・・・・・・・・・・・・・・・・・・・・・・・・・・・・・・・・・・・・・・・・ 136 HOSE, - JOINT PART NAME PAGE JOINT SET, FRONT AXLE INBOARD, RH ・・・・・・・・・・・・・・・・・・・・・・・・・・・・・・・・・・・・・・・・・・・・・・・・・ 136 JOINT, REAR WASHER ELBOW, NO.2 ・・・・・・・・・・・・・・・・・・・・・・・・・・・・・・・・・・・・・・・・・・・・・・・・・・・・ 362 JOINT, REAR WASHER ELBOW, NO.3 ・・・・・・・・・・・・・・・・・・・・・・・・・・・・・・・・・・・・・・・・・・・・・・・・・・・・ 362 JOINT, REAR WASHER HOSE, NO.1 ・・・・・・・・・・・・・・・・・・・・・・・・・・・・・・・・・・・・・・・・・・・・・・・・・・・・・ 362 JOINT, REAR WASHER HOSE, NO.1 ・・・・・・・・・・・・・・・・・・・・・・・・・・・・・・・・・・・・・・・・・・・・・・・・・・・・・ 362 JOINT, REAR WASHER HOSE, NO.2 ・・・・・・・・・・・・・・・・・・・・・・・・・・・・・・・・・・・・・・・・・・・・・・・・・・・・・ 362 JOINT, REAR WASHER HOSE, NO.4 ・・・・・・・・・・・・・・・・・・・・・・・・・・・・・・・・・・・・・・・・・・・・・・・・・・・・・ 362 JOINT, WINDSHIELD WASHER ELBOW, NO.1 ・・・・・・・・・・・・・・・・・・・・・・・・・・・・・・・・・・・・・・・・・・・・・・ 360 JOINT, WINDSHIELD WASHER ELBOW, NO.2 ・・・・・・・・・・・・・・・・・・・・・・・・・・・・・・・・・・・・・・・・・・・・・・ 360 JOINT, WINDSHIELD WASHER HOSE, NO.1 ・・・・・・・・・・・・・・・・・・・・・・・・・・・・・・・・・・・・・・・・・・・・・・・ 360 KEY(FOR CRANKSHAFT TIMING GEAR) ・・・・・・・・・・・・・・・・・・・・・・・・・・・・・・・・・・・・・・・・・・・・・・・・・・・ 70 KEY, SUB ・・・・・・・・・・・・・・・・・・・・・・・・・・・・・・・・・・・・・・・・・・・・・・・・・・・・・・・・・・・・・・・・・・・・・・・・・・ 262 KEY, SYNCHROMESH SHIFTING, NO.1 ・・・・・・・・・・・・・・・・・・・・・・・・・・・・・・・・・・・・・・・・・・・・・・・・・・・ 110 KEY, SYNCHROMESH SHIFTING, NO.3 ・・・・・・・・・・・・・・・・・・・・・・・・・・・・・・・・・・・・・・・・・・・・・・・・・・・ 110 KNOB SUB-ASSY, SHIFT LEVER ・・・・・・・・・・・・・・・・・・・・・・・・・・・・・・・・・・・・・・・・・・・・・・・・・・・・・・・・ 116 KNOB, COOLER CONTROL ・・・・・・・・・・・・・・・・・・・・・・・・・・・・・・・・・・・・・・・・・・・・・・・・・・・・・・・・・・・・・・ 381 KNOB, COOLER CONTROL SWITCH ・・・・・・・・・・・・・・・・・・・・・・・・・・・・・・・・・・・・・・・・・・・・・・・・・・・・・・・ 377 KNOB, SEAT TRACK ADJUSTING HANDLE ・・・・・・・・・・・・・・・・・・・・・・・・・・・・・・・・・・・・・・・・・・・・・・・・・ 280 KNUCKLE, STEERING, LH ・・・・・・・・・・・・・・・・・・・・・・・・・・・・・・・・・・・・・・・・・・・・・・・・・・・・・・・・・・・・・ 161 KNUCKLE, STEERING, RH ・・・・・・・・・・・・・・・・・・・・・・・・・・・・・・・・・・・・・・・・・・・・・・・・・・・・・・・・・・・・・ 161 LABEL, CAUTION ・・・・・・・・・・・・・・・・・・・・・・・・・・・・・・・・・・・・・・・・・・・・・・・・・・・・・・・・・・・・・・・・・・・・ 295 LABEL, COOLING FAN CAUTION ・・・・・・・・・・・・・・・・・・・・・・・・・・・・・・・・・・・・・・・・・・・・・・・・・・・・・・・・ 295 LABEL, SAFETY CAUTION ・・・・・・・・・・・・・・・・・・・・・・・・・・・・・・・・・・・・・・・・・・・・・・・・・・・・・・・・・・・・・ 295 LABEL, TIRE PRESSURE INFORMATION ・・・・・・・・・・・・・・・・・・・・・・・・・・・・・・・・・・・・・・・・・・・・・・・・・・ 295 LAMP ASSY, CENTER STOP ・・・・・・・・・・・・・・・・・・・・・・・・・・・・・・・・・・・・・・・・・・・・・・・・・・・・・・・・・・・・ 317 LAMP ASSY, FOG, LH ・・・・・・・・・・・・・・・・・・・・・・・・・・・・・・・・・・・・・・・・・・・・・・・・・・・・・・・・・・・・・・・・ 311 LAMP ASSY, FOG, RH ・・・・・・・・・・・・・・・・・・・・・・・・・・・・・・・・・・・・・・・・・・・・・・・・・・・・・・・・・・・・・・・・ 311 LAMP ASSY, LICENSE PLATE ・・・・・・・・・・・・・・・・・・・・・・・・・・・・・・・・・・・・・・・・・・・・・・・・・・・・・・・・・・ 315 LAMP ASSY, MAP ・・・・・・・・・・・・・・・・・・・・・・・・・・・・・・・・・・・・・・・・・・・・・・・・・・・・・・・・・・・・・・・・・・・・ 319 LAMP ASSY, REAR, LH ・・・・・・・・・・・・・・・・・・・・・・・・・・・・・・・・・・・・・・・・・・・・・・・・・・・・・・・・・・・・・・・ 314 LAMP ASSY, REAR, RH ・・・・・・・・・・・・・・・・・・・・・・・・・・・・・・・・・・・・・・・・・・・・・・・・・・・・・・・・・・・・・・・ 314 LAMP ASSY, ROOM, NO.1 ・・・・・・・・・・・・・・・・・・・・・・・・・・・・・・・・・・・・・・・・・・・・・・・・・・・・・・・・・・・・・ 319 LAMP ASSY, ROOM, NO.2 ・・・・・・・・・・・・・・・・・・・・・・・・・・・・・・・・・・・・・・・・・・・・・・・・・・・・・・・・・・・・・ 319 LAMP ASSY, SIDE TURN SIGNAL, LH ・・・・・・・・・・・・・・・・・・・・・・・・・・・・・・・・・・・・・・・・・・・・・・・・・・・ 312 LAMP ASSY, SIDE TURN SIGNAL, RH ・・・・・・・・・・・・・・・・・・・・・・・・・・・・・・・・・・・・・・・・・・・・・・・・・・・ 312 LAMP UNIT, FOG LAMP, LH ・・・・・・・・・・・・・・・・・・・・・・・・・・・・・・・・・・・・・・・・・・・・・・・・・・・・・・・・・・・ 311 LAMP UNIT, FOG LAMP, RH ・・・・・・・・・・・・・・・・・・・・・・・・・・・・・・・・・・・・・・・・・・・・・・・・・・・・・・・・・・・ 311 LEG ASSY, REAR NO.2 SEAT, LH ・・・・・・・・・・・・・・・・・・・・・・・・・・・・・・・・・・・・・・・・・・・・・・・・・・・・・・ 283 LEG ASSY, REAR NO.2 SEAT, RH ・・・・・・・・・・・・・・・・・・・・・・・・・・・・・・・・・・・・・・・・・・・・・・・・・・・・・・ 283 LEG SUB ASSY, NO.1 SEAT, LH ・・・・・・・・・・・・・・・・・・・・・・・・・・・・・・・・・・・・・・・・・・・・・・・・・・・・・・・ 284 LEG SUB-ASSY, NO.1 SEAT, REAR ・・・・・・・・・・・・・・・・・・・・・・・・・・・・・・・・・・・・・・・・・・・・・・・・・・・・・ 284 LEG SUB-ASSY, NO.1 SEAT, REAR ・・・・・・・・・・・・・・・・・・・・・・・・・・・・・・・・・・・・・・・・・・・・・・・・・・・・・ 284 LEG SUB-ASSY, NO.1 SEAT, RH ・・・・・・・・・・・・・・・・・・・・・・・・・・・・・・・・・・・・・・・・・・・・・・・・・・・・・・・ 284 LENS & BODY, REAR COMBINATION LAMP, LH ・・・・・・・・・・・・・・・・・・・・・・・・・・・・・・・・・・・・・・・・・・・・ 314 LENS & BODY, REAR COMBINATION LAMP, RH ・・・・・・・・・・・・・・・・・・・・・・・・・・・・・・・・・・・・・・・・・・・・ 314 LENS SUB-ASSY, HEADLAMP, LH ・・・・・・・・・・・・・・・・・・・・・・・・・・・・・・・・・・・・・・・・・・・・・・・・・・・・・・・ 309 LENS SUB-ASSY, HEADLAMP, RH ・・・・・・・・・・・・・・・・・・・・・・・・・・・・・・・・・・・・・・・・・・・・・・・・・・・・・・・ 309 LENS, LICENSE PLATE LAMP ・・・・・・・・・・・・・・・・・・・・・・・・・・・・・・・・・・・・・・・・・・・・・・・・・・・・・・・・・・ 315 LENS, ROOM LAMP, NO.1 ・・・・・・・・・・・・・・・・・・・・・・・・・・・・・・・・・・・・・・・・・・・・・・・・・・・・・・・・・・・・・ 319 LENS, ROOM LAMP, NO.2 ・・・・・・・・・・・・・・・・・・・・・・・・・・・・・・・・・・・・・・・・・・・・・・・・・・・・・・・・・・・・・ 319 JOINT - LENS, 26
  • 27.
    PART NAME PAGE LEVERASSY, PARKING BRAKE ・・・・・・・・・・・・・・・・・・・・・・・・・・・・・・・・・・・・・・・・・・・・・・・・・・・・・・・・・ 146 LEVER SUB-ASSY, FUEL LID LOCK OPEN ・・・・・・・・・・・・・・・・・・・・・・・・・・・・・・・・・・・・・・・・・・・・・・・・ 306 LEVER SUB-ASSY, HOOD LOCK CONTROL ・・・・・・・・・・・・・・・・・・・・・・・・・・・・・・・・・・・・・・・・・・・・・・・・・ 181 LEVER, PARKING BRAKE SHOE, LH ・・・・・・・・・・・・・・・・・・・・・・・・・・・・・・・・・・・・・・・・・・・・・・・・・・・・・ 153 LEVER, PARKING BRAKE SHOE, RH ・・・・・・・・・・・・・・・・・・・・・・・・・・・・・・・・・・・・・・・・・・・・・・・・・・・・・ 153 LEVER, REAR BRAKE AUTOMATIC ADJUST, LH ・・・・・・・・・・・・・・・・・・・・・・・・・・・・・・・・・・・・・・・・・・・・ 154 LEVER, REAR BRAKE AUTOMATIC ADJUST, RH ・・・・・・・・・・・・・・・・・・・・・・・・・・・・・・・・・・・・・・・・・・・・ 154 LEVER, SELECT OUTER ・・・・・・・・・・・・・・・・・・・・・・・・・・・・・・・・・・・・・・・・・・・・・・・・・・・・・・・・・・・・・・・ 113 LEVER, SHIFT, INNER NO.1 ・・・・・・・・・・・・・・・・・・・・・・・・・・・・・・・・・・・・・・・・・・・・・・・・・・・・・・・・・・ 113 LEVER, SHIFT, INNER NO.2 ・・・・・・・・・・・・・・・・・・・・・・・・・・・・・・・・・・・・・・・・・・・・・・・・・・・・・・・・・・ 113 LEVER, VERTICAL ADJUSTER LOCK ・・・・・・・・・・・・・・・・・・・・・・・・・・・・・・・・・・・・・・・・・・・・・・・・・・・・・ 280 LID ASSY, FUEL FILLER OPENING ・・・・・・・・・・・・・・・・・・・・・・・・・・・・・・・・・・・・・・・・・・・・・・・・・・・・・ 306 LINER, FRONT FENDER, LH ・・・・・・・・・・・・・・・・・・・・・・・・・・・・・・・・・・・・・・・・・・・・・・・・・・・・・・・・・・・ 179 LINER, FRONT FENDER, RH ・・・・・・・・・・・・・・・・・・・・・・・・・・・・・・・・・・・・・・・・・・・・・・・・・・・・・・・・・・・ 179 LINER, REAR WHEEL HOUSE, LH ・・・・・・・・・・・・・・・・・・・・・・・・・・・・・・・・・・・・・・・・・・・・・・・・・・・・・・・ 238 LINER, REAR WHEEL HOUSE, RH ・・・・・・・・・・・・・・・・・・・・・・・・・・・・・・・・・・・・・・・・・・・・・・・・・・・・・・・ 238 LINK ASSY, FRONT STABILIZER, LH ・・・・・・・・・・・・・・・・・・・・・・・・・・・・・・・・・・・・・・・・・・・・・・・・・・・ 164 LINK ASSY, FRONT STABILIZER, RH ・・・・・・・・・・・・・・・・・・・・・・・・・・・・・・・・・・・・・・・・・・・・・・・・・・・ 165 LINK ASSY, WIPER ・・・・・・・・・・・・・・・・・・・・・・・・・・・・・・・・・・・・・・・・・・・・・・・・・・・・・・・・・・・・・・・・・・ 357 LINK, FRONT DOOR LOCK REMOTE CONTROL, RH ・・・・・・・・・・・・・・・・・・・・・・・・・・・・・・・・・・・・・・・・・・ 246 LOCK ASSY, BACK DOOR ・・・・・・・・・・・・・・・・・・・・・・・・・・・・・・・・・・・・・・・・・・・・・・・・・・・・・・・・・・・・・・ 260 LOCK ASSY, FRONT DOOR, LH ・・・・・・・・・・・・・・・・・・・・・・・・・・・・・・・・・・・・・・・・・・・・・・・・・・・・・・・・・ 246 LOCK ASSY, FRONT DOOR, RH ・・・・・・・・・・・・・・・・・・・・・・・・・・・・・・・・・・・・・・・・・・・・・・・・・・・・・・・・・ 245 LOCK ASSY, GLOVE COMPARTMENT DOOR ・・・・・・・・・・・・・・・・・・・・・・・・・・・・・・・・・・・・・・・・・・・・・・・・・ 191 LOCK ASSY, HOOD ・・・・・・・・・・・・・・・・・・・・・・・・・・・・・・・・・・・・・・・・・・・・・・・・・・・・・・・・・・・・・・・・・・・ 181 LOCK ASSY, REAR DOOR, LH ・・・・・・・・・・・・・・・・・・・・・・・・・・・・・・・・・・・・・・・・・・・・・・・・・・・・・・・・・・ 254 LOCK ASSY, REAR DOOR, RH ・・・・・・・・・・・・・・・・・・・・・・・・・・・・・・・・・・・・・・・・・・・・・・・・・・・・・・・・・・ 254 LOCK ASSY, REAR SEAT, LH ・・・・・・・・・・・・・・・・・・・・・・・・・・・・・・・・・・・・・・・・・・・・・・・・・・・・・・・・・・ 281 LOCK ASSY, REAR SEAT, RH ・・・・・・・・・・・・・・・・・・・・・・・・・・・・・・・・・・・・・・・・・・・・・・・・・・・・・・・・・・ 281 LOCK SUB-ASSY, CENTER ARMREST ・・・・・・・・・・・・・・・・・・・・・・・・・・・・・・・・・・・・・・・・・・・・・・・・・・・・・ 282 LOCK SUB-ASSY, FUEL FILLER OPENING LID ・・・・・・・・・・・・・・・・・・・・・・・・・・・・・・・・・・・・・・・・・・・・ 305 LOCK, SPARE WHEEL CARRIER ・・・・・・・・・・・・・・・・・・・・・・・・・・・・・・・・・・・・・・・・・・・・・・・・・・・・・・・・・ 170 LOCK, VALVE SPRING RETAINER ・・・・・・・・・・・・・・・・・・・・・・・・・・・・・・・・・・・・・・・・・・・・・・・・・・・・・・・ 72 LOUVER SUB-ASSY, COWL TOP VENTILATOR ・・・・・・・・・・・・・・・・・・・・・・・・・・・・・・・・・・・・・・・・・・・・・・ 193 MAGNET, OIL CLEANER(CVT) ・・・・・・・・・・・・・・・・・・・・・・・・・・・・・・・・・・・・・・・・・・・・・・・・・・・・・・・・・・ 123 MAGNET, TRANSMISSION ・・・・・・・・・・・・・・・・・・・・・・・・・・・・・・・・・・・・・・・・・・・・・・・・・・・・・・・・・・・・・・ 105 MANIFOLD, INTAKE ・・・・・・・・・・・・・・・・・・・・・・・・・・・・・・・・・・・・・・・・・・・・・・・・・・・・・・・・・・・・・・・・・・ 83 MASTER SWITCH ASSY, POWER WINDOW REGULATOR ・・・・・・・・・・・・・・・・・・・・・・・・・・・・・・・・・・・・・・・・ 340 MEMBER SUB-ASSY, FLOOR SIDE, INNER RH ・・・・・・・・・・・・・・・・・・・・・・・・・・・・・・・・・・・・・・・・・・・・・ 200 MEMBER SUB-ASSY, FRONT FLOOR CROSS, LH ・・・・・・・・・・・・・・・・・・・・・・・・・・・・・・・・・・・・・・・・・・・・ 200 MEMBER SUB-ASSY, FRONT FLOOR CROSS, RH ・・・・・・・・・・・・・・・・・・・・・・・・・・・・・・・・・・・・・・・・・・・・ 200 MEMBER SUB-ASSY, FRONT SIDE, LH ・・・・・・・・・・・・・・・・・・・・・・・・・・・・・・・・・・・・・・・・・・・・・・・・・・・ 200 MEMBER SUB-ASSY, FRONT SIDE, OUTER LH ・・・・・・・・・・・・・・・・・・・・・・・・・・・・・・・・・・・・・・・・・・・・・ 200 MEMBER SUB-ASSY, FRONT SIDE, OUTER RH ・・・・・・・・・・・・・・・・・・・・・・・・・・・・・・・・・・・・・・・・・・・・・ 200 MEMBER SUB-ASSY, FRONT SIDE, RH ・・・・・・・・・・・・・・・・・・・・・・・・・・・・・・・・・・・・・・・・・・・・・・・・・・・ 200 MEMBER SUB-ASSY, MAIN FLOOR SIDE, LH ・・・・・・・・・・・・・・・・・・・・・・・・・・・・・・・・・・・・・・・・・・・・・・ 200 MEMBER SUB-ASSY, MAIN FLOOR SIDE, RH ・・・・・・・・・・・・・・・・・・・・・・・・・・・・・・・・・・・・・・・・・・・・・・ 200 MEMBER SUB-ASSY, REAR FLOOR CROSS ・・・・・・・・・・・・・・・・・・・・・・・・・・・・・・・・・・・・・・・・・・・・・・・・・ 204 MEMBER SUB-ASSY, REAR FLOOR CROSS, NO.2 ・・・・・・・・・・・・・・・・・・・・・・・・・・・・・・・・・・・・・・・・・・・ 204 MEMBER SUB-ASSY, REAR FLOOR CROSS, NO.3 ・・・・・・・・・・・・・・・・・・・・・・・・・・・・・・・・・・・・・・・・・・・ 204 LEVER - MEMBER PART NAME PAGE MEMBER SUB-ASSY, REAR FLOOR CROSS, NO.4 ・・・・・・・・・・・・・・・・・・・・・・・・・・・・・・・・・・・・・・・・・・・ 204 MEMBER SUB-ASSY, REAR FLOOR REAR CROSS, INNER ・・・・・・・・・・・・・・・・・・・・・・・・・・・・・・・・・・・・・ 204 MEMBER SUB-ASSY, REAR FLOOR SIDE, FRONT RH ・・・・・・・・・・・・・・・・・・・・・・・・・・・・・・・・・・・・・・・・ 204 MEMBER SUB-ASSY, REAR FLOOR SIDE, LH ・・・・・・・・・・・・・・・・・・・・・・・・・・・・・・・・・・・・・・・・・・・・・・ 204 MEMBER, FLOOR SIDE, INNER LH ・・・・・・・・・・・・・・・・・・・・・・・・・・・・・・・・・・・・・・・・・・・・・・・・・・・・・・ 200 MEMBER, FRONT FLOOR CROSS ・・・・・・・・・・・・・・・・・・・・・・・・・・・・・・・・・・・・・・・・・・・・・・・・・・・・・・・・・ 201 MEMBER, FRONT SIDE, LH ・・・・・・・・・・・・・・・・・・・・・・・・・・・・・・・・・・・・・・・・・・・・・・・・・・・・・・・・・・・・ 200 MEMBER, FRONT SIDE, RH ・・・・・・・・・・・・・・・・・・・・・・・・・・・・・・・・・・・・・・・・・・・・・・・・・・・・・・・・・・・・ 200 METER ASSY, COMBINATION ・・・・・・・・・・・・・・・・・・・・・・・・・・・・・・・・・・・・・・・・・・・・・・・・・・・・・・・・・・・ 328 METER SUB-ASSY, INTAKE AIR FLOW ・・・・・・・・・・・・・・・・・・・・・・・・・・・・・・・・・・・・・・・・・・・・・・・・・・・ 87 MIRROR ASSY, INNER REAR VIEW ・・・・・・・・・・・・・・・・・・・・・・・・・・・・・・・・・・・・・・・・・・・・・・・・・・・・・・ 371 MIRROR ASSY, OUTER REAR VIEW, LH ・・・・・・・・・・・・・・・・・・・・・・・・・・・・・・・・・・・・・・・・・・・・・・・・・・ 371 MIRROR ASSY, OUTER REAR VIEW, RH ・・・・・・・・・・・・・・・・・・・・・・・・・・・・・・・・・・・・・・・・・・・・・・・・・・ 371 MIRROR, OUTER REAR VIEW, LH ・・・・・・・・・・・・・・・・・・・・・・・・・・・・・・・・・・・・・・・・・・・・・・・・・・・・・・・ 371 MIRROR, OUTER REAR VIEW, RH ・・・・・・・・・・・・・・・・・・・・・・・・・・・・・・・・・・・・・・・・・・・・・・・・・・・・・・・ 371 MODULE SET, TRANSMITTER SUB-ASSY, DOOR CONTROL ・・・・・・・・・・・・・・・・・・・・・・・・・・・・・・・・・・・・ 262 MOTOR & PUMP ASSY, WASHER ・・・・・・・・・・・・・・・・・・・・・・・・・・・・・・・・・・・・・・・・・・・・・・・・・・・・・・・・・ 359 MOTOR ASSY, BLOWER ・・・・・・・・・・・・・・・・・・・・・・・・・・・・・・・・・・・・・・・・・・・・・・・・・・・・・・・・・・・・・・・・ 376 MOTOR ASSY, BLOWER, REAR ・・・・・・・・・・・・・・・・・・・・・・・・・・・・・・・・・・・・・・・・・・・・・・・・・・・・・・・・・・ 376 MOTOR ASSY, POWER WINDOW REGULATOR, LH ・・・・・・・・・・・・・・・・・・・・・・・・・・・・・・・・・・・・・・・・・・・・ 247 MOTOR ASSY, POWER WINDOW REGULATOR, LH ・・・・・・・・・・・・・・・・・・・・・・・・・・・・・・・・・・・・・・・・・・・・ 255 MOTOR ASSY, POWER WINDOW REGULATOR, RH ・・・・・・・・・・・・・・・・・・・・・・・・・・・・・・・・・・・・・・・・・・・・ 247 MOTOR ASSY, POWER WINDOW REGULATOR, RH ・・・・・・・・・・・・・・・・・・・・・・・・・・・・・・・・・・・・・・・・・・・・ 255 MOTOR ASSY, REAR WIPER ・・・・・・・・・・・・・・・・・・・・・・・・・・・・・・・・・・・・・・・・・・・・・・・・・・・・・・・・・・・・ 358 MOTOR ASSY, WINDSHIELD WIPER ・・・・・・・・・・・・・・・・・・・・・・・・・・・・・・・・・・・・・・・・・・・・・・・・・・・・・・ 357 MOTOR SET, POWER STEERING ・・・・・・・・・・・・・・・・・・・・・・・・・・・・・・・・・・・・・・・・・・・・・・・・・・・・・・・・・ 140 MOTOR, COOLING FAN ・・・・・・・・・・・・・・・・・・・・・・・・・・・・・・・・・・・・・・・・・・・・・・・・・・・・・・・・・・・・・・・・ 79 MOULDING SUB-ASSY, QUARTER OUTSIDE, LH ・・・・・・・・・・・・・・・・・・・・・・・・・・・・・・・・・・・・・・・・・・・・ 299 MOULDING SUB-ASSY, QUARTER OUTSIDE, RH ・・・・・・・・・・・・・・・・・・・・・・・・・・・・・・・・・・・・・・・・・・・・ 299 MOULDING, BACK WINDOW, OUTSIDE LH ・・・・・・・・・・・・・・・・・・・・・・・・・・・・・・・・・・・・・・・・・・・・・・・・・ 258 MOULDING, BACK WINDOW, OUTSIDE RH ・・・・・・・・・・・・・・・・・・・・・・・・・・・・・・・・・・・・・・・・・・・・・・・・・ 258 MOULDING, BUMPER SIDE, LH ・・・・・・・・・・・・・・・・・・・・・・・・・・・・・・・・・・・・・・・・・・・・・・・・・・・・・・・・・ 172 MOULDING, BUMPER SIDE, RH ・・・・・・・・・・・・・・・・・・・・・・・・・・・・・・・・・・・・・・・・・・・・・・・・・・・・・・・・・ 172 MOULDING, FRONT BUMPER SIDE, LH ・・・・・・・・・・・・・・・・・・・・・・・・・・・・・・・・・・・・・・・・・・・・・・・・・・・ 172 MOULDING, FRONT BUMPER SIDE, RH ・・・・・・・・・・・・・・・・・・・・・・・・・・・・・・・・・・・・・・・・・・・・・・・・・・・ 172 MOULDING, INSTRUMENT CLUSTER, NO.1 ・・・・・・・・・・・・・・・・・・・・・・・・・・・・・・・・・・・・・・・・・・・・・・・・ 191 MOULDING, INSTRUMENT CLUSTER, NO.2 ・・・・・・・・・・・・・・・・・・・・・・・・・・・・・・・・・・・・・・・・・・・・・・・・ 191 MOULDING, QUARTER WINDOW, OUTSIDE FRONT LH ・・・・・・・・・・・・・・・・・・・・・・・・・・・・・・・・・・・・・・・・ 299 MOULDING, QUARTER WINDOW, OUTSIDE FRONT RH ・・・・・・・・・・・・・・・・・・・・・・・・・・・・・・・・・・・・・・・・ 299 MOULDING, RADIATOR GRILLE ・・・・・・・・・・・・・・・・・・・・・・・・・・・・・・・・・・・・・・・・・・・・・・・・・・・・・・・・・ 175 MOULDING, ROOF DRIP SIDE FINISH, LH ・・・・・・・・・・・・・・・・・・・・・・・・・・・・・・・・・・・・・・・・・・・・・・・ 299 MOULDING, ROOF DRIP SIDE FINISH, RH ・・・・・・・・・・・・・・・・・・・・・・・・・・・・・・・・・・・・・・・・・・・・・・・ 299 NOZZLE & HOSE ASSY, FR WASHER ・・・・・・・・・・・・・・・・・・・・・・・・・・・・・・・・・・・・・・・・・・・・・・・・・・・・・ 360 NOZZLE & HOSE ASSY, FR WASHER, LH ・・・・・・・・・・・・・・・・・・・・・・・・・・・・・・・・・・・・・・・・・・・・・・・・・ 360 NOZZLE & HOSE ASSY, RR WASHER ・・・・・・・・・・・・・・・・・・・・・・・・・・・・・・・・・・・・・・・・・・・・・・・・・・・・・ 362 NOZZLE SUB-ASSY, OIL, NO.1 ・・・・・・・・・・・・・・・・・・・・・・・・・・・・・・・・・・・・・・・・・・・・・・・・・・・・・・・・ 62 NOZZLE, FR WASHER, RH ・・・・・・・・・・・・・・・・・・・・・・・・・・・・・・・・・・・・・・・・・・・・・・・・・・・・・・・・・・・・・ 359 NOZZLE, FRONT WASHER, LH ・・・・・・・・・・・・・・・・・・・・・・・・・・・・・・・・・・・・・・・・・・・・・・・・・・・・・・・・・・ 359 NOZZLE, REAR WASHER ・・・・・・・・・・・・・・・・・・・・・・・・・・・・・・・・・・・・・・・・・・・・・・・・・・・・・・・・・・・・・・・ 362 NUT (FOR FRONT AXLE SHAFT LH) ・・・・・・・・・・・・・・・・・・・・・・・・・・・・・・・・・・・・・・・・・・・・・・・・・・・・・ 138 MEMBER - NUT 27
  • 28.
    PART NAME PAGE NUT(FOR FRONT AXLE SHAFT RH) ・・・・・・・・・・・・・・・・・・・・・・・・・・・・・・・・・・・・・・・・・・・・・・・・・・・・・ 138 NUT (FOR FRONT WIPER ARM SETTING) ・・・・・・・・・・・・・・・・・・・・・・・・・・・・・・・・・・・・・・・・・・・・・・・・・ 357 NUT (FOR REAR WIPER ARM SETTING) ・・・・・・・・・・・・・・・・・・・・・・・・・・・・・・・・・・・・・・・・・・・・・・・・・・ 358 NUT (FOR STEERING KNUCKLE LH) ・・・・・・・・・・・・・・・・・・・・・・・・・・・・・・・・・・・・・・・・・・・・・・・・・・・・・ 161 NUT (FOR STEERING KNUCKLE RH) ・・・・・・・・・・・・・・・・・・・・・・・・・・・・・・・・・・・・・・・・・・・・・・・・・・・・・ 161 NUT (FOR TRANSMISSION CONTROL CABLE) ・・・・・・・・・・・・・・・・・・・・・・・・・・・・・・・・・・・・・・・・・・・・・・ 116 NUT(FOR CLUTCH PEDAL STOPPER) ・・・・・・・・・・・・・・・・・・・・・・・・・・・・・・・・・・・・・・・・・・・・・・・・・・・・・ 98 NUT(FOR FRONT STABILIZER LINK) ・・・・・・・・・・・・・・・・・・・・・・・・・・・・・・・・・・・・・・・・・・・・・・・・・・・・ 165 NUT(FOR FRONT SUPPORT TO FRONT SHOCK ABSORBER LH) ・・・・・・・・・・・・・・・・・・・・・・・・・・・・・・・・・ 164 NUT(FOR FRONT SUPPORT TO FRONT SHOCK ABSORBER RH) ・・・・・・・・・・・・・・・・・・・・・・・・・・・・・・・・・ 164 NUT(FOR REAR SUPPORT TO REAR SHOCK ABSORBER LH) ・・・・・・・・・・・・・・・・・・・・・・・・・・・・・・・・・・・ 167 NUT(FOR REAR SUPPORT TO REAR SHOCK ABSORBER RH) ・・・・・・・・・・・・・・・・・・・・・・・・・・・・・・・・・・・ 167 NUT, ALTERNATOR ・・・・・・・・・・・・・・・・・・・・・・・・・・・・・・・・・・・・・・・・・・・・・・・・・・・・・・・・・・・・・・・・・・・ 92 NUT, BOOSTER ・・・・・・・・・・・・・・・・・・・・・・・・・・・・・・・・・・・・・・・・・・・・・・・・・・・・・・・・・・・・・・・・・・・・・・ 149 NUT, BOOSTER SLEEVE CYLINDER ・・・・・・・・・・・・・・・・・・・・・・・・・・・・・・・・・・・・・・・・・・・・・・・・・・・・・・ 149 NUT, BRAKE MASTER CYLINDER ・・・・・・・・・・・・・・・・・・・・・・・・・・・・・・・・・・・・・・・・・・・・・・・・・・・・・・・・ 148 NUT, FR WIPER ・・・・・・・・・・・・・・・・・・・・・・・・・・・・・・・・・・・・・・・・・・・・・・・・・・・・・・・・・・・・・・・・・・・・・ 357 NUT, HUB (FOR AXLE) ・・・・・・・・・・・・・・・・・・・・・・・・・・・・・・・・・・・・・・・・・・・・・・・・・・・・・・・・・・・・・・・ 132 NUT, LOCK ・・・・・・・・・・・・・・・・・・・・・・・・・・・・・・・・・・・・・・・・・・・・・・・・・・・・・・・・・・・・・・・・・・・・・・・・・ 144 NUT, RACK END LOCK ・・・・・・・・・・・・・・・・・・・・・・・・・・・・・・・・・・・・・・・・・・・・・・・・・・・・・・・・・・・・・・・・ 144 NUT, STEERING WHEEL SET ・・・・・・・・・・・・・・・・・・・・・・・・・・・・・・・・・・・・・・・・・・・・・・・・・・・・・・・・・・・ 142 NUT, WIRE ADJUSTING, NO.1 ・・・・・・・・・・・・・・・・・・・・・・・・・・・・・・・・・・・・・・・・・・・・・・・・・・・・・・・・・ 146 O RING, CAM POSITION SENSOR ・・・・・・・・・・・・・・・・・・・・・・・・・・・・・・・・・・・・・・・・・・・・・・・・・・・・・・・ 57 O RING, CRANK POSITION SENSOR ・・・・・・・・・・・・・・・・・・・・・・・・・・・・・・・・・・・・・・・・・・・・・・・・・・・・・ 64 ORNAMENT SUB-ASSY, WHEEL HUB ・・・・・・・・・・・・・・・・・・・・・・・・・・・・・・・・・・・・・・・・・・・・・・・・・・・・・・ 132 ORNAMENT, STEERING WHEEL, NO.1 ・・・・・・・・・・・・・・・・・・・・・・・・・・・・・・・・・・・・・・・・・・・・・・・・・・・・ 142 ORNAMENT, STEERING WHEEL, NO.2 ・・・・・・・・・・・・・・・・・・・・・・・・・・・・・・・・・・・・・・・・・・・・・・・・・・・・ 142 PACKING(FOR RADIATOR DRAIN COCK) ・・・・・・・・・・・・・・・・・・・・・・・・・・・・・・・・・・・・・・・・・・・・・・・・・・ 79 PACKING, ALTERNATOR BEARING COVER ・・・・・・・・・・・・・・・・・・・・・・・・・・・・・・・・・・・・・・・・・・・・・・・・・ 92 PACKING, COOLING UNIT, NO.1 ・・・・・・・・・・・・・・・・・・・・・・・・・・・・・・・・・・・・・・・・・・・・・・・・・・・・・・・ 377 PACKING, COOLING UNIT, NO.2 ・・・・・・・・・・・・・・・・・・・・・・・・・・・・・・・・・・・・・・・・・・・・・・・・・・・・・・・ 377 PACKING, COOLING UNIT, NO.3 ・・・・・・・・・・・・・・・・・・・・・・・・・・・・・・・・・・・・・・・・・・・・・・・・・・・・・・・ 377 PACKING, LICENSE PLATE LAMP ・・・・・・・・・・・・・・・・・・・・・・・・・・・・・・・・・・・・・・・・・・・・・・・・・・・・・・・ 315 PACKING, REAR LAMP LH ・・・・・・・・・・・・・・・・・・・・・・・・・・・・・・・・・・・・・・・・・・・・・・・・・・・・・・・・・・・・・ 314 PACKING, REAR LAMP RH ・・・・・・・・・・・・・・・・・・・・・・・・・・・・・・・・・・・・・・・・・・・・・・・・・・・・・・・・・・・・・ 314 PACKING, WINDSHIELD WASHER JAR ・・・・・・・・・・・・・・・・・・・・・・・・・・・・・・・・・・・・・・・・・・・・・・・・・・・・ 359 PAD KIT, DISC BRAKE, FRONT ・・・・・・・・・・・・・・・・・・・・・・・・・・・・・・・・・・・・・・・・・・・・・・・・・・・・・・・・ 151 PAD SUB-ASSY, FRONT FLOOR SILENCER, REAR LH ・・・・・・・・・・・・・・・・・・・・・・・・・・・・・・・・・・・・・・・ 208 PAD SUB-ASSY, FRONT FLOOR SILENCER, REAR RH ・・・・・・・・・・・・・・・・・・・・・・・・・・・・・・・・・・・・・・・ 207 PAD SUB-ASSY, REAR SEAT CENTER ARMREST, NO.2 ・・・・・・・・・・・・・・・・・・・・・・・・・・・・・・・・・・・・・・ 279 PAD SUB-ASSY, REAR SEAT CUSHION ・・・・・・・・・・・・・・・・・・・・・・・・・・・・・・・・・・・・・・・・・・・・・・・・・・・ 274 PAD, AIR DUCT ・・・・・・・・・・・・・・・・・・・・・・・・・・・・・・・・・・・・・・・・・・・・・・・・・・・・・・・・・・・・・・・・・・・・・ 381 PAD, AIR DUCT, NO.3 ・・・・・・・・・・・・・・・・・・・・・・・・・・・・・・・・・・・・・・・・・・・・・・・・・・・・・・・・・・・・・・・ 381 PAD, AIR DUCT, NO.5 ・・・・・・・・・・・・・・・・・・・・・・・・・・・・・・・・・・・・・・・・・・・・・・・・・・・・・・・・・・・・・・・ 381 PAD, BRAKE PEDAL ・・・・・・・・・・・・・・・・・・・・・・・・・・・・・・・・・・・・・・・・・・・・・・・・・・・・・・・・・・・・・・・・・・ 147 PAD, CLUTCH PEDAL ・・・・・・・・・・・・・・・・・・・・・・・・・・・・・・・・・・・・・・・・・・・・・・・・・・・・・・・・・・・・・・・・・ 98 PAD, DASH PANEL INSULATOR, NO.3 ・・・・・・・・・・・・・・・・・・・・・・・・・・・・・・・・・・・・・・・・・・・・・・・・・・ 183 PAD, DASH PANEL INSULATOR, NO.4 ・・・・・・・・・・・・・・・・・・・・・・・・・・・・・・・・・・・・・・・・・・・・・・・・・・ 184 PAD, DASH PANEL INSULATOR, NO.2 ・・・・・・・・・・・・・・・・・・・・・・・・・・・・・・・・・・・・・・・・・・・・・・・・・・・ 183 PAD, FLOOR SILENCER, FRONT LH ・・・・・・・・・・・・・・・・・・・・・・・・・・・・・・・・・・・・・・・・・・・・・・・・・・・・・ 208 NUT - PAD, PART NAME PAGE PAD, FLOOR SILENCER, FRONT RH ・・・・・・・・・・・・・・・・・・・・・・・・・・・・・・・・・・・・・・・・・・・・・・・・・・・・・ 208 PAD, FRONT DOOR OUTSIDE HANDLE, LH ・・・・・・・・・・・・・・・・・・・・・・・・・・・・・・・・・・・・・・・・・・・・・・・・ 245 PAD, FRONT DOOR OUTSIDE HANDLE, RH ・・・・・・・・・・・・・・・・・・・・・・・・・・・・・・・・・・・・・・・・・・・・・・・・ 245 PAD, FRONT SEAT BACK SILENCER, A ・・・・・・・・・・・・・・・・・・・・・・・・・・・・・・・・・・・・・・・・・・・・・・・・・・ 274 PAD, FRONT SEAT BACK, LH(FOR SEPARATE TYPE) ・・・・・・・・・・・・・・・・・・・・・・・・・・・・・・・・・・・・・・・ 274 PAD, FRONT SEAT BACK, RH(FOR SEPARATE TYPE) ・・・・・・・・・・・・・・・・・・・・・・・・・・・・・・・・・・・・・・・ 274 PAD, FRONT SEAT CUSHION, LH (FOR SEPARATE TYPE) ・・・・・・・・・・・・・・・・・・・・・・・・・・・・・・・・・・・ 274 PAD, FRONT SEAT CUSHION, RH(FOR SEPARATE TYPE) ・・・・・・・・・・・・・・・・・・・・・・・・・・・・・・・・・・・・ 274 PAD, INSTRUMENT PANEL SAFETY, NO.1 ・・・・・・・・・・・・・・・・・・・・・・・・・・・・・・・・・・・・・・・・・・・・・・・・ 191 PAD, INSTRUMENT PANEL SAFETY, NO.2 ・・・・・・・・・・・・・・・・・・・・・・・・・・・・・・・・・・・・・・・・・・・・・・・・ 191 PAD, NO.1 SEAT BACK, LH ・・・・・・・・・・・・・・・・・・・・・・・・・・・・・・・・・・・・・・・・・・・・・・・・・・・・・・・・・・・ 284 PAD, NO.1 SEAT BACK, RH ・・・・・・・・・・・・・・・・・・・・・・・・・・・・・・・・・・・・・・・・・・・・・・・・・・・・・・・・・・・ 284 PAD, NO.2 SEAT BACK, LH ・・・・・・・・・・・・・・・・・・・・・・・・・・・・・・・・・・・・・・・・・・・・・・・・・・・・・・・・・・・ 285 PAD, NO.2 SEAT BACK, RH ・・・・・・・・・・・・・・・・・・・・・・・・・・・・・・・・・・・・・・・・・・・・・・・・・・・・・・・・・・・ 285 PAD, NO.2 SEAT CUSHION ・・・・・・・・・・・・・・・・・・・・・・・・・・・・・・・・・・・・・・・・・・・・・・・・・・・・・・・・・・・・ 284 PAD, NO.2 SEAT CUSHION, LH ・・・・・・・・・・・・・・・・・・・・・・・・・・・・・・・・・・・・・・・・・・・・・・・・・・・・・・・・ 285 PAD, NO.2 SEAT CUSHION, RH ・・・・・・・・・・・・・・・・・・・・・・・・・・・・・・・・・・・・・・・・・・・・・・・・・・・・・・・・ 284 PAD, REAR SEAT BACK SILENCER, A ・・・・・・・・・・・・・・・・・・・・・・・・・・・・・・・・・・・・・・・・・・・・・・・・・・・ 275 PAD, REAR SEAT BACK SILENCER, B ・・・・・・・・・・・・・・・・・・・・・・・・・・・・・・・・・・・・・・・・・・・・・・・・・・・ 275 PAD, REAR SEAT BACK SILENCER, C ・・・・・・・・・・・・・・・・・・・・・・・・・・・・・・・・・・・・・・・・・・・・・・・・・・・ 275 PAD, REAR SEAT BACK, CENTER A ・・・・・・・・・・・・・・・・・・・・・・・・・・・・・・・・・・・・・・・・・・・・・・・・・・・・・ 275 PAD, REAR SEAT BACK, CENTER B ・・・・・・・・・・・・・・・・・・・・・・・・・・・・・・・・・・・・・・・・・・・・・・・・・・・・・ 275 PAD, REAR SEAT CUSHION SILENCER, A ・・・・・・・・・・・・・・・・・・・・・・・・・・・・・・・・・・・・・・・・・・・・・・・・ 275 PAD, REAR SEAT CUSHION SILENCER, A ・・・・・・・・・・・・・・・・・・・・・・・・・・・・・・・・・・・・・・・・・・・・・・・・ 275 PAD, REAR SEAT CUSHION SILENCER, B ・・・・・・・・・・・・・・・・・・・・・・・・・・・・・・・・・・・・・・・・・・・・・・・・ 275 PAD, REAR SEAT CUSHION SILENCER, B ・・・・・・・・・・・・・・・・・・・・・・・・・・・・・・・・・・・・・・・・・・・・・・・・ 275 PAD, REAR SEAT CUSHION SILENCER, NO.2 ・・・・・・・・・・・・・・・・・・・・・・・・・・・・・・・・・・・・・・・・・・・・・ 275 PAD, REAR SEAT CUSHION, LH ・・・・・・・・・・・・・・・・・・・・・・・・・・・・・・・・・・・・・・・・・・・・・・・・・・・・・・・・ 275 PAD, REAR SEAT CUSHION, RH ・・・・・・・・・・・・・・・・・・・・・・・・・・・・・・・・・・・・・・・・・・・・・・・・・・・・・・・・ 274 PAD, REAR SEAT CUSHION, RH ・・・・・・・・・・・・・・・・・・・・・・・・・・・・・・・・・・・・・・・・・・・・・・・・・・・・・・・・ 275 PAD, ROOF SILENCER, NO.1 ・・・・・・・・・・・・・・・・・・・・・・・・・・・・・・・・・・・・・・・・・・・・・・・・・・・・・・・・・・ 235 PAD, ROOF SILENCER, NO.2 ・・・・・・・・・・・・・・・・・・・・・・・・・・・・・・・・・・・・・・・・・・・・・・・・・・・・・・・・・・ 235 PAD, ROOF SILENCER, NO.3 ・・・・・・・・・・・・・・・・・・・・・・・・・・・・・・・・・・・・・・・・・・・・・・・・・・・・・・・・・・ 235 PAD,FRONT SEAT CUSHION SILENCER ・・・・・・・・・・・・・・・・・・・・・・・・・・・・・・・・・・・・・・・・・・・・・・・・・・・ 274 PAN SUB-ASSY, OIL ・・・・・・・・・・・・・・・・・・・・・・・・・・・・・・・・・・・・・・・・・・・・・・・・・・・・・・・・・・・・・・・・・ 61 PAN SUB-ASSY, TRANSAXLE OIL(CVT) ・・・・・・・・・・・・・・・・・・・・・・・・・・・・・・・・・・・・・・・・・・・・・・・・・・ 122 PAN, FRONT FLOOR ・・・・・・・・・・・・・・・・・・・・・・・・・・・・・・・・・・・・・・・・・・・・・・・・・・・・・・・・・・・・・・・・・・ 201 PAN, REAR FLOOR ・・・・・・・・・・・・・・・・・・・・・・・・・・・・・・・・・・・・・・・・・・・・・・・・・・・・・・・・・・・・・・・・・・・ 205 PANEL ASSY, BACK DOOR TRIM ・・・・・・・・・・・・・・・・・・・・・・・・・・・・・・・・・・・・・・・・・・・・・・・・・・・・・・・・ 258 PANEL ASSY, DECK TRIM SIDE, LH ・・・・・・・・・・・・・・・・・・・・・・・・・・・・・・・・・・・・・・・・・・・・・・・・・・・・ 237 PANEL ASSY, DECK TRIM SIDE, RH ・・・・・・・・・・・・・・・・・・・・・・・・・・・・・・・・・・・・・・・・・・・・・・・・・・・・ 237 PANEL SUB-ASSY, BACK DOOR ・・・・・・・・・・・・・・・・・・・・・・・・・・・・・・・・・・・・・・・・・・・・・・・・・・・・・・・・・ 258 PANEL SUB-ASSY, BODY LOWER BACK ・・・・・・・・・・・・・・・・・・・・・・・・・・・・・・・・・・・・・・・・・・・・・・・・・・・ 204 PANEL SUB-ASSY, BODY LOWER BACK, INNER ・・・・・・・・・・・・・・・・・・・・・・・・・・・・・・・・・・・・・・・・・・・・ 205 PANEL SUB-ASSY, CONSOLE, LOWER ・・・・・・・・・・・・・・・・・・・・・・・・・・・・・・・・・・・・・・・・・・・・・・・・・・・・ 211 PANEL SUB-ASSY, CONSOLE, UPPER ・・・・・・・・・・・・・・・・・・・・・・・・・・・・・・・・・・・・・・・・・・・・・・・・・・・・ 211 PANEL SUB-ASSY, COWL TOP, INNER ・・・・・・・・・・・・・・・・・・・・・・・・・・・・・・・・・・・・・・・・・・・・・・・・・・・ 193 PANEL SUB-ASSY, COWL TOP, OUTER ・・・・・・・・・・・・・・・・・・・・・・・・・・・・・・・・・・・・・・・・・・・・・・・・・・・ 193 PANEL SUB-ASSY, DASH ・・・・・・・・・・・・・・・・・・・・・・・・・・・・・・・・・・・・・・・・・・・・・・・・・・・・・・・・・・・・・・ 183 PANEL SUB-ASSY, FRONT DOOR, LH ・・・・・・・・・・・・・・・・・・・・・・・・・・・・・・・・・・・・・・・・・・・・・・・・・・・・ 241 PAD, - PANEL 28
  • 29.
    PART NAME PAGE PANELSUB-ASSY, FRONT DOOR, RH ・・・・・・・・・・・・・・・・・・・・・・・・・・・・・・・・・・・・・・・・・・・・・・・・・・・・ 241 PANEL SUB-ASSY, FRONT FLOOR SIDE, LH ・・・・・・・・・・・・・・・・・・・・・・・・・・・・・・・・・・・・・・・・・・・・・・ 201 PANEL SUB-ASSY, FRONT FLOOR SIDE, RH ・・・・・・・・・・・・・・・・・・・・・・・・・・・・・・・・・・・・・・・・・・・・・・ 201 PANEL SUB-ASSY, INSTRUMENT ・・・・・・・・・・・・・・・・・・・・・・・・・・・・・・・・・・・・・・・・・・・・・・・・・・・・・・・・ 190 PANEL SUB-ASSY, INSTRUMENT CLUSTER FINISH, LOWER CENTER ・・・・・・・・・・・・・・・・・・・・・・・・・・・ 190 PANEL SUB-ASSY, INSTRUMENT PANEL FINISH, LOWER ・・・・・・・・・・・・・・・・・・・・・・・・・・・・・・・・・・・・ 190 PANEL SUB-ASSY, QUARTER WHEEL HOUSE, INNER LH ・・・・・・・・・・・・・・・・・・・・・・・・・・・・・・・・・・・・・ 224 PANEL SUB-ASSY, QUARTER WHEEL HOUSE, INNER RH ・・・・・・・・・・・・・・・・・・・・・・・・・・・・・・・・・・・・・ 224 PANEL SUB-ASSY, REAR DOOR, LH ・・・・・・・・・・・・・・・・・・・・・・・・・・・・・・・・・・・・・・・・・・・・・・・・・・・・・ 250 PANEL SUB-ASSY, REAR DOOR, RH ・・・・・・・・・・・・・・・・・・・・・・・・・・・・・・・・・・・・・・・・・・・・・・・・・・・・・ 250 PANEL SUB-ASSY, ROOF SIDE, INNER LH ・・・・・・・・・・・・・・・・・・・・・・・・・・・・・・・・・・・・・・・・・・・・・・・ 225 PANEL SUB-ASSY, ROOF SIDE, INNER RH ・・・・・・・・・・・・・・・・・・・・・・・・・・・・・・・・・・・・・・・・・・・・・・・ 225 PANEL, BODY LOWER BACK, INNER ・・・・・・・・・・・・・・・・・・・・・・・・・・・・・・・・・・・・・・・・・・・・・・・・・・・・・ 205 PANEL, BODY LOWER BACK, LH ・・・・・・・・・・・・・・・・・・・・・・・・・・・・・・・・・・・・・・・・・・・・・・・・・・・・・・・・ 205 PANEL, BODY LOWER BACK, RH ・・・・・・・・・・・・・・・・・・・・・・・・・・・・・・・・・・・・・・・・・・・・・・・・・・・・・・・・ 205 PANEL, BOX SIDE, NO.1 ・・・・・・・・・・・・・・・・・・・・・・・・・・・・・・・・・・・・・・・・・・・・・・・・・・・・・・・・・・・・・ 211 PANEL, BOX SIDE, NO.2 ・・・・・・・・・・・・・・・・・・・・・・・・・・・・・・・・・・・・・・・・・・・・・・・・・・・・・・・・・・・・・ 211 PANEL, CENTER SEAT BACK ・・・・・・・・・・・・・・・・・・・・・・・・・・・・・・・・・・・・・・・・・・・・・・・・・・・・・・・・・・・ 274 PANEL, CONSOLE REAR END ・・・・・・・・・・・・・・・・・・・・・・・・・・・・・・・・・・・・・・・・・・・・・・・・・・・・・・・・・・・ 212 PANEL, CONSOLE REAR END, NO.2 ・・・・・・・・・・・・・・・・・・・・・・・・・・・・・・・・・・・・・・・・・・・・・・・・・・・・・ 212 PANEL, CONSOLE, UPPER ・・・・・・・・・・・・・・・・・・・・・・・・・・・・・・・・・・・・・・・・・・・・・・・・・・・・・・・・・・・・・ 211 PANEL, FRONT ARMREST BASE, UPPER LH ・・・・・・・・・・・・・・・・・・・・・・・・・・・・・・・・・・・・・・・・・・・・・・・ 291 PANEL, FRONT ARMREST BASE, UPPER RH ・・・・・・・・・・・・・・・・・・・・・・・・・・・・・・・・・・・・・・・・・・・・・・・ 291 PANEL, FRONT DOOR, OUTER LH ・・・・・・・・・・・・・・・・・・・・・・・・・・・・・・・・・・・・・・・・・・・・・・・・・・・・・・・ 241 PANEL, FRONT DOOR, OUTER RH ・・・・・・・・・・・・・・・・・・・・・・・・・・・・・・・・・・・・・・・・・・・・・・・・・・・・・・・ 241 PANEL, INSTRUMENT CLUSTER FINISH, CENTER ・・・・・・・・・・・・・・・・・・・・・・・・・・・・・・・・・・・・・・・・・・ 190 PANEL, INSTRUMENT CLUSTER FINISH, NO.1 ・・・・・・・・・・・・・・・・・・・・・・・・・・・・・・・・・・・・・・・・・・・・ 190 PANEL, INSTRUMENT CLUSTER FINISH, UPPER ・・・・・・・・・・・・・・・・・・・・・・・・・・・・・・・・・・・・・・・・・・・ 190 PANEL, INSTRUMENT PANEL FINISH, LOWER NO.1 ・・・・・・・・・・・・・・・・・・・・・・・・・・・・・・・・・・・・・・・・ 190 PANEL, INSTRUMENT SIDE, NO.1 ・・・・・・・・・・・・・・・・・・・・・・・・・・・・・・・・・・・・・・・・・・・・・・・・・・・・・・ 190 PANEL, INSTRUMENT SIDE, NO.2 ・・・・・・・・・・・・・・・・・・・・・・・・・・・・・・・・・・・・・・・・・・・・・・・・・・・・・・ 190 PANEL, QUARTER WHEEL HOUSE, OUTER LH ・・・・・・・・・・・・・・・・・・・・・・・・・・・・・・・・・・・・・・・・・・・・・・ 224 PANEL, QUARTER WHEEL HOUSE, OUTER RH ・・・・・・・・・・・・・・・・・・・・・・・・・・・・・・・・・・・・・・・・・・・・・・ 224 PANEL, QUARTER, LH ・・・・・・・・・・・・・・・・・・・・・・・・・・・・・・・・・・・・・・・・・・・・・・・・・・・・・・・・・・・・・・・・ 224 PANEL, QUARTER, RH ・・・・・・・・・・・・・・・・・・・・・・・・・・・・・・・・・・・・・・・・・・・・・・・・・・・・・・・・・・・・・・・・ 224 PANEL, REAR CONSOLE, UPPER ・・・・・・・・・・・・・・・・・・・・・・・・・・・・・・・・・・・・・・・・・・・・・・・・・・・・・・・・ 211 PANEL, REAR DOOR ARMREST BASE, UPPER LH ・・・・・・・・・・・・・・・・・・・・・・・・・・・・・・・・・・・・・・・・・・・ 291 PANEL, REAR DOOR ARMREST BASE, UPPER RH ・・・・・・・・・・・・・・・・・・・・・・・・・・・・・・・・・・・・・・・・・・・ 291 PANEL, REAR DOOR, OUTER LH ・・・・・・・・・・・・・・・・・・・・・・・・・・・・・・・・・・・・・・・・・・・・・・・・・・・・・・・・ 250 PANEL, REAR DOOR, OUTER RH ・・・・・・・・・・・・・・・・・・・・・・・・・・・・・・・・・・・・・・・・・・・・・・・・・・・・・・・・ 250 PANEL, REAR SEAT BACK ・・・・・・・・・・・・・・・・・・・・・・・・・・・・・・・・・・・・・・・・・・・・・・・・・・・・・・・・・・・・・ 273 PANEL, ROCKER, OUTER LH ・・・・・・・・・・・・・・・・・・・・・・・・・・・・・・・・・・・・・・・・・・・・・・・・・・・・・・・・・・・ 223 PANEL, ROCKER, OUTER RH ・・・・・・・・・・・・・・・・・・・・・・・・・・・・・・・・・・・・・・・・・・・・・・・・・・・・・・・・・・・ 223 PANEL, ROOF ・・・・・・・・・・・・・・・・・・・・・・・・・・・・・・・・・・・・・・・・・・・・・・・・・・・・・・・・・・・・・・・・・・・・・・・ 228 PANEL, ROOF SIDE, INNER LH ・・・・・・・・・・・・・・・・・・・・・・・・・・・・・・・・・・・・・・・・・・・・・・・・・・・・・・・・ 225 PANEL, ROOF SIDE, INNER REAR LH ・・・・・・・・・・・・・・・・・・・・・・・・・・・・・・・・・・・・・・・・・・・・・・・・・・・ 225 PANEL, ROOF SIDE, INNER REAR RH ・・・・・・・・・・・・・・・・・・・・・・・・・・・・・・・・・・・・・・・・・・・・・・・・・・・ 225 PANEL, ROOF SIDE, INNER RH ・・・・・・・・・・・・・・・・・・・・・・・・・・・・・・・・・・・・・・・・・・・・・・・・・・・・・・・・ 225 PANEL, WINDSHIELD HEADER, INNER ・・・・・・・・・・・・・・・・・・・・・・・・・・・・・・・・・・・・・・・・・・・・・・・・・・・ 228 PATCH, SIDE PANEL REAR END, LH ・・・・・・・・・・・・・・・・・・・・・・・・・・・・・・・・・・・・・・・・・・・・・・・・・・・・ 225 PANEL - PATCH, PART NAME PAGE PATCH, SIDE PANEL REAR END, RH ・・・・・・・・・・・・・・・・・・・・・・・・・・・・・・・・・・・・・・・・・・・・・・・・・・・・ 225 PEDAL SUB-ASSY, BRAKE ・・・・・・・・・・・・・・・・・・・・・・・・・・・・・・・・・・・・・・・・・・・・・・・・・・・・・・・・・・・・・ 147 PEDAL SUB-ASSY, CLUTCH ・・・・・・・・・・・・・・・・・・・・・・・・・・・・・・・・・・・・・・・・・・・・・・・・・・・・・・・・・・・・ 98 PILLAR SUB-ASSY, CENTER BODY, INNER LH ・・・・・・・・・・・・・・・・・・・・・・・・・・・・・・・・・・・・・・・・・・・・ 223 PILLAR SUB-ASSY, CENTER BODY, INNER RH ・・・・・・・・・・・・・・・・・・・・・・・・・・・・・・・・・・・・・・・・・・・・ 223 PILLAR SUB-ASSY, FRONT BODY, INNER LH ・・・・・・・・・・・・・・・・・・・・・・・・・・・・・・・・・・・・・・・・・・・・・ 222 PILLAR SUB-ASSY, FRONT BODY, INNER RH ・・・・・・・・・・・・・・・・・・・・・・・・・・・・・・・・・・・・・・・・・・・・・ 222 PILLAR, CENTER BODY, OUTER LH ・・・・・・・・・・・・・・・・・・・・・・・・・・・・・・・・・・・・・・・・・・・・・・・・・・・・・ 223 PILLAR, CENTER BODY, OUTER RH ・・・・・・・・・・・・・・・・・・・・・・・・・・・・・・・・・・・・・・・・・・・・・・・・・・・・・ 223 PILLAR, FRONT BODY, OUTER LH ・・・・・・・・・・・・・・・・・・・・・・・・・・・・・・・・・・・・・・・・・・・・・・・・・・・・・・ 222 PILLAR, FRONT BODY, OUTER RH ・・・・・・・・・・・・・・・・・・・・・・・・・・・・・・・・・・・・・・・・・・・・・・・・・・・・・・ 222 PIN(FOR PUSH ROD) ・・・・・・・・・・・・・・・・・・・・・・・・・・・・・・・・・・・・・・・・・・・・・・・・・・・・・・・・・・・・・・・・・ 147 PIN, FRONT DISC BRAKE CYLINDER SLIDE ・・・・・・・・・・・・・・・・・・・・・・・・・・・・・・・・・・・・・・・・・・・・・・ 151 PIN, FRONT DISC BRAKE CYLINDER SLIDE, NO.2 ・・・・・・・・・・・・・・・・・・・・・・・・・・・・・・・・・・・・・・・・ 151 PIN, PISTON ・・・・・・・・・・・・・・・・・・・・・・・・・・・・・・・・・・・・・・・・・・・・・・・・・・・・・・・・・・・・・・・・・・・・・・・ 69 PIN, REAR SEAT CUSHION SUPPORT ・・・・・・・・・・・・・・・・・・・・・・・・・・・・・・・・・・・・・・・・・・・・・・・・・・・・ 281 PIN, REAR SEAT CUSHION SUPPORT ・・・・・・・・・・・・・・・・・・・・・・・・・・・・・・・・・・・・・・・・・・・・・・・・・・・・ 281 PIN, REAR SEAT HINGE ・・・・・・・・・・・・・・・・・・・・・・・・・・・・・・・・・・・・・・・・・・・・・・・・・・・・・・・・・・・・・・ 273 PIN, REAR SEAT HINGE, LH ・・・・・・・・・・・・・・・・・・・・・・・・・・・・・・・・・・・・・・・・・・・・・・・・・・・・・・・・・・ 273 PIN, RING ・・・・・・・・・・・・・・・・・・・・・・・・・・・・・・・・・・・・・・・・・・・・・・・・・・・・・・・・・・・・・・・・・・・・・・・・・ 57 PIN, RING ・・・・・・・・・・・・・・・・・・・・・・・・・・・・・・・・・・・・・・・・・・・・・・・・・・・・・・・・・・・・・・・・・・・・・・・・・ 57 PIN, RING (FOR CYLINDER HEAD SET) ・・・・・・・・・・・・・・・・・・・・・・・・・・・・・・・・・・・・・・・・・・・・・・・・・ 61 PIN, RING(FOR CAMSHAFT BEARING CAP SETTING) ・・・・・・・・・・・・・・・・・・・・・・・・・・・・・・・・・・・・・・・ 57 PIN, RING(FOR CYLINDER BLOCK NO.1 ) ・・・・・・・・・・・・・・・・・・・・・・・・・・・・・・・・・・・・・・・・・・・・・・・ 61 PIN, SHOE HOLD DOWN SPRING(FOR REAR BRAKE) ・・・・・・・・・・・・・・・・・・・・・・・・・・・・・・・・・・・・・・・・ 153 PIN, SLOTTED SPRING ・・・・・・・・・・・・・・・・・・・・・・・・・・・・・・・・・・・・・・・・・・・・・・・・・・・・・・・・・・・・・・・ 113 PIN, SLOTTED SPRING (FOR REVERSE IDLER GEAR SHAFT) ・・・・・・・・・・・・・・・・・・・・・・・・・・・・・・・・ 110 PIN, SLOTTED SPRING (FOR SELECT INNER LEVER) ・・・・・・・・・・・・・・・・・・・・・・・・・・・・・・・・・・・・・・ 113 PIN, STRAIGHT(FOR BRAKE MASTER CYLINDER) ・・・・・・・・・・・・・・・・・・・・・・・・・・・・・・・・・・・・・・・・・・ 148 PIN, STRAIGHT(FOR CLUTCH HOUSING SET) ・・・・・・・・・・・・・・・・・・・・・・・・・・・・・・・・・・・・・・・・・・・・・ 61 PIN, STRAIGHT(FOR CRANKSHAFT) ・・・・・・・・・・・・・・・・・・・・・・・・・・・・・・・・・・・・・・・・・・・・・・・・・・・・・ 70 PIN, STRAIGHT(FOR MANUAL TRANSMISSION CASE) ・・・・・・・・・・・・・・・・・・・・・・・・・・・・・・・・・・・・・・・ 105 PIN, STRAIGHT(FOR OIL PAN) ・・・・・・・・・・・・・・・・・・・・・・・・・・・・・・・・・・・・・・・・・・・・・・・・・・・・・・・・ 61 PIN, STRAIGHT(FOR TIMING GEAR COVER SET) ・・・・・・・・・・・・・・・・・・・・・・・・・・・・・・・・・・・・・・・・・・ 61 PIPE ASSY, EXHAUST, CENTER ・・・・・・・・・・・・・・・・・・・・・・・・・・・・・・・・・・・・・・・・・・・・・・・・・・・・・・・・ 85 PIPE ASSY, EXHAUST, FRONT ・・・・・・・・・・・・・・・・・・・・・・・・・・・・・・・・・・・・・・・・・・・・・・・・・・・・・・・・・ 85 PIPE ASSY, EXHAUST, TAIL ・・・・・・・・・・・・・・・・・・・・・・・・・・・・・・・・・・・・・・・・・・・・・・・・・・・・・・・・・・ 85 PIPE SUB-ASSY, FUEL TANK INLET ・・・・・・・・・・・・・・・・・・・・・・・・・・・・・・・・・・・・・・・・・・・・・・・・・・・・ 305 PIPE, COOLER REFRIGERANT LIQUID, B ・・・・・・・・・・・・・・・・・・・・・・・・・・・・・・・・・・・・・・・・・・・・・・・・ 386 PIPE, COOLER REFRIGERANT LIQUID, C ・・・・・・・・・・・・・・・・・・・・・・・・・・・・・・・・・・・・・・・・・・・・・・・・ 386 PIPE, FUEL DELIVERY ・・・・・・・・・・・・・・・・・・・・・・・・・・・・・・・・・・・・・・・・・・・・・・・・・・・・・・・・・・・・・・・ 96 PIPE, VENTILATION ・・・・・・・・・・・・・・・・・・・・・・・・・・・・・・・・・・・・・・・・・・・・・・・・・・・・・・・・・・・・・・・・・ 87 PIPE, WATER BY-PASS ・・・・・・・・・・・・・・・・・・・・・・・・・・・・・・・・・・・・・・・・・・・・・・・・・・・・・・・・・・・・・・・ 79 PISTON ・・・・・・・・・・・・・・・・・・・・・・・・・・・・・・・・・・・・・・・・・・・・・・・・・・・・・・・・・・・・・・・・・・・・・・・・・・・・ 69 PISTON, FRONT DISC BRAKE ・・・・・・・・・・・・・・・・・・・・・・・・・・・・・・・・・・・・・・・・・・・・・・・・・・・・・・・・・・ 151 PLATE ASSY, FRONT DOOR LOCK STRIKER ・・・・・・・・・・・・・・・・・・・・・・・・・・・・・・・・・・・・・・・・・・・・・・・ 246 PLATE ASSY, REAR DOOR LOCK STRIKER ・・・・・・・・・・・・・・・・・・・・・・・・・・・・・・・・・・・・・・・・・・・・・・・・ 254 PLATE SUB-ASSY, BRAKE BACKING, REAR LH ・・・・・・・・・・・・・・・・・・・・・・・・・・・・・・・・・・・・・・・・・・・・ 153 PLATE SUB-ASSY, BRAKE BACKING, REAR RH ・・・・・・・・・・・・・・・・・・・・・・・・・・・・・・・・・・・・・・・・・・・・ 153 PLATE SUB-ASSY, FRONT SIDE MEMBER, LH ・・・・・・・・・・・・・・・・・・・・・・・・・・・・・・・・・・・・・・・・・・・・・ 200 PATCH, - PLATE 29
  • 30.
    PART NAME PAGE PLATESUB-ASSY, FRONT SIDE MEMBER, RH ・・・・・・・・・・・・・・・・・・・・・・・・・・・・・・・・・・・・・・・・・・・・・ 200 PLATE, ANTENNA EARTH ・・・・・・・・・・・・・・・・・・・・・・・・・・・・・・・・・・・・・・・・・・・・・・・・・・・・・・・・・・・・・・ 365 PLATE, AUTOMATIC TRANSMISSION CAUTION ・・・・・・・・・・・・・・・・・・・・・・・・・・・・・・・・・・・・・・・・・・・・・ 295 PLATE, BACK DOOR NAME ・・・・・・・・・・・・・・・・・・・・・・・・・・・・・・・・・・・・・・・・・・・・・・・・・・・・・・・・・・・・・ 297 PLATE, BACK DOOR NAME ・・・・・・・・・・・・・・・・・・・・・・・・・・・・・・・・・・・・・・・・・・・・・・・・・・・・・・・・・・・・・ 297 PLATE, BACK DOOR NAME, NO.3 ・・・・・・・・・・・・・・・・・・・・・・・・・・・・・・・・・・・・・・・・・・・・・・・・・・・・・・・ 297 PLATE, BACK DOOR SCUFF ・・・・・・・・・・・・・・・・・・・・・・・・・・・・・・・・・・・・・・・・・・・・・・・・・・・・・・・・・・・・ 237 PLATE, BEARING LOCK ・・・・・・・・・・・・・・・・・・・・・・・・・・・・・・・・・・・・・・・・・・・・・・・・・・・・・・・・・・・・・・・ 108 PLATE, CONTROL POSITION INDICATOR ・・・・・・・・・・・・・・・・・・・・・・・・・・・・・・・・・・・・・・・・・・・・・・・・・ 116 PLATE, FRONT DOOR SCUFF, LH ・・・・・・・・・・・・・・・・・・・・・・・・・・・・・・・・・・・・・・・・・・・・・・・・・・・・・・・ 232 PLATE, FRONT DOOR SCUFF, RH ・・・・・・・・・・・・・・・・・・・・・・・・・・・・・・・・・・・・・・・・・・・・・・・・・・・・・・・ 232 PLATE, FRONT FENDER EXTENSION, LH ・・・・・・・・・・・・・・・・・・・・・・・・・・・・・・・・・・・・・・・・・・・・・・・・・ 179 PLATE, FRONT FENDER EXTENSION, RH ・・・・・・・・・・・・・・・・・・・・・・・・・・・・・・・・・・・・・・・・・・・・・・・・・ 179 PLATE, FRONT SIDE MEMBER, NO.2 LH ・・・・・・・・・・・・・・・・・・・・・・・・・・・・・・・・・・・・・・・・・・・・・・・・・ 200 PLATE, FRONT SIDE MEMBER, NO.2 RH ・・・・・・・・・・・・・・・・・・・・・・・・・・・・・・・・・・・・・・・・・・・・・・・・・ 200 PLATE, LUGGAGE COMPARTMENT DOOR NAME, NO.5 ・・・・・・・・・・・・・・・・・・・・・・・・・・・・・・・・・・・・・・・・ 297 PLATE, LUGGAGE COMPARTMENT DOOR, NO.3 ・・・・・・・・・・・・・・・・・・・・・・・・・・・・・・・・・・・・・・・・・・・・・ 297 PLATE, OIL PAN BAFFLE, NO.1 ・・・・・・・・・・・・・・・・・・・・・・・・・・・・・・・・・・・・・・・・・・・・・・・・・・・・・・・ 61 PLATE, OIL PAN BAFFLE, NO.2 ・・・・・・・・・・・・・・・・・・・・・・・・・・・・・・・・・・・・・・・・・・・・・・・・・・・・・・・ 61 PLATE, PARKING BRAKE MOUNTING ・・・・・・・・・・・・・・・・・・・・・・・・・・・・・・・・・・・・・・・・・・・・・・・・・・・・・ 201 PLATE, REAR BUMPER, RH ・・・・・・・・・・・・・・・・・・・・・・・・・・・・・・・・・・・・・・・・・・・・・・・・・・・・・・・・・・・・ 174 PLATE, REAR DOOR SCUFF, LH ・・・・・・・・・・・・・・・・・・・・・・・・・・・・・・・・・・・・・・・・・・・・・・・・・・・・・・・・ 232 PLATE, REAR DOOR SCUFF, RH ・・・・・・・・・・・・・・・・・・・・・・・・・・・・・・・・・・・・・・・・・・・・・・・・・・・・・・・・ 232 PLATE, REAR SEAT CENTER ARMREST, NO.1 ・・・・・・・・・・・・・・・・・・・・・・・・・・・・・・・・・・・・・・・・・・・・・ 282 PLATE, SEAL ・・・・・・・・・・・・・・・・・・・・・・・・・・・・・・・・・・・・・・・・・・・・・・・・・・・・・・・・・・・・・・・・・・・・・・・ 385 PLATE, SEAT BELT ANCHORAGE, LH ・・・・・・・・・・・・・・・・・・・・・・・・・・・・・・・・・・・・・・・・・・・・・・・・・・・・ 225 PLATE, SEAT BELT ANCHORAGE, RH ・・・・・・・・・・・・・・・・・・・・・・・・・・・・・・・・・・・・・・・・・・・・・・・・・・・・ 225 PLATE, SHIFT INTER LOCK ・・・・・・・・・・・・・・・・・・・・・・・・・・・・・・・・・・・・・・・・・・・・・・・・・・・・・・・・・・・ 113 PLUG(FOR CLUTCH HOUSING) ・・・・・・・・・・・・・・・・・・・・・・・・・・・・・・・・・・・・・・・・・・・・・・・・・・・・・・・・・・ 105 PLUG(FOR MTM SPEEDOMETER DRIVEN HOLE) ・・・・・・・・・・・・・・・・・・・・・・・・・・・・・・・・・・・・・・・・・・・・・ 106 PLUG(FOR OIL PAN DRAIN) ・・・・・・・・・・・・・・・・・・・・・・・・・・・・・・・・・・・・・・・・・・・・・・・・・・・・・・・・・・・ 61 PLUG(FOR TRANSMISSION CASE) ・・・・・・・・・・・・・・・・・・・・・・・・・・・・・・・・・・・・・・・・・・・・・・・・・・・・・・・ 105 PLUG, BLEEDER(FOR DRUM BRAKE, REAR) ・・・・・・・・・・・・・・・・・・・・・・・・・・・・・・・・・・・・・・・・・・・・・・・ 153 PLUG, BLEEDER(FOR FRONT DISC BRAKE) ・・・・・・・・・・・・・・・・・・・・・・・・・・・・・・・・・・・・・・・・・・・・・・・ 151 PLUG, BREATHER, NO.1(CVT) ・・・・・・・・・・・・・・・・・・・・・・・・・・・・・・・・・・・・・・・・・・・・・・・・・・・・・・・・・ 122 PLUG, HOLE NO.2(FOR REAR BRAKE) ・・・・・・・・・・・・・・・・・・・・・・・・・・・・・・・・・・・・・・・・・・・・・・・・・・・ 153 PLUG, HOLE(FOR REAR BRAKE) ・・・・・・・・・・・・・・・・・・・・・・・・・・・・・・・・・・・・・・・・・・・・・・・・・・・・・・・・ 153 PLUG, OVERFLOW(CVT) ・・・・・・・・・・・・・・・・・・・・・・・・・・・・・・・・・・・・・・・・・・・・・・・・・・・・・・・・・・・・・・・ 122 PLUG, RADIATOR DRAIN COCK ・・・・・・・・・・・・・・・・・・・・・・・・・・・・・・・・・・・・・・・・・・・・・・・・・・・・・・・・・ 79 PLUG, SPARK ・・・・・・・・・・・・・・・・・・・・・・・・・・・・・・・・・・・・・・・・・・・・・・・・・・・・・・・・・・・・・・・・・・・・・・・ 90 PLUG, W/HEAD STRAIGHT SCREW(FOR TIMING GEAR CASE) ・・・・・・・・・・・・・・・・・・・・・・・・・・・・・・・・・ 64 POCKET, CONSOLE BOX, REAR ・・・・・・・・・・・・・・・・・・・・・・・・・・・・・・・・・・・・・・・・・・・・・・・・・・・・・・・・・ 212 POCKET, QUARTER TRIM, LH ・・・・・・・・・・・・・・・・・・・・・・・・・・・・・・・・・・・・・・・・・・・・・・・・・・・・・・・・・・ 237 POCKET, QUARTER TRIM, RH ・・・・・・・・・・・・・・・・・・・・・・・・・・・・・・・・・・・・・・・・・・・・・・・・・・・・・・・・・・ 237 PROTECTOR, BACK DOOR GARNISH MOULDING, LWR ・・・・・・・・・・・・・・・・・・・・・・・・・・・・・・・・・・・・・・・・ 258 PROTECTOR, BACK DOOR GARNISH MOULDING, UPPER ・・・・・・・・・・・・・・・・・・・・・・・・・・・・・・・・・・・・・・ 258 PROTECTOR, BACK DOOR OUTSIDE GARNISH ・・・・・・・・・・・・・・・・・・・・・・・・・・・・・・・・・・・・・・・・・・・・・・ 258 PROTECTOR, BACK DOOR OUTSIDE GARNISH ・・・・・・・・・・・・・・・・・・・・・・・・・・・・・・・・・・・・・・・・・・・・・・ 259 PROTECTOR, BACK DOOR OUTSIDE GARNISH ・・・・・・・・・・・・・・・・・・・・・・・・・・・・・・・・・・・・・・・・・・・・・・ 259 PROTECTOR, FRONT SEAT CUSHION, NO.2 ・・・・・・・・・・・・・・・・・・・・・・・・・・・・・・・・・・・・・・・・・・・・・・・ 274 PLATE - PROTECTOR, PART NAME PAGE PROTECTOR, HOOD, FRONT ・・・・・・・・・・・・・・・・・・・・・・・・・・・・・・・・・・・・・・・・・・・・・・・・・・・・・・・・・・・・ 179 PROTECTOR, REAR SEAT, NO.1 RH ・・・・・・・・・・・・・・・・・・・・・・・・・・・・・・・・・・・・・・・・・・・・・・・・・・・・・ 276 PROTECTOR, REAR SEAT, NO.2 ・・・・・・・・・・・・・・・・・・・・・・・・・・・・・・・・・・・・・・・・・・・・・・・・・・・・・・・・ 276 PROTECTOR, SEAT ・・・・・・・・・・・・・・・・・・・・・・・・・・・・・・・・・・・・・・・・・・・・・・・・・・・・・・・・・・・・・・・・・・・ 276 PROTECTOR, SEAT TRACK LOWER RAIL ・・・・・・・・・・・・・・・・・・・・・・・・・・・・・・・・・・・・・・・・・・・・・・・・・・ 279 PROTECTOR, SEAT TRACK LOWER RAIL, NO.1 ・・・・・・・・・・・・・・・・・・・・・・・・・・・・・・・・・・・・・・・・・・・・ 279 PROTECTOR, SEAT TRACK LOWER RAIL, NO.2 ・・・・・・・・・・・・・・・・・・・・・・・・・・・・・・・・・・・・・・・・・・・・ 279 PROTECTOR, SEAT TRACK LOWER RAIL, NO.3 ・・・・・・・・・・・・・・・・・・・・・・・・・・・・・・・・・・・・・・・・・・・・ 279 PROTECTOR, SEAT TRACK LOWER RAIL, NO.4 ・・・・・・・・・・・・・・・・・・・・・・・・・・・・・・・・・・・・・・・・・・・・ 279 PROTECTOR, WIRING HARNESS, NO.1 ・・・・・・・・・・・・・・・・・・・・・・・・・・・・・・・・・・・・・・・・・・・・・・・・・・・ 326 PULLER, FUSE ・・・・・・・・・・・・・・・・・・・・・・・・・・・・・・・・・・・・・・・・・・・・・・・・・・・・・・・・・・・・・・・・・・・・・・ 339 PULLEY, ALTERNATOR ・・・・・・・・・・・・・・・・・・・・・・・・・・・・・・・・・・・・・・・・・・・・・・・・・・・・・・・・・・・・・・・・ 92 PULLEY, CRANKSHAFT ・・・・・・・・・・・・・・・・・・・・・・・・・・・・・・・・・・・・・・・・・・・・・・・・・・・・・・・・・・・・・・・・ 70 PUMP ASSY, ENGINE WATER ・・・・・・・・・・・・・・・・・・・・・・・・・・・・・・・・・・・・・・・・・・・・・・・・・・・・・・・・・・・ 75 PUMP ASSY, FUEL W/FILTER ・・・・・・・・・・・・・・・・・・・・・・・・・・・・・・・・・・・・・・・・・・・・・・・・・・・・・・・・・・ 305 PUMP, FUEL ・・・・・・・・・・・・・・・・・・・・・・・・・・・・・・・・・・・・・・・・・・・・・・・・・・・・・・・・・・・・・・・・・・・・・・・・ 305 RADIATOR ASSY ・・・・・・・・・・・・・・・・・・・・・・・・・・・・・・・・・・・・・・・・・・・・・・・・・・・・・・・・・・・・・・・・・・・・・ 79 RAIL SUB-ASSY, ROOF SIDE, INNER LH ・・・・・・・・・・・・・・・・・・・・・・・・・・・・・・・・・・・・・・・・・・・・・・・・ 222 RAIL SUB-ASSY, ROOF SIDE, INNER RH ・・・・・・・・・・・・・・・・・・・・・・・・・・・・・・・・・・・・・・・・・・・・・・・・ 222 RAIL, ROOF SIDE, INNER LH ・・・・・・・・・・・・・・・・・・・・・・・・・・・・・・・・・・・・・・・・・・・・・・・・・・・・・・・・・ 222 RAIL, ROOF SIDE, INNER RH ・・・・・・・・・・・・・・・・・・・・・・・・・・・・・・・・・・・・・・・・・・・・・・・・・・・・・・・・・ 222 RECEIVER, CASE COVER OIL, NO.1(MTM) ・・・・・・・・・・・・・・・・・・・・・・・・・・・・・・・・・・・・・・・・・・・・・・・ 105 REFLECTOR ASSY, REFLEX, LH ・・・・・・・・・・・・・・・・・・・・・・・・・・・・・・・・・・・・・・・・・・・・・・・・・・・・・・・・ 316 REFLECTOR ASSY, REFLEX, RH ・・・・・・・・・・・・・・・・・・・・・・・・・・・・・・・・・・・・・・・・・・・・・・・・・・・・・・・・ 316 REGISTER ASSY, INSTRUMENT PANEL, NO.1 ・・・・・・・・・・・・・・・・・・・・・・・・・・・・・・・・・・・・・・・・・・・・・ 191 REGISTER ASSY, INSTRUMENT PANEL, NO.2 ・・・・・・・・・・・・・・・・・・・・・・・・・・・・・・・・・・・・・・・・・・・・・ 192 REGISTER ASSY, INSTRUMENT PANEL, NO.3 ・・・・・・・・・・・・・・・・・・・・・・・・・・・・・・・・・・・・・・・・・・・・・ 192 REGULATOR ASSY, GENERATOR ・・・・・・・・・・・・・・・・・・・・・・・・・・・・・・・・・・・・・・・・・・・・・・・・・・・・・・・・・ 92 REGULATOR SUB-ASSY, FRONT DOOR WINDOW, LH ・・・・・・・・・・・・・・・・・・・・・・・・・・・・・・・・・・・・・・・・・ 247 REGULATOR SUB-ASSY, FRONT DOOR WINDOW, RH ・・・・・・・・・・・・・・・・・・・・・・・・・・・・・・・・・・・・・・・・・ 247 REGULATOR SUB-ASSY, REAR DOOR WINDOW, LH ・・・・・・・・・・・・・・・・・・・・・・・・・・・・・・・・・・・・・・・・・・ 255 REGULATOR SUB-ASSY, REAR DOOR WINDOW, RH ・・・・・・・・・・・・・・・・・・・・・・・・・・・・・・・・・・・・・・・・・・ 255 REINFORCE SUB-ASSY, FRONT BODY PILLAR, LOWER LH ・・・・・・・・・・・・・・・・・・・・・・・・・・・・・・・・・・・ 222 REINFORCE SUB-ASSY, FRONT BODY PILLAR, LOWER RH ・・・・・・・・・・・・・・・・・・・・・・・・・・・・・・・・・・・ 222 REINFORCE SUB-ASSY, ROCKER, OUTER LH ・・・・・・・・・・・・・・・・・・・・・・・・・・・・・・・・・・・・・・・・・・・・・・ 223 REINFORCE SUB-ASSY, ROCKER, OUTER RH ・・・・・・・・・・・・・・・・・・・・・・・・・・・・・・・・・・・・・・・・・・・・・・ 223 REINFORCE, BELT ANCHOR TO ROOF SIDE, INNER REAR RH ・・・・・・・・・・・・・・・・・・・・・・・・・・・・・・・・ 225 REINFORCEMENT SUB-ASSY, BELT ANCHOR, LH ・・・・・・・・・・・・・・・・・・・・・・・・・・・・・・・・・・・・・・・・・・・ 204 REINFORCEMENT SUB-ASSY, CENTER BODY PILLAR, LH ・・・・・・・・・・・・・・・・・・・・・・・・・・・・・・・・・・・・ 222 REINFORCEMENT SUB-ASSY, CENTER BODY PILLAR, RH ・・・・・・・・・・・・・・・・・・・・・・・・・・・・・・・・・・・・ 222 REINFORCEMENT SUB-ASSY, NO.1 SEAT LEG, REAR NO.3 ・・・・・・・・・・・・・・・・・・・・・・・・・・・・・・・・・・ 204 REINFORCEMENT SUB-ASSY, NO.1 SEAT LEG, REAR NO.4 ・・・・・・・・・・・・・・・・・・・・・・・・・・・・・・・・・・ 204 REINFORCEMENT SUB-ASSY, QUARTER LOCK PILLAR, LH ・・・・・・・・・・・・・・・・・・・・・・・・・・・・・・・・・・・ 223 REINFORCEMENT SUB-ASSY, QUARTER LOCK PILLAR, RH ・・・・・・・・・・・・・・・・・・・・・・・・・・・・・・・・・・・ 223 REINFORCEMENT SUB-ASSY, QUARTER PANEL, LH ・・・・・・・・・・・・・・・・・・・・・・・・・・・・・・・・・・・・・・・・・ 224 REINFORCEMENT SUB-ASSY, QUARTER PANEL, RH ・・・・・・・・・・・・・・・・・・・・・・・・・・・・・・・・・・・・・・・・・ 224 REINFORCEMENT SUB-ASSY, QUATER PANEL, INNER LH ・・・・・・・・・・・・・・・・・・・・・・・・・・・・・・・・・・・・ 224 REINFORCEMENT SUB-ASSY, QUATER PANEL, INNER RH ・・・・・・・・・・・・・・・・・・・・・・・・・・・・・・・・・・・・ 223 REINFORCEMENT, BACK DOOR OPENING, LOWER LH ・・・・・・・・・・・・・・・・・・・・・・・・・・・・・・・・・・・・・・・・ 225 REINFORCEMENT, BACK DOOR OPENING, LOWER RH ・・・・・・・・・・・・・・・・・・・・・・・・・・・・・・・・・・・・・・・・ 225 PROTECTOR, - REINFORCEMENT, 30
  • 31.
    PART NAME PAGE REINFORCEMENT,BELT ANCHOR TO QUARTER, INNER LOWER LH ・・・・・・・・・・・・・・・・・・・・・・・・・・・・・ 225 REINFORCEMENT, BELT ANCHOR, RH ・・・・・・・・・・・・・・・・・・・・・・・・・・・・・・・・・・・・・・・・・・・・・・・・・・・・ 204 REINFORCEMENT, BODY LOWER BACK PANEL ・・・・・・・・・・・・・・・・・・・・・・・・・・・・・・・・・・・・・・・・・・・・・・ 205 REINFORCEMENT, CENTER FLOOR PANEL ・・・・・・・・・・・・・・・・・・・・・・・・・・・・・・・・・・・・・・・・・・・・・・・・・ 201 REINFORCEMENT, FRONT FLOOR PANEL ・・・・・・・・・・・・・・・・・・・・・・・・・・・・・・・・・・・・・・・・・・・・・・・・・・ 201 REINFORCEMENT, FRONT FLOOR PANEL ・・・・・・・・・・・・・・・・・・・・・・・・・・・・・・・・・・・・・・・・・・・・・・・・・・ 201 REINFORCEMENT, FRONT FLOOR UNDER, LH ・・・・・・・・・・・・・・・・・・・・・・・・・・・・・・・・・・・・・・・・・・・・・・ 200 REINFORCEMENT, FRONT FLOOR UNDER, REAR ・・・・・・・・・・・・・・・・・・・・・・・・・・・・・・・・・・・・・・・・・・・・ 200 REINFORCEMENT, FRONT FLOOR UNDER, REAR LH ・・・・・・・・・・・・・・・・・・・・・・・・・・・・・・・・・・・・・・・・・ 201 REINFORCEMENT, FRONT FLOOR UNDER, RH ・・・・・・・・・・・・・・・・・・・・・・・・・・・・・・・・・・・・・・・・・・・・・・ 200 REINFORCEMENT, INSTRUMENT PANEL ・・・・・・・・・・・・・・・・・・・・・・・・・・・・・・・・・・・・・・・・・・・・・・・・・・・ 190 REINFORCEMENT, QUARTER PANEL EXTENSION, LH ・・・・・・・・・・・・・・・・・・・・・・・・・・・・・・・・・・・・・・・・ 225 REINFORCEMENT, QUARTER PANEL EXTENSION, RH ・・・・・・・・・・・・・・・・・・・・・・・・・・・・・・・・・・・・・・・・ 225 REINFORCEMENT, QUARTER WHEEL HOUSE, LH ・・・・・・・・・・・・・・・・・・・・・・・・・・・・・・・・・・・・・・・・・・・・ 205 REINFORCEMENT, QUARTER WHEEL HOUSE, RH ・・・・・・・・・・・・・・・・・・・・・・・・・・・・・・・・・・・・・・・・・・・・ 205 REINFORCEMENT, REAR FLOOR SIDE MEMBER, REAR LH ・・・・・・・・・・・・・・・・・・・・・・・・・・・・・・・・・・・・ 204 REINFORCEMENT, REAR NO.2 SEAT LEG, FRONT LH ・・・・・・・・・・・・・・・・・・・・・・・・・・・・・・・・・・・・・・・ 204 REINFORCEMENT, REAR NO.2 SEAT LEG, FRONT RH ・・・・・・・・・・・・・・・・・・・・・・・・・・・・・・・・・・・・・・・ 204 REINFORCEMENT, REAR SIDE MEMBER, RH ・・・・・・・・・・・・・・・・・・・・・・・・・・・・・・・・・・・・・・・・・・・・・・・ 204 REINFORCEMENT, ROOF PANEL ・・・・・・・・・・・・・・・・・・・・・・・・・・・・・・・・・・・・・・・・・・・・・・・・・・・・・・・・・ 228 REINFORCEMENT, ROOF PANEL ・・・・・・・・・・・・・・・・・・・・・・・・・・・・・・・・・・・・・・・・・・・・・・・・・・・・・・・・・ 228 REINFORCEMENT, ROOF PANEL, NO.4 ・・・・・・・・・・・・・・・・・・・・・・・・・・・・・・・・・・・・・・・・・・・・・・・・・・・ 228 REINFORCEMENT, ROOF PANEL, REAR ・・・・・・・・・・・・・・・・・・・・・・・・・・・・・・・・・・・・・・・・・・・・・・・・・・・ 228 REINFORCEMENT, ROOF SIDE RAIL, INNER LH ・・・・・・・・・・・・・・・・・・・・・・・・・・・・・・・・・・・・・・・・・・・ 223 REINFORCEMENT, ROOF SIDE RAIL, INNER RH ・・・・・・・・・・・・・・・・・・・・・・・・・・・・・・・・・・・・・・・・・・・ 223 REINFORCEMENT, ROOF SIDE RAIL, OUTER LH ・・・・・・・・・・・・・・・・・・・・・・・・・・・・・・・・・・・・・・・・・・・ 223 REINFORCEMENT, ROOF SIDE RAIL, OUTER RH ・・・・・・・・・・・・・・・・・・・・・・・・・・・・・・・・・・・・・・・・・・・ 223 REINFORCEMENT, SEAT LEG ・・・・・・・・・・・・・・・・・・・・・・・・・・・・・・・・・・・・・・・・・・・・・・・・・・・・・・・・・・・ 204 REINFORCEMENT, WINDSHIELD HEADER PANEL ・・・・・・・・・・・・・・・・・・・・・・・・・・・・・・・・・・・・・・・・・・・・ 228 RELAY ASSY, STARTER ・・・・・・・・・・・・・・・・・・・・・・・・・・・・・・・・・・・・・・・・・・・・・・・・・・・・・・・・・・・・・・・ 339 RELAY, ACC ・・・・・・・・・・・・・・・・・・・・・・・・・・・・・・・・・・・・・・・・・・・・・・・・・・・・・・・・・・・・・・・・・・・・・・・・ 341 RELAY, FOG LAMP ・・・・・・・・・・・・・・・・・・・・・・・・・・・・・・・・・・・・・・・・・・・・・・・・・・・・・・・・・・・・・・・・・・・ 341 RELAY, HORN ・・・・・・・・・・・・・・・・・・・・・・・・・・・・・・・・・・・・・・・・・・・・・・・・・・・・・・・・・・・・・・・・・・・・・・・ 341 RELAY, INTEGRATION NO.1 ・・・・・・・・・・・・・・・・・・・・・・・・・・・・・・・・・・・・・・・・・・・・・・・・・・・・・・・・・・・ 339 RELAY, RADIATOR FAN ・・・・・・・・・・・・・・・・・・・・・・・・・・・・・・・・・・・・・・・・・・・・・・・・・・・・・・・・・・・・・・・ 341 RELAY, REAR COOLER ・・・・・・・・・・・・・・・・・・・・・・・・・・・・・・・・・・・・・・・・・・・・・・・・・・・・・・・・・・・・・・・・ 341 RESERVOIR ASSY, BRAKE MASTER CYLINDER ・・・・・・・・・・・・・・・・・・・・・・・・・・・・・・・・・・・・・・・・・・・・・ 148 RESISTER, COOLER BLOWER ・・・・・・・・・・・・・・・・・・・・・・・・・・・・・・・・・・・・・・・・・・・・・・・・・・・・・・・・・・・ 377 RESISTOR, BLOWER ・・・・・・・・・・・・・・・・・・・・・・・・・・・・・・・・・・・・・・・・・・・・・・・・・・・・・・・・・・・・・・・・・・ 376 RETAINER SUB-ASSY, BACK DOOR LOCK STRIKER ・・・・・・・・・・・・・・・・・・・・・・・・・・・・・・・・・・・・・・・・・ 205 RETAINER SUB-ASSY, SEAT RAIL, REAR RH ・・・・・・・・・・・・・・・・・・・・・・・・・・・・・・・・・・・・・・・・・・・・・ 201 RETAINER(FOR REAR DOOR WEATHERSTRIP) ・・・・・・・・・・・・・・・・・・・・・・・・・・・・・・・・・・・・・・・・・・・・・・ 251 RETAINER, ADJUSTING BOLT SPRING ・・・・・・・・・・・・・・・・・・・・・・・・・・・・・・・・・・・・・・・・・・・・・・・・・・・ 154 RETAINER, BACK DOOR GARNISH, NO.1 ・・・・・・・・・・・・・・・・・・・・・・・・・・・・・・・・・・・・・・・・・・・・・・・・・ 259 RETAINER, BACK DOOR STAY, LH ・・・・・・・・・・・・・・・・・・・・・・・・・・・・・・・・・・・・・・・・・・・・・・・・・・・・・・ 225 RETAINER, BACK DOOR STAY, RH ・・・・・・・・・・・・・・・・・・・・・・・・・・・・・・・・・・・・・・・・・・・・・・・・・・・・・・ 225 RETAINER, ENGINE UNDER COVER ・・・・・・・・・・・・・・・・・・・・・・・・・・・・・・・・・・・・・・・・・・・・・・・・・・・・・・ 169 RETAINER, ENGINE UNDER COVER ・・・・・・・・・・・・・・・・・・・・・・・・・・・・・・・・・・・・・・・・・・・・・・・・・・・・・・ 169 RETAINER, FRONT DOOR WEATHERSTRIP, LH ・・・・・・・・・・・・・・・・・・・・・・・・・・・・・・・・・・・・・・・・・・・・・ 242 RETAINER, FRONT DOOR WEATHERSTRIP, RH ・・・・・・・・・・・・・・・・・・・・・・・・・・・・・・・・・・・・・・・・・・・・・ 242 REINFORCEMENT, - RETAINER, PART NAME PAGE RETAINER, FRONT FENDER LINER ・・・・・・・・・・・・・・・・・・・・・・・・・・・・・・・・・・・・・・・・・・・・・・・・・・・・・・ 179 RETAINER, FRONT FENDER LINER ・・・・・・・・・・・・・・・・・・・・・・・・・・・・・・・・・・・・・・・・・・・・・・・・・・・・・・ 179 RETAINER, FRONT FLOOR ・・・・・・・・・・・・・・・・・・・・・・・・・・・・・・・・・・・・・・・・・・・・・・・・・・・・・・・・・・・・・ 201 RETAINER, OUTSIDE MOULDING ・・・・・・・・・・・・・・・・・・・・・・・・・・・・・・・・・・・・・・・・・・・・・・・・・・・・・・・・ 299 RETAINER, OUTSIDE MOULDING ・・・・・・・・・・・・・・・・・・・・・・・・・・・・・・・・・・・・・・・・・・・・・・・・・・・・・・・・ 299 RETAINER, QUARTER GARNISH, FRONT LH ・・・・・・・・・・・・・・・・・・・・・・・・・・・・・・・・・・・・・・・・・・・・・・・ 299 RETAINER, QUARTER GARNISH, FRONT RH ・・・・・・・・・・・・・・・・・・・・・・・・・・・・・・・・・・・・・・・・・・・・・・・ 299 RETAINER, QUARTER WINDOW GLASS, LOWER ・・・・・・・・・・・・・・・・・・・・・・・・・・・・・・・・・・・・・・・・・・・・・ 226 RETAINER, QUARTER WINDOW GLASS, LOWER LH ・・・・・・・・・・・・・・・・・・・・・・・・・・・・・・・・・・・・・・・・・・ 226 RETAINER, QUARTER WINDOW GLASS, UPPER ・・・・・・・・・・・・・・・・・・・・・・・・・・・・・・・・・・・・・・・・・・・・・ 226 RETAINER, QUARTER WINDOW GLASS, UPPER ・・・・・・・・・・・・・・・・・・・・・・・・・・・・・・・・・・・・・・・・・・・・・ 226 RETAINER, RADIATOR GRILLE, NO.1 ・・・・・・・・・・・・・・・・・・・・・・・・・・・・・・・・・・・・・・・・・・・・・・・・・・・ 175 RETAINER, REAR BUMPER GUARD, LH ・・・・・・・・・・・・・・・・・・・・・・・・・・・・・・・・・・・・・・・・・・・・・・・・・・・ 174 RETAINER, REAR BUMPER GUARD, RH ・・・・・・・・・・・・・・・・・・・・・・・・・・・・・・・・・・・・・・・・・・・・・・・・・・・ 174 RETAINER, REAR BUMPER, UPPER CENTER ・・・・・・・・・・・・・・・・・・・・・・・・・・・・・・・・・・・・・・・・・・・・・・・ 174 RETAINER, REAR BUMPER, UPPER LH ・・・・・・・・・・・・・・・・・・・・・・・・・・・・・・・・・・・・・・・・・・・・・・・・・・・ 174 RETAINER, REAR BUMPER, UPPER RH ・・・・・・・・・・・・・・・・・・・・・・・・・・・・・・・・・・・・・・・・・・・・・・・・・・・ 174 RETAINER, REAR BUMPER, UPPER SIDE ・・・・・・・・・・・・・・・・・・・・・・・・・・・・・・・・・・・・・・・・・・・・・・・・・ 174 RETAINER, REAR DOOR WEATHERSTRIP, LH ・・・・・・・・・・・・・・・・・・・・・・・・・・・・・・・・・・・・・・・・・・・・・・ 250 RETAINER, ROOF HEADLINING, REAR ・・・・・・・・・・・・・・・・・・・・・・・・・・・・・・・・・・・・・・・・・・・・・・・・・・・ 235 RETAINER, SPARE WHEEL CARRIER ・・・・・・・・・・・・・・・・・・・・・・・・・・・・・・・・・・・・・・・・・・・・・・・・・・・・・ 204 RETAINER, ULTRASONIC SENSOR, REAR CENTER ・・・・・・・・・・・・・・・・・・・・・・・・・・・・・・・・・・・・・・・・・・ 174 RETAINER, VALVE SPRING ・・・・・・・・・・・・・・・・・・・・・・・・・・・・・・・・・・・・・・・・・・・・・・・・・・・・・・・・・・・・ 72 RING SET, PISTON ・・・・・・・・・・・・・・・・・・・・・・・・・・・・・・・・・・・・・・・・・・・・・・・・・・・・・・・・・・・・・・・・・・ 69 RING SET, SYNCHRONIZER, NO.1 ・・・・・・・・・・・・・・・・・・・・・・・・・・・・・・・・・・・・・・・・・・・・・・・・・・・・・・ 108 RING SET, SYNCHRONIZER, NO.2 ・・・・・・・・・・・・・・・・・・・・・・・・・・・・・・・・・・・・・・・・・・・・・・・・・・・・・・ 108 RING, 4TH WASHER RETAINING ・・・・・・・・・・・・・・・・・・・・・・・・・・・・・・・・・・・・・・・・・・・・・・・・・・・・・・・・ 109 RING, 5TH SYNCHRONIZER OUTER ・・・・・・・・・・・・・・・・・・・・・・・・・・・・・・・・・・・・・・・・・・・・・・・・・・・・・・ 110 RING, HOG, SMALL (FOR FRONT SEAT BACK) ・・・・・・・・・・・・・・・・・・・・・・・・・・・・・・・・・・・・・・・・・・・・ 276 RING, HOG, SMALL (FOR FRONT SEAT BACK) ・・・・・・・・・・・・・・・・・・・・・・・・・・・・・・・・・・・・・・・・・・・・ 276 RING, HOG, SMALL (FOR FRONT SEAT CUSHION) ・・・・・・・・・・・・・・・・・・・・・・・・・・・・・・・・・・・・・・・・・ 276 RING, HOG, SMALL (FOR FRONT SEAT CUSHION) ・・・・・・・・・・・・・・・・・・・・・・・・・・・・・・・・・・・・・・・・・ 276 RING, HOG, SMALL (FOR REAR SEAT BACK) ・・・・・・・・・・・・・・・・・・・・・・・・・・・・・・・・・・・・・・・・・・・・・ 276 RING, HOG, SMALL (FOR REAR SEAT BACK) ・・・・・・・・・・・・・・・・・・・・・・・・・・・・・・・・・・・・・・・・・・・・・ 276 RING, HOG, SMALL (FOR REAR SEAT CUSHION) ・・・・・・・・・・・・・・・・・・・・・・・・・・・・・・・・・・・・・・・・・・ 276 RING, HOG, SMALL (FOR REAR SEAT CUSHION) ・・・・・・・・・・・・・・・・・・・・・・・・・・・・・・・・・・・・・・・・・・ 276 RING, HOG, SMALL (FOR REAR SEAT) ・・・・・・・・・・・・・・・・・・・・・・・・・・・・・・・・・・・・・・・・・・・・・・・・・・ 276 RING, HOLE SNAP (FOR 5TH SHIFTING KEY RETAINER) ・・・・・・・・・・・・・・・・・・・・・・・・・・・・・・・・・・・ 110 RING, HOLE SNAP (FOR FRONT AXLE HUB LH) ・・・・・・・・・・・・・・・・・・・・・・・・・・・・・・・・・・・・・・・・・・・ 138 RING, HOLE SNAP (FOR FRONT AXLE HUB RH) ・・・・・・・・・・・・・・・・・・・・・・・・・・・・・・・・・・・・・・・・・・・ 138 RING, HOLE SNAP(FOR OUTPUT SHAFT REAR BEARING) ・・・・・・・・・・・・・・・・・・・・・・・・・・・・・・・・・・・・ 108 RING, O ・・・・・・・・・・・・・・・・・・・・・・・・・・・・・・・・・・・・・・・・・・・・・・・・・・・・・・・・・・・・・・・・・・・・・・・・・・・ 61 RING, O ・・・・・・・・・・・・・・・・・・・・・・・・・・・・・・・・・・・・・・・・・・・・・・・・・・・・・・・・・・・・・・・・・・・・・・・・・・・ 346 RING, O (FOR MTM SPEEDOMETER SHAFT SLEEVE) ・・・・・・・・・・・・・・・・・・・・・・・・・・・・・・・・・・・・・・・・ 106 RING, O (FOR OIL STRAINER) ・・・・・・・・・・・・・・・・・・・・・・・・・・・・・・・・・・・・・・・・・・・・・・・・・・・・・・・・ 122 RING, O(FOR BRAKE MASTER CYLINDER) ・・・・・・・・・・・・・・・・・・・・・・・・・・・・・・・・・・・・・・・・・・・・・・・・ 148 RING, O(FOR CAM TIMING OIL CONTROL VALVE) ・・・・・・・・・・・・・・・・・・・・・・・・・・・・・・・・・・・・・・・・・ 58 RING, O(FOR COOLER REFRIGERANT DISCHARGE HOSE) ・・・・・・・・・・・・・・・・・・・・・・・・・・・・・・・・・・・・ 385 RING, O(FOR COOLER REFRIGERANT LIQUID PIPE) ・・・・・・・・・・・・・・・・・・・・・・・・・・・・・・・・・・・・・・・ 386 RING, O(FOR COOLER REFRIGERANT SUCTION HOSE) ・・・・・・・・・・・・・・・・・・・・・・・・・・・・・・・・・・・・・・ 385 RETAINER, - RING, 31
  • 32.
    PART NAME PAGE RING,O(FOR FUEL INJECTOR) ・・・・・・・・・・・・・・・・・・・・・・・・・・・・・・・・・・・・・・・・・・・・・・・・・・・・・・・・ 96 RING, O(FOR FUEL PUMP) ・・・・・・・・・・・・・・・・・・・・・・・・・・・・・・・・・・・・・・・・・・・・・・・・・・・・・・・・・・・・ 305 RING, O(FOR LIQUID TUBE) ・・・・・・・・・・・・・・・・・・・・・・・・・・・・・・・・・・・・・・・・・・・・・・・・・・・・・・・・・・ 385 RING, O(FOR OIL LEVEL GAGE GUIDE) ・・・・・・・・・・・・・・・・・・・・・・・・・・・・・・・・・・・・・・・・・・・・・・・・・ 61 RING, O(FOR OIL LEVEL GAGE) ・・・・・・・・・・・・・・・・・・・・・・・・・・・・・・・・・・・・・・・・・・・・・・・・・・・・・・・ 62 RING, O(FOR OIL PAN) ・・・・・・・・・・・・・・・・・・・・・・・・・・・・・・・・・・・・・・・・・・・・・・・・・・・・・・・・・・・・・・ 61 RING, O(FOR OIL STRAINER) ・・・・・・・・・・・・・・・・・・・・・・・・・・・・・・・・・・・・・・・・・・・・・・・・・・・・・・・・・ 73 RING, O(FOR SUCTION HOSE) ・・・・・・・・・・・・・・・・・・・・・・・・・・・・・・・・・・・・・・・・・・・・・・・・・・・・・・・・・ 385 RING, O(FOR SUCTION TUBE) ・・・・・・・・・・・・・・・・・・・・・・・・・・・・・・・・・・・・・・・・・・・・・・・・・・・・・・・・・ 385 RING, O(FOR TRANSMISSION REVOLUTION SENSOR) ・・・・・・・・・・・・・・・・・・・・・・・・・・・・・・・・・・・・・・・ 346 RING, O, NO.2(FOR LIQUID TUBE) ・・・・・・・・・・・・・・・・・・・・・・・・・・・・・・・・・・・・・・・・・・・・・・・・・・・・ 385 RING, O, NO.3(FOR LIQUID TUBE) ・・・・・・・・・・・・・・・・・・・・・・・・・・・・・・・・・・・・・・・・・・・・・・・・・・・・ 385 RING, O, NO.3(FOR SUCTION TUBE) ・・・・・・・・・・・・・・・・・・・・・・・・・・・・・・・・・・・・・・・・・・・・・・・・・・・ 385 RING, SHAFT SNAP ・・・・・・・・・・・・・・・・・・・・・・・・・・・・・・・・・・・・・・・・・・・・・・・・・・・・・・・・・・・・・・・・・・ 109 RING, SHAFT SNAP ・・・・・・・・・・・・・・・・・・・・・・・・・・・・・・・・・・・・・・・・・・・・・・・・・・・・・・・・・・・・・・・・・・ 110 RING, SHAFT SNAP (FOR 3RD REAR) ・・・・・・・・・・・・・・・・・・・・・・・・・・・・・・・・・・・・・・・・・・・・・・・・・・・ 109 RING, SHAFT SNAP (FOR 5TH GEAR) ・・・・・・・・・・・・・・・・・・・・・・・・・・・・・・・・・・・・・・・・・・・・・・・・・・・ 109 RING, SHAFT SNAP (FOR FRONT DRIVE INNER SHAFT INNER LH) ・・・・・・・・・・・・・・・・・・・・・・・・・・・ 136 RING, SHAFT SNAP (FOR FRONT DRIVE INNER SHAFT INNER RH) ・・・・・・・・・・・・・・・・・・・・・・・・・・・ 136 RING, SHAFT SNAP (FOR OUTPUT SHAFT BEARING) ・・・・・・・・・・・・・・・・・・・・・・・・・・・・・・・・・・・・・・・ 108 RING, SHAFT SNAP(FOR 1ST GEAR) ・・・・・・・・・・・・・・・・・・・・・・・・・・・・・・・・・・・・・・・・・・・・・・・・・・・・ 109 RING, SNAP ・・・・・・・・・・・・・・・・・・・・・・・・・・・・・・・・・・・・・・・・・・・・・・・・・・・・・・・・・・・・・・・・・・・・・・・・ 98 RING, SNAP ・・・・・・・・・・・・・・・・・・・・・・・・・・・・・・・・・・・・・・・・・・・・・・・・・・・・・・・・・・・・・・・・・・・・・・・・ 387 RING, SNAP (FOR COMPRESSOR) ・・・・・・・・・・・・・・・・・・・・・・・・・・・・・・・・・・・・・・・・・・・・・・・・・・・・・・・ 387 RING, SYNCHRONIZER, NO.1 ・・・・・・・・・・・・・・・・・・・・・・・・・・・・・・・・・・・・・・・・・・・・・・・・・・・・・・・・・・ 110 RING, SYNCHRONIZER, NO.3 ・・・・・・・・・・・・・・・・・・・・・・・・・・・・・・・・・・・・・・・・・・・・・・・・・・・・・・・・・・ 110 RING, SYNCHRONIZER, NO.5(MTM) ・・・・・・・・・・・・・・・・・・・・・・・・・・・・・・・・・・・・・・・・・・・・・・・・・・・・・ 110 ROD ASSY, ACCELERATOR PEDAL(W/SENSOR) ・・・・・・・・・・・・・・・・・・・・・・・・・・・・・・・・・・・・・・・・・・・・・ 307 ROD SUB-ASSY, CONNECTING ・・・・・・・・・・・・・・・・・・・・・・・・・・・・・・・・・・・・・・・・・・・・・・・・・・・・・・・・・・ 69 ROD SUB-ASSY, ENGINE MOVING CONTROL ・・・・・・・・・・・・・・・・・・・・・・・・・・・・・・・・・・・・・・・・・・・・・・・ 67 ROD, ANTENNA ・・・・・・・・・・・・・・・・・・・・・・・・・・・・・・・・・・・・・・・・・・・・・・・・・・・・・・・・・・・・・・・・・・・・・・ 365 ROD, FRONT DOOR LOCK OPEN, LH ・・・・・・・・・・・・・・・・・・・・・・・・・・・・・・・・・・・・・・・・・・・・・・・・・・・・・ 246 ROD, FRONT DOOR LOCK OPEN, RH ・・・・・・・・・・・・・・・・・・・・・・・・・・・・・・・・・・・・・・・・・・・・・・・・・・・・・ 246 ROD, REAR DOOR LOCK OPEN, LH ・・・・・・・・・・・・・・・・・・・・・・・・・・・・・・・・・・・・・・・・・・・・・・・・・・・・・・ 254 ROD, REAR DOOR LOCK OPEN, RH ・・・・・・・・・・・・・・・・・・・・・・・・・・・・・・・・・・・・・・・・・・・・・・・・・・・・・・ 254 ROTOR ASSY, ALTERNATOR ・・・・・・・・・・・・・・・・・・・・・・・・・・・・・・・・・・・・・・・・・・・・・・・・・・・・・・・・・・・・ 92 ROTOR SUB-ASSY, MAGNET CLUTCH ・・・・・・・・・・・・・・・・・・・・・・・・・・・・・・・・・・・・・・・・・・・・・・・・・・・・・ 387 RUBBER, REAR WIPER ・・・・・・・・・・・・・・・・・・・・・・・・・・・・・・・・・・・・・・・・・・・・・・・・・・・・・・・・・・・・・・・・ 358 RUBBER, WIPER, LH ・・・・・・・・・・・・・・・・・・・・・・・・・・・・・・・・・・・・・・・・・・・・・・・・・・・・・・・・・・・・・・・・・ 357 RUBBER, WIPER, RH ・・・・・・・・・・・・・・・・・・・・・・・・・・・・・・・・・・・・・・・・・・・・・・・・・・・・・・・・・・・・・・・・・ 357 RUN, FRONT DOOR GLASS ・・・・・・・・・・・・・・・・・・・・・・・・・・・・・・・・・・・・・・・・・・・・・・・・・・・・・・・・・・・・・ 242 RUN, FRONT DOOR GLASS, LH ・・・・・・・・・・・・・・・・・・・・・・・・・・・・・・・・・・・・・・・・・・・・・・・・・・・・・・・・・ 242 RUN, FRONT DOOR GLASS, LH ・・・・・・・・・・・・・・・・・・・・・・・・・・・・・・・・・・・・・・・・・・・・・・・・・・・・・・・・・ 242 RUN, FRONT DOOR GLASS, RH ・・・・・・・・・・・・・・・・・・・・・・・・・・・・・・・・・・・・・・・・・・・・・・・・・・・・・・・・・ 242 RUN, REAR DOOR GLASS, LH ・・・・・・・・・・・・・・・・・・・・・・・・・・・・・・・・・・・・・・・・・・・・・・・・・・・・・・・・・・ 251 RUN, REAR DOOR GLASS, RH ・・・・・・・・・・・・・・・・・・・・・・・・・・・・・・・・・・・・・・・・・・・・・・・・・・・・・・・・・・ 251 RUN, REAR DOOR WINDOW, LH ・・・・・・・・・・・・・・・・・・・・・・・・・・・・・・・・・・・・・・・・・・・・・・・・・・・・・・・・・ 251 RUN, REAR DOOR WINDOW, RH ・・・・・・・・・・・・・・・・・・・・・・・・・・・・・・・・・・・・・・・・・・・・・・・・・・・・・・・・・ 251 SCREW(FOR AIR CONDITIONER UNIT) ・・・・・・・・・・・・・・・・・・・・・・・・・・・・・・・・・・・・・・・・・・・・・・・・・・・ 376 SCREW, DOOR INSIDE HANDLE ・・・・・・・・・・・・・・・・・・・・・・・・・・・・・・・・・・・・・・・・・・・・・・・・・・・・・・・・・ 245 RING, - SCREW, PART NAME PAGE SCREW, DOOR INSIDE HANDLE ・・・・・・・・・・・・・・・・・・・・・・・・・・・・・・・・・・・・・・・・・・・・・・・・・・・・・・・・・ 254 SCREW, HEADLAMP ・・・・・・・・・・・・・・・・・・・・・・・・・・・・・・・・・・・・・・・・・・・・・・・・・・・・・・・・・・・・・・・・・・・ 309 SCREW, HEADLAMP ・・・・・・・・・・・・・・・・・・・・・・・・・・・・・・・・・・・・・・・・・・・・・・・・・・・・・・・・・・・・・・・・・・・ 309 SEAL, AIR DUCT ・・・・・・・・・・・・・・・・・・・・・・・・・・・・・・・・・・・・・・・・・・・・・・・・・・・・・・・・・・・・・・・・・・・・ 381 SEAL, AIR DUCT ・・・・・・・・・・・・・・・・・・・・・・・・・・・・・・・・・・・・・・・・・・・・・・・・・・・・・・・・・・・・・・・・・・・・ 381 SEAL, AIR DUCT, CENTER ・・・・・・・・・・・・・・・・・・・・・・・・・・・・・・・・・・・・・・・・・・・・・・・・・・・・・・・・・・・・ 381 SEAL, AIR DUCT, NO.4 ・・・・・・・・・・・・・・・・・・・・・・・・・・・・・・・・・・・・・・・・・・・・・・・・・・・・・・・・・・・・・・ 381 SEAL, BOOSTER ・・・・・・・・・・・・・・・・・・・・・・・・・・・・・・・・・・・・・・・・・・・・・・・・・・・・・・・・・・・・・・・・・・・・・ 149 SEAL, DOOR DUST PROOF ・・・・・・・・・・・・・・・・・・・・・・・・・・・・・・・・・・・・・・・・・・・・・・・・・・・・・・・・・・・・・ 258 SEAL, ENGINE REAR OIL ・・・・・・・・・・・・・・・・・・・・・・・・・・・・・・・・・・・・・・・・・・・・・・・・・・・・・・・・・・・・・ 61 SEAL, EXHAUST VALVE STEM OIL ・・・・・・・・・・・・・・・・・・・・・・・・・・・・・・・・・・・・・・・・・・・・・・・・・・・・・・ 72 SEAL, FRONT DISC BRAKE CYLINDER PISTON ・・・・・・・・・・・・・・・・・・・・・・・・・・・・・・・・・・・・・・・・・・・・ 151 SEAL, FRONT DOOR VENT, LH ・・・・・・・・・・・・・・・・・・・・・・・・・・・・・・・・・・・・・・・・・・・・・・・・・・・・・・・・・ 242 SEAL, FRONT DOOR VENT, RH ・・・・・・・・・・・・・・・・・・・・・・・・・・・・・・・・・・・・・・・・・・・・・・・・・・・・・・・・・ 242 SEAL, HOOD TO COWL TOP ・・・・・・・・・・・・・・・・・・・・・・・・・・・・・・・・・・・・・・・・・・・・・・・・・・・・・・・・・・・・ 193 SEAL, INTAKE VALVE STEM OIL ・・・・・・・・・・・・・・・・・・・・・・・・・・・・・・・・・・・・・・・・・・・・・・・・・・・・・・・ 72 SEAL, OIL (FOR INPUT SHAFT) ・・・・・・・・・・・・・・・・・・・・・・・・・・・・・・・・・・・・・・・・・・・・・・・・・・・・・・・ 108 SEAL, OIL (FOR SELECT LEVER SHAFT) ・・・・・・・・・・・・・・・・・・・・・・・・・・・・・・・・・・・・・・・・・・・・・・・・ 113 SEAL, OIL(FOR SHIFT LEVER SHAFT) ・・・・・・・・・・・・・・・・・・・・・・・・・・・・・・・・・・・・・・・・・・・・・・・・・・ 113 SEAL, OIL(FOR TIMING CHAIN OR BELT COVER) ・・・・・・・・・・・・・・・・・・・・・・・・・・・・・・・・・・・・・・・・・ 64 SEAL, REAR DOOR REAR LOWER FRAME, LH ・・・・・・・・・・・・・・・・・・・・・・・・・・・・・・・・・・・・・・・・・・・・・・ 250 SEAL, REAR DOOR REAR LOWER FRAME, RH ・・・・・・・・・・・・・・・・・・・・・・・・・・・・・・・・・・・・・・・・・・・・・・ 250 SEAL, TYPE T OIL(FOR CVT OIL PUMP) ・・・・・・・・・・・・・・・・・・・・・・・・・・・・・・・・・・・・・・・・・・・・・・・・ 122 SEAL, TYPE T OIL(FOR MANUAL TRANSMISSION CASE LH) ・・・・・・・・・・・・・・・・・・・・・・・・・・・・・・・・・ 105 SEAL, TYPE T OIL(FOR MANUAL TRANSMISSION CASE RH) ・・・・・・・・・・・・・・・・・・・・・・・・・・・・・・・・・ 105 SEAL, TYPE T OIL, NO.1(FOR CVT) ・・・・・・・・・・・・・・・・・・・・・・・・・・・・・・・・・・・・・・・・・・・・・・・・・・・ 122 SEAL, TYPE T OIL, NO.2(FOR CVT) ・・・・・・・・・・・・・・・・・・・・・・・・・・・・・・・・・・・・・・・・・・・・・・・・・・・ 122 SEAT SUB-ASSY, FRONT SPRING, NO.1 ・・・・・・・・・・・・・・・・・・・・・・・・・・・・・・・・・・・・・・・・・・・・・・・・・ 164 SEAT SUB-ASSY, FRONT SPRING, NO.2 ・・・・・・・・・・・・・・・・・・・・・・・・・・・・・・・・・・・・・・・・・・・・・・・・・ 164 SEAT, REAR SPRING, LOWER ・・・・・・・・・・・・・・・・・・・・・・・・・・・・・・・・・・・・・・・・・・・・・・・・・・・・・・・・・・ 167 SEAT, REAR SPRING, LOWER ・・・・・・・・・・・・・・・・・・・・・・・・・・・・・・・・・・・・・・・・・・・・・・・・・・・・・・・・・・ 167 SEAT, REAR SPRING, UPPER LH ・・・・・・・・・・・・・・・・・・・・・・・・・・・・・・・・・・・・・・・・・・・・・・・・・・・・・・・ 167 SEAT, REAR SPRING, UPPER RH ・・・・・・・・・・・・・・・・・・・・・・・・・・・・・・・・・・・・・・・・・・・・・・・・・・・・・・・ 167 SEAT, VALVE SPRING ・・・・・・・・・・・・・・・・・・・・・・・・・・・・・・・・・・・・・・・・・・・・・・・・・・・・・・・・・・・・・・・・ 72 SENSOR ASSY, BATTERY CURRENT ・・・・・・・・・・・・・・・・・・・・・・・・・・・・・・・・・・・・・・・・・・・・・・・・・・・・・・ 339 SENSOR ASSY, SIDE AIR BAG, LH ・・・・・・・・・・・・・・・・・・・・・・・・・・・・・・・・・・・・・・・・・・・・・・・・・・・・・ 355 SENSOR ASSY, SIDE AIR BAG, RH ・・・・・・・・・・・・・・・・・・・・・・・・・・・・・・・・・・・・・・・・・・・・・・・・・・・・・ 355 SENSOR, AIR BAG, FRONT ・・・・・・・・・・・・・・・・・・・・・・・・・・・・・・・・・・・・・・・・・・・・・・・・・・・・・・・・・・・・ 355 SENSOR, AIR CONDITIONER PRESSURE ・・・・・・・・・・・・・・・・・・・・・・・・・・・・・・・・・・・・・・・・・・・・・・・・・・ 386 SENSOR, AIR FUEL RATIO ・・・・・・・・・・・・・・・・・・・・・・・・・・・・・・・・・・・・・・・・・・・・・・・・・・・・・・・・・・・・ 341 SENSOR, BLIND SPOT MONITOR, RH ・・・・・・・・・・・・・・・・・・・・・・・・・・・・・・・・・・・・・・・・・・・・・・・・・・・・ 341 SENSOR, CAM POSITION ・・・・・・・・・・・・・・・・・・・・・・・・・・・・・・・・・・・・・・・・・・・・・・・・・・・・・・・・・・・・・・ 57 SENSOR, CRANK POSITION ・・・・・・・・・・・・・・・・・・・・・・・・・・・・・・・・・・・・・・・・・・・・・・・・・・・・・・・・・・・・ 64 SENSOR, KNOCK CONTROL ・・・・・・・・・・・・・・・・・・・・・・・・・・・・・・・・・・・・・・・・・・・・・・・・・・・・・・・・・・・・・ 341 SENSOR, OIL PRESSURE ・・・・・・・・・・・・・・・・・・・・・・・・・・・・・・・・・・・・・・・・・・・・・・・・・・・・・・・・・・・・・・ 346 SENSOR, OXYGEN NO.2 ・・・・・・・・・・・・・・・・・・・・・・・・・・・・・・・・・・・・・・・・・・・・・・・・・・・・・・・・・・・・・・・ 341 SENSOR, SPEED, FRONT LH ・・・・・・・・・・・・・・・・・・・・・・・・・・・・・・・・・・・・・・・・・・・・・・・・・・・・・・・・・・・ 348 SENSOR, SPEED, FRONT RH ・・・・・・・・・・・・・・・・・・・・・・・・・・・・・・・・・・・・・・・・・・・・・・・・・・・・・・・・・・・ 348 SENSOR, TRANSMISSION REVOLUTION, (NIN) ・・・・・・・・・・・・・・・・・・・・・・・・・・・・・・・・・・・・・・・・・・・・ 346 SENSOR, TRANSMISSION REVOLUTION, (NOUT) ・・・・・・・・・・・・・・・・・・・・・・・・・・・・・・・・・・・・・・・・・・・ 346 SCREW, - SENSOR, 32
  • 33.
    PART NAME PAGE SENSOR,TRANSMISSION REVOLUTION, (NT) ・・・・・・・・・・・・・・・・・・・・・・・・・・・・・・・・・・・・・・・・・・・・・ 346 SENSOR, ULTRASONIC, NO.1 ・・・・・・・・・・・・・・・・・・・・・・・・・・・・・・・・・・・・・・・・・・・・・・・・・・・・・・・・・・ 350 SENSOR, VACUUM ・・・・・・・・・・・・・・・・・・・・・・・・・・・・・・・・・・・・・・・・・・・・・・・・・・・・・・・・・・・・・・・・・・・・ 341 SENSOR, WATER TEMPERATURE ・・・・・・・・・・・・・・・・・・・・・・・・・・・・・・・・・・・・・・・・・・・・・・・・・・・・・・・・・ 341 SERVO SUB-ASSY, DAMPER(FOR RECIRCULATION & FRESH) ・・・・・・・・・・・・・・・・・・・・・・・・・・・・・・・・・ 376 SHAFT ASSY, FRONT DRIVE OUTBOARD JOINT, LH ・・・・・・・・・・・・・・・・・・・・・・・・・・・・・・・・・・・・・・・・ 136 SHAFT ASSY, FRONT DRIVE OUTBOARD JOINT, RH ・・・・・・・・・・・・・・・・・・・・・・・・・・・・・・・・・・・・・・・・ 136 SHAFT ASSY, FRONT DRIVE, LH ・・・・・・・・・・・・・・・・・・・・・・・・・・・・・・・・・・・・・・・・・・・・・・・・・・・・・・・ 136 SHAFT ASSY, FRONT DRIVE, RH ・・・・・・・・・・・・・・・・・・・・・・・・・・・・・・・・・・・・・・・・・・・・・・・・・・・・・・・ 136 SHAFT ASSY, STEERING INTERMEDIATE ・・・・・・・・・・・・・・・・・・・・・・・・・・・・・・・・・・・・・・・・・・・・・・・・・ 140 SHAFT SUB-ASSY, SELECT LEVER ・・・・・・・・・・・・・・・・・・・・・・・・・・・・・・・・・・・・・・・・・・・・・・・・・・・・・・ 113 SHAFT SUB-ASSY, SHIFT LEVER, NO.1 ・・・・・・・・・・・・・・・・・・・・・・・・・・・・・・・・・・・・・・・・・・・・・・・・・ 113 SHAFT, BRAKE PEDAL ・・・・・・・・・・・・・・・・・・・・・・・・・・・・・・・・・・・・・・・・・・・・・・・・・・・・・・・・・・・・・・・・ 147 SHAFT, CLUTCH PEDAL ・・・・・・・・・・・・・・・・・・・・・・・・・・・・・・・・・・・・・・・・・・・・・・・・・・・・・・・・・・・・・・・ 98 SHAFT, GEAR SHIFT FORK, NO.3 ・・・・・・・・・・・・・・・・・・・・・・・・・・・・・・・・・・・・・・・・・・・・・・・・・・・・・・ 113 SHAFT, INPUT ・・・・・・・・・・・・・・・・・・・・・・・・・・・・・・・・・・・・・・・・・・・・・・・・・・・・・・・・・・・・・・・・・・・・・・ 108 SHAFT, OUTPUT ・・・・・・・・・・・・・・・・・・・・・・・・・・・・・・・・・・・・・・・・・・・・・・・・・・・・・・・・・・・・・・・・・・・・・ 108 SHAFT, REVERSE IDLER GEAR ・・・・・・・・・・・・・・・・・・・・・・・・・・・・・・・・・・・・・・・・・・・・・・・・・・・・・・・・・ 110 SHAFT, SHIFT & SELECT LEVER ・・・・・・・・・・・・・・・・・・・・・・・・・・・・・・・・・・・・・・・・・・・・・・・・・・・・・・・ 113 SHIELD, FRONT SEAT CUSHION, FRONT RH ・・・・・・・・・・・・・・・・・・・・・・・・・・・・・・・・・・・・・・・・・・・・・・ 277 SHIELD, FRONT SEAT CUSHION, LH ・・・・・・・・・・・・・・・・・・・・・・・・・・・・・・・・・・・・・・・・・・・・・・・・・・・・ 276 SHIELD, FRONT SEAT CUSHION, RH ・・・・・・・・・・・・・・・・・・・・・・・・・・・・・・・・・・・・・・・・・・・・・・・・・・・・ 276 SHIELD, FUEL TANK INLET PIPE ・・・・・・・・・・・・・・・・・・・・・・・・・・・・・・・・・・・・・・・・・・・・・・・・・・・・・・ 305 SHIELD, STEERING COLUMN HOLE ・・・・・・・・・・・・・・・・・・・・・・・・・・・・・・・・・・・・・・・・・・・・・・・・・・・・・・ 140 SHIM (FOR INPUT SHAFT REAR BEARING) ・・・・・・・・・・・・・・・・・・・・・・・・・・・・・・・・・・・・・・・・・・・・・・・ 108 SHIM KIT, ANTI SQUEAL, FRONT ・・・・・・・・・・・・・・・・・・・・・・・・・・・・・・・・・・・・・・・・・・・・・・・・・・・・・・ 151 SHOE KIT, REAR BRAKE ・・・・・・・・・・・・・・・・・・・・・・・・・・・・・・・・・・・・・・・・・・・・・・・・・・・・・・・・・・・・・・ 153 SHROUD, FAN ・・・・・・・・・・・・・・・・・・・・・・・・・・・・・・・・・・・・・・・・・・・・・・・・・・・・・・・・・・・・・・・・・・・・・・・ 80 SILENCER, FRONT FLOOR, NO.1 ・・・・・・・・・・・・・・・・・・・・・・・・・・・・・・・・・・・・・・・・・・・・・・・・・・・・・・・ 207 SILENCER, REAR SEAT BACK, RH ・・・・・・・・・・・・・・・・・・・・・・・・・・・・・・・・・・・・・・・・・・・・・・・・・・・・・・ 275 SILENCER, ROOF ・・・・・・・・・・・・・・・・・・・・・・・・・・・・・・・・・・・・・・・・・・・・・・・・・・・・・・・・・・・・・・・・・・・・ 235 SILENCER, SEAT SPRING ・・・・・・・・・・・・・・・・・・・・・・・・・・・・・・・・・・・・・・・・・・・・・・・・・・・・・・・・・・・・・ 273 SILENCER, SEAT SPRING ・・・・・・・・・・・・・・・・・・・・・・・・・・・・・・・・・・・・・・・・・・・・・・・・・・・・・・・・・・・・・ 273 SOCKET & WIRE, REAR COMBINATION LAMP, LH ・・・・・・・・・・・・・・・・・・・・・・・・・・・・・・・・・・・・・・・・・・ 314 SOCKET & WIRE, REAR COMBINATION LAMP, RH ・・・・・・・・・・・・・・・・・・・・・・・・・・・・・・・・・・・・・・・・・・ 314 SOCKET ASSY, POWER OUTLET, NO.1 ・・・・・・・・・・・・・・・・・・・・・・・・・・・・・・・・・・・・・・・・・・・・・・・・・・・ 340 SOCKET ASSY, POWER OUTLET, REAR NO.1 ・・・・・・・・・・・・・・・・・・・・・・・・・・・・・・・・・・・・・・・・・・・・・・ 340 SOCKET, BULB(FOR MAP LAMP) ・・・・・・・・・・・・・・・・・・・・・・・・・・・・・・・・・・・・・・・・・・・・・・・・・・・・・・・・ 319 SOCKET, LICENSE PLATE LAMP ・・・・・・・・・・・・・・・・・・・・・・・・・・・・・・・・・・・・・・・・・・・・・・・・・・・・・・・・ 315 SOCKET, USB CHARGER ・・・・・・・・・・・・・・・・・・・・・・・・・・・・・・・・・・・・・・・・・・・・・・・・・・・・・・・・・・・・・・・ 340 SOCKET, USB CHARGER, NO.3 ・・・・・・・・・・・・・・・・・・・・・・・・・・・・・・・・・・・・・・・・・・・・・・・・・・・・・・・・・ 341 SPACER(FOR CLUTCH RELEASE SECTOR) ・・・・・・・・・・・・・・・・・・・・・・・・・・・・・・・・・・・・・・・・・・・・・・・・・ 98 SPACER, BACK DOOR GLASS ・・・・・・・・・・・・・・・・・・・・・・・・・・・・・・・・・・・・・・・・・・・・・・・・・・・・・・・・・・・ 258 SPACER, CYLINDER BLOCK WATER JACKET ・・・・・・・・・・・・・・・・・・・・・・・・・・・・・・・・・・・・・・・・・・・・・・・ 61 SPACER, FUEL PUMP ・・・・・・・・・・・・・・・・・・・・・・・・・・・・・・・・・・・・・・・・・・・・・・・・・・・・・・・・・・・・・・・・・ 305 SPACER, INSTRUMENT PANEL, NO.1 ・・・・・・・・・・・・・・・・・・・・・・・・・・・・・・・・・・・・・・・・・・・・・・・・・・・・ 190 SPACER, NO.1(FOR DELIVERY PIPE) ・・・・・・・・・・・・・・・・・・・・・・・・・・・・・・・・・・・・・・・・・・・・・・・・・・・ 96 SPACER, QUARTER WINDOW GLASS ・・・・・・・・・・・・・・・・・・・・・・・・・・・・・・・・・・・・・・・・・・・・・・・・・・・・・・ 226 SPACER, QUARTER WINDOW GLASS LH ・・・・・・・・・・・・・・・・・・・・・・・・・・・・・・・・・・・・・・・・・・・・・・・・・・・ 227 SPACER, REAR SEAT HINGE ・・・・・・・・・・・・・・・・・・・・・・・・・・・・・・・・・・・・・・・・・・・・・・・・・・・・・・・・・・・ 274 SENSOR, - SPACER, PART NAME PAGE SPACER, REAR SEAT RECLINING ・・・・・・・・・・・・・・・・・・・・・・・・・・・・・・・・・・・・・・・・・・・・・・・・・・・・・・・ 282 SPACER, REAR SEAT RECLINING ・・・・・・・・・・・・・・・・・・・・・・・・・・・・・・・・・・・・・・・・・・・・・・・・・・・・・・・ 282 SPACER, REAR SEAT RECLINING, NO.1 ・・・・・・・・・・・・・・・・・・・・・・・・・・・・・・・・・・・・・・・・・・・・・・・・・ 282 SPACER, SEAT TRACK, LOWER NO.1 ・・・・・・・・・・・・・・・・・・・・・・・・・・・・・・・・・・・・・・・・・・・・・・・・・・・・ 279 SPACER, SPARE WHEEL CARRIER ・・・・・・・・・・・・・・・・・・・・・・・・・・・・・・・・・・・・・・・・・・・・・・・・・・・・・・・ 170 SPEAKER ASSY, FRONT NO.1 ・・・・・・・・・・・・・・・・・・・・・・・・・・・・・・・・・・・・・・・・・・・・・・・・・・・・・・・・・・ 363 SPEAKER ASSY, FRONT NO.2 ・・・・・・・・・・・・・・・・・・・・・・・・・・・・・・・・・・・・・・・・・・・・・・・・・・・・・・・・・・ 363 SPEAKER ASSY, FRONT NO.3 ・・・・・・・・・・・・・・・・・・・・・・・・・・・・・・・・・・・・・・・・・・・・・・・・・・・・・・・・・・ 363 SPEAKER ASSY, REAR ・・・・・・・・・・・・・・・・・・・・・・・・・・・・・・・・・・・・・・・・・・・・・・・・・・・・・・・・・・・・・・・・ 363 SPRING ASSY, NO.2 SEAT CUSHION, LH ・・・・・・・・・・・・・・・・・・・・・・・・・・・・・・・・・・・・・・・・・・・・・・・・ 285 SPRING ASSY, REAR SEAT CUSHION, RH ・・・・・・・・・・・・・・・・・・・・・・・・・・・・・・・・・・・・・・・・・・・・・・・・ 275 SPRING SUB-ASSY, FRONT SEAT CUSHION, LH ・・・・・・・・・・・・・・・・・・・・・・・・・・・・・・・・・・・・・・・・・・・ 273 SPRING SUB-ASSY, FRONT SEAT CUSHION, RH ・・・・・・・・・・・・・・・・・・・・・・・・・・・・・・・・・・・・・・・・・・・ 273 SPRING(FOR REAR BRAKE SHOE HOLD DOWN) ・・・・・・・・・・・・・・・・・・・・・・・・・・・・・・・・・・・・・・・・・・・・・ 153 SPRING, COIL, REAR LH ・・・・・・・・・・・・・・・・・・・・・・・・・・・・・・・・・・・・・・・・・・・・・・・・・・・・・・・・・・・・・ 167 SPRING, COIL, REAR RH ・・・・・・・・・・・・・・・・・・・・・・・・・・・・・・・・・・・・・・・・・・・・・・・・・・・・・・・・・・・・・ 167 SPRING, COMPRESSION (FOR SELECT LEVER SHAFT) ・・・・・・・・・・・・・・・・・・・・・・・・・・・・・・・・・・・・・・ 114 SPRING, COMPRESSION (FOR SHIFT INNER LEVER) ・・・・・・・・・・・・・・・・・・・・・・・・・・・・・・・・・・・・・・・ 113 SPRING, COMPRESSION(FOR INNER) ・・・・・・・・・・・・・・・・・・・・・・・・・・・・・・・・・・・・・・・・・・・・・・・・・・・・ 72 SPRING, COMPRESSION(FOR OUTER) ・・・・・・・・・・・・・・・・・・・・・・・・・・・・・・・・・・・・・・・・・・・・・・・・・・・・ 72 SPRING, EXHAUST PIPE ・・・・・・・・・・・・・・・・・・・・・・・・・・・・・・・・・・・・・・・・・・・・・・・・・・・・・・・・・・・・・・ 85 SPRING, FRONT COIL, LH ・・・・・・・・・・・・・・・・・・・・・・・・・・・・・・・・・・・・・・・・・・・・・・・・・・・・・・・・・・・・ 164 SPRING, FRONT COIL, RH ・・・・・・・・・・・・・・・・・・・・・・・・・・・・・・・・・・・・・・・・・・・・・・・・・・・・・・・・・・・・ 164 SPRING, PEDAL W/HOOK ・・・・・・・・・・・・・・・・・・・・・・・・・・・・・・・・・・・・・・・・・・・・・・・・・・・・・・・・・・・・・・ 99 SPRING, REAR BRAKE AUTOMATIC ADJUST LEVER SUPPORT, LH ・・・・・・・・・・・・・・・・・・・・・・・・・・・・・ 153 SPRING, REAR BRAKE AUTOMATIC ADJUST LEVER SUPPORT, RH ・・・・・・・・・・・・・・・・・・・・・・・・・・・・・ 153 SPRING, RELEASE FORK SUPPORT ・・・・・・・・・・・・・・・・・・・・・・・・・・・・・・・・・・・・・・・・・・・・・・・・・・・・・・ 97 SPRING, SEAT BACK, LH ・・・・・・・・・・・・・・・・・・・・・・・・・・・・・・・・・・・・・・・・・・・・・・・・・・・・・・・・・・・・・ 281 SPRING, SEAT BACK, RH ・・・・・・・・・・・・・・・・・・・・・・・・・・・・・・・・・・・・・・・・・・・・・・・・・・・・・・・・・・・・・ 281 SPRING, SHIFT LOCK RELEASE ・・・・・・・・・・・・・・・・・・・・・・・・・・・・・・・・・・・・・・・・・・・・・・・・・・・・・・・・ 116 SPRING, SHOE RETURN(FOR REAR BRAKE) ・・・・・・・・・・・・・・・・・・・・・・・・・・・・・・・・・・・・・・・・・・・・・・・ 153 STARTER ASSY ・・・・・・・・・・・・・・・・・・・・・・・・・・・・・・・・・・・・・・・・・・・・・・・・・・・・・・・・・・・・・・・・・・・・・・ 94 STARTER KIT, REPAIR SERVICE ・・・・・・・・・・・・・・・・・・・・・・・・・・・・・・・・・・・・・・・・・・・・・・・・・・・・・・・ 94 STATOR, MAGNET CLUTCH ・・・・・・・・・・・・・・・・・・・・・・・・・・・・・・・・・・・・・・・・・・・・・・・・・・・・・・・・・・・・・ 387 STAY ASSY, BACK DOOR, LH ・・・・・・・・・・・・・・・・・・・・・・・・・・・・・・・・・・・・・・・・・・・・・・・・・・・・・・・・・・ 260 STAY ASSY, BACK DOOR, RH ・・・・・・・・・・・・・・・・・・・・・・・・・・・・・・・・・・・・・・・・・・・・・・・・・・・・・・・・・・ 260 STAY, MANIFOLD ・・・・・・・・・・・・・・・・・・・・・・・・・・・・・・・・・・・・・・・・・・・・・・・・・・・・・・・・・・・・・・・・・・・・ 83 STOPPER, WINDSHIELD GLASS ・・・・・・・・・・・・・・・・・・・・・・・・・・・・・・・・・・・・・・・・・・・・・・・・・・・・・・・・・ 194 STOPPER, WINDSHIELD GLASS, NO.2 ・・・・・・・・・・・・・・・・・・・・・・・・・・・・・・・・・・・・・・・・・・・・・・・・・・・ 194 STRAINER SUB-ASSY, OIL ・・・・・・・・・・・・・・・・・・・・・・・・・・・・・・・・・・・・・・・・・・・・・・・・・・・・・・・・・・・・ 73 STRAINER SUB-ASSY, OIL ・・・・・・・・・・・・・・・・・・・・・・・・・・・・・・・・・・・・・・・・・・・・・・・・・・・・・・・・・・・・ 122 STRAINER, BRAKE MASTER CYLINDER RESERVOIR ・・・・・・・・・・・・・・・・・・・・・・・・・・・・・・・・・・・・・・・・・ 148 STRAP ASSY, REAR SEAT LOCK RELEASE ・・・・・・・・・・・・・・・・・・・・・・・・・・・・・・・・・・・・・・・・・・・・・・・・ 281 STRAP, REAR NO.2 SEAT, NO.1 ・・・・・・・・・・・・・・・・・・・・・・・・・・・・・・・・・・・・・・・・・・・・・・・・・・・・・・・ 282 STRAP, REAR NO.2 SEAT, NO.2 ・・・・・・・・・・・・・・・・・・・・・・・・・・・・・・・・・・・・・・・・・・・・・・・・・・・・・・・ 282 STRIKER ASSY, BACK DOOR LOCK ・・・・・・・・・・・・・・・・・・・・・・・・・・・・・・・・・・・・・・・・・・・・・・・・・・・・・・ 260 SUPPORT ASSY REAR SUSPENSION, LH ・・・・・・・・・・・・・・・・・・・・・・・・・・・・・・・・・・・・・・・・・・・・・・・・・ 167 SUPPORT ASSY, FRONT SEAT HEADREST ・・・・・・・・・・・・・・・・・・・・・・・・・・・・・・・・・・・・・・・・・・・・・・・・・ 278 SUPPORT ASSY, HOOD ・・・・・・・・・・・・・・・・・・・・・・・・・・・・・・・・・・・・・・・・・・・・・・・・・・・・・・・・・・・・・・・・ 181 SUPPORT ASSY, REAR NO.2 SEAT HEADREST ・・・・・・・・・・・・・・・・・・・・・・・・・・・・・・・・・・・・・・・・・・・・・ 278 SPACER, - SUPPORT 33
  • 34.
    PART NAME PAGE SUPPORTASSY, REAR SEAT HEADREST ・・・・・・・・・・・・・・・・・・・・・・・・・・・・・・・・・・・・・・・・・・・・・・・・・・ 278 SUPPORT ASSY, REAR SEAT HEADREST, LH ・・・・・・・・・・・・・・・・・・・・・・・・・・・・・・・・・・・・・・・・・・・・・・ 279 SUPPORT ASSY, REAR SEAT HEADREST, RH ・・・・・・・・・・・・・・・・・・・・・・・・・・・・・・・・・・・・・・・・・・・・・・ 279 SUPPORT ASSY, REAR SUSPENSION, RH ・・・・・・・・・・・・・・・・・・・・・・・・・・・・・・・・・・・・・・・・・・・・・・・・・ 167 SUPPORT SUB-ASSY, BRAKE PEDAL ・・・・・・・・・・・・・・・・・・・・・・・・・・・・・・・・・・・・・・・・・・・・・・・・・・・・・ 147 SUPPORT SUB-ASSY, CLUTCH PEDAL ・・・・・・・・・・・・・・・・・・・・・・・・・・・・・・・・・・・・・・・・・・・・・・・・・・・・ 99 SUPPORT SUB-ASSY, FRONT SUSPENSION, LH ・・・・・・・・・・・・・・・・・・・・・・・・・・・・・・・・・・・・・・・・・・・・ 164 SUPPORT SUB-ASSY, FRONT SUSPENSION, RH ・・・・・・・・・・・・・・・・・・・・・・・・・・・・・・・・・・・・・・・・・・・・ 164 SUPPORT SUB-ASSY, HOOD LOCK ・・・・・・・・・・・・・・・・・・・・・・・・・・・・・・・・・・・・・・・・・・・・・・・・・・・・・・・ 183 SUPPORT SUB-ASSY, RADIATOR, LH ・・・・・・・・・・・・・・・・・・・・・・・・・・・・・・・・・・・・・・・・・・・・・・・・・・・・ 183 SUPPORT SUB-ASSY, RADIATOR, LOWER ・・・・・・・・・・・・・・・・・・・・・・・・・・・・・・・・・・・・・・・・・・・・・・・・・ 183 SUPPORT SUB-ASSY, RADIATOR, RH ・・・・・・・・・・・・・・・・・・・・・・・・・・・・・・・・・・・・・・・・・・・・・・・・・・・・ 183 SUPPORT SUB-ASSY, RADIATOR, UPPER ・・・・・・・・・・・・・・・・・・・・・・・・・・・・・・・・・・・・・・・・・・・・・・・・・ 183 SUPPORT, EXHAUST PIPE, NO.3 ・・・・・・・・・・・・・・・・・・・・・・・・・・・・・・・・・・・・・・・・・・・・・・・・・・・・・・・ 85 SUPPORT, FRONT BUMPER ARM, RH ・・・・・・・・・・・・・・・・・・・・・・・・・・・・・・・・・・・・・・・・・・・・・・・・・・・・・ 200 SUPPORT, FRONT BUMPER SIDE, LH ・・・・・・・・・・・・・・・・・・・・・・・・・・・・・・・・・・・・・・・・・・・・・・・・・・・・ 172 SUPPORT, FRONT BUMPER SIDE, RH ・・・・・・・・・・・・・・・・・・・・・・・・・・・・・・・・・・・・・・・・・・・・・・・・・・・・ 172 SUPPORT, FRONT SEAT HEADREST ・・・・・・・・・・・・・・・・・・・・・・・・・・・・・・・・・・・・・・・・・・・・・・・・・・・・・・ 278 SUPPORT, FRONT SEAT HEADREST ・・・・・・・・・・・・・・・・・・・・・・・・・・・・・・・・・・・・・・・・・・・・・・・・・・・・・・ 279 SUPPORT, FRONT SEAT HEADREST, LH ・・・・・・・・・・・・・・・・・・・・・・・・・・・・・・・・・・・・・・・・・・・・・・・・・・ 278 SUPPORT, FRONT SUSPENSION, NO.2 LH ・・・・・・・・・・・・・・・・・・・・・・・・・・・・・・・・・・・・・・・・・・・・・・・・ 164 SUPPORT, FRONT SUSPENSION, NO.2 RH ・・・・・・・・・・・・・・・・・・・・・・・・・・・・・・・・・・・・・・・・・・・・・・・・ 164 SUPPORT, PARKING BRAKE CENTER ・・・・・・・・・・・・・・・・・・・・・・・・・・・・・・・・・・・・・・・・・・・・・・・・・・・・・ 146 SUPPORT, RADIATOR, UPPER LH ・・・・・・・・・・・・・・・・・・・・・・・・・・・・・・・・・・・・・・・・・・・・・・・・・・・・・・・ 183 SUPPORT, RADIATOR, UPPER RH ・・・・・・・・・・・・・・・・・・・・・・・・・・・・・・・・・・・・・・・・・・・・・・・・・・・・・・・ 183 SUPPORT, REAR BUMPER SIDE, LH ・・・・・・・・・・・・・・・・・・・・・・・・・・・・・・・・・・・・・・・・・・・・・・・・・・・・・ 174 SUPPORT, REAR BUMPER SIDE, RH ・・・・・・・・・・・・・・・・・・・・・・・・・・・・・・・・・・・・・・・・・・・・・・・・・・・・・ 174 SUPPORT, REAR SEAT HEADREST ・・・・・・・・・・・・・・・・・・・・・・・・・・・・・・・・・・・・・・・・・・・・・・・・・・・・・・・ 278 SUPPORT, REAR SEAT HEADREST ・・・・・・・・・・・・・・・・・・・・・・・・・・・・・・・・・・・・・・・・・・・・・・・・・・・・・・・ 278 SUPPORT, REAR SEAT HEADREST ・・・・・・・・・・・・・・・・・・・・・・・・・・・・・・・・・・・・・・・・・・・・・・・・・・・・・・・ 278 SUPPORT, REAR SEAT HEADREST ・・・・・・・・・・・・・・・・・・・・・・・・・・・・・・・・・・・・・・・・・・・・・・・・・・・・・・・ 279 SUPPORT, REAR SUSPENSION ・・・・・・・・・・・・・・・・・・・・・・・・・・・・・・・・・・・・・・・・・・・・・・・・・・・・・・・・・・ 167 SUPPORT, RELEASE FORK ・・・・・・・・・・・・・・・・・・・・・・・・・・・・・・・・・・・・・・・・・・・・・・・・・・・・・・・・・・・・・ 97 SWITCH ASSY, BACK DOOR OPENER ・・・・・・・・・・・・・・・・・・・・・・・・・・・・・・・・・・・・・・・・・・・・・・・・・・・・・ 340 SWITCH ASSY, BACK-UP LAMP ・・・・・・・・・・・・・・・・・・・・・・・・・・・・・・・・・・・・・・・・・・・・・・・・・・・・・・・・・ 339 SWITCH ASSY, BRAKE WARNING TEST ・・・・・・・・・・・・・・・・・・・・・・・・・・・・・・・・・・・・・・・・・・・・・・・・・・・ 340 SWITCH ASSY, CLUTCH START ・・・・・・・・・・・・・・・・・・・・・・・・・・・・・・・・・・・・・・・・・・・・・・・・・・・・・・・・・ 340 SWITCH ASSY, HAZARD WARNING SIGNAL ・・・・・・・・・・・・・・・・・・・・・・・・・・・・・・・・・・・・・・・・・・・・・・・・ 339 SWITCH ASSY, HEADLAMP DIMMER ・・・・・・・・・・・・・・・・・・・・・・・・・・・・・・・・・・・・・・・・・・・・・・・・・・・・・・ 339 SWITCH ASSY, IGNITION OR STARTER ・・・・・・・・・・・・・・・・・・・・・・・・・・・・・・・・・・・・・・・・・・・・・・・・・・ 340 SWITCH ASSY, NEUTRAL START ・・・・・・・・・・・・・・・・・・・・・・・・・・・・・・・・・・・・・・・・・・・・・・・・・・・・・・・・ 340 SWITCH ASSY, OIL PRESSURE (FOR ENGINE) ・・・・・・・・・・・・・・・・・・・・・・・・・・・・・・・・・・・・・・・・・・・・ 339 SWITCH ASSY, OUTER MIRROR ・・・・・・・・・・・・・・・・・・・・・・・・・・・・・・・・・・・・・・・・・・・・・・・・・・・・・・・・・ 340 SWITCH ASSY, POWER WINDOW REGULATOR ・・・・・・・・・・・・・・・・・・・・・・・・・・・・・・・・・・・・・・・・・・・・・・・ 340 SWITCH ASSY, POWER WINDOW REGULATOR, REAR ・・・・・・・・・・・・・・・・・・・・・・・・・・・・・・・・・・・・・・・・・ 340 SWITCH ASSY, PRE-COLLISION SYSTEM CANCEL ・・・・・・・・・・・・・・・・・・・・・・・・・・・・・・・・・・・・・・・・・・ 340 SWITCH ASSY, STEERING PAD ・・・・・・・・・・・・・・・・・・・・・・・・・・・・・・・・・・・・・・・・・・・・・・・・・・・・・・・・・ 339 SWITCH ASSY, STOP LAMP ・・・・・・・・・・・・・・・・・・・・・・・・・・・・・・・・・・・・・・・・・・・・・・・・・・・・・・・・・・・・ 339 SWITCH ASSY, WINDSHIELD WIPER ・・・・・・・・・・・・・・・・・・・・・・・・・・・・・・・・・・・・・・・・・・・・・・・・・・・・・ 340 SWITCH ASSY,MULTIPLEX NETWORK ・・・・・・・・・・・・・・・・・・・・・・・・・・・・・・・・・・・・・・・・・・・・・・・・・・・・・ 339 SUPPORT - SWITCH PART NAME PAGE SWITCH, COURTESY LAMP ・・・・・・・・・・・・・・・・・・・・・・・・・・・・・・・・・・・・・・・・・・・・・・・・・・・・・・・・・・・・・ 339 SWITCH, HEATER BLOWER ・・・・・・・・・・・・・・・・・・・・・・・・・・・・・・・・・・・・・・・・・・・・・・・・・・・・・・・・・・・・・ 381 SWITCH, NEUTRAL POSITION ・・・・・・・・・・・・・・・・・・・・・・・・・・・・・・・・・・・・・・・・・・・・・・・・・・・・・・・・・・ 340 SWITCH, PUSH START ・・・・・・・・・・・・・・・・・・・・・・・・・・・・・・・・・・・・・・・・・・・・・・・・・・・・・・・・・・・・・・・・ 341 SWITCH, VEHICLE STABILITY CONTROL ・・・・・・・・・・・・・・・・・・・・・・・・・・・・・・・・・・・・・・・・・・・・・・・・・ 340 TANK ASSY, FUEL ・・・・・・・・・・・・・・・・・・・・・・・・・・・・・・・・・・・・・・・・・・・・・・・・・・・・・・・・・・・・・・・・・・・ 305 TANK ASSY, RADIATOR RESERVE ・・・・・・・・・・・・・・・・・・・・・・・・・・・・・・・・・・・・・・・・・・・・・・・・・・・・・・・ 79 TAPE, BLACK OUT, LH ・・・・・・・・・・・・・・・・・・・・・・・・・・・・・・・・・・・・・・・・・・・・・・・・・・・・・・・・・・・・・・・ 252 TAPE, BLACK OUT, NO.1 LH ・・・・・・・・・・・・・・・・・・・・・・・・・・・・・・・・・・・・・・・・・・・・・・・・・・・・・・・・・・ 243 TAPE, BLACK OUT, NO.1 RH ・・・・・・・・・・・・・・・・・・・・・・・・・・・・・・・・・・・・・・・・・・・・・・・・・・・・・・・・・・ 243 TAPE, BLACK OUT, NO.2 LH ・・・・・・・・・・・・・・・・・・・・・・・・・・・・・・・・・・・・・・・・・・・・・・・・・・・・・・・・・・ 243 TAPE, BLACK OUT, NO.2 RH ・・・・・・・・・・・・・・・・・・・・・・・・・・・・・・・・・・・・・・・・・・・・・・・・・・・・・・・・・・ 243 TAPE, BLACK OUT, NO.3 LH ・・・・・・・・・・・・・・・・・・・・・・・・・・・・・・・・・・・・・・・・・・・・・・・・・・・・・・・・・・ 251 TAPE, BLACK OUT, NO.3 RH ・・・・・・・・・・・・・・・・・・・・・・・・・・・・・・・・・・・・・・・・・・・・・・・・・・・・・・・・・・ 251 TAPE, BLACK OUT, NO.4 RH ・・・・・・・・・・・・・・・・・・・・・・・・・・・・・・・・・・・・・・・・・・・・・・・・・・・・・・・・・・ 252 TENSIONER ASSY, CHAIN, NO.1 ・・・・・・・・・・・・・・・・・・・・・・・・・・・・・・・・・・・・・・・・・・・・・・・・・・・・・・・ 71 TENSIONER ASSY, V-RIBBED BELT ・・・・・・・・・・・・・・・・・・・・・・・・・・・・・・・・・・・・・・・・・・・・・・・・・・・・・ 75 TRACK ASSY, FRONT SEAT, INNER RH ・・・・・・・・・・・・・・・・・・・・・・・・・・・・・・・・・・・・・・・・・・・・・・・・・・ 279 TRACK ASSY, FRONT SEAT, OUTER LH ・・・・・・・・・・・・・・・・・・・・・・・・・・・・・・・・・・・・・・・・・・・・・・・・・・ 279 TRACK ASSY, FRONT SEAT, OUTER RH ・・・・・・・・・・・・・・・・・・・・・・・・・・・・・・・・・・・・・・・・・・・・・・・・・・ 279 TRACK ASSY, FRONT SEAT,INNER LH ・・・・・・・・・・・・・・・・・・・・・・・・・・・・・・・・・・・・・・・・・・・・・・・・・・・ 280 TRACK ASSY, REAR NO.1 SEAT, OUTER RH ・・・・・・・・・・・・・・・・・・・・・・・・・・・・・・・・・・・・・・・・・・・・・・ 280 TRACK ASSY, REAR SEAT, OUTER LH ・・・・・・・・・・・・・・・・・・・・・・・・・・・・・・・・・・・・・・・・・・・・・・・・・・・ 280 TRANSAXLE ASSY, CONTINUOUSLY VARIABLE ・・・・・・・・・・・・・・・・・・・・・・・・・・・・・・・・・・・・・・・・・・・・・ 122 TRANSAXLE ASSY, MANUAL ・・・・・・・・・・・・・・・・・・・・・・・・・・・・・・・・・・・・・・・・・・・・・・・・・・・・・・・・・・・・ 102 TRANSMITTER ASSY, DOOR CONTROL ・・・・・・・・・・・・・・・・・・・・・・・・・・・・・・・・・・・・・・・・・・・・・・・・・・・・ 262 TRANSMITTER, ELECTRICAL KEY ・・・・・・・・・・・・・・・・・・・・・・・・・・・・・・・・・・・・・・・・・・・・・・・・・・・・・・・ 262 TRAY, LUGGAGE COMPARTMENT ・・・・・・・・・・・・・・・・・・・・・・・・・・・・・・・・・・・・・・・・・・・・・・・・・・・・・・・・・ 237 TRIM, FRONT DOOR OPENING, LH ・・・・・・・・・・・・・・・・・・・・・・・・・・・・・・・・・・・・・・・・・・・・・・・・・・・・・・ 231 TRIM, FRONT DOOR OPENING, RH ・・・・・・・・・・・・・・・・・・・・・・・・・・・・・・・・・・・・・・・・・・・・・・・・・・・・・・ 231 TRIM, REAR DOOR OPENING, LH ・・・・・・・・・・・・・・・・・・・・・・・・・・・・・・・・・・・・・・・・・・・・・・・・・・・・・・・ 231 TRIM, REAR DOOR OPENING, RH ・・・・・・・・・・・・・・・・・・・・・・・・・・・・・・・・・・・・・・・・・・・・・・・・・・・・・・・ 231 TUBE SET, STEERING COLUMN ・・・・・・・・・・・・・・・・・・・・・・・・・・・・・・・・・・・・・・・・・・・・・・・・・・・・・・・・・ 140 TUBE SUB-ASSY, FUEL ・・・・・・・・・・・・・・・・・・・・・・・・・・・・・・・・・・・・・・・・・・・・・・・・・・・・・・・・・・・・・・・ 96 TUBE SUB-ASSY, FUEL EMISSION ・・・・・・・・・・・・・・・・・・・・・・・・・・・・・・・・・・・・・・・・・・・・・・・・・・・・・・ 306 TUBE SUB-ASSY, FUEL SUCTION ・・・・・・・・・・・・・・・・・・・・・・・・・・・・・・・・・・・・・・・・・・・・・・・・・・・・・・・ 305 TUBE SUB-ASSY, FUEL TANK TO CANISTER ・・・・・・・・・・・・・・・・・・・・・・・・・・・・・・・・・・・・・・・・・・・・・・ 305 TUBE, BLEEDER CLUTCH RELEASE ・・・・・・・・・・・・・・・・・・・・・・・・・・・・・・・・・・・・・・・・・・・・・・・・・・・・・・ 99 TUBE, CLUTCH MASTER CYLINDER TO FLEXIBLE HOSE ・・・・・・・・・・・・・・・・・・・・・・・・・・・・・・・・・・・・・ 99 TUBE, CLUTCH RELEASE CYLINDER TO FLEXIBLE HOSE ・・・・・・・・・・・・・・・・・・・・・・・・・・・・・・・・・・・・ 99 TUBE, FRONT BRAKE, NO.1 ・・・・・・・・・・・・・・・・・・・・・・・・・・・・・・・・・・・・・・・・・・・・・・・・・・・・・・・・・・・ 157 TUBE, FRONT BRAKE, NO.1 ・・・・・・・・・・・・・・・・・・・・・・・・・・・・・・・・・・・・・・・・・・・・・・・・・・・・・・・・・・・ 158 TUBE, FRONT BRAKE, NO.2 ・・・・・・・・・・・・・・・・・・・・・・・・・・・・・・・・・・・・・・・・・・・・・・・・・・・・・・・・・・・ 158 TUBE, FRONT BRAKE, NO.3 ・・・・・・・・・・・・・・・・・・・・・・・・・・・・・・・・・・・・・・・・・・・・・・・・・・・・・・・・・・・ 158 TUBE, FRONT BRAKE, NO.4 ・・・・・・・・・・・・・・・・・・・・・・・・・・・・・・・・・・・・・・・・・・・・・・・・・・・・・・・・・・・ 158 TUBE, FUEL MAIN ・・・・・・・・・・・・・・・・・・・・・・・・・・・・・・・・・・・・・・・・・・・・・・・・・・・・・・・・・・・・・・・・・・・ 305 TUBE, LIQUID, A(FOR COOL BOX) ・・・・・・・・・・・・・・・・・・・・・・・・・・・・・・・・・・・・・・・・・・・・・・・・・・・・・ 386 TUBE, REAR BRAKE, NO.2 ・・・・・・・・・・・・・・・・・・・・・・・・・・・・・・・・・・・・・・・・・・・・・・・・・・・・・・・・・・・・ 158 TUBE, REAR BRAKE, NO.4 ・・・・・・・・・・・・・・・・・・・・・・・・・・・・・・・・・・・・・・・・・・・・・・・・・・・・・・・・・・・・ 158 TUBE, REAR BRAKE, NO.5 ・・・・・・・・・・・・・・・・・・・・・・・・・・・・・・・・・・・・・・・・・・・・・・・・・・・・・・・・・・・・ 158 SWITCH, - TUBE, 34
  • 35.
    PART NAME PAGE TUBE,REAR BRAKE, NO.6 ・・・・・・・・・・・・・・・・・・・・・・・・・・・・・・・・・・・・・・・・・・・・・・・・・・・・・・・・・・・・ 158 TUBE, SUCTION, A(FOR COOL BOX) ・・・・・・・・・・・・・・・・・・・・・・・・・・・・・・・・・・・・・・・・・・・・・・・・・・・・ 386 TUBE, SUCTION, NO.1 ・・・・・・・・・・・・・・・・・・・・・・・・・・・・・・・・・・・・・・・・・・・・・・・・・・・・・・・・・・・・・・・ 386 TUBE, SUCTION, NO.2 ・・・・・・・・・・・・・・・・・・・・・・・・・・・・・・・・・・・・・・・・・・・・・・・・・・・・・・・・・・・・・・・ 386 UNION(FOR CYLINDER BLOCK) ・・・・・・・・・・・・・・・・・・・・・・・・・・・・・・・・・・・・・・・・・・・・・・・・・・・・・・・・・ 61 UNIT ASSY, AIR CONDITIONER ・・・・・・・・・・・・・・・・・・・・・・・・・・・・・・・・・・・・・・・・・・・・・・・・・・・・・・・・ 376 UNIT ASSY, COOLING, REAR ・・・・・・・・・・・・・・・・・・・・・・・・・・・・・・・・・・・・・・・・・・・・・・・・・・・・・・・・・・ 376 VALVE (FOR TUBELESS TIRE SPARE) ・・・・・・・・・・・・・・・・・・・・・・・・・・・・・・・・・・・・・・・・・・・・・・・・・・・ 132 VALVE (FOR TUBELESS TIRE) ・・・・・・・・・・・・・・・・・・・・・・・・・・・・・・・・・・・・・・・・・・・・・・・・・・・・・・・・・ 132 VALVE ASSY, CAMSHAFT TIMING OIL CONTROL ・・・・・・・・・・・・・・・・・・・・・・・・・・・・・・・・・・・・・・・・・・・ 57 VALVE ASSY, VACUUM SWITCHING, NO.1 ・・・・・・・・・・・・・・・・・・・・・・・・・・・・・・・・・・・・・・・・・・・・・・・・ 89 VALVE SUB-ASSY, VENTILATION ・・・・・・・・・・・・・・・・・・・・・・・・・・・・・・・・・・・・・・・・・・・・・・・・・・・・・・・ 68 VALVE, CHECK ・・・・・・・・・・・・・・・・・・・・・・・・・・・・・・・・・・・・・・・・・・・・・・・・・・・・・・・・・・・・・・・・・・・・・・ 305 VALVE, COOLER EXPANSION ・・・・・・・・・・・・・・・・・・・・・・・・・・・・・・・・・・・・・・・・・・・・・・・・・・・・・・・・・・・ 376 VALVE, EXHAUST ・・・・・・・・・・・・・・・・・・・・・・・・・・・・・・・・・・・・・・・・・・・・・・・・・・・・・・・・・・・・・・・・・・・・ 72 VALVE, INTAKE ・・・・・・・・・・・・・・・・・・・・・・・・・・・・・・・・・・・・・・・・・・・・・・・・・・・・・・・・・・・・・・・・・・・・・ 72 VALVE, REAR COOLING UNIT EXPANSION ・・・・・・・・・・・・・・・・・・・・・・・・・・・・・・・・・・・・・・・・・・・・・・・・ 376 VALVE, SERVICE, NO.1 ・・・・・・・・・・・・・・・・・・・・・・・・・・・・・・・・・・・・・・・・・・・・・・・・・・・・・・・・・・・・・・ 385 VALVE, SERVICE, NO.2 ・・・・・・・・・・・・・・・・・・・・・・・・・・・・・・・・・・・・・・・・・・・・・・・・・・・・・・・・・・・・・・ 385 VALVE, WINDSHIELD WASHER HOSE ・・・・・・・・・・・・・・・・・・・・・・・・・・・・・・・・・・・・・・・・・・・・・・・・・・・・・ 360 VISOR ASSY, LH ・・・・・・・・・・・・・・・・・・・・・・・・・・・・・・・・・・・・・・・・・・・・・・・・・・・・・・・・・・・・・・・・・・・・ 291 VISOR ASSY, RH ・・・・・・・・・・・・・・・・・・・・・・・・・・・・・・・・・・・・・・・・・・・・・・・・・・・・・・・・・・・・・・・・・・・・ 291 WASHER, 4TH GEAR ・・・・・・・・・・・・・・・・・・・・・・・・・・・・・・・・・・・・・・・・・・・・・・・・・・・・・・・・・・・・・・・・・・ 109 WASHER, CRANKSHAFT THRUST, UPPER ・・・・・・・・・・・・・・・・・・・・・・・・・・・・・・・・・・・・・・・・・・・・・・・・・・ 69 WASHER, PLATE(FOR CYLINDER HEAD SET) ・・・・・・・・・・・・・・・・・・・・・・・・・・・・・・・・・・・・・・・・・・・・・・ 57 WASHER, REAR SHOCK ABSORBER CUSHION, NO.1 LH ・・・・・・・・・・・・・・・・・・・・・・・・・・・・・・・・・・・・・・ 167 WASHER, REAR SHOCK ABSORBER CUSHION, NO.1 RH ・・・・・・・・・・・・・・・・・・・・・・・・・・・・・・・・・・・・・・ 167 WASHER, REVERSE IDLER THRUST ・・・・・・・・・・・・・・・・・・・・・・・・・・・・・・・・・・・・・・・・・・・・・・・・・・・・・・ 111 WASHER, SEAL(FOR CYLINDER HEAD COVER) ・・・・・・・・・・・・・・・・・・・・・・・・・・・・・・・・・・・・・・・・・・・・・ 58 WATER INLET SUB-ASSY, W/THERMOSTAT ・・・・・・・・・・・・・・・・・・・・・・・・・・・・・・・・・・・・・・・・・・・・・・・・ 79 WAY, CLUTCH TUBE ・・・・・・・・・・・・・・・・・・・・・・・・・・・・・・・・・・・・・・・・・・・・・・・・・・・・・・・・・・・・・・・・・・ 99 WEATHERSTRIP, BACK DOOR ・・・・・・・・・・・・・・・・・・・・・・・・・・・・・・・・・・・・・・・・・・・・・・・・・・・・・・・・・・・ 258 WEATHERSTRIP, FRONT DOOR FIX WINDOW, LH ・・・・・・・・・・・・・・・・・・・・・・・・・・・・・・・・・・・・・・・・・・・ 243 WEATHERSTRIP, FRONT DOOR FIX WINDOW, RH ・・・・・・・・・・・・・・・・・・・・・・・・・・・・・・・・・・・・・・・・・・・ 243 WEATHERSTRIP, FRONT DOOR GLASS, INNER LH ・・・・・・・・・・・・・・・・・・・・・・・・・・・・・・・・・・・・・・・・・・ 243 WEATHERSTRIP, FRONT DOOR GLASS, INNER RH ・・・・・・・・・・・・・・・・・・・・・・・・・・・・・・・・・・・・・・・・・・ 243 WEATHERSTRIP, FRONT DOOR GLASS, OUTER LH ・・・・・・・・・・・・・・・・・・・・・・・・・・・・・・・・・・・・・・・・・・ 243 WEATHERSTRIP, FRONT DOOR GLASS, OUTER RH ・・・・・・・・・・・・・・・・・・・・・・・・・・・・・・・・・・・・・・・・・・ 243 WEATHERSTRIP, FRONT DOOR, LH ・・・・・・・・・・・・・・・・・・・・・・・・・・・・・・・・・・・・・・・・・・・・・・・・・・・・・・ 242 WEATHERSTRIP, FRONT DOOR, RH ・・・・・・・・・・・・・・・・・・・・・・・・・・・・・・・・・・・・・・・・・・・・・・・・・・・・・・ 242 WEATHERSTRIP, REAR DOOR GLASS, INNER LH ・・・・・・・・・・・・・・・・・・・・・・・・・・・・・・・・・・・・・・・・・・・ 251 WEATHERSTRIP, REAR DOOR GLASS, INNER RH ・・・・・・・・・・・・・・・・・・・・・・・・・・・・・・・・・・・・・・・・・・・ 251 WEATHERSTRIP, REAR DOOR GLASS, OUTER LH ・・・・・・・・・・・・・・・・・・・・・・・・・・・・・・・・・・・・・・・・・・・ 251 WEATHERSTRIP, REAR DOOR GLASS, OUTER RH ・・・・・・・・・・・・・・・・・・・・・・・・・・・・・・・・・・・・・・・・・・・ 251 WEATHERSTRIP, REAR DOOR, LH ・・・・・・・・・・・・・・・・・・・・・・・・・・・・・・・・・・・・・・・・・・・・・・・・・・・・・・・ 251 WEATHERSTRIP, REAR DOOR, RH ・・・・・・・・・・・・・・・・・・・・・・・・・・・・・・・・・・・・・・・・・・・・・・・・・・・・・・・ 251 WHEEL SUB-ASSY, STEERING ・・・・・・・・・・・・・・・・・・・・・・・・・・・・・・・・・・・・・・・・・・・・・・・・・・・・・・・・・・ 142 WHEEL, DISC ・・・・・・・・・・・・・・・・・・・・・・・・・・・・・・・・・・・・・・・・・・・・・・・・・・・・・・・・・・・・・・・・・・・・・・・ 132 WHEEL, DISC (FOR SPARE) ・・・・・・・・・・・・・・・・・・・・・・・・・・・・・・・・・・・・・・・・・・・・・・・・・・・・・・・・・・・ 132 WIRE SUB-ASSY, HORN BUTTON ・・・・・・・・・・・・・・・・・・・・・・・・・・・・・・・・・・・・・・・・・・・・・・・・・・・・・・・・ 142 TUBE, - WIRE PART NAME PAGE WIRE, AIR BAG REPAIR ・・・・・・・・・・・・・・・・・・・・・・・・・・・・・・・・・・・・・・・・・・・・・・・・・・・・・・・・・・・・・・ 326 WIRE, BACK DOOR, NO.1 ・・・・・・・・・・・・・・・・・・・・・・・・・・・・・・・・・・・・・・・・・・・・・・・・・・・・・・・・・・・・・ 325 WIRE, BACK DOOR, NO.2 ・・・・・・・・・・・・・・・・・・・・・・・・・・・・・・・・・・・・・・・・・・・・・・・・・・・・・・・・・・・・・ 325 WIRE, ENGINE ・・・・・・・・・・・・・・・・・・・・・・・・・・・・・・・・・・・・・・・・・・・・・・・・・・・・・・・・・・・・・・・・・・・・・・ 325 WIRE, ENGINE ROOM MAIN ・・・・・・・・・・・・・・・・・・・・・・・・・・・・・・・・・・・・・・・・・・・・・・・・・・・・・・・・・・・・ 325 WIRE, ENGINE, NO.3 ・・・・・・・・・・・・・・・・・・・・・・・・・・・・・・・・・・・・・・・・・・・・・・・・・・・・・・・・・・・・・・・・ 325 WIRE, ENGINE, NO.4 ・・・・・・・・・・・・・・・・・・・・・・・・・・・・・・・・・・・・・・・・・・・・・・・・・・・・・・・・・・・・・・・・ 325 WIRE, FLOOR ・・・・・・・・・・・・・・・・・・・・・・・・・・・・・・・・・・・・・・・・・・・・・・・・・・・・・・・・・・・・・・・・・・・・・・・ 325 WIRE, FRONT DOOR, LH ・・・・・・・・・・・・・・・・・・・・・・・・・・・・・・・・・・・・・・・・・・・・・・・・・・・・・・・・・・・・・・ 325 WIRE, FRONT DOOR, RH ・・・・・・・・・・・・・・・・・・・・・・・・・・・・・・・・・・・・・・・・・・・・・・・・・・・・・・・・・・・・・・ 325 WIRE, FUSIBLE LINK ・・・・・・・・・・・・・・・・・・・・・・・・・・・・・・・・・・・・・・・・・・・・・・・・・・・・・・・・・・・・・・・・ 326 WIRE, ILLUMINATION ・・・・・・・・・・・・・・・・・・・・・・・・・・・・・・・・・・・・・・・・・・・・・・・・・・・・・・・・・・・・・・・・ 325 WIRE, INSTRUMENT PANEL ・・・・・・・・・・・・・・・・・・・・・・・・・・・・・・・・・・・・・・・・・・・・・・・・・・・・・・・・・・・・ 325 WIRE, REAR DOOR, LH ・・・・・・・・・・・・・・・・・・・・・・・・・・・・・・・・・・・・・・・・・・・・・・・・・・・・・・・・・・・・・・・ 325 WIRE, REAR DOOR, RH ・・・・・・・・・・・・・・・・・・・・・・・・・・・・・・・・・・・・・・・・・・・・・・・・・・・・・・・・・・・・・・・ 325 WIRE, ROOF, NO.1 ・・・・・・・・・・・・・・・・・・・・・・・・・・・・・・・・・・・・・・・・・・・・・・・・・・・・・・・・・・・・・・・・・・ 325 WIRE, SENSOR ・・・・・・・・・・・・・・・・・・・・・・・・・・・・・・・・・・・・・・・・・・・・・・・・・・・・・・・・・・・・・・・・・・・・・・ 350 WIRE, SPEED SENSOR, LH ・・・・・・・・・・・・・・・・・・・・・・・・・・・・・・・・・・・・・・・・・・・・・・・・・・・・・・・・・・・・ 348 WIRE, SPEED SENSOR, RH ・・・・・・・・・・・・・・・・・・・・・・・・・・・・・・・・・・・・・・・・・・・・・・・・・・・・・・・・・・・・ 348 WIRE, TRANSMISSION ・・・・・・・・・・・・・・・・・・・・・・・・・・・・・・・・・・・・・・・・・・・・・・・・・・・・・・・・・・・・・・・・ 123 WIRE,AIR CONDITIONER,NO.1 ・・・・・・・・・・・・・・・・・・・・・・・・・・・・・・・・・・・・・・・・・・・・・・・・・・・・・・・・・ 377 WRENCH, HUB NUT BOX ・・・・・・・・・・・・・・・・・・・・・・・・・・・・・・・・・・・・・・・・・・・・・・・・・・・・・・・・・・・・・・・ 50 YOKE ASSY, STARTER ・・・・・・・・・・・・・・・・・・・・・・・・・・・・・・・・・・・・・・・・・・・・・・・・・・・・・・・・・・・・・・・・ 94 WIRE, - YOKE 35
  • 36.
    PART NUMBER INDEX 04111- 15188 ・・・・・・・・・・・・・・・・・・・・・・・・・・・・・・・・・・・・・ 36 15188 - 33563 ・・・・・・・・・・・・・・・・・・・・・・・・・・・・・・・・・・・・・ 37 33567 - 48820 ・・・・・・・・・・・・・・・・・・・・・・・・・・・・・・・・・・・・・ 38 48824 - 58051 ・・・・・・・・・・・・・・・・・・・・・・・・・・・・・・・・・・・・・ 39 58051 - 63310 ・・・・・・・・・・・・・・・・・・・・・・・・・・・・・・・・・・・・・ 40 63342 - 71071 ・・・・・・・・・・・・・・・・・・・・・・・・・・・・・・・・・・・・・ 41 71071 - 73560 ・・・・・・・・・・・・・・・・・・・・・・・・・・・・・・・・・・・・・ 42 73570 - 81920 ・・・・・・・・・・・・・・・・・・・・・・・・・・・・・・・・・・・・・ 43 81952 - 87010 ・・・・・・・・・・・・・・・・・・・・・・・・・・・・・・・・・・・・・ 44 87030 - 90043 ・・・・・・・・・・・・・・・・・・・・・・・・・・・・・・・・・・・・・ 45 90043 - 9004A ・・・・・・・・・・・・・・・・・・・・・・・・・・・・・・・・・・・・・ 46 9004A - G1406 ・・・・・・・・・・・・・・・・・・・・・・・・・・・・・・・・・・・・・ 47 PART NUMBER PAGE WEIGHT(g) 04111-BZC00- 54 0.00 04112-BZC00- 54 0.00 04311-BZ020- 100 0.00 04425-BZ060- 136 0.00 -BZ070- 136 0.00 -BZ100- 136 0.00 04435-BZ070- 136 0.00 -BZ080- 136 0.00 -BZ100- 136 0.00 04437-BZ060- 136 0.00 -BZ070- 136 0.00 -BZ090- 136 0.00 04465-BZ300- 151 0.00 04478-BZ160- 151 0.00 04495-BZ180- 153 0.00 04906-BZ120- 153 13.00 04945-BZ090- 151 0.00 04947-BZ090- 151 0.00 09111-BZ220- 50 0.00 09114-BZ060- 50 0.00 09151-BZ010- 50 0.00 11101-B9625- 57 0.00 11103-0Y040- 57 0.00 11115-0Y030- 57 0.00 11122-47020- 57 16.00 11123-47020- 57 16.00 11159-0Y020- 57 1.00 11201-BZ160- 57 0.00 11213-BZ110- 58 0.00 11293-BZ870- 295 0.00 11310-BZ200- 64 0.00 11363-BZ010- 61 0.00 11400-BZC01-01 52 0.00 -BZC01-02 52 0.00 -BZC11-01 52 0.00 -BZC11-02 52 0.00 11409-BZ150- 61 0.00 11410-B9030- 61 0.00 11445-0Y020- 61 120.00 11701-0Y030-02 69 33.00 -0Y030-03 69 33.00 -0Y030-04 69 33.00 -0Y030-05 69 33.00 11791-B0010- 69 16.00 12101-BZ140- 61 0.00 12121-0Y030- 61 0.00 12122-0Y010- 61 0.00 12180-0H020- 58 0.00 12204-0Y020- 68 0.00 12229-BZ020- 87 0.00 PART NUMBER PAGE WEIGHT(g) 12235-BZ010- 314 12261-BZ210- 68 0.00 12262-BZ190- 68 0.00 12281-BZ080- 58 615.00 12282-BZ141- 58 480.00 12305-BZ310- 67 0.00 -BZ360- 67 0.00 12306-BZ390- 67 0.00 -BZ400- 67 0.00 12309-BZ290- 67 0.00 -BZ300- 67 0.00 12321-BZ360- 67 0.00 12631-BZ010- 58 0.00 13011-0Y030- 69 60.00 13041-0Y040-01 69 20.00 -0Y040-02 69 20.00 -0Y040-03 69 21.00 13050-0Y020- 71 850.00 13070-0Y020- 71 0.00 13201-B9090- 69 0.00 -B9095- 69 376.00 13211-0Y011- 69 0.00 -0Y061- 69 195.00 13251-0Y030- 69 65.00 13265-0Y020- 69 0.00 13401-BZ040- 70 0.00 -BZ100- 70 11,000.00 13405-BZ150- 70 0.00 13453-87Z03- 70 0.00 13470-0Y020- 70 0.00 13501-BZ040- 71 0.00 13502-BZ030- 71 0.00 13506-0Y040- 71 385.00 13521-0Y040- 70 97.00 13540-B9010- 71 0.00 13562-0Y020- 71 85.00 13566-0Y010- 71 215.00 13591-0Y010- 71 160.00 13711-0Y020- 72 39.00 13715-0Y020- 72 0.00 13716-0C030- 72 0.00 13734-0C010- 72 1.00 13741-0Y010- 72 0.00 -36010- 72 13750-0C040- 72 0.00 13801-0C030- 72 0.00 15104-0Y010- 73 0.00 15188-87401- 385 1.00 -87401- 386 1.00 -87402- 385 2.00 04111 - 15188 36
  • 37.
    PART NUMBER PAGEWEIGHT(g) 15188-87403- 385 -B5090- 385 1.00 15301-BZ150- 62 0.00 15330-0Y050- 57 0.00 -0Y060- 57 125.00 15511-BZ010- 58 0.00 15601-BZ030- 74 0.00 15678-0Y010- 58 1.00 15708-0Y040- 62 15.00 16031-0Y030- 79 0.00 16100-B9490- 75 0.00 16258-0Y010- 64 2.00 16261-BZ390- 79 0.00 -BZ430- 79 0.00 16264-BZ230- 79 0.00 16268-0Y180- 79 0.00 16271-0Y030- 75 0.00 16281-BZ150- 79 0.00 16326-0Y010- 79 0.00 16360-BZ400- 79 0.00 16361-BZ140- 79 0.00 16363-BZ200- 79 0.00 16400-BZB40- 79 0.00 16401-BZ160- 79 0.00 16417-30170- 79 7.00 16418-87503- 79 1.00 16470-BZ300- 79 0.00 16471-BZ130- 80 0.00 16472-BZ160- 80 0.00 -BZ170- 79 0.00 16571-BZ450- 80 0.00 16572-BZ380- 80 0.00 16575-BZ090- 80 0.00 16620-0Y061- 75 0.00 16711-BZ210- 80 0.00 17118-0Y031- 83 0.00 17120-BZ130- 83 0.00 17152-BZ010- 85 34.00 17167-BZ130- 83 0.00 17168-0Y020- 83 0.00 17173-BZ070- 83 20.00 17177-0Y030- 83 22.00 17410-BZA50- 85 0.00 17420-BZ010- 85 0.00 -BZ020- 85 0.00 17430-BZ530- 85 0.00 17451-BZ110- 85 0.00 17567-B2020- 85 56.00 17660-BZ070- 305 0.00 17700-BZ270- 87 0.00 PART NUMBER PAGE WEIGHT(g) 17701-BZ210- 87 17735-BZ040- 87 0.00 17751-BZ160- 87 0.00 17752-BZ100- 87 0.00 17771-BZ150- 87 0.00 17801-BZ110- 87 0.00 17881-BZ270- 87 0.00 17882-BZ100- 87 0.00 17883-BZ040- 87 0.00 19000-BZC01-02 51 0.00 -BZC11-02 51 0.00 19114-B2060- 355 1.00 21552-BZ020- 285 0.00 21814-BZ030- 273 0.00 22030-0Y140- 96 0.00 22204-BZ010- 87 45.00 22271-0Y030- 83 0.00 23105-BZ020- 305 0.00 23209-09340- 96 0.00 23210-BZ280- 305 0.00 23220-BZ050- 305 0.00 23225-BZ030- 305 0.00 23291-0Y020- 96 0.00 -23010- 96 23814-0Y010- 96 0.00 23827-BZ130- 89 0.00 23841-B1010- 96 -BZ020- 96 0.00 23891-47040- 96 9.00 23901-BZ160- 96 0.00 25051-BZ140- 83 0.00 25860-BZ050- 89 0.00 27060-BZ460- 92 0.00 27330-BZ060- 92 1,830.00 27370-B1020- 92 20.00 27411-BZ100- 92 0.00 27444-BZ010- 92 3.00 27700-B2080- 92 35.00 28021-BZ050- 94 0.00 28100-BZ310- 94 0.00 28110-BZ180- 94 0.00 28120-BZ090- 94 0.00 28130-BZ140- 94 0.00 28140-BZ140- 94 0.00 28160-BZ040- 94 0.00 28226-BZ010- 94 0.00 28850-BZ030- 339 0.00 -BZ050- 339 0.00 30300-BZ410- 102 0.00 -BZ420- 102 0.00 15188 - 30300 PART NUMBER PAGE WEIGHT(g) 30400-B2A60- 122 -B2C20- 122 0.00 -BZ080- 122 0.00 -BZ110- 122 0.00 31115-BZ090- 105 0.00 31126-BZ030- 97 0.00 31210-BZ270- 97 0.00 -BZ320- 97 0.00 31230-BZ070- 97 0.00 31232-BZ060- 97 0.00 31233-BZ080- 97 0.00 31234-BZ040- 97 0.00 31236-87401- 97 -BZ010- 97 0.00 31250-BZ320- 97 0.00 -BZ330- 97 0.00 31310-BZ340- 98 0.00 31394-BZ170- 99 0.00 31420-BZ040- 100 0.00 31470-BZ040- 101 0.00 31482-BZ220- 99 0.00 -BZ280- 99 0.00 -BZ300- 99 0.00 31484-BZ050- 99 0.00 -BZ060- 99 0.00 31495-BZ050- 99 0.00 32000-B2230- 125 6,670.00 -B2250- 125 0.00 32101-BZ100- 125 0.00 33037-BZ010- 108 0.00 33038-BZ050- 108 0.00 33111-BZ100- 105 0.00 -BZ110- 105 0.00 33123-BZ030- 105 0.00 33134-BZ030- 108 0.00 33137-BZ010- 108 0.00 33201-BZ050- 113 0.00 33203-BZ170- 113 0.00 33205-BZ100- 113 0.00 33210-BZ010- 113 0.00 33214-BZ080- 113 0.00 33220-BZ010- 113 0.00 33227-BZ010- 113 0.00 -BZ020- 113 0.00 33231-BZ030- 113 0.00 33232-BZ030- 113 0.00 33244-BZ090- 113 0.00 33251-BZ070- 113 0.00 33252-BZ010- 113 0.00 33260-BZ010- 113 0.00 PART NUMBER PAGE WEIGHT(g) 33261-BZ130- 113 33266-BZ070- 113 0.00 33293-BZ030- 114 0.00 33311-BZ110- 108 0.00 33321-BZ140- 108 0.00 -BZ150- 108 0.00 33326-BZ060- 108 0.00 33329-BZ010- 109 0.00 33332-BZ050- 109 0.00 33333-BZ090- 109 0.00 33334-BZ080- 109 0.00 -BZ090- 109 0.00 33335-BZ120- 109 0.00 -BZ130- 109 0.00 33336-BZ090- 109 0.00 -BZ100- 109 0.00 33345-BZ010- 109 0.00 33349-BZ010- 109 0.00 33360-BZ240- 109 0.00 -BZ270- 110 0.00 33365-BZ060- 110 0.00 33367-BZ060- 110 0.00 33369-BZ070- 110 0.00 33370-BZ170- 110 0.00 33380-BZ170- 110 0.00 -BZ200- 110 0.00 33384-BZ010- 110 0.00 33394-BZ010- 110 0.00 33396-BZ010- 110 0.00 33402-BZ060- 110 0.00 33422-BZ050- 110 0.00 -BZ080- 110 0.00 33423-BZ030- 110 0.00 33428-BZ060- 110 0.00 -BZ070- 110 0.00 33449-B2010- 123 15.00 -BZ070- 105 0.00 33451-BZ040- 110 0.00 33462-BZ030- 111 0.00 33490-B2030- 127 250.00 -BZ010- 127 0.00 33504-BZ281-C1 116 0.00 -BZ300-C1 116 0.00 33524-BZ040- 116 0.00 33548-BZ070- 114 0.00 33550-BZ580-C0 116 0.00 -BZ581-C0 116 0.00 -BZ600-C0 116 0.00 -BZ601-C0 116 0.00 33563-BZ040-C0 116 0.00 30400 - 33563 37
  • 38.
    PART NUMBER PAGEWEIGHT(g) 33567-B1010- 116 33621-B2010- 295 0.00 33820-BZ440- 116 0.00 -BZ450- 116 0.00 -BZ451- 116 0.00 33823-BZ090- 116 0.00 33837-B2010- 116 1.00 33866-BZ010- 116 0.00 35103-B2070- 122 12.00 -BZ060- 122 0.00 35133-BZ010- 106 0.00 35145-B2011- 122 1.00 -BZ010- 122 0.00 35160-B2040- 122 934.00 -BZ030- 122 0.00 35168-B2030- 122 20.00 35199-B2010- 123 8.00 -BZ010- 123 0.00 35303-B2040- 122 170.00 -BZ030- 122 0.00 35410-B9201- 123 5,730.00 -BZ010- 123 0.00 35921-BZ100- 116 0.00 35955-BZ030- 116 0.00 41221-BZ330- 133 0.00 -BZ340- 133 0.00 41301-BZ060- 133 0.00 -BZ070- 133 0.00 42410-BZ140- 129 0.00 42431-BZ200- 129 0.00 42602-BZ150- 132 0.00 42611-BZB50- 132 0.00 -BZE30- 132 0.00 -BZF80- 132 0.00 42638-BZ690- 132 0.00 -BZ700- 132 0.00 42661-BZC60- 295 0.00 -BZF00- 295 0.00 43211-BZ440- 161 0.00 43212-BZ440- 161 0.00 43408-B9590- 136 0.00 -B9660- 136 0.00 -B9670- 136 0.00 43410-BZ220- 136 0.00 -BZ230- 136 0.00 43411-B9690- 136 0.00 -B9700- 136 0.00 43412-B9480- 136 0.00 -B9490- 136 0.00 43420-BZ180- 136 0.00 PART NUMBER PAGE WEIGHT(g) 43420-BZ230- 136 43425-BZ120- 136 0.00 43502-BZ230- 138 0.00 43512-BZ420- 138 0.00 43560-BZ050- 138 700.00 44050-BZ440- 157 0.00 -BZ460- 157 0.00 -BZ470- 157 0.00 -BZC10- 157 0.00 44521-B1010- 157 6.00 44546-12110- 157 -BZ020- 157 0.00 44591-BZ290- 157 0.00 -BZ300- 157 0.00 -BZ400- 157 0.00 44610-BZ730- 149 0.00 44685-B2010- 149 4.00 44750-BZ450- 149 0.00 45020-BZ400- 140 0.00 -BZ410- 140 0.00 45023-BZ010-C0 140 0.00 45024-BZ100-C0 140 0.00 -BZ110-C0 140 0.00 45046-BZ270- 144 0.00 45047-BZ160- 144 0.00 45102-BZA40-C1 142 0.00 -BZA50-C1 142 0.00 45107-BZ220- 142 0.00 45116-BZ150-C0 142 0.00 45117-BZ040-C0 142 0.00 45130-BZ880-C0 142 0.00 45220-BZ450- 140 0.00 45222-BZ210- 140 0.00 45251-B9270- 140 0.00 -B9280- 140 0.00 45254-BZ270- 140 0.00 45281-BZ160- 140 0.00 45286-BZ340-C0 140 0.00 45287-BZ430-C0 140 0.00 -BZ440-C0 140 0.00 45288-BZ100- 140 0.00 45501-BZ100- 144 0.00 45503-BZ260- 144 0.00 45535-BZ200- 144 0.00 45537-BZ050- 144 0.00 45538-BZ080- 144 0.00 45897-B2010- 140 12.00 46210-BZ240-C0 146 0.00 -BZ250-C0 146 0.00 46233-BZ070- 146 0.00 33567 - 46233 PART NUMBER PAGE WEIGHT(g) 46410-BZ130- 146 46420-BZ370- 146 0.00 46430-BZ370- 146 0.00 46521-BZ050- 201 0.00 47043-BZ160- 153 0.00 47044-BZ180- 153 0.00 47110-BZ570- 147 0.00 -BZ580- 147 0.00 47121-BZ070- 147 0.00 -BZ080- 98 0.00 -BZ080- 147 0.00 47201-BZ760- 148 0.00 -BZ770- 148 0.00 -BZA10- 148 0.00 47220-BZ380- 148 0.00 -BZ490- 148 0.00 47230-BZ130- 148 26.00 47240-BZ030- 99 0.00 47255-BZ110- 148 1.00 47264-BZ110- 149 0.00 47275-BZ010- 149 0.00 47278-87703- 149 47299-BZ090- 148 2.00 47311-BZ700- 157 0.00 -BZ700- 158 0.00 -BZ710- 157 0.00 -BZ790- 157 0.00 -BZ790- 158 0.00 47312-BZ710- 158 0.00 47313-BZ660- 158 0.00 -BZ670- 158 0.00 -BZ770- 158 0.00 47314-BZ680- 158 0.00 47322-BZ450- 158 0.00 47324-BZ510- 158 0.00 47325-BZ280- 158 0.00 47326-BZ300- 158 0.00 47351-BZ280- 158 0.00 47352-BZ100- 158 0.00 47371-B2080- 158 14.00 47372-B2040- 99 4.00 -B2040- 159 4.00 -B2040- 306 4.00 47389-50020- 158 2.00 47419-BZ010- 153 0.00 -BZ020- 153 0.00 47446-BZ100- 153 0.00 47447-BZ080- 153 0.00 -BZ081- 153 0.00 47449-BZ080- 153 0.00 PART NUMBER PAGE WEIGHT(g) 47459-BZ010- 153 47460-BZ090- 153 0.00 47470-BZ090- 153 0.00 47547-BZ050- 151 7.00 -BZ110- 153 7.00 47548-BZ080- 151 1.00 -BZ080- 153 1.00 47550-BZ130- 153 0.00 47559-BZ030- 153 0.00 47611-BZ090- 153 165.00 47612-BZ090- 153 165.00 47635-BZ030- 154 2.00 47643-BZ090- 154 13.00 47644-BZ080- 154 13.00 47715-BZ160- 151 0.00 -BZ170- 151 0.00 47730-BZ130- 151 0.00 47731-BZ100- 151 0.00 47737-BZ010- 151 0.00 47741-BZ030- 151 0.00 47750-BZ130- 151 0.00 47769-BZ030- 151 0.00 47775-BZ010- 151 5.00 47779-BZ020- 273 0.00 47781-BZ210- 151 0.00 47782-BZ210- 151 0.00 48044-BZ130- 164 0.00 48068-BZ430- 161 0.00 48069-BZ430- 161 0.00 48131-BZB80- 164 0.00 -BZB90- 164 0.00 48157-BZ080- 164 0.00 48231-BZ880- 167 0.00 48331-BZ220- 164 0.00 48341-BZ200- 167 0.00 48481-BZ120- 167 0.00 48482-BZ190- 167 0.00 48510-BZE50- 164 0.00 48520-BZA80- 164 0.00 48531-BZB10- 167 0.00 48609-BZ170- 164 0.00 48682-BZ010- 164 0.00 48684-BZ090- 164 0.00 48710-BZ460- 167 0.00 48750-BZ050- 167 0.00 48755-BZ050- 167 0.00 48811-BZ290- 165 0.00 48815-BZ350- 165 0.00 48820-BZ130- 164 0.00 -BZ130- 165 0.00 46410 - 48820 38
  • 39.
    PART NUMBER PAGEWEIGHT(g) 48824-BZ210- 165 51201-BZ160- 169 0.00 -BZ161- 169 0.00 51441-BZ340- 169 0.00 51442-BZ150- 169 0.00 51900-BZ120- 170 0.00 -BZ160- 170 0.00 51919-BZ030- 170 0.00 51938-BZ120- 170 0.00 51960-BZ120- 50 0.00 51989-BZ010- 204 0.00 52115-BZ240- 172 0.00 52116-BZ240- 172 0.00 52119-BZS40- 172 0.00 52139-BZ060- 172 0.00 52141-BZ100- 200 0.00 52155-BZ230- 174 0.00 52156-BZ250- 174 0.00 52159-BZF60- 174 0.00 -BZM40- 174 0.00 52163-BZ010- 174 0.00 52185-BZ130- 205 0.00 52471-BZ010- 174 0.00 52472-BZ010- 174 0.00 52561-B2010- 174 5.00 52562-BZ050- 174 0.00 52563-BZ040- 174 0.00 52712-BZ590- 172 0.00 -BZ680- 172 0.00 -BZ690- 172 0.00 52713-BZ570- 172 0.00 -BZ670- 172 0.00 -BZ680- 172 0.00 53028-BZ240- 183 0.00 53078-BZ140- 200 0.00 53111-BZ580- 175 0.00 53121-BZ650- 175 0.00 -BZ660- 175 0.00 53202-BZ140- 183 0.00 53203-BZ240- 183 0.00 53205-BZ210- 183 0.00 -BZ290- 183 0.00 53209-BZ060- 183 0.00 -BZ160- 183 0.00 53213-BZ130- 183 0.00 53214-BZ110- 183 0.00 53215-BZ260- 183 0.00 53217-BZ030- 183 0.00 53301-BZ410- 179 0.00 53341-BZ160- 179 0.00 PART NUMBER PAGE WEIGHT(g) 53381-BZ050- 183 53383-BZ140- 193 0.00 53393-B1020- 179 1.00 53401-BZ090- 181 0.00 53402-BZ090- 181 0.00 53415-BZ060- 222 0.00 53416-BZ060- 222 0.00 53440-BZ130- 181 0.00 53445-BZ100- 181 0.00 53446-BZ100- 181 0.00 53455-BZ140- 181 0.00 53510-BZ370- 181 0.00 -BZ380- 181 0.00 53601-BZ030-C0 181 0.00 53630-BZ320- 181 0.00 53701-BZ700- 183 0.00 53702-BZ780- 183 0.00 53717-BZ200- 222 0.00 53718-BZ200- 222 0.00 53803-BZ130- 222 0.00 53804-BZ100- 222 0.00 53811-BZ570- 179 0.00 53812-BZ570- 179 0.00 53865-BZ130- 179 0.00 53866-BZ120- 179 0.00 53875-BZ350- 179 0.00 53876-BZ330- 179 0.00 55045-BZ220-C0 190 0.00 55086-BZ310- 381 0.00 55101-BZP90- 183 0.00 -BZQ10- 183 0.00 55106-BZ540- 147 0.00 55107-BZ460- 99 0.00 55168-BZ310- 183 0.00 55169-BZ210- 183 0.00 55210-BZ620- 183 0.00 55214-BZ150- 183 0.00 55215-BZ110- 183 0.00 -BZ120- 183 0.00 55216-BZ080- 184 0.00 55223-BZ200- 184 0.00 55305-BZC00- 190 0.00 -BZC10- 190 0.00 55311-BZ890-C0 190 0.00 55315-B2020- 190 42.00 55317-BZ010-C0 190 0.00 55318-BZ020-C0 190 0.00 55349-BZ140- 190 0.00 55357-B1070- 190 1.00 55359-BZ070-C0 190 0.00 48824 - 55359 PART NUMBER PAGE WEIGHT(g) 55394-BZ020- 190 55406-BZ880-C1 190 0.00 55411-BZ350-C0 190 0.00 55412-BZC10-C0 190 0.00 55421-BZ110-C0 190 0.00 55432-BZ190-C0 190 0.00 55446-BZ160-C0 190 0.00 55451-BZ040-C0 191 0.00 55453-BZ140- 191 0.00 55454-BZ150- 191 0.00 55471-BZ140-C0 191 0.00 55472-BZ070-C0 191 0.00 55539-B1030-C0 191 8.00 -BZ140-C1 191 3.00 -BZ160-C0 211 0.00 55549-BZ070-C0 191 0.00 55550-BZ170-C0 191 0.00 55556-BZ010- 191 0.00 55557-B2040- 191 1.00 55560-BZ130-C0 191 0.00 -BZ131-C0 191 0.00 55573-BZ020- 191 0.00 55618-BZ110-C0 191 0.00 55619-BZ050-C0 191 0.00 55641-BZ260-C0 191 0.00 55650-BZ380-C0 191 0.00 -BZ400-C0 191 0.00 55660-BZ250-C0 192 0.00 -BZ270-C0 192 0.00 55661-BZ160-C0 192 0.00 55662-BZ080-C0 192 0.00 55670-BZ350-C1 192 0.00 -BZ410-C1 192 0.00 55701-BZ250- 193 0.00 55703-BZ750- 193 0.00 55708-BZ170- 193 0.00 55715-BZ070- 193 0.00 55716-BZ080- 193 0.00 55873-BZ180- 381 0.00 55874-BZ080- 381 0.00 55875-BZ060- 381 0.00 55876-BZ020- 381 0.00 55910-BZ850- 381 0.00 56101-BZ210- 193 0.00 -BZ220- 193 0.00 -BZ220- 194 0.00 -BZ230- 194 0.00 56115-97402- 194 2.00 56116-97401- 194 1.00 56117-BZ250- 194 0.00 PART NUMBER PAGE WEIGHT(g) 56117-BZ260- 194 57025-BZ070- 200 0.00 57026-BZ060- 200 0.00 57033-BZ060- 204 0.00 57034-BZ050- 204 0.00 57051-BZ340- 200 0.00 57052-BZ230- 200 0.00 57055-BZ030- 201 0.00 -BZ040- 201 0.00 57068-BZ140- 204 0.00 57101-BZ690- 200 0.00 57102-BZ770- 200 0.00 57105-BZ200- 200 0.00 57106-BZ240- 200 0.00 57111-BZ290- 200 0.00 57112-BZ310- 200 0.00 57117-BZ080- 200 0.00 57118-BZ080- 200 0.00 57401-BZ470- 200 0.00 57402-BZ500- 200 0.00 57406-BZ270- 200 0.00 57409-BZ240- 200 0.00 57412-BZ360- 200 0.00 57417-BZ120- 200 0.00 57418-BZ020- 200 0.00 57419-BZ080- 200 0.00 57429-BZ080- 201 0.00 57451-BZ230- 201 0.00 57601-BZ560- 204 0.00 57602-BZ540- 204 0.00 57605-BZ210- 204 0.00 57606-BZ270- 204 0.00 57607-BZ100- 204 0.00 57608-BZ220- 204 0.00 57633-BZ080- 204 0.00 57634-BZ070- 204 0.00 57645-BZ150- 204 0.00 57646-BZ100- 204 0.00 57807-BZ060- 204 0.00 57808-BZ020- 204 0.00 57815-BZ120- 204 0.00 57816-BZ030- 204 0.00 57829-BZ010- 204 0.00 57841-BZ090- 204 0.00 57842-BZ010- 204 0.00 58025-BZ060- 201 0.00 58026-BZ060- 201 0.00 58051-BZ210-B0 207 0.00 -BZ220- 207 0.00 -BZ230-B0 207 0.00 55394 - 58051 39
  • 40.
    PART NUMBER PAGEWEIGHT(g) 58051-BZ240-B0 207 -BZ250-B0 207 0.00 -BZ260-B0 207 0.00 58065-BZ050- 207 0.00 -BZ060- 207 0.00 58066-BZ050- 208 0.00 -BZ060- 208 0.00 58105-BZ050- 201 0.00 -BZ060- 201 0.00 58106-BZ020- 201 0.00 -BZ030- 201 0.00 58111-BZ480- 201 0.00 58114-BZ070- 201 0.00 58115-BZ100- 201 0.00 58139-BZ070- 222 0.00 58151-BZ080- 206 0.00 58213-BZ200- 201 0.00 58215-BZ040- 201 0.00 58285-BZ010-C0 237 0.00 58307-BZ230- 204 0.00 58308-BZ460- 205 0.00 58311-BZ430- 205 0.00 58325-BZ110- 205 0.00 58372-BZ230- 205 0.00 58373-BZ180- 205 0.00 58383-BZ080- 205 0.00 58410-BZ290-C0 237 0.00 -BZ340-C0 237 0.00 58503-BZ030- 207 0.00 -BZ040- 207 0.00 58522-52030- 207 12.00 58563-BZ100- 207 0.00 -BZ101- 207 0.00 58607-BZ010- 208 0.00 -BZ020- 208 0.00 58608-BZ010- 208 0.00 -BZ020- 208 0.00 58804-BZ150- 211 0.00 -BZ170- 211 0.00 -BZ200-C3 211 0.00 -BZ260-C2 211 0.00 -BZ270- 211 0.00 -BZ280- 211 0.00 58805-BZ020-C0 211 0.00 58810-BZ110-C1 211 0.00 58813-BZ030-C0 211 0.00 58815-BZ080- 211 0.00 58817-BZ020-C0 211 0.00 58821-BZ330-C0 211 0.00 -BZ350-C0 211 0.00 PART NUMBER PAGE WEIGHT(g) 58833-BZ110-C0 211 -BZ150-B0 211 0.00 58840-BZ270- 211 0.00 -BZ280-C3 211 0.00 -BZ290- 211 0.00 -BZ560-C0 211 0.00 58905-BZ020-C0 211 0.00 58911-BZ200-C0 211 0.00 58912-BZ050-C0 211 0.00 58921-BZ090-C0 211 0.00 58923-BZ030-C0 212 0.00 58924-BZ010-C0 212 0.00 58925-BZ010-C0 212 0.00 58944-BZ010- 212 0.00 58993-BZ030- 212 0.00 61023-BZ420- 222 0.00 61024-BZ350- 222 0.00 -BZ370- 222 0.00 61037-BZ390- 222 0.00 61038-BZ390- 222 0.00 61108-BZ240- 222 0.00 61109-BZ240- 222 0.00 61131-BZ530- 222 0.00 61132-BZ510- 222 0.00 61203-BZ130- 222 0.00 61204-BZ130- 222 0.00 61213-BZ020- 222 0.00 61214-BZ020- 222 0.00 61235-BZ110- 222 0.00 -BZ110- 223 0.00 61237-BZ110- 223 0.00 61245-BZ060- 223 0.00 61246-BZ040- 223 0.00 61247-BZ140- 223 0.00 61248-BZ140- 223 0.00 61307-BZ130- 223 0.00 61308-BZ130- 223 0.00 61311-BZ350- 223 0.00 61312-BZ400- 223 0.00 61385-BZ060- 223 0.00 61386-BZ060- 223 0.00 61403-BZ160- 223 0.00 61404-BZ160- 223 0.00 61411-BZ380- 223 0.00 61412-BZ410- 223 0.00 61415-BZ040- 223 0.00 61503-BZ160- 223 0.00 61504-BZ160- 223 0.00 61603-BZ010- 223 0.00 61604-BZ020- 224 0.00 58051 - 61604 PART NUMBER PAGE WEIGHT(g) 61605-BZ180- 224 61606-BZ080- 224 0.00 61607-BZ160- 224 0.00 61608-BZ160- 224 0.00 61611-BZ470- 224 0.00 61612-BZ530- 224 0.00 61613-BZ300- 205 0.00 61614-BZ310- 205 0.00 61621-BZ110- 224 0.00 61622-BZ140- 224 0.00 61623-BZ200- 224 0.00 61624-BZ210- 224 0.00 61625-BZ220- 224 0.00 61626-BZ220- 224 0.00 61627-BZ110- 224 0.00 -BZ120- 224 0.00 61628-BZ160- 224 0.00 -BZ170- 224 0.00 61631-BZ220- 224 0.00 61632-BZ220- 224 0.00 61637-BZ110- 224 0.00 61638-BZ080- 224 0.00 61645-BZ110- 224 0.00 61646-BZ140- 224 0.00 61665-BZ130- 225 0.00 61666-BZ100- 225 0.00 61673-BZ020- 205 0.00 61674-BZ020- 205 0.00 61705-BZ080- 225 0.00 61706-BZ080- 225 0.00 61717-BZ040- 225 0.00 61718-BZ060- 225 0.00 61719-BZ070- 225 0.00 61729-BZ010- 225 0.00 61731-BZ260- 225 0.00 61732-BZ250- 225 0.00 61735-BZ120- 225 0.00 61736-BZ120- 225 0.00 61745-BZ090- 225 0.00 61746-BZ050- 225 0.00 61768-BZ150- 225 0.00 61769-BZ160- 225 0.00 62111-BZ330-C0 231 0.00 62112-BZ310-C0 231 0.00 62170-BZ060- 231 0.00 62180-BZ050- 231 0.00 62210-BZ090-B0 231 0.00 -BZ100-B0 231 0.00 62217-20010- 231 2.00 62220-BZ090-B0 231 0.00 PART NUMBER PAGE WEIGHT(g) 62220-BZ100-B0 231 62225-BZ090- 299 0.00 62226-BZ090- 299 0.00 62313-BZ290-C0 231 0.00 62333-BZ310-C0 231 0.00 62411-BZ250-B0 231 0.00 62412-BZ250-B0 231 0.00 62413-BZ230-C0 232 0.00 62414-BZ230-C0 232 0.00 62431-BZ020- 234 0.00 62432-BZ020- 234 0.00 62441-BZ020- 235 0.00 62442-BZ030- 235 0.00 62451-BZ040- 235 0.00 62452-BZ040- 235 0.00 62471-BZ390-B0 232 0.00 -BZ470-B0 232 0.00 -BZ480-B0 232 0.00 62472-BZ360-B0 232 0.00 -BZ470-B0 232 0.00 62521-BZ030-C0 237 0.00 62522-BZ010-C0 237 0.00 62594-BZ080-C0 237 0.00 62595-BZ070-C0 237 0.00 62711-BZ350- 226 0.00 -BZ430- 226 0.00 62712-BZ350- 226 0.00 -BZ430- 226 0.00 62715-BZ040- 226 0.00 62763-BZ060- 226 0.00 62764-BZ060- 226 0.00 62765-BZ040- 226 0.00 62766-BZ040- 226 0.00 62821-BZ020-B0 234 0.00 62822-BZ020-B0 234 0.00 62930-BZ030- 229 30.00 -BZ120- 229 0.00 62961-BZ070-B0 234 0.00 63111-BZ320- 228 0.00 63132-BZ290- 228 0.00 63134-BZ280- 228 0.00 63138-BZ050- 228 0.00 63141-BZ150- 228 0.00 63142-BZ170- 228 0.00 63143-BZ150- 228 0.00 63144-BZ120- 228 0.00 63145-BZ060- 228 0.00 63157-BZ010- 228 0.00 63310-BZC60-B0 234 0.00 -BZD70-B0 234 0.00 61605 - 63310 40
  • 41.
    PART NUMBER PAGEWEIGHT(g) 63342-BZ260- 235 -BZ270- 235 0.00 -BZ280- 235 0.00 63357-BZ030- 235 0.00 63383-BZ020- 235 0.00 64421-BZ030-C0 237 0.00 64730-BZ380-C0 237 0.00 64740-BZ370-C0 237 0.00 -BZ380-C0 237 0.00 64780-BZ210-C0 258 0.00 64818-87704- 226 -87704- 227 -BZ010- 226 0.00 -BZ010- 227 0.00 -BZ090- 258 0.00 64827-BZ130- 258 0.00 64828-BZ100- 258 0.00 64993-BZ010- 237 0.00 65565-BZ040- 225 0.00 65566-BZ030- 225 0.00 65637-BZ280- 238 0.00 65638-BZ280- 238 0.00 67001-BZ710- 241 0.00 67002-BZ710- 241 0.00 67003-BZ720- 250 0.00 67004-BZ720- 250 0.00 67005-BZG60- 258 0.00 -BZG90- 258 0.00 67111-BZ410- 241 0.00 67112-BZ410- 241 0.00 67113-BZ420- 250 0.00 67114-BZ420- 250 0.00 67401-BZ150- 241 0.00 67402-BZ160- 241 0.00 67403-BZ180- 241 0.00 67404-BZ180- 241 0.00 67405-BZ090- 250 0.00 67406-BZ090- 250 0.00 67407-BZ190- 250 0.00 67408-BZ190- 250 0.00 67487-BZ080- 250 0.00 67488-BZ080- 250 0.00 67610-BZ830-C1 241 0.00 67620-BZ830-C1 242 0.00 67630-BZ740-C0 250 0.00 67640-BZ740-C0 250 0.00 67771-B2100- 193 1.00 67807-BZ010-C0 237 0.00 67808-BZ010-C0 237 0.00 -BZ020-C0 237 0.00 PART NUMBER PAGE WEIGHT(g) 67831-BZ490- 242 67832-BZ130- 242 0.00 67837-BZ030- 258 0.00 -BZ070- 242 0.00 -BZ070- 250 0.00 67841-BZ460- 250 0.00 -BZ470- 250 0.00 67842-BZ220- 250 0.00 -BZ230- 250 0.00 67861-BZ250- 242 0.00 67862-BZ240- 242 0.00 67867-B2320- 242 1.00 -B2320- 250 1.00 -B2320- 251 1.00 67871-BZ250- 251 0.00 67872-BZ240- 251 0.00 67881-BZ210- 258 0.00 67913-BZ210-C0 232 0.00 67914-BZ210-C0 232 0.00 67917-BZ250-C0 232 0.00 67918-BZ250-C0 232 0.00 67924-B2010- 232 8.00 -B2010- 233 8.00 67935-BZ120-C0 237 0.00 68101-BZ400- 242 0.00 68102-BZ400- 242 0.00 68103-BZ460- 251 0.00 68104-BZ460- 251 0.00 68125-BZ070- 242 0.00 68126-BZ070- 242 0.00 68131-BZ660- 258 0.00 68141-BZ210- 242 0.00 68142-BZ220- 251 0.00 68143-BZ130- 242 0.00 68144-BZ120- 251 0.00 68151-BZ210- 242 0.00 68152-BZ220- 251 0.00 68161-BZ230- 243 0.00 68162-BZ220- 243 0.00 68163-BZ220- 251 0.00 68164-BZ210- 251 0.00 68171-BZ250- 243 0.00 68172-BZ230- 243 0.00 68173-BZ250- 251 0.00 68174-BZ210- 251 0.00 68215-BZ020- 243 0.00 68216-BZ020- 243 0.00 68610-BZ210- 243 0.00 68630-BZ180- 251 0.00 68710-BZ140- 247 0.00 63342 - 68710 PART NUMBER PAGE WEIGHT(g) 68720-BZ110- 247 68750-BZ140- 255 0.00 68760-BZ140- 255 0.00 68801-BZ160- 260 0.00 68945-BZ010- 260 0.00 68950-BZ340- 260 0.00 68960-BZ310- 260 0.00 68981-BZ060- 225 0.00 69005-BZE10- 262 0.00 -BZF70- 262 0.00 -BZF71- 262 0.00 69051-BZ380- 262 0.00 69057-BZ360- 262 0.00 69210-BZ620-A0 245 0.00 -BZ620-B0 245 0.00 -BZ620-B1 245 0.00 -BZ620-C0 245 0.00 -BZ620-D0 245 0.00 -BZ620-G0 245 0.00 -BZ620-K0 245 0.00 -BZ650-A0 253 0.00 -BZ650-B0 253 0.00 -BZ650-B1 253 0.00 -BZ650-C0 253 0.00 -BZ650-D0 253 0.00 -BZ650-G0 253 0.00 -BZ650-K0 253 0.00 -BZ710-A0 245 0.00 -BZ710-B0 245 0.00 -BZ710-B1 245 0.00 -BZ710-C0 245 0.00 -BZ710-D0 245 0.00 -BZ710-G0 245 0.00 -BZ710-K0 245 0.00 69220-BZ610-A0 245 0.00 -BZ610-B0 245 0.00 -BZ610-B1 245 0.00 -BZ610-C0 245 0.00 -BZ610-D0 245 0.00 -BZ610-G0 245 0.00 -BZ610-K0 245 0.00 -BZ640-A0 253 0.00 -BZ640-B0 253 0.00 -BZ640-B1 253 0.00 -BZ640-C0 253 0.00 -BZ640-D0 253 0.00 -BZ640-G0 253 0.00 -BZ640-K0 253 0.00 -BZ700-A0 245 0.00 -BZ700-B0 245 0.00 PART NUMBER PAGE WEIGHT(g) 69220-BZ700-B1 245 -BZ700-C0 245 0.00 -BZ700-D0 245 0.00 -BZ700-G0 245 0.00 -BZ700-K0 245 0.00 69270-BZ170-C0 245 0.00 -BZ170-C0 253 0.00 -BZ180-C0 245 0.00 -BZ180-C0 253 0.00 69277-BZ100-C0 243 0.00 -BZ100-C0 251 0.00 69278-BZ080-C0 243 0.00 -BZ080-C0 251 0.00 69280-BZ170-C0 245 0.00 -BZ170-C0 253 0.00 -BZ180-C0 245 0.00 -BZ180-C0 253 0.00 69310-BZ270- 245 0.00 69311-BZ140- 246 0.00 69312-BZ140- 246 0.00 69320-BZ230- 246 0.00 69330-BZ280- 254 0.00 69331-BZ120- 254 0.00 69332-BZ120- 254 0.00 69340-BZ280- 254 0.00 69350-BZ250- 260 0.00 69410-BZ010- 246 114.00 -BZ010- 254 114.00 69430-B2070- 260 50.00 69516-BZ110- 262 0.00 69710-BZ140- 246 0.00 69711-BZ160- 246 0.00 69730-BZ260- 254 0.00 69749-32040- 246 -32040- 254 -BZ100- 246 0.00 -BZ100- 254 0.00 69750-BZ140- 246 0.00 69760-BZ140- 246 0.00 69770-BZ170- 254 0.00 69780-BZ160- 254 0.00 69801-BZ150- 247 0.00 -BZ150- 255 0.00 69802-BZ150- 247 0.00 -BZ150- 255 0.00 71051-BZ010- 273 0.00 71055-BZ010- 275 0.00 -BZ010- 285 0.00 71071-BZQ60-C3 282 0.00 -BZQ70-C3 282 0.00 68720 - 71071 41
  • 42.
    PART NUMBER PAGEWEIGHT(g) 71071-BZQ80-C3 282 71072-BZQ60-C2 282 0.00 -BZQ70-C3 282 0.00 71073-BY160-C0 282 0.00 -BZS60-C1 282 0.00 -BZS70-C0 282 0.00 -BZZ90-C0 282 0.00 71074-BZP20-C0 282 0.00 -BZP70-C1 282 0.00 -BZX90-C0 282 0.00 71075-BZM90-C1 273 0.00 -BZN00-C2 273 0.00 -BZN40-C1 273 0.00 71076-BZF40-C1 283 0.00 -BZF50-C2 283 0.00 71077-BZM30-C1 283 0.00 -BZM40-C1 283 0.00 -BZM50-C2 283 0.00 71078-BZG10-C1 283 0.00 -BZG20-C2 283 0.00 71110-BZ360-C0 273 0.00 -BZ380-C0 273 0.00 -BZ390-C0 273 0.00 71120-BZ370-C0 273 0.00 -BZ380-C0 273 0.00 71147-B1020- 273 11.00 -B1020- 274 11.00 -B2160- 273 21.00 -B2160- 274 21.00 -BZ160- 273 0.00 -BZ160- 274 0.00 -BZ170- 273 0.00 -BZ170- 274 0.00 -BZ180- 273 0.00 -BZ180- 274 0.00 71303-BZ120- 273 0.00 71304-BZ070- 273 0.00 71353-BZ010-C0 274 0.00 -BZ020-C0 273 0.00 71395-BZ010-C0 274 0.00 71396-BZ010-C0 274 0.00 71397-BZ010-C0 274 0.00 71441-B2010- 281 46.00 71485-BZ062-C0 274 0.00 -BZ220-C0 274 0.00 -BZ230-C0 274 0.00 -BZ240-C0 274 0.00 -BZ250-C0 274 0.00 71501-BZ570- 274 0.00 71503-BZ610- 274 0.00 PART NUMBER PAGE WEIGHT(g) 71504-BZ430- 275 71505-BZ580- 274 0.00 -BZ590- 274 0.00 71506-BZ450- 274 0.00 -BZ460- 274 0.00 71507-BZ520- 284 0.00 -BZ550- 284 0.00 71508-BZ390- 284 0.00 71613-BZ020- 274 0.00 -BZ040- 275 0.00 71621-BZ070- 275 0.00 -BZ080- 275 0.00 71622-BZ100- 275 0.00 -BZ110- 275 0.00 71671-BZ100- 275 0.00 -BZ110- 275 0.00 71672-BZ080- 275 0.00 -BZ100- 275 0.00 71693-BZ040-C0 276 0.00 -BZ050-C0 276 0.00 71694-BZ020-C0 276 0.00 -BZ030-C0 275 0.00 71695-BZ020-C0 276 0.00 -BZ030- 274 0.00 -BZ030- 276 0.00 71696-BZ010-C0 276 0.00 71811-BZ320-C0 276 0.00 -BZ330-C0 276 0.00 71812-BZ280-C0 276 0.00 71831-BZ100-C0 277 0.00 -BZ100-C0 282 0.00 71832-BZ100-C0 277 0.00 -BZ130-C0 273 0.00 -BZ130-C0 277 0.00 71833-BZ080-C0 277 0.00 71834-BZ080-C0 277 0.00 71843-BZ010-C0 277 0.00 71844-BZ010-C0 277 0.00 71867-B1010-C0 277 36.00 71875-BZ100-C0 277 0.00 -BZ110-C0 277 0.00 -BZ120-C0 277 0.00 -BZ130-C0 277 0.00 -BZ140-C0 277 0.00 71876-B2060-C0 277 6.00 -BZ080-C0 277 0.00 -BZ090-C0 277 0.00 -BZ100-C0 277 0.00 -BZ110-C0 277 0.00 71878-BZ090-C0 278 0.00 71071 - 71878 PART NUMBER PAGE WEIGHT(g) 71878-BZ100-C0 277 -BZ110-C0 277 0.00 -BZ120-C0 277 0.00 71879-BZ090-C0 278 0.00 -BZ100-C0 278 0.00 71881-BZ180- 276 0.00 -BZ180- 278 0.00 71910-BZG50-C5 278 0.00 -BZJ70-C3 278 0.00 71930-0K050-C1 278 0.00 -0K050-C1 279 0.00 -B2030-C0 278 22.00 -B2030-C0 279 22.00 -BZ040-C1 278 0.00 -BZ040-C1 279 0.00 71931-0K040-C1 278 0.00 -0K040-C1 279 0.00 -B2030-C0 278 20.00 -BZ030-C1 278 0.00 71940-BZF00-C2 278 0.00 -BZL70-C0 278 0.00 -BZL80-C0 278 0.00 71970-BZ230-C1 278 0.00 72088-BZ020-C2 277 0.00 72110-BZ320- 279 0.00 72120-BZ290- 279 0.00 72125-B1030-C0 279 4.00 -BZ010-C0 279 0.00 72127-BZ020- 279 0.00 72129-B1010-C0 279 8.00 -BZ100- 279 0.00 -BZ190-C0 279 0.00 72130-BZ350- 279 0.00 72137-BZ050-C0 279 0.00 -BZ050-C0 280 0.00 72140-BZ350- 280 0.00 72157-BZ100- 280 0.00 -BZ110-C0 280 0.00 72158-BZ090-C0 280 0.00 72159-BZ130-C0 280 0.00 72160-BZ150-C0 280 0.00 72169-BZ010- 274 0.00 -BZ010- 279 0.00 72179-BZ090- 273 0.00 72211-B1050- 280 184.00 -BZ170- 280 0.00 72213-BZ010- 280 4.00 72265-BZ040-C0 280 0.00 72266-B1020-C0 280 44.00 72413-BZ070-C0 280 0.00 PART NUMBER PAGE WEIGHT(g) 72462-BZ060-C0 280 72525-BZ130-C0 280 0.00 -BZ140-C0 280 0.00 72526-BZ110-C0 281 0.00 72551-BZ070-C0 281 0.00 72552-B1010-C0 281 6.00 72570-BZ010- 281 0.00 72622-BZ010- 282 0.00 72637-BZ100-C0 281 0.00 72650-BZ010- 281 0.00 -BZ011- 281 0.00 72656-BZ020- 281 0.00 72660-BZ010- 281 0.00 -BZ011- 281 0.00 72661-0K030-C1 281 0.00 -0K040-C1 281 0.00 72690-BZ010-C0 281 0.00 72694-BZ220-C0 276 0.00 -BZ230-C0 275 0.00 -BZ250-C0 275 0.00 -BZ270-C0 275 0.00 72749-12010- 282 0.00 72809-BZ010- 282 0.00 72830-BZ140-C4 282 0.00 72831-BZ010- 282 0.00 72853-BZ010- 275 0.00 72854-BZ010- 275 0.00 72857-BZ010- 279 0.00 72921-BZ010-C0 282 0.00 72991-B1060-C0 275 56.00 -BZ250-C0 282 0.00 -BZ340-C0 282 0.00 72992-BZ050-C0 275 0.00 72993-B2010-C0 282 10.00 72994-B2010-C0 273 10.00 -B2010-C0 282 10.00 72995-BZ290-C0 283 0.00 72998-BZ080-C0 283 0.00 73178-B1020- 289 0.00 73210-BZ590-C1 289 0.00 73220-BZ630-C1 289 0.00 73230-BZB70-C0 289 0.00 -BZB80-C0 289 0.00 -BZB90-C0 289 0.00 73360-BZ370-C1 289 0.00 73370-BZ370-C1 289 0.00 73380-BZ290-C0 289 0.00 73470-BZ140-C0 289 0.00 73480-BZ120-C0 289 0.00 73560-BZ150-C1 289 0.00 71878 - 73560 42
  • 43.
    PART NUMBER PAGEWEIGHT(g) 73570-BZ140-C1 289 73580-BZ030-C1 289 0.00 -BZ050-C0 289 0.00 -BZ080-C1 289 0.00 73910-BZ040- 283 0.00 73920-BZ040- 283 0.00 73970-BZ300-C0 192 0.00 74230-BZ070-C0 291 0.00 74231-BZ290-C0 291 0.00 74232-BZ270-C0 291 0.00 74240-BZ030-C0 291 0.00 74270-BZ010-C0 291 0.00 74271-BZ200-C0 291 0.00 74272-BZ200-C0 291 0.00 74280-BZ010-C0 291 0.00 74310-BZ510-B1 291 0.00 74320-BZA70-B0 291 0.00 -BZA80-B0 291 0.00 74348-BZ060-B0 291 8.00 74404-BZ190- 293 0.00 74405-BZ070- 293 0.00 74410-BZ080- 293 0.00 74411-BZ160- 293 0.00 74451-BZ150- 293 0.00 74552-BZ050- 295 0.00 74610-BZ050-B0 291 0.00 74635-BZ100-C0 192 0.00 74710-BZ030- 292 0.00 -BZ050- 292 0.00 74711-BZ020- 292 0.00 -BZ040- 292 0.00 74811-BZ030- 258 222.00 75129-87502- 258 -BZ010- 258 0.00 75311-BZ190- 297 0.00 -BZ290- 297 0.00 75441-BZ370- 297 0.00 75443-BZ120- 297 0.00 -BZ180- 297 0.00 75444-BZ140- 297 0.00 -BZ180- 297 0.00 75445-BZ290- 297 0.00 75551-BZ190- 299 0.00 75552-BZ180- 299 0.00 75561-B1020- 299 -BZ020- 299 0.00 75573-BZ050- 258 0.00 75574-BZ020- 258 0.00 75577-BZ010- 299 0.00 75578-BZ040- 299 0.00 PART NUMBER PAGE WEIGHT(g) 75597-BZ010- 299 75598-BZ010- 299 0.00 75641-BZ070- 299 0.00 75642-BZ070- 299 0.00 75787-BZ080- 245 0.00 75788-BZ080- 245 0.00 75921-BZ170-C0 243 0.00 75922-BZ150-C0 243 0.00 75923-BZ220-C0 243 0.00 75924-BZ210-C0 243 0.00 75925-BZ150-C0 251 0.00 75926-BZ140-C0 251 0.00 75927-BZ070-C0 252 0.00 75928-BZ070-C0 252 0.00 76094-BZ190- 282 0.00 76811-BZ660- 258 0.00 76821-BZ250- 258 0.00 -BZ270- 258 0.00 -BZ280- 259 0.00 76822-BZ070- 258 0.00 -BZ080- 259 0.00 76826-BZ040- 259 0.00 76835-52010- 314 1.00 76851-BZ170- 301 0.00 76854-87401- 175 -BZ010- 175 0.00 77001-BZ520- 305 0.00 77028-BZ040- 306 0.00 77035-BZ310- 305 0.00 77037-BZ080- 305 0.00 77169-BZ040- 305 0.00 77201-BZ250- 305 0.00 77203-BZ220- 305 0.00 77213-BZ250- 305 0.00 77249-BZ040- 305 0.00 77251-BZ390- 305 0.00 77259-BZ120- 305 0.00 -BZ150- 306 0.00 77263-BZ200- 305 0.00 77269-BZ140- 306 0.00 77281-BZ050- 306 0.00 77286-B1010- 306 12.00 -B2030- 306 14.00 77291-BZ050- 305 0.00 77298-B2020- 306 10.00 77299-B2010- 306 12.00 77300-52030- 306 54.00 77306-BZ090- 306 0.00 77308-BZ040- 306 0.00 77316-52040- 306 4.00 73570 - 77316 PART NUMBER PAGE WEIGHT(g) 77350-BZ160- 306 77740-BZ160- 306 0.00 77754-BZ430- 89 0.00 78110-BZ140- 307 0.00 78899-28020- 273 18.00 78920-BZ010- 283 0.00 79021-BZB30-C1 283 0.00 -BZB40-C1 283 0.00 79022-BZ200-C1 283 0.00 79023-BZA90-C1 283 0.00 -BZB00-C1 283 0.00 79024-BZ480-C1 283 0.00 -BZ490-C1 283 0.00 79030-BZ020- 283 0.00 79040-BZ020- 283 0.00 79101-BZ020- 283 0.00 79102-BZ020- 283 0.00 79103-BZ010- 283 0.00 -BZ030- 284 0.00 79104-BZ020- 284 0.00 79105-BZ020- 284 0.00 -BZ021- 284 0.00 -BZ030- 284 0.00 -BZ031- 284 0.00 79106-BZ020- 284 0.00 -BZ021- 284 0.00 79107-BZ010- 284 0.00 79187-BZ160-C0 284 0.00 -BZ180-C0 284 0.00 79188-BZ050-C0 284 0.00 -BZ060-C0 285 0.00 79201-BZ010- 284 0.00 -BZ020- 284 0.00 79202-BZ010- 284 0.00 79203-BZ100- 284 0.00 79204-BZ020- 284 0.00 79235-BZ010- 284 0.00 -BZ020- 284 0.00 79236-BZ170-C0 285 0.00 -BZ180-C0 285 0.00 -BZ190-C0 284 0.00 -BZ190-C0 285 0.00 79245-BZ010- 285 0.00 79246-BZ140-C0 285 0.00 -BZ150-C0 285 0.00 79273-BZ042-C0 285 0.00 79275-BZ010- 285 0.00 -BZ020- 285 0.00 79285-BZ010- 285 0.00 -BZ020- 285 0.00 PART NUMBER PAGE WEIGHT(g) 79303-BZ210- 284 79304-BZ120- 284 0.00 79959-BZ040-C0 285 0.00 80960-B9191- 140 0.00 8110A-BZ080- 309 0.00 -BZ100- 309 0.00 8110B-BZ080- 309 0.00 -BZ100- 309 0.00 81110-BZA90- 309 0.00 -BZB00- 309 0.00 81128-87205- 357 5.00 81132-B2010- 309 82.00 81150-BZA90- 309 0.00 -BZB00- 309 0.00 81195-B2020- 309 1.00 -B2120- 309 1.00 81210-BZ160- 311 0.00 81211-BZ060- 311 0.00 81220-BZ160- 311 0.00 81221-BZ060- 311 0.00 81240-B2130-B0 319 63.00 -BZ120- 319 0.00 81241-B2100- 319 18.00 -BZ080- 319 0.00 81260-BZ050-B0 319 0.00 81270-BZ100- 315 0.00 81271-BZ040- 315 0.00 81274-BZ010- 315 0.00 81278-BZ010- 315 0.00 81551-BZ460- 314 0.00 -BZ470- 314 0.00 81555-BZ240- 314 0.00 81559-B2020- 314 1.00 -BZ060- 314 0.00 81561-BZ460- 314 0.00 -BZ470- 314 0.00 81565-BZ110- 314 0.00 81570-BZ290- 317 0.00 81580-BZ100- 314 0.00 -BZ130- 314 0.00 -BZ160- 314 0.00 81582-BZ060- 314 0.00 81590-BZ100- 314 0.00 -BZ130- 314 0.00 -BZ160- 314 0.00 81592-BZ060- 314 0.00 81730-BZ190- 312 0.00 81740-BZ110- 312 0.00 81910-BZ090- 316 0.00 81920-BZ090- 316 0.00 77350 - 81920 43
  • 44.
    PART NUMBER PAGEWEIGHT(g) 81952-BZ010- 317 81977-BZ080- 317 0.00 82111-BY700- 325 0.00 -BY730- 325 0.00 82121-BZJ20- 325 0.00 -BZM70- 325 0.00 -BZM80- 325 0.00 82123-BZ320- 325 0.00 -BZ330- 325 0.00 82124-BZ020- 325 0.00 82125-B2070- 123 56.00 -BZ040- 123 0.00 82141-BX380- 325 0.00 -BXL70- 325 0.00 -BXM00- 325 0.00 -BXM20- 325 0.00 82151-BZJ10- 325 0.00 -BZJ20- 325 0.00 -BZJ30- 325 0.00 82152-BZG20- 325 0.00 -BZG30- 325 0.00 -BZG40- 325 0.00 82153-BZ550- 325 0.00 82161-BYA00- 325 0.00 -BYA20- 325 0.00 -BYW90- 325 0.00 82171-BZA90- 325 0.00 -BZB70- 325 0.00 82184-BZE00- 325 0.00 -BZF20- 325 0.00 82185-BZ480- 325 0.00 -BZ600- 325 0.00 82210-BZ020- 388 0.00 82219-BZ260- 350 0.00 82251-BZ190- 348 0.00 -BZ200- 348 0.00 82285-BZ030- 325 0.00 82600-BZG20- 339 0.00 -BZG40- 339 0.00 -BZG50- 339 0.00 82606-BZ010- 377 0.00 82616-58010- 339 2.00 82627-BZ180- 326 0.00 82641-BZ040- 339 0.00 82661-BZ310- 339 0.00 82666-BZ030- 326 0.00 -BZ040- 326 0.00 -BZ050- 326 0.00 82711-12120- 285 0.00 -16790- 360 2.00 PART NUMBER PAGE WEIGHT(g) 82711-BZ100- 362 82715-B2510- 105 40.00 -B2510- 122 40.00 -BZE80- 140 0.00 -BZE90- 201 0.00 -BZJ90- 122 0.00 -BZK50- 58 0.00 -BZK80- 62 0.00 82817-B1110- 326 62.00 82821-B1070- 326 24.00 -BZ030- 326 0.00 82823-22060- 326 6.00 -BZ070- 326 0.00 83101-87705- 319 1.00 83301-BZ250- 339 0.00 83530-52050- 339 35.00 83800-BYU50- 328 0.00 -BYU60- 328 0.00 -BYU80- 328 0.00 -BYU90- 328 0.00 -BYV00- 328 0.00 -BYV10- 328 0.00 83852-BZ220- 328 0.00 -BZ250- 328 0.00 84030-BZ120- 339 0.00 -BZ121- 339 0.00 -BZ130- 339 0.00 -BZ131- 339 0.00 84140-BZ240- 339 0.00 -BZ280- 339 0.00 84210-BZ120- 339 95.00 84231-52020- 339 -BZ010- 339 0.00 84248-BZ110- 339 0.00 84250-BZ270-C1 339 0.00 -BZ280-C1 339 0.00 84332-BZ280- 339 0.00 84340-B2061- 339 18.00 84345-B2010- 340 -BZ010- 340 0.00 84380-B2030- 340 13.00 84450-B2040- 340 30.00 84520-97202- 340 16.00 84540-B2040- 340 80.00 84545-BZ010- 340 0.00 84652-BZ320- 340 155.00 84770-BZ060- 340 0.00 84810-BZ130- 340 0.00 84820-BZ400- 340 0.00 84840-B0010- 340 0.00 81952 - 84840 PART NUMBER PAGE WEIGHT(g) 84840-B0020- 340 84870-BZ230- 340 0.00 -BZ240- 340 0.00 84941-BZ060- 340 0.00 -BZ061- 340 0.00 -BZ170- 340 0.00 -BZ171- 340 0.00 84986-BZ080- 340 0.00 84999-BZ060- 315 0.00 -BZ140- 319 0.00 85110-BZ300- 357 0.00 85113-B2010- 357 2.00 85130-BZ230- 358 0.00 85150-BZ340- 357 0.00 85176-BZ130- 358 0.00 85211-BZ360- 357 0.00 85212-BZ350- 357 0.00 85214-B1070- 357 21.00 -BZ460- 357 0.00 85221-BZ360- 357 0.00 85222-BZ360- 357 0.00 85241-BZ180- 358 0.00 85242-BZ180- 358 0.00 85243-BZ150- 358 0.00 85292-12020- 357 -BZ080- 358 0.00 -BZ110- 357 0.00 85301-BZ040- 359 0.00 85307-B2060- 362 5.00 85310-BZ450- 359 0.00 85315-BZ450- 359 0.00 85317-BZ020- 360 0.00 -BZ080- 360 0.00 -BZ080- 362 0.00 85330-BZ180- 359 0.00 85332-B2040- 359 3.00 85336-B2060- 359 1.00 85355-87701- 360 1.00 -97202- 362 1.00 85370-BZC00- 360 0.00 -BZD40- 362 0.00 -BZD50- 362 0.00 85373-97202- 359 4.00 -BZ010- 362 0.00 85374-BZB40- 362 0.00 -BZG70- 362 0.00 -BZG80- 359 0.00 -BZJ00- 362 0.00 -BZJ10- 362 0.00 -BZJ20- 362 0.00 PART NUMBER PAGE WEIGHT(g) 85374-BZJ30- 362 -BZJ50- 362 0.00 -BZJ70- 360 0.00 -BZJ90- 360 0.00 -BZK10- 360 0.00 -BZL90- 360 0.00 -BZM00- 362 0.00 85376-B1010- 360 4.00 -BZ020- 360 0.00 -BZ020- 362 0.00 85380-BZ100- 360 0.00 -BZ101- 360 0.00 -BZ150- 360 0.00 -BZ151- 360 0.00 85381-BZ360- 359 0.00 -BZ410- 359 0.00 85390-BZ280- 362 0.00 85391-BZ130- 362 0.00 85530-BZ080- 340 20.00 85532-BZ010- 341 0.00 -BZ030- 340 0.00 85535-BZ061- 341 0.00 -BZ100- 341 0.00 85710-BZ210- 247 0.00 -BZ270- 255 0.00 85720-BZ240- 247 0.00 -BZ240- 255 0.00 86160-BZ180- 363 275.00 -BZ310- 363 0.00 -BZ320- 363 0.00 86300-BZ430-A0 365 0.00 -BZ430-B0 365 0.00 -BZ430-B1 365 0.00 -BZ430-C0 365 0.00 -BZ430-D0 365 0.00 -BZ430-G0 365 0.00 -BZ430-K0 365 0.00 -BZ460- 365 0.00 86316-BZ610- 365 0.00 -BZ660- 365 0.00 86332-BZ110- 365 0.00 86397-BZ060- 365 0.00 86466-BZ010-C0 366 0.00 -BZ020-C0 366 0.00 8646C-B1100- 366 0.00 86510-BZ300- 368 0.00 86520-BZ290- 368 0.00 -BZ310- 368 0.00 86995-BZ040- 295 0.00 87010-BZ720- 376 0.00 84840 - 87010 44
  • 45.
    PART NUMBER PAGEWEIGHT(g) 87030-BZ220-B0 376 87138-BZ170- 376 0.00 87139-BZ020- 376 0.00 87220-BZ440- 381 0.00 87223-BZ110- 381 0.00 -BZ610- 381 0.00 -BZ660- 381 0.00 87810-BZ420-C0 371 0.00 87910-BZG70- 371 0.00 -BZG80- 371 0.00 -BZJ00- 371 0.00 -BZL20- 371 0.00 87915-BZ520- 371 0.00 -BZ640- 371 0.00 87917-BZ180- 371 0.00 -BZ260- 371 0.00 8791A-BZ050- 371 0.00 -BZ130- 371 0.00 87940-BZG50- 371 0.00 -BZG60- 371 0.00 -BZG80- 371 0.00 -BZL00- 371 0.00 87945-BZ530- 371 0.00 -BZ640- 371 0.00 87947-BZ180- 371 0.00 -BZ240- 371 0.00 8794A-BZ050- 371 0.00 -BZ130- 371 0.00 88162-B1071- 341 0.00 88320-BZ410- 387 0.00 88335-14020- 387 1.00 88374-87601- 385 1.00 88375-87601- 385 3.00 -87603- 385 3.00 88403-BZ080- 387 250.00 88404-BZ080-B0 235 0.00 88410-BZ410- 387 0.00 88411-BZ270- 387 0.00 88412-BZ200- 387 0.00 88460-BZ320- 385 0.00 88470-BZ100- 381 0.00 88474-B2010- 385 65.00 88501-BZ260- 376 0.00 -BZ400- 376 0.00 88502-BZ190- 376 0.00 -BZ200- 376 0.00 88515-BZ180- 376 93.00 -BZ200- 376 0.00 88539-BZ450- 376 0.00 -BZ470- 376 0.00 PART NUMBER PAGE WEIGHT(g) 88548-BZ030- 376 88550-BZ130- 376 0.00 -BZ180- 376 0.00 88561-BZ430- 385 0.00 -BZ760- 385 0.00 -BZ780- 385 0.00 -BZ800- 385 0.00 -BZ830- 385 0.00 88568-BZ140- 381 0.00 -BZ150- 381 0.00 88570-BZ050- 377 0.00 -BZ060- 376 0.00 -BZ070- 377 0.00 88578-BZF40- 377 0.00 -BZF90- 377 0.00 -BZG00- 377 0.00 88605-BZ200- 377 0.00 88611-BZ110-B0 381 0.00 -BZ120- 377 0.00 88635-BZ030- 377 0.00 88648-BZ110- 377 0.00 88660-B2050- 376 109.00 88688-BZ290- 388 0.00 88711-BZ770- 385 0.00 88712-BZ830- 385 0.00 88714-BZ110- 385 0.00 88716-BZF60- 386 0.00 -BZG00- 386 0.00 -BZG10- 386 0.00 88717-BZ480- 386 0.00 -BZ520- 386 0.00 -BZ530- 386 0.00 88718-13060- 386 4.00 -BZ650- 386 0.00 -BZ800- 386 0.00 -BZ840- 386 0.00 -BZ850- 386 0.00 88719-B2020- 386 25.00 88888-BZ020- 376 0.00 88897-BZ270- 386 0.00 89070-BZ500- 262 0.00 -BZ501- 262 0.00 89071-BZ130- 262 0.00 89111-BZ080- 341 0.00 89170-BZ700- 355 0.00 -BZ720- 355 0.00 89171-B2070- 326 10.00 89173-B2240- 355 25.00 89340-BZ320- 350 0.00 89341-BZ350-A0 350 0.00 87030 - 89341 PART NUMBER PAGE WEIGHT(g) 89341-BZ350-B0 350 -BZ350-B1 350 0.00 -BZ350-C1 350 0.00 -BZ350-D1 350 0.00 -BZ350-G0 350 0.00 -BZ350-K0 350 0.00 89343-48010- 350 10.00 89348-BZ110-A0 174 0.00 -BZ110-B0 174 0.00 -BZ110-B1 174 0.00 -BZ110-C1 174 0.00 -BZ110-D1 174 0.00 -BZ110-G0 174 0.00 -BZ110-K0 174 0.00 89413-B2020- 346 18.00 -B2030- 346 18.00 89421-B2030- 341 16.00 89422-33030- 341 -BZ030- 341 0.00 89439-BZ201- 341 0.00 -BZ210- 341 0.00 89465-BZ610- 341 0.00 89467-BZ020- 341 0.00 89539-BZ510- 344 0.00 89542-BZ180- 348 0.00 -BZ260- 348 0.00 89543-BZ180- 348 0.00 -BZ260- 348 0.00 89560-BXE80- 344 0.00 -BXF30- 344 0.00 -BXF61- 344 0.00 -BYR21- 344 0.00 -BYS80- 344 0.00 -BYU41- 344 0.00 -BYW01- 344 0.00 895E0-BZL80- 344 0.00 -BZL90- 344 0.00 -BZM00- 344 0.00 -BZM10- 344 0.00 -BZM20- 344 0.00 -BZM40- 344 0.00 -BZM50- 344 0.00 89611-B0031- 341 0.00 -B1010- 341 0.00 -BZ030- 341 0.00 89615-BZ040- 341 45.00 89637-B2030- 346 57.00 89650-BZ380- 341 0.00 -BZ390- 341 0.00 -BZ400- 342 0.00 PART NUMBER PAGE WEIGHT(g) 89708-BZ280- 262 -BZ281- 262 0.00 89747-30040- 352 17.00 89751-BZ210- 262 0.00 -BZ230- 262 5.00 89752-BZ040- 262 0.00 -BZ260- 262 0.00 89860-B1120- 355 22.00 89994-BZ020- 262 0.00 -BZ021- 262 0.00 89997-BZ010- 352 0.00 -BZ020- 352 0.00 -BZ060- 352 0.00 -BZ100- 352 0.00 90041-01720- 161 59.00 -05431- 151 0.00 -05475- 161 114.00 -05554- 161 0.00 -05589- 181 8.00 -05594- 169 100.00 -05595- 125 8.00 -05596- 125 10.00 -19747- 140 16.00 -19A33- 144 132.00 -20097- 140 18.00 -20099- 116 -20292- 306 36.00 -20331- 122 6.00 -70014- 142 -70367- 165 -70393- 161 16.00 -77011- 144 9.00 -78060- 146 4.00 -78085- 164 16.00 -79124- 148 5.00 -79300- 149 6.00 -79379- 357 6.00 90042-01758- 167 20.00 -09117- 87 2.00 -40143- 147 10.00 -40151- 147 11.00 -43029- 148 4.00 -50157- 105 -53013- 57 90043-01262- 58 -01278- 346 1.00 -01347- 122 1.00 -11436- 122 14.00 -11437- 122 28.00 -11440- 122 24.00 89341 - 90043 45
  • 46.
    PART NUMBER PAGEWEIGHT(g) 90043-41041- 122 -41087- 61 -44022- 64 12.00 -60003- 114 -86123- 98 1.00 -89155- 164 13.00 90044-30281- 61 1.00 -30281- 122 1.00 -60129- 306 23.00 -60327- 306 1.00 -64804- 99 1.00 -64872- 305 1.00 -64891- 159 3.00 -64918- 159 1.00 -65441- 159 3.00 -66054- 79 8.00 -67161- 149 4.00 -67229- 305 1.00 -67244- 305 8.00 -67271- 306 1.00 -67500- 258 1.00 -67555- 172 -67555- 174 -67555- 179 -67571-B0 234 0.00 -67602- 314 1.00 -67630- 299 1.00 -68046-C2 207 1.00 -68046-C2 237 1.00 -68076- 98 1.00 -68076- 116 1.00 -68076- 147 1.00 -68346- 193 -68346- 231 -68346- 232 -68346- 258 -68378- 309 1.00 -68381- 174 2.00 -80370- 362 -80392- 87 2.00 -80592- 80 15.00 -80679- 181 2.00 90045-20298- 136 15.00 -21188- 138 21.00 -40158- 98 1.50 90048-01037- 70 -01037- 125 90049-02019- 132 11.00 -11036- 132 -11064- 132 PART NUMBER PAGE WEIGHT(g) 90049-12056- 129 -12056- 138 -15026- 105 -15054- 122 18.00 -22313- 99 82.00 -51185- 311 19.00 -51188- 319 1.00 9004A-10110- 151 18.00 -10120- 133 0.00 -10131- 153 5.00 -10144- 387 0.00 -10197- 114 0.00 -10200- 70 0.00 -10200- 125 0.00 -10201- 167 75.00 -10221- 85 0.00 -10222- 158 0.00 -10253- 113 0.00 -10254- 110 0.00 -10258- 129 0.00 -10271- 108 0.00 -10281- 98 28.00 -10281- 147 28.00 -11274- 116 0.00 -11313- 190 8.00 -11373- 170 0.00 -11379- 167 0.00 -11380- 147 0.00 -11381- 147 0.00 -11387- 122 0.00 -16093- 245 3.00 -16093- 254 3.00 -17145- 144 0.00 -17176- 142 0.00 -17218- 358 3.00 -17229- 149 0.00 -17255- 165 0.00 -17260- 98 6.00 -25032- 105 0.00 -25035- 70 7.60 -25038- 57 0.00 -25039- 110 0.00 -25042- 113 0.00 -25043- 113 0.00 -30046- 148 0.00 -30048- 62 0.00 -30049- 106 0.00 -30058- 61 1.00 -30059- 57 0.00 -30059- 64 0.00 90043 - 9004A PART NUMBER PAGE WEIGHT(g) 9004A-30060- 61 -30061- 61 1.00 -30066- 122 0.00 -31017- 113 5.00 -31050- 105 0.00 -31051- 105 0.00 -31052- 113 0.00 -31065- 108 0.00 -31068- 122 0.00 -31069- 122 0.00 -31070- 122 0.00 -34013- 105 0.00 -34015- 61 0.00 -36044- 114 0.00 -36120- 108 0.00 -36123- 133 0.00 -36124- 133 0.00 -36125- 108 0.00 -36126- 108 0.00 -36127- 108 0.00 -38094- 98 1.00 -38094- 147 1.00 -43006- 105 1.00 -43022- 61 0.00 -43024- 111 0.00 -46128- 87 33.00 -46131-C1 207 2.00 -46131-C1 231 2.00 -46143- 276 2.00 -46258- 179 0.00 -46323- 169 2.00 -46323- 172 2.00 -46323- 179 2.00 -46323- 193 2.00 -46338- 193 0.00 -46338- 231 0.00 -46338- 232 0.00 -46338- 258 0.00 -46358-B1 234 0.00 -46363- 89 0.00 -46380- 172 0.00 -46380- 174 0.00 -46380- 179 0.00 -48017- 80 6.00 -48056- 87 0.00 -50142- 114 0.00 -50143- 113 0.00 -52070- 110 0.00 -52101- 108 0.00 -52102- 109 0.00 PART NUMBER PAGE WEIGHT(g) 9004A-52102- 110 -52103- 109 0.00 -52103- 110 0.00 -52104- 109 0.00 -52104- 110 0.00 -52105- 109 0.00 -52105- 110 0.00 -52106- 109 0.00 -52106- 110 0.00 -52107- 109 0.00 -52108- 109 0.00 -52109- 109 0.00 -52110- 109 0.00 -52111- 109 0.00 -52112- 109 0.00 -52113- 109 0.00 -52114- 109 0.00 -52115- 109 0.00 -52116- 109 0.00 -52117- 109 0.00 -52119- 108 0.00 -52120- 108 0.00 -52121- 108 0.00 -52122- 108 0.00 -52123- 108 0.00 -52124- 108 0.00 -52125- 109 0.00 -52126- 109 0.00 -52127- 109 0.00 -52128- 109 0.00 -52129- 109 0.00 -52130- 109 0.00 -54003- 98 2.00 -54016- 258 5.00 -56100- 108 0.00 -56101- 108 0.00 -56102- 108 0.00 -56103- 108 0.00 -56104- 108 0.00 -56105- 108 0.00 -56106- 108 0.00 -56107- 108 0.00 -56112- 98 30.00 -91068- 90 0.00 -91076- 81 0.00 -93003- 105 0.00 -93010- 122 0.00 -94114- 158 0.00 -94124- 132 0.00 -94125- 132 0.00 9004A - 9004A 46
  • 47.
    PART NUMBER PAGEWEIGHT(g) 9004A-94131- 158 -98006- 339 13.00 -98006- 341 13.00 9004B-16008- 376 0.00 -30027- 305 0.00 9004C-37008- 92 105.00 90068-14041- 58 0.00 90080-43027- 58 0.00 90099-04349- 387 0.00 -04349-000 387 -05171- 92 0.00 -05171-000 92 -07114- 387 0.75 -07125- 387 0.00 -07125-000 387 90105-08455- 57 -10445- 71 -T0120- 116 0.00 -T0271- 57 0.00 -T0273- 71 0.00 -T0347- 57 0.00 90109-T0055- 58 0.00 90110-06040- 62 5.00 -T0002- 62 0.00 90115-06219- 201 3.00 90119-06834- 157 9.00 -07009- 57 -14106- 70 -T0443- 57 0.00 -T0444- 70 0.00 90126-08063- 83 12.00 -T0019- 83 18.00 90177-22001- 138 66.00 90179-06274- 116 4.00 90201-10344- 57 5.00 90210-T0002- 58 0.00 90250-04097- 61 1.00 -08120- 61 0.00 -08120-000 61 -10030- 61 22.00 -10113- 61 14.00 90253-11005- 57 2.00 -13005- 57 2.00 -13017- 61 0.00 -13017-000 61 90280-04001- 70 2.00 90301-07042- 96 1.00 -14016- 57 -14016- 64 -T0061- 73 0.00 PART NUMBER PAGE WEIGHT(g) 90311-T0074- 61 -T0076- 64 10.00 90401-10058- 158 18.00 90404-T0005- 61 32.00 90430-T0023- 62 2.00 90460-22002- 305 19.00 90466-62002- 87 42.00 -T0020- 68 0.00 -T0061- 68 2.00 -T0062- 68 0.00 90467-05164-B0 234 -05171- 190 1.00 -05171- 191 1.00 -05171- 211 1.00 -05171- 234 1.00 -06084- 242 1.00 -06084- 250 1.00 -11122- 183 2.00 -13079- 183 1.00 -T0019- 232 0.00 -T0019- 242 0.00 -T0019- 250 0.00 90468-18008- 276 1.00 90480-T0013- 68 0.00 90501-T0045- 72 0.00 90541-09069- 241 2.00 -09069- 251 2.00 -09125- 179 3.00 90901-05026- 85 56.00 90910-02174- 57 -T2012- 57 0.00 -T2013- 61 0.00 90913-03028- 72 1.00 -T2004- 72 1.00 -T2005- 72 1.00 90917-06048- 85 0.00 90919-01275- 90 -T2011- 90 0.00 -T5001- 64 0.00 -T5002- 57 18.00 90981-11013- 315 -11013- 319 91551-00820- 165 13.00 -80612- 158 -80620- 114 -80820- 116 91552-81075- 92 49.00 91673-80616- 231 9.00 -A1025- 169 32.00 94188-01001- 167 11.00 9004A - 94188 PART NUMBER PAGE WEIGHT(g) 96111-10710- 87 -10710-000 87 96136-42101- 79 8.00 -42501- 68 -43901- 80 20.00 96137-52501- 79 16.00 96150-01800- 98 1.00 96741-19005- 62 C8899-B2010- 376 4.00 C9909-97201- 376 6.00 G1406-B2010- 123 26.00 PART NUMBER PAGE WEIGHT(g) 96111 - G1406 47
  • 48.
    REVISION REFERENCE CODETABLE Revision Ref. Code Engine No. or Frame No. Revision Ref. Code Engine No. or Frame No. Revision Ref. Code Engine No. or Frame No. Revision Ref. Code Engine No. or Frame No. 48
  • 49.
    EACH MONTH ENDPRODUCTION FRAME NO. LIST Model Month Model Month 49
  • 50.
    50 FIG.09-01 STANDARD TOOL (2111-) 091070 09110 51960 09114 09150 FIG.09-01 STANDARD TOOL PROD_DATE MODELS SPEC CODE DESCRIPTION R / P PART NUMBER O Y T REV_REF FR TO +----------+ | 09110 | JACK ASSY +----------+ 2111 - W10# 09111-BZ220- 1 +----------+ | 09114 | EXTENSION SUB-ASSY, JACK HANDLE +----------+ 2111 - W10# 09114-BZ060- 1 +----------+ | 09150 | WRENCH, HUB NUT BOX +----------+ 2111 - W10# 09151-BZ010- 1 +----------+ | 51960 | HOOK ASSY, FRONT +----------+ 2111 - W10# 51960-BZ120- 1
  • 51.
    51 FIG.11-01 PARTIAL ENGINEASSEMBLY (2111- ) 11F830 11000 FIG.11-01 PARTIAL ENGINE ASSEMBLY PROD_DATE MODELS SPEC CODE DESCRIPTION R / P PART NUMBER O Y T REV_REF FR TO +----------+ | 11000 | ENGINE ASSY, PARTIAL +----------+ 2111 - 1NRVE..W100 MARK 02 19000-BZC01-02 1 2111 - 2NRVE..W101 MARK 02 19000-BZC11-02 1
  • 52.
    52 FIG.11-02 SHORT BLOCKASSEMBLY (2111- ) 11H161 11400 FIG.11-02 SHORT BLOCK ASSEMBLY PROD_DATE MODELS SPEC CODE DESCRIPTION R / P PART NUMBER O Y T REV_REF FR TO +----------+ | 11400 | BLOCK ASSY, SHORT +----------+ 2111 - 1NRVE..W100 MARK 01 11400-BZC01-01 1 2111 - 1NRVE..W100 MARK 02 11400-BZC01-02 1 2111 - 2NRVE..W101 MARK 01 11400-BZC11-01 1 2111 - 2NRVE..W101 MARK 02 11400-BZC11-02 1
  • 53.
    53 FIG.11-03 ENGINE OVERHAULGASKET KIT (2111- ) 11G225 REFER TO FIG (PNC 16326) REFER TO FIG (PNC 11452B) REFER TO FIG (PNC 11159H) REFER TO FIG (PNC 17177) REFER TO FIG (PNC 11302A) REFER TO FIG (PNC 16271) REFER TO FIG (PNC 23250B) REFER TO FIG (PNC 17451) REFER TO FIG (PNC 23291) REFER TO FIG (PNC 22271A) REFER TO FIG (PNC 11213) REFER TO FIG (PNC 11115) REFER TO FIG (PNC 11401L) REFER TO FIG (PNC 12101B) REFER TO FIG (PNC 15471A) REFER TO FIG (PNC 11444A) REFER TO FIG (PNC 12101C) REFER TO FIG (PNC 12108C) REFER TO FIG (PNC 12108A) REFER TO FIG (PNC 13711E) REFER TO FIG (PNC 13715A) REFER TO FIG (PNC 17173) 16-03 11-04 11-05 11-04 17-01 11-06 16-01 22-11 17-02 22-11 17-01 11-04 11-04 11-05 11-05 11-05 11-05 11-05 11-06 13-02 13-02 17-01 04111 04112
  • 54.
    54 FIG.11-03 ENGINE OVERHAULGASKET KIT PROD_DATE MODELS SPEC CODE DESCRIPTION R / P PART NUMBER O Y T REV_REF FR TO +----------+ | 04111 | GASKET KIT, ENGINE OVERHAUL +----------+ 2111 - 1NRVE,2NRVE..W10# 04111-BZC00- 1 +----------+ | 04112 | GASKET KIT, ENGINE VALVE GRIND +----------+ 2111 - 1NRVE,2NRVE..W10# 04112-BZC00- 1
  • 55.
    55 FIG.11-04 CYLINDER HEAD (2111-) CYLINDER HEAD COVER ILLUST NO. 1 OF 2 11F848-B REFER TO FIG (PNC 12204A) REFER TO FIG (PNC 12204) REFER TO FIG (PNC 12262) 9004A-11240 82715-BZK60 12-01 12-01 11101J 15511C 11201 11213 90119-T0260 11159C 11201H 11159C 11201B 90201-06047(2) 12108 90119-T0260 11101J 15330A 15330A 11101E 11101Z 12108A 90105-T0347 12-01
  • 56.
    56 FIG.11-04 CYLINDER HEAD (2111-) CYLINDER HEAD ILLUST NO. 2 OF 2 11F850-C REFER TO FIG (PNC 89422A) REFER TO FIG (PNC 17111Z) REFER TO FIG (PNC 17141K) 9004A-11360 9004A-11240 12631A 84-01 11103A 11103F 90119-T0219 N02 N02 N02 N02 N02 11126 11122 11101 11101A 15678A 11101B 11103 11115 11151A 11115A 11155B 11155B 11159H 90105-T0125 12282D 12281A 90105-T0125 58396L 17-01 N02 N03 17-01 N03 N03 N04 N04
  • 57.
    57 FIG.11-04 CYLINDER HEAD PROD_DATEMODELS SPEC CODE DESCRIPTION R / P PART NUMBER O Y T REV_REF FR TO +----------+ | 11101 | HEAD SUB-ASSY, CYLINDER +----------+ 2111 - 1NRVE,2NRVE..W10# 11101-B9625- 1 +----------+ | 11101A | BOLT(FOR CYLINDER HEAD SET) +----------+ 2111 - 1NRVE,2NRVE..W10# M10,L=126 # 90910-T2012- (90910-02174- ) 10 1 +----------+ | 11101B | WASHER, PLATE(FOR CYLINDER HEAD SET) +----------+ 2111 - 1NRVE,2NRVE..W10# 90201-10344- 10 +----------+ | 11101E | SENSOR, CAM POSITION +----------+ 2111 - 1NRVE,2NRVE..W10# 90919-T5002- 2 +----------+ | 11101J | VALVE ASSY, CAMSHAFT TIMING OIL CONTROL +----------+ 2111 - 1NRVE,2NRVE..W10# NO.1 15330-0Y050- 1 2111 - 1NRVE,2NRVE..W10# NO.2 15330-0Y060- 1 +----------+ | 11101Z | O RING, CAM POSITION SENSOR +----------+ 2111 - 1NRVE,2NRVE..W10# # 9004A-30059- (90301-14016- ) 2 1 +----------+ | 11103 | HOUSING SUB-ASSY, CAMSHAFT +----------+ 2111 - 1NRVE,2NRVE..W10# 11103-0Y040- 1 +----------+ | 11103A | BOLT(FOR CAMSHAFT HOUSING SET) +----------+ 2111 - 1NRVE,2NRVE..W10# M7,L=40 # 90119-T0443- (90119-07009- ) 5 1 +----------+ | 11103F | BOLT(FOR CAMSHAFT HOUSING SET) +----------+ 2111 - 1NRVE,2NRVE..W10# M8,L=70 # 90105-T0271- (90105-08455- ) 17 1 FIG.11-04 CYLINDER HEAD PROD_DATE MODELS SPEC CODE DESCRIPTION R / P PART NUMBER O Y T REV_REF FR TO +----------+ | 11115 | GASKET, CYLINDER HEAD +----------+ 2111 - 1NRVE,2NRVE..W10# 11115-0Y030- 1 +----------+ | 11115A | PIN, RING +----------+ 2111 - 1NRVE,2NRVE..W10# SAME 90253-12002 # 9004A-25038- (90042-53013- ) 2 1 +----------+ | 11122 | BUSH, INTAKE VALVE GUIDE +----------+ 2111 - 1NRVE,2NRVE..W10# STD 11122-47020- 8 2111 - 1NRVE,2NRVE..W10# O/S 0.05 11123-47020- 8 +----------+ | 11126 | BUSH, EXHAUST VALVE GUIDE +----------+ 2111 - 1NRVE,2NRVE..W10# STD 11122-47020- 8 2111 - 1NRVE,2NRVE..W10# O/S 0.05 11123-47020- 8 +----------+ | 11151A | PIN, RING(FOR CAMSHAFT BEARING CAP SETTIN G) +----------+ 2111 - 1NRVE,2NRVE..W10# L=12.5,OD=8 90253-13005- 10 +----------+ | 11155B | PIN, RING +----------+ 2111 - 1NRVE,2NRVE..W10# L=11,OD=9,SAME 90253 -11004 90253-11005- 2 +----------+ | 11159C | BOLT(FOR HEAD TO CAMSHAFT BEARING CAP) +----------+ 2111 - 1NRVE,2NRVE..W10# 90105-T0347- 3 +----------+ | 11159H | GASKET, CAMSHAFT BEARING CAP OIL HOLE +----------+ 2111 - 1NRVE,2NRVE..W10# 11159-0Y020- 2 +----------+ | 11201 | COVER SUB-ASSY, CYLINDER HEAD +----------+ 2111 - 1NRVE,2NRVE..W10# 11201-BZ160- 1
  • 58.
    58 FIG.11-04 CYLINDER HEAD PROD_DATEMODELS SPEC CODE DESCRIPTION R / P PART NUMBER O Y T REV_REF FR TO +----------+ | 11201B | WASHER, SEAL(FOR CYLINDER HEAD COVER) +----------+ 2111 - 1NRVE,2NRVE..W10# 90210-T0002- 2 +----------+ | 11201H | BOLT(FOR CYLINDER HEAD COVER) +----------+ 2111 - 1NRVE,2NRVE..W10# M6,L=23.5 90109-T0055- 14 +----------+ | 11213 | GASKET, CYLINDER HEAD COVER +----------+ 2111 - 1NRVE,2NRVE..W10# 11213-BZ110- 1 +----------+ | 12108 | CAP SUB-ASSY, OIL FILLER +----------+ 2111 - 1NRVE,2NRVE..W10# 12180-0H020- 1 +----------+ | 12108A | GASKET(FOR OIL FILLER CAP) +----------+ 2111 - 1NRVE,2NRVE..W10# 90080-43027- 1 +----------+ | 12281A | HANGER, ENGINE, NO.1 +----------+ 2111 - 1NRVE,2NRVE..W10# TYPE B 12281-BZ080- 33 +----------+ | 12282D | HANGER, ENGINE, NO.2 +----------+ 2111 - 1NRVE,2NRVE..W10# TYPE B 12282-BZ141- 33 +----------+ | 12631A | BRACKET, ENGINE COVER +----------+ 2111 - 1NRVE,2NRVE..W10# 12631-BZ010- 1 +----------+ | 15330A | RING, O(FOR CAM TIMING OIL CONTROL VALVE) +----------+ 2111 - 1NRVE,2NRVE..W10# # 90068-14041- (90043-01262- ) 2 1 +----------+ | 15511C | COVER, OIL CONTROL VALVE +----------+ 2111 - 1NRVE,2NRVE..W10# 15511-BZ010- 1 FIG.11-04 CYLINDER HEAD PROD_DATE MODELS SPEC CODE DESCRIPTION R / P PART NUMBER O Y T REV_REF FR TO +----------+ | 15678A | FILTER, OIL CONTROL VALVE +----------+ 2111 - 1NRVE,2NRVE..W10# 15678-0Y010- 1 +----------+ | 58396L | BRACKET, WIRE HARNESS CLAMP +----------+ 2111 - W10# 82715-BZK50- 1
  • 59.
    59 FIG.11-05 CYLINDER BLOCK (2111-) ILLUST NO. 1 OF 2 11F854-B REFER TO FIG (PNC 15104) 12101B 11401 11416 11434A 11434J 11434J 11434Y 11432M 11401L 15301 11444A 12101C 11445 12122 12101 12121 11452 11452B 11411A 90119-T0260(6) 90119-T0260 90119-T0342(2) 90301-T0059 N02 N02 12101A 15-01 15301A 90119-T0342 12122
  • 60.
    60 FIG.11-05 CYLINDER BLOCK (2111-) ILLUST NO. 2 OF 2 11F855 REFER TO FIG (PNC 89615) REFER TO FIG REFER TO FIG (PNC 83530) 11434B 11363A 90105-T0247(8) 90105-T0271(2) 84-01 84-01 84-01 15708 15797 15471A 9004A-11326 82715Q
  • 61.
    61 FIG.11-05 CYLINDER BLOCK PROD_DATEMODELS SPEC CODE DESCRIPTION R / P PART NUMBER O Y T REV_REF FR TO +----------+ | 11363A | COVER, FLYWHEEL HOUSING SIDE +----------+ 2111 - 1NRVE,2NRVE..W10# 11363-BZ010- 1 +----------+ | 11401 | BLOCK SUB-ASSY, CYLINDER +----------+ 2111 - 1NRVE,2NRVE..W10# W100,W101 11410-B9030- 1 +----------+ | 11401L | SEAL, ENGINE REAR OIL +----------+ 2111 - 1NRVE,2NRVE..W10# 90311-T0074- 1 +----------+ | 11411A | PIN, RING(FOR CYLINDER BLOCK NO.1 ) +----------+ 2111 - 1NRVE,2NRVE..W10# L=36,OD=10,SAME 9025 0-T0019 90250-10030- 1 +----------+ | 11416 | BOLT(FOR CRANKSHAFT BEARING CAP SET) +----------+ 2111 - 1NRVE,2NRVE..W10# 90910-T2013- 10 +----------+ | 11432M | UNION(FOR CYLINDER BLOCK) +----------+ 2111 - 1NRVE,2NRVE..W10# 90404-T0005- 1 +----------+ | 11434A | PIN, STRAIGHT(FOR TIMING GEAR COVER SET) +----------+ 2111 - 1NRVE,2NRVE..W10# L=12,OD=4.0 90250-04097- 2 +----------+ | 11434B | PIN, STRAIGHT(FOR CLUTCH HOUSING SET) +----------+ 2111 - 1NRVE,2NRVE..W10# L=22,OD=10,SAME 9025 0-T0018 90250-10113- 2 +----------+ | 11434J | PIN, RING (FOR CYLINDER HEAD SET) +----------+ 2111 - 1NRVE,2NRVE..W10# L=12,OD=13 # 90253-13017- (90253-13017-000) 2 1 +----------+ | 11434Y | PIN, STRAIGHT(FOR OIL PAN) +----------+ 2111 - 1NRVE,2NRVE..W10# L=18,OD=8 # 90250-08120- (90250-08120-000) 2 1 FIG.11-05 CYLINDER BLOCK PROD_DATE MODELS SPEC CODE DESCRIPTION R / P PART NUMBER O Y T REV_REF FR TO +----------+ | 11444A | RING, O +----------+ 2111 - 1NRVE,2NRVE..W10# SAME 90301-T0055 9004A-30060- 1 +----------+ | 11445 | SPACER, CYLINDER BLOCK WATER JACKET +----------+ 2111 - 1NRVE,2NRVE..W10# 11445-0Y020- 1 +----------+ | 11452 | GUIDE, OIL LEVEL GAGE +----------+ 2111 - 1NRVE,2NRVE..W10# 11409-BZ150- 1 +----------+ | 11452B | RING, O(FOR OIL LEVEL GAGE GUIDE) +----------+ 2111 - 1NRVE,2NRVE..W10# 9004A-30058- 1 +----------+ | 12101 | PAN SUB-ASSY, OIL +----------+ 2111 - 1NRVE,2NRVE..W10# 12101-BZ140- 1 +----------+ | 12101A | PLUG(FOR OIL PAN DRAIN) +----------+ 2111 - 1NRVE,2NRVE..W10# # 9004A-34015- (90043-41087- ) 1 1 +----------+ | 12101B | GASKET(FOR OIL PAN DRAIN PLUG) +----------+ 2111 - 1NRVE,2NRVE..W10# # 9004A-43022- (90044-30281- ) 1 1 +----------+ | 12101C | RING, O(FOR OIL PAN) +----------+ 2111 - 1NRVE,2NRVE..W10# SAME 90301-T0057 9004A-30061- 1 +----------+ | 12121 | PLATE, OIL PAN BAFFLE, NO.1 +----------+ 2111 - 1NRVE,2NRVE..W10# 12121-0Y030- 1 +----------+ | 12122 | PLATE, OIL PAN BAFFLE, NO.2 +----------+ 2111 - 1NRVE,2NRVE..W10# TYPE A 12122-0Y010- 1
  • 62.
    62 FIG.11-05 CYLINDER BLOCK PROD_DATEMODELS SPEC CODE DESCRIPTION R / P PART NUMBER O Y T REV_REF FR TO +----------+ | 15301 | GAGE SUB-ASSY, OIL LEVEL +----------+ 2111 - 1NRVE,2NRVE..W10# 15301-BZ150- 1 +----------+ | 15301A | RING, O(FOR OIL LEVEL GAGE) +----------+ 2111 - 1NRVE,2NRVE..W10# # 9004A-30048- (96741-19005- ) 1 1 +----------+ | 15471A | GASKET(FOR CLYINDER BLOCK) +----------+ 2111 - 1NRVE,2NRVE..W10# 90430-T0023- 1 +----------+ | 15708 | NOZZLE SUB-ASSY, OIL, NO.1 +----------+ 2111 - 1NRVE,2NRVE..W10# 15708-0Y040- 4 +----------+ | 15797 | BOLT, OIL NOZZLE UNION +----------+ 2111 - 2112 1NRVE,2NRVE..W10# SAME 90110-06040 # 90110-T0002- (90110-06040- ) 4 1 2201 - 1NRVE,2NRVE..W10# SAME 90110-T0002 90110-06040- 4 +----------+ | 82715Q | BRACKET, WIRING HARNESS CLAMP +----------+ 2111 - W10# 82715-BZK80- 1
  • 63.
    63 FIG.11-06 TIMING GEARCOVER & REAR END PLATE (2111- ) 11F807-A REFER TO FIG (PNC 16100) REFER TO FIG (PNC 16271) REFER TO FIG 11301J 11301K 11301P 11302 11302A 12108C 16-01 16-01 16-01 90105-T0051 90105-T0130(7) 90105-T0211(2) 90105-T0269(12) 90105-T0270(5) 90105-T0283
  • 64.
    64 FIG.11-06 TIMING GEARCOVER & REAR END PLATE PROD_DATE MODELS SPEC CODE DESCRIPTION R / P PART NUMBER O Y T REV_REF FR TO +----------+ | 11301J | PLUG, W/HEAD STRAIGHT SCREW(FOR TIMING GEAR CASE) +----------+ 2111 - 1NRVE,2NRVE..W10# SAME 90344-53008 90043-44022- 1 +----------+ | 11301K | SENSOR, CRANK POSITION +----------+ 2111 - 1NRVE,2NRVE..W10# 90919-T5001- 1 +----------+ | 11301P | O RING, CRANK POSITION SENSOR +----------+ 2111 - 1NRVE,2NRVE..W10# # 9004A-30059- (90301-14016- ) 1 1 +----------+ | 11302 | COVER SUB-ASSY, TIMING CHAIN OR BELT +----------+ 2111 - 1NRVE,2NRVE..W10# 11310-BZ200- 1 +----------+ | 11302A | SEAL, OIL(FOR TIMING CHAIN OR BELT COVER) +----------+ 2111 - 1NRVE,2NRVE..W10# 90311-T0076- 1 +----------+ | 12108C | GASKET +----------+ 2111 - 1NRVE,2NRVE..W10# 16258-0Y010- 1
  • 65.
    65 FIG.11-07 MOUNTING (2111- )1NRVE,2NRVE..CVT 11F856-B REFERTO FIG (PNC 51201) REFER TO FIG (PNC 57101) REFER TO FIG (PNC 57102) 9004A-10240 9004A-10240 9004A-10240 9004A-10228 12309 12306 51-52 58-51 58-51 12321 90041-19A31(2) 12305 9004A-11298(2) 90041-82001 9004A-10240 9004A-11397 9004A-10240 9004A-10240 90041-20275(3) 90041-05301
  • 66.
    66 FIG.11-07 MOUNTING (2111- )1NRVE,2NRVE..5F 11F857-B REFERTO FIG (PNC 51201) REFER TO FIG (PNC 57101) REFER TO FIG (PNC 57102) 9004A-10240 9004A-10240 9004A-10240 9004A-10228 12309 12306 51-52 58-51 58-51 12321 90041-19A31(2) 12305 9004A-11298(2) 90041-82001 9004A-10240 9004A-11397 9004A-10240 90041-20275(3) 90041-05301 9004A-10240
  • 67.
    67 FIG.11-07 MOUNTING PROD_DATE MODELS SPEC CODE DESCRIPTION R / P PART NUMBER O Y T REV_REF FRTO +----------+ | 12305 | INSULATOR SUB-ASSY, ENGINE MOUNTING, RH +----------+ 2111 - 1NRVE,2NRVE..W10#..CVT 12305-BZ310- 1 2111 - 1NRVE,2NRVE..W10#..5F 12305-BZ360- 1 +----------+ | 12306 | INSULATOR SUB-ASSY, ENGINE MOUNTING, LH +----------+ 2111 - 1NRVE,2NRVE..W10#..CVT 12306-BZ390- 1 2111 - 1NRVE,2NRVE..W10#..5F 12306-BZ400- 1 +----------+ | 12309 | ROD SUB-ASSY, ENGINE MOVING CONTROL +----------+ 2111 - 1NRVE,2NRVE..W10#..CVT 12309-BZ290- 1 2111 - 1NRVE,2NRVE..W10#..5F 12309-BZ300- 1 +----------+ | 12321 | BRACKET, ENGINE MOUNTING, REAR, NO.1 +----------+ 2111 - 1NRVE,2NRVE..W10# 12321-BZ360- 1
  • 68.
    68 FIG.12-01 VENTILATION HOSE (2111-) 121488-A REFER TO FIG (PNC 17881) REFER TO FIG (PNC 17111) 12261 12264E 12264A 12262 12204 12204A 12263C 12263A 17-03 17-01 FIG.12-01 VENTILATION HOSE PROD_DATE MODELS SPEC CODE DESCRIPTION R / P PART NUMBER O Y T REV_REF FR TO +----------+ | 12204 | VALVE SUB-ASSY, VENTILATION +----------+ 2111 - 1NRVE,2NRVE..W10# 12204-0Y020- 1 +----------+ | 12204A | GROMMET(FOR VENTILATION SYSTEM) +----------+ 2111 - 1NRVE,2NRVE..W10# 90480-T0013- 1 +----------+ | 12261 | HOSE, VENTILATION +----------+ 2111 - 1NRVE,2NRVE..W10# 12261-BZ210- 1 +----------+ | 12262 | HOSE, VENTILATION, NO.2 +----------+ 2111 - 1NRVE,2NRVE..W10# 12262-BZ190- 1 +----------+ | 12263A | CLIP(FOR VENTILATION HOSE) +----------+ 2111 - 1NRVE,2NRVE..W10# 90466-T0061- 1 +----------+ | 12263C | CLIP(FOR VENTILATION HOSE) +----------+ 2111 - 1NRVE,2NRVE..W10# # 90466-T0020- (96136-42501- ) 1 1 +----------+ | 12264A | CLIP(FOR VENTILATION HOSE) +----------+ 2111 - 1NRVE,2NRVE..W10# # 90466-T0020- (96136-42501- ) 1 1 +----------+ | 12264E | CLIP(FOR VENTILATION HOSE) +----------+ 2111 - 1NRVE,2NRVE..W10# 90466-T0062- 1
  • 69.
    69 FIG.13-01 CRANKSHAFT &PISTON (2111- ) 133210-B REFER TO FIG (PNC 32101B) 13411 13521A 13471 13521 13471C 11791 34-02 13411C 13453 13405 13405J 13211 13251 13201 13265 13041 13041 13041 13041 13041 11791 11711 11711 11711 11711 11711 13011 FIG.13-01 CRANKSHAFT & PISTON PROD_DATE MODELS SPEC CODE DESCRIPTION R / P PART NUMBER O Y T REV_REF FR TO +----------+ | 11711 | BEARING, CRANKSHAFT +----------+ 2111 - 1NRVE,2NRVE..W10# MARK2 11701-0Y030-02 5 2111 - 1NRVE,2NRVE..W10# MARK3 11701-0Y030-03 5 2111 - 1NRVE,2NRVE..W10# MARK4 11701-0Y030-04 5 2111 - 1NRVE,2NRVE..W10# MARK5 11701-0Y030-05 5 +----------+ | 11791 | WASHER, CRANKSHAFT THRUST, UPPER +----------+ 2111 - 1NRVE,2NRVE..W10# STD 11791-B0010- 2 +----------+ | 13011 | RING SET, PISTON +----------+ 2111 - 1NRVE,2NRVE..W10# STD 13011-0Y030- 1 +----------+ | 13041 | BEARING, CONNECTING ROD +----------+ 2111 - 1NRVE,2NRVE..W10# MARK1 13041-0Y040-01 4 2111 - 1NRVE,2NRVE..W10# MARK2 13041-0Y040-02 4 2111 - 1NRVE,2NRVE..W10# MARK3 13041-0Y040-03 4 +----------+ | 13201 | ROD SUB-ASSY, CONNECTING +----------+ 2111 - 1NRVE..W100 13201-B9090- 4 2111 - 2NRVE..W101 13201-B9095- 4 +----------+ | 13211 | PISTON +----------+ 2111 - 1NRVE..W100 STD 13211-0Y011- 4 2111 - 2NRVE..W101 STD 13211-0Y061- 4 +----------+ | 13251 | PIN, PISTON +----------+ 2111 - 1NRVE,2NRVE..W10# 13251-0Y030- 4 +----------+ | 13265 | BOLT, CONNECTING ROD +----------+ 2111 - 1NRVE,2NRVE..W10# 13265-0Y020- 8
  • 70.
    70 FIG.13-01 CRANKSHAFT &PISTON PROD_DATE MODELS SPEC CODE DESCRIPTION R / P PART NUMBER O Y T REV_REF FR TO +----------+ | 13405 | FLYWHEEL SUB-ASSY +----------+ 2111 - 1NRVE,2NRVE..W10#..5F 13405-BZ150- 1 +----------+ | 13405J | BOLT(FOR FLYWHEEL) +----------+ 2111 - 1NRVE,2NRVE..W10#..5F SAME 90913-01029 # 9004A-10200- (90048-01037- ) 8 1 +----------+ | 13411 | CRANKSHAFT +----------+ 2111 - 1NRVE..W100 SAME 13401-0Y180 13401-BZ040- 1 2111 - 2NRVE..W101 SAME 13401-0Y140 13401-BZ100- 1 +----------+ | 13411C | PIN, STRAIGHT(FOR CRANKSHAFT) +----------+ 2111 - 1NRVE,2NRVE..W10#..5F 9004A-25035- 3 +----------+ | 13453 | GEAR, FLYWHEEL RING +----------+ 2111 - 1NRVE,2NRVE..W10#..5F 13453-87Z03- 1 +----------+ | 13471 | PULLEY, CRANKSHAFT +----------+ 2111 - 1NRVE,2NRVE..W10# 13470-0Y020- 1 +----------+ | 13471C | BOLT(FOR CRANKSHAFT PULLEY SET) +----------+ 2111 - 1NRVE,2NRVE..W10# # 90119-T0444- (90119-14106- ) 1 1 +----------+ | 13521 | GEAR OR SPROCKET, CRANKSHAFT TIMING +----------+ 2111 - 1NRVE,2NRVE..W10# 13521-0Y040- 1 +----------+ | 13521A | KEY(FOR CRANKSHAFT TIMING GEAR) +----------+ 2111 - 1NRVE,2NRVE..W10# 90280-04001- 1
  • 71.
    71 FIG.13-02 CAMSHAFT &VALVE (2111- ) 133217 13050 13070A 13511 13512 13540 13562 13566B 13591 13711 13711C 13711B 13715 13715A 13716 13716 13734 13734 13741 13741 13741A 13741A 13741A 13741A 13750 13750 13801 13801 9004A-11240(2) 13711E 9004A-11240(2) 13506 90105-T0085(2) 13523F 13523F FIG.13-02 CAMSHAFT & VALVE PROD_DATE MODELS SPEC CODE DESCRIPTION R / P PART NUMBER O Y T REV_REF FR TO +----------+ | 13050 | GEAR ASSY, CAMSHAFT TIMING +----------+ 2111 - 1NRVE,2NRVE..W10# 13050-0Y020- 1 +----------+ | 13070A | GEAR ASSY, CAMSHAFT TIMING EXHAUST +----------+ 2111 - 1NRVE,2NRVE..W10# 13070-0Y020- 1 +----------+ | 13506 | CHAIN SUB-AS SY +----------+ 2111 - 1NRVE,2NRVE..W10# 13506-0Y040- 1 +----------+ | 13511 | CAMSHAFT +----------+ 2111 - 1NRVE,2NRVE..W10# SAME 13501-0Y050 13501-BZ040- 1 +----------+ | 13512 | CAMSHAFT, NO .2 +----------+ 2111 - 1NRVE,2NRVE..W10# SAME 13502-0Y050 13502-BZ030- 1 +----------+ | 13523F | BOLT(FOR CAMSHAFT TIMING GEAR) +----------+ 2111 - 1NRVE,2NRVE..W10# # 90105-T0273- (90105-10445- ) 2 1 +----------+ | 13540 | TENSIONER ASSY, CHAIN, NO.1 +----------+ 2111 - 1NRVE,2NRVE..W10# 13540-B9010- 1 +----------+ | 13562 | DAMPER, CHAIN VIBRATION, NO.2 +----------+ 2111 - 1NRVE,2NRVE..W10# 13562-0Y020- 1 +----------+ | 13566B | GUIDE, TIMING CHAIN +----------+ 2111 - 1NRVE,2NRVE..W10# 13566-0Y010- 1 +----------+ | 13591 | ARM, TIMING CHAIN TENSION +----------+ 2111 - 1NRVE,2NRVE..W10# 13591-0Y010- 1
  • 72.
    72 FIG.13-02 CAMSHAFT &VALVE PROD_DATE MODELS SPEC CODE DESCRIPTION R / P PART NUMBER O Y T REV_REF FR TO +----------+ | 13711 | VALVE, INTAK E +----------+ 2111 - 1NRVE,2NRVE..W10# 13711-0Y020- 8 +----------+ | 13711B | SPRING, COMPRESSION(FOR INNER) +----------+ 2111 - 1NRVE,2NRVE..W10# 90501-T0045- 8 +----------+ | 13711C | SPRING, COMPRESSION(FOR OUTER) +----------+ 2111 - 1NRVE,2NRVE..W10# 90501-T0045- 8 +----------+ | 13711E | SEAL, INTAKE VALVE STEM OIL +----------+ 2111 - 1NRVE,2NRVE..W10# 90913-T2005- 8 +----------+ | 13715 | VALVE, EXHAU ST +----------+ 2111 - 1NRVE,2NRVE..W10# 13715-0Y020- 8 +----------+ | 13715A | SEAL, EXHAUST VALVE STEM OIL +----------+ 2111 - 1NRVE,2NRVE..W10# 90913-T2004- 8 +----------+ | 13716 | CAP, VALVE STEM +----------+ 2111 - 1NRVE,2NRVE..W10# 13716-0C030- 16 +----------+ | 13734 | SEAT, VALVE SPRING +----------+ 2111 - 1NRVE,2NRVE..W10# 13734-0C010- 16 +----------+ | 13741 | RETAINER, VALVE SPRING +----------+ 2111 - 1NRVE,2NRVE..W10# # 13741-0Y010- (13741-36010- ) 16 1 +----------+ | 13741A | LOCK, VALVE SPRING RETAINER +----------+ 2111 - 1NRVE,2NRVE..W10# 90913-03028- 32 FIG.13-02 CAMSHAFT & VALVE PROD_DATE MODELS SPEC CODE DESCRIPTION R / P PART NUMBER O Y T REV_REF FR TO +----------+ | 13750 | ADJUSTER ASSY, VALVE LASH +----------+ 2111 - 1NRVE,2NRVE..W10# 13750-0C040- 16 +----------+ | 13801 | ARM SUB-ASSY, VALVE ROCKER, NO.1 +----------+ 2111 - 1NRVE,2NRVE..W10# 13801-0C030- 16
  • 73.
    73 FIG.15-01 ENGINE OILPUMP (2111- ) 153461 REFER TO FIG (PNC 12101) 15104 15104A 11-05 FIG.15-01 ENGINE OIL PUMP PROD_DATE MODELS SPEC CODE DESCRIPTION R / P PART NUMBER O Y T REV_REF FR TO +----------+ | 15104 | STRAINER SUB-ASSY, OIL +----------+ 2111 - 1NRVE,2NRVE..W10# 15104-0Y010- 1 +----------+ | 15104A | RING, O(FOR OIL STRAINER) +----------+ 2111 - 1NRVE,2NRVE..W10# 90301-T0061- 1
  • 74.
    74 FIG.15-02 OIL FILTER (2111-) 153442 15601 FIG.15-02 OIL FILTER PROD_DATE MODELS SPEC CODE DESCRIPTION R / P PART NUMBER O Y T REV_REF FR TO +----------+ | 15601 | FILTER SUB-ASSY, OIL +----------+ 2111 - 1NRVE,2NRVE..W10# 15601-BZ030- 1
  • 75.
    75 FIG.16-01 WATER PUMP (2110-) 168130 REFER TO FIG (PNC 11302) 11-06 16100 16271 16620 90105-T0120(4) 90119-T0342(2) FIG.16-01 WATER PUMP PROD_DATE MODELS SPEC CODE DESCRIPTION R / P PART NUMBER O Y T REV_REF FR TO +----------+ | 16100 | PUMP ASSY, ENGINE WATER +----------+ 2111 - 1NRVE,2NRVE..W10# 16100-B9490- 1 +----------+ | 16271 | GASKET, WATER PUMP +----------+ 2111 - 1NRVE,2NRVE..W10# 16271-0Y030- 1 +----------+ | 16620 | TENSIONER ASSY, V-RIBBED BELT +----------+ 2111 - 1NRVE,2NRVE..W10# 16620-0Y061- 1
  • 76.
    76 FIG.16-03 RADIATOR &WATER OUTLET (2111- ) RADIATOR ILLUST NO. 1 OF 2 168154-A 16361 16711 16363 90041-79141 16672-87201(3) 16360A 16400 16401 16470M 16533C 16533C 16400B 16400F 9004A-11331 16470M
  • 77.
    77 FIG.16-03 RADIATOR &WATER OUTLET (2111- )1NRVE,2NRVE..CVT HOSE, RESERVE TANK ILLUST NO. 2 OF 2 168156 REFER TO FIG (PNC 53205) REFER TO FIG (PNC 33490D) 16031 16261G 16261H 16261H 16261N 16261P 16261Z 16264E 16267B 16268L 16278E 16326 16470 16470A 16471B 16567 16571C 16571D 16571D 16572D 16572E 16572E 16575F 53-55 90044-64924 9004A-11346 90105-06345 90105-T0052(3) 90119-T0342 34-14
  • 78.
    78 FIG.16-03 RADIATOR &WATER OUTLET (2111- )1NRVE,2NRVE..5F HOSE, RESERVE TANK ILLUST NO. 2 OF 2 168158 REFER TO FIG (PNC 53205) 16031 16261H 16261H 16261Z 16268L 16326 16470 16470A 16471B 16567 16571C 16571D 16571D 16572D 16572E 16572E 16575F 53-55 90044-64924 9004A-11346 90105-06345 90105-T0052(3) 90119-T0342 16267D 16267D 16281
  • 79.
    79 FIG.16-03 RADIATOR &WATER OUTLET PROD_DATE MODELS SPEC CODE DESCRIPTION R / P PART NUMBER O Y T REV_REF FR TO +----------+ | 16031 | WATER INLET SUB-ASSY, W/THERMOSTAT +----------+ 2111 - 1NRVE,2NRVE..W10# 16031-0Y030- 1 +----------+ | 16261G | HOSE, WATER BY-PASS, NO.1 +----------+ 2111 - 1NRVE,2NRVE..W10#..CVT L=340 16261-BZ430- 1 +----------+ | 16261H | CLIP(FOR WATER BY-PASS HOSE NO.1) +----------+ 2111 - 1NRVE,2NRVE..W10# SAME 90466-T0050 90044-66054- 2 +----------+ | 16261N | HOSE, WATER BY-PASS, NO.2 +----------+ 2111 - 1NRVE,2NRVE..W10#..CVT L=269 16264-BZ230- 1 +----------+ | 16261P | CLIP(FOR WATER BY-PASS HOSE NO.2) +----------+ 2111 - 1NRVE,2NRVE..W10#..CVT 96137-52501- 1 +----------+ | 16261Z | HOSE, WATER BY-PASS, NO.1 +----------+ 2111 - 1NRVE,2NRVE..W10# SAME 16261-0Y030 16261-BZ390- 1 +----------+ | 16264E | CLIP(FOR WATER BY-PASS HOSE NO.2) +----------+ 2111 - 1NRVE,2NRVE..W10#..CVT 96136-42101- 1 +----------+ | 16267B | CLIP(FOR WATER BY-PASS HOSE) +----------+ 2111 - 1NRVE,2NRVE..W10#..CVT 96136-42101- 1 +----------+ | 16267D | CLIP(FOR WATER BY-PASS HOSE NO.4) +----------+ 2111 - 1NRVE,2NRVE..W10#..5F 96137-52501- 2 +----------+ | 16268L | PIPE, WATER BY-PASS +----------+ 2111 - 1NRVE,2NRVE..W10# 16268-0Y180- 1 +----------+ | 16278E | CLIP(FOR WATER BY-PASS HOSE) +----------+ 2111 - 1NRVE,2NRVE..W10#..CVT 96137-52501- 1 FIG.16-03 RADIATOR & WATER OUTLET PROD_DATE MODELS SPEC CODE DESCRIPTION R / P PART NUMBER O Y T REV_REF FR TO +----------+ | 16281 | HOSE, WATER BY-PASS, NO.4 +----------+ 2111 - 1NRVE,2NRVE..W10#..5F 16281-BZ150- 1 +----------+ | 16326 | GASKET, WATER INLET HOUSING, NO.2 +----------+ 2111 - 1NRVE,2NRVE..W10# 16326-0Y010- 1 +----------+ | 16360A | FAN ASSY, W/MOTOR +----------+ 2111 - 1NRVE,2NRVE..W10# 16360-BZ400- 1 +----------+ | 16361 | FAN +----------+ 2111 - 1NRVE,2NRVE..W10# 16361-BZ140- 1 +----------+ | 16363 | MOTOR, COOLING FAN +----------+ 2111 - 1NRVE,2NRVE..W10# 16363-BZ200- 1 +----------+ | 16400 | RADIATOR ASS Y +----------+ 2111 - 1NRVE,2NRVE..W10# 16400-BZB40- 1 +----------+ | 16400B | PLUG, RADIATOR DRAIN COCK +----------+ 2111 - 1NRVE,2NRVE..W10# 16417-30170- 1 +----------+ | 16400F | PACKING(FOR RADIATOR DRAIN COCK) +----------+ 2111 - 1NRVE,2NRVE..W10# 16418-87503- 1 +----------+ | 16401 | CAP SUB-ASSY, RADIATOR +----------+ 2111 - 1NRVE,2NRVE..W10# 16401-BZ160- 1 +----------+ | 16470 | TANK ASSY, RADIATOR RESERVE +----------+ 2111 - 1NRVE,2NRVE..W10# 16470-BZ300- 1 +----------+ | 16470A | HOSE OR PIPE(FOR RADIATOR RESERVE TANK) +----------+ 2111 - 1NRVE,2NRVE..W10# 16472-BZ170- 1
  • 80.
    80 FIG.16-03 RADIATOR &WATER OUTLET PROD_DATE MODELS SPEC CODE DESCRIPTION R / P PART NUMBER O Y T REV_REF FR TO +----------+ | 16470M | GROMMET +----------+ 2111 - 1NRVE,2NRVE..W10# 90044-80592- 2 +----------+ | 16471B | CAP, RESERVE TANK +----------+ 2111 - 1NRVE,2NRVE..W10# 16471-BZ130- 1 +----------+ | 16533C | GROMMET(FOR RADIATOR SUPPORT) +----------+ 2111 - 1NRVE,2NRVE..W10# 9004A-48017- 2 +----------+ | 16567 | HOSE(FOR RADIATOR RESERVE TANK) +----------+ 2111 - 1NRVE,2NRVE..W10# 16472-BZ160- 1 +----------+ | 16571C | HOSE, RADIATOR, NO.1 +----------+ 2111 - 1NRVE,2NRVE..W10# 16571-BZ450- 1 +----------+ | 16571D | CLIP, RADIATOR HOSE, NO.1 +----------+ 2111 - 1NRVE,2NRVE..W10# 96136-43901- 2 +----------+ | 16572D | HOSE, RADIATOR, NO.2 +----------+ 2111 - 1NRVE,2NRVE..W10# 16572-BZ380- 1 +----------+ | 16572E | CLIP, RADIATOR HOSE, NO.2 +----------+ 2111 - 1NRVE,2NRVE..W10# 96136-43901- 2 +----------+ | 16575F | BRACKET, WATER HOSE CLAMP, NO.3 +----------+ 2111 - 1NRVE,2NRVE..W10# 16575-BZ090- 1 +----------+ | 16711 | SHROUD, FAN +----------+ 2111 - 1NRVE,2NRVE..W10# 16711-BZ210- 1
  • 81.
    81 FIG.16-05 V-BELT (2111- ) 168129 16361A FIG.16-05V-BELT PROD_DATE MODELS SPEC CODE DESCRIPTION R / P PART NUMBER O Y T REV_REF FR TO +----------+ | 16361A | BELT, V(FOR FAN & ALTERNATOR) +----------+ 2111 - 1NRVE,2NRVE..W10# 9004A-91076- 1
  • 82.
    82 FIG.17-01 MANIFOLD (2111- ) 17B759 REFERTO FIG (PNC 89467B) 90119-T0240(3) 17111Z 22271A 17177 90119-T0240 90119-08D36 90179-08101 17118 17141K 90179-08101 17111 17111Z 17173 25051 17168 84-01 17167 94188-00641(2) 90178-T0019(2) 90119-T0219(3)
  • 83.
    83 FIG.17-01 MANIFOLD PROD_DATE MODELS SPEC CODE DESCRIPTION R / P PART NUMBER O Y T REV_REF FRTO +----------+ | 17111 | MANIFOLD, INTAKE +----------+ 2111 - 1NRVE,2NRVE..W10# 17120-BZ130- 1 +----------+ | 17111Z | BOLT, STUD(FOR INTAKE MANIFOLD TO CYLINDER HEAD) +----------+ 2111 - 1NRVE,2NRVE..W10# 90126-T0019- 2 +----------+ | 17118 | STAY, MANIFO LD +----------+ 2111 - 1NRVE,2NRVE..W10# 17118-0Y031- 1 +----------+ | 17141K | BOLT, STUD(FOR EXHAUST MANIFOLD TO CYLINDER HEAD) +----------+ 2111 - 1NRVE,2NRVE..W10# 90126-08063- 5 +----------+ | 17167 | INSULATOR, EXHAUST MANIFOLD HEAT, NO.1 +----------+ 2111 - 1NRVE,2NRVE..W10# SAME 17167-0Y020 17167-BZ130- 1 +----------+ | 17168 | INSULATOR, EXHAUST MANIFOLD HEAT, NO.2 +----------+ 2111 - 1NRVE,2NRVE..W10# 17168-0Y020- 1 +----------+ | 17173 | GASKET, EXHAUST MANIFOLD TO HEAD +----------+ 2111 - 1NRVE,2NRVE..W10# SAME 17173-0Y030 17173-BZ070- 1 +----------+ | 17177 | GASKET, INTAKE MANIFOLD TO HEAD, NO.1 +----------+ 2111 - 1NRVE,2NRVE..W10# 17177-0Y030- 1 +----------+ | 22271A | GASKET, THROTTLE BODY +----------+ 2111 - 1NRVE,2NRVE..W10# 22271-0Y030- 1 +----------+ | 25051 | CONVERTER SUB-ASSY, EXHAUST MANIFOLD +----------+ 2111 - 1NRVE,2NRVE..W10# 25051-BZ140- 1
  • 84.
    84 FIG.17-02 EXHAUST PIPE (2111-) 17B713 REFER TO FIG (PNC 58203C) REFER TO FIG (PNC 51201) REFER TO FIG (PNC 57601B) REFER TO FIG (PNC 57601B) 58-51 51-52 58-52 58-52 17563A 17563A 17563A 17563A 17410K 17451 17410 17451 17430 17410K 17569C 17569C 91551-80820(2) 17420 94185-60800(2) 17420X
  • 85.
    85 FIG.17-02 EXHAUST PIPE PROD_DATEMODELS SPEC CODE DESCRIPTION R / P PART NUMBER O Y T REV_REF FR TO +----------+ | 17410 | PIPE ASSY, EXHAUST, FRONT +----------+ 2111 - 1NRVE,2NRVE..W10# ID NO. = BZ220 17410-BZA50- 1 +----------+ | 17410K | SPRING, EXHAUST PIPE +----------+ 2111 - 1NRVE,2NRVE..W10# 17152-BZ010- 4 +----------+ | 17420 | PIPE ASSY, EXHAUST, CENTER +----------+ 2111 - 1NRVE,2NRVE..W10#..CVT 17420-BZ010- 1 2111 - 1NRVE,2NRVE..W10#..5F 17420-BZ020- 1 +----------+ | 17420X | GASKET, EXHAUST PIPE, CENTER +----------+ 2111 - 1NRVE,2NRVE..W10# 90917-06048- 1 +----------+ | 17430 | PIPE ASSY, EXHAUST, TAIL +----------+ 2111 - 1NRVE,2NRVE..W10# 17430-BZ530- 1 +----------+ | 17451 | GASKET, EXHAUST PIPE +----------+ 2111 - 1NRVE,2NRVE..W10# 17451-BZ110- 2 +----------+ | 17563A | SUPPORT, EXHAUST PIPE, NO.3 +----------+ 2111 - 1NRVE,2NRVE..W10# 17567-B2020- 4 +----------+ | 17569C | BOLT, EXHAUST PIPE SUPPORT +----------+ 2111 - 2112 1NRVE,2NRVE..W10# # 9004A-10221- (90901-05026- ) 4 1 2201 - 1NRVE,2NRVE..W10# 90901-05026- 4
  • 86.
    86 FIG.17-03 AIR CLEANER (2111-) 17B756 REFER TO FIG (PNC 74410) REFER TO FIG (PNC 22030) REFER TO FIG (PNC 53205) 12229A 17881 90099-00289(2) 17881A 17751 17752 17735 17883 17882 17882A 17882A 17700 17801 17119A 17771B 17771B 17710K 17710B 90044-68378(2) 74-54 22-11 9004A-11240 9004A-11358 17701 53-55 22204 17883A
  • 87.
    87 FIG.17-03 AIR CLEANER PROD_DATEMODELS SPEC CODE DESCRIPTION R / P PART NUMBER O Y T REV_REF FR TO +----------+ | 12229A | PIPE, VENTILATION +----------+ 2111 - 1NRVE,2NRVE..W10# 12229-BZ020- 1 +----------+ | 17119A | BRACKET, AIR CLEANER +----------+ 2111 - 1NRVE,2NRVE..W10# 17771-BZ150- 1 +----------+ | 17700 | CLEANER ASSY, AIR +----------+ 2111 - 1NRVE,2NRVE..W10# 17700-BZ270- 1 +----------+ | 17701 | CASE SUB-ASSY, AIR CLEANER +----------+ 2111 - 1NRVE,2NRVE..W10# 17701-BZ210- 1 +----------+ | 17710B | GROMMET +----------+ 2111 - 1NRVE,2NRVE..W10# 90044-80392- 1 +----------+ | 17710K | COLLAR(FOR AIR CLEANER) +----------+ 2111 - 1NRVE,2NRVE..W10# 90042-09117- 1 +----------+ | 17735 | CAP, AIR CLEANER +----------+ 2111 - 1NRVE,2NRVE..W10# 17735-BZ040- 1 +----------+ | 17751 | INLET, AIR CLEANER, NO.1 +----------+ 2111 - 1NRVE,2NRVE..W10# 17751-BZ160- 1 +----------+ | 17752 | INLET, AIR CLEANER, NO.2 +----------+ 2111 - 1NRVE,2NRVE..W10# 17752-BZ100- 1 +----------+ | 17771B | GROMMET(FOR AIR CLEANER BRACKET) +----------+ 2111 - 1NRVE,2NRVE..W10# 9004A-48056- 2 +----------+ | 17801 | ELEMENT SUB-ASSY, AIR CLEANER FILTER +----------+ 2111 - 1NRVE,2NRVE..W10# 17801-BZ110- 1 FIG.17-03 AIR CLEANER PROD_DATE MODELS SPEC CODE DESCRIPTION R / P PART NUMBER O Y T REV_REF FR TO +----------+ | 17881 | HOSE, AIR CLEANER, NO.1 +----------+ 2111 - 1NRVE,2NRVE..W10# 17881-BZ270- 1 +----------+ | 17881A | CLAMP(FOR AIR CLEANER HOSE, NO.1) +----------+ 2111 - 1NRVE,2NRVE..W10# 90466-62002- 1 +----------+ | 17882 | HOSE, AIR CLEANER, NO.2 +----------+ 2111 - 1NRVE,2NRVE..W10# 17882-BZ100- 1 +----------+ | 17882A | CLAMP(FOR AIR CLEANER HOSE, NO.2) +----------+ 2111 - 1NRVE,2NRVE..W10# # 96111-10710- (96111-10710-000) 2 1 +----------+ | 17883 | HOSE, AIR CLEANER, NO.3 +----------+ 2111 - 1NRVE,2NRVE..W10# 17883-BZ040- 1 +----------+ | 17883A | CLAMP(FOR AIR CLEANER HOSE, NO.3) +----------+ 2111 - 1NRVE,2NRVE..W10# 9004A-46128- 1 +----------+ | 22204 | METER SUB-ASSY, INTAKE AIR FLOW +----------+ 2111 - 1NRVE,2NRVE..W10# 22204-BZ010- 1
  • 88.
    88 FIG.17-08 VACUUM PIPING (2111-) 17B755 REFER TO FIG (PNC 77740) REFER TO FIG (PNC 82121) 23827A 17308B 23841G 91671-80625 77-51 25860 82-02
  • 89.
    89 FIG.17-08 VACUUM PIPING PROD_DATEMODELS SPEC CODE DESCRIPTION R / P PART NUMBER O Y T REV_REF FR TO +----------+ | 17308B | HOSE SUB-ASSY, VACUUM +----------+ 2111 - 1NRVE,2NRVE..W10# 77754-BZ430- 1 +----------+ | 23827A | HOSE, FUEL VAPOR FEED, NO.2 +----------+ 2111 - 1NRVE,2NRVE..W10# 23827-BZ130- 1 +----------+ | 23841G | CLAMP, FUEL HOSE +----------+ 2111 - 1NRVE,2NRVE..W10# 9004A-46363- 1 +----------+ | 25860 | VALVE ASSY, VACUUM SWITCHING, NO.1 +----------+ 2111 - 1NRVE,2NRVE..W10# 25860-BZ050- 1
  • 90.
    90 FIG.19-01 IGNITION COIL& SPARK PLUG / GLOW PLUG (2111- ) 195995 REFER TO FIG (PNC 82121) 19100P 19500 90105-T0052 82-02 FIG.19-01 IGNITION COIL & SPARK PLUG / GLOW PLUG PROD_DATE MODELS SPEC CODE DESCRIPTION R / P PART NUMBER O Y T REV_REF FR TO +----------+ | 19100P | PLUG, SPARK +----------+ 2111 - 1NRVE,2NRVE..W10# SC16HR11,SAME 90919- 01275 # 9004A-91068- (90919-01275- ) 4 1 +----------+ | 19500 | COIL ASSY, IGNITION +----------+ 2111 - 1NRVE,2NRVE..W10# 90919-T2011- 4
  • 91.
    91 FIG.19-03 ALTERNATOR (2111- ) 12V80A 195990 REFER TO FIG (PNC 82121) 90041-20249 27060 27310B 27330 27370 27444 27700A 9004A-17219 82-02 27020E 27411 27111A
  • 92.
    92 FIG.19-03 ALTERNATOR PROD_DATE MODELS SPEC CODE DESCRIPTION R / P PART NUMBER O Y T REV_REF FRTO +----------+ | 27020E | BOLT(FOR ALTERNATOR) +----------+ 2111 - 1NRVE,2NRVE..W10# 91552-81075- 1 +----------+ | 27060 | ALTERNATOR ASSY, W/REGULATOR +----------+ 2111 - 1NRVE,2NRVE..W10# 12V 80A 27060-BZ460- 1 +----------+ | 27111A | NUT, ALTERNATOR +----------+ 2111 - 1NRVE,2NRVE..W10# # 90099-05171- (90099-05171-000) 1 1 +----------+ | 27310B | BEARING(FOR ALTERNATOR DRIVE END FRAME) +----------+ 2111 - 1NRVE,2NRVE..W10# 9004C-37008- 1 +----------+ | 27330 | ROTOR ASSY, ALTERNATOR +----------+ 2111 - 1NRVE,2NRVE..W10# 27330-BZ060- 1 +----------+ | 27370 | HOLDER ASSY, ALTERNATOR BRUSH +----------+ 2111 - 1NRVE,2NRVE..W10# 27370-B1020- 1 +----------+ | 27411 | PULLEY, ALTERNATOR +----------+ 2111 - 1NRVE,2NRVE..W10# 27411-BZ100- 1 +----------+ | 27444 | PACKING, ALTERNATOR BEARING COVER +----------+ 2111 - 1NRVE,2NRVE..W10# 27444-BZ010- 1 +----------+ | 27700A | REGULATOR ASSY, GENERATOR +----------+ 2111 - 1NRVE,2NRVE..W10# 27700-B2080- 1
  • 93.
    93 FIG.19-04 STARTER (2111- ) 12V0.9KW 195992-A REFER TO FIG (PNC 82121) 28100 9004A-17243 90041-05549 28226B 28110 28021 28120 28160 28140 28130 90041-05549 82-02
  • 94.
    94 FIG.19-04 STARTER PROD_DATE MODELS SPEC CODE DESCRIPTION R / P PART NUMBER O Y T REV_REF FRTO +----------+ | 28021 | CLUTCH SUB-ASSY, STARTER CENTER BEARING +----------+ 2111 - 1NRVE,2NRVE..W10# 28021-BZ050- 1 +----------+ | 28100 | STARTER ASSY +----------+ 2111 - 1NRVE,2NRVE..W10# 12V 0.9KW 28100-BZ310- 1 +----------+ | 28110 | HOUSING ASSY, STARTER DRIVE +----------+ 2111 - 1NRVE,2NRVE..W10# 28110-BZ180- 1 +----------+ | 28120 | YOKE ASSY, STARTER +----------+ 2111 - 1NRVE,2NRVE..W10# 28120-BZ090- 1 +----------+ | 28130 | FRAME ASSY, STARTER COMMUTATOR END +----------+ 2111 - 1NRVE,2NRVE..W10# 28130-BZ140- 1 +----------+ | 28140 | HOLDER ASSY, STARTER BRUSH +----------+ 2111 - 1NRVE,2NRVE..W10# 28140-BZ140- 1 +----------+ | 28160 | ARMATURE ASSY, STARTER +----------+ 2111 - 1NRVE,2NRVE..W10# 28160-BZ040- 1 +----------+ | 28226B | STARTER KIT, REPAIR SERVICE +----------+ 2111 - 1NRVE,2NRVE..W10# 28226-BZ010- 1
  • 95.
    95 FIG.22-11 FUEL INJECTIONSYSTEM (2111- ) 223994-A REFER TO FIG (PNC 77251B) REFER TO FIG (PNC 17111) REFER TO FIG (PNC 22271A) 22030 23250 23250B 23291 23807V 23814B 23841B 23841B 23901 90105-T0052(3) 90105-T0126(2) 77-51 17-01 17-01
  • 96.
    96 FIG.22-11 FUEL INJECTIONSYSTEM PROD_DATE MODELS SPEC CODE DESCRIPTION R / P PART NUMBER O Y T REV_REF FR TO +----------+ | 22030 | BODY ASSY, THROTTLE W/THROTTLE POSITION SENSOR +----------+ 2111 - 1NRVE,2NRVE..W10# 22030-0Y140- 1 +----------+ | 23250 | INJECTOR ASSY, FUEL +----------+ 2111 - 1NRVE,2NRVE..W10# 23209-09340- 4 +----------+ | 23250B | RING, O(FOR FUEL INJECTOR) +----------+ 2111 - 1NRVE,2NRVE..W10# 90301-07042- 4 +----------+ | 23291 | INSULATOR, INJECTOR VIBRATION +----------+ 2111 - 1NRVE,2NRVE..W10# # 23291-0Y020- (23291-23010- ) 4 1 +----------+ | 23807V | SPACER, NO.1(FOR DELIVERY PIPE) +----------+ 2111 - 1NRVE,2NRVE..W10# 23891-47040- 2 +----------+ | 23814B | PIPE, FUEL DELIVERY +----------+ 2111 - 1NRVE,2NRVE..W10# 23814-0Y010- 1 +----------+ | 23841B | CLAMP, FUEL PIPE, NO.1(FOR EFI) +----------+ 2111 - 1NRVE,2NRVE..W10# # 23841-BZ020- (23841-B1010- ) 2 1 +----------+ | 23901 | TUBE SUB-ASSY, FUEL +----------+ 2111 - 1NRVE,2NRVE..W10# 23901-BZ160- 1
  • 97.
    97 FIG.31-01 CLUTCH &RELEASE FORK (2111- )5F 313666 REFER TO FIG (PNC 31470) 9004A-11249(6) 31126 31210 31230 31232A 31233 31234A 31236B 31250 31-05 FIG.31-01 CLUTCH & RELEASE FORK PROD_DATE MODELS SPEC CODE DESCRIPTION R / P PART NUMBER O Y T REV_REF FR TO +----------+ | 31126 | BOOT, CLUTCH RELEASE FORK +----------+ 2111 - W10#..5F 31126-BZ030- 1 +----------+ | 31210 | COVER ASSY, CLUTCH +----------+ 2111 - W101..5F 31210-BZ270- 1 2111 - W100..5F 31210-BZ320- 1 +----------+ | 31230 | BEARING ASSY, CLUTCH RELEASE +----------+ 2111 - W10#..5F 31230-BZ070- 1 +----------+ | 31232A | CLIP, RELEASE BEARING HUB +----------+ 2111 - W10#..5F 31232-BZ060- 1 +----------+ | 31233 | FORK, CLUTCH RELEASE +----------+ 2111 - W10#..5F 31233-BZ080- 1 +----------+ | 31234A | SPRING, RELEASE FORK SUPPORT +----------+ 2111 - W10#..5F 31234-BZ040- 1 +----------+ | 31236B | SUPPORT, RELEASE FORK +----------+ 2111 - W10#..5F # 31236-BZ010- (31236-87401- ) 1 1 +----------+ | 31250 | DISC ASSY, CLUTCH +----------+ 2111 - W101..5F 31250-BZ320- 1 2111 - W100..5F 31250-BZ330- 1
  • 98.
    98 FIG.31-02 CLUTCH PEDAL& FLEXIBLE HOSE (2111- )5F 313656-A REFER TO FIG (PNC 31410) REFER TO FIG (PNC 47201) REFER TO FIG (PNC 31470) 31496B 31-03 9004A-11283 90044-65441 90044-65441 90044-64925 9004A-10168 91553-80616 31482 31484 31481A 31484A 31495 31387F 31481 31418 31301C 31340G 96136-41801 90042-40027 31301Q 31394A 31301B 31301B 31321 31301 90042-06048 21598-BZ010 96136-41801 31301J 90041-79300 9004A-10220 9004A-10220 31324 47-02 31482C 31-05 31482C 31483E 31301Q 55107A 31301S 31387D FIG.31-02 CLUTCH PEDAL & FLEXIBLE HOSE PROD_DATE MODELS SPEC CODE DESCRIPTION R / P PART NUMBER O Y T REV_REF FR TO +----------+ | 31301 | PEDAL SUB-ASSY, CLUTCH +----------+ 2111 - W10#..5F 31310-BZ340- 1 +----------+ | 31301B | CUSHION, NO.1(FOR CLUTCH PEDAL) +----------+ 2111 - W10#..5F 9004A-54003- 2 +----------+ | 31301C | BUSH(FOR CLUTCH PEDAL) +----------+ 2111 - W10#..5F 90043-86123- 1 +----------+ | 31301J | NUT(FOR CLUTCH PEDAL STOPPER) +----------+ 2111 - W10#..5F 9004A-17260- 1 +----------+ | 31301Q | BUSH(FOR CLUTCH PEDAL SPRING) +----------+ 2111 - W10#..5F 9004A-38094- 2 +----------+ | 31301S | CUSHION, NO.2(FOR CLUTCH PEDAL) +----------+ 2111 - W10#..5F 90045-40158- 1 +----------+ | 31321 | PAD, CLUTCH PEDAL +----------+ 2111 - W10#..5F 47121-BZ080- 1 +----------+ | 31324 | SHAFT, CLUTCH PEDAL +----------+ 2111 - W10#..5F 9004A-10281- 1 +----------+ | 31340G | CLIP(FOR CLUTCH RELEASE CABLE) +----------+ 2111 - W10#..5F 90044-68076- 1 +----------+ | 31387D | SPACER(FOR CLUTCH RELEASE SECTOR) +----------+ 2111 - W10#..5F 9004A-56112- 1 +----------+ | 31387F | RING, SNAP +----------+ 2111 - W10#..5F 96150-01800- 1
  • 99.
    99 FIG.31-02 CLUTCH PEDAL& FLEXIBLE HOSE PROD_DATE MODELS SPEC CODE DESCRIPTION R / P PART NUMBER O Y T REV_REF FR TO +----------+ | 31394A | SPRING, PEDAL W/HOOK +----------+ 2111 - W10#..5F 31394-BZ170- 1 +----------+ | 31418 | HOSE, CLUTCH +----------+ 2111 - W10#..5F 47240-BZ030- 1 +----------+ | 31481 | TUBE, CLUTCH MASTER CYLINDER TO FLEXIBLE HOSE +----------+ 2111 - W10#..5F 31482-BZ220- 1 +----------+ | 31481A | HOSE, CLUTCH, NO.1 +----------+ 2111 - W10#..5F 90049-22313- 1 +----------+ | 31482 | TUBE, CLUTCH RELEASE CYLINDER TO FLEXIBLE HOSE +----------+ 2111 - W10#..5F 31482-BZ280- 1 +----------+ | 31482C | CLAMP(FOR CLUTCH TUBE) +----------+ 2111 - W10#..5F 47372-B2040- 2 +----------+ | 31483E | TUBE, BLEEDER CLUTCH RELEASE +----------+ 2111 - W10#..5F 31482-BZ300- 1 +----------+ | 31484 | BRACKET, FLEXIBLE HOSE(FOR CLUTCH) +----------+ 2111 - W10#..5F 31484-BZ050- 1 +----------+ | 31484A | BRACKET, FLEXIBLE HOSE, NO.1(FOR CLUTCH) +----------+ 2111 - W10#..5F 31484-BZ060- 1 +----------+ | 31495 | WAY, CLUTCH TUBE +----------+ 2111 - W10#..5F 31495-BZ050- 1 +----------+ | 31496B | CLAMP, CLUTCH TUBE +----------+ 2111 - W10#..5F 90044-64804- 1 FIG.31-02 CLUTCH PEDAL & FLEXIBLE HOSE PROD_DATE MODELS SPEC CODE DESCRIPTION R / P PART NUMBER O Y T REV_REF FR TO +----------+ | 55107A | SUPPORT SUB-ASSY, CLUTCH PEDAL +----------+ 2111 - W10#..5F 55107-BZ460- 1
  • 100.
    100 FIG.31-03 CLUTCH MASTERCYLINDER (2111- )5F 313651 REFER TO FIG (PNC 31418) REFER TO FIG (PNC 31301) REFER TO FIG (PNC 31481) 04311 31410 31-02 31-02 31-02 9004A-17243(2) FIG.31-03 CLUTCH MASTER CYLINDER PROD_DATE MODELS SPEC CODE DESCRIPTION R / P PART NUMBER O Y T REV_REF FR TO +----------+ | 04311 | CYLINDER KIT, CLUTCH MASTER +----------+ 2111 - W10#..5F 04311-BZ020- 1 +----------+ | 31410 | CYLINDER ASSY, CLUTCH MASTER +----------+ 2111 - W10#..5F 31420-BZ040- 1
  • 101.
    101 FIG.31-05 CLUTCH RELEASECYLINDER (2111- )5F 313653 REFER TO FIG (PNC 31482) REFER TO FIG REFER TO FIG (PNC 31233) 31470 31-02 9004A-11283(2) 33-02 31-01 FIG.31-05 CLUTCH RELEASE CYLINDER PROD_DATE MODELS SPEC CODE DESCRIPTION R / P PART NUMBER O Y T REV_REF FR TO +----------+ | 31470 | CYLINDER ASSY, CLUTCH RELEASE +----------+ 2111 - W10#..5F 31470-BZ040- 1
  • 102.
    102 FIG.33-01 TRANSAXLE ORTRANSMISSION ASSY & GASKET KIT (MTM) (2111- )5F 336633 30300 FIG.33-01 TRANSAXLE OR TRANSMISSION ASSY & GASKET KIT (MTM) PROD_DATE MODELS SPEC CODE DESCRIPTION R / P PART NUMBER O Y T REV_REF FR TO +----------+ | 30300 | TRANSAXLE ASSY, MANUAL +----------+ 2111 - W100..5F 30300-BZ410- 1 2111 - W101..5F 30300-BZ420- 1
  • 103.
    103 FIG.33-02 CLUTCH HOUSING& TRANSMISSION CASE (MTM) ― ― ― ― ― ― ― ― ― ― ― ― ― ― ― ― ― ― ― ― ― ― ― ― ― ― ― ― ― ― ― ― ― ― (2111- )5F ILLUST NO. 2 OF 2 336636 33111C 33111X 9004A-10272(10) 90041-05540(4)
  • 104.
    104 FIG.33-02 CLUTCH HOUSING& TRANSMISSION CASE (MTM) (2111- )5F ILLUST NO. 1 OF 2 336637 REFER TO FIG (PNC 84545) REFER TO FIG (PNC 84210) REFER TO FIG (PNC 84248) 33449B 33111J 31111 33102F 9004A-11240 9004A-34019 9004A-43007 82715-BZJ50 33111J 33111J 33104C 31111B 35198M 33123B 84-01 84-01 84-01 9004A-11215(2) 9004A-11215 9004A-11215 33111 9004A-10257(3)
  • 105.
    105 FIG.33-02 CLUTCH HOUSING& TRANSMISSION CASE (MTM) PROD_DATE MODELS SPEC CODE DESCRIPTION R / P PART NUMBER O Y T REV_REF FR TO +----------+ | 31111 | HOUSING, CLUTCH +----------+ 2111 - W10#..5F 31115-BZ090- 1 +----------+ | 31111B | PLUG(FOR CLUTCH HOUSING) +----------+ 2111 - W10#..5F # 9004A-93003- (90049-15026- ) 1 1 +----------+ | 33102F | SEAL, TYPE T OIL(FOR MANUAL TRANSMISSION CASE RH) +----------+ 2111 - W10#..5F 9004A-31051- 1 +----------+ | 33104C | SEAL, TYPE T OIL(FOR MANUAL TRANSMISSION CASE LH) +----------+ 2111 - W10#..5F 9004A-31050- 1 +----------+ | 33111 | CASE, MANUAL TRANSMISSION +----------+ 2111 - W101..5F 33111-BZ100- 1 2111 - W100..5F 33111-BZ110- 1 +----------+ | 33111C | PLUG(FOR TRANSMISSION CASE) +----------+ 2111 - W10#..5F 9004A-34013- 2 +----------+ | 33111J | PIN, STRAIGHT(FOR MANUAL TRANSMISSION CAS E) +----------+ 2111 - W10#..5F L=25,OD=10 # 9004A-25032- (90042-50157- ) 3 1 +----------+ | 33111X | GASKET, TRANSMISSION CASE PLUG +----------+ 2111 - W10#..5F 9004A-43006- 2 +----------+ | 33123B | RECEIVER, CASE COVER OIL, NO.1(MTM) +----------+ 2111 - W10#..5F 33123-BZ030- 1 +----------+ | 33449B | MAGNET, TRANSMISSION +----------+ 2111 - W10#..5F 33449-BZ070- 1 FIG.33-02 CLUTCH HOUSING & TRANSMISSION CASE (MTM) PROD_DATE MODELS SPEC CODE DESCRIPTION R / P PART NUMBER O Y T REV_REF FR TO +----------+ | 35198M | BRACKET, WIRE HARNESS CLAMP +----------+ 2111 - W10#..5F 82715-B2510- 1
  • 106.
    106 FIG.33-04 SPEEDOMETER DRIVENGEAR (MTM) (2111- )5F 336634-A 33403S 33404A 91551-80616 90105-T0051 FIG.33-04 SPEEDOMETER DRIVEN GEAR (MTM) PROD_DATE MODELS SPEC CODE DESCRIPTION R / P PART NUMBER O Y T REV_REF FR TO +----------+ | 33403S | PLUG(FOR MTM SPEEDOMETER DRIVEN HOLE) +----------+ 2111 - W10#..5F 35133-BZ010- 1 +----------+ | 33404A | RING, O (FOR MTM SPEEDOMETER SHAFT SLEEVE ) +----------+ 2111 - W10#..5F 9004A-30049- 1
  • 107.
    107 FIG.33-05 TRANSMISSION GEAR(MTM) (2111- )5F 336638 33134B 33321N 33311U 33311 33365 33369 33451 33462 33402 33333B 33334 33349A 33336 33365 33380 33385A 33336C 33311K 33321 33335 33037B 33345 33360 33335E 33038E 33332 33423A 33429A 33422B 33428C 33352C 33111R 33321A 33367 33365 33333 33369 33365 33451G 33370 33349A 33329 33396C 33365 33311E 33137 33365 33321B 33365 33311A 33326 33326A 33451J 33451H 33365 33365 33384 33394 33394
  • 108.
    108 FIG.33-05 TRANSMISSION GEAR(MTM) PROD_DATE MODELS SPEC CODE DESCRIPTION R / P PART NUMBER O Y T REV_REF FR TO +----------+ | 33037B | RING SET, SYNCHRONIZER, NO.1 +----------+ 2111 - W101..5F 33037-BZ010- 1 +----------+ | 33038E | RING SET, SYNCHRONIZER, NO.2 +----------+ 2111 - W10#..5F 33038-BZ050- 1 +----------+ | 33111R | RING, HOLE SNAP(FOR OUTPUT SHAFT REAR BEARING) +----------+ 2111 - W10#..5F 9004A-52101- 1 +----------+ | 33134B | COVER, OUTPUT SHAFT(MTM) +----------+ 2111 - W10#..5F 33134-BZ030- 1 +----------+ | 33137 | COVER, INPUT SHAFT(MTM) +----------+ 2111 - W10#..5F 33137-BZ010- 1 +----------+ | 33311 | SHAFT, INPUT +----------+ 2111 - W10#..5F 33311-BZ110- 1 +----------+ | 33311A | BEARING (FOR INPUT SHAFT FRONT) +----------+ 2111 - W10#..5F 9004A-36125- 1 +----------+ | 33311E | BEARING, RADIAL BALL (FOR INPUT SHAFT REA R) +----------+ 2111 - W10#..5F 9004A-36120- 1 +----------+ | 33311K | SHIM (FOR INPUT SHAFT REAR BEARING) +----------+ 2111 - W10#..5F T=0.99 9004A-56100- 1 2111 - W10#..5F T=1.07 9004A-56101- 1 2111 - W10#..5F T=1.15 9004A-56102- 1 2111 - W10#..5F T=1.23 9004A-56103- 1 2111 - W10#..5F T=1.31 9004A-56104- 1 2111 - W10#..5F T=1.39 9004A-56105- 1 FIG.33-05 TRANSMISSION GEAR (MTM) PROD_DATE MODELS SPEC CODE DESCRIPTION R / P PART NUMBER O Y T REV_REF FR TO +----------+ | 33311K | SHIM (FOR INPUT SHAFT REAR BEARING) CONTINUED--+ 2111 - W10#..5F T=1.47 9004A-56106- 1 2111 - W10#..5F T=1.55 9004A-56107- 1 +----------+ | 33311U | SEAL, OIL (FOR INPUT SHAFT) +----------+ 2111 - W10#..5F 9004A-31065- 1 +----------+ | 33321 | SHAFT, OUTPU T +----------+ 2111 - W100..5F 33321-BZ140- 1 2111 - W101..5F 33321-BZ150- 1 +----------+ | 33321A | BEARING (FOR OUTPUT SHAFT REAR) +----------+ 2111 - W10#..5F 9004A-36126- 1 +----------+ | 33321B | RING, SHAFT SNAP (FOR OUTPUT SHAFT BEARIN G) +----------+ 2111 - W10#..5F T=1.840 9004A-52119- 1 2111 - W10#..5F T=1.900 9004A-52120- 1 2111 - W10#..5F T=1.960 9004A-52121- 1 2111 - W10#..5F T=2.020 9004A-52122- 1 2111 - W10#..5F T=2.080 9004A-52123- 1 2111 - W10#..5F T=2.140 9004A-52124- 1 +----------+ | 33321N | BEARING (FOR OUTPUT SHAFT FRONT) +----------+ 2111 - W10#..5F 9004A-36127- 1 +----------+ | 33326 | PLATE, BEARING LOCK +----------+ 2111 - W10#..5F 33326-BZ060- 1 +----------+ | 33326A | BOLT (FOR BEARING LOCK PLATE) +----------+ 2111 - W10#..5F 9004A-10271- 2
  • 109.
    109 FIG.33-05 TRANSMISSION GEAR(MTM) PROD_DATE MODELS SPEC CODE DESCRIPTION R / P PART NUMBER O Y T REV_REF FR TO +----------+ | 33329 | RING, 4TH WASHER RETAINING +----------+ 2111 - W10#..5F 33329-BZ010- 1 +----------+ | 33332 | GEAR, 2ND +----------+ 2111 - W10#..5F 33332-BZ050- 1 +----------+ | 33333 | GEAR, 3RD +----------+ 2111 - W10#..5F 33333-BZ090- 1 +----------+ | 33333B | RING, SHAFT SNAP (FOR 3RD REAR) +----------+ 2111 - W10#..5F T=1.82 9004A-52113- 1 2111 - W10#..5F T=1.88 9004A-52114- 1 2111 - W10#..5F T=1.94 9004A-52115- 1 2111 - W10#..5F T=2.00 9004A-52116- 1 2111 - W10#..5F T=2.06 9004A-52117- 1 +----------+ | 33334 | GEAR, 4TH +----------+ 2111 - W101..5F 33334-BZ080- 1 2111 - W100..5F 33334-BZ090- 1 +----------+ | 33335 | GEAR, 1ST +----------+ 2111 - W101..5F 33335-BZ120- 1 2111 - W100..5F 33335-BZ130- 1 +----------+ | 33335E | RING, SHAFT SNAP(FOR 1ST GEAR) +----------+ 2111 - W10#..5F T=1.78 9004A-52125- 1 2111 - W10#..5F T=1.84 9004A-52126- 1 2111 - W10#..5F T=1.90 9004A-52127- 1 2111 - W10#..5F T=1.96 9004A-52128- 1 2111 - W10#..5F T=2.02 9004A-52129- 1 FIG.33-05 TRANSMISSION GEAR (MTM) PROD_DATE MODELS SPEC CODE DESCRIPTION R / P PART NUMBER O Y T REV_REF FR TO +----------+ | 33335E | RING, SHAFT SNAP(FOR 1ST GEAR) CONTINUED--+ 2111 - W10#..5F T=2.08 9004A-52130- 1 +----------+ | 33336 | GEAR, 5TH +----------+ 2111 - W100..5F 33336-BZ090- 1 2111 - W101..5F 33336-BZ100- 1 +----------+ | 33336C | RING, SHAFT SNAP (FOR 5TH GEAR) +----------+ 2111 - W10#..5F T=1.820 9004A-52102- 1 2111 - W10#..5F T=1.880 9004A-52103- 1 2111 - W10#..5F T=1.940 9004A-52104- 1 2111 - W10#..5F T=2.000 9004A-52105- 1 2111 - W10#..5F T=2.060 9004A-52106- 1 +----------+ | 33345 | BUSH, 1ST GE AR +----------+ 2111 - W10#..5F 33345-BZ010- 1 +----------+ | 33349A | WASHER, 4TH GEAR +----------+ 2111 - W10#..5F 33349-BZ010- 2 +----------+ | 33352C | RING, SHAFT SNAP +----------+ 2111 - W10#..5F T=1.900 9004A-52107- 1 2111 - W10#..5F T=1.960 9004A-52108- 1 2111 - W10#..5F T=2.020 9004A-52109- 1 2111 - W10#..5F T=2.080 9004A-52110- 1 2111 - W10#..5F T=2.140 9004A-52111- 1 2111 - W10#..5F T=2.200 9004A-52112- 1 +----------+ | 33360 | HUB ASSY, SYNCHRONIZER, NO.1 +----------+ 2111 - W101..5F 33360-BZ240- 1
  • 110.
    110 FIG.33-05 TRANSMISSION GEAR(MTM) PROD_DATE MODELS SPEC CODE DESCRIPTION R / P PART NUMBER O Y T REV_REF FR TO +----------+ | 33360 | HUB ASSY, SYNCHRONIZER, NO.1 CONTINUED--+ 2111 - W100..5F 33360-BZ270- 1 +----------+ | 33365 | KEY, SYNCHROMESH SHIFTING, NO.1 +----------+ 2111 - W101..5F 33365-BZ060- 6 2111 - W100..5F 33365-BZ060- 9 +----------+ | 33367 | RING, SYNCHRONIZER, NO.1 +----------+ 2111 - W100..5F 33367-BZ060- 1 +----------+ | 33369 | RING, SYNCHRONIZER, NO.3 +----------+ 2111 - W10#..5F 33369-BZ070- 2 +----------+ | 33370 | HUB ASSY, SYNCHRONIZER, NO.2 +----------+ 2111 - W10#..5F 33370-BZ170- 1 +----------+ | 33380 | HUB ASSY, SYNCHRONIZER, NO.3 +----------+ 2111 - W100..5F 33380-BZ170- 1 2111 - W101..5F 33380-BZ200- 1 +----------+ | 33384 | RING, 5TH SYNCHRONIZER OUTER +----------+ 2111 - W101..5F 33384-BZ010- 1 +----------+ | 33385A | RING, HOLE SNAP (FOR 5TH SHIFTING KEY RETAINER) +----------+ 2111 - W100..5F 9004A-52070- 1 +----------+ | 33394 | KEY, SYNCHROMESH SHIFTING, NO.3 +----------+ 2111 - W101..5F 33394-BZ010- 2 +----------+ | 33396C | RING, SYNCHRONIZER, NO.5(MTM) +----------+ 2111 - W100..5F 33396-BZ010- 1 FIG.33-05 TRANSMISSION GEAR (MTM) PROD_DATE MODELS SPEC CODE DESCRIPTION R / P PART NUMBER O Y T REV_REF FR TO +----------+ | 33402 | GEAR SUB-ASSY, REVERSE IDLER +----------+ 2111 - W10#..5F 33402-BZ060- 1 +----------+ | 33422B | GEAR, 4TH DRIVEN +----------+ 2111 - W101..5F 33422-BZ050- 1 2111 - W100..5F 33422-BZ080- 1 +----------+ | 33423A | GEAR, 3RD DRIVEN +----------+ 2111 - W10#..5F 33423-BZ030- 1 +----------+ | 33428C | GEAR, 5TH DRIVEN +----------+ 2111 - W100..5F 33428-BZ060- 1 2111 - W101..5F 33428-BZ070- 1 +----------+ | 33429A | RING, SHAFT SNAP +----------+ 2111 - W10#..5F T=1.820 9004A-52102- 1 2111 - W10#..5F T=1.880 9004A-52103- 1 2111 - W10#..5F T=1.940 9004A-52104- 1 2111 - W10#..5F T=2.000 9004A-52105- 1 2111 - W10#..5F T=2.060 9004A-52106- 1 +----------+ | 33451 | SHAFT, REVERSE IDLER GEAR +----------+ 2111 - W10#..5F 33451-BZ040- 1 +----------+ | 33451G | PIN, SLOTTED SPRING (FOR REVERSE IDLER GEAR SHAFT) +----------+ 2111 - W10#..5F 9004A-25039- 1 +----------+ | 33451H | BOLT (FOR REVERSE IDLER GEAR SHAFT) +----------+ 2111 - W10#..5F 9004A-10254- 1
  • 111.
    111 FIG.33-05 TRANSMISSION GEAR(MTM) PROD_DATE MODELS SPEC CODE DESCRIPTION R / P PART NUMBER O Y T REV_REF FR TO +----------+ | 33451J | GASKET (FOR REVERSE IDLER GEAR SHAFT) +----------+ 2111 - W10#..5F 9004A-43024- 1 +----------+ | 33462 | WASHER, REVERSE IDLER THRUST +----------+ 2111 - W10#..5F 33462-BZ030- 1
  • 112.
    112 FIG.33-07 GEAR SHIFTFORK & LEVER SHAFT (MTM) (2111- )5F 336639 33267B 33267B 33227 33227 33227 33038A 33276D 33256C 33232F 33242J 33038A 33266C 33261C 33227 33275B 33210 33275B 33251A 33203 33203B 33252A 33251J 33293G 33548 33205 33257 33262F 9004A-10255 33780-BZ010 9004A-25033 9004A-25033 9004A-43005 9004A-10256 9004A-10127 9004A-10127 9004A-10256 33256A 33220 33244D 33214G 33242J 33231 33221
  • 113.
    113 FIG.33-07 GEAR SHIFTFORK & LEVER SHAFT (MTM) PROD_DATE MODELS SPEC CODE DESCRIPTION R / P PART NUMBER O Y T REV_REF FR TO +----------+ | 33038A | PIN, SLOTTED SPRING +----------+ 2111 - W10#..5F 9004A-25042- 2 +----------+ | 33203 | SHAFT SUB-ASSY, SHIFT LEVER, NO.1 +----------+ 2111 - W10#..5F 33203-BZ170- 1 +----------+ | 33203B | SEAL, OIL(FOR SHIFT LEVER SHAFT) +----------+ 2111 - W10#..5F 9004A-31017- 1 +----------+ | 33205 | SHAFT SUB-ASSY, SELECT LEVER +----------+ 2111 - W10#..5F 33205-BZ100- 1 +----------+ | 33210 | FORK ASSY, GEAR SHIFT, NO.1 +----------+ 2111 - W10#..5F 33210-BZ010- 1 +----------+ | 33214G | FORK, GEAR SHIFT, NO.3 +----------+ 2111 - W10#..5F 33214-BZ080- 1 +----------+ | 33220 | FORK ASSY, GEAR SHIFT, NO.2 +----------+ 2111 - W10#..5F 33220-BZ010- 1 +----------+ | 33221 | ARM, REVERSE SHIFT +----------+ 2111 - W10#..5F 33201-BZ050- 1 +----------+ | 33227 | BUSH, SHIFT FORK GUIDE +----------+ 2111 - W10#..5F 33227-BZ020- 4 +----------+ | 33231 | HEAD, REVERSE SHIFT +----------+ 2111 - W10#..5F 33231-BZ030- 1 +----------+ | 33232F | HEAD, GEAR SHIFT, NO.1 +----------+ 2111 - W10#..5F 33232-BZ030- 1 FIG.33-07 GEAR SHIFT FORK & LEVER SHAFT (MTM) PROD_DATE MODELS SPEC CODE DESCRIPTION R / P PART NUMBER O Y T REV_REF FR TO +----------+ | 33242J | BUSH (FOR SHIFT FORK SHAFT) +----------+ 2111 - W10#..5F 33227-BZ010- 2 +----------+ | 33244D | SHAFT, GEAR SHIFT FORK, NO.3 +----------+ 2111 - W10#..5F 33244-BZ090- 1 +----------+ | 33251A | LEVER, SHIFT, INNER NO.1 +----------+ 2111 - W10#..5F 33251-BZ070- 1 +----------+ | 33251J | SPRING, COMPRESSION (FOR SHIFT INNER LEVE R) +----------+ 2111 - W10#..5F 9004A-50143- 1 +----------+ | 33252A | LEVER, SHIFT, INNER NO.2 +----------+ 2111 - W10#..5F 33252-BZ010- 1 +----------+ | 33256A | BOLT, SET (FOR SELECT INNER LEVER) +----------+ 2111 - W10#..5F 9004A-10253- 1 +----------+ | 33256C | PIN, SLOTTED SPRING (FOR SELECT INNER LEVER) +----------+ 2111 - W10#..5F 9004A-25043- 1 +----------+ | 33257 | LEVER, SELECT OUTER +----------+ 2111 - W10#..5F 33260-BZ010- 1 +----------+ | 33261C | SHAFT, SHIFT & SELECT LEVER +----------+ 2111 - W10#..5F 33261-BZ130- 1 +----------+ | 33262F | SEAL, OIL (FOR SELECT LEVER SHAFT) +----------+ 2111 - W10#..5F 9004A-31052- 1 +----------+ | 33266C | PLATE, SHIFT INTER LOCK +----------+ 2111 - W10#..5F 33266-BZ070- 1
  • 114.
    114 FIG.33-07 GEAR SHIFTFORK & LEVER SHAFT (MTM) PROD_DATE MODELS SPEC CODE DESCRIPTION R / P PART NUMBER O Y T REV_REF FR TO +----------+ | 33267B | BOLT (FOR SHIFT GATE PLATE) +----------+ 2111 - W10#..5F # 9004A-10197- (91551-80620- ) 2 1 +----------+ | 33275B | BALL, SHAFT DETENT +----------+ 2111 - W10#..5F # 9004A-36044- (90043-60003- ) 2 1 +----------+ | 33276D | SPRING, COMPRESSION (FOR SELECT LEVER SHAFT) +----------+ 2111 - W10#..5F 9004A-50142- 1 +----------+ | 33293G | HOLDER, LOCK BALL +----------+ 2111 - W10#..5F 33293-BZ030- 1 +----------+ | 33548 | BUSH, SHIFT LEVER +----------+ 2111 - W10#..5F 33548-BZ070- 1
  • 115.
    115 FIG.33-12 SHIFT LEVER& RETAINER ― ― ― ― ― ― ― ― ― ― ― ― ― ― ― ― ― ― ― ― ― ― ― ― ― ― ― ― ― ― ― ― ― ― (2111- )CVT 336646-B REFER TO FIG (PNC 82285E) REFER TO FIG (PNC 82141) REFER TO FIG (PNC 58804A) 33563 33524B 35921 33820B 33837 33504F 33866 33821E 33823C 33550D 33821G 33550 33529C 33529C 90041-79134 82-02 82-02 58-55 91671-80616 9004A-11346 FIG.33-12 SHIFT LEVER & RETAINER (2111- )5F 336647-D REFER TO FIG (PNC 58804A) 33823C 33837 33837 33821E 33821E 33823 33820B 90042-01605 33504F 33529C 33837 33550 33529C 58-55 90041-79134 91671-80616 9004A-11346 90042-01763 9004A-20016
  • 116.
    116 FIG.33-12 SHIFT LEVER& RETAINER PROD_DATE MODELS SPEC CODE DESCRIPTION R / P PART NUMBER O Y T REV_REF FR TO +----------+ | 33504F | KNOB SUB-ASSY, SHIFT LEVER +----------+ 2111 - W10#..CVT BLACK(TRIM2#) 33504-BZ281-C1 1 2111 - W10#..5F BLACK(TRIM2#) 33504-BZ300-C1 1 +----------+ | 33524B | BRACKET, CONTROL CABLE +----------+ 2111 - W10#..CVT 33524-BZ040- 1 +----------+ | 33529C | BOLT, SHIFT LEVER +----------+ 2111 - W10# # 9004A-11274- (90041-20099- ) 4 1 +----------+ | 33550 | FLOOR SHIFT ASSY, TRANSMISSION +----------+ 2111 - 2203 W10#..CVT BLACK(TRIM2#) 33550-BZ580-C0 1 2111 - 2204 W10#..5F BLACK(TRIM2#) 33550-BZ600-C0 1 2204 - W10#..CVT BLACK(TRIM2#) 33550-BZ581-C0 1 2204 - W10#..5F BLACK(TRIM2#) 33550-BZ601-C0 1 +----------+ | 33550D | BULB, POSITION INDICATOR LAMP +----------+ 2111 - W10#..CVT 35955-BZ030- 1 +----------+ | 33563 | BUTTON, SHIFT LOCK RELEASE +----------+ 2111 - W10#..CVT BLACK(TRIM2#) 33563-BZ040-C0 1 +----------+ | 33820B | CABLE ASSY, TRANSMISSION CONTROL +----------+ 2111 - 2204 W10#..5F 33820-BZ450- 1 2111 - W10#..CVT 33820-BZ440- 1 2204 - W10#..5F 33820-BZ451- 1 +----------+ | 33821E | CLAMP, NO.1 (FOR TRANSMISSION CONTROL CABLE) +----------+ 2111 - W10#..CVT 33567-B1010- 1 2111 - W10#..5F 33567-B1010- 2 FIG.33-12 SHIFT LEVER & RETAINER PROD_DATE MODELS SPEC CODE DESCRIPTION R / P PART NUMBER O Y T REV_REF FR TO +----------+ | 33821G | NUT (FOR TRANSMISSION CONTROL CABLE) +----------+ 2111 - W10#..CVT 90179-06274- 1 +----------+ | 33823 | BRACKET, TRANSMISSION CONTROL CABLE, NO.1 +----------+ 2111 - W10#..5F 33823-BZ090- 1 +----------+ | 33823C | BOLT (FOR TRANSMISSION CONTROL CABLE BRACKET) +----------+ 2111 - W10# # 90105-T0120- (91551-80820- ) 2 1 +----------+ | 33837 | CLIP, TRANSMISSION CONTROL CABLE ADJUST +----------+ 2111 - W10#..CVT 33837-B2010- 1 2111 - W10#..5F 90044-68076- 3 +----------+ | 33866 | SPRING, SHIFT LOCK RELEASE +----------+ 2111 - W10#..CVT 33866-BZ010- 1 +----------+ | 35921 | PLATE, CONTROL POSITION INDICATOR +----------+ 2111 - W10#..CVT TYPE A 35921-BZ100- 1
  • 117.
    117 FIG.34-01 TRANSAXLE ASSY(CVT) (2111-)CVT VALVE BODY ASSY ILLUST NO. 3 OF 3 341414 REFER TO FIG (PNC 82121) 35410J 90041-05503(8) 90041-05561(6) 90041-05560 35481C G1406B 82125M 82-02
  • 118.
    118 FIG.34-01 TRANSAXLE ASSY(CVT) (2211-)CVT VALVE BODY ASSY ILLUST NO. 3 OF 3 341415 REFER TO FIG (PNC 82121) 9004A-10286(8) 9004A-10288(6) 9004A-10287 35481C 35410J 82125M 82-02 G1406B
  • 119.
    119 FIG.34-01 TRANSAXLE ASSY(CVT) (2111-)CVT TRANSAXLE ASSY ILLUST NO. 1 OF 3 341416 REFER TO FIG (PNC 89439) REFER TO FIG (PNC 32000A) 9004A-11215(4) 30400 90041-05540(4) 9004A-11240 82715-BZJ80 9004A-11240 82715-BZJ60 9004A-11240 35198E 35120-BZ020 90044-67288 35198F 82715-BZJ70 9004A-11240 9004A-11240 82715-BZK30 84-01 34-02
  • 120.
    120 FIG.34-01 TRANSAXLE ASSY(CVT) (2111-)CVT INNER PARTS ILLUST NO. 2 OF 3 341417-A REFER TO FIG (PNC 84540) REFER TO FIG (PNC 33490D) REFER TO FIG (PNC 89413N) REFER TO FIG (PNC 89413P) REFER TO FIG (PNC 89413M) REFER TO FIG (PNC 89637K) REFER TO FIG 34-14 84-01 30400B 35103A 35141F G1406B 35106P 35125G 35106L 35168C 35330E 35145D 35394D 35303D 35125F 90041-79109 90041-05569 90043-01376 90041-05576 90044-30338 90044-30317 90044-30317 90041-05569 90041-05414(18) 90041-05411(2) N04 84-10 84-10 84-10 84-10 90041-05453 90041-05453 90041-05453 84-10 N04 N03 90041-05414(4) 30400E 30400C N03 N03 N03 N03 N03 N03 N03 N03 N03 N03 N03 N03 N03 N03 N03 N03 N03 N03 N03 N03 N03 N03 N03 N03 N03 N03 N03 35145-B2011
  • 121.
    121 FIG.34-01 TRANSAXLE ASSY(CVT) (2211-)CVT INNER PARTS ILLUST NO. 2 OF 3 341418-A REFER TO FIG (PNC 84540) REFER TO FIG (PNC 33490D) REFER TO FIG (PNC 89413N) REFER TO FIG (PNC 89413P) REFER TO FIG (PNC 89413M) REFER TO FIG (PNC 89637K) REFER TO FIG 34-14 84-01 30400B 35103A 35141F G1406B 35106P 35125G 35106L 35168C 35330E 35145D 35394D 35303D 35125F 90041-79109 90041-05569 90043-01376 9004A-10302 90044-30338 90044-30317 90044-30317 90041-05569 9004A-10264(18) 9004A-10263(2) N04 84-10 84-10 84-10 84-10 9004A-10261 9004A-10261 9004A-10261 84-10 N04 N03 9004A-10264(4) 30400E 30400C N03 N03 N03 N03 N03 N03 N03 N03 N03 N03 N03 N03 N03 N03 N03 N03 N03 N03 N03 N03 N03 N03 N03 N03 N03 N03 N03 35145-BZ010
  • 122.
    122 FIG.34-01 TRANSAXLE ASSY(CVT) PROD_DATEMODELS SPEC CODE DESCRIPTION R / P PART NUMBER O Y T REV_REF FR TO +----------+ | 30400 | TRANSAXLE ASSY, CONTINUOUSLY VARIABLE +----------+ 2111 - W100..CVT A21,A22 30400-B2A60- 1 2111 - W101..CVT A2N 30400-B2C20- 1 2211 - W101..CVT LOCAL SOURCED PARTS 30400-BZ080- 1 2211 - W100..CVT LOCAL SOURCED PARTS 30400-BZ110- 1 +----------+ | 30400B | SEAL, TYPE T OIL, NO.1(FOR CVT) +----------+ 2111 - W10#..CVT JAPAN SOURCED PARTS 90043-11437- 1 2211 - W10#..CVT LOCAL SOURCED PARTS 9004A-31069- 1 +----------+ | 30400C | SEAL, TYPE T OIL, NO.2(FOR CVT) +----------+ 2111 - W10#..CVT JAPAN SOURCED PARTS 90043-11440- 1 2211 - W10#..CVT LOCAL SOURCED PARTS 9004A-31070- 1 +----------+ | 30400E | SEAL, TYPE T OIL(FOR CVT OIL PUMP) +----------+ 2111 - W10#..CVT JAPAN SOURCED PARTS 90043-11436- 1 2211 - W10#..CVT LOCAL SOURCED PARTS 9004A-31068- 1 +----------+ | 35103A | GAGE SUB-ASSY, TRANSMISSION OIL LEVEL +----------+ 2111 - W10#..CVT JAPAN SOURCED PARTS 35103-B2070- 1 2211 - W10#..CVT LOCAL SOURCED PARTS 35103-BZ060- 1 +----------+ | 35106L | PAN SUB-ASSY, TRANSAXLE OIL(CVT) +----------+ 2111 - W10#..CVT JAPAN SOURCED PARTS 35160-B2040- 1 2211 - W10#..CVT LOCAL SOURCED PARTS 35160-BZ030- 1 +----------+ | 35106P | BOLT(FOR TRANSAXLE OIL PAN) +----------+ 2111 - W10#..CVT JAPAN SOURCED PARTS 90041-20331- 18 2211 - W10#..CVT LOCAL SOURCED PARTS 9004A-11387- 18 FIG.34-01 TRANSAXLE ASSY(CVT) PROD_DATE MODELS SPEC CODE DESCRIPTION R / P PART NUMBER O Y T REV_REF FR TO +----------+ | 35125F | PLUG, OVERFLOW(CVT) +----------+ 2111 - W10#..CVT 90043-41041- 1 +----------+ | 35125G | GASKET, OVERFLOW PLUG(CVT) +----------+ 2111 - W10#..CVT JAPAN SOURCED PARTS 90044-30281- 1 2211 - W10#..CVT 90044-30281- 1 +----------+ | 35141F | PLUG, BREATHER, NO.1(CVT) +----------+ 2111 - W10#..CVT JAPAN SOURCED PARTS 90049-15054- 1 2211 - W10#..CVT LOCAL SOURCED PARTS 9004A-93010- 1 +----------+ | 35145D | GASKET, TRANSAXLE CASE +----------+ 2111 - W10#..CVT JAPAN SOURCED PARTS 35145-B2011- 4 2211 - W10#..CVT LOCAL SOURCED PARTS 35145-BZ010- 4 +----------+ | 35168C | GASKET, TRANSAXLE OIL PAN(CVT) +----------+ 2111 - W10#..CVT 35168-B2030- 1 +----------+ | 35198E | BRACKET, WIRE HARNESS CLAMP, NO.1 +----------+ 2111 - W10#..CVT 82715-BZJ90- 1 +----------+ | 35198F | BRACKET, WIRE HARNESS CLAMP +----------+ 2111 - W10#..CVT 82715-B2510- 1 +----------+ | 35303D | STRAINER SUB-ASSY, OIL +----------+ 2111 - W10#..CVT JAPAN SOURCED PARTS 35303-B2040- 1 2211 - W10#..CVT LOCAL SOURCED PARTS 35303-BZ030- 1 +----------+ | 35330E | RING, O (FOR OIL STRAINER) +----------+ 2111 - W10#..CVT JAPAN SOURCED PARTS 90043-01347- 1 2211 - W10#..CVT LOCAL SOURCED PARTS 9004A-30066- 1
  • 123.
    123 FIG.34-01 TRANSAXLE ASSY(CVT) PROD_DATEMODELS SPEC CODE DESCRIPTION R / P PART NUMBER O Y T REV_REF FR TO +----------+ | 35394D | MAGNET, OIL CLEANER(CVT) +----------+ 2111 - W10#..CVT 33449-B2010- 1 +----------+ | 35410J | BODY ASSY, TRANSMISSION VALVE +----------+ 2111 - W10#..CVT MADE IN JAPAN 35410-B9201- 1 2211 - W10#..CVT MADE IN INDONESIA 35410-BZ010- 1 +----------+ | 35481C | CLAMP, VALVE BODY WIRE HARNESS +----------+ 2111 - W10#..CVT JAPAN SOURCED PARTS 35199-B2010- 1 2211 - W10#..CVT LOCAL SOURCED PARTS 35199-BZ010- 1 +----------+ | 82125M | WIRE, TRANSMISSION +----------+ 2111 - W10#..CVT JAPAN SOURCED PARTS 82125-B2070- 1 2211 - W10#..CVT LOCAL SOURCED PARTS 82125-BZ040- 1 +----------+ | G1406B | CONNECTOR SUB-ASSY, TRANS SOLENOID +----------+ 2111 - W10#..CVT G1406-B2010- 1
  • 124.
    124 FIG.34-02 TORQUE CONVERTER,FRONT OIL PUMP(CVT) (2111- )CVT 341391 REFER TO FIG (PNC 13411) 32113-BZ070 32000A 32101B 32101H 32101G 13-01
  • 125.
    125 FIG.34-02 TORQUE CONVERTER,FRONT OIL PUMP(CVT) PROD_DATE MODELS SPEC CODE DESCRIPTION R / P PART NUMBER O Y T REV_REF FR TO +----------+ | 32000A | CONVERTER ASSY, TORQUE +----------+ 2111 - W101..CVT 32000-B2230- 1 2111 - W100..CVT 32000-B2250- 1 +----------+ | 32101B | GEAR SUB-ASSY, DRIVE PLATE & RING +----------+ 2111 - W10#..CVT 32101-BZ100- 1 +----------+ | 32101G | BOLT(FOR DRIVE PLATE & TORQUE CONVERTER SETTING) +----------+ 2111 - W10#..CVT M8,L=9,SILVER(M8,L=9 ) 90041-05595- 1 2111 - W10#..CVT M8,L=9,BLACK(M8,L=9) 90041-05596- 5 +----------+ | 32101H | BOLT, HEXAGON(FOR DRIVE PLATE SETTING) +----------+ 2111 - W10#..CVT # 9004A-10200- (90048-01037- ) 8 1
  • 126.
    126 FIG.34-14 OIL COOLER& TUBE(CVT) ― ― ― ― ― ― ― ― ― ― ― ― ― ― ― ― ― ― ― ― ― ― ― ― ― ― ― ― ― ― ― ― ― ― (2111- )CVT 341433-A REFER TO FIG (PNC 16261G) REFER TO FIG (PNC 16261N) 90043-01374 90043-01374 33490D 35398-B2010 16-03 16-03 90041-05412(3) 90041-05636(3) FIG.34-14 OIL COOLER & TUBE(CVT) (2211- )CVT 341434 REFER TO FIG (PNC 16261G) REFER TO FIG (PNC 16261N) 9004A-30067 9004A-30067 33490D 35398-B2010 9004A-10176(3) 16-03 16-03
  • 127.
    127 FIG.34-14 OIL COOLER& TUBE(CVT) PROD_DATE MODELS SPEC CODE DESCRIPTION R / P PART NUMBER O Y T REV_REF FR TO +----------+ | 33490D | COOLER ASSY, TRANSMISSION OIL +----------+ 2111 - W10#..CVT JAPAN SOURCED PARTS 33490-B2030- 1 2211 - W10#..CVT LOCAL SOURCED PARTS 33490-BZ010- 1
  • 128.
    128 FIG.41-02 REAR AXLESHAFT & HUB (2111- ) 415665 REFER TO FIG (PNC 42601) REFER TO FIG (PNC 42601C) REFER TO FIG (PNC 82251D(RH)) (PNC 82251E(LH)) REFER TO FIG (PNC 47043(RH)) (PNC 47044(LH)) 42410 42440 42311U 42312E 42409C 42409D 42403 41-03 41-03 84-14 47-06
  • 129.
    129 FIG.41-02 REAR AXLESHAFT & HUB PROD_DATE MODELS SPEC CODE DESCRIPTION R / P PART NUMBER O Y T REV_REF FR TO +----------+ | 42311U | BOLT, HUB (FOR REAR AXLE RH) +----------+ 2111 - W10# 90049-12056- 5 +----------+ | 42312E | BOLT, HUB (FOR REAR AXLE LH) +----------+ 2111 - W10# 90049-12056- 5 +----------+ | 42403 | DRUM SUB-ASSY, REAR BRAKE +----------+ 2111 - W10# 42431-BZ200- 2 +----------+ | 42409C | BOLT (FOR REAR AXLE BEARING RH) +----------+ 2111 - W10# 9004A-10258- 4 +----------+ | 42409D | BOLT (FOR REAR AXLE BEARING LH) +----------+ 2111 - W10# 9004A-10258- 4 +----------+ | 42410 | HUB & BEARING ASSY, REAR AXLE, RH +----------+ 2111 - W10# W/SENSOR 42410-BZ140- 1 +----------+ | 42440 | HUB & BEARING ASSY, REAR AXLE, LH +----------+ 2111 - W10# W/SENSOR 42410-BZ140- 1
  • 130.
    130 FIG.41-03 DISC WHEEL& WHEEL CAP ― ― ― ― ― ― ― ― ― ― ― ― ― ― ― ― ― ― ― ― ― ― ― ― ― ― ― ― ― ― ― ― ― ― (2111- ) WEIGHT, BALANCE 415659 9004A-42072 9004A-42073 9004A-42074 9004A-42075 9004A-42076 9004A-42077 9004A-42078 9004A-42085 9004A-42086 9004A-42087 9004A-42088 9004A-42089 9004A-42090 9004A-42091 9004A-42080 9004A-42093 9004A-42112 9004A-42113 9004A-42115 9004A-42117 9004A-42083 9004A-42096 9004A-42082 9004A-42095 9004A-42084 9004A-42097 9004A-42121
  • 131.
    131 FIG.41-03 DISC WHEEL& WHEEL CAP (2111- ) 415660 42601 42601A 42611G 42601C 42611J 42603 42621
  • 132.
    132 FIG.41-03 DISC WHEEL& WHEEL CAP PROD_DATE MODELS SPEC CODE DESCRIPTION R / P PART NUMBER O Y T REV_REF FR TO +----------+ | 42601 | WHEEL, DISC +----------+ 2111 - W100..LO..5F B2BB 15X5.5J(ST),D-LOWEST ,TYPE A BLACK 42611-BZB50- 4 2111 - W101 16X6J(AL),TYPE D 42611-BZE30- 4 2111 - W100 15X5.5J(AL),TYPE B G RAY 42611-BZF80- 4 +----------+ | 42601A | WHEEL, DISC (FOR SPARE) +----------+ 2111 - W100 15X5.5J(ST),TYPE A B LACK 42611-BZB50- 1 2111 - W101 16X6J(AL),TYPE D 42611-BZE30- 1 +----------+ | 42601C | NUT, HUB (FOR AXLE) +----------+ 2111 - W10# TYPE B # 9004A-94124- (90049-11064- ) 20 1 2111 - W100..LO..5F B2BB D-LOWEST,TYPE A # 9004A-94125- (90049-11036- ) 20 1 +----------+ | 42603 | ORNAMENT SUB-ASSY, WHEEL HUB +----------+ 2111 - W101 *ALU,TYPE B 42638-BZ690- 4 2111 - W100 *ALU,TYPE A 42638-BZ700- 4 +----------+ | 42611G | VALVE (FOR TUBELESS TIRE) +----------+ 2111 - W10# 90049-02019- 4 +----------+ | 42611J | VALVE (FOR TUBELESS TIRE SPARE) +----------+ 2111 - W10# 90049-02019- 1 +----------+ | 42621 | CAP, WHEEL +----------+ 2111 - W100..LO..5F B2BB D-LOWEST 42602-BZ150- 4
  • 133.
    133 FIG.43-01 FRONT AXLEHOUSING & DIFFERENTIAL (2111- )5F 434712 REFER TO FIG (PNC 33104C) REFER TO FIG (PNC 33102F) 41311F 41221 41302F 41311E 43631D 33-02 33-02 FIG.43-01 FRONT AXLE HOUSING & DIFFERENTIAL PROD_DATE MODELS SPEC CODE DESCRIPTION R / P PART NUMBER O Y T REV_REF FR TO +----------+ | 41221 | GEAR, FRONT DIFFERENTIAL RING +----------+ 2111 - W100..5F 41221-BZ330- 1 2111 - W101..5F 41221-BZ340- 1 +----------+ | 41302F | CASE SUB-ASSY, FRONT DIFFERENTIAL +----------+ 2111 - W100..5F 41301-BZ060- 1 2111 - W101..5F 41301-BZ070- 1 +----------+ | 41311E | BEARING, TAPERED ROLLER (FOR FRONT DIFFERENTIAL CASE FRONT) +----------+ 2111 - W10#..5F 9004A-36123- 1 +----------+ | 41311F | BEARING, TAPERED ROLLER (FOR FRONT DIFFERENTIAL CASE REAR) +----------+ 2111 - W10#..5F 9004A-36124- 1 +----------+ | 43631D | BOLT, HEXAGON (FOR DIFFERENTIAL CASE) +----------+ 2111 - W10#..5F 9004A-10120- 10
  • 134.
    134 FIG.43-02 FRONT DRIVESHAFT (2111- ) RH 434676 REFER TO FIG (PNC 43501H) REFER TO FIG (PNC 30400C) REFER TO FIG (PNC 33102F) 04438G 04438S 43403 04438K 43460 43411E 43-03 34-01 33-02 43410
  • 135.
    135 FIG.43-02 FRONT DRIVESHAFT (2111- ) LH 434677 REFER TO FIG (PNC 43502H) REFER TO FIG (PNC 30400B) REFER TO FIG (PNC 33104C) 04438J 04438L 04438T 43403B 43470 43-03 34-01 33-02 43412B 43420
  • 136.
    136 FIG.43-02 FRONT DRIVESHAFT PROD_DATE MODELS SPEC CODE DESCRIPTION R / P PART NUMBER O Y T REV_REF FR TO +----------+ | 04438G | BOOT KIT, FRONT DRIVE SHAFT INBOARD JOINT, RH +----------+ 2111 - 2212 W10#..5F 04437-BZ060- 1 2111 - W10#..CVT 04437-BZ070- 1 +----------+ | 04438J | BOOT KIT, FRONT DRIVE SHAFT INBOARD JOINT, LH +----------+ 2111 - 2212 W10#..5F 04437-BZ060- 1 2111 - W10#..CVT 04437-BZ090- 1 +----------+ | 04438K | BOOT KIT, FRONT DRIVE SHAFT OUTBOARD JOINT, RH +----------+ 2111 - 2212 W10#..5F 04425-BZ060- 1 2111 - W10#..CVT 04425-BZ070- 1 +----------+ | 04438L | BOOT KIT, FRONT DRIVE SHAFT OUTBOARD JOINT, LH +----------+ 2111 - 2212 W10#..5F 04425-BZ060- 1 2111 - W10#..CVT 04425-BZ100- 1 +----------+ | 04438S | CLAMP KIT, FRONT DRIVE SHAFT, RH +----------+ 2111 - 2212 W10#..5F 04435-BZ070- 1 2111 - W10#..CVT 04435-BZ080- 1 +----------+ | 04438T | CLAMP KIT, FRONT DRIVE SHAFT, LH +----------+ 2111 - 2212 W10#..5F 04435-BZ070- 1 2111 - W10#..CVT 04435-BZ100- 1 +----------+ | 43403 | JOINT SET, FRONT AXLE INBOARD, RH +----------+ 2111 - 2212 W10#..5F 43408-B9590- 1 2111 - W10#..CVT 43408-B9660- 1 +----------+ | 43403B | JOINT SET, FRONT AXLE INBOARD, LH +----------+ 2111 - 2212 W10#..5F 43408-B9590- 1 FIG.43-02 FRONT DRIVE SHAFT PROD_DATE MODELS SPEC CODE DESCRIPTION R / P PART NUMBER O Y T REV_REF FR TO +----------+ | 43403B | JOINT SET, FRONT AXLE INBOARD, LH CONTINUED--+ 2111 - W10#..CVT 43408-B9670- 1 +----------+ | 43410 | SHAFT ASSY, FRONT DRIVE, RH +----------+ 2111 - W10#..5F 43410-BZ220- 1 2111 - W10#..CVT 43410-BZ230- 1 +----------+ | 43411E | RING, SHAFT SNAP (FOR FRONT DRIVE INNER SHAFT INNER RH) +----------+ 2111 - W10#..5F 43425-BZ120- 1 2111 - W10#..CVT 90045-20298- 1 +----------+ | 43412B | RING, SHAFT SNAP (FOR FRONT DRIVE INNER SHAFT INNER LH) +----------+ 2111 - W10#..5F 43425-BZ120- 1 2111 - W10#..CVT 90045-20298- 1 +----------+ | 43420 | SHAFT ASSY, FRONT DRIVE, LH +----------+ 2111 - W10#..CVT 43420-BZ180- 1 2111 - W10#..5F 43420-BZ230- 1 +----------+ | 43460 | SHAFT ASSY, FRONT DRIVE OUTBOARD JOINT, R H +----------+ 2111 - W10#..5F 43411-B9690- 1 2111 - W10#..CVT 43411-B9700- 1 +----------+ | 43470 | SHAFT ASSY, FRONT DRIVE OUTBOARD JOINT, L H +----------+ 2111 - W10#..5F 43412-B9480- 1 2111 - W10#..CVT 43412-B9490- 1
  • 137.
    137 FIG.43-03 FRONT AXLEHUB (2111- ) 434671-A REFER TO FIG (PNC 43211(RH)) (PNC 43212(LH)) REFER TO FIG (PNC 42601) REFER TO FIG (PNC 42601C) REFER TO FIG (PNC 43410(RH)) (PNC 43420(LH)) 43512 43511F 43512E 48-02 43501D 43502D 43501C 43502C 43501H 43502H 41-03 41-03 43-02 43511E 43512D
  • 138.
    138 FIG.43-03 FRONT AXLEHUB PROD_DATE MODELS SPEC CODE DESCRIPTION R / P PART NUMBER O Y T REV_REF FR TO +----------+ | 43501C | HUB SUB-ASSY, FRONT AXLE, RH +----------+ 2111 - W10# 43502-BZ230- 1 +----------+ | 43501D | BOLT, HUB (FOR FRONT AXLE RH) +----------+ 2111 - W10# 90049-12056- 5 +----------+ | 43501H | NUT (FOR FRONT AXLE SHAFT RH) +----------+ 2111 - W10# 90177-22001- 1 +----------+ | 43502C | HUB SUB-ASSY, FRONT AXLE, LH +----------+ 2111 - W10# 43502-BZ230- 1 +----------+ | 43502D | BOLT, HUB (FOR FRONT AXLE LH) +----------+ 2111 - W10# 90049-12056- 5 +----------+ | 43502H | NUT (FOR FRONT AXLE SHAFT LH) +----------+ 2111 - W10# 90177-22001- 1 +----------+ | 43511E | BEARING (FOR FRONT AXLE HUB RH) +----------+ 2111 - W10# W/SENSOR ROTOR 43560-BZ050- 1 +----------+ | 43511F | RING, HOLE SNAP (FOR FRONT AXLE HUB RH) +----------+ 2111 - W10# 90045-21188- 1 +----------+ | 43512 | DISC, FRONT +----------+ 2111 - W10# 43512-BZ420- 2 +----------+ | 43512D | BEARING (FOR FRONT AXLE HUB LH) +----------+ 2111 - W10# W/SENSOR ROTOR 43560-BZ050- 1 +----------+ | 43512E | RING, HOLE SNAP (FOR FRONT AXLE HUB LH) +----------+ 2111 - W10# 90045-21188- 1
  • 139.
    139 FIG.45-01 STEERING COLUMN& SHAFT ― ― ― ― ― ― ― ― ― ― ― ― ― ― ― ― ― ― ― ― ― ― ― ― ― ― ― ― ― ― ― ― ― ― (2111- )LO 458086-C REFER TO FIG (PNC 55331) REFER TO FIG (PNC 55331) REFER TO FIG (PNC 84450) REFER TO FIG (PNC 45501) REFER TO FIG (PNC 89650) 45816 9004A-10132 45222F 45237 45254 45237 9004A-17252(2) 90179-08068(2) 45251 45275A 86960A 45286B 55-51 55-51 45020 45281 45897 84-01 45-05 84-01 45220 90041-19747 90183-04048(2) 45289-BZ110 45287 9004A-16074 9004A-16074(2) 9004A-16074 9004A-16074(2) 45024 FIG.45-01 STEERING COLUMN & SHAFT (2111- )HI,MID 458087-C REFER TO FIG (PNC 55331) REFER TO FIG (PNC 55331) REFER TO FIG (PNC 89650) REFER TO FIG (PNC 45501) 55437-BZ020 55438-BZ010 45816 45288B 9004A-10132 45222F 45237 45254 45237 45251 45275A 86960A 45286B 55-51 55-51 84-01 45-05 45220 90041-19747 9004A-17252(2) 90179-08068(2) 90183-04048(2) 45289-BZ120 45287 9004A-16074 9004A-16074(2) 45024 9004A-16074 9004A-16074(2) 45287
  • 140.
    140 FIG.45-01 STEERING COLUMN& SHAFT PROD_DATE MODELS SPEC CODE DESCRIPTION R / P PART NUMBER O Y T REV_REF FR TO +----------+ | 45020 | BRACKET ASSY, STEERING COLUMN UPPER W/SWITCH +----------+ 2111 - W100..LO..CVT 45020-BZ400- 1 2111 - W100..LO..5F 45020-BZ410- 1 +----------+ | 45024 | COVER SUB-ASSY, STEERING COLUMN, LOWER +----------+ 2204 - W100..LO BLACK(TRIM2#) 45024-BZ100-C0 1 2204 - W10#..HI,MID BLACK(TRIM2#) 45024-BZ110-C0 1 +----------+ | 45220 | SHAFT ASSY, STEERING INTERMEDIATE +----------+ 2111 - W10# 45220-BZ450- 1 +----------+ | 45222F | COVER, DUST +----------+ 2111 - W10# 45222-BZ210- 1 +----------+ | 45237 | BOLT, FLEXIBLE ATTACHING(FOR STEERING MAIN SHAFT) +----------+ 2111 - W10# 90041-19747- 2 +----------+ | 45251 | TUBE SET, STEERING COLUMN +----------+ 2111 - W100..LO 45251-B9270- 1 2111 - W10#..HI,MID 45251-B9280- 1 +----------+ | 45254 | SHIELD, STEERING COLUMN HOLE +----------+ 2111 - W10# 45254-BZ270- 1 +----------+ | 45275A | BOLT, HEXAGON(FOR STEERING COLUMN BRACKET ) +----------+ 2111 - W10# 90041-20097- 2 +----------+ | 45281 | HOUSING, STEERING COLUMN +----------+ 2111 - W100..LO 45281-BZ160- 1 FIG.45-01 STEERING COLUMN & SHAFT PROD_DATE MODELS SPEC CODE DESCRIPTION R / P PART NUMBER O Y T REV_REF FR TO +----------+ | 45286B | COVER, STEERING COLUMN, UPR +----------+ 2111 - W10#..HI,MID BLACK(TRIM2#) 45023-BZ010-C0 1 2111 - W100..LO BLACK(TRIM2#) 45286-BZ340-C0 1 +----------+ | 45287 | COVER, STEERING COLUMN, LWR +----------+ 2111 - 2204 W100..LO BLACK(TRIM2#) 45287-BZ430-C0 1 2111 - W10#..HI,MID BLACK(TRIM2#) 45287-BZ440-C0 1 +----------+ | 45288B | COVER, STEERING COLUMN, UPPER +----------+ 2111 - W10#..HI,MID 45288-BZ100- 1 +----------+ | 45816 | BRACKET, WIRE HARNESS +----------+ 2111 - W10# 82715-BZE80- 1 +----------+ | 45897 | BOLT, STEERING LOCK SET +----------+ 2111 - W100..LO 45897-B2010- 2 +----------+ | 86960A | MOTOR SET, POWER STEERING +----------+ 2111 - W10# 80960-B9191- 1
  • 141.
    141 FIG.45-04 STEERING WHEEL (2111-) 458067 REFER TO FIG (PNC 45251) REFER TO FIG (PNC 84030) REFER TO FIG (PNC 84250A) 45102 45130 45201P 45116 45107 45117 45-01 84-01 84-01
  • 142.
    142 FIG.45-04 STEERING WHEEL PROD_DATEMODELS SPEC CODE DESCRIPTION R / P PART NUMBER O Y T REV_REF FR TO +----------+ | 45102 | WHEEL SUB-ASSY, STEERING +----------+ 2111 - W100 BLACK(TRIM2#) 45102-BZA40-C1 1 2111 - W101 -(TRIM2#) 45102-BZA50-C1 1 +----------+ | 45107 | WIRE SUB-ASSY, HORN BUTTON +----------+ 2111 - W100..LO 45107-BZ220- 1 +----------+ | 45116 | ORNAMENT, STEERING WHEEL, NO.1 +----------+ 2111 - W100..LO BLACK(TRIM2#) 45116-BZ150-C0 1 +----------+ | 45117 | ORNAMENT, STEERING WHEEL, NO.2 +----------+ 2111 - W100..LO BLACK(TRIM2#) 45117-BZ040-C0 1 +----------+ | 45130 | BUTTON ASSY, HORN +----------+ 2111 - W10# BLACK(TRIM2#) 45130-BZ880-C0 1 +----------+ | 45201P | NUT, STEERING WHEEL SET +----------+ 2111 - W10# # 9004A-17176- (90041-70014- ) 1 1
  • 143.
    143 FIG.45-05 FRONT STEERINGGEAR & LINK (2111- ) 458073 REFER TO FIG (PNC 43211) REFER TO FIG (PNC 45220) REFER TO FIG (PNC 51201) REFER TO FIG (PNC 43212) 45535B 45537B 44142 45503 45504 45535A 45535B 45535A 45537B 45339 45339 44142 45535 45046 45535 45047 45501 48-02 45-01 51-52 48-02
  • 144.
    144 FIG.45-05 FRONT STEERINGGEAR & LINK PROD_DATE MODELS SPEC CODE DESCRIPTION R / P PART NUMBER O Y T REV_REF FR TO +----------+ | 44142 | NUT, LOCK +----------+ 2111 - W10# 90041-77011- 2 +----------+ | 45046 | END SUB-ASSY, TIE ROD, RH +----------+ 2111 - W10# 45046-BZ270- 1 +----------+ | 45047 | END SUB-ASSY, TIE ROD, LH +----------+ 2111 - W10# 45047-BZ160- 1 +----------+ | 45339 | BOLT, STEERING GEAR HOUSING +----------+ 2111 - W10# 90041-19A33- 2 +----------+ | 45501 | HOUSING SUB-ASSY, STEERING RACK +----------+ 2111 - W10# 45501-BZ100- 1 +----------+ | 45503 | END SUB-ASSY, STEERING RACK +----------+ 2111 - W10# RH 45503-BZ260- 1 +----------+ | 45504 | END SUB-ASSY, STEERING RACK, NO.2 +----------+ 2111 - W10# LH 45503-BZ260- 1 +----------+ | 45535 | BOOT, STEERING RACK, NO.1 +----------+ 2111 - W10# 45535-BZ200- 2 +----------+ | 45535A | CLAMP(FOR STEERING RACK BOOT) +----------+ 2111 - W10# 45538-BZ080- 2 +----------+ | 45535B | CLIP(FOR STEERING RACK BOOT) +----------+ 2111 - W10# 45537-BZ050- 2 +----------+ | 45537B | NUT, RACK END LOCK +----------+ 2111 - W10# 9004A-17145- 2
  • 145.
    145 FIG.46-01 PARKING BRAKE& CABLE (2111- ) 461830 REFER TO FIG (PNC 84380) REFER TO FIG 4601 46430 46420 46410 46441 46210 9004A-10222 9004A-10222 9004A-10222 9004A-10222 9004A-10222 9004A-10222 9004A-10222 9004A-10208 90105-T0120(2) 9004A-10222 9004A-10222 9004A-10208 84-01 46233 90105-T0120 90105-T0120 90105-T0120 46210 46410 46441 9004A-10222 84-01 9004A-10222
  • 146.
    146 FIG.46-01 PARKING BRAKE& CABLE PROD_DATE MODELS SPEC CODE DESCRIPTION R / P PART NUMBER O Y T REV_REF FR TO +----------+ | 46210 | LEVER ASSY, PARKING BRAKE +----------+ 2111 - W100 BLACK(TRIM2#) 46210-BZ240-C0 1 2111 - W101 BLACK(TRIM2#) 46210-BZ250-C0 1 +----------+ | 46233 | SUPPORT, PARKING BRAKE CENTER +----------+ 2111 - W10# 46233-BZ070- 1 +----------+ | 46410 | CABLE ASSY, PARKING BRAKE, NO.1 +----------+ 2111 - W10# 46410-BZ130- 1 +----------+ | 46420 | CABLE ASSY, PARKING BRAKE, NO.2 +----------+ 2111 - W10# 46420-BZ370- 1 +----------+ | 46430 | CABLE ASSY, PARKING BRAKE, NO.3 +----------+ 2111 - W10# 46430-BZ370- 1 +----------+ | 46441 | NUT, WIRE ADJUSTING, NO.1 +----------+ 2111 - W10# 90041-78060- 1
  • 147.
    147 FIG.47-01 BRAKE PEDAL& BRACKET (2111- ) 47D118-A REFER TO FIG (PNC 55331) REFER TO FIG (PNC 84340) REFER TO FIG (PNC 84345) REFER TO FIG (PNC 44651B) REFER TO FIG (PNC 44610) 47101H 47101H 47101 47121 47124 47264C 55106 47101B 47101B 9004A-17260 9004A-56112 47101G 55-51 84-01 84-01 47-03 47-03 47264A 47264A 90042-06048 FIG.47-01 BRAKE PEDAL & BRACKET PROD_DATE MODELS SPEC CODE DESCRIPTION R / P PART NUMBER O Y T REV_REF FR TO +----------+ | 47101 | PEDAL SUB-ASSY, BRAKE +----------+ 2111 - W10#..CVT 47110-BZ570- 1 2111 - W10#..5F 47110-BZ580- 1 +----------+ | 47101B | BUSH(FOR BRAKE PEDAL) +----------+ 2111 - W10# 9004A-38094- 2 +----------+ | 47101G | BOLT, BRAKE PEDAL STOP, NO.1 +----------+ 2111 - W10# 9004A-11380- 1 +----------+ | 47101H | BOLT, BRAKE PEDAL STOP, NO.2 +----------+ 2111 - W10# 9004A-11381- 2 +----------+ | 47121 | PAD, BRAKE PEDAL +----------+ 2111 - W10#..CVT 47121-BZ070- 1 2111 - W10#..5F 47121-BZ080- 1 +----------+ | 47124 | SHAFT, BRAKE PEDAL +----------+ 2111 - W10# 9004A-10281- 1 +----------+ | 47264A | PIN(FOR PUSH ROD) +----------+ 2111 - W10# TYPE A 90042-40151- 1 2112 - W10#..5F TYPE B 90042-40143- 1 +----------+ | 47264C | CLIP(FOR PUSH ROD CLEVIS PIN) +----------+ 2111 - W10# 90044-68076- 1 +----------+ | 55106 | SUPPORT SUB-ASSY, BRAKE PEDAL +----------+ 2111 - W10# 55106-BZ540- 1
  • 148.
    148 FIG.47-02 BRAKE MASTERCYLINDER (2111- ) 47D103 REFER TO FIG (PNC 82111) REFER TO FIG (PNC 44610) 47201 47220D 47230 47210U 47255 47201B 47268A 47299 82-02 47255 47-03 FIG.47-02 BRAKE MASTER CYLINDER PROD_DATE MODELS SPEC CODE DESCRIPTION R / P PART NUMBER O Y T REV_REF FR TO +----------+ | 47201 | CYLINDER SUB-ASSY, BRAKE MASTER +----------+ 2111 - W10#..CVT 47201-BZ760- 1 2111 - W101..5F 47201-BZ770- 1 2111 - W100..5F 47201-BZA10- 1 +----------+ | 47201B | RING, O(FOR BRAKE MASTER CYLINDER) +----------+ 2111 - W10# 9004A-30046- 1 +----------+ | 47210U | PIN, STRAIGHT(FOR BRAKE MASTER CYLINDER) +----------+ 2111 - W10# 90042-43029- 1 +----------+ | 47220D | RESERVOIR ASSY, BRAKE MASTER CYLINDER +----------+ 2111 - W10#..CVT 47220-BZ380- 1 2111 - W10#..5F 47220-BZ490- 1 +----------+ | 47230 | CAP ASSY, BRAKE MASTER CYLINDER RESERVOIR FILLER +----------+ 2111 - W10# 47230-BZ130- 1 +----------+ | 47255 | GROMMET, MASTER CYLINDER RESERVOIR +----------+ 2111 - W10# 47255-BZ110- 2 +----------+ | 47268A | NUT, BRAKE MASTER CYLINDER +----------+ 2111 - W10# 90041-79124- 2 +----------+ | 47299 | STRAINER, BRAKE MASTER CYLINDER RESERVOIR +----------+ 2111 - W10# 47299-BZ090- 1
  • 149.
    149 FIG.47-03 BRAKE BOOSTER& VACUUM TUBE (2111- ) 47D133 REFER TO FIG (PNC 17111) REFER TO FIG (PNC 47201) REFER TO FIG (PNC 89421B) REFER TO FIG (PNC 55106) 17-01 84-01 47-01 47-02 44610 44627C 44785 44750 44750A 44750A 44651B 44976 47264D FIG.47-03 BRAKE BOOSTER & VACUUM TUBE PROD_DATE MODELS SPEC CODE DESCRIPTION R / P PART NUMBER O Y T REV_REF FR TO +----------+ | 44610 | BOOSTER ASSY, BRAKE +----------+ 2111 - W10# 44610-BZ730- 1 +----------+ | 44627C | NUT, BOOSTER SLEEVE CYLINDER +----------+ 2111 - W10# 9004A-17229- 1 +----------+ | 44651B | NUT, BOOSTER +----------+ 2111 - W10# 90041-79300- 4 +----------+ | 44750 | HOSE ASSY, VACUUM +----------+ 2111 - W10# 44750-BZ450- 1 +----------+ | 44750A | CLIP(FOR VACUUM HOSE ASSY) +----------+ 2111 - W10# 90044-67161- 2 +----------+ | 44785 | GASKET, BRAKE BOOSTER +----------+ 2111 - W10# # 47275-BZ010- (47278-87703- ) 1 1 +----------+ | 44976 | SEAL, BOOSTE R +----------+ 2111 - W10# 44685-B2010- 1 +----------+ | 47264D | CLEVIS, BRAKE MASTER CYLINDER PUSH ROD +----------+ 2111 - W10# 47264-BZ110- 1
  • 150.
    150 FIG.47-05 FRONT DISCBRAKE CALIPER & DUST COVER (2111- ) 47D101 REFER TO FIG (PNC 43211(RH)) (PNC 43212(LH)) 31478B 47547B 47715A 47775 47769 47715B 47715D 47775 47731 47737 47741 47781 47782 47715B 47710A 48-02 04479 04945 04947 47730 47750 04465
  • 151.
    151 FIG.47-05 FRONT DISCBRAKE CALIPER & DUST COVER PROD_DATE MODELS SPEC CODE DESCRIPTION R / P PART NUMBER O Y T REV_REF FR TO +----------+ | 04465 | PAD KIT, DISC BRAKE, FRONT +----------+ 2111 - W10# 04465-BZ300- 1 +----------+ | 04479 | CYLINDER KIT, DISC BRAKE, FRONT +----------+ 2111 - W10# 04478-BZ160- 1 +----------+ | 04945 | SHIM KIT, ANTI SQUEAL, FRONT +----------+ 2111 - W10# 04945-BZ090- 1 +----------+ | 04947 | FITTING KIT, DISC BRAKE, FRONT +----------+ 2111 - W10# 04947-BZ090- 1 +----------+ | 31478B | CAP, BLEEDER PLUG(FOR FRONT DISC BRAKE) +----------+ 2111 - W10# 47548-BZ080- 2 +----------+ | 47547B | PLUG, BLEEDER(FOR FRONT DISC BRAKE) +----------+ 2111 - W10# 47547-BZ050- 2 +----------+ | 47710A | BOLT, HEXAGON(FOR FRONT DISC BRAKE CALIPE R) +----------+ 2111 - W10# 90041-05431- 4 +----------+ | 47715A | PIN, FRONT DISC BRAKE CYLINDER SLIDE +----------+ 2111 - W10# 47715-BZ170- 2 +----------+ | 47715B | BOLT(FOR FRONT DISC BRAKE CYLINDER SLIDE) +----------+ 2111 - W10# 9004A-10110- 4 +----------+ | 47715D | PIN, FRONT DISC BRAKE CYLINDER SLIDE, NO. 2 +----------+ 2111 - W10# 47715-BZ160- 2 +----------+ | 47730 | CYLINDER ASSY, FRONT DISC BRAKE, RH +----------+ 2111 - W10# 47730-BZ130- 1 FIG.47-05 FRONT DISC BRAKE CALIPER & DUST COVER PROD_DATE MODELS SPEC CODE DESCRIPTION R / P PART NUMBER O Y T REV_REF FR TO +----------+ | 47731 | PISTON, FRONT DISC BRAKE +----------+ 2111 - W10# 47731-BZ100- 2 +----------+ | 47737 | SEAL, FRONT DISC BRAKE CYLINDER PISTON +----------+ 2111 - W10# 47737-BZ010- 2 +----------+ | 47741 | BOOT, FRONT DISC BRAKE CYLINDER +----------+ 2111 - W10# 47741-BZ030- 2 +----------+ | 47750 | CYLINDER ASSY, DISC BRAKE, LH +----------+ 2111 - W10# 47750-BZ130- 1 +----------+ | 47769 | BUSH, CYLINDER SLIDE, NO.1(FOR FRONT DISC BRAKE) +----------+ 2111 - W10# 47769-BZ030- 2 +----------+ | 47775 | BOOT, BUSH DUST(FOR FRONT DISC BRAKE) +----------+ 2111 - W10# 47775-BZ010- 4 +----------+ | 47781 | COVER, DISC BRAKE DUST, FRONT RH +----------+ 2111 - W10# 47781-BZ210- 1 +----------+ | 47782 | COVER, DISC BRAKE DUST, FRONT LH +----------+ 2111 - W10# 47782-BZ210- 1
  • 152.
    152 FIG.47-06 REAR DRUMBRAKE WHEEL CYLINDER & BACKING PLATE (2111- ) 47D115-C REFER TO FIG (PNC 42410(RH)) (PNC 42440(LH)) REFER TO FIG (PNC 48710J) 47550H 47491B 47447G 47043 47044 47559D 47559E 47643A 47644A 47611C 47612A 47635C 47548R 47547R 47550 47570 04495 47460 47470 47430C 47449B 47430C 47449B 47459R 47447G 47497 04906 47718-BZ030 41-02 48-04 47449B 47449B 47497
  • 153.
    153 FIG.47-06 REAR DRUMBRAKE WHEEL CYLINDER & BACKING PLATE PROD_DATE MODELS SPEC CODE DESCRIPTION R / P PART NUMBER O Y T REV_REF FR TO +----------+ | 04495 | SHOE KIT, REAR BRAKE +----------+ 2111 - W10# 04495-BZ180- 1 +----------+ | 04906 | CUP KIT, REAR WHEEL CYLINDER +----------+ 2111 - W10# 04906-BZ120- 1 +----------+ | 47043 | PLATE SUB-ASSY, BRAKE BACKING, REAR RH +----------+ 2111 - W10# 47043-BZ160- 1 +----------+ | 47044 | PLATE SUB-ASSY, BRAKE BACKING, REAR LH +----------+ 2111 - W10# 47044-BZ180- 1 +----------+ | 47430C | SPRING(FOR REAR BRAKE SHOE HOLD DOWN) +----------+ 2111 - W10# 47446-BZ100- 4 +----------+ | 47447G | PIN, SHOE HOLD DOWN SPRING(FOR REAR BRAKE ) +----------+ 2111 - 2211 W10# 47447-BZ080- 4 2211 - W10# 47447-BZ081- 4 +----------+ | 47449B | CUP, SHOE HOLD DOWN SPRING(FOR REAR BRAKE ) +----------+ 2111 - 2211 W10# 47449-BZ080- 8 2211 - W10# 47449-BZ080- 4 +----------+ | 47459R | SPRING, SHOE RETURN(FOR REAR BRAKE) +----------+ 2111 - W10# 47459-BZ010- 2 +----------+ | 47460 | ADJUSTER ASSY, SHOE, RH(FOR REAR BRAKE) +----------+ 2111 - W10# 47460-BZ090- 1 +----------+ | 47470 | ADJUSTER ASSY, SHOE, LH(FOR REAR BRAKE) +----------+ 2111 - W10# 47470-BZ090- 1 FIG.47-06 REAR DRUM BRAKE WHEEL CYLINDER & BACKING PLATE PROD_DATE MODELS SPEC CODE DESCRIPTION R / P PART NUMBER O Y T REV_REF FR TO +----------+ | 47491B | PLUG, HOLE(FOR REAR BRAKE) +----------+ 2111 - W10# 47419-BZ010- 2 +----------+ | 47497 | PLUG, HOLE NO.2(FOR REAR BRAKE) +----------+ 2111 - W10# 47419-BZ020- 4 +----------+ | 47547R | PLUG, BLEEDER(FOR DRUM BRAKE, REAR) +----------+ 2111 - W10# 47547-BZ110- 2 +----------+ | 47548R | CAP, BLEEDER PLUG(FOR DRUM BRAKE, REAR) +----------+ 2111 - W10# 47548-BZ080- 2 +----------+ | 47550 | CYLINDER ASSY, REAR WHEEL BRAKE(FOR RH, FRONT OR UPPER) +----------+ 2111 - W10# 47550-BZ130- 1 +----------+ | 47550H | BOLT(FOR REAR WHEEL CYLINDER) +----------+ 2111 - W10# 9004A-10131- 4 +----------+ | 47559D | SPRING, REAR BRAKE AUTOMATIC ADJUST LEVER SUPPORT, RH +----------+ 2111 - W10# 47559-BZ030- 1 +----------+ | 47559E | SPRING, REAR BRAKE AUTOMATIC ADJUST LEVER SUPPORT, LH +----------+ 2111 - W10# 47559-BZ030- 1 +----------+ | 47570 | CYLINDER ASSY, REAR WHEEL BRAKE(FOR LH, FRONT OR UPPER) +----------+ 2111 - W10# 47550-BZ130- 1 +----------+ | 47611C | LEVER, PARKING BRAKE SHOE, RH +----------+ 2111 - W10# 47611-BZ090- 1 +----------+ | 47612A | LEVER, PARKING BRAKE SHOE, LH +----------+ 2111 - W10# 47612-BZ090- 1
  • 154.
    154 FIG.47-06 REAR DRUMBRAKE WHEEL CYLINDER & BACKING PLATE PROD_DATE MODELS SPEC CODE DESCRIPTION R / P PART NUMBER O Y T REV_REF FR TO +----------+ | 47635C | RETAINER, ADJUSTING BOLT SPRING +----------+ 2111 - W10# 47635-BZ030- 2 +----------+ | 47643A | LEVER, REAR BRAKE AUTOMATIC ADJUST, RH +----------+ 2111 - W10# 47643-BZ090- 1 +----------+ | 47644A | LEVER, REAR BRAKE AUTOMATIC ADJUST, LH +----------+ 2111 - W10# 47644-BZ080- 1
  • 155.
    155 FIG.47-08 BRAKE TUBE& CLAMP ― ― ― ― ― ― ― ― ― ― ― ― ― ― ― ― ― ― ― ― ― ― ― ― ― ― ― ― ― ― ― ― ― ― (2111- )W100..CVT ; (2111- )W101 ACTUATOR ILLUST NO. 2 OF 2 47D125 REFER TO FIG (PNC 82111) REFER TO FIG (PNC 53702) 9004A-10217 9004A-10217 9004A-10217 82-02 44591 44579 44579 44579 44521A 44546A 44546A 44521A 44521A 44546A 44510 53-55
  • 156.
    156 FIG.47-08 BRAKE TUBE& CLAMP (2111- ) ILLUST NO. 1 OF 2 47D127 REFER TO FIG (PNC 77286F) REFER TO FIG (PNC 77299A) REFER TO FIG (PNC 77298A) REFER TO FIG (PNC 47201) 77-51 77-51 77-51 47371A 47372 47373B 47374B 47313P 47313B 47324 47313A 47313B 47313J 47313P 9004A-10217 47371G 47371G 47322 47314 47313 47311 47312 47-02 9004A-10217 47313 47311 47312 47324 47322 47314 47371H 47371H 47325 47318F 47353E 47351B 47371H 47326 47371H 47319F 47353E 47352B
  • 157.
    157 FIG.47-08 BRAKE TUBE& CLAMP (2111- )W100..5F ACTUATOR ILLUST NO. 2 OF 2 47D128 REFER TO FIG (PNC 82111) REFER TO FIG (PNC 53702) 9004A-10217 9004A-10217 9004A-10217 82-02 44591 44579 44579 44579 44546A 44521A 44546A 44521A 44521A 44546A 44510 53-55 FIG.47-08 BRAKE TUBE & CLAMP PROD_DATE MODELS SPEC CODE DESCRIPTION R / P PART NUMBER O Y T REV_REF FR TO +----------+ | 44510 | ACTUATOR ASSY, BRAKE +----------+ 2111 - W10#..CVT 44050-BZ440- 1 2111 - W101..5F 44050-BZ460- 1 2111 - W100..5F 44050-BZ470- 1 2111 - W101..CVT B2PH SMART ASSIST (OVERSE AS) 44050-BZC10- 1 2210 - W101..CVT B2PJ H + SAB/CSA/BSM 44050-BZC10- 1 +----------+ | 44521A | COLLAR, BRAKE ACTUATOR CASE, NO.1 +----------+ 2111 - W10# 44521-B1010- 3 +----------+ | 44546A | CUSHION, BRAKE ACTUATOR BOLT +----------+ 2111 - W10# # 44546-BZ020- (44546-12110- ) 3 1 +----------+ | 44579 | BOLT, BRAKE ACTUATOR BRACKET +----------+ 2111 - W10# 90119-06834- 3 +----------+ | 44591 | BRACKET, BRAKE ACTUATOR, NO.1 +----------+ 2111 - W101..CVT B2PH SMART ASSIST (OVERSE AS) 44591-BZ290- 1 2111 - W100..5F 44591-BZ300- 1 2111 - W101 44591-BZ400- 1 2111 - W100..CVT 44591-BZ400- 1 2210 - W101..CVT B2PJ H + SAB/CSA/BSM 44591-BZ290- 1 +----------+ | 47311 | TUBE, FRONT BRAKE, NO.1 +----------+ 2111 - W101..CVT B2PH SMART ASSIST (OVERSE AS) 47311-BZ700- 1 2111 - W100..5F 47311-BZ710- 1 2111 - W101 47311-BZ790- 1
  • 158.
    158 FIG.47-08 BRAKE TUBE& CLAMP PROD_DATE MODELS SPEC CODE DESCRIPTION R / P PART NUMBER O Y T REV_REF FR TO +----------+ | 47311 | TUBE, FRONT BRAKE, NO.1 CONTINUED--+ 2111 - W100..CVT 47311-BZ790- 1 2210 - W101..CVT B2PJ H + SAB/CSA/BSM 47311-BZ700- 1 +----------+ | 47312 | TUBE, FRONT BRAKE, NO.2 +----------+ 2111 - W10# 47312-BZ710- 1 +----------+ | 47313 | TUBE, FRONT BRAKE, NO.3 +----------+ 2111 - W101..CVT B2PH SMART ASSIST (OVERSE AS) 47313-BZ660- 1 2111 - W100..5F 47313-BZ670- 1 2111 - W101 47313-BZ770- 1 2111 - W100..CVT 47313-BZ770- 1 2210 - W101..CVT B2PJ H + SAB/CSA/BSM 47313-BZ660- 1 +----------+ | 47313A | HOSE, FLEXIBLE, NO.1(FOR FRONT) +----------+ 2111 - W10# 9004A-94114- 1 +----------+ | 47313B | BOLT, UNION(FOR FRONT FLEXIBLE HOSE) +----------+ 2111 - W10# 90401-10058- 2 +----------+ | 47313J | HOSE, FLEXIBLE, NO.2(FOR FRONT) +----------+ 2111 - W10# 9004A-94114- 1 +----------+ | 47313P | GASKET(FOR FRONT FLEXIBLE HOSE) +----------+ 2111 - W10# 47389-50020- 2 +----------+ | 47314 | TUBE, FRONT BRAKE, NO.4 +----------+ 2111 - W10# 47314-BZ680- 1 FIG.47-08 BRAKE TUBE & CLAMP PROD_DATE MODELS SPEC CODE DESCRIPTION R / P PART NUMBER O Y T REV_REF FR TO +----------+ | 47318F | HOSE, FLEXIBLE(FOR REAR RH) +----------+ 2111 - W10# 9004A-94131- 1 +----------+ | 47319F | HOSE, FLEXIBLE(FOR REAR LH) +----------+ 2111 - W10# 9004A-94131- 1 +----------+ | 47322 | TUBE, REAR BRAKE, NO.2 +----------+ 2111 - W10# 47322-BZ450- 1 +----------+ | 47324 | TUBE, REAR BRAKE, NO.4 +----------+ 2111 - W10# 47324-BZ510- 1 +----------+ | 47325 | TUBE, REAR BRAKE, NO.5 +----------+ 2111 - W10# 47325-BZ280- 1 +----------+ | 47326 | TUBE, REAR BRAKE, NO.6 +----------+ 2111 - W10# 47326-BZ300- 1 +----------+ | 47351B | BRACKET, FLEXIBLE HOSE, NO.1 +----------+ 2111 - W10# 47351-BZ280- 1 +----------+ | 47352B | BRACKET, FLEXIBLE HOSE, NO.2 +----------+ 2111 - W10# 47352-BZ100- 1 +----------+ | 47353E | BOLT(FOR FLEXIBLE HOSE BRACKET) +----------+ 2111 - W10# # 9004A-10222- (91551-80612- ) 2 1 +----------+ | 47371A | CLAMP, BRAKE TUBE, NO.1 +----------+ 2111 - W10# 47371-B2080- 2
  • 159.
    159 FIG.47-08 BRAKE TUBE& CLAMP PROD_DATE MODELS SPEC CODE DESCRIPTION R / P PART NUMBER O Y T REV_REF FR TO +----------+ | 47371G | CLAMP, BRAKE TUBE, NO.11 +----------+ 2111 - W10# 90044-65441- 2 +----------+ | 47371H | CLAMP, BRAKE TUBE, NO.12 +----------+ 2111 - W10# 90044-65441- 4 +----------+ | 47372 | CLAMP, BRAKE TUBE, NO.2 +----------+ 2111 - W10# 47372-B2040- 1 +----------+ | 47373B | CLAMP, BRAKE TUBE, NO.3 +----------+ 2111 - W10# 90044-64918- 4 +----------+ | 47374B | CLAMP, BRAKE TUBE, NO.4 +----------+ 2111 - W10# 90044-64891- 1
  • 160.
    160 FIG.48-02 FRONT AXLEARM & STEERING KNUCKLE (2111- ) 485455 REFER TO FIG REFER TO FIG REFER TO FIG (PNC 51201) REFER TO FIG (PNC 48510(RH)) (PNC 48520(LH)) 48068M 48069H 43211 43212 48068 48069 48068H 48069D 47-05 90044-67547 90041-78084 45-05 43211L 43212E 43211K 43212D 51-52 48-03
  • 161.
    161 FIG.48-02 FRONT AXLEARM & STEERING KNUCKLE PROD_DATE MODELS SPEC CODE DESCRIPTION R / P PART NUMBER O Y T REV_REF FR TO +----------+ | 43211 | KNUCKLE, STEERING, RH +----------+ 2111 - W10# 43211-BZ440- 1 +----------+ | 43211K | BOLT (FOR STEERING KNUCKLE RH) +----------+ 2111 - W10# 90041-01720- 2 +----------+ | 43211L | NUT (FOR STEERING KNUCKLE RH) +----------+ 2111 - W10# 90041-70393- 2 +----------+ | 43212 | KNUCKLE, STEERING, LH +----------+ 2111 - W10# 43212-BZ440- 1 +----------+ | 43212D | BOLT (FOR STEERING KNUCKLE LH) +----------+ 2111 - W10# 90041-01720- 2 +----------+ | 43212E | NUT (FOR STEERING KNUCKLE LH) +----------+ 2111 - W10# 90041-70393- 2 +----------+ | 48068 | ARM SUB-ASSY, FRONT SUSPENSION, LOWER NO.1 RH +----------+ 2111 - W10# 48068-BZ430- 1 +----------+ | 48068H | BOLT(FOR FRONT SUSPENSION LOWER ARM NO.1 RH) +----------+ 2111 - W10# 90041-05554- 1 +----------+ | 48068M | BOLT(FOR FRONT SUSPENSION LOWER ARM NO.2 RH) +----------+ 2111 - W10# 90041-05475- 1 +----------+ | 48069 | ARM SUB-ASSY, FRONT SUSPENSION, LOWER NO.1 LH +----------+ 2111 - W10# 48069-BZ430- 1 +----------+ | 48069D | BOLT(FOR FRONT SUSPENSION LOWER ARM NO.1 LH) +----------+ 2111 - W10# 90041-05554- 1 FIG.48-02 FRONT AXLE ARM & STEERING KNUCKLE PROD_DATE MODELS SPEC CODE DESCRIPTION R / P PART NUMBER O Y T REV_REF FR TO +----------+ | 48069H | BOLT(FOR FRONT SUSPENSION LOWER ARM NO.2 LH) +----------+ 2111 - W10# 90041-05475- 1
  • 162.
    162 FIG.48-03 FRONT SPRING& SHOCK ABSORBER (2111- ) STABILIZER ILLUST NO. 2 OF 2 485465 48820B 48810 48811 48820A 48820A 48824A 48829A 48815D 48815E 48817D
  • 163.
    163 FIG.48-03 FRONT SPRING& SHOCK ABSORBER (2111- ) SHOCK ABSORBER ILLUST NO. 1 OF 2 485466 REFER TO FIG (PNC 57105A(RH)) (PNC 57106A(LH)) REFER TO FIG (PNC 43211L(RH)) (PNC 43212E(LH)) REFER TO FIG (PNC 43211K(RH)) (PNC 43212D(LH)) REFER TO FIG (PNC 43211(RH)) (PNC 43212(LH)) 58-51 48-02 48-02 48510 48520 48157B 48157C 48331B 48331C 48510N 48520C 48603D 48609E 48684A 48684B 48682A 48682B 48131 48132 48603 48609 48044 48054 90041-78085 48-02
  • 164.
    164 FIG.48-03 FRONT SPRING& SHOCK ABSORBER PROD_DATE MODELS SPEC CODE DESCRIPTION R / P PART NUMBER O Y T REV_REF FR TO +----------+ | 48044 | SEAT SUB-ASSY, FRONT SPRING, NO.1 +----------+ 2111 - W10# 48044-BZ130- 1 +----------+ | 48054 | SEAT SUB-ASSY, FRONT SPRING, NO.2 +----------+ 2111 - W10# 48044-BZ130- 1 +----------+ | 48131 | SPRING, FRONT COIL, RH +----------+ 2111 - W10#..5F 48131-BZB80- 1 2111 - W10#..CVT 48131-BZB90- 1 +----------+ | 48132 | SPRING, FRONT COIL, LH +----------+ 2111 - W10#..5F 48131-BZB80- 1 2111 - W10#..CVT 48131-BZB90- 1 +----------+ | 48157B | INSULATOR, FRONT COIL SPRING, UPPER RH +----------+ 2111 - W10# 48157-BZ080- 1 +----------+ | 48157C | INSULATOR, FRONT COIL SPRING, UPPER LH +----------+ 2111 - W10# 48157-BZ080- 1 +----------+ | 48331B | BUMPER, FRONT SPRING, RH +----------+ 2111 - W10# 48331-BZ220- 1 +----------+ | 48331C | BUMPER, FRONT SPRING, LH +----------+ 2111 - W10# 48331-BZ220- 1 +----------+ | 48510 | ABSORBER ASSY, SHOCK, FRONT RH +----------+ 2111 - W10# MARK 48510-BZE50 48510-BZE50- 1 +----------+ | 48510N | BUSH(FOR FRONT SHOCK ABSORBER RH) +----------+ 2111 - W10# 90043-89155- 1 FIG.48-03 FRONT SPRING & SHOCK ABSORBER PROD_DATE MODELS SPEC CODE DESCRIPTION R / P PART NUMBER O Y T REV_REF FR TO +----------+ | 48520 | ABSORBER ASSY, SHOCK, FRONT LH +----------+ 2111 - W10# MARK 48520-BZA80 48520-BZA80- 1 +----------+ | 48520C | BUSH(FOR FRONT SHOCK ABSORBER LH) +----------+ 2111 - W10# 90043-89155- 1 +----------+ | 48603 | SUPPORT SUB-ASSY, FRONT SUSPENSION, RH +----------+ 2111 - W10# 48609-BZ170- 1 +----------+ | 48603D | NUT(FOR FRONT SUPPORT TO FRONT SHOCK ABSORBER RH) +----------+ 2111 - W10# 90041-78085- 1 +----------+ | 48609 | SUPPORT SUB-ASSY, FRONT SUSPENSION, LH +----------+ 2111 - W10# 48609-BZ170- 1 +----------+ | 48609E | NUT(FOR FRONT SUPPORT TO FRONT SHOCK ABSORBER LH) +----------+ 2111 - W10# 90041-78085- 1 +----------+ | 48682A | SUPPORT, FRONT SUSPENSION, NO.2 RH +----------+ 2111 - W10# 48682-BZ010- 1 +----------+ | 48682B | SUPPORT, FRONT SUSPENSION, NO.2 LH +----------+ 2111 - W10# 48682-BZ010- 1 +----------+ | 48684A | COVER, FRONT SUSPENSION SUPPORT DUST, RH +----------+ 2111 - W10# 48684-BZ090- 1 +----------+ | 48684B | COVER, FRONT SUSPENSION SUPPORT DUST, LH +----------+ 2111 - W10# 48684-BZ090- 1 +----------+ | 48810 | LINK ASSY, FRONT STABILIZER, LH +----------+ 2111 - W10# 48820-BZ130- 1
  • 165.
    165 FIG.48-03 FRONT SPRING& SHOCK ABSORBER PROD_DATE MODELS SPEC CODE DESCRIPTION R / P PART NUMBER O Y T REV_REF FR TO +----------+ | 48811 | BAR, STABILIZER, FRONT +----------+ 2111 - W10# 48811-BZ290- 1 +----------+ | 48815D | BUSH, FRONT STABILIZER BAR, RH +----------+ 2111 - W10# 48815-BZ350- 1 +----------+ | 48815E | BUSH, FRONT STABILIZER BAR, LH +----------+ 2111 - W10# 48815-BZ350- 1 +----------+ | 48817D | BOLT(FOR FRONT STABILIZER) +----------+ 2111 - W10# 91551-00820- 4 +----------+ | 48820A | NUT(FOR FRONT STABILIZER LINK) +----------+ 2111 - W10# # 9004A-17255- (90041-70367- ) 4 1 +----------+ | 48820B | LINK ASSY, FRONT STABILIZER, RH +----------+ 2111 - W10# 48820-BZ130- 1 +----------+ | 48824A | BRACKET, FRONT STABILIZER, NO.1 RH +----------+ 2111 - W10# 48824-BZ210- 1 +----------+ | 48829A | BRACKET, FRONT STABILIZER, NO.1 LH +----------+ 2111 - W10# 48824-BZ210- 1
  • 166.
    166 FIG.48-04 REAR SPRING& SHOCK ABSORBER (2111- ) 485461-A REFER TO FIG (PNC 61607H(RH)) (PNC 61608H(LH)) 48341A 48341B 48231A 48231B 48481B 48482 48482A 48472 48710J 48725A 48750H 48760B 48531J 48541J 48750J 48760C 48755 48531A 48541A 9004A-17255 61-51 48530 48540
  • 167.
    167 FIG.48-04 REAR SPRING& SHOCK ABSORBER PROD_DATE MODELS SPEC CODE DESCRIPTION R / P PART NUMBER O Y T REV_REF FR TO +----------+ | 48231A | SPRING, COIL, REAR RH +----------+ 2111 - W10# 48231-BZ880- 1 +----------+ | 48231B | SPRING, COIL, REAR LH +----------+ 2111 - W10# 48231-BZ880- 1 +----------+ | 48341A | BUMPER, REAR SPRING, NO.1 RH +----------+ 2111 - W10# 48341-BZ200- 1 +----------+ | 48341B | BUMPER, REAR SPRING, NO.1 LH +----------+ 2111 - W10# 48341-BZ200- 1 +----------+ | 48472 | SEAT, REAR SPRING, LOWER +----------+ 2111 - W10# RH 48482-BZ190- 1 +----------+ | 48481B | SEAT, REAR SPRING, UPPER RH +----------+ 2111 - W10# 48481-BZ120- 1 +----------+ | 48482 | SEAT, REAR SPRING, UPPER LH +----------+ 2111 - W10# 48481-BZ120- 1 +----------+ | 48482A | SEAT, REAR SPRING, LOWER +----------+ 2111 - W10# LH 48482-BZ190- 1 +----------+ | 48530 | ABSORBER ASSY, SHOCK, REAR RH +----------+ 2111 - W10# MARK 48531-BZB10 48531-BZB10- 1 +----------+ | 48531A | BOLT, UNION(FOR REAR SHOCK ABSORBER RH) +----------+ 2111 - W10# 9004A-10201- 1 +----------+ | 48531J | WASHER, REAR SHOCK ABSORBER CUSHION, NO.1 RH +----------+ 2111 - W10# 90042-01758- 1 FIG.48-04 REAR SPRING & SHOCK ABSORBER PROD_DATE MODELS SPEC CODE DESCRIPTION R / P PART NUMBER O Y T REV_REF FR TO +----------+ | 48540 | ABSORBER ASSY, SHOCK, REAR LH +----------+ 2111 - W10# MARK 48531-BZB10 48531-BZB10- 1 +----------+ | 48541A | BOLT, UNION(FOR REAR SHOCK ABSORBER LH) +----------+ 2111 - W10# 9004A-10201- 1 +----------+ | 48541J | WASHER, REAR SHOCK ABSORBER CUSHION, NO.1 LH +----------+ 2111 - W10# 90042-01758- 1 +----------+ | 48710J | ARM ASSY, REAR SUSPENSION, NO.1 +----------+ 2111 - W10# 48710-BZ460- 1 +----------+ | 48725A | BOLT(FOR LOWER CONTROL ARM) +----------+ 2111 - W10# 9004A-11379- 2 +----------+ | 48750H | SUPPORT ASSY, REAR SUSPENSION, RH +----------+ 2111 - W10# 48750-BZ050- 1 +----------+ | 48750J | NUT(FOR REAR SUPPORT TO REAR SHOCK ABSORBER RH) +----------+ 2111 - W10# 94188-01001- 1 +----------+ | 48755 | SUPPORT, REAR SUSPENSION +----------+ 2111 - W10# 48755-BZ050- 2 +----------+ | 48760B | SUPPORT ASSY REAR SUSPENSION, LH +----------+ 2111 - W10# 48750-BZ050- 1 +----------+ | 48760C | NUT(FOR REAR SUPPORT TO REAR SHOCK ABSORBER LH) +----------+ 2111 - W10# 94188-01001- 1
  • 168.
    168 FIG.51-52 SUSPENSION CROSSMEMBER& UNDER COVER (2111- ) 514031-B REFER TO FIG (PNC 48068M) REFER TO FIG (PNC 48069H) 48-02 48-02 51201 51448A 51449A 51467 51467 51467B 51467B 51296C 51296C 51296 51296 90041-05546 9004A-10248 90041-05546 9004A-10248 90041-05546 9004A-10248
  • 169.
    169 FIG.51-52 SUSPENSION CROSSMEMBER& UNDER COVER PROD_DATE MODELS SPEC CODE DESCRIPTION R / P PART NUMBER O Y T REV_REF FR TO +----------+ | 51201 | CROSSMEMBER SUB-ASSY, FRONT SUSPENSION +----------+ 2111 - 2203 W10# 51201-BZ160- 1 2204 - W10# 51201-BZ161- 1 +----------+ | 51296 | BOLT, FRONT SUSPENSION MEMBER MOUNTING +----------+ 2111 - W10# M10,L=31 91673-A1025- 2 +----------+ | 51296C | BOLT, FRONT SUSPENSION MEMBER MOUNTING +----------+ 2111 - W10# M12,L=91 90041-05594- 2 +----------+ | 51448A | COVER, ENGINE SIDE UNDER, RH +----------+ 2111 - W10# 51441-BZ340- 1 +----------+ | 51449A | COVER, ENGINE SIDE UNDER, LH +----------+ 2111 - W10# 51442-BZ150- 1 +----------+ | 51467 | RETAINER, ENGINE UNDER COVER +----------+ 2111 - W10# 9004A-46323- 2 +----------+ | 51467B | RETAINER, ENGINE UNDER COVER +----------+ 2111 - W10# 9004A-46323- 2
  • 170.
    170 FIG.51-53 SPARE WHEELCARRIER (2111- ) 514020 51900 51919B 51938 51938F FIG.51-53 SPARE WHEEL CARRIER PROD_DATE MODELS SPEC CODE DESCRIPTION R / P PART NUMBER O Y T REV_REF FR TO +----------+ | 51900 | CARRIER ASSY, SPARE WHEEL +----------+ 2111 - W101 51900-BZ120- 1 2111 - W100 51900-BZ160- 1 +----------+ | 51919B | SPACER, SPARE WHEEL CARRIER +----------+ 2111 - W10# 51919-BZ030- 1 +----------+ | 51938 | LOCK, SPARE WHEEL CARRIER +----------+ 2111 - W10# 51938-BZ120- 1 +----------+ | 51938F | BOLT(FOR SPARE WHEEL CARRIER LOCK) +----------+ 2111 - W10# M12,L=276 9004A-11373- 1
  • 171.
    171 FIG.52-52 FRONT BUMPER& BUMPER STAY (2111- ) 525205 REFER TO FIG (PNC 81220) REFER TO FIG (PNC 81210A) REFER TO FIG (PNC 53111) REFER TO FIG (PNC 51960) 9004A-11240 81-02 81-02 53-51 09-01 52115A 52116A 52117 52117 52118 52118 52119A 52139B 52521A 52521A 52712 52713A 53121E 90041-05546 9004A-11240(2) 9004A-16084(2) 9004A-16084(2)
  • 172.
    172 FIG.52-52 FRONT BUMPER& BUMPER STAY PROD_DATE MODELS SPEC CODE DESCRIPTION R / P PART NUMBER O Y T REV_REF FR TO +----------+ | 52115A | SUPPORT, FRONT BUMPER SIDE, RH +----------+ 2111 - W10# 52115-BZ240- 1 +----------+ | 52116A | SUPPORT, FRONT BUMPER SIDE, LH +----------+ 2111 - W10# 52116-BZ240- 1 +----------+ | 52117 | MOULDING, BUMPER SIDE, RH +----------+ 2111 - W10#..HI,MID 52712-BZ680- 1 2111 - W100..LO 52712-BZ690- 1 +----------+ | 52118 | MOULDING, BUMPER SIDE, LH +----------+ 2111 - W10#..HI,MID 52713-BZ670- 1 2111 - W100..LO 52713-BZ680- 1 +----------+ | 52119A | COVER, FRONT BUMPER +----------+ 2111 - W10# PAINT REQ. 52119-BZS40- 1 +----------+ | 52139B | BRACE, FRONT BUMPER, CENTER +----------+ 2111 - W10# 52139-BZ060- 1 +----------+ | 52521A | CLIP(FOR FRONT BUMPER RETAINER) +----------+ 2111 - W10# # 9004A-46380- (90044-67555- ) 2 1 +----------+ | 52712 | MOULDING, FRONT BUMPER SIDE, RH +----------+ 2111 - W10# 52712-BZ590- 1 +----------+ | 52713A | MOULDING, FRONT BUMPER SIDE, LH +----------+ 2111 - W10# 52713-BZ570- 1 +----------+ | 53121E | CLIP(FOR FRONT BUMPER), NO.1 +----------+ 2111 - W10# 9004A-46323- 4
  • 173.
    173 FIG.52-53 REAR BUMPER& BUMPER STAY (2111- ) 525206 REFER TO FIG (PNC 89341A) REFER TO FIG (PNC 89341A) REFER TO FIG (PNC 81920) REFER TO FIG (PNC 81910) 37348-BZ010 37348-BZ010 37348-BZ010 37348-BZ010 52156A 52563A 52562 52562 89C48B 89C48B 52152C 52163A 52152C 65487-BZ010 65487-BZ010 84-17 84-17 52472 52159 90041-05546 9004A-16084 81-15 81-15 52561 52562B 52155A 52471 65487-BZ010 65487-BZ010
  • 174.
    174 FIG.52-53 REAR BUMPER& BUMPER STAY PROD_DATE MODELS SPEC CODE DESCRIPTION R / P PART NUMBER O Y T REV_REF FR TO +----------+ | 52152C | CLIP, REAR BUMPER SIDE +----------+ 2111 - W10# 90044-68381- 2 +----------+ | 52155A | SUPPORT, REAR BUMPER SIDE, RH +----------+ 2111 - W10# 52155-BZ230- 1 +----------+ | 52156A | SUPPORT, REAR BUMPER SIDE, LH +----------+ 2111 - W10# 52156-BZ250- 1 +----------+ | 52159 | COVER, REAR BUMPER +----------+ 2111 - W10# PAINT REQ. 52159-BZF60- 1 2111 - W100..LO..5F B2BB PAINT REQ.,D-LOWEST 52159-BZM40- 1 +----------+ | 52163A | PLATE, REAR BUMPER, RH +----------+ 2111 - W10# 52163-BZ010- 1 +----------+ | 52471 | RETAINER, REAR BUMPER GUARD, RH +----------+ 2111 - W10# 52471-BZ010- 1 +----------+ | 52472 | RETAINER, REAR BUMPER GUARD, LH +----------+ 2111 - W10# 52472-BZ010- 1 +----------+ | 52561 | RETAINER, REAR BUMPER, UPPER CENTER +----------+ 2111 - W10# 52561-B2010- 3 +----------+ | 52562 | RETAINER, REAR BUMPER, UPPER SIDE +----------+ 2111 - W10# # 9004A-46380- (90044-67555- ) 2 1 +----------+ | 52562B | RETAINER, REAR BUMPER, UPPER RH +----------+ 2111 - W10# 52562-BZ050- 1 FIG.52-53 REAR BUMPER & BUMPER STAY PROD_DATE MODELS SPEC CODE DESCRIPTION R / P PART NUMBER O Y T REV_REF FR TO +----------+ | 52563A | RETAINER, REAR BUMPER, UPPER LH +----------+ 2111 - W10# 52563-BZ040- 1 +----------+ | 89C48B | RETAINER, ULTRASONIC SENSOR, REAR CENTER +----------+ 2111 - W10# WHITE(W09) 89348-BZ110-A0 2 2111 - W10# SILVER ME.(S28) 89348-BZ110-B0 2 2111 - W10# GRAY ME.(1G3) 89348-BZ110-B1 2 2111 - W10# BLACK ME.(X12) 89348-BZ110-C1 2 2111 - W10# RED SE(R75) 89348-BZ110-D1 2 2111 - W10# GREENISH GUN METAL M (G64) 89348-BZ110-G0 2 2111 - W10# PURPLISH SILVER M.M( P20) 89348-BZ110-K0 2
  • 175.
    175 FIG.53-51 RADIATOR GRILLE (2111-) 537807-A REFER TO FIG (PNC 75311) REFER TO FIG (PNC 86790B) 53111 53121A 75-51 86-06 53117C 53117C 53117C 90041-79134(2) FIG.53-51 RADIATOR GRILLE PROD_DATE MODELS SPEC CODE DESCRIPTION R / P PART NUMBER O Y T REV_REF FR TO +----------+ | 53111 | GRILLE, RADIATOR +----------+ 2111 - W10# NO PAINT REQ. 53111-BZ580- 1 +----------+ | 53117C | RETAINER, RADIATOR GRILLE, NO.1 +----------+ 2111 - W10# # 76854-BZ010- (76854-87401- ) 5 1 +----------+ | 53121A | MOULDING, RADIATOR GRILLE +----------+ 2111 - W100 53121-BZ650- 1 2111 - W101 53121-BZ660- 1
  • 176.
    176 FIG.53-53 HOOD &FRONT FENDER ― ― ― ― ― ― ― ― ― ― ― ― ― ― ― ― ― ― ― ― ― ― ― ― ― ― ― ― ― ― ― ― ― ― (2111- ) HOOD ILLUST NO. 1 OF 3 537824-C 53384A 53881 53341B 53301 53341C 53393B 53393B
  • 177.
    177 FIG.53-53 HOOD &FRONT FENDER (2111- ) FENDER LINER ILLUST NO. 2 OF 3 537825-A 53875C 53875J 53879A 53879C 53875A 53876A 90041-89079
  • 178.
    178 FIG.53-53 HOOD &FRONT FENDER (2111- ) FENDER ILLUST NO. 3 OF 3 537826 53801 53802 53865C 53866G 90044-67637(2) 9004A-11217 9004A-11217 9004A-11217 9004A-11217(2) 9004A-11217
  • 179.
    179 FIG.53-53 HOOD &FRONT FENDER PROD_DATE MODELS SPEC CODE DESCRIPTION R / P PART NUMBER O Y T REV_REF FR TO +----------+ | 53301 | HOOD SUB-ASS Y +----------+ 2111 - W10# 53301-BZ410- 1 +----------+ | 53341B | INSULATOR, HOOD +----------+ 2111 - W101 53341-BZ160- 1 +----------+ | 53341C | CLIP(FOR HOOD INSULATOR) +----------+ 2111 - W101 9004A-46258- 6 +----------+ | 53384A | BUMPER, FENDER TO HOOD +----------+ 2111 - W10# 90541-09125- 1 +----------+ | 53393B | PROTECTOR, HOOD, FRONT +----------+ 2111 - W10# 53393-B1020- 2 +----------+ | 53801 | FENDER SUB-ASSY, FRONT RH +----------+ 2111 - W10# 53811-BZ570- 1 +----------+ | 53802 | FENDER SUB-ASSY, FRONT LH +----------+ 2111 - W10# 53812-BZ570- 1 +----------+ | 53865C | PLATE, FRONT FENDER EXTENSION, RH +----------+ 2111 - W10# 53865-BZ130- 1 +----------+ | 53866G | PLATE, FRONT FENDER EXTENSION, LH +----------+ 2111 - W10# 53866-BZ120- 1 +----------+ | 53875A | LINER, FRONT FENDER, RH +----------+ 2111 - W10# 53875-BZ350- 1 +----------+ | 53875C | CLIP, FRONT FENDER LINER +----------+ 2111 - W10# 9004A-46323- 10 FIG.53-53 HOOD & FRONT FENDER PROD_DATE MODELS SPEC CODE DESCRIPTION R / P PART NUMBER O Y T REV_REF FR TO +----------+ | 53875J | CLIP, FRONT FENDER LINER +----------+ 2111 - W10# 9004A-46323- 10 +----------+ | 53876A | LINER, FRONT FENDER, LH +----------+ 2111 - W10# 53876-BZ330- 1 +----------+ | 53879A | RETAINER, FRONT FENDER LINER +----------+ 2111 - W10# # 9004A-46380- (90044-67555- ) 1 1 +----------+ | 53879C | RETAINER, FRONT FENDER LINER +----------+ 2111 - W10# # 9004A-46380- (90044-67555- ) 1 1 +----------+ | 53881 | BUMPER, FENDER TO HOOD +----------+ 2111 - W10# 90541-09125- 1
  • 180.
    180 FIG.53-54 HOOD LOCK& HINGE (2111- ) 537792-A REFER TO FIG (PNC 82111) REFER TO FIG (PNC 53205) REFER TO FIG (PNC 53804B) REFER TO FIG (PNC 53803B) REFER TO FIG (PNC 55781E) 53420 53451A 53445 53446 53440D 53455 53510 53577 53601 53630 67771-BZ140 67771-BZ140 9004A-11217(2) 90467-05172(2) 90467-05172(2) 90467-09043 82-02 53510 53-55 61-51 61-51 55-53 9004A-11217(2) 9004A-11217(2) 9004A-11217(2) 53410
  • 181.
    181 FIG.53-54 HOOD LOCK& HINGE PROD_DATE MODELS SPEC CODE DESCRIPTION R / P PART NUMBER O Y T REV_REF FR TO +----------+ | 53410 | HINGE ASSY, HOOD, RH +----------+ 2111 - W10# 53401-BZ090- 1 +----------+ | 53420 | HINGE ASSY, HOOD, LH +----------+ 2111 - W10# 53402-BZ090- 1 +----------+ | 53440D | SUPPORT ASSY, HOOD +----------+ 2111 - W10# 53440-BZ130- 1 +----------+ | 53445 | COVER, HOOD HINGE, RH +----------+ 2111 - W10# 53445-BZ100- 1 +----------+ | 53446 | COVER, HOOD HINGE, LH +----------+ 2111 - W10# 53446-BZ100- 1 +----------+ | 53451A | GROMMET(FOR HOOD SUPPORT ROD) +----------+ 2111 - W10# 90044-80679- 1 +----------+ | 53455 | CLAMP, HOOD SUPPORT ROD +----------+ 2111 - W10# 53455-BZ140- 1 +----------+ | 53510 | LOCK ASSY, HOOD +----------+ 2111 - W10#..HI,MID 53510-BZ370- 1 2111 - W100..LO 53510-BZ380- 1 +----------+ | 53577 | BOLT, HOOD LOCK +----------+ 2111 - W10# M6,L=12 90041-05589- 3 +----------+ | 53601 | LEVER SUB-ASSY, HOOD LOCK CONTROL +----------+ 2111 - W10# BLACK(TRIM2#) 53601-BZ030-C0 1 FIG.53-54 HOOD LOCK & HINGE PROD_DATE MODELS SPEC CODE DESCRIPTION R / P PART NUMBER O Y T REV_REF FR TO +----------+ | 53630 | CABLE ASSY, HOOD LOCK CONTROL +----------+ 2111 - W10# 53630-BZ320- 1
  • 182.
    182 FIG.53-55 FRONT FENDERAPRON & DASH PANEL (2111- ) 537844-F REFER TO FIG (PNC 88561J) REFER TO FIG (PNC 57118B) REFER TO FIG (PNC 57102) REFER TO FIG (PNC 57106A) REFER TO FIG (PNC 57026B) REFER TO FIG (PNC 57409) REFER TO FIG (PNC 88561K) REFER TO FIG (PNC 57117F) REFER TO FIG (PNC 57101) REFER TO FIG (PNC 57025C) REFER TO FIG (PNC 57105A) REFER TO FIG (PNC 57406) 55101 55210 55210A 55210C 55210C 9004A-10140 9004A-10140 9004A-10140 9004A-10140 55223A 87-18 53205 53213A 53381D 53381D 53701 53702 55168A 55214A 55215B 55216A 9004A-10140 58-51 58-51 58-51 58-51 58-51 55169B 53203 53214A 90105-06102 9004A-10246 9004A-10168 53208A 53217A 53028 87-18 53209B 58-51 53202 58-51 58-51 58-51 58-51 9004A-46131-C1 57-52 9004A-46131-C1 9004A-46131-C1(2) 90041-05585(2) 90041-05585(2)
  • 183.
    183 FIG.53-55 FRONT FENDERAPRON & DASH PANEL PROD_DATE MODELS SPEC CODE DESCRIPTION R / P PART NUMBER O Y T REV_REF FR TO +----------+ | 53028 | SUPPORT SUB-ASSY, RADIATOR, LOWER +----------+ 2111 - W10# 53028-BZ240- 1 +----------+ | 53202 | SUPPORT SUB-ASSY, RADIATOR, RH +----------+ 2111 - W10# 53202-BZ140- 1 +----------+ | 53203 | SUPPORT SUB-ASSY, RADIATOR, LH +----------+ 2111 - W10# 53203-BZ240- 1 +----------+ | 53205 | SUPPORT SUB-ASSY, RADIATOR, UPPER +----------+ 2111 - 2208 W10# 53205-BZ210- 1 2209 - W10# 53205-BZ290- 1 +----------+ | 53208A | SUPPORT SUB-ASSY, HOOD LOCK +----------+ 2111 - W10# 53215-BZ260- 1 +----------+ | 53209B | BRACE SUB-ASSY, HOOD LOCK SUPPORT +----------+ 2111 - 2112 W10# 53209-BZ060- 1 2201 - W10# 53209-BZ160- 1 +----------+ | 53213A | SUPPORT, RADIATOR, UPPER RH +----------+ 2111 - W10# 53213-BZ130- 1 +----------+ | 53214A | SUPPORT, RADIATOR, UPPER LH +----------+ 2111 - W10# 53214-BZ110- 1 +----------+ | 53217A | BRACE, HOOD LOCK SUPPORT +----------+ 2111 - W10# 53217-BZ030- 1 +----------+ | 53381D | BUMPER, HOOD TO FRONT SHROUD +----------+ 2111 - W10# 53381-BZ050- 2 FIG.53-55 FRONT FENDER APRON & DASH PANEL PROD_DATE MODELS SPEC CODE DESCRIPTION R / P PART NUMBER O Y T REV_REF FR TO +----------+ | 53701 | APRON SUB-ASSY, FRONT FENDER, RH +----------+ 2111 - W10# 53701-BZ700- 1 +----------+ | 53702 | APRON SUB-ASSY, FRONT FENDER, LH +----------+ 2111 - W10# 53702-BZ780- 1 +----------+ | 55101 | PANEL SUB-ASSY, DASH +----------+ 2111 - W10#..CVT 55101-BZP90- 1 2111 - W10#..5F 55101-BZQ10- 1 +----------+ | 55168A | BRACKET, FRONT FENDER MOUNTING, RH +----------+ 2111 - W10# 55168-BZ310- 1 +----------+ | 55169B | BRACKET, FRONT FENDER MOUNTING, LH +----------+ 2111 - W10# 55169-BZ210- 1 +----------+ | 55210 | INSULATOR ASSY, DASH PANEL +----------+ 2111 - W10# 55210-BZ620- 1 +----------+ | 55210A | CLIP +----------+ 2111 - W10# 90467-11122- 7 +----------+ | 55210C | CLIP +----------+ 2111 - W10# 90467-13079- 4 +----------+ | 55214A | PAD, DASH PANEL INSULATOR, NO.2 +----------+ 2111 - W10# 55214-BZ150- 1 +----------+ | 55215B | PAD, DASH PANEL INSULATOR, NO.3 +----------+ 2111 - W10#..CVT 55215-BZ110- 1 2111 - W10#..5F 55215-BZ120- 1
  • 184.
    184 FIG.53-55 FRONT FENDERAPRON & DASH PANEL PROD_DATE MODELS SPEC CODE DESCRIPTION R / P PART NUMBER O Y T REV_REF FR TO +----------+ | 55216A | PAD, DASH PANEL INSULATOR, NO.4 +----------+ 2111 - W10# 55216-BZ080- 1 +----------+ | 55223A | INSULATOR, DASH PANEL, OUTER +----------+ 2111 - W10# 55223-BZ200- 1
  • 185.
    185 FIG.55-51 INSTRUMENT PANEL& GLOVE COMPARTMENT (2111- ) ILLUST NO. 2 OF 5 555030 90041-83025 90041-83025 90041-83025 9004A-16036 9004A-16036 90041-83025 55394C 55394C 55394C 55394C 55394C 55394C 55394C 55394C 55394C 90041-83025 90041-83025
  • 186.
    186 FIG.55-51 INSTRUMENT PANEL& GLOVE COMPARTMENT (2111- ) ILLUST NO. 1 OF 5 555038-A REFER TO FIG (PNC 82988) 55331 55394B 9004A-11385 55394B 55301 55315A 88376-B2010 55349A 9004A-11384 9004A-11383(2) 73970A 82-02 55318F 55312A 55317E 55312A 55454B 55453D
  • 187.
    187 FIG.55-51 INSTRUMENT PANEL& GLOVE COMPARTMENT (2111- ) ILLUST NO. 3 OF 5 REFER TO FIG (PNC 58817A) 555039 58-55 9004A-16075(11) 90467-05171 90467-05171(3) 90467-05171(5) 90467-05171(9) 90467-05172(5) 9004A-16036(3) 9004A-16036(3) 55560A 55557A 55359B 55549B 55619H 55357B 55573B 55556A 55557A 55357B 55641 9004A-16075(2) 55660 55662A 55550
  • 188.
    188 FIG.55-51 INSTRUMENT PANEL& GLOVE COMPARTMENT (2111- ) ILLUST NO. 4 OF 5 555040-B 55406D 55432D 55539D 74635 55412E 55406B 90468-08048 55412D 55412G 55421B 55670 9004A-16036(5) 90467-05171(5)
  • 189.
    189 FIG.55-51 INSTRUMENT PANEL& GLOVE COMPARTMENT (2111- ) ILLUST NO. 5 OF 5 555041 REFER TO FIG (PNC 58805B) 90467-05171 90467-05171(4) 90467-05171(3) 9004A-16036(3) 9004A-16075 55650 55618C 90467-05171(4) 90467-05171(3) 90467-05171 55446A 55472A 55411G 55412E 55479C 55451C 55045 55539E 55539 55539C 55661A 90467-05171(5) 55471 58-55
  • 190.
    190 FIG.55-51 INSTRUMENT PANEL& GLOVE COMPARTMENT PROD_DATE MODELS SPEC CODE DESCRIPTION R / P PART NUMBER O Y T REV_REF FR TO +----------+ | 55045 | PANEL SUB-ASSY, INSTRUMENT PANEL FINISH, LOWER +----------+ 2111 - W10# BLACK(TRIM2#) 55045-BZ220-C0 1 +----------+ | 55301 | PANEL SUB-ASSY, INSTRUMENT +----------+ 2111 - W10# BLACK(TRIM2#) 55311-BZ890-C0 1 +----------+ | 55312A | CLIP, INSTRUMENT PANEL +----------+ 2111 - W10# 90467-05171- 4 +----------+ | 55315A | SPACER, INSTRUMENT PANEL, NO.1 +----------+ 2111 - W10# 55315-B2020- 1 +----------+ | 55317E | PANEL, INSTRUMENT SIDE, NO.1 +----------+ 2111 - W10# BLACK(TRIM2#) 55317-BZ010-C0 1 +----------+ | 55318F | PANEL, INSTRUMENT SIDE, NO.2 +----------+ 2111 - W10# BLACK(TRIM2#) 55318-BZ020-C0 1 +----------+ | 55331 | REINFORCEMENT, INSTRUMENT PANEL +----------+ 2111 - 2204 W10#..5F W/O SAFETY PAD 55305-BZC00- 1 2111 - W10#..CVT W/O SAFETY PAD 55305-BZC00- 1 2204 - W10#..5F W/SAFTY PAD 55305-BZC10- 1 +----------+ | 55349A | CUSHION, INSTRUMENT PANEL +----------+ 2111 - W10# 55349-BZ140- 1 +----------+ | 55357B | CUSHION, INSTRUMENT PANEL, NO.3 +----------+ 2111 - W10# 55357-B1070- 2 +----------+ | 55359B | BOX, INSTRUMENT PANEL, CENTER +----------+ 2111 - W10# BLACK(TRIM2#) 55359-BZ070-C0 1 FIG.55-51 INSTRUMENT PANEL & GLOVE COMPARTMENT PROD_DATE MODELS SPEC CODE DESCRIPTION R / P PART NUMBER O Y T REV_REF FR TO +----------+ | 55394B | BOLT, INSTRUMENT PANEL +----------+ 2111 - W10# 55394-BZ020- 4 +----------+ | 55394C | BOLT, INSTRUMENT PANEL +----------+ 2111 - W10# 9004A-11313- 9 +----------+ | 55406B | PANEL SUB-ASSY, INSTRUMENT CLUSTER FINISH, LOWER CENTER +----------+ 2111 - W10# BLACK(TRIM2#) 55406-BZ880-C1 1 +----------+ | 55406D | CLIP(FOR PANEL, INSTRUMENT CLUSTER FINISH ) +----------+ 2111 - W100..LO 90467-05171- 7 +----------+ | 55411G | PANEL, INSTRUMENT CLUSTER FINISH, NO.1 +----------+ 2111 - W10# BLACK(TRIM2#) 55411-BZ350-C0 1 +----------+ | 55412D | PANEL, INSTRUMENT CLUSTER FINISH, CENTER +----------+ 2111 - W100..LO BLACK(TRIM2#),TYPE A 55412-BZC10-C0 1 +----------+ | 55412E | CLIP, PANEL, INSTRUMENT CLUSTER FINISH, E ND +----------+ 2111 - W10# 90467-05171- 6 +----------+ | 55412G | CLIP(FOR INSTRUMENT CENTER CLUSTER FINISH PANEL) +----------+ 2111 - W100..LO 90467-05171- 5 +----------+ | 55421B | PANEL, INSTRUMENT CLUSTER FINISH, UPPER +----------+ 2111 - W100..LO BLACK(TRIM2#),TYPE A 55421-BZ110-C0 1 +----------+ | 55432D | PANEL, INSTRUMENT PANEL FINISH, LOWER NO. 1 +----------+ 2111 - W10# BLACK(TRIM2#) 55432-BZ190-C0 1 +----------+ | 55446A | BASE, SWITCH HOLE, NO.1 +----------+ 2111 - W10# BLACK(TRIM2#) 55446-BZ160-C0 1
  • 191.
    191 FIG.55-51 INSTRUMENT PANEL& GLOVE COMPARTMENT PROD_DATE MODELS SPEC CODE DESCRIPTION R / P PART NUMBER O Y T REV_REF FR TO +----------+ | 55451C | BOX, INSTRUMENT PANEL, NO.1 +----------+ 2111 - W10# BLACK(TRIM2#) 55451-BZ040-C0 1 +----------+ | 55453D | PAD, INSTRUMENT PANEL SAFETY, NO.1 +----------+ 2204 - W10# 55453-BZ140- 1 +----------+ | 55454B | PAD, INSTRUMENT PANEL SAFETY, NO.2 +----------+ 2204 - W10# 55454-BZ150- 1 +----------+ | 55471 | MOULDING, INSTRUMENT CLUSTER, NO.1 +----------+ 2111 - W10# BLACK(TRIM2#) 55471-BZ140-C0 1 +----------+ | 55472A | MOULDING, INSTRUMENT CLUSTER, NO.2 +----------+ 2111 - W10# BLACK(TRIM2#) 55472-BZ070-C0 1 +----------+ | 55479C | CLIP(FOR INSTRUMENT LOWER COVER) +----------+ 2111 - W10# 90467-05171- 3 +----------+ | 55539 | COVER, SPARE SWITCH HOLE +----------+ 2111 - W10# BLACK(TRIM2#),AUTO H IGH BEAM SW 55539-BZ140-C1 1 +----------+ | 55539C | COVER, SPARE SWITCH HOLE +----------+ 2111 - W100..5F BLACK(TRIM2#),VSC OF F SW 55539-BZ140-C1 1 +----------+ | 55539D | COVER, SPARE SWITCH HOLE +----------+ 2111 - W100..LO BLACK(TRIM2#),PUSH S TART SWITCH 55539-B1030-C0 1 +----------+ | 55539E | COVER, SPARE SWITCH HOLE +----------+ 2111 - W10# BLACK(TRIM2#),PRECRA SH SYSTEM S/W 55539-BZ140-C1 1 FIG.55-51 INSTRUMENT PANEL & GLOVE COMPARTMENT PROD_DATE MODELS SPEC CODE DESCRIPTION R / P PART NUMBER O Y T REV_REF FR TO +----------+ | 55549B | COVER, INSTRUMENT PANEL HOLE, NO.2 +----------+ 2111 - W10# BLACK(TRIM2#) 55549-BZ070-C0 1 +----------+ | 55550 | DOOR ASSY, GLOVE COMPARTMENT +----------+ 2111 - W10# BLACK(TRIM2#) 55550-BZ170-C0 1 +----------+ | 55556A | ARM, GLOVE COMPARTMENT DOOR CHECK, RH +----------+ 2111 - W10# 55556-BZ010- 1 +----------+ | 55557A | CUSHION, GLOVE COMPARTMENT DOOR CHECK +----------+ 2111 - W10# 55557-B2040- 2 +----------+ | 55560A | LOCK ASSY, GLOVE COMPARTMENT DOOR +----------+ 2111 - 2208 W10# BLACK(TRIM2#) 55560-BZ130-C0 1 2209 - W10# BLACK(TRIM2#) 55560-BZ131-C0 1 +----------+ | 55573B | ARM, GLOVE COMPARTMENT DOOR CHECK, LH +----------+ 2111 - W10# 55573-BZ020- 1 +----------+ | 55618C | HOLDER, INSTRUMENT PANEL CUP +----------+ 2111 - W10# BLACK(TRIM2#) 55618-BZ110-C0 1 +----------+ | 55619H | HOLDER, INSTRUMENT PANEL CUP, NO.2 +----------+ 2111 - W10# BLACK(TRIM2#) 55619-BZ050-C0 1 +----------+ | 55641 | COVER, INSTRUMENT PANEL UNDER, NO.1 +----------+ 2111 - W10# BLACK(TRIM2#) 55641-BZ260-C0 1 +----------+ | 55650 | REGISTER ASSY, INSTRUMENT PANEL, NO.1 +----------+ 2111 - W100 BLACK(TRIM2#) 55650-BZ380-C0 1 2111 - W101 -(TRIM2#) 55650-BZ400-C0 1
  • 192.
    192 FIG.55-51 INSTRUMENT PANEL& GLOVE COMPARTMENT PROD_DATE MODELS SPEC CODE DESCRIPTION R / P PART NUMBER O Y T REV_REF FR TO +----------+ | 55660 | REGISTER ASSY, INSTRUMENT PANEL, NO.2 +----------+ 2111 - W100 BLACK(TRIM2#) 55660-BZ250-C0 1 2111 - W101 -(TRIM2#) 55660-BZ270-C0 1 +----------+ | 55661A | BEZEL, INSTRUMENT PANEL REGISTER +----------+ 2111 - W10# BLACK(TRIM2#) 55661-BZ160-C0 1 +----------+ | 55662A | BEZEL, INSTRUMENT PANEL RESISTER, NO.2 +----------+ 2111 - W10# BLACK(TRIM2#) 55662-BZ080-C0 1 +----------+ | 55670 | REGISTER ASSY, INSTRUMENT PANEL, NO.3 +----------+ 2111 - W100 BLACK(TRIM2#) 55670-BZ350-C1 1 2111 - W101 BLACK(TRIM2#) 55670-BZ410-C1 1 +----------+ | 73970A | AIR BAG ASSY, INSTRUMENT PANEL PASSENGER +----------+ 2111 - W10# BLACK(TRIM2#) 73970-BZ300-C0 1 +----------+ | 74635 | HOLDER, CARD +----------+ 2111 - W10# BLACK(TRIM2#) 74635-BZ100-C0 1
  • 193.
    193 FIG.55-53 COWL PANEL& WINDSHIELD GLASS (2111- ) 555027-A REFER TO FIG (PNC 85380) REFER TO FIG (PNC 85390) REFER TO FIG (PNC 85370) 56115C 56115C 56116C 56116C 56111 53383 55715A 55716A 55701J 55703A 55781G 55781G 55799C 55781E 55708C 56117A 56117E 85-03 85-03 85-03 21576-BZ080(2) 57-52 FIG.55-53 COWL PANEL & WINDSHIELD GLASS PROD_DATE MODELS SPEC CODE DESCRIPTION R / P PART NUMBER O Y T REV_REF FR TO +----------+ | 53383 | SEAL, HOOD TO COWL TOP +----------+ 2111 - W10# 53383-BZ140- 1 +----------+ | 55701J | PANEL SUB-ASSY, COWL TOP, OUTER +----------+ 2111 - W10# 55701-BZ250- 1 +----------+ | 55703A | PANEL SUB-ASSY, COWL TOP, INNER +----------+ 2111 - W10# 55703-BZ750- 1 +----------+ | 55708C | CLIP, COWL TOP VENTILATOR LOUVER +----------+ 2111 - W10# # 9004A-46338- (90044-68346- ) 3 1 +----------+ | 55715A | BRACE, COWL TOP TO APRON, RH +----------+ 2111 - W10# 55715-BZ070- 1 +----------+ | 55716A | BRACE, COWL TOP TO APRON, LH +----------+ 2111 - W10# 55716-BZ080- 1 +----------+ | 55781E | LOUVER SUB-ASSY, COWL TOP VENTILATOR +----------+ 2111 - W10# 55708-BZ170- 1 +----------+ | 55781G | CLIP, COWL TOP VENTILATOR LOUVER +----------+ 2111 - W10# 9004A-46323- 2 +----------+ | 55799C | CLIP, COWL TOP VENTILATOR LOUVER +----------+ 2111 - W10# 67771-B2100- 8 +----------+ | 56111 | GLASS, WINDSHIELD +----------+ 2111 - W100 56101-BZ210- 1 2111 - W101..CVT B2PH SMART ASSIST (OVERSE AS) 56101-BZ220- 1
  • 194.
    194 FIG.55-53 COWL PANEL& WINDSHIELD GLASS PROD_DATE MODELS SPEC CODE DESCRIPTION R / P PART NUMBER O Y T REV_REF FR TO +----------+ | 56111 | GLASS, WINDSHIELD CONTINUED--+ 2111 - W101 56101-BZ230- 1 2210 - W101..CVT B2PJ H + SAB/CSA/BSM 56101-BZ220- 1 +----------+ | 56115C | STOPPER, WINDSHIELD GLASS +----------+ 2111 - W10# 56115-97402- 2 +----------+ | 56116C | STOPPER, WINDSHIELD GLASS, NO.2 +----------+ 2111 - W10# 56116-97401- 2 +----------+ | 56117A | DAM, WINDOW GLASS ADHESIVE +----------+ 2111 - W10# *D,L=2757 56117-BZ250- 1 +----------+ | 56117E | DAM, WINDOW GLASS ADHESIVE +----------+ 2111 - W10# *D,L=1275 56117-BZ260- 1
  • 195.
    195 FIG.57-52 HOLE PLUG ― ― ― ― ― ― ― ― ― ― ― ― ― ― ― ― ― ― ― ― ― ― ― ― ― ― ― ― ― ― ― ― ― ― (2111-) HOLE PLUG ILLUST NO. 1 OF 3 572179-A 67283-BZ010 90950-01620 9004A-95054 9004A-35005 9004A-35012 58136-BZ010 90950-01958 55129-BZ050 90048-71320 9004A-95048 90048-71269 9004A-95055 90048-74056 90048-71295 90950-01948 90950-01550 90950-01959
  • 196.
    196 FIG.57-52 HOLE PLUG (2111-) INSTALLATION POSITION ILLUST NO. 3 OF 3 572184
  • 197.
    197 FIG.57-52 HOLE PLUG (2111-) INSTALLATION POSITION ILLUST NO. 2 OF 3 572263
  • 198.
    198 FIG.58-51 FRONT FLOORPANEL & FRONT FLOOR MEMBER (2111- ) ILLUST NO. 1 OF 2 587983 REFER TO FIG (PNC 53214A) REFER TO FIG (PNC 53213A) 57052 58012 57051 58106F 58203C 58105D 57451 58172A 57419B 58114A 58115A 57429D 57417 57409 57401C 58011 53078A 57112 57102 82715J 57141A 57111 57101 57025C 57105A 57406 57117F 57106A 57026B 57118B 57412A 57418 46522-BZ030 46522-BZ030 53-55 53-55 9004A-11240 57-52
  • 199.
    199 FIG.58-51 FRONT FLOORPANEL & FRONT FLOOR MEMBER (2111- ) ILLUST NO. 2 OF 2 587984-A 57-52 58215H 58213D 58111B 58111B 58111
  • 200.
    200 FIG.58-51 FRONT FLOORPANEL & FRONT FLOOR MEMBER PROD_DATE MODELS SPEC CODE DESCRIPTION R / P PART NUMBER O Y T REV_REF FR TO +----------+ | 53078A | EXTENSION SUB-ASSY, FRONT FENDER APRON, L H +----------+ 2111 - W10# 53078-BZ140- 1 +----------+ | 57025C | MEMBER SUB-ASSY, FRONT SIDE, OUTER RH +----------+ 2111 - W10# 57025-BZ070- 1 +----------+ | 57026B | MEMBER SUB-ASSY, FRONT SIDE, OUTER LH +----------+ 2111 - W10# 57026-BZ060- 1 +----------+ | 57051 | MEMBER SUB-ASSY, FRONT FLOOR CROSS, RH +----------+ 2111 - W10# 57051-BZ340- 1 +----------+ | 57052 | MEMBER SUB-ASSY, FRONT FLOOR CROSS, LH +----------+ 2111 - W10# 57052-BZ230- 1 +----------+ | 57101 | MEMBER SUB-ASSY, FRONT SIDE, RH +----------+ 2111 - W10# 57101-BZ690- 1 +----------+ | 57102 | MEMBER SUB-ASSY, FRONT SIDE, LH +----------+ 2111 - W10# 57102-BZ770- 1 +----------+ | 57105A | PLATE SUB-ASSY, FRONT SIDE MEMBER, RH +----------+ 2111 - W10# 57105-BZ200- 1 +----------+ | 57106A | PLATE SUB-ASSY, FRONT SIDE MEMBER, LH +----------+ 2111 - W10# 57106-BZ240- 1 +----------+ | 57111 | MEMBER, FRONT SIDE, RH +----------+ 2111 - W10# 57111-BZ290- 1 +----------+ | 57112 | MEMBER, FRONT SIDE, LH +----------+ 2111 - W10# 57112-BZ310- 1 FIG.58-51 FRONT FLOOR PANEL & FRONT FLOOR MEMBER PROD_DATE MODELS SPEC CODE DESCRIPTION R / P PART NUMBER O Y T REV_REF FR TO +----------+ | 57117F | PLATE, FRONT SIDE MEMBER, NO.2 RH +----------+ 2111 - W10# 57117-BZ080- 1 +----------+ | 57118B | PLATE, FRONT SIDE MEMBER, NO.2 LH +----------+ 2111 - W10# 57118-BZ080- 1 +----------+ | 57141A | SUPPORT, FRONT BUMPER ARM, RH +----------+ 2111 - W10# 52141-BZ100- 1 +----------+ | 57401C | MEMBER SUB-ASSY, FLOOR SIDE, INNER RH +----------+ 2111 - W10# 57401-BZ470- 1 +----------+ | 57406 | MEMBER SUB-ASSY, MAIN FLOOR SIDE, RH +----------+ 2111 - W10# 57406-BZ270- 1 +----------+ | 57409 | MEMBER SUB-ASSY, MAIN FLOOR SIDE, LH +----------+ 2111 - W10# 57409-BZ240- 1 +----------+ | 57412A | MEMBER, FLOOR SIDE, INNER LH +----------+ 2111 - W10# 57412-BZ360- 1 2210 - W101..CVT B2PJ H + SAB/CSA/BSM 57402-BZ500- 1 +----------+ | 57417 | REINFORCEMENT, FRONT FLOOR UNDER, RH +----------+ 2111 - W10# 57417-BZ120- 1 +----------+ | 57418 | REINFORCEMENT, FRONT FLOOR UNDER, LH +----------+ 2111 - W10# 57418-BZ020- 1 +----------+ | 57419B | REINFORCEMENT, FRONT FLOOR UNDER, REAR +----------+ 2111 - W10# 57419-BZ080- 1
  • 201.
    201 FIG.58-51 FRONT FLOORPANEL & FRONT FLOOR MEMBER PROD_DATE MODELS SPEC CODE DESCRIPTION R / P PART NUMBER O Y T REV_REF FR TO +----------+ | 57429D | REINFORCEMENT, FRONT FLOOR UNDER, REAR LH +----------+ 2111 - W10# 57429-BZ080- 1 +----------+ | 57451 | MEMBER, FRONT FLOOR CROSS +----------+ 2111 - W10# 57451-BZ230- 1 +----------+ | 58011 | PANEL SUB-ASSY, FRONT FLOOR SIDE, RH +----------+ 2111 - W10# 58025-BZ060- 1 +----------+ | 58012 | PANEL SUB-ASSY, FRONT FLOOR SIDE, LH +----------+ 2111 - W10# 58026-BZ060- 1 +----------+ | 58105D | RETAINER SUB-ASSY, SEAT RAIL, REAR RH +----------+ 2111 - W10# 58105-BZ050- 1 2210 - W101..CVT B2PJ H + SAB/CSA/BSM 58105-BZ060- 1 +----------+ | 58106F | BRACKET SUB-ASSY, FRONT SEAT MOUNTING, OUTSIDE LH +----------+ 2111 - W10# 58106-BZ020- 1 2210 - W101..CVT B2PJ H + SAB/CSA/BSM 58106-BZ030- 1 +----------+ | 58111 | PAN, FRONT FLOOR +----------+ 2111 - W10# 58111-BZ480- 1 +----------+ | 58111B | BOLT, WELD(FOR FRONT FLOOR PAN) +----------+ 2111 - W10# 90115-06219- 5 +----------+ | 58114A | REINFORCEMENT, FRONT FLOOR PANEL +----------+ 2111 - W10# 58114-BZ070- 1 +----------+ | 58115A | REINFORCEMENT, FRONT FLOOR PANEL +----------+ 2111 - W10# 58115-BZ100- 1 FIG.58-51 FRONT FLOOR PANEL & FRONT FLOOR MEMBER PROD_DATE MODELS SPEC CODE DESCRIPTION R / P PART NUMBER O Y T REV_REF FR TO +----------+ | 58172A | PLATE, PARKING BRAKE MOUNTING +----------+ 2111 - W10# 46521-BZ050- 1 +----------+ | 58203C | BRACKET SUB-ASSY, EXHAUST PIPE MOUNTING +----------+ 2111 - W10# 57055-BZ040- 1 2210 - W101..CVT B2PJ H + SAB/CSA/BSM 57055-BZ030- 1 +----------+ | 58213D | REINFORCEMENT, CENTER FLOOR PANEL +----------+ 2111 - W10# 58213-BZ200- 1 +----------+ | 58215H | RETAINER, FRONT FLOOR +----------+ 2111 - W10# 58215-BZ040- 1 +----------+ | 82715J | BRACKET, WIRING HARNESS CLAMP +----------+ 2111 - W10# 82715-BZE90- 1
  • 202.
    202 FIG.58-52 REAR FLOORPANEL & REAR FLOOR MEMBER (2111- ) REAR FLOOR ILLUST NO. 1 OF 2 587949-B 51954A 57033B 57034B 57601B 57602A 57606E 57607C 57608B 57633A 57633B 57636A 57645 57194-BZ090 57605C 57068 57-52 58311 57841 57842 57829 57815A 57806 58325E 61671D 61672C 57807 57808
  • 203.
    203 FIG.58-52 REAR FLOORPANEL & REAR FLOOR MEMBER (2111- ) BACK PANEL ILLUST NO. 2 OF 2 587950 57-52 58307 58375E 58309G 58372 58377A 58378A 58385C 58386E 58308
  • 204.
    204 FIG.58-52 REAR FLOORPANEL & REAR FLOOR MEMBER PROD_DATE MODELS SPEC CODE DESCRIPTION R / P PART NUMBER O Y T REV_REF FR TO +----------+ | 51954A | RETAINER, SPARE WHEEL CARRIER +----------+ 2111 - W10# 51989-BZ010- 1 +----------+ | 57033B | BRACKET SUB-ASSY, REAR FLOOR MOUNTING, NO.2 RH +----------+ 2111 - W10# 57033-BZ060- 1 +----------+ | 57034B | BRACKET SUB-ASSY, REAR FLOOR MOUNTING, NO.2 LH +----------+ 2111 - W10# 57034-BZ050- 1 +----------+ | 57068 | MEMBER SUB-ASSY, REAR FLOOR REAR CROSS, INNER +----------+ 2111 - W10# 57068-BZ140- 1 +----------+ | 57601B | MEMBER SUB-ASSY, REAR FLOOR SIDE, FRONT R H +----------+ 2111 - W10# 57601-BZ560- 1 +----------+ | 57602A | MEMBER SUB-ASSY, REAR FLOOR SIDE, LH +----------+ 2111 - W10# 57602-BZ540- 1 +----------+ | 57605C | MEMBER SUB-ASSY, REAR FLOOR CROSS +----------+ 2111 - W10# 57605-BZ210- 1 +----------+ | 57606E | MEMBER SUB-ASSY, REAR FLOOR CROSS, NO.2 +----------+ 2111 - W10# 57606-BZ270- 1 +----------+ | 57607C | MEMBER SUB-ASSY, REAR FLOOR CROSS, NO.3 +----------+ 2111 - W10# 57607-BZ100- 1 +----------+ | 57608B | MEMBER SUB-ASSY, REAR FLOOR CROSS, NO.4 +----------+ 2111 - W10# 57608-BZ220- 1 +----------+ | 57633A | EXTENSION, REAR FLOOR SIDE MEMBER, REAR R H +----------+ 2111 - W10# 57633-BZ080- 1 FIG.58-52 REAR FLOOR PANEL & REAR FLOOR MEMBER PROD_DATE MODELS SPEC CODE DESCRIPTION R / P PART NUMBER O Y T REV_REF FR TO +----------+ | 57633B | EXTENSION, REAR FLOOR SIDE MEMBER, REAR L H +----------+ 2111 - W10# 57634-BZ070- 1 +----------+ | 57636A | REINFORCEMENT, REAR FLOOR SIDE MEMBER, REAR LH +----------+ 2111 - W10# 57646-BZ100- 1 +----------+ | 57645 | REINFORCEMENT, REAR SIDE MEMBER, RH +----------+ 2111 - W10# 57645-BZ150- 1 +----------+ | 57806 | REINFORCEMENT SUB-ASSY, BELT ANCHOR, LH +----------+ 2111 - W10# 57816-BZ030- 1 +----------+ | 57807 | REINFORCEMENT SUB-ASSY, NO.1 SEAT LEG, REAR NO.3 +----------+ 2111 - W10# 57807-BZ060- 1 +----------+ | 57808 | REINFORCEMENT SUB-ASSY, NO.1 SEAT LEG, REAR NO.4 +----------+ 2111 - W10# 57808-BZ020- 1 +----------+ | 57815A | REINFORCEMENT, BELT ANCHOR, RH +----------+ 2111 - W10# 57815-BZ120- 1 +----------+ | 57829 | REINFORCEMENT, SEAT LEG +----------+ 2111 - W10# 57829-BZ010- 1 +----------+ | 57841 | REINFORCEMENT, REAR NO.2 SEAT LEG, FRONT RH +----------+ 2111 - W10# 57841-BZ090- 1 +----------+ | 57842 | REINFORCEMENT, REAR NO.2 SEAT LEG, FRONT LH +----------+ 2111 - W10# 57842-BZ010- 1 +----------+ | 58307 | PANEL SUB-ASSY, BODY LOWER BACK +----------+ 2111 - W10# 58307-BZ230- 1
  • 205.
    205 FIG.58-52 REAR FLOORPANEL & REAR FLOOR MEMBER PROD_DATE MODELS SPEC CODE DESCRIPTION R / P PART NUMBER O Y T REV_REF FR TO +----------+ | 58308 | PANEL SUB-ASSY, BODY LOWER BACK, INNER +----------+ 2111 - W10# 58308-BZ460- 1 +----------+ | 58309G | RETAINER SUB-ASSY, BACK DOOR LOCK STRIKER +----------+ 2111 - W10# 58373-BZ180- 1 +----------+ | 58311 | PAN, REAR FLOOR +----------+ 2111 - W10# 58311-BZ430- 1 +----------+ | 58325E | COVER, REAR FLOOR SERVICE HOLE +----------+ 2111 - W10# 58325-BZ110- 1 +----------+ | 58372 | PANEL, BODY LOWER BACK, INNER +----------+ 2111 - W10# 58372-BZ230- 1 +----------+ | 58375E | REINFORCEMENT, BODY LOWER BACK PANEL +----------+ 2111 - W10# 58383-BZ080- 1 +----------+ | 58377A | PANEL, BODY LOWER BACK, RH +----------+ 2111 - W10# 61613-BZ300- 1 +----------+ | 58378A | PANEL, BODY LOWER BACK, LH +----------+ 2111 - W10# 61614-BZ310- 1 +----------+ | 58385C | BRACKET, REAR BUMPER COVER, RH +----------+ 2111 - W10# 52185-BZ130- 1 +----------+ | 58386E | BRACKET, REAR BUMPER COVER, LH +----------+ 2111 - W10# 52185-BZ130- 1 +----------+ | 61671D | REINFORCEMENT, QUARTER WHEEL HOUSE, RH +----------+ 2111 - W10# 61673-BZ020- 1 FIG.58-52 REAR FLOOR PANEL & REAR FLOOR MEMBER PROD_DATE MODELS SPEC CODE DESCRIPTION R / P PART NUMBER O Y T REV_REF FR TO +----------+ | 61672C | REINFORCEMENT, QUARTER WHEEL HOUSE, LH +----------+ 2111 - W10# 61674-BZ020- 1
  • 206.
    206 FIG.58-53 FLOOR INSULATOR (2111-) 587927 90119-06992(6) 58151 FIG.58-53 FLOOR INSULATOR PROD_DATE MODELS SPEC CODE DESCRIPTION R / P PART NUMBER O Y T REV_REF FR TO +----------+ | 58151 | INSULATOR, FRONT FLOOR HEAT, NO.1 +----------+ 2111 - W10# 58151-BZ080- 1
  • 207.
    207 FIG.58-54 FLOOR MAT& SILENCER PAD (2111- ) FLOOR CARPET 587963 58537A 58622 58564 58517B 58517B 58564 58564 58517B 58517B 58530B 58510C 58520C 58520C 58522D 58517B 58517B 58607C 58621 58608B 90044-67298-B0(4) FIG.58-54 FLOOR MAT & SILENCER PAD PROD_DATE MODELS SPEC CODE DESCRIPTION R / P PART NUMBER O Y T REV_REF FR TO +----------+ | 58510C | CARPET ASSY, FRONT FLOOR, FRONT +----------+ 2111 - W100..LO..5F DK.GRAY(TRIM2#) 58051-BZ210-B0 1 2111 - W100..LO..CVT 58051-BZ220- 1 2111 - W100..MID..5F DK.GRAY(TRIM2#) 58051-BZ230-B0 1 2111 - W100..MID..CVT DK.GRAY(TRIM2#) 58051-BZ240-B0 1 2111 - W101..5F DK.GRAY(TRIM2#) 58051-BZ250-B0 1 2111 - W101..CVT DK.GRAY(TRIM2#) 58051-BZ260-B0 1 +----------+ | 58517B | CARPET, REAR FLOOR +----------+ 2111 - W10# 58503-BZ030- 6 +----------+ | 58520C | CLIP(FOR FRONT FLOOR CARPET) +----------+ 2111 - W10# BLACK(TRIM2#) 9004A-46131-C1 2 +----------+ | 58522D | HOOK, FLOOR CARPET, NO.2 +----------+ 2111 - W10# 58522-52030- 2 +----------+ | 58530B | CLIP(FOR FRONT FLOOR CARPET) +----------+ 2111 - W10# BLACK(TRIM2#) 90044-68046-C2 2 +----------+ | 58537A | SILENCER, FRONT FLOOR, NO.1 +----------+ 2111 - 2209 W101 58563-BZ100- 1 2210 - W101 58563-BZ101- 1 +----------+ | 58564 | CARPET, REAR FLOOR +----------+ 2111 - W10# 58503-BZ040- 3 +----------+ | 58607C | PAD SUB-ASSY, FRONT FLOOR SILENCER, REAR RH +----------+ 2111 - W101 58065-BZ050- 1 2111 - W100 58065-BZ060- 1
  • 208.
    208 FIG.58-54 FLOOR MAT& SILENCER PAD PROD_DATE MODELS SPEC CODE DESCRIPTION R / P PART NUMBER O Y T REV_REF FR TO +----------+ | 58608B | PAD SUB-ASSY, FRONT FLOOR SILENCER, REAR LH +----------+ 2111 - W101 58066-BZ050- 1 2111 - W100 58066-BZ060- 1 +----------+ | 58621 | PAD, FLOOR SILENCER, FRONT RH +----------+ 2111 - W100 58607-BZ010- 1 2111 - W101 58607-BZ020- 1 +----------+ | 58622 | PAD, FLOOR SILENCER, FRONT LH +----------+ 2111 - W100 58608-BZ010- 1 2111 - W101 58608-BZ020- 1
  • 209.
    209 FIG.58-55 CONSOLE BOX& BRACKET ― ― ― ― ― ― ― ― ― ― ― ― ― ― ― ― ― ― ― ― ― ― ― ― ― ― ― ― ― ― ― ― ― ― (2111- ) FRONT CONSOLE ILLUST NO. 1 OF 2 587939-A REFER TO FIG (PNC 35921) REFER TO FIG (PNC 33563) REFER TO FIG (PNC 33866) 93567-15014(2) 58804A 58840A 90467-05171(7) 33-12 33-12 33-12 58821C
  • 210.
    210 FIG.58-55 CONSOLE BOX& BRACKET (2111- ) REAR CONSOLE ILLUST NO. 2 OF 2 588082 90467-05171(6) 90467-05171(12) 9004A-17210(3) 93568-55014(2) 58805B 58817A 58910D 58944A 58813 93568-55014(4) 58911J 58912C 58815A 58905 58810J 58923A 58993 9004A-11290(3) 9004A-11319(3) 9004A-16088(2) 55539J 58811D 58925A 58833B 58924A 58921A 90467-05171(3) 90467-05171(3)
  • 211.
    211 FIG.58-55 CONSOLE BOX& BRACKET PROD_DATE MODELS SPEC CODE DESCRIPTION R / P PART NUMBER O Y T REV_REF FR TO +----------+ | 55539J | COVER, SPARE SWITCH HOLE +----------+ 2111 - W100..LO BLACK(TRIM2#) 55539-BZ160-C0 1 +----------+ | 58804A | PANEL SUB-ASSY, CONSOLE, UPPER +----------+ 2111 - W100..LO..5F 58804-BZ150- 1 2111 - W100..LO..CVT 58804-BZ170- 1 2111 - W101..CVT RED(TRIM2#) 58804-BZ200-C3 1 2111 - W101..5F RED(TRIM2#) 58804-BZ260-C2 1 2111 - W100..MID..5F 58804-BZ270- 1 2111 - W100..MID..CVT 58804-BZ280- 1 +----------+ | 58805B | PANEL SUB-ASSY, CONSOLE, LOWER +----------+ 2111 - W10# BLACK(TRIM2#) 58805-BZ020-C0 1 +----------+ | 58810J | BOX ASSY, CONSOLE +----------+ 2111 - W10# BLACK(TRIM2#) 58810-BZ110-C1 1 +----------+ | 58811D | CLIP(FOR CONSOLE BOX) +----------+ 2111 - W10# 90467-05171- 10 +----------+ | 58813 | BOX, CONSOLE, UPPER +----------+ 2111 - W10# BLACK(TRIM2#) 58813-BZ030-C0 1 +----------+ | 58815A | CARPET, CONSOLE BOX +----------+ 2111 - W10# 58815-BZ080- 1 +----------+ | 58817A | INSERT, CONSOLE BOX, FRONT NO.2 +----------+ 2111 - W10# BLACK(TRIM2#) 58817-BZ020-C0 1 +----------+ | 58821C | PANEL, CONSOLE, UPPER +----------+ 2111 - W10#..5F BLACK(TRIM2#) 58821-BZ330-C0 1 FIG.58-55 CONSOLE BOX & BRACKET PROD_DATE MODELS SPEC CODE DESCRIPTION R / P PART NUMBER O Y T REV_REF FR TO +----------+ | 58821C | PANEL, CONSOLE, UPPER CONTINUED--+ 2111 - W10#..CVT BLACK(TRIM2#) 58821-BZ350-C0 1 +----------+ | 58833B | GARNISH, CONSOLE UPPER PANEL, NO.1 +----------+ 2111 - W100..LO BLACK(TRIM2#) 58833-BZ110-C0 1 2111 - W10#..HI,MID SILVER(TRIM2#) 58833-BZ150-B0 1 +----------+ | 58840A | COVER ASSY, SHIFTING HOLE +----------+ 2111 - W100..LO..5F 58840-BZ270- 1 2111 - W100..LO..CVT 58840-BZ290- 1 2111 - W100..MID..5F 58840-BZ270- 1 2111 - W101..5F RED(TRIM2#) 58840-BZ280-C3 1 2111 - W100..MID..CVT 58840-BZ290- 1 2111 - W101..CVT RED(TRIM2#) 58840-BZ560-C0 1 +----------+ | 58905 | DOOR SUB-ASSY, CONSOLE COMPARTMENT +----------+ 2111 - W10# BLACK(TRIM2#) 58905-BZ020-C0 1 +----------+ | 58910D | CLIP(FOR CONSOLE BOX) +----------+ 2111 - W10# 90467-05171- 6 +----------+ | 58911J | PANEL, BOX SIDE, NO.1 +----------+ 2111 - W10# BLACK(TRIM2#) 58911-BZ200-C0 1 +----------+ | 58912C | PANEL, BOX SIDE, NO.2 +----------+ 2111 - W10# BLACK(TRIM2#) 58912-BZ050-C0 1 +----------+ | 58921A | PANEL, REAR CONSOLE, UPPER +----------+ 2111 - W10# BLACK(TRIM2#) 58921-BZ090-C0 1
  • 212.
    212 FIG.58-55 CONSOLE BOX& BRACKET PROD_DATE MODELS SPEC CODE DESCRIPTION R / P PART NUMBER O Y T REV_REF FR TO +----------+ | 58923A | PANEL, CONSOLE REAR END +----------+ 2111 - W10# BLACK(TRIM2#) 58923-BZ030-C0 1 +----------+ | 58924A | PANEL, CONSOLE REAR END, NO.2 +----------+ 2111 - W10# BLACK(TRIM2#) 58924-BZ010-C0 1 +----------+ | 58925A | POCKET, CONSOLE BOX, REAR +----------+ 2111 - W10# BLACK(TRIM2#) 58925-BZ010-C0 1 +----------+ | 58944A | COVER, CONSOLE, REAR +----------+ 2111 - W10# 58944-BZ010- 1 +----------+ | 58993 | BRACKET, CONSOLE BOX MOUNTING, REAR +----------+ 2111 - W10# 58993-BZ030- 1
  • 213.
    213 FIG.61-51 SIDE MEMBER (2111-2210) FRONT,RHILLUST NO. 1 OF 5 617050-A 61108A 61023B 53355 57-52 53821B 53803B 61247B 61245 61203 61307 61037A 61385C 61403C 61311B 61131C 61411 55723E
  • 214.
    214 FIG.61-51 SIDE MEMBER (2111-2210) REAR,RHILLUST NO. 2 OF 5 617052-A 61235B 61247D 61231 57-52 61611 61503B 61705 61637A 61745A 61605A 61603E 61717A 61623A 61731B 61735A 61627E 68981A 61631A 61645B 61607H 61665J 61621F 61625F 61768B
  • 215.
    215 FIG.61-51 SIDE MEMBER (2111-2210) FRONT,LHILLUST NO. 3 OF 5 617054-A 61386D 61204 61246 61308 61109A 61024B 61404E 53354 53804B 57-52 53822B 61038A 61248B 61412 61132B 61312B 55724B
  • 216.
    216 FIG.61-51 SIDE MEMBER (2111-2210) REAR,LHILLUST NO. 4 OF 5 617056 61232 61504B 61638A 61732B 61736A 61628D 61236C 61622A 61632A 61769E 61646B 57-52 61612 61608H 61706 61746A 61606A 61604E 61248D 61718A 61626F 61624A 68982A 61666J
  • 217.
    217 FIG.61-51 SIDE MEMBER (2111-) CUT DIMENSIONS ILLUST NO. 5 OF 5 617057
  • 218.
    218 FIG.61-51 SIDE MEMBER (2210-) FRONT,RH ILLUST NO. 1 OF 5 617583 91673-80616(2) 61108A 61023B 53355 57-52 61311B 61131C 61411 53821B 53803B 61247B 61245 61203 61307 61415B 61719C 61037A 61385C 61403C 55723E
  • 219.
    219 FIG.61-51 SIDE MEMBER (2210-) REAR,RH ILLUST NO. 2 OF 5 617584 61235B 61247D 61231 57-52 61611 61503B 61705 61637A 61745A 61605A 61603E 61717A 61623A 61731B 61627E 68981A 65565 61768B 61631A 61645B 61607H 61665J 61621F 90041-20259(3) 61625F 61735A
  • 220.
    220 FIG.61-51 SIDE MEMBER (2210-) FRONT,LH ILLUST NO. 3 OF 5 617585 61386D 61204 61246 61308 61109A 61024B 61404E 61416B 53354 53804B 57-52 61412 61132B 61312B 91673-80616(2) 53822B 61038A 61729A 61248B 55724B
  • 221.
    221 FIG.61-51 SIDE MEMBER (2210-) REAR,LH ILLUST NO. 4 OF 5 617586 61232 61504B 61638A 61736A 61628D 61236C 61622A 61632A 61769E 61646B 57-52 61612 61608H 61706 61746A 61606A 61604E 61248D 90041-20259(3) 65566 61718A 61626F 61624A 68982A 61666J 61732B
  • 222.
    222 FIG.61-51 SIDE MEMBER PROD_DATEMODELS SPEC CODE DESCRIPTION R / P PART NUMBER O Y T REV_REF FR TO +----------+ | 53354 | GUSSET, HOOD REINFORCEMENT, LH +----------+ 2111 - W10# 53416-BZ060- 1 +----------+ | 53355 | GUSSET, HOOD REINFORCEMENT, RH +----------+ 2111 - W10# 53415-BZ060- 1 +----------+ | 53803B | BRACKET SUB-ASSY, FRONT SIDE PANEL, RH +----------+ 2111 - W10# 53803-BZ130- 1 +----------+ | 53804B | BRACKET SUB-ASSY, FRONT SIDE PANEL, LH +----------+ 2111 - W10# 53804-BZ100- 1 +----------+ | 53821B | BRACKET, FRONT FENDER, REAR RH +----------+ 2111 - W10# 58139-BZ070- 1 +----------+ | 53822B | BRACKET, FRONT FENDER, REAR LH +----------+ 2111 - W10# 58139-BZ070- 1 +----------+ | 55723E | GUSSET, FRONT PANEL, RH +----------+ 2111 - W10# 53717-BZ200- 1 +----------+ | 55724B | GUSSET, FRONT PANEL, LH +----------+ 2111 - W10# 53718-BZ200- 1 +----------+ | 61023B | PILLAR SUB-ASSY, FRONT BODY, INNER RH +----------+ 2111 - W10# 61023-BZ420- 1 +----------+ | 61024B | PILLAR SUB-ASSY, FRONT BODY, INNER LH +----------+ 2111 - W10# 61024-BZ350- 1 2111 - W100..LO..5F B2BB D-LOWEST 61024-BZ370- 1 FIG.61-51 SIDE MEMBER PROD_DATE MODELS SPEC CODE DESCRIPTION R / P PART NUMBER O Y T REV_REF FR TO +----------+ | 61037A | REINFORCEMENT SUB-ASSY, CENTER BODY PILLAR, RH +----------+ 2111 - W10# 61037-BZ390- 1 +----------+ | 61038A | REINFORCEMENT SUB-ASSY, CENTER BODY PILLAR, LH +----------+ 2111 - W10# 61038-BZ390- 1 +----------+ | 61108A | REINFORCE SUB-ASSY, FRONT BODY PILLAR, LOWER RH +----------+ 2111 - W10# 61108-BZ240- 1 +----------+ | 61109A | REINFORCE SUB-ASSY, FRONT BODY PILLAR, LOWER LH +----------+ 2111 - W10# 61109-BZ240- 1 +----------+ | 61131C | PILLAR, FRONT BODY, OUTER RH +----------+ 2111 - W10# 61131-BZ530- 1 +----------+ | 61132B | PILLAR, FRONT BODY, OUTER LH +----------+ 2111 - W10# 61132-BZ510- 1 +----------+ | 61203 | RAIL SUB-ASSY, ROOF SIDE, INNER RH +----------+ 2111 - W10# 61203-BZ130- 1 +----------+ | 61204 | RAIL SUB-ASSY, ROOF SIDE, INNER LH +----------+ 2111 - W10# 61204-BZ130- 1 +----------+ | 61231 | RAIL, ROOF SIDE, INNER RH +----------+ 2111 - W10# 61213-BZ020- 1 +----------+ | 61232 | RAIL, ROOF SIDE, INNER LH +----------+ 2111 - W10# 61214-BZ020- 1 +----------+ | 61235B | BRACKET, ASSIST GRIP +----------+ 2111 - W10# 61235-BZ110- 1
  • 223.
    223 FIG.61-51 SIDE MEMBER PROD_DATEMODELS SPEC CODE DESCRIPTION R / P PART NUMBER O Y T REV_REF FR TO +----------+ | 61236C | BRACKET, ASSIST GRIP +----------+ 2111 - W10# 61235-BZ110- 1 +----------+ | 61245 | REINFORCEMENT, ROOF SIDE RAIL, OUTER RH +----------+ 2111 - W10# 61245-BZ060- 1 +----------+ | 61246 | REINFORCEMENT, ROOF SIDE RAIL, OUTER LH +----------+ 2111 - W10# 61246-BZ040- 1 +----------+ | 61247B | REINFORCEMENT, ROOF SIDE RAIL, INNER RH +----------+ 2111 - W10# 61247-BZ140- 1 +----------+ | 61247D | BRACKET, ASSIST GRIP, RH +----------+ 2111 - W10# 61237-BZ110- 1 +----------+ | 61248B | REINFORCEMENT, ROOF SIDE RAIL, INNER LH +----------+ 2111 - W10# 61248-BZ140- 1 +----------+ | 61248D | BRACKET, ASSIST GRIP, LH +----------+ 2111 - W10# 61237-BZ110- 1 +----------+ | 61307 | PILLAR SUB-ASSY, CENTER BODY, INNER RH +----------+ 2111 - W10# 61307-BZ130- 1 +----------+ | 61308 | PILLAR SUB-ASSY, CENTER BODY, INNER LH +----------+ 2111 - W10# 61308-BZ130- 1 +----------+ | 61311B | PILLAR, CENTER BODY, OUTER RH +----------+ 2111 - W10# 61311-BZ350- 1 +----------+ | 61312B | PILLAR, CENTER BODY, OUTER LH +----------+ 2111 - W10# 61312-BZ400- 1 FIG.61-51 SIDE MEMBER PROD_DATE MODELS SPEC CODE DESCRIPTION R / P PART NUMBER O Y T REV_REF FR TO +----------+ | 61385C | EXTENSION, CENTER BODY PILLAR, UPPER RH +----------+ 2111 - W10# 61385-BZ060- 1 +----------+ | 61386D | EXTENSION, CENTER BODY PILLAR, UPPER LH +----------+ 2111 - W10# 61386-BZ060- 1 +----------+ | 61403C | REINFORCE SUB-ASSY, ROCKER, OUTER RH +----------+ 2111 - W10# 61403-BZ160- 1 +----------+ | 61404E | REINFORCE SUB-ASSY, ROCKER, OUTER LH +----------+ 2111 - W10# 61404-BZ160- 1 +----------+ | 61411 | PANEL, ROCKER, OUTER RH +----------+ 2111 - W10# 61411-BZ380- 1 +----------+ | 61412 | PANEL, ROCKER, OUTER LH +----------+ 2111 - W10# 61412-BZ410- 1 +----------+ | 61415B | EXTENSION, ROCKER, OUTER RH +----------+ 2210 - W101..CVT B2PJ H + SAB/CSA/BSM 61415-BZ040- 1 +----------+ | 61416B | EXTENSION, ROCKER, OUTER LH +----------+ 2210 - W101..CVT B2PJ H + SAB/CSA/BSM 61415-BZ040- 1 +----------+ | 61503B | REINFORCEMENT SUB-ASSY, QUARTER LOCK PILLAR, RH +----------+ 2111 - W10# 61503-BZ160- 1 +----------+ | 61504B | REINFORCEMENT SUB-ASSY, QUARTER LOCK PILLAR, LH +----------+ 2111 - W10# 61504-BZ160- 1 +----------+ | 61603E | REINFORCEMENT SUB-ASSY, QUATER PANEL, INNER RH +----------+ 2111 - W10# 61603-BZ010- 1
  • 224.
    224 FIG.61-51 SIDE MEMBER PROD_DATEMODELS SPEC CODE DESCRIPTION R / P PART NUMBER O Y T REV_REF FR TO +----------+ | 61604E | REINFORCEMENT SUB-ASSY, QUATER PANEL, INNER LH +----------+ 2111 - W10# 61604-BZ020- 1 +----------+ | 61605A | REINFORCEMENT SUB-ASSY, QUARTER PANEL, RH +----------+ 2111 - W10# 61605-BZ180- 1 +----------+ | 61606A | REINFORCEMENT SUB-ASSY, QUARTER PANEL, LH +----------+ 2111 - W10# 61606-BZ080- 1 +----------+ | 61607H | PANEL SUB-ASSY, QUARTER WHEEL HOUSE, INNER RH +----------+ 2111 - W10# 61607-BZ160- 1 +----------+ | 61608H | PANEL SUB-ASSY, QUARTER WHEEL HOUSE, INNER LH +----------+ 2111 - W10# 61608-BZ160- 1 +----------+ | 61611 | PANEL, QUARTER, RH +----------+ 2111 - W10# 61611-BZ470- 1 +----------+ | 61612 | PANEL, QUARTER, LH +----------+ 2111 - W10# 61612-BZ530- 1 +----------+ | 61621F | EXTENSION, QUARTER PANEL, LOWER RH +----------+ 2111 - W10# 61621-BZ110- 1 +----------+ | 61622A | EXTENSION, QUARTER PANEL, LOWER LH +----------+ 2111 - W10# 61622-BZ140- 1 +----------+ | 61623A | EXTENSION, QUARTER PANEL, OUTER RH +----------+ 2111 - W10# 61623-BZ200- 1 +----------+ | 61624A | EXTENSION, QUARTER PANEL, OUTER LH +----------+ 2111 - W10# 61624-BZ210- 1 FIG.61-51 SIDE MEMBER PROD_DATE MODELS SPEC CODE DESCRIPTION R / P PART NUMBER O Y T REV_REF FR TO +----------+ | 61625F | EXTENSION, QUARTER PANEL, UPPER RH +----------+ 2111 - W10# 61625-BZ220- 1 +----------+ | 61626F | EXTENSION, QUARTER PANEL, UPPER LH +----------+ 2111 - W10# 61626-BZ220- 1 +----------+ | 61627E | EXTENSION, QUARTER PANEL, REAR LOWER RH +----------+ 2111 - W10# 61627-BZ110- 1 2210 - W101..CVT B2PJ H + SAB/CSA/BSM 61627-BZ120- 1 +----------+ | 61628D | EXTENSION, QUARTER PANEL, REAR LOWER LH +----------+ 2111 - W10# 61628-BZ160- 1 2210 - W101..CVT B2PJ H + SAB/CSA/BSM 61628-BZ170- 1 +----------+ | 61631A | PANEL, QUARTER WHEEL HOUSE, OUTER RH +----------+ 2111 - W10# 61631-BZ220- 1 +----------+ | 61632A | PANEL, QUARTER WHEEL HOUSE, OUTER LH +----------+ 2111 - W10# 61632-BZ220- 1 +----------+ | 61637A | BRACE, QUARTER PANEL, RH +----------+ 2111 - W10# 61637-BZ110- 1 +----------+ | 61638A | BRACE, QUARTER PANEL, LH +----------+ 2111 - W10# 61638-BZ080- 1 +----------+ | 61645B | GUSSET, QUARTER WHEEL HOUSE, REAR RH +----------+ 2111 - W10# 61645-BZ110- 1 +----------+ | 61646B | GUSSET, QUARTER WHEEL HOUSE, REAR LH +----------+ 2111 - W10# 61646-BZ140- 1
  • 225.
    225 FIG.61-51 SIDE MEMBER PROD_DATEMODELS SPEC CODE DESCRIPTION R / P PART NUMBER O Y T REV_REF FR TO +----------+ | 61665J | PLATE, SEAT BELT ANCHORAGE, RH +----------+ 2111 - W10# 61665-BZ130- 1 +----------+ | 61666J | PLATE, SEAT BELT ANCHORAGE, LH +----------+ 2111 - W10# 61666-BZ100- 1 +----------+ | 61705 | PANEL SUB-ASSY, ROOF SIDE, INNER RH +----------+ 2111 - W10# 61705-BZ080- 1 +----------+ | 61706 | PANEL SUB-ASSY, ROOF SIDE, INNER LH +----------+ 2111 - W10# 61706-BZ080- 1 +----------+ | 61717A | REINFORCEMENT, QUARTER PANEL EXTENSION, R H +----------+ 2111 - W10# 61717-BZ040- 1 +----------+ | 61718A | REINFORCEMENT, QUARTER PANEL EXTENSION, L H +----------+ 2111 - W10# 61718-BZ060- 1 +----------+ | 61719C | BRACKET, ROOF SIDE RAIL, RH +----------+ 2210 - W101..CVT B2PJ H + SAB/CSA/BSM 61719-BZ070- 1 +----------+ | 61729A | BRACKET, ROOF SIDE RAIL, LH +----------+ 2210 - W101..CVT B2PJ H + SAB/CSA/BSM 61729-BZ010- 1 +----------+ | 61731B | PANEL, ROOF SIDE, INNER RH +----------+ 2111 - W10# 61731-BZ260- 1 +----------+ | 61732B | PANEL, ROOF SIDE, INNER LH +----------+ 2111 - W10# 61732-BZ250- 1 +----------+ | 61735A | PANEL, ROOF SIDE, INNER REAR RH +----------+ 2111 - W10# 61735-BZ120- 1 FIG.61-51 SIDE MEMBER PROD_DATE MODELS SPEC CODE DESCRIPTION R / P PART NUMBER O Y T REV_REF FR TO +----------+ | 61736A | PANEL, ROOF SIDE, INNER REAR LH +----------+ 2111 - W10# 61736-BZ120- 1 +----------+ | 61745A | REINFORCEMENT, BACK DOOR OPENING, LOWER R H +----------+ 2111 - W10# 61745-BZ090- 1 +----------+ | 61746A | REINFORCEMENT, BACK DOOR OPENING, LOWER L H +----------+ 2111 - W10# 61746-BZ050- 1 +----------+ | 61768B | REINFORCE, BELT ANCHOR TO ROOF SIDE, INNER REAR RH +----------+ 2111 - W10# 61768-BZ150- 1 +----------+ | 61769E | REINFORCEMENT, BELT ANCHOR TO QUARTER, INNER LOWER LH +----------+ 2111 - W10# 61769-BZ160- 1 +----------+ | 65565 | PATCH, SIDE PANEL REAR END, RH +----------+ 2210 - W101..CVT B2PJ H + SAB/CSA/BSM 65565-BZ040- 1 +----------+ | 65566 | PATCH, SIDE PANEL REAR END, LH +----------+ 2210 - W101..CVT B2PJ H + SAB/CSA/BSM 65566-BZ030- 1 +----------+ | 68981A | RETAINER, BACK DOOR STAY, RH +----------+ 2111 - W10# 68981-BZ060- 1 +----------+ | 68982A | RETAINER, BACK DOOR STAY, LH +----------+ 2111 - W10# 68981-BZ060- 1
  • 226.
    226 FIG.61-52 SIDE WINDOW (2111-) 617203 REFER TO FIG (PNC 75641(RH)) (PNC 75642(LH)) 69998-BZ010 75-52 62765H 62766 62785A 62786C 62785A 62786C 62763J 62764K 62715H 62716C 62711 62712 FIG.61-52 SIDE WINDOW PROD_DATE MODELS SPEC CODE DESCRIPTION R / P PART NUMBER O Y T REV_REF FR TO +----------+ | 62711 | GLASS, QUARTER WINDOW, RH +----------+ 2111 - W10# ASAHIMAS 62711-BZ350- 1 2111 - W10# MULIA GLASS 62711-BZ430- 1 +----------+ | 62712 | GLASS, QUARTER WINDOW, LH +----------+ 2111 - W10# ASAHIMAS 62712-BZ350- 1 2111 - W10# MULIA GLASS 62712-BZ430- 1 +----------+ | 62715H | DAM, QUARTER WINDOW GLASS ADHESIVE, RH +----------+ 2111 - W10# 62715-BZ040- 1 +----------+ | 62716C | DAM, QUARTER WINDOW GLASS ADHESIVE, LH +----------+ 2111 - W10# 62715-BZ040- 1 +----------+ | 62763J | RETAINER, QUARTER WINDOW GLASS, UPPER +----------+ 2111 - W10# 62763-BZ060- 1 +----------+ | 62764K | RETAINER, QUARTER WINDOW GLASS, UPPER +----------+ 2111 - W10# 62764-BZ060- 1 +----------+ | 62765H | RETAINER, QUARTER WINDOW GLASS, LOWER +----------+ 2111 - W10# 62765-BZ040- 1 +----------+ | 62766 | RETAINER, QUARTER WINDOW GLASS, LOWER LH +----------+ 2111 - W10# 62766-BZ040- 1 +----------+ | 62785A | SPACER, QUARTER WINDOW GLASS +----------+ 2111 - W10# # 64818-BZ010- (64818-87704- ) 2 1
  • 227.
    227 FIG.61-52 SIDE WINDOW PROD_DATEMODELS SPEC CODE DESCRIPTION R / P PART NUMBER O Y T REV_REF FR TO +----------+ | 62786C | SPACER, QUARTER WINDOW GLASS LH +----------+ 2111 - W10# # 64818-BZ010- (64818-87704- ) 2 1
  • 228.
    228 FIG.61-53 ROOF PANEL& BACK PANEL (2111- ) 617021 63145B 63231 63145B 63111 63134C 63141J 63142B 63132 63143A 63144B 63145D FIG.61-53 ROOF PANEL & BACK PANEL PROD_DATE MODELS SPEC CODE DESCRIPTION R / P PART NUMBER O Y T REV_REF FR TO +----------+ | 63111 | PANEL, ROOF +----------+ 2111 - W10# 63111-BZ320- 1 +----------+ | 63132 | PANEL, WINDSHIELD HEADER, INNER +----------+ 2111 - W10# 63132-BZ290- 1 +----------+ | 63134C | FRAME, BACK DOOR OPENING, INNER +----------+ 2111 - W10# 63134-BZ280- 1 +----------+ | 63141J | REINFORCEMENT, ROOF PANEL +----------+ 2111 - W10# 63141-BZ150- 1 +----------+ | 63142B | REINFORCEMENT, ROOF PANEL, REAR +----------+ 2111 - W10# 63142-BZ170- 1 +----------+ | 63143A | REINFORCEMENT, ROOF PANEL +----------+ 2111 - W10# 63143-BZ150- 1 +----------+ | 63144B | REINFORCEMENT, ROOF PANEL, NO.4 +----------+ 2111 - W10# 63144-BZ120- 1 +----------+ | 63145B | REINFORCEMENT, WINDSHIELD HEADER PANEL +----------+ 2111 - W10# 63157-BZ010- 2 +----------+ | 63145D | BRACKET, ROOF REINFORCEMENT +----------+ 2111 - W10# 63145-BZ060- 1 +----------+ | 63231 | BRACKET, ROOM LAMP +----------+ 2111 - W10# 63138-BZ050- 1
  • 229.
    229 FIG.61-55 REAR VENTILATOR& ROOF VENTILATOR (2111- ) 617023 62930B 62931B 62932B 62940B FIG.61-55 REAR VENTILATOR & ROOF VENTILATOR PROD_DATE MODELS SPEC CODE DESCRIPTION R / P PART NUMBER O Y T REV_REF FR TO +----------+ | 62930B | DUCT ASSY, QUARTER VENT, RH +----------+ 2111 - W10# 62930-BZ120- 1 +----------+ | 62931B | DUCT, QUARTER VENT +----------+ 2111 - W10# 62930-BZ030- 1 +----------+ | 62932B | DUCT, QUARTER VENT, LH +----------+ 2111 - W10# 62930-BZ030- 1 +----------+ | 62940B | DUCT ASSY, QUARTER VENT, LH +----------+ 2111 - W10# 62930-BZ120- 1
  • 230.
    230 FIG.64-51 INSIDE TRIMBOARD (2111- ) 645480 REFER TO FIG (PNC 58510C) REFER TO FIG (PNC 64730J(RH)) (PNC 64740E(LH)) 62333A 62334A 62411B 62412B 62217H 62217J 62313D 62314D 62413C 62414B 62413A 62414A 63630Q 62638B 67917C 67918E 62471A 62472A 62170A 62180A 62211 62212 62211 62212 63630Q 62638B 62211T 62217G 62112 62111C 67914B 67913B 62111B 62117B 67923C 67924A 67923C 67924A 62170B 62461H 62489A 67917D 62597D 58-54 64-55
  • 231.
    231 FIG.64-51 INSIDE TRIMBOARD PROD_DATE MODELS SPEC CODE DESCRIPTION R / P PART NUMBER O Y T REV_REF FR TO +----------+ | 62111B | CLIP(FOR COWL SIDE TRIM) +----------+ 2111 - W10# BLACK(TRIM2#) 9004A-46131-C1 1 +----------+ | 62111C | BOARD, COWL SIDE TRIM, RH +----------+ 2111 - W10# BLACK(TRIM2#) 62111-BZ330-C0 1 +----------+ | 62112 | BOARD, COWL SIDE TRIM, LH +----------+ 2111 - W10# BLACK(TRIM2#) 62112-BZ310-C0 1 +----------+ | 62117B | CLIP, NO.1(FOR COWL SIDE TRIM) +----------+ 2111 - W10# BLACK(TRIM2#) 9004A-46131-C1 1 +----------+ | 62170A | AIR BAG ASSY, CURTAIN SHIELD, RH +----------+ 2210 - W101..CVT B2PJ H + SAB/CSA/BSM 62170-BZ060- 1 +----------+ | 62170B | BOLT, W/WASH ER +----------+ 2210 - W101..CVT B2PJ H + SAB/CSA/BSM,M6,L =20 91673-80616- 4 +----------+ | 62180A | AIR BAG ASSY, CURTAIN SHIELD, LH +----------+ 2210 - W101..CVT B2PJ H + SAB/CSA/BSM 62180-BZ050- 1 +----------+ | 62211 | GARNISH, FRONT PILLAR, RH +----------+ 2111 - W10# LT.GRAY(TRIM2#) 62210-BZ090-B0 1 2210 - W101..CVT B2PJ H + SAB/CSA/BSM,LT.G RAY(TRIM2#) 62210-BZ100-B0 1 +----------+ | 62211T | CLIP(FOR FRONT PILLAR GARNISH) +----------+ 2210 - W101..CVT B2PJ H + SAB/CSA/BSM 62217-20010- 1 +----------+ | 62212 | GARNISH, FRONT PILLAR, LH +----------+ 2111 - W10# LT.GRAY(TRIM2#) 62220-BZ090-B0 1 FIG.64-51 INSIDE TRIM BOARD PROD_DATE MODELS SPEC CODE DESCRIPTION R / P PART NUMBER O Y T REV_REF FR TO +----------+ | 62212 | GARNISH, FRONT PILLAR, LH CONTINUED--+ 2210 - W101..CVT B2PJ H + SAB/CSA/BSM,LT.G RAY(TRIM2#) 62220-BZ100-B0 1 +----------+ | 62217G | CLIP, FRONT PILLAR GARNISH +----------+ 2210 - W101..CVT B2PJ H + SAB/CSA/BSM 62217-20010- 1 +----------+ | 62217H | CLIP, CENTER PILLER GARNISH +----------+ 2111 - W10# # 9004A-46338- (90044-68346- ) 1 1 +----------+ | 62217J | CLIP, CENTER PILLER GARNISH +----------+ 2111 - W10# # 9004A-46338- (90044-68346- ) 1 1 +----------+ | 62313D | TRIM, FRONT DOOR OPENING, RH +----------+ 2111 - W10# BLACK 62313-BZ290-C0 1 +----------+ | 62314D | TRIM, FRONT DOOR OPENING, LH +----------+ 2111 - W10# BLACK 62313-BZ290-C0 1 +----------+ | 62333A | TRIM, REAR DOOR OPENING, RH +----------+ 2111 - W10# BLACK 62333-BZ310-C0 1 +----------+ | 62334A | TRIM, REAR DOOR OPENING, LH +----------+ 2111 - W10# BLACK 62333-BZ310-C0 1 +----------+ | 62411B | GARNISH, CENTER PILLAR, UPPER RH +----------+ 2111 - W10# LT.GRAY(TRIM2#) 62411-BZ250-B0 1 +----------+ | 62412B | GARNISH, CENTER PILLAR, UPPER LH +----------+ 2111 - W10# LT.GRAY(TRIM2#) 62412-BZ250-B0 1
  • 232.
    232 FIG.64-51 INSIDE TRIMBOARD PROD_DATE MODELS SPEC CODE DESCRIPTION R / P PART NUMBER O Y T REV_REF FR TO +----------+ | 62413A | GARNISH, CENTER PILLAR, LOWER RH +----------+ 2111 - W10# BLACK(TRIM2#) 62413-BZ230-C0 1 +----------+ | 62413C | CLIP (FOR CENTER LOWER GARNISH) +----------+ 2111 - W10# # 9004A-46338- (90044-68346- ) 2 1 +----------+ | 62414A | GARNISH, CENTER PILLAR, LOWER LH +----------+ 2111 - W10# BLACK(TRIM2#) 62414-BZ230-C0 1 +----------+ | 62414B | CLIP (FOR CENTER LOWER GARNISH) +----------+ 2111 - W10# # 9004A-46338- (90044-68346- ) 2 1 +----------+ | 62461H | CLIP (FOR ROOF SIDE INNER GARNISH) +----------+ 2111 - W10# # 9004A-46338- (90044-68346- ) 8 1 +----------+ | 62471A | GARNISH, ROOF SIDE, INNER RH +----------+ 2111 - W100..LO LT.GRAY(TRIM2#) 62471-BZ390-B0 1 2111 - W10#..HI,MID LT.GRAY(TRIM2#) 62471-BZ470-B0 1 2210 - W101..CVT B2PJ H + SAB/CSA/BSM,LT.G RAY(TRIM2#) 62471-BZ480-B0 1 +----------+ | 62472A | GARNISH, ROOF SIDE, INNER LH +----------+ 2111 - W10# LT.GRAY(TRIM2#) 62472-BZ360-B0 1 2210 - W101..CVT B2PJ H + SAB/CSA/BSM,LT.G RAY(TRIM2#) 62472-BZ470-B0 1 +----------+ | 62489A | CLIP, ROOF SIDE INNER GARNISH +----------+ 2111 - W10# # 9004A-46338- (90044-68346- ) 8 1 FIG.64-51 INSIDE TRIM BOARD PROD_DATE MODELS SPEC CODE DESCRIPTION R / P PART NUMBER O Y T REV_REF FR TO +----------+ | 62597D | CLIP +----------+ 2111 - W10# 90467-T0019- 2 +----------+ | 62638B | CLIP +----------+ 2111 - W10# # 9004A-46338- (90044-68346- ) 3 1 2210 - W101..CVT B2PJ H + SAB/CSA/BSM # 9004A-46338- (90044-68346- ) 2 1 +----------+ | 63630Q | CLIP +----------+ 2111 - W10# # 9004A-46338- (90044-68346- ) 3 1 2210 - W101..CVT B2PJ H + SAB/CSA/BSM # 9004A-46338- (90044-68346- ) 2 1 +----------+ | 67913B | PLATE, FRONT DOOR SCUFF, RH +----------+ 2111 - W10# BLACK(TRIM2#) 67913-BZ210-C0 1 +----------+ | 67914B | PLATE, FRONT DOOR SCUFF, LH +----------+ 2111 - W10# BLACK(TRIM2#) 67914-BZ210-C0 1 +----------+ | 67917C | PLATE, REAR DOOR SCUFF, RH +----------+ 2111 - W10# BLACK(TRIM2#) 67917-BZ250-C0 1 +----------+ | 67917D | CLIP, REAR DOOR SCUFF PLATE +----------+ 2111 - W10# 90467-T0019- 2 +----------+ | 67918E | PLATE, REAR DOOR SCUFF, LH +----------+ 2111 - W10# BLACK(TRIM2#) 67918-BZ250-C0 1 +----------+ | 67923C | CLAMP, DOOR SCUFF PLATE, NO.1 +----------+ 2111 - W10# 67924-B2010- 1
  • 233.
    233 FIG.64-51 INSIDE TRIMBOARD PROD_DATE MODELS SPEC CODE DESCRIPTION R / P PART NUMBER O Y T REV_REF FR TO +----------+ | 67924A | CLAMP, DOOR SCUFF PLATE, NO.2 +----------+ 2111 - W10# 67924-B2010- 1
  • 234.
    234 FIG.64-52 ROOF HEADLINING& SILENCER PAD (2111- ) 645162 REFER TO FIG (PNC 84732H) REFER TO FIG (PNC 88611D) REFER TO FIG REFER TO FIG (PNC 87441B) REFER TO FIG (PNC 88568A) REFER TO FIG (PNC 88568A) 87-15 87-15 87-15 87-15 87-15 87-15 62410B 62821C 62822B 62961C 63310 63310D 63310H 63310H 63310H 63310H 63310K 63310K 63311 63312 63315 63315 63316 63316 63341 63342 63342 63343E 63357B 63383D 88570F FIG.64-52 ROOF HEADLINING & SILENCER PAD PROD_DATE MODELS SPEC CODE DESCRIPTION R / P PART NUMBER O Y T REV_REF FR TO +----------+ | 62410B | CLIP +----------+ 2111 - W10# 90467-05171- 6 +----------+ | 62821C | GRILLE, ROOM VENTILATION, RH +----------+ 2111 - W10# LT.GRAY(TRIM2#) 62821-BZ020-B0 1 +----------+ | 62822B | GRILLE, ROOM VENTILATION, LH +----------+ 2111 - W10# LT.GRAY(TRIM2#) 62822-BZ020-B0 1 +----------+ | 62961C | GRILLE, ROOM VENT +----------+ 2111 - W10# LT.GRAY(TRIM2#) 62961-BZ070-B0 1 +----------+ | 63310 | HEADLINING ASSY, ROOF +----------+ 2111 - W10# LIGHT GREY(TRIM2#) 63310-BZC60-B0 1 2111 - W100..LO..5F B2BB D-LOWEST,LIGHT GREY( TRIM2#) 63310-BZD70-B0 1 +----------+ | 63310D | CLIP, ROOF HEADLINING +----------+ 2111 - W10# LT.GRAY(TRIM2#) 90044-67571-B0 1 +----------+ | 63310H | CLIP(FOR ROOF HEADLINING) +----------+ 2111 - W10# LT.GRAY(TRIM2#) # 9004A-46358-B1 (90467-05164-B0) 4 1 +----------+ | 63310K | CLIP +----------+ 2111 - W10# 90467-05171- 16 +----------+ | 63311 | GARNISH, ROOF HEADLINING, FRONT RH +----------+ 2111 - W10# 62431-BZ020- 1 +----------+ | 63312 | GARNISH, ROOF HEADLINING, FRONT LH +----------+ 2111 - W10# 62432-BZ020- 1
  • 235.
    235 FIG.64-52 ROOF HEADLINING& SILENCER PAD PROD_DATE MODELS SPEC CODE DESCRIPTION R / P PART NUMBER O Y T REV_REF FR TO +----------+ | 63315 | GARNISH, ROOF HEADLINING, REAR RH +----------+ 2111 - W10# NO.1 62441-BZ020- 1 2111 - W10# NO.2 62451-BZ040- 1 +----------+ | 63316 | GARNISH, ROOF HEADLINING, REAR LH +----------+ 2111 - W10# NO.1 62442-BZ030- 1 2111 - W10# NO.2 62452-BZ040- 1 +----------+ | 63341 | PAD, ROOF SILENCER, NO.1 +----------+ 2111 - W10# 63342-BZ260- 1 +----------+ | 63342 | PAD, ROOF SILENCER, NO.2 +----------+ 2111 - W10# 63342-BZ270- 2 +----------+ | 63343E | PAD, ROOF SILENCER, NO.3 +----------+ 2111 - W10# 63342-BZ280- 1 +----------+ | 63357B | SILENCER, RO OF +----------+ 2111 - W10# 63357-BZ030- 1 +----------+ | 63383D | RETAINER, ROOF HEADLINING, REAR +----------+ 2111 - W10# 63383-BZ020- 1 +----------+ | 88570F | GRILLE ASSY, AIR OUTLET +----------+ 2111 - W10# LT.GRAY(TRIM2#) 88404-BZ080-B0 1
  • 236.
    236 FIG.64-55 DECK BOARD& DECK TRIM COVER (2111- ) 645155-A 90467-T0021(9) 90467-T0021(8) 9004A-46338(4) 64721G 64421A 64730K 62594H 62595J 64771G 64993 64714J 67935F 58410B 64740E 64730J 67807C 67808B 67808C
  • 237.
    237 FIG.64-55 DECK BOARD& DECK TRIM COVER PROD_DATE MODELS SPEC CODE DESCRIPTION R / P PART NUMBER O Y T REV_REF FR TO +----------+ | 58410B | BOARD ASSY, DECK +----------+ 2111 - W100..LO BLACK(TRIM2#) 58410-BZ290-C0 1 2111 - W10#..HI,MID BLACK(TRIM2#) 58410-BZ340-C0 1 +----------+ | 62594H | POCKET, QUARTER TRIM, RH +----------+ 2111 - W10# BLACK(TRIM2#) 62594-BZ080-C0 1 +----------+ | 62595J | POCKET, QUARTER TRIM, LH +----------+ 2111 - W10# BLACK(TRIM2#) 62595-BZ070-C0 1 +----------+ | 64421A | TRAY, LUGGAGE COMPARTMENT +----------+ 2111 - W10# BLACK(TRIM2#) 64421-BZ030-C0 1 +----------+ | 64714J | COVER, DECK SIDE TRIM, RH +----------+ 2111 - W10# BLACK(TRIM2#) 62521-BZ030-C0 1 +----------+ | 64721G | COVER, DECK TRIM, NO.1 +----------+ 2111 - W10# BLACK(TRIM2#) 62522-BZ010-C0 1 +----------+ | 64730J | PANEL ASSY, DECK TRIM SIDE, RH +----------+ 2111 - W10# BLACK(TRIM2#) 64730-BZ380-C0 1 +----------+ | 64730K | CLIP(FOR DECK SIDE TRIM PANEL) +----------+ 2111 - W10# BLACK(TRIM2#) 90044-68046-C2 2 +----------+ | 64740E | PANEL ASSY, DECK TRIM SIDE, LH +----------+ 2111 - W100..LO BLACK(TRIM2#) 64740-BZ370-C0 1 2111 - W10#..HI,MID BLACK(TRIM2#) 64740-BZ380-C0 1 +----------+ | 64771G | COVER, SPARE WHEEL +----------+ 2111 - W10# BLACK(TRIM2#) 58285-BZ010-C0 1 FIG.64-55 DECK BOARD & DECK TRIM COVER PROD_DATE MODELS SPEC CODE DESCRIPTION R / P PART NUMBER O Y T REV_REF FR TO +----------+ | 64993 | BOX, DECK FLOOR, REAR +----------+ 2111 - W10# 64993-BZ010- 1 +----------+ | 67807C | COVER SUB-ASSY, BACK DOOR SERVICE HOLE, NO.1 +----------+ 2111 - W10# BLACK(TRIM2#) 67807-BZ010-C0 1 +----------+ | 67808B | COVER SUB-ASSY, BACK DOOR SERVICE HOLE, NO.2 +----------+ 2111 - W10# BLACK(TRIM2#) 67808-BZ010-C0 1 +----------+ | 67808C | COVER SUB-ASSY, BACK DOOR SERVICE HOLE, NO.3 +----------+ 2111 - W10# BLACK(TRIM2#) 67808-BZ020-C0 1 +----------+ | 67935F | PLATE, BACK DOOR SCUFF +----------+ 2111 - W10# BLACK(TRIM2#) 67935-BZ120-C0 1
  • 238.
    238 FIG.65-54 REAR BODYSIDE PANEL (2111- ) 651473 65637 65638 9004A-46323 9004A-46323 9004A-46380 9004A-46380(2) FIG.65-54 REAR BODY SIDE PANEL PROD_DATE MODELS SPEC CODE DESCRIPTION R / P PART NUMBER O Y T REV_REF FR TO +----------+ | 65637 | LINER, REAR WHEEL HOUSE, RH +----------+ 2111 - W10# 65637-BZ280- 1 +----------+ | 65638 | LINER, REAR WHEEL HOUSE, LH +----------+ 2111 - W10# 65638-BZ280- 1
  • 239.
    239 FIG.67-51 FRONT DOORPANEL & GLASS (2111- ) DOOR PANEL ILLUST NO. 1 OF 3 67B659-A REFER TO FIG (PNC 61131C(RH)) (PNC 61132B(LH)) REFER TO FIG (PNC 86160) 9004A-10260 61-51 68610B 68620 68161B 68162B 67837G 67838D 86-02 67001A 67861 67862 67831 67832 67001 67002 67111 67112 67403F 67404F 68141 68151D 67401F 67402F 91631-G0612(2) 9004A-15064 91631-G0612(2) 68141E 68151E 68101 68102 68125 68126 68215 68216 75921C 75922M 75923B 75924B 9004A-17177(2) 90179-06070(2)
  • 240.
    240 FIG.67-51 FRONT DOORPANEL & GLASS (2111- ) DOOR TRIM ILLUST NO. 2 OF 3 67B661-A 9004A-18037 81119-B1010 68171B 68172A 67601 67602 90041-67030(4) 67601B 67601L 69277E 69278E
  • 241.
    241 FIG.67-51 FRONT DOORPANEL & GLASS (2111- ) WEATHERSTRIP RETAINER & CLIP ILLUST NO. 3 OF 3 67B662 67869E 67869J 67867C 67868C FIG.67-51 FRONT DOOR PANEL & GLASS PROD_DATE MODELS SPEC CODE DESCRIPTION R / P PART NUMBER O Y T REV_REF FR TO +----------+ | 67001 | PANEL SUB-ASSY, FRONT DOOR, RH +----------+ 2111 - W10# 67001-BZ710- 1 +----------+ | 67001A | CUSHION, FRONT DOOR PANEL +----------+ 2111 - W10# 90541-09069- 2 +----------+ | 67002 | PANEL SUB-ASSY, FRONT DOOR, LH +----------+ 2111 - W10# 67002-BZ710- 1 +----------+ | 67111 | PANEL, FRONT DOOR, OUTER RH +----------+ 2111 - W10# 67111-BZ410- 1 +----------+ | 67112 | PANEL, FRONT DOOR, OUTER LH +----------+ 2111 - W10# 67112-BZ410- 1 +----------+ | 67401F | FRAME SUB-ASSY, FRONT DOOR, FRONT LOWER R H +----------+ 2111 - W10# 67401-BZ150- 1 +----------+ | 67402F | FRAME SUB-ASSY, FRONT DOOR, FRONT LOWER L H +----------+ 2111 - W10# 67402-BZ160- 1 +----------+ | 67403F | FRAME SUB-ASSY, FRONT DOOR, REAR LOWER RH +----------+ 2111 - W10# 67403-BZ180- 1 +----------+ | 67404F | FRAME SUB-ASSY, FRONT DOOR, REAR LOWER LH +----------+ 2111 - W10# 67404-BZ180- 1 +----------+ | 67601 | BOARD SUB-ASSY, FRONT DOOR TRIM, RH +----------+ 2111 - W10# BLACK(TRIM2#),W/PART NUMBER MARK 67610-BZ830-C1 1
  • 242.
    242 FIG.67-51 FRONT DOORPANEL & GLASS PROD_DATE MODELS SPEC CODE DESCRIPTION R / P PART NUMBER O Y T REV_REF FR TO +----------+ | 67601B | CLIP(FOR FRONT DOOR TRIM BOARD) +----------+ 2111 - W10# 90467-T0019- 10 +----------+ | 67601L | CLIP(FOR FRONT DOOR TRIM BOARD) +----------+ 2111 - W10# 90467-T0019- 10 +----------+ | 67602 | BOARD SUB-ASSY, FRONT DOOR TRIM, LH +----------+ 2111 - W10# BLACK(TRIM2#),W/PART NUMBER MARK 67620-BZ830-C1 1 +----------+ | 67831 | COVER, FRONT DOOR SERVICE HOLE, RH +----------+ 2111 - W10# 67831-BZ490- 1 +----------+ | 67832 | COVER, FRONT DOOR SERVICE HOLE, LH +----------+ 2111 - W10# 67832-BZ130- 1 +----------+ | 67837G | SEAL, FRONT DOOR VENT, RH +----------+ 2111 - W10# 67837-BZ070- 3 +----------+ | 67838D | SEAL, FRONT DOOR VENT, LH +----------+ 2111 - W10# 67837-BZ070- 3 +----------+ | 67861 | WEATHERSTRIP, FRONT DOOR, RH +----------+ 2111 - W10# 67861-BZ250- 1 +----------+ | 67862 | WEATHERSTRIP, FRONT DOOR, LH +----------+ 2111 - W10# 67862-BZ240- 1 +----------+ | 67867C | RETAINER, FRONT DOOR WEATHERSTRIP, RH +----------+ 2111 - W10# 67867-B2320- 29 FIG.67-51 FRONT DOOR PANEL & GLASS PROD_DATE MODELS SPEC CODE DESCRIPTION R / P PART NUMBER O Y T REV_REF FR TO +----------+ | 67868C | RETAINER, FRONT DOOR WEATHERSTRIP, LH +----------+ 2111 - W10# 67867-B2320- 29 +----------+ | 67869E | CLIP, FRONT DOOR WEATHERSTRIP +----------+ 2111 - W10# 90467-06084- 1 +----------+ | 67869J | CLIP, FRONT DOOR WEATHERSTRIP +----------+ 2111 - W10# 90467-06084- 1 +----------+ | 68101 | GLASS SUB-ASSY, FRONT DOOR, RH +----------+ 2111 - W10# 68101-BZ400- 1 +----------+ | 68102 | GLASS SUB-ASSY, FRONT DOOR, LH +----------+ 2111 - W10# 68102-BZ400- 1 +----------+ | 68125 | GLASS, FRONT DOOR FIX WINDOW, RH +----------+ 2111 - W10# 68125-BZ070- 1 +----------+ | 68126 | GLASS, FRONT DOOR FIX WINDOW, LH +----------+ 2111 - W10# 68126-BZ070- 1 +----------+ | 68141 | RUN, FRONT DOOR GLASS +----------+ 2111 - W10# 68143-BZ130- 1 +----------+ | 68141E | RUN, FRONT DOOR GLASS, RH +----------+ 2111 - W10# 68141-BZ210- 1 +----------+ | 68151D | RUN, FRONT DOOR GLASS, LH +----------+ 2111 - W10# 68143-BZ130- 1 +----------+ | 68151E | RUN, FRONT DOOR GLASS, LH +----------+ 2111 - W10# 68151-BZ210- 1
  • 243.
    243 FIG.67-51 FRONT DOORPANEL & GLASS PROD_DATE MODELS SPEC CODE DESCRIPTION R / P PART NUMBER O Y T REV_REF FR TO +----------+ | 68161B | WEATHERSTRIP, FRONT DOOR GLASS, OUTER RH +----------+ 2111 - W10# 68161-BZ230- 1 +----------+ | 68162B | WEATHERSTRIP, FRONT DOOR GLASS, OUTER LH +----------+ 2111 - W10# 68162-BZ220- 1 +----------+ | 68171B | WEATHERSTRIP, FRONT DOOR GLASS, INNER RH +----------+ 2111 - W10# 68171-BZ250- 1 +----------+ | 68172A | WEATHERSTRIP, FRONT DOOR GLASS, INNER LH +----------+ 2111 - W10# 68172-BZ230- 1 +----------+ | 68215 | WEATHERSTRIP, FRONT DOOR FIX WINDOW, RH +----------+ 2111 - W10# 68215-BZ020- 1 +----------+ | 68216 | WEATHERSTRIP, FRONT DOOR FIX WINDOW, LH +----------+ 2111 - W10# 68216-BZ020- 1 +----------+ | 68610B | CHECK ASSY, FRONT DOOR, RH +----------+ 2111 - W10# 68610-BZ210- 1 +----------+ | 68620 | CHECK ASSY, FRONT DOOR, LH +----------+ 2111 - W10# 68610-BZ210- 1 +----------+ | 69277E | BEZEL, FRONT DOOR INSIDE HANDLE, RH +----------+ 2111 - W10# BLACK(TRIM2#) 69277-BZ100-C0 1 +----------+ | 69278E | BEZEL, FRONT DOOR INSIDE HANDLE, LH +----------+ 2111 - W10# BLACK(TRIM2#) 69278-BZ080-C0 1 FIG.67-51 FRONT DOOR PANEL & GLASS PROD_DATE MODELS SPEC CODE DESCRIPTION R / P PART NUMBER O Y T REV_REF FR TO +----------+ | 75921C | TAPE, BLACK OUT, NO.1 RH +----------+ 2111 - W10#..HI,MID TUYAKESI BLACK DUMMY (1G3 ,G64 ,P20 ,R75 ,S28 ,W09) 75921-BZ170-C0 1 +----------+ | 75922M | TAPE, BLACK OUT, NO.1 LH +----------+ 2111 - W10#..HI,MID TUYAKESI BLACK DUMMY (1G3 ,G64 ,P20 ,R75 ,S28 ,W09) 75922-BZ150-C0 1 +----------+ | 75923B | TAPE, BLACK OUT, NO.2 RH +----------+ 2111 - W10#..HI,MID TUYAKESI BLACK DUMMY (1G3 ,G64 ,P20 ,R75 ,S28 ,W09) 75923-BZ220-C0 1 +----------+ | 75924B | TAPE, BLACK OUT, NO.2 LH +----------+ 2111 - W10#..HI,MID TUYAKESI BLACK DUMMY (1G3 ,G64 ,P20 ,R75 ,S28 ,W09) 75924-BZ210-C0 1
  • 244.
    244 FIG.67-53 FRONT DOORLOCK & HANDLE (2111- ) 67B622-B REFER TO FIG (PNC 82151(RH)) (PNC 82152(LH)) REFER TO FIG REFER TO FIG (PNC 82151(RH)) (PNC 82152(LH)) REFER TO FIG (PNC 61311B(RH)) (PNC 61312B(LH)) 90148-60083(3) 69205 69206B 90041-05504 90041-05474 82-02 69210 69220 69410 67-65 69210 69220 67749-B2030(2) 69241D 69242C 69311A 69312 82-02 69711B 69750C 69760C 69749 69749A 69710B 69720B 69296 69310 69320 61-51 9004A-15068(2) 90041-05504
  • 245.
    245 FIG.67-53 FRONT DOORLOCK & HANDLE PROD_DATE MODELS SPEC CODE DESCRIPTION R / P PART NUMBER O Y T REV_REF FR TO +----------+ | 69205 | HANDLE SUB-ASSY, FRONT DOOR INSIDE, RH +----------+ 2111 - W100 BLACK(TRIM2#) 69270-BZ170-C0 1 2111 - W101 BLACK(TRIM2#) 69270-BZ180-C0 1 +----------+ | 69206B | HANDLE SUB-ASSY, FRONT DOOR INSIDE, LH +----------+ 2111 - W100 BLACK(TRIM2#) 69280-BZ170-C0 1 2111 - W101 BLACK(TRIM2#) 69280-BZ180-C0 1 +----------+ | 69210 | HANDLE ASSY, FRONT DOOR, OUTSIDE RH +----------+ 2111 - W100 WHITE(W09) 69210-BZ620-A0 1 2111 - W100 SILVER ME.(S28) 69210-BZ620-B0 1 2111 - W100 GRAY ME.(1G3) 69210-BZ620-B1 1 2111 - W100 BLACK ME.(X12) 69210-BZ620-C0 1 2111 - W100 RED SE(R75) 69210-BZ620-D0 1 2111 - W100 GREENISH GUN METAL M (G64) 69210-BZ620-G0 1 2111 - W100 PURPLISH SILVER M.M( P20) 69210-BZ620-K0 1 2111 - W101 WHITE(W09) 69210-BZ710-A0 1 2111 - W101 SILVER ME.(S28) 69210-BZ710-B0 1 2111 - W101 GRAY ME.(1G3) 69210-BZ710-B1 1 2111 - W101 BLACK ME.(X12) 69210-BZ710-C0 1 2111 - W101 RED SE(R75) 69210-BZ710-D0 1 2111 - W101 GREENISH GUN METAL M (G64) 69210-BZ710-G0 1 2111 - W101 PURPLISH SILVER M.M( P20) 69210-BZ710-K0 1 +----------+ | 69220 | HANDLE ASSY, FRONT DOOR OUTSIDE, LH +----------+ 2111 - W100 WHITE(W09) 69220-BZ610-A0 1 FIG.67-53 FRONT DOOR LOCK & HANDLE PROD_DATE MODELS SPEC CODE DESCRIPTION R / P PART NUMBER O Y T REV_REF FR TO +----------+ | 69220 | HANDLE ASSY, FRONT DOOR OUTSIDE, LH CONTINUED--+ 2111 - W100 SILVER ME.(S28) 69220-BZ610-B0 1 2111 - W100 GRAY ME.(1G3) 69220-BZ610-B1 1 2111 - W100 BLACK ME.(X12) 69220-BZ610-C0 1 2111 - W100 RED SE(R75) 69220-BZ610-D0 1 2111 - W100 GREENISH GUN METAL M (G64) 69220-BZ610-G0 1 2111 - W100 PURPLISH SILVER M.M( P20) 69220-BZ610-K0 1 2111 - W101 WHITE(W09) 69220-BZ700-A0 1 2111 - W101 SILVER ME.(S28) 69220-BZ700-B0 1 2111 - W101 GRAY ME.(1G3) 69220-BZ700-B1 1 2111 - W101 BLACK ME.(X12) 69220-BZ700-C0 1 2111 - W101 RED SE(R75) 69220-BZ700-D0 1 2111 - W101 GREENISH GUN METAL M (G64) 69220-BZ700-G0 1 2111 - W101 PURPLISH SILVER M.M( P20) 69220-BZ700-K0 1 +----------+ | 69241D | PAD, FRONT DOOR OUTSIDE HANDLE, RH +----------+ 2111 - W10# 75787-BZ080- 1 +----------+ | 69242C | PAD, FRONT DOOR OUTSIDE HANDLE, LH +----------+ 2111 - W10# 75788-BZ080- 1 +----------+ | 69296 | SCREW, DOOR INSIDE HANDLE +----------+ 2111 - W10# 9004A-16093- 2 +----------+ | 69310 | LOCK ASSY, FRONT DOOR, RH +----------+ 2111 - W10# 69310-BZ270- 1
  • 246.
    246 FIG.67-53 FRONT DOORLOCK & HANDLE PROD_DATE MODELS SPEC CODE DESCRIPTION R / P PART NUMBER O Y T REV_REF FR TO +----------+ | 69311A | ROD, FRONT DOOR LOCK OPEN, RH +----------+ 2111 - W10# 69311-BZ140- 1 +----------+ | 69312 | ROD, FRONT DOOR LOCK OPEN, LH +----------+ 2111 - W10# 69312-BZ140- 1 +----------+ | 69320 | LOCK ASSY, FRONT DOOR, LH +----------+ 2111 - W10# 69320-BZ230- 1 +----------+ | 69410 | PLATE ASSY, FRONT DOOR LOCK STRIKER +----------+ 2111 - W10# 69410-BZ010- 2 +----------+ | 69710B | CABLE ASSY, FRONT DOOR LOCK REMOTE CONTROL, RH +----------+ 2111 - W10# 69710-BZ140- 1 +----------+ | 69711B | LINK, FRONT DOOR LOCK REMOTE CONTROL, RH +----------+ 2111 - W10# 69711-BZ160- 1 +----------+ | 69720B | CABLE ASSY, FRONT DOOR LOCK REMOTE CONTROL, LH +----------+ 2111 - W10# 69710-BZ140- 1 +----------+ | 69749 | CLAMP, FRONT DOOR LOCK LINK +----------+ 2111 - W10# # 69749-BZ100- (69749-32040- ) 1 1 +----------+ | 69749A | CLAMP, FRONT DOOR LOCK LINK, NO.1 +----------+ 2111 - W10# # 69749-BZ100- (69749-32040- ) 1 1 +----------+ | 69750C | CABLE ASSY, FRONT DOOR INSIDE LOCKING, RH +----------+ 2111 - W10# 69750-BZ140- 1 FIG.67-53 FRONT DOOR LOCK & HANDLE PROD_DATE MODELS SPEC CODE DESCRIPTION R / P PART NUMBER O Y T REV_REF FR TO +----------+ | 69760C | CABLE ASSY, FRONT DOOR INSIDE LOCKING LH +----------+ 2111 - W10# 69760-BZ140- 1
  • 247.
    247 FIG.67-54 FRONT DOORWINDOW REGULATOR & HINGE (2111- ) 67B550 REFER TO FIG (PNC 82151(RH)) (PNC 82152(LH)) 90041-68063(3) 90041-05575(2) 90041-05575(2) 9004A-10134(2) 9004A-10134(2) 82-02 68710 68720 68730 68740 69801 69802 9004A-11309(2) 9004A-11309(2) 9004A-11309(4) 85710D 85720C FIG.67-54 FRONT DOOR WINDOW REGULATOR & HINGE PROD_DATE MODELS SPEC CODE DESCRIPTION R / P PART NUMBER O Y T REV_REF FR TO +----------+ | 68710 | HINGE ASSY, FRONT DOOR, UPPER RH +----------+ 2111 - W10# 68710-BZ140- 1 +----------+ | 68720 | HINGE ASSY, FRONT DOOR, UPPER LH +----------+ 2111 - W10# 68720-BZ110- 1 +----------+ | 68730 | HINGE ASSY, FRONT DOOR, LOWER RH +----------+ 2111 - W10# 68720-BZ110- 1 +----------+ | 68740 | HINGE ASSY, FRONT DOOR, LOWER LH +----------+ 2111 - W10# 68710-BZ140- 1 +----------+ | 69801 | REGULATOR SUB-ASSY, FRONT DOOR WINDOW, RH +----------+ 2111 - W10# 69801-BZ150- 1 +----------+ | 69802 | REGULATOR SUB-ASSY, FRONT DOOR WINDOW, LH +----------+ 2111 - W10# 69802-BZ150- 1 +----------+ | 85710D | MOTOR ASSY, POWER WINDOW REGULATOR, RH +----------+ 2111 - W10# 85710-BZ210- 1 +----------+ | 85720C | MOTOR ASSY, POWER WINDOW REGULATOR, LH +----------+ 2111 - W10# 85720-BZ240- 1
  • 248.
    248 FIG.67-55 REAR DOORPANEL & GLASS (2111- ) DOOR PANEL ILLUST NO. 1 OF 3 67B650-A REFER TO FIG (PNC 86160B) 9004A-10260 67113 67114 67003 67004 68103 68104 67485G 67486D 67841E 67842E 68163H 68164A 68142C 68152C 67485G 67486D 67897B 67898B 67487A 67488A 68630D 68640A 67407F 67408F 86-02 67871 67872 91631-G0612(2) 91631-G0612(3) 67771-B2010(3) 67405B 67406B 68142B 68152B 57-52 75927A 75928A 75925C 75926B 9004A-17177(2) 90179-06070(2)
  • 249.
    249 FIG.67-55 REAR DOORPANEL & GLASS ― ― ― ― ― ― ― ― ― ― ― ― ― ― ― ― ― ― ― ― ― ― ― ― ― ― ― ― ― ― ― ― ― ― (2111- ) DOOR TRIM ILLUST NO. 2 OF 3 6755 67B651 9004A-18037(3) 90041-67030(3) 69287A 69288A 68173B 68174A 67603 67604 67603B 67603E FIG.67-55 REAR DOOR PANEL & GLASS (2111- ) WETHERSTRIP RETAINER & CLIP ILLUST NO. 3 OF 3 67B652 67869N 67869P 67871A 67868D
  • 250.
    250 FIG.67-55 REAR DOORPANEL & GLASS PROD_DATE MODELS SPEC CODE DESCRIPTION R / P PART NUMBER O Y T REV_REF FR TO +----------+ | 67003 | PANEL SUB-ASSY, REAR DOOR, RH +----------+ 2111 - W10# 67003-BZ720- 1 +----------+ | 67004 | PANEL SUB-ASSY, REAR DOOR, LH +----------+ 2111 - W10# 67004-BZ720- 1 +----------+ | 67113 | PANEL, REAR DOOR, OUTER RH +----------+ 2111 - W10# 67113-BZ420- 1 +----------+ | 67114 | PANEL, REAR DOOR, OUTER LH +----------+ 2111 - W10# 67114-BZ420- 1 +----------+ | 67405B | GUIDE SUB-ASSY, REAR DOOR WINDOW, FRONT R H +----------+ 2111 - W10# 67405-BZ090- 1 +----------+ | 67406B | GUIDE SUB-ASSY, REAR DOOR WINDOW, FRONT L H +----------+ 2111 - W10# 67406-BZ090- 1 +----------+ | 67407F | FRAME SUB-ASSY, REAR DOOR WINDOW, REAR LOWER RH +----------+ 2111 - W10# 67407-BZ190- 1 +----------+ | 67408F | FRAME SUB-ASSY, REAR DOOR WINDOW, REAR LOWER LH +----------+ 2111 - W10# 67408-BZ190- 1 +----------+ | 67485G | SEAL, REAR DOOR REAR LOWER FRAME, RH +----------+ 2111 - W10# 67837-BZ070- 2 +----------+ | 67486D | SEAL, REAR DOOR REAR LOWER FRAME, LH +----------+ 2111 - W10# 67837-BZ070- 2 +----------+ | 67487A | GARNISH, REAR DOOR REAR GUIDE BRACKET, RH +----------+ 2111 - W10# 67487-BZ080- 1 FIG.67-55 REAR DOOR PANEL & GLASS PROD_DATE MODELS SPEC CODE DESCRIPTION R / P PART NUMBER O Y T REV_REF FR TO +----------+ | 67488A | GARNISH, REAR DOOR REAR GUIDE BRACKET, LH +----------+ 2111 - W10# 67488-BZ080- 1 +----------+ | 67603 | BOARD SUB-ASSY, REAR DOOR TRIM, RH +----------+ 2111 - W10# BLACK(TRIM2#) 67630-BZ740-C0 1 +----------+ | 67603B | CLIP(FOR REAR DOOR TRIM BOARD) +----------+ 2111 - W10# 90467-T0019- 10 +----------+ | 67603E | CLIP(FOR REAR DOOR TRIM BOARD) +----------+ 2111 - W10# 90467-T0019- 10 +----------+ | 67604 | BOARD SUB-ASSY, REAR DOOR TRIM, LH +----------+ 2111 - W10# BLACK(TRIM2#) 67640-BZ740-C0 1 +----------+ | 67841E | COVER, REAR DOOR SERVICE HOLE, RH +----------+ 2111 - W10# 67841-BZ460- 1 2111 - W100..LO..5F B2BB D-LOWEST 67841-BZ470- 1 +----------+ | 67842E | COVER, REAR DOOR SERVICE HOLE, LH +----------+ 2111 - W10# 67842-BZ220- 1 2111 - W100..LO..5F B2BB D-LOWEST 67842-BZ230- 1 +----------+ | 67868D | RETAINER, REAR DOOR WEATHERSTRIP, LH +----------+ 2111 - W10# 67867-B2320- 36 +----------+ | 67869N | CLIP, REAR DOOR WEATHERSTRIP, RH +----------+ 2111 - W10# 90467-06084- 7 +----------+ | 67869P | CLIP, REAR DOOR WEATHERSTRIP, LH +----------+ 2111 - W10# 90467-06084- 7
  • 251.
    251 FIG.67-55 REAR DOORPANEL & GLASS PROD_DATE MODELS SPEC CODE DESCRIPTION R / P PART NUMBER O Y T REV_REF FR TO +----------+ | 67871 | WEATHERSTRIP, REAR DOOR, RH +----------+ 2111 - W10# 67871-BZ250- 1 +----------+ | 67871A | RETAINER(FOR REAR DOOR WEATHERSTRIP) +----------+ 2111 - W10# 67867-B2320- 36 +----------+ | 67872 | WEATHERSTRIP, REAR DOOR, LH +----------+ 2111 - W10# 67872-BZ240- 1 +----------+ | 67897B | CUSHION, REAR DOOR, RH +----------+ 2111 - W10# 90541-09069- 1 +----------+ | 67898B | CUSHION, REAR DOOR, LH +----------+ 2111 - W10# 90541-09069- 1 +----------+ | 68103 | GLASS SUB-ASSY, REAR DOOR, RH +----------+ 2111 - W10# 68103-BZ460- 1 +----------+ | 68104 | GLASS SUB-ASSY, REAR DOOR, LH +----------+ 2111 - W10# 68104-BZ460- 1 +----------+ | 68142B | RUN, REAR DOOR WINDOW, RH +----------+ 2111 - W10# 68144-BZ120- 1 +----------+ | 68142C | RUN, REAR DOOR GLASS, RH +----------+ 2111 - W10# 68142-BZ220- 1 +----------+ | 68152B | RUN, REAR DOOR WINDOW, LH +----------+ 2111 - W10# 68144-BZ120- 1 +----------+ | 68152C | RUN, REAR DOOR GLASS, LH +----------+ 2111 - W10# 68152-BZ220- 1 FIG.67-55 REAR DOOR PANEL & GLASS PROD_DATE MODELS SPEC CODE DESCRIPTION R / P PART NUMBER O Y T REV_REF FR TO +----------+ | 68163H | WEATHERSTRIP, REAR DOOR GLASS, OUTER RH +----------+ 2111 - W10# 68163-BZ220- 1 +----------+ | 68164A | WEATHERSTRIP, REAR DOOR GLASS, OUTER LH +----------+ 2111 - W10# 68164-BZ210- 1 +----------+ | 68173B | WEATHERSTRIP, REAR DOOR GLASS, INNER RH +----------+ 2111 - W10# 68173-BZ250- 1 +----------+ | 68174A | WEATHERSTRIP, REAR DOOR GLASS, INNER LH +----------+ 2111 - W10# 68174-BZ210- 1 +----------+ | 68630D | CHECK ASSY, REAR DOOR, RH +----------+ 2111 - W10# 68630-BZ180- 1 +----------+ | 68640A | CHECK ASSY, REAR DOOR, LH +----------+ 2111 - W10# 68630-BZ180- 1 +----------+ | 69287A | BEZEL, REAR DOOR INSIDE HANDLE, RH +----------+ 2111 - W10# BLACK(TRIM2#) 69277-BZ100-C0 1 +----------+ | 69288A | BEZEL, REAR DOOR INSIDE HANDLE, LH +----------+ 2111 - W10# BLACK(TRIM2#) 69278-BZ080-C0 1 +----------+ | 75925C | TAPE, BLACK OUT, NO.3 RH +----------+ 2111 - W10#..HI,MID TUYAKESI BLACK DUMMY (1G3 ,G64 ,P20 ,R75 ,S28 ,W09) 75925-BZ150-C0 1 +----------+ | 75926B | TAPE, BLACK OUT, NO.3 LH +----------+ 2111 - W10#..HI,MID TUYAKESI BLACK DUMMY (1G3 ,G64 ,P20 ,R75 ,S28 ,W09) 75926-BZ140-C0 1
  • 252.
    252 FIG.67-55 REAR DOORPANEL & GLASS PROD_DATE MODELS SPEC CODE DESCRIPTION R / P PART NUMBER O Y T REV_REF FR TO +----------+ | 75927A | TAPE, BLACK OUT, NO.4 RH +----------+ 2111 - W10#..HI,MID TUYAKESI BLACK DUMMY (1G3 ,G64 ,P20 ,R75 ,S28 ,W09) 75927-BZ070-C0 1 +----------+ | 75928A | TAPE, BLACK OUT, LH +----------+ 2111 - W10#..HI,MID TUYAKESI BLACK DUMMY (1G3 ,G64 ,P20 ,R75 ,S28 ,W09) 75928-BZ070-C0 1
  • 253.
    253 FIG.67-56 REAR DOORLOCK & HANDLE (2111- ) 67B571-A REFER TO FIG (PNC 61611(RH)) (PNC 61612(LH)) 90148-60083(3) 69205A 69206C 69331B 69332 69330 69340 69230 69240 69410B 69730D 69740D 69296A 69749K 69770B 69780B 90041-05504(2) 9004A-15068(2) 61-51 FIG.67-56 REAR DOOR LOCK & HANDLE PROD_DATE MODELS SPEC CODE DESCRIPTION R / P PART NUMBER O Y T REV_REF FR TO +----------+ | 69205A | HANDLE SUB-ASSY, REAR DOOR INSIDE, RH +----------+ 2111 - W100 BLACK(TRIM2#) 69270-BZ170-C0 1 2111 - W101 BLACK(TRIM2#) 69270-BZ180-C0 1 +----------+ | 69206C | HANDLE SUB-ASSY, REAR DOOR INSIDE, LH +----------+ 2111 - W100 BLACK(TRIM2#) 69280-BZ170-C0 1 2111 - W101 BLACK(TRIM2#) 69280-BZ180-C0 1 +----------+ | 69230 | HANDLE ASSY, REAR DOOR OUTSIDE, RH +----------+ 2111 - W10# WHITE(W09) 69210-BZ650-A0 1 2111 - W10# SILVER ME.(S28) 69210-BZ650-B0 1 2111 - W10# GRAY ME.(1G3) 69210-BZ650-B1 1 2111 - W10# BLACK ME.(X12) 69210-BZ650-C0 1 2111 - W10# RED SE(R75) 69210-BZ650-D0 1 2111 - W10# GREENISH GUN METAL M (G64) 69210-BZ650-G0 1 2111 - W10# PURPLISH SILVER M.M( P20) 69210-BZ650-K0 1 +----------+ | 69240 | HANDLE ASSY, REAR DOOR OUTSIDE, LH +----------+ 2111 - W10# WHITE(W09) 69220-BZ640-A0 1 2111 - W10# SILVER ME.(S28) 69220-BZ640-B0 1 2111 - W10# GRAY ME.(1G3) 69220-BZ640-B1 1 2111 - W10# BLACK ME.(X12) 69220-BZ640-C0 1 2111 - W10# RED SE(R75) 69220-BZ640-D0 1 2111 - W10# GREENISH GUN METAL M (G64) 69220-BZ640-G0 1 2111 - W10# PURPLISH SILVER M.M( P20) 69220-BZ640-K0 1
  • 254.
    254 FIG.67-56 REAR DOORLOCK & HANDLE PROD_DATE MODELS SPEC CODE DESCRIPTION R / P PART NUMBER O Y T REV_REF FR TO +----------+ | 69296A | SCREW, DOOR INSIDE HANDLE +----------+ 2111 - W10# 9004A-16093- 2 +----------+ | 69330 | LOCK ASSY, REAR DOOR, RH +----------+ 2111 - W10# 69330-BZ280- 1 +----------+ | 69331B | ROD, REAR DOOR LOCK OPEN, RH +----------+ 2111 - W10# 69331-BZ120- 1 +----------+ | 69332 | ROD, REAR DOOR LOCK OPEN, LH +----------+ 2111 - W10# 69332-BZ120- 1 +----------+ | 69340 | LOCK ASSY, REAR DOOR, LH +----------+ 2111 - W10# 69340-BZ280- 1 +----------+ | 69410B | PLATE ASSY, REAR DOOR LOCK STRIKER +----------+ 2111 - W10# 69410-BZ010- 2 +----------+ | 69730D | CABLE ASSY, REAR DOOR LOCK REMOTE CONTROL, RH +----------+ 2111 - W10# 69730-BZ260- 1 +----------+ | 69740D | CABLE ASSY, REAR DOOR LOCK REMOTE CONTROL LH +----------+ 2111 - W10# 69730-BZ260- 1 +----------+ | 69749K | CLAMP, REAR DOOR LOCK +----------+ 2111 - W10# # 69749-BZ100- (69749-32040- ) 2 1 +----------+ | 69770B | CABLE ASSY, REAR DOOR INSIDE LOCKING, RH +----------+ 2111 - W10# 69770-BZ170- 1 FIG.67-56 REAR DOOR LOCK & HANDLE PROD_DATE MODELS SPEC CODE DESCRIPTION R / P PART NUMBER O Y T REV_REF FR TO +----------+ | 69780B | CABLE ASSY, REAR DOOR INSIDE LOCKING, LH +----------+ 2111 - W10# 69780-BZ160- 1
  • 255.
    255 FIG.67-57 REAR DOORWINDOW REGULATOR & HINGE (2111- ) 67B551 REFER TO FIG (PNC 82153A(RH)) (PNC 82154A(LH)) 9004A-11309(2) 9004A-11309(2) 9004A-11309(4) 9004A-10134(2) 9004A-10134(2) 90041-05575(2) 90041-05575(2) 85710E 85720D 82-02 90041-68063(3) 68750 68760 68770 68780 69803 69804 FIG.67-57 REAR DOOR WINDOW REGULATOR & HINGE PROD_DATE MODELS SPEC CODE DESCRIPTION R / P PART NUMBER O Y T REV_REF FR TO +----------+ | 68750 | HINGE ASSY, REAR DOOR, UPPER RH +----------+ 2111 - W10# 68750-BZ140- 1 +----------+ | 68760 | HINGE ASSY, REAR DOOR, UPPER LH +----------+ 2111 - W10# 68760-BZ140- 1 +----------+ | 68770 | HINGE ASSY, REAR DOOR, LOWER RH +----------+ 2111 - W10# 68760-BZ140- 1 +----------+ | 68780 | HINGE ASSY, REAR DOOR, LOWER LH +----------+ 2111 - W10# 68750-BZ140- 1 +----------+ | 69803 | REGULATOR SUB-ASSY, REAR DOOR WINDOW, RH +----------+ 2111 - W10# 69801-BZ150- 1 +----------+ | 69804 | REGULATOR SUB-ASSY, REAR DOOR WINDOW, LH +----------+ 2111 - W10# 69802-BZ150- 1 +----------+ | 85710E | MOTOR ASSY, POWER WINDOW REGULATOR, RH +----------+ 2111 - W10# 85710-BZ270- 1 +----------+ | 85720D | MOTOR ASSY, POWER WINDOW REGULATOR, LH +----------+ 2111 - W10# 85720-BZ240- 1
  • 256.
    256 FIG.67-61 BACK DOORPANEL & GLASS (2111- ) BACK DOOR ILLUST NO. 1 OF 2 67B628-A 6761 75395-BZ010(2) 75395-BZ010(2) 64780A 67750A 75129C 74811G 67837L 75129C 68131 62785F 62785F 64827A 62785F 62785F 62785F 62785F 62785F 64828 75574B 75573K 67881A 67005 67293 67005B
  • 257.
    257 FIG.67-61 BACK DOORPANEL & GLASS (2111- ) BACK DOOR GARNISH ILLUST NO. 2 OF 2 67B630-B REFER TO FIG (PNC 75431A) 9004A-10227(2) 76826A 75-51 76825B 76825C 67939C 76801 76899-B0020(2) 76821 76822A 76822A 76825 76825 76825B 76825C
  • 258.
    258 FIG.67-61 BACK DOORPANEL & GLASS PROD_DATE MODELS SPEC CODE DESCRIPTION R / P PART NUMBER O Y T REV_REF FR TO +----------+ | 62785F | SPACER, BACK DOOR GLASS +----------+ 2111 - W10# 64818-BZ090- 7 +----------+ | 64780A | PANEL ASSY, BACK DOOR TRIM +----------+ 2111 - W10# BLACK(TRIM2#) 64780-BZ210-C0 1 +----------+ | 64827A | CLIP, BACK WINDOW GLASS, RH +----------+ 2111 - W10# 64827-BZ130- 1 +----------+ | 64828 | CLIP, BACK WINDOW GLASS, LH +----------+ 2111 - W10# 64828-BZ100- 1 +----------+ | 67005 | PANEL SUB-ASSY, BACK DOOR +----------+ 2111 - W10#..HI,MID 67005-BZG60- 1 2111 - W100..LO 67005-BZG90- 1 +----------+ | 67005B | CUSHION(FOR BACK DOOR PANEL) +----------+ 2111 - W10# 9004A-54016- 2 +----------+ | 67293 | CUSHION, BACK DOOR LOWER STOPPER +----------+ 2111 - W10# 9004A-54016- 2 +----------+ | 67750A | CLIP(FOR BACK DOOR TRIM) +----------+ 2111 - W10# # 9004A-46338- (90044-68346- ) 14 1 +----------+ | 67837L | SEAL, DOOR DUST PROOF +----------+ 2111 - W10# 67837-BZ030- 3 +----------+ | 67881A | WEATHERSTRIP, BACK DOOR +----------+ 2111 - W10# 67881-BZ210- 1 FIG.67-61 BACK DOOR PANEL & GLASS PROD_DATE MODELS SPEC CODE DESCRIPTION R / P PART NUMBER O Y T REV_REF FR TO +----------+ | 67939C | CLIP(FOR BACK DOOR CENTER GARNISH) +----------+ 2111 - W10# 90044-67500- 14 +----------+ | 68131 | GLASS, BACK DOOR +----------+ 2111 - W10# 68131-BZ660- 1 +----------+ | 74811G | HANDLE, DOOR PULL +----------+ 2111 - W10# 74811-BZ030- 1 +----------+ | 75129C | CUSHION, REAR LICENCE PLATE +----------+ 2111 - W10# # 75129-BZ010- (75129-87502- ) 2 1 +----------+ | 75573K | MOULDING, BACK WINDOW, OUTSIDE RH +----------+ 2111 - W10# 75573-BZ050- 1 +----------+ | 75574B | MOULDING, BACK WINDOW, OUTSIDE LH +----------+ 2111 - W10# 75574-BZ020- 1 +----------+ | 76801 | GARNISH SUB-ASSY, BACK DOOR, OUTSIDE +----------+ 2111 - W10# PAINT REQ. 76811-BZ660- 1 +----------+ | 76821 | PROTECTOR, BACK DOOR GARNISH MOULDING, UPPER +----------+ 2111 - W10# 76821-BZ250- 1 +----------+ | 76822A | PROTECTOR, BACK DOOR GARNISH MOULDING, LW R +----------+ 2111 - W10# 76822-BZ070- 2 +----------+ | 76825 | PROTECTOR, BACK DOOR OUTSIDE GARNISH +----------+ 2111 - W10# 76821-BZ270- 4
  • 259.
    259 FIG.67-61 BACK DOORPANEL & GLASS PROD_DATE MODELS SPEC CODE DESCRIPTION R / P PART NUMBER O Y T REV_REF FR TO +----------+ | 76825B | PROTECTOR, BACK DOOR OUTSIDE GARNISH +----------+ 2111 - W10# 76821-BZ280- 2 +----------+ | 76825C | PROTECTOR, BACK DOOR OUTSIDE GARNISH +----------+ 2111 - W10# 76822-BZ080- 2 +----------+ | 76826A | RETAINER, BACK DOOR GARNISH, NO.1 +----------+ 2111 - W10# 76826-BZ040- 1
  • 260.
    260 FIG.67-62 BACK DOORLOCK & HINGE (2111- ) 67B633 REFER TO FIG (PNC 61626F) REFER TO FIG (PNC 61625F) REFER TO FIG (PNC 84840G) 61-51 61-51 84-01 68801D 68945 68946 68950C 68960 69350 69430C 68459-87202 68459-87202 90041-82002(2) 90041-82002(2) 9004A-10168(2) 9004A-10170(2) 9004A-10170(2) 9004A-11325(2) 90105-06184(2) 90105-06184(2) 68802C FIG.67-62 BACK DOOR LOCK & HINGE PROD_DATE MODELS SPEC CODE DESCRIPTION R / P PART NUMBER O Y T REV_REF FR TO +----------+ | 68801D | HINGE SUB-ASSY, BACK DOOR, RH +----------+ 2111 - W10# 68801-BZ160- 1 +----------+ | 68802C | HINGE SUB-ASSY, BACK DOOR, LH +----------+ 2111 - W10# 68801-BZ160- 1 +----------+ | 68945 | BRACKET, BACK DOOR DAMPER STAY, UPPER RH +----------+ 2111 - W10# 68945-BZ010- 1 +----------+ | 68946 | BRACKET, BACK DOOR DAMPER STAY, UPPER LH +----------+ 2111 - W10# 68945-BZ010- 1 +----------+ | 68950C | STAY ASSY, BACK DOOR, RH +----------+ 2111 - W10# 68950-BZ340- 1 +----------+ | 68960 | STAY ASSY, BACK DOOR, LH +----------+ 2111 - W10# 68960-BZ310- 1 +----------+ | 69350 | LOCK ASSY, BACK DOOR +----------+ 2111 - W10# 69350-BZ250- 1 +----------+ | 69430C | STRIKER ASSY, BACK DOOR LOCK +----------+ 2111 - W10# 69430-B2070- 1
  • 261.
    261 FIG.67-65 LOCK CYLINDERSET ― ― ― ― ― ― ― ― ― ― ― ― ― ― ― ― ― ― ― ― ― ― ― ― ― ― ― ― ― ― ― ― ― ― (2111- )LO KEYLESS 67B646 89070E 69057A 89708D 69503 89071B 89751A 89752B 69051 FIG.67-65 LOCK CYLINDER SET (2111- )HI,MID KEYFREE 67B648-A 89751B 89994B 69503C 89752A 69503
  • 262.
    262 FIG.67-65 LOCK CYLINDERSET PROD_DATE MODELS SPEC CODE DESCRIPTION R / P PART NUMBER O Y T REV_REF FR TO +----------+ | 69051 | CYLINDER & KEY SET, DOOR LOCK, RH +----------+ 2111 - W100..LO 69051-BZ380- 1 +----------+ | 69057A | CYLINDER & KEY SET, IGNITION SWITCH LOCK +----------+ 2111 - W100..LO 69057-BZ360- 1 +----------+ | 69503 | CYLINDER SET, LOCK +----------+ 2111 - 2207 W100..LO 69005-BZF70- 1 2111 - W10#..HI,MID 69005-BZE10- 1 2208 - W100..LO 69005-BZF71- 1 +----------+ | 69503C | KEY, SUB +----------+ 2111 - W10#..HI,MID 69516-BZ110- 1 +----------+ | 89070E | TRANSMITTER ASSY, DOOR CONTROL +----------+ 2111 - 2207 W100..LO 89070-BZ500- 1 2208 - W100..LO 89070-BZ501- 1 +----------+ | 89071B | MODULE SET, TRANSMITTER SUB-ASSY, DOOR CONTROL +----------+ 2111 - W100..LO 89071-BZ130- 1 +----------+ | 89708D | CYLINDER SET, LOCK W/TRANSPONDER KEY TRANSMITTER +----------+ 2111 - 2207 W100..LO 89708-BZ280- 1 2208 - W100..LO 89708-BZ281- 1 +----------+ | 89751A | COVER, TRANSMITTER HOUSING +----------+ 2111 - W100..LO 89751-BZ230- 1 +----------+ | 89751B | COVER, TRANSMITTER HOUSING +----------+ 2111 - 2208 W100..MID 89751-BZ210- 1 2111 - W101 89751-BZ210- 1 FIG.67-65 LOCK CYLINDER SET PROD_DATE MODELS SPEC CODE DESCRIPTION R / P PART NUMBER O Y T REV_REF FR TO +----------+ | 89751B | COVER, TRANSMITTER HOUSING CONTINUED--+ 2208 - W100..MID 89751-BZ210- 2 +----------+ | 89752A | CASE, TRANSMITTER HOUSING +----------+ 2111 - 2208 W100..MID 89752-BZ260- 1 2111 - W101 89752-BZ260- 1 2208 - W100..MID 89752-BZ260- 2 +----------+ | 89752B | CASE, TRANSMITTER HOUSING +----------+ 2111 - W100..LO 89752-BZ040- 1 +----------+ | 89994B | TRANSMITTER, ELECTRICAL KEY +----------+ 2111 - 2208 W10#..HI,MID 89994-BZ020- 1 2208 - W101 89994-BZ021- 1 2208 - W100..MID 89994-BZ021- 2
  • 263.
    263 FIG.71-51 SEAT &SEAT TRACK (2111- ) FR RH 71D910-C REFER TO FIG (PNC 73230) REFER TO FIG (PNC 82161) 71811D 90041-48007(4) 71571 72925 71521A 72211C 72993B 71930C 71910A 72462 71811D 72413 84139-BZ020 71551S 71876 72991 84139-BZ020 7181CB 7181C 71511S 21791-B2010 72525A 72551B 71867V 84139-BZ020 71930A 71-52 94185-60600(2) 73910A 82-02
  • 264.
    264 FIG.71-51 SEAT &SEAT TRACK (2111- ) FR LH 71D911-C REFER TO FIG (PNC 73240) REFER TO FIG (PNC 82161) 21791-B2010 84139-BZ020 84139-BZ020 72552B 71691L 72526A 71812D 71931 71910B 71552S 71147B 71956A 71832D 71147 72994B 72992 90041-48007(4) 72211D 7181CC 7181CA 71512S 71-52 73920A 94185-60600(2) 82-02
  • 265.
    265 FIG.71-51 SEAT &SEAT TRACK (2111- )W100 RR NO.1 SEAT(RH) 71D912-D REFER TO FIG (PNC 73470B) REFER TO FIG (PNC 73380A) 79187A 71875A 71876A 71833D 71611A 94151-80800(2) 94151-80800(2) 73011-BZ020 90520-01002 90041-05547 90041-48007 71075D 79959A 71940B 71931A 71930B 79175E 79013 72637A 91551-80820(2) 91551-80820(2) 79103A 94151-80800(6) 79101B 72995 72999 71695A 78920 72125A 72125A 72137E 72265A 72137E 72160C 72160C 72265A 72137E 72137E 72211 71-52 71-52 71691B 72159B 79188 9004A-16071 71324A 79107A 91551-80820(2) 90179-10065 90179-10065 71692C 72157F 79105 72650F 71878A 71485B 71485C 71671A 71503A 71621A 9004A-46323(2) 91552-81030(2)
  • 266.
    266 FIG.71-51 SEAT &SEAT TRACK (2111- ) RR NO.1 SEAT(LH) 71D913-E REFER TO FIG (PNC 73590A) REFER TO FIG (PNC 73480) 91552-81020(2) 71875B 71876C 71879A 73012-BZ010 94151-80800(2) 94151-80800(2) 71-52 90041-05547 90041-48007 79012 71950D 71956B 71990A 79014 91551-80820(2) 94151-80800(6) 79104 72125F 72125F 72138B 72265D 72138B 72170D 72170D 72265D 72138B 72138B 71691C 72158E 9004A-16071 71324K 79107C 91551-80820(2) 90179-10065 90179-10065 71692B 72129B 79106 72660F 72211B 79958A 79959B 79187 71485 90520-01002 72638 71844D 71696 79102 78920B 71485D 79185 71673 71621B 71612A 9004A-46323(2) 91552-81030(2) 71-52
  • 267.
    267 FIG.71-51 SEAT &SEAT TRACK (2111- )LO RR NO.2 SEAT(FOLD DOWN TYPE) 71D914-A REFER TO FIG (PNC 73580) REFER TO FIG (PNC 73580) 71147-BZ010(12) 90041-48007 95511-20011 95511-20032 95511-20032 71622A 79285 71672 79024 79235 71940A 71940A 71955A 71931C 71955B 71970B 79021A 79023 7181CE 7181CD 71812H 79275C 71672B 79203A 79204A 71336 71336 79201 79956B 71-52 90041-48007 90041-48007(2) 90041-48007(2) 79956C 71-52 C9938 72213 71329 79273 90105-T0120(2) 90105-T0120(2) 84139-B1010(2) 84139-B1010(2) 71303B C9938 72213 71485A 71329 71304B
  • 268.
    268 FIG.71-51 SEAT &SEAT TRACK (2111- ) FR RH 71D938-B 91551-80820(2) 91551-80820(2) 72129A 72129A 72129 71051A 72637F 71417-B2010 90179-08068(3) 71165 72266 71537F 84139-BZ020 71831B 84139-BZ020 71416-BZ010 72993 72993A 71537F 71110A 72157A 72129 72125S 72127A 72130A 72110A 72157A 72127A 90179-08068(3)
  • 269.
    269 FIG.71-51 SEAT &SEAT TRACK (2111- ) FR LH 71D939-B 71695D 72129D 72129C 72129D 71052A 72637G 71417-B2010 90179-08068(3) 90179-08068(3) 71831D 84139-BZ020 84139-BZ020 71832C 72994A 71290S 71416-BZ010 91551-80820(2) 91551-80820(2) 71120B 72127E 72158 72120 72125T 72129C 72140A 72127E 72158 71695D
  • 270.
    270 FIG.71-51 SEAT &SEAT TRACK (2111- )W101 RR NO.1 SEAT(RH) 71E071-D REFER TO FIG (PNC 73380A) REFER TO FIG (PNC 73470B) 71671A 71875A 71876A 71833D 71611A 94151-80800(2) 94151-80800(2) 73011-BZ020 90520-01002 71075D 71940B 71931A 71930B 79175E 79013 91551-80820(2) 79103A 94151-80800(6) 79101B 72125A 72125A 72137E 72265A 72137E 72160C 72160C 72265A 72137E 72137E 72211 71691B 72159B 90179-10065 72749 72831B 71396B 72809A 72637A 79187A 79959A 79188 71485B 71485C 90041-05547(2) 90041-05547(2) 71695A 71-52 71-52 72661C 71353 71202B 71395B 72690A 72656B 71395C 72830 71667A 71667B 91551-80820(2) 78899-28020 71878B 71878A 91552-81020(2) 72650F 9004A-16071 71324A 79107A 91551-80820(2) 78920 71503A 71621A 9004A-46323(2) 91552-81030(2) 90179-10065 79105 71692C 72157F 71877A 72084
  • 271.
    271 FIG.71-51 SEAT &SEAT TRACK (2111- )HI,MID RR NO.2 SEAT(SEPARATE TYPE) RH 71E095 REFER TO FIG (PNC 73580) 71671B 71147-BZ010(6) 79956B 71843A 71650B 72525J 90041-05547 90041-05547 79275C 79023 7181CD 71940D 71931C 71955A 79021 93568-55014(3) 79203A 72661K 72921A 72661H 71693 82711E 71881A 72570C 90179-10065(2) 71878E 71331A 71331A 72749A 72749A 71694 79030B 71876Y 71875V 79201B 71331A 72749A 71385 71385 71385 71385 72656E 72656E 71-52 79236A 90041-05547(2) 71650B 71650B 90041-83061 71672B 7181CF 79235E
  • 272.
    272 FIG.71-51 SEAT &SEAT TRACK (2111- )HI,MID RR NO.2 SEAT(SEPARATE TYPE) LH 71E096 REFER TO FIG (PNC 73590) 71672A 71672 71147-BZ010(6) 90041-83061 79270A 79270A 79270A 72526 90041-05547 90041-05547 79285 79024 7181CE 71950F 71955B 71970B 79022 93568-55014(3) 79204A 72661J 72661L 72921B 71693D 90179-10065(2) 71331C 71331C 72749B 72749B 71629F 79040B 71876Z 71875W 72136 72136 72136 72136 72656D 72656D 71-52 79246B 79956C 71844A 72749B 71331C 79202 71879E 72580B 71771B 82711F 90041-05547(2) 7181CG 79245C
  • 273.
    273 FIG.71-51 SEAT &SEAT TRACK PROD_DATE MODELS SPEC CODE DESCRIPTION R / P PART NUMBER O Y T REV_REF FR TO +----------+ | 71051A | SPRING SUB-ASSY, FRONT SEAT CUSHION, RH +----------+ 2111 - W10# 71051-BZ010- 1 +----------+ | 71052A | SPRING SUB-ASSY, FRONT SEAT CUSHION, LH +----------+ 2111 - W10# 71051-BZ010- 1 +----------+ | 71075D | COVER SUB-ASSY, REAR SEAT CUSHION, RH +----------+ 2111 - W101 BLACK(TRIM2#) 71075-BZM90-C1 1 2111 - W100..LO BLACK(TRIM2#) 71075-BZN00-C2 1 2111 - W100..MID BLACK(TRIM2#) 71075-BZN40-C1 1 +----------+ | 71110A | FRAME ASSY, FRONT SEAT W/ADJUSTER, RH +----------+ 2111 - W100..LO BLACK(TRIM2#) 71110-BZ360-C0 1 2111 - W100..MID BLACK(TRIM2#) 71110-BZ380-C0 1 2111 - W101 BLACK(TRIM2#) 71110-BZ390-C0 1 +----------+ | 71120B | FRAME ASSY, FRONT SEAT W/ADJUSTER, LH +----------+ 2111 - W10#..HI,MID BLACK(TRIM2#) 71120-BZ370-C0 1 2111 - W100..LO BLACK(TRIM2#) 71120-BZ380-C0 1 +----------+ | 71147 | SILENCER, SEAT SPRING +----------+ 2111 - 2210 W10# 71147-B1020- 1 2210 - 2211 W101..CVT B2PJ H + SAB/CSA/BSM 71147-B1020- 1 2211 - W10# 71147-BZ180- 1 +----------+ | 71147B | SILENCER, SEAT SPRING +----------+ 2111 - 2210 W10# 71147-B2160- 1 2210 - 2211 W101..CVT B2PJ H + SAB/CSA/BSM 71147-B2160- 1 2211 - W10# 71147-BZ160- 1 2211 - W101..CVT B2PJ H + SAB/CSA/BSM 71147-BZ170- 1 FIG.71-51 SEAT & SEAT TRACK PROD_DATE MODELS SPEC CODE DESCRIPTION R / P PART NUMBER O Y T REV_REF FR TO +----------+ | 71165 | COVER, FRONT RH SEAT HINGE +----------+ 2111 - W10# BLACK(TRIM2#) 71832-BZ130-C0 1 +----------+ | 71202B | PANEL, REAR SEAT BACK +----------+ 2111 - W101 BLACK(TRIM2#) 71353-BZ020-C0 1 +----------+ | 71290S | COVER, FRONT SEAT BACK, LH +----------+ 2111 - W10# BLACK(TRIM2#) 72994-B2010-C0 1 +----------+ | 71303B | HINGE SUB-ASSY, REAR NO.2 SEAT, RH +----------+ 2111 - W100..LO 71304-BZ070- 1 +----------+ | 71304B | HINGE SUB-ASSY, REAR NO.2 SEAT, LH +----------+ 2111 - W100..LO 71303-BZ120- 1 +----------+ | 71324A | CUSHION, REAR SEAT +----------+ 2111 - W10# 72179-BZ090- 1 +----------+ | 71324K | CUSHION, REAR SEAT +----------+ 2111 - W10# 72179-BZ090- 1 +----------+ | 71329 | BOLT, REAR SEAT HINGE +----------+ 2111 - W100..LO 21814-BZ030- 2 +----------+ | 71331A | PIN, REAR SEAT HINGE +----------+ 2111 - W10#..HI,MID 78899-28020- 5 +----------+ | 71331C | PIN, REAR SEAT HINGE, LH +----------+ 2111 - W10#..HI,MID 78899-28020- 5 +----------+ | 71336 | BUSH OR SPACER, REAR SEAT BACK HINGE +----------+ 2111 - W100..LO 47779-BZ020- 2
  • 274.
    274 FIG.71-51 SEAT &SEAT TRACK PROD_DATE MODELS SPEC CODE DESCRIPTION R / P PART NUMBER O Y T REV_REF FR TO +----------+ | 71353 | PANEL, CENTER SEAT BACK +----------+ 2111 - W101 BLACK(TRIM2#) 71353-BZ010-C0 1 +----------+ | 71385 | SPACER, REAR SEAT HINGE +----------+ 2111 - W10#..HI,MID 72169-BZ010- 4 +----------+ | 71395B | COVER, CENTER SEAT HINGE, RH +----------+ 2111 - W101 BLACK(TRIM2#) 71395-BZ010-C0 1 +----------+ | 71395C | COVER, CENTER SEAT HINGE, RH +----------+ 2111 - W101 BLACK(TRIM2#) 71397-BZ010-C0 1 +----------+ | 71396B | COVER, CENTER SEAT HINGE, LH +----------+ 2111 - W101 BLACK(TRIM2#) 71396-BZ010-C0 1 +----------+ | 71485 | COVER, REAR SEAT HINGE +----------+ 2111 - W10# BLACK(TRIM2#) 71485-BZ240-C0 1 +----------+ | 71485A | COVER, REAR SEAT HINGE, NO.2 RH +----------+ 2111 - W100..LO BLACK(TRIM2#) 71485-BZ062-C0 1 +----------+ | 71485B | COVER, REAR SEAT HINGE +----------+ 2111 - W10# BLACK(TRIM2#) 71485-BZ230-C0 1 +----------+ | 71485C | COVER, REAR SEAT HINGE, RH +----------+ 2111 - W10# BLACK(TRIM2#) 71485-BZ220-C0 1 +----------+ | 71485D | COVER, REAR SEAT HINGE, LH +----------+ 2111 - W10# BLACK(TRIM2#) 71485-BZ250-C0 1 +----------+ | 71503A | PAD SUB-ASSY, REAR SEAT CUSHION +----------+ 2111 - W10# 71503-BZ610- 1 FIG.71-51 SEAT & SEAT TRACK PROD_DATE MODELS SPEC CODE DESCRIPTION R / P PART NUMBER O Y T REV_REF FR TO +----------+ | 71511S | PAD, FRONT SEAT CUSHION, RH(FOR SEPARATE TYPE) +----------+ 2111 - W10# 71501-BZ570- 1 +----------+ | 71512S | PAD, FRONT SEAT CUSHION, LH (FOR SEPARATE TYPE) +----------+ 2111 - W10# 71501-BZ570- 1 +----------+ | 71521A | PAD,FRONT SEAT CUSHION SILENCER +----------+ 2111 - 2210 W10# 71147-B1020- 1 2210 - 2211 W101..CVT B2PJ H + SAB/CSA/BSM 71147-B1020- 1 2211 - W10# 71147-BZ180- 1 +----------+ | 71537F | PROTECTOR, FRONT SEAT CUSHION, NO.2 +----------+ 2111 - W100 71695-BZ030- 2 +----------+ | 71551S | PAD, FRONT SEAT BACK, RH(FOR SEPARATE TYP E) +----------+ 2111 - W10# 71505-BZ580- 1 2210 - W101..CVT B2PJ H + SAB/CSA/BSM 71505-BZ590- 1 +----------+ | 71552S | PAD, FRONT SEAT BACK, LH(FOR SEPARATE TYP E) +----------+ 2111 - W10# 71506-BZ450- 1 2210 - W101..CVT B2PJ H + SAB/CSA/BSM 71506-BZ460- 1 +----------+ | 71571 | PAD, FRONT SEAT BACK SILENCER, A +----------+ 2111 - 2210 W10# 71147-B2160- 1 2210 - 2211 W101..CVT B2PJ H + SAB/CSA/BSM 71147-B2160- 1 2211 - W10# 71147-BZ160- 1 2211 - W101..CVT B2PJ H + SAB/CSA/BSM 71147-BZ170- 1 +----------+ | 71611A | PAD, REAR SEAT CUSHION, RH +----------+ 2111 - W101 71613-BZ020- 1
  • 275.
    275 FIG.71-51 SEAT &SEAT TRACK PROD_DATE MODELS SPEC CODE DESCRIPTION R / P PART NUMBER O Y T REV_REF FR TO +----------+ | 71611A | PAD, REAR SEAT CUSHION, RH CONTINUED--+ 2111 - W100 71613-BZ040- 1 +----------+ | 71612A | PAD, REAR SEAT CUSHION, LH +----------+ 2111 - W10# 71504-BZ430- 1 +----------+ | 71621A | PAD, REAR SEAT CUSHION SILENCER, A +----------+ 2111 - W10# 71621-BZ070- 1 +----------+ | 71621B | PAD, REAR SEAT CUSHION SILENCER, NO.2 +----------+ 2111 - W10# 71621-BZ080- 1 +----------+ | 71622A | PAD, REAR SEAT CUSHION SILENCER, B +----------+ 2111 - W100..LO 71622-BZ100- 1 +----------+ | 71629F | COVER, REAR SEAT CUSHION HINGE, OUTER LH +----------+ 2111 - W10#..HI,MID BLACK(TRIM2#) 71694-BZ030-C0 1 +----------+ | 71650B | SPRING ASSY, REAR SEAT CUSHION, RH +----------+ 2111 - W10#..HI,MID 71055-BZ010- 3 +----------+ | 71667A | PAD, REAR SEAT BACK, CENTER A +----------+ 2111 - W101 72853-BZ010- 1 +----------+ | 71667B | PAD, REAR SEAT BACK, CENTER B +----------+ 2111 - W101 72854-BZ010- 1 +----------+ | 71671A | PAD, REAR SEAT BACK SILENCER, A +----------+ 2111 - W101 71671-BZ100- 1 2111 - W100 71671-BZ110- 1 FIG.71-51 SEAT & SEAT TRACK PROD_DATE MODELS SPEC CODE DESCRIPTION R / P PART NUMBER O Y T REV_REF FR TO +----------+ | 71671B | PAD, REAR SEAT CUSHION SILENCER, A +----------+ 2111 - W10#..HI,MID 71622-BZ110- 1 +----------+ | 71672 | PAD, REAR SEAT BACK SILENCER, B +----------+ 2111 - W100..LO 71672-BZ080- 1 2111 - W10#..HI,MID 71672-BZ100- 1 +----------+ | 71672A | PAD, REAR SEAT CUSHION SILENCER, B +----------+ 2111 - W10#..HI,MID 71622-BZ110- 1 +----------+ | 71672B | SILENCER, REAR SEAT BACK, RH +----------+ 2111 - W100..LO 71672-BZ080- 1 2111 - W10#..HI,MID 71672-BZ100- 1 +----------+ | 71673 | PAD, REAR SEAT BACK SILENCER, C +----------+ 2111 - W10# 71671-BZ100- 1 +----------+ | 71691B | COVER, REAR SEAT LOCK, OUTER RH +----------+ 2111 - W10# BLACK(TRIM2#) 72694-BZ270-C0 1 +----------+ | 71691C | COVER, REAR SEAT LOCK, INNER RH +----------+ 2111 - W10# BLACK(TRIM2#) 72694-BZ250-C0 1 +----------+ | 71691L | COVER, FRONT SEAT CUSHION HINGE, RH +----------+ 2111 - 2205 W10# BLACK(TRIM2#) 72991-B1060-C0 1 2206 - W10# BLACK(TRIM2#) 72992-BZ050-C0 1 +----------+ | 71692B | COVER, REAR SEAT LOCK, OUTER LH +----------+ 2111 - W10# BLACK(TRIM2#) 72694-BZ230-C0 1
  • 276.
    276 FIG.71-51 SEAT &SEAT TRACK PROD_DATE MODELS SPEC CODE DESCRIPTION R / P PART NUMBER O Y T REV_REF FR TO +----------+ | 71692C | COVER, REAR SEAT LOCK, INNER LH +----------+ 2111 - W10# BLACK(TRIM2#) 72694-BZ220-C0 1 +----------+ | 71693 | COVER, REAR SEAT CUSHION HINGE, LOWER RH +----------+ 2111 - W10#..HI,MID BLACK(TRIM2#) 71693-BZ040-C0 1 +----------+ | 71693D | COVER, REAR SEAT CUSHION HINGE, INNER RH +----------+ 2111 - W10#..HI,MID BLACK(TRIM2#) 71693-BZ050-C0 1 +----------+ | 71694 | COVER, REAR SEAT CUSHION HINGE, LOWER LH +----------+ 2111 - W10#..HI,MID BLACK(TRIM2#) 71694-BZ020-C0 1 +----------+ | 71695A | PROTECTOR, REAR SEAT, NO.1 RH +----------+ 2111 - W10# BLACK(TRIM2#) 71695-BZ020-C0 1 +----------+ | 71695D | PROTECTOR, SEAT +----------+ 2111 - W10# 71695-BZ030- 2 +----------+ | 71696 | PROTECTOR, REAR SEAT, NO.2 +----------+ 2111 - W10# BLACK(TRIM2#) 71696-BZ010-C0 1 +----------+ | 71771B | BOARD, REAR SEAT BACK +----------+ 2111 - W10#..HI,MID 71881-BZ180- 1 +----------+ | 71811D | SHIELD, FRONT SEAT CUSHION, RH +----------+ 2111 - W100 BLACK(TRIM2#) 71811-BZ320-C0 1 2111 - W101 BLACK(TRIM2#) 71811-BZ330-C0 1 +----------+ | 71812D | SHIELD, FRONT SEAT CUSHION, LH +----------+ 2111 - W10# BLACK(TRIM2#) 71812-BZ280-C0 1 FIG.71-51 SEAT & SEAT TRACK PROD_DATE MODELS SPEC CODE DESCRIPTION R / P PART NUMBER O Y T REV_REF FR TO +----------+ | 71812H | RING, HOG, SMALL (FOR REAR SEAT) +----------+ 2111 - W100..LO 9004A-46143- 34 +----------+ | 7181C | RING, HOG, SMALL (FOR FRONT SEAT BACK) +----------+ 2111 - W100..LO 9004A-46143- 9 2111 - W10#..HI,MID 9004A-46143- 11 +----------+ | 7181CA | RING, HOG, SMALL (FOR FRONT SEAT BACK) +----------+ 2111 - W100..LO 9004A-46143- 9 2111 - W10#..HI,MID 9004A-46143- 11 +----------+ | 7181CB | RING, HOG, SMALL (FOR FRONT SEAT CUSHION) +----------+ 2111 - W10# 9004A-46143- 11 +----------+ | 7181CC | RING, HOG, SMALL (FOR FRONT SEAT CUSHION) +----------+ 2111 - W10# 9004A-46143- 11 +----------+ | 7181CD | RING, HOG, SMALL (FOR REAR SEAT BACK) +----------+ 2111 - W100..LO 9004A-46143- 3 2111 - W10#..HI,MID 90468-18008- 5 +----------+ | 7181CE | RING, HOG, SMALL (FOR REAR SEAT BACK) +----------+ 2111 - W100..LO 9004A-46143- 3 2111 - W10#..HI,MID 90468-18008- 5 +----------+ | 7181CF | RING, HOG, SMALL (FOR REAR SEAT CUSHION) +----------+ 2111 - W10#..HI,MID 90468-18008- 10 +----------+ | 7181CG | RING, HOG, SMALL (FOR REAR SEAT CUSHION) +----------+ 2111 - W10#..HI,MID 90468-18008- 10
  • 277.
    277 FIG.71-51 SEAT &SEAT TRACK PROD_DATE MODELS SPEC CODE DESCRIPTION R / P PART NUMBER O Y T REV_REF FR TO +----------+ | 71831B | COVER, FRONT SEAT HINGE, RH +----------+ 2111 - W10# BLACK(TRIM2#) 71831-BZ100-C0 1 +----------+ | 71831D | COVER, FRONT SEAT HINGE, RH +----------+ 2111 - W10# BLACK(TRIM2#) 71832-BZ130-C0 1 +----------+ | 71832C | COVER, FRONT LH SEAT HINGE +----------+ 2111 - W10# BLACK(TRIM2#) 71831-BZ100-C0 1 +----------+ | 71832D | COVER, FRONT SEAT HINGE, LH +----------+ 2111 - W10# BLACK(TRIM2#) 71832-BZ100-C0 1 +----------+ | 71833D | COVER REAR SEAT RECLINING, RH +----------+ 2111 - W10# BLACK(TRIM2#) 71833-BZ080-C0 1 +----------+ | 71843A | COVER, REAR SEAT RECLINING, NO.2 RH +----------+ 2111 - W10#..HI,MID BLACK(TRIM2#) 71843-BZ010-C0 1 +----------+ | 71844A | COVER, REAR SEAT RECLINING, NO.2 LH +----------+ 2111 - W10#..HI,MID BLACK(TRIM2#) 71844-BZ010-C0 1 +----------+ | 71844D | COVER, REAR SEAT RECLINING, LH (FOR LH SEAT) +----------+ 2111 - W10# BLACK(TRIM2#) 71834-BZ080-C0 1 +----------+ | 71867V | SHIELD, FRONT SEAT CUSHION, FRONT RH +----------+ 2111 - W101 BLACK(TRIM2#) 71867-B1010-C0 1 +----------+ | 71875A | COVER, RECLINING ADJUSTER INSIDE, RH +----------+ 2111 - W10# BLACK(TRIM2#) 71875-BZ120-C0 1 +----------+ | 71875B | COVER, RECLINING ADJUSTER INSIDE, RH +----------+ 2111 - W10# BLACK(TRIM2#) 71876-BZ110-C0 1 FIG.71-51 SEAT & SEAT TRACK PROD_DATE MODELS SPEC CODE DESCRIPTION R / P PART NUMBER O Y T REV_REF FR TO +----------+ | 71875V | COVER, RECLINING ADJUSTER INSIDE, RH +----------+ 2111 - W10#..HI,MID BLACK(TRIM2#) 71875-BZ100-C0 1 +----------+ | 71875W | COVER, RECLINING ADJUSTER INSIDE, RH +----------+ 2111 - W10#..HI,MID BLACK(TRIM2#) 71875-BZ110-C0 1 +----------+ | 71876 | COVER, RECLINING ADJUSTER INSIDE, LH +----------+ 2111 - W10# BLACK(TRIM2#) 71876-B2060-C0 1 +----------+ | 71876A | COVER, RECLINING ADJUSTER INSIDE, LH +----------+ 2111 - W101 BLACK(TRIM2#) 71875-BZ130-C0 1 2111 - W100 BLACK(TRIM2#) 71875-BZ140-C0 1 +----------+ | 71876C | COVER, RECLINING ADJUSTER INSIDE, LH +----------+ 2111 - W10# BLACK(TRIM2#) 71876-BZ100-C0 1 +----------+ | 71876Y | COVER, RECLINING ADJUSTER INSIDE, LH +----------+ 2111 - W10#..HI,MID BLACK(TRIM2#) 71876-BZ080-C0 1 +----------+ | 71876Z | COVER, RECLINING ADJUSTER INSIDE, LH +----------+ 2111 - W10#..HI,MID BLACK(TRIM2#) 71876-BZ090-C0 1 +----------+ | 71877A | COVER SUB-ASSY, REAR NO.1 SEAT ARMREST +----------+ 2111 - W101 BLACK(TRIM2#) 72088-BZ020-C2 1 +----------+ | 71878A | COVER, REAR SEAT RECLINING, INNER RH +----------+ 2111 - W101 BLACK(TRIM2#) 71878-BZ100-C0 1 2111 - W100 BLACK(TRIM2#) 71878-BZ110-C0 1 +----------+ | 71878B | COVER, REAR SEAT RECLINING, INNER RH +----------+ 2111 - W101 BLACK(TRIM2#) 71878-BZ120-C0 1
  • 278.
    278 FIG.71-51 SEAT &SEAT TRACK PROD_DATE MODELS SPEC CODE DESCRIPTION R / P PART NUMBER O Y T REV_REF FR TO +----------+ | 71878E | COVER, REAR SEAT RECLINING, INNER RH +----------+ 2111 - W10#..HI,MID BLACK(TRIM2#) 71878-BZ090-C0 1 +----------+ | 71879A | COVER, REAR SEAT RECLINING, INNER LH +----------+ 2111 - W10# BLACK(TRIM2#) 71879-BZ100-C0 1 +----------+ | 71879E | COVER, REAR SEAT RECLINING, INNER LH +----------+ 2111 - W10#..HI,MID BLACK(TRIM2#) 71879-BZ090-C0 1 +----------+ | 71881A | BOARD, REAR SEAT BACK +----------+ 2111 - W10#..HI,MID 71881-BZ180- 1 +----------+ | 71910A | HEADREST ASSY, FRONT SEAT +----------+ 2111 - W100..LO -(TRIM2#) 71910-BZG50-C5 1 2111 - W10#..HI,MID BLACK(TRIM2#) 71910-BZJ70-C3 1 +----------+ | 71910B | HEADREST ASSY, FRONT SEAT +----------+ 2111 - W100..LO -(TRIM2#) 71910-BZG50-C5 1 2111 - W10#..HI,MID BLACK(TRIM2#) 71910-BZJ70-C3 1 +----------+ | 71930A | SUPPORT ASSY, FRONT SEAT HEADREST +----------+ 2111 - W10# BLACK(TRIM2#) 71931-B2030-C0 1 +----------+ | 71930B | SUPPORT ASSY, REAR SEAT HEADREST +----------+ 2111 - W10# BLACK(TRIM2#) 71930-0K050-C1 1 +----------+ | 71930C | SUPPORT, FRONT SEAT HEADREST, LH +----------+ 2111 - W10# BLACK(TRIM2#) 71930-B2030-C0 1 +----------+ | 71931 | SUPPORT, FRONT SEAT HEADREST +----------+ 2111 - W10# BLACK(TRIM2#) 71931-B2030-C0 1 FIG.71-51 SEAT & SEAT TRACK PROD_DATE MODELS SPEC CODE DESCRIPTION R / P PART NUMBER O Y T REV_REF FR TO +----------+ | 71931A | SUPPORT, REAR SEAT HEADREST +----------+ 2111 - W10# BLACK(TRIM2#) 71931-0K040-C1 1 +----------+ | 71931C | SUPPORT ASSY, REAR NO.2 SEAT HEADREST +----------+ 2111 - W10#..HI,MID BLACK(TRIM2#) 71930-0K050-C1 1 2111 - W100..LO BLACK(TRIM2#) 71930-BZ040-C1 1 +----------+ | 71940A | HEADREST ASSY, REAR SEAT +----------+ 2111 - W100..LO -(TRIM2#) 71940-BZF00-C2 2 +----------+ | 71940B | HEADREST ASSY, REAR SEAT, RH +----------+ 2111 - W10#..HI,MID BLACK(TRIM2#) 71940-BZL70-C0 1 2111 - W100..LO -(TRIM2#) 71940-BZL80-C0 1 +----------+ | 71940D | HEADREST ASSY, REAR NO.2 SEAT, RH +----------+ 2111 - W10#..HI,MID BLACK(TRIM2#) 71970-BZ230-C1 1 +----------+ | 71950D | HEADREST ASSY, REAR SEAT, LH +----------+ 2111 - W10#..HI,MID BLACK(TRIM2#) 71940-BZL70-C0 1 2111 - W100..LO -(TRIM2#) 71940-BZL80-C0 1 +----------+ | 71950F | HEADREST ASSY, REAR NO.2 SEAT, LH +----------+ 2111 - W10#..HI,MID BLACK(TRIM2#) 71970-BZ230-C1 1 +----------+ | 71955A | SUPPORT, REAR SEAT HEADREST +----------+ 2111 - W10#..HI,MID BLACK(TRIM2#) 71931-0K040-C1 1 2111 - W100..LO BLACK(TRIM2#) 71931-BZ030-C1 1 +----------+ | 71955B | SUPPORT, REAR SEAT HEADREST +----------+ 2111 - W10#..HI,MID BLACK(TRIM2#) 71930-0K050-C1 1 2111 - W100..LO BLACK(TRIM2#) 71931-BZ030-C1 1
  • 279.
    279 FIG.71-51 SEAT &SEAT TRACK PROD_DATE MODELS SPEC CODE DESCRIPTION R / P PART NUMBER O Y T REV_REF FR TO +----------+ | 71956A | SUPPORT, FRONT SEAT HEADREST +----------+ 2111 - W10# BLACK(TRIM2#) 71930-B2030-C0 1 +----------+ | 71956B | SUPPORT, REAR SEAT HEADREST +----------+ 2111 - W10# BLACK(TRIM2#) 71931-0K040-C1 1 +----------+ | 71970B | SUPPORT ASSY, REAR SEAT HEADREST, RH +----------+ 2111 - W100..LO BLACK(TRIM2#) 71930-BZ040-C1 1 2111 - W10#..HI,MID BLACK(TRIM2#) 71931-0K040-C1 1 +----------+ | 71990A | SUPPORT ASSY, REAR SEAT HEADREST, LH +----------+ 2111 - W10# BLACK(TRIM2#) 71930-0K050-C1 1 +----------+ | 72084 | PAD SUB-ASSY, REAR SEAT CENTER ARMREST, NO.2 +----------+ 2111 - W101 72857-BZ010- 1 +----------+ | 72110A | TRACK ASSY, FRONT SEAT, OUTER RH +----------+ 2111 - W10# 72110-BZ320- 1 +----------+ | 72120 | TRACK ASSY, FRONT SEAT, OUTER LH +----------+ 2111 - W10# 72120-BZ290- 1 +----------+ | 72125A | COVER, SEAT TRACK, UPPER REAR +----------+ 2111 - W10# BLACK(TRIM2#) 72125-BZ010-C0 2 +----------+ | 72125F | COVER, SEAT TRACK, UPPER REAR LH +----------+ 2111 - W10# BLACK(TRIM2#) 72125-BZ010-C0 2 +----------+ | 72125S | COVER, FRONT SEAT TRACK, UPPER REAR RH +----------+ 2111 - W10# BLACK(TRIM2#) 72125-B1030-C0 1 FIG.71-51 SEAT & SEAT TRACK PROD_DATE MODELS SPEC CODE DESCRIPTION R / P PART NUMBER O Y T REV_REF FR TO +----------+ | 72125T | COVER, FRONT SEAT TRACK, UPPER REAR LH +----------+ 2111 - W10# BLACK(TRIM2#) 72125-B1030-C0 1 +----------+ | 72127A | COVER, SEAT TRACK BRACKET, INNER FRONT RH +----------+ 2111 - W10# 72127-BZ020- 2 +----------+ | 72127E | COVER, SEAT TRACK BRACKET, INNER FRONT +----------+ 2111 - W10# 72127-BZ020- 2 +----------+ | 72129 | PROTECTOR, SEAT TRACK LOWER RAIL, NO.1 +----------+ 2111 - W10# BLACK(TRIM2#) 72129-B1010-C0 2 +----------+ | 72129A | PROTECTOR, SEAT TRACK LOWER RAIL, NO.2 +----------+ 2111 - W10# 72129-BZ100- 2 +----------+ | 72129B | PROTECTOR, SEAT TRACK LOWER RAIL +----------+ 2111 - W10# BLACK(TRIM2#) 72129-BZ190-C0 1 +----------+ | 72129C | PROTECTOR, SEAT TRACK LOWER RAIL, NO.3 +----------+ 2111 - W10# BLACK(TRIM2#) 72129-B1010-C0 2 +----------+ | 72129D | PROTECTOR, SEAT TRACK LOWER RAIL, NO.4 +----------+ 2111 - W10# 72129-BZ100- 2 +----------+ | 72130A | TRACK ASSY, FRONT SEAT, INNER RH +----------+ 2111 - W10# 72130-BZ350- 1 +----------+ | 72136 | SPACER, SEAT TRACK, LOWER NO.1 +----------+ 2111 - W10#..HI,MID 72169-BZ010- 4 +----------+ | 72137E | COVER, SEAT TRACK, NO.1 +----------+ 2111 - W10# BLACK(TRIM2#) 72137-BZ050-C0 4
  • 280.
    280 FIG.71-51 SEAT &SEAT TRACK PROD_DATE MODELS SPEC CODE DESCRIPTION R / P PART NUMBER O Y T REV_REF FR TO +----------+ | 72138B | COVER, SEAT TRACK, LH +----------+ 2111 - W10# BLACK(TRIM2#) 72137-BZ050-C0 4 +----------+ | 72140A | TRACK ASSY, FRONT SEAT,INNER LH +----------+ 2111 - W10# 72140-BZ350- 1 +----------+ | 72157A | COVER, SEAT TRACK BRACKET, INNER RH +----------+ 2111 - W10# 72157-BZ100- 2 +----------+ | 72157F | COVER, SEAT TRACK BRACKET, INNER REAR RH +----------+ 2111 - W10# BLACK(TRIM2#) 72157-BZ110-C0 1 +----------+ | 72158 | COVER, SEAT TRACK BRACKET, INNER LH +----------+ 2111 - W10# 72157-BZ100- 2 +----------+ | 72158E | COVER, SEAT TRACK BRACKET, INNER REAR LH +----------+ 2111 - W10# BLACK(TRIM2#) 72158-BZ090-C0 1 +----------+ | 72159B | COVER, REAR SEAT TRACK BRACKET, OUTER +----------+ 2111 - W10# BLACK(TRIM2#) 72159-BZ130-C0 1 +----------+ | 72160C | TRACK ASSY, REAR NO.1 SEAT, OUTER RH +----------+ 2111 - W10# BLACK(TRIM2#) 72160-BZ150-C0 2 +----------+ | 72170D | TRACK ASSY, REAR SEAT, OUTER LH +----------+ 2111 - W10# BLACK(TRIM2#) 72160-BZ150-C0 2 +----------+ | 72211 | HANDLE, SEAT TRACK ADJUSTING +----------+ 2111 - W10# 72211-BZ170- 1 +----------+ | 72211B | HANDLE, SEAT TRACK ADJUSTING +----------+ 2111 - W10# 72211-BZ170- 1 FIG.71-51 SEAT & SEAT TRACK PROD_DATE MODELS SPEC CODE DESCRIPTION R / P PART NUMBER O Y T REV_REF FR TO +----------+ | 72211C | HANDLE, SEAT TRACK ADJUSTING +----------+ 2111 - W10# 72211-B1050- 1 +----------+ | 72211D | HANDLE, SEAT TRACK ADJUSTING +----------+ 2111 - W10# 72211-B1050- 1 +----------+ | 72213 | KNOB, SEAT TRACK ADJUSTING HANDLE +----------+ 2111 - W100..LO 72213-BZ010- 2 +----------+ | 72265A | COVER, SEAT TRACK UPPER RAIL, RH +----------+ 2111 - W10# BLACK(TRIM2#) 72265-BZ040-C0 2 +----------+ | 72265D | COVER, SEAT TRACK UPPER RAIL +----------+ 2111 - W10# BLACK(TRIM2#) 72265-BZ040-C0 2 +----------+ | 72266 | COVER, SEAT TRACK UPPER RAIL, LH +----------+ 2111 - W101 BLACK(TRIM2#) 72266-B1020-C0 1 +----------+ | 72413 | LEVER, VERTICAL ADJUSTER LOCK +----------+ 2111 - W101 BLACK(TRIM2#) 72413-BZ070-C0 1 +----------+ | 72462 | COVER, VERTICAL ADJUSTER RH +----------+ 2111 - W101 BLACK(TRIM2#) 72462-BZ060-C0 1 +----------+ | 72525A | HANDLE, RECLINING ADJUSTER RELEASE, RH +----------+ 2111 - W10# BLACK(TRIM2#) 72525-BZ140-C0 1 +----------+ | 72525J | HANDLE, RECLINING ADJUSTER RELEASE, RH +----------+ 2111 - W10#..HI,MID BLACK(TRIM2#) 72525-BZ130-C0 1 +----------+ | 72526 | HANDLE, RECLINING ADJUSTER RELEASE, LH +----------+ 2111 - W10#..HI,MID BLACK(TRIM2#) 72525-BZ130-C0 1
  • 281.
    281 FIG.71-51 SEAT &SEAT TRACK PROD_DATE MODELS SPEC CODE DESCRIPTION R / P PART NUMBER O Y T REV_REF FR TO +----------+ | 72526A | HANDLE, RECLINING ADJUSTER RELEASE, LH +----------+ 2111 - W10# BLACK(TRIM2#) 72526-BZ110-C0 1 +----------+ | 72551B | COVER, RECLINING HINGE, RH +----------+ 2111 - W10# BLACK(TRIM2#) 72551-BZ070-C0 1 +----------+ | 72552B | COVER, RECLINING HINGE, LH +----------+ 2111 - W10# BLACK(TRIM2#) 72552-B1010-C0 1 +----------+ | 72570C | CABLE ASSY, NO.2 SEAT RECLINING ADJUSTING, RH +----------+ 2111 - W10#..HI,MID 72570-BZ010- 1 +----------+ | 72580B | CABLE ASSY, NO.2 SEAT RECLINING ADJUSTING, LH +----------+ 2111 - W10#..HI,MID 72570-BZ010- 1 +----------+ | 72637A | HANDLE, REAR SEAT LOCK +----------+ 2111 - W10# BLACK(TRIM2#) 72637-BZ100-C0 1 +----------+ | 72637F | SPRING, SEAT BACK, RH +----------+ 2111 - W10# 71441-B2010- 1 +----------+ | 72637G | SPRING, SEAT BACK, LH +----------+ 2111 - W10# 71441-B2010- 1 +----------+ | 72638 | HANDLE, REAR SEAT LOCK, LH +----------+ 2111 - W10# BLACK(TRIM2#) 72637-BZ100-C0 1 +----------+ | 72650F | LOCK ASSY, REAR SEAT, RH +----------+ 2111 - 2209 W10# 72650-BZ010- 1 2210 - W10# 72650-BZ011- 1 FIG.71-51 SEAT & SEAT TRACK PROD_DATE MODELS SPEC CODE DESCRIPTION R / P PART NUMBER O Y T REV_REF FR TO +----------+ | 72656B | BUTTON, REAR SEAT BACK STOP RELEASE +----------+ 2111 - W101 BLACK(TRIM2#) 72661-0K040-C1 1 +----------+ | 72656D | PIN, REAR SEAT CUSHION SUPPORT +----------+ 2111 - W10#..HI,MID 72656-BZ020- 2 +----------+ | 72656E | PIN, REAR SEAT CUSHION SUPPORT +----------+ 2111 - W10#..HI,MID 72656-BZ020- 2 +----------+ | 72660F | LOCK ASSY, REAR SEAT, LH +----------+ 2111 - 2209 W10# 72660-BZ010- 1 2210 - W10# 72660-BZ011- 1 +----------+ | 72661C | BUTTON, REAR SEAT BACK LOCK RELEASE +----------+ 2111 - W101 BLACK(TRIM2#) 72661-0K030-C1 1 +----------+ | 72661H | BUTTON, REAR SEAT BACK LOCK RELEASE, RH +----------+ 2111 - W10#..HI,MID BLACK(TRIM2#) 72661-0K030-C1 1 +----------+ | 72661J | BUTTON, REAR SEAT BACK LOCK RELEASE, LH +----------+ 2111 - W10#..HI,MID BLACK(TRIM2#) 72661-0K030-C1 1 +----------+ | 72661K | BUTTON, REAR SEAT BACK LOCK RELEASE, NO.2 RH +----------+ 2111 - W10#..HI,MID BLACK(TRIM2#) 72661-0K040-C1 1 +----------+ | 72661L | BUTTON, REAR SEAT BACK LOCK RELEASE, NO.2 LH +----------+ 2111 - W10#..HI,MID BLACK(TRIM2#) 72661-0K040-C1 1 +----------+ | 72690A | STRAP ASSY, REAR SEAT LOCK RELEASE +----------+ 2111 - W101 BLACK(TRIM2#) 72690-BZ010-C0 1
  • 282.
    282 FIG.71-51 SEAT &SEAT TRACK PROD_DATE MODELS SPEC CODE DESCRIPTION R / P PART NUMBER O Y T REV_REF FR TO +----------+ | 72749 | SPACER, REAR SEAT RECLINING +----------+ 2111 - 2210 W101 72749-12010- 1 2210 - W101 76094-BZ190- 1 +----------+ | 72749A | SPACER, REAR SEAT RECLINING +----------+ 2111 - W10#..HI,MID 72622-BZ010- 5 +----------+ | 72749B | SPACER, REAR SEAT RECLINING, NO.1 +----------+ 2111 - W10#..HI,MID 72622-BZ010- 5 +----------+ | 72809A | LOCK SUB-ASSY, CENTER ARMREST +----------+ 2111 - W101 72809-BZ010- 1 +----------+ | 72830 | ARMREST ASSY, REAR SEAT, CENTER +----------+ 2111 - W101 -(TRIM2#) 72830-BZ140-C4 1 +----------+ | 72831B | PLATE, REAR SEAT CENTER ARMREST, NO.1 +----------+ 2111 - 2210 W101 72831-BZ010- 1 2210 - W101..CVT B2PJ H + SAB/CSA/BSM,BLAC K(TRIM2#) 71831-BZ100-C0 1 +----------+ | 72921A | STRAP, REAR NO.2 SEAT, NO.1 +----------+ 2111 - W10#..HI,MID BLACK(TRIM2#) 72921-BZ010-C0 1 +----------+ | 72921B | STRAP, REAR NO.2 SEAT, NO.2 +----------+ 2111 - W10#..HI,MID BLACK(TRIM2#) 72921-BZ010-C0 1 +----------+ | 72925 | COVER, FRONT SEAT CUSHION +----------+ 2111 - 2205 W10# BLACK(TRIM2#) 72991-BZ250-C0 1 2206 - W10# BLACK(TRIM2#) 72991-BZ340-C0 1 FIG.71-51 SEAT & SEAT TRACK PROD_DATE MODELS SPEC CODE DESCRIPTION R / P PART NUMBER O Y T REV_REF FR TO +----------+ | 72991 | COVER, FRONT SEAT CUSHION, RH +----------+ 2111 - W100..LO BLACK(TRIM2#) 71071-BZQ60-C3 1 2111 - W100..MID BLACK(TRIM2#) 71071-BZQ70-C3 1 2111 - W101 BLACK(TRIM2#) 71071-BZQ80-C3 1 +----------+ | 72992 | COVER, FRONT SEAT CUSHION, LH +----------+ 2111 - W100..LO BLACK(TRIM2#) 71072-BZQ60-C2 1 2111 - W10#..HI,MID BLACK(TRIM2#) 71072-BZQ70-C3 1 +----------+ | 72993 | COVER, FRONT SEAT BACK +----------+ 2111 - W10# BLACK(TRIM2#) 72993-B2010-C0 1 +----------+ | 72993A | COVER, FRONT SEAT BACK +----------+ 2111 - W10# BLACK(TRIM2#) 72994-B2010-C0 1 +----------+ | 72993B | COVER, FRONT SEAT BACK, RH +----------+ 2111 - W100..LO BLACK(TRIM2#) 71073-BZS60-C1 1 2111 - W101 BLACK(TRIM2#) 71073-BZS70-C0 1 2111 - W100..MID BLACK(TRIM2#) 71073-BZZ90-C0 1 2210 - W101..CVT B2PJ H + SAB/CSA/BSM,BLAC K(TRIM2#) 71073-BY160-C0 1 +----------+ | 72994A | COVER, FRONT SEAT BACK +----------+ 2111 - W10# BLACK(TRIM2#) 72993-B2010-C0 1 +----------+ | 72994B | COVER, FRONT SEAT BACK, LH +----------+ 2111 - W10#..HI,MID BLACK(TRIM2#) 71074-BZP20-C0 1 2111 - W100..LO BLACK(TRIM2#) 71074-BZP70-C1 1 2210 - W101..CVT B2PJ H + SAB/CSA/BSM,BLAC K(TRIM2#) 71074-BZX90-C0 1
  • 283.
    283 FIG.71-51 SEAT &SEAT TRACK PROD_DATE MODELS SPEC CODE DESCRIPTION R / P PART NUMBER O Y T REV_REF FR TO +----------+ | 72995 | COVER, REAR SEAT CUSHION, RH +----------+ 2111 - W100 BLACK(TRIM2#) 72995-BZ290-C0 1 +----------+ | 72999 | COVER, REAR SEAT CUSHION LH +----------+ 2111 - W100 BLACK(TRIM2#) 72998-BZ080-C0 1 +----------+ | 73910A | AIR BAG ASSY, FRONT SEAT, RH +----------+ 2210 - W101..CVT B2PJ H + SAB/CSA/BSM 73910-BZ040- 1 +----------+ | 73920A | AIR BAG ASSY, FRONT SEAT, LH +----------+ 2210 - W101..CVT B2PJ H + SAB/CSA/BSM 73920-BZ040- 1 +----------+ | 78920 | CABLE ASSY, FOLD SEAT LOCK CONTROL, NO.2 +----------+ 2111 - W10# 78920-BZ010- 1 +----------+ | 78920B | CABLE ASSY, FOLD SEAT LOCK CONTROL, NO.1 LH +----------+ 2111 - W10# 78920-BZ010- 1 +----------+ | 79012 | COVER SUB-ASSY, NO.1 SEAT CUSHION, LH +----------+ 2111 - W10#..HI,MID BLACK(TRIM2#) 71076-BZF40-C1 1 2111 - W100..LO BLACK(TRIM2#) 71076-BZF50-C2 1 +----------+ | 79013 | COVER SUB-ASSY, NO.1 SEAT BACK, RH +----------+ 2111 - W101 BLACK(TRIM2#) 71077-BZM30-C1 1 2111 - W100..MID BLACK(TRIM2#) 71077-BZM40-C1 1 2111 - W100..LO BLACK(TRIM2#) 71077-BZM50-C2 1 +----------+ | 79014 | COVER SUB-ASSY, NO.1 SEAT BACK, LH +----------+ 2111 - W10#..HI,MID BLACK(TRIM2#) 71078-BZG10-C1 1 2111 - W100..LO BLACK(TRIM2#) 71078-BZG20-C2 1 FIG.71-51 SEAT & SEAT TRACK PROD_DATE MODELS SPEC CODE DESCRIPTION R / P PART NUMBER O Y T REV_REF FR TO +----------+ | 79021 | COVER SUB-ASSY, NO.2 SEAT CUSHION, RH +----------+ 2111 - W10#..HI,MID BLACK(TRIM2#) 79021-BZB30-C1 1 +----------+ | 79021A | COVER SUB-ASSY, NO.2 SEAT CUSHION +----------+ 2111 - W100..LO BLACK(TRIM2#) 79021-BZB40-C1 1 +----------+ | 79022 | COVER SUB-ASSY, NO.2 SEAT CUSHION, LH +----------+ 2111 - W10#..HI,MID BLACK(TRIM2#) 79022-BZ200-C1 1 +----------+ | 79023 | COVER SUB-ASSY, NO.2 SEAT BACK, RH +----------+ 2111 - W10#..HI,MID BLACK(TRIM2#) 79023-BZA90-C1 1 2111 - W100..LO BLACK(TRIM2#) 79023-BZB00-C1 1 +----------+ | 79024 | COVER SUB-ASSY, NO.2 SEAT BACK, LH +----------+ 2111 - W10#..HI,MID BLACK(TRIM2#) 79024-BZ480-C1 1 2111 - W100..LO BLACK(TRIM2#) 79024-BZ490-C1 1 +----------+ | 79030B | LEG ASSY, REAR NO.2 SEAT, RH +----------+ 2111 - W10#..HI,MID 79030-BZ020- 1 +----------+ | 79040B | LEG ASSY, REAR NO.2 SEAT, LH +----------+ 2111 - W10#..HI,MID 79040-BZ020- 1 +----------+ | 79101B | FRAME SUB-ASSY, NO.1 SEAT CUSHION, RH +----------+ 2111 - W10# 79101-BZ020- 1 +----------+ | 79102 | FRAME SUB-ASSY, NO.1 SEAT CUSHION, LH +----------+ 2111 - W10# 79102-BZ020- 1 +----------+ | 79103A | FRAME SUB-ASSY, NO.1 SEAT BACK, RH +----------+ 2111 - W101 79103-BZ010- 1
  • 284.
    284 FIG.71-51 SEAT &SEAT TRACK PROD_DATE MODELS SPEC CODE DESCRIPTION R / P PART NUMBER O Y T REV_REF FR TO +----------+ | 79103A | FRAME SUB-ASSY, NO.1 SEAT BACK, RH CONTINUED--+ 2111 - W100 79103-BZ030- 1 +----------+ | 79104 | FRAME SUB-ASSY, NO.1 SEAT BACK, LH +----------+ 2111 - W10# 79104-BZ020- 1 +----------+ | 79105 | LEG SUB-ASSY, NO.1 SEAT, RH +----------+ 2111 - 2209 W100 79105-BZ020- 1 2111 - 2209 W101 79105-BZ030- 1 2210 - W100 79105-BZ021- 1 2210 - W101 79105-BZ031- 1 +----------+ | 79106 | LEG SUB ASSY, NO.1 SEAT, LH +----------+ 2111 - 2209 W10# 79106-BZ020- 1 2210 - W10# 79106-BZ021- 1 +----------+ | 79107A | LEG SUB-ASSY, NO.1 SEAT, REAR +----------+ 2111 - W10# 79107-BZ010- 1 +----------+ | 79107C | LEG SUB-ASSY, NO.1 SEAT, REAR +----------+ 2111 - W10# 79107-BZ010- 1 +----------+ | 79175E | PAD, NO.1 SEAT BACK, RH +----------+ 2111 - W101 71507-BZ520- 1 2111 - W100 71507-BZ550- 1 +----------+ | 79185 | PAD, NO.1 SEAT BACK, LH +----------+ 2111 - W10# 71508-BZ390- 1 +----------+ | 79187 | COVER, NO.1 SEAT INNER BRACKET +----------+ 2111 - W10# BLACK(TRIM2#) 79187-BZ180-C0 1 FIG.71-51 SEAT & SEAT TRACK PROD_DATE MODELS SPEC CODE DESCRIPTION R / P PART NUMBER O Y T REV_REF FR TO +----------+ | 79187A | COVER, NO.1 SEAT INNER BRACKET, LH +----------+ 2111 - W10# BLACK(TRIM2#) 79187-BZ160-C0 1 +----------+ | 79188 | COVER, NO.1 SEAT OUTER BRACKET +----------+ 2111 - W10# BLACK(TRIM2#) 79188-BZ050-C0 1 +----------+ | 79201 | FRAME SUB-ASSY, NO.2 SEAT CUSHION +----------+ 2111 - W100..LO 79201-BZ020- 1 +----------+ | 79201B | FRAME SUB-ASSY, NO.2 SEAT CUSHION, RH +----------+ 2111 - W10#..HI,MID 79201-BZ010- 1 +----------+ | 79202 | FRAME SUB-ASSY, NO.2 SEAT CUSHION, LH +----------+ 2111 - W10#..HI,MID 79202-BZ010- 1 +----------+ | 79203A | FRAME SUB-ASSY, NO.2 SEAT BACK, RH +----------+ 2111 - W10#..HI,MID 79203-BZ100- 1 2111 - W100..LO 79303-BZ210- 1 +----------+ | 79204A | FRAME SUB-ASSY, NO.2 SEAT BACK, LH +----------+ 2111 - W10#..HI,MID 79204-BZ020- 1 2111 - W100..LO 79304-BZ120- 1 +----------+ | 79235 | PAD, NO.2 SEAT CUSHION +----------+ 2111 - W100..LO 79235-BZ020- 1 +----------+ | 79235E | PAD, NO.2 SEAT CUSHION, RH +----------+ 2111 - W10#..HI,MID 79235-BZ010- 1 +----------+ | 79236A | COVER, NO.2 SEAT LEG +----------+ 2111 - W10#..HI,MID BLACK(TRIM2#) 79236-BZ190-C0 1
  • 285.
    285 FIG.71-51 SEAT &SEAT TRACK PROD_DATE MODELS SPEC CODE DESCRIPTION R / P PART NUMBER O Y T REV_REF FR TO +----------+ | 79245C | PAD, NO.2 SEAT CUSHION, LH +----------+ 2111 - W10#..HI,MID 79245-BZ010- 1 +----------+ | 79246B | COVER, NO.2 SEAT LEG, B +----------+ 2111 - W10#..HI,MID BLACK(TRIM2#) 79236-BZ190-C0 1 +----------+ | 79270A | SPRING ASSY, NO.2 SEAT CUSHION, LH +----------+ 2111 - W10#..HI,MID 71055-BZ010- 3 +----------+ | 79273 | COVER, NO.2 SEAT HINGE +----------+ 2111 - W100..LO BLACK(TRIM2#) 79273-BZ042-C0 1 +----------+ | 79275C | PAD, NO.2 SEAT BACK, RH +----------+ 2111 - W10#..HI,MID 79275-BZ010- 1 2111 - W100..LO 79275-BZ020- 1 +----------+ | 79285 | PAD, NO.2 SEAT BACK, LH +----------+ 2111 - W10#..HI,MID 79285-BZ010- 1 2111 - W100..LO 79285-BZ020- 1 +----------+ | 79956B | COVER, REAR SEAT LEG SIDE, RH +----------+ 2111 - W10#..HI,MID BLACK(TRIM2#) 79236-BZ170-C0 1 2111 - W100..LO BLACK(TRIM2#) 79236-BZ180-C0 1 +----------+ | 79956C | COVER, REAR SEAT LEG SIDE, LH +----------+ 2111 - W10#..HI,MID BLACK(TRIM2#) 79246-BZ140-C0 1 2111 - W100..LO BLACK(TRIM2#) 79246-BZ150-C0 1 +----------+ | 79958A | COVER, REAR SEAT REAR BRACKET, LH +----------+ 2111 - W10# BLACK(TRIM2#) 79188-BZ060-C0 1 FIG.71-51 SEAT & SEAT TRACK PROD_DATE MODELS SPEC CODE DESCRIPTION R / P PART NUMBER O Y T REV_REF FR TO +----------+ | 79959A | COVER, REAR SEAT LEG, RH +----------+ 2111 - W10# BLACK(TRIM2#) 79959-BZ040-C0 1 +----------+ | 79959B | COVER, REAR SEAT LEG, LH +----------+ 2111 - W10# BLACK(TRIM2#) 79959-BZ040-C0 1 +----------+ | 82711E | CLAMP, WIRING HARNESS +----------+ 2111 - W10#..HI,MID 82711-12120- 1 +----------+ | 82711F | CLAMP, WIRING HARNESS +----------+ 2111 - W10#..HI,MID 82711-12120- 1 +----------+ | C9938 | BUSH +----------+ 2111 - W100..LO 21552-BZ020- 2
  • 286.
    286 FIG.71-52 SEAT BELT (2111-) FRONT ILLUST NO. 1 OF 3 71D864-B REFER TO FIG (PNC 82161) REFER TO FIG (PNC 82161) 82-02 90041-82003 90041-19920 90041-19920 90041-05471 91553-80612 73230 73230 73240 82-02 73210 73220 73178A
  • 287.
    287 FIG.71-52 SEAT BELT (2111-) REAR NO.1 ILLUST NO. 2 OF 3 71D865-A 73470B 90041-79312 73214-75010 90041-05471 73360C 73370C 90041-05471 91553-80612 90041-05582 90041-79312 73480 73590A 90041-79312 73380A 90041-79312 73214-75010
  • 288.
    288 FIG.71-52 SEAT BELT (2111-) REAR NO.2 ILLUST NO. 3 OF 3 71D866 73590 90041-05471 90041-05471 91553-80612 90041-05582 73570 73560 73580 90041-05471 90041-05471
  • 289.
    289 FIG.71-52 SEAT BELT PROD_DATEMODELS SPEC CODE DESCRIPTION R / P PART NUMBER O Y T REV_REF FR TO +----------+ | 73178A | CAP, SEAT BELT ANCHOR COVER +----------+ 2208 - W10# 73178-B1020- 1 +----------+ | 73210 | BELT ASSY, FRONT SEAT OUTER, RH +----------+ 2111 - W10# BLACK(TRIM2#) 73210-BZ590-C1 1 +----------+ | 73220 | BELT ASSY, FRONT SEAT OUTER, LH +----------+ 2111 - W10# BLACK(TRIM2#) 73220-BZ630-C1 1 +----------+ | 73230 | BELT ASSY, FRONT SEAT INNER, RH +----------+ 2111 - W100 BLACK(TRIM2#) 73230-BZB70-C0 1 2111 - W101 BLACK(TRIM2#) 73230-BZB80-C0 1 +----------+ | 73240 | BELT ASSY, FRONT SEAT INNER, LH +----------+ 2111 - W10# BLACK(TRIM2#) 73230-BZB90-C0 1 +----------+ | 73360C | BELT ASSY, REAR NO.1 SEAT, OUTER RH +----------+ 2111 - W10# BLACK(TRIM2#) 73360-BZ370-C1 1 +----------+ | 73370C | BELT ASSY, REAR NO.1 SEAT, OUTER LH +----------+ 2111 - W10# BLACK(TRIM2#) 73370-BZ370-C1 1 +----------+ | 73380A | BELT ASSY, REAR SEAT, INNER +----------+ 2111 - W10# BLACK(TRIM2#) 73380-BZ290-C0 1 +----------+ | 73470B | BELT ASSY, REAR SEAT INNER W/CENTER, RH +----------+ 2111 - W10# BLACK(TRIM2#) 73470-BZ140-C0 1 +----------+ | 73480 | BELT ASSY, REAR SEAT INNER W/CENTER, LH +----------+ 2111 - W10# BLACK(TRIM2#) 73480-BZ120-C0 1 FIG.71-52 SEAT BELT PROD_DATE MODELS SPEC CODE DESCRIPTION R / P PART NUMBER O Y T REV_REF FR TO +----------+ | 73560 | BELT ASSY, REAR NO.2 SEAT, OUTER RH +----------+ 2111 - W10# BLACK(TRIM2#) 73560-BZ150-C1 1 +----------+ | 73570 | BELT ASSY, REAR NO.2 SEAT, OUTER LH +----------+ 2111 - W10# BLACK(TRIM2#) 73570-BZ140-C1 1 +----------+ | 73580 | BELT ASSY, REAR NO.2 SEAT, INNER RH +----------+ 2111 - W10#..HI,MID BLACK(TRIM2#) 73580-BZ030-C1 1 2111 - W100..LO BLACK(TRIM2#) 73580-BZ050-C0 1 +----------+ | 73590 | BELT ASSY, REAR NO.2 SEAT, INNER LH +----------+ 2111 - W100..LO BLACK(TRIM2#) 73580-BZ050-C0 1 2111 - W10#..HI,MID BLACK(TRIM2#) 73580-BZ080-C1 1 +----------+ | 73590A | BELT ASSY, REAR SEAT, INNER LH +----------+ 2111 - W10# BLACK(TRIM2#) 73380-BZ290-C0 1
  • 290.
    290 FIG.74-51 ARMREST &VISOR ― ― ― ― ― ― ― ― ― ― ― ― ― ― ― ― ― ― ― ― ― ― ― ― ― ― ― ― ― ― ― ― ― ― (2111- ) VISOR ILLUST NO. 1 OF 3 745709 74310 74320 74348 9004A-16087 FIG.74-51 ARMREST & VISOR (2111- ) ARMREST ILLUST NO. 2 OF 3 745712 74231 74232 74271A 74272A
  • 291.
    291 FIG.74-51 ARMREST &VISOR (2111- ) ASSIST GRIP ILLUST NO. 3 OF 3 745713 74611B 9004A-10168(2) 74710 74711A FIG.74-51 ARMREST & VISOR PROD_DATE MODELS SPEC CODE DESCRIPTION R / P PART NUMBER O Y T REV_REF FR TO +----------+ | 74231 | PANEL, FRONT ARMREST BASE, UPPER RH +----------+ 2111 - W101 SILVER(TRIM2#) 74230-BZ070-C0 1 2111 - W100 BLACK(TRIM2#) 74231-BZ290-C0 1 +----------+ | 74232 | PANEL, FRONT ARMREST BASE, UPPER LH +----------+ 2111 - W100 BLACK(TRIM2#) 74232-BZ270-C0 1 2111 - W101 SILVER(TRIM2#) 74240-BZ030-C0 1 +----------+ | 74271A | PANEL, REAR DOOR ARMREST BASE, UPPER RH +----------+ 2111 - W101 SILVER(TRIM2#) 74270-BZ010-C0 1 2111 - W100 BLACK(TRIM2#) 74271-BZ200-C0 1 +----------+ | 74272A | PANEL, REAR DOOR ARMREST BASE, UPPER LH +----------+ 2111 - W100 BLACK(TRIM2#) 74272-BZ200-C0 1 2111 - W101 SILVER(TRIM2#) 74280-BZ010-C0 1 +----------+ | 74310 | VISOR ASSY, RH +----------+ 2111 - W10# LT.GRAY(TRIM2#) 74310-BZ510-B1 1 +----------+ | 74320 | VISOR ASSY, LH +----------+ 2111 - W10#..HI,MID LT.GRAY(TRIM2#) 74320-BZA70-B0 1 2111 - W100..LO LT.GRAY(TRIM2#) 74320-BZA80-B0 1 +----------+ | 74348 | HOLDER, VISO R +----------+ 2111 - W10# LT.GRAY(TRIM2#) 74348-BZ060-B0 2 +----------+ | 74611B | GRIP, ASSIST +----------+ 2111 - W100..LO..5F B2BB D-LOWEST,LT.GRAY(TRI M2#) 74610-BZ050-B0 1 2111 - W10# LT.GRAY(TRIM2#) 74610-BZ050-B0 3
  • 292.
    292 FIG.74-51 ARMREST &VISOR PROD_DATE MODELS SPEC CODE DESCRIPTION R / P PART NUMBER O Y T REV_REF FR TO +----------+ | 74710 | EXTINGUISHER ASSY +----------+ 2111 - 2209 W10# 74710-BZ030- 1 2209 - W10# PT.SERVVO FIRE IDN 74710-BZ030- 1 2209 - W10# PT.TERANG PARTS IDN 74710-BZ050- 1 +----------+ | 74711A | EXTINGUISHER +----------+ 2111 - W10# PT.SERVVO FIRE IDN 74711-BZ020- 1 2209 - W10# PT.TERANG PARTS IDN 74711-BZ040- 1
  • 293.
    293 FIG.74-54 BATTERY CARRIER (2111-) 745714 REFER TO FIG (PNC 53702) 9004A-10156(4) 90041-79111(2) 74404A 74461 74411 74451B 74410 53-55 FIG.74-54 BATTERY CARRIER PROD_DATE MODELS SPEC CODE DESCRIPTION R / P PART NUMBER O Y T REV_REF FR TO +----------+ | 74404A | CLAMP SUB-ASSY, BATTERY +----------+ 2111 - W10# 74404-BZ190- 1 +----------+ | 74410 | CARRIER ASSY, BATTERY +----------+ 2111 - W10# 74410-BZ080- 1 +----------+ | 74411 | CARRIER, BATTERY +----------+ 2111 - W10# 74411-BZ160- 1 +----------+ | 74451B | BOLT, BATTERY CLAMP +----------+ 2111 - W10# 74451-BZ150- 1 +----------+ | 74461 | COVER, BATTE RY +----------+ 2111 - W10# 74405-BZ070- 1
  • 294.
  • 295.
    295 FIG.74-55 CAUTION PLATE PROD_DATEMODELS SPEC CODE DESCRIPTION R / P PART NUMBER O Y T REV_REF FR TO +----------+ | 16793E | LABEL, COOLING FAN CAUTION +----------+ 2111 - 1NRVE,2NRVE..W10# 11293-BZ870- 1 +----------+ | 35519 | PLATE, AUTOMATIC TRANSMISSION CAUTION +----------+ 2111 - W10#..CVT 33621-B2010- 1 +----------+ | 74552A | LABEL, SAFETY CAUTION +----------+ 2111 - W10#..HI,MID 74552-BZ050- 2 2111 - W100..LO..CVT 74552-BZ050- 2 +----------+ | 74751 | LABEL, TIRE PRESSURE INFORMATION +----------+ 2111 - W100 42661-BZC60- 1 2111 - W101 42661-BZF00- 1 +----------+ | 86995E | LABEL, CAUTI ON +----------+ 2111 - W101..CVT B2PH SMART ASSIST (OVERSE AS) 86995-BZ040- 1 2210 - W101..CVT B2PJ H + SAB/CSA/BSM 86995-BZ040- 1
  • 296.
    296 FIG.75-51 EMBLEM &NAME PLATE (2111- ) 754272 75431A 75443 75445 75311 75441B 75443A 75441C 75441C
  • 297.
    297 FIG.75-51 EMBLEM &NAME PLATE PROD_DATE MODELS SPEC CODE DESCRIPTION R / P PART NUMBER O Y T REV_REF FR TO +----------+ | 75311 | EMBLEM, RADIATOR GRILLE (OR FRONT PANEL) +----------+ 2111 - W10# 75311-BZ290- 1 +----------+ | 75431A | EMBLEM, BACK DOOR, NO.1 +----------+ 2111 - W10# D MARK 75311-BZ190- 1 +----------+ | 75441B | PLATE, BACK DOOR NAME +----------+ 2111 - W10# XENIA 75441-BZ370- 1 +----------+ | 75441C | PLATE, BACK DOOR NAME +----------+ 2111 - W10#..HI,MID R 75444-BZ140- 1 2111 - W100..LO X 75444-BZ180- 1 +----------+ | 75443 | PLATE, BACK DOOR NAME, NO.3 +----------+ 2111 - W10# DUAL VVT-I 75443-BZ180- 1 +----------+ | 75443A | PLATE, LUGGAGE COMPARTMENT DOOR, NO.3 +----------+ 2111 - W101 1.5 75443-BZ120- 1 +----------+ | 75445 | PLATE, LUGGAGE COMPARTMENT DOOR NAME, NO. 5 +----------+ 2111 - W10#..CVT CVT 75445-BZ290- 1
  • 298.
  • 299.
    299 FIG.75-52 MOULDING PROD_DATE MODELS SPEC CODE DESCRIPTION R / P PART NUMBER O Y T REV_REF FRTO +----------+ | 75392F | RETAINER, OUTSIDE MOULDING +----------+ 2111 - W10# 90044-67630- 7 +----------+ | 75392H | RETAINER, OUTSIDE MOULDING +----------+ 2111 - W10# 90044-67630- 7 +----------+ | 75533C | GARNISH, FRONT PILLAR, OUTER RH +----------+ 2111 - W10# 62225-BZ090- 1 +----------+ | 75534C | GARNISH, FRONT PILLAR, OUTER LH +----------+ 2111 - W10# 62226-BZ090- 1 +----------+ | 75551 | MOULDING, ROOF DRIP SIDE FINISH, RH +----------+ 2111 - W10# NO PAINT REQ. 75551-BZ190- 1 +----------+ | 75552 | MOULDING, ROOF DRIP SIDE FINISH, LH +----------+ 2111 - W10# NO PAINT REQ. 75552-BZ180- 1 +----------+ | 75561A | CLIP, ROOF DRIP SIDE FINISH MOULDING +----------+ 2111 - W10# # 75561-BZ020- (75561-B1020- ) 4 1 +----------+ | 75597B | RETAINER, QUARTER GARNISH, FRONT RH +----------+ 2111 - W10# 75597-BZ010- 1 +----------+ | 75598A | RETAINER, QUARTER GARNISH, FRONT LH +----------+ 2111 - W10# 75598-BZ010- 1 +----------+ | 75605A | MOULDING SUB-ASSY, QUARTER OUTSIDE, RH +----------+ 2111 - W10# 75577-BZ010- 1 FIG.75-52 MOULDING PROD_DATE MODELS SPEC CODE DESCRIPTION R / P PART NUMBER O Y T REV_REF FR TO +----------+ | 75606A | MOULDING SUB-ASSY, QUARTER OUTSIDE, LH +----------+ 2111 - W10# 75578-BZ040- 1 +----------+ | 75641 | MOULDING, QUARTER WINDOW, OUTSIDE FRONT R H +----------+ 2111 - W10# 75641-BZ070- 1 +----------+ | 75642 | MOULDING, QUARTER WINDOW, OUTSIDE FRONT L H +----------+ 2111 - W10# 75642-BZ070- 1
  • 300.
    300 FIG.76-52 SPOILER &SIDE MUDGUARD (2111- ) 761281 9004A-15057(4) 76851 90189-06237(4)
  • 301.
    301 FIG.76-52 SPOILER &SIDE MUDGUARD PROD_DATE MODELS SPEC CODE DESCRIPTION R / P PART NUMBER O Y T REV_REF FR TO +----------+ | 76851 | COVER, FRONT SPOILER +----------+ 2111 - W10# 76851-BZ170- 1
  • 302.
    302 FIG.77-51 FUEL TANK& TUBE (2111- ) FUEL TANK ILLUST NO. 1 OF 3 775515-B REFER TO FIG (PNC 82161) REFER TO FIG (PNC 83320) 77269A 77229C 77229E 77169A 77100 77310A 77251E 77201 77281M 77213B 77644 77644 77644 77644 23221 90044-60129 90041-20137 90041-20137 82-02 84-01 77261 77281N 77241V 77203A 77259C 77251B 77019J 77281G 23220A 77316 23226 23225A 23217D
  • 303.
    303 FIG.77-51 FUEL TANK& TUBE (2111- ) FUEL TUBE ILLUST NO. 2 OF 3 775516-B REFER TO FIG (PNC 17308B) REFER TO FIG (PNC 23901) 17-08 77299A 77298A 9004A-11200 90044-67575-B0 77249 77251B 77286D 77740 21133-BZ030 21552-BZ030(2) 22-11 77281L 77281L 90044-60327 90044-60327 77019J 77019J 77710C 77251B 77286F 77100X 21576-BZ060 77284
  • 304.
    304 FIG.77-51 FUEL TANK& TUBE (2111- ) FUEL LID CABLE ILLUST NO. 3 OF 3 775518-B REFER TO FIG (PNC 57401C) 77035 77309 77350 77037 9004A-11234(2) 82711-BZ220 82711-BZ220 77306 58-51 77035A 90041-70299 9004A-17265
  • 305.
    305 FIG.77-51 FUEL TANK& TUBE PROD_DATE MODELS SPEC CODE DESCRIPTION R / P PART NUMBER O Y T REV_REF FR TO +----------+ | 23217D | FILTER, FUEL PUMP +----------+ 2111 - 1NRVE,2NRVE..W10# 23105-BZ020- 1 +----------+ | 23220A | PUMP ASSY, FUEL W/FILTER +----------+ 2111 - 1NRVE,2NRVE..W10# 23220-BZ050- 1 +----------+ | 23221 | PUMP, FUEL +----------+ 2111 - 1NRVE,2NRVE..W10# 23210-BZ280- 1 +----------+ | 23225A | SPACER, FUEL PUMP +----------+ 2111 - 1NRVE,2NRVE..W10# 23225-BZ030- 1 +----------+ | 23226 | RING, O(FOR FUEL PUMP) +----------+ 2111 - 1NRVE,2NRVE..W10# 9004B-30027- 1 +----------+ | 77019J | TUBE SUB-ASSY, FUEL TANK TO CANISTER +----------+ 2111 - W10# 77263-BZ200- 1 +----------+ | 77035 | CABLE SUB-ASSY, FUEL LID LOCK CONTROL +----------+ 2111 - W10# 77035-BZ310- 1 +----------+ | 77035A | CLAMP (FOR FUEL LID LOCK CONTROL CABLE) +----------+ 2111 - W10# 90044-64872- 4 +----------+ | 77037 | LOCK SUB-ASSY, FUEL FILLER OPENING LID +----------+ 2111 - W10# 77037-BZ080- 1 +----------+ | 77100 | TANK ASSY, FUEL +----------+ 2111 - W10# 77001-BZ520- 1 +----------+ | 77100X | VALVE, CHECK +----------+ 2111 - W10# 17660-BZ070- 1 FIG.77-51 FUEL TANK & TUBE PROD_DATE MODELS SPEC CODE DESCRIPTION R / P PART NUMBER O Y T REV_REF FR TO +----------+ | 77169A | GASKET, FUEL SUCTION TUBE SET +----------+ 2111 - W10# 77169-BZ040- 1 +----------+ | 77201 | PIPE SUB-ASSY, FUEL TANK INLET +----------+ 2111 - W10# 77201-BZ250- 1 +----------+ | 77203A | TUBE SUB-ASSY, FUEL SUCTION +----------+ 2111 - W10# 77203-BZ220- 1 +----------+ | 77213B | HOSE, FUEL TANK TO FILLER PIPE +----------+ 2111 - W10# L=210.2 77213-BZ250- 1 +----------+ | 77229C | CLAMP, BREATHER TUBE +----------+ 2111 - W10# 90044-67244- 1 +----------+ | 77229E | CLAMP, BREATHER TUBE +----------+ 2111 - W10# 90460-22002- 1 +----------+ | 77241V | CLIP, TUBE JOINT +----------+ 2111 - W10# 90044-67229- 1 +----------+ | 77249 | HOSE, FUEL EMISSION +----------+ 2111 - W10# 77249-BZ040- 1 +----------+ | 77251B | TUBE, FUEL MAIN +----------+ 2111 - W10# 77251-BZ390- 1 +----------+ | 77251E | SHIELD, FUEL TANK INLET PIPE +----------+ 2111 - W10# 77291-BZ050- 1 +----------+ | 77259C | HOSE, FUEL +----------+ 2111 - W10# 77259-BZ120- 1
  • 306.
    306 FIG.77-51 FUEL TANK& TUBE PROD_DATE MODELS SPEC CODE DESCRIPTION R / P PART NUMBER O Y T REV_REF FR TO +----------+ | 77261 | TUBE SUB-ASSY, FUEL EMISSION +----------+ 2111 - W10# 77028-BZ040- 1 +----------+ | 77269A | HOSE, FUEL TANK BREATHER +----------+ 2111 - W10# 77269-BZ140- 1 +----------+ | 77281G | CLAMP, FUEL HOSE +----------+ 2111 - W10# 77281-BZ050- 1 +----------+ | 77281L | CLAMP, FUEL HOSE +----------+ 2111 - W10# 90044-60327- 2 +----------+ | 77281M | CLAMP, FUEL HOSE +----------+ 2111 - W10# 90044-60129- 1 +----------+ | 77281N | CLAMP, FUEL HOSE +----------+ 2111 - W10# 90044-67271- 1 +----------+ | 77284 | CLAMP, FUEL TUBE +----------+ 2111 - W10# 47372-B2040- 1 +----------+ | 77286D | CLAMP, FUEL TUBE, NO.2 +----------+ 2111 - W10# 77286-B1010- 2 +----------+ | 77286F | CLAMP, FUEL TUBE, NO.2 +----------+ 2111 - W10# 77286-B2030- 2 +----------+ | 77298A | CLAMP, FUEL TUBE, NO.4 +----------+ 2111 - W10# 77298-B2020- 1 +----------+ | 77299A | CLAMP, FUEL TUBE, NO.5 +----------+ 2111 - W10# 77299-B2010- 3 FIG.77-51 FUEL TANK & TUBE PROD_DATE MODELS SPEC CODE DESCRIPTION R / P PART NUMBER O Y T REV_REF FR TO +----------+ | 77306 | LEVER SUB-ASSY, FUEL LID LOCK OPEN +----------+ 2111 - W10# 77306-BZ090- 1 +----------+ | 77309 | HINGE SUB-ASSY, FUEL INLET BOX COVER +----------+ 2111 - W10# 77308-BZ040- 1 +----------+ | 77310A | CAP ASSY, FUEL TANK +----------+ 2111 - W10# 77300-52030- 1 +----------+ | 77316 | GASKET, FUEL TANK CAP +----------+ 2111 - W10# 77316-52040- 1 +----------+ | 77350 | LID ASSY, FUEL FILLER OPENING +----------+ 2111 - W10# 77350-BZ160- 1 +----------+ | 77644 | BOLT, FUEL TANK +----------+ 2111 - W10# 90041-20292- 4 +----------+ | 77710C | HOSE, FUEL +----------+ 2111 - W10# 77259-BZ150- 1 +----------+ | 77740 | CANISTER ASSY, CHARCOAL +----------+ 2111 - W10# 77740-BZ160- 1
  • 307.
    307 FIG.78-51 ACCELERATOR LINK (2111-) 781722-A REFER TO FIG (PNC 82141) REFER TO FIG (PNC 55106) 78110K 9004A-10297 82-02 47-01 9004A-10297 FIG.78-51 ACCELERATOR LINK PROD_DATE MODELS SPEC CODE DESCRIPTION R / P PART NUMBER O Y T REV_REF FR TO +----------+ | 78110K | ROD ASSY, ACCELERATOR PEDAL(W/SENSOR) +----------+ 2111 - W10# 78110-BZ140- 1
  • 308.
    308 FIG.81-01 HEADLAMP (2111- ) 81A382-A 81195 8119581119 81195 9004A-11363 9004A-11363 81135G 81110 81150 81132B 8110A 8110B
  • 309.
    309 FIG.81-01 HEADLAMP PROD_DATE MODELS SPEC CODE DESCRIPTION R / P PART NUMBER O Y T REV_REF FRTO +----------+ | 8110A | LENS SUB-ASSY, HEADLAMP, RH +----------+ 2111 - W100 8110A-BZ080- 1 2111 - W101 8110A-BZ100- 1 +----------+ | 8110B | LENS SUB-ASSY, HEADLAMP, LH +----------+ 2111 - W100 8110B-BZ080- 1 2111 - W101 8110B-BZ100- 1 +----------+ | 81110 | HEADLAMP ASSY, RH +----------+ 2111 - W101 81110-BZA90- 1 2111 - W100 81110-BZB00- 1 +----------+ | 81119 | SCREW, HEADLAMP +----------+ 2111 - W10# 81195-B2120- 2 +----------+ | 81132B | GASKET, HEADLAMP LENS +----------+ 2111 - W10# 81132-B2010- 2 +----------+ | 81135G | CLIP +----------+ 2111 - W10# 90044-68378- 2 +----------+ | 81150 | HEADLAMP ASSY, LH +----------+ 2111 - W101 81150-BZA90- 1 2111 - W100 81150-BZB00- 1 +----------+ | 81195 | SCREW, HEADLAMP +----------+ 2111 - W10# 81195-B2020- 6
  • 310.
    310 FIG.81-02 FOG LAMP (2111-)HI,MID 81A385 REFER TO FIG (PNC 52117(RH)) (PNC 52118(LH)) REFER TO FIG (PNC 82111) 52-52 9004A-16036(3) 82-02 81211C 81221C 81210B 81210A 81220
  • 311.
    311 FIG.81-02 FOG LAMP PROD_DATEMODELS SPEC CODE DESCRIPTION R / P PART NUMBER O Y T REV_REF FR TO +----------+ | 81210A | LAMP ASSY, FOG, RH +----------+ 2111 - W10#..HI,MID 81210-BZ160- 1 +----------+ | 81210B | BULB, FOG LA MP +----------+ 2111 - W10#..HI,MID 12V 19W H16 90049-51185- 2 +----------+ | 81211C | LAMP UNIT, FOG LAMP, RH +----------+ 2111 - W10#..HI,MID 81211-BZ060- 1 +----------+ | 81220 | LAMP ASSY, FOG, LH +----------+ 2111 - W10#..HI,MID 81220-BZ160- 1 +----------+ | 81221C | LAMP UNIT, FOG LAMP, LH +----------+ 2111 - W10#..HI,MID 81221-BZ060- 1
  • 312.
    312 FIG.81-06 SIDE TURNSIGNAL LAMP & OUTER MIRROR LAMP (2111- )W101 81A390-A 81730 81740 FIG.81-06 SIDE TURN SIGNAL LAMP & OUTER MIRROR LAMP PROD_DATE MODELS SPEC CODE DESCRIPTION R / P PART NUMBER O Y T REV_REF FR TO +----------+ | 81730 | LAMP ASSY, SIDE TURN SIGNAL, RH +----------+ 2111 - W101 81730-BZ190- 1 +----------+ | 81740 | LAMP ASSY, SIDE TURN SIGNAL, LH +----------+ 2111 - W101 81740-BZ110- 1
  • 313.
    313 FIG.81-11 REAR COMBINATIONLAMP (2111- ) 81A400-A REFER TO FIG (PNC 82161) REFER TO FIG (PNC 82184) 12235C 12235C 81555J 81565E 81554-BZ060 9004A-11319(2) 9004A-17219 76817B 81550E 81580D 81590A 82-02 82-02 81551D 81561D 81559G 81559F 81584 81594B
  • 314.
    314 FIG.81-11 REAR COMBINATIONLAMP PROD_DATE MODELS SPEC CODE DESCRIPTION R / P PART NUMBER O Y T REV_REF FR TO +----------+ | 12235C | CAP, VENTILATION +----------+ 2111 - 1NRVE,2NRVE..W10# 12235-BZ010- 4 +----------+ | 76817B | CLIP, REAR LAMP +----------+ 2111 - W10# NATURAL 76835-52010- 2 2111 - W10# PINK 90044-67602- 2 +----------+ | 81550E | CLIP(FOR REAR COMBINATION LAMP) +----------+ 2111 - W10# 81559-B2020- 2 +----------+ | 81551D | LENS & BODY, REAR COMBINATION LAMP, RH +----------+ 2111 - W100..LO 81551-BZ460- 1 2111 - W10#..HI,MID 81551-BZ470- 1 +----------+ | 81555J | SOCKET & WIRE, REAR COMBINATION LAMP, RH +----------+ 2111 - W10# 81555-BZ240- 1 +----------+ | 81559F | CLIP, RR COMBINATION LAMP, LH +----------+ 2111 - W10# 81559-BZ060- 3 +----------+ | 81559G | CLIP, RR COMBINATION LAMP, RH +----------+ 2111 - W10# 81559-BZ060- 3 +----------+ | 81561D | LENS & BODY, REAR COMBINATION LAMP, LH +----------+ 2111 - W100..LO 81561-BZ460- 1 2111 - W10#..HI,MID 81561-BZ470- 1 +----------+ | 81565E | SOCKET & WIRE, REAR COMBINATION LAMP, LH +----------+ 2111 - W10# 81565-BZ110- 1 FIG.81-11 REAR COMBINATION LAMP PROD_DATE MODELS SPEC CODE DESCRIPTION R / P PART NUMBER O Y T REV_REF FR TO +----------+ | 81580D | LAMP ASSY, REAR, RH +----------+ 2111 - W100..MID 81580-BZ100- 1 2111 - W101 81580-BZ130- 1 2111 - W100..LO 81580-BZ160- 1 +----------+ | 81584 | PACKING, REAR LAMP RH +----------+ 2111 - W10# 81582-BZ060- 1 +----------+ | 81590A | LAMP ASSY, REAR, LH +----------+ 2111 - W100..MID 81590-BZ100- 1 2111 - W101 81590-BZ130- 1 2111 - W100..LO 81590-BZ160- 1 +----------+ | 81594B | PACKING, REAR LAMP LH +----------+ 2111 - W10# 81592-BZ060- 1
  • 315.
    315 FIG.81-13 REAR LICENSEPLATE LAMP (2111- ) 81A386-A REFER TO FIG (PNC 82184) 81270B 82-02 81270 81270E 81274B 81271 FIG.81-13 REAR LICENSE PLATE LAMP PROD_DATE MODELS SPEC CODE DESCRIPTION R / P PART NUMBER O Y T REV_REF FR TO +----------+ | 81270 | LAMP ASSY, LICENSE PLATE +----------+ 2111 - W10# 81270-BZ100- 2 +----------+ | 81270B | BULB (FOR LICENSE PLATE LAMP) +----------+ 2111 - W10# 12V 5W # 84999-BZ060- (90981-11013- ) 2 1 +----------+ | 81270E | SOCKET, LICENSE PLATE LAMP +----------+ 2111 - W10# 81278-BZ010- 2 +----------+ | 81271 | LENS, LICENSE PLATE LAMP +----------+ 2111 - W10# 81271-BZ040- 2 +----------+ | 81274B | PACKING, LICENSE PLATE LAMP +----------+ 2111 - W10# 81274-BZ010- 2
  • 316.
    316 FIG.81-15 REFLEX REFLECTOR (2111-) 81A392 81910 81920 9004A-16036 9004A-16036 FIG.81-15 REFLEX REFLECTOR PROD_DATE MODELS SPEC CODE DESCRIPTION R / P PART NUMBER O Y T REV_REF FR TO +----------+ | 81910 | REFLECTOR ASSY, REFLEX, RH +----------+ 2111 - W10# 81910-BZ090- 1 +----------+ | 81920 | REFLECTOR ASSY, REFLEX, LH +----------+ 2111 - W10# 81920-BZ090- 1
  • 317.
    317 FIG.81-17 CENTER STOPLAMP (2111- )HI,MID 81A391 REFER TO FIG (PNC 82185) 82-02 81570 81977 90041-89092 90041-89092 9004A-16084 9004A-16084 81574 81574 FIG.81-17 CENTER STOP LAMP PROD_DATE MODELS SPEC CODE DESCRIPTION R / P PART NUMBER O Y T REV_REF FR TO +----------+ | 81570 | LAMP ASSY, CENTER STOP +----------+ 2111 - W10#..HI,MID 81570-BZ290- 1 +----------+ | 81574 | COVER, CENTER STOP LAMP +----------+ 2111 - W10#..HI,MID 81952-BZ010- 2 +----------+ | 81977 | COVER, CENTER STOP LAMP +----------+ 2111 - W10#..HI,MID 81977-BZ080- 1
  • 318.
    318 FIG.81-21 INTERIOR LAMP (2111-) 81A424 81240 81260A 81250 81250B 81250 81260A 82-02 82-02 81260C 81260J 81260C 81260J 81241A 81240B 81241 81240
  • 319.
    319 FIG.81-21 INTERIOR LAMP PROD_DATEMODELS SPEC CODE DESCRIPTION R / P PART NUMBER O Y T REV_REF FR TO +----------+ | 81240 | LAMP ASSY, ROOM, NO.1 +----------+ 2111 - W10# LT.GRAY(TRIM2#) 81240-B2130-B0 1 +----------+ | 81240B | BULB, ROOM LAMP, NO.1 +----------+ 2111 - W10# 12V 8W T10 90049-51188- 1 +----------+ | 81241 | LENS, ROOM LAMP, NO.1 +----------+ 2111 - W10# 81241-B2100- 1 +----------+ | 81241A | LENS, ROOM LAMP, NO.2 +----------+ 2111 - W10#..HI,MID 81241-BZ080- 1 +----------+ | 81250 | LAMP ASSY, ROOM, NO.2 +----------+ 2111 - W10#..HI,MID 81240-BZ120- 1 +----------+ | 81250B | BULB, ROOM LAMP, NO.2 +----------+ 2111 - W10#..HI,MID 12V 5W 84999-BZ140- 1 +----------+ | 81260A | LAMP ASSY, M AP +----------+ 2111 - W10# LT.GRAY(TRIM2#) 81260-BZ050-B0 1 +----------+ | 81260C | BULB(FOR MAP LAMP) +----------+ 2111 - W10# 12V 5W T10 90981-11013- 2 +----------+ | 81260J | SOCKET, BULB(FOR MAP LAMP) +----------+ 2111 - W10# 83101-87705- 2
  • 320.
    320 FIG.82-01 BATTERY &BATTERY CABLE ― ― ― ― ― ― ― ― ― ― ― ― ― ― ― ― ― ― ― ― ― ― ― ― ― ― ― ― ― ― ― ― ― ― (2111- ) 82E678 REFER TO FIG (PNC 28850) REFER TO FIG (PNC 82121) REFER TO FIG (PNC 82111) REFER TO FIG (PNC 82823) REFER TO FIG (PNC 82627A) 84-01 82-02 82-02 82-02 82-02
  • 321.
    321 FIG.82-02 WIRING &CLAMP ― ― ― ― ― ― ― ― ― ― ― ― ― ― ― ― ― ― ― ― ― ― ― ― ― ― ― ― ― ― ― ― ― ― (2111- ) ENGINE ROOM ILLUST NO. 1 OF 5 82E669-A REFER TO FIG REFER TO FIG REFER TO FIG (PNC 88605B) REFER TO FIG (PNC 74552A) 84-01 84-01 82111 90119-06A06 90119-06A06 87-19 74-55 82821W FIG.82-02 WIRING & CLAMP (2111- ) ENGINE ILLUST NO. 2 OF 5 82E671 9004A-17219(2) 82821N 82627A 82823T 82124 82121 82711-B1100 82823 82711-B2570 82711-B1140 9004A-17260 90119-06A06 9004A-11326 82123 9004A-11240
  • 322.
    322 FIG.82-02 WIRING &CLAMP (2111- ) INSTRUMENT PANEL ILLUST NO. 3 OF 5 82E673 REFER TO FIG (PNC 33550D) REFER TO FIG (PNC 82600) 82711-B2590 33-12 90119-06A06 82141 82666A 82666B 82666C 84-01 82711-B2590 90119-06A06 82285E 82988
  • 323.
    323 FIG.82-02 WIRING &CLAMP (2111- ) DOOR&ROOF ILLUST NO. 4 OF 5 82E675 82154A 82711-B1150 N04 82171 82151 82153A 90119-06915 82152 82185 N04 82184
  • 324.
    324 FIG.82-02 WIRING &CLAMP (2111- ) FLOOR ILLUST NO. 5 OF 5 82E676 REFER TO FIG 82161 82817 82711-B1130 90119-06A06(2) 77-51
  • 325.
    325 FIG.82-02 WIRING &CLAMP PROD_DATE MODELS SPEC CODE DESCRIPTION R / P PART NUMBER O Y T REV_REF FR TO +----------+ | 82111 | WIRE, ENGINE ROOM MAIN +----------+ 2111 - W100..LO..5F 82111-BY700- 1 2111 - W10#..HI,MID 82111-BY730- 1 2111 - W100..LO..CVT 82111-BY730- 1 +----------+ | 82121 | WIRE, ENGINE +----------+ 2111 - W101..5F 82121-BZJ20- 1 2111 - W100..5F 82121-BZM70- 1 2111 - W10#..CVT 82121-BZM80- 1 +----------+ | 82123 | WIRE, ENGINE, NO.3 +----------+ 2111 - W10#..CVT 82123-BZ320- 1 2111 - W10#..5F 82123-BZ330- 1 +----------+ | 82124 | WIRE, ENGINE, NO.4 +----------+ 2111 - W10# 82124-BZ020- 1 +----------+ | 82141 | WIRE, INSTRUMENT PANEL +----------+ 2111 - W100..LO..5F 82141-BX380- 1 2111 - W100..LO..CVT 82141-BXL70- 1 2111 - W10#..(HI,MID)..CVT 82141-BXM00- 1 2111 - W10#..(HI,MID)..5F 82141-BXM20- 1 +----------+ | 82151 | WIRE, FRONT DOOR, RH +----------+ 2111 - W100..LO 82151-BZJ10- 1 2111 - W100..MID 82151-BZJ20- 1 2111 - W101 82151-BZJ30- 1 +----------+ | 82152 | WIRE, FRONT DOOR, LH +----------+ 2111 - W100..LO 82152-BZG20- 1 FIG.82-02 WIRING & CLAMP PROD_DATE MODELS SPEC CODE DESCRIPTION R / P PART NUMBER O Y T REV_REF FR TO +----------+ | 82152 | WIRE, FRONT DOOR, LH CONTINUED--+ 2111 - W100..MID 82152-BZG30- 1 2111 - W101 82152-BZG40- 1 +----------+ | 82153A | WIRE, REAR DOOR, RH +----------+ 2111 - W10# 82153-BZ550- 1 +----------+ | 82154A | WIRE, REAR DOOR, LH +----------+ 2111 - W10# 82153-BZ550- 1 +----------+ | 82161 | WIRE, FLOOR +----------+ 2111 - W100..LO 82161-BYA00- 1 2111 - W10#..HI,MID 82161-BYA20- 1 2210 - W101..CVT B2PJ H + SAB/CSA/BSM 82161-BYW90- 1 +----------+ | 82171 | WIRE, ROOF, NO.1 +----------+ 2111 - W10# 82171-BZA90- 1 2111 - W101..CVT B2PH SMART ASSIST (OVERSE AS) 82171-BZB70- 1 2210 - W101..CVT B2PJ H + SAB/CSA/BSM 82171-BZB70- 1 +----------+ | 82184 | WIRE, BACK DOOR, NO.1 +----------+ 2111 - W100 82184-BZE00- 1 2111 - W101 82184-BZF20- 1 +----------+ | 82185 | WIRE, BACK DOOR, NO.2 +----------+ 2111 - W100..LO 82185-BZ480- 1 2111 - W10#..HI,MID 82185-BZ600- 1 +----------+ | 82285E | WIRE, ILLUMINATION +----------+ 2111 - W10#..CVT 82285-BZ030- 1
  • 326.
    326 FIG.82-02 WIRING &CLAMP PROD_DATE MODELS SPEC CODE DESCRIPTION R / P PART NUMBER O Y T REV_REF FR TO +----------+ | 82627A | WIRE, FUSIBLE LINK +----------+ 2111 - W10# 82627-BZ180- 1 +----------+ | 82666A | HOLDER, CONNECTOR NO.2 +----------+ 2111 - W10# 82666-BZ030- 1 +----------+ | 82666B | HOLDER, CONNECTOR NO.3 +----------+ 2111 - W10# 82666-BZ040- 1 +----------+ | 82666C | HOLDER, CONNECTOR NO.4 +----------+ 2111 - W10# 82666-BZ050- 1 +----------+ | 82817 | PROTECTOR, WIRING HARNESS, NO.1 +----------+ 2111 - W10# 82817-B1110- 1 +----------+ | 82821N | COVER, CONNECTOR +----------+ 2111 - W10# 82821-B1070- 1 +----------+ | 82821W | COVER, CONNECTOR +----------+ 2111 - W100..LO..CVT 82821-BZ030- 1 +----------+ | 82823 | CAP, TERMINAL, NO.1 +----------+ 2111 - W10# 82823-BZ070- 1 +----------+ | 82823T | CAP, ALTERNATOR TERMINAL +----------+ 2111 - W10# 82823-22060- 1 +----------+ | 82988 | WIRE, AIR BAG REPAIR +----------+ 2111 - W10# 89171-B2070- 1
  • 327.
  • 328.
    328 FIG.83-01 METER PROD_DATE MODELS SPEC CODE DESCRIPTION R / P PART NUMBER O Y T REV_REF FRTO +----------+ | 83100 | METER ASSY, COMBINATION +----------+ 2111 - W100..LO..CVT DENSO 83800-BYU50- 1 2111 - W100..LO..5F DENSO 83800-BYU60- 1 2111 - W100..MID..CVT CONTINENTAL 83800-BYU80- 1 2111 - W100..MID..5F CONTINENTAL 83800-BYU90- 1 2111 - W101..CVT CONTINENTAL 83800-BYV00- 1 2111 - W101..5F CONTINENTAL 83800-BYV10- 1 +----------+ | 83138G | GLASS, COMBINATION METER +----------+ 2111 - W100..LO 83852-BZ220- 1 2111 - W10#..HI,MID 83852-BZ250- 1
  • 329.
    329 FIG.84-01 SWITCH &RELAY & COMPUTER (2111- ) ENGINE & TRANSMISSION ILLUST NO. 1 OF 8 84N429-A REFER TO FIG (PNC 82121) REFER TO FIG (PNC 82121) REFER TO FIG (PNC 82121) REFER TO FIG (PNC 82121) REFER TO FIG (PNC 82121) 84540 90041-05592(2) 9004A-10266(2) 82-02 90430-18032 84545 84210 84248 89615 83530 82-02 9004A-43021 89422A 82-02 82-02 82-02 89467B 90119-T0342 89439D 89439 89465A 90105-T0247
  • 330.
    330 FIG.84-01 SWITCH &RELAY & COMPUTER (2111- ) INSTRUMENT PANEL ILLUST NO. 3 OF 8 84N434 REFER TO FIG (PNC 88648P) REFER TO FIG (PNC 82141) REFER TO FIG (PNC 82141) REFER TO FIG (PNC 82141) REFER TO FIG (PNC 82141) 82600 84520 90041-20197 88630Y 90041-70330 87-14 89111 82-02 90041-63014 84340 84345 82-02 86530A 82-02 85532D 82-02 82616 90982-09019 90982-09020 90982-09021 90982-09022 90982-09024 90982-09023 90982-08306 85916D
  • 331.
    331 FIG.84-01 SWITCH &RELAY & COMPUTER (2111- ) CONSOLE ILLUST NO. 4 OF 8 84N436-A REFER TO FIG (PNC 82161) REFER TO FIG (PNC 82161) REFER TO FIG (PNC 82161) 84380 9004A-16080 82-02 85530 85535B 85532 82-02 82-02
  • 332.
    332 FIG.84-01 SWITCH &RELAY & COMPUTER (2111- ) ENGINE ROOM ILLUST NO. 2 OF 8 84N440-A REFER TO FIG (PNC 82111) REFER TO FIG (PNC 82111) REFER TO FIG (PNC 82111) REFER TO FIG (PNC 82123) 89421B 82-02 82-02 90049-40062 90982-08298 90982-09019 90982-09020 90982-09021 90982-09022 82-02 N04 9004A-11311 90049-40063 90982-09023 82661 82641 82-02 N04 9004A-11311 85930G 28300 85925 28850
  • 333.
    333 FIG.84-01 SWITCH &RELAY & COMPUTER (2111- ) SWITCH ILLUST NO. 5 OF 8 84N441 89611 84330 82-02 84770A 84986
  • 334.
    334 FIG.84-01 SWITCH &RELAY & COMPUTER (2111- ) BODY ILLUST NO. 6 OF 8 84N445 84810 84810D 84820 84870A 9004A-16032 9004A-16032 84231A 90041-09272
  • 335.
    335 FIG.84-01 SWITCH &RELAY & COMPUTER (2111-2210) SEAT & BODY ILLUST NO. 7 OF 8 84N449 REFER TO FIG (PNC 82184) REFER TO FIG (PNC 23221) 83320 84840G 82-02 90105-06323 90105-06323 77-51 85530B 85535C
  • 336.
    336 FIG.84-01 SWITCH &RELAY & COMPUTER (2111- )LO STEERING ILLUST NO. 8 OF 8 84N454 REFER TO FIG (PNC 45020) 84140 84650 84941A 45-01 84450 9004A-10132 9004A-10132 89650
  • 337.
    337 FIG.84-01 SWITCH &RELAY & COMPUTER (2111- )HI,MID STEERING ILLUST NO. 8 OF 8 84N455-A 84140 84650 45281-BZ160 45897-B2010(2) 84030 9004A-10132 9004A-10132 89650 84250A
  • 338.
    338 FIG.84-01 SWITCH &RELAY & COMPUTER (2210- ) SEAT & BODY ILLUST NO. 7 OF 8 84P577 REFER TO FIG (PNC 82184) REFER TO FIG (PNC 23221) 83320 84840G 82-02 90105-06323 90105-06323 77-51 85530B 85535C 88162 90041-20259(3)
  • 339.
    339 FIG.84-01 SWITCH &RELAY & COMPUTER PROD_DATE MODELS SPEC CODE DESCRIPTION R / P PART NUMBER O Y T REV_REF FR TO +----------+ | 28300 | RELAY ASSY, STARTER +----------+ 2111 - 1NRVE,2NRVE..W10# 9004A-98006- 1 +----------+ | 28850 | SENSOR ASSY, BATTERY CURRENT +----------+ 2111 - 2210 1NRVE,2NRVE..W10# MARK LESS 28850-BZ030- 1 2210 - 1NRVE,2NRVE..W10# MARK = B 28850-BZ050- 1 +----------+ | 82600 | BLOCK ASSY, FUSE +----------+ 2111 - W101 82600-BZG20- 1 2111 - W100..MID 82600-BZG40- 1 2111 - W100..LO 82600-BZG50- 1 +----------+ | 82616 | PULLER, FUSE +----------+ 2111 - W10# 82616-58010- 1 +----------+ | 82641 | RELAY, INTEGRATION NO.1 +----------+ 2111 - W10# 82641-BZ040- 1 +----------+ | 82661 | COVER, RELAY BLOCK, NO.1 +----------+ 2111 - W10# 82661-BZ310- 1 +----------+ | 83320 | GAGE ASSY, FUEL SENDER +----------+ 2111 - W10# 83301-BZ250- 1 +----------+ | 83530 | SWITCH ASSY, OIL PRESSURE (FOR ENGINE) +----------+ 2111 - W10# 83530-52050- 1 +----------+ | 84030 | SWITCH ASSY,MULTIPLEX NETWORK +----------+ 2111 - 2211 W101 84030-BZ120- 1 2111 - 2211 W100..MID..CVT 84030-BZ120- 1 2111 - 2211 W100..MID..5F 84030-BZ130- 1 FIG.84-01 SWITCH & RELAY & COMPUTER PROD_DATE MODELS SPEC CODE DESCRIPTION R / P PART NUMBER O Y T REV_REF FR TO +----------+ | 84030 | SWITCH ASSY,MULTIPLEX NETWORK CONTINUED--+ 2212 - W101 84030-BZ121- 1 2212 - W100..MID..CVT 84030-BZ121- 1 2212 - W100..MID..5F 84030-BZ131- 1 +----------+ | 84140 | SWITCH ASSY, HEADLAMP DIMMER +----------+ 2111 - W100..LO 84140-BZ240- 1 2111 - W10#..HI,MID 84140-BZ280- 1 +----------+ | 84210 | SWITCH ASSY, BACK-UP LAMP +----------+ 2111 - W10#..5F 84210-BZ120- 1 +----------+ | 84231A | SWITCH, COURTESY LAMP +----------+ 2111 - W10# # 84231-BZ010- (84231-52020- ) 4 1 +----------+ | 84248 | CLAMP, CENTER CLUSTER MODULE SWITCH HARNE SS +----------+ 2111 - W10#..5F 84248-BZ110- 1 +----------+ | 84250A | SWITCH ASSY, STEERING PAD +----------+ 2111 - W101 BLACK SILVER(TRIM2#) ,TYPE A 84250-BZ270-C1 1 2111 - W100..MID BLACK(TRIM2#),TYPE A 84250-BZ280-C1 1 +----------+ | 84330 | SWITCH ASSY, HAZARD WARNING SIGNAL +----------+ 2111 - W10# 84332-BZ280- 1 +----------+ | 84340 | SWITCH ASSY, STOP LAMP +----------+ 2111 - W10# 84340-B2061- 1
  • 340.
    340 FIG.84-01 SWITCH &RELAY & COMPUTER PROD_DATE MODELS SPEC CODE DESCRIPTION R / P PART NUMBER O Y T REV_REF FR TO +----------+ | 84345 | ADJUSTER, STOP LAMP SWITCH MOUNTING +----------+ 2111 - W10# # 84345-BZ010- (84345-B2010- ) 1 1 +----------+ | 84380 | SWITCH ASSY, BRAKE WARNING TEST +----------+ 2111 - W10# 84380-B2030- 1 +----------+ | 84450 | SWITCH ASSY, IGNITION OR STARTER +----------+ 2111 - W100..LO 84450-B2040- 1 +----------+ | 84520 | SWITCH ASSY, CLUTCH START +----------+ 2111 - W10#..5F 84520-97202- 2 +----------+ | 84540 | SWITCH ASSY, NEUTRAL START +----------+ 2111 - W10#..CVT 84540-B2040- 1 +----------+ | 84545 | SWITCH, NEUTRAL POSITION +----------+ 2111 - W101..5F 84545-BZ010- 1 +----------+ | 84650 | SWITCH ASSY, WINDSHIELD WIPER +----------+ 2111 - W10# 84652-BZ320- 1 +----------+ | 84770A | SWITCH ASSY, PRE-COLLISION SYSTEM CANCEL +----------+ 2111 - W101..CVT B2PH SMART ASSIST (OVERSE AS) 84770-BZ060- 1 2210 - W101..CVT B2PJ H + SAB/CSA/BSM 84770-BZ060- 1 +----------+ | 84810 | SWITCH ASSY, POWER WINDOW REGULATOR +----------+ 2111 - W10# 84810-BZ130- 1 +----------+ | 84810D | SWITCH ASSY, POWER WINDOW REGULATOR, REAR +----------+ 2111 - W10# 84810-BZ130- 2 FIG.84-01 SWITCH & RELAY & COMPUTER PROD_DATE MODELS SPEC CODE DESCRIPTION R / P PART NUMBER O Y T REV_REF FR TO +----------+ | 84820 | MASTER SWITCH ASSY, POWER WINDOW REGULATO R +----------+ 2111 - W10# 84820-BZ400- 1 +----------+ | 84840G | SWITCH ASSY, BACK DOOR OPENER +----------+ 2111 - W100 84840-B0010- 1 2111 - W101 84840-B0020- 1 +----------+ | 84870A | SWITCH ASSY, OUTER MIRROR +----------+ 2111 - W100..LO 84870-BZ230- 1 2111 - W10#..HI,MID 84870-BZ240- 1 +----------+ | 84941A | BASE, SWITCH +----------+ 2111 - 2211 W100..LO..5F 84941-BZ060- 1 2111 - 2211 W100..LO..CVT 84941-BZ170- 1 2212 - W100..LO..5F 84941-BZ061- 1 2212 - W100..LO..CVT 84941-BZ171- 1 +----------+ | 84986 | SWITCH, VEHICLE STABILITY CONTROL +----------+ 2111 - W101 84986-BZ080- 1 2111 - W100..CVT 84986-BZ080- 1 +----------+ | 85530 | SOCKET ASSY, POWER OUTLET, NO.1 +----------+ 2111 - W10# 85530-BZ080- 1 +----------+ | 85530B | SOCKET ASSY, POWER OUTLET, REAR NO.1 +----------+ 2111 - W10#..HI,MID 85530-BZ080- 1 +----------+ | 85532 | SOCKET, USB CHARGER +----------+ 2111 - W10#..HI,MID 85532-BZ030- 1
  • 341.
    341 FIG.84-01 SWITCH &RELAY & COMPUTER PROD_DATE MODELS SPEC CODE DESCRIPTION R / P PART NUMBER O Y T REV_REF FR TO +----------+ | 85532D | SOCKET, USB CHARGER, NO.3 +----------+ 2111 - W10# 85532-BZ010- 1 +----------+ | 85535B | COVER, POWER OUTLET SOCKET, NO.1 +----------+ 2111 - W10# TYPE A 85535-BZ061- 1 2111 - W10# TYPE B 85535-BZ100- 1 +----------+ | 85535C | COVER, POWER OUTLET SOCKET, REAR +----------+ 2111 - W10#..HI,MID TYPE A 85535-BZ061- 1 2111 - W10#..HI,MID TYPE B 85535-BZ100- 1 +----------+ | 85916D | RELAY, FOG LAMP +----------+ 2111 - W10#..HI,MID 9004A-98006- 1 +----------+ | 85925 | RELAY, RADIATOR FAN +----------+ 2111 - W10# 9004A-98006- 1 +----------+ | 85930G | RELAY, ACC +----------+ 2111 - W10#..HI,MID 9004A-98006- 1 +----------+ | 86530A | RELAY, HORN +----------+ 2111 - W10#..HI,MID 9004A-98006- 1 +----------+ | 88162 | SENSOR, BLIND SPOT MONITOR, RH +----------+ 2210 - W101..CVT B2PJ H + SAB/CSA/BSM 88162-B1071- 2 +----------+ | 88630Y | RELAY, REAR COOLER +----------+ 2111 - W10# 9004A-98006- 1 +----------+ | 89111 | COMPUTER, NETWORK GATEWAY +----------+ 2111 - W10# 89111-BZ080- 1 FIG.84-01 SWITCH & RELAY & COMPUTER PROD_DATE MODELS SPEC CODE DESCRIPTION R / P PART NUMBER O Y T REV_REF FR TO +----------+ | 89421B | SENSOR, VACU UM +----------+ 2111 - W10# 89421-B2030- 1 +----------+ | 89422A | SENSOR, WATER TEMPERATURE +----------+ 2111 - W10# SAME 89422-33030 # 89422-BZ030- (89422-33030- ) 1 1 +----------+ | 89439 | BRACKET, SENSOR +----------+ 2111 - W10# 89439-BZ201- 1 +----------+ | 89439D | BRACKET, SENSOR, NO.1 +----------+ 2111 - W10# 89439-BZ210- 1 +----------+ | 89465A | SENSOR, OXYGEN NO.2 +----------+ 2111 - W10# 89465-BZ610- 1 +----------+ | 89467B | SENSOR, AIR FUEL RATIO +----------+ 2111 - W10# 89467-BZ020- 1 +----------+ | 89611 | SWITCH, PUSH START +----------+ 2111 - 2204 W100..MID 89611-B0031- 1 2111 - W101 89611-B1010- 1 2205 - W100..MID 89611-BZ030- 1 +----------+ | 89615 | SENSOR, KNOCK CONTROL +----------+ 2111 - W10# SAME 89615-20090 89615-BZ040- 1 +----------+ | 89650 | COMPUTER ASSY, POWER STEERING +----------+ 2111 - W100..5F FURUKAWA ELECTRIC 89650-BZ380- 1 2111 - W101 FURUKAWA ELECTRIC 89650-BZ390- 1 2111 - W100..CVT FURUKAWA ELECTRIC 89650-BZ390- 1
  • 342.
    342 FIG.84-01 SWITCH &RELAY & COMPUTER PROD_DATE MODELS SPEC CODE DESCRIPTION R / P PART NUMBER O Y T REV_REF FR TO +----------+ | 89650 | COMPUTER ASSY, POWER STEERING CONTINUED--+ 2111 - W101..CVT B2PH FURUKAWA ELECTRIC,SM ART ASSIST (OVERSEAS ) 89650-BZ400- 1 2210 - W101..CVT B2PJ FURUKAWA ELECTRIC,H + SAB/CSA/BSM 89650-BZ400- 1
  • 343.
    343 FIG.84-04 ELECTRONIC FUELINJECTION SYSTEM (2111- ) 84N318 REFER TO FIG (PNC 82111) REFER TO FIG (PNC 82121) 82-02 82-02 89539D 89561 9004A-11240(2) 91671-80622(3)
  • 344.
    344 FIG.84-04 ELECTRONIC FUELINJECTION SYSTEM PROD_DATE MODELS SPEC CODE DESCRIPTION R / P PART NUMBER O Y T REV_REF FR TO +----------+ | 89539D | BRACKET, COMPUTER +----------+ 2111 - W10# 89539-BZ510- 1 +----------+ | 89561 | COMPUTER, FUEL INJECTION +----------+ 2111 - 2210 W100..LO..5F DENSO 89560-BXE80- 1 2111 - 2210 W100..MID..5F DENSO 89560-BXF30- 1 2111 - 2210 W100..LO..CVT DENSO 89560-BXF61- 1 2111 - 2210 W100..MID..CVT DENSO 89560-BYR21- 1 2111 - 2210 W101..5F DENSO 89560-BYS80- 1 2111 - 2210 W101..CVT DENSO 89560-BYU41- 1 2111 - 2210 W101..CVT B2PH DENSO,SMART ASSIST ( OVERSEAS) 89560-BYW01- 1 2210 - W100..LO..5F DENSO 895E0-BZL80- 1 2210 - W100..MID..5F DENSO 895E0-BZL90- 1 2210 - W100..LO..CVT DENSO 895E0-BZM00- 1 2210 - W100..MID..CVT DENSO 895E0-BZM10- 1 2210 - W101..5F DENSO 895E0-BZM20- 1 2210 - W101..CVT DENSO 895E0-BZM40- 1 2210 - W101..CVT B2PH DENSO,SMART ASSIST ( OVERSEAS) 895E0-BZM50- 1 2210 - W101..CVT B2PJ DENSO,H + SAB/CSA/BS M 895E0-BZM50- 1
  • 345.
    345 FIG.84-10 OVERDRIVE &ELECTRONIC CONTROLLED TRANSMISSION ― ― ― ― ― ― ― ― ― ― ― ― ― ― ― ― ― ― ― ― ― ― ― ― ― ― ― ― ― ― ― ― ― ― (2111- )CVT 84N356 90041-05592 89413N 89413D 90041-05592 89413M 89411H 82-02 89413P 89413N 89413M 89637K 89637K 90043-01344 90041-05592 89413P 89413D 89637K 90043-01344 FIG.84-10 OVERDRIVE & ELECTRONIC CONTROLLED TRANSMISSION (2211- )CVT 84N709 9004A-10266 89413N 89413D 9004A-10266 89413M 89411H 82-02 89413P 89413N 89413M 89637K 89637K 90043-01344 9004A-10266 89413P 89413D 89637K 90043-01344
  • 346.
    346 FIG.84-10 OVERDRIVE &ELECTRONIC CONTROLLED TRANSMISSION PROD_DATE MODELS SPEC CODE DESCRIPTION R / P PART NUMBER O Y T REV_REF FR TO +----------+ | 89411H | RING, O +----------+ 2111 - W10#..CVT 90043-01278- 1 +----------+ | 89413D | RING, O(FOR TRANSMISSION REVOLUTION SENSO R) +----------+ 2111 - W10#..CVT 90043-01278- 2 +----------+ | 89413M | SENSOR, TRANSMISSION REVOLUTION, (NOUT) +----------+ 2111 - W10#..CVT 89413-B2030- 1 +----------+ | 89413N | SENSOR, TRANSMISSION REVOLUTION, (NT) +----------+ 2111 - W10#..CVT 89413-B2020- 1 +----------+ | 89413P | SENSOR, TRANSMISSION REVOLUTION, (NIN) +----------+ 2111 - W10#..CVT 89413-B2020- 1 +----------+ | 89637K | SENSOR, OIL PRESSURE +----------+ 2111 - W10#..CVT 89637-B2030- 2
  • 347.
    347 FIG.84-14 ABS &VSC (2111- ) 84N319-B REFER TO FIG (PNC 43211) REFER TO FIG (PNC 82111) REFER TO FIG (PNC 82111) REFER TO FIG (PNC 43212) REFER TO FIG (PNC 42440) REFER TO FIG (PNC 82161) REFER TO FIG (PNC 82161) REFER TO FIG (PNC 42410) 9004A-10168 9004A-10168 9004A-10168 9004A-10168 9004A-10168 9004A-10168 89542 89543 82251D 82251E 48-02 82-02 82-02 48-02 41-02 82-02 82-02 41-02 90041-20090 90041-20090
  • 348.
    348 FIG.84-14 ABS &VSC PROD_DATE MODELS SPEC CODE DESCRIPTION R / P PART NUMBER O Y T REV_REF FR TO +----------+ | 82251D | WIRE, SPEED SENSOR, RH +----------+ 2111 - W10# 82251-BZ190- 1 +----------+ | 82251E | WIRE, SPEED SENSOR, LH +----------+ 2111 - W10# 82251-BZ200- 1 +----------+ | 89542 | SENSOR, SPEED, FRONT RH +----------+ 2111 - 2202 W10# W/PART NUMBER MARK 89542-BZ180- 1 2202 - 2204 W10# W/PART NUMBER MARK 89542-BZ260- 1 2204 - W10# W/PART NUMBER MARK 89542-BZ180- 1 +----------+ | 89543 | SENSOR, SPEED, FRONT LH +----------+ 2111 - 2202 W10# W/PART NUMBER MARK 89543-BZ180- 1 2202 - 2204 W10# W/PART NUMBER MARK 89543-BZ260- 1 2204 - W10# W/PART NUMBER MARK 89543-BZ180- 1
  • 349.
    349 FIG.84-17 CLEARANCE &BACK SONAR (2111- ) 84N357 REFER TO FIG (PNC 89C48B) REFER TO FIG (PNC 82161) REFER TO FIG (PNC 82111) REFER TO FIG (PNC 61024B) REFER TO FIG (PNC 82141) REFER TO FIG (PNC 55331) REFER TO FIG (PNC 89C48B) 89341A 52-53 82-02 82-02 61-51 82-02 55-51 89343C 89340A 9004A-10222 82219H 52-53 89341A
  • 350.
    350 FIG.84-17 CLEARANCE &BACK SONAR PROD_DATE MODELS SPEC CODE DESCRIPTION R / P PART NUMBER O Y T REV_REF FR TO +----------+ | 82219H | WIRE, SENSOR +----------+ 2111 - W10# 82219-BZ260- 1 +----------+ | 89340A | COMPUTER ASSY, CLEARANCE WARNING +----------+ 2111 - W10# 89340-BZ320- 1 +----------+ | 89341A | SENSOR, ULTRASONIC, NO.1 +----------+ 2111 - W10# WHITE(W09) 89341-BZ350-A0 2 2111 - W10# SILVER ME.(S28) 89341-BZ350-B0 2 2111 - W10# GRAY ME.(1G3) 89341-BZ350-B1 2 2111 - W10# BLACK ME.(X12) 89341-BZ350-C1 2 2111 - W10# RED SE(R75) 89341-BZ350-D1 2 2111 - W10# GREENISH GUN METAL M (G64) 89341-BZ350-G0 2 2111 - W10# PURPLISH SILVER M.M( P20) 89341-BZ350-K0 2 +----------+ | 89343C | BUZZER, CLEARANCE WARNING, NO.1 +----------+ 2111 - W10# 89343-48010- 1
  • 351.
    351 FIG.84-20 WIRELESS DOORLOCK (2111- ) 84N358 REFER TO FIG (PNC 82141) REFER TO FIG (PNC 82161) REFER TO FIG (PNC 57068) REFER TO FIG (PNC 82161) REFER TO FIG (PNC 87910(RH)) (PNC 87940(LH)) REFER TO FIG (PNC 82111) REFER TO FIG (PNC 55168A) REFER TO FIG (PNC 58307) REFER TO FIG (PNC 55301) 899A0 899A0A 89997A 89747 82-02 82-02 58-52 82-02 87-01 82-02 53-55 58-52 55-51 89997 90044-68378
  • 352.
    352 FIG.84-20 WIRELESS DOORLOCK PROD_DATE MODELS SPEC CODE DESCRIPTION R / P PART NUMBER O Y T REV_REF FR TO +----------+ | 89747 | BUZZER, WIRELESS DOOR LOCK +----------+ 2111 - W10# 89747-30040- 1 +----------+ | 89997 | ANTENNA, ELECTRICAL KEY +----------+ 2111 - W101 89997-BZ060- 1 +----------+ | 89997A | ANTENNA, ELECTRICAL KEY, NO.2 +----------+ 2111 - W101 89997-BZ020- 2 +----------+ | 899A0 | ANTENNA ASSY, INDOOR ELECTRICAL KEY, NO.1 +----------+ 2111 - W10#..HI,MID 89997-BZ010- 1 +----------+ | 899A0A | ANTENNA ASSY, INDOOR ELECTRICAL KEY, NO.2 +----------+ 2111 - W10#..HI,MID 89997-BZ100- 1
  • 353.
    353 FIG.84-21 AIR BAG (2111-2210) 84N322-A REFERTO FIG (PNC 53701) 53-55 89170A 89173 89537C 90119-06A06 9004A-10222(2) 9004A-10197
  • 354.
    354 FIG.84-21 AIR BAG (2210-) 84P281 REFER TO FIG (PNC 53701) 53-55 89170A 89173 89537C 90119-06A06 9004A-10222(2) 9004A-10197 89860 89860A 9004A-10197
  • 355.
    355 FIG.84-21 AIR BAG PROD_DATEMODELS SPEC CODE DESCRIPTION R / P PART NUMBER O Y T REV_REF FR TO +----------+ | 89170A | COMPUTER ASSY, AIR BAG +----------+ 2111 - W10# 89170-BZ700- 1 2210 - W101..CVT B2PJ H + SAB/CSA/BSM 89170-BZ720- 1 +----------+ | 89173 | SENSOR, AIR BAG, FRONT +----------+ 2111 - W10# 89173-B2240- 1 +----------+ | 89537C | COVER, COMPUTER +----------+ 2111 - W10# 19114-B2060- 1 +----------+ | 89860 | SENSOR ASSY, SIDE AIR BAG, RH +----------+ 2210 - W101..CVT B2PJ H + SAB/CSA/BSM 89860-B1120- 1 +----------+ | 89860A | SENSOR ASSY, SIDE AIR BAG, LH +----------+ 2210 - W101..CVT B2PJ H + SAB/CSA/BSM 89860-B1120- 1
  • 356.
    356 FIG.85-01 WINDSHIELD WIPER (2111-) 854619-A REFER TO FIG (PNC 55715A) REFER TO FIG (PNC 55703A) REFER TO FIG (PNC 82111) 85292B 85211B 85178 85292B 85150B 85212A 85214A 9004A-11329 9004A-11329 85222A 85214B 55-53 55-53 85129-B2020(2) 85113A 85110 82-02 85221B 85178
  • 357.
    357 FIG.85-01 WINDSHIELD WIPER PROD_DATEMODELS SPEC CODE DESCRIPTION R / P PART NUMBER O Y T REV_REF FR TO +----------+ | 85110 | MOTOR ASSY, WINDSHIELD WIPER +----------+ 2111 - W10# 85110-BZ300- 1 +----------+ | 85113A | NUT, FR WIPE R +----------+ 2111 - W10# 85113-B2010- 2 +----------+ | 85150B | LINK ASSY, WIPER +----------+ 2111 - W10# 85150-BZ340- 1 +----------+ | 85178 | NUT (FOR FRONT WIPER ARM SETTING) +----------+ 2111 - 2208 W10# 81128-87205- 2 2209 - W10# 90041-79379- 2 +----------+ | 85211B | ARM, FRONT WIPER, RH +----------+ 2111 - W10# 85211-BZ360- 1 +----------+ | 85212A | BLADE, FR WIPER, RH +----------+ 2111 - W10# 85212-BZ350- 1 +----------+ | 85214A | RUBBER, WIPER, RH +----------+ 2111 - W10# 85214-BZ460- 1 +----------+ | 85214B | RUBBER, WIPER, LH +----------+ 2111 - W10# 85214-B1070- 1 +----------+ | 85221B | ARM, FRONT WIPER, LH +----------+ 2111 - W10# 85221-BZ360- 1 +----------+ | 85222A | BLADE, FR WIPER, LH +----------+ 2111 - W10# 85222-BZ360- 1 FIG.85-01 WINDSHIELD WIPER PROD_DATE MODELS SPEC CODE DESCRIPTION R / P PART NUMBER O Y T REV_REF FR TO +----------+ | 85292B | CAP, FRONT WIPER ARM HEAD +----------+ 2111 - W10# # 85292-BZ110- (85292-12020- ) 2 1
  • 358.
    358 FIG.85-02 REAR WIPER (2111-) 854621 REFER TO FIG (PNC 82184) 9004A-11210 9004A-11210 9004A-11210 85110R 85176R 85178R 85214R 85241A 85242 85292A 82-02 FIG.85-02 REAR WIPER PROD_DATE MODELS SPEC CODE DESCRIPTION R / P PART NUMBER O Y T REV_REF FR TO +----------+ | 85110R | MOTOR ASSY, REAR WIPER +----------+ 2111 - W10# 85130-BZ230- 1 +----------+ | 85176R | CAP, REAR WIPER LINK +----------+ 2111 - W10# 85176-BZ130- 1 +----------+ | 85178R | NUT (FOR REAR WIPER ARM SETTING) +----------+ 2111 - W10# 9004A-17218- 1 +----------+ | 85214R | RUBBER, REAR WIPER +----------+ 2111 - W10# 85243-BZ150- 1 +----------+ | 85241A | ARM, REAR WIPER +----------+ 2111 - W10# 85241-BZ180- 1 +----------+ | 85242 | BLADE, RR WIPER +----------+ 2111 - W10# 85242-BZ180- 1 +----------+ | 85292A | CAP, REAR WIPER ARM HEAD +----------+ 2111 - W10# 85292-BZ080- 1
  • 359.
    359 FIG.85-03 WINDSHIELD WASHER (2111-) 854628 REFER TO FIG (PNC 85371R) REFER TO FIG (PNC 85348R) REFER TO FIG (PNC 85371V) 85-04 85330A 85355C 85348D 85301 85371Z 85035A 85336D 85332C 85035B 85319C 85330 85349 85348E 85355 85371T 85372 85373 9004A-11246 9004A-11246 85310C 85390 85380 85370 85-04 85-04 85373X 85310E FIG.85-03 WINDSHIELD WASHER PROD_DATE MODELS SPEC CODE DESCRIPTION R / P PART NUMBER O Y T REV_REF FR TO +----------+ | 85035A | NOZZLE, FR WASHER, RH +----------+ 2111 - 2209 W10# 85381-BZ360- 1 2210 - W10# 85381-BZ410- 1 +----------+ | 85035B | NOZZLE, FRONT WASHER, LH +----------+ 2111 - 2209 W10# 85381-BZ360- 1 2210 - W10# 85381-BZ410- 1 +----------+ | 85301 | INLET SUB-ASSY, WASHER +----------+ 2111 - W10# 85301-BZ040- 1 +----------+ | 85310C | MOTOR & PUMP ASSY, WASHER +----------+ 2111 - W10# 85330-BZ180- 1 +----------+ | 85310E | JAR & PUMP ASSY, WASHER +----------+ 2111 - W10# 85310-BZ450- 1 +----------+ | 85319C | HOSE, WASHER +----------+ 2111 - W10# 85374-BZG80- 1 +----------+ | 85330 | JAR ASSY, WINDSHIELD WASHER +----------+ 2111 - W10# 85315-BZ450- 1 +----------+ | 85330A | BUSH, WINDSHIELD WASHER JAR +----------+ 2111 - W10# 85373-97202- 1 +----------+ | 85332C | CAP, FRONT WASHER TANK +----------+ 2111 - W10# 85332-B2040- 1 +----------+ | 85336D | PACKING, WINDSHIELD WASHER JAR +----------+ 2111 - W10# 85336-B2060- 1
  • 360.
    360 FIG.85-03 WINDSHIELD WASHER PROD_DATEMODELS SPEC CODE DESCRIPTION R / P PART NUMBER O Y T REV_REF FR TO +----------+ | 85348D | JOINT, WINDSHIELD WASHER ELBOW, NO.1 +----------+ 2111 - W10# 85376-BZ020- 1 +----------+ | 85348E | JOINT, WINDSHIELD WASHER ELBOW, NO.2 +----------+ 2111 - W10# 85317-BZ020- 1 +----------+ | 85349 | JOINT, WINDSHIELD WASHER HOSE, NO.1 +----------+ 2111 - W10# 85317-BZ080- 1 +----------+ | 85355 | VALVE, WINDSHIELD WASHER HOSE +----------+ 2111 - W10# 85376-B1010- 1 +----------+ | 85355C | JAR, WASHER, C +----------+ 2111 - W10# 85355-87701- 1 +----------+ | 85370 | HOSE ASSY, WINDSHIELD WASHER +----------+ 2111 - W10# 85370-BZC00- 1 +----------+ | 85371T | HOSE, WINDSHIELD WASHER (FROM JOINT TO JOINT) +----------+ 2111 - W10# L=330 85374-BZK10- 1 +----------+ | 85371Z | CLAMP, WASHER HOSE +----------+ 2111 - W10# 82711-16790- 1 +----------+ | 85372 | HOSE, WINDSHIELD WASHER (FROM JOINT TO JOINT), NO.1 +----------+ 2111 - W10# L=480 85374-BZL90- 1 +----------+ | 85373 | HOSE, WINDSHIELD WASHER (FROM JOINT TO NOZZLE) +----------+ 2111 - W10# L=180 85374-BZJ90- 1 +----------+ | 85373X | HOSE, WINDSHIELD WASHER (FROM JOINT TO NOZZLE), NO.2 +----------+ 2111 - W10# L=410 85374-BZJ70- 1 FIG.85-03 WINDSHIELD WASHER PROD_DATE MODELS SPEC CODE DESCRIPTION R / P PART NUMBER O Y T REV_REF FR TO +----------+ | 85380 | NOZZLE & HOSE ASSY, FR WASHER +----------+ 2111 - 2209 W10# 85380-BZ150- 1 2210 - W10# 85380-BZ151- 1 +----------+ | 85390 | NOZZLE & HOSE ASSY, FR WASHER, LH +----------+ 2111 - 2209 W10# 85380-BZ100- 1 2210 - W10# 85380-BZ101- 1
  • 361.
    361 FIG.85-04 REAR WASHER (2111-) 854631 REFER TO FIG (PNC 85310C) 85372Q 85349P 85349K 85372W 85349J 85307 85371N 85345R 85374R 85390A 85372S 85370D 85379C 85372X 85349G 85349G 85372Q 85349F 85372P 85349F 85372N 85371V 85348R 85371R 85-03
  • 362.
    362 FIG.85-04 REAR WASHER PROD_DATEMODELS SPEC CODE DESCRIPTION R / P PART NUMBER O Y T REV_REF FR TO +----------+ | 85307 | GROMMET SUB-ASSY, WASHER +----------+ 2111 - W10# 85307-B2060- 1 +----------+ | 85345R | NOZZLE, REAR WASHER +----------+ 2111 - W10# 85391-BZ130- 1 +----------+ | 85348R | JOINT, REAR WASHER HOSE, NO.1 +----------+ 2111 - W10# 85376-BZ020- 1 +----------+ | 85349F | JOINT, REAR WASHER HOSE, NO.1 +----------+ 2111 - W10# 85317-BZ080- 2 +----------+ | 85349G | JOINT, REAR WASHER HOSE, NO.2 +----------+ 2111 - W10# 85317-BZ080- 2 +----------+ | 85349J | JOINT, REAR WASHER HOSE, NO.4 +----------+ 2111 - W10# 85317-BZ080- 1 +----------+ | 85349K | JOINT, REAR WASHER ELBOW, NO.2 +----------+ 2111 - W10# 85317-BZ080- 1 +----------+ | 85349P | JOINT, REAR WASHER ELBOW, NO.3 +----------+ 2111 - W10# 85355-97202- 1 +----------+ | 85370D | HOSE ASSY, REAR WASHER, NO.1 +----------+ 2111 - W10# 85370-BZD40- 1 +----------+ | 85371N | CLAMP, REAR WASHER HOSE +----------+ 2111 - W10# 82711-BZ100- 2 +----------+ | 85371R | HOSE, REAR WASHER (FROM MOTOR TO JOINT) +----------+ 2111 - W10# L=270 85374-BZJ00- 1 FIG.85-04 REAR WASHER PROD_DATE MODELS SPEC CODE DESCRIPTION R / P PART NUMBER O Y T REV_REF FR TO +----------+ | 85371V | HOSE, REAR WASHER (FROM JOINT TO JOINT) +----------+ 2111 - W10# L=40 85374-BZG70- 1 +----------+ | 85372N | HOSE, REAR WASHER (FROM JOINT TO JOINT), NO.1 +----------+ 2111 - W10# L=2870 85374-BZJ50- 1 +----------+ | 85372P | HOSE, REAR WASHER (FROM JOINT TO JOINT), NO.2 +----------+ 2111 - W10# L=540 85374-BZJ10- 1 +----------+ | 85372Q | HOSE, REAR WASHER (FROM JOINT TO JOINT), NO.3 +----------+ 2111 - W10# L=80 85374-BZJ20- 2 +----------+ | 85372S | HOSE, REAR WASHER (FROM JOINT TO JOINT), NO.4 +----------+ 2111 - W10# 85370-BZD50- 1 +----------+ | 85372W | HOSE, REAR WASHER (FROM JOINT TO JOINT), NO.5 +----------+ 2111 - W10# L=640 85374-BZJ30- 1 +----------+ | 85372X | HOSE, REAR WASHER (FROM JOINT TO JOINT), NO.6 +----------+ 2111 - W10# L=130 85374-BZM00- 1 +----------+ | 85374R | HOSE, REAR WASHER (FROM JOINT TO NOZZLE) +----------+ 2111 - W10# *H,L=300 85374-BZB40- 1 +----------+ | 85379C | GROMMET, REAR WASHER HOSE NO.1 +----------+ 2111 - W10# # 85373-BZ010- (90044-80370- ) 1 1 +----------+ | 85390A | NOZZLE & HOSE ASSY, RR WASHER +----------+ 2111 - W10# 85390-BZ280- 1
  • 363.
    363 FIG.86-02 SPEAKER (2111- ) 868730 REFERTO FIG (PNC 82141) REFER TO FIG (PNC 82151(RH)) (PNC 82152(LH)) REFER TO FIG (PNC 82153A(RH)) (PNC 82154A(LH)) 82-02 86160B 86160P 86160J 82-02 82-02 86160 90041-89084(3) 9004A-16036(3) 90041-89084(3) 9004A-16036(3) FIG.86-02 SPEAKER PROD_DATE MODELS SPEC CODE DESCRIPTION R / P PART NUMBER O Y T REV_REF FR TO +----------+ | 86160 | SPEAKER ASSY, FRONT NO.1 +----------+ 2111 - W10# 86160-BZ180- 2 +----------+ | 86160B | SPEAKER ASSY, REAR +----------+ 2111 - W10# 86160-BZ180- 2 +----------+ | 86160J | SPEAKER ASSY, FRONT NO.3 +----------+ 2111 - W10#..HI,MID 86160-BZ320- 1 +----------+ | 86160P | SPEAKER ASSY, FRONT NO.2 +----------+ 2111 - W10#..HI,MID 86160-BZ310- 1
  • 364.
    364 FIG.86-04 ANTENNA (2111- ) 868743 REFERTO FIG (PNC 85372S) POLE TYPE 90119-06A06 86316 86101 85-04 82711-16790 82711-16790 82711-16790 86300B 86397 N04 86332 86300B 86397 N04 N04 82711-16790
  • 365.
    365 FIG.86-04 ANTENNA PROD_DATE MODELS SPEC CODE DESCRIPTION R / P PART NUMBER O Y T REV_REF FRTO +----------+ | 86101 | CORD SUB-ASSY, ANTENNA +----------+ 2111 - W10# 86316-BZ610- 1 +----------+ | 86300B | ANTENNA ASSY, AMPLIFIER, NO.1 +----------+ 2111 - W10# WHITE(W09) 86300-BZ430-A0 1 2111 - W10# SILVER ME.(S28) 86300-BZ430-B0 1 2111 - W10# GRAY ME.(1G3) 86300-BZ430-B1 1 2111 - W10# BLACK ME.(X12) 86300-BZ430-C0 1 2111 - W10# RED SE(R75) 86300-BZ430-D0 1 2111 - W10# GREENISH GUN METAL M (G64) 86300-BZ430-G0 1 2111 - W10# PURPLISH SILVER M.M( P20) 86300-BZ430-K0 1 2111 - W100..LO..5F B2BB D-LOWEST 86300-BZ460- 1 +----------+ | 86316 | CABLE, ANTEN NA +----------+ 2111 - W10# 86316-BZ660- 1 +----------+ | 86332 | ROD, ANTENNA +----------+ 2111 - W100..LO..5F B2BB D-LOWEST 86332-BZ110- 1 +----------+ | 86397 | PLATE, ANTENNA EARTH +----------+ 2111 - W10# 86397-BZ060- 1
  • 366.
    366 FIG.86-09 LANE-KEEPING ASSIST (2111-)W101..CVT 868719 REFER TO FIG (PNC 82171) 86466G 86462 82-02 86466A FIG.86-09 LANE-KEEPING ASSIST PROD_DATE MODELS SPEC CODE DESCRIPTION R / P PART NUMBER O Y T REV_REF FR TO +----------+ | 86462 | CAMERA, OBJECT RECOGNITION +----------+ 2111 - W101..CVT B2PH SMART ASSIST (OVERSE AS) 8646C-B1100- 1 2210 - W101..CVT B2PJ H + SAB/CSA/BSM 8646C-B1100- 1 +----------+ | 86466A | COVER, LANE RECOGNITION, NO.1 +----------+ 2111 - W101..CVT B2PH SMART ASSIST (OVERSE AS),BLACK(TRIM2#) 86466-BZ010-C0 1 2210 - W101..CVT B2PJ H + SAB/CSA/BSM,BLAC K(TRIM2#) 86466-BZ010-C0 1 +----------+ | 86466G | COVER, FORWARD RECOGNITION, NO.1 +----------+ 2111 - W101..CVT B2PH SMART ASSIST (OVERSE AS),BLACK(TRIM2#) 86466-BZ020-C0 1 2210 - W101..CVT B2PJ H + SAB/CSA/BSM,BLAC K(TRIM2#) 86466-BZ020-C0 1
  • 367.
    367 FIG.86-11 HORN (2111- ) 868775-A REFERTO FIG (PNC 61665J) REFER TO FIG (PNC 82111) REFER TO FIG (PNC 53205) REFER TO FIG (PNC 57112) REFER TO FIG (PNC 82111) REFER TO FIG (PNC 82161) 61-51 82-02 58-51 86510 86510A 86520 90105-08478 90105-08478 90105-08478 53-55 82-02 82-02
  • 368.
    368 FIG.86-11 HORN PROD_DATE MODELS SPEC CODE DESCRIPTION R / P PART NUMBER O Y T REV_REF FRTO +----------+ | 86510 | HORN ASSY, HIGH PITCHED +----------+ 2111 - W101 86510-BZ300- 1 +----------+ | 86510A | HORN ASSY, SECURITY +----------+ 2111 - W10#..HI,MID 86520-BZ310- 1 +----------+ | 86520 | HORN ASSY, LOW PITCHED +----------+ 2111 - W10# 86520-BZ290- 1
  • 369.
    369 FIG.87-01 MIRROR (2111- )W100 87K044 REFERTO FIG (PNC 82151(RH)) (PNC 82152(LH)) 9004A-17219(3) 87910 87940 87917B 87947B 87915B 87945C N04 82-02 87915 87945 8791A 8794A N04 87810
  • 370.
    370 FIG.87-01 MIRROR (2111- )W101 87K045-A REFERTO FIG (PNC 81730(RH)) (PNC 81740(LH)) REFER TO FIG (PNC 82151(RH)) (PNC 82152(LH)) REFER TO FIG (PNC 89997A) 9004A-17219(3) 81-06 87910 87940 87917B 87947B 87915B 87945C N04 82-02 87915 87945 8791A 8794A N04 84-20 87810
  • 371.
    371 FIG.87-01 MIRROR PROD_DATE MODELS SPEC CODE DESCRIPTION R / P PART NUMBER O Y T REV_REF FRTO +----------+ | 87810 | MIRROR ASSY, INNER REAR VIEW +----------+ 2111 - W10# BLACK(TRIM2#) 87810-BZ420-C0 1 +----------+ | 87910 | MIRROR ASSY, OUTER REAR VIEW, RH +----------+ 2111 - W100..LO NO PAINT REQ. 87910-BZG70- 1 2111 - W100..MID NO PAINT REQ. 87910-BZG80- 1 2111 - W101 NO PAINT REQ. 87910-BZJ00- 1 2210 - W101..CVT B2PJ NO PAINT REQ.,H + SA B/CSA/BSM 87910-BZL20- 1 +----------+ | 87915 | COVER, OUTER MIRROR, RH +----------+ 2111 - W10# 87915-BZ520- 1 +----------+ | 87915B | COVER, OUTER MIRROR, LOWER RH +----------+ 2111 - W10# 87915-BZ640- 1 +----------+ | 87917B | MIRROR, OUTER REAR VIEW, RH +----------+ 2111 - W10# 87917-BZ180- 1 2210 - W101..CVT B2PJ H + SAB/CSA/BSM 87917-BZ260- 1 +----------+ | 8791A | COVER, OUTER MIRROR, RH NO.2 +----------+ 2111 - W100 8791A-BZ050- 1 2111 - W101 8791A-BZ130- 1 +----------+ | 87940 | MIRROR ASSY, OUTER REAR VIEW, LH +----------+ 2111 - W100..LO NO PANIT REQ. 87940-BZG50- 1 2111 - W100..MID NO PANIT REQ. 87940-BZG60- 1 2111 - W101 NO PANIT REQ. 87940-BZG80- 1 2210 - W101..CVT B2PJ NO PANIT REQ.,H + SA B/CSA/BSM 87940-BZL00- 1 FIG.87-01 MIRROR PROD_DATE MODELS SPEC CODE DESCRIPTION R / P PART NUMBER O Y T REV_REF FR TO +----------+ | 87945 | COVER, OUTER MIRROR, LH +----------+ 2111 - W10# 87945-BZ530- 1 +----------+ | 87945C | COVER, OUTER MIRROR, LOWER LH +----------+ 2111 - W10# 87945-BZ640- 1 +----------+ | 87947B | MIRROR, OUTER REAR VIEW, LH +----------+ 2111 - W10# 87947-BZ180- 1 2210 - W101..CVT B2PJ H + SAB/CSA/BSM 87947-BZ240- 1 +----------+ | 8794A | COVER, OUTER MIRROR, LH NO.2 +----------+ 2111 - W100 8794A-BZ050- 1 2111 - W101 8794A-BZ130- 1
  • 372.
    372 FIG.87-14 HEATING &AIR CONDITIONING - COOLER UNIT (2111- ) MANUAL ILLUST NO. 2 OF 2 87K003-B 90099-00968(4) 90099-00968 81128-B2010 87010 15188-87403 15188-87402 81128-B2010 88550B 81128-B2010 9004B-72003(3) 88515 88515F 88515F 87139D 88548B 90099-00968 90099-00968 87138C 88501 90099-00968 87106Y
  • 373.
    373 FIG.87-14 HEATING &AIR CONDITIONING - COOLER UNIT (2111- ) REAR UNIT ILLUST NO. 1 OF 2 87K008-A 88539G 88539 88539 88539G 90041-05546 90041-05546 90041-05546 90041-05546 90041-05546
  • 374.
    374 FIG.87-14 HEATING &AIR CONDITIONING - COOLER UNIT (2111- ) REAR UNIT ILLUST NO. 2 OF 2 87K063-D 88502A 88578V 88571 88570A 88571 88570A 88635F 88571C 88571C 88571C 88502 88578C 88611 87030A 88611 88611 88611 88467-BZ040 9004B-16006 9004B-16006 15188-87402 88467-BZ050 15188-87403 87010B 88501R 88515H 88515B 88578B 88605W 88550G 88550G 88605F 88515H 88571C
  • 375.
    375 FIG.87-14 HEATING &AIR CONDITIONING - COOLER UNIT (2111- ) ILLUST NO. 1 OF 2 87K210-B REFER TO FIG (PNC 55331) REFER TO FIG (PNC 55101) 90119-06A06 88539J 88648P 55-51 53-55 88569F 9004A-17221 9004A-11281 9004A-17221 91653-40620 9004A-11282 9004A-11282
  • 376.
    376 FIG.87-14 HEATING &AIR CONDITIONING - COOLER UNIT PROD_DATE MODELS SPEC CODE DESCRIPTION R / P PART NUMBER O Y T REV_REF FR TO +----------+ | 87010 | UNIT ASSY, AIR CONDITIONER +----------+ 2111 - W10# 87010-BZ720- 1 +----------+ | 87010B | SCREW(FOR AIR CONDITIONER UNIT) +----------+ 2111 - W10# 9004B-16008- 19 +----------+ | 87030A | UNIT ASSY, COOLING, REAR +----------+ 2111 - W10# LT.GRAY(TRIM2#) 87030-BZ220-B0 1 +----------+ | 87106Y | SERVO SUB-ASSY, DAMPER(FOR RECIRCULATION & FRESH) +----------+ 2111 - W10# 88660-B2050- 1 +----------+ | 87138C | RESISTOR, BLOWER +----------+ 2111 - W10# 87138-BZ170- 1 +----------+ | 87139D | ELEMENT, AIR REFINER +----------+ 2111 - W10# 87139-BZ020- 1 +----------+ | 88501 | EVAPORATOR SUB-ASSY, COOLER, NO.1 +----------+ 2111 - W10# 88501-BZ400- 1 +----------+ | 88501R | EVAPORATOR SUB-ASSY (REAR) +----------+ 2111 - W10# 88501-BZ260- 1 +----------+ | 88502 | CASE SUB-ASSY, COOLING UNIT +----------+ 2111 - W10# 88502-BZ190- 1 +----------+ | 88502A | CASE SUB-ASSY, COOLING UNIT +----------+ 2111 - W10# 88502-BZ200- 1 +----------+ | 88515 | VALVE, COOLER EXPANSION +----------+ 2111 - W10# 88515-BZ200- 1 FIG.87-14 HEATING & AIR CONDITIONING - COOLER UNIT PROD_DATE MODELS SPEC CODE DESCRIPTION R / P PART NUMBER O Y T REV_REF FR TO +----------+ | 88515B | VALVE, REAR COOLING UNIT EXPANSION +----------+ 2111 - W10# 88515-BZ180- 1 +----------+ | 88515F | BOLT(FOR COOLER EXPANSION VALVE) +----------+ 2111 - W10# C9909-97201- 2 +----------+ | 88515H | BOLT(FOR REAR COOLER EXPANSION VALVE) +----------+ 2111 - W10# C9909-97201- 2 +----------+ | 88539 | HOSE, COOLER UNIT DRAIN, NO.1 +----------+ 2111 - W10# 88539-BZ470- 2 +----------+ | 88539G | GROMMET (FOR COOLER UNIT DRAIN HOSE) +----------+ 2111 - W10# 88888-BZ020- 2 +----------+ | 88539J | HOSE, DRAIN COOLER +----------+ 2111 - W10# 88539-BZ450- 1 +----------+ | 88548B | CASE, AIR FILTER +----------+ 2111 - W10# 88548-BZ030- 1 +----------+ | 88550B | MOTOR ASSY, BLOWER +----------+ 2111 - W10# 88550-BZ130- 1 +----------+ | 88550G | MOTOR ASSY, BLOWER, REAR +----------+ 2111 - W10# 88550-BZ180- 1 +----------+ | 88569F | CLAMP +----------+ 2111 - W10# C8899-B2010- 1 +----------+ | 88570A | GRILLE ASSY, AIR OUTLET +----------+ 2111 - W10# 88570-BZ060- 2
  • 377.
    377 FIG.87-14 HEATING &AIR CONDITIONING - COOLER UNIT PROD_DATE MODELS SPEC CODE DESCRIPTION R / P PART NUMBER O Y T REV_REF FR TO +----------+ | 88571 | GRILLE, AIR OUTLET +----------+ 2111 - W10# 88570-BZ050- 2 +----------+ | 88571C | GRILLE, COOLER AIR OUTLET +----------+ 2111 - W10# 88570-BZ070- 4 +----------+ | 88578B | PACKING, COOLING UNIT, NO.1 +----------+ 2111 - W10# 88578-BZF40- 1 +----------+ | 88578C | PACKING, COOLING UNIT, NO.2 +----------+ 2111 - W10# 88578-BZF90- 1 +----------+ | 88578V | PACKING, COOLING UNIT, NO.3 +----------+ 2111 - W10# 88578-BZG00- 1 +----------+ | 88605F | FUSE(FOR COOLER WIRING HARNESS) +----------+ 2111 - W10# 82606-BZ010- 1 +----------+ | 88605W | HARNESS SUB-ASSY, WIRING AIR CONDITIONER +----------+ 2111 - W10# 88605-BZ200- 1 +----------+ | 88611 | KNOB, COOLER CONTROL SWITCH +----------+ 2111 - W10# 88611-BZ120- 4 +----------+ | 88635F | RESISTER, COOLER BLOWER +----------+ 2111 - W10# 88635-BZ030- 1 +----------+ | 88648P | WIRE,AIR CONDITIONER,NO.1 +----------+ 2111 - W10# 88648-BZ110- 1
  • 378.
    378 FIG.87-15 HEATING &AIR CONDITIONING - CONTROL & AIR DUCT (2111- ) CONTROL PANEL ILLUST NO. 1 OF 3 87J981 REFER TO FIG (PNC 55406B) 55910R 9004A-16036(4) 55-51
  • 379.
    379 FIG.87-15 HEATING &AIR CONDITIONING - CONTROL & AIR DUCT ― ― ― ― ― ― ― ― ― ― ― ― ― ― ― ― ― ― ― ― ― ― ― ― ― ― ― ― ― ― ― ― ― ― (2111- ) AIR DUCT ILLUST NO. 2 OF 3 87J982 9004A-11342 55871C 55871K 87220 9004A-11342 55086A 55873D 55874B 87223A 87223C 87223C 87223E 9004A-16036 87223C 55874B 9004A-16036 9004A-16036 9004A-16036
  • 380.
    380 FIG.87-15 HEATING &AIR CONDITIONING - CONTROL & AIR DUCT (2111- ) AIR FILTER ILLUST NO. 3 OF 3 87J987 8715 REFER TO FIG (PNC 63310) REFER TO FIG (PNC 62961C) REFER TO FIG (PNC 88570F) 64-52 84732H 87441B 88568A 88568A 88611D 93269-54012(2) 64-52 64-52
  • 381.
    381 FIG.87-15 HEATING &AIR CONDITIONING - CONTROL & AIR DUCT PROD_DATE MODELS SPEC CODE DESCRIPTION R / P PART NUMBER O Y T REV_REF FR TO +----------+ | 55086A | DUCT SUB-ASSY, HEATER TO REGISTER, CENTER +----------+ 2111 - W10# 55086-BZ310- 1 +----------+ | 55871C | SEAL, AIR DU CT +----------+ 2111 - W10# 55875-BZ060- 1 +----------+ | 55871K | SEAL, AIR DU CT +----------+ 2111 - W10# 55876-BZ020- 1 +----------+ | 55873D | SEAL, AIR DUCT, CENTER +----------+ 2111 - W10# 55873-BZ180- 1 +----------+ | 55874B | SEAL, AIR DUCT, NO.4 +----------+ 2111 - W10# 55874-BZ080- 2 +----------+ | 55910R | CONTROL ASSY, HEATER +----------+ 2111 - W10# 55910-BZ850- 1 +----------+ | 84732H | SWITCH, HEATER BLOWER +----------+ 2111 - W10# 88470-BZ100- 1 +----------+ | 87220 | DUCT ASSY, A IR +----------+ 2111 - W10# 87220-BZ440- 1 +----------+ | 87223A | PAD, AIR DUC T +----------+ 2111 - W10# 87223-BZ110- 1 +----------+ | 87223C | PAD, AIR DUCT, NO.3 +----------+ 2111 - W10# 87223-BZ660- 3 +----------+ | 87223E | PAD, AIR DUCT, NO.5 +----------+ 2111 - W10# 87223-BZ610- 1 FIG.87-15 HEATING & AIR CONDITIONING - CONTROL & AIR DUCT PROD_DATE MODELS SPEC CODE DESCRIPTION R / P PART NUMBER O Y T REV_REF FR TO +----------+ | 87441B | FILTER, HEATER AIR +----------+ 2111 - W10# 88568-BZ150- 1 +----------+ | 88568A | FILTER, AIR +----------+ 2111 - W10# 88568-BZ140- 2 +----------+ | 88611D | KNOB, COOLER CONTROL +----------+ 2111 - W10# LT.GRAY(TRIM2#) 88611-BZ110-B0 1
  • 382.
    382 FIG.87-18 HEATING &AIR CONDITIONING - COOLER PIPING (2111- ) CONDENSER 87K009-B REFER TO FIG REFER TO FIG (PNC 87010) REFER TO FIG (PNC 53209B) 88474 9004A-11331(2) 9004A-11331(2) 88362B 88460 88561J 88561K 88711 88712 88717U 88718G 88718Q 88736A 53152-BZ020 9004A-11212 9004A-11266 9004A-11212 9004A-11212 87-19 87-14 53-55 88561D 88561L 88718L 88718L 9004A-11266 9004A-11212 9004A-11212 88716B 88727
  • 383.
    383 FIG.87-18 HEATING &AIR CONDITIONING - COOLER PIPING (2111- ) REAR 87K013-D REFER TO FIG (PNC 87030A) 88717U 88736A 88714C 88716B 88718F 88718N 88726C 88727 88737A 88897T 90105-T0283 90105-T0051 88718F 88718N 90105-T0283 88706H 88707F 88707D 88707D 88706J 88706J 87-14
  • 384.
    384 FIG.87-18 HEATING &AIR CONDITIONING - COOLER PIPING (2111- ) TUBE ASSY 87K290 88712A 88704B 88704B 88711B 88711B 88711 88736A 88712 88717U 88375B 88374B 88375D 88374C 88706G 88719A 88716U 88716U
  • 385.
    385 FIG.87-18 HEATING &AIR CONDITIONING - COOLER PIPING PROD_DATE MODELS SPEC CODE DESCRIPTION R / P PART NUMBER O Y T REV_REF FR TO +----------+ | 88362B | PLATE, SEAL +----------+ 2111 - W10# 88561-BZ430- 1 +----------+ | 88374B | VALVE, SERVICE, NO.1 +----------+ 2111 - W10# 88374-87601- 1 +----------+ | 88374C | VALVE, SERVICE, NO.2 +----------+ 2111 - W10# 88374-87601- 1 +----------+ | 88375B | CAP, SERVICE VALVE, NO.1 +----------+ 2111 - W10# 88375-87601- 1 +----------+ | 88375D | CAP, SERVICE VALVE, NO.2 +----------+ 2111 - W10# 88375-87603- 1 +----------+ | 88460 | CONDENSER ASSY, COOLER +----------+ 2111 - W10# 88460-BZ320- 1 +----------+ | 88474 | DRYER, COOLE R +----------+ 2111 - W10# 88474-B2010- 1 +----------+ | 88561D | GRILLE, AIR INLET NO.3 +----------+ 2111 - W10# 88561-BZ830- 1 +----------+ | 88561J | GRILLE, AIR INLET NO.1 +----------+ 2111 - W10# 88561-BZ760- 1 +----------+ | 88561K | GRILLE, AIR INLET NO.2 +----------+ 2111 - W10# 88561-BZ780- 1 +----------+ | 88561L | GRILLE, AIR INLET NO.4 +----------+ 2111 - W10# 88561-BZ800- 1 FIG.87-18 HEATING & AIR CONDITIONING - COOLER PIPING PROD_DATE MODELS SPEC CODE DESCRIPTION R / P PART NUMBER O Y T REV_REF FR TO +----------+ | 88704B | RING, O(FOR SUCTION HOSE) +----------+ 2111 - W10# ID=13.4 OD=18.2 15188-87403- 2 +----------+ | 88706G | RING, O(FOR LIQUID TUBE) +----------+ 2111 - W10# 15188-B5090- 1 +----------+ | 88706H | RING, O, NO.2(FOR LIQUID TUBE) +----------+ 2111 - W10# 15188-87401- 1 +----------+ | 88706J | RING, O, NO.3(FOR LIQUID TUBE) +----------+ 2111 - W10# 15188-87401- 2 +----------+ | 88707D | RING, O(FOR SUCTION TUBE) +----------+ 2111 - W10# 15188-87402- 2 +----------+ | 88707F | RING, O, NO.3(FOR SUCTION TUBE) +----------+ 2111 - W10# ID=13.4 OD=18.2 15188-87403- 1 +----------+ | 88711 | HOSE, COOLER REFRIGERANT DISCHARGE, NO.1 +----------+ 2111 - W10# 88711-BZ770- 1 +----------+ | 88711B | RING, O(FOR COOLER REFRIGERANT DISCHARGE HOSE) +----------+ 2111 - W10# 15188-87402- 2 +----------+ | 88712 | HOSE, COOLER REFRIGERANT SUCTION, NO.1 +----------+ 2111 - W10# 88712-BZ830- 1 +----------+ | 88712A | RING, O(FOR COOLER REFRIGERANT SUCTION HOSE) +----------+ 2111 - W10# ID=13.4 OD=18.2 15188-87403- 1 +----------+ | 88714C | INSULATOR, COOLER REFRIGERANT HOSE, NO.1 +----------+ 2111 - W10# 88714-BZ110- 1
  • 386.
    386 FIG.87-18 HEATING &AIR CONDITIONING - COOLER PIPING PROD_DATE MODELS SPEC CODE DESCRIPTION R / P PART NUMBER O Y T REV_REF FR TO +----------+ | 88716B | PIPE, COOLER REFRIGERANT LIQUID, B +----------+ 2111 - W10# 88716-BZG00- 1 +----------+ | 88716U | RING, O(FOR COOLER REFRIGERANT LIQUID PIP E) +----------+ 2111 - W10# 15188-87401- 2 +----------+ | 88717U | TUBE, SUCTION, NO.1 +----------+ 2111 - W10# 88717-BZ480- 1 +----------+ | 88718F | CLAMP, NO.1(FOR COOLER REFRIGERANT HOSE) +----------+ 2111 - W10# 88718-BZ840- 2 +----------+ | 88718G | CLAMP, NO.2(FOR COOLER REFRIGERANT HOSE) +----------+ 2111 - W10# 88718-BZ650- 1 +----------+ | 88718L | CLAMP, PIPIN G +----------+ 2111 - W10# 88718-13060- 2 +----------+ | 88718N | CLAMP, PIPIN G +----------+ 2111 - W10# 88718-BZ850- 2 +----------+ | 88718Q | CLAMP, PIPIN G +----------+ 2111 - W10# 88718-BZ800- 1 +----------+ | 88719A | SENSOR, AIR CONDITIONER PRESSURE +----------+ 2111 - W10# 88719-B2020- 1 +----------+ | 88726C | PIPE, COOLER REFRIGERANT LIQUID, C +----------+ 2111 - W10# 88716-BZG10- 1 +----------+ | 88727 | TUBE, SUCTION, NO.2 +----------+ 2111 - W10# 88717-BZ520- 1 FIG.87-18 HEATING & AIR CONDITIONING - COOLER PIPING PROD_DATE MODELS SPEC CODE DESCRIPTION R / P PART NUMBER O Y T REV_REF FR TO +----------+ | 88736A | TUBE, LIQUID, A(FOR COOL BOX) +----------+ 2111 - W10# 88716-BZF60- 1 +----------+ | 88737A | TUBE, SUCTION, A(FOR COOL BOX) +----------+ 2111 - W10# 88717-BZ530- 1 +----------+ | 88897T | GROMMET, COOLER +----------+ 2111 - W10# 88897-BZ270- 1
  • 387.
    387 FIG.87-19 HEATING &AIR CONDITIONING - COMPRESSOR (2111- ) 87J975-A REFER TO FIG (PNC 82111) REFER TO FIG (PNC 16361A) 88320 88365A 88446C 88365 88302B 88466-87701 88329E 88329E 88569-B1010 82-02 88605B 88688N 88301 88403 88335 88410 16-05 FIG.87-19 HEATING & AIR CONDITIONING - COMPRESSOR PROD_DATE MODELS SPEC CODE DESCRIPTION R / P PART NUMBER O Y T REV_REF FR TO +----------+ | 88301 | ROTOR SUB-ASSY, MAGNET CLUTCH +----------+ 2111 - W10# 88412-BZ200- 1 +----------+ | 88302B | STATOR, MAGNET CLUTCH +----------+ 2111 - W10# 88411-BZ270- 1 +----------+ | 88320 | COMPRESSOR ASSY, COOLER +----------+ 2111 - W10# 88320-BZ410- 1 +----------+ | 88329E | BOLT, COMPRESSOR, NO.1 +----------+ 2111 - W10# 9004A-10144- 4 +----------+ | 88335 | GASKET KIT, OVERHAUL +----------+ 2111 - W10# 88335-14020- 1 +----------+ | 88365 | RING, SNAP +----------+ 2111 - W10# # 90099-07125- (90099-07125-000) 1 1 +----------+ | 88365A | RING, SNAP (FOR COMPRESSOR) +----------+ 2111 - W10# 90099-07114- 1 +----------+ | 88403 | HUB SUB-ASSY, MAGNET CLUTCH +----------+ 2111 - W10# 88403-BZ080- 1 +----------+ | 88410 | CLUTCH ASSY, MAGNET +----------+ 2111 - W10# 88410-BZ410- 1 +----------+ | 88446C | BOLT, MAGNET CLUTCH SETTING +----------+ 2111 - W10# # 90099-04349- (90099-04349-000) 1 1
  • 388.
    388 FIG.87-19 HEATING &AIR CONDITIONING - COMPRESSOR PROD_DATE MODELS SPEC CODE DESCRIPTION R / P PART NUMBER O Y T REV_REF FR TO +----------+ | 88605B | HARNESS SUB-ASSY, AIR CONDITIONER WIRING +----------+ 2111 - W10# 82210-BZ020- 1 +----------+ | 88688N | BRACKET, COOLER +----------+ 2111 - W10# 88688-BZ290- 1