this phasing correct when the windings aren’t shown in regular Y or ∆
tricky. Let me illustrate, starting with Figure 10.42.

     A1
     B1
     C1


                T1            T2             T3

     A2
     B2
     C2

42: Inputs A1 , A2 , A3 may be wired either “∆” or “Y”, as may outputs B1

dividual transformers are to be connected together to transform powe
Y-Y
   A1
1º B1
   C1
   N1

        T1      T2         T3


  N2
  A2
2º B
   2

  C2
         A -A        B-B        C-C
Y-!
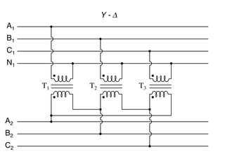
A1
B1
C1
N1


          T1            T2             T3



A2
B2
C2

     Figure 10.44: Phase wiring for “Y-∆” transformer.
Y-!
A1
B1
C1
N1


          T1            T2             T3



A2
B2
C2

     Figure 10.44: Phase wiring for “Y-∆” transformer.
!-Y
                 A1
                 B1
                 C1



                            T1            T2             T3


                 N2
                 A2
                 B2
                 C2

                      Figure 10.45: Phase wiring for “∆-Y” transformer.

    Such a configuration (Figure 10.45) would allow for the provision of multiple voltages (line-
to-line or line-to-neutral) in the second power system, from a source power system having no
neutral.        “STAR”
    And finally, we turn to the ∆-∆ configuration: (Figure 10.46)
    When there is no need for a neutral conductor in the secondary power system, ∆-∆ connec-
tion schemes (Figure 10.46) are preferred because of the inherent reliability of the ∆ configu-
ration.
    Considering that a ∆ configuration can operate satisfactorily missing one winding, some
power system designers choose to create a three-phase transformer bank with only two trans-
formers, representing a ∆-∆ configuration with a missing winding in both the primary and
secondary sides: (Figure 10.47)
    This configuration is called “V” or “Open-∆.” Of course, each of the two transformers have
to be oversized to handle the same amount of power as three in a standard ∆ configuration,
!-!
A1
B1
C1



           T1           T2             T3



A2
B2
C2

     Figure 10.46: Phase wiring for “∆-∆” transformer.




                         "Open !"
A1
B1
C1

13.6.1 Transformer Star Delta

  • 1.
    this phasing correctwhen the windings aren’t shown in regular Y or ∆ tricky. Let me illustrate, starting with Figure 10.42. A1 B1 C1 T1 T2 T3 A2 B2 C2 42: Inputs A1 , A2 , A3 may be wired either “∆” or “Y”, as may outputs B1 dividual transformers are to be connected together to transform powe
  • 2.
    Y-Y A1 1º B1 C1 N1 T1 T2 T3 N2 A2 2º B 2 C2 A -A B-B C-C
  • 5.
    Y-! A1 B1 C1 N1 T1 T2 T3 A2 B2 C2 Figure 10.44: Phase wiring for “Y-∆” transformer.
  • 7.
    Y-! A1 B1 C1 N1 T1 T2 T3 A2 B2 C2 Figure 10.44: Phase wiring for “Y-∆” transformer.
  • 8.
    !-Y A1 B1 C1 T1 T2 T3 N2 A2 B2 C2 Figure 10.45: Phase wiring for “∆-Y” transformer. Such a configuration (Figure 10.45) would allow for the provision of multiple voltages (line- to-line or line-to-neutral) in the second power system, from a source power system having no neutral. “STAR” And finally, we turn to the ∆-∆ configuration: (Figure 10.46) When there is no need for a neutral conductor in the secondary power system, ∆-∆ connec- tion schemes (Figure 10.46) are preferred because of the inherent reliability of the ∆ configu- ration. Considering that a ∆ configuration can operate satisfactorily missing one winding, some power system designers choose to create a three-phase transformer bank with only two trans- formers, representing a ∆-∆ configuration with a missing winding in both the primary and secondary sides: (Figure 10.47) This configuration is called “V” or “Open-∆.” Of course, each of the two transformers have to be oversized to handle the same amount of power as three in a standard ∆ configuration,
  • 10.
    !-! A1 B1 C1 T1 T2 T3 A2 B2 C2 Figure 10.46: Phase wiring for “∆-∆” transformer. "Open !" A1 B1 C1