FOR TRAINING PURPOSE ONLY 
The VOR System was introduce in 1945 with the introduction of VHF 
OmniRange (VOR) navigation stations. 
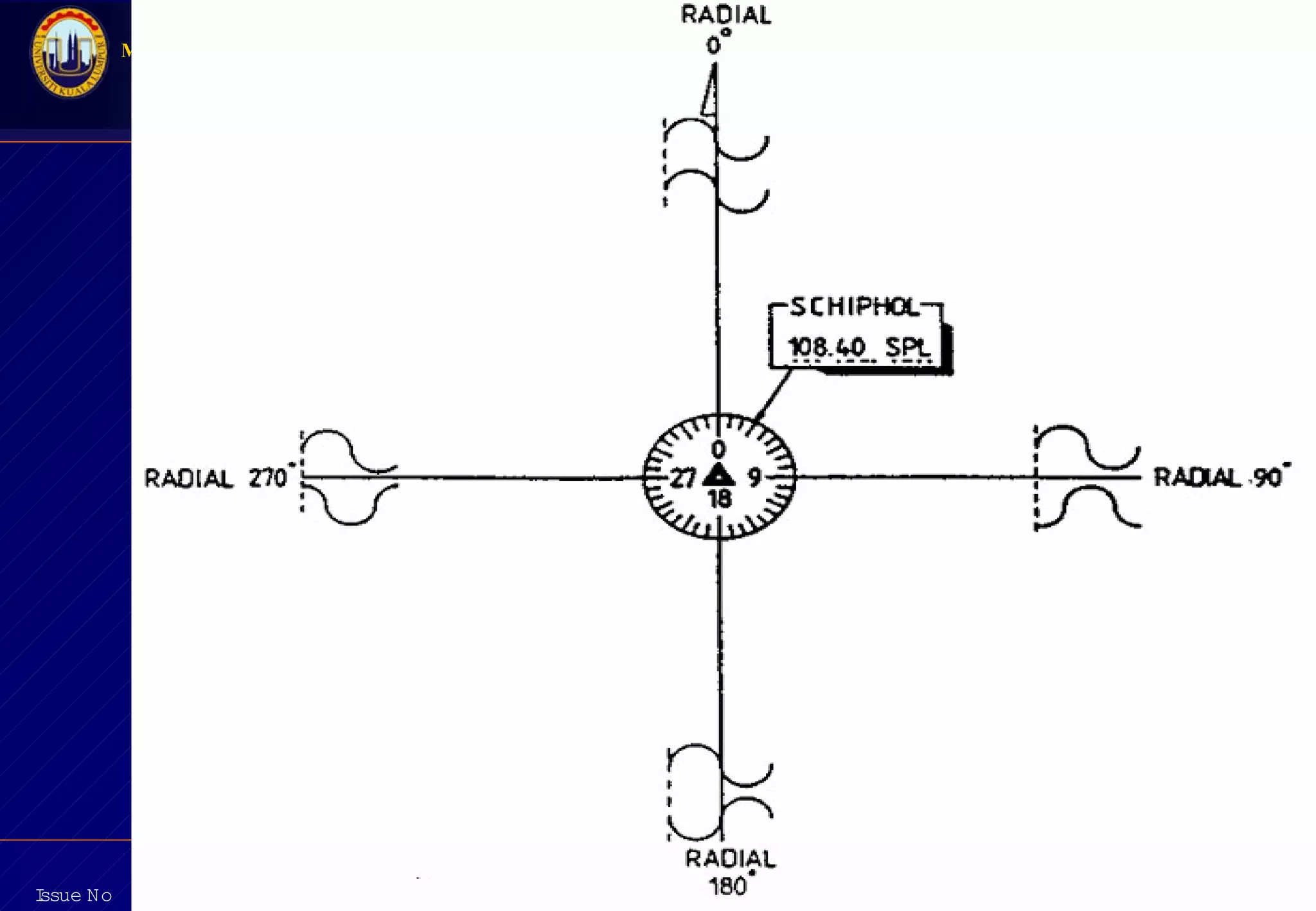
VOR stations appear on the U.S. Aeronautical Charts as a compass circle 
centered over the station and oriented toward magnetic north. 
Lines, known as radials, are drawn from the station out in the direction of a 
magnetic heading. 
A VOR station broadcasts an infinite number of radials. 
If the VOR system indicates that the aircraft is on a zero radial, this means 
that it is somewhere on a line drawn from the VOR station to magnetic north. 
– So VOR indication is independent of aircraft heading, whereas the ADF 
indication changes with the aircraft heading as the ADF points to the 
station. 
Subject Code: AFD31202 
Malaysian Institute of Aviation Technology 
Principles of VOR Navigation 
Issue No : 000
FOR TRAINING PURPOSE ONLY 
Subject Code: AFD31202 
Malaysian Institute of Aviation Technology 
Issue No : 000 
VOR station shown on aeronautical chart
FOR TRAINING PURPOSE ONLY 
The principle of VOR operation is based on the generation ooff rraaddiiaallss,, oorr 
mmaaggnneettiicc bbeeaarriinnggss,, bbyy aa ggrroouunndd ssttaattiioonn ttrraannssmmiitttteerr aanndd tthheeiirr rreecceeppttiioonn bbyy aann 
aaiirrbboorrnnee rreecceeiivveerr.. 
The receiver instrumentation unit determines which radial is passing through 
the aircraft position. 
The determined radial is the angle between magnetic north and the aircraft 
as measured from the ground station. 
The magnetic course from the aircraft when flying inbound to the station is 
the reciprocal of the radial 
Subject Code: AFD31202 
Malaysian Institute of Aviation Technology 
Issue No : 000
FOR TRAINING PURPOSE ONLY 
Subject Code: AFD31202 
Malaysian Institute of Aviation Technology 
Issue No : 000 
VOR radials and magnetic courses
FOR TRAINING PURPOSE ONLY 
VOR stations operate in the VHF frequency range from 108.00 MHz to 117.95 
MHz 
– therefore limited to line-of-sight navigation 
– an aircraft flying at an altitude of 20,000 feet should be able to receive 
The VOR stations are identified by the transmission of a three-letter Morse 
code group sent 10 times each minute. 
In some cases, voice identification is added immediately following the Morse 
code signal. 
A pilot determines the aircraft's bearing to or from a VOR station by: 
– first selecting the frequency of the desired station 
– then turning the omnibearing selector (OBS) until the "left/right' needle on 
Subject Code: AFD31202 
Malaysian Institute of Aviation Technology 
VOR stations from as far as 200 miles away 
the course deviation indicator (CDI) centers. 
Issue No : 000
FOR TRAINING PURPOSE ONLY 
The reading on the OBS will indicate the radial of the aircraft iiss oonn rreeggaarrddlleessss 
ooff iittss hheeaaddiinngg.. 
AA ""ttoo//ffrroomm"" aarrrrooww iiss pprroovviiddeedd oonn tthhee CCDDII ffoorr ddeetteerrmmiinniinngg iiff tthhee iinnddiiccaatteedd 
bbeeaarriinngg iiss ttoo oorr ffrroomm tthhee ssttaattiioonn aanndd aa wwaarrnniinngg ""ffllaagg"" wwiillll aappppeeaarr iiff tthhee 
iinnffoorrmmaattiioonn iiss uunnuussaabbllee.. 
TThhee VVOORR aanndd tthhee llooccaalliizzeerr ppoorrttiioonn ooff tthhee iinnssttrruummeenntt llaannddiinngg ssyysstteemm ooppeerraattee iinn 
tthhee ssaammee ffrreeqquueennccyy rraannggee 
– oonnee VVHHFF nnaavviiggaattiioonn rreecceeiivveerr iiss uusseedd ffoorr bbootthh ffuunnccttiioonnss.. 
UUssuuaallllyy,, tthhee VVOORR aanndd llooccaalliizzeerr cciirrccuuiittrryy wwiillll bbee ffoouunndd iinn tthhee ssaammee cchhaassssiiss aass 
tthhee VVHHFF nnaavviiggaattiioonn rreecceeiivveerr.. 
IIff tthhee VVOORR aanndd llooccaalliizzeerr cciirrccuuiittrryy iiss ccoonnttaaiinneedd wwiitthhiinn tthhee iinnssttrruummeenntt,, tthhee 
ccoommbbiinnaattiioonn iiss kknnoowwnn aass aa ccoonnvveerrtteerr--iinnddiiccaattoorr.. 
IInn lliigghhtt aaiirrccrraafftt uussiinngg ppaanneell--mmoouunntteedd eeqquuiippmmeenntt,, tthhee VVHHFF nnaavviiggaattiioonn rreecceeiivveerr 
iiss ssoommeettiimmeess llooccaatteedd iinn tthhee ssaammee cchhaassssiiss aass tthhee VVHHFF ccoommmmuunniiccaattiioonnss 
ttrraannsscceeiivveerr.. 
Subject Code: AFD31202 
Malaysian Institute of Aviation Technology 
Issue No : 000
FOR TRAINING PURPOSE ONLY 
The concept of VOR navigation iiss bbaasseedd oonn:: 
– ddeetteeccttiioonn ttwwoo ddiissttiinncctt ssiiggnnaallss ccoonnttaaiinneedd wwiitthhiinn oonnee ccaarrrriieerr ssiiggnnaall 
ttrraannssmmiitttteedd ffrroomm aa VVOORR ggrroouunndd ssttaattiioonn,, aanndd 
– ccoommppaarriinngg tthhee pphhaassee ddiiffffeerreennccee bbeettwweeeenn tthheemm ttoo ddeerriivvee tthhee bbeeaarriinngg ffrroomm 
tthhee ssttaattiioonn 
TThhiiss ccoonncceepptt iiss aannaallooggoouuss ttoo aa ttoowweerr hhaavviinngg aa sshhaarrppllyy ffooccuusseedd bbeeaaccoonn lliigghhtt 
wwhhiicchh rroottaatteess aatt aa ccoonnssttaanntt ssppeeeedd,, aanndd aa sseeccoonndd lliigghhtt wwhhiicchh ffllaasshheess iinn aallll 
ddiirreeccttiioonnss ((oommnnii--ddiirreeccttiioonnaall)) wwhheenn tthhee rroottaattiinngg bbeeaaccoonn ppooiinnttss ttoo mmaaggnneettiicc 
nnoorrtthh.. 
TThhee bbeeaarriinngg ffrroomm tthhee ttoowweerr ccaann tthhuuss bbee ddeetteerrmmiinneedd bbyy mmuullttiippllyyiinngg tthhee ssppeeeedd 
ooff tthhee rroottaattiinngg bbeeaaccoonn bbyy tthhee ttiimmee rreeqquuiirreedd bbeettwweeeenn wwhheenn tthhee ffiixxeedd 
((rreeffeerreennccee)) lliigghhtt ffllaasshheess aanndd tthhee rroottaattiinngg ((vvaarriiaabbllee)) lliigghhtt ppaasssseess bbyy tthhee 
oobbsseerrvveerr.. 
Subject Code: AFD31202 
Malaysian Institute of Aviation Technology 
VOR Navigation Concepts 
Issue No : 000
FOR TRAINING PURPOSE ONLY 
A VOR station radiates a composite electromagnetic field from two 
ground-based antennas on the same carrier frequency. 
The first antenna is omni-directional and radiates an amplitude-modulated 
reference signal. 
– The modulation frequency of the reference-phase signal varies from 
9,480 Hz to 10,440 Hz at a rate of 30 times per second. 
– The resultant reference-phase signal then consists of a 9,960-Hz sub-carrier, 
Subject Code: AFD31202 
Malaysian Institute of Aviation Technology 
VOR Navigation Concepts (cont’d) 
Issue No : 000 
frequency-modulated at 30 Hz, that amplitude-modulates the 
RF carrier.
FOR TRAINING PURPOSE ONLY 
VOR Navigation Concepts (cont’d) 
The second antenna is a horizontal dipole which rotates at tthhee rraattee ooff 11,,880000 
rreevvoolluuttiioonnss ppeerr mmiinnuuttee ((3300 rreevvoolluuttiioonnss ppeerr sseeccoonndd)) aanndd pprroodduucceess aa ffiigguurree-- 
eeiigghhtt eelleeccttrroommaaggnneettiicc ffiieelldd ppaatttteerrnn.. 
– TThhee RRFF ffiieelldd wwiitthhiinn oonnee ooff tthhee lloobbeess iiss eexxaaccttllyy iinn pphhaassee wwiitthh tthhee RRFF 
rraaddiiaatteedd ffrroomm tthhee oommnnii--ddiirreeccttiioonnaall ffiieelldd.. 
– TThhee iinn--pphhaassee lloobbee eexxtteennddss tthhee oommnnii--ddiirreeccttiioonnaall ppaatttteerrnn oonn oonnee ssiiddee tthhaatt 
rreessuulltt iinn aa ccaarrddiiooiiddss ffiieelldd ppaatttteerrnn wwhhiicchh rroottaatteess aatt tthhee rraattee ooff 3300 
rreevvoolluuttiioonnss ppeerr sseeccoonndd.. 
Subject Code: AFD31202 
Malaysian Institute of Aviation Technology 
Issue No : 000
FOR TRAINING PURPOSE ONLY 
VOR Navigation Concepts (cont’d) 
The airborne VOR receiver detects the RF carrier wwhhoossee aammpplliittuuddee iiss 
vvaarryyiinngg aatt aa rraattee ooff 3300 HHzz dduuee ttoo tthhee rroottaattiioonn ooff tthhee ccaarrddiiooiiddss ppaatttteerrnn.. 
TThhee ccaarrrriieerr iiss aallssoo aammpplliittuuddee--mmoodduullaatteedd bbyy tthhee 99,,996600--HHzz rreeffeerreennccee--pphhaassee 
ssiiggnnaall,, wwhhiicchh iiss ffrreeqquueennccyy--mmoodduullaatteedd aatt 3300 HHzz oonn aa ssuubbccaarrrriieerr ttoo ddiissttiinngguuiisshh 
iitt ffrroomm tthhee 3300--HHzz vvaarriiaabbllee--pphhaassee ssiiggnnaall.. 
TThhee VVOORR aaiirrbboorrnnee rreecceeiivveerr ddeetteeccttss tthhee vvaarriiaabbllee aanndd rreeffeerreennccee--pphhaassee ssiiggnnaallss 
aanndd ccoommppaarreess tthheeiirr pphhaassee ddiiffffeerreennccee ttoo ddeetteerrmmiinnee tthhee aaiirrccrraafftt''ss bbeeaarriinngg.. 
AAtt mmaaggnneettiicc nnoorrtthh,, bbootthh ssiiggnnaallss aappppeeaarr iinn pphhaassee.. 
Subject Code: AFD31202 
Malaysian Institute of Aviation Technology 
Issue No : 000
FOR TRAINING PURPOSE ONLY 
The VOR station produces the radial pattern by transmitting 3300--HHzz rreeffeerreennccee 
ssiiggnnaallss aanndd 3300--HHzz vvaarriiaabbllee--pphhaassee ssiiggnnaallss ffoorr ccoommppaarriissoonn bbyy tthhee aaiirrbboorrnnee 
rreecceeiivveerr.. 
TThhee 3300--HHzz vvaarriiaabbllee--pphhaassee ssiiggnnaall iiss aann aammpplliittuuddee--mmoodduullaatteedd ccoommppoonneenntt ooff 
tthhee VVOORR ssttaattiioonn RRFF ssiiggnnaall.. 
– TThhiiss ssiiggnnaall iiss ggeenneerraatteedd bbyy rroottaattiinngg tthhee ttrraannssmmiittttiinngg aanntteennnnaa ppaatttteerrnn,, 
eeiitthheerr mmeecchhaanniiccaallllyy oorr eelleeccttrroonniiccaallllyy,, aatt 3300 rreevvoolluuttiioonnss ppeerr sseeccoonndd.. 
TThhee ssttaattiioonn iiddeennttiiffiiccaattiioonn ccooddee aanndd vvooiiccee ttrraannssmmiissssiioonnss aarree aallssoo aammpplliittuuddee-- 
mmoodduullaatteedd ccoommppoonneennttss ooff tthhee ssiiggnnaall.. 
TThhee ssuumm ooff aallll mmoodduullaattiioonn ccoommppoonneennttss ffrroomm tthhee ssttaattiioonn rreessuullttss iinn aa 
mmaaxxiimmuumm ooff 9900%% mmoodduullaattiioonn eeqquuaallllyy ddiivviiddeedd bbeettwweeeenn tthhee rreeffeerreennccee--pphhaassee 
ccoommppoonneenntt,, vvaarriiaabbllee--pphhaassee ccoommppoonneenntt,, aanndd tthhee rreemmaaiinniinngg vvooiiccee oorr ccooddee 
iiddeennttiiffiiccaattiioonn ccoommppoonneenntt.. 
Subject Code: AFD31202 
Malaysian Institute of Aviation Technology 
VOR System Operation 
Issue No : 000
FOR TRAINING PURPOSE ONLY 
Subject Code: AFD31202 
Malaysian Institute of Aviation Technology 
VOR System Operation (cont’d) 
Magnetic north is tthhee rreeffeerreennccee ffoorr 
aallll VVOORR mmeeaassuurreemmeennttss.. 
– AAtt mmaaggnneettiicc nnoorrtthh,, tthhee 3300--HHzz 
vvaarriiaabbllee ssiiggnnaall iiss iinn pphhaassee wwiitthh 
tthhee 3300--HHzz rreeffeerreennccee ssiiggnnaall.. 
AAtt aallll ootthheerr rraaddiiaallss,, tthhee 3300--HHzz 
vvaarriiaabbllee ssiiggnnaall lleeaadd oorr llaagg tthhee 3300-- 
HHzz rreeffeerreennccee ssiiggnnaall bbyy tthhee nnuummbbeerr 
ooff ddeeggrreeeess ffrroomm mmaaggnneettiicc nnoorrtthh ttoo 
tthhee rraaddiiaall.. 
FFoorr eexxaammppllee,, aatt 118800oo ffrroomm mmaaggnneettiicc 
nnoorrtthh,, tthhee vvaarriiaabbllee ssiiggnnaall iiss 118800oo 
oouutt--ooff--pphhaassee wwiitthh tthhee rreeffeerreennccee 
ssiiggnnaall.. 
Issue No : 000 
VOR phase relationships
FOR TRAINING PURPOSE ONLY 
VOR System Operation (cont’d) 
ffrreeqquueennccyy iiss hhiigghh ((1100,,444400 
HHzz)) 
– nneeggaattiivvee wwhheenn tthhee ffrreeqquueennccyy 
iiss llooww ((99,,448800 HHzz)) Phase relationships of a 260o VOR radial 
Subject Code: AFD31202 
Malaysian Institute of Aviation Technology 
Figure oonn tthhee rriigghhtt--ssiiddee 
iilllluussttrraatteess tthhee pphhaassee rreellaattiioonnsshhiipp 
ooff tthhee 3300--HHzz rreeffeerreennccee aanndd 
vvaarriiaabbllee ssiiggnnaallss ffoorr aann aaiirrccrraafftt 
ffllyyiinngg ttoo aa VVOORR ssttaattiioonn oonn tthhee 
226600oo rraaddiiaall.. 
TThhee 3300--HHzz rreeffeerreennccee ccoommppoonneenntt 
iiss aapppplliieedd ttoo aann FFMM ddeetteeccttoorr tthhaatt 
pprroodduucceess aa 3300--HHzz rreeffeerreennccee 
ssiiggnnaall:: 
– ppoossiittiivvee wwhheenn tthhee ssuubbccaarrrriieerr 
Issue No : 000
FOR TRAINING PURPOSE ONLY 
Subject Code: AFD31202 
Malaysian Institute of Aviation Technology 
Issue No : 000
FOR TRAINING PURPOSE ONLY 
Subject Code: AFD31202 
Malaysian Institute of Aviation Technology 
The 30-Hz variable 
component is applied to an 
AM detector that produces 
a 30-Hz variable-phase 
signal: 
– positive when the major 
lobe of the radiated 
signal is toward the 
aircraft 
When the 30-Hz variable 
and reference phases are 
compared, the difference is 
a direct measure of bearing 
from the VOR station to the 
aircraft (in this case, 260o). 
Issue No : 000 
Phase relationships of a 260o VOR radial 
VOR System Operation (cont’d)
FOR TRAINING PURPOSE ONLY 
Subject Code: AFD31202 
Malaysian Institute of Aviation Technology 
The VOR cciirrccuuiittrryy ddeerriivveess 
ttoo//ffrroomm bbeeaarriinngg iinnffoorrmmaattiioonn 
aanndd lleefftt//rriigghhtt ddeevviiaattiioonn 
ffrroomm tthhee sseelleecctteedd ccoouurrssee:: 
– bbyy ccoommppaarriinngg tthhee 
rreecceeiivveedd bbeeaarriinngg wwiitthh 
tthhee sseettttiinngg ooff tthhee 
oommnniibbeeaarriinngg sseelleeccttoorr.. 
AAnn aaiirrccrraafftt ffllyyiinngg iinnbboouunndd 
ttoo aa VVOORR ssttaattiioonn oonn tthhee 
226600oo rraaddiiaall rreeqquuiirreess tthhee 
ppiilloott ttoo sslleeww tthhee OOBBSS ttoo 
tthhee 8800oo mmaaggnneettiicc ccoouurrssee 
sseettttiinngg.. 
Issue No : 000 
Flying a VOR radial 
VOR System Operation (cont’d)
FOR TRAINING PURPOSE ONLY 
VOR System Operation (cont’d) 
Since the 80o selected magnetic course is displaced by more than 90o from 
either side of the VOR radial, the to/from arrow points upwards indicating 
the aircraft is flying to the station. 
The VOR circuitry produces left/right course deviation information in a 
manner similar to to/from deviation. 
When the OBS is set at 80o, a deviation window of approx. plus or minus 
10o (full scale on the left/right deviation bar on the CDI) is formed 
symmetrically around the 260o VOR radial. 
Subject Code: AFD31202 
Malaysian Institute of Aviation Technology 
Issue No : 000
FOR TRAINING PURPOSE ONLY 
VOR System Operation (cont’d) 
The VOR circuitry compares the selected OBS magnetic ccoouurrssee wwiitthh tthhee 
rreecceeiivveedd VVOORR rraaddiiaall aanndd ppoossiittiioonnss tthhee ccoouurrssee ddeevviiaattiioonn iinnddiiccaattoorr bbaarr ttoo 
iinnddiiccaattee tthhee ddiirreeccttiioonn,, 
– tthhee ppiilloott mmuusstt ttuurrnn tthhee aaiirrccrraafftt ttoo iinntteerrcceepptt tthhee ddeessiirreedd rraaddiiaall 
TThhuuss,, tthhee ddeevviiaattiioonn bbaarr iinnddiiccaatteess wwhheerree tthhee sseelleecctteedd VVOORR rraaddiiaall iiss llooccaatteedd 
wwiitthh rreessppeecctt ttoo tthhee aaiirrccrraafftt''ss ppoossiittiioonn.. 
TThhee ppiilloott kkeeeeppss ffrroomm ddeevviiaattiinngg ffrroomm tthhee sseelleecctteedd ccoouurrssee bbyy ffoolllloowwiinngg tthhee 
ccoommmmaanndd ooff tthhee lleefftt//rriigghhtt ddeevviiaattiioonn bbaarr ttoo mmaaiinnttaaiinn tthhee bbaarr iinn tthhee cceenntteerr 
ppoossiittiioonn.. 
Subject Code: AFD31202 
Malaysian Institute of Aviation Technology 
Issue No : 000
FOR TRAINING PURPOSE ONLY 
VOR Transceiver System 
VHF omnirange (VOR) is an electronic navigation system that eennaabblleess aa ppiilloott 
ttoo ddeetteerrmmiinnee tthhee bbeeaarriinnggss ooff tthhee VVOORR ttrraannssmmiitttteerr ffrroomm aannyy ppoossiittiioonn iinn iittss 
sseerrvviiccee aarreeaa.. 
– TThhiiss iiss ppoossssiibbllee bbeeccaauussee tthhee VVOORR ggrroouunndd ssttaattiioonn,, oorr ttrraannssmmiitttteerr,, 
ccoonnttiinnuuaallllyy bbrrooaaddccaassttss aann iinnffiinniittee nnuummbbeerr ooff ddiirreeccttiioonnaall rraaddiioo bbeeaammss oorr 
rraaddiiaallss.. 
TThhee VVOORR ssiiggnnaall rreecceeiivveedd iinn aann aaiirrppllaannee iiss uusseedd ttoo ooppeerraattee aa vviissuuaall iinnddiiccaattoorr 
ffrroomm wwhhiicchh tthhee ppiilloott ddeetteerrmmiinneess tthhee bbeeaarriinnggss ooff tthhee VVOORR ssttaattiioonn wwiitthh rreessppeecctt 
ttoo tthhee aaiirrppllaannee.. 
Subject Code: AFD31202 
Malaysian Institute of Aviation Technology 
Issue No : 000
FOR TRAINING PURPOSE ONLY 
Subject Code: AFD31202 
Malaysian Institute of Aviation Technology 
Issue No : 000 
Omni bbeeaarriinngg iinnddiiccaattoorr
FOR TRAINING PURPOSE ONLY 
Subject Code: AFD31202 
Malaysian Institute of Aviation Technology 
Issue No : 000 Block diagrams of VOR transmitter and receiver systems
FOR TRAINING PURPOSE ONLY 
VOR Transceiver System (cont’d) 
The diagram for the VOR ground station, or transmitter, sshhoowwss aa ffiivvee--uunniitt 
aanntteennnnaa aarrrraayy.. 
TThhee cceenntteerr lloooopp ooff tthhee aanntteennnnaa aarrrraayy ccoonnttiinnuuoouussllyy bbrrooaaddccaassttss tthhee rreeffeerreennccee 
pphhaassee ssiiggnnaall,, wwhhiicchh iiss mmoodduullaatteedd aatt 3300 HHzz.. 
TTwwoo oouuttppuuttss aarree rraaddiiaatteedd bbyy tthhee ddiiaaggoonnaall ppaaiirrss ooff ccoommeerr aanntteennnnaass,, 
– tthhee ssiiggnnaallss rraaddiiaatteedd ffrroomm tthheessee ppaaiirrss aarree mmoodduullaatteedd bbyy 3300 HHzz aanndd ddiiffffeerr iinn 
EEaacchh ppaaiirr ooff aanntteennnnaass rraaddiiaatteess aa ffiigguurree--eeiigghhtt ppaatttteerrnn,, eeaacchh ppaatttteerrnn bbeeiinngg 
ddiissppllaacceedd ffrroomm tthhee ootthheerr bbyy 9900oo bbootthh iinn ssppaaccee aanndd iinn ttiimmee pphhaassee.. 
TThhee rreessuullttiinngg ppaatttteerrnn iiss tthhee ssuumm ooff tthhee ttwwoo ffiigguurree eeiigghhtt ppaatttteerrnnss aanndd ccoonnssiissttss ooff 
aa rroottaattiinngg ffiieelldd ttuurrnniinngg aatt 11880000 rrppmm,, oorr 3300 HHzz.. 
Subject Code: AFD31202 
Malaysian Institute of Aviation Technology 
pphhaassee bbyy 9900oo 
Issue No : 000
FOR TRAINING PURPOSE ONLY 
VOR Transceiver System (cont’d) 
The total effect of the radiation from the VOR transmitter iiss ttoo pprroodduuccee ttwwoo 
ssiiggnnaallss wwhhoossee pphhaassee cchhaarraacctteerriissttiiccss vvaarryy iinn aaccccoorrddaannccee wwiitthh tthhee ddiirreeccttiioonn 
((bbeeaarriinngg)) ooff tthhee ttrraannssmmiitttteerr ffrroomm tthhee rreecceeiivveerr.. 
TThhee ttwwoo ssiiggnnaallss rraaddiiaatteedd dduuee ssoouutthh ((mmaaggnneettiicc)) ooff tthhee ttrraannssmmiitttteerr aarree eexxaaccttllyy iinn 
pphhaassee;; 
– hheennccee aann aaiirrppllaannee ffllyyiinngg mmaaggnneettiicc nnoorrtthh ddiirreeccttllyy ttoowwaarrdd tthhee VVOORR 
ttrraannssmmiitttteerr wwiillll sshhooww aann iinnddiiccaatteedd bbeeaarriinngg ooff 00oo ttoo tthhee VVOORR ssttaattiioonn.. 
TThhee TTOO--FFRROOMM iinnddiiccaattoorr wwiillll sshhooww tthhaatt tthhee aaiirrppllaannee iiss ffllyyiinngg ttoo tthhee ssttaattiioonn.. 
IInn aa cclloocckkwwiissee ddiirreeccttiioonn aarroouunndd tthhee VVOORR ssttaattiioonn,, tthhee rraaddiiaatteedd ssiiggnnaallss bbeeccoommee 
iinnccrreeaassiinnggllyy oouutt ooff pphhaassee.. 
Subject Code: AFD31202 
Malaysian Institute of Aviation Technology 
Issue No : 000
FOR TRAINING PURPOSE ONLY 
VOR Transceiver System (cont’d) 
AAtt 9900oo cclloocckkwwiissee ffrroomm tthhee dduuee ssoouutthh ddiirreeccttiioonn,, tthhee ssiiggnnaallss aarree 9900oo oouutt ooff 
pphhaassee,, aatt 118800oo tthheeyy aarree 118800oo oouutt ooff pphhaassee;; aatt 227700oo tthheeyy aarree 227700oo oouutt ooff pphhaassee;; 
aanndd aatt 336600oo ((00oo)) tthheeyy aarree bbaacckk iinn pphhaassee.. 
TThhee pphhaassee ddiiffffeerreennccee ooff tthhee ttwwoo ssiiggnnaallss mmaakkeess iitt ppoossssiibbllee ffoorr tthhee rreecceeiivveerr ttoo 
eessttaabblliisshh tthhee bbeeaarriinnggss ooff tthhee ggrroouunndd ssttaattiioonn.. 
TThhee ddiirreeccttiioonnaall bbeeaarriinnggss ooff VVOORR ssttaattiioonnss aarree sseett uupp iinn aaccccoorrddaannccee wwiitthh tthhee 
eeaarrtthh''ss mmaaggnneettiicc ffiieelldd ssoo tthhaatt tthheeyy mmaayy bbee ccoommppaarreedd ddiirreeccttllyy wwiitthh mmaaggnneettiicc-- 
ccoommppaassss iinnddiiccaattiioonnss oonn tthhee aaiirrppllaannee.. 
DDuurriinngg tthhee ooppeerraattiioonn ooff VVOORR eeqquuiippmmeenntt oonn aa ppaarrttiiccuullaarr hheeaaddiinngg,, aann aaiirrppllaannee 
ffllyyiinngg ttoowwaarrdd tthhee VVOORR ssttaattiioonn wwiillll sshhooww aa TTOO iinnddiiccaattiioonn oonn tthhee oommnnii--iinnddiiccaattoorr.. 
AAfftteerr tthhee aaiirrppllaannee ppaasssseess tthhee ssttaattiioonn,, tthhee iinnddiiccaattoorr wwiillll sshhooww FFRROOMM,, aanndd tthhee 
hheeaaddiinngg iinnffoorrmmaattiioonn wwiillll rreemmaaiinn tthhee ssaammee aass iitt wwaass.. 
Subject Code: AFD31202 
Malaysian Institute of Aviation Technology 
Issue No : 000
FOR TRAINING PURPOSE ONLY 
VOR Transceiver System (cont’d) 
For example, if an airplane is flying toward a VOR station hhaavviinngg aa bbeeaarriinngg ooff 
220000oo tthhee oommnniibbeeaarriinngg iinnddiiccaattoorr wwiillll sshhooww 220000oo TTOO.. 
AAfftteerr tthhee aaiirrppllaannee ppaasssseess oovveerr tthhee VVOORR ssttaattiioonn,, tthhee iinnddiiccaattoorr wwiillll sshhooww 220000oo 
FFRROOMM.. 
TThhee ccaarrrriieerr ffrreeqquueennccyy ooff tthhee VVOORR ssttaattiioonn iiss iinn tthhee VVHHFF rraannggee,, bbeettwweeeenn 111122 aanndd 
111188 MMHHzz.. 
AA mmoodduullaattiioonn ooff 99996600 HHzz iiss ppllaacceedd oonn tthhee ccaarrrriieerr ooff tthhee rreeffeerreennccee ssiiggnnaall ttoo 
pprroovviiddee aa ssuubbccaarrrriieerr,, wwhhiicchh iiss mmoodduullaatteedd bbyy aa 3300--HHzz ssiiggnnaall.. 
TThhee 99996600--HHzz mmoodduullaattiioonn oonn tthhee oorriiggiinnaall ccaarrrriieerr wwaavvee iiss AAMM,, aanndd tthhee 3300--HHzz 
ssiiggnnaall oonn tthhee ssuubbccaarrrriieerr iiss FFMM.. 
TThhee ccaarrrriieerr wwaavvee ffoorr tthhee vvaarriiaabbllee--pphhaassee ssiiggnnaall iiss aammpplliittuuddee--mmoodduullaatteedd bbyy aa 3300-- 
HHzz ssiiggnnaall.. 
Subject Code: AFD31202 
Malaysian Institute of Aviation Technology 
Issue No : 000
FOR TRAINING PURPOSE ONLY 
VOR Transceiver System (cont’d) 
The VOR receiver mounted in an airplane may be an independent uunniitt,, oorr iitt 
mmaayy ooppeerraattee iinn ccoonnjjuunnccttiioonn wwiitthh tthhee VVHHFF ccoommmmuunniiccaattiioonn rraaddiioo.. 
LLiigghhtt aaiirrccrraafftt ttyyppiiccaallllyy uussee tthhee ccoommbbiinneedd uunniitt,, kknnoowwnn aass aa VVHHFF NNAAVV//CCOOMM 
rraaddiioo.. 
TThhee VVOORR rreecceeiivveerr rreecceeiivveess bbootthh ccoommppoonneennttss ooff tthhee VVOORR ssiiggnnaall ttrraannssmmiitttteedd 
ffrroomm tthhee ggrroouunndd ssttaattiioonn aanndd ffrroomm tthheessee ssiiggnnaallss pprroodduucceess ttwwoo 3300--HHzz ssiiggnnaallss:: 
– oonnee bbeeiinngg tthhee rreeffeerreennccee pphhaassee 
– tthhee ootthheerr bbeeiinngg tthhee vvaarriiaabbllee pphhaassee 
TThhee aanngguullaarr ddiissttaannccee bbeettwweeeenn tthhee ttwwoo pphhaasseess iiss aapppplliieedd ttoo tthhee oommnniirraannggee 
iinnddiiccaattoorr,, bbyy wwhhiicchh iitt iiss ttrraannssllaatteedd iinnttoo uussaabbllee hheeaaddiinngg iinnffoorrmmaattiioonn.. 
Subject Code: AFD31202 
Malaysian Institute of Aviation Technology 
Issue No : 000
FOR TRAINING PURPOSE ONLY 
VOR Transceiver System (cont’d) 
The onmirange indicator includes an azimuth dial, a LLEEFFTT--RRIIGGHHTT ddeevviiaattiioonn 
nneeeeddllee,, aanndd aa TTOO--FFRROOMM iinnddiiccaattoorr.. 
WWhheenn tthhee VVOORR rreecceeiivveerr oonn aann aaiirrppllaannee iiss ttuunneedd ttoo aa VVOORR ggrroouunndd ssttaattiioonn,, tthhee 
LLEEFFTT--RRIIGGHHTT iinnddiiccaattiinngg nneeeeddllee wwiillll bbee ddeefflleecctteedd eeiitthheerr ttoo tthhee rriigghhtt oorr ttoo tthhee lleefftt 
uunnlleessss tthhee sseelleecctteedd ccoouurrssee oonn tthhee oommnniirraannggee iinnddiiccaattoorr iiss iinn aaggrreeeemmeenntt wwiitthh tthhee 
bbeeaarriinngg ooff tthhee VVOORR ggrroouunndd ssttaattiioonn.. 
OOnnccee tthhee ppiilloott hhaass ttuunneedd ttoo tthhee ccoorrrreecctt ggrroouunndd ssttaattiioonn ffrreeqquueennccyy aanndd sseelleecctteedd 
tthhee ccoorrrreecctt ccoouurrssee,, tthhee uunniitt iiss rreeaaddyy ffoorr nnaavviiggaattiioonn.. 
FFoorr eexxaammppllee,, iiff tthhee ccoouurrssee--ddeevviiaattiioonn iinnddiiccaattoorr bbaarr mmoovveess ttoo tthhee lleefftt,, tthhee ppiilloott 
kknnoowwss tthhee iinntteennddeedd ccoouurrssee iiss ttoo tthhee lleefftt ooff tthhee aaiirrccrraafftt.. 
TToo ccoorrrreecctt tthhee fflliigghhtt ppaatthh,, tthhee ppiilloott mmuusstt ttuurrnn tthhee aaiirrccrraafftt ttoo tthhee lleefftt.. 
Subject Code: AFD31202 
Malaysian Institute of Aviation Technology 
Issue No : 000
FOR TRAINING PURPOSE ONLY 
AA VVHHFF nnaavviiggaattiioonn rreecceeiivveerr ooppeerraatteess iinn tthhee ssaammee mmaannnneerr aass aa VVHHFF 
ccoommmmuunniiccaattiioonnss rreecceeiivveerr wwiitthh tthhee eexxcceeppttiioonn tthhaatt tthhee nnaavviiggaattiioonn rreecceeiivveerr ddooeess 
nnoott iinnccoorrppoorraattee tthhee uussee ooff aa ssqquueellcchh cciirrccuuiitt ttoo ddiissaabbllee tthhee aauuddiioo oouuttppuutt wwhheenn 
tthhee ssiiggnnaall ssttrreennggtthh iiss bbeellooww aa cceerrttaaiinn tthhrreesshhoolldd sseettttiinngg.. 
TThhee aauuddiioo oouuttppuutt mmuusstt bbee mmaaddee aavvaaiillaabbllee ttoo tthhee VVOORR ccoonnvveerrtteerr oorr 
iinnssttrruummeennttaattiioonn uunniitt aatt aallll ttiimmeess iinn oorrddeerr ffoorr iitt ttoo ddeerriivvee nnaavviiggaattiioonnaall 
iinnffoorrmmaattiioonn ffrroomm tthhee ccoommppoossiittee VVOORR ssiiggnnaall.. 
TThhee sseennssiittiivviittyy ooff aa ttyyppiiccaall ssuuppeerrhheetteerrooddyynnee nnaavviiggaattiioonn rreecceeiivveerr wwiillll ccaauussee aa 
tthhrreeee mmiiccrroovvoolltt iinnppuutt ssiiggnnaall mmoodduullaatteedd aatt 3300%% wwiitthh aa 11,,000000--HHzz ttoonnee ttoo 
pprroodduuccee 220000 mmiilllliiwwaattttss oouuttppuutt wwiitthh aa ssiixx ddBB ssiiggnnaall--ttoo--nnooiissee rraattiioo.. 
AAnn aauuttoommaattiicc ggaaiinn ccoonnttrrooll iiss uusseedd ttoo mmaaiinnttaaiinn nnoott mmoorree tthhaann aa tthhrreeee ddBB 
vvaarriiaattiioonn oovveerr aa 55 mmiilllliivvoolltt ttoo 5500,,000000 mmiilllliivvoolltt iinnppuutt ssiiggnnaall rraannggee.. 
Subject Code: AFD31202 
Malaysian Institute of Aviation Technology 
VOR Equipments ssyysstteemm OOppeerraattiioonn 
Issue No : 000

Aircraft Communication Topic 9 vhf omni range (vor)

  • 1.
    FOR TRAINING PURPOSEONLY The VOR System was introduce in 1945 with the introduction of VHF OmniRange (VOR) navigation stations. VOR stations appear on the U.S. Aeronautical Charts as a compass circle centered over the station and oriented toward magnetic north. Lines, known as radials, are drawn from the station out in the direction of a magnetic heading. A VOR station broadcasts an infinite number of radials. If the VOR system indicates that the aircraft is on a zero radial, this means that it is somewhere on a line drawn from the VOR station to magnetic north. – So VOR indication is independent of aircraft heading, whereas the ADF indication changes with the aircraft heading as the ADF points to the station. Subject Code: AFD31202 Malaysian Institute of Aviation Technology Principles of VOR Navigation Issue No : 000
  • 2.
    FOR TRAINING PURPOSEONLY Subject Code: AFD31202 Malaysian Institute of Aviation Technology Issue No : 000 VOR station shown on aeronautical chart
  • 3.
    FOR TRAINING PURPOSEONLY The principle of VOR operation is based on the generation ooff rraaddiiaallss,, oorr mmaaggnneettiicc bbeeaarriinnggss,, bbyy aa ggrroouunndd ssttaattiioonn ttrraannssmmiitttteerr aanndd tthheeiirr rreecceeppttiioonn bbyy aann aaiirrbboorrnnee rreecceeiivveerr.. The receiver instrumentation unit determines which radial is passing through the aircraft position. The determined radial is the angle between magnetic north and the aircraft as measured from the ground station. The magnetic course from the aircraft when flying inbound to the station is the reciprocal of the radial Subject Code: AFD31202 Malaysian Institute of Aviation Technology Issue No : 000
  • 4.
    FOR TRAINING PURPOSEONLY Subject Code: AFD31202 Malaysian Institute of Aviation Technology Issue No : 000 VOR radials and magnetic courses
  • 5.
    FOR TRAINING PURPOSEONLY VOR stations operate in the VHF frequency range from 108.00 MHz to 117.95 MHz – therefore limited to line-of-sight navigation – an aircraft flying at an altitude of 20,000 feet should be able to receive The VOR stations are identified by the transmission of a three-letter Morse code group sent 10 times each minute. In some cases, voice identification is added immediately following the Morse code signal. A pilot determines the aircraft's bearing to or from a VOR station by: – first selecting the frequency of the desired station – then turning the omnibearing selector (OBS) until the "left/right' needle on Subject Code: AFD31202 Malaysian Institute of Aviation Technology VOR stations from as far as 200 miles away the course deviation indicator (CDI) centers. Issue No : 000
  • 6.
    FOR TRAINING PURPOSEONLY The reading on the OBS will indicate the radial of the aircraft iiss oonn rreeggaarrddlleessss ooff iittss hheeaaddiinngg.. AA ""ttoo//ffrroomm"" aarrrrooww iiss pprroovviiddeedd oonn tthhee CCDDII ffoorr ddeetteerrmmiinniinngg iiff tthhee iinnddiiccaatteedd bbeeaarriinngg iiss ttoo oorr ffrroomm tthhee ssttaattiioonn aanndd aa wwaarrnniinngg ""ffllaagg"" wwiillll aappppeeaarr iiff tthhee iinnffoorrmmaattiioonn iiss uunnuussaabbllee.. TThhee VVOORR aanndd tthhee llooccaalliizzeerr ppoorrttiioonn ooff tthhee iinnssttrruummeenntt llaannddiinngg ssyysstteemm ooppeerraattee iinn tthhee ssaammee ffrreeqquueennccyy rraannggee – oonnee VVHHFF nnaavviiggaattiioonn rreecceeiivveerr iiss uusseedd ffoorr bbootthh ffuunnccttiioonnss.. UUssuuaallllyy,, tthhee VVOORR aanndd llooccaalliizzeerr cciirrccuuiittrryy wwiillll bbee ffoouunndd iinn tthhee ssaammee cchhaassssiiss aass tthhee VVHHFF nnaavviiggaattiioonn rreecceeiivveerr.. IIff tthhee VVOORR aanndd llooccaalliizzeerr cciirrccuuiittrryy iiss ccoonnttaaiinneedd wwiitthhiinn tthhee iinnssttrruummeenntt,, tthhee ccoommbbiinnaattiioonn iiss kknnoowwnn aass aa ccoonnvveerrtteerr--iinnddiiccaattoorr.. IInn lliigghhtt aaiirrccrraafftt uussiinngg ppaanneell--mmoouunntteedd eeqquuiippmmeenntt,, tthhee VVHHFF nnaavviiggaattiioonn rreecceeiivveerr iiss ssoommeettiimmeess llooccaatteedd iinn tthhee ssaammee cchhaassssiiss aass tthhee VVHHFF ccoommmmuunniiccaattiioonnss ttrraannsscceeiivveerr.. Subject Code: AFD31202 Malaysian Institute of Aviation Technology Issue No : 000
  • 7.
    FOR TRAINING PURPOSEONLY The concept of VOR navigation iiss bbaasseedd oonn:: – ddeetteeccttiioonn ttwwoo ddiissttiinncctt ssiiggnnaallss ccoonnttaaiinneedd wwiitthhiinn oonnee ccaarrrriieerr ssiiggnnaall ttrraannssmmiitttteedd ffrroomm aa VVOORR ggrroouunndd ssttaattiioonn,, aanndd – ccoommppaarriinngg tthhee pphhaassee ddiiffffeerreennccee bbeettwweeeenn tthheemm ttoo ddeerriivvee tthhee bbeeaarriinngg ffrroomm tthhee ssttaattiioonn TThhiiss ccoonncceepptt iiss aannaallooggoouuss ttoo aa ttoowweerr hhaavviinngg aa sshhaarrppllyy ffooccuusseedd bbeeaaccoonn lliigghhtt wwhhiicchh rroottaatteess aatt aa ccoonnssttaanntt ssppeeeedd,, aanndd aa sseeccoonndd lliigghhtt wwhhiicchh ffllaasshheess iinn aallll ddiirreeccttiioonnss ((oommnnii--ddiirreeccttiioonnaall)) wwhheenn tthhee rroottaattiinngg bbeeaaccoonn ppooiinnttss ttoo mmaaggnneettiicc nnoorrtthh.. TThhee bbeeaarriinngg ffrroomm tthhee ttoowweerr ccaann tthhuuss bbee ddeetteerrmmiinneedd bbyy mmuullttiippllyyiinngg tthhee ssppeeeedd ooff tthhee rroottaattiinngg bbeeaaccoonn bbyy tthhee ttiimmee rreeqquuiirreedd bbeettwweeeenn wwhheenn tthhee ffiixxeedd ((rreeffeerreennccee)) lliigghhtt ffllaasshheess aanndd tthhee rroottaattiinngg ((vvaarriiaabbllee)) lliigghhtt ppaasssseess bbyy tthhee oobbsseerrvveerr.. Subject Code: AFD31202 Malaysian Institute of Aviation Technology VOR Navigation Concepts Issue No : 000
  • 8.
    FOR TRAINING PURPOSEONLY A VOR station radiates a composite electromagnetic field from two ground-based antennas on the same carrier frequency. The first antenna is omni-directional and radiates an amplitude-modulated reference signal. – The modulation frequency of the reference-phase signal varies from 9,480 Hz to 10,440 Hz at a rate of 30 times per second. – The resultant reference-phase signal then consists of a 9,960-Hz sub-carrier, Subject Code: AFD31202 Malaysian Institute of Aviation Technology VOR Navigation Concepts (cont’d) Issue No : 000 frequency-modulated at 30 Hz, that amplitude-modulates the RF carrier.
  • 9.
    FOR TRAINING PURPOSEONLY VOR Navigation Concepts (cont’d) The second antenna is a horizontal dipole which rotates at tthhee rraattee ooff 11,,880000 rreevvoolluuttiioonnss ppeerr mmiinnuuttee ((3300 rreevvoolluuttiioonnss ppeerr sseeccoonndd)) aanndd pprroodduucceess aa ffiigguurree-- eeiigghhtt eelleeccttrroommaaggnneettiicc ffiieelldd ppaatttteerrnn.. – TThhee RRFF ffiieelldd wwiitthhiinn oonnee ooff tthhee lloobbeess iiss eexxaaccttllyy iinn pphhaassee wwiitthh tthhee RRFF rraaddiiaatteedd ffrroomm tthhee oommnnii--ddiirreeccttiioonnaall ffiieelldd.. – TThhee iinn--pphhaassee lloobbee eexxtteennddss tthhee oommnnii--ddiirreeccttiioonnaall ppaatttteerrnn oonn oonnee ssiiddee tthhaatt rreessuulltt iinn aa ccaarrddiiooiiddss ffiieelldd ppaatttteerrnn wwhhiicchh rroottaatteess aatt tthhee rraattee ooff 3300 rreevvoolluuttiioonnss ppeerr sseeccoonndd.. Subject Code: AFD31202 Malaysian Institute of Aviation Technology Issue No : 000
  • 10.
    FOR TRAINING PURPOSEONLY VOR Navigation Concepts (cont’d) The airborne VOR receiver detects the RF carrier wwhhoossee aammpplliittuuddee iiss vvaarryyiinngg aatt aa rraattee ooff 3300 HHzz dduuee ttoo tthhee rroottaattiioonn ooff tthhee ccaarrddiiooiiddss ppaatttteerrnn.. TThhee ccaarrrriieerr iiss aallssoo aammpplliittuuddee--mmoodduullaatteedd bbyy tthhee 99,,996600--HHzz rreeffeerreennccee--pphhaassee ssiiggnnaall,, wwhhiicchh iiss ffrreeqquueennccyy--mmoodduullaatteedd aatt 3300 HHzz oonn aa ssuubbccaarrrriieerr ttoo ddiissttiinngguuiisshh iitt ffrroomm tthhee 3300--HHzz vvaarriiaabbllee--pphhaassee ssiiggnnaall.. TThhee VVOORR aaiirrbboorrnnee rreecceeiivveerr ddeetteeccttss tthhee vvaarriiaabbllee aanndd rreeffeerreennccee--pphhaassee ssiiggnnaallss aanndd ccoommppaarreess tthheeiirr pphhaassee ddiiffffeerreennccee ttoo ddeetteerrmmiinnee tthhee aaiirrccrraafftt''ss bbeeaarriinngg.. AAtt mmaaggnneettiicc nnoorrtthh,, bbootthh ssiiggnnaallss aappppeeaarr iinn pphhaassee.. Subject Code: AFD31202 Malaysian Institute of Aviation Technology Issue No : 000
  • 11.
    FOR TRAINING PURPOSEONLY The VOR station produces the radial pattern by transmitting 3300--HHzz rreeffeerreennccee ssiiggnnaallss aanndd 3300--HHzz vvaarriiaabbllee--pphhaassee ssiiggnnaallss ffoorr ccoommppaarriissoonn bbyy tthhee aaiirrbboorrnnee rreecceeiivveerr.. TThhee 3300--HHzz vvaarriiaabbllee--pphhaassee ssiiggnnaall iiss aann aammpplliittuuddee--mmoodduullaatteedd ccoommppoonneenntt ooff tthhee VVOORR ssttaattiioonn RRFF ssiiggnnaall.. – TThhiiss ssiiggnnaall iiss ggeenneerraatteedd bbyy rroottaattiinngg tthhee ttrraannssmmiittttiinngg aanntteennnnaa ppaatttteerrnn,, eeiitthheerr mmeecchhaanniiccaallllyy oorr eelleeccttrroonniiccaallllyy,, aatt 3300 rreevvoolluuttiioonnss ppeerr sseeccoonndd.. TThhee ssttaattiioonn iiddeennttiiffiiccaattiioonn ccooddee aanndd vvooiiccee ttrraannssmmiissssiioonnss aarree aallssoo aammpplliittuuddee-- mmoodduullaatteedd ccoommppoonneennttss ooff tthhee ssiiggnnaall.. TThhee ssuumm ooff aallll mmoodduullaattiioonn ccoommppoonneennttss ffrroomm tthhee ssttaattiioonn rreessuullttss iinn aa mmaaxxiimmuumm ooff 9900%% mmoodduullaattiioonn eeqquuaallllyy ddiivviiddeedd bbeettwweeeenn tthhee rreeffeerreennccee--pphhaassee ccoommppoonneenntt,, vvaarriiaabbllee--pphhaassee ccoommppoonneenntt,, aanndd tthhee rreemmaaiinniinngg vvooiiccee oorr ccooddee iiddeennttiiffiiccaattiioonn ccoommppoonneenntt.. Subject Code: AFD31202 Malaysian Institute of Aviation Technology VOR System Operation Issue No : 000
  • 12.
    FOR TRAINING PURPOSEONLY Subject Code: AFD31202 Malaysian Institute of Aviation Technology VOR System Operation (cont’d) Magnetic north is tthhee rreeffeerreennccee ffoorr aallll VVOORR mmeeaassuurreemmeennttss.. – AAtt mmaaggnneettiicc nnoorrtthh,, tthhee 3300--HHzz vvaarriiaabbllee ssiiggnnaall iiss iinn pphhaassee wwiitthh tthhee 3300--HHzz rreeffeerreennccee ssiiggnnaall.. AAtt aallll ootthheerr rraaddiiaallss,, tthhee 3300--HHzz vvaarriiaabbllee ssiiggnnaall lleeaadd oorr llaagg tthhee 3300-- HHzz rreeffeerreennccee ssiiggnnaall bbyy tthhee nnuummbbeerr ooff ddeeggrreeeess ffrroomm mmaaggnneettiicc nnoorrtthh ttoo tthhee rraaddiiaall.. FFoorr eexxaammppllee,, aatt 118800oo ffrroomm mmaaggnneettiicc nnoorrtthh,, tthhee vvaarriiaabbllee ssiiggnnaall iiss 118800oo oouutt--ooff--pphhaassee wwiitthh tthhee rreeffeerreennccee ssiiggnnaall.. Issue No : 000 VOR phase relationships
  • 13.
    FOR TRAINING PURPOSEONLY VOR System Operation (cont’d) ffrreeqquueennccyy iiss hhiigghh ((1100,,444400 HHzz)) – nneeggaattiivvee wwhheenn tthhee ffrreeqquueennccyy iiss llooww ((99,,448800 HHzz)) Phase relationships of a 260o VOR radial Subject Code: AFD31202 Malaysian Institute of Aviation Technology Figure oonn tthhee rriigghhtt--ssiiddee iilllluussttrraatteess tthhee pphhaassee rreellaattiioonnsshhiipp ooff tthhee 3300--HHzz rreeffeerreennccee aanndd vvaarriiaabbllee ssiiggnnaallss ffoorr aann aaiirrccrraafftt ffllyyiinngg ttoo aa VVOORR ssttaattiioonn oonn tthhee 226600oo rraaddiiaall.. TThhee 3300--HHzz rreeffeerreennccee ccoommppoonneenntt iiss aapppplliieedd ttoo aann FFMM ddeetteeccttoorr tthhaatt pprroodduucceess aa 3300--HHzz rreeffeerreennccee ssiiggnnaall:: – ppoossiittiivvee wwhheenn tthhee ssuubbccaarrrriieerr Issue No : 000
  • 14.
    FOR TRAINING PURPOSEONLY Subject Code: AFD31202 Malaysian Institute of Aviation Technology Issue No : 000
  • 15.
    FOR TRAINING PURPOSEONLY Subject Code: AFD31202 Malaysian Institute of Aviation Technology The 30-Hz variable component is applied to an AM detector that produces a 30-Hz variable-phase signal: – positive when the major lobe of the radiated signal is toward the aircraft When the 30-Hz variable and reference phases are compared, the difference is a direct measure of bearing from the VOR station to the aircraft (in this case, 260o). Issue No : 000 Phase relationships of a 260o VOR radial VOR System Operation (cont’d)
  • 16.
    FOR TRAINING PURPOSEONLY Subject Code: AFD31202 Malaysian Institute of Aviation Technology The VOR cciirrccuuiittrryy ddeerriivveess ttoo//ffrroomm bbeeaarriinngg iinnffoorrmmaattiioonn aanndd lleefftt//rriigghhtt ddeevviiaattiioonn ffrroomm tthhee sseelleecctteedd ccoouurrssee:: – bbyy ccoommppaarriinngg tthhee rreecceeiivveedd bbeeaarriinngg wwiitthh tthhee sseettttiinngg ooff tthhee oommnniibbeeaarriinngg sseelleeccttoorr.. AAnn aaiirrccrraafftt ffllyyiinngg iinnbboouunndd ttoo aa VVOORR ssttaattiioonn oonn tthhee 226600oo rraaddiiaall rreeqquuiirreess tthhee ppiilloott ttoo sslleeww tthhee OOBBSS ttoo tthhee 8800oo mmaaggnneettiicc ccoouurrssee sseettttiinngg.. Issue No : 000 Flying a VOR radial VOR System Operation (cont’d)
  • 17.
    FOR TRAINING PURPOSEONLY VOR System Operation (cont’d) Since the 80o selected magnetic course is displaced by more than 90o from either side of the VOR radial, the to/from arrow points upwards indicating the aircraft is flying to the station. The VOR circuitry produces left/right course deviation information in a manner similar to to/from deviation. When the OBS is set at 80o, a deviation window of approx. plus or minus 10o (full scale on the left/right deviation bar on the CDI) is formed symmetrically around the 260o VOR radial. Subject Code: AFD31202 Malaysian Institute of Aviation Technology Issue No : 000
  • 18.
    FOR TRAINING PURPOSEONLY VOR System Operation (cont’d) The VOR circuitry compares the selected OBS magnetic ccoouurrssee wwiitthh tthhee rreecceeiivveedd VVOORR rraaddiiaall aanndd ppoossiittiioonnss tthhee ccoouurrssee ddeevviiaattiioonn iinnddiiccaattoorr bbaarr ttoo iinnddiiccaattee tthhee ddiirreeccttiioonn,, – tthhee ppiilloott mmuusstt ttuurrnn tthhee aaiirrccrraafftt ttoo iinntteerrcceepptt tthhee ddeessiirreedd rraaddiiaall TThhuuss,, tthhee ddeevviiaattiioonn bbaarr iinnddiiccaatteess wwhheerree tthhee sseelleecctteedd VVOORR rraaddiiaall iiss llooccaatteedd wwiitthh rreessppeecctt ttoo tthhee aaiirrccrraafftt''ss ppoossiittiioonn.. TThhee ppiilloott kkeeeeppss ffrroomm ddeevviiaattiinngg ffrroomm tthhee sseelleecctteedd ccoouurrssee bbyy ffoolllloowwiinngg tthhee ccoommmmaanndd ooff tthhee lleefftt//rriigghhtt ddeevviiaattiioonn bbaarr ttoo mmaaiinnttaaiinn tthhee bbaarr iinn tthhee cceenntteerr ppoossiittiioonn.. Subject Code: AFD31202 Malaysian Institute of Aviation Technology Issue No : 000
  • 19.
    FOR TRAINING PURPOSEONLY VOR Transceiver System VHF omnirange (VOR) is an electronic navigation system that eennaabblleess aa ppiilloott ttoo ddeetteerrmmiinnee tthhee bbeeaarriinnggss ooff tthhee VVOORR ttrraannssmmiitttteerr ffrroomm aannyy ppoossiittiioonn iinn iittss sseerrvviiccee aarreeaa.. – TThhiiss iiss ppoossssiibbllee bbeeccaauussee tthhee VVOORR ggrroouunndd ssttaattiioonn,, oorr ttrraannssmmiitttteerr,, ccoonnttiinnuuaallllyy bbrrooaaddccaassttss aann iinnffiinniittee nnuummbbeerr ooff ddiirreeccttiioonnaall rraaddiioo bbeeaammss oorr rraaddiiaallss.. TThhee VVOORR ssiiggnnaall rreecceeiivveedd iinn aann aaiirrppllaannee iiss uusseedd ttoo ooppeerraattee aa vviissuuaall iinnddiiccaattoorr ffrroomm wwhhiicchh tthhee ppiilloott ddeetteerrmmiinneess tthhee bbeeaarriinnggss ooff tthhee VVOORR ssttaattiioonn wwiitthh rreessppeecctt ttoo tthhee aaiirrppllaannee.. Subject Code: AFD31202 Malaysian Institute of Aviation Technology Issue No : 000
  • 20.
    FOR TRAINING PURPOSEONLY Subject Code: AFD31202 Malaysian Institute of Aviation Technology Issue No : 000 Omni bbeeaarriinngg iinnddiiccaattoorr
  • 21.
    FOR TRAINING PURPOSEONLY Subject Code: AFD31202 Malaysian Institute of Aviation Technology Issue No : 000 Block diagrams of VOR transmitter and receiver systems
  • 22.
    FOR TRAINING PURPOSEONLY VOR Transceiver System (cont’d) The diagram for the VOR ground station, or transmitter, sshhoowwss aa ffiivvee--uunniitt aanntteennnnaa aarrrraayy.. TThhee cceenntteerr lloooopp ooff tthhee aanntteennnnaa aarrrraayy ccoonnttiinnuuoouussllyy bbrrooaaddccaassttss tthhee rreeffeerreennccee pphhaassee ssiiggnnaall,, wwhhiicchh iiss mmoodduullaatteedd aatt 3300 HHzz.. TTwwoo oouuttppuuttss aarree rraaddiiaatteedd bbyy tthhee ddiiaaggoonnaall ppaaiirrss ooff ccoommeerr aanntteennnnaass,, – tthhee ssiiggnnaallss rraaddiiaatteedd ffrroomm tthheessee ppaaiirrss aarree mmoodduullaatteedd bbyy 3300 HHzz aanndd ddiiffffeerr iinn EEaacchh ppaaiirr ooff aanntteennnnaass rraaddiiaatteess aa ffiigguurree--eeiigghhtt ppaatttteerrnn,, eeaacchh ppaatttteerrnn bbeeiinngg ddiissppllaacceedd ffrroomm tthhee ootthheerr bbyy 9900oo bbootthh iinn ssppaaccee aanndd iinn ttiimmee pphhaassee.. TThhee rreessuullttiinngg ppaatttteerrnn iiss tthhee ssuumm ooff tthhee ttwwoo ffiigguurree eeiigghhtt ppaatttteerrnnss aanndd ccoonnssiissttss ooff aa rroottaattiinngg ffiieelldd ttuurrnniinngg aatt 11880000 rrppmm,, oorr 3300 HHzz.. Subject Code: AFD31202 Malaysian Institute of Aviation Technology pphhaassee bbyy 9900oo Issue No : 000
  • 23.
    FOR TRAINING PURPOSEONLY VOR Transceiver System (cont’d) The total effect of the radiation from the VOR transmitter iiss ttoo pprroodduuccee ttwwoo ssiiggnnaallss wwhhoossee pphhaassee cchhaarraacctteerriissttiiccss vvaarryy iinn aaccccoorrddaannccee wwiitthh tthhee ddiirreeccttiioonn ((bbeeaarriinngg)) ooff tthhee ttrraannssmmiitttteerr ffrroomm tthhee rreecceeiivveerr.. TThhee ttwwoo ssiiggnnaallss rraaddiiaatteedd dduuee ssoouutthh ((mmaaggnneettiicc)) ooff tthhee ttrraannssmmiitttteerr aarree eexxaaccttllyy iinn pphhaassee;; – hheennccee aann aaiirrppllaannee ffllyyiinngg mmaaggnneettiicc nnoorrtthh ddiirreeccttllyy ttoowwaarrdd tthhee VVOORR ttrraannssmmiitttteerr wwiillll sshhooww aann iinnddiiccaatteedd bbeeaarriinngg ooff 00oo ttoo tthhee VVOORR ssttaattiioonn.. TThhee TTOO--FFRROOMM iinnddiiccaattoorr wwiillll sshhooww tthhaatt tthhee aaiirrppllaannee iiss ffllyyiinngg ttoo tthhee ssttaattiioonn.. IInn aa cclloocckkwwiissee ddiirreeccttiioonn aarroouunndd tthhee VVOORR ssttaattiioonn,, tthhee rraaddiiaatteedd ssiiggnnaallss bbeeccoommee iinnccrreeaassiinnggllyy oouutt ooff pphhaassee.. Subject Code: AFD31202 Malaysian Institute of Aviation Technology Issue No : 000
  • 24.
    FOR TRAINING PURPOSEONLY VOR Transceiver System (cont’d) AAtt 9900oo cclloocckkwwiissee ffrroomm tthhee dduuee ssoouutthh ddiirreeccttiioonn,, tthhee ssiiggnnaallss aarree 9900oo oouutt ooff pphhaassee,, aatt 118800oo tthheeyy aarree 118800oo oouutt ooff pphhaassee;; aatt 227700oo tthheeyy aarree 227700oo oouutt ooff pphhaassee;; aanndd aatt 336600oo ((00oo)) tthheeyy aarree bbaacckk iinn pphhaassee.. TThhee pphhaassee ddiiffffeerreennccee ooff tthhee ttwwoo ssiiggnnaallss mmaakkeess iitt ppoossssiibbllee ffoorr tthhee rreecceeiivveerr ttoo eessttaabblliisshh tthhee bbeeaarriinnggss ooff tthhee ggrroouunndd ssttaattiioonn.. TThhee ddiirreeccttiioonnaall bbeeaarriinnggss ooff VVOORR ssttaattiioonnss aarree sseett uupp iinn aaccccoorrddaannccee wwiitthh tthhee eeaarrtthh''ss mmaaggnneettiicc ffiieelldd ssoo tthhaatt tthheeyy mmaayy bbee ccoommppaarreedd ddiirreeccttllyy wwiitthh mmaaggnneettiicc-- ccoommppaassss iinnddiiccaattiioonnss oonn tthhee aaiirrppllaannee.. DDuurriinngg tthhee ooppeerraattiioonn ooff VVOORR eeqquuiippmmeenntt oonn aa ppaarrttiiccuullaarr hheeaaddiinngg,, aann aaiirrppllaannee ffllyyiinngg ttoowwaarrdd tthhee VVOORR ssttaattiioonn wwiillll sshhooww aa TTOO iinnddiiccaattiioonn oonn tthhee oommnnii--iinnddiiccaattoorr.. AAfftteerr tthhee aaiirrppllaannee ppaasssseess tthhee ssttaattiioonn,, tthhee iinnddiiccaattoorr wwiillll sshhooww FFRROOMM,, aanndd tthhee hheeaaddiinngg iinnffoorrmmaattiioonn wwiillll rreemmaaiinn tthhee ssaammee aass iitt wwaass.. Subject Code: AFD31202 Malaysian Institute of Aviation Technology Issue No : 000
  • 25.
    FOR TRAINING PURPOSEONLY VOR Transceiver System (cont’d) For example, if an airplane is flying toward a VOR station hhaavviinngg aa bbeeaarriinngg ooff 220000oo tthhee oommnniibbeeaarriinngg iinnddiiccaattoorr wwiillll sshhooww 220000oo TTOO.. AAfftteerr tthhee aaiirrppllaannee ppaasssseess oovveerr tthhee VVOORR ssttaattiioonn,, tthhee iinnddiiccaattoorr wwiillll sshhooww 220000oo FFRROOMM.. TThhee ccaarrrriieerr ffrreeqquueennccyy ooff tthhee VVOORR ssttaattiioonn iiss iinn tthhee VVHHFF rraannggee,, bbeettwweeeenn 111122 aanndd 111188 MMHHzz.. AA mmoodduullaattiioonn ooff 99996600 HHzz iiss ppllaacceedd oonn tthhee ccaarrrriieerr ooff tthhee rreeffeerreennccee ssiiggnnaall ttoo pprroovviiddee aa ssuubbccaarrrriieerr,, wwhhiicchh iiss mmoodduullaatteedd bbyy aa 3300--HHzz ssiiggnnaall.. TThhee 99996600--HHzz mmoodduullaattiioonn oonn tthhee oorriiggiinnaall ccaarrrriieerr wwaavvee iiss AAMM,, aanndd tthhee 3300--HHzz ssiiggnnaall oonn tthhee ssuubbccaarrrriieerr iiss FFMM.. TThhee ccaarrrriieerr wwaavvee ffoorr tthhee vvaarriiaabbllee--pphhaassee ssiiggnnaall iiss aammpplliittuuddee--mmoodduullaatteedd bbyy aa 3300-- HHzz ssiiggnnaall.. Subject Code: AFD31202 Malaysian Institute of Aviation Technology Issue No : 000
  • 26.
    FOR TRAINING PURPOSEONLY VOR Transceiver System (cont’d) The VOR receiver mounted in an airplane may be an independent uunniitt,, oorr iitt mmaayy ooppeerraattee iinn ccoonnjjuunnccttiioonn wwiitthh tthhee VVHHFF ccoommmmuunniiccaattiioonn rraaddiioo.. LLiigghhtt aaiirrccrraafftt ttyyppiiccaallllyy uussee tthhee ccoommbbiinneedd uunniitt,, kknnoowwnn aass aa VVHHFF NNAAVV//CCOOMM rraaddiioo.. TThhee VVOORR rreecceeiivveerr rreecceeiivveess bbootthh ccoommppoonneennttss ooff tthhee VVOORR ssiiggnnaall ttrraannssmmiitttteedd ffrroomm tthhee ggrroouunndd ssttaattiioonn aanndd ffrroomm tthheessee ssiiggnnaallss pprroodduucceess ttwwoo 3300--HHzz ssiiggnnaallss:: – oonnee bbeeiinngg tthhee rreeffeerreennccee pphhaassee – tthhee ootthheerr bbeeiinngg tthhee vvaarriiaabbllee pphhaassee TThhee aanngguullaarr ddiissttaannccee bbeettwweeeenn tthhee ttwwoo pphhaasseess iiss aapppplliieedd ttoo tthhee oommnniirraannggee iinnddiiccaattoorr,, bbyy wwhhiicchh iitt iiss ttrraannssllaatteedd iinnttoo uussaabbllee hheeaaddiinngg iinnffoorrmmaattiioonn.. Subject Code: AFD31202 Malaysian Institute of Aviation Technology Issue No : 000
  • 27.
    FOR TRAINING PURPOSEONLY VOR Transceiver System (cont’d) The onmirange indicator includes an azimuth dial, a LLEEFFTT--RRIIGGHHTT ddeevviiaattiioonn nneeeeddllee,, aanndd aa TTOO--FFRROOMM iinnddiiccaattoorr.. WWhheenn tthhee VVOORR rreecceeiivveerr oonn aann aaiirrppllaannee iiss ttuunneedd ttoo aa VVOORR ggrroouunndd ssttaattiioonn,, tthhee LLEEFFTT--RRIIGGHHTT iinnddiiccaattiinngg nneeeeddllee wwiillll bbee ddeefflleecctteedd eeiitthheerr ttoo tthhee rriigghhtt oorr ttoo tthhee lleefftt uunnlleessss tthhee sseelleecctteedd ccoouurrssee oonn tthhee oommnniirraannggee iinnddiiccaattoorr iiss iinn aaggrreeeemmeenntt wwiitthh tthhee bbeeaarriinngg ooff tthhee VVOORR ggrroouunndd ssttaattiioonn.. OOnnccee tthhee ppiilloott hhaass ttuunneedd ttoo tthhee ccoorrrreecctt ggrroouunndd ssttaattiioonn ffrreeqquueennccyy aanndd sseelleecctteedd tthhee ccoorrrreecctt ccoouurrssee,, tthhee uunniitt iiss rreeaaddyy ffoorr nnaavviiggaattiioonn.. FFoorr eexxaammppllee,, iiff tthhee ccoouurrssee--ddeevviiaattiioonn iinnddiiccaattoorr bbaarr mmoovveess ttoo tthhee lleefftt,, tthhee ppiilloott kknnoowwss tthhee iinntteennddeedd ccoouurrssee iiss ttoo tthhee lleefftt ooff tthhee aaiirrccrraafftt.. TToo ccoorrrreecctt tthhee fflliigghhtt ppaatthh,, tthhee ppiilloott mmuusstt ttuurrnn tthhee aaiirrccrraafftt ttoo tthhee lleefftt.. Subject Code: AFD31202 Malaysian Institute of Aviation Technology Issue No : 000
  • 28.
    FOR TRAINING PURPOSEONLY AA VVHHFF nnaavviiggaattiioonn rreecceeiivveerr ooppeerraatteess iinn tthhee ssaammee mmaannnneerr aass aa VVHHFF ccoommmmuunniiccaattiioonnss rreecceeiivveerr wwiitthh tthhee eexxcceeppttiioonn tthhaatt tthhee nnaavviiggaattiioonn rreecceeiivveerr ddooeess nnoott iinnccoorrppoorraattee tthhee uussee ooff aa ssqquueellcchh cciirrccuuiitt ttoo ddiissaabbllee tthhee aauuddiioo oouuttppuutt wwhheenn tthhee ssiiggnnaall ssttrreennggtthh iiss bbeellooww aa cceerrttaaiinn tthhrreesshhoolldd sseettttiinngg.. TThhee aauuddiioo oouuttppuutt mmuusstt bbee mmaaddee aavvaaiillaabbllee ttoo tthhee VVOORR ccoonnvveerrtteerr oorr iinnssttrruummeennttaattiioonn uunniitt aatt aallll ttiimmeess iinn oorrddeerr ffoorr iitt ttoo ddeerriivvee nnaavviiggaattiioonnaall iinnffoorrmmaattiioonn ffrroomm tthhee ccoommppoossiittee VVOORR ssiiggnnaall.. TThhee sseennssiittiivviittyy ooff aa ttyyppiiccaall ssuuppeerrhheetteerrooddyynnee nnaavviiggaattiioonn rreecceeiivveerr wwiillll ccaauussee aa tthhrreeee mmiiccrroovvoolltt iinnppuutt ssiiggnnaall mmoodduullaatteedd aatt 3300%% wwiitthh aa 11,,000000--HHzz ttoonnee ttoo pprroodduuccee 220000 mmiilllliiwwaattttss oouuttppuutt wwiitthh aa ssiixx ddBB ssiiggnnaall--ttoo--nnooiissee rraattiioo.. AAnn aauuttoommaattiicc ggaaiinn ccoonnttrrooll iiss uusseedd ttoo mmaaiinnttaaiinn nnoott mmoorree tthhaann aa tthhrreeee ddBB vvaarriiaattiioonn oovveerr aa 55 mmiilllliivvoolltt ttoo 5500,,000000 mmiilllliivvoolltt iinnppuutt ssiiggnnaall rraannggee.. Subject Code: AFD31202 Malaysian Institute of Aviation Technology VOR Equipments ssyysstteemm OOppeerraattiioonn Issue No : 000