Chapter 4: RF/MW Components
and Devices
Er. Shankar Gangaju
Senior Lecturer
Kathmandu Engineering College
Kalimati,Kathmandu
shankar.gangaju@keckist.edu.np
1
Coupling Probes and Loops
• Coupling Loops and Probes are common techniques for coupling
microwave signal to the waveguide.
• Inject or remove energy from waveguide
• Probes couple primarily to an electric field, loops couple to a
magnetic field.
• Mechanical as well as electrical considerations have to be taken into
account while deciding whether to use a coupling loop or coupling
probe. The important factors to be considered are:
– Possibility of voltage breakdown in the vicinity of an antinode.
– Ease of adjusting the coupling.
– Constancy of coupling as mechanical changes made.
– Prevention of interference with the electron stream.
– Matching.
2
Coupling Probes
• When a small probe is inserted into a
waveguide and supplied with microwave
energy, it acts as a quarter-wave antenna.
• Current flows in the probe and sets up an E
field as shown in figure.
• The E lines detach themselves from the probe.
• When the probe is located at the point of
highest efficiency, the E lines set up an E field
of considerable intensity.
3
4
Figure: Probe Coupling in rectangular waveguide
• The most efficient place to locate the probe is in the
centre of the "a" wall, parallel to the "b" wall and one
quarter-wavelength from the shorted end of the
waveguide, as shown in figure
• The point at which the E field is maximum in the
dominant mode.
• Therefore, energy transfer (coupling) is maximum at
this point. Note that the quarter-wavelength spacing is
at the frequency required to propagate the dominant
mode.
• The amount of energy transfer can be reduced by
decreasing the length of the probe, by moving it out of
the centre of the E field, or by shielding it. Where the
degree of coupling must be varied frequently, the probe
is made retractable so the length can be easily changed.
5
•The size and shape of the probe determines its
frequency, bandwidth, and power-handling capability.
•The diameter of a probe increases, the bandwidth
increases. A probe similar in shape to a door knob is
capable of handling much higher power and a larger
bandwidth than a conventional probe.
•The greater power-handling capability is directly
related to the increased surface area. Two examples of
broad-bandwidth probes are illustrated in figure.
•Removal of energy from a waveguide is simply a
reversal of the injection process using the same type of
probe.
6
Coupling Loops
• Another way of injecting energy into a waveguide is
by setting up an H field in the waveguide.
• This can be accomplished by inserting a small loop
which carries a high current into the waveguide, as
shown in figure.
• A magnetic field builds up around the loop and
expands to fit the waveguide, as shown in figure.
• If the frequency of the current in the loop is within the
bandwidth of the waveguide, energy will be
transferred to the waveguide.
7
8
Figure: Loop Coupling in rectangular waveguide
• For the most efficient coupling to the waveguide, the
loop is inserted at one of several points where the
magnetic field will be of greatest strength. Four of
those points are shown in figure.
• When less efficient coupling is desired, you can rotate
or move the loop until it encircles a smaller number of
H lines. When the diameter of the loop is increased, its
power-handling capability also increases.
• The bandwidth can be increased by increasing the size
of the wire used to make the loop.
• When a loop is introduced into a waveguide in which
an H field is present, a current is induced in the loop.
• When this condition exists, energy is removed from the
waveguide.
9
Slot/Aperture Coupling
• Slots or apertures are sometimes used when very
loose (inefficient) coupling is desired, as shown in
figure.
• In this method energy enters through a small slot
in the waveguide and the E field expands into the
waveguide.
• The E lines expand first across the slot and then
across the interior of the waveguide.
• Minimum reflections occur when energy is
injected or removed if the size of the slot is
properly proportioned to the frequency of the
energy.
10
11
Figure: Aperture Coupling in rectangular waveguide
• After learning how energy is coupled into and out
of a waveguide with slots, you might think that
leaving the end open is the most simple way of
injecting or removing energy in a waveguide.
• This is not the case, however, because when
energy leaves a waveguide, fields form around the
end of the waveguide.
• These fields cause an impedance mismatch
which, in turn, causes the development of
standing waves and a drastic loss in efficiency.
• Various methods of impedance matching and
terminating waveguides are required.
12
Waveguide Impedance Matching
• Waveguide transmission systems are not always perfectly
impedance matched to their load devices.
• The standing waves that result from a mismatch cause a
power loss, a reduction in power-handling capability, and an
increase in frequency sensitivity.
• Impedance-changing devices are therefore placed in the
waveguide to match the waveguide to the load. These
devices are placed near the source of the standing waves.
• Figure illustrates three devices, called irises, that are used to
introduce inductance or capacitance into a waveguide.
• An iris is nothing more than a metal plate that contains an
opening through which the waves may pass. The iris is
located in the transverse plane.
13
• An inductive iris and its equivalent circuit are illustrated in figure
view (A). The iris places a shunt inductive reactance across the
waveguide that is directly proportional to the size of the opening.
• Notice that the edges of the inductive iris are perpendicular to the
magnetic plane.
• `The shunt capacitive reactance, illustrated in view (B), basically
acts the same way. Again, the reactance is directly proportional to
the size of the opening, but the edges of the iris are perpendicular to
the electric plane.
• The iris, illustrated in view (C), has portions across both the
magnetic and electric planes and forms an equivalent parallel-LC
circuit across the waveguide.
• At the resonant frequency, the iris acts as a high shunt resistance.
Above or below resonance, the iris acts as a capacitive or inductive
reactance.
14
15
Waveguide Window
• Waveguide windows, also known as
Diaphragms, Apertures or Irises, are used to
provide impedance matching in the waveguide
in the same way as we used stubs in case of
transmission lines. Three common types of
windows include:
• Inductive Windows
• Capacitive Windows
• Resonant Windows
16
Inductive Window
• Conducting diaphragms extending in a waveguide from side walls as
shown in figure have the effect of adding an inductive susceptance
across the waveguide at the point at which diaphragms are placed.
• This is because, the iris in figure allows current to flow where none
flowed before.
• The electric field that advanced before now has conducting surface
in its plane, which permits current flow.
• Thus some energy is stored in the magnetic field which leads to an
increased inductance at that point of the waveguide.
• Such an element is therefore, called an inductive window.
• The amount of normalised inductive susceptance added is a function
of the window insertion distance l.
17
Capacitive Window
• Conducting diaphragms extending into the waveguide from
top and bottom walls constitute what is known as a
capacitive window as shown in figure.
• These windows produce the effect of ac capacitive
susceptance shunted across the waveguide at that point.
• It is obvious that the potential which earlier had existed
between top and bottom walls of waveguide now exists
between surfaces that are closer.
• This results in an increased capacitance at that point.
• Capacitive windows are not used extensively because of
the danger of voltage breakdown which ultimately places a
limit on the power that can be transmitted through the
waveguide.
18
Resonant Window
• A conducting diaphragm of the form shown in figure gives the effect of a
parallel tuned LC circuit connected across the guide at the point where
diaphragm is placed.
• An equivalent circuit is shown in figure. As a first approximation, a
resonant window may be considered to be a combination of an inductive
and a capacitive window, at the same point in the guide.
• If the inner dimensions of aperture are properly chosen, the frequency
range covered is large. However, a limit of minimum aperture size prevents
any further changes.
• The value of Q that can be obtained is of the order of 10 and decreases as
the size of aperture is increased. Since impedance offered by the resonant
window is very high for the dominant mode, and the shunting effect is
negligible for the same mode, other modes will be significantly attenuated.
Windows are usually employed only to correct a permanent mismatch,
rather than to provide adjustable matching.
19
POSTS and SCREWS
• POSTS and SCREWS made from conductive material can
be used for impedance-changing devices in waveguides.
• Figure A and B, illustrate two basic methods of using posts
and screws.
• A post or screw which only partially penetrates into the
waveguide acts as a shunt capacitive reactance.
• When the post or screw extends completely through the
waveguide, making contact with the top and bottom walls, it
acts as an inductive reactance. Note that when screws are
used the amount of reactance can be varied.
• When the depth of the penetration is /4, a series resonance
occurs .
20
21
Figure A: Conducting POSTS and SCREWS Penetrating
Figure B: Conducting POSTS and SCREWS Extending through
Attenuator
• An attenuator is a passive microwave
component which, when inserted in the signal
path of a system, reduces the signal by a
specified amount.
• They normally possess a low VSWR which
makes them ideal for reducing load VSWR in
order to reduce measurement uncertainties.
• They are sometimes used simply to absorb
power, either to reduce it to a measurable level
22
Attenuators and Loads
• Attenuator works by putting carbon vane or
flap into the waveguide
• Currents induced in the carbon cause loss
• Load is similar but at end of guide
• Attenuators are classified as either fixed or
variable and either reflective or non-reflective.
23
Lossy wall attenuator
24
Waveguide Termination
• Waveguide Junctions are used whenever it is desired to
combine two or more signals into one or split a signal
into two or more components in a waveguide system.
The commonly used waveguide junction includes:
• E-Plane tee junction
• H-plane tee junction
• Hybrid junction (Magic Tee)
• From the s-parameter theory of a microwave junction it
is evident that a tee junction should be characterized by
a matrix of third order containing nine elements, six of
which should be independent.
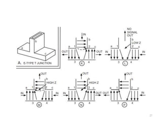
25
E-Plane Tee
26
•An E Plane Tee is a waveguide Tee in which the axis of its side arm are
parallel to electric field of the main guide. If the collinear arms are symmetric
about the side arm , there are two different transmission characteristics.
• If E plane Tee is perfectly matched the diagonal components of the S matrix
S11, S22, S33 are Zero because there will be no reflection.
•When the waves are fed in to side arm(port3), the waves appearing at port1
& 2 of collinear arm will be in opposite phase & in same magnitude, so
• The –ve sign indicates that they are opposite to each other.
For matched junction is given as
27
28
Due to the symmetric property of S matrix, we have
Since collinear arm is usually symmetric about the side arm, | S13| = | S23 | &
S11=S22.
The final S matrix is given below.
S =
S11 S12 S13
S12 S11 −S13
S13 −S13 S33
If port 3 is perfectly matched, the E-plane tee behaves as a series junction.
S =
S11 S12 S13
S12 S11 −S13
S13 −S13 0
H Plane Tee
29
An H plane tee is a waveguide tee in which the axis of its arm is
shunting the E field or parallel the H field to main guide as shown .
•It can be seen that if two input waves are fed in to port 1 & 2 of the
collinear arm the output wave at port 3 will be in phase & additive.
• If the input is fed to port 3 the wave will split equally in to ports
1 & 2 in phase & same magnitude.
The S matrix of H Plane tee is similar to that of E plane tee as
shown
S =
S11 S12 S13
S12 S11 −S13
S13 −S13 S33
but S13=S23.
S =
S11 S12 S13
S12 S11 S13
S13 S13 S33
If all ports are matched S =
0 S12 S13
S12 0 S13
S13 S13 0
Magic Tee (Hybrid Tee)
• A magic tee is combination of E-Plane tee and
H-Plane tee.
• The magic tee has several characteristics
30
•
• The S matrix of Magic Tee is given as
• The magic tee is commonly used for mixing, duplexing, and impedance
measurements.
31
Input/output characteristics of Magic Tee
• All ports are perfectly matched and divided into equidistance.
• If a signal is fed at coplanar arms it splits equally between E-arm and H-
arm.
• At each output ports the output power will be the half of the input power.
• There is a complete isolation between the coplanar arms.
• If an input signal is fed at the H-arm, it splits equally into port 1 and port 2
in phase.
• If an input signal is fed at the E-arm, it splits equally between into port 1
and port 2 in 180 degree out of phase.
32
Practical Example of Magic Tee
• Suppose there are two identical radar transmitters in
equipment stock. A particular application requires twice
more input power to an antenna than either transmitter
can deliver. Give your appropriate solution for the given
problem with explanation.
Solution:
• A magic tee may be used to couple the two transmitters to the
antenna in such way that the transmitters do not load each
other. For that, the two transmitter should be connected to port
3 and 4 respectively as shown in figure.
• Transmitter 1, connected to port 3, causes a wave to emanate
from port 1 and another at port 2, both equal in magnitude but
opposite in phase.
33
• Transmitter 2, connected to port 4, gives rise to
a wave at port 1 and another at port 2, both
equal in magnitude and in phase.
• At port 1 the two opposite waves cancel each
other.
• At port 2 the two in-phase waves add together
so double output power at port 2 is obtained
for the antenna
34
Hybrid Ring
• Hybrid Ring is also called Rat-Race Circuits
• Consists of an annular line of proper electrical
length to sustain standing waves to which four
arms are connected at proper intervals by
means of series or parallel junctions.
35
• Hybrid ring has similar characteristics to those
of the hybrid tee.
• When wave is fed into port 1, it will not appear
at port 3 because the difference of phase shifts
for the waves travelling in the clockwise and
counterclockwise directions is 180 degrees
thus the waves are cancelled at port 3.
• For the same reason, the waves fed into port 2
will not emerge at port 4 and so on.
36
• The S-Matrix for an ideal hybrid ring can be
expressed as,
• The phase cancellation occurs only at a
designed frequency for an ideal hybrid ring.
• Actual Hybrid ring have same leakage
couplings, and therefore the zero elements in
the matrix are not quite equal to zero.
37
Practical View of Waveguide Tee
38
E-Plane Tee
H-Plane Tee
Magic Tee
Rat-Race Tee
Directional Couplers
• A directional coupler is a four-port waveguide junction
used for unidirectional power flow measurement and
SWR measurement.
• It consists of a primary/main waveguide 1-2 and a
secondary/auxiliary waveguide 3-4,
• When all ports are terminated in their characteristics
impedances, there is free transmission of power,
without reflection between port 1 and port 2.
• There is no transmission of power between port 1 and
port 3 or between port 2 and port 4 because no coupling
exists between these two pairs of ports.
39
• The degree of coupling between port 1 and
port 4 and between port 2 and port 3 depends
on the structure of the coupler.
40
One specific class of power divider is the directional coupler. This is
a four port device that samples the power flowing into port 1
coupled in to port 3 (the coupled port) with the remainder of the
power delivered to port 2 (the through port) and no power delivered
to the isolated port.
Input
Isolated
Through
Coupled
Usually the isolated port is terminated within the coupler casing. In
such case, the coupler appears to be a three port device. In ideal
case no power is delivered to port 3 (the isolated port).
41
Directional Coupler Parameter
• The performance of directional coupler is
measured in terms of four basic parameters:
1. Coupling Factor (C):
– Measure of how much of power is being sampled.
– Ratio of power levels in main and auxiliary
waveguides.
42
Directional Coupler Parameter
2. Directivity (D):
– Measure of how well the directional coupler
distinguishes between forward and reverse
travelling power.
– Ratio of forward coupled power level and reverse
power level in auxiliary waveguide.
43
Directional Coupler Parameter
3. Isolation (I):
– Measures the directional properties.
– Ratio of incident power in main waveguide to the
reverse power at auxiliary waveguide.
– I = C.D
– I (dB)= [C]dB+[D]dB
44
Directional Coupler Parameter
4. Return/Insertion Loss (R):
– Ratio of power incident to the power transmitted
in the primary arm.
𝑅(𝑑𝐵) = 10log
𝑃1
𝑃2
dB
45
Two-Hole Directional Couplers
• A two-hole directional coupler with travelling
waves propagating in it is shown in figure.
46
• The spacing between the centers of two holes
must be
Where n is any positive integer.
• A fraction of the wave energy entered into port 1
passes through the holes and is radiated into the
secondary guide as the holes act as slot antennas.
• The forward waves in the secondary guide are in
the same phase, regardless of the hole space, and
are added at port 4.
• The backward waves in the secondary guide
(waves are progressing from right to left) are out
of phase by rad and are cancelled at port 3.
47
48
Phase Shifter
• A Phase shifter produces an adjustable change in the
phase angle of the wave transmitted through it.
• Similar to attenuator but uses ferrite instead of
carbon.
• The phase shift is achieved by changing the electrical
length of the line or the velocity of the wave.
• The electrical length of a line is equal to 2πl/λ, where
l is the geometric length of the line and λ is the
wavelength in the line.
• Microwave phase shifters may be adjustable or
nonadjustable.
49
Phase Shifter
• Adjustable phase shifters consist of a feeder section
that introduces the phase shift at a certain frequency
(or the desired phase shifts over a given frequency
range).
• The magnitude of the shifts can be adjusted as
required.
• The two principal classes of adjustable phase shifters
are those with mechanical or electromechanical
control of the phase shift and those with electrical
control.
50
Phase Shifter
• The first type includes telescoping sections of coaxial
lines, adjustable by changing the length l, and
dielectric waveguide phase shifters, which consist of
waveguide sections containing a movable dielectric
plate.
51
Phase Shifter
• In the latter design, the phase velocity of the wave
and λ (and, consequently, the phase shift) are affected
by the position of the dielectric plate in the wave
guide.
• RF and microwave Phase Shifters have many
applications in various equipment such as phase
discriminators, beam forming networks, power
dividers, linearization of power amplifiers, and phase
array antennas.
52
Microwave circulators
• A microwave circulator is a multiport waveguide
junction in which the wave can flow only from
the nth port to the (n + 1)th port in one direction.
• Although there is no restriction on the number of
ports, the four-port microwave circulator is the
most common.
• One type of four-port microwave circulator is a
combination of two 3-dB side-hole directional
couplers and a rectangular waveguide with two
nonreciprocal phase shifters as shown in figure.
53
Microwave circulators
54
4-port Circulator Symbol
Microwave circulators
• All four ports are matched and transmission of
power takes place in cyclic order only.
• An ideal circulator is lossless.
• The working of circulator is based on principle of
Faraday rotation- “If circularly polarized wave is
placed through a ferrite rod which has been
influenced by axial magnetic field then the axis of
polarization gets tilted clockwise with the same
amount to the H-field strength and the geometry
of ferrite.”
55
Microwave circulators
56
Four-port Circulator
Schematic
Microwave circulators
• Each of the two 3-dB couplers in the circulator
introduces a phase shift of 90°, and each of the
two phase shifters produces a certain amount
of phase change in a certain direction as
indicated.
• When a wave is incident to port 1, the wave is
split into two components by coupler 1.
• The wave in the primary guide arrives at port 2
with a relative phase change of 180°.
57
Microwave circulators
• The second wave propagates through the two
couplers and the secondary guide and arrives
at port 2 with a relative phase shift of 180°.
• Since the two waves reaching port 2 are in
phase, the power transmission is obtained from
port 1 to port 2.
• However, the wave propagates through the
primary guide, phase shifter, and coupler 2 and
arrives at port 4 with a phase change of 270°.
58
Microwave circulators
• The wave travels through coupler 1 and the
secondary guide, and it arrives at port 4 with a
phase shift of 90°.
• Since the two waves reaching port 4 are out of
phase by 180°, the power transmission from port
1 to port 4 is zero.
• A similar analysis shows that a wave incident to
port 2 emerges at port 3 and so on.
• As a result, the sequence of power flow is
designated as 1→2 →3 →4 →1.
59
60
Microwave Isolators
• An isolator is a nonreciprocal transmission device that
is used to isolate one component from reflections of
other components in the transmission line.
• An ideal isolator completely absorbs the power for
propagation in one direction and provides lossless
transmission in the opposite direction.
• Thus the isolator is usually called uniline.
• Isolators are generally used to improve the frequency
stability of microwave generators, such as klystrons and
magnetrons, in which the reflection from the load
affects the generating frequency.
61
Microwave Isolators
• In such cases, the isolator placed between the generator
and load prevents the reflected power from the
unmatched load from returning to the generator.
• As a result, the isolator maintains the frequency
stability of the generator.
• Isolators can be constructed in many ways.
• They can be made by terminating ports 3 and 4 of a
four-port circulator with matched loads.
• On the other hand, isolators can be made by inserting a
ferrite rod along the axis of a rectangular waveguide as
shown in figure. The isolator here is a Faraday-rotation
isolator.
62
Working Principle
63
• The input resistive card is in the y-z plane, and output resistive
card is displaced 45 degree with respect to the input card.
• The DC magnetic field, which is applied longitudinally to the
ferrite rod, rotates the wave plane of polarization by 45 degree.
Working Contd..
• The degrees of rotation depend on the length and diameter of the rod
and on the applied DC magnetic field.
• An input TE10 dominant mode is incident to the left end of the
isolator.
• Since the TE10 mode wave is perpendicular to the input resistive
card, the wave passes through the ferrite rod without attenuation.
• The wave in the ferrite rod section is rotated clockwise by 45 degree
and is normal to the output resistive card.
• As a result of rotation, the wave arrives at the output end without
attenuation at all.
• On the contrary, a reflected wave from the output end is similarly
rotated clockwise 45 degree by the ferrite rod. Since the reflected
wave is parallel to the input resistive card, the wave is thereby
absorbed by the input card.
• Typical performance: about 1dB insertion loss and 20 to 30 dB
isolation loss.
64
Microwave Cavities
• A microwave cavity or radio frequency (RF)
cavity is a special type of resonator, consisting
of a closed (or largely closed) metal structure
that confines electromagnetic fields in the
microwave region of the spectrum.
• The structure is either hollow or filled with
dielectric material.
65
Microwave Cavities
• They are used in oscillators and transmitters to
create microwave signals, and as filters to
separate a signal at a given frequency from other
signals, in equipment such as radar equipment,
microwave relay stations, satellite
communications, and microwave ovens.
• In addition to their use in electrical networks, RF
cavities can manipulate charged particles passing
through them by application of acceleration
voltage and are thus used in particle accelerators.
66
Microwave Cavities
• Most resonant cavities are made from closed (or
short-circuited) sections of waveguide or high-
permittivity dielectric material (dielectric
resonator).
• Electric and magnetic energy is stored in the
cavity and the only losses are due to finite
conductivity of cavity walls and dielectric losses
of material filling the cavity.
• Every cavity has numerous resonant frequencies
that correspond to electromagnetic field modes
satisfying necessary boundary conditions on the
walls of the cavity.
67
Microwave Cavities
• Because of these boundary conditions that
must be satisfied at resonance (tangential
electric fields must be zero at cavity walls), it
follows that cavity length must be an integer
multiple of half-wavelength at resonance.
• Hence, a resonant cavity can be thought of as a
waveguide equivalent of short circuited half-
wavelength transmission line resonator.
68
Rectangular Cavity Resonator
• A rectangular cavity resonator is a closed
section of a rectangular waveguide.
• The electromagnetic fields in the cavity are
excited via external coupling. An external
power source is usually coupled to the cavity
by a small aperture, a small wire probe or a
loop.
69
Rectangular Cavity Resonator
70
Rectangular Cavity Resonator
• Quality factor:
The quality factor Q of a cavity can be
decomposed into two parts, representing
different power loss mechanisms:
1. Qc, resulting from the power loss in the walls
which have finite conductivity.
71
Rectangular Cavity Resonator
Where k is the wave number given by
𝑘 =
𝑚𝜋
𝑎
2
+
𝑛𝜋
𝑏
2
+
𝑙𝜋
𝑑
2
Rs is the surface resistivity given by 𝑅 𝑠 =
𝜔𝜇0
2𝜎
72
Rectangular Cavity Resonator
2.Qd resulting from the power loss in the lossy
dielectric material filling the cavity.
Where δ is the loss tangent.
The overall Q-factor is
73
Rectangular Cavity Resonator
• Resonant frequency is given by
74
Circular Cavity Resonator
• It is a circular waveguide with two ends closed
by a metal wall.
75
Circular Cavity Resonator
• Its resonant frequency is given by
Where Xmn denotes the n-th zero of the m-th
Bessel function, and X'mn denotes the n-th zero of
the derivative of the m-th Bessel function.
76
Microwave Transistors
• Designed to minimize capacitances and transit
time
• NPN bipolar and N channel FETs preferred
because free electrons move faster than holes
• Gallium Arsenide has greater electron mobility
than silicon
Gunn Diode
• A Gunn diode, also known as a transferred
electron device (TED), is a form of diode, a
two-terminal passive semiconductor electronic
component, with negative resistance, used in
high-frequency electronics.
• The Gunn diode is based on the Gunn effect,
and both are named for the physicist J. B.
Gunn who, at IBM in 1962, discovered the
effect.
78
Gunn Diode
• In some materials (III-V compounds such as
GaAs and InP), after an electric field in the
material reaches a threshold level, the mobility of
electrons decrease as the electric field is
increased, thereby producing negative resistance.
• A two-terminal device made from such a material
can produce microwave oscillations, the
frequency of which is primarily determined by the
characteristics of the specimen of the material and
not by any external circuit.
79
Gunn Diode
• Its internal construction is unlike other diodes
in that it consists only of N-doped
semiconductor material, whereas most diodes
consist of both P and N-doped regions.
• In the Gunn diode, three regions exist: two of
them are heavily N-doped on each terminal,
with a thin layer of lightly doped material in
between.
80
Symbols for Circuit Diagram:
81
Gunn Diode
• Gallium Arsenide (GaAs) and Indium
Phosphide (InP) are most common material
used for Gunn diode.
• The negative resistance in Gunn diode is due
to
– electron transfer to a less mobile energy level
– high reverse bias
– electron domain formation at the junction
82
Gunn Diode
• Slab of N-type GaAs (gallium arsenide)
• called Gunn diode but has no junctions
• Has a negative-resistance region where drift
velocity decreases with increased voltage
• This causes a concentration of free electrons
called a domain
Gunn Diode
84
Effect of Negative resistance
on current
Gunn Diode
• In materials displaying the Gunn effect, such
as gallium arsenide or cadmium sulfide,
electrons can exist in two states of mobility, or
ease of movement.
• Electrons in the state of higher mobility move
through the solid more easily than electrons in
the lower mobility state. When no electrical
voltage is applied to the material, most of its
electrons are in the high mobility state.
86
Gunn Diode
• When an electrical voltage is applied, all its electrons
begin to move just as in ordinary conductors.
• This motion constitutes an electrical current, and in
most solids greater voltages cause increased
movement of all the electrons and hence greater
current flow.
• In Gunn-effect materials, however, a sufficiently
strong electrical voltage may force some of the
electrons into the state of lower mobility, causing
them to move more slowly and decreasing the
electrical conductivity of the material. 87
Gunn Diode
• In electronic circuits incorporating the Gunn
diode, this unusual relationship between
voltage and current (motion) results in the
generation of high-frequency alternating
current from a direct-current source.
88
Transit-time Mode
• Domains move through the GaAs till they
reach the positive terminal
• When domain reaches positive terminal it
disappears and a new domain forms
• Pulse of current flows when domain disappears
• Period of pulses = transit time in device
Gunn Oscillator Frequency
• T=d/v
T = period of oscillation
d = thickness of device
v = drift velocity, about 1  105 m/s
• f = 1/T
Gunn Diode
92
MASER
• MASER (Microwave Amplification by
Stimulated Emission of Radiation) are
semiconductor devices which works on the
principle of amplification by stimulated
emission of radiation i.e. atomic energy is
converted into electromagnetic energy.
• Principle of Operation:
– By providing additional energy, electrons from the
existing orbit can be liberated and it will emit
energy at the same frequency.
93
MASER
– The electron is shifted to next higher energy level, this
is called pumping.
– This pumping is done at frequency corresponding to
the energy difference between two energy levels.
– The re-emission of energy is simulated and the signal
at this frequency is thus amplified.
– The re-emitted frequencies are microwaves.
• Gas ammonia, hydrogen, cesium, ruby, alumina
silica (Al203) are materials used in masers.
94
• Waveguide: hollow metal tube used to guide e.m. energy
from one point to another or through which e.m. waves
propagate.
• Typically one enclosed conductor filled with an insulating
medium.
• The transmission of e.m. energy along waveguide travels at
velocity slower than e.m. energy traveling through free
space.
• Transmission line: Two or more conductors separated by
some insulating medium.
Waveguide & Transmission Line
95
Cont.
Transmission
Line
Coaxial
Line
Stripline
Microstrip
Waveguides
Rectangular Circular
Ridge Flexible
96
• It consists of a hollow rectangular waveguide (rectangular
cross section) that can propagate TM and TE modes but not
TEM since only one conductor is present.
• The wall of the guides are conductors and therefore
reflection from them may take place.
• Applications: high-power systems, millimeter wave
applications, satellite systems, precision test applications.
97
• It is a standard convention to have the longest side of the
waveguide along x-axis [a (width) > b (length)]
98
• It consists of a hollow, round (circular cross section) metal
pipe that supports TE and TM waveguide modes.
• Applications: used in transmission of circularly polarized
waves, to connect components having circular cross-section
(e.g.: isolators or attenuators) to rectangular waveguide.
99
• The structure of such a circular waveguide with inner radius
a, is shown below:
100
Propagation Mode of EM Wave
101
• The electric field, E and the magnetic field, H are oriented
transverse to the direction of propagation of wave.
• Exists in plane waves and transmission lines (2 conductors).
• No cut-off frequency.
Transverse Electromagnetic (TEM)
y
Ey
Hz
z
x
Direction of
Travel
Hx
102
• The electric field, E is transverse to the direction of
propagation of wave and the magnetic field, H has
components transverse and in the direction of the wave.
• Exists in waveguide modes.
Transverse Electric (TE)
y
Ey
Hx
Hz
H
z
x
Direction of
travel
103
• The magnetic field, H is transverse to the direction of
propagation of wave and the electric field, E has
components transverse and in the direction of the wave.
• Exists in waveguide modes.
Transverse Magnetic (TM)
y
Ey
Hx
z
Ez
E
x
Direction of
travel
104
• Critical (cut-off) frequency, fc(Hz): the lowest frequency for
which a mode will propagate in a waveguide.
• Critical (cut-off) wavelength, λc (m/cycle): the largest
wavelength that can propagate in the waveguide without
any / minimum attenuation (or the smallest free space
wavelength that is just unable to propagate in the
waveguide).
• Group velocity (vg, m/s):
a) The velocity at which a wave propagates.
b) Refers to the velocity of a group of waves.
c) It is also the velocity at which information signals or
energy is propagated.
105
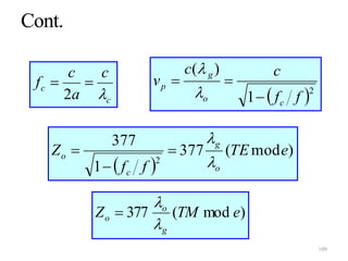
• Phase velocity (vp, m/s):
a) The velocity at which the wave changes phase.
b) It is the apparent velocity of the wave (i.e.: max
electric intensity point).
c) vp always equal to or greater than vg (vp ≥ vg).
d) It may exceed the velocity of light (velocity in
free space).
• The relationship between vg, vp and speed of light,
c is given by:
c2 = vgvp
106
• Propagation wavelength in the waveguide (λg, m/s):
a)Wavelength of travelling wave that propagates down the
waveguide.
b)λg will be greater in the waveguide than in free space (λo).
• Waveguide characteristic impedance (Zo, Ω):
a)It depends on the cut-off frequency, which in turn is
determined by the guide dimension.
b)It is also closely related to the characteristic impedance of
free space (377 Ω).
c)Generally, Zo > 377 Ω.
107
• Dominant mode (mode with lowest cutoff frequency) for
rectangular waveguide is TE1,0.
• A waveguide acts as a high-pass filter in that it passes only
those frequencies above the cutoff frequency.
2
cvv pg 
c
vp
og  
22
c
g
ff
c


 2
1 ffc
o
g




108
 2
1
)(
ff
cc
v
co
g
p




c
c
c
a
c
f


2
 
)mod(377
1
377
2
eTE
ff
Z
o
g
c
o





)mod(377 eTMZ
g
o
o



109
1. For a rectangular waveguide with a width of 3 cm and a
desired frequency of operation of 6 GHz (for dominant
mode), determine:
a) Cut-off frequency
b) Cut-off wavelength
c) Group velocity
d) Phase velocity
e) Propagation wavelength in the waveguide
f) Characteristic impedance
2. Repeat Example 1 for a rectangular waveguide with a
width of 2.5 cm and a desired frequency of operation of 7
GHz.
110
• Dominant mode for circular waveguide is TE1,1.
• For TE1,1 mode, x’11 = 1.841 (solution of Bessel function
equation).
a
cx
f
np
c
2

np
c
x
a

2

 2
1 ff
c
v
c
p

 2
cvv pg 
111
 2
1 ffc
o
g




)mod(377 eTEZ
o
g
o



)mod(377 eTMZ
g
o
o



112
113
1. For a circular waveguide with a radius of 1 cm and a
desired frequency of operation of 10 GHz (for dominant
mode), determine:
a) Cut-off frequency
b) Cut-off wavelength
c) Group velocity
d) Phase velocity
e) Propagation wavelength in the waveguide
f) Characteristic impedance
2. Repeat Example 1 for a circular waveguide with a radius
of 2.5 cm and a desired frequency of operation of 7 GHz.
114

Rf and microwave components and devices

  • 1.
    Chapter 4: RF/MWComponents and Devices Er. Shankar Gangaju Senior Lecturer Kathmandu Engineering College Kalimati,Kathmandu shankar.gangaju@keckist.edu.np 1
  • 2.
    Coupling Probes andLoops • Coupling Loops and Probes are common techniques for coupling microwave signal to the waveguide. • Inject or remove energy from waveguide • Probes couple primarily to an electric field, loops couple to a magnetic field. • Mechanical as well as electrical considerations have to be taken into account while deciding whether to use a coupling loop or coupling probe. The important factors to be considered are: – Possibility of voltage breakdown in the vicinity of an antinode. – Ease of adjusting the coupling. – Constancy of coupling as mechanical changes made. – Prevention of interference with the electron stream. – Matching. 2
  • 3.
    Coupling Probes • Whena small probe is inserted into a waveguide and supplied with microwave energy, it acts as a quarter-wave antenna. • Current flows in the probe and sets up an E field as shown in figure. • The E lines detach themselves from the probe. • When the probe is located at the point of highest efficiency, the E lines set up an E field of considerable intensity. 3
  • 4.
    4 Figure: Probe Couplingin rectangular waveguide
  • 5.
    • The mostefficient place to locate the probe is in the centre of the "a" wall, parallel to the "b" wall and one quarter-wavelength from the shorted end of the waveguide, as shown in figure • The point at which the E field is maximum in the dominant mode. • Therefore, energy transfer (coupling) is maximum at this point. Note that the quarter-wavelength spacing is at the frequency required to propagate the dominant mode. • The amount of energy transfer can be reduced by decreasing the length of the probe, by moving it out of the centre of the E field, or by shielding it. Where the degree of coupling must be varied frequently, the probe is made retractable so the length can be easily changed. 5
  • 6.
    •The size andshape of the probe determines its frequency, bandwidth, and power-handling capability. •The diameter of a probe increases, the bandwidth increases. A probe similar in shape to a door knob is capable of handling much higher power and a larger bandwidth than a conventional probe. •The greater power-handling capability is directly related to the increased surface area. Two examples of broad-bandwidth probes are illustrated in figure. •Removal of energy from a waveguide is simply a reversal of the injection process using the same type of probe. 6
  • 7.
    Coupling Loops • Anotherway of injecting energy into a waveguide is by setting up an H field in the waveguide. • This can be accomplished by inserting a small loop which carries a high current into the waveguide, as shown in figure. • A magnetic field builds up around the loop and expands to fit the waveguide, as shown in figure. • If the frequency of the current in the loop is within the bandwidth of the waveguide, energy will be transferred to the waveguide. 7
  • 8.
    8 Figure: Loop Couplingin rectangular waveguide
  • 9.
    • For themost efficient coupling to the waveguide, the loop is inserted at one of several points where the magnetic field will be of greatest strength. Four of those points are shown in figure. • When less efficient coupling is desired, you can rotate or move the loop until it encircles a smaller number of H lines. When the diameter of the loop is increased, its power-handling capability also increases. • The bandwidth can be increased by increasing the size of the wire used to make the loop. • When a loop is introduced into a waveguide in which an H field is present, a current is induced in the loop. • When this condition exists, energy is removed from the waveguide. 9
  • 10.
    Slot/Aperture Coupling • Slotsor apertures are sometimes used when very loose (inefficient) coupling is desired, as shown in figure. • In this method energy enters through a small slot in the waveguide and the E field expands into the waveguide. • The E lines expand first across the slot and then across the interior of the waveguide. • Minimum reflections occur when energy is injected or removed if the size of the slot is properly proportioned to the frequency of the energy. 10
  • 11.
    11 Figure: Aperture Couplingin rectangular waveguide
  • 12.
    • After learninghow energy is coupled into and out of a waveguide with slots, you might think that leaving the end open is the most simple way of injecting or removing energy in a waveguide. • This is not the case, however, because when energy leaves a waveguide, fields form around the end of the waveguide. • These fields cause an impedance mismatch which, in turn, causes the development of standing waves and a drastic loss in efficiency. • Various methods of impedance matching and terminating waveguides are required. 12
  • 13.
    Waveguide Impedance Matching •Waveguide transmission systems are not always perfectly impedance matched to their load devices. • The standing waves that result from a mismatch cause a power loss, a reduction in power-handling capability, and an increase in frequency sensitivity. • Impedance-changing devices are therefore placed in the waveguide to match the waveguide to the load. These devices are placed near the source of the standing waves. • Figure illustrates three devices, called irises, that are used to introduce inductance or capacitance into a waveguide. • An iris is nothing more than a metal plate that contains an opening through which the waves may pass. The iris is located in the transverse plane. 13
  • 14.
    • An inductiveiris and its equivalent circuit are illustrated in figure view (A). The iris places a shunt inductive reactance across the waveguide that is directly proportional to the size of the opening. • Notice that the edges of the inductive iris are perpendicular to the magnetic plane. • `The shunt capacitive reactance, illustrated in view (B), basically acts the same way. Again, the reactance is directly proportional to the size of the opening, but the edges of the iris are perpendicular to the electric plane. • The iris, illustrated in view (C), has portions across both the magnetic and electric planes and forms an equivalent parallel-LC circuit across the waveguide. • At the resonant frequency, the iris acts as a high shunt resistance. Above or below resonance, the iris acts as a capacitive or inductive reactance. 14
  • 15.
  • 16.
    Waveguide Window • Waveguidewindows, also known as Diaphragms, Apertures or Irises, are used to provide impedance matching in the waveguide in the same way as we used stubs in case of transmission lines. Three common types of windows include: • Inductive Windows • Capacitive Windows • Resonant Windows 16
  • 17.
    Inductive Window • Conductingdiaphragms extending in a waveguide from side walls as shown in figure have the effect of adding an inductive susceptance across the waveguide at the point at which diaphragms are placed. • This is because, the iris in figure allows current to flow where none flowed before. • The electric field that advanced before now has conducting surface in its plane, which permits current flow. • Thus some energy is stored in the magnetic field which leads to an increased inductance at that point of the waveguide. • Such an element is therefore, called an inductive window. • The amount of normalised inductive susceptance added is a function of the window insertion distance l. 17
  • 18.
    Capacitive Window • Conductingdiaphragms extending into the waveguide from top and bottom walls constitute what is known as a capacitive window as shown in figure. • These windows produce the effect of ac capacitive susceptance shunted across the waveguide at that point. • It is obvious that the potential which earlier had existed between top and bottom walls of waveguide now exists between surfaces that are closer. • This results in an increased capacitance at that point. • Capacitive windows are not used extensively because of the danger of voltage breakdown which ultimately places a limit on the power that can be transmitted through the waveguide. 18
  • 19.
    Resonant Window • Aconducting diaphragm of the form shown in figure gives the effect of a parallel tuned LC circuit connected across the guide at the point where diaphragm is placed. • An equivalent circuit is shown in figure. As a first approximation, a resonant window may be considered to be a combination of an inductive and a capacitive window, at the same point in the guide. • If the inner dimensions of aperture are properly chosen, the frequency range covered is large. However, a limit of minimum aperture size prevents any further changes. • The value of Q that can be obtained is of the order of 10 and decreases as the size of aperture is increased. Since impedance offered by the resonant window is very high for the dominant mode, and the shunting effect is negligible for the same mode, other modes will be significantly attenuated. Windows are usually employed only to correct a permanent mismatch, rather than to provide adjustable matching. 19
  • 20.
    POSTS and SCREWS •POSTS and SCREWS made from conductive material can be used for impedance-changing devices in waveguides. • Figure A and B, illustrate two basic methods of using posts and screws. • A post or screw which only partially penetrates into the waveguide acts as a shunt capacitive reactance. • When the post or screw extends completely through the waveguide, making contact with the top and bottom walls, it acts as an inductive reactance. Note that when screws are used the amount of reactance can be varied. • When the depth of the penetration is /4, a series resonance occurs . 20
  • 21.
    21 Figure A: ConductingPOSTS and SCREWS Penetrating Figure B: Conducting POSTS and SCREWS Extending through
  • 22.
    Attenuator • An attenuatoris a passive microwave component which, when inserted in the signal path of a system, reduces the signal by a specified amount. • They normally possess a low VSWR which makes them ideal for reducing load VSWR in order to reduce measurement uncertainties. • They are sometimes used simply to absorb power, either to reduce it to a measurable level 22
  • 23.
    Attenuators and Loads •Attenuator works by putting carbon vane or flap into the waveguide • Currents induced in the carbon cause loss • Load is similar but at end of guide • Attenuators are classified as either fixed or variable and either reflective or non-reflective. 23
  • 24.
  • 25.
    Waveguide Termination • WaveguideJunctions are used whenever it is desired to combine two or more signals into one or split a signal into two or more components in a waveguide system. The commonly used waveguide junction includes: • E-Plane tee junction • H-plane tee junction • Hybrid junction (Magic Tee) • From the s-parameter theory of a microwave junction it is evident that a tee junction should be characterized by a matrix of third order containing nine elements, six of which should be independent. 25
  • 26.
    E-Plane Tee 26 •An EPlane Tee is a waveguide Tee in which the axis of its side arm are parallel to electric field of the main guide. If the collinear arms are symmetric about the side arm , there are two different transmission characteristics. • If E plane Tee is perfectly matched the diagonal components of the S matrix S11, S22, S33 are Zero because there will be no reflection. •When the waves are fed in to side arm(port3), the waves appearing at port1 & 2 of collinear arm will be in opposite phase & in same magnitude, so • The –ve sign indicates that they are opposite to each other. For matched junction is given as
  • 27.
  • 28.
    28 Due to thesymmetric property of S matrix, we have Since collinear arm is usually symmetric about the side arm, | S13| = | S23 | & S11=S22. The final S matrix is given below. S = S11 S12 S13 S12 S11 −S13 S13 −S13 S33 If port 3 is perfectly matched, the E-plane tee behaves as a series junction. S = S11 S12 S13 S12 S11 −S13 S13 −S13 0
  • 29.
    H Plane Tee 29 AnH plane tee is a waveguide tee in which the axis of its arm is shunting the E field or parallel the H field to main guide as shown . •It can be seen that if two input waves are fed in to port 1 & 2 of the collinear arm the output wave at port 3 will be in phase & additive. • If the input is fed to port 3 the wave will split equally in to ports 1 & 2 in phase & same magnitude. The S matrix of H Plane tee is similar to that of E plane tee as shown S = S11 S12 S13 S12 S11 −S13 S13 −S13 S33 but S13=S23. S = S11 S12 S13 S12 S11 S13 S13 S13 S33 If all ports are matched S = 0 S12 S13 S12 0 S13 S13 S13 0
  • 30.
    Magic Tee (HybridTee) • A magic tee is combination of E-Plane tee and H-Plane tee. • The magic tee has several characteristics 30
  • 31.
    • • The Smatrix of Magic Tee is given as • The magic tee is commonly used for mixing, duplexing, and impedance measurements. 31
  • 32.
    Input/output characteristics ofMagic Tee • All ports are perfectly matched and divided into equidistance. • If a signal is fed at coplanar arms it splits equally between E-arm and H- arm. • At each output ports the output power will be the half of the input power. • There is a complete isolation between the coplanar arms. • If an input signal is fed at the H-arm, it splits equally into port 1 and port 2 in phase. • If an input signal is fed at the E-arm, it splits equally between into port 1 and port 2 in 180 degree out of phase. 32
  • 33.
    Practical Example ofMagic Tee • Suppose there are two identical radar transmitters in equipment stock. A particular application requires twice more input power to an antenna than either transmitter can deliver. Give your appropriate solution for the given problem with explanation. Solution: • A magic tee may be used to couple the two transmitters to the antenna in such way that the transmitters do not load each other. For that, the two transmitter should be connected to port 3 and 4 respectively as shown in figure. • Transmitter 1, connected to port 3, causes a wave to emanate from port 1 and another at port 2, both equal in magnitude but opposite in phase. 33
  • 34.
    • Transmitter 2,connected to port 4, gives rise to a wave at port 1 and another at port 2, both equal in magnitude and in phase. • At port 1 the two opposite waves cancel each other. • At port 2 the two in-phase waves add together so double output power at port 2 is obtained for the antenna 34
  • 35.
    Hybrid Ring • HybridRing is also called Rat-Race Circuits • Consists of an annular line of proper electrical length to sustain standing waves to which four arms are connected at proper intervals by means of series or parallel junctions. 35
  • 36.
    • Hybrid ringhas similar characteristics to those of the hybrid tee. • When wave is fed into port 1, it will not appear at port 3 because the difference of phase shifts for the waves travelling in the clockwise and counterclockwise directions is 180 degrees thus the waves are cancelled at port 3. • For the same reason, the waves fed into port 2 will not emerge at port 4 and so on. 36
  • 37.
    • The S-Matrixfor an ideal hybrid ring can be expressed as, • The phase cancellation occurs only at a designed frequency for an ideal hybrid ring. • Actual Hybrid ring have same leakage couplings, and therefore the zero elements in the matrix are not quite equal to zero. 37
  • 38.
    Practical View ofWaveguide Tee 38 E-Plane Tee H-Plane Tee Magic Tee Rat-Race Tee
  • 39.
    Directional Couplers • Adirectional coupler is a four-port waveguide junction used for unidirectional power flow measurement and SWR measurement. • It consists of a primary/main waveguide 1-2 and a secondary/auxiliary waveguide 3-4, • When all ports are terminated in their characteristics impedances, there is free transmission of power, without reflection between port 1 and port 2. • There is no transmission of power between port 1 and port 3 or between port 2 and port 4 because no coupling exists between these two pairs of ports. 39
  • 40.
    • The degreeof coupling between port 1 and port 4 and between port 2 and port 3 depends on the structure of the coupler. 40
  • 41.
    One specific classof power divider is the directional coupler. This is a four port device that samples the power flowing into port 1 coupled in to port 3 (the coupled port) with the remainder of the power delivered to port 2 (the through port) and no power delivered to the isolated port. Input Isolated Through Coupled Usually the isolated port is terminated within the coupler casing. In such case, the coupler appears to be a three port device. In ideal case no power is delivered to port 3 (the isolated port). 41
  • 42.
    Directional Coupler Parameter •The performance of directional coupler is measured in terms of four basic parameters: 1. Coupling Factor (C): – Measure of how much of power is being sampled. – Ratio of power levels in main and auxiliary waveguides. 42
  • 43.
    Directional Coupler Parameter 2.Directivity (D): – Measure of how well the directional coupler distinguishes between forward and reverse travelling power. – Ratio of forward coupled power level and reverse power level in auxiliary waveguide. 43
  • 44.
    Directional Coupler Parameter 3.Isolation (I): – Measures the directional properties. – Ratio of incident power in main waveguide to the reverse power at auxiliary waveguide. – I = C.D – I (dB)= [C]dB+[D]dB 44
  • 45.
    Directional Coupler Parameter 4.Return/Insertion Loss (R): – Ratio of power incident to the power transmitted in the primary arm. 𝑅(𝑑𝐵) = 10log 𝑃1 𝑃2 dB 45
  • 46.
    Two-Hole Directional Couplers •A two-hole directional coupler with travelling waves propagating in it is shown in figure. 46
  • 47.
    • The spacingbetween the centers of two holes must be Where n is any positive integer. • A fraction of the wave energy entered into port 1 passes through the holes and is radiated into the secondary guide as the holes act as slot antennas. • The forward waves in the secondary guide are in the same phase, regardless of the hole space, and are added at port 4. • The backward waves in the secondary guide (waves are progressing from right to left) are out of phase by rad and are cancelled at port 3. 47
  • 48.
  • 49.
    Phase Shifter • APhase shifter produces an adjustable change in the phase angle of the wave transmitted through it. • Similar to attenuator but uses ferrite instead of carbon. • The phase shift is achieved by changing the electrical length of the line or the velocity of the wave. • The electrical length of a line is equal to 2πl/λ, where l is the geometric length of the line and λ is the wavelength in the line. • Microwave phase shifters may be adjustable or nonadjustable. 49
  • 50.
    Phase Shifter • Adjustablephase shifters consist of a feeder section that introduces the phase shift at a certain frequency (or the desired phase shifts over a given frequency range). • The magnitude of the shifts can be adjusted as required. • The two principal classes of adjustable phase shifters are those with mechanical or electromechanical control of the phase shift and those with electrical control. 50
  • 51.
    Phase Shifter • Thefirst type includes telescoping sections of coaxial lines, adjustable by changing the length l, and dielectric waveguide phase shifters, which consist of waveguide sections containing a movable dielectric plate. 51
  • 52.
    Phase Shifter • Inthe latter design, the phase velocity of the wave and λ (and, consequently, the phase shift) are affected by the position of the dielectric plate in the wave guide. • RF and microwave Phase Shifters have many applications in various equipment such as phase discriminators, beam forming networks, power dividers, linearization of power amplifiers, and phase array antennas. 52
  • 53.
    Microwave circulators • Amicrowave circulator is a multiport waveguide junction in which the wave can flow only from the nth port to the (n + 1)th port in one direction. • Although there is no restriction on the number of ports, the four-port microwave circulator is the most common. • One type of four-port microwave circulator is a combination of two 3-dB side-hole directional couplers and a rectangular waveguide with two nonreciprocal phase shifters as shown in figure. 53
  • 54.
  • 55.
    Microwave circulators • Allfour ports are matched and transmission of power takes place in cyclic order only. • An ideal circulator is lossless. • The working of circulator is based on principle of Faraday rotation- “If circularly polarized wave is placed through a ferrite rod which has been influenced by axial magnetic field then the axis of polarization gets tilted clockwise with the same amount to the H-field strength and the geometry of ferrite.” 55
  • 56.
  • 57.
    Microwave circulators • Eachof the two 3-dB couplers in the circulator introduces a phase shift of 90°, and each of the two phase shifters produces a certain amount of phase change in a certain direction as indicated. • When a wave is incident to port 1, the wave is split into two components by coupler 1. • The wave in the primary guide arrives at port 2 with a relative phase change of 180°. 57
  • 58.
    Microwave circulators • Thesecond wave propagates through the two couplers and the secondary guide and arrives at port 2 with a relative phase shift of 180°. • Since the two waves reaching port 2 are in phase, the power transmission is obtained from port 1 to port 2. • However, the wave propagates through the primary guide, phase shifter, and coupler 2 and arrives at port 4 with a phase change of 270°. 58
  • 59.
    Microwave circulators • Thewave travels through coupler 1 and the secondary guide, and it arrives at port 4 with a phase shift of 90°. • Since the two waves reaching port 4 are out of phase by 180°, the power transmission from port 1 to port 4 is zero. • A similar analysis shows that a wave incident to port 2 emerges at port 3 and so on. • As a result, the sequence of power flow is designated as 1→2 →3 →4 →1. 59
  • 60.
  • 61.
    Microwave Isolators • Anisolator is a nonreciprocal transmission device that is used to isolate one component from reflections of other components in the transmission line. • An ideal isolator completely absorbs the power for propagation in one direction and provides lossless transmission in the opposite direction. • Thus the isolator is usually called uniline. • Isolators are generally used to improve the frequency stability of microwave generators, such as klystrons and magnetrons, in which the reflection from the load affects the generating frequency. 61
  • 62.
    Microwave Isolators • Insuch cases, the isolator placed between the generator and load prevents the reflected power from the unmatched load from returning to the generator. • As a result, the isolator maintains the frequency stability of the generator. • Isolators can be constructed in many ways. • They can be made by terminating ports 3 and 4 of a four-port circulator with matched loads. • On the other hand, isolators can be made by inserting a ferrite rod along the axis of a rectangular waveguide as shown in figure. The isolator here is a Faraday-rotation isolator. 62
  • 63.
    Working Principle 63 • Theinput resistive card is in the y-z plane, and output resistive card is displaced 45 degree with respect to the input card. • The DC magnetic field, which is applied longitudinally to the ferrite rod, rotates the wave plane of polarization by 45 degree.
  • 64.
    Working Contd.. • Thedegrees of rotation depend on the length and diameter of the rod and on the applied DC magnetic field. • An input TE10 dominant mode is incident to the left end of the isolator. • Since the TE10 mode wave is perpendicular to the input resistive card, the wave passes through the ferrite rod without attenuation. • The wave in the ferrite rod section is rotated clockwise by 45 degree and is normal to the output resistive card. • As a result of rotation, the wave arrives at the output end without attenuation at all. • On the contrary, a reflected wave from the output end is similarly rotated clockwise 45 degree by the ferrite rod. Since the reflected wave is parallel to the input resistive card, the wave is thereby absorbed by the input card. • Typical performance: about 1dB insertion loss and 20 to 30 dB isolation loss. 64
  • 65.
    Microwave Cavities • Amicrowave cavity or radio frequency (RF) cavity is a special type of resonator, consisting of a closed (or largely closed) metal structure that confines electromagnetic fields in the microwave region of the spectrum. • The structure is either hollow or filled with dielectric material. 65
  • 66.
    Microwave Cavities • Theyare used in oscillators and transmitters to create microwave signals, and as filters to separate a signal at a given frequency from other signals, in equipment such as radar equipment, microwave relay stations, satellite communications, and microwave ovens. • In addition to their use in electrical networks, RF cavities can manipulate charged particles passing through them by application of acceleration voltage and are thus used in particle accelerators. 66
  • 67.
    Microwave Cavities • Mostresonant cavities are made from closed (or short-circuited) sections of waveguide or high- permittivity dielectric material (dielectric resonator). • Electric and magnetic energy is stored in the cavity and the only losses are due to finite conductivity of cavity walls and dielectric losses of material filling the cavity. • Every cavity has numerous resonant frequencies that correspond to electromagnetic field modes satisfying necessary boundary conditions on the walls of the cavity. 67
  • 68.
    Microwave Cavities • Becauseof these boundary conditions that must be satisfied at resonance (tangential electric fields must be zero at cavity walls), it follows that cavity length must be an integer multiple of half-wavelength at resonance. • Hence, a resonant cavity can be thought of as a waveguide equivalent of short circuited half- wavelength transmission line resonator. 68
  • 69.
    Rectangular Cavity Resonator •A rectangular cavity resonator is a closed section of a rectangular waveguide. • The electromagnetic fields in the cavity are excited via external coupling. An external power source is usually coupled to the cavity by a small aperture, a small wire probe or a loop. 69
  • 70.
  • 71.
    Rectangular Cavity Resonator •Quality factor: The quality factor Q of a cavity can be decomposed into two parts, representing different power loss mechanisms: 1. Qc, resulting from the power loss in the walls which have finite conductivity. 71
  • 72.
    Rectangular Cavity Resonator Wherek is the wave number given by 𝑘 = 𝑚𝜋 𝑎 2 + 𝑛𝜋 𝑏 2 + 𝑙𝜋 𝑑 2 Rs is the surface resistivity given by 𝑅 𝑠 = 𝜔𝜇0 2𝜎 72
  • 73.
    Rectangular Cavity Resonator 2.Qdresulting from the power loss in the lossy dielectric material filling the cavity. Where δ is the loss tangent. The overall Q-factor is 73
  • 74.
    Rectangular Cavity Resonator •Resonant frequency is given by 74
  • 75.
    Circular Cavity Resonator •It is a circular waveguide with two ends closed by a metal wall. 75
  • 76.
    Circular Cavity Resonator •Its resonant frequency is given by Where Xmn denotes the n-th zero of the m-th Bessel function, and X'mn denotes the n-th zero of the derivative of the m-th Bessel function. 76
  • 77.
    Microwave Transistors • Designedto minimize capacitances and transit time • NPN bipolar and N channel FETs preferred because free electrons move faster than holes • Gallium Arsenide has greater electron mobility than silicon
  • 78.
    Gunn Diode • AGunn diode, also known as a transferred electron device (TED), is a form of diode, a two-terminal passive semiconductor electronic component, with negative resistance, used in high-frequency electronics. • The Gunn diode is based on the Gunn effect, and both are named for the physicist J. B. Gunn who, at IBM in 1962, discovered the effect. 78
  • 79.
    Gunn Diode • Insome materials (III-V compounds such as GaAs and InP), after an electric field in the material reaches a threshold level, the mobility of electrons decrease as the electric field is increased, thereby producing negative resistance. • A two-terminal device made from such a material can produce microwave oscillations, the frequency of which is primarily determined by the characteristics of the specimen of the material and not by any external circuit. 79
  • 80.
    Gunn Diode • Itsinternal construction is unlike other diodes in that it consists only of N-doped semiconductor material, whereas most diodes consist of both P and N-doped regions. • In the Gunn diode, three regions exist: two of them are heavily N-doped on each terminal, with a thin layer of lightly doped material in between. 80
  • 81.
  • 82.
    Gunn Diode • GalliumArsenide (GaAs) and Indium Phosphide (InP) are most common material used for Gunn diode. • The negative resistance in Gunn diode is due to – electron transfer to a less mobile energy level – high reverse bias – electron domain formation at the junction 82
  • 83.
    Gunn Diode • Slabof N-type GaAs (gallium arsenide) • called Gunn diode but has no junctions • Has a negative-resistance region where drift velocity decreases with increased voltage • This causes a concentration of free electrons called a domain
  • 84.
    Gunn Diode 84 Effect ofNegative resistance on current
  • 86.
    Gunn Diode • Inmaterials displaying the Gunn effect, such as gallium arsenide or cadmium sulfide, electrons can exist in two states of mobility, or ease of movement. • Electrons in the state of higher mobility move through the solid more easily than electrons in the lower mobility state. When no electrical voltage is applied to the material, most of its electrons are in the high mobility state. 86
  • 87.
    Gunn Diode • Whenan electrical voltage is applied, all its electrons begin to move just as in ordinary conductors. • This motion constitutes an electrical current, and in most solids greater voltages cause increased movement of all the electrons and hence greater current flow. • In Gunn-effect materials, however, a sufficiently strong electrical voltage may force some of the electrons into the state of lower mobility, causing them to move more slowly and decreasing the electrical conductivity of the material. 87
  • 88.
    Gunn Diode • Inelectronic circuits incorporating the Gunn diode, this unusual relationship between voltage and current (motion) results in the generation of high-frequency alternating current from a direct-current source. 88
  • 89.
    Transit-time Mode • Domainsmove through the GaAs till they reach the positive terminal • When domain reaches positive terminal it disappears and a new domain forms • Pulse of current flows when domain disappears • Period of pulses = transit time in device
  • 91.
    Gunn Oscillator Frequency •T=d/v T = period of oscillation d = thickness of device v = drift velocity, about 1  105 m/s • f = 1/T
  • 92.
  • 93.
    MASER • MASER (MicrowaveAmplification by Stimulated Emission of Radiation) are semiconductor devices which works on the principle of amplification by stimulated emission of radiation i.e. atomic energy is converted into electromagnetic energy. • Principle of Operation: – By providing additional energy, electrons from the existing orbit can be liberated and it will emit energy at the same frequency. 93
  • 94.
    MASER – The electronis shifted to next higher energy level, this is called pumping. – This pumping is done at frequency corresponding to the energy difference between two energy levels. – The re-emission of energy is simulated and the signal at this frequency is thus amplified. – The re-emitted frequencies are microwaves. • Gas ammonia, hydrogen, cesium, ruby, alumina silica (Al203) are materials used in masers. 94
  • 95.
    • Waveguide: hollowmetal tube used to guide e.m. energy from one point to another or through which e.m. waves propagate. • Typically one enclosed conductor filled with an insulating medium. • The transmission of e.m. energy along waveguide travels at velocity slower than e.m. energy traveling through free space. • Transmission line: Two or more conductors separated by some insulating medium. Waveguide & Transmission Line 95
  • 96.
  • 97.
    • It consistsof a hollow rectangular waveguide (rectangular cross section) that can propagate TM and TE modes but not TEM since only one conductor is present. • The wall of the guides are conductors and therefore reflection from them may take place. • Applications: high-power systems, millimeter wave applications, satellite systems, precision test applications. 97
  • 98.
    • It isa standard convention to have the longest side of the waveguide along x-axis [a (width) > b (length)] 98
  • 99.
    • It consistsof a hollow, round (circular cross section) metal pipe that supports TE and TM waveguide modes. • Applications: used in transmission of circularly polarized waves, to connect components having circular cross-section (e.g.: isolators or attenuators) to rectangular waveguide. 99
  • 100.
    • The structureof such a circular waveguide with inner radius a, is shown below: 100
  • 101.
  • 102.
    • The electricfield, E and the magnetic field, H are oriented transverse to the direction of propagation of wave. • Exists in plane waves and transmission lines (2 conductors). • No cut-off frequency. Transverse Electromagnetic (TEM) y Ey Hz z x Direction of Travel Hx 102
  • 103.
    • The electricfield, E is transverse to the direction of propagation of wave and the magnetic field, H has components transverse and in the direction of the wave. • Exists in waveguide modes. Transverse Electric (TE) y Ey Hx Hz H z x Direction of travel 103
  • 104.
    • The magneticfield, H is transverse to the direction of propagation of wave and the electric field, E has components transverse and in the direction of the wave. • Exists in waveguide modes. Transverse Magnetic (TM) y Ey Hx z Ez E x Direction of travel 104
  • 105.
    • Critical (cut-off)frequency, fc(Hz): the lowest frequency for which a mode will propagate in a waveguide. • Critical (cut-off) wavelength, λc (m/cycle): the largest wavelength that can propagate in the waveguide without any / minimum attenuation (or the smallest free space wavelength that is just unable to propagate in the waveguide). • Group velocity (vg, m/s): a) The velocity at which a wave propagates. b) Refers to the velocity of a group of waves. c) It is also the velocity at which information signals or energy is propagated. 105
  • 106.
    • Phase velocity(vp, m/s): a) The velocity at which the wave changes phase. b) It is the apparent velocity of the wave (i.e.: max electric intensity point). c) vp always equal to or greater than vg (vp ≥ vg). d) It may exceed the velocity of light (velocity in free space). • The relationship between vg, vp and speed of light, c is given by: c2 = vgvp 106
  • 107.
    • Propagation wavelengthin the waveguide (λg, m/s): a)Wavelength of travelling wave that propagates down the waveguide. b)λg will be greater in the waveguide than in free space (λo). • Waveguide characteristic impedance (Zo, Ω): a)It depends on the cut-off frequency, which in turn is determined by the guide dimension. b)It is also closely related to the characteristic impedance of free space (377 Ω). c)Generally, Zo > 377 Ω. 107
  • 108.
    • Dominant mode(mode with lowest cutoff frequency) for rectangular waveguide is TE1,0. • A waveguide acts as a high-pass filter in that it passes only those frequencies above the cutoff frequency. 2 cvv pg  c vp og   22 c g ff c    2 1 ffc o g     108
  • 109.
  • 110.
    1. For arectangular waveguide with a width of 3 cm and a desired frequency of operation of 6 GHz (for dominant mode), determine: a) Cut-off frequency b) Cut-off wavelength c) Group velocity d) Phase velocity e) Propagation wavelength in the waveguide f) Characteristic impedance 2. Repeat Example 1 for a rectangular waveguide with a width of 2.5 cm and a desired frequency of operation of 7 GHz. 110
  • 111.
    • Dominant modefor circular waveguide is TE1,1. • For TE1,1 mode, x’11 = 1.841 (solution of Bessel function equation). a cx f np c 2  np c x a  2   2 1 ff c v c p   2 cvv pg  111
  • 112.
     2 1 ffc o g     )mod(377eTEZ o g o    )mod(377 eTMZ g o o    112
  • 113.
  • 114.
    1. For acircular waveguide with a radius of 1 cm and a desired frequency of operation of 10 GHz (for dominant mode), determine: a) Cut-off frequency b) Cut-off wavelength c) Group velocity d) Phase velocity e) Propagation wavelength in the waveguide f) Characteristic impedance 2. Repeat Example 1 for a circular waveguide with a radius of 2.5 cm and a desired frequency of operation of 7 GHz. 114