i
OPTIMIZED COORDINATED ECONOMIC
DISPATCH AND AUTOMATIC GENERATION
CONTROL FOR AN INTERCONNECTED
POWER SYSTEM
13
ABSTRACT
Co-ordination of Economic Load Dispatch and Load Frequency Control of the
interconnected power system means that the total change in particular control area is shared
by each unit according to the participation factor obtained from the calculation of economic
load dispatch. In this work, the first control area contains a single thermal generating unit and
second also has a single thermal generating unit. [9] This paper presents a control mechanism
for AGC of multi generating interconnected power system. The main component of LFC is to
monitor the frequency nearly at constant standard value & to regulate the net balance
interchanged tie-line power flow between the different control areas within the prescribed
limit.
Despite all advances in process control, the PID controller is still the most common
controller. Minimizing the integral of time-weighted absolute error (ITAE) is referred to as a
good performance index in designing PID controllers.
Traditional classical economic dispatch algorithms require the incremental cost curves to be
monotonically increasing or piecewise linear. ELD problem is allocating the loads to plants
having continuous fuel cost equations. The automatic generation control (AGC) process
performs the task of adjusting system generation to meet the load demand and regulating at
the large system frequency changes. In most of the previous works on interconnected
systems, tie-line bias control strategy has been widely accepted by utilities. In this method,
area control error (ACE) is calculated through feedback for each area and control action is
taken to regulate ACE to zero. The problems of frequency control of interconnected areas are
more important than those of isolated (single) areas. The role of the ED is to reschedule the
entire system to minimize overall generation cost. The optimum value of gains improves the
dynamic performance of the controller and reduces the overshoot and maximum frequency
deviation and net tie-line flow deviation error for a particular load change. The proposed
design of a controller for simulation of AGC has been used for thermal-thermal units of the
interconnected power system.GA technique is used for optimization.
14
TABLE OF CONTENTS
ABSTRACT …………………………….
1
TABLE OF CONTENTS …………………………….
2
LIST OF FIGURES …………………………….
4
Chapter 1. INTRODUCTION
1.1 INTRODUCTION …………………………….
6
1.2 MOTIVATION ……………………………. 7
1.3 OBJECTIVES ……………………………. 8
1.4 CONTRIBUTION ……………………………. 8
1.5 ORGANIZATION OF THESIS ……………………………. 9
Chapter 2. LITERATURE SURVEY ……………………………. 10
Chapter 3.0 POWER SYSTEM CONTROL ……………………………. 13
3.1 GENERATOR CONTROL LOOP ……………………………. 13
3.2 LOAD FREQUENCY CONTROL ……………………………. 14
3.3 GENERATOR MODEL ……………………………. 14
3.4 LOAD MODEL ……………………………. 15
3.5 PRIME-MOVER MODEL ……………………………. 16
3.6 GOVERNOR MODEL ……………………………. 16
3.7 CONCLUSION
Chapter 4.0 AUTOMATIC GENERATION CONTROL ……………………………. 19
4.1 INTRODUCTION ……………………………. 19
4.2 AGC APPLICATION ……………………………. 20
4.3 AGC CHARACTERISTICS ……………………………. 21
4.31 DROOP CHARACTERISTICS ……………………………. 21
4.32 PARTICIPATION FACTOR ……………………………. 22
4.33 GENERATION RATE CONSTRAINT ……………………………. 22
4.34 SPEED GOVERNOR DEAD- BAND ……………………………. 22
15
4.4 AGC IN SINGLE-AREA SYSTEM ……………………………. 23
4.5 AGC IN MULTI-AREA SYSTEM ……………………………. 24
4.6 TIE-LINE BIAS CONTROL ……………………………. 25
4.7 INTERCONNECTED POWER SYSTEM………………………………….. 27
4.8 CONCLUSION ……………………………………………………………..
Chapter 5.0 ECONOMIC LOAD DISPATCH ……………………………. 29
5.1 OPERATING COST OF A THERMAL PLANT……………………………. 29
5.2 LAMBDA ITERATION PROCEDURE ……………………………. 30
5.3 BASE POINT & PARTICIPATION FACTORS…………………………… 31
5.4 CONCLUSION………………………………………………………………
Chapter 6.0 APPLICATIONS AND RESULTS ……………………………. 32
6.1 PID MODELING ……………………………. 32
6.2 GENERATOR AVR ……………………………. 37
6.3 MODELING OF AGC INCLUDING EXCITATION……………………….. 39.
6.4 TWO AREA SYSTEM WITH TIE-LINE ……………………………. 41
6.5 AGC IN TWO AREA SYSTEM ……………………………. 44
6.6 GA & OBJECTIVE FUNCTION ……………………………. 45.
6.7 ANT COLONY OPTIMIZATION ……………………………. 52
6.71 BASIC CONCEPTS ……………………………. 52
6.72 ACO & OBJECTIVE FUNCTION ……………………………. 53
6.73 ACO COST FUNCTION OF AVR ……………………………. 54
6.74 ACO OPTIMIZATION PROGRAM ……………………………. 55
6.75 ACO OPTIMIZATION FOR TWO AREA MODEL …………………….. 56
6.8 CONCLUSION …………………………….
Chapter 7.0 ECONOMIC ALLOCATION OF GENERATION………………………… 60
7.1 IMPLEMENTATION OF AGC ……………………………. 60
7.2 FINDING THE ECONOMIC DISPATCH SCHEDULE…………………... 61
7.21 CASE STUDY 1 ……………………………. 61
7.22 ANALYSIS OF CASE STUDY 1 ……………………………. 68
7.23 CASE STUDY 2 ……………………………. 68
7.24 CONCLUSION …………………………….
Chapter 8.0 OVERALL CONCLUSION ……...................................... 78
16
REFERENCES ……………………………. 79
NOMENCLATURE ……………………………. 81
LIST OF FIGURES
Figure 3.1 Schematic diagram of LFC and AVR of a synchronous generator 12
Figure 3.2 Transfer function model for generator 14
Figure 3.3 Transfer function for load 14
Figure 3.4 Transfer function model for prime mover 15
Figure 3.5 Speed Governing system 16
Figure 3.6 LFC block diagram of an isolated system 17
Figure 4.1 Power System AGC 19
Figure 4.2 AGC for an isolated power system 22
Figure 4.3 Eqvt. Network for two area control 23
Figure 4.4 Two area system with primary LFC loop 24
Figure 4.5 AGC block diagram for two area system 26
Figure 4.6 Block Diagram of Interconnected Power System 27
Figure 6.1 PID control model 31
Figure 6.2 PID control response 32
Figure 6.3 Phase Lead-Lag Controller 33
Figure 6.4 Lead-Lag System Response 34
Figure 6.5Cascade PI control 35
Figure 6.6 Optimal Control Response 35
Figure 6.7 A Simplified AVR Block diagram 36
Figure 6.8 Terminal Voltage Step Response without optimization 37
Figure 6.9 Simulink Block Diagram 38
Figure 6.10 Frequency Deviation Step Response 39
Figure 6.11 Terminal Voltage Step Response 39
Figure 6.12 Simulink Modeling of Two-Area System 40
Figure 6.13 Power Deviation Step Response 41
Figure 6.14 Frequency deviation step response 42
17
Figure 6.15 Modeling of two areas interconnected system using ITAE 45
Figure 6.16 Modeling of two areas interconnected system using ISE 46
Figure 6.17 GA plot function with ISE criterion 47
Figure 6.18 Frequency Deviation Step Response in ITAE criteria 48
Figure 6.19 Frequency Deviation Step Response in ISE criteria 49
Figure 6.20 Power Deviation Step Response in ITAE criteria 50
Figure 6.21 Power Deviation Step Response in ISE criteria 50
Figure 6.22 Two Area Hydro-Thermal model 55
Figure 6.23 Frequency Deviation Step Response with pheromones 0.8 in ISE criteria 56
Figure 6.24 Frequency Deviation Step Response with pheromones 0.7 in ISE criteria 56
Figure 6.25 Frequency Deviation Response of Area 2 57
Figure 6.26 Frequency Deviation Response of Area 1 57
Figure 6.27 Power Deviation Step Response 58
Figure 7.1 Overview of AGC Logic 59
Figure 7.2 Block Diagram of Two Area with Participation factors 63
Figure 7.3 Frequency Deviation Response of Area 1, PI , PF=0.8
64
Figure 7.4 Frequency Deviation Response of Area 1, PI , No PF 64
Figure 7.5 Frequency Deviation Response of Area 2,PI,PF=0.2 65
Figure 7.6 Frequency Deviation Response of Area 2, PI, No PF 65
Figure 7.7 Frequency Deviation Response of Area 2,PID.No PF 66
Figure 7.8 Frequency Deviation Response of Area 1,PID,PF=0.8 66
Figure 7.9 Thermal two control area power system with PF 70
Figure 7.10 Area 1 ∆F1 response w/o PF, ∆PL = 0.02p.u 71
Figure 7.11 Area 1 ∆F1 response with PF=0.555, ∆PL = 0.02p.u 71
Figure 7.12 Area 1 ∆F2 response w/o PF, ∆PL = 0.02p.u 72
Figure 7.13 Area 1 ∆F2 response with PF=0.444, ∆PL = 0.02p.u 72
Figure 7.14 ∆P12 response w/o PF, ∆PL = 0.02p.u 73
Figure 7.15 ∆P12 response with PF, ∆PL = 0.02p.u 73
Figure 7.16 Area 1 ∆F1 response w/o PF, ∆PL = 0.05p.u 74
Figure 7.17 Area 1 ∆F1 response with PF=0.555p.u, ∆PL = 0.05p.u 74
Figure 7.18 Area 2 ∆F2 response w/o PF, ∆PL = 0.05p.u 75
Figure 7.19 Area 2 ∆F2 response with PF=0.444, ∆PL = 0.05p.u 75
Figure 7.20 ∆P12 response w/o PF, ∆PL = 0.05p.u 76
Figure 7.21 ∆P12 response with PF, ∆PL = 0.05p.u 76
18
Table 6.1 55
CHAPTER 1
INTRODUCTION
1.1 Introduction
The primary purpose of an ac electric power system is to move electric power from the
sources of the electric power, the generators, to the consumers of the electric power, the
loads, through the wires joining the two, the transmission and distribution system. Power
systems come in a variety of sizes, ranging in size from those with a single small generator
and perhaps a handful of loads to the gigantic. For example, except for a few islands and
some small isolated systems, the entire electric grid in North America is just one big electric
circuit. This grid encompasses billions of individual electric loads, tens of millions of miles
of wires, and thousands of generators.
The objective of the control strategy is to generate and deliver power in an interconnected
system as economically and reliably as possible while maintaining the voltage and frequency
within permissible limits. Changes in real power affect mainly the system frequency, while
reactive power is less sensitive to changes in frequency and is mainly dependent on changes
in voltage magnitude. Thus, real and reactive powers are controlled separately. The Load
Frequency Control (LFC) loop controls the real power and frequency and the Automatic
Voltage Regulator (AVR) loop regulates the reactive power and voltage magnitude. LFC
has gained in importance with the growth of interconnected systems and has made the
operation of the interconnected system possible.
While an interconnected system is just on the big electric circuit, it has historically been
divided into groupings known as “operating areas” (or control areas). Typically, each
operating area corresponded to the portion of the grid owned by a single utility. Lines joining
different operating areas are known as “tie-lines”. The net flow of power out of an area is
then defined as its “interchange”. Since it costs money to generate electric power, a key
aspect of power system operations is concerned with ensuring that each area's net interchange
is equal to its specified "scheduled" value. This scheduled value is simply the sum of all the
19
power transfers for the area, with a sign convention that power exported from the area (i.e.,
sold) is considered positive.
As long as the system frequency is equal to its specified value (the assumption here), the
difference between an area's actual interchange and its scheduled interchange is known as the
Area Control Error (ACE) (the area control error also includes a term dependent on the
deviation in the system frequency from the specified value; this frequency-dependent term is
not discussed here). ACE is the single most important number associated with control
operations; it is continuously monitored. Anytime the ACE is negative the area is “under
generating” and needs to increase its total generation. Conversely, if the ACE is positive, the
area is “over generating” and needs to decrease its generation.
Over the last several decades, practically all control areas have switched to an automatic
process known as Automatic Generation Control (AGC). AGC automatically adjusts the
generation in an area to keep the ACE close to zero, which in turn keeps the net area power
interchange at its specified value. Since the ACE has a small amount of almost random
"ripple" in its value due to the relentlessly changing system load, the usual goal of AGC is
not to keep the ACE exactly at zero but rather to keep its magnitude close to zero, with an
“average” value of zero.
Modern power system network consists of several utilities interconnected together & power
is exchanged between utilities over tie-lines by which they are connected. AGC plays a very
important role in the power system as its main role is to maintain the system frequency and
tie line flow at their scheduled values during the normal period and also when the system is
subjected to small step load perturbations. Many investigations in the field of automatic
generation control of interconnected power system have been reported over the past few
decades. Literature survey shows that most of the earlier work in the area of automatic
generation control pertains to an interconnected thermal system and relatively lesser attention
has been devoted to AGC of interconnected hydro-thermal systems involving thermal and
hydro subsystems of widely different characteristics]. These investigations mostly pertain to
two equal area thermal systems or two equal areas hydrothermal systems considering the
system model either in continuous or continuous discrete mode with step loads perturbation
occurring in an individual area.
1.2 Motivation
India has a come a long way from the power shortage situation in the past to the current
power surplus situation. With a large interconnected grid (meeting the peak load of 160 GW)
20
as well as increasing penetration of variable Renewable energy, there is a need for surplus
capacity or reserves to be available with system operators for emergencies (such as sudden
rise in load or unscheduled shutting down of any unit). Reserves are important for secure,
reliable and efficient system operations.
At present Primary & Tertiary controls are in place through governor mode of operation
mandated for generators by Indian Electricity Grid code. In the latest development, secondary
control is proposed to be implemented through AGC. Essentially AGC delivers reserve
power to bring back the frequency and the area interchange schedules to their target values
and restores the delivered primary control reserves. With CERC's approval for
commissioning of AGC pilot project- a move that paves the way for operationalization of
generation resources in the country it has motivated me to work on the project as also when
renewable capacity is adding up at an unprecedented scale and speed (large scale grid
connected projects & DER's).
1.3 Objectives
This work is aimed at developing a simulation model of an Automatic Generation Control
(AGC). The objectives of the work include:
 To develop and study separately the simulation model of Load Frequency Control, LFC
and AVR.
 To develop a centralized controller called AGC which measures actual system frequency and
interchange flows from which it calculates the frequency and interchange flow deviation by
using the reference frequency and scheduled interchange values.
 To develop PID controller used as a secondary controller whose gain is optimized by GAOT.
 To develop coordination of ED and LFC concepts of the interconnected power system where
the total change in the particular control area is shared by each unit according to their
Participation Factors.
 To minimize the cost function of the total demand by adjusting the unit’s participation.
1.4 Contribution
We summarize the main contribution of the thesis as
 Created modeling and respective simulation for tuning PID controller, Phase Lead-Lag
controller, Cascade PI controller.
 Created AGC of Isolated power system & Single Area system.
21
 Created Two Area Interconnected Power System having thermal generating units in both
control areas.
 PID controller is used for a secondary controller for a load frequency control mechanism and
a digital simulation is used in conjunction with Genetic Algorithm technique to determine the
optimum parameters of the individual gains of the controller.
 Formulated Economic Load Dispatch models of the generating units by providing
information on how much each generating unit will participate or take the load sharing of the
total load demand.
 Algorithms of Lambda-Iteration, Unit Participation Factor and Gradient Search Techniques
applied for calculating the minimum cost of supplying the load.
1.5 Organization of Thesis
The organization of the thesis is as follows
1. In chapter 2, we discuss the literature survey cases of
 AGC regarding frequency deviation of two areas with and without Tie-Line Bias control with
GAOT.
 Also discussed that optimal gains of AGC are different for different loading conditions.
 Coordination of ED and LFC for Interconnected Power System.
 ITAE is a better choice to optimize regulator parameters.
2. In chapter 3, we describe Governor Control loops, Load Frequency Control, Generator
model, Load model, Prime Mover model & Governor model.
3. In chapter 4, we discuss AGC for a single area system multi-area system, tie-line bias control
& interconnected power system modalities.
4. In chapter 5, we discuss Economic load dispatch highlighting Operating cost of thermal plant,
Lambda Iteration procedure and BasePoint participation factor.
5. In chapter 6, we discuss problem formulation and proposed work in areas of Load frequency
control, AGC for a single area, two areas with Genetic Algorithm and Ant Colony
Optimization techniques having ISE and ITAE as different objective functions.
In chapter 7, we discuss Economic allocation of generation, evaluate economic dispatch
schedules w.r.t different cases of two area thermal-thermal units with and without
participation factors calculated by a base point and lambda iteration methods. Also depicted
are frequency responses and Tie power curves when subjected to a step load of 0.1 p.u.
6. In the chapter, we discuss results relating to Tie- line bias control for 2 area system.
22
CHAPTER 2
LITERATURE SURVEY
A power system is a highly nonlinear and large-scale multi-input, a multi-output system with
numerous variables, protection devices and control loops, with different dynamic responses
and characteristics. It is highly desirable to improve the performance and function of power
systems during normal & abnormal operations. Various power system controls have evolved
over the past few decades to keep the power system in a secure state and protect it from the
dangerous phenomenon. Some of these power system controls are generator control loops,
load frequency control including modeling of load, prime-mover, and governor.
Hadi Saadat [1], discusses the control of active and reactive power in order to keep the
system in a steady state. LFC loop controls the real power and frequency and AVR loop
regulates the reactive power and voltage magnitude.
Ebrahim Vaahedi [2], analyzes the role of AGC in power system operations with reference
to tie-line power under normal operating along with AGC application & infrastructure.
To balance load and generation in real time, the system operator needs to ensure that AGC
which is also called LFC balances generation and load on a minute-to-minute basis where
operators do not have sufficient time to control the generators. NERC requires each system to
have a very reliable system with a high availability i.e., 99.95%.
H.Bevrani [3], signifies that in the interconnected system the control area concept needs to
be used for the sake of synthesis & analysis of the AGC system. If the ACE signal exceeds a
threshold at interval Tw, it will be applied to the controller block.
Prabha Kundur [4], elaborated that in an interconnected system consisting of several pools,
the role of AGC is to divide the loads among systems, stations and generators so as to achieve
maximum economy and correctly control the scheduled interchanges of tie-line power while
maintaining a reasonable uniform frequency. During large disturbances and emergencies, one
or more areas are unable to correct for generation load mismatch due to insufficient
generation reserve on AGC. Each area participates in frequency regulation is proportional to
its available capacity.
23
Allen Wood [5], gives a detailed analysis of Economic Dispatch, defining it as the operation
of generation facilities to produce energy at the lowest cost to reliably serve consumers. The
allocation of individual generator output is accomplished using Base points & Participation
factors where ED calculation is executed with a total generation equal to the sum of the
present values of a unit generation.
Dogra1 [6], gives an overview of ELD problems and solution methodologies.
Implementation is done using MATLAB programming. The conventional method like
lambda iteration method converges rapidly but complexities increases as system size
increase. Also, Lambda method always requires that one be able to find the power output of a
generator, given the incremental cost for that generator.
Derek Atherton [7], discusses at length the importance, simplicity, robustness of PID
controllers. Chapter 6 exercises involve many optimal control problems converted to
conventional optimization problems. From the typical step response curves, commonly used
specifications are studied i.e., steady state value y(∞), rise time tr, settling time ts, overshoot
Mp and peak value yM. According to MATLAB, Simulink is an interactive tool for modeling,
simulating and analyzing dynamic, multi-domain systems.
Fernando G. Martins [8], procedures the steps taken to design PID controllers using ITAE
performance index by first developing process model including controller algorithms in
Simulink, then creating a MATLAB m-file with an objective function for calculating the
index and finally using a function of MATLAB optimization tool, GA, to minimize ITAE
index.
Minimizing ITAE is commonly referred to as good performance index in designing PID
controllers for phase lead-lag, cascade and AVR systems. The approach presented in chapter
6 enhances considerably the learning progress of process control. A few sets of process
models i.e., Generator AVR, AGC including excitation, Two areas thermal system with Tie-
Line and AGC in two areas thermal- thermal system have been implemented in Simulink
with GA optimization technique.
Shankar1 [9], deals with ELD and LFC coordination concepts of interconnected diverse
power generating systems where the total load is distributed and any change in demand is met
by unit sharing according to participation factor linked with cost function of each generating
unit. However, the authors have not shown the economic load dispatch calculations based on
incremental cost function of generating units. An attempt has been made to link participation
factor and response to a step change in demand along with the cost of generation and division
24
among each generator. Chapter 7 presents the economic allocation of a generation with two
case studies depicting different cost function of thermal-thermal generating units with
different participation factors and different fuel cost. The results are repeated for different
step load responses. [5]
Ibtissem Chiha [10] in their work has developed the problem of designing PID controllers as
a multi-objective optimization problem taking into consideration the ACO algorithm. Ant
Colony algorithm has been applied to the combinatorial optimization problem, and the results
indicate a quick response. EA is considered as a useful promising technique for deriving the
global optimal solution for complex problems.
M.Omar[1] [11] have proposed optimal tuning of PID controllers for Hydrothermal Load
Frequency control using ACO. The hydro-thermal power system consists of two control
areas, one hydro and another thermal with reheat stage.
Bandyopadhyay [12] highlights the implementation of AGC in India by utilization of
spinning reserves in the power system. Operating reserve from thermal power plants will be
an essential component of the power system. AGC services from thermal units will enable
system users to keep the system frequency within defined limits as part of normal operations.
25
CHAPTER 3
POWER SYSTEM CONTROL
3.1 Generator control loops
AGC consists of two main loops: LFC and AVR. LFC loop controls real power and
frequency while AVR regulates reactive power and voltage magnitude. Figure 3.1 represents
the schematic diagram of the LFC and AVR loop [1]. The controllers are set for an operating
condition and take care of small changes in load demand to maintain the frequency and
voltage magnitude within the specified limits. Small changes in real power are mainly
dependent on changes in rotor angle “δ” and, thus, the frequency. The reactive power is
mainly dependent on the voltage magnitude (i.e., on the generator excitation). The excitation
system time constant is much smaller than the prime mover time constant and its transient
decay much faster and does not affect the LFC dynamics. Thus, the cross-coupling between
the LFC loop and the AVR loop is negligible, and the load frequency and excitation voltage
control are analyzed independently.
Figure 3.1 Schematic diagram of LFC and AVR of a synchronous generator
26
3.2 Load frequency control
The operational objectives of the LFC are to maintain reasonably uniform frequency, to
divide the load between generators, and to control, and to control the tie-line interchange
schedules. The change in frequency and tie-line real power are sensed, which is a measure of
the change in rotor angle ‘δ', i.e., the error ‘Δδ' to be corrected. The error signal, i.e., Δf and
ΔPtie, are amplified, mixed, and transformed into a real power command signal ΔPv, which is
sent to the prime mover to call for an increment in the torque.
The prime mover, therefore, brings change in the generator output by an amount ΔPg which
will change the values of Δf and ΔPtie within the specified tolerance.
The first step in the analysis and design of a control system is the mathematical modeling of
the system. The two most common methods are the transfer function method and the state
variable approach. The state variable approach can be applied to the portray linear as well as
nonlinear systems. In order to use the transfer function, the system must first be linearized.
The transfer function models for the following components are obtained.
3.3 Generator model
One of the essential components of power systems is the three-phase ac generator known as
synchronous generator or alternator. Synchronous generators have two synchronously rotating
fields: one field is produced by the rotor driven at synchronous speed and excited by dc
current. The other field is produced in the stator windings by the three-phase armature
currents. The dc current for the rotor windings is provided by excitation systems. Today
system uses AC generators with rotating rectifiers, known as brushless excitation systems.
The generator excitation system maintains generator voltage and controls the reactive power
flow. As shown in block diagram form in Fig 3.2 [6], the relationship can be written as
∆Pmech - ∆Pelec = Ms ∆ᾠ
ΔPm(s) 1/Ms Δᾠ(s)
_
Figure3.2 Transfer function model for generator
27
3.4 Load model
The load on a power system consists of a variety of electrical devices. For resistive loads,
such as lighting and heating loads, the electrical power is independent of frequency. Motor
loads are sensitive to changes in frequency. How sensitive it is to frequency depends on the
composite of the speed-load characteristics of all the driven devices. Including the load model
in the generator block diagram, results in the block diagram of Figure 3.3[6]
ΔPL(s)
ΔPm(s) 1/(2Hs+D) ∆Ω(s)
Figure 3.3 Transfer function model for load
3.5 Prime mover model
The source of mechanical power, commonly known as the prime mover, may be hydraulic
turbines at waterfalls, steam turbines whose energy comes from the burning of coal, gas,
nuclear fuel, and gas turbines. The model of the reheat turbine, shown in Fig3.4 relates the
change in mechanical power output ΔPm to changes in steam valve position ΔPv. Different
types of turbines vary widely in characteristics. The simplest prime mover model for the non-
reheat steam turbine can be approximated with a single time constant TT. The time constant
TT is in the range of 0.2 to 2.0 seconds
The source of mechanical power, commonly known as the prime mover, may be hydraulic
turbines at waterfalls, steam turbines whose energy comes from the burning of coal, gas,
nuclear fuel, and gas turbines. The model of the reheat turbine, shown in Fig3.4 [6] relates the
change in mechanical power output ΔPm to changes in steam valve position ΔPv. Different
types of turbines vary widely in characteristics. The simplest prime mover model for the non-
reheat steam turbine can be approximated with a single time constant TT. The time constant
TT is in the range of 0.2 to 2.0 seconds.
ΔPV(s) 1/ (1+s Tt) ΔPm(s)
Figure 3.4 Transfer function model for Prime mover
28
3.6 Governor model
When the generator electrical load is suddenly increased, the electrical power exceeds the
mechanical power input. This power deficiency is supplied by the kinetic energy stored in the
rotating system. The reduction in kinetic energy causes the turbine speed and, consequently,
the generator frequency to fall. The change in speed is sensed by the turbine governor which
acts to adjust the turbine input valve to change the mechanical power output to bring the
speed to a new steady state. The earliest governors were the watt governors who sense the
speed by means of rotating flyballs and provide mechanical motion in response to speed
changes. However, most modern governors use electronic means to sense speed changes.
Figure 3.5 [12] shows schematically the essential elements of a conventional Watt governor
which consists of the following major parts.
1 Speed governor:
The essential parts are centrifugal flyballs driven directly or through gearing by the turbine
shaft. The mechanism provides upward and downward vertical movements proportional to the
change in speed.
2 Linkage Mechanism:
These are links for transforming the flyballs movement to the turbine valve through a
hydraulic amplifier and providing feedback from the turbine valve movement.
Figure 3.5 Speed governing system
3. Hydraulic Amplifier:
Very large mechanical forces are needed to operate the steam valve. Therefore, the governor
movements are transformed into high power forces via several stages of hydraulic amplifiers.
29
4. Speed Changer:
Speed changer consists of servomotor which can be operated manually or automatically for
scheduling load at nominal frequency.
By adjusting this set point, the desired load dispatch can be scheduled at nominal frequency.
ΔPL(s)
_
Pref(s) ΔPg ΔPV ΔPm
1/ (1+sTg) 1/(1+sTT) 1/(2Hs+D)
Load Ref
Setpoint _ Governor Turbine Rotating mass and load
1/R
Figure 3.6 LFC block diagram of an isolated system
Fig.3.6 [12] shows a block diagram of a governor-prime-mover-rotating mass where gain R
is a governor characteristic. The value of R determines the slope of the characteristic. That is,
R determines the change on the unit's output for a given change in frequency. Therefore, R is
equal to p.u. change in frequency divided by p.u. change in unit output.
R = ∆ᾠ ∕∆P p.u
Note that a steady-state change in ∆Pvalve of 1.0 p.u. requires a value of R p.u. change in
frequency, ∆ᾠ
3.7 Conclusion
It is important to realize that optimized dispatching would be useless without a method of
control over generator units. The prime mover governing systems provide a means of
controlling power and frequency, a function commonly referred to as Load Frequency
Control. This chapter examines the characteristics of prime movers and energy supply
systems and develops appropriate models suitable for their representation in AGC studies. In
the next chapter, we discuss AGC, its role and responsibilities in regulating frequency and
maintaining interchange power.
ΔΩ(s)
30
CHAPTER 4
AUTOMATIC GENERATION CONTROL
4.1 Introduction
When the load on the system is increased, the turbine speed drops before the governor can
adjust the input of the steam to the new load. As the change in the value of speed diminishes,
the error signal becomes smaller and the position of the governor falls gets closer to the point
required to maintain a constant speed. However, the constant speed will not be the set point,
and there will be offset. One way to restore the speed or frequency to its nominal value is to
add an integrator.
The integral unit monitors the average error over a period and will overcome the offset.
Because of its ability to return a system to its set point, integral action is known as the rest
action. Thus, as the system load change continuously, the generation is adjusted automatically
to restore the frequency to the nominal value. This scheme is known as AGC.
In an interconnected system consisting of several pools, the role of the AGC is to divide the
loads among system, station generators to achieve maximum economy and correctly control
the scheduled interchanges of tie-line power while maintaining a reasonably uniform
frequency. During large transient disturbances and emergencies, AGC is bypassed and other
emergency controls are applied.
Modern power system network consists of several utilities interconnected together & power is
exchanged between utilities over tie-lines by which they are connected.
The objective of the AGC in an interconnected power system is to maintain the frequency of
each area and to keep tie-line power close to the scheduled values by adjusting the MW
outputs of AGC generators to accommodate fluctuating load demands. An interconnected
power system consists of control areas which are connected to each other by tie lines. In a
control area, all the generators speed up or slow down together to maintain the frequency and
31
relative power angles to scheduled values in static as well as dynamic conditions. Thus, an
AGC scheme for an interconnected power system basically incorporates suitable control
system, which can bring the area frequencies and tie line powers back to nominal or very
close to
nominal values effectively after the load perturbations. A perturbation like adding a block of
load in a single area power system operating at a nominal value of frequency
creates the power mismatch in generation and demand.
To achieve these objectives, a new centralized controller called AGC as shown in Fig 4.1 [2]
is developed, which works along with other generator voltage and speed control systems. As
Fig 4.1 shows, AGC measures actual system frequency and interchange flows from which it
calculates the frequency and interchange flow deviations by using the reference frequency and
scheduled interchange values.
The frequency and interchange deviation are then used to balance load and generation on a
Fig 4.1 Power System Automatic Generation Control
32
minute-to-minute basis. AGC controller must consider the minimizations of both frequency
and interchange deviations as its objective function in its control design.
4.2 AGC application [2]
Automatic generation software is designed to provide signals to a number of generators called
AGC units to minimize ACE. The supplementary signals are provided to the governor system
of the regulating units to restore the frequency and substitute generation increase from the
governor- controlled units. The AGC software in effect uses system measurements such as
system frequency, scheduled intertie flows, and actual intertie flows to build the value of
ACE.
There are three different modes of operations for AGC.
1. Flat Frequency.
2. Flat Tie-Line schedule.
3. Tie-Line with frequency bias.
The Flat Frequency mode is used by the isolated systems that only need to worry about the
system frequency, thus removing the term associated with the transition errors in the ACE.
The Flat Tie Line schedule mode ensures that the desired schedules are achieved, thus
removing the frequency term from the ACE. In this mode, the system frequency deviation
will not be corrected.
Tie line with frequency bias mode ensures that both the desired frequency and the tie line
schedules controls are achieved.
4.3 AGC characteristics. [3]
In AGC practice, to clear the fast changes and probably added noises, system frequency
gradient and ACE signals must be filtered before being used. If the ACE signal exceeds a
threshold at interval Tw, it will be applied to a controller block. The controller can be activated
to send higher/lower pulses to the participant generation units if its input ACE signal exceeds
a standard limit.
Delays, ramping rate, and range limits are different for various generation units. Various
terms associated with AGC are briefed as follows
4.31 Droop Characteristic
The ratio of speed (frequency) change (∆f) to change in output generated power (∆Pg.) is
known as droop or speed regulation, and can be expressed as
R(Hz/pu.MW) = ∆f / ∆Pg.
33
The interconnecting generating units with different droop characteristics can jointly track the
load change to restore the nominal system frequency. The amount of produced power by each
generating unit to compensate the network load change depends on the unit’s droop
characteristic.
∆P = ∆f / Rg .
4.32 Participation Factor
The participation factor indicates the amount of participation of a generator unit in the AGC
system. Following a load disturbance within the control area, the produced appropriate
supplementary control signal is distributed among the generator units in proportion to their
participation, to make generation follow the load. In a given control area, the sum of
participation factors is equal to 1.
In a competitive environment, AGC participation factors are actually time-dependent
variables and must be computed dynamically by an independent organization based on bid
prices, availability, congestion problems, costs, and other related issues.
4.33 Generation Rate Constraint
It is the rate of change of power generation due to the limitation of thermal and mechanical
movements, which is known as generation rate constraint (GRC). In hard coal-fired and
lignite-fired power plants, this rate is 2 to 4 % / min and 1 to 2 % / min, respectively.
4.34 Speed Governor Dead-Band
If the input signal of a speed governor is changed, it may not immediately react until the input
reaches a specified value. This phenomenon is known as speed governor dead-band. All
governors have a dead band in response, which is important for AGC systems. Governor
dead-band is defined as the total magnitude of sustained speed change, within which there is
no resulting change in valve position.
The maximum value of a dead band for governors of large steam turbines is specified as
0.06%(0.030Hz). For a wide band, the AGC performance may be significantly degraded. An
effect of the governor dead band on the AGC operation is to increase the apparent steady-state
frequency regulation.
4.4 AGC in a single area system [4]
With the primary LFC loop, a change in the system load will result in a steady-state frequency
deviation, depending on the governor speed regulation. In order to reduce the frequency
deviation to zero, we must provide a reset action. The reset action can be achieved by
introducing an integral controller to act on the load reference setting to change the speed set
34
point. The integral controller increases the system type by one which forces the final
frequency deviation to zero. The integral controller gain KI must be adjusted for a satisfactory
transient response.
4.5 AGC in the multi-area system [4]
In many cases, a group of generators are closely coupled internally and swing in unison.
Furthermore, the generator turbines tend to have the same response characteristics. Such a
group of generators is said to be coherent. Then it is possible to let the LFC loop represent the
whole system, which is referred to as a control area. The AGC of a multiarea system can be
realized by studying first the AGC for a two-area system. Consider two areas represented by
an equivalent by an equivalent generating unit interconnected by a lossless tie line with
reactance Xtie. Each area is represented by a voltage source behind an equivalent reactance as
shown in Figure 4.2.[12]
Fig 4.2 Equivalent network for two area power system
During normal operation, the real power transferred over the tie line is given by
P12 = |E1| |E2| sinδ12
X12
Where X12= X1+ Xtie+ X2, and δ12= δ1 - δ2.
The tie line power deviation then takes on the form
ΔP12 = ∆Ps (Δδ1 - Δδ2)
The tie line power flow appears as a load increase in one area and a load decrease in the other
area, depending on the direction of the flow. The direction of the flow. The direction of flow
35
is dictated by phase angle difference; if Δδ1> Δδ2, the power flows from area 1 to area 2. A
block diagram representation for the two-area system with LFC containing only the primary
loop is shown in Figure 4.3.[12]
Fig 4.3 Two area system with primary LFC loop
4.6 Tie-Line Bias control [4]
In the normal operating state, the power system is operated so that the demands of the areas
are satisfied at the nominal frequency. A simple control strategy for the normal mode is
 Keep frequency approximately at nominal value.
 Maintain the tie-line flow at about schedule.
 Each area should absorb its own load charges.
36
Conventional LFC is based upon tie-line bias control, where each area tends to reduce the
area control error (ACE) to zero. The control error for each area tends to consist of a linear
combination of frequency and tie-line error.
ACEi = Σn
j=1 δpij +Ki Δω
The area bias Ki determines the amount of interaction during a disturbance in the neighboring
areas. Overall satisfactory performance is achieved when Ki is selected equal to the frequency
bias factor of that area, i.e., Bi =1/Ri +Di. Thus, the aces for two area systems are
ACE1 = ΔP12 +B1 Δω1
ACE1 = ΔP21 +B2 Δω2
Where ΔP12 and ΔP21 are departures from scheduled interchanges. Aces are used as actuating
signals to activate changes in the reference power set points, and when steady state is reached,
ΔP12 and Δω will be zero. The block diagram of a simple AGC for two area system is shown
in Fig 4.4.[6]
Execution of AGC once every 2 to 4 secs results in a good performance. This means the ACE
is computed and the raise/lower control signals are transmitted to the generating plant once
every 2 to 4 seconds.
Control Strategy of AGC Tuning & Performance:
 To minimize fuel cost.
 To avoid the sustained operation of the generating units in an undesirable range.
 To minimize equipment, wear & tear.
37
Fig 4.4 AGC block diagram for two area system
4.7 Interconnected power system [2]
Mathematical models are of fundamental importance in understanding the physical and its
formulation. For modeling of the system, the first control area is formed by thermal units or a
mix of thermal, hydro and gas power units, while the second control area also contains similar
arrangements. Each control area is connected through tie-line for their net balance
interchanged tie-line power. Economic Dispatch (ED) tries to adjust the governor set point as
economically as possible and, hence directly affects the governor valve position. As
interchange scheduling is not an ED objective the integral controller should be located before
the application point of the ED unit. Per unit values of the scheduled generation level Pdi and
input power Pi of each area in its related base are employed to calculate ED error signal. The
generation allocation of multiple generating unit w.r.t generation output can be related to LFC
& concepts of ED.
Pides = Pibase + pfi x ∆Ptotal , pfi is the participation factor for ith unit. ∑ pfi = 1. The overall block
diagram under investigation is shown in Fig 4.5 for a general overview.
Power systems interconnections are put in place for the different systems to be able to
38
Perform the exchange of electricity and enjoy the economic benefits of diversity in generation
and load.
Also provide support under contingencies.
Fig 4.5 Block Diagram of Interconnected Power System [9]
Since load and generation in each system change instantaneously, it is important to have
proper controls in interties. These controls ensure that the undesirable tie-line flows do not
show up as the systems try to mitigate frequency deviations.
In other words, each system provides its share of frequency correction without impacting
another systems generation load balance inadvertently.
4.8 Conclusion
To balance load and generation in real time, the system operator needs to ensure that the AGC
system regulates a number of generating units to match generation to load. To understand it,
technology for generation load balance is discussed so as to have a very reliable AGC system.
In the next chapter, we take off to AGC implementation where the secondary and main
function of allocating generation is discussed so that each power source is loaded most
economically.
39
CHAPTER 5
ECONOMIC LOAD DISPATCH
5.1 Operating Cost of a Thermal Plant [1]
Economic Dispatch is the operation of generation facilities to produce energy at the lowest
cost to reliably serve consumers. It is one of the important optimization tasks and operational
decision which provides an economic condition for the power system. The factors influencing
power generation at minimum cost are operating efficiencies of generators, fuel cost, and
transmission losses.
The most efficient Generator in the system does not guarantee minimum cost as it may be in
an area where fuel cost is high. The problem is to determine the generation of different plants
such that the total operating cost is minimum.
The input to thermal plant is measured in Btu/hr and the output is measured in MW.
A simplified I-O curve of a thermal unit known as heat rate curve. Converting heat rate curve
from Btu/hr to R/hr results in the fuel cost curve. The fuel cost of the generator can be
expressed as a quadratic function pf real power generation.
Ci = ᾴ + ƃ Pi + ƛPi
2
An important characteristic is obtained by plotting the derivative of fuel cost versus real
power. This is known as Incremental fuel cost curve. (IFC)
dCi / dPi = 2ƛi Pi + ƃi
The IFC curve is a measure of how costly it will be to produce the next increment of power.
The total operating cost includes the Fuel cost, and the cost of labor, supplies & maintenance.
Case 1: ED neglecting losses and no generator limits
Since transmission losses are neglected, the total demand PD is the sum of all generation. A
cost function Ci is assumed to be known for each plant. The problem is to find the real power
generation for each plant such that the objective function (i.e., total production cost) as
defined by the equation,
Ci = ∑ Ci
= ∑ ᾴi + ƃ i Pi +ƛi Pi
2
is minimum subject to the constraint
40
∑ Pi = PD
Case 2: ED neglecting losses and including generator limits
The power output of any generator should not exceed its rating nor should it be below that
necessary for stable boiler operation. Thus, the generations are restricted to lie within the
given minimum and maximum limits. The problem is to find the real power generation for
each plant such that the objective function is minimum, subject to the constraint
Pi(min) ≤ Pi ≤ Pi (max) i = 1…., ng
The necessary condition for the optimal dispatch with losses neglected becomes
dCi / dPi = ƛ for Pi(min) ≤ Pi ≤ Pi (max)
dCi / dPi ≤ ƛ for Pi = Pi (max)
dCi / dPi ≥ ƛ for Pi = Pi (min)
For an estimated ƛ, Pi is found from the coordination equation and iteration is continued until
∑ Pi = PD.
Over the years many research works have been published and various efforts made to solve
ELD problems, employing different kinds of constraints, mathematical programming &
optimization technique. The classical or conventional methods include Lambda-Iteration,
Gradient Search and Dynamic programming.
5.2 Lambda Iteration Procedure [12]
The solution to this problem can be approached by considering a graphical technique for
solving the problem and then extending this into the area of computer algorithms.
The lambda- iteration procedure converges very rapidly for this optimization problem.
We use the following MATLAB code formulated for no losses and no generation losses.
For i=1:3
n(i)=(f(i,2)/(2*f(i,3)));
p(i)=(1/(2*f(i,3)));
end
m=sum(n);
q=sum(p);
lambda=((Demand+m)/q);
disp(lambda)
for i=1:3
41
P(i)=((lambda-f(i,2))/(2*f(i,3)));
end
For i=1:3
Total cost=(f(i,1) +f(i,2) *P) +(f(i,3) *P*P));
end.
5.3 Basepoint and Participation Factor [5]
The function of AGC is to allocate generation so that each power source is loaded most
economically. This function is called Economic Dispatch Control (EDC).
For control of tie-line power and frequency, it is necessary to send signals to generating plants
to control generation. Thus, requirements for EDC can be handled as a part of the AGC
function. Allocation of individual generation output is accomplished by using Base Points and
Participation Factors.
The base point represents the most economic output for each generating unit.
Participation factor is the rate of change of the unit output with respect to change in total
generation.
Pdesired = Pbase point + pf (∆Ptotal)
where
(∆Ptotal) = total new generation – the sum of Pbase point for all generation.
Sum of participation factors of all units is equal to unity. For each of the N units on the
system, so that
∆P1 = ∆ƛ / F1
”
∆P2 = ∆ƛ / F2
”
∆PN = ∆ƛ / FN
”
The total change in a generation (= change in total demand) is, of course, the sum of the
individual unit changes. Let PD be the total demand on the generators (where PD = PLOAD +
PLOSS), then
∆PD = ∆P1 + ∆P2 + ..+∆PN
= ∆ƛ ∑ (1/ Fi
”)
Participation factor for each unit is as follows
42
(∆Pi / ∆PD) = (1/Fi
” ) / ∑ (1/ Fi
”) The above scheme works well in computer
implementations where the execution time for the economic dispatch is short and will always
give consistent answers when units reach limits.
5.4 Conclusion.
The above chapter presents the concepts of economic load dispatch for load frequency
control of the simulated power system. Power generating units will participate or distribute
the total forecasted load according to their participation factors in view of economic load
dispatch calculations. Lambda iteration procedure is an iterative type of computation to
develop an analytical function of power output as a function of incremental cost rate. In the
next chapter, we study the control strategies which would give us an understanding of plant
modeling, simulation, tuning of PI/PID parameters for minimizing or maximizing the
objective function.
43
CHAPTER 6
APPLICATIONS AND RESULTS.
Before embarking on the objective of studying coordination of Load frequency control with
Economic dispatch, it is deemed necessary to understand the control strategies which would
help in understanding the concept of plant system processes, their transfer functions,
modeling and tuning of parameters.
6.1 The PID Actions [7]
Despite all advances in process control over the past 60 years, the PID control is one of the
earlier control strategies. In a PID controller, the error signal e(t) is used to generate the
proportional, integral, and derivative actions, with the resulting signals weighted and summed
to form the control signal u(t) applied to the plant model. A mathematical description of the
PID controller
u(t) = Kp [ e(t) + 1/Ti ∫ e(τ) dτ + Td de(t)/ dt] ,
where u(t) is the input signal to the plant model, the error signal e(t) = r(t) – y(t), and r(t) is the
reference input signal. The behavior of the PID actions will be demonstrated individually
through various exercises with special attention to the objective functions ITAE and ISE. The
objective functions are defined by the performance indices of the system. There are several
criteria for evaluating tuning that is based on integrating the error following a disturbance or
setpoint change. The indices provide a good method of comparing different methods of
controller tuning and a different control algorithm.
ITAE- Minimizing integral of time-weighted absolute error is commonly referred to as good
performance index in designing PID controllers.
ISE- Minimizing integral of the square of error.
Increasing KP tends to increase overshoot but reduces SSE.
44
Increases Kd tends to add damping thereby decreasing overshoot. No effect on steady-state
error.
Increasing Ki tends to help to reduce steady-state error but more sluggish and oscillatory.
Following examples introduce MATLAB/Simulink based Genetic Algorithm Optimization
technique models of the plant.
6.2 Genetic Algorithm Optimization Technique [9]
A genetic algorithm (GA) is used to optimize the objective function of the given system
which is mainly based on the search technique via operations observed in natural selection
and genetics of the system.
In multiarea system the area control error for the ith area which is defined as
ACEi = ∆Ptie +Bi ∆fi.
Now a performance index can be defined by adding the sum of squares of cumulative errors
in ACE. Hence based on area control error a performance index J can be defined as
J=∫ ∑ (ACEi) 2 dt
Based on this performance index J optimization problem can be stated as;
Minimize J
Subjected to KImin≤ KI ≤ KImax
The genetic algorithm ,GA, is a worldwide search technique, based on the operations
observed in natural selection and genetics skill to obtain optimum values, which is based on
the theory of natural selection., the process that drives biological development also operate on
population of present approximation-the individual-initially drawn at random, from which
enhancement is hunted thereafter the selected individuals are then modified through the
application of genetic operators, in order to operate the next generation. There are three
different genetic operators which have been applied to parents to form children for a further
generation:
Reproduction- Select the fittest folk in the current population to be used in generating the next
population.
Cross-over – Causes a pair of folks to swap genetic information with one another.
Mutation – Causes person genetic representation to be changed according to some
probabilistic rule.
In GA’s the value of fitness represents the performance which is used to rank 0 and the
ranking is then used to determine how to allocate reproductive opportunities.
45
The fitness function is essentially an objective function for the problem.
6.3 Exercise 1 [7]
Consider the FOIPDT- type plant Simulink model for the PID control with ITAE
descriptions. The variable names to be optimized are kp , ki , kd Minimizing integral of time-
weighted absolute error is a good performance index in designing PID controllers design too.
The steps taken to design PID controllers using the ITAE performance index are:
1. Develop the process model including the controller algorithms in Simulink.
2. Create a MATLAB m-file with an objective function to calculate the ITAE index.
3. Use a function of MATLAB Optimization (GA) to minimize the ITAE index. ITAE
performance index is mathematically given by ITAE = ∫ t |e(t)| dt.
46
Fig 6.1 PID control model
function y=ocd2(x)
assignin ('base','kp’, x(1));
assignin ('base','ki’, x(2));
assignin ('base','kd’, x(3));
[~, ~, y_out]=sim ('mocd2.mdl', [0,100]);
y=y_out(end);
Above MATLAB function code is written to describe the objective function where the
second, third and fourth lines in the code will assign the variables in vector x to the variables
kp, ki, kd in the MATLAB workspace.
Simulation is then performed to calculate the objective function Genetic Algorithm
Optimization Technique
Fig 6.2 PID control response
47
6.4 Exercise 2 [7]
Due to its simplicity, the Phase lead-lag compensator is a popular form of controller since it
can be easily implemented using a passive RC (resistor and capacitor) network or an RC
network with an operational amplifier.
Basically, there are three commonly used compensators, namely, the phase lead compensator,
phase lag compensator, and phase lead-lag compensator. Note that the compensator, or the
controller Gc(s), is usually applied in cascade(series) connection to the plant Model G(s).
Given a plant model, a Simulink block diagram can be established as shown in Fig 6.3, where
ITAE criterion can be evaluated. Fig 6.5 shows a Simulink model of Cascade PI control with
Optimal control response in Fig 6.6
48
Fig 6.3 Phase Lead-Lag Controller and system response
Phase Lead-Lag controllers design is explored using optimization technique GA.
In order to minimize the ITAE criterion, the following MATLAB function is
written to describe the Objective function.
Function y=c6optml(x)
assignin (‘base’,’Z1’, x (1)); assignin (‘base’,’P1’, x (2));
assignin (‘base’,’Z2’, x (3)); assignin (‘base’,’P2’, x (4));
assignin (‘base’,’K’, x (5)); % assign variable into MATLAB workspace
[t, xx, yy] =sim(‘c6moptml.mdl’,100); y=yy (end); % evaluate objective function.
If max (yy (: ,2))>1.03, y =1.2*
Fig 6.4 Lead-Lag System Response
Based on the numerical optimization technique, an extra constraint can be introduced. If one
wants to reduce the overshoot, as shown in Fig 6.4, such that ὰ ≤ 3%, one can increase the
objective function manually. The resulting closed-loop step response has less overshoot.
.
49
Fig 6.5 Simulation model of Cascade PI control
Fig 6.6 Optimal Control Response
50
6.5 Exercise 3 [1]
Generator Automatic Voltage Regulator
AVR block diagram in Fig 6.7 depicts amplifier, exciter, generator, and sensor. The amplifier
is represented by a gain Ka and a time constant Ta, and
function is Ka/ (1+Ta s). Exciter model is a linearized model which considers major time
constant Te, gain Ke with transfer function Ke/ (1+Te s).
Generator model transfer function relates generator terminal voltage to field voltage and is
represented by a gain Kg and a time constant Tg and transfer function is Kg/ (1+Tg s).
The sensor is modeled by a first order transfer function as Kr/ (1+Tr s).
Fig 6.7 AVR Block Diagram
The primary means of generator reactive power control is the generator excitation control
using an automatic voltage regulator (AVR).
The role of an (AVR) is to hold the terminal voltage of the synchronous generator at a
specified level.
A simplified automatic voltage regulator block diagram is shown in Fig 6.7.
Amplifier model: Excitation amplifier may be a magnetic amplifier, rotating, or modern
electronic amplifier represented by a gain Ka and a time constant Ta.
Exciter model: It is a linearized model, which considers the major time constant and ignores
saturation or other non-linearities. The transfer function is represented by a single time
constant Te and a gain Ke.
Generator model: In the linearized model, the transfer function relating the generator
terminal voltage to its field voltage can be represented by a gain Kg and a time constant Tg.
51
Sensor model: The voltage is sensed through a potential transformer and, in one form, it is
rectified through a bridge rectifier. The sensor is modeled by a simple order transfer function,
given by a gain Ks and a time constant Ts.
Fig 6.8 Terminal Voltage Step Response
For a simplified AVR system, the response is highly oscillatory, with a large overshoot and
long settling time. The transient performance can be adjusted to satisfy the system
specifications by adjusting the system constants.
The transient response of a system is required to have an overshoot less than or equal to 10%.
The original terminal voltage step response of the AVR system is shown in Fig 6.8.
.
52
6.6 Exercise 4 [1]
Modeling of AGC including Excitation
Fig 6.9 Simulink Block Diagram
An isolated power station where the coupling effect of LFC and AVR systems is studied by
extending linearized AGC systems to include the excitation system. The load is varied by 0.8
percent for a 1 percent change in frequency, D = 0.8. The frequency deviation and terminal
voltage responses for a load change of ∆PL1=0.2 per unit.
KT=1, ΓT=0.5, KG=1, ΓT =0.2, KA=10, ΓA=0.1
KE=1, ΓE=0.4, KG=0.8, ΓG=1.4, KR=1, ΓR=0.05
H=5, R=0.05.
The integrator gain in the secondary LFC loop is set to a value of 6.0. The excitation PID
controller is tuned for KP=1, KI=0,25, KD=0.3.
A Simulink block diagram is constructed as shown in Fig 6.9.
Since there is a weak coupling between the LFC and AVR systems, the frequency and voltage
were controlled separately.
53
The speed deviation step response and the terminal voltage step response are shown in Figs
6.10 and 6.11.
It is observed that when the coupling coefficients are set to zero, there is little change in the
transient response. Thus, separate treatments of frequency and voltage control are justified.
RESPONSE CURVES
Fig 6.10 Frequency Deviation Step Response
Fig 6.11 Terminal Voltage Step Response
54
6.7 Exercise 5 [1]
Two Area Thermal-Thermal System with Tie-Line
Fig 6.12 Simulink Modeling of Two-Area System
Fig 6.12 model depicts a two-area system connected by a tie-line having the
following parameters.
Speed Regulation R1=0.05, R2=0.0625
Frequency-sensitive Load coefficient D1=0.6, D2=0.9
Inertia constant H1=5, H2=4
Base Power 450MVA
Governor time constant tg1=0.2 sec, tg2=0.3 sec
Turbine time constant tt1=0.5 sec, tt2=0.6 sec.
The units are operating in parallel at the nominal frequency of 50 Hz. The synchronizing
power coefficient is computed from the initial operating condition and is given to be Ps = 2.0
per unit. A load change of 45 MW occurs in area 1.
The following simulation results as shown in Figs 6.13 and 6.14 returns the vector
DP, containing t, Pm1, Pm2, and P12.
55
LFCs are equipped with only the primary control loop, a change of power in area 1 was met
by the increase in generation in both areas associated with a change in the tie-line power, and
a reduction in frequency.
In the normal operating state, the power system is operated so that demands of areas are
satisfied at the nominal frequency.
A simple control strategy for the normal mode is,
Fig 6.13 Power Deviation Step Response
 Keep frequency approximately at the nominal value (50 Hz).
 Maintain the tie-line flow at about schedule.
 Each area should absorb its own load changes.
Conventional LFC is based upon tie-line bias control, where each area tends to reduce the
area control error ACE to zero. The control error for each area consists of a combination of
frequency and tie-line error.
ACEi = ∑ ∆Pij + Ki∆w
0 5 10 15 20 25
-0.6
-0.4
-0.2
0
0.2
0.4
0.6
0.8
1
1.2
1.4
PowerStepDeviationStepResponse
time,seconds
p.u.
PowerTieResponseDelP12
PowerDeviationStepResponseDelPm1
PowerDeviationStepResponseDelPm2
56
Fig 6.14 Frequency Deviation Step Response
In the following chapter the ACEs for the two- area system are simulated and overall
satisfactory response is achieved when Ki is selected equal to the frequency bias factor of that
area, i.e., Bi = 1/Ri + Di. Thus the ACEs for a two area system are considered.
0 5 10 15 20 25
-0.08
-0.07
-0.06
-0.05
-0.04
-0.03
-0.02
-0.01
0
time,secs
FREQUENCY
DEVIATION
FREQUENCYDEVIATIONRESPONSEOFTWOAREA
57
6.8 Exercise 6 [1]
AGC in two areaThermal-Thermal system
Tie line control system must use two pieces of information: the system frequency and the net
power flowing in or out over the tie lines.
(i). If frequency decreased and net interchange power leaving the system increased, a load
increase has occurred outside the system.
(ii). If frequency decreased and net interchange power leaving the system decreased, a load
increase has occurred inside the system.
Table 6.1
Parameters Area 1 Area 2
The turbine time constant (Tt) 0.5 secs 0.6 secs
Governor time constant (Tg) 0.2 secs 0.3 secs
Freq. sensitive load coeff. 0.6 0.9
Governor Speed Regulation (R) 0.05 0.0625
A two-area system connected by a tie-line having parameters stated in Table 6.1 on a 450MVA
common base. The units are operating in parallel at the nominal frequency of 50Hz. A sudden
load change of 45 MW occurs in area 1. The Simulink block diagram is constructed along
with frequency deviation step response and power deviation step response. Since LFC's are
equipped with only primary control loop a change in area 1 was met by the increase in
generation in both areas associated with a change in the tie-line power, and a reduction in
frequency.
Modeling two area systems are based on the transfer function approach. Two area system with
governor control is shown. The control system model shown has inputs from the controllers,
∆PL steps load change of 0.1p.u. of nominal loading in area 1. ∆f1 and ∆f2 are the frequency
deviations of the control areas and ∆Ptie is the changing of the tie-line power. Interconnected
power system model using ITAE as shown in Fig 6.14 has been created in MATLAB
58
Simulink. Area Control Error (ACE) for each area is calculated by running this model with an
Integral controller. ACE is further minimized using GA optimization.
Fig 6.15 Modeling of two areas Thermal-Thermal system using ITAE criterion.
The main components of the power system include speed governor, turbine, rotating mass,
and load. The operating behavior of the power system is dynamic so it must be assumed that
the parameters of the system are linear. For mathematical modeling, the transfer function is
used. The controller used in the AGC system is an integral controller. The objective function
used for Fig 6.15 is ITAE. These objective functions aim to reduce the steady-state error to
zero and maximize the damping ratio of the system.
J1 = ITAE = ∫ ( |∆f1| + |∆f2| + |∆Ptie| ).t dt ,
J2 = ISE = ∫ ( ( |∆f1|2 + |∆f2|2 + |∆Ptie|2 ) dt.
59
The problematic constraints are the parameters of the AGC regulator which contains integral
gains, speed regulations, and the frequency sensitivity coefficients.
Fig 6.16 Frequency deviation step response in ITAE criterion
Genetic Algorithm parameters are taken as given below
The number of populations = 100
The number of generations = 100
The probability of crossover is 0.8
The mutation function taken is Gaussian.
The fitness scaling is Rank.
If there is a sudden heavy load change in any area or both the areas simultaneously, then
prominent deviations can be seen in frequencies as in Fig 6.16.These cases are helpful in
ascertaining the good performance of the designed controller. Further, it is observed that
ITAE error is minimum with the proposed controller. It can also be seen from both figures
that deviations in frequencies settle down to zero quickly with the proposed controller.
60
6.9 Ant Colony Optimization Technique [10]
ACO is a nature-inspired metaheuristic for the solution of hard combinatorial optimization
problems. The ACO algorithm is developed using artificial ants, which are designed based on
the behavior of real ants. The behavior of artificial ants is inspired by real ants. They lay
pheromone trails on the graph edges and choose their path with respect to probabilities that
depend on pheromone trails and this pheromone trails progressively decrease by evaporation.
Ants prefer to move to nodes, which are connected by short edges with a high amount of
pheromone. The variables which are used in the ACO algorithm are
 Ƞij Heuristic factor
 τ Pheromone factor
 Pij Transition probability
 α and β Constants are greater than zero.
 ρ Coefficients of the persistence of trail.
At each generation, each ant generates a complete tour by choosing the nodes according to a
probabilistic state transition rule. For the selection of a node, an ant uses a heuristic factor as
well as a pheromone factor. The heuristic factor, denoted by Ƞij, and the pheromone factor,
denoted by τ are indicators of how good it seems to have node j at node I of the permutation.
The algorithm stops iterating either when an ant found a solution or when a maximum number
of generations has been performed. ACO uses a pheromone matrix τ = {τi j} for the
construction of potential good solutions.
Tuning PID method based on the multi-objective and ACO is developed for getting good
performances and tunes the optimal PID parameters. The aim of the multi-objective ACO
algorithm is to determine the optimal solutions of the PID controller parameters by
minimization of the multi-objective function and to identify the Pareto optimal solution.
6.10 ACO and Objective Function
In this work problem of designing PID controllers as a multi-objective optimization problem
taking into consideration, the Ant Colony Optimization was developed.
ACO is mainly inspired by the fact that ants can find the shortest route between their nest and
a food source. ACO algorithms are especially suited for finding solutions to difficult
optimization problems. The amount of pheromone deposited is proportional to the quality of
move an ant has made. Thus, the more pheromone, the better the solution found. All moves
61
are based on stochastic search policy more directed by pheromone trails, internal states and
local information encoded in the environment.
Design PID Controller using ACO
The transfer function for PID Controllers is defined as a
GC (p) = KP + Ki /s + Kd s
PID controller in continuous time is
e(t) = r(t)-y(t), where e(t) is the difference between reference signal r(t) and the output, y(t) of
the controlled process.
The gains Kp, Ki, Kd of the PID controller are generated by the multi-objective ACO
algorithms for a given plant.
The ACO technique has three main phases for solving the optimization problem
1. Initialization
2. Constructing Ant Solutions.
3. Updating Pheromone Concentration.
System Flow for Optimization of PID controller parameters
 Start the Simulation.
 Initialization of PID controller parameters.
 No. of Iterations
 Evaporation Rate
 No. of Ants.
 Pheromones
 Probability
 Run the Simulink Model and evaluate the cost function.
 Updating Pheromone and Probability.
 Calculate the Optimal value of PID Controller parameters and fitness value.
 Check maximum iteration is reached or not
 If yes, stop.
6.11 ACO cost function of AVR
 function cost_value=cost_func2(k, plotfig)
 assignin ('base','P’, k (1))
 assignin ('base','I', k (2))
62
 • assignin ('base','D ', k (3))
 sim('avrACO.mdl')
 err=reference-out;
 [n, ~] =size(err);
 cost_value=0;
 for i=1: n
 % cost_value=cost_value+(err(i)) ^2; % ISE
 % cost_value=cost_value+abs(err(i)); % IAE
 cost_value=cost_value+t(i)*abs(err(i)); % ITAE
 % cost_value=cost_value+t(i)*(err(i)) ^2; % MSE
 end
 % cost_value=cost_value/t(n); % MSE
 if plotfig
 figure (3)
 plot (t, reference, t, out)
 end
6.12 ACO Optimization Program
 ACO parameters
 N_iter=300; %number of iterations
 NA=300; % Number of Ants
 Alpha=0.8; % alpha
 Beta=0.2; % beta
 roh=0.7; % Evaporation rate
 n_param=3; % Number of parameters
 LB= (0.01). *ones (1,27); % lower bound
 UB=10. *ones (1,27); % upper bound
 n_node=10000; % number of nodes for each param
 cost_best_prev=inf;
 Disp (['Ant number: ' num2str(A)])
 Disp (['Ant Cost: ' num2str(cost(A))])
 Disp (['Ant Parameters: ' num2str (Nodes (ant (A, :)))])
63
 If iter~=1
 Disp (['iteration: ' num2str(iter)])
 Disp ('_________________')
 Disp (['Best cost: ' num2str(cost_best)])
 Disp (['Best parameters: ' num2st
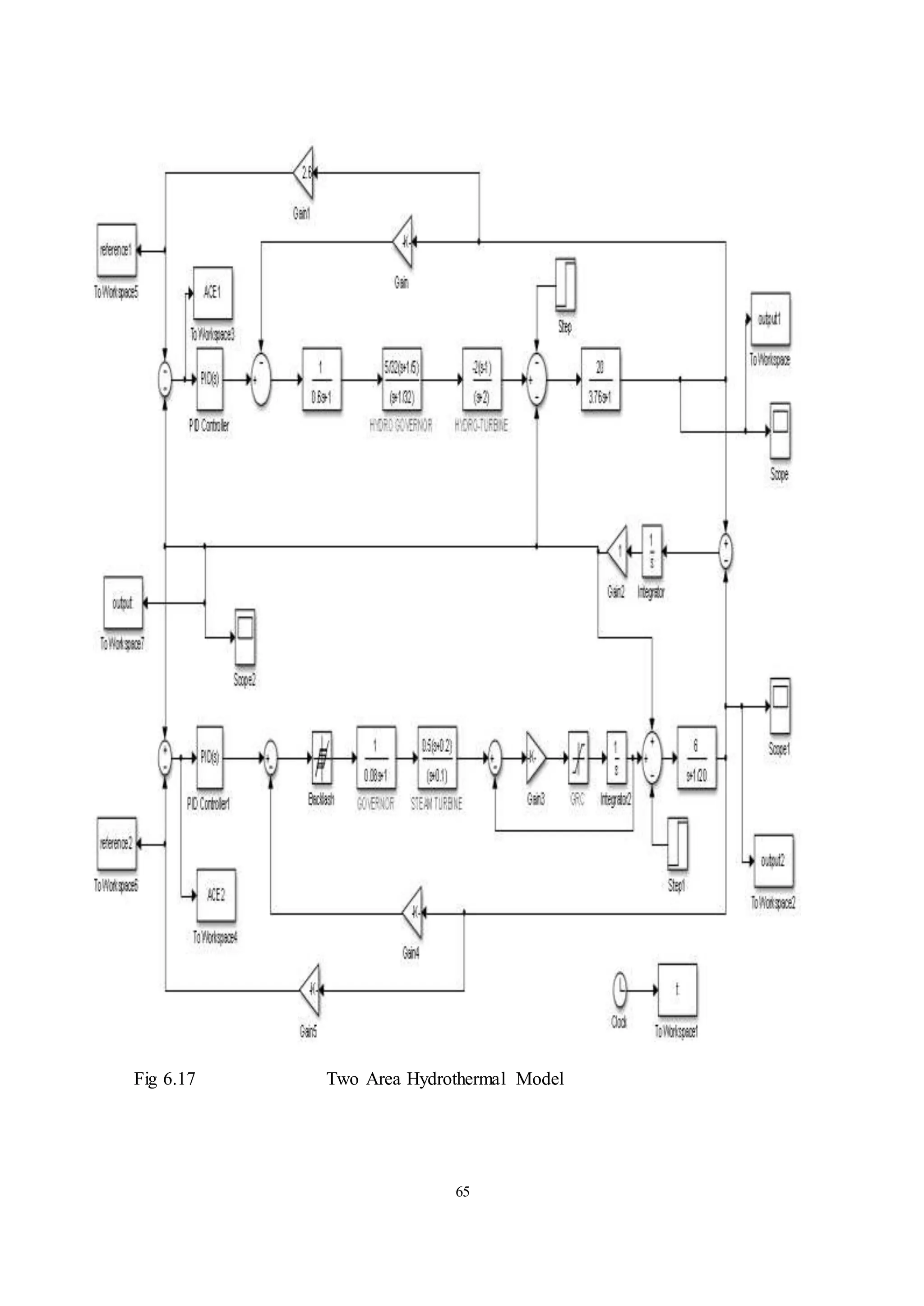
6.13 Exercise 7 [11]
A two-area model of a hydrothermal power station including nonlinearities is shown in Fig
6.17. This exercise proposes a novel AI technique, ACO, for optimized tuning of PI
controllers for load frequency control. The design algorithm is applied to a hydrothermal
station consisting of two control areas one hydro and the other is thermal with reheat stage. To
make the system in realistic form, the system non-linearities represented by GRC, Dead Band,
wide range parameters are introduced. The motivation behind this research is to prove and
demonstrate the robustness of ACO based PI, and to improve the transient response of both
frequency deviation and tie line power in the presence of system non-linearities.
The steam chest time constant which is related to the non-reheat stage ranges from 0.1 to 0.5s
whereas the time constant for the reheat stage (which is series cascaded with non-reheat stage)
ranges from 4 to 10 s. Nonlinearities incorporated in this model represent in GRC and
governor dead band (backlash).
GRC implies the limitation on the generation rate of change in the output generated power
due to thermal and mechanical movements. Value is taken as 0.1 p.u.MW per minute.
Dead Band is defined as the total magnitude of a sustained speed change; within which there
is no resulting change in valve position. All types of governors have a dead band in response,
which is important to power system frequency control in the presence of disturbances, here it
is taken as 0.0005.[18]
64
ACO Technique for two Area Hydrothermal model
ACO7 parameters
n_iter=50; %number of iterations
NA=100; % Number of Ants
Pheromone= 0.7; % Weight of pheromone
Pozitive Pheromones=0.2; % Value of positive pheromone constant
Negative Pheremone=0.3; % Value of negative pheromone constant
alpha=0.8; % alpha
beta=0.2; % beta
roh=0.95; % Evaporation rate
n_param=4; % Number of parameters
LB= (0.01). *ones (1,27); % lower bound
UB=10. *ones (1,27); % upper bound
n_node=45; % number of nodes for each param
cost_best_prev=inf;
cost(A)=cost_func7(Nodes (ant (A, :)),0);
65
Fig 6.17 Two Area Hydrothermal Model
66
Fig 6.18 ∆F1 & ∆F2 Response with Pheromones 0.8, Nodes 50, ISE-ACOT
Fig 6.19 ∆F1 & ∆F2 Response with Pheromones 0.7, Nodes 50, ISE-ACOT
0 5 10 15
-0.08
-0.07
-0.06
-0.05
-0.04
-0.03
-0.02
-0.01
0
0.01
0.02
Multiple plot using plot command
time(seconds)
0 5 10 15
-0.08
-0.06
-0.04
-0.02
0
0.02
0.04
Multiple plot using plot command
time(seconds)
67
Fig 6.20 Frequency Deviation Response in area 1-GAOT
Fig 6.21 Frequency Deviation Response in area 2-GAOT
0 5 10 15
-0.14
-0.12
-0.1
-0.08
-0.06
-0.04
-0.02
0
0.02
Frequency Deviation Response in Area 2
time,secs
Frequency
Deviation
in
Area
2
0 5 10 15
-0.14
-0.12
-0.1
-0.08
-0.06
-0.04
-0.02
0
0.02
time,secs
Frequency
Deviation
in
Area
1
FREQUENCY DEVIATION RESPONSE IN AREA 1
68
Fig 6.22 Tie-Power Deviation Response-GAOT
6.14 Conclusion
Exercises showing various PID and two areas Thermal and Hydrothermal AGC models with
GA &ACO based controllers were simulated to validate the efficiency of the proposed
algorithms. From the simulation results, it can be found that the EA based controllers can
produce relatively better results with fast convergence rate and higher precision. ACO based
PI/PID is capable to guarantee robust capability and robust performance under various load
conditions. Application of such algorithms leads to the satisfactory performance of the power
generating an interconnected system with and without the tertiary role of AGC. In the next
chapter, we study the economic allocation of generation for optimal dispatch when a sudden
increase in demand.
0 5 10 15
-0.025
-0.02
-0.015
-0.01
-0.005
0
0.005
0.01
0.015
0.02
TielinePowerDeviationResponse
time,secs
P
tie
69
CHAPTER 7
ECONOMIC ALLOCATION OF GENERATION
7.1 Implementation of AGC [5]
In modern AGC schemes, the control actions are usually determined for each control area at
a central location called the dispatch center. Information pertaining to tie line flows, system
frequency, and unit MW loadings is telemetered to the central location where the control
actions are determined by the digital computer. The control signals are transmitted via the
same telemetering channels to the generating units on AGC. The normal practice is to
transmit raise or lower pulses of varying lengths to the units. The control equipment at the
plants then change the reference setpoints of the units up or down in proportion to the pulse
length.
The AGC control logic must also be driven by the errors in unit output so as to force the units
to obey the economic dispatch. Such a control system is shown schematically in Fig 7.1.
Fig 7.1 Overview of AGC Logic
70
Investigation of Fig 7.1 [4] shows an overall control system that will try to drive ACE to zero
as well as driving each unit output to its required economic value.
To implement an AGC system, one would require the following information at the control
center.
1. Unit megawatt output for each committed unit.
2. Megawatt flow over each tie line to neighboring systems.
3. System frequency.
7.2 Finding Economic Dispatch Schedules
7.21 Case Study 1
Considering that all two of the thermal units described in the Simulink model Fig 6.15 are
running. The model depicts a two-area system connected by a tie-line having the following
parameters.
Speed Regulation R1=0.05, R2=0.0625
Frequency- 50Hz, Load coefficient D1=0.6, D2=0.9
Inertia constant H1=5, H2=4
Base Power- 450MW
Governor time constant tg1=0.2 sec, tg2=0.3 sec
Turbine time constant tt1=0.5 sec, tt2=0.6 sec.
The units are operating in parallel at the nominal frequency of 50 Hz. The synchronizing
power coefficient is computed from the initial operating condition and is given to be Ps = 2.0
per unit. A load change of 45 MW occurs in area 1.
Assuming that the fuel inputs in MBtu per hour for units 1 and 2, which are both online, are
given by
H1 = 225 + 8.4 P1 + 0.0025 P1
2
Minimum (MW) = 45, Maximum (MW) = 350, Fuel Cost (R/MBtu) = 0.80
H2 = 729 + 6.3 P2 + 0.0081 P2
2
Minimum (MW) = 45, Maximum (MW) = 350, Fuel Cost (R/MBtu) = 1.02
71
1. Using the lambda iteration method to find the Economic Dispatch for a total demand of
450 MW.
2. Using the Base Point and Participation Factor method to find the economic schedule for
the demand of 495 MW starting from the solution to part 1.[6]
3. Using Participation factors to simulate two areas thermal- the thermal model for
calculating gains of PID controllers.
4. Calculate the individual unit loadings and cost per hour, as well as the total cost per
hour to supply each load level.
Lambda Iteration Method
F1 = H1 x FC1 = 180 + 6.72 P1 + 0.002 P1
2
F2 = H2 x FC2 = 743.58 +6.426 P2 + 0.00826 P2
2
Lagrange multiplier, λ = dF1 / dP1 = 6.72 + 0.004 P1
λ = dF2 / dP2 = 6.426 + 0.01652 P2
1st Iteration, assuming λ = 8.0 R / MWh
P1 = 320 MW, P2 = 95.28 MW, Pr = P1 + P2 = 415.28 MW
PL = 450 MW, є = PL – Pr = 34.72 MW.
2nd Iteration, assuming λ = 7.5 R / MWh
P1 = 195 MW, P2 = 65.0 MW, Pr = P1 + P2 = 260 MW
PL = 450 MW, є = PL – Pr = 190 MW.
3rd Iteration, assuming λ = 8.5 R / MWh
P1 = 395 MW, P2 = 113.43 MW, Pr = P1 + P2 = 508.43 MW
PL = 450 MW, є = PL – Pr = -58.43 MW.
4th Iteration, assuming λ = 8.15 R / MWh
P1 = 357.5 MW, P2 = 104.35 MW, Pr = P1 + P2 = 461.85 MW
PL = 450 MW, є = PL – Pr = -11.85 MW.
5th Iteration, assuming λ = 8.10 R / MWh
P1 = 345 MW, P2 = 101.33 MW, Pr = P1 + P2 = 446.33 MW
PL = 450 MW, є = PL – Pr = 3.67 MW.
6th Iteration, assuming λ = 8.08 R / MWh
P1 = 340 MW, P2 = 100.12 MW, Pr = P1 + P2 = 440.12 MW
72
PL = 450 MW, є = PL – Pr = 10.12 MW.
7th Iteration, assuming λ = 8.12 R / MWh
P1 = 350MW, P2 = 102.54 MW, Pr = P1 + P2 = 452.54 MW
PL = 450 MW, є = PL – Pr = -2.54 MW.
8th Iteration, assuming λ = 8.11 R / MWh
P1 = 347.5 MW, P2 = 101.93 MW, Pr = P1 + P2 = 449.43MW
PL = 450 MW, є = PL – Pr = 0.57 MW.
9th Iteration, assuming λ = 8.109 R / MWh
P1 = 347.25 MW, P2 = 101.8765 MW, Pr = P1 + P2 = 449.12 MW
PL = 450 MW, є = PL – Pr = 0.88 MW.
10th Iteration, assuming λ = 8.112 R / MWh
P1 = 348 MW, P2 = 102.05 MW, Pr = P1 + P2 = 450.05 MW
PL = 450 MW, є = PL – Pr = -0.05 MW.
P1 = 348 MW, P2 = 102 MW ( Optimum Base Loading of Generators)
F1 = 180 + 6.72 x 348 + 0.0081 x (3482)
= 2617.5 R/hr.
F2 = 743.58 + 6.426x 102 +0.00826 x (1022)
= 1484.96 R /hr.
FT = F1 + F2 (Total Fuel Cost of Running both Generators)
= 4102.462 R /hr.
73
Base and Participation Method
Participation Factor, pf, = ∆ Pi / ∆ Po = 1 / Fi
” / ∑ 1 / Fi
”
F1
” = 0.004
F2
” = 0.01652
Unit 1 pf = 0.805
Unit 2 pf = 0.195
Pnew, i = Pbase, i + (∆ P1 / ∆ P0) * ∆ PD for i = 1,2
P1
new = P1
old + 0.805 (45)
= 348 + 36.225 MW
= 384.225 MW New Generator 1 Loading
P2
new = P2
old+ 0.195 (45)
= 102 + 8.775
= 110.775 MW New Generator 2 Loading
F1 = 180 + 6.72 * 384.225 + 0.0081* (384.225)2
= 3957.722 R/hr
F2 = 743.58 + 6.426* 110.775 +0.00826*(110.775)2
= 1556.78 R/hr
FT = F1 + F2 = 5514.5 R/hr Total Cost per hour
74
Two Area Thermal Modeling with Participation Factor
A two-area system is used to illustrate the behavior of the proposed AGC scheme. The system
consists of non-reheat thermal power plants. The simulated block diagram is shown below.
ACE 1 and ACE 2 are control errors; R1 and R2 are governor speed regulation constants, B1
and B2 are frequency bias factors. Each area is having its own governing system, generator
, and turbine as represented in Fig 7.2... There are three inputs and two outputs for each area.
The inputs are control inputs, load demand change, ∆PL1 and ∆PL2, change in tie-line power,
∆Ptie , ∆f1 and ∆f2 are the deviations in the system frequencies.
Fig 7.2 Block Diagram of Two Area with Participation Factor
75
0 5 10 15 20 25 30 35 40 45 50
-7
-6
-5
-4
-3
-2
-1
0
1
2
x 10
-3
X: 4.044
Y: 0.001645
Del F1 Response ,Step load 0.1 pu , No PF , Area 1
time,seconds
Del
F1
,Area
1,
Step
Load
0.1pu,
PF=0
Fig7.3 Frequency Deviation Response of Area 1
AREA 1, ∆f1 = -0.0009 p.u. ∆PL = 0.1 p.u, PF =0.8, PI
KP1 = 0.0705, KI1 = 0.99
KP2 = 0.1468, KI2 = 0.2154
Objective func =0.000234 p.u.
Fig 7.4 Frequency Deviation Response of Area 1
AREA 1, ∆f1 = -0.0009 p.u. ∆PL = 0.1 p.u ,No PF ,PI
KP1 = 0.0495, KI1 = 0.0198
KP2 = 0.531, KI2 = 0.0292
0 5 10 15 20 25 30 35 40 45 50
-7
-6
-5
-4
-3
-2
-1
0
1
2
x 10
-3
time, seconds
Delta
Frequency
Area
1,
Hz
FREQUENCY RESPONSE OF AREA 1 WITH STEP LOAD OF 0.1 PU AND UNIT PARTICIPATION FACTOR
76
Fig 7.5 Frequency deviation response of Area 2
AREA 2, ∆f1 = -0.001364 p.u. ∆PL = 0.1 p.u ,PF= 0.2p.u ,PI
Fig 7.6 Frequency deviation response of Area 2
AREA 2, ∆f2 = -0.001364 p.u. ∆PL = 0.1 p.u , No PF ,PI
0 5 10 15 20 25 30 35 40 45 50
-1.5
-1
-0.5
0
0.5
1
x 10
-3
X: 3.244
Y: -0.001364
0 5 10 15 20 25 30 35 40 45 50
-1.5
-1
-0.5
0
0.5
1
1.5
x 10
-4
Del
F2,A2,SL
0.1,PF
0.2,
PI
77
Fig 7.7 Frequency deviation response of Area 2
AREA 2, ∆f2 = -0.001364 p.u. ∆PL = 0.1 p.u , No PF ,PID
Fig 7.8 Frequency deviation response of Area 1
AREA 1, ∆f = -0.0001531 p.u. ∆PL = 0.1 p.u , PF =0.8, PID controller
KP1 = 0.9285, KI1 = 0.998, KD1 =0.99
KP2 = 0.1155, KI2 = 0.0185, KD2 = 0.8977
Objective function 0.0193 p.u.
0 5 10 15 20 25 30 35 40 45 50
-10
-8
-6
-4
-2
0
2
4
x 10
-6
X: 32.4
Y: 2.253e-06
0 5 10 15 20 25 30 35 40 45 50
-7
-6
-5
-4
-3
-2
-1
0
1
2
3
x 10
-4
X: 1.274
Y: 0.0001531
78
7.22 Case Study 2
With following fuel inputs for units 1 and 2
Unit 1: H1(P1) = 500 + 7P1 + 0.002P1
2 MBtu/h
Fuel Cost F1 = 1.0 R/MBtu/h
150 < P1 < 600 MW
Unit 2: H2(P2) = 200 + 8P2 + 0.0025P2
2 MBtu/h
Fuel Cost F2 = 0.98 R/MBtu/h
125< P1 < 500 MW
1. Using the Lambda -Iteration method to find the economic schedule for a demand of
500 MW and use base point and participation factor method to find Economic
Schedule for a load change of 10 MW.
2. Using Participation factors to simulate two areas thermal- a thermal model for
calculating gains of PID controllers.
3. Calculate the individual unit loadings and cost per hour, as well as the total cost per
hour to supply each load level.
F1 = H1 x FC1 = 500+ 7 P1 + 0.002 P1
2
F2 = H2 x FC2 = 196 +7.84 P2 + 0.00245 P2
2
Lagrange multiplier, λ = dF1 / dP1 = 7+ 0.004 P1
λ = dF2 / dP2 = 8+ 0.005 P2
1st Iteration, assuming λ = 8.55R / MWh
P1 = 387.5 MW, P2 = 110 MW, Pr = P1 + P2 = 497.5 MW
PL = 500 MW, є = PL – Pr = 2.5 MW.
2nd Iteration, assuming λ = 8.56 R / MWh
P1 = 390 MW, P2 = 160 MW, Pr = P1 + P2 = 550 MW
PL = 500 MW, є = PL – Pr = -50 MW.
3rd Iteration, assuming λ = 8.54 R / MWh
P1 = 387.95 MW, P2 = 110.2 MW, Pr = P1 + P2 = 498.15 MW
PL = 500 MW, є = PL – Pr = 1.85 MW.
4th Iteration, assuming λ = 8.552 R / MWh
P1 = 388 MW, P2 = 110.4 MW, Pr = P1 + P2 = 498.4 MW
PL = 500 MW, є = PL – Pr = 1.6 MW.
79
5th Iteration, assuming λ = 8.555 R / MWh
P1 = 388.75 MW, P2 = 111.0 MW, Pr = P1 + P2 = 499.75 MW
PL = 500 MW, є = PL – Pr = 0.25 MW.
6th Iteration, assuming λ = 8.556 R / MWh
P1 = 389 MW, P2 = 111.2 MW, Pr = P1 + P2 = 500.2 MW
PL = 500 MW, є = PL – Pr = -0.2 MW.
7th Iteration, assuming λ = 8.5555 R / MWh
P1 = 388.875 MW, P2 = 111.1 MW, Pr = P1 + P2 = 499.975 MW
PL = 500 MW, є = PL – Pr = 0.025 MW.
BASEPOINT AND PARTICIPATION METHOD
Participation Factor, pf, = ∆ Pi / ∆ Po = 1 / Fi
” / ∑ 1 / Fi
”
F1
” = 0.004
F2
” = 0.005
Unit 1 pf = 0.555
Unit 2 pf = 0.444
Pnew, i = Pbase, i + (∆ P1 / ∆ P0) * ∆ PD for i = 1,2
P1
new = P1
old + 0.555 (10)
= 394.425 MW New Generator 1 Loading
P2
new = P2
old + 0.444 (10)
= 115.54 MW New Generator 2 Loading
F1 = 3572.115 R/hr
F2 = 1134.534 R/hr
FT = F1 + F2 = 4706.65 R/hr Total Generation Cost per hour.
80
Fig 7.9 Thermal-Thermal control area power system with Participation Factor
The optimized controller namely GA tuned FLC has been examined for AGC of a two-area
thermal -thermal system as shown in Fig 7.9.
It comprises two areas that are interconnected by high voltage transmission line or tie-lines.
The trend of power frequency measured in each control area is an indicator of the trend of
mismatch power in the interconnection. The LFC system in each control area of an
interconnected power system should control the interchange power with the control area and
its local frequency.
7.23 Simulation Results
The simulation has been conducted in MATLAB Simulink package for two area power
system by using a PID controller. The simulation models for two area power system with and
81
without Participation Factor with step loads of 0.02,0.05p.u.respectively are shown in Fig
7.10 to 7.21.
Fig 7.10 AREA 1, ∆f = - 0.5343 p.u. ∆PL = 0.02 p.u , W/O PF
KP1 = 0.5792, KI1 = 0.99, KD1 =0.288
KP2 = 0.533, KI2 = 0.973, KD2 =0.32
Fig 7.11 AREA 1, ∆f = - 0.555 p.u. ∆PL = 0.02 p. u, PF = 0.555 p. u
KP1 = 0.9945, KI1 = 0.9636, KD1 = 0.4455
KP2 = 0.8373, KI2 = 0.9741, KD2 = 0.4356
Objective function ITAE value = 0.037, Total demand 500 MW
0 2 4 6 8 10 12 14 16 18 20
-0.6
-0.5
-0.4
-0.3
-0.2
-0.1
0
0.1
X: 4.888
Y: 0.0217
time,seconds
A1,Del
F1
Response
no
UPF
0 2 4 6 8 10 12 14 16 18 20
-0.8
-0.7
-0.6
-0.5
-0.4
-0.3
-0.2
-0.1
0
0.1
X: 6.106
Y: 0.004416
time,seconds
A1,Del
F1
response,SL
0.3p.u.,UPF
0.555
82
Fig 7.12 AREA 2, ∆f2 = - 0.6644 p.u, ∆PL =0.02 p.u, W/O PF
Fig 7.13 AREA 2, ∆f2 = - 0.872 p.u, ∆PL=0.02p.u P.F. = 0.444p.u
0 2 4 6 8 10 12 14 16 18 20
-0.7
-0.6
-0.5
-0.4
-0.3
-0.2
-0.1
0
0.1
X: 8.059
Y: 0.0007632
time,seconds
A2,Del
F2
response,no
UPF
0 2 4 6 8 10 12 14 16 18 20
-0.9
-0.8
-0.7
-0.6
-0.5
-0.4
-0.3
-0.2
-0.1
0
0.1
time,secs
A2,Del
F2
response
SL
0.3p.u.
UPF
0.444
83
Fig 7.14 +∆PTIE = 0.03 p.u, -∆PTIE=0.026 p.u, ∆PL =0.02 p.u W/O PF
Fig 7.15 +∆PTIE = 0.034 p.u , -∆PTIE =0.0, ∆PL= 0.02p.u WITH PF
0 2 4 6 8 10 12 14 16 18 20
-0.03
-0.02
-0.01
0
0.01
0.02
0.03
0.04
X: 10.45
Y: 5.228e-05
time,seconds
Del
Ptie,response
,
AC-8
0 2 4 6 8 10 12 14 16 18 20
-0.12
-0.1
-0.08
-0.06
-0.04
-0.02
0
0.02
84
Fig 7.16 AREA 1, ∆f1 = - 0.1p.u. ∆PL = 0.05 p.u , W/O PF
KP1 = 0.9353, KI1 = 0.9960, KD1 =0.3608
KP2 = 0.966, KI2 = 0.9375, KD2 =0.395
Objective function ITAE value = 0.211
Fig 7.17 AREA 1, ∆f1 = - 0.137 p.u. ∆PL = 0.05 p. u, PF = 0.555 p. u
KP1 = 0.9945, KI1 = 0.9636, KD1 = 0.4455
KP2 = 0.8373, KI2 = 0.9741, KD2 = 0.4356
Objective function ITAE value = 0.0965
0 2 4 6 8 10 12 14 16 18 20
0
0.005
0.01
0.015
0.02
0.025
0.03
0.035
X: 2.716
Y: 0.034
time ,secs
Del
Ptie
,
SL
0.3p.u.
0 2 4 6 8 10 12 14 16 18 20
-0.14
-0.12
-0.1
-0.08
-0.06
-0.04
-0.02
0
time,second
Del
F1,
A1,
SL
0.05p.u.,
PF
0.555p.u
85
Fig 7.18 AREA 2, ∆f2 = - 0.082 p.u. ∆PL = 0.05 p.u , W/O PF
Fig 7.19 AREA 2, ∆f2 = - 0.14 p.u. ∆PL = 0.05 p.u , PF=0.444
0 2 4 6 8 10 12 14 16 18 20
-0.09
-0.08
-0.07
-0.06
-0.05
-0.04
-0.03
-0.02
-0.01
0
0.01
Del
F2,
A2,
SL
0.05p.u
,
NO
PF
0 2 4 6 8 10 12 14 16 18 20
-0.16
-0.14
-0.12
-0.1
-0.08
-0.06
-0.04
-0.02
0
0.02
time,seconds
Del
F2,
A2,
SL
0.05p.u.
PF
0.444p.u
86
Fig 7.20 +∆PTIE = 0.029 p.u, -∆PTIE=0.0048 p.u, ∆PL =0.05 p.u W/O PF
Fig 7.21 +∆PTIE = 0.0052 p.u, ∆PL =0.05 p.u with PF
0 2 4 6 8 10 12 14 16 18 20
-5
-4
-3
-2
-1
0
1
2
3
x 10
-3
Del
Ptie,
SL
0.05
pu,
NO
PF
0 2 4 6 8 10 12 14 16 18 20
0
1
2
3
4
5
6
x 10
-3
Del
Ptie,A12
,
SL
0.05
p.u.
WITH
PF
87
7.24 Conclusion
Both the control areas have a single generating unit, the control system of which would
suffice to provide stable frequency and tie line interchange.
The particular total generation values will not usually exist for a very long time since the load
on a power system varies continually as people and industries use individual electric loads.
When using digital computers, it is desirable to be able to carry out the Economic Dispatch
calculations at intervals of one to several minutes. The allocation of generation must be made
instantly when the required area total generation changes.
Since the economic – dispatch calculation is to be executed every few minutes, a means must
be provided to indicate how the generation is to be allocated for the values of total generation
other than that used in economic dispatch calculation.
For case 1, area 1 generator participation factor is dominant; hence it takes most of the control
action whereas area 2 generator remains fixed. Thus, the incremental heat rate curves give
trouble to an AGC due to excessive ACE. The unit of Area 1 will not be able to change its
output fast enough when a large ACE calls for a large change in a generation. The assist logic
then comes into action by moving more of the units to correct ACE. When the ACE is
corrected, the AGC then restores the units back to economic output.
For case 2, both areas have less difference gap between their respective participation factors.
Hence response curves for both areas show a distinctive change in frequency and power
responses when subjected to load change. Both cases studies have been simulated for various
step load changes of 0.02p.u, 0.05p.u.and 0.1p.u.
Future scope of the study rests on the kind of optimization technique applied for coordination
of LFC and ELD. Currently, metaheuristic techniques have been applied and more promising
results will be there if deterministic methods are used.
Implementation of AGC in India [12]
Importance of AGC utilizing the spinning reserves in the Power system operation was
reiterated in different for a and finally accepted by Commission. In order to achieve constant
frequency in Indian Grid and for large scale RE integration, operationalization of spinning
reserves is essential and to be implemented at the earliest. AGC system has been installed at
NLDC control center. The Generating units which are considered for implementation are from
Dadri Power Plant Stage -2 Unit-5&6.
88
8.0 Conclusionand Future Scope
For successful operation of the power system, load frequency control plays a very important
role. Simulated two areas interconnected power system consists of the thermal generating
units. A comprehensive study on the load frequency control mechanism with a mathematical
model has been analyzed. The total load is distributed among the various power units with the
most economical loading conditions according to economic load dispatch calculations. Each
unit shares the generated load demand according to their participation factors. Economic load
dispatch mathematical formulation is based on the Incremental Cost function relationships of
the system. Hence this study established a relationship between ELD and LFC with the
proposed control scheme.
GA optimization technique is used for finding out the optimal gain of the PID controller of
the simulated system. The proposed controller reduces the frequency deviation and net tie-line
power flow deviation most effectively, which shows the effectiveness of the controller.
The different graphs of the frequency deviations and Tie power with and without participation
factors give the insight into the role of generating units when operating as optimal dispatch on
increased loading.
Future scope of the study rests on the kind of optimization technique applied for coordination
of LFC and ELD. Currently, metaheuristic techniques have been applied and more promising
results will be there if deterministic methods are used.
89
REFERENCES
1.Saadat, Haadi. “Power System Analysis”, 6th Edition, Tata McGraw-Hill edition 2002
2.Ebrahim Vaheedi. Practical Power System Operation
3. H.Bevrani, Intelligent AGC
4. Prabha Kundur, Power System Stability & Control
5. Allen.J. Wood, Bruce.F. Woolenberg. Power Generation Operation and Control.
6. Rahul Dogra, Nikita Gupta , Harsha Saroa. Economic Load Dispatch Problem and
Mat lab Programming of Different Methods.
7. Dingyu Xue. YangQuan Chen, and Derek P. Atherton. Linear Feedback Control
8. Fernando G.Martins . Tuning PID Controllers using the ITAE Criterion
9. R.Shankar, K.Chatterjee, P.Chatterjee. Coordination of Economic Load Dispatch
and Load Frequency Control for Interconnected Power System
10. Ibtissem Chiha, Noureddine Liouane, Pierre Borne. Tuning PID Controller Using
Multiobjective Ant Colony Optimization.
11. M. Omar , M.Soliman , A.M. Abdel Ghany ,and F. Bendary. Optimal Tuning of PID
Controllers for Hydrothermal Load Frequency Control Using Ant Colony
Optimization
12. Somes Bandyopadhyay, AGM ( OS-SIIS), NTPC Ltd. Implementation of Automatic
Generation Control (AGC) in India.
90
NOMENCLATURE
Δ : Rotor angle.
Δδ : Change in rotor angle ‘δ’, i.e., the error.
Bi : ith subsystem’s frequency-biasing factor
Ri : Speed regulation for ith subsystem due to the ith governor action in Hz/pu MW
a12 : The ratio between the base values of two areas
∆fi : Incremental frequency deviation in Hz
∆PTi : Incremental change in the ith subsystem’s output in pu MW
∆PRi : Incremental change in the output energy of the i th reheat type turbine in MW
∆PCi : Incremental change in the integral controller
∆PTie : Incremental change in the tie-line power
Pdi : Load disturbance for the ith area in pu MW
Pm : Mechanical power
Pv : Steam valve position
Pref : Reference set power
ui : Output of the automatic generation controller for ith area
Tij : Synchronizing coefficient of the tie-line between i th and j th areas
TGi : ith governor time constant in s
TTi : ith turbine time constant in s
TRi : ith reheat time constant in s
TPi : ith subsystem-model time constant in s
KPi : ith subsystem gain
KIj : ith subsystem’s integral control gain
Ki : The ratio between output energy of the ith stage of turbine to total output
energy
Xtie : Reactance with unit interconnected by a lossless tie line
PF : Participation Factor
91

Optimized coordinated economic dispatch and automatic generation control for an interconnected power system.edited

  • 1.
    i OPTIMIZED COORDINATED ECONOMIC DISPATCHAND AUTOMATIC GENERATION CONTROL FOR AN INTERCONNECTED POWER SYSTEM
  • 2.
    13 ABSTRACT Co-ordination of EconomicLoad Dispatch and Load Frequency Control of the interconnected power system means that the total change in particular control area is shared by each unit according to the participation factor obtained from the calculation of economic load dispatch. In this work, the first control area contains a single thermal generating unit and second also has a single thermal generating unit. [9] This paper presents a control mechanism for AGC of multi generating interconnected power system. The main component of LFC is to monitor the frequency nearly at constant standard value & to regulate the net balance interchanged tie-line power flow between the different control areas within the prescribed limit. Despite all advances in process control, the PID controller is still the most common controller. Minimizing the integral of time-weighted absolute error (ITAE) is referred to as a good performance index in designing PID controllers. Traditional classical economic dispatch algorithms require the incremental cost curves to be monotonically increasing or piecewise linear. ELD problem is allocating the loads to plants having continuous fuel cost equations. The automatic generation control (AGC) process performs the task of adjusting system generation to meet the load demand and regulating at the large system frequency changes. In most of the previous works on interconnected systems, tie-line bias control strategy has been widely accepted by utilities. In this method, area control error (ACE) is calculated through feedback for each area and control action is taken to regulate ACE to zero. The problems of frequency control of interconnected areas are more important than those of isolated (single) areas. The role of the ED is to reschedule the entire system to minimize overall generation cost. The optimum value of gains improves the dynamic performance of the controller and reduces the overshoot and maximum frequency deviation and net tie-line flow deviation error for a particular load change. The proposed design of a controller for simulation of AGC has been used for thermal-thermal units of the interconnected power system.GA technique is used for optimization.
  • 3.
    14 TABLE OF CONTENTS ABSTRACT……………………………. 1 TABLE OF CONTENTS ……………………………. 2 LIST OF FIGURES ……………………………. 4 Chapter 1. INTRODUCTION 1.1 INTRODUCTION ……………………………. 6 1.2 MOTIVATION ……………………………. 7 1.3 OBJECTIVES ……………………………. 8 1.4 CONTRIBUTION ……………………………. 8 1.5 ORGANIZATION OF THESIS ……………………………. 9 Chapter 2. LITERATURE SURVEY ……………………………. 10 Chapter 3.0 POWER SYSTEM CONTROL ……………………………. 13 3.1 GENERATOR CONTROL LOOP ……………………………. 13 3.2 LOAD FREQUENCY CONTROL ……………………………. 14 3.3 GENERATOR MODEL ……………………………. 14 3.4 LOAD MODEL ……………………………. 15 3.5 PRIME-MOVER MODEL ……………………………. 16 3.6 GOVERNOR MODEL ……………………………. 16 3.7 CONCLUSION Chapter 4.0 AUTOMATIC GENERATION CONTROL ……………………………. 19 4.1 INTRODUCTION ……………………………. 19 4.2 AGC APPLICATION ……………………………. 20 4.3 AGC CHARACTERISTICS ……………………………. 21 4.31 DROOP CHARACTERISTICS ……………………………. 21 4.32 PARTICIPATION FACTOR ……………………………. 22 4.33 GENERATION RATE CONSTRAINT ……………………………. 22 4.34 SPEED GOVERNOR DEAD- BAND ……………………………. 22
  • 4.
    15 4.4 AGC INSINGLE-AREA SYSTEM ……………………………. 23 4.5 AGC IN MULTI-AREA SYSTEM ……………………………. 24 4.6 TIE-LINE BIAS CONTROL ……………………………. 25 4.7 INTERCONNECTED POWER SYSTEM………………………………….. 27 4.8 CONCLUSION …………………………………………………………….. Chapter 5.0 ECONOMIC LOAD DISPATCH ……………………………. 29 5.1 OPERATING COST OF A THERMAL PLANT……………………………. 29 5.2 LAMBDA ITERATION PROCEDURE ……………………………. 30 5.3 BASE POINT & PARTICIPATION FACTORS…………………………… 31 5.4 CONCLUSION……………………………………………………………… Chapter 6.0 APPLICATIONS AND RESULTS ……………………………. 32 6.1 PID MODELING ……………………………. 32 6.2 GENERATOR AVR ……………………………. 37 6.3 MODELING OF AGC INCLUDING EXCITATION……………………….. 39. 6.4 TWO AREA SYSTEM WITH TIE-LINE ……………………………. 41 6.5 AGC IN TWO AREA SYSTEM ……………………………. 44 6.6 GA & OBJECTIVE FUNCTION ……………………………. 45. 6.7 ANT COLONY OPTIMIZATION ……………………………. 52 6.71 BASIC CONCEPTS ……………………………. 52 6.72 ACO & OBJECTIVE FUNCTION ……………………………. 53 6.73 ACO COST FUNCTION OF AVR ……………………………. 54 6.74 ACO OPTIMIZATION PROGRAM ……………………………. 55 6.75 ACO OPTIMIZATION FOR TWO AREA MODEL …………………….. 56 6.8 CONCLUSION ……………………………. Chapter 7.0 ECONOMIC ALLOCATION OF GENERATION………………………… 60 7.1 IMPLEMENTATION OF AGC ……………………………. 60 7.2 FINDING THE ECONOMIC DISPATCH SCHEDULE…………………... 61 7.21 CASE STUDY 1 ……………………………. 61 7.22 ANALYSIS OF CASE STUDY 1 ……………………………. 68 7.23 CASE STUDY 2 ……………………………. 68 7.24 CONCLUSION ……………………………. Chapter 8.0 OVERALL CONCLUSION ……...................................... 78
  • 5.
    16 REFERENCES ……………………………. 79 NOMENCLATURE……………………………. 81 LIST OF FIGURES Figure 3.1 Schematic diagram of LFC and AVR of a synchronous generator 12 Figure 3.2 Transfer function model for generator 14 Figure 3.3 Transfer function for load 14 Figure 3.4 Transfer function model for prime mover 15 Figure 3.5 Speed Governing system 16 Figure 3.6 LFC block diagram of an isolated system 17 Figure 4.1 Power System AGC 19 Figure 4.2 AGC for an isolated power system 22 Figure 4.3 Eqvt. Network for two area control 23 Figure 4.4 Two area system with primary LFC loop 24 Figure 4.5 AGC block diagram for two area system 26 Figure 4.6 Block Diagram of Interconnected Power System 27 Figure 6.1 PID control model 31 Figure 6.2 PID control response 32 Figure 6.3 Phase Lead-Lag Controller 33 Figure 6.4 Lead-Lag System Response 34 Figure 6.5Cascade PI control 35 Figure 6.6 Optimal Control Response 35 Figure 6.7 A Simplified AVR Block diagram 36 Figure 6.8 Terminal Voltage Step Response without optimization 37 Figure 6.9 Simulink Block Diagram 38 Figure 6.10 Frequency Deviation Step Response 39 Figure 6.11 Terminal Voltage Step Response 39 Figure 6.12 Simulink Modeling of Two-Area System 40 Figure 6.13 Power Deviation Step Response 41 Figure 6.14 Frequency deviation step response 42
  • 6.
    17 Figure 6.15 Modelingof two areas interconnected system using ITAE 45 Figure 6.16 Modeling of two areas interconnected system using ISE 46 Figure 6.17 GA plot function with ISE criterion 47 Figure 6.18 Frequency Deviation Step Response in ITAE criteria 48 Figure 6.19 Frequency Deviation Step Response in ISE criteria 49 Figure 6.20 Power Deviation Step Response in ITAE criteria 50 Figure 6.21 Power Deviation Step Response in ISE criteria 50 Figure 6.22 Two Area Hydro-Thermal model 55 Figure 6.23 Frequency Deviation Step Response with pheromones 0.8 in ISE criteria 56 Figure 6.24 Frequency Deviation Step Response with pheromones 0.7 in ISE criteria 56 Figure 6.25 Frequency Deviation Response of Area 2 57 Figure 6.26 Frequency Deviation Response of Area 1 57 Figure 6.27 Power Deviation Step Response 58 Figure 7.1 Overview of AGC Logic 59 Figure 7.2 Block Diagram of Two Area with Participation factors 63 Figure 7.3 Frequency Deviation Response of Area 1, PI , PF=0.8 64 Figure 7.4 Frequency Deviation Response of Area 1, PI , No PF 64 Figure 7.5 Frequency Deviation Response of Area 2,PI,PF=0.2 65 Figure 7.6 Frequency Deviation Response of Area 2, PI, No PF 65 Figure 7.7 Frequency Deviation Response of Area 2,PID.No PF 66 Figure 7.8 Frequency Deviation Response of Area 1,PID,PF=0.8 66 Figure 7.9 Thermal two control area power system with PF 70 Figure 7.10 Area 1 ∆F1 response w/o PF, ∆PL = 0.02p.u 71 Figure 7.11 Area 1 ∆F1 response with PF=0.555, ∆PL = 0.02p.u 71 Figure 7.12 Area 1 ∆F2 response w/o PF, ∆PL = 0.02p.u 72 Figure 7.13 Area 1 ∆F2 response with PF=0.444, ∆PL = 0.02p.u 72 Figure 7.14 ∆P12 response w/o PF, ∆PL = 0.02p.u 73 Figure 7.15 ∆P12 response with PF, ∆PL = 0.02p.u 73 Figure 7.16 Area 1 ∆F1 response w/o PF, ∆PL = 0.05p.u 74 Figure 7.17 Area 1 ∆F1 response with PF=0.555p.u, ∆PL = 0.05p.u 74 Figure 7.18 Area 2 ∆F2 response w/o PF, ∆PL = 0.05p.u 75 Figure 7.19 Area 2 ∆F2 response with PF=0.444, ∆PL = 0.05p.u 75 Figure 7.20 ∆P12 response w/o PF, ∆PL = 0.05p.u 76 Figure 7.21 ∆P12 response with PF, ∆PL = 0.05p.u 76
  • 7.
    18 Table 6.1 55 CHAPTER1 INTRODUCTION 1.1 Introduction The primary purpose of an ac electric power system is to move electric power from the sources of the electric power, the generators, to the consumers of the electric power, the loads, through the wires joining the two, the transmission and distribution system. Power systems come in a variety of sizes, ranging in size from those with a single small generator and perhaps a handful of loads to the gigantic. For example, except for a few islands and some small isolated systems, the entire electric grid in North America is just one big electric circuit. This grid encompasses billions of individual electric loads, tens of millions of miles of wires, and thousands of generators. The objective of the control strategy is to generate and deliver power in an interconnected system as economically and reliably as possible while maintaining the voltage and frequency within permissible limits. Changes in real power affect mainly the system frequency, while reactive power is less sensitive to changes in frequency and is mainly dependent on changes in voltage magnitude. Thus, real and reactive powers are controlled separately. The Load Frequency Control (LFC) loop controls the real power and frequency and the Automatic Voltage Regulator (AVR) loop regulates the reactive power and voltage magnitude. LFC has gained in importance with the growth of interconnected systems and has made the operation of the interconnected system possible. While an interconnected system is just on the big electric circuit, it has historically been divided into groupings known as “operating areas” (or control areas). Typically, each operating area corresponded to the portion of the grid owned by a single utility. Lines joining different operating areas are known as “tie-lines”. The net flow of power out of an area is then defined as its “interchange”. Since it costs money to generate electric power, a key aspect of power system operations is concerned with ensuring that each area's net interchange is equal to its specified "scheduled" value. This scheduled value is simply the sum of all the
  • 8.
    19 power transfers forthe area, with a sign convention that power exported from the area (i.e., sold) is considered positive. As long as the system frequency is equal to its specified value (the assumption here), the difference between an area's actual interchange and its scheduled interchange is known as the Area Control Error (ACE) (the area control error also includes a term dependent on the deviation in the system frequency from the specified value; this frequency-dependent term is not discussed here). ACE is the single most important number associated with control operations; it is continuously monitored. Anytime the ACE is negative the area is “under generating” and needs to increase its total generation. Conversely, if the ACE is positive, the area is “over generating” and needs to decrease its generation. Over the last several decades, practically all control areas have switched to an automatic process known as Automatic Generation Control (AGC). AGC automatically adjusts the generation in an area to keep the ACE close to zero, which in turn keeps the net area power interchange at its specified value. Since the ACE has a small amount of almost random "ripple" in its value due to the relentlessly changing system load, the usual goal of AGC is not to keep the ACE exactly at zero but rather to keep its magnitude close to zero, with an “average” value of zero. Modern power system network consists of several utilities interconnected together & power is exchanged between utilities over tie-lines by which they are connected. AGC plays a very important role in the power system as its main role is to maintain the system frequency and tie line flow at their scheduled values during the normal period and also when the system is subjected to small step load perturbations. Many investigations in the field of automatic generation control of interconnected power system have been reported over the past few decades. Literature survey shows that most of the earlier work in the area of automatic generation control pertains to an interconnected thermal system and relatively lesser attention has been devoted to AGC of interconnected hydro-thermal systems involving thermal and hydro subsystems of widely different characteristics]. These investigations mostly pertain to two equal area thermal systems or two equal areas hydrothermal systems considering the system model either in continuous or continuous discrete mode with step loads perturbation occurring in an individual area. 1.2 Motivation India has a come a long way from the power shortage situation in the past to the current power surplus situation. With a large interconnected grid (meeting the peak load of 160 GW)
  • 9.
    20 as well asincreasing penetration of variable Renewable energy, there is a need for surplus capacity or reserves to be available with system operators for emergencies (such as sudden rise in load or unscheduled shutting down of any unit). Reserves are important for secure, reliable and efficient system operations. At present Primary & Tertiary controls are in place through governor mode of operation mandated for generators by Indian Electricity Grid code. In the latest development, secondary control is proposed to be implemented through AGC. Essentially AGC delivers reserve power to bring back the frequency and the area interchange schedules to their target values and restores the delivered primary control reserves. With CERC's approval for commissioning of AGC pilot project- a move that paves the way for operationalization of generation resources in the country it has motivated me to work on the project as also when renewable capacity is adding up at an unprecedented scale and speed (large scale grid connected projects & DER's). 1.3 Objectives This work is aimed at developing a simulation model of an Automatic Generation Control (AGC). The objectives of the work include:  To develop and study separately the simulation model of Load Frequency Control, LFC and AVR.  To develop a centralized controller called AGC which measures actual system frequency and interchange flows from which it calculates the frequency and interchange flow deviation by using the reference frequency and scheduled interchange values.  To develop PID controller used as a secondary controller whose gain is optimized by GAOT.  To develop coordination of ED and LFC concepts of the interconnected power system where the total change in the particular control area is shared by each unit according to their Participation Factors.  To minimize the cost function of the total demand by adjusting the unit’s participation. 1.4 Contribution We summarize the main contribution of the thesis as  Created modeling and respective simulation for tuning PID controller, Phase Lead-Lag controller, Cascade PI controller.  Created AGC of Isolated power system & Single Area system.
  • 10.
    21  Created TwoArea Interconnected Power System having thermal generating units in both control areas.  PID controller is used for a secondary controller for a load frequency control mechanism and a digital simulation is used in conjunction with Genetic Algorithm technique to determine the optimum parameters of the individual gains of the controller.  Formulated Economic Load Dispatch models of the generating units by providing information on how much each generating unit will participate or take the load sharing of the total load demand.  Algorithms of Lambda-Iteration, Unit Participation Factor and Gradient Search Techniques applied for calculating the minimum cost of supplying the load. 1.5 Organization of Thesis The organization of the thesis is as follows 1. In chapter 2, we discuss the literature survey cases of  AGC regarding frequency deviation of two areas with and without Tie-Line Bias control with GAOT.  Also discussed that optimal gains of AGC are different for different loading conditions.  Coordination of ED and LFC for Interconnected Power System.  ITAE is a better choice to optimize regulator parameters. 2. In chapter 3, we describe Governor Control loops, Load Frequency Control, Generator model, Load model, Prime Mover model & Governor model. 3. In chapter 4, we discuss AGC for a single area system multi-area system, tie-line bias control & interconnected power system modalities. 4. In chapter 5, we discuss Economic load dispatch highlighting Operating cost of thermal plant, Lambda Iteration procedure and BasePoint participation factor. 5. In chapter 6, we discuss problem formulation and proposed work in areas of Load frequency control, AGC for a single area, two areas with Genetic Algorithm and Ant Colony Optimization techniques having ISE and ITAE as different objective functions. In chapter 7, we discuss Economic allocation of generation, evaluate economic dispatch schedules w.r.t different cases of two area thermal-thermal units with and without participation factors calculated by a base point and lambda iteration methods. Also depicted are frequency responses and Tie power curves when subjected to a step load of 0.1 p.u. 6. In the chapter, we discuss results relating to Tie- line bias control for 2 area system.
  • 11.
    22 CHAPTER 2 LITERATURE SURVEY Apower system is a highly nonlinear and large-scale multi-input, a multi-output system with numerous variables, protection devices and control loops, with different dynamic responses and characteristics. It is highly desirable to improve the performance and function of power systems during normal & abnormal operations. Various power system controls have evolved over the past few decades to keep the power system in a secure state and protect it from the dangerous phenomenon. Some of these power system controls are generator control loops, load frequency control including modeling of load, prime-mover, and governor. Hadi Saadat [1], discusses the control of active and reactive power in order to keep the system in a steady state. LFC loop controls the real power and frequency and AVR loop regulates the reactive power and voltage magnitude. Ebrahim Vaahedi [2], analyzes the role of AGC in power system operations with reference to tie-line power under normal operating along with AGC application & infrastructure. To balance load and generation in real time, the system operator needs to ensure that AGC which is also called LFC balances generation and load on a minute-to-minute basis where operators do not have sufficient time to control the generators. NERC requires each system to have a very reliable system with a high availability i.e., 99.95%. H.Bevrani [3], signifies that in the interconnected system the control area concept needs to be used for the sake of synthesis & analysis of the AGC system. If the ACE signal exceeds a threshold at interval Tw, it will be applied to the controller block. Prabha Kundur [4], elaborated that in an interconnected system consisting of several pools, the role of AGC is to divide the loads among systems, stations and generators so as to achieve maximum economy and correctly control the scheduled interchanges of tie-line power while maintaining a reasonable uniform frequency. During large disturbances and emergencies, one or more areas are unable to correct for generation load mismatch due to insufficient generation reserve on AGC. Each area participates in frequency regulation is proportional to its available capacity.
  • 12.
    23 Allen Wood [5],gives a detailed analysis of Economic Dispatch, defining it as the operation of generation facilities to produce energy at the lowest cost to reliably serve consumers. The allocation of individual generator output is accomplished using Base points & Participation factors where ED calculation is executed with a total generation equal to the sum of the present values of a unit generation. Dogra1 [6], gives an overview of ELD problems and solution methodologies. Implementation is done using MATLAB programming. The conventional method like lambda iteration method converges rapidly but complexities increases as system size increase. Also, Lambda method always requires that one be able to find the power output of a generator, given the incremental cost for that generator. Derek Atherton [7], discusses at length the importance, simplicity, robustness of PID controllers. Chapter 6 exercises involve many optimal control problems converted to conventional optimization problems. From the typical step response curves, commonly used specifications are studied i.e., steady state value y(∞), rise time tr, settling time ts, overshoot Mp and peak value yM. According to MATLAB, Simulink is an interactive tool for modeling, simulating and analyzing dynamic, multi-domain systems. Fernando G. Martins [8], procedures the steps taken to design PID controllers using ITAE performance index by first developing process model including controller algorithms in Simulink, then creating a MATLAB m-file with an objective function for calculating the index and finally using a function of MATLAB optimization tool, GA, to minimize ITAE index. Minimizing ITAE is commonly referred to as good performance index in designing PID controllers for phase lead-lag, cascade and AVR systems. The approach presented in chapter 6 enhances considerably the learning progress of process control. A few sets of process models i.e., Generator AVR, AGC including excitation, Two areas thermal system with Tie- Line and AGC in two areas thermal- thermal system have been implemented in Simulink with GA optimization technique. Shankar1 [9], deals with ELD and LFC coordination concepts of interconnected diverse power generating systems where the total load is distributed and any change in demand is met by unit sharing according to participation factor linked with cost function of each generating unit. However, the authors have not shown the economic load dispatch calculations based on incremental cost function of generating units. An attempt has been made to link participation factor and response to a step change in demand along with the cost of generation and division
  • 13.
    24 among each generator.Chapter 7 presents the economic allocation of a generation with two case studies depicting different cost function of thermal-thermal generating units with different participation factors and different fuel cost. The results are repeated for different step load responses. [5] Ibtissem Chiha [10] in their work has developed the problem of designing PID controllers as a multi-objective optimization problem taking into consideration the ACO algorithm. Ant Colony algorithm has been applied to the combinatorial optimization problem, and the results indicate a quick response. EA is considered as a useful promising technique for deriving the global optimal solution for complex problems. M.Omar[1] [11] have proposed optimal tuning of PID controllers for Hydrothermal Load Frequency control using ACO. The hydro-thermal power system consists of two control areas, one hydro and another thermal with reheat stage. Bandyopadhyay [12] highlights the implementation of AGC in India by utilization of spinning reserves in the power system. Operating reserve from thermal power plants will be an essential component of the power system. AGC services from thermal units will enable system users to keep the system frequency within defined limits as part of normal operations.
  • 14.
    25 CHAPTER 3 POWER SYSTEMCONTROL 3.1 Generator control loops AGC consists of two main loops: LFC and AVR. LFC loop controls real power and frequency while AVR regulates reactive power and voltage magnitude. Figure 3.1 represents the schematic diagram of the LFC and AVR loop [1]. The controllers are set for an operating condition and take care of small changes in load demand to maintain the frequency and voltage magnitude within the specified limits. Small changes in real power are mainly dependent on changes in rotor angle “δ” and, thus, the frequency. The reactive power is mainly dependent on the voltage magnitude (i.e., on the generator excitation). The excitation system time constant is much smaller than the prime mover time constant and its transient decay much faster and does not affect the LFC dynamics. Thus, the cross-coupling between the LFC loop and the AVR loop is negligible, and the load frequency and excitation voltage control are analyzed independently. Figure 3.1 Schematic diagram of LFC and AVR of a synchronous generator
  • 15.
    26 3.2 Load frequencycontrol The operational objectives of the LFC are to maintain reasonably uniform frequency, to divide the load between generators, and to control, and to control the tie-line interchange schedules. The change in frequency and tie-line real power are sensed, which is a measure of the change in rotor angle ‘δ', i.e., the error ‘Δδ' to be corrected. The error signal, i.e., Δf and ΔPtie, are amplified, mixed, and transformed into a real power command signal ΔPv, which is sent to the prime mover to call for an increment in the torque. The prime mover, therefore, brings change in the generator output by an amount ΔPg which will change the values of Δf and ΔPtie within the specified tolerance. The first step in the analysis and design of a control system is the mathematical modeling of the system. The two most common methods are the transfer function method and the state variable approach. The state variable approach can be applied to the portray linear as well as nonlinear systems. In order to use the transfer function, the system must first be linearized. The transfer function models for the following components are obtained. 3.3 Generator model One of the essential components of power systems is the three-phase ac generator known as synchronous generator or alternator. Synchronous generators have two synchronously rotating fields: one field is produced by the rotor driven at synchronous speed and excited by dc current. The other field is produced in the stator windings by the three-phase armature currents. The dc current for the rotor windings is provided by excitation systems. Today system uses AC generators with rotating rectifiers, known as brushless excitation systems. The generator excitation system maintains generator voltage and controls the reactive power flow. As shown in block diagram form in Fig 3.2 [6], the relationship can be written as ∆Pmech - ∆Pelec = Ms ∆ᾠ ΔPm(s) 1/Ms Δᾠ(s) _ Figure3.2 Transfer function model for generator
  • 16.
    27 3.4 Load model Theload on a power system consists of a variety of electrical devices. For resistive loads, such as lighting and heating loads, the electrical power is independent of frequency. Motor loads are sensitive to changes in frequency. How sensitive it is to frequency depends on the composite of the speed-load characteristics of all the driven devices. Including the load model in the generator block diagram, results in the block diagram of Figure 3.3[6] ΔPL(s) ΔPm(s) 1/(2Hs+D) ∆Ω(s) Figure 3.3 Transfer function model for load 3.5 Prime mover model The source of mechanical power, commonly known as the prime mover, may be hydraulic turbines at waterfalls, steam turbines whose energy comes from the burning of coal, gas, nuclear fuel, and gas turbines. The model of the reheat turbine, shown in Fig3.4 relates the change in mechanical power output ΔPm to changes in steam valve position ΔPv. Different types of turbines vary widely in characteristics. The simplest prime mover model for the non- reheat steam turbine can be approximated with a single time constant TT. The time constant TT is in the range of 0.2 to 2.0 seconds The source of mechanical power, commonly known as the prime mover, may be hydraulic turbines at waterfalls, steam turbines whose energy comes from the burning of coal, gas, nuclear fuel, and gas turbines. The model of the reheat turbine, shown in Fig3.4 [6] relates the change in mechanical power output ΔPm to changes in steam valve position ΔPv. Different types of turbines vary widely in characteristics. The simplest prime mover model for the non- reheat steam turbine can be approximated with a single time constant TT. The time constant TT is in the range of 0.2 to 2.0 seconds. ΔPV(s) 1/ (1+s Tt) ΔPm(s) Figure 3.4 Transfer function model for Prime mover
  • 17.
    28 3.6 Governor model Whenthe generator electrical load is suddenly increased, the electrical power exceeds the mechanical power input. This power deficiency is supplied by the kinetic energy stored in the rotating system. The reduction in kinetic energy causes the turbine speed and, consequently, the generator frequency to fall. The change in speed is sensed by the turbine governor which acts to adjust the turbine input valve to change the mechanical power output to bring the speed to a new steady state. The earliest governors were the watt governors who sense the speed by means of rotating flyballs and provide mechanical motion in response to speed changes. However, most modern governors use electronic means to sense speed changes. Figure 3.5 [12] shows schematically the essential elements of a conventional Watt governor which consists of the following major parts. 1 Speed governor: The essential parts are centrifugal flyballs driven directly or through gearing by the turbine shaft. The mechanism provides upward and downward vertical movements proportional to the change in speed. 2 Linkage Mechanism: These are links for transforming the flyballs movement to the turbine valve through a hydraulic amplifier and providing feedback from the turbine valve movement. Figure 3.5 Speed governing system 3. Hydraulic Amplifier: Very large mechanical forces are needed to operate the steam valve. Therefore, the governor movements are transformed into high power forces via several stages of hydraulic amplifiers.
  • 18.
    29 4. Speed Changer: Speedchanger consists of servomotor which can be operated manually or automatically for scheduling load at nominal frequency. By adjusting this set point, the desired load dispatch can be scheduled at nominal frequency. ΔPL(s) _ Pref(s) ΔPg ΔPV ΔPm 1/ (1+sTg) 1/(1+sTT) 1/(2Hs+D) Load Ref Setpoint _ Governor Turbine Rotating mass and load 1/R Figure 3.6 LFC block diagram of an isolated system Fig.3.6 [12] shows a block diagram of a governor-prime-mover-rotating mass where gain R is a governor characteristic. The value of R determines the slope of the characteristic. That is, R determines the change on the unit's output for a given change in frequency. Therefore, R is equal to p.u. change in frequency divided by p.u. change in unit output. R = ∆ᾠ ∕∆P p.u Note that a steady-state change in ∆Pvalve of 1.0 p.u. requires a value of R p.u. change in frequency, ∆ᾠ 3.7 Conclusion It is important to realize that optimized dispatching would be useless without a method of control over generator units. The prime mover governing systems provide a means of controlling power and frequency, a function commonly referred to as Load Frequency Control. This chapter examines the characteristics of prime movers and energy supply systems and develops appropriate models suitable for their representation in AGC studies. In the next chapter, we discuss AGC, its role and responsibilities in regulating frequency and maintaining interchange power. ΔΩ(s)
  • 19.
    30 CHAPTER 4 AUTOMATIC GENERATIONCONTROL 4.1 Introduction When the load on the system is increased, the turbine speed drops before the governor can adjust the input of the steam to the new load. As the change in the value of speed diminishes, the error signal becomes smaller and the position of the governor falls gets closer to the point required to maintain a constant speed. However, the constant speed will not be the set point, and there will be offset. One way to restore the speed or frequency to its nominal value is to add an integrator. The integral unit monitors the average error over a period and will overcome the offset. Because of its ability to return a system to its set point, integral action is known as the rest action. Thus, as the system load change continuously, the generation is adjusted automatically to restore the frequency to the nominal value. This scheme is known as AGC. In an interconnected system consisting of several pools, the role of the AGC is to divide the loads among system, station generators to achieve maximum economy and correctly control the scheduled interchanges of tie-line power while maintaining a reasonably uniform frequency. During large transient disturbances and emergencies, AGC is bypassed and other emergency controls are applied. Modern power system network consists of several utilities interconnected together & power is exchanged between utilities over tie-lines by which they are connected. The objective of the AGC in an interconnected power system is to maintain the frequency of each area and to keep tie-line power close to the scheduled values by adjusting the MW outputs of AGC generators to accommodate fluctuating load demands. An interconnected power system consists of control areas which are connected to each other by tie lines. In a control area, all the generators speed up or slow down together to maintain the frequency and
  • 20.
    31 relative power anglesto scheduled values in static as well as dynamic conditions. Thus, an AGC scheme for an interconnected power system basically incorporates suitable control system, which can bring the area frequencies and tie line powers back to nominal or very close to nominal values effectively after the load perturbations. A perturbation like adding a block of load in a single area power system operating at a nominal value of frequency creates the power mismatch in generation and demand. To achieve these objectives, a new centralized controller called AGC as shown in Fig 4.1 [2] is developed, which works along with other generator voltage and speed control systems. As Fig 4.1 shows, AGC measures actual system frequency and interchange flows from which it calculates the frequency and interchange flow deviations by using the reference frequency and scheduled interchange values. The frequency and interchange deviation are then used to balance load and generation on a Fig 4.1 Power System Automatic Generation Control
  • 21.
    32 minute-to-minute basis. AGCcontroller must consider the minimizations of both frequency and interchange deviations as its objective function in its control design. 4.2 AGC application [2] Automatic generation software is designed to provide signals to a number of generators called AGC units to minimize ACE. The supplementary signals are provided to the governor system of the regulating units to restore the frequency and substitute generation increase from the governor- controlled units. The AGC software in effect uses system measurements such as system frequency, scheduled intertie flows, and actual intertie flows to build the value of ACE. There are three different modes of operations for AGC. 1. Flat Frequency. 2. Flat Tie-Line schedule. 3. Tie-Line with frequency bias. The Flat Frequency mode is used by the isolated systems that only need to worry about the system frequency, thus removing the term associated with the transition errors in the ACE. The Flat Tie Line schedule mode ensures that the desired schedules are achieved, thus removing the frequency term from the ACE. In this mode, the system frequency deviation will not be corrected. Tie line with frequency bias mode ensures that both the desired frequency and the tie line schedules controls are achieved. 4.3 AGC characteristics. [3] In AGC practice, to clear the fast changes and probably added noises, system frequency gradient and ACE signals must be filtered before being used. If the ACE signal exceeds a threshold at interval Tw, it will be applied to a controller block. The controller can be activated to send higher/lower pulses to the participant generation units if its input ACE signal exceeds a standard limit. Delays, ramping rate, and range limits are different for various generation units. Various terms associated with AGC are briefed as follows 4.31 Droop Characteristic The ratio of speed (frequency) change (∆f) to change in output generated power (∆Pg.) is known as droop or speed regulation, and can be expressed as R(Hz/pu.MW) = ∆f / ∆Pg.
  • 22.
    33 The interconnecting generatingunits with different droop characteristics can jointly track the load change to restore the nominal system frequency. The amount of produced power by each generating unit to compensate the network load change depends on the unit’s droop characteristic. ∆P = ∆f / Rg . 4.32 Participation Factor The participation factor indicates the amount of participation of a generator unit in the AGC system. Following a load disturbance within the control area, the produced appropriate supplementary control signal is distributed among the generator units in proportion to their participation, to make generation follow the load. In a given control area, the sum of participation factors is equal to 1. In a competitive environment, AGC participation factors are actually time-dependent variables and must be computed dynamically by an independent organization based on bid prices, availability, congestion problems, costs, and other related issues. 4.33 Generation Rate Constraint It is the rate of change of power generation due to the limitation of thermal and mechanical movements, which is known as generation rate constraint (GRC). In hard coal-fired and lignite-fired power plants, this rate is 2 to 4 % / min and 1 to 2 % / min, respectively. 4.34 Speed Governor Dead-Band If the input signal of a speed governor is changed, it may not immediately react until the input reaches a specified value. This phenomenon is known as speed governor dead-band. All governors have a dead band in response, which is important for AGC systems. Governor dead-band is defined as the total magnitude of sustained speed change, within which there is no resulting change in valve position. The maximum value of a dead band for governors of large steam turbines is specified as 0.06%(0.030Hz). For a wide band, the AGC performance may be significantly degraded. An effect of the governor dead band on the AGC operation is to increase the apparent steady-state frequency regulation. 4.4 AGC in a single area system [4] With the primary LFC loop, a change in the system load will result in a steady-state frequency deviation, depending on the governor speed regulation. In order to reduce the frequency deviation to zero, we must provide a reset action. The reset action can be achieved by introducing an integral controller to act on the load reference setting to change the speed set
  • 23.
    34 point. The integralcontroller increases the system type by one which forces the final frequency deviation to zero. The integral controller gain KI must be adjusted for a satisfactory transient response. 4.5 AGC in the multi-area system [4] In many cases, a group of generators are closely coupled internally and swing in unison. Furthermore, the generator turbines tend to have the same response characteristics. Such a group of generators is said to be coherent. Then it is possible to let the LFC loop represent the whole system, which is referred to as a control area. The AGC of a multiarea system can be realized by studying first the AGC for a two-area system. Consider two areas represented by an equivalent by an equivalent generating unit interconnected by a lossless tie line with reactance Xtie. Each area is represented by a voltage source behind an equivalent reactance as shown in Figure 4.2.[12] Fig 4.2 Equivalent network for two area power system During normal operation, the real power transferred over the tie line is given by P12 = |E1| |E2| sinδ12 X12 Where X12= X1+ Xtie+ X2, and δ12= δ1 - δ2. The tie line power deviation then takes on the form ΔP12 = ∆Ps (Δδ1 - Δδ2) The tie line power flow appears as a load increase in one area and a load decrease in the other area, depending on the direction of the flow. The direction of the flow. The direction of flow
  • 24.
    35 is dictated byphase angle difference; if Δδ1> Δδ2, the power flows from area 1 to area 2. A block diagram representation for the two-area system with LFC containing only the primary loop is shown in Figure 4.3.[12] Fig 4.3 Two area system with primary LFC loop 4.6 Tie-Line Bias control [4] In the normal operating state, the power system is operated so that the demands of the areas are satisfied at the nominal frequency. A simple control strategy for the normal mode is  Keep frequency approximately at nominal value.  Maintain the tie-line flow at about schedule.  Each area should absorb its own load charges.
  • 25.
    36 Conventional LFC isbased upon tie-line bias control, where each area tends to reduce the area control error (ACE) to zero. The control error for each area tends to consist of a linear combination of frequency and tie-line error. ACEi = Σn j=1 δpij +Ki Δω The area bias Ki determines the amount of interaction during a disturbance in the neighboring areas. Overall satisfactory performance is achieved when Ki is selected equal to the frequency bias factor of that area, i.e., Bi =1/Ri +Di. Thus, the aces for two area systems are ACE1 = ΔP12 +B1 Δω1 ACE1 = ΔP21 +B2 Δω2 Where ΔP12 and ΔP21 are departures from scheduled interchanges. Aces are used as actuating signals to activate changes in the reference power set points, and when steady state is reached, ΔP12 and Δω will be zero. The block diagram of a simple AGC for two area system is shown in Fig 4.4.[6] Execution of AGC once every 2 to 4 secs results in a good performance. This means the ACE is computed and the raise/lower control signals are transmitted to the generating plant once every 2 to 4 seconds. Control Strategy of AGC Tuning & Performance:  To minimize fuel cost.  To avoid the sustained operation of the generating units in an undesirable range.  To minimize equipment, wear & tear.
  • 26.
    37 Fig 4.4 AGCblock diagram for two area system 4.7 Interconnected power system [2] Mathematical models are of fundamental importance in understanding the physical and its formulation. For modeling of the system, the first control area is formed by thermal units or a mix of thermal, hydro and gas power units, while the second control area also contains similar arrangements. Each control area is connected through tie-line for their net balance interchanged tie-line power. Economic Dispatch (ED) tries to adjust the governor set point as economically as possible and, hence directly affects the governor valve position. As interchange scheduling is not an ED objective the integral controller should be located before the application point of the ED unit. Per unit values of the scheduled generation level Pdi and input power Pi of each area in its related base are employed to calculate ED error signal. The generation allocation of multiple generating unit w.r.t generation output can be related to LFC & concepts of ED. Pides = Pibase + pfi x ∆Ptotal , pfi is the participation factor for ith unit. ∑ pfi = 1. The overall block diagram under investigation is shown in Fig 4.5 for a general overview. Power systems interconnections are put in place for the different systems to be able to
  • 27.
    38 Perform the exchangeof electricity and enjoy the economic benefits of diversity in generation and load. Also provide support under contingencies. Fig 4.5 Block Diagram of Interconnected Power System [9] Since load and generation in each system change instantaneously, it is important to have proper controls in interties. These controls ensure that the undesirable tie-line flows do not show up as the systems try to mitigate frequency deviations. In other words, each system provides its share of frequency correction without impacting another systems generation load balance inadvertently. 4.8 Conclusion To balance load and generation in real time, the system operator needs to ensure that the AGC system regulates a number of generating units to match generation to load. To understand it, technology for generation load balance is discussed so as to have a very reliable AGC system. In the next chapter, we take off to AGC implementation where the secondary and main function of allocating generation is discussed so that each power source is loaded most economically.
  • 28.
    39 CHAPTER 5 ECONOMIC LOADDISPATCH 5.1 Operating Cost of a Thermal Plant [1] Economic Dispatch is the operation of generation facilities to produce energy at the lowest cost to reliably serve consumers. It is one of the important optimization tasks and operational decision which provides an economic condition for the power system. The factors influencing power generation at minimum cost are operating efficiencies of generators, fuel cost, and transmission losses. The most efficient Generator in the system does not guarantee minimum cost as it may be in an area where fuel cost is high. The problem is to determine the generation of different plants such that the total operating cost is minimum. The input to thermal plant is measured in Btu/hr and the output is measured in MW. A simplified I-O curve of a thermal unit known as heat rate curve. Converting heat rate curve from Btu/hr to R/hr results in the fuel cost curve. The fuel cost of the generator can be expressed as a quadratic function pf real power generation. Ci = ᾴ + ƃ Pi + ƛPi 2 An important characteristic is obtained by plotting the derivative of fuel cost versus real power. This is known as Incremental fuel cost curve. (IFC) dCi / dPi = 2ƛi Pi + ƃi The IFC curve is a measure of how costly it will be to produce the next increment of power. The total operating cost includes the Fuel cost, and the cost of labor, supplies & maintenance. Case 1: ED neglecting losses and no generator limits Since transmission losses are neglected, the total demand PD is the sum of all generation. A cost function Ci is assumed to be known for each plant. The problem is to find the real power generation for each plant such that the objective function (i.e., total production cost) as defined by the equation, Ci = ∑ Ci = ∑ ᾴi + ƃ i Pi +ƛi Pi 2 is minimum subject to the constraint
  • 29.
    40 ∑ Pi =PD Case 2: ED neglecting losses and including generator limits The power output of any generator should not exceed its rating nor should it be below that necessary for stable boiler operation. Thus, the generations are restricted to lie within the given minimum and maximum limits. The problem is to find the real power generation for each plant such that the objective function is minimum, subject to the constraint Pi(min) ≤ Pi ≤ Pi (max) i = 1…., ng The necessary condition for the optimal dispatch with losses neglected becomes dCi / dPi = ƛ for Pi(min) ≤ Pi ≤ Pi (max) dCi / dPi ≤ ƛ for Pi = Pi (max) dCi / dPi ≥ ƛ for Pi = Pi (min) For an estimated ƛ, Pi is found from the coordination equation and iteration is continued until ∑ Pi = PD. Over the years many research works have been published and various efforts made to solve ELD problems, employing different kinds of constraints, mathematical programming & optimization technique. The classical or conventional methods include Lambda-Iteration, Gradient Search and Dynamic programming. 5.2 Lambda Iteration Procedure [12] The solution to this problem can be approached by considering a graphical technique for solving the problem and then extending this into the area of computer algorithms. The lambda- iteration procedure converges very rapidly for this optimization problem. We use the following MATLAB code formulated for no losses and no generation losses. For i=1:3 n(i)=(f(i,2)/(2*f(i,3))); p(i)=(1/(2*f(i,3))); end m=sum(n); q=sum(p); lambda=((Demand+m)/q); disp(lambda) for i=1:3
  • 30.
    41 P(i)=((lambda-f(i,2))/(2*f(i,3))); end For i=1:3 Total cost=(f(i,1)+f(i,2) *P) +(f(i,3) *P*P)); end. 5.3 Basepoint and Participation Factor [5] The function of AGC is to allocate generation so that each power source is loaded most economically. This function is called Economic Dispatch Control (EDC). For control of tie-line power and frequency, it is necessary to send signals to generating plants to control generation. Thus, requirements for EDC can be handled as a part of the AGC function. Allocation of individual generation output is accomplished by using Base Points and Participation Factors. The base point represents the most economic output for each generating unit. Participation factor is the rate of change of the unit output with respect to change in total generation. Pdesired = Pbase point + pf (∆Ptotal) where (∆Ptotal) = total new generation – the sum of Pbase point for all generation. Sum of participation factors of all units is equal to unity. For each of the N units on the system, so that ∆P1 = ∆ƛ / F1 ” ∆P2 = ∆ƛ / F2 ” ∆PN = ∆ƛ / FN ” The total change in a generation (= change in total demand) is, of course, the sum of the individual unit changes. Let PD be the total demand on the generators (where PD = PLOAD + PLOSS), then ∆PD = ∆P1 + ∆P2 + ..+∆PN = ∆ƛ ∑ (1/ Fi ”) Participation factor for each unit is as follows
  • 31.
    42 (∆Pi / ∆PD)= (1/Fi ” ) / ∑ (1/ Fi ”) The above scheme works well in computer implementations where the execution time for the economic dispatch is short and will always give consistent answers when units reach limits. 5.4 Conclusion. The above chapter presents the concepts of economic load dispatch for load frequency control of the simulated power system. Power generating units will participate or distribute the total forecasted load according to their participation factors in view of economic load dispatch calculations. Lambda iteration procedure is an iterative type of computation to develop an analytical function of power output as a function of incremental cost rate. In the next chapter, we study the control strategies which would give us an understanding of plant modeling, simulation, tuning of PI/PID parameters for minimizing or maximizing the objective function.
  • 32.
    43 CHAPTER 6 APPLICATIONS ANDRESULTS. Before embarking on the objective of studying coordination of Load frequency control with Economic dispatch, it is deemed necessary to understand the control strategies which would help in understanding the concept of plant system processes, their transfer functions, modeling and tuning of parameters. 6.1 The PID Actions [7] Despite all advances in process control over the past 60 years, the PID control is one of the earlier control strategies. In a PID controller, the error signal e(t) is used to generate the proportional, integral, and derivative actions, with the resulting signals weighted and summed to form the control signal u(t) applied to the plant model. A mathematical description of the PID controller u(t) = Kp [ e(t) + 1/Ti ∫ e(τ) dτ + Td de(t)/ dt] , where u(t) is the input signal to the plant model, the error signal e(t) = r(t) – y(t), and r(t) is the reference input signal. The behavior of the PID actions will be demonstrated individually through various exercises with special attention to the objective functions ITAE and ISE. The objective functions are defined by the performance indices of the system. There are several criteria for evaluating tuning that is based on integrating the error following a disturbance or setpoint change. The indices provide a good method of comparing different methods of controller tuning and a different control algorithm. ITAE- Minimizing integral of time-weighted absolute error is commonly referred to as good performance index in designing PID controllers. ISE- Minimizing integral of the square of error. Increasing KP tends to increase overshoot but reduces SSE.
  • 33.
    44 Increases Kd tendsto add damping thereby decreasing overshoot. No effect on steady-state error. Increasing Ki tends to help to reduce steady-state error but more sluggish and oscillatory. Following examples introduce MATLAB/Simulink based Genetic Algorithm Optimization technique models of the plant. 6.2 Genetic Algorithm Optimization Technique [9] A genetic algorithm (GA) is used to optimize the objective function of the given system which is mainly based on the search technique via operations observed in natural selection and genetics of the system. In multiarea system the area control error for the ith area which is defined as ACEi = ∆Ptie +Bi ∆fi. Now a performance index can be defined by adding the sum of squares of cumulative errors in ACE. Hence based on area control error a performance index J can be defined as J=∫ ∑ (ACEi) 2 dt Based on this performance index J optimization problem can be stated as; Minimize J Subjected to KImin≤ KI ≤ KImax The genetic algorithm ,GA, is a worldwide search technique, based on the operations observed in natural selection and genetics skill to obtain optimum values, which is based on the theory of natural selection., the process that drives biological development also operate on population of present approximation-the individual-initially drawn at random, from which enhancement is hunted thereafter the selected individuals are then modified through the application of genetic operators, in order to operate the next generation. There are three different genetic operators which have been applied to parents to form children for a further generation: Reproduction- Select the fittest folk in the current population to be used in generating the next population. Cross-over – Causes a pair of folks to swap genetic information with one another. Mutation – Causes person genetic representation to be changed according to some probabilistic rule. In GA’s the value of fitness represents the performance which is used to rank 0 and the ranking is then used to determine how to allocate reproductive opportunities.
  • 34.
    45 The fitness functionis essentially an objective function for the problem. 6.3 Exercise 1 [7] Consider the FOIPDT- type plant Simulink model for the PID control with ITAE descriptions. The variable names to be optimized are kp , ki , kd Minimizing integral of time- weighted absolute error is a good performance index in designing PID controllers design too. The steps taken to design PID controllers using the ITAE performance index are: 1. Develop the process model including the controller algorithms in Simulink. 2. Create a MATLAB m-file with an objective function to calculate the ITAE index. 3. Use a function of MATLAB Optimization (GA) to minimize the ITAE index. ITAE performance index is mathematically given by ITAE = ∫ t |e(t)| dt.
  • 35.
    46 Fig 6.1 PIDcontrol model function y=ocd2(x) assignin ('base','kp’, x(1)); assignin ('base','ki’, x(2)); assignin ('base','kd’, x(3)); [~, ~, y_out]=sim ('mocd2.mdl', [0,100]); y=y_out(end); Above MATLAB function code is written to describe the objective function where the second, third and fourth lines in the code will assign the variables in vector x to the variables kp, ki, kd in the MATLAB workspace. Simulation is then performed to calculate the objective function Genetic Algorithm Optimization Technique Fig 6.2 PID control response
  • 36.
    47 6.4 Exercise 2[7] Due to its simplicity, the Phase lead-lag compensator is a popular form of controller since it can be easily implemented using a passive RC (resistor and capacitor) network or an RC network with an operational amplifier. Basically, there are three commonly used compensators, namely, the phase lead compensator, phase lag compensator, and phase lead-lag compensator. Note that the compensator, or the controller Gc(s), is usually applied in cascade(series) connection to the plant Model G(s). Given a plant model, a Simulink block diagram can be established as shown in Fig 6.3, where ITAE criterion can be evaluated. Fig 6.5 shows a Simulink model of Cascade PI control with Optimal control response in Fig 6.6
  • 37.
    48 Fig 6.3 PhaseLead-Lag Controller and system response Phase Lead-Lag controllers design is explored using optimization technique GA. In order to minimize the ITAE criterion, the following MATLAB function is written to describe the Objective function. Function y=c6optml(x) assignin (‘base’,’Z1’, x (1)); assignin (‘base’,’P1’, x (2)); assignin (‘base’,’Z2’, x (3)); assignin (‘base’,’P2’, x (4)); assignin (‘base’,’K’, x (5)); % assign variable into MATLAB workspace [t, xx, yy] =sim(‘c6moptml.mdl’,100); y=yy (end); % evaluate objective function. If max (yy (: ,2))>1.03, y =1.2* Fig 6.4 Lead-Lag System Response Based on the numerical optimization technique, an extra constraint can be introduced. If one wants to reduce the overshoot, as shown in Fig 6.4, such that ὰ ≤ 3%, one can increase the objective function manually. The resulting closed-loop step response has less overshoot. .
  • 38.
    49 Fig 6.5 Simulationmodel of Cascade PI control Fig 6.6 Optimal Control Response
  • 39.
    50 6.5 Exercise 3[1] Generator Automatic Voltage Regulator AVR block diagram in Fig 6.7 depicts amplifier, exciter, generator, and sensor. The amplifier is represented by a gain Ka and a time constant Ta, and function is Ka/ (1+Ta s). Exciter model is a linearized model which considers major time constant Te, gain Ke with transfer function Ke/ (1+Te s). Generator model transfer function relates generator terminal voltage to field voltage and is represented by a gain Kg and a time constant Tg and transfer function is Kg/ (1+Tg s). The sensor is modeled by a first order transfer function as Kr/ (1+Tr s). Fig 6.7 AVR Block Diagram The primary means of generator reactive power control is the generator excitation control using an automatic voltage regulator (AVR). The role of an (AVR) is to hold the terminal voltage of the synchronous generator at a specified level. A simplified automatic voltage regulator block diagram is shown in Fig 6.7. Amplifier model: Excitation amplifier may be a magnetic amplifier, rotating, or modern electronic amplifier represented by a gain Ka and a time constant Ta. Exciter model: It is a linearized model, which considers the major time constant and ignores saturation or other non-linearities. The transfer function is represented by a single time constant Te and a gain Ke. Generator model: In the linearized model, the transfer function relating the generator terminal voltage to its field voltage can be represented by a gain Kg and a time constant Tg.
  • 40.
    51 Sensor model: Thevoltage is sensed through a potential transformer and, in one form, it is rectified through a bridge rectifier. The sensor is modeled by a simple order transfer function, given by a gain Ks and a time constant Ts. Fig 6.8 Terminal Voltage Step Response For a simplified AVR system, the response is highly oscillatory, with a large overshoot and long settling time. The transient performance can be adjusted to satisfy the system specifications by adjusting the system constants. The transient response of a system is required to have an overshoot less than or equal to 10%. The original terminal voltage step response of the AVR system is shown in Fig 6.8. .
  • 41.
    52 6.6 Exercise 4[1] Modeling of AGC including Excitation Fig 6.9 Simulink Block Diagram An isolated power station where the coupling effect of LFC and AVR systems is studied by extending linearized AGC systems to include the excitation system. The load is varied by 0.8 percent for a 1 percent change in frequency, D = 0.8. The frequency deviation and terminal voltage responses for a load change of ∆PL1=0.2 per unit. KT=1, ΓT=0.5, KG=1, ΓT =0.2, KA=10, ΓA=0.1 KE=1, ΓE=0.4, KG=0.8, ΓG=1.4, KR=1, ΓR=0.05 H=5, R=0.05. The integrator gain in the secondary LFC loop is set to a value of 6.0. The excitation PID controller is tuned for KP=1, KI=0,25, KD=0.3. A Simulink block diagram is constructed as shown in Fig 6.9. Since there is a weak coupling between the LFC and AVR systems, the frequency and voltage were controlled separately.
  • 42.
    53 The speed deviationstep response and the terminal voltage step response are shown in Figs 6.10 and 6.11. It is observed that when the coupling coefficients are set to zero, there is little change in the transient response. Thus, separate treatments of frequency and voltage control are justified. RESPONSE CURVES Fig 6.10 Frequency Deviation Step Response Fig 6.11 Terminal Voltage Step Response
  • 43.
    54 6.7 Exercise 5[1] Two Area Thermal-Thermal System with Tie-Line Fig 6.12 Simulink Modeling of Two-Area System Fig 6.12 model depicts a two-area system connected by a tie-line having the following parameters. Speed Regulation R1=0.05, R2=0.0625 Frequency-sensitive Load coefficient D1=0.6, D2=0.9 Inertia constant H1=5, H2=4 Base Power 450MVA Governor time constant tg1=0.2 sec, tg2=0.3 sec Turbine time constant tt1=0.5 sec, tt2=0.6 sec. The units are operating in parallel at the nominal frequency of 50 Hz. The synchronizing power coefficient is computed from the initial operating condition and is given to be Ps = 2.0 per unit. A load change of 45 MW occurs in area 1. The following simulation results as shown in Figs 6.13 and 6.14 returns the vector DP, containing t, Pm1, Pm2, and P12.
  • 44.
    55 LFCs are equippedwith only the primary control loop, a change of power in area 1 was met by the increase in generation in both areas associated with a change in the tie-line power, and a reduction in frequency. In the normal operating state, the power system is operated so that demands of areas are satisfied at the nominal frequency. A simple control strategy for the normal mode is, Fig 6.13 Power Deviation Step Response  Keep frequency approximately at the nominal value (50 Hz).  Maintain the tie-line flow at about schedule.  Each area should absorb its own load changes. Conventional LFC is based upon tie-line bias control, where each area tends to reduce the area control error ACE to zero. The control error for each area consists of a combination of frequency and tie-line error. ACEi = ∑ ∆Pij + Ki∆w 0 5 10 15 20 25 -0.6 -0.4 -0.2 0 0.2 0.4 0.6 0.8 1 1.2 1.4 PowerStepDeviationStepResponse time,seconds p.u. PowerTieResponseDelP12 PowerDeviationStepResponseDelPm1 PowerDeviationStepResponseDelPm2
  • 45.
    56 Fig 6.14 FrequencyDeviation Step Response In the following chapter the ACEs for the two- area system are simulated and overall satisfactory response is achieved when Ki is selected equal to the frequency bias factor of that area, i.e., Bi = 1/Ri + Di. Thus the ACEs for a two area system are considered. 0 5 10 15 20 25 -0.08 -0.07 -0.06 -0.05 -0.04 -0.03 -0.02 -0.01 0 time,secs FREQUENCY DEVIATION FREQUENCYDEVIATIONRESPONSEOFTWOAREA
  • 46.
    57 6.8 Exercise 6[1] AGC in two areaThermal-Thermal system Tie line control system must use two pieces of information: the system frequency and the net power flowing in or out over the tie lines. (i). If frequency decreased and net interchange power leaving the system increased, a load increase has occurred outside the system. (ii). If frequency decreased and net interchange power leaving the system decreased, a load increase has occurred inside the system. Table 6.1 Parameters Area 1 Area 2 The turbine time constant (Tt) 0.5 secs 0.6 secs Governor time constant (Tg) 0.2 secs 0.3 secs Freq. sensitive load coeff. 0.6 0.9 Governor Speed Regulation (R) 0.05 0.0625 A two-area system connected by a tie-line having parameters stated in Table 6.1 on a 450MVA common base. The units are operating in parallel at the nominal frequency of 50Hz. A sudden load change of 45 MW occurs in area 1. The Simulink block diagram is constructed along with frequency deviation step response and power deviation step response. Since LFC's are equipped with only primary control loop a change in area 1 was met by the increase in generation in both areas associated with a change in the tie-line power, and a reduction in frequency. Modeling two area systems are based on the transfer function approach. Two area system with governor control is shown. The control system model shown has inputs from the controllers, ∆PL steps load change of 0.1p.u. of nominal loading in area 1. ∆f1 and ∆f2 are the frequency deviations of the control areas and ∆Ptie is the changing of the tie-line power. Interconnected power system model using ITAE as shown in Fig 6.14 has been created in MATLAB
  • 47.
    58 Simulink. Area ControlError (ACE) for each area is calculated by running this model with an Integral controller. ACE is further minimized using GA optimization. Fig 6.15 Modeling of two areas Thermal-Thermal system using ITAE criterion. The main components of the power system include speed governor, turbine, rotating mass, and load. The operating behavior of the power system is dynamic so it must be assumed that the parameters of the system are linear. For mathematical modeling, the transfer function is used. The controller used in the AGC system is an integral controller. The objective function used for Fig 6.15 is ITAE. These objective functions aim to reduce the steady-state error to zero and maximize the damping ratio of the system. J1 = ITAE = ∫ ( |∆f1| + |∆f2| + |∆Ptie| ).t dt , J2 = ISE = ∫ ( ( |∆f1|2 + |∆f2|2 + |∆Ptie|2 ) dt.
  • 48.
    59 The problematic constraintsare the parameters of the AGC regulator which contains integral gains, speed regulations, and the frequency sensitivity coefficients. Fig 6.16 Frequency deviation step response in ITAE criterion Genetic Algorithm parameters are taken as given below The number of populations = 100 The number of generations = 100 The probability of crossover is 0.8 The mutation function taken is Gaussian. The fitness scaling is Rank. If there is a sudden heavy load change in any area or both the areas simultaneously, then prominent deviations can be seen in frequencies as in Fig 6.16.These cases are helpful in ascertaining the good performance of the designed controller. Further, it is observed that ITAE error is minimum with the proposed controller. It can also be seen from both figures that deviations in frequencies settle down to zero quickly with the proposed controller.
  • 49.
    60 6.9 Ant ColonyOptimization Technique [10] ACO is a nature-inspired metaheuristic for the solution of hard combinatorial optimization problems. The ACO algorithm is developed using artificial ants, which are designed based on the behavior of real ants. The behavior of artificial ants is inspired by real ants. They lay pheromone trails on the graph edges and choose their path with respect to probabilities that depend on pheromone trails and this pheromone trails progressively decrease by evaporation. Ants prefer to move to nodes, which are connected by short edges with a high amount of pheromone. The variables which are used in the ACO algorithm are  Ƞij Heuristic factor  τ Pheromone factor  Pij Transition probability  α and β Constants are greater than zero.  ρ Coefficients of the persistence of trail. At each generation, each ant generates a complete tour by choosing the nodes according to a probabilistic state transition rule. For the selection of a node, an ant uses a heuristic factor as well as a pheromone factor. The heuristic factor, denoted by Ƞij, and the pheromone factor, denoted by τ are indicators of how good it seems to have node j at node I of the permutation. The algorithm stops iterating either when an ant found a solution or when a maximum number of generations has been performed. ACO uses a pheromone matrix τ = {τi j} for the construction of potential good solutions. Tuning PID method based on the multi-objective and ACO is developed for getting good performances and tunes the optimal PID parameters. The aim of the multi-objective ACO algorithm is to determine the optimal solutions of the PID controller parameters by minimization of the multi-objective function and to identify the Pareto optimal solution. 6.10 ACO and Objective Function In this work problem of designing PID controllers as a multi-objective optimization problem taking into consideration, the Ant Colony Optimization was developed. ACO is mainly inspired by the fact that ants can find the shortest route between their nest and a food source. ACO algorithms are especially suited for finding solutions to difficult optimization problems. The amount of pheromone deposited is proportional to the quality of move an ant has made. Thus, the more pheromone, the better the solution found. All moves
  • 50.
    61 are based onstochastic search policy more directed by pheromone trails, internal states and local information encoded in the environment. Design PID Controller using ACO The transfer function for PID Controllers is defined as a GC (p) = KP + Ki /s + Kd s PID controller in continuous time is e(t) = r(t)-y(t), where e(t) is the difference between reference signal r(t) and the output, y(t) of the controlled process. The gains Kp, Ki, Kd of the PID controller are generated by the multi-objective ACO algorithms for a given plant. The ACO technique has three main phases for solving the optimization problem 1. Initialization 2. Constructing Ant Solutions. 3. Updating Pheromone Concentration. System Flow for Optimization of PID controller parameters  Start the Simulation.  Initialization of PID controller parameters.  No. of Iterations  Evaporation Rate  No. of Ants.  Pheromones  Probability  Run the Simulink Model and evaluate the cost function.  Updating Pheromone and Probability.  Calculate the Optimal value of PID Controller parameters and fitness value.  Check maximum iteration is reached or not  If yes, stop. 6.11 ACO cost function of AVR  function cost_value=cost_func2(k, plotfig)  assignin ('base','P’, k (1))  assignin ('base','I', k (2))
  • 51.
    62  • assignin('base','D ', k (3))  sim('avrACO.mdl')  err=reference-out;  [n, ~] =size(err);  cost_value=0;  for i=1: n  % cost_value=cost_value+(err(i)) ^2; % ISE  % cost_value=cost_value+abs(err(i)); % IAE  cost_value=cost_value+t(i)*abs(err(i)); % ITAE  % cost_value=cost_value+t(i)*(err(i)) ^2; % MSE  end  % cost_value=cost_value/t(n); % MSE  if plotfig  figure (3)  plot (t, reference, t, out)  end 6.12 ACO Optimization Program  ACO parameters  N_iter=300; %number of iterations  NA=300; % Number of Ants  Alpha=0.8; % alpha  Beta=0.2; % beta  roh=0.7; % Evaporation rate  n_param=3; % Number of parameters  LB= (0.01). *ones (1,27); % lower bound  UB=10. *ones (1,27); % upper bound  n_node=10000; % number of nodes for each param  cost_best_prev=inf;  Disp (['Ant number: ' num2str(A)])  Disp (['Ant Cost: ' num2str(cost(A))])  Disp (['Ant Parameters: ' num2str (Nodes (ant (A, :)))])
  • 52.
    63  If iter~=1 Disp (['iteration: ' num2str(iter)])  Disp ('_________________')  Disp (['Best cost: ' num2str(cost_best)])  Disp (['Best parameters: ' num2st 6.13 Exercise 7 [11] A two-area model of a hydrothermal power station including nonlinearities is shown in Fig 6.17. This exercise proposes a novel AI technique, ACO, for optimized tuning of PI controllers for load frequency control. The design algorithm is applied to a hydrothermal station consisting of two control areas one hydro and the other is thermal with reheat stage. To make the system in realistic form, the system non-linearities represented by GRC, Dead Band, wide range parameters are introduced. The motivation behind this research is to prove and demonstrate the robustness of ACO based PI, and to improve the transient response of both frequency deviation and tie line power in the presence of system non-linearities. The steam chest time constant which is related to the non-reheat stage ranges from 0.1 to 0.5s whereas the time constant for the reheat stage (which is series cascaded with non-reheat stage) ranges from 4 to 10 s. Nonlinearities incorporated in this model represent in GRC and governor dead band (backlash). GRC implies the limitation on the generation rate of change in the output generated power due to thermal and mechanical movements. Value is taken as 0.1 p.u.MW per minute. Dead Band is defined as the total magnitude of a sustained speed change; within which there is no resulting change in valve position. All types of governors have a dead band in response, which is important to power system frequency control in the presence of disturbances, here it is taken as 0.0005.[18]
  • 53.
    64 ACO Technique fortwo Area Hydrothermal model ACO7 parameters n_iter=50; %number of iterations NA=100; % Number of Ants Pheromone= 0.7; % Weight of pheromone Pozitive Pheromones=0.2; % Value of positive pheromone constant Negative Pheremone=0.3; % Value of negative pheromone constant alpha=0.8; % alpha beta=0.2; % beta roh=0.95; % Evaporation rate n_param=4; % Number of parameters LB= (0.01). *ones (1,27); % lower bound UB=10. *ones (1,27); % upper bound n_node=45; % number of nodes for each param cost_best_prev=inf; cost(A)=cost_func7(Nodes (ant (A, :)),0);
  • 54.
    65 Fig 6.17 TwoArea Hydrothermal Model
  • 55.
    66 Fig 6.18 ∆F1& ∆F2 Response with Pheromones 0.8, Nodes 50, ISE-ACOT Fig 6.19 ∆F1 & ∆F2 Response with Pheromones 0.7, Nodes 50, ISE-ACOT 0 5 10 15 -0.08 -0.07 -0.06 -0.05 -0.04 -0.03 -0.02 -0.01 0 0.01 0.02 Multiple plot using plot command time(seconds) 0 5 10 15 -0.08 -0.06 -0.04 -0.02 0 0.02 0.04 Multiple plot using plot command time(seconds)
  • 56.
    67 Fig 6.20 FrequencyDeviation Response in area 1-GAOT Fig 6.21 Frequency Deviation Response in area 2-GAOT 0 5 10 15 -0.14 -0.12 -0.1 -0.08 -0.06 -0.04 -0.02 0 0.02 Frequency Deviation Response in Area 2 time,secs Frequency Deviation in Area 2 0 5 10 15 -0.14 -0.12 -0.1 -0.08 -0.06 -0.04 -0.02 0 0.02 time,secs Frequency Deviation in Area 1 FREQUENCY DEVIATION RESPONSE IN AREA 1
  • 57.
    68 Fig 6.22 Tie-PowerDeviation Response-GAOT 6.14 Conclusion Exercises showing various PID and two areas Thermal and Hydrothermal AGC models with GA &ACO based controllers were simulated to validate the efficiency of the proposed algorithms. From the simulation results, it can be found that the EA based controllers can produce relatively better results with fast convergence rate and higher precision. ACO based PI/PID is capable to guarantee robust capability and robust performance under various load conditions. Application of such algorithms leads to the satisfactory performance of the power generating an interconnected system with and without the tertiary role of AGC. In the next chapter, we study the economic allocation of generation for optimal dispatch when a sudden increase in demand. 0 5 10 15 -0.025 -0.02 -0.015 -0.01 -0.005 0 0.005 0.01 0.015 0.02 TielinePowerDeviationResponse time,secs P tie
  • 58.
    69 CHAPTER 7 ECONOMIC ALLOCATIONOF GENERATION 7.1 Implementation of AGC [5] In modern AGC schemes, the control actions are usually determined for each control area at a central location called the dispatch center. Information pertaining to tie line flows, system frequency, and unit MW loadings is telemetered to the central location where the control actions are determined by the digital computer. The control signals are transmitted via the same telemetering channels to the generating units on AGC. The normal practice is to transmit raise or lower pulses of varying lengths to the units. The control equipment at the plants then change the reference setpoints of the units up or down in proportion to the pulse length. The AGC control logic must also be driven by the errors in unit output so as to force the units to obey the economic dispatch. Such a control system is shown schematically in Fig 7.1. Fig 7.1 Overview of AGC Logic
  • 59.
    70 Investigation of Fig7.1 [4] shows an overall control system that will try to drive ACE to zero as well as driving each unit output to its required economic value. To implement an AGC system, one would require the following information at the control center. 1. Unit megawatt output for each committed unit. 2. Megawatt flow over each tie line to neighboring systems. 3. System frequency. 7.2 Finding Economic Dispatch Schedules 7.21 Case Study 1 Considering that all two of the thermal units described in the Simulink model Fig 6.15 are running. The model depicts a two-area system connected by a tie-line having the following parameters. Speed Regulation R1=0.05, R2=0.0625 Frequency- 50Hz, Load coefficient D1=0.6, D2=0.9 Inertia constant H1=5, H2=4 Base Power- 450MW Governor time constant tg1=0.2 sec, tg2=0.3 sec Turbine time constant tt1=0.5 sec, tt2=0.6 sec. The units are operating in parallel at the nominal frequency of 50 Hz. The synchronizing power coefficient is computed from the initial operating condition and is given to be Ps = 2.0 per unit. A load change of 45 MW occurs in area 1. Assuming that the fuel inputs in MBtu per hour for units 1 and 2, which are both online, are given by H1 = 225 + 8.4 P1 + 0.0025 P1 2 Minimum (MW) = 45, Maximum (MW) = 350, Fuel Cost (R/MBtu) = 0.80 H2 = 729 + 6.3 P2 + 0.0081 P2 2 Minimum (MW) = 45, Maximum (MW) = 350, Fuel Cost (R/MBtu) = 1.02
  • 60.
    71 1. Using thelambda iteration method to find the Economic Dispatch for a total demand of 450 MW. 2. Using the Base Point and Participation Factor method to find the economic schedule for the demand of 495 MW starting from the solution to part 1.[6] 3. Using Participation factors to simulate two areas thermal- the thermal model for calculating gains of PID controllers. 4. Calculate the individual unit loadings and cost per hour, as well as the total cost per hour to supply each load level. Lambda Iteration Method F1 = H1 x FC1 = 180 + 6.72 P1 + 0.002 P1 2 F2 = H2 x FC2 = 743.58 +6.426 P2 + 0.00826 P2 2 Lagrange multiplier, λ = dF1 / dP1 = 6.72 + 0.004 P1 λ = dF2 / dP2 = 6.426 + 0.01652 P2 1st Iteration, assuming λ = 8.0 R / MWh P1 = 320 MW, P2 = 95.28 MW, Pr = P1 + P2 = 415.28 MW PL = 450 MW, є = PL – Pr = 34.72 MW. 2nd Iteration, assuming λ = 7.5 R / MWh P1 = 195 MW, P2 = 65.0 MW, Pr = P1 + P2 = 260 MW PL = 450 MW, є = PL – Pr = 190 MW. 3rd Iteration, assuming λ = 8.5 R / MWh P1 = 395 MW, P2 = 113.43 MW, Pr = P1 + P2 = 508.43 MW PL = 450 MW, є = PL – Pr = -58.43 MW. 4th Iteration, assuming λ = 8.15 R / MWh P1 = 357.5 MW, P2 = 104.35 MW, Pr = P1 + P2 = 461.85 MW PL = 450 MW, є = PL – Pr = -11.85 MW. 5th Iteration, assuming λ = 8.10 R / MWh P1 = 345 MW, P2 = 101.33 MW, Pr = P1 + P2 = 446.33 MW PL = 450 MW, є = PL – Pr = 3.67 MW. 6th Iteration, assuming λ = 8.08 R / MWh P1 = 340 MW, P2 = 100.12 MW, Pr = P1 + P2 = 440.12 MW
  • 61.
    72 PL = 450MW, є = PL – Pr = 10.12 MW. 7th Iteration, assuming λ = 8.12 R / MWh P1 = 350MW, P2 = 102.54 MW, Pr = P1 + P2 = 452.54 MW PL = 450 MW, є = PL – Pr = -2.54 MW. 8th Iteration, assuming λ = 8.11 R / MWh P1 = 347.5 MW, P2 = 101.93 MW, Pr = P1 + P2 = 449.43MW PL = 450 MW, є = PL – Pr = 0.57 MW. 9th Iteration, assuming λ = 8.109 R / MWh P1 = 347.25 MW, P2 = 101.8765 MW, Pr = P1 + P2 = 449.12 MW PL = 450 MW, є = PL – Pr = 0.88 MW. 10th Iteration, assuming λ = 8.112 R / MWh P1 = 348 MW, P2 = 102.05 MW, Pr = P1 + P2 = 450.05 MW PL = 450 MW, є = PL – Pr = -0.05 MW. P1 = 348 MW, P2 = 102 MW ( Optimum Base Loading of Generators) F1 = 180 + 6.72 x 348 + 0.0081 x (3482) = 2617.5 R/hr. F2 = 743.58 + 6.426x 102 +0.00826 x (1022) = 1484.96 R /hr. FT = F1 + F2 (Total Fuel Cost of Running both Generators) = 4102.462 R /hr.
  • 62.
    73 Base and ParticipationMethod Participation Factor, pf, = ∆ Pi / ∆ Po = 1 / Fi ” / ∑ 1 / Fi ” F1 ” = 0.004 F2 ” = 0.01652 Unit 1 pf = 0.805 Unit 2 pf = 0.195 Pnew, i = Pbase, i + (∆ P1 / ∆ P0) * ∆ PD for i = 1,2 P1 new = P1 old + 0.805 (45) = 348 + 36.225 MW = 384.225 MW New Generator 1 Loading P2 new = P2 old+ 0.195 (45) = 102 + 8.775 = 110.775 MW New Generator 2 Loading F1 = 180 + 6.72 * 384.225 + 0.0081* (384.225)2 = 3957.722 R/hr F2 = 743.58 + 6.426* 110.775 +0.00826*(110.775)2 = 1556.78 R/hr FT = F1 + F2 = 5514.5 R/hr Total Cost per hour
  • 63.
    74 Two Area ThermalModeling with Participation Factor A two-area system is used to illustrate the behavior of the proposed AGC scheme. The system consists of non-reheat thermal power plants. The simulated block diagram is shown below. ACE 1 and ACE 2 are control errors; R1 and R2 are governor speed regulation constants, B1 and B2 are frequency bias factors. Each area is having its own governing system, generator , and turbine as represented in Fig 7.2... There are three inputs and two outputs for each area. The inputs are control inputs, load demand change, ∆PL1 and ∆PL2, change in tie-line power, ∆Ptie , ∆f1 and ∆f2 are the deviations in the system frequencies. Fig 7.2 Block Diagram of Two Area with Participation Factor
  • 64.
    75 0 5 1015 20 25 30 35 40 45 50 -7 -6 -5 -4 -3 -2 -1 0 1 2 x 10 -3 X: 4.044 Y: 0.001645 Del F1 Response ,Step load 0.1 pu , No PF , Area 1 time,seconds Del F1 ,Area 1, Step Load 0.1pu, PF=0 Fig7.3 Frequency Deviation Response of Area 1 AREA 1, ∆f1 = -0.0009 p.u. ∆PL = 0.1 p.u, PF =0.8, PI KP1 = 0.0705, KI1 = 0.99 KP2 = 0.1468, KI2 = 0.2154 Objective func =0.000234 p.u. Fig 7.4 Frequency Deviation Response of Area 1 AREA 1, ∆f1 = -0.0009 p.u. ∆PL = 0.1 p.u ,No PF ,PI KP1 = 0.0495, KI1 = 0.0198 KP2 = 0.531, KI2 = 0.0292 0 5 10 15 20 25 30 35 40 45 50 -7 -6 -5 -4 -3 -2 -1 0 1 2 x 10 -3 time, seconds Delta Frequency Area 1, Hz FREQUENCY RESPONSE OF AREA 1 WITH STEP LOAD OF 0.1 PU AND UNIT PARTICIPATION FACTOR
  • 65.
    76 Fig 7.5 Frequencydeviation response of Area 2 AREA 2, ∆f1 = -0.001364 p.u. ∆PL = 0.1 p.u ,PF= 0.2p.u ,PI Fig 7.6 Frequency deviation response of Area 2 AREA 2, ∆f2 = -0.001364 p.u. ∆PL = 0.1 p.u , No PF ,PI 0 5 10 15 20 25 30 35 40 45 50 -1.5 -1 -0.5 0 0.5 1 x 10 -3 X: 3.244 Y: -0.001364 0 5 10 15 20 25 30 35 40 45 50 -1.5 -1 -0.5 0 0.5 1 1.5 x 10 -4 Del F2,A2,SL 0.1,PF 0.2, PI
  • 66.
    77 Fig 7.7 Frequencydeviation response of Area 2 AREA 2, ∆f2 = -0.001364 p.u. ∆PL = 0.1 p.u , No PF ,PID Fig 7.8 Frequency deviation response of Area 1 AREA 1, ∆f = -0.0001531 p.u. ∆PL = 0.1 p.u , PF =0.8, PID controller KP1 = 0.9285, KI1 = 0.998, KD1 =0.99 KP2 = 0.1155, KI2 = 0.0185, KD2 = 0.8977 Objective function 0.0193 p.u. 0 5 10 15 20 25 30 35 40 45 50 -10 -8 -6 -4 -2 0 2 4 x 10 -6 X: 32.4 Y: 2.253e-06 0 5 10 15 20 25 30 35 40 45 50 -7 -6 -5 -4 -3 -2 -1 0 1 2 3 x 10 -4 X: 1.274 Y: 0.0001531
  • 67.
    78 7.22 Case Study2 With following fuel inputs for units 1 and 2 Unit 1: H1(P1) = 500 + 7P1 + 0.002P1 2 MBtu/h Fuel Cost F1 = 1.0 R/MBtu/h 150 < P1 < 600 MW Unit 2: H2(P2) = 200 + 8P2 + 0.0025P2 2 MBtu/h Fuel Cost F2 = 0.98 R/MBtu/h 125< P1 < 500 MW 1. Using the Lambda -Iteration method to find the economic schedule for a demand of 500 MW and use base point and participation factor method to find Economic Schedule for a load change of 10 MW. 2. Using Participation factors to simulate two areas thermal- a thermal model for calculating gains of PID controllers. 3. Calculate the individual unit loadings and cost per hour, as well as the total cost per hour to supply each load level. F1 = H1 x FC1 = 500+ 7 P1 + 0.002 P1 2 F2 = H2 x FC2 = 196 +7.84 P2 + 0.00245 P2 2 Lagrange multiplier, λ = dF1 / dP1 = 7+ 0.004 P1 λ = dF2 / dP2 = 8+ 0.005 P2 1st Iteration, assuming λ = 8.55R / MWh P1 = 387.5 MW, P2 = 110 MW, Pr = P1 + P2 = 497.5 MW PL = 500 MW, є = PL – Pr = 2.5 MW. 2nd Iteration, assuming λ = 8.56 R / MWh P1 = 390 MW, P2 = 160 MW, Pr = P1 + P2 = 550 MW PL = 500 MW, є = PL – Pr = -50 MW. 3rd Iteration, assuming λ = 8.54 R / MWh P1 = 387.95 MW, P2 = 110.2 MW, Pr = P1 + P2 = 498.15 MW PL = 500 MW, є = PL – Pr = 1.85 MW. 4th Iteration, assuming λ = 8.552 R / MWh P1 = 388 MW, P2 = 110.4 MW, Pr = P1 + P2 = 498.4 MW PL = 500 MW, є = PL – Pr = 1.6 MW.
  • 68.
    79 5th Iteration, assumingλ = 8.555 R / MWh P1 = 388.75 MW, P2 = 111.0 MW, Pr = P1 + P2 = 499.75 MW PL = 500 MW, є = PL – Pr = 0.25 MW. 6th Iteration, assuming λ = 8.556 R / MWh P1 = 389 MW, P2 = 111.2 MW, Pr = P1 + P2 = 500.2 MW PL = 500 MW, є = PL – Pr = -0.2 MW. 7th Iteration, assuming λ = 8.5555 R / MWh P1 = 388.875 MW, P2 = 111.1 MW, Pr = P1 + P2 = 499.975 MW PL = 500 MW, є = PL – Pr = 0.025 MW. BASEPOINT AND PARTICIPATION METHOD Participation Factor, pf, = ∆ Pi / ∆ Po = 1 / Fi ” / ∑ 1 / Fi ” F1 ” = 0.004 F2 ” = 0.005 Unit 1 pf = 0.555 Unit 2 pf = 0.444 Pnew, i = Pbase, i + (∆ P1 / ∆ P0) * ∆ PD for i = 1,2 P1 new = P1 old + 0.555 (10) = 394.425 MW New Generator 1 Loading P2 new = P2 old + 0.444 (10) = 115.54 MW New Generator 2 Loading F1 = 3572.115 R/hr F2 = 1134.534 R/hr FT = F1 + F2 = 4706.65 R/hr Total Generation Cost per hour.
  • 69.
    80 Fig 7.9 Thermal-Thermalcontrol area power system with Participation Factor The optimized controller namely GA tuned FLC has been examined for AGC of a two-area thermal -thermal system as shown in Fig 7.9. It comprises two areas that are interconnected by high voltage transmission line or tie-lines. The trend of power frequency measured in each control area is an indicator of the trend of mismatch power in the interconnection. The LFC system in each control area of an interconnected power system should control the interchange power with the control area and its local frequency. 7.23 Simulation Results The simulation has been conducted in MATLAB Simulink package for two area power system by using a PID controller. The simulation models for two area power system with and
  • 70.
    81 without Participation Factorwith step loads of 0.02,0.05p.u.respectively are shown in Fig 7.10 to 7.21. Fig 7.10 AREA 1, ∆f = - 0.5343 p.u. ∆PL = 0.02 p.u , W/O PF KP1 = 0.5792, KI1 = 0.99, KD1 =0.288 KP2 = 0.533, KI2 = 0.973, KD2 =0.32 Fig 7.11 AREA 1, ∆f = - 0.555 p.u. ∆PL = 0.02 p. u, PF = 0.555 p. u KP1 = 0.9945, KI1 = 0.9636, KD1 = 0.4455 KP2 = 0.8373, KI2 = 0.9741, KD2 = 0.4356 Objective function ITAE value = 0.037, Total demand 500 MW 0 2 4 6 8 10 12 14 16 18 20 -0.6 -0.5 -0.4 -0.3 -0.2 -0.1 0 0.1 X: 4.888 Y: 0.0217 time,seconds A1,Del F1 Response no UPF 0 2 4 6 8 10 12 14 16 18 20 -0.8 -0.7 -0.6 -0.5 -0.4 -0.3 -0.2 -0.1 0 0.1 X: 6.106 Y: 0.004416 time,seconds A1,Del F1 response,SL 0.3p.u.,UPF 0.555
  • 71.
    82 Fig 7.12 AREA2, ∆f2 = - 0.6644 p.u, ∆PL =0.02 p.u, W/O PF Fig 7.13 AREA 2, ∆f2 = - 0.872 p.u, ∆PL=0.02p.u P.F. = 0.444p.u 0 2 4 6 8 10 12 14 16 18 20 -0.7 -0.6 -0.5 -0.4 -0.3 -0.2 -0.1 0 0.1 X: 8.059 Y: 0.0007632 time,seconds A2,Del F2 response,no UPF 0 2 4 6 8 10 12 14 16 18 20 -0.9 -0.8 -0.7 -0.6 -0.5 -0.4 -0.3 -0.2 -0.1 0 0.1 time,secs A2,Del F2 response SL 0.3p.u. UPF 0.444
  • 72.
    83 Fig 7.14 +∆PTIE= 0.03 p.u, -∆PTIE=0.026 p.u, ∆PL =0.02 p.u W/O PF Fig 7.15 +∆PTIE = 0.034 p.u , -∆PTIE =0.0, ∆PL= 0.02p.u WITH PF 0 2 4 6 8 10 12 14 16 18 20 -0.03 -0.02 -0.01 0 0.01 0.02 0.03 0.04 X: 10.45 Y: 5.228e-05 time,seconds Del Ptie,response , AC-8 0 2 4 6 8 10 12 14 16 18 20 -0.12 -0.1 -0.08 -0.06 -0.04 -0.02 0 0.02
  • 73.
    84 Fig 7.16 AREA1, ∆f1 = - 0.1p.u. ∆PL = 0.05 p.u , W/O PF KP1 = 0.9353, KI1 = 0.9960, KD1 =0.3608 KP2 = 0.966, KI2 = 0.9375, KD2 =0.395 Objective function ITAE value = 0.211 Fig 7.17 AREA 1, ∆f1 = - 0.137 p.u. ∆PL = 0.05 p. u, PF = 0.555 p. u KP1 = 0.9945, KI1 = 0.9636, KD1 = 0.4455 KP2 = 0.8373, KI2 = 0.9741, KD2 = 0.4356 Objective function ITAE value = 0.0965 0 2 4 6 8 10 12 14 16 18 20 0 0.005 0.01 0.015 0.02 0.025 0.03 0.035 X: 2.716 Y: 0.034 time ,secs Del Ptie , SL 0.3p.u. 0 2 4 6 8 10 12 14 16 18 20 -0.14 -0.12 -0.1 -0.08 -0.06 -0.04 -0.02 0 time,second Del F1, A1, SL 0.05p.u., PF 0.555p.u
  • 74.
    85 Fig 7.18 AREA2, ∆f2 = - 0.082 p.u. ∆PL = 0.05 p.u , W/O PF Fig 7.19 AREA 2, ∆f2 = - 0.14 p.u. ∆PL = 0.05 p.u , PF=0.444 0 2 4 6 8 10 12 14 16 18 20 -0.09 -0.08 -0.07 -0.06 -0.05 -0.04 -0.03 -0.02 -0.01 0 0.01 Del F2, A2, SL 0.05p.u , NO PF 0 2 4 6 8 10 12 14 16 18 20 -0.16 -0.14 -0.12 -0.1 -0.08 -0.06 -0.04 -0.02 0 0.02 time,seconds Del F2, A2, SL 0.05p.u. PF 0.444p.u
  • 75.
    86 Fig 7.20 +∆PTIE= 0.029 p.u, -∆PTIE=0.0048 p.u, ∆PL =0.05 p.u W/O PF Fig 7.21 +∆PTIE = 0.0052 p.u, ∆PL =0.05 p.u with PF 0 2 4 6 8 10 12 14 16 18 20 -5 -4 -3 -2 -1 0 1 2 3 x 10 -3 Del Ptie, SL 0.05 pu, NO PF 0 2 4 6 8 10 12 14 16 18 20 0 1 2 3 4 5 6 x 10 -3 Del Ptie,A12 , SL 0.05 p.u. WITH PF
  • 76.
    87 7.24 Conclusion Both thecontrol areas have a single generating unit, the control system of which would suffice to provide stable frequency and tie line interchange. The particular total generation values will not usually exist for a very long time since the load on a power system varies continually as people and industries use individual electric loads. When using digital computers, it is desirable to be able to carry out the Economic Dispatch calculations at intervals of one to several minutes. The allocation of generation must be made instantly when the required area total generation changes. Since the economic – dispatch calculation is to be executed every few minutes, a means must be provided to indicate how the generation is to be allocated for the values of total generation other than that used in economic dispatch calculation. For case 1, area 1 generator participation factor is dominant; hence it takes most of the control action whereas area 2 generator remains fixed. Thus, the incremental heat rate curves give trouble to an AGC due to excessive ACE. The unit of Area 1 will not be able to change its output fast enough when a large ACE calls for a large change in a generation. The assist logic then comes into action by moving more of the units to correct ACE. When the ACE is corrected, the AGC then restores the units back to economic output. For case 2, both areas have less difference gap between their respective participation factors. Hence response curves for both areas show a distinctive change in frequency and power responses when subjected to load change. Both cases studies have been simulated for various step load changes of 0.02p.u, 0.05p.u.and 0.1p.u. Future scope of the study rests on the kind of optimization technique applied for coordination of LFC and ELD. Currently, metaheuristic techniques have been applied and more promising results will be there if deterministic methods are used. Implementation of AGC in India [12] Importance of AGC utilizing the spinning reserves in the Power system operation was reiterated in different for a and finally accepted by Commission. In order to achieve constant frequency in Indian Grid and for large scale RE integration, operationalization of spinning reserves is essential and to be implemented at the earliest. AGC system has been installed at NLDC control center. The Generating units which are considered for implementation are from Dadri Power Plant Stage -2 Unit-5&6.
  • 77.
    88 8.0 Conclusionand FutureScope For successful operation of the power system, load frequency control plays a very important role. Simulated two areas interconnected power system consists of the thermal generating units. A comprehensive study on the load frequency control mechanism with a mathematical model has been analyzed. The total load is distributed among the various power units with the most economical loading conditions according to economic load dispatch calculations. Each unit shares the generated load demand according to their participation factors. Economic load dispatch mathematical formulation is based on the Incremental Cost function relationships of the system. Hence this study established a relationship between ELD and LFC with the proposed control scheme. GA optimization technique is used for finding out the optimal gain of the PID controller of the simulated system. The proposed controller reduces the frequency deviation and net tie-line power flow deviation most effectively, which shows the effectiveness of the controller. The different graphs of the frequency deviations and Tie power with and without participation factors give the insight into the role of generating units when operating as optimal dispatch on increased loading. Future scope of the study rests on the kind of optimization technique applied for coordination of LFC and ELD. Currently, metaheuristic techniques have been applied and more promising results will be there if deterministic methods are used.
  • 78.
    89 REFERENCES 1.Saadat, Haadi. “PowerSystem Analysis”, 6th Edition, Tata McGraw-Hill edition 2002 2.Ebrahim Vaheedi. Practical Power System Operation 3. H.Bevrani, Intelligent AGC 4. Prabha Kundur, Power System Stability & Control 5. Allen.J. Wood, Bruce.F. Woolenberg. Power Generation Operation and Control. 6. Rahul Dogra, Nikita Gupta , Harsha Saroa. Economic Load Dispatch Problem and Mat lab Programming of Different Methods. 7. Dingyu Xue. YangQuan Chen, and Derek P. Atherton. Linear Feedback Control 8. Fernando G.Martins . Tuning PID Controllers using the ITAE Criterion 9. R.Shankar, K.Chatterjee, P.Chatterjee. Coordination of Economic Load Dispatch and Load Frequency Control for Interconnected Power System 10. Ibtissem Chiha, Noureddine Liouane, Pierre Borne. Tuning PID Controller Using Multiobjective Ant Colony Optimization. 11. M. Omar , M.Soliman , A.M. Abdel Ghany ,and F. Bendary. Optimal Tuning of PID Controllers for Hydrothermal Load Frequency Control Using Ant Colony Optimization 12. Somes Bandyopadhyay, AGM ( OS-SIIS), NTPC Ltd. Implementation of Automatic Generation Control (AGC) in India.
  • 79.
    90 NOMENCLATURE Δ : Rotorangle. Δδ : Change in rotor angle ‘δ’, i.e., the error. Bi : ith subsystem’s frequency-biasing factor Ri : Speed regulation for ith subsystem due to the ith governor action in Hz/pu MW a12 : The ratio between the base values of two areas ∆fi : Incremental frequency deviation in Hz ∆PTi : Incremental change in the ith subsystem’s output in pu MW ∆PRi : Incremental change in the output energy of the i th reheat type turbine in MW ∆PCi : Incremental change in the integral controller ∆PTie : Incremental change in the tie-line power Pdi : Load disturbance for the ith area in pu MW Pm : Mechanical power Pv : Steam valve position Pref : Reference set power ui : Output of the automatic generation controller for ith area Tij : Synchronizing coefficient of the tie-line between i th and j th areas TGi : ith governor time constant in s TTi : ith turbine time constant in s TRi : ith reheat time constant in s TPi : ith subsystem-model time constant in s KPi : ith subsystem gain KIj : ith subsystem’s integral control gain Ki : The ratio between output energy of the ith stage of turbine to total output energy Xtie : Reactance with unit interconnected by a lossless tie line PF : Participation Factor
  • 80.