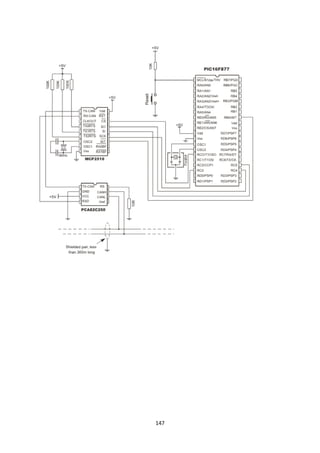
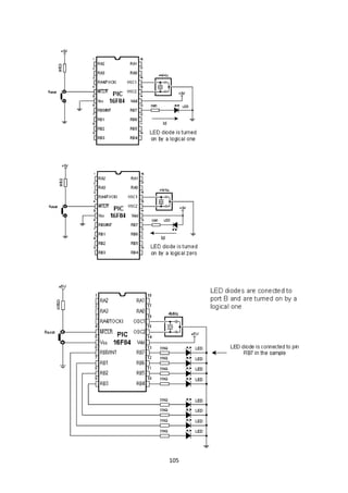
This document provides an introduction and overview of the MikroBasic programming language for microcontrollers. It covers the basics of BASIC programming including identifiers, operators, expressions, instructions, data types, constants, variables, directives, comments, labels, procedures and functions. The document uses examples and explanations to illustrate how to write clear and understandable MikroBasic code.