24/01/2017  1 
 
D.P.Bhaskar, Sanjivani COE Kopargaon 
Give FEEDBACK: dpbhaskar@rediffmail.com 
1. Lathe 
2. Shaping 
3. Milling 
4. Drilling 
 
Multi‐speed Gear Box of Machine Tool 
 
Single input speed (Motor speed) = nem 
Multi‐Speeds on Spindle shaft (Spindle Speeds)  
24/01/2017  2 
n1 ,n2 ,n3 ,n4  
n5 ,n6 ,n7 , nz  
The extreme spindle speeds  
n1 = nmin 
nZ = nmax 
  Why Multi‐Speeds ?  
24/01/2017  3 
Different : 
• Feeds 
• W/P Materials  
• W/P Dimensions    [D] 
• Cutting tool materials  
n1  
n2  
n3  
n4  
n5  
n6  
n7   
n8   
N9= nz 
nem 
D.P.Bhaskar, Sanjivani COE Kopargaon 
1 
1 
Speed Regulations 
Stepped Regulations 
 
 
 
Stepples Regulations 
 
Discrete speed steps  Continuous speed steps 
24/01/2017  4 
n1 
n2 
n3 
n4 
n5 
nz 
nem 
D.P.Bhaskar, Sanjivani COE Kopargaon 
Why  Progressions  *To find different speed steps  
*Find relation of two speed steps 
 
 
 
1. Arithmetic progression (AP) 
2. Geometric Progression (GP) 
3. Harmonic Progression (HP) 
 
Progression Laws  
24/01/2017  5 
Types of Progression Laws  
D.P.Bhaskar, Sanjivani COE Kopargaon 
24/01/2017  6 
  
  
 
24/01/2017  7 
 
 
 
 
 
 
 
 
Difference between 2 successive speeds is constant = at 
     at= (n2 –  n1)= (n3–  n2)= (n4 – n3)= (nz– nz‐1) 
 
 
 
 
 
 
Z=Total speed steps (speeds) on spindle. 
(n1, n2, n3, n4,……………………….., nz‐1,nz..) 
 
 
LAW 
 
Ration of 2 successive Speeds= Ø=Speed Ratio 
 
 
 
nmax =Maximum spindle speed  (rpm)= nz 
nmin= Minimum spindle speed  (rpm)=  n1 
   
 
n ( )
 
 
n1 =nmin 
n2 =n1 + at 
n3 = n2 + at =n1 + 2at 
n4 = n3 + at =n1 + 3at 
nz = n(z‐1) + at =n1 + (z‐1)at 
 
Dk = Diameters to be Machined at Specific cutting speed (v) 
     =Upper limit of Diameter 
∆
 
∆Dk = Diameters Range = (D2‐D1) 
                                           = (D3‐D2) ……… 
 
24/01/2017  8 
 
 
 
AP 
 
Maximum spindle speed  (rpm), nmax =445 rpm 
Minimum spindle speed  (rpm), nmin=35 rpm 
Number of speed steps, Z=12 
Cutting speed, v=20 m/min. 
 
24/01/2017 
9 
D.P.Bhaskar,  
Sanjivani COE 
Kopargaon 
Arithmetic progression  
 
24/01/2017  10 
Remarks @ AP 
24/01/2017  11 
At high spindle speeds, the diameter range is very narrow and hence some of the 
speed steps are redundant. 
 
 
 
 
At  low  spindle  speeds the  diameter  range  is  wide  hence  needs  to 
add more speed steps between calculated values. 
 
D.P.Bhaskar, Sanjivani COE Kopargaon 
24/01/2017  12 
 
GP 
 
D.P.Bhaskar, Sanjivani COE Kopargaon 
Geometric progression  
 
 
 
 
Range Ratio 
 
24/01/2017  13 
 
 
 
Geometric Progression Ratio 
   
 
 
Speed Ratio 
 
24/01/2017  14 
D.P.Bhaskar, Sanjivani COE Kopargaon 
Progression ratio/ Speed ratio Progression ratio/ Speed ratio 
 
Geometric  progression  (also  inaccurately  known  as  a  geometric 
series)  is  a  sequence  of  speeds  such  that  the  ratio  of  any  two 
successive speeds of the sequence is a constant called the Geometric 
progression ratio (speed ratio) of the sequence. 
  
 
Range ratio 
 
It ratio of maximum and minimum speed  
 
 
 
 
 
GP 
  
 
 
Maximum spindle speed  (rpm), nmax =445 rpm 
Minimum spindle speed  (rpm), nmin=35 rpm 
Number of speed steps, Z=12 
Cutting speed, v=20 m/min. 
 
24/01/2017  16 
24/01/2017  17 
Remarks @ AP 
24/01/2017  18 
At high spindle speeds, the diameter range is very 
narrow  and  hence  some  of  the  speed  steps  are 
redundant. 
At low spindle speeds the diameter range is wide 
hence  needs  to  add  more  speed  steps  between 
calculated values. 
D.P.Bhaskar, Sanjivani COE Kopargaon 
24/01/2017  19 
Variation in 
Diameters is wide 
in AP than GP 
AP  
or  
GP? 
GP gives Optimum 
Distribution Of Gear 
Speeds compared to 
AP 
 
AP – GP‐ HP Comparison AP – GP‐ HP Comparison 
 
24/01/2017  21 
Z Z  N N 
24/01/2017  22 
24/01/2017  23 
24/01/2017  24 
24/01/2017  25 
24/01/2017  26 
D.P.Bhaskar, Sanjivani COE Kopargaon 
24/01/2017  27 
24/01/2017  28 
24/01/2017  29 
Effect of GP ratio 
24/01/2017  30 
In  gearbox  design  a  set  of  preferred  step  ratio  or  preferred 
numbers  is  used  to  obtain  the  series  of  output  speed  of 
gearbox. The preferred step ratio is mentioned as basic series 
named  as  R5,  R10,R20,R40  and  R80.  Each  basic  series  has  a 
specific step ratio. R [Charles Renard] 
Definition of preferred number/speed series 
 
24/01/2017  31 
24/01/2017  32 
Structural Formula 
Structural Diagram 
Ray Diagram 
Speed chart 
Gearing Diagram 1 
2 
3 
4 
5 Sequence 
24/01/2017  33 
D.P.Bhaskar, Sanjivani COE Kopargaon 
Z =P1(x1)*P2(x2)*....Pu(xu)  
Structural Formula  
The maximum number of speed that can be obtained from 
two  shafts  is  three.  Hence  its  necessary  to 
use intermediate shafts between the input shaft and output 
shaft. The structural formula helps to arrive the number of 
stages and required gears to obtain the desired speeds.  
Structural Formula 
P : Speed steps/ Pairs in any stage 
X : Characteristic in stage 
 
D.P.Bhaskar, Sanjivani COE Kopargaon 
 
D.P.Bhaskar, Sanjivani COE Kopargaon 
 
D.P.Bhaskar, Sanjivani COE Kopargaon 
 
D.P.Bhaskar, Sanjivani COE Kopargaon 
 
D.P.Bhaskar, Sanjivani COE Kopargaon 
24/01/2017  40 
RULE 
24/01/2017  41 
 HL=Z=6 
VL=N+1=3 
D.P.Bhaskar, Sanjivani COE Kopargaon 
24/01/2017  42 
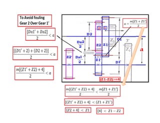
1) MAX Node addition=7.5 
2) P of Stage one should be less 
BEST 
RULE 
 
24/01/2017  43 
BEST 
D.P.Bhaskar, Sanjivani COE Kopargaon 
 
24/01/2017  44 
Z=9 
24/01/2017  45 
Z=12 
For More than 2 stages 1st and last stage P should be less 
BEST 
RULE 
 
24/01/2017  46 
Optimum SF 
D.P.Bhaskar, Sanjivani COE Kopargaon 
 
24/01/2017  47 
24/01/2017  48 
D.P.Bhaskar, Sanjivani COE Kopargaon 
24/01/2017  49 
D.P.Bhaskar, Sanjivani COE Kopargaon 
A  ray  diagram  is  a  representation  of  structural 
formula.  It  provides  information  such  as  speed  in 
each stage, the transmission ratio in each stage, The 
total number of speeds and its values.  
Definition 
Ray diagram for Z=4 
24/01/2017  50 
D.P.Bhaskar, Sanjivani COE Kopargaon 
24/01/2017  51 
RULE 
Ray Diagram  Speed chart 
24/01/2017  52 
Ray Diagram 
Kinematic/Gearing  Layout 
A kinematic layout is a pictorial representation 
of  a  gearbox,  describing  the  arrangement  of 
gears.  It  provides  information  like  number  of 
stages, number of shafts used, number of gear 
pairs and its arrangement. 
Definition 
24/01/2017  53 
RULE 
D.P.Bhaskar, Sanjivani COE Kopargaon 
24/01/2017  54 
D.P.Bhaskar, Sanjivani COE Kopargaon 
 
24/01/2017  55 
D.P.Bhaskar, Sanjivani COE Kopargaon 
24/01/2017  56 
D.P.Bhaskar, Sanjivani COE Kopargaon 
24/01/2017  57 
 
24/01/2017  58 
Gearing Diagram 
D.P.Bhaskar, Sanjivani COE Kopargaon 
Z=12 
 
24/01/2017  59 
Gearing Diagram 
Number of Teeth and Speed deviation diagram 
Write  best  Structural  formula,  Draw  Structural 
Diagram,  Ray  Diagram,  Speed  Chart,  Gearing 
Diagram, No of teeth, Speed Deviation Diagram 
D.P.Bhaskar, Sanjivani COE Kopargaon 
Question 
Sppeds  n1  n2  n3  n4  n5   6 
Calculated  100  158  252.8  395  632  995.4 
Round off  100  160  250  400  630  1000 
e 
Ray Diagram, Speed Chart  Gearing Diagram 
Spindle speeds 
Stage 1 No. Of Teeth Calculation 
Ray Diagram 
No deviation in speeds  in stage 1  
ZA=20         ZA’=50         GA=2.5  
ZB=27         ZB’=43         GB=1.59 
C1=70 
Stage 1 No. Of Teeth Calculation 
D.P.Bhaskar, Sanjivani COE Kopargaon 
Stage 2 No. Of Teeth Calculation 
D.P.Bhaskar, Sanjivani COE Kopargaon 
Ray Diagram 
Deviation in speeds  in stage 2  
ZC=20         ZC’=80          GE=4  
ZD=38         ZD’=61         GD=1.631 
ZE=61        ZE’=39           GC=0.639 
C2=100 
Stage 2 No. Of Teeth Calculation 
D.P.Bhaskar, Sanjivani COE Kopargaon 
GE=4  
GD=1.6 
GC=0.635 
GE=4  
GD=1.631 
GC=0.639 
′
	
′
	 
′ 400′ /GD=400/1.635=244.64 
′ 630′ /GD=630/1.635=385.32 
′
	
′
	 
′ 400′ /GC=400/0.639=626 
′ 630′ /GC=630/0.639=986 
 n(TH)   n(PR) 
 100   100 
 160   160 
 250   244.64 
 400   385.32 
 630   626 
 100   986 
Deviated 
Speeds 
Speed Deviation   ∆n 
nth 100 160  250 400 630 1000 
nact 100 160  244.64 385.32 4 986 
∆n 0 0  ‐2.144 ‐3.67 ‐0.639 ‐1.40 
Limit for speed deviations 
∆n <   ± 10(ɸ‐1)٪ 
∆n  <  ± 10(1.58‐1)=5.8٪ 
Speed Deviation   
Diagram 
Difference between number of teeth on  
successive gears in change gear box 
 
 
24/01/2017  70 
•Input speed= 120 RPM 
•Draw structure diagram
•Find Spindle speeds.
•Speed trapped for given position
•Speed ratio?
SPPU Questions 
D.P.Bhaskar, Sanjivani COE Kopargaon 
SPPU Questions 
D.P.Bhaskar, Sanjivani COE Kopargaon 
SPPU Questions 
D.P.Bhaskar, Sanjivani COE Kopargaon 
SPPU Questions 
SPPU Questions 
D.P.Bhaskar, Sanjivani COE Kopargaon 

MACHINE TOOL GEAR BOX