GSM Alarm
Prajjwol Tripathi , Suresh Lama , Dibas Bhandari
Helsinki Metropolia University of Applied Sciences
Bachelor Degree
Degree Programme in Electronics
Embedded System Programming
30th
DEC 2015
Contents
Introduction 1
Trello 2
System overview 3
1.1 Requirements 3
1.2 Hardware components. 4
1.2.1 GSM shield 4
1.2.2 Arduino Board 5
1.2.3 Keypad 5
1.2.4 LCD Display 6
1.2.5 PIR sensor 6
1.2.6 Buzzer 7
Rough Workflow 8
System Application 9
Programming 10
Project Difficulties 11
Conclusion 11
References 11
Introduction
Security has always
been a great challenge
everywhere, and as the
technology is upgrading
day by day so does the
security methods with it.
There are several tech-
nologies that are widely
used with the home se-
curity system but GSM
based wireless communication system is the most preferred one when talking about
intruder alarms and etc. The aim of this project is to provide security to the restricted
area even if the owner is anywhere in the world. For this purpose user can use any
type of Mobile. This way it overcomes the limited range of infrared and radio remote
controls.
Trello
To complete this project successfully a newly designed project management system
named trello was recommended ,it was a pretty interesting approach to work in a group
and update the statues every now and then through this system even though if you miss
the group meetings.
In this management system named trello we created a group and added
our teacher (also project manager) to this group where he can monitor all the happenings
and updates, so there we specified different tabs to describe our requirements, and up-
dates and topics that concerns the group.
System overview
1.1 Requirements
Our GSM security system prime goal is security through intrusion detection and
notification. It is based on smart security system where users can have comforts in-
stalling the security in any buildings and get the maximum security of user's property and
building. At the beginning we had few basic requirements and we decided to add more
on further research and discussion. At the same time, some features that we planned
did not go well and have to abort that feature. The following has listed all the require-
ments.
TAG
Number
RERQUIREMENT PRIORITY RATIONALE
HS.00 System shall detect any move-
ments in the room.
M to detect intrusion.
HS.01 Siren shall turn on after the intru-
sion.
M To alert the intruder.
HS.02 Automatic door lock shall be in-
cluded in the system.
M To lock the intruder inside the room.
HS.03 The system shall inform the owner
by sending SMS to the mobile.
M To inform the user or police.
HS.04 The system shall also call the own-
er's mobile.
O To inform the user or police.
HS.05 The alarm shall be controlled by
sending message to it.
O To turn device off or on.
HS.06 The system can be externally pow-
ered through batteries.
M Remote use.
HS.07 The system can be controlled by
more than one user.
W Multiple users.
HS.08 The system shall cover a large
area.
O To increase the effectiveness of sys-
tem.
HS.09 CCTV shall be included. W to confirm the intrusion and detect
the intruder.
HS.10 The display shall have a display. O To observe the status of alarm
1.2 Hardware components.
1.2.1 GSM shield
The Arduino GSM Shield connects arduino board to make the internet connection,
make/receive voice calls and send/receive SMS messages. The shield uses a radio mo-
dem M10 by Quectel. It is possible to communicate with the board using AT commands.
The GSM library has a large number of methods for communication with the shield.
Figure 1 Arduino GSM Shield
1.2.2 Arduino Board
The Arduino Uno R3 is a microcontroller
board based on a removable, dual-inline-
package (DIP) ATmega328 AVR micro-
controller. It has 20 digital input/output
pins (of which 6 can be used as PWM out-
puts and 6 can be used as analog inputs).
Programs can be loaded on to it from the easy-to-
use Arduino computer program. The Arduino has an extensive support community, which
makes it a very easy way to get started working with embedded electronics.
1.2.3 Keypad
.
This 12 button keypad is used to give inputs to
Arduino board.
Figure 2 Arduino Board
Figure 3 Keypad
Figure 4 one wired keypad schematic dia-
gram
1.2.4 LCD Display
The Liquid Crystal library allows you to
control LCD displays that are compati-
ble with the Hitachi HD44780 driver.
There are many of them out there, and
you can usually tell them by the 16-pin
interface.
Standard HD44780 LCDs are useful for
creating standalone projects.
 16 characters wide, 2 rows
 White text on blue background
 Connection port is 0.1" pitch, sin-
gle row for easy bread boarding and
wiring
By using simple i2c and SPI input/output expanders we have reduced the number of pins
(only 2 pins are needed for i2c) while still making it easy to interface with the LCD
1.2.5 PIR sensor
A passive infrared sensor (PIR sensor) is an electronic
sensor that measures infrared (IR) light radiating from
objects in its field of view. They are most often used in
PIR-based motion detectors
Figure 5 LCD Dispaly
Figure 6 Passive Infrared Sensor
1.2.6 Buzzer
An audio signaling device
Figure 7 Buzzer or Beeper
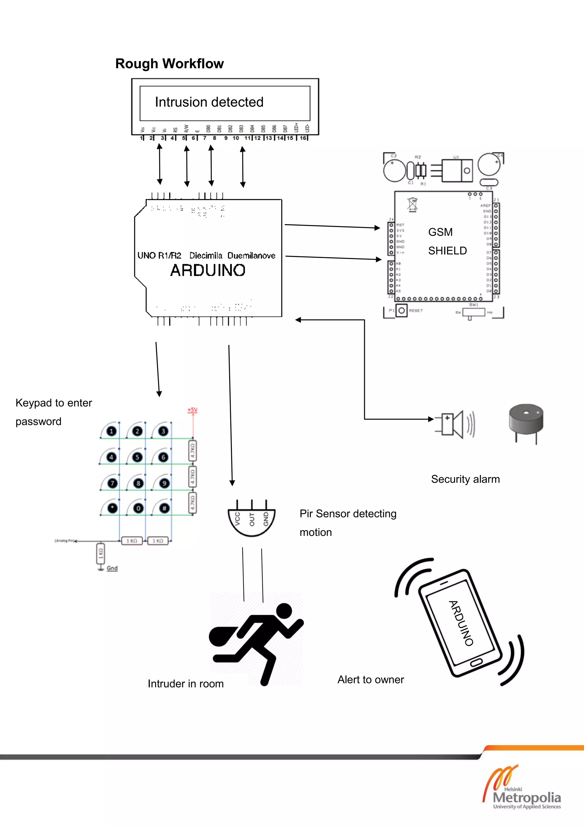
Rough Workflow
GSM
SHIELD
Intrusion detected
Keypad to enter
password
Intruder in room Alert to owner
Pir Sensor detecting
motion
Security alarm
System Application
This project uses the Arduino as main microcontroller board and Global System for Mo-
bile communication (GSM)
technology for reporting
any suspicious movements
in the room and intrusion
detector unit. One can use
any other Micro controller
board or develop PCB
board using any microcon-
troller like 8051. This sys-
tem can be operated in
home, office or depart-
mental stores.
The system has keypad ac-
tivation or SMS activation
procedure in order to turn
on the device. The system
shall have a external power
supply so as to make it mo-
bile. The LCD display shows the status of Alarm. In or-
der to activate system, user shall can either give pass-
words through keypad or send SMS in case of absence to change the status of system.
In case of three false attempts, the alarm will be turned on and userill be reported of
Break In.
The GSM shied or GSM/GPRS modem has SIM that uses the local network to com-
municate with user. When any movement is detected with in the specified range that
can be altered, Alarm will be activated and continuously played . At the same time,
warning message will be sent by system to owner mobile phone followed by call. The
Alarm can be turned off only after owner send message to turned off or correct pass-
word is entered in the system.
In order to make the project, we have devised an idea to include online surveillance
system where system will send the image at first intrusion to the owner to confirm the
intrusion. Only after the confirmation of the intrusion the owner shall take necessary ac-
tion like calling the police or lock the door and building.
Figure 8 Working Prototype
Programming
We used c++ as a programming language and Arduino’s custom programmingenviron
ment called Arduino Ide to interface the code with the device.
For more information on the programming part we have created a separate ”code box”
for the programming part.
..DesktopCode Box.pdf
Figure 9 Arduino IDE
Project Difficulties
As of working on a group project managing the meetings were difficult due to personal
timing mismatch.
 Late arrival of GSM Board
 Confusions with the GSM Programming
 Memory issues with the web camera installation
 Errors with the GSM Calling
 Issues with GSM Shield external power supply
Conclusion
Overall the project was successfully completed, though everything went pretty smooth
we faced few problems mentioned above. Project demonstration or presentation also
went pretty good end result was a fine working GSM alarm based on PIR Sensor proto-
type.
References
https://www.arduino.cc/
https://github.com
https://www.arduino.cc/en/Main/ArduinoGSMShield

GSM Based Security System

  • 1.
    GSM Alarm Prajjwol Tripathi, Suresh Lama , Dibas Bhandari Helsinki Metropolia University of Applied Sciences Bachelor Degree Degree Programme in Electronics Embedded System Programming 30th DEC 2015
  • 2.
    Contents Introduction 1 Trello 2 Systemoverview 3 1.1 Requirements 3 1.2 Hardware components. 4 1.2.1 GSM shield 4 1.2.2 Arduino Board 5 1.2.3 Keypad 5 1.2.4 LCD Display 6 1.2.5 PIR sensor 6 1.2.6 Buzzer 7 Rough Workflow 8 System Application 9 Programming 10 Project Difficulties 11 Conclusion 11 References 11
  • 3.
    Introduction Security has always beena great challenge everywhere, and as the technology is upgrading day by day so does the security methods with it. There are several tech- nologies that are widely used with the home se- curity system but GSM based wireless communication system is the most preferred one when talking about intruder alarms and etc. The aim of this project is to provide security to the restricted area even if the owner is anywhere in the world. For this purpose user can use any type of Mobile. This way it overcomes the limited range of infrared and radio remote controls.
  • 4.
    Trello To complete thisproject successfully a newly designed project management system named trello was recommended ,it was a pretty interesting approach to work in a group and update the statues every now and then through this system even though if you miss the group meetings. In this management system named trello we created a group and added our teacher (also project manager) to this group where he can monitor all the happenings and updates, so there we specified different tabs to describe our requirements, and up- dates and topics that concerns the group.
  • 5.
    System overview 1.1 Requirements OurGSM security system prime goal is security through intrusion detection and notification. It is based on smart security system where users can have comforts in- stalling the security in any buildings and get the maximum security of user's property and building. At the beginning we had few basic requirements and we decided to add more on further research and discussion. At the same time, some features that we planned did not go well and have to abort that feature. The following has listed all the require- ments. TAG Number RERQUIREMENT PRIORITY RATIONALE HS.00 System shall detect any move- ments in the room. M to detect intrusion. HS.01 Siren shall turn on after the intru- sion. M To alert the intruder. HS.02 Automatic door lock shall be in- cluded in the system. M To lock the intruder inside the room. HS.03 The system shall inform the owner by sending SMS to the mobile. M To inform the user or police. HS.04 The system shall also call the own- er's mobile. O To inform the user or police. HS.05 The alarm shall be controlled by sending message to it. O To turn device off or on. HS.06 The system can be externally pow- ered through batteries. M Remote use. HS.07 The system can be controlled by more than one user. W Multiple users. HS.08 The system shall cover a large area. O To increase the effectiveness of sys- tem. HS.09 CCTV shall be included. W to confirm the intrusion and detect the intruder. HS.10 The display shall have a display. O To observe the status of alarm
  • 6.
    1.2 Hardware components. 1.2.1GSM shield The Arduino GSM Shield connects arduino board to make the internet connection, make/receive voice calls and send/receive SMS messages. The shield uses a radio mo- dem M10 by Quectel. It is possible to communicate with the board using AT commands. The GSM library has a large number of methods for communication with the shield. Figure 1 Arduino GSM Shield
  • 7.
    1.2.2 Arduino Board TheArduino Uno R3 is a microcontroller board based on a removable, dual-inline- package (DIP) ATmega328 AVR micro- controller. It has 20 digital input/output pins (of which 6 can be used as PWM out- puts and 6 can be used as analog inputs). Programs can be loaded on to it from the easy-to- use Arduino computer program. The Arduino has an extensive support community, which makes it a very easy way to get started working with embedded electronics. 1.2.3 Keypad . This 12 button keypad is used to give inputs to Arduino board. Figure 2 Arduino Board Figure 3 Keypad Figure 4 one wired keypad schematic dia- gram
  • 8.
    1.2.4 LCD Display TheLiquid Crystal library allows you to control LCD displays that are compati- ble with the Hitachi HD44780 driver. There are many of them out there, and you can usually tell them by the 16-pin interface. Standard HD44780 LCDs are useful for creating standalone projects.  16 characters wide, 2 rows  White text on blue background  Connection port is 0.1" pitch, sin- gle row for easy bread boarding and wiring By using simple i2c and SPI input/output expanders we have reduced the number of pins (only 2 pins are needed for i2c) while still making it easy to interface with the LCD 1.2.5 PIR sensor A passive infrared sensor (PIR sensor) is an electronic sensor that measures infrared (IR) light radiating from objects in its field of view. They are most often used in PIR-based motion detectors Figure 5 LCD Dispaly Figure 6 Passive Infrared Sensor
  • 9.
    1.2.6 Buzzer An audiosignaling device Figure 7 Buzzer or Beeper
  • 10.
    Rough Workflow GSM SHIELD Intrusion detected Keypadto enter password Intruder in room Alert to owner Pir Sensor detecting motion Security alarm
  • 11.
    System Application This projectuses the Arduino as main microcontroller board and Global System for Mo- bile communication (GSM) technology for reporting any suspicious movements in the room and intrusion detector unit. One can use any other Micro controller board or develop PCB board using any microcon- troller like 8051. This sys- tem can be operated in home, office or depart- mental stores. The system has keypad ac- tivation or SMS activation procedure in order to turn on the device. The system shall have a external power supply so as to make it mo- bile. The LCD display shows the status of Alarm. In or- der to activate system, user shall can either give pass- words through keypad or send SMS in case of absence to change the status of system. In case of three false attempts, the alarm will be turned on and userill be reported of Break In. The GSM shied or GSM/GPRS modem has SIM that uses the local network to com- municate with user. When any movement is detected with in the specified range that can be altered, Alarm will be activated and continuously played . At the same time, warning message will be sent by system to owner mobile phone followed by call. The Alarm can be turned off only after owner send message to turned off or correct pass- word is entered in the system. In order to make the project, we have devised an idea to include online surveillance system where system will send the image at first intrusion to the owner to confirm the intrusion. Only after the confirmation of the intrusion the owner shall take necessary ac- tion like calling the police or lock the door and building. Figure 8 Working Prototype
  • 12.
    Programming We used c++as a programming language and Arduino’s custom programmingenviron ment called Arduino Ide to interface the code with the device. For more information on the programming part we have created a separate ”code box” for the programming part. ..DesktopCode Box.pdf Figure 9 Arduino IDE
  • 13.
    Project Difficulties As ofworking on a group project managing the meetings were difficult due to personal timing mismatch.  Late arrival of GSM Board  Confusions with the GSM Programming  Memory issues with the web camera installation  Errors with the GSM Calling  Issues with GSM Shield external power supply Conclusion Overall the project was successfully completed, though everything went pretty smooth we faced few problems mentioned above. Project demonstration or presentation also went pretty good end result was a fine working GSM alarm based on PIR Sensor proto- type. References https://www.arduino.cc/ https://github.com https://www.arduino.cc/en/Main/ArduinoGSMShield