Contents
1. Introduction
2. Types of the Fire Alarm
Detectors
3. Types of the Fire Alarm
Control Panels
4. Commissioning & Testing of the
Fire Alarm systems
5. Fire Alarm System Management
6. Fire Alarm Systems Design
Concepts
7. Review of a Fire Alarm Systems
Design
8. Fire Alarm Standards, samples
9. Case Study
1.
2.
3.
4.
5.
6.
7.
8.
9.
2
1. Introduction 1.
3
FIRE ALARM SYSTEMS
CODE OF PRACTICE* *
1. Scope
This Part provides
recommendations for the
planning, design, and servicing
of fire detection and alarm
systems in and around
buildings.
This Part does not cover
systems whose primary
function to extinguish or
control the fire, such as
sprinkler or automatic
extinguishing systems, even
though they might have a
secondary alarm function; it
does cover the use of a signal
from an automatic
extinguishing element of a fire
alarm system.
1.
4
FIRE ALARM SYSTEMS
CODE OF PRACTICE* *
2. Definitions: -
2.1 Addressable System:
A system in which signals
from each detector and/or call point
are individually identified at the
control panel. Hybrid systems are
possible in which groups of devices
on a circuit can be separately
identified, but not individual devices
within the group.
2.2 Aspirating detector:
A detector system in which a
sample of the atmosphere in the
protected space is sucked by a fan or
a pump into a detector which may
be remote from the protected space.
2.
2.1
2.2
5
FIRE ALARM SYSTEMS
CODE OF PRACTICE* *
2.3 Automatic System:
A system in which an alarm of
fire can be initiated automatically.
2.4 Competent person:
A person competent to perform a
task.
2.5 Detector:
A part of an automatic fire
detection system that contains at
least on sensor which constantly or
at frequent intervals monitors at
least one suitable physical and/or
chemical phenomenon associated
with fire to the control panel and
indicating equipment.
2.3
2.4
2.5
6
Fire Detection: Scope
Fire Detection Scope:
The basic objectives of effective fire
detection (protection) measures is
to protect human lives, material
assets and the environment from
dangers and the effects of fire.
Specifically this means:
1. Preventing danger to life and
health (Personnel protection )
2. Preventing material damage
(Asset protection)
3. Preventing ecological damage
(environment protection)
1.
2.
3.
7
Fire Detection Scope ( Continue ) :
To ensure adequate fire safety most countries
have enacted national and regional
regulations that allocate the responsibility
as follows:
• Personnel protection is normally
governed by laws and ordinances.
• Asset protection is usually governed by
insurance companies which publish
corresponding guidelines and regulations.
Such laws, ordinances, guidelines and
standards have in all cases precedence
over the recommendations in this security
guide and must be conscientiously taken
into consideration when planning a fire
alarm (protection) system.
In cases where no laws and ordinances exist,
the fire detection system should be
planned in accordance with sound fire
protection practice.
:
•
•
8
Fire Detection and Gas Warning Systems
Automatic fire detection
systems:
An automatic fire detection system
is designed to detect a fire in its
incipient stage and to
automatically initiate
programmed control functions.
For example:
• Alarming persons who are in
danger.
• Calling the fire fighting forces
and rescue teams.
• Activating devices for restricting
smoke and fire propagation, for
example, closing fire doors, fire
dampers, and the like.
•
•
•
9
Fire Detection and Gas Warning Systems
Automatic fire detection systems( Continue )
• Activating fixed extinguishing
systems,
• Activating smoke and heat venting
systems, escape route
pressurization,
• De-energizing technical systems
(installations),
• Controlling building services
systems, particularly heating and
ventilation systems and elevators,
• Activating the emergency lighting,
• Activating the evacuation systems,
and the like.
•
•
•
•
•
•
10
2.
2.Types of the Fire Alarm
Detectors
11
ELECTRONIC DETECTOR
HEATFLAM ESMOKE
VISIBLE
S.MOKE
INVISIBLE
S.MOKE
ULTRAVIOLET
RAY
INFRARED
RAY
Fixed Temp.Rate of Temp.
change
OPT ICAL
S.MOKE
OPT ICAL
S.MOKE
FLICKERED
INFRARED RAY
DETECTOR
FLICKERED
ULTRAVIOLET
RAY DETECTOR
RATE OF TEMP.
CHANGE
DETECTOR
RATE OF TEMP.
CHANGE
DETECTOR
12
FIRE ALARM DETECTORS
)AUTOMATIC
MECHANICAL
ELECTROMECHANICALELECTRONIC
SMOKE FLAM E HEAT
VISIBLE S. INVISIBLE S. ULT RAVIOLET
/
ULTRAVIOLET / INFRA RED
Ficed -Temp. / Rate of Temp.
change
MECH. & ELECT.
A SOLID BODY
MELTING / EXPANSION
A Liquid
Eevaporation
Thermal Link
Water, ... Sprinklers13
Duct Mounting Smoke Detector
BASE
Ionization Smoke Detector
14
How do Ionization fire
detectors work?
• The sensing part of the
detector consists of two
chambers: an open, outer
chamber and a semi-
sealed reference chamber
within.
•
Ionization Smoke Detector
15
How do Ionization fire detectors work?
• Mounted in the reference
chamber is a low activity
radioactive foil of Amercium
241helping current to flow
between the two chambers
when the detector is powered up
• As smoke enters the detector,
particles become attracted to
the ions, causing a reduction in
current flow in the outer
chamber and an increase in
voltage measured between the
two chambers.
• The voltage increase is
monitored by the electronic
circuitry which triggers the
detector into the alarm state at
a preset threshold, lighting
externally visible red LED when
the detector changes to alarm
state.
•241
•
•
16
Integrating Ionization Smoke Detector
• This type of detector works on the
same principles as the ionization
smoke detector, but has a modified
signal processing circuitry which
allows an alarm threshold to be
present for up to 20 seconds
without initiating an alarm. This
type of detectors is suitable for use
in areas where transient high levels
of smoke may be expected.
• The integrating effect in Analogue
Addressable Systems can be
mimicked in both ionization and
optical smoke detectors by
adjusting the control equipment
software to cause an appropriate
delay.
•20
•
17
Optical ( Photo-electric ) Smoke Detector
LED
18
Optical ( Photo-electric ) Smoke Detector
Optical smoke detectors utilize
a pulsing infrared LED located
in a chamber within the housing
of the detector. The chamber is
designed to exclude light from
any external source. At an angle
to the LED is a photo-diode
which normally does not
register the column of light
emitted by the LED. When a
smoke enter the chamber, the
above light pulse will be
scattered and hence registered
by the photo-diode.
19
Beam Detector
A beam detector is designed to
protect large, open spaces and
is made up of three main parts:
1. The transmitter, which projects
a beam of infra-red light.
2. The receiver registers the
transmitted light and produces
an electrical signal.
3. The interface, which processes
the signal and generates alarm
or fault signals.
When a fire develops, smoke
particles obstruct the beam of
light and, once a pre-set
threshold has been exceeded,
the detector will go into alarm.
1.
2.
3.
20
FLAME DETECTOR: -
A Flame detector is
designed to detect either ultraviolet
(UV) or infrared (IR) radiation
emitted by a fire. The flame
detector is sensitive to low-
frequency, flickering radiation.
This means that the
detector can operate even if the
lens is contaminated by a layer of
oil, dust, water vapour or ice.
21
FLAME DETECTOR
FLAME DETECTOR: -
The flame detector has been
designed for use where open
flaming fires may be expected.
Applications include aircraft
hangers, coal handling , paper
manufacturing plants, and wood
working environments.
The detector is:
• Loop powered.
• Sensitive to flickering IR/or UV.
• Able to detect open flames, and
glowing embers.
• Has a 90° or 360° field of view.
•
•
•
•90360. °
22
HEAT DETECTOR
23
HEAT DETECTOR
Most conventional heat detectors
operate by using a matched
pair of thermistors to sense
heat. One thermistor is exposed
to the ambient temperature, the
other is sealed. In normal
conditions the two thermistors
register similar temperatures,
on the development of a fire the
temperature recorded by the
exposed thermistor will
increase rapidly, resulting in
an imbalance of the
thermistors, causing the
detector to change into alarm
state.
24
HEAT DETECTOR
• Externally, the heat detectors
are distinguishable from the
smoke detectors by having wide
openings to the surroundings to
allow good movement of air
around the external thermistor.
• A heat detector may be more
appropriate than a smoke
detector where the environment
is dirty or smoky under normal
conditions. It must be
recognized, that any heat
detector will respond only when
a fire is well established and
generating a high heat output.
•
•
25
Linear Heat Detector
26
27
28
‫ىىىىىى‬ ‫ىىىىىى‬ ‫ىىىىىىىىىىى‬‫ىىىىىى‬ ‫ىىىىىى‬ ‫ىىىىىىىىىىى‬
‫ىىىىىىىى‬ ‫ىىىىىى‬ ‫ىىىىىىىى‬‫ىىىىىىىى‬ ‫ىىىىىى‬ ‫ىىىىىىىى‬
‫ىىىىىىىىى‬‫ىىىىىىىىى‬
Distributed Temperature Sensing ( DTS(
Features & BenefitsFeatures & Benefits
Conventional systems have
limitations.
Fiber optic systems provide
intelligent solutions.
Real time temperature
profiles
Fire location &
direction of propagation
Programmable
functions
Break detection
and recovery remote
interrogation
•
•
◄
◄
◄
◄
29
‫ىىىىىى‬ ‫ىىىىىى‬ ‫ىىىىىىىىىىى‬‫ىىىىىى‬ ‫ىىىىىى‬ ‫ىىىىىىىىىىى‬
‫ىىىىىىىى‬ ‫ىىىىىى‬ ‫ىىىىىىىى‬‫ىىىىىىىى‬ ‫ىىىىىى‬ ‫ىىىىىىىى‬
‫ىىىىىىىىى‬‫ىىىىىىىىى‬
Distributed Temperature Sensing ( DTSDistributed Temperature Sensing ( DTS((
• Distributed Temperature Sensing
(DTS) using optical fibers
established since 1986.
• Used in a number of safety
critical applications:
► Temperature profiling of
power cables.
► Hot spot location on process
plant.
► Cryogenic leak detection in
storage tanks.
► Subsurface temperature
monitoring of oil production
wells.
► Advanced linear heat fire
detection for tunnels.
•1986
•
30
•8
•
•
•
◄4008
◄185300
& ‫ىىىىىىىىىىى‬ ‫ىىىىى‬ ‫ىىى‬ :‫ىىىىىىى‬
‫ىىىىىىىىىىى‬ ‫ىىىىى‬ ‫ىىى‬ :‫ىىىىىىى‬
DESIGN CRITERIADESIGN CRITERIA
• Multiple loop capability
up to 8 km
• Fire authority approval
• Loop design for high
integrity & fast response
• Wide temperature range:
Acrylate: range – 40 °c to
+ 90°c
Polyimide : range – 185 °c
to + 300 °c
‫ىىىىىى‬ ‫ىىىىىى‬ ‫ىىىىىىىىىىى‬‫ىىىىىى‬ ‫ىىىىىى‬ ‫ىىىىىىىىىىى‬
‫ىىىىىىىى‬ ‫ىىىىىى‬ ‫ىىىىىىىى‬‫ىىىىىىىى‬ ‫ىىىىىى‬ ‫ىىىىىىىى‬
‫ىىىىىىىىى‬‫ىىىىىىىىى‬
Distributed Temperature Sensing ( DTSDistributed Temperature Sensing ( DTS((
31
‫ىىىىىى‬ ‫ىىىىىى‬ ‫ىىىىىىىىىىى‬‫ىىىىىى‬ ‫ىىىىىى‬ ‫ىىىىىىىىىىى‬
‫ىىىىىىىى‬ ‫ىىىىىى‬ ‫ىىىىىىىى‬‫ىىىىىىىى‬ ‫ىىىىىى‬ ‫ىىىىىىىى‬
‫ىىىىىىىىى‬‫ىىىىىىىىى‬
Distributed Temperature Sensing ( DTS(
•
316
ф 3
ф 6
DESIGN CRITERIADESIGN CRITERIA
(continued)(continued)
• Metal jacket for best results
316 stainless steel
3 mm diam tube – factory
inserted fiber
6 mm diam tube – field blown
fiber
Emc immunity & hazardous
area safety
Safe for human exposure
32
‫ىىىىىى‬ ‫ىىىىىى‬ ‫ىىىىىىىىىىى‬‫ىىىىىى‬ ‫ىىىىىى‬ ‫ىىىىىىىىىىى‬
‫ىىىىىىىى‬ ‫ىىىىىى‬ ‫ىىىىىىىى‬‫ىىىىىىىى‬ ‫ىىىىىى‬ ‫ىىىىىىىى‬
‫ىىىىىىىىى‬‫ىىىىىىىىى‬
Distributed Temperature Sensing ( DTS(
•
•
◄
◄
•
MULTIPLEMULTIPLE
FUNCTIONALITYFUNCTIONALITY
• Separate determination of
peaks & averages
• Differentiation between fire
and ambient conditions
Average temperature for
ventilation control
peak temperature for fire
control
• Post data processing &
condition monitoring
33
In conclusion…In conclusion…
• In order to enhance safety,
fire detection systems need to
provide a higher level of
information and continue to
operate throughout the
emergency situation
• Fiber optic based distributed
linear heat detection is a cost
effective intelligent heat
detection that provides the
features required.
•
•
34
Multisensor Detector
Multisensor detectors
are general purpose
detectors which
respond well to a wide
range of fires.
35
Carbon Monoxide CO
Carbon Monoxide (CO) is a
poisonous gas produced by a
combustion and a CO fire
detector is used to indicate the
outbreak of a fire by sensing the
level of Co in the air. The
detector has an electrochemical
cell which senses CO, not smoke
or other combustion products.
The cells do not require much
power, so the detector can be
made electrically compatible
with ordinary smoke and heat
detectors.
CO detectors are particularly good
at detecting deep-seated
smouldering fires.
36
Carbon Monoxide Detectors
Carbon Monoxide Detectors
37
Combustible Gas Detectors
38
Pneumatic / Heat Fire Detectors & Extinguishers
39
Pneumatic / Heat Fire Detectors & Extinguishers
40
Pneumatic Control Head
Pneumatic Heat Fire Detector
Fire Extinguisher (Pressurized Type(
Pneumatic / Heat Fire Detectors & Extinguishers
41
FIRE ALARM DETECTORS
MECHANICAL DETECTOR
A LIQUID
EVAPORATION
A SOLID BODY MELTING /
EXPANSION
Thermal LinkWater, ... Sprinklers
T= 75°C F
42
Listed Fusible Links
43
PendentUpright
Quick-Response
Recessed
Concealed
Water, ... Sprinklers
44
3.
3.Types of the Fire Alarm
Control Panels
45
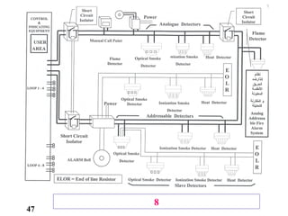
Addressable Control Panel
46
8
47
Integrated Fire Alarm System48
4.
4. Commissioning & Testing
of the Fire Alarm systems
49
4
4.Commissioning & Testing
SYSTEM NETWOK: -
1.1 Make final review and check
the network circuitry
characteristics according to the
final approved* design, and
prepare the as-built drawings.
1.2 Take care to keep the
documents related system network
preventive maintenance program
in good order, and enough copies
too.
2. SYSTEM COMPONENTS : -
2.1 Start to make the initial
visual and conformity inspection
of the system components
according to the manufacturer
instructions, for example don’t
store more than 30 ionization
detectors particularly in adjacent
packages
1.
1.1
1.2
2
2.124
Final approved* design: i.e. it is complying with relevant codes, and clients demands
50
4
2. SYSTEM COMPONENTS: -
2.2 Take care to keep the
related components catalogues
in good order, and enough
copies too.
2.3 Take care to keep the
related commissioning & testing
components catalogues in good
order, and enough copies too.
2.4 Take care to keep the
related running & maintenance
components catalogues in good
order, and enough copies too.
2.5 Take care to keep the
related spare components in
good order, and enough
numbers according to the
manufacturer instructions.
2
2.2
2.3
2.4
2.5
Final approved* design: i.e. it is complying with relevant codes, and clients demands
51
4
3. SYSTEM INSTALLATION :
-
3.1 Make sure to attend each
zone commissioning and testing
according the related BS*,
NPFA, and Egyptian codes,
including individual detectors
testing, manual alarm stations,
audible and visual components …
etc, and any related auto-
programmed ancillaries.
3.2 Perform entire system
commissioning and testing
according the related BS, NPFA,
and Egyptian codes, including
individual detectors testing,
manual alarm stations, audible
and visual components …etc, and
any related auto-programmed
ancillaries.
3
3.1
3.2
BS* : 5839 Part 1
52
5.
5 . SYSTEM MANAGEMENT
53
5. SYSTEM
MANAGEMENT: -
5.1 Adopt the system
manufacturer technical advices
for running and maintaining
the system.
5.2 Initiate all standards and
manufacturer recommended
technical recommended log-
books for the installed system.
5.3 Keep a copy of the system
guarantee certificates.
5.4 Keep all the related
system documents in an orderly
file showing all relevant data.
5
5.1
5.2
5.3
5.4
BS* : 5839 Part 1
54
6.
6. Fire Alarm Systems Design
Concepts
55
Overall Fire Protection Concept
1.
1. Area of Protection
buildings, room, process…etc
2
2.Automatic and manual fire detection
3
3. Evacuation of building occupants
4
4.Automatic and manual suppression systems
Smoking prohibition, fire load reduction …etc
Smoke detection, occupant warning, calling the fire department
Exit signs, emergency lighting, intercom …etc
5
5. Structural fire protection / containment
Fire resistive architecture, compartmentation
Multilevel fire protection concept56
57
Choosing a suitable detector system
Choosing a suitable detector system: -
Which detectors need to be specified, where, depends
on the:
► Monitoring category or the general
monitoring objectives of the fire detection
system.
► Room height.
► Environmental conditions, including
deceptive phenomena.
I. Choosing a detector for normal
applications: -
► Normally a smoke detector can be chosen
based on the following table, provided that
disturbance variables are minor and occur
only rarely. The principle criteria for
choosing a detector and parameter set or sensitivity
are the monitoring objective and the assessment of
the fire risk exposure.
‫ممممممم‬ ‫مممممممم‬
‫ممممممممم‬ ‫مممممم‬- :
I.‫مممممممممم‬
‫مممممممم‬
‫مممممممممممم‬
‫مممممممممممممممم‬
‫مممممممممممممم‬: -
58
Monitoring Projection / Detectors
Category Monitoring Objective Opto Poly Thermo
I - Flaming incipient fire
II - Flaming incipient fire
-Smoldering incipient
fire (desired(
III - Flaming incipient fire
-Smoldering incipient
fire
Optimally suited Suited
Conditionally suited Un suited
/
I -
II -
III -
Influence of the room height: -
With increasing of room height the influence
of fire phenomena weakens which means that
more sensitive detectors must be installed.
‫ممممممممم‬ ‫مممممممم‬
‫مممممممم‬ ‫ممممم‬- :
59
Room Suitable detector Suitability
Height type Flaming Fire Smoldering
≥6m Heat detector (Cl .2(-
≥7.5m Heat detector (Cl .1(-
12-20m Smoke detector / or
Linear Smoke
detector
≥12m Smoke detector
≥20m Flame detector-
Optimally suited Suited
Un suited
≤ 6 m (Cl .2( -
≤ 7.5 m (Cl .1( -
12-20 m
≤ 12 m
≤ 20 m -
Choosing a suitable detector system
60
Choosing the appropriate detector
Three different detector series are available:
• Interactive detector system
• AnalogPLUS detector system
• Collective detector system
Each of these systems has its own special characteristics and is suited to specific applications
System Characteristics Applications
Interactive - Freely programmable adjustment - Demanding system engineering of any size
the response behavior
-Optimum detector reliability - Where transit or continuous interference is
-Also usable under critical ambient conditions present which could cause a false alarm
-High immunity to soiling - With direct alarm link to the fire department
-Immune to electromagnetic, electrical and - Wherever the prevention of false alarm has
optical interference signals top priority
-Individual addressing
-Microprocessor controlled electronics
-Transmits 4 danger levels
-Automatic self test
-Remote diagnostic capability
-Loop line with T branches
61
System Characteristics Applications
AnalogPLUS – Evaluation of two response sensitivities - Normal system engineering
-Very good detector reliability - Large systems
-Immune to ambient influences - For rarely occurring deceptive
-Electronics with integrated circuit (ASIC) phenomena that can cause false alarms
-Individual addressing - Alerting of the fire department with
-Drift signals CAC
-Detector monitoring
-Loop line with module for T branches
Collective - One response sensitivity for a wide - Easy system engineering
application range - Small easily manageable system
-Optimum detector reliability - Few potential interference that
-Good detection reliability could cause false alarms
-Monitored line - No direct alerting to the fire department
-Compatible with existing control units
-Electronics with integrated circuit (ASIC)
-Stub line
-Favorably priced
Choosing the appropriate detector
62
63
64
7.
7.Review of a Fire Alarm
Systems Design
65
Review a Design of a Fire Alarm System
Data Required to Review a Design of
a Fire Alarm System
1. Complete set of Alarm system design
drawings for the project building – in
details, if possible - + specifications
and bill of quantities book.
2. Sufficient description for nature of
users and occupants of the areas to be
protected.
3. Architectural and decoration
drawings ( To determine the volumes,
ceilings heights and types, and any
projected slabs- if existing – as far
ceilings heights are reversely
proportional to the protected areas,
also the upper volumes of the fall
ceilings should be protected too,
finally the falling slabs are forming a
delaying obstacles to the smokes
currents.
1.
2.
3.
66
Review a Design of a Fire Alarm System
4. Air-conditioning and ventilation
drawings ] To ensure early smoke
detection for the air sucked by the
air-conditioning ... etc hence
special duct smoke detectors must
be employed ( or a continuous air
sample must be drawn for early
smoke detection ). Moreover it
enables the design reviewer to
determine the dimensions and ducts
roots to ensure that it forms no
obstacles similar to the falling slabs.
5. A primary design review to the
available fire alarm detectors
distribution.
a. The number and types of the
detectors according to E.S ,
B.S. & NFPA.
b. The fire alarm zones according
to E.S., B.S. & NFPA.
4.
5.
.
67
Review a Design of a Fire Alarm System
• Review the cables and
wires types, specifications,
and the connectors too.
• Review the conduits types
and specifications too.
• Review the
communication link with
other intelligent systems
e.g. Auto-fire fighting
systems.
• Review the evacuation
plans and techniques.
•
•
•
•
68
Review a Design of a Fire Alarm System
ALARM ZONES
• When a signal of fire is ALARM
ZONES n it is necessary that there
should be no confusion about
the zone from which it is
received. To facilitate response
by persons providing assistance,
the zone should be small enough
for a fire to be located quickly.
• The search distance should not
exceed 30m.
• Remote indicator lamps outside
doors , etc., may be helpful,
especially if doors are likely to
be locked
–
–30.
–
69
8
8.Fire Alarm Standards,
samples
70
Standards for fire detection systems
European standards:
In Europe the standards are defined
by CEN) European committee for
standardization), and CENELEC
(European committee for Electro-technical
Standardization).
Number Title
EN54-1 Components of automatic fire detection
systems: Introduction.
EN54-2 Control and indicating equipment.
EN54-3 Audible fire alarm devices.
EN54-4 Power supplies.
EN54-5 Heat sensitive detectors – point detectors
containing a static element.
CEN
CENELEC
EN54-1
EN54-2
EN54-3
EN54-4
EN54-5
71
Number Title
EN54-6 Heat sensitive detectors – rate of rise point
detectors without static element.
EN54-7 Smoke detectors - point detectors using
scattered light, transmitted light, or
ionization.
EN54-8 High Temperature heat detectors.
EN54-9 Fire Tests for smoke detectors.
EN54-10 Flame detectors.
EN54-11 Manual call points
EN54-12 Optical beam detectors.
EN54-13 System requirements.
EN54-14 Guidelines for planning design,
installation, commissioning, use and
maintenance.
EN54-15 Point type multi-sensor fire detectors
incorporating a smoke sensor in
combination with a heat sensor.
EN54-6
EN54-7
EN54-8
EN54-9
EN54-10
EN54-11
EN54-12
EN54-13
EN54-14
EN54-15
Standards for fire detection systems
72
)
UL standards ( Underwriters’ Laboratories Inc. USA)
UL521 Heat detectors for fire protection UL521
signaling systems.
UL268 Smoke detectors for fire protection UL268
signaling systems.
UL268A Smoke detectors for duct application. UL268A
UL38 Manual call point. UL38
UL864 Control units for fire protection UL864
signaling systems
UL827 Central station for watchman, fire alarm UL827
and supervisory systems.
UL217 Single and multiple-station smoke UL217
detectors.
UL985 Household fire warning system unit UL985
73
The major testing laboratories are :
1. ANPI: Association Nationale pour la
Protection contre I’incendie
( Belgium )
2. CNPP: Centre National de Prévention et de
Protection ( France )
3. DELTA: DELTA Electronics Testing
(Denmark(
4. LPC Lab: Loss Prevention Council
laboratories ( UK )
5. VDS Lab: Verband der
Schadenversicher e.V. (Germany )
6. ULI: Underwriters’ Laboratories Inc.
(USA)
7. ULC: Underwriters’ Laboratories of
Canada
8. FMRC: Factory Mutual Research
Corporation (USA)
•ANPI
•CNPP
•DELTA
•LPC Lab
•VDS Lab
•ULI
•ULC
•FMRC
Testing laboratories
74
9
9.Case Study
75
Design a Special – profile Detection System for Mains & Control Panels…
etc, at Al-Maliah Towers Project, Abbasia, Cairo
This case study are briefed as the
following: -
1. The above mentioned panels are
shown on the attached schematic
drawing.
2. The consultant demanded to
utilize Ceiling Detector /
Extinguisher Modular CO2 type
(i.e. Sprinkler is the heat
detector).
3. Instead, pneumatic detector was
proposed to be looped within the
panels, Polymer pressurized tube,
rather than above mentioned
sprinkler, for much earlier alarm,
faster and reliable extinguishing.
1.
2.
3.
76
Distribution &
Control Panels
CO2
CO2 Extinguisher &
Pneumatic Detector
77
10
5
51
78

Fire alarm systems

  • 2.
    Contents 1. Introduction 2. Typesof the Fire Alarm Detectors 3. Types of the Fire Alarm Control Panels 4. Commissioning & Testing of the Fire Alarm systems 5. Fire Alarm System Management 6. Fire Alarm Systems Design Concepts 7. Review of a Fire Alarm Systems Design 8. Fire Alarm Standards, samples 9. Case Study 1. 2. 3. 4. 5. 6. 7. 8. 9. 2
  • 3.
  • 4.
    FIRE ALARM SYSTEMS CODEOF PRACTICE* * 1. Scope This Part provides recommendations for the planning, design, and servicing of fire detection and alarm systems in and around buildings. This Part does not cover systems whose primary function to extinguish or control the fire, such as sprinkler or automatic extinguishing systems, even though they might have a secondary alarm function; it does cover the use of a signal from an automatic extinguishing element of a fire alarm system. 1. 4
  • 5.
    FIRE ALARM SYSTEMS CODEOF PRACTICE* * 2. Definitions: - 2.1 Addressable System: A system in which signals from each detector and/or call point are individually identified at the control panel. Hybrid systems are possible in which groups of devices on a circuit can be separately identified, but not individual devices within the group. 2.2 Aspirating detector: A detector system in which a sample of the atmosphere in the protected space is sucked by a fan or a pump into a detector which may be remote from the protected space. 2. 2.1 2.2 5
  • 6.
    FIRE ALARM SYSTEMS CODEOF PRACTICE* * 2.3 Automatic System: A system in which an alarm of fire can be initiated automatically. 2.4 Competent person: A person competent to perform a task. 2.5 Detector: A part of an automatic fire detection system that contains at least on sensor which constantly or at frequent intervals monitors at least one suitable physical and/or chemical phenomenon associated with fire to the control panel and indicating equipment. 2.3 2.4 2.5 6
  • 7.
    Fire Detection: Scope FireDetection Scope: The basic objectives of effective fire detection (protection) measures is to protect human lives, material assets and the environment from dangers and the effects of fire. Specifically this means: 1. Preventing danger to life and health (Personnel protection ) 2. Preventing material damage (Asset protection) 3. Preventing ecological damage (environment protection) 1. 2. 3. 7
  • 8.
    Fire Detection Scope( Continue ) : To ensure adequate fire safety most countries have enacted national and regional regulations that allocate the responsibility as follows: • Personnel protection is normally governed by laws and ordinances. • Asset protection is usually governed by insurance companies which publish corresponding guidelines and regulations. Such laws, ordinances, guidelines and standards have in all cases precedence over the recommendations in this security guide and must be conscientiously taken into consideration when planning a fire alarm (protection) system. In cases where no laws and ordinances exist, the fire detection system should be planned in accordance with sound fire protection practice. : • • 8
  • 9.
    Fire Detection andGas Warning Systems Automatic fire detection systems: An automatic fire detection system is designed to detect a fire in its incipient stage and to automatically initiate programmed control functions. For example: • Alarming persons who are in danger. • Calling the fire fighting forces and rescue teams. • Activating devices for restricting smoke and fire propagation, for example, closing fire doors, fire dampers, and the like. • • • 9
  • 10.
    Fire Detection andGas Warning Systems Automatic fire detection systems( Continue ) • Activating fixed extinguishing systems, • Activating smoke and heat venting systems, escape route pressurization, • De-energizing technical systems (installations), • Controlling building services systems, particularly heating and ventilation systems and elevators, • Activating the emergency lighting, • Activating the evacuation systems, and the like. • • • • • • 10
  • 11.
    2. 2.Types of theFire Alarm Detectors 11
  • 12.
    ELECTRONIC DETECTOR HEATFLAM ESMOKE VISIBLE S.MOKE INVISIBLE S.MOKE ULTRAVIOLET RAY INFRARED RAY FixedTemp.Rate of Temp. change OPT ICAL S.MOKE OPT ICAL S.MOKE FLICKERED INFRARED RAY DETECTOR FLICKERED ULTRAVIOLET RAY DETECTOR RATE OF TEMP. CHANGE DETECTOR RATE OF TEMP. CHANGE DETECTOR 12
  • 13.
    FIRE ALARM DETECTORS )AUTOMATIC MECHANICAL ELECTROMECHANICALELECTRONIC SMOKEFLAM E HEAT VISIBLE S. INVISIBLE S. ULT RAVIOLET / ULTRAVIOLET / INFRA RED Ficed -Temp. / Rate of Temp. change MECH. & ELECT. A SOLID BODY MELTING / EXPANSION A Liquid Eevaporation Thermal Link Water, ... Sprinklers13
  • 14.
    Duct Mounting SmokeDetector BASE Ionization Smoke Detector 14
  • 15.
    How do Ionizationfire detectors work? • The sensing part of the detector consists of two chambers: an open, outer chamber and a semi- sealed reference chamber within. • Ionization Smoke Detector 15
  • 16.
    How do Ionizationfire detectors work? • Mounted in the reference chamber is a low activity radioactive foil of Amercium 241helping current to flow between the two chambers when the detector is powered up • As smoke enters the detector, particles become attracted to the ions, causing a reduction in current flow in the outer chamber and an increase in voltage measured between the two chambers. • The voltage increase is monitored by the electronic circuitry which triggers the detector into the alarm state at a preset threshold, lighting externally visible red LED when the detector changes to alarm state. •241 • • 16
  • 17.
    Integrating Ionization SmokeDetector • This type of detector works on the same principles as the ionization smoke detector, but has a modified signal processing circuitry which allows an alarm threshold to be present for up to 20 seconds without initiating an alarm. This type of detectors is suitable for use in areas where transient high levels of smoke may be expected. • The integrating effect in Analogue Addressable Systems can be mimicked in both ionization and optical smoke detectors by adjusting the control equipment software to cause an appropriate delay. •20 • 17
  • 18.
    Optical ( Photo-electric) Smoke Detector LED 18
  • 19.
    Optical ( Photo-electric) Smoke Detector Optical smoke detectors utilize a pulsing infrared LED located in a chamber within the housing of the detector. The chamber is designed to exclude light from any external source. At an angle to the LED is a photo-diode which normally does not register the column of light emitted by the LED. When a smoke enter the chamber, the above light pulse will be scattered and hence registered by the photo-diode. 19
  • 20.
    Beam Detector A beamdetector is designed to protect large, open spaces and is made up of three main parts: 1. The transmitter, which projects a beam of infra-red light. 2. The receiver registers the transmitted light and produces an electrical signal. 3. The interface, which processes the signal and generates alarm or fault signals. When a fire develops, smoke particles obstruct the beam of light and, once a pre-set threshold has been exceeded, the detector will go into alarm. 1. 2. 3. 20
  • 21.
    FLAME DETECTOR: - AFlame detector is designed to detect either ultraviolet (UV) or infrared (IR) radiation emitted by a fire. The flame detector is sensitive to low- frequency, flickering radiation. This means that the detector can operate even if the lens is contaminated by a layer of oil, dust, water vapour or ice. 21
  • 22.
    FLAME DETECTOR FLAME DETECTOR:- The flame detector has been designed for use where open flaming fires may be expected. Applications include aircraft hangers, coal handling , paper manufacturing plants, and wood working environments. The detector is: • Loop powered. • Sensitive to flickering IR/or UV. • Able to detect open flames, and glowing embers. • Has a 90° or 360° field of view. • • • •90360. ° 22
  • 23.
  • 24.
    HEAT DETECTOR Most conventionalheat detectors operate by using a matched pair of thermistors to sense heat. One thermistor is exposed to the ambient temperature, the other is sealed. In normal conditions the two thermistors register similar temperatures, on the development of a fire the temperature recorded by the exposed thermistor will increase rapidly, resulting in an imbalance of the thermistors, causing the detector to change into alarm state. 24
  • 25.
    HEAT DETECTOR • Externally,the heat detectors are distinguishable from the smoke detectors by having wide openings to the surroundings to allow good movement of air around the external thermistor. • A heat detector may be more appropriate than a smoke detector where the environment is dirty or smoky under normal conditions. It must be recognized, that any heat detector will respond only when a fire is well established and generating a high heat output. • • 25
  • 26.
  • 27.
  • 28.
  • 29.
    ‫ىىىىىى‬ ‫ىىىىىى‬ ‫ىىىىىىىىىىى‬‫ىىىىىى‬‫ىىىىىى‬ ‫ىىىىىىىىىىى‬ ‫ىىىىىىىى‬ ‫ىىىىىى‬ ‫ىىىىىىىى‬‫ىىىىىىىى‬ ‫ىىىىىى‬ ‫ىىىىىىىى‬ ‫ىىىىىىىىى‬‫ىىىىىىىىى‬ Distributed Temperature Sensing ( DTS( Features & BenefitsFeatures & Benefits Conventional systems have limitations. Fiber optic systems provide intelligent solutions. Real time temperature profiles Fire location & direction of propagation Programmable functions Break detection and recovery remote interrogation • • ◄ ◄ ◄ ◄ 29
  • 30.
    ‫ىىىىىى‬ ‫ىىىىىى‬ ‫ىىىىىىىىىىى‬‫ىىىىىى‬‫ىىىىىى‬ ‫ىىىىىىىىىىى‬ ‫ىىىىىىىى‬ ‫ىىىىىى‬ ‫ىىىىىىىى‬‫ىىىىىىىى‬ ‫ىىىىىى‬ ‫ىىىىىىىى‬ ‫ىىىىىىىىى‬‫ىىىىىىىىى‬ Distributed Temperature Sensing ( DTSDistributed Temperature Sensing ( DTS(( • Distributed Temperature Sensing (DTS) using optical fibers established since 1986. • Used in a number of safety critical applications: ► Temperature profiling of power cables. ► Hot spot location on process plant. ► Cryogenic leak detection in storage tanks. ► Subsurface temperature monitoring of oil production wells. ► Advanced linear heat fire detection for tunnels. •1986 • 30
  • 31.
    •8 • • • ◄4008 ◄185300 & ‫ىىىىىىىىىىى‬ ‫ىىىىى‬‫ىىى‬ :‫ىىىىىىى‬ ‫ىىىىىىىىىىى‬ ‫ىىىىى‬ ‫ىىى‬ :‫ىىىىىىى‬ DESIGN CRITERIADESIGN CRITERIA • Multiple loop capability up to 8 km • Fire authority approval • Loop design for high integrity & fast response • Wide temperature range: Acrylate: range – 40 °c to + 90°c Polyimide : range – 185 °c to + 300 °c ‫ىىىىىى‬ ‫ىىىىىى‬ ‫ىىىىىىىىىىى‬‫ىىىىىى‬ ‫ىىىىىى‬ ‫ىىىىىىىىىىى‬ ‫ىىىىىىىى‬ ‫ىىىىىى‬ ‫ىىىىىىىى‬‫ىىىىىىىى‬ ‫ىىىىىى‬ ‫ىىىىىىىى‬ ‫ىىىىىىىىى‬‫ىىىىىىىىى‬ Distributed Temperature Sensing ( DTSDistributed Temperature Sensing ( DTS(( 31
  • 32.
    ‫ىىىىىى‬ ‫ىىىىىى‬ ‫ىىىىىىىىىىى‬‫ىىىىىى‬‫ىىىىىى‬ ‫ىىىىىىىىىىى‬ ‫ىىىىىىىى‬ ‫ىىىىىى‬ ‫ىىىىىىىى‬‫ىىىىىىىى‬ ‫ىىىىىى‬ ‫ىىىىىىىى‬ ‫ىىىىىىىىى‬‫ىىىىىىىىى‬ Distributed Temperature Sensing ( DTS( • 316 ф 3 ф 6 DESIGN CRITERIADESIGN CRITERIA (continued)(continued) • Metal jacket for best results 316 stainless steel 3 mm diam tube – factory inserted fiber 6 mm diam tube – field blown fiber Emc immunity & hazardous area safety Safe for human exposure 32
  • 33.
    ‫ىىىىىى‬ ‫ىىىىىى‬ ‫ىىىىىىىىىىى‬‫ىىىىىى‬‫ىىىىىى‬ ‫ىىىىىىىىىىى‬ ‫ىىىىىىىى‬ ‫ىىىىىى‬ ‫ىىىىىىىى‬‫ىىىىىىىى‬ ‫ىىىىىى‬ ‫ىىىىىىىى‬ ‫ىىىىىىىىى‬‫ىىىىىىىىى‬ Distributed Temperature Sensing ( DTS( • • ◄ ◄ • MULTIPLEMULTIPLE FUNCTIONALITYFUNCTIONALITY • Separate determination of peaks & averages • Differentiation between fire and ambient conditions Average temperature for ventilation control peak temperature for fire control • Post data processing & condition monitoring 33
  • 34.
    In conclusion…In conclusion… •In order to enhance safety, fire detection systems need to provide a higher level of information and continue to operate throughout the emergency situation • Fiber optic based distributed linear heat detection is a cost effective intelligent heat detection that provides the features required. • • 34
  • 35.
    Multisensor Detector Multisensor detectors aregeneral purpose detectors which respond well to a wide range of fires. 35
  • 36.
    Carbon Monoxide CO CarbonMonoxide (CO) is a poisonous gas produced by a combustion and a CO fire detector is used to indicate the outbreak of a fire by sensing the level of Co in the air. The detector has an electrochemical cell which senses CO, not smoke or other combustion products. The cells do not require much power, so the detector can be made electrically compatible with ordinary smoke and heat detectors. CO detectors are particularly good at detecting deep-seated smouldering fires. 36
  • 37.
    Carbon Monoxide Detectors CarbonMonoxide Detectors 37
  • 38.
  • 39.
    Pneumatic / HeatFire Detectors & Extinguishers 39
  • 40.
    Pneumatic / HeatFire Detectors & Extinguishers 40
  • 41.
    Pneumatic Control Head PneumaticHeat Fire Detector Fire Extinguisher (Pressurized Type( Pneumatic / Heat Fire Detectors & Extinguishers 41
  • 42.
    FIRE ALARM DETECTORS MECHANICALDETECTOR A LIQUID EVAPORATION A SOLID BODY MELTING / EXPANSION Thermal LinkWater, ... Sprinklers T= 75°C F 42
  • 43.
  • 44.
  • 45.
    3. 3.Types of theFire Alarm Control Panels 45
  • 46.
  • 47.
  • 48.
  • 49.
    4. 4. Commissioning &Testing of the Fire Alarm systems 49
  • 50.
    4 4.Commissioning & Testing SYSTEMNETWOK: - 1.1 Make final review and check the network circuitry characteristics according to the final approved* design, and prepare the as-built drawings. 1.2 Take care to keep the documents related system network preventive maintenance program in good order, and enough copies too. 2. SYSTEM COMPONENTS : - 2.1 Start to make the initial visual and conformity inspection of the system components according to the manufacturer instructions, for example don’t store more than 30 ionization detectors particularly in adjacent packages 1. 1.1 1.2 2 2.124 Final approved* design: i.e. it is complying with relevant codes, and clients demands 50
  • 51.
    4 2. SYSTEM COMPONENTS:- 2.2 Take care to keep the related components catalogues in good order, and enough copies too. 2.3 Take care to keep the related commissioning & testing components catalogues in good order, and enough copies too. 2.4 Take care to keep the related running & maintenance components catalogues in good order, and enough copies too. 2.5 Take care to keep the related spare components in good order, and enough numbers according to the manufacturer instructions. 2 2.2 2.3 2.4 2.5 Final approved* design: i.e. it is complying with relevant codes, and clients demands 51
  • 52.
    4 3. SYSTEM INSTALLATION: - 3.1 Make sure to attend each zone commissioning and testing according the related BS*, NPFA, and Egyptian codes, including individual detectors testing, manual alarm stations, audible and visual components … etc, and any related auto- programmed ancillaries. 3.2 Perform entire system commissioning and testing according the related BS, NPFA, and Egyptian codes, including individual detectors testing, manual alarm stations, audible and visual components …etc, and any related auto-programmed ancillaries. 3 3.1 3.2 BS* : 5839 Part 1 52
  • 53.
    5. 5 . SYSTEMMANAGEMENT 53
  • 54.
    5. SYSTEM MANAGEMENT: - 5.1Adopt the system manufacturer technical advices for running and maintaining the system. 5.2 Initiate all standards and manufacturer recommended technical recommended log- books for the installed system. 5.3 Keep a copy of the system guarantee certificates. 5.4 Keep all the related system documents in an orderly file showing all relevant data. 5 5.1 5.2 5.3 5.4 BS* : 5839 Part 1 54
  • 55.
    6. 6. Fire AlarmSystems Design Concepts 55
  • 56.
    Overall Fire ProtectionConcept 1. 1. Area of Protection buildings, room, process…etc 2 2.Automatic and manual fire detection 3 3. Evacuation of building occupants 4 4.Automatic and manual suppression systems Smoking prohibition, fire load reduction …etc Smoke detection, occupant warning, calling the fire department Exit signs, emergency lighting, intercom …etc 5 5. Structural fire protection / containment Fire resistive architecture, compartmentation Multilevel fire protection concept56
  • 57.
  • 58.
    Choosing a suitabledetector system Choosing a suitable detector system: - Which detectors need to be specified, where, depends on the: ► Monitoring category or the general monitoring objectives of the fire detection system. ► Room height. ► Environmental conditions, including deceptive phenomena. I. Choosing a detector for normal applications: - ► Normally a smoke detector can be chosen based on the following table, provided that disturbance variables are minor and occur only rarely. The principle criteria for choosing a detector and parameter set or sensitivity are the monitoring objective and the assessment of the fire risk exposure. ‫ممممممم‬ ‫مممممممم‬ ‫ممممممممم‬ ‫مممممم‬- : I.‫مممممممممم‬ ‫مممممممم‬ ‫مممممممممممم‬ ‫مممممممممممممممم‬ ‫مممممممممممممم‬: - 58
  • 59.
    Monitoring Projection /Detectors Category Monitoring Objective Opto Poly Thermo I - Flaming incipient fire II - Flaming incipient fire -Smoldering incipient fire (desired( III - Flaming incipient fire -Smoldering incipient fire Optimally suited Suited Conditionally suited Un suited / I - II - III - Influence of the room height: - With increasing of room height the influence of fire phenomena weakens which means that more sensitive detectors must be installed. ‫ممممممممم‬ ‫مممممممم‬ ‫مممممممم‬ ‫ممممم‬- : 59
  • 60.
    Room Suitable detectorSuitability Height type Flaming Fire Smoldering ≥6m Heat detector (Cl .2(- ≥7.5m Heat detector (Cl .1(- 12-20m Smoke detector / or Linear Smoke detector ≥12m Smoke detector ≥20m Flame detector- Optimally suited Suited Un suited ≤ 6 m (Cl .2( - ≤ 7.5 m (Cl .1( - 12-20 m ≤ 12 m ≤ 20 m - Choosing a suitable detector system 60
  • 61.
    Choosing the appropriatedetector Three different detector series are available: • Interactive detector system • AnalogPLUS detector system • Collective detector system Each of these systems has its own special characteristics and is suited to specific applications System Characteristics Applications Interactive - Freely programmable adjustment - Demanding system engineering of any size the response behavior -Optimum detector reliability - Where transit or continuous interference is -Also usable under critical ambient conditions present which could cause a false alarm -High immunity to soiling - With direct alarm link to the fire department -Immune to electromagnetic, electrical and - Wherever the prevention of false alarm has optical interference signals top priority -Individual addressing -Microprocessor controlled electronics -Transmits 4 danger levels -Automatic self test -Remote diagnostic capability -Loop line with T branches 61
  • 62.
    System Characteristics Applications AnalogPLUS– Evaluation of two response sensitivities - Normal system engineering -Very good detector reliability - Large systems -Immune to ambient influences - For rarely occurring deceptive -Electronics with integrated circuit (ASIC) phenomena that can cause false alarms -Individual addressing - Alerting of the fire department with -Drift signals CAC -Detector monitoring -Loop line with module for T branches Collective - One response sensitivity for a wide - Easy system engineering application range - Small easily manageable system -Optimum detector reliability - Few potential interference that -Good detection reliability could cause false alarms -Monitored line - No direct alerting to the fire department -Compatible with existing control units -Electronics with integrated circuit (ASIC) -Stub line -Favorably priced Choosing the appropriate detector 62
  • 63.
  • 64.
  • 65.
    7. 7.Review of aFire Alarm Systems Design 65
  • 66.
    Review a Designof a Fire Alarm System Data Required to Review a Design of a Fire Alarm System 1. Complete set of Alarm system design drawings for the project building – in details, if possible - + specifications and bill of quantities book. 2. Sufficient description for nature of users and occupants of the areas to be protected. 3. Architectural and decoration drawings ( To determine the volumes, ceilings heights and types, and any projected slabs- if existing – as far ceilings heights are reversely proportional to the protected areas, also the upper volumes of the fall ceilings should be protected too, finally the falling slabs are forming a delaying obstacles to the smokes currents. 1. 2. 3. 66
  • 67.
    Review a Designof a Fire Alarm System 4. Air-conditioning and ventilation drawings ] To ensure early smoke detection for the air sucked by the air-conditioning ... etc hence special duct smoke detectors must be employed ( or a continuous air sample must be drawn for early smoke detection ). Moreover it enables the design reviewer to determine the dimensions and ducts roots to ensure that it forms no obstacles similar to the falling slabs. 5. A primary design review to the available fire alarm detectors distribution. a. The number and types of the detectors according to E.S , B.S. & NFPA. b. The fire alarm zones according to E.S., B.S. & NFPA. 4. 5. . 67
  • 68.
    Review a Designof a Fire Alarm System • Review the cables and wires types, specifications, and the connectors too. • Review the conduits types and specifications too. • Review the communication link with other intelligent systems e.g. Auto-fire fighting systems. • Review the evacuation plans and techniques. • • • • 68
  • 69.
    Review a Designof a Fire Alarm System ALARM ZONES • When a signal of fire is ALARM ZONES n it is necessary that there should be no confusion about the zone from which it is received. To facilitate response by persons providing assistance, the zone should be small enough for a fire to be located quickly. • The search distance should not exceed 30m. • Remote indicator lamps outside doors , etc., may be helpful, especially if doors are likely to be locked – –30. – 69
  • 70.
  • 71.
    Standards for firedetection systems European standards: In Europe the standards are defined by CEN) European committee for standardization), and CENELEC (European committee for Electro-technical Standardization). Number Title EN54-1 Components of automatic fire detection systems: Introduction. EN54-2 Control and indicating equipment. EN54-3 Audible fire alarm devices. EN54-4 Power supplies. EN54-5 Heat sensitive detectors – point detectors containing a static element. CEN CENELEC EN54-1 EN54-2 EN54-3 EN54-4 EN54-5 71
  • 72.
    Number Title EN54-6 Heatsensitive detectors – rate of rise point detectors without static element. EN54-7 Smoke detectors - point detectors using scattered light, transmitted light, or ionization. EN54-8 High Temperature heat detectors. EN54-9 Fire Tests for smoke detectors. EN54-10 Flame detectors. EN54-11 Manual call points EN54-12 Optical beam detectors. EN54-13 System requirements. EN54-14 Guidelines for planning design, installation, commissioning, use and maintenance. EN54-15 Point type multi-sensor fire detectors incorporating a smoke sensor in combination with a heat sensor. EN54-6 EN54-7 EN54-8 EN54-9 EN54-10 EN54-11 EN54-12 EN54-13 EN54-14 EN54-15 Standards for fire detection systems 72
  • 73.
    ) UL standards (Underwriters’ Laboratories Inc. USA) UL521 Heat detectors for fire protection UL521 signaling systems. UL268 Smoke detectors for fire protection UL268 signaling systems. UL268A Smoke detectors for duct application. UL268A UL38 Manual call point. UL38 UL864 Control units for fire protection UL864 signaling systems UL827 Central station for watchman, fire alarm UL827 and supervisory systems. UL217 Single and multiple-station smoke UL217 detectors. UL985 Household fire warning system unit UL985 73
  • 74.
    The major testinglaboratories are : 1. ANPI: Association Nationale pour la Protection contre I’incendie ( Belgium ) 2. CNPP: Centre National de Prévention et de Protection ( France ) 3. DELTA: DELTA Electronics Testing (Denmark( 4. LPC Lab: Loss Prevention Council laboratories ( UK ) 5. VDS Lab: Verband der Schadenversicher e.V. (Germany ) 6. ULI: Underwriters’ Laboratories Inc. (USA) 7. ULC: Underwriters’ Laboratories of Canada 8. FMRC: Factory Mutual Research Corporation (USA) •ANPI •CNPP •DELTA •LPC Lab •VDS Lab •ULI •ULC •FMRC Testing laboratories 74
  • 75.
  • 76.
    Design a Special– profile Detection System for Mains & Control Panels… etc, at Al-Maliah Towers Project, Abbasia, Cairo This case study are briefed as the following: - 1. The above mentioned panels are shown on the attached schematic drawing. 2. The consultant demanded to utilize Ceiling Detector / Extinguisher Modular CO2 type (i.e. Sprinkler is the heat detector). 3. Instead, pneumatic detector was proposed to be looped within the panels, Polymer pressurized tube, rather than above mentioned sprinkler, for much earlier alarm, faster and reliable extinguishing. 1. 2. 3. 76
  • 77.
    Distribution & Control Panels CO2 CO2Extinguisher & Pneumatic Detector 77
  • 78.

Editor's Notes

  • #14 <number>