George Mason University
Algorithmic State Machine (ASM) Charts:
VHDL Code & Timing Diagrams
ECE 448
Lecture 7
2
Required reading
• P. Chu, FPGA Prototyping by VHDL Examples
Chapter 5, FSM
3
Recommended reading
• S. Brown and Z. Vranesic,
Fundamentals of Digital Logic with VHDL Design
Chapter 8, Synchronous Sequential Circuits
Sections 8.1-8.5
Section 8.10, Algorithmic State Machine (ASM)
Charts
4
Finite State Machines
in VHDL
5
Recommended FSM Coding Style
Based on RTL Hardware Design by P. Chu
Process(clk, reset)
Process(Present State, Input)
Next State
Present State
6
ASM Chart of Moore Machine
S0
reset
input
S1
S2
input
input
0
1
0
1
1 0
output
7
Moore FSM in VHDL (1)
LIBRARY ieee;
USE ieee.std_logic_1164.all;
ENTITY FSM_Moore IS
PORT ( clk : IN STD_LOGIC ;
reset : IN STD_LOGIC ;
input : IN STD_LOGIC ;
output : OUT STD_LOGIC) ;
END FSM_Moore ;
8
Moore FSM in VHDL (1)
ARCHITECTURE behavioral of FSM_Moore IS
TYPE state IS (S0, S1, S2);
SIGNAL Present_State, Next_State: state;
BEGIN
U_Moore: PROCESS (clk, reset)
BEGIN
IF(reset = '1') THEN
Present_State <= S0;
ELSIF rising_edge(clk) THEN
Present_State <= Next_State;
END IF;
END PROCESS;
9
Moore FSM in VHDL (2)
Next_State_Output:
PROCESS (Present_State, input)
BEGIN
Next_State <= Present_State;
output <= '0';
CASE Present_State IS
WHEN S0 =>
IF input = '1' THEN
Next_State <= S1;
ELSE
Next_State <= S0;
END IF;
10
Moore FSM in VHDL (3)
WHEN S1 =>
IF input = '0' THEN
Next_State <= S2;
ELSE
Next_State <= S1;
END IF;
WHEN S2 =>
output <= '1' ;
IF input = '1' THEN
Next_State <= S1;
ELSE
Next_State <= S0;
END IF;
END CASE;
END PROCESS;
END behavioral;
11
ASM Chart of Mealy Machine
S0
S1
reset
input
input
output
0
1
1 0
12
Mealy FSM in VHDL (1)
LIBRARY ieee;
USE ieee.std_logic_1164.all;
ENTITY FSM_Mealy IS
PORT ( clk : IN STD_LOGIC ;
reset : IN STD_LOGIC ;
input : IN STD_LOGIC ;
output : OUT STD_LOGIC) ;
END FSM_Mealy ;
13
Mealy FSM in VHDL (1)
ARCHITECTURE behavioral of FSM_Mealy IS
TYPE state IS (S0, S1);
SIGNAL Present_State, Next_State: state;
BEGIN
U_Mealy: PROCESS(clk, reset)
BEGIN
IF(reset = '1') THEN
Present_State <= S0;
ELSIF rising_edge(clk) THEN
Present_State <= Next_State;
END IF;
END PROCESS;
14
Mealy FSM in VHDL (2)
Next_State_Output:
PROCESS (Present_State, input)
BEGIN
Next_State <= Present_State;
output <= '0';
CASE Present_State IS
WHEN S0 =>
IF input = '1' THEN
Next_State <= S1;
ELSE
Next_State <= S0;
END IF;
15
Mealy FSM in VHDL (3)
WHEN S1 =>
IF input = '0' THEN
Next_State <= S0;
Output <= '1' ;
ELSE
Next_State <= S1;
END IF;
END CASE;
END PROCESS;
END behavioral;
16
Control Unit Example: Arbiter (1)
Arbiter
reset
r1
r2
r3
g1
g2
g3
clock
17
ASM Chart for Control Unit - Example 4
r1
r3
0 1
1
Id
le
R
e
s
e
t
r2
r1
r3
r2
g
n
t1
g
n
t2
g
n
t3
1
1
1
0
0
0
g
1
g
2
g
3
0
0
1
r1
r3
0 1
1
Id
le
R
e
s
e
t
r2
r1
r3
r2
g
n
t1
g
n
t2
g
n
t3
1
1
1
0
0
0
g
1
g
2
g
3
0
0
1
18
VHDL code of arbiter
LIBRARY ieee;
USE ieee.std_logic_1164.all;
ENTITY arbiter IS
PORT ( Clk, Reset : IN STD_LOGIC ;
r : IN STD_LOGIC_VECTOR(1 TO 3) ;
g : OUT STD_LOGIC_VECTOR(1 TO 3) ) ;
END arbiter ;
ARCHITECTURE Behavior OF arbiter IS
TYPE State_type IS (Idle, gnt1, gnt2, gnt3) ;
SIGNAL y, y_next : State_type ;
19
VHDL code of arbiter – Style 2 (2)
BEGIN
PROCESS ( Reset, Clk )
BEGIN
IF Reset = '1' THEN
y <= Idle ;
ELSIF rising_edge(Clk) THEN
y <= y_next;
END IF;
END PROCESS;
20
VHDL code of arbiter
PROCESS ( y, r )
BEGIN
y_next <= y;
g <= "000";
CASE y IS
WHEN Idle =>
IF r(1) = '1' THEN y_next <= gnt1 ;
ELSIF r(2) = '1' THEN y_next <= gnt2 ;
ELSIF r(3) = '1' THEN y_next <= gnt3 ;
ELSE y_next <= Idle ;
END IF ;
WHEN gnt1 =>
g(1) <= '1' ;
IF r(1) = '0' THEN y_next <= Idle ;
ELSE y_next <= gnt1 ;
END IF ;
21
WHEN gnt2 =>
g(2) <= '1' ;
IF r(2) = '0' THEN y_next <= Idle ;
ELSE y_next <= gnt2 ;
END IF ;
WHEN gnt3 =>
g(2) <= '1' ;
IF r(3) = '0' THEN y_next <= Idle ;
ELSE y_next <= gnt3 ;
END IF ;
END CASE ;
END PROCESS ;
END Behavior ;
VHDL code of arbiter
Problem 1
Assuming ASM chart given on the next slide,
supplement timing waveforms given in the answer
sheet with the correct values of signals
State, g1, g2, g3, in the interval from 0 to 575 ns.
23
ASM Chart
r1
r3
0 1
1
Id
le
R
e
s
e
t
r2
r1
r3
r2
g
n
t1
g
n
t2
g
n
t3
1
1
1
0
0
0
g
1
g
2
g
3
0
0
1
r1
r3
0 1
1
Id
le
R
e
s
e
t
r2
r1
r3
r2
g
n
t1
g
n
t2
g
n
t3
1
1
1
0
0
0
g
1
g
2
g
3
0
0
1
Clk
r1
r2
State
Reset
r3
g1
g2
g3
0 ns 100 ns 200 ns 300 ns 400 ns 500 ns
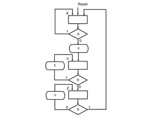
Problem 2
Assuming state diagram given on the next slide,
supplement timing waveforms given in the answer sheet
with the correct values of signals
State and c, in the interval from 0 to 575 ns.
X
Reset
a
Y
Z
b
1
0
0
1
0 1
c
b
c
c
Clk
a
b
State
c
Reset
0 ns 100 ns 200 ns 300 ns 400 ns 500 ns
28
FSM Coding Style
Process(clk, reset)
Process(Present State,Inputs)
RTL Hardware Design
by P. Chu
Chapter 10 29
oe<=1
oe<=1
oe<=1
oe<=1
Memory
Controller
30
31
32

ECE448_lecture7_ASM_VHDL.pptx

  • 1.
    George Mason University AlgorithmicState Machine (ASM) Charts: VHDL Code & Timing Diagrams ECE 448 Lecture 7
  • 2.
    2 Required reading • P.Chu, FPGA Prototyping by VHDL Examples Chapter 5, FSM
  • 3.
    3 Recommended reading • S.Brown and Z. Vranesic, Fundamentals of Digital Logic with VHDL Design Chapter 8, Synchronous Sequential Circuits Sections 8.1-8.5 Section 8.10, Algorithmic State Machine (ASM) Charts
  • 4.
  • 5.
    5 Recommended FSM CodingStyle Based on RTL Hardware Design by P. Chu Process(clk, reset) Process(Present State, Input) Next State Present State
  • 6.
    6 ASM Chart ofMoore Machine S0 reset input S1 S2 input input 0 1 0 1 1 0 output
  • 7.
    7 Moore FSM inVHDL (1) LIBRARY ieee; USE ieee.std_logic_1164.all; ENTITY FSM_Moore IS PORT ( clk : IN STD_LOGIC ; reset : IN STD_LOGIC ; input : IN STD_LOGIC ; output : OUT STD_LOGIC) ; END FSM_Moore ;
  • 8.
    8 Moore FSM inVHDL (1) ARCHITECTURE behavioral of FSM_Moore IS TYPE state IS (S0, S1, S2); SIGNAL Present_State, Next_State: state; BEGIN U_Moore: PROCESS (clk, reset) BEGIN IF(reset = '1') THEN Present_State <= S0; ELSIF rising_edge(clk) THEN Present_State <= Next_State; END IF; END PROCESS;
  • 9.
    9 Moore FSM inVHDL (2) Next_State_Output: PROCESS (Present_State, input) BEGIN Next_State <= Present_State; output <= '0'; CASE Present_State IS WHEN S0 => IF input = '1' THEN Next_State <= S1; ELSE Next_State <= S0; END IF;
  • 10.
    10 Moore FSM inVHDL (3) WHEN S1 => IF input = '0' THEN Next_State <= S2; ELSE Next_State <= S1; END IF; WHEN S2 => output <= '1' ; IF input = '1' THEN Next_State <= S1; ELSE Next_State <= S0; END IF; END CASE; END PROCESS; END behavioral;
  • 11.
    11 ASM Chart ofMealy Machine S0 S1 reset input input output 0 1 1 0
  • 12.
    12 Mealy FSM inVHDL (1) LIBRARY ieee; USE ieee.std_logic_1164.all; ENTITY FSM_Mealy IS PORT ( clk : IN STD_LOGIC ; reset : IN STD_LOGIC ; input : IN STD_LOGIC ; output : OUT STD_LOGIC) ; END FSM_Mealy ;
  • 13.
    13 Mealy FSM inVHDL (1) ARCHITECTURE behavioral of FSM_Mealy IS TYPE state IS (S0, S1); SIGNAL Present_State, Next_State: state; BEGIN U_Mealy: PROCESS(clk, reset) BEGIN IF(reset = '1') THEN Present_State <= S0; ELSIF rising_edge(clk) THEN Present_State <= Next_State; END IF; END PROCESS;
  • 14.
    14 Mealy FSM inVHDL (2) Next_State_Output: PROCESS (Present_State, input) BEGIN Next_State <= Present_State; output <= '0'; CASE Present_State IS WHEN S0 => IF input = '1' THEN Next_State <= S1; ELSE Next_State <= S0; END IF;
  • 15.
    15 Mealy FSM inVHDL (3) WHEN S1 => IF input = '0' THEN Next_State <= S0; Output <= '1' ; ELSE Next_State <= S1; END IF; END CASE; END PROCESS; END behavioral;
  • 16.
    16 Control Unit Example:Arbiter (1) Arbiter reset r1 r2 r3 g1 g2 g3 clock
  • 17.
    17 ASM Chart forControl Unit - Example 4 r1 r3 0 1 1 Id le R e s e t r2 r1 r3 r2 g n t1 g n t2 g n t3 1 1 1 0 0 0 g 1 g 2 g 3 0 0 1 r1 r3 0 1 1 Id le R e s e t r2 r1 r3 r2 g n t1 g n t2 g n t3 1 1 1 0 0 0 g 1 g 2 g 3 0 0 1
  • 18.
    18 VHDL code ofarbiter LIBRARY ieee; USE ieee.std_logic_1164.all; ENTITY arbiter IS PORT ( Clk, Reset : IN STD_LOGIC ; r : IN STD_LOGIC_VECTOR(1 TO 3) ; g : OUT STD_LOGIC_VECTOR(1 TO 3) ) ; END arbiter ; ARCHITECTURE Behavior OF arbiter IS TYPE State_type IS (Idle, gnt1, gnt2, gnt3) ; SIGNAL y, y_next : State_type ;
  • 19.
    19 VHDL code ofarbiter – Style 2 (2) BEGIN PROCESS ( Reset, Clk ) BEGIN IF Reset = '1' THEN y <= Idle ; ELSIF rising_edge(Clk) THEN y <= y_next; END IF; END PROCESS;
  • 20.
    20 VHDL code ofarbiter PROCESS ( y, r ) BEGIN y_next <= y; g <= "000"; CASE y IS WHEN Idle => IF r(1) = '1' THEN y_next <= gnt1 ; ELSIF r(2) = '1' THEN y_next <= gnt2 ; ELSIF r(3) = '1' THEN y_next <= gnt3 ; ELSE y_next <= Idle ; END IF ; WHEN gnt1 => g(1) <= '1' ; IF r(1) = '0' THEN y_next <= Idle ; ELSE y_next <= gnt1 ; END IF ;
  • 21.
    21 WHEN gnt2 => g(2)<= '1' ; IF r(2) = '0' THEN y_next <= Idle ; ELSE y_next <= gnt2 ; END IF ; WHEN gnt3 => g(2) <= '1' ; IF r(3) = '0' THEN y_next <= Idle ; ELSE y_next <= gnt3 ; END IF ; END CASE ; END PROCESS ; END Behavior ; VHDL code of arbiter
  • 22.
    Problem 1 Assuming ASMchart given on the next slide, supplement timing waveforms given in the answer sheet with the correct values of signals State, g1, g2, g3, in the interval from 0 to 575 ns.
  • 23.
    23 ASM Chart r1 r3 0 1 1 Id le R e s e t r2 r1 r3 r2 g n t1 g n t2 g n t3 1 1 1 0 0 0 g 1 g 2 g 3 0 0 1 r1 r3 01 1 Id le R e s e t r2 r1 r3 r2 g n t1 g n t2 g n t3 1 1 1 0 0 0 g 1 g 2 g 3 0 0 1
  • 24.
    Clk r1 r2 State Reset r3 g1 g2 g3 0 ns 100ns 200 ns 300 ns 400 ns 500 ns
  • 25.
    Problem 2 Assuming statediagram given on the next slide, supplement timing waveforms given in the answer sheet with the correct values of signals State and c, in the interval from 0 to 575 ns.
  • 26.
  • 27.
    Clk a b State c Reset 0 ns 100ns 200 ns 300 ns 400 ns 500 ns
  • 28.
    28 FSM Coding Style Process(clk,reset) Process(Present State,Inputs)
  • 29.
    RTL Hardware Design byP. Chu Chapter 10 29 oe<=1 oe<=1 oe<=1 oe<=1 Memory Controller
  • 30.
  • 31.
  • 32.