ACADEMIC YEAR 2018-19
EC6710 RF & MICROWAVE ENGINEERING -
VSWR METER
Mrs.R.Chitra, AP/ECE
Ramco Institute of Technology,
Rajapalayam.
UNIT V
MICROWAVE MEASUREMENTS
 Measuring Instruments :
 Principle of operation and application of VSWR meter
 Power meter
 Spectrum analyzer
 Network analyzer
 Measurement of Impedance
 Frequency, Power, VSWR, Q-factor
 Dielectric constant
 Scattering coefficients
 Attenuation
 S-parameters.
INTRODUCTION
 At low frequency, it is convenient to measure voltage, current and
frequency and use them to calculate the power.
 However, at microwave frequencies, the amplitude of the voltage
and current on a transmission line are function of distance and are
not easily measurable.
 Hence, at microwave frequency it is more desirable and simpler
to measure power directly.
 Therefore, it is necessary to measure power instead of voltage and
current.
The microwave parameters namely are;
 S-parameters
 Power
 Frequency and wavelength
 Phase Shift
 Voltage Standing Wave Ratio (VSWR)
 Noise Figure
 Q-factor
 Attenuation
MEASURING INSTRUMENT
 A test and measurement system consists of one or more
measuring instruments and one Device Under Test (DUT).
 The microwave parameters are measured by using the
following instruments:
• VSWR meter
• Power meter
• Spectrum analyzer
• Network analyzer
 Standing-wave ratio (SWR) is a mathematical expression of the
non-uniformity of an electromagnetic field (EM field) on a
transmission line such as coaxial cable.
 Usually, SWR is defined as the ratio of the maximum radio-
frequency (RF) voltage to the minimum RF voltage along the line.
 In radio engineering and telecommunications, standing wave
ratio (SWR) is a measure of impedance matching of loads to
the characteristic impedance of a transmission line or waveguide.
 Impedance mismatches result in standing waves along the
transmission line, and SWR is defined as the ratio of the
partial standing wave's amplitude at an antinode (maximum) to the
amplitude at a node (minimum) along the line.
Principle of Operation and Application of VSWR Meter
 VSWR meters are widely used to measure VSWR.
 VSWR is defined as ratio between the maximum voltage to
minimum voltage
 Also it is noticed that, 1 ≤ VSWR ≤ ∞
 VSWR = 1 for a perfectly matched network
 VSWR = ∞ for short and open circuits and mismatched
circuits
 It is a measure of how well the components of the RF network are
matched in impedance. Standing waves occur, when
 Impedances are not identical
 Signal loss during transmission
 Poor reception
 Larger the impedance mismatch
CONSTRUCTION
 The typical VSWR meter is a high gain, low noise amplifier.
 It is tuned to the modulating frequency of the microwave signal (1
KHz).
 The display panel of the meter consists of three scales:
 Normal Scale
 Expanded Scale
 dB Scale
Normal Scale: If the reading of VSWR meter is between 1 and 4,
then the top normal SWR scale can be used. If the VSWR reading
is between 3 and 10, the lower SWR scale is used.
Expanded Scale: If the VSWR is smaller than 1.3, a more
accurate reading can be taken by selecting the Expanded SWR
scale, graduated from 1 to 1.3.
Expanded dB Scale: Third scale at the bottom is graduated from
in dB.
 To measure VSWR, the meter needle is initially adjusted to 1 after
placing the probe in Vmax position within the guide. The gain
control panel is used for making this adjustment.
 For any input voltage, the amplifier output voltage is measured
directly in terms of VSWR. The input of the VSWR meter is the
detected output voltage of the tuned detector that is fed by a
coaxial cable.
PRINCIPLE OF OPERATION
 VSWR meters are widely used to determine the amount of radio
frequency that is being reflected back to the transmitter / source
compared to the amount that is being sent out during
transmission. If the ratio is high, the source will surely damage.
 The maximum standard rating for a VSWR meter where a
transmission can withstand is 1.5:1.
 The ideal rating is 1:1 (i.e., the power reaches the destination
and without reflection)
Types of SWR meters
 Directional SWR meter
 SWR bridge circuit
Directional SWR meter
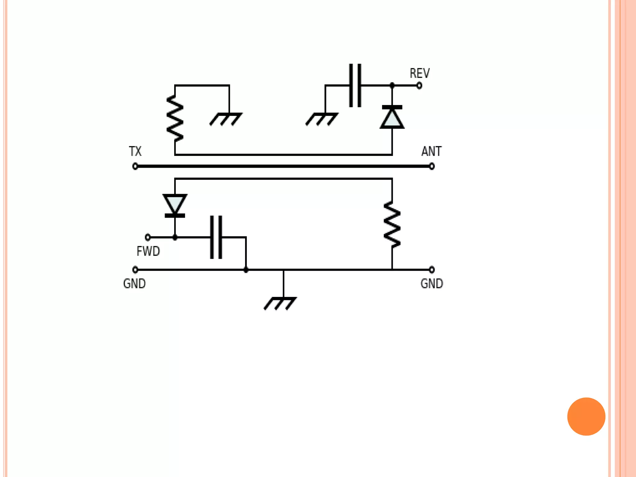
 A directional SWR meter is generally used to measure the
magnitude of the transmitted and reflected waves by sensing each
one separately, with the help of directional couplers.
 Here the transmitter and antenna are connected through an
internal transmission line. The line is electro-magnetically couple
with the two directional couplers.
 The directional couplers are then connected to the resistors at one
end and diode rectifiers at the other end.
 The resistors help in matching the characteristic impedance of the
sensing lines.
 The diode helps in converting the magnitude of the forward and
reverse waves to DC voltages will then be smoothened with the
help of capacitors.
SWR Bridge Circuit
 A typical impedance bridge is built for determining the SWR
impedance.
 The test impedance is increased until the bridge circuit is balanced,
(i.e.) the test impedance will be equal to the reference impedance.
 Thus, with the help of a bridge circuit we can know whether a SWR
is present or not.
PROBLEMS WITH VSWR METERS
 VSWR meter cannot measure reactance and resistance, instead
measures the impedance
 Reading to be accurate, It must be matched on to the line
impednace.
 Any transmission line will have a certain loss. When this
loss occours, the reflected signal will be attenuated when
it travels back along the line. Thus, for the SWR meter to
be efficient, it must be connected very near to the
antenna and further away from the load. The value of
SWR will be more when it is nearer to the load.
 Internal diodes of an SWR meters may generate
harmonics while transmitting and produce
intermodulation products during reception.
APPLICATIONS OF VSWR METER
 Laboratories
 Live circuits (Live telecast systems)
 Rail guides, flanges and tabs
 Telecommunication racks
 Microwave based medical applications
REFERENCES:
 Reinhold Ludwig and Gene Bogdanov, “RF Circuit Design:
Theory and Applications”, Pearson Education Inc., 2011
 David M. Pozar, “Microwave Engineering”, Wiley India (P)
Ltd, New Delhi, 2008.
 Thomas H Lee, “Planar Microwave Engineering: A Practical
Guide to Theory, Measurements and Circuits”, Cambridge
University Press, 2004.
 Mathew M Radmanesh, “RF and Microwave Electronics”,
Prentice Hall, 2000.
 Annapurna Das and Sisir K Das, “Microwave Engineering”,
Tata McGraw Hill Publishing Company Ltd, New Delhi, 2005.

EC6701 RF&MW - VSWR Meter

  • 1.
    ACADEMIC YEAR 2018-19 EC6710RF & MICROWAVE ENGINEERING - VSWR METER Mrs.R.Chitra, AP/ECE Ramco Institute of Technology, Rajapalayam.
  • 2.
    UNIT V MICROWAVE MEASUREMENTS Measuring Instruments :  Principle of operation and application of VSWR meter  Power meter  Spectrum analyzer  Network analyzer  Measurement of Impedance  Frequency, Power, VSWR, Q-factor  Dielectric constant  Scattering coefficients  Attenuation  S-parameters.
  • 3.
    INTRODUCTION  At lowfrequency, it is convenient to measure voltage, current and frequency and use them to calculate the power.  However, at microwave frequencies, the amplitude of the voltage and current on a transmission line are function of distance and are not easily measurable.  Hence, at microwave frequency it is more desirable and simpler to measure power directly.  Therefore, it is necessary to measure power instead of voltage and current.
  • 4.
    The microwave parametersnamely are;  S-parameters  Power  Frequency and wavelength  Phase Shift  Voltage Standing Wave Ratio (VSWR)  Noise Figure  Q-factor  Attenuation
  • 5.
    MEASURING INSTRUMENT  Atest and measurement system consists of one or more measuring instruments and one Device Under Test (DUT).  The microwave parameters are measured by using the following instruments: • VSWR meter • Power meter • Spectrum analyzer • Network analyzer
  • 6.
     Standing-wave ratio(SWR) is a mathematical expression of the non-uniformity of an electromagnetic field (EM field) on a transmission line such as coaxial cable.  Usually, SWR is defined as the ratio of the maximum radio- frequency (RF) voltage to the minimum RF voltage along the line.  In radio engineering and telecommunications, standing wave ratio (SWR) is a measure of impedance matching of loads to the characteristic impedance of a transmission line or waveguide.  Impedance mismatches result in standing waves along the transmission line, and SWR is defined as the ratio of the partial standing wave's amplitude at an antinode (maximum) to the amplitude at a node (minimum) along the line.
  • 7.
    Principle of Operationand Application of VSWR Meter  VSWR meters are widely used to measure VSWR.  VSWR is defined as ratio between the maximum voltage to minimum voltage  Also it is noticed that, 1 ≤ VSWR ≤ ∞  VSWR = 1 for a perfectly matched network  VSWR = ∞ for short and open circuits and mismatched circuits  It is a measure of how well the components of the RF network are matched in impedance. Standing waves occur, when  Impedances are not identical  Signal loss during transmission  Poor reception  Larger the impedance mismatch
  • 8.
    CONSTRUCTION  The typicalVSWR meter is a high gain, low noise amplifier.  It is tuned to the modulating frequency of the microwave signal (1 KHz).  The display panel of the meter consists of three scales:  Normal Scale  Expanded Scale  dB Scale Normal Scale: If the reading of VSWR meter is between 1 and 4, then the top normal SWR scale can be used. If the VSWR reading is between 3 and 10, the lower SWR scale is used. Expanded Scale: If the VSWR is smaller than 1.3, a more accurate reading can be taken by selecting the Expanded SWR scale, graduated from 1 to 1.3. Expanded dB Scale: Third scale at the bottom is graduated from in dB.
  • 9.
     To measureVSWR, the meter needle is initially adjusted to 1 after placing the probe in Vmax position within the guide. The gain control panel is used for making this adjustment.  For any input voltage, the amplifier output voltage is measured directly in terms of VSWR. The input of the VSWR meter is the detected output voltage of the tuned detector that is fed by a coaxial cable.
  • 10.
    PRINCIPLE OF OPERATION VSWR meters are widely used to determine the amount of radio frequency that is being reflected back to the transmitter / source compared to the amount that is being sent out during transmission. If the ratio is high, the source will surely damage.  The maximum standard rating for a VSWR meter where a transmission can withstand is 1.5:1.  The ideal rating is 1:1 (i.e., the power reaches the destination and without reflection) Types of SWR meters  Directional SWR meter  SWR bridge circuit
  • 11.
    Directional SWR meter A directional SWR meter is generally used to measure the magnitude of the transmitted and reflected waves by sensing each one separately, with the help of directional couplers.  Here the transmitter and antenna are connected through an internal transmission line. The line is electro-magnetically couple with the two directional couplers.  The directional couplers are then connected to the resistors at one end and diode rectifiers at the other end.  The resistors help in matching the characteristic impedance of the sensing lines.  The diode helps in converting the magnitude of the forward and reverse waves to DC voltages will then be smoothened with the help of capacitors.
  • 13.
    SWR Bridge Circuit A typical impedance bridge is built for determining the SWR impedance.  The test impedance is increased until the bridge circuit is balanced, (i.e.) the test impedance will be equal to the reference impedance.  Thus, with the help of a bridge circuit we can know whether a SWR is present or not. PROBLEMS WITH VSWR METERS  VSWR meter cannot measure reactance and resistance, instead measures the impedance  Reading to be accurate, It must be matched on to the line impednace.
  • 14.
     Any transmissionline will have a certain loss. When this loss occours, the reflected signal will be attenuated when it travels back along the line. Thus, for the SWR meter to be efficient, it must be connected very near to the antenna and further away from the load. The value of SWR will be more when it is nearer to the load.  Internal diodes of an SWR meters may generate harmonics while transmitting and produce intermodulation products during reception.
  • 15.
    APPLICATIONS OF VSWRMETER  Laboratories  Live circuits (Live telecast systems)  Rail guides, flanges and tabs  Telecommunication racks  Microwave based medical applications
  • 16.
    REFERENCES:  Reinhold Ludwigand Gene Bogdanov, “RF Circuit Design: Theory and Applications”, Pearson Education Inc., 2011  David M. Pozar, “Microwave Engineering”, Wiley India (P) Ltd, New Delhi, 2008.  Thomas H Lee, “Planar Microwave Engineering: A Practical Guide to Theory, Measurements and Circuits”, Cambridge University Press, 2004.  Mathew M Radmanesh, “RF and Microwave Electronics”, Prentice Hall, 2000.  Annapurna Das and Sisir K Das, “Microwave Engineering”, Tata McGraw Hill Publishing Company Ltd, New Delhi, 2005.