ADVANCED TECHNIQUES IN
ANALYSIS OF ORGANIC
COMPOUNDS
SUBMITTED BY
UPASANA
MOHAPATRA
PALB 6290
SUBMITTED TO
PROF.DR.K. M. HARINIKUMAR
ADVANCED CENTRE FOR PLANT
BIOTECGHNOLOGY
UAS,GKVK,BENGALURU
Flow of Presentation
Summary
References
Research Paper
Description about different techniques
HPLC-NMR
Techniques used for analysis
Organic Molecules
Need of analysis of Organic Molecules
ORGANIC MOLECULE
• The molecules of life which are
built of chains of carbon atoms
that are often quite long.
• Four main groups of organic
molecules that combine to build
cells and their parts-
carbohydrates, proteins, lipids,
and nucleic acids.
NEED OF ORGANIC COMPOUND
ANALYSIS
We do analysis of organic compounds
1. To measure their concentrations in any living
organisms.
2. To identify the compounds present in microorganisms
3. To identify the waste pollutants pressent in water
sample.
4. To identify the secondary metabolites present in the
medicinal plants.
5. To identify the volatile compounds present in the
aromatic plants.
TECHNIQUES USED FOR ANALYSIS
• Elemental Analysis
• Electrochemistry
• X-ray Diffraction
Microarray
• Biological Techniques For Chemical Analysis
• Chromatographic Techniques
• Chromatography-Spectrometer
• HPLC-NMR
ELEMENTAL ANALYSIS
For a lot of organic compounds having very
similar properties, elemental identification is
relatively simple.
• Flame test
• Photometry and spectrophotometry
• Atomic emission/absorption spectroscopy
• X-ray fluorescence analysis
ELECTROCHEMISTRY
• The techniques are applicable for identification
of electrochemically reducible (e.g., nitro,
nitroso, and azo) compounds and oxidizable
(aromatic amines, phenols) compounds.
• Voltammetric peak potentials are quantities
measured for identification.
• Two types of electrochemical devices, sensors
and selective HPLC detectors are used for
advanced chemical analysis.
X-RAY DIFFRACTION
• For structure determination of organic solids
and identification of crystalline phases.
• Eg.
Identification of minerals in geological
samples
MICROARRAY
They are very suitable for:
• Purposes of detection and screening
• Field and industrial analysis
• Beginning analysts
• Qualitative analysis
Biological Techniques for Chemical
Analysis
• Developing biosensor techniques combined
with electrochemical devices can be used for
screening of some chemicals.
• Methods based on bioassays, e.g.,ones using
enzymes, are specific to certain substances and
sensitive, i.e., suitable for qualitative
confirmation
CHROMATOGRAPHIC TECHNIQUESCHROMATOGRAPHIC
TECHNIQUES
GC
PRINCIPLE
separation of a gaseous
mixture into individual
compounds on passing a
gas flow through a thin
glass column, the inner
walls of which are coated
with a special nonvolatile
liquid
MEASURE
Time,
relative
time, Index
of retention
DETECTOR
MS,flame
ionization,
atomic
emission
APPLIC
ATION
Gas,
volatile,
and semi-
volatile
compoun
ds
LC
PRINCIPLE
Separation of a liquid
mixture into individual
components on passing a
liquid through a relatively
thin steel column packed
with particles or aporous
layer of stationary phase
MEASURE
Time,
relative
time, Index
of retention
DETECTOR
MS,flame
ionization,
atomic
emission
APPLICA
TION
Non
volatile
compound
including
almost all
biochemic
als
TLC(THIN LAYER
CHROMATOGRAPHY)
PRINCIPLE
• Separation
technique for a
liquid mixture
somewhat
resembling LC,
where the
stationary
phase is a layer
of solid
particles spread
on a flat plat
MEASURE
• Retention
factor
DETECTOR
• Visual,
detection
reactions,
• fluorescence,
UV–Vis,
• densitometer
APPLICATION
• Non-volatile
compounds
CAPILLARY
ELECTROPHORESIS
PRINCIPLE
• In the simplest
form,
separation of
dissolved
ionizable
compounds in
silica capillary,
due to
migration of
their ions on
application of
high electric
field
MEASURE
• Migration time
DETECTOR
• UV and also
fluorescence,
• MS
APPLICATION
• Nucleic acids
and
• nucleotides,
• pharmaceutical
s,
• proteins,ioniza
ble compounds
UV-VIS
PRINCIPLE
Measurements of light
absorption at different
wavelengths in ultraviolet and
visible part of the spectrum
due to electronicexcitation
APPLICATION
Detection for
HPLC
MOLECULAR SPECTROMETRY
IR
PRINCIPLE
• Absorption
measurement of IR
radiation
(wavenumbers from
13,000 to 10 cm–
1,wavelengths from
0.78 to1,000 mm) due
to vibration excitation
APPLICATION
• Structure elucidation
(determination of
functionalgroups),Qua
litative analysis II
(polymers,plastics,
resins,food, and so
on)
LIMITATIONS
• Relatively low
sensitivity(1–10 mg is
commonly needed for
Spectral recordingb);
low compatibility of
IR detector with GC
and especially LC
NMR
PRINCIPLE
• Absorption of
radiation in the
radiofrequency range
of the electromagnetic
spectrum(hundreds of
MHz) due to changes
in the spin states of
the atom nucleus
APPLICATION
• Structure elucidation
(determination of
functionalgroups),Qua
litative analysis II
(polymers,plastics,
resins,food, and so
on)
LIMITATIONS
• Relatively low
sensitivity
• slow progress in LC–
NMR
MS
PRINCIPLE
• Measurement of mass
(up to 106 Da) and
amount of ions(down
to a few counts)
• generated from
atoms/molecules of a
substance
APPLICATION
• All kinds of chemical
analysis
LIMITATIONS
• Lower applicability in
direct analysis of
unpolar highmolecular
compounds
Chromatography and spectrometry
Instrument Application Comment
Gas chromatograph–
mass
spectrometers
Volatile and semivolatile
organic
compounds
Rather simple, bench top,
inexpensive instruments
Liquid chromatograph
low resolution mass
spectrometers
Non-volatile lowmolecular
organic
compounds
Increasing role of tandem
instruments, i.e. ion traps
Liquid chromatograph–
high resolution
mass
spectrometers
Non-volatile organic
compoundsincluding
highmolecular
biocompounds,Proteomics
Expensive instruments:
time-offlight,
Orbitrap,ESI
Mass spectrometers for
nonvolatile
compounds without
chromatography
Bio compounds,
proteomics,
polymers
Sample as a thin surface
layer of organic compound
in matrix
(MALDI)
GCMS
LCMS
Flow chart for treating gas, liquid, and solid samples in chromatographic and
mass spectrometric analysis
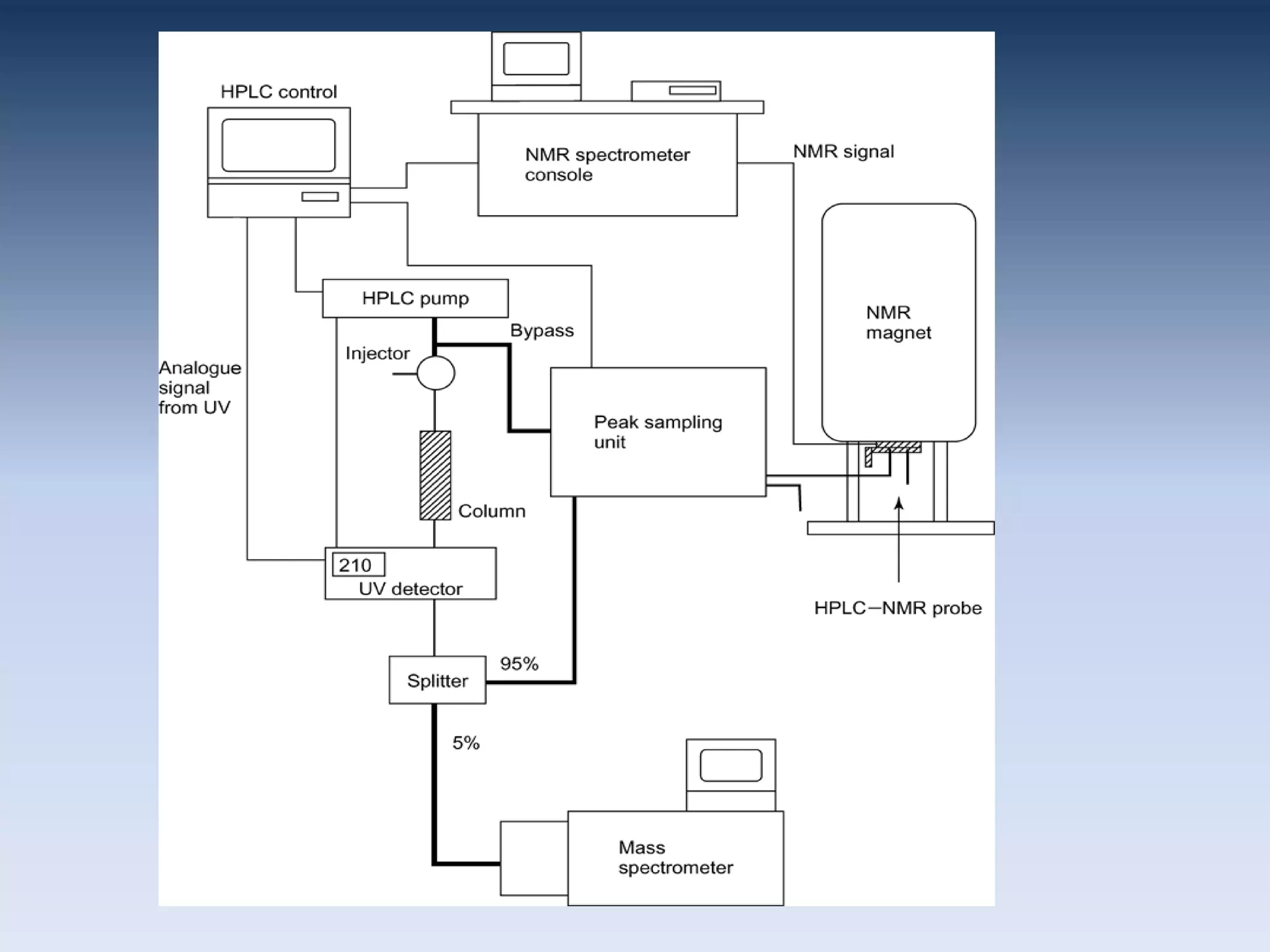
HPLC-NMR
• HPLC principles to high-resolution NMR spectrometers
offers a powerful tool for analyzing and characterizing
complex chemical mixtures.
• The HPLC performs the separation of a complex
mixture and the NMR spectrometer takes a spectrum of
each separated component to identify its structure
molecular weight.
25
The coupling of two instruments to make a new
technique
• More capabilities than either instrument alone.
• HPLC-NMR is made possible with a specially
designed flow probe.
• Complex mixtures of unknown alkaloids extracted
from plants have been separated and their
structures completely characterized by HPLC-NMR
using a variety of 2D NMR.
26
Eastern blot
(Detection of carbohydrate epitopes on proteins or lipids)
• The eastern blot is a biochemical technique used to analyse
protein post translational modifications (PTM) such as lipids,
phosphomoieties and glycoconjugates.
• Eastern blotting can be considered an extension of the
biochemical technique of Western blotting
• It is most often used to detect carbohydrate epitopes
Continued…
1. Multiple techniques have been used in Eastern blotting,
2. Example: use proteins blotted from SDS-PAGE gel on
to nitrocellulose membrane.
3. Transferred proteins are analyzed for post-translational
modifications using probes that may
detect lipids, carbohydrate, phosphorylation or any other
protein modification.
Results
RESULTS
Content of caryophyllene (I, μg/g)
in the different samples
Area of the peaks of the terpenes
identified
Conclusions
• Analytical techniques in particular molecular
spectrometry providing more information, are
preferred for identification.
• Chromatographyin combination with
spectrometric techniques sharply increases
possibilities and trueness of identification.
• Mass spectrometry is superior to other spectral
techniques in such features as sensitivity,
selectivity, generation possibility of molecular
mass/formula, and combinability with
chromatography
REFERENCES
• Chapter 2 Techniques and Methods of Identification
• Chapter A3,METHODS FOR ANALYSIS OF ORGANIC SUBSTANCES IN
WATER By Donald F. Goerlitz and Eugene Brown Book 5 LABORATORY
• Chapter 8 - ADVANCED INSTRUMENTAL ANALYSIS
• Power point prsentation by Prof Dr. K.M.Harinikumar
• Highperformance liquid chromatography analysis of plant saponins:An update
2005-2010 Jagmohan S. Negi, Pramod Singh, Geeta Joshi Nee Pant, and M. S. M.
Rawat Department of Chemistry, HNB Garhwal University, Srinagar (Garhwal)
Herbal Research and Development Institute, Gopeshwar (Chamoli), Uttarakhand,
India
• Characterization of the Volatile Components of Cannabis Preparations by Solid-
Phase Microextraction Coupled to Headspace-Gas Chromatography with Mass
Detector (SPME-HSGC/MS)Sebastiano Arnoldi, Gabriella Roda*, Eleonora
Casagni, Lucia Dell’Acqua, Michele Dei Cas, Fiorenza Fare, Chiara Rusconi,
Giacomo LucaVisconti and Veniero GambaroDepartment of Pharmaceutical
Sciences, University of Milan, Via Mangiagalli 25, 20133, Milan, Italy
Advanced techniques in analysis of organic compound

Advanced techniques in analysis of organic compound

  • 2.
    ADVANCED TECHNIQUES IN ANALYSISOF ORGANIC COMPOUNDS SUBMITTED BY UPASANA MOHAPATRA PALB 6290 SUBMITTED TO PROF.DR.K. M. HARINIKUMAR ADVANCED CENTRE FOR PLANT BIOTECGHNOLOGY UAS,GKVK,BENGALURU
  • 3.
    Flow of Presentation Summary References ResearchPaper Description about different techniques HPLC-NMR Techniques used for analysis Organic Molecules Need of analysis of Organic Molecules
  • 4.
    ORGANIC MOLECULE • Themolecules of life which are built of chains of carbon atoms that are often quite long. • Four main groups of organic molecules that combine to build cells and their parts- carbohydrates, proteins, lipids, and nucleic acids.
  • 5.
    NEED OF ORGANICCOMPOUND ANALYSIS We do analysis of organic compounds 1. To measure their concentrations in any living organisms. 2. To identify the compounds present in microorganisms 3. To identify the waste pollutants pressent in water sample. 4. To identify the secondary metabolites present in the medicinal plants. 5. To identify the volatile compounds present in the aromatic plants.
  • 6.
    TECHNIQUES USED FORANALYSIS • Elemental Analysis • Electrochemistry • X-ray Diffraction Microarray • Biological Techniques For Chemical Analysis • Chromatographic Techniques • Chromatography-Spectrometer • HPLC-NMR
  • 7.
    ELEMENTAL ANALYSIS For alot of organic compounds having very similar properties, elemental identification is relatively simple. • Flame test • Photometry and spectrophotometry • Atomic emission/absorption spectroscopy • X-ray fluorescence analysis
  • 8.
    ELECTROCHEMISTRY • The techniquesare applicable for identification of electrochemically reducible (e.g., nitro, nitroso, and azo) compounds and oxidizable (aromatic amines, phenols) compounds. • Voltammetric peak potentials are quantities measured for identification. • Two types of electrochemical devices, sensors and selective HPLC detectors are used for advanced chemical analysis.
  • 9.
    X-RAY DIFFRACTION • Forstructure determination of organic solids and identification of crystalline phases. • Eg. Identification of minerals in geological samples
  • 10.
    MICROARRAY They are verysuitable for: • Purposes of detection and screening • Field and industrial analysis • Beginning analysts • Qualitative analysis
  • 11.
    Biological Techniques forChemical Analysis • Developing biosensor techniques combined with electrochemical devices can be used for screening of some chemicals. • Methods based on bioassays, e.g.,ones using enzymes, are specific to certain substances and sensitive, i.e., suitable for qualitative confirmation
  • 12.
  • 13.
    GC PRINCIPLE separation of agaseous mixture into individual compounds on passing a gas flow through a thin glass column, the inner walls of which are coated with a special nonvolatile liquid MEASURE Time, relative time, Index of retention DETECTOR MS,flame ionization, atomic emission APPLIC ATION Gas, volatile, and semi- volatile compoun ds
  • 14.
    LC PRINCIPLE Separation of aliquid mixture into individual components on passing a liquid through a relatively thin steel column packed with particles or aporous layer of stationary phase MEASURE Time, relative time, Index of retention DETECTOR MS,flame ionization, atomic emission APPLICA TION Non volatile compound including almost all biochemic als
  • 15.
    TLC(THIN LAYER CHROMATOGRAPHY) PRINCIPLE • Separation techniquefor a liquid mixture somewhat resembling LC, where the stationary phase is a layer of solid particles spread on a flat plat MEASURE • Retention factor DETECTOR • Visual, detection reactions, • fluorescence, UV–Vis, • densitometer APPLICATION • Non-volatile compounds
  • 16.
    CAPILLARY ELECTROPHORESIS PRINCIPLE • In thesimplest form, separation of dissolved ionizable compounds in silica capillary, due to migration of their ions on application of high electric field MEASURE • Migration time DETECTOR • UV and also fluorescence, • MS APPLICATION • Nucleic acids and • nucleotides, • pharmaceutical s, • proteins,ioniza ble compounds
  • 17.
    UV-VIS PRINCIPLE Measurements of light absorptionat different wavelengths in ultraviolet and visible part of the spectrum due to electronicexcitation APPLICATION Detection for HPLC MOLECULAR SPECTROMETRY
  • 18.
    IR PRINCIPLE • Absorption measurement ofIR radiation (wavenumbers from 13,000 to 10 cm– 1,wavelengths from 0.78 to1,000 mm) due to vibration excitation APPLICATION • Structure elucidation (determination of functionalgroups),Qua litative analysis II (polymers,plastics, resins,food, and so on) LIMITATIONS • Relatively low sensitivity(1–10 mg is commonly needed for Spectral recordingb); low compatibility of IR detector with GC and especially LC
  • 19.
    NMR PRINCIPLE • Absorption of radiationin the radiofrequency range of the electromagnetic spectrum(hundreds of MHz) due to changes in the spin states of the atom nucleus APPLICATION • Structure elucidation (determination of functionalgroups),Qua litative analysis II (polymers,plastics, resins,food, and so on) LIMITATIONS • Relatively low sensitivity • slow progress in LC– NMR
  • 20.
    MS PRINCIPLE • Measurement ofmass (up to 106 Da) and amount of ions(down to a few counts) • generated from atoms/molecules of a substance APPLICATION • All kinds of chemical analysis LIMITATIONS • Lower applicability in direct analysis of unpolar highmolecular compounds
  • 21.
    Chromatography and spectrometry InstrumentApplication Comment Gas chromatograph– mass spectrometers Volatile and semivolatile organic compounds Rather simple, bench top, inexpensive instruments Liquid chromatograph low resolution mass spectrometers Non-volatile lowmolecular organic compounds Increasing role of tandem instruments, i.e. ion traps Liquid chromatograph– high resolution mass spectrometers Non-volatile organic compoundsincluding highmolecular biocompounds,Proteomics Expensive instruments: time-offlight, Orbitrap,ESI Mass spectrometers for nonvolatile compounds without chromatography Bio compounds, proteomics, polymers Sample as a thin surface layer of organic compound in matrix (MALDI)
  • 22.
  • 23.
    Flow chart fortreating gas, liquid, and solid samples in chromatographic and mass spectrometric analysis
  • 24.
    HPLC-NMR • HPLC principlesto high-resolution NMR spectrometers offers a powerful tool for analyzing and characterizing complex chemical mixtures. • The HPLC performs the separation of a complex mixture and the NMR spectrometer takes a spectrum of each separated component to identify its structure molecular weight.
  • 25.
  • 26.
    The coupling oftwo instruments to make a new technique • More capabilities than either instrument alone. • HPLC-NMR is made possible with a specially designed flow probe. • Complex mixtures of unknown alkaloids extracted from plants have been separated and their structures completely characterized by HPLC-NMR using a variety of 2D NMR. 26
  • 28.
    Eastern blot (Detection ofcarbohydrate epitopes on proteins or lipids) • The eastern blot is a biochemical technique used to analyse protein post translational modifications (PTM) such as lipids, phosphomoieties and glycoconjugates. • Eastern blotting can be considered an extension of the biochemical technique of Western blotting • It is most often used to detect carbohydrate epitopes
  • 29.
    Continued… 1. Multiple techniqueshave been used in Eastern blotting, 2. Example: use proteins blotted from SDS-PAGE gel on to nitrocellulose membrane. 3. Transferred proteins are analyzed for post-translational modifications using probes that may detect lipids, carbohydrate, phosphorylation or any other protein modification.
  • 32.
  • 35.
    RESULTS Content of caryophyllene(I, μg/g) in the different samples Area of the peaks of the terpenes identified
  • 37.
    Conclusions • Analytical techniquesin particular molecular spectrometry providing more information, are preferred for identification. • Chromatographyin combination with spectrometric techniques sharply increases possibilities and trueness of identification. • Mass spectrometry is superior to other spectral techniques in such features as sensitivity, selectivity, generation possibility of molecular mass/formula, and combinability with chromatography
  • 38.
    REFERENCES • Chapter 2Techniques and Methods of Identification • Chapter A3,METHODS FOR ANALYSIS OF ORGANIC SUBSTANCES IN WATER By Donald F. Goerlitz and Eugene Brown Book 5 LABORATORY • Chapter 8 - ADVANCED INSTRUMENTAL ANALYSIS • Power point prsentation by Prof Dr. K.M.Harinikumar • Highperformance liquid chromatography analysis of plant saponins:An update 2005-2010 Jagmohan S. Negi, Pramod Singh, Geeta Joshi Nee Pant, and M. S. M. Rawat Department of Chemistry, HNB Garhwal University, Srinagar (Garhwal) Herbal Research and Development Institute, Gopeshwar (Chamoli), Uttarakhand, India • Characterization of the Volatile Components of Cannabis Preparations by Solid- Phase Microextraction Coupled to Headspace-Gas Chromatography with Mass Detector (SPME-HSGC/MS)Sebastiano Arnoldi, Gabriella Roda*, Eleonora Casagni, Lucia Dell’Acqua, Michele Dei Cas, Fiorenza Fare, Chiara Rusconi, Giacomo LucaVisconti and Veniero GambaroDepartment of Pharmaceutical Sciences, University of Milan, Via Mangiagalli 25, 20133, Milan, Italy