[DOCUMENT
TITLE]
[Document subtitle]
[DATE]
[COMPANY NAME]
[Company address]
Axial Flux Permanent
Magnet Generator
1 | P a g e
Content Table of contents
• Abstract …………………………………………………………………………………………………
• List of symbols …………………………………………………………………………………………
• List of figures ……………………………………………………………………………………………
• Chapters …………………………………………………………………………………………………
1. Introduction …………………………………………………………………………………
2. Technical specifications and design ………………………………………………
2.1.Overview………………………………………………………………………………
2.2.Electrical view ………………………………………………………………………
2.2.1. Magnets selection ……………………………………………………
2.2.2. coils …………………………………………………………………………
2.3.Mechanical view …………………………………………………………………
2.3.1. Material selection ……………………………………………………
2.3.2. Standards selection …………………………………………………
2.3.3. Alignment mechanisms ……………………………………………
2.3.4. Maintenance and assembly ……………………………………
3. Calculations ……………………………………………………………………………………
3.1. Electrical performance …………………………………………………………
3.1.1. E per phase ………………………………………………………………
3.1.2. No. of coils ………………………………………………………………
3.2.Mechanical performance ………………………………………………………
3.2.1. Weight estimation ……………………………………………………
4. Simulations and finite element results …………………………………………
4.1.Stress analysis ………………………………………………………………………
5. Tests ………………………………………………………………………………………………
6. Cost and engineering economics ……………………………………………………
7. Conclusions ……………………………………………………………………………………
8. Appendix ………………………………………………………………………………………
9. References ……………………………………………………………………………………
2 | P a g e
Axial Flux PMSG
Abstract:
• The goal of this project Is to design and manufacture a generator that could
be mounted to the wind turbine.
• The generator has to be capable of producing ( ) W of power with a ( ) V
output in addition to limiting the current and heat produced.
• After considering an array of generator designs, an axial flux permanent
magnet design was selected.
• efficiency of an axial flux generator is inversely proportional to the air gap to
the fourth power, so the goal of the assembly was to be able to achieve the
smallest air gap possible.
• In this study, axial flux coreless permanent magnet synchronous generator
(PMSG) is designed as single stator and double rotors and its electromagnetic
and structural characteristics are analyzed.
• The aim of this study is to provide both reduction of iron loss and making the
machine become lighter by reducing the number of the rotors to be used.
• Three-dimensional electromagnetic analysis of the designed machine has
been done by the finite element method and transient solutions are
suggested based on this. Within this study, arrangements Have been done
depending on certain standards in order that permanent magnets and coils
obtain direct alternating current. The designed new axial flux generator
moves as permanent speed of (500) rpm and so maximum voltage of
approximately (75) V per phase is obtained.
• This PMSG does not need a gear system due to its design structure.
List of Symbols
3 | P a g e
Ai pole arc to pole pitch ratio
Bmg magnetic flux density on magnet surface (T)
Dc copper diameter (mm)
Din generator inner diameter (mm)
Dout generator outer diameter (mm)
Ef electro-magnetic force (V)
F generator frequency (Hz)
Iac nominal AC current (A)
N generator RPM
Nc number of turns per coil
Nphase number of turns per phase
P number of pole pairs
Q number of coils per phase
Q total number of coils
Rc coil resistance (Ω)
Spm permanent magnet surface area (m2)
Tw stator axial thickness (m)
Wc coil side width (m)
Wm permanent magnet radial width (m)
Ƞ generator efficiency
4 | P a g e
LIST OF FIGURES
Chapter-Fig. No. Description Page No.
1-1 Renewable energy generator 5
2-1 Difference between axial and radial generator 6
2-2 Magnets on rotor 7
2-3 Effect of cogging torque because of magnet thickness 8
2-4 Coil Connection 9
2-5 Alignment by casing 10
2-6 Male-female method for torque transmission 10
2-7 Bolts for position 10
3-1 C++ software application for voltage calculations 16
3-2 Pole arc to pole pitch ratio 19
3-3 Magnets skewing angle 20
4-1 , 4-2 Stator Stresses and deflection max and min points 22
4-3, 4-4 Rotor Stresses and deflection max and min points 23
4-5, 4-6 Shaft Stresses and deflection max and min points 24
4-7, 4-8 Casing Stresses and deflection max and min points 25
4-9, 4-10 Flanges Stresses and deflection max and min points 26
5 | P a g e
CH1: Introduction
In the modern age, renewable energy is
experiencing an unprecedented rise in
investment, and global capability.
Figure 1 below shows how the global
cumulative wind capacity has increased
significantly in the last 15 years. The
driving factors behind this growth
include faltering confidence in the fossil
fuel industry, and increasing awareness
about the side effects of non-
renewable energy that affect the
environment.
Figure 1-1
The objective of this project is to build a generator that could supply power to
lamps and small machines. due to time constraints, it was decided to build a
prototype which would only need to operate in wind turbine and achieve efficiency
at average operating wind speeds. The generator was designed to output a 3-phase
AC power Then rectifying and connecting a 3-phase rectifier to produce DC power
6 | P a g e
CH2: Technical Specifications& Design
A) Overview
- The first step in the design was to select the generator type. It was optional for
our team to choose either induction or permanent magnet rotor. One of the biggest
constraints of induction rotor is that it needs external power source. An external
power source, used to excite the generator at startup in addition to that Induction
generators are more complex electrically and include both capacitors and
inductors, so we decided to use PMG.
- Another consideration for the generator's type was whether to build a radial flux,
or axial flux PMG the radial flux would have required many concentric cylindrical
parts, a cylindrical casing, cylindrical magnets, rotor etc. In an axial flux generator,
the rotor is a flat disk of magnets which rotates on a shaft above a flat ring of stator
coils. In analyzing the two design types, an axial flux PMG was chosen as our final
design choice for reasons of simplicity, ease of manufacturing and cost of materials
in addition to less losses and the production of more power compared with radial
ones.
Fig 2-1
7 | P a g e
-There is a rotor mounted with a ring of
magnets. The rotor is connected to the
generator shaft which is fixed and outer
casing with rotor is driven.
- The magnets on the rotor are arranged so
that alternating north and south poles are
perpendicular to the rotors flat top and
bottom faces. The rotation of the rotor causes
an alternating magnetic field at a given point
above or below the rotor.
- The stator ring, a flat plate, with a ring of copper coils situated above the rotor.
The alternating magnetic field from the rotor induces a voltage in the coils of the
stator. The higher the number of turns in the coils, the higher the voltage that will
be induced. Also, the closer the magnets are to the coils, the higher the voltage
that will be induced.
- Magnetic flux density drops off with the square of the distance, so it is important
to reduce the air gap between stator and rotor for better efficiency. And finally, the
faster the rotor spins, the faster the magnetic fields are switched, the higher the
voltage that will be induced. Voltage is a function of speed, while current is a
function of torque. The higher the torque, the higher the current that is produced.
Figure 2-2
8 | P a g e
B) As Electrical View
Magnet Selection:
i) We use traditional magnet array not "Halbach array" Because of it's
difficulty to assemble. its arrangement is more like a puzzle.
- A Halbach array is a special arrangement of permanent magnets that
augments the magnetic field on one side of the array while cancelling the
field to near zero on the other side. This is achieved by having a spatially
rotating pattern of magnetization.
ii) We use block magnet 40 x 20 x 5 mm Neodymium, N42, nickel-plated
Relative
permeability
Remanence
(Tesla)
Coercivity
(A/m)
N42 1.205 1.35 891268
iii) As we know from “Effect of stator permanent magnet thickness and rotor
geometry modi cations onthe minimization of cogging torque of a ux
reversal machine” paper, The cogging torque increase with thickness of
magnet.
Figure 2-3
Coils:
i) These two considerations were kept in mind when deciding on
the coil configuration for the stator.
1- to produce 3-phases of power, which provides better efficiency than
single phase, we decide use 9 coils. it would be possible to overlap
three phases for every 1/3rd
of a ring.
9 | P a g e
2- The magnets and coils are
arranged in a way so that the
north side of every fourth
magnet passes over the leading
edge of every third coil. This way
the 12 magnets and 9 coils
produce 3 coils with each of the
3 phases star connections.
C) As Mechanical View
Material Selection:
-For the bulk of the design, The aluminum parts consisting of the casing plate,
the lower rotor and upper rotor. Aluminum was chosen for these parts since
it is easy to be machined, easy to be found, nonmagnetic, and not terribly
expensive.
-we use Artylon (High density polyethylene) as a material for the stator and
the Flange supports because it’s density we use it for weight reduction.
Standard Selection:
-we use bearing 6906z with material 52100 chrome steel or equivalent
because it’s internally lubricated.
-use snap ring with standard DIN 471 30 x 1.5 [circlip]
-user Permabond 919 because it’s specified for magnets material.
Alignment Mechanisms:
- Because the efficiency is inversely proportional to the air gap between the
stator and the magnets to the fourth power, it was imperative that this gap
be minimized. In order to achieve this, the stator plate and the rotor had to
be almost perfectly parallel.
- For an air gap, the maximum allowable angle between the two plates was
less than about 0.3°. For the alignment to be this exact we use casing to
connect between lower and upper rotor.
Figure 2-4
Figure 2-4
10 | P a g e
Figure 2-6
Figure 2-5
In casing and rotor there are teeth which act as male-female concept in
addition to bolts for positioning.
Alignment Mechanisms:
Maintenance and Assembly:
In our design it was necessary to be able to disassemble the generator easily.
Which required that all bolts and nuts must be located in accessible
positions. Another necessity was a power connection that was removable.
Possibility of assembling and disassembling the generator was kept in our
mind.
Lower rotor
Upper rotor
Casing
Position for bolts
Fig 2-7
11 | P a g e
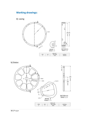
Working drawings:
A) casing
b) Stator:
12 | P a g e
c) Coils
d) Lower rotor:
13 | P a g e
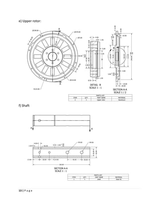
e) Upper rotor:
f) Shaft
14 | P a g e
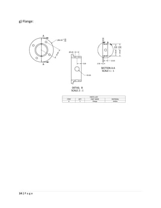
g) Flange:
15 | P a g e
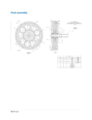
Final assembly
16 | P a g e
CH 3: Calculations
A) Electrical Performance:
i) Rectifier calculations:
In project description it’s required to produce 60 volts at 750 RPM.
E (voltage) per Phase:
𝑓 =
𝑛×𝑝
60
∴ 𝑓 =
12×750
60
= 150 𝐻𝑧
From: Eph =4.44*( Kd*Kc=0.95)* f* ϕmax Nph
Where: 2P is the number of poles
Φ max is max. flux per pole in Web.
n is the speed in (r.p.m)
f is the frequency in Hz
N ph is the number of turns connected in series per phase
Kc is the coil span factor
Kd is the distribution factor
Eph is the Root mean square (R.M.S) value of the EMF induced per phase
Kd= =
sin(
𝑛𝑜,𝑜𝑓 𝑠𝑙𝑜𝑡𝑠 𝑝𝑒𝑟 𝑝𝑜𝑙𝑒 𝑝𝑒𝑟 𝑝ℎ𝑎𝑠𝑒 ∗ 𝑠𝑙𝑜𝑡 𝑎𝑛𝑔𝑙𝑒
2
)
𝑛𝑜, 𝑜𝑓 𝑠𝑙𝑜𝑡𝑠 𝑝𝑒𝑟 𝑝𝑜𝑙𝑒 𝑝𝑒𝑟 𝑝ℎ𝑎𝑠𝑒 ∗ sin(
𝑠𝑙𝑜𝑡 𝑎𝑛𝑔𝑙𝑒
2
)
⁄
Kc =cos(
𝐷𝑖𝑠𝑡𝑎𝑛𝑐𝑒 𝑏𝑒𝑡𝑤𝑒𝑒𝑛 𝑙𝑎𝑠𝑡 𝑒𝑑𝑔𝑒 𝑜𝑓 𝑚𝑎ℎ𝑛𝑒𝑡 𝑡𝑜 𝑙𝑎𝑠𝑡 𝑒𝑑𝑔𝑒 𝑜𝑓 𝑐𝑜𝑖𝑙
2
)
Φ max=B x w x l
B from data sheet = 1.29 to 1.35 Tesla.
W width of magnet = 20 mm
L Length of magnets = 40 mm
∴ Φmax = 1.29 x 20 x 40x10−6
= 1.032 x10−3
𝑊𝑒𝑏
Number of coils:
From number of poles = 4
3ൗ x No. of coils (4/3 in axial & 2/3 in radial)
12 = 4
3ൗ x No. of coils so: No. of coils = 9 coils
17 | P a g e
Rectifier calculation:
𝒗 𝑫𝒄 =
𝟑√ 𝟑𝒗 𝒔
𝝅
𝒗 𝑳𝒊𝒏𝒆(𝒑𝒆𝒂𝒌) = √𝟑𝒗 𝒔
𝒗 𝑷𝒉𝒂𝒔𝒆 = √𝟑𝒗 𝑳𝒊𝒏𝒆 𝒑𝒆𝒂𝒌
𝒗 𝑷𝒉𝒂𝒔𝒆 𝑹𝒎𝒔 = √𝟑𝒗 𝑷𝒉𝒂𝒔𝒆 𝒘𝒊𝒕𝒉 𝒂𝒏𝒈𝒍𝒆 𝟑𝟎
Software Program:
We were able to develop a primary C++ console program which is able to perform
electrical calculations for 3- phase synchronous machines.
It’s now on GitHub.
Fig 3-1
18 | P a g e
B) Mechanical Performance:
Weight estimation:
1. Shaft
• Material: steel 42
• Mass = 0.5 kg
2. Upper rotor
• Material: Aluminum
• Mass = 2.25 kg
3. Lower rotor
• Material: Aluminum
• Mass = 1.5 kg
4. Casing
• Material: Aluminum
• Mass = 1 kg
•
5. Stator
• Material: Artylon
• Mass = 0.25 kg
6. Flange
• Material: Artylon
• Mass = 0.035 kg
19 | P a g e
7. Magnets
• Material: neodymium-N42
• Mass = 0.750 kg
8. Coils
• Material: copper wires
• Mass = 1.5 kg
Total mass = 7.9 kg (by adding weights of bearings, snap rings, bolts and nuts,
error percentage), it may reach 9 Kg.
================================================
Types of Losses:
- Core:
We don’t need an iron core because we can get a very close gap spacing. with no core,
the field lines cut through very few of the conductors, since the strongest field lines loop
around the magnet itself. The iron cores have static iron losses that scale with the square
of the rpm.in addition to, the iron core needs higher startup torque.
- Bearing Losses:
Normal Losses
•Mechanical.
•Core losses.
•Bearing Losses.
•Electrical
•Copper losses.
•Stator windings.
Stray Losses
•leakage in flux.
20 | P a g e
where: P = Equivalent Load on the bearing
μ = Coefficient of friction (.0015 for Deep Groove Ball Bearing)
m = Pitch diameter of bearing
P losses =Cd x D^3 x Wm
: Cd Bearing Coefficient
D Average bearing diameter
Wm Width of magnet
So, losses using this estimate were approximately 0.5 W. Although Bearing
losses have not been quantified, turning the drive rotor by hand requires
substantially more power than this.
- Cogging Torque:
Fundamentally, cogging torque can be expressed as
Tcog = −
1
2
φ 𝜙 𝑔
2 𝑑𝑅
dθൗ .
Where φg is the air gap flux, R is the air gap reluctance, and θ is the rotor
position. The magnet is the source of the air gap flux because the cogging
torque is observed when there is no current in the stator coil. This shows the
cogging torque is caused by the attraction between the PM and rotor teeth.
Based on R variation, the cogging torque changes periodically.
21 | P a g e
• Cogging torque reduction techniques :
(1) Using an appropriate magnet
pole arc to pole pitch ratio:
The pole arc to pole pitch ratio
(α), can be defined as the ratio of
the magnet pole arc (αM) to pole
pitch (αP). The best ratio is from
0.7 to 0.4. The highest value of
reduction occurs for α= 0.68.
In our case, α varies from 0.53 to
0.65. Fig 3-2
(2) The conventional magnet skewing technique:
The skewing angle (ƴ) is defined as the angle between the edges of the
Skewed and fan-shaped magnets. The peak-to-peak value of the cogging
torque, without any skewing (ƴ =0), and α= 0.68, is 0.5355 N m. By
applying the 18 degree conventional skewing, (ƴ = 18 degree), the peak-
to-peak value of the cogging torque is decreased to 0.1096 N m (a red. of
about 80%
Fig 3-3
22 | P a g e
Bolts stresses
T=𝒇 𝒃𝒐𝒍𝒕 n*R
Such that
• T represent the torque
• n represent no. of needed bolts
• R represent the radius on which the bolts are mounted
T= (9500*P)/RPM
T=
𝟗𝟓𝟓𝟎∗𝟎.𝟎𝟕𝟓𝟎
𝟓𝟎𝟎
= 14.325 N.m (1)
𝒇 𝒃𝒐𝒍𝒕 ∗ 𝜋𝑟2
≤
𝜎
2𝑛
𝒇 𝒃𝒐𝒍𝒕 ∗ 𝜋(5)2
≤
200
2 ∗ 3
𝒇 𝒃𝒐𝒍𝒕 ≤ 1200 𝜋
In (1): 14.325 =
𝟐𝟓𝟎𝟎 𝛑
𝟑 ∗ 𝟏𝟐𝟗∗𝐧
Therefore: n= 0.000043 bolt
Since we use 6 bolts
Therefore the bolts stresses are safe
23 | P a g e
24 | P a g e
CH 4: FINITE ELEMENT RESULTS
Stress analysis:
We used Inventor software to make stress analysis and these were the
results on:
A) Stator: The stator is stable and withstands the coils weight
Fig 4-1
Fig 4-2
25 | P a g e
B) Rotor:
The rotor can transmit the torque produced from the turbine to the
casing through its teeth safely
Fig 4-3
Fig 4-4
26 | P a g e
C) Shaft:
The shaft can withstand the whole generator's weight safely
Fig 4-5
Fig 4-6
27 | P a g e
D) Casing:
The casing can transmit the torque produced from the upper rotor to
the lower rotor through its teeth safely without any noticeable
deformation
Fig 4-7
Fig 4-8
28 | P a g e
Fig 4-10
E) Flange:
The 2 flanges can maintain its position against weights safely
Fig 4-9
29 | P a g e
30 | P a g e
CH 5: Practical Test
31 | P a g e
CH 7: Conclusions
In this report, an innovative design of a low-speed PMSG. The proposed
model has a modular structure with coreless stator and rotor. It was
proved through simulation results that the proposed model has an
improved efficiency for variable speed operation compared to the
standard models of existing wind power generators. Moreover, it was also
proved that the proposed model exhibits a number of other advantages
such as higher energy yield, lighter weight, and better wind power
utilization.
Software Programs Used:
A) For Design:
▪ SOLIDWORKS
▪ Autodesk Inventor
B) For Simulation:
▪ Autodesk Inventor
▪ ANSYS
▪ EMS Works
32 | P a g e
References:
➢ K. M. Vishnu Murthy (2015) Computer Aided Design of Electrical Machines,
➢ VIDHYA, SRINIVAS (2017)  Effect of stator permanent magnet thickness and rotor
geometry modi cations onthe minimization of cogging torque of a ux reversal machine.,
dergipark: Final Version.
➢ Tareq S. El-Hasan (2016) Development of axial flux permanent magnet generator for
direct driven micro wind turbine , IEEE: .
➢ Kostas Latoufis, Georgios Messinis, Panos Kotsampopoulos, Nikos D. Hatziargyriou
(2012) Axial Flux Permanent Magnet Generator Design for Low Cost Manufacturing of
Small Wind Turbines, researchgate: .
➢ Maryam SHOKRI, Vahid BEHJAT, , Naghi ROSTAMI (2014) 'Characterization of Axial
Flux Permanent Magnet Generator Under Various Geometric Parameters for Improved
Performance', researchgate,.
➢ Hugh Piggott (2001) 'PMG construction manual',.
➢ R. Gomez-Torres, Reynaldo Iracheta Cortez,Norberto Flores-Guzmán, E. Duenas-Reyes,
M. A. Hernandez-Rodriguez, J. R. Dorrego-Portela (November 2018) 'On the
Development of a Flexible Methodology for the Analytical Design of an Axial-Flux
PMSG Used in Wind Turbines', researchgate, (), pp. .
➢ Losses in a DC generator and DC motor. (n.d.). Retrieved from
https://www.electricaleasy.com/2014/01/losses-in-dc-machine.html.
➢ Rectification of a Three Phase Supply using Diodes. (2018, September 3). Retrieved from
https://www.electronics-tutorials.ws/power/three-phase-rectification.html.
33 | P a g e
34 | P a g e

Wind Turbine generator

  • 1.
    [DOCUMENT TITLE] [Document subtitle] [DATE] [COMPANY NAME] [Companyaddress] Axial Flux Permanent Magnet Generator
  • 2.
    1 | Pa g e Content Table of contents • Abstract ………………………………………………………………………………………………… • List of symbols ………………………………………………………………………………………… • List of figures …………………………………………………………………………………………… • Chapters ………………………………………………………………………………………………… 1. Introduction ………………………………………………………………………………… 2. Technical specifications and design ……………………………………………… 2.1.Overview……………………………………………………………………………… 2.2.Electrical view ……………………………………………………………………… 2.2.1. Magnets selection …………………………………………………… 2.2.2. coils ………………………………………………………………………… 2.3.Mechanical view ………………………………………………………………… 2.3.1. Material selection …………………………………………………… 2.3.2. Standards selection ………………………………………………… 2.3.3. Alignment mechanisms …………………………………………… 2.3.4. Maintenance and assembly …………………………………… 3. Calculations …………………………………………………………………………………… 3.1. Electrical performance ………………………………………………………… 3.1.1. E per phase ……………………………………………………………… 3.1.2. No. of coils ……………………………………………………………… 3.2.Mechanical performance ……………………………………………………… 3.2.1. Weight estimation …………………………………………………… 4. Simulations and finite element results ………………………………………… 4.1.Stress analysis ……………………………………………………………………… 5. Tests ……………………………………………………………………………………………… 6. Cost and engineering economics …………………………………………………… 7. Conclusions …………………………………………………………………………………… 8. Appendix ……………………………………………………………………………………… 9. References ……………………………………………………………………………………
  • 3.
    2 | Pa g e Axial Flux PMSG Abstract: • The goal of this project Is to design and manufacture a generator that could be mounted to the wind turbine. • The generator has to be capable of producing ( ) W of power with a ( ) V output in addition to limiting the current and heat produced. • After considering an array of generator designs, an axial flux permanent magnet design was selected. • efficiency of an axial flux generator is inversely proportional to the air gap to the fourth power, so the goal of the assembly was to be able to achieve the smallest air gap possible. • In this study, axial flux coreless permanent magnet synchronous generator (PMSG) is designed as single stator and double rotors and its electromagnetic and structural characteristics are analyzed. • The aim of this study is to provide both reduction of iron loss and making the machine become lighter by reducing the number of the rotors to be used. • Three-dimensional electromagnetic analysis of the designed machine has been done by the finite element method and transient solutions are suggested based on this. Within this study, arrangements Have been done depending on certain standards in order that permanent magnets and coils obtain direct alternating current. The designed new axial flux generator moves as permanent speed of (500) rpm and so maximum voltage of approximately (75) V per phase is obtained. • This PMSG does not need a gear system due to its design structure.
  • 4.
    List of Symbols 3| P a g e Ai pole arc to pole pitch ratio Bmg magnetic flux density on magnet surface (T) Dc copper diameter (mm) Din generator inner diameter (mm) Dout generator outer diameter (mm) Ef electro-magnetic force (V) F generator frequency (Hz) Iac nominal AC current (A) N generator RPM Nc number of turns per coil Nphase number of turns per phase P number of pole pairs Q number of coils per phase Q total number of coils Rc coil resistance (Ω) Spm permanent magnet surface area (m2) Tw stator axial thickness (m) Wc coil side width (m) Wm permanent magnet radial width (m) Ƞ generator efficiency
  • 5.
    4 | Pa g e LIST OF FIGURES Chapter-Fig. No. Description Page No. 1-1 Renewable energy generator 5 2-1 Difference between axial and radial generator 6 2-2 Magnets on rotor 7 2-3 Effect of cogging torque because of magnet thickness 8 2-4 Coil Connection 9 2-5 Alignment by casing 10 2-6 Male-female method for torque transmission 10 2-7 Bolts for position 10 3-1 C++ software application for voltage calculations 16 3-2 Pole arc to pole pitch ratio 19 3-3 Magnets skewing angle 20 4-1 , 4-2 Stator Stresses and deflection max and min points 22 4-3, 4-4 Rotor Stresses and deflection max and min points 23 4-5, 4-6 Shaft Stresses and deflection max and min points 24 4-7, 4-8 Casing Stresses and deflection max and min points 25 4-9, 4-10 Flanges Stresses and deflection max and min points 26
  • 6.
    5 | Pa g e CH1: Introduction In the modern age, renewable energy is experiencing an unprecedented rise in investment, and global capability. Figure 1 below shows how the global cumulative wind capacity has increased significantly in the last 15 years. The driving factors behind this growth include faltering confidence in the fossil fuel industry, and increasing awareness about the side effects of non- renewable energy that affect the environment. Figure 1-1 The objective of this project is to build a generator that could supply power to lamps and small machines. due to time constraints, it was decided to build a prototype which would only need to operate in wind turbine and achieve efficiency at average operating wind speeds. The generator was designed to output a 3-phase AC power Then rectifying and connecting a 3-phase rectifier to produce DC power
  • 7.
    6 | Pa g e CH2: Technical Specifications& Design A) Overview - The first step in the design was to select the generator type. It was optional for our team to choose either induction or permanent magnet rotor. One of the biggest constraints of induction rotor is that it needs external power source. An external power source, used to excite the generator at startup in addition to that Induction generators are more complex electrically and include both capacitors and inductors, so we decided to use PMG. - Another consideration for the generator's type was whether to build a radial flux, or axial flux PMG the radial flux would have required many concentric cylindrical parts, a cylindrical casing, cylindrical magnets, rotor etc. In an axial flux generator, the rotor is a flat disk of magnets which rotates on a shaft above a flat ring of stator coils. In analyzing the two design types, an axial flux PMG was chosen as our final design choice for reasons of simplicity, ease of manufacturing and cost of materials in addition to less losses and the production of more power compared with radial ones. Fig 2-1
  • 8.
    7 | Pa g e -There is a rotor mounted with a ring of magnets. The rotor is connected to the generator shaft which is fixed and outer casing with rotor is driven. - The magnets on the rotor are arranged so that alternating north and south poles are perpendicular to the rotors flat top and bottom faces. The rotation of the rotor causes an alternating magnetic field at a given point above or below the rotor. - The stator ring, a flat plate, with a ring of copper coils situated above the rotor. The alternating magnetic field from the rotor induces a voltage in the coils of the stator. The higher the number of turns in the coils, the higher the voltage that will be induced. Also, the closer the magnets are to the coils, the higher the voltage that will be induced. - Magnetic flux density drops off with the square of the distance, so it is important to reduce the air gap between stator and rotor for better efficiency. And finally, the faster the rotor spins, the faster the magnetic fields are switched, the higher the voltage that will be induced. Voltage is a function of speed, while current is a function of torque. The higher the torque, the higher the current that is produced. Figure 2-2
  • 9.
    8 | Pa g e B) As Electrical View Magnet Selection: i) We use traditional magnet array not "Halbach array" Because of it's difficulty to assemble. its arrangement is more like a puzzle. - A Halbach array is a special arrangement of permanent magnets that augments the magnetic field on one side of the array while cancelling the field to near zero on the other side. This is achieved by having a spatially rotating pattern of magnetization. ii) We use block magnet 40 x 20 x 5 mm Neodymium, N42, nickel-plated Relative permeability Remanence (Tesla) Coercivity (A/m) N42 1.205 1.35 891268 iii) As we know from “Effect of stator permanent magnet thickness and rotor geometry modi cations onthe minimization of cogging torque of a ux reversal machine” paper, The cogging torque increase with thickness of magnet. Figure 2-3 Coils: i) These two considerations were kept in mind when deciding on the coil configuration for the stator. 1- to produce 3-phases of power, which provides better efficiency than single phase, we decide use 9 coils. it would be possible to overlap three phases for every 1/3rd of a ring.
  • 10.
    9 | Pa g e 2- The magnets and coils are arranged in a way so that the north side of every fourth magnet passes over the leading edge of every third coil. This way the 12 magnets and 9 coils produce 3 coils with each of the 3 phases star connections. C) As Mechanical View Material Selection: -For the bulk of the design, The aluminum parts consisting of the casing plate, the lower rotor and upper rotor. Aluminum was chosen for these parts since it is easy to be machined, easy to be found, nonmagnetic, and not terribly expensive. -we use Artylon (High density polyethylene) as a material for the stator and the Flange supports because it’s density we use it for weight reduction. Standard Selection: -we use bearing 6906z with material 52100 chrome steel or equivalent because it’s internally lubricated. -use snap ring with standard DIN 471 30 x 1.5 [circlip] -user Permabond 919 because it’s specified for magnets material. Alignment Mechanisms: - Because the efficiency is inversely proportional to the air gap between the stator and the magnets to the fourth power, it was imperative that this gap be minimized. In order to achieve this, the stator plate and the rotor had to be almost perfectly parallel. - For an air gap, the maximum allowable angle between the two plates was less than about 0.3°. For the alignment to be this exact we use casing to connect between lower and upper rotor. Figure 2-4 Figure 2-4
  • 11.
    10 | Pa g e Figure 2-6 Figure 2-5 In casing and rotor there are teeth which act as male-female concept in addition to bolts for positioning. Alignment Mechanisms: Maintenance and Assembly: In our design it was necessary to be able to disassemble the generator easily. Which required that all bolts and nuts must be located in accessible positions. Another necessity was a power connection that was removable. Possibility of assembling and disassembling the generator was kept in our mind. Lower rotor Upper rotor Casing Position for bolts Fig 2-7
  • 12.
    11 | Pa g e Working drawings: A) casing b) Stator:
  • 13.
    12 | Pa g e c) Coils d) Lower rotor:
  • 14.
    13 | Pa g e e) Upper rotor: f) Shaft
  • 15.
    14 | Pa g e g) Flange:
  • 16.
    15 | Pa g e Final assembly
  • 17.
    16 | Pa g e CH 3: Calculations A) Electrical Performance: i) Rectifier calculations: In project description it’s required to produce 60 volts at 750 RPM. E (voltage) per Phase: 𝑓 = 𝑛×𝑝 60 ∴ 𝑓 = 12×750 60 = 150 𝐻𝑧 From: Eph =4.44*( Kd*Kc=0.95)* f* ϕmax Nph Where: 2P is the number of poles Φ max is max. flux per pole in Web. n is the speed in (r.p.m) f is the frequency in Hz N ph is the number of turns connected in series per phase Kc is the coil span factor Kd is the distribution factor Eph is the Root mean square (R.M.S) value of the EMF induced per phase Kd= = sin( 𝑛𝑜,𝑜𝑓 𝑠𝑙𝑜𝑡𝑠 𝑝𝑒𝑟 𝑝𝑜𝑙𝑒 𝑝𝑒𝑟 𝑝ℎ𝑎𝑠𝑒 ∗ 𝑠𝑙𝑜𝑡 𝑎𝑛𝑔𝑙𝑒 2 ) 𝑛𝑜, 𝑜𝑓 𝑠𝑙𝑜𝑡𝑠 𝑝𝑒𝑟 𝑝𝑜𝑙𝑒 𝑝𝑒𝑟 𝑝ℎ𝑎𝑠𝑒 ∗ sin( 𝑠𝑙𝑜𝑡 𝑎𝑛𝑔𝑙𝑒 2 ) ⁄ Kc =cos( 𝐷𝑖𝑠𝑡𝑎𝑛𝑐𝑒 𝑏𝑒𝑡𝑤𝑒𝑒𝑛 𝑙𝑎𝑠𝑡 𝑒𝑑𝑔𝑒 𝑜𝑓 𝑚𝑎ℎ𝑛𝑒𝑡 𝑡𝑜 𝑙𝑎𝑠𝑡 𝑒𝑑𝑔𝑒 𝑜𝑓 𝑐𝑜𝑖𝑙 2 ) Φ max=B x w x l B from data sheet = 1.29 to 1.35 Tesla. W width of magnet = 20 mm L Length of magnets = 40 mm ∴ Φmax = 1.29 x 20 x 40x10−6 = 1.032 x10−3 𝑊𝑒𝑏 Number of coils: From number of poles = 4 3ൗ x No. of coils (4/3 in axial & 2/3 in radial) 12 = 4 3ൗ x No. of coils so: No. of coils = 9 coils
  • 18.
    17 | Pa g e Rectifier calculation: 𝒗 𝑫𝒄 = 𝟑√ 𝟑𝒗 𝒔 𝝅 𝒗 𝑳𝒊𝒏𝒆(𝒑𝒆𝒂𝒌) = √𝟑𝒗 𝒔 𝒗 𝑷𝒉𝒂𝒔𝒆 = √𝟑𝒗 𝑳𝒊𝒏𝒆 𝒑𝒆𝒂𝒌 𝒗 𝑷𝒉𝒂𝒔𝒆 𝑹𝒎𝒔 = √𝟑𝒗 𝑷𝒉𝒂𝒔𝒆 𝒘𝒊𝒕𝒉 𝒂𝒏𝒈𝒍𝒆 𝟑𝟎 Software Program: We were able to develop a primary C++ console program which is able to perform electrical calculations for 3- phase synchronous machines. It’s now on GitHub. Fig 3-1
  • 19.
    18 | Pa g e B) Mechanical Performance: Weight estimation: 1. Shaft • Material: steel 42 • Mass = 0.5 kg 2. Upper rotor • Material: Aluminum • Mass = 2.25 kg 3. Lower rotor • Material: Aluminum • Mass = 1.5 kg 4. Casing • Material: Aluminum • Mass = 1 kg • 5. Stator • Material: Artylon • Mass = 0.25 kg 6. Flange • Material: Artylon • Mass = 0.035 kg
  • 20.
    19 | Pa g e 7. Magnets • Material: neodymium-N42 • Mass = 0.750 kg 8. Coils • Material: copper wires • Mass = 1.5 kg Total mass = 7.9 kg (by adding weights of bearings, snap rings, bolts and nuts, error percentage), it may reach 9 Kg. ================================================ Types of Losses: - Core: We don’t need an iron core because we can get a very close gap spacing. with no core, the field lines cut through very few of the conductors, since the strongest field lines loop around the magnet itself. The iron cores have static iron losses that scale with the square of the rpm.in addition to, the iron core needs higher startup torque. - Bearing Losses: Normal Losses •Mechanical. •Core losses. •Bearing Losses. •Electrical •Copper losses. •Stator windings. Stray Losses •leakage in flux.
  • 21.
    20 | Pa g e where: P = Equivalent Load on the bearing μ = Coefficient of friction (.0015 for Deep Groove Ball Bearing) m = Pitch diameter of bearing P losses =Cd x D^3 x Wm : Cd Bearing Coefficient D Average bearing diameter Wm Width of magnet So, losses using this estimate were approximately 0.5 W. Although Bearing losses have not been quantified, turning the drive rotor by hand requires substantially more power than this. - Cogging Torque: Fundamentally, cogging torque can be expressed as Tcog = − 1 2 φ 𝜙 𝑔 2 𝑑𝑅 dθൗ . Where φg is the air gap flux, R is the air gap reluctance, and θ is the rotor position. The magnet is the source of the air gap flux because the cogging torque is observed when there is no current in the stator coil. This shows the cogging torque is caused by the attraction between the PM and rotor teeth. Based on R variation, the cogging torque changes periodically.
  • 22.
    21 | Pa g e • Cogging torque reduction techniques : (1) Using an appropriate magnet pole arc to pole pitch ratio: The pole arc to pole pitch ratio (α), can be defined as the ratio of the magnet pole arc (αM) to pole pitch (αP). The best ratio is from 0.7 to 0.4. The highest value of reduction occurs for α= 0.68. In our case, α varies from 0.53 to 0.65. Fig 3-2 (2) The conventional magnet skewing technique: The skewing angle (ƴ) is defined as the angle between the edges of the Skewed and fan-shaped magnets. The peak-to-peak value of the cogging torque, without any skewing (ƴ =0), and α= 0.68, is 0.5355 N m. By applying the 18 degree conventional skewing, (ƴ = 18 degree), the peak- to-peak value of the cogging torque is decreased to 0.1096 N m (a red. of about 80% Fig 3-3
  • 23.
    22 | Pa g e Bolts stresses T=𝒇 𝒃𝒐𝒍𝒕 n*R Such that • T represent the torque • n represent no. of needed bolts • R represent the radius on which the bolts are mounted T= (9500*P)/RPM T= 𝟗𝟓𝟓𝟎∗𝟎.𝟎𝟕𝟓𝟎 𝟓𝟎𝟎 = 14.325 N.m (1) 𝒇 𝒃𝒐𝒍𝒕 ∗ 𝜋𝑟2 ≤ 𝜎 2𝑛 𝒇 𝒃𝒐𝒍𝒕 ∗ 𝜋(5)2 ≤ 200 2 ∗ 3 𝒇 𝒃𝒐𝒍𝒕 ≤ 1200 𝜋 In (1): 14.325 = 𝟐𝟓𝟎𝟎 𝛑 𝟑 ∗ 𝟏𝟐𝟗∗𝐧 Therefore: n= 0.000043 bolt Since we use 6 bolts Therefore the bolts stresses are safe
  • 24.
    23 | Pa g e
  • 25.
    24 | Pa g e CH 4: FINITE ELEMENT RESULTS Stress analysis: We used Inventor software to make stress analysis and these were the results on: A) Stator: The stator is stable and withstands the coils weight Fig 4-1 Fig 4-2
  • 26.
    25 | Pa g e B) Rotor: The rotor can transmit the torque produced from the turbine to the casing through its teeth safely Fig 4-3 Fig 4-4
  • 27.
    26 | Pa g e C) Shaft: The shaft can withstand the whole generator's weight safely Fig 4-5 Fig 4-6
  • 28.
    27 | Pa g e D) Casing: The casing can transmit the torque produced from the upper rotor to the lower rotor through its teeth safely without any noticeable deformation Fig 4-7 Fig 4-8
  • 29.
    28 | Pa g e Fig 4-10 E) Flange: The 2 flanges can maintain its position against weights safely Fig 4-9
  • 30.
    29 | Pa g e
  • 31.
    30 | Pa g e CH 5: Practical Test
  • 32.
    31 | Pa g e CH 7: Conclusions In this report, an innovative design of a low-speed PMSG. The proposed model has a modular structure with coreless stator and rotor. It was proved through simulation results that the proposed model has an improved efficiency for variable speed operation compared to the standard models of existing wind power generators. Moreover, it was also proved that the proposed model exhibits a number of other advantages such as higher energy yield, lighter weight, and better wind power utilization. Software Programs Used: A) For Design: ▪ SOLIDWORKS ▪ Autodesk Inventor B) For Simulation: ▪ Autodesk Inventor ▪ ANSYS ▪ EMS Works
  • 33.
    32 | Pa g e References: ➢ K. M. Vishnu Murthy (2015) Computer Aided Design of Electrical Machines, ➢ VIDHYA, SRINIVAS (2017)  Effect of stator permanent magnet thickness and rotor geometry modi cations onthe minimization of cogging torque of a ux reversal machine., dergipark: Final Version. ➢ Tareq S. El-Hasan (2016) Development of axial flux permanent magnet generator for direct driven micro wind turbine , IEEE: . ➢ Kostas Latoufis, Georgios Messinis, Panos Kotsampopoulos, Nikos D. Hatziargyriou (2012) Axial Flux Permanent Magnet Generator Design for Low Cost Manufacturing of Small Wind Turbines, researchgate: . ➢ Maryam SHOKRI, Vahid BEHJAT, , Naghi ROSTAMI (2014) 'Characterization of Axial Flux Permanent Magnet Generator Under Various Geometric Parameters for Improved Performance', researchgate,. ➢ Hugh Piggott (2001) 'PMG construction manual',. ➢ R. Gomez-Torres, Reynaldo Iracheta Cortez,Norberto Flores-Guzmán, E. Duenas-Reyes, M. A. Hernandez-Rodriguez, J. R. Dorrego-Portela (November 2018) 'On the Development of a Flexible Methodology for the Analytical Design of an Axial-Flux PMSG Used in Wind Turbines', researchgate, (), pp. . ➢ Losses in a DC generator and DC motor. (n.d.). Retrieved from https://www.electricaleasy.com/2014/01/losses-in-dc-machine.html. ➢ Rectification of a Three Phase Supply using Diodes. (2018, September 3). Retrieved from https://www.electronics-tutorials.ws/power/three-phase-rectification.html.
  • 34.
    33 | Pa g e
  • 35.
    34 | Pa g e