Special Casting Processes
SHELL MOULDING
• Shell moulding is an efficient and economical
method for producing steel castings.
• The process was developed by Herr Croning
in Germany during World war-II and is
sometimes referred to as the Croning shell
process.
Procedure involved in making shell mould
a. A metallic pattern having the shape of the
desired casting is made in one half from
carbon steel material. Pouring element is
provided in the pattern itself. Refer figure
(a).
b. The metallic pattern is heated in an oven to a suitable temperature
between 180 - 250°C. The pattern is taken out from the oven and sprayed
with a solution of a lubricating agent viz., silicone oil or spirit to prevent
the shell (formed in later stages) from sticking to the pattern.
c. The pattern is inverted and is placed over a box as shown in figure 3.3(b).
The box contains a mixture of dry silica sand or zircon sand and a resin
binder (5% based on sand weight).7/28/2017 2
d. The box is now inverted so that the
resin-sand mixture falls on the heated
face of the metallic pattern. The resin-
sand mixture gets heated up, softens
and sticks to the surface of the pattern.
Refer figure (c).
e. After a few seconds, the box is again
inverted to its initial position so that
the lose resin-sand mixture falls down
leaving behind a thin layer of shell on
the pattern face. Refer figure (d).
f. The pattern along with the shell is
removed from the box and placed in
an oven for a few minutes which
further hardens the shell and makes it
rigid. The shell is then stripped from
the pattern with the help of ejector
pins that are provided on the pattern.
Refer figure (e).
7/28/2017 3
g. Another shell half is prepared in the
similar manner and both the shells
are assembled, together with the
help of bolts, clips or glues to form a
mould. The assembled part is then
placed in a box with suitable backing
sand to receive the molten metal.
Refer figure (f).
h. After the casting solidifies, it is
removed from the mould, cleaned
and finished to obtain the desired
shape.
Advantages
Better surface finish and dimensional tolerances.
Reduced machining.
Requires less foundry space.
Semi-skilled operators can handle the process easily.
Shells can be stored for extended periods of time.
Disadvantages
 Initially the metallic pattern has to be cast to the desired shape, size and finish.
 Size and weight range of castings is limited.
 Process generates noxious fumes.7/28/2017 4
Fig: 5. SHELL MOULDING steps involved
7/28/2017 5
INVESTMENT MOULD
• Investment mould also called as 'Precision casting' or
'Lost wax process' is an ancient method of casting
complex shapes like impellers, turbine blades and other
airplane parts that are difficult to produce by other
manufacturing techniques.
The various steps involved in this process are:
Step 1 Die and Pattern making
• A wax pattern is prepared by injecting liquid wax into a
pre-fabricated die having the same geometry of the
cavity of the desired cast part. Refer figure.1.
• Several such patterns are produced in the similar
manner and then attached to a wax gate and sprue by
means of heated tools or melted wax to form a 'tree' as
shown in figure 2.
7/28/2017 6
Step 2 Pre-coating wax patterns
• The tree is coated by dipping into refractory slurry which
is a mixture of finely ground silica flour suspended in ethyl
silicate solution (binder).
• The coated tree is sprinkled with silica sand and allowed to
dry. Refer figure 3 and 4.
Step 3 Investment
• The pre-coated tree is coated again (referred as
'investment') by dipping in a more viscous slurry made of
refractory flour (fused silica, alumina etc.) and liquid
binders (colloidal silica, sodium silicate etc.) and dusted
with refractory sand.
• The process of dipping and dusting is repeated until a solid
shell of desired thickness (about 6 - 10 mm) is achieved.
Note: The first coating is composed of very fine
particles that produce a good surface finish,
whereas the second coating which is referred as
'Investment' is coarser so as to build up the shell of
desired thickness.7/28/2017 7
Step 4 De-waxing '
• The tree is placed in an inverted position and heated in a oven to about 300°F. The
wax melts and drops down leaving a mould cavity that will be filled later by the
molten metal. Refer figure 5.
Step 5 Reheating the mould
• The mould is heated to about 1000 - 2000°F (550-1100°C) to remove any residues of
wax and at the same time to harden the binder.
Step 6 Melting and Pouring
• The mould is placed in a flask supported with a backing material and the liquid metal
of the desired composition is poured under gravity or by using air pressure
depending on the requirement. Refer figure.6.
• After the metal cools and solidifies, the investment is broken by using chisels or
hammer and then the casting is cut from the gating
systems, cleaned and finished. Refer figure.7.
7/28/2017 8
Advantages
• Gives good surface finish and dimensional tolerances to castings
• Eliminates machining of cast parts-Additional machining is not
normally required - this is a net shape process
• Wax can be reused.
• Parts of great complexity and intricacy can be cast
Disadvantages
• Process is expensive.
• Size and weight range of castings is limited
• In some cases, it is difficult to separate the refractory (investment)
from the casting.
• Requires more processing steps.
7/28/2017 10
CERAMIC MOULD CASTING
This process use a method very near to plaster mold
casting.
Plaster, plastic, wood, metal or rubber is used for
making the pattern.
In this method, first the ceramic slurry is prepared by
mixing fine grained refractory powders of Zircon
alumina, Fused silica and Patented bending agents.
Then, this slurry is applied over the pattern surfaces to
form thin coating around it.
After applying coating on the pattern, it is baked in a
less expensive fire clay.
Operation Sequence of Making a Ceramic Mold
•FIGURE 5.23 Sequence of operations in making a ceramic mold.
A typical ceramic mold (Shaw process) for casting steel dies used in hot forging.
SCHEMATIC DIAGRAM:
 After this, the pattern is removed out from the
mould and it is transferred to an oven for further
heating mould about 1000oC.
 Then, the molten metal is poured into the mould
cavity through the sprue to produce castings.
 In this case also, the preheated mould is used
during pouring of molten metal.
 As a result, the partial filling of moulding is
completely eliminated due to solidification of
molten metal.
 It is mainly used for all materials using better
ingredients in slurry.
APPLICATIONS:
 In industry, parts such as Machining Cutters, Dies
for Metalworking, Metal Molds, and Impellers may
be manufactured by this process.
• Pressure die casting often called 'Die casting' is a casting process in which the
molten metal is injected into a 'die' under high pressures.
• The metal being cast must have a low melting point than the die material which
is usually made from steel and other alloys.
• Hence, this process is best suitable for casting non-ferrous materials, although a
few ferrous materials can be cast.
• The two basic methods of die casting include:
a) Hot chamber die casting process
b) Cold chamber die casting process.
7/28/2017 18
PRESSURE DIE CASTING
a. Hot chamber die casting process
• Figure shows a 'goose neck' type of hot chamber die casting machine.
• In this process, the dies are made in two halves: one half called the fixed
die or 'stationary die’ while the other half called 'movable die’.
• The dies are aligned in positions by means of ejector pins which also help
to eject the solidified casting from the dies.
Figure: Hot chamber die casting (Submerged plunger type)7/28/2017 19
Steps involved in the process
• A pivoted cast iron goose neck is submerged in a reservoir of molten metal
where the metal enters and fills the goose neck by gravity.
• The goose neck is raised with the help of a link and then the neck part is
positioned in the sprue of the fixed part of the die.
• Compressed air is then blown from the top which forces the liquid metal into
the die cavity.
• When the solidification is about to complete, the supply of compressed air is
stopped and the goose neck is lowered back to receive the molten metal for
the next cycle. In the meantime, the movable die half opens by means of
ejector pins forcing the casting from the die cavity.
• The die halves close to receive the molten metal for the next casting.
Hot chamber process is used for casting
metals like zinc, tin, magnesium and lead
based alloys.
Figure: Hot chamber die casting (Goose
neck or air injection type)7/28/2017 20
b: Cold chamber Die Casting Process
• In hot chamber process, the charging unit (goose neck) rests in the melting
chamber, whereas in cold chamber process, the melting chamber is separate
and the molten metal is charged into the machine by means of ladles.
• Cold chamber process is employed for casting materials that are not possible
by the hot chamber process.
• For example, aluminum alloys react with the steel structure of the hot
chamber machine and as a result there is a considerable iron pick-up by
aluminum.
• This does not happen in cold chamber process, as the molten metal has a
momentary contact with the structure of the machine.
• Figure shows the cold chamber die casting machine
Fig: cold chamber die casting machine
• The machine consists of a die,
made in two halves: one half called
the 'fixed die' or 'stationary die’
while the other half called 'movable
die’.
• The dies are aligned in positions by
means of ejector pins which also
help to eject the solidified casting
from the dies.
7/28/2017 22
Steps involved in the process
• A cylindrical shaped chamber called 'cold chamber' (so called because,
it is not a part of melting or charging unit unlike in hot chamber
process) is fitted with a freely moving piston and is operated by
means of hydraulic pressure.
• A measured quantity of molten metal is poured into the cold chamber
by means of ladles.
• The plunger of the piston is activated and progresses rapidly forcing
the molten metal into the die cavity. The pressure is maintained
during the solidification process.
• After the metal cools and solidifies, the plunger moves backward and
the movable die half opens by means of ejector pins forcing the casting
from the die cavity.
• The cold chamber process is slightly slower when compared to the hot
chamber process.
7/28/2017 23
Advantages of Die casting process
• Process is economical for large production quantities.
• Good dimensional accuracy and surface finish.
• Thin sections can be easily cast.
• Near net shape can be achieved.
Disadvantages
• High cost of dies and equipment.
• Not economical for small production quantities.
• Process not preferable for ferrous metals.
• Part geometry must allow easy removal from die cavity
7/28/2017 24
CENTRIFUGAL CASTING
• Centrifugal casting is a process in which the molten metal is poured
and allowed to solidify in a revolving mould.
• The centrifugal force due to the revolving mould holds the molten metal
against the mould wall until it solidifies.
• The material used for preparing moulds may be cast iron, steel, sand
or graphite (for non-ferrous castings).
• The process is used for making castings of hollow cylindrical shapes.
• The various centrifugal casting techniques include:
a) True centrifugal casting
b) Semi-centrifugal casting and
c) Centrifuge casting.
7/28/2017 25
a. True Centrifugal casting
• True centrifugal casting is used to produce parts that are symmetrical
about the axis like that of pipes, tubes, bushings, liners and rings.
• The outside shape of the casting can be round, octagonal, hexagonal
etc., but the inside shape is perfectly (theoretically) round due to
radially symmetric forces.
• This eliminates the need for cores for producing hollow castings.
• Figure shows the true centrifugal process.
Figure: True centrifugal process7/28/2017 26
Steps involved in the process
1. The mould of the desired shape is prepared with metal and the walls are coated
with a refractory ceramic coating.
2. The mould is rotated about its axis at high speeds in the range of 300 - 3000
rpm. A measured quantity of molten metal is poured into the rotating mould.
3. The centrifugal force of the rotating mould throws the liquid metal towards the
mould wall and holds the molten metal until it solidifies.
4. The casting cools and solidifies from its outer surface towards the axis of
rotation of the mould thereby promoting directional solidification.
5. The thickness of the casting obtained can be controlled by the amount of liquid
metal being poured.
• An inherent quality of true centrifugal castings is based on the fact that, the
non-metallic impurities in castings being less dense than the metal, are forced
towards the inner surface (towards the axis) of the casting due to the
centrifugal forces. These impurities can be machined later by a suitable
machining process (say boring operation).
• The mould may be rotated horizontally or vertically.
• When the mould is rotated about horizontal axis, a true cylindrical inside
surface is produced; if rotated on a vertical axis, parabolic inside surface is
produced.
• Cores and gating/risering systems are not required for this process.
7/28/2017 27
b. Semi-centrifugal casting
• Semi-centrifugal casting process is used to produce solid castings and hence,
requires a core to produce hollow cavities.
• The process is used only for symmetrically shaped objects and the axis of
rotation of the mould is always vertical.
• Gear blanks, sheaves, wheels and pulley are the commonly produced parts by this
process.
• Figure shows the process to produce a wheel shaped casting.
7/28/2017 28
Steps involved in the process
• The mould is prepared in the usual manner using cope and drag box.
• The mould cavity is prepared with its central axis being vertical and
concentric with the axis of rotation.
• The core is placed in position and the mould is rotated at suitable speeds,
usually less than true centrifugal casting process.
• The centrifugal force produced due to the rotation of the mould causes the
molten metal to fill the cavity to produce the desired shape.
7/28/2017 30
c. Centrifuging Process
• In true and semi centrifugal process, the axis of the mould/cavity
coincide with the axis of rotation.
• Where as in centrifuging process, the axis of the mould cavity does not
coincide with the axis of rotation.
• The mould is designed with part cavities located away from the axis of
rotation.
• Hence, this process is suitable for non-symmetrical castings.
• Figure shows the centrifuging process.
7/28/2017 31
Steps involved in the process
1. Several mould cavities are arranged in a
circle and connected to a central down
sprue through gates.
2. The axis of the down sprue is common
to the axis of rotation of the mould.
3. As the mould is rotated, the liquid metal
is poured down the sprue which feeds
the metal into the mould cavity under
centrifugal force.
4. The rotational speed depends on a
number of factors such as, the moulding
medium (sand, metal or ceramic), size of
the casting, type of metal being poured
and the distance of the cavity from the
central axis (sprue axis).
5. Centrifuging is done only about a
vertical axis.
7/28/2017 32
CARBON DIOXIDE (CO2)MOLDING
• Carbon dioxide moulding also
known as sodium silicate
process is one of the widely
used process for preparing
moulds and cores.
• In this process, sodium silicate
is used as the binder. But
sodium silicate activates or
tend to bind the sand particles
only in the presence of carbon
dioxide gas. For this reason, the
process is commonly known as
C02 process.
7/28/2017 33
Steps involved in making carbon dioxide mould
• Suitable proportions of silica sand and sodium silicate binder (3-5% based on
sand weight) are mixed together to prepare the sand mixture.
• Additives like aluminum oxide, molasses etc., are added to impart favorable
properties and to improve collapsibility of the sand.
• The pattern is placed on a flat surface with the drag box enclosing it. Parting
sand is sprinkled on the pattern surface to avoid sand mixture sticking to the
pattern.
• The drag box is filled with the sand mixture and rammed manually till its top
surface. Rest of the operations like placing sprue and riser pin and ramming
the cope box are similar to that of green sand moulding process.
• Figure (a) shows the assembled cope and drag box with vent holes. At this
stage, the carbon dioxide gas is passed through the vent holes for a few
seconds. Refer figure (b).
• Sodium silicate reacts with carbon dioxide gas to form silica gel that binds the
sand particles together. The chemical reaction is given by:
Na2Si03 + C02 -> Na2C03 + Si02
(Sodium Silicate) (silica gel)
• The sprue, riser and the pattern are withdrawn from the mould, and gates are
cut in the usual manner. The mould cavity is finished and made ready for
pouring. Refer figure (c).
7/28/2017 34
Advantages
• Instantaneous strength development. The development of strength takes
place immediately after carbon dioxide gassing is completed.
• Since the process uses relatively safe carbon dioxide gas, it does not present
sand disposal problems or any odour while mixing and pouring. Hence, the
process is safe to human operators.
• Very little gas evolution during pouring of molten metal.
Disadvantages
• Poor collapsibility of moulds is a major disadvantage of this process.
Although some additives are used to improve this property for ferrous metal
castings, these additives cannot be used for non-ferrous applications.
• The sand mixture has the tendency to stick to the pattern and has relatively
poor flowability.
• There is a significant loss in the strength and hardness of moulds which
have been stored for extended periods of time.
• Over gassing and under gassing adversely affects the properties of cured
sand.
7/28/2017 35
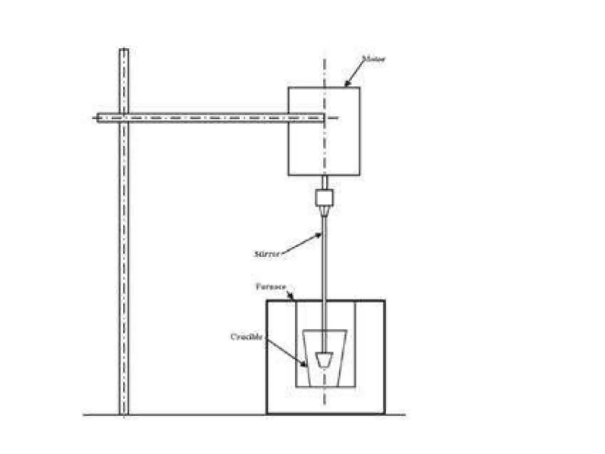
• Stir Casting is a liquid state method of composite
materials fabrication, in which a dispersed phase
(ceramic particles, short fibers) is mixed with a
molten matrix metal by means of mechanical
stirring.
• Stir Casting is the simplest and the most cost
effective method of liquid state fabrication.
• The liquid composite material is then cast by
conventional casting methods and may also be
processed by conventional Metal forming
technologies.
Stir Casting
Stir Casting-Setup
• Furnace Type: The furnace is rectangular in
shape, with stirrer arrangement, provision for
mixing and pouring of added agent from the top.
• Outer Chamber: The outer chamber is fabricated
out of thick gauge mild steel sheet with suitable
reinforcement.
• Inner Chamber: The inner chamber is formed by
high alumina ceramic muffle capable of
withstanding temperature up to 1200° C.
General Specifications
• Insulation: The space in between the outer and inner
chamber is tightly packed with high density ceramic
fiber to reduce the heat losses to the barest minimum.
• Heating elements: The furnace heated by Kanthal A-1
heating element wound in spiral form and placed in the
refractory chamber outside the inner muffle.
• Electrical control unit:
1. Power regulator
2. Temperature control unit
The temperature is sensed through a K type
sensor and connected the temperature controlling unit
through compensating cable.
3. Stir speed control unit
• Stirrer: Stirrer is driven by suitable variable
speed D.C. motor fitted on the top of the
furnace with suitable D.C. motorized
arrangement for moving UP and DOWN.
• The stirrer rod is fitted with stainless steel
blade.
• The speed can be varied from (0 -1000) RPM.
Non contact type digital tachometer is supplied
to read the RPM.
• Capacity:- 500g max.
• Max. continuous operating temp.:-900OC
• Operating Voltage:- 230V; 50 Hz
• Temperature control:-by electronic ON/OFF
type temperature controller.
Important Specifications
Shell moulding and investment casting
Shell moulding and investment casting

Shell moulding and investment casting

  • 1.
  • 2.
    SHELL MOULDING • Shellmoulding is an efficient and economical method for producing steel castings. • The process was developed by Herr Croning in Germany during World war-II and is sometimes referred to as the Croning shell process. Procedure involved in making shell mould a. A metallic pattern having the shape of the desired casting is made in one half from carbon steel material. Pouring element is provided in the pattern itself. Refer figure (a). b. The metallic pattern is heated in an oven to a suitable temperature between 180 - 250°C. The pattern is taken out from the oven and sprayed with a solution of a lubricating agent viz., silicone oil or spirit to prevent the shell (formed in later stages) from sticking to the pattern. c. The pattern is inverted and is placed over a box as shown in figure 3.3(b). The box contains a mixture of dry silica sand or zircon sand and a resin binder (5% based on sand weight).7/28/2017 2
  • 3.
    d. The boxis now inverted so that the resin-sand mixture falls on the heated face of the metallic pattern. The resin- sand mixture gets heated up, softens and sticks to the surface of the pattern. Refer figure (c). e. After a few seconds, the box is again inverted to its initial position so that the lose resin-sand mixture falls down leaving behind a thin layer of shell on the pattern face. Refer figure (d). f. The pattern along with the shell is removed from the box and placed in an oven for a few minutes which further hardens the shell and makes it rigid. The shell is then stripped from the pattern with the help of ejector pins that are provided on the pattern. Refer figure (e). 7/28/2017 3
  • 4.
    g. Another shellhalf is prepared in the similar manner and both the shells are assembled, together with the help of bolts, clips or glues to form a mould. The assembled part is then placed in a box with suitable backing sand to receive the molten metal. Refer figure (f). h. After the casting solidifies, it is removed from the mould, cleaned and finished to obtain the desired shape. Advantages Better surface finish and dimensional tolerances. Reduced machining. Requires less foundry space. Semi-skilled operators can handle the process easily. Shells can be stored for extended periods of time. Disadvantages  Initially the metallic pattern has to be cast to the desired shape, size and finish.  Size and weight range of castings is limited.  Process generates noxious fumes.7/28/2017 4
  • 5.
    Fig: 5. SHELLMOULDING steps involved 7/28/2017 5
  • 6.
    INVESTMENT MOULD • Investmentmould also called as 'Precision casting' or 'Lost wax process' is an ancient method of casting complex shapes like impellers, turbine blades and other airplane parts that are difficult to produce by other manufacturing techniques. The various steps involved in this process are: Step 1 Die and Pattern making • A wax pattern is prepared by injecting liquid wax into a pre-fabricated die having the same geometry of the cavity of the desired cast part. Refer figure.1. • Several such patterns are produced in the similar manner and then attached to a wax gate and sprue by means of heated tools or melted wax to form a 'tree' as shown in figure 2. 7/28/2017 6
  • 7.
    Step 2 Pre-coatingwax patterns • The tree is coated by dipping into refractory slurry which is a mixture of finely ground silica flour suspended in ethyl silicate solution (binder). • The coated tree is sprinkled with silica sand and allowed to dry. Refer figure 3 and 4. Step 3 Investment • The pre-coated tree is coated again (referred as 'investment') by dipping in a more viscous slurry made of refractory flour (fused silica, alumina etc.) and liquid binders (colloidal silica, sodium silicate etc.) and dusted with refractory sand. • The process of dipping and dusting is repeated until a solid shell of desired thickness (about 6 - 10 mm) is achieved. Note: The first coating is composed of very fine particles that produce a good surface finish, whereas the second coating which is referred as 'Investment' is coarser so as to build up the shell of desired thickness.7/28/2017 7
  • 8.
    Step 4 De-waxing' • The tree is placed in an inverted position and heated in a oven to about 300°F. The wax melts and drops down leaving a mould cavity that will be filled later by the molten metal. Refer figure 5. Step 5 Reheating the mould • The mould is heated to about 1000 - 2000°F (550-1100°C) to remove any residues of wax and at the same time to harden the binder. Step 6 Melting and Pouring • The mould is placed in a flask supported with a backing material and the liquid metal of the desired composition is poured under gravity or by using air pressure depending on the requirement. Refer figure.6. • After the metal cools and solidifies, the investment is broken by using chisels or hammer and then the casting is cut from the gating systems, cleaned and finished. Refer figure.7. 7/28/2017 8
  • 10.
    Advantages • Gives goodsurface finish and dimensional tolerances to castings • Eliminates machining of cast parts-Additional machining is not normally required - this is a net shape process • Wax can be reused. • Parts of great complexity and intricacy can be cast Disadvantages • Process is expensive. • Size and weight range of castings is limited • In some cases, it is difficult to separate the refractory (investment) from the casting. • Requires more processing steps. 7/28/2017 10
  • 11.
    CERAMIC MOULD CASTING Thisprocess use a method very near to plaster mold casting. Plaster, plastic, wood, metal or rubber is used for making the pattern. In this method, first the ceramic slurry is prepared by mixing fine grained refractory powders of Zircon alumina, Fused silica and Patented bending agents. Then, this slurry is applied over the pattern surfaces to form thin coating around it. After applying coating on the pattern, it is baked in a less expensive fire clay.
  • 12.
    Operation Sequence ofMaking a Ceramic Mold •FIGURE 5.23 Sequence of operations in making a ceramic mold.
  • 13.
    A typical ceramicmold (Shaw process) for casting steel dies used in hot forging.
  • 15.
  • 16.
     After this,the pattern is removed out from the mould and it is transferred to an oven for further heating mould about 1000oC.  Then, the molten metal is poured into the mould cavity through the sprue to produce castings.  In this case also, the preheated mould is used during pouring of molten metal.  As a result, the partial filling of moulding is completely eliminated due to solidification of molten metal.  It is mainly used for all materials using better ingredients in slurry.
  • 17.
    APPLICATIONS:  In industry,parts such as Machining Cutters, Dies for Metalworking, Metal Molds, and Impellers may be manufactured by this process.
  • 18.
    • Pressure diecasting often called 'Die casting' is a casting process in which the molten metal is injected into a 'die' under high pressures. • The metal being cast must have a low melting point than the die material which is usually made from steel and other alloys. • Hence, this process is best suitable for casting non-ferrous materials, although a few ferrous materials can be cast. • The two basic methods of die casting include: a) Hot chamber die casting process b) Cold chamber die casting process. 7/28/2017 18 PRESSURE DIE CASTING
  • 19.
    a. Hot chamberdie casting process • Figure shows a 'goose neck' type of hot chamber die casting machine. • In this process, the dies are made in two halves: one half called the fixed die or 'stationary die’ while the other half called 'movable die’. • The dies are aligned in positions by means of ejector pins which also help to eject the solidified casting from the dies. Figure: Hot chamber die casting (Submerged plunger type)7/28/2017 19
  • 20.
    Steps involved inthe process • A pivoted cast iron goose neck is submerged in a reservoir of molten metal where the metal enters and fills the goose neck by gravity. • The goose neck is raised with the help of a link and then the neck part is positioned in the sprue of the fixed part of the die. • Compressed air is then blown from the top which forces the liquid metal into the die cavity. • When the solidification is about to complete, the supply of compressed air is stopped and the goose neck is lowered back to receive the molten metal for the next cycle. In the meantime, the movable die half opens by means of ejector pins forcing the casting from the die cavity. • The die halves close to receive the molten metal for the next casting. Hot chamber process is used for casting metals like zinc, tin, magnesium and lead based alloys. Figure: Hot chamber die casting (Goose neck or air injection type)7/28/2017 20
  • 22.
    b: Cold chamberDie Casting Process • In hot chamber process, the charging unit (goose neck) rests in the melting chamber, whereas in cold chamber process, the melting chamber is separate and the molten metal is charged into the machine by means of ladles. • Cold chamber process is employed for casting materials that are not possible by the hot chamber process. • For example, aluminum alloys react with the steel structure of the hot chamber machine and as a result there is a considerable iron pick-up by aluminum. • This does not happen in cold chamber process, as the molten metal has a momentary contact with the structure of the machine. • Figure shows the cold chamber die casting machine Fig: cold chamber die casting machine • The machine consists of a die, made in two halves: one half called the 'fixed die' or 'stationary die’ while the other half called 'movable die’. • The dies are aligned in positions by means of ejector pins which also help to eject the solidified casting from the dies. 7/28/2017 22
  • 23.
    Steps involved inthe process • A cylindrical shaped chamber called 'cold chamber' (so called because, it is not a part of melting or charging unit unlike in hot chamber process) is fitted with a freely moving piston and is operated by means of hydraulic pressure. • A measured quantity of molten metal is poured into the cold chamber by means of ladles. • The plunger of the piston is activated and progresses rapidly forcing the molten metal into the die cavity. The pressure is maintained during the solidification process. • After the metal cools and solidifies, the plunger moves backward and the movable die half opens by means of ejector pins forcing the casting from the die cavity. • The cold chamber process is slightly slower when compared to the hot chamber process. 7/28/2017 23
  • 24.
    Advantages of Diecasting process • Process is economical for large production quantities. • Good dimensional accuracy and surface finish. • Thin sections can be easily cast. • Near net shape can be achieved. Disadvantages • High cost of dies and equipment. • Not economical for small production quantities. • Process not preferable for ferrous metals. • Part geometry must allow easy removal from die cavity 7/28/2017 24
  • 25.
    CENTRIFUGAL CASTING • Centrifugalcasting is a process in which the molten metal is poured and allowed to solidify in a revolving mould. • The centrifugal force due to the revolving mould holds the molten metal against the mould wall until it solidifies. • The material used for preparing moulds may be cast iron, steel, sand or graphite (for non-ferrous castings). • The process is used for making castings of hollow cylindrical shapes. • The various centrifugal casting techniques include: a) True centrifugal casting b) Semi-centrifugal casting and c) Centrifuge casting. 7/28/2017 25
  • 26.
    a. True Centrifugalcasting • True centrifugal casting is used to produce parts that are symmetrical about the axis like that of pipes, tubes, bushings, liners and rings. • The outside shape of the casting can be round, octagonal, hexagonal etc., but the inside shape is perfectly (theoretically) round due to radially symmetric forces. • This eliminates the need for cores for producing hollow castings. • Figure shows the true centrifugal process. Figure: True centrifugal process7/28/2017 26
  • 27.
    Steps involved inthe process 1. The mould of the desired shape is prepared with metal and the walls are coated with a refractory ceramic coating. 2. The mould is rotated about its axis at high speeds in the range of 300 - 3000 rpm. A measured quantity of molten metal is poured into the rotating mould. 3. The centrifugal force of the rotating mould throws the liquid metal towards the mould wall and holds the molten metal until it solidifies. 4. The casting cools and solidifies from its outer surface towards the axis of rotation of the mould thereby promoting directional solidification. 5. The thickness of the casting obtained can be controlled by the amount of liquid metal being poured. • An inherent quality of true centrifugal castings is based on the fact that, the non-metallic impurities in castings being less dense than the metal, are forced towards the inner surface (towards the axis) of the casting due to the centrifugal forces. These impurities can be machined later by a suitable machining process (say boring operation). • The mould may be rotated horizontally or vertically. • When the mould is rotated about horizontal axis, a true cylindrical inside surface is produced; if rotated on a vertical axis, parabolic inside surface is produced. • Cores and gating/risering systems are not required for this process. 7/28/2017 27
  • 28.
    b. Semi-centrifugal casting •Semi-centrifugal casting process is used to produce solid castings and hence, requires a core to produce hollow cavities. • The process is used only for symmetrically shaped objects and the axis of rotation of the mould is always vertical. • Gear blanks, sheaves, wheels and pulley are the commonly produced parts by this process. • Figure shows the process to produce a wheel shaped casting. 7/28/2017 28
  • 30.
    Steps involved inthe process • The mould is prepared in the usual manner using cope and drag box. • The mould cavity is prepared with its central axis being vertical and concentric with the axis of rotation. • The core is placed in position and the mould is rotated at suitable speeds, usually less than true centrifugal casting process. • The centrifugal force produced due to the rotation of the mould causes the molten metal to fill the cavity to produce the desired shape. 7/28/2017 30
  • 31.
    c. Centrifuging Process •In true and semi centrifugal process, the axis of the mould/cavity coincide with the axis of rotation. • Where as in centrifuging process, the axis of the mould cavity does not coincide with the axis of rotation. • The mould is designed with part cavities located away from the axis of rotation. • Hence, this process is suitable for non-symmetrical castings. • Figure shows the centrifuging process. 7/28/2017 31
  • 32.
    Steps involved inthe process 1. Several mould cavities are arranged in a circle and connected to a central down sprue through gates. 2. The axis of the down sprue is common to the axis of rotation of the mould. 3. As the mould is rotated, the liquid metal is poured down the sprue which feeds the metal into the mould cavity under centrifugal force. 4. The rotational speed depends on a number of factors such as, the moulding medium (sand, metal or ceramic), size of the casting, type of metal being poured and the distance of the cavity from the central axis (sprue axis). 5. Centrifuging is done only about a vertical axis. 7/28/2017 32
  • 33.
    CARBON DIOXIDE (CO2)MOLDING •Carbon dioxide moulding also known as sodium silicate process is one of the widely used process for preparing moulds and cores. • In this process, sodium silicate is used as the binder. But sodium silicate activates or tend to bind the sand particles only in the presence of carbon dioxide gas. For this reason, the process is commonly known as C02 process. 7/28/2017 33
  • 34.
    Steps involved inmaking carbon dioxide mould • Suitable proportions of silica sand and sodium silicate binder (3-5% based on sand weight) are mixed together to prepare the sand mixture. • Additives like aluminum oxide, molasses etc., are added to impart favorable properties and to improve collapsibility of the sand. • The pattern is placed on a flat surface with the drag box enclosing it. Parting sand is sprinkled on the pattern surface to avoid sand mixture sticking to the pattern. • The drag box is filled with the sand mixture and rammed manually till its top surface. Rest of the operations like placing sprue and riser pin and ramming the cope box are similar to that of green sand moulding process. • Figure (a) shows the assembled cope and drag box with vent holes. At this stage, the carbon dioxide gas is passed through the vent holes for a few seconds. Refer figure (b). • Sodium silicate reacts with carbon dioxide gas to form silica gel that binds the sand particles together. The chemical reaction is given by: Na2Si03 + C02 -> Na2C03 + Si02 (Sodium Silicate) (silica gel) • The sprue, riser and the pattern are withdrawn from the mould, and gates are cut in the usual manner. The mould cavity is finished and made ready for pouring. Refer figure (c). 7/28/2017 34
  • 35.
    Advantages • Instantaneous strengthdevelopment. The development of strength takes place immediately after carbon dioxide gassing is completed. • Since the process uses relatively safe carbon dioxide gas, it does not present sand disposal problems or any odour while mixing and pouring. Hence, the process is safe to human operators. • Very little gas evolution during pouring of molten metal. Disadvantages • Poor collapsibility of moulds is a major disadvantage of this process. Although some additives are used to improve this property for ferrous metal castings, these additives cannot be used for non-ferrous applications. • The sand mixture has the tendency to stick to the pattern and has relatively poor flowability. • There is a significant loss in the strength and hardness of moulds which have been stored for extended periods of time. • Over gassing and under gassing adversely affects the properties of cured sand. 7/28/2017 35
  • 36.
    • Stir Castingis a liquid state method of composite materials fabrication, in which a dispersed phase (ceramic particles, short fibers) is mixed with a molten matrix metal by means of mechanical stirring. • Stir Casting is the simplest and the most cost effective method of liquid state fabrication. • The liquid composite material is then cast by conventional casting methods and may also be processed by conventional Metal forming technologies. Stir Casting
  • 37.
  • 39.
    • Furnace Type:The furnace is rectangular in shape, with stirrer arrangement, provision for mixing and pouring of added agent from the top. • Outer Chamber: The outer chamber is fabricated out of thick gauge mild steel sheet with suitable reinforcement. • Inner Chamber: The inner chamber is formed by high alumina ceramic muffle capable of withstanding temperature up to 1200° C. General Specifications
  • 40.
    • Insulation: Thespace in between the outer and inner chamber is tightly packed with high density ceramic fiber to reduce the heat losses to the barest minimum. • Heating elements: The furnace heated by Kanthal A-1 heating element wound in spiral form and placed in the refractory chamber outside the inner muffle. • Electrical control unit: 1. Power regulator 2. Temperature control unit The temperature is sensed through a K type sensor and connected the temperature controlling unit through compensating cable. 3. Stir speed control unit
  • 41.
    • Stirrer: Stirreris driven by suitable variable speed D.C. motor fitted on the top of the furnace with suitable D.C. motorized arrangement for moving UP and DOWN. • The stirrer rod is fitted with stainless steel blade. • The speed can be varied from (0 -1000) RPM. Non contact type digital tachometer is supplied to read the RPM.
  • 42.
    • Capacity:- 500gmax. • Max. continuous operating temp.:-900OC • Operating Voltage:- 230V; 50 Hz • Temperature control:-by electronic ON/OFF type temperature controller. Important Specifications