Beachwells
 Largest Beachwell  Seawater 
 Catchment Facilities in the World,
 Catchment Facilities in the World,
 • 32 Vertical beachwells split into 3 clusters,
 • 5 hectars of Karstic costal land dedicated 
   to beachwells,
   t b h ll
 • 220,000 cubic meters per day of nominal 
   pumping capacity,
 • 80 meters depth wells individually,
 • Very low Silt  Density Index of the raw 
   water.
Pressure Filters
Pressure Filters
 High Speed Filtration Units for Seawater Pre‐treatment
 • 5 Dual Media pressure Filters
                            Filters,
 • 9 Single Media Filters,
 • 11 Cartridge Filters for pre‐treated water polishing.
             g              p                 p       g
Reverse Osmosis
Reverse Osmosis
8 Reverse Osmosis first pass trains
• 8 individual trains on first pass equipped
  with 7300 reverse osmosis membranes,
• 8 individual high efficiency work exchangers
  for energy recovery
             recovery,
• 8 high voltage high pressure pumps for
  permeate production




                             4 Reverse Osmosis second            pass
                             trains for Boron removal
                             • Double stage trains for water recovery
                               improvement,
                             • 4 i di id l t i
                                  individual trains equipped with 2800
                                                       i   d ith
                               reverse osmosis selective membranes for
                               Boron removal
3D Plant View
3D Plant View
Sydney SWRO

        250,000 m3/D (66 MGD)


        2007 –2010


        US$0.8 Billion (plant/intake/outfall 
        US$0 8 Billion (plant/intake/outfall
        only)


        Design & Construct
Sydney
Client: Sydney Water Corporation (SWC)
Type of Contract: Design, Build & Operate
Product Flow: 66 MGD (250 ML/Day)
Product Quality: <115 ppm TDS, 0.4 ppm Boron
Product Quality: <115 ppm TDS 0 4 ppm Boron
• Provides 15% of the total water to Sydney
• Three (3) permits required
         ( )p         q
Kurnell Residents




           Towra      Point 
           ( Ramsar      Wetland)

                                                                  Caltex Refinery 
                                                                  Caltex Refinery
                                                                  Approx 300m




                                                                                                              Inlet Risers
                                                                                                               Inlet Riser




Serenity Cove 
Film Studios                                                                               Botany Bay 
                                                                                           National Park 



     Approx Site 
                                                                                                 Tunnels
    Boundary                                                                                     (Approx 
                                                                                                 alignment)


                                    Desalination Plant 
                                    Construction Site



                                                                                 Outlet 
                                                                                Risers
                                                                                 Riser
Sydney Process Flow
Sydney Process Flow
Sydney
Pretreatment
Operation at 33% 66% with all filters online –
             33%-66%
• > low filtration rate (<4m/h)
• SDI<3, filtration cycles > 55 hours
  SDI 3,
• No acid dosing => better Boron rejection on the 1st pass and less
  NaOH dosing
Operating at 100%
• Filtration rate 6.7 m/h
• Filtration cycle >40 hours
• SDI < 3 at all times
• F i sulfate dose-rate 7-9 mg/L
  Ferric lf t d      t 79     /L
• Influent turbidity 2 NTU, up to 10 NTU during shock chlorination
Fujairah 2 SWRO/MED
  j            /

        Hybrid Plant ‐ SWRO 136,000 m3/D (36 MGD) – MED 
        455,000 m3/D (120 MGD) – combined 156 MGD



        2007  2010
        2007 –2010




        US$860 Million (SWRO & MED)




        Design & Construct
F2 Location
F2 Location
Project Specifics
Project Specifics
Process
3D View SWRO
3D View SWRO
Site Conditions
Site Conditions




                  17
Kindasa




Kindasa, 25,500 m3/Day (6.7 MGD) SWRO – Media Filtration followed by UF
Kindasa : Plant Overview
    Kindasa : Plant Overview
 Brine to Outfall
                                                                                                       Self cleaning Strainers
                                                                                                                   g                                                           N
                                pment




                                                                 1st pass RO
                                                                                                                                 Acid storage and 
                                                            s 




                                                                                                                                 pre treatment 
                                                                                                                                 pre treatment
                                             st Pass HP Pumps
                   e dosing equip




                                                                                                                                 chemical dosing
                                            & Boosters
                Lime



                                            1s




                                                                                                                                                                    Raw Seawater in
                                                                                Pre treatment
                                                                                Chemical dosing                                    Seawater Intake


Post treatment
Post treatment                                                                                        Backwash
                                                                 2nd pass RO
                                                                           O




Chemical dosing                                                                Backwash               Tank                                           Raw Seawater
                                                                               Pumps
                                                                                                                                                     Filtered Seawater

                                                                                                                                                     Ultra‐filtered Seawater
                                                                                     Substation
                                                                                     MV & LV Switchgear                                              Permeate
                                        Admin & Control Building                     Variable Speed drives                                           Brine




             Product to Storage Tank                                                                MV/LV Transformers
                                                                               HV/MV Transformers
                                                                                            150m
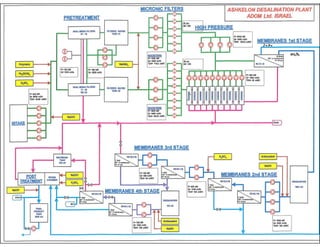
Ashkelon – 326,000 m3/Day (86 MGD) SWRO
Considerations
 Pre‐treatment options
 Evolving technologies
     Short term
     Medium term
     Long term
 Costingg
 Siting
Pre‐treatment Options
Desal Plants, Evolving Technologies
Desal Plants, Evolving Technologies
 Short term
 •E i i
  Existing technologies, minor improvements
              h l i       i    i
 • Brine management, i.e. ZDD
 Medium term
 M di   t
 • Nano‐membranes (up to 15% reduction in energy), huge impact 
   on the over 100,000 SWRO membranes we have installed 
                  ,
   worldwide
 Long term
 • Forward osmosis
 • Alternate membranes
 • Bi‐products from brine 
Financial Considerations, Capex
Financial Considerations, Capex
Identifying obstacles to cost‐effective operations
Large scale vs. smaller scale plants
L         l        ll      l l
Location
• Cost of land
• Proximity to existing potable water distribution network
• P i it t l t i l
  Proximity to electrical power network
                                  t   k
Public Outreach
Plant Availability
Intake & Pre‐treatment Selection
• Subsurface vs. open intake
• Quality of water with incidence on number of process steps
Environmental & Permitting Concerns associated with above
Financial Considerations, Opex
Financial Considerations, Opex
  Up to 50% of the Opex costs can be in energy consumption
                                  Energy Consumption
                                  • Minimize the process train, eliminate 
                                    pumps
                                  • Use latest proven energy recovery 
                                    devices
                                  • Plan for future developments (i.e. 
                                    membranes, etc)
                                         b           )
                                  • Length and head losses of distribution 
                                    network
                                  Chemical Consumption
                                  Chemical Consumption
                                  • Reduce the amount of chemicals 
                                    needed by minimizing the pre‐
                                    treatment process
                                  • Minimize the amount of waste created
                                  Others
                                  • Consider life cycle costs when designing 
                                                   y                   g g
                                    and constructing the plant
Citing Selection & Challenges
Citing Selection & Challenges
Subsurface intake
• Reduces power consumption by 5‐10%
• Reduces chemical consumption by 5‐10%
•R d
 Reduces the overall footprint of the plant by 10‐20%
         th       ll f t i t f th l t b 10 20%
• Reduces impingement & entrainment issues  
Existing Potable water network
Existing Potable water network
• Reduces overall cost
• Permitting and land issues
  Permitting and land issues
Existing Power network
• Reduces overall cost
  Reduces overall cost
Conclusion

 No single pre‐treatment for all applications
 N i l         t t      tf     ll   li ti
 Incorporate lessons learnt
 Adapt to local environment & culture
 Ad t t l l        i        t & lt


                 THANK YOU

Setawwa 2010, 29-58 choules