i
Project Item
Random Access Memory ( RAM)
Submitted by
Name : SH Rajøn
Group : The Geniuses
Batch : 1410
Student of Department of Computer Science and Engineering 0f IUBAT
IUBAT- International University of Business Agriculture and Technology
March 17, 2017
ii
Table of Contents
1. Definition of RAM………………………………..…………………..……… VII- XIII
2. History of RAM……………….……...……………………………………… XIV- XXII
3. Types of random-access memory…………………………….…………....XXIII
4. Memory cell……………………………….…………………………....…… XXIII- XXIV
5. Addressing…………………………………………………………………… XXV
6. Memory hierarchy…………………………..…………………….…….. …. XXV
7. Other uses of RAM…………………………………………………..……… XXVI- XXVII
i. Virtual memory……………………………………………………..….………..….. XXVI
ii. RAM disk…………………………………………………………..….…..……………. XXVI
iii. Shadow RAM…………………………………………………………..……………… XXVII
8. Recent developments………………………….…..……………..………… XXVII
9. Memory wall………………………….…..………………………….……..... XXVIII
10.Problems of RAM…………………………….…...……………..…………...XXIX- XXX
11.Conclusion of RAM…………………………….……………..……………... XXX
12.References……………………………………………………………………. XXXII
iii
Random Access Memory
.
Random-access memory (RAM) is a form of computer data storage which stores frequently
used program instructions to increase the general speed of a system. A random-
access memory device allows data items to be read or written in almost the same amount
of time irrespective of the physical location of data inside the memory. In contrast, with
other direct-access data storage media such as hard disks, CD-RWs, DVD-RWs and the
older drum memory, the time required to read and write data items varies significantly
depending on their physical locations on the recording medium, due to mechanical
limitations such as media rotation speeds and arm movement.
RAM contains multiplexing and demultiplexing circuitry, to connect the data lines to the
addressed storage for reading or writing the entry. Usually more than one bit of storage is
accessed by the same address, and RAM devices often have multiple data lines and are
said to be '8-bit' or '16-bit' etc. devices.
In today's technology, random-access memory takes the form of integrated circuits. RAM is
normally associated with volatile types of memory (such as DRAM memory modules),
where stored information is lost if power is removed, although non-volatile RAM has also
been developed.[1] Other types of non-volatile memories exist that allow random access for
read operations, but either do not allow write operations or have other kinds of limitations
on them. These include most types of ROM and a type of flash memory called NOR-Flash.
Integrated-circuit RAM chips came into the market in the early 1970s, with the first
commercially available DRAM chip, the Intel 1103, introduced in October 1970.[2]
iv
EDO RAM
EDO RAM, which stands for "Extended Data Out RAM" came out in 1995 as a new type of
memory available for Pentium based systems. EDO is a modified form of FPM RAM which
is commonly referred to as "Hyper Page Mode". Extended Data Out refers to fact that the
data output drivers on the memory module are not switched off when the memory controller
removes the column address to begin the next cycle, unlike FPM RAM. Most early Pentium
based systems use EDO.
EDO RAM
Definition - What does Extended Data Out (EDO) mean?
Extended data out (EDO) is a modified form of Fast Page Mode (FPM) memory, common
in the 1980s and 1990s that allows timing overlap between each new data access cycle.
In EDO, a new data cycle is started while the data output of the previous cycle is still active.
This process of cycle overlapping, called pipelining, increases processing speed by about
10 nanoseconds per cycle, increasing computer performance by about 5 percent compared
to performance using FMP.
EDO has now been replaced by synchronous DRAM (SDRAM) and other memory
technologies.
Extended Data Out is also known as Hyper Page Mode enabled DRAM.
Techopedia explains ExtendedData Out (EDO)
EDO was first introduced in 1995 with the Intel 430FX chipset and quickly became
prevalent. EDO allows burst systems of 5-2-2-2 at 66MHz when a chipset is optimized. It is
v
also used to support on-board RAM, which is compatible with several expansion boards.
Extended data out is faster than fast-page mode because it eliminates delay. FPM needs a
delay before the memory controller transmits the next memory address. The EDO memory
contains a special chip that allows timing overlap between continuous accesses. The data
output drivers on the chip stay on when the memory controller eliminates the next cycle
column address. This process allows the next cycle to intersect the earlier cycle.
EDO does this by starting the data output on the falling edge of the column address strobe
(CAS). The output continues even when the /CAS rises again. EDO extends the data
output time by holding the output valid until the /CAS falling edge chooses another column
address, or until the row address strobe (/RAS) is deasserted.
EDO brought increased abilities and proficiencies, permitting a sort of replacement for L2
cache, which is used by the CPU to decrease the average time to access memory.
Because it increases L2 cache performance, EDO proved for notebooks with a limited form
factor and battery life restrictions.
EDO is now an obsolete technology having been superseded by several generations of
memory hardware.
SDRAM
SDRAM , which is short for Synchronous DRAM is a type of DRAM that runs in
synchronization with the memory bus. Beginning in 1996 most Intel based chipsets began
to support SDRAM which made it a popular choice for new systems in 2001.
SDRAM is capable of running at 133MHz which is about three times faster than FPM RAM
and twice as fast as EDO RAM. Most Pentium or Celeron systems purchased in 1999 have
SDRAM.
SD RAM
vi
Definition - What does Synchronous DRAM (SDRAM) :
Synchronous dynamic random access memory (SDRAM) is dynamic random access
memory (DRAM) with an interface synchronous with the system bus carrying data between
the CPU and the memory controller hub. SDRAM has a rapidly responding synchronous
interface, which is in sync with the system bus. SDRAM waits for the clock signal before it
responds to control inputs.
SDRAM preceded double data rate (DDR). The newer interface of DRAM has a double
data transfer rate using both the falling and rising edges of the clock signal. This is called
dual-pumped, double pumped or double transition. There are three significant
characteristics differentiating SDRAM and DDR:
1. The main difference is the amount of data transmitted with each cycle, not the
speed.
2. SDRAM sends signals once per clock cycle. DDR transfers data twice per clock
cycle. (Both SDRAM and DDR use the same frequencies.)
3. SDRAM uses one edge of the clock. DDR uses both edges of the clock.
SDRAM has a 64-bit module with long 168-pin dual inline memory modules (DIMMs).
SDRAM access time is 6 to 12 nanoseconds (ns). SDRAM is the replacement for dynamic
random access memory (DRAM) and EDO RAM. DRAM is a type of random access
memory (RAM) having each bit of data in an isolated component within an integrated
circuit. Older EDO RAM performed at 66 MHz.
Techopedia explains SynchronousDRAM (SDRAM):
With older clocked electronic circuits, the transfer rate was one per full cycle of the clock
signal. This cycle is called rise and fall. A clock signal changes two times per transfer, but
the data lines change no more than one time per transfer. This restriction can cause
integrity (data corruption and errors during transmission) when high bandwidths are used.
SDRAM transmits signals once per clock cycle. The newer DDR transmits twice per clock
cycle.
SDRAM is improved DRAM with a synchronous interface waiting for a clock pulse before it
responds to data input. SDRAM uses a feature called pipelining, which accepts new data
before finishing processing previous data. A delay in data processing is called latency.
DRAM technology has been used since the 1970’s. In 1993, SDRAM was implemented by
Samsung with model KM48SL2000 synchronous DRAM. By 2000, DRAM was replaced by
SDRAM. In the beginning SDRAM was slower than burst EDO DRAM because of the extra
logic features. But the benefits of SDRAM allowed more than one set of memory, which
increased the bandwidth efficiency.
With the introduction of DDR, SDRAM quickly began to fade out of use because DDR was
cheaper and more cost effective. The SDRAM used a 168-pin while the DDR module used
a 184-pin. SDRAM modules used a voltage of 3.3V and DDR used 2.6V, producing less
heat.
vii
DDR SDRAM (Double data rate SDRAM):
This was an increased data rate modification, enabling the chip to transfer twice the
memory data (two consecutive words) on each clock cycle by double pumping, transferring
data on both the leading and trailing edges of the clock pulse. Extensions of this idea are
the current (2012) technique being used to increase memory access rate and bandwidth.
Since it is proving difficult to further increase the internal clock speed of memory chips,
these chips increase data rate by transferring data in larger blocks
Double data rate synchronous dynamic random-accessmemory (DDR
SDRAM)
DDR SDRAM is a class of memory integrated circuits used in computers. DDR SDRAM, also
called DDR1 SDRAM, has been superseded by DDR2 SDRAM, DDR3 SDRAM and DDR4
SDRAM. None of its successors are forward or backward compatible with DDR1 SDRAM,
meaning DDR2, DDR3, and DDR4 memory modules will not work in DDR1-
equipped motherboards, and vice versa.
Compared to single data rate (SDR) SDRAM, the DDR SDRAM interface makes higher
transfer rates possible by more strict control of the timing of the electrical data and clock
signals. Implementations often have to use schemes such as phase-locked loops and self-
calibration to reach the required timing accuracy.The interface uses double
pumping (transferring data on both the rising and falling edges of the clock signal) to double
data bus bandwidth without a corresponding increase in clock frequency. One advantage of
keeping the clock frequency down is that it reduces the signal integrity requirements on the
circuit board connecting the memory to the controller. The name "double data rate" refers
to the fact that a DDR SDRAM with a certain clock frequency achieves nearly twice
the bandwidth of a SDR SDRAM running at the same clock frequency, due to this double
pumping.
With data being transferred 64 bits at a time, DDR SDRAM gives a transfer rate of (memory
bus clock rate) × 2 (for dual rate) × 64 (number of bits transferred) / 8 (number of bits/byte).
Thus, with a bus frequency of 100 MHz, DDR SDRAM gives a maximum transfer rate of
1600 MB/s.
"Beginning in 1996 and concluding in June 2000, JEDEC developed the DDR (Double Data
Rate) SDRAM specification (JESD79)."[3]JEDEC has set standards for data rates of DDR
SDRAM, divided into two parts. The first specification is for memory chips, and the second
is for memory modules.
viii
Specificationstandards:
Chips and modules:
Standard
name
Memory
clock
(MHz)
Cycle
time[4]
(ns)
I/O bus
clock
(MHz)
Data
rate
(MT/s)
VDDQ
(V)
Module
name
Peak
transfer
rate
(MB/s)
Timings
(CL-tRCD-
tRP)
DDR-200 100 10 100 200
2.5±0.2
PC-1600 1600
DDR-266 133.33 7.5 133.33 266.67 PC-2100 2133.33 2.5-3-3
DDR-333 166.67 6 166.67 333.33 PC-2700 2666.67
DDR-400A
DDR-400B
DDR-
400C
200 5 200 400 2.6±0.1 PC-3200 3200
2.5-3-3
3-3-3
3-4-4
ix
Note: All above listed are specified by JEDEC as JESD79F. All RAM data rates in-between
or above these listed specifications are not standardized by JEDEC—often they are simply
manufacturer optimizations using tighter-tolerance or overvolted chips.
The package sizes in which DDR SDRAM is manufactured are also standardized by
JEDEC.
There is no architectural difference between DDR SDRAM designed for different clock
frequencies, for example, PC-1600, designed to run at 100 MHz, and PC-2100, designed to
run at 133 MHz. The number simply designates the data rate at which the chip is
guaranteed to perform, hence DDR SDRAM is guaranteed to run at lower (under clocking)
and can possibly run at higher (over clocking) clock rates than those for which it was made.
DDR SDRAM modules for desktop computers, commonly called DIMMs, have 184 pins (as
opposed to 168 pins on SDRAM, or 240 pins on DDR2 SDRAM), and can be differentiated
from SDRAM DIMMs by the number of notches (DDR SDRAM has one, SDRAM has two).
DDR SDRAM for notebook computers, SO-DIMMs, have 200 pins, which is the same
number of pins as DDR2 SO-DIMMs. These two specifications are notched very similarly
and care must be taken during insertion if unsure of a correct match. Most DDR SDRAM
operates at a voltage of 2.5 V, compared to 3.3 V for SDRAM. This can significantly reduce
power consumption. Chips and modules with DDR-400/PC-3200 standard have a nominal
voltage of 2.6 V.
JEDEC Standard No. 21–C defines three possible operating voltages for 184 pin DDR, as
identified by the key notch position relative to its centreline. Page 4.5.10-7 defines 2.5V
(left), 1.8V (centre), TBD (right), while page 4.20.5–40 nominates 3.3V for the right notch
position. The orientation of the module for determining the key notch position is with 52
contact positions to the left and 40 contact positions to the right.
Increasing operating voltage slightly can increase maximum speed, at the cost of higher
power dissipation and heating, and at the risk of malfunctioning or damage.
x
History
These IBM tabulating machines from the 1930s used mechanical counters to store
information
A portion of a core memory with a modern flash SD card on top
xi
1 Megabit chip – one of the last models developed by VEB Carl Zeiss Jena in 1989
Early computers used relays, mechanical counters[3] or delay lines for main memory
functions. Ultrasonic delay lines could only reproduce data in the order it was written. Drum
memory could be expanded at relatively low cost but efficient retrieval of memory items
required knowledge of the physical layout of the drum to optimize speed. Latches built out
of vacuum tube triodes, and later, out of discrete transistors, were used for smaller and
faster memories such as registers. Such registers were relatively large and too costly to
use for large amounts of data; generally only a few dozen or few hundred bits of such
memory could be provided.
The first practical form of random-access memory was the Williams tube starting in 1947. It
stored data as electrically charged spots on the face of a cathode ray tube. Since the
electron beam of the CRT could read and write the spots on the tube in any order, memory
was random access. The capacity of the Williams tube was a few hundred to around a
thousand bits, but it was much smaller, faster, and more power-efficient than using
individual vacuum tube latches. Developed at the University of Manchester in England, the
Williams tube provided the medium on which the first electronically stored-memory program
was implemented in the Manchester Small-Scale Experimental Machine (SSEM) computer,
which first successfully ran a program on 21 June 1948.[4] In fact, rather than the Williams
tube memory being designed for the SSEM, the SSEM was a testbed to demonstrate the
reliability of the memory.[5][6]
Magnetic-core memory was invented in 1947 and developed up until the mid-1970s. It
became a widespread form of random-access memory, relying on an array of magnetized
rings. By changing the sense of each ring's magnetization, data could be stored with one bit
stored per ring. Since every ring had a combination of address wires to select and read or
write it, access to any memory location in any sequence was possible.
Magnetic core memory was the standard form of memory system until displaced by solid-
state memory in integrated circuits, starting in the early 1970s. Robert H.
xii
Dennard invented dynamic random-access memory (DRAM) in 1968; this allowed
replacement of a 4 or 6-transistor latch circuit by a single transistor for each memory bit,
greatly increasing memory density at the cost of volatility. Data was stored in the tiny
capacitance of each transistor, and had to be periodically refreshed every few milliseconds
before the charge could leak away.
Prior to the development of integrated read-only memory (ROM)
circuits, permanent (or read-only) random-access memory was often constructed
using diode matrices driven by address decoders, or specially wound core rope
memory planes.[citation needed]
The History of RAM: A Trip down Memory Lane
Memory is the core of logic – be it human or machine, we can’t process anything unless we
have a place to store data, and that’s why memory has always been one of the core
components in computer design. When we talk about memory, most of us assume that we
are referring to RAM but that’s not how things actually started off.
So today’s article would be covering a brief history of RAM – how it evolved and what are
the basic types of memory we use today like DDR3 DRAM etc. I’d also be doing a
comparison between some of the future RAM technologies like Z-RAM or TT-RAM.
xiii
A Quick look into the history books
Early computers had a completely different concept of memory from the one we use today.
Most of the people (who have studied Computer Science) would know that they employed
an electrical device called the Vacuum Tube – something similar to what we have in CRT
monitors and televisions. Then came the era of the transistors – which were created by Bell
Labs.
The transistor became the core component of modern day memory, which started off with
simple Latches – a circuit configuration of transistors which can store 1 bit of data. Latches
evolved in Flip-Flops, which could be packed together to form Registers used in most static
memory cells today. Another approach tied a transistor with a capacitor which allowed
smaller and more compact dynamic memory.
Basic Types of Memory: SRAM and DRAM
Memory can easily be classified into two major categories, Static RAM, and Dynamic RAM.
Like I said above, Static RAM uses a special arrangement of transistors to make a flip-flop,
a type of memory cell. One memory cell can store 1-bit of data. Most modern SRAM cells
are made of six CMOS transistors, and are the fastest type of memory on planet Earth.
In contrast, Dynamic RAM lines up one transistor with a capacitor to create an ultra
compact memory cell. On the flip side, the capacitor needs to be refreshed after a specific
xiv
period to keep the charge in the capacitor, which introduces a latency in memory access.
Something we refer to as memory timings.
While DRAM has an obvious size advantage over SRAM, its speed can’t even get close to
those offered by static memory cells (because they don’t need to be refreshed and are
always available). That’s why faster memory is always made out of SRAM cells – like
Registers in the CPU and Caches used in numerous devices. But thanks to much higher
space requirements, SRAM is expensive and can’t be used as primary memory.
DRAM on the other hand is quite dense, and therefore is employed in most places which
don’t require instantaneous access but large capacities – like main memory in a computer.
Asynchronous and Synchronous RAM
RAM can also be classified by functionality. Everyone knows that electronic devices work
on switching voltages or pulses which we call the system Clock (the rate of which we call
the Frequency or Clock Speed).
Synchronous RAM can only send or receive data when a clock pulse enters or leaves the
system. I’ll explain this more in detail later on. Asynchronous RAM can be accessed at any
time during a clock cycle, which present an obvious advantage over Synchronous RAM.
Single Data Rate SDRAM
xv
SDR SDRAM is virtually obsolete now as far as the computer industry is concerned. It was
one of the first memory architectures to support Synchronous Memory architectures and
was only known as SDRAM at its time. Single Data Rate means that it can transfer one
machine word (16 bits for the x86 architecture) of data during one clock cycle. It was widely
used in the 90s era for computer systems up till the Intel Pentium III.
Common SDR memory standards included PC-100 and PC-133 which ran on clock speeds
of 100MHz and 133MHz respectively.
Double Data Rate SDRAM
Also known as DDR memory, it was the direct successor to the single data rate SDRAM
architecture. DDR improved upon the SDR design by providing double the data during one
clock cycle: One word of data during the positive edge and one word of data during the
negative edge of the clock pulse. This provided a significant increase in performance over
the traditional architecture. DDR memory was primarily used in the Intel Pentium 4 and the
AMD Athlon architectures.
xvi
For marketing purposes, DDR memory clocks have always been promoted at speeds twice
their original value. For example, common memory standards for DDR included DDR-200,
DDR-266, DDR-333 and DDR-400 which actually had respective clock speeds of 100MHz,
133MHz, 166MHz and 200MHz.
DDR2 SDRAM
The DDR standard gained a huge following and was subsequently improved to address
high-performance memory needs. Improvements were made in memory bandwidth, clock
rates, and voltages. This resulted in notable improvements in overall system performance.
DDR2 was standard for most chipsets running Pentium 4 Prescott and later including Intel
Core, and AMD Athlon 64.
xvii
Common memory standards for DDR2 were DDR2-400, DDR2-533, DDR2-667, DDR2-800
and DDR2-1066. All the modules operate at half the frequency just like in DDR.
DDR3 SDRAM
The DDR3 specifications were finalized in 2007, and primarily increased the clock rates
possible while reducing the voltages. Unfortunately however the latencies also increased
significantly so there were only 2-5% performance gains in real world applications
compared to DDR2 (only on architectures that support both standards). Though DDR3 is
the logical next step because the latest AMD and Intel platforms (790/AM3 and X58/P55)
only support DDR3 memory.
xviii
Common memory standards for DDR3 today include DDR3-1066, DDR3-1333, DDR3-
1600, DDR3-1800 and DDR3-2000.
Other Technologies
Along with DDR, certain other memory standards also emerged that failed to capture the
mainstream market due to their performance and cost ratios. Most notably, Rambus DRAM
(also called RDRAM) which were used in the likes of Nintendo 64 and PlayStation 2 along
with some early models of Pentium 4. Its successor XDR SDRAM is used in the
PlayStation 3 console but not adopted in any mainstream computer architecture.
Future technologies like Z-RAM, TT-RAM and A-RAM offer a new approach for dynamic
memory cell construction which only need one transistor to store 1-bit data and provide
speeds which are equivalent to Static RAM. They work on a principal of Floating Body
Effect which occurs as a side effect of Silicon on Insulator manufacturing process. AMD is
already researching this technology to use in future CPU designs.
With feature sizes getting smaller and smaller, it becoming impossible to go further with the
transistor-capacitor memory architecture because capacitors can’t really shrink that much.
The next logical step in Computing Memory evolution is to make the jump in
Nanotechnology and work on molecular levels. Of course don’t expect that to happen
anytime in the next 5 years because we still have ample supply of memory (which is
actually more than we really need).
I’ll be following up to this article with a memory buying guide which would focus on what
memory to get for your new (or existing build) and debate on whether jumping to DDR3 is
beneficial to the normal user. If you have any tips to share on that article (or this one) or
anything related to memory in general, then please do post in the comments below.
xix
Typesof Random Access Memory
The two widely used forms of modern RAM are static RAM (SRAM) and dynamic
RAM (DRAM). In SRAM, a bit of data is stored using the state of a six transistor memory
cell. This form of RAM is more expensive to produce, but is generally faster and requires
less dynamic power than DRAM. In modern computers, SRAM is often used as cache
memory for the CPU. DRAM stores a bit of data using a transistor and capacitor pair, which
together comprise a DRAM memory cell. The capacitor holds a high or low charge (1 or 0,
respectively), and the transistor acts as a switch that lets the control circuitry on the chip
read the capacitor's state of charge or change it. As this form of memory is less expensive
to produce than static RAM, it is the predominant form of computer memory used in
modern computers.
Both static and dynamic RAM are considered volatile, as their state is lost or reset when
power is removed from the system. By contrast, read-only memory (ROM) stores data by
permanently enabling or disabling selected transistors, such that the memory cannot be
altered. Writeable variants of ROM (such as EEPROM and flash memory) share properties
of both ROM and RAM, enabling data to persist without power and to be updated without
requiring special equipment. These persistent forms of semiconductor ROM
include USB flash drives, memory cards for cameras and portable devices, etc. ECC
memory (which can be either SRAM or DRAM) includes special circuitry to detect and/or
correct random faults (memory errors) in the stored data, using parity bits or error
correction code.
In general, the term RAM refers solely to solid-state memory devices (either DRAM or
SRAM), and more specifically the main memory in most computers. In optical storage, the
term DVD-RAM is somewhat of a misnomer since, unlike CD-RW or DVD-RW it does not
need to be erased before reuse. Nevertheless, a DVD-RAM behaves much like a hard disc
drive if somewhat slower.
Memory Cell
The memory cell is the fundamental building block of computer memory. The memory cell
is an electronic circuit that stores one bit of binary information and it must be set to store a
logic 1 (high voltage level) and reset to store a logic 0 (low voltage level). Its value is
maintained/stored until it is changed by the set/reset process. The value in the memory cell
can be accessed by reading it.
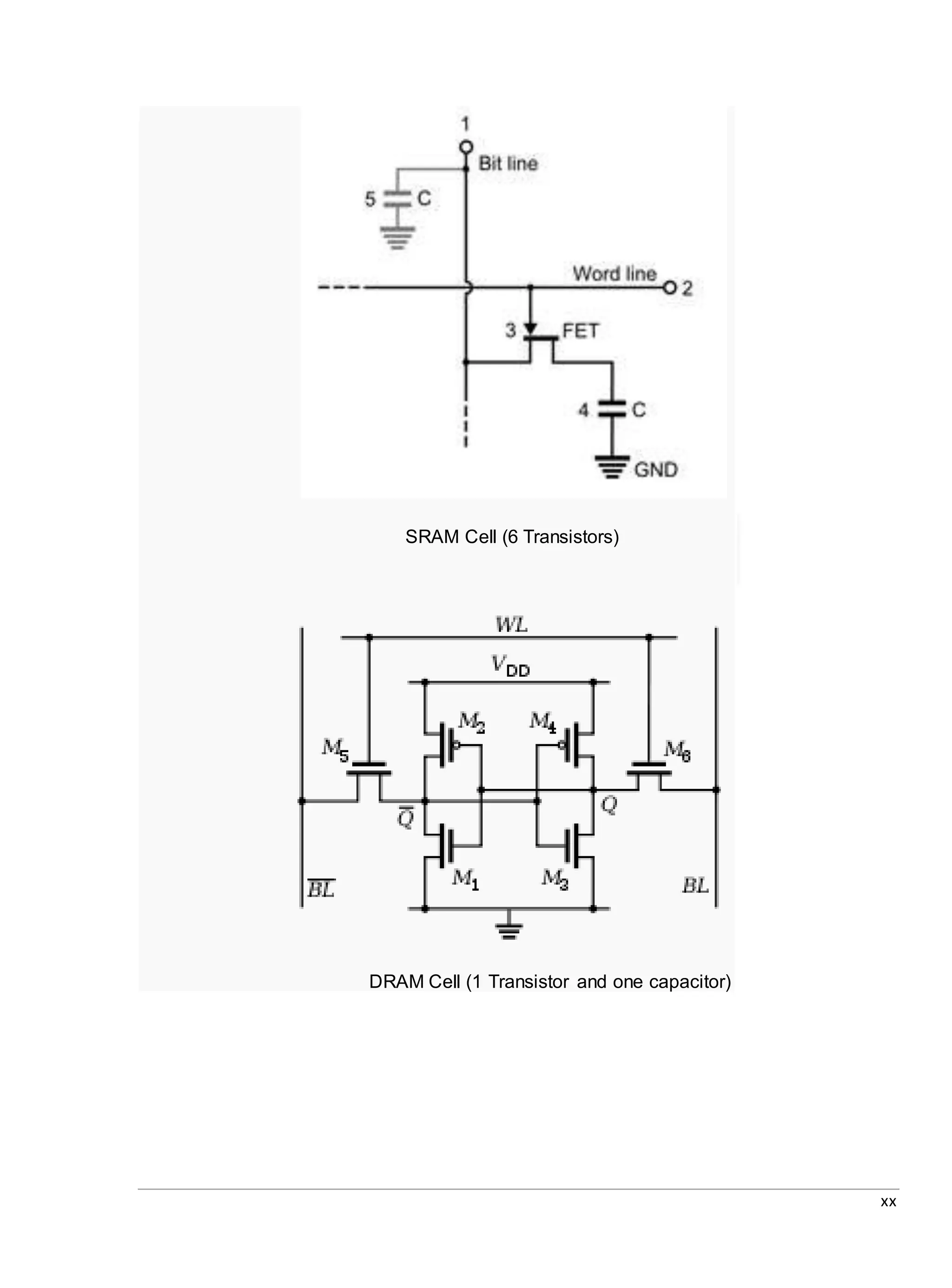
In SRAM, the memory cell is a type of flip-flop circuit, usually implemented using FETs.
This means that SRAM requires very low power when not being accessed, but it is
expensive and has low storage density.
A second type, DRAM, is based around a capacitor. Charging and discharging this
capacitor can store a '1' or a '0' in the cell. However, this capacitor will slowly leak away,
and must be refreshed periodically. Because of this refresh process, DRAM uses more
power, but it can achieve greater storage densities and lower unit costs compared to
SRAM.
xx
SRAM Cell (6 Transistors)
DRAM Cell (1 Transistor and one capacitor)
xxi
Addressing
To be useful, memory cells must be readable and writeable. Within the RAM device,
multiplexing and demultiplexing circuitry is used to select memory cells. Typically, a RAM
device has a set of address lines A0... An, and for each combination of bits that may be
applied to these lines, a set of memory cells are activated. Due to this addressing, RAM
devices virtually always have a memory capacity that is a power of two.
Usually several memory cells share the same address. For example, a 4 bit 'wide' RAM
chip has 4 memory cells for each address. Often the width of the memory and that of the
microprocessor are different, for a 32 bit microprocessor, eight 4 bit RAM chips would be
needed.
Often more addresses are needed than can be provided by a device. In that case, external
multiplexors to the device are used to activate the correct device that is being accessed.
Memory Hierarchy
One can read and over-write data in RAM. Many computer systems have a memory
hierarchy consisting of processor registers, on-die SRAM caches,
external caches, DRAM, paging systems and virtual memory or swap space on a hard
drive. This entire pool of memory may be referred to as "RAM" by many developers, even
though the various subsystems can have very different access times, violating the original
concept behind the random access term in RAM. Even within a hierarchy level such as
DRAM, the specific row, column, bank, rank, channel, or interleave organization of the
components make the access time variable, although not to the extent that access time to
rotating storage media or a tape is variable. The overall goal of using a memory hierarchy
is to obtain the highest possible average access performance while minimizing the total
cost of the entire memory system (generally, the memory hierarchy follows the access time
with the fast CPU registers at the top and the slow hard drive at the bottom).
In many modern personal computers, the RAM comes in an easily upgraded form of
modules called memory modules or DRAM modules about the size of a few sticks of
chewing gum. These can quickly be replaced should they become damaged or when
changing needs demand more storage capacity. As suggested above, smaller amounts of
RAM (mostly SRAM) are also integrated in the CPU and other ICs on the motherboard, as
well as in hard-drives, CD-ROMs, and several other parts of the computer system.
xxii
Other Uses of RAM
Laptop RAM
In addition to serving as temporary storage and working space for the operating system
and applications, RAM is used in numerous other ways.
Virtual Memory
Most modern operating systems employ a method of extending RAM capacity, known as
"virtual memory". A portion of the computer's hard drive is set aside for a paging file or
a scratch partition, and the combination of physical RAM and the paging file form the
system's total memory. (For example, if a computer has 2 GB of RAM and a 1 GB page file,
the operating system has 3 GB total memory available to it.) When the system runs low on
physical memory, it can "swap" portions of RAM to the paging file to make room for new
data, as well as to read previously swapped information back into RAM. Excessive use of
this mechanism results in thrashing and generally hampers overall system performance,
mainly because hard drives are far slower than RAM.
RAM Disk
Software can "partition" a portion of a computer's RAM, allowing it to act as a much faster
hard drive that is called a RAM disk. A RAM disk loses the stored data when the computer
is shut down, unless memory is arranged to have a standby battery source.
xxiii
Shadow RAM
Sometimes, the contents of a relatively slow ROM chip are copied to read/write memory to
allow for shorter access times. The ROM chip is then disabled while the initialized memory
locations are switched in on the same block of addresses (often write-protected). This
process, sometimes called shadowing, is fairly common in both computers and embedded
systems.
As a common example, the BIOS in typical personal computers often has an option called
“use shadow BIOS” or similar. When enabled, functions relying on data from the BIOS’s
ROM will instead use DRAM locations (most can also toggle shadowing of video card ROM
or other ROM sections). Depending on the system, this may not result in increased
performance, and may cause incompatibilities. For example, some hardware may be
inaccessible to the operating system if shadow RAM is used. On some systems the benefit
may be hypothetical because the BIOS is not used after booting in favor of direct hardware
access. Free memory is reduced by the size of the shadowed ROMs.[7]
RecentDevelopments
Several new types of non-volatile RAM, which will preserve data while powered down, are
under development. The technologies used include carbon nanotubes and approaches
utilizing Tunnel magnetoresistance. Amongst the 1st generation MRAM, a 128 KiB (128 ×
210 bytes) chip was manufactured with 0.18 µm technology in the summer of 2003.[citation
needed] In June 2004, Infineon Technologies unveiled a 16 MiB (16 × 220 bytes) prototype
again based on 0.18 µm technology. There are two 2nd generation techniques currently in
development: thermal-assisted switching (TAS)[8] which is being developed by Crocus
Technology, and spin-transfer torque (STT) on which Crocus, Hynix, IBM, and several
other companies are working.[9] Nantero built a functioning carbon nanotube memory
prototype 10 GiB (10 × 230 bytes) array in 2004. Whether some of these technologies will
be able to eventually take a significant market share from either DRAM, SRAM, or flash-
memory technology, however, remains to be seen.
Since 2006, "solid-state drives" (based on flash memory) with capacities exceeding 256
gigabytes and performance far exceeding traditional disks have become available. This
development has started to blur the definition between traditional random-access memory
and "disks", dramatically reducing the difference in performance.
Some kinds of random-access memory, such as "EcoRAM", are specifically designed
for server farms, where low power consumption is more important than speed.[10]
xxiv
Memory Wall
The "memory wall" is the growing disparity of speed between CPU and memory outside the
CPU chip. An important reason for this disparity is the limited communication bandwidth
beyond chip boundaries, which is also referred to as bandwidth wall. From 1986 to
2000, CPU speed improved at an annual rate of 55% while memory speed only improved
at 10%. Given these trends, it was expected that memory latency would become an
overwhelming bottleneck in computer performance.[11]
CPU speed improvements slowed significantly partly due to major physical barriers and
partly because current CPU designs have already hit the memory wall in some
sense. Intel summarized these causes in a 2005 document.[12]
“First of all, as chip geometries shrink and clock frequencies rise, the transistor leakage
current increases, leading to excess power consumption and heat... Secondly, the
advantages of higher clock speeds are in part negated by memory latency, since memory
access times have not been able to keep pace with increasing clock frequencies. Third, for
certain applications, traditional serial architectures are becoming less efficient as
processors get faster (due to the so-called Von Neumann bottleneck), further undercutting
any gains that frequency increases might otherwise buy. In addition, partly due to
limitations in the means of producing inductance within solid state devices, resistance-
capacitance (RC) delays in signal transmission are growing as feature sizes shrink,
imposing an additional bottleneck that frequency increases don't address.”
The RC delays in signal transmission were also noted in Clock Rate versus IPC: The End
of the Road for Conventional Microarchitectures which projects a maximum of 12.5%
average annual CPU performance improvement between 2000 and 2014.
A different concept is the processor-memory performance gap, which can be addressed
by 3D computer chips that reduce the distance between the logic and memory aspects that
are further apart in a 2D chip.[13] Memory subsystem design requires a focus on the gap,
which is widening over time.[14] The main method of bridging the gap is the use of caches;
small amounts of high-speed memory that houses recent operations and instructions
nearby the processor, speeding up the execution of those operations or instructions in
cases where they are called upon frequently. Multiple levels of caching have been
developed in order to deal with the widening of the gap, and the performance of high-speed
modern computers are reliant on evolving caching techniques.[15] These can prevent the
loss of processor performance, as it takes less time to perform the computation it has been
initiated to complete.[16] There can be up to a 53% difference between the growth in speed
of processor speeds and the lagging speed of main memory access.[17]
xxv
Problemsof RAM
RAM Failures
Bad RAM is somehow harder to diagnose as similar symptoms may be caused by software
problems, other hardware problems or even motherboard failure. However if you
experience any of these symptoms, you should check for bad RAM before attempting any
other troubleshooting.
Symptoms:
 Windows doesn’t start showing different error messages each time.
 Windows crashes (blue screen) or freezes frequently.
 Windows crashes as soon as you try to start a program.
 Unexplained random crashes and freezes without error messages.
Troubleshooting:
Download Memtest86+ and burn it to a CD or make a floppy. For CD get the “Pre-Compiled
Bootable ISO (.zip)” and for floppy (if you can start your laptop from a floppy drive) get the
“Pre-Compiled package for Floppy (DOS – Win)”. If you are making a CD, you will have to
“burn” the ISO image to the CD, not just copy it. There are numerous guides how to do that
with different CD burning software (you cannot do it with the build-in Windows CD burning).
In general you need to find where on the menus of your favourite CD burning program it
says something like “Create CD from Image” or “Burn Image to Disk” or similar. Then select
the .iso image file and burn it. If your laptop crashes a lot and you cannot make the
Memtest CD or floppy, ask a friend or talk to your local repair shop and ask them to make
one for you (it probably will be $5-$10).
Start the laptop from the CD/floppy and let Memtest86 run for a couple of hours. To start
your laptop from the CD you may need to select a temporary boot device by pressing F12,
F11 or F8 as soon as the logo appears on the screen (2-3 sec. after turning it on) or
immediately after entering the BIOS/HD password if you have set one. If that doesn’t work,
you will have to change the boot order in the BIOS. To do that try pressing F1, F2 or “Esc”
(for Toshiba) to get to the BIOS settings and make the CD the first booting device.
If Memtest86 finds errors (there usually will be thousands of them) try removing one of the
RAM chips (if your laptop has two of them) and run Memtest86 again.
Most laptops have two RAM slots that are easily accessible under a tab on the bottom.
Others have just one slot there and the other is under the keyboard, on some there is RAM
soldered on the motherboard (Toshiba), and a few laptops have just one RAM slot.
Removing laptop RAM: remove the screws, touch an exposed metal part of the laptop with
both your hands (usually the VGA connector has two visible screws that you can touch to
discharge any static electricity), then release both clips that hold the RAM and it will pop up.
xxvi
Hold the RAM on the sides (avoid touching the chips) and gently pull it out. To install, insert
back the RAM and gently push it down until it locks in place.On some laptops the RAM is
under the keyboard, or one chip is on the bottom of the laptop as described above, and
another is under the keyboard. It is usually very easy to remove the keyboard on almost all
laptops. Try to find the service manual for your model and find the description there.
Alternatively, there are step-by-step picture guides on the Internet for most laptop models.
Memtest86 will run until you stop it by pressing “Esc” key. If your laptop freezes or restarts
by itself while running the RAM test, it either is overheating or has another hardware
problem.
RAM - Memory Technology Overview
Introduction
If you have ever asked for advice on what type of RAM to purchase, you were probably
given a response that goes something as follows. The higher the supported bandwidth of
the RAM, the better, but having lower timings is also important. Both options of course
bring along price increases, and buying cheaper "generic" RAM is seldom recommended.
The old adage of "you get what you pay for" is often used. This is all sound advice, but
what does it really mean? Why is CL2 RAM better than CL2.5 or CL3? What about the
other features, like bandwidth? Higher bandwidth is often mutually exclusive to having the
best timings, so which is better?
We have planned a series of articles to cover this topic, and in this first part, we will provide
a general overview of memory technology and terms, and how they actually affect
performance. Specific examples using one type of RAM may be included, but we are
saving a detailed comparison of the DRAM types for the next article in this series. For this
introduction, we are interested in growing the base of knowledge upon which future articles
can be built.
Before we get into the details of memory designs, we would like to simply state up front that
anyone who thinks that DRAM technology, design, and implementation are "easy" or
"boring" relative to the higher profile CPU and GPU chips is guilty of a gross generalization.
While it might be true that an individual DRAM chip is less complex, the memory subsystem
as a whole can easily rival other parts for complexity. It should come as little surprise that in
a modern PC, system RAM can often cost more on its own than any other component, with
the exception of bleeding edge processors and graphics cards. The design problems and
solutions can be every bit as interesting - or difficult, if you prefer - as pipelines, execution
units, and cache sizes.
xxvii
Closing Thoughts
All the talk of latencies and timings will hopefully have helped everyone to realize that while the
two major factors in overall performance of RAM are its bandwidth and the CAS latency, the other
timings' impact can vary from being negligible to having a moderate influence on performance.
Higher latencies can be overcome in many instances by improved bandwidth, provided that the
system is designed with this goal - it is but one of the many design decisions that must be made,
often years in advance. Demands are dependent on the application being used, of course, but in
general, graphics-intensive operations demand a lot of bandwidth, office applications benefit more
from latency, and games tend to want both.
With the large number of memory types available, not to mention chipsets, it can be very difficult to
understand how everything fits together. We will provide more detailed comparisons in part two of
this series, where we will look at a variety of past, present and future memory technologies. Stay
tuned!
xxviii
References
1. Jump up^ Gallagher, Sean. "Memory that never forgets: non-volatile DIMMs hit the
market". Ars Technica.
2. Jump up^ Bellis, Mary. "The Invention of the Intel 1103".
3. Jump up^ "IBM Archives -- FAQ's for Products and Services". ibm.com.
4. Jump up^ Napper, Brian, Computer 50: The University of Manchester Celebrates
the Birth of the Modern Computer, retrieved 26 May 2012
5. Jump up^ Williams, F.C.; Kilburn, T. (Sep 1948), "Electronic Digital
Computers", Nature, 162 (4117): 487, doi:10.1038/162487a0. Reprinted in The
Origins of Digital Computers
6. Jump up^ Williams, F.C.; Kilburn, T.; Tootill, G.C. (Feb 1951), "Universal High-
Speed Digital Computers: A Small-Scale Experimental Machine", Proc. IEE, 98 (61):
13–28, doi:10.1049/pi-2.1951.0004.
7. Jump up^ "Shadow Ram". Retrieved 2007-07-24.
8. Jump up^ The Emergence of Practical MRAM http://www.crocus-
technology.com/pdf/BH%20GSA%20Article.pdf
9. Jump up^ "Tower invests in Crocus, tips MRAM foundry deal". EETimes.
10.Jump up^ "EcoRAM held up as less power-hungry option than DRAM for server
farms" by Heather Clancy 2008
11.Jump up^ The term was coined in [1].
12.Jump up^ "Platform 2015: Intel® Processor and Platform Evolution for the Next
Decade" (PDF). March 2, 2005.
13.Jump up^ Rainer Waser (2012). Nanoelectronics and Information Technology.
John Wiley & Sons. p. 790. Retrieved March 31, 2014.
14.Jump up^ Chris Jesshope and Colin Egan (2006). Advances in Computer Systems
Architecture: 11th Asia-Pacific Conference, ACSAC 2006, Shanghai, China,
September 6-8, 2006, Proceedings. Springer. p. 109. Retrieved March 31, 2014.
15.Jump up^ Ahmed Amine Jerraya and Wayne Wolf (2005). Multiprocessor Systems-
on-chips. Morgan Kaufmann. pp. 90–91. Retrieved March 31, 2014.
16.Jump up^ Impact of Advances in Computing and Communications Technologies on
Chemical Science and Technology. National Academy Press. 1999. p. 110.
Retrieved March 31, 2014.
17.Jump up^ Celso C. Ribeiro and Simone L. Martins (2004). Experimental and
Efficient Algorithms: Third International Workshop, WEA 2004, Angra Dos Reis,
Brazil, May 25-28, 2004, Proceedings, Volume 3. Springer. p. 529. Retrieved March
31, 2014.
1.https://en.wikipedia.org/wiki/Random-access_memory
2.http://wccftech.com/history-ram-trip-memory-lane/
3.http://www.laptoptips.ca/hardware/ram-failures/
4.http://www.anandtech.com/show/1491
5.http://www.anandtech.com/show/1491/8

Random Access Memory ( RAM)

  • 1.
    i Project Item Random AccessMemory ( RAM) Submitted by Name : SH Rajøn Group : The Geniuses Batch : 1410 Student of Department of Computer Science and Engineering 0f IUBAT IUBAT- International University of Business Agriculture and Technology March 17, 2017
  • 2.
    ii Table of Contents 1.Definition of RAM………………………………..…………………..……… VII- XIII 2. History of RAM……………….……...……………………………………… XIV- XXII 3. Types of random-access memory…………………………….…………....XXIII 4. Memory cell……………………………….…………………………....…… XXIII- XXIV 5. Addressing…………………………………………………………………… XXV 6. Memory hierarchy…………………………..…………………….…….. …. XXV 7. Other uses of RAM…………………………………………………..……… XXVI- XXVII i. Virtual memory……………………………………………………..….………..….. XXVI ii. RAM disk…………………………………………………………..….…..……………. XXVI iii. Shadow RAM…………………………………………………………..……………… XXVII 8. Recent developments………………………….…..……………..………… XXVII 9. Memory wall………………………….…..………………………….……..... XXVIII 10.Problems of RAM…………………………….…...……………..…………...XXIX- XXX 11.Conclusion of RAM…………………………….……………..……………... XXX 12.References……………………………………………………………………. XXXII
  • 3.
    iii Random Access Memory . Random-accessmemory (RAM) is a form of computer data storage which stores frequently used program instructions to increase the general speed of a system. A random- access memory device allows data items to be read or written in almost the same amount of time irrespective of the physical location of data inside the memory. In contrast, with other direct-access data storage media such as hard disks, CD-RWs, DVD-RWs and the older drum memory, the time required to read and write data items varies significantly depending on their physical locations on the recording medium, due to mechanical limitations such as media rotation speeds and arm movement. RAM contains multiplexing and demultiplexing circuitry, to connect the data lines to the addressed storage for reading or writing the entry. Usually more than one bit of storage is accessed by the same address, and RAM devices often have multiple data lines and are said to be '8-bit' or '16-bit' etc. devices. In today's technology, random-access memory takes the form of integrated circuits. RAM is normally associated with volatile types of memory (such as DRAM memory modules), where stored information is lost if power is removed, although non-volatile RAM has also been developed.[1] Other types of non-volatile memories exist that allow random access for read operations, but either do not allow write operations or have other kinds of limitations on them. These include most types of ROM and a type of flash memory called NOR-Flash. Integrated-circuit RAM chips came into the market in the early 1970s, with the first commercially available DRAM chip, the Intel 1103, introduced in October 1970.[2]
  • 4.
    iv EDO RAM EDO RAM,which stands for "Extended Data Out RAM" came out in 1995 as a new type of memory available for Pentium based systems. EDO is a modified form of FPM RAM which is commonly referred to as "Hyper Page Mode". Extended Data Out refers to fact that the data output drivers on the memory module are not switched off when the memory controller removes the column address to begin the next cycle, unlike FPM RAM. Most early Pentium based systems use EDO. EDO RAM Definition - What does Extended Data Out (EDO) mean? Extended data out (EDO) is a modified form of Fast Page Mode (FPM) memory, common in the 1980s and 1990s that allows timing overlap between each new data access cycle. In EDO, a new data cycle is started while the data output of the previous cycle is still active. This process of cycle overlapping, called pipelining, increases processing speed by about 10 nanoseconds per cycle, increasing computer performance by about 5 percent compared to performance using FMP. EDO has now been replaced by synchronous DRAM (SDRAM) and other memory technologies. Extended Data Out is also known as Hyper Page Mode enabled DRAM. Techopedia explains ExtendedData Out (EDO) EDO was first introduced in 1995 with the Intel 430FX chipset and quickly became prevalent. EDO allows burst systems of 5-2-2-2 at 66MHz when a chipset is optimized. It is
  • 5.
    v also used tosupport on-board RAM, which is compatible with several expansion boards. Extended data out is faster than fast-page mode because it eliminates delay. FPM needs a delay before the memory controller transmits the next memory address. The EDO memory contains a special chip that allows timing overlap between continuous accesses. The data output drivers on the chip stay on when the memory controller eliminates the next cycle column address. This process allows the next cycle to intersect the earlier cycle. EDO does this by starting the data output on the falling edge of the column address strobe (CAS). The output continues even when the /CAS rises again. EDO extends the data output time by holding the output valid until the /CAS falling edge chooses another column address, or until the row address strobe (/RAS) is deasserted. EDO brought increased abilities and proficiencies, permitting a sort of replacement for L2 cache, which is used by the CPU to decrease the average time to access memory. Because it increases L2 cache performance, EDO proved for notebooks with a limited form factor and battery life restrictions. EDO is now an obsolete technology having been superseded by several generations of memory hardware. SDRAM SDRAM , which is short for Synchronous DRAM is a type of DRAM that runs in synchronization with the memory bus. Beginning in 1996 most Intel based chipsets began to support SDRAM which made it a popular choice for new systems in 2001. SDRAM is capable of running at 133MHz which is about three times faster than FPM RAM and twice as fast as EDO RAM. Most Pentium or Celeron systems purchased in 1999 have SDRAM. SD RAM
  • 6.
    vi Definition - Whatdoes Synchronous DRAM (SDRAM) : Synchronous dynamic random access memory (SDRAM) is dynamic random access memory (DRAM) with an interface synchronous with the system bus carrying data between the CPU and the memory controller hub. SDRAM has a rapidly responding synchronous interface, which is in sync with the system bus. SDRAM waits for the clock signal before it responds to control inputs. SDRAM preceded double data rate (DDR). The newer interface of DRAM has a double data transfer rate using both the falling and rising edges of the clock signal. This is called dual-pumped, double pumped or double transition. There are three significant characteristics differentiating SDRAM and DDR: 1. The main difference is the amount of data transmitted with each cycle, not the speed. 2. SDRAM sends signals once per clock cycle. DDR transfers data twice per clock cycle. (Both SDRAM and DDR use the same frequencies.) 3. SDRAM uses one edge of the clock. DDR uses both edges of the clock. SDRAM has a 64-bit module with long 168-pin dual inline memory modules (DIMMs). SDRAM access time is 6 to 12 nanoseconds (ns). SDRAM is the replacement for dynamic random access memory (DRAM) and EDO RAM. DRAM is a type of random access memory (RAM) having each bit of data in an isolated component within an integrated circuit. Older EDO RAM performed at 66 MHz. Techopedia explains SynchronousDRAM (SDRAM): With older clocked electronic circuits, the transfer rate was one per full cycle of the clock signal. This cycle is called rise and fall. A clock signal changes two times per transfer, but the data lines change no more than one time per transfer. This restriction can cause integrity (data corruption and errors during transmission) when high bandwidths are used. SDRAM transmits signals once per clock cycle. The newer DDR transmits twice per clock cycle. SDRAM is improved DRAM with a synchronous interface waiting for a clock pulse before it responds to data input. SDRAM uses a feature called pipelining, which accepts new data before finishing processing previous data. A delay in data processing is called latency. DRAM technology has been used since the 1970’s. In 1993, SDRAM was implemented by Samsung with model KM48SL2000 synchronous DRAM. By 2000, DRAM was replaced by SDRAM. In the beginning SDRAM was slower than burst EDO DRAM because of the extra logic features. But the benefits of SDRAM allowed more than one set of memory, which increased the bandwidth efficiency. With the introduction of DDR, SDRAM quickly began to fade out of use because DDR was cheaper and more cost effective. The SDRAM used a 168-pin while the DDR module used a 184-pin. SDRAM modules used a voltage of 3.3V and DDR used 2.6V, producing less heat.
  • 7.
    vii DDR SDRAM (Doubledata rate SDRAM): This was an increased data rate modification, enabling the chip to transfer twice the memory data (two consecutive words) on each clock cycle by double pumping, transferring data on both the leading and trailing edges of the clock pulse. Extensions of this idea are the current (2012) technique being used to increase memory access rate and bandwidth. Since it is proving difficult to further increase the internal clock speed of memory chips, these chips increase data rate by transferring data in larger blocks Double data rate synchronous dynamic random-accessmemory (DDR SDRAM) DDR SDRAM is a class of memory integrated circuits used in computers. DDR SDRAM, also called DDR1 SDRAM, has been superseded by DDR2 SDRAM, DDR3 SDRAM and DDR4 SDRAM. None of its successors are forward or backward compatible with DDR1 SDRAM, meaning DDR2, DDR3, and DDR4 memory modules will not work in DDR1- equipped motherboards, and vice versa. Compared to single data rate (SDR) SDRAM, the DDR SDRAM interface makes higher transfer rates possible by more strict control of the timing of the electrical data and clock signals. Implementations often have to use schemes such as phase-locked loops and self- calibration to reach the required timing accuracy.The interface uses double pumping (transferring data on both the rising and falling edges of the clock signal) to double data bus bandwidth without a corresponding increase in clock frequency. One advantage of keeping the clock frequency down is that it reduces the signal integrity requirements on the circuit board connecting the memory to the controller. The name "double data rate" refers to the fact that a DDR SDRAM with a certain clock frequency achieves nearly twice the bandwidth of a SDR SDRAM running at the same clock frequency, due to this double pumping. With data being transferred 64 bits at a time, DDR SDRAM gives a transfer rate of (memory bus clock rate) × 2 (for dual rate) × 64 (number of bits transferred) / 8 (number of bits/byte). Thus, with a bus frequency of 100 MHz, DDR SDRAM gives a maximum transfer rate of 1600 MB/s. "Beginning in 1996 and concluding in June 2000, JEDEC developed the DDR (Double Data Rate) SDRAM specification (JESD79)."[3]JEDEC has set standards for data rates of DDR SDRAM, divided into two parts. The first specification is for memory chips, and the second is for memory modules.
  • 8.
    viii Specificationstandards: Chips and modules: Standard name Memory clock (MHz) Cycle time[4] (ns) I/Obus clock (MHz) Data rate (MT/s) VDDQ (V) Module name Peak transfer rate (MB/s) Timings (CL-tRCD- tRP) DDR-200 100 10 100 200 2.5±0.2 PC-1600 1600 DDR-266 133.33 7.5 133.33 266.67 PC-2100 2133.33 2.5-3-3 DDR-333 166.67 6 166.67 333.33 PC-2700 2666.67 DDR-400A DDR-400B DDR- 400C 200 5 200 400 2.6±0.1 PC-3200 3200 2.5-3-3 3-3-3 3-4-4
  • 9.
    ix Note: All abovelisted are specified by JEDEC as JESD79F. All RAM data rates in-between or above these listed specifications are not standardized by JEDEC—often they are simply manufacturer optimizations using tighter-tolerance or overvolted chips. The package sizes in which DDR SDRAM is manufactured are also standardized by JEDEC. There is no architectural difference between DDR SDRAM designed for different clock frequencies, for example, PC-1600, designed to run at 100 MHz, and PC-2100, designed to run at 133 MHz. The number simply designates the data rate at which the chip is guaranteed to perform, hence DDR SDRAM is guaranteed to run at lower (under clocking) and can possibly run at higher (over clocking) clock rates than those for which it was made. DDR SDRAM modules for desktop computers, commonly called DIMMs, have 184 pins (as opposed to 168 pins on SDRAM, or 240 pins on DDR2 SDRAM), and can be differentiated from SDRAM DIMMs by the number of notches (DDR SDRAM has one, SDRAM has two). DDR SDRAM for notebook computers, SO-DIMMs, have 200 pins, which is the same number of pins as DDR2 SO-DIMMs. These two specifications are notched very similarly and care must be taken during insertion if unsure of a correct match. Most DDR SDRAM operates at a voltage of 2.5 V, compared to 3.3 V for SDRAM. This can significantly reduce power consumption. Chips and modules with DDR-400/PC-3200 standard have a nominal voltage of 2.6 V. JEDEC Standard No. 21–C defines three possible operating voltages for 184 pin DDR, as identified by the key notch position relative to its centreline. Page 4.5.10-7 defines 2.5V (left), 1.8V (centre), TBD (right), while page 4.20.5–40 nominates 3.3V for the right notch position. The orientation of the module for determining the key notch position is with 52 contact positions to the left and 40 contact positions to the right. Increasing operating voltage slightly can increase maximum speed, at the cost of higher power dissipation and heating, and at the risk of malfunctioning or damage.
  • 10.
    x History These IBM tabulatingmachines from the 1930s used mechanical counters to store information A portion of a core memory with a modern flash SD card on top
  • 11.
    xi 1 Megabit chip– one of the last models developed by VEB Carl Zeiss Jena in 1989 Early computers used relays, mechanical counters[3] or delay lines for main memory functions. Ultrasonic delay lines could only reproduce data in the order it was written. Drum memory could be expanded at relatively low cost but efficient retrieval of memory items required knowledge of the physical layout of the drum to optimize speed. Latches built out of vacuum tube triodes, and later, out of discrete transistors, were used for smaller and faster memories such as registers. Such registers were relatively large and too costly to use for large amounts of data; generally only a few dozen or few hundred bits of such memory could be provided. The first practical form of random-access memory was the Williams tube starting in 1947. It stored data as electrically charged spots on the face of a cathode ray tube. Since the electron beam of the CRT could read and write the spots on the tube in any order, memory was random access. The capacity of the Williams tube was a few hundred to around a thousand bits, but it was much smaller, faster, and more power-efficient than using individual vacuum tube latches. Developed at the University of Manchester in England, the Williams tube provided the medium on which the first electronically stored-memory program was implemented in the Manchester Small-Scale Experimental Machine (SSEM) computer, which first successfully ran a program on 21 June 1948.[4] In fact, rather than the Williams tube memory being designed for the SSEM, the SSEM was a testbed to demonstrate the reliability of the memory.[5][6] Magnetic-core memory was invented in 1947 and developed up until the mid-1970s. It became a widespread form of random-access memory, relying on an array of magnetized rings. By changing the sense of each ring's magnetization, data could be stored with one bit stored per ring. Since every ring had a combination of address wires to select and read or write it, access to any memory location in any sequence was possible. Magnetic core memory was the standard form of memory system until displaced by solid- state memory in integrated circuits, starting in the early 1970s. Robert H.
  • 12.
    xii Dennard invented dynamicrandom-access memory (DRAM) in 1968; this allowed replacement of a 4 or 6-transistor latch circuit by a single transistor for each memory bit, greatly increasing memory density at the cost of volatility. Data was stored in the tiny capacitance of each transistor, and had to be periodically refreshed every few milliseconds before the charge could leak away. Prior to the development of integrated read-only memory (ROM) circuits, permanent (or read-only) random-access memory was often constructed using diode matrices driven by address decoders, or specially wound core rope memory planes.[citation needed] The History of RAM: A Trip down Memory Lane Memory is the core of logic – be it human or machine, we can’t process anything unless we have a place to store data, and that’s why memory has always been one of the core components in computer design. When we talk about memory, most of us assume that we are referring to RAM but that’s not how things actually started off. So today’s article would be covering a brief history of RAM – how it evolved and what are the basic types of memory we use today like DDR3 DRAM etc. I’d also be doing a comparison between some of the future RAM technologies like Z-RAM or TT-RAM.
  • 13.
    xiii A Quick lookinto the history books Early computers had a completely different concept of memory from the one we use today. Most of the people (who have studied Computer Science) would know that they employed an electrical device called the Vacuum Tube – something similar to what we have in CRT monitors and televisions. Then came the era of the transistors – which were created by Bell Labs. The transistor became the core component of modern day memory, which started off with simple Latches – a circuit configuration of transistors which can store 1 bit of data. Latches evolved in Flip-Flops, which could be packed together to form Registers used in most static memory cells today. Another approach tied a transistor with a capacitor which allowed smaller and more compact dynamic memory. Basic Types of Memory: SRAM and DRAM Memory can easily be classified into two major categories, Static RAM, and Dynamic RAM. Like I said above, Static RAM uses a special arrangement of transistors to make a flip-flop, a type of memory cell. One memory cell can store 1-bit of data. Most modern SRAM cells are made of six CMOS transistors, and are the fastest type of memory on planet Earth. In contrast, Dynamic RAM lines up one transistor with a capacitor to create an ultra compact memory cell. On the flip side, the capacitor needs to be refreshed after a specific
  • 14.
    xiv period to keepthe charge in the capacitor, which introduces a latency in memory access. Something we refer to as memory timings. While DRAM has an obvious size advantage over SRAM, its speed can’t even get close to those offered by static memory cells (because they don’t need to be refreshed and are always available). That’s why faster memory is always made out of SRAM cells – like Registers in the CPU and Caches used in numerous devices. But thanks to much higher space requirements, SRAM is expensive and can’t be used as primary memory. DRAM on the other hand is quite dense, and therefore is employed in most places which don’t require instantaneous access but large capacities – like main memory in a computer. Asynchronous and Synchronous RAM RAM can also be classified by functionality. Everyone knows that electronic devices work on switching voltages or pulses which we call the system Clock (the rate of which we call the Frequency or Clock Speed). Synchronous RAM can only send or receive data when a clock pulse enters or leaves the system. I’ll explain this more in detail later on. Asynchronous RAM can be accessed at any time during a clock cycle, which present an obvious advantage over Synchronous RAM. Single Data Rate SDRAM
  • 15.
    xv SDR SDRAM isvirtually obsolete now as far as the computer industry is concerned. It was one of the first memory architectures to support Synchronous Memory architectures and was only known as SDRAM at its time. Single Data Rate means that it can transfer one machine word (16 bits for the x86 architecture) of data during one clock cycle. It was widely used in the 90s era for computer systems up till the Intel Pentium III. Common SDR memory standards included PC-100 and PC-133 which ran on clock speeds of 100MHz and 133MHz respectively. Double Data Rate SDRAM Also known as DDR memory, it was the direct successor to the single data rate SDRAM architecture. DDR improved upon the SDR design by providing double the data during one clock cycle: One word of data during the positive edge and one word of data during the negative edge of the clock pulse. This provided a significant increase in performance over the traditional architecture. DDR memory was primarily used in the Intel Pentium 4 and the AMD Athlon architectures.
  • 16.
    xvi For marketing purposes,DDR memory clocks have always been promoted at speeds twice their original value. For example, common memory standards for DDR included DDR-200, DDR-266, DDR-333 and DDR-400 which actually had respective clock speeds of 100MHz, 133MHz, 166MHz and 200MHz. DDR2 SDRAM The DDR standard gained a huge following and was subsequently improved to address high-performance memory needs. Improvements were made in memory bandwidth, clock rates, and voltages. This resulted in notable improvements in overall system performance. DDR2 was standard for most chipsets running Pentium 4 Prescott and later including Intel Core, and AMD Athlon 64.
  • 17.
    xvii Common memory standardsfor DDR2 were DDR2-400, DDR2-533, DDR2-667, DDR2-800 and DDR2-1066. All the modules operate at half the frequency just like in DDR. DDR3 SDRAM The DDR3 specifications were finalized in 2007, and primarily increased the clock rates possible while reducing the voltages. Unfortunately however the latencies also increased significantly so there were only 2-5% performance gains in real world applications compared to DDR2 (only on architectures that support both standards). Though DDR3 is the logical next step because the latest AMD and Intel platforms (790/AM3 and X58/P55) only support DDR3 memory.
  • 18.
    xviii Common memory standardsfor DDR3 today include DDR3-1066, DDR3-1333, DDR3- 1600, DDR3-1800 and DDR3-2000. Other Technologies Along with DDR, certain other memory standards also emerged that failed to capture the mainstream market due to their performance and cost ratios. Most notably, Rambus DRAM (also called RDRAM) which were used in the likes of Nintendo 64 and PlayStation 2 along with some early models of Pentium 4. Its successor XDR SDRAM is used in the PlayStation 3 console but not adopted in any mainstream computer architecture. Future technologies like Z-RAM, TT-RAM and A-RAM offer a new approach for dynamic memory cell construction which only need one transistor to store 1-bit data and provide speeds which are equivalent to Static RAM. They work on a principal of Floating Body Effect which occurs as a side effect of Silicon on Insulator manufacturing process. AMD is already researching this technology to use in future CPU designs. With feature sizes getting smaller and smaller, it becoming impossible to go further with the transistor-capacitor memory architecture because capacitors can’t really shrink that much. The next logical step in Computing Memory evolution is to make the jump in Nanotechnology and work on molecular levels. Of course don’t expect that to happen anytime in the next 5 years because we still have ample supply of memory (which is actually more than we really need). I’ll be following up to this article with a memory buying guide which would focus on what memory to get for your new (or existing build) and debate on whether jumping to DDR3 is beneficial to the normal user. If you have any tips to share on that article (or this one) or anything related to memory in general, then please do post in the comments below.
  • 19.
    xix Typesof Random AccessMemory The two widely used forms of modern RAM are static RAM (SRAM) and dynamic RAM (DRAM). In SRAM, a bit of data is stored using the state of a six transistor memory cell. This form of RAM is more expensive to produce, but is generally faster and requires less dynamic power than DRAM. In modern computers, SRAM is often used as cache memory for the CPU. DRAM stores a bit of data using a transistor and capacitor pair, which together comprise a DRAM memory cell. The capacitor holds a high or low charge (1 or 0, respectively), and the transistor acts as a switch that lets the control circuitry on the chip read the capacitor's state of charge or change it. As this form of memory is less expensive to produce than static RAM, it is the predominant form of computer memory used in modern computers. Both static and dynamic RAM are considered volatile, as their state is lost or reset when power is removed from the system. By contrast, read-only memory (ROM) stores data by permanently enabling or disabling selected transistors, such that the memory cannot be altered. Writeable variants of ROM (such as EEPROM and flash memory) share properties of both ROM and RAM, enabling data to persist without power and to be updated without requiring special equipment. These persistent forms of semiconductor ROM include USB flash drives, memory cards for cameras and portable devices, etc. ECC memory (which can be either SRAM or DRAM) includes special circuitry to detect and/or correct random faults (memory errors) in the stored data, using parity bits or error correction code. In general, the term RAM refers solely to solid-state memory devices (either DRAM or SRAM), and more specifically the main memory in most computers. In optical storage, the term DVD-RAM is somewhat of a misnomer since, unlike CD-RW or DVD-RW it does not need to be erased before reuse. Nevertheless, a DVD-RAM behaves much like a hard disc drive if somewhat slower. Memory Cell The memory cell is the fundamental building block of computer memory. The memory cell is an electronic circuit that stores one bit of binary information and it must be set to store a logic 1 (high voltage level) and reset to store a logic 0 (low voltage level). Its value is maintained/stored until it is changed by the set/reset process. The value in the memory cell can be accessed by reading it. In SRAM, the memory cell is a type of flip-flop circuit, usually implemented using FETs. This means that SRAM requires very low power when not being accessed, but it is expensive and has low storage density. A second type, DRAM, is based around a capacitor. Charging and discharging this capacitor can store a '1' or a '0' in the cell. However, this capacitor will slowly leak away, and must be refreshed periodically. Because of this refresh process, DRAM uses more power, but it can achieve greater storage densities and lower unit costs compared to SRAM.
  • 20.
    xx SRAM Cell (6Transistors) DRAM Cell (1 Transistor and one capacitor)
  • 21.
    xxi Addressing To be useful,memory cells must be readable and writeable. Within the RAM device, multiplexing and demultiplexing circuitry is used to select memory cells. Typically, a RAM device has a set of address lines A0... An, and for each combination of bits that may be applied to these lines, a set of memory cells are activated. Due to this addressing, RAM devices virtually always have a memory capacity that is a power of two. Usually several memory cells share the same address. For example, a 4 bit 'wide' RAM chip has 4 memory cells for each address. Often the width of the memory and that of the microprocessor are different, for a 32 bit microprocessor, eight 4 bit RAM chips would be needed. Often more addresses are needed than can be provided by a device. In that case, external multiplexors to the device are used to activate the correct device that is being accessed. Memory Hierarchy One can read and over-write data in RAM. Many computer systems have a memory hierarchy consisting of processor registers, on-die SRAM caches, external caches, DRAM, paging systems and virtual memory or swap space on a hard drive. This entire pool of memory may be referred to as "RAM" by many developers, even though the various subsystems can have very different access times, violating the original concept behind the random access term in RAM. Even within a hierarchy level such as DRAM, the specific row, column, bank, rank, channel, or interleave organization of the components make the access time variable, although not to the extent that access time to rotating storage media or a tape is variable. The overall goal of using a memory hierarchy is to obtain the highest possible average access performance while minimizing the total cost of the entire memory system (generally, the memory hierarchy follows the access time with the fast CPU registers at the top and the slow hard drive at the bottom). In many modern personal computers, the RAM comes in an easily upgraded form of modules called memory modules or DRAM modules about the size of a few sticks of chewing gum. These can quickly be replaced should they become damaged or when changing needs demand more storage capacity. As suggested above, smaller amounts of RAM (mostly SRAM) are also integrated in the CPU and other ICs on the motherboard, as well as in hard-drives, CD-ROMs, and several other parts of the computer system.
  • 22.
    xxii Other Uses ofRAM Laptop RAM In addition to serving as temporary storage and working space for the operating system and applications, RAM is used in numerous other ways. Virtual Memory Most modern operating systems employ a method of extending RAM capacity, known as "virtual memory". A portion of the computer's hard drive is set aside for a paging file or a scratch partition, and the combination of physical RAM and the paging file form the system's total memory. (For example, if a computer has 2 GB of RAM and a 1 GB page file, the operating system has 3 GB total memory available to it.) When the system runs low on physical memory, it can "swap" portions of RAM to the paging file to make room for new data, as well as to read previously swapped information back into RAM. Excessive use of this mechanism results in thrashing and generally hampers overall system performance, mainly because hard drives are far slower than RAM. RAM Disk Software can "partition" a portion of a computer's RAM, allowing it to act as a much faster hard drive that is called a RAM disk. A RAM disk loses the stored data when the computer is shut down, unless memory is arranged to have a standby battery source.
  • 23.
    xxiii Shadow RAM Sometimes, thecontents of a relatively slow ROM chip are copied to read/write memory to allow for shorter access times. The ROM chip is then disabled while the initialized memory locations are switched in on the same block of addresses (often write-protected). This process, sometimes called shadowing, is fairly common in both computers and embedded systems. As a common example, the BIOS in typical personal computers often has an option called “use shadow BIOS” or similar. When enabled, functions relying on data from the BIOS’s ROM will instead use DRAM locations (most can also toggle shadowing of video card ROM or other ROM sections). Depending on the system, this may not result in increased performance, and may cause incompatibilities. For example, some hardware may be inaccessible to the operating system if shadow RAM is used. On some systems the benefit may be hypothetical because the BIOS is not used after booting in favor of direct hardware access. Free memory is reduced by the size of the shadowed ROMs.[7] RecentDevelopments Several new types of non-volatile RAM, which will preserve data while powered down, are under development. The technologies used include carbon nanotubes and approaches utilizing Tunnel magnetoresistance. Amongst the 1st generation MRAM, a 128 KiB (128 × 210 bytes) chip was manufactured with 0.18 µm technology in the summer of 2003.[citation needed] In June 2004, Infineon Technologies unveiled a 16 MiB (16 × 220 bytes) prototype again based on 0.18 µm technology. There are two 2nd generation techniques currently in development: thermal-assisted switching (TAS)[8] which is being developed by Crocus Technology, and spin-transfer torque (STT) on which Crocus, Hynix, IBM, and several other companies are working.[9] Nantero built a functioning carbon nanotube memory prototype 10 GiB (10 × 230 bytes) array in 2004. Whether some of these technologies will be able to eventually take a significant market share from either DRAM, SRAM, or flash- memory technology, however, remains to be seen. Since 2006, "solid-state drives" (based on flash memory) with capacities exceeding 256 gigabytes and performance far exceeding traditional disks have become available. This development has started to blur the definition between traditional random-access memory and "disks", dramatically reducing the difference in performance. Some kinds of random-access memory, such as "EcoRAM", are specifically designed for server farms, where low power consumption is more important than speed.[10]
  • 24.
    xxiv Memory Wall The "memorywall" is the growing disparity of speed between CPU and memory outside the CPU chip. An important reason for this disparity is the limited communication bandwidth beyond chip boundaries, which is also referred to as bandwidth wall. From 1986 to 2000, CPU speed improved at an annual rate of 55% while memory speed only improved at 10%. Given these trends, it was expected that memory latency would become an overwhelming bottleneck in computer performance.[11] CPU speed improvements slowed significantly partly due to major physical barriers and partly because current CPU designs have already hit the memory wall in some sense. Intel summarized these causes in a 2005 document.[12] “First of all, as chip geometries shrink and clock frequencies rise, the transistor leakage current increases, leading to excess power consumption and heat... Secondly, the advantages of higher clock speeds are in part negated by memory latency, since memory access times have not been able to keep pace with increasing clock frequencies. Third, for certain applications, traditional serial architectures are becoming less efficient as processors get faster (due to the so-called Von Neumann bottleneck), further undercutting any gains that frequency increases might otherwise buy. In addition, partly due to limitations in the means of producing inductance within solid state devices, resistance- capacitance (RC) delays in signal transmission are growing as feature sizes shrink, imposing an additional bottleneck that frequency increases don't address.” The RC delays in signal transmission were also noted in Clock Rate versus IPC: The End of the Road for Conventional Microarchitectures which projects a maximum of 12.5% average annual CPU performance improvement between 2000 and 2014. A different concept is the processor-memory performance gap, which can be addressed by 3D computer chips that reduce the distance between the logic and memory aspects that are further apart in a 2D chip.[13] Memory subsystem design requires a focus on the gap, which is widening over time.[14] The main method of bridging the gap is the use of caches; small amounts of high-speed memory that houses recent operations and instructions nearby the processor, speeding up the execution of those operations or instructions in cases where they are called upon frequently. Multiple levels of caching have been developed in order to deal with the widening of the gap, and the performance of high-speed modern computers are reliant on evolving caching techniques.[15] These can prevent the loss of processor performance, as it takes less time to perform the computation it has been initiated to complete.[16] There can be up to a 53% difference between the growth in speed of processor speeds and the lagging speed of main memory access.[17]
  • 25.
    xxv Problemsof RAM RAM Failures BadRAM is somehow harder to diagnose as similar symptoms may be caused by software problems, other hardware problems or even motherboard failure. However if you experience any of these symptoms, you should check for bad RAM before attempting any other troubleshooting. Symptoms:  Windows doesn’t start showing different error messages each time.  Windows crashes (blue screen) or freezes frequently.  Windows crashes as soon as you try to start a program.  Unexplained random crashes and freezes without error messages. Troubleshooting: Download Memtest86+ and burn it to a CD or make a floppy. For CD get the “Pre-Compiled Bootable ISO (.zip)” and for floppy (if you can start your laptop from a floppy drive) get the “Pre-Compiled package for Floppy (DOS – Win)”. If you are making a CD, you will have to “burn” the ISO image to the CD, not just copy it. There are numerous guides how to do that with different CD burning software (you cannot do it with the build-in Windows CD burning). In general you need to find where on the menus of your favourite CD burning program it says something like “Create CD from Image” or “Burn Image to Disk” or similar. Then select the .iso image file and burn it. If your laptop crashes a lot and you cannot make the Memtest CD or floppy, ask a friend or talk to your local repair shop and ask them to make one for you (it probably will be $5-$10). Start the laptop from the CD/floppy and let Memtest86 run for a couple of hours. To start your laptop from the CD you may need to select a temporary boot device by pressing F12, F11 or F8 as soon as the logo appears on the screen (2-3 sec. after turning it on) or immediately after entering the BIOS/HD password if you have set one. If that doesn’t work, you will have to change the boot order in the BIOS. To do that try pressing F1, F2 or “Esc” (for Toshiba) to get to the BIOS settings and make the CD the first booting device. If Memtest86 finds errors (there usually will be thousands of them) try removing one of the RAM chips (if your laptop has two of them) and run Memtest86 again. Most laptops have two RAM slots that are easily accessible under a tab on the bottom. Others have just one slot there and the other is under the keyboard, on some there is RAM soldered on the motherboard (Toshiba), and a few laptops have just one RAM slot. Removing laptop RAM: remove the screws, touch an exposed metal part of the laptop with both your hands (usually the VGA connector has two visible screws that you can touch to discharge any static electricity), then release both clips that hold the RAM and it will pop up.
  • 26.
    xxvi Hold the RAMon the sides (avoid touching the chips) and gently pull it out. To install, insert back the RAM and gently push it down until it locks in place.On some laptops the RAM is under the keyboard, or one chip is on the bottom of the laptop as described above, and another is under the keyboard. It is usually very easy to remove the keyboard on almost all laptops. Try to find the service manual for your model and find the description there. Alternatively, there are step-by-step picture guides on the Internet for most laptop models. Memtest86 will run until you stop it by pressing “Esc” key. If your laptop freezes or restarts by itself while running the RAM test, it either is overheating or has another hardware problem. RAM - Memory Technology Overview Introduction If you have ever asked for advice on what type of RAM to purchase, you were probably given a response that goes something as follows. The higher the supported bandwidth of the RAM, the better, but having lower timings is also important. Both options of course bring along price increases, and buying cheaper "generic" RAM is seldom recommended. The old adage of "you get what you pay for" is often used. This is all sound advice, but what does it really mean? Why is CL2 RAM better than CL2.5 or CL3? What about the other features, like bandwidth? Higher bandwidth is often mutually exclusive to having the best timings, so which is better? We have planned a series of articles to cover this topic, and in this first part, we will provide a general overview of memory technology and terms, and how they actually affect performance. Specific examples using one type of RAM may be included, but we are saving a detailed comparison of the DRAM types for the next article in this series. For this introduction, we are interested in growing the base of knowledge upon which future articles can be built. Before we get into the details of memory designs, we would like to simply state up front that anyone who thinks that DRAM technology, design, and implementation are "easy" or "boring" relative to the higher profile CPU and GPU chips is guilty of a gross generalization. While it might be true that an individual DRAM chip is less complex, the memory subsystem as a whole can easily rival other parts for complexity. It should come as little surprise that in a modern PC, system RAM can often cost more on its own than any other component, with the exception of bleeding edge processors and graphics cards. The design problems and solutions can be every bit as interesting - or difficult, if you prefer - as pipelines, execution units, and cache sizes.
  • 27.
    xxvii Closing Thoughts All thetalk of latencies and timings will hopefully have helped everyone to realize that while the two major factors in overall performance of RAM are its bandwidth and the CAS latency, the other timings' impact can vary from being negligible to having a moderate influence on performance. Higher latencies can be overcome in many instances by improved bandwidth, provided that the system is designed with this goal - it is but one of the many design decisions that must be made, often years in advance. Demands are dependent on the application being used, of course, but in general, graphics-intensive operations demand a lot of bandwidth, office applications benefit more from latency, and games tend to want both. With the large number of memory types available, not to mention chipsets, it can be very difficult to understand how everything fits together. We will provide more detailed comparisons in part two of this series, where we will look at a variety of past, present and future memory technologies. Stay tuned!
  • 28.
    xxviii References 1. Jump up^Gallagher, Sean. "Memory that never forgets: non-volatile DIMMs hit the market". Ars Technica. 2. Jump up^ Bellis, Mary. "The Invention of the Intel 1103". 3. Jump up^ "IBM Archives -- FAQ's for Products and Services". ibm.com. 4. Jump up^ Napper, Brian, Computer 50: The University of Manchester Celebrates the Birth of the Modern Computer, retrieved 26 May 2012 5. Jump up^ Williams, F.C.; Kilburn, T. (Sep 1948), "Electronic Digital Computers", Nature, 162 (4117): 487, doi:10.1038/162487a0. Reprinted in The Origins of Digital Computers 6. Jump up^ Williams, F.C.; Kilburn, T.; Tootill, G.C. (Feb 1951), "Universal High- Speed Digital Computers: A Small-Scale Experimental Machine", Proc. IEE, 98 (61): 13–28, doi:10.1049/pi-2.1951.0004. 7. Jump up^ "Shadow Ram". Retrieved 2007-07-24. 8. Jump up^ The Emergence of Practical MRAM http://www.crocus- technology.com/pdf/BH%20GSA%20Article.pdf 9. Jump up^ "Tower invests in Crocus, tips MRAM foundry deal". EETimes. 10.Jump up^ "EcoRAM held up as less power-hungry option than DRAM for server farms" by Heather Clancy 2008 11.Jump up^ The term was coined in [1]. 12.Jump up^ "Platform 2015: Intel® Processor and Platform Evolution for the Next Decade" (PDF). March 2, 2005. 13.Jump up^ Rainer Waser (2012). Nanoelectronics and Information Technology. John Wiley & Sons. p. 790. Retrieved March 31, 2014. 14.Jump up^ Chris Jesshope and Colin Egan (2006). Advances in Computer Systems Architecture: 11th Asia-Pacific Conference, ACSAC 2006, Shanghai, China, September 6-8, 2006, Proceedings. Springer. p. 109. Retrieved March 31, 2014. 15.Jump up^ Ahmed Amine Jerraya and Wayne Wolf (2005). Multiprocessor Systems- on-chips. Morgan Kaufmann. pp. 90–91. Retrieved March 31, 2014. 16.Jump up^ Impact of Advances in Computing and Communications Technologies on Chemical Science and Technology. National Academy Press. 1999. p. 110. Retrieved March 31, 2014. 17.Jump up^ Celso C. Ribeiro and Simone L. Martins (2004). Experimental and Efficient Algorithms: Third International Workshop, WEA 2004, Angra Dos Reis, Brazil, May 25-28, 2004, Proceedings, Volume 3. Springer. p. 529. Retrieved March 31, 2014. 1.https://en.wikipedia.org/wiki/Random-access_memory 2.http://wccftech.com/history-ram-trip-memory-lane/ 3.http://www.laptoptips.ca/hardware/ram-failures/ 4.http://www.anandtech.com/show/1491 5.http://www.anandtech.com/show/1491/8